Embed presentation
Downloaded 20 times




















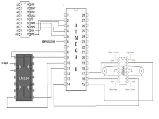
This document describes an intelligent road roller that uses IR sensors to detect pits in the road. It has two main components: 1. Robo 1 uses IR sensors, a comparator, Arduino, H-bridge and encoder to detect pit holes and transmit the signals via RF link to Robo 2. 2. Robo 2 receives the signals via an RF receiver and decoder connected to a servo motor, DC motor and buzzer. The system allows for real-time monitoring of pit detection on the road surface.


















