CONTENTS
MATERIALS
Physical Properties. Metals
I.S. Designation of Steel & Al
Meehanite Castings. Properties
C.I. Casting. Properties & Uses
Spheroidal graphite & Grey Iron Castings. Properties
High Tensile Cast Steel. Carbon Steel Casting. Properties
Steel Casting for high pr & High Temp
Corrosion Resistant. Heat Resistant Steel Castings
Carbon Steel. Composition & Properties
Carbon Steel. Typical Uses
Carbon Steel. Properties
Structural Steel. Strength
Alloy Steel. Composition & Properties
Free Cutting Steel. Composition & Properties
Alloy Steel. Uses
Alloy Steel. Properties
Tool Steel. Hardness
Tool Steel Composition
Tool Steel Uses
Steels. IS and their Equivalents
Brasses. Bronze :Composition & Properties
Bearing Alloys. Composition
Bearing Alloys Uses & Pouring Temp
Die Casting Steel. Composition & Uses
Aluminium. Composition
Aluminium Alloys. Characteristics & Uses
Cast Al Alloys. Composition & Properties
Cast Al Alloys. Charecteristics & Uses
Hardness Number Related to Tensile Strength
Gear Materials
Plastics. Properties
Endurance Limits of Metals
HEAT TREATMENT
Iron Carbon Equilibrium Diagram
Structural Consituents of Iron-Carbon Alloys Choice of Annealing Treatments
T T T Diagram & HardenabiIity Curves. EN 8 & C 4.0
EN 9 & C 55
EN24&40Ni2Cr 1 Mo_28
Salt Mixtures. Composition and Heating Time Annealing & Hot Working Temp. Metals
Hardening & Tempering of Carbon & Alloy Steels
Colour-coding of Heated Steel. during Tempering
Hardness vs % Carbon. Gearing Hardening
Surface Hardness thro' Induction Hardening. Grinding Allowance & Case Depth for Gears . :.
Heat, Treatment - Application
Progressive Induction Tempering
Solid Carburiser, Liquid Nitriding. Nitriding Salts
Heat Treatment - Aluminium Alloys
Stress Relieving Temp, Copper Alloys, defects ii1 Heat Treatment
FITS AND TOLERANCE
Machining and Surface Roughness Symbols
Obtainable Surface Roughness
Letter Symbol & IT Grades of Tolerances
Running & Sliding Fits
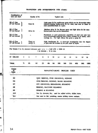
Location. Transition & Interference Fits
Recommended Machining Process for Grades of Holes
Tolerance Table Shaft
Holes
Mean and Variation of Fits
Geometric Tolerances
-do - Symbols
ROLLING ELEMENT BEARING
Types of Bearings
Bearing Calculations - Ball & Roller
Needle
Equivalent Bearing Load
Bearing Life - Recommended
Nomogram, CIP, Ball Bearing
-do- Roller Bearing
Selection of Fit on Shafts
-do-on Housing
Tolerance on Inner Race. Radial Bearing
Tolerance on Outer Race
Deep Groove Ball Bearings. 60 Series
Deep Groove Ball Bearings. 62
Deep Groove Ball Bearings. 63
Deep Groove Ball Bearings. 64
Self Aligning ball bearing. 22
Self Aligning ball bearing. 23
Angular Contact ball bearing. 72
Angular Contact ball bearing. 73
Double row angular contact. 33
Roller Bearings N U 22
Roller Bearings NU 23
Double Row Roller Bearing NN 30K Series
Double Row Roller Bearing NNU 49
Taper Roller Bearing 322 Series
Taper Roller Bearing 323
Thrust Bearing 512
Thrust Bearing 513
Double Thrust Bearing 522
Double Thrust Bearing 523
Thrust Bearing with Spherical Housing 532U Series
Spherical Roller Bearing 222C Series
Needle Bearing NA49
Needle Bearing NA69
Needle Bearing RNA49 & 69
Combined Needle Thrust Roller Bearing, NKXR Series
Flat Cages
Bearing Proportions
STANDARDS It STANDARD COMPONENTS
Centre Holes
Threaded Centre Holes
Circlip, External, Type-A.
Clrclip, Internal, Type B
Circlip, External. Type C
Cylindrical Pin
Solid and Split Taper Pin
Threaded Taper Pin
Parallel Key
Tangential Key
Gib Head Key
Taper Key
Woodruff Key
Keys for Machine Tools
Retaining & Jacking Screws for Key
Rivet Proportions
Straight sided splines
Straight sided splines for m/c tools Involute sided splines
Self Holding Taper Shanks External
Self Holding Taper Shanks Internal
Self Holding Taper Shanks External With Tang
Threads for Bolts & Nuts
Pipe Threads
Bolt & Screw ends
Thread Runout &·Undercut, External
Thread Runout & Undercut. Internal
Bolts, Screws. Nuts & Locknuts
Countersunk Screws "
Square Head Bolts & Nuts
SIotted Grub Screws
Hex. Socket Grub Screw
Socket Head Cap Screw
Studs
Interference Fit, Thread
ISO Metric Screw. Tolerance
Trapezoidal Thread
Square Thread
Slotted Nut
Castle Nut
Cap Nut
Domed Cap Nut
Pitch-diam combination for ISO Metric Screw
Ring Nuts
Locking Washer
T Slots. T Nuts
T Slotted Tables
Washers
Relief Grooves
Swing Clamp end locating plug
Round and diamond locating pin
Round and diamond locating stud
Strap. Clamp. C Washer
Set collars
Vee Locator Dovetail Proportions
Jig-Button. Feet Nut
- Feet Button. Locating Pin
Jig Bushes
Knurled Plain & Tommy Nuts
Handle Grip Screw and Wing Screw
Pressure pad and Disc
Screws for Pressure Pad. Lock Dog
Cam Lever
Spherical Washer and Conical Seat
Ball Grip. Cap. Lever Rod
Equalizer Clamp. Turning Head
Oil Seals
O-Rings
L Type Spindle Nose
All Types Spindle Nose
Cam Lock Type Spindle Nose
7/24 Taper for Type Spindle Nose
Draw Bolt End
7/24 Taper for Tool Shanks
Foot Mounted Motor
Flange Mounted Motor
Rolled Steel. Angles
Rolled Steel. I Section
Rolled Steel. Channel
Rolled Steel. Tee
MECHANICS
Properties of Sections
Curved Beam
Cantilever Beam
Simply Supported Beam
Fixed Beam
Propped Beam
Columns
Vibration. Linear
Vibration. Torsional
Critical Speed
Forced Vibration with Damping
Natural Frequency Constants of Beams
Thick Cylinders
Rotating Discs
AngIe of Twist and Shear Stress for Sections
Bending of Circular Plate
Bending of Noncircular Plate
Bending of Rectangular Plate
Thermal Stress in Plates, Buckling of Plates & Tubes
Beams on elastic supports
Membrane Stresses
Location of Shear Centre
MACHINE ELEMENTS
Static Stresses
Failure Theories
Varying Stresses
Allowable Stress. Variable Load
Stress Concentration Factors
Contact Stress
Preferred Numbers
Shaft
Nomogram for Shaft Design (Twisting)
Nomogram for Shaft design (Bending)
Cylindrical Shaft Ends
Short Tapered Shaft Ends
Lubricants, Properties
Journal Bearing Material Selection
Hydrodynamic journal Bearing
Hydrostatic Bearing
Fluid Power Symbols
Hydrostatic Air Bearings
Flat Belts
Flat Belt Pulley
Vee Belts
Vee Grooved Pulley
Roller Chain Drive
Chain Wheel Rim
Geneva Mechanism
Ratchet and Pawl
Power Screws
Clutch Multiple Plate
Unidirectional Clutch
Safety Clutch
Claw Clutch
Brakes
Coil Springs
Leaf Spring
Spring Steel, Properties
Flange couplings
Cams
Polydyne Cams
Forces on Cams
Displacement and Acceleration Expressions
Coupling. Design
Fly Wheel
Connecting Rod
Crankshaft
Riveted Joint
Bolted Joint
Shoe Brake
Torsion Spring
Spiral Spring
GEARS
Gear Nomenclature
Basic Rack
Peripheral Speed. Backlash & Standard Gear Ratios
Gear, Material. Selection
Design Stresses. Gear
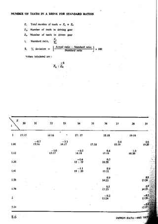
Selection of Number of Teeth on Gears for Standard Ratios
Gear ,Design Formulae & Tables
Gear Geometry
Gear Correction: Charts
Formulae
Specific Sliding & Contact Ratio
Involute Functions
Nomogram: Selection of Module & Face width of Spur Gears
Tolerance on Centre Distance
Gear Inspection Data
BEVEL GEAR Nomenclature (Straight & Spiral)
WORM GEAR
Lewis & Buckingham Equations for Spur
For helical
Bevel & Worm
SKEW Gear
Gear Forces
Reduction Gear Boxes
Proportions of Large Gears
Non Circular Gears
MATERIALS HANDLING
Wire Ropes & Drums
Hoisting Gear
Proportions. Drum Groove. Sprocket for Chain
Standard Sheave Grooves
Point Hooks
Trolley & EOT Crane
Speeds for EOT Cranes
Brakes for Cranes
Belt Conveyor
Bucket Elevator
Screw Conveyor
Pneumatic Conveyor
CASTING
Test Requirements of Grey Iron Castings
Properties of unalloyed Cast Iron based on Equivalent Carbon
Pattern. Materials & Shrinkage Allowance
Draft Angle and General Tolerance on Castings
Machining Allowances. Coloring & Marking of Patterns
Minimum Section of Casting
Selection of Casting Process
Moulding Sand. Properties
Cores. Permanent Moulds
Selection of Melting Furnace
Cupola Operation
Casting Defects & Remedies
Wall Thickness and Maximum Length of Casting
Casting Design. Proportions
Rules in Casting Design
WELDING
Weld;Symbols
Stress Formulae
Weld Design Data
Weld Treated as a line
Edge Preparation
Choice of Process
IS Classification of covered electrodes
A WS Classification of covered electrodes
Selection of covered electrodes
MIG Welding
TIG Welding
Gas Welding
Gas Cutting
Gas Welding. Ferrous Metals
Spot Welding
MACHINING
Formulae for Power and Cutting Forces
Standard Spindle Speeds for mlc Tools
Standard Feeds
Single point Tool Geometry
Tool Angles. HSS
Tool Angles. Carbide
Carbide Tool Classification
Speeds and Feeds. Turning
Speeds and Feeds. Plannin
Speeds and Feeds. Trepanning
Speeds and Feeds. Boring
Tool Life Nomograms
Drill Geometry
Speeds and Feeds. Drilling
Speeds. Reaming
Machine Tapping
Dies for Threading
Geometry. Milling Cutter
Speeds in Milling
Speeds in Broaching
Speeds; Hacksaw Cutting and Bandsaw Cutting
Designation of Grinding Wheels
Speeds and Feeds. Cyl. Grinding
Tool Grinding
Speeds and feeds. Hobbing
METAL FORMING
Sheet and Wire Gauge
2 Pillar Die Set Rect. Work Area
2 Pillar Die Circular Work Area
Diagonal Pillar Set Rectangular Work Area
4 Pillar Die Set. Rect. Area
Die Plate Proportions
Effect of Clearance on Tool Life
Punch-Die Clearance
Blanking Layout
Application Diagram for Press
Blanking. Nomogram
Sheet Penetration and Trimming Allowance
Deep. Drawing and Redrawing Nomogram
Drawing Speed
HId Ratio in Deep Drawing
Deep Drawing. Rect. Box
Deep Drawing. Cyl. Cup
Blank Holder Force. Drawing. Nomogram
Draw Die Details
90° Bend Allowance
V& U Bending. Nomogram
90° Bend Allowance. Alum. Alloys. Ironing Steel Plates
Bend Limit and Bend Radii, Steel Sheets
Stamping and Coining. Nomogram
Impact Extrusion. Nomogram
Forging. Nomogram
Lubricants for Press Work
LIMIT GAUGES
Limits and Allowances on Gauges
Formulae for Gauge Dimensions
Gauge Tolerance for Checking Holes
Gauge Tolerance for Checking Shafts
Recommended Types of Gauges
Design Data Data Book of_Engineers_By PSG Coll.pdf
Design Data Data Book of_Engineers_By PSG Coll.pdf
Design Data Data Book of_Engineers_By PSG Coll.pdf
Design Data Data Book of_Engineers_By PSG Coll.pdf
Design Data Data Book of_Engineers_By PSG Coll.pdf
Design Data Data Book of_Engineers_By PSG Coll.pdf
Design Data Data Book of_Engineers_By PSG Coll.pdf
Design Data Data Book of_Engineers_By PSG Coll.pdf
Design Data Data Book of_Engineers_By PSG Coll.pdf
Design Data Data Book of_Engineers_By PSG Coll.pdf
Design Data Data Book of_Engineers_By PSG Coll.pdf
Design Data Data Book of_Engineers_By PSG Coll.pdf
Design Data Data Book of_Engineers_By PSG Coll.pdf
Design Data Data Book of_Engineers_By PSG Coll.pdf
Design Data Data Book of_Engineers_By PSG Coll.pdf
Design Data Data Book of_Engineers_By PSG Coll.pdf
Design Data Data Book of_Engineers_By PSG Coll.pdf
Design Data Data Book of_Engineers_By PSG Coll.pdf
Design Data Data Book of_Engineers_By PSG Coll.pdf
Design Data Data Book of_Engineers_By PSG Coll.pdf
Design Data Data Book of_Engineers_By PSG Coll.pdf
Design Data Data Book of_Engineers_By PSG Coll.pdf
Design Data Data Book of_Engineers_By PSG Coll.pdf
Design Data Data Book of_Engineers_By PSG Coll.pdf
Design Data Data Book of_Engineers_By PSG Coll.pdf
Design Data Data Book of_Engineers_By PSG Coll.pdf
Design Data Data Book of_Engineers_By PSG Coll.pdf
Design Data Data Book of_Engineers_By PSG Coll.pdf
Design Data Data Book of_Engineers_By PSG Coll.pdf
Design Data Data Book of_Engineers_By PSG Coll.pdf
Design Data Data Book of_Engineers_By PSG Coll.pdf
Design Data Data Book of_Engineers_By PSG Coll.pdf
Design Data Data Book of_Engineers_By PSG Coll.pdf
Design Data Data Book of_Engineers_By PSG Coll.pdf
Design Data Data Book of_Engineers_By PSG Coll.pdf
Design Data Data Book of_Engineers_By PSG Coll.pdf
Design Data Data Book of_Engineers_By PSG Coll.pdf
Design Data Data Book of_Engineers_By PSG Coll.pdf
Design Data Data Book of_Engineers_By PSG Coll.pdf
Design Data Data Book of_Engineers_By PSG Coll.pdf
Design Data Data Book of_Engineers_By PSG Coll.pdf
Design Data Data Book of_Engineers_By PSG Coll.pdf
Design Data Data Book of_Engineers_By PSG Coll.pdf
Design Data Data Book of_Engineers_By PSG Coll.pdf
Design Data Data Book of_Engineers_By PSG Coll.pdf
Design Data Data Book of_Engineers_By PSG Coll.pdf
Design Data Data Book of_Engineers_By PSG Coll.pdf
Design Data Data Book of_Engineers_By PSG Coll.pdf
Design Data Data Book of_Engineers_By PSG Coll.pdf
Design Data Data Book of_Engineers_By PSG Coll.pdf
Design Data Data Book of_Engineers_By PSG Coll.pdf
Design Data Data Book of_Engineers_By PSG Coll.pdf
Design Data Data Book of_Engineers_By PSG Coll.pdf
Design Data Data Book of_Engineers_By PSG Coll.pdf
Design Data Data Book of_Engineers_By PSG Coll.pdf
Design Data Data Book of_Engineers_By PSG Coll.pdf
Design Data Data Book of_Engineers_By PSG Coll.pdf
Design Data Data Book of_Engineers_By PSG Coll.pdf
Design Data Data Book of_Engineers_By PSG Coll.pdf
Design Data Data Book of_Engineers_By PSG Coll.pdf
Design Data Data Book of_Engineers_By PSG Coll.pdf
Design Data Data Book of_Engineers_By PSG Coll.pdf
Design Data Data Book of_Engineers_By PSG Coll.pdf
Design Data Data Book of_Engineers_By PSG Coll.pdf
Design Data Data Book of_Engineers_By PSG Coll.pdf
Design Data Data Book of_Engineers_By PSG Coll.pdf
Design Data Data Book of_Engineers_By PSG Coll.pdf
Design Data Data Book of_Engineers_By PSG Coll.pdf
Design Data Data Book of_Engineers_By PSG Coll.pdf
Design Data Data Book of_Engineers_By PSG Coll.pdf
Design Data Data Book of_Engineers_By PSG Coll.pdf
Design Data Data Book of_Engineers_By PSG Coll.pdf
Design Data Data Book of_Engineers_By PSG Coll.pdf
Design Data Data Book of_Engineers_By PSG Coll.pdf
Design Data Data Book of_Engineers_By PSG Coll.pdf
Design Data Data Book of_Engineers_By PSG Coll.pdf
Design Data Data Book of_Engineers_By PSG Coll.pdf
Design Data Data Book of_Engineers_By PSG Coll.pdf
Design Data Data Book of_Engineers_By PSG Coll.pdf
Design Data Data Book of_Engineers_By PSG Coll.pdf
Design Data Data Book of_Engineers_By PSG Coll.pdf
Design Data Data Book of_Engineers_By PSG Coll.pdf
Design Data Data Book of_Engineers_By PSG Coll.pdf
Design Data Data Book of_Engineers_By PSG Coll.pdf
Design Data Data Book of_Engineers_By PSG Coll.pdf
Design Data Data Book of_Engineers_By PSG Coll.pdf
Design Data Data Book of_Engineers_By PSG Coll.pdf
Design Data Data Book of_Engineers_By PSG Coll.pdf
Design Data Data Book of_Engineers_By PSG Coll.pdf
Design Data Data Book of_Engineers_By PSG Coll.pdf
Design Data Data Book of_Engineers_By PSG Coll.pdf
Design Data Data Book of_Engineers_By PSG Coll.pdf
Design Data Data Book of_Engineers_By PSG Coll.pdf
Design Data Data Book of_Engineers_By PSG Coll.pdf
Design Data Data Book of_Engineers_By PSG Coll.pdf
Design Data Data Book of_Engineers_By PSG Coll.pdf
Design Data Data Book of_Engineers_By PSG Coll.pdf
Design Data Data Book of_Engineers_By PSG Coll.pdf
Design Data Data Book of_Engineers_By PSG Coll.pdf
Design Data Data Book of_Engineers_By PSG Coll.pdf
Design Data Data Book of_Engineers_By PSG Coll.pdf
Design Data Data Book of_Engineers_By PSG Coll.pdf
Design Data Data Book of_Engineers_By PSG Coll.pdf
Design Data Data Book of_Engineers_By PSG Coll.pdf
Design Data Data Book of_Engineers_By PSG Coll.pdf
Design Data Data Book of_Engineers_By PSG Coll.pdf
Design Data Data Book of_Engineers_By PSG Coll.pdf
Design Data Data Book of_Engineers_By PSG Coll.pdf
Design Data Data Book of_Engineers_By PSG Coll.pdf
Design Data Data Book of_Engineers_By PSG Coll.pdf
Design Data Data Book of_Engineers_By PSG Coll.pdf
Design Data Data Book of_Engineers_By PSG Coll.pdf
Design Data Data Book of_Engineers_By PSG Coll.pdf
Design Data Data Book of_Engineers_By PSG Coll.pdf
Design Data Data Book of_Engineers_By PSG Coll.pdf
Design Data Data Book of_Engineers_By PSG Coll.pdf
Design Data Data Book of_Engineers_By PSG Coll.pdf
Design Data Data Book of_Engineers_By PSG Coll.pdf
Design Data Data Book of_Engineers_By PSG Coll.pdf
Design Data Data Book of_Engineers_By PSG Coll.pdf
Design Data Data Book of_Engineers_By PSG Coll.pdf
Design Data Data Book of_Engineers_By PSG Coll.pdf
Design Data Data Book of_Engineers_By PSG Coll.pdf
Design Data Data Book of_Engineers_By PSG Coll.pdf
Design Data Data Book of_Engineers_By PSG Coll.pdf
Design Data Data Book of_Engineers_By PSG Coll.pdf
Design Data Data Book of_Engineers_By PSG Coll.pdf
Design Data Data Book of_Engineers_By PSG Coll.pdf
Design Data Data Book of_Engineers_By PSG Coll.pdf
Design Data Data Book of_Engineers_By PSG Coll.pdf
Design Data Data Book of_Engineers_By PSG Coll.pdf
Design Data Data Book of_Engineers_By PSG Coll.pdf
Design Data Data Book of_Engineers_By PSG Coll.pdf
Design Data Data Book of_Engineers_By PSG Coll.pdf
Design Data Data Book of_Engineers_By PSG Coll.pdf
Design Data Data Book of_Engineers_By PSG Coll.pdf
Design Data Data Book of_Engineers_By PSG Coll.pdf
Design Data Data Book of_Engineers_By PSG Coll.pdf
Design Data Data Book of_Engineers_By PSG Coll.pdf
Design Data Data Book of_Engineers_By PSG Coll.pdf
Design Data Data Book of_Engineers_By PSG Coll.pdf
Design Data Data Book of_Engineers_By PSG Coll.pdf
Design Data Data Book of_Engineers_By PSG Coll.pdf
Design Data Data Book of_Engineers_By PSG Coll.pdf
Design Data Data Book of_Engineers_By PSG Coll.pdf
Design Data Data Book of_Engineers_By PSG Coll.pdf
Design Data Data Book of_Engineers_By PSG Coll.pdf
Design Data Data Book of_Engineers_By PSG Coll.pdf
Design Data Data Book of_Engineers_By PSG Coll.pdf
Design Data Data Book of_Engineers_By PSG Coll.pdf
Design Data Data Book of_Engineers_By PSG Coll.pdf
Design Data Data Book of_Engineers_By PSG Coll.pdf
Design Data Data Book of_Engineers_By PSG Coll.pdf
Design Data Data Book of_Engineers_By PSG Coll.pdf
Design Data Data Book of_Engineers_By PSG Coll.pdf
Design Data Data Book of_Engineers_By PSG Coll.pdf
Design Data Data Book of_Engineers_By PSG Coll.pdf
Design Data Data Book of_Engineers_By PSG Coll.pdf
Design Data Data Book of_Engineers_By PSG Coll.pdf
Design Data Data Book of_Engineers_By PSG Coll.pdf
Design Data Data Book of_Engineers_By PSG Coll.pdf
Design Data Data Book of_Engineers_By PSG Coll.pdf
Design Data Data Book of_Engineers_By PSG Coll.pdf
Design Data Data Book of_Engineers_By PSG Coll.pdf
Design Data Data Book of_Engineers_By PSG Coll.pdf
Design Data Data Book of_Engineers_By PSG Coll.pdf
Design Data Data Book of_Engineers_By PSG Coll.pdf
Design Data Data Book of_Engineers_By PSG Coll.pdf
Design Data Data Book of_Engineers_By PSG Coll.pdf
Design Data Data Book of_Engineers_By PSG Coll.pdf
Design Data Data Book of_Engineers_By PSG Coll.pdf
Design Data Data Book of_Engineers_By PSG Coll.pdf
Design Data Data Book of_Engineers_By PSG Coll.pdf
Design Data Data Book of_Engineers_By PSG Coll.pdf
Design Data Data Book of_Engineers_By PSG Coll.pdf
Design Data Data Book of_Engineers_By PSG Coll.pdf
Design Data Data Book of_Engineers_By PSG Coll.pdf
Design Data Data Book of_Engineers_By PSG Coll.pdf
Design Data Data Book of_Engineers_By PSG Coll.pdf
Design Data Data Book of_Engineers_By PSG Coll.pdf
Design Data Data Book of_Engineers_By PSG Coll.pdf
Design Data Data Book of_Engineers_By PSG Coll.pdf
Design Data Data Book of_Engineers_By PSG Coll.pdf
Design Data Data Book of_Engineers_By PSG Coll.pdf
Design Data Data Book of_Engineers_By PSG Coll.pdf
Design Data Data Book of_Engineers_By PSG Coll.pdf
Design Data Data Book of_Engineers_By PSG Coll.pdf
Design Data Data Book of_Engineers_By PSG Coll.pdf
Design Data Data Book of_Engineers_By PSG Coll.pdf
Design Data Data Book of_Engineers_By PSG Coll.pdf
Design Data Data Book of_Engineers_By PSG Coll.pdf
Design Data Data Book of_Engineers_By PSG Coll.pdf
Design Data Data Book of_Engineers_By PSG Coll.pdf
Design Data Data Book of_Engineers_By PSG Coll.pdf
Design Data Data Book of_Engineers_By PSG Coll.pdf
Design Data Data Book of_Engineers_By PSG Coll.pdf
Design Data Data Book of_Engineers_By PSG Coll.pdf
Design Data Data Book of_Engineers_By PSG Coll.pdf
Design Data Data Book of_Engineers_By PSG Coll.pdf
Design Data Data Book of_Engineers_By PSG Coll.pdf
Design Data Data Book of_Engineers_By PSG Coll.pdf
Design Data Data Book of_Engineers_By PSG Coll.pdf
Design Data Data Book of_Engineers_By PSG Coll.pdf
Design Data Data Book of_Engineers_By PSG Coll.pdf
Design Data Data Book of_Engineers_By PSG Coll.pdf
Design Data Data Book of_Engineers_By PSG Coll.pdf
Design Data Data Book of_Engineers_By PSG Coll.pdf
Design Data Data Book of_Engineers_By PSG Coll.pdf
Design Data Data Book of_Engineers_By PSG Coll.pdf
Design Data Data Book of_Engineers_By PSG Coll.pdf
Design Data Data Book of_Engineers_By PSG Coll.pdf
Design Data Data Book of_Engineers_By PSG Coll.pdf
Design Data Data Book of_Engineers_By PSG Coll.pdf
Design Data Data Book of_Engineers_By PSG Coll.pdf
Design Data Data Book of_Engineers_By PSG Coll.pdf
Design Data Data Book of_Engineers_By PSG Coll.pdf
Design Data Data Book of_Engineers_By PSG Coll.pdf
Design Data Data Book of_Engineers_By PSG Coll.pdf
Design Data Data Book of_Engineers_By PSG Coll.pdf
Design Data Data Book of_Engineers_By PSG Coll.pdf
Design Data Data Book of_Engineers_By PSG Coll.pdf
Design Data Data Book of_Engineers_By PSG Coll.pdf
Design Data Data Book of_Engineers_By PSG Coll.pdf
Design Data Data Book of_Engineers_By PSG Coll.pdf
Design Data Data Book of_Engineers_By PSG Coll.pdf
Design Data Data Book of_Engineers_By PSG Coll.pdf
Design Data Data Book of_Engineers_By PSG Coll.pdf
Design Data Data Book of_Engineers_By PSG Coll.pdf
Design Data Data Book of_Engineers_By PSG Coll.pdf
Design Data Data Book of_Engineers_By PSG Coll.pdf
Design Data Data Book of_Engineers_By PSG Coll.pdf
Design Data Data Book of_Engineers_By PSG Coll.pdf
Design Data Data Book of_Engineers_By PSG Coll.pdf
Design Data Data Book of_Engineers_By PSG Coll.pdf
Design Data Data Book of_Engineers_By PSG Coll.pdf
Design Data Data Book of_Engineers_By PSG Coll.pdf
Design Data Data Book of_Engineers_By PSG Coll.pdf
Design Data Data Book of_Engineers_By PSG Coll.pdf
Design Data Data Book of_Engineers_By PSG Coll.pdf
Design Data Data Book of_Engineers_By PSG Coll.pdf
Design Data Data Book of_Engineers_By PSG Coll.pdf
Design Data Data Book of_Engineers_By PSG Coll.pdf
Design Data Data Book of_Engineers_By PSG Coll.pdf
Design Data Data Book of_Engineers_By PSG Coll.pdf
Design Data Data Book of_Engineers_By PSG Coll.pdf
Design Data Data Book of_Engineers_By PSG Coll.pdf
Design Data Data Book of_Engineers_By PSG Coll.pdf
Design Data Data Book of_Engineers_By PSG Coll.pdf
Design Data Data Book of_Engineers_By PSG Coll.pdf
Design Data Data Book of_Engineers_By PSG Coll.pdf
Design Data Data Book of_Engineers_By PSG Coll.pdf
Design Data Data Book of_Engineers_By PSG Coll.pdf
Design Data Data Book of_Engineers_By PSG Coll.pdf
Design Data Data Book of_Engineers_By PSG Coll.pdf
Design Data Data Book of_Engineers_By PSG Coll.pdf
Design Data Data Book of_Engineers_By PSG Coll.pdf
Design Data Data Book of_Engineers_By PSG Coll.pdf
Design Data Data Book of_Engineers_By PSG Coll.pdf
Design Data Data Book of_Engineers_By PSG Coll.pdf
Design Data Data Book of_Engineers_By PSG Coll.pdf
Design Data Data Book of_Engineers_By PSG Coll.pdf
Design Data Data Book of_Engineers_By PSG Coll.pdf
Design Data Data Book of_Engineers_By PSG Coll.pdf
Design Data Data Book of_Engineers_By PSG Coll.pdf
Design Data Data Book of_Engineers_By PSG Coll.pdf
Design Data Data Book of_Engineers_By PSG Coll.pdf
Design Data Data Book of_Engineers_By PSG Coll.pdf
Design Data Data Book of_Engineers_By PSG Coll.pdf
Design Data Data Book of_Engineers_By PSG Coll.pdf
Design Data Data Book of_Engineers_By PSG Coll.pdf
Design Data Data Book of_Engineers_By PSG Coll.pdf
Design Data Data Book of_Engineers_By PSG Coll.pdf
Design Data Data Book of_Engineers_By PSG Coll.pdf
Design Data Data Book of_Engineers_By PSG Coll.pdf
Design Data Data Book of_Engineers_By PSG Coll.pdf
Design Data Data Book of_Engineers_By PSG Coll.pdf
Design Data Data Book of_Engineers_By PSG Coll.pdf
Design Data Data Book of_Engineers_By PSG Coll.pdf
Design Data Data Book of_Engineers_By PSG Coll.pdf
Design Data Data Book of_Engineers_By PSG Coll.pdf
Design Data Data Book of_Engineers_By PSG Coll.pdf
Design Data Data Book of_Engineers_By PSG Coll.pdf
Design Data Data Book of_Engineers_By PSG Coll.pdf
Design Data Data Book of_Engineers_By PSG Coll.pdf
Design Data Data Book of_Engineers_By PSG Coll.pdf
Design Data Data Book of_Engineers_By PSG Coll.pdf
Design Data Data Book of_Engineers_By PSG Coll.pdf
Design Data Data Book of_Engineers_By PSG Coll.pdf
Design Data Data Book of_Engineers_By PSG Coll.pdf
Design Data Data Book of_Engineers_By PSG Coll.pdf
Design Data Data Book of_Engineers_By PSG Coll.pdf
Design Data Data Book of_Engineers_By PSG Coll.pdf
Design Data Data Book of_Engineers_By PSG Coll.pdf
Design Data Data Book of_Engineers_By PSG Coll.pdf
Design Data Data Book of_Engineers_By PSG Coll.pdf
Design Data Data Book of_Engineers_By PSG Coll.pdf
Design Data Data Book of_Engineers_By PSG Coll.pdf
Design Data Data Book of_Engineers_By PSG Coll.pdf
Design Data Data Book of_Engineers_By PSG Coll.pdf
Design Data Data Book of_Engineers_By PSG Coll.pdf
Design Data Data Book of_Engineers_By PSG Coll.pdf
Design Data Data Book of_Engineers_By PSG Coll.pdf
Design Data Data Book of_Engineers_By PSG Coll.pdf
Design Data Data Book of_Engineers_By PSG Coll.pdf
Design Data Data Book of_Engineers_By PSG Coll.pdf
Design Data Data Book of_Engineers_By PSG Coll.pdf
Design Data Data Book of_Engineers_By PSG Coll.pdf
Design Data Data Book of_Engineers_By PSG Coll.pdf
Design Data Data Book of_Engineers_By PSG Coll.pdf
Design Data Data Book of_Engineers_By PSG Coll.pdf
Design Data Data Book of_Engineers_By PSG Coll.pdf
Design Data Data Book of_Engineers_By PSG Coll.pdf
Design Data Data Book of_Engineers_By PSG Coll.pdf
Design Data Data Book of_Engineers_By PSG Coll.pdf
Design Data Data Book of_Engineers_By PSG Coll.pdf
Design Data Data Book of_Engineers_By PSG Coll.pdf
Design Data Data Book of_Engineers_By PSG Coll.pdf
Design Data Data Book of_Engineers_By PSG Coll.pdf
Design Data Data Book of_Engineers_By PSG Coll.pdf
Design Data Data Book of_Engineers_By PSG Coll.pdf
Design Data Data Book of_Engineers_By PSG Coll.pdf
Design Data Data Book of_Engineers_By PSG Coll.pdf
Design Data Data Book of_Engineers_By PSG Coll.pdf
Design Data Data Book of_Engineers_By PSG Coll.pdf
Design Data Data Book of_Engineers_By PSG Coll.pdf
Design Data Data Book of_Engineers_By PSG Coll.pdf
Design Data Data Book of_Engineers_By PSG Coll.pdf
Design Data Data Book of_Engineers_By PSG Coll.pdf
Design Data Data Book of_Engineers_By PSG Coll.pdf
Design Data Data Book of_Engineers_By PSG Coll.pdf
Design Data Data Book of_Engineers_By PSG Coll.pdf
Design Data Data Book of_Engineers_By PSG Coll.pdf
Design Data Data Book of_Engineers_By PSG Coll.pdf
Design Data Data Book of_Engineers_By PSG Coll.pdf
Design Data Data Book of_Engineers_By PSG Coll.pdf
Design Data Data Book of_Engineers_By PSG Coll.pdf
Design Data Data Book of_Engineers_By PSG Coll.pdf
Design Data Data Book of_Engineers_By PSG Coll.pdf
Design Data Data Book of_Engineers_By PSG Coll.pdf
Design Data Data Book of_Engineers_By PSG Coll.pdf
Design Data Data Book of_Engineers_By PSG Coll.pdf
Design Data Data Book of_Engineers_By PSG Coll.pdf
Design Data Data Book of_Engineers_By PSG Coll.pdf
Design Data Data Book of_Engineers_By PSG Coll.pdf
Design Data Data Book of_Engineers_By PSG Coll.pdf
Design Data Data Book of_Engineers_By PSG Coll.pdf
Design Data Data Book of_Engineers_By PSG Coll.pdf
Design Data Data Book of_Engineers_By PSG Coll.pdf
Design Data Data Book of_Engineers_By PSG Coll.pdf
Design Data Data Book of_Engineers_By PSG Coll.pdf
Design Data Data Book of_Engineers_By PSG Coll.pdf
Design Data Data Book of_Engineers_By PSG Coll.pdf
Design Data Data Book of_Engineers_By PSG Coll.pdf
Design Data Data Book of_Engineers_By PSG Coll.pdf
Design Data Data Book of_Engineers_By PSG Coll.pdf
Design Data Data Book of_Engineers_By PSG Coll.pdf
Design Data Data Book of_Engineers_By PSG Coll.pdf
Design Data Data Book of_Engineers_By PSG Coll.pdf
Design Data Data Book of_Engineers_By PSG Coll.pdf
Design Data Data Book of_Engineers_By PSG Coll.pdf
Design Data Data Book of_Engineers_By PSG Coll.pdf
Design Data Data Book of_Engineers_By PSG Coll.pdf
Design Data Data Book of_Engineers_By PSG Coll.pdf
Design Data Data Book of_Engineers_By PSG Coll.pdf
Design Data Data Book of_Engineers_By PSG Coll.pdf
Design Data Data Book of_Engineers_By PSG Coll.pdf
Design Data Data Book of_Engineers_By PSG Coll.pdf
Design Data Data Book of_Engineers_By PSG Coll.pdf
Design Data Data Book of_Engineers_By PSG Coll.pdf
Design Data Data Book of_Engineers_By PSG Coll.pdf
Design Data Data Book of_Engineers_By PSG Coll.pdf
Design Data Data Book of_Engineers_By PSG Coll.pdf
Design Data Data Book of_Engineers_By PSG Coll.pdf
Design Data Data Book of_Engineers_By PSG Coll.pdf
Design Data Data Book of_Engineers_By PSG Coll.pdf
Design Data Data Book of_Engineers_By PSG Coll.pdf
Design Data Data Book of_Engineers_By PSG Coll.pdf
Design Data Data Book of_Engineers_By PSG Coll.pdf
Design Data Data Book of_Engineers_By PSG Coll.pdf
Design Data Data Book of_Engineers_By PSG Coll.pdf
Design Data Data Book of_Engineers_By PSG Coll.pdf
Design Data Data Book of_Engineers_By PSG Coll.pdf
Design Data Data Book of_Engineers_By PSG Coll.pdf
Design Data Data Book of_Engineers_By PSG Coll.pdf
Design Data Data Book of_Engineers_By PSG Coll.pdf
Design Data Data Book of_Engineers_By PSG Coll.pdf
Design Data Data Book of_Engineers_By PSG Coll.pdf
Design Data Data Book of_Engineers_By PSG Coll.pdf
Design Data Data Book of_Engineers_By PSG Coll.pdf
Design Data Data Book of_Engineers_By PSG Coll.pdf
Design Data Data Book of_Engineers_By PSG Coll.pdf
Design Data Data Book of_Engineers_By PSG Coll.pdf
Design Data Data Book of_Engineers_By PSG Coll.pdf
Design Data Data Book of_Engineers_By PSG Coll.pdf
Design Data Data Book of_Engineers_By PSG Coll.pdf
Design Data Data Book of_Engineers_By PSG Coll.pdf
Design Data Data Book of_Engineers_By PSG Coll.pdf
Design Data Data Book of_Engineers_By PSG Coll.pdf
Design Data Data Book of_Engineers_By PSG Coll.pdf
Design Data Data Book of_Engineers_By PSG Coll.pdf
Design Data Data Book of_Engineers_By PSG Coll.pdf
Design Data Data Book of_Engineers_By PSG Coll.pdf
Design Data Data Book of_Engineers_By PSG Coll.pdf
Design Data Data Book of_Engineers_By PSG Coll.pdf
Design Data Data Book of_Engineers_By PSG Coll.pdf
Design Data Data Book of_Engineers_By PSG Coll.pdf
Design Data Data Book of_Engineers_By PSG Coll.pdf
Design Data Data Book of_Engineers_By PSG Coll.pdf
Design Data Data Book of_Engineers_By PSG Coll.pdf
Design Data Data Book of_Engineers_By PSG Coll.pdf
Design Data Data Book of_Engineers_By PSG Coll.pdf
Design Data Data Book of_Engineers_By PSG Coll.pdf
Design Data Data Book of_Engineers_By PSG Coll.pdf
Design Data Data Book of_Engineers_By PSG Coll.pdf
Design Data Data Book of_Engineers_By PSG Coll.pdf
Design Data Data Book of_Engineers_By PSG Coll.pdf
Design Data Data Book of_Engineers_By PSG Coll.pdf
Design Data Data Book of_Engineers_By PSG Coll.pdf
Design Data Data Book of_Engineers_By PSG Coll.pdf
Design Data Data Book of_Engineers_By PSG Coll.pdf
Design Data Data Book of_Engineers_By PSG Coll.pdf
Design Data Data Book of_Engineers_By PSG Coll.pdf
Design Data Data Book of_Engineers_By PSG Coll.pdf
Design Data Data Book of_Engineers_By PSG Coll.pdf
Design Data Data Book of_Engineers_By PSG Coll.pdf
Design Data Data Book of_Engineers_By PSG Coll.pdf
Design Data Data Book of_Engineers_By PSG Coll.pdf
Design Data Data Book of_Engineers_By PSG Coll.pdf
Design Data Data Book of_Engineers_By PSG Coll.pdf
Design Data Data Book of_Engineers_By PSG Coll.pdf
Design Data Data Book of_Engineers_By PSG Coll.pdf
Design Data Data Book of_Engineers_By PSG Coll.pdf
Design Data Data Book of_Engineers_By PSG Coll.pdf
Design Data Data Book of_Engineers_By PSG Coll.pdf
Design Data Data Book of_Engineers_By PSG Coll.pdf
Design Data Data Book of_Engineers_By PSG Coll.pdf
Design Data Data Book of_Engineers_By PSG Coll.pdf
Design Data Data Book of_Engineers_By PSG Coll.pdf
Design Data Data Book of_Engineers_By PSG Coll.pdf
Design Data Data Book of_Engineers_By PSG Coll.pdf
Design Data Data Book of_Engineers_By PSG Coll.pdf
Design Data Data Book of_Engineers_By PSG Coll.pdf
Design Data Data Book of_Engineers_By PSG Coll.pdf
Design Data Data Book of_Engineers_By PSG Coll.pdf
Design Data Data Book of_Engineers_By PSG Coll.pdf
Design Data Data Book of_Engineers_By PSG Coll.pdf
Design Data Data Book of_Engineers_By PSG Coll.pdf
Design Data Data Book of_Engineers_By PSG Coll.pdf
Design Data Data Book of_Engineers_By PSG Coll.pdf
Design Data Data Book of_Engineers_By PSG Coll.pdf
Design Data Data Book of_Engineers_By PSG Coll.pdf
Design Data Data Book of_Engineers_By PSG Coll.pdf
Design Data Data Book of_Engineers_By PSG Coll.pdf
Design Data Data Book of_Engineers_By PSG Coll.pdf
Design Data Data Book of_Engineers_By PSG Coll.pdf
Design Data Data Book of_Engineers_By PSG Coll.pdf
Design Data Data Book of_Engineers_By PSG Coll.pdf
Design Data Data Book of_Engineers_By PSG Coll.pdf
Design Data Data Book of_Engineers_By PSG Coll.pdf
Design Data Data Book of_Engineers_By PSG Coll.pdf
Design Data Data Book of_Engineers_By PSG Coll.pdf
Design Data Data Book of_Engineers_By PSG Coll.pdf
Design Data Data Book of_Engineers_By PSG Coll.pdf
Design Data Data Book of_Engineers_By PSG Coll.pdf
Design Data Data Book of_Engineers_By PSG Coll.pdf
Design Data Data Book of_Engineers_By PSG Coll.pdf
Design Data Data Book of_Engineers_By PSG Coll.pdf
Design Data Data Book of_Engineers_By PSG Coll.pdf
Design Data Data Book of_Engineers_By PSG Coll.pdf
Design Data Data Book of_Engineers_By PSG Coll.pdf
Design Data Data Book of_Engineers_By PSG Coll.pdf
Design Data Data Book of_Engineers_By PSG Coll.pdf
Design Data Data Book of_Engineers_By PSG Coll.pdf
Design Data Data Book of_Engineers_By PSG Coll.pdf
Design Data Data Book of_Engineers_By PSG Coll.pdf
Design Data Data Book of_Engineers_By PSG Coll.pdf
Design Data Data Book of_Engineers_By PSG Coll.pdf
Design Data Data Book of_Engineers_By PSG Coll.pdf
Design Data Data Book of_Engineers_By PSG Coll.pdf
Design Data Data Book of_Engineers_By PSG Coll.pdf
Design Data Data Book of_Engineers_By PSG Coll.pdf
Design Data Data Book of_Engineers_By PSG Coll.pdf
Design Data Data Book of_Engineers_By PSG Coll.pdf
Design Data Data Book of_Engineers_By PSG Coll.pdf
Design Data Data Book of_Engineers_By PSG Coll.pdf
Design Data Data Book of_Engineers_By PSG Coll.pdf
Design Data Data Book of_Engineers_By PSG Coll.pdf
Design Data Data Book of_Engineers_By PSG Coll.pdf
Design Data Data Book of_Engineers_By PSG Coll.pdf
Design Data Data Book of_Engineers_By PSG Coll.pdf
Design Data Data Book of_Engineers_By PSG Coll.pdf
Design Data Data Book of_Engineers_By PSG Coll.pdf
Design Data Data Book of_Engineers_By PSG Coll.pdf
Design Data Data Book of_Engineers_By PSG Coll.pdf
Design Data Data Book of_Engineers_By PSG Coll.pdf
Design Data Data Book of_Engineers_By PSG Coll.pdf
Design Data Data Book of_Engineers_By PSG Coll.pdf
Design Data Data Book of_Engineers_By PSG Coll.pdf
Design Data Data Book of_Engineers_By PSG Coll.pdf
Design Data Data Book of_Engineers_By PSG Coll.pdf
Design Data Data Book of_Engineers_By PSG Coll.pdf
Design Data Data Book of_Engineers_By PSG Coll.pdf
Design Data Data Book of_Engineers_By PSG Coll.pdf
Design Data Data Book of_Engineers_By PSG Coll.pdf
Design Data Data Book of_Engineers_By PSG Coll.pdf
Design Data Data Book of_Engineers_By PSG Coll.pdf
Design Data Data Book of_Engineers_By PSG Coll.pdf
Design Data Data Book of_Engineers_By PSG Coll.pdf
Design Data Data Book of_Engineers_By PSG Coll.pdf
Design Data Data Book of_Engineers_By PSG Coll.pdf
Design Data Data Book of_Engineers_By PSG Coll.pdf
Design Data Data Book of_Engineers_By PSG Coll.pdf
Design Data Data Book of_Engineers_By PSG Coll.pdf
Design Data Data Book of_Engineers_By PSG Coll.pdf
Design Data Data Book of_Engineers_By PSG Coll.pdf
Design Data Data Book of_Engineers_By PSG Coll.pdf
Design Data Data Book of_Engineers_By PSG Coll.pdf
Design Data Data Book of_Engineers_By PSG Coll.pdf
Design Data Data Book of_Engineers_By PSG Coll.pdf
Design Data Data Book of_Engineers_By PSG Coll.pdf
Design Data Data Book of_Engineers_By PSG Coll.pdf
Design Data Data Book of_Engineers_By PSG Coll.pdf
Design Data Data Book of_Engineers_By PSG Coll.pdf
Design Data Data Book of_Engineers_By PSG Coll.pdf
Design Data Data Book of_Engineers_By PSG Coll.pdf
Design Data Data Book of_Engineers_By PSG Coll.pdf
Design Data Data Book of_Engineers_By PSG Coll.pdf
Design Data Data Book of_Engineers_By PSG Coll.pdf
Design Data Data Book of_Engineers_By PSG Coll.pdf
Design Data Data Book of_Engineers_By PSG Coll.pdf
Design Data Data Book of_Engineers_By PSG Coll.pdf
Design Data Data Book of_Engineers_By PSG Coll.pdf
Design Data Data Book of_Engineers_By PSG Coll.pdf
Design Data Data Book of_Engineers_By PSG Coll.pdf
Design Data Data Book of_Engineers_By PSG Coll.pdf
Design Data Data Book of_Engineers_By PSG Coll.pdf
Design Data Data Book of_Engineers_By PSG Coll.pdf
Design Data Data Book of_Engineers_By PSG Coll.pdf
Design Data Data Book of_Engineers_By PSG Coll.pdf
Design Data Data Book of_Engineers_By PSG Coll.pdf
Design Data Data Book of_Engineers_By PSG Coll.pdf
Design Data Data Book of_Engineers_By PSG Coll.pdf
Design Data Data Book of_Engineers_By PSG Coll.pdf
Design Data Data Book of_Engineers_By PSG Coll.pdf
Design Data Data Book of_Engineers_By PSG Coll.pdf
Design Data Data Book of_Engineers_By PSG Coll.pdf
Design Data Data Book of_Engineers_By PSG Coll.pdf
Design Data Data Book of_Engineers_By PSG Coll.pdf
Design Data Data Book of_Engineers_By PSG Coll.pdf
Design Data Data Book of_Engineers_By PSG Coll.pdf
Design Data Data Book of_Engineers_By PSG Coll.pdf
Design Data Data Book of_Engineers_By PSG Coll.pdf
Design Data Data Book of_Engineers_By PSG Coll.pdf
Design Data Data Book of_Engineers_By PSG Coll.pdf
Design Data Data Book of_Engineers_By PSG Coll.pdf
Design Data Data Book of_Engineers_By PSG Coll.pdf
Design Data Data Book of_Engineers_By PSG Coll.pdf
Design Data Data Book of_Engineers_By PSG Coll.pdf
Design Data Data Book of_Engineers_By PSG Coll.pdf
Design Data Data Book of_Engineers_By PSG Coll.pdf
Design Data Data Book of_Engineers_By PSG Coll.pdf
Design Data Data Book of_Engineers_By PSG Coll.pdf
Design Data Data Book of_Engineers_By PSG Coll.pdf
Design Data Data Book of_Engineers_By PSG Coll.pdf
Design Data Data Book of_Engineers_By PSG Coll.pdf
Design Data Data Book of_Engineers_By PSG Coll.pdf
Design Data Data Book of_Engineers_By PSG Coll.pdf
Design Data Data Book of_Engineers_By PSG Coll.pdf
Design Data Data Book of_Engineers_By PSG Coll.pdf
Design Data Data Book of_Engineers_By PSG Coll.pdf
Design Data Data Book of_Engineers_By PSG Coll.pdf
Design Data Data Book of_Engineers_By PSG Coll.pdf
Design Data Data Book of_Engineers_By PSG Coll.pdf
Design Data Data Book of_Engineers_By PSG Coll.pdf
Design Data Data Book of_Engineers_By PSG Coll.pdf
Design Data Data Book of_Engineers_By PSG Coll.pdf
Design Data Data Book of_Engineers_By PSG Coll.pdf
Design Data Data Book of_Engineers_By PSG Coll.pdf
Design Data Data Book of_Engineers_By PSG Coll.pdf
Design Data Data Book of_Engineers_By PSG Coll.pdf
Design Data Data Book of_Engineers_By PSG Coll.pdf
Design Data Data Book of_Engineers_By PSG Coll.pdf
Design Data Data Book of_Engineers_By PSG Coll.pdf
Design Data Data Book of_Engineers_By PSG Coll.pdf
Design Data Data Book of_Engineers_By PSG Coll.pdf
Design Data Data Book of_Engineers_By PSG Coll.pdf
Design Data Data Book of_Engineers_By PSG Coll.pdf
Design Data Data Book of_Engineers_By PSG Coll.pdf
Design Data Data Book of_Engineers_By PSG Coll.pdf
Design Data Data Book of_Engineers_By PSG Coll.pdf
Design Data Data Book of_Engineers_By PSG Coll.pdf
Design Data Data Book of_Engineers_By PSG Coll.pdf
Design Data Data Book of_Engineers_By PSG Coll.pdf
Design Data Data Book of_Engineers_By PSG Coll.pdf
Design Data Data Book of_Engineers_By PSG Coll.pdf
Design Data Data Book of_Engineers_By PSG Coll.pdf
Design Data Data Book of_Engineers_By PSG Coll.pdf
Design Data Data Book of_Engineers_By PSG Coll.pdf
Design Data Data Book of_Engineers_By PSG Coll.pdf
Design Data Data Book of_Engineers_By PSG Coll.pdf
Design Data Data Book of_Engineers_By PSG Coll.pdf
Design Data Data Book of_Engineers_By PSG Coll.pdf
Design Data Data Book of_Engineers_By PSG Coll.pdf
Design Data Data Book of_Engineers_By PSG Coll.pdf
Design Data Data Book of_Engineers_By PSG Coll.pdf
Design Data Data Book of_Engineers_By PSG Coll.pdf
Design Data Data Book of_Engineers_By PSG Coll.pdf
Design Data Data Book of_Engineers_By PSG Coll.pdf
Design Data Data Book of_Engineers_By PSG Coll.pdf
Design Data Data Book of_Engineers_By PSG Coll.pdf
Design Data Data Book of_Engineers_By PSG Coll.pdf
Design Data Data Book of_Engineers_By PSG Coll.pdf
Design Data Data Book of_Engineers_By PSG Coll.pdf
Design Data Data Book of_Engineers_By PSG Coll.pdf
Design Data Data Book of_Engineers_By PSG Coll.pdf
Design Data Data Book of_Engineers_By PSG Coll.pdf
Design Data Data Book of_Engineers_By PSG Coll.pdf
Design Data Data Book of_Engineers_By PSG Coll.pdf
Design Data Data Book of_Engineers_By PSG Coll.pdf
Design Data Data Book of_Engineers_By PSG Coll.pdf
Design Data Data Book of_Engineers_By PSG Coll.pdf
Design Data Data Book of_Engineers_By PSG Coll.pdf
Design Data Data Book of_Engineers_By PSG Coll.pdf
Design Data Data Book of_Engineers_By PSG Coll.pdf
Design Data Data Book of_Engineers_By PSG Coll.pdf
Design Data Data Book of_Engineers_By PSG Coll.pdf
Design Data Data Book of_Engineers_By PSG Coll.pdf
Design Data Data Book of_Engineers_By PSG Coll.pdf
Design Data Data Book of_Engineers_By PSG Coll.pdf
Design Data Data Book of_Engineers_By PSG Coll.pdf
Design Data Data Book of_Engineers_By PSG Coll.pdf
Design Data Data Book of_Engineers_By PSG Coll.pdf

Design Data Data Book of_Engineers_By PSG Coll.pdf

  • 2.
    CONTENTS MATERIALS Physical Properties. Metals I.S.Designation of Steel & Al Meehanite Castings. Properties C.I. Casting. Properties & Uses Spheroidal graphite & Grey Iron Castings. Properties High Tensile Cast Steel. Carbon Steel Casting. Properties Steel Casting for high pr & High Temp Corrosion Resistant. Heat Resistant Steel Castings Carbon Steel. Composition & Properties Carbon Steel. Typical Uses Carbon Steel. Properties Structural Steel. Strength Alloy Steel. Composition & Properties Free Cutting Steel. Composition & Properties Alloy Steel. Uses Alloy Steel. Properties Tool Steel. Hardness Tool Steel Composition Tool Steel Uses Steels. IS and their Equivalents Brasses. Bronze :Composition & Properties Bearing Alloys. Composition Bearing Alloys Uses & Pouring Temp Die Casting Steel. Composition & Uses Aluminium. Composition Aluminium Alloys. Characteristics & Uses Cast Al Alloys. Composition & Properties Cast Al Alloys. Charecteristics & Uses Hardness Number Related to Tensile Strength Gear Materials Plastics. Properties Endurance Limits of Metals HEAT TREATMENT Iron Carbon Equilibrium Diagram Structural Consituents of Iron-Carbon Alloys Choice of Annealing Treatments T T T Diagram & HardenabiIity Curves. EN 8 & C 4.0 EN 9 & C 55 EN24&40Ni2Cr 1 Mo_28 Salt Mixtures. Composition and Heating Time Annealing & Hot Working Temp. Metals Hardening & Tempering of Carbon & Alloy Steels Colour-coding of Heated Steel. during Tempering Hardness vs % Carbon. Gearing Hardening Surface Hardness thro' Induction Hardening. Grinding Allowance & Case Depth for Gears . :. Heat, Treatment - Application Progressive Induction Tempering Solid Carburiser, Liquid Nitriding. Nitriding Salts Heat Treatment - Aluminium Alloys Stress Relieving Temp, Copper Alloys, defects ii1 Heat Treatment FITS AND TOLERANCE Machining and Surface Roughness Symbols
  • 3.
    Obtainable Surface Roughness LetterSymbol & IT Grades of Tolerances Running & Sliding Fits Location. Transition & Interference Fits Recommended Machining Process for Grades of Holes Tolerance Table Shaft Holes Mean and Variation of Fits Geometric Tolerances -do - Symbols ROLLING ELEMENT BEARING Types of Bearings Bearing Calculations - Ball & Roller Needle Equivalent Bearing Load Bearing Life - Recommended Nomogram, CIP, Ball Bearing -do- Roller Bearing Selection of Fit on Shafts -do-on Housing Tolerance on Inner Race. Radial Bearing Tolerance on Outer Race Deep Groove Ball Bearings. 60 Series Deep Groove Ball Bearings. 62 Deep Groove Ball Bearings. 63 Deep Groove Ball Bearings. 64 Self Aligning ball bearing. 22 Self Aligning ball bearing. 23 Angular Contact ball bearing. 72 Angular Contact ball bearing. 73 Double row angular contact. 33 Roller Bearings N U 22 Roller Bearings NU 23 Double Row Roller Bearing NN 30K Series Double Row Roller Bearing NNU 49 Taper Roller Bearing 322 Series Taper Roller Bearing 323 Thrust Bearing 512 Thrust Bearing 513 Double Thrust Bearing 522 Double Thrust Bearing 523 Thrust Bearing with Spherical Housing 532U Series Spherical Roller Bearing 222C Series Needle Bearing NA49 Needle Bearing NA69 Needle Bearing RNA49 & 69 Combined Needle Thrust Roller Bearing, NKXR Series Flat Cages Bearing Proportions STANDARDS It STANDARD COMPONENTS Centre Holes Threaded Centre Holes Circlip, External, Type-A. Clrclip, Internal, Type B Circlip, External. Type C Cylindrical Pin
  • 4.
    Solid and SplitTaper Pin Threaded Taper Pin Parallel Key Tangential Key Gib Head Key Taper Key Woodruff Key Keys for Machine Tools Retaining & Jacking Screws for Key Rivet Proportions Straight sided splines Straight sided splines for m/c tools Involute sided splines Self Holding Taper Shanks External Self Holding Taper Shanks Internal Self Holding Taper Shanks External With Tang Threads for Bolts & Nuts Pipe Threads Bolt & Screw ends Thread Runout &·Undercut, External Thread Runout & Undercut. Internal Bolts, Screws. Nuts & Locknuts Countersunk Screws " Square Head Bolts & Nuts SIotted Grub Screws Hex. Socket Grub Screw Socket Head Cap Screw Studs Interference Fit, Thread ISO Metric Screw. Tolerance Trapezoidal Thread Square Thread Slotted Nut Castle Nut Cap Nut Domed Cap Nut Pitch-diam combination for ISO Metric Screw Ring Nuts Locking Washer T Slots. T Nuts T Slotted Tables Washers Relief Grooves Swing Clamp end locating plug Round and diamond locating pin Round and diamond locating stud Strap. Clamp. C Washer Set collars Vee Locator Dovetail Proportions Jig-Button. Feet Nut - Feet Button. Locating Pin Jig Bushes Knurled Plain & Tommy Nuts Handle Grip Screw and Wing Screw Pressure pad and Disc Screws for Pressure Pad. Lock Dog Cam Lever Spherical Washer and Conical Seat Ball Grip. Cap. Lever Rod Equalizer Clamp. Turning Head
  • 5.
    Oil Seals O-Rings L TypeSpindle Nose All Types Spindle Nose Cam Lock Type Spindle Nose 7/24 Taper for Type Spindle Nose Draw Bolt End 7/24 Taper for Tool Shanks Foot Mounted Motor Flange Mounted Motor Rolled Steel. Angles Rolled Steel. I Section Rolled Steel. Channel Rolled Steel. Tee MECHANICS Properties of Sections Curved Beam Cantilever Beam Simply Supported Beam Fixed Beam Propped Beam Columns Vibration. Linear Vibration. Torsional Critical Speed Forced Vibration with Damping Natural Frequency Constants of Beams Thick Cylinders Rotating Discs AngIe of Twist and Shear Stress for Sections Bending of Circular Plate Bending of Noncircular Plate Bending of Rectangular Plate Thermal Stress in Plates, Buckling of Plates & Tubes Beams on elastic supports Membrane Stresses Location of Shear Centre MACHINE ELEMENTS Static Stresses Failure Theories Varying Stresses Allowable Stress. Variable Load Stress Concentration Factors Contact Stress Preferred Numbers Shaft Nomogram for Shaft Design (Twisting) Nomogram for Shaft design (Bending) Cylindrical Shaft Ends Short Tapered Shaft Ends Lubricants, Properties Journal Bearing Material Selection Hydrodynamic journal Bearing Hydrostatic Bearing Fluid Power Symbols Hydrostatic Air Bearings
  • 6.
    Flat Belts Flat BeltPulley Vee Belts Vee Grooved Pulley Roller Chain Drive Chain Wheel Rim Geneva Mechanism Ratchet and Pawl Power Screws Clutch Multiple Plate Unidirectional Clutch Safety Clutch Claw Clutch Brakes Coil Springs Leaf Spring Spring Steel, Properties Flange couplings Cams Polydyne Cams Forces on Cams Displacement and Acceleration Expressions Coupling. Design Fly Wheel Connecting Rod Crankshaft Riveted Joint Bolted Joint Shoe Brake Torsion Spring Spiral Spring GEARS Gear Nomenclature Basic Rack Peripheral Speed. Backlash & Standard Gear Ratios Gear, Material. Selection Design Stresses. Gear Selection of Number of Teeth on Gears for Standard Ratios Gear ,Design Formulae & Tables Gear Geometry Gear Correction: Charts Formulae Specific Sliding & Contact Ratio Involute Functions Nomogram: Selection of Module & Face width of Spur Gears Tolerance on Centre Distance Gear Inspection Data BEVEL GEAR Nomenclature (Straight & Spiral) WORM GEAR Lewis & Buckingham Equations for Spur For helical Bevel & Worm SKEW Gear Gear Forces Reduction Gear Boxes Proportions of Large Gears Non Circular Gears
  • 7.
    MATERIALS HANDLING Wire Ropes& Drums Hoisting Gear Proportions. Drum Groove. Sprocket for Chain Standard Sheave Grooves Point Hooks Trolley & EOT Crane Speeds for EOT Cranes Brakes for Cranes Belt Conveyor Bucket Elevator Screw Conveyor Pneumatic Conveyor CASTING Test Requirements of Grey Iron Castings Properties of unalloyed Cast Iron based on Equivalent Carbon Pattern. Materials & Shrinkage Allowance Draft Angle and General Tolerance on Castings Machining Allowances. Coloring & Marking of Patterns Minimum Section of Casting Selection of Casting Process Moulding Sand. Properties Cores. Permanent Moulds Selection of Melting Furnace Cupola Operation Casting Defects & Remedies Wall Thickness and Maximum Length of Casting Casting Design. Proportions Rules in Casting Design WELDING Weld;Symbols Stress Formulae Weld Design Data Weld Treated as a line Edge Preparation Choice of Process IS Classification of covered electrodes A WS Classification of covered electrodes Selection of covered electrodes MIG Welding TIG Welding Gas Welding Gas Cutting Gas Welding. Ferrous Metals Spot Welding MACHINING Formulae for Power and Cutting Forces Standard Spindle Speeds for mlc Tools Standard Feeds Single point Tool Geometry Tool Angles. HSS Tool Angles. Carbide Carbide Tool Classification Speeds and Feeds. Turning
  • 8.
    Speeds and Feeds.Plannin Speeds and Feeds. Trepanning Speeds and Feeds. Boring Tool Life Nomograms Drill Geometry Speeds and Feeds. Drilling Speeds. Reaming Machine Tapping Dies for Threading Geometry. Milling Cutter Speeds in Milling Speeds in Broaching Speeds; Hacksaw Cutting and Bandsaw Cutting Designation of Grinding Wheels Speeds and Feeds. Cyl. Grinding Tool Grinding Speeds and feeds. Hobbing METAL FORMING Sheet and Wire Gauge 2 Pillar Die Set Rect. Work Area 2 Pillar Die Circular Work Area Diagonal Pillar Set Rectangular Work Area 4 Pillar Die Set. Rect. Area Die Plate Proportions Effect of Clearance on Tool Life Punch-Die Clearance Blanking Layout Application Diagram for Press Blanking. Nomogram Sheet Penetration and Trimming Allowance Deep. Drawing and Redrawing Nomogram Drawing Speed HId Ratio in Deep Drawing Deep Drawing. Rect. Box Deep Drawing. Cyl. Cup Blank Holder Force. Drawing. Nomogram Draw Die Details 90° Bend Allowance V& U Bending. Nomogram 90° Bend Allowance. Alum. Alloys. Ironing Steel Plates Bend Limit and Bend Radii, Steel Sheets Stamping and Coining. Nomogram Impact Extrusion. Nomogram Forging. Nomogram Lubricants for Press Work LIMIT GAUGES Limits and Allowances on Gauges Formulae for Gauge Dimensions Gauge Tolerance for Checking Holes Gauge Tolerance for Checking Shafts Recommended Types of Gauges