CONTROL SYSTEMANDAUTOMATION 
Mohammed MunthearAlqaderi, munthear@gmail.com
THE BIG PICTURE
Automation System 
Field Level 
Group Control Level 
Cell Level 
Process Control Level 
Production 
Management level 
Company 
Management Level
Components 
Machines 
Processes 
Production 
System Size 
System Capability
TYPE OFINDUSTRIAL PROCESS 
BATCH PRODUCTION, 
CONTIUOUS PRODUCTION, 
DISCRETE ITEM PRODUCTION, 
LABORATORY SYSTEMS
BATCH PRODUCTION 
Sequence of Operations, Complete cycle, Discontinuous control. 
Repeatability. 
Change of Specification. 
Set –Up Time, ( change –over time). 
Operation Time / Wasted Time. 
NC ( Numerically Controlled ).
Batch Processes example 
Tank 2 
Polymer 
Tank1 
Alkali 
Tank3 
Reactionvessel 
Product silo 
Filter
CONTIUOUS PRODUCTION 
The Production is maintained for long periods of time without interruption. 
The variable can be changed without halting the process. 
The problem is change –over from one specification to other.
CONTIUOUS PRODUCTION example 
Thick steel input 
(slow speed) 
Sheet steel Output (high speed) 
Roller System 
Controlled pressure
DISCRETE ITEM PRODUCTION 
Individual item undergoes various operations before being produced in a final form. 
Several components may be combined or assembled.
DISCRETE ITEM PRODUCTIONexample 
CNC 
DrillingMachine 
Formingmachine 
Robot 
Input Conveyor 
Output Conveyor
الأنظمة المخبرية 
تجارب أو اختبارات معقدة أو اختبارات روتينية 
اختبارات الجودة وفرز الأصناف
Basic system categories 
• Stochastic  Deterministic 
Static  Dynamic 
Distributed  Lumped 
Non-linear  Linear 
Continuous  Discrete
Robust Control 
Can the system tolerate noise? 
Adaptive Control 
Controller changes over time (adapts) 
MIMO Control 
Multiple inputs and/or outputs 
Stochastic Control 
Controller minimizes variance 
Optimal Control 
Controller minimizes a cost function of error and control energy 
Nonlinear systems 
Neuro-fuzzy control 
Challenging to derive analytic results 
Advanced Control Topics
مستوى الآلة
CONTROL STRATEGY 
OPEN-LOOP Control. 
FEEDFORWARD Control. 
CLOSD-LOOP ( feedback ) Control. 
Direct Digital Control ( DDC ).
Open –Loop Control 
Requirements 
Action 
Outcome 
Disturbances 
Control 
Plan 
Plant 
System
Feed Forward Control 
Requirements 
Action 
Outcome 
Control 
Plan 
Plant 
System 
Disturbances
Feedback Control 
Requirements 
Action 
Outcome 
Control 
Plan 
Plant 
System 
Disturbances 
+ 
error
Direct Digital Control (DDC) 
A 
A 
A 
Digital 
Computer 
Process 
Setpoints 
Measured 
variable 
HumanandorComputerSupervision 
Process 
Inputs 
Process 
Output
Activities being carried out 
Data acquisition; 
Data analysis; 
Sequence or/and loop control; 
Supervisory control; 
Data storage; 
Human-Computer Interface ( HCI );
Objectivesof Computerized Control 
Efficiency of Operation; 
Ease of operation; 
Safety; 
Improved products; 
Reduction in waste; 
Reduced environmental impact; 
Reduction in direct labour;
مسألة تتابعي Sequential problem 
المسألة معقدة وكبيرة 
المسألة بسيطة وصغيرة 
خطوات غير واضحة 
SCRIPTS 
FLOW CHART 
ترتيب في 
خطوات المعالجة 
مخطط الحالة 
STATE DIAGRAM 
SFC/GRAFSET 
PETRI شبكات 
معادلات 
BLOCK LOGIC 
زمن التطوير قصير 
الأداء مهم 
توقيت في قدح الحالة 
لا يوجد انتظار 
بإشارة الحالة 
معالجة مفردة 
معالجة متعددة
مكونات نظام التحكم المؤتمت : 
1 ( المنظومة الفيزيائية : 
هي الآلة المراد أتمتة أعمالها بما في ذلك خطوط نقل الحركة وآلات التجميع وآلات التعبئة 
والتغليف وآلات البلاستيك و الصناعات الغذائية ... 
2 ( المشغلات : 
هي العناصر والأدوات التي تعمل على تفعيل وظائف الآلة ، مثل المحركات والمضخات و 
الصمامات و المكابس و أنظمة التسخين . 
3 ( الحساسات : 
هي العناصر والأجهزة التي تزود جملة التحكم والأتمتة بالمعلومات اللازمة وتضم حساسات 
المستوى وحساسات الحرارة وحساسات السرعة والضغط والتدفق . 
4 ( جملة التحكم والأتمتة : 
هو الجهاز الذي يعمل على معالجة معطيات الدخل ويقوم بتوليد تتابع الخرج وفق برنامج محدد 
مخزن بداخله مسبقا . 
5 ( وسائل التخاطب والمراقبة: 
عبارة عن وسائل تؤمن اظهار متغيرات النظام المراد مراقبته وتسمح بتدخل خارجي من الانسان 
لتعديل متحولات أو تنفيذ عملية معينة .
الجملـة اًلفيزيائيـة )ًالآلـة( 
الحساسات 
جهاز اًلتحكم 
واجهـة اًلتخاطب بًين اًلإنسان وً اًلآلـة 
المشغلات
Sensor Systems 
Sensor 
temperature sensors 
flow sensors 
level sensors 
pressure sensors 
composition analyzers 
Transmitter
Better Actuators 
Provide more Muscle 
Better Sensors 
Provide better Vision 
Better Control 
Provides more finesse by combining sensors and 
actuators in more intelligent ways
TerminologyProgrammable Controller 
PCProgrammable Controller (UK origin), 
PBSProgrammable Binary System (Swedish origin), 
PLCProgrammable Logic Controller (US origin), 
SBCSingle Board Computer (US origin), 
RTURemote Terminal Unit ( US origin), 
DDCDirect Digital Control (Britain Origin),
PLC 
PC 
Environment 
The PLC was specifically designed for harsh conditions with electrical noise, magnetic fields, vibration, extreme temperatures or humidity. 
Common PCs are not designed for harsh environments.Industrial PCs are available but cost more. 
Ease of Use 
By design PLCs are friendlier to technicians since they are in ladder logic and have easy connections. 
Operating systems like Windows are common.Connecting I/O to the PC is not always as easy. 
Flexibility 
PLCs in rack form are easy to exchange and add parts.They are designed for modularity and expansion. 
Typical PCs are limited by the number of cards they can accommodate and are not easily expandable. 
Speed 
PLCs execute a single program in sequential order.The have better ability to handle events in real time. 
PCs, by design, are meant to handle simultaneous tasks.They have difficulty handling real time events. 
Reliability 
A PLC never crashes over long periods of time.("Never" may not be the right word but its close enough to be true.) 
A PC locking up and crashing is frequent. 
Programming languages 
Languages are typically fixed to ladder logic, function block or structured text. 
A PC is very flexible and powerful in what to use for programming. 
Data management 
Memory is limited in its ability to store a lot of data. 
This is where the PC excels because of it's hard drive.Any long term data storage, history and trending is best done on a PC. 
Cost 
Just too hard to compare pricing with so many variables like I/O counts, hardware needed, programming software, etc.
PLC or DCS: What is the difference?
Programmable Logic Controller 
PLC 
محمد منذر القادري
PLC developments 
 1968Programmable controller concept developed. 
 1969Hardware CPU controller, with logic instruction, 1k of memory and 128 I/O points. 
 1974Use of several processors within a PLC –timers and counters, arithmetic operations, 12k of memory and 1024 I/O points. 
 1976Remote input/output systems introduced. 
 1977Microprocessor-based PLC introduced. 
 1980Intelligent I/O modules developed, 
Enhanced communications facilities, 
Enhanced software features, 
Use of personal microcomputer as programming aids. 
 1983Low-cost small PLC introduced. 
 1985on Networking of all levels of PLC, computer and Machine under standard specification. 
 Distributed, hierarchical control of industrial plants.
Advantage of PLC 
Flexibility. 
Numerous contacts. 
Low in price. 
Simulated operation advance. 
Fast execution speed. 
Use ladder chart in planning circuits. 
High reliability. 
Easy maintenance. 
Simplify the purchasing process of the elements in the control system. 
Easily translated to file data . 
Highly security.
Disadvantage of PLC 
New technique. 
Unsuitable to be used in the place of fixed function. 
Environmental impacts.
Compact PLC
Modular PLC
(Special & communication module) 
A/Dmodule 
D/Amodule 
T/Cmodule 
RTDmodule 
AnalogTimer 
PIDmodule 
Positionmodule 
Interruptmodule 
HSCmodule 
G4F-AD3A(8Ch) 
G4F-AD2A(4Ch) 
G4F-DA3V(8Ch) 
G4F-DA3I(8Ch) 
G4F-DA2V(4Ch) 
G4F-DA2I(4Ch) 
G4F-DA1A(2Ch) 
G4F-TC2A(4Ch) 
G4F-RD2A(4Ch) 
G4F-AT3A(8pts) 
G4F-PIDA(8loops) 
G4F-HSCA(1ch) 
G4F-POPA(1Axis) 
G4F-INTA 
Ethernetmodule 
Fieldbusmodule 
Serialmodule 
Device Netmodule 
(10Mbps) 
(1Mbps) ) 
(RS232C/RS422) 
Moduler PLC
طرق التوصل 
اشهر طرق التوصيل هي : 
1 - mesh )) نسيجي (( 
2 - star )) نجمي (( 
3 - tree )) شجري (( 
4 - bus )) ناقل (( 
5 - ring )) حلقي ((
Physical Topology 
Star Topology 
Mesh Topology Bus Topology 
Ring Topology 
Tree Topology
1 - mesh (( يجيسن )) ا نيب طابترلاا ةرثكب زيمتي لأ يف زاهج لك عم رشابم طابترا دجوي هزهج ةكبشلا 
الميزة الكبيرة للنسيجي هي وضوح الاخطاء. 
2 - star )) نجمي (( سمي نجمي نسبه الى شكل التوصيل فيه هنا كل الكوابل تمرر من الحواسيب الى نقطه 
مركزيه والنقطة المركزيه تسمى الـ hub وظيفة الـ hub اعادة ارسال الرسائل الى كل الحواسيب او الى 
حاسب معين ونستطيع استخدام اكثر من نوع في هذه الشبكه . كما انه من السهل تعديل وإضافة حاسب جديد 
من دون تعطيل الشبكه وأيضا تعطل حاسب في الشبكه لا يعطلها لكن عند تعطل الـ hub تتعطل الشبكه 
كاملة. وكما ان هذه الطريقه تكلف الكثير من الكوابل . 
3 - tree )) شجري (( سمي بذلك نسبه الى كثرة التفرعات فيه هنا يمكننا ربط شبكات من النوع نجميه 
بإضافة hub اخر بهذا يتم تشكيل شبكة الـ tree 4 - bus )) ناقل (( سمي بذلك لأنه عبارة عن خط مستقيم يستخدم في الشبكات الصغيرة والبسيطة و يكون 
تصميم الشبكه هذه بتوصيل الكمبيوترات في صف على طول سلك واحد يسمى الـ )) backbone (( .لا 
توجد بالسلك اي تقويه للإشارات المرسلة من حاسب الى اخر . عند ارسال اي رسالة من اي حاسب على 
السلك كل الحواسيب الاخرى تصلها الاشارة، لكن واحد فقط يقبلها . حاسب واحد فقط يسمح له بالإرسال في 
نفس الوقت نستنتج هنا ان عدد الأجهزه فيها يؤثر على سرعتها من اهم الادوات المستخدمه في هذه الشبكه 
الـ terminators يستخدم لامتصاص الاشارات ومنعها من الانعكاس مرة اخرى . 
5 - ring )) حلقي (( 
سميت بذلك نسبه الى شكلها ، لأننا نربط الأجهزه بشكل حلقي هنا في هذه الشبكه كل حاسب متصل مع 
الحاسب الذي يليه في شكل حلقه في اتجاه واحد بحيث يكون اخر حاسب متصل مع اول حاسب وكل حاسب 
ينقل ويرسل المعلومات التي استقبلها من الحاسب السابق الى الحاسب الذي يليه شبكات الـ ring تستخدم 
الـ token وهو عبارة عن رسالة قصيرة تمر داخل الشبكة لتنقل المعلومات من حاسب الى اخر يمكننا 
تصميم شبكات من نوع مختلط ،
السوية 4 
DeviceNet , UnitTelway 
نموذج المراقبة والتحكم التراتبي 
أعمال مكتبية إ 
دارة الإنتاج م 
راقبة الجودة ت 
صميم بمساندة الحاسوب 
نحو شبكة المؤسسة و / أو شبكة عمومية 
TOP, .. 
MAP 
Factor ,...… 
MAP 
تخطيط السيرورة ت 
صنيع بمساندة الحاسوب 
تنسيق وإشراف ص 
يانة 
السوية 3 
التصنيع المتكامل بواسطة الحاسوب 
CIM 
(=Computer Integrated Manufacturing) 
حساس م 
نظم م 
شغل 
السوية 1 
تحكم 
BitBus , FIP ProFiBus 
ModBus , LAC ,… 
Mini-MAP 
شبكة ميدانية 
تحكم رقمي ت 
حكم بروبوت 
بالآلة 
صناعية 
قيادة ومتابعة 
SCAD 
شبكات الاتصالات في مجال الرقابة و التحكم
SIMATIC NET and SINAUT Station control systemsSCADA ServerApplication ServerOperatorStationTrainingStationEngineer. StationOperatorStationOperatorStationPrinterServerFront EndProcessorControlCenterSCADA ServerApplication ServerOperatorStationTrainingStationEngineer. StationOperatorStationOperatorStationPrinterServerFront EndProcessorBack-UpControlCenterRTURTURTURTURTURTURTUStation Control SystemESDESDStationControl SystemWANWANWide ide Area rea NNetworketworkDedicated linesDialinglinesPear to pearradio linkDedicatedradio linkFOTSFOTSFiberoptic•Analog•ISDN•GSM•SMSMonitoring and controlWith WinCCTelecontrolwith SIMATIC S7SINAUTTIM Module...... plus ....... within a completely integrated system
SIMATIC NET and SINAUT Station control systems 
SCADA Server Application Server 
Operator 
Station 
Training 
Station 
Engineer. 
Station 
Operator 
Station 
Operator 
Station 
Printer 
Server 
Front End 
Processor 
Control 
Center 
SCADA Server Application Server 
Operator 
Station 
Training 
Station 
Engineer. 
Station 
Operator 
Station 
Operator 
Station 
Printer 
Server 
Front End 
Processor 
Back-Up 
Control 
Center 
RTU RTU RTU RTU RTU RTU RTU 
Station Control 
System 
ESD ESD 
Station 
Control System 
WAN 
Wide Area Network 
Dedicated 
lines 
Dialing 
lines 
Pear to pear 
Dedicated radio link 
radio link 
FOTS 
FOTS 
Fiber 
optic 
•Analog 
•ISDN 
•GSM 
•SMS 
Monitoring and control 
With WinCC 
Telecontrol 
with SIMATIC S7 
SINAUT 
TIM Module 
...... plus ....... 
within a completely integrated system
النواقل الحقلية هي شبكة نقل رقمية تسلسلية تزود خدمة 
الاتصال بين العناصر الحقلية ) المنتشرة ( مثل 
الحساسات والمشغلات و المتحكمات 
النواقل الحقلية
Network and protocol standards
Field-Bus System 
Profibus DP/FMS/PA 
Ethernet (10Mbps) 
Fast Ethernet (100 Mbps) 
Interbus-S 
DeviceNet 
CANopen/CANbus 
Modbus 
AS-Interface 
Foundation Fieldbus H1 
Genius Lan (GEF anuc) 
Serial Standard Interface RS-232/422/485 
AB remote I/O 
LonWorks 
ABB proprietary 
Honeywell DE 
Seriplex 
Yokogawa propirtary
Communication Example
ان استخدام الطبقات السبع للـ OSI على مستوى العنصر ) عنصر الشبكة ( بطيئ جدا 
ومعقد جدا عند ارسال الرسائل القصيرة او المتكررة لذا كان من الضروري في هذه 
التطبيقات ان تعدل طبقة التطبيقات للوصول مباشرة الى طبقة التطبيقات .
Network Devices and the OSI Model
شبكة رقمية تسلسلية تستخدم كناقل حقلي في تطبيقات النظم الصناعية المؤتمتة يمكن ان 
تربط بين جميع انواع العناصر الحقلية والمنتشرة على المستوي الحقلي 
شبكة CAN
PWR 
FSM 
INPUT 
OUTPUT 
OUTPUT 
PMU 
opt Max 3km 
Cable 
. . 
. . 
. . 
. . 
. . 
. . 
. . 
Active Coupler 
(optic) 
EOC 
(opt/elec. 
Converter) 
Max.64 Stations 
(Max.2 Slot 
Allowed) 
1Mbps Twisted pair 
Max. 750m long 
Max.5.25km 
Repeater(Max. 6) Repeater 
Remote I/O Remote I/O 
Stand-alone 
Remote 
DC In (16P) 
Stand-alone 
Remote Relay 
Out(16P) 
PWR 
CPU 
F- net 
INPUT 
OUTPUT 
PWR 
CPU 
F- net 
INPUT 
OUTPUT 
PWR 
CPU 
F- net 
INPUT 
OUTPUT 
PWR 
CPU 
F- net 
INPUT 
OUTPUT 
PWR 
CPU 
F- net 
INPUT 
OUTPUT 
PWR 
FSM 
INPUT 
OUTPUT 
OUTPUT 
Terminator 
Network System (Fnet-Fieldbus)
Communication methods1) Simplex 
This is a communication type that the data is transmitted with a fixed direction. It is not allowed to move data in reverse direction. 2) Half-duplex 
It is available to move data in both directions. However, data transference in a direction should be 
done after another direction transference is completed because two- way transmissions share acommon communication cable. 
3) Full-duplex 
Data is transmitted in two-way directions with two communication cables.
Input Unit Output Unit 
Memory Unit 
Program Input 
Device 
Power Supply 
C P U 
Block Diagram of PLC
ROM 
Arithmeti 
c logic 
unit 
Register 
Control 
unit 
Central 
control unit 
Power 
supply 
Battery 
Analyti 
c unit 
RAM 
Periphe 
ral 
Control 
unit 
Input 
unit 
Interf 
ace 
contro 
l unit 
Output 
unit 
AC 
power 
Output 
module 
Input 
module 
Tape unit 
Disk drive 
Program 
panel 
printer 
Switch 
component 
sensor 
Motor,electromagnetic 
valve 
Light,heater 
compute 
r 
Block Diagram
I 
n 
t 
e 
r 
n 
a 
l 
c 
i 
r 
c 
u 
i 
t 
24V+ 
(24V-) 
X2 
X1 
X0 
   C 
Example for 
input 
connection 
EA model should 
be add the power 
source externally 
No this power 
source in EA 
model 
Open collestor 
NPN transistor 
Power supply of 
sensor(served as 
input in EA model) 
DC-24V Input circuit 
24VDC 
24VDC 
Input Circuit
CR4 CR5 CR6 CR7 
Internal circuit 
Relay on output circuit 
+24V 
C4 Y4 Y5 Y6 Y7 
R PL 
Indicat 
or 
light 
Bulb 
ligh 
t 
Electr 
om-agneti 
c 
valve 
Rela 
y 
Main 
power 
CR 
4 
CR 
5 
CR 
6 
CR 
7 
Output Circuit
filter stabilizer 
Battery 
(backup 
power 
sysyem) 
Power 
conditioner 
T2 
T1 
+ Rectifier 
- 
+ 
- 
+ 
0 
- 
G 
+ 
0 
- 
G 
+ 
- 
0 
- 
+ 
- 
0 
- 
Sensing the 
scale of voltage 
+5Vdc 
0 
-5Vdc 
TO CPU 
L1 
L2 
G 
T1 
T2 
G 
Power supply
Power specification 
Item 
Specification 
Incoming Power 
Voltage 
100〜240VAC ,-15%〜+10% 
Frequency 
50〜60Hz ,-5%〜+5% 
Rated power 
30VA(max.) 
Inrush current 
20A @ 264VAC 
Voltage drop and interruption 
20ms(min.) 
Fuse rating 
1.25A ,250VAC 
Power outputs 
5VDC(for CPU) 
5V ,±5%,1A(max.) 
24VDC(for output) 
24V ,±15%,400mA(max.) 
24VDC(for input and Sensor) 
24V ,±15%,400mA(max.) 
Isolation 
Transformer/optical,1500VAC/1min.
Design Flow
البرمجة
Relay Ladder 
Diagram 
(U.S.A.) 
Function Block 
Diagram 
(Germany) 
Sequential 
Function Chart 
(France) 
Instruction List 
(U.S.A./Germany) 
C 
Pascal 
Ada 
LD 
FBD 
SFC 
IL 
ST 
Graphical 
Textual 
Global Standard programming language for PLC 
IEC1131-3 
◎International Standard IEC1131-3 adapted 
◎IEC1131-3 based language supporting LD, IL, SFC Programming Languages
The ISaGRAF Software Development Kit (SDK) allows you to develop simple or complex applications using industry standard IEC-61131 languages. ISaGRAF supports the following 6 traditional control programming languages (all 5 specified by the IEC-61131-3 standard, plus Flow Chart): 
•Sequential Function Chart (SFC) 
•Function Block Diagram (FBD) 
•Flow Chart (FC) 
•Ladder Diagram (LD) 
•Structured Text (ST) 
•Instruction List
X10 
X100 
M100 
Y0 
M505 
X3 
X0 X1 
Y126 
Y1 
Y0 
Input processing (Reading the 
status of all external input terminals) 
Output processing (Outputting the resul-ting 
signals to external output terminals) 
First 
step 
Last step 
PLC sequentially executes 
the stored program and gets 
new output results (has not 
sent to external terminals 
yet) 
Cyclic execution 
Sequentially executes
M 
MC 
TH-RY 
NFB 
R S T 
OFF ON 
TH-RY 
MC/a 
MC-a 
Running indicator light 
MC-b 
RL 
WL 
MC 
Stop indicator light 
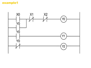
example1
【PLC ladder diagram】 
X0 X1 X2 
Y0 
Y0 
Y0 
Y0 
Y1 
Y2 
example1
【The connection diagram of PLC output/input】 
PLC 
ON OFF TH-RY 
C X0 X1 X2 
C Y0 Y1 Y2 
R T 
MC WL RL 
example1
M 
R S T 
OFF ON 1 
ON 2 
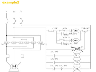
MC1 
MC2 
MC2/b 
MC1/b 
TH-RY 
MC1/a 
MC2/a 
MC1/b MC2/b 
MC1 MC2 
WL 
MC1 
YL 
RL 
MC2 
BZ 
example2
Y0 
X0 X2 X3 Y1 
Y0 
Y1 
X1 X2 X3 Y0 
Y1 
Y2 
Y0 
Y3 
Y1 
Y5 
X3 
Y4 
Y0 Y1 
PLC ladder diagram example2
BZ 
MC2 
RL 
YL 
WL 
MC1 
Y5 
Y4 
Y3 
Y2 
Y1 
Y0 
X3 
X2 
X1 
X0 
C 
C 
PLC 
T 
R 
TH-RY 
OFF 
ON2 
ON1 
PLC output/input wiring chart 
example2
MC1 
TH-RY 
NFB 
R S T 
M 
V 
U W 
X 
Y 
Z 
MCY 
MC 
OFF ON 
MC 
TR 
BZ 
MC 
WL 
MCY 
RL 
TH-RY 
MC/a 
MC/a MC /b 
TR 
MC/a 
MC/b 
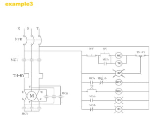
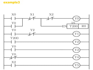
example3
EN 
1S 
T200 R0 
X0 X1 X2 
Y0 
Y0 Y2 
T200 
Y0 
Y0 
X2 
Y0 
Y1 
Y2 
Y3 
Y4 
Y5 
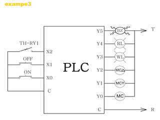
example3
Y5 BZ 
Y4 
Y3 
Y2 
Y1 
Y0 
X2 
X1 
X0 
C 
C 
PLC 
T 
R 
OFF 
ON 
TH-RY1 RL 
WL 
MC 
MCY 
MC 
exampe3
X5 X6 Y3 
Y3 
X5 X6 Y3 
Y3 
Conventional Ladder PLC Ladder Diagram 
Diagram 
ladder
Y4 
X11 
X14 
Y0 M6 
X16 
X10 
X12 
M1 X20 
X0 X1 
X7 X10 
X2 
X9 
X3 X4 X5 X6 
/ 
Y4 
Y5 
/ 
Y2 
Y0 
Element Node Parallel block Serial block 
Origin line 
Network 1 
Network 2 
Network 3 
Branch 
Sample Ladder Diagram Ladder
Branch 
Branch line Merge 
line Ladder
X0 X1 
ORG X 
AND X1 
X1 
X0 X2 ORG X0 
OR X1 
AND X2 
X2 
X0 X1 X3 
ORG X0 
AND X1 
OR X2 
AND X3 
Ladder
Y0 ORGSHORT 
OUT Y0 
X0 X1 
X3 
X2 X4 
Serial Block 
Must use ANDLD instruction 
ANDLD instruction is not necessary 
ORG X0 
AND X1 
LD X2 
OR X3 
ANDLD 
AND X4 
Ladder
X0 X1 X2 Y0 
X4 
X3 
X5 
Block 1 Block 2 
Block 3 
ORG X0 
ANDNOT X1 
LD NOT X2 
AND X3 
LD x4 
ANDNOT X5 
ORLD 
ANDLD 
OUT Y0 
Ladder
X0 X1 X4 Y0 
X6 
X5 
X2 X3 X7 
Block 1 Block 2 
ladder
STP S0 
M1924 
STP S20 
X1 
X0 Y0 
STP S23 
Y1 
STP S21 
Y2 
STP S22 
Y3 
S0 
X2 X3 
X5 X4 X6 
X7 
X8 
Y4 
SFC
Step flow chart 
S0 
S20 
X2 
Y0 
X3 
X1 
M1942 
X0 
S0 
Y1 
S21 
S22 
X7 
X5 
X11 Y3 
X4 
X6 
Y2 
X8 
SFC
S0 
S20 
S21 
S32 
S23 
S30 
S31 
Parallel 
forward 
divergence 
Parallel 
forward 
confluence 
S0 
S20 
S21 
S22 
S23 
Repeat 
Jump 
(c) Burst divergence, confluence (d) Jump, repeat 
SFC
S0 
S20 
S21 
S22 
S23 
S0 
S20 
S21 
S22 
S23 
S24 
S25 
Selective 
divergence 
Selective 
confluence 
(b) selective divergence, 
(a) Single flow confluence 
SFC
FLOWCHART BASED DESIGN 
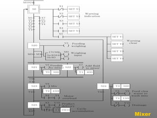
•Describing process control using flowcharts 
•Conversion of flowcharts to ladder logic
A Flowchart for a Tank Filler
Flowchart
For-next
conveyer
Dry material Liquid 
Clean 
water 
Product outlet 
Empty limit 
switch 
X2 
No-fluid 
limit switch 
Empty limit 
switch 
Valve 1 
Gate 1 
AD1:R3840 
Weighing 
Mixer 
Mixer motor 
Valve 2 Valve 3 
Electromagneti 
c switch 
Overload switch 
Valve 4 
X1 
Y7: 
Y5: 
Y6: 
Y9: 
X3 
Y10: 
X4 
Y8: 
Mixer
Description: 
.Inputpoint:Startbutton,X6.Weightinput: AD1,R3840 
Washingbutton,X7 
Warningclearbutton,X5 
.Warningindicator:Drymaterialempty,Y1 
Liquiddeficiency,Y2 
Mixingunitempty,Y3 
Motoroverload,Y4 
.Outputpoint:DrymaterialfeedingvalveY5 
DrymaterialfeedinggateY6 
LiquidfeedinggateY7 
StartmotorelectromagneticvalveY8 
CleanwaterfeedvalveY9 
ProductdeliveryvalveY10 
Mixer
S0 SET Y1 
SET Y2 
SET Y3 
SET Y4 
X1 
X2 
X3 
X4 
S20 
Sa:R3840 
Sb:R0 
17CMP M0 
M1 
Y5 
S21 
M0 M1 
Y6 
T0 500 
S22 
Y7 
T1 800 
Feeding 
to mixer 
Add fluid 
to mixer 
S23 
Y8 
T2 4500 
Mix 
X4 Y4 
S25 
Y10 
DR10 
Product 
delivery 
X3 
S25 15D 
+1 
S24 
Y9 Feed clear 
water to 
wash mixer 
T3 
T3 500 
T4 Y10 
T4 1500 
Drainage 
X5 
SET Y1 
SET Y2 
SET Y3 
SET Y4 
M1924 
X6 
Y1 
Y2 
Y3 
Y4 
Y3 
Y4 
X7 
T1 
T0 
T2 
X3 
Cycle 
accumulation 
Motor 
overload 
T4 
Feeding 
weighing 
Weighing 
input 
Warning 
indication 
Warning 
clear 
Mixer
Mixer
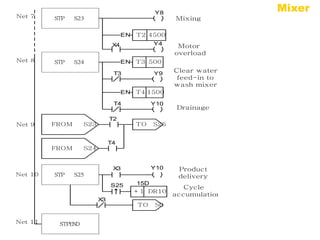
【Step flow chart】 
STP S23 Mixing 
Y8 
EN T2 4500 
X4 Y4 
STP S24 
Y9 
EN T3 500 
T3 
Y10 
EN T4 1500 
T4 
TO S25 
T2 
FROM S23 
FROM S24 
T4 
STP S25 
Y10 
+1 DR10 
S25 
X3 
X3 
15D 
TO S0 
STPEND 
Motor 
overload 
Clear water 
feed-in to 
wash mixer 
Drainage 
Product 
delivery 
Cycle 
accumulation 
Net 7 
Net 8 
Net 9 
Net 10 
Net 11 
Mixer
G2 Y2 R2 
G2 Y2 R2 
R1 Y1 G1 
G1 Y1 R1 
Road # 2 
Road # 1 
Illustration of traffic light】 
Traffic
X1 X2 
M0 
M0 
M0 
EN 
0 
MC 0 
X3 X0 
M3 
M1 
X4 X0 
M4 
M2 
X0 M1 
EN 
1S 
T200 16 
T200 
EN 
1S 
T201 2 
T203 
EN 
1S 
T202 2 
T201 
M3 
EN 
0.1S 
T50 5 
T201 T51 
T50 
EN 
0.1S 
T51 5 
M4 
T200 T202 
M3 
X0 
EN 
1S 
T203 6 
M1 M2 
Start the stop control 
Main loop 
Manual loop control 
←T─20─0 
T201 
T202 
T50 
T51 
T203 
M3 
M4 
M1 
¡ö¢w 
Time for the first set green 
light 
←──Time for the blinking green 
light 
←──Time for the yellow light on 
←── Speed of blinking green light 
←──Time for the second set 
green light 
M1 and M2 are the switches over 
control of the first and second Use PLC in traffic light control 
Traffic
Green light 1 
T203 T202 
M4 
T201 T50 
X0 T200 
X0 M3 
M1 
M1 T201 T202 
M1 
X0 T203 
X0 M4 
T201 T50 
M1 
M1 T201 T202 
X0 T200 
X0 M3 
T202 
M1 
M1 T202 
EN 
1 
MCE 0 
M2 
Y0 
Y1 
Y2 
Y3 
Y3 
Y3 
Yellow light 1 
Red light 1 
Green light 2 
Yellow light 2 
Red light 2 
Use PLC in traffic light control 
Traffic
YL2 
GL2 
RL1 
Y5 
Y4 
Y3 
Y2 
Y1 
Y0 
X2 
X1 
X0 
C 
C 
PLC 
T 
R 
PB2 
PB1 
YL1 
GL1 
RL2 
PB4 
PB3 
X4 
X3 
CS 
The first set 
The second set 
PLC output/input wiring chart 
Traffic
PLC 
C0 Y0 Y1 Y2 Y3 C1 Y4 Y5 
C X0 X1 X2 X12 X13 X14 X15 
8 4 2 1 8 4 2 1 8 4 2 1 8 4 2 1 
103 102 101 100 
SW0 SW1 SW2 
PL1 PL2 
R T 
Display
X1 
EN RST R0 
EN 
15P 
(+1) 
R0 OVF 
X0 
X2 
EN 
16P 
(-1) 
R0 UDF 
X0 
EN 
20->BCD 
S=R0 
D=R1 
ERR 
EN 
79-7SGOL 
S=R1 
OT=Y4 
N=2 
ON 
EN 
17CMP 
Sa:R0 
Sb:20 
a=b 
a>b 
a<b 
Y0 
Y1 
X1 
EN RST R0 
EN 
15P 
(+1) 
R0 OVF 
X0 
X2 
EN 
16P 
(-1) 
R0 UDF 
X0 
EN 
20->BCD 
S=R0 
D=R1 
ERR 
EN 
79-7SGOL 
S=R1 
OT=Y4 
N=2 
ON 
EN 
17CMP 
Sa:R0 
Sb:20 
a=b 
a>b 
a<b 
Y0 
Y1 
Display
PS1 PS2 
PLC 
RL GL 
R T 
C Y0 Y1 Y2 Y3 Y 4 Y5 Y6 Y7 Y8 Y9 Y10 Y 11 
C X0 X1 X2 
8 4 2 1 8 4 2 1 8 4 2 1 8 4 2 1 
+24V 
COM 
SW0 
Display
Pulse input 
t 
Step angle t 
output 
Driving 
circuit of 
step motor 
Step 
motor 
Stepper Motor
EN 
PAU 
MD:1 
Fr:R0 
PC:0 
CK:Y0 
DR:Y1 
HO: 
U/D 
X0 
X1 
X2 
EN 
13 (*) 
Sa:R0 
Sb:6 
D:R1 
EN 
14 (/) 
Sa:R1 
Sb:20 
D:R3 
EN 
20→BCD 
S:R3 
D:R5 
EN 
79 7SGDL 
S:R5 
OT:Y4 
N:2 
81.PLS0 
Use PLC in speed control of step motor 
Stepper Motor
SW1 
PLC 
C 
Y0 Y1 Y4~Y11 
X0 X1 X2 
C 
SW0 SW2 
Driving circuit 
COM 
24V 
To 7-segment LED 
CKDIR 
Step motor 
(refer ro related wiring 
in previous) 
SW0: pulse output enables 
SW1: Pause pulse output enables 
SW2: Positive and reverse rotation control (ON: Positive, OFF reverse) 
CK: Pulse input end of step motor. 
DIR: Directional control end of step motor. 
Stepper Motor

Control system

  • 1.
    CONTROL SYSTEMANDAUTOMATION MohammedMunthearAlqaderi, munthear@gmail.com
  • 2.
  • 3.
    Automation System FieldLevel Group Control Level Cell Level Process Control Level Production Management level Company Management Level
  • 5.
    Components Machines Processes Production System Size System Capability
  • 6.
    TYPE OFINDUSTRIAL PROCESS BATCH PRODUCTION, CONTIUOUS PRODUCTION, DISCRETE ITEM PRODUCTION, LABORATORY SYSTEMS
  • 7.
    BATCH PRODUCTION Sequenceof Operations, Complete cycle, Discontinuous control. Repeatability. Change of Specification. Set –Up Time, ( change –over time). Operation Time / Wasted Time. NC ( Numerically Controlled ).
  • 8.
    Batch Processes example Tank 2 Polymer Tank1 Alkali Tank3 Reactionvessel Product silo Filter
  • 9.
    CONTIUOUS PRODUCTION TheProduction is maintained for long periods of time without interruption. The variable can be changed without halting the process. The problem is change –over from one specification to other.
  • 10.
    CONTIUOUS PRODUCTION example Thick steel input (slow speed) Sheet steel Output (high speed) Roller System Controlled pressure
  • 11.
    DISCRETE ITEM PRODUCTION Individual item undergoes various operations before being produced in a final form. Several components may be combined or assembled.
  • 12.
    DISCRETE ITEM PRODUCTIONexample CNC DrillingMachine Formingmachine Robot Input Conveyor Output Conveyor
  • 13.
    الأنظمة المخبرية تجاربأو اختبارات معقدة أو اختبارات روتينية اختبارات الجودة وفرز الأصناف
  • 14.
    Basic system categories • Stochastic Deterministic Static Dynamic Distributed Lumped Non-linear Linear Continuous Discrete
  • 15.
    Robust Control Canthe system tolerate noise? Adaptive Control Controller changes over time (adapts) MIMO Control Multiple inputs and/or outputs Stochastic Control Controller minimizes variance Optimal Control Controller minimizes a cost function of error and control energy Nonlinear systems Neuro-fuzzy control Challenging to derive analytic results Advanced Control Topics
  • 16.
  • 17.
    CONTROL STRATEGY OPEN-LOOPControl. FEEDFORWARD Control. CLOSD-LOOP ( feedback ) Control. Direct Digital Control ( DDC ).
  • 18.
    Open –Loop Control Requirements Action Outcome Disturbances Control Plan Plant System
  • 19.
    Feed Forward Control Requirements Action Outcome Control Plan Plant System Disturbances
  • 20.
    Feedback Control Requirements Action Outcome Control Plan Plant System Disturbances + error
  • 22.
    Direct Digital Control(DDC) A A A Digital Computer Process Setpoints Measured variable HumanandorComputerSupervision Process Inputs Process Output
  • 23.
    Activities being carriedout Data acquisition; Data analysis; Sequence or/and loop control; Supervisory control; Data storage; Human-Computer Interface ( HCI );
  • 24.
    Objectivesof Computerized Control Efficiency of Operation; Ease of operation; Safety; Improved products; Reduction in waste; Reduced environmental impact; Reduction in direct labour;
  • 25.
    مسألة تتابعي Sequentialproblem المسألة معقدة وكبيرة المسألة بسيطة وصغيرة خطوات غير واضحة SCRIPTS FLOW CHART ترتيب في خطوات المعالجة مخطط الحالة STATE DIAGRAM SFC/GRAFSET PETRI شبكات معادلات BLOCK LOGIC زمن التطوير قصير الأداء مهم توقيت في قدح الحالة لا يوجد انتظار بإشارة الحالة معالجة مفردة معالجة متعددة
  • 26.
    مكونات نظام التحكمالمؤتمت : 1 ( المنظومة الفيزيائية : هي الآلة المراد أتمتة أعمالها بما في ذلك خطوط نقل الحركة وآلات التجميع وآلات التعبئة والتغليف وآلات البلاستيك و الصناعات الغذائية ... 2 ( المشغلات : هي العناصر والأدوات التي تعمل على تفعيل وظائف الآلة ، مثل المحركات والمضخات و الصمامات و المكابس و أنظمة التسخين . 3 ( الحساسات : هي العناصر والأجهزة التي تزود جملة التحكم والأتمتة بالمعلومات اللازمة وتضم حساسات المستوى وحساسات الحرارة وحساسات السرعة والضغط والتدفق . 4 ( جملة التحكم والأتمتة : هو الجهاز الذي يعمل على معالجة معطيات الدخل ويقوم بتوليد تتابع الخرج وفق برنامج محدد مخزن بداخله مسبقا . 5 ( وسائل التخاطب والمراقبة: عبارة عن وسائل تؤمن اظهار متغيرات النظام المراد مراقبته وتسمح بتدخل خارجي من الانسان لتعديل متحولات أو تنفيذ عملية معينة .
  • 27.
    الجملـة اًلفيزيائيـة )ًالآلـة( الحساسات جهاز اًلتحكم واجهـة اًلتخاطب بًين اًلإنسان وً اًلآلـة المشغلات
  • 28.
    Sensor Systems Sensor temperature sensors flow sensors level sensors pressure sensors composition analyzers Transmitter
  • 29.
    Better Actuators Providemore Muscle Better Sensors Provide better Vision Better Control Provides more finesse by combining sensors and actuators in more intelligent ways
  • 30.
    TerminologyProgrammable Controller PCProgrammableController (UK origin), PBSProgrammable Binary System (Swedish origin), PLCProgrammable Logic Controller (US origin), SBCSingle Board Computer (US origin), RTURemote Terminal Unit ( US origin), DDCDirect Digital Control (Britain Origin),
  • 31.
    PLC PC Environment The PLC was specifically designed for harsh conditions with electrical noise, magnetic fields, vibration, extreme temperatures or humidity. Common PCs are not designed for harsh environments.Industrial PCs are available but cost more. Ease of Use By design PLCs are friendlier to technicians since they are in ladder logic and have easy connections. Operating systems like Windows are common.Connecting I/O to the PC is not always as easy. Flexibility PLCs in rack form are easy to exchange and add parts.They are designed for modularity and expansion. Typical PCs are limited by the number of cards they can accommodate and are not easily expandable. Speed PLCs execute a single program in sequential order.The have better ability to handle events in real time. PCs, by design, are meant to handle simultaneous tasks.They have difficulty handling real time events. Reliability A PLC never crashes over long periods of time.("Never" may not be the right word but its close enough to be true.) A PC locking up and crashing is frequent. Programming languages Languages are typically fixed to ladder logic, function block or structured text. A PC is very flexible and powerful in what to use for programming. Data management Memory is limited in its ability to store a lot of data. This is where the PC excels because of it's hard drive.Any long term data storage, history and trending is best done on a PC. Cost Just too hard to compare pricing with so many variables like I/O counts, hardware needed, programming software, etc.
  • 32.
    PLC or DCS:What is the difference?
  • 33.
    Programmable Logic Controller PLC محمد منذر القادري
  • 34.
    PLC developments 1968Programmable controller concept developed.  1969Hardware CPU controller, with logic instruction, 1k of memory and 128 I/O points.  1974Use of several processors within a PLC –timers and counters, arithmetic operations, 12k of memory and 1024 I/O points.  1976Remote input/output systems introduced.  1977Microprocessor-based PLC introduced.  1980Intelligent I/O modules developed, Enhanced communications facilities, Enhanced software features, Use of personal microcomputer as programming aids.  1983Low-cost small PLC introduced.  1985on Networking of all levels of PLC, computer and Machine under standard specification.  Distributed, hierarchical control of industrial plants.
  • 35.
    Advantage of PLC Flexibility. Numerous contacts. Low in price. Simulated operation advance. Fast execution speed. Use ladder chart in planning circuits. High reliability. Easy maintenance. Simplify the purchasing process of the elements in the control system. Easily translated to file data . Highly security.
  • 36.
    Disadvantage of PLC New technique. Unsuitable to be used in the place of fixed function. Environmental impacts.
  • 38.
  • 39.
  • 40.
    (Special & communicationmodule) A/Dmodule D/Amodule T/Cmodule RTDmodule AnalogTimer PIDmodule Positionmodule Interruptmodule HSCmodule G4F-AD3A(8Ch) G4F-AD2A(4Ch) G4F-DA3V(8Ch) G4F-DA3I(8Ch) G4F-DA2V(4Ch) G4F-DA2I(4Ch) G4F-DA1A(2Ch) G4F-TC2A(4Ch) G4F-RD2A(4Ch) G4F-AT3A(8pts) G4F-PIDA(8loops) G4F-HSCA(1ch) G4F-POPA(1Axis) G4F-INTA Ethernetmodule Fieldbusmodule Serialmodule Device Netmodule (10Mbps) (1Mbps) ) (RS232C/RS422) Moduler PLC
  • 41.
    طرق التوصل اشهرطرق التوصيل هي : 1 - mesh )) نسيجي (( 2 - star )) نجمي (( 3 - tree )) شجري (( 4 - bus )) ناقل (( 5 - ring )) حلقي ((
  • 42.
    Physical Topology StarTopology Mesh Topology Bus Topology Ring Topology Tree Topology
  • 43.
    1 - mesh(( يجيسن )) ا نيب طابترلاا ةرثكب زيمتي لأ يف زاهج لك عم رشابم طابترا دجوي هزهج ةكبشلا الميزة الكبيرة للنسيجي هي وضوح الاخطاء. 2 - star )) نجمي (( سمي نجمي نسبه الى شكل التوصيل فيه هنا كل الكوابل تمرر من الحواسيب الى نقطه مركزيه والنقطة المركزيه تسمى الـ hub وظيفة الـ hub اعادة ارسال الرسائل الى كل الحواسيب او الى حاسب معين ونستطيع استخدام اكثر من نوع في هذه الشبكه . كما انه من السهل تعديل وإضافة حاسب جديد من دون تعطيل الشبكه وأيضا تعطل حاسب في الشبكه لا يعطلها لكن عند تعطل الـ hub تتعطل الشبكه كاملة. وكما ان هذه الطريقه تكلف الكثير من الكوابل . 3 - tree )) شجري (( سمي بذلك نسبه الى كثرة التفرعات فيه هنا يمكننا ربط شبكات من النوع نجميه بإضافة hub اخر بهذا يتم تشكيل شبكة الـ tree 4 - bus )) ناقل (( سمي بذلك لأنه عبارة عن خط مستقيم يستخدم في الشبكات الصغيرة والبسيطة و يكون تصميم الشبكه هذه بتوصيل الكمبيوترات في صف على طول سلك واحد يسمى الـ )) backbone (( .لا توجد بالسلك اي تقويه للإشارات المرسلة من حاسب الى اخر . عند ارسال اي رسالة من اي حاسب على السلك كل الحواسيب الاخرى تصلها الاشارة، لكن واحد فقط يقبلها . حاسب واحد فقط يسمح له بالإرسال في نفس الوقت نستنتج هنا ان عدد الأجهزه فيها يؤثر على سرعتها من اهم الادوات المستخدمه في هذه الشبكه الـ terminators يستخدم لامتصاص الاشارات ومنعها من الانعكاس مرة اخرى . 5 - ring )) حلقي (( سميت بذلك نسبه الى شكلها ، لأننا نربط الأجهزه بشكل حلقي هنا في هذه الشبكه كل حاسب متصل مع الحاسب الذي يليه في شكل حلقه في اتجاه واحد بحيث يكون اخر حاسب متصل مع اول حاسب وكل حاسب ينقل ويرسل المعلومات التي استقبلها من الحاسب السابق الى الحاسب الذي يليه شبكات الـ ring تستخدم الـ token وهو عبارة عن رسالة قصيرة تمر داخل الشبكة لتنقل المعلومات من حاسب الى اخر يمكننا تصميم شبكات من نوع مختلط ،
  • 44.
    السوية 4 DeviceNet, UnitTelway نموذج المراقبة والتحكم التراتبي أعمال مكتبية إ دارة الإنتاج م راقبة الجودة ت صميم بمساندة الحاسوب نحو شبكة المؤسسة و / أو شبكة عمومية TOP, .. MAP Factor ,...… MAP تخطيط السيرورة ت صنيع بمساندة الحاسوب تنسيق وإشراف ص يانة السوية 3 التصنيع المتكامل بواسطة الحاسوب CIM (=Computer Integrated Manufacturing) حساس م نظم م شغل السوية 1 تحكم BitBus , FIP ProFiBus ModBus , LAC ,… Mini-MAP شبكة ميدانية تحكم رقمي ت حكم بروبوت بالآلة صناعية قيادة ومتابعة SCAD شبكات الاتصالات في مجال الرقابة و التحكم
  • 47.
    SIMATIC NET andSINAUT Station control systemsSCADA ServerApplication ServerOperatorStationTrainingStationEngineer. StationOperatorStationOperatorStationPrinterServerFront EndProcessorControlCenterSCADA ServerApplication ServerOperatorStationTrainingStationEngineer. StationOperatorStationOperatorStationPrinterServerFront EndProcessorBack-UpControlCenterRTURTURTURTURTURTURTUStation Control SystemESDESDStationControl SystemWANWANWide ide Area rea NNetworketworkDedicated linesDialinglinesPear to pearradio linkDedicatedradio linkFOTSFOTSFiberoptic•Analog•ISDN•GSM•SMSMonitoring and controlWith WinCCTelecontrolwith SIMATIC S7SINAUTTIM Module...... plus ....... within a completely integrated system
  • 48.
    SIMATIC NET andSINAUT Station control systems SCADA Server Application Server Operator Station Training Station Engineer. Station Operator Station Operator Station Printer Server Front End Processor Control Center SCADA Server Application Server Operator Station Training Station Engineer. Station Operator Station Operator Station Printer Server Front End Processor Back-Up Control Center RTU RTU RTU RTU RTU RTU RTU Station Control System ESD ESD Station Control System WAN Wide Area Network Dedicated lines Dialing lines Pear to pear Dedicated radio link radio link FOTS FOTS Fiber optic •Analog •ISDN •GSM •SMS Monitoring and control With WinCC Telecontrol with SIMATIC S7 SINAUT TIM Module ...... plus ....... within a completely integrated system
  • 49.
    النواقل الحقلية هيشبكة نقل رقمية تسلسلية تزود خدمة الاتصال بين العناصر الحقلية ) المنتشرة ( مثل الحساسات والمشغلات و المتحكمات النواقل الحقلية
  • 50.
  • 51.
    Field-Bus System ProfibusDP/FMS/PA Ethernet (10Mbps) Fast Ethernet (100 Mbps) Interbus-S DeviceNet CANopen/CANbus Modbus AS-Interface Foundation Fieldbus H1 Genius Lan (GEF anuc) Serial Standard Interface RS-232/422/485 AB remote I/O LonWorks ABB proprietary Honeywell DE Seriplex Yokogawa propirtary
  • 52.
  • 55.
    ان استخدام الطبقاتالسبع للـ OSI على مستوى العنصر ) عنصر الشبكة ( بطيئ جدا ومعقد جدا عند ارسال الرسائل القصيرة او المتكررة لذا كان من الضروري في هذه التطبيقات ان تعدل طبقة التطبيقات للوصول مباشرة الى طبقة التطبيقات .
  • 56.
    Network Devices andthe OSI Model
  • 57.
    شبكة رقمية تسلسليةتستخدم كناقل حقلي في تطبيقات النظم الصناعية المؤتمتة يمكن ان تربط بين جميع انواع العناصر الحقلية والمنتشرة على المستوي الحقلي شبكة CAN
  • 58.
    PWR FSM INPUT OUTPUT OUTPUT PMU opt Max 3km Cable . . . . . . . . . . . . . . Active Coupler (optic) EOC (opt/elec. Converter) Max.64 Stations (Max.2 Slot Allowed) 1Mbps Twisted pair Max. 750m long Max.5.25km Repeater(Max. 6) Repeater Remote I/O Remote I/O Stand-alone Remote DC In (16P) Stand-alone Remote Relay Out(16P) PWR CPU F- net INPUT OUTPUT PWR CPU F- net INPUT OUTPUT PWR CPU F- net INPUT OUTPUT PWR CPU F- net INPUT OUTPUT PWR CPU F- net INPUT OUTPUT PWR FSM INPUT OUTPUT OUTPUT Terminator Network System (Fnet-Fieldbus)
  • 59.
    Communication methods1) Simplex This is a communication type that the data is transmitted with a fixed direction. It is not allowed to move data in reverse direction. 2) Half-duplex It is available to move data in both directions. However, data transference in a direction should be done after another direction transference is completed because two- way transmissions share acommon communication cable. 3) Full-duplex Data is transmitted in two-way directions with two communication cables.
  • 61.
    Input Unit OutputUnit Memory Unit Program Input Device Power Supply C P U Block Diagram of PLC
  • 62.
    ROM Arithmeti clogic unit Register Control unit Central control unit Power supply Battery Analyti c unit RAM Periphe ral Control unit Input unit Interf ace contro l unit Output unit AC power Output module Input module Tape unit Disk drive Program panel printer Switch component sensor Motor,electromagnetic valve Light,heater compute r Block Diagram
  • 63.
    I n t e r n a l c i r c u i t 24V+ (24V-) X2 X1 X0    C Example for input connection EA model should be add the power source externally No this power source in EA model Open collestor NPN transistor Power supply of sensor(served as input in EA model) DC-24V Input circuit 24VDC 24VDC Input Circuit
  • 65.
    CR4 CR5 CR6CR7 Internal circuit Relay on output circuit +24V C4 Y4 Y5 Y6 Y7 R PL Indicat or light Bulb ligh t Electr om-agneti c valve Rela y Main power CR 4 CR 5 CR 6 CR 7 Output Circuit
  • 67.
    filter stabilizer Battery (backup power sysyem) Power conditioner T2 T1 + Rectifier - + - + 0 - G + 0 - G + - 0 - + - 0 - Sensing the scale of voltage +5Vdc 0 -5Vdc TO CPU L1 L2 G T1 T2 G Power supply
  • 68.
    Power specification Item Specification Incoming Power Voltage 100〜240VAC ,-15%〜+10% Frequency 50〜60Hz ,-5%〜+5% Rated power 30VA(max.) Inrush current 20A @ 264VAC Voltage drop and interruption 20ms(min.) Fuse rating 1.25A ,250VAC Power outputs 5VDC(for CPU) 5V ,±5%,1A(max.) 24VDC(for output) 24V ,±15%,400mA(max.) 24VDC(for input and Sensor) 24V ,±15%,400mA(max.) Isolation Transformer/optical,1500VAC/1min.
  • 69.
  • 70.
  • 71.
    Relay Ladder Diagram (U.S.A.) Function Block Diagram (Germany) Sequential Function Chart (France) Instruction List (U.S.A./Germany) C Pascal Ada LD FBD SFC IL ST Graphical Textual Global Standard programming language for PLC IEC1131-3 ◎International Standard IEC1131-3 adapted ◎IEC1131-3 based language supporting LD, IL, SFC Programming Languages
  • 72.
    The ISaGRAF SoftwareDevelopment Kit (SDK) allows you to develop simple or complex applications using industry standard IEC-61131 languages. ISaGRAF supports the following 6 traditional control programming languages (all 5 specified by the IEC-61131-3 standard, plus Flow Chart): •Sequential Function Chart (SFC) •Function Block Diagram (FBD) •Flow Chart (FC) •Ladder Diagram (LD) •Structured Text (ST) •Instruction List
  • 73.
    X10 X100 M100 Y0 M505 X3 X0 X1 Y126 Y1 Y0 Input processing (Reading the status of all external input terminals) Output processing (Outputting the resul-ting signals to external output terminals) First step Last step PLC sequentially executes the stored program and gets new output results (has not sent to external terminals yet) Cyclic execution Sequentially executes
  • 74.
    M MC TH-RY NFB R S T OFF ON TH-RY MC/a MC-a Running indicator light MC-b RL WL MC Stop indicator light example1
  • 75.
    【PLC ladder diagram】 X0 X1 X2 Y0 Y0 Y0 Y0 Y1 Y2 example1
  • 76.
    【The connection diagramof PLC output/input】 PLC ON OFF TH-RY C X0 X1 X2 C Y0 Y1 Y2 R T MC WL RL example1
  • 77.
    M R ST OFF ON 1 ON 2 MC1 MC2 MC2/b MC1/b TH-RY MC1/a MC2/a MC1/b MC2/b MC1 MC2 WL MC1 YL RL MC2 BZ example2
  • 78.
    Y0 X0 X2X3 Y1 Y0 Y1 X1 X2 X3 Y0 Y1 Y2 Y0 Y3 Y1 Y5 X3 Y4 Y0 Y1 PLC ladder diagram example2
  • 79.
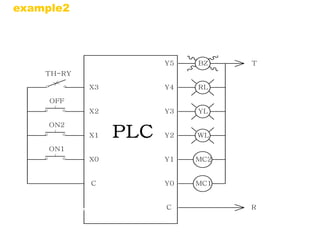
    BZ MC2 RL YL WL MC1 Y5 Y4 Y3 Y2 Y1 Y0 X3 X2 X1 X0 C C PLC T R TH-RY OFF ON2 ON1 PLC output/input wiring chart example2
  • 80.
    MC1 TH-RY NFB R S T M V U W X Y Z MCY MC OFF ON MC TR BZ MC WL MCY RL TH-RY MC/a MC/a MC /b TR MC/a MC/b example3
  • 81.
    EN 1S T200R0 X0 X1 X2 Y0 Y0 Y2 T200 Y0 Y0 X2 Y0 Y1 Y2 Y3 Y4 Y5 example3
  • 82.
    Y5 BZ Y4 Y3 Y2 Y1 Y0 X2 X1 X0 C C PLC T R OFF ON TH-RY1 RL WL MC MCY MC exampe3
  • 83.
    X5 X6 Y3 Y3 X5 X6 Y3 Y3 Conventional Ladder PLC Ladder Diagram Diagram ladder
  • 84.
    Y4 X11 X14 Y0 M6 X16 X10 X12 M1 X20 X0 X1 X7 X10 X2 X9 X3 X4 X5 X6 / Y4 Y5 / Y2 Y0 Element Node Parallel block Serial block Origin line Network 1 Network 2 Network 3 Branch Sample Ladder Diagram Ladder
  • 85.
    Branch Branch lineMerge line Ladder
  • 86.
    X0 X1 ORGX AND X1 X1 X0 X2 ORG X0 OR X1 AND X2 X2 X0 X1 X3 ORG X0 AND X1 OR X2 AND X3 Ladder
  • 87.
    Y0 ORGSHORT OUTY0 X0 X1 X3 X2 X4 Serial Block Must use ANDLD instruction ANDLD instruction is not necessary ORG X0 AND X1 LD X2 OR X3 ANDLD AND X4 Ladder
  • 88.
    X0 X1 X2Y0 X4 X3 X5 Block 1 Block 2 Block 3 ORG X0 ANDNOT X1 LD NOT X2 AND X3 LD x4 ANDNOT X5 ORLD ANDLD OUT Y0 Ladder
  • 89.
    X0 X1 X4Y0 X6 X5 X2 X3 X7 Block 1 Block 2 ladder
  • 90.
    STP S0 M1924 STP S20 X1 X0 Y0 STP S23 Y1 STP S21 Y2 STP S22 Y3 S0 X2 X3 X5 X4 X6 X7 X8 Y4 SFC
  • 91.
    Step flow chart S0 S20 X2 Y0 X3 X1 M1942 X0 S0 Y1 S21 S22 X7 X5 X11 Y3 X4 X6 Y2 X8 SFC
  • 92.
    S0 S20 S21 S32 S23 S30 S31 Parallel forward divergence Parallel forward confluence S0 S20 S21 S22 S23 Repeat Jump (c) Burst divergence, confluence (d) Jump, repeat SFC
  • 93.
    S0 S20 S21 S22 S23 S0 S20 S21 S22 S23 S24 S25 Selective divergence Selective confluence (b) selective divergence, (a) Single flow confluence SFC
  • 94.
    FLOWCHART BASED DESIGN •Describing process control using flowcharts •Conversion of flowcharts to ladder logic
  • 95.
    A Flowchart fora Tank Filler
  • 109.
  • 114.
  • 115.
  • 116.
    Dry material Liquid Clean water Product outlet Empty limit switch X2 No-fluid limit switch Empty limit switch Valve 1 Gate 1 AD1:R3840 Weighing Mixer Mixer motor Valve 2 Valve 3 Electromagneti c switch Overload switch Valve 4 X1 Y7: Y5: Y6: Y9: X3 Y10: X4 Y8: Mixer
  • 117.
    Description: .Inputpoint:Startbutton,X6.Weightinput: AD1,R3840 Washingbutton,X7 Warningclearbutton,X5 .Warningindicator:Drymaterialempty,Y1 Liquiddeficiency,Y2 Mixingunitempty,Y3 Motoroverload,Y4 .Outputpoint:DrymaterialfeedingvalveY5 DrymaterialfeedinggateY6 LiquidfeedinggateY7 StartmotorelectromagneticvalveY8 CleanwaterfeedvalveY9 ProductdeliveryvalveY10 Mixer
  • 118.
    S0 SET Y1 SET Y2 SET Y3 SET Y4 X1 X2 X3 X4 S20 Sa:R3840 Sb:R0 17CMP M0 M1 Y5 S21 M0 M1 Y6 T0 500 S22 Y7 T1 800 Feeding to mixer Add fluid to mixer S23 Y8 T2 4500 Mix X4 Y4 S25 Y10 DR10 Product delivery X3 S25 15D +1 S24 Y9 Feed clear water to wash mixer T3 T3 500 T4 Y10 T4 1500 Drainage X5 SET Y1 SET Y2 SET Y3 SET Y4 M1924 X6 Y1 Y2 Y3 Y4 Y3 Y4 X7 T1 T0 T2 X3 Cycle accumulation Motor overload T4 Feeding weighing Weighing input Warning indication Warning clear Mixer
  • 119.
  • 120.
    【Step flow chart】 STP S23 Mixing Y8 EN T2 4500 X4 Y4 STP S24 Y9 EN T3 500 T3 Y10 EN T4 1500 T4 TO S25 T2 FROM S23 FROM S24 T4 STP S25 Y10 +1 DR10 S25 X3 X3 15D TO S0 STPEND Motor overload Clear water feed-in to wash mixer Drainage Product delivery Cycle accumulation Net 7 Net 8 Net 9 Net 10 Net 11 Mixer
  • 121.
    G2 Y2 R2 G2 Y2 R2 R1 Y1 G1 G1 Y1 R1 Road # 2 Road # 1 Illustration of traffic light】 Traffic
  • 122.
    X1 X2 M0 M0 M0 EN 0 MC 0 X3 X0 M3 M1 X4 X0 M4 M2 X0 M1 EN 1S T200 16 T200 EN 1S T201 2 T203 EN 1S T202 2 T201 M3 EN 0.1S T50 5 T201 T51 T50 EN 0.1S T51 5 M4 T200 T202 M3 X0 EN 1S T203 6 M1 M2 Start the stop control Main loop Manual loop control ←T─20─0 T201 T202 T50 T51 T203 M3 M4 M1 ¡ö¢w Time for the first set green light ←──Time for the blinking green light ←──Time for the yellow light on ←── Speed of blinking green light ←──Time for the second set green light M1 and M2 are the switches over control of the first and second Use PLC in traffic light control Traffic
  • 123.
    Green light 1 T203 T202 M4 T201 T50 X0 T200 X0 M3 M1 M1 T201 T202 M1 X0 T203 X0 M4 T201 T50 M1 M1 T201 T202 X0 T200 X0 M3 T202 M1 M1 T202 EN 1 MCE 0 M2 Y0 Y1 Y2 Y3 Y3 Y3 Yellow light 1 Red light 1 Green light 2 Yellow light 2 Red light 2 Use PLC in traffic light control Traffic
  • 124.
    YL2 GL2 RL1 Y5 Y4 Y3 Y2 Y1 Y0 X2 X1 X0 C C PLC T R PB2 PB1 YL1 GL1 RL2 PB4 PB3 X4 X3 CS The first set The second set PLC output/input wiring chart Traffic
  • 125.
    PLC C0 Y0Y1 Y2 Y3 C1 Y4 Y5 C X0 X1 X2 X12 X13 X14 X15 8 4 2 1 8 4 2 1 8 4 2 1 8 4 2 1 103 102 101 100 SW0 SW1 SW2 PL1 PL2 R T Display
  • 126.
    X1 EN RSTR0 EN 15P (+1) R0 OVF X0 X2 EN 16P (-1) R0 UDF X0 EN 20->BCD S=R0 D=R1 ERR EN 79-7SGOL S=R1 OT=Y4 N=2 ON EN 17CMP Sa:R0 Sb:20 a=b a>b a<b Y0 Y1 X1 EN RST R0 EN 15P (+1) R0 OVF X0 X2 EN 16P (-1) R0 UDF X0 EN 20->BCD S=R0 D=R1 ERR EN 79-7SGOL S=R1 OT=Y4 N=2 ON EN 17CMP Sa:R0 Sb:20 a=b a>b a<b Y0 Y1 Display
  • 127.
    PS1 PS2 PLC RL GL R T C Y0 Y1 Y2 Y3 Y 4 Y5 Y6 Y7 Y8 Y9 Y10 Y 11 C X0 X1 X2 8 4 2 1 8 4 2 1 8 4 2 1 8 4 2 1 +24V COM SW0 Display
  • 128.
    Pulse input t Step angle t output Driving circuit of step motor Step motor Stepper Motor
  • 129.
    EN PAU MD:1 Fr:R0 PC:0 CK:Y0 DR:Y1 HO: U/D X0 X1 X2 EN 13 (*) Sa:R0 Sb:6 D:R1 EN 14 (/) Sa:R1 Sb:20 D:R3 EN 20→BCD S:R3 D:R5 EN 79 7SGDL S:R5 OT:Y4 N:2 81.PLS0 Use PLC in speed control of step motor Stepper Motor
  • 130.
    SW1 PLC C Y0 Y1 Y4~Y11 X0 X1 X2 C SW0 SW2 Driving circuit COM 24V To 7-segment LED CKDIR Step motor (refer ro related wiring in previous) SW0: pulse output enables SW1: Pause pulse output enables SW2: Positive and reverse rotation control (ON: Positive, OFF reverse) CK: Pulse input end of step motor. DIR: Directional control end of step motor. Stepper Motor