FOLHA: 01/02
TIP 1500 4 AB
BD139
BD140
Todos resistores são
de 1/4W e todos os
capacitores eletrolíti-
cos são de 25V,
exceto aqueles com
indicação.
ARQUIVO:..TIP1500_AB4_V1.DSN
VISTA FRONTAL I N D Ú S T R I A E L E T R Ô N I C A L T D A.
CIRCUITO: POWER / FONTE31 42 6 875
IC1001MPSA92
BE C
2nd GENERATION
2SA1943
2SC5200
PL253C
POWER CANAL A
3
4
20x
8
5
SUPERIOR
0dB
6
TLE2072
40x
2
1%
7
VISTA
1%
1
GAIN
PARALLEL
REVERSE
IN
PHASE
CANAL B
3+ 2-
SEND
Canal B
+
-
2+ 3- BRIDGE
STEREO
SEND
Canal A
IN
PLA039
220V
127V
1 - 10
BC327
B C
2SA1006
E
2SC2336
TENSÃO DO TRAFO EM REPOUSO 72 Vac
DATA: 17/06/2003
TL072
13
15
6
8
1
12
16
9
5
7
11
14
2
4
13600
10
3
A numeração dos inte-
grados é feita da es-
querda para direita e
de cima para baixo.
01/04
01/04
02/04
02/04
03/04
03/04
04/04
10AWG
Caso seja usado o transistor
2SA 1837 no lugar do 2SA
1006 e 2SC 4793 no lugar do
2SC2336, substituir os capa-
citores de 39pF x 500V por
150pF x 500V.
ATENÇÃO
CBE
BCE
B EC
-15V
-15V
+15V
-15V
+15V
-15V
-15V
0
-15V
-15V
+15V
+V -V
-V
-V+V
+V
+15V
+15V
+15V
-15V
+V
-V
-V
1 2 3
39pFx500V
10K
4R7x1W
0.47Rx5W
2SA1943
10K
12
3
NTC2K2
4R7x1W
10Rx1W
6K8 5%
27Rx2W
100Kx250V
10K 1%
4R7x1W
+
22uFx160V
22K
47Rx1W
2SA1943
100pF
15V
4R7x1W
18K 5%
GROUND / LIFT
2K7x5W
1K5
+470uF
22pF
MPSA92
+
47uF
+
10uF
1K
TLE2072
3
2
84
1
2K2
56pF
1K 5%
560R
BD139
-+
800Vx35A
10K 1%
12
3
2SC5200
8K2 1%
150K
12
3
2SA1006
10K
2K2
10Rx10W
TLE2072
5
6
7
1N4148
+
15000x105V
4R7x1W
10K
+
4,7uF
4R7x1W
2SC5200
0V
220V
TTIP1500AB4
2SC5200
+ 470uF
1K
470pF
220pF
100K
2SA1006
2SC2336
10K 1%
4R7x1W
2SA1943
2SC2336
47K
2SA1006
1K
390R
+
10uF
TL072
5
6
7
+
15000x105V
1N5404
10K 1%
390R
1N4148
33K
120R
0.47Rx5W
12K
2K7x3W
0.47Rx5W
TLE2072
5
6
7
+
15000x105V
2K2
4K7
2SC5200
1N4148
+
22uFx160V
47K
0.47Rx5W
56pF
12K
27Vx1W
100Kx250V
56pF
4R7x1W
120R
4R7x1W
1N4148
0.47Rx5W
1K5
BC327
TL072
3
2
84
1
0.47Rx5W
+4,7uF
1K8
1K65 1%
4R7x1W
2SC5200
1K
2SC2336
2
1
8
4
5
3
6
7 IC1001
220R
2K2
100Kx50V
BD140
10K
100K
12A / 220V
2SA1943
2SC2336
4K7 1%
4K7
4R7x1W
2SA1943
27Vx1W
TLE20723
2
84
1
2SA1943
500R
2K7x3W
LM13600
3
4
5
11
2
8
71
14
15
1316
12
6
2K2
0.47Rx5W
10K
1N5404
0.47Rx5W
100R
47K
0.47Rx5W
56pF
1N5404
12
3
10K
33K
4R7x1W
3K31%
10K
100R
0.47Rx5W
820R
1N4148
2SC5200
1N5404
4R7x1W
10K
820R
2K7x5W
+
47uF
100Kx50V
5K6
100Kx250V
1N4148
100Kx630V
1N4148
15V
10K
47Rx1W
- +
800Vx35A
0.47Rx5W
39pFx500V
4R7x1W
10Rx5W
4K7
+
4,7uF
+
4,7uF
+
15000x105V
1K5
10K 1%
0.47Rx5W
ICA
COMPA
+V
GND
+V
-V
NTCA
OUT A
NTCA
CLIPA
OUT
PROTCHA
OUT
DC OUT
-VAC AUX2
IN -
IN+
IN+
IN-
DC OUT
GND A
1 A
W A
OVER+ A
OVER- A
AC AUX1
ARQUIVO:..TIP1500_AB4_V1.DSN
FOLHA: 02/02
VISTA FRONTAL
I N D Ú S T R I A E L E T R Ô N I C A L T D A.
CIRCUITO: PROTEÇÃO / DISPLAY
TIP 1500 4 AB
PL240C
PROTEÇÃO / DISPLAY
BC549 39007815
VISTA
SUPERIOR
VOLUMECHA
VOLUMECHB
2nd GENERATION
OUT CHA
RELÊ-FONTE
CH A / CH B
OUTCHB
PL241A
1
2
3
1 - 10
DATA: 17/06/200303/04
03/04
03/04
03/04
04/04
04/04
04/04
04/04
02/04
01/04
01/04
01/04
01/04
A numeração dos integrados é
feita da esquerda para direita e
de cima para baixo.
* Os termostatos são normalmente
abertos.
Todos resistores são de 1/4W e
todos os capacitores eletrolíticos
são de 25V, exceto aqueles com
indicação.
+ 15 V
+ 15 V
+ 15 V
+ 15 V
+ 15 V
+ 15 V
+ 15 V
+ 15 V
+ 15 V
CBE
4
3
2
1
11
12
13
14
10
87
6
5
9
1 2 3
+ 15 V
+ 15 V
+ OUT
+
100uFx40V
1K2
-
2
3
+
4
3900
BC549
22K
1N4148
100K
680R
BC549
100K
-
2
3
+
4
3900
1N4148
1N4148
100K
100K
47K
100K
4V7
+
47uF
100K
1N4001
+
47uF
1K
100K
+ OUT
TEMP/DCA
1K2
100K
47K
33K
100K
47K
5KB
1N4148
47K
47K
33K
-
12
11
+
10
3900
100K
22K
100K
-
12
11
+
10
3900
+
2200uFx40V
- OUT
HAT901CSDC24
3
5
4
1
2
1N4148
1N4148
BC549
100K
100K
100K
1K5
OVERLOAD A
1K
1N4148
24Vx3W
1N4148
4K7
-
+1
6
5
14
7
3900
OVERLOAD B
4V7
100K
12K
-
12
11
+
10
3900
CLIP B
4V7
100K
10K
1N4148
3A
1N4148
+
10uF
TEMP/DCB
100Rx2W
1N4148
1R
TERMOSTATO CH B *
680R
68K
1N4001
1N4148
-
2
3
+
4
3900
1N4148
1N4148
33K
220K
1N4148
2K49
1N4148
1N4002
22K
68K
8
9
13
-
+
3900
+
4,7uF
4V7
1K5
24Vx3W
2K2
- OUT
1R
1N4148
100K
TERMOSTATOCHA*
100K
CLIP A
47K
220K
1K
4V7
100K
4V7
6K8
5KB
1N4148
1N4148
+
4,7uF
-+
4x1N4001
6K8
100K
68K
1N4148
1N4148
+ OUT
1K5
100K
1N4148
1N4148
- OUT
HAT901CSDC24
3
5
4
1
2
47Rx5W
BC549
1N4148
+
47uF
100K
SIGNAL B
BC549
220K
4K7
150K
100K
ON
33K
-
+1
6
5
14
7
3900
+
10uF
220K
-
+1
6
5
14
7 3900
- OUT
1N4002
BC549
100K
1K5
BC549
68K
1N4148
10K
VIN V OUT
GND
7815
1K5
24V/1A
7
5
2
3
4
1
8
6
+
10uF
2K2
100Rx2W
8
9
13
-
+
3900
100K
2K49
8
9
13
-
+
3900
+
10uF
22K
+ OUT
24V/1A
7
5
2
3
4
1
8
6
SIGNAL A
BC549
+
47uF
12K
NTCA
PROTCHA
BORNEA
OUT A
COMPA
ICANTCA
VDC
COMPB
ICB
PROTCHB
NTCB
OUT B
NTCB
CLIPB
CLIPA
SIG B
SIG A
OVER+ A
OVER- A
OVER+ B
OVER- B
W A
1 A
GND A
1 B
W B
GND B
VDC
SIG B
SIG A
OUT B
OUT A
AC AUX1
AC AUX2
BORNEB

Ciclotron tip1500 4 ab ii

  • 1.
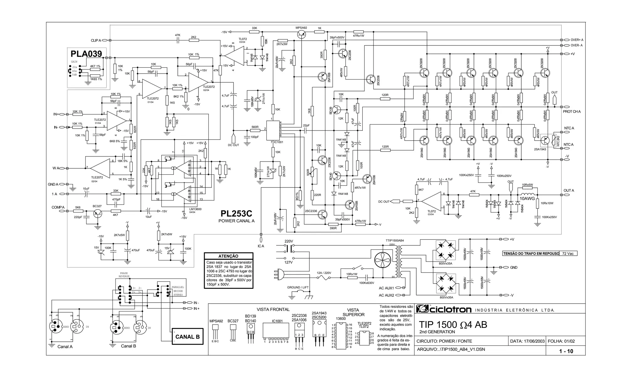
    FOLHA: 01/02 TIP 15004 AB BD139 BD140 Todos resistores são de 1/4W e todos os capacitores eletrolíti- cos são de 25V, exceto aqueles com indicação. ARQUIVO:..TIP1500_AB4_V1.DSN VISTA FRONTAL I N D Ú S T R I A E L E T R Ô N I C A L T D A. CIRCUITO: POWER / FONTE31 42 6 875 IC1001MPSA92 BE C 2nd GENERATION 2SA1943 2SC5200 PL253C POWER CANAL A 3 4 20x 8 5 SUPERIOR 0dB 6 TLE2072 40x 2 1% 7 VISTA 1% 1 GAIN PARALLEL REVERSE IN PHASE CANAL B 3+ 2- SEND Canal B + - 2+ 3- BRIDGE STEREO SEND Canal A IN PLA039 220V 127V 1 - 10 BC327 B C 2SA1006 E 2SC2336 TENSÃO DO TRAFO EM REPOUSO 72 Vac DATA: 17/06/2003 TL072 13 15 6 8 1 12 16 9 5 7 11 14 2 4 13600 10 3 A numeração dos inte- grados é feita da es- querda para direita e de cima para baixo. 01/04 01/04 02/04 02/04 03/04 03/04 04/04 10AWG Caso seja usado o transistor 2SA 1837 no lugar do 2SA 1006 e 2SC 4793 no lugar do 2SC2336, substituir os capa- citores de 39pF x 500V por 150pF x 500V. ATENÇÃO CBE BCE B EC -15V -15V +15V -15V +15V -15V -15V 0 -15V -15V +15V +V -V -V -V+V +V +15V +15V +15V -15V +V -V -V 1 2 3 39pFx500V 10K 4R7x1W 0.47Rx5W 2SA1943 10K 12 3 NTC2K2 4R7x1W 10Rx1W 6K8 5% 27Rx2W 100Kx250V 10K 1% 4R7x1W + 22uFx160V 22K 47Rx1W 2SA1943 100pF 15V 4R7x1W 18K 5% GROUND / LIFT 2K7x5W 1K5 +470uF 22pF MPSA92 + 47uF + 10uF 1K TLE2072 3 2 84 1 2K2 56pF 1K 5% 560R BD139 -+ 800Vx35A 10K 1% 12 3 2SC5200 8K2 1% 150K 12 3 2SA1006 10K 2K2 10Rx10W TLE2072 5 6 7 1N4148 + 15000x105V 4R7x1W 10K + 4,7uF 4R7x1W 2SC5200 0V 220V TTIP1500AB4 2SC5200 + 470uF 1K 470pF 220pF 100K 2SA1006 2SC2336 10K 1% 4R7x1W 2SA1943 2SC2336 47K 2SA1006 1K 390R + 10uF TL072 5 6 7 + 15000x105V 1N5404 10K 1% 390R 1N4148 33K 120R 0.47Rx5W 12K 2K7x3W 0.47Rx5W TLE2072 5 6 7 + 15000x105V 2K2 4K7 2SC5200 1N4148 + 22uFx160V 47K 0.47Rx5W 56pF 12K 27Vx1W 100Kx250V 56pF 4R7x1W 120R 4R7x1W 1N4148 0.47Rx5W 1K5 BC327 TL072 3 2 84 1 0.47Rx5W +4,7uF 1K8 1K65 1% 4R7x1W 2SC5200 1K 2SC2336 2 1 8 4 5 3 6 7 IC1001 220R 2K2 100Kx50V BD140 10K 100K 12A / 220V 2SA1943 2SC2336 4K7 1% 4K7 4R7x1W 2SA1943 27Vx1W TLE20723 2 84 1 2SA1943 500R 2K7x3W LM13600 3 4 5 11 2 8 71 14 15 1316 12 6 2K2 0.47Rx5W 10K 1N5404 0.47Rx5W 100R 47K 0.47Rx5W 56pF 1N5404 12 3 10K 33K 4R7x1W 3K31% 10K 100R 0.47Rx5W 820R 1N4148 2SC5200 1N5404 4R7x1W 10K 820R 2K7x5W + 47uF 100Kx50V 5K6 100Kx250V 1N4148 100Kx630V 1N4148 15V 10K 47Rx1W - + 800Vx35A 0.47Rx5W 39pFx500V 4R7x1W 10Rx5W 4K7 + 4,7uF + 4,7uF + 15000x105V 1K5 10K 1% 0.47Rx5W ICA COMPA +V GND +V -V NTCA OUT A NTCA CLIPA OUT PROTCHA OUT DC OUT -VAC AUX2 IN - IN+ IN+ IN- DC OUT GND A 1 A W A OVER+ A OVER- A AC AUX1
  • 2.
    ARQUIVO:..TIP1500_AB4_V1.DSN FOLHA: 02/02 VISTA FRONTAL IN D Ú S T R I A E L E T R Ô N I C A L T D A. CIRCUITO: PROTEÇÃO / DISPLAY TIP 1500 4 AB PL240C PROTEÇÃO / DISPLAY BC549 39007815 VISTA SUPERIOR VOLUMECHA VOLUMECHB 2nd GENERATION OUT CHA RELÊ-FONTE CH A / CH B OUTCHB PL241A 1 2 3 1 - 10 DATA: 17/06/200303/04 03/04 03/04 03/04 04/04 04/04 04/04 04/04 02/04 01/04 01/04 01/04 01/04 A numeração dos integrados é feita da esquerda para direita e de cima para baixo. * Os termostatos são normalmente abertos. Todos resistores são de 1/4W e todos os capacitores eletrolíticos são de 25V, exceto aqueles com indicação. + 15 V + 15 V + 15 V + 15 V + 15 V + 15 V + 15 V + 15 V + 15 V CBE 4 3 2 1 11 12 13 14 10 87 6 5 9 1 2 3 + 15 V + 15 V + OUT + 100uFx40V 1K2 - 2 3 + 4 3900 BC549 22K 1N4148 100K 680R BC549 100K - 2 3 + 4 3900 1N4148 1N4148 100K 100K 47K 100K 4V7 + 47uF 100K 1N4001 + 47uF 1K 100K + OUT TEMP/DCA 1K2 100K 47K 33K 100K 47K 5KB 1N4148 47K 47K 33K - 12 11 + 10 3900 100K 22K 100K - 12 11 + 10 3900 + 2200uFx40V - OUT HAT901CSDC24 3 5 4 1 2 1N4148 1N4148 BC549 100K 100K 100K 1K5 OVERLOAD A 1K 1N4148 24Vx3W 1N4148 4K7 - +1 6 5 14 7 3900 OVERLOAD B 4V7 100K 12K - 12 11 + 10 3900 CLIP B 4V7 100K 10K 1N4148 3A 1N4148 + 10uF TEMP/DCB 100Rx2W 1N4148 1R TERMOSTATO CH B * 680R 68K 1N4001 1N4148 - 2 3 + 4 3900 1N4148 1N4148 33K 220K 1N4148 2K49 1N4148 1N4002 22K 68K 8 9 13 - + 3900 + 4,7uF 4V7 1K5 24Vx3W 2K2 - OUT 1R 1N4148 100K TERMOSTATOCHA* 100K CLIP A 47K 220K 1K 4V7 100K 4V7 6K8 5KB 1N4148 1N4148 + 4,7uF -+ 4x1N4001 6K8 100K 68K 1N4148 1N4148 + OUT 1K5 100K 1N4148 1N4148 - OUT HAT901CSDC24 3 5 4 1 2 47Rx5W BC549 1N4148 + 47uF 100K SIGNAL B BC549 220K 4K7 150K 100K ON 33K - +1 6 5 14 7 3900 + 10uF 220K - +1 6 5 14 7 3900 - OUT 1N4002 BC549 100K 1K5 BC549 68K 1N4148 10K VIN V OUT GND 7815 1K5 24V/1A 7 5 2 3 4 1 8 6 + 10uF 2K2 100Rx2W 8 9 13 - + 3900 100K 2K49 8 9 13 - + 3900 + 10uF 22K + OUT 24V/1A 7 5 2 3 4 1 8 6 SIGNAL A BC549 + 47uF 12K NTCA PROTCHA BORNEA OUT A COMPA ICANTCA VDC COMPB ICB PROTCHB NTCB OUT B NTCB CLIPB CLIPA SIG B SIG A OVER+ A OVER- A OVER+ B OVER- B W A 1 A GND A 1 B W B GND B VDC SIG B SIG A OUT B OUT A AC AUX1 AC AUX2 BORNEB