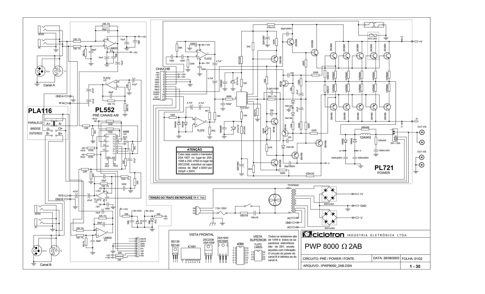
FOLHA: 01/02
PWP 8000 2AB
BD139
BD140
Todos os resistores são
de 1/4W e todos os ca-
pacitores eletrolíticos
são de 25V, exceto
aqueles com indicação.
O circuito do power do
canal B é idêntico ao do
canal A.
ARQUIVO:..PWP8000_2AB.DSN
VISTA FRONTAL I N D Ú S T R I A E L E T R Ô N I C A L T D A.
CIRCUITO: PRÉ / POWER / FONTE
31 42 6 875
IC1001
2SA1943
2SC5200
3
4
8
5
SUPERIOR
6
LM833
2 7
VISTA
1
POWER
1 - 30
PL721
2SA1006
2SC2336
DATA: 28/08/2003
12AWG
54.4 VacTENSÃO DO TRAFO EM REPOUSO
WA
+15V
-15V
GND
GND
NTC
RELE
RELE
OVER+
OVER-
BORNE
OUT
CHA/CHB
7.5A / 220V
4066
TL072
TL072
TL072
+24VA
IN
LM833
B+
A-
+24VB
IN
2/3
3/3
SEND
GND
-15V
TL072
LM833
PRÉ CANAIS A/B
GND
O+
PARALELO
PLA116
GB
Canal A
BRIDGE
4066
Canal B
A+
2/3
TL072
SEND
+15V
O-
B-ESTEREO
1/3
GA
PL552
1/3
Caso seja usado o transistor
2SA 1837 no lugar do 2SA
1006 e 2SC 4793 no lugar do
2SC2336, substituir os capa-
citores de 39pF x 500V por
220pF x 500V.
ATENÇÃO
BCE B EC
+V
-V
-V+V
+15V
-15V
-V
B C E
-15V
+15V
4
3
2
1
11
12
13
14
10
87
6
5
9
+6V2
-15V
+15V
+15V
+6V2
-15V
+6V2
-15V
+15V
-6V2
-6V2
-6V2
+6V2
+15V
-15V
+6V2
-6V2
39pFx500V
10R
0.47Rx5W
+
10uF
10K
0.47Rx5W
10R
NTC 2K2
150K
10Rx1W
+
10uF
+
22uFx160V
+
47uF
2SC2336
100pF
+
10uF
10K
56K10K 1%
0.47Rx5W
IN
100K
2SA1943
100K
+
47uF
10K 1%
2SA1943
10K
1N4148
100K
2K2
1K91 1%
560R
-+
800Vx35A
BD139
2SC5200
2SC5200
47Rx1W
56pF
56pF
+
47uF
10K1
2
3
4
5
6
7
8
9
10
11
12
+
4,7uF
30K1 1%
+
47uF
0V
220V
TPWP8000
33R
2SC5200
15K
2SC2336
0.47Rx5W
2K2
5
13
6
12
9
8
E0
E2
E1
E3
GND VDD
7 14
11
10
2
1
4
3
Z2
Y2
Y3
Z3
Z0
Y0
Z1
Y1
2SA1006
2SA1943
1K8
390R
1K5
33K
10K 1%
6V2
1N4148
390R
330R
12K
56pF
+
_
8
3
2
4
1
2K7x3W
IN
+
_
5
6
7
0.47Rx5W
+
_
5
6
7
2K2
2SC5200
4K7
100K
+
22uFx160V
1N4148
+
_
8
3
2
4
1
0.47Rx5W
10K1%
12K
+
4,7uF
100Kx250V
27Vx1W
OUT A/B
330R
1N4148
100K
5
8
6
3
4
7
2
1
0.47Rx5W
100K
100Kx100V
+
4,7uF
10K 1%
10K1%
3,3pFx100V
10Rx5W
47R
2
1
8
4
5
3
6
7 IC1001
BD139
+
47uF
BD140
100Kx50V
33K
2SC2336
24V / 30A
2SA1943
+
47uF
OUT A/B
27Vx1W
10Rx5W33R
100Rx1W
2SA1943
10K 1%
2K7x3W
500R
10K
1N5402
390R
+10uF
120K
100R
+
4,7uF
10K 1%
2SC5200
1N5402
100K
2SA1006
10K
100K
1K8
100K
10K 1%
100R
10K
4K121%
0.47Rx5W
+
_
5
6
7
+
_8
3
2
4
1
56pF
150K
390R
10K
1N4148
100Rx1W
+
47uF
0.47Rx5W
15K
SEND
100Kx250V
47Rx1W
100Kx50V
SEND
10Kx1K
56pF
470K
6V2
10K 1%
- +
800Vx35A
470K
2SA1006
100K
56pF
39pFx500V
+
47uF
0.47Rx5W
100K
1K911%
+V
-V
-V
GND
+V
GND
AC
AC
GND A
W B
GND B
W A
ARQUIVO:..PWP8000_V1.DSN
FOLHA: 02/02
VISTA FRONTAL I N D Ú S T R I A E L E T R Ô N I C A L T D A.
Todos resistores são
de 1/4W e todos os
capacitores eletrolíti-
cos são de 25V,
exceto aqueles com
indicação.
CIRCUITO: PROTEÇÃO / DISPLAY / FONTE
BC549 7815
VISTA
SUPERIOR
FONTE
PL722
1 - 30
DATA: 29/08/2003
A numeração dos in-
tegrados é feita da
esquerda para direi-
ta e de cima para
baixo.
PWP 8000 2AB
LM339
BORNE
VOLUMECHB
RELE
GND
GB
+24VA
LM339
NTC
RELE
1/3
LM339
3/3
+15V
OVER-
+15V
-15V
3/3
OVER-
3/3
1/3
GND
OUT
RELE
LM339
WA
GND
GND
RELE
OVER+
+24VB
NTC
-15V
-15V
CHA
GA
OUT
LM339
+15V
CHB
LM339
BORNE
3/3
1/3
LM339
1/3
LM339
OVER+
VOLUMECHA
LM339
WB
LM339
2/3
PROTEÇÃO / DISPLAY
2/3
LM339
2/3PL726
LM339
2/3
LM339
-15V
+24VA
GA
-15V
GND
1.5A
+15V
+24VB
GND
1.5A
+24VA
GA
GB
GB
+15V
+24VB
7915
CBE
1 2 3 4
3
2
1
11
12
13
14
10
87
6
5
9
+ 15 V
+24VB
- 15 V
-15V
+ 15 V
+ 15 V
+ 15 V
- 15 V
+15V
+ 15 V
+24VA
+ 15 V
+ 15 V
+ 15 V
+ 15 V +15 V
+ 15 V
- 15 V
-15 V
- 15 V
+ 15 V
+ 15 V
+15V
-15V
+15V
100Kx100V
+
_
9
8
14
4V7
1
2
3
4
5
6
7
8
9
10
11
12
4V7
+47uF
120K
1N4001
100K
OVERLOAD B
+
1000uFx40V
1N4148
1N4001
220K
3K65 1%
82K
+
47uF
4V7
47K47K
+
1uF
1N4001
+47uF
100K
3K65 1%
SIGNAL A
+
_ 3
4
5
12
2
1N4148
56K
2K2
+
_6
7
1
+
1uF
4V7
100K
TEMP/DCA
4K71%
3K3 1%
1N4001
390K
6K8
CLIP A
82K
100K
100K
100K
220K
1N4001
200K
10K
ON
5
8
6
3
4
7
2
1
2K2
1N4148
+
47uF
3K3 1%
+
_
9
8
14
+
1uF
+
_
11
10
13
4V7
BC549
10R
4V7
10R
56K
2K7
100K
+
_3
4
5
12
2
5KB
82K
3K9
1K
TEMP/DCB
56K
+
_ 3
4
5
12
2
120K
2K2
10K
2K7
+
_
11
10
13
1K
10R
2K2
+
1uF
10R
3K9
1N4148
5
8
6
3
4
7
2
1
15K
+
_6
7
1
+
6800uFx100V
10R
100K
15K
120K
+
6800uFx100V
10K
4V7
82K
24Vx3W
+ 1000uFx40V
30K1%
1N4001
CLIP B
BC549
390K
+
_
9
8
14
4V7
OVERLOAD A
+
6800uFx100V
47R
2K2
BC549
24Vx3W
+
47uF
+
_6
7
1
4K7
1K91 1%
+
47uF
+
6800uFx100V
SIGNAL B
+
47uF
47R
10K
+
6800uFx100V
10R
100Rx2W
82K
+
47uF
10R
47K
BC549
+
_
11
10
13
BC549
5KB
+
6800uFx100V
5
8
6
3
4
7
2
1
47K
56K
6K8
BC549
1
2
3
4
5
6
7
8
9
10
11
12
100Rx2W
100Kx100V
2K2
120K
200K
10R
2
1
3
VIN GND VOUT
LM7915
1
2
3
VIN
GND
VOUT
LM7815
4K71%
GND
GND
1 B
1 A
AC
GND
AC
+V
-V
+V
-V

Ciclotron pwp8000 2 ab

  • 1.
    FOLHA: 01/02 PWP 80002AB BD139 BD140 Todos os resistores são de 1/4W e todos os ca- pacitores eletrolíticos são de 25V, exceto aqueles com indicação. O circuito do power do canal B é idêntico ao do canal A. ARQUIVO:..PWP8000_2AB.DSN VISTA FRONTAL I N D Ú S T R I A E L E T R Ô N I C A L T D A. CIRCUITO: PRÉ / POWER / FONTE 31 42 6 875 IC1001 2SA1943 2SC5200 3 4 8 5 SUPERIOR 6 LM833 2 7 VISTA 1 POWER 1 - 30 PL721 2SA1006 2SC2336 DATA: 28/08/2003 12AWG 54.4 VacTENSÃO DO TRAFO EM REPOUSO WA +15V -15V GND GND NTC RELE RELE OVER+ OVER- BORNE OUT CHA/CHB 7.5A / 220V 4066 TL072 TL072 TL072 +24VA IN LM833 B+ A- +24VB IN 2/3 3/3 SEND GND -15V TL072 LM833 PRÉ CANAIS A/B GND O+ PARALELO PLA116 GB Canal A BRIDGE 4066 Canal B A+ 2/3 TL072 SEND +15V O- B-ESTEREO 1/3 GA PL552 1/3 Caso seja usado o transistor 2SA 1837 no lugar do 2SA 1006 e 2SC 4793 no lugar do 2SC2336, substituir os capa- citores de 39pF x 500V por 220pF x 500V. ATENÇÃO BCE B EC +V -V -V+V +15V -15V -V B C E -15V +15V 4 3 2 1 11 12 13 14 10 87 6 5 9 +6V2 -15V +15V +15V +6V2 -15V +6V2 -15V +15V -6V2 -6V2 -6V2 +6V2 +15V -15V +6V2 -6V2 39pFx500V 10R 0.47Rx5W + 10uF 10K 0.47Rx5W 10R NTC 2K2 150K 10Rx1W + 10uF + 22uFx160V + 47uF 2SC2336 100pF + 10uF 10K 56K10K 1% 0.47Rx5W IN 100K 2SA1943 100K + 47uF 10K 1% 2SA1943 10K 1N4148 100K 2K2 1K91 1% 560R -+ 800Vx35A BD139 2SC5200 2SC5200 47Rx1W 56pF 56pF + 47uF 10K1 2 3 4 5 6 7 8 9 10 11 12 + 4,7uF 30K1 1% + 47uF 0V 220V TPWP8000 33R 2SC5200 15K 2SC2336 0.47Rx5W 2K2 5 13 6 12 9 8 E0 E2 E1 E3 GND VDD 7 14 11 10 2 1 4 3 Z2 Y2 Y3 Z3 Z0 Y0 Z1 Y1 2SA1006 2SA1943 1K8 390R 1K5 33K 10K 1% 6V2 1N4148 390R 330R 12K 56pF + _ 8 3 2 4 1 2K7x3W IN + _ 5 6 7 0.47Rx5W + _ 5 6 7 2K2 2SC5200 4K7 100K + 22uFx160V 1N4148 + _ 8 3 2 4 1 0.47Rx5W 10K1% 12K + 4,7uF 100Kx250V 27Vx1W OUT A/B 330R 1N4148 100K 5 8 6 3 4 7 2 1 0.47Rx5W 100K 100Kx100V + 4,7uF 10K 1% 10K1% 3,3pFx100V 10Rx5W 47R 2 1 8 4 5 3 6 7 IC1001 BD139 + 47uF BD140 100Kx50V 33K 2SC2336 24V / 30A 2SA1943 + 47uF OUT A/B 27Vx1W 10Rx5W33R 100Rx1W 2SA1943 10K 1% 2K7x3W 500R 10K 1N5402 390R +10uF 120K 100R + 4,7uF 10K 1% 2SC5200 1N5402 100K 2SA1006 10K 100K 1K8 100K 10K 1% 100R 10K 4K121% 0.47Rx5W + _ 5 6 7 + _8 3 2 4 1 56pF 150K 390R 10K 1N4148 100Rx1W + 47uF 0.47Rx5W 15K SEND 100Kx250V 47Rx1W 100Kx50V SEND 10Kx1K 56pF 470K 6V2 10K 1% - + 800Vx35A 470K 2SA1006 100K 56pF 39pFx500V + 47uF 0.47Rx5W 100K 1K911% +V -V -V GND +V GND AC AC GND A W B GND B W A
  • 2.
    ARQUIVO:..PWP8000_V1.DSN FOLHA: 02/02 VISTA FRONTALI N D Ú S T R I A E L E T R Ô N I C A L T D A. Todos resistores são de 1/4W e todos os capacitores eletrolíti- cos são de 25V, exceto aqueles com indicação. CIRCUITO: PROTEÇÃO / DISPLAY / FONTE BC549 7815 VISTA SUPERIOR FONTE PL722 1 - 30 DATA: 29/08/2003 A numeração dos in- tegrados é feita da esquerda para direi- ta e de cima para baixo. PWP 8000 2AB LM339 BORNE VOLUMECHB RELE GND GB +24VA LM339 NTC RELE 1/3 LM339 3/3 +15V OVER- +15V -15V 3/3 OVER- 3/3 1/3 GND OUT RELE LM339 WA GND GND RELE OVER+ +24VB NTC -15V -15V CHA GA OUT LM339 +15V CHB LM339 BORNE 3/3 1/3 LM339 1/3 LM339 OVER+ VOLUMECHA LM339 WB LM339 2/3 PROTEÇÃO / DISPLAY 2/3 LM339 2/3PL726 LM339 2/3 LM339 -15V +24VA GA -15V GND 1.5A +15V +24VB GND 1.5A +24VA GA GB GB +15V +24VB 7915 CBE 1 2 3 4 3 2 1 11 12 13 14 10 87 6 5 9 + 15 V +24VB - 15 V -15V + 15 V + 15 V + 15 V - 15 V +15V + 15 V +24VA + 15 V + 15 V + 15 V + 15 V +15 V + 15 V - 15 V -15 V - 15 V + 15 V + 15 V +15V -15V +15V 100Kx100V + _ 9 8 14 4V7 1 2 3 4 5 6 7 8 9 10 11 12 4V7 +47uF 120K 1N4001 100K OVERLOAD B + 1000uFx40V 1N4148 1N4001 220K 3K65 1% 82K + 47uF 4V7 47K47K + 1uF 1N4001 +47uF 100K 3K65 1% SIGNAL A + _ 3 4 5 12 2 1N4148 56K 2K2 + _6 7 1 + 1uF 4V7 100K TEMP/DCA 4K71% 3K3 1% 1N4001 390K 6K8 CLIP A 82K 100K 100K 100K 220K 1N4001 200K 10K ON 5 8 6 3 4 7 2 1 2K2 1N4148 + 47uF 3K3 1% + _ 9 8 14 + 1uF + _ 11 10 13 4V7 BC549 10R 4V7 10R 56K 2K7 100K + _3 4 5 12 2 5KB 82K 3K9 1K TEMP/DCB 56K + _ 3 4 5 12 2 120K 2K2 10K 2K7 + _ 11 10 13 1K 10R 2K2 + 1uF 10R 3K9 1N4148 5 8 6 3 4 7 2 1 15K + _6 7 1 + 6800uFx100V 10R 100K 15K 120K + 6800uFx100V 10K 4V7 82K 24Vx3W + 1000uFx40V 30K1% 1N4001 CLIP B BC549 390K + _ 9 8 14 4V7 OVERLOAD A + 6800uFx100V 47R 2K2 BC549 24Vx3W + 47uF + _6 7 1 4K7 1K91 1% + 47uF + 6800uFx100V SIGNAL B + 47uF 47R 10K + 6800uFx100V 10R 100Rx2W 82K + 47uF 10R 47K BC549 + _ 11 10 13 BC549 5KB + 6800uFx100V 5 8 6 3 4 7 2 1 47K 56K 6K8 BC549 1 2 3 4 5 6 7 8 9 10 11 12 100Rx2W 100Kx100V 2K2 120K 200K 10R 2 1 3 VIN GND VOUT LM7915 1 2 3 VIN GND VOUT LM7815 4K71% GND GND 1 B 1 A AC GND AC +V -V +V -V