FOLHA: 04/06
TITANIUM 700 A
BD139
BD140
BD135
Todos resistores são de
1/4W e todos os capaci-
tores eletrolítcos são de
25 V, exceto aqueles
com indicação.
ARQUIVO:..TITANIUM 700.DSN
VISTA FRONTAL I N D Ú S T R I A E L E T R Ô N I C A L T D A.
CIRCUITO: POWER HIGH31 42 6 875
IC1002MPSA92
BE C
2SA1941
2SC5198
7 - 6
B C
2SA1964
E
2SC5248
DATA: 22/09/2004
A numeração dos integra-
dos é feita da esquerda
para direita e de cima pa-
ra baixo.
VISTA
SUPERIOR
LM393
TL072
POWER
PL824
15AWG
2
6
1
54
8
3
7
RELE HIGH
+24 V
DRIVER
DC SOMA
-3 dB
IC HIGH
COMP HIGH
OL HIGH +
OL HIGH -
OUT LOW
FALANTE
8OHMS
8 OHMS
OUT
8 OHMS
J111
08/11
08/11
05/11
05/11
OUT MID
8OHMS
FALANTE
BCE B EC1 2 3
-15V
+15V
+15V
+15V
-15V
+15V
-15V
-15V
DSG
1-
1+
2-
2+
3-
4- 3+
4+
+
47uFx50V
40K2 1%
2SC5248
470R
4R7x1W
47K
33R
+
10uF
+
_
5
6
7
LM 393
33Rx1W
39pFx500V
+
_
8
3
2
4
1
LM 393
+
47uF
6K8
10K
+
47uF
1N4148
27Vx1W
12K
100R
+
47uF
47Rx1W
100R
3K3 1%
100pF
+
10uF
2SC5198
100Kx50V
4V7
100Kx50V
470R
120K
20k
+
_
5
6
7
TL 072
J111
0.47Rx5W
12K
1K911%
2K2
ZF 112024
27Vx1W
10K
1N4148
100K
100K
+
47uFx50V
470R
10K
+
_
8
3
2
4
1
TL072
1K5x2W
+
47uF
4K7
BD140
500R
2SC5248
1N4148
10Rx2W
100R
2SA1941
120K
1N4002
10K
5K6
150K
1N4148
22R
4R7x1W
MPSA92
22pF
47Rx1W
+
47uF
100Kx100V
1N4002
39pFx500V
10K
2SA1964
560R 2
7
5
1
4
3
6
8 IC1002
2SA1964
BD139
10K
BD135
1K
1N4148
4V7
1N4148
1N4148
100K
330R
1N4148
1K
10Rx5W
1N4148
10K
+
47uF
100Kx50V
+
47uF
470R
39pFx500V
2K2
100Kx50V
1K
10K
2K2
100K
0.47Rx5W
1N4148
1K
+
47uF
1K5x2W
39pFx500V
-VH
+VH
FOLHA: 03/06
TITANIUM 700 ABC327
Todos resistores são de
1/4W e todos os capaci-
tores eletrolítcos são de
25 V, exceto aqueles
com indicação.
ARQUIVO:..TITANIUM700.DSN
VISTA FRONTAL I N D Ú S T R I A E L E T R Ô N I C A L T D A.
CIRCUITO: LIMITER
8
5
6
7
DATA: 22/09/2004
A numeração dos integra-
dos é feita da esquerda
para direita e de cima pa-
ra baixo.
1
3
VISTA
SUPERIOR
4
2
7 - 6
POWER
PL824
4560
12
8
4
3
7
1
14
2
13
6
16
15
10
5
11
9
5517
4560
5517
03/11
04/11
03/11
IC LOW
LOW SIGNAL
RAMPA
LED T/DC
COMP LOW
LIM LOW
IC MID
MID SIGNAL
COMP MID
LIM MID
4560
5517
02/11
01/11
IC HIGH
HIGH SIGNAL
COMP HIGH
LIM HIGH
02/11
4560
CBE
+15V
+15V
-15V
-15V
+15V
-15V
-15V
+15V
+15V
-15V
+15V
+15V
-15V
+15V
-15V
1K5
47K
4K7
1K5
2K21
2
3
4
13
14
1215
16
5
8
9
6
711
10
10K
511 R
4K7
470pF
4K7
470pF
1N4148
+
-
7
5
6
BC 327
56pF
511 R
2K2
47K
33K
1K5
100K
1N4148
47K
2K2
100K
1K5
10K
511 R
+
10uF
56pF
+
10uF
33K
1K5
+
22uF
10K
4K7
1K5
47K
2K2
100K
4K7
220pF
5K6
47K
47K
2K2
22K
1N4148
100K
33K
10K
1K5
100K
1K5
10K
22K
100K
+
_
8
3
2
4
1
100K
+
10uF
56pF
1K5
1N4148
10K
+
_
8
3
2
4
1
4560
22K
1
2
3
4
13
14
1215
16
5
8
9
6
711
10
+
-
7
5
6
100K
4K7
2K2
470pF 47K
FOLHA: 05/06
TITANIUM 700 A
BC549
BD139
BD140
BD135
Todos resistores são de
1/4W e todos os capaci-
tores eletrolítcos são de
25 V, exceto aqueles
com indicação.
ARQUIVO:..TITANIUM700.DSN
VISTA FRONTAL I N D Ú S T R I A E L E T R Ô N I C A L T D A.
CIRCUITO: POWER LOW31 42 6 875
MPSA92
BE C
2SA1943
2SC5200
8
5
6
7
B C
2SA1964
E
2SC5248
DATA: 22/09/2004
A numeração dos integra-
dos é feita da esquerda
para direita e de cima pa-
ra baixo.
14AWG
1
3
VISTA
4
LM393
TL072
2
7 - 6
IC1002
POWER
PL824
J111
11/11
LIM LOW
LIM HIGH
OUT LOW
DC SOMA
RELE MID
09/11
10/11
-3 dB
11/11
09/11
+24 V
IC LOW
COMP LOW
RAMPA
RELE HIGH
10/11
OL+ LOW
OL- LOW
OL+ MID
OL- MID
OL- HIGH
OL+ HIGH
LED T/DC
LIM MID
OL HIGH +
OL HIGH -
OL MID +
OL MID -
LIM MID
LIM HIGH
LOW SIGNAL
GND
MID SIGNAL
GND
+15V
-15V
GND
HIGH SIGNAL
M2
M3
HIGH SIGNAL
MID SIGNAL
LOW SIGNAL
LIM LOW
LED T/DC
SUPERIOR
BCE B EC1 2 3
-15V
CBEDSG
-15V
+15V
+15V
-15V
+15V
-15V
+15V
-15V
-15V
+15V
+15V
+15V
3K651%
47Rx1W
4R7x1W
2SC5248
1N4148
+
47uF
MPSA92
470R
100Kx100V
100Kx100V
82K
TERMOSTATO
470R
BD135
390R
+
47uF
2SA1964
4K7
12K
10Rx5W
39pFx500V
1N4148
+
_
8
3
2
4
1
LM 393
3K9
10K
5
8
6
3
4
7
2
1
2SA1964
6K8
J111
+
47uF
2SA1964
100Kx50V
1N4148
0.47Rx5W
330pFx500V
1
2
3
4
5
6
7
8
9
10
11
12
2SA1943
1N4148
+
47uF
330pFx500V
2
7
5
1
4
3
6
8 IC1002
1N4148
0.47Rx5W
10Rx2W
1N5404
+
4,7uF
100K
330K
2K7x1W
22R
4R7x1W
2SA1943
100K
+
_
5
6
7
LM 393
2SC5200
120K
0.47Rx5W
1K
100pF
2SC5248
+
47uF
NTC 2K2
2SC5200
4R7x1W
330R
560R
500R
27Vx1W
0.47Rx5W
1K8
47K +
1uF
+
4,7uF
1N4148
2SA1943
100pF
47K
1N4148
10K
4R7x1W
4R7x1W
1N5404
110K
100K
10K
2K2
4R7x1W
2SC5248
39pFx500V
4R7x1W
330R
+
47uF
+
1000uFx25V
10K
180R
BD139
100R
BD140
10K
+
_
5
6
7
LM 393
680R
1K 1%
+
_
5
6
7
TL 072
0.47Rx5W
5K761%
1N4148
150K
+
10uF
12K
BC549
5K6
+
47uFx100V
1N4148
1N4148
1N4002
2K2
100K
100Kx50V
100R
6K8
120K
2K2
0.47Rx5W
100Kx100V39K
+
10uF
1N4148
1K
100K
4V7
4V7
47Rx1W
47K
+
_
8
3
2
4
1
TL072
+
_
8
3
2
4
1
LM 393
10K
10K
470R
4R7x1W
470R
+
47uF
27Vx1W
BC549
1N4148
390K
27Rx2W
33R
ZF 112024
10K
12K4 1%
2SC5200
+
47uFx100V
BD139
2K7x1W
+24V
-VL
+VL
-15V
+15V
FOLHA: 06/06
TITANIUM 700 A
BD139
BD140
BD135
Todos resistores são de
1/4W e todos os capaci-
tores eletrolítcos são de
25 V, exceto aqueles
com indicação.
ARQUIVO:..TITANIUM700.DSN
VISTA FRONTAL I N D Ú S T R I A E L E T R Ô N I C A L T D A.
CIRCUITO: POWER MID31 42 6 875
MPSA92
BE C
2SA1941
2SC5198
8
5
6
7
B C
2SA1964
E
2SC5248
DATA: 22/09/2004
A numeração dos integra-
dos é feita da esquerda
para direita e de cima pa-
ra baixo.
15AWG
1
3
VISTA
SUPERIOR
4
LM393
TL072
2
7 - 6
IC1002
POWER
PL824
J111
07/11
OUT MID
DC SOMA
06/11
07/11
06/11
+24 V
IC MID
COMP MID
OL MID +
OL MID -
-3 dB
RELE MID
BCE
B EC
1 2 3
-15V
DSG
-15V
+15V
-15V
+15V
-15V
+15V
+15V
100K
1K 1% 47Rx1W
12K
100Kx50V
+
_
8
3
2
4
1
TL072
2SA1941
4R7x1W
0.47Rx5W
2K2
+
47uF
1N4148
120K
10K
100K
+
47uFx100V
27Vx1W
10K
1N4148
+
_
5
6
7
TL 072
39pFx500V
+
47uF
10K
2SC5198
47K
4R7x1W
MPSA92
8K061%
100R
1N4148
4R7x1W
2K7x1W
2SC5198
1K8
2SC5248
100Kx100V
0.47Rx5W
2K2
2
7
5
1
4
3
6
8 IC1002
470R
+
_
5
6
7
LM 393
+
4,7uF
4R7x1W
470R
150K
100Kx100V
100pFx500V
470R
39pFx500V
1N4148
10K
0.47Rx5W
+
47uF
100Kx100V
+
10uF
10Rx2W
120K
+
47uF
1N4148
2SA1964
27Vx1W
0.47Rx5W
22pF
47K
330R
BD135
12K
6K8
+
10uF
+
47uF
100pF
180R
470R
5K6
2SA1964
4V7
+
4,7uF
1N4148
2SC5248
1N4148
10K
1N4148
470R
100K
1N5404
27Rx2W
4R7x1W
100R
+
47uFx100V
J111
1K
ZF 112024
10K
BD139
+
47uF 1N4148
47Rx1W
100K
33R
470R
10K
4K7
1N4148
100Kx50V
4V7
22R
10K
4R7x1W
1N5404
BD140
2SC5248
2SA1964
100K
100pFx500V
2K7x1W
500R
100K
2K2
10Rx5W
+
_
8
3
2
4
1
LM 393
12K4 1%
2SA1941
560R
-VMID
+VMID
ARQUIVO:..TITANIUM700.DSN
FOLHA: 01/06
I N D Ú S T R I A E L E T R Ô N I C A L T D A.Todos resistores são de 1/4W e
todos os capacitores eletrolíticos
são de 25V, exceto aqueles com
indicação.
CIRCUITO: CONTROLE DE TONS
TITANIUM 700 A
VISTA
SUPERIOR
7 - 6
DATA: 23/08/2004
A numeração dos integrados é
feita da esquerda para direita e
de cima para baixo.
100KB P.C.
HIGH
MID LOW
10KB P.C.
MID HIGH
10KB P.C.
100KB P.C.
LOW
4560
07/09
+15V
LOW SIGNAL
GND
-15V
3
72
4
1
TL072
8
6
5
4560
TL072
03/09
03/09
TL072
VOL.MIC
10KB/PC
VOL.LINE
10KB
LM393
LM393
09/09
4560
07/09
PL825
CONTROLE DE TONS
08/09
LM393
4560
GND
GND
M2
MID SIGNAL
HIGH SIGNAL
4560
4560
4560
4560
04/09
04/09
4560
01/09
4560
4560
02/09
4560
02/09
4560
09/09
06/09
06/09
05/09
05/09
01/09
4560
08/09
4560+15V
-15V
+15V
-15V
+15V
+15V
+15V
+15V
-15V
+15V
-15V
+15V
-15V
+15V
+15V
-15V
+15V
-15V
+15V
-15V
-15V
+15V
+15V
-15V22K 1%
2K2
100K
18K 1%
47K
220K
+
10uF
9K09 1%
+
_
1
8
2
3
4
18K
47K 1%
100K
100K
2K7
27K
56pF
100K
1K
100K
+
_
7
6
5
5K6
SIGNAL LINE
90K9
22K
27K
10K
3K9
+
_
1
8
2
3
4
100K
18K
47K 1%47K 1%
10K1%
8K2
+
10uF
2K2
+
10uF
15K
20K1%
100K
+
_
1
8
2
3
4
2K7
6K81
47K
22pF
+
1uF
33K
+
-
7
5
6
+
47uFx50V
5K6
15K
4K7
22K
+
_
1
8
2
3
49K09 1%
8K2 1%
20K1%
470K
6K8
6K8
100K
100K
56pF
68K
18K 1%
2K2
100K
470R
100K
9K09 1%
+
10uF
+
100uF
1K
+
_
1
8
2
3
4
+
_
7
6
5
+
_
7
6
5
6K8
+
_
7
6
5
10K 1%
10R
10K 1%
47K
20K
18K 1%
+
10uF
47K
15K
47K
-
+ 1
8
3
2
4
5
8
6
3
4
7
2
1
6K8
8K2 1%
39K
27K
100K
18K
10K 1%
2K7
10R
+
1uF
100K
+
-
7
5
6
47K
+
100uF
+
10uF
47K 1%
+
_
1
8
2
3
4
33K
20K1%
10K1%
4K7
8K2
4K7 56pF
2K2
220R
3K9
18K 1%
10K
20K1%
SIGNAL MIC
+
10uF
+
_
7
6
5
2K7
22pF
100K
01
02
03
04
05
06
07
08
09
10
11
12
13
14
15
16
17
18
19
20
FL1
LINEIN
INMIC
GND
GND
GND
OUTMIC
GND
GND
GND
GND
GND
GND
LINESEND
+15V
+48VMIC
+15V
-15V
+48V
-15V
100K
100R
120K
+
-
7
5
6
100K
390K
1K
100K
27K
820R
+
_
1
8
2
3
4
56pF
15K
100K
+
10uF
+
_
1
8
2
3
43K9
27K
100K
47K
+
10uF
15K
+
_
7
6
5
100K 1%
9K09 1%
100K
10K 1%
18K
FOLHA: 02/06
TITANIUM 700 A
Todos resistores são de
1/4W e todos os capaci-
tores eletrolítcos são de
25 V, exceto aqueles
com indicação.
I N D Ú S T R I A E L E T R Ô N I C A L T D A.
CIRCUITO: FONTE / PHANTON / JACK
8
5
6
7
7 - 6
DATA: 08/08/2004
A numeração dos integra-
dos é feita da esquerda
para direita e de cima pa-
ra baixo.
1nF
1nF
1nF
1nF
4560
01/03
4560
01/03
1
3
VISTA
SUPERIOR
4
4560
2
4560
JACK
1nF
4560
1nF
03/03
1.5A
PL827
FONTE
1.5A
LOW CUT
7915
7815
2x
5 A - 230V
120V
230VPLA117
2K2x500V
01/03
TL783C
783
ARQUIVO:..TITANIUM 700.DSN
PL826
PHANTOM
8 x 1N5402
4 x 3300uF X 100V
AC1
AC2
ACAUX
54V
42V
23V
TENSÃO DO
TRAFO EM
REPOUSO
03/03
02/03
03/03
01/01
4560
2 x 3300uF X 63V
4 x 1N5402
AC3 34V
OL-HIGH
M3
LIMHIGH
LIMMID
LIMLOW
LEDT/DC
OL+HIGH
OL+LOW
OL-LOW
OL+MID
OL-MID
4560
PHANTOM
01/01
ON
PL764
+15V
-15V
+15V
-15V
+15V
1 2 3
-15V
-15V
+15V
-15V
+15V
-15V
+15V -15V
+15V
+15V
+15V
-15V
56pF
+
_
1
8
2
3
4
10K
1N4001
47K
100K
56pF
4K7
1N4001
22K
10K
2K2
56pF
+
47uF
+
47uFx63V
1K2
4K7
+
1000uFx40V
10R
100K
470R
+
10 A - 120V
+
68K
22K1%
100Rx2W
+
47uF
2K2
10R
+
1000uFx40V
22K
10K
LINE OUT
22K
BC549
22K
180R
BC549
+
_
5
6
7
2R2
56pF
+
100uFx63V
6K8
1N4002
4K7
100K
+
+
47uF
22K
+
47uF
100K
100K
1
2
3
4
5
6
7
8
9
10
11
12
2
1
3
VIN GND VOUT
LM7915
4 x 1N5402
+
1000uFx50V
+
47uFx63V
+
1000uFx50V
100K
100Kx630V
TTITANIUM700 A
100K
+
220uFx100V
47K
+
_
1
8
2
3
4
01
02
03
04
05
06
07
08
09
10
11
12
13
14
15
16
17
18
19
20
FL1
LINEIN
INMIC
GND
GND
GND
OUTMIC
GND
GND
GND
GND
GND
GND
LINESEND
+15V
+48VMIC
+15V
LEDT/DC
-15V
+48V
-15V
+
2 x 2200uFx50V
1K5
10R
100K
1N4002
+
_
1
8
2
3
4
2K2
+
47uFx63V
4K7
100Kx100V
22K
68K
100K
+
+
47uFx63V
56pF
+
47uF
+
47uF
1N4002
100Kx50V
22K 1%
LINE IN
6K8x1W
+
47uF
100K
47K
2
1
3
+
-
LINE OUT
10K1%
+
_
5
6
7
2
1
3
+
-
LINE OUT
1
2
3
VIN
GND
VOUT
LM7815
MIC
47K
470Rx1W
10K
22K
2K2
100K
3
1
2
VIN
ADJ
VOUT
10K
24Vx3W
+
27K
1K5
+
47uF
+
47uF
6K8x1W
120K
1N4001
22K
470R
10K 1%
2
1
3
+
-
LINE IN
+
_
5
6
7
1N4002
1K5
+
10uF
BC549 47K
1N4001
100K
10K
6K8x1W
1N4002
47K
01
02
03
04
05
06
07
08
09
10
11
12
13
14
15
16
17
18
19
20
FL1
LINEIN
INMIC
GND
GND
GND
OUTMIC
GND
GND
GND
GND
GND
GND
LINESEND
+15V
+48VMIC
+15V
-15V
+48V
-15V
+
100K
+
1N4002
10K
220pF
2
1
3
+
-
MIC
AC AUX
-15V
AC AUX
+48V
+15V
AC 1
AC 3
AC 2
AC 2
GND
AC 3
GND
+48V
+24V
GND
AC 1
GND
AC 3
GND
-VH
+VH
AC 3
+VLGND
AC 1
AC 1
-VL
GND +VMID
-VMID
AC 2
AC 2
GND
AC AUX
AC AUX
GND
LED FRONTAL
GND

Ciclotron titanium 700 a

  • 1.
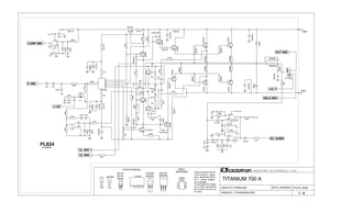
    FOLHA: 04/06 TITANIUM 700A BD139 BD140 BD135 Todos resistores são de 1/4W e todos os capaci- tores eletrolítcos são de 25 V, exceto aqueles com indicação. ARQUIVO:..TITANIUM 700.DSN VISTA FRONTAL I N D Ú S T R I A E L E T R Ô N I C A L T D A. CIRCUITO: POWER HIGH31 42 6 875 IC1002MPSA92 BE C 2SA1941 2SC5198 7 - 6 B C 2SA1964 E 2SC5248 DATA: 22/09/2004 A numeração dos integra- dos é feita da esquerda para direita e de cima pa- ra baixo. VISTA SUPERIOR LM393 TL072 POWER PL824 15AWG 2 6 1 54 8 3 7 RELE HIGH +24 V DRIVER DC SOMA -3 dB IC HIGH COMP HIGH OL HIGH + OL HIGH - OUT LOW FALANTE 8OHMS 8 OHMS OUT 8 OHMS J111 08/11 08/11 05/11 05/11 OUT MID 8OHMS FALANTE BCE B EC1 2 3 -15V +15V +15V +15V -15V +15V -15V -15V DSG 1- 1+ 2- 2+ 3- 4- 3+ 4+ + 47uFx50V 40K2 1% 2SC5248 470R 4R7x1W 47K 33R + 10uF + _ 5 6 7 LM 393 33Rx1W 39pFx500V + _ 8 3 2 4 1 LM 393 + 47uF 6K8 10K + 47uF 1N4148 27Vx1W 12K 100R + 47uF 47Rx1W 100R 3K3 1% 100pF + 10uF 2SC5198 100Kx50V 4V7 100Kx50V 470R 120K 20k + _ 5 6 7 TL 072 J111 0.47Rx5W 12K 1K911% 2K2 ZF 112024 27Vx1W 10K 1N4148 100K 100K + 47uFx50V 470R 10K + _ 8 3 2 4 1 TL072 1K5x2W + 47uF 4K7 BD140 500R 2SC5248 1N4148 10Rx2W 100R 2SA1941 120K 1N4002 10K 5K6 150K 1N4148 22R 4R7x1W MPSA92 22pF 47Rx1W + 47uF 100Kx100V 1N4002 39pFx500V 10K 2SA1964 560R 2 7 5 1 4 3 6 8 IC1002 2SA1964 BD139 10K BD135 1K 1N4148 4V7 1N4148 1N4148 100K 330R 1N4148 1K 10Rx5W 1N4148 10K + 47uF 100Kx50V + 47uF 470R 39pFx500V 2K2 100Kx50V 1K 10K 2K2 100K 0.47Rx5W 1N4148 1K + 47uF 1K5x2W 39pFx500V -VH +VH
  • 2.
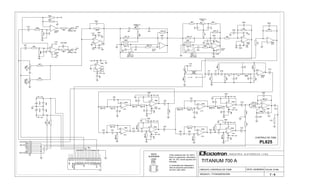
    FOLHA: 03/06 TITANIUM 700ABC327 Todos resistores são de 1/4W e todos os capaci- tores eletrolítcos são de 25 V, exceto aqueles com indicação. ARQUIVO:..TITANIUM700.DSN VISTA FRONTAL I N D Ú S T R I A E L E T R Ô N I C A L T D A. CIRCUITO: LIMITER 8 5 6 7 DATA: 22/09/2004 A numeração dos integra- dos é feita da esquerda para direita e de cima pa- ra baixo. 1 3 VISTA SUPERIOR 4 2 7 - 6 POWER PL824 4560 12 8 4 3 7 1 14 2 13 6 16 15 10 5 11 9 5517 4560 5517 03/11 04/11 03/11 IC LOW LOW SIGNAL RAMPA LED T/DC COMP LOW LIM LOW IC MID MID SIGNAL COMP MID LIM MID 4560 5517 02/11 01/11 IC HIGH HIGH SIGNAL COMP HIGH LIM HIGH 02/11 4560 CBE +15V +15V -15V -15V +15V -15V -15V +15V +15V -15V +15V +15V -15V +15V -15V 1K5 47K 4K7 1K5 2K21 2 3 4 13 14 1215 16 5 8 9 6 711 10 10K 511 R 4K7 470pF 4K7 470pF 1N4148 + - 7 5 6 BC 327 56pF 511 R 2K2 47K 33K 1K5 100K 1N4148 47K 2K2 100K 1K5 10K 511 R + 10uF 56pF + 10uF 33K 1K5 + 22uF 10K 4K7 1K5 47K 2K2 100K 4K7 220pF 5K6 47K 47K 2K2 22K 1N4148 100K 33K 10K 1K5 100K 1K5 10K 22K 100K + _ 8 3 2 4 1 100K + 10uF 56pF 1K5 1N4148 10K + _ 8 3 2 4 1 4560 22K 1 2 3 4 13 14 1215 16 5 8 9 6 711 10 + - 7 5 6 100K 4K7 2K2 470pF 47K
  • 3.
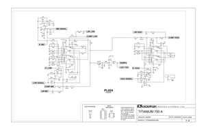
    FOLHA: 05/06 TITANIUM 700A BC549 BD139 BD140 BD135 Todos resistores são de 1/4W e todos os capaci- tores eletrolítcos são de 25 V, exceto aqueles com indicação. ARQUIVO:..TITANIUM700.DSN VISTA FRONTAL I N D Ú S T R I A E L E T R Ô N I C A L T D A. CIRCUITO: POWER LOW31 42 6 875 MPSA92 BE C 2SA1943 2SC5200 8 5 6 7 B C 2SA1964 E 2SC5248 DATA: 22/09/2004 A numeração dos integra- dos é feita da esquerda para direita e de cima pa- ra baixo. 14AWG 1 3 VISTA 4 LM393 TL072 2 7 - 6 IC1002 POWER PL824 J111 11/11 LIM LOW LIM HIGH OUT LOW DC SOMA RELE MID 09/11 10/11 -3 dB 11/11 09/11 +24 V IC LOW COMP LOW RAMPA RELE HIGH 10/11 OL+ LOW OL- LOW OL+ MID OL- MID OL- HIGH OL+ HIGH LED T/DC LIM MID OL HIGH + OL HIGH - OL MID + OL MID - LIM MID LIM HIGH LOW SIGNAL GND MID SIGNAL GND +15V -15V GND HIGH SIGNAL M2 M3 HIGH SIGNAL MID SIGNAL LOW SIGNAL LIM LOW LED T/DC SUPERIOR BCE B EC1 2 3 -15V CBEDSG -15V +15V +15V -15V +15V -15V +15V -15V -15V +15V +15V +15V 3K651% 47Rx1W 4R7x1W 2SC5248 1N4148 + 47uF MPSA92 470R 100Kx100V 100Kx100V 82K TERMOSTATO 470R BD135 390R + 47uF 2SA1964 4K7 12K 10Rx5W 39pFx500V 1N4148 + _ 8 3 2 4 1 LM 393 3K9 10K 5 8 6 3 4 7 2 1 2SA1964 6K8 J111 + 47uF 2SA1964 100Kx50V 1N4148 0.47Rx5W 330pFx500V 1 2 3 4 5 6 7 8 9 10 11 12 2SA1943 1N4148 + 47uF 330pFx500V 2 7 5 1 4 3 6 8 IC1002 1N4148 0.47Rx5W 10Rx2W 1N5404 + 4,7uF 100K 330K 2K7x1W 22R 4R7x1W 2SA1943 100K + _ 5 6 7 LM 393 2SC5200 120K 0.47Rx5W 1K 100pF 2SC5248 + 47uF NTC 2K2 2SC5200 4R7x1W 330R 560R 500R 27Vx1W 0.47Rx5W 1K8 47K + 1uF + 4,7uF 1N4148 2SA1943 100pF 47K 1N4148 10K 4R7x1W 4R7x1W 1N5404 110K 100K 10K 2K2 4R7x1W 2SC5248 39pFx500V 4R7x1W 330R + 47uF + 1000uFx25V 10K 180R BD139 100R BD140 10K + _ 5 6 7 LM 393 680R 1K 1% + _ 5 6 7 TL 072 0.47Rx5W 5K761% 1N4148 150K + 10uF 12K BC549 5K6 + 47uFx100V 1N4148 1N4148 1N4002 2K2 100K 100Kx50V 100R 6K8 120K 2K2 0.47Rx5W 100Kx100V39K + 10uF 1N4148 1K 100K 4V7 4V7 47Rx1W 47K + _ 8 3 2 4 1 TL072 + _ 8 3 2 4 1 LM 393 10K 10K 470R 4R7x1W 470R + 47uF 27Vx1W BC549 1N4148 390K 27Rx2W 33R ZF 112024 10K 12K4 1% 2SC5200 + 47uFx100V BD139 2K7x1W +24V -VL +VL -15V +15V
  • 4.
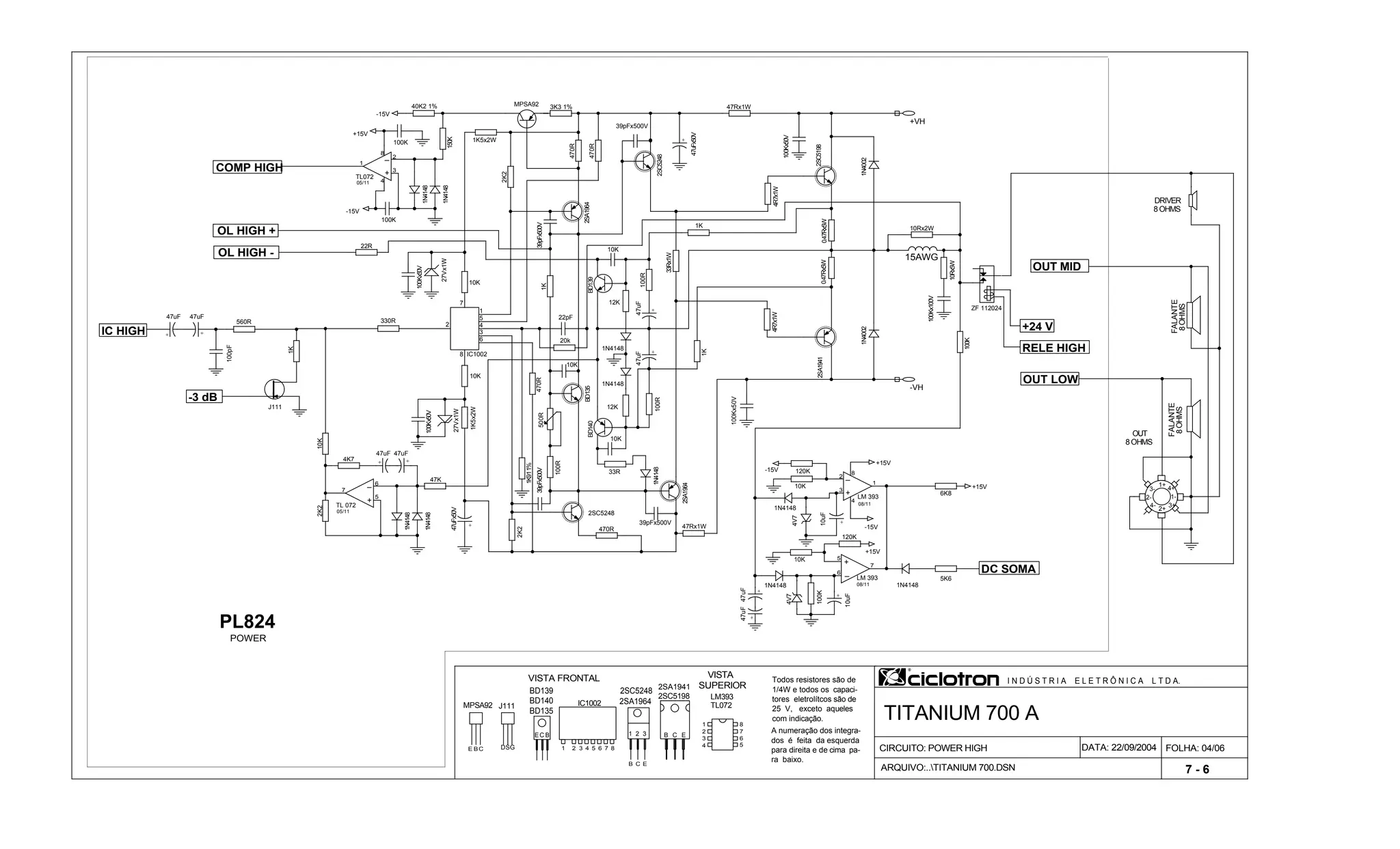
    FOLHA: 06/06 TITANIUM 700A BD139 BD140 BD135 Todos resistores são de 1/4W e todos os capaci- tores eletrolítcos são de 25 V, exceto aqueles com indicação. ARQUIVO:..TITANIUM700.DSN VISTA FRONTAL I N D Ú S T R I A E L E T R Ô N I C A L T D A. CIRCUITO: POWER MID31 42 6 875 MPSA92 BE C 2SA1941 2SC5198 8 5 6 7 B C 2SA1964 E 2SC5248 DATA: 22/09/2004 A numeração dos integra- dos é feita da esquerda para direita e de cima pa- ra baixo. 15AWG 1 3 VISTA SUPERIOR 4 LM393 TL072 2 7 - 6 IC1002 POWER PL824 J111 07/11 OUT MID DC SOMA 06/11 07/11 06/11 +24 V IC MID COMP MID OL MID + OL MID - -3 dB RELE MID BCE B EC 1 2 3 -15V DSG -15V +15V -15V +15V -15V +15V +15V 100K 1K 1% 47Rx1W 12K 100Kx50V + _ 8 3 2 4 1 TL072 2SA1941 4R7x1W 0.47Rx5W 2K2 + 47uF 1N4148 120K 10K 100K + 47uFx100V 27Vx1W 10K 1N4148 + _ 5 6 7 TL 072 39pFx500V + 47uF 10K 2SC5198 47K 4R7x1W MPSA92 8K061% 100R 1N4148 4R7x1W 2K7x1W 2SC5198 1K8 2SC5248 100Kx100V 0.47Rx5W 2K2 2 7 5 1 4 3 6 8 IC1002 470R + _ 5 6 7 LM 393 + 4,7uF 4R7x1W 470R 150K 100Kx100V 100pFx500V 470R 39pFx500V 1N4148 10K 0.47Rx5W + 47uF 100Kx100V + 10uF 10Rx2W 120K + 47uF 1N4148 2SA1964 27Vx1W 0.47Rx5W 22pF 47K 330R BD135 12K 6K8 + 10uF + 47uF 100pF 180R 470R 5K6 2SA1964 4V7 + 4,7uF 1N4148 2SC5248 1N4148 10K 1N4148 470R 100K 1N5404 27Rx2W 4R7x1W 100R + 47uFx100V J111 1K ZF 112024 10K BD139 + 47uF 1N4148 47Rx1W 100K 33R 470R 10K 4K7 1N4148 100Kx50V 4V7 22R 10K 4R7x1W 1N5404 BD140 2SC5248 2SA1964 100K 100pFx500V 2K7x1W 500R 100K 2K2 10Rx5W + _ 8 3 2 4 1 LM 393 12K4 1% 2SA1941 560R -VMID +VMID
  • 5.
    ARQUIVO:..TITANIUM700.DSN FOLHA: 01/06 I ND Ú S T R I A E L E T R Ô N I C A L T D A.Todos resistores são de 1/4W e todos os capacitores eletrolíticos são de 25V, exceto aqueles com indicação. CIRCUITO: CONTROLE DE TONS TITANIUM 700 A VISTA SUPERIOR 7 - 6 DATA: 23/08/2004 A numeração dos integrados é feita da esquerda para direita e de cima para baixo. 100KB P.C. HIGH MID LOW 10KB P.C. MID HIGH 10KB P.C. 100KB P.C. LOW 4560 07/09 +15V LOW SIGNAL GND -15V 3 72 4 1 TL072 8 6 5 4560 TL072 03/09 03/09 TL072 VOL.MIC 10KB/PC VOL.LINE 10KB LM393 LM393 09/09 4560 07/09 PL825 CONTROLE DE TONS 08/09 LM393 4560 GND GND M2 MID SIGNAL HIGH SIGNAL 4560 4560 4560 4560 04/09 04/09 4560 01/09 4560 4560 02/09 4560 02/09 4560 09/09 06/09 06/09 05/09 05/09 01/09 4560 08/09 4560+15V -15V +15V -15V +15V +15V +15V +15V -15V +15V -15V +15V -15V +15V +15V -15V +15V -15V +15V -15V -15V +15V +15V -15V22K 1% 2K2 100K 18K 1% 47K 220K + 10uF 9K09 1% + _ 1 8 2 3 4 18K 47K 1% 100K 100K 2K7 27K 56pF 100K 1K 100K + _ 7 6 5 5K6 SIGNAL LINE 90K9 22K 27K 10K 3K9 + _ 1 8 2 3 4 100K 18K 47K 1%47K 1% 10K1% 8K2 + 10uF 2K2 + 10uF 15K 20K1% 100K + _ 1 8 2 3 4 2K7 6K81 47K 22pF + 1uF 33K + - 7 5 6 + 47uFx50V 5K6 15K 4K7 22K + _ 1 8 2 3 49K09 1% 8K2 1% 20K1% 470K 6K8 6K8 100K 100K 56pF 68K 18K 1% 2K2 100K 470R 100K 9K09 1% + 10uF + 100uF 1K + _ 1 8 2 3 4 + _ 7 6 5 + _ 7 6 5 6K8 + _ 7 6 5 10K 1% 10R 10K 1% 47K 20K 18K 1% + 10uF 47K 15K 47K - + 1 8 3 2 4 5 8 6 3 4 7 2 1 6K8 8K2 1% 39K 27K 100K 18K 10K 1% 2K7 10R + 1uF 100K + - 7 5 6 47K + 100uF + 10uF 47K 1% + _ 1 8 2 3 4 33K 20K1% 10K1% 4K7 8K2 4K7 56pF 2K2 220R 3K9 18K 1% 10K 20K1% SIGNAL MIC + 10uF + _ 7 6 5 2K7 22pF 100K 01 02 03 04 05 06 07 08 09 10 11 12 13 14 15 16 17 18 19 20 FL1 LINEIN INMIC GND GND GND OUTMIC GND GND GND GND GND GND LINESEND +15V +48VMIC +15V -15V +48V -15V 100K 100R 120K + - 7 5 6 100K 390K 1K 100K 27K 820R + _ 1 8 2 3 4 56pF 15K 100K + 10uF + _ 1 8 2 3 43K9 27K 100K 47K + 10uF 15K + _ 7 6 5 100K 1% 9K09 1% 100K 10K 1% 18K
  • 6.
    FOLHA: 02/06 TITANIUM 700A Todos resistores são de 1/4W e todos os capaci- tores eletrolítcos são de 25 V, exceto aqueles com indicação. I N D Ú S T R I A E L E T R Ô N I C A L T D A. CIRCUITO: FONTE / PHANTON / JACK 8 5 6 7 7 - 6 DATA: 08/08/2004 A numeração dos integra- dos é feita da esquerda para direita e de cima pa- ra baixo. 1nF 1nF 1nF 1nF 4560 01/03 4560 01/03 1 3 VISTA SUPERIOR 4 4560 2 4560 JACK 1nF 4560 1nF 03/03 1.5A PL827 FONTE 1.5A LOW CUT 7915 7815 2x 5 A - 230V 120V 230VPLA117 2K2x500V 01/03 TL783C 783 ARQUIVO:..TITANIUM 700.DSN PL826 PHANTOM 8 x 1N5402 4 x 3300uF X 100V AC1 AC2 ACAUX 54V 42V 23V TENSÃO DO TRAFO EM REPOUSO 03/03 02/03 03/03 01/01 4560 2 x 3300uF X 63V 4 x 1N5402 AC3 34V OL-HIGH M3 LIMHIGH LIMMID LIMLOW LEDT/DC OL+HIGH OL+LOW OL-LOW OL+MID OL-MID 4560 PHANTOM 01/01 ON PL764 +15V -15V +15V -15V +15V 1 2 3 -15V -15V +15V -15V +15V -15V +15V -15V +15V +15V +15V -15V 56pF + _ 1 8 2 3 4 10K 1N4001 47K 100K 56pF 4K7 1N4001 22K 10K 2K2 56pF + 47uF + 47uFx63V 1K2 4K7 + 1000uFx40V 10R 100K 470R + 10 A - 120V + 68K 22K1% 100Rx2W + 47uF 2K2 10R + 1000uFx40V 22K 10K LINE OUT 22K BC549 22K 180R BC549 + _ 5 6 7 2R2 56pF + 100uFx63V 6K8 1N4002 4K7 100K + + 47uF 22K + 47uF 100K 100K 1 2 3 4 5 6 7 8 9 10 11 12 2 1 3 VIN GND VOUT LM7915 4 x 1N5402 + 1000uFx50V + 47uFx63V + 1000uFx50V 100K 100Kx630V TTITANIUM700 A 100K + 220uFx100V 47K + _ 1 8 2 3 4 01 02 03 04 05 06 07 08 09 10 11 12 13 14 15 16 17 18 19 20 FL1 LINEIN INMIC GND GND GND OUTMIC GND GND GND GND GND GND LINESEND +15V +48VMIC +15V LEDT/DC -15V +48V -15V + 2 x 2200uFx50V 1K5 10R 100K 1N4002 + _ 1 8 2 3 4 2K2 + 47uFx63V 4K7 100Kx100V 22K 68K 100K + + 47uFx63V 56pF + 47uF + 47uF 1N4002 100Kx50V 22K 1% LINE IN 6K8x1W + 47uF 100K 47K 2 1 3 + - LINE OUT 10K1% + _ 5 6 7 2 1 3 + - LINE OUT 1 2 3 VIN GND VOUT LM7815 MIC 47K 470Rx1W 10K 22K 2K2 100K 3 1 2 VIN ADJ VOUT 10K 24Vx3W + 27K 1K5 + 47uF + 47uF 6K8x1W 120K 1N4001 22K 470R 10K 1% 2 1 3 + - LINE IN + _ 5 6 7 1N4002 1K5 + 10uF BC549 47K 1N4001 100K 10K 6K8x1W 1N4002 47K 01 02 03 04 05 06 07 08 09 10 11 12 13 14 15 16 17 18 19 20 FL1 LINEIN INMIC GND GND GND OUTMIC GND GND GND GND GND GND LINESEND +15V +48VMIC +15V -15V +48V -15V + 100K + 1N4002 10K 220pF 2 1 3 + - MIC AC AUX -15V AC AUX +48V +15V AC 1 AC 3 AC 2 AC 2 GND AC 3 GND +48V +24V GND AC 1 GND AC 3 GND -VH +VH AC 3 +VLGND AC 1 AC 1 -VL GND +VMID -VMID AC 2 AC 2 GND AC AUX AC AUX GND LED FRONTAL GND