FOLHA: 01/02
PWP 8000 / 4AB
BD135
BD136
Todos os resistores são
de 1/4W e todos os ca-
pacitores eletrolíticos
são de 25V, exceto
aqueles com indicação.
O circuito do power do
canal B é idêntico ao do
canal A.
ARQUIVO:..PWP8000_V1.DSN
VISTA FRONTAL I N D Ú S T R I A E L E T R Ô N I C A L T D A.
CIRCUITO: PRÉ / POWER / FONTE
31 42 6 875
IC1001
KSA1943
KSC5200
PL451
PRÉ CANAIS A/B
3
4
8
5
SUPERIOR
6
TL072
2 7
VISTA
1
INSEND
Canal A
POWER CANAL A
220V
1 - 14
IN
Canal B
SEND
PARALELO
ESTEREO
127V
PL418
20A / 127V
POWER CANAL B
2SA1006
2SC2336
1W1W
TENSÃO DO TRAFO EM REPOUSO 77 Vac
DATA: 17/06/2003
12AWG
2SA1837
Caso seja usado o transistor
2SA 1837 no lugar do 2SA
1006 e 2SC 4793 no lugar do
2SC2336, substituir os capa-
citores de 39pF x 500V por
150pF x 500V.
2SC4793
ATENÇÃO
BCE B EC
-15V A
+V
+15V A
-V
+V
-V+V
+15V
-15V
-V
+15V B
-15V B
+15V A
-15V A
-V
B C E
+
10uF
39pFx500V
TL072
3
2
84
1
0.47Rx5W
10K 1%
10K
0.47Rx5W
100K
150K
10Rx1W
12
3
+
22uFx160V
10K 1%
100pF
+
10uF
56K
47R
15V
0.47Rx5W
3K9x3W
+47uF
47K
KSA1943
10K 1%
+
47uF
KSA1943
56pF
1N4148
+
10uF
56pF
2K2
560R
-+
800Vx35A
10K 1%
BD135
12
3
KSC5200
KSC5200
KSA1943
12
3
47Rx1W
2SA1006
10K
+
4,7uF
39K 1%
0V
220V
TPWP8000
K2SC5200
+
10uF
+ 47uF
100K
2K2
0.47Rx5W
56pF
10K 1%
2SA1006
2SC2336
KSA1943
2SC2336
12
3
2SA1006
390R
TL072
5
6
7
100K
10K 1%
1N4148
390R
120R
12K
0.47Rx5W
2K7x3W
10K 1%
0.47Rx5W
2K2
KSC5200
4K7
+
22uFx160V
1N4148
+
10uF
0.47Rx5W
56pF
27Vx1W
12K
+
4,7uF
100Kx250V
120R
1N4148
+ 10uF
0.47Rx5W
100Kx100V
+4,7uF
+10uF
100K
1K
22pFx100V
KSC5200
10Rx5W
TL072
3
2
84
1
47R
2
1
8
4
5
3
6
7 IC1001
BD135
10R
10K
5K6 1%
10A / 220V
100K
BD136
100Kx50V
TL072
3
2
84
1
KSA1943
2SC2336
10K 1%
SW
27Vx1W
10Rx5W
TL072
5
6
7
100R
5K6 1%
KSA1943
2K7x3W
500R
10K
1N5402
390R
+10uF
120K
100R
+
4,7uF
+ 10uF
0.47Rx5W
KSC5200
SEND
56pF
1N5402
10K
TL072
5
6
7
SEND
IN
100R
10K
1K581%
0.47Rx5W
47R
150K
390R
47R
10K
1N4148
10R
47R
100R
3K9x3W
+
47uF
0.47Rx5W
100Kx50V
100Kx250V
47Rx1W
10R
10Kx1K
10R
10K 1%
15V
IN
- +
800Vx35A
+ 10uF
56pF
39pFx500V
100K
10K
0.47Rx5W
10K 1%
+V
-V
OUT
GNDA
1 A
W A
OVER +
OVER -
AC AUX1
AC AUX2
-V
GND
+V
GNDB
W B
1 B
OUTA
OUT
OUT
GND B (4)
PWB (3)
+15V B (2)
-15V B (1)
-15V A (1)
PWA (3)
GND A (4)
+15V A (2)
(1) -15V A
(2) +15V A
(3) PWA
(4) GND A
PWA
PWB
PWA
ARQUIVO:..PWP8000_V1.DSN
FOLHA: 02/02
VISTA FRONTAL
I N D Ú S T R I A E L E T R Ô N I C A L T D A.
Todos resistores são
de 1/4W e todos os
capacitores eletrolíti-
cos são de 25V,
exceto aqueles com
indicação.
CIRCUITO: PROTEÇÃO / DISPLAY/RELE
PWP 8000 / 4AB
PROTEÇÃO / DISPLAY
BC549 39007815
VISTA
SUPERIOR
VOLUMECHB
OUTCHA
RELÊ-FONTE
OUTCHB
PL420
1 - 14
1
PL419
3
2
VOLUMECHA
BC337
DATA: 17/06/2003
02/04
04/04
04/04
04/04
04/04
03/04
03/04
03/04
03/04
01/04
01/04
01/04
01/04
A numeração dos in-
tegrados é feita da
esquerda para direi-
ta e de cima para
baixo.
+ 15 V
CBE
4
3
2
1
11
12
13
14
10
87
6
5
9
1 2 3
+ 15 V
+ 15 V
+ 15 V
+ 15 V
+ 15 V
+ 15 V
+ 15 V
+ 15 V
+ 15 V
+ 15 V
-
2
3
+
4
3900
3
2
4
+
100uFx40V
2K2
22K
100K
100K
-
2
3
+
4
3900
3
2
4
1N4148
100K
100K
100K
100K
+
47uF
+47uF
1N4002
1K
100K
100K
+ OUT
TEMP/DCA
2K2
68K
5KB
-
12
11
+
10
3900
11
12
10
100K
-
12
11
+
10
3900
11
12
10
100K
+
2200uFx40V
- OUTHAT901CSDC24
3
5
4
1
2
100K
BC549
100K
+ 22000uF x 110V
100K
1K5
OVERLOAD A
100K
1N4148
24Vx3W
-
+1
6
5
14
7
3900
100K
12K
4V7
100K
OVERLOAD B
-
12
11
+
10
3900
11
12
10
4V7
CLIP B
100K
4K7
3A
+
10uF
1N4148
TEMP/DCB
100Rx2W
1N4148
1N4002
-
2
3
+
4
3900
3
2
4
1N4148
220K
1N4148
22K
8
9
13
-
+
3900
13
9
8
4V7
1K5
24Vx3W
1K91
- OUT
1N4148
100K
TERMOSTATO CH A
100K
CLIP A
4K7
220K
4V7
100K
10K
9K53
5KB
1N4148
1N4148
-+
4x1N4001
9K53
100K
+ 22000uF x 110V
1N4148
100K
3K3
1N4148
1N4148
TERMOSTATO CH B
47Rx5W
HAT901CSDC24
3
5
4
1
2
+47uF
SIG A
BC337
220K
100K
10K
ON
-
+1
6
5
14
7
3900
-
+1
6
5
14
7 3900
220K
+ 10uF
100K
3K3
BC549
10K
1N4148
VIN V OUT
GND
7815
3K3
1K91
100Rx2W
8
9
13
-
+
3900
13
9
8
8
9
13
-
+
3900
13
9
8
100K
+ OUT
SIG B
+
47uF
BC337
12K
OVER+ A
OVER- A
OVER+ B
OVER- B
OUTB
OUTA
AC AUX1
AC AUX2
+V
GND
-V
WA
GNDA
GNDB
W B
1 B
1 A
CH B (8)
RL B (7)
24V B (6)
24V A (5)
CH A (1)
RL A (4)
GND (3)
VDC (2)
(4) RL A
(3) GND
(7) RL B
(8) CH B
(5) 24V A
(2) VDC
(6) 24V B
(1) CH A
24V B
RL B
24V A
RL A
CH B
CH A
VDC
24V B
RL B
RL A
24V A
CH A
VDC
CH B

Ciclotron pwp8000 4 ab

  • 1.
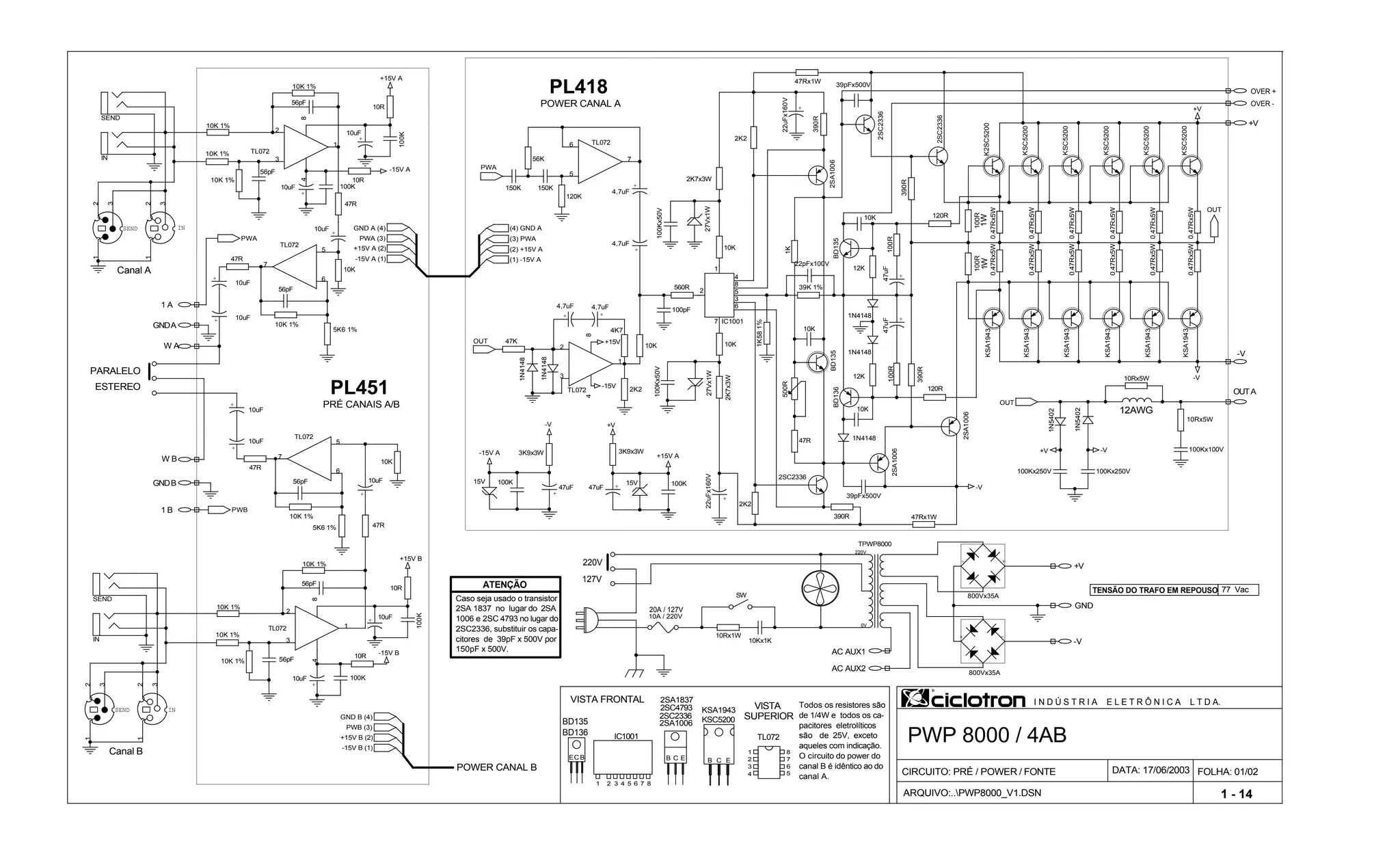
    FOLHA: 01/02 PWP 8000/ 4AB BD135 BD136 Todos os resistores são de 1/4W e todos os ca- pacitores eletrolíticos são de 25V, exceto aqueles com indicação. O circuito do power do canal B é idêntico ao do canal A. ARQUIVO:..PWP8000_V1.DSN VISTA FRONTAL I N D Ú S T R I A E L E T R Ô N I C A L T D A. CIRCUITO: PRÉ / POWER / FONTE 31 42 6 875 IC1001 KSA1943 KSC5200 PL451 PRÉ CANAIS A/B 3 4 8 5 SUPERIOR 6 TL072 2 7 VISTA 1 INSEND Canal A POWER CANAL A 220V 1 - 14 IN Canal B SEND PARALELO ESTEREO 127V PL418 20A / 127V POWER CANAL B 2SA1006 2SC2336 1W1W TENSÃO DO TRAFO EM REPOUSO 77 Vac DATA: 17/06/2003 12AWG 2SA1837 Caso seja usado o transistor 2SA 1837 no lugar do 2SA 1006 e 2SC 4793 no lugar do 2SC2336, substituir os capa- citores de 39pF x 500V por 150pF x 500V. 2SC4793 ATENÇÃO BCE B EC -15V A +V +15V A -V +V -V+V +15V -15V -V +15V B -15V B +15V A -15V A -V B C E + 10uF 39pFx500V TL072 3 2 84 1 0.47Rx5W 10K 1% 10K 0.47Rx5W 100K 150K 10Rx1W 12 3 + 22uFx160V 10K 1% 100pF + 10uF 56K 47R 15V 0.47Rx5W 3K9x3W +47uF 47K KSA1943 10K 1% + 47uF KSA1943 56pF 1N4148 + 10uF 56pF 2K2 560R -+ 800Vx35A 10K 1% BD135 12 3 KSC5200 KSC5200 KSA1943 12 3 47Rx1W 2SA1006 10K + 4,7uF 39K 1% 0V 220V TPWP8000 K2SC5200 + 10uF + 47uF 100K 2K2 0.47Rx5W 56pF 10K 1% 2SA1006 2SC2336 KSA1943 2SC2336 12 3 2SA1006 390R TL072 5 6 7 100K 10K 1% 1N4148 390R 120R 12K 0.47Rx5W 2K7x3W 10K 1% 0.47Rx5W 2K2 KSC5200 4K7 + 22uFx160V 1N4148 + 10uF 0.47Rx5W 56pF 27Vx1W 12K + 4,7uF 100Kx250V 120R 1N4148 + 10uF 0.47Rx5W 100Kx100V +4,7uF +10uF 100K 1K 22pFx100V KSC5200 10Rx5W TL072 3 2 84 1 47R 2 1 8 4 5 3 6 7 IC1001 BD135 10R 10K 5K6 1% 10A / 220V 100K BD136 100Kx50V TL072 3 2 84 1 KSA1943 2SC2336 10K 1% SW 27Vx1W 10Rx5W TL072 5 6 7 100R 5K6 1% KSA1943 2K7x3W 500R 10K 1N5402 390R +10uF 120K 100R + 4,7uF + 10uF 0.47Rx5W KSC5200 SEND 56pF 1N5402 10K TL072 5 6 7 SEND IN 100R 10K 1K581% 0.47Rx5W 47R 150K 390R 47R 10K 1N4148 10R 47R 100R 3K9x3W + 47uF 0.47Rx5W 100Kx50V 100Kx250V 47Rx1W 10R 10Kx1K 10R 10K 1% 15V IN - + 800Vx35A + 10uF 56pF 39pFx500V 100K 10K 0.47Rx5W 10K 1% +V -V OUT GNDA 1 A W A OVER + OVER - AC AUX1 AC AUX2 -V GND +V GNDB W B 1 B OUTA OUT OUT GND B (4) PWB (3) +15V B (2) -15V B (1) -15V A (1) PWA (3) GND A (4) +15V A (2) (1) -15V A (2) +15V A (3) PWA (4) GND A PWA PWB PWA
  • 2.
    ARQUIVO:..PWP8000_V1.DSN FOLHA: 02/02 VISTA FRONTAL IN D Ú S T R I A E L E T R Ô N I C A L T D A. Todos resistores são de 1/4W e todos os capacitores eletrolíti- cos são de 25V, exceto aqueles com indicação. CIRCUITO: PROTEÇÃO / DISPLAY/RELE PWP 8000 / 4AB PROTEÇÃO / DISPLAY BC549 39007815 VISTA SUPERIOR VOLUMECHB OUTCHA RELÊ-FONTE OUTCHB PL420 1 - 14 1 PL419 3 2 VOLUMECHA BC337 DATA: 17/06/2003 02/04 04/04 04/04 04/04 04/04 03/04 03/04 03/04 03/04 01/04 01/04 01/04 01/04 A numeração dos in- tegrados é feita da esquerda para direi- ta e de cima para baixo. + 15 V CBE 4 3 2 1 11 12 13 14 10 87 6 5 9 1 2 3 + 15 V + 15 V + 15 V + 15 V + 15 V + 15 V + 15 V + 15 V + 15 V + 15 V - 2 3 + 4 3900 3 2 4 + 100uFx40V 2K2 22K 100K 100K - 2 3 + 4 3900 3 2 4 1N4148 100K 100K 100K 100K + 47uF +47uF 1N4002 1K 100K 100K + OUT TEMP/DCA 2K2 68K 5KB - 12 11 + 10 3900 11 12 10 100K - 12 11 + 10 3900 11 12 10 100K + 2200uFx40V - OUTHAT901CSDC24 3 5 4 1 2 100K BC549 100K + 22000uF x 110V 100K 1K5 OVERLOAD A 100K 1N4148 24Vx3W - +1 6 5 14 7 3900 100K 12K 4V7 100K OVERLOAD B - 12 11 + 10 3900 11 12 10 4V7 CLIP B 100K 4K7 3A + 10uF 1N4148 TEMP/DCB 100Rx2W 1N4148 1N4002 - 2 3 + 4 3900 3 2 4 1N4148 220K 1N4148 22K 8 9 13 - + 3900 13 9 8 4V7 1K5 24Vx3W 1K91 - OUT 1N4148 100K TERMOSTATO CH A 100K CLIP A 4K7 220K 4V7 100K 10K 9K53 5KB 1N4148 1N4148 -+ 4x1N4001 9K53 100K + 22000uF x 110V 1N4148 100K 3K3 1N4148 1N4148 TERMOSTATO CH B 47Rx5W HAT901CSDC24 3 5 4 1 2 +47uF SIG A BC337 220K 100K 10K ON - +1 6 5 14 7 3900 - +1 6 5 14 7 3900 220K + 10uF 100K 3K3 BC549 10K 1N4148 VIN V OUT GND 7815 3K3 1K91 100Rx2W 8 9 13 - + 3900 13 9 8 8 9 13 - + 3900 13 9 8 100K + OUT SIG B + 47uF BC337 12K OVER+ A OVER- A OVER+ B OVER- B OUTB OUTA AC AUX1 AC AUX2 +V GND -V WA GNDA GNDB W B 1 B 1 A CH B (8) RL B (7) 24V B (6) 24V A (5) CH A (1) RL A (4) GND (3) VDC (2) (4) RL A (3) GND (7) RL B (8) CH B (5) 24V A (2) VDC (6) 24V B (1) CH A 24V B RL B 24V A RL A CH B CH A VDC 24V B RL B RL A 24V A CH A VDC CH B