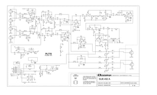
FOLHA: 01/02
SUB 450 A
BC549
BC327
BD139
BD140
Todos resistores são de
1/4W e todos os capaci-
tores eletrolítcos são de
25 V, exceto aqueles
com indicação.
ARQUIVO:..SUB 450.DSN
VISTA FRONTAL I N D Ú S T R I A E L E T R Ô N I C A L T D A.
CIRCUITO: POWER / FONTE / TRAFO31 42 6 875
MPSA92
BE C
2SA1943
2SC5200
8
5
6
7
B C
2SA1837
E
2SC4793
DATA: 21/07/2004
A numeração dos integra-
dos é feita da esquerda
para direita e de cima pa-
ra baixo.
12AWG
GND
-15V
LED LIM
OL-
+15V
OL+
OUT
TEMP/DC
7815
1
3
VISTA
SUPERIOR
4
LM393
TL072
2
7915
7 - 2
IC1001
PL808
1.5A
FONTE
1.5A
8OHMS
8 OHMS
02/05
5517
4560
POWER
PL811
120V
230V
2x
4 A - 230V
2K2x500V
PLA117
J111
4560
12
8
4
3
7
1
14
2
13
6
16
15
10
5
11
9
5517
57 VacTENSÃO DO TRAFO EM REPOUSO
05/05
05/05
04/05
04/05
01/05
01/05
03/05
03/05
BCE
B EC
-15V
1 2 3
-15V
+15V
-15V
+15V
1 2 3
+15V
-15V
+15V
-15V
-15V
+15V
-15V
+15V
+15V
+15V
+15V
+15V
-15V
+15V
CBEDSG
-15V
4R7x1W
1N4148
ZD 222024
39pFx500V
10K
1-
1+
2-
2+
+
4,7uF
0.47Rx5W
2K2
3K61%
1K5
4R7x1W
+
_
8
3
2
4
1
4560
100K
NTC 2K2
680R
2K2
27Rx2W
100Kx100V
+
_
5
6
7
LM 393
+
22uFx160V
+
_
8
3
2
4
1
LM 393
511 R
10K
47Rx1W
2SA1837
470pF
100Kx250V
6K8
+
47uF
4R7x1W
4K7
J111
+
22uFx160V
2K7x3W
+
_
8
3
2
4
1
LM 393
+
1000uFx25V
56pF
+
3300uFx100V
2SA1943
MPSA92
+
47uF
+
47uF
56pF
100K
2SC4793
47K
47K
82K
390R
2R2
2K2
100K
330R
+
_
8
3
2
4
1
TL072
+
3300uFx100V
+
_
5
6
7
LM 393
0.47Rx5W
39pFx500V
BD139
2SC5200
+
47uF
22K
24Vx3W
4R7x1W
4V7
10Rx10W
4K7
100Kx630V
4K7
+
3300uFx100V
4R7x1W
BC 327
4R7x1W
10K
390R
120K
TERMOSTATO
47K
0.47Rx5W
0V
220V
TSUB450
+
10uF
2SC5200
100K
2SC5200
2SC4793
2SA1837
4R7x1W
7,5 A - 120V
33K
2SA1943
2SC4793
+
220uF
1N4148
5
8
6
3
4
7
2
1
2SA1837
390R
15K
1N5404
4R7x1W
390R
1N4148
1N4002
16K 1%
220R
+
1uF
3K9
12K
1N4148
10K
2K7x3W
4K7
BC549
1K5
2
1
3
VIN GND VOUT
LM7915
0.47Rx5W
2K2
1N4148
2SC5200
1N4148
0.47Rx5W
1N4148
1N4148
120K
12K
27Vx1W
22K
220R
10K
4R7x1W
82K
5K6
1N4148
10K
1N4148
33R
6K8
0.47Rx5W
100K
1N4148
56pF
4R7x1W
5K6
1K8
100pF
+
10uF
BC549
1K58 1%
2SC4793
2
1
8
4
5
3
6
7 IC1001
180R
+
22uF
10K
100Kx50V
BD140
1K
+
_
5
6
7
TL 072
2SA1943
27Vx1W
150K
2SA1943
500R
1N4001
10K
1N5404
100R
4V7
1N4148
100Rx2W
1N5404
39pFx500V
47K
+
10uF
47K
10K
1N4148
+
1000uFx40V
1N4001
100Kx250V
390K
10K
100R
1K8
100K
47K
0.47Rx5W
1
2
3
VIN
GND
VOUT
LM7815
12K
10K
1N5404
+
1000uFx40V
560R
1K5
1N4001
100K
+
47uF
100Kx50V
2K2
220pF
1
2
3
4
13
14
1215
16
5
8
9
6
711
10
+
47uF
+
-
7
5
6
47Rx1W
22R
100K
- +
800Vx35A
100K
+
47uF
100K
39pFx500V
10Rx5W
+
4,7uF
47K
+
3300uFx100V
0.47Rx5W
1N4001
+V
-V
+15V
-15V
+24V
+V
AC
-V
+V
AC
+15V
GND
-15V
GND
-V
AC
GND
AC
+V
-V
+24V
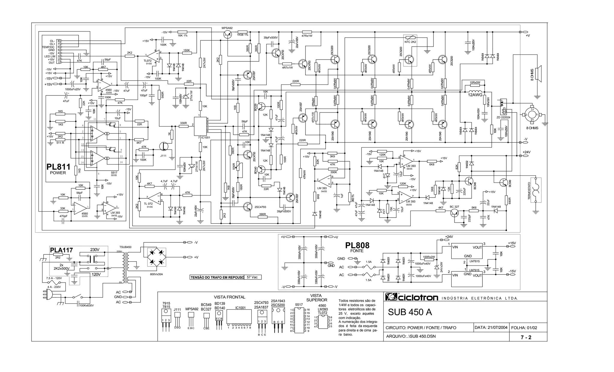
ARQUIVO:..SUB450.DSN
FOLHA: 02/02
I N D Ú S T R I A E L E T R Ô N I C A L T D A.
Todos resistores são de 1/4W e
todos os capacitores eletrolíticos
são de 25V, exceto aqueles com
indicação.
CIRCUITO: VOLUME / HPF
SUB 450 A
VISTA
SUPERIOR
7 - 2
DATA: 23/07/2004
A numeração dos integrados é
feita da esquerda para direita e
de cima para baixo.
4560
3
72
4
1 8
6
5
4560
4560
1nF
1nF
03/08
01/08
LM393
1nF
1nF
02/08
4560
02/08
4560
4560
03/08
LM393
04/08
+15V
TEMP/DC
-15V
OL-
OUT
OL+
LED LIM
GND
1nF
1nF
1nF
1nF
LEDA
GND
PL770
LM393
01/08
VOLUME / HPF
04/08
4560
06/08
4560
08/08
4560
08/08
4560
05/08
4560
4560
05/08
4560
07/08
07/08
4560
+15V
-15V
+15V
+15V
-15V
+15V
-15V
-15V
-15V
+15V
+15V
-15V
+15V
-15V
+15V
-15V
+15V
-15V
+15V
-15V
-15V
+15V
+
47uF
100K
2
1
3
+
-
OUT HPF R
20K 1%
10K 1%
47K
+
_
1
8
3
2
4
56pF
20K
5KB
22K1%
+
47uF
10K
220pF
390K
22K
+
_
1
8
3
2
4
10KBx2
100K
+
100uF
47K
2
1
3
+
-
LINE IN R
22K
1K5
2K2
+
_
7
6
5
10K1%
+
47uF
100K
10K 1%
100K
100K
20K 1%
470R
1K2
LIMITER
10K
15K
120K
24K
OVERLOAD
33R
100K
39K
+
-
7
5
6
+
47uF
+
_
1
8
2
3
4
470K
4K7
100K
100K
+
47uF
39K
+
_
7
6
5
47K
22K1%
100K
12K
15K
10KBx2
10K
100K
10R
56K
2K2
47K
100K
+
47uF
56pF
100K
2K2
+
_
1
8
3
2
4
470R
100K
22K 1%
56K
20K 1%
11K1%
+
_
1
8
3
2
4
10K
56K
+
_
7
6
5
100K
470K
10R
10K1%
20K 1%
10K
470R
100R
100K
_
+ 7
5
6
330K
27K
5
8
6
3
4
7
2
1
56K
20K
2
1
3
+
-
LINE IN R
39K
+
47uF
5K6
2K2
47K
TEMP/DC
+
47uF
56pF
220pF
470K
100K
SIGNAL
56pF
13K3
10K 1%
62K
ON
13K3
100K
2
1
3
+
-
LINE IN L
2
1
3
+
-
LINE IN L
56pF
PHASE REVERSE
220pF
+
47uFx50V
10K 1%
+
_
1
8
2
3
4
2K2
100K
5K6
10K 1%
12K
+
_
1
8
3
2
4
+
-
7
5
6
470K
+
_
1
8
3
2
4
+
47uF
330K
+
47uFx50V
10K 1%
33K
+
_
7
6
5
18K1%
22K 1%
+
10uF
10K 1%
+
-
7
5
6
56pF
10K
470K
100K
+
47uF
220pF
22K
2
1
3
+
-
OUT HPF L
100K
470K
56K
470R
100K
+
100uF

Ciclotron sub 450

  • 1.
    FOLHA: 01/02 SUB 450A BC549 BC327 BD139 BD140 Todos resistores são de 1/4W e todos os capaci- tores eletrolítcos são de 25 V, exceto aqueles com indicação. ARQUIVO:..SUB 450.DSN VISTA FRONTAL I N D Ú S T R I A E L E T R Ô N I C A L T D A. CIRCUITO: POWER / FONTE / TRAFO31 42 6 875 MPSA92 BE C 2SA1943 2SC5200 8 5 6 7 B C 2SA1837 E 2SC4793 DATA: 21/07/2004 A numeração dos integra- dos é feita da esquerda para direita e de cima pa- ra baixo. 12AWG GND -15V LED LIM OL- +15V OL+ OUT TEMP/DC 7815 1 3 VISTA SUPERIOR 4 LM393 TL072 2 7915 7 - 2 IC1001 PL808 1.5A FONTE 1.5A 8OHMS 8 OHMS 02/05 5517 4560 POWER PL811 120V 230V 2x 4 A - 230V 2K2x500V PLA117 J111 4560 12 8 4 3 7 1 14 2 13 6 16 15 10 5 11 9 5517 57 VacTENSÃO DO TRAFO EM REPOUSO 05/05 05/05 04/05 04/05 01/05 01/05 03/05 03/05 BCE B EC -15V 1 2 3 -15V +15V -15V +15V 1 2 3 +15V -15V +15V -15V -15V +15V -15V +15V +15V +15V +15V +15V -15V +15V CBEDSG -15V 4R7x1W 1N4148 ZD 222024 39pFx500V 10K 1- 1+ 2- 2+ + 4,7uF 0.47Rx5W 2K2 3K61% 1K5 4R7x1W + _ 8 3 2 4 1 4560 100K NTC 2K2 680R 2K2 27Rx2W 100Kx100V + _ 5 6 7 LM 393 + 22uFx160V + _ 8 3 2 4 1 LM 393 511 R 10K 47Rx1W 2SA1837 470pF 100Kx250V 6K8 + 47uF 4R7x1W 4K7 J111 + 22uFx160V 2K7x3W + _ 8 3 2 4 1 LM 393 + 1000uFx25V 56pF + 3300uFx100V 2SA1943 MPSA92 + 47uF + 47uF 56pF 100K 2SC4793 47K 47K 82K 390R 2R2 2K2 100K 330R + _ 8 3 2 4 1 TL072 + 3300uFx100V + _ 5 6 7 LM 393 0.47Rx5W 39pFx500V BD139 2SC5200 + 47uF 22K 24Vx3W 4R7x1W 4V7 10Rx10W 4K7 100Kx630V 4K7 + 3300uFx100V 4R7x1W BC 327 4R7x1W 10K 390R 120K TERMOSTATO 47K 0.47Rx5W 0V 220V TSUB450 + 10uF 2SC5200 100K 2SC5200 2SC4793 2SA1837 4R7x1W 7,5 A - 120V 33K 2SA1943 2SC4793 + 220uF 1N4148 5 8 6 3 4 7 2 1 2SA1837 390R 15K 1N5404 4R7x1W 390R 1N4148 1N4002 16K 1% 220R + 1uF 3K9 12K 1N4148 10K 2K7x3W 4K7 BC549 1K5 2 1 3 VIN GND VOUT LM7915 0.47Rx5W 2K2 1N4148 2SC5200 1N4148 0.47Rx5W 1N4148 1N4148 120K 12K 27Vx1W 22K 220R 10K 4R7x1W 82K 5K6 1N4148 10K 1N4148 33R 6K8 0.47Rx5W 100K 1N4148 56pF 4R7x1W 5K6 1K8 100pF + 10uF BC549 1K58 1% 2SC4793 2 1 8 4 5 3 6 7 IC1001 180R + 22uF 10K 100Kx50V BD140 1K + _ 5 6 7 TL 072 2SA1943 27Vx1W 150K 2SA1943 500R 1N4001 10K 1N5404 100R 4V7 1N4148 100Rx2W 1N5404 39pFx500V 47K + 10uF 47K 10K 1N4148 + 1000uFx40V 1N4001 100Kx250V 390K 10K 100R 1K8 100K 47K 0.47Rx5W 1 2 3 VIN GND VOUT LM7815 12K 10K 1N5404 + 1000uFx40V 560R 1K5 1N4001 100K + 47uF 100Kx50V 2K2 220pF 1 2 3 4 13 14 1215 16 5 8 9 6 711 10 + 47uF + - 7 5 6 47Rx1W 22R 100K - + 800Vx35A 100K + 47uF 100K 39pFx500V 10Rx5W + 4,7uF 47K + 3300uFx100V 0.47Rx5W 1N4001 +V -V +15V -15V +24V +V AC -V +V AC +15V GND -15V GND -V AC GND AC +V -V +24V
  • 2.
    ARQUIVO:..SUB450.DSN FOLHA: 02/02 I ND Ú S T R I A E L E T R Ô N I C A L T D A. Todos resistores são de 1/4W e todos os capacitores eletrolíticos são de 25V, exceto aqueles com indicação. CIRCUITO: VOLUME / HPF SUB 450 A VISTA SUPERIOR 7 - 2 DATA: 23/07/2004 A numeração dos integrados é feita da esquerda para direita e de cima para baixo. 4560 3 72 4 1 8 6 5 4560 4560 1nF 1nF 03/08 01/08 LM393 1nF 1nF 02/08 4560 02/08 4560 4560 03/08 LM393 04/08 +15V TEMP/DC -15V OL- OUT OL+ LED LIM GND 1nF 1nF 1nF 1nF LEDA GND PL770 LM393 01/08 VOLUME / HPF 04/08 4560 06/08 4560 08/08 4560 08/08 4560 05/08 4560 4560 05/08 4560 07/08 07/08 4560 +15V -15V +15V +15V -15V +15V -15V -15V -15V +15V +15V -15V +15V -15V +15V -15V +15V -15V +15V -15V -15V +15V + 47uF 100K 2 1 3 + - OUT HPF R 20K 1% 10K 1% 47K + _ 1 8 3 2 4 56pF 20K 5KB 22K1% + 47uF 10K 220pF 390K 22K + _ 1 8 3 2 4 10KBx2 100K + 100uF 47K 2 1 3 + - LINE IN R 22K 1K5 2K2 + _ 7 6 5 10K1% + 47uF 100K 10K 1% 100K 100K 20K 1% 470R 1K2 LIMITER 10K 15K 120K 24K OVERLOAD 33R 100K 39K + - 7 5 6 + 47uF + _ 1 8 2 3 4 470K 4K7 100K 100K + 47uF 39K + _ 7 6 5 47K 22K1% 100K 12K 15K 10KBx2 10K 100K 10R 56K 2K2 47K 100K + 47uF 56pF 100K 2K2 + _ 1 8 3 2 4 470R 100K 22K 1% 56K 20K 1% 11K1% + _ 1 8 3 2 4 10K 56K + _ 7 6 5 100K 470K 10R 10K1% 20K 1% 10K 470R 100R 100K _ + 7 5 6 330K 27K 5 8 6 3 4 7 2 1 56K 20K 2 1 3 + - LINE IN R 39K + 47uF 5K6 2K2 47K TEMP/DC + 47uF 56pF 220pF 470K 100K SIGNAL 56pF 13K3 10K 1% 62K ON 13K3 100K 2 1 3 + - LINE IN L 2 1 3 + - LINE IN L 56pF PHASE REVERSE 220pF + 47uFx50V 10K 1% + _ 1 8 2 3 4 2K2 100K 5K6 10K 1% 12K + _ 1 8 3 2 4 + - 7 5 6 470K + _ 1 8 3 2 4 + 47uF 330K + 47uFx50V 10K 1% 33K + _ 7 6 5 18K1% 22K 1% + 10uF 10K 1% + - 7 5 6 56pF 10K 470K 100K + 47uF 220pF 22K 2 1 3 + - OUT HPF L 100K 470K 56K 470R 100K + 100uF