FOLHA: 01/02
TIP 1200 2 AB
BD139
BD140
Todos resistores são
de 1/4W e todos os
capacitores eletrolíti-
cos são de 25V,
exceto aqueles com
indicação.
ARQUIVO:..TIP1200_AB2_V1.DSN
VISTA FRONTAL I N D Ú S T R I A E L E T R Ô N I C A L T D A.
CIRCUITO: POWER / FONTE31 42 6 75
IC1001MPSA92
BE C
2nd GENERATION
2SA1943
2SC5200
PL346A
PRÉ CANAL A
3
4
20x
8
5
SUPERIOR
0dB
6
TLE2072
40x
2
1%
7
VISTA
1%
1
GAIN
PARALLEL
REVERSE
IN
PHASE
CANAL B
3+ 2-
SEND
Canal B
+
-
2+ 3- BRIDGE
STEREO
SEND
Canal A
IN
PLA036
PL344A
POWER CANAL A
BC327
220V
1 - 7
1%
1%
C EB
2SC2336
2SA1006
TENSÃO DO TRAFO EM REPOUSO 59,6 Vac
DATA: 17/06/20038
13
15
6
8
1
12
16
9
5
7
11
14
2
4
13600
10
3
TL072
01/04
01/04
02/04
03/04
03/04
04/04
A numeração dos inte-
grados é feita da es-
querda para direita e
de cima para baixo.
02/04
2SA1837
Caso seja usado o transistor
2SA 1837 no lugar do 2SA
1006 e 2SC 4793 no lugar do
2SC2336, substituir os capa-
citores de 39pF x 500V por
150pF x 500V.
2SC4793
ATENÇÃO
CBE
BCE
B EC
-15V
-15V
+15V
-15V
+15V
-15V
-15V
-15V
+V -V
-V
-V+V
+V
+15V
-V
-15V
+15V
+V-V
+15V
+15V
-15V
1 2 3
4R7x1W
39pFx500V
0.47Rx5W
10K
10Rx1W
4R7x1W
NTC2K2
12
3
10K
10K 1%
6K8 5%
22K
+
47uFx100V
47Rx1W
2SA1943
100pF
4R7x1W
15V
GROUND / LIFT
18K 5%
0.47Rx5W
TLE2072
3
2
84
1
1K5x5W
22pF
+100uF
1K5
100K
MPSA92
+
10uF
+
47uF
2SA1943
1K
1N4148
56pF
2K2
560R
1K 5%
-+
800Vx35A
12
3
10K 1%
BD139
150K
12
3
10K 1%
2SC5200
2SA1006
2K2
10K
1N4148
TLE2072
5
6
7
4R7x1W
10K
+
4,7uF
0V
220V
TTIP1200AB2
2SC5200
+ 100uF
100K
220pF
470pF
931R
2K2
10K 1%
2SC2336
2SA1006
4R7x1W
47K
2SC2336
2SA1943
1K
2SA1006
390R
+
10uF
10K 1%
1N5402
1N4148
390R
47K
330R
12K
0.47Rx5W
2K2x5W
0.47Rx5W
2K2
2SC5200
4K7
+
47uFx100V
1N4148
0.47Rx5W
56pF
100Kx100V
27Vx1W
12K
+
4,7uF
4R7x1W
56pF
390R
4R7x1W
330R
1N4148
BC327
1K5
TL072
3
2
84
1
0.47Rx5W
390R
+ 4,7uF
4R7x1W
3K09 1%
1K5
2K7
2SC5200
2K2
180R
2
1
8
4
5
3
6
7 IC1001
2SC2336
10A / 220V
100K
10K
BD140
100Kx50V
4K7
4K7 1%
2SC2336
2SA1943
SW
27Vx1W
2SA1943
TLE20723
2
84
1
LM13600
3
4
5 11 2
8
7
1
14
15
1316
12
6
500R
4R7x1W
2K2x5W
1N5402
10K
100R
+
4,7uF
47K
0.47Rx5W
2SC5200
12
3
1N5402
56pF
10K
33K
4R7x1W
100R
10K
3K31%
0.47Rx5W
820R
10K
4R7x1W
1N5402
1N4148
1K5x5W
820R
+
47uF
0.47Rx5W
100Kx100V
5K6
100Kx50V
100Kx630V
TL072
5
6
7
1N4148
47Rx1W
10K
15V - +
800Vx35A
TLE2072
5
6
7
4R7x1W
39pFx500V
4K7
0.47Rx5W
10K 1%
1K5
ICA
COMPA
+V
-V
NTCA
OUTA
NTCA
CLIPA
OUT
PROTCHA
OUT
IN -
IN+
IN+
IN-
GNDA
1 A
W A
OVER+ A
OVER- A
AC AUX1
AC AUX2
OUTA
-V
GND
+V
ARQUIVO:..TIP1200_AB2_H1.DSN
FOLHA: 02/02
VISTA FRONTAL
I N D Ú S T R I A E L E T R Ô N I C A L T D A.
CIRCUITO: PROTEÇÃO / DISPLAY
TIP 1200 2 AB
PL323B
PROTEÇÃO / DISPLAY
BC549
39007815
VISTA
SUPERIOR
VOLUMECHA
VOLUMECHB
2nd GENERATION
OUTCHA
RELÊ-FONTE
CH A / CH B
OUTCHB
PL299B
1
2
3
PL345A
1 - 7
DATA: 17/06/2003
Todos resistores são de 1/4W e
todos os capacitores eletrolíticos
são de 25V, exceto aqueles com
indicação.
A numeração dos integrados é
feita da esquerda para direita e
de cima para baixo.
* Os termostatos são normalmente
abertos.03/04
03/04
03/04
03/04
02/04
01/04
01/04
01/04
01/04
04/04
04/04
04/04
04/04
BC337
+ 15 V
+ 15 V
+ 15 V
+ 15 V
+ 15 V
+ 15 V
+ 15 V
+ 15 V
+ 15 V
4
3
2
1
11
12
13
14
10
87
6
5
9
1 2 3
+ 15 V
+ 15 V
CBE
1K2
+
100uFx40V
+ OUT
-
2
3
+
4
3900
22K
BC549
100K
1N4148
680R
100K
BC549
-
2
3
+
4
3900
100Kx100V
1N4148
1N4148
100K
100K
1M
47K
100K
+
47uF
4V7
100K
1K
+
47uF
1N4001
100K
1K2
TEMP/DCA
+ OUT
47K
1M
33K
+
6800x100V
47K
100Kx250V
5KB
33K
47K
47K
1N4148
-
12
11
+
10
3900
100K
100K
22K
-
12
11
+
10
3900
+
6800x100V
+
2200uFx40V
100Kx100V
1N4148
HAT901CSDC24
3
5
4
1
2
- OUT
1N4148
BC549
+
6800x100V
100K
+
6800x100V
100K
100K
1K5
10Rx5W
1K
OVERLOAD A
1N4148
4K7
1N4148
24Vx3W
-
+1
6
5
14
7
3900
10Rx10W
12K
100K
4V7
OVERLOAD B
-
12
11
+
10
3900
4V7
CLIP B
10K
1M
3A
1N4148
+
1uF
1N4148
100Rx2W
TEMP/DCB
100Kx250V
TERMOSTATO CH B *
390R
1N4148
68K
680R
1N4148
1N4001
-
2
3
+
4
3900
+
6800x100V
33K
1N4148
1N4148
220K
1K5
1N4148 1N4002
1N4148
68K
22K
8
9
13
-
+
3900
1K5
4V7
+
4,7uF
2K2
24Vx3W
390R
- OUT
+
6800x100V
TERMOSTATOCHA*
100K
1N4148
100K
47K
CLIP A
220K
100K
4V7
1K
6K8
4V7
+
6800x100V
5KB
+
4,7uF
1N4148
1N4148
100K
6K8
-+
4x1N4001
68K
+
6800x100V
1N4148
1N4148
100K
1K5
+ OUT
1N4148
1N4148
- OUT
HAT901CSDC24
3
5
4
1
2
BC549
33Rx5W
1M
+
47uF
1N4148
4K7
220K
BC337
SIGNAL B
1M
150K
ON
33K
-
+1
6
5
14
7
3900
220K
+
1uF
-
+1
6
5
14
7 3900
BC549
1N4002
- OUT
1K5
100K
10Rx10W
68K
BC549
10K
1N4148
VIN V OUT
GND
7815
1K5
10Rx5W
24V/1A
7
5
2
3
4
1
8
6
100Rx2W
2K2
+
10uF
8
9
13
-
+
3900
1K5
1M
8
9
13
-
+
3900
22K
+
10uF
+ OUT
24V/1A
7
5
2
3
4
1
8
6
SIGNAL A
+
47uF
BC337
12K
NTCA
PROTCHA
BORNEA
OUTA
COMPA
ICA
NTCA
VDC
COMPB
ICBPROTCHB
NTCB
OUTB
NTCB
CLIPB
CLIPA
SIGB
SIGA
OVER+ A
OVER- A
OVER+ B
OVER- B
W A
1 A
GNDA
1 B
W B
GNDB
VDC
SIGB
SIGA
OUTB
OUTA
AC AUX1
AC AUX2
BORNEB
+V
GND
-V

Ciclotron tip1200 2 ab ii

  • 1.
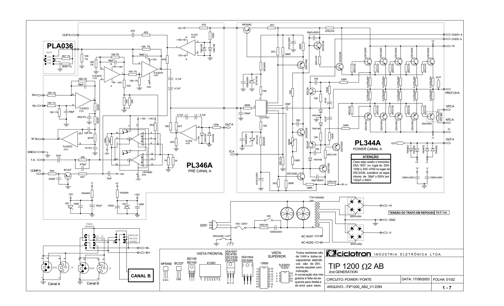
    FOLHA: 01/02 TIP 12002 AB BD139 BD140 Todos resistores são de 1/4W e todos os capacitores eletrolíti- cos são de 25V, exceto aqueles com indicação. ARQUIVO:..TIP1200_AB2_V1.DSN VISTA FRONTAL I N D Ú S T R I A E L E T R Ô N I C A L T D A. CIRCUITO: POWER / FONTE31 42 6 75 IC1001MPSA92 BE C 2nd GENERATION 2SA1943 2SC5200 PL346A PRÉ CANAL A 3 4 20x 8 5 SUPERIOR 0dB 6 TLE2072 40x 2 1% 7 VISTA 1% 1 GAIN PARALLEL REVERSE IN PHASE CANAL B 3+ 2- SEND Canal B + - 2+ 3- BRIDGE STEREO SEND Canal A IN PLA036 PL344A POWER CANAL A BC327 220V 1 - 7 1% 1% C EB 2SC2336 2SA1006 TENSÃO DO TRAFO EM REPOUSO 59,6 Vac DATA: 17/06/20038 13 15 6 8 1 12 16 9 5 7 11 14 2 4 13600 10 3 TL072 01/04 01/04 02/04 03/04 03/04 04/04 A numeração dos inte- grados é feita da es- querda para direita e de cima para baixo. 02/04 2SA1837 Caso seja usado o transistor 2SA 1837 no lugar do 2SA 1006 e 2SC 4793 no lugar do 2SC2336, substituir os capa- citores de 39pF x 500V por 150pF x 500V. 2SC4793 ATENÇÃO CBE BCE B EC -15V -15V +15V -15V +15V -15V -15V -15V +V -V -V -V+V +V +15V -V -15V +15V +V-V +15V +15V -15V 1 2 3 4R7x1W 39pFx500V 0.47Rx5W 10K 10Rx1W 4R7x1W NTC2K2 12 3 10K 10K 1% 6K8 5% 22K + 47uFx100V 47Rx1W 2SA1943 100pF 4R7x1W 15V GROUND / LIFT 18K 5% 0.47Rx5W TLE2072 3 2 84 1 1K5x5W 22pF +100uF 1K5 100K MPSA92 + 10uF + 47uF 2SA1943 1K 1N4148 56pF 2K2 560R 1K 5% -+ 800Vx35A 12 3 10K 1% BD139 150K 12 3 10K 1% 2SC5200 2SA1006 2K2 10K 1N4148 TLE2072 5 6 7 4R7x1W 10K + 4,7uF 0V 220V TTIP1200AB2 2SC5200 + 100uF 100K 220pF 470pF 931R 2K2 10K 1% 2SC2336 2SA1006 4R7x1W 47K 2SC2336 2SA1943 1K 2SA1006 390R + 10uF 10K 1% 1N5402 1N4148 390R 47K 330R 12K 0.47Rx5W 2K2x5W 0.47Rx5W 2K2 2SC5200 4K7 + 47uFx100V 1N4148 0.47Rx5W 56pF 100Kx100V 27Vx1W 12K + 4,7uF 4R7x1W 56pF 390R 4R7x1W 330R 1N4148 BC327 1K5 TL072 3 2 84 1 0.47Rx5W 390R + 4,7uF 4R7x1W 3K09 1% 1K5 2K7 2SC5200 2K2 180R 2 1 8 4 5 3 6 7 IC1001 2SC2336 10A / 220V 100K 10K BD140 100Kx50V 4K7 4K7 1% 2SC2336 2SA1943 SW 27Vx1W 2SA1943 TLE20723 2 84 1 LM13600 3 4 5 11 2 8 7 1 14 15 1316 12 6 500R 4R7x1W 2K2x5W 1N5402 10K 100R + 4,7uF 47K 0.47Rx5W 2SC5200 12 3 1N5402 56pF 10K 33K 4R7x1W 100R 10K 3K31% 0.47Rx5W 820R 10K 4R7x1W 1N5402 1N4148 1K5x5W 820R + 47uF 0.47Rx5W 100Kx100V 5K6 100Kx50V 100Kx630V TL072 5 6 7 1N4148 47Rx1W 10K 15V - + 800Vx35A TLE2072 5 6 7 4R7x1W 39pFx500V 4K7 0.47Rx5W 10K 1% 1K5 ICA COMPA +V -V NTCA OUTA NTCA CLIPA OUT PROTCHA OUT IN - IN+ IN+ IN- GNDA 1 A W A OVER+ A OVER- A AC AUX1 AC AUX2 OUTA -V GND +V
  • 2.
    ARQUIVO:..TIP1200_AB2_H1.DSN FOLHA: 02/02 VISTA FRONTAL IN D Ú S T R I A E L E T R Ô N I C A L T D A. CIRCUITO: PROTEÇÃO / DISPLAY TIP 1200 2 AB PL323B PROTEÇÃO / DISPLAY BC549 39007815 VISTA SUPERIOR VOLUMECHA VOLUMECHB 2nd GENERATION OUTCHA RELÊ-FONTE CH A / CH B OUTCHB PL299B 1 2 3 PL345A 1 - 7 DATA: 17/06/2003 Todos resistores são de 1/4W e todos os capacitores eletrolíticos são de 25V, exceto aqueles com indicação. A numeração dos integrados é feita da esquerda para direita e de cima para baixo. * Os termostatos são normalmente abertos.03/04 03/04 03/04 03/04 02/04 01/04 01/04 01/04 01/04 04/04 04/04 04/04 04/04 BC337 + 15 V + 15 V + 15 V + 15 V + 15 V + 15 V + 15 V + 15 V + 15 V 4 3 2 1 11 12 13 14 10 87 6 5 9 1 2 3 + 15 V + 15 V CBE 1K2 + 100uFx40V + OUT - 2 3 + 4 3900 22K BC549 100K 1N4148 680R 100K BC549 - 2 3 + 4 3900 100Kx100V 1N4148 1N4148 100K 100K 1M 47K 100K + 47uF 4V7 100K 1K + 47uF 1N4001 100K 1K2 TEMP/DCA + OUT 47K 1M 33K + 6800x100V 47K 100Kx250V 5KB 33K 47K 47K 1N4148 - 12 11 + 10 3900 100K 100K 22K - 12 11 + 10 3900 + 6800x100V + 2200uFx40V 100Kx100V 1N4148 HAT901CSDC24 3 5 4 1 2 - OUT 1N4148 BC549 + 6800x100V 100K + 6800x100V 100K 100K 1K5 10Rx5W 1K OVERLOAD A 1N4148 4K7 1N4148 24Vx3W - +1 6 5 14 7 3900 10Rx10W 12K 100K 4V7 OVERLOAD B - 12 11 + 10 3900 4V7 CLIP B 10K 1M 3A 1N4148 + 1uF 1N4148 100Rx2W TEMP/DCB 100Kx250V TERMOSTATO CH B * 390R 1N4148 68K 680R 1N4148 1N4001 - 2 3 + 4 3900 + 6800x100V 33K 1N4148 1N4148 220K 1K5 1N4148 1N4002 1N4148 68K 22K 8 9 13 - + 3900 1K5 4V7 + 4,7uF 2K2 24Vx3W 390R - OUT + 6800x100V TERMOSTATOCHA* 100K 1N4148 100K 47K CLIP A 220K 100K 4V7 1K 6K8 4V7 + 6800x100V 5KB + 4,7uF 1N4148 1N4148 100K 6K8 -+ 4x1N4001 68K + 6800x100V 1N4148 1N4148 100K 1K5 + OUT 1N4148 1N4148 - OUT HAT901CSDC24 3 5 4 1 2 BC549 33Rx5W 1M + 47uF 1N4148 4K7 220K BC337 SIGNAL B 1M 150K ON 33K - +1 6 5 14 7 3900 220K + 1uF - +1 6 5 14 7 3900 BC549 1N4002 - OUT 1K5 100K 10Rx10W 68K BC549 10K 1N4148 VIN V OUT GND 7815 1K5 10Rx5W 24V/1A 7 5 2 3 4 1 8 6 100Rx2W 2K2 + 10uF 8 9 13 - + 3900 1K5 1M 8 9 13 - + 3900 22K + 10uF + OUT 24V/1A 7 5 2 3 4 1 8 6 SIGNAL A + 47uF BC337 12K NTCA PROTCHA BORNEA OUTA COMPA ICA NTCA VDC COMPB ICBPROTCHB NTCB OUTB NTCB CLIPB CLIPA SIGB SIGA OVER+ A OVER- A OVER+ B OVER- B W A 1 A GNDA 1 B W B GNDB VDC SIGB SIGA OUTB OUTA AC AUX1 AC AUX2 BORNEB +V GND -V