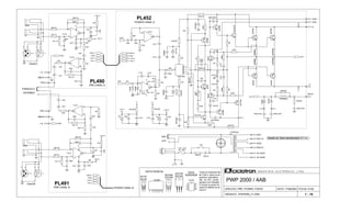
FOLHA: 01/02
PWP 2000 / 4AB
BD135
BD136
Todos os resistores são
de 1/4W e todos os ca-
pacitores eletrolíticos
são de 25V, exceto
aqueles com indicação.
O circuito do power do
canal B é idêntico ao do
canal A.
ARQUIVO:..PWP2000_V1.DSN
VISTA FRONTAL I N D Ú S T R I A E L E T R Ô N I C A L T D A.
CIRCUITO: PRÉ / POWER / FONTE
31 2 6 875
IC1002
2SC5198
2SA1941
PL490
PRÉ CANAL A
3
4
8
5
SUPERIOR
6
TL072
2 7
VISTA
1
INSEND
Canal A
POWER CANAL A
220V
1 - 18
IN
Canal B
SEND
PARALELO
ESTEREO
127V
PL452
7,5A / 127V
POWER CANAL B
100V
PL491
PRÉ CANAL B
2SC5248
2SA1964
TENSÃO DO TRAFO EM REPOUSO 46,9 Vac
DATA: 17/06/2003
15AWG
4
BCE B EC
-15V A
+V
+15V A
-V
-V
-V+V
+15V
-15V
+15V B
-15V B
+15V A
-15V A
-V +V
B C E
39pFx500V
+
10uF
TL072
3
2
84
1
+
-
V+V-
OUT
10K
10K 1%
0.47Rx5W
12
3
10Rx1W
150K
100K
+
47uFx100V
10K 1%
100pF
15V
47R
56K
+
10uF
2SC5198
2K2x2W
+47uF
47K
+
47uF
10K 1%
56pF
1N4148
2K2
56pF
+
10uF
10K
10K 1%
BD135
12
3
12
3
47Rx1W
2SA1964
10K
+
4,7uF
120Kx1%
0V
220V
TPWP2000
2SC5198
+ 47uF+
10uF
2K2
100K
0.47Rx5W
2SC5248
2SA1964
10K 1%
56pF
2SC5248
2SA1964
12
3
390R
TL072
5
6
7
+
-
OUT
10K 1%
100K
390R
1N4148
470R
12K
1K5x2W
10K 1%
2K2
4K7
1N4148
+
47uFx100V
+
10uF
56pF
100Kx100V
+
4,7uF
12K
27Vx1W
470R
1N4148
0.47Rx5W
+ 10uF
100Kx100V
+4,7uF
100K
+10uF
1K
22pF
TL072
3
2
84
1
+
-
V+V-
OUT
10Rx5W
BD135
100R
2
1
8
4
5
3
6
7
IC1002
100Kx50V
BD136
100K
4A / 220V
5K6 1%
10K
10R
2SC5248
TL072
3
2
84
1
+
-
V+V-
OUT
10Rx2W
27Vx1W
SW
10K 1%
TL072
5
6
7
+
-
OUT
2SA1941
5K6 1%
500R
1K5x2W
10K
1N5402
10K
+
4,7uF
100R
120K
+10uF
+ 10uF
1N5402
56pF
SEND
10K
SEND
TL072
5
6
7
+
-
OUT
IN
2SA1941
10Kx1%
10K
100R
47R
10K
150K
1N4148
10K
47R
47R
10R
2K2x2W
+
47uF
47Rx1W
100Kx100V
100Kx50V
10Kx1K
10R
10R
15V
10K 1%
IN
+ 10uF
39pFx500V
56pF
100K
10K 1%
0.47Rx5W
10K
+V
-V
OUT
GNDA
1 A
WA
OVER +
OVER -
AC AUX1
VAC1 G
VAC1
GNDB
WB
1 B
OUTA
OUT
GND B
PWB
+15V B
-15V B
(1) -15V A
(2) +15V A
(3) PWA
(4) GND A
PWA
PWB
PWA
OUT
VAC2
VAC2 G
AC AUX2
-15V A
+15V A
PWA
GND A
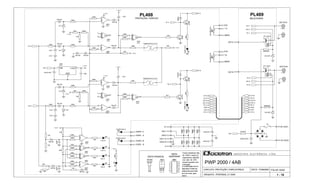
1
03/04
PL488
3
BC549
SUPERIOR
OUTCHA
PL489
ARQUIVO:..PWP2000_V1.DSN
FOLHA: 02/02
3900
VOLUMECHB
7815
PWP 2000 / 4AB
PROTEÇÃO / DISPLAY
1 - 18
VISTA FRONTAL
I N D Ú S T R I A E L E T R Ô N I C A L T D A.
OUTCHB
Todos resistores são
de 1/4W e todos os
capacitores eletrolíti-
cos são de 25V,
exceto aqueles com
indicação.
RELÊ-FONTE
VOLUMECHA
2
BC337
CIRCUITO: PROTEÇÃO / DISPLAY/RELE
VISTA
DATA: 17/06/2003
04/04
04/04
04/04
04/04
02/04
03/04
03/04
03/04
01/04
01/04
01/04
01/04
A numeração dos in-
tegrados é feita da
esquerda para direi-
ta e de cima para
baixo.
CBE
4
3
2
1
11
12
13
14
10
87
6
5
9
+ 15 V
+ 15 V
+ 15 V
+ 15 V
+ 15 V
1 2 3
+ 15 V
+ 15 V
+ 15 V
+ 15 V
+ 15 V
+ 15 V
+
100uFx40V
-
2
3
+
4
3900
3
2
4
-IN
+IN
OUT
2K2
22K
100K
100K
-
2
3
+
4
3900
3
2
4
-IN
+IN
OUT
1N4148
100K
100K
100K
100K
+
47uF
100K
1N4002
+47uF
1K
+ OUT
100K
2K2
TEMP/DCA
68K
1N5402
5KB
-
12
11
+
10
3900
11
12
10
-IN
+IN
OUT
1N5402
100K
-
12
11
+
10
3900
11
12
10
-IN
+IN
OUT
100K
+
2200uFx40V
1N5402
- OUT
+
4700x70V
BC549
100K
1N5402
100K
100K
1N5402
1K5
OVERLOAD A
100K
24Vx3W
1N4148
1N5402
-
+1
6
5
14
7
3900
OVERLOAD B
100K
4V7
12K
100K
-
12
11
+
10
3900
11
12
10
-IN
+IN
OUT
+
4700x70V
4V7
CLIP B
1N5402
4K7
100K
3A
+
10uF
1N4148
1N5402
100Rx2W
TEMP/DCB
1N4148
1N4148
1N4002
-
2
3
+
4
3900
3
2
4
-IN
+IN
OUT
220K
1N4148
22K
8
9
13
-
+
3900
13
9
8
1K5
4V7
24Vx3W
10K
- OUT
TERMOSTATO CH A
100K
1N4148
100K
CLIP A
ZF112024
3
5
4
1
2
4K7
220K
100K
4V7
10K
15K
5KB
1N4148
1N4148
15K
-+
4x1N4001
100K
1N4148
3K3
100K
1N4148
1N4148
47Rx5W
TERMOSTATO CH B
ZF112024
3
5
4
1
2
+47uF
SIG A
220K
BC337
10K
100K
ON
-
+1
6
5
14
7
3900
+ 10uF
220K
-
+1
6
5
14
7 3900
100K
3K3
BC549
10K
1N4148
VIN V OUT
GND
7815
3K3
100Rx2W
10K
8
9
13
-
+
3900
13
9
8
8
9
13
-
+
3900
13
9
8
100K
+ OUT
SIG B
BC337
+
47uF
12K
GNDB
RL B
VDC
CH A
(7) RL B
(8) CH B
OVER+ A
RL B (7)
(2) VDC
OVER- B
24V A (5)
RL A
(4) RL A
RL B
+V
(1) CH A
24V B
W B
1 B
GND (3)
CH B
CH A
OVER- A
AC AUX2
1 A
VDC (2)
24V A
OUTB
CH B (8)
24V B
WA
24V B (6)
VDC
GNDA
CH A (1)
RL A (4)
(5) 24V A
(6) 24V B
CH B
AC AUX1
24V A
OVER+ B
-V
OUTA
(3) GND
RL A
VAC1
VAC2
VAC2 G
VAC1 G

Ciclotron pwp2000 4 ab

  • 1.
    FOLHA: 01/02 PWP 2000/ 4AB BD135 BD136 Todos os resistores são de 1/4W e todos os ca- pacitores eletrolíticos são de 25V, exceto aqueles com indicação. O circuito do power do canal B é idêntico ao do canal A. ARQUIVO:..PWP2000_V1.DSN VISTA FRONTAL I N D Ú S T R I A E L E T R Ô N I C A L T D A. CIRCUITO: PRÉ / POWER / FONTE 31 2 6 875 IC1002 2SC5198 2SA1941 PL490 PRÉ CANAL A 3 4 8 5 SUPERIOR 6 TL072 2 7 VISTA 1 INSEND Canal A POWER CANAL A 220V 1 - 18 IN Canal B SEND PARALELO ESTEREO 127V PL452 7,5A / 127V POWER CANAL B 100V PL491 PRÉ CANAL B 2SC5248 2SA1964 TENSÃO DO TRAFO EM REPOUSO 46,9 Vac DATA: 17/06/2003 15AWG 4 BCE B EC -15V A +V +15V A -V -V -V+V +15V -15V +15V B -15V B +15V A -15V A -V +V B C E 39pFx500V + 10uF TL072 3 2 84 1 + - V+V- OUT 10K 10K 1% 0.47Rx5W 12 3 10Rx1W 150K 100K + 47uFx100V 10K 1% 100pF 15V 47R 56K + 10uF 2SC5198 2K2x2W +47uF 47K + 47uF 10K 1% 56pF 1N4148 2K2 56pF + 10uF 10K 10K 1% BD135 12 3 12 3 47Rx1W 2SA1964 10K + 4,7uF 120Kx1% 0V 220V TPWP2000 2SC5198 + 47uF+ 10uF 2K2 100K 0.47Rx5W 2SC5248 2SA1964 10K 1% 56pF 2SC5248 2SA1964 12 3 390R TL072 5 6 7 + - OUT 10K 1% 100K 390R 1N4148 470R 12K 1K5x2W 10K 1% 2K2 4K7 1N4148 + 47uFx100V + 10uF 56pF 100Kx100V + 4,7uF 12K 27Vx1W 470R 1N4148 0.47Rx5W + 10uF 100Kx100V +4,7uF 100K +10uF 1K 22pF TL072 3 2 84 1 + - V+V- OUT 10Rx5W BD135 100R 2 1 8 4 5 3 6 7 IC1002 100Kx50V BD136 100K 4A / 220V 5K6 1% 10K 10R 2SC5248 TL072 3 2 84 1 + - V+V- OUT 10Rx2W 27Vx1W SW 10K 1% TL072 5 6 7 + - OUT 2SA1941 5K6 1% 500R 1K5x2W 10K 1N5402 10K + 4,7uF 100R 120K +10uF + 10uF 1N5402 56pF SEND 10K SEND TL072 5 6 7 + - OUT IN 2SA1941 10Kx1% 10K 100R 47R 10K 150K 1N4148 10K 47R 47R 10R 2K2x2W + 47uF 47Rx1W 100Kx100V 100Kx50V 10Kx1K 10R 10R 15V 10K 1% IN + 10uF 39pFx500V 56pF 100K 10K 1% 0.47Rx5W 10K +V -V OUT GNDA 1 A WA OVER + OVER - AC AUX1 VAC1 G VAC1 GNDB WB 1 B OUTA OUT GND B PWB +15V B -15V B (1) -15V A (2) +15V A (3) PWA (4) GND A PWA PWB PWA OUT VAC2 VAC2 G AC AUX2 -15V A +15V A PWA GND A
  • 2.
    1 03/04 PL488 3 BC549 SUPERIOR OUTCHA PL489 ARQUIVO:..PWP2000_V1.DSN FOLHA: 02/02 3900 VOLUMECHB 7815 PWP 2000/ 4AB PROTEÇÃO / DISPLAY 1 - 18 VISTA FRONTAL I N D Ú S T R I A E L E T R Ô N I C A L T D A. OUTCHB Todos resistores são de 1/4W e todos os capacitores eletrolíti- cos são de 25V, exceto aqueles com indicação. RELÊ-FONTE VOLUMECHA 2 BC337 CIRCUITO: PROTEÇÃO / DISPLAY/RELE VISTA DATA: 17/06/2003 04/04 04/04 04/04 04/04 02/04 03/04 03/04 03/04 01/04 01/04 01/04 01/04 A numeração dos in- tegrados é feita da esquerda para direi- ta e de cima para baixo. CBE 4 3 2 1 11 12 13 14 10 87 6 5 9 + 15 V + 15 V + 15 V + 15 V + 15 V 1 2 3 + 15 V + 15 V + 15 V + 15 V + 15 V + 15 V + 100uFx40V - 2 3 + 4 3900 3 2 4 -IN +IN OUT 2K2 22K 100K 100K - 2 3 + 4 3900 3 2 4 -IN +IN OUT 1N4148 100K 100K 100K 100K + 47uF 100K 1N4002 +47uF 1K + OUT 100K 2K2 TEMP/DCA 68K 1N5402 5KB - 12 11 + 10 3900 11 12 10 -IN +IN OUT 1N5402 100K - 12 11 + 10 3900 11 12 10 -IN +IN OUT 100K + 2200uFx40V 1N5402 - OUT + 4700x70V BC549 100K 1N5402 100K 100K 1N5402 1K5 OVERLOAD A 100K 24Vx3W 1N4148 1N5402 - +1 6 5 14 7 3900 OVERLOAD B 100K 4V7 12K 100K - 12 11 + 10 3900 11 12 10 -IN +IN OUT + 4700x70V 4V7 CLIP B 1N5402 4K7 100K 3A + 10uF 1N4148 1N5402 100Rx2W TEMP/DCB 1N4148 1N4148 1N4002 - 2 3 + 4 3900 3 2 4 -IN +IN OUT 220K 1N4148 22K 8 9 13 - + 3900 13 9 8 1K5 4V7 24Vx3W 10K - OUT TERMOSTATO CH A 100K 1N4148 100K CLIP A ZF112024 3 5 4 1 2 4K7 220K 100K 4V7 10K 15K 5KB 1N4148 1N4148 15K -+ 4x1N4001 100K 1N4148 3K3 100K 1N4148 1N4148 47Rx5W TERMOSTATO CH B ZF112024 3 5 4 1 2 +47uF SIG A 220K BC337 10K 100K ON - +1 6 5 14 7 3900 + 10uF 220K - +1 6 5 14 7 3900 100K 3K3 BC549 10K 1N4148 VIN V OUT GND 7815 3K3 100Rx2W 10K 8 9 13 - + 3900 13 9 8 8 9 13 - + 3900 13 9 8 100K + OUT SIG B BC337 + 47uF 12K GNDB RL B VDC CH A (7) RL B (8) CH B OVER+ A RL B (7) (2) VDC OVER- B 24V A (5) RL A (4) RL A RL B +V (1) CH A 24V B W B 1 B GND (3) CH B CH A OVER- A AC AUX2 1 A VDC (2) 24V A OUTB CH B (8) 24V B WA 24V B (6) VDC GNDA CH A (1) RL A (4) (5) 24V A (6) 24V B CH B AC AUX1 24V A OVER+ B -V OUTA (3) GND RL A VAC1 VAC2 VAC2 G VAC1 G