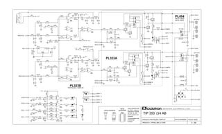
FOLHA: 01/02
TIP 350 4 AB
BC327
BD139
BD140 Todos resistores são
de 1/4W e todos os
capacitores eletrolíti-
cos são de 25V,
exceto aqueles com
indicação.
VISTA FRONTAL I N D Ú S T R I A E L E T R Ô N I C A L T D A.
CIRCUITO: POWER / FONTE31 42 6 875
IC1002
MPSA92
BE C
2SA1941
2SC5198
PL327A
POWER CANAL A
3
4
20x
8
5
SUPERIOR
0dB
6
TLE2072,
TL072
40x
2 7
VISTA
1
GAIN
PARALLEL
REVERSE
IN
PHASE
CANAL B
3+ 2-
SEND
Canal B
+
-
2+ 3- BRIDGE
STEREO
SEND
Canal A
IN
PLA042
220V
127V
5A / 127V 16 x 1N5402
PL248
2SB1569
C
2SD1562
B E
ARQUIVO:..TIP350_AB4_V1.DSN 1 - 13
DATA:02/05/2001CBE
BCE
B EC
-15V
-15V
+15V+15V
-15V
-15V
-15V
-15V
+15V
+V -V
-V
-V+V
+V
+15V
+15V
-15V
+V
-V
-V
1 2 3
10K
39pFx500V
1OOR
NTC2K2
100Kx100V
22K
+
47uFx100V
47Rx1W
2SA1941
100pF
15V
GROUND / LIFT
1K5x3W
22pF
+100uF
1K5
+
10uF
+
47uF
MPSA92
2SD1562
1K
56pF
2K2
TLE2072
390R
2SD1562
560R
10K 1%
BD139
150K
10Rx5W
2K2
+
6800x63V
1N4148
10K
+
4,7uF
0V
220V
TTIP350AB4
2SC5198
+ 100uF
100K
220pF
470pF
10K 1%
2SD1562
2SB1569
47K
1K
390R
TL072
+
10uF
10K 1%
390R
390R
1N4148
390R
33K
0.47Rx5W
12K
1K5x2W
TLE2072
4K7
2K2
47K
+
47uFx100V
1N4148
56pF
100Kx100V
27Vx1W
12K
390R
1N4148
2SB1569
BC327
1K5
0.47Rx5W
TL072
2SD1562
+
4,7uF
5K6 1%
1K
1K
2SC5198
3K3
100R
2
7
5
1
4
3
6
8 IC1002
3A / 220V
100K
10K
BD140
100Kx50V
4K7
4K7 1%
SW
27Vx1W
2SA1941
LM13600
1K5x2W
500R
2K2
1N5402
10K
100R
47K
0.47Rx5W
1N5402
56pF
10K
22K
100R
10K
3K61%
1N4148
10K
4R7x1W
1K5x3W
+
47uF
100Kx100V
5K6
100Kx50V
10Kx1KV
1N4148
1N4148
47Rx1W
10K
15V
2SB1569
4R7x1W
10Rx5W
39pFx500V
+
6800x63V
+
4,7uF
+
4,7uF
4K7
0.47Rx5W
10K 1%
1K5
ICA
COMPA
+V
-V
NTCA
OUT A
NTCA
CLIPA
OUT
PROTCHA
OUT
DC OUT
IN -
IN+
IN+
IN-
DC OUT
GNDA
1 A
W A
OVER+ A
OVER- A
AC AUX1
GND
AC AUX2
+V
-V
OUT
ARQUIVO:..TIP350_AB4_V1.DSN
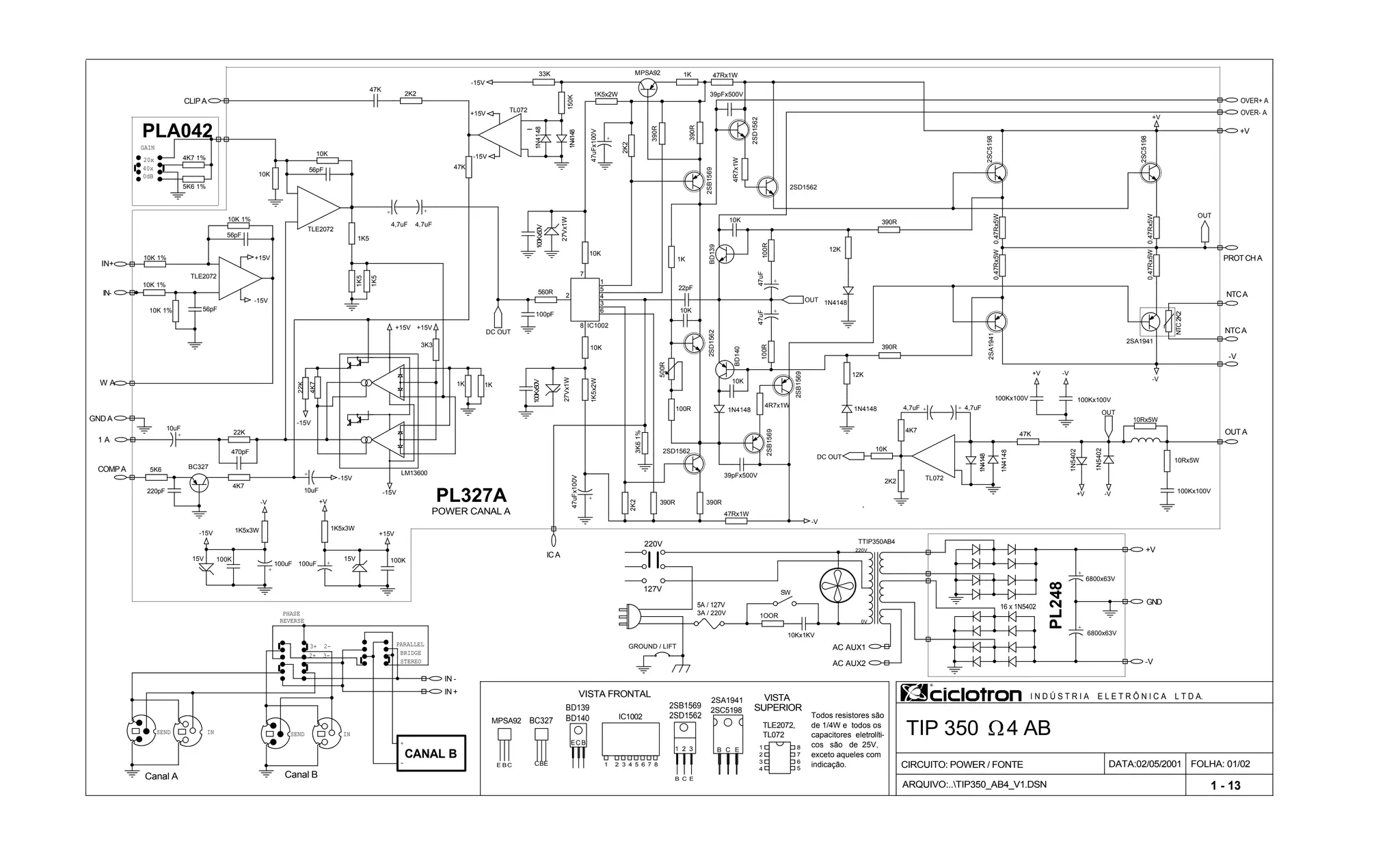
FOLHA: 02/02
VISTA FRONTAL
I N D Ú S T R I A E L E T R Ô N I C A L T D A.Todos resistores são
de 1/4W e todos os
capacitores eletrolíti-
cos são de 25V,
exceto aqueles com
indicação.
CIRCUITO: PROTEÇÃO / DISPLAY
TIP 350 4 AB
PL322A
PROTEÇÃO / DISPLAY
BC549 39007815
VISTA
SUPERIOR
03/03
03/03
03/03
01/03
01/03
01/03
02/03
02/03
02/03
02/03
01/03
03/03
VOLUMECHAVOLUMECHB
OUT CHA
RELÊ-FONTE
CH A / CH B
OUT CHB
PL494
1
2
3
PL323B
* Os termostatos são
normalmente
fechados.
1 - 13
DATA:02/05/2001
+ 15 V
+ 15 V
+ 15 V
+ 15 V
+ 15 V
+ 15 V
+ 15 V
+ 15 V
+ 15 V
+ 15 V
CBE
4
3
2
1
11
12
13
14
10
87
6
5
9
1 2 3
+ 15 V
+ 15 V
1K2
+
100uFx40V
-
2
3
+
4
3900
+ OUT
22K
BC549
100K
1N4148
680R
100K
BC549
-
2
3
+
4
3900
1N4148
1N4148
100K
100K
1M
47K
100K
+
47uF
4V7
100K
1K
+
47uF
1N4001
100K
1K2
TEMP/DCA
+ OUT
47K
1M
33K
47K
5KB
33K
47K
47K
1N4148
-
12
11
+
10
3900
100K
100K
22K
-
12
11
+
10
3900
+
2200uFx40V
1N4148
ZF112024
- OUT
1N4148
100K
BC549
100K
100K
1K5
1K
OVERLOAD A
1N4148
4K7
1N4148
24Vx3W
-
+1
6
5
14
7
3900
12K
100K
4V7
OVERLOAD B
-
12
11
+
10
3900
4V7
CLIP B
10K
1M
3A
1N4148
+
1uF
1N4148
100Rx2W
TEMP/DCB
TERMOSTATO CH B *
390R
1N4148
68K
680R
1N4148
1N4001
-
2
3
+
4
3900
33K
1N4148
1N4148
220K
1K2
1N4148
1N4002
1N4148
68K
22K
8
9
13
-
+
3900
1K5
4V7
+
4,7uF
2K2
24Vx3W
390R
- OUT
TERMOSTATOCHA*
100K
1N4148
100K
47K
CLIP A
220K
100K
4V7
1K
6K8
10K
4V7
5KB
+
4,7uF
1N4148
1N4148
100K
6K8
-+
4x1N4001
68K
1N4148
1N4148
100K
1K5
+ OUT
1N4148
1N4148
- OUT
BC549
47Rx5W
ZF112024
1M
+
47uF
1N4148
4K7
220K
BC549
SIGNAL B
1M
150K
ON
33K
-
+1
6
5
14
7
3900
220K
+
1uF
-
+1
6
5
14
7 3900
BC549
1N4002
- OUT
1K5
100K
68K
BC549
10K
1N4148
VIN V OUT
GND
7815
1K5
24V/1A
100Rx2W
2K2
+
10uF
8
9
13
-
+
3900
1K2
1M
8
9
13
-
+
3900
22K
+
10uF
+ OUT
24V/1A
SIGNAL A
+
47uF
BC549
12K
NTCA
PROTCHA
BORNEA
OUT A
COMPA
IC A
NTCA
VDC
COMPB
ICBPROTCHB
NTCB
OUT B
NTCB
CLIPB
CLIPA
SIG B
SIG A
OVER+ A
OVER- A
OVER+ B
OVER- B
W A
1 A
GNDA
1 B
W B
GNDB
VDC
SIG B
SIG A
OUT B
OUT A
AC AUX1
AC AUX2
BORNEB

Ciclotron tip350 4 ab ii

  • 1.
    FOLHA: 01/02 TIP 3504 AB BC327 BD139 BD140 Todos resistores são de 1/4W e todos os capacitores eletrolíti- cos são de 25V, exceto aqueles com indicação. VISTA FRONTAL I N D Ú S T R I A E L E T R Ô N I C A L T D A. CIRCUITO: POWER / FONTE31 42 6 875 IC1002 MPSA92 BE C 2SA1941 2SC5198 PL327A POWER CANAL A 3 4 20x 8 5 SUPERIOR 0dB 6 TLE2072, TL072 40x 2 7 VISTA 1 GAIN PARALLEL REVERSE IN PHASE CANAL B 3+ 2- SEND Canal B + - 2+ 3- BRIDGE STEREO SEND Canal A IN PLA042 220V 127V 5A / 127V 16 x 1N5402 PL248 2SB1569 C 2SD1562 B E ARQUIVO:..TIP350_AB4_V1.DSN 1 - 13 DATA:02/05/2001CBE BCE B EC -15V -15V +15V+15V -15V -15V -15V -15V +15V +V -V -V -V+V +V +15V +15V -15V +V -V -V 1 2 3 10K 39pFx500V 1OOR NTC2K2 100Kx100V 22K + 47uFx100V 47Rx1W 2SA1941 100pF 15V GROUND / LIFT 1K5x3W 22pF +100uF 1K5 + 10uF + 47uF MPSA92 2SD1562 1K 56pF 2K2 TLE2072 390R 2SD1562 560R 10K 1% BD139 150K 10Rx5W 2K2 + 6800x63V 1N4148 10K + 4,7uF 0V 220V TTIP350AB4 2SC5198 + 100uF 100K 220pF 470pF 10K 1% 2SD1562 2SB1569 47K 1K 390R TL072 + 10uF 10K 1% 390R 390R 1N4148 390R 33K 0.47Rx5W 12K 1K5x2W TLE2072 4K7 2K2 47K + 47uFx100V 1N4148 56pF 100Kx100V 27Vx1W 12K 390R 1N4148 2SB1569 BC327 1K5 0.47Rx5W TL072 2SD1562 + 4,7uF 5K6 1% 1K 1K 2SC5198 3K3 100R 2 7 5 1 4 3 6 8 IC1002 3A / 220V 100K 10K BD140 100Kx50V 4K7 4K7 1% SW 27Vx1W 2SA1941 LM13600 1K5x2W 500R 2K2 1N5402 10K 100R 47K 0.47Rx5W 1N5402 56pF 10K 22K 100R 10K 3K61% 1N4148 10K 4R7x1W 1K5x3W + 47uF 100Kx100V 5K6 100Kx50V 10Kx1KV 1N4148 1N4148 47Rx1W 10K 15V 2SB1569 4R7x1W 10Rx5W 39pFx500V + 6800x63V + 4,7uF + 4,7uF 4K7 0.47Rx5W 10K 1% 1K5 ICA COMPA +V -V NTCA OUT A NTCA CLIPA OUT PROTCHA OUT DC OUT IN - IN+ IN+ IN- DC OUT GNDA 1 A W A OVER+ A OVER- A AC AUX1 GND AC AUX2 +V -V OUT
  • 2.
    ARQUIVO:..TIP350_AB4_V1.DSN FOLHA: 02/02 VISTA FRONTAL IN D Ú S T R I A E L E T R Ô N I C A L T D A.Todos resistores são de 1/4W e todos os capacitores eletrolíti- cos são de 25V, exceto aqueles com indicação. CIRCUITO: PROTEÇÃO / DISPLAY TIP 350 4 AB PL322A PROTEÇÃO / DISPLAY BC549 39007815 VISTA SUPERIOR 03/03 03/03 03/03 01/03 01/03 01/03 02/03 02/03 02/03 02/03 01/03 03/03 VOLUMECHAVOLUMECHB OUT CHA RELÊ-FONTE CH A / CH B OUT CHB PL494 1 2 3 PL323B * Os termostatos são normalmente fechados. 1 - 13 DATA:02/05/2001 + 15 V + 15 V + 15 V + 15 V + 15 V + 15 V + 15 V + 15 V + 15 V + 15 V CBE 4 3 2 1 11 12 13 14 10 87 6 5 9 1 2 3 + 15 V + 15 V 1K2 + 100uFx40V - 2 3 + 4 3900 + OUT 22K BC549 100K 1N4148 680R 100K BC549 - 2 3 + 4 3900 1N4148 1N4148 100K 100K 1M 47K 100K + 47uF 4V7 100K 1K + 47uF 1N4001 100K 1K2 TEMP/DCA + OUT 47K 1M 33K 47K 5KB 33K 47K 47K 1N4148 - 12 11 + 10 3900 100K 100K 22K - 12 11 + 10 3900 + 2200uFx40V 1N4148 ZF112024 - OUT 1N4148 100K BC549 100K 100K 1K5 1K OVERLOAD A 1N4148 4K7 1N4148 24Vx3W - +1 6 5 14 7 3900 12K 100K 4V7 OVERLOAD B - 12 11 + 10 3900 4V7 CLIP B 10K 1M 3A 1N4148 + 1uF 1N4148 100Rx2W TEMP/DCB TERMOSTATO CH B * 390R 1N4148 68K 680R 1N4148 1N4001 - 2 3 + 4 3900 33K 1N4148 1N4148 220K 1K2 1N4148 1N4002 1N4148 68K 22K 8 9 13 - + 3900 1K5 4V7 + 4,7uF 2K2 24Vx3W 390R - OUT TERMOSTATOCHA* 100K 1N4148 100K 47K CLIP A 220K 100K 4V7 1K 6K8 10K 4V7 5KB + 4,7uF 1N4148 1N4148 100K 6K8 -+ 4x1N4001 68K 1N4148 1N4148 100K 1K5 + OUT 1N4148 1N4148 - OUT BC549 47Rx5W ZF112024 1M + 47uF 1N4148 4K7 220K BC549 SIGNAL B 1M 150K ON 33K - +1 6 5 14 7 3900 220K + 1uF - +1 6 5 14 7 3900 BC549 1N4002 - OUT 1K5 100K 68K BC549 10K 1N4148 VIN V OUT GND 7815 1K5 24V/1A 100Rx2W 2K2 + 10uF 8 9 13 - + 3900 1K2 1M 8 9 13 - + 3900 22K + 10uF + OUT 24V/1A SIGNAL A + 47uF BC549 12K NTCA PROTCHA BORNEA OUT A COMPA IC A NTCA VDC COMPB ICBPROTCHB NTCB OUT B NTCB CLIPB CLIPA SIG B SIG A OVER+ A OVER- A OVER+ B OVER- B W A 1 A GNDA 1 B W B GNDB VDC SIG B SIG A OUT B OUT A AC AUX1 AC AUX2 BORNEB