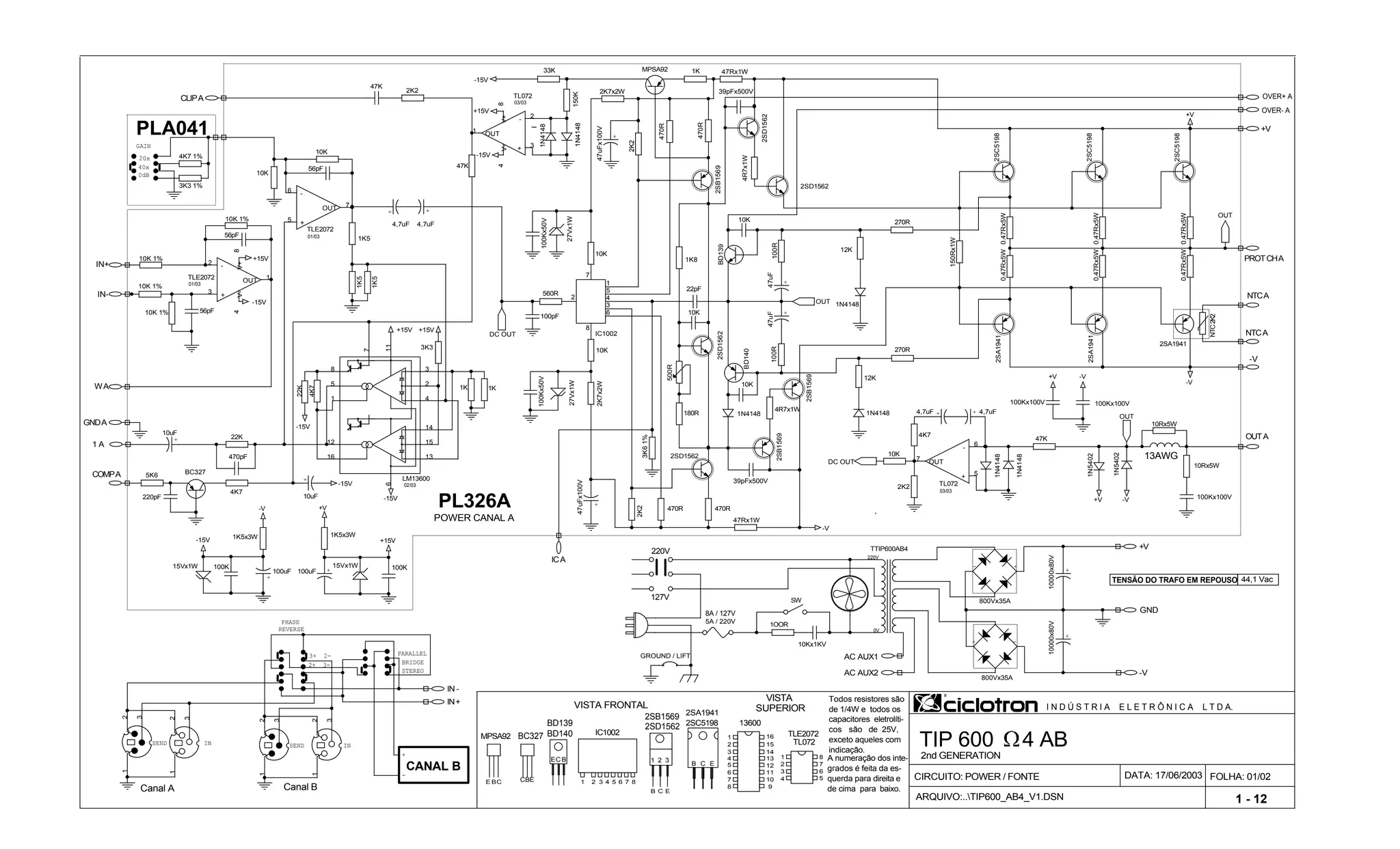
FOLHA: 01/02
TIP 600 4 ABBC327
BD139
BD140
Todos resistores são
de 1/4W e todos os
capacitores eletrolíti-
cos são de 25V,
exceto aqueles com
indicação.
ARQUIVO:..TIP600_AB4_V1.DSN
VISTA FRONTAL I N D Ú S T R I A E L E T R Ô N I C A L T D A.
CIRCUITO: POWER / FONTE31 42 6 875
IC1002MPSA92
BE C
2nd GENERATION
2SA1941
2SC5198
PL326A
POWER CANAL A
3
4
20x
8
5
SUPERIOR
0dB
6
40x
2 7
VISTA
1
GAIN
PARALLEL
REVERSE
IN
PHASE
CANAL B
3+ 2-
SEND
Canal B
+
-
2+ 3- BRIDGE
STEREO
SEND
Canal A
IN
PLA041
220V
127V
8A / 127V
1 - 12
2SB1569
C
2SD1562
B E
TENSÃO DO TRAFO EM REPOUSO 44,1 Vac
DATA: 17/06/2003
TLE2072
4
2
1
10
9
12
11
7
3
13
15
8
16
6
14
5
13600
TL072
02/03
01/03
01/03
03/03
03/03
13AWG
A numeração dos inte-
grados é feita da es-
querda para direita e
de cima para baixo.
BCE
B EC
-15V
-15V
+15V+15V
-15V
-15V
-15V
-15V
+15V
+V -V
-V
-V+V
+V
+15V
+15V
-15V
+V
-V
-V
1 2 3
CBE
39pFx500V
10K
0.47Rx5W
12
3
NTC2K2
1OOR
100Kx100V
+
47uFx100V
22K
47Rx1W
2SA1941
100pF
15Vx1W
GROUND / LIFT
1K5x3W
1K5
+100uF
22pF
150Rx1W
MPSA92
+
47uF
+
10uF
2SD1562
1K
470R
TLE2072
3
2
84
1
+
-
V+V-
OUT
2K2
56pF
560R
2SD1562BD139
10K 1%
12
3
-+
800Vx35A
2SC5198
150K
12
3
2K2
10Rx5W
1N4148
+
10000x80V
10K
+
4,7uF
0V
220V
TTIP600AB4
2SC5198
+ 100uF
470pF
220pF
100K
2SB1569
2SD1562
10K 1%
2SA1941
47K
1K
470R
+
10uF
TL072
5
6
7
+
-
OUT
10K 1%
1N4148
470R
470R
33K
270R
12K
0.47Rx5W
2K7x2W
TLE2072
5
6
7
+
-
OUT
2K2
4K7
1N4148
+
47uFx100V
47K
0.47Rx5W
56pF
12K
27Vx1W
100Kx100V
270R
1N4148
1K5
BC327
2SB1569
TL072
3
2
84
1
+
-
V+V-
OUT
0.47Rx5W
+
4,7uF
2SD1562
1K8
3K3 1%
2SC5198
1K
2
7
5
1
4
3
6
8
IC1002
180R
3K3
100Kx50V
BD140
10K
100K
5A / 220V
4K7 1%
4K7
27Vx1W
SW
2SA1941
2K2
500R
2K7x2W
LM13600
3
4
5
11
2
8 7
1
14
15
1316
12
6
10K
1N5402
100R
47K
0.47Rx5W
56pF
1N5402
12
3
10K
22K
3K61%
10K
100R
1N4148
4R7x1W
10K
1K5x3W
+
47uF
100Kx50V
5K6
100Kx100V
1N4148
10Kx1KV
1N4148
15Vx1W
10K
47Rx1W
2SB1569
- +
800Vx35A
39pFx500V
10Rx5W
4R7x1W
4K7
+
4,7uF
+
4,7uF
+
10000x80V
1K5
10K 1%
0.47Rx5W
ICA
COMPA
+V
-V
NTCA
OUTA
NTCA
CLIPA
OUT
PROTCHA
OUT
DC OUT
IN -
IN+
IN+
IN-
DC OUT
GNDA
1 A
WA
OVER+ A
OVER- A
AC AUX1
GND
AC AUX2
+V
-V
OUT
ARQUIVO:..TIP600_AB4_V1.DSN
FOLHA: 02/02
VISTA FRONTAL I N D Ú S T R I A E L E T R Ô N I C A L T D A.
CIRCUITO: PROTEÇÃO / DISPLAY
TIP 600 4 AB
PL322A
PROTEÇÃO / DISPLAY
BC549 39007815
VISTA
SUPERIOR
01/04
VOLUMECHAVOLUMECHB
2nd GENERATION
OUTCHA
RELÊ-FONTE
CH A / CH B
OUTCHB
PL494
1
2
3
PL323B
1 - 12
DATA: 17/06/2003
01/04
01/04
01/04
02/04
03/04
03/04
03/04
03/04
BC337
04/04
04/04
04/04
04/04
A numeração dos inte-
grados é feita da es-
querda para direita e
de cima para baixo.
* Os termostatos são normalmente
abertos.
A numeração dos integrados é
feita da esquerda para direita e
de cima para baixo.
Todos resistores são de 1/4W e
todos os capacitores eletrolíticos
são de 25V, exceto aqueles com
indicação.
+ 15 V
+ 15 V
+ 15 V
+ 15 V
+ 15 V
+ 15 V
+ 15 V
+ 15 V
+ 15 V
CBE
4
3
2
1
11
12
13
14
10
87
6
5
9
1 2 3
+ 15 V
+ 15 V
+ OUT
+
100uFx40V
1K2
-
2
3
+
4
3900
BC549
22K
1N4148
100K
680R
BC549
100K
-
2
3
+
4
3900
1N4148
1N4148
100K
100K
47K
1M
4V7
+
47uF
100K
1N4001
+
47uF
1K
100K
+ OUT
TEMP/DCA
1K2
100K
47K
33K
1M
47K
5KB
1N4148
47K
47K
33K
-
12
11
+
10
3900
100K
22K
100K
-
12
11
+
10
3900
+
2200uFx40V
- OUT
ZF112024
3
5
4
1
2
1N4148
1N4148
BC549
100K
100K
100K
1K5
OVERLOAD A
1K
1N4148
24Vx3W
1N4148
4K7
-
+1
6
5
14
7
3900
OVERLOAD B
4V7
100K
12K
-
12
11
+
10
3900
CLIP B
4V7
1M
10K
1N4148
3A
1N4148
+
1uF
TEMP/DCB
100Rx2W
1N4148
390R
TERMOSTATO CH B *
680R
68K
1N4001
1N4148
-
2
3
+
4
3900
1N4148
1N4148
33K
220K
1N4148
1K2
1N4148
1N4002
22K
68K
8
9
13
-
+
3900
+
4,7uF
4V7
1K5
24Vx3W
2K2
- OUT
390R
1N4148
100K
TERMOSTATOCHA*
100K
CLIP A
47K
220K
1K
4V7
100K
4V7
6K8
5KB
1N4148
1N4148
+
4,7uF
-+
4x1N4001
6K8
100K
68K
1N4148
1N4148
+ OUT
1K5
100K
1N4148
1N4148
- OUT
ZF112024
3
5
4
1
2
47Rx5W
BC549
1N4148
+
47uF
1M
SIGNAL B
BC337
220K
4K7
150K
1M
ON
33K
-
+1
6
5
14
7
3900
+
1uF
220K
-
+1
6
5
14
7 3900
- OUT
1N4002
BC549
100K
1K5
BC549
68K
1N4148
10K
VIN V OUT
GND
7815
1K5
24V/1A
7
5
2
3
4
1
8
6
+
10uF
2K2
100Rx2W
8
9
13
-
+
3900
1M
1K2
8
9
13
-
+
3900
+
10uF
22K
+ OUT
24V/1A
7
5
2
3
4
1
8
6
SIGNAL A
BC337
+
47uF
12K
NTCA
PROTCHA
BORNEA
OUTA
COMPA
ICA
NTCA
VDC
COMPB
ICBPROTCHB
NTCB
OUTB
NTCB
CLIPB
CLIPA
SIGB
SIGA
OVER+ A
OVER- A
OVER+ B
OVER- B
W A
1 A
GNDA
1 B
W B
GNDB
VDC
SIGB
SIGA
OUTB
OUTA
AC AUX1
AC AUX2
BORNEB

Ciclotron tip600 4 ab ii

  • 1.
    FOLHA: 01/02 TIP 6004 ABBC327 BD139 BD140 Todos resistores são de 1/4W e todos os capacitores eletrolíti- cos são de 25V, exceto aqueles com indicação. ARQUIVO:..TIP600_AB4_V1.DSN VISTA FRONTAL I N D Ú S T R I A E L E T R Ô N I C A L T D A. CIRCUITO: POWER / FONTE31 42 6 875 IC1002MPSA92 BE C 2nd GENERATION 2SA1941 2SC5198 PL326A POWER CANAL A 3 4 20x 8 5 SUPERIOR 0dB 6 40x 2 7 VISTA 1 GAIN PARALLEL REVERSE IN PHASE CANAL B 3+ 2- SEND Canal B + - 2+ 3- BRIDGE STEREO SEND Canal A IN PLA041 220V 127V 8A / 127V 1 - 12 2SB1569 C 2SD1562 B E TENSÃO DO TRAFO EM REPOUSO 44,1 Vac DATA: 17/06/2003 TLE2072 4 2 1 10 9 12 11 7 3 13 15 8 16 6 14 5 13600 TL072 02/03 01/03 01/03 03/03 03/03 13AWG A numeração dos inte- grados é feita da es- querda para direita e de cima para baixo. BCE B EC -15V -15V +15V+15V -15V -15V -15V -15V +15V +V -V -V -V+V +V +15V +15V -15V +V -V -V 1 2 3 CBE 39pFx500V 10K 0.47Rx5W 12 3 NTC2K2 1OOR 100Kx100V + 47uFx100V 22K 47Rx1W 2SA1941 100pF 15Vx1W GROUND / LIFT 1K5x3W 1K5 +100uF 22pF 150Rx1W MPSA92 + 47uF + 10uF 2SD1562 1K 470R TLE2072 3 2 84 1 + - V+V- OUT 2K2 56pF 560R 2SD1562BD139 10K 1% 12 3 -+ 800Vx35A 2SC5198 150K 12 3 2K2 10Rx5W 1N4148 + 10000x80V 10K + 4,7uF 0V 220V TTIP600AB4 2SC5198 + 100uF 470pF 220pF 100K 2SB1569 2SD1562 10K 1% 2SA1941 47K 1K 470R + 10uF TL072 5 6 7 + - OUT 10K 1% 1N4148 470R 470R 33K 270R 12K 0.47Rx5W 2K7x2W TLE2072 5 6 7 + - OUT 2K2 4K7 1N4148 + 47uFx100V 47K 0.47Rx5W 56pF 12K 27Vx1W 100Kx100V 270R 1N4148 1K5 BC327 2SB1569 TL072 3 2 84 1 + - V+V- OUT 0.47Rx5W + 4,7uF 2SD1562 1K8 3K3 1% 2SC5198 1K 2 7 5 1 4 3 6 8 IC1002 180R 3K3 100Kx50V BD140 10K 100K 5A / 220V 4K7 1% 4K7 27Vx1W SW 2SA1941 2K2 500R 2K7x2W LM13600 3 4 5 11 2 8 7 1 14 15 1316 12 6 10K 1N5402 100R 47K 0.47Rx5W 56pF 1N5402 12 3 10K 22K 3K61% 10K 100R 1N4148 4R7x1W 10K 1K5x3W + 47uF 100Kx50V 5K6 100Kx100V 1N4148 10Kx1KV 1N4148 15Vx1W 10K 47Rx1W 2SB1569 - + 800Vx35A 39pFx500V 10Rx5W 4R7x1W 4K7 + 4,7uF + 4,7uF + 10000x80V 1K5 10K 1% 0.47Rx5W ICA COMPA +V -V NTCA OUTA NTCA CLIPA OUT PROTCHA OUT DC OUT IN - IN+ IN+ IN- DC OUT GNDA 1 A WA OVER+ A OVER- A AC AUX1 GND AC AUX2 +V -V OUT
  • 2.
    ARQUIVO:..TIP600_AB4_V1.DSN FOLHA: 02/02 VISTA FRONTALI N D Ú S T R I A E L E T R Ô N I C A L T D A. CIRCUITO: PROTEÇÃO / DISPLAY TIP 600 4 AB PL322A PROTEÇÃO / DISPLAY BC549 39007815 VISTA SUPERIOR 01/04 VOLUMECHAVOLUMECHB 2nd GENERATION OUTCHA RELÊ-FONTE CH A / CH B OUTCHB PL494 1 2 3 PL323B 1 - 12 DATA: 17/06/2003 01/04 01/04 01/04 02/04 03/04 03/04 03/04 03/04 BC337 04/04 04/04 04/04 04/04 A numeração dos inte- grados é feita da es- querda para direita e de cima para baixo. * Os termostatos são normalmente abertos. A numeração dos integrados é feita da esquerda para direita e de cima para baixo. Todos resistores são de 1/4W e todos os capacitores eletrolíticos são de 25V, exceto aqueles com indicação. + 15 V + 15 V + 15 V + 15 V + 15 V + 15 V + 15 V + 15 V + 15 V CBE 4 3 2 1 11 12 13 14 10 87 6 5 9 1 2 3 + 15 V + 15 V + OUT + 100uFx40V 1K2 - 2 3 + 4 3900 BC549 22K 1N4148 100K 680R BC549 100K - 2 3 + 4 3900 1N4148 1N4148 100K 100K 47K 1M 4V7 + 47uF 100K 1N4001 + 47uF 1K 100K + OUT TEMP/DCA 1K2 100K 47K 33K 1M 47K 5KB 1N4148 47K 47K 33K - 12 11 + 10 3900 100K 22K 100K - 12 11 + 10 3900 + 2200uFx40V - OUT ZF112024 3 5 4 1 2 1N4148 1N4148 BC549 100K 100K 100K 1K5 OVERLOAD A 1K 1N4148 24Vx3W 1N4148 4K7 - +1 6 5 14 7 3900 OVERLOAD B 4V7 100K 12K - 12 11 + 10 3900 CLIP B 4V7 1M 10K 1N4148 3A 1N4148 + 1uF TEMP/DCB 100Rx2W 1N4148 390R TERMOSTATO CH B * 680R 68K 1N4001 1N4148 - 2 3 + 4 3900 1N4148 1N4148 33K 220K 1N4148 1K2 1N4148 1N4002 22K 68K 8 9 13 - + 3900 + 4,7uF 4V7 1K5 24Vx3W 2K2 - OUT 390R 1N4148 100K TERMOSTATOCHA* 100K CLIP A 47K 220K 1K 4V7 100K 4V7 6K8 5KB 1N4148 1N4148 + 4,7uF -+ 4x1N4001 6K8 100K 68K 1N4148 1N4148 + OUT 1K5 100K 1N4148 1N4148 - OUT ZF112024 3 5 4 1 2 47Rx5W BC549 1N4148 + 47uF 1M SIGNAL B BC337 220K 4K7 150K 1M ON 33K - +1 6 5 14 7 3900 + 1uF 220K - +1 6 5 14 7 3900 - OUT 1N4002 BC549 100K 1K5 BC549 68K 1N4148 10K VIN V OUT GND 7815 1K5 24V/1A 7 5 2 3 4 1 8 6 + 10uF 2K2 100Rx2W 8 9 13 - + 3900 1M 1K2 8 9 13 - + 3900 + 10uF 22K + OUT 24V/1A 7 5 2 3 4 1 8 6 SIGNAL A BC337 + 47uF 12K NTCA PROTCHA BORNEA OUTA COMPA ICA NTCA VDC COMPB ICBPROTCHB NTCB OUTB NTCB CLIPB CLIPA SIGB SIGA OVER+ A OVER- A OVER+ B OVER- B W A 1 A GNDA 1 B W B GNDB VDC SIGB SIGA OUTB OUTA AC AUX1 AC AUX2 BORNEB