Final Project
System on Chip Specification
TramelBlaze, UART & MIB
CECS 460: System on Chip Design
Paul Valenzuela
018469189
Submitted On:
May 12, 2020
COLLEGE OF ENGINEERING
Department of Computer Engineering and Computer Science
Prepared by:
Paul Valenzuela
Date:
May 12, 2020
Document Name:
Final Specification
This document contains information proprietary to the CSULB
student that created the file – any reuse without adequate approval and
documentation is prohibited.
In submitting this file for class work at CSULB I am confirming that this is
my work and the work of no one else.
In the event, other sources are utilized I will document
which portion of code and who is the author.
In submitting this project, I acknowledge that plagiarism in student
project work is subject to dismissal from the class.
Valenzuela 2
Prepared by:
Paul Valenzuela
Date:
May 12, 2020
Document Name:
Final Specification
TABLE OF CONTENTS
I. INTRODUCTION.................................................................................................................................... 6
I.1 PURPOSE ............................................................................................................................................. 6
II. EXTERNAL DOCUMENTS.................................................................................................................. 7
II.1 TRAMELBLAZE ................................................................................................................................ 7
II.1.1 Detailed Block Diagram ............................................................................................................... 7
II.1.2 Data Transmission........................................................................................................................ 8
II.1.3 Instructions ................................................................................................................................... 9
II.1.4 Software Design.......................................................................................................................... 10
II.2 NEXYS A7 ........................................................................................................................................ 11
II.2.1 Hardware.................................................................................................................................... 11
II.2.2 Input / Output.............................................................................................................................. 12
II.2.3 UART Configuration................................................................................................................... 12
III. REQUIREMENTS............................................................................................................................... 13
III.1 INTERFACE......................................................................................................................................... 13
III.2 PHYSICAL .......................................................................................................................................... 14
IV. TOP LEVEL DESIGN......................................................................................................................... 15
IV.1 DESCRIPTION..................................................................................................................................... 15
IV.2 TOP LEVEL DIAGRAM........................................................................................................................ 15
IV.3 DETAILED LEVEL DIAGRAM.............................................................................................................. 16
IV.4 DATA FLOW DESCRIPTION ................................................................................................................ 17
IV.5 INPUT / OUTPUT................................................................................................................................. 17
IV.6 PIN ASSIGNMENT............................................................................................................................... 18
IV.7 ELECTRICAL CHARACTERISTICS........................................................................................................ 18
IV.8 CLOCK .............................................................................................................................................. 18
IV.9 RESET................................................................................................................................................ 18
IV.10 SOFTWARE....................................................................................................................................... 19
V. EXTERNALLY DEVELOPED BLOCKS .......................................................................................... 30
V.1AISO................................................................................................................................................... 30
V.1.1 Description.................................................................................................................................. 30
V.1.2 Top Level Diagram...................................................................................................................... 30
V.1.3 Input / Output.............................................................................................................................. 30
V.1.4 Register Map ............................................................................................................................... 30
V.2 TRAMELBLAZE................................................................................................................................... 31
V.2.1 Description.................................................................................................................................. 31
V.2.2 Top Level Diagram...................................................................................................................... 31
V.2.3 Input / Output.............................................................................................................................. 31
V.2.4 Register Map ............................................................................................................................... 31
VI. INTERNALLY DEVELOPED BLOCKS.......................................................................................... 32
VI.1 MEMORY BLOCK INTERFACE ............................................................................................................ 32
VI.1.1 Description................................................................................................................................. 32
VI.1.2 Top Level Diagram .................................................................................................................... 32
VI.1.3 Input / Output............................................................................................................................. 33
VI.1.5 Register Map.............................................................................................................................. 33
VI.1.5 State Machine ............................................................................................................................ 34
VI.2 UNIVERSAL ASYNCHRONOUS RECEIVER AND TRANSMITTER............................................................ 35
VI.2.1 Description................................................................................................................................. 35
VI.2.2 Top Level Diagram .................................................................................................................... 35
VI.2.3 Detailed Level Diagram............................................................................................................. 36
Valenzuela 3
Prepared by:
Paul Valenzuela
Date:
May 12, 2020
Document Name:
Final Specification
VI.2.4 Input / Output............................................................................................................................. 37
VI.3 TRANSMIT ENGINE ............................................................................................................................ 38
VI.3.1 Description................................................................................................................................. 38
VI.3.2 Top Level Diagram .................................................................................................................... 38
VI.3.3 Detailed Level Diagram............................................................................................................. 39
VI.3.4 Verification ................................................................................................................................ 39
VI.3.5 Input / Output............................................................................................................................. 40
VI.3.6 Register Map.............................................................................................................................. 40
VI.4 TRANSMIT SHIFT REGISTER............................................................................................................... 41
VI.4.1 Description................................................................................................................................. 41
VI.4.2 Top Level Diagram .................................................................................................................... 41
VI.4.3 Input / Output............................................................................................................................. 41
VI.5 TRANSMIT BIT10 BIT9 DECODER ...................................................................................................... 42
VI.5.1 Description................................................................................................................................. 42
VI.5.2 Top Level Diagram .................................................................................................................... 42
VI.5.3 Input / Output............................................................................................................................. 42
VI.5.4 Logic Table ................................................................................................................................ 42
VI.6 TRANSMIT CONTROLLER................................................................................................................... 43
VI.6.1 Description................................................................................................................................. 43
VI.6.2 Top Level Diagram .................................................................................................................... 43
VI.6.3 Input / Output............................................................................................................................. 43
VI.7 TRANSMIT BIT COUNTER................................................................................................................... 44
VI.7.1 Description................................................................................................................................. 44
VI.7.2 Top Level Diagram .................................................................................................................... 44
VI.7.3 Input / Output............................................................................................................................. 44
VI.8 TRANSMIT BIT TIME COUNTER.......................................................................................................... 45
VI.8.1 Description................................................................................................................................. 45
VI.8.2 Top Level Diagram .................................................................................................................... 45
VI.8.3 Input / Output............................................................................................................................. 45
VI.9 RECEIVE ENGINE ............................................................................................................................... 46
VI.9.1 Description................................................................................................................................. 46
VI.9.2 Top Level Diagram .................................................................................................................... 46
VI.9.3 Detailed Level Diagram............................................................................................................. 47
VI.9.4 Verification ................................................................................................................................ 47
VI.9.5 Input / Output............................................................................................................................. 48
VI.9.6 Register Map.............................................................................................................................. 48
VI.10 RECEIVE SHIFT REGISTER................................................................................................................ 49
VI.10.1 Description............................................................................................................................... 49
VI.10.2 Top Level Diagram .................................................................................................................. 49
VI.10.3 Input / Output........................................................................................................................... 49
VI.11 RECEIVE STATE MACHINE............................................................................................................... 50
VI.11.1 Description............................................................................................................................... 50
VI.11.2 Top Level Diagram .................................................................................................................. 50
VI.11.3 State Transition Diagram......................................................................................................... 50
VI.11.4 Input / Output........................................................................................................................... 50
VI.12 RECEIVE CONTROLLER.................................................................................................................... 51
VI.12.1 Description............................................................................................................................... 51
VI.12.2 Top Level Diagram .................................................................................................................. 51
VI.12.3 Input / Output........................................................................................................................... 51
VI.13 RECEIVE BIT COUNTER ................................................................................................................... 52
VI.13.1 Description............................................................................................................................... 52
VI.13.2 Top Level Diagram .................................................................................................................. 52
VI.13.3 Input / Output........................................................................................................................... 52
VI.13.4 Logic Table .............................................................................................................................. 52
VI.14 RECEIVE BIT TIME COUNTER .......................................................................................................... 53
VI.14.1 Description............................................................................................................................... 53
VI.14.2 Top Level Diagram .................................................................................................................. 53
Valenzuela 4
Prepared by:
Paul Valenzuela
Date:
May 12, 2020
Document Name:
Final Specification
VI.14.3 Input / Output........................................................................................................................... 53
VI.15 BAUD RATE DECODER..................................................................................................................... 54
VI.15.1 Description............................................................................................................................... 54
VI.15.2 Top Level Diagram .................................................................................................................. 54
VI.15.3 Input / Output........................................................................................................................... 54
VI.15.3 Register Map............................................................................................................................ 54
VI.16 POSITIVE EDGE DETECT .................................................................................................................. 55
VI.16.1 Description............................................................................................................................... 55
VI.16.2 Top Level Diagram .................................................................................................................. 55
VI.16.3 Input / Output........................................................................................................................... 55
VI.16.4 Register Map............................................................................................................................ 55
VI.17 RS FLOP .......................................................................................................................................... 56
VI.17.1 Description............................................................................................................................... 56
VI.17.2 Top Level Diagram .................................................................................................................. 56
VI.17.3 Input / Output........................................................................................................................... 56
VI.17.4 Register Map............................................................................................................................ 56
VI.18 READ ADDRESS DECODE................................................................................................................. 57
VI.18.1 Description............................................................................................................................... 57
VI.18.2 Top Level Diagram .................................................................................................................. 57
VI.18.3 Input / Output........................................................................................................................... 57
VI.18.4 Register Map............................................................................................................................ 57
VI.19 WRITE ADDRESS DECODE ............................................................................................................... 58
VI.19.1 Description............................................................................................................................... 58
VI.19.2 Top Level Diagram .................................................................................................................. 58
VI.19.3 Input / Output........................................................................................................................... 58
VI.19.4 Register Map............................................................................................................................ 58
VII. CHIP LEVEL VERIFICATION....................................................................................................... 59
VII.1 TRANSMIT ENGINE........................................................................................................................... 59
VII.2 UART ENGINE................................................................................................................................. 60
VIII. APPENDIX........................................................................................................................................ 62
VIII.1 AISO.............................................................................................................................................. 62
VIII.2 TRAMELBLAZE-TOP ....................................................................................................................... 63
VIII.3 UART............................................................................................................................................. 65
VIII.4 UART DECODE .............................................................................................................................. 67
VIII.5 TRANSMIT ENGINE.......................................................................................................................... 68
VIII.6 RECEIVE ENGINE ............................................................................................................................ 71
VIII.7 ADDRESS DECODE .......................................................................................................................... 75
VIII.8 POSITIVE EDGE DETECT.................................................................................................................. 76
VIII.9 RS FLOP.......................................................................................................................................... 77
VIII.10 SEVEN SEGMENT DISPLAY DRIVER............................................................................................... 78
VIII.11 ANODE SHIFT REGISTER ............................................................................................................... 79
VIII.12 ROTATOR...................................................................................................................................... 80
VIII.13 SELECT 2 BIT ................................................................................................................................ 81
VIII.14 MULTIPLEXOR 4 TO 1.................................................................................................................... 82
VIII.15 HEX DECODER.............................................................................................................................. 83
VIII.16 TRAMELBLAZE ............................................................................................................................. 95
VIII.17 MEMORY INTERFACE BLOCK...................................................................................................... 103
VIII.18 TOP LEVEL MODULE................................................................................................................... 107
Valenzuela 5
Prepared by:
Paul Valenzuela
Date:
May 12, 2020
Document Name:
Final Specification
I. Introduction
The Chip Specification document explains the Universal Asynchronous Receiver Transmitter (UART)
data transmission module and Memory Interface Block (MIB) memory manager module as used in a terminal
communication project. The transmit engine and receive engine work together to communicate the SOPC with
the terminal. ASCII values are output to the terminal, and sent from the terminal to be interpreted by the
TramelBlaze. These engines combined form the UART engine. In addition, A Memory Interface Block gives
the TramelBlaze the ability to access Micron Memory from the Nexys A7.
I.1 Purpose
This project was essential in understanding how the Transmit and Receive engine of UART
data transmission worked. This meant input can be put into the terminal and data was output back
out and displayed on the terminal. In addition, this project was the first time a Memory
Interface Block was used to manage the memory addresses and data that communicated with
the Micron Memory. This document will go in depth about what each module within the project does.
This includes top level diagrams, a description, details on the I/O ports, logic tables, and
register map tables. A chip level test is then added at the end to indicate that the project
fulfilled all requirements.
Valenzuela 6
Prepared by:
Paul Valenzuela
Date:
May 12, 2020
Document Name:
Final Specification
II. External Documents
II.1 TramelBlaze
II.1.1 Detailed Block Diagram
These documents explain the architecture, instruction set, and logic of the TramelBlaze and its interfaces. It
helped to create the design of the project and the Programmable Read-Only Memory (PROM) within the design.
The TramelBlaze is a 16-Bit PicoBlaze emulator. The PicoBlaze is an embedded 8-bit RISC microcontroller. The
PicoBlaze had similar logic, architecture, and instruction set to the TramelBlaze. The PicoBlaze documentation provided the
basis for our TramelBlaze programming and usage.
Valenzuela 7
Prepared by:
Paul Valenzuela
Date:
May 12, 2020
Document Name:
Final Specification
II.1.2 Data Transmission:
Memory:
The TramelBlaze is able to run using 4 different types of memory.
1. 512 x 16 Scratch RAM - This is where interpreted data is stored
2. 128 x 16 Stack RAM - Holds temporary data storage that behaves as a FILO buffer
3. 4096 x 16 TB ROM - Instructions are stored in the TramelBlaze ROM
4. 16 x 16 Register Array
Valenzuela 8
Prepared by:
Paul Valenzuela
Date:
May 12, 2020
Document Name:
Final Specification
II.1.3 TramelBlaze Instructions:
An essential part of learning to program
The TramelBlaze is understanding the
Instructions that can be performed on
The scratch RAM memory, and the registers.
These diagrams demonstrate
how to send and grab data from the
TramelBlaze. It also shows each operation
and how to perform them on the registers.
Valenzuela 9
Prepared by:
Paul Valenzuela
Date:
May 12, 2020
Document Name:
Final Specification
II.1.4 Software Design
Trambler Directives
 Assembler directives are “instructions” added to the assembly language program that are intended to communicate with the
assembler – they are not instructions to be converted into machine language instructions
 ADDRESS – default address is 000. This directive changes where the instructions are placed in the range 000…FFF
 EQU – Equate a label with a constant value to be substituted prior to final assembly
 END – End of the source
Source Code Organization
 TramelBlaze code should be organized into six main portions:
 Declarations – define all constants and string substitutions
 Initialization – all setup required before enabling interrupts and entering main loop
 Main Loop – routine where the processor spends most of its time. Cycling is achieved by JUMP at the end
of the loop
 Service Routines – all of the routines needed to implement the functionality of the software (typically
executed with interrupt enables.
 Interrupt Service Routine (ISR) – routine invoked when interrupt occurs. Best to minimize time spent in
ISE with interrupts disabled.
 Vector to ISE found at FFE/FFF
Top Level Design
Valenzuela 10
Prepared by:
Paul Valenzuela
Date:
May 12, 2020
Document Name:
Final Specification
II.2 Nexys A7
II.2.1 Hardware
Valenzuela 11
Prepared by:
Paul Valenzuela
Date:
May 12, 2020
Document Name:
Final Specification
II.2.2 Input/Output
This figure shows the switch, LED,
Button, and Seven Segment Display
connections of the Nexys A7. This shows
the pin names and how to
connect them to the top module
through the constraint file
II.2.3 Nexys A7 UART Configuration
Valenzuela 12
Prepared by:
Paul Valenzuela
Date:
May 12, 2020
Document Name:
Final Specification
III. Requirements
III.1 Interface Requirements
This project uses three components: the TramelBlaze, the UART Engine, and the Memory Interface Block.
These components are instantiated within the top module. The MIB takes characters from the Receive Engine of the UART,
and places them in Micron Memory. Once a special character is received, a certain value is transmitted to the terminal. For
example, ‘*’ causes hometown transmission. To accomplish this, the TramelBlaze takes the ASCII values stored in Micron
Memory and outputs the values to the terminal using the Transmit Engine. Before any input can be received by the Transmit
Engine however, a banner displaying ‘WELCOME CECS !’ is transmitted to the terminal.
Since UART Protocol is being used, Baud Rate is an essential part of data communication. All components
involved need to operate at the same bit transmitting/receiving frequency. The switches of the Nexys A7 control the Baud
Rate and UART Parity values.
Baud Switches Baud Rate Bit Time Nexys A7 Count
0000 300 0.0033333333 3333333
0001 1200 0.000833333 83333
0010 2400 0.000041667 41667
0011 4800 0.000208333 20833
0100 9600 0.000104167 10417
0101 19200 5.20833E-05 5208
0110 38400 2.60417E-05 2604
0111 57600 1.73611E-05 1736
1000 115200 8.68056E-06 868
1001 230400 4.34028E-06 434
1010 460800 2.17014E-06 217
1011 921600 1.08507E-06 109
This logic table describes how switches[3:1] are in charge of the number of bits and the parity bit. Switch[3] decides
whether the data is 8 or 7 bits. Switch[2] is in charge of if there is a parity bit. Switch[1] manages either even
or odd parity.
Switches[3:1] Data Size (Bits) Parity
000 7 None
001 7 None
010 7 Even
011 7 Odd
100 8 None
101 8 None
110 8 Even
111 8 Odd
Valenzuela 13
Prepared by:
Paul Valenzuela
Date:
May 12, 2020
Document Name:
Final Specification
III.2 Physical Requirements
This table demonstrates how the switches are the input values for BAUD[3:0], eight, pen, ohel.
Eight: This input signal connects to switch[3] and indicates whether or not the data being
transmitted is 8 bits wide. ‘1’ for yes, ‘0’ for no.
PEN: This input signal connects to switch[2] and indicates whether or not the data has parity
enabled. ‘1’ for yes, ‘0’ for no.
OHEL: This input signal connects to switch[1] and indicates what kind of parity the data has.
‘1’ means odd parity, ‘0’ means even.
BTNU BTND BTNC BTNL BTNR
Reset N/A N/A N/A N/A
Only one button is used in this design to connect to the AISO block. When this button is pressed,
a global reset is sent to the AISO block. The output of the AISO block is then sent to all flops in the
design.
LEDS[7] LEDS[6] LEDS[5] LEDS[4] LEDS[3] LEDS[2] LEDS[1] LEDS[0]
The LEDs are used to walk a ‘1’ through them from LSB to MSB. The walking LED effect
demonstrates that the system is running.
Switches[7] Switches[6] Switches[5] Switches[4] Switches[3] Switches[2] Switches[1] Switches[0]
Baud[3] Baud[2] Baud[1] Baud[0] Eight PEN OHEL N/A
Valenzuela 14
Prepared by:
Paul Valenzuela
Date:
May 12, 2020
Document Name:
Final Specification
IV. Top Level Design
IV.1 Description
The top level module connects all the modules together. This is done by instantiating the AISO ,
TramelBlaze Top, UART, Seven Segment Display, RS Flop, and two Address Decoders. The inputs/outputs are
connected to the FPGA.
IV.2 Top Level Diagram
Valenzuela 15
Prepared by:
Paul Valenzuela
Date:
May 12, 2020
Document Name:
Final Specification
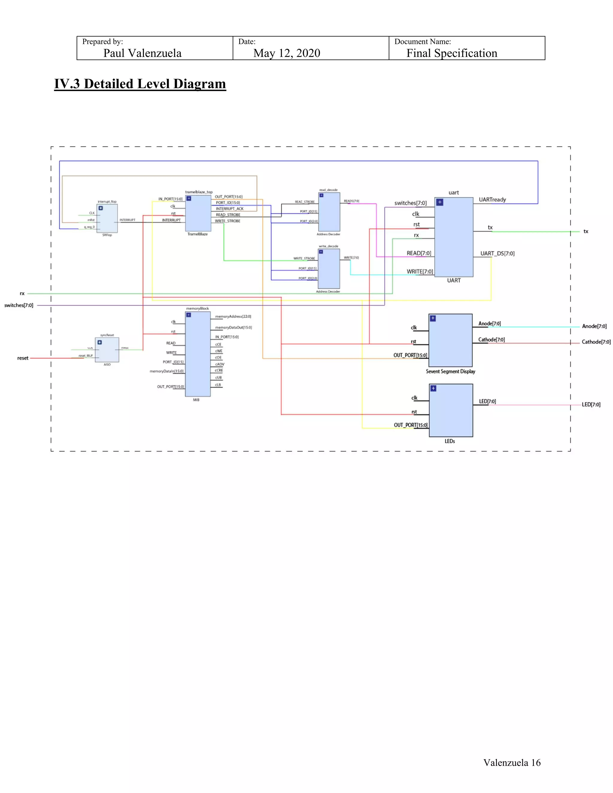
IV.3 Detailed Level Diagram
Valenzuela 16
Prepared by:
Paul Valenzuela
Date:
May 12, 2020
Document Name:
Final Specification
IV.4 Data Flow Description
This project required that the user was able to interact with the terminal using the UART processor.
This project is important because it fully incorporated the UART design. The program
will display the banner “WELCOME CECS !” and then it will wait for the user input from the terminal. If the
terminal notices an input, it will check which character has been input. If it detects “*”, a hometown will be
printed. If it detects “@”, the terminal will print the amount of characters stored from previous inputs. If a
<backspace> is detected, a backspace occurs. Lastly if <cr> is detected, a new prompt is printed. In addition,
a ‘1’ is walked through the LEDs to indicate that the program is running. This project was also the first
time a Memory Interface Block was used to manage the memory addresses and data that communicated
with the Micron Memory. The TramelBlaze will be able to grab data from the terminal and place
those characters into a location in the memory
IV.5 Input/Output
Signal Size I/O Connection
clk 1 Input 100MHz Oscillator
reset 1 Input AISO
switches 7 Input Nexys A7 Switches[7:0]
TX 1 Output Nexys A7 Transmit USB
RX 1 Input Nexys A7 Receive USB
memoryAddress 23 Output Micron Memory
currentStatus 8 Output Micron Memory
cCE 1 Output Micron Memory
cWE 1 Output Micron Memory
cOE 1 Output Micron Memory
cADV 1 Output Micron Memory
CRE 1 Output Micron Memory
cUB 1 Output Micron Memory
cLB 1 Output Micron Memory
MIBInOut 16 Output Micron Memory
anode 8 Output Nexys A7 Anode
cathode 8 Output Nexys A7 Cathode
LEDs 8 Output Nexys A7 LED[7:0]
Valenzuela 17
Prepared by:
Paul Valenzuela
Date:
May 12, 2020
Document Name:
Final Specification
IV.6 Pin Assignments
Input Signals Assignment Output Signals Assignment
clk E3 leds[0] H17
reset M18 leds [1] K15
rx C4 leds [2] J13
eight R15 leds[3] N14
pen M13 leds[4] R18
Ohel L16 leds[5] V17
baud[0] R17 leds[6] U17
baud[1] T18 leds[7] U16
baud[2] U18 tx D4
baud[3] R13
IV.7 Electrical Requirements
 Buttons
 3.3V equates to logic ‘1’
 0V equates to logic ‘0’
 Switches
 1.8 V equates to logic ‘1’
 0V equates to logic ‘0’
IV.8 Clock
The Nexys A7 clock is regulated by a 100MHz crystal oscillator. All flops in this design use the clock and update their
register values at rising clock edges.
IV.9 Resets
The Reset of the project is connected to Pin M18 of the Nexys A7 board. It is a button and every time that button is pressed,
the reset signal is sent to the AISO block which sends a synchronized reset signal to all flops in the design.
Source Code: Appendix VIII.18
Valenzuela 18
Prepared by:
Paul Valenzuela
Date:
May 12, 2020
Document Name:
Final Specification
IV.10 Software
1 ; Paul Valenzuela
2 ; 018469189
3 ; CECS 460
4 ; This code transmits
5 ; '<CR><LF>WELCOME CECS !' banner then
6 ; prompt on reset and detect four chars
7 ; that choose to DISPLAY hometown (*)
8 ; amount of characters in line (@)
9 ; backspace (BACKSP)
10 ; new prompt (<CR>)
11 ; Also 8 onboard walking LEDS indicate that
12 ; the code is working correctly
13
14
15 ;;;;;;;;;;;;;;;;;;;;;;;;;;;;;;;;;;;;;;;;;;;;;;;;;;;;;;;;;;;;;;;;;;;;;;;;;;;;;;;;;;;;;;;;;
16 ; Define and initialize global variables
17 ;;;;;;;;;;;;;;;;;;;;;;;;;;;;;;;;;;;;;;;;;;;;;;;;;;;;;;;;;;;;;;;;;;;;;;;;;;;;;;;;;;;;;;;;;
18 ZERO EQU 0000
19 ONE EQU 0001
20 TWO EQU 0002
21 THREE EQU 0003
22 FOUR EQU 0004
23 FIVE EQU 0005
24 LEDDELAY EQU BA03
25 TOP EQU 0028
26 BACKSP EQU 0008
27 CARRET EQU 000D
28 PROMPTCHECK EQU 0010
29 BNCHK EQU 0014
30 HTCHK EQU 0020
31 ASTSYM EQU 002A
32 ATSYM EQU 0040
33
34 ;;;;;;;;;;;;;;;;;;;;;;;;;;;;;;;;;;;;;;;;;;;;;;;;;;;;;;;;;;;;;;;;;;;;;;;;;;;;;;;;;;;;;;;;;
35 ; Define Registers
36 ;;;;;;;;;;;;;;;;;;;;;;;;;;;;;;;;;;;;;;;;;;;;;;;;;;;;;;;;;;;;;;;;;;;;;;;;;;;;;;;;;;;;;;;;;
37 TEMP EQU R0 ; Temp to hold temporary data
38 POINTER EQU R1 ; Pointer to RAM
39 TXCHECK EQU R2 ; TX Check
40 VALUE EQU R3 ; Check if UART Ready
41 LEDCOUNT2 EQU R4 ; Counter for LED Delay
42 LEDS EQU R5 ; LEDs
43 COUNTER EQU R6 ; Counter
44 LEDCOUNT EQU R7 ; Counter for LED Delay
45 STATUS EQU R8 ; Status of RX and TX
46 ERROR EQU R9 ; Check possible errors
47 DIVISOR EQU RA ; Divisor for ASCII Convert
48 QUOTIENT EQU RB ; Quotient for ASCII Convert
49 TXSTATE EQU RC ; Transmit State
50 WORKS EQU RD ; Checks if value is valid
51 COUNT EQU RE ; Temporarily holds counter
52
53
54 ;;;;;;;;;;;;;;;;;;;;;;;;;;;;;;;;;;;;;;;;;;;;;;;;;;;;;;;;;;;;;;;;;;;;;;;;;;;;;
55 ; Initialize variables and RAM
56 ;;;;;;;;;;;;;;;;;;;;;;;;;;;;;;;;;;;;;;;;;;;;;;;;;;;;;;;;;;;;;;;;;;;;;;;;;;;;;;;;;;;;;;;;;
Valenzuela 19
Prepared by:
Paul Valenzuela
Date:
May 12, 2020
Document Name:
Final Specification
57 INIT
58 ENINT
59 LOAD POINTER, ZERO ; Pointer = 0
60 LOAD VALUE, ZERO ; Value = 0
61 LOAD LEDS, ONE ; LEDS = 0001
62 LOAD LEDCOUNT2, ZERO ; LEDcount2 = 0
63 LOAD LEDCOUNT, ZERO ; LEDcount = 0
64 LOAD TXSTATE, ZERO ; TXState = 0
65 LOAD STATUS, ZERO ; Status = 0
66 LOAD COUNTER, ZERO ; Counter = 0
67 CALL BANNER ; Insert Banner into Scratch RAM
68 CALL PROMPT ; Insert Prompt into Scratch RAM
69 CALL HOMETOWN ; Insert Hometown into Scratch RAM
70 CALL BACKSPACE ; Insert <bs> into Scratch RAM
71 CALL HEXCONVERT ; Initialize Binary to ASCII Converter
72
73
74 ;;;;;;;;;;;;;;;;;;;;;;;;;;;;;;;;;;;;;;;;;;;;;;;;;;;;;;;;;;;;;;;;;;;;;;;;;;;;;;;;;;;;;;;;;
75 ; Main Routine that cycles through LED
76 ;;;;;;;;;;;;;;;;;;;;;;;;;;;;;;;;;;;;;;;;;;;;;;;;;;;;;;;;;;;;;;;;;;;;;;;;;;;;;;;;;;;;;;;;;
77 MAIN
78 OUTPUT LEDS, ONE ; Output LED values to board
79 COMP LEDS, 0080 ; LEDS == 0080 ?
80 CALLZ RESETLEDS ; If true call reset LEDS
81 RL LEDS ; Shift LEDS left 1 bit
82 CALL LEDCOUNTER ; Call subroutine to slow LEDs
83 JUMP MAIN ; Super Loop Main
84
85 ;;;;;;;;;;;;;;;;;;;;;;;;;;;;;;;;;;;;;;;;;;;;;;;;;;;;;;;;;;;;;;;;;;;;;;;;;;;;;;;;;;;;;;;;;
86 ; Resets LED value to "0000 0001"
87 ;;;;;;;;;;;;;;;;;;;;;;;;;;;;;;;;;;;;;;;;;;;;;;;;;;;;;;;;;;;;;;;;;;;;;;;;;;;;;;;;;;;;;;;;;
88 RESETLEDS
89 LOAD LEDS, ONE ; LEDS = 0001
90 RETURN
91
92
93 ;;;;;;;;;;;;;;;;;;;;;;;;;;;;;;;;;;;;;;;;;;;;;;;;;;;;;;;;;;;;;;;;;;;;;;;;;;;;;;;;;;;;;;;;;
94 ; Counter that delays the walking '1' in LED value
95 ;;;;;;;;;;;;;;;;;;;;;;;;;;;;;;;;;;;;;;;;;;;;;;;;;;;;;;;;;;;;;;;;;;;;;;;;;;;;;;;;;;;;;;;;;
96 LEDCOUNTER
97 ADD LEDCOUNT, ONE ; Increment counter1
98 NOP ; Wait
99 COMP LEDCOUNT, LEDDELAY ; Check once counter1 reaches 11
100 JUMPC LEDCOUNTER ; Loop until true
101 LOAD LEDCOUNT, ZERO ; Reset counter1
102 ADD LEDCOUNT2, ONE ; Increment counter2
103 COMP LEDCOUNT2, FOUR ; Check once counter2 reaches 4
104 JUMPNZ LEDCOUNTER ; Loop until true
Valenzuela 20
Prepared by:
Paul Valenzuela
Date:
May 12, 2020
Document Name:
Final Specification
105 LOAD LEDCOUNT2, ZERO ; Reset counter2
106 RETURN
107
108 ; ISR ADDRESS
109 ADDRESS 0300
110
111 ;;;;;;;;;;;;;;;;;;;;;;;;;;;;;;;;;;;;;;;;;;;;;;;;;;;;;;;;;;;;;;;;;;;;;;;;;;;;;;;;;;;;;;;;;
112 ; Interrupt Service Routine
113 ;;;;;;;;;;;;;;;;;;;;;;;;;;;;;;;;;;;;;;;;;;;;;;;;;;;;;;;;;;;;;;;;;;;;;;;;;;;;;;;;;;;;;;;;;
114 ISR
115 STORE POINTER, 0031 ; RAM[65] = Pointer
116 INPUT STATUS, ONE ; Read the Status Value
117
118 ;;;;;;;;;;;;;;;;;;;;;;;;;;;;;;;;;;;;;;;;;;;;;;;;;;;;;;;;;;;;;;;;;;;;;;;;;;;;;;;;;;;;;;;;;
119 ; Checks if txReady is active
120 ;;;;;;;;;;;;;;;;;;;;;;;;;;;;;;;;;;;;;;;;;;;;;;;;;;;;;;;;;;;;;;;;;;;;;;;;;;;;;;;;;;;;;;;;;
121 LOAD TEMP, STATUS ; Temp = status
122 COMP TXSTATE, FOUR ; TXState == 4 ?
123 JUMPZ RXCHECK ; If true, check if RX is ready
124 AND TEMP, TWO ; Temp = Temp & 0002
125 COMP TEMP, TWO ; TXReady ?
126 JUMPNZ FALSEINTERRUPT ; If False, Exit
127
128 ;;;;;;;;;;;;;;;;;;;;;;;;;;;;;;;;;;;;;;;;;;;;;;;;;;;;;;;;;;;;;;;;;;;;;;;;;;;;;;;;;;;;;;;;;
129 ; Store temp value into SCRATCH RAM[POINTER]
130 ;;;;;;;;;;;;;;;;;;;;;;;;;;;;;;;;;;;;;;;;;;;;;;;;;;;;;;;;;;;;;;;;;;;;;;;;;;;;;;;;;;;;;;;;;
131 STORERAM
132 STORE TEMP, POINTER ; RAM[Pointer] = Temp
133 ADD POINTER, ONE ; Pointer += 1
134 RETURN
135
136
137 ;;;;;;;;;;;;;;;;;;;;;;;;;;;;;;;;;;;;;;;;;;;;;;;;;;;;;;;;;;;;;;;;;;;;;;;;;;;;;;;;;;;;;;;;;
138 ; Place initial banner in RAM[0] (<CARRET><LF>WELCOME CECS !) (16 Characters)
139 ;;;;;;;;;;;;;;;;;;;;;;;;;;;;;;;;;;;;;;;;;;;;;;;;;;;;;;;;;;;;;;;;;;;;;;;;;;;;;;;;;;;;;;;;;
140 BANNER
141 LOAD TEMP, 000D ; Temp = <CARRET>
142 CALL STORERAM
143 LOAD TEMP, 000A ; Temp = <lf>
144 CALL STORERAM
145 LOAD TEMP, 0057 ; Temp = 'W'
146 CALL STORERAM
147 LOAD TEMP, 0045 ; Temp = 'E'
148 CALL STORERAM
149 LOAD TEMP, 004C ; Temp = 'L'
150 CALL STORERAM
151 LOAD TEMP, 0043 ; Temp = 'C'
152 CALL STORERAM
153 LOAD TEMP, 004F ; Temp = 'O'
154 CALL STORERAM
Valenzuela 21
Prepared by:
Paul Valenzuela
Date:
May 12, 2020
Document Name:
Final Specification
155 LOAD TEMP, 004D ; Temp = 'M'
156 CALL STORERAM
157 LOAD TEMP, 0045 ; Temp = 'E'
158 CALL STORERAM
159 LOAD TEMP, 0020 ; Temp = ' '
160 CALL STORERAM
161 LOAD TEMP, 0043 ; Temp = 'C'
162 CALL STORERAM
163 LOAD TEMP, 0045 ; Temp = 'E'
164 CALL STORERAM
165 LOAD TEMP, 0043 ; Temp = 'C'
166 CALL STORERAM
167 LOAD TEMP, 0053 ; Temp = 'S'
168 CALL STORERAM
169 LOAD TEMP, 0020 ; Temp = ' '
170 CALL STORERAM
171 LOAD TEMP, 0021 ; Temp = '!'
172 CALL STORERAM
173 RETURN
174
175 ;;;;;;;;;;;;;;;;;;;;;;;;;;;;;;;;;;;;;;;;;;;;;;;;;;;;;;;;;;;;;;;;;;;;;;;;;;;;;;;;;;;;;;;;;
176 ; Place prompt in RAM[16] (<CARRET><LF>--> )
177 ;;;;;;;;;;;;;;;;;;;;;;;;;;;;;;;;;;;;;;;;;;;;;;;;;;;;;;;;;;;;;;;;;;;;;;;;;;;;;;;;;;;;;;;;;
178 PROMPT
179 LOAD TEMP, 000D ; Temp = <CARRET>
180 CALL STORERAM
181 LOAD TEMP, 000A ; Temp = <lf>
182 CALL STORERAM
183 LOAD TEMP, 002D ; Temp = '-'
184 CALL STORERAM
185 LOAD TEMP, 002D ; Temp = '-'
186 CALL STORERAM
187 LOAD TEMP, 003E ; Temp = '>'
188 CALL STORERAM
189 LOAD TEMP, 0020 ; Temp = ' '
190 CALL STORERAM
191 RETURN
192
193 ;;;;;;;;;;;;;;;;;;;;;;;;;;;;;;;;;;;;;;;;;;;;;;;;;;;;;;;;;;;;;;;;;;;;;;;;;;;;;;;;;;;;;;;;;
194 ; Place 'La Quinta' (hometown) in RAM[22] (11 Characters)
195 ;;;;;;;;;;;;;;;;;;;;;;;;;;;;;;;;;;;;;;;;;;;;;;;;;;;;;;;;;;;;;;;;;;;;;;;;;;;;;;;;;;;;;;;;;
196 HOMETOWN
197 LOAD TEMP, 004C ; Temp = 'L'
198 CALL STORERAM
199 LOAD TEMP, 0041 ; Temp = 'A'
200 CALL STORERAM
201 LOAD TEMP, 0020 ; Temp = ' '
202 CALL STORERAM
203 LOAD TEMP, 0051 ; Temp = 'Q'
204 CALL STORERAM
205 LOAD TEMP, 0055 ; Temp = 'U'
206 CALL STORERAM
207 LOAD TEMP, 0049 ; Temp = 'I'
208 CALL STORERAM
Valenzuela 22
Prepared by:
Paul Valenzuela
Date:
May 12, 2020
Document Name:
Final Specification
209 LOAD TEMP, 004E ; Temp = 'N'
210 CALL STORERAM
211 LOAD TEMP, 0054 ; Temp = 'T'
212 CALL STORERAM
213 LOAD TEMP, 0041 ; Temp = 'A'
214 CALL STORERAM
215 LOAD TEMP, 0020 ; Temp = ' '
216 CALL STORERAM
217 RETURN
218
219
220 ;;;;;;;;;;;;;;;;;;;;;;;;;;;;;;;;;;;;;;;;;;;;;;;;;;;;;;;;;;;;;;;;;;;;;;;;;;;;;;;;;;;;;;;;;
221 ; Place Backspace command in RAM[33] (<BACKSP> ' ' <BACKSP>)
222 ;;;;;;;;;;;;;;;;;;;;;;;;;;;;;;;;;;;;;;;;;;;;;;;;;;;;;;;;;;;;;;;;;;;;;;;;;;;;;;;;;;;;;;;;;
223 BACKSPACE
224 LOAD TEMP, 0008 ; Temp = <BACKSP>
225 CALL STORERAM
226 LOAD TEMP, 0020 ; Temp = ' '
227 CALL STORERAM
228 LOAD TEMP, 0008 ; Temp = <BACKSP>
229 CALL STORERAM
230 RETURN
231
232 ;;;;;;;;;;;;;;;;;;;;;;;;;;;;;;;;;;;;;;;;;;;;;;;;;;;;;;;;;;;;;;;;;;;;;;;;;;;;;;;;;;;;;;;;;
233 ; Checks if rxReady is active
234 ;;;;;;;;;;;;;;;;;;;;;;;;;;;;;;;;;;;;;;;;;;;;;;;;;;;;;;;;;;;;;;;;;;;;;;;;;;;;;;;;;;;;;;;;;
235 RXCHECK
236 LOAD TEMP, STATUS ; Temp = Status
237 AND TEMP, ONE ; Temp = Temp & 0001
238 COMP TEMP, ONE ; Temp == 0001 ? (RXReady?)
239 JUMPNZ FALSEINTERRUPT ; If false, go to false ISR
240
241 ;;;;;;;;;;;;;;;;;;;;;;;;;;;;;;;;;;;;;;;;;;;;;;;;;;;;;;;;;;;;;;;;;;;;;;;;;;;;;;;;;;;;;;;;;
242 ; Locates and outputs error
243 ;;;;;;;;;;;;;;;;;;;;;;;;;;;;;;;;;;;;;;;;;;;;;;;;;;;;;;;;;;;;;;;;;;;;;;;;;;;;;;;;;;;;;;;;;
244 LOAD ERROR, STATUS ; Error = status
245 AND ERROR, 001C ; Check error status
246 SR0 ERROR ; Shift error right
247 SR0 ERROR ; Shift error right
248 OUTPUT ERROR, TWO ; Output new error
249
250 ;;;;;;;;;;;;;;;;;;;;;;;;;;;;;;;;;;;;;;;;;;;;;;;;;;;;;;;;;;;;;;;;;;;;;;;;;;;;;;;;;;;;;;;;;
251 ; Read data and set it to temp
252 ;;;;;;;;;;;;;;;;;;;;;;;;;;;;;;;;;;;;;;;;;;;;;;;;;;;;;;;;;;;;;;;;;;;;;;;;;;;;;;;;;;;;;;;;;
253 INPUT VALUE, ZERO ; Value = IN_PORT[0]
254 LOAD TEMP, VALUE ; Temp = Value
255
256 ;;;;;;;;;;;;;;;;;;;;;;;;;;;;;;;;;;;;;;;;;;;;;;;;;;;;;;;;;;;;;;;;;;;;;;;;;;;;;;;;;;;;;;;;;
257 ; Check if <CARRET> was entered in the prompt
258 ;;;;;;;;;;;;;;;;;;;;;;;;;;;;;;;;;;;;;;;;;;;;;;;;;;;;;;;;;;;;;;;;;;;;;;;;;;;;;;;;;;;;;;;;;
Valenzuela 23
Prepared by:
Paul Valenzuela
Date:
May 12, 2020
Document Name:
Final Specification
259 ENTERCHECK
260 COMP TEMP, CARRET ; Temp == <CARRET> ?
261 JUMPNZ BSCHECK ; If true, jump to enter subroutine
262 LOAD TXSTATE, THREE ; TXState = 3
263 LOAD POINTER, 0010 ; Pointer = 16
264 FETCH VALUE, POINTER ; Value = RAM[16]
265 ADD POINTER, ONE ; Pointer += 1
266 STORE POINTER, 0030 ; RAM[64] = Pointer
267 JUMP TRANSMIT ; Transmit values
268
269 ;;;;;;;;;;;;;;;;;;;;;;;;;;;;;;;;;;;;;;;;;;;;;;;;;;;;;;;;;;;;;;;;;;;;;;;;;;;;;;;;;;;;;;;;;
270 ; Check if <BS> was entered in the prompt
271 ;;;;;;;;;;;;;;;;;;;;;;;;;;;;;;;;;;;;;;;;;;;;;;;;;;;;;;;;;;;;;;;;;;;;;;;;;;;;;;;;;;;;;;;;;
272 BSCHECK
273 COMP TEMP, BACKSP ; Temp == <BACKSP> ?
274 JUMPNZ ASTERICKS ; If true, jump to backspace subroutine
275 COMP COUNTER, ZERO ; Counter == 0 ?
276 JUMPZ FALSEINTERRUPT ; If true jump to false ISR
277 LOAD TXSTATE, FIVE ; TXState = 5
278 SUB COUNTER, ONE ; Counter -= 1
279 LOAD TXCHECK, 0023 ; TXCheck = 35
280 LOAD POINTER, 0020 ; Pointer = 32
281 FETCH VALUE, POINTER ; Value = RAM[30]
282 ADD POINTER, ONE ; Pointer += 1
283 STORE POINTER, 0030 ; RAM[64] = Pointer
284 JUMP TRANSMIT
285
286 ;;;;;;;;;;;;;;;;;;;;;;;;;;;;;;;;;;;;;;;;;;;;;;;;;;;;;;;;;;;;;;;;;;;;;;;;;;;;;;;;;;;;;;;;;
287 ; Check if '*' was entered in the prompt
288 ;;;;;;;;;;;;;;;;;;;;;;;;;;;;;;;;;;;;;;;;;;;;;;;;;;;;;;;;;;;;;;;;;;;;;;;;;;;;;;;;;;;;;;;;;
289 ASTERICKS
290 COMP TEMP, ASTSYM ; Temp == '*' ?
291 JUMPNZ ATYSYMBOL ; If true, jump to display hometown
292 LOAD TXSTATE, TWO ; TXState = 2
293 LOAD POINTER, 0016 ; Pointer = 22
294 FETCH VALUE, POINTER ; Value = RAM[22]
295 ADD POINTER, ONE ; Pointer += 1
296 STORE POINTER, 0030 ; RAM[64] = Pointer
297 JUMP TRANSMIT
298
299 ;;;;;;;;;;;;;;;;;;;;;;;;;;;;;;;;;;;;;;;;;;;;;;;;;;;;;;;;;;;;;;;;;;;;;;;;;;;;;;;;;;;;;;;;;
300 ; Check if '@' was entered in the prompt
301 ;;;;;;;;;;;;;;;;;;;;;;;;;;;;;;;;;;;;;;;;;;;;;;;;;;;;;;;;;;;;;;;;;;;;;;;;;;;;;;;;;;;;;;;;;
302 ATYSYMBOL
303 COMP TEMP, ATSYM ; Temp == '@' ?
304 JUMPNZ INCREMENT ; If true, check if counter maxed out
305 CALL HEXCONVERT ; Update Counter
306 LOAD TXSTATE, FIVE ; TXState = 5
307 LOAD TXCHECK, 0029 ; TXCheck = 41
308 LOAD POINTER, 0024 ; Pointer = 35
309 FETCH VALUE, POINTER ; Value = RAM[35]
Valenzuela 24
Prepared by:
Paul Valenzuela
Date:
May 12, 2020
Document Name:
Final Specification
310 ADD POINTER, ONE ; Pointer += 1
311 STORE POINTER, 0030 ; RAM[64] = Pointer
312 JUMP TRANSMIT
313
314 INCREMENT
315 COMP COUNTER, TOP ; Counter == Top ?
316 JUMPZ FALSEINTERRUPT ; If true, jump to false ISR
317 ADD COUNTER, ONE ; Counter += 1
318
319 ;;;;;;;;;;;;;;;;;;;;;;;;;;;;;;;;;;;;;;;;;;;;;;;;;;;;;;;;;;;;;;;;;;;;;;;;;;;;;;;;;;;;;;;;;
320 ; Transmit data to terminal
321 ;;;;;;;;;;;;;;;;;;;;;;;;;;;;;;;;;;;;;;;;;;;;;;;;;;;;;;;;;;;;;;;;;;;;;;;;;;;;;;;;;;;;;;;;;
322 TRANSMIT
323 OUTPUT VALUE, ZERO ; Transmit value
324 FETCH POINTER, 0031 ; Pointer = RAM[21]
325 RETEN
326
327
328 ;;;;;;;;;;;;;;;;;;;;;;;;;;;;;;;;;;;;;;;;;;;;;;;;;;;;;;;;;;;;;;;;;;;;;;;;;;;;;;;;;;;;;;;;;
329 ; Output value to terminal
330 ;;;;;;;;;;;;;;;;;;;;;;;;;;;;;;;;;;;;;;;;;;;;;;;;;;;;;;;;;;;;;;;;;;;;;;;;;;;;;;;;;;;;;;;;;
331 DISPLAY
332 FETCH POINTER, 0030 ; Pointer = 64
333 FETCH VALUE, POINTER ; Value = RAM[64]
334 OUTPUT VALUE, ZERO ; Transmit Value
335 ADD POINTER, ONE ; Pointer += 1
336 STORE POINTER, 0030 ; RAM[64] = Pointer
337 COMP POINTER, TXCHECK ; Pointer == TXCheck ?
338 JUMPZ PROMPTCHECK ; If true, check TXState
339 JUMP FALSEINTERRUPT ; Jump to false ISR
340
341
342 ;;;;;;;;;;;;;;;;;;;;;;;;;;;;;;;;;;;;;;;;;;;;;;;;;;;;;;;;;;;;;;;;;;;;;;;;;;;;;;;;;;;;;;;;;
343 ; Displays hometown string in ASCII
344 ;;;;;;;;;;;;;;;;;;;;;;;;;;;;;;;;;;;;;;;;;;;;;;;;;;;;;;;;;;;;;;;;;;;;;;;;;;;;;;;;;;;;;;;;;
345 PRINTH
346 COMP TXSTATE, FIVE ; TXState == 5 ?
347 JUMPZ DISPLAY ; If true, transmit values
348 COMP TXSTATE, TWO ; TXState == 2 ?
349 JUMPNZ PRINTPROMPT ; If false check if TXState == 3
350 LOAD TXCHECK, 0020 ; TXCheck = 32
351 LOAD TXSTATE, FIVE ; TXState = 5
352 JUMP DISPLAY ; Transmit Values
353
354 ;;;;;;;;;;;;;;;;;;;;;;;;;;;;;;;;;;;;;;;;;;;;;;;;;;;;;;;;;;;;;;;;;;;;;;;;;;;;;;;;;;;;;;;;;
355 ; Displays banner
356 ;;;;;;;;;;;;;;;;;;;;;;;;;;;;;;;;;;;;;;;;;;;;;;;;;;;;;;;;;;;;;;;;;;;;;;;;;;;;;;;;;;;;;;;;;
357 PRINTBANNER
358 COMP TXSTATE, ZERO ; TXState == 0 ?
359 JUMPNZ FALSEINTERRUPT ; If false, exit
Valenzuela 25
Prepared by:
Paul Valenzuela
Date:
May 12, 2020
Document Name:
Final Specification
360 LOAD TXCHECK, 0010 ; TXCheck = 16
361 LOAD TXSTATE, FIVE ; TXState = 5
362 LOAD POINTER, ZERO ; Pointer = 0
363 STORE POINTER, 0030 ; RAM[64] = Pointer
364 JUMP DISPLAY
365
366 ;;;;;;;;;;;;;;;;;;;;;;;;;;;;;;;;;;;;;;;;;;;;;;;;;;;;;;;;;;;;;;;;;;;;;;;;;;;;;;;;;;;;;;;;;
367 ; Displays prompt
368 ;;;;;;;;;;;;;;;;;;;;;;;;;;;;;;;;;;;;;;;;;;;;;;;;;;;;;;;;;;;;;;;;;;;;;;;;;;;;;;;;;;;;;;;;;
369 PRINTPROMPT
370 COMP TXSTATE, THREE ; TXState == 3 ?
371 JUMPNZ PRINTBANNER ; If false, check if TXState == 4
372 LOAD TXCHECK, 0016 ; TXCheck = 22
373 LOAD TXSTATE, FIVE ; TXState = 5
374 JUMP DISPLAY ; Transmit Values
375
376 ;;;;;;;;;;;;;;;;;;;;;;;;;;;;;;;;;;;;;;;;;;;;;;;;;;;;;;;;;;;;;;;;;;;;;;;;;;;;;;;;;;;;;;;;;
377 ; Checks if TXCheck is 36 or 22
378 ;;;;;;;;;;;;;;;;;;;;;;;;;;;;;;;;;;;;;;;;;;;;;;;;;;;;;;;;;;;;;;;;;;;;;;;;;;;;;;;;;;;;;;;;;
379 PROMPTCHECK
380 COMP TXCHECK, 0023 ; txCheck == 36?
381 JUMPZ TXSTATE4 ; If so, jump to TXSTATE4
382
383 COMP TXCHECK, 0016 ; txCheck == 22?
384 JUMPNZ PROMPTCHANGE ; If not, display prompt
385 LOAD COUNTER, ZERO ; Counter
386
387 ;;;;;;;;;;;;;;;;;;;;;;;;;;;;;;;;;;;;;;;;;;;;;;;;;;;;;;;;;;;;;;;;;;;;;;;;;;;;;;;;;;;;;;;;;
388 ; Ensures TXState is 4
389 ;;;;;;;;;;;;;;;;;;;;;;;;;;;;;;;;;;;;;;;;;;;;;;;;;;;;;;;;;;;;;;;;;;;;;;;;;;;;;;;;;;;;;;;;;
390 TXSTATE4
391 LOAD TXSTATE, FOUR ; txState = 4
392 FETCH POINTER, 0031 ; Pointer = RAM[65]
393 RETEN
394
395 ;;;;;;;;;;;;;;;;;;;;;;;;;;;;;;;;;;;;;;;;;;;;;;;;;;;;;;;;;;;;;;;;;;;;;;;;;;;;;;;;;;;;;;;;;
396 ; Changes Pointer Location
397 ;;;;;;;;;;;;;;;;;;;;;;;;;;;;;;;;;;;;;;;;;;;;;;;;;;;;;;;;;;;;;;;;;;;;;;;;;;;;;;;;;;;;;;;;;
398 PROMPTCHANGE
399 LOAD POINTER, 0010 ; Pointer = 16
400 STORE POINTER, 0030 ; RAM[64] = RAM[Pointer]
401 FETCH POINTER, 0031 ; Pointer = RAM[65]
402 LOAD TXSTATE, THREE ; txState = 3
403 RETEN
404
405 ;;;;;;;;;;;;;;;;;;;;;;;;;;;;;;;;;;;;;;;;;;;;;;;;;;;;;;;;;;;;;;;;;;;;;;;;;;;;;;;;;;;;;;;;;
406 ; Faulty interrupt caused by an error
407 ;;;;;;;;;;;;;;;;;;;;;;;;;;;;;;;;;;;;;;;;;;;;;;;;;;;;;;;;;;;;;;;;;;;;;;;;;;;;;;;;;;;;;;;;;
Valenzuela 26
408 FALSEINTERRUPT
409 FETCH POINTER, 0031 ; Pointer = RAM[65]
410 RETEN
411
412
413 ADDRESS 0400
414
415
416
417
418 ;;;;;;;;;;;;;;;;;;;;;;;;;;;;;;;;;;;;;;;;;;;;;;;;;;;;;;;;;;;;;;;;;;;;;;;;;;;;;;;;;;;;;;;;;
419 ; Converts binary value of counter to ASCII to output to terminal
420 ;;;;;;;;;;;;;;;;;;;;;;;;;;;;;;;;;;;;;;;;;;;;;;;;;;;;;;;;;;;;;;;;;;;;;;;;;;;;;;;;;;;;;;;;;
421 HEXCONVERT
422 LOAD WORKS, ZERO ; Works = 0
423 LOAD POINTER, 0011 ; Pointer = 17
424 LOAD DIVISOR, 2710 ; Divisor = 10,000
425 LOAD QUOTIENT, ZERO ; Quotient = 0
426 LOAD COUNT, COUNTER ; Count = Counter
427
428 ;;;;;;;;;;;;;;;;;;;;;;;;;;;;;;;;;;;;;;;;;;;;;;;;;;;;;;;;;;;;;;;;;;;;;;;;;;;;;;;;;;;;;;;;;
429 ; Check if using the correct divisor value
430 ;;;;;;;;;;;;;;;;;;;;;;;;;;;;;;;;;;;;;;;;;;;;;;;;;;;;;;;;;;;;;;;;;;;;;;;;;;;;;;;;;;;;;;;;;
431 CHECK
432 COMP COUNTER, DIVISOR ; Counter < Divisor ?
433 JUMPC CHANGEDIVISOR ; If true, jumpt to changedivisor subroutine
434 ADD QUOTIENT, ONE ; Quotient += 1
435 SUB COUNTER, DIVISOR ; Counter -= Divisor
436 JUMP CHECK ; Jump to check subroutine
437
438
439
;;;;;;;;;;;;;;;;;;;;;;;;;;;;;;;;;;;;;;;;;;;;;;;;;;;;;;;;;;;;;;;;;;;;;;;;;;;;;;;;;;;;;;;;;
; Makes sure quotient value is WORKS, then jumps to subroutine that changes divisor
440 ;;;;;;;;;;;;;;;;;;;;;;;;;;;;;;;;;;;;;;;;;;;;;;;;;;;;;;;;;;;;;;;;;;;;;;;;;;;;;;;;;;;;;;;;
441 CHANGEDIVISOR
442 COMP WORKS, ONE ; Works == 1 ?
443 JUMPZ QUOTASCII ; If true, jump to quotient to ascii conversion
444 COMP QUOTIENT, ZERO
445 JUMPZ SETSPACE ; If true, jump to add a hexi space subroutine
446 LOAD WORKS, ONE ; Works = 1
447
448
449
;;;;;;;;;;;;;;;;;;;;;;;;;;;;;;;;;;;;;;;;;;;;;;;;;;;;;;;;;;;;;;;;;;;;;;;;;;;;;;;;;;;;;;;;;
; Convert quotient value to ASCII
450
451
;;;;;;;;;;;;;;;;;;;;;;;;;;;;;;;;;;;;;;;;;;;;;;;;;;;;;;;;;;;;;;;;;;;;;;;;;;;;;;;;;;;;;;;;;
QUOTASCII
452 ADD QUOTIENT, 0030 ; Change quotient to ascii
453 JUMP DIVIDE
454
455 ;;;;;;;;;;;;;;;;;;;;;;;;;;;;;;;;;;;;;;;;;;;;;;;;;;;;;;;;;;;;;;;;;;;;;;;;;;;;;;;;;;;;;;;;;
Valenzuela 27
Prepared by:
Paul Valenzuela
Date:
May 12, 2020
Document Name:
Final Specification
456 ; Adds a space between banner and <count> value
457 ;;;;;;;;;;;;;;;;;;;;;;;;;;;;;;;;;;;;;;;;;;;;;;;;;;;;;;;;;;;;;;;;;;;;;;;;;;;;;;;;;;;;;;;;;
458 SETSPACE
459 ADD QUOTIENT, 0020 ; Make quotient a ' '
460
461 ;;;;;;;;;;;;;;;;;;;;;;;;;;;;;;;;;;;;;;;;;;;;;;;;;;;;;;;;;;;;;;;;;;;;;;;;;;;;;;;;;;;;;;;;;
462 ; Algorithm that divides binary value by 10,000, 1,000, 100, then 10 to convert it to
463 ;;;;;;;;;;;;;;;;;;;;;;;;;;;;;;;;;;;;;;;;;;;;;;;;;;;;;;;;;;;;;;;;;;;;;;;;;;;;;;;;;;;;;;;;;
464 DIVIDE
465 STORE QUOTIENT, POINTER ; RAM[POINTER] = Quotient
466 LOAD QUOTIENT, ZERO ; Quotient = 0
467 ADD POINTER, ONE ; Pointer += 1
468 COMP DIVISOR, 000A ; Divisor == 10 ?
469 JUMPZ LASTVALUE ; If true, jump to lastvalue subroutine
470 COMP DIVISOR, 0064 ; Divisor == 100 ?
471 JUMPZ TEN ; If true, jump to ten subroutine
472 COMP DIVISOR, 03E8 ; Divisor == 1,000 ?
473 JUMPZ HUNDRED ; If true, jump to hundred subroutine
474 JUMP THOUSAND ; Else, jump to thousand subroutine
475
476 ;;;;;;;;;;;;;;;;;;;;;;;;;;;;;;;;;;;;;;;;;;;;;;;;;;;;;;;;;;;;;;;;;;;;;;;;;;;;;;;;;;;;;;;;;
477 ; Stores the 1's place of the counter into SCRATCH RAM
478 ;;;;;;;;;;;;;;;;;;;;;;;;;;;;;;;;;;;;;;;;;;;;;;;;;;;;;;;;;;;;;;;;;;;;;;;;;;;;;;;;;;;;;;;;;
479 LASTVALUE
480 ADD QUOTIENT, COUNTER ; Quotient += counter
481 ADD QUOTIENT, 0030 ; Convert quotient to ASCII
482 STORE QUOTIENT, POINTER ; RAM[POINTER] = quotient
483 LOAD POINTER, ZERO ; Pointer = 0
484 LOAD COUNTER, COUNT ; Counter = count
485 RETURN
486
487 ;;;;;;;;;;;;;;;;;;;;;;;;;;;;;;;;;;;;;;;;;;;;;;;;;;;;;;;;;;;;;;;;;;;;;;;;;;;;;;;;;;;;;;;;;
488 ; Subrountine to change divisor to 1000
489 ;;;;;;;;;;;;;;;;;;;;;;;;;;;;;;;;;;;;;;;;;;;;;;;;;;;;;;;;;;;;;;;;;;;;;;;;;;;;;;;;;;;;;;;;;
490 THOUSAND
491 LOAD DIVISOR, 03E8 ; Divisor = 1,000
492 JUMP CHECK
493
494 ;;;;;;;;;;;;;;;;;;;;;;;;;;;;;;;;;;;;;;;;;;;;;;;;;;;;;;;;;;;;;;;;;;;;;;;;;;;;;;;;;;;;;;;;;
495 ; Subrountine to change divisor to 100
496 ;;;;;;;;;;;;;;;;;;;;;;;;;;;;;;;;;;;;;;;;;;;;;;;;;;;;;;;;;;;;;;;;;;;;;;;;;;;;;;;;;;;;;;;;;
497 HUNDRED
498 LOAD DIVISOR, 0064 ; Divisor = 100
499 JUMP CHECK
500
501 ;;;;;;;;;;;;;;;;;;;;;;;;;;;;;;;;;;;;;;;;;;;;;;;;;;;;;;;;;;;;;;;;;;;;;;;;;;;;;;;;;;;;;;;;;
Valenzuela 28
502 ; Subrountine to change divisor to 100
503 ;;;;;;;;;;;;;;;;;;;;;;;;;;;;;;;;;;;;;;;;;;;;;;;;;;;;;;;;;;;;;;;;;;;;;
504 TEN
505 LOAD DIVISOR, 000A ; Divisor = 10
506 JUMP CHECK 507
508 ;;;;;;;;;;;;;;;;;;;;;;;;;;;;;;;;;;;;;;;;;;;;;;;;;;;;;;;;;;;;;;;;;;;;;;
509 ; Vector to Interrupt Service Routine - NO CHANGES HERE
510 ;;;;;;;;;;;;;;;;;;;;;;;;;;;;;;;;;;;;;;;;;;;;;;;;;;;;;;;;;;;;;;;;;;;;;;
511 ADDRESS 0FFE ; Interrupt At Vector Address 0FFE
512 ENDIT
513 JUMP ISR ; Jump to ISR
514 END
Valenzuela 29
Prepared by:
Paul Valenzuela
Date:
May 12, 2020
Document Name:
Final Specification
V. External Developed Blocks
V.1 Asynchronous In, Synchronous Out (AISO)
V.1.1 Description V.1.2 Top Level Diagram
This block prevents metastability by creating
a synchronized reset signal. The reset input
of this block is connected to a button on the
Nexys A7 board. The output resets every signal.
V.1.3 Input/Output
Signal I/O Connected to
clk Input 100MHz Crystal Oscillator
reset Input Button
sRst Output mRst
V.1.4 Register Map
Register Usage Description
{d2,q2} Synchronize Once resets, sends a single pulse to all modules
Source Code: Appendix VIII.1
Valenzuela 30
Prepared by:
Paul Valenzuela
Date:
May 12, 2020
Document Name:
Final Specification
V.2 TramelBlaze
V.2.1 Description V.2.2 Top Level Diagram
The TramelBlaze is 16-bit soft-core
microcontroller that emulates the PicoBlaze.
The TramelBlaze reads and performs actions
based on instructions provided by the ROM.
The TramelBlaze is used in this project to
receive and transmit ASCII values to a Serial
terminal. The WRITE_STROBE and
READ_STROBE communicate with the
UART which helps to establish whether
the design will be using the transmit
or receive engine.
V.2.3 Input/Output
Signal I/O Connection
CLK Input 100MHz Crystal Oscillator
RESET Input AISO
INTERRUPT Input RS Flop
IN_PORT[15:0] Input UART
PORT_ID[15:0] Output UART + AddressDecoder
OUT_PORT[15:0] Output UART
READ_STROBE Output UART
WRITE_STROBE Output UART
INTERRUPT_ACK Output RS Flop
V.2.4 Register Map
Register Usage Description
TB_ROM[15:0] Read Only Memory Holds Instructions for TramelBlaze to execute
Source Code: Appendix VIII.16
Valenzuela 31
Prepared by:
Paul Valenzuela
Date:
May 12, 2020
Document Name:
Final Specification
VI. Internally Developed Blocks
VI.1 Memory Block Interface
VI.1.1 Description
The Memory Interface Block consists of a state machine and control flops. The state machine
inputs are the PORT_ID values. There are three possible states: MEMWRITE, MEMREAD, IDLE. The
outputs of each state are CE, WE, OE, and T. The flops of the MIB then use these signals to control the
memory addresses and the data being communicated between them and the Micron Memory. Prior to this,
the TramelBlaze Read Only Memory had been in charge of this data flow.
VI.1.2 Top Level Diagram
Valenzuela 32
Prepared by:
Paul Valenzuela
Date:
May 12, 2020
Document Name:
Final Specification
VI.1.3 Input/Output
Signal Size (Bits) Input/Output Connection
clk 1 Input 100MHz Crystal Oscillator
rst 1 Input AISO
READ 1 Input TramelBlaze
WRITE 1 Input TramelBlaze
PORT_ID 16 Input TramelBlaze
memoryDataIn 16 Input Micron Memory
OUT_PORT 16 Input TramelBlaze
cCE 1 Output Micron Memory
cWE 1 Output Micron Memory
cOE 1 Output Micron Memory
cADV 1 Output Micron Memory
cCRE 1 Output Micron Memory
cUB 1 Output Micron Memory
cLB 1 Output Micron Memory
memoryAddress 23 Output Micron Memory
memoryDataOut 16 Output Micron Memory
IN_PORT 16 Output TramelBlaze
VI.1.4 Register Map
Register Module Description
cCE MIB Chip Enable Signal to Micron Memory
cWE MIB Write Enable Signal to Micron Memory
cOE MIB Output Enable Signal to Micron Memory
cIOBUF_T MIB Controller for IOBUF
cADV MIB Address Valid Signal for Micron Memory
CRE MIB Control Register Enable Signal for Micron Memory
cUB MIB Upper Byte Signal for Micron Memory
cLB MIB Lower Byte Signal for Micron Memory
memoryAddress MIB Memory Address Location
memoryDataOut MIB Data to Micron Memory
IN_PORT MIB Data from TramelBlaze
state MIB State of MIB
nState MIB Next State of MIB
WCLK MIB Counter to Stay in Write State for 130ns
RCLK MIB Counter to Stay in Read State for 130ns
nCE MIB Chip Enable Next State
nWE MIB Write Enable Next State
nOE MIB Output Enable Next State
nIOBUF_T MIB T Next State
Valenzuela 33
Prepared by:
Paul Valenzuela
Date:
May 12, 2020
Document Name:
Final Specification
VI.1.5 State Machine
Source Code: Appendix VIII.17
Valenzuela 34
Prepared by:
Paul Valenzuela
Date:
May 12, 2020
Document Name:
Final Specification
VI.2 Universal Asynchronous Receiver and Transmitter (UART)
VI.2.1 Description
The UART module is built by five components: the Transmit Engine, the Receive Engine, the
Baud Rate Decoder, and two Positive Edge Detectors. The Transmit Engine shifts serial data out to the
Transmit Line through the micro-USB connection. The Receive Engine shifts serial data into a register. It
then takes the data in the register and sends it to the TramelBlaze to be processed. A UART module
communicates data between modules without a clock to synchronize data transmission. In order to make
sure the data is valid, a common frequency is required. This is accomplished by both engines sharing the
Baud Rate. The Baud Rate is determined by decoding the switch values from the Nexys A7 board. Baud
Rate represents the speed that data is transmitted and received.
The UART block communicated to the TramelBlaze when the receive engine/transmit engine us
ready to interpret data. This signal is communicated by an interrupt signal. The Interrupt reaches the
TramelBlaze and causes it to enter the Interrupt Service Routine. This signal sent from the UART is
called UARTready.
VI.2.2 Top Level Diagram
Valenzuela 35
Prepared by:
Paul Valenzuela
Date:
May 12, 2020
Document Name:
Final Specification
VI.2.3 Detailed Level Diagram
Valenzuela 36
Prepared by:
Paul Valenzuela
Date:
May 12, 2020
Document Name:
Final Specification
VI.2.4 Input/Output
Signal Size(Bits) I/O Connection
clk 1 Input 100MHz Crystal Oscillator
rst 1 Input AISO
rx 1 Input Nexys A7 USB
switches 8 Input Nexys A7 Switches
WRITE 8 Input Address Decoder
READ 8 Input Address Decoder
OUT_PORT 8 Input TramelBlaze
UARTready 1 Output TramelBlaze
tx 1 Output Nexys A7 USB
UART_DS 8 Output TramelBlaze
Source Code: Appendix VIII.3
Valenzuela 37
Prepared by:
Paul Valenzuela
Date:
May 12, 2020
Document Name:
Final Specification
VI.3 Transmit Engine
VI.3.1 Description
The Transmit Engine consists of five components: Bit Counter, Bit Time Counter, Shift Register,
Bit 10/9 Decoder, and the Transmit Controller. These components combine to help transmit data to the
computer terminal. The Bit Time Counter will decide the speed at which the transmit engine will shift
data out. The speed is set by the output of the Baud Rate Decoder. The Bit Counter makes sure the
register only shifts out 11 bits of data. The Shift Register helps to shift data outwards from the least
significant bit (LSB) to most significant bit (MSB). The Transmit Controller is in charge of setting the
values of the wires between the components. These wires tell the counters when to reset, and are in charge
of other circumstances such as parity enable, and the UART Interrupt. Lastly, the Bit 10/9 Decoder
decides what values to insert into bit 9 and bit 10 of the shift register. These values depend on how many
bits wide the signal to transmit is. All of these components are essential to build the Transmit Engine.
VI.3.2 Top Level Diagram
Valenzuela 38
Prepared by:
Paul Valenzuela
Date:
May 12, 2020
Document Name:
Final Specification
VI.3.3 Detailed Level Diagram
VI.3.4 Verification
Valenzuela 39
Prepared by:
Paul Valenzuela
Date:
May 12, 2020
Document Name:
Final Specification
VI.3.5 Input / Output
Signal Size (Bits) I/O Connection
clk 1 Input 100MHz Crystal Oscillator
rst 1 Input AISO
load 1 Input Address Decoder
eight 1 Input Nexys A7 Switch[3]
pen 1 Input Nexys A7 Switch[2]
ohel 1 Input Nexys A7 Switch[1]
OUT_PORT 8 Input TramelBlaze
k 19 Input Baud Rate Decoder
tx 1 Output Nexys A7 USB
txReady 1 Output Nexys A7 USB
VI.3.6 Register Map
Register Module Description
bit10 Decoder Bit 10 into the Shift Register
bit9 Decoder Bit 9 into the Shift Register
doit Transmit Controller Allows counter to increment
load1 Transmit Controller Delays data transmission by 1 clock period
nTX [10:0] Shift Register Holds data to be shifted out into board
lData [7:0] Shift Register Grabs data from TramelBlaze
bitTimeCount [18:0] Bit Time Counter Baud Rate Counter
bitCount [3:0] Bit Counter How many bits to shift Counter
Source Code: Appendix VIII.5
Valenzuela 40
Prepared by:
Paul Valenzuela
Date:
May 12, 2020
Document Name:
Final Specification
VI.4 Transmit Shift Register
VI.4.1 Description
The shift register is sent data from OUT_PORT on the TramelBlaze and shifts data outwards 1 bit
at a time in the output value tx. The tx usually has a value of ‘1’. The ‘start bit’ for the transmit engine is a
‘0’. So when a ‘0’ is initially sent, the tx will start outputting the register data 1 bit at a time. When the
module is reset, the shift register will continue to output 11 bits of ‘1’, to show its inactive state. The data
is sent out from LSB to MSB. With the first bit always being a ‘0’. The bit after the MSB will either be
the parity bit or the stop bit. But data transmission always ends with a ‘1’ stop bit. When the bit time
counter is done counting, a ‘1’ is sent to the TX engine and the UART interprets this as the end of the
data transmission.
VI.4.2 Top Level Diagram
VI.4.3 Input/Output
Signal Size (Bits) I/O Connection
clk 1 Input 100MHz Crystal Oscillator
Rst 1 Input AISO
load 1 Input TX Controller
btu 1 Input TX Bit Time Counter
nTX 11 Input Bit10/9 Decoder, TX Controller
tx 1 Output Nexys A7 USB
Source Code: Appendix VIII.5
Valenzuela 41
Prepared by:
Paul Valenzuela
Date:
May 12, 2020
Document Name:
Final Specification
VI.5 Bit 10 Bit 9 Decoder
VI.5.1 Description
This module oversaw deciding what values bit10 and bit9 receive. This is because these
bits depend entirely on the number of bits being transmitted and the parity of the transmission.
The data will either be 7 or 8 bits. This directly effects what bit9 will be. Also, if there is a parity,
the parity bit will be placed in bit9 or bit10, depending on how many bits the data is. All of these
conditions are evaluated and assigned based on the decoder. The inputs of the decoder are eight,
pen, and ohel.
VI.5.2 Top Level Diagram
VI.5.3 Input/Output
Signal Size (Bits) I/O Connection
lData 8 Input TX Controller
eight 1 Input Nexys A7 Switch[3]
pen 1 Input Nexys A7 Switch[2]
ohel 1 Input Nexys A7 Switch[1]
bit10 1 Output TX Shift Register
bit9 1 Output TX Shift Register
VI.5.4 Logic Table
eight pen ohel bit10 bit9
0 0 0 1 1
0 0 1 1 1
0 1 0 1 ^lData[6:0]
0 1 1 1 ~^lData[6:0]
0 0 0 1 lData[7]
1 0 1 1 lData[7]
1 1 0 ^lData[7:0] lData[7]
1 1 1 ~^lData[7:0] lData[7]
Source Code: Appendix VIII.5
Valenzuela 42
Prepared by:
Paul Valenzuela
Date:
May 12, 2020
Document Name:
Final Specification
VI.6 Transmit Controller
VI.6.1 Description VI.6.2 Top Level Diagram
The transmit controller is in
charge of the wires between the flops
and indicative signals. This includes
doit, done, btu, etc. It communicates
between the flops and tells them how
to behave. It is also in charge of telling
the shift register when to load new
data with the load1 signal.
VI.5.3 Input/Output
Signal Size (Bits) I/O Connection
clk 1 Input 100MHz Clock Oscillator
rst 1 Input AISO
done 1 Input TX Bit Count
load 1 Input Address Decoder
OUT_PORT 8 Input TramelBlaze
txReady 1 Output PED
load1 1 Output TX Shift Register
doit 1 Output Both TX Counters
lData 8 Output TX Shift Register
Source Code: Appendix VIII.5
Valenzuela 43
Prepared by:
Paul Valenzuela
Date:
May 12, 2020
Document Name:
Final Specification
VI.7 Transmit Bit Counter
VI.7.1 Description VI.7.2 Top Level Diagram
This counter counts from 0-11 in decimal.
Each increment is to indicate how many
bits have been transmitted. It increments
every time the “doit” and “btu” signals
are high. This means that the bit time counter
has reached its value. This is important
because a bit is only sent every time the
bit time counter has reached its comparable value.
VI.7.3 Input/Output
Signal Size (Bits) I/O Connection
clk 1 Input 100MHz Clock Oscillator
rst 1 Input AISO
doit 1 Input TX Controller
btu 1 Input TX Bit Time Counter
done 1 Output TX Controller
Source Code: Appendix VIII.5
Valenzuela 44
Prepared by:
Paul Valenzuela
Date:
May 12, 2020
Document Name:
Final Specification
VI.8 Transmit Bit Time Counter
VI.8.1 Description VI.8.2 Top Level Diagram
The bit time counter is used to
transmit bits at a very specific baud
rate. The bit time counter increments
at every clock signal and will continue
to increment until it reaches its indicated
baud rate. The bit time counter resets when
the “done” signal is high. This means that
the baud rate has been reached and a bit
is ready to transmit.
VI.8.3 Input/Output
Signal Size (Bits) I/O Connection
clk 1 Input 100 MHz Clock Oscillator
rst 1 Input AISO
doit 1 Input TX Controller
k 19 Input Baud Rate Decoder
btu 1 Output TX Shift Register
Source Code: Appendix VIII.5
Valenzuela 45
Prepared by:
Paul Valenzuela
Date:
May 12, 2020
Document Name:
Final Specification
VI.9 Receive Engine
VI.9.1 Description
The Receive engine works in the opposite direction of the transmit engine. It inputs data 1 bit at a
time and shifts them into a shift register. It then interprets this data and sends it to the TramelBlaze via
IN_PORT. The receive engine consists of 5 components: a Bit Time Counter, a Bit Counter, a State
Machine, Receive Controller, and the Receive Shift Register. All these components combine to allow the
UART to receive data 1 bit at a time and interpret it into a valid ASCII value. It is important that the
shifted data is shifted at the correct baud rate for the appropriate amount of times. The shift register grabs
data from the rx input and shifts it into a register. However, the number of bits of data and parity bit need
to be taken into consideration. Due to this, the data needs to be remapped accordingly.
VI.9.2 Top Level Diagram
Valenzuela 46
Prepared by:
Paul Valenzuela
Date:
May 12, 2020
Document Name:
Final Specification
VI.9.3 Detailed Level Diagram
VI.9.4 Verification
Valenzuela 47
Prepared by:
Paul Valenzuela
Date:
May 12, 2020
Document Name:
Final Specification
VI.9.5 Input/Output
Signal Size (Bits) I/O Connection
clk 1 Input 100 MHz Crystal Oscillator
rst 1 Input AISO
READ 8 Input Address Decoder
k 19 Input Baud Rate Decoder
rx 1 Input Nexys A7 USB
eight 1 Input Nexys A7 Switch[3]
pen 1 Input Nexys A7 Switch[2]
ohel 1 Input Nexys A7 Switch[1]
rxStatus 8 Output TramelBlaze
rxReady 1 Output UART PED
UART_RDATA 8 Output TramelBlaze
VI.9.6 Register Map
Register Module Description
start State Machine Detection of start bit
nStart State Machine Holds next start value
done State Machine Resets counter values
doit State Machine Allows counter to count
nDoit State Machine Holds the next doit value
Parity_error Receive Controller Indicates a parity error
Framing_error Receive Controller Indicates a framing error
Overflow_error Receive Controller Indicates an overflow error
State State Machine State that holds done + start values
nState State Machine Registers the next State
nRX Shift Register Register holding raw data from Nexys Board
shiftedReg Right Justify Register Register with proper parity bit
BitTimeCount Bit Time Counter Baud Rate Counter
BitCount Bit Counter How many times register shift counter
newK Baud Rate Divider Baud Rate Decoder
Source Code: Appendix VIII.6
Valenzuela 48
Prepared by:
Paul Valenzuela
Date:
May 12, 2020
Document Name:
Final Specification
VI.10 Receive Shift Register
VI.10.1 Description VI.10.2 Top Level Diagram
The shift register is a shift register that operates
under specific conditions. The 2 MSBs will either
be 0s or the data interpreted from the rx line,
depending on the values of eight and pen.
This module uses a switch case statement to assess
the values of eight and pen. If both values are high,
the data is not shifted. If only one of the values is high,
the data is shifted once to the right. If both are inactive,
the data is shifted twice to the right.
VI.10.3 Input/Output
Signal Size (Bits) I/O Connection
clk 1 Input 100MHz Crystal Oscillator
rst 1 Input AISO
shiftHigh 1 Input RX Controller
rx 1 Input Nexys A7 USB
eight 1 Input Nexys A7 Switch[3]
pen 1 Input Nexys A7 Switch[2]
ohel 1 Input Nexys A7 Switch[1]
shiftedReg 10 Output RX Controller
UART_RDATA 8 Output TramelBlaze
Source Code: Appendix VIII.6
Valenzuela 49
Prepared by:
Paul Valenzuela
Date:
May 12, 2020
Document Name:
Final Specification
VI.11 Receive State Machine
VI.11.1 Description VI.11.2 Top Level Diagram
The state machine is implemented using
a Modified Moore technique. The state machine
guarantees that the start bit remains low-active
until it is mid-bit time. At this point, data collection
will continue at normal bit time until all the
data is received. This state machine outputs start
and doit. Start means that the engine has just
received the start bit. Doit means that the engine
is receiving actual data. The state machine
conditions are rx, done, and btu.
VI.11.3 State Transition Diagram
VI.11.4 Input/Output
Signal Size (Bits) I/O Connection
clk 1 Input 100 MHz Crystal Oscillator
rst 1 Input AISO
rx 1 Input Nexys A7 USB
btu 1 Input RX Bit Time Counter
done 1 Input RX Bit Counter
start 1 Output RX Bit Time Counter
doit 1 Output Both RX Counters
Source Code: Appendix VIII.6
Valenzuela 50
Prepared by:
Paul Valenzuela
Date:
May 12, 2020
Document Name:
Final Specification
VI.12 Receive Controller
VI.12.1 Description VI.12.2 Top Level Diagram
The receive controller is in charge of
the wires between the flops and indicative signals.
This includes doit, done, btu, etc. It communicates
between the flops and tells them how to behave.
It in charge of when to divide the baud value
by 2, and communicating the status of the
receive engine. An example being when
there is an overflow/parity/framing error.
VI.21.3 Input/Output
Signal Size (Bits) I/O Connection
clk 1 Input 100MHz Clock Oscillator
rst 1 Input AISO
done 1 Input RX Bit Counter
eight 1 Input Nexys A7 Switch[3]
pen 1 Input Nexys A7 Switch[2]
ohel 1 Input Nexys A7 Switch[1]
shiftedReg 10 Input Receive Shift Register
rxReady 1 Output TramelBlaze
parity_error 1 Output UART
framing_error 1 Output UART
overflow_error 1 Output UART
Source Code: Appendix VIII.6
Valenzuela 51
Prepared by:
Paul Valenzuela
Date:
May 12, 2020
Document Name:
Final Specification
VI.13 Receive Bit Counter
VI.13.1 Description VI.13.2 Top Level Diagram
This counter counts from 0-11 in decimal.
Each increment is to indicate how many bits
have been received. It increments every time
the “doit” and “btu” signals are high. This means
that the bit time counter has reached its value.
This is important because a bit is only grabbed every
time the bit time counter has reached its comparable
value. In addition, the Receive Bit Counter has to
constantly change the comparable value depending
on how many bits are received. This
depends on the values of pen and eight.
VI.13.3 Input/Output
Signal Size (Bits) I/O Connection
clk 1 Input 100MHz Clock Oscillator
rst 1 Input AISO
doit 1 Input State Machine
btu 1 Input RX Bit Time Counter
eight 1 Input Nexys A7 Switch[3]
pen 1 Input Nexys A7 Switch[2]
done 1 Output State Machine
VI.13.4 Logic Table
eight pen == ?
0 0 9
0 1 10
1 0 11
1 1 11
Source Code: Appendix VIII.6
Valenzuela 52
Prepared by:
Paul Valenzuela
Date:
May 12, 2020
Document Name:
Final Specification
VI.14 Receive Bit Time Counter
VI.14.1 Description VI.14.2 Top Level Diagram
The bit time counter is used to receive bits
at a very specific baud rate. The bit
time counter increments at every clock
signal and will continue to increment until
it reaches its indicated baud rate. The bit time
counter resets when the “done” signal is high.
This means that the baud rate has been
reached and a bit is ready to be received. The
only difference is that this bit time counter
counts to a value of k/2, where k is the
interpreted baud rate.
VI.14.3 Input/Output
Signal Size (Bits) I/O Connection
clk 1 Input 100 MHz Clock Oscillator
rst 1 Input AISO
doit 1 Input State Machine
start 1 Input State Machine
k 19 Input Baud Rate Decoder
btu 1 Output RX Controller
Source Code: Appendix VIII.6
Valenzuela 53
Prepared by:
Paul Valenzuela
Date:
May 12, 2020
Document Name:
Final Specification
VI.15 Baud Rate Decoder
VI.15.1 Description VI.15.1 Top Level Diagram
The Baud Rate Decoder is a 4 to 19-bit
Decoder that chooses the speed that the UART
communicates data. The 4 inputs of the decoder come
from switches[7:4] on the Nexys A7 board.
VI.15.3 Input/Output
Signal Size (Bits) I/O Connection
switches 4 Input Nexys A7 Switches[7:4]
k 19 Output Transmit + Receive Engine
VI.15.4 Register Map
Register Usage Description
k[18:0] Constant The rate that data is sent/received
Source Code: Appendix VIII.4
Valenzuela 54
Prepared by:
Paul Valenzuela
Date:
May 12, 2020
Document Name:
Final Specification
VI.16 Positive Edge Detect
VI.16.1 Description VI.16.2 Top Level Diagram
This block detects a rising edge on
A given signal. It is used in the UART block to
detect when txReady and rxReady reach a
rising edge.
VI.16.3 Input/Output
Signal Size (Bits) I/O Connection
clk 1 Input 100MHz Crystal Oscillator
rst 1 Input AISO
in 1 Input Transmit + Receive Engine
yes 1 Output UART
VI.16.4 Register Map
Register Usage Description
q[1:0] PED Sends PED values when flop goes from {1,0} to {0,1}
Source Code: Appendix VIII.8
Valenzuela 55
Prepared by:
Paul Valenzuela
Date:
May 12, 2020
Document Name:
Final Specification
VI.17 RS Flop
VI.17.1 Description VI.17.2 Top Level Diagram
The RS Flop behaves as a typical
RS flop. It holds a value until each rising
clock signal. If input s is high, the flop
outputs 1. The flop will then hold this value
until the flop reset or functional reset are high.
VI.17.3 Input/Output
Signal Size (Bits) I/O Connection
clk 1 Input 100MHz Crystal Oscillator
rst 1 Input AISO
funcrst 1 Input TramelBlaze
set 1 Input Transmit PED + Receive PED
q 1 Output TramelBlaze
VI.17.4 Register Map
Register Usage Description
q Interrupt Output interrupt when set high
Source Code: Appendix VIII.9
Valenzuela 56
Prepared by:
Paul Valenzuela
Date:
May 12, 2020
Document Name:
Final Specification
VI.18 Address Decode (READ)
VI.18.1 Description VI.18.2 Top Level Diagram
This module determines the values
of READ[7:0] based on READ_STROBE
and PORT_ID[15:0]. It helps the UART
understand which values to send to the
TramelBlaze.
VI.18.3 Input/Output
Signal Size (Bits) I/O Connection
READ_STROBE 1 Input TramelBlaze
PORT_ID[15] 1 Input TramelBlaze
PORT_ID[2] 1 Input TramelBlaze
PORT_ID[1] 1 Input TramelBlaze
PORT_ID[0] 1 Input TramelBlaze
READS 8 Output Receive Engine
VI.9.1 Register Map
Register Usage Description
enable {READ_STROBE &
PORT_ID[15]}
Determines whether to write to TramelBlaze
Source Code: Appendix VIII.7
Valenzuela 57
Prepared by:
Paul Valenzuela
Date:
May 12, 2020
Document Name:
Final Specification
VI.19 Address Decode (WRITE)
VI.19.1 Description VI.19.2 Top Level Diagram
This module determines the values
of WRITE[7:0] based on WRITE_STROBE
and PORT_ID[15:0]. It helps the UART
understand which values to grab from the
TramelBlaze.
VI.19.3 Input/Output
Signal Size (Bits) I/O Connection
WRITE_STROBE 1 Input TramelBlaze
PORT_ID[15] 1 Input TramelBlaze
PORT_ID[2] 1 Input TramelBlaze
PORT_ID[1] 1 Input TramelBlaze
PORT_ID[0] 1 Input TramelBlaze
WRITE 8 Output Transmit Engine
VI.9.4 Register Map
Register Usage Description
enable {WRITE_STROBE &
PORT_ID[15]}
Determines whether to read from TramelBlaze
Source Code: Appendix VIII.7
Valenzuela 58
Prepared by:
Paul Valenzuela
Date:
May 12, 2020
Document Name:
Final Specification
VII. Chip Level Verification
VII.1 Transmit Engine
As demonstrated by the screenshot above, the transmit engine works appropriately by transmitting a
banner to the terminal and incrementing the counter every time the banner is printed
Valenzuela 59
Prepared by:
Paul Valenzuela
Date:
May 12, 2020
Document Name:
Final Specification
VII.2 UART Engine
Valenzuela 60
Prepared by:
Paul Valenzuela
Date:
May 12, 2020
Document Name:
Final Specification
Input
The following keyboard inputs were entered into the terminal:
1. *
2. 12345<cr>
3. 12345@
4. 01234567@
5. <cr>
6. Paull
7. <bs>
8. <cr>
9. The Backspace Works…
Requirements
This demonstrates that the UART engine works as expected. It is able to receive data from the terminal,
interpret that data, and transmit new data to the terminal. In this specific design,
 “*” - Prints hometown
 <cr> - Creates newline
 “@” - Counts the amount of characters entered
 <bs> - Deletes the previous character
Verified
As shown above, all of the inputs gave the expected outputs. This means that the UART design satisfied
its requirements.
Valenzuela 61
Prepared by:
Paul Valenzuela
Date:
May 12, 2020
Document Name:
Final Specification
VIII.Appendix
VIII.1 AISO
1 `timescale 1ns / 1ps
2 //******************************************************************************//
3 // File name: AISO.v //
4 // //
5 // Created by Paul Valenzuela on 9/16/19. //
6 // Copyright (C) 2018 Paul Valenzuela. All rights reserved. //
7 // //
8 // //
9 // In submitting this file for class work at CSULB //
10 // I am confirming that this is my work and the work //
11 // of no one else. In submitting this code I acknowledge that //
12 // plagiarism in student project work is subject to dismissal //
13 // from the class //
14 //******************************************************************************//
15 //******************************************************************************//
16 // AISO.v //
17 // //
18 // The AISO block ensures that all the blocks within the design share a //
19 // synchronous reset input. The AISO block works by converting the input //
20 // of reset into two flops. This makes sure that reset is stable and //
21 // helps prevent metastability //
22 // //
23 // @input clk, rst, //
24 // @output sRst //
25 // //
26 //******************************************************************************//
27 module AISO(clk, rst, sRst);
28 //Declare Variables
29 input wire clk,rst;
30 output wire sRst;
31 reg d2, q2;
32
33 //Sequential Block
34 always@(posedge clk,posedge rst)
35 //If Rst is on, both flops input 0
36 if(rst)
37 d2 <= 1'b0;
38 //Otherwise, the first flop gets 1 and the second gets the output of the first
flop
39 else
40 {d2,q2} <= {1'b1,d2};
41
42 //Output wire is assigned to the inverted output of the second flop
43 assign sRst = ~q2;
44
45 endmodule
46
Valenzuela 62
Prepared by:
Paul Valenzuela
Date:
May 12, 2020
Document Name:
Final Specification
VIII.2 TramelBlaze Top
1 //****************************************************************//
2 // This document contains information proprietary to the //
3 // CSULB student that created the file - any reuse without //
4 // adequate approval and documentation is prohibited //
5 // //
6 // Class: CECS 460 //
7 // Project name: TRAMBLAZE PROCESSOR //
8 // File name: tramelblaze_top3.0_sim.v //
9 // Release: 3.0 Release Date 02mar2017 //
10 // Release: 5.0 Release Date 07nov2017 //
11 // to be used for simulation only //
12 // assumes following hierarchy //
13 // project //
14 // assembler//
15 // design (file in design looks in assembler for instr) //
16 // //
17 // Created by John Tramel on 20Feburary2016 //
18 // Copyright 2016 John Tramel. All rights reserved. //
19 // //
20 // Abstract: Top level for TRAMBLAZE processor //
21 // Edit history: 2016JAN25 - created //
22 // 20FEB - top created for processor and memory //
23 // tramelblaze_top //
24 // - tramelblaze //
25 // - tramelblaze_mem //
26 // 14feb2020 - modified path for sim.sim for Vivado //
27 // assumes Assembler directory same level as project //
28 // Top Level Directory //
29 // Assembler //
30 // code.tba, code.lst, sim.sim //
31 // Project //
32 // vivado project file //
33 // 18apr202 - startup error with memory - 1st instruction //
34 // not executed properly. Believe I fixed it //
35 // //
36 // In submitting this file for class work at CSULB //
37 // I am confirming that this is my work and the work //
38 // of no one else. //
39 // //
40 // In the event other code sources are utilized I will //
41 // document which portion of code and who is the author //
42 // //
43 // In submitting this code I acknowledge that plagiarism //
44 // in student project work is subject to dismissal from the class //
45 //****************************************************************//
46
47 `timescale 1ns/1ns
48
49 module tramelblaze_top (CLK, RESET, IN_PORT, INTERRUPT,
50 OUT_PORT, PORT_ID, READ_STROBE, WRITE_STROBE, INTERRUPT_ACK);
51
52 input CLK;
53 input RESET;
54 input [15:0] IN_PORT;
55 input INTERRUPT;
56
Valenzuela 63
Prepared by:
Paul Valenzuela
Date:
May 12, 2020
Document Name:
Final Specification
57 output [15:0] OUT_PORT;
58 output [15:0] PORT_ID;
59 output READ_STROBE;
60 output WRITE_STROBE;
61 output INTERRUPT_ACK;
62
63 wire [15:0] INSTRUCTION;
64 wire [11:0] ADDRESS;
65
66 tramelblaze tramelblaze
67 (
68 .CLK(CLK),
69 .RESET(RESET),
70 .IN_PORT(IN_PORT),
71 .INTERRUPT(INTERRUPT),
72
73 .OUT_PORT(OUT_PORT),
74 .PORT_ID(PORT_ID),
75 .READ_STROBE(READ_STROBE),
76 .WRITE_STROBE(WRITE_STROBE),
77 .INTERRUPT_ACK(INTERRUPT_ACK),
78
79 .ADDRESS(ADDRESS),
80 .INSTRUCTION(INSTRUCTION)
81 );
82
83
84 reg [15:0] memory [0:4095];
85 reg [15:0] ADDRESSQ;
86 /*
87 initial
88 $readmemh("/assembler/sim.sim",memory);
89
90 always@(*) INSTRUCTION = memory[ADDRESSQ];
91
92 always @(posedge CLK,posedge RESET)
93 if (RESET) ADDRESSQ <= 12'b0;
94 else ADDRESSQ <= ADDRESS; 95 */
96
97
98 tb_rom tb_rom
99 (
100 .clk (CLK), // input clka
101 .a (ADDRESS), // input [11 : 0] addra
102 .spo (INSTRUCTION) // output [15 : 0] douta
103 );
104
105 endmodule
106
Valenzuela 64
Prepared by:
Paul Valenzuela
Date:
May 12, 2020
Document Name:
Final Specification
VIII.3 UART
1 `timescale 1ns / 1ps
2 //******************************************************************************//
3 // File name: UART.v //
4 // //
5 // Created by Paul Valenzuela on 4/19/20. //
6 // Copyright (C) 2020 Paul Valenzuela. All rights reserved. //
7 // //
8 // //
9 // In submitting this file for class work at CSULB //
10 // I am confirming that this is my work and the work //
11 // of no one else. In submitting this code I acknowledge that //
12 // plagiarism in student project work is subject to dismissal //
13 // from the class //
14 //******************************************************************************//
15 //******************************************************************************//
16 // UART.v //
17 // //
18 // This module serves as the Universal Asynchronous //
19 // Receiver Transmitter block. It does this by holding an instantiation //
20 // of the transmit block and UART decoder. //
21 // //
22 // @input clk, rst, [7:0] READS, [7:0] WRITE, OUT_PORT[7:0], switches, rx //
23 // @output txReady, tx,
UART_DS //
24 // //
25 //******************************************************************************//
26 module UART(clk,rst,WRITE,READS,OUT_PORT,UARTready,tx,rx,switches,UART_DS);
27
28 input clk, rst, rx;
29 input [7:0] OUT_PORT, WRITE, READS;
30 output wire UARTready, tx;
31 output reg [7:0]UART_DS;
32 wire [7:0] UART_RDATA;
33 input [7:0] switches;
34
35 wire [18:0] k;
36 wire txReady, rxReady, txReadyYes, rxReadyYes;
37 wire [7:0] UART_STATUS;
38 wire [7:0] rxStatus;
39 reg [7:0] BAUD_VAL;
40
41
42 // Transmit
43 transmit transmit_engine(.clk(clk), .rst(rst),
44 .load(WRITE[0]), .k(k[18:0]),
45 .eight(switches[3]), .pen(switches[2]),
46 .ohel(switches[1]), .OUT_PORT(OUT_PORT[7:0]),
47 .txReady(txReady), .tx(tx));
48
49
50 // Recieve
51 recieve recieve_engine(.clk(clk), .rst(rst),
52 .eight(switches[3]),.pen(switches[2]),.ohel(switches[1]),
53 .READ(READS[7:0]),.k(k[18:0]),
Valenzuela 65
Prepared by:
Paul Valenzuela
Date:
May 12, 2020
Document Name:
Final Specification
54 .rxReady(rxReady),.rx(rx),
55 .UART_RDATA(UART_RDATA[7:0]),
56 .rxStatus(rxStatus[7:0]));
57
58 // Assign K Value based on decoder
59 uart_decode decoder(.switches(switches[7:4]),.k(k[18:0]));
60
61 // PED txReady
62 posEdgeDetect txr(.clk(clk), .rst(rst), .in(txReady), .yes(txReadyYes));
63
64 // PED rxReady
65 posEdgeDetect rxr(.clk(clk), .rst(rst), .in(rxReady), .yes(rxReadyYes));
66
67 // UART Ready
68 assign UARTready = (txReadyYes || rxReadyYes);
69
70 // UART Status
71 assign UARTStatus = {rxStatus[7:2], txReady, rxStatus[0]};
72
73 // Decide which values to write to Tramelblaze
74 always@(*)
75 if(READS[0])
76 UART_DS = UART_RDATA;
77 else if(READS[1])
78 UART_DS = UART_STATUS;
79 else
80 UART_DS = 8'b0;
81
82 endmodule
83
Valenzuela 66
Prepared by:
Paul Valenzuela
Date:
May 12, 2020
Document Name:
Final Specification
VIII.4 UART Decode
1 `timescale 1ns / 1ps
2 //******************************************************************************//
3 // File name: uart_decode.v //
4 // //
5 // Created by Paul Valenzuela on 4/19/20. //
6 // Copyright (C) 2020 Paul Valenzuela. All rights reserved. //
7 // //
8 // //
9 // In submitting this file for class work at CSULB //
10 // I am confirming that this is my work and the work //
11 // of no one else. In submitting this code I acknowledge that //
12 // plagiarism in student project work is subject to dismissal //
13 // from the class //
14 //******************************************************************************//
15 //******************************************************************************//
16 // uart_decode.v //
17 // //
18 // The uart_decode module decodes values from switches to determine //
19 // baud rate //
20 // //
21 // @input [3:0] switches //
22 // @output [18:0] k //
23 // //
24 //******************************************************************************//
25 module uart_decode(switches,k);
26
27 input [ 3:0] switches; // Switches [7:4]:
28 output reg [18:0] k; // output as seen in transmit engine diagram
29
30 always @(*) begin
31 case (switches)
32 4'b0000: k = 19'd333333; //300 -- RATE
33 4'b0001: k = 19'd83333; //1200
34 4'b0010: k = 19'd41667; //2400
35 4'b0011: k = 19'd20833; //4800
36 4'b0100: k = 19'd10417; //9600
37 4'b0101: k = 19'd5208; //19200
38 4'b0110: k = 19'd2604; //38400
39 4'b0111: k = 19'd1736; //57600
40 4'b1000: k = 19'd868; //115200
41 4'b1001: k = 19'd434; //230400
42 4'b1010: k = 19'd217; //460800
43 4'b1011: k = 19'd109; //921600
44 default: k = 19'd333333; //300
45 endcase
46 end
47 endmodule
48
Valenzuela 67
Prepared by:
Paul Valenzuela
Date:
May 12, 2020
Document Name:
Final Specification
VIII.5 Transmit Engine
1 `timescale 1ns / 1ps
2 //******************************************************************************//
3 // File name: transmit.v //
4 // //
5 // Created by Paul Valenzuela on 4/19/20. //
6 // Copyright (C) 2020 Paul Valenzuela. All rights reserved. //
7 // //
8 // //
9 // In submitting this file for class work at CSULB //
10 // I am confirming that this is my work and the work //
11 // of no one else. In submitting this code I acknowledge that //
12 // plagiarism in student project work is subject to dismissal //
13 // from the class //
14 //******************************************************************************//
15 //******************************************************************************//
16 // transmit.v //
17 // //
18 // The transmit module serves as the top level for the trasnmit block. //
19 // It consists of several components and will later be used in the UART //
20 // block //
21 // //
22 // @input clk, rst, load, eight, pen, ohel, [7:0] OUT_PORT, [19:0] k //
23 // @output txReady, tx //
24 // //
25 //******************************************************************************//
26 module transmit(clk, rst, load, k, eight, pen, ohel, OUT_PORT, txReady, tx);
27 input clk, rst, load, eight, pen, ohel;
28 input [7:0] OUT_PORT;
29 input [18:0] k;
30
31 output reg txReady;
32 output wire tx;
33
34 wire btu, done;
35 reg bit10, bit9, doit, load1;
36 reg [10:0] nTX;
37 reg [7:0] lData;
38 reg [18:0] bitTimeCount;
39 reg [3:0] bitCount;
40
41
42 // Bit Counter
43 always@(posedge clk, posedge rst)
44 if (rst)
45 bitCount <= 4'b0;
46 else if(done)
47 bitCount <= 4'b0;
48 else if({doit,btu} == 2'b11)
49 bitCount <= bitCount + 4'b1;
50 else
51 bitCount <= bitCount;
52
53 assign done = (bitCount == 4'b1011);
54
55
56 // DOIT Signal
Valenzuela 68
Prepared by:
Paul Valenzuela
Date:
May 12, 2020
Document Name:
Final Specification
57 always@(posedge clk, posedge rst)
58 if (rst)
59 doit <= 1'b0;
60 else if(done)
61 doit <= 1'b0;
62 else if(load1)
63 doit <= 1'b1;
64 else
65 doit <= doit;
66
67 // Bit Time Counter
68 always@(posedge clk, posedge rst)
69 if (rst)
70 bitTimeCount <= 19'b0;
71 else if(btu)
72 bitTimeCount <= 19'b0;
73 else if(doit)
74 bitTimeCount <= bitTimeCount + 19'b1;
75 else
76 bitTimeCount <= bitTimeCount;
77
78 assign btu = (bitTimeCount == k) ? 1'b1 : 1'b0;
79
80
81 // LOAD1 Signal
82 always@(posedge clk, posedge rst)
83 if (rst)
84 load1 <= 1'b0;
85 else
86 load1 <= load;
87
88 // Loadable 8-Bit Register
89 always@(posedge clk, posedge rst)
90 if (rst)
91 lData <= 8'b0;
92 else if(load)
93 lData <= OUT_PORT[7:0];
94 else
95 lData <= lData;
96
97 // Decoder
98 always@(*)
99 case({eight,pen,ohel})
100 3'b000: {bit10,bit9} = 2'b11;
101 3'b001: {bit10,bit9} = 2'b11;
102 3'b010: {bit10,bit9} = {1'b1,(^lData[6:0])};
103 3'b011: {bit10,bit9} = {1'b1,(~(^lData[6:0]))};
104 3'b100: {bit10,bit9} = {1'b1,lData[7]};
105 3'b101: {bit10,bit9} = {1'b1,lData[7]};
106 3'b110: {bit10,bit9} = {(^lData[7:0]),lData[7]};
107 3'b111: {bit10,bit9} = {(~(^lData[7:0])),lData[7]};
108 default: {bit10,bit9} = 2'b0;
109 endcase
110
111
112 // Shift Register
113 always @(posedge clk, posedge rst)
114 begin
115 if(rst)
Valenzuela 69
Prepared by:
Paul Valenzuela
Date:
May 12, 2020
Document Name:
Final Specification
116 nTX <= 11'b11111111111;
117 else if(btu)
118 nTX <= {1'b1, nTX[10:1]};
119 else if(load1)
120 nTX <= {bit10,bit9,lData[6:0],2'b01};
121 else
122 nTX <= nTX;
123 end
124
125 // Transmit tx signal
126 assign tx = (nTX[0]);
127
128 // TXREADY Signal
129 always@(posedge clk, posedge rst)
130 if (rst)
131 txReady <= 1'b1;
132 else if (load)
133 txReady <= 1'b0;
134 else if (done)
135 txReady <= 1'b1;
136 else
137 txReady <= txReady;
138
139 endmodule
Valenzuela 70
Prepared by:
Paul Valenzuela
Date:
May 12, 2020
Document Name:
Final Specification
VIII.6 Receive Engine
1 `timescale 1ns / 1ps
2 //******************************************************************************//
3 // File name: recieve.v //
4 // //
5 // Created by Paul Valenzuela on 4/19/20. //
6 // Copyright (C) 2020 Paul Valenzuela. All rights reserved. //
7 // //
8 // //
9 // In submitting this file for class work at CSULB //
10 // I am confirming that this is my work and the work //
11 // of no one else. In submitting this code I acknowledge that //
12 // plagiarism in student project work is subject to dismissal //
13 // from the class //
14 //******************************************************************************//
15 //******************************************************************************//
16 // recieve.v //
17 // //
18 // The recieve module serves as the trasnmit block for UART communiaction. //
19 // It consists of several components and will later be used in the UART //
20 // block //
21 // //
22 // @input clk, rst, READ, [19:0] k, [7:0] switches, rx //
23 // @output rxReady, [7:0]rxStatus, [7:0] UART_RDATA //
24 // //
25 //******************************************************************************//
26 module recieve(clk, rst, READ, k, rx, eight, pen, ohel, rxStatus, rxReady, UART_RDATA);
27 input clk, rst, rx, eight, pen, ohel;
28 input [18:0] k;
29 input [7:0] READ;
30 output reg rxReady;
31 output reg [7:0] UART_RDATA, rxStatus;
32
33 wire btu, shiftHigh;
34 reg start, nStart,done, doit, nDoit, parity_error, framing_error, overflow_error;
35 reg [1:0] state, nState;
36 reg [9:0] nRX, shiftedReg;
37 reg [18:0] bitTimeCount;
38 reg [3:0] bitCount;
39 reg [18:0] newK;
40
41 // Assign new K Value
42 always@(*)
43 if ({start,doit} == 2'b11)
44 newK = k >> 1;
45 else
46 newK = k;
47
48 // Assign btu wire
49 assign btu = (bitTimeCount == newK);
50
51 // Bit Time Counter
52 always@(posedge clk, posedge rst)
53 if (rst)
54 bitTimeCount <= 19'b0;
55 else if (btu)
56 bitTimeCount <= 19'b0;
Valenzuela 71
Prepared by:
Paul Valenzuela
Date:
May 12, 2020
Document Name:
Final Specification
57 else if (doit)
58 bitTimeCount <= bitTimeCount + 19'b1;
59 else
60 bitTimeCount <= bitTimeCount;
61
62 // Done is based on which bitCount value is reached
63 always@(*)
64 case({pen,eight})
65 2'b00: done = (bitCount == 4'b1001);
66 2'b01: done = (bitCount == 4'b1010);
67 2'b10: done = (bitCount == 4'b1010);
68 2'b11: done = (bitCount == 4'b1011);
69 default: done = (bitCount == 4'b1001);
70 endcase
71
72 // Bit Counter
73 always@(posedge clk, posedge rst)
74 if (rst)
75 bitCount <= 4'b0;
76 else if (done)
77 bitCount <= 4'b0;
78 else if ({doit,btu} == 2'b11)
79 bitCount <= bitCount + 4'b1;
80 else
81 bitCount <= bitCount;
82
83 // Assign Shift High
84 assign shiftHigh = (~start & btu);
85
86 // Fill Shift Register with RX values
87 always@(posedge clk, posedge rst)
88 if (rst)
89 nRX <= 10'b0;
90 else if (shiftHigh)
91 nRX <= {rx,nRX[9:1]};
92 else
93 nRX <= nRX;
94
95 // Right Justify Module
96 always@(*)
97 case({eight,pen})
98 2'b00:
99 begin
100 shiftedReg = {2'b0, nRX[9:2]};
101 UART_RDATA = {1'b0, nRX[6:0]};
102 end
103 2'b01:
104 begin
105 shiftedReg = {1'b0, nRX[9:1]};
106 UART_RDATA = {1'b0, nRX[6:0]};
107 end
108 2'b10:
109 begin
110 shiftedReg = {1'b0, nRX[9:1]};
111 UART_RDATA = { nRX[7:0] };
112 end
113 2'b11:
114 begin
115 shiftedReg = { nRX[9:0] };
Valenzuela 72
Prepared by:
Paul Valenzuela
Date:
May 12, 2020
Document Name:
Final Specification
116 UART_RDATA = { nRX[7:0] };
117 end
118 default:
119 begin
120 shiftedReg = {2'b0, nRX[9:2]};
121 UART_RDATA = {1'b0, nRX[6:0]};
122 end
123 endcase
124
125 // Assign RX Status
126 always@(*)
127 rxStatus = {3'b0, overflow_error, framing_error, parity_error, 1'b0, rxReady};
128
129 // Parity Error RS flop
130 always@(posedge clk, posedge rst)
131 if (rst)
132 parity_error <= 1'b0;
133 else if (READ[0])
134 parity_error <= 1'b0;
135 else if ({done,pen} == 2'b11)
136 case ({eight,ohel})
137 2'b00 : parity_error <= shiftedReg[7] ^ (^(shiftedReg[6:0]));
138 2'b01 : parity_error <= shiftedReg[7] ^ (~^(shiftedReg[6:0]));
139 2'b10 : parity_error <= shiftedReg[8] ^ (^(shiftedReg[7:0]));
140 2'b11 : parity_error <= shiftedReg[8] ^ (~^(shiftedReg[7:0]));
141 endcase
142 else
143 parity_error <= parity_error;
144
145 // Framing Error RS Flop
146 always@(posedge clk, posedge rst)
147 if (rst)
148 framing_error <= 1'b0;
149 else if (READ[0])
150 framing_error <= 1'b0;
151 else if(done)
152 case({eight,pen})
153 2'b00 : framing_error <= ~shiftedReg[7];
154 2'b01 : framing_error <= ~shiftedReg[8];
155 2'b10 : framing_error <= ~shiftedReg[8];
156 2'b11 : framing_error <= ~shiftedReg[9];
157 endcase
158 else
159 framing_error <= framing_error;
160
161 // Overflow Error RS Flop
162 always@(posedge clk, posedge rst)
163 if(rst)
164 overflow_error <= 1'b0;
165 else if (READ[0])
166 overflow_error <= 1'b0;
167 else if (rxReady & done)
168 overflow_error <= 1'b1;
169 else
170 overflow_error <= overflow_error;
171
172 // RXReady RS Flop
173 always@(posedge clk, posedge rst)
174 if (rst)
Valenzuela 73
Prepared by:
Paul Valenzuela
Date:
May 12, 2020
Document Name:
Final Specification
175 rxReady <= 1'b0;
176 else if (READ[0])
177 rxReady <= 1'b0;
178 else if (done)
179 rxReady <= 1'b1;
180 else
181 rxReady <= rxReady;
182
183 // Flop to register State values
184 always@(posedge clk, posedge rst)
185 if (rst)
186 {state, start,doit} <= 4'b0;
187 else
188 {state, start,doit} <= {nState, nStart,nDoit};
189
190 // Finite State Machine Logic
191 always@(*)
192 case({state, rx, btu, done})
193 5'b00_0_0_0: {nState, nDoit, nStart} = 4'b01_1_1;
194 5'b00_0_0_1: {nState, nDoit, nStart} = 4'b01_1_1;
195 5'b00_0_1_0: {nState, nDoit, nStart} = 4'b01_1_1;
196 5'b00_0_1_1: {nState, nDoit, nStart} = 4'b01_1_1;
197 5'b00_1_0_0: {nState, nDoit, nStart} = 4'b00_0_0;
198 5'b00_1_0_1: {nState, nDoit, nStart} = 4'b00_0_0;
199 5'b00_1_1_0: {nState, nDoit, nStart} = 4'b00_0_0;
200 5'b00_1_1_1: {nState, nDoit, nStart} = 4'b00_0_0;
201 5'b01_0_0_0: {nState, nDoit, nStart} = 4'b01_1_1;
202 5'b01_0_0_1: {nState, nDoit, nStart} = 4'b01_1_1;
203 5'b01_0_1_0: {nState, nDoit, nStart} = 4'b10_1_0;
204 5'b01_0_1_1: {nState, nDoit, nStart} = 4'b10_1_0;
205 5'b01_1_0_0: {nState, nDoit, nStart} = 4'b00_0_0;
206 5'b01_1_0_1: {nState, nDoit, nStart} = 4'b00_0_0;
207 5'b01_1_1_0: {nState, nDoit, nStart} = 4'b00_0_0;
208 5'b01_1_1_1: {nState, nDoit, nStart} = 4'b00_0_0;
209 5'b10_0_0_0: {nState, nDoit, nStart} = 4'b10_1_0;
210 5'b10_0_0_1: {nState, nDoit, nStart} = 4'b00_0_0;
211 5'b10_0_1_0: {nState, nDoit, nStart} = 4'b10_1_0;
212 5'b10_0_1_1: {nState, nDoit, nStart} = 4'b00_0_0;
213 5'b10_1_0_0: {nState, nDoit, nStart} = 4'b10_1_0;
214 5'b10_1_0_1: {nState, nDoit, nStart} = 4'b00_0_0;
215 5'b10_1_1_0: {nState, nDoit, nStart} = 4'b10_1_0;
216 5'b10_1_1_1: {nState, nDoit, nStart} = 4'b00_0_0;
217 default: {nState, nDoit, nStart} = 4'b11_0_1;
218 endcase
219
220
221 endmodule
Valenzuela 74
Prepared by:
Paul Valenzuela
Date:
May 12, 2020
Document Name:
Final Specification
VIII.7 Address Decode
1 `timescale 1ns / 1ps
2 //******************************************************************************//
3 // File name: address_decode.v //
4 // //
5 // Created by Paul Valenzuela on 4/29/20. //
6 // Copyright (C) 2018 Paul Valenzuela. All rights reserved. //
7 // //
8 // //
9 // In submitting this file for class work at CSULB //
10 // I am confirming that this is my work and the work //
11 // of no one else. In submitting this code I acknowledge that //
12 // plagiarism in student project work is subject to dismissal //
13 // from the class //
14 //******************************************************************************//
15 //******************************************************************************//
16 // address_decode.v //
17 // //
18 // The address_decode block decodes the contents of PORT_ID[2:0] and //
19 // PORT_ID[15] and write/read_strobe. //
20 // //
21 // @input strobe, enable, s2,s1,s0 //
22 // @output q //
23 // //
24 //******************************************************************************//
25 module address_decode(strobe,enable,s2,s1,s0,q);
26 input strobe, enable, s2,s1,s0;
27 output reg [7:0] q;
28 wire enable2;
29
30 assign enable2 = (~enable && strobe);
31
32 always@(*)
33 if(~enable2)
34 q = 8'b0;
35 else
36 case({s2,s1,s0})
37 3'b000: q = 8'b0000_0001;
38 3'b001: q = 8'b0000_0010;
39 3'b010: q = 8'b0000_0100;
40 3'b011: q = 8'b0000_1000;
41 3'b100: q = 8'b0001_0000;
42 3'b101: q = 8'b0010_0000;
43 3'b110: q = 8'b0100_0000;
44 3'b111: q = 8'b1000_0000;
45 default: q = 8'b0000_0000;
46 endcase
47 endmodule
48
Valenzuela 75
Prepared by:
Paul Valenzuela
Date:
May 12, 2020
Document Name:
Final Specification
VIII.8 Positive Edge Detect
1 `timescale 1ns / 1ps
2 //******************************************************************************//
3 // File name: posEdgeDetect.v //
4 // //
5 // Created by Paul Valenzuela on 9/16/19. //
6 // Copyright (C) 2018 Paul Valenzuela. All rights reserved. //
7 // //
8 // //
9 // In submitting this file for class work at CSULB //
10 // I am confirming that this is my work and the work //
11 // of no one else. In submitting this code I acknowledge that //
12 // plagiarism in student project work is subject to dismissal //
13 // from the class //
14 //******************************************************************************//
15 //************************************************************************************//
16 // posEdgeDetect.v //
17 //
//
18 // The PED block outputs a 1 when it encounters a positive edge from the input //
19 // It accomplishes this by using two d-flops. The output from both flops is //
20 // sent into an AND gate, with the output of the second flop being inverted. //
21 // This means that PED will only output 1 when q1 is 1 and q2 is still 0. //
22 // //
23 // @input clk, rst, in //
24 // @output yes //
25 // //
26 //************************************************************************************//
27 module posEdgeDetect( clk, rst, in, yes);
28 //Declare Variables
29 input wire clk, rst, in;
30 reg q1, q2;
31 output wire yes;
32
33 //Output wire yes is assigned to be and AND gate between the output of the first
34 //flop and the inverted output of the second flop
35 assign yes = (q1 & ~q2);
36
37 //Sequential Block
38 always @(posedge clk, posedge rst)
39 //If reset, both flops get 0
40 if(rst)
41 {q1,q2} <= 2'b0;
42 //Otherwise, the first flop gets the value of input and the second gets the
output
43 //of the first flop
44 else
45 {q1,q2} <= {in,q1};
46
47
48
49 endmodule
50
Valenzuela 76
Prepared by:
Paul Valenzuela
Date:
May 12, 2020
Document Name:
Final Specification
VIII.9 RS Flop
1 `timescale 1ns / 1ps
2 //**********************************************************************************//
3 // File name: SRFlop.v //
4 // //
5 // Created by Paul Valenzuela on 2/25/20. //
6 // Copyright (C) 2018 Paul Valenzuela. All rights reserved. //
7 // //
8 // //
9 // In submitting this file for class work at CSULB //
10 // I am confirming that this is my work and the work //
11 // of no one else. In submitting this code I acknowledge that //
12 // plagiarism in student project work is subject to dismissal //
13 // from the class //
14 //**********************************************************************************//
15 //**********************************************************************************//
16 // SRFlop.v //
17 // //
18 // This module is an SR Flop That sets or resets the output based on the //
19 // input reset. //
20 // //
21 // @input clk, rst, funcrst, set //
22 // @output q //
23 // //
24 //**********************************************************************************//
25 module SRFlop(clk,rst,funcrst, set,q);
26 input wire clk, rst,funcrst, set;
27 output reg q;
28
29 // Standard SR Flop
30 always @(posedge clk, posedge rst)
31 if(rst)
32 q<=1'b0;
33 else if(funcrst)
34 q<= 1'b0;
35 else if(set)
36 q<=1'b1;
37 else
38 q<= q;
39
40 endmodule
41
Valenzuela 77
Prepared by:
Paul Valenzuela
Date:
May 12, 2020
Document Name:
Final Specification
VIII.10 Seven Segment Display Driver
1 `timescale 1ns / 1ps
2 //******************************************************************************//
3 // File name: seven_segment_display.v //
4 // //
5 // Created by Paul Valenzuela on 4/19/20. //
6 // Copyright (C) 2018 Paul Valenzuela. All rights reserved. //
7 // //
8 // //
9 // In submitting this file for class work at CSULB //
10 // I am confirming that this is my work and the work //
11 // of no one else. In submitting this code I acknowledge that //
12 // plagiarism in student project work is subject to dismissal //
13 // from the class //
14 //******************************************************************************//
15 //******************************************************************************//
16 // seven_segment_display.v //
17 // //
24 //******************************************************************************//
25 module seven_segment_display(clk,rst,data,anode,cathode);
26 input clk,rst;
27 input [15:0] data;
28 output wire [7:0] anode, cathode;
29
30 wire rotate;
31 wire [1:0] sel2;
32 wire [3:0] hexValue;
33
34 // Seven Segment Display Driver
35 rotator rotator1 (.clk(clk), .rst(rst), .rotate(rotate));
36 anodeShiftReg anoder(.clk(clk), .rst(rst), .pulse(rotate), .anode(anode[7:0]));
37 sel2Bit selector (.clk(clk), .rst(rst), .pulse(rotate), .sel(sel2[1:0]));
38 mux4to1 multiplector(.sel(sel2[1:0]), .inVal(data[15:0]), .hexVal(hexValue[3:0]));
39 hexDecoder decoder(.hexVal(hexValue[3:0]), .cathode(cathode[7:0]));
40
41 endmodule
42
18 // This block connects the components to create the seven segment display //
19 // on the Nexys A7 board. //
20 // //
21 // @input clk, rst, [15:0] data //
22 // @output [8;0] anode, [8:0] cathode //
23 // //
Valenzuela 78
Prepared by:
Paul Valenzuela
Date:
May 12, 2020
Document Name:
Final Specification
VIII.11 Anode Shift Register
1 `timescale 1ns / 1ps
2 //**********************************************************************************//
3 // File name: anodeShiftReg.v //
4 // //
5 // Created by Paul Valenzuela on 9/16/19. //
6 // Copyright (C) 2018 Paul Valenzuela. All rights reserved. //
7 // //
8 // //
9 // In submitting this file for class work at CSULB //
10 // I am confirming that this is my work and the work //
11 // of no one else. In submitting this code I acknowledge that //
12 // plagiarism in student project work is subject to dismissal //
13 // from the class //
14 //**********************************************************************************//
15 //**********************************************************************************//
16 // anodeShiftReg.v //
17 // //
18 // The Anode Shift Register block creates serves as a register that sends //
19 // a trailing 0 through the Anode values. The Anode is a low active //
20 // component, meaning that it is on when the value is 0. So whenever the value //
21 // at that specific bit is 0, that is the anode that is being manipulated. //
22 // This block helps to ensure that the anodes are being refreshed at every //
23 // instance of rotate. This Shift Register Only Uses The First 4 Anodes. //
24 // //
25 // @input clk, rst, pulse //
26 // @output [7:0] anode //
27 // //
28 //**********************************************************************************//
29 module anodeShiftReg(clk,rst,pulse,anode);
30 //Declare variables
31 input wire clk,rst,pulse;
32 output reg [7:0] anode;
33 reg [7:0] nAnode;
34
35 //Sequential Block
36 always @(posedge rst, posedge clk)
37 //If reset, the anode register gets only the first bit active
38 if(rst) anode <= 8'hFE;
39 //Otherwise, if pulse is active, the anode register gets the value of nAnode
register
40 else if(pulse) anode <= nAnode;
41
42 //Combinational Block
43 always @(*)
44 //Switch Case allows the 0 bit to shift to the left at every instance of pulse
45 case(anode)
46 8'hFE: nAnode = 8'hFD;
47 8'hFD: nAnode = 8'hFB;
48 8'hFB: nAnode = 8'hF7;
49 8'hF7: nAnode = 8'hFE;
50 default: nAnode = 8'hFF;
51 endcase
52
53 endmodule
54
Valenzuela 79
Prepared by:
Paul Valenzuela
Date:
May 12, 2020
Document Name:
Final Specification
VIII.12 Rotator
1 `timescale 1ns / 1ns
2 //******************************************************************************//
3 // File name: rotate.v //
4 // //
5 // Created by Paul Valenzuela on 9/16/19. //
6 // Copyright (C) 2018 Paul Valenzuela. All rights reserved. //
7 // //
8 // //
9 // In submitting this file for class work at CSULB //
10 // I am confirming that this is my work and the work //
11 // of no one else. In submitting this code I acknowledge that //
12 // plagiarism in student project work is subject to dismissal //
13 // from the class //
14 //******************************************************************************//
15 //******************************************************************************//
16 // rotate.v //
17 // //
18 // The pulse block creates a specific 2ms wide clock pulse signal. //
19 // It accomplishes this by counting up every 1ns all the way to //
20 // 199,999. Once the counter reaches that number, 1 pulse signal //
21 // is sent out. //
22 // //
23 // @input clk, rst, //
24 // @output rotate //
25 // //
26 //******************************************************************************//
27 module rotator( clk,rst,rotate);
28 //Declare Variables
29 input wire clk, rst;
30 output wire rotate;
31 reg [17:0] counter;
32
33 //Ouput wire rotate is only 1 when the counter has reached that value
34 assign rotate = (counter == 18'd199_999);
35
36 //Sequential Block
37 always @(posedge clk, posedge rst)
38 //If rst, the counter gets 0
39 if (rst) counter <= 18'b0;
40 //Otherwise the counter increments by 1
41 else counter <= counter + 18'b1;
42
43
44 endmodule
45
Valenzuela 80
Prepared by:
Paul Valenzuela
Date:
May 12, 2020
Document Name:
Final Specification
VIII.13 Select 2 Bit
1 `timescale 1ns / 1ps
2 //******************************************************************************//
3 // File name: sel2Bit.v //
4 // //
5 // Created by Paul Valenzuela on 9/16/19. //
6 // Copyright (C) 2018 Paul Valenzuela. All rights reserved. //
7 // //
8 // //
9 // In submitting this file for class work at CSULB //
10 // I am confirming that this is my work and the work //
11 // of no one else. In submitting this code I acknowledge that //
12 // plagiarism in student project work is subject to dismissal //
13 // from the class //
14 //******************************************************************************//
15 //******************************************************************************//
16 // sel2Bit.v //
17 // //
18 // The sel2Bit block is a 2-bit register that increments by 1 at every //
19 // instance of rotate. This is a useful register because its value will //
20 // be used to guide the mux in the seven-seg display driver //
21 // //
22 // @input clk, rst, pulse //
23 // @output [1:0] sel //
24 // //
25 //******************************************************************************//
26 module sel2Bit(clk, rst, pulse, sel);
27 //Declare Variables
28 input wire clk,rst,pulse;
29 output reg [1:0] sel;
30 reg [1:0] nSel;
31
32 //Sequential Block
33 always @(posedge clk, posedge rst)
34 //If reset, the select register gets 0
35 if(rst)
36 sel <= 2'b0;
37 //Otherwise, the select register gets the value of nSel register
38 else
39 sel <= nSel;
40
41 //Combinational Block
42 always @(*)
43 //If pulse is active, select increments up by 1
44 if(pulse)
45 nSel = sel + 2'b1;
46 //Otherwise select remanins the same
47 else
48 nSel = sel;
49
50
51 endmodule
52
Valenzuela 81
Prepared by:
Paul Valenzuela
Date:
May 12, 2020
Document Name:
Final Specification
VIII.14 Multiplexor 4 to 1
1 `timescale 1ns / 1ps
2 //******************************************************************************//
3 // File name: mux4to1.v //
4 // //
5 // Created by Paul Valenzuela on 9/16/19. //
6 // Copyright (C) 2018 Paul Valenzuela. All rights reserved. //
7 // //
8 // //
9 // In submitting this file for class work at CSULB //
10 // I am confirming that this is my work and the work //
11 // of no one else. In submitting this code I acknowledge that //
12 // plagiarism in student project work is subject to dismissal //
13 // from the class //
14 //******************************************************************************//
15 //******************************************************************************//
16 // mux4to1.v //
17 // //
18 // The mux8to1 block grabs 4 bits of data from a 16-bit input. //
19 // The mux chooses which data to grab based on the 2-bit select value. //
20 // With select, each value represents 4 bits of data out of the 16-bit. //
21 // The 4 bits that are grabbed are then output to the hexDecoder
//
22 // //
23 // @input sel, [15:0]inVal //
24 // @output [3:0]hexVal //
25 // //
26 //******************************************************************************//
27 module mux4to1(sel, inVal, hexVal);
28 //Declare Variables
29 input wire [2:0] sel;
30 input wire [15:0] inVal;
31 output reg [3:0] hexVal;
32
33 //Combinational Block
34 always@(*)
35 //Case Statement of select means that the value of select decides which
36 //4 bits of the 16-bit register are selected and output
37 case(sel)
38 2'b00: hexVal = inVal[3:0];
39 2'b01: hexVal = inVal[7:4];
40 2'b10: hexVal = inVal[11:8];
41 2'b11: hexVal = inVal[15:12];
42 default: hexVal = inVal[3:0];
43 endcase
44
45 endmodule
46
Valenzuela 82
Prepared by:
Paul Valenzuela
Date:
May 12, 2020
Document Name:
Final Specification
VIII.15 Hex Decoder
1 `timescale 1ns / 1ps
2 //******************************************************************************//
3 // File name: hexDecoder.v //
4 // //
5 // Created by Paul Valenzuela on 9/16/19. //
6 // Copyright (C) 2018 Paul Valenzuela. All rights reserved. //
7 // //
8 // //
9 // In submitting this file for class work at CSULB //
10 // I am confirming that this is my work and the work //
11 // of no one else. In submitting this code I acknowledge that //
12 // plagiarism in student project work is subject to dismissal //
13 // from the class //
14 //******************************************************************************//
15 //******************************************************************************//
16 // hexDecoder.v //
17 // //
18 // The hexDecoder block converts 4bit values into readable hexadecimal //
19 // values on a cathode. It accomplishes this by setting specific cathode //
20 // either on or off, which will translate to the cathode looking like the //
21 // hexadecimal value it is representing. The cathode bits are low active //
22 // //
23 // @input [3:0] hexVal //
24 // @output [7:0] cathode //
25 // //
26 //******************************************************************************//
27 module hexDecoder(hexVal, cathode);
28 //Declare Variables
29 input wire [3:0] hexVal;
30 output reg [7:0] cathode;
31
32 //Combinational Block
33 always @(*)
34 //Case statement of hexVal serves as a decoder
35 //Whatever hexadecimal value is stored in hexVal
36 //is converted into a readable cathode value
37 case(hexVal)
38 4'h0: cathode[7:0] = 8'b11000000;
39 4'h1: cathode[7:0] = 8'b11111001;
40 4'h2: cathode[7:0] = 8'b10100100;
41 4'h3: cathode[7:0] = 8'b10110000;
42 4'h4: cathode[7:0] = 8'b10011001;
43 4'h5: cathode[7:0] = 8'b10010010;
44 4'h6: cathode[7:0] = 8'b10000010;
45 4'h7: cathode[7:0] = 8'b11111000;
46 4'h8: cathode[7:0] = 8'b10000000;
47 4'h9: cathode[7:0] = 8'b10010000;
48 4'ha: cathode[7:0] = 8'b10001000;
49 4'hb: cathode[7:0] = 8'b10000011;
50 4'hc: cathode[7:0] = 8'b11000110;
51 4'hd: cathode[7:0] = 8'b10100001;
52 4'he: cathode[7:0] = 8'b10000110;
53 4'hf: cathode[7:0] = 8'b10001110;
54 //The default ouputs a "0"
55 default: cathode[7:0] = 8'b10000000;
56 endcase
Valenzuela 83
Prepared by:
Paul Valenzuela
Date:
May 12, 2020
Document Name:
Final Specification
57
58 endmodule
Valenzuela 84
Prepared by:
Paul Valenzuela
Date:
May 12, 2020
Document Name:
Final Specification
VIII.16 TramelBlaze
1 //****************************************************************//
2 // This document contains information proprietary to the //
3 // CSULB student that created the file - any reuse without //
4 // adequate approval and documentation is prohibited //
5 // //
6 // Class: CECS 460 //
7 // Project name: TRAMBLAZE PROCESSOR //
8 // File name: tramelblaze.v //
9 // Release: 1.0 Release Date 17Feb2016 //
10 // Release: 1.1 Release Date 25Feb2016 //
11 // Release: 1.4 Release Date 04Mar2016 //
12 // Release: 1.5 Release Date 17Mar2016 //
13 // Release: 1.6 Release Date 04May2016 //
14 // Release: 2.0 Release Date 29Aug2016 //
15 // Release: 3.0 Release Date 02mar2017 //
16 // Release: 3.1 Release Date 30mar2017 //
17 // Release: 4.0 Release Date 23aug2017 //
18 // Release: 5.0 Release Date 07nov2017 //
19 // Release: 5.0 Release Date 26jan2020 - Vivado Version //
20 // //
21
22
//
//
Created by John Tramel on 25January2016.
Copyright 2016 John Tramel. All rights reserved.
//
//
23 // Copyright 2017 John Tramel. All rights reserved. //
24 // //
25 // Abstract: Top level for TRAMBLAZE processor //
26 // Edit history: 2016JAN25 - created //
27 // 2016FEB25 - corrected SHIFT/ROTATE //
28 // made sure that CARRY set correctly //
29 // 2016FEB29 - added MEMHIOL //
30 // MEMHIOL=1 memory access, =0 I/O access //
31 // added 512 x 16 scratchpad ram //
32 // added 1st FETCH/STORE States //
33 // 2016MAR03 - 512x16 scratch ram debugged //
34 // 2016MAR03 - 512x16 scratch ram debugged //
35 // 2016MAR17 - 128x16 stack ram debugged //
36 // 04May2016 - Stack RAM address fix //
37 // 28Feb2017 - Removed MEMHIOL //
38 // 30Mar2017 - Fixed NOP -thanks Chou Thao //
39 // //
40 // In submitting this file for class work at CSULB //
41 // I am confirming that this is my work and the work //
42 // of no one else. //
43 // //
44 // In the event other code sources are utilized I will //
45 // document which portion of code and who is the author //
46 // //
47 // In submitting this code I acknowledge that plagiarism //
48 // in student project work is subject to dismissal from the class //
49 //****************************************************************//
50
51 `timescale 1ns/1ns
52
53 module tramelblaze (CLK, RESET, IN_PORT, INTERRUPT,
54 OUT_PORT, PORT_ID, READ_STROBE, WRITE_STROBE, INTERRUPT_ACK,
55 ADDRESS, INSTRUCTION);
56
Valenzuela 85
Prepared by:
Paul Valenzuela
Date:
May 12, 2020
Document Name:
Final Specification
57 input CLK;
58 input RESET;
59 input [15:0] IN_PORT;
60 input INTERRUPT;
61
62 output [15:0] OUT_PORT;
63 output [15:0] PORT_ID;
64 output READ_STROBE;
65 output WRITE_STROBE;
66 output INTERRUPT_ACK;
67
68 output [11:0] ADDRESS;
69 input [15:0] INSTRUCTION;
70
71 reg [15:0] inst_reg; // instruction register
72 reg [15:0] const_reg; // constant register
73 reg [15:0] pc; // program counter
74 reg [15:0] regfile [0:15]; // 16 x 16 register file
75 reg [16:0] alu_out; // output of ALU
76 reg [16:0] alu_out_reg; // output of ALU registered
77 reg [ 3:0] stateX,stateQ; // state machine variable
78 wire [11:0] ADDRESS; // ADDRESS to instruction memory
79 reg [15:0] address_mux; // mux to select next address
80 reg int_enable; // enable interrupt
81 reg int_proc; // processor interrupt
82 wire carryPX; // preserve carry bit
83 reg carryPQ; // preserve carry bit
84 wire zeroPX; // preserve zero bit
85 reg zeroPQ; // preserve zero bit
86 reg zeroX,zeroQ; // flag
87 reg carryX,carryQ; // flag
88 reg loadKX,loadKQ; // load constant register
89 reg ldirX,ldirQ; // load instruction register
90 wire ldk; // load constant register
91 reg ldpcX,ldpcQ; // load program counter
92 reg ldflagX,ldflagQ; // load carry and zero registers
93 reg ldflagPX,ldflagPQ; // preserve load carry and zero registers
94 reg wtrfX,wtrfQ; // write register file
95 reg wtsrX,wtsrQ; // write scratchpad ram
96 reg sel_alubX,sel_alubQ; // select alu operand b
97 reg pushX,pushQ; // push pc address onto stack
98 reg popX,popQ; // pop pc address from stack
99 reg enintX,enintQ; // enable interrupts
100 reg disintX,disintQ; // disable interrupts
101 reg [1:0] sel_pcX,sel_pcQ; // select pc source
102 reg sel_portidX,sel_portidQ; // select source for port id
103 reg [2:0] sel_rfwX,sel_rfwQ; // select reg write data source
104 reg [2:0] flag_selX,flag_selQ; // select source to change zero/carry
105 reg [4:0] alu_opX,alu_opQ; // select which operation alu does
106 reg enableportidX,enableportidQ; // allow port id to switch
107 reg enableinportX,enableinportQ; // allow in port to be read
108 reg enableoutportX,enableoutportQ; // allow out port to switch
109 reg readstrobeX,readstrobeQ; // set read strobe output
110 reg writestrobeX,writestrobeQ; // set write strobe output
111 reg interruptackX,interruptackQ; // interrupt acknowledge
112 wire [15:0] pc_min1; // program counter minus one
113 wire [15:0] stackWdata; // data written into stack
114
115 wire [6:0] opcode; // current opcode being executed
Valenzuela 86
Prepared by:
Paul Valenzuela
Date:
May 12, 2020
Document Name:
Final Specification
116 wire [3:0] regX_adrs, regY_adrs; // address to x and y registers
117 reg [15:0] rf_wdata; // data to write into register file
118 wire [15:0] stackRdata; // contents of stack pointed to (last write)
119 wire [15:0] alu_a; // input to ALU A
120 wire [15:0] alu_b; // input to ALUB
121 wire INTERRUPT_ACK;
122 wire READ_STROBE;
123 wire WRITE_STROBE;
124 wire [15:0] regA; // output of register file - A
125 wire [15:0] regB; // output of register file - B
126 wire [15:0] scratch_dout; // scratch pad ram output
127 wire [8:0] scratch_adrs;
128 wire [15:0] scratch_din;
129 wire [ 6:0] stackAdrs;
130 reg [ 6:0] stackPointQ;
131 wire [ 6:0] stackPointD;
132
133 // assume instruction memory is 8K deep (000 - FFF)
134
135 parameter INTERRUPT_ADDRESS = 16'H0FFE;
136
137 // parameters for STATES
138
139 parameter FETCH = 5'H00, DECODE = 5'H01, SECOND = 5'H02, THIRD = 5'H03, EXECUTE =
5'H04,
140 ENDIT = 5'H05, ENDCALL = 5'H06, ENDRET = 5'H07, ENDRET2 = 5'H08, ENDRET3 =
5'H09,
141 OUTPUT_XK_2 = 5'H0A, OUTPUT_XY_2 = 5'H0B, INPUT_XP_2 = 5'H0C, INPUT_XY_2 =
5'H0D,
142 FETCH_XK_2 = 5'H0E, FETCH_XY_2 = 5'H0F, STORE_XK_2 = 5'H10, STORE_XY_2 = 5'H11;
143
144 // parameters for ALU OPERATIONS
145
146 parameter NOTHING = 5'H00, ADD = 5'H01, ADDC = 5'H02, AND = 5'H03,
147 SUB = 5'H04, OR = 5'H05, RLX = 5'H06, RRX = 5'H07,
148 SL0X = 5'H08, SL1X = 5'H09, SLAX = 5'H0A, SLXX = 5'H0B,
149 SR0X = 5'H0C, SR1X = 5'H0D, SRAX = 5'H0E, SRXX = 5'H0F,
150 XOR = 5'H10, SUBC = 5'H11;
151
152 // parameters for OPCODES
153 //
154 parameter NOP = 7'H00, ADD_XK = 7'H02, ADD_XY = 7'H04,
155 ADDCY_XK = 7'H06, ADDCY_XY = 7'H08, AND_XK = 7'H0A,
156 AND_XY = 7'H0C, CALL_AAA = 7'H0E, CALLC_AAA = 7'H10,
157 CALLNC_AAA = 7'H12, CALLZ_AAA = 7'H14, CALLNZ_AAA = 7'H16,
158 COMP_XK = 7'H18, COMP_XY = 7'H1A, DISINT = 7'H1C,
159 ENINT = 7'H1E, INPUT_XY = 7'H20, INPUT_XP = 7'H22,
160 JUMP_AAA = 7'H24, JUMPC_AAA = 7'H26, JUMPNC_AAA = 7'H28,
161 JUMPZ_AAA = 7'H2A, JUMPNZ_AAA = 7'H2C, LOAD_XK = 7'H2E,
162 LOAD_XY = 7'H30, OR_XK = 7'H32, OR_XY = 7'H34,
163 OUTPUT_XY = 7'H36, OUTPUT_XK = 7'H38, RETURN = 7'H3A,
164 RETURN_C = 7'H3C, RETURN_NC = 7'H3E, RETURN_Z = 7'H40,
165 RETURN_NZ = 7'H42, RETURN_DIS = 7'H44, RETURN_EN = 7'H46,
166 RL_X = 7'H48, RR_X = 7'H4A, SL0_X = 7'H4C,
167 SL1_X = 7'H4E, SLA_X = 7'H50, SLX_X = 7'H52,
168 SR0_X = 7'H54, SR1_X = 7'H56, SRA_X = 7'H58,
169 SRX_X = 7'H5A, SUB_XK = 7'H5C, SUB_XY = 7'H5E,
170 SUBC_XK = 7'H60, SUBC_XY = 7'H62, TEST_XK = 7'H64,
171 TEST_XY = 7'H66, XOR_XK = 7'H68, XOR_XY = 7'H6A,
Valenzuela 87
Prepared by:
Paul Valenzuela
Date:
May 12, 2020
Document Name:
Final Specification
172 FETCH_XK = 7'H70, FETCH_XY = 7'H72, STORE_XK = 7'H74,
173 STORE_XY = 7'H76;
174
175 assign READ_STROBE = readstrobeQ;
176 assign WRITE_STROBE = writestrobeQ;
177 assign INTERRUPT_ACK = interruptackQ;
178
179 //////////////////////////////
180 // address register - PC //
181 //////////////////////////////
182
183 assign ADDRESS = pc[11:0];
184
185 always @(posedge CLK, posedge RESET)
186 if (RESET)
187 pc <= 16'b0;
188 else
189 if (ldpcQ)
190 pc <= address_mux;
191
192 always @(*)
193 case(sel_pcQ)
194 2'b00: address_mux = pc + 16'b1;
195 2'b01: address_mux = stackRdata;
196 2'b10: address_mux = const_reg;
197 2'b11: address_mux = INTERRUPT_ADDRESS;
198 endcase
199
200 //////////////////////////////
201 // address stack //
202 //////////////////////////////
203
204 assign ldsp = popQ | pushQ;
205
206 always @(posedge CLK, posedge RESET)
207 if (RESET) stackPointQ <= 7'b0; else
208 if (ldsp) stackPointQ <= stackPointD;
209
210 assign pc_min1 = pc - 16'b1;
211 assign stackWdata = int_proc ? pc_min1 : pc;
212
213
214 assign stackAdrs = pushQ ? stackPointQ : stackPointQ - 7'b1;
215 assign stackPointD = pushQ ? stackAdrs + 7'b1 : stackAdrs;
216
217 stack_ram stkr (
218 .a (stackAdrs),
219 .d (stackWdata),
220 .we (pushQ),
221 .clk (CLK),
222 .spo (stackRdata)
223 );
224
225 //////////////////////////////
226 // instruction register //
227 //////////////////////////////
228
229 assign opcode = inst_reg[14:8]; // opcode for instruction decode
Valenzuela 88
Prepared by:
Paul Valenzuela
Date:
May 12, 2020
Document Name:
Final Specification
230 assign regY_adrs = inst_reg[7:4];
231 assign regX_adrs = inst_reg[3:0];
232 assign ldk = inst_reg[15] && (stateQ==DECODE);
233
234 always @(posedge CLK, posedge RESET)
235 if (RESET) inst_reg <= 16'b0; else
236 if (ldirQ) inst_reg <= INSTRUCTION;
237
238 //////////////////////////////
239 // constant register //
240 //////////////////////////////
241
242 always @(posedge CLK, posedge RESET)
243 if (RESET) const_reg <= 16'b0; else
244 if (loadKQ) const_reg <= INSTRUCTION;
245
246 //////////////////////////////
247 // interrupt control //
248 //////////////////////////////
249
250 always @(posedge CLK, posedge RESET)
251 if (RESET) int_enable <= 1'b0; else
252 if (enintQ) int_enable <= 1'b1; else
253 if (disintQ) int_enable <= 1'b0;
254
255 always @(posedge CLK, posedge RESET)
256 if (RESET) int_proc <= 1'b0; else
257 if (INTERRUPT_ACK) int_proc <= 1'b0; else
258 if (int_enable & INTERRUPT) int_proc <= 1'b1;
259
260 //////////////////////////////
261 // register file operations //
262 //////////////////////////////
263
264 assign regA = regfile[regX_adrs];
265 assign regB = regfile[regY_adrs];
266
267 always @(*)
268 case (sel_rfwQ)
269 3'b000: rf_wdata = alu_out[15:0];
270 3'b001: rf_wdata = IN_PORT & {16{enableinportQ}};
271 3'b010: rf_wdata = const_reg;
272 3'b011: rf_wdata = regB;
273 3'b100: rf_wdata = scratch_dout;
274 default: rf_wdata = alu_out[15:0];
275 endcase
276
277 always @(posedge CLK, posedge RESET)
278 if (RESET) begin
279 regfile[0] <= 16'b0;
280 regfile[1] <= 16'b0;
281 regfile[2] <= 16'b0;
282 regfile[3] <= 16'b0;
283 regfile[4] <= 16'b0;
284 regfile[5] <= 16'b0;
285 regfile[6] <= 16'b0;
286 regfile[7] <= 16'b0;
287 regfile[8] <= 16'b0;
288 regfile[9] <= 16'b0;
Valenzuela 89
Prepared by:
Paul Valenzuela
Date:
May 12, 2020
Document Name:
Final Specification
289 regfile[10] <= 16'b0;
290 regfile[11] <= 16'b0;
291 regfile[12] <= 16'b0;
292 regfile[13] <= 16'b0;
293 regfile[14] <= 16'b0;
294 regfile[15] <= 16'b0;
295 end else
296 if (wtrfQ) begin
297 regfile[regX_adrs] <= rf_wdata;
298 end
299
300 //////////////////////////////
301 // CARRY/ZERO operations //
302 //////////////////////////////
303
304 assign zeroPX = zeroQ;
305 assign carryPX = carryQ;
306
307 always @(posedge CLK, posedge RESET)
308 if (RESET) {zeroPQ,carryPQ} <= 2'b0; else
309 if (ldflagPQ) {zeroPQ,carryPQ} <= {zeroPX,carryPX};
310
311 always @(posedge CLK, posedge RESET)
312 if (RESET) {zeroQ,carryQ} <= 2'b0; else
313 if (ldflagQ) {zeroQ,carryQ} <= {zeroX,carryX};
314
315 always @(*)
316 case(flag_selQ)
317 3'h0: {zeroX, carryX} = {zeroQ, carryQ};
318 3'h1: {zeroX, carryX} = {~|alu_out[15:0],1'b0};
319 3'h2: {zeroX, carryX} = {~|alu_out[15:0],alu_out[16]};
320 3'h3: {zeroX, carryX} = {zeroPQ, carryPQ};
321 3'h4: {zeroX, carryX} = {~|alu_out[15:0],alu_out[15]};
322 3'h5: {zeroX, carryX} = {~|alu_out[15:0],alu_out[0]};
323 3'h6: {zeroX, carryX} = {~|(alu_a & alu_b),^(alu_a & alu_b)};
324 default: {zeroX, carryX} = {zeroQ, carryQ};
325 endcase
326
327 //////////////////////////////
328 // ALU operations //
329 //////////////////////////////
330
331 assign alu_a = regA;
332 assign OUT_PORT = regA & {16{enableoutportQ}};
333 assign alu_b = (sel_alubQ) ? const_reg : regB;
334 assign PORT_ID = (sel_portidQ) ? (const_reg & {16{enableportidQ}}) : (alu_b &
{16{enableportidQ}});
335
336 always @(posedge CLK, posedge RESET)
337 if (RESET) alu_out_reg <= 17'b0;
338 else alu_out_reg <= alu_out;
339
340 always @(*)
341 case(alu_opQ)
342 NOTHING: alu_out = alu_out_reg; // noop so no change
343 ADD: alu_out = alu_a + alu_b; // ADD
344 ADDC: alu_out = alu_a + alu_b + carryQ; // ADDC
Valenzuela 90
Prepared by:
Paul Valenzuela
Date:
May 12, 2020
Document Name:
Final Specification
363 ///////////////////////////////
364 // Scratchpad RAM Instance //
365 // 512x16 Scratchpad Memory //
366 ///////////////////////////////
367
368 assign scratch_din = alu_a;
369 assign scratch_adrs = alu_b[8:0];
370
371 scratch_ram sr (
372 .clk (CLK),
373 .we (wtsrQ),
374 .a (scratch_adrs),
375 .d (scratch_din),
376 .spo (scratch_dout)
377 );
378
379 ///////////////////////////////
380 // Instruction Control Logic //
381 ///////////////////////////////
382
383
384 always @(posedge CLK, posedge RESET)
385 if (RESET) begin
386 stateQ <= FETCH; // start up state variable
387 ldirQ <= 1'b1; // load instruction register
388 ldpcQ <= 1'b1; // load program counter
389 ldflagQ <= 1'b0; // load carry and zero registers
390 ldflagPQ <= 1'b0; // load preserve carry and zero registers
391 loadKQ <= 1'b0; // load constant register
392 wtrfQ <= 1'b0; // write register file
393 wtsrQ <= 1'b0; // write scratch pad ram
394 sel_alubQ <= 1'b0; // select alu operand b
395 pushQ <= 1'b0; // push pc address onto stack
396 popQ <= 1'b0; // pop pc address from stack
397 enintQ <= 1'b0; // enable interrupts
398 disintQ <= 1'b0; // disable interrupts
399 sel_pcQ <= 2'b0; // select pc source
400 sel_portidQ <= 1'b0; // select source for port id
401 sel_rfwQ <= 3'b0; // select reg write data source
402 flag_selQ <= 2'b0; // select source to change zero/carry
345 SUB: alu_out = alu_a - alu_b; // SUB (COMP)
346 SUBC: alu_out = alu_a - alu_b - carryQ; // SUBC
347 AND: alu_out = alu_a & alu_b; // AND
348 OR: alu_out = alu_a | alu_b; // OR
349 XOR: alu_out = alu_a ^ alu_b; // XOR
350 RLX: alu_out = {alu_a[15],alu_a[14:0],alu_a[15]}; // RL rX
351 RRX: alu_out = {alu_a[ 0],alu_a[0],alu_a[15:1]}; // RR rX
352 SL0X: alu_out = {alu_a[15],alu_a[14:0],1'b0}; // SL0 rX
353 SL1X: alu_out = {alu_a[15],alu_a[14:0],1'b1}; // SL1 rX
354 SLAX: alu_out = {alu_a[15],alu_a[14:0],carryQ}; // SLA rX
355 SLXX: alu_out = {alu_a[15],alu_a[14:0],alu_a[0]}; // SLX rX
356 SR0X: alu_out = {alu_a[ 0],1'b0,alu_a[15:1]}; // SR0 rX
357 SR1X: alu_out = {alu_a[ 0],1'b1,alu_a[15:1]}; // SR1 rX
358 SRAX: alu_out = {alu_a[ 0],carryQ,alu_a[15:1]}; // SRA rX
359 SRXX: alu_out = {alu_a[ 0],alu_a[15],alu_a[15:1]}; // SRX rX
360 default: alu_out = 16'b0;
361 endcase
362
Valenzuela 91
Prepared by:
Paul Valenzuela
Date:
May 12, 2020
Document Name:
Final Specification
403 alu_opQ <= 5'b0; // select which operation alu does
404 enableportidQ <= 1'b0; // allow port id to switch
405 enableinportQ <= 1'b0; // allow in port to be read
406 enableoutportQ <= 1'b0; // allow out port to switch
407 readstrobeQ <= 1'b0; // set read strobe output
408 writestrobeQ <= 1'b0; // set write strobe output
409 interruptackQ <= 1'b0; // set interrupt ack
410 end
411 else
412 begin
413 stateQ <= stateX; // update up state variable
414 ldirQ <= ldirX; // load instruction register
415 ldpcQ <= ldpcX; // load program counter
416 ldflagQ <= ldflagX; // load carry and zero registers
417 ldflagPQ <= ldflagPX; // load preserve carry and zero registers
418 loadKQ <= loadKX; // load constant register
419 wtrfQ <= wtrfX; // write register file
420 wtsrQ <= wtsrX; // write scratch pad ram
421 sel_alubQ <= sel_alubX; // select alu operand b
422 pushQ <= pushX; // push pc address onto stack
423 popQ <= popX; // pop pc address from stack
424 enintQ <= enintX; // enable interrupts
425 disintQ <= disintX; // disable interrupts
426 sel_pcQ <= sel_pcX; // select pc source
427 sel_portidQ <= sel_portidX; // select source for port id
428 sel_rfwQ <= sel_rfwX; // select reg write data source
429 flag_selQ <= flag_selX; // select source to change zero/carry
430 alu_opQ <= alu_opX; // select which operation alu does
431 enableportidQ <= enableportidX; // allow port id to switch
432 enableinportQ <= enableinportX; // allow in port to be read
433 enableoutportQ <= enableoutportX; // allow out port to switch
434 readstrobeQ <= readstrobeX; // set read strobe output
435 writestrobeQ <= writestrobeX; // set write strobe output
436 interruptackQ <= interruptackX; // set interrupt ack
437 end
438
439 /////////////////////////////////////////
440 // State Machine Decision Making Block //
441 /////////////////////////////////////////
442
443 always@(*)
444 begin
445 ldirX = 1'b0; // load instruction register
446 ldpcX = 1'b0; // load program counter
447 ldflagX = 1'b0; // load carry and zero registers
448 ldflagPX = 1'b0; // load preserve carry and zero registers
449 loadKX = 1'b0; // load constant register
450 wtrfX = 1'b0; // write register file
451 wtsrX = 1'b0; // write scratch pad ram
452 sel_alubX = 1'b0; // select alu operand b
453 pushX = 1'b0; // push pc address onto stack
454 popX = 1'b0; // pop pc address from stack
455 enintX = 1'b0; // enable interrupts
456 disintX = 1'b0; // disable interrupts
457 sel_pcX = 2'b0; // select pc source
458 sel_portidX = 1'b0; // select source for port id
459 sel_rfwX = 3'b0; // select reg write data source
460 flag_selX = 2'b0; // select source to change zero/carry
Valenzuela 92
Prepared by:
Paul Valenzuela
Date:
May 12, 2020
Document Name:
Final Specification
461 alu_opX = 5'b0; // select which operation alu does
462 enableportidX = 1'b0; // allow port id to switch
463 enableinportX = 1'b0; // allow in port to be read
464 enableoutportX = 1'b0; // allow out port to switch
465 readstrobeX = 1'b0; // set read strobe output
466 writestrobeX = 1'b0; // set write strobe output
467 interruptackX = 1'b0; // set interrupt ack
468 stateX = FETCH;
469
470 case(stateQ)
471 FETCH: begin
472 if (int_proc) begin
473 sel_pcX=2'b11; // goto interrupt
474 ldpcX=1'b1; // update new pc
475 pushX =1'b1; // push next pc onto stack
476 disintX=1'b1; // entering interrupt clear interrupt
477 ldflagPX=1'b1; // preserve the flag registers
478 interruptackX=1'b1; // set interrupt ack
479 stateX=ENDRET2; // let int_proc reset
480 end
481 else begin
482 ldpcX=1'b0;
483 ldirX=1'b0;
484 stateX=DECODE;
485 end
486 end
487
488 DECODE: begin
489 if(ldk) begin
490 loadKX=1'b1;
491 stateX=SECOND;
492 end
493 else begin
494 stateX=EXECUTE;
495 end
496 end
497
498 SECOND: begin
499 ldpcX=1'b1;
500 stateX=THIRD;
501 end
502
503 THIRD: begin
504 stateX=EXECUTE;
505 end
506
507 EXECUTE: begin
508 case(opcode)
509 NOP:stateX=ENDIT;
510
511 ADD_XK: begin
512 wtrfX=1'b1;
513 sel_alubX=1'b1;
514 flag_selX=3'b010;
515 ldflagX=1'b1;
516 alu_opX=ADD;
517 stateX=ENDIT;
518 end
Valenzuela 93
Prepared by:
Paul Valenzuela
Date:
May 12, 2020
Document Name:
Final Specification
519
520 ADD_XY: begin
521 wtrfX=1'b1;
522 flag_selX=3'b010;
523 alu_opX=ADD;
524 ldflagX=1'b1;
525 stateX=ENDIT;
526 end
527
528 ADDCY_XK: begin
529 wtrfX=1'b1;
530 sel_alubX=1'b1;
531 flag_selX=3'b010;
532 ldflagX=1'b1;
533 alu_opX=ADDC;
534 stateX=ENDIT;
535 end
536
537 ADDCY_XY: begin
538 wtrfX=1'b1;
539 flag_selX=3'b010;
540 ldflagX=1'b1;
541 alu_opX=ADDC;
542 stateX=ENDIT;
543 end
544
545 AND_XK: begin
546 wtrfX=1'b1;
547 sel_alubX=1'b1;
548 flag_selX=3'b001;
549 ldflagX=1'b1;
550 alu_opX=AND;
551 stateX=ENDIT;
552 end
553
554 AND_XY: begin
555 wtrfX=1'b1;
556 alu_opX=AND;
557 flag_selX=3'b001;
558 ldflagX=1'b1;
559 stateX=ENDIT;
560 end
561
562 CALL_AAA: begin
563 pushX=1'b1;
564 sel_pcX=2'b10;
565 ldpcX=1'b1;
566 stateX=ENDCALL;
567 end
568
569 CALLC_AAA: begin
570 if(carryQ) begin
571 pushX=1'b1;
572 sel_pcX=2'b10;
573 ldpcX=1'b1;
574 stateX=ENDCALL;
575 end else
Valenzuela 94
Prepared by:
Paul Valenzuela
Date:
May 12, 2020
Document Name:
Final Specification
576 stateX=ENDIT;
577 end
578
579 CALLNC_AAA: begin
580 if(!carryQ) begin
581 pushX=1'b1;
582 sel_pcX=2'b10;
583 ldpcX=1'b1;
584 stateX=ENDCALL;
585 end else
586 stateX=ENDIT;
587 end
588
589 CALLZ_AAA: begin
590 if(zeroQ) begin
591 pushX=1'b1;
592 sel_pcX=2'b10;
593 ldpcX=1'b1;
594 stateX=ENDCALL;
595 end else
596 stateX=ENDIT;
597 end
598
599 CALLNZ_AAA: begin
600 if(!zeroQ) begin
601 pushX=1'b1;
602 sel_pcX=2'b10;
603 ldpcX=1'b1;
604 stateX=ENDCALL;
605 end else
606 stateX=ENDIT;
607 end
608
609 COMP_XK: begin
610 alu_opX=SUB;
611 sel_alubX=1'b1;
612 flag_selX=3'b010;
613 ldflagX=1'b1;
614 stateX=ENDIT;
615 end
616
617 COMP_XY: begin
618 alu_opX=SUB;
619 flag_selX=3'b010;
620 ldflagX=1'b1;
621 stateX=ENDIT;
622 end
623
624 DISINT: begin
625 disintX=1'b1;
626 stateX=ENDCALL;
627 end
628
629 ENINT: begin
630 enintX=1'b1;
631 stateX=ENDCALL;
632 end
633
Valenzuela 95
Prepared by:
Paul Valenzuela
Date:
May 12, 2020
Document Name:
Final Specification
634 STORE_XY:begin
635 wtsrX=1'b1;
636 stateX=ENDIT;
637 end
638
639 STORE_XK: begin
640 sel_alubX=1'b1;
641 wtsrX=1'b1;
642 stateX=ENDIT;
643 end
644
645 FETCH_XY:begin
646 stateX=FETCH_XY_2;
647 end
648
649 FETCH_XK: begin
650 sel_alubX=1'b1;
651 stateX=FETCH_XK_2;
652 end
653
654 INPUT_XY:begin
655 enableportidX=1'b1;
656 enableinportX=1'b1;
657 stateX=INPUT_XY_2;
658 end
659
660 INPUT_XP: begin
661 enableinportX=1'b1;
662 enableportidX=1'b1;
663 sel_portidX=1'b1;
664 stateX=INPUT_XP_2;
665 end
666
667 JUMP_AAA: begin
668 sel_pcX=2'b10;
669 ldpcX=1'b1;
670 ldirX=1'b1;
671 stateX=ENDCALL;
672 end
673
674 JUMPC_AAA: begin
675 if(carryQ) begin
676 sel_pcX=2'b10;
677 ldpcX=1'b1;
678 ldirX=1'b1;
679 end
680 stateX=ENDCALL;
681 end
682
683 JUMPNC_AAA: begin
684 if(!carryQ) begin
685 sel_pcX=2'b10;
686 ldpcX=1'b1;
687 ldirX=1'b1;
688 end
689 stateX=ENDCALL;
690 end
691
Valenzuela 96
Prepared by:
Paul Valenzuela
Date:
May 12, 2020
Document Name:
Final Specification
692 JUMPZ_AAA: begin
693 if(zeroQ) begin
694 sel_pcX=2'b10;
695 ldpcX=1'b1;
696 ldirX=1'b1;
697 end
698 stateX=ENDCALL;
699 end
700
701 JUMPNZ_AAA: begin
702 if(!zeroQ) begin
703 sel_pcX=2'b10;
704 ldpcX=1'b1;
705 ldirX=1'b1;
706 end
707 stateX=ENDCALL;
708 end
709
710 LOAD_XK: begin
711 sel_rfwX=3'b010;
712 wtrfX=1'b1;
713
714 stateX=ENDIT;
715 end
716
717 LOAD_XY: begin
718 sel_rfwX=3'b011;
719 wtrfX=1'b1;
720 stateX=ENDIT;
721 end
722
723 OR_XK: begin
724 wtrfX=1'b1;
725 flag_selX=3'b001;
726 alu_opX=OR;
727 sel_alubX=1'b1;
728 ldflagX=1'b1;
729 stateX=ENDIT;
730 end
731
732 OR_XY: begin
733 wtrfX=1'b1;
734 flag_selX=3'b001;
735 alu_opX=OR;
736 ldflagX=1'b1;
737 stateX=ENDIT;
738 end
739
740 OUTPUT_XK: begin
741 sel_portidX=1'b1;
742 enableportidX=1'b1;
743 enableoutportX=1'b1;
744 stateX=OUTPUT_XK_2;
745 end
746
747 OUTPUT_XY: begin
748 enableportidX=1'b1;
749 enableoutportX=1'b1;
Valenzuela 97
Prepared by:
Paul Valenzuela
Date:
May 12, 2020
Document Name:
Final Specification
750 stateX=OUTPUT_XY_2;
751 end
752
753 RETURN: begin
754 popX=1'b1;
755 stateX=ENDRET;
756 end
757
758 RETURN_C: begin
759 if(carryQ) begin
760 popX=1'b1;
761 stateX=ENDRET;
762 end else
763 stateX=ENDIT;
764 end
765
766 RETURN_NC: begin
767 if(!carryQ) begin
768 popX=1'b1;
769 stateX=ENDRET;
770 end else
771 stateX=ENDIT;
772 end
773
774 RETURN_Z: begin
775 if(zeroQ) begin
776 popX=1'b1;
777 stateX=ENDRET;
778 end else
779 stateX=ENDIT;
780 end
781
782 RETURN_NZ: begin
783 if(!zeroQ) begin
784 popX=1'b1;
785 stateX=ENDRET;
786 end else
787 stateX=ENDIT;
788 end
789
790 RETURN_DIS: begin
791 flag_selX=3'b011;
792 ldflagX=1'b1;
793 disintX=1'b1;
794 popX=1'b1;
795 stateX=ENDRET;
796 end
797
798 RETURN_EN: begin
799 flag_selX=3'b011;
800 ldflagX=1'b1;
801 enintX=1'b1;
802 popX=1'b1;
803 stateX=ENDRET;
804 end
805
806 RL_X: begin
807 wtrfX=1'b1;
Valenzuela 98
Prepared by:
Paul Valenzuela
Date:
May 12, 2020
Document Name:
Final Specification
808 alu_opX=RLX;
809 flag_selX=3'b010;
810 ldflagX=1'b1;
811 stateX=ENDIT;
812 end
813
814 RR_X: begin
815 wtrfX=1'b1;
816 alu_opX=RRX;
817 flag_selX=3'b010;
818 ldflagX=1'b1;
819 stateX=ENDIT;
820 end
821
822 SL0_X: begin
823 wtrfX=1'b1;
824 alu_opX=SL0X;
825 flag_selX=3'b010;
826 ldflagX=1'b1;
827 stateX=ENDIT;
828 end
829
830 SL1_X: begin
831 wtrfX=1'b1;
832 alu_opX=SL1X;
833 flag_selX=3'b010;
834 ldflagX=1'b1;
835 stateX=ENDIT;
836 end
837
838 SLA_X: begin
839 wtrfX=1'b1;
840 alu_opX=SLAX;
841 flag_selX=3'b010;
842 ldflagX=1'b1;
843 stateX=ENDIT;
844 end
845
846 SLX_X: begin
847 wtrfX=1'b1;
848 alu_opX=SLXX;
849 flag_selX=3'b010;
850 ldflagX=1'b1;
851 stateX=ENDIT;
852 end
853
854 SR0_X: begin
855 wtrfX=1'b1;
856 alu_opX=SR0X;
857 flag_selX=3'b010;
858 ldflagX=1'b1;
859 stateX=ENDIT;
860 end
861
862 SR1_X: begin
863 wtrfX=1'b1;
864 alu_opX=SR1X;
865 flag_selX=3'b010;
Valenzuela 99
Prepared by:
Paul Valenzuela
Date:
May 12, 2020
Document Name:
Final Specification
866 ldflagX=1'b1;
867 stateX=ENDIT;
868 end
869
870 SRA_X: begin
871 wtrfX=1'b1;
872 alu_opX=SRAX;
873 flag_selX=3'b010;
874 ldflagX=1'b1;
875 stateX=ENDIT;
876 end
877
878 SRX_X: begin
879 wtrfX=1'b1;
880 alu_opX=SRXX;
881 flag_selX=3'b010;
882 ldflagX=1'b1;
883 stateX=ENDIT;
884 end
885
886 SUB_XK: begin
887 wtrfX=1'b1;
888 sel_alubX=1'b1;
889 alu_opX=SUB;
890 flag_selX=3'b010;
891 ldflagX=1'b1;
892 stateX=ENDIT;
893 end
894
895 SUB_XY: begin
896 wtrfX=1'b1;
897 flag_selX=3'b010;
898 alu_opX=SUB;
899 ldflagX=1'b1;
900 stateX=ENDIT;
901 end
902
903 SUBC_XK: begin
904 wtrfX=1'b1;
905 sel_alubX=1'b1;
906 alu_opX=SUBC;
907 flag_selX=3'b010;
908 ldflagX=1'b1;
909 stateX=ENDIT;
910 end
911
912 SUBC_XY: begin
913 wtrfX=1'b1;
914 alu_opX=SUBC;
915 flag_selX=3'b010;
916 ldflagX=1'b1;
917 stateX=ENDIT;
918 end
919
920 TEST_XK: begin
921 sel_alubX=1'b1;
922 alu_opX=AND;
923 flag_selX=3'b110;
Valenzuela 100
Prepared by:
Paul Valenzuela
Date:
May 12, 2020
Document Name:
Final Specification
924 ldflagX=1'b1;
925 stateX=ENDIT;
926 end
927
928 TEST_XY: begin
929 alu_opX=AND;
930 flag_selX=3'b110;
931 ldflagX=1'b1;
932 stateX=ENDIT;
933 end
934
935 XOR_XK: begin
936 wtrfX=1'b1;
937 sel_alubX=1'b1;
938 alu_opX=XOR;
939 flag_selX=3'b001;
940 ldflagX=1'b1;
941 stateX=ENDIT;
942 end
943
944 XOR_XY:begin
945 wtrfX=1'b1;
946 alu_opX=XOR;
947 flag_selX=3'b001;
948 ldflagX=1'b1;
949 stateX=ENDIT;
950 end
951
952 default:stateX=FETCH;
953
954 endcase
955 end
956
957 INPUT_XP_2: begin
958 enableportidX=1'b1;
959 enableinportX=1'b1;
960 readstrobeX=1'b1;
961 sel_portidX=1'b1;
962 sel_rfwX=3'b001;
963 wtrfX=1'b1;
964 stateX=ENDIT;
965 end
966
967 INPUT_XY_2:begin
968 enableportidX=1'b1;
969 enableinportX=1'b1;
970 readstrobeX=1'b1;
971 sel_rfwX=3'b001;
972 wtrfX=1'b1;
973 stateX=ENDIT;
974 end
975
976 OUTPUT_XK_2: begin
977 sel_portidX=1'b1;
978 enableoutportX=1'b1;
979 enableportidX=1'b1;
980 writestrobeX=1'b1;
981 stateX=ENDIT;
Valenzuela 101
Prepared by:
Paul Valenzuela
Date:
May 12, 2020
Document Name:
Final Specification
982 end
983
984 OUTPUT_XY_2: begin
985 enableoutportX=1'b1;
986 enableportidX=1'b1;
987 writestrobeX=1'b1;
988 stateX=ENDIT;
989 end
990
991 FETCH_XK_2:begin
992 sel_rfwX=3'b100;
993 wtrfX=1'b1;
994 stateX=ENDIT;
995 end
996
997 FETCH_XY_2:begin
998 sel_rfwX=3'b100;
999 wtrfX=1'b1;
1000 stateX=ENDIT;
1001 end
1002
1003 ENDCALL: begin
1004 stateX=ENDIT;
1005 end
1006
1007 ENDRET: begin
1008 sel_pcX=2'b01;
1009 ldpcX=1'b1;
1010 stateX=ENDRET2;
1011 end
1012
1013 ENDRET2: begin
1014 stateX=ENDRET3;
1015 end
1016
1017 ENDRET3: begin
1018 ldpcX=1'b1;
1019 ldirX=1'b1;
1020 stateX=FETCH;
1021 end
1022
1023 ENDIT: begin
1024 ldpcX=1'b1;
1025 ldirX=1'b1;
1026 stateX=FETCH;
1027 end
1028
1029 endcase
1030 end
1031
1032 endmodule//TRAMBLAZE.v
1033
Valenzuela 102
Prepared by:
Paul Valenzuela
Date:
May 12, 2020
Document Name:
Final Specification
VIII.17 Memory Interface Block (MIB)
1 `timescale 1ns / 1ps
2 //******************************************************************************//
3 // File name: MIB.v //
4 // //
5 // Created by Paul Valenzuela on 5/12/20. //
6 // Copyright (C) 2020 Paul Valenzuela. All rights reserved. //
7 // //
8 // //
9 // In submitting this file for class work at CSULB //
10 // I am confirming that this is my work and the work //
11 // of no one else. In submitting this code I acknowledge that //
12 // plagiarism in student project work is subject to dismissal //
13 // from the class //
14 //******************************************************************************//
15 //******************************************************************************//
16 // MIB.v //
17 // //
18 // This module manages the memory addresses and the data coming to and //
19 // from the Micron Memory //
20 // //
21 // @input clk, rst, READ, WRITE, PORT_ID[15:0], memoryDataIn[15:0], //
22 // OUT_PORT[15:0] //
23 // //
24 // @output cCE, cWE, cOE, cIOBUT_T, cADV, CRE_HiE, cUB, cLB //
25 // memoryAddress[22:0], memoryDataOut[15:0], IN_PORT[15:0] //
26 // //
27 //******************************************************************************//
28 module MIB(clk, rst, PORT_ID, READ, WRITE, OUT_PORT, memoryDataIn, cCE, cWE,
29 cOE, cIOBUT_T, cADV, CRE_HiE, cUB, cLB,
30 memoryAddress, memoryDataOut, IN_PORT);
31
32 input clk, rst;
33 input READ, WRITE;
34 input [15:0] PORT_ID;
35 input [15:0] memoryDataIn;
36 input [15:0] OUT_PORT;
37
38 output reg[22:0] memoryAddress;
39 output reg [15:0] memoryDataOut;
40 output reg [15:0] IN_PORT;
41
42 output reg cCE, cWE, cOE, cIOBUT_T, cADV, CRE_HiE, cUB, cLB;
43
44 reg [6:0] writeAddressR0;
45 reg [15:0] writeAddressR1, WD_R;
46 reg [15:0] RD_R;
47 reg [3:0] state, nState;
48 reg [3:0] WCLK, RCLK;
49
50 wire writeDone, readDone;
51 reg nCE, nWE, nOE, nIOBUF_T, nADV, nCRE, nUB, nLB;
52
53
54 parameter
55 IDLE = 4'h0,
Valenzuela 103
Prepared by:
Paul Valenzuela
Date:
May 12, 2020
Document Name:
Final Specification
56 MEM_WRITE = 4'h1,
57 MEM_READ = 4'h2,
58 WADDR1 = 16'h11,
59 WADDR2 = 16'h12,
60 WDATA = 16'h13,
61 RDATA = 16'h14,
62 MEMREAD = 16'h15,
63 MEMWRITE = 16'h16;
64
65 always@(posedge clk, posedge rst)
66 begin
67 if(rst)
68 begin
69 state <= IDLE;
70 {cCE, cWE, cOE, cIOBUT_T} <= 4'b1_1_1_1;
71 // signal always 0
72 {cADV, CRE_HiE, cUB, cLB } <= 4'b0_0_0_0;
73 end
74 else
75 begin
76 state <= nState;
77 {cCE, cWE, cOE, cIOBUT_T} <= {nCE, nWE, nOE, nIOBUF_T};
78 end
79 end
80
81 always@(*)
82 case(state)
83
84 MEM_WRITE:
85 begin
86 {nCE, nWE, nOE, nIOBUF_T} = 4'b0_0_1_0;
87 if(WCLK == 4'b1100) nState = IDLE;
88 else nState = MEM_WRITE;
89 end
90 IDLE:
91 begin
92 {nCE, nWE, nOE, nIOBUF_T} = 4'b1_1_1_1;
93
94 if((PORT_ID == 16'h16) && WRITE)
95 nState = MEM_WRITE;
96 else if((PORT_ID == 16'h15) && READ)
97 nState = MEM_READ;
98 else
99 nState = IDLE;
100 end
101 default:
102 begin
103 {nCE, nWE, nOE, nIOBUF_T} = 4'b1_1_1_1;
104
105 if(PORT_ID == 16'h14 && WRITE)
106 nState = MEM_WRITE;
107 else if(PORT_ID == 16'h15 && READ)
108 nState = MEM_READ;
109 else
110 nState = state;
111 end
112 endcase
113
114 always@(posedge clk, posedge rst)
Valenzuela 104
Prepared by:
Paul Valenzuela
Date:
May 12, 2020
Document Name:
Final Specification
115 begin
116 if(rst)
117 begin
118 WCLK <= 4'b0;
119 RCLK <= 4'b0;
120 end
121 else if(state == IDLE)
122 begin
123 WCLK <= 4'b0;
124 RCLK <= 4'b0;
125 end
126
127 else if(state == MEM_WRITE) WCLK <= WCLK + 4'b1;
128 else if(state == MEM_READ ) RCLK <= RCLK + 4'b1;
129
130 else begin
131 WCLK <= WCLK;
132 RCLK <= RCLK;
133 end
134
135 end
136
137 always@(posedge clk, posedge rst)
138 if(rst) RD_R <= 16'h0000;
139 else if(RCLK == 4'b1011) RD_R <= memoryDataIn;
140 else RD_R <= RD_R;
141
142 always@(posedge clk, posedge rst)
143 if(rst)
144 begin
145 writeAddressR0 <=7'h0;
146 writeAddressR1 <= 16'h0;
147 WD_R <= 16'h0;
148 memoryAddress <=16'h0;
149 memoryDataOut <= 16'h0;
150 IN_PORT <= 16'h0;
151 end
152 else
153 case(PORT_ID)
154 WADDR1: if(WRITE) writeAddressR0 <= OUT_PORT[6:0];
155 else writeAddressR0 <= writeAddressR0;
156 WADDR2: if(WRITE) writeAddressR1 <= OUT_PORT;
157 else writeAddressR1 <= writeAddressR1;
158 WDATA: if(WRITE) WD_R <= OUT_PORT;
159 else WD_R <= WD_R;
160 RDATA: IN_PORT <= RD_R;
161 MEMREAD: if(READ)
0,
162 begin
163
164
memoryAddress <= {writeAddressR
writeAddressR1};
memoryDataOut <= WD_R;
165 end
166 else
167 begin
168 memoryAddress <= memoryAddress;
169 memoryDataOut <= memoryDataOut;
170 end
171 default:
172 begin
Valenzuela 105
Prepared by:
Paul Valenzuela
Date:
May 12, 2020
Document Name:
Final Specification
173 writeAddressR0 <= writeAddressR0;
174 writeAddressR1 <= writeAddressR1;
175 WD_R <= WD_R;
176 memoryAddress <= memoryAddress;
177 memoryDataOut <= memoryDataOut;
178 IN_PORT <= IN_PORT;
179 end
180
181 endcase
182
183
184
185 endmodule
186
Valenzuela 106
Prepared by:
Paul Valenzuela
Date:
May 12, 2020
Document Name:
Final Specification
VIII.16 Top Module
1 `timescale 1ns / 1ns
2 //******************************************************************************//
3 // File name: top_module.v //
4 // //
5 // Created by Paul Valenzuela on 5/06/20. //
6 // Copyright (C) 2020 Paul Valenzuela. All rights reserved. //
7 // //
8 // //
9 // In submitting this file for class work at CSULB //
10 // I am confirming that this is my work and the work //
11 // of no one else. In submitting this code I acknowledge that //
12 // plagiarism in student project work is subject to dismissal //
13 // from the class //
14 //******************************************************************************//
15 //******************************************************************************//
16 // top_module.v //
17 // //
18 // This module serves as the top level module for project 5 //
19 // involving the UART engine. It connects all the pieces together. //
20 // It also uses a Memory Interface Block. //
21 // //
22 // @input clk, reset, [7:0] switches , rx //
23 // @output [7:0] anode, [7:0] cathode, [7:0] leds, tx,[22:0] memoryAddress //
24 // currentStatus [7:0], nCE, nWE, nOE, nADV, CRE, nUB, //
25 // nLB, MIBInOut [15:0] //
26 // //
27 //******************************************************************************//
28 module top_module(clk, reset,switches,tx,rx,anode,cathode,leds,
29 memoryAddress, currentStatus, nCE, nWE, nOE,
30 nADV, CRE, nUB, nLB, MIBInOut);
31
32 // Inputs
33 input wire clk, reset,rx;
34 input wire [7:0] switches;
35
36 // Outputs
37 output wire [7:0] anode, cathode;
38 output tx;
39 output reg [7:0] leds;
40
41 // MIB Outputs
42 output [22:0] memoryAddress;
43 output [7:0] currentStatus;
44 output nCE, nWE, nOE, nADV, CRE, nUB, nLB;
45 output [15:0] MIBInOut;
46
47 // Wires For Connections Between Modules
48 wire mRst;
49 wire [1:0] sel2;
50 wire [3:0] hexValue;
51 wire [15:0] counter;
52 wire [15:0] OUT_PORT;
53 wire [15:0] IN_PORT;
54 wire [15:0] PORT_ID;
55 wire READ_STROBE;
56 wire WRITE_STROBE;
Valenzuela 107
Prepared by:
Paul Valenzuela
Date:
May 12, 2020
Document Name:
Final Specification
57 wire INTERRUPT_ACK;
58 wire INTERRUPT;
59
60 // Wires for MIB
61 wire [15:0] MIBIn, MIBOut;
62 wire curCE, curWE, curOE, curADV, curCRE, curUB, curLB;
63 wire OE;
64
65 wire ped, UARTready, load;
66
67 reg [15:0] data;
68
69
70 wire [7:0] WRITE;
71 wire [7:0] READS;
72 wire [7:0] UART_DS;
73
74 assign IN_PORT[15:8] = 8'b0;
75
76 // Synchronous Reset
77 AISO syncReset(.clk(clk),.rst(reset),.sRst(mRst));
78
79
80 // Tramelblaze Processor That Increments and Holds 16-Bit Value
81 tramelblaze_top tramelblaze_top1
82 (
83 .CLK(clk),
84 .RESET(mRst),
85 .IN_PORT(IN_PORT[15:0]),
86 .INTERRUPT(INTERRUPT),
87 .OUT_PORT(OUT_PORT[15:0]),
88 .PORT_ID(PORT_ID[15:0]),
89 .READ_STROBE(READ_STROBE),
90 .WRITE_STROBE(WRITE_STROBE),
91 .INTERRUPT_ACK(INTERRUPT_ACK)
92 );
93
94 // Memory Interface Block (MIB)
95 MIB memoryblock(.clk(clk), .rst(rst), .PORT_ID(PORT_ID),
96 .READ(READ_STROBE), .WRITE(WRITE_STROBE),
97 . OUT_PORT (OUT_PORT[15:0]), .memoryDataIn(MIBOut),
98 .cCE(nCE), .cWE(nWE), .cOE(nOE),
99 .cIOBUF_T(IOBUF_T_LoE), .cADV(nADV),
100 .CRE(CRE), .cUB(nUB),
101 .cLB(nLB), .memoryAddress(memoryAddress),
102 .MIBInput(MIBIn), .IN_PORT (IN_PORT));
103
104
105
106 // UART Engine
107 UART uart(.clk(clk),.rst(mRst), .WRITE(WRITE[7:0]), .READS(READS[7:0]),
108 .OUT_PORT(OUT_PORT[7:0]), .rx(rx),
109 .UARTready(UARTready),.tx(tx),.switches(switches[7:0]),
110 .UART_DS(IN_PORT[7:0]));
111
112
113 // SR Flop
114 SRFlop interrupt_flop(.clk(clk),.rst(mRst), .funcrst(INTERRUPT_ACK),
Valenzuela 108
Prepared by:
Paul Valenzuela
Date:
May 12, 2020
Document Name:
Final Specification
.set(UARTready), .q(INTERRUPT));
115
116 // Seven-Segment Display Driver
117 seven_segment_display display(.clk(clk), .rst(mRst), .data(data[15:0]),
.anode(anode[7:0]), .cathode(cathode[7:0]));
118
119 // Address Decoders
120 address_decode
write_decode(.strobe(WRITE_STROBE),.enable(PORT_ID[15]),.s2(PORT_ID[2]),.s1(PORT_ID[1
]),.s0(PORT_ID[0]),.q(WRITE[7:0]));
121 address_decode
read_decode(.strobe(READ_STROBE),.enable(PORT_ID[15]),.s2(PORT_ID[2]),.s1(PORT_ID[1])
,.s0(PORT_ID[0]),.q(READS[7:0]));
122
123
124 // 8 bit register for leds
125 always@(posedge clk, posedge mRst)
126 if (mRst)
127 leds <= 8'b0;
128 else if(WRITE[1])
129 leds <= OUT_PORT[7:0];
130 else
131 leds <= leds;
132
133 // 16 bit register for sev seg display
134 always@(posedge clk, posedge mRst)
135 if (mRst)
136 data <= 16'b0;
137 else if(WRITE[2])
138 data <= OUT_PORT[15:0];
139 else
140 data <= data;
141
142 endmodule
143
144
Valenzuela 109

Chip specification

  • 1.
    Final Project System onChip Specification TramelBlaze, UART & MIB CECS 460: System on Chip Design Paul Valenzuela 018469189 Submitted On: May 12, 2020 COLLEGE OF ENGINEERING Department of Computer Engineering and Computer Science
  • 2.
    Prepared by: Paul Valenzuela Date: May12, 2020 Document Name: Final Specification This document contains information proprietary to the CSULB student that created the file – any reuse without adequate approval and documentation is prohibited. In submitting this file for class work at CSULB I am confirming that this is my work and the work of no one else. In the event, other sources are utilized I will document which portion of code and who is the author. In submitting this project, I acknowledge that plagiarism in student project work is subject to dismissal from the class. Valenzuela 2
  • 3.
    Prepared by: Paul Valenzuela Date: May12, 2020 Document Name: Final Specification TABLE OF CONTENTS I. INTRODUCTION.................................................................................................................................... 6 I.1 PURPOSE ............................................................................................................................................. 6 II. EXTERNAL DOCUMENTS.................................................................................................................. 7 II.1 TRAMELBLAZE ................................................................................................................................ 7 II.1.1 Detailed Block Diagram ............................................................................................................... 7 II.1.2 Data Transmission........................................................................................................................ 8 II.1.3 Instructions ................................................................................................................................... 9 II.1.4 Software Design.......................................................................................................................... 10 II.2 NEXYS A7 ........................................................................................................................................ 11 II.2.1 Hardware.................................................................................................................................... 11 II.2.2 Input / Output.............................................................................................................................. 12 II.2.3 UART Configuration................................................................................................................... 12 III. REQUIREMENTS............................................................................................................................... 13 III.1 INTERFACE......................................................................................................................................... 13 III.2 PHYSICAL .......................................................................................................................................... 14 IV. TOP LEVEL DESIGN......................................................................................................................... 15 IV.1 DESCRIPTION..................................................................................................................................... 15 IV.2 TOP LEVEL DIAGRAM........................................................................................................................ 15 IV.3 DETAILED LEVEL DIAGRAM.............................................................................................................. 16 IV.4 DATA FLOW DESCRIPTION ................................................................................................................ 17 IV.5 INPUT / OUTPUT................................................................................................................................. 17 IV.6 PIN ASSIGNMENT............................................................................................................................... 18 IV.7 ELECTRICAL CHARACTERISTICS........................................................................................................ 18 IV.8 CLOCK .............................................................................................................................................. 18 IV.9 RESET................................................................................................................................................ 18 IV.10 SOFTWARE....................................................................................................................................... 19 V. EXTERNALLY DEVELOPED BLOCKS .......................................................................................... 30 V.1AISO................................................................................................................................................... 30 V.1.1 Description.................................................................................................................................. 30 V.1.2 Top Level Diagram...................................................................................................................... 30 V.1.3 Input / Output.............................................................................................................................. 30 V.1.4 Register Map ............................................................................................................................... 30 V.2 TRAMELBLAZE................................................................................................................................... 31 V.2.1 Description.................................................................................................................................. 31 V.2.2 Top Level Diagram...................................................................................................................... 31 V.2.3 Input / Output.............................................................................................................................. 31 V.2.4 Register Map ............................................................................................................................... 31 VI. INTERNALLY DEVELOPED BLOCKS.......................................................................................... 32 VI.1 MEMORY BLOCK INTERFACE ............................................................................................................ 32 VI.1.1 Description................................................................................................................................. 32 VI.1.2 Top Level Diagram .................................................................................................................... 32 VI.1.3 Input / Output............................................................................................................................. 33 VI.1.5 Register Map.............................................................................................................................. 33 VI.1.5 State Machine ............................................................................................................................ 34 VI.2 UNIVERSAL ASYNCHRONOUS RECEIVER AND TRANSMITTER............................................................ 35 VI.2.1 Description................................................................................................................................. 35 VI.2.2 Top Level Diagram .................................................................................................................... 35 VI.2.3 Detailed Level Diagram............................................................................................................. 36 Valenzuela 3
  • 4.
    Prepared by: Paul Valenzuela Date: May12, 2020 Document Name: Final Specification VI.2.4 Input / Output............................................................................................................................. 37 VI.3 TRANSMIT ENGINE ............................................................................................................................ 38 VI.3.1 Description................................................................................................................................. 38 VI.3.2 Top Level Diagram .................................................................................................................... 38 VI.3.3 Detailed Level Diagram............................................................................................................. 39 VI.3.4 Verification ................................................................................................................................ 39 VI.3.5 Input / Output............................................................................................................................. 40 VI.3.6 Register Map.............................................................................................................................. 40 VI.4 TRANSMIT SHIFT REGISTER............................................................................................................... 41 VI.4.1 Description................................................................................................................................. 41 VI.4.2 Top Level Diagram .................................................................................................................... 41 VI.4.3 Input / Output............................................................................................................................. 41 VI.5 TRANSMIT BIT10 BIT9 DECODER ...................................................................................................... 42 VI.5.1 Description................................................................................................................................. 42 VI.5.2 Top Level Diagram .................................................................................................................... 42 VI.5.3 Input / Output............................................................................................................................. 42 VI.5.4 Logic Table ................................................................................................................................ 42 VI.6 TRANSMIT CONTROLLER................................................................................................................... 43 VI.6.1 Description................................................................................................................................. 43 VI.6.2 Top Level Diagram .................................................................................................................... 43 VI.6.3 Input / Output............................................................................................................................. 43 VI.7 TRANSMIT BIT COUNTER................................................................................................................... 44 VI.7.1 Description................................................................................................................................. 44 VI.7.2 Top Level Diagram .................................................................................................................... 44 VI.7.3 Input / Output............................................................................................................................. 44 VI.8 TRANSMIT BIT TIME COUNTER.......................................................................................................... 45 VI.8.1 Description................................................................................................................................. 45 VI.8.2 Top Level Diagram .................................................................................................................... 45 VI.8.3 Input / Output............................................................................................................................. 45 VI.9 RECEIVE ENGINE ............................................................................................................................... 46 VI.9.1 Description................................................................................................................................. 46 VI.9.2 Top Level Diagram .................................................................................................................... 46 VI.9.3 Detailed Level Diagram............................................................................................................. 47 VI.9.4 Verification ................................................................................................................................ 47 VI.9.5 Input / Output............................................................................................................................. 48 VI.9.6 Register Map.............................................................................................................................. 48 VI.10 RECEIVE SHIFT REGISTER................................................................................................................ 49 VI.10.1 Description............................................................................................................................... 49 VI.10.2 Top Level Diagram .................................................................................................................. 49 VI.10.3 Input / Output........................................................................................................................... 49 VI.11 RECEIVE STATE MACHINE............................................................................................................... 50 VI.11.1 Description............................................................................................................................... 50 VI.11.2 Top Level Diagram .................................................................................................................. 50 VI.11.3 State Transition Diagram......................................................................................................... 50 VI.11.4 Input / Output........................................................................................................................... 50 VI.12 RECEIVE CONTROLLER.................................................................................................................... 51 VI.12.1 Description............................................................................................................................... 51 VI.12.2 Top Level Diagram .................................................................................................................. 51 VI.12.3 Input / Output........................................................................................................................... 51 VI.13 RECEIVE BIT COUNTER ................................................................................................................... 52 VI.13.1 Description............................................................................................................................... 52 VI.13.2 Top Level Diagram .................................................................................................................. 52 VI.13.3 Input / Output........................................................................................................................... 52 VI.13.4 Logic Table .............................................................................................................................. 52 VI.14 RECEIVE BIT TIME COUNTER .......................................................................................................... 53 VI.14.1 Description............................................................................................................................... 53 VI.14.2 Top Level Diagram .................................................................................................................. 53 Valenzuela 4
  • 5.
    Prepared by: Paul Valenzuela Date: May12, 2020 Document Name: Final Specification VI.14.3 Input / Output........................................................................................................................... 53 VI.15 BAUD RATE DECODER..................................................................................................................... 54 VI.15.1 Description............................................................................................................................... 54 VI.15.2 Top Level Diagram .................................................................................................................. 54 VI.15.3 Input / Output........................................................................................................................... 54 VI.15.3 Register Map............................................................................................................................ 54 VI.16 POSITIVE EDGE DETECT .................................................................................................................. 55 VI.16.1 Description............................................................................................................................... 55 VI.16.2 Top Level Diagram .................................................................................................................. 55 VI.16.3 Input / Output........................................................................................................................... 55 VI.16.4 Register Map............................................................................................................................ 55 VI.17 RS FLOP .......................................................................................................................................... 56 VI.17.1 Description............................................................................................................................... 56 VI.17.2 Top Level Diagram .................................................................................................................. 56 VI.17.3 Input / Output........................................................................................................................... 56 VI.17.4 Register Map............................................................................................................................ 56 VI.18 READ ADDRESS DECODE................................................................................................................. 57 VI.18.1 Description............................................................................................................................... 57 VI.18.2 Top Level Diagram .................................................................................................................. 57 VI.18.3 Input / Output........................................................................................................................... 57 VI.18.4 Register Map............................................................................................................................ 57 VI.19 WRITE ADDRESS DECODE ............................................................................................................... 58 VI.19.1 Description............................................................................................................................... 58 VI.19.2 Top Level Diagram .................................................................................................................. 58 VI.19.3 Input / Output........................................................................................................................... 58 VI.19.4 Register Map............................................................................................................................ 58 VII. CHIP LEVEL VERIFICATION....................................................................................................... 59 VII.1 TRANSMIT ENGINE........................................................................................................................... 59 VII.2 UART ENGINE................................................................................................................................. 60 VIII. APPENDIX........................................................................................................................................ 62 VIII.1 AISO.............................................................................................................................................. 62 VIII.2 TRAMELBLAZE-TOP ....................................................................................................................... 63 VIII.3 UART............................................................................................................................................. 65 VIII.4 UART DECODE .............................................................................................................................. 67 VIII.5 TRANSMIT ENGINE.......................................................................................................................... 68 VIII.6 RECEIVE ENGINE ............................................................................................................................ 71 VIII.7 ADDRESS DECODE .......................................................................................................................... 75 VIII.8 POSITIVE EDGE DETECT.................................................................................................................. 76 VIII.9 RS FLOP.......................................................................................................................................... 77 VIII.10 SEVEN SEGMENT DISPLAY DRIVER............................................................................................... 78 VIII.11 ANODE SHIFT REGISTER ............................................................................................................... 79 VIII.12 ROTATOR...................................................................................................................................... 80 VIII.13 SELECT 2 BIT ................................................................................................................................ 81 VIII.14 MULTIPLEXOR 4 TO 1.................................................................................................................... 82 VIII.15 HEX DECODER.............................................................................................................................. 83 VIII.16 TRAMELBLAZE ............................................................................................................................. 95 VIII.17 MEMORY INTERFACE BLOCK...................................................................................................... 103 VIII.18 TOP LEVEL MODULE................................................................................................................... 107 Valenzuela 5
  • 6.
    Prepared by: Paul Valenzuela Date: May12, 2020 Document Name: Final Specification I. Introduction The Chip Specification document explains the Universal Asynchronous Receiver Transmitter (UART) data transmission module and Memory Interface Block (MIB) memory manager module as used in a terminal communication project. The transmit engine and receive engine work together to communicate the SOPC with the terminal. ASCII values are output to the terminal, and sent from the terminal to be interpreted by the TramelBlaze. These engines combined form the UART engine. In addition, A Memory Interface Block gives the TramelBlaze the ability to access Micron Memory from the Nexys A7. I.1 Purpose This project was essential in understanding how the Transmit and Receive engine of UART data transmission worked. This meant input can be put into the terminal and data was output back out and displayed on the terminal. In addition, this project was the first time a Memory Interface Block was used to manage the memory addresses and data that communicated with the Micron Memory. This document will go in depth about what each module within the project does. This includes top level diagrams, a description, details on the I/O ports, logic tables, and register map tables. A chip level test is then added at the end to indicate that the project fulfilled all requirements. Valenzuela 6
  • 7.
    Prepared by: Paul Valenzuela Date: May12, 2020 Document Name: Final Specification II. External Documents II.1 TramelBlaze II.1.1 Detailed Block Diagram These documents explain the architecture, instruction set, and logic of the TramelBlaze and its interfaces. It helped to create the design of the project and the Programmable Read-Only Memory (PROM) within the design. The TramelBlaze is a 16-Bit PicoBlaze emulator. The PicoBlaze is an embedded 8-bit RISC microcontroller. The PicoBlaze had similar logic, architecture, and instruction set to the TramelBlaze. The PicoBlaze documentation provided the basis for our TramelBlaze programming and usage. Valenzuela 7
  • 8.
    Prepared by: Paul Valenzuela Date: May12, 2020 Document Name: Final Specification II.1.2 Data Transmission: Memory: The TramelBlaze is able to run using 4 different types of memory. 1. 512 x 16 Scratch RAM - This is where interpreted data is stored 2. 128 x 16 Stack RAM - Holds temporary data storage that behaves as a FILO buffer 3. 4096 x 16 TB ROM - Instructions are stored in the TramelBlaze ROM 4. 16 x 16 Register Array Valenzuela 8
  • 9.
    Prepared by: Paul Valenzuela Date: May12, 2020 Document Name: Final Specification II.1.3 TramelBlaze Instructions: An essential part of learning to program The TramelBlaze is understanding the Instructions that can be performed on The scratch RAM memory, and the registers. These diagrams demonstrate how to send and grab data from the TramelBlaze. It also shows each operation and how to perform them on the registers. Valenzuela 9
  • 10.
    Prepared by: Paul Valenzuela Date: May12, 2020 Document Name: Final Specification II.1.4 Software Design Trambler Directives  Assembler directives are “instructions” added to the assembly language program that are intended to communicate with the assembler – they are not instructions to be converted into machine language instructions  ADDRESS – default address is 000. This directive changes where the instructions are placed in the range 000…FFF  EQU – Equate a label with a constant value to be substituted prior to final assembly  END – End of the source Source Code Organization  TramelBlaze code should be organized into six main portions:  Declarations – define all constants and string substitutions  Initialization – all setup required before enabling interrupts and entering main loop  Main Loop – routine where the processor spends most of its time. Cycling is achieved by JUMP at the end of the loop  Service Routines – all of the routines needed to implement the functionality of the software (typically executed with interrupt enables.  Interrupt Service Routine (ISR) – routine invoked when interrupt occurs. Best to minimize time spent in ISE with interrupts disabled.  Vector to ISE found at FFE/FFF Top Level Design Valenzuela 10
  • 11.
    Prepared by: Paul Valenzuela Date: May12, 2020 Document Name: Final Specification II.2 Nexys A7 II.2.1 Hardware Valenzuela 11
  • 12.
    Prepared by: Paul Valenzuela Date: May12, 2020 Document Name: Final Specification II.2.2 Input/Output This figure shows the switch, LED, Button, and Seven Segment Display connections of the Nexys A7. This shows the pin names and how to connect them to the top module through the constraint file II.2.3 Nexys A7 UART Configuration Valenzuela 12
  • 13.
    Prepared by: Paul Valenzuela Date: May12, 2020 Document Name: Final Specification III. Requirements III.1 Interface Requirements This project uses three components: the TramelBlaze, the UART Engine, and the Memory Interface Block. These components are instantiated within the top module. The MIB takes characters from the Receive Engine of the UART, and places them in Micron Memory. Once a special character is received, a certain value is transmitted to the terminal. For example, ‘*’ causes hometown transmission. To accomplish this, the TramelBlaze takes the ASCII values stored in Micron Memory and outputs the values to the terminal using the Transmit Engine. Before any input can be received by the Transmit Engine however, a banner displaying ‘WELCOME CECS !’ is transmitted to the terminal. Since UART Protocol is being used, Baud Rate is an essential part of data communication. All components involved need to operate at the same bit transmitting/receiving frequency. The switches of the Nexys A7 control the Baud Rate and UART Parity values. Baud Switches Baud Rate Bit Time Nexys A7 Count 0000 300 0.0033333333 3333333 0001 1200 0.000833333 83333 0010 2400 0.000041667 41667 0011 4800 0.000208333 20833 0100 9600 0.000104167 10417 0101 19200 5.20833E-05 5208 0110 38400 2.60417E-05 2604 0111 57600 1.73611E-05 1736 1000 115200 8.68056E-06 868 1001 230400 4.34028E-06 434 1010 460800 2.17014E-06 217 1011 921600 1.08507E-06 109 This logic table describes how switches[3:1] are in charge of the number of bits and the parity bit. Switch[3] decides whether the data is 8 or 7 bits. Switch[2] is in charge of if there is a parity bit. Switch[1] manages either even or odd parity. Switches[3:1] Data Size (Bits) Parity 000 7 None 001 7 None 010 7 Even 011 7 Odd 100 8 None 101 8 None 110 8 Even 111 8 Odd Valenzuela 13
  • 14.
    Prepared by: Paul Valenzuela Date: May12, 2020 Document Name: Final Specification III.2 Physical Requirements This table demonstrates how the switches are the input values for BAUD[3:0], eight, pen, ohel. Eight: This input signal connects to switch[3] and indicates whether or not the data being transmitted is 8 bits wide. ‘1’ for yes, ‘0’ for no. PEN: This input signal connects to switch[2] and indicates whether or not the data has parity enabled. ‘1’ for yes, ‘0’ for no. OHEL: This input signal connects to switch[1] and indicates what kind of parity the data has. ‘1’ means odd parity, ‘0’ means even. BTNU BTND BTNC BTNL BTNR Reset N/A N/A N/A N/A Only one button is used in this design to connect to the AISO block. When this button is pressed, a global reset is sent to the AISO block. The output of the AISO block is then sent to all flops in the design. LEDS[7] LEDS[6] LEDS[5] LEDS[4] LEDS[3] LEDS[2] LEDS[1] LEDS[0] The LEDs are used to walk a ‘1’ through them from LSB to MSB. The walking LED effect demonstrates that the system is running. Switches[7] Switches[6] Switches[5] Switches[4] Switches[3] Switches[2] Switches[1] Switches[0] Baud[3] Baud[2] Baud[1] Baud[0] Eight PEN OHEL N/A Valenzuela 14
  • 15.
    Prepared by: Paul Valenzuela Date: May12, 2020 Document Name: Final Specification IV. Top Level Design IV.1 Description The top level module connects all the modules together. This is done by instantiating the AISO , TramelBlaze Top, UART, Seven Segment Display, RS Flop, and two Address Decoders. The inputs/outputs are connected to the FPGA. IV.2 Top Level Diagram Valenzuela 15
  • 16.
    Prepared by: Paul Valenzuela Date: May12, 2020 Document Name: Final Specification IV.3 Detailed Level Diagram Valenzuela 16
  • 17.
    Prepared by: Paul Valenzuela Date: May12, 2020 Document Name: Final Specification IV.4 Data Flow Description This project required that the user was able to interact with the terminal using the UART processor. This project is important because it fully incorporated the UART design. The program will display the banner “WELCOME CECS !” and then it will wait for the user input from the terminal. If the terminal notices an input, it will check which character has been input. If it detects “*”, a hometown will be printed. If it detects “@”, the terminal will print the amount of characters stored from previous inputs. If a <backspace> is detected, a backspace occurs. Lastly if <cr> is detected, a new prompt is printed. In addition, a ‘1’ is walked through the LEDs to indicate that the program is running. This project was also the first time a Memory Interface Block was used to manage the memory addresses and data that communicated with the Micron Memory. The TramelBlaze will be able to grab data from the terminal and place those characters into a location in the memory IV.5 Input/Output Signal Size I/O Connection clk 1 Input 100MHz Oscillator reset 1 Input AISO switches 7 Input Nexys A7 Switches[7:0] TX 1 Output Nexys A7 Transmit USB RX 1 Input Nexys A7 Receive USB memoryAddress 23 Output Micron Memory currentStatus 8 Output Micron Memory cCE 1 Output Micron Memory cWE 1 Output Micron Memory cOE 1 Output Micron Memory cADV 1 Output Micron Memory CRE 1 Output Micron Memory cUB 1 Output Micron Memory cLB 1 Output Micron Memory MIBInOut 16 Output Micron Memory anode 8 Output Nexys A7 Anode cathode 8 Output Nexys A7 Cathode LEDs 8 Output Nexys A7 LED[7:0] Valenzuela 17
  • 18.
    Prepared by: Paul Valenzuela Date: May12, 2020 Document Name: Final Specification IV.6 Pin Assignments Input Signals Assignment Output Signals Assignment clk E3 leds[0] H17 reset M18 leds [1] K15 rx C4 leds [2] J13 eight R15 leds[3] N14 pen M13 leds[4] R18 Ohel L16 leds[5] V17 baud[0] R17 leds[6] U17 baud[1] T18 leds[7] U16 baud[2] U18 tx D4 baud[3] R13 IV.7 Electrical Requirements  Buttons  3.3V equates to logic ‘1’  0V equates to logic ‘0’  Switches  1.8 V equates to logic ‘1’  0V equates to logic ‘0’ IV.8 Clock The Nexys A7 clock is regulated by a 100MHz crystal oscillator. All flops in this design use the clock and update their register values at rising clock edges. IV.9 Resets The Reset of the project is connected to Pin M18 of the Nexys A7 board. It is a button and every time that button is pressed, the reset signal is sent to the AISO block which sends a synchronized reset signal to all flops in the design. Source Code: Appendix VIII.18 Valenzuela 18
  • 19.
    Prepared by: Paul Valenzuela Date: May12, 2020 Document Name: Final Specification IV.10 Software 1 ; Paul Valenzuela 2 ; 018469189 3 ; CECS 460 4 ; This code transmits 5 ; '<CR><LF>WELCOME CECS !' banner then 6 ; prompt on reset and detect four chars 7 ; that choose to DISPLAY hometown (*) 8 ; amount of characters in line (@) 9 ; backspace (BACKSP) 10 ; new prompt (<CR>) 11 ; Also 8 onboard walking LEDS indicate that 12 ; the code is working correctly 13 14 15 ;;;;;;;;;;;;;;;;;;;;;;;;;;;;;;;;;;;;;;;;;;;;;;;;;;;;;;;;;;;;;;;;;;;;;;;;;;;;;;;;;;;;;;;;; 16 ; Define and initialize global variables 17 ;;;;;;;;;;;;;;;;;;;;;;;;;;;;;;;;;;;;;;;;;;;;;;;;;;;;;;;;;;;;;;;;;;;;;;;;;;;;;;;;;;;;;;;;; 18 ZERO EQU 0000 19 ONE EQU 0001 20 TWO EQU 0002 21 THREE EQU 0003 22 FOUR EQU 0004 23 FIVE EQU 0005 24 LEDDELAY EQU BA03 25 TOP EQU 0028 26 BACKSP EQU 0008 27 CARRET EQU 000D 28 PROMPTCHECK EQU 0010 29 BNCHK EQU 0014 30 HTCHK EQU 0020 31 ASTSYM EQU 002A 32 ATSYM EQU 0040 33 34 ;;;;;;;;;;;;;;;;;;;;;;;;;;;;;;;;;;;;;;;;;;;;;;;;;;;;;;;;;;;;;;;;;;;;;;;;;;;;;;;;;;;;;;;;; 35 ; Define Registers 36 ;;;;;;;;;;;;;;;;;;;;;;;;;;;;;;;;;;;;;;;;;;;;;;;;;;;;;;;;;;;;;;;;;;;;;;;;;;;;;;;;;;;;;;;;; 37 TEMP EQU R0 ; Temp to hold temporary data 38 POINTER EQU R1 ; Pointer to RAM 39 TXCHECK EQU R2 ; TX Check 40 VALUE EQU R3 ; Check if UART Ready 41 LEDCOUNT2 EQU R4 ; Counter for LED Delay 42 LEDS EQU R5 ; LEDs 43 COUNTER EQU R6 ; Counter 44 LEDCOUNT EQU R7 ; Counter for LED Delay 45 STATUS EQU R8 ; Status of RX and TX 46 ERROR EQU R9 ; Check possible errors 47 DIVISOR EQU RA ; Divisor for ASCII Convert 48 QUOTIENT EQU RB ; Quotient for ASCII Convert 49 TXSTATE EQU RC ; Transmit State 50 WORKS EQU RD ; Checks if value is valid 51 COUNT EQU RE ; Temporarily holds counter 52 53 54 ;;;;;;;;;;;;;;;;;;;;;;;;;;;;;;;;;;;;;;;;;;;;;;;;;;;;;;;;;;;;;;;;;;;;;;;;;;;;; 55 ; Initialize variables and RAM 56 ;;;;;;;;;;;;;;;;;;;;;;;;;;;;;;;;;;;;;;;;;;;;;;;;;;;;;;;;;;;;;;;;;;;;;;;;;;;;;;;;;;;;;;;;; Valenzuela 19
  • 20.
    Prepared by: Paul Valenzuela Date: May12, 2020 Document Name: Final Specification 57 INIT 58 ENINT 59 LOAD POINTER, ZERO ; Pointer = 0 60 LOAD VALUE, ZERO ; Value = 0 61 LOAD LEDS, ONE ; LEDS = 0001 62 LOAD LEDCOUNT2, ZERO ; LEDcount2 = 0 63 LOAD LEDCOUNT, ZERO ; LEDcount = 0 64 LOAD TXSTATE, ZERO ; TXState = 0 65 LOAD STATUS, ZERO ; Status = 0 66 LOAD COUNTER, ZERO ; Counter = 0 67 CALL BANNER ; Insert Banner into Scratch RAM 68 CALL PROMPT ; Insert Prompt into Scratch RAM 69 CALL HOMETOWN ; Insert Hometown into Scratch RAM 70 CALL BACKSPACE ; Insert <bs> into Scratch RAM 71 CALL HEXCONVERT ; Initialize Binary to ASCII Converter 72 73 74 ;;;;;;;;;;;;;;;;;;;;;;;;;;;;;;;;;;;;;;;;;;;;;;;;;;;;;;;;;;;;;;;;;;;;;;;;;;;;;;;;;;;;;;;;; 75 ; Main Routine that cycles through LED 76 ;;;;;;;;;;;;;;;;;;;;;;;;;;;;;;;;;;;;;;;;;;;;;;;;;;;;;;;;;;;;;;;;;;;;;;;;;;;;;;;;;;;;;;;;; 77 MAIN 78 OUTPUT LEDS, ONE ; Output LED values to board 79 COMP LEDS, 0080 ; LEDS == 0080 ? 80 CALLZ RESETLEDS ; If true call reset LEDS 81 RL LEDS ; Shift LEDS left 1 bit 82 CALL LEDCOUNTER ; Call subroutine to slow LEDs 83 JUMP MAIN ; Super Loop Main 84 85 ;;;;;;;;;;;;;;;;;;;;;;;;;;;;;;;;;;;;;;;;;;;;;;;;;;;;;;;;;;;;;;;;;;;;;;;;;;;;;;;;;;;;;;;;; 86 ; Resets LED value to "0000 0001" 87 ;;;;;;;;;;;;;;;;;;;;;;;;;;;;;;;;;;;;;;;;;;;;;;;;;;;;;;;;;;;;;;;;;;;;;;;;;;;;;;;;;;;;;;;;; 88 RESETLEDS 89 LOAD LEDS, ONE ; LEDS = 0001 90 RETURN 91 92 93 ;;;;;;;;;;;;;;;;;;;;;;;;;;;;;;;;;;;;;;;;;;;;;;;;;;;;;;;;;;;;;;;;;;;;;;;;;;;;;;;;;;;;;;;;; 94 ; Counter that delays the walking '1' in LED value 95 ;;;;;;;;;;;;;;;;;;;;;;;;;;;;;;;;;;;;;;;;;;;;;;;;;;;;;;;;;;;;;;;;;;;;;;;;;;;;;;;;;;;;;;;;; 96 LEDCOUNTER 97 ADD LEDCOUNT, ONE ; Increment counter1 98 NOP ; Wait 99 COMP LEDCOUNT, LEDDELAY ; Check once counter1 reaches 11 100 JUMPC LEDCOUNTER ; Loop until true 101 LOAD LEDCOUNT, ZERO ; Reset counter1 102 ADD LEDCOUNT2, ONE ; Increment counter2 103 COMP LEDCOUNT2, FOUR ; Check once counter2 reaches 4 104 JUMPNZ LEDCOUNTER ; Loop until true Valenzuela 20
  • 21.
    Prepared by: Paul Valenzuela Date: May12, 2020 Document Name: Final Specification 105 LOAD LEDCOUNT2, ZERO ; Reset counter2 106 RETURN 107 108 ; ISR ADDRESS 109 ADDRESS 0300 110 111 ;;;;;;;;;;;;;;;;;;;;;;;;;;;;;;;;;;;;;;;;;;;;;;;;;;;;;;;;;;;;;;;;;;;;;;;;;;;;;;;;;;;;;;;;; 112 ; Interrupt Service Routine 113 ;;;;;;;;;;;;;;;;;;;;;;;;;;;;;;;;;;;;;;;;;;;;;;;;;;;;;;;;;;;;;;;;;;;;;;;;;;;;;;;;;;;;;;;;; 114 ISR 115 STORE POINTER, 0031 ; RAM[65] = Pointer 116 INPUT STATUS, ONE ; Read the Status Value 117 118 ;;;;;;;;;;;;;;;;;;;;;;;;;;;;;;;;;;;;;;;;;;;;;;;;;;;;;;;;;;;;;;;;;;;;;;;;;;;;;;;;;;;;;;;;; 119 ; Checks if txReady is active 120 ;;;;;;;;;;;;;;;;;;;;;;;;;;;;;;;;;;;;;;;;;;;;;;;;;;;;;;;;;;;;;;;;;;;;;;;;;;;;;;;;;;;;;;;;; 121 LOAD TEMP, STATUS ; Temp = status 122 COMP TXSTATE, FOUR ; TXState == 4 ? 123 JUMPZ RXCHECK ; If true, check if RX is ready 124 AND TEMP, TWO ; Temp = Temp & 0002 125 COMP TEMP, TWO ; TXReady ? 126 JUMPNZ FALSEINTERRUPT ; If False, Exit 127 128 ;;;;;;;;;;;;;;;;;;;;;;;;;;;;;;;;;;;;;;;;;;;;;;;;;;;;;;;;;;;;;;;;;;;;;;;;;;;;;;;;;;;;;;;;; 129 ; Store temp value into SCRATCH RAM[POINTER] 130 ;;;;;;;;;;;;;;;;;;;;;;;;;;;;;;;;;;;;;;;;;;;;;;;;;;;;;;;;;;;;;;;;;;;;;;;;;;;;;;;;;;;;;;;;; 131 STORERAM 132 STORE TEMP, POINTER ; RAM[Pointer] = Temp 133 ADD POINTER, ONE ; Pointer += 1 134 RETURN 135 136 137 ;;;;;;;;;;;;;;;;;;;;;;;;;;;;;;;;;;;;;;;;;;;;;;;;;;;;;;;;;;;;;;;;;;;;;;;;;;;;;;;;;;;;;;;;; 138 ; Place initial banner in RAM[0] (<CARRET><LF>WELCOME CECS !) (16 Characters) 139 ;;;;;;;;;;;;;;;;;;;;;;;;;;;;;;;;;;;;;;;;;;;;;;;;;;;;;;;;;;;;;;;;;;;;;;;;;;;;;;;;;;;;;;;;; 140 BANNER 141 LOAD TEMP, 000D ; Temp = <CARRET> 142 CALL STORERAM 143 LOAD TEMP, 000A ; Temp = <lf> 144 CALL STORERAM 145 LOAD TEMP, 0057 ; Temp = 'W' 146 CALL STORERAM 147 LOAD TEMP, 0045 ; Temp = 'E' 148 CALL STORERAM 149 LOAD TEMP, 004C ; Temp = 'L' 150 CALL STORERAM 151 LOAD TEMP, 0043 ; Temp = 'C' 152 CALL STORERAM 153 LOAD TEMP, 004F ; Temp = 'O' 154 CALL STORERAM Valenzuela 21
  • 22.
    Prepared by: Paul Valenzuela Date: May12, 2020 Document Name: Final Specification 155 LOAD TEMP, 004D ; Temp = 'M' 156 CALL STORERAM 157 LOAD TEMP, 0045 ; Temp = 'E' 158 CALL STORERAM 159 LOAD TEMP, 0020 ; Temp = ' ' 160 CALL STORERAM 161 LOAD TEMP, 0043 ; Temp = 'C' 162 CALL STORERAM 163 LOAD TEMP, 0045 ; Temp = 'E' 164 CALL STORERAM 165 LOAD TEMP, 0043 ; Temp = 'C' 166 CALL STORERAM 167 LOAD TEMP, 0053 ; Temp = 'S' 168 CALL STORERAM 169 LOAD TEMP, 0020 ; Temp = ' ' 170 CALL STORERAM 171 LOAD TEMP, 0021 ; Temp = '!' 172 CALL STORERAM 173 RETURN 174 175 ;;;;;;;;;;;;;;;;;;;;;;;;;;;;;;;;;;;;;;;;;;;;;;;;;;;;;;;;;;;;;;;;;;;;;;;;;;;;;;;;;;;;;;;;; 176 ; Place prompt in RAM[16] (<CARRET><LF>--> ) 177 ;;;;;;;;;;;;;;;;;;;;;;;;;;;;;;;;;;;;;;;;;;;;;;;;;;;;;;;;;;;;;;;;;;;;;;;;;;;;;;;;;;;;;;;;; 178 PROMPT 179 LOAD TEMP, 000D ; Temp = <CARRET> 180 CALL STORERAM 181 LOAD TEMP, 000A ; Temp = <lf> 182 CALL STORERAM 183 LOAD TEMP, 002D ; Temp = '-' 184 CALL STORERAM 185 LOAD TEMP, 002D ; Temp = '-' 186 CALL STORERAM 187 LOAD TEMP, 003E ; Temp = '>' 188 CALL STORERAM 189 LOAD TEMP, 0020 ; Temp = ' ' 190 CALL STORERAM 191 RETURN 192 193 ;;;;;;;;;;;;;;;;;;;;;;;;;;;;;;;;;;;;;;;;;;;;;;;;;;;;;;;;;;;;;;;;;;;;;;;;;;;;;;;;;;;;;;;;; 194 ; Place 'La Quinta' (hometown) in RAM[22] (11 Characters) 195 ;;;;;;;;;;;;;;;;;;;;;;;;;;;;;;;;;;;;;;;;;;;;;;;;;;;;;;;;;;;;;;;;;;;;;;;;;;;;;;;;;;;;;;;;; 196 HOMETOWN 197 LOAD TEMP, 004C ; Temp = 'L' 198 CALL STORERAM 199 LOAD TEMP, 0041 ; Temp = 'A' 200 CALL STORERAM 201 LOAD TEMP, 0020 ; Temp = ' ' 202 CALL STORERAM 203 LOAD TEMP, 0051 ; Temp = 'Q' 204 CALL STORERAM 205 LOAD TEMP, 0055 ; Temp = 'U' 206 CALL STORERAM 207 LOAD TEMP, 0049 ; Temp = 'I' 208 CALL STORERAM Valenzuela 22
  • 23.
    Prepared by: Paul Valenzuela Date: May12, 2020 Document Name: Final Specification 209 LOAD TEMP, 004E ; Temp = 'N' 210 CALL STORERAM 211 LOAD TEMP, 0054 ; Temp = 'T' 212 CALL STORERAM 213 LOAD TEMP, 0041 ; Temp = 'A' 214 CALL STORERAM 215 LOAD TEMP, 0020 ; Temp = ' ' 216 CALL STORERAM 217 RETURN 218 219 220 ;;;;;;;;;;;;;;;;;;;;;;;;;;;;;;;;;;;;;;;;;;;;;;;;;;;;;;;;;;;;;;;;;;;;;;;;;;;;;;;;;;;;;;;;; 221 ; Place Backspace command in RAM[33] (<BACKSP> ' ' <BACKSP>) 222 ;;;;;;;;;;;;;;;;;;;;;;;;;;;;;;;;;;;;;;;;;;;;;;;;;;;;;;;;;;;;;;;;;;;;;;;;;;;;;;;;;;;;;;;;; 223 BACKSPACE 224 LOAD TEMP, 0008 ; Temp = <BACKSP> 225 CALL STORERAM 226 LOAD TEMP, 0020 ; Temp = ' ' 227 CALL STORERAM 228 LOAD TEMP, 0008 ; Temp = <BACKSP> 229 CALL STORERAM 230 RETURN 231 232 ;;;;;;;;;;;;;;;;;;;;;;;;;;;;;;;;;;;;;;;;;;;;;;;;;;;;;;;;;;;;;;;;;;;;;;;;;;;;;;;;;;;;;;;;; 233 ; Checks if rxReady is active 234 ;;;;;;;;;;;;;;;;;;;;;;;;;;;;;;;;;;;;;;;;;;;;;;;;;;;;;;;;;;;;;;;;;;;;;;;;;;;;;;;;;;;;;;;;; 235 RXCHECK 236 LOAD TEMP, STATUS ; Temp = Status 237 AND TEMP, ONE ; Temp = Temp & 0001 238 COMP TEMP, ONE ; Temp == 0001 ? (RXReady?) 239 JUMPNZ FALSEINTERRUPT ; If false, go to false ISR 240 241 ;;;;;;;;;;;;;;;;;;;;;;;;;;;;;;;;;;;;;;;;;;;;;;;;;;;;;;;;;;;;;;;;;;;;;;;;;;;;;;;;;;;;;;;;; 242 ; Locates and outputs error 243 ;;;;;;;;;;;;;;;;;;;;;;;;;;;;;;;;;;;;;;;;;;;;;;;;;;;;;;;;;;;;;;;;;;;;;;;;;;;;;;;;;;;;;;;;; 244 LOAD ERROR, STATUS ; Error = status 245 AND ERROR, 001C ; Check error status 246 SR0 ERROR ; Shift error right 247 SR0 ERROR ; Shift error right 248 OUTPUT ERROR, TWO ; Output new error 249 250 ;;;;;;;;;;;;;;;;;;;;;;;;;;;;;;;;;;;;;;;;;;;;;;;;;;;;;;;;;;;;;;;;;;;;;;;;;;;;;;;;;;;;;;;;; 251 ; Read data and set it to temp 252 ;;;;;;;;;;;;;;;;;;;;;;;;;;;;;;;;;;;;;;;;;;;;;;;;;;;;;;;;;;;;;;;;;;;;;;;;;;;;;;;;;;;;;;;;; 253 INPUT VALUE, ZERO ; Value = IN_PORT[0] 254 LOAD TEMP, VALUE ; Temp = Value 255 256 ;;;;;;;;;;;;;;;;;;;;;;;;;;;;;;;;;;;;;;;;;;;;;;;;;;;;;;;;;;;;;;;;;;;;;;;;;;;;;;;;;;;;;;;;; 257 ; Check if <CARRET> was entered in the prompt 258 ;;;;;;;;;;;;;;;;;;;;;;;;;;;;;;;;;;;;;;;;;;;;;;;;;;;;;;;;;;;;;;;;;;;;;;;;;;;;;;;;;;;;;;;;; Valenzuela 23
  • 24.
    Prepared by: Paul Valenzuela Date: May12, 2020 Document Name: Final Specification 259 ENTERCHECK 260 COMP TEMP, CARRET ; Temp == <CARRET> ? 261 JUMPNZ BSCHECK ; If true, jump to enter subroutine 262 LOAD TXSTATE, THREE ; TXState = 3 263 LOAD POINTER, 0010 ; Pointer = 16 264 FETCH VALUE, POINTER ; Value = RAM[16] 265 ADD POINTER, ONE ; Pointer += 1 266 STORE POINTER, 0030 ; RAM[64] = Pointer 267 JUMP TRANSMIT ; Transmit values 268 269 ;;;;;;;;;;;;;;;;;;;;;;;;;;;;;;;;;;;;;;;;;;;;;;;;;;;;;;;;;;;;;;;;;;;;;;;;;;;;;;;;;;;;;;;;; 270 ; Check if <BS> was entered in the prompt 271 ;;;;;;;;;;;;;;;;;;;;;;;;;;;;;;;;;;;;;;;;;;;;;;;;;;;;;;;;;;;;;;;;;;;;;;;;;;;;;;;;;;;;;;;;; 272 BSCHECK 273 COMP TEMP, BACKSP ; Temp == <BACKSP> ? 274 JUMPNZ ASTERICKS ; If true, jump to backspace subroutine 275 COMP COUNTER, ZERO ; Counter == 0 ? 276 JUMPZ FALSEINTERRUPT ; If true jump to false ISR 277 LOAD TXSTATE, FIVE ; TXState = 5 278 SUB COUNTER, ONE ; Counter -= 1 279 LOAD TXCHECK, 0023 ; TXCheck = 35 280 LOAD POINTER, 0020 ; Pointer = 32 281 FETCH VALUE, POINTER ; Value = RAM[30] 282 ADD POINTER, ONE ; Pointer += 1 283 STORE POINTER, 0030 ; RAM[64] = Pointer 284 JUMP TRANSMIT 285 286 ;;;;;;;;;;;;;;;;;;;;;;;;;;;;;;;;;;;;;;;;;;;;;;;;;;;;;;;;;;;;;;;;;;;;;;;;;;;;;;;;;;;;;;;;; 287 ; Check if '*' was entered in the prompt 288 ;;;;;;;;;;;;;;;;;;;;;;;;;;;;;;;;;;;;;;;;;;;;;;;;;;;;;;;;;;;;;;;;;;;;;;;;;;;;;;;;;;;;;;;;; 289 ASTERICKS 290 COMP TEMP, ASTSYM ; Temp == '*' ? 291 JUMPNZ ATYSYMBOL ; If true, jump to display hometown 292 LOAD TXSTATE, TWO ; TXState = 2 293 LOAD POINTER, 0016 ; Pointer = 22 294 FETCH VALUE, POINTER ; Value = RAM[22] 295 ADD POINTER, ONE ; Pointer += 1 296 STORE POINTER, 0030 ; RAM[64] = Pointer 297 JUMP TRANSMIT 298 299 ;;;;;;;;;;;;;;;;;;;;;;;;;;;;;;;;;;;;;;;;;;;;;;;;;;;;;;;;;;;;;;;;;;;;;;;;;;;;;;;;;;;;;;;;; 300 ; Check if '@' was entered in the prompt 301 ;;;;;;;;;;;;;;;;;;;;;;;;;;;;;;;;;;;;;;;;;;;;;;;;;;;;;;;;;;;;;;;;;;;;;;;;;;;;;;;;;;;;;;;;; 302 ATYSYMBOL 303 COMP TEMP, ATSYM ; Temp == '@' ? 304 JUMPNZ INCREMENT ; If true, check if counter maxed out 305 CALL HEXCONVERT ; Update Counter 306 LOAD TXSTATE, FIVE ; TXState = 5 307 LOAD TXCHECK, 0029 ; TXCheck = 41 308 LOAD POINTER, 0024 ; Pointer = 35 309 FETCH VALUE, POINTER ; Value = RAM[35] Valenzuela 24
  • 25.
    Prepared by: Paul Valenzuela Date: May12, 2020 Document Name: Final Specification 310 ADD POINTER, ONE ; Pointer += 1 311 STORE POINTER, 0030 ; RAM[64] = Pointer 312 JUMP TRANSMIT 313 314 INCREMENT 315 COMP COUNTER, TOP ; Counter == Top ? 316 JUMPZ FALSEINTERRUPT ; If true, jump to false ISR 317 ADD COUNTER, ONE ; Counter += 1 318 319 ;;;;;;;;;;;;;;;;;;;;;;;;;;;;;;;;;;;;;;;;;;;;;;;;;;;;;;;;;;;;;;;;;;;;;;;;;;;;;;;;;;;;;;;;; 320 ; Transmit data to terminal 321 ;;;;;;;;;;;;;;;;;;;;;;;;;;;;;;;;;;;;;;;;;;;;;;;;;;;;;;;;;;;;;;;;;;;;;;;;;;;;;;;;;;;;;;;;; 322 TRANSMIT 323 OUTPUT VALUE, ZERO ; Transmit value 324 FETCH POINTER, 0031 ; Pointer = RAM[21] 325 RETEN 326 327 328 ;;;;;;;;;;;;;;;;;;;;;;;;;;;;;;;;;;;;;;;;;;;;;;;;;;;;;;;;;;;;;;;;;;;;;;;;;;;;;;;;;;;;;;;;; 329 ; Output value to terminal 330 ;;;;;;;;;;;;;;;;;;;;;;;;;;;;;;;;;;;;;;;;;;;;;;;;;;;;;;;;;;;;;;;;;;;;;;;;;;;;;;;;;;;;;;;;; 331 DISPLAY 332 FETCH POINTER, 0030 ; Pointer = 64 333 FETCH VALUE, POINTER ; Value = RAM[64] 334 OUTPUT VALUE, ZERO ; Transmit Value 335 ADD POINTER, ONE ; Pointer += 1 336 STORE POINTER, 0030 ; RAM[64] = Pointer 337 COMP POINTER, TXCHECK ; Pointer == TXCheck ? 338 JUMPZ PROMPTCHECK ; If true, check TXState 339 JUMP FALSEINTERRUPT ; Jump to false ISR 340 341 342 ;;;;;;;;;;;;;;;;;;;;;;;;;;;;;;;;;;;;;;;;;;;;;;;;;;;;;;;;;;;;;;;;;;;;;;;;;;;;;;;;;;;;;;;;; 343 ; Displays hometown string in ASCII 344 ;;;;;;;;;;;;;;;;;;;;;;;;;;;;;;;;;;;;;;;;;;;;;;;;;;;;;;;;;;;;;;;;;;;;;;;;;;;;;;;;;;;;;;;;; 345 PRINTH 346 COMP TXSTATE, FIVE ; TXState == 5 ? 347 JUMPZ DISPLAY ; If true, transmit values 348 COMP TXSTATE, TWO ; TXState == 2 ? 349 JUMPNZ PRINTPROMPT ; If false check if TXState == 3 350 LOAD TXCHECK, 0020 ; TXCheck = 32 351 LOAD TXSTATE, FIVE ; TXState = 5 352 JUMP DISPLAY ; Transmit Values 353 354 ;;;;;;;;;;;;;;;;;;;;;;;;;;;;;;;;;;;;;;;;;;;;;;;;;;;;;;;;;;;;;;;;;;;;;;;;;;;;;;;;;;;;;;;;; 355 ; Displays banner 356 ;;;;;;;;;;;;;;;;;;;;;;;;;;;;;;;;;;;;;;;;;;;;;;;;;;;;;;;;;;;;;;;;;;;;;;;;;;;;;;;;;;;;;;;;; 357 PRINTBANNER 358 COMP TXSTATE, ZERO ; TXState == 0 ? 359 JUMPNZ FALSEINTERRUPT ; If false, exit Valenzuela 25
  • 26.
    Prepared by: Paul Valenzuela Date: May12, 2020 Document Name: Final Specification 360 LOAD TXCHECK, 0010 ; TXCheck = 16 361 LOAD TXSTATE, FIVE ; TXState = 5 362 LOAD POINTER, ZERO ; Pointer = 0 363 STORE POINTER, 0030 ; RAM[64] = Pointer 364 JUMP DISPLAY 365 366 ;;;;;;;;;;;;;;;;;;;;;;;;;;;;;;;;;;;;;;;;;;;;;;;;;;;;;;;;;;;;;;;;;;;;;;;;;;;;;;;;;;;;;;;;; 367 ; Displays prompt 368 ;;;;;;;;;;;;;;;;;;;;;;;;;;;;;;;;;;;;;;;;;;;;;;;;;;;;;;;;;;;;;;;;;;;;;;;;;;;;;;;;;;;;;;;;; 369 PRINTPROMPT 370 COMP TXSTATE, THREE ; TXState == 3 ? 371 JUMPNZ PRINTBANNER ; If false, check if TXState == 4 372 LOAD TXCHECK, 0016 ; TXCheck = 22 373 LOAD TXSTATE, FIVE ; TXState = 5 374 JUMP DISPLAY ; Transmit Values 375 376 ;;;;;;;;;;;;;;;;;;;;;;;;;;;;;;;;;;;;;;;;;;;;;;;;;;;;;;;;;;;;;;;;;;;;;;;;;;;;;;;;;;;;;;;;; 377 ; Checks if TXCheck is 36 or 22 378 ;;;;;;;;;;;;;;;;;;;;;;;;;;;;;;;;;;;;;;;;;;;;;;;;;;;;;;;;;;;;;;;;;;;;;;;;;;;;;;;;;;;;;;;;; 379 PROMPTCHECK 380 COMP TXCHECK, 0023 ; txCheck == 36? 381 JUMPZ TXSTATE4 ; If so, jump to TXSTATE4 382 383 COMP TXCHECK, 0016 ; txCheck == 22? 384 JUMPNZ PROMPTCHANGE ; If not, display prompt 385 LOAD COUNTER, ZERO ; Counter 386 387 ;;;;;;;;;;;;;;;;;;;;;;;;;;;;;;;;;;;;;;;;;;;;;;;;;;;;;;;;;;;;;;;;;;;;;;;;;;;;;;;;;;;;;;;;; 388 ; Ensures TXState is 4 389 ;;;;;;;;;;;;;;;;;;;;;;;;;;;;;;;;;;;;;;;;;;;;;;;;;;;;;;;;;;;;;;;;;;;;;;;;;;;;;;;;;;;;;;;;; 390 TXSTATE4 391 LOAD TXSTATE, FOUR ; txState = 4 392 FETCH POINTER, 0031 ; Pointer = RAM[65] 393 RETEN 394 395 ;;;;;;;;;;;;;;;;;;;;;;;;;;;;;;;;;;;;;;;;;;;;;;;;;;;;;;;;;;;;;;;;;;;;;;;;;;;;;;;;;;;;;;;;; 396 ; Changes Pointer Location 397 ;;;;;;;;;;;;;;;;;;;;;;;;;;;;;;;;;;;;;;;;;;;;;;;;;;;;;;;;;;;;;;;;;;;;;;;;;;;;;;;;;;;;;;;;; 398 PROMPTCHANGE 399 LOAD POINTER, 0010 ; Pointer = 16 400 STORE POINTER, 0030 ; RAM[64] = RAM[Pointer] 401 FETCH POINTER, 0031 ; Pointer = RAM[65] 402 LOAD TXSTATE, THREE ; txState = 3 403 RETEN 404 405 ;;;;;;;;;;;;;;;;;;;;;;;;;;;;;;;;;;;;;;;;;;;;;;;;;;;;;;;;;;;;;;;;;;;;;;;;;;;;;;;;;;;;;;;;; 406 ; Faulty interrupt caused by an error 407 ;;;;;;;;;;;;;;;;;;;;;;;;;;;;;;;;;;;;;;;;;;;;;;;;;;;;;;;;;;;;;;;;;;;;;;;;;;;;;;;;;;;;;;;;; Valenzuela 26
  • 27.
    408 FALSEINTERRUPT 409 FETCHPOINTER, 0031 ; Pointer = RAM[65] 410 RETEN 411 412 413 ADDRESS 0400 414 415 416 417 418 ;;;;;;;;;;;;;;;;;;;;;;;;;;;;;;;;;;;;;;;;;;;;;;;;;;;;;;;;;;;;;;;;;;;;;;;;;;;;;;;;;;;;;;;;; 419 ; Converts binary value of counter to ASCII to output to terminal 420 ;;;;;;;;;;;;;;;;;;;;;;;;;;;;;;;;;;;;;;;;;;;;;;;;;;;;;;;;;;;;;;;;;;;;;;;;;;;;;;;;;;;;;;;;; 421 HEXCONVERT 422 LOAD WORKS, ZERO ; Works = 0 423 LOAD POINTER, 0011 ; Pointer = 17 424 LOAD DIVISOR, 2710 ; Divisor = 10,000 425 LOAD QUOTIENT, ZERO ; Quotient = 0 426 LOAD COUNT, COUNTER ; Count = Counter 427 428 ;;;;;;;;;;;;;;;;;;;;;;;;;;;;;;;;;;;;;;;;;;;;;;;;;;;;;;;;;;;;;;;;;;;;;;;;;;;;;;;;;;;;;;;;; 429 ; Check if using the correct divisor value 430 ;;;;;;;;;;;;;;;;;;;;;;;;;;;;;;;;;;;;;;;;;;;;;;;;;;;;;;;;;;;;;;;;;;;;;;;;;;;;;;;;;;;;;;;;; 431 CHECK 432 COMP COUNTER, DIVISOR ; Counter < Divisor ? 433 JUMPC CHANGEDIVISOR ; If true, jumpt to changedivisor subroutine 434 ADD QUOTIENT, ONE ; Quotient += 1 435 SUB COUNTER, DIVISOR ; Counter -= Divisor 436 JUMP CHECK ; Jump to check subroutine 437 438 439 ;;;;;;;;;;;;;;;;;;;;;;;;;;;;;;;;;;;;;;;;;;;;;;;;;;;;;;;;;;;;;;;;;;;;;;;;;;;;;;;;;;;;;;;;; ; Makes sure quotient value is WORKS, then jumps to subroutine that changes divisor 440 ;;;;;;;;;;;;;;;;;;;;;;;;;;;;;;;;;;;;;;;;;;;;;;;;;;;;;;;;;;;;;;;;;;;;;;;;;;;;;;;;;;;;;;;; 441 CHANGEDIVISOR 442 COMP WORKS, ONE ; Works == 1 ? 443 JUMPZ QUOTASCII ; If true, jump to quotient to ascii conversion 444 COMP QUOTIENT, ZERO 445 JUMPZ SETSPACE ; If true, jump to add a hexi space subroutine 446 LOAD WORKS, ONE ; Works = 1 447 448 449 ;;;;;;;;;;;;;;;;;;;;;;;;;;;;;;;;;;;;;;;;;;;;;;;;;;;;;;;;;;;;;;;;;;;;;;;;;;;;;;;;;;;;;;;;; ; Convert quotient value to ASCII 450 451 ;;;;;;;;;;;;;;;;;;;;;;;;;;;;;;;;;;;;;;;;;;;;;;;;;;;;;;;;;;;;;;;;;;;;;;;;;;;;;;;;;;;;;;;;; QUOTASCII 452 ADD QUOTIENT, 0030 ; Change quotient to ascii 453 JUMP DIVIDE 454 455 ;;;;;;;;;;;;;;;;;;;;;;;;;;;;;;;;;;;;;;;;;;;;;;;;;;;;;;;;;;;;;;;;;;;;;;;;;;;;;;;;;;;;;;;;; Valenzuela 27
  • 28.
    Prepared by: Paul Valenzuela Date: May12, 2020 Document Name: Final Specification 456 ; Adds a space between banner and <count> value 457 ;;;;;;;;;;;;;;;;;;;;;;;;;;;;;;;;;;;;;;;;;;;;;;;;;;;;;;;;;;;;;;;;;;;;;;;;;;;;;;;;;;;;;;;;; 458 SETSPACE 459 ADD QUOTIENT, 0020 ; Make quotient a ' ' 460 461 ;;;;;;;;;;;;;;;;;;;;;;;;;;;;;;;;;;;;;;;;;;;;;;;;;;;;;;;;;;;;;;;;;;;;;;;;;;;;;;;;;;;;;;;;; 462 ; Algorithm that divides binary value by 10,000, 1,000, 100, then 10 to convert it to 463 ;;;;;;;;;;;;;;;;;;;;;;;;;;;;;;;;;;;;;;;;;;;;;;;;;;;;;;;;;;;;;;;;;;;;;;;;;;;;;;;;;;;;;;;;; 464 DIVIDE 465 STORE QUOTIENT, POINTER ; RAM[POINTER] = Quotient 466 LOAD QUOTIENT, ZERO ; Quotient = 0 467 ADD POINTER, ONE ; Pointer += 1 468 COMP DIVISOR, 000A ; Divisor == 10 ? 469 JUMPZ LASTVALUE ; If true, jump to lastvalue subroutine 470 COMP DIVISOR, 0064 ; Divisor == 100 ? 471 JUMPZ TEN ; If true, jump to ten subroutine 472 COMP DIVISOR, 03E8 ; Divisor == 1,000 ? 473 JUMPZ HUNDRED ; If true, jump to hundred subroutine 474 JUMP THOUSAND ; Else, jump to thousand subroutine 475 476 ;;;;;;;;;;;;;;;;;;;;;;;;;;;;;;;;;;;;;;;;;;;;;;;;;;;;;;;;;;;;;;;;;;;;;;;;;;;;;;;;;;;;;;;;; 477 ; Stores the 1's place of the counter into SCRATCH RAM 478 ;;;;;;;;;;;;;;;;;;;;;;;;;;;;;;;;;;;;;;;;;;;;;;;;;;;;;;;;;;;;;;;;;;;;;;;;;;;;;;;;;;;;;;;;; 479 LASTVALUE 480 ADD QUOTIENT, COUNTER ; Quotient += counter 481 ADD QUOTIENT, 0030 ; Convert quotient to ASCII 482 STORE QUOTIENT, POINTER ; RAM[POINTER] = quotient 483 LOAD POINTER, ZERO ; Pointer = 0 484 LOAD COUNTER, COUNT ; Counter = count 485 RETURN 486 487 ;;;;;;;;;;;;;;;;;;;;;;;;;;;;;;;;;;;;;;;;;;;;;;;;;;;;;;;;;;;;;;;;;;;;;;;;;;;;;;;;;;;;;;;;; 488 ; Subrountine to change divisor to 1000 489 ;;;;;;;;;;;;;;;;;;;;;;;;;;;;;;;;;;;;;;;;;;;;;;;;;;;;;;;;;;;;;;;;;;;;;;;;;;;;;;;;;;;;;;;;; 490 THOUSAND 491 LOAD DIVISOR, 03E8 ; Divisor = 1,000 492 JUMP CHECK 493 494 ;;;;;;;;;;;;;;;;;;;;;;;;;;;;;;;;;;;;;;;;;;;;;;;;;;;;;;;;;;;;;;;;;;;;;;;;;;;;;;;;;;;;;;;;; 495 ; Subrountine to change divisor to 100 496 ;;;;;;;;;;;;;;;;;;;;;;;;;;;;;;;;;;;;;;;;;;;;;;;;;;;;;;;;;;;;;;;;;;;;;;;;;;;;;;;;;;;;;;;;; 497 HUNDRED 498 LOAD DIVISOR, 0064 ; Divisor = 100 499 JUMP CHECK 500 501 ;;;;;;;;;;;;;;;;;;;;;;;;;;;;;;;;;;;;;;;;;;;;;;;;;;;;;;;;;;;;;;;;;;;;;;;;;;;;;;;;;;;;;;;;; Valenzuela 28
  • 29.
    502 ; Subrountineto change divisor to 100 503 ;;;;;;;;;;;;;;;;;;;;;;;;;;;;;;;;;;;;;;;;;;;;;;;;;;;;;;;;;;;;;;;;;;;;; 504 TEN 505 LOAD DIVISOR, 000A ; Divisor = 10 506 JUMP CHECK 507 508 ;;;;;;;;;;;;;;;;;;;;;;;;;;;;;;;;;;;;;;;;;;;;;;;;;;;;;;;;;;;;;;;;;;;;;; 509 ; Vector to Interrupt Service Routine - NO CHANGES HERE 510 ;;;;;;;;;;;;;;;;;;;;;;;;;;;;;;;;;;;;;;;;;;;;;;;;;;;;;;;;;;;;;;;;;;;;;; 511 ADDRESS 0FFE ; Interrupt At Vector Address 0FFE 512 ENDIT 513 JUMP ISR ; Jump to ISR 514 END Valenzuela 29
  • 30.
    Prepared by: Paul Valenzuela Date: May12, 2020 Document Name: Final Specification V. External Developed Blocks V.1 Asynchronous In, Synchronous Out (AISO) V.1.1 Description V.1.2 Top Level Diagram This block prevents metastability by creating a synchronized reset signal. The reset input of this block is connected to a button on the Nexys A7 board. The output resets every signal. V.1.3 Input/Output Signal I/O Connected to clk Input 100MHz Crystal Oscillator reset Input Button sRst Output mRst V.1.4 Register Map Register Usage Description {d2,q2} Synchronize Once resets, sends a single pulse to all modules Source Code: Appendix VIII.1 Valenzuela 30
  • 31.
    Prepared by: Paul Valenzuela Date: May12, 2020 Document Name: Final Specification V.2 TramelBlaze V.2.1 Description V.2.2 Top Level Diagram The TramelBlaze is 16-bit soft-core microcontroller that emulates the PicoBlaze. The TramelBlaze reads and performs actions based on instructions provided by the ROM. The TramelBlaze is used in this project to receive and transmit ASCII values to a Serial terminal. The WRITE_STROBE and READ_STROBE communicate with the UART which helps to establish whether the design will be using the transmit or receive engine. V.2.3 Input/Output Signal I/O Connection CLK Input 100MHz Crystal Oscillator RESET Input AISO INTERRUPT Input RS Flop IN_PORT[15:0] Input UART PORT_ID[15:0] Output UART + AddressDecoder OUT_PORT[15:0] Output UART READ_STROBE Output UART WRITE_STROBE Output UART INTERRUPT_ACK Output RS Flop V.2.4 Register Map Register Usage Description TB_ROM[15:0] Read Only Memory Holds Instructions for TramelBlaze to execute Source Code: Appendix VIII.16 Valenzuela 31
  • 32.
    Prepared by: Paul Valenzuela Date: May12, 2020 Document Name: Final Specification VI. Internally Developed Blocks VI.1 Memory Block Interface VI.1.1 Description The Memory Interface Block consists of a state machine and control flops. The state machine inputs are the PORT_ID values. There are three possible states: MEMWRITE, MEMREAD, IDLE. The outputs of each state are CE, WE, OE, and T. The flops of the MIB then use these signals to control the memory addresses and the data being communicated between them and the Micron Memory. Prior to this, the TramelBlaze Read Only Memory had been in charge of this data flow. VI.1.2 Top Level Diagram Valenzuela 32
  • 33.
    Prepared by: Paul Valenzuela Date: May12, 2020 Document Name: Final Specification VI.1.3 Input/Output Signal Size (Bits) Input/Output Connection clk 1 Input 100MHz Crystal Oscillator rst 1 Input AISO READ 1 Input TramelBlaze WRITE 1 Input TramelBlaze PORT_ID 16 Input TramelBlaze memoryDataIn 16 Input Micron Memory OUT_PORT 16 Input TramelBlaze cCE 1 Output Micron Memory cWE 1 Output Micron Memory cOE 1 Output Micron Memory cADV 1 Output Micron Memory cCRE 1 Output Micron Memory cUB 1 Output Micron Memory cLB 1 Output Micron Memory memoryAddress 23 Output Micron Memory memoryDataOut 16 Output Micron Memory IN_PORT 16 Output TramelBlaze VI.1.4 Register Map Register Module Description cCE MIB Chip Enable Signal to Micron Memory cWE MIB Write Enable Signal to Micron Memory cOE MIB Output Enable Signal to Micron Memory cIOBUF_T MIB Controller for IOBUF cADV MIB Address Valid Signal for Micron Memory CRE MIB Control Register Enable Signal for Micron Memory cUB MIB Upper Byte Signal for Micron Memory cLB MIB Lower Byte Signal for Micron Memory memoryAddress MIB Memory Address Location memoryDataOut MIB Data to Micron Memory IN_PORT MIB Data from TramelBlaze state MIB State of MIB nState MIB Next State of MIB WCLK MIB Counter to Stay in Write State for 130ns RCLK MIB Counter to Stay in Read State for 130ns nCE MIB Chip Enable Next State nWE MIB Write Enable Next State nOE MIB Output Enable Next State nIOBUF_T MIB T Next State Valenzuela 33
  • 34.
    Prepared by: Paul Valenzuela Date: May12, 2020 Document Name: Final Specification VI.1.5 State Machine Source Code: Appendix VIII.17 Valenzuela 34
  • 35.
    Prepared by: Paul Valenzuela Date: May12, 2020 Document Name: Final Specification VI.2 Universal Asynchronous Receiver and Transmitter (UART) VI.2.1 Description The UART module is built by five components: the Transmit Engine, the Receive Engine, the Baud Rate Decoder, and two Positive Edge Detectors. The Transmit Engine shifts serial data out to the Transmit Line through the micro-USB connection. The Receive Engine shifts serial data into a register. It then takes the data in the register and sends it to the TramelBlaze to be processed. A UART module communicates data between modules without a clock to synchronize data transmission. In order to make sure the data is valid, a common frequency is required. This is accomplished by both engines sharing the Baud Rate. The Baud Rate is determined by decoding the switch values from the Nexys A7 board. Baud Rate represents the speed that data is transmitted and received. The UART block communicated to the TramelBlaze when the receive engine/transmit engine us ready to interpret data. This signal is communicated by an interrupt signal. The Interrupt reaches the TramelBlaze and causes it to enter the Interrupt Service Routine. This signal sent from the UART is called UARTready. VI.2.2 Top Level Diagram Valenzuela 35
  • 36.
    Prepared by: Paul Valenzuela Date: May12, 2020 Document Name: Final Specification VI.2.3 Detailed Level Diagram Valenzuela 36
  • 37.
    Prepared by: Paul Valenzuela Date: May12, 2020 Document Name: Final Specification VI.2.4 Input/Output Signal Size(Bits) I/O Connection clk 1 Input 100MHz Crystal Oscillator rst 1 Input AISO rx 1 Input Nexys A7 USB switches 8 Input Nexys A7 Switches WRITE 8 Input Address Decoder READ 8 Input Address Decoder OUT_PORT 8 Input TramelBlaze UARTready 1 Output TramelBlaze tx 1 Output Nexys A7 USB UART_DS 8 Output TramelBlaze Source Code: Appendix VIII.3 Valenzuela 37
  • 38.
    Prepared by: Paul Valenzuela Date: May12, 2020 Document Name: Final Specification VI.3 Transmit Engine VI.3.1 Description The Transmit Engine consists of five components: Bit Counter, Bit Time Counter, Shift Register, Bit 10/9 Decoder, and the Transmit Controller. These components combine to help transmit data to the computer terminal. The Bit Time Counter will decide the speed at which the transmit engine will shift data out. The speed is set by the output of the Baud Rate Decoder. The Bit Counter makes sure the register only shifts out 11 bits of data. The Shift Register helps to shift data outwards from the least significant bit (LSB) to most significant bit (MSB). The Transmit Controller is in charge of setting the values of the wires between the components. These wires tell the counters when to reset, and are in charge of other circumstances such as parity enable, and the UART Interrupt. Lastly, the Bit 10/9 Decoder decides what values to insert into bit 9 and bit 10 of the shift register. These values depend on how many bits wide the signal to transmit is. All of these components are essential to build the Transmit Engine. VI.3.2 Top Level Diagram Valenzuela 38
  • 39.
    Prepared by: Paul Valenzuela Date: May12, 2020 Document Name: Final Specification VI.3.3 Detailed Level Diagram VI.3.4 Verification Valenzuela 39
  • 40.
    Prepared by: Paul Valenzuela Date: May12, 2020 Document Name: Final Specification VI.3.5 Input / Output Signal Size (Bits) I/O Connection clk 1 Input 100MHz Crystal Oscillator rst 1 Input AISO load 1 Input Address Decoder eight 1 Input Nexys A7 Switch[3] pen 1 Input Nexys A7 Switch[2] ohel 1 Input Nexys A7 Switch[1] OUT_PORT 8 Input TramelBlaze k 19 Input Baud Rate Decoder tx 1 Output Nexys A7 USB txReady 1 Output Nexys A7 USB VI.3.6 Register Map Register Module Description bit10 Decoder Bit 10 into the Shift Register bit9 Decoder Bit 9 into the Shift Register doit Transmit Controller Allows counter to increment load1 Transmit Controller Delays data transmission by 1 clock period nTX [10:0] Shift Register Holds data to be shifted out into board lData [7:0] Shift Register Grabs data from TramelBlaze bitTimeCount [18:0] Bit Time Counter Baud Rate Counter bitCount [3:0] Bit Counter How many bits to shift Counter Source Code: Appendix VIII.5 Valenzuela 40
  • 41.
    Prepared by: Paul Valenzuela Date: May12, 2020 Document Name: Final Specification VI.4 Transmit Shift Register VI.4.1 Description The shift register is sent data from OUT_PORT on the TramelBlaze and shifts data outwards 1 bit at a time in the output value tx. The tx usually has a value of ‘1’. The ‘start bit’ for the transmit engine is a ‘0’. So when a ‘0’ is initially sent, the tx will start outputting the register data 1 bit at a time. When the module is reset, the shift register will continue to output 11 bits of ‘1’, to show its inactive state. The data is sent out from LSB to MSB. With the first bit always being a ‘0’. The bit after the MSB will either be the parity bit or the stop bit. But data transmission always ends with a ‘1’ stop bit. When the bit time counter is done counting, a ‘1’ is sent to the TX engine and the UART interprets this as the end of the data transmission. VI.4.2 Top Level Diagram VI.4.3 Input/Output Signal Size (Bits) I/O Connection clk 1 Input 100MHz Crystal Oscillator Rst 1 Input AISO load 1 Input TX Controller btu 1 Input TX Bit Time Counter nTX 11 Input Bit10/9 Decoder, TX Controller tx 1 Output Nexys A7 USB Source Code: Appendix VIII.5 Valenzuela 41
  • 42.
    Prepared by: Paul Valenzuela Date: May12, 2020 Document Name: Final Specification VI.5 Bit 10 Bit 9 Decoder VI.5.1 Description This module oversaw deciding what values bit10 and bit9 receive. This is because these bits depend entirely on the number of bits being transmitted and the parity of the transmission. The data will either be 7 or 8 bits. This directly effects what bit9 will be. Also, if there is a parity, the parity bit will be placed in bit9 or bit10, depending on how many bits the data is. All of these conditions are evaluated and assigned based on the decoder. The inputs of the decoder are eight, pen, and ohel. VI.5.2 Top Level Diagram VI.5.3 Input/Output Signal Size (Bits) I/O Connection lData 8 Input TX Controller eight 1 Input Nexys A7 Switch[3] pen 1 Input Nexys A7 Switch[2] ohel 1 Input Nexys A7 Switch[1] bit10 1 Output TX Shift Register bit9 1 Output TX Shift Register VI.5.4 Logic Table eight pen ohel bit10 bit9 0 0 0 1 1 0 0 1 1 1 0 1 0 1 ^lData[6:0] 0 1 1 1 ~^lData[6:0] 0 0 0 1 lData[7] 1 0 1 1 lData[7] 1 1 0 ^lData[7:0] lData[7] 1 1 1 ~^lData[7:0] lData[7] Source Code: Appendix VIII.5 Valenzuela 42
  • 43.
    Prepared by: Paul Valenzuela Date: May12, 2020 Document Name: Final Specification VI.6 Transmit Controller VI.6.1 Description VI.6.2 Top Level Diagram The transmit controller is in charge of the wires between the flops and indicative signals. This includes doit, done, btu, etc. It communicates between the flops and tells them how to behave. It is also in charge of telling the shift register when to load new data with the load1 signal. VI.5.3 Input/Output Signal Size (Bits) I/O Connection clk 1 Input 100MHz Clock Oscillator rst 1 Input AISO done 1 Input TX Bit Count load 1 Input Address Decoder OUT_PORT 8 Input TramelBlaze txReady 1 Output PED load1 1 Output TX Shift Register doit 1 Output Both TX Counters lData 8 Output TX Shift Register Source Code: Appendix VIII.5 Valenzuela 43
  • 44.
    Prepared by: Paul Valenzuela Date: May12, 2020 Document Name: Final Specification VI.7 Transmit Bit Counter VI.7.1 Description VI.7.2 Top Level Diagram This counter counts from 0-11 in decimal. Each increment is to indicate how many bits have been transmitted. It increments every time the “doit” and “btu” signals are high. This means that the bit time counter has reached its value. This is important because a bit is only sent every time the bit time counter has reached its comparable value. VI.7.3 Input/Output Signal Size (Bits) I/O Connection clk 1 Input 100MHz Clock Oscillator rst 1 Input AISO doit 1 Input TX Controller btu 1 Input TX Bit Time Counter done 1 Output TX Controller Source Code: Appendix VIII.5 Valenzuela 44
  • 45.
    Prepared by: Paul Valenzuela Date: May12, 2020 Document Name: Final Specification VI.8 Transmit Bit Time Counter VI.8.1 Description VI.8.2 Top Level Diagram The bit time counter is used to transmit bits at a very specific baud rate. The bit time counter increments at every clock signal and will continue to increment until it reaches its indicated baud rate. The bit time counter resets when the “done” signal is high. This means that the baud rate has been reached and a bit is ready to transmit. VI.8.3 Input/Output Signal Size (Bits) I/O Connection clk 1 Input 100 MHz Clock Oscillator rst 1 Input AISO doit 1 Input TX Controller k 19 Input Baud Rate Decoder btu 1 Output TX Shift Register Source Code: Appendix VIII.5 Valenzuela 45
  • 46.
    Prepared by: Paul Valenzuela Date: May12, 2020 Document Name: Final Specification VI.9 Receive Engine VI.9.1 Description The Receive engine works in the opposite direction of the transmit engine. It inputs data 1 bit at a time and shifts them into a shift register. It then interprets this data and sends it to the TramelBlaze via IN_PORT. The receive engine consists of 5 components: a Bit Time Counter, a Bit Counter, a State Machine, Receive Controller, and the Receive Shift Register. All these components combine to allow the UART to receive data 1 bit at a time and interpret it into a valid ASCII value. It is important that the shifted data is shifted at the correct baud rate for the appropriate amount of times. The shift register grabs data from the rx input and shifts it into a register. However, the number of bits of data and parity bit need to be taken into consideration. Due to this, the data needs to be remapped accordingly. VI.9.2 Top Level Diagram Valenzuela 46
  • 47.
    Prepared by: Paul Valenzuela Date: May12, 2020 Document Name: Final Specification VI.9.3 Detailed Level Diagram VI.9.4 Verification Valenzuela 47
  • 48.
    Prepared by: Paul Valenzuela Date: May12, 2020 Document Name: Final Specification VI.9.5 Input/Output Signal Size (Bits) I/O Connection clk 1 Input 100 MHz Crystal Oscillator rst 1 Input AISO READ 8 Input Address Decoder k 19 Input Baud Rate Decoder rx 1 Input Nexys A7 USB eight 1 Input Nexys A7 Switch[3] pen 1 Input Nexys A7 Switch[2] ohel 1 Input Nexys A7 Switch[1] rxStatus 8 Output TramelBlaze rxReady 1 Output UART PED UART_RDATA 8 Output TramelBlaze VI.9.6 Register Map Register Module Description start State Machine Detection of start bit nStart State Machine Holds next start value done State Machine Resets counter values doit State Machine Allows counter to count nDoit State Machine Holds the next doit value Parity_error Receive Controller Indicates a parity error Framing_error Receive Controller Indicates a framing error Overflow_error Receive Controller Indicates an overflow error State State Machine State that holds done + start values nState State Machine Registers the next State nRX Shift Register Register holding raw data from Nexys Board shiftedReg Right Justify Register Register with proper parity bit BitTimeCount Bit Time Counter Baud Rate Counter BitCount Bit Counter How many times register shift counter newK Baud Rate Divider Baud Rate Decoder Source Code: Appendix VIII.6 Valenzuela 48
  • 49.
    Prepared by: Paul Valenzuela Date: May12, 2020 Document Name: Final Specification VI.10 Receive Shift Register VI.10.1 Description VI.10.2 Top Level Diagram The shift register is a shift register that operates under specific conditions. The 2 MSBs will either be 0s or the data interpreted from the rx line, depending on the values of eight and pen. This module uses a switch case statement to assess the values of eight and pen. If both values are high, the data is not shifted. If only one of the values is high, the data is shifted once to the right. If both are inactive, the data is shifted twice to the right. VI.10.3 Input/Output Signal Size (Bits) I/O Connection clk 1 Input 100MHz Crystal Oscillator rst 1 Input AISO shiftHigh 1 Input RX Controller rx 1 Input Nexys A7 USB eight 1 Input Nexys A7 Switch[3] pen 1 Input Nexys A7 Switch[2] ohel 1 Input Nexys A7 Switch[1] shiftedReg 10 Output RX Controller UART_RDATA 8 Output TramelBlaze Source Code: Appendix VIII.6 Valenzuela 49
  • 50.
    Prepared by: Paul Valenzuela Date: May12, 2020 Document Name: Final Specification VI.11 Receive State Machine VI.11.1 Description VI.11.2 Top Level Diagram The state machine is implemented using a Modified Moore technique. The state machine guarantees that the start bit remains low-active until it is mid-bit time. At this point, data collection will continue at normal bit time until all the data is received. This state machine outputs start and doit. Start means that the engine has just received the start bit. Doit means that the engine is receiving actual data. The state machine conditions are rx, done, and btu. VI.11.3 State Transition Diagram VI.11.4 Input/Output Signal Size (Bits) I/O Connection clk 1 Input 100 MHz Crystal Oscillator rst 1 Input AISO rx 1 Input Nexys A7 USB btu 1 Input RX Bit Time Counter done 1 Input RX Bit Counter start 1 Output RX Bit Time Counter doit 1 Output Both RX Counters Source Code: Appendix VIII.6 Valenzuela 50
  • 51.
    Prepared by: Paul Valenzuela Date: May12, 2020 Document Name: Final Specification VI.12 Receive Controller VI.12.1 Description VI.12.2 Top Level Diagram The receive controller is in charge of the wires between the flops and indicative signals. This includes doit, done, btu, etc. It communicates between the flops and tells them how to behave. It in charge of when to divide the baud value by 2, and communicating the status of the receive engine. An example being when there is an overflow/parity/framing error. VI.21.3 Input/Output Signal Size (Bits) I/O Connection clk 1 Input 100MHz Clock Oscillator rst 1 Input AISO done 1 Input RX Bit Counter eight 1 Input Nexys A7 Switch[3] pen 1 Input Nexys A7 Switch[2] ohel 1 Input Nexys A7 Switch[1] shiftedReg 10 Input Receive Shift Register rxReady 1 Output TramelBlaze parity_error 1 Output UART framing_error 1 Output UART overflow_error 1 Output UART Source Code: Appendix VIII.6 Valenzuela 51
  • 52.
    Prepared by: Paul Valenzuela Date: May12, 2020 Document Name: Final Specification VI.13 Receive Bit Counter VI.13.1 Description VI.13.2 Top Level Diagram This counter counts from 0-11 in decimal. Each increment is to indicate how many bits have been received. It increments every time the “doit” and “btu” signals are high. This means that the bit time counter has reached its value. This is important because a bit is only grabbed every time the bit time counter has reached its comparable value. In addition, the Receive Bit Counter has to constantly change the comparable value depending on how many bits are received. This depends on the values of pen and eight. VI.13.3 Input/Output Signal Size (Bits) I/O Connection clk 1 Input 100MHz Clock Oscillator rst 1 Input AISO doit 1 Input State Machine btu 1 Input RX Bit Time Counter eight 1 Input Nexys A7 Switch[3] pen 1 Input Nexys A7 Switch[2] done 1 Output State Machine VI.13.4 Logic Table eight pen == ? 0 0 9 0 1 10 1 0 11 1 1 11 Source Code: Appendix VIII.6 Valenzuela 52
  • 53.
    Prepared by: Paul Valenzuela Date: May12, 2020 Document Name: Final Specification VI.14 Receive Bit Time Counter VI.14.1 Description VI.14.2 Top Level Diagram The bit time counter is used to receive bits at a very specific baud rate. The bit time counter increments at every clock signal and will continue to increment until it reaches its indicated baud rate. The bit time counter resets when the “done” signal is high. This means that the baud rate has been reached and a bit is ready to be received. The only difference is that this bit time counter counts to a value of k/2, where k is the interpreted baud rate. VI.14.3 Input/Output Signal Size (Bits) I/O Connection clk 1 Input 100 MHz Clock Oscillator rst 1 Input AISO doit 1 Input State Machine start 1 Input State Machine k 19 Input Baud Rate Decoder btu 1 Output RX Controller Source Code: Appendix VIII.6 Valenzuela 53
  • 54.
    Prepared by: Paul Valenzuela Date: May12, 2020 Document Name: Final Specification VI.15 Baud Rate Decoder VI.15.1 Description VI.15.1 Top Level Diagram The Baud Rate Decoder is a 4 to 19-bit Decoder that chooses the speed that the UART communicates data. The 4 inputs of the decoder come from switches[7:4] on the Nexys A7 board. VI.15.3 Input/Output Signal Size (Bits) I/O Connection switches 4 Input Nexys A7 Switches[7:4] k 19 Output Transmit + Receive Engine VI.15.4 Register Map Register Usage Description k[18:0] Constant The rate that data is sent/received Source Code: Appendix VIII.4 Valenzuela 54
  • 55.
    Prepared by: Paul Valenzuela Date: May12, 2020 Document Name: Final Specification VI.16 Positive Edge Detect VI.16.1 Description VI.16.2 Top Level Diagram This block detects a rising edge on A given signal. It is used in the UART block to detect when txReady and rxReady reach a rising edge. VI.16.3 Input/Output Signal Size (Bits) I/O Connection clk 1 Input 100MHz Crystal Oscillator rst 1 Input AISO in 1 Input Transmit + Receive Engine yes 1 Output UART VI.16.4 Register Map Register Usage Description q[1:0] PED Sends PED values when flop goes from {1,0} to {0,1} Source Code: Appendix VIII.8 Valenzuela 55
  • 56.
    Prepared by: Paul Valenzuela Date: May12, 2020 Document Name: Final Specification VI.17 RS Flop VI.17.1 Description VI.17.2 Top Level Diagram The RS Flop behaves as a typical RS flop. It holds a value until each rising clock signal. If input s is high, the flop outputs 1. The flop will then hold this value until the flop reset or functional reset are high. VI.17.3 Input/Output Signal Size (Bits) I/O Connection clk 1 Input 100MHz Crystal Oscillator rst 1 Input AISO funcrst 1 Input TramelBlaze set 1 Input Transmit PED + Receive PED q 1 Output TramelBlaze VI.17.4 Register Map Register Usage Description q Interrupt Output interrupt when set high Source Code: Appendix VIII.9 Valenzuela 56
  • 57.
    Prepared by: Paul Valenzuela Date: May12, 2020 Document Name: Final Specification VI.18 Address Decode (READ) VI.18.1 Description VI.18.2 Top Level Diagram This module determines the values of READ[7:0] based on READ_STROBE and PORT_ID[15:0]. It helps the UART understand which values to send to the TramelBlaze. VI.18.3 Input/Output Signal Size (Bits) I/O Connection READ_STROBE 1 Input TramelBlaze PORT_ID[15] 1 Input TramelBlaze PORT_ID[2] 1 Input TramelBlaze PORT_ID[1] 1 Input TramelBlaze PORT_ID[0] 1 Input TramelBlaze READS 8 Output Receive Engine VI.9.1 Register Map Register Usage Description enable {READ_STROBE & PORT_ID[15]} Determines whether to write to TramelBlaze Source Code: Appendix VIII.7 Valenzuela 57
  • 58.
    Prepared by: Paul Valenzuela Date: May12, 2020 Document Name: Final Specification VI.19 Address Decode (WRITE) VI.19.1 Description VI.19.2 Top Level Diagram This module determines the values of WRITE[7:0] based on WRITE_STROBE and PORT_ID[15:0]. It helps the UART understand which values to grab from the TramelBlaze. VI.19.3 Input/Output Signal Size (Bits) I/O Connection WRITE_STROBE 1 Input TramelBlaze PORT_ID[15] 1 Input TramelBlaze PORT_ID[2] 1 Input TramelBlaze PORT_ID[1] 1 Input TramelBlaze PORT_ID[0] 1 Input TramelBlaze WRITE 8 Output Transmit Engine VI.9.4 Register Map Register Usage Description enable {WRITE_STROBE & PORT_ID[15]} Determines whether to read from TramelBlaze Source Code: Appendix VIII.7 Valenzuela 58
  • 59.
    Prepared by: Paul Valenzuela Date: May12, 2020 Document Name: Final Specification VII. Chip Level Verification VII.1 Transmit Engine As demonstrated by the screenshot above, the transmit engine works appropriately by transmitting a banner to the terminal and incrementing the counter every time the banner is printed Valenzuela 59
  • 60.
    Prepared by: Paul Valenzuela Date: May12, 2020 Document Name: Final Specification VII.2 UART Engine Valenzuela 60
  • 61.
    Prepared by: Paul Valenzuela Date: May12, 2020 Document Name: Final Specification Input The following keyboard inputs were entered into the terminal: 1. * 2. 12345<cr> 3. 12345@ 4. 01234567@ 5. <cr> 6. Paull 7. <bs> 8. <cr> 9. The Backspace Works… Requirements This demonstrates that the UART engine works as expected. It is able to receive data from the terminal, interpret that data, and transmit new data to the terminal. In this specific design,  “*” - Prints hometown  <cr> - Creates newline  “@” - Counts the amount of characters entered  <bs> - Deletes the previous character Verified As shown above, all of the inputs gave the expected outputs. This means that the UART design satisfied its requirements. Valenzuela 61
  • 62.
    Prepared by: Paul Valenzuela Date: May12, 2020 Document Name: Final Specification VIII.Appendix VIII.1 AISO 1 `timescale 1ns / 1ps 2 //******************************************************************************// 3 // File name: AISO.v // 4 // // 5 // Created by Paul Valenzuela on 9/16/19. // 6 // Copyright (C) 2018 Paul Valenzuela. All rights reserved. // 7 // // 8 // // 9 // In submitting this file for class work at CSULB // 10 // I am confirming that this is my work and the work // 11 // of no one else. In submitting this code I acknowledge that // 12 // plagiarism in student project work is subject to dismissal // 13 // from the class // 14 //******************************************************************************// 15 //******************************************************************************// 16 // AISO.v // 17 // // 18 // The AISO block ensures that all the blocks within the design share a // 19 // synchronous reset input. The AISO block works by converting the input // 20 // of reset into two flops. This makes sure that reset is stable and // 21 // helps prevent metastability // 22 // // 23 // @input clk, rst, // 24 // @output sRst // 25 // // 26 //******************************************************************************// 27 module AISO(clk, rst, sRst); 28 //Declare Variables 29 input wire clk,rst; 30 output wire sRst; 31 reg d2, q2; 32 33 //Sequential Block 34 always@(posedge clk,posedge rst) 35 //If Rst is on, both flops input 0 36 if(rst) 37 d2 <= 1'b0; 38 //Otherwise, the first flop gets 1 and the second gets the output of the first flop 39 else 40 {d2,q2} <= {1'b1,d2}; 41 42 //Output wire is assigned to the inverted output of the second flop 43 assign sRst = ~q2; 44 45 endmodule 46 Valenzuela 62
  • 63.
    Prepared by: Paul Valenzuela Date: May12, 2020 Document Name: Final Specification VIII.2 TramelBlaze Top 1 //****************************************************************// 2 // This document contains information proprietary to the // 3 // CSULB student that created the file - any reuse without // 4 // adequate approval and documentation is prohibited // 5 // // 6 // Class: CECS 460 // 7 // Project name: TRAMBLAZE PROCESSOR // 8 // File name: tramelblaze_top3.0_sim.v // 9 // Release: 3.0 Release Date 02mar2017 // 10 // Release: 5.0 Release Date 07nov2017 // 11 // to be used for simulation only // 12 // assumes following hierarchy // 13 // project // 14 // assembler// 15 // design (file in design looks in assembler for instr) // 16 // // 17 // Created by John Tramel on 20Feburary2016 // 18 // Copyright 2016 John Tramel. All rights reserved. // 19 // // 20 // Abstract: Top level for TRAMBLAZE processor // 21 // Edit history: 2016JAN25 - created // 22 // 20FEB - top created for processor and memory // 23 // tramelblaze_top // 24 // - tramelblaze // 25 // - tramelblaze_mem // 26 // 14feb2020 - modified path for sim.sim for Vivado // 27 // assumes Assembler directory same level as project // 28 // Top Level Directory // 29 // Assembler // 30 // code.tba, code.lst, sim.sim // 31 // Project // 32 // vivado project file // 33 // 18apr202 - startup error with memory - 1st instruction // 34 // not executed properly. Believe I fixed it // 35 // // 36 // In submitting this file for class work at CSULB // 37 // I am confirming that this is my work and the work // 38 // of no one else. // 39 // // 40 // In the event other code sources are utilized I will // 41 // document which portion of code and who is the author // 42 // // 43 // In submitting this code I acknowledge that plagiarism // 44 // in student project work is subject to dismissal from the class // 45 //****************************************************************// 46 47 `timescale 1ns/1ns 48 49 module tramelblaze_top (CLK, RESET, IN_PORT, INTERRUPT, 50 OUT_PORT, PORT_ID, READ_STROBE, WRITE_STROBE, INTERRUPT_ACK); 51 52 input CLK; 53 input RESET; 54 input [15:0] IN_PORT; 55 input INTERRUPT; 56 Valenzuela 63
  • 64.
    Prepared by: Paul Valenzuela Date: May12, 2020 Document Name: Final Specification 57 output [15:0] OUT_PORT; 58 output [15:0] PORT_ID; 59 output READ_STROBE; 60 output WRITE_STROBE; 61 output INTERRUPT_ACK; 62 63 wire [15:0] INSTRUCTION; 64 wire [11:0] ADDRESS; 65 66 tramelblaze tramelblaze 67 ( 68 .CLK(CLK), 69 .RESET(RESET), 70 .IN_PORT(IN_PORT), 71 .INTERRUPT(INTERRUPT), 72 73 .OUT_PORT(OUT_PORT), 74 .PORT_ID(PORT_ID), 75 .READ_STROBE(READ_STROBE), 76 .WRITE_STROBE(WRITE_STROBE), 77 .INTERRUPT_ACK(INTERRUPT_ACK), 78 79 .ADDRESS(ADDRESS), 80 .INSTRUCTION(INSTRUCTION) 81 ); 82 83 84 reg [15:0] memory [0:4095]; 85 reg [15:0] ADDRESSQ; 86 /* 87 initial 88 $readmemh("/assembler/sim.sim",memory); 89 90 always@(*) INSTRUCTION = memory[ADDRESSQ]; 91 92 always @(posedge CLK,posedge RESET) 93 if (RESET) ADDRESSQ <= 12'b0; 94 else ADDRESSQ <= ADDRESS; 95 */ 96 97 98 tb_rom tb_rom 99 ( 100 .clk (CLK), // input clka 101 .a (ADDRESS), // input [11 : 0] addra 102 .spo (INSTRUCTION) // output [15 : 0] douta 103 ); 104 105 endmodule 106 Valenzuela 64
  • 65.
    Prepared by: Paul Valenzuela Date: May12, 2020 Document Name: Final Specification VIII.3 UART 1 `timescale 1ns / 1ps 2 //******************************************************************************// 3 // File name: UART.v // 4 // // 5 // Created by Paul Valenzuela on 4/19/20. // 6 // Copyright (C) 2020 Paul Valenzuela. All rights reserved. // 7 // // 8 // // 9 // In submitting this file for class work at CSULB // 10 // I am confirming that this is my work and the work // 11 // of no one else. In submitting this code I acknowledge that // 12 // plagiarism in student project work is subject to dismissal // 13 // from the class // 14 //******************************************************************************// 15 //******************************************************************************// 16 // UART.v // 17 // // 18 // This module serves as the Universal Asynchronous // 19 // Receiver Transmitter block. It does this by holding an instantiation // 20 // of the transmit block and UART decoder. // 21 // // 22 // @input clk, rst, [7:0] READS, [7:0] WRITE, OUT_PORT[7:0], switches, rx // 23 // @output txReady, tx, UART_DS // 24 // // 25 //******************************************************************************// 26 module UART(clk,rst,WRITE,READS,OUT_PORT,UARTready,tx,rx,switches,UART_DS); 27 28 input clk, rst, rx; 29 input [7:0] OUT_PORT, WRITE, READS; 30 output wire UARTready, tx; 31 output reg [7:0]UART_DS; 32 wire [7:0] UART_RDATA; 33 input [7:0] switches; 34 35 wire [18:0] k; 36 wire txReady, rxReady, txReadyYes, rxReadyYes; 37 wire [7:0] UART_STATUS; 38 wire [7:0] rxStatus; 39 reg [7:0] BAUD_VAL; 40 41 42 // Transmit 43 transmit transmit_engine(.clk(clk), .rst(rst), 44 .load(WRITE[0]), .k(k[18:0]), 45 .eight(switches[3]), .pen(switches[2]), 46 .ohel(switches[1]), .OUT_PORT(OUT_PORT[7:0]), 47 .txReady(txReady), .tx(tx)); 48 49 50 // Recieve 51 recieve recieve_engine(.clk(clk), .rst(rst), 52 .eight(switches[3]),.pen(switches[2]),.ohel(switches[1]), 53 .READ(READS[7:0]),.k(k[18:0]), Valenzuela 65
  • 66.
    Prepared by: Paul Valenzuela Date: May12, 2020 Document Name: Final Specification 54 .rxReady(rxReady),.rx(rx), 55 .UART_RDATA(UART_RDATA[7:0]), 56 .rxStatus(rxStatus[7:0])); 57 58 // Assign K Value based on decoder 59 uart_decode decoder(.switches(switches[7:4]),.k(k[18:0])); 60 61 // PED txReady 62 posEdgeDetect txr(.clk(clk), .rst(rst), .in(txReady), .yes(txReadyYes)); 63 64 // PED rxReady 65 posEdgeDetect rxr(.clk(clk), .rst(rst), .in(rxReady), .yes(rxReadyYes)); 66 67 // UART Ready 68 assign UARTready = (txReadyYes || rxReadyYes); 69 70 // UART Status 71 assign UARTStatus = {rxStatus[7:2], txReady, rxStatus[0]}; 72 73 // Decide which values to write to Tramelblaze 74 always@(*) 75 if(READS[0]) 76 UART_DS = UART_RDATA; 77 else if(READS[1]) 78 UART_DS = UART_STATUS; 79 else 80 UART_DS = 8'b0; 81 82 endmodule 83 Valenzuela 66
  • 67.
    Prepared by: Paul Valenzuela Date: May12, 2020 Document Name: Final Specification VIII.4 UART Decode 1 `timescale 1ns / 1ps 2 //******************************************************************************// 3 // File name: uart_decode.v // 4 // // 5 // Created by Paul Valenzuela on 4/19/20. // 6 // Copyright (C) 2020 Paul Valenzuela. All rights reserved. // 7 // // 8 // // 9 // In submitting this file for class work at CSULB // 10 // I am confirming that this is my work and the work // 11 // of no one else. In submitting this code I acknowledge that // 12 // plagiarism in student project work is subject to dismissal // 13 // from the class // 14 //******************************************************************************// 15 //******************************************************************************// 16 // uart_decode.v // 17 // // 18 // The uart_decode module decodes values from switches to determine // 19 // baud rate // 20 // // 21 // @input [3:0] switches // 22 // @output [18:0] k // 23 // // 24 //******************************************************************************// 25 module uart_decode(switches,k); 26 27 input [ 3:0] switches; // Switches [7:4]: 28 output reg [18:0] k; // output as seen in transmit engine diagram 29 30 always @(*) begin 31 case (switches) 32 4'b0000: k = 19'd333333; //300 -- RATE 33 4'b0001: k = 19'd83333; //1200 34 4'b0010: k = 19'd41667; //2400 35 4'b0011: k = 19'd20833; //4800 36 4'b0100: k = 19'd10417; //9600 37 4'b0101: k = 19'd5208; //19200 38 4'b0110: k = 19'd2604; //38400 39 4'b0111: k = 19'd1736; //57600 40 4'b1000: k = 19'd868; //115200 41 4'b1001: k = 19'd434; //230400 42 4'b1010: k = 19'd217; //460800 43 4'b1011: k = 19'd109; //921600 44 default: k = 19'd333333; //300 45 endcase 46 end 47 endmodule 48 Valenzuela 67
  • 68.
    Prepared by: Paul Valenzuela Date: May12, 2020 Document Name: Final Specification VIII.5 Transmit Engine 1 `timescale 1ns / 1ps 2 //******************************************************************************// 3 // File name: transmit.v // 4 // // 5 // Created by Paul Valenzuela on 4/19/20. // 6 // Copyright (C) 2020 Paul Valenzuela. All rights reserved. // 7 // // 8 // // 9 // In submitting this file for class work at CSULB // 10 // I am confirming that this is my work and the work // 11 // of no one else. In submitting this code I acknowledge that // 12 // plagiarism in student project work is subject to dismissal // 13 // from the class // 14 //******************************************************************************// 15 //******************************************************************************// 16 // transmit.v // 17 // // 18 // The transmit module serves as the top level for the trasnmit block. // 19 // It consists of several components and will later be used in the UART // 20 // block // 21 // // 22 // @input clk, rst, load, eight, pen, ohel, [7:0] OUT_PORT, [19:0] k // 23 // @output txReady, tx // 24 // // 25 //******************************************************************************// 26 module transmit(clk, rst, load, k, eight, pen, ohel, OUT_PORT, txReady, tx); 27 input clk, rst, load, eight, pen, ohel; 28 input [7:0] OUT_PORT; 29 input [18:0] k; 30 31 output reg txReady; 32 output wire tx; 33 34 wire btu, done; 35 reg bit10, bit9, doit, load1; 36 reg [10:0] nTX; 37 reg [7:0] lData; 38 reg [18:0] bitTimeCount; 39 reg [3:0] bitCount; 40 41 42 // Bit Counter 43 always@(posedge clk, posedge rst) 44 if (rst) 45 bitCount <= 4'b0; 46 else if(done) 47 bitCount <= 4'b0; 48 else if({doit,btu} == 2'b11) 49 bitCount <= bitCount + 4'b1; 50 else 51 bitCount <= bitCount; 52 53 assign done = (bitCount == 4'b1011); 54 55 56 // DOIT Signal Valenzuela 68
  • 69.
    Prepared by: Paul Valenzuela Date: May12, 2020 Document Name: Final Specification 57 always@(posedge clk, posedge rst) 58 if (rst) 59 doit <= 1'b0; 60 else if(done) 61 doit <= 1'b0; 62 else if(load1) 63 doit <= 1'b1; 64 else 65 doit <= doit; 66 67 // Bit Time Counter 68 always@(posedge clk, posedge rst) 69 if (rst) 70 bitTimeCount <= 19'b0; 71 else if(btu) 72 bitTimeCount <= 19'b0; 73 else if(doit) 74 bitTimeCount <= bitTimeCount + 19'b1; 75 else 76 bitTimeCount <= bitTimeCount; 77 78 assign btu = (bitTimeCount == k) ? 1'b1 : 1'b0; 79 80 81 // LOAD1 Signal 82 always@(posedge clk, posedge rst) 83 if (rst) 84 load1 <= 1'b0; 85 else 86 load1 <= load; 87 88 // Loadable 8-Bit Register 89 always@(posedge clk, posedge rst) 90 if (rst) 91 lData <= 8'b0; 92 else if(load) 93 lData <= OUT_PORT[7:0]; 94 else 95 lData <= lData; 96 97 // Decoder 98 always@(*) 99 case({eight,pen,ohel}) 100 3'b000: {bit10,bit9} = 2'b11; 101 3'b001: {bit10,bit9} = 2'b11; 102 3'b010: {bit10,bit9} = {1'b1,(^lData[6:0])}; 103 3'b011: {bit10,bit9} = {1'b1,(~(^lData[6:0]))}; 104 3'b100: {bit10,bit9} = {1'b1,lData[7]}; 105 3'b101: {bit10,bit9} = {1'b1,lData[7]}; 106 3'b110: {bit10,bit9} = {(^lData[7:0]),lData[7]}; 107 3'b111: {bit10,bit9} = {(~(^lData[7:0])),lData[7]}; 108 default: {bit10,bit9} = 2'b0; 109 endcase 110 111 112 // Shift Register 113 always @(posedge clk, posedge rst) 114 begin 115 if(rst) Valenzuela 69
  • 70.
    Prepared by: Paul Valenzuela Date: May12, 2020 Document Name: Final Specification 116 nTX <= 11'b11111111111; 117 else if(btu) 118 nTX <= {1'b1, nTX[10:1]}; 119 else if(load1) 120 nTX <= {bit10,bit9,lData[6:0],2'b01}; 121 else 122 nTX <= nTX; 123 end 124 125 // Transmit tx signal 126 assign tx = (nTX[0]); 127 128 // TXREADY Signal 129 always@(posedge clk, posedge rst) 130 if (rst) 131 txReady <= 1'b1; 132 else if (load) 133 txReady <= 1'b0; 134 else if (done) 135 txReady <= 1'b1; 136 else 137 txReady <= txReady; 138 139 endmodule Valenzuela 70
  • 71.
    Prepared by: Paul Valenzuela Date: May12, 2020 Document Name: Final Specification VIII.6 Receive Engine 1 `timescale 1ns / 1ps 2 //******************************************************************************// 3 // File name: recieve.v // 4 // // 5 // Created by Paul Valenzuela on 4/19/20. // 6 // Copyright (C) 2020 Paul Valenzuela. All rights reserved. // 7 // // 8 // // 9 // In submitting this file for class work at CSULB // 10 // I am confirming that this is my work and the work // 11 // of no one else. In submitting this code I acknowledge that // 12 // plagiarism in student project work is subject to dismissal // 13 // from the class // 14 //******************************************************************************// 15 //******************************************************************************// 16 // recieve.v // 17 // // 18 // The recieve module serves as the trasnmit block for UART communiaction. // 19 // It consists of several components and will later be used in the UART // 20 // block // 21 // // 22 // @input clk, rst, READ, [19:0] k, [7:0] switches, rx // 23 // @output rxReady, [7:0]rxStatus, [7:0] UART_RDATA // 24 // // 25 //******************************************************************************// 26 module recieve(clk, rst, READ, k, rx, eight, pen, ohel, rxStatus, rxReady, UART_RDATA); 27 input clk, rst, rx, eight, pen, ohel; 28 input [18:0] k; 29 input [7:0] READ; 30 output reg rxReady; 31 output reg [7:0] UART_RDATA, rxStatus; 32 33 wire btu, shiftHigh; 34 reg start, nStart,done, doit, nDoit, parity_error, framing_error, overflow_error; 35 reg [1:0] state, nState; 36 reg [9:0] nRX, shiftedReg; 37 reg [18:0] bitTimeCount; 38 reg [3:0] bitCount; 39 reg [18:0] newK; 40 41 // Assign new K Value 42 always@(*) 43 if ({start,doit} == 2'b11) 44 newK = k >> 1; 45 else 46 newK = k; 47 48 // Assign btu wire 49 assign btu = (bitTimeCount == newK); 50 51 // Bit Time Counter 52 always@(posedge clk, posedge rst) 53 if (rst) 54 bitTimeCount <= 19'b0; 55 else if (btu) 56 bitTimeCount <= 19'b0; Valenzuela 71
  • 72.
    Prepared by: Paul Valenzuela Date: May12, 2020 Document Name: Final Specification 57 else if (doit) 58 bitTimeCount <= bitTimeCount + 19'b1; 59 else 60 bitTimeCount <= bitTimeCount; 61 62 // Done is based on which bitCount value is reached 63 always@(*) 64 case({pen,eight}) 65 2'b00: done = (bitCount == 4'b1001); 66 2'b01: done = (bitCount == 4'b1010); 67 2'b10: done = (bitCount == 4'b1010); 68 2'b11: done = (bitCount == 4'b1011); 69 default: done = (bitCount == 4'b1001); 70 endcase 71 72 // Bit Counter 73 always@(posedge clk, posedge rst) 74 if (rst) 75 bitCount <= 4'b0; 76 else if (done) 77 bitCount <= 4'b0; 78 else if ({doit,btu} == 2'b11) 79 bitCount <= bitCount + 4'b1; 80 else 81 bitCount <= bitCount; 82 83 // Assign Shift High 84 assign shiftHigh = (~start & btu); 85 86 // Fill Shift Register with RX values 87 always@(posedge clk, posedge rst) 88 if (rst) 89 nRX <= 10'b0; 90 else if (shiftHigh) 91 nRX <= {rx,nRX[9:1]}; 92 else 93 nRX <= nRX; 94 95 // Right Justify Module 96 always@(*) 97 case({eight,pen}) 98 2'b00: 99 begin 100 shiftedReg = {2'b0, nRX[9:2]}; 101 UART_RDATA = {1'b0, nRX[6:0]}; 102 end 103 2'b01: 104 begin 105 shiftedReg = {1'b0, nRX[9:1]}; 106 UART_RDATA = {1'b0, nRX[6:0]}; 107 end 108 2'b10: 109 begin 110 shiftedReg = {1'b0, nRX[9:1]}; 111 UART_RDATA = { nRX[7:0] }; 112 end 113 2'b11: 114 begin 115 shiftedReg = { nRX[9:0] }; Valenzuela 72
  • 73.
    Prepared by: Paul Valenzuela Date: May12, 2020 Document Name: Final Specification 116 UART_RDATA = { nRX[7:0] }; 117 end 118 default: 119 begin 120 shiftedReg = {2'b0, nRX[9:2]}; 121 UART_RDATA = {1'b0, nRX[6:0]}; 122 end 123 endcase 124 125 // Assign RX Status 126 always@(*) 127 rxStatus = {3'b0, overflow_error, framing_error, parity_error, 1'b0, rxReady}; 128 129 // Parity Error RS flop 130 always@(posedge clk, posedge rst) 131 if (rst) 132 parity_error <= 1'b0; 133 else if (READ[0]) 134 parity_error <= 1'b0; 135 else if ({done,pen} == 2'b11) 136 case ({eight,ohel}) 137 2'b00 : parity_error <= shiftedReg[7] ^ (^(shiftedReg[6:0])); 138 2'b01 : parity_error <= shiftedReg[7] ^ (~^(shiftedReg[6:0])); 139 2'b10 : parity_error <= shiftedReg[8] ^ (^(shiftedReg[7:0])); 140 2'b11 : parity_error <= shiftedReg[8] ^ (~^(shiftedReg[7:0])); 141 endcase 142 else 143 parity_error <= parity_error; 144 145 // Framing Error RS Flop 146 always@(posedge clk, posedge rst) 147 if (rst) 148 framing_error <= 1'b0; 149 else if (READ[0]) 150 framing_error <= 1'b0; 151 else if(done) 152 case({eight,pen}) 153 2'b00 : framing_error <= ~shiftedReg[7]; 154 2'b01 : framing_error <= ~shiftedReg[8]; 155 2'b10 : framing_error <= ~shiftedReg[8]; 156 2'b11 : framing_error <= ~shiftedReg[9]; 157 endcase 158 else 159 framing_error <= framing_error; 160 161 // Overflow Error RS Flop 162 always@(posedge clk, posedge rst) 163 if(rst) 164 overflow_error <= 1'b0; 165 else if (READ[0]) 166 overflow_error <= 1'b0; 167 else if (rxReady & done) 168 overflow_error <= 1'b1; 169 else 170 overflow_error <= overflow_error; 171 172 // RXReady RS Flop 173 always@(posedge clk, posedge rst) 174 if (rst) Valenzuela 73
  • 74.
    Prepared by: Paul Valenzuela Date: May12, 2020 Document Name: Final Specification 175 rxReady <= 1'b0; 176 else if (READ[0]) 177 rxReady <= 1'b0; 178 else if (done) 179 rxReady <= 1'b1; 180 else 181 rxReady <= rxReady; 182 183 // Flop to register State values 184 always@(posedge clk, posedge rst) 185 if (rst) 186 {state, start,doit} <= 4'b0; 187 else 188 {state, start,doit} <= {nState, nStart,nDoit}; 189 190 // Finite State Machine Logic 191 always@(*) 192 case({state, rx, btu, done}) 193 5'b00_0_0_0: {nState, nDoit, nStart} = 4'b01_1_1; 194 5'b00_0_0_1: {nState, nDoit, nStart} = 4'b01_1_1; 195 5'b00_0_1_0: {nState, nDoit, nStart} = 4'b01_1_1; 196 5'b00_0_1_1: {nState, nDoit, nStart} = 4'b01_1_1; 197 5'b00_1_0_0: {nState, nDoit, nStart} = 4'b00_0_0; 198 5'b00_1_0_1: {nState, nDoit, nStart} = 4'b00_0_0; 199 5'b00_1_1_0: {nState, nDoit, nStart} = 4'b00_0_0; 200 5'b00_1_1_1: {nState, nDoit, nStart} = 4'b00_0_0; 201 5'b01_0_0_0: {nState, nDoit, nStart} = 4'b01_1_1; 202 5'b01_0_0_1: {nState, nDoit, nStart} = 4'b01_1_1; 203 5'b01_0_1_0: {nState, nDoit, nStart} = 4'b10_1_0; 204 5'b01_0_1_1: {nState, nDoit, nStart} = 4'b10_1_0; 205 5'b01_1_0_0: {nState, nDoit, nStart} = 4'b00_0_0; 206 5'b01_1_0_1: {nState, nDoit, nStart} = 4'b00_0_0; 207 5'b01_1_1_0: {nState, nDoit, nStart} = 4'b00_0_0; 208 5'b01_1_1_1: {nState, nDoit, nStart} = 4'b00_0_0; 209 5'b10_0_0_0: {nState, nDoit, nStart} = 4'b10_1_0; 210 5'b10_0_0_1: {nState, nDoit, nStart} = 4'b00_0_0; 211 5'b10_0_1_0: {nState, nDoit, nStart} = 4'b10_1_0; 212 5'b10_0_1_1: {nState, nDoit, nStart} = 4'b00_0_0; 213 5'b10_1_0_0: {nState, nDoit, nStart} = 4'b10_1_0; 214 5'b10_1_0_1: {nState, nDoit, nStart} = 4'b00_0_0; 215 5'b10_1_1_0: {nState, nDoit, nStart} = 4'b10_1_0; 216 5'b10_1_1_1: {nState, nDoit, nStart} = 4'b00_0_0; 217 default: {nState, nDoit, nStart} = 4'b11_0_1; 218 endcase 219 220 221 endmodule Valenzuela 74
  • 75.
    Prepared by: Paul Valenzuela Date: May12, 2020 Document Name: Final Specification VIII.7 Address Decode 1 `timescale 1ns / 1ps 2 //******************************************************************************// 3 // File name: address_decode.v // 4 // // 5 // Created by Paul Valenzuela on 4/29/20. // 6 // Copyright (C) 2018 Paul Valenzuela. All rights reserved. // 7 // // 8 // // 9 // In submitting this file for class work at CSULB // 10 // I am confirming that this is my work and the work // 11 // of no one else. In submitting this code I acknowledge that // 12 // plagiarism in student project work is subject to dismissal // 13 // from the class // 14 //******************************************************************************// 15 //******************************************************************************// 16 // address_decode.v // 17 // // 18 // The address_decode block decodes the contents of PORT_ID[2:0] and // 19 // PORT_ID[15] and write/read_strobe. // 20 // // 21 // @input strobe, enable, s2,s1,s0 // 22 // @output q // 23 // // 24 //******************************************************************************// 25 module address_decode(strobe,enable,s2,s1,s0,q); 26 input strobe, enable, s2,s1,s0; 27 output reg [7:0] q; 28 wire enable2; 29 30 assign enable2 = (~enable && strobe); 31 32 always@(*) 33 if(~enable2) 34 q = 8'b0; 35 else 36 case({s2,s1,s0}) 37 3'b000: q = 8'b0000_0001; 38 3'b001: q = 8'b0000_0010; 39 3'b010: q = 8'b0000_0100; 40 3'b011: q = 8'b0000_1000; 41 3'b100: q = 8'b0001_0000; 42 3'b101: q = 8'b0010_0000; 43 3'b110: q = 8'b0100_0000; 44 3'b111: q = 8'b1000_0000; 45 default: q = 8'b0000_0000; 46 endcase 47 endmodule 48 Valenzuela 75
  • 76.
    Prepared by: Paul Valenzuela Date: May12, 2020 Document Name: Final Specification VIII.8 Positive Edge Detect 1 `timescale 1ns / 1ps 2 //******************************************************************************// 3 // File name: posEdgeDetect.v // 4 // // 5 // Created by Paul Valenzuela on 9/16/19. // 6 // Copyright (C) 2018 Paul Valenzuela. All rights reserved. // 7 // // 8 // // 9 // In submitting this file for class work at CSULB // 10 // I am confirming that this is my work and the work // 11 // of no one else. In submitting this code I acknowledge that // 12 // plagiarism in student project work is subject to dismissal // 13 // from the class // 14 //******************************************************************************// 15 //************************************************************************************// 16 // posEdgeDetect.v // 17 // // 18 // The PED block outputs a 1 when it encounters a positive edge from the input // 19 // It accomplishes this by using two d-flops. The output from both flops is // 20 // sent into an AND gate, with the output of the second flop being inverted. // 21 // This means that PED will only output 1 when q1 is 1 and q2 is still 0. // 22 // // 23 // @input clk, rst, in // 24 // @output yes // 25 // // 26 //************************************************************************************// 27 module posEdgeDetect( clk, rst, in, yes); 28 //Declare Variables 29 input wire clk, rst, in; 30 reg q1, q2; 31 output wire yes; 32 33 //Output wire yes is assigned to be and AND gate between the output of the first 34 //flop and the inverted output of the second flop 35 assign yes = (q1 & ~q2); 36 37 //Sequential Block 38 always @(posedge clk, posedge rst) 39 //If reset, both flops get 0 40 if(rst) 41 {q1,q2} <= 2'b0; 42 //Otherwise, the first flop gets the value of input and the second gets the output 43 //of the first flop 44 else 45 {q1,q2} <= {in,q1}; 46 47 48 49 endmodule 50 Valenzuela 76
  • 77.
    Prepared by: Paul Valenzuela Date: May12, 2020 Document Name: Final Specification VIII.9 RS Flop 1 `timescale 1ns / 1ps 2 //**********************************************************************************// 3 // File name: SRFlop.v // 4 // // 5 // Created by Paul Valenzuela on 2/25/20. // 6 // Copyright (C) 2018 Paul Valenzuela. All rights reserved. // 7 // // 8 // // 9 // In submitting this file for class work at CSULB // 10 // I am confirming that this is my work and the work // 11 // of no one else. In submitting this code I acknowledge that // 12 // plagiarism in student project work is subject to dismissal // 13 // from the class // 14 //**********************************************************************************// 15 //**********************************************************************************// 16 // SRFlop.v // 17 // // 18 // This module is an SR Flop That sets or resets the output based on the // 19 // input reset. // 20 // // 21 // @input clk, rst, funcrst, set // 22 // @output q // 23 // // 24 //**********************************************************************************// 25 module SRFlop(clk,rst,funcrst, set,q); 26 input wire clk, rst,funcrst, set; 27 output reg q; 28 29 // Standard SR Flop 30 always @(posedge clk, posedge rst) 31 if(rst) 32 q<=1'b0; 33 else if(funcrst) 34 q<= 1'b0; 35 else if(set) 36 q<=1'b1; 37 else 38 q<= q; 39 40 endmodule 41 Valenzuela 77
  • 78.
    Prepared by: Paul Valenzuela Date: May12, 2020 Document Name: Final Specification VIII.10 Seven Segment Display Driver 1 `timescale 1ns / 1ps 2 //******************************************************************************// 3 // File name: seven_segment_display.v // 4 // // 5 // Created by Paul Valenzuela on 4/19/20. // 6 // Copyright (C) 2018 Paul Valenzuela. All rights reserved. // 7 // // 8 // // 9 // In submitting this file for class work at CSULB // 10 // I am confirming that this is my work and the work // 11 // of no one else. In submitting this code I acknowledge that // 12 // plagiarism in student project work is subject to dismissal // 13 // from the class // 14 //******************************************************************************// 15 //******************************************************************************// 16 // seven_segment_display.v // 17 // // 24 //******************************************************************************// 25 module seven_segment_display(clk,rst,data,anode,cathode); 26 input clk,rst; 27 input [15:0] data; 28 output wire [7:0] anode, cathode; 29 30 wire rotate; 31 wire [1:0] sel2; 32 wire [3:0] hexValue; 33 34 // Seven Segment Display Driver 35 rotator rotator1 (.clk(clk), .rst(rst), .rotate(rotate)); 36 anodeShiftReg anoder(.clk(clk), .rst(rst), .pulse(rotate), .anode(anode[7:0])); 37 sel2Bit selector (.clk(clk), .rst(rst), .pulse(rotate), .sel(sel2[1:0])); 38 mux4to1 multiplector(.sel(sel2[1:0]), .inVal(data[15:0]), .hexVal(hexValue[3:0])); 39 hexDecoder decoder(.hexVal(hexValue[3:0]), .cathode(cathode[7:0])); 40 41 endmodule 42 18 // This block connects the components to create the seven segment display // 19 // on the Nexys A7 board. // 20 // // 21 // @input clk, rst, [15:0] data // 22 // @output [8;0] anode, [8:0] cathode // 23 // // Valenzuela 78
  • 79.
    Prepared by: Paul Valenzuela Date: May12, 2020 Document Name: Final Specification VIII.11 Anode Shift Register 1 `timescale 1ns / 1ps 2 //**********************************************************************************// 3 // File name: anodeShiftReg.v // 4 // // 5 // Created by Paul Valenzuela on 9/16/19. // 6 // Copyright (C) 2018 Paul Valenzuela. All rights reserved. // 7 // // 8 // // 9 // In submitting this file for class work at CSULB // 10 // I am confirming that this is my work and the work // 11 // of no one else. In submitting this code I acknowledge that // 12 // plagiarism in student project work is subject to dismissal // 13 // from the class // 14 //**********************************************************************************// 15 //**********************************************************************************// 16 // anodeShiftReg.v // 17 // // 18 // The Anode Shift Register block creates serves as a register that sends // 19 // a trailing 0 through the Anode values. The Anode is a low active // 20 // component, meaning that it is on when the value is 0. So whenever the value // 21 // at that specific bit is 0, that is the anode that is being manipulated. // 22 // This block helps to ensure that the anodes are being refreshed at every // 23 // instance of rotate. This Shift Register Only Uses The First 4 Anodes. // 24 // // 25 // @input clk, rst, pulse // 26 // @output [7:0] anode // 27 // // 28 //**********************************************************************************// 29 module anodeShiftReg(clk,rst,pulse,anode); 30 //Declare variables 31 input wire clk,rst,pulse; 32 output reg [7:0] anode; 33 reg [7:0] nAnode; 34 35 //Sequential Block 36 always @(posedge rst, posedge clk) 37 //If reset, the anode register gets only the first bit active 38 if(rst) anode <= 8'hFE; 39 //Otherwise, if pulse is active, the anode register gets the value of nAnode register 40 else if(pulse) anode <= nAnode; 41 42 //Combinational Block 43 always @(*) 44 //Switch Case allows the 0 bit to shift to the left at every instance of pulse 45 case(anode) 46 8'hFE: nAnode = 8'hFD; 47 8'hFD: nAnode = 8'hFB; 48 8'hFB: nAnode = 8'hF7; 49 8'hF7: nAnode = 8'hFE; 50 default: nAnode = 8'hFF; 51 endcase 52 53 endmodule 54 Valenzuela 79
  • 80.
    Prepared by: Paul Valenzuela Date: May12, 2020 Document Name: Final Specification VIII.12 Rotator 1 `timescale 1ns / 1ns 2 //******************************************************************************// 3 // File name: rotate.v // 4 // // 5 // Created by Paul Valenzuela on 9/16/19. // 6 // Copyright (C) 2018 Paul Valenzuela. All rights reserved. // 7 // // 8 // // 9 // In submitting this file for class work at CSULB // 10 // I am confirming that this is my work and the work // 11 // of no one else. In submitting this code I acknowledge that // 12 // plagiarism in student project work is subject to dismissal // 13 // from the class // 14 //******************************************************************************// 15 //******************************************************************************// 16 // rotate.v // 17 // // 18 // The pulse block creates a specific 2ms wide clock pulse signal. // 19 // It accomplishes this by counting up every 1ns all the way to // 20 // 199,999. Once the counter reaches that number, 1 pulse signal // 21 // is sent out. // 22 // // 23 // @input clk, rst, // 24 // @output rotate // 25 // // 26 //******************************************************************************// 27 module rotator( clk,rst,rotate); 28 //Declare Variables 29 input wire clk, rst; 30 output wire rotate; 31 reg [17:0] counter; 32 33 //Ouput wire rotate is only 1 when the counter has reached that value 34 assign rotate = (counter == 18'd199_999); 35 36 //Sequential Block 37 always @(posedge clk, posedge rst) 38 //If rst, the counter gets 0 39 if (rst) counter <= 18'b0; 40 //Otherwise the counter increments by 1 41 else counter <= counter + 18'b1; 42 43 44 endmodule 45 Valenzuela 80
  • 81.
    Prepared by: Paul Valenzuela Date: May12, 2020 Document Name: Final Specification VIII.13 Select 2 Bit 1 `timescale 1ns / 1ps 2 //******************************************************************************// 3 // File name: sel2Bit.v // 4 // // 5 // Created by Paul Valenzuela on 9/16/19. // 6 // Copyright (C) 2018 Paul Valenzuela. All rights reserved. // 7 // // 8 // // 9 // In submitting this file for class work at CSULB // 10 // I am confirming that this is my work and the work // 11 // of no one else. In submitting this code I acknowledge that // 12 // plagiarism in student project work is subject to dismissal // 13 // from the class // 14 //******************************************************************************// 15 //******************************************************************************// 16 // sel2Bit.v // 17 // // 18 // The sel2Bit block is a 2-bit register that increments by 1 at every // 19 // instance of rotate. This is a useful register because its value will // 20 // be used to guide the mux in the seven-seg display driver // 21 // // 22 // @input clk, rst, pulse // 23 // @output [1:0] sel // 24 // // 25 //******************************************************************************// 26 module sel2Bit(clk, rst, pulse, sel); 27 //Declare Variables 28 input wire clk,rst,pulse; 29 output reg [1:0] sel; 30 reg [1:0] nSel; 31 32 //Sequential Block 33 always @(posedge clk, posedge rst) 34 //If reset, the select register gets 0 35 if(rst) 36 sel <= 2'b0; 37 //Otherwise, the select register gets the value of nSel register 38 else 39 sel <= nSel; 40 41 //Combinational Block 42 always @(*) 43 //If pulse is active, select increments up by 1 44 if(pulse) 45 nSel = sel + 2'b1; 46 //Otherwise select remanins the same 47 else 48 nSel = sel; 49 50 51 endmodule 52 Valenzuela 81
  • 82.
    Prepared by: Paul Valenzuela Date: May12, 2020 Document Name: Final Specification VIII.14 Multiplexor 4 to 1 1 `timescale 1ns / 1ps 2 //******************************************************************************// 3 // File name: mux4to1.v // 4 // // 5 // Created by Paul Valenzuela on 9/16/19. // 6 // Copyright (C) 2018 Paul Valenzuela. All rights reserved. // 7 // // 8 // // 9 // In submitting this file for class work at CSULB // 10 // I am confirming that this is my work and the work // 11 // of no one else. In submitting this code I acknowledge that // 12 // plagiarism in student project work is subject to dismissal // 13 // from the class // 14 //******************************************************************************// 15 //******************************************************************************// 16 // mux4to1.v // 17 // // 18 // The mux8to1 block grabs 4 bits of data from a 16-bit input. // 19 // The mux chooses which data to grab based on the 2-bit select value. // 20 // With select, each value represents 4 bits of data out of the 16-bit. // 21 // The 4 bits that are grabbed are then output to the hexDecoder // 22 // // 23 // @input sel, [15:0]inVal // 24 // @output [3:0]hexVal // 25 // // 26 //******************************************************************************// 27 module mux4to1(sel, inVal, hexVal); 28 //Declare Variables 29 input wire [2:0] sel; 30 input wire [15:0] inVal; 31 output reg [3:0] hexVal; 32 33 //Combinational Block 34 always@(*) 35 //Case Statement of select means that the value of select decides which 36 //4 bits of the 16-bit register are selected and output 37 case(sel) 38 2'b00: hexVal = inVal[3:0]; 39 2'b01: hexVal = inVal[7:4]; 40 2'b10: hexVal = inVal[11:8]; 41 2'b11: hexVal = inVal[15:12]; 42 default: hexVal = inVal[3:0]; 43 endcase 44 45 endmodule 46 Valenzuela 82
  • 83.
    Prepared by: Paul Valenzuela Date: May12, 2020 Document Name: Final Specification VIII.15 Hex Decoder 1 `timescale 1ns / 1ps 2 //******************************************************************************// 3 // File name: hexDecoder.v // 4 // // 5 // Created by Paul Valenzuela on 9/16/19. // 6 // Copyright (C) 2018 Paul Valenzuela. All rights reserved. // 7 // // 8 // // 9 // In submitting this file for class work at CSULB // 10 // I am confirming that this is my work and the work // 11 // of no one else. In submitting this code I acknowledge that // 12 // plagiarism in student project work is subject to dismissal // 13 // from the class // 14 //******************************************************************************// 15 //******************************************************************************// 16 // hexDecoder.v // 17 // // 18 // The hexDecoder block converts 4bit values into readable hexadecimal // 19 // values on a cathode. It accomplishes this by setting specific cathode // 20 // either on or off, which will translate to the cathode looking like the // 21 // hexadecimal value it is representing. The cathode bits are low active // 22 // // 23 // @input [3:0] hexVal // 24 // @output [7:0] cathode // 25 // // 26 //******************************************************************************// 27 module hexDecoder(hexVal, cathode); 28 //Declare Variables 29 input wire [3:0] hexVal; 30 output reg [7:0] cathode; 31 32 //Combinational Block 33 always @(*) 34 //Case statement of hexVal serves as a decoder 35 //Whatever hexadecimal value is stored in hexVal 36 //is converted into a readable cathode value 37 case(hexVal) 38 4'h0: cathode[7:0] = 8'b11000000; 39 4'h1: cathode[7:0] = 8'b11111001; 40 4'h2: cathode[7:0] = 8'b10100100; 41 4'h3: cathode[7:0] = 8'b10110000; 42 4'h4: cathode[7:0] = 8'b10011001; 43 4'h5: cathode[7:0] = 8'b10010010; 44 4'h6: cathode[7:0] = 8'b10000010; 45 4'h7: cathode[7:0] = 8'b11111000; 46 4'h8: cathode[7:0] = 8'b10000000; 47 4'h9: cathode[7:0] = 8'b10010000; 48 4'ha: cathode[7:0] = 8'b10001000; 49 4'hb: cathode[7:0] = 8'b10000011; 50 4'hc: cathode[7:0] = 8'b11000110; 51 4'hd: cathode[7:0] = 8'b10100001; 52 4'he: cathode[7:0] = 8'b10000110; 53 4'hf: cathode[7:0] = 8'b10001110; 54 //The default ouputs a "0" 55 default: cathode[7:0] = 8'b10000000; 56 endcase Valenzuela 83
  • 84.
    Prepared by: Paul Valenzuela Date: May12, 2020 Document Name: Final Specification 57 58 endmodule Valenzuela 84
  • 85.
    Prepared by: Paul Valenzuela Date: May12, 2020 Document Name: Final Specification VIII.16 TramelBlaze 1 //****************************************************************// 2 // This document contains information proprietary to the // 3 // CSULB student that created the file - any reuse without // 4 // adequate approval and documentation is prohibited // 5 // // 6 // Class: CECS 460 // 7 // Project name: TRAMBLAZE PROCESSOR // 8 // File name: tramelblaze.v // 9 // Release: 1.0 Release Date 17Feb2016 // 10 // Release: 1.1 Release Date 25Feb2016 // 11 // Release: 1.4 Release Date 04Mar2016 // 12 // Release: 1.5 Release Date 17Mar2016 // 13 // Release: 1.6 Release Date 04May2016 // 14 // Release: 2.0 Release Date 29Aug2016 // 15 // Release: 3.0 Release Date 02mar2017 // 16 // Release: 3.1 Release Date 30mar2017 // 17 // Release: 4.0 Release Date 23aug2017 // 18 // Release: 5.0 Release Date 07nov2017 // 19 // Release: 5.0 Release Date 26jan2020 - Vivado Version // 20 // // 21 22 // // Created by John Tramel on 25January2016. Copyright 2016 John Tramel. All rights reserved. // // 23 // Copyright 2017 John Tramel. All rights reserved. // 24 // // 25 // Abstract: Top level for TRAMBLAZE processor // 26 // Edit history: 2016JAN25 - created // 27 // 2016FEB25 - corrected SHIFT/ROTATE // 28 // made sure that CARRY set correctly // 29 // 2016FEB29 - added MEMHIOL // 30 // MEMHIOL=1 memory access, =0 I/O access // 31 // added 512 x 16 scratchpad ram // 32 // added 1st FETCH/STORE States // 33 // 2016MAR03 - 512x16 scratch ram debugged // 34 // 2016MAR03 - 512x16 scratch ram debugged // 35 // 2016MAR17 - 128x16 stack ram debugged // 36 // 04May2016 - Stack RAM address fix // 37 // 28Feb2017 - Removed MEMHIOL // 38 // 30Mar2017 - Fixed NOP -thanks Chou Thao // 39 // // 40 // In submitting this file for class work at CSULB // 41 // I am confirming that this is my work and the work // 42 // of no one else. // 43 // // 44 // In the event other code sources are utilized I will // 45 // document which portion of code and who is the author // 46 // // 47 // In submitting this code I acknowledge that plagiarism // 48 // in student project work is subject to dismissal from the class // 49 //****************************************************************// 50 51 `timescale 1ns/1ns 52 53 module tramelblaze (CLK, RESET, IN_PORT, INTERRUPT, 54 OUT_PORT, PORT_ID, READ_STROBE, WRITE_STROBE, INTERRUPT_ACK, 55 ADDRESS, INSTRUCTION); 56 Valenzuela 85
  • 86.
    Prepared by: Paul Valenzuela Date: May12, 2020 Document Name: Final Specification 57 input CLK; 58 input RESET; 59 input [15:0] IN_PORT; 60 input INTERRUPT; 61 62 output [15:0] OUT_PORT; 63 output [15:0] PORT_ID; 64 output READ_STROBE; 65 output WRITE_STROBE; 66 output INTERRUPT_ACK; 67 68 output [11:0] ADDRESS; 69 input [15:0] INSTRUCTION; 70 71 reg [15:0] inst_reg; // instruction register 72 reg [15:0] const_reg; // constant register 73 reg [15:0] pc; // program counter 74 reg [15:0] regfile [0:15]; // 16 x 16 register file 75 reg [16:0] alu_out; // output of ALU 76 reg [16:0] alu_out_reg; // output of ALU registered 77 reg [ 3:0] stateX,stateQ; // state machine variable 78 wire [11:0] ADDRESS; // ADDRESS to instruction memory 79 reg [15:0] address_mux; // mux to select next address 80 reg int_enable; // enable interrupt 81 reg int_proc; // processor interrupt 82 wire carryPX; // preserve carry bit 83 reg carryPQ; // preserve carry bit 84 wire zeroPX; // preserve zero bit 85 reg zeroPQ; // preserve zero bit 86 reg zeroX,zeroQ; // flag 87 reg carryX,carryQ; // flag 88 reg loadKX,loadKQ; // load constant register 89 reg ldirX,ldirQ; // load instruction register 90 wire ldk; // load constant register 91 reg ldpcX,ldpcQ; // load program counter 92 reg ldflagX,ldflagQ; // load carry and zero registers 93 reg ldflagPX,ldflagPQ; // preserve load carry and zero registers 94 reg wtrfX,wtrfQ; // write register file 95 reg wtsrX,wtsrQ; // write scratchpad ram 96 reg sel_alubX,sel_alubQ; // select alu operand b 97 reg pushX,pushQ; // push pc address onto stack 98 reg popX,popQ; // pop pc address from stack 99 reg enintX,enintQ; // enable interrupts 100 reg disintX,disintQ; // disable interrupts 101 reg [1:0] sel_pcX,sel_pcQ; // select pc source 102 reg sel_portidX,sel_portidQ; // select source for port id 103 reg [2:0] sel_rfwX,sel_rfwQ; // select reg write data source 104 reg [2:0] flag_selX,flag_selQ; // select source to change zero/carry 105 reg [4:0] alu_opX,alu_opQ; // select which operation alu does 106 reg enableportidX,enableportidQ; // allow port id to switch 107 reg enableinportX,enableinportQ; // allow in port to be read 108 reg enableoutportX,enableoutportQ; // allow out port to switch 109 reg readstrobeX,readstrobeQ; // set read strobe output 110 reg writestrobeX,writestrobeQ; // set write strobe output 111 reg interruptackX,interruptackQ; // interrupt acknowledge 112 wire [15:0] pc_min1; // program counter minus one 113 wire [15:0] stackWdata; // data written into stack 114 115 wire [6:0] opcode; // current opcode being executed Valenzuela 86
  • 87.
    Prepared by: Paul Valenzuela Date: May12, 2020 Document Name: Final Specification 116 wire [3:0] regX_adrs, regY_adrs; // address to x and y registers 117 reg [15:0] rf_wdata; // data to write into register file 118 wire [15:0] stackRdata; // contents of stack pointed to (last write) 119 wire [15:0] alu_a; // input to ALU A 120 wire [15:0] alu_b; // input to ALUB 121 wire INTERRUPT_ACK; 122 wire READ_STROBE; 123 wire WRITE_STROBE; 124 wire [15:0] regA; // output of register file - A 125 wire [15:0] regB; // output of register file - B 126 wire [15:0] scratch_dout; // scratch pad ram output 127 wire [8:0] scratch_adrs; 128 wire [15:0] scratch_din; 129 wire [ 6:0] stackAdrs; 130 reg [ 6:0] stackPointQ; 131 wire [ 6:0] stackPointD; 132 133 // assume instruction memory is 8K deep (000 - FFF) 134 135 parameter INTERRUPT_ADDRESS = 16'H0FFE; 136 137 // parameters for STATES 138 139 parameter FETCH = 5'H00, DECODE = 5'H01, SECOND = 5'H02, THIRD = 5'H03, EXECUTE = 5'H04, 140 ENDIT = 5'H05, ENDCALL = 5'H06, ENDRET = 5'H07, ENDRET2 = 5'H08, ENDRET3 = 5'H09, 141 OUTPUT_XK_2 = 5'H0A, OUTPUT_XY_2 = 5'H0B, INPUT_XP_2 = 5'H0C, INPUT_XY_2 = 5'H0D, 142 FETCH_XK_2 = 5'H0E, FETCH_XY_2 = 5'H0F, STORE_XK_2 = 5'H10, STORE_XY_2 = 5'H11; 143 144 // parameters for ALU OPERATIONS 145 146 parameter NOTHING = 5'H00, ADD = 5'H01, ADDC = 5'H02, AND = 5'H03, 147 SUB = 5'H04, OR = 5'H05, RLX = 5'H06, RRX = 5'H07, 148 SL0X = 5'H08, SL1X = 5'H09, SLAX = 5'H0A, SLXX = 5'H0B, 149 SR0X = 5'H0C, SR1X = 5'H0D, SRAX = 5'H0E, SRXX = 5'H0F, 150 XOR = 5'H10, SUBC = 5'H11; 151 152 // parameters for OPCODES 153 // 154 parameter NOP = 7'H00, ADD_XK = 7'H02, ADD_XY = 7'H04, 155 ADDCY_XK = 7'H06, ADDCY_XY = 7'H08, AND_XK = 7'H0A, 156 AND_XY = 7'H0C, CALL_AAA = 7'H0E, CALLC_AAA = 7'H10, 157 CALLNC_AAA = 7'H12, CALLZ_AAA = 7'H14, CALLNZ_AAA = 7'H16, 158 COMP_XK = 7'H18, COMP_XY = 7'H1A, DISINT = 7'H1C, 159 ENINT = 7'H1E, INPUT_XY = 7'H20, INPUT_XP = 7'H22, 160 JUMP_AAA = 7'H24, JUMPC_AAA = 7'H26, JUMPNC_AAA = 7'H28, 161 JUMPZ_AAA = 7'H2A, JUMPNZ_AAA = 7'H2C, LOAD_XK = 7'H2E, 162 LOAD_XY = 7'H30, OR_XK = 7'H32, OR_XY = 7'H34, 163 OUTPUT_XY = 7'H36, OUTPUT_XK = 7'H38, RETURN = 7'H3A, 164 RETURN_C = 7'H3C, RETURN_NC = 7'H3E, RETURN_Z = 7'H40, 165 RETURN_NZ = 7'H42, RETURN_DIS = 7'H44, RETURN_EN = 7'H46, 166 RL_X = 7'H48, RR_X = 7'H4A, SL0_X = 7'H4C, 167 SL1_X = 7'H4E, SLA_X = 7'H50, SLX_X = 7'H52, 168 SR0_X = 7'H54, SR1_X = 7'H56, SRA_X = 7'H58, 169 SRX_X = 7'H5A, SUB_XK = 7'H5C, SUB_XY = 7'H5E, 170 SUBC_XK = 7'H60, SUBC_XY = 7'H62, TEST_XK = 7'H64, 171 TEST_XY = 7'H66, XOR_XK = 7'H68, XOR_XY = 7'H6A, Valenzuela 87
  • 88.
    Prepared by: Paul Valenzuela Date: May12, 2020 Document Name: Final Specification 172 FETCH_XK = 7'H70, FETCH_XY = 7'H72, STORE_XK = 7'H74, 173 STORE_XY = 7'H76; 174 175 assign READ_STROBE = readstrobeQ; 176 assign WRITE_STROBE = writestrobeQ; 177 assign INTERRUPT_ACK = interruptackQ; 178 179 ////////////////////////////// 180 // address register - PC // 181 ////////////////////////////// 182 183 assign ADDRESS = pc[11:0]; 184 185 always @(posedge CLK, posedge RESET) 186 if (RESET) 187 pc <= 16'b0; 188 else 189 if (ldpcQ) 190 pc <= address_mux; 191 192 always @(*) 193 case(sel_pcQ) 194 2'b00: address_mux = pc + 16'b1; 195 2'b01: address_mux = stackRdata; 196 2'b10: address_mux = const_reg; 197 2'b11: address_mux = INTERRUPT_ADDRESS; 198 endcase 199 200 ////////////////////////////// 201 // address stack // 202 ////////////////////////////// 203 204 assign ldsp = popQ | pushQ; 205 206 always @(posedge CLK, posedge RESET) 207 if (RESET) stackPointQ <= 7'b0; else 208 if (ldsp) stackPointQ <= stackPointD; 209 210 assign pc_min1 = pc - 16'b1; 211 assign stackWdata = int_proc ? pc_min1 : pc; 212 213 214 assign stackAdrs = pushQ ? stackPointQ : stackPointQ - 7'b1; 215 assign stackPointD = pushQ ? stackAdrs + 7'b1 : stackAdrs; 216 217 stack_ram stkr ( 218 .a (stackAdrs), 219 .d (stackWdata), 220 .we (pushQ), 221 .clk (CLK), 222 .spo (stackRdata) 223 ); 224 225 ////////////////////////////// 226 // instruction register // 227 ////////////////////////////// 228 229 assign opcode = inst_reg[14:8]; // opcode for instruction decode Valenzuela 88
  • 89.
    Prepared by: Paul Valenzuela Date: May12, 2020 Document Name: Final Specification 230 assign regY_adrs = inst_reg[7:4]; 231 assign regX_adrs = inst_reg[3:0]; 232 assign ldk = inst_reg[15] && (stateQ==DECODE); 233 234 always @(posedge CLK, posedge RESET) 235 if (RESET) inst_reg <= 16'b0; else 236 if (ldirQ) inst_reg <= INSTRUCTION; 237 238 ////////////////////////////// 239 // constant register // 240 ////////////////////////////// 241 242 always @(posedge CLK, posedge RESET) 243 if (RESET) const_reg <= 16'b0; else 244 if (loadKQ) const_reg <= INSTRUCTION; 245 246 ////////////////////////////// 247 // interrupt control // 248 ////////////////////////////// 249 250 always @(posedge CLK, posedge RESET) 251 if (RESET) int_enable <= 1'b0; else 252 if (enintQ) int_enable <= 1'b1; else 253 if (disintQ) int_enable <= 1'b0; 254 255 always @(posedge CLK, posedge RESET) 256 if (RESET) int_proc <= 1'b0; else 257 if (INTERRUPT_ACK) int_proc <= 1'b0; else 258 if (int_enable & INTERRUPT) int_proc <= 1'b1; 259 260 ////////////////////////////// 261 // register file operations // 262 ////////////////////////////// 263 264 assign regA = regfile[regX_adrs]; 265 assign regB = regfile[regY_adrs]; 266 267 always @(*) 268 case (sel_rfwQ) 269 3'b000: rf_wdata = alu_out[15:0]; 270 3'b001: rf_wdata = IN_PORT & {16{enableinportQ}}; 271 3'b010: rf_wdata = const_reg; 272 3'b011: rf_wdata = regB; 273 3'b100: rf_wdata = scratch_dout; 274 default: rf_wdata = alu_out[15:0]; 275 endcase 276 277 always @(posedge CLK, posedge RESET) 278 if (RESET) begin 279 regfile[0] <= 16'b0; 280 regfile[1] <= 16'b0; 281 regfile[2] <= 16'b0; 282 regfile[3] <= 16'b0; 283 regfile[4] <= 16'b0; 284 regfile[5] <= 16'b0; 285 regfile[6] <= 16'b0; 286 regfile[7] <= 16'b0; 287 regfile[8] <= 16'b0; 288 regfile[9] <= 16'b0; Valenzuela 89
  • 90.
    Prepared by: Paul Valenzuela Date: May12, 2020 Document Name: Final Specification 289 regfile[10] <= 16'b0; 290 regfile[11] <= 16'b0; 291 regfile[12] <= 16'b0; 292 regfile[13] <= 16'b0; 293 regfile[14] <= 16'b0; 294 regfile[15] <= 16'b0; 295 end else 296 if (wtrfQ) begin 297 regfile[regX_adrs] <= rf_wdata; 298 end 299 300 ////////////////////////////// 301 // CARRY/ZERO operations // 302 ////////////////////////////// 303 304 assign zeroPX = zeroQ; 305 assign carryPX = carryQ; 306 307 always @(posedge CLK, posedge RESET) 308 if (RESET) {zeroPQ,carryPQ} <= 2'b0; else 309 if (ldflagPQ) {zeroPQ,carryPQ} <= {zeroPX,carryPX}; 310 311 always @(posedge CLK, posedge RESET) 312 if (RESET) {zeroQ,carryQ} <= 2'b0; else 313 if (ldflagQ) {zeroQ,carryQ} <= {zeroX,carryX}; 314 315 always @(*) 316 case(flag_selQ) 317 3'h0: {zeroX, carryX} = {zeroQ, carryQ}; 318 3'h1: {zeroX, carryX} = {~|alu_out[15:0],1'b0}; 319 3'h2: {zeroX, carryX} = {~|alu_out[15:0],alu_out[16]}; 320 3'h3: {zeroX, carryX} = {zeroPQ, carryPQ}; 321 3'h4: {zeroX, carryX} = {~|alu_out[15:0],alu_out[15]}; 322 3'h5: {zeroX, carryX} = {~|alu_out[15:0],alu_out[0]}; 323 3'h6: {zeroX, carryX} = {~|(alu_a & alu_b),^(alu_a & alu_b)}; 324 default: {zeroX, carryX} = {zeroQ, carryQ}; 325 endcase 326 327 ////////////////////////////// 328 // ALU operations // 329 ////////////////////////////// 330 331 assign alu_a = regA; 332 assign OUT_PORT = regA & {16{enableoutportQ}}; 333 assign alu_b = (sel_alubQ) ? const_reg : regB; 334 assign PORT_ID = (sel_portidQ) ? (const_reg & {16{enableportidQ}}) : (alu_b & {16{enableportidQ}}); 335 336 always @(posedge CLK, posedge RESET) 337 if (RESET) alu_out_reg <= 17'b0; 338 else alu_out_reg <= alu_out; 339 340 always @(*) 341 case(alu_opQ) 342 NOTHING: alu_out = alu_out_reg; // noop so no change 343 ADD: alu_out = alu_a + alu_b; // ADD 344 ADDC: alu_out = alu_a + alu_b + carryQ; // ADDC Valenzuela 90
  • 91.
    Prepared by: Paul Valenzuela Date: May12, 2020 Document Name: Final Specification 363 /////////////////////////////// 364 // Scratchpad RAM Instance // 365 // 512x16 Scratchpad Memory // 366 /////////////////////////////// 367 368 assign scratch_din = alu_a; 369 assign scratch_adrs = alu_b[8:0]; 370 371 scratch_ram sr ( 372 .clk (CLK), 373 .we (wtsrQ), 374 .a (scratch_adrs), 375 .d (scratch_din), 376 .spo (scratch_dout) 377 ); 378 379 /////////////////////////////// 380 // Instruction Control Logic // 381 /////////////////////////////// 382 383 384 always @(posedge CLK, posedge RESET) 385 if (RESET) begin 386 stateQ <= FETCH; // start up state variable 387 ldirQ <= 1'b1; // load instruction register 388 ldpcQ <= 1'b1; // load program counter 389 ldflagQ <= 1'b0; // load carry and zero registers 390 ldflagPQ <= 1'b0; // load preserve carry and zero registers 391 loadKQ <= 1'b0; // load constant register 392 wtrfQ <= 1'b0; // write register file 393 wtsrQ <= 1'b0; // write scratch pad ram 394 sel_alubQ <= 1'b0; // select alu operand b 395 pushQ <= 1'b0; // push pc address onto stack 396 popQ <= 1'b0; // pop pc address from stack 397 enintQ <= 1'b0; // enable interrupts 398 disintQ <= 1'b0; // disable interrupts 399 sel_pcQ <= 2'b0; // select pc source 400 sel_portidQ <= 1'b0; // select source for port id 401 sel_rfwQ <= 3'b0; // select reg write data source 402 flag_selQ <= 2'b0; // select source to change zero/carry 345 SUB: alu_out = alu_a - alu_b; // SUB (COMP) 346 SUBC: alu_out = alu_a - alu_b - carryQ; // SUBC 347 AND: alu_out = alu_a & alu_b; // AND 348 OR: alu_out = alu_a | alu_b; // OR 349 XOR: alu_out = alu_a ^ alu_b; // XOR 350 RLX: alu_out = {alu_a[15],alu_a[14:0],alu_a[15]}; // RL rX 351 RRX: alu_out = {alu_a[ 0],alu_a[0],alu_a[15:1]}; // RR rX 352 SL0X: alu_out = {alu_a[15],alu_a[14:0],1'b0}; // SL0 rX 353 SL1X: alu_out = {alu_a[15],alu_a[14:0],1'b1}; // SL1 rX 354 SLAX: alu_out = {alu_a[15],alu_a[14:0],carryQ}; // SLA rX 355 SLXX: alu_out = {alu_a[15],alu_a[14:0],alu_a[0]}; // SLX rX 356 SR0X: alu_out = {alu_a[ 0],1'b0,alu_a[15:1]}; // SR0 rX 357 SR1X: alu_out = {alu_a[ 0],1'b1,alu_a[15:1]}; // SR1 rX 358 SRAX: alu_out = {alu_a[ 0],carryQ,alu_a[15:1]}; // SRA rX 359 SRXX: alu_out = {alu_a[ 0],alu_a[15],alu_a[15:1]}; // SRX rX 360 default: alu_out = 16'b0; 361 endcase 362 Valenzuela 91
  • 92.
    Prepared by: Paul Valenzuela Date: May12, 2020 Document Name: Final Specification 403 alu_opQ <= 5'b0; // select which operation alu does 404 enableportidQ <= 1'b0; // allow port id to switch 405 enableinportQ <= 1'b0; // allow in port to be read 406 enableoutportQ <= 1'b0; // allow out port to switch 407 readstrobeQ <= 1'b0; // set read strobe output 408 writestrobeQ <= 1'b0; // set write strobe output 409 interruptackQ <= 1'b0; // set interrupt ack 410 end 411 else 412 begin 413 stateQ <= stateX; // update up state variable 414 ldirQ <= ldirX; // load instruction register 415 ldpcQ <= ldpcX; // load program counter 416 ldflagQ <= ldflagX; // load carry and zero registers 417 ldflagPQ <= ldflagPX; // load preserve carry and zero registers 418 loadKQ <= loadKX; // load constant register 419 wtrfQ <= wtrfX; // write register file 420 wtsrQ <= wtsrX; // write scratch pad ram 421 sel_alubQ <= sel_alubX; // select alu operand b 422 pushQ <= pushX; // push pc address onto stack 423 popQ <= popX; // pop pc address from stack 424 enintQ <= enintX; // enable interrupts 425 disintQ <= disintX; // disable interrupts 426 sel_pcQ <= sel_pcX; // select pc source 427 sel_portidQ <= sel_portidX; // select source for port id 428 sel_rfwQ <= sel_rfwX; // select reg write data source 429 flag_selQ <= flag_selX; // select source to change zero/carry 430 alu_opQ <= alu_opX; // select which operation alu does 431 enableportidQ <= enableportidX; // allow port id to switch 432 enableinportQ <= enableinportX; // allow in port to be read 433 enableoutportQ <= enableoutportX; // allow out port to switch 434 readstrobeQ <= readstrobeX; // set read strobe output 435 writestrobeQ <= writestrobeX; // set write strobe output 436 interruptackQ <= interruptackX; // set interrupt ack 437 end 438 439 ///////////////////////////////////////// 440 // State Machine Decision Making Block // 441 ///////////////////////////////////////// 442 443 always@(*) 444 begin 445 ldirX = 1'b0; // load instruction register 446 ldpcX = 1'b0; // load program counter 447 ldflagX = 1'b0; // load carry and zero registers 448 ldflagPX = 1'b0; // load preserve carry and zero registers 449 loadKX = 1'b0; // load constant register 450 wtrfX = 1'b0; // write register file 451 wtsrX = 1'b0; // write scratch pad ram 452 sel_alubX = 1'b0; // select alu operand b 453 pushX = 1'b0; // push pc address onto stack 454 popX = 1'b0; // pop pc address from stack 455 enintX = 1'b0; // enable interrupts 456 disintX = 1'b0; // disable interrupts 457 sel_pcX = 2'b0; // select pc source 458 sel_portidX = 1'b0; // select source for port id 459 sel_rfwX = 3'b0; // select reg write data source 460 flag_selX = 2'b0; // select source to change zero/carry Valenzuela 92
  • 93.
    Prepared by: Paul Valenzuela Date: May12, 2020 Document Name: Final Specification 461 alu_opX = 5'b0; // select which operation alu does 462 enableportidX = 1'b0; // allow port id to switch 463 enableinportX = 1'b0; // allow in port to be read 464 enableoutportX = 1'b0; // allow out port to switch 465 readstrobeX = 1'b0; // set read strobe output 466 writestrobeX = 1'b0; // set write strobe output 467 interruptackX = 1'b0; // set interrupt ack 468 stateX = FETCH; 469 470 case(stateQ) 471 FETCH: begin 472 if (int_proc) begin 473 sel_pcX=2'b11; // goto interrupt 474 ldpcX=1'b1; // update new pc 475 pushX =1'b1; // push next pc onto stack 476 disintX=1'b1; // entering interrupt clear interrupt 477 ldflagPX=1'b1; // preserve the flag registers 478 interruptackX=1'b1; // set interrupt ack 479 stateX=ENDRET2; // let int_proc reset 480 end 481 else begin 482 ldpcX=1'b0; 483 ldirX=1'b0; 484 stateX=DECODE; 485 end 486 end 487 488 DECODE: begin 489 if(ldk) begin 490 loadKX=1'b1; 491 stateX=SECOND; 492 end 493 else begin 494 stateX=EXECUTE; 495 end 496 end 497 498 SECOND: begin 499 ldpcX=1'b1; 500 stateX=THIRD; 501 end 502 503 THIRD: begin 504 stateX=EXECUTE; 505 end 506 507 EXECUTE: begin 508 case(opcode) 509 NOP:stateX=ENDIT; 510 511 ADD_XK: begin 512 wtrfX=1'b1; 513 sel_alubX=1'b1; 514 flag_selX=3'b010; 515 ldflagX=1'b1; 516 alu_opX=ADD; 517 stateX=ENDIT; 518 end Valenzuela 93
  • 94.
    Prepared by: Paul Valenzuela Date: May12, 2020 Document Name: Final Specification 519 520 ADD_XY: begin 521 wtrfX=1'b1; 522 flag_selX=3'b010; 523 alu_opX=ADD; 524 ldflagX=1'b1; 525 stateX=ENDIT; 526 end 527 528 ADDCY_XK: begin 529 wtrfX=1'b1; 530 sel_alubX=1'b1; 531 flag_selX=3'b010; 532 ldflagX=1'b1; 533 alu_opX=ADDC; 534 stateX=ENDIT; 535 end 536 537 ADDCY_XY: begin 538 wtrfX=1'b1; 539 flag_selX=3'b010; 540 ldflagX=1'b1; 541 alu_opX=ADDC; 542 stateX=ENDIT; 543 end 544 545 AND_XK: begin 546 wtrfX=1'b1; 547 sel_alubX=1'b1; 548 flag_selX=3'b001; 549 ldflagX=1'b1; 550 alu_opX=AND; 551 stateX=ENDIT; 552 end 553 554 AND_XY: begin 555 wtrfX=1'b1; 556 alu_opX=AND; 557 flag_selX=3'b001; 558 ldflagX=1'b1; 559 stateX=ENDIT; 560 end 561 562 CALL_AAA: begin 563 pushX=1'b1; 564 sel_pcX=2'b10; 565 ldpcX=1'b1; 566 stateX=ENDCALL; 567 end 568 569 CALLC_AAA: begin 570 if(carryQ) begin 571 pushX=1'b1; 572 sel_pcX=2'b10; 573 ldpcX=1'b1; 574 stateX=ENDCALL; 575 end else Valenzuela 94
  • 95.
    Prepared by: Paul Valenzuela Date: May12, 2020 Document Name: Final Specification 576 stateX=ENDIT; 577 end 578 579 CALLNC_AAA: begin 580 if(!carryQ) begin 581 pushX=1'b1; 582 sel_pcX=2'b10; 583 ldpcX=1'b1; 584 stateX=ENDCALL; 585 end else 586 stateX=ENDIT; 587 end 588 589 CALLZ_AAA: begin 590 if(zeroQ) begin 591 pushX=1'b1; 592 sel_pcX=2'b10; 593 ldpcX=1'b1; 594 stateX=ENDCALL; 595 end else 596 stateX=ENDIT; 597 end 598 599 CALLNZ_AAA: begin 600 if(!zeroQ) begin 601 pushX=1'b1; 602 sel_pcX=2'b10; 603 ldpcX=1'b1; 604 stateX=ENDCALL; 605 end else 606 stateX=ENDIT; 607 end 608 609 COMP_XK: begin 610 alu_opX=SUB; 611 sel_alubX=1'b1; 612 flag_selX=3'b010; 613 ldflagX=1'b1; 614 stateX=ENDIT; 615 end 616 617 COMP_XY: begin 618 alu_opX=SUB; 619 flag_selX=3'b010; 620 ldflagX=1'b1; 621 stateX=ENDIT; 622 end 623 624 DISINT: begin 625 disintX=1'b1; 626 stateX=ENDCALL; 627 end 628 629 ENINT: begin 630 enintX=1'b1; 631 stateX=ENDCALL; 632 end 633 Valenzuela 95
  • 96.
    Prepared by: Paul Valenzuela Date: May12, 2020 Document Name: Final Specification 634 STORE_XY:begin 635 wtsrX=1'b1; 636 stateX=ENDIT; 637 end 638 639 STORE_XK: begin 640 sel_alubX=1'b1; 641 wtsrX=1'b1; 642 stateX=ENDIT; 643 end 644 645 FETCH_XY:begin 646 stateX=FETCH_XY_2; 647 end 648 649 FETCH_XK: begin 650 sel_alubX=1'b1; 651 stateX=FETCH_XK_2; 652 end 653 654 INPUT_XY:begin 655 enableportidX=1'b1; 656 enableinportX=1'b1; 657 stateX=INPUT_XY_2; 658 end 659 660 INPUT_XP: begin 661 enableinportX=1'b1; 662 enableportidX=1'b1; 663 sel_portidX=1'b1; 664 stateX=INPUT_XP_2; 665 end 666 667 JUMP_AAA: begin 668 sel_pcX=2'b10; 669 ldpcX=1'b1; 670 ldirX=1'b1; 671 stateX=ENDCALL; 672 end 673 674 JUMPC_AAA: begin 675 if(carryQ) begin 676 sel_pcX=2'b10; 677 ldpcX=1'b1; 678 ldirX=1'b1; 679 end 680 stateX=ENDCALL; 681 end 682 683 JUMPNC_AAA: begin 684 if(!carryQ) begin 685 sel_pcX=2'b10; 686 ldpcX=1'b1; 687 ldirX=1'b1; 688 end 689 stateX=ENDCALL; 690 end 691 Valenzuela 96
  • 97.
    Prepared by: Paul Valenzuela Date: May12, 2020 Document Name: Final Specification 692 JUMPZ_AAA: begin 693 if(zeroQ) begin 694 sel_pcX=2'b10; 695 ldpcX=1'b1; 696 ldirX=1'b1; 697 end 698 stateX=ENDCALL; 699 end 700 701 JUMPNZ_AAA: begin 702 if(!zeroQ) begin 703 sel_pcX=2'b10; 704 ldpcX=1'b1; 705 ldirX=1'b1; 706 end 707 stateX=ENDCALL; 708 end 709 710 LOAD_XK: begin 711 sel_rfwX=3'b010; 712 wtrfX=1'b1; 713 714 stateX=ENDIT; 715 end 716 717 LOAD_XY: begin 718 sel_rfwX=3'b011; 719 wtrfX=1'b1; 720 stateX=ENDIT; 721 end 722 723 OR_XK: begin 724 wtrfX=1'b1; 725 flag_selX=3'b001; 726 alu_opX=OR; 727 sel_alubX=1'b1; 728 ldflagX=1'b1; 729 stateX=ENDIT; 730 end 731 732 OR_XY: begin 733 wtrfX=1'b1; 734 flag_selX=3'b001; 735 alu_opX=OR; 736 ldflagX=1'b1; 737 stateX=ENDIT; 738 end 739 740 OUTPUT_XK: begin 741 sel_portidX=1'b1; 742 enableportidX=1'b1; 743 enableoutportX=1'b1; 744 stateX=OUTPUT_XK_2; 745 end 746 747 OUTPUT_XY: begin 748 enableportidX=1'b1; 749 enableoutportX=1'b1; Valenzuela 97
  • 98.
    Prepared by: Paul Valenzuela Date: May12, 2020 Document Name: Final Specification 750 stateX=OUTPUT_XY_2; 751 end 752 753 RETURN: begin 754 popX=1'b1; 755 stateX=ENDRET; 756 end 757 758 RETURN_C: begin 759 if(carryQ) begin 760 popX=1'b1; 761 stateX=ENDRET; 762 end else 763 stateX=ENDIT; 764 end 765 766 RETURN_NC: begin 767 if(!carryQ) begin 768 popX=1'b1; 769 stateX=ENDRET; 770 end else 771 stateX=ENDIT; 772 end 773 774 RETURN_Z: begin 775 if(zeroQ) begin 776 popX=1'b1; 777 stateX=ENDRET; 778 end else 779 stateX=ENDIT; 780 end 781 782 RETURN_NZ: begin 783 if(!zeroQ) begin 784 popX=1'b1; 785 stateX=ENDRET; 786 end else 787 stateX=ENDIT; 788 end 789 790 RETURN_DIS: begin 791 flag_selX=3'b011; 792 ldflagX=1'b1; 793 disintX=1'b1; 794 popX=1'b1; 795 stateX=ENDRET; 796 end 797 798 RETURN_EN: begin 799 flag_selX=3'b011; 800 ldflagX=1'b1; 801 enintX=1'b1; 802 popX=1'b1; 803 stateX=ENDRET; 804 end 805 806 RL_X: begin 807 wtrfX=1'b1; Valenzuela 98
  • 99.
    Prepared by: Paul Valenzuela Date: May12, 2020 Document Name: Final Specification 808 alu_opX=RLX; 809 flag_selX=3'b010; 810 ldflagX=1'b1; 811 stateX=ENDIT; 812 end 813 814 RR_X: begin 815 wtrfX=1'b1; 816 alu_opX=RRX; 817 flag_selX=3'b010; 818 ldflagX=1'b1; 819 stateX=ENDIT; 820 end 821 822 SL0_X: begin 823 wtrfX=1'b1; 824 alu_opX=SL0X; 825 flag_selX=3'b010; 826 ldflagX=1'b1; 827 stateX=ENDIT; 828 end 829 830 SL1_X: begin 831 wtrfX=1'b1; 832 alu_opX=SL1X; 833 flag_selX=3'b010; 834 ldflagX=1'b1; 835 stateX=ENDIT; 836 end 837 838 SLA_X: begin 839 wtrfX=1'b1; 840 alu_opX=SLAX; 841 flag_selX=3'b010; 842 ldflagX=1'b1; 843 stateX=ENDIT; 844 end 845 846 SLX_X: begin 847 wtrfX=1'b1; 848 alu_opX=SLXX; 849 flag_selX=3'b010; 850 ldflagX=1'b1; 851 stateX=ENDIT; 852 end 853 854 SR0_X: begin 855 wtrfX=1'b1; 856 alu_opX=SR0X; 857 flag_selX=3'b010; 858 ldflagX=1'b1; 859 stateX=ENDIT; 860 end 861 862 SR1_X: begin 863 wtrfX=1'b1; 864 alu_opX=SR1X; 865 flag_selX=3'b010; Valenzuela 99
  • 100.
    Prepared by: Paul Valenzuela Date: May12, 2020 Document Name: Final Specification 866 ldflagX=1'b1; 867 stateX=ENDIT; 868 end 869 870 SRA_X: begin 871 wtrfX=1'b1; 872 alu_opX=SRAX; 873 flag_selX=3'b010; 874 ldflagX=1'b1; 875 stateX=ENDIT; 876 end 877 878 SRX_X: begin 879 wtrfX=1'b1; 880 alu_opX=SRXX; 881 flag_selX=3'b010; 882 ldflagX=1'b1; 883 stateX=ENDIT; 884 end 885 886 SUB_XK: begin 887 wtrfX=1'b1; 888 sel_alubX=1'b1; 889 alu_opX=SUB; 890 flag_selX=3'b010; 891 ldflagX=1'b1; 892 stateX=ENDIT; 893 end 894 895 SUB_XY: begin 896 wtrfX=1'b1; 897 flag_selX=3'b010; 898 alu_opX=SUB; 899 ldflagX=1'b1; 900 stateX=ENDIT; 901 end 902 903 SUBC_XK: begin 904 wtrfX=1'b1; 905 sel_alubX=1'b1; 906 alu_opX=SUBC; 907 flag_selX=3'b010; 908 ldflagX=1'b1; 909 stateX=ENDIT; 910 end 911 912 SUBC_XY: begin 913 wtrfX=1'b1; 914 alu_opX=SUBC; 915 flag_selX=3'b010; 916 ldflagX=1'b1; 917 stateX=ENDIT; 918 end 919 920 TEST_XK: begin 921 sel_alubX=1'b1; 922 alu_opX=AND; 923 flag_selX=3'b110; Valenzuela 100
  • 101.
    Prepared by: Paul Valenzuela Date: May12, 2020 Document Name: Final Specification 924 ldflagX=1'b1; 925 stateX=ENDIT; 926 end 927 928 TEST_XY: begin 929 alu_opX=AND; 930 flag_selX=3'b110; 931 ldflagX=1'b1; 932 stateX=ENDIT; 933 end 934 935 XOR_XK: begin 936 wtrfX=1'b1; 937 sel_alubX=1'b1; 938 alu_opX=XOR; 939 flag_selX=3'b001; 940 ldflagX=1'b1; 941 stateX=ENDIT; 942 end 943 944 XOR_XY:begin 945 wtrfX=1'b1; 946 alu_opX=XOR; 947 flag_selX=3'b001; 948 ldflagX=1'b1; 949 stateX=ENDIT; 950 end 951 952 default:stateX=FETCH; 953 954 endcase 955 end 956 957 INPUT_XP_2: begin 958 enableportidX=1'b1; 959 enableinportX=1'b1; 960 readstrobeX=1'b1; 961 sel_portidX=1'b1; 962 sel_rfwX=3'b001; 963 wtrfX=1'b1; 964 stateX=ENDIT; 965 end 966 967 INPUT_XY_2:begin 968 enableportidX=1'b1; 969 enableinportX=1'b1; 970 readstrobeX=1'b1; 971 sel_rfwX=3'b001; 972 wtrfX=1'b1; 973 stateX=ENDIT; 974 end 975 976 OUTPUT_XK_2: begin 977 sel_portidX=1'b1; 978 enableoutportX=1'b1; 979 enableportidX=1'b1; 980 writestrobeX=1'b1; 981 stateX=ENDIT; Valenzuela 101
  • 102.
    Prepared by: Paul Valenzuela Date: May12, 2020 Document Name: Final Specification 982 end 983 984 OUTPUT_XY_2: begin 985 enableoutportX=1'b1; 986 enableportidX=1'b1; 987 writestrobeX=1'b1; 988 stateX=ENDIT; 989 end 990 991 FETCH_XK_2:begin 992 sel_rfwX=3'b100; 993 wtrfX=1'b1; 994 stateX=ENDIT; 995 end 996 997 FETCH_XY_2:begin 998 sel_rfwX=3'b100; 999 wtrfX=1'b1; 1000 stateX=ENDIT; 1001 end 1002 1003 ENDCALL: begin 1004 stateX=ENDIT; 1005 end 1006 1007 ENDRET: begin 1008 sel_pcX=2'b01; 1009 ldpcX=1'b1; 1010 stateX=ENDRET2; 1011 end 1012 1013 ENDRET2: begin 1014 stateX=ENDRET3; 1015 end 1016 1017 ENDRET3: begin 1018 ldpcX=1'b1; 1019 ldirX=1'b1; 1020 stateX=FETCH; 1021 end 1022 1023 ENDIT: begin 1024 ldpcX=1'b1; 1025 ldirX=1'b1; 1026 stateX=FETCH; 1027 end 1028 1029 endcase 1030 end 1031 1032 endmodule//TRAMBLAZE.v 1033 Valenzuela 102
  • 103.
    Prepared by: Paul Valenzuela Date: May12, 2020 Document Name: Final Specification VIII.17 Memory Interface Block (MIB) 1 `timescale 1ns / 1ps 2 //******************************************************************************// 3 // File name: MIB.v // 4 // // 5 // Created by Paul Valenzuela on 5/12/20. // 6 // Copyright (C) 2020 Paul Valenzuela. All rights reserved. // 7 // // 8 // // 9 // In submitting this file for class work at CSULB // 10 // I am confirming that this is my work and the work // 11 // of no one else. In submitting this code I acknowledge that // 12 // plagiarism in student project work is subject to dismissal // 13 // from the class // 14 //******************************************************************************// 15 //******************************************************************************// 16 // MIB.v // 17 // // 18 // This module manages the memory addresses and the data coming to and // 19 // from the Micron Memory // 20 // // 21 // @input clk, rst, READ, WRITE, PORT_ID[15:0], memoryDataIn[15:0], // 22 // OUT_PORT[15:0] // 23 // // 24 // @output cCE, cWE, cOE, cIOBUT_T, cADV, CRE_HiE, cUB, cLB // 25 // memoryAddress[22:0], memoryDataOut[15:0], IN_PORT[15:0] // 26 // // 27 //******************************************************************************// 28 module MIB(clk, rst, PORT_ID, READ, WRITE, OUT_PORT, memoryDataIn, cCE, cWE, 29 cOE, cIOBUT_T, cADV, CRE_HiE, cUB, cLB, 30 memoryAddress, memoryDataOut, IN_PORT); 31 32 input clk, rst; 33 input READ, WRITE; 34 input [15:0] PORT_ID; 35 input [15:0] memoryDataIn; 36 input [15:0] OUT_PORT; 37 38 output reg[22:0] memoryAddress; 39 output reg [15:0] memoryDataOut; 40 output reg [15:0] IN_PORT; 41 42 output reg cCE, cWE, cOE, cIOBUT_T, cADV, CRE_HiE, cUB, cLB; 43 44 reg [6:0] writeAddressR0; 45 reg [15:0] writeAddressR1, WD_R; 46 reg [15:0] RD_R; 47 reg [3:0] state, nState; 48 reg [3:0] WCLK, RCLK; 49 50 wire writeDone, readDone; 51 reg nCE, nWE, nOE, nIOBUF_T, nADV, nCRE, nUB, nLB; 52 53 54 parameter 55 IDLE = 4'h0, Valenzuela 103
  • 104.
    Prepared by: Paul Valenzuela Date: May12, 2020 Document Name: Final Specification 56 MEM_WRITE = 4'h1, 57 MEM_READ = 4'h2, 58 WADDR1 = 16'h11, 59 WADDR2 = 16'h12, 60 WDATA = 16'h13, 61 RDATA = 16'h14, 62 MEMREAD = 16'h15, 63 MEMWRITE = 16'h16; 64 65 always@(posedge clk, posedge rst) 66 begin 67 if(rst) 68 begin 69 state <= IDLE; 70 {cCE, cWE, cOE, cIOBUT_T} <= 4'b1_1_1_1; 71 // signal always 0 72 {cADV, CRE_HiE, cUB, cLB } <= 4'b0_0_0_0; 73 end 74 else 75 begin 76 state <= nState; 77 {cCE, cWE, cOE, cIOBUT_T} <= {nCE, nWE, nOE, nIOBUF_T}; 78 end 79 end 80 81 always@(*) 82 case(state) 83 84 MEM_WRITE: 85 begin 86 {nCE, nWE, nOE, nIOBUF_T} = 4'b0_0_1_0; 87 if(WCLK == 4'b1100) nState = IDLE; 88 else nState = MEM_WRITE; 89 end 90 IDLE: 91 begin 92 {nCE, nWE, nOE, nIOBUF_T} = 4'b1_1_1_1; 93 94 if((PORT_ID == 16'h16) && WRITE) 95 nState = MEM_WRITE; 96 else if((PORT_ID == 16'h15) && READ) 97 nState = MEM_READ; 98 else 99 nState = IDLE; 100 end 101 default: 102 begin 103 {nCE, nWE, nOE, nIOBUF_T} = 4'b1_1_1_1; 104 105 if(PORT_ID == 16'h14 && WRITE) 106 nState = MEM_WRITE; 107 else if(PORT_ID == 16'h15 && READ) 108 nState = MEM_READ; 109 else 110 nState = state; 111 end 112 endcase 113 114 always@(posedge clk, posedge rst) Valenzuela 104
  • 105.
    Prepared by: Paul Valenzuela Date: May12, 2020 Document Name: Final Specification 115 begin 116 if(rst) 117 begin 118 WCLK <= 4'b0; 119 RCLK <= 4'b0; 120 end 121 else if(state == IDLE) 122 begin 123 WCLK <= 4'b0; 124 RCLK <= 4'b0; 125 end 126 127 else if(state == MEM_WRITE) WCLK <= WCLK + 4'b1; 128 else if(state == MEM_READ ) RCLK <= RCLK + 4'b1; 129 130 else begin 131 WCLK <= WCLK; 132 RCLK <= RCLK; 133 end 134 135 end 136 137 always@(posedge clk, posedge rst) 138 if(rst) RD_R <= 16'h0000; 139 else if(RCLK == 4'b1011) RD_R <= memoryDataIn; 140 else RD_R <= RD_R; 141 142 always@(posedge clk, posedge rst) 143 if(rst) 144 begin 145 writeAddressR0 <=7'h0; 146 writeAddressR1 <= 16'h0; 147 WD_R <= 16'h0; 148 memoryAddress <=16'h0; 149 memoryDataOut <= 16'h0; 150 IN_PORT <= 16'h0; 151 end 152 else 153 case(PORT_ID) 154 WADDR1: if(WRITE) writeAddressR0 <= OUT_PORT[6:0]; 155 else writeAddressR0 <= writeAddressR0; 156 WADDR2: if(WRITE) writeAddressR1 <= OUT_PORT; 157 else writeAddressR1 <= writeAddressR1; 158 WDATA: if(WRITE) WD_R <= OUT_PORT; 159 else WD_R <= WD_R; 160 RDATA: IN_PORT <= RD_R; 161 MEMREAD: if(READ) 0, 162 begin 163 164 memoryAddress <= {writeAddressR writeAddressR1}; memoryDataOut <= WD_R; 165 end 166 else 167 begin 168 memoryAddress <= memoryAddress; 169 memoryDataOut <= memoryDataOut; 170 end 171 default: 172 begin Valenzuela 105
  • 106.
    Prepared by: Paul Valenzuela Date: May12, 2020 Document Name: Final Specification 173 writeAddressR0 <= writeAddressR0; 174 writeAddressR1 <= writeAddressR1; 175 WD_R <= WD_R; 176 memoryAddress <= memoryAddress; 177 memoryDataOut <= memoryDataOut; 178 IN_PORT <= IN_PORT; 179 end 180 181 endcase 182 183 184 185 endmodule 186 Valenzuela 106
  • 107.
    Prepared by: Paul Valenzuela Date: May12, 2020 Document Name: Final Specification VIII.16 Top Module 1 `timescale 1ns / 1ns 2 //******************************************************************************// 3 // File name: top_module.v // 4 // // 5 // Created by Paul Valenzuela on 5/06/20. // 6 // Copyright (C) 2020 Paul Valenzuela. All rights reserved. // 7 // // 8 // // 9 // In submitting this file for class work at CSULB // 10 // I am confirming that this is my work and the work // 11 // of no one else. In submitting this code I acknowledge that // 12 // plagiarism in student project work is subject to dismissal // 13 // from the class // 14 //******************************************************************************// 15 //******************************************************************************// 16 // top_module.v // 17 // // 18 // This module serves as the top level module for project 5 // 19 // involving the UART engine. It connects all the pieces together. // 20 // It also uses a Memory Interface Block. // 21 // // 22 // @input clk, reset, [7:0] switches , rx // 23 // @output [7:0] anode, [7:0] cathode, [7:0] leds, tx,[22:0] memoryAddress // 24 // currentStatus [7:0], nCE, nWE, nOE, nADV, CRE, nUB, // 25 // nLB, MIBInOut [15:0] // 26 // // 27 //******************************************************************************// 28 module top_module(clk, reset,switches,tx,rx,anode,cathode,leds, 29 memoryAddress, currentStatus, nCE, nWE, nOE, 30 nADV, CRE, nUB, nLB, MIBInOut); 31 32 // Inputs 33 input wire clk, reset,rx; 34 input wire [7:0] switches; 35 36 // Outputs 37 output wire [7:0] anode, cathode; 38 output tx; 39 output reg [7:0] leds; 40 41 // MIB Outputs 42 output [22:0] memoryAddress; 43 output [7:0] currentStatus; 44 output nCE, nWE, nOE, nADV, CRE, nUB, nLB; 45 output [15:0] MIBInOut; 46 47 // Wires For Connections Between Modules 48 wire mRst; 49 wire [1:0] sel2; 50 wire [3:0] hexValue; 51 wire [15:0] counter; 52 wire [15:0] OUT_PORT; 53 wire [15:0] IN_PORT; 54 wire [15:0] PORT_ID; 55 wire READ_STROBE; 56 wire WRITE_STROBE; Valenzuela 107
  • 108.
    Prepared by: Paul Valenzuela Date: May12, 2020 Document Name: Final Specification 57 wire INTERRUPT_ACK; 58 wire INTERRUPT; 59 60 // Wires for MIB 61 wire [15:0] MIBIn, MIBOut; 62 wire curCE, curWE, curOE, curADV, curCRE, curUB, curLB; 63 wire OE; 64 65 wire ped, UARTready, load; 66 67 reg [15:0] data; 68 69 70 wire [7:0] WRITE; 71 wire [7:0] READS; 72 wire [7:0] UART_DS; 73 74 assign IN_PORT[15:8] = 8'b0; 75 76 // Synchronous Reset 77 AISO syncReset(.clk(clk),.rst(reset),.sRst(mRst)); 78 79 80 // Tramelblaze Processor That Increments and Holds 16-Bit Value 81 tramelblaze_top tramelblaze_top1 82 ( 83 .CLK(clk), 84 .RESET(mRst), 85 .IN_PORT(IN_PORT[15:0]), 86 .INTERRUPT(INTERRUPT), 87 .OUT_PORT(OUT_PORT[15:0]), 88 .PORT_ID(PORT_ID[15:0]), 89 .READ_STROBE(READ_STROBE), 90 .WRITE_STROBE(WRITE_STROBE), 91 .INTERRUPT_ACK(INTERRUPT_ACK) 92 ); 93 94 // Memory Interface Block (MIB) 95 MIB memoryblock(.clk(clk), .rst(rst), .PORT_ID(PORT_ID), 96 .READ(READ_STROBE), .WRITE(WRITE_STROBE), 97 . OUT_PORT (OUT_PORT[15:0]), .memoryDataIn(MIBOut), 98 .cCE(nCE), .cWE(nWE), .cOE(nOE), 99 .cIOBUF_T(IOBUF_T_LoE), .cADV(nADV), 100 .CRE(CRE), .cUB(nUB), 101 .cLB(nLB), .memoryAddress(memoryAddress), 102 .MIBInput(MIBIn), .IN_PORT (IN_PORT)); 103 104 105 106 // UART Engine 107 UART uart(.clk(clk),.rst(mRst), .WRITE(WRITE[7:0]), .READS(READS[7:0]), 108 .OUT_PORT(OUT_PORT[7:0]), .rx(rx), 109 .UARTready(UARTready),.tx(tx),.switches(switches[7:0]), 110 .UART_DS(IN_PORT[7:0])); 111 112 113 // SR Flop 114 SRFlop interrupt_flop(.clk(clk),.rst(mRst), .funcrst(INTERRUPT_ACK), Valenzuela 108
  • 109.
    Prepared by: Paul Valenzuela Date: May12, 2020 Document Name: Final Specification .set(UARTready), .q(INTERRUPT)); 115 116 // Seven-Segment Display Driver 117 seven_segment_display display(.clk(clk), .rst(mRst), .data(data[15:0]), .anode(anode[7:0]), .cathode(cathode[7:0])); 118 119 // Address Decoders 120 address_decode write_decode(.strobe(WRITE_STROBE),.enable(PORT_ID[15]),.s2(PORT_ID[2]),.s1(PORT_ID[1 ]),.s0(PORT_ID[0]),.q(WRITE[7:0])); 121 address_decode read_decode(.strobe(READ_STROBE),.enable(PORT_ID[15]),.s2(PORT_ID[2]),.s1(PORT_ID[1]) ,.s0(PORT_ID[0]),.q(READS[7:0])); 122 123 124 // 8 bit register for leds 125 always@(posedge clk, posedge mRst) 126 if (mRst) 127 leds <= 8'b0; 128 else if(WRITE[1]) 129 leds <= OUT_PORT[7:0]; 130 else 131 leds <= leds; 132 133 // 16 bit register for sev seg display 134 always@(posedge clk, posedge mRst) 135 if (mRst) 136 data <= 16'b0; 137 else if(WRITE[2]) 138 data <= OUT_PORT[15:0]; 139 else 140 data <= data; 141 142 endmodule 143 144 Valenzuela 109