EEE-UNIT 3
1
Machines and Drives
Construction and working principle of DC machines-
Construction and Working principle of a single-phase
Transformer- Construction and working of three phase Inductor
motor, BLDC motor, PMSM, Stepper and Servo motor
-Introduction to Electrical Drives-Block diagram explanation of
chopper fed DC drives, Selection of drives for real time
applications (cranes/EV/ Pumping applications)
Practice on chopper applications, Demo on DC& AC machines
21EES101T-ELECTRICAL AND
ELECTRONICSENGINEERING
2
3
4
Cutaway view of a dc motor
(Rotor-Armature)
Stator with poles visible.
Construction of DC machine
No need to draw this diagrams in exam
segments
brushes
Construction of DC machine
Rotor of a dc motor.
No need to draw this diagrams in exam
7
No need to draw this diagram
in exam
8
Single Phase Transformer
9
Principle of operation
The transformer works on the principle of electromagnetic induction. In
this case, the conductors are stationary and the magnetic flux is varying
with respect to time. Thus, the induced emf comes under the
classification of statically induced emf.
The transformer is a static piece of apparatus used to transfer electrical
energy
from one circuit to another. The two circuits are magnetically coupled.
One of the circuits is energized by connecting it to a supply at specific
voltage magnitude, frequency and waveform. Then, we have a mutually
induced voltage available across the second circuit at the same
frequency and waveform but with a change in voltage magnitude if
desired. These aspects are indicated in Fig.
10
Construction
The following are the essential requirements of a transformer:
(a) A good magnetic core
(b) Two windings
(c) A time varying magnetic flux
The transformer core is generally laminated and is made out of a good
magnetic material such as transformer steel or silicon steel. Such a material
has high relative permeability and low hysteresis loss. In order to reduce the
eddy current loss, the core is made up of laminations of iron. ie, the core is
made up of thin sheets of steel, each lamination being insulated from others
11
12
13
14
PMSM
15
16
17
18
BLDC Motor
19
No need to draw this diagrams in exam
20
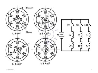
How Does A Brushless DC Motor Work?
BLDC Motor operation is based on the attraction or repulsion between magnetic
poles. Using the three-phase motor as shown in figure below, the process starts when
current flows through one of the three stator windings and generates a magnetic pole
that attracts the closest permanent magnet of opposite pole.
The rotor will move if the current shifts to an adjacent winding. Sequentially
charging each winding will cause the rotor to follow in a rotating field. The torque in this
example depends on the current amplitude and the number of turns on the stator
windings, the strength and the size of the permanent magnets, the air gap between the
rotor and the windings, and the length of the rotating arm.
21
22
No need to draw this diagrams in exam
23
17-10-2023 24
Stepper Motor
Why Stepper Motor?
• Motor that moves one step at a time
A digital version of an electric motor
Each step is defined by a Step Angle
• Relatively inexpensive
• Ideal for open loop positioning control − Can be implemented
without feedback − Minimizes sensing devices − Just count the
steps
• Torque − Holds its position firmly when not turning − Eliminates
mechanical brakes − Produces better torque than DC motors at
lower speeds
• Positioning applications
25
17-10-2023
Types of Stepping Motors
• Permanent Magnet
− Magnetic rotor
• Variable Reluctance
− Non-magnetic, geared rotor
• Hybrid
− Combines characteristics from PM and VR
− Magnetic, geared rotor
26
17-10-2023
17-10-2023 27
Variable Reluctance Stepper Motor
• It consists of a wound stator and a soft iron multi-tooth rotor.
• The stator has a stack of silicon steel laminations on which stator windings
are wound.
• Usually, it is wound for three phases which are distributed between the pole
pairs.
• The rotor carries no windings and is of salient pole type made entirely of
slotted steel laminations.
• The rotor pole’s projected teeth have the same width as that of stator teeth.
• The number of poles on stator differs to that of rotor poles, which provides
the ability to self start and bidirectional rotation of the motor.
17-10-2023 28
Cross section model of 3-ph VR stepper motor and
winding arrangement
17-10-2023 29
VR Stepper motor has following modes of
operation
1. 1 phase ON (or) Full step operation mode
2. 2 phase ON mode
3. Alternate 1 phase ON and 2 phase ON mode (or) Half
step operation mode
4. Micro stepping operation mode
17-10-2023 30
Working of Variable Reluctance Stepper Motor
• The stepper motor works on the principle that the rotor aligns in a
particular position with the teeth of the excitation pole in a
magnetic circuit wherein minimum reluctance path exist.
• Whenever power is applied to the motor and by exciting a
particular winding, it produces its magnetic field and develops its
own magnetic poles.
• Due to the residual magnetism in the rotor magnet poles, it will
cause the rotor to move in such a position so as to achieve
minimum reluctance position and hence one set of poles of rotor
aligns with the energized set of poles of the stator.
• At this position, the axis of the stator magnetic field matches with
the axis passing through any two magnetic poles of the rotor.
17-10-2023 31
• When the rotor aligns with stator poles, it has enough magnetic force to
hold the shaft from moving to the next position, either in clockwise or
counter clockwise direction.
• The stepper motor works on the principle that the rotor aligns in a
particular position with the teeth of the excitation pole in a magnetic circuit
wherein minimum reluctance path exist.
• Whenever power is applied to the motor and by exciting a particular
winding, it produces its magnetic field and develops its own magnetic
poles.
• Due to the residual magnetism in the rotor magnet poles, it will cause the
rotor to move in such a position so as to achieve minimum reluctance
position and hence one set of poles of rotor aligns with the energized set of
poles of the stator.
• At this position, the axis of the stator magnetic field matches with the axis
passing through any two magnetic poles of the rotor.
• When the rotor aligns with stator poles, it has enough magnetic force to
hold the shaft from moving to the next position, either in clockwise or
counter clockwise direction.
17-10-2023 32
17-10-2023 33
34
Servo Motor
A servomotor is a rotary actuator or linear actuator that allows for
precise control of angular or linear position, velocity, and acceleration
in a mechanical system. It consists of a suitable motor coupled to a
sensor for position feedback. It also requires a relatively sophisticated
controller, often a dedicated module designed specifically for use with
servomotors. Servomotors are suitable for use in a closed-loop control
system.
Block Diagram
35
Construction of Servo Motor:
No need to draw this diagrams in exam
36
Working Principle
A servomotor is a closed-loop servomechanism that uses
position feedback to control its motion and final position. The
input to its control is a signal (either analog or digital)
representing the position commanded for the output shaft.
The motor is paired with some type of position encoder to
provide position and speed feedback. In the simplest case, only
the position is measured. The measured position of the output is
compared to the command position, the external input to the
controller. If the output position differs from that required, an
error signal is generated which then causes the motor to rotate in
either direction, as needed to bring the output shaft to the
appropriate position. As the positions approach, the error signal
reduces to zero, and the motor stops.
37
Applications of Servo Motors
1. They are used to control the positioning and movement of
elevators in radio controlled airplanes.
2. They play an important role in robotics information of robot
because of their smooth switching on or off and accurate
positioning.
3. They are used in hydraulic systems to maintain hydraulic
fluid in the aerospace industry.
4. In radio controlled toys these are also used.
5. They are used to extend or replay the disc trays in electronic
devices such as DVDs or Blue-ray Disc players.
6. They are used to maintain the speed of vehicles in the
automobile industries.
38
Introduction to Electrical Drives
39
40
41
42
43
44
Applications of Electric Drives
Transportation Systems
Rolling Mills
Paper Mills
Textile Mills
Machine Tools
Fans and Pumps
Robots
Washing Machines etc
45
46
47
48
49
50
51
Chopper fed DC drives
10/17/2023 52
Closed loop speed control of chopper fed DC drives
Δωm
-
+
-
Speed
Controller
Current
Sensor
DC
motor
Load
ωm
+
ωm
*
Chopper
Current
Controller
Speed
Sensor
I*
I
Current
Limiter
10/17/2023 53
55
Selection of drives for real time applications
(cranes/EV/ Pumping applications)
56
Solar Powered Pump System
❖ For pump ratings of 1 kW and above, three phase induction
motor drive is employed.
❖ A PWM voltage source inverter with
maximum-power-point-tracker is used for variable frequency
control of the squirrel-cage induction motor.
57
Solar Powered Pump Drives with reciprocating pump
Solar pump drive using induction
motor
❖ Solar Powered Pump Drives with an intermediate battery,
can also be used.
❖ The drive is fed from the battery charged by solar panel.
58
Solar Powered Pump Drives with battery
Solar pump with a battery
59
Selection of drives and control schemes for lifts and cranes
EV Control schemes
60
8 Marks Questions
1. Explain the Construction and working principle of DC Generator.
2. Explain the Construction and working principle of DC Motor.
3. Explain the Construction and working principle of single phase transformer.
4. Explain the Construction and working principle of three phase Induction motor.
5. Explain the Construction and working principle of PMSM.
6. Explain the Construction and working principle of BLDC motor.
7. Explain the Construction and working principle of any one type of stepper motor. Also
list out applications.
8. With neat block diagram, explain working principle of servo motor. Also list out
applications.
9. With neat block diagram, explain the general layout of electric drives. Also list out the
advantages and application of electric drives.
10. With neat block diagram, explain chopper fed electric drives.
11. List out the factors that should be considered for selecting electric drives.
12. List out the factors that should be considered for selecting electric drives for lifts and
cranes.
13. List out the factors that should be considered for selecting electric drives for eclectic
vehicles (EV’s) .
14. Explain how electric drives are used for appliance like pumping water.
61

BEEE-UNIT 3.pdfigxigxoyxotxzitzitxitzitzzitzi

  • 1.
    EEE-UNIT 3 1 Machines andDrives Construction and working principle of DC machines- Construction and Working principle of a single-phase Transformer- Construction and working of three phase Inductor motor, BLDC motor, PMSM, Stepper and Servo motor -Introduction to Electrical Drives-Block diagram explanation of chopper fed DC drives, Selection of drives for real time applications (cranes/EV/ Pumping applications) Practice on chopper applications, Demo on DC& AC machines 21EES101T-ELECTRICAL AND ELECTRONICSENGINEERING
  • 2.
  • 3.
  • 4.
  • 5.
    Cutaway view ofa dc motor (Rotor-Armature) Stator with poles visible. Construction of DC machine No need to draw this diagrams in exam
  • 6.
    segments brushes Construction of DCmachine Rotor of a dc motor. No need to draw this diagrams in exam
  • 7.
    7 No need todraw this diagram in exam
  • 8.
  • 9.
    Single Phase Transformer 9 Principleof operation The transformer works on the principle of electromagnetic induction. In this case, the conductors are stationary and the magnetic flux is varying with respect to time. Thus, the induced emf comes under the classification of statically induced emf. The transformer is a static piece of apparatus used to transfer electrical energy from one circuit to another. The two circuits are magnetically coupled. One of the circuits is energized by connecting it to a supply at specific voltage magnitude, frequency and waveform. Then, we have a mutually induced voltage available across the second circuit at the same frequency and waveform but with a change in voltage magnitude if desired. These aspects are indicated in Fig.
  • 10.
    10 Construction The following arethe essential requirements of a transformer: (a) A good magnetic core (b) Two windings (c) A time varying magnetic flux The transformer core is generally laminated and is made out of a good magnetic material such as transformer steel or silicon steel. Such a material has high relative permeability and low hysteresis loss. In order to reduce the eddy current loss, the core is made up of laminations of iron. ie, the core is made up of thin sheets of steel, each lamination being insulated from others
  • 11.
  • 12.
  • 13.
  • 14.
  • 15.
  • 16.
  • 17.
  • 18.
  • 19.
    19 No need todraw this diagrams in exam
  • 20.
    20 How Does ABrushless DC Motor Work? BLDC Motor operation is based on the attraction or repulsion between magnetic poles. Using the three-phase motor as shown in figure below, the process starts when current flows through one of the three stator windings and generates a magnetic pole that attracts the closest permanent magnet of opposite pole. The rotor will move if the current shifts to an adjacent winding. Sequentially charging each winding will cause the rotor to follow in a rotating field. The torque in this example depends on the current amplitude and the number of turns on the stator windings, the strength and the size of the permanent magnets, the air gap between the rotor and the windings, and the length of the rotating arm.
  • 21.
  • 22.
    22 No need todraw this diagrams in exam
  • 23.
  • 24.
  • 25.
    Why Stepper Motor? •Motor that moves one step at a time A digital version of an electric motor Each step is defined by a Step Angle • Relatively inexpensive • Ideal for open loop positioning control − Can be implemented without feedback − Minimizes sensing devices − Just count the steps • Torque − Holds its position firmly when not turning − Eliminates mechanical brakes − Produces better torque than DC motors at lower speeds • Positioning applications 25 17-10-2023
  • 26.
    Types of SteppingMotors • Permanent Magnet − Magnetic rotor • Variable Reluctance − Non-magnetic, geared rotor • Hybrid − Combines characteristics from PM and VR − Magnetic, geared rotor 26 17-10-2023
  • 27.
  • 28.
    Variable Reluctance StepperMotor • It consists of a wound stator and a soft iron multi-tooth rotor. • The stator has a stack of silicon steel laminations on which stator windings are wound. • Usually, it is wound for three phases which are distributed between the pole pairs. • The rotor carries no windings and is of salient pole type made entirely of slotted steel laminations. • The rotor pole’s projected teeth have the same width as that of stator teeth. • The number of poles on stator differs to that of rotor poles, which provides the ability to self start and bidirectional rotation of the motor. 17-10-2023 28
  • 29.
    Cross section modelof 3-ph VR stepper motor and winding arrangement 17-10-2023 29
  • 30.
    VR Stepper motorhas following modes of operation 1. 1 phase ON (or) Full step operation mode 2. 2 phase ON mode 3. Alternate 1 phase ON and 2 phase ON mode (or) Half step operation mode 4. Micro stepping operation mode 17-10-2023 30
  • 31.
    Working of VariableReluctance Stepper Motor • The stepper motor works on the principle that the rotor aligns in a particular position with the teeth of the excitation pole in a magnetic circuit wherein minimum reluctance path exist. • Whenever power is applied to the motor and by exciting a particular winding, it produces its magnetic field and develops its own magnetic poles. • Due to the residual magnetism in the rotor magnet poles, it will cause the rotor to move in such a position so as to achieve minimum reluctance position and hence one set of poles of rotor aligns with the energized set of poles of the stator. • At this position, the axis of the stator magnetic field matches with the axis passing through any two magnetic poles of the rotor. 17-10-2023 31
  • 32.
    • When therotor aligns with stator poles, it has enough magnetic force to hold the shaft from moving to the next position, either in clockwise or counter clockwise direction. • The stepper motor works on the principle that the rotor aligns in a particular position with the teeth of the excitation pole in a magnetic circuit wherein minimum reluctance path exist. • Whenever power is applied to the motor and by exciting a particular winding, it produces its magnetic field and develops its own magnetic poles. • Due to the residual magnetism in the rotor magnet poles, it will cause the rotor to move in such a position so as to achieve minimum reluctance position and hence one set of poles of rotor aligns with the energized set of poles of the stator. • At this position, the axis of the stator magnetic field matches with the axis passing through any two magnetic poles of the rotor. • When the rotor aligns with stator poles, it has enough magnetic force to hold the shaft from moving to the next position, either in clockwise or counter clockwise direction. 17-10-2023 32
  • 33.
  • 34.
    34 Servo Motor A servomotoris a rotary actuator or linear actuator that allows for precise control of angular or linear position, velocity, and acceleration in a mechanical system. It consists of a suitable motor coupled to a sensor for position feedback. It also requires a relatively sophisticated controller, often a dedicated module designed specifically for use with servomotors. Servomotors are suitable for use in a closed-loop control system. Block Diagram
  • 35.
    35 Construction of ServoMotor: No need to draw this diagrams in exam
  • 36.
    36 Working Principle A servomotoris a closed-loop servomechanism that uses position feedback to control its motion and final position. The input to its control is a signal (either analog or digital) representing the position commanded for the output shaft. The motor is paired with some type of position encoder to provide position and speed feedback. In the simplest case, only the position is measured. The measured position of the output is compared to the command position, the external input to the controller. If the output position differs from that required, an error signal is generated which then causes the motor to rotate in either direction, as needed to bring the output shaft to the appropriate position. As the positions approach, the error signal reduces to zero, and the motor stops.
  • 37.
    37 Applications of ServoMotors 1. They are used to control the positioning and movement of elevators in radio controlled airplanes. 2. They play an important role in robotics information of robot because of their smooth switching on or off and accurate positioning. 3. They are used in hydraulic systems to maintain hydraulic fluid in the aerospace industry. 4. In radio controlled toys these are also used. 5. They are used to extend or replay the disc trays in electronic devices such as DVDs or Blue-ray Disc players. 6. They are used to maintain the speed of vehicles in the automobile industries.
  • 38.
  • 39.
  • 40.
  • 41.
  • 42.
  • 43.
  • 44.
  • 45.
    Applications of ElectricDrives Transportation Systems Rolling Mills Paper Mills Textile Mills Machine Tools Fans and Pumps Robots Washing Machines etc 45
  • 46.
  • 47.
  • 48.
  • 49.
  • 50.
  • 51.
  • 52.
    Chopper fed DCdrives 10/17/2023 52
  • 53.
    Closed loop speedcontrol of chopper fed DC drives Δωm - + - Speed Controller Current Sensor DC motor Load ωm + ωm * Chopper Current Controller Speed Sensor I* I Current Limiter 10/17/2023 53
  • 55.
    55 Selection of drivesfor real time applications (cranes/EV/ Pumping applications)
  • 56.
  • 57.
    ❖ For pumpratings of 1 kW and above, three phase induction motor drive is employed. ❖ A PWM voltage source inverter with maximum-power-point-tracker is used for variable frequency control of the squirrel-cage induction motor. 57 Solar Powered Pump Drives with reciprocating pump Solar pump drive using induction motor
  • 58.
    ❖ Solar PoweredPump Drives with an intermediate battery, can also be used. ❖ The drive is fed from the battery charged by solar panel. 58 Solar Powered Pump Drives with battery Solar pump with a battery
  • 59.
    59 Selection of drivesand control schemes for lifts and cranes
  • 60.
  • 61.
    8 Marks Questions 1.Explain the Construction and working principle of DC Generator. 2. Explain the Construction and working principle of DC Motor. 3. Explain the Construction and working principle of single phase transformer. 4. Explain the Construction and working principle of three phase Induction motor. 5. Explain the Construction and working principle of PMSM. 6. Explain the Construction and working principle of BLDC motor. 7. Explain the Construction and working principle of any one type of stepper motor. Also list out applications. 8. With neat block diagram, explain working principle of servo motor. Also list out applications. 9. With neat block diagram, explain the general layout of electric drives. Also list out the advantages and application of electric drives. 10. With neat block diagram, explain chopper fed electric drives. 11. List out the factors that should be considered for selecting electric drives. 12. List out the factors that should be considered for selecting electric drives for lifts and cranes. 13. List out the factors that should be considered for selecting electric drives for eclectic vehicles (EV’s) . 14. Explain how electric drives are used for appliance like pumping water. 61