Embed presentation
Download to read offline
























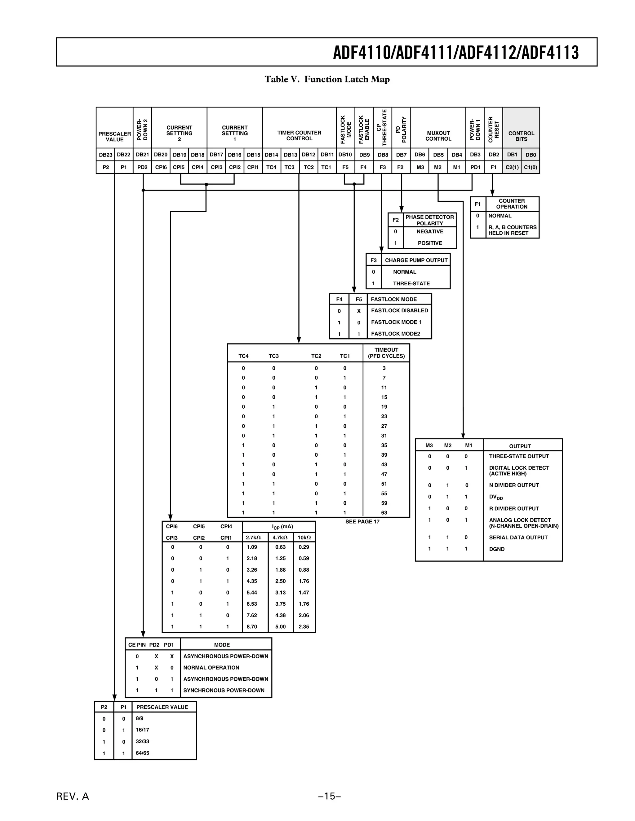
This document describes the features and specifications of Analog Devices' ADF4110/ADF4111/ADF4112/ADF4113 frequency synthesizer chips. Key points: - The chips are used to implement local oscillators in wireless receivers and transmitters, functioning as phase-locked loops (PLLs) with a phase/frequency detector, charge pump, reference divider, and counters. - Specifications include operating frequency ranges from 550MHz to 4GHz depending on the chip, reference frequencies from 5-100MHz, phase noise levels down to -171dBc/Hz, and power consumption from 4.5-11mA. - Control and configuration is via a 3-wire























