Elektronika Digital 3 –
Enkoder, Dekoder, 7 segment
Agus Ismangil
Dekoder dan Enkoder
A 0
A 1
A 2
A 3
A 4
A 5
A 6
A 7
ENCODER
O 0
O 1
O 2
A 0
A 1
A 2
O 0
O 1
O 2
O 3
O 4
O 5
O 6
O 7
DECODER
ONLY ONE INPUT
ACTIVATED AT A TIME
BINARY CODE OUTPUT
BINARY CODE INPUT
ONLY ONE OUTPUT
ACTIVATED AT A TIME
Binary Dekoding
Dekoder adalah suatu rangkaian logika yang memiliki sedikit masukan dan
banyak keluaran.
1 to 2 Dekoder
2 to 4 Dekoder
Rangkaian 2 to 4 Dekoder
3 to 8 Dekoder
3 to 8 Dekoder
Rangkaian 3 to 8 Dekoder
Enkoder Binary
ELECTRONIC ENCODER - DECIMAL
TO BCD
0
Decimal
to
BCD
Encoder
BCD output
Decimal input
0 0 0 0
5
0 1 0 1
7
0 1 1 1
3
0 0 1 1
• Encoders are available in IC form.
• This encoder translates from
decimal input to BCD output.
10 line to 4 line Encoder
ENCODER
1
2
4
8
DECIMAL BINARY (BCD)
9 5V
8 5V
7 5V
6 5V
5 5V
4 5V
3 5V
2 5V
1 5V
74147
I9
I8
I7
I6
I5
I4
I3
I2
I1
A0
A1
A2
A3
10 line to 4 line Encoder
0
1
2
3
4
5
6
7
8
9
DECODER
BINARY (BCD)
DECIMAL
1 0V
2 0V
4 0V
8 0V
74LS42
A3
A2
A1
A0
9
8
7
6
5
4
3
2
1
0
4 line to 10 line Decoder
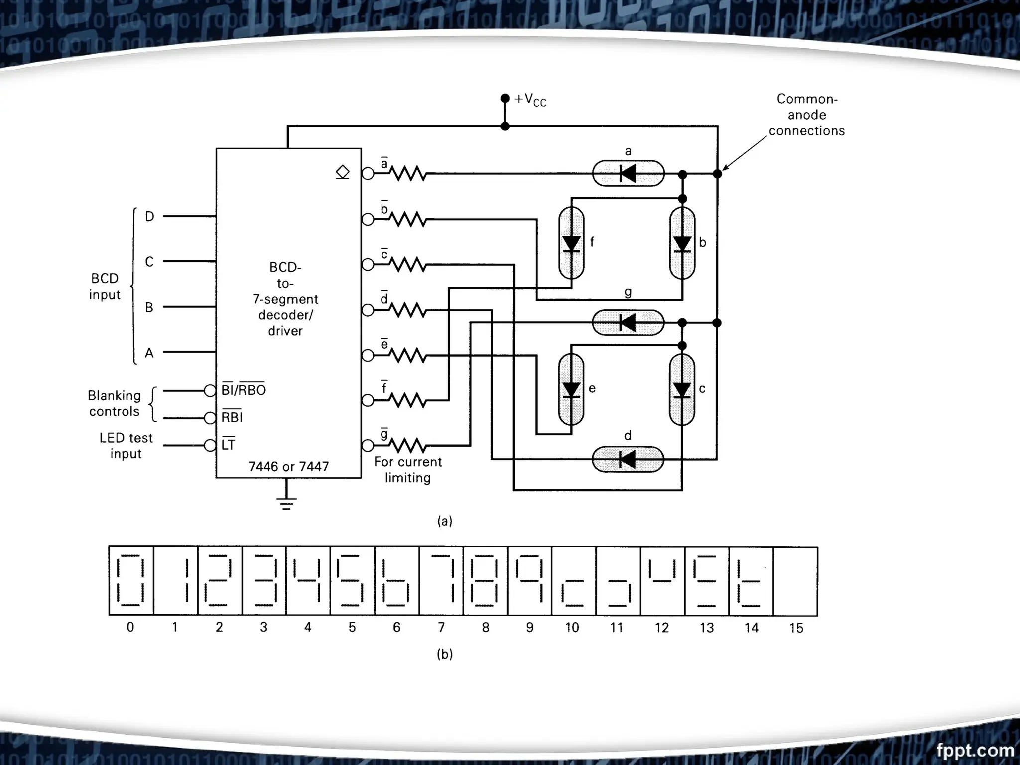
BCD-to-
7-Segment
Decoder/
Driver
DECODERS: BCD TO 7-SEGMENT
DECODER/DRIVER
BCD input
0 0 0 0
Decimal output
LED
0 0 0 1
0 0 1 0
0 0 1 1
0 1 0 0
• Electronic decoders are available in IC form.
• This decoder translates from BCD to decimal.
• Decimals are shown on an 7-segment LED display.
• This IC also drives the 7-segment LED display.
BCD-to-
7-Segment
Decoder/
Driver
BCD input
Decimal output
0 0 1 1
?
Q #1- What is the decimal output from the decoder that
appears on the 7-segment display?
Answer: 3
Q #2- What is the decimal output from the decoder that
appears on the 7-segment display?
0 0 0 0
Answer: 0
Q #3- What is the decimal output from the decoder that
appears on the 7-segment display?
1 0 0 1
Answer: 9
Q #4- What is the decimal output from the decoder that
appears on the 7-segment display?
Answer: 7
0 1 1 1
Q #5- What is the decimal output from the decoder that
appears on the 7-segment display?
Answer: 6
0 1 1 0
TEST
BCD-TO-SEVEN SEGMENT DECODER DRIVER
5V
abcdef g .
V+
74LS47
A3
A2
A1
A0
test
RBI
g
f
e
d
c
b
a
RBO
7-segmen display
Rangkaian Pengubah kode BCD ke LED 7-
segmen
Thankyou

7.-Elektronika-Digital-Dekoder-Enkoder-7Segment.pptx

  • 1.
    Elektronika Digital 3– Enkoder, Dekoder, 7 segment Agus Ismangil
  • 2.
    Dekoder dan Enkoder A0 A 1 A 2 A 3 A 4 A 5 A 6 A 7 ENCODER O 0 O 1 O 2 A 0 A 1 A 2 O 0 O 1 O 2 O 3 O 4 O 5 O 6 O 7 DECODER ONLY ONE INPUT ACTIVATED AT A TIME BINARY CODE OUTPUT BINARY CODE INPUT ONLY ONE OUTPUT ACTIVATED AT A TIME
  • 3.
    Binary Dekoding Dekoder adalahsuatu rangkaian logika yang memiliki sedikit masukan dan banyak keluaran.
  • 4.
    1 to 2Dekoder
  • 5.
    2 to 4Dekoder
  • 6.
    Rangkaian 2 to4 Dekoder
  • 7.
    3 to 8Dekoder
  • 8.
    3 to 8Dekoder
  • 9.
    Rangkaian 3 to8 Dekoder
  • 10.
  • 11.
    ELECTRONIC ENCODER -DECIMAL TO BCD 0 Decimal to BCD Encoder BCD output Decimal input 0 0 0 0 5 0 1 0 1 7 0 1 1 1 3 0 0 1 1 • Encoders are available in IC form. • This encoder translates from decimal input to BCD output.
  • 12.
    10 line to4 line Encoder
  • 13.
    ENCODER 1 2 4 8 DECIMAL BINARY (BCD) 95V 8 5V 7 5V 6 5V 5 5V 4 5V 3 5V 2 5V 1 5V 74147 I9 I8 I7 I6 I5 I4 I3 I2 I1 A0 A1 A2 A3 10 line to 4 line Encoder
  • 14.
    0 1 2 3 4 5 6 7 8 9 DECODER BINARY (BCD) DECIMAL 1 0V 20V 4 0V 8 0V 74LS42 A3 A2 A1 A0 9 8 7 6 5 4 3 2 1 0 4 line to 10 line Decoder
  • 15.
    BCD-to- 7-Segment Decoder/ Driver DECODERS: BCD TO7-SEGMENT DECODER/DRIVER BCD input 0 0 0 0 Decimal output LED 0 0 0 1 0 0 1 0 0 0 1 1 0 1 0 0 • Electronic decoders are available in IC form. • This decoder translates from BCD to decimal. • Decimals are shown on an 7-segment LED display. • This IC also drives the 7-segment LED display.
  • 16.
    BCD-to- 7-Segment Decoder/ Driver BCD input Decimal output 00 1 1 ? Q #1- What is the decimal output from the decoder that appears on the 7-segment display? Answer: 3 Q #2- What is the decimal output from the decoder that appears on the 7-segment display? 0 0 0 0 Answer: 0 Q #3- What is the decimal output from the decoder that appears on the 7-segment display? 1 0 0 1 Answer: 9 Q #4- What is the decimal output from the decoder that appears on the 7-segment display? Answer: 7 0 1 1 1 Q #5- What is the decimal output from the decoder that appears on the 7-segment display? Answer: 6 0 1 1 0 TEST
  • 18.
    BCD-TO-SEVEN SEGMENT DECODERDRIVER 5V abcdef g . V+ 74LS47 A3 A2 A1 A0 test RBI g f e d c b a RBO
  • 19.
  • 20.
    Rangkaian Pengubah kodeBCD ke LED 7- segmen
  • 21.