Embed presentation
















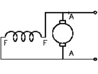
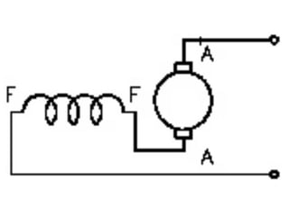
DC motors use an armature and commutator system to generate torque through interaction with external magnetic fields, allowing the direction of rotation to be controlled. The armature windings and commutator allow current to flow in different directions to induce a rotating magnetic field that drives the motor's shaft, with torque produced proportional to the current in the armature.















