Embed presentation














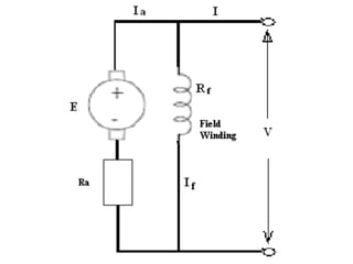
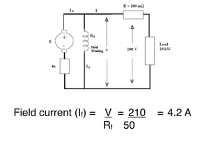
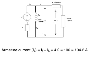
The document discusses terminal voltage calculations for a generator. It provides the formulas for terminal voltage (V), generated emf (E), and armature current (Ia). It then works through an example where the load current is 100A, terminal voltage is initially 200V but increases to 210V due to cable resistance. It determines the field current is 4.2A, armature current is 104.2A, and generated emf is 214.17V.













