UV-Visible
Spectrophotometry
1
References
• Fundamentals of Analytical Chemistry by
Douglas A. Skoog
• Quantitative Chemical Analysis by Daniel C.
Harris
• Principles of Instrumental Analysis by
Douglas A. Skoog
• Modern Methods of Chemical Analysis by
Robert L. Pecsok
Analytical Chemistry
What is the Chemistry?
Chemistry is the science of the composition,
structure, properties and reactions of matter.
Chemistry for pharmacy students?
All drugs are chemicals, and pharmacy is a subject that
deals with the study of various aspects of drugs.
Therefore, it is needless to say that to become a good
pharmacist the knowledge of the chemistry of drugs is
essential.
Analytical chemistry is the branch of
chemistry science which deals with the study of
the separation, identification, and quantification of
the chemical components of natural and
artificial materials.
Analytical chemistry is a measurement
science consisting of a set of powerful ideas and
methods that are useful in all fields of science and
medicine.
Application of analytical techniques (PK: pharmacokinetics; PD:
pharmacodynamics; TDM: Therapeutic Drug Monitoring)
• (Identification) Qualitative analysis
reveals the identity of the elements
and compounds in a sample.
Physical parameter, color, smell, boiling
point, solubility, refractive index,
……etc.
Does the sample contain substance X? or
What is the identity of the substance in the
sample?
• (Determination) Quantitative
analysis indicates the amount of each
substance in a sample.
How much of substance X is in the sample?
Quantitative
Analytical
Methods
Classical
Methods
Volumetric
Analysis
Gravimetric
Analysis
Modern
Methods
(Instrumental)
Classical methods (also known
as wet chemistry methods)
Quantitative analysis is achieved by
measurement of weight or volume.
Volumetric Analysis
&
Gravimetric Analysis
Volumetric Analysis (Analysis by volume)
measure the volume of a solution containing sufficient
reagent to react completely with the analyte in the titration
procedure.
Gravimetric Analysis (Analysis by mass)
determine the mass of the analyte or some compound
chemically related to it.
Instrumental methods use an
apparatus to measure physical
quantities of the analyte such as light
absorption, fluorescence,
or conductivity. The separation of
materials is accomplished using
chromatography electrophoresis or
Field Flow Fractionation methods.
Spectroscopy
Spectroscopy is a general term for the science that
deals with the interactions of various types of
electromagnetic radiation with matter.
Exactly how the radiation interacts with matter is
directly depend on the energy of the radiation.
Spectroscopy
14
Electromagnetic Radiation
Energy having both the form of electromagnetic waves
and the form of a stream of photons and traveling at the speed
of light in a vacuum. Including visible light, radio waves,
gamma rays, and X-rays, in which electric and magnetic fields
are perpendicular to each other and vary simultaneously.
Wave Parameters
Time or Distance
-
+
Electric
Field
0
Amplitude (A)
Wavelength ()
16
These symbols are used to describe the various properties of waves
Period (p) – the time required for one cycle to pass a fixed point in space.
Frequency (υ) – the number of cycles which pass a fixed point in space
per second.
Amplitude (A) – The maximum length of the electric vector in the wave
(Maximum height of a wave).
Wavelength () – The distance between two identical adjacent points in a
wave (usually maxima or minima).
Wavenumber (υ) - The number of waves per cm in units of cm-1.
Intensity ( I ) - The radiant power per unit solid angle.
Relations between these variables
Speed of light = Wavelength . Frequency
c = υ
 = c/υ
 ∝ 1/ υ
The higher the frequency and energy the
shorter the wavelength, the longer the
wavelength the lower the frequency and
energy.
c = 3.00 x 108 m/sec =
3.00 x 1010 cm/sec
19
The entire range of frequencies and wavelengths of elec
tro
magnetic radiation makes up the electromagnetic spectr
um
20
The interaction of the radiation with matter can
be done on atom level or molecular levels
(bulk of materials). If occur on the atom level
the process are called atomic spectroscopy,
while if occur on the molecular level the
process are called molecular spectroscopy.
21
Spectroscopic methods that employ UV, Visible, and
IR radiation are called optical methods, despite the
fact that the human eye is sensitive to visible region
of radiation only.
Spectrophotometry or spectrophotometric methods
refer to the measurement of the intensity of radiation
with a photoelectric transducer or other types of
electronic device.
22
Optical spectroscopic methods are based upon six
phenomena:
1)Absorption
2)Fluorescence
3)Phosphorescence
4)Scattering
5)Emission
6)Chemiluminescence
23
Absorption methods:
Quantitative absorption methods require two
power measurements: one before a beam has passed
through the medium that contains the absorbing
species (analyte) (Po) and the other after passing
through the medium (P).
24
Two terms which are widely used in absorption
spectrophotometry and are related to the ratio of Po
and P, are:
transmittance T, T = P/ Po
and
absorbance A, A = – log T
25
Absorption is a process in which chemical species (atom, ion or
molecule) in a transparent medium selectively attenuate certain
frequencies of EMR.
At room temperature most substance are in their lowest energy or
ground state. When an atom, molecule orbion absorbs EMR it is
promoted to higher energy states or excited states.
Ground state
First Excitation state
Second Excitation state
E2
E1
E0
hv1
hv2
26
In absorption methods; radiation of incident radiant power Po can be
absorbed by the analyte, resulting in a transmitted beam of lower
radiant power P for absorption to occur, the energy of the incident
beam must correspond to one of the energy differences shown in (b).
The resulting absorption spectrum is shown in (c).
27
Beer´s Law or Beer-Lambert Law
The absorption law, also known as the Beer-
Lambert law or just Beer's law, tells us
quantitatively how the amount of attenuation
depends on the concentration of the absorbing
molecules and the path length over which
absorption occurs.
According to Beer's law, A is directly proportional
to the concentration of the absorbing species c and
to the path length b of the absorbing medium, as
28
A = a b c (Beer´s
Law)
Here, a is a proportionality constant called the
absorptivity. The unit of a is depend on the unit of c.
for example, c has the units of g.L–1
and b has the
units of cm. absorptivity has the units of L.g–1
.cm–1
.
When the concentration of c expressed in mol/L and b
in centimeters. the proportionality constant is called
the molar absorptivity and is given the special symbol
ε. Thus,
A= ε b c
where ε has the units of L. mol–1
.cm–1
29
Instrumentation of
UV-Visible
spectrophotometer
30
Block diagram of instrument
Source
Wavelength
selector
Sample
Holder
Detector
Read out
device
1 2 3 4 5
• Single Beam Instrument
• Double beam Instrument
31
32
Instrumentation work of Spectrophotometers
A single beam spectrophotometer
The above essential features of a spectrophotometer shows that polychromatic light from
a source separated into narrow band of wavelength (nearly monochromatic light) by a
wavelength selector, passed through the sample compartment and the transmitted
intensity, P, after the sample is measured by a detector
33
1- Sources of light
Sources used in UV-Vis Spectrophotometers are continuous sources.
• Continuous sources emit radiation of all wavelengths within the
spectral region for which they are to be used.
• Sources of radiation should also be stable and of high intensity.
Continuous Sources
Visible and near IR
radiation
Ultraviolet
radiation
Deuterium Lamp
200-400 nm
Tungsten Lamp
320-2500 nm
2.Wavelength Selectors
Wavelength selectors are important instrumental
components that are used to obtain a certain wavelength
or a narrow band of wavelengths.
The narrower this bandwidth is, the better performance
of the instrument
34
Wavelength
selectors
Filters Monochromators
Effective Band Width
35
Such devices (wavelength selector) are greatly
enhance both the selectivity and sensitivity of
the instruments, how?
Selectivity? Sensitivity?
Selectivity of a method refers to the extent to which
it can determine particular analyte(s) in a complex
mixture without interference from other components
in the mixture. Or the ability to discriminate between
the analyte and interfering components.
36
Sensitivity is defined as “the lowest analyte
concentration that can be measured with acceptable
accuracy and precision, is often interpreted as related
to the detection/determination ability
37
Filters
38
• There are two types of filters Absorption filter and Interference filter.
• The simplest kind of filter are absorption filters , the most common
of this type of filters are colored glass filters.
• They are used in the visible region.
• The colored glass absorbs a broad portion of the spectrum and
transmits other portions (its color).
Disadvantages
• They are not very good wavelength selectors and can’t be
used in instruments utilized in research.
• This is because they allow the passage of a broad bandwidth
which gives a chance for deviations from Beer’s law.
Colored Glass Filters
Monochromators
 They are used for spectral scanning (varying the
wavelength of radiation over a considerable range ).
 They can be used for UV/Vis region.
 All monochromators are similar in mechanical
construction.
 All monochromators employ slits, mirrors, lenses,
gratings or prisms.
40
Reflection grating
Grating monochromators
The reflection grating monochromator
device consists of entrance and exit slits, mirrors,
and a grating to disperse the light
41
42
Reflection followed by either constructive or destructive interferences
by successive grooves
Echellette Reflection Grating
1 2
43
Prism monochromators
Prisms
45
3- Sample compartment or sample holder
(cells)
 For Visible and UV spectroscopy, a liquid sample is usually
contained in a cell called a cuvette.
 Glass or plastic is suitable for visible but not for UV spectroscopy because it
absorbs UV radiation. Quartz can be used in UV as well as in visible
spectroscopy
1 cm 1 cm
Opaque
Face
Transparent
Face
Long pathlength
Short pathlength (b)
1 cm pathlength cuvet
46
47
4. Detectors
 The detectors are devices that convert radiant energy into
electrical signal.
 A detector should be sensitive, and has a fast response over a
considerable range of wavelengths.
 In addition, the electrical signal produced by the detector must
be directly proportional to the transmitted intensity (linear
response).
h
e-
-V
Photosensitive cathode
amplifier
anode
The most common types of detectors
in the spectrophotometric techniques
are:
Photomultiplier tube and photo tube
48
5- Signal processor and Readout
devices
• The signal processing include amplification of
the electrical signal. Alteration of signal from dc
to ac.
• Read out unit convert electrical signal to
readable form.
• Read out devices include digital meters, charts
(spectra), and scales of potentiometers.
49
Instrument configurations
• Single-beam spectrophotometer
• Double-beam spectrophotometer
50
1) Single beam spectrophotometer
51
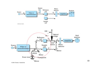
2) Double beam spectrophotometer
52
53
Applications of a spectrophotometer
• Qualitative Analysis: by comparing the
feature of the absorption spectra of the
compound under study with standard
materials. But spectrophotometry is more
suited for quantitative analysis rather than
qualitative one
• Quantitative analysis: by a calibration
curve
54
55
56
Calibration curve
57
Conc. of
unknown
sample
Concentration ,ppm
Applications range
1. Drug analysis (pharmaceutical
formulations analysis)
2. Determine the purity of a sample.
3. Kinetic study (look at the change of
samples over time)
4. Food safety analysis
5. Biological sample analysis (Blood
analysis)
6. Environmental pollution monitoring
(Pesticide analysis)
58

UV-Visible_spectrphotometry.ppt

  • 1.
  • 2.
    References • Fundamentals ofAnalytical Chemistry by Douglas A. Skoog • Quantitative Chemical Analysis by Daniel C. Harris • Principles of Instrumental Analysis by Douglas A. Skoog • Modern Methods of Chemical Analysis by Robert L. Pecsok
  • 3.
    Analytical Chemistry What isthe Chemistry? Chemistry is the science of the composition, structure, properties and reactions of matter. Chemistry for pharmacy students? All drugs are chemicals, and pharmacy is a subject that deals with the study of various aspects of drugs. Therefore, it is needless to say that to become a good pharmacist the knowledge of the chemistry of drugs is essential.
  • 4.
    Analytical chemistry isthe branch of chemistry science which deals with the study of the separation, identification, and quantification of the chemical components of natural and artificial materials. Analytical chemistry is a measurement science consisting of a set of powerful ideas and methods that are useful in all fields of science and medicine.
  • 5.
    Application of analyticaltechniques (PK: pharmacokinetics; PD: pharmacodynamics; TDM: Therapeutic Drug Monitoring)
  • 6.
    • (Identification) Qualitativeanalysis reveals the identity of the elements and compounds in a sample. Physical parameter, color, smell, boiling point, solubility, refractive index, ……etc. Does the sample contain substance X? or What is the identity of the substance in the sample?
  • 7.
    • (Determination) Quantitative analysisindicates the amount of each substance in a sample. How much of substance X is in the sample?
  • 8.
  • 9.
    Classical methods (alsoknown as wet chemistry methods) Quantitative analysis is achieved by measurement of weight or volume. Volumetric Analysis & Gravimetric Analysis
  • 10.
    Volumetric Analysis (Analysisby volume) measure the volume of a solution containing sufficient reagent to react completely with the analyte in the titration procedure.
  • 11.
    Gravimetric Analysis (Analysisby mass) determine the mass of the analyte or some compound chemically related to it.
  • 12.
    Instrumental methods usean apparatus to measure physical quantities of the analyte such as light absorption, fluorescence, or conductivity. The separation of materials is accomplished using chromatography electrophoresis or Field Flow Fractionation methods.
  • 14.
    Spectroscopy Spectroscopy is ageneral term for the science that deals with the interactions of various types of electromagnetic radiation with matter. Exactly how the radiation interacts with matter is directly depend on the energy of the radiation. Spectroscopy 14
  • 15.
    Electromagnetic Radiation Energy havingboth the form of electromagnetic waves and the form of a stream of photons and traveling at the speed of light in a vacuum. Including visible light, radio waves, gamma rays, and X-rays, in which electric and magnetic fields are perpendicular to each other and vary simultaneously.
  • 16.
    Wave Parameters Time orDistance - + Electric Field 0 Amplitude (A) Wavelength () 16
  • 17.
    These symbols areused to describe the various properties of waves Period (p) – the time required for one cycle to pass a fixed point in space. Frequency (υ) – the number of cycles which pass a fixed point in space per second. Amplitude (A) – The maximum length of the electric vector in the wave (Maximum height of a wave). Wavelength () – The distance between two identical adjacent points in a wave (usually maxima or minima). Wavenumber (υ) - The number of waves per cm in units of cm-1. Intensity ( I ) - The radiant power per unit solid angle.
  • 18.
    Relations between thesevariables Speed of light = Wavelength . Frequency c = υ  = c/υ  ∝ 1/ υ The higher the frequency and energy the shorter the wavelength, the longer the wavelength the lower the frequency and energy. c = 3.00 x 108 m/sec = 3.00 x 1010 cm/sec
  • 19.
    19 The entire rangeof frequencies and wavelengths of elec tro magnetic radiation makes up the electromagnetic spectr um
  • 20.
  • 21.
    The interaction ofthe radiation with matter can be done on atom level or molecular levels (bulk of materials). If occur on the atom level the process are called atomic spectroscopy, while if occur on the molecular level the process are called molecular spectroscopy. 21
  • 22.
    Spectroscopic methods thatemploy UV, Visible, and IR radiation are called optical methods, despite the fact that the human eye is sensitive to visible region of radiation only. Spectrophotometry or spectrophotometric methods refer to the measurement of the intensity of radiation with a photoelectric transducer or other types of electronic device. 22
  • 23.
    Optical spectroscopic methodsare based upon six phenomena: 1)Absorption 2)Fluorescence 3)Phosphorescence 4)Scattering 5)Emission 6)Chemiluminescence 23
  • 24.
    Absorption methods: Quantitative absorptionmethods require two power measurements: one before a beam has passed through the medium that contains the absorbing species (analyte) (Po) and the other after passing through the medium (P). 24
  • 25.
    Two terms whichare widely used in absorption spectrophotometry and are related to the ratio of Po and P, are: transmittance T, T = P/ Po and absorbance A, A = – log T 25
  • 26.
    Absorption is aprocess in which chemical species (atom, ion or molecule) in a transparent medium selectively attenuate certain frequencies of EMR. At room temperature most substance are in their lowest energy or ground state. When an atom, molecule orbion absorbs EMR it is promoted to higher energy states or excited states. Ground state First Excitation state Second Excitation state E2 E1 E0 hv1 hv2 26
  • 27.
    In absorption methods;radiation of incident radiant power Po can be absorbed by the analyte, resulting in a transmitted beam of lower radiant power P for absorption to occur, the energy of the incident beam must correspond to one of the energy differences shown in (b). The resulting absorption spectrum is shown in (c). 27
  • 28.
    Beer´s Law orBeer-Lambert Law The absorption law, also known as the Beer- Lambert law or just Beer's law, tells us quantitatively how the amount of attenuation depends on the concentration of the absorbing molecules and the path length over which absorption occurs. According to Beer's law, A is directly proportional to the concentration of the absorbing species c and to the path length b of the absorbing medium, as 28
  • 29.
    A = ab c (Beer´s Law) Here, a is a proportionality constant called the absorptivity. The unit of a is depend on the unit of c. for example, c has the units of g.L–1 and b has the units of cm. absorptivity has the units of L.g–1 .cm–1 . When the concentration of c expressed in mol/L and b in centimeters. the proportionality constant is called the molar absorptivity and is given the special symbol ε. Thus, A= ε b c where ε has the units of L. mol–1 .cm–1 29
  • 30.
  • 31.
    Block diagram ofinstrument Source Wavelength selector Sample Holder Detector Read out device 1 2 3 4 5 • Single Beam Instrument • Double beam Instrument 31
  • 32.
    32 Instrumentation work ofSpectrophotometers A single beam spectrophotometer The above essential features of a spectrophotometer shows that polychromatic light from a source separated into narrow band of wavelength (nearly monochromatic light) by a wavelength selector, passed through the sample compartment and the transmitted intensity, P, after the sample is measured by a detector
  • 33.
    33 1- Sources oflight Sources used in UV-Vis Spectrophotometers are continuous sources. • Continuous sources emit radiation of all wavelengths within the spectral region for which they are to be used. • Sources of radiation should also be stable and of high intensity. Continuous Sources Visible and near IR radiation Ultraviolet radiation Deuterium Lamp 200-400 nm Tungsten Lamp 320-2500 nm
  • 34.
    2.Wavelength Selectors Wavelength selectorsare important instrumental components that are used to obtain a certain wavelength or a narrow band of wavelengths. The narrower this bandwidth is, the better performance of the instrument 34 Wavelength selectors Filters Monochromators
  • 35.
  • 36.
    Such devices (wavelengthselector) are greatly enhance both the selectivity and sensitivity of the instruments, how? Selectivity? Sensitivity? Selectivity of a method refers to the extent to which it can determine particular analyte(s) in a complex mixture without interference from other components in the mixture. Or the ability to discriminate between the analyte and interfering components. 36
  • 37.
    Sensitivity is definedas “the lowest analyte concentration that can be measured with acceptable accuracy and precision, is often interpreted as related to the detection/determination ability 37
  • 38.
    Filters 38 • There aretwo types of filters Absorption filter and Interference filter. • The simplest kind of filter are absorption filters , the most common of this type of filters are colored glass filters. • They are used in the visible region. • The colored glass absorbs a broad portion of the spectrum and transmits other portions (its color). Disadvantages • They are not very good wavelength selectors and can’t be used in instruments utilized in research. • This is because they allow the passage of a broad bandwidth which gives a chance for deviations from Beer’s law.
  • 39.
  • 40.
    Monochromators  They areused for spectral scanning (varying the wavelength of radiation over a considerable range ).  They can be used for UV/Vis region.  All monochromators are similar in mechanical construction.  All monochromators employ slits, mirrors, lenses, gratings or prisms. 40
  • 41.
    Reflection grating Grating monochromators Thereflection grating monochromator device consists of entrance and exit slits, mirrors, and a grating to disperse the light 41
  • 42.
    42 Reflection followed byeither constructive or destructive interferences by successive grooves Echellette Reflection Grating 1 2
  • 43.
  • 44.
  • 45.
    45 3- Sample compartmentor sample holder (cells)  For Visible and UV spectroscopy, a liquid sample is usually contained in a cell called a cuvette.  Glass or plastic is suitable for visible but not for UV spectroscopy because it absorbs UV radiation. Quartz can be used in UV as well as in visible spectroscopy 1 cm 1 cm Opaque Face Transparent Face Long pathlength Short pathlength (b) 1 cm pathlength cuvet
  • 46.
  • 47.
    47 4. Detectors  Thedetectors are devices that convert radiant energy into electrical signal.  A detector should be sensitive, and has a fast response over a considerable range of wavelengths.  In addition, the electrical signal produced by the detector must be directly proportional to the transmitted intensity (linear response). h e- -V Photosensitive cathode amplifier anode
  • 48.
    The most commontypes of detectors in the spectrophotometric techniques are: Photomultiplier tube and photo tube 48
  • 49.
    5- Signal processorand Readout devices • The signal processing include amplification of the electrical signal. Alteration of signal from dc to ac. • Read out unit convert electrical signal to readable form. • Read out devices include digital meters, charts (spectra), and scales of potentiometers. 49
  • 50.
    Instrument configurations • Single-beamspectrophotometer • Double-beam spectrophotometer 50
  • 51.
    1) Single beamspectrophotometer 51
  • 52.
    2) Double beamspectrophotometer 52
  • 53.
  • 54.
    Applications of aspectrophotometer • Qualitative Analysis: by comparing the feature of the absorption spectra of the compound under study with standard materials. But spectrophotometry is more suited for quantitative analysis rather than qualitative one • Quantitative analysis: by a calibration curve 54
  • 55.
  • 56.
  • 57.
  • 58.
    Applications range 1. Druganalysis (pharmaceutical formulations analysis) 2. Determine the purity of a sample. 3. Kinetic study (look at the change of samples over time) 4. Food safety analysis 5. Biological sample analysis (Blood analysis) 6. Environmental pollution monitoring (Pesticide analysis) 58