March 13, 2015 
 
Professor Justin Opatkiewicz 
Department of NanoEngineering, UC San Diego 
9500 Gilman Drive La Jolla, CA 92093 
Professor of Chemical Engineering 
 
Dear Professor Justin Opatkiewicz: 
 
In order for our group to deliver electricity to a 300 office suite building, a PEMFC (Proton Exchange                                   
Membrane Fuel Cell) was modeled, utilizing hydrogen as fuel. A plant was designed that synthesized                             
hydrogen from a starting feed of liquid heptane. Simulations were ran through the ASPEN program in                               
order to evaluate an efficient design. Once a working plant model was established, the economics of the                                 
plant was analyzed in order to model of the costs and profit of the plant. 
 
Future modifications to the plant will help optimize the production of hydrogen to the fuel cell in a                                   
more cost efficient manner. Modifications in the delivery of energy to the system and recycling streams                               
were considered to be valuable factors for future simulations, and are discussed although not modeled.                             
These factors will help enable a more cost efficient delivery of hydrogen to the fuel cell, thus providing                                   
more profit.  
 
Sincerely, 
Group B4 
Brandon Sanchez  Janet Mok  
 
 
 
 
 
Liliana Busanez Saman Hadavand 
 
 
 
 
 
Department of NanoEngineering,  
Chemical Engineering 
 
Chemical Plant & Process Design:Ceng 124A 
 
Department of Nanoengineering ­ Chemical Engineering 
University of California, San Diego 
 
 
 
Economic Evaluation of a  
Stationary Fuel Cell  
Process Plant Design 
 
 
 
 
 
 
Group B­4 
Primary Author  Section 
Saman Hadavand  Letter of Transmittal, Title Page, Abstract,           
and Appendices 
Janet Mok  Introduction, Conclusion, and Table Contents 
Brandon Sanchez  Results/Discussion 
Lilana Busanez  Economic Analysis, References 
 
 
 
 
 
 
 
Date Submitted: March 13, 2015   
1 
Abstract 
The total cost of the plant was determined to be $4,823,734.00 +/­ 30%. The net profit of                                 
the plant was unprofitable, losing $239,010,00.00 over a 25 year span. The plant model requires                             
2895 kW of energy to operate. The total hydrogen produced for the fuel cell feed was 156.3                                 
kmol/hr. The fuel cell outputs a total of 2765 kW of energy. The current density chosen to                                 
operate at was 775 mA/cm​2
with a corresponding power density of 0.275 W/cm​2​
. The surface                             
area of the fuel cell was then determined to be 1005 m​2​
.  
 
 
 
   
2 
Table of Contents 
 
Abstract    Page 2 
Table of Contents    Page 3 
Introduction    Page 4 
Results/Discussion   
Heptane Auto­Reformer 
High Temperature WGS 
Low Temperature WGS 
PROX Reactor 
Fuel Cell 
Heat Exchangers 
 
Optimization 
 
Page 6 
Page 7 
Page 9 
Page 10 
Page 11 
Page 12 
Page 13 
 
Page 13 
 
 
Economic Analysis    Page 15 
Conclusion    Page 17 
References    Page 18 
Appendices    Page 19 
 
 
 
 
   
3 
Introduction 
 
Fuel Cells are currently being used as potential successors to internal combustion engines                         
and stationary power generators like steam turbines and diesel engines because of their high                           
system efficiencies and low emissions. PEM fuel cells are used for stationary power supplying                           
electricity and are believed to be an ideal long­term alternative to other processes that waste                             
energy at conversion interfaces, including the use of platinum/catalyst that are more resistant to                           
carbon monoxide and minimize effects of poisoning for PEM fuel cells¹. 
The Proton Exchange Membrane (PEM) fuel cell was used to provide electricity to a 300                             
office suite building . The fuel delivery module is what governs the delivery of the hydrogen to                                 
the fuel cell stack and is needed in fuel cell installations. Hydrogen purity is critical in fuel cell                                   
technologies². For the fuel cell performance and operation, the fuel cell stack operates by the                             
oxidation of hydrogen at the anodes of the individual cells: 
                                                                                                              (1)₂  2H⁺  2eH =   +    
where protons are produced in this oxidation and are transported through the PEM to the                             
cathode. Oxygen in air reacts with electrons and protons transfer through the cell to make water,  
                                      ₂  4H⁺  e H₂OO +   + 4 = 2                                                    (2) 
The design of the PEM fuel cell consist of the auto­reformer, the water gas shift reactor, and                                 
PROX reactors. The heptane fuel is fed into the auto­reformer to prepare the hydrogen fuel                             
containing carbon dioxide, and other impurities, as well as unreacted fuel. The equations used                           
inside the auto­reformer are, 
                                          (3)EPTANE  7H O → 7CO  15HN − H +   2 +   2  
                                             (4)O  3H  → H O   METHANE C +   2 2 +    
                                                    (5)O  H O → CO   HC +   2 2 +   2  
4 
                                           (6)ETHANE  2H O → CO   4HM +   2 2 +   2   
The Water Gas Shift reactor equilibrium reaction is  
                                           (reversible)O  H₂O  CO₂  H₂C +   =   +            (7) 
The kinetics model for the Water Gas Shift(WGS) reactor is shown in the equation 
                                                         (8)k[CO](1 )− rco = η − β  
                                                         (9)n k n k /(RT)l = l o − E  
where is the effectiveness factor accounting for intraparticle mass transport limitation, [CO] is  η                        
the gas phase concentration of CO, , is the equilibrium            CO ][H ]/{[H O][CO]K }β = [ 2 2 2 T   KT        
constant for the WGS reaction, and  .n(K ) 577.8/T .33l T = 4 − 4  
The PROX (PFR) reactor is a packed catalyst bed where the main and side reactions are, 
                                      CO  O₂  CO₂    (main reaction)2 +   = 2                                  (10) 
                                       H₂  O₂  H₂       (side reaction)2 +   = 2           (11) 
The PROX reactor kinetics model is shown in the equation,  
                                        (12)1 /Q ) XCO = 1 − ( − η * k1 * k2 Total
1.66
 
                                             (13).58 exp(− 522/T[K])k1 = 7 * 106
8  
                                      (14)6.2 y  k2 = 2 * P0.4
CO,in
−0.6
* λ0.82
* mPt  
where X​CO​ is fractional conversion,  is the effectiveness factor of 0.5, k​1​k​2​=12 std cm​3​
/min, P isη  
the total pressure, y​CO,in​ is the carbon monoxide mole fraction in the feed to PROX, 
, m​Pt​ is the mass of Pt in the catalyst, and Q​Total​ is the std cm​3​
/min of feed to theO ]/[CO]λ = 2 * [ 2  
PROX. 
Heat Exchangers, turbines, compressors, and separators were used throughout our 
simulation to cool the feed, expand the pressure in the feed, and compress or separate the gases 
5 
in the reactor. The Log Mean Temperature Difference (LMTD) was used to solve for the heat 
exchanger area. 
                                                     (15)  
                                                      (16)AΔT   Q = U LMTD    
The utilities used for this simulation were a fuel cell, auto­reformer for                       
gasoline(N­Heptane), a High Water Gas Shift reactor, Low Water Gas Shift reactor, PROX                         
reactor, a compressor/turbine, and heat exchangers. The fuel cell cost $270/m​2​
, the auto­reformer                         
cost $53/kg catalyst, high water gas shift reactor cost $14/kg catalyst, low water gas shift reactor                               
cost $22/kg catalyst, PROX reactor cost $150/kg catalyst, the compressor/turbine cost $600 each,                         
and the heat exchanger cost $4/kg. Costly testing can be minimized with 2­dimensional                         
simulations to stimulate fuel­cell system performance. Further research on fuel cell stacks                       
continue to be optimized¹.  
A complete economic analysis was conducted for the stationary fuel cell design in order                           
to determine the most cost­efficient design with the proper sizing. The simulation was optimized                           
to use heat energy from different reactors to power the system as well as using recycle streams to                                   
optimize materials. Equipment sizing, total capital equipment costs, and yearly annual costs were                         
determined using Aspen. 
Results/Discussion
Our current fuel cell design does not supply the entire electrical load to our processing                             
plant. The fuel cell currently outputs 2765 kW of available energy. The sum of the processing                               
6 
plant and auxiliary loads is 1995 kW. The average load for the office building is 900 kW.                                 
Therefore, the current plant design required 2895 kW of energy, leaving a 130 kW of energy still                                 
required for plant operation. Optimally, the fuel cell would power the entire processing plant,                           
leaving no electrical costs.  
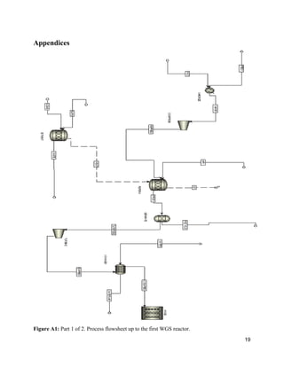
The entire process flowsheet is displayed in two parts as Figures A1 and A2 in the                               
appendix. The following sections involve discussing different segments of the plant beginning                       
from the liquid heptane feed to the fuel cell exhaust. Only major parameters of streams, i.e. H​2                                 
molar flow rates, and equipment will be noted, with the remaining parameters located in the                             
appendix tables. 
Heptane Auto Reformer 
Figure 1​: Beginning of plant process flowsheet. Liquid heptane and water are vaporized and compressed to prepare for 
the auto reformer. The furnace provides heat for the endothermic steam reformation of heptane by combusting heptane.  
7 
The process begins with a liquid heptane feed entering at 30 kmol/hr and 298 K mixing                               
with superheated steam in the vaporizer. The vaporizer flashes the stream to 885 K; the                             
parameters are illustrated in Table A1. The stream is then compressed to 5 atm, as illustrated in                                 
Table A2. 
The auto reformer operates at 1023 K and 5 atm. Eqn’s 3­6 illustrate the reactions taking                               
place within the reformer. An external furnace, illustrated in Table A3, was utilized by                           
combusting the heptane fuel and directing the heat to the auto reformer, thus providing energy                             
for the endothermic steam reformation of heptane. Once the steam reformation had enough                         
energy, the remaining reformation reactions were able to proceed. By redirecting the 2636 kW                           
generated from the furnace, we were able to produce 22 kW from the auto reformer. Reformer                               
stream results are illustrated in Table A4. 143.64 kmol/hr H​2 is produced from the auto reformer,                               
with a 60% conversion of heptane with respect to Eqn 3. Using the sizing data provided at .51                                   
l/kW of fuel cell output, the auto reformer volume was determined to be 1.41 m​3​
.  
 
 
 
 
 
 
 
High Temperature WGS 
8 
 
Figure 2​: Process flowsheet continuing after auto reformer. Residual methane/heptane are removed from product                           
stream. Product is expanded from 5 atm to 1 atm and sent through heat exchanger to prepare for high temperature                                       
WGS. Water is used as cooling liquid for heat exchanger.  
After the auto reformer, the products are separated to be expanded and cooled to prepare                             
for the high temperature WGS. The separator takes out residual methane and heptane gas, at a                               
total of 60.4 kmol/hr. Recycle of these streams was not implemented in the flow sheet and is                                 
discussed in the optimization section later on. The separator is illustrated in Table A5. The                             
turbine expands the product feed containing: H​2​O, CO​2​, O​2​, H​2 and CO to 1 atm. The turbine is                                   
illustrated in Table A6. 
9 
​The expanded feed at 784.8 K was then sent through a heat exchanger at 314.8 kmol/hr.                                 
Water was used as the cooling liquid at 298 K and 100 kmol/hr. The output feed was then cooled                                     
to 693 K for the first WGS reactor.  The first heat exchanger is illustrated in Table A7.  
The first WGS reactor was modeled as a multi­tube plug flow reactor consisting of 100                             
tubes, each 100m long and 5m wide. The reactor operated at 693 K and 1 atm. Eq 7 illustrates                                     
the reaction taking place within the reactor. Ergun pressure drop correlations were utilized in                           
order to model catalyst information from the project statement. 10 Mg of catalyst was used. The                               
approximate volume was calculated to be 13.3 m​3​
. The reactor produced 31.2 kmol/hr H​2​, which                             
is a 21.7% increase from the amount of H​2 originally present. The first WGS reactor is illustrated                                 
in Table A8.  
Low Temperature WGS 
 
Figure 3​: Process flowsheet continuing after high temperature WGS. Product is cooled to prepare for low temperature                                 
WGS. Water is used as cooling liquid for heat exchanger.  
10 
The products from the first WGS reactor were then sent to a heat exchanger. The second                               
heat exchanger cooled the feed to 473 K. Water at 100 kmol/hr and 298 K was used as the                                     
cooling liquid. The second heat exchanger is illustrated in Table A9. 
The second WGS reactor was also modeled as a multi­tube plug flow reactor, but                           
consisting of 50 tubes, each 100m long and 2m wide. Ergun pressure drop correlations were                             
utilized in order to model catalyst information from the project statement. 10 Mg of catalyst was                               
used. The approximate volume was calculated to be 12.2 m​3​
. 21.5 kmol/hr of H​2 was produced,                               
which is a 12.3% increase from the amount of H​2 originally present. The second WGS reactor is                                 
illustrated in Table A10.  
PROX 
 
Figure 4​: Process flowsheet continuing after low temperature WGS. Product stream and air are fed to PROX reactor.                                   
Product is then separated to purge everything left over​ ​except hydrogen gas. 
11 
The PROX reactor operated at 473 K at 4 atm. 81.63 kg of catalyst was used. The volume                                   
of the PROX reactor was calculated to be .1 m​3​
. The mixed product from the second WGS is fed                                     
to the PROX along with air. 6.13 kmol/hr of CO entered the PROX to be reacted according to                                   
Eqn. 8. CO left the PROX at 27.6 mol/hr, which is a 99.5% conversion of CO. H​2 reacted with                                     
oxygen according to Eqn. 9. The amount of H​2 leaving the reactor was 156.3 kmol/hr. The                               
product from the PROX is separated in order to isolate H​2​ from the other components. 
Fuel Cell  
 
Figure 5​: Process flowsheet continuing after PROX. H​2 gas is expanded to 3 atm and cooled to prepare for fuel cell                                         
feed. Water is used as cooling liquid for heat exchanger. Oxygen is fed to fuel cell to oxidize H​2​.  
The pure H​2 stream was expanded to 3 atm and 446.4 K. The second turbine is illustrated                                 
in Table A13. The stream was then sent to the final heat exchanger using water entering at 23.43                                   
12 
kmol/hr and 298 K for cooling liquid. The H​2 leaves the exchanger at 343 K and sent to the fuel                                       
cell. The third heat exchanger is illustrated in Table A14. The amount of H​2 entering the fuel                                 
cell is 156.3 kmol/hr. 
We chose to run the fuel cell at a current density of 750 mA/cm​2
and a pressure of 3 atm                                       
in order to maximize power density at .275 W/cm​2​
, according Figure A3. The fuel cell utilized                               
140.7 kmol/hr of hydrogen from the feed. In order to achieve the desired current density, a                               
surface area of 1005 m​2
is required. The fuel cell outputs 2765 kW with our current design                                 
parameters. The fuel cell is illustrated in Table A15. 
Heat Exchangers 
Three heat exchangers were utilized to cool vapor feeds for the high and low temperature                             
WGS reactors, and the fuel cell. All exchangers were modeled as shell and tube, with the hot                                 
feed entering the shell side and cooling water entering the tube side. The energy required for the                                 
heat exchangers was used to calculate the active heat transfer surface area using the LMTD                             
approach, according to Eqns 13 and 14. The surface areas for each exchanger 1,2 and 3 were                                 
calculated to be 1.45, 5.84 and 4.96 m​2​
, respectively. 
Optimization 
Energy  
Multiple units in the plant require energy that must be supplied externally in order to                             
operate. These pieces of equipment are: the feed vaporizer, feed gas compressor, all three heat                             
exchangers and the heptane auto reformer. The net sum of the energy required to operate these                               
pieces of equipment is 9172 kW according to our simulation results. The feed vaporizer and the                               
auto reformer require the majority of the energy, being 4563 and ​2615 kW, respectively.                           
13 
Fortunately, there are sources of thermal energy released from various locations throughout the                         
plant that may be directed and used to power the equipment, although not modeled in our                               
simulation.  
Sources of energy generated from the plant, not including the fuel cell, come from: both                             
of the gas turbines, both of the WGS reactors, and the PROX reactor. The net amount of energy                                   
generated from these pieces of equipment is 4563 kW. The majority of the energy is supplied                               
from the PROX reactor, being 3226 kW, which is expected from the multiple combustion                           
reactions. Because the feed vaporizer required 4563 kW to operate, it may be useful to direct all                                 
the heat generated from the PROX reactor to supply energy to the vaporizer. Additional energy                             
can be supplied from the gas turbines which put out a total of 748 kW, and the WGS reactors                                     
which put out a total of 567 kW. 
Water was used as the cooling liquid in all shell and tube heat exchanger models. The                               
outlet streams of all three of the cooling streams were at 373 K, some being full vapor and some                                     
being mixed phase. At our current design, these heated streams are not utilized in any way. It                                 
would be useful to further optimize the plant by directing heat from these vapor streams to the                                 
externally driven equipment. It could then be possible to reuse the condensed water to combine                             
with the heat exchanger inlet cooling streams, thus reducing the total amount of water used. 
Recycle 
There are multiple places in the plant that can utilize recycle streams, although not                           
modeled in our simulation. These streams are: the residual methane/heptane stream separated                       
from the auto reformer products and the fuel cell exhaust stream. The heptane and methane                             
steam reforming reactions and the methane water gas shift reaction can be manipulated by                           
14 
recycling methane and heptane into the reformer feed. This design would be in consideration of                             
Le Chatelier's principle. In knowing that the auto reformer operates at equilibrium, addition of                           
methane and heptane may push the reactions towards producing more H​2​. Further optimization                         
of this recycle design could reduce the total amount of heptane feed required in the plant. 
The fuel cell exhaust contains: unreacted hydrogen from the feed, oxygen and water                         
produced from the reduction of hydrogen. Further optimization of the plant would consider                         
recycling this water to other stages in the plant, possibly for the cooling liquid for the heat                                 
exchangers. It may be possible to optimize the plant is such a way that the heat exchangers                                 
primarily use the water produced from the fuel cell, and only use external water if needed. The                                 
unreacted hydrogen should be rerouted to other fuel cells on site or any processing plant in the                                 
vicinity that could utilize the excess hydrogen gas.  
Economic Analysis 
Using the cost curve method, which relates capital cost to capacity, Table 7.2 is applied                             
to rough estimate the capital cost giving $4,823,734 ± 30% for the plant. Equipment will be                               
made from 304 stainless steel and carbon steel. The equipment list provides the item combined                             
costs, and lang factors, included for the material type for the cost distribution of equipment                             
summing up to this capital cost (Table A16). 
Costs factors in the analysis include fixed factory expenses such as equipment                       
depreciation, utilities, and maintenance as well as direct costs such as material and labor.                           
However, because this analysis is intended to model manufacturing costs, number of components                         
that contribute to the original equipment manufacturer are not included in the modeling. The                           
following is not included in this analysis: one­time costs such as research, design, engineering,                           
15 
warranties, advertising, and sales tax. The plant was determined to be unprofitable after taxes                           
and revenue based off sale of electricity at $32.29 cents per kW hour as priced in Hawaii​3​
.                                 
Overall, the net profit was determined to be ­$239,010,000 over the 25 year plant operation.  
The sale of electricity was based according to the U.S. Energy Information                       
Administration and average retail price of electricity to customers in commercial sector from                         
December 2014­ which has shown to decline from December 2013. So therefore, a decrease in is                               
observed energy prices are not accounted for or compared to 2015 rates, and an average retail                               
price of electricity is used. To take full advantage of energy markets, partnerships, as well as                               
experienced energy managers would offer strategic approaches.​4 
Modeling results for PEM fuel system capital costs are broadly consistent with                       
manufacturer values provided by PEMFC technology and application in the global market today.                         
According to Fuel Cell Industry Review 2013, investment total capital is at $1.2 billion, where                             
production capacity is increasing according to agreements with energy industry and companies.                       
Our plants capacity and capital investment costs does not include promotion of company                         
agreements and government incentives that would otherwise contribute to greater revenue and                       
profits.​5
 
Our PEMFC system with electrical output At 2.765 MWh, have utility costs that dominate the                             
total plant costs since heat or electricity generation is needed for or process. Primary cost drivers are the                                   
compressors and turbines, reactors, and furnace for heat supply, in that order. Besides the costs for                               
system, the PEM stack consists of reactor size used to calculate stack costs, where the lifetime of the                                   
stack can be increased at the expense of increased cost through system oversizing​s.​6
This cost analysis                               
aims to develop economic models for our system, including for capital cost, manufacturing cost and                             
investment cost  by taking into account process units and utilities of the system.  
16 
Conclusion 
The goal of the experiment was to design the most cost­efficient and economic fuel processing 
system for a 300 suite building. Fossil fuels are depleting on Earth and alternative methods are needed 
to sustain the human population. Fuel cells are able to produce almost completely renewable energy 
especially the Proton Exchange Membrane Fuel Cell which utilizes hydrogen as a fuel for the cell. 
Heptane was converted and then used for the process synthesis of hydrogen fuel for the cell. The 
PEMFC system that was designed had an electrical output of 2.765 MWh. ​The fuel cell utilized 140.7 
kmol/hr of hydrogen from the feed. A surface area of 1005 m​2​
 is required to achieve the desired 
current density. The fuel cell outputs 2765 kW with the current design parameters. ​The utilities 
that were used were a furnace, 3 heat exchangers, a vaporizer, a turbine, a compressor, an 
auto­reformer for heptane, a low water gas shift reactor, a high water gas shift reactor, a PROX reactor, 
and a fuel cell. The equipment was sized and, and the price of the system was evaluated using Aspen 
Plus software. The total capital cost and net profit were determined and an economic analysis was 
conducted. The estimated total capital cost for the plant was found to be $4,823,734 ​± 30%​. The net 
profit was determined to be ­$239,010,000 over a span of 25 years. Through the economic analysis of 
the plant, the design was deemed non­profitable after taxes and revenue due to the sale of electricity. 
The plant design was optimized by using the thermal energy ​released from various locations                           
throughout the system that may be directed and used to power the equipment. Sources of energy                               
generated from the plant, not including the fuel cell, came from both of the gas turbines, both of the                                     
WGS reactors, and the PROX reactor. The net amount of energy generated from these pieces of                               
equipment was 4563 kW. These heated streams are currently not utilized in any way, and it would be                                   
useful to further optimize the plant by directing the heat from the vapor streams to the externally driven                                   
equipment. The condensed water could then possibly be reused to combine with the heat exchanger                             
17 
inlet cooling streams which would reduce the total amount of water used. The design could also be                                 
optimized by utilizing recycle streams, although not modeled in the simulation. Further optimization of                           
this recycle design could reduce the total amount of heptane feed required in the plant, and optimize the                                   
plant is such a way that the heat exchangers primarily use the water produced from the fuel cell, and                                     
only use external water if necessary. 
References 
[1] Weider, John W., et al. “Engineering a Membrane Electrode Assembly” ​The Electrochemical 
Society Interface ​(2003): 41­43. Print. 
[2]  ​Energy.gov.​ U.S. Department of Energy, Hydrogen and Fuel Cell Technology Basics, 2013. 
Web. 10 Mar. 2015. 
[3] ​U.S. Energy Information Administration, Form EIA­826, Monthly Electric Sales and 
Revenue Report with State Distributions Report 
[4] ARAMARK  Energy Services, “Best Practices in Energy Procurement” ​Managed Heat Rate 
[5] FuelCellToday, ​The Fuel Cell Industry Review 2013​, Johnson Matthey PLC trading 
[6] Kamarudin, S.K.“Technical design and economic evaluation of a  PEM fuel cell system” 
ScienceDirect​ 157.2 (2006): 641–649. Print. 
 
 
18 
Appendices
Figure A1: ​Part 1 of 2. Process flowsheet up to the first WGS reactor. 
19 
 
Figure A2:​ Part 2 of 2. Process flowsheet continuing after first WGS and ending at fuel cell. 
20 
 
Figure A3​: Fuel Cell data used to solve for cell surface area and power. 
 
 
21 
Table A1 (Vaporizer) 
 
 
Table A2 (Compressor) 
 
 
Table A3 (Furnace) 
 
 
Table A4 (Reformer) 
 
 
 
22 
Table A5 (Separator) 
 
 
Table A6 (Turbine) 
 
 
Table A7 (Heat Exchanger) 
 
 
 
 
 
 
 
 
 
 
23 
Table A8 (High WGS) 
 
 
Table A9 (Heat Exchanger 2​) 
 
 
Table A10 (Low WGS) 
 
 
Table A11 (PROX) 
 
24 
Table A12 (Separator 2)  
 
 
Table A13 (Turbine 2) 
 
 
Table A14 (Heat Exchanger 3) 
 
 
 
Table A15 (Fuel Cell)  
 
 
 
 
 
 
 
 
25 
Table A16. Utilities and Costs based on F for carbon steel (3.74) and stainless steel (3.2)  
 
 
 
 
 
 
26 

Stationary Fuel Cell Lab Report

  • 1.
                    March 13, 2015    Professor Justin Opatkiewicz  Department of NanoEngineering, UC San Diego  9500 Gilman Drive La Jolla, CA 92093  Professor of Chemical Engineering    Dear Professor Justin Opatkiewicz:    In order forour group to deliver electricity to a 300 office suite building, a PEMFC (Proton Exchange                                    Membrane Fuel Cell) was modeled, utilizing hydrogen as fuel. A plant was designed that synthesized                              hydrogen from a starting feed of liquid heptane. Simulations were ran through the ASPEN program in                                order to evaluate an efficient design. Once a working plant model was established, the economics of the                                  plant was analyzed in order to model of the costs and profit of the plant.    Future modifications to the plant will help optimize the production of hydrogen to the fuel cell in a                                    more cost efficient manner. Modifications in the delivery of energy to the system and recycling streams                                were considered to be valuable factors for future simulations, and are discussed although not modeled.                              These factors will help enable a more cost efficient delivery of hydrogen to the fuel cell, thus providing                                    more profit.     Sincerely,  Group B4  Brandon Sanchez  Janet Mok             Liliana Busanez Saman Hadavand            Department of NanoEngineering,   Chemical Engineering    Chemical Plant & Process Design:Ceng 124A   
  • 2.
    Department of Nanoengineering ­ Chemical Engineering  University of California, San Diego        Economic Evaluation of a   Stationary Fuel Cell   Process Plant Design              Group B­4  Primary Author  Section  Saman Hadavand  Letterof Transmittal, Title Page, Abstract,            and Appendices  Janet Mok  Introduction, Conclusion, and Table Contents  Brandon Sanchez  Results/Discussion  Lilana Busanez  Economic Analysis, References                Date Submitted: March 13, 2015    1 
  • 3.
    Abstract  The total costof the plant was determined to be $4,823,734.00 +/­ 30%. The net profit of                                  the plant was unprofitable, losing $239,010,00.00 over a 25 year span. The plant model requires                              2895 kW of energy to operate. The total hydrogen produced for the fuel cell feed was 156.3                                  kmol/hr. The fuel cell outputs a total of 2765 kW of energy. The current density chosen to                                  operate at was 775 mA/cm​2 with a corresponding power density of 0.275 W/cm​2​ . The surface                              area of the fuel cell was then determined to be 1005 m​2​ .             2 
  • 4.
    Table of Contents    Abstract    Page 2  Table of Contents   Page 3  Introduction    Page 4  Results/Discussion    Heptane Auto­Reformer  High Temperature WGS  Low Temperature WGS  PROX Reactor  Fuel Cell  Heat Exchangers    Optimization    Page 6  Page 7  Page 9  Page 10  Page 11  Page 12  Page 13    Page 13      Economic Analysis    Page 15  Conclusion    Page 17  References    Page 18  Appendices    Page 19              3 
  • 5.
    Introduction    Fuel Cells arecurrently being used as potential successors to internal combustion engines                          and stationary power generators like steam turbines and diesel engines because of their high                            system efficiencies and low emissions. PEM fuel cells are used for stationary power supplying                            electricity and are believed to be an ideal long­term alternative to other processes that waste                              energy at conversion interfaces, including the use of platinum/catalyst that are more resistant to                            carbon monoxide and minimize effects of poisoning for PEM fuel cells¹.  The Proton Exchange Membrane (PEM) fuel cell was used to provide electricity to a 300                              office suite building . The fuel delivery module is what governs the delivery of the hydrogen to                                  the fuel cell stack and is needed in fuel cell installations. Hydrogen purity is critical in fuel cell                                    technologies². For the fuel cell performance and operation, the fuel cell stack operates by the                              oxidation of hydrogen at the anodes of the individual cells:                                                                                                                (1)₂  2H⁺  2eH =   +     where protons are produced in this oxidation and are transported through the PEM to the                              cathode. Oxygen in air reacts with electrons and protons transfer through the cell to make water,                                         ₂  4H⁺  e H₂OO +   + 4 = 2                                                    (2)  The design of the PEM fuel cell consist of the auto­reformer, the water gas shift reactor, and                                  PROX reactors. The heptane fuel is fed into the auto­reformer to prepare the hydrogen fuel                              containing carbon dioxide, and other impurities, as well as unreacted fuel. The equations used                            inside the auto­reformer are,                                            (3)EPTANE  7H O → 7CO  15HN − H +   2 +   2                                                (4)O  3H  → H O   METHANE C +   2 2 +                                                         (5)O  H O → CO   HC +   2 2 +   2   4 
  • 6.
                                               (6)ETHANE  2H O → CO  4HM +   2 2 +   2    The Water Gas Shift reactor equilibrium reaction is                                              (reversible)O  H₂O  CO₂  H₂C +   =   +            (7)  The kinetics model for the Water Gas Shift(WGS) reactor is shown in the equation                                                           (8)k[CO](1 )− rco = η − β                                                            (9)n k n k /(RT)l = l o − E   where is the effectiveness factor accounting for intraparticle mass transport limitation, [CO] is  η                         the gas phase concentration of CO, , is the equilibrium            CO ][H ]/{[H O][CO]K }β = [ 2 2 2 T   KT         constant for the WGS reaction, and  .n(K ) 577.8/T .33l T = 4 − 4   The PROX (PFR) reactor is a packed catalyst bed where the main and side reactions are,                                        CO  O₂  CO₂    (main reaction)2 +   = 2                                  (10)                                         H₂  O₂  H₂       (side reaction)2 +   = 2           (11)  The PROX reactor kinetics model is shown in the equation,                                           (12)1 /Q ) XCO = 1 − ( − η * k1 * k2 Total 1.66                                                (13).58 exp(− 522/T[K])k1 = 7 * 106 8                                         (14)6.2 y  k2 = 2 * P0.4 CO,in −0.6 * λ0.82 * mPt   where X​CO​ is fractional conversion,  is the effectiveness factor of 0.5, k​1​k​2​=12 std cm​3​ /min, P isη   the total pressure, y​CO,in​ is the carbon monoxide mole fraction in the feed to PROX,  , m​Pt​ is the mass of Pt in the catalyst, and Q​Total​ is the std cm​3​ /min of feed to theO ]/[CO]λ = 2 * [ 2   PROX.  Heat Exchangers, turbines, compressors, and separators were used throughout our  simulation to cool the feed, expand the pressure in the feed, and compress or separate the gases  5 
  • 7.
    in the reactor. The Log Mean Temperature Difference (LMTD) was used to solve for the heat  exchanger area.                                                       (15)                                                         (16)AΔT   Q =U LMTD     The utilities used for this simulation were a fuel cell, auto­reformer for                        gasoline(N­Heptane), a High Water Gas Shift reactor, Low Water Gas Shift reactor, PROX                          reactor, a compressor/turbine, and heat exchangers. The fuel cell cost $270/m​2​ , the auto­reformer                          cost $53/kg catalyst, high water gas shift reactor cost $14/kg catalyst, low water gas shift reactor                                cost $22/kg catalyst, PROX reactor cost $150/kg catalyst, the compressor/turbine cost $600 each,                          and the heat exchanger cost $4/kg. Costly testing can be minimized with 2­dimensional                          simulations to stimulate fuel­cell system performance. Further research on fuel cell stacks                        continue to be optimized¹.   A complete economic analysis was conducted for the stationary fuel cell design in order                            to determine the most cost­efficient design with the proper sizing. The simulation was optimized                            to use heat energy from different reactors to power the system as well as using recycle streams to                                    optimize materials. Equipment sizing, total capital equipment costs, and yearly annual costs were                          determined using Aspen.  Results/Discussion Our current fuel cell design does not supply the entire electrical load to our processing                              plant. The fuel cell currently outputs 2765 kW of available energy. The sum of the processing                                6 
  • 8.
    plant and auxiliaryloads is 1995 kW. The average load for the office building is 900 kW.                                  Therefore, the current plant design required 2895 kW of energy, leaving a 130 kW of energy still                                  required for plant operation. Optimally, the fuel cell would power the entire processing plant,                            leaving no electrical costs.   The entire process flowsheet is displayed in two parts as Figures A1 and A2 in the                                appendix. The following sections involve discussing different segments of the plant beginning                        from the liquid heptane feed to the fuel cell exhaust. Only major parameters of streams, i.e. H​2                                  molar flow rates, and equipment will be noted, with the remaining parameters located in the                              appendix tables.  Heptane Auto Reformer  Figure 1​: Beginning of plant process flowsheet. Liquid heptane and water are vaporized and compressed to prepare for  the auto reformer. The furnace provides heat for the endothermic steam reformation of heptane by combusting heptane.   7 
  • 9.
    The process beginswith a liquid heptane feed entering at 30 kmol/hr and 298 K mixing                                with superheated steam in the vaporizer. The vaporizer flashes the stream to 885 K; the                              parameters are illustrated in Table A1. The stream is then compressed to 5 atm, as illustrated in                                  Table A2.  The auto reformer operates at 1023 K and 5 atm. Eqn’s 3­6 illustrate the reactions taking                                place within the reformer. An external furnace, illustrated in Table A3, was utilized by                            combusting the heptane fuel and directing the heat to the auto reformer, thus providing energy                              for the endothermic steam reformation of heptane. Once the steam reformation had enough                          energy, the remaining reformation reactions were able to proceed. By redirecting the 2636 kW                            generated from the furnace, we were able to produce 22 kW from the auto reformer. Reformer                                stream results are illustrated in Table A4. 143.64 kmol/hr H​2 is produced from the auto reformer,                                with a 60% conversion of heptane with respect to Eqn 3. Using the sizing data provided at .51                                    l/kW of fuel cell output, the auto reformer volume was determined to be 1.41 m​3​ .                 High Temperature WGS  8 
  • 10.
      Figure 2​: Processflowsheet continuing after auto reformer. Residual methane/heptane are removed from product                            stream. Product is expanded from 5 atm to 1 atm and sent through heat exchanger to prepare for high temperature                                        WGS. Water is used as cooling liquid for heat exchanger.   After the auto reformer, the products are separated to be expanded and cooled to prepare                              for the high temperature WGS. The separator takes out residual methane and heptane gas, at a                                total of 60.4 kmol/hr. Recycle of these streams was not implemented in the flow sheet and is                                  discussed in the optimization section later on. The separator is illustrated in Table A5. The                              turbine expands the product feed containing: H​2​O, CO​2​, O​2​, H​2 and CO to 1 atm. The turbine is                                    illustrated in Table A6.  9 
  • 11.
    ​The expanded feedat 784.8 K was then sent through a heat exchanger at 314.8 kmol/hr.                                  Water was used as the cooling liquid at 298 K and 100 kmol/hr. The output feed was then cooled                                      to 693 K for the first WGS reactor.  The first heat exchanger is illustrated in Table A7.   The first WGS reactor was modeled as a multi­tube plug flow reactor consisting of 100                              tubes, each 100m long and 5m wide. The reactor operated at 693 K and 1 atm. Eq 7 illustrates                                      the reaction taking place within the reactor. Ergun pressure drop correlations were utilized in                            order to model catalyst information from the project statement. 10 Mg of catalyst was used. The                                approximate volume was calculated to be 13.3 m​3​ . The reactor produced 31.2 kmol/hr H​2​, which                              is a 21.7% increase from the amount of H​2 originally present. The first WGS reactor is illustrated                                  in Table A8.   Low Temperature WGS    Figure 3​: Process flowsheet continuing after high temperature WGS. Product is cooled to prepare for low temperature                                  WGS. Water is used as cooling liquid for heat exchanger.   10 
  • 12.
    The products fromthe first WGS reactor were then sent to a heat exchanger. The second                                heat exchanger cooled the feed to 473 K. Water at 100 kmol/hr and 298 K was used as the                                      cooling liquid. The second heat exchanger is illustrated in Table A9.  The second WGS reactor was also modeled as a multi­tube plug flow reactor, but                            consisting of 50 tubes, each 100m long and 2m wide. Ergun pressure drop correlations were                              utilized in order to model catalyst information from the project statement. 10 Mg of catalyst was                                used. The approximate volume was calculated to be 12.2 m​3​ . 21.5 kmol/hr of H​2 was produced,                                which is a 12.3% increase from the amount of H​2 originally present. The second WGS reactor is                                  illustrated in Table A10.   PROX    Figure 4​: Process flowsheet continuing after low temperature WGS. Product stream and air are fed to PROX reactor.                                    Product is then separated to purge everything left over​ ​except hydrogen gas.  11 
  • 13.
    The PROX reactoroperated at 473 K at 4 atm. 81.63 kg of catalyst was used. The volume                                    of the PROX reactor was calculated to be .1 m​3​ . The mixed product from the second WGS is fed                                      to the PROX along with air. 6.13 kmol/hr of CO entered the PROX to be reacted according to                                    Eqn. 8. CO left the PROX at 27.6 mol/hr, which is a 99.5% conversion of CO. H​2 reacted with                                      oxygen according to Eqn. 9. The amount of H​2 leaving the reactor was 156.3 kmol/hr. The                                product from the PROX is separated in order to isolate H​2​ from the other components.  Fuel Cell     Figure 5​: Process flowsheet continuing after PROX. H​2 gas is expanded to 3 atm and cooled to prepare for fuel cell                                          feed. Water is used as cooling liquid for heat exchanger. Oxygen is fed to fuel cell to oxidize H​2​.   The pure H​2 stream was expanded to 3 atm and 446.4 K. The second turbine is illustrated                                  in Table A13. The stream was then sent to the final heat exchanger using water entering at 23.43                                    12 
  • 14.
    kmol/hr and 298K for cooling liquid. The H​2 leaves the exchanger at 343 K and sent to the fuel                                        cell. The third heat exchanger is illustrated in Table A14. The amount of H​2 entering the fuel                                  cell is 156.3 kmol/hr.  We chose to run the fuel cell at a current density of 750 mA/cm​2 and a pressure of 3 atm                                        in order to maximize power density at .275 W/cm​2​ , according Figure A3. The fuel cell utilized                                140.7 kmol/hr of hydrogen from the feed. In order to achieve the desired current density, a                                surface area of 1005 m​2 is required. The fuel cell outputs 2765 kW with our current design                                  parameters. The fuel cell is illustrated in Table A15.  Heat Exchangers  Three heat exchangers were utilized to cool vapor feeds for the high and low temperature                              WGS reactors, and the fuel cell. All exchangers were modeled as shell and tube, with the hot                                  feed entering the shell side and cooling water entering the tube side. The energy required for the                                  heat exchangers was used to calculate the active heat transfer surface area using the LMTD                              approach, according to Eqns 13 and 14. The surface areas for each exchanger 1,2 and 3 were                                  calculated to be 1.45, 5.84 and 4.96 m​2​ , respectively.  Optimization  Energy   Multiple units in the plant require energy that must be supplied externally in order to                              operate. These pieces of equipment are: the feed vaporizer, feed gas compressor, all three heat                              exchangers and the heptane auto reformer. The net sum of the energy required to operate these                                pieces of equipment is 9172 kW according to our simulation results. The feed vaporizer and the                                auto reformer require the majority of the energy, being 4563 and ​2615 kW, respectively.                            13 
  • 15.
    Fortunately, there aresources of thermal energy released from various locations throughout the                          plant that may be directed and used to power the equipment, although not modeled in our                                simulation.   Sources of energy generated from the plant, not including the fuel cell, come from: both                              of the gas turbines, both of the WGS reactors, and the PROX reactor. The net amount of energy                                    generated from these pieces of equipment is 4563 kW. The majority of the energy is supplied                                from the PROX reactor, being 3226 kW, which is expected from the multiple combustion                            reactions. Because the feed vaporizer required 4563 kW to operate, it may be useful to direct all                                  the heat generated from the PROX reactor to supply energy to the vaporizer. Additional energy                              can be supplied from the gas turbines which put out a total of 748 kW, and the WGS reactors                                      which put out a total of 567 kW.  Water was used as the cooling liquid in all shell and tube heat exchanger models. The                                outlet streams of all three of the cooling streams were at 373 K, some being full vapor and some                                      being mixed phase. At our current design, these heated streams are not utilized in any way. It                                  would be useful to further optimize the plant by directing heat from these vapor streams to the                                  externally driven equipment. It could then be possible to reuse the condensed water to combine                              with the heat exchanger inlet cooling streams, thus reducing the total amount of water used.  Recycle  There are multiple places in the plant that can utilize recycle streams, although not                            modeled in our simulation. These streams are: the residual methane/heptane stream separated                        from the auto reformer products and the fuel cell exhaust stream. The heptane and methane                              steam reforming reactions and the methane water gas shift reaction can be manipulated by                            14 
  • 16.
    recycling methane andheptane into the reformer feed. This design would be in consideration of                              Le Chatelier's principle. In knowing that the auto reformer operates at equilibrium, addition of                            methane and heptane may push the reactions towards producing more H​2​. Further optimization                          of this recycle design could reduce the total amount of heptane feed required in the plant.  The fuel cell exhaust contains: unreacted hydrogen from the feed, oxygen and water                          produced from the reduction of hydrogen. Further optimization of the plant would consider                          recycling this water to other stages in the plant, possibly for the cooling liquid for the heat                                  exchangers. It may be possible to optimize the plant is such a way that the heat exchangers                                  primarily use the water produced from the fuel cell, and only use external water if needed. The                                  unreacted hydrogen should be rerouted to other fuel cells on site or any processing plant in the                                  vicinity that could utilize the excess hydrogen gas.   Economic Analysis  Using the cost curve method, which relates capital cost to capacity, Table 7.2 is applied                              to rough estimate the capital cost giving $4,823,734 ± 30% for the plant. Equipment will be                                made from 304 stainless steel and carbon steel. The equipment list provides the item combined                              costs, and lang factors, included for the material type for the cost distribution of equipment                              summing up to this capital cost (Table A16).  Costs factors in the analysis include fixed factory expenses such as equipment                        depreciation, utilities, and maintenance as well as direct costs such as material and labor.                            However, because this analysis is intended to model manufacturing costs, number of components                          that contribute to the original equipment manufacturer are not included in the modeling. The                            following is not included in this analysis: one­time costs such as research, design, engineering,                            15 
  • 17.
    warranties, advertising, andsales tax. The plant was determined to be unprofitable after taxes                            and revenue based off sale of electricity at $32.29 cents per kW hour as priced in Hawaii​3​ .                                  Overall, the net profit was determined to be ­$239,010,000 over the 25 year plant operation.   The sale of electricity was based according to the U.S. Energy Information                        Administration and average retail price of electricity to customers in commercial sector from                          December 2014­ which has shown to decline from December 2013. So therefore, a decrease in is                                observed energy prices are not accounted for or compared to 2015 rates, and an average retail                                price of electricity is used. To take full advantage of energy markets, partnerships, as well as                                experienced energy managers would offer strategic approaches.​4  Modeling results for PEM fuel system capital costs are broadly consistent with                        manufacturer values provided by PEMFC technology and application in the global market today.                          According to Fuel Cell Industry Review 2013, investment total capital is at $1.2 billion, where                              production capacity is increasing according to agreements with energy industry and companies.                        Our plants capacity and capital investment costs does not include promotion of company                          agreements and government incentives that would otherwise contribute to greater revenue and                        profits.​5   Our PEMFC system with electrical output At 2.765 MWh, have utility costs that dominate the                              total plant costs since heat or electricity generation is needed for or process. Primary cost drivers are the                                    compressors and turbines, reactors, and furnace for heat supply, in that order. Besides the costs for                                system, the PEM stack consists of reactor size used to calculate stack costs, where the lifetime of the                                    stack can be increased at the expense of increased cost through system oversizing​s.​6 This cost analysis                                aims to develop economic models for our system, including for capital cost, manufacturing cost and                              investment cost  by taking into account process units and utilities of the system.   16 
  • 18.
    Conclusion  The goal of the experiment was to design the most cost­efficient and economic fuel processing  system for a 300 suite building. Fossil fuels are depleting on Earth and alternative methods are needed  to sustain the human population. Fuel cells are able to produce almost completely renewable energy  especially the Proton Exchange Membrane Fuel Cell which utilizes hydrogen as a fuel for the cell.  Heptane was converted and then used for the process synthesis of hydrogen fuel for the cell. The  PEMFC system that was designed had an electrical output of 2.765 MWh. ​The fuel cell utilized 140.7  kmol/hr of hydrogen from the feed. A surface area of 1005 m​2​  is required to achieve the desired  current density. The fuel cell outputs 2765 kW with the current design parameters. ​The utilities  that were used were a furnace, 3 heat exchangers, a vaporizer, a turbine, a compressor, an  auto­reformer for heptane, a low water gas shift reactor, a high water gas shift reactor, a PROX reactor,  and a fuel cell. The equipment was sized and, and the price of the system was evaluated using Aspen  Plus software. The total capital cost and net profit were determined and an economic analysis was  conducted. The estimated total capital cost for the plant was found to be $4,823,734 ​± 30%​. The net  profit was determined to be ­$239,010,000 over a span of 25 years. Through the economic analysis of  the plant, the design was deemed non­profitable after taxes and revenue due to the sale of electricity.  The plant designwas optimized by using the thermal energy ​released from various locations                            throughout the system that may be directed and used to power the equipment. Sources of energy                                generated from the plant, not including the fuel cell, came from both of the gas turbines, both of the                                      WGS reactors, and the PROX reactor. The net amount of energy generated from these pieces of                                equipment was 4563 kW. These heated streams are currently not utilized in any way, and it would be                                    useful to further optimize the plant by directing the heat from the vapor streams to the externally driven                                    equipment. The condensed water could then possibly be reused to combine with the heat exchanger                              17 
  • 19.
    inlet cooling streamswhich would reduce the total amount of water used. The design could also be                                  optimized by utilizing recycle streams, although not modeled in the simulation. Further optimization of                            this recycle design could reduce the total amount of heptane feed required in the plant, and optimize the                                    plant is such a way that the heat exchangers primarily use the water produced from the fuel cell, and                                      only use external water if necessary.  References  [1] Weider, John W., et al. “Engineering a Membrane Electrode Assembly” ​The Electrochemical  Society Interface ​(2003): 41­43. Print.  [2]  ​Energy.gov.​ U.S. Department of Energy, Hydrogen and Fuel Cell Technology Basics, 2013.  Web. 10 Mar. 2015.  [3] ​U.S. Energy Information Administration, Form EIA­826, Monthly Electric Sales and  Revenue Report with State Distributions Report  [4] ARAMARK  Energy Services, “Best Practices in Energy Procurement” ​Managed Heat Rate  [5] FuelCellToday, ​The Fuel Cell Industry Review 2013​, Johnson Matthey PLC trading  [6] Kamarudin, S.K.“Technical design and economic evaluation of a  PEM fuel cell system”  ScienceDirect​ 157.2 (2006): 641–649. Print.      18 
  • 20.
  • 21.
  • 22.
  • 23.
  • 24.
  • 25.
  • 26.
  • 27.