SIX STROKE ENGINES
VELOZETA MODEL
Introduction
Two different approaches of six stroke engines
First approach
There is two additional strokes by the main piston as
fifth and sixth stroke
Second approach
It uses a second opposed piston which moves at half
the cyclical rate of the main piston
History of six stroke engines
 First Category
1. Griffin six stroke engine
2. Bajulaz six stroke engine
3. Crower six stroke engine
4. Velozeta six stroke engine
 Second Category
1. Beare head six stroke engine
2. Charge pump engine
Velozeta’s six stroke engine
 A four stroke Honda engine is altered to form the six
stroke engine
 First four strokes are same as a conventional four stroke
engine
 In the fifth stroke, air is sucked in to the cylinder
 In the sixth stroke, a mixture of air and unburned gases
leaves out.
Engine parts modified
1. Camshaft / Crankshaft Sprockets:-
 Crankhas 1080 degrees of rotation for 360 rotation of
camshaft
 Hence their corresponding sprockets are having teeth
ratio 3:1
 34 teeth sprocket of camshaft in the four stroke is
replaced by 42 teeth sprocket
 17 teeth crankshaft sprocket is replaced by 14 teeth
sprocket
2.Cam lobes:-
 360 degrees of cam has divided into 60 degrees
among six strokes
 Inlet valve is opened in the first stroke only and
the exhaust valve, in the fourth, fifth and sixth
strokes by the exhaust valve cam.
 The exhaust valve cam is double lobed
3.Valve Timing:-
 IVO at 0 degree at TDC
 IVC at 25 degree after BDC
 EVO at 0 degree at BDC which was 25 degree before
BDC in the original engine
 EVC at 10 degree before TDC
 Air inlet reed valve is opened in the fifth
stroke and then for the sixth stroke exhaust
valve is opened
4.Secondary Air Induction System:-
 It supplies air which is used in the fifth and sixth
stroke
 During the fifth stroke air is sucked into the
cylinder through a reed valve provided on the
secondary air induction line
 In the sixth stroke a second reed valve at the
exhaust manifold opens and removes the mixture of
air and unburned gases
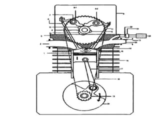
Working of the engine
First stroke:- During the first stroke the inlet valve (6) opens
and air-fuel mixture from carburetor is sucked into the cylinder
through the inlet manifold (2).
Second stroke:-
During the second stroke, piston moves from BDC to TDC, both the
inlet valve (6) and exhaust valve (11) are closed and the air-fuel mixture is
compressed. The compression ratio of the modified engine is same as that of
the original four stroke Honda engine 9:1.
Third stroke:-
During the third stroke, power is obtained from the engine by igniting
the compressed air- fuel mixture using a spark plug (14). Both valves remain
closed. Piston moves from TDC to BDC.
Fourth stroke:-
During the fourth stroke, the exhaust valve (11) and the reed valve
(23) opens to remove the burned gases from the engine cylinder. Piston moves
from BDC to TDC.
Fifth stroke:-
During the fifth stroke, the exhaust valve (11) remains open and the
reed valve (23) closes. Fresh air from the air filter (24) enters the cylinder
through the secondary air induction line (21) provided at the exhaust manifold
(13). The reed valve (22) opens.
Sixth stroke:-
During the sixth stroke, the exhaust valve (11) remains open. The air
sucked into the cylinder during the fifth stroke is removed to the atmosphere
through the exhaust manifold (13). The reed valve (23) opens and the reed valve
(22) closes.
BAFFLES
Performance test results
1.Load Test Results:-
2.Pollusion Test Results:-
Graphs:-
B.P Vs TFC and SFC at 320 rpm
B.P Vs TFC and SFC at 320 rpm
Advantages
Reduction in fuel consumption
Reduction in pollution normally up to 65%
Better scavenging and more extraction of work
per cycle
Lower engine temperature - easy to maintain
the optimum engine temperature level for better
performance
The engine does’t require any basic
modification to the existing engines. All
technological experience and production
methods remain unaltered
Higher overall efficiency
Conclusion
The six stroke engine modification
promises dramatic reduction of pollution and fuel
consumption of an internal combustion engine. The fuel
efficiency of the engine can be increased and also the
valve timing can be effectively arranged to extract more
work per cycle. Better scavenging is possible as air intake
occurs during the fifth stroke and the exhaust during the
sixth stroke. Due to more air intake, the cooling system is
improved. It enables lower engine temperature and
therefore increases in the overall efficiency.
six-stroke-engine.ppt fir the mechanical engineering

six-stroke-engine.ppt fir the mechanical engineering

  • 1.
  • 2.
    Introduction Two different approachesof six stroke engines First approach There is two additional strokes by the main piston as fifth and sixth stroke Second approach It uses a second opposed piston which moves at half the cyclical rate of the main piston
  • 3.
    History of sixstroke engines  First Category 1. Griffin six stroke engine 2. Bajulaz six stroke engine 3. Crower six stroke engine 4. Velozeta six stroke engine  Second Category 1. Beare head six stroke engine 2. Charge pump engine
  • 4.
    Velozeta’s six strokeengine  A four stroke Honda engine is altered to form the six stroke engine  First four strokes are same as a conventional four stroke engine  In the fifth stroke, air is sucked in to the cylinder  In the sixth stroke, a mixture of air and unburned gases leaves out.
  • 5.
    Engine parts modified 1.Camshaft / Crankshaft Sprockets:-  Crankhas 1080 degrees of rotation for 360 rotation of camshaft  Hence their corresponding sprockets are having teeth ratio 3:1  34 teeth sprocket of camshaft in the four stroke is replaced by 42 teeth sprocket  17 teeth crankshaft sprocket is replaced by 14 teeth sprocket
  • 6.
    2.Cam lobes:-  360degrees of cam has divided into 60 degrees among six strokes  Inlet valve is opened in the first stroke only and the exhaust valve, in the fourth, fifth and sixth strokes by the exhaust valve cam.  The exhaust valve cam is double lobed
  • 8.
    3.Valve Timing:-  IVOat 0 degree at TDC  IVC at 25 degree after BDC  EVO at 0 degree at BDC which was 25 degree before BDC in the original engine  EVC at 10 degree before TDC  Air inlet reed valve is opened in the fifth stroke and then for the sixth stroke exhaust valve is opened
  • 9.
    4.Secondary Air InductionSystem:-  It supplies air which is used in the fifth and sixth stroke  During the fifth stroke air is sucked into the cylinder through a reed valve provided on the secondary air induction line  In the sixth stroke a second reed valve at the exhaust manifold opens and removes the mixture of air and unburned gases
  • 10.
    Working of theengine First stroke:- During the first stroke the inlet valve (6) opens and air-fuel mixture from carburetor is sucked into the cylinder through the inlet manifold (2).
  • 11.
    Second stroke:- During thesecond stroke, piston moves from BDC to TDC, both the inlet valve (6) and exhaust valve (11) are closed and the air-fuel mixture is compressed. The compression ratio of the modified engine is same as that of the original four stroke Honda engine 9:1. Third stroke:- During the third stroke, power is obtained from the engine by igniting the compressed air- fuel mixture using a spark plug (14). Both valves remain closed. Piston moves from TDC to BDC.
  • 12.
    Fourth stroke:- During thefourth stroke, the exhaust valve (11) and the reed valve (23) opens to remove the burned gases from the engine cylinder. Piston moves from BDC to TDC. Fifth stroke:- During the fifth stroke, the exhaust valve (11) remains open and the reed valve (23) closes. Fresh air from the air filter (24) enters the cylinder through the secondary air induction line (21) provided at the exhaust manifold (13). The reed valve (22) opens. Sixth stroke:- During the sixth stroke, the exhaust valve (11) remains open. The air sucked into the cylinder during the fifth stroke is removed to the atmosphere through the exhaust manifold (13). The reed valve (23) opens and the reed valve (22) closes.
  • 13.
  • 14.
  • 15.
  • 16.
    Graphs:- B.P Vs TFCand SFC at 320 rpm
  • 17.
    B.P Vs TFCand SFC at 320 rpm
  • 18.
    Advantages Reduction in fuelconsumption Reduction in pollution normally up to 65% Better scavenging and more extraction of work per cycle Lower engine temperature - easy to maintain the optimum engine temperature level for better performance The engine does’t require any basic modification to the existing engines. All technological experience and production methods remain unaltered Higher overall efficiency
  • 19.
    Conclusion The six strokeengine modification promises dramatic reduction of pollution and fuel consumption of an internal combustion engine. The fuel efficiency of the engine can be increased and also the valve timing can be effectively arranged to extract more work per cycle. Better scavenging is possible as air intake occurs during the fifth stroke and the exhaust during the sixth stroke. Due to more air intake, the cooling system is improved. It enables lower engine temperature and therefore increases in the overall efficiency.

Editor's Notes

  • #1 WELCOME
  • #2 NEED FOR HIGH VACCUM
  • #3 DEFINITION,HOW IT IS ACEIVED IN DIFFUSION PUMPS.
  • #4 WHAT’S A VACCUMPUMP
  • #5 HOW DIFFUSION PUMP WORKS? (MOMENTUM TRANSFER.)
  • #6 CONSRUCTION DETAILS
  • #7 PICTURE.
  • #8 FLUID BOILS,VAPOUR ,JETS ARE FORMED.
  • #9 CONTINUATION OF WORKING.
  • #10 CHARACTERISTICS OF A GOOD PUMPING FLUID.
  • #11 WHAT ARE THE MAIN KINDS OF FLIUDS USED.(NAMES OF COMMON FLUIDS USED)
  • #12 DEFINITION OF BACK STREAMING,HOW TO PREVENT IT?
  • #13 DESCIRPTION OF BAFFLES,WHAT IS THE NEED OF IT AND HOW IT AFFECTS THE PUMP.
  • #14 DESCRITION OF COLD TRAP,WHAT IS ITS NEED,HOW IT AFFECTS THE PUMP?
  • #15 DESCRIPTION OF THE WORKING.
  • #16 FORE PUMP PUMPS TO OBTAIN 10-3 TORR.
  • #17 DIFFUSION PUMP PUMPS THE FLIUD.
  • #18 PUMPING SPEED,MAX. THROUGHPUT,TOLERABLE FORE PRESSURE,BACK STREAMING RATE.
  • #20 THANKS.