11
SISTEM BEKALAN ELEKTRIK .
TAJUK :
PRESENTED BY :
MOHD KAMAL
22
TOPIK DALAM PERLINDUNGAN :
 Jenis-jenis penjanaan
 Penghantaran & Pengagihan (Pencawang Utama)
 Pengagihan bekalan kepada pengguna (1 & 3 fasa)
3
Pengenalan .
Sistem bekalan elektrik melalui tiga peringkat penting sebelum ianya
sampai kepada pengguna. Peringkat yang di maksudkan ialah:‑
1.)Penjanaan
2.)Penghantaran
3.)Pengagihan
44
1. Penjanaan
i. Penjanaan adalah peringkat pertama dimana tenaga elektrik dihasilkan, iaitu
tenaga mekanikal ditukarkan kepada tenaga elektrik.
ii. Pembilah kipas didalam turbin akan dipusingkan bagi menghasilkan
tenaga mekanikal yang disambungkan kepada penjana oleh aci (shaft)
serta memusingkan penjana bagi menghasilkan tenaga elektrik.
iii. Penjanaan Iebih dikenali sebagai stesen janakuasa.
5
 Diantara jenis stesen penjanaan atau janakuasa ialah
1. Stesen penjanaan jenis haba/wap.
2. Stesen penjanaan disel.
3. Stesen penjanaan hidro.
4. Stesen penjanaan kitar padu.
5. Stesen penjanaan turbin gas.
66
 Bahan api seperti minyak, gas dan arang batu di gunakan untuk
memanaskan air didalam dandang bagi menghasilkan wap (steam)
tekanan tinggi. Wap disalurkan ke turbin melalui paip tekanan tinggi. Wap
tekanan tinggi tadi akan memusingkan pembilah kipas didalam turbin yang
disambungkan dengan aci kepada penjana. Apabila pembilah kipas
berpusing, penjana pun turut berpusing dan tenaga elektrik dihasilkan.
 Wap tekanan tinggi yang telah digunakan tadi akan disalurkan kembali
ke dalam dandang untuk dipanaskan semula. Wap ini akan disalurkan
semula ke dalam turbin. Dengan cara ini tekanan yang tetap dihasilkan
bagi pusingan penjana yang tetap (stabil). Ianya juga menjimatkan kos
kerana wap yang telah digunakan mengandungi air dan masih panas,
masa untuk memanaskan kembali Iebih cepat.
Stesen penjanaan jenis haba/wap
7
 Kebaikan penjanaan jenis ini ialah kosnya murah manakala
keburukanya pula ia memerlukan penyenggaraan yang Iebih serta
mesti dibina berhampiran punca air yang mencukupi seperti di tepi laut
atau kuala sungai.
88
 Sistem penjanaan jenis ini memerlukan empangan air yang Iuas. Stesen
penjana dibina dibawah empangan air dengan jarak yang sesuai. Satu
saluran paip air besar (empisair) dibina yang menghubungkan empangan
air dengan turbin penjana. Air disalurkan melalui paip besar tadi terus ke
turbin penjana serta memusingkan pemusar air (seperti pembilah kipas).
Penjana turut berpusing, tenaga elektrik dihasilkan.
Stesen Penjanaan Hidro
 Kebaikan penjanaan hidro ialah kurang penyenggaraan, menghasilkan
tenaga elektrik yang murah, air yang disalirkan keluar dari penjana boleh
disalirkan bagi kegunaan pertanian atau bekalan air. Keburukannya pula
memerlukan punca air yang banyak untuk disalurkan ke empangan, kos
pembinaan empangan yang mahal, kemungkinan berlakunya banjir besar
jika empangan pecah atau lebihan takungan air disalirkan keluar terlalu
banyak.
9
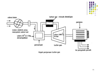
10
 Stesen penjanaan jenis ini adalah baru diperkenalkan dinegara kita dan
bilangannya masih lagi sedikit. Udara biasa dari 30°C hingga 38°C
disedut oleh motor penyedut yang menggunakan kuasa elektrik. Udara
tadi dimampatkan dengan kekuatan 1 Bar dan dipanaskan ditempat
pemanasan atau pembakaran. Minyak atau gas asli digunakan sebagai
bahan bakar untuk memanaskan udara sehingga 1080°C. Udara panas
di mampatkan dengan kekuatan 30 Bar dan disalurkan pada pembilah-
pembilah kipas didalam turbin untuk menggerak penjana dan tenaga
elektrik dihasilkan.
Stesen penjanaan turbin gas
 Kebaikan penjanaan jenis ini ialah murah manakala keburukanya ialah
kos pembinaan yang mahal serta penyenggaran yang tinggi.
11
1212
 Stesen penjanaan ini juga baru diperkenalkan dinegara kita. Ianya
terletak di Paka, Terengganu. Penjanaan jenis ini adalah gabungan dari
penjanaan turbin gas dan penjanaan haba atau wap.
Stesen penjanaan kitar padu
 Proses permulaanya adalah sama dengan penjanaan turbin gas. Udara
yang dipanaskan didalam turbin gas sebahagianya akan disalurkan kepada
penjana yang pertama bagi memutarkan penjana. Sebahagianya lagi akan
disalurkan ke dandang untuk memanaskan air didalam dandang bagi
menghasilkan wap. Wap yang terhasil akan di salurkan ke dalam turbin stim
untuk memutarkan pembilah-pembilah kipas serta memusingkan penjana yang
kedua. Air laut digunakan untuk menyejukkan turbin stim dan disalurkan
semula ke dalam dandang bagi menghasilkan wap.
13
 Kebaikan penjanaan jenis ini adalah murah manakala keburukanya
ialah kos pembinaan yang mahal dan penyenggaraan yang tinggi.
14
 Enjin disel digunakan bagi menggerakkan penjana. Enjin dan penjana
disambungkan dengan aci (shaft). Apabila enjin berputar, penjana juga
turut berputar dan tenaga elektrik dihasilkan. Terdapat berbagai-bagai
saiz dan keupayaan penjana jenis disel. Digunakan sebagai penjana
bantuan (stand-by) dibangunan bangunan tinggi, kompleks membeli-
belah, bangunan pejabat, hospital, boleh dibawa dan dijadikan sebagai
penjana bergerak dan sebagainya bila berlaku gangguan bekalan
elektrik..
Stesen penjanaan diesel
 Kebaikan penjana jenis ini ialah
murah dan kurang
penyenggaraan manakala
keburukanya pula ialah bahan api
yang mahal, keupayaan
menghasilkan tenaga elektrik
adalah kecil serta menyebabkan
pencemaran seperti asap hitam
atau tumpahan minyak.
1515
Stesen penjanaan nuklear
 Kebaikan penjanaan jenis ini adalah murah manakala keburukanya
ialah kos pembinaan yang mahal dan penyenggaraan yang tinggi.
Lain-lain stesen penjanaan
Penjanaan sistem solar (cahaya matahari)
 Penjanaan jenis ini memerlukan cahaya matahari yang banyak.
Biasanya digunakan untuk bekalan elektrik secara individu atau
tunggal kerana keuapayaanya menghasilkan tenaga elektrik adalah
kecil serta cahaya matahari yang tak menentu pada musim hujan atau
sejuk. Kebaikanya pula ialah cahaya matahari didapati secara percuma
serta tiada pencemaran.
Penjanaan kuasa angin
 Hanya terdapat dinegara yang sentiasa berangin . Tenaga elektrik yang
dihasilkan adalah kecil . Sentiasa memerlukan angin . Memerlukan
kawasan yang luas untuk memasang kincir yang banyak . Kebaikkan
ialah angin didapati secara percuma serta tiada pencemaran .
BLK KE TOPIK PENJANAAN
16
2. Penghantaran
 Penghantaran adalah langkah kedua didalam sistem bekalan elektrik.
Tenaga elektrik yang dihasilkan stesen penjanaan akan dihantar
kelapangan suis, pencawang utama dan pencawaang-pencawang.
Sistem penghantaran.
 Tenaga elektrik yang telah di hasilkan dari stesen penjanaan biasanya
berkeupayaan 33 kV, 22 kV atau 11 kV. Dari stesen penjanaan tenaga
elektrik dihantar ke beberapa buah pengubah peninggi melalui talian
rentang atas. Pengubah peninggi akan menaikan nilai voltan
mengikut keperluan yang di kehendaki. Contohnya 127 kV, 132 kV atau
440 kV. Setelah ditinggikan nilai voltan, tenaga elektrik di hantar pula
ke pengubah penurun melalui talian rentang atas atau kabel dalam
tanah. Nilai voltan diturunkan mengikut keperluan pengguna:atau
mengikut nilai voltan asal yang di hasilkan oleh penjana.
17
 Voltan dinaikkan bertujuan bagi
mengurangkan saiz kabel yang Iebih besar.
Jika voltan tidak dinaikkan, kadaran arus
adalah tinggi, ini bermakna saiz kabel yang di
gunakan adalah lebih besar. Saiz kabel adalah
bergantung pada kadaran arus. Semakin besar
nilai arus, semakin besar saiz kabel digunakan.
Ianya juga bagi mengatasi masaalah susutan
voltan pada talian penghantaran.
1818
Sistem penghantaran menggunakan kaedah seperti berikut
1. Penghantaran talian satu litar.
2. Penghantaran talian dua litar (duplek).
3. Penghantaran kabel dalam tanah.
4. Penghantaran kabel dasar laut.
19
Rangkaian Grid Nasional
 Satu rangkaian dimana semua stesen janakuasa atau pengubah peninggi
disambungkan diantara satu sama lain menjadi satu rangkaian.
2020
Sistem Gelang
 Biasanya disambungkan kepada pengubah peninggi. Sambungan gelang
hanya dibuat pada bahagian primer sahaja. Manakala bahagian
skunder disambungkan pada pengubah penurun.
 Kebaikan sistem ini ialah apabila salah satu dari pengubah rosak,
pengubah yang lain masih boleh membekalkan tenga
elektrik,Manakala pengubah yang rosak boleh dibaiki tanpa
mengganggu pengubah yang lain. Banyak kawasan yang boleh
menerima bekalan elektrik. Keburukanya pula ialah kawasan
pengubah yang rosak tidak akan menerima bekalan elektrik.
21
22
Sistem Jejari
 Biasa digunakan dikawasan perumahan, kawasan penduduknya tidak
ramai atau dipenghujung sesuatu kawasan atau daerah. Kebaikan
sistem ini, murah dan senang membuat pemasangan tambahan.
Manakala keburukanya pula saiz kabel yang digunakan Iebih besar,
kawasan yang menerima bekalan elektrik adalah terhad.
23
Sistem Bus-tie
 Pengubah disetiap kawasan disambungkan dalam litar gelang pada
bahagian skunder dan primer. Biasanya disambungkan dikawasan
dimana bekalan elektrik tidak boleh terganggu seperti istana diraja,
hospital, lapangan terbang dan sebagainya. Kebaikan sistem ini ialah
apabila salah satu pengubahnya rosak, bekalan elektrik masih boleh
dibekalkan dari sambungan gelang pada bahagian skunder
pengubah lain. Keburukannya pula ialah kos yang tinggi.
2424
Sistem Rangkaian
 Sistem rangkaian adalah gabungan kebaikan sistem gelang dengan
sistem bus-ties. Sistem rangkaian lebih murah daripada sistem bus-
ties kerana litar gelang hanya disambungkan pada bahagian
skunder pengubah dan bahagian utamanya dibuat dalam
sambungan jejari. Kebaikan sistem adalah sama dengan sistem
gelang dan sistem bus-ties. Jika salah satu pengubah itu rosak,
bekalan elektrik masih dapat dibekalkan kerana pada bahagian skunder
pengubah disambungkan dalam litar gelang. Litar ini juga dikenali sistem
gelang dan jejari.
 Terdapat dua jenis sistem rangkaian iaitu rangkaian mudah dan
rangkaian kompleks. Sambungan rangkaian kompleks, dua rangkaian
mudah dicantumkan tetapi dibekalkan oleh sebuah penjana sahaja.
25
2626
3. Pengagihan
 Bekalan elektrik dari pengubah peninggi dan
pengubah penurun akan dihantar ke stesen-
stesen pencawang dikawasan pengguna
melalui talian rentang atas atau kabel dalam
tanah. Bekalan akan diagihkan kepada
pengguna mengikut keperluan beban
pengguna dikawasan tersebut.
2727
 Sambungan Delta-Delta pada pengubah pencawang bagi membekalkan
bekalan elektrik. Pengguna yang menggunakan beban jenis ini ialah
industri-industri. Sistem bekalan 3 fasa 3 dawai tidak mempunyai
dawai neutral.
Sistem Bekalan 3 Fasa 3 Dawai (Delta-Delta)
28
Sistem 3 Fasa 4 Dawai (Delta-Bintang)
 Sambungan Bintang-Delta pada pengubah pencawang bagi
membekalkan bekalan elektrik. Sistem bekalan jenis ini digunakan begitu
meluas dinegara kita. Kebaikan sistem ini ialah ia boleh membekalkan
bekalan kepada pelbagai jenis pengguna, industri, pejabat,
perumahan dan sebagainya. Dilengkapkan dengan dawai neutral
bagi membekalkan dua jenis voltan iaitu 415 V dan 240 V.
 Dua jenis voltan juga disebut sebagai voltan fasa iaitu 415 V (Vp)
dan voltan talian iaitu 240 V (VL ).
29
Pengagihan Bekalan Kepada Pengguna
 Bekalan elektrik dari pengubah peninggi dan pengubah penurun akan
dihantar ke stesen-stesen pencawang dikawasan pengguna melalui
talian rentang atas atau kabel dalam tanah. Bekalan akan diagihkan
kepada pengguna mengikut keperluan beban pengguna dikawasan
tersebut.
1. Pengagihan bekalan 3 fasa 3 dawai (415V) dan 3 fasa 4 dawai
(415V/240V).
2. Pengagihan bekalan satu fasa 240V – diambil salah satu dari dawai 3
fasa (merah, kuning, biru) berserta dengan dawai neutral.
30
Pihak pembekal bekalan elektrik menetapkan 3 jenis bekalan yang
dapat disalurkan kepada pengguna iaitu;
1.) Pengguna kecil - Arus terus atau arus ulang alik satu fasa
dengan dua dawai penghantaran bekalan kepada pengguna.
2.) Pengguna sederhana - Arus ulang alik 3 dawai sebagai penghantar
bekalan kepada pengguna.
3.) Pengguna besar - Arus ulang alik 4 dawai sebagai penghantar
bekalan kepada pengguna.
3131
Voltan Piawaian
1.) Voltan Iampau rendah (Jalur I) – tidak melebihi 50 V arus ulang
alik (100 V a.t) antara pengalir hidup atau antara pengalir hidup
dan bumi.
2.) Voltan rendah (Jalur II) - lebih tinggi daripada voltan Iampau rendah
tetapi tidak melebihi 1000 V.a.0 (1500 V a.t) antara pengalir hidup
atau 600 V a.0 (900 V a.t) antara pengalir hidup dan bumi.
 Mengikut Peraturan IEE Edisi 16, voltan piawaian telah ditukarkan
kepada dua jenis julatan sahaja iaitu :
3232
 Meski pun penetapan julat voltan telah ditetapkan oleh IEE, pihak
berkuasa bekalan elektrik dinegara kita telah menetapkan
beberapa nilai voltan,bagi memudahkan pengguna.
1.) Bagi arus terus
i. Voltan rendah adalah 230 V.
ii.Voltan sederhana adalah 460 V.
2.) Bagi arus ulang alik
i. Voltan rendah adalah 240 V.
ii.Voltan sederhana adalah 241 V hingga 415 bagi 3 fasa.
3333
• Voltan bekalan yang dibekalkan kepada pengguna tidak semestinya
sama dengan nilai yang ditetapkan oleh pembekal tenaga. Kemungkinan
berlaku kesusutan nilainya semasa proses penghantaran dan pengagihan.
Perubahan Voltan dan Frekuensi
•Perubahan voltan yang dibenarkan ialah tidak kurang atau melebihi 4% dari
jumlah sebenarnya. Manakala perubahan frekuensi adalah tidak kurang
atau melebihi 1% dari frekuensi sebenar.
34
Contoh Pengiraan Perubahan Voltan dan Frekuensi
Perubahan voltan.
Pengguna sepatutnya menerima voltan bekalan 240V. Perubahan voltan yang
dibenarkan ialah 4%. Kirakan berapakah nilai voltan yang yang berubah?
Perubahan voltan 4% = Voltan bekalan X 4% =240V x 4% = 9.6 V
100 100
Perubahan susutan voltan yang dibenarkan = 240V – 9.6V = 230V.
Perubahan voltan lebih yang dibenarkan = 240V + 9.6V = 249.6V.
3535
Perubahan frekuensi.
Perubahan frekuensi 1% = Frekuensi sebenar x 1%
100
= 50 Hz x 1%
100
= 0.5 Hz
Perubahan frekuensi susutan yang dibenarkan = 50 Hz – 0.5 Hz = 49.5 Hz.
Perubahan frekuensi lebih yang dibenarkan = 50 Hz + 0.5 Hz = 50.5 Hz.
3636
• Perubahan susutan voltan yang banyak akan menyebabkan lampu
menjadi malap, lampu akan berkelip-kelip apabila menggunakan alat-
alat kuasa tinggi seperti peti sejuk, periuk, seterika dan cerek elektrik.
Kabel-kabel akan menjadi panas kerana penggunaan arus yang tinggi dan
ianya membahayakan pada pendawaian dan alat-alat elektrik. Manakala
perubahan voltan lebih yang banyak akan menyebabkan kerosakan pada
alat-alat elektrik.
• Perubahan frekuensi Iebih atau susut yang banyak akan menyebabkan alat-
alat elektrik akan cepat rosak dan kecekapannya berkurangan.

Sistem bekalan elektrik

  • 1.
    11 SISTEM BEKALAN ELEKTRIK. TAJUK : PRESENTED BY : MOHD KAMAL
  • 2.
    22 TOPIK DALAM PERLINDUNGAN:  Jenis-jenis penjanaan  Penghantaran & Pengagihan (Pencawang Utama)  Pengagihan bekalan kepada pengguna (1 & 3 fasa)
  • 3.
    3 Pengenalan . Sistem bekalanelektrik melalui tiga peringkat penting sebelum ianya sampai kepada pengguna. Peringkat yang di maksudkan ialah:‑ 1.)Penjanaan 2.)Penghantaran 3.)Pengagihan
  • 4.
    44 1. Penjanaan i. Penjanaanadalah peringkat pertama dimana tenaga elektrik dihasilkan, iaitu tenaga mekanikal ditukarkan kepada tenaga elektrik. ii. Pembilah kipas didalam turbin akan dipusingkan bagi menghasilkan tenaga mekanikal yang disambungkan kepada penjana oleh aci (shaft) serta memusingkan penjana bagi menghasilkan tenaga elektrik. iii. Penjanaan Iebih dikenali sebagai stesen janakuasa.
  • 5.
    5  Diantara jenisstesen penjanaan atau janakuasa ialah 1. Stesen penjanaan jenis haba/wap. 2. Stesen penjanaan disel. 3. Stesen penjanaan hidro. 4. Stesen penjanaan kitar padu. 5. Stesen penjanaan turbin gas.
  • 6.
    66  Bahan apiseperti minyak, gas dan arang batu di gunakan untuk memanaskan air didalam dandang bagi menghasilkan wap (steam) tekanan tinggi. Wap disalurkan ke turbin melalui paip tekanan tinggi. Wap tekanan tinggi tadi akan memusingkan pembilah kipas didalam turbin yang disambungkan dengan aci kepada penjana. Apabila pembilah kipas berpusing, penjana pun turut berpusing dan tenaga elektrik dihasilkan.  Wap tekanan tinggi yang telah digunakan tadi akan disalurkan kembali ke dalam dandang untuk dipanaskan semula. Wap ini akan disalurkan semula ke dalam turbin. Dengan cara ini tekanan yang tetap dihasilkan bagi pusingan penjana yang tetap (stabil). Ianya juga menjimatkan kos kerana wap yang telah digunakan mengandungi air dan masih panas, masa untuk memanaskan kembali Iebih cepat. Stesen penjanaan jenis haba/wap
  • 7.
    7  Kebaikan penjanaanjenis ini ialah kosnya murah manakala keburukanya pula ia memerlukan penyenggaraan yang Iebih serta mesti dibina berhampiran punca air yang mencukupi seperti di tepi laut atau kuala sungai.
  • 8.
    88  Sistem penjanaanjenis ini memerlukan empangan air yang Iuas. Stesen penjana dibina dibawah empangan air dengan jarak yang sesuai. Satu saluran paip air besar (empisair) dibina yang menghubungkan empangan air dengan turbin penjana. Air disalurkan melalui paip besar tadi terus ke turbin penjana serta memusingkan pemusar air (seperti pembilah kipas). Penjana turut berpusing, tenaga elektrik dihasilkan. Stesen Penjanaan Hidro  Kebaikan penjanaan hidro ialah kurang penyenggaraan, menghasilkan tenaga elektrik yang murah, air yang disalirkan keluar dari penjana boleh disalirkan bagi kegunaan pertanian atau bekalan air. Keburukannya pula memerlukan punca air yang banyak untuk disalurkan ke empangan, kos pembinaan empangan yang mahal, kemungkinan berlakunya banjir besar jika empangan pecah atau lebihan takungan air disalirkan keluar terlalu banyak.
  • 9.
  • 10.
    10  Stesen penjanaanjenis ini adalah baru diperkenalkan dinegara kita dan bilangannya masih lagi sedikit. Udara biasa dari 30°C hingga 38°C disedut oleh motor penyedut yang menggunakan kuasa elektrik. Udara tadi dimampatkan dengan kekuatan 1 Bar dan dipanaskan ditempat pemanasan atau pembakaran. Minyak atau gas asli digunakan sebagai bahan bakar untuk memanaskan udara sehingga 1080°C. Udara panas di mampatkan dengan kekuatan 30 Bar dan disalurkan pada pembilah- pembilah kipas didalam turbin untuk menggerak penjana dan tenaga elektrik dihasilkan. Stesen penjanaan turbin gas  Kebaikan penjanaan jenis ini ialah murah manakala keburukanya ialah kos pembinaan yang mahal serta penyenggaran yang tinggi.
  • 11.
  • 12.
    1212  Stesen penjanaanini juga baru diperkenalkan dinegara kita. Ianya terletak di Paka, Terengganu. Penjanaan jenis ini adalah gabungan dari penjanaan turbin gas dan penjanaan haba atau wap. Stesen penjanaan kitar padu  Proses permulaanya adalah sama dengan penjanaan turbin gas. Udara yang dipanaskan didalam turbin gas sebahagianya akan disalurkan kepada penjana yang pertama bagi memutarkan penjana. Sebahagianya lagi akan disalurkan ke dandang untuk memanaskan air didalam dandang bagi menghasilkan wap. Wap yang terhasil akan di salurkan ke dalam turbin stim untuk memutarkan pembilah-pembilah kipas serta memusingkan penjana yang kedua. Air laut digunakan untuk menyejukkan turbin stim dan disalurkan semula ke dalam dandang bagi menghasilkan wap.
  • 13.
    13  Kebaikan penjanaanjenis ini adalah murah manakala keburukanya ialah kos pembinaan yang mahal dan penyenggaraan yang tinggi.
  • 14.
    14  Enjin diseldigunakan bagi menggerakkan penjana. Enjin dan penjana disambungkan dengan aci (shaft). Apabila enjin berputar, penjana juga turut berputar dan tenaga elektrik dihasilkan. Terdapat berbagai-bagai saiz dan keupayaan penjana jenis disel. Digunakan sebagai penjana bantuan (stand-by) dibangunan bangunan tinggi, kompleks membeli- belah, bangunan pejabat, hospital, boleh dibawa dan dijadikan sebagai penjana bergerak dan sebagainya bila berlaku gangguan bekalan elektrik.. Stesen penjanaan diesel  Kebaikan penjana jenis ini ialah murah dan kurang penyenggaraan manakala keburukanya pula ialah bahan api yang mahal, keupayaan menghasilkan tenaga elektrik adalah kecil serta menyebabkan pencemaran seperti asap hitam atau tumpahan minyak.
  • 15.
    1515 Stesen penjanaan nuklear Kebaikan penjanaan jenis ini adalah murah manakala keburukanya ialah kos pembinaan yang mahal dan penyenggaraan yang tinggi. Lain-lain stesen penjanaan Penjanaan sistem solar (cahaya matahari)  Penjanaan jenis ini memerlukan cahaya matahari yang banyak. Biasanya digunakan untuk bekalan elektrik secara individu atau tunggal kerana keuapayaanya menghasilkan tenaga elektrik adalah kecil serta cahaya matahari yang tak menentu pada musim hujan atau sejuk. Kebaikanya pula ialah cahaya matahari didapati secara percuma serta tiada pencemaran. Penjanaan kuasa angin  Hanya terdapat dinegara yang sentiasa berangin . Tenaga elektrik yang dihasilkan adalah kecil . Sentiasa memerlukan angin . Memerlukan kawasan yang luas untuk memasang kincir yang banyak . Kebaikkan ialah angin didapati secara percuma serta tiada pencemaran . BLK KE TOPIK PENJANAAN
  • 16.
    16 2. Penghantaran  Penghantaranadalah langkah kedua didalam sistem bekalan elektrik. Tenaga elektrik yang dihasilkan stesen penjanaan akan dihantar kelapangan suis, pencawang utama dan pencawaang-pencawang. Sistem penghantaran.  Tenaga elektrik yang telah di hasilkan dari stesen penjanaan biasanya berkeupayaan 33 kV, 22 kV atau 11 kV. Dari stesen penjanaan tenaga elektrik dihantar ke beberapa buah pengubah peninggi melalui talian rentang atas. Pengubah peninggi akan menaikan nilai voltan mengikut keperluan yang di kehendaki. Contohnya 127 kV, 132 kV atau 440 kV. Setelah ditinggikan nilai voltan, tenaga elektrik di hantar pula ke pengubah penurun melalui talian rentang atas atau kabel dalam tanah. Nilai voltan diturunkan mengikut keperluan pengguna:atau mengikut nilai voltan asal yang di hasilkan oleh penjana.
  • 17.
    17  Voltan dinaikkanbertujuan bagi mengurangkan saiz kabel yang Iebih besar. Jika voltan tidak dinaikkan, kadaran arus adalah tinggi, ini bermakna saiz kabel yang di gunakan adalah lebih besar. Saiz kabel adalah bergantung pada kadaran arus. Semakin besar nilai arus, semakin besar saiz kabel digunakan. Ianya juga bagi mengatasi masaalah susutan voltan pada talian penghantaran.
  • 18.
    1818 Sistem penghantaran menggunakankaedah seperti berikut 1. Penghantaran talian satu litar. 2. Penghantaran talian dua litar (duplek). 3. Penghantaran kabel dalam tanah. 4. Penghantaran kabel dasar laut.
  • 19.
    19 Rangkaian Grid Nasional Satu rangkaian dimana semua stesen janakuasa atau pengubah peninggi disambungkan diantara satu sama lain menjadi satu rangkaian.
  • 20.
    2020 Sistem Gelang  Biasanyadisambungkan kepada pengubah peninggi. Sambungan gelang hanya dibuat pada bahagian primer sahaja. Manakala bahagian skunder disambungkan pada pengubah penurun.  Kebaikan sistem ini ialah apabila salah satu dari pengubah rosak, pengubah yang lain masih boleh membekalkan tenga elektrik,Manakala pengubah yang rosak boleh dibaiki tanpa mengganggu pengubah yang lain. Banyak kawasan yang boleh menerima bekalan elektrik. Keburukanya pula ialah kawasan pengubah yang rosak tidak akan menerima bekalan elektrik.
  • 21.
  • 22.
    22 Sistem Jejari  Biasadigunakan dikawasan perumahan, kawasan penduduknya tidak ramai atau dipenghujung sesuatu kawasan atau daerah. Kebaikan sistem ini, murah dan senang membuat pemasangan tambahan. Manakala keburukanya pula saiz kabel yang digunakan Iebih besar, kawasan yang menerima bekalan elektrik adalah terhad.
  • 23.
    23 Sistem Bus-tie  Pengubahdisetiap kawasan disambungkan dalam litar gelang pada bahagian skunder dan primer. Biasanya disambungkan dikawasan dimana bekalan elektrik tidak boleh terganggu seperti istana diraja, hospital, lapangan terbang dan sebagainya. Kebaikan sistem ini ialah apabila salah satu pengubahnya rosak, bekalan elektrik masih boleh dibekalkan dari sambungan gelang pada bahagian skunder pengubah lain. Keburukannya pula ialah kos yang tinggi.
  • 24.
    2424 Sistem Rangkaian  Sistemrangkaian adalah gabungan kebaikan sistem gelang dengan sistem bus-ties. Sistem rangkaian lebih murah daripada sistem bus- ties kerana litar gelang hanya disambungkan pada bahagian skunder pengubah dan bahagian utamanya dibuat dalam sambungan jejari. Kebaikan sistem adalah sama dengan sistem gelang dan sistem bus-ties. Jika salah satu pengubah itu rosak, bekalan elektrik masih dapat dibekalkan kerana pada bahagian skunder pengubah disambungkan dalam litar gelang. Litar ini juga dikenali sistem gelang dan jejari.  Terdapat dua jenis sistem rangkaian iaitu rangkaian mudah dan rangkaian kompleks. Sambungan rangkaian kompleks, dua rangkaian mudah dicantumkan tetapi dibekalkan oleh sebuah penjana sahaja.
  • 25.
  • 26.
    2626 3. Pengagihan  Bekalanelektrik dari pengubah peninggi dan pengubah penurun akan dihantar ke stesen- stesen pencawang dikawasan pengguna melalui talian rentang atas atau kabel dalam tanah. Bekalan akan diagihkan kepada pengguna mengikut keperluan beban pengguna dikawasan tersebut.
  • 27.
    2727  Sambungan Delta-Deltapada pengubah pencawang bagi membekalkan bekalan elektrik. Pengguna yang menggunakan beban jenis ini ialah industri-industri. Sistem bekalan 3 fasa 3 dawai tidak mempunyai dawai neutral. Sistem Bekalan 3 Fasa 3 Dawai (Delta-Delta)
  • 28.
    28 Sistem 3 Fasa4 Dawai (Delta-Bintang)  Sambungan Bintang-Delta pada pengubah pencawang bagi membekalkan bekalan elektrik. Sistem bekalan jenis ini digunakan begitu meluas dinegara kita. Kebaikan sistem ini ialah ia boleh membekalkan bekalan kepada pelbagai jenis pengguna, industri, pejabat, perumahan dan sebagainya. Dilengkapkan dengan dawai neutral bagi membekalkan dua jenis voltan iaitu 415 V dan 240 V.  Dua jenis voltan juga disebut sebagai voltan fasa iaitu 415 V (Vp) dan voltan talian iaitu 240 V (VL ).
  • 29.
    29 Pengagihan Bekalan KepadaPengguna  Bekalan elektrik dari pengubah peninggi dan pengubah penurun akan dihantar ke stesen-stesen pencawang dikawasan pengguna melalui talian rentang atas atau kabel dalam tanah. Bekalan akan diagihkan kepada pengguna mengikut keperluan beban pengguna dikawasan tersebut. 1. Pengagihan bekalan 3 fasa 3 dawai (415V) dan 3 fasa 4 dawai (415V/240V). 2. Pengagihan bekalan satu fasa 240V – diambil salah satu dari dawai 3 fasa (merah, kuning, biru) berserta dengan dawai neutral.
  • 30.
    30 Pihak pembekal bekalanelektrik menetapkan 3 jenis bekalan yang dapat disalurkan kepada pengguna iaitu; 1.) Pengguna kecil - Arus terus atau arus ulang alik satu fasa dengan dua dawai penghantaran bekalan kepada pengguna. 2.) Pengguna sederhana - Arus ulang alik 3 dawai sebagai penghantar bekalan kepada pengguna. 3.) Pengguna besar - Arus ulang alik 4 dawai sebagai penghantar bekalan kepada pengguna.
  • 31.
    3131 Voltan Piawaian 1.) VoltanIampau rendah (Jalur I) – tidak melebihi 50 V arus ulang alik (100 V a.t) antara pengalir hidup atau antara pengalir hidup dan bumi. 2.) Voltan rendah (Jalur II) - lebih tinggi daripada voltan Iampau rendah tetapi tidak melebihi 1000 V.a.0 (1500 V a.t) antara pengalir hidup atau 600 V a.0 (900 V a.t) antara pengalir hidup dan bumi.  Mengikut Peraturan IEE Edisi 16, voltan piawaian telah ditukarkan kepada dua jenis julatan sahaja iaitu :
  • 32.
    3232  Meski punpenetapan julat voltan telah ditetapkan oleh IEE, pihak berkuasa bekalan elektrik dinegara kita telah menetapkan beberapa nilai voltan,bagi memudahkan pengguna. 1.) Bagi arus terus i. Voltan rendah adalah 230 V. ii.Voltan sederhana adalah 460 V. 2.) Bagi arus ulang alik i. Voltan rendah adalah 240 V. ii.Voltan sederhana adalah 241 V hingga 415 bagi 3 fasa.
  • 33.
    3333 • Voltan bekalanyang dibekalkan kepada pengguna tidak semestinya sama dengan nilai yang ditetapkan oleh pembekal tenaga. Kemungkinan berlaku kesusutan nilainya semasa proses penghantaran dan pengagihan. Perubahan Voltan dan Frekuensi •Perubahan voltan yang dibenarkan ialah tidak kurang atau melebihi 4% dari jumlah sebenarnya. Manakala perubahan frekuensi adalah tidak kurang atau melebihi 1% dari frekuensi sebenar.
  • 34.
    34 Contoh Pengiraan PerubahanVoltan dan Frekuensi Perubahan voltan. Pengguna sepatutnya menerima voltan bekalan 240V. Perubahan voltan yang dibenarkan ialah 4%. Kirakan berapakah nilai voltan yang yang berubah? Perubahan voltan 4% = Voltan bekalan X 4% =240V x 4% = 9.6 V 100 100 Perubahan susutan voltan yang dibenarkan = 240V – 9.6V = 230V. Perubahan voltan lebih yang dibenarkan = 240V + 9.6V = 249.6V.
  • 35.
    3535 Perubahan frekuensi. Perubahan frekuensi1% = Frekuensi sebenar x 1% 100 = 50 Hz x 1% 100 = 0.5 Hz Perubahan frekuensi susutan yang dibenarkan = 50 Hz – 0.5 Hz = 49.5 Hz. Perubahan frekuensi lebih yang dibenarkan = 50 Hz + 0.5 Hz = 50.5 Hz.
  • 36.
    3636 • Perubahan susutanvoltan yang banyak akan menyebabkan lampu menjadi malap, lampu akan berkelip-kelip apabila menggunakan alat- alat kuasa tinggi seperti peti sejuk, periuk, seterika dan cerek elektrik. Kabel-kabel akan menjadi panas kerana penggunaan arus yang tinggi dan ianya membahayakan pada pendawaian dan alat-alat elektrik. Manakala perubahan voltan lebih yang banyak akan menyebabkan kerosakan pada alat-alat elektrik. • Perubahan frekuensi Iebih atau susut yang banyak akan menyebabkan alat- alat elektrik akan cepat rosak dan kecekapannya berkurangan.