1. Data Acquisition System (DAS)
Definition
A Data Acquisition System (DAS) is a system used to measure physical parameters,
convert them into electrical signals, process them, and finally convert them into digital data
for monitoring, analysis, storage, and control using computers or controllers.
Block Diagram of Data Acquisition System
The basic block diagram of a DAS consists of:
1. Sensor/Transducer
2. Signal Conditioning Unit
3. Multiplexer
4. Analog-to-Digital Converter (ADC)
5. Processor / Computer
6. Display and Storage Unit
Block-wise Explanation
7. Sensor / Transducer
 Converts physical parameters such as temperature, pressure, flow, and displacement
into electrical signals.
 Output is usually analog and low-level.
 Examples: Thermocouple, RTD, strain gauge, pressure sensor.
8. Signal Conditioning Unit
 Improves the quality of sensor output.
 Performs:
o Amplification
o Filtering (noise removal)
o Isolation
o Linearization
 Ensures compatibility with ADC input.
3. Multiplexer
 Selects one input signal at a time from multiple sensors.
 Reduces hardware cost by using a single ADC.
 Operates under control of the processor.
4. Analog-to-Digital Converter (ADC)
 Converts conditioned analog signal into digital form.
 Key parameters:
o Resolution
o Sampling rate
o Accuracy
 Acts as the heart of digital DAS.
5. Processor / Computer
 Controls the entire DAS operation.
 Performs data processing, computation, and decision-making.
 Interfaces with control systems if required.
6. Display and Storage Unit
 Displays data in numerical or graphical form.
 Stores data for future analysis and reporting.
Applications of DAS
 Industrial process monitoring
 Environmental data logging
 Biomedical instrumentation
 Automotive testing
 Research laboratories
A Data Acquisition System provides accurate, fast, and automated data collection,
forming the backbone of modern measurement and control systems.
2. Intelligent Instruments
Definition
An intelligent instrument is a measuring instrument that integrates sensing, signal
processing, microprocessor-based intelligence, and communication, enabling it to
perform self-calibration, self-diagnosis, and digital communication.
Block Diagram of Intelligent Instrument
The basic block diagram includes:
1. Sensor
2. Signal Conditioning Circuit
3. ADC
4. Microprocessor / Microcontroller
5. Memory
6. Communication Interface
7. Display / Output Unit
Block-wise Explanation
8. Sensor
 Detects the physical quantity.
 Converts it into an electrical signal.
 Example: Temperature sensor, pressure sensor.
2. Signal Conditioning Circuit
 Conditions sensor output by amplification, filtering, and compensation.
 Ensures accurate measurement.
3. Analog-to-Digital Converter (ADC)
 Converts analog signal into digital form for processing by the microprocessor.
4. Microprocessor / Microcontroller
 Performs intelligent functions such as:
o Linearization
o Temperature compensation
o Error detection
o Decision-making
 Controls all operations of the instrument.
5. Memory
 Stores:
o Calibration constants
o Algorithms
o Historical data
6. Communication Interface
 Enables digital communication with control systems.
 Common protocols:
o HART
o Modbus
o Profibus
o Fieldbus
7. Display / Output Unit
 Displays measured values.
 Sends output signals to controllers or SCADA systems.
Features of Intelligent Instruments
 Self-calibration
 Self-diagnostics
 Auto-ranging
 Digital communication
 High accuracy and reliability
Applications
 Industrial automation
 Smart sensors and transmitters
 Process control systems
 Biomedical equipment
 Energy management systems
Intelligent instruments enhance traditional measurement systems by integrating processing
power and communication, making them essential for modern automation and smart
industries.
Analog-to-Digital Conversion (ADC)
(10–15 Marks Answer)
Clock — + SAR
DAC
S/H
D0
EOC
Comparator
Definition
Analog-to-Digital Conversion (ADC) is the process of converting a continuous-time,
continuous-amplitude analog signal into a discrete-time, discrete-amplitude digital
signal that can be processed by digital systems such as computers, microcontrollers, and
digital controllers.
Need for ADC
 Real-world signals are analog
 Digital systems work only with binary data
 ADC enables:
o Data acquisition
o Digital signal processing
o Storage and transmission
o Automation and control
Basic Block Diagram of ADC
An ADC system consists of the following blocks:
1. Anti-aliasing Filter
2. Sample and Hold Circuit
3. Quantizer
4. Encoder
Block-wise Explanation
5. Anti-Aliasing Filter
 A low-pass filter placed before ADC
 Removes high-frequency noise
 Prevents aliasing during sampling
6. Sample and Hold (S/H) Circuit
 Samples the analog signal at regular intervals
 Holds the sampled value constant during conversion
 Ensures accurate quantization
7. Quantizer
 Divides the analog amplitude into discrete levels
 Each level represents a digital value
 Introduces quantization error
8. Encoder
 Converts quantized levels into binary code
 Output is a digital word (e.g., 8-bit, 12-bit)
Steps in Analog-to-Digital Conversion
1. Sampling
 Conversion of continuous-time signal into discrete-time signal
 Sampling frequency must satisfy Nyquist criterion:
2. Quantization
 Assigns sampled values to nearest discrete levels
 Resolution depends on number of bits
3. Encoding
 Converts quantized levels into binary numbers
 Output is suitable for digital processing
Important ADC Parameters
4. Resolution
 Smallest change in input that can be detected
 Higher resolution → higher accuracy
5. Accuracy
 Closeness of digital output to true analog value
6. Conversion Time
 Time required to convert analog signal into digital form
7. Sampling Rate
 Number of samples per second
8. Quantization Error
 Difference between actual analog value and quantized value
Types of Analog-to-Digital Converters
1. Flash ADC
 Fastest ADC
 Uses multiple comparators
 High cost and power consumption
2. Successive Approximation ADC (SAR)
 Uses binary search technique
 Good balance of speed and accuracy
 Widely used in microcontrollers
3. Dual-Slope ADC
 High accuracy and noise rejection
 Slow conversion
 Used in digital voltmeters
4. Sigma-Delta ADC
 Very high resolution
 Used in audio and precision measurement
Applications of ADC
 Data acquisition systems
 Digital voltmeters
 Biomedical instruments
 Communication systems
 Industrial automation
Advantages of ADC
 Enables digital processing
 High noise immunity
 Easy storage and transmission
 Supports automation
Limitations of ADC
 Quantization error
 Finite resolution
 Conversion delay
Analog-to-Digital Conversion is a fundamental process in modern instrumentation and
automation, enabling real-world analog signals to be accurately processed by digital
systems. The performance of a digital measurement system strongly depends on the
resolution, speed, and accuracy of the ADC.
Process and Instrumentation Diagrams
(P&ID) and Symbols
1.Definition of Process and Instrumentation
Diagram (P&ID)
A Process and Instrumentation Diagram (P&ID) is a detailed graphical representation
of a process plant that shows process equipment, piping, instruments, control loops, and
safety devices using standardized symbols.
It provides complete information required for design, operation, control, maintenance, and
safety analysis of a process plant.
2. Importance of P&ID
P&IDs are essential because they:
 Show the entire process flow and control philosophy
 Help in plant design, installation, and commissioning
 Serve as a reference for operation and maintenance
 Are used for HAZOP and safety studies
 Act as a communication tool between engineers, operators, and technicians
3. Difference between PFD and P&ID
Aspect PFD P&ID
Detail level Basic Highly detailed
Instrumentation Minimal Complete
Piping details Limited Complete
Control loops Not shown Fully shown
Use Process understanding Design & operation
4. Main Elements of a P&ID
A typical P&ID includes:
1. Process equipment
2. Piping and valves
3. Instrumentation symbols
4. Control loops
5. Utility lines
6. Safety devices
5. Equipment Symbols Used in P&ID
Motor
Diesel Molor
Agitalor or Mixer
C
e
l
i
f
v
g
a
l
Compesso
C0íf#80WQD0f
CentriflJgal C0lTlpr9SS0r
Ó1idIÚ0TÇQS0
Turbine Dïiver
Doubefowlvü e
R
e
G
p
f
o almgCompesso
ReüpocahgCompezo
R
o ory Compçg or g
S¡lencer
P0SitÍ¥9 ÜjSgldCPlTlPflt gl0w9f
I-l}df0CfüCÈlflIg h0l0f€0f
Hydrodesulfuri/ation Tubular
Reactor
Fluidi/ed Reactor
fllJid CütülytiC CrüCLing AlLylalion Mixing Reactor
SYMBO LS —
EgUIPMENT
CENTRIíIJ G
A
L
COMPRESSORS
PD C
O
M
PRESSORS
M
O
T
ORS
STEAM TURBINE
R
E
A
CT
O
R SYM
BO íS
Common Equipment Symbols
 Pump – Centrifugal or reciprocating pumps
 Compressor – Gas handling equipment
 Heat exchanger – Shell and tube, plate type
 Reactor – Chemical reaction vessel
 Storage tank – Vertical or horizontal vessels
These symbols represent actual plant equipment and are labeled with tag numbers.
6. Piping and Valve Symbols
Piping Lines
 Solid line → Process line
 Dashed line → Signal line
 Double line → Utility/service line
Valve Symbols
 Gate valve
 Globe valve
 Ball valve
 Check valve
 Control valve
Valves regulate flow, pressure, and direction of fluids.
7. Instrumentation Symbols (ISA Standard)
Basic Instrument Symbol
 A circle represents an instrument
 Location indicated by:
o Plain circle → Field-mounted
o Circle with horizontal line → Control room
o Dashed line → Behind panel
8. Instrument Tag Identification (ISA Code)
Example: TIC-101
Letter Meaning
T Temperature
I Indicating
Letter Meaning
C Controller
101 Loop number
Common Letter Codes
 T – Temperature
 P – Pressure
 F – Flow
 L – Level
 I – Indicator
 T – Transmitter
 C – Controller
 V – Valve
9. Control Loop Representation
A control loop in P&ID consists of:
 Sensor
 Transmitter
 Controller
 Final control element (control valve)
Example:
Temperature control loop → Temperature sensor → Transmitter → Controller → Control
valve
10. Signal Line Symbols
 Dashed line → Pneumatic signal
 Dotted line → Electrical signal
 Dash-dot line → Digital signal
These show how instruments communicate with each other.
11. Safety and Utility Symbols
 Pressure relief valve (PRV)
 Rupture disc
 Alarm indicators
 Interlocks
 Utility connections (steam, water, air)
These ensure safe operation of the plant.
12. Applications of P&ID
 Chemical process industries
 Oil and gas plants
 Power plants
 Food and pharmaceutical industries
 Water treatment plants
Process and Instrumentation Diagrams are the most important engineering documents in a
process plant. They provide a complete visual description of process flow, instrumentation,
and control strategy, ensuring efficient operation, safety, and maintenance.
Instrumentation of Process Equipment
(Distillation Column and Heat Exchanger)
1. Instrumentation of a Distillation Column
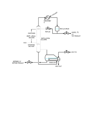
CONDENSW
R
FEED _ _
_
EOTTO£ZS OF
9OTTOM PRODuCT
nEcT‹ cALo›
CCLUMN
oistiLL Tc
on
TOP PRODUCT
1.1 Introduction
A distillation column is used to separate liquid mixtures based on difference in volatility.
Proper instrumentation is essential to ensure product purity, energy efficiency, stable
operation, and safety.
1.2 Objectives of Instrumentation in Distillation Column
 Maintain top and bottom product composition
 Control pressure, temperature, and liquid levels
 Ensure safe and continuous operation
 Optimize reboiler and condenser duties
1.3 Major Variables to be Controlled
 Temperature (top, middle, bottom)
 Pressure (column pressure)
 Level (reflux drum, reboiler)
 Flow (feed, reflux, distillate, bottoms)
1.4 Instrumentation and Control Loops
(a) Pressure Control
 Pressure transmitter (PT) mounted at column top
 Pressure controller (PC) regulates condenser cooling water flow
 Maintains constant column pressure and vapor–liquid equilibrium
(b) Temperature Control
 Temperature sensors (RTD/Thermocouple) installed at:
o Top tray
o Middle tray
o Bottom tray
 Temperature controller adjusts reboiler steam flow
 Indirectly controls product composition
(c) Level Control
 Reflux drum level control
o Level transmitter (LT)
o Level controller (LC)
o Controls distillate withdrawal
 Reboiler level control
o Maintains liquid inventory at bottom
(d) Flow Control
 Flow transmitters (FT) on:
o Feed line
o Reflux line
o Distillate and bottom product lines
 Flow controllers (FC) regulate flow rates
1.5 Safety Instrumentation
 Pressure relief valve (PRV)
 High-pressure and high-temperature alarms
 Emergency shutdown valves
1.6 Summary of Distillation Column Instrumentation
Variable Instrument Used Purpose
Temperature TT, TIC Composition control
Pressure PT, PIC Stable operation
Level LT, LIC Prevent flooding/dry out
Flow FT, FIC Material balance
2. Instrumentation of Heat Exchanger
2.1 Introduction
A heat exchanger transfers heat between two fluids without mixing. Instrumentation ensures
desired outlet temperature, energy efficiency, and equipment protection.
2.2 Objectives of Instrumentation
 Maintain outlet temperature
 Control flow rate of heating/cooling medium
 Prevent overheating or thermal stress
 Monitor performance and fouling
2.3 Important Variables
 Inlet and outlet temperature
 Flow rate of hot and cold fluids
 Pressure drop across exchanger
2.4 Instrumentation and Control Scheme
(a) Temperature Control
 Temperature transmitter (TT) at outlet of process fluid
 Temperature controller (TIC) compares actual and set temperature
 Control valve adjusts steam or cooling water flow
(b) Flow Measurement
 Flow transmitters (FT) measure:
o Hot fluid flow
o Cold fluid flow
 Flow controllers maintain required flow rates
(c) Pressure Measurement
 Pressure transmitters (PT) at inlet and outlet
 Used to detect fouling or blockage
(d) Safety Devices
 Pressure relief valve
 High-temperature alarm
 Bypass line for emergency operation
2.5 Typical Control Loop in Heat Exchanger
Outlet temperature → Temperature sensor → Controller → Control valve →
Heating/Cooling medium flow
3. Comparison: Distillation Column vs Heat Exchanger
Instrumentation
Aspect Distillation Column Heat Exchanger
Main control Composition Outlet temperature
Key variables T, P, L, F T, F, P
Complexity High Moderate
Aspect Distillation Column Heat Exchanger
Energy control Reboiler & condenser Steam/cooling water
4. Importance of Instrumentation
 Ensures product quality
 Improves energy efficiency
 Enhances plant safety
 Enables automation and remote monitoring
Instrumentation plays a critical role in the efficient and safe operation of process equipment
such as distillation columns and heat exchangers. Proper measurement and control of
temperature, pressure, level, and flow ensure stable operation, desired output quality, and
economic performance of chemical process plants.

Process instrumentation subject related to Engineering

  • 1.
    1. Data AcquisitionSystem (DAS) Definition A Data Acquisition System (DAS) is a system used to measure physical parameters, convert them into electrical signals, process them, and finally convert them into digital data for monitoring, analysis, storage, and control using computers or controllers. Block Diagram of Data Acquisition System The basic block diagram of a DAS consists of: 1. Sensor/Transducer 2. Signal Conditioning Unit 3. Multiplexer 4. Analog-to-Digital Converter (ADC) 5. Processor / Computer 6. Display and Storage Unit Block-wise Explanation 7. Sensor / Transducer  Converts physical parameters such as temperature, pressure, flow, and displacement into electrical signals.  Output is usually analog and low-level.  Examples: Thermocouple, RTD, strain gauge, pressure sensor. 8. Signal Conditioning Unit  Improves the quality of sensor output.
  • 2.
     Performs: o Amplification oFiltering (noise removal) o Isolation o Linearization  Ensures compatibility with ADC input. 3. Multiplexer  Selects one input signal at a time from multiple sensors.  Reduces hardware cost by using a single ADC.  Operates under control of the processor. 4. Analog-to-Digital Converter (ADC)  Converts conditioned analog signal into digital form.  Key parameters: o Resolution o Sampling rate o Accuracy  Acts as the heart of digital DAS. 5. Processor / Computer  Controls the entire DAS operation.  Performs data processing, computation, and decision-making.  Interfaces with control systems if required. 6. Display and Storage Unit  Displays data in numerical or graphical form.  Stores data for future analysis and reporting. Applications of DAS  Industrial process monitoring  Environmental data logging  Biomedical instrumentation  Automotive testing  Research laboratories A Data Acquisition System provides accurate, fast, and automated data collection, forming the backbone of modern measurement and control systems. 2. Intelligent Instruments
  • 3.
    Definition An intelligent instrumentis a measuring instrument that integrates sensing, signal processing, microprocessor-based intelligence, and communication, enabling it to perform self-calibration, self-diagnosis, and digital communication. Block Diagram of Intelligent Instrument The basic block diagram includes: 1. Sensor 2. Signal Conditioning Circuit 3. ADC 4. Microprocessor / Microcontroller 5. Memory 6. Communication Interface 7. Display / Output Unit Block-wise Explanation 8. Sensor  Detects the physical quantity.
  • 4.
     Converts itinto an electrical signal.  Example: Temperature sensor, pressure sensor. 2. Signal Conditioning Circuit  Conditions sensor output by amplification, filtering, and compensation.  Ensures accurate measurement. 3. Analog-to-Digital Converter (ADC)  Converts analog signal into digital form for processing by the microprocessor. 4. Microprocessor / Microcontroller  Performs intelligent functions such as: o Linearization o Temperature compensation o Error detection o Decision-making  Controls all operations of the instrument. 5. Memory  Stores: o Calibration constants o Algorithms o Historical data 6. Communication Interface  Enables digital communication with control systems.  Common protocols: o HART o Modbus o Profibus o Fieldbus 7. Display / Output Unit  Displays measured values.  Sends output signals to controllers or SCADA systems. Features of Intelligent Instruments  Self-calibration  Self-diagnostics  Auto-ranging  Digital communication  High accuracy and reliability
  • 5.
    Applications  Industrial automation Smart sensors and transmitters  Process control systems  Biomedical equipment  Energy management systems Intelligent instruments enhance traditional measurement systems by integrating processing power and communication, making them essential for modern automation and smart industries. Analog-to-Digital Conversion (ADC) (10–15 Marks Answer)
  • 6.
    Clock — +SAR DAC S/H D0 EOC Comparator
  • 7.
    Definition Analog-to-Digital Conversion (ADC)is the process of converting a continuous-time, continuous-amplitude analog signal into a discrete-time, discrete-amplitude digital signal that can be processed by digital systems such as computers, microcontrollers, and digital controllers. Need for ADC  Real-world signals are analog  Digital systems work only with binary data  ADC enables: o Data acquisition o Digital signal processing o Storage and transmission o Automation and control Basic Block Diagram of ADC An ADC system consists of the following blocks: 1. Anti-aliasing Filter 2. Sample and Hold Circuit 3. Quantizer 4. Encoder Block-wise Explanation 5. Anti-Aliasing Filter  A low-pass filter placed before ADC  Removes high-frequency noise  Prevents aliasing during sampling 6. Sample and Hold (S/H) Circuit  Samples the analog signal at regular intervals  Holds the sampled value constant during conversion  Ensures accurate quantization 7. Quantizer  Divides the analog amplitude into discrete levels  Each level represents a digital value  Introduces quantization error 8. Encoder
  • 8.
     Converts quantizedlevels into binary code  Output is a digital word (e.g., 8-bit, 12-bit) Steps in Analog-to-Digital Conversion 1. Sampling  Conversion of continuous-time signal into discrete-time signal  Sampling frequency must satisfy Nyquist criterion: 2. Quantization  Assigns sampled values to nearest discrete levels  Resolution depends on number of bits 3. Encoding  Converts quantized levels into binary numbers  Output is suitable for digital processing Important ADC Parameters 4. Resolution  Smallest change in input that can be detected  Higher resolution → higher accuracy 5. Accuracy  Closeness of digital output to true analog value 6. Conversion Time  Time required to convert analog signal into digital form 7. Sampling Rate  Number of samples per second 8. Quantization Error  Difference between actual analog value and quantized value Types of Analog-to-Digital Converters 1. Flash ADC
  • 9.
     Fastest ADC Uses multiple comparators  High cost and power consumption 2. Successive Approximation ADC (SAR)  Uses binary search technique  Good balance of speed and accuracy  Widely used in microcontrollers 3. Dual-Slope ADC  High accuracy and noise rejection  Slow conversion  Used in digital voltmeters 4. Sigma-Delta ADC  Very high resolution  Used in audio and precision measurement Applications of ADC  Data acquisition systems  Digital voltmeters  Biomedical instruments  Communication systems  Industrial automation Advantages of ADC  Enables digital processing  High noise immunity  Easy storage and transmission  Supports automation Limitations of ADC  Quantization error  Finite resolution  Conversion delay Analog-to-Digital Conversion is a fundamental process in modern instrumentation and automation, enabling real-world analog signals to be accurately processed by digital systems. The performance of a digital measurement system strongly depends on the resolution, speed, and accuracy of the ADC.
  • 10.
    Process and InstrumentationDiagrams (P&ID) and Symbols
  • 12.
    1.Definition of Processand Instrumentation Diagram (P&ID) A Process and Instrumentation Diagram (P&ID) is a detailed graphical representation of a process plant that shows process equipment, piping, instruments, control loops, and safety devices using standardized symbols. It provides complete information required for design, operation, control, maintenance, and safety analysis of a process plant. 2. Importance of P&ID P&IDs are essential because they:
  • 13.
     Show theentire process flow and control philosophy  Help in plant design, installation, and commissioning  Serve as a reference for operation and maintenance  Are used for HAZOP and safety studies  Act as a communication tool between engineers, operators, and technicians 3. Difference between PFD and P&ID Aspect PFD P&ID Detail level Basic Highly detailed Instrumentation Minimal Complete Piping details Limited Complete Control loops Not shown Fully shown Use Process understanding Design & operation 4. Main Elements of a P&ID A typical P&ID includes: 1. Process equipment 2. Piping and valves 3. Instrumentation symbols 4. Control loops 5. Utility lines 6. Safety devices 5. Equipment Symbols Used in P&ID
  • 14.
    Motor Diesel Molor Agitalor orMixer C e l i f v g a l Compesso C0íf#80WQD0f CentriflJgal C0lTlpr9SS0r Ó1idIÚ0TÇQS0 Turbine Dïiver Doubefowlvü e R e G p f o almgCompesso ReüpocahgCompezo R o ory Compçg or g S¡lencer P0SitÍ¥9 ÜjSgldCPlTlPflt gl0w9f I-l}df0CfüCÈlflIg h0l0f€0f Hydrodesulfuri/ation Tubular Reactor Fluidi/ed Reactor fllJid CütülytiC CrüCLing AlLylalion Mixing Reactor SYMBO LS — EgUIPMENT CENTRIíIJ G A L COMPRESSORS PD C O M PRESSORS M O T ORS STEAM TURBINE R E A CT O R SYM BO íS
  • 15.
    Common Equipment Symbols Pump – Centrifugal or reciprocating pumps  Compressor – Gas handling equipment
  • 16.
     Heat exchanger– Shell and tube, plate type  Reactor – Chemical reaction vessel  Storage tank – Vertical or horizontal vessels These symbols represent actual plant equipment and are labeled with tag numbers. 6. Piping and Valve Symbols
  • 17.
    Piping Lines  Solidline → Process line  Dashed line → Signal line  Double line → Utility/service line Valve Symbols  Gate valve  Globe valve  Ball valve  Check valve  Control valve Valves regulate flow, pressure, and direction of fluids. 7. Instrumentation Symbols (ISA Standard)
  • 19.
    Basic Instrument Symbol A circle represents an instrument  Location indicated by: o Plain circle → Field-mounted o Circle with horizontal line → Control room o Dashed line → Behind panel 8. Instrument Tag Identification (ISA Code) Example: TIC-101 Letter Meaning T Temperature I Indicating
  • 20.
    Letter Meaning C Controller 101Loop number Common Letter Codes  T – Temperature  P – Pressure  F – Flow  L – Level  I – Indicator  T – Transmitter  C – Controller  V – Valve 9. Control Loop Representation
  • 21.
    A control loopin P&ID consists of:  Sensor  Transmitter  Controller  Final control element (control valve) Example: Temperature control loop → Temperature sensor → Transmitter → Controller → Control valve 10. Signal Line Symbols  Dashed line → Pneumatic signal  Dotted line → Electrical signal  Dash-dot line → Digital signal These show how instruments communicate with each other. 11. Safety and Utility Symbols  Pressure relief valve (PRV)  Rupture disc  Alarm indicators  Interlocks  Utility connections (steam, water, air) These ensure safe operation of the plant.
  • 22.
    12. Applications ofP&ID  Chemical process industries  Oil and gas plants  Power plants  Food and pharmaceutical industries  Water treatment plants Process and Instrumentation Diagrams are the most important engineering documents in a process plant. They provide a complete visual description of process flow, instrumentation, and control strategy, ensuring efficient operation, safety, and maintenance. Instrumentation of Process Equipment (Distillation Column and Heat Exchanger) 1. Instrumentation of a Distillation Column
  • 23.
    CONDENSW R FEED _ _ _ EOTTO£ZSOF 9OTTOM PRODuCT nEcT‹ cALo› CCLUMN oistiLL Tc on TOP PRODUCT
  • 24.
    1.1 Introduction A distillationcolumn is used to separate liquid mixtures based on difference in volatility. Proper instrumentation is essential to ensure product purity, energy efficiency, stable operation, and safety. 1.2 Objectives of Instrumentation in Distillation Column  Maintain top and bottom product composition  Control pressure, temperature, and liquid levels  Ensure safe and continuous operation  Optimize reboiler and condenser duties 1.3 Major Variables to be Controlled  Temperature (top, middle, bottom)  Pressure (column pressure)  Level (reflux drum, reboiler)  Flow (feed, reflux, distillate, bottoms)
  • 25.
    1.4 Instrumentation andControl Loops (a) Pressure Control  Pressure transmitter (PT) mounted at column top  Pressure controller (PC) regulates condenser cooling water flow  Maintains constant column pressure and vapor–liquid equilibrium (b) Temperature Control  Temperature sensors (RTD/Thermocouple) installed at: o Top tray o Middle tray o Bottom tray  Temperature controller adjusts reboiler steam flow  Indirectly controls product composition (c) Level Control  Reflux drum level control o Level transmitter (LT) o Level controller (LC) o Controls distillate withdrawal  Reboiler level control o Maintains liquid inventory at bottom (d) Flow Control  Flow transmitters (FT) on: o Feed line o Reflux line o Distillate and bottom product lines  Flow controllers (FC) regulate flow rates 1.5 Safety Instrumentation  Pressure relief valve (PRV)  High-pressure and high-temperature alarms  Emergency shutdown valves 1.6 Summary of Distillation Column Instrumentation
  • 26.
    Variable Instrument UsedPurpose Temperature TT, TIC Composition control Pressure PT, PIC Stable operation Level LT, LIC Prevent flooding/dry out Flow FT, FIC Material balance 2. Instrumentation of Heat Exchanger
  • 27.
    2.1 Introduction A heatexchanger transfers heat between two fluids without mixing. Instrumentation ensures desired outlet temperature, energy efficiency, and equipment protection. 2.2 Objectives of Instrumentation  Maintain outlet temperature  Control flow rate of heating/cooling medium  Prevent overheating or thermal stress  Monitor performance and fouling 2.3 Important Variables  Inlet and outlet temperature  Flow rate of hot and cold fluids  Pressure drop across exchanger 2.4 Instrumentation and Control Scheme
  • 28.
    (a) Temperature Control Temperature transmitter (TT) at outlet of process fluid  Temperature controller (TIC) compares actual and set temperature  Control valve adjusts steam or cooling water flow (b) Flow Measurement  Flow transmitters (FT) measure: o Hot fluid flow o Cold fluid flow  Flow controllers maintain required flow rates (c) Pressure Measurement  Pressure transmitters (PT) at inlet and outlet  Used to detect fouling or blockage (d) Safety Devices  Pressure relief valve  High-temperature alarm  Bypass line for emergency operation 2.5 Typical Control Loop in Heat Exchanger Outlet temperature → Temperature sensor → Controller → Control valve → Heating/Cooling medium flow 3. Comparison: Distillation Column vs Heat Exchanger Instrumentation Aspect Distillation Column Heat Exchanger Main control Composition Outlet temperature Key variables T, P, L, F T, F, P Complexity High Moderate
  • 29.
    Aspect Distillation ColumnHeat Exchanger Energy control Reboiler & condenser Steam/cooling water 4. Importance of Instrumentation  Ensures product quality  Improves energy efficiency  Enhances plant safety  Enables automation and remote monitoring Instrumentation plays a critical role in the efficient and safe operation of process equipment such as distillation columns and heat exchangers. Proper measurement and control of temperature, pressure, level, and flow ensure stable operation, desired output quality, and economic performance of chemical process plants.