ELET 241
Process Instrumentation
Main Reference
Instrumentation and Process Control
by Franklyn W. Kirk
Other Reference
Fundamentals of Instrumentation By
NJTAC
Assessment
• 4 Online(BlackBoard) / Take home quizzes
• 4-5 Homework/ projects
• Midterm Theory Exam
• Final Theory Exam
• Final Lab Exam
• Lab Performance
Rules
• Attending the Online sessions completely is
mandatory.
• The attendance will be recorded in different manners.
However, failure to adhere the attendance
requirements will mark you absent.
• Checking Blackboard (Announcements, emails and
updates) is required daily.
• Some of the course assessments may be offered
outside the class time.
• Submitting your homework/projects is required before
the delivery time and there will be no homework
accepted after the submission time ends.
• All course materials will be held in the BlackBoard
ELET 241
Process Instrumentation
Chapter#1.Part#1
Some Definitions
Process Instrumentation
Process Instrumentation is the application of measuring
instruments to monitor and control a process. It is the
science of measurement and control of process variables
within a production, laboratory, or manufacturing area.
Some Definitions
• Instrumentation and control systems have their own
unique terms and standards, which is the primary focus
of this lesson.
Process
– A series of actions or steps taken in order to achieve a
particular end.
– In Instrumentation, it is the physical system we are trying to
control or measure.
• Examples
– Crude Oil Refining
– Electrical Power Generation
– Sugar production
Variables
A variable is a value of physical quantity which can be measured, and
controlled.
Process Variable (Controlled Variable)
• A process variable is specific quantity that is to be controlled in a
control system. Typical examples of process variables are:
– temperature
– pressure,
– level, and
– flow.
Set point
It is the desired value at which the process variable should be
controlled. Example: The desired room temperature = 25 C.
Variables
Measured Variable
It is the actual value of the process variable that is controlled in a
control system.
Error Signal
The error signal is the difference between the measured level
and the setpoint.
Manipulated variable
Manipulated variable, is the independent variable that is used to
adjust the process variable to the desired set point.
Process Control System Components
Primary Element or Sensor
• The primary element is the sensing device that
senses the quantity of the process variable and
converting that sensed quantity into an analog
representation (electrical voltage, current,
resistance; mechanical force, motion, etc.).
• Examples of primary elements are
thermocouples, pressure gauges, microphone,
and flowmeters.
Process Control System Components
Transmitter
• The transmitter picks up the measurement provided by the
sensor, converts it to a standard signal such as 4-20 Ma DC signal
or 3-15 psi air pressure signal, which can be easily sent to the
controller.
• A transmitter carries the signal of the value of the measured
variable from the sensor to a controller. Transmitters are
necessary because the sensor and the controller are often
physically far apart.
• The two most common types of transmission used in industry are
Pneumatic and Electronic.
• It is worth to mention that sensor and transmitter can be
combined together to form one device for sensing and
transmitting
Process Control System Components
The Control Element or Controller
• The control element, or controller, is a device
that compares measured process variable to a
desired setpoint and calculates an appropriate
output signal value to bring the measured
process variable back to the setpoint.
• The controller accomplishes this by sending a
signal to the final control element.
Process Control System Components
Final Control Element
• A final control element is a device that receives
a control signal to regulates and adjust the
material in a process.
• Common types of final elements are control
valves, electric motors, relays, pumps, and
dampers.
Process Control System Components
Indicator
• It is an instrument which gives the human operator a
readable and instantaneous value of the measured
process variable. Sometime it is a standalone
operation such as pressure gauges, thermometer,
temperature gauge.
• In other cases indicating function is an integral part
of either a transmitter or a controller.
Process Control System Components
Recorder
• Recorder is a device which keeps a permanent
record of the value of a process variable. It
gives instantaneous value of process variable
as well as its value in the past on either
continuous time bases or at fixed intervals of
time by drawing a graph of process variable
over time.
Process Control System Components
Switches and Alarms
• The purpose of a switch is to turn on and off
with varying process conditions.
• Usually, switches are used to activate alarms
to alert human operators to take special
action.
• In other situations, switches are directly used
as control devices.
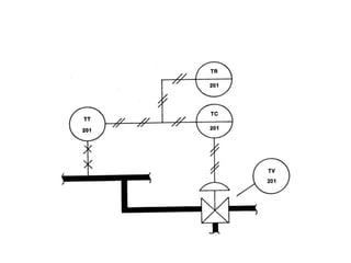
INSTRUMENTS IN A PROCESS
CONTROL LOOP
BOILER WATER LEVEL CONTROL
SYSTEM
Instrumentation and Control Standards
• Standards help automation professionals
streamline processes and improve industry
safety, efficiency, and profitability. Over 150
standards reflect the expertise from over
4,000 industry experts around the world.
Since 1949, ISA has been recognized as the
expert source for automation and control
systems industry standards.
PROCESS AND INSTRUMENTATION DIAGRAMS
• PROCESS & INSTRUMENTATION DIAGRAMS(P&IDs)
It is a standard set of symbols used to organize drawings of
Processes and demonstrate the relationship between
instruments and the various industrial processes they monitor.
• A P&ID shows the layout of all relevant process vessels,
pipes, and machinery, but with instruments superimposed on
the diagram showing what gets measured and what gets
controlled.
These symbols may provide the following information:
1. The function the instrument perform
2. The measured variable in the instrument system
3. The connection between instrument and process
4. The location of instrument in the system
PROCESS & INSTRUMENTATION DIAGRAMS(P&IDs)
PROCESS & INSTRUMENTATION DIAGRAMS(P&IDs)
On an Instrumentation diagram, each instrument in the system is
represented by a circle, called a balloon as shown below.
Letters, numbers, and lines drawn inside the balloon give specific
information about the type of instrument, its location, and the
function it performs.
PROCESS & INSTRUMENTATION DIAGRAMS(P&IDs)
1. INSTRUMENTS SYMBOLS
Lines or the absence of lines through balloons are used to indicate
where an instrument is mounted.
1. Solid Line
2. Broken Line
3. Without Line
PROCESS & INSTRUMENTATION DIAGRAMS(P&IDs)
Solid Line
A solid line drawn horizontally through a balloon represents a
board-mounted Instrument .
Board-Mounted means that the instrument is mounted on a
structure with a group of instruments usually accessible to the
operator for normal use.
PROCESS & INSTRUMENTATION DIAGRAMS(P&IDs)
Broken Line
A broken line drawn horizontally through a balloon represents an
instrument that is mounted behind the board.
Behind the board is a term applied to a location that
(1) is within an area that contains the
instrument board,
and (2) is within or in back of the board, or is otherwise not
accessible to the operator for this normal use,
and (3) is not designated as local.
PROCESS & INSTRUMENTATION DIAGRAMS(P&IDs)
Without Line
A balloon drawn without a horizontal line represents an instrument
that is mounted locally, near the point of measurement or a final
control element. It is neither on nor behind a board. This is also
referred to as a field-mounted instrument.
PROCESS & INSTRUMENTATION DIAGRAMS(P&IDs)
1. TAG NUMBERS
The letters and numbers written inside an instrument balloon are
used to identify the instrument.
The functional identification is located in the top part of the
balloon. It is used to identify the measured variable and the
function of the individual instrument.
The loop identification is located in the bottom part of the balloon.
As its name implies, this code is used to identify the number of the
loop of which the instrument is a part.
A loop is a combination of one or more interconnected instruments
arranged to measure or control a process variable, or both.
PROCESS & INSTRUMENTATION DIAGRAMS(P&IDs)
FUNCTIONAL IDENTIFICATION
The functional identification normally consists of two, three, or four
letters.
The first letter indicates the measured variable.
The remaining letters usually indicate the functions performed by
the individual instrument. For example, record (R), control (C) or
transmit (T).
The second letter in the functional identification may act as a
modifier of the first letter. For example, pressure (P) could be
modified to indicate differential pressure (PD). In such cases, a third
letter would be used to identify the function of the individual
instrument.
PROCESS & INSTRUMENTATION DIAGRAMS(P&IDs)
Loop Identification
A loop consists of one or more interconnected instruments.
Each instrument in a loop must be identified with a loop
identification number as shown in the lower portion of the
instrument balloon.
The number shown on the instrumentation diagram is also shown
on the instrument itself to aid an identification.
PROCESS & INSTRUMENTATION DIAGRAMS(P&IDs)
Loop Identification
Each loop in a plant is assigned a specific number.
All of the instruments in a particular loop will have the same loop
identification number, regardless of the type of instrument
or the function it performs.
PROCESS & INSTRUMENTATION DIAGRAMS(P&IDs)
Loop Identification
Some loops may have two or more instruments performing the
same function. If this is the case, a consecutive letter suffix is
usually added to the loop identification number for each instrument
in order to differentiate two or more instruments with the same
functional identification in the same loop.
PROCESS & INSTRUMENTATION DIAGRAMS(P&IDs)
Interpreting Information
PROCESS & INSTRUMENTATION DIAGRAMS(P&IDs)
LINE SYMBOLS
Various types of line symbols are used on instrumentation
diagrams. These lines may indicate:
1. Process piping,
2. Process connections, or
3. Signals
PROCESS & INSTRUMENTATION DIAGRAMS(P&IDs)
Process Line Symbols
Process piping lines represent the piping that carries the working
fluid. These lines are dark and bold as shown below
Process connection lines are fine lines as shown in Figure 1 used to
represent different types of connections, such as
1. a mechanical link between two parts of an instrument system,
2. a connection between an instrument and the process, or
3. a connection indicating the supply line to an instrument.
PROCESS & INSTRUMENTATION DIAGRAMS(P&IDs)
Signal Lines
In industrial processes, it is often necessary to send a signal from
one instrument to another instrument.
Different types of lines are used on instrumentation diagrams to
represent the pathways for different types of signals.
The type of line that is used on the diagram will depend on the type
of signal transmitted.
PROCESS & INSTRUMENTATION DIAGRAMS(P&IDs)
Signal Lines
Pneumatic signal lines are fine lines, intersected by pairs of slashed
lines as shown below.
This symbol is used to show the path of a pneumatic signal in the
system.
In this example, the pneumatic signal line indicates that a
locally-mounted pressure transmitter is used to send a pneumatic
signal to a pressure recorder located on the control board.
PROCESS & INSTRUMENTATION DIAGRAMS(P&IDs)
Signal Lines
Electrical signal lines are used to represent the wiring or cables by
which electrical signals are conveyed. These signals are represented
by broken lines, or dashes. It can also be shown as fine line,
intersected by three slashed lines at regular intervals.
PROCESS & INSTRUMENTATION DIAGRAMS(P&IDs)
Signal Lines
Capillary tubing signal lines are fine lines with X drawn on its
interval along the line. Capillary tubing (filled system) is often used
to transmit temperature signals
Hydraulic signal lines are used to represent the piping used to transmit
signals by hydraulic pressure.
Electromagnetic or sonic signal lines represent signals that are carried
by heat, light or radio waves. These signal do not use piping, tubing, or
wiring for Transmission..
PROCESS & INSTRUMENTATION DIAGRAMS(P&IDs)
VALVE AND ACTUATOR SYMBOLS
Valves are used to control the flow of fluid. The most common
types of valves used in process systems are globe valves and gate
valves. These valves are both represented by a symbol consisting of
two triangles, connected at their points as shown in Figure 1.22.
PROCESS & INSTRUMENTATION DIAGRAMS(P&IDs)
VALVE AND ACTUATOR SYMBOLS
Three-way control valves allow a process to be channeled in three
directions. A three-way control valve body has three intersecting
process piping lines.
Four-way control valves allow four options for the direction of flow.
Four process piping lines may intersect in the valve body.
PROCESS & INSTRUMENTATION DIAGRAMS(P&IDs)
VALVE AND ACTUATOR SYMBOLS
Angle control valves allow the process to bend or turn. These valves
are usually installed if the process must be controlled at a point
where there is a bend in the process piping.
PROCESS & INSTRUMENTATION DIAGRAMS(P&IDs)
VALVE SYMBOLS
Hand actuators are used to control valves manually.
Valves are often controlled automatically. A common method
of automatic control is the use of a diaphragm
PROCESS & INSTRUMENTATION DIAGRAMS(P&IDs)
Valve Identification
Tag numbers may also be used to identify valves. The format,
letters, and numbers used in valve tag numbers are the same as
those used to identify instruments.
For example, the tag number in Figure 11 would be used to identify
a pressure control valve
in Loop 182
READING A PROCESS AND INSTRUMENTATION DIAGRAM
Title Block
The title block of an instrumentation diagram is used to identify the
diagram. The title block is normally located in the lower right-hand
corner of the diagram.
A title block usually includes the following information:
1. Diagram number,
2. Diagram title , gives the name of the drawing and, in some cases,
a few words of description
3. Number of sheets ,specifies the number of sheets comprising the
diagram
4. Signatures section, this section may include the signatures of the
person who draw the diagram, the person who checked it, and the
person who approved it.
READING A PROCESS AND INSTRUMENTATION DIAGRAM
Revisions Section
The revisions section of an instrumentation diagram provides
information about changes made to the original diagram.
The facility document control file contains information about
revisions to the instrumentation diagrams used at the facility. It is
important to check to make sure that the information shown in the
revisions section of the diagram reflects the changes
described in the document control file. If a revision described in the
document control file is not shown on the diagram, you will know
that you do not have an up-to-date copy of the diagram.
READING A PROCESS AND INSTRUMENTATION DIAGRAM
List of Materials
The list of materials provides information about certain parts that
are used in the process system. The parts included in this list are
usually parts that are specific to a particular loop or part of the
instrument system. The information provided for each of the parts
specified in the list of materials may
include:
1. The tag number
2. The Manufacturer's Name.
3. The model number
4. The number used by the facility to identify the parts
READING A PROCESS AND INSTRUMENTATION DIAGRAM
Notes
The notes provide supplementary information about the process or
instruments shown in the instrumentation diagram. There are two
types of notes used on instrumentation diagrams: general and
local.
General notes usually apply to the entire diagram. References to
other diagrams may also be included in the general notes.
Local notes usually apply to a specific instrument or area of a loop.
Local notes are located near the instrument or area they concern.
Each note is connected to the instrument or area it refers to by a
leader line.
.
Process  Instrument LC1

Process Instrument LC1

  • 1.
  • 2.
    Main Reference Instrumentation andProcess Control by Franklyn W. Kirk
  • 3.
    Other Reference Fundamentals ofInstrumentation By NJTAC
  • 4.
    Assessment • 4 Online(BlackBoard)/ Take home quizzes • 4-5 Homework/ projects • Midterm Theory Exam • Final Theory Exam • Final Lab Exam • Lab Performance
  • 5.
    Rules • Attending theOnline sessions completely is mandatory. • The attendance will be recorded in different manners. However, failure to adhere the attendance requirements will mark you absent. • Checking Blackboard (Announcements, emails and updates) is required daily. • Some of the course assessments may be offered outside the class time. • Submitting your homework/projects is required before the delivery time and there will be no homework accepted after the submission time ends. • All course materials will be held in the BlackBoard
  • 6.
  • 7.
    Some Definitions Process Instrumentation ProcessInstrumentation is the application of measuring instruments to monitor and control a process. It is the science of measurement and control of process variables within a production, laboratory, or manufacturing area.
  • 8.
    Some Definitions • Instrumentationand control systems have their own unique terms and standards, which is the primary focus of this lesson. Process – A series of actions or steps taken in order to achieve a particular end. – In Instrumentation, it is the physical system we are trying to control or measure. • Examples – Crude Oil Refining – Electrical Power Generation – Sugar production
  • 9.
    Variables A variable isa value of physical quantity which can be measured, and controlled. Process Variable (Controlled Variable) • A process variable is specific quantity that is to be controlled in a control system. Typical examples of process variables are: – temperature – pressure, – level, and – flow. Set point It is the desired value at which the process variable should be controlled. Example: The desired room temperature = 25 C.
  • 10.
    Variables Measured Variable It isthe actual value of the process variable that is controlled in a control system. Error Signal The error signal is the difference between the measured level and the setpoint. Manipulated variable Manipulated variable, is the independent variable that is used to adjust the process variable to the desired set point.
  • 12.
    Process Control SystemComponents Primary Element or Sensor • The primary element is the sensing device that senses the quantity of the process variable and converting that sensed quantity into an analog representation (electrical voltage, current, resistance; mechanical force, motion, etc.). • Examples of primary elements are thermocouples, pressure gauges, microphone, and flowmeters.
  • 13.
    Process Control SystemComponents Transmitter • The transmitter picks up the measurement provided by the sensor, converts it to a standard signal such as 4-20 Ma DC signal or 3-15 psi air pressure signal, which can be easily sent to the controller. • A transmitter carries the signal of the value of the measured variable from the sensor to a controller. Transmitters are necessary because the sensor and the controller are often physically far apart. • The two most common types of transmission used in industry are Pneumatic and Electronic. • It is worth to mention that sensor and transmitter can be combined together to form one device for sensing and transmitting
  • 14.
    Process Control SystemComponents The Control Element or Controller • The control element, or controller, is a device that compares measured process variable to a desired setpoint and calculates an appropriate output signal value to bring the measured process variable back to the setpoint. • The controller accomplishes this by sending a signal to the final control element.
  • 15.
    Process Control SystemComponents Final Control Element • A final control element is a device that receives a control signal to regulates and adjust the material in a process. • Common types of final elements are control valves, electric motors, relays, pumps, and dampers.
  • 16.
    Process Control SystemComponents Indicator • It is an instrument which gives the human operator a readable and instantaneous value of the measured process variable. Sometime it is a standalone operation such as pressure gauges, thermometer, temperature gauge. • In other cases indicating function is an integral part of either a transmitter or a controller.
  • 17.
    Process Control SystemComponents Recorder • Recorder is a device which keeps a permanent record of the value of a process variable. It gives instantaneous value of process variable as well as its value in the past on either continuous time bases or at fixed intervals of time by drawing a graph of process variable over time.
  • 18.
    Process Control SystemComponents Switches and Alarms • The purpose of a switch is to turn on and off with varying process conditions. • Usually, switches are used to activate alarms to alert human operators to take special action. • In other situations, switches are directly used as control devices.
  • 19.
    INSTRUMENTS IN APROCESS CONTROL LOOP
  • 20.
    BOILER WATER LEVELCONTROL SYSTEM
  • 21.
    Instrumentation and ControlStandards • Standards help automation professionals streamline processes and improve industry safety, efficiency, and profitability. Over 150 standards reflect the expertise from over 4,000 industry experts around the world. Since 1949, ISA has been recognized as the expert source for automation and control systems industry standards.
  • 22.
    PROCESS AND INSTRUMENTATIONDIAGRAMS • PROCESS & INSTRUMENTATION DIAGRAMS(P&IDs) It is a standard set of symbols used to organize drawings of Processes and demonstrate the relationship between instruments and the various industrial processes they monitor. • A P&ID shows the layout of all relevant process vessels, pipes, and machinery, but with instruments superimposed on the diagram showing what gets measured and what gets controlled.
  • 23.
    These symbols mayprovide the following information: 1. The function the instrument perform 2. The measured variable in the instrument system 3. The connection between instrument and process 4. The location of instrument in the system PROCESS & INSTRUMENTATION DIAGRAMS(P&IDs)
  • 24.
    PROCESS & INSTRUMENTATIONDIAGRAMS(P&IDs) On an Instrumentation diagram, each instrument in the system is represented by a circle, called a balloon as shown below. Letters, numbers, and lines drawn inside the balloon give specific information about the type of instrument, its location, and the function it performs.
  • 25.
    PROCESS & INSTRUMENTATIONDIAGRAMS(P&IDs) 1. INSTRUMENTS SYMBOLS Lines or the absence of lines through balloons are used to indicate where an instrument is mounted. 1. Solid Line 2. Broken Line 3. Without Line
  • 26.
    PROCESS & INSTRUMENTATIONDIAGRAMS(P&IDs) Solid Line A solid line drawn horizontally through a balloon represents a board-mounted Instrument . Board-Mounted means that the instrument is mounted on a structure with a group of instruments usually accessible to the operator for normal use.
  • 27.
    PROCESS & INSTRUMENTATIONDIAGRAMS(P&IDs) Broken Line A broken line drawn horizontally through a balloon represents an instrument that is mounted behind the board. Behind the board is a term applied to a location that (1) is within an area that contains the instrument board, and (2) is within or in back of the board, or is otherwise not accessible to the operator for this normal use, and (3) is not designated as local.
  • 28.
    PROCESS & INSTRUMENTATIONDIAGRAMS(P&IDs) Without Line A balloon drawn without a horizontal line represents an instrument that is mounted locally, near the point of measurement or a final control element. It is neither on nor behind a board. This is also referred to as a field-mounted instrument.
  • 29.
    PROCESS & INSTRUMENTATIONDIAGRAMS(P&IDs) 1. TAG NUMBERS The letters and numbers written inside an instrument balloon are used to identify the instrument. The functional identification is located in the top part of the balloon. It is used to identify the measured variable and the function of the individual instrument. The loop identification is located in the bottom part of the balloon. As its name implies, this code is used to identify the number of the loop of which the instrument is a part. A loop is a combination of one or more interconnected instruments arranged to measure or control a process variable, or both.
  • 30.
    PROCESS & INSTRUMENTATIONDIAGRAMS(P&IDs) FUNCTIONAL IDENTIFICATION The functional identification normally consists of two, three, or four letters. The first letter indicates the measured variable. The remaining letters usually indicate the functions performed by the individual instrument. For example, record (R), control (C) or transmit (T). The second letter in the functional identification may act as a modifier of the first letter. For example, pressure (P) could be modified to indicate differential pressure (PD). In such cases, a third letter would be used to identify the function of the individual instrument.
  • 32.
    PROCESS & INSTRUMENTATIONDIAGRAMS(P&IDs) Loop Identification A loop consists of one or more interconnected instruments. Each instrument in a loop must be identified with a loop identification number as shown in the lower portion of the instrument balloon. The number shown on the instrumentation diagram is also shown on the instrument itself to aid an identification.
  • 34.
    PROCESS & INSTRUMENTATIONDIAGRAMS(P&IDs) Loop Identification Each loop in a plant is assigned a specific number. All of the instruments in a particular loop will have the same loop identification number, regardless of the type of instrument or the function it performs.
  • 35.
    PROCESS & INSTRUMENTATIONDIAGRAMS(P&IDs) Loop Identification Some loops may have two or more instruments performing the same function. If this is the case, a consecutive letter suffix is usually added to the loop identification number for each instrument in order to differentiate two or more instruments with the same functional identification in the same loop.
  • 36.
    PROCESS & INSTRUMENTATIONDIAGRAMS(P&IDs) Interpreting Information
  • 38.
    PROCESS & INSTRUMENTATIONDIAGRAMS(P&IDs) LINE SYMBOLS Various types of line symbols are used on instrumentation diagrams. These lines may indicate: 1. Process piping, 2. Process connections, or 3. Signals
  • 39.
    PROCESS & INSTRUMENTATIONDIAGRAMS(P&IDs) Process Line Symbols Process piping lines represent the piping that carries the working fluid. These lines are dark and bold as shown below Process connection lines are fine lines as shown in Figure 1 used to represent different types of connections, such as 1. a mechanical link between two parts of an instrument system, 2. a connection between an instrument and the process, or 3. a connection indicating the supply line to an instrument.
  • 40.
    PROCESS & INSTRUMENTATIONDIAGRAMS(P&IDs) Signal Lines In industrial processes, it is often necessary to send a signal from one instrument to another instrument. Different types of lines are used on instrumentation diagrams to represent the pathways for different types of signals. The type of line that is used on the diagram will depend on the type of signal transmitted.
  • 41.
    PROCESS & INSTRUMENTATIONDIAGRAMS(P&IDs) Signal Lines Pneumatic signal lines are fine lines, intersected by pairs of slashed lines as shown below. This symbol is used to show the path of a pneumatic signal in the system. In this example, the pneumatic signal line indicates that a locally-mounted pressure transmitter is used to send a pneumatic signal to a pressure recorder located on the control board.
  • 42.
    PROCESS & INSTRUMENTATIONDIAGRAMS(P&IDs) Signal Lines Electrical signal lines are used to represent the wiring or cables by which electrical signals are conveyed. These signals are represented by broken lines, or dashes. It can also be shown as fine line, intersected by three slashed lines at regular intervals.
  • 43.
    PROCESS & INSTRUMENTATIONDIAGRAMS(P&IDs) Signal Lines Capillary tubing signal lines are fine lines with X drawn on its interval along the line. Capillary tubing (filled system) is often used to transmit temperature signals Hydraulic signal lines are used to represent the piping used to transmit signals by hydraulic pressure. Electromagnetic or sonic signal lines represent signals that are carried by heat, light or radio waves. These signal do not use piping, tubing, or wiring for Transmission..
  • 44.
    PROCESS & INSTRUMENTATIONDIAGRAMS(P&IDs) VALVE AND ACTUATOR SYMBOLS Valves are used to control the flow of fluid. The most common types of valves used in process systems are globe valves and gate valves. These valves are both represented by a symbol consisting of two triangles, connected at their points as shown in Figure 1.22.
  • 45.
    PROCESS & INSTRUMENTATIONDIAGRAMS(P&IDs) VALVE AND ACTUATOR SYMBOLS Three-way control valves allow a process to be channeled in three directions. A three-way control valve body has three intersecting process piping lines. Four-way control valves allow four options for the direction of flow. Four process piping lines may intersect in the valve body.
  • 46.
    PROCESS & INSTRUMENTATIONDIAGRAMS(P&IDs) VALVE AND ACTUATOR SYMBOLS Angle control valves allow the process to bend or turn. These valves are usually installed if the process must be controlled at a point where there is a bend in the process piping.
  • 47.
    PROCESS & INSTRUMENTATIONDIAGRAMS(P&IDs) VALVE SYMBOLS Hand actuators are used to control valves manually. Valves are often controlled automatically. A common method of automatic control is the use of a diaphragm
  • 49.
    PROCESS & INSTRUMENTATIONDIAGRAMS(P&IDs) Valve Identification Tag numbers may also be used to identify valves. The format, letters, and numbers used in valve tag numbers are the same as those used to identify instruments. For example, the tag number in Figure 11 would be used to identify a pressure control valve in Loop 182
  • 50.
    READING A PROCESSAND INSTRUMENTATION DIAGRAM Title Block The title block of an instrumentation diagram is used to identify the diagram. The title block is normally located in the lower right-hand corner of the diagram. A title block usually includes the following information: 1. Diagram number, 2. Diagram title , gives the name of the drawing and, in some cases, a few words of description 3. Number of sheets ,specifies the number of sheets comprising the diagram 4. Signatures section, this section may include the signatures of the person who draw the diagram, the person who checked it, and the person who approved it.
  • 51.
    READING A PROCESSAND INSTRUMENTATION DIAGRAM Revisions Section The revisions section of an instrumentation diagram provides information about changes made to the original diagram. The facility document control file contains information about revisions to the instrumentation diagrams used at the facility. It is important to check to make sure that the information shown in the revisions section of the diagram reflects the changes described in the document control file. If a revision described in the document control file is not shown on the diagram, you will know that you do not have an up-to-date copy of the diagram.
  • 52.
    READING A PROCESSAND INSTRUMENTATION DIAGRAM List of Materials The list of materials provides information about certain parts that are used in the process system. The parts included in this list are usually parts that are specific to a particular loop or part of the instrument system. The information provided for each of the parts specified in the list of materials may include: 1. The tag number 2. The Manufacturer's Name. 3. The model number 4. The number used by the facility to identify the parts
  • 53.
    READING A PROCESSAND INSTRUMENTATION DIAGRAM Notes The notes provide supplementary information about the process or instruments shown in the instrumentation diagram. There are two types of notes used on instrumentation diagrams: general and local. General notes usually apply to the entire diagram. References to other diagrams may also be included in the general notes. Local notes usually apply to a specific instrument or area of a loop. Local notes are located near the instrument or area they concern. Each note is connected to the instrument or area it refers to by a leader line. .