CCIIRRCCUUIITTSS PPNNEEUUMMÀÀTTIICCSS II 
HHIIDDRRÀÀUULLIICCSS 
Glòria García García 
2014
IInnttrroodduucccciióó 
PPNNEEUUMMÀÀTTIICCAA:: Tècnica que utilitza 
l’aire comprimit com 
vehicle per transmetre 
energia i obtenir un 
treball útil. 
HHIIDDRRÀÀUULLIICCAA:: Tècnica que utilitza 
un fluid líquid com els 
olis minerals com vehicle 
per transmetre energia i 
obtenir un treball útil.
Pneumàtica i Hidràulica 
PPnneeuummààttiiccaa HHiiddrrààuulliiccaa 
Avantatges Inconvenients Avantatges Inconvenients 
S’utilitza aire que és 
econòmic 
S’utilitza fluid especial 
com olis minerals 
L’aire és comprensible 
per tant s’obtenen 
pressions petites 
Màx 15 bars 
El fluid és 
incompresible es poden 
obtener grans 
pressions 
fins a 60 barS 
Es pot alliberar a 
l’atmosfera 
S’ha de recollir el fluid 
Actuació ràpida Actuació lenta 
Es pot emmagatzemar a 
pressió 
S’utilitza en el moment 
La força desenvolupada 
és limitada 
Desenvolupament de 
gran força 
CCoommppaarraacciióó
PPrrooss ii CCoonnttrreess 
AAVVAANNTTAATTGGEESS RREESSPPEECCTTEE 
AALLTTRREESS TTEECCNNOOLLOOGGIIEESS:: 
• Sencillesa dels sistemes de comandament: 
vàlvules, cilindres... 
• Rapidesa de resposta del sistema 
pneumàtic. 
• Economia dels sistemes pneumàtics una 
vegada instal·lats.
PPrrooss ii CCoonnttrreess 
INCONVENIENTS RREESSPPEECCTTEE 
AALLTTRREESS TTEECCNNOOLLOOGGIIEESS:: 
• Instal·lacions cares en general. 
• El manteniment de l’aire en bones 
condicions és costós. 
• Esquemes complexes de modificar i 
depurar.
AApplliiccaacciioonnss 
AAPPLLIICCAACCIIÓÓ PPNNEEUUMMÀÀTTIICCAA 
• Accionament de portes pesades o calents. 
• Descàrrega de dipòsits en la construcció, fabricació 
d’acer, mineria i indústries químiques. 
• Pintura per pulverització. 
• Màquines d’embotellat i envassat. 
• Aplicació obres públiques i construcció (excavadores, 
martells...). 
• Premses i altres màquines. 
• Automatització industrial i en processos productivos. 
• Torns de dentista...
• Aplicacions mòbils: 
• Tractors, grues, camions recollidors de les 
escombreries… 
• Aplicacions industrials: per posicionar, impulsar i 
mecanitzar materials i objectes en les línies de 
producció. 
• Aplicació automotriu: 
• Frens, sistemes de refrigeració…. 
• Aplicació aeronàutica: 
• Equips de manteniment aeronàutic… 
AApplliiccaacciioonnss 
AAPPLLIICCAACCIIÓÓ HHIIDDRRÀÀUULLIICCAA
• Disponibilitat 
• Emmagatzematge 
• Simplicitat de disseny i control 
• Economia 
• Fiabilitat 
• No contaminant de l’entorn 
• Seguretat 
PPrrooppiieettaattss 
PPRROOPPIIEETTAATTSS PPNNEEUUMMÀÀTTIICCAA
PPrrooppiieettaattss PPRROOPPIIEETTAATTSS
El sistema PPnneeuummààttiicc bbààssiicc 
1. Compressor 2. Motor elèctric 3. Pressostat 4. Vàlvula antiretorn 
5. Dipòsit 6. Manòmetre 7. Purga automàtica 8. Vàlvula de seguretat 
9. Assecador d’aire refrigerat 10. Filtre de línia 
1. Purga de l’aire 2. Purga automàtica 3. Unitat d’acondicionament de l’aire 
4. Vàlvula direccional 5. Actuador 6. Controladors de velocitat
EEl l sistema PPnneeuummààttiicc bbààssiicc
SSíímmiill EElleeccttrriicciittaatt // PPnneeuummààttiiccaa 
Compressor Element que proporciona l’aire comprimit que utilitzarem per realtizar un treball. 
Vàlvula Permet o no el pas de l’aire que ve del compressor cap l’actuador. 
Actuador En aquest cas és un cilindre de simple efecte, quan entra aire produeix la sortida del 
vàstag que utilitzarem per elevar, aplastar, subjetar, etc. 
SSiimmiill eellèèccttrriicc
UUnn eexxeemmppllee.. CCoommppaaccttaaddoorr ddee 
LLllaauunneess 
IImmaattggee AAnniimmaacciióó
SSiimmbboollooggiiaa ppnneeuummààttiiccaa
BBllooccss ffuunncciioonnaallss ddeell cciirrccuuiitt ppnneeuummààttiicc 
BBLLOOCCSS FFUUNNCCIIOONNAALLSS 
• Bloc de producció d’aire comprimit. 
• Bloc de condicionament de l’aire 
comprimit o unitat de manteniment. 
• Bloc de distribució de l’aire comprimit. 
• Bloc de regulació i control. 
• Bloc d’actuació pneumàtica.
BBllooccss ffuunncciioonnaallss ddeell cciirrccuuiitt ppnneeuummààttiicc 
BLOC DE PPRROODDUUCCCCIIÓÓ DD’’AAIIRREE 
CCOOMMPPRRIIMMIITT 
• CCOOMMPPRREESSSSOORR:: 
– Màquina alternativa o rotativa que aspira aire 
atmosfèric i el comprimeix (5-15bar) 
accionada per un motor elèctric o tèrmic de 
combustió interna. 
– Es caracteritzen pel cabal (l/min) del fluid que 
subministren, per la pressió de treball i el 
régimen de gir (rpm).
CCoommpprreessssoorr 
Pistó Compressor 
D’aire 
Calderí 
Manòmetre 
Sortida 
Aire
CCoommpprreessssiióó ddee ll’’aaiirree 
CCoommpprreessssoorrss 
COMPRESSORS DE DESPLAÇAMENT 
ALTERNATIUS ROTATIUS 
ÈMBOL DIAFRAGMA PALETA CARGOL
CCoommpprreessssiióó ddee ll’’aaiirree 
CCoommpprreessssoorr dd’’èèmmbbooll dd’’uunnaa ssoollaa 
eettaappaa 
Aire en la gama de 3 - 7 
bars
CCoommpprreessssiióó ddee ll’’aaiirree 
CCoommpprreessssoorr dd’’èèmmbbooll ddee dduueess 
eettaappeess 
Aire ~ 7 bars Tª final 120 
ºC
CCoommpprreessssiióó ddee ll’’aaiirree 
CCoommpprreessssoorr ddee 
ddiiaaffrraaggmmaa 
• Aire fins 5 bars 
• Lliure d’oli
CCoommpprreessssiióó ddee ll’’aaiirree 
CCoommpprreessssoorr rroottaattiiuu ddee ppaalleetteess 
ddeesslliizzaannttss 
• Tª final 190 ºC 
• Oli de refrigerant
CCoommpprreessssiióó ddee ll’’aaiirree 
CCoommpprreessssoorr rroottaattiiuu ddee 
ccaarrggooll 
• Cabals > 400 m3 / 
min 
• Pressió > 10 bars
BBllooccss ffuunncciioonnaallss ddeell cciirrccuuiitt ppnneeuummààttiicc 
BLOC DE PPRROODDUUCCCCIIÓÓ DD’’AAIIRREE 
CCOOMMPPRRIIMMIITT 
• RREEFFRRIIGGEERRAADDOORR:: 
– A la sortida del compressor l’aire pot tenir fins 
150ºC i s’ha de refredar fins 25ºC fent-lo 
passar per un serpentí o bescanviador pel qual 
circula fluid refrigerant (aigua o aire). 
• AACCUUMMUULLAADDOORR:: 
– Dipòsit situat a la sortida del refrigerador on 
l’aire comprimit s’emmagatzema per fer-lo 
servir en puntes de demandes i per mantenir 
estable la pressió del circuit. Té manòmetre, 
vàlvula de seguretat i vàlvula de purga.
BBllooccss ffuunncciioonnaallss ddeell cciirrccuuiitt ppnneeuummààttiicc 
BLOC DD’’AACCOONNDDIICCIIOONNAAMMEENNTT 
• S’encarrega de donar qualitat a l’aire comprimit i 
assegurar el bon funcionament i la durada de les 
instal·lacions. 
• AASSSSEECCAADDOORR:: 
– Absorbeix la humitat de l’aire per evitar que 
s’oxidi la instal·lació. 
• FFIILLTTRREE:: 
– Eliminar impureses de l’aire 
• RREEGGUULLAADDOORR DDEE PPRREESSSSIIÓÓ:: 
– Assegura de forma automàtica una pressió 
estable. 
• DDIISSPPOOSSIITTIIUU DDEE LLUUBBRRIIFFIICCAACCIIÓÓ:: 
– Afegeix oli nebulitzat a l’aire comprimit evitant l’oxidació 
del circuit i assegurant un bon lliscament de les parts 
mòbils.
TTrraaccttaammeenntt ddee ll’’aaiirree 
FFiillttrree eessttàànnddaarr
TTrraaccttaammeenntt ddee ll’’aaiirree 
RReegguullaaddoorr eessttàànnddaarr
BBllooccss ffuunncciioonnaallss ddeell cciirrccuuiitt ppnneeuummààttiicc 
Unitat ddee mmaanntteenniimmeenntt
DDiissttrriibbuucciióó ddee ll’’aaiirree 
BLOC DE DDIISSTTRRIIBBUUCCIIÓÓ DD’’AAIIRREE 
CCOOMMPPRRIIMMIITT 
• Conjunt de canonades que connecten els 
diferents element pneumàtics. 
• Solen ser d’acer galvanitzat, llautó o 
polièster. 
• Inclinació 1-3 % per evitar acumulació de 
l’aigua condensada.
Distribució ddee ll’’aaiirree 
LLíínniiaa pprriinncciippaall aammbb ffiinnaall eenn llíínniiaa 
mmoorrttaa
Distribució ddee ll’’aaiirree 
LLíínniiaa pprriinncciippaall eenn aanneellll
Distribució ddee ll’’aaiirree 
LLíínniieess sseeccuunnddààrriieess
Distribució ddee ll’’aaiirree 
PPuurrggaaddoorr aauuttoommààttiicc
SSiisstteemmeess ddee ccoonnnneexxiióó 
CCoonnnneexxiióó ppeerr iinnsseerrcccciióó eenn ccoollzzee 
oorriieennttaabbllee
SSiisstteemmeess ddee ccoonnnneexxiióó 
CCoonnnneexxiióó aauuttooeessttaannccaa
BBllooccss ffuunncciioonnaallss ddeell cciirrccuuiitt ppnneeuummààttiicc 
BBLLOOCC DDEE RREEGGUULLAACCIIÓÓ II 
CCOONNTTRROOLL 
• VVÀÀLLVVUULLEESS:: regulen el pas, la direcció, el sentit 
de la circulació del fluid, controlen la pressió i el 
cabal per aconseguir el correcte funcionament 
dels mecanismes. 
– VVààllvvuulleess ddiissttrriibbuuiiddoorreess:: 2/2, 3/2, 5/2, 4/2 i 4/3 
– VVààllvvuulleess ddee ccoonnttrrooll,, rreegguullaacciióó ii bbllooqquueeiigg:: 
• V. Unidireccionals 
• V. Reguladores de cabal 
• V. Limitadores de pressió 
• V. D’escapament ràpid 
• V. Selectores de circuit
CCoomm ss’’aannoommeenneenn lleess vvààllvvuulleess 
1º· Nombre de Vies, es a dir d’orificis que té la vàlvula 
1 
2 3 
En aquest exemple 3 VIES 
2º· Nombre de Posicions 
En aquest cas 2 POSICIONS 
3º· Accionament 
En aquest cas per BOTÓ 
4º· Retrocés 
En aquest exemple per MOTLLE 
5º· Nombre: Vàlvula 3/2 Botó/N/T Botó/Motlle 
Motlle 
6º· En ocasions també s’indica la posició normal, es a dir 
aquella en la que es troba la vàlvula quan no hem accionat. 
En la d’adalt, quan està sense accionar, l’aire no passa, per 
això es diu Normalment Tancada, N/T. En la d’abaix passa el 
contrario, per tant és Normalment Oberta, N/O.
NNoommeennccllaattuurraa vviieess vvààllvvuulleess
AAcccciioonnaammeenntt vvààllvvuulleess
CCoomm ffuunncciioonneenn VVààllvvuulleess
VVààllvvuulleess ddee ccoonnttrrooll 
ddiirreecccciioonnaall
Vàlvules ddee ccoonnttrrooll ddiirreecccciioonnaall
SSIIMMBBOOLLOOGGIIAA 
Connexions 
SÍMBOL Descripció 
Unió de canonades 
Creuament de canonades. 
Font de pressió, hidràulica, pneumàtica. 
Escapament sens rosca. 
Escapament amb rosca. 
Retorn al tanc. 
Unitat operacional. 
Unió mecànica, varilla, lleva, etc.
SSIIMMBBOOLLOOGGIIAA 
Medició i manteniment 
SSíímmbbooll DDeessccrriippcciióó 
Manòmetre. 
Termòmetre. 
Indicador òptic. Indicador pneumàtic. 
Filtre. 
Filtre amb drenador de condensació, buidat 
manual. 
Lubricador 
Unitat de manteniment, filtre, manòmetre, lubricador. 
Gràfic simplificat.
SSIIMMBBOOLLOOGGIIAA 
Bombes, compressors i motors 
Símbol Descripció 
Bomba hidràulica de fluxe unidireccional. 
Compressor per aire comprimit. 
Dipòsit hidràulic. 
Dipòsit pneumàtic. 
Motor pneumàtic 1 sentit de gir. 
Motor pneumàtic 2 sentits de gir. 
Cilindre basculant 2 sentits de gir. 
Motor hidràulic 1 sentit de gir. 
Motor hidràulic 2 sentits de gir.
SSIIMMBBOOLLOOGGIIAA 
Mecanismes (actuadors) 
Símbol Descripció 
Cilindre de simple efecte, retorn per 
esforços externs. 
Cilindre de simple efecte, retorn per 
motlle. 
Cilindre de doble efecte, vàstag simple. 
Cilindre de doble efecte, doble vàstag. 
Pinça d’apertura angular de simple 
efecte. 
Pinça d’apertura paral·lela de simple 
efecte. 
Pinça d’apertura angular de doble 
efecte. 
Pinça d’apertura paral·lela de doble 
efecte.
SSIIMMBBOOLLOOGGIIAA 
Accionaments 
Símbol Descripció 
Comandament manual en general, pulsador. 
Botó pulsador, seta, control manual. 
Comandament amb bloqueig, control manual. 
Comandament per palanca, control manual. 
Motlle, control mecànic. 
Rodet palpador, control mecànic. 
Presuritzat pneumàtic. 
Presuritzat hidràulic.
SSIIMMBBOOLLOOGGIIAA 
Vàlvules direccionals 
Símbol Descripció 
Vàlvula 3/2 en posició normalmente tancada. 
Vàlvula 4/2. 
Vàlvula 4/2. 
Vàlvula 5/2. 
Vàlvula 5/3 en posició normalment tancada. 
Vàlvula 5/3 en posició d’escapament.
SSIIMMBBOOLLOOGGIIAA 
Vàlvules de control 
Símbol Descripció 
Vàlvula de bloqueig (antirretorn). 
Vàlvula O (OR). Selector. 
Vàlvula d’escapament ràpid, Vàlvula 
antirretorn. 
Vàlvula Y (AND). 
Vàlvula estranguladora unidireccional. 
Vàlvula antirretorn de regulació regulable en 
un sentit. 
Ejector de buit. Vàlvula de soplat de buit.
EExxeerrcciicciiss 
2 
1 3 
4 2 
5 
1 
3 
2 
1 
2 
1 3 
3/2 N/C Palanca/Motlle 
3/2 N/C Pilotge pneumàtic/Motlle 
5/3 N/C Palanca amb enclavament 
2/2 Botó 
4/2 Relé/motlle 
4 2 
1 3
Final de Cursa 
3 Vies 
5 Vies 
Relé 
TTIIPPUUSS DDEE VVÀÀLLVVUULLEESS
AALLTTRREESS VVÀÀLLVVUULLEESS 
VVààllvvuullaa llòòggiiccaa OO VVààllvvuullaa llòòggiiccaa YY
RReegguullaaddoorr ddee fflluuxxee
BBLLOOCC DD’’AACCTTUUAACCIIÓÓ 
PPNNEEUUMMÀÀTTIICCAA 
• Els actuadors transformen l’energia acumulada 
en el fluid en energia mecànica per l’accionament 
de màquines. 
• CCiilliinnddrreess:: 
• Simple efecte 
• Doble efecte 
• MMoottoorrss ppnneeuummààttiiccss:: 
• Unidireccionals 
• Bidireccionals
CCIILLIINNDDRREESS 
Produeixen un moviment lineal alternatiu, està format 
per un tub cilíndric tancat dins del qual hi ha un èmbol 
o pistó desplaçat per un eix o tija per l’efecte del fluid 
aplicat. 
WW==PP·AA·ee·h PP == pprreessssiióó ((11PPaa==1100--55 bbaarr)) 
AA == ààrreeaa ((mm22)) 
ee == ccuurrssaa ddeell cciilliinnddrree ((mm))
BBLLOOCC DD’’AACCTTUUAACCIIÓÓ 
PPNNEEUUMMÀÀTTIICCAA 
• CCIILLIINNDDRREE DDEE SSIIMMPPLLEE EEFFEECCTTEE:: 
– Té una única entrada del fluid i fa treball en 
un sentit només. 
– La pressió del fluid fa que el pistó es desplaci 
en un sol sentit i retorni a la seva posició 
inicial per l’acció de una molla o força 
externa. 
– Són curts i no superen els 100 mm. 
– Aplicacions: expulsar peces, aixecar peces, 
frens del camions...
BBLLOOCC DD’’AACCTTUUAACCIIÓÓ 
PPNNEEUUMMÀÀTTIICCAA 
• CCIILLIINNDDRREE DDEE DDOOBBLLEE EEFFEECCTTEE:: 
– Té dues connexions d’entrada de fluid. 
– Permet el moviment del pistó en els 2 sentits 
de manera que es disposa de força útil tant a 
l’anada com a la tornada. 
– La força que fa el cilindre en el retrocés és 
més petita perquè la superficie interior sobre 
la qual actua l’aire és més petita. 
– Camp d’aplicació molt extens.
AAccttuuaaddoorrss 
Cilindres de SSIIMMPPLLEE EEFFEECCTTEE: Sol fan força útil a la sortida 
aire 
Cilindres de DDOOBBLLEE EEFFEECCTTEE: fan força útil en els dos sentits 
Surt aire 
Entra aire 
Sale aire 
Símbol 
Símbol 
Entra aire
Càlcul ddee llaa ffoorrççaa ddee ll’’èèmmbbooll 
S=Superfície útil. 
p=Pressió de l’aire. 1bar=105Pa=1Atm=1Kp/cm2 
Cilindre de simple efecte: 
Cilindre de doble efecte:
Càlcul de la força cc.. ssiimmppllee eeffeeccttee 
Un cilindre de simple 
efecte es alimentat 
per aire comprimit a 
una presió de 8 bar, 
la motlla 
fa una força de 50 N, 
el diàmetre de 
l’èmbol és de 30 mm 
i realitza una cursa 
e=50 mm. Fa 8 cicles 
cada minut i té un 
rendiment η=85%. 
Pel cas teòric i el 
real. Quina força fa el 
cilindre?.
Càlcul ddee vvoolluumm dd’’aaiirree eenn cciilliinnddrreess 
Cilindre de Simple efecte Cilindre de Doble efecte 
S=secció 
e=cursa 
Φe= Diàmetre de l’èmbol 
Φv= Diàmetre de la tija
CCoonnssuumm dd’’aaiirree aattmmoossffèèrriicc 
● Calculem el volum d’aire comprimit per cicle i a continuació el 
consum d’aire comprimit total al realitzar la maniobra completa, 
aplicant la llei de Boyle-Mariotte calcularem el consum d’aire 
atmosfèric es a dir a condicions normals. 
Volum d’aire en un cicle: 
Consum d’aire comprimit de la maniobra: 
Llei de Boyle-Mariotte: 
patm=105 Pa. 
pabsoluta=patm+ptrabajo=105+8 105=9 105 Pa. 
Per tant:
Càlcul de la ppoottèènncciiaa ppnneeuummààttiiccaa 
● En l’apartat anterior hem calculat el cabal i tenint en 
compte la pressió: 
● En el cas real, para η=85%:
BBLLOOCC DD’’AACCTTUUAACCIIÓÓ 
PPNNEEUUMMÀÀTTIICCAA 
• MMOOTTOORRSS PPNNEEUUMMÀÀTTIICCSS:: 
• Transformen l’energia pneumàtica en energia 
mecànica de rotació, és un procés similar però 
invers a la compressió. 
• Poden girar en els dos sentits. 
• Avantatges respecte els elèctrics: 
– Insensibles a la calor, la pols, humitat i 
vibracions. 
• Inconvenient: major cost energètic.
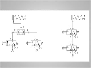
Comandament CCiilliinnddrree ddee 
SSIIMMPPLLEE EEFFEECCTTEE
AAcccciioonnaammeenntt iinnddiirreeccttee dd’’uunn 
cciilliinnddrree ddee ssiimmppllee eeffeeccttee
CCoommaannddaammeenntt ssiimmuullttaannii ddee cciilliinnddrree 
ddee SSIIMMPPLLEE EEFFEECCTTEE
s Comandament siimmuullttaannii ddee cciilliinnddrree ddee 
SSIIMMPPLLEE EEFFEECCTTEE
AAcccciioonnaammiieenntt cciilliinnddrree ddee 
ssiimmppllee eeffeeccttee ddeess ddee ddooss 
ppuullssaaddoorreess aalltteerrnnaattiiuuss
Exemples amb Automation Studio
Exemples amb Automation Studio
AAcccciioonnaammeenntt ddiirreeccttee cc 
ddoobbllee eeffeeccttee
Circuit ccoommaannddaammeenntt iinnddiirreeccttee CC 
ddee DDOOBBLLEE EEFFEECCTTEE
Exemples amb Automation Studio
CCiirrccuuiitt aammbb vvààllvvuullaa 
tteemmppoorriittzzaaddoorraa
Accionamient eellèèccttrriicc cciilliinnddrree 
ddee ddoobbllee eeffeeccttee
DDiisssseennyy sseeqqüüèènncciiaa 
sseemmiiaauuttoommààttiiccaa AA++ BB++ AA-- BB--
DDiisssssseennyy sseeqqüüèènncciiaa AA++ BB++ AA-- BB--
DDiisssseennyy sseeqqüüèènncciiaa AA++ BB++ BB-- AA--
CCiirrccuuiittss HHiiddrrààuulliiccss 
 EEnn aaqquueessttss cciirrccuuiittss eenn lllloocc 
dd’’aaiirree ss’’uuttiilliittzzaa oollii mmiinneerraall 
qquuee nnoo ééss ccoommpprreennssiibbllee ii aall 
mmaatteeiixx tteemmppss qquuee lluubbrriiffiiccaa 
ttrraannssmmeett ggrraannss ppoottèènncciieess.. 
 EEnn aaqquueesstt cciirrccuuiitt eenn lllloocc ddee 
ccoommpprreessssoorr hhii hhaa uunnaa bboommbbaa 
eellééccttrriiccaa ii eell fflluuiidd qquuaann aaccaabbaa 
ttoott eell cciiccllee ss’’hhaa ddee rreeccoolllliirr eenn 
uunn ddeeppòòssiitt.. 
Bomba 
Filtres 
Distribuidors 
Actuadors
FFoorrççaa hhiiddrrààuulliiccaa 
 PPeell pprriinncciippii ddee PPaassccaall:: LLaa pprreessssiióó eenn qquuaallsseevvooll ppuunntt dd’’uunn llííqquuiidd 
ttaannccaatt ééss iigguuaall eenn ttoottss eellss ppuunnttss.. 
Com la pressió és la mateixa en el tot el líquid. 
F1 
S1= 
F2 
S2 
La força només depén de la superfície
BBoommbbeess hhiiddrrààuulliiqquueess 
Bomba boles Bomba lòduls dobles 
Bomba engranatges Bomba lòduls tripbles
VVààllvvuulleess ii aaccttuuaaddoorrss 
hhiiddrrààuulliiccss 
 EEll ffuunncciioonnaammeenntt ddee lleess vváállvvuullaass ii eellss aaccttuuaaddoorrss 
ssóónn iigguuaall qquuee eellss ppnneeuummààttiiccss,, ppeerròò eessttáánn 
pprreeppaarraattss ppeerr ssooppoorrttaarr pprreessssiioonnss ssuuppeerriioorrss ii aammbb 
aaccccééss aallss eessccaappaammeennttss aammbb rreettoorrnn aall ttaanncc ddee 
rreeccoolllliiddaa dd’’oollii..
EExxeemmpplleess cciirrccuuiittss hhiiddrrààuulliiccss
CCOONNTTRROOLL HHIIDDRRÀÀUULLIICC
Pàgines web 
• http://olmo.pntic.mec.es/jmarti50/neumatica/nneeuummaattiiccaa..hhttmmll##iinniicciioo 
• hhttttpp::////wwwwww..xxtteecc..eess//~~jjjjoorrddaann//tteeccnnoo//44ccrreeddiitt//ppnneeuu//ppnneeuumm000011..hhttmm

Pneumatica i hidraulica 2014.ppt

  • 1.
    CCIIRRCCUUIITTSS PPNNEEUUMMÀÀTTIICCSS II HHIIDDRRÀÀUULLIICCSS Glòria García García 2014
  • 2.
    IInnttrroodduucccciióó PPNNEEUUMMÀÀTTIICCAA:: Tècnicaque utilitza l’aire comprimit com vehicle per transmetre energia i obtenir un treball útil. HHIIDDRRÀÀUULLIICCAA:: Tècnica que utilitza un fluid líquid com els olis minerals com vehicle per transmetre energia i obtenir un treball útil.
  • 3.
    Pneumàtica i Hidràulica PPnneeuummààttiiccaa HHiiddrrààuulliiccaa Avantatges Inconvenients Avantatges Inconvenients S’utilitza aire que és econòmic S’utilitza fluid especial com olis minerals L’aire és comprensible per tant s’obtenen pressions petites Màx 15 bars El fluid és incompresible es poden obtener grans pressions fins a 60 barS Es pot alliberar a l’atmosfera S’ha de recollir el fluid Actuació ràpida Actuació lenta Es pot emmagatzemar a pressió S’utilitza en el moment La força desenvolupada és limitada Desenvolupament de gran força CCoommppaarraacciióó
  • 4.
    PPrrooss ii CCoonnttrreess AAVVAANNTTAATTGGEESS RREESSPPEECCTTEE AALLTTRREESS TTEECCNNOOLLOOGGIIEESS:: • Sencillesa dels sistemes de comandament: vàlvules, cilindres... • Rapidesa de resposta del sistema pneumàtic. • Economia dels sistemes pneumàtics una vegada instal·lats.
  • 5.
    PPrrooss ii CCoonnttrreess INCONVENIENTS RREESSPPEECCTTEE AALLTTRREESS TTEECCNNOOLLOOGGIIEESS:: • Instal·lacions cares en general. • El manteniment de l’aire en bones condicions és costós. • Esquemes complexes de modificar i depurar.
  • 6.
    AApplliiccaacciioonnss AAPPLLIICCAACCIIÓÓ PPNNEEUUMMÀÀTTIICCAA • Accionament de portes pesades o calents. • Descàrrega de dipòsits en la construcció, fabricació d’acer, mineria i indústries químiques. • Pintura per pulverització. • Màquines d’embotellat i envassat. • Aplicació obres públiques i construcció (excavadores, martells...). • Premses i altres màquines. • Automatització industrial i en processos productivos. • Torns de dentista...
  • 7.
    • Aplicacions mòbils: • Tractors, grues, camions recollidors de les escombreries… • Aplicacions industrials: per posicionar, impulsar i mecanitzar materials i objectes en les línies de producció. • Aplicació automotriu: • Frens, sistemes de refrigeració…. • Aplicació aeronàutica: • Equips de manteniment aeronàutic… AApplliiccaacciioonnss AAPPLLIICCAACCIIÓÓ HHIIDDRRÀÀUULLIICCAA
  • 8.
    • Disponibilitat •Emmagatzematge • Simplicitat de disseny i control • Economia • Fiabilitat • No contaminant de l’entorn • Seguretat PPrrooppiieettaattss PPRROOPPIIEETTAATTSS PPNNEEUUMMÀÀTTIICCAA
  • 9.
  • 10.
    El sistema PPnneeuummààttiiccbbààssiicc 1. Compressor 2. Motor elèctric 3. Pressostat 4. Vàlvula antiretorn 5. Dipòsit 6. Manòmetre 7. Purga automàtica 8. Vàlvula de seguretat 9. Assecador d’aire refrigerat 10. Filtre de línia 1. Purga de l’aire 2. Purga automàtica 3. Unitat d’acondicionament de l’aire 4. Vàlvula direccional 5. Actuador 6. Controladors de velocitat
  • 11.
    EEl l sistemaPPnneeuummààttiicc bbààssiicc
  • 12.
    SSíímmiill EElleeccttrriicciittaatt //PPnneeuummààttiiccaa Compressor Element que proporciona l’aire comprimit que utilitzarem per realtizar un treball. Vàlvula Permet o no el pas de l’aire que ve del compressor cap l’actuador. Actuador En aquest cas és un cilindre de simple efecte, quan entra aire produeix la sortida del vàstag que utilitzarem per elevar, aplastar, subjetar, etc. SSiimmiill eellèèccttrriicc
  • 13.
    UUnn eexxeemmppllee.. CCoommppaaccttaaddoorrddee LLllaauunneess IImmaattggee AAnniimmaacciióó
  • 14.
  • 15.
    BBllooccss ffuunncciioonnaallss ddeellcciirrccuuiitt ppnneeuummààttiicc BBLLOOCCSS FFUUNNCCIIOONNAALLSS • Bloc de producció d’aire comprimit. • Bloc de condicionament de l’aire comprimit o unitat de manteniment. • Bloc de distribució de l’aire comprimit. • Bloc de regulació i control. • Bloc d’actuació pneumàtica.
  • 16.
    BBllooccss ffuunncciioonnaallss ddeellcciirrccuuiitt ppnneeuummààttiicc BLOC DE PPRROODDUUCCCCIIÓÓ DD’’AAIIRREE CCOOMMPPRRIIMMIITT • CCOOMMPPRREESSSSOORR:: – Màquina alternativa o rotativa que aspira aire atmosfèric i el comprimeix (5-15bar) accionada per un motor elèctric o tèrmic de combustió interna. – Es caracteritzen pel cabal (l/min) del fluid que subministren, per la pressió de treball i el régimen de gir (rpm).
  • 17.
    CCoommpprreessssoorr Pistó Compressor D’aire Calderí Manòmetre Sortida Aire
  • 18.
    CCoommpprreessssiióó ddee ll’’aaiirree CCoommpprreessssoorrss COMPRESSORS DE DESPLAÇAMENT ALTERNATIUS ROTATIUS ÈMBOL DIAFRAGMA PALETA CARGOL
  • 19.
    CCoommpprreessssiióó ddee ll’’aaiirree CCoommpprreessssoorr dd’’èèmmbbooll dd’’uunnaa ssoollaa eettaappaa Aire en la gama de 3 - 7 bars
  • 20.
    CCoommpprreessssiióó ddee ll’’aaiirree CCoommpprreessssoorr dd’’èèmmbbooll ddee dduueess eettaappeess Aire ~ 7 bars Tª final 120 ºC
  • 21.
    CCoommpprreessssiióó ddee ll’’aaiirree CCoommpprreessssoorr ddee ddiiaaffrraaggmmaa • Aire fins 5 bars • Lliure d’oli
  • 22.
    CCoommpprreessssiióó ddee ll’’aaiirree CCoommpprreessssoorr rroottaattiiuu ddee ppaalleetteess ddeesslliizzaannttss • Tª final 190 ºC • Oli de refrigerant
  • 23.
    CCoommpprreessssiióó ddee ll’’aaiirree CCoommpprreessssoorr rroottaattiiuu ddee ccaarrggooll • Cabals > 400 m3 / min • Pressió > 10 bars
  • 24.
    BBllooccss ffuunncciioonnaallss ddeellcciirrccuuiitt ppnneeuummààttiicc BLOC DE PPRROODDUUCCCCIIÓÓ DD’’AAIIRREE CCOOMMPPRRIIMMIITT • RREEFFRRIIGGEERRAADDOORR:: – A la sortida del compressor l’aire pot tenir fins 150ºC i s’ha de refredar fins 25ºC fent-lo passar per un serpentí o bescanviador pel qual circula fluid refrigerant (aigua o aire). • AACCUUMMUULLAADDOORR:: – Dipòsit situat a la sortida del refrigerador on l’aire comprimit s’emmagatzema per fer-lo servir en puntes de demandes i per mantenir estable la pressió del circuit. Té manòmetre, vàlvula de seguretat i vàlvula de purga.
  • 25.
    BBllooccss ffuunncciioonnaallss ddeellcciirrccuuiitt ppnneeuummààttiicc BLOC DD’’AACCOONNDDIICCIIOONNAAMMEENNTT • S’encarrega de donar qualitat a l’aire comprimit i assegurar el bon funcionament i la durada de les instal·lacions. • AASSSSEECCAADDOORR:: – Absorbeix la humitat de l’aire per evitar que s’oxidi la instal·lació. • FFIILLTTRREE:: – Eliminar impureses de l’aire • RREEGGUULLAADDOORR DDEE PPRREESSSSIIÓÓ:: – Assegura de forma automàtica una pressió estable. • DDIISSPPOOSSIITTIIUU DDEE LLUUBBRRIIFFIICCAACCIIÓÓ:: – Afegeix oli nebulitzat a l’aire comprimit evitant l’oxidació del circuit i assegurant un bon lliscament de les parts mòbils.
  • 26.
    TTrraaccttaammeenntt ddee ll’’aaiirree FFiillttrree eessttàànnddaarr
  • 27.
    TTrraaccttaammeenntt ddee ll’’aaiirree RReegguullaaddoorr eessttàànnddaarr
  • 28.
    BBllooccss ffuunncciioonnaallss ddeellcciirrccuuiitt ppnneeuummààttiicc Unitat ddee mmaanntteenniimmeenntt
  • 29.
    DDiissttrriibbuucciióó ddee ll’’aaiirree BLOC DE DDIISSTTRRIIBBUUCCIIÓÓ DD’’AAIIRREE CCOOMMPPRRIIMMIITT • Conjunt de canonades que connecten els diferents element pneumàtics. • Solen ser d’acer galvanitzat, llautó o polièster. • Inclinació 1-3 % per evitar acumulació de l’aigua condensada.
  • 30.
    Distribució ddee ll’’aaiirree LLíínniiaa pprriinncciippaall aammbb ffiinnaall eenn llíínniiaa mmoorrttaa
  • 31.
    Distribució ddee ll’’aaiirree LLíínniiaa pprriinncciippaall eenn aanneellll
  • 32.
    Distribució ddee ll’’aaiirree LLíínniieess sseeccuunnddààrriieess
  • 33.
    Distribució ddee ll’’aaiirree PPuurrggaaddoorr aauuttoommààttiicc
  • 34.
    SSiisstteemmeess ddee ccoonnnneexxiióó CCoonnnneexxiióó ppeerr iinnsseerrcccciióó eenn ccoollzzee oorriieennttaabbllee
  • 35.
    SSiisstteemmeess ddee ccoonnnneexxiióó CCoonnnneexxiióó aauuttooeessttaannccaa
  • 36.
    BBllooccss ffuunncciioonnaallss ddeellcciirrccuuiitt ppnneeuummààttiicc BBLLOOCC DDEE RREEGGUULLAACCIIÓÓ II CCOONNTTRROOLL • VVÀÀLLVVUULLEESS:: regulen el pas, la direcció, el sentit de la circulació del fluid, controlen la pressió i el cabal per aconseguir el correcte funcionament dels mecanismes. – VVààllvvuulleess ddiissttrriibbuuiiddoorreess:: 2/2, 3/2, 5/2, 4/2 i 4/3 – VVààllvvuulleess ddee ccoonnttrrooll,, rreegguullaacciióó ii bbllooqquueeiigg:: • V. Unidireccionals • V. Reguladores de cabal • V. Limitadores de pressió • V. D’escapament ràpid • V. Selectores de circuit
  • 37.
    CCoomm ss’’aannoommeenneenn lleessvvààllvvuulleess 1º· Nombre de Vies, es a dir d’orificis que té la vàlvula 1 2 3 En aquest exemple 3 VIES 2º· Nombre de Posicions En aquest cas 2 POSICIONS 3º· Accionament En aquest cas per BOTÓ 4º· Retrocés En aquest exemple per MOTLLE 5º· Nombre: Vàlvula 3/2 Botó/N/T Botó/Motlle Motlle 6º· En ocasions també s’indica la posició normal, es a dir aquella en la que es troba la vàlvula quan no hem accionat. En la d’adalt, quan està sense accionar, l’aire no passa, per això es diu Normalment Tancada, N/T. En la d’abaix passa el contrario, per tant és Normalment Oberta, N/O.
  • 38.
  • 39.
  • 40.
  • 41.
  • 42.
    Vàlvules ddee ccoonnttrroollddiirreecccciioonnaall
  • 43.
    SSIIMMBBOOLLOOGGIIAA Connexions SÍMBOLDescripció Unió de canonades Creuament de canonades. Font de pressió, hidràulica, pneumàtica. Escapament sens rosca. Escapament amb rosca. Retorn al tanc. Unitat operacional. Unió mecànica, varilla, lleva, etc.
  • 44.
    SSIIMMBBOOLLOOGGIIAA Medició imanteniment SSíímmbbooll DDeessccrriippcciióó Manòmetre. Termòmetre. Indicador òptic. Indicador pneumàtic. Filtre. Filtre amb drenador de condensació, buidat manual. Lubricador Unitat de manteniment, filtre, manòmetre, lubricador. Gràfic simplificat.
  • 45.
    SSIIMMBBOOLLOOGGIIAA Bombes, compressorsi motors Símbol Descripció Bomba hidràulica de fluxe unidireccional. Compressor per aire comprimit. Dipòsit hidràulic. Dipòsit pneumàtic. Motor pneumàtic 1 sentit de gir. Motor pneumàtic 2 sentits de gir. Cilindre basculant 2 sentits de gir. Motor hidràulic 1 sentit de gir. Motor hidràulic 2 sentits de gir.
  • 46.
    SSIIMMBBOOLLOOGGIIAA Mecanismes (actuadors) Símbol Descripció Cilindre de simple efecte, retorn per esforços externs. Cilindre de simple efecte, retorn per motlle. Cilindre de doble efecte, vàstag simple. Cilindre de doble efecte, doble vàstag. Pinça d’apertura angular de simple efecte. Pinça d’apertura paral·lela de simple efecte. Pinça d’apertura angular de doble efecte. Pinça d’apertura paral·lela de doble efecte.
  • 47.
    SSIIMMBBOOLLOOGGIIAA Accionaments SímbolDescripció Comandament manual en general, pulsador. Botó pulsador, seta, control manual. Comandament amb bloqueig, control manual. Comandament per palanca, control manual. Motlle, control mecànic. Rodet palpador, control mecànic. Presuritzat pneumàtic. Presuritzat hidràulic.
  • 48.
    SSIIMMBBOOLLOOGGIIAA Vàlvules direccionals Símbol Descripció Vàlvula 3/2 en posició normalmente tancada. Vàlvula 4/2. Vàlvula 4/2. Vàlvula 5/2. Vàlvula 5/3 en posició normalment tancada. Vàlvula 5/3 en posició d’escapament.
  • 49.
    SSIIMMBBOOLLOOGGIIAA Vàlvules decontrol Símbol Descripció Vàlvula de bloqueig (antirretorn). Vàlvula O (OR). Selector. Vàlvula d’escapament ràpid, Vàlvula antirretorn. Vàlvula Y (AND). Vàlvula estranguladora unidireccional. Vàlvula antirretorn de regulació regulable en un sentit. Ejector de buit. Vàlvula de soplat de buit.
  • 50.
    EExxeerrcciicciiss 2 13 4 2 5 1 3 2 1 2 1 3 3/2 N/C Palanca/Motlle 3/2 N/C Pilotge pneumàtic/Motlle 5/3 N/C Palanca amb enclavament 2/2 Botó 4/2 Relé/motlle 4 2 1 3
  • 51.
    Final de Cursa 3 Vies 5 Vies Relé TTIIPPUUSS DDEE VVÀÀLLVVUULLEESS
  • 52.
    AALLTTRREESS VVÀÀLLVVUULLEESS VVààllvvuullaallòòggiiccaa OO VVààllvvuullaa llòòggiiccaa YY
  • 53.
  • 54.
    BBLLOOCC DD’’AACCTTUUAACCIIÓÓ PPNNEEUUMMÀÀTTIICCAA • Els actuadors transformen l’energia acumulada en el fluid en energia mecànica per l’accionament de màquines. • CCiilliinnddrreess:: • Simple efecte • Doble efecte • MMoottoorrss ppnneeuummààttiiccss:: • Unidireccionals • Bidireccionals
  • 55.
    CCIILLIINNDDRREESS Produeixen unmoviment lineal alternatiu, està format per un tub cilíndric tancat dins del qual hi ha un èmbol o pistó desplaçat per un eix o tija per l’efecte del fluid aplicat. WW==PP·AA·ee·h PP == pprreessssiióó ((11PPaa==1100--55 bbaarr)) AA == ààrreeaa ((mm22)) ee == ccuurrssaa ddeell cciilliinnddrree ((mm))
  • 56.
    BBLLOOCC DD’’AACCTTUUAACCIIÓÓ PPNNEEUUMMÀÀTTIICCAA • CCIILLIINNDDRREE DDEE SSIIMMPPLLEE EEFFEECCTTEE:: – Té una única entrada del fluid i fa treball en un sentit només. – La pressió del fluid fa que el pistó es desplaci en un sol sentit i retorni a la seva posició inicial per l’acció de una molla o força externa. – Són curts i no superen els 100 mm. – Aplicacions: expulsar peces, aixecar peces, frens del camions...
  • 57.
    BBLLOOCC DD’’AACCTTUUAACCIIÓÓ PPNNEEUUMMÀÀTTIICCAA • CCIILLIINNDDRREE DDEE DDOOBBLLEE EEFFEECCTTEE:: – Té dues connexions d’entrada de fluid. – Permet el moviment del pistó en els 2 sentits de manera que es disposa de força útil tant a l’anada com a la tornada. – La força que fa el cilindre en el retrocés és més petita perquè la superficie interior sobre la qual actua l’aire és més petita. – Camp d’aplicació molt extens.
  • 58.
    AAccttuuaaddoorrss Cilindres deSSIIMMPPLLEE EEFFEECCTTEE: Sol fan força útil a la sortida aire Cilindres de DDOOBBLLEE EEFFEECCTTEE: fan força útil en els dos sentits Surt aire Entra aire Sale aire Símbol Símbol Entra aire
  • 59.
    Càlcul ddee llaaffoorrççaa ddee ll’’èèmmbbooll S=Superfície útil. p=Pressió de l’aire. 1bar=105Pa=1Atm=1Kp/cm2 Cilindre de simple efecte: Cilindre de doble efecte:
  • 60.
    Càlcul de laforça cc.. ssiimmppllee eeffeeccttee Un cilindre de simple efecte es alimentat per aire comprimit a una presió de 8 bar, la motlla fa una força de 50 N, el diàmetre de l’èmbol és de 30 mm i realitza una cursa e=50 mm. Fa 8 cicles cada minut i té un rendiment η=85%. Pel cas teòric i el real. Quina força fa el cilindre?.
  • 61.
    Càlcul ddee vvoolluummdd’’aaiirree eenn cciilliinnddrreess Cilindre de Simple efecte Cilindre de Doble efecte S=secció e=cursa Φe= Diàmetre de l’èmbol Φv= Diàmetre de la tija
  • 62.
    CCoonnssuumm dd’’aaiirree aattmmoossffèèrriicc ● Calculem el volum d’aire comprimit per cicle i a continuació el consum d’aire comprimit total al realitzar la maniobra completa, aplicant la llei de Boyle-Mariotte calcularem el consum d’aire atmosfèric es a dir a condicions normals. Volum d’aire en un cicle: Consum d’aire comprimit de la maniobra: Llei de Boyle-Mariotte: patm=105 Pa. pabsoluta=patm+ptrabajo=105+8 105=9 105 Pa. Per tant:
  • 63.
    Càlcul de lappoottèènncciiaa ppnneeuummààttiiccaa ● En l’apartat anterior hem calculat el cabal i tenint en compte la pressió: ● En el cas real, para η=85%:
  • 64.
    BBLLOOCC DD’’AACCTTUUAACCIIÓÓ PPNNEEUUMMÀÀTTIICCAA • MMOOTTOORRSS PPNNEEUUMMÀÀTTIICCSS:: • Transformen l’energia pneumàtica en energia mecànica de rotació, és un procés similar però invers a la compressió. • Poden girar en els dos sentits. • Avantatges respecte els elèctrics: – Insensibles a la calor, la pols, humitat i vibracions. • Inconvenient: major cost energètic.
  • 65.
    Comandament CCiilliinnddrree ddee SSIIMMPPLLEE EEFFEECCTTEE
  • 66.
    AAcccciioonnaammeenntt iinnddiirreeccttee dd’’uunn cciilliinnddrree ddee ssiimmppllee eeffeeccttee
  • 67.
    CCoommaannddaammeenntt ssiimmuullttaannii ddeecciilliinnddrree ddee SSIIMMPPLLEE EEFFEECCTTEE
  • 68.
    s Comandament siimmuullttaanniiddee cciilliinnddrree ddee SSIIMMPPLLEE EEFFEECCTTEE
  • 70.
    AAcccciioonnaammiieenntt cciilliinnddrree ddee ssiimmppllee eeffeeccttee ddeess ddee ddooss ppuullssaaddoorreess aalltteerrnnaattiiuuss
  • 71.
  • 72.
  • 73.
  • 74.
  • 75.
  • 76.
    CCiirrccuuiitt aammbb vvààllvvuullaa tteemmppoorriittzzaaddoorraa
  • 77.
  • 78.
  • 79.
  • 80.
  • 81.
    CCiirrccuuiittss HHiiddrrààuulliiccss EEnn aaqquueessttss cciirrccuuiittss eenn lllloocc dd’’aaiirree ss’’uuttiilliittzzaa oollii mmiinneerraall qquuee nnoo ééss ccoommpprreennssiibbllee ii aall mmaatteeiixx tteemmppss qquuee lluubbrriiffiiccaa ttrraannssmmeett ggrraannss ppoottèènncciieess..  EEnn aaqquueesstt cciirrccuuiitt eenn lllloocc ddee ccoommpprreessssoorr hhii hhaa uunnaa bboommbbaa eellééccttrriiccaa ii eell fflluuiidd qquuaann aaccaabbaa ttoott eell cciiccllee ss’’hhaa ddee rreeccoolllliirr eenn uunn ddeeppòòssiitt.. Bomba Filtres Distribuidors Actuadors
  • 82.
    FFoorrççaa hhiiddrrààuulliiccaa PPeell pprriinncciippii ddee PPaassccaall:: LLaa pprreessssiióó eenn qquuaallsseevvooll ppuunntt dd’’uunn llííqquuiidd ttaannccaatt ééss iigguuaall eenn ttoottss eellss ppuunnttss.. Com la pressió és la mateixa en el tot el líquid. F1 S1= F2 S2 La força només depén de la superfície
  • 83.
    BBoommbbeess hhiiddrrààuulliiqquueess Bombaboles Bomba lòduls dobles Bomba engranatges Bomba lòduls tripbles
  • 84.
    VVààllvvuulleess ii aaccttuuaaddoorrss hhiiddrrààuulliiccss  EEll ffuunncciioonnaammeenntt ddee lleess vváállvvuullaass ii eellss aaccttuuaaddoorrss ssóónn iigguuaall qquuee eellss ppnneeuummààttiiccss,, ppeerròò eessttáánn pprreeppaarraattss ppeerr ssooppoorrttaarr pprreessssiioonnss ssuuppeerriioorrss ii aammbb aaccccééss aallss eessccaappaammeennttss aammbb rreettoorrnn aall ttaanncc ddee rreeccoolllliiddaa dd’’oollii..
  • 85.
  • 86.
  • 88.
    Pàgines web •http://olmo.pntic.mec.es/jmarti50/neumatica/nneeuummaattiiccaa..hhttmmll##iinniicciioo • hhttttpp::////wwwwww..xxtteecc..eess//~~jjjjoorrddaann//tteeccnnoo//44ccrreeddiitt//ppnneeuu//ppnneeuumm000011..hhttmm