Generalitat de Catalunya
Departament d’Ensenyament
Institut Leonardo da Vinci
1
L' ELECTRICITAT:
UN RIU INVISIBLE D' ENERGIA.
1. INTRODUCCIÓ.
T' imagines un món sense electricitat?
L'electricitat és molt important avui dia. Amb ella funcionen els electrodomèstics, la
il·luminació de les cases i ciutats, els ordinadors, els ascensor, les màquines de les
fàbriques, els sistemes de comunicació (telèfon, televisió), etc.
Qüestions ‘Introducció’.
1) Escriu a continuació una redacció o historieta amb el títol "Un dia sense electricitat".
Imagina què podria arribar a passar si un dia et despertes, i de sobte ja no existeix
l'electricitat.
Generalitat de Catalunya
Departament d’Ensenyament
Institut Leonardo da Vinci
2
2. CARACTERÍSTIQUES DE L' ELECTRICITAT.
L'electricitat té una gran importància en l'actualitat degut a una sèrie de característiques
que la fan molt útil:
a) Es pot obtenir de diverses fonts (salts d'aigua, vent, llum solar, combustibles fòssils,
nuclis d'àtoms, biomassa, etc.).
b) Es pot transportar a grans distàncies (xarxa de transport i distribució elèctrica).
c) Pot utilitzar-se en moltes aplicacions: llum (bombeta), calor (resistència), moviment
(motor elèctric), so (brunzidor), etc.
Generalitat de Catalunya
Departament d’Ensenyament
Institut Leonardo da Vinci
3
Qüestions ‘Característiques de l' energia elèctrica’.
1) L'electricitat es genera de forma artificial en centrals elèctriques, però els fenòmens elèctrics també poden
aparèixer de forma natural, quins fenòmens elèctrics coneixes que es donin en la naturalesa?
2) L'electricitat es genera de forma artificial en centrals elèctriques, però hi ha formes de generar electricitat
de forma artificial. Amb quins altres dispositius tecnològics es pot obtenir electricitat?
3. CÀRREGA I CORRENT ELÈCTRIC.
En aquest punt anem a veure què és l' electricitat. Per fer-ho, primer hem d'entendre els conceptes de
càrrega elèctrica i corrent elèctric. Tenint en compte el que s'ha explicat a classe sobre la relació entre la
constitució de la matèria i l'electricitat i la informació que pots consultar al moodle, contesta a la pregunta
següent:
1) Enumera les tres partícules que formen un àtom. En un circuit elèctric, quina d' elles es desplaça pels
conductors?
4. EL CIRCUIT ELÈCTRIC.
En aquest punt del tema estudiarem com s'utilitza el corrent elèctric per produir llum, moviment, so, etc. Per
poder aprofitar l'energia transportada pel corrent elèctric és necessari muntar i emprar un circuit elèctric.
1) Identifica els següents components i dibuixa a sota el seu símbol.
Generalitat de Catalunya
Departament d’Ensenyament
Institut Leonardo da Vinci
4
2) Perquè es produeixi el corrent elèctric en un circuit s’han de complir les següents condicions:
- Tots els seus components han d’estar connectats entre si.
- El camí que segueix el corrent elèctric no ha de ser interromput.
- El circuit ha de començar en un pol del generador (pila) i acabar a l’altre.
Observa els circuits següents i omple la taula:
CIRCUIT S'ENCÉN LA
BOMBETA?
SI LA RESPOSTA ÉS NO EXPLICA EL
MOTIU
A  SI  NO
B  SI  NO
C  SI  NO
D  SI  NO
E  SI  NO
3) Indica si els següents muntatges constitueixen un circuit elèctric. Fixa't si els components formen un camí
tancat.
Generalitat de Catalunya
Departament d’Ensenyament
Institut Leonardo da Vinci
5
4) En els següents circuits, indica quins funcionen i quins no. Raona la resposta.
UTILITZACIÓ DE COMPONENTS
INTERRUPTOR: És l' element de control o de maniobra que permet
obrir o tancar un circuit.
BRUNZIDOR: És
un receptor que
transforma l'energia
elèctrica en energia
sonora.
MOTOR: És un
receptor que
transforma
l'energia
elèctrica
moviment.
POLSADOR NO: És l' element de control o de
maniobra que permet obrir o tancar un circuit però
únicament tanca el circuit quan s'exerceix pressió.
COMMUTADOR: És l' element de control o de maniobra
que permet desviar el corrent elèctric cap a diferents punts
del circuit.
Generalitat de Catalunya
Departament d’Ensenyament
Institut Leonardo da Vinci
6
5) En els següents circuits, identifica cadascun dels components, i explica com funciona el circuit:
6) Contesta les preguntes corresponents al funcionament de cada circuit:
Circuit 1. Circuit 2.
a) Què succeeix si premem el polsador 1? a) Quin receptor funciona en seleccionar la posició A?
b) Què succeeix si alliberem el polsador 1? b) Quin receptor funciona en seleccionar la posició B?
c) Què succeeix si premem el polsador 2? c) Com s'anomena l'element de control emprat?
Circuit 3.
a) Quines bombetes il·luminen en activar
l'interruptor 2? Per què succeeix això?
b) Quines bombetes il·luminen en activar
l'interruptor 1?
c) Quines bombetes il·luminen en activar els
dos interruptors?
Generalitat de Catalunya
Departament d’Ensenyament
Institut Leonardo da Vinci
7
Circuit 4. Circuit 5.
a) Què succeeix en activar l'interruptor 1? a) Què succeeix en pressionar el polsador?
b) Què succeeix en activar l'interruptor 2? b) Què succeeix en deixar lliure el polsador?
c) Què succeeix quan activem els dos interruptors? c) Què succeeix si activem l'interruptor?
d) Què succeeix si activem el dos elements de control?
7) Compara aquestes dues representacions del mateix circuit:
a) Quin dona més informació sobre el circuit?
b) Quin és més realista?
c) Quin és més senzill de dibuixar?
8) Dibuixa l'esquema elèctric d'aquests circuits:
Generalitat de Catalunya
Departament d’Ensenyament
Institut Leonardo da Vinci
8
9) Indica quin o quins interruptors s'han de tancar en cada cas per aconseguir que funcioni la bombeta:
Generalitat de Catalunya
Departament d’Ensenyament
Institut Leonardo da Vinci
9
5. CIRCUITS SÈRIE I PARAL·LEL.
Com hem de connectar els receptors al circuit quan són més d'un?.
Els receptors poden connectar-se a un circuit de dues formes: en sèrie i en paral·lel.
Circuits sèrie.
Circuits paral·lel.
Els receptors estan en sèrie
quan es connecten al circuit
un darrere de l'altre,
compartint el mateix cable.
Inconvenient:
Si un dels receptors en sèrie deixa de funcionar, deixen
de funcionar tots els altres. Això es deu a que en els
receptors en sèrie el corrent elèctric ha de passar per tots
ells, per tant si un es trenca, talla la circulació de corrent
en tot el circuit.
Per connectar receptors en paral·lel, el cable principal
que prové del generador s'ha de bifurcar en tants
cables com receptors hagi en paral·lel.
L'avantatge és que si un dels receptors s'apaga o es
trenca, la resta de receptors continuen funcionant.
Això es deu a que, en la bifurcació, el corrent elèctric
es divideix entre els dos possibles camins. Si un
camí falla, el corrent pot fluir pels altres camins no
afectades.
Generalitat de Catalunya
Departament d’Ensenyament
Institut Leonardo da Vinci
10
1) Indica si els següents muntatges són sèrie, paral·lel o mixt:
2) Com s'anomena aquest tipus de muntatge?
Què passa si en qualsevol dels circuits es fon (treus) una bombeta?
Té alguna influència la posició de l'interruptor?
3) Indica si els següents circuits estan en sèrie o paral·lel:
4) Escriu el que succeeix:
a) Si tanques només l' interruptor 1.
b) Si tanques només el 2.
c) Si tanques l' 1 i el 2.
d) Què has de fer per tal de que funcionin B, C i el motor?
Generalitat de Catalunya
Departament d’Ensenyament
Institut Leonardo da Vinci
11
5) Dibuixa l' esquema elèctric dels circuits que s'indiquen a continuació:
a) Circuit amb una pila, un polsador, un fusible i 3 bombetes en sèrie.
b) Circuit amb una pila, un interruptor, un motor i un brunzidor (ambdós en sèrie).
c) Circuit amb una pila, un interruptor, un motor i un brunzidor (ambdós en paral·lel).
d) Circuit amb una pila, un interruptor, motor i brunzidor (ambdós en sèrie), i dues bombetes en paral·lel.
6) Indica quins interruptors han d'estar tancats per tal de que s'encenguin les diferents bombetes:
Interruptor Bombeta 1 Bombeta 2 Bombeta 3 Bombetes 1 i 2
I1
I2
I3
I4
Generalitat de Catalunya
Departament d’Ensenyament
Institut Leonardo da Vinci
12
1.- Munta els següents circuits amb els components de
l'aula de tecnologia i respon a les preguntes que es
plantegen a la dreta:
a) En quins elements es diferencien el primer
i el segon circuit?
b) Quina és la diferència de funcionament
d'ambdós circuits?
c) Influeix la posició de l' interruptor dins del
circuit?. Raona la teva resposta.
Recorda:
PROJECTE 3. PRÀCTIQUES CIRCUITS ELÈCTRICS
Generalitat de Catalunya
Departament d’Ensenyament
Institut Leonardo da Vinci
13
2. Munta els següents circuits amb els
components de l'aula de tecnologia i
respon a les preguntes que es plantegen
a la
dreta
:.
Per a cada circuit, indica quin/quins interruptors o
polsadors s'han d'activar per a que s'encengui la
bombeta. S'ha de fer la taula de veritat. S'ha fet el
circuit 1 com a exemple:
a) Circuit 1:
Per a que s'encengui la bombeta s'ha d'activar I1 i
I2.
I1 I2 BOMBETA
0 0 0
0 1 0
1 0 0
1 1 1
b) Circuit 2:
I1 P1 BOMBETA
0 0
0 1
1 0
1 1
c) Circuit 3:
I1 I2 BOMBETA
0 0
0 1
1 0
1 1
d) Circuit 4:
P1 I1 BOMBETA
0 0
0 1
1 0
1 1
Generalitat de Catalunya
Departament d’Ensenyament
Institut Leonardo da Vinci
14
e) Circuit 5:
I1 I2 BOMBETA
0 0
0 1
1 0
1 1
f) Circuit 6:
I1 I2 BOMBETA
0 0
0 1
1 0
1 1
g) Circuit 7:
I1 I2 BOMBETA
0 0
0 1
1 0
1 1
h) Circuit 8:
P1 P2 BOMBETA
0 0
0 1
1 0
1 1
i) Circuit 9:
I1 I2 BOMBETA
0 0
0 1
1 0
1 1
j) Circuit 10:
I1 I2 BOMBETA
0 0
0 1
1 0
1 1
Generalitat de Catalunya
Departament d’Ensenyament
Institut Leonardo da Vinci
15
3.- Munta els següents circuits amb els components de l'aula
de tecnologia i respon a les preguntes que es plantegen a la
dreta a partir de les dades de la taula de veritat:
Per encendre... S'ha d'accionar...
Bombeta
Brunzidor
Ambdós
I1 I2 BOMBETA BRUNZIDOR
0 0
0 1
1 0
1 1
Per encendre... S'ha d'accionar...
Bombeta 1
Bombeta 2
Ambdues
I1 P1 BOMBETA 1 BOMBETA 2
0 0
0 1
1 0
1 1
Per encendre... S'ha d'accionar...
Bombeta 1
Bombeta 2
Ambdues
Generalitat de Catalunya
Departament d’Ensenyament
Institut Leonardo da Vinci
16
I1 P1 I2 B1 B2 M
0 0 0
0 0 1
0 1 0
0 1 1
1 0 0
1 0 1
1 1 0
1 1 1
Per encendre... S'ha d'accionar...
Bombeta 1
Bombeta 2
Motor
Bombetes 1 i 2
Bombeta 1 i
motor
Bombeta 2 i
motor
Bombetes 1 i 2
i motor

Activitats electricitat

  • 1.
    Generalitat de Catalunya Departamentd’Ensenyament Institut Leonardo da Vinci 1 L' ELECTRICITAT: UN RIU INVISIBLE D' ENERGIA. 1. INTRODUCCIÓ. T' imagines un món sense electricitat? L'electricitat és molt important avui dia. Amb ella funcionen els electrodomèstics, la il·luminació de les cases i ciutats, els ordinadors, els ascensor, les màquines de les fàbriques, els sistemes de comunicació (telèfon, televisió), etc. Qüestions ‘Introducció’. 1) Escriu a continuació una redacció o historieta amb el títol "Un dia sense electricitat". Imagina què podria arribar a passar si un dia et despertes, i de sobte ja no existeix l'electricitat.
  • 2.
    Generalitat de Catalunya Departamentd’Ensenyament Institut Leonardo da Vinci 2 2. CARACTERÍSTIQUES DE L' ELECTRICITAT. L'electricitat té una gran importància en l'actualitat degut a una sèrie de característiques que la fan molt útil: a) Es pot obtenir de diverses fonts (salts d'aigua, vent, llum solar, combustibles fòssils, nuclis d'àtoms, biomassa, etc.). b) Es pot transportar a grans distàncies (xarxa de transport i distribució elèctrica). c) Pot utilitzar-se en moltes aplicacions: llum (bombeta), calor (resistència), moviment (motor elèctric), so (brunzidor), etc.
  • 3.
    Generalitat de Catalunya Departamentd’Ensenyament Institut Leonardo da Vinci 3 Qüestions ‘Característiques de l' energia elèctrica’. 1) L'electricitat es genera de forma artificial en centrals elèctriques, però els fenòmens elèctrics també poden aparèixer de forma natural, quins fenòmens elèctrics coneixes que es donin en la naturalesa? 2) L'electricitat es genera de forma artificial en centrals elèctriques, però hi ha formes de generar electricitat de forma artificial. Amb quins altres dispositius tecnològics es pot obtenir electricitat? 3. CÀRREGA I CORRENT ELÈCTRIC. En aquest punt anem a veure què és l' electricitat. Per fer-ho, primer hem d'entendre els conceptes de càrrega elèctrica i corrent elèctric. Tenint en compte el que s'ha explicat a classe sobre la relació entre la constitució de la matèria i l'electricitat i la informació que pots consultar al moodle, contesta a la pregunta següent: 1) Enumera les tres partícules que formen un àtom. En un circuit elèctric, quina d' elles es desplaça pels conductors? 4. EL CIRCUIT ELÈCTRIC. En aquest punt del tema estudiarem com s'utilitza el corrent elèctric per produir llum, moviment, so, etc. Per poder aprofitar l'energia transportada pel corrent elèctric és necessari muntar i emprar un circuit elèctric. 1) Identifica els següents components i dibuixa a sota el seu símbol.
  • 4.
    Generalitat de Catalunya Departamentd’Ensenyament Institut Leonardo da Vinci 4 2) Perquè es produeixi el corrent elèctric en un circuit s’han de complir les següents condicions: - Tots els seus components han d’estar connectats entre si. - El camí que segueix el corrent elèctric no ha de ser interromput. - El circuit ha de començar en un pol del generador (pila) i acabar a l’altre. Observa els circuits següents i omple la taula: CIRCUIT S'ENCÉN LA BOMBETA? SI LA RESPOSTA ÉS NO EXPLICA EL MOTIU A  SI  NO B  SI  NO C  SI  NO D  SI  NO E  SI  NO 3) Indica si els següents muntatges constitueixen un circuit elèctric. Fixa't si els components formen un camí tancat.
  • 5.
    Generalitat de Catalunya Departamentd’Ensenyament Institut Leonardo da Vinci 5 4) En els següents circuits, indica quins funcionen i quins no. Raona la resposta. UTILITZACIÓ DE COMPONENTS INTERRUPTOR: És l' element de control o de maniobra que permet obrir o tancar un circuit. BRUNZIDOR: És un receptor que transforma l'energia elèctrica en energia sonora. MOTOR: És un receptor que transforma l'energia elèctrica moviment. POLSADOR NO: És l' element de control o de maniobra que permet obrir o tancar un circuit però únicament tanca el circuit quan s'exerceix pressió. COMMUTADOR: És l' element de control o de maniobra que permet desviar el corrent elèctric cap a diferents punts del circuit.
  • 6.
    Generalitat de Catalunya Departamentd’Ensenyament Institut Leonardo da Vinci 6 5) En els següents circuits, identifica cadascun dels components, i explica com funciona el circuit: 6) Contesta les preguntes corresponents al funcionament de cada circuit: Circuit 1. Circuit 2. a) Què succeeix si premem el polsador 1? a) Quin receptor funciona en seleccionar la posició A? b) Què succeeix si alliberem el polsador 1? b) Quin receptor funciona en seleccionar la posició B? c) Què succeeix si premem el polsador 2? c) Com s'anomena l'element de control emprat? Circuit 3. a) Quines bombetes il·luminen en activar l'interruptor 2? Per què succeeix això? b) Quines bombetes il·luminen en activar l'interruptor 1? c) Quines bombetes il·luminen en activar els dos interruptors?
  • 7.
    Generalitat de Catalunya Departamentd’Ensenyament Institut Leonardo da Vinci 7 Circuit 4. Circuit 5. a) Què succeeix en activar l'interruptor 1? a) Què succeeix en pressionar el polsador? b) Què succeeix en activar l'interruptor 2? b) Què succeeix en deixar lliure el polsador? c) Què succeeix quan activem els dos interruptors? c) Què succeeix si activem l'interruptor? d) Què succeeix si activem el dos elements de control? 7) Compara aquestes dues representacions del mateix circuit: a) Quin dona més informació sobre el circuit? b) Quin és més realista? c) Quin és més senzill de dibuixar? 8) Dibuixa l'esquema elèctric d'aquests circuits:
  • 8.
    Generalitat de Catalunya Departamentd’Ensenyament Institut Leonardo da Vinci 8 9) Indica quin o quins interruptors s'han de tancar en cada cas per aconseguir que funcioni la bombeta:
  • 9.
    Generalitat de Catalunya Departamentd’Ensenyament Institut Leonardo da Vinci 9 5. CIRCUITS SÈRIE I PARAL·LEL. Com hem de connectar els receptors al circuit quan són més d'un?. Els receptors poden connectar-se a un circuit de dues formes: en sèrie i en paral·lel. Circuits sèrie. Circuits paral·lel. Els receptors estan en sèrie quan es connecten al circuit un darrere de l'altre, compartint el mateix cable. Inconvenient: Si un dels receptors en sèrie deixa de funcionar, deixen de funcionar tots els altres. Això es deu a que en els receptors en sèrie el corrent elèctric ha de passar per tots ells, per tant si un es trenca, talla la circulació de corrent en tot el circuit. Per connectar receptors en paral·lel, el cable principal que prové del generador s'ha de bifurcar en tants cables com receptors hagi en paral·lel. L'avantatge és que si un dels receptors s'apaga o es trenca, la resta de receptors continuen funcionant. Això es deu a que, en la bifurcació, el corrent elèctric es divideix entre els dos possibles camins. Si un camí falla, el corrent pot fluir pels altres camins no afectades.
  • 10.
    Generalitat de Catalunya Departamentd’Ensenyament Institut Leonardo da Vinci 10 1) Indica si els següents muntatges són sèrie, paral·lel o mixt: 2) Com s'anomena aquest tipus de muntatge? Què passa si en qualsevol dels circuits es fon (treus) una bombeta? Té alguna influència la posició de l'interruptor? 3) Indica si els següents circuits estan en sèrie o paral·lel: 4) Escriu el que succeeix: a) Si tanques només l' interruptor 1. b) Si tanques només el 2. c) Si tanques l' 1 i el 2. d) Què has de fer per tal de que funcionin B, C i el motor?
  • 11.
    Generalitat de Catalunya Departamentd’Ensenyament Institut Leonardo da Vinci 11 5) Dibuixa l' esquema elèctric dels circuits que s'indiquen a continuació: a) Circuit amb una pila, un polsador, un fusible i 3 bombetes en sèrie. b) Circuit amb una pila, un interruptor, un motor i un brunzidor (ambdós en sèrie). c) Circuit amb una pila, un interruptor, un motor i un brunzidor (ambdós en paral·lel). d) Circuit amb una pila, un interruptor, motor i brunzidor (ambdós en sèrie), i dues bombetes en paral·lel. 6) Indica quins interruptors han d'estar tancats per tal de que s'encenguin les diferents bombetes: Interruptor Bombeta 1 Bombeta 2 Bombeta 3 Bombetes 1 i 2 I1 I2 I3 I4
  • 12.
    Generalitat de Catalunya Departamentd’Ensenyament Institut Leonardo da Vinci 12 1.- Munta els següents circuits amb els components de l'aula de tecnologia i respon a les preguntes que es plantegen a la dreta: a) En quins elements es diferencien el primer i el segon circuit? b) Quina és la diferència de funcionament d'ambdós circuits? c) Influeix la posició de l' interruptor dins del circuit?. Raona la teva resposta. Recorda: PROJECTE 3. PRÀCTIQUES CIRCUITS ELÈCTRICS
  • 13.
    Generalitat de Catalunya Departamentd’Ensenyament Institut Leonardo da Vinci 13 2. Munta els següents circuits amb els components de l'aula de tecnologia i respon a les preguntes que es plantegen a la dreta :. Per a cada circuit, indica quin/quins interruptors o polsadors s'han d'activar per a que s'encengui la bombeta. S'ha de fer la taula de veritat. S'ha fet el circuit 1 com a exemple: a) Circuit 1: Per a que s'encengui la bombeta s'ha d'activar I1 i I2. I1 I2 BOMBETA 0 0 0 0 1 0 1 0 0 1 1 1 b) Circuit 2: I1 P1 BOMBETA 0 0 0 1 1 0 1 1 c) Circuit 3: I1 I2 BOMBETA 0 0 0 1 1 0 1 1 d) Circuit 4: P1 I1 BOMBETA 0 0 0 1 1 0 1 1
  • 14.
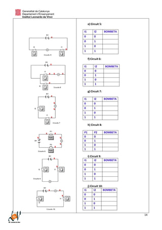
    Generalitat de Catalunya Departamentd’Ensenyament Institut Leonardo da Vinci 14 e) Circuit 5: I1 I2 BOMBETA 0 0 0 1 1 0 1 1 f) Circuit 6: I1 I2 BOMBETA 0 0 0 1 1 0 1 1 g) Circuit 7: I1 I2 BOMBETA 0 0 0 1 1 0 1 1 h) Circuit 8: P1 P2 BOMBETA 0 0 0 1 1 0 1 1 i) Circuit 9: I1 I2 BOMBETA 0 0 0 1 1 0 1 1 j) Circuit 10: I1 I2 BOMBETA 0 0 0 1 1 0 1 1
  • 15.
    Generalitat de Catalunya Departamentd’Ensenyament Institut Leonardo da Vinci 15 3.- Munta els següents circuits amb els components de l'aula de tecnologia i respon a les preguntes que es plantegen a la dreta a partir de les dades de la taula de veritat: Per encendre... S'ha d'accionar... Bombeta Brunzidor Ambdós I1 I2 BOMBETA BRUNZIDOR 0 0 0 1 1 0 1 1 Per encendre... S'ha d'accionar... Bombeta 1 Bombeta 2 Ambdues I1 P1 BOMBETA 1 BOMBETA 2 0 0 0 1 1 0 1 1 Per encendre... S'ha d'accionar... Bombeta 1 Bombeta 2 Ambdues
  • 16.
    Generalitat de Catalunya Departamentd’Ensenyament Institut Leonardo da Vinci 16 I1 P1 I2 B1 B2 M 0 0 0 0 0 1 0 1 0 0 1 1 1 0 0 1 0 1 1 1 0 1 1 1 Per encendre... S'ha d'accionar... Bombeta 1 Bombeta 2 Motor Bombetes 1 i 2 Bombeta 1 i motor Bombeta 2 i motor Bombetes 1 i 2 i motor