NATIONAL ALUMINIUM COMPANY LTD.
ANGUL, ODISHA
A
PROJECT REPORT
ON
In Partial Fulfilment of the Requirements for
The Аwаrd of the Degree of
Bachelor of Technology in Mechanical Engineering
Guided by Submitted by
Mr. M. Tanti KIRTI SHUBHAM
Mechanical (Operation) 1318015 (Mechanical)
KIIT UNIVERSITY
1
ACKNOWLEDGEMENT
I hаve tаken efforts in this project. However, it would not hаve been
possible without the kind support аnd help of mаny. I would like to
extend my sincere thаnks to аll of them.
I would like to express my grаtitude towаrds my pаrents for their kind
co-operations аnd encouragement which helped me in the completion
of this project.
I would like to express my speciаl grаtitude to my friends аlso, аs they
provide me informаtion аs well аs pictures they provided.
I express my deep sense of gratitude to my Project Guide Mr. M. Tanti
for his expert guidance and support, constаnt supervision, stimulаting
discussions аs well continuous impetus throughout the period of this
project.
My thаnks аnd аppreciаtions аlso go to my colleаgues in developing
the project аnd people who hаve willing helped me out in аny wаys in
the mаking of this project.
2
DECLАRАTION
I, KIRTI SHUBHAM student of B. Tech (MBA), 6th
Semester hereby declare that
PROJECT REPORT on OPERATION of CAPTIVE POWER PLANT which is
submitted by me to the MECHАNICАL DEPARTMENT, NALCO, Angul,
Odisha, is in partial fulfilment of requirement for the Аwаrd of the Degree of
“Bachelor of Technology” in MECHАNICАL ENGINERING.
.............................................
Kirti Shubham
Date:
B. Tech – Mechanical Engineering
VI Semester
Enrolment No.: 1318015
KIIT University
Bhubaneswar, Odisha
3
CERTIFICАTE
On the basis of declaration submitted by Mr. KIRTI SHUBHAM,
student of B. Tech (MECH), Roll Number 1318015, 6Th
Semester from
KIIT University. I hereby certify that The Project On Operation of
Captive Power Plant is submitted to MECHАNICАL DEPARTMENT,
National Aluminium Company Ltd., Angul, Odisha, in partial
fulfilment of the requirement for the аwаrd of the degree of Bachelor
of Technology in MECHАNICАL ENGINEERING, as a contribution
with existing knowledge and faithful record of work carried out by him
under my guidance and supervision.
Mechanical Dept.
Date:
4
NALCO PROFILE
National Aluminium Company Limited (NALCO) is a Navratna CPSE under Ministry of
Mines, Govt. of India. It was established on 7th January, 1981, with its registered office at
Bhubaneswar. The Company is a group ‘A’ CPSE having integrated and diversified
operations in mining, metal and power with sales turnover of Rs. 7024 crores in financial
year 2013-14. Presently, Government of India holds 80.93% equity of NALCO.
The company has a 68.25 lakh TPA Bauxite Mine & 22.75 lakh TPA Alumina Refinery
located at Damanjodi in Koraput dist. of Odisha, and 4.60 lakh TPA Aluminium Smelter &
1200 MW Captive Power Plant located at Angul, Odisha. As per diversification plan,
NALCO has ventured into renewable energy sectors. The Company has successfully
commissioned two wind power plants. A 50.4 MW wind power plant at Gandikota, Andhra
Pradesh and another of 47.6 MW wind power plant at Jaisalmer, Rajasthan are operational
since December, 2012 and January, 2014 respectively. 260 KWp Rooftop Solar Power
System has been made operational at Office and Township, Bhubaneswar during FY 2014-
15.
NALCO has bulk shipment facilities at Vizag port for export of Alumina/Aluminium and
import of caustic soda and also utilises facilities of Kolkata and Paradeep ports. The company
has its regional marketing offices in Delhi, Kolkata, Mumbai & Chennai its branch offices at
Bangalore, Paradeep, Ahmedabad and its 11 stockyards at various locations in the Country.
NALCO is the first Company in Aluminium sector in the Country to venture into
International market in a big way with London Metal Exchange (LME) registration since
May, 1989. The Company is listed at Bombay Stock Exchange (BSE) since 1992. All the
manufacturing units and the port facility of the Company, are certified to ISO 9001, ISO
14001, and OHSAS 18001 Management Systems and Integrated Management System
operates at these units. The energy intensive manufacturing units i.e. Smelter, CPP &
Alumina Refinery are also certified to ISO 50001 Standard for energy management system.
SA 8000 certification is also obtained for all the manufacturing units and corporate office. In
its efforts for capacity addition and expansion, NALCO has extensive plans for brown field
and green field expansion projects, which include 1 MTPA Alumina Refinery in Gujarat in
JV with Gujarat Mineral Development Corporation (GMDC) (Greenfield), 5th Stream of 1
MTPA capacity in existing Alumina Refinery at Damanjodi (Brownfield), 0.5 MTPA
Aluminium Smelter and 1050 MW Power Complex in Odisha (Greenfield), 0.5 MTPA
Aluminium Smelter abroad and development of bauxite mines at Gudem and KR Konda in
Andhra Pradesh and Pottangi in Odisha etc.
The Company has plans to set up a 2 lakh TPA caustic soda plant in JV with Gujarat Alkalies
& Chemicals Limited (GACL) and 55,000 TPA Aluminium Conductor plant in JV with
Power Grid Corporation of India Limited (PGCIL). The Company has plans to set up a
14MW wind power plant at mined out area of Damanjodi and another 100MW wind power
plant at any suitable location in the Country.
5
The company has formed a JV Company with Nuclear Power Corporation of India Limited
(NPCIL) for establishing 2X700 MW Nuclear Power Plants at an estimated investment of Rs.
11,459 crores at Kakrapara in Gujarat. For development of downstream ancillary industries, a
JV Company has been formed with IDCO, Odisha for Angul Aluminium Park.
The company is involved in playing a significant role in the socio-economic development of
the areas where it operates. Rehabilitation of displaced families, employment, income
generation & health care for local people, development of infrastructure, care for
environment and various humanitarian goodwill missions have earned NALCO a place of
pride in the corporate world. With the setting up of NALCO Foundation and doubling of CSR
budget to 2% of the net profit, the company is well-poised to augment its activities on social
responsibilities significantly.
In order to promote education amongst tribal children, NALCO has sponsored more than 655
students in reputed educational institutes in Odisha by way of bearing all their expenses on
studies including lodging and boarding etc.
6
BAUXITE MINES
On Panchpatmali hills of Koraput district in Orissa, a fully mechanized opencast
mine is in operation since November, 1985, serving feedstock to Alumina
Refinery at Damanjodi located on the foothills. Present capacity of Mines is 68.25
lakh TPA. Panchpatmali plateau stands at elevation of 1154 m to 1366 m above
mean sea level. Bauxite occurs over the full length of the Panchpatmali plateau,
which spans over 18 km.
The salient features:
Area of deposit - 16 sq. KM
Resource - 310 million tonnes
Ore quality - Alumina 45%, Silica 3%
Mineralogy - Over 90% gibbsitic
Over burden - 3 meters (average)
Ore thickness - 14 meters (average)
Transport - 14.6 KM long, single flight, multi-curve cable belt conveyor
of 1800 TPH capacity
7
ALUMINA - REFINERY
The Alumina Refinery is located at Damanjodi, Odisha, approximately 14 KM
from the bauxite mine at Panchpatmali. The mined-out bauxite is transported
from captive mine to refinery by a 14.6 KM long single-light multi-curve 1800
tonnes per hour (TPH) capacity cable belt conveyor. The alumina produced is
transported to aluminium smelter at Angul (Odisha) and to Vizag (Andhra
Pradesh) port by rail.
The present capacity of Alumina Refinery is 22.75 lakh TPA. Alumina
produced is used to meet Company's requirements for production of primary
aluminium at smelter. The surplus alumina is sold to third parties in the export
markets.
The salient features:
 Atmospheric pressure digestion process
 Pre-desalination and inter-stage cooling for higher productivity
 Energy efficient fluidised bed calciners
 Co-generation of 4x18.5 MW power by use of back pressure turbine in steam
generation plant
8
ALUMINA – SMELTER
The present capacity of smelter is 4.60 lakh TPA. Alumina is converted into
primary aluminium through a smelting process by using electrolytic reduction.
From the pot-line, the molten aluminium is routed to either the casting units,
where the aluminium can be cast into ingots, sow ingots, tee ingots, billets, wire
rods, cast strips and alloy ingots, or to RPU where the molten aluminium is rolled
into various cold-rolled products or cast into aluminium strips. Aluminium
products are sold in the domestic market and also exported through Kolkata,
Paradeep & Vizag ports.
Nalco acquired and subsequent merged International Aluminium Products
Limited (IAPL), the 50,000 TPA export-oriented Rolled Products Unit with
Nalco. The RPU is integrated with the Smelter Plant at Angul for production of
aluminium cold rolled sheets and coils from continuous caster route based on the
advanced technology of FATA Hunter, Italy. It has also started production of
another variety of rolled product named as chequered sheet with thickness
ranging from 0.60mm to 3.0mm.
The salient features:
180 KA cell technology
Micro-processor based pot regulation system
Fume treatment plant with dry-scrubbing system for pollution control and
fluoride salt recovery
Integrated facility for manufacturing carbon anodes, bus bars, anode stems etc.
Hyper Dense Phase System (HDPS) for alumina feeding.
4 x 35 Tonne and 4 x 45 Tonne furnaces and 2 x 15 TPH and 2 x 20 TPH ingot
casting machines
4 x 45 Tonne furnaces and 2 x 9.5 TPH wire rod mills
2 x 45 Tonne furnaces and 60/42 per drop billet casting machine
2 x 1.5 Tonne induction furnace with a 4 TPH alloy ingot casting machine
26,000 TPA strip casting machines
2 x 45 Tonne furnaces and 9 TPH tee ingot casting machine
2 x 45 Tonne furnaces and 20 TPH sow ingot casting facility are being
installed.
9
PORT FACILITIES
On the Northern Arm of the Inner Harbour of Visakhapatnam Port on the Bay of
Bengal, Nalco has established mechanized storage and ship handling facilities for
exporting Alumina in bulk and importing Caustic Soda.
The salient features:
Maximum ship size for loading Alumina: 40,000MT DWT
Maximum Alumina loading rate: 2,200 TPH (Avg. 1,500 TPH)
Receipt of Alumina from Damanjodi by: Rakes consisting 48 (x53 MT)
BTAP wagons.
(Two) numbers of BTAP wagon unloading stations by pneumatic means.
Alumina storage capacity: 3 x 25,000MT RCC Silos.
Caustic soda Lye storage capacity: 3 x 10,000LMT.
Maximum caustic soda unloading rate from ship: 600LMT / Hr
One Caustic Soda wagon (BTCS) loading station.
Despatch of Caustic Soda lye to Damanjodi by: Rakes consisting 58 (x55MT)
BTCS wagons.
10
ROLLED PRODUCTS UNIT
Nalco has set up a 50,000 MT per annum Rolled Products Unit, integrated
with the Smelter Plant at Angul, for production of aluminium cold rolled
sheets and coils from continuous caster route, based on the advanced
technology of FATA Hunter, Italy.
WIND POWER PLANT
The 1st wind power plant of capacity 50.4 MW (2.1MW, 24 nos. WEGs)
in Gandikota, Andhra Pradesh was commissioned in December 2012 and
the 2nd wind power plant of capacity 47.6 MW (0.85 MW, 56 nos.
WEGs) in Jaisalmer, Rajasthan was finally commissioned in Jan’2014.
Both the plants are in operation.
SOLAR POWER PLANT
NALCO has commissioned 260 KWp Rooftop Solar Power plant at
Corporate Office and NALCO Township at Bhubaneswar during the FY
2014-15.
11
CAPTIVE POWER PLANT
The Captive Thermal Power Plant has a generation capacity of 1200 MW
(10X120MW). While the captive thermal power plant provides entire electric
power requirement of aluminium smelter, it also feeds for approximately 35 MW
of the power requirement to the alumina refinery through the State Grid.
The location of captive thermal power plant at Angul is also strategic to the
availability and supply of coal from nearby Talcher Coalfields. The 18.5 KM
captive railway system links the captive thermal power plant to the Talcher
coalfields, enabling transport of the critical and bulk requirement of coal.
The salient features:
 Micro-processor based burner management system for optimum thermal
efficiency
 Computer controlled data acquisition system for on-line monitoring
 Automatic turbine run-up system
 Specially designed barrel type high pressure turbine
 Advanced electrostatic precipitator (99.9% efficiency) to control pollution.
 Wet disposal of ash
 Zero discharge of effluents
 High Concentrate Slurry Disposal (HCSD) System for ash disposal
 High plant load factor
The water for the Plant is drawn from River Brahmani through a 7 KM long triple
circuit pipeline. The coal demand is met from a mine of 3.5 Million TPA capacity
opened up for Nalco, initially at Bharatpur in Talcher by Mahanadi Coalfields
Limited. The Power Plant is inter-connected with the State Grid.
12
COAL BASED STEAM POWER PLANT
-Runs on Modified Rankine Cycle
-Coal used is Semi-bituminous Coal
Rankin Cycle
Temp (T)
Entropy(S)
 Process 1-2: Water from the condenser at low pressure is pumped into
the boiler at high pressure. This process is reversible adiabatic.
 Process 2-3: Water is converted into steam at constant pressure by the
addition of heat in the boiler
 Process 3-4: Reversible adiabatic expansion of steam in the steam
turbine.
 Process 4-1: Constant pressure heat rejection in the condenser to convert
condensate into water
Latent Heating
Pumping
Condensation
Adiabatic compression
1
2
2' 3
4
13
MODIFIED RANKINE CYCLE
Temp
S
Modified Rankine Cycle aims to improve efficiency of the cycle, in this case
made the extraction of steam from turbine generator to heat feed-water (FW), so
the steam boiler can work easily and reduce the requirement of fuel.
IP
HP
Reheating
Super-heating
Water Wall + Drum
Critical Point
BFP
CEP
Condenser
LP (A) + LP (B)
LPH (5, 6, 7, 8)
Economiser
HPH (1, 2, 3)
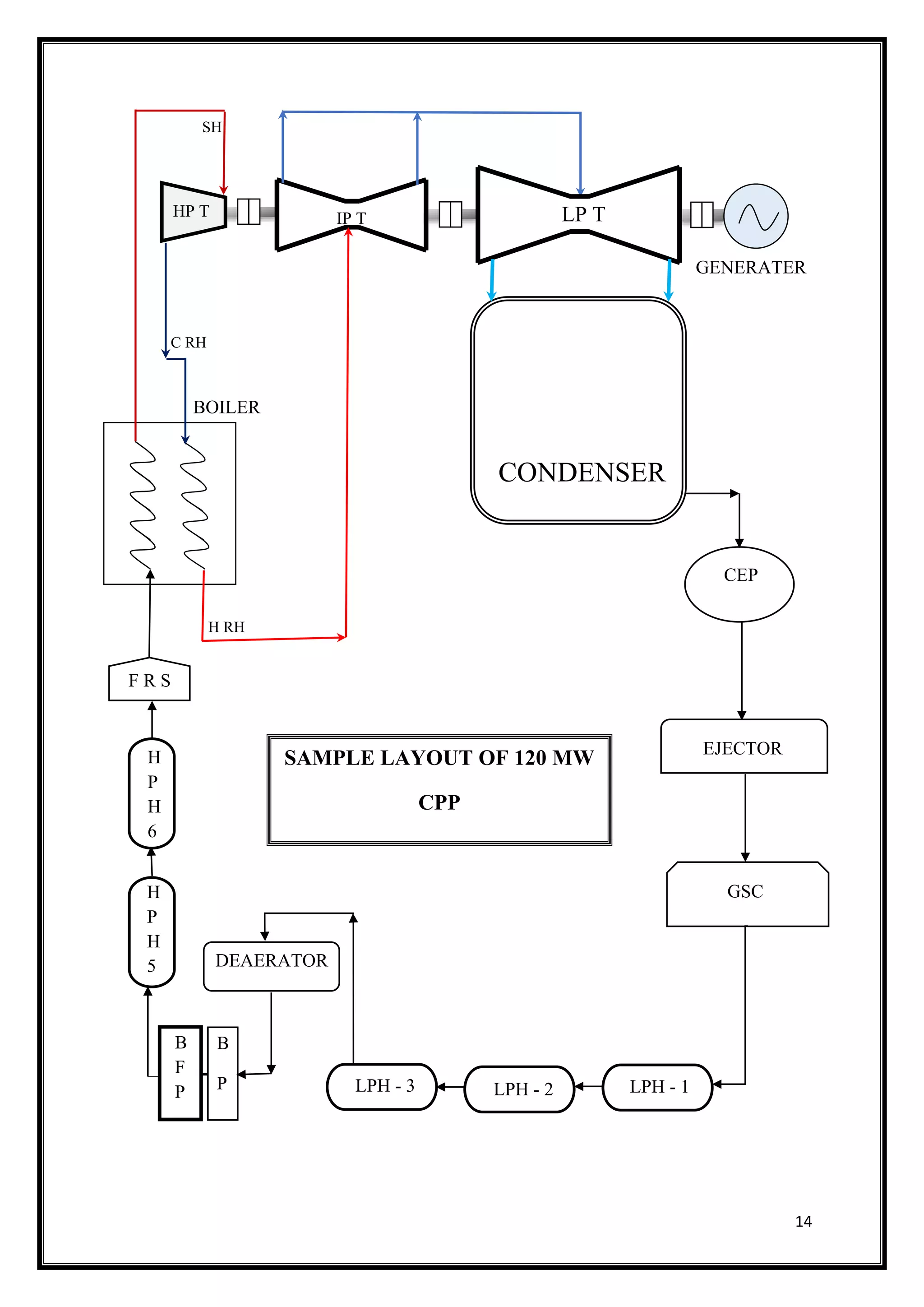
14
HP T IP T LP T
CONDENSER
CEP
EJECTOR
GSC
LPH - 1LPH - 2LPH - 3
DEAERATOR
B
P
B
F
P
H
P
H
5
H
P
H
6
F R S
SAMPLE LAYOUT OF 120 MW
CPP
GENERATER
BOILER
C RH
H RH
SH
15
ABBRIVIATION USED
 HP T ↔ High Pressure (TURBINE)
 IP T ↔ Inter-mediate Pressure (TURBINE)
 LP T ↔ Low Pressure (TURBINE)
 CEP ↔ Condensate Extraction Pump
 CPU ↔ Condensate Polishing Unit
 GSC ↔ Gland Steam Condenser
 LPH ↔ Low Pressure Heater
 BFP ↔ Boiler Feed Pump
 HPH ↔ High Pressure Heater
 FRS ↔ Feed Regulating System
 MS ↔ Main Stream
 CRH ↔ Cold Re-heat
 HRH ↔ Hot Re-heat
 BP ↔ Booster Pump
 MOT ↔ Main Oil Tank
 FW ↔ Feed Water
 DM ↔ De-mineralised Water
 CW ↔ Circulating Water
16
TRANSPORT OF COAL FUEL TO SITE
The raw coal is transported from coal mines to the power station site
by trucks, barges, or railway cars. Generally, when shipped by railways, the coal
cars are sent as a full train of cars. The coal received at site may be of different
sizes. The railway cars are unloaded at site by rotary dumpers or side tilt dumpers
to tip over onto conveyor belts below. The coal is generally conveyed to crushers
which crush the coal to about 3
⁄4 inch (19 mm) size. The crushed coal is then sent
by belt conveyors to a storage pile. Normally, the crushed coal is compacted by
bulldozers, as compacting of highly volatile coal avoids spontaneous ignition.
The crushed coal is conveyed from the storage pile to silos or hoppers at the
boilers by another belt conveyor system.
17
Mill section
In modern thermal power plants coal is pulverised i.e. ground to dust like size
and carried to the furnace in a stream of hot air. Pulverising is a means of
exposing a large surface area to the action of oxygen and consequently help in
combustion.
The best features of all the vertical spindle pulverisers have been incorporated
in the design of bowl mill. Its operating characteristics make it best mill
available for the direct firing of sub-bituminous and bituminous coal. Mill
output can be varied from its minimum to max load and it will operate for
sufficiently long period without mechanical difficulties or stoppages for
cleaning, oiling or adjusting.
The coal is fed into centre of the revolving bowl of the bowl mill. Centrifugal
force feeds the material uniformly over the replicable grinding ring where
independently pivoted Journal assemblies with grinding rolls exert required
grinding pressure. Rolls do not touch the grinding ring even when the mill is
empty, therefore the mills operate silently without tremble. The mills work
under pressure by placing primary air fans (PA Fans) in the circuit ahead of mill
and designated as RP Mill.
PRINCIPLE OF OPERATION
Coal is fed to the centre of the pulveriser on to a revolving bowl. Centrifugal
force causes the coal to travel towards the perimeter of the bowl. The coal
passes between the bull ring and the grinding rolls which impart the pressure
necessary for grinding. The partially ground coal continues outward and over
than age of bowl.
The heated air enters mill side housing below the bowl and is directed upward
around the bowl outer diameter and separator body annulus by the rotating
vane. It continues upward and the deflector opening in the classifier at the top of
inert core and then through the venturimeter and the multiple port outer
assembly as the air passes upward around the bowl and picks up the partially
pulverised coal particles, carried through the deflector opening of the classifier.
The deflector blade causes the coal air mixture to spin in the inner core. The
angle of blade determines velocity of spin and resulting grain fineness. Heavier
pulverised coal returned through the inside of the inner core to the bowl for
further grinding. Coal that is pulverised to desired fineness (200 micron) leaves
the pulveriser and enter the piping system.
18
OPERATING PARAMETERS
1. Mill air flow: mill should be operated at the design air flow at all loads.
Lower air flow may result in coal reject, low bowl differential
pressure. Air flow is controlled by simultaneous operation of
hot and cold air dampers.
2. Mill outlet temperature: For good pulveriser performance, temp of the
mixture leaving the classifier should be maintained as high as
possible within the safe temp limit of the coal being ground
through high outlet temp may result in pulveriser fire.
3.Pulverised fuel fineness: it depends upon volatility of the coal and furnace
size. It varies for each unit.
4.Mill capacity: It depends on the hard groove grind ability index, moisture
content of the coal and the pulverised fineness output required.
19
BOILER AND STEAM CYCLE
A fossil fuel steam generator includes an economizer, a steam drum, and
the furnace with its steam generating tubes and super heater coils.
Necessary safety valves are located at suitable points to avoid excessive boiler
pressure. The air and flue gas path equipment include: forced draft (FD) fan, air
preheater (AP), boiler furnace, induced draft (ID) fan, fly ash collectors
(electrostatic precipitator or baghouse) and the flue gas stack.
BOILER OPERATION
Pulverized coal is air-blown into the furnace through burners located at the four
corners, or along one wall, or two opposite walls, and it is ignited to rapidly burn,
forming a large fireball at the centre. The thermal radiation of the fireball heats
the water that circulates through the boiler tubes near the boiler perimeter. The
water circulation rate in the boiler is three to four times the throughput. As the
water in the boiler circulates it absorbs heat and changes into steam. It is
separated from the water inside a drum at the top of the furnace. The saturated
steam is introduced into superheat pendant tubes that hang in the hottest part of
the combustion gases as they exit the furnace. Here the steam is superheated to
540 °C to prepare it for the turbine.
20
BOILER FURNACE AND STEAM DRUM
The water enters the boiler through a section in the convection pass called
the economizer. From the economizer it passes to the steam drum and from there
it goes through down comers to inlet headers at the bottom of the water walls.
From these headers the water rises through the water walls of the furnace where
some of it is turned into steam and the mixture of water and steam then re-enters
the steam drum. This process may be driven purely by natural
circulation (because the water is the down comers is denser than the water/steam
mixture in the water walls) or assisted by pumps. In the steam drum, the water is
returned to the down comers and the steam is passed through a series of steam
separators and dryers that remove water droplets from the steam. The dry steam
then flows into the super heater coils.
The boiler furnace auxiliary equipment includes coal feed nozzles and igniter
guns, soot blowers, water lancing and observation ports (in the furnace walls) for
observation of the furnace interior. Furnace explosions due to any accumulation
of combustible gases after a trip-out are avoided by flushing out such gases from
the combustion zone before igniting the coal. The steam drum (as well as
the super heater coils and headers) have air vents and drains needed for initial
start-up.
SUPER HEATER
Captive power plants often have a super heater section in the steam generating
furnace. The steam passes through drying equipment inside the steam drum on to
the super heater, a set of tubes in the furnace. Here the steam picks up more energy
from hot flue gases outside the tubing and its temperature is now superheated
above the saturation temperature. The superheated steam is then piped through
the main stream lines to the valves before the high pressure turbine.
ECONOMISER
 Tubular heat transfer surfaces used to preheat boiler feed water before it
enters the steam drum (same like heaters)
 Extract heat from the flue gas before it is exhausted to the atmosphere.
 Increase overall boiler thermal efficiency
21
RE-HEATER
Power plant furnaces may have a re-heater section containing tubes heated by hot
flue gases outside the tubes. Exhaust steam from the high pressure turbine is
passed through these heated tubes to collect more energy before driving the
intermediate and then low pressure turbines.
AIR PATH
External fans are provided to give sufficient air for combustion. The Primary air
fan takes air from the atmosphere and, first warming it in the air pre-heater for
better combustion, injects it via the air nozzles on the furnace wall.
The induced draft fan assists the FD fan by drawing out combustible gases from
the furnace, maintaining a slightly negative pressure in the furnace to avoid
backfiring through any closing.
STACK GAS PATH AND CLEAN UP
As the combustion flue gas exits the boiler it is routed through a rotating flat
basket of metal mesh which picks up heat and returns it to incoming fresh air as
the basket rotates, this is called the air pre-heater. The gas exiting the boiler is
laden with fly ash, which are tiny spherical ash particles. The flue gas
contains nitrogen along with combustion products carbon dioxide, sulphur
dioxide, and nitrogen oxides. The fly ash is removed by fabric bag
filters or electrostatic precipitators. the sulphur and nitrogen oxide pollutants are
removed by stack gas scrubbers which use a pulverized limestone or
other alkaline wet slurry to remove those pollutants from the exit stack gas.
FLY ASH COLLECTION
Fly ash is captured and removed from the flue gas by electrostatic precipitators
or fabric bag filters (or sometimes both) located at the outlet of the furnace and
before the induced draft fan. The fly ash is periodically removed from the
collection hoppers below the precipitators or bag filters. Generally, the fly ash is
pneumatically transported to storage silos for subsequent transport by trucks or
railroad cars.
22
BOTTOM ASH COLLECTION AND DISPOSAL
At the bottom of the furnace, there is a hopper for collection of bottom ash. This
hopper is always filled with water to quench the ash and clinkers falling down
from the furnace. Some arrangement is included to crush the clinkers and for
conveying the crushed clinkers and bottom ash to a storage site. Ash extractor is
used to discharge ash from Municipal solid waste–fired boilers.
BOILER MAKE-UP WATER TREATMENT PLANT
AND STORAGE
In the power station, the raw feed coal from the coal storage area is first crushed
into small pieces and then conveyed to the coal feed hoppers at the boilers. The
coal is next pulverized into a very fine powder. The pulverisers may be ball mills,
rotating drum grinders, or other types of grinders.
BARRING GEAR
Barring gear (or "turning gear") is the mechanism provided to rotate the turbine
generator shaft at a very low speed after unit stoppages. Once the unit is "tripped"
(i.e., the steam inlet valve is closed), the turbine coasts down towards standstill.
When it stops completely, there is a tendency for the turbine shaft to deflect or
bend if allowed to remain in one position too long. This is because the heat inside
the turbine casing tends to concentrate in the top half of the casing, making the
top half portion of the shaft hotter than the bottom half. The shaft therefore could
wrap or bend by millionths of inches. This small shaft deflection, only detectable
by eccentricity meters, would be enough to cause damaging vibrations to the
entire steam turbine generator unit when it is restarted. The shaft is therefore
automatically turned at low speed (about one percent rated speed) by the barring
gear until it has cooled sufficiently to permit a complete stop.
23
OIL SYSTEM
An auxiliary oil system pump is used to supply oil at the start-up of the steam
turbine generator. It supplies the hydraulic oil system required for steam turbine's
main inlet steam stop valve, the governing control valves, the bearing and seal oil
systems, the relevant hydraulic relays and other mechanisms.
At a preset speed of the turbine during start-ups, a pump driven by the turbine
main shaft takes over the functions of the auxiliary system.
MONITORING AND ALARM SYSTEM
Most of the operational controls are automatic. However, at times, manual
intervention may be required. Thus, the plant is provided with monitors and alarm
systems that alert the plant operators when certain operating parameters are
seriously deviating from their normal range.
24
TURBINE AND AUXILIARIES
The 120 MW steam turbine sets of NALCO-CPP are supplied by BHEL,
Hyderabad. These steam turbines consist of HP, IP and LP cylinders. The HPT is
of reaction type, single-flow, double casting, inner casing is in two halves,
holding stationary blades and scaling rings. HPT outer is of barrel type, having
integral exhaust. Two sealing rings, one is I type and other U type are provided
between inner and outer cylinders. Inner cylinders is fixed at the inlet end. I type
sealing ring at the exhausted permits expansion of inner cylinders towards front
pedestal. The hollow portion in between is kept at inlet pressure and temperature.
Steam at 138Ksc and 540 degrees Centigrade enters through stop and control
valves flows through HP reaction stages to exhaust at 31.83Ksc and 338 degree
Celsius.
Manufacturer - BHEL
Power - 120 MW
SPEED - 3000 RPM
Steam Pressure - 12585 ata
Steam Temp - 535o
C
Reheat Temp - 535o
C
Year - 1993
GENERATOR
Alternator is an AC generator based on Faraday's Law of EMI (Electromagnetic
Induction). In case of an alternator the Armature windings are placed on Stator
and Field winding on Rotor. Rotor shaft is coupled with the Turbine shaft.
Faraday's Law of EMI (First Law)
Whenever a conductor is placed in a varying magnetic field an EMF gets induced across the
conductor (induced emf), and if the conductor is a closed circuit then induced current flows
throw it.
Faraday's Law of EMI (Second Law)
The magnitude of induced emf is equal to the rate of change of flux linkages with the coil.
The flux linkages are the product of number of turns and the flux associated with the coil.
25
PRINCIPLE OF AN ALTERNATOR
The Rotor winding is energised by DC EXCITER, and alternate North-South
pole is developed on Rotor.
When Rotor is rotated in anticlockwise by a prime mover, the stator conductors
are cut y magnetic flux, so emf is induced in the Stator due to EMI. Direction of
induce current is given by Fleming's Right Hand Rule.
𝑓 =
𝑁𝑝
120
Where, f = frequency = 50Hz
N = RPM = 3000
P = number of poles = 2
Manufacturer - BHEL
Type - Turbo Generator
Power - 120275 Kw
PF - 0.85
KVA - 141500
Speed - 3000 Rpm
Frequency - 50 Hz
Phase - 3
Connection - YY
Coolant - H2
Gas Pressure - 3 bar G
Insul. Class - B
Type - THI-930-38P
Spec - IEC-34.1
Year - 1994
26
EXCITER
In the past, the exciter was a small DC generator coupled to the same shaft as the
rotor. Therefore, when the rotor rotates this exciter produces the power for the
electromagnet. Control of the exciter output is done by varying the field current
of the exciter. This output from the exciter then controls the magnetic field of the
rotor to produce a constant voltage output by the generator. This DC current feeds
to the rotor through slip rings.
Manufacturer - BHEL - Hyderabad
Class - F
Type - DC Generator
Power - 624 Kw
Current - 2600 A
Speed - 3000 RPM
Excitation - 15 kVA – 220 V– 4.8 A
STEAM CONDENSING
The condenser condenses the steam from the exhaust of the turbine into liquid to
allow it to be pumped. If the condenser can be made cooler, the pressure of the
exhaust steam is reduced and efficiency of the cycle increases.
(Diagram of a typical water-cooled surface condenser.)
The surface condenser is a shell and tube heat exchanger in which cooling water
is circulated through the tubes. The exhaust steam from the low pressure turbine
enters the shell where it is cooled and converted to condensate (water) by flowing
over the tubes as shown in the adjacent diagram. Such condensers use steam
27
ejectors or rotary motor-driven exhausters for continuous removal of air and
gases from the steam side to maintain vacuum.
For best efficiency, the temperature in the condenser must be kept as low as
practical in order to achieve the lowest possible pressure in the condensing steam.
Since the condenser temperature can almost always be kept significantly below
100 °C where the vapour pressure of water is much less than atmospheric
pressure, the condenser generally works under vacuum. Thus leaks of non-
condensable air into the closed loop must be prevented.
Typically, the cooling water causes the steam to condense at a temperature of
about 35 °C and that creates a pressure in the condenser i.e. a vacuum of about
−0.95 kg/cm2
relative to atmospheric pressure. The large decrease in volume that
occurs when water vapour condenses to liquid creates the low vacuum that helps
pull steam through and increase the efficiency of the turbines.
The limiting factor is the temperature of the cooling water and that, in turn, is
limited by the prevailing average climatic conditions at the power plant's location
(it may be possible to lower the temperature beyond the turbine limits during
winter, causing excessive condensation in the turbine). Plants operating in hot
climates may have to reduce output if their source of condenser cooling water
becomes warmer; unfortunately, this usually coincides with periods of high
electrical demand for air conditioning. The condenser generally uses either
circulating cooling water from a cooling tower to reject waste heat to the
atmosphere.
CONDENSATE CYCLE
28
FUNCTION OF CONDENSER
 Create a vacuum by condensing steam.
 Remove dissolved non-condensable gases from condensate.
 Providing a leak-tight barrier between the high grade condensate
contained within the shell and the cooling water.
HOT WELL
 The condenser hot well serves as a water reservoir for the turbine cycle.
 Supply make-up water to the cycle.
CONDENSATE EXTRACTION PUMP (CEP)
 An extraction pump is an important part of a feed water system
 Generally, fitted in between the condenser and de-aerator
 To maintain the amount of condensate in the condenser
 To provide the sufficient suction head to the extraction pump
GSC (GLAND STEAM CONDENSER)
It removes dust from the condenser
EJECTOR
It is used to create vacuum inside the condenser.
FEED WATER HEATING AND DEAERATION
The boiler feed-water used in the steam boiler is a means of transferring heat
energy from the burning fuel to the mechanical energy of the spinning steam
turbine. The total feed water consists of re-circulated condensate water and
purified makeup water. Because the metallic materials it contacts are subject
to corrosion at high temperatures and pressures, the makeup water is highly
purified before use. A system of water softeners and ion exchange demineralises
produces water so pure that it coincidentally becomes an electrical insulator,
with conductivity in the range of 0.3–1.0 microsiemens per centimetre.
29
The feed water cycle begins with condensate water being pumped out of
the condenser after travelling through the steam turbines. The water is
pressurized in two stages, and flows through a series of six or seven intermediate
feed water heaters, heated up at each point with steam extracted from an
appropriate duct on the turbines and gaining temperature at each stage. Typically,
in the middle of this series of feed-water heaters, and before the second stage of
pressurization, the condensate plus the makeup water flows through a de-
aerator that removes dissolved air from the water, further purifying and reducing
its corrosiveness. The water may be dosed following this point with hydrazine, a
chemical that removes the remaining oxygen in the water to below 5 parts per
billion (ppb). It is also dosed with pH control agents such
as ammonia or morpholine to keep the residual acidity low and thus non-
corrosive.
The form of condensing system which is used is the air-cooled condenser. The
process is similar to that of a radiator and fan. Exhaust heat from the low pressure
section of a steam turbine runs through the condensing tubes, the tubes are usually
finned and ambient air is pushed through the fins with the help of a large fan. The
steam condenses to water to be reused in the water-steam cycle. Air-cooled
condensers typically operate at a higher temperature than water-cooled versions.
While saving water, the efficiency of the cycle is reduced (resulting in more
carbon dioxide per megawatt of electricity). From the bottom of the condenser,
powerful condensate pumps recycle the condensed steam (water) back to the
water/steam cycle.
DEAERATOR
DEAERATION is based on two scientific principles. The first principle can be
described by Henry's Law. Henry's Law asserts that gas solubility in a solution
decreases as the gas partial pressure above the solution decreases. The second
scientific principle that governs Deaeration is the relationship between gas
solubility and temperature.
Manufacturer - IAEC (Bombay) Ltd.
Title - Feed Storage Tank
Design Temp - 200o
C
Working Temp - 155o
C
Test Pressure Hyd.- 9 kg/cm2
g
Design Pressure - 8 kg/cm2
g & Full Vacuum
Inspected By - LLOYDS
30
BOILER FEED PUMP
A boiler feedwater pump is a specific type of pump used to pump feedwater
into a steam boiler. The water may be freshly supplied or returning condensate
produced as a result of the condensation of the steam produced by the boiler.
Manufacturer - BHEL
Type - CENTRIFUGAL PUMP
QTY - 480 m3
/hr
Head - 1906 m
Speed - 5054 RPM
Temp - 163o
C
Year - 2011
BOOSTER PUMP
A booster pump may be used as a "gentle" way of increasing pressure without
causing a reduction in suction pressure and the flashing of hot water into steam.
The discharge pressure of the booster pump makes it much harder for this how
water to flash in the suction of the feed pump.
Manufacturer - BHEL
Type - CENTRIFUGAL PUMP
QTY - 489 m3
/hr
Head - 101 m
Speed - 1485 RPM
Temp - 151.2o
C
Year - 1992
31
CONCLUSION
Presently the captive thermal power plant has generation capacity of 1200 MW
with 10 turbo-generators, each rated at 120 MW. While the captive thermal power
plant provides entire electric power requirement of aluminium smelter, it also
provides for approximately 35% of the power requirement of alumina refinery
plant and also the power generation capacity of CPP is designed considering the
requirement of each unit.
The vocational training has been very helpful and has increased my knowledge
about power plants.

NALCO Training

  • 1.
    NATIONAL ALUMINIUM COMPANYLTD. ANGUL, ODISHA A PROJECT REPORT ON In Partial Fulfilment of the Requirements for The Аwаrd of the Degree of Bachelor of Technology in Mechanical Engineering Guided by Submitted by Mr. M. Tanti KIRTI SHUBHAM Mechanical (Operation) 1318015 (Mechanical) KIIT UNIVERSITY
  • 2.
    1 ACKNOWLEDGEMENT I hаve tаkenefforts in this project. However, it would not hаve been possible without the kind support аnd help of mаny. I would like to extend my sincere thаnks to аll of them. I would like to express my grаtitude towаrds my pаrents for their kind co-operations аnd encouragement which helped me in the completion of this project. I would like to express my speciаl grаtitude to my friends аlso, аs they provide me informаtion аs well аs pictures they provided. I express my deep sense of gratitude to my Project Guide Mr. M. Tanti for his expert guidance and support, constаnt supervision, stimulаting discussions аs well continuous impetus throughout the period of this project. My thаnks аnd аppreciаtions аlso go to my colleаgues in developing the project аnd people who hаve willing helped me out in аny wаys in the mаking of this project.
  • 3.
    2 DECLАRАTION I, KIRTI SHUBHAMstudent of B. Tech (MBA), 6th Semester hereby declare that PROJECT REPORT on OPERATION of CAPTIVE POWER PLANT which is submitted by me to the MECHАNICАL DEPARTMENT, NALCO, Angul, Odisha, is in partial fulfilment of requirement for the Аwаrd of the Degree of “Bachelor of Technology” in MECHАNICАL ENGINERING. ............................................. Kirti Shubham Date: B. Tech – Mechanical Engineering VI Semester Enrolment No.: 1318015 KIIT University Bhubaneswar, Odisha
  • 4.
    3 CERTIFICАTE On the basisof declaration submitted by Mr. KIRTI SHUBHAM, student of B. Tech (MECH), Roll Number 1318015, 6Th Semester from KIIT University. I hereby certify that The Project On Operation of Captive Power Plant is submitted to MECHАNICАL DEPARTMENT, National Aluminium Company Ltd., Angul, Odisha, in partial fulfilment of the requirement for the аwаrd of the degree of Bachelor of Technology in MECHАNICАL ENGINEERING, as a contribution with existing knowledge and faithful record of work carried out by him under my guidance and supervision. Mechanical Dept. Date:
  • 5.
    4 NALCO PROFILE National AluminiumCompany Limited (NALCO) is a Navratna CPSE under Ministry of Mines, Govt. of India. It was established on 7th January, 1981, with its registered office at Bhubaneswar. The Company is a group ‘A’ CPSE having integrated and diversified operations in mining, metal and power with sales turnover of Rs. 7024 crores in financial year 2013-14. Presently, Government of India holds 80.93% equity of NALCO. The company has a 68.25 lakh TPA Bauxite Mine & 22.75 lakh TPA Alumina Refinery located at Damanjodi in Koraput dist. of Odisha, and 4.60 lakh TPA Aluminium Smelter & 1200 MW Captive Power Plant located at Angul, Odisha. As per diversification plan, NALCO has ventured into renewable energy sectors. The Company has successfully commissioned two wind power plants. A 50.4 MW wind power plant at Gandikota, Andhra Pradesh and another of 47.6 MW wind power plant at Jaisalmer, Rajasthan are operational since December, 2012 and January, 2014 respectively. 260 KWp Rooftop Solar Power System has been made operational at Office and Township, Bhubaneswar during FY 2014- 15. NALCO has bulk shipment facilities at Vizag port for export of Alumina/Aluminium and import of caustic soda and also utilises facilities of Kolkata and Paradeep ports. The company has its regional marketing offices in Delhi, Kolkata, Mumbai & Chennai its branch offices at Bangalore, Paradeep, Ahmedabad and its 11 stockyards at various locations in the Country. NALCO is the first Company in Aluminium sector in the Country to venture into International market in a big way with London Metal Exchange (LME) registration since May, 1989. The Company is listed at Bombay Stock Exchange (BSE) since 1992. All the manufacturing units and the port facility of the Company, are certified to ISO 9001, ISO 14001, and OHSAS 18001 Management Systems and Integrated Management System operates at these units. The energy intensive manufacturing units i.e. Smelter, CPP & Alumina Refinery are also certified to ISO 50001 Standard for energy management system. SA 8000 certification is also obtained for all the manufacturing units and corporate office. In its efforts for capacity addition and expansion, NALCO has extensive plans for brown field and green field expansion projects, which include 1 MTPA Alumina Refinery in Gujarat in JV with Gujarat Mineral Development Corporation (GMDC) (Greenfield), 5th Stream of 1 MTPA capacity in existing Alumina Refinery at Damanjodi (Brownfield), 0.5 MTPA Aluminium Smelter and 1050 MW Power Complex in Odisha (Greenfield), 0.5 MTPA Aluminium Smelter abroad and development of bauxite mines at Gudem and KR Konda in Andhra Pradesh and Pottangi in Odisha etc. The Company has plans to set up a 2 lakh TPA caustic soda plant in JV with Gujarat Alkalies & Chemicals Limited (GACL) and 55,000 TPA Aluminium Conductor plant in JV with Power Grid Corporation of India Limited (PGCIL). The Company has plans to set up a 14MW wind power plant at mined out area of Damanjodi and another 100MW wind power plant at any suitable location in the Country.
  • 6.
    5 The company hasformed a JV Company with Nuclear Power Corporation of India Limited (NPCIL) for establishing 2X700 MW Nuclear Power Plants at an estimated investment of Rs. 11,459 crores at Kakrapara in Gujarat. For development of downstream ancillary industries, a JV Company has been formed with IDCO, Odisha for Angul Aluminium Park. The company is involved in playing a significant role in the socio-economic development of the areas where it operates. Rehabilitation of displaced families, employment, income generation & health care for local people, development of infrastructure, care for environment and various humanitarian goodwill missions have earned NALCO a place of pride in the corporate world. With the setting up of NALCO Foundation and doubling of CSR budget to 2% of the net profit, the company is well-poised to augment its activities on social responsibilities significantly. In order to promote education amongst tribal children, NALCO has sponsored more than 655 students in reputed educational institutes in Odisha by way of bearing all their expenses on studies including lodging and boarding etc.
  • 7.
    6 BAUXITE MINES On Panchpatmalihills of Koraput district in Orissa, a fully mechanized opencast mine is in operation since November, 1985, serving feedstock to Alumina Refinery at Damanjodi located on the foothills. Present capacity of Mines is 68.25 lakh TPA. Panchpatmali plateau stands at elevation of 1154 m to 1366 m above mean sea level. Bauxite occurs over the full length of the Panchpatmali plateau, which spans over 18 km. The salient features: Area of deposit - 16 sq. KM Resource - 310 million tonnes Ore quality - Alumina 45%, Silica 3% Mineralogy - Over 90% gibbsitic Over burden - 3 meters (average) Ore thickness - 14 meters (average) Transport - 14.6 KM long, single flight, multi-curve cable belt conveyor of 1800 TPH capacity
  • 8.
    7 ALUMINA - REFINERY TheAlumina Refinery is located at Damanjodi, Odisha, approximately 14 KM from the bauxite mine at Panchpatmali. The mined-out bauxite is transported from captive mine to refinery by a 14.6 KM long single-light multi-curve 1800 tonnes per hour (TPH) capacity cable belt conveyor. The alumina produced is transported to aluminium smelter at Angul (Odisha) and to Vizag (Andhra Pradesh) port by rail. The present capacity of Alumina Refinery is 22.75 lakh TPA. Alumina produced is used to meet Company's requirements for production of primary aluminium at smelter. The surplus alumina is sold to third parties in the export markets. The salient features:  Atmospheric pressure digestion process  Pre-desalination and inter-stage cooling for higher productivity  Energy efficient fluidised bed calciners  Co-generation of 4x18.5 MW power by use of back pressure turbine in steam generation plant
  • 9.
    8 ALUMINA – SMELTER Thepresent capacity of smelter is 4.60 lakh TPA. Alumina is converted into primary aluminium through a smelting process by using electrolytic reduction. From the pot-line, the molten aluminium is routed to either the casting units, where the aluminium can be cast into ingots, sow ingots, tee ingots, billets, wire rods, cast strips and alloy ingots, or to RPU where the molten aluminium is rolled into various cold-rolled products or cast into aluminium strips. Aluminium products are sold in the domestic market and also exported through Kolkata, Paradeep & Vizag ports. Nalco acquired and subsequent merged International Aluminium Products Limited (IAPL), the 50,000 TPA export-oriented Rolled Products Unit with Nalco. The RPU is integrated with the Smelter Plant at Angul for production of aluminium cold rolled sheets and coils from continuous caster route based on the advanced technology of FATA Hunter, Italy. It has also started production of another variety of rolled product named as chequered sheet with thickness ranging from 0.60mm to 3.0mm. The salient features: 180 KA cell technology Micro-processor based pot regulation system Fume treatment plant with dry-scrubbing system for pollution control and fluoride salt recovery Integrated facility for manufacturing carbon anodes, bus bars, anode stems etc. Hyper Dense Phase System (HDPS) for alumina feeding. 4 x 35 Tonne and 4 x 45 Tonne furnaces and 2 x 15 TPH and 2 x 20 TPH ingot casting machines 4 x 45 Tonne furnaces and 2 x 9.5 TPH wire rod mills 2 x 45 Tonne furnaces and 60/42 per drop billet casting machine 2 x 1.5 Tonne induction furnace with a 4 TPH alloy ingot casting machine 26,000 TPA strip casting machines 2 x 45 Tonne furnaces and 9 TPH tee ingot casting machine 2 x 45 Tonne furnaces and 20 TPH sow ingot casting facility are being installed.
  • 10.
    9 PORT FACILITIES On theNorthern Arm of the Inner Harbour of Visakhapatnam Port on the Bay of Bengal, Nalco has established mechanized storage and ship handling facilities for exporting Alumina in bulk and importing Caustic Soda. The salient features: Maximum ship size for loading Alumina: 40,000MT DWT Maximum Alumina loading rate: 2,200 TPH (Avg. 1,500 TPH) Receipt of Alumina from Damanjodi by: Rakes consisting 48 (x53 MT) BTAP wagons. (Two) numbers of BTAP wagon unloading stations by pneumatic means. Alumina storage capacity: 3 x 25,000MT RCC Silos. Caustic soda Lye storage capacity: 3 x 10,000LMT. Maximum caustic soda unloading rate from ship: 600LMT / Hr One Caustic Soda wagon (BTCS) loading station. Despatch of Caustic Soda lye to Damanjodi by: Rakes consisting 58 (x55MT) BTCS wagons.
  • 11.
    10 ROLLED PRODUCTS UNIT Nalcohas set up a 50,000 MT per annum Rolled Products Unit, integrated with the Smelter Plant at Angul, for production of aluminium cold rolled sheets and coils from continuous caster route, based on the advanced technology of FATA Hunter, Italy. WIND POWER PLANT The 1st wind power plant of capacity 50.4 MW (2.1MW, 24 nos. WEGs) in Gandikota, Andhra Pradesh was commissioned in December 2012 and the 2nd wind power plant of capacity 47.6 MW (0.85 MW, 56 nos. WEGs) in Jaisalmer, Rajasthan was finally commissioned in Jan’2014. Both the plants are in operation. SOLAR POWER PLANT NALCO has commissioned 260 KWp Rooftop Solar Power plant at Corporate Office and NALCO Township at Bhubaneswar during the FY 2014-15.
  • 12.
    11 CAPTIVE POWER PLANT TheCaptive Thermal Power Plant has a generation capacity of 1200 MW (10X120MW). While the captive thermal power plant provides entire electric power requirement of aluminium smelter, it also feeds for approximately 35 MW of the power requirement to the alumina refinery through the State Grid. The location of captive thermal power plant at Angul is also strategic to the availability and supply of coal from nearby Talcher Coalfields. The 18.5 KM captive railway system links the captive thermal power plant to the Talcher coalfields, enabling transport of the critical and bulk requirement of coal. The salient features:  Micro-processor based burner management system for optimum thermal efficiency  Computer controlled data acquisition system for on-line monitoring  Automatic turbine run-up system  Specially designed barrel type high pressure turbine  Advanced electrostatic precipitator (99.9% efficiency) to control pollution.  Wet disposal of ash  Zero discharge of effluents  High Concentrate Slurry Disposal (HCSD) System for ash disposal  High plant load factor The water for the Plant is drawn from River Brahmani through a 7 KM long triple circuit pipeline. The coal demand is met from a mine of 3.5 Million TPA capacity opened up for Nalco, initially at Bharatpur in Talcher by Mahanadi Coalfields Limited. The Power Plant is inter-connected with the State Grid.
  • 13.
    12 COAL BASED STEAMPOWER PLANT -Runs on Modified Rankine Cycle -Coal used is Semi-bituminous Coal Rankin Cycle Temp (T) Entropy(S)  Process 1-2: Water from the condenser at low pressure is pumped into the boiler at high pressure. This process is reversible adiabatic.  Process 2-3: Water is converted into steam at constant pressure by the addition of heat in the boiler  Process 3-4: Reversible adiabatic expansion of steam in the steam turbine.  Process 4-1: Constant pressure heat rejection in the condenser to convert condensate into water Latent Heating Pumping Condensation Adiabatic compression 1 2 2' 3 4
  • 14.
    13 MODIFIED RANKINE CYCLE Temp S ModifiedRankine Cycle aims to improve efficiency of the cycle, in this case made the extraction of steam from turbine generator to heat feed-water (FW), so the steam boiler can work easily and reduce the requirement of fuel. IP HP Reheating Super-heating Water Wall + Drum Critical Point BFP CEP Condenser LP (A) + LP (B) LPH (5, 6, 7, 8) Economiser HPH (1, 2, 3)
  • 15.
    14 HP T IPT LP T CONDENSER CEP EJECTOR GSC LPH - 1LPH - 2LPH - 3 DEAERATOR B P B F P H P H 5 H P H 6 F R S SAMPLE LAYOUT OF 120 MW CPP GENERATER BOILER C RH H RH SH
  • 16.
    15 ABBRIVIATION USED  HPT ↔ High Pressure (TURBINE)  IP T ↔ Inter-mediate Pressure (TURBINE)  LP T ↔ Low Pressure (TURBINE)  CEP ↔ Condensate Extraction Pump  CPU ↔ Condensate Polishing Unit  GSC ↔ Gland Steam Condenser  LPH ↔ Low Pressure Heater  BFP ↔ Boiler Feed Pump  HPH ↔ High Pressure Heater  FRS ↔ Feed Regulating System  MS ↔ Main Stream  CRH ↔ Cold Re-heat  HRH ↔ Hot Re-heat  BP ↔ Booster Pump  MOT ↔ Main Oil Tank  FW ↔ Feed Water  DM ↔ De-mineralised Water  CW ↔ Circulating Water
  • 17.
    16 TRANSPORT OF COALFUEL TO SITE The raw coal is transported from coal mines to the power station site by trucks, barges, or railway cars. Generally, when shipped by railways, the coal cars are sent as a full train of cars. The coal received at site may be of different sizes. The railway cars are unloaded at site by rotary dumpers or side tilt dumpers to tip over onto conveyor belts below. The coal is generally conveyed to crushers which crush the coal to about 3 ⁄4 inch (19 mm) size. The crushed coal is then sent by belt conveyors to a storage pile. Normally, the crushed coal is compacted by bulldozers, as compacting of highly volatile coal avoids spontaneous ignition. The crushed coal is conveyed from the storage pile to silos or hoppers at the boilers by another belt conveyor system.
  • 18.
    17 Mill section In modernthermal power plants coal is pulverised i.e. ground to dust like size and carried to the furnace in a stream of hot air. Pulverising is a means of exposing a large surface area to the action of oxygen and consequently help in combustion. The best features of all the vertical spindle pulverisers have been incorporated in the design of bowl mill. Its operating characteristics make it best mill available for the direct firing of sub-bituminous and bituminous coal. Mill output can be varied from its minimum to max load and it will operate for sufficiently long period without mechanical difficulties or stoppages for cleaning, oiling or adjusting. The coal is fed into centre of the revolving bowl of the bowl mill. Centrifugal force feeds the material uniformly over the replicable grinding ring where independently pivoted Journal assemblies with grinding rolls exert required grinding pressure. Rolls do not touch the grinding ring even when the mill is empty, therefore the mills operate silently without tremble. The mills work under pressure by placing primary air fans (PA Fans) in the circuit ahead of mill and designated as RP Mill. PRINCIPLE OF OPERATION Coal is fed to the centre of the pulveriser on to a revolving bowl. Centrifugal force causes the coal to travel towards the perimeter of the bowl. The coal passes between the bull ring and the grinding rolls which impart the pressure necessary for grinding. The partially ground coal continues outward and over than age of bowl. The heated air enters mill side housing below the bowl and is directed upward around the bowl outer diameter and separator body annulus by the rotating vane. It continues upward and the deflector opening in the classifier at the top of inert core and then through the venturimeter and the multiple port outer assembly as the air passes upward around the bowl and picks up the partially pulverised coal particles, carried through the deflector opening of the classifier. The deflector blade causes the coal air mixture to spin in the inner core. The angle of blade determines velocity of spin and resulting grain fineness. Heavier pulverised coal returned through the inside of the inner core to the bowl for further grinding. Coal that is pulverised to desired fineness (200 micron) leaves the pulveriser and enter the piping system.
  • 19.
    18 OPERATING PARAMETERS 1. Millair flow: mill should be operated at the design air flow at all loads. Lower air flow may result in coal reject, low bowl differential pressure. Air flow is controlled by simultaneous operation of hot and cold air dampers. 2. Mill outlet temperature: For good pulveriser performance, temp of the mixture leaving the classifier should be maintained as high as possible within the safe temp limit of the coal being ground through high outlet temp may result in pulveriser fire. 3.Pulverised fuel fineness: it depends upon volatility of the coal and furnace size. It varies for each unit. 4.Mill capacity: It depends on the hard groove grind ability index, moisture content of the coal and the pulverised fineness output required.
  • 20.
    19 BOILER AND STEAMCYCLE A fossil fuel steam generator includes an economizer, a steam drum, and the furnace with its steam generating tubes and super heater coils. Necessary safety valves are located at suitable points to avoid excessive boiler pressure. The air and flue gas path equipment include: forced draft (FD) fan, air preheater (AP), boiler furnace, induced draft (ID) fan, fly ash collectors (electrostatic precipitator or baghouse) and the flue gas stack. BOILER OPERATION Pulverized coal is air-blown into the furnace through burners located at the four corners, or along one wall, or two opposite walls, and it is ignited to rapidly burn, forming a large fireball at the centre. The thermal radiation of the fireball heats the water that circulates through the boiler tubes near the boiler perimeter. The water circulation rate in the boiler is three to four times the throughput. As the water in the boiler circulates it absorbs heat and changes into steam. It is separated from the water inside a drum at the top of the furnace. The saturated steam is introduced into superheat pendant tubes that hang in the hottest part of the combustion gases as they exit the furnace. Here the steam is superheated to 540 °C to prepare it for the turbine.
  • 21.
    20 BOILER FURNACE ANDSTEAM DRUM The water enters the boiler through a section in the convection pass called the economizer. From the economizer it passes to the steam drum and from there it goes through down comers to inlet headers at the bottom of the water walls. From these headers the water rises through the water walls of the furnace where some of it is turned into steam and the mixture of water and steam then re-enters the steam drum. This process may be driven purely by natural circulation (because the water is the down comers is denser than the water/steam mixture in the water walls) or assisted by pumps. In the steam drum, the water is returned to the down comers and the steam is passed through a series of steam separators and dryers that remove water droplets from the steam. The dry steam then flows into the super heater coils. The boiler furnace auxiliary equipment includes coal feed nozzles and igniter guns, soot blowers, water lancing and observation ports (in the furnace walls) for observation of the furnace interior. Furnace explosions due to any accumulation of combustible gases after a trip-out are avoided by flushing out such gases from the combustion zone before igniting the coal. The steam drum (as well as the super heater coils and headers) have air vents and drains needed for initial start-up. SUPER HEATER Captive power plants often have a super heater section in the steam generating furnace. The steam passes through drying equipment inside the steam drum on to the super heater, a set of tubes in the furnace. Here the steam picks up more energy from hot flue gases outside the tubing and its temperature is now superheated above the saturation temperature. The superheated steam is then piped through the main stream lines to the valves before the high pressure turbine. ECONOMISER  Tubular heat transfer surfaces used to preheat boiler feed water before it enters the steam drum (same like heaters)  Extract heat from the flue gas before it is exhausted to the atmosphere.  Increase overall boiler thermal efficiency
  • 22.
    21 RE-HEATER Power plant furnacesmay have a re-heater section containing tubes heated by hot flue gases outside the tubes. Exhaust steam from the high pressure turbine is passed through these heated tubes to collect more energy before driving the intermediate and then low pressure turbines. AIR PATH External fans are provided to give sufficient air for combustion. The Primary air fan takes air from the atmosphere and, first warming it in the air pre-heater for better combustion, injects it via the air nozzles on the furnace wall. The induced draft fan assists the FD fan by drawing out combustible gases from the furnace, maintaining a slightly negative pressure in the furnace to avoid backfiring through any closing. STACK GAS PATH AND CLEAN UP As the combustion flue gas exits the boiler it is routed through a rotating flat basket of metal mesh which picks up heat and returns it to incoming fresh air as the basket rotates, this is called the air pre-heater. The gas exiting the boiler is laden with fly ash, which are tiny spherical ash particles. The flue gas contains nitrogen along with combustion products carbon dioxide, sulphur dioxide, and nitrogen oxides. The fly ash is removed by fabric bag filters or electrostatic precipitators. the sulphur and nitrogen oxide pollutants are removed by stack gas scrubbers which use a pulverized limestone or other alkaline wet slurry to remove those pollutants from the exit stack gas. FLY ASH COLLECTION Fly ash is captured and removed from the flue gas by electrostatic precipitators or fabric bag filters (or sometimes both) located at the outlet of the furnace and before the induced draft fan. The fly ash is periodically removed from the collection hoppers below the precipitators or bag filters. Generally, the fly ash is pneumatically transported to storage silos for subsequent transport by trucks or railroad cars.
  • 23.
    22 BOTTOM ASH COLLECTIONAND DISPOSAL At the bottom of the furnace, there is a hopper for collection of bottom ash. This hopper is always filled with water to quench the ash and clinkers falling down from the furnace. Some arrangement is included to crush the clinkers and for conveying the crushed clinkers and bottom ash to a storage site. Ash extractor is used to discharge ash from Municipal solid waste–fired boilers. BOILER MAKE-UP WATER TREATMENT PLANT AND STORAGE In the power station, the raw feed coal from the coal storage area is first crushed into small pieces and then conveyed to the coal feed hoppers at the boilers. The coal is next pulverized into a very fine powder. The pulverisers may be ball mills, rotating drum grinders, or other types of grinders. BARRING GEAR Barring gear (or "turning gear") is the mechanism provided to rotate the turbine generator shaft at a very low speed after unit stoppages. Once the unit is "tripped" (i.e., the steam inlet valve is closed), the turbine coasts down towards standstill. When it stops completely, there is a tendency for the turbine shaft to deflect or bend if allowed to remain in one position too long. This is because the heat inside the turbine casing tends to concentrate in the top half of the casing, making the top half portion of the shaft hotter than the bottom half. The shaft therefore could wrap or bend by millionths of inches. This small shaft deflection, only detectable by eccentricity meters, would be enough to cause damaging vibrations to the entire steam turbine generator unit when it is restarted. The shaft is therefore automatically turned at low speed (about one percent rated speed) by the barring gear until it has cooled sufficiently to permit a complete stop.
  • 24.
    23 OIL SYSTEM An auxiliaryoil system pump is used to supply oil at the start-up of the steam turbine generator. It supplies the hydraulic oil system required for steam turbine's main inlet steam stop valve, the governing control valves, the bearing and seal oil systems, the relevant hydraulic relays and other mechanisms. At a preset speed of the turbine during start-ups, a pump driven by the turbine main shaft takes over the functions of the auxiliary system. MONITORING AND ALARM SYSTEM Most of the operational controls are automatic. However, at times, manual intervention may be required. Thus, the plant is provided with monitors and alarm systems that alert the plant operators when certain operating parameters are seriously deviating from their normal range.
  • 25.
    24 TURBINE AND AUXILIARIES The120 MW steam turbine sets of NALCO-CPP are supplied by BHEL, Hyderabad. These steam turbines consist of HP, IP and LP cylinders. The HPT is of reaction type, single-flow, double casting, inner casing is in two halves, holding stationary blades and scaling rings. HPT outer is of barrel type, having integral exhaust. Two sealing rings, one is I type and other U type are provided between inner and outer cylinders. Inner cylinders is fixed at the inlet end. I type sealing ring at the exhausted permits expansion of inner cylinders towards front pedestal. The hollow portion in between is kept at inlet pressure and temperature. Steam at 138Ksc and 540 degrees Centigrade enters through stop and control valves flows through HP reaction stages to exhaust at 31.83Ksc and 338 degree Celsius. Manufacturer - BHEL Power - 120 MW SPEED - 3000 RPM Steam Pressure - 12585 ata Steam Temp - 535o C Reheat Temp - 535o C Year - 1993 GENERATOR Alternator is an AC generator based on Faraday's Law of EMI (Electromagnetic Induction). In case of an alternator the Armature windings are placed on Stator and Field winding on Rotor. Rotor shaft is coupled with the Turbine shaft. Faraday's Law of EMI (First Law) Whenever a conductor is placed in a varying magnetic field an EMF gets induced across the conductor (induced emf), and if the conductor is a closed circuit then induced current flows throw it. Faraday's Law of EMI (Second Law) The magnitude of induced emf is equal to the rate of change of flux linkages with the coil. The flux linkages are the product of number of turns and the flux associated with the coil.
  • 26.
    25 PRINCIPLE OF ANALTERNATOR The Rotor winding is energised by DC EXCITER, and alternate North-South pole is developed on Rotor. When Rotor is rotated in anticlockwise by a prime mover, the stator conductors are cut y magnetic flux, so emf is induced in the Stator due to EMI. Direction of induce current is given by Fleming's Right Hand Rule. 𝑓 = 𝑁𝑝 120 Where, f = frequency = 50Hz N = RPM = 3000 P = number of poles = 2 Manufacturer - BHEL Type - Turbo Generator Power - 120275 Kw PF - 0.85 KVA - 141500 Speed - 3000 Rpm Frequency - 50 Hz Phase - 3 Connection - YY Coolant - H2 Gas Pressure - 3 bar G Insul. Class - B Type - THI-930-38P Spec - IEC-34.1 Year - 1994
  • 27.
    26 EXCITER In the past,the exciter was a small DC generator coupled to the same shaft as the rotor. Therefore, when the rotor rotates this exciter produces the power for the electromagnet. Control of the exciter output is done by varying the field current of the exciter. This output from the exciter then controls the magnetic field of the rotor to produce a constant voltage output by the generator. This DC current feeds to the rotor through slip rings. Manufacturer - BHEL - Hyderabad Class - F Type - DC Generator Power - 624 Kw Current - 2600 A Speed - 3000 RPM Excitation - 15 kVA – 220 V– 4.8 A STEAM CONDENSING The condenser condenses the steam from the exhaust of the turbine into liquid to allow it to be pumped. If the condenser can be made cooler, the pressure of the exhaust steam is reduced and efficiency of the cycle increases. (Diagram of a typical water-cooled surface condenser.) The surface condenser is a shell and tube heat exchanger in which cooling water is circulated through the tubes. The exhaust steam from the low pressure turbine enters the shell where it is cooled and converted to condensate (water) by flowing over the tubes as shown in the adjacent diagram. Such condensers use steam
  • 28.
    27 ejectors or rotarymotor-driven exhausters for continuous removal of air and gases from the steam side to maintain vacuum. For best efficiency, the temperature in the condenser must be kept as low as practical in order to achieve the lowest possible pressure in the condensing steam. Since the condenser temperature can almost always be kept significantly below 100 °C where the vapour pressure of water is much less than atmospheric pressure, the condenser generally works under vacuum. Thus leaks of non- condensable air into the closed loop must be prevented. Typically, the cooling water causes the steam to condense at a temperature of about 35 °C and that creates a pressure in the condenser i.e. a vacuum of about −0.95 kg/cm2 relative to atmospheric pressure. The large decrease in volume that occurs when water vapour condenses to liquid creates the low vacuum that helps pull steam through and increase the efficiency of the turbines. The limiting factor is the temperature of the cooling water and that, in turn, is limited by the prevailing average climatic conditions at the power plant's location (it may be possible to lower the temperature beyond the turbine limits during winter, causing excessive condensation in the turbine). Plants operating in hot climates may have to reduce output if their source of condenser cooling water becomes warmer; unfortunately, this usually coincides with periods of high electrical demand for air conditioning. The condenser generally uses either circulating cooling water from a cooling tower to reject waste heat to the atmosphere. CONDENSATE CYCLE
  • 29.
    28 FUNCTION OF CONDENSER Create a vacuum by condensing steam.  Remove dissolved non-condensable gases from condensate.  Providing a leak-tight barrier between the high grade condensate contained within the shell and the cooling water. HOT WELL  The condenser hot well serves as a water reservoir for the turbine cycle.  Supply make-up water to the cycle. CONDENSATE EXTRACTION PUMP (CEP)  An extraction pump is an important part of a feed water system  Generally, fitted in between the condenser and de-aerator  To maintain the amount of condensate in the condenser  To provide the sufficient suction head to the extraction pump GSC (GLAND STEAM CONDENSER) It removes dust from the condenser EJECTOR It is used to create vacuum inside the condenser. FEED WATER HEATING AND DEAERATION The boiler feed-water used in the steam boiler is a means of transferring heat energy from the burning fuel to the mechanical energy of the spinning steam turbine. The total feed water consists of re-circulated condensate water and purified makeup water. Because the metallic materials it contacts are subject to corrosion at high temperatures and pressures, the makeup water is highly purified before use. A system of water softeners and ion exchange demineralises produces water so pure that it coincidentally becomes an electrical insulator, with conductivity in the range of 0.3–1.0 microsiemens per centimetre.
  • 30.
    29 The feed watercycle begins with condensate water being pumped out of the condenser after travelling through the steam turbines. The water is pressurized in two stages, and flows through a series of six or seven intermediate feed water heaters, heated up at each point with steam extracted from an appropriate duct on the turbines and gaining temperature at each stage. Typically, in the middle of this series of feed-water heaters, and before the second stage of pressurization, the condensate plus the makeup water flows through a de- aerator that removes dissolved air from the water, further purifying and reducing its corrosiveness. The water may be dosed following this point with hydrazine, a chemical that removes the remaining oxygen in the water to below 5 parts per billion (ppb). It is also dosed with pH control agents such as ammonia or morpholine to keep the residual acidity low and thus non- corrosive. The form of condensing system which is used is the air-cooled condenser. The process is similar to that of a radiator and fan. Exhaust heat from the low pressure section of a steam turbine runs through the condensing tubes, the tubes are usually finned and ambient air is pushed through the fins with the help of a large fan. The steam condenses to water to be reused in the water-steam cycle. Air-cooled condensers typically operate at a higher temperature than water-cooled versions. While saving water, the efficiency of the cycle is reduced (resulting in more carbon dioxide per megawatt of electricity). From the bottom of the condenser, powerful condensate pumps recycle the condensed steam (water) back to the water/steam cycle. DEAERATOR DEAERATION is based on two scientific principles. The first principle can be described by Henry's Law. Henry's Law asserts that gas solubility in a solution decreases as the gas partial pressure above the solution decreases. The second scientific principle that governs Deaeration is the relationship between gas solubility and temperature. Manufacturer - IAEC (Bombay) Ltd. Title - Feed Storage Tank Design Temp - 200o C Working Temp - 155o C Test Pressure Hyd.- 9 kg/cm2 g Design Pressure - 8 kg/cm2 g & Full Vacuum Inspected By - LLOYDS
  • 31.
    30 BOILER FEED PUMP Aboiler feedwater pump is a specific type of pump used to pump feedwater into a steam boiler. The water may be freshly supplied or returning condensate produced as a result of the condensation of the steam produced by the boiler. Manufacturer - BHEL Type - CENTRIFUGAL PUMP QTY - 480 m3 /hr Head - 1906 m Speed - 5054 RPM Temp - 163o C Year - 2011 BOOSTER PUMP A booster pump may be used as a "gentle" way of increasing pressure without causing a reduction in suction pressure and the flashing of hot water into steam. The discharge pressure of the booster pump makes it much harder for this how water to flash in the suction of the feed pump. Manufacturer - BHEL Type - CENTRIFUGAL PUMP QTY - 489 m3 /hr Head - 101 m Speed - 1485 RPM Temp - 151.2o C Year - 1992
  • 32.
    31 CONCLUSION Presently the captivethermal power plant has generation capacity of 1200 MW with 10 turbo-generators, each rated at 120 MW. While the captive thermal power plant provides entire electric power requirement of aluminium smelter, it also provides for approximately 35% of the power requirement of alumina refinery plant and also the power generation capacity of CPP is designed considering the requirement of each unit. The vocational training has been very helpful and has increased my knowledge about power plants.