1
P4 Stress and Strain Dr. A.B. Zavatsky
HT08
Lecture 6
Mohr’s Circle for Plane Stress
Transformation equations for plane stress.
Procedure for constructing Mohr’s circle.
Stresses on an inclined element.
Principal stresses and maximum shear stresses.
Introduction to the stress tensor.
2
Stress Transformation Equations
σx σx
σy
τxy
τyx
τxy
τyx
x
y
x
y
σx1
θ
y1
x1
σx1
σy1
σy1
τx y1 1
τy x1 1
τx y1 1
τy x1 1
( ) θτθ
σσ
τ
θτθ
σσσσ
σ
2cos2sin
2
2sin2cos
22
11
1
xy
yx
yx
xy
yxyx
x
+
−
−=
+
−
+
+
=
If we vary θ from 0° to 360°, we will get all possible values of σx1 and τx1y1
for a given stress state. It would be useful to represent σx1 and τx1y1 as
functions of θ in graphical form.
3
To do this, we must re-write the transformation equations.
( ) θτθ
σσ
τ
θτθ
σσσσ
σ
2cos2sin
2
2sin2cos
22
11
1
xy
yx
yx
xy
yxyx
x
+
−
−=
+
−
=
+
−
Eliminate θ by squaring both sides of each equation and adding
the two equations together.
2
2
2
11
2
1
22
xy
yx
yx
yx
x τ
σσ
τ
σσ
σ +⎟
⎟
⎠
⎞
⎜
⎜
⎝
⎛ −
=+⎟
⎟
⎠
⎞
⎜
⎜
⎝
⎛ +
−
Define σavg and R
2
2
22
xy
yxyx
avg R τ
σσσσ
σ +⎟
⎟
⎠
⎞
⎜
⎜
⎝
⎛ −
=
+
=
4
Substitue for σavg and R to get
( ) 22
11
2
1 Ryxavgx =+− τσσ
which is the equation for a circle with centre (σavg,0) and radius R.
This circle is usually referred to as
Mohr’s circle, after the German civil
engineer Otto Mohr (1835-1918). He
developed the graphical technique for
drawing the circle in 1882.
The construction of Mohr’s circle is
one of the few graphical techniques
still used in engineering. It provides
a simple and clear picture of an
otherwise complicated analysis.
5
Sign Convention for Mohr’s Circle
x
y
σx1
θ
y1
x1
σx1
σy1
σy1
τx y1 1
τy x1 1
τx y1 1
τy x1 1
( ) 22
11
2
1 Ryxavgx =+− τσσ
σx1
τx1y1
R
2θ
σavg
Notice that shear stress is plotted as positive downward.
The reason for doing this is that 2θ is then positive counterclockwise,
which agrees with the direction of 2θ used in the derivation of the
tranformation equations and the direction of θ on the stress element.
Notice that although 2θ appears in Mohr’s circle, θ appears on the
stress element.
6
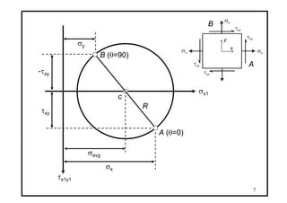
Procedure for Constructing Mohr’s Circle
1. Draw a set of coordinate axes with σx1 as abscissa (positive to the
right) and τx1y1 as ordinate (positive downward).
2. Locate the centre of the circle c at the point having coordinates σx1
= σavg and τx1y1 = 0.
3. Locate point A, representing the stress conditions on the x face of
the element by plotting its coordinates σx1 = σx and τx1y1 = τxy. Note
that point A on the circle corresponds to θ = 0°.
4. Locate point B, representing the stress conditions on the y face of
the element by plotting its coordinates σx1 = σy and τx1y1 = −τxy.
Note that point B on the circle corresponds to θ = 90°.
5. Draw a line from point A to point B, a diameter of the circle passing
through point c. Points A and B (representing stresses on planes
at 90° to each other) are at opposite ends of the diameter (and
therefore 180° apart on the circle).
6. Using point c as the centre, draw Mohr’s circle through points A
and B. This circle has radius R.
(based on Gere)
7
σx σx
σy
τxy
τyx
τxy
τyx
x
y
σx1
τx1y1
σavg
c
R
A (θ=0)
σx
τxy
A
B (θ=90)
σy
-τxy
B
8
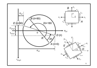
Stresses on an Inclined Element
1. On Mohr’s circle, measure an angle 2θ counterclockwise from
radius cA, because point A corresponds to θ = 0 and hence is
the reference point from which angles are measured.
2. The angle 2θ locates the point D on the circle, which has
coordinates σx1 and τx1y1. Point D represents the stresses on the
x1 face of the inclined element.
3. Point E, which is diametrically opposite point D on the circle, is
located at an angle 2θ + 180° from cA (and 180° from cD). Thus
point E gives the stress on the y1 face of the inclined element.
4. So, as we rotate the x1y1 axes counterclockwise by an angle θ,
the point on Mohr’s circle corresponding to the x1 face moves
counterclockwise through an angle 2θ.
(based on Gere)
9
σx σx
σy
τxy
τyx
τxy
τyx
x
y
A (θ=0)
σx1
τx1y1
c
R
B (θ=90)
A
B
x
y
σx1
θ
y1
x1
σx1
σy1
σy1
τx y1 1
τy x1 1
τx y1 1
τy x1 1
2θ
D
D (θ)
σx1
τx1y1
σy1
-τx1y1
2θ+180E (θ+90)
E
10
Principal Stresses
σx σx
σy
τxy
τyx
τxy
τyx
x
y
A (θ=0)
σx1
τx1y1
c
R
B (θ=90)
A
B
x
y
σ1
θp1
σ1
σ2
σ2
θp2
P1
2θp1
P2
2θp2
σ1σ2
11
Maximum Shear Stress
σx σx
σy
τxy
τyx
τxy
τyx
x
y
A (θ=0)
σx1
τx1y1
c
R
B (θ=90)
A
B
2θs
σs
τmax
τmin
x
y
σs
θs
σs
σs
σs
τmaxτmax
τmax
τmax
Note carefully the
directions of the
shear forces.
12
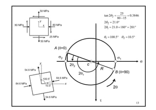
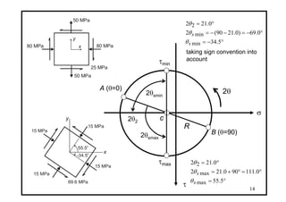
Example: The state of plane stress at a point is represented by the stress
element below. Draw the Mohr’s circle, determine the principal stresses and
the maximum shear stresses, and draw the corresponding stress elements.
80 MPa 80 MPa
50 MPa
x
y
50 MPa
25 MPa
σ
τ
15
2
5080
2
−=
+−
=
+
==
yx
avgc
σσ
σ
c
A (θ=0)
A
B (θ=90)B
( )( ) ( )
6.692565
251550
22
22
=+=
+−−=
R
R
R
σ1
σ2
MPa6.84
MPa6.54
6.6915
2
1
2,1
2,1
−=
=
±−=
±=
σ
σ
σ
σ Rc
τmax
MPa15
MPa6.69
s
max
−==
==
c
R
σ
τ
13
84.6 MPa
84.6 MPa
54.6 MPa
x
y
54.6 MPa
10.5o
100.5
o
σ
τ
c
A (θ=0)
B (θ=90)
R
80 MPa 80 MPa
50 MPa
x
y
50 MPa
25 MPa
σ1
σ2
2θ2
2θ1
°=°=
°=°+=
°=
=
−
=
5.105.100
2011800.212
0.212
3846.0
1580
25
2tan
21
1
2
2
θθ
θ
θ
θ
2θ
14
σ
τ
c
A (θ=0)
B (θ=90)
R
80 MPa 80 MPa
50 MPa
x
y
50 MPa
25 MPa
2θ2
2θ
15 MPa
15 MPa
15 MPa
x
y
15 MPa
69.6 MPa
-34.5o
55.5
o
2θsmax
°=
°=°+=
°=
5.55
0.111900.212
0.212
max
max
2
s
s
θ
θ
θ
2θsmin
taking sign convention into
account
°−=
°−=−−=
°=
5.34
0.69)0.2190(2
0.212
min
min
2
s
s
θ
θ
θ
τmax
τmin
15
80 MPa 80 MPa
50 MPa
x
y
50 MPa
25 MPa
A (θ=0)
σ
τ
B (θ=90)25.8 MPa
25.8 MPa
4.15 MPa
x
y
4.15 MPa
68.8 MPa
x1
y1
-30
o
Example: The state of plane stress at a point is represented by the stress
element below. Find the stresses on an element inclined at 30° clockwise
and draw the corresponding stress elements.
-60°
-60+180°
C (θ = -30°)
C
D (θ = -30+90°)
D
2θ2
σx1 = c – R cos(2θ2+60)
σy1 = c + R cos(2θ2+60)
τx1y1= -R sin (2θ2+60)
σx1 = -26
σy1 = -4
τx1y1= -69
2θ
θ = -30°
2θ = -60°
16
σ
τ
A (θ=0)
B (θ=90)
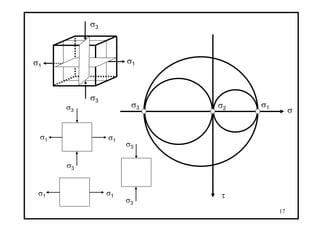
Principal Stresses σ1 = 54.6 MPa, σ2 = -84.6 MPa
But we have forgotten about the third principal stress!
Since the element is in plane stress (σz = 0),
the third principal stress is zero.
σ1 = 54.6 MPa
σ2 = 0 MPa
σ3 = -84.6 MPa
σ1σ2σ3
This means three
Mohr’s circles can
be drawn, each
based on two
principal stresses:
σ1 and σ3
σ1 and σ2
σ2 and σ3
17
σ1
σ3
σ1
σ3
σ
τ
σ1σ2σ3
σ1
σ3
σ1
σ3
σ1σ1
σ3
σ3
18
σx σx
σy
τxy
τyx
τxy
τyx
x
y
The stress element shown is in plane stress.
What is the maximum shear stress?
A
B
σx1
τx1y1
A
B
σ3 σ1σ2
22
131
)3,1max(
σσσ
τ =
−
=
2
21
)2,1max(
σσ
τ
−
=
22
232
)3,2max(
σσσ
τ =
−
=
overall maximum
19
⎟⎟
⎟
⎟
⎠
⎞
⎜⎜
⎜
⎜
⎝
⎛
zzzyzx
yzyyyx
xzxyxx
σττ
τστ
ττσ
y
z
xσxx
σxx
σyy
σyy
σzz
τxy
τyx
τxzτzx
τzy
τyz
Introduction to the Stress Tensor
Normal stresses on the diagonal
Shear stresses off diagaonal
τxy = τyx, τxz = τzx, τyz = τzy
The normal and shear stresses on a stress element in 3D can be
assembled into a 3x3 matrix known as the stress tensor.
20
From our analyses so far, we know that for a given stress system,
it is possible to find a set of three principal stresses. We also know
that if the principal stresses are acting, the shear stresses must be
zero. In terms of the stress tensor,
⎟⎟
⎟
⎟
⎠
⎞
⎜⎜
⎜
⎜
⎝
⎛
zzzyzx
yzyyyx
xzxyxx
σττ
τστ
ττσ
⎟
⎟
⎟
⎠
⎞
⎜
⎜
⎜
⎝
⎛
3
2
1
00
00
00
σ
σ
σ
In mathematical terms, this is the process of matrix diagonaliza-
tion in which the eigenvalues of the original matrix are just the
principal stresses.
21
80 MPa 80 MPa
50 MPa
x
y
50 MPa
25 MPa
Example: The state of plane stress at a point is represented by the
stress element below. Find the principal stresses.
⎟⎟
⎠
⎞
⎜⎜
⎝
⎛
−
−−
=⎟
⎟
⎠
⎞
⎜
⎜
⎝
⎛
=
5025
2580
yyx
xyx
M
στ
τσ
We must find the eigenvalues of
this matrix.
Remember the general idea of eigenvalues. We are looking
for values of λ such that:
Ar = λr where r is a vector, and A is a matrix.
Ar – λr = 0 or (A – λI) r = 0 where I is the identity matrix.
For this equation to be true, either r = 0 or det (A – λI) = 0.
Solving the latter equation (the “characteristic equation”)
gives us the eigenvalues λ1 and λ2.
22
6.54,6.84
0462530
0)25)(25()50)(80(
0
5025
2580
det
2
−=
=−+
=−−−−−−
=⎟⎟
⎠
⎞
⎜⎜
⎝
⎛
−−
−−−
λ
λλ
λλ
λ
λ
So, the principal stresses are –84.6 MPa and
54.6 MPa, as before.
Knowing the eigenvalues, we can find the eigenvectors. These can be
used to find the angles at which the principal stresses act. To find the
eigenvectors, we substitute the eigenvalues into the equation (A – λI ) r
= 0 one at a time and solve for r.
⎟⎟
⎠
⎞
⎜⎜
⎝
⎛
=⎟⎟
⎠
⎞
⎜⎜
⎝
⎛
⎟⎟
⎠
⎞
⎜⎜
⎝
⎛
−−
−−−
⎟⎟
⎠
⎞
⎜⎜
⎝
⎛
=⎟⎟
⎠
⎞
⎜⎜
⎝
⎛
⎟⎟
⎠
⎞
⎜⎜
⎝
⎛
−−
−−−
0
0
6.545025
256.5480
0
0
5025
2580
y
x
y
x
λ
λ
⎟⎟
⎠
⎞
⎜⎜
⎝
⎛−
−=
⎟⎟
⎠
⎞
⎜⎜
⎝
⎛
=⎟⎟
⎠
⎞
⎜⎜
⎝
⎛
⎟⎟
⎠
⎞
⎜⎜
⎝
⎛
−−
−−
1
186.0
186.0
0
0
64.425
256.134
yx
y
x
is one eigenvector.
23
⎟⎟
⎠
⎞
⎜⎜
⎝
⎛
=⎟⎟
⎠
⎞
⎜⎜
⎝
⎛
⎟⎟
⎠
⎞
⎜⎜
⎝
⎛
−−−
−−−−
⎟⎟
⎠
⎞
⎜⎜
⎝
⎛
=⎟⎟
⎠
⎞
⎜⎜
⎝
⎛
⎟⎟
⎠
⎞
⎜⎜
⎝
⎛
−−
−−−
0
0
)6.84(5025
25)6.84(80
0
0
5025
2580
y
x
y
x
λ
λ
⎟⎟
⎠
⎞
⎜⎜
⎝
⎛
=
⎟⎟
⎠
⎞
⎜⎜
⎝
⎛
=⎟⎟
⎠
⎞
⎜⎜
⎝
⎛
⎟⎟
⎠
⎞
⎜⎜
⎝
⎛
−
−
1
388.5
388.5
0
0
6.13425
256.4
yx
y
x
is the other eigenvector.
Before finding the angles at which the principal stresses act, we can
check to see if the eigenvectors are correct.
CMCD
MCD
1
5025
2580
11
388.5186.0
6.840
06.54
−=
⎟⎟
⎠
⎞
⎜⎜
⎝
⎛
−
−−
=⎟⎟
⎠
⎞
⎜⎜
⎝
⎛−
=⎟⎟
⎠
⎞
⎜⎜
⎝
⎛
−
=
⎟⎟
⎠
⎞
⎜⎜
⎝
⎛−
=
==
−
−
033.0179.0
967.0179.0
factors-coofmatrixwhere
det
1
1
1
C
AA
C
C T
24
⎟⎟
⎠
⎞
⎜⎜
⎝
⎛
−
=⎟⎟
⎠
⎞
⎜⎜
⎝
⎛−
⎟⎟
⎠
⎞
⎜⎜
⎝
⎛
−
−−
⎟⎟
⎠
⎞
⎜⎜
⎝
⎛−
=
6.840
06.54
11
388.5186.0
5025
2580
033.0179.0
967.0179.0
D
To find the angles, we must calculate the unit eigenvectors:
⎟⎟
⎠
⎞
⎜⎜
⎝
⎛
→⎟⎟
⎠
⎞
⎜⎜
⎝
⎛
⎟⎟
⎠
⎞
⎜⎜
⎝
⎛−
→⎟⎟
⎠
⎞
⎜⎜
⎝
⎛−
183.0
938.0
1
388.5
983.0
183.0
1
186.0
And then assemble them into a rotation matrix R so that det R = +1.
1)183.0)(183.0()983.0)(983.0(det
983.0183.0
183.0983.0
=−−=⎟⎟
⎠
⎞
⎜⎜
⎝
⎛ −
= RR
RMRDR T=′⎟⎟
⎠
⎞
⎜⎜
⎝
⎛ −
=
θθ
θθ
cossin
sincos
The rotation matrix has the form
So θ = 10.5°, as we found earlier for one of the principal angles.
25
⎟⎟
⎠
⎞
⎜⎜
⎝
⎛−
=′
⎟⎟
⎠
⎞
⎜⎜
⎝
⎛ −
⎟⎟
⎠
⎞
⎜⎜
⎝
⎛
−
−−
⎟⎟
⎠
⎞
⎜⎜
⎝
⎛
−
=′
=′
6.540
06.84
983.0183.0
183.0983.0
5025
2580
983.0183.0
183.0983.0
D
D
RMRD T
Using the rotation angle of 10.5°, the matrix M (representing the
original stress state of the element) can be transformed to matrix
D’ (representing the principal stress state).
84.6 MPa
84.6 MPa
54.6 MPa
x
y
54.6 MPa
10.5o
100.5
o
So, the transformation equations,
Mohr’s circle, and eigenvectors all
give the same result for the principal
stress element.
26
⎟
⎟
⎠
⎞
⎜
⎜
⎝
⎛
=⎟⎟
⎠
⎞
⎜⎜
⎝
⎛
−−
−−
=′
⎟⎟
⎠
⎞
⎜⎜
⎝
⎛
−⎟⎟
⎠
⎞
⎜⎜
⎝
⎛
−
−−
⎟⎟
⎠
⎞
⎜⎜
⎝
⎛ −
=′
=′
1
1
15.48.68
8.688.25
866.05.0
5.0866.0
5025
2580
866.05.0
5.0866.0
yyx
xyx
T
M
M
RMRM
στ
τσ
⎟⎟
⎠
⎞
⎜⎜
⎝
⎛
=⎟⎟
⎠
⎞
⎜⎜
⎝
⎛
°−°−
°−−°−
=
866.05.0
5.0866.0
)30cos()30sin(
)30sin()30cos(
R
25.8 MPa
25.8 MPa
4.15 MPa
x
y
4.15 MPa
68.8 MPa
x1
y1
-30
o
Finally, we can use the rotation matrix approach to find the stresses
on an inclined element with θ = -30°.
Again, the transformation equations,
Mohr’s circle, and the stress tensor
approach all give the same result.

Moh'r circle2

  • 1.
    1 P4 Stress andStrain Dr. A.B. Zavatsky HT08 Lecture 6 Mohr’s Circle for Plane Stress Transformation equations for plane stress. Procedure for constructing Mohr’s circle. Stresses on an inclined element. Principal stresses and maximum shear stresses. Introduction to the stress tensor.
  • 2.
    2 Stress Transformation Equations σxσx σy τxy τyx τxy τyx x y x y σx1 θ y1 x1 σx1 σy1 σy1 τx y1 1 τy x1 1 τx y1 1 τy x1 1 ( ) θτθ σσ τ θτθ σσσσ σ 2cos2sin 2 2sin2cos 22 11 1 xy yx yx xy yxyx x + − −= + − + + = If we vary θ from 0° to 360°, we will get all possible values of σx1 and τx1y1 for a given stress state. It would be useful to represent σx1 and τx1y1 as functions of θ in graphical form.
  • 3.
    3 To do this,we must re-write the transformation equations. ( ) θτθ σσ τ θτθ σσσσ σ 2cos2sin 2 2sin2cos 22 11 1 xy yx yx xy yxyx x + − −= + − = + − Eliminate θ by squaring both sides of each equation and adding the two equations together. 2 2 2 11 2 1 22 xy yx yx yx x τ σσ τ σσ σ +⎟ ⎟ ⎠ ⎞ ⎜ ⎜ ⎝ ⎛ − =+⎟ ⎟ ⎠ ⎞ ⎜ ⎜ ⎝ ⎛ + − Define σavg and R 2 2 22 xy yxyx avg R τ σσσσ σ +⎟ ⎟ ⎠ ⎞ ⎜ ⎜ ⎝ ⎛ − = + =
  • 4.
    4 Substitue for σavgand R to get ( ) 22 11 2 1 Ryxavgx =+− τσσ which is the equation for a circle with centre (σavg,0) and radius R. This circle is usually referred to as Mohr’s circle, after the German civil engineer Otto Mohr (1835-1918). He developed the graphical technique for drawing the circle in 1882. The construction of Mohr’s circle is one of the few graphical techniques still used in engineering. It provides a simple and clear picture of an otherwise complicated analysis.
  • 5.
    5 Sign Convention forMohr’s Circle x y σx1 θ y1 x1 σx1 σy1 σy1 τx y1 1 τy x1 1 τx y1 1 τy x1 1 ( ) 22 11 2 1 Ryxavgx =+− τσσ σx1 τx1y1 R 2θ σavg Notice that shear stress is plotted as positive downward. The reason for doing this is that 2θ is then positive counterclockwise, which agrees with the direction of 2θ used in the derivation of the tranformation equations and the direction of θ on the stress element. Notice that although 2θ appears in Mohr’s circle, θ appears on the stress element.
  • 6.
    6 Procedure for ConstructingMohr’s Circle 1. Draw a set of coordinate axes with σx1 as abscissa (positive to the right) and τx1y1 as ordinate (positive downward). 2. Locate the centre of the circle c at the point having coordinates σx1 = σavg and τx1y1 = 0. 3. Locate point A, representing the stress conditions on the x face of the element by plotting its coordinates σx1 = σx and τx1y1 = τxy. Note that point A on the circle corresponds to θ = 0°. 4. Locate point B, representing the stress conditions on the y face of the element by plotting its coordinates σx1 = σy and τx1y1 = −τxy. Note that point B on the circle corresponds to θ = 90°. 5. Draw a line from point A to point B, a diameter of the circle passing through point c. Points A and B (representing stresses on planes at 90° to each other) are at opposite ends of the diameter (and therefore 180° apart on the circle). 6. Using point c as the centre, draw Mohr’s circle through points A and B. This circle has radius R. (based on Gere)
  • 7.
  • 8.
    8 Stresses on anInclined Element 1. On Mohr’s circle, measure an angle 2θ counterclockwise from radius cA, because point A corresponds to θ = 0 and hence is the reference point from which angles are measured. 2. The angle 2θ locates the point D on the circle, which has coordinates σx1 and τx1y1. Point D represents the stresses on the x1 face of the inclined element. 3. Point E, which is diametrically opposite point D on the circle, is located at an angle 2θ + 180° from cA (and 180° from cD). Thus point E gives the stress on the y1 face of the inclined element. 4. So, as we rotate the x1y1 axes counterclockwise by an angle θ, the point on Mohr’s circle corresponding to the x1 face moves counterclockwise through an angle 2θ. (based on Gere)
  • 9.
    9 σx σx σy τxy τyx τxy τyx x y A (θ=0) σx1 τx1y1 c R B(θ=90) A B x y σx1 θ y1 x1 σx1 σy1 σy1 τx y1 1 τy x1 1 τx y1 1 τy x1 1 2θ D D (θ) σx1 τx1y1 σy1 -τx1y1 2θ+180E (θ+90) E
  • 10.
    10 Principal Stresses σx σx σy τxy τyx τxy τyx x y A(θ=0) σx1 τx1y1 c R B (θ=90) A B x y σ1 θp1 σ1 σ2 σ2 θp2 P1 2θp1 P2 2θp2 σ1σ2
  • 11.
    11 Maximum Shear Stress σxσx σy τxy τyx τxy τyx x y A (θ=0) σx1 τx1y1 c R B (θ=90) A B 2θs σs τmax τmin x y σs θs σs σs σs τmaxτmax τmax τmax Note carefully the directions of the shear forces.
  • 12.
    12 Example: The stateof plane stress at a point is represented by the stress element below. Draw the Mohr’s circle, determine the principal stresses and the maximum shear stresses, and draw the corresponding stress elements. 80 MPa 80 MPa 50 MPa x y 50 MPa 25 MPa σ τ 15 2 5080 2 −= +− = + == yx avgc σσ σ c A (θ=0) A B (θ=90)B ( )( ) ( ) 6.692565 251550 22 22 =+= +−−= R R R σ1 σ2 MPa6.84 MPa6.54 6.6915 2 1 2,1 2,1 −= = ±−= ±= σ σ σ σ Rc τmax MPa15 MPa6.69 s max −== == c R σ τ
  • 13.
    13 84.6 MPa 84.6 MPa 54.6MPa x y 54.6 MPa 10.5o 100.5 o σ τ c A (θ=0) B (θ=90) R 80 MPa 80 MPa 50 MPa x y 50 MPa 25 MPa σ1 σ2 2θ2 2θ1 °=°= °=°+= °= = − = 5.105.100 2011800.212 0.212 3846.0 1580 25 2tan 21 1 2 2 θθ θ θ θ 2θ
  • 14.
    14 σ τ c A (θ=0) B (θ=90) R 80MPa 80 MPa 50 MPa x y 50 MPa 25 MPa 2θ2 2θ 15 MPa 15 MPa 15 MPa x y 15 MPa 69.6 MPa -34.5o 55.5 o 2θsmax °= °=°+= °= 5.55 0.111900.212 0.212 max max 2 s s θ θ θ 2θsmin taking sign convention into account °−= °−=−−= °= 5.34 0.69)0.2190(2 0.212 min min 2 s s θ θ θ τmax τmin
  • 15.
    15 80 MPa 80MPa 50 MPa x y 50 MPa 25 MPa A (θ=0) σ τ B (θ=90)25.8 MPa 25.8 MPa 4.15 MPa x y 4.15 MPa 68.8 MPa x1 y1 -30 o Example: The state of plane stress at a point is represented by the stress element below. Find the stresses on an element inclined at 30° clockwise and draw the corresponding stress elements. -60° -60+180° C (θ = -30°) C D (θ = -30+90°) D 2θ2 σx1 = c – R cos(2θ2+60) σy1 = c + R cos(2θ2+60) τx1y1= -R sin (2θ2+60) σx1 = -26 σy1 = -4 τx1y1= -69 2θ θ = -30° 2θ = -60°
  • 16.
    16 σ τ A (θ=0) B (θ=90) PrincipalStresses σ1 = 54.6 MPa, σ2 = -84.6 MPa But we have forgotten about the third principal stress! Since the element is in plane stress (σz = 0), the third principal stress is zero. σ1 = 54.6 MPa σ2 = 0 MPa σ3 = -84.6 MPa σ1σ2σ3 This means three Mohr’s circles can be drawn, each based on two principal stresses: σ1 and σ3 σ1 and σ2 σ2 and σ3
  • 17.
  • 18.
    18 σx σx σy τxy τyx τxy τyx x y The stresselement shown is in plane stress. What is the maximum shear stress? A B σx1 τx1y1 A B σ3 σ1σ2 22 131 )3,1max( σσσ τ = − = 2 21 )2,1max( σσ τ − = 22 232 )3,2max( σσσ τ = − = overall maximum
  • 19.
    19 ⎟⎟ ⎟ ⎟ ⎠ ⎞ ⎜⎜ ⎜ ⎜ ⎝ ⎛ zzzyzx yzyyyx xzxyxx σττ τστ ττσ y z xσxx σxx σyy σyy σzz τxy τyx τxzτzx τzy τyz Introduction to theStress Tensor Normal stresses on the diagonal Shear stresses off diagaonal τxy = τyx, τxz = τzx, τyz = τzy The normal and shear stresses on a stress element in 3D can be assembled into a 3x3 matrix known as the stress tensor.
  • 20.
    20 From our analysesso far, we know that for a given stress system, it is possible to find a set of three principal stresses. We also know that if the principal stresses are acting, the shear stresses must be zero. In terms of the stress tensor, ⎟⎟ ⎟ ⎟ ⎠ ⎞ ⎜⎜ ⎜ ⎜ ⎝ ⎛ zzzyzx yzyyyx xzxyxx σττ τστ ττσ ⎟ ⎟ ⎟ ⎠ ⎞ ⎜ ⎜ ⎜ ⎝ ⎛ 3 2 1 00 00 00 σ σ σ In mathematical terms, this is the process of matrix diagonaliza- tion in which the eigenvalues of the original matrix are just the principal stresses.
  • 21.
    21 80 MPa 80MPa 50 MPa x y 50 MPa 25 MPa Example: The state of plane stress at a point is represented by the stress element below. Find the principal stresses. ⎟⎟ ⎠ ⎞ ⎜⎜ ⎝ ⎛ − −− =⎟ ⎟ ⎠ ⎞ ⎜ ⎜ ⎝ ⎛ = 5025 2580 yyx xyx M στ τσ We must find the eigenvalues of this matrix. Remember the general idea of eigenvalues. We are looking for values of λ such that: Ar = λr where r is a vector, and A is a matrix. Ar – λr = 0 or (A – λI) r = 0 where I is the identity matrix. For this equation to be true, either r = 0 or det (A – λI) = 0. Solving the latter equation (the “characteristic equation”) gives us the eigenvalues λ1 and λ2.
  • 22.
    22 6.54,6.84 0462530 0)25)(25()50)(80( 0 5025 2580 det 2 −= =−+ =−−−−−− =⎟⎟ ⎠ ⎞ ⎜⎜ ⎝ ⎛ −− −−− λ λλ λλ λ λ So, the principalstresses are –84.6 MPa and 54.6 MPa, as before. Knowing the eigenvalues, we can find the eigenvectors. These can be used to find the angles at which the principal stresses act. To find the eigenvectors, we substitute the eigenvalues into the equation (A – λI ) r = 0 one at a time and solve for r. ⎟⎟ ⎠ ⎞ ⎜⎜ ⎝ ⎛ =⎟⎟ ⎠ ⎞ ⎜⎜ ⎝ ⎛ ⎟⎟ ⎠ ⎞ ⎜⎜ ⎝ ⎛ −− −−− ⎟⎟ ⎠ ⎞ ⎜⎜ ⎝ ⎛ =⎟⎟ ⎠ ⎞ ⎜⎜ ⎝ ⎛ ⎟⎟ ⎠ ⎞ ⎜⎜ ⎝ ⎛ −− −−− 0 0 6.545025 256.5480 0 0 5025 2580 y x y x λ λ ⎟⎟ ⎠ ⎞ ⎜⎜ ⎝ ⎛− −= ⎟⎟ ⎠ ⎞ ⎜⎜ ⎝ ⎛ =⎟⎟ ⎠ ⎞ ⎜⎜ ⎝ ⎛ ⎟⎟ ⎠ ⎞ ⎜⎜ ⎝ ⎛ −− −− 1 186.0 186.0 0 0 64.425 256.134 yx y x is one eigenvector.
  • 23.
    23 ⎟⎟ ⎠ ⎞ ⎜⎜ ⎝ ⎛ =⎟⎟ ⎠ ⎞ ⎜⎜ ⎝ ⎛ ⎟⎟ ⎠ ⎞ ⎜⎜ ⎝ ⎛ −−− −−−− ⎟⎟ ⎠ ⎞ ⎜⎜ ⎝ ⎛ =⎟⎟ ⎠ ⎞ ⎜⎜ ⎝ ⎛ ⎟⎟ ⎠ ⎞ ⎜⎜ ⎝ ⎛ −− −−− 0 0 )6.84(5025 25)6.84(80 0 0 5025 2580 y x y x λ λ ⎟⎟ ⎠ ⎞ ⎜⎜ ⎝ ⎛ = ⎟⎟ ⎠ ⎞ ⎜⎜ ⎝ ⎛ =⎟⎟ ⎠ ⎞ ⎜⎜ ⎝ ⎛ ⎟⎟ ⎠ ⎞ ⎜⎜ ⎝ ⎛ − − 1 388.5 388.5 0 0 6.13425 256.4 yx y x is the othereigenvector. Before finding the angles at which the principal stresses act, we can check to see if the eigenvectors are correct. CMCD MCD 1 5025 2580 11 388.5186.0 6.840 06.54 −= ⎟⎟ ⎠ ⎞ ⎜⎜ ⎝ ⎛ − −− =⎟⎟ ⎠ ⎞ ⎜⎜ ⎝ ⎛− =⎟⎟ ⎠ ⎞ ⎜⎜ ⎝ ⎛ − = ⎟⎟ ⎠ ⎞ ⎜⎜ ⎝ ⎛− = == − − 033.0179.0 967.0179.0 factors-coofmatrixwhere det 1 1 1 C AA C C T
  • 24.
    24 ⎟⎟ ⎠ ⎞ ⎜⎜ ⎝ ⎛ − =⎟⎟ ⎠ ⎞ ⎜⎜ ⎝ ⎛− ⎟⎟ ⎠ ⎞ ⎜⎜ ⎝ ⎛ − −− ⎟⎟ ⎠ ⎞ ⎜⎜ ⎝ ⎛− = 6.840 06.54 11 388.5186.0 5025 2580 033.0179.0 967.0179.0 D To find theangles, we must calculate the unit eigenvectors: ⎟⎟ ⎠ ⎞ ⎜⎜ ⎝ ⎛ →⎟⎟ ⎠ ⎞ ⎜⎜ ⎝ ⎛ ⎟⎟ ⎠ ⎞ ⎜⎜ ⎝ ⎛− →⎟⎟ ⎠ ⎞ ⎜⎜ ⎝ ⎛− 183.0 938.0 1 388.5 983.0 183.0 1 186.0 And then assemble them into a rotation matrix R so that det R = +1. 1)183.0)(183.0()983.0)(983.0(det 983.0183.0 183.0983.0 =−−=⎟⎟ ⎠ ⎞ ⎜⎜ ⎝ ⎛ − = RR RMRDR T=′⎟⎟ ⎠ ⎞ ⎜⎜ ⎝ ⎛ − = θθ θθ cossin sincos The rotation matrix has the form So θ = 10.5°, as we found earlier for one of the principal angles.
  • 25.
    25 ⎟⎟ ⎠ ⎞ ⎜⎜ ⎝ ⎛− =′ ⎟⎟ ⎠ ⎞ ⎜⎜ ⎝ ⎛ − ⎟⎟ ⎠ ⎞ ⎜⎜ ⎝ ⎛ − −− ⎟⎟ ⎠ ⎞ ⎜⎜ ⎝ ⎛ − =′ =′ 6.540 06.84 983.0183.0 183.0983.0 5025 2580 983.0183.0 183.0983.0 D D RMRD T Usingthe rotation angle of 10.5°, the matrix M (representing the original stress state of the element) can be transformed to matrix D’ (representing the principal stress state). 84.6 MPa 84.6 MPa 54.6 MPa x y 54.6 MPa 10.5o 100.5 o So, the transformation equations, Mohr’s circle, and eigenvectors all give the same result for the principal stress element.
  • 26.