 Advanced DSP algorithm diminishes the influence of motion artifact
 All digital-signal processing improves accuracy of low perfusion
 Small size, easy to be assembled
Meditech.OEM
[MD100 DIGITAL SPO2 ]
Meditech SpO2 Module MD200 is a Low-power oxygen monitor module; the SPO2 Module is used in the sampling inspection or
measurement of the patient's oxygen saturation and pulse rate. As to the average oxygen
saturation, low-power module can send instantaneous blood oxygen saturation.
It is very useful, especially in the sleep research. The SPO2 module is compatible with the entire
Page 2 of 4
Range and accuracy
Pulse rate: 30 ~ 250 bpm
SpO2: 0 ~ 100%
Weak perfusion 0.1%
Resolution(1SD)
Pulse rate:(30~250BPM)
2bpm Normal
3bpm Motion or low perfusion
SpO2: (70~100%)
2% Normal
3% Motion or low perfusion
Below 70% Not specified
Environmental Requirements
Operating temperature: 0~45 °C
Storage temperature: -20~60 °C
Operating Humidity:30~95%
Storage Humidity:10~100%
Operating Altitude:-500~5000m
Storage Altitude:-500~10000m
Power Specifications
Par. Min. Typ. Max.
5V +4.75V +5V +5.25V
Ripple --- --- 100mVp-p
Current --- 20mA ---
Communication Protocol
MD200 Module communicates with the host via a asynchronous serial port at TTL levels, the data
format is 4800baud, 8 data bits, odd parity, 1stop bit(4800,8-Odd-1).
Page 3 of 4
Byte Bit Description Byte Bit Description
0
0 Signal strength 0
3
0 Pulse rate 0
1 Signal strength 1 1 Pulse rate 1
2 Signal strength 2 2 Pulse rate 2
3 Signal strength 3 3 Pulse rate 3
4 1 = Searching too long 4 Pulse rate 4
5 1 = Sensor unplugged 5 Pulse rate 5
6 1 = Pulse beep 6 Pulse rate 6
7 1 (Syn. bit) 7 0 (Syn. bit)
1
0 Plethysmogram 0
4
0 SpO2 0
1 Plethysmogram 1 1 SpO2 1
2 Plethysmogram 2 2 SpO2 2
3 Plethysmogram 3 3 SpO2 3
4 Plethysmogram 4 4 SpO2 4
5 Plethysmogram 5 5 SpO2 5
6 Plethysmogram 6 6 SpO2 6
7 0 (Syn. bit) 7 0 (Syn. bit)
2
0 Bargraph 0
1 Bargraph 1
2 Bargraph 2
3 Bargraph 3
4 1 = Sensor error
5 1 = Searching for pulse
6 Pulse rate 7
7 0 (Syn. bit)
Page 4 of 4
Connections
P1-Probe connector
P1 Pin Description
1 Probe output
2 3.3V
3 RED+
4 RED-
5 GND
6 PRO-DET
P2-Host connector
P3 Pin Description
1 TX Output
2 NC
3 GND
4 +5V
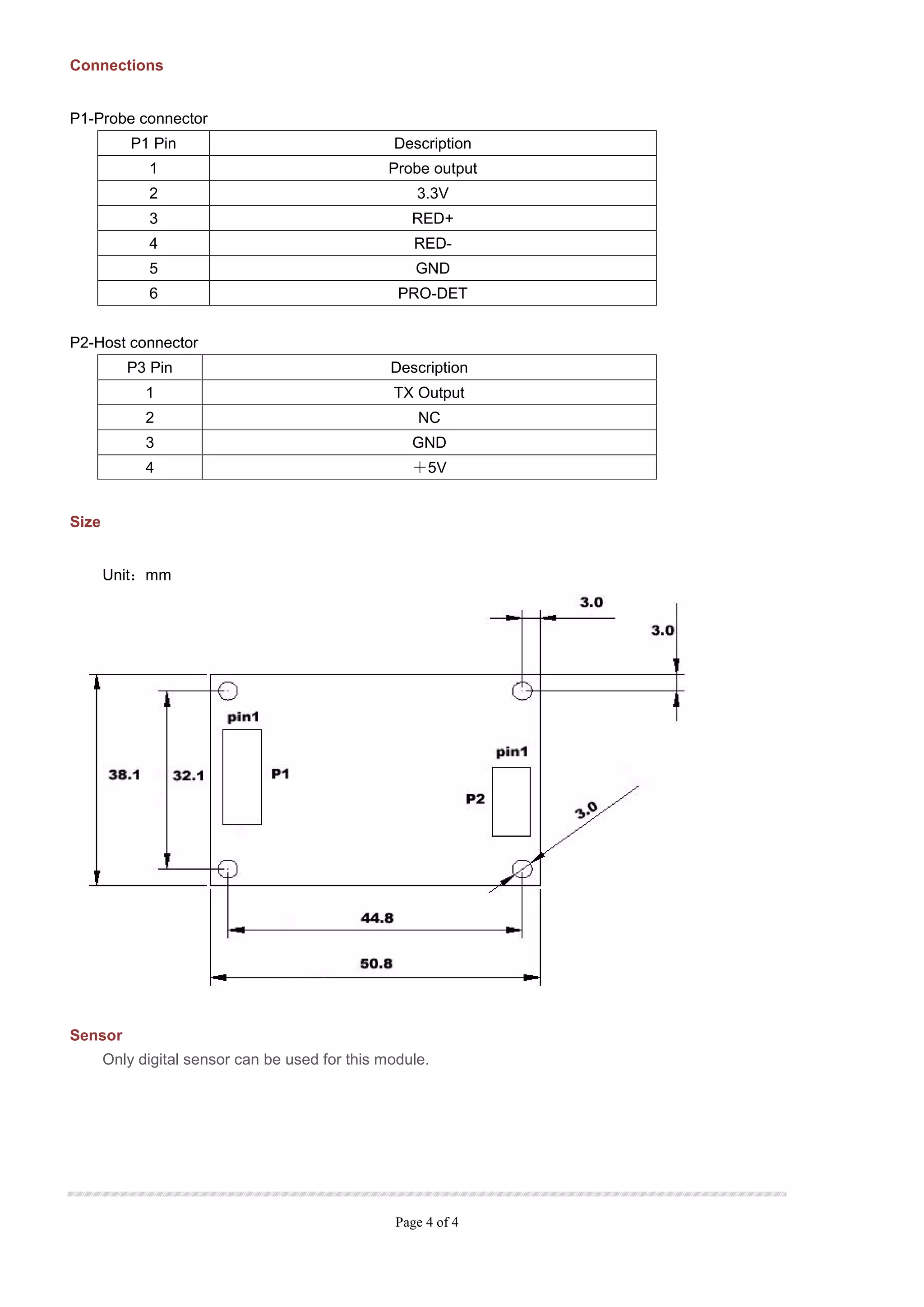
Size
Unit:mm
Sensor
Only digital sensor can be used for this module.

Md100 digital spo2 user's manual

  • 1.
     Advanced DSPalgorithm diminishes the influence of motion artifact  All digital-signal processing improves accuracy of low perfusion  Small size, easy to be assembled Meditech.OEM [MD100 DIGITAL SPO2 ] Meditech SpO2 Module MD200 is a Low-power oxygen monitor module; the SPO2 Module is used in the sampling inspection or measurement of the patient's oxygen saturation and pulse rate. As to the average oxygen saturation, low-power module can send instantaneous blood oxygen saturation. It is very useful, especially in the sleep research. The SPO2 module is compatible with the entire
  • 2.
    Page 2 of4 Range and accuracy Pulse rate: 30 ~ 250 bpm SpO2: 0 ~ 100% Weak perfusion 0.1% Resolution(1SD) Pulse rate:(30~250BPM) 2bpm Normal 3bpm Motion or low perfusion SpO2: (70~100%) 2% Normal 3% Motion or low perfusion Below 70% Not specified Environmental Requirements Operating temperature: 0~45 °C Storage temperature: -20~60 °C Operating Humidity:30~95% Storage Humidity:10~100% Operating Altitude:-500~5000m Storage Altitude:-500~10000m Power Specifications Par. Min. Typ. Max. 5V +4.75V +5V +5.25V Ripple --- --- 100mVp-p Current --- 20mA --- Communication Protocol MD200 Module communicates with the host via a asynchronous serial port at TTL levels, the data format is 4800baud, 8 data bits, odd parity, 1stop bit(4800,8-Odd-1).
  • 3.
    Page 3 of4 Byte Bit Description Byte Bit Description 0 0 Signal strength 0 3 0 Pulse rate 0 1 Signal strength 1 1 Pulse rate 1 2 Signal strength 2 2 Pulse rate 2 3 Signal strength 3 3 Pulse rate 3 4 1 = Searching too long 4 Pulse rate 4 5 1 = Sensor unplugged 5 Pulse rate 5 6 1 = Pulse beep 6 Pulse rate 6 7 1 (Syn. bit) 7 0 (Syn. bit) 1 0 Plethysmogram 0 4 0 SpO2 0 1 Plethysmogram 1 1 SpO2 1 2 Plethysmogram 2 2 SpO2 2 3 Plethysmogram 3 3 SpO2 3 4 Plethysmogram 4 4 SpO2 4 5 Plethysmogram 5 5 SpO2 5 6 Plethysmogram 6 6 SpO2 6 7 0 (Syn. bit) 7 0 (Syn. bit) 2 0 Bargraph 0 1 Bargraph 1 2 Bargraph 2 3 Bargraph 3 4 1 = Sensor error 5 1 = Searching for pulse 6 Pulse rate 7 7 0 (Syn. bit)
  • 4.
    Page 4 of4 Connections P1-Probe connector P1 Pin Description 1 Probe output 2 3.3V 3 RED+ 4 RED- 5 GND 6 PRO-DET P2-Host connector P3 Pin Description 1 TX Output 2 NC 3 GND 4 +5V Size Unit:mm Sensor Only digital sensor can be used for this module.