PRAKTIKUM PNEUMATIK
LAPORAN
Memenuhi salah satu tugas yang diampu oleh Bapak Gumono ST MT pada semester ganjil
2015/2016
Oleh:
Mohammad Amy Faizal
2E D-III TM
1331210073
JURUSAN TEKNIK MESIN
PROGRAM STUDI D-IV TEKNIK OTOMOTIF ELEKTRONIK
POLITEKNIK NEGERI MALANG
MALANG
2016
BAB I
Judul : Rangkaian langsung
Rangkaian :
Rangkaian sebenarnya :
Peralatan : 1. Distributor
2. Push button 3
2⁄ tertutup dalam keadaan normal
3. SAC ( Single Acting Cylinder )
Cara kerja :
1. Kompresor → service unit → saluran P push button 3
2⁄
A
P R
2. Saat push button 3
2⁄ ditekan aliran akan berpindah dari P → A dan SAC akan bergerak
maju
3. Saat push button 3
2⁄ dilepas maka katup akan bergeser yang menyebabkan SAC tidak
terdorong. Karena SAC memiliki pegas sehingga pergerakan silindernya bisa kembali
sendiri dan udara dari dalam SAC terdorong dari A → R
v =0
A
P R
v =1.07
A
P R
v =-0.59
A
P R
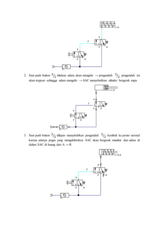
Judul : Rangakaian tidak langsung
Rangkaian :
Rangakaian sebenarnya :
Peralatan : 1. Distributor
2. Push button 3
2⁄ tertutup dalam keadaan normal
3. Katup 3
2⁄ sebagai control elemen ( pengendali )
4. SAC ( Single Acting Cylinder )
Cara kerja :
1. Kompresor → service unit → saluran P push button 3
2⁄ dan saluran P pengendali 3
2⁄
A
P R
A
P R
Z
2. Saat push button 3
2⁄ ditekan udara akan mengalir → pengendali 3
2⁄ pengendali ini
akan tergeser sehingga udara mengalir → SAC menyebabkan silinder bergerak maju
3. Saat push button 3
2⁄ dilepas menyebabkan pengendali 3
2⁄ kembali ke posisi normal
karena adanya pegas yang mengakibatkan SAC akan bergerak mundur dan udara di
dalam SAC di buang dari A → R
v =0
A
P R
A
P R
Z
v =1.07
A
P R
A
P R
Z
v =-0.59
A
P R
A
P R
Z
BAB II
2.1 SAC
1. Piston rod dari SAC bergerak maju bila katup tombol tekan 3/2 beroprasi, dan kembali bergerak
cepat
Rangkaian :
Rangkaian sebenarnya :
Peralatan : 1. Distributor
2. Push button 3
2⁄ tertutup dalam keadaan normal
3. Quick exhaust
4. SAC ( Single Acting Cylinder )
Cara kerja :
1. Kompresor → service unit → saluran P push button 3
2⁄
A
P R
P
A
3
2. Saat push button 3
2⁄ ditekan → quick exhaust → SAC ( silinder bergerak maju )
3. Saat push button 3
2⁄ dilepasmakaakan kembali ke keadaannormal danudara pada silinder
dikeluarkanmelalui quickexhaust dari A → R sehingga piston bergerak mundur lebih cepat
v =0
A
P R
P
A
3
v =1.07
A
P R
P
A
3
v =-0.66
A
P R
P
A
3
2. gerak maju dari SAC dilakukan dengan cara menekankatup tombol tekan 3/2 dari dua arah yang
bergantian, dan kembali bergerak cepat
Rangkaian :
Rangkaian sebenarnya :
Peralatan : 1. Distributor
2. 2 buah push button 3
2⁄ tertutup dalam keadaan normal
3. Shuttle valve
4. Quick exhaust
5. SAC ( Single Acting Cylinder )
Cara kerja :
1. Kompresor → service unit → saluran P pada 2 buah push button 3
2⁄
A
P R
P
A
3
A
P R
X Y
A
2. A. Saat hanya pushbuttonsebelahkiri yangditekanmakaudara dari A → X shuttle valve
( bantalan bola tergeser ke kanan) sehingga udara → SAC ( silinder bergerak maju )
B. Saat hanya push button sebelahkanan yang ditekan maka udara → shuttle valve dan
sama seperti di atas mengeser bantalan bola pada shuttle valve sehingga udara → SAC (
silinder bergerak maju )
3. Saat pushbutton-nyadilepasmakasilinderakanbergerakmundurdanudaraakan keluar
melalui quick exhaust dari A → R
v =0
A
P R
P
A
3
A
P R
X Y
A
v =1.07
A
P R
P
A
3
A
P R
X Y
A
v =1.07
A
P R
P
A
3
A
P R
X Y
A
3. Piston rod dari SAC dapat bergerak maju pelan apabila katup tombol tekan 3/2 beroprasi secara
bersamaan
Rangkaian :
Rangakaiansebenarnya:
Peralatan : 1. Distributor
2. 2 buah push button 3
2⁄ tertutup dalam keadaan normal
3. Two pressure
4. One way flow control
5. SAC ( Single Acting Cylinder )
v =-0.66
A
P R
P
A
3
A
P R
X Y
A
A
P R
A
P R
X Y
A
50%
P A
Cara kerja :
1. Kompresor → service unit → saluran P pada 2 buah push button 3
2⁄
2. Saat kedua push button-nya ditekan maka udara dari A → X dan Y ( two pressure ) → katup
one way → SAC ( silinder bergerak maju perlahan )
3. Saat salahsatu pushbutton-nyadilepasmakasilinderakanbergerakmundurdanudara akan
keluar melalui salah satu dari push button 3
2⁄ dari A → R
v =0
A
P R
A
P R
X Y
A
50%
P A
v =0.06
A
P R
A
P R
X Y
A
50%
P A
4. Pistonroddari SACdapatbergerakmajuperlahanbilake 2katuptombol tekan3/2A danB di tekan
bersamaan. Begitu juga jika tombol tekan 3/2 C ditekan piston rod bergerak maju pelan.
Rangkaian :
Rangkaian sebenarnya :
Peralatan : 1. Distributor
2. 3 buah push button 3
2⁄ tertutup dalam keadaan normal
3. Two pressure
4. Shuttle valve
5. One way flow control
v =-0.21
A
P R
A
P R
X Y
A
50%
P A
A
P R
A
P R
X Y
A
50%
P A
X Y
A
A
P R
6. SAC ( Single Acting Cylinder )
Cara kerja :
1. Kompresor → service unit → saluran P pada 3 buah push button 3
2⁄
2. A. Saat pushbuttonpalingkananditekanmakaudara→ shuttle valve→ katupone way→ SAC
( silinder bergerak maju perlahan )
B. Saat 2 buah push button-nya sebelahkiri dari yang di atas di tekan semua maka udara →
two pressure → shuttle valve → katup une way → SAC (silinder bergerak maju perlahan )
v =0
A
P R
A
P R
X Y
A
50%
P A
X Y
A
A
P R
v =0.06
A
P R
A
P R
X Y
A
50%
P A
X Y
A
A
P R
v =0.06
A
P R
A
P R
X Y
A
50%
P A
X Y
A
A
P R
3. Saat salah satu push buttonnya dilepas maka silinder akan bergerak mundur udara → katup
one way → shuttle valve → salah satu dari push button dari A → R
2.2 DAC
4. Bola – bola dari gravitiy feed magazine harus di distribusikan ke lubang I dan lubang II secara
bergatiandengankecepatandistribusi dapatdiatur(pelan-pelan) signaluntukmenggerakanpiston
diberikanolehsalahsatudari 2 push button.Langkah maju/ mundur setelahpistonmenjatuhkan
bola ke lubang 1 dan 2. Gerakan piston dihasilkan selama masih ada bola dalam magazine
Peralatan : 1. Distributor
2. 2 buah Push button 3
2⁄ tertutup dalam keadaan normal
3. DAC ( Double Acting Cylinder )
Rangkaian :
v =-0.21
A
P R
A
P R
X Y
A
50%
P A
X Y
A
A
P R
A B
P R
P Y
A
X Y
A
A
P R
A
P R
A
P R
AO
AO
P Y
A
A
P R
SENSOR
Rangkaian sebenarnya :
Cara kerja :
1. Kompresor → service unit → saluran P pada 2 buah push button
2. Saat push button 3
2⁄ sebelah kiri ditekan akan menggerakkan DAC dan udara → A → R
3. Sedangkansaatpushbutton 3
2⁄ sebelahkananditekanmakaDACakanbergerakmundurdan
aliran udaranya dari DAC → A → R
A
P R
A
P R
v =0
A
P R
A
P R
v =1.07
A
P R
A
P R
v =-1.23

Laporan pneumatik amy

  • 1.
    PRAKTIKUM PNEUMATIK LAPORAN Memenuhi salahsatu tugas yang diampu oleh Bapak Gumono ST MT pada semester ganjil 2015/2016 Oleh: Mohammad Amy Faizal 2E D-III TM 1331210073 JURUSAN TEKNIK MESIN PROGRAM STUDI D-IV TEKNIK OTOMOTIF ELEKTRONIK POLITEKNIK NEGERI MALANG MALANG 2016
  • 2.
    BAB I Judul :Rangkaian langsung Rangkaian : Rangkaian sebenarnya : Peralatan : 1. Distributor 2. Push button 3 2⁄ tertutup dalam keadaan normal 3. SAC ( Single Acting Cylinder ) Cara kerja : 1. Kompresor → service unit → saluran P push button 3 2⁄ A P R
  • 3.
    2. Saat pushbutton 3 2⁄ ditekan aliran akan berpindah dari P → A dan SAC akan bergerak maju 3. Saat push button 3 2⁄ dilepas maka katup akan bergeser yang menyebabkan SAC tidak terdorong. Karena SAC memiliki pegas sehingga pergerakan silindernya bisa kembali sendiri dan udara dari dalam SAC terdorong dari A → R v =0 A P R v =1.07 A P R v =-0.59 A P R
  • 4.
    Judul : Rangakaiantidak langsung Rangkaian : Rangakaian sebenarnya : Peralatan : 1. Distributor 2. Push button 3 2⁄ tertutup dalam keadaan normal 3. Katup 3 2⁄ sebagai control elemen ( pengendali ) 4. SAC ( Single Acting Cylinder ) Cara kerja : 1. Kompresor → service unit → saluran P push button 3 2⁄ dan saluran P pengendali 3 2⁄ A P R A P R Z
  • 5.
    2. Saat pushbutton 3 2⁄ ditekan udara akan mengalir → pengendali 3 2⁄ pengendali ini akan tergeser sehingga udara mengalir → SAC menyebabkan silinder bergerak maju 3. Saat push button 3 2⁄ dilepas menyebabkan pengendali 3 2⁄ kembali ke posisi normal karena adanya pegas yang mengakibatkan SAC akan bergerak mundur dan udara di dalam SAC di buang dari A → R v =0 A P R A P R Z v =1.07 A P R A P R Z v =-0.59 A P R A P R Z
  • 6.
    BAB II 2.1 SAC 1.Piston rod dari SAC bergerak maju bila katup tombol tekan 3/2 beroprasi, dan kembali bergerak cepat Rangkaian : Rangkaian sebenarnya : Peralatan : 1. Distributor 2. Push button 3 2⁄ tertutup dalam keadaan normal 3. Quick exhaust 4. SAC ( Single Acting Cylinder ) Cara kerja : 1. Kompresor → service unit → saluran P push button 3 2⁄ A P R P A 3
  • 7.
    2. Saat pushbutton 3 2⁄ ditekan → quick exhaust → SAC ( silinder bergerak maju ) 3. Saat push button 3 2⁄ dilepasmakaakan kembali ke keadaannormal danudara pada silinder dikeluarkanmelalui quickexhaust dari A → R sehingga piston bergerak mundur lebih cepat v =0 A P R P A 3 v =1.07 A P R P A 3 v =-0.66 A P R P A 3
  • 8.
    2. gerak majudari SAC dilakukan dengan cara menekankatup tombol tekan 3/2 dari dua arah yang bergantian, dan kembali bergerak cepat Rangkaian : Rangkaian sebenarnya : Peralatan : 1. Distributor 2. 2 buah push button 3 2⁄ tertutup dalam keadaan normal 3. Shuttle valve 4. Quick exhaust 5. SAC ( Single Acting Cylinder ) Cara kerja : 1. Kompresor → service unit → saluran P pada 2 buah push button 3 2⁄ A P R P A 3 A P R X Y A
  • 9.
    2. A. Saathanya pushbuttonsebelahkiri yangditekanmakaudara dari A → X shuttle valve ( bantalan bola tergeser ke kanan) sehingga udara → SAC ( silinder bergerak maju ) B. Saat hanya push button sebelahkanan yang ditekan maka udara → shuttle valve dan sama seperti di atas mengeser bantalan bola pada shuttle valve sehingga udara → SAC ( silinder bergerak maju ) 3. Saat pushbutton-nyadilepasmakasilinderakanbergerakmundurdanudaraakan keluar melalui quick exhaust dari A → R v =0 A P R P A 3 A P R X Y A v =1.07 A P R P A 3 A P R X Y A v =1.07 A P R P A 3 A P R X Y A
  • 10.
    3. Piston roddari SAC dapat bergerak maju pelan apabila katup tombol tekan 3/2 beroprasi secara bersamaan Rangkaian : Rangakaiansebenarnya: Peralatan : 1. Distributor 2. 2 buah push button 3 2⁄ tertutup dalam keadaan normal 3. Two pressure 4. One way flow control 5. SAC ( Single Acting Cylinder ) v =-0.66 A P R P A 3 A P R X Y A A P R A P R X Y A 50% P A
  • 11.
    Cara kerja : 1.Kompresor → service unit → saluran P pada 2 buah push button 3 2⁄ 2. Saat kedua push button-nya ditekan maka udara dari A → X dan Y ( two pressure ) → katup one way → SAC ( silinder bergerak maju perlahan ) 3. Saat salahsatu pushbutton-nyadilepasmakasilinderakanbergerakmundurdanudara akan keluar melalui salah satu dari push button 3 2⁄ dari A → R v =0 A P R A P R X Y A 50% P A v =0.06 A P R A P R X Y A 50% P A
  • 12.
    4. Pistonroddari SACdapatbergerakmajuperlahanbilake2katuptombol tekan3/2A danB di tekan bersamaan. Begitu juga jika tombol tekan 3/2 C ditekan piston rod bergerak maju pelan. Rangkaian : Rangkaian sebenarnya : Peralatan : 1. Distributor 2. 3 buah push button 3 2⁄ tertutup dalam keadaan normal 3. Two pressure 4. Shuttle valve 5. One way flow control v =-0.21 A P R A P R X Y A 50% P A A P R A P R X Y A 50% P A X Y A A P R
  • 13.
    6. SAC (Single Acting Cylinder ) Cara kerja : 1. Kompresor → service unit → saluran P pada 3 buah push button 3 2⁄ 2. A. Saat pushbuttonpalingkananditekanmakaudara→ shuttle valve→ katupone way→ SAC ( silinder bergerak maju perlahan ) B. Saat 2 buah push button-nya sebelahkiri dari yang di atas di tekan semua maka udara → two pressure → shuttle valve → katup une way → SAC (silinder bergerak maju perlahan ) v =0 A P R A P R X Y A 50% P A X Y A A P R v =0.06 A P R A P R X Y A 50% P A X Y A A P R v =0.06 A P R A P R X Y A 50% P A X Y A A P R
  • 14.
    3. Saat salahsatu push buttonnya dilepas maka silinder akan bergerak mundur udara → katup one way → shuttle valve → salah satu dari push button dari A → R 2.2 DAC 4. Bola – bola dari gravitiy feed magazine harus di distribusikan ke lubang I dan lubang II secara bergatiandengankecepatandistribusi dapatdiatur(pelan-pelan) signaluntukmenggerakanpiston diberikanolehsalahsatudari 2 push button.Langkah maju/ mundur setelahpistonmenjatuhkan bola ke lubang 1 dan 2. Gerakan piston dihasilkan selama masih ada bola dalam magazine Peralatan : 1. Distributor 2. 2 buah Push button 3 2⁄ tertutup dalam keadaan normal 3. DAC ( Double Acting Cylinder ) Rangkaian : v =-0.21 A P R A P R X Y A 50% P A X Y A A P R A B P R P Y A X Y A A P R A P R A P R AO AO P Y A A P R SENSOR
  • 15.
    Rangkaian sebenarnya : Carakerja : 1. Kompresor → service unit → saluran P pada 2 buah push button 2. Saat push button 3 2⁄ sebelah kiri ditekan akan menggerakkan DAC dan udara → A → R 3. Sedangkansaatpushbutton 3 2⁄ sebelahkananditekanmakaDACakanbergerakmundurdan aliran udaranya dari DAC → A → R A P R A P R v =0 A P R A P R v =1.07
  • 16.