Embed presentation
Download to read offline





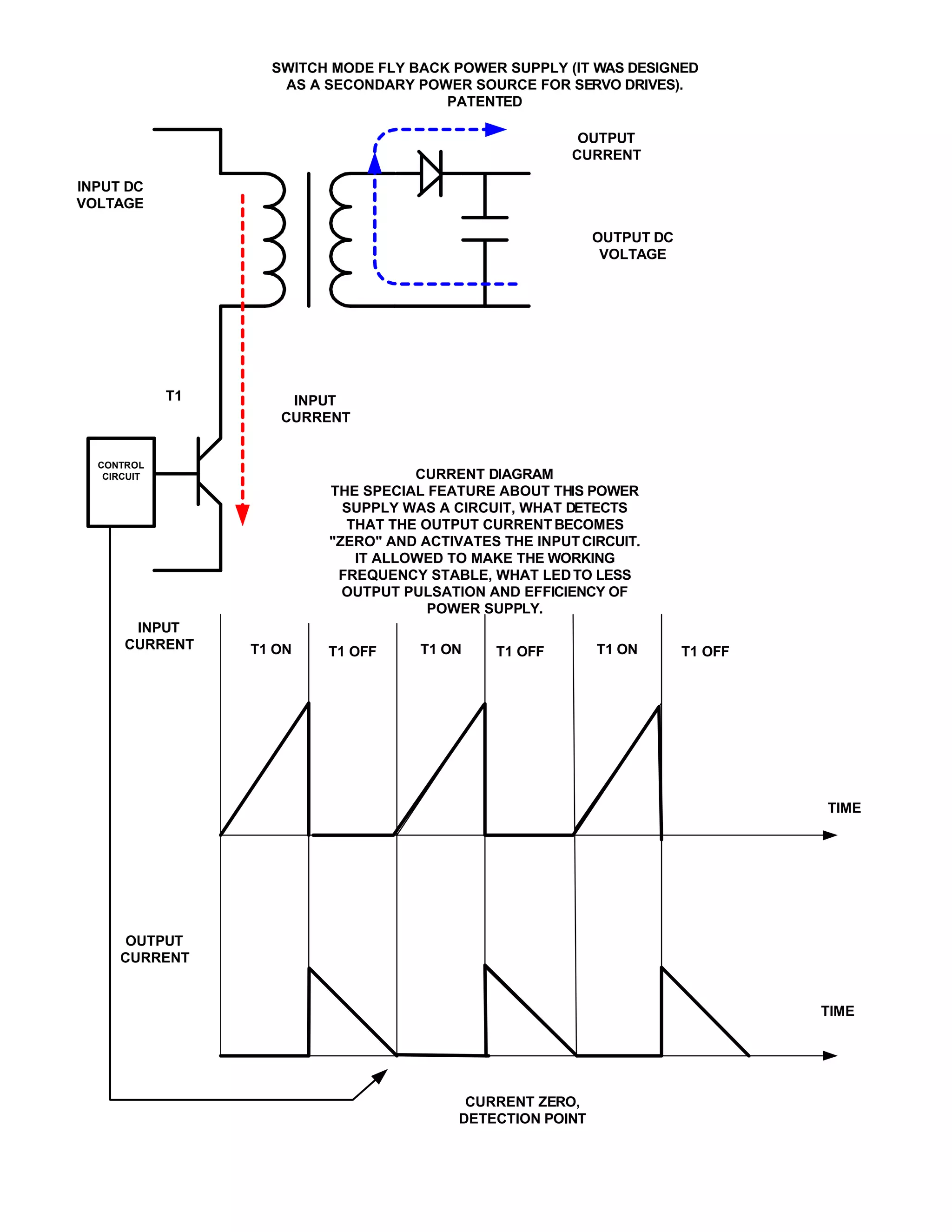
The document discusses an inverter topology designed for low voltage, small capacity servo drives used in robotics, featuring a patented circuit for current sensing and feedback. It outlines various operational conditions of the transistors and their impact on current detection through shunts, allowing for efficient torque control. Additionally, it describes a switch mode flyback power supply, emphasizing its output stability and synchronization features, further enhancing the system's performance.




