This supplement provides information covering changes in
the Electrical System specifications of the HILUX which were
made in , 1999.
165, 166, 167, 170, 171, 172,
190, 191 Series
For information which is not mentioned in this manual, please
refer to the following Electrical Wiring Diagram Manuals:
Pub. No.
D HILUX Electrical Wiring Diagram
D HILUX Chassis and Body Repair
Manual Supplement
D 1KZ-TE Engine Repair Manual
EWD307F
RM706E
RM710E
All information in this manual is based on the latest product
information at the time of publication. However, specifications
and procedures are subject to change without notice.
CK TO MAIN MODEL IND VIEW THE MAIN INDEX
EWD378F Pages From Supplement
Back To Electrical Index
Applicable models: RZN142, 144, 147, 148, 149, 154,
168, 169, 173, 174, 193 Series
KZN165 Series
LN 141, 145, 146, 147, 150, 152,
Manual Name
NOTICE
system malfunction.
When handling
installation or inspection, etc.), always follow the direction given in the repair
manuals
supplemental restraint system components (removal,
listed above prevent accidents and supplemental restraint
to
E1999
All rights reserved
reproduced or copied, in whole or in part, without
the written permission of Toyota Motor
Corporation.
FOREWORD
This CD may not be
TO MODEL INDEX
TOYOTA MOTOR CORPORATION
TOYOTA MOTOR CORPORATION
JULY
HILUX (EWD378F)
1
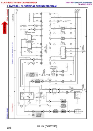
ELECTRICAL WIRING DIAGRAM
(English) Section No. Page
INTRODUCTION . . . . . . . . . . . . . . . . . . . . . . . . . . . . . . . . . . . . . . A . . . .
HOW TO USE THIS MANUAL
5
. . . . . . . . . . . . . . . . . . . . . . . . . . B . . . .
ABBREVIATIONS . . . . . . . . . . . . . . . . . . . . . . . . . . . . . . . . . . . . . C . . . .
RELAY LOCATIONS . . . . . . . . . . . . . . . . . . . . . . . . . . . . . . . . . . . D . . . .
ELECTRICAL WIRING ROUTING . . . . . . . . . . . . . . . . . . . . . . . E . . . .
CONNECTOR LIST . . . . . . . . . . . . . . . . . . . . . . . . . . . . . . . . . . . . F
PART NUMBER OF CONNECTORS . . . . . . . . . . . . . . . . . . . . . H . . . .
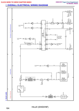
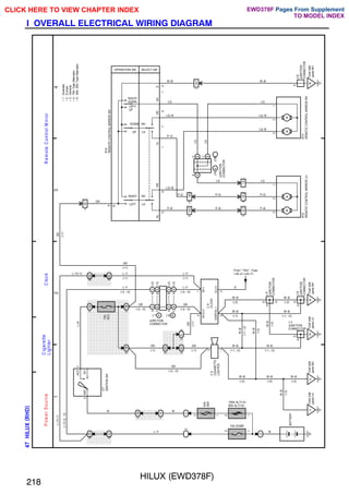
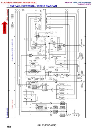
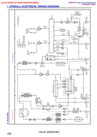
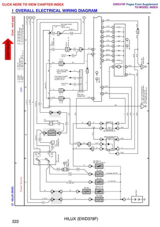
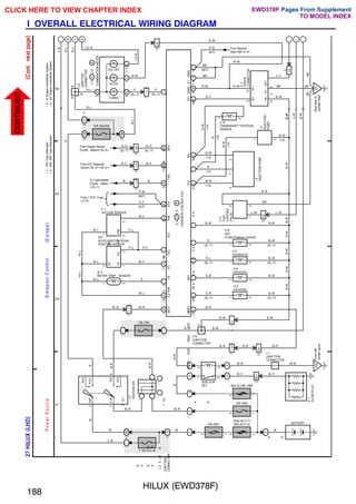
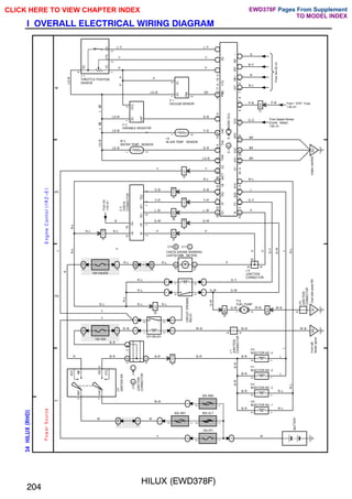
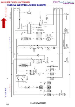
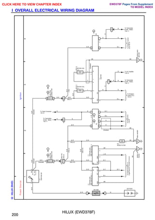
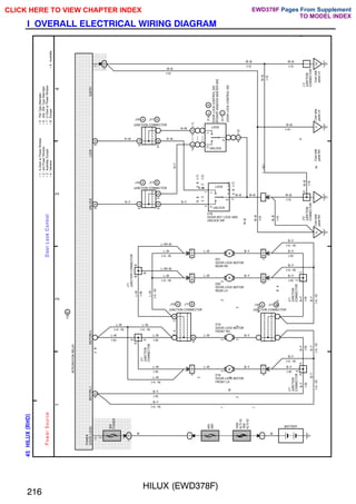
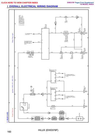
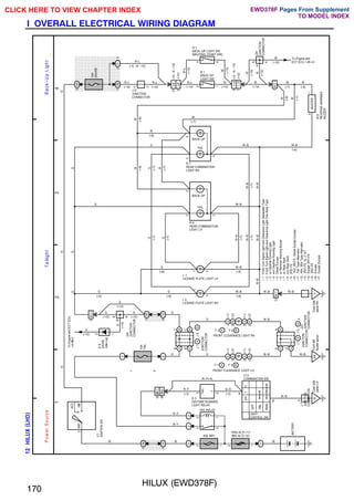
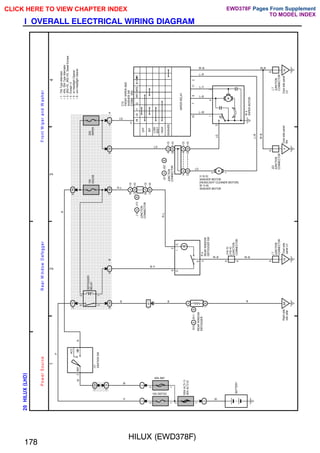
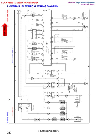
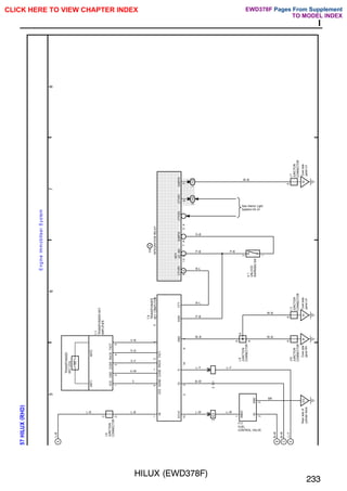
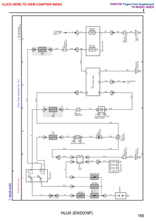
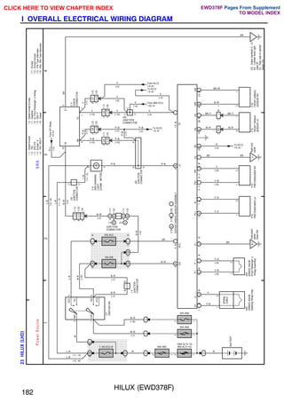
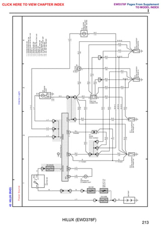
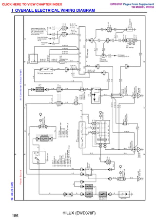
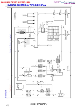
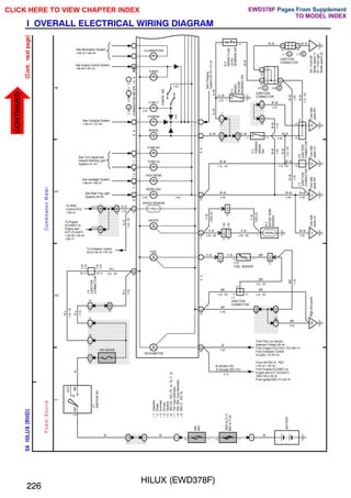
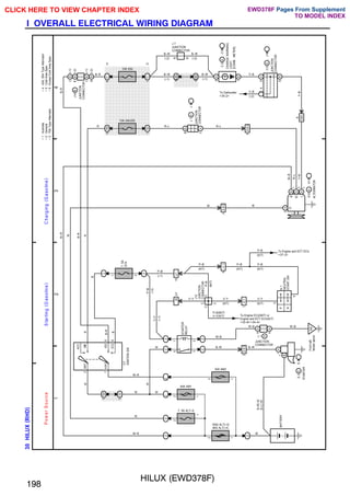
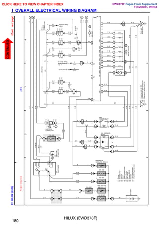
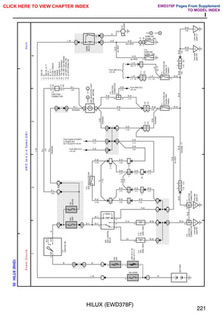
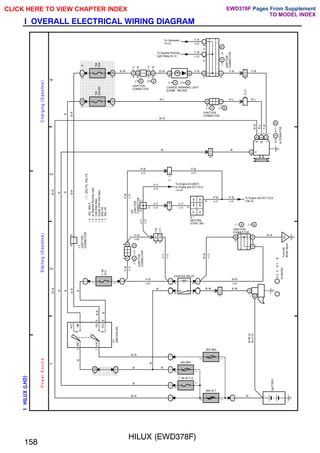
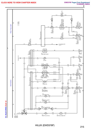
OVERALL ELECTRICAL WIRING DIAGRAM . . . . . . . . . . . . . . I
6
8
22
34
. . . .
. . . .
112
150
154
MAIN INDEX: HILUX
BACK TO MAIN FOREWORD & Electrical Index Pages From Supplement
OVERALL ELECTRICAL WIRING DIAGRAM . . . . . . . . . . . . . . I 194
LHD
RHD
TO MODEL INDEX
EWD378F
July 1999
: Supp.
HILUX (EWD378F)
5
INTRODUCTION A
This manual consists of the following 9 sections:
No. Section Description
A
INDEX Index of the contents of this manual.
A
INTRODUCTION Brief explanation of each section.
B
HOW TO USE THIS
MANUAL
Instructions on how to use this manual.
C ABBREVIATIONS Defines the abbreviations used in this manual.
D RELAY LOCATIONS
Shows position of the Electronic Control Unit, Relays, Relay Block, etc.
This section is closely related to the wiring diagram.
E PARTS LIST List of part names used in this manual.
F
CONNECTOR
JOINING WIRE
HARNESS AND
WIRE HARNESS
Shows connector joining wire harness and wire harness described in this manual.
G CONNECTOR LIST
Describes the form of the connectors for the parts appeared in this book.
This section is closely related to the wiring diagram.
H
PART NUMBER OF
CONNECTORS
Indicates the part number of the connectors used in this manual.
I
OVERALL
ELECTRICAL
WIRING DIAGRAM
Provides circuit diagrams showing the circuit connections.
BACK TO MAIN INDEX Pages From Supplement
TO MODEL INDEX
EWD378F
6
HILUX (EWD378F)
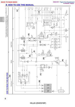
B HOW TO USE THIS MANUAL
;;;;;;
;;;;;;
;;;;;;
1
2
3
4
HOW
TO
READ
THIS
SECTION
ACC
IG1
ST1
IG2
ST2
AM2
1
2
6
EA4
7
EA3
2
A
2
B
1
A
1
B
4
B
5
A
B
1
B
EA
1
3C
15
3C
7
4
1
6
1
1
2
1
3
4
2
3
1
2
4
3
1
1
3
6
5
4
7
4
EA3
12
EA1
BO2
5
21
EA3
ID
EC
EA
1
2
1
2
1
2
1
2
16
BS1
1
2
M
EA3
17
1
4
8
6
9
B
W
W-R
B-W
B-R
B-L
B-L
B-W
B-W(22R-E)
B-W
INJECTOR
W-R
R-G
B
BR
B
GR
Y-R
B-W
Y-R
BR-W
G
G-R
Y-R
L-Y
Y-R
G-Y
GR-B
W-B
R-W
R-G
BR
W-R
W-R
Y-R
R-Y
B-W
Y-R
Y-R
W
B-R
W
R
W-R
W-R
W
B-L
B-W
B-W
B-W
B-R B-R
B-R
B-R
B-R
B-R W-R
W-R
W-R
W-R
BR
BR
W-B
W-B
R-G
Y-R
W-B
B-R
Y-R
B
Y-R
W-B
B-W
G
B-W
W-B
B-R
R-Y
W-R
B-W
BR
100A ALT
40A AM1
30A AM2
STARTER
RELAY
4
A
2
A
1
A
7
(22R-E)
(2L-T)
1
2
7.
5A
ST
7.
5A
IGN
S37
START
INJECTOR
TIME
SW
C24
COLD
START
INJECTOR
To
Emission
ECU
<9-8>
BATTERY
B-W
STARTER
Left
front
fender
R-G
C19
CIRCUIT
OPENING
RELAY
V
5
VOLUME
AIR
FLOW
METER
H11
HEATED
OXYGEN
SENSOR
K
2
KNOCK
SENSOR
15A
EFI
(Shielded)
EFI
MAIN
RELAY
Left
front
fender
Left
kick
panel
R-G
I 9
NO. 1
I11
NO. 3
I10
NO. 2
I12
NO. 4
F37
FUEL
PUMP
D
1
DATA
LINK
CONNECTOR
1
FP
OX1
+B
T1
VF
Starting
B-W
B-L
(2L-T)
1
A
1
B
R
AM1
I
6
  
,
IGNITION
SW
A
B
A
B
S40
S41
S38
S39
A
B
B-W
2
Intake
manifold
RH
BR
E1
3
(2L-T)
(22R-E)
(2L-T)
(2L-T)
B-W
R-G
Y-R
Y-R
Y-R
W-R
W-R
B
8
B
A
B
C
D
E
F
G
H
I
K
L
M
N
O
P
Q
R
S
J
Power
Source
Engine
Control
1
R-Y
B
BR
GR
(22R-E)
BR-W
G
G-R
L-Y
GR-B
G-Y
W-R
(2L-T)
BR
(22R-E)
*
The
system
shown
here
is
an
EXAMPLE
ONLY.
It
is
different
to
the
actual
circuit
shown
in
the
wiring
diagram
section.
2
2
2
2
[A]
[B]
[C]
[D]
[E]
[G]
[F]
[H]
[I]
[J]
[K]
[L]
English
BACK TO MAIN INDEX Pages From Supplement
TO MODEL INDEX
EWD378F
[G]
:
Indicates
related
system.
[H]
:
Indicates
the
wiring
harness
and
wiring
harness
connector.
The
wiring
harness
with
male
terminal
is
shown
with
arrows
(
).
Outside
numerals
are
pin
numbers.
[I]
:
(
)
is
used
to
indicate
different
wiring
and
connector,
etc.
when
the
vehicle
model,
engine
type,
or
specification
is
different.
[J]
:
Indicates
a
shielded
cable.
[K]
:
Indicates
and
located
on
ground
point.
[L]
:
The
same
code
occuring
on
the
next
page
indicates
that
the
wire
harness
is
continuous.
Female
Male
(
)
Junction
connector
in
this
manual
include
a
short
terminal
which
is
connected
to
a
number
of
wire
harnesses.
Always
perform
inspection
with
the
short
terminal
installed.
(When
installing
the
wire
harnesses,
the
harnesses
can
be
connected
to
any
position
within
the
short
terminal
grouping.
Accordingly,
in
other
vehicles,
the
same
position
in
the
short
terminal
may
be
connected
to
a
wire
harness
from
a
different
part.)
Wire
harness
sharing
the
same
short
terminal
grouping
have
the
same
color.
HINT
:
Junction
Connector
Same
Color
Short
Terminal
[A]
:
System
Title
[B]
:
Indicates
the
wiring
color.
Wire
colors
are
indicated
by
an
alphabetical
code.
[C]
:
The
position
of
the
parts
is
the
same
as
shown
in
the
wiring
diagram
and
wire
routing.
[D]
:
Indicates
the
pin
number
of
the
connector.
The
numbering
system
is
different
for
female
and
male
connectors.
The
numbering
system
for
the
overall
wiring
diagram
is
the
same
as
above.
[E]
:
Indicates
a
Relay
Block.
No
shading
is
used
and
only
the
Relay
Block
No.
is
shown
to
distinguish
it
from
the
J/B.
B
=
Black
W
=
White
BR
=
Brown
L
=
Blue
V
=
Voilet
SB
=
Sky
Blue
R
=
Red
G
=
Green
LG
=
Light
Green
P
=
Pink
Y
=
Yellow
GR
=
Gray
O
=
Orange
The
first
letter
indicates
the
basic
wire
color
and
the
second
letter
indicates
the
color
of
the
stripe.
Example:
L
-
Y
L
(Blue)
Y
(Yellow)
Numbered
in
order
from
upper
left
to
lower
right
Numbered
in
order
from
upper
right
to
lower
left
Female
Male
Example:
Example:
Indicates
Relay
Block
No.1
[F]
:
Junction
Block
(The
number
in
the
circle
is
the
J/B
No.
and
the
connector
code
is
shown
beside
it).
Junction
Blocks
are
shaded
to
clearly
separate
them
from
other
parts.
3C
indicates
that
it
is
inside
Junction
Block
No.3
Example
;;;;
;;;;
;;;;
;;;;
;;;;
;;;;
;;;;
HILUX (EWD378F)
7
B
English
CLICK HERE TO VIEW CHAPTER INDEX Pages From Supplement
TO MODEL INDEX
EWD378F
∗ The titles given inside the components are the names of the terminals (terminal codes) and are not treated as being
abbreviations.
8
HILUX (EWD378F)
C ABBREVIATIONS
ABBREVIATIONS
The following abbreviations are used in this manual.
ABS = Anti-Lock Brake System
A/C = Air Conditioner
ADD = Automatic Disconnecting Differential
A/T = Automatic Transmission
BACS = Boost Altitude Compensational Stopper
COMB. = Combination
DIFF. = Differential
DLC3 = Data Link Connector 3
ECT = Electronically Controlled Transmission
ECU = Electronic Control Unit
EFI = Electronic Fuel Injection
EGR = Exhaust Gas Recirculation
EVAP = Evaporative Emission
G.C.C. = Gulf Cooperation Council
IIA = Integrated Ignition Assembly
ISC = Idle Speed Control
LH = Left-Hand
LHD = Left-Hand Drive
M/T = Manual Transmission
O/D = Overdrive
RH = Right-Hand
RHD = Right-Hand Drive
SRS = Supplemental Restraint System
SW = Switch
TEMP. = Temperature
VRV = Vacuum Regulating Valve
VSV = Vacuum Switching Valve
w/ = With
w/o = Without
2WD = Two Wheel Drive Vehicles
4WD = Four Wheel Drive Vehicles
English
BACK TO MAIN INDEX Pages From Supplement
TO MODEL INDEX
EWD378F
RELAY LOCATIONS:
ENGINE COMPARTMENT: Pg 22
1.LHD Pg 22
INSTRUMENT PANEL Pg 22
1.LHD Pg22
ENGINE COMPARTMENT: Pg 23
1.RHD Pg 23
INSTRUMENT PANEL Pg 23
1.RHD Pg23
DRIVER SIDE J/B Pg 24
LHD Pg24
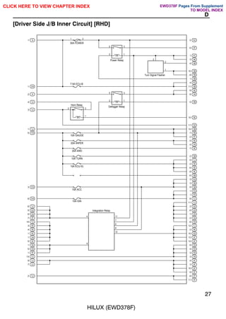
DRIVER SIDE J/B INNER CIRCUIT LHD Pg 25
DRIVER SIDE J/B Pg 26
RHD Pg26
DRIVER SIDE J/B INNER CIRCUIT RHD Pg 27
CENTER J/B Pg28
RHD AUSTRALIA Pg28
CENTER J/B INNER CIRCUIT Pg29
ENGINE ROOM R/B: Pg 30
ENGINE ROOM R/B No.2 Pg 31
R/B No.5 Pg31
R/B No.6 RHD w/DIM-DIP LIGHT Pg32
PASSENGER SIDE R/B Pg32:
RHD 3RZ-FE, 1RZ-E, 1KZ-TE Pg 32
R/B No.8 ISRAEL Pg 33
BACK TO MAIN INDEX
TO MODEL INDEX
EWD378F Pages From Supplement
ABS Decerelation Sensor
•Emission Control ECU
(3RZ-F, 1RZ,
Europe 2L-T, 2L)
•Engine ECU (M/T) or
Engine and ECT ECU
(A/T)
(3RZ-FE, 2RZ-FE)
•Pre-Heating
Timer
(General Diesel)
A/C Amplifier
Diff. Lock ECU
ABS ECU
Center Airbag Sensor Assembly
O/D ECU (Israel)
Driver Side J/B
Integration Relay
Circuit Opening
Relay
Daytime Running Light Relay
ADD Control
Relay
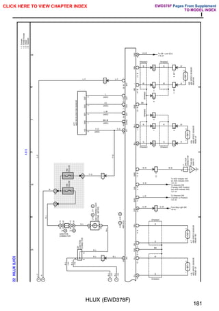
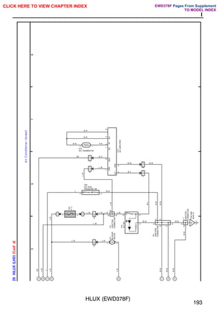
22
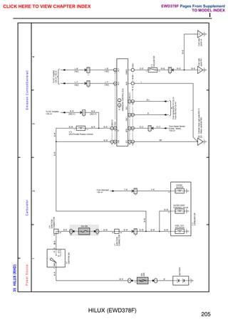
HILUX (EWD378F)
D RELAY LOCATIONS
[Engine Compartment]
(LHD)
Engine Room
R/B
Engine Room
R/B No.2
(Diesel)
R/B No.5
Headlight Cleaner
Relay
R/B No.8
(Israel)
[Instrument Panel]
(LHD)
CLICK HERE TO VIEW CHAPTER INDEX Pages From Supplement
CLICK HERE TO VIEW CHAPTER INDEX
TO MODEL INDEX
EWD378F
ABS Decerelation Sensor
Driver Side J/B
Integration Relay
ABS ECU
Center Airbag Sensor Assembly
A/C Amplifier
Passenger
Side R/B
(3RZ-FE, 1RZ-E,
1KZ-TE)
ADD Control
Relay
4WD Control
ECU
•Engine ECU (M/T) or
Engine and ECT ECU (A/T)
(3RZ-FE, 1RZ-E,
1KZ-TE)
•Emission Control ECU
(3RZ-F, 1RZ,
Europe 2L-T, 2L)
•Pre-Heating Timer
(General Diesel, 5L)
Dim-Dip Light
Relay
Auto Antenna
Control Relay
Center J/B (Australia) or
Connector Holder (Except Australia)
HILUX (EWD378F)
23
D
[Engine Compartment]
(RHD)
Engine Room
R/B (Gasoline)
Engine Room
R/B No.2 (Diesel)
Engine Room
R/B (Diesel)
R/B No.6
R/B No.5
[Instrument Panel]
(RHD)
CLICK HERE TO VIEW CHAPTER INDEX Pages From Supplement
CLICK HERE TO VIEW CHAPTER INDEX
TO MODEL INDEX
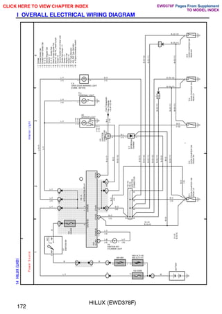
EWD378F
9
8
7
6
1
5
2
4
30A POWER
(for Medium Current)
4WD
Integration Relay
20A
3
2
1
ECU-IG
15A
WIPER
20A
TURN
10A
ACC
15A
ECU-B
7.5A
GAUGE
10A
IGN
10A
10 11 12
SEAT-HTR
20A
3
5
13
12
11
10
9
8
7
6
5
4
3
2
1
Horn Relay
(from Cowl Wire)
(from Roof Wire)
(from Engine Room Main Wire)
(from Cowl Wire)
(from Cowl Wire)
(from Cowl Wire)
YELLOW
(from Cowl Wire)
Power Relay
Turn Signal Flasher
(from Cowl Wire)
Defogger Relay
6
5
4
3
2
1
4
3
2
1
12
11
10
9
8
7
6
5
4
3
2
1
2
1
4
3
1
1
6
3
2
2
10
3
2
2
2
1
(from Cowl Wire)
(from Engine Room Main Wire)
(from Engine Room Main Wire)
5 4
1
1
2
3
2
2
3
2
1
9
1
8
2
11
6
4
3
7
1
1
11
5
10
6
4
1
1
2
1
1
5
3
3 5
2
1
12
13
3
3
3
9
4
3
5
8
6
7
7
8
2
9
6
10
4
2
5
6
7
8
9
1
10
11
12
2
3 4
4
7
1
5
2
8
9
10
3
6
2
7
8
1
9
10
11
12
13
1 2 3 4
5 6 7 8 9 10
1 2 3 4
5 6 7 8 9 1011
1 2 3 4 5
6 7 8 9 10
1 2 3 4 5
6 7 8 9 10111213
1K
1J
1A
1D
1E
1F
1G
1B
1C
1H
1I
24
HILUX (EWD378F)
D RELAY LOCATIONS
;;;
;;;
;;;
: Driver Side J/B Lower Finish Panel (See Page 22)
[LHD]
CLICK HERE TO VIEW CHAPTER INDEX Pages From Supplement
TO MODEL INDEX
EWD378F
10A TURN
2 1
5 3
30A POWER
7.5A ECU-B
Turn Signal Flasher
Power Relay
Defogger Relay
5
1
3
2
Horn Relay
2
1
3
10A GAUGE
20A WIPER
20A 4WD
15A ECU-IG
15A ACC
10A IGN
Integration Relay
3
2
1
20A SEAT-HTR
4
9
11
7
6
8
12
1 2
6 1J
6 1H
3 1H
5 1H
1 1J
3 1J
4 1J
2 1I
1 1H
1 1I 2 1C
6 1F
1 1C
3 1K
4 1B
10 1B
8 1B
1 1B
4 1G
11 1B
9 1E
8 1A
5 1B
10 1E
11 1D
12 1B
7 1B
2 1F
5 1E
4 1A
7 1E
2 1B
5 1J
2 1E
6 1E
8 1E
6 1B
3 1G
3 1B
9 1B
1 1G
1 1D
8 1J
11 1J
2 1D
6 1D
7 1D
2 1A
8 1D
12 1J
2 1K
10 1D
13 1F
12 1F
9 1D
4 1D
3 1D
3 1A
4 1F
3 1F
10 1E
9 1F
8 1F
11 1F
5 1D
6 1A
7 1F
10 1J
3 1E
4 1E
1 1E
1 1A
5 1F
1 1K
5 1A
1 1F
13 1J
9 1J
7 1J
2 1J
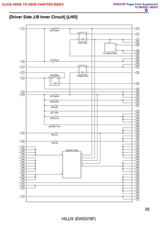
HILUX (EWD378F)
25
D
[Driver Side J/B Inner Circuit] [LHD]
CLICK HERE TO VIEW CHAPTER INDEX Pages From Supplement
TO MODEL INDEX
EWD378F
9
8
7
6
1
5
2
4
30A POWER
(for Medium Current)
4WD
Integration Relay
20A
3
2
1
ECU-IG
15A
WIPER
20A
TURN
10A
ACC
15A
ECU-B
7.5A
GAUGE
10A
IGN
10A
10 11 12
3
5
13
12
11
10
9
8
7
6
5
4
3
2
1
Horn Relay
(from Cowl Wire)
(from Roof Wire)
(from Engine Room Main Wire)
(from Cowl Wire)
(from Cowl Wire)
(from Cowl Wire)
YELLOW
(from Cowl Wire)
Power Relay
Turn Signal Flasher
(from Cowl Wire)
6
5
4
3
2
1
4
3
2
1
12
11
10
9
8
7
6
5
4
3
2
1
2
1
4
3
1
1
6
3
2
2
10
3
2
2
2
1
(from Cowl Wire)
(from Engine Room Main Wire)
(from Engine Room Main Wire)
5 4
1
1
2
3
2
2
3
2
1
9
1
8
2
11
6
4
3
7
1
1
11
5
10
6
4
1
1
1
1
2
5
3
3 5
1
2
12
13
3
3
3
9
4
3
5
8
6
7
7
8
2
9
6
10
4
2
5
6
7
8
9
1
10
11
12
2
3 4
4
7
1
5
2
8
9
10
3
6
2
7
8
1
9
10
11
12
13
1 2 3 4
5 6 7 8 9 10
1 2 3 4
5 6 7 8 9 1011
1 2 3 4 5
6 7 8 9 10
1 2 3 4 5
6 7 8 9 10111213
Defogger Relay
1K
1J
1A
1D
1E
1F
1G
1B
1C
1H
1I
26
HILUX (EWD378F)
D RELAY LOCATIONS
;;;
;;;
;;;
: Driver Side J/B Lower Finish Panel (See Page 23)
[RHD]
CLICK HERE TO VIEW CHAPTER INDEX Pages From Supplement
TO MODEL INDEX
EWD378F
10A TURN
2 1
5 3
30A POWER
7.5A ECU-B
Turn Signal Flasher
Power Relay
Defogger Relay
5
1
3
2
Horn Relay
2
1
3
10A GAUGE
20A WIPER
20A 4WD
15A ECU-IG
15A ACC
10A IGN
Integration Relay
3
2
1
4
9
11
7
6
8
12
1 2
1 1I
1 1H
2 1I
4 1J
3 1J
1 1J
5 1H
3 1H
6 1H
6 1J
5 1D
6 1A
7 1F
10 1J
3 1E
4 1E
1 1E
1 1A
5 1F
1 1K
5 1A
1 1F
13 1J
9 1J
7 1J
2 1J
11 1F
8 1F
9 1F
10 1F
3 1F
4 1F
3 1A
3 1D
4 1D
9 1D
12 1F
13 1F
10 1D
2 1K
12 1J
8 1D
2 1A
7 1D
6 1D
2 1D
11 1J
8 1J
1 1D
1 1G
9 1B
3 1B
3 1G
6 1B
8 1E
6 1E
2 1E
5 1J
2 1B
7 1E
4 1A
5 1E
2 1F
7 1B
12 1B
11 1D
10 1E
5 1B
8 1A
9 1E
11 1B
4 1G
1 1B
8 1B
10 1B
4 1B
3 1K
1 1C
6 1F
2 1C
HILUX (EWD378F)
27
D
[Driver Side J/B Inner Circuit] [RHD]
CLICK HERE TO VIEW CHAPTER INDEX Pages From Supplement
TO MODEL INDEX
EWD378F
3 2
10
22
21
20
19
18
17
16
15
14
13
12
11
9
8
7
6
5
4
2 3
1
1
4
2 3
1
4 5 6 7
1
8 5
6
7
8
2
3
4
5
6
7
8
9
10
1
7
6
4
3
5
2
10
9
8
14
13
12
11
10
9
8
7
6
5
4
2 3
1
15
20
19
18
17
16
15
(from Cowl Wire)
BLUE (from Cowl Wire)
(from Cowl Wire)
(from Cowl Wire)
(from Cowl Wire)
(from Cowl Wire)
20 19 18 17 16
1 2 3
11 12 13
4
14
5
15 16 17 18
6 7
19
8 9 10
22
21
20
14 13 12 11 10
9 8 7 6
22 21 20 19 18 17 16 15 14
20 19 18 17 16 15 14
5
13 12 11 10
13
22 21 20 19 18 17
12
16 15 14 13 12
11
11
2
10
9
9
10 8
1
DARK GRAY
8 7
1
6
7
5
2
3
3
4
6
3 2 1
5
4
3
5
4
6
4
7
2
8
GRAY
9
1
BLACK
1 2 3
10 11 12
4
13
5
14 15 16 17
6 7
18
8 9
20
19
3A
3B
3C
3D
3E
3F
28
HILUX (EWD378F)
D RELAY LOCATIONS
;;;
;;;
;;;
: Center J/B Near the Steering Column Tube (See Page 23)
[RHD Australia]
CLICK HERE TO VIEW CHAPTER INDEX Pages From Supplement
TO MODEL INDEX
EWD378F
1 3C
2 3C
3 3C
1 3A
2 3A
3 3A
4 3E
5 3E
6 3E
7 3E
8 3E
9 3E
10 3E
4 3A
5 3A
6 3A
7 3A
8 3A
5 3B
6 3B
7 3B
8 3B
9 3B
10 3B
1 3E
2 3E
3 3E
1 3D
2 3D
3 3D
4 3D
5 3D
6 3D
7 3D
8 3D
9 3D
10 3F
11 3F
12 3F
13 3F
14 3F
15 3F
16 3F
17 3F
18 3F
19 3F
20 3F
10 3D
11 3D
12 3D
11 3C
12 3C
13 3C
14 3C
15 3C
16 3C
4 3C
5 3C
6 3C
7 3C
8 3C
9 3C
10 3C
13 3D
14 3D
15 3D
16 3D
17 3D
18 3D
19 3D
20 3D
11 3E
12 3E
13 3E
14 3E
15 3E
16 3E
17 3E
18 3E
19 3E
20 3E
21 3E
22 3E
17 3C
18 3C
19 3C
20 3C
21 3C
22 3C
1 3F
2 3F
3 3F
4 3F
5 3F
6 3F
7 3F
8 3F
9 3F
1 3B
2 3B
3 3B
4 3B
HILUX (EWD378F)
29
D
[Center J/B Inner Circuit]
CLICK HERE TO VIEW CHAPTER INDEX Pages From Supplement
TO MODEL INDEX
EWD378F
1
2
3
4
4 2
3 1
3
5
1
2
3
5
1
2
3
5
1
2
1
2
3
5
1 2
1 2
1 2 1 2
1 2 1 2
HEAD (RH)
10A
HEAD (LH)
10A
10A
HEAD (RL)
HEAD (LL)
10A
10A
TAIL
10A
A.C
∗1
OBD
7.5A
15A
DOME
HORN
15A 7.5A
ALT-S
DEFOG
15A
10A
STOP
60A ABS Fuse (Gasoline)
(for High Current)
80A ABS, GLOW (Diesel)
(for High Current)
100A ALT Fuse
(70A Type Alternator)
80A ALT Fuse
(45A, 55A Type Alternator)
(for High Currnet)
30A CDS FAN Fuse
(for Medium Current)
HEAD Relay
DIMMER Relay
EFI Relay (Gasoline)
ECD Relay (1KZ-TE)
STARTER Relay
50A HEATER Fuse
(for Medium Current)
HEATER Relay
40A AM1 Fuse
(for Medium Current)
CDS FAN Relay
TAIL Relay
1 2
3 4 5
∗1 : 15A EFI (2RZ-FE, 3RZ-FE)
15A ECD (1KZ-TE)
20A AM2 (Diesel Except 1KZ-TE)
STA
7.5A
30A AM2 Fuse
(Gasoline, 1KZ-TE)
(for Medium Current)
2 1
1
2
2 1
2 1
2 1
2 1
2 1
1
2
1
2
1
2
2
1
2
1
2
1
2
1
30
HILUX (EWD378F)
D RELAY LOCATIONS
2 : Engine Room R/B
RHD Diesel : Engine Compartment Right (See Page 23)
2 : Engine Room R/B
Except RHD Diesel : Engine Compartment Left (See Page 22, 23)
CLICK HERE TO VIEW CHAPTER INDEX Pages From Supplement
TO MODEL INDEX
EWD378F
3
4
1
2
3
4
1
2
ST RLY SUB GLW RLY
ABS Motor Relay ABS Solenoid Relay
1 2
3 4
1 2 3
4 5 6
HILUX (EWD378F)
31
D
4 : Engine Room R/B No 2
LHD Diesel : Engine Compartment Left (See Page 22)
4 : Engine Room R/B No.2
RHD Diesel : Engine Compartment Right (See Page 23)
5 : R/B No 5
LHD : Front Right Fender Apron (See Page 22)
5 : R/B No.5
RHD : Near the Brake Master Cylinder (See Page 23)
CLICK HERE TO VIEW CHAPTER INDEX Pages From Supplement
CLICK HERE TO VIEW CHAPTER INDEX
TO MODEL INDEX
EWD378F
1
2
5 3
Circuit Opening Relay (3RZ-FE,1RZ-E)
Spill Control Valve Relay (1KZ-TE)
32
HILUX (EWD378F)
D RELAY LOCATIONS
6 : R/B No.6 Radiator Support RH (See Page 23)
[RHD w/ Dim-Dip Light]
2
4
1
3
2
1
5
4
3
Dim-Dip Relay No.3 Dim-Dip Relay No.2
7 : Passenger Side R/B Cowl Side Panel LH (See Page 23)
[RHD 3RZ-FE, 1RZ-E, 1KZ-TE]
CLICK HERE TO VIEW CHAPTER INDEX Pages From Supplement
CLICK HERE TO VIEW CHAPTER INDEX
TO MODEL INDEX
EWD378F
3
2
1
5
4
2
4
1
3
CDS FAN NO.1 Relay CDS FAN NO.2 Relay
HILUX (EWD378F)
33
D
8 : R/B No.8 Radiator Support RH (See Page 22)
[Israel]
CLICK HERE TO VIEW CHAPTER INDEX Pages From Supplement
TO MODEL INDEX
EWD378F
E: ELECTRICAL WIRING ROUTING:
PAGE 1 OF 4
POSITION OF PARTS IN ENGINE COMPARTMENT:
1. LHD 3RZ-FE, 2RZ-FE A TO H Pg 34
2. LHD 3RZ-FE, 2RZ-FE I TO W Pg 35
3. LHD: 3RZ-F Pg 36
4. LHD: 1RZ Pg 37
5. LHD: 2L-T Pg 38
6. LHD: 3L, 2L Pg 39
POSITION OF PARTS IN INSTRUMENT PANEL:
1. LHD A TO D Pg 40
2. LHD E TO U Pg 41
POSITION OF PARTS IN BODY:
1. LHD REGULAR CAB Pg 42
2. LHD DOUBLE CAB Pg 43
3. LHD EXTRA CAB Pg 44
POSITION OF PARTS IN ENGINE COMPARTMENT:
1. RHD 3RZ-FE A TO H Pg 46
2. RHD 3RZ-FE I TO W Pg 47
3. RHD 3RZ-F Pg 48
4. RHD 1RZ-E Pg 49
5. RHD 1RZ Pg 50
6. RHD 5L Pg 51
7. RHD 2L-T Pg 52
8. RHD 3L, 2L Pg 53
9. RHD 1KZ-TE A TO H Pg 54
10. RHD 1 KZ-TE I TO W Pg 55
POSITION OF PARTS IN INSTRUMENT PANEL:
1. RHD A TO D Pg 56
2. RHD E TO U Pg 57
POSITION OF PARTS IN BODY:
1. RHD REGULAR CAB Pg 58
2. RHD DOUBLE CAB Pg 59
3. RHD EXTRA CAB Pg 60
LOCATION OF CONNECTOR JOINING WIRE HARNESS & WIRE HARNESS Pg 62
LOCATION OF GROUND POINTS Pg 62
1. LHD 3RZ-FE, 2RZ-FE Pg 62
CONNECTOR JOINING WIRE HARNESS & WIRE HARNESS Pg 63
BACK TO MAIN INDEX
CONTINUED
TO MODEL INDEX
EWD378F Pages From Supplement
E: ELECTRICAL WIRING ROUTING:
PAGE 2 OF 4
LOCATION OF CONNECTOR JOINING WIRE HARNESS & WIRE HARNESS Pg 64
LOCATION OF GROUND POINTS Pg 64:
1.LHD 3RZ-R Pg 64
CONNECTOR JOINING WIRE HARNESS & WIRE HARNESS Pg 65
LOCATION OF CONNECTOR JOINING WIRE HARNESS & WIRE HARNESS Pg 66
LOCATION OF GROUND POINTS Pg 66:
1.LHD 1RZ Pg 66
CONNECTOR JOINING WIRE HARNESS & WIRE HARNESS Pg67
LOCATION OF CONNECTOR JOINING WIRE HARNESS & WIRE HARNESS Pg 68
LOCATION OF GROUND POINTS Pg 68:
1.LHD 2L-T Pg 68
CONNECTOR JOINING WIRE HARNESS & WIRE HARNESS Pg69
LOCATION OF CONNECTOR JOINING WIRE HARNESS & WIRE HARNESS Pg 70
LOCATION OF GROUND POINTS Pg 70:
1.LHD 3L, 2L Pg 70
CONNECTOR JOINING WIRE HARNESS & WIRE HARNESS Pg71
LOCATION OF CONNECTOR JOINING WIRE HARNESS & WIRE HARNESS Pg 72
LOCATION OF GROUND POINTS Pg 72:
1.LHD IA1 TO IN1 Pg 72
CONNECTOR JOINING WIRE HARNESS & WIRE HARNESS Pg73
LOCATION OF CONNECTOR JOINING WIRE HARNESS & WIRE HARNESS Pg 74
1.LHD II1 TO IM1 Pg 74
CONNECTOR JOINING WIRE HARNESS & WIRE HARNESS Pg75
LOCATION OF CONNECTOR JOINING WIRE HARNESS & WIRE HARNESS Pg 76
LOCATION OF GROUND POINTS Pg 76
1.LHD DOUBLE CAB Pg 76
CONNECTOR JOINING WIRE HARNESS & WIRE HARNESS Pg77
CLICK HERE TO VIEW CHAPTER INDEX
CONTINUED
TO MODEL INDEX
EWD378F Pages From Supplement
E: ELECTRICAL WIRING ROUTING:
PAGE 3 OF4
LOCATION OF CONNECTOR JOINING WIRE HARNESS & WIRE HARNESS Pg 78
LOCATION OF GROUND POINTS Pg 78
1.LHD REGULAR CAB Pg 78
2.LHD EXTRA CAB Pg 78
CONNECTOR JOINING WIRE HARNESS & WIRE HARNESS Pg79
LOCATION OF CONNECTOR JOINING WIRE HARNESS & WIRE HARNESS Pg 80
LOCATION OF GROUND POINTS Pg 80
1.RHD 3RZ-FE Pg 80
CONNECTOR JOINING WIRE HARNESS & WIRE HARNESS Pg81
LOCATION OF CONNECTOR JOINING WIRE HARNESS & WIRE HARNESS Pg 82
LOCATION OF GROUND POINTS Pg 82
1.RHD 3RZ-F Pg 82
CONNECTOR JOINING WIRE HARNESS & WIRE HARNESS Pg83
LOCATION OF CONNECTOR JOINING WIRE HARNESS & WIRE HARNESS Pg 84
LOCATION OF GROUND POINTS Pg 84
1.RHD 1RZ-E Pg 84
CONNECTOR JOINING WIRE HARNESS & WIRE HARNESS Pg85
LOCATION OF CONNECTOR JOINING WIRE HARNESS & WIRE HARNESS Pg 86
LOCATION OF GROUND POINTS Pg 86
1.RHD 1RZ Pg 86
CONNECTOR JOINING WIRE HARNESS & WIRE HARNESS Pg87
LOCATION OF CONNECTOR JOINING WIRE HARNESS & WIRE HARNESS Pg 88
LOCATION OF GROUND POINTS Pg 88
1.RHD 5L Pg 88
CONNECTOR JOINING WIRE HARNESS & WIRE HARNESS Pg89
LOCATION OF CONNECTOR JOINING WIRE HARNESS & WIRE HARNESS Pg 90
LOCATION OF GROUND POINTS Pg 90
1.RHD 2L-T Pg 90
CONNECTOR JOINING WIRE HARNESS & WIRE HARNESS Pg91
LOCATION OF CONNECTOR JOINING WIRE HARNESS & WIRE HARNESS Pg 92
LOCATION OF GROUND POINTS Pg 92
1.RHD 3L, 2L Pg 92
CONNECTOR JOINING WIRE HARNESS & WIRE HARNESS Pg93
CLICK HERE TO VIEW CHAPTER INDEX
CONTINUED
TO MODEL INDEX
EWD378F Pages From Supplement
E: ELECTRICAL WIRING ROUTING:
PAGE 4 OF4
LOCATION OF CONNECTOR JOINING WIRE HARNESS & WIRE HARNESS Pg 94
LOCATION OF GROUND POINTS Pg 94
1.RHD 1KZ-TE Pg 94
CONNECTOR JOINING WIRE HARNESS & WIRE HARNESS Pg95
LOCATION OF CONNECTOR JOINING WIRE HARNESS & WIRE HARNESS Pg 96
LOCATION OF GROUND POINTS Pg 96
1.RHD IA TO 1D 1Pg 96
CONNECTOR JOINING WIRE HARNESS & WIRE HARNESS Pg97
LOCATION OF CONNECTOR JOINING WIRE HARNESS & WIRE HARNESS Pg 98
1.RHD IG1 TO IM2 Pg 98
CONNECTOR JOINING WIRE HARNESS & WIRE HARNESS Pg99
LOCATION OF CONNECTOR JOINING WIRE HARNESS & WIRE HARNESS Pg 100
LOCATION OF GROUND POINTS Pg 100
1.RHD DOUBLE CAB Pg 100
CONNECTOR JOINING WIRE HARNESS & WIRE HARNESS Pg 101
LOCATION OF CONNECTOR JOINING WIRE HARNESS & WIRE HARNESS Pg 102
LOCATION OF GROUND POINTS Pg 102
1.RHD REGULAR CAB Pg 102
2.RHD EXTRA CAB Pg 102
CONNECTOR JOINING WIRE HARNESS & WIRE HARNESS Pg 103
CLICK HERE TO VIEW CHAPTER INDEX
TO MODEL INDEX
EWD378F Pages From Supplement
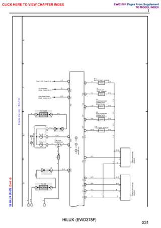
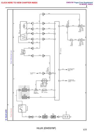
34
HILUX (EWD378F)
E ELECTRICAL WIRING ROUTING
Position of Parts in Engine Compartment
[LHD : 3RZ-FE, 2RZ-FE]
H3
(∗2 ∗3)
F8
(∗6)
F6
(∗5)
A1
A5
F4
H4
A4
H5
H1
C3
A6
F15
B2
F3
F7
(∗6)
F5
(∗5)
F1
A3
A9 D1 H7
(2WD)
D2 H8
(4WD)
H8
(2WD)
E1 H7
(4WD)
B1 C1
F2 H2
H6 A7 A2 C4 A8 H9 A11 A10
F16
A 1 A/C Dual Pressure SW
A 2 A/C Magnetic Clutch
A 3 A/T Fluid Temp. SW
A 4 ABS Actuator
A 5 ABS Actuator
A 6 ABS Speed Sensor Front LH
A 7 ABS Speed Sensor Front RH
A 8 ADD Indicator SW
A 9 Air Flow Meter
A10 Alternator
A 11 Alternator
B 1 Back-Up Light SW
B 2 Brake Fluid Level Warning SW
C 1 Camshaft Position Sensor
C 3 Check Connector
C 4 Crankshaft Position Sensor
D 1 Detection SW (Transfer 4WD Position)
D 2 Detection SW (Transfer L4 Position)
E 1 ECT Solenoid
F 1 Front Clearance Light LH
F 2 Front Clearance Light RH
F 3 Front Side Turn Signal Light LH
F 4 Front Side Turn Signal Light RH
F 5 Front Turn Signal Light and Clearance Light LH
F 6 Front Turn Signal Light and Clearance Light RH
F 7 Front Turn Signal Light LH
F 8 Front Turn Signal Light RH
F 15 Front Airbag Sensor LH
F 16 Front Airbag Sensor RH
H 1 Headlight Beam Level Control Actuator LH
H 2 Headlight Beam Level Control Actuator RH
H 3 Headlight Cleaner Motor and Washer Motor
H 4 Headlight Cleaner Relay
H 5 Headlight LH
H 6 Headlight RH
H 7 Heated Oxygen Sensor (Bank 1 Sensor 1)
H 8 Heated Oxygen Sensor (Bank 1 Sensor 2)
H 9 Horn
Pages From Supplement
CLICK HERE TO VIEW CHAPTER INDEX
TO MODEL INDEX
EWD378F
HILUX (EWD378F)
35
E
Position of Parts in Engine Compartment
[LHD : 3RZ-FE, 2RZ-FE]
W2
O1
N2
W1
(∗2 ∗4)
W1
(∗1)
W4
J2
J1
V8
V5
V4
I12 I13 S1
W3 N1 T1 V7 I15 S3 S2
I2 I3 I11 I10 K1
∗1 : w/o ABS
∗2 : w/ ABS
∗3 : Europe
∗4 : Except Europe
∗5 : Front Turn Signal Light and
Clearance Light One Body Type
∗6 : Front Turn Signal Light and
Clearance Light Separeted Type
I 2 Ignition Coil and Igniter No.1
I 3 Ignition Coil and Igniter No.2
I 10 Injector No.1
I 11 Injector No.2
I 12 Injector No.3
I 13 Injector No.4
I 15 ISC Valve
J 1 Junction Connector
J 2 Junction Connector
K 1 Knock Sensor
N 1 Neutral Start SW
N 2 Noise Filter
O 1 Oil Pressure SW
S 1 Speed Sensor (ECT)
S 2 Starter
S 3 Starter
T 1 Throttle Position Sensor
V 4 VSV (2WD, ADD)
V 5 VSV (4WD, ADD)
V 7 VSV (EGR)
V 8 VSV (EVAP)
W 1 Washer Motor
W 2 Water Temp. Sender
W 3 Water Temp. Sensor
W 4 Wiper Motor
CLICK HERE TO VIEW CHAPTER INDEX Pages From Supplement
TO MODEL INDEX
EWD378F
36
HILUX (EWD378F)
E ELECTRICAL WIRING ROUTING
Position of Parts in Engine Compartment
[LHD : 3RZ-F]
W1
I1
A1
I4
F16
F6
(∗1)
F8
(∗2)
F2
A5
F4
F7
(∗2)
F5
(∗1)
H5
A6
F15
J2
J1
F3
F1
A4
W4 W2 O1 S2 C3 D1 D2 B1 C2 V9 B2
H6 A7 A2 I5 S3 A11 H9 A10
∗1 : Front Turn Signal Light and
Clearance Light One Body Type
∗2 : Front Turn Signal Light and
Clearance Light Separated Type
A 1 A/C Dual Pressure SW
A 2 A/C Magnetic Clutch
A 4 ABS Actuator
A 5 ABS Actuator
A 6 ABS Speed Sensor Front LH
A 7 ABS Speed Sensor Front RH
A10 Alternator
A 11 Alternator
B 1 Back-Up Light SW
B 2 Brake Fluid Level Warning SW
C 2 Carburetor
C 3 Check Connector
D 1 Detection SW (Transfer 4WD Position)
D 2 Detection SW (Transfer L4 Position)
F 1 Front Clearance Light LH
F 2 Front Clearance Light RH
F 3 Front Side Turn Signal Light LH
F 4 Front Side Turn Signal Light RH
F 5 Front Turn Signal Light and Clearance Light LH
F 6 Front Turn Signal Light and Clearance Light RH
F 7 Front Turn Signal Light LH
F 8 Front Turn Signal Light RH
F 15 Front Airbag Sensor LH
F 16 Front Airbag Sensor RH
H 5 Headlight LH
H 6 Headlight RH
H 9 Horn
I 1 Igniter
I 4 Ignition Coil No.1
I 5 Ignition Coil No.2
J 1 Junction Connector
J 2 Junction Connector
O 1 Oil Pressure SW
S 2 Starter
S 3 Starter
V 9 VSV (Throttle Position Control)
W 1 Washer Motor
W 2 Water Temp. Sender
W 4 Wiper Motor
CLICK HERE TO VIEW CHAPTER INDEX Pages From Supplement
TO MODEL INDEX
EWD378F
HILUX (EWD378F)
37
E
Position of Parts in Engine Compartment
[LHD : 1RZ]
A7
F16
F8
(∗2)
F6
(∗1)
F2
W1
F4
H5
A6
F15
V9
J2
J1
C2
F7
(∗2)
F5
(∗1)
F1
W4 A4 A5 O1 B1 C3 V2 S3 S2 B2 F3
H6 A1 A2 W2 I6 H9 A11 A10
∗1 : Front Turn Signal Light and
Clearance Light One Body Type
∗2 : Front Turn Signal Light and
Clearance Light Separated Type
A 1 A/C Dual Pressure SW
A 2 A/C Magnetic Clutch
A 4 ABS Actuator
A 5 ABS Actuator
A 6 ABS Speed Sensor Front LH
A 7 ABS Speed Sensor Front RH
A10 Alternator
A 11 Alternator
B 1 Back-Up Light SW
B 2 Brake Fluid Level Warning SW
C 2 Carburetor
C 3 Check Connector
F 1 Front Clearance Light LH
F 2 Front Clearance Light RH
F 3 Front Side Turn Signal Light LH
F 4 Front Side Turn Signal Light RH
F 5 Front Turn Signal Light and Clearance Light LH
F 6 Front Turn Signal Light and Clearance Light RH
F 7 Front Turn Signal Light LH
F 8 Front Turn Signal Light RH
F 15 Front Airbag Sensor LH
F 16 Front Airbag Sensor RH
H 5 Headlight LH
H 6 Headlight RH
H 9 Horn
I 6 IIA
J 1 Junction Connector
J 2 Junction Connector
O 1 Oil Pressure SW
S 2 Starter
S 3 Starter
V 2 Vacuum SW
V 9 VSV (Throttle Position Control)
W 1 Washer Motor
W 2 Water Temp. Sender
W 4 Wiper Motor
CLICK HERE TO VIEW CHAPTER INDEX Pages From Supplement
TO MODEL INDEX
EWD378F
38
HILUX (EWD378F)
E ELECTRICAL WIRING ROUTING
Position of Parts in Engine Compartment
[LHD : 2L-T]
A4
A5
A1
A30
W1
H3
F16
A7
F2
F8
H2
F4
F15
J2
J1
V11
V12
W2
A31
F9
V4
F3
F7
F1
H4 W4 A10 O1 E2 G1 C3 S2 D1 D2 B1 B3 V10 B2
S3 W3 V5 F10
H6 C19 C20
V6
A11 A2 A8 I9 V1
H9
C15 V15 F17 H5 A6 H1
(Israel)
(Except Israel)
∗1 : w/ Headlight
Cleaner
∗2 : w/o Headlight
Cleaner
(∗2)
(∗1)
A 1 A/C Dual Pressure SW
A 2 A/C Magnetic Clutch
A 4 ABS Actuator
A 5 ABS Actuator
A 6 ABS Speed Sensor Front LH
A 7 ABS Speed Sensor Front RH
A 8 ADD Indicator SW
A 10 Alternator
A 11 Alternator
A 30 A/C Triple Pressure SW
A 31 Accelerator Pedal Position Sensor
B 1 Back-Up Light SW
B 2 Brake Fluid Level Warning SW
B 3 Brake Vacuum Warning SW
C 3 Check Connector
C 15 Crankshaft Position Sensor
C 19 Condenser Fan Motor 1
C 20 Condenser Fan Motor 2
D 1 Detection SW (Transfer 4WD Position)
D 2 Detection SW (Transfer L4 Position)
E 2 Engine Oil Level Warning SW
F 1 Front Clearance Light LH
F 2 Front Clearance Light RH
F 3 Front Side Turn Signal Light LH
F 4 Front Side Turn Signal Light RH
F 7 Front Turn Signal Light LH
F 8 Front Turn Signal Light RH
F 9 Fuel Heater
F 10 Fuel Sedimentary SW
F 15 Front Airbag Sensor LH
F 16 Front Airbag Sensor RH
F 17 Fuel Control Valve
G 1 Glow Plug
H 1 Headlight Beam Level Control Actuator LH
H 2 Headlight Beam Level Control Actuator RH
H 3 Headlight Cleaner Motor and Washer Motor
H 4 Headlight Cleaner Relay
H 5 Headlight LH
H 6 Headlight RH
H 9 Horn
I 9 Injection Pump
J 1 Junction Connector
J 2 Junction Connector
K 2 Kick Down SW
N 1 Neutral Start SW
O 1 Oil Pressure SW
O 3 O/D Solenoid
S 2 Starter
S 3 Starter
V 1 Vacuum Sensor
V 4 VSV (2WD, ADD)
V 5 VSV (4WD, ADD)
V 6 VSV (A/C Idle-Up)
V 10 VRV (EGR)
V 11 VSV (BACS)
V 12 VSV (EGR)
V 15 VSV (Turbo Pressure Sensor)
W 1 Washer Motor
W 2 Water Temp. Sender
W 3 Water Temp. Sensor
W 4 Wiper Motor
CLICK HERE TO VIEW CHAPTER INDEX Pages From Supplement
TO MODEL INDEX
EWD378F
HILUX (EWD378F)
39
E
Position of Parts in Engine Compartment
[LHD : 3L, 2L]
A1
W1
H3
H2
F16
F8
(∗2)
F6
(∗1)
F2
A5
A4
F7
(∗2)
F5
(∗1)
F15
H1
J1
J2
V4
F9
F1
H5
F4 H4 W4 V6 O1 E2 B1
V10 D1 D2 W3 S2
V1 S3 C3 B2 B3 V5 F10 F3
H6 A7 A11 A2
A10 G1 C15
W2 H9 F17 W2 A31 A6
I9
∗1 : Front Turn Signal Light and
Clearance Light One Body Type
∗2 : Front Turn Signal Light and
Clearance Light Separated Type
∗3 : w/ Headlight Cleaner
∗4 : w/o Headlight Cleaner
∗5 : Europe
∗6 : General
(∗4)
(∗3)
(∗5)
(∗6)
A 1 A/C Dual Pressure SW
A 2 A/C Magnetic Clutch
A 4 ABS Actuator
A 5 ABS Actuator
A 6 ABS Speed Sensor Front LH
A 7 ABS Speed Sensor Front RH
A 10 Alternator
A 11 Alternator
A 31 Accelerator Pedal Position Sensor
B 1 Back-Up Light SW
B 2 Brake Fluid Level Warning SW
B 3 Brake Vacuum Warning SW
C 3 Check Connector
C 15 Crankshaft Position Sensor
D 1 Detection SW (Transfer 4WD Position)
D 2 Detection SW (Transfer L4 Position)
E 2 Engine Oil Level Warning SW
F 1 Front Clearance Light LH
F 2 Front Clearance Light RH
F 3 Front Side Turn Signal Light LH
F 4 Front Side Turn Signal Light RH
F 5 Front Turn Signal Light and Clearance Light LH
F 6 Front Turn Signal Light and Clearance Light RH
F 7 Front Turn Signal Light LH
F 8 Front Turn Signal Light RH
F 9 Fuel Heater
F 10 Fuel Sedimentary SW
F 15 Front Airbag Sensor LH
F 16 Front Airbag Sensor RH
F 17 Fuel Control Valve
G 1 Glow Plug
H 1 Headlight Beam Level Control Actuator LH
H 2 Headlight Beam Level Control Actuator RH
H 3 Headlight Cleaner Motor and Washer Motor
H 4 Headlight Cleaner Relay
H 5 Headlight LH
H 6 Headlight RH
H 9 Horn
I 9 Injection Pump
J 1 Junction Connector
J 2 Junction Connector
O 1 Oil Pressure SW
S 2 Starter
S 3 Starter
V 1 Vacuum Sensor
V 4 VSV (2WD, ADD)
V 5 VSV (4WD, ADD)
V 6 VSV (A/C Idle-Up)
V 10 VRV (EGR)
W 1 Washer Motor
W 2 Water Temp. Sender
W 3 Water Temp. Sensor
W 4 Wiper Motor
CLICK HERE TO VIEW CHAPTER INDEX Pages From Supplement
TO MODEL INDEX
EWD378F
40
HILUX (EWD378F)
E ELECTRICAL WIRING ROUTING
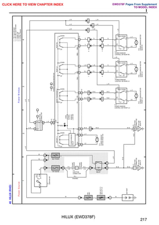
Position of Parts in Instrument Panel
[LHD]
C12
C9
C10
D5
C7
A20
D11
(∗1)
B5
A15
A18
B4
D4
D12
(∗1)
A19
C14 C11 D7 A25
D26
D9
D8 C8 B6 A14 A16 A24 A13
D10 D3 A17
C13 C16 C17 C18 C5 C6 A26
∗1 : 2-Door
A13 A/C Amplifier
A14 A/C SW
A15 A/C Thermistor
A16 A/C Volume SW
A17 ABS Deceleration Sensor
A18 ABS ECU
A19 ABS ECU
A20 ADD Control Relay
A24 Airbag Squib (Front Passenger's Airbag Assembly)
A25 Airbag Squib (Steering Wheel Pad)
A26 Ashtray Illumination
B 4 Blower Motor
B 5 Blower Resistor
B 6 Blower SW
C 5 Cigarette Lighter
C 6 Cigarette Lighter Illumination
C 7 Circuit Opening Relay
C 8 Clock
C 9 Combination Meter
C10 Combination Meter
C11 Combination Meter
C12 Combination SW
C13 Combination SW
C14 Combination SW
C16 Center Airbag Sensor Assembly
C17 Center Airbag Sensor Assembly
C18 Center Airbag Sensor Assembly
D 3 Daytime Running Light Relay
D 4 Diff. Lock ECU
D 5 Diff. Lock SW
D 7 Diode (Door Courtesy)
D 8 Diode (Glow Plug)
D 9 Diode (Idle-Up)
D10 DLC3
D11 Door Courtesy SW Front LH
D12 Door Courtesy SW Front RH
D26 Diode (O/D)
CLICK HERE TO VIEW CHAPTER INDEX Pages From Supplement
TO MODEL INDEX
EWD378F
HILUX (EWD378F)
41
E
Position of Parts in Instrument Panel
[LHD]
J7
J4
J3
H12
I18
J5
J6
O4
R3
H11
S4
G2
J23
E3
E4
P3
E6
J22
J21
E5
J21 J14 J15 J12 J13 J10 J11 J8 J9
J18 P2 H10
I19 J16 I17
T7 I16 U1 R4 T8 R1 R2
J19
J20
J24
E 3 Emission Control ECU
E 4 Engine ECU (M/T) or Engine and ECT ECU (A/T)
E 5 Engine ECU (M/T) or Engine and ECT ECU (A/T)
E 6 Engine ECU (M/T) or Engine and ECT ECU (A/T)
G 2 Glove Box Light
H10 Hazard SW
H11 Headlight Beam Level Control SW
H12 Headlight Cleaner SW
I 16 Ignition Key Cylinder Light
I 17 Ignition SW
I 18 Integration Relay
I 19 Integration Relay
J 3 Junction Connector
J 4 Junction Connector
J 5 Junction Connector
J 6 Junction Connector
J 7 Junction Connector
J 8 Junction Connector
J 9 Junction Connector
J 10 Junction Connector
J 10 Junction Connector
J 11 Junction Connector
J 12 Junction Connector
J 13 Junction Connector
J 14 Junction Connector
J 15 Junction Connector
J 16 Junction Connector
J 18 Junction Connector
J 19 Junction Connector
J 20 Junction Connector
J 21 Junction Connector
J 22 Junction Connector
J 23 Junction Connector
J 24 Junction Connector
O 4 O/D ECU
P 2 Parking Brake SW
P 2 Pre-Heating Timer
R 1 Radio and Player
R 2 Radio and Player
R 3 Rear Fog Light SW
R 4 Rear Window Defogger SW
S 4 Stop Light SW
T 7 Transponder Key Amplifier
T 8 Transponder Key Computer
U 1 Unlock Warning SW
CLICK HERE TO VIEW CHAPTER INDEX Pages From Supplement
TO MODEL INDEX
EWD378F
42
HILUX (EWD378F)
E ELECTRICAL WIRING ROUTING
Position of Parts in Body
[LHD : Regular Cab]
P9
R14
D22
D16
B7
D18
P14
F13
A29
F12
P15
R7
R15
R12
(∗1)
R12
(∗2)
P10 D23
I20
D17 R13
(∗1)
R13
(∗2)
P6 P11 D19
R8 A28 D13 R6 R9 L1 L2
∗1 : w/ Vent Window
∗2 : w/o Vent Window
A28 ABS Speed Sensor Rear LH
A29 ABS Speed Sensor Rear RH
B 7 Buckle SW
D13 Detection SW (Rear Diff. Lock)
D16 Door Key Lock and Unlock SW
D17 Door Lock Control SW
D18 Door Lock Motor Front LH
D19 Door Lock Motor Front RH
D22 Door Speaker Front LH
D23 Door Speaker Front RH
F 12 Fuel Pump
F 13 Fuel Sender
I 20 Interior Light
L 1 License Plate Light LH
L 2 License Plate Light RH
P 6 Power Window Control SW Front RH
P 9 Power Window Master SW
P10 Power Window Motor Front LH
P 11 Power Window Motor Front RH
P14 Pretensioner LH
P15 Pretensioner RH
R 6 Rear Combination Light LH
R 7 Rear Combination Light RH
R 8 Rear Diff. Lock Motor
R 9 Rear Fog Light
R12 Remote Control Mirror LH
R13 Remote Control Mirror RH
R14 Remote Control Mirror SW
R15 Reverse Warning Buzzer
CLICK HERE TO VIEW CHAPTER INDEX Pages From Supplement
TO MODEL INDEX
EWD378F
HILUX (EWD378F)
43
E
Position of Parts in Body
[LHD : Double Cab]
D22
P9
D16
D18
D11
(∗1)
B7
S5
D17
R14
A29
F13
F12
D15
(∗2)
D15
(∗1)
D21
P13
P8
R7
R15
L2
L1
R12
(∗3)
R12
(∗4)
P10 S6 P4 I20 R10 P6 R13
(∗4)
R13
(∗3)
P11 D19 D12
(∗1)
D12
(∗2)
R11
D11
(∗2)
P14 P7 P12 D20 D14
(∗1)
D23
D14
(∗2)
S7 S8 P15 A28 R8 D13 R6 R9
∗1 : General
∗2 : Except General
∗3 : w/ Vent Window
∗4 : w/o Vent Window
∗5 : G.C.C.
∗6 : Europe
(∗6)
(∗5)
A28 ABS Speed Sensor Rear LH
A29 ABS Speed Sensor Rear RH
B 7 Buckle SW
D11 Door Courtesy SW Front LH
D12 Door Courtesy SW Front RH
D13 Detection SW (Rear Diff. Lock)
D14 Door Courtesy SW Rear LH
D15 Door Courtesy SW Rear RH
D16 Door Key Lock and Unlock SW
D17 Door Lock Control SW
D18 Door Lock Motor Front LH
D19 Door Lock Motor Front RH
D20 Door Lock Motor Rear LH
D21 Door Lock Motor Rear RH
D22 Door Speaker Front LH
D23 Door Speaker Front RH
F 12 Fuel Pump
F 13 Fuel Sender
I 20 Interior Light
L 1 License Plate Light LH
L 2 License Plate Light RH
P 4 Personal Light
P 6 Power Window Control SW Front RH
P 7 Power Window Control SW Rear LH
P 8 Power Window Control SW Rear RH
P 9 Power Window Master SW
P10 Power Window Motor Front LH
P 11 Power Window Motor Front RH
P12 Power Window Motor Rear LH
P13 Power Window Motor Rear RH
P14 Pretensioner LH
P15 Pretensioner RH
R 6 Rear Combination Light LH
R 7 Rear Combination Light RH
R 8 Rear Diff. Lock Motor
R 9 Rear Fog Light
R10 Rear Window Defogger
R11 Rear Window Defogger
R12 Remote Control Mirror LH
R13 Remote Control Mirror RH
R14 Remote Control Mirror SW
R15 Reverse Warning Buzzer
S 5 Seat Heater (Driver's Seat)
S 6 Seat Heater (Front Passenger's Seat)
S 7 Seat Heater SW (Driver's Seat)
S 8 Seat Heater SW (Front Passenger's Seat)
CLICK HERE TO VIEW CHAPTER INDEX Pages From Supplement
TO MODEL INDEX
EWD378F
44
HILUX (EWD378F)
E ELECTRICAL WIRING ROUTING
Position of Parts in Body
[LHD : Extra Cab]
D22
P9
D16
D18
S5
B7
R14
D17
A29
F13
F12
R7
R15
R12
(∗1)
R12
(∗2)
P10 S6 R10 I20 D23 R13
(∗1)
R13
(∗2)
P6 P11
R11 D19 P15 R17
R16 S7 S8 A28 R6 R9 L1 L2
∗1 : w/ Vent Window
∗2 : w/o Vent Window
∗3 : G.C.C.
∗4 : Europe
(∗3)
P14
(∗4)
A28 ABS Speed Sensor Rear LH
A29 ABS Speed Sensor Rear RH
B 7 Buckle SW
D16 Door Key Lock and Unlock SW
D17 Door Lock Control SW
D18 Door Lock Motor Front LH
D19 Door Lock Motor Front RH
D22 Door Speaker Front LH
D23 Door Speaker Front RH
F 12 Fuel Pump
F 13 Fuel Sender
I 20 Interior Light
L 1 License Plate Light LH
L 2 License Plate Light RH
P 6 Power Window Control SW Front RH
P 9 Power Window Master SW
P10 Power Window Motor Front LH
P 11 Power Window Motor Front RH
P14 Pretensioner LH
P15 Pretensioner RH
R 6 Rear Combination Light LH
R 7 Rear Combination Light RH
R 9 Rear Fog Light
R10 Rear Window Defogger
R11 Rear Window Defogger
R12 Remote Control Mirror LH
R13 Remote Control Mirror RH
R14 Remote Control Mirror SW
R15 Reverse Warning Buzzer
R16 Rear Speaker LH
R17 Rear Speaker RH
S 5 Seat Heater (Driver's Seat)
S 6 Seat Heater (Front Passenger's Seat)
S 7 Seat Heater SW (Driver's Seat)
S 8 Seat Heater SW (Front Passenger's Seat)
CLICK HERE TO VIEW CHAPTER INDEX Pages From Supplement
TO MODEL INDEX
EWD378F
46
HILUX (EWD378F)
E ELECTRICAL WIRING ROUTING
Position of Parts in Engine Compartment
[RHD : 3RZ-FE]
A5
A9
F16
F8
F2
A4
F4
B2
F7
F15
C3
F3
A12
F1
C1 A3 D1 D2 D1 E1 B1 A8
H6 A7 C4 H9 A11 A10 A6 H5
∗1 : w/ 2-4 Select SW
∗2 : w/o 2-4 Select SW
(∗2) (∗1)
A 3 A/T Fluid Temp. SW
A 4 ABS Actuator
A 5 ABS Actuator
A 6 ABS Speed Sensor Front LH
A 7 ABS Speed Sensor Front RH
A 8 ADD Indicator SW
A 9 Air Flow Meter
A10 Alternator
A 11 Alternator
A12 Auto Antenna Motor
B 1 Back-Up Light SW
B 2 Brake Fluid Level Warning SW
C 1 Camshaft Position Sensor
C 3 Check Connector
C 4 Crankshaft Position Sensor
D 1 Detection SW (Transfer 4WD Position)
D 2 Detection SW (Transfer L4 Position)
E 1 ECT Solenoid
F 1 Front Clearance Light LH
F 2 Front Clearance Light RH
F 3 Front Side Turn Signal Light LH
F 4 Front Side Turn Signal Light RH
F 7 Front Turn Signal Light LH
F 8 Front Turn Signal Light RH
F 15 Front Airbag Sensor LH
F 16 Front Airbag Sensor RH
H 5 Headlight LH
H 6 Headlight RH
H 9 Horn
CLICK HERE TO VIEW CHAPTER INDEX Pages From Supplement
TO MODEL INDEX
EWD378F
HILUX (EWD378F)
47
E
Position of Parts in Engine Compartment
[RHD : 3RZ-FE]
O1
V3
K1
W2
W1
I3
I11
J1
J2
V4
V5
V8
I12 W3 I13 T1 N1 S1 T3 I15 S3 S2 W4
I2 N2 I10
I 2 Ignition Coil and Igniter No.1
I 3 Ignition Coil and Igniter No.2
I 10 Injector No.1
I 11 Injector No.2
I 12 Injector No.3
I 13 Injector No.4
I 15 ISC Valve
J 1 Junction Connector
J 2 Junction Connector
K 1 Knock Sensor
N 1 Neutral Start SW
N 2 Noise Filter
O 1 Oil Pressure SW
S 1 Speed Sensor (ECT)
S 2 Starter
S 3 Starter
T 1 Throttle Position Sensor
T 3 2-4 Select Motor
V 3 Variable Resistor
V 4 VSV (2WD, ADD)
V 5 VSV (4WD, ADD)
V 8 VSV (EVAP)
W 1 Washer Motor
W 2 Water Temp. Sender
W 3 Water Temp. Sensor
W 4 Wiper Motor
CLICK HERE TO VIEW CHAPTER INDEX Pages From Supplement
TO MODEL INDEX
EWD378F
48
HILUX (EWD378F)
E ELECTRICAL WIRING ROUTING
Position of Parts in Engine Compartment
[RHD : 3RZ-F]
I1
W2
I5
W1
F6
H6
F4
B2
C2
J1
J2
A1
F3
F5
D1 B1 S3 S2 V9 W4
I4 A2 O1 H9 A11 A10 H5
A 1 A/C Dual Pressure SW
A 2 A/C Magnetic Clutch
A10 Alternator
A 11 Alternator
B 1 Back-Up Light SW
B 2 Brake Fluid Level Warning SW
C 2 Carburetor
D 1 Detection SW (Transfer 4WD Position)
F 3 Front Side Turn Signal Light LH
F 4 Front Side Turn Signal Light RH
F 5 Front Turn Signal Light and Clearance Light LH
F 6 Front Turn Signal Light and Clearance Light RH
H 5 Headlight LH
H 6 Headlight RH
H 9 Horn
I 1 Igniter
I 4 Ignition Coil No.1
I 5 Ignition Coil No.2
J 1 Junction Connector
J 2 Junction Connector
O 1 Oil Pressure SW
S 2 Starter
S 3 Starter
V 9 VSV (Throttle Position Control)
W 1 Washer Motor
W 2 Water Temp. Sender
W 4 Wiper Motor
CLICK HERE TO VIEW CHAPTER INDEX Pages From Supplement
TO MODEL INDEX
EWD378F
HILUX (EWD378F)
49
E
Position of Parts in Engine Compartment
[RHD : 1RZ-E]
I8
V3
F16
O1
W1
F8
F2
W2
A5
A4
I7
J1
J2
C3
F3
A6
F15
F7
F4 B2 I10 I12 B1 I13 I11 T1 V1 N2 S3 S2 W4
H6 A7 W3 V6 I6 H9 A11 A10 H5 F1
A 4 ABS Actuator
A 5 ABS Actuator
A 6 ABS Speed Sensor Front LH
A 7 ABS Speed Sensor Front RH
A10 Alternator
A 11 Alternator
B 1 Back-Up Light SW
B 2 Brake Fluid Level Warning SW
C 3 Check Connector
F 1 Front Clearance Light LH
F 2 Front Clearance Light RH
F 3 Front Side Turn Signal Light LH
F 4 Front Side Turn Signal Light RH
F 7 Front Turn Signal Light LH
F 8 Front Turn Signal Light RH
F 15 Front Airbag Sensor LH
F 16 Front Airbag Sensor RH
H 5 Headlight LH
H 6 Headlight RH
H 9 Horn
I 6 IIA
I 7 IIA
I 8 Intake Air Temp. Sensor
I 10 Injector No.1
I 11 Injector No.2
I 12 Injector No.3
I 13 Injector No.4
J 1 Junction Connector
J 2 Junction Connector
N 2 Noise Filter
O 1 Oil Pressure SW
S 2 Starter
S 3 Starter
T 1 Throttle Position Sensor
V 1 Vacuum Sensor
V 3 Variable Resistor
V 6 VSV (A/C Idle-Up)
W 1 Washer Motor
W 2 Water Temp. Sender
W 3 Water Temp. Sensor
W 4 Wiper Motor
CLICK HERE TO VIEW CHAPTER INDEX Pages From Supplement
TO MODEL INDEX
EWD378F
50
HILUX (EWD378F)
E ELECTRICAL WIRING ROUTING
Position of Parts in Engine Compartment
[RHD : 1RZ]
W1
H6
F6
C2
J1
J2
A1
A10
B2 O1 W2 B1 V9 V2 S3 S2 W4
A2 I6 H9 A11 H5 F5
A 1 A/C Dual Pressure SW
A 2 A/C Magnetic Clutch
A10 Alternator
A 11 Alternator
B 1 Back-Up Light SW
B 2 Brake Fluid Level Warning SW
C 2 Carburetor
F 5 Front Turn Signal Light and Clearance Light LH
F 6 Front Turn Signal Light and Clearance Light RH
H 5 Headlight LH
H 6 Headlight RH
H 9 Horn
I 6 IIA
J 1 Junction Connector
J 2 Junction Connector
O 1 Oil Pressure SW
S 2 Starter
S 3 Starter
V 2 Vacuum SW
V 9 VSV (Throttle Position Control)
W 1 Washer Motor
W 2 Water Temp. Sender
W 4 Wiper Motor
CLICK HERE TO VIEW CHAPTER INDEX Pages From Supplement
TO MODEL INDEX
EWD378F
HILUX (EWD378F)
51
E
Position of Parts in Engine Compartment
[RHD : 5L]
W1
S3
J2
J1
F16
F8
F2
A5
F4
A4
F15
I14
C3
V4
F3
A12
F7
F1
B2 B3 O1 B1 D1 D1 T3 D2 W3 A8 S2 V5 W4 F10
H6 A7 A11 A10 G1 I9 W2 H9 A6 H5
∗1 : w/ 2-4 Select SW
∗2 : w/o 2-4 Select SW
(∗1)
(∗2)
A 4 ABS Actuator
A 5 ABS Actuator
A 6 ABS Speed Sensor Front LH
A 7 ABS Speed Sensor Front RH
A 8 ADD Indicator SW
A10 Alternator
A 11 Alternator
A12 Auto Antenna Motor
B 1 Back-Up Light SW
B 2 Brake Fluid Level Warning SW
B 3 Brake Vacuum Warning SW
C 3 Check Connector
D 1 Detection SW (Transfer 4WD Position)
D 2 Detection SW (Transfer L4 Position)
F 1 Front Clearance Light LH
F 2 Front Clearance Light RH
F 3 Front Side Turn Signal Light LH
F 4 Front Side Turn Signal Light RH
F 7 Front Turn Signal Light LH
F 8 Front Turn Signal Light RH
F 10 Fuel Sedimentary SW
F 15 Front Airbag Sensor LH
F 16 Front Airbag Sensor RH
G 1 Glow Plug
H 5 Headlight LH
H 6 Headlight RH
H 9 Horn
I 9 Injection Pump
I 14 Intake Shutter
J 1 Junction Connector
J 2 Junction Connector
O 1 Oil Pressure SW
S 2 Starter
S 3 Starter
T 3 2-4 Select Motor
V 4 VSV (2WD, ADD)
V 5 VSV (4WD, ADD)
W 1 Washer Motor
W 2 Water Temp. Sender
W 3 Water Temp. Sensor
W 4 Wiper Motor
CLICK HERE TO VIEW CHAPTER INDEX Pages From Supplement
TO MODEL INDEX
EWD378F
52
HILUX (EWD378F)
E ELECTRICAL WIRING ROUTING
Position of Parts in Engine Compartment
[RHD : 2L-T]
A4
A5
W1
H6
F8
J2
J1
F16
F2
F4
B2
V11
V12
W2
A31
F9
F3
F15
F7
B3 E2 I9 D1 D2
V10 W3
G1 S3 B1 S2 F17 C3 W4 F10
A7 A11 A10 O1 V15 F6 H9 A6 H5 F1
A 4 ABS Actuator
A 5 ABS Actuator
A 6 ABS Speed Sensor Front LH
A 7 ABS Speed Sensor Front RH
A10 Alternator
A 11 Alternator
A31 Accelerator Pedal Position Sensor
B 1 Back-Up Light SW
B 2 Brake Fluid Level Warning SW
B 3 Brake Vacuum Warning SW
C 3 Check Connector
D 1 Detection SW (Transfer 4WD Position)
D 2 Detection SW (Transfer L4 Position)
E 2 Engine Oil Level Warning SW
F 1 Front Clearance Light LH
F 2 Front Clearance Light RH
F 3 Front Side Turn Signal Light LH
F 4 Front Side Turn Signal Light RH
F 7 Front Turn Signal Light LH
F 8 Front Turn Signal Light RH
F 9 Fuel Heater
F 10 Fuel Sedimentary SW
F 15 Front Airbag Sensor LH
F 16 Front Airbag Sensor RH
F 17 Fuel Control Valve
G 1 Glow Plug
H 5 Headlight LH
H 6 Headlight RH
H 9 Horn
I 9 Injection Pump
J 1 Junction Connector
J 2 Junction Connector
O 1 Oil Pressure SW
S 2 Starter
S 3 Starter
V10 VRV (EGR)
V 11 VSV (BACS)
V12 VSV (EGR)
V15 VSV (Turbo Pressure Sensor)
W 1 Washer Motor
W 2 Water Temp. Sender
W 3 Water Temp. Sensor
W 4 Wiper Motor
CLICK HERE TO VIEW CHAPTER INDEX Pages From Supplement
TO MODEL INDEX
EWD378F
HILUX (EWD378F)
53
E
Position of Parts in Engine Compartment
[RHD : 3L, 2L]
J2
V6
A11
F6
F8
F2
J1
W1
F4
F5
W2
A1
S3
F15
A31
F9
F3
F10
F7
F1
A4 A5 B2 B3 ∗1 : Front Turn Signal Light and
Clearance Light One Body Type
∗2 : Front Turn Signal Light and
Clearance Light Separated Type
∗3 : Europe
∗4 : General
(∗2)
(∗1)
(∗3)
(∗2)
(∗1)
E2 V10 B1 D1 W3 S2
V1 C3 W4
H6 A7 A10 A2 O1 G1 W2 H9 I9 F17 A6 H5
F16
(∗4)
A 1 A/C Dual Pressure SW
A 2 A/C Magnetic Clutch
A 4 ABS Actuator
A 5 ABS Actuator
A 6 ABS Speed Sensor Front LH
A 7 ABS Speed Sensor Front RH
A10 Alternator
A 11 Alternator
A31 Accelerator Pedal Position Sensor
B 1 Back-Up Light SW
B 2 Brake Fluid Level Warning SW
B 3 Brake Vacuum Warning SW
C 3 Check Connector
D 1 Detection SW (Transfer 4WD Position)
E 2 Engine Oil Level Warning SW
F 1 Front Clearance Light LH
F 2 Front Clearance Light RH
F 3 Front Side Turn Signal Light LH
F 4 Front Side Turn Signal Light RH
F 5 Front Turn Signal Light and Clearance Light LH
F 6 Front Turn Signal Light and Clearance Light RH
F 7 Front Turn Signal Light LH
F 8 Front Turn Signal Light RH
F 9 Fuel Heater
F 10 Fuel Sedimentary SW
F 15 Front Airbag Sensor LH
F 16 Front Airbag Sensor RH
F 17 Fuel Control Valve
G 1 Glow Plug
H 5 Headlight LH
H 6 Headlight RH
H 9 Horn
I 9 Injection Pump
J 1 Junction Connector
J 2 Junction Connector
O 1 Oil Pressure SW
S 2 Starter
S 3 Starter
V 1 Vacuum Sensor
V 6 VSV (A/C Idle-Up)
V10 VRV (EGR)
W 1 Washer Motor
W 2 Water Temp. Sender
W 3 Water Temp. Sensor
W 4 Wiper Motor
CLICK HERE TO VIEW CHAPTER INDEX Pages From Supplement
TO MODEL INDEX
EWD378F
54
HILUX (EWD378F)
E ELECTRICAL WIRING ROUTING
Position of Parts in Engine Compartment
[RHD : 1KZ-TE]
A4
A5
F16
F8
F2
F4
B2
B3
F7
F15
E2
F3
A12
F10
F1
F14 B1 D2 D1 G1
A8 C15
H6 A7 A11 A10 C3 E7 H9 F18 A6 H5
A 4 ABS Actuator
A 5 ABS Actuator
A 6 ABS Speed Sensor Front LH
A 7 ABS Speed Sensor Front RH
A 8 ADD Indicator SW
A10 Alternator
A 11 Alternator
A12 Auto Antenna Motor
B 1 Back-Up Light SW
B 2 Brake Fluid Level Warning SW
B 3 Brake Vacuum Warning SW
C 3 Check Connector
C15 Crankshaft Position Sensor
D 1 Detection SW (Transfer 4WD Position)
D 2 Detection SW (Transfer L4 Position)
E 2 Engine Oil Level Warning SW
E 7 Engine Speed Sensor
F 1 Front Clearance Light LH
F 2 Front Clearance Light RH
F 3 Front Side Turn Signal Light LH
F 4 Front Side Turn Signal Light RH
F 7 Front Turn Signal Light LH
F 8 Front Turn Signal Light RH
F 10 Fuel Sedimentary SW
F 14 First Gear Position SW
F 15 Front Airbag Sensor LH
F 16 Front Airbag Sensor RH
F 18 Fuel Temp. Sensor
G 1 Glow Plug
H 5 Headlight LH
H 6 Headlight RH
H 9 Horn
CLICK HERE TO VIEW CHAPTER INDEX Pages From Supplement
TO MODEL INDEX
EWD378F
HILUX (EWD378F)
55
E
Position of Parts in Engine Compartment
[RHD : 1KZ-TE]
W1
J2
J1
I22
S3
V4
V5
W4
I21
V13 T3 V14 T1 V10 W3 O1 I8
S9 T5
W2
S2
T6
I 8 Intake Air Temp. Sensor
I 21 Injection Pump Correction Resistor No.1
I 22 Injection Pump Correction Resistor No.2
J 1 Junction Connector
J 2 Junction Connector
O 1 Oil Pressure SW
S 2 Starter
S 3 Starter
S 9 Spill Control Valve
T 1 Throttle Position Sensor
T 3 2-4 Select Motor
T 5 Timing Control Valve
T 6 Turbo Pressure Sensor
V 4 VSV (2WD, ADD)
V 5 VSV (4WD, ADD)
V10 VRV (EGR)
V13 VSV (Intake Constrictor Control No.1
V14 VSV (Intake Constrictor Control No.2
W 1 Washer Motor
W 2 Water Temp. Sender
W 3 Water Temp. Sensor
W 4 Wiper Motor
CLICK HERE TO VIEW CHAPTER INDEX Pages From Supplement
TO MODEL INDEX
EWD378F
56
HILUX (EWD378F)
E ELECTRICAL WIRING ROUTING
Position of Parts in Instrument Panel
[RHD]
D11
A20
D12
A25
C14
C13
A13 C6 A24 A17 A27 A16 D8 D9 B6 A14 C8 D7 C9 C10 C11 C12
B4 B5 A15 C5 C16 C17 C18 A26 D6 D10 A19 A18
∗1 : 2-Door
(∗1)
(∗1)
A13 A/C Amplifier
A14 A/C SW
A15 A/C Thermistor
A16 A/C Volume SW
A17 ABS Deceleration Sensor
A18 ABS ECU
A19 ABS ECU
A20 ADD Control Relay
A24 Airbag Squib (Front Passenger's Airbag Assembly)
A25 Airbag Squib (Steering Wheel Pad)
A26 Ashtray Illumination
A27 Auto Antenna Control Relay
B 4 Blower Motor
B 5 Blower Resistor
B 6 Blower SW
C 5 Cigarette Lighter
C 6 Cigarette Lighter Illumination
C 8 Clock
C 9 Combination Meter
C10 Combination Meter
C11 Combination Meter
C12 Combination SW
C13 Combination SW
C14 Combination SW
C16 Center Airbag Sensor Assembly
C17 Center Airbag Sensor Assembly
C18 Center Airbag Sensor Assembly
D 6 Dim-Dip Light Relay
D 7 Diode (Door Courtesy)
D 8 Diode (Glow Plug)
D 9 Diode (Idle-Up)
D10 DLC3
D11 Door Courtesy SW Front LH
D12 Door Courtesy SW Front RH
CLICK HERE TO VIEW CHAPTER INDEX Pages From Supplement
TO MODEL INDEX
EWD378F
HILUX (EWD378F)
57
E
Position of Parts in Instrument Panel
[RHD]
J4
J3
F11
I19
J11
J12
J9
R5
R3
J15
J8
J13
I18
J5 E5 E6 G2 R1 R2 P2 H10 S4 J6 J7 J14
E3 E4 P3 O2 T4 T8 R4 T7 U1 J10 I17 I16 J16 J17
E 3 Emission Control ECU
E 4 Engine ECU (M/T) or Engine and ECT ECU (A/T)
E 5 Engine ECU (M/T) or Engine and ECT ECU (A/T)
E 6 Engine ECU (M/T) or Engine and ECT ECU (A/T)
F 11 4WD Control ECU
G 2 Glove Box Light
H10 Hazard SW
I 16 Ignition Key Cylinder Light
I 17 Ignition SW
I 18 Integration Relay
I 19 Integration Relay
J 3 Junction Connector
J 4 Junction Connector
J 5 Junction Connector
J 6 Junction Connector
J 7 Junction Connector
J 8 Junction Connector
J 9 Junction Connector
J 10 Junction Connector
J 11 Junction Connector
J 12 Junction Connector
J 13 Junction Connector
J 14 Junction Connector
J 15 Junction Connector
J 16 Junction Connector
J 17 Junction Connector
O 2 O/D Main SW
P 2 Parking Brake SW
P 2 Pre-Heating Timer
R 1 Radio and Player
R 2 Radio and Player
R 3 Rear Fog Light SW
R 4 Rear Window Defogger SW
R 5 Rheostat
S 4 Stop Light SW
T 4 2-4 Select SW
T 7 Transponder Key Amplifier
T 8 Transponder Key Computer
U 1 Unlock Warning SW
CLICK HERE TO VIEW CHAPTER INDEX Pages From Supplement
TO MODEL INDEX
EWD378F
58
HILUX (EWD378F)
E ELECTRICAL WIRING ROUTING
Position of Parts in Body
[RHD : Regular Cab]
D22
D18
P14
R12
P10
P5
R7
A29
F13
F12
R9
L2
L1
I20 D23 R13
R14 P9
D17 P11 D16 D19 P15
A28 R6
A28 ABS Speed Sensor Rear LH
A29 ABS Speed Sensor Rear RH
D16 Door Key Lock and Unlock SW
D17 Door Lock Control SW
D18 Door Lock Motor Front LH
D19 Door Lock Motor Front RH
D22 Door Speaker Front LH
D23 Door Speaker Front RH
F 12 Fuel Pump
F 13 Fuel Sender
I 20 Interior Light
L 1 License Plate Light LH
L 2 License Plate Light RH
P 5 Power Window Control SW Front LH
P 9 Power Window Master SW
P10 Power Window Motor Front LH
P 11 Power Window Motor Front RH
P14 Pretensioner LH
P15 Pretensioner RH
R 6 Rear Combination Light LH
R 7 Rear Combination Light RH
R 9 Rear Fog Light
R12 Remote Control Mirror LH
R13 Remote Control Mirror RH
R14 Remote Control Mirror SW
CLICK HERE TO VIEW CHAPTER INDEX Pages From Supplement
TO MODEL INDEX
EWD378F
HILUX (EWD378F)
59
E
Position of Parts in Body
[RHD : Double Cab]
P5
D22
D18
D11
D11
P14
P10
R12
R7
A29
F13
D15
D21
P13
P8
R9
R15
P7 R11 D23 I20 R14 R13 P11 D16 D19 D12 R10
D24 P12 D20 D14 D14 P9
D17 D12 A28 P15 D25 D15 R6 F12 L1 L2
∗1 : General
∗2 : Except General
∗3 : w/ Power Window
∗4 : w/o Power Window
(∗2) (∗1) (∗4) (∗3) (∗2)
(∗1)
(∗2)
(∗1)
(∗2)
(∗1)
A28 ABS Speed Sensor Rear LH
A29 ABS Speed Sensor Rear RH
D11 Door Courtesy SW Front LH
D12 Door Courtesy SW Front RH
D14 Door Courtesy SW Rear LH
D15 Door Courtesy SW Rear RH
D16 Door Key Lock and Unlock SW
D17 Door Lock Control SW
D18 Door Lock Motor Front LH
D19 Door Lock Motor Front RH
D20 Door Lock Motor Rear LH
D21 Door Lock Motor Rear RH
D22 Door Speaker Front LH
D23 Door Speaker Front RH
D24 Door Speaker Rear LH
D25 Door Speaker Rear RH
F 12 Fuel Pump
F 13 Fuel Sender
I 20 Interior Light
L 1 License Plate Light LH
L 2 License Plate Light RH
P 5 Power Window Control SW Front LH
P 7 Power Window Control SW Rear LH
P 8 Power Window Control SW Rear RH
P 9 Power Window Master SW
P10 Power Window Motor Front LH
P 11 Power Window Motor Front RH
P12 Power Window Motor Rear LH
P13 Power Window Motor Rear RH
P14 Pretensioner LH
P15 Pretensioner RH
R 6 Rear Combination Light LH
R 7 Rear Combination Light RH
R 9 Rear Fog Light
R10 Rear Window Defogger
R11 Rear Window Defogger
R12 Remote Control Mirror LH
R13 Remote Control Mirror RH
R14 Remote Control Mirror SW
R15 Reverse Warning Buzzer
CLICK HERE TO VIEW CHAPTER INDEX Pages From Supplement
TO MODEL INDEX
EWD378F
60
HILUX (EWD378F)
E ELECTRICAL WIRING ROUTING
Position of Parts in Body
[RHD : Extra Cab]
D22
D18
P14
R7
A29
F13
F12
R11 I20 D23 D17 D16 D19 R10 P15
A28 R6 L1 L2
A28 ABS Speed Sensor Rear LH
A29 ABS Speed Sensor Rear RH
D16 Door Key Lock and Unlock SW
D17 Door Lock Control SW
D18 Door Lock Motor Front LH
D19 Door Lock Motor Front RH
D22 Door Speaker Front LH
D23 Door Speaker Front RH
F 12 Fuel Pump
F 13 Fuel Sender
I 20 Interior Light
L 1 License Plate Light LH
L 2 License Plate Light RH
P14 Pretensioner LH
P15 Pretensioner RH
R 6 Rear Combination Light LH
R 7 Rear Combination Light RH
R10 Rear Window Defogger
R11 Rear Window Defogger
CLICK HERE TO VIEW CHAPTER INDEX Pages From Supplement
TO MODEL INDEX
EWD378F
Differential Wire
Engine Room
Main Wire
Cowl Wire
EC1
EG1
EB
EA
Engine No.2 Wire
EA1
ED
EC
Engine Wire
Engine Room
No.2 Wire
62
HILUX (EWD378F)
E ELECTRICAL WIRING ROUTING
: Location of Connector Joining Wire Harness and Wire Harness
: Location of Ground Points
[LHD : 3RZ-FE, 2RZ-FE]
CLICK HERE TO VIEW CHAPTER INDEX Pages From Supplement
TO MODEL INDEX
EWD378F
HILUX (EWD378F)
63
E
Connector Joining Wire Harness and Wire Harness
1 2 2 1
1 2
1
2
1 2 3
4 5 6
1
2
3
4
5
6
EA1 GRAY EC1 GRAY EG1 GRAY
Code Joining Wire Harness and Wire Harness (Connector Location)
EA1 Engine Room No.2 Wire and Engine Room Main Wire (Front Right Fender Apron)
EC1 Engine No.2 Wire and Differential Wire (Near the Starter)
EG1 Engine No.2 Wire and Engine Room Main Wire (Near the Engine Room R/B)
CLICK HERE TO VIEW CHAPTER INDEX Pages From Supplement
TO MODEL INDEX
EWD378F
Engine Room
Main Wire
EB
EE
EG1
Engine Wire
Engine No.2
Wire
Cowl Wire
EA
Engine Room
No.2 Wire
EA1
64
HILUX (EWD378F)
E ELECTRICAL WIRING ROUTING
: Location of Connector Joining Wire Harness and Wire Harness
: Location of Ground Points
[LHD : 3RZ-F]
CLICK HERE TO VIEW CHAPTER INDEX Pages From Supplement
TO MODEL INDEX
EWD378F
HILUX (EWD378F)
65
E
Connector Joining Wire Harness and Wire Harness
1 2 2 1
1 2 3
4 5 6
1
2
3
4
5
6
EA1 GRAY EG1 GRAY
Code Joining Wire Harness and Wire Harness (Connector Location)
EA1 Engine Room No.2 Wire and Engine Room Main Wire (Front Right Fender Apron)
EG1 Engine No.2 Wire and Engine Room Main Wire (Near the Engine Room R/B)
CLICK HERE TO VIEW CHAPTER INDEX Pages From Supplement
TO MODEL INDEX
EWD378F
Engine Room
Main Wire
EB
Engine No.2 Wire
EG1
Engine Wire
ED
Cowl Wire
EA
Engine Room
No.2 Wire
EA1
66
HILUX (EWD378F)
E ELECTRICAL WIRING ROUTING
: Location of Connector Joining Wire Harness and Wire Harness
: Location of Ground Points
[LHD : 1RZ]
CLICK HERE TO VIEW CHAPTER INDEX Pages From Supplement
TO MODEL INDEX
EWD378F
HILUX (EWD378F)
67
E
Connector Joining Wire Harness and Wire Harness
1 2 2 1
1 2 3
4 5 6
1
2
3
4
5
6
EA1 GRAY EG1 GRAY
Code Joining Wire Harness and Wire Harness (Connector Location)
EA1 Engine Room No.2 Wire and Engine Room Main Wire (Front Right Fender Apron)
EG1 Engine No.2 Wire and Engine Room Main Wire (Near the Engine Room R/B)
CLICK HERE TO VIEW CHAPTER INDEX Pages From Supplement
TO MODEL INDEX
EWD378F
Engine Room
Main Wire
Differential
Wire
Cowl Wire
EA
Engine No.2 Wire
EA1
EH1
EB2
Engine Wire
Engine
No.4 Wire
ED1
EF
Engine Room
No.2 Wire
A/C Sub Wire
EE1
EC1
EB
EI1
or
68
HILUX (EWD378F)
E ELECTRICAL WIRING ROUTING
: Location of Connector Joining Wire Harness and Wire Harness
: Location of Ground Points
[LHD : 2L-T]
CLICK HERE TO VIEW CHAPTER INDEX Pages From Supplement
TO MODEL INDEX
EWD378F
HILUX (EWD378F)
69
E
Connector Joining Wire Harness and Wire Harness
1 2 2 1
1 2
1
2
1
2
1 2 1 2 1
2 1 2
3
2 1
3
1 2 3
4 5 6
1
2
3
4
5
6
1 2 2 1
EA1 GRAY EC1 GRAY
EB2 GRAY
ED1 GRAY EE1 GRAY
EI1 GRAY
EH1 DARK GRAY
(Except Israel)
(Israel)
Code Joining Wire Harness and Wire Harness (Connector Location)
EA1 Engine Room No.2 Wire and Engine Room Main Wire (Front Right Fender Apron)
EB2 Engine No.2 Wire and Engine Room Main Wire (Near the Engine Room R/B)
EC1 Engine No.2 Wire and Differential Wire (Near the Starter)
ED1 Cowl Wire and A/C Sub Wire (Front Right Fender Apron)
EE1 Engine Room Main Wire and Engine Wire (Near the Engine Room R/B)
EH1 Engine Room Main Wire and Engine No.4 Wire (Near the Alternator)
EI1 A/C Sub Wire and Cowl Wire (Front Right Fender Apron)
CLICK HERE TO VIEW CHAPTER INDEX Pages From Supplement
TO MODEL INDEX
EWD378F
Engine Room
Main Wire
Cowl Wire
EA
Engine No.2 Wire
EA1
EE1
Engine Wire
Engine
No.4 Wire
ED1
EF
EH1
EF2
or
Engine Room
No.2 Wire
A/C Sub Wire
EB
70
HILUX (EWD378F)
E ELECTRICAL WIRING ROUTING
: Location of Connector Joining Wire Harness and Wire Harness
: Location of Ground Points
[LHD : 3L, 2L]
CLICK HERE TO VIEW CHAPTER INDEX Pages From Supplement
TO MODEL INDEX
EWD378F
HILUX (EWD378F)
71
E
Connector Joining Wire Harness and Wire Harness
1 2 2 1
1
2
1 2 1 2 1
2
1 2
3
2 1
3
1 1
EA1 GRAY ED1 GRAY EE1 GRAY
EH1 DARK GRAY
EF2 BLACK
(General) (Europe)
Code Joining Wire Harness and Wire Harness (Connector Location)
EA1 Engine Room No.2 Wire and Engine Room Main Wire (Front Right Fender Apron)
ED1 Cowl Wire and A/C Sub Wire (Front Right Fender Apron)
EE1 Engine Room Main Wire and Engine Wire (Near the Engine Room R/B)
EF2 Engine No.4 Wire and Engine Room Main Wire (Near the Alternator)
EH1 Engine Room Main Wire and Engine No.4 Wire (Near the Alternator)
CLICK HERE TO VIEW CHAPTER INDEX Pages From Supplement
TO MODEL INDEX
EWD378F
Roof Wire A/C Sub
Wire
Cowl No.3
Wire
Front Door
LH Wire
Engine Room
Main Wire
IG1
IJ
Cowl No.3 Wire
IH
IG
Cowl No.3
Wire
Cowl No.3
Wire
Engine Room
No.2 Wire
Front Door
RH Wire
Engine Wire
II
Cowl Wire
IB2
IC2
IC1
IB1
IE1
IA1
IA2
or
IN1
72
HILUX (EWD378F)
E ELECTRICAL WIRING ROUTING
: Location of Connector Joining Wire Harness and Wire Harness
: Location of Ground Points
[LHD]
CLICK HERE TO VIEW CHAPTER INDEX Pages From Supplement
TO MODEL INDEX
EWD378F
HILUX (EWD378F)
73
E
Connector Joining Wire Harness and Wire Harness
IA1 GRAY
(Europe) IA2 GRAY
(General)
IC1 GRAY
IB2 GREEN
IB1 GREEN
IC2 IE1 IG1 IN1 YELLOW
1
2 3
4
5
6 7 8 9 10 11
12
13
14 15 16 17 18 19 20
21
22 23 24 25 26
4
3 2
1
12
11 10 9 8 7 6
5
21
20 19 18 17 16 15 14
13
26 25 24 23 22
1 2 3 4
5 6 7 8 9 10 4 3 2 1
5
6
7
8
9
10
1 2 3 4 5 5 4 3 2 1
1 2 3 4 5
6 7 8 9 10
5 4 3 2 1
10 9 8 7 6
1 2
3 4 5 6 7
8 9 10 11 12
1
2
3
4
5
6
7
8
9
10
11
12
1 1
1 2 2 1
1 2
3 4 5 6
7 8
1
2
3
4
5
6
7
8
1 2
2 1
Code Joining Wire Harness and Wire Harness (Connector Location)
IA1
Engine Room Main Wire and Cowl Wire (Cowl Side Panel LH)
IA2
Engine Room Main Wire and Cowl Wire (Cowl Side Panel LH)
IB1
Front Door LH Wire and Cowl Wire (Left Kick Panel)
IB2
Front Door LH Wire and Cowl Wire (Left Kick Panel)
IC1
Cowl Wire and Cowl No 3 Wire (Left Kick Panel)
IC2
Cowl Wire and Cowl No.3 Wire (Left Kick Panel)
IE1 Cowl Wire and Roof Wire (Instrument Panel Reinforcement Left)
IG1 Cowl Wire and A/C Sub Wire (Near the A/C Unit)
IN1 Engine Room Main Wire and Cowl Wire (Under the Combination Meter)
CLICK HERE TO VIEW CHAPTER INDEX Pages From Supplement
TO MODEL INDEX
EWD378F
Roof Wire A/C Sub
Wire
Cowl No.3
Wire
Front Door
LH Wire
Engine Room
Main Wire
IJ3
Cowl No.3 Wire
Cowl No.3
Wire
Cowl No.3
Wire
Engine Room
No.2 Wire
Front Door
RH Wire
Engine Wire
Cowl Wire
IL2
IM1
IJ5
IJ4
or
II1
IL1
IJ2
IJ1
or
IK1
74
HILUX (EWD378F)
E ELECTRICAL WIRING ROUTING
: Location of Connector Joining Wire Harness and Wire Harness
[LHD]
CLICK HERE TO VIEW CHAPTER INDEX Pages From Supplement
TO MODEL INDEX
EWD378F
HILUX (EWD378F)
75
E
Connector Joining Wire Harness and Wire Harness
1 2 2 1 1 2 3 4 5 5 4 3 2 1
1 2 3 4 5
6 7 8 9 10
5 4 3 2 1
10 9 8 7 6
2
7 6 5 4 3
1
2
1
3 4 5 6 7
1 2 3 4 5
6 7 8 9 10 11 12 13
1
2
3
4
5
13 6
7
8
9
10
11
12
1 2 3 4
5 6 7 8 9 10 11
11
4 3 2 1
5
6
7
8
9
10
1 2 2 1 1 2 3 4 5 5 4 3 2 1
2
7 6 5 4 3
1
2
1
3 4 5 6 7
1 1
II1 IJ1 IJ2
IJ3 IJ4
IJ5 IK1 IL1
IL2 IM1
(Gasoline) (Diesel)
(Europe)
(General) BLUE GREEN
GREEN
Code Joining Wire Harness and Wire Harness (Connector Location)
II1 Cowl Wire and Cowl No.3 Wire (Behind the Ashtray)
IJ1
IJ2
IJ3 Engine Wire and Cowl Wire (Behind the Glove Box)
IJ4
IJ5
IK1 Engine Room No.2 Wire and Cowl No.3 Wire (Behind the Glove Box)
IL1
Front Door RH Wire and Cowl Wire (Right Kick Panel)
IL2
Front Door RH Wire and Cowl Wire (Right Kick Panel)
IM1 Cowl Wire and Cowl No.3 Wire (Cowl Side Panel RH)
CLICK HERE TO VIEW CHAPTER INDEX Pages From Supplement
TO MODEL INDEX
EWD378F
Rear Door
LH Wire
Cowl No.3
Wire
Cowl Wire
BB1
BC1
BG1
BK
BF1
BE1
BD1
BH1
Speed Sensor Wire Frame Wire
Cowl No.3
Wire
Front Door
LH Wire
Front Door
LH Wire
BA1
BC2
Roof Wire Front Door
RH Wire
Front Door
RH Wire
Rear Door
RH Wire
Cowl No.3
Wire
Rear Window
No.2 Wire
Differential Wire
Cowl Wire
76
HILUX (EWD378F)
E ELECTRICAL WIRING ROUTING
: Location of Connector Joining Wire Harness and Wire Harness
: Location of Ground Points
[LHD : Double Cab]
CLICK HERE TO VIEW CHAPTER INDEX Pages From Supplement
TO MODEL INDEX
EWD378F
HILUX (EWD378F)
77
E
Connector Joining Wire Harness and Wire Harness
1 3
2 1
2
3 1 3
2 1
2
3
1 2 3 4 5
6 7 8 9 10 11 12 13
1
2
3
4
5
13 6
7
8
9
10
11
12
1 2 3 4 5 5 4 3 2 1
1 2 3 4
5 6 7 8
1
2
3
4
5
6
7
8
1 2
3 4
2 1
4 3
1 2
3 4 5 6
7 8
1
2
3
4
5
6
7
8
1 2
3 4 5 6
7 8
1
2
3
4
5
6
7
8
1 2
3 4
5 6
1
2
3
4
5
6
BA1
GRAY
BB1
BC1 BC2
BD1 BE1 BF1
BG1 BH1
Code Joining Wire Harness and Wire Harness (Connector Location)
BA1 Front Door LH Wire and Front Door LH Wire (Front LH Door Inside)
BB1 Front Door RH Wire and Front Door RH Wire (Front RH Door Inside)
BC1
Frame Wire and Cowl Wire (Under the Front Passenger's Seat)
BC2
Frame Wire and Cowl Wire (Under the Front Passenger s Seat)
BD1 Frame Wire and Cowl No.3 Wire (Under the Front Passenger's Seat)
BE1 Frame Wire and Differential Wire (Near the No.5 Cross Member)
BF1 Frame Wire and Speed Sensor Wire (Near the No.5 Cross Member)
BG1 Rear Door LH Wire and Cowl Wire (Left Center Pillar)
BH1 Rear Door RH Wire and Cowl Wire (Right Center Pillar)
CLICK HERE TO VIEW CHAPTER INDEX Pages From Supplement
TO MODEL INDEX
EWD378F
Roof Wire Cowl No.3
Wire
Cowl Wire
Front Door
LH Wire
Front Door
LH Wire
BC1 BB1
BD1
BE1
BF1
Speed Sensor Wire
Differential Wire
Cowl Wire
BA1
Front Door
RH Wire
Front Door
RH Wire
Frame Wire
BC2
Cowl No.3
Wire
Cowl Wire
Front Door
RH Wire
Front Door
LH Wire
Front Door
LH Wire
BK
BF1
BD1
BB1
Speed Sensor Wire
Cowl Wire
BA1
Front Door
RH Wire
Frame Wire
Rear Window
No.2 Wire
BC1
78
HILUX (EWD378F)
E ELECTRICAL WIRING ROUTING
: Location of Connector Joining Wire Harness and Wire Harness
: Location of Ground Points
[LHD : Regular Cab]
[LHD : Extra Cab]
CLICK HERE TO VIEW CHAPTER INDEX Pages From Supplement
CLICK HERE TO VIEW CHAPTER INDEX
TO MODEL INDEX
EWD378F
HILUX (EWD378F)
79
E
Connector Joining Wire Harness and Wire Harness
1 3
2 1
2
3 1 3
2 1
2
3
1 2 3 4 5
6 7 8 9 10 11 12 13
1
2
3
4
5
13 6
7
8
9
10
11
12
1 2 3 4 5 5 4 3 2 1
1 2 3 4
5 6 7 8
1
2
3
4
5
6
7
8
1 2
3 4
2 1
4 3
1 2
3 4
5 6
1
2
3
4
5
6
BA1
GRAY
BB1
BC1 BC2
BD1 BE1 BF1
Code Joining Wire Harness and Wire Harness (Connector Location)
BA1 Front Door LH Wire and Front Door LH Wire (Front LH Door Inside)
BB1 Front Door RH Wire and Front Door RH Wire (Front RH Door Inside)
BC1
Frame Wire and Cowl Wire (Under the Front Passenger's seat)
BC2
Frame Wire and Cowl Wire (Under the Front Passenger s seat)
BD1 Frame Wire and Cowl No.3 Wire (Under the Front Passenger's Seat)
BE1 Frame Wire and Differential Wire (Near the No.5 Cross Member)
BF1 Frame Wire and Speed Sensor Wire (Near the No.5 Cross Member)
CLICK HERE TO VIEW CHAPTER INDEX Pages From Supplement
TO MODEL INDEX
EWD378F
Differential Wire
Engine Room
Main Wire
Cowl Wire
Engine Room
No.2 Wire
ED1
EB
EA
Engine No.2 Wire
EA1
ED
EB3
EC
Engine Wire
80
HILUX (EWD378F)
E ELECTRICAL WIRING ROUTING
: Location of Connector Joining Wire Harness and Wire Harness
: Location of Ground Points
[RHD : 3RZ-FE]
CLICK HERE TO VIEW CHAPTER INDEX Pages From Supplement
TO MODEL INDEX
EWD378F
HILUX (EWD378F)
81
E
Connector Joining Wire Harness and Wire Harness
1 2 2 1
1 2
1
2
1 2 3
4 5 6
1
2
3
4
5
6
EA1 GRAY EB3 GRAY ED1 GRAY
Code Joining Wire Harness and Wire Harness (Connector Location)
EA1 Engine Room No.2 Wire and Engine Room Main Wire (Front Right Fender Apron)
EB3 Engine No.2 Wire and Engine Room Main Wire (Near the Engine Room R/B)
ED1 Engine No.2 Wire and Differential Wire (Near the Starter)
CLICK HERE TO VIEW CHAPTER INDEX Pages From Supplement
TO MODEL INDEX
EWD378F
Engine Room
Main Wire
Cowl Wire
EB
EE
EB3
Engine Wire
Engine No.2
Wire
82
HILUX (EWD378F)
E ELECTRICAL WIRING ROUTING
: Location of Connector Joining Wire Harness and Wire Harness
: Location of Ground Points
[RHD : 3RZ-F]
CLICK HERE TO VIEW CHAPTER INDEX Pages From Supplement
TO MODEL INDEX
EWD378F
HILUX (EWD378F)
83
E
Connector Joining Wire Harness and Wire Harness
1 2 3
4 5 6
1
2
3
4
5
6
EB3 GRAY
Code Joining Wire Harness and Wire Harness (Connector Location)
EB3 Engine No.2 Wire and Engine Room Main Wire (Near the Engine Room R/B)
CLICK HERE TO VIEW CHAPTER INDEX Pages From Supplement
TO MODEL INDEX
EWD378F
Engine Room
Main Wire
Cowl Wire
Engine Room
No.2 Wire
EB
EA
Engine No.2 Wire
EA1
EB3
Engine Wire
ED
84
HILUX (EWD378F)
E ELECTRICAL WIRING ROUTING
: Location of Connector Joining Wire Harness and Wire Harness
: Location of Ground Points
[RHD : 1RZ-E]
CLICK HERE TO VIEW CHAPTER INDEX Pages From Supplement
TO MODEL INDEX
EWD378F
HILUX (EWD378F)
85
E
Connector Joining Wire Harness and Wire Harness
1 2 2 1
1 2 3
4 5 6
1
2
3
4
5
6
EA1 GRAY EB3 GRAY
Code Joining Wire Harness and Wire Harness (Connector Location)
EA1 Engine Room No.2 Wire and Engine Room Main Wire (Front Right Fender Apron)
EB3 Engine No.2 Wire and Engine Room Main Wire (Near the Engine Room R/B)
CLICK HERE TO VIEW CHAPTER INDEX Pages From Supplement
TO MODEL INDEX
EWD378F
Engine Room
Main Wire
Cowl Wire
EB
Engine No.2 Wire
EB3
Engine Wire
ED
86
HILUX (EWD378F)
E ELECTRICAL WIRING ROUTING
: Location of Connector Joining Wire Harness and Wire Harness
: Location of Ground Points
[RHD : 1RZ]
CLICK HERE TO VIEW CHAPTER INDEX Pages From Supplement
TO MODEL INDEX
EWD378F
HILUX (EWD378F)
87
E
Connector Joining Wire Harness and Wire Harness
1 2 3
4 5 6
1
2
3
4
5
6
EB3 GRAY
Code Joining Wire Harness and Wire Harness (Connector Location)
EB3 Engine No.2 Wire and Engine Room Main Wire (Near the Engine Room R/B)
CLICK HERE TO VIEW CHAPTER INDEX Pages From Supplement
TO MODEL INDEX
EWD378F
Differential Wire
Engine Room
Main Wire
Cowl Wire
Engine Room
No.2 Wire
ED1
EC1
EA
Engine No.2 Wire
EA1
EB2
EF
Engine Wire
Engine
No.4 Wire
EF1
EG
88
HILUX (EWD378F)
E ELECTRICAL WIRING ROUTING
: Location of Connector Joining Wire Harness and Wire Harness
: Location of Ground Points
[RHD : 5L]
CLICK HERE TO VIEW CHAPTER INDEX Pages From Supplement
TO MODEL INDEX
EWD378F
HILUX (EWD378F)
89
E
Connector Joining Wire Harness and Wire Harness
1 2 2 1
1 2
1
2
1 2 1
2
1 1
1 2 2 1
EA1 GRAY EC1 GRAY
EB2 GRAY
ED1 GRAY EF1 BLACK
Code Joining Wire Harness and Wire Harness (Connector Location)
EA1 Engine Room No.2 Wire and Engine Room Main Wire (Front Right Fender Apron)
EB2 Engine Room Main Wire and Engine Wire (Near the Engine Room R/B)
EC1 Engine No.2 Wire and Cowl Wire (Near the Engine Room R/B)
ED1 Engine No.2 Wire and Differential Wire (Near the Starter)
EF1 Engine No.4 Wire and Engine Room Main Wire (Near the Alternator)
CLICK HERE TO VIEW CHAPTER INDEX Pages From Supplement
TO MODEL INDEX
EWD378F
Engine Room
Main Wire
Cowl Wire
Engine Room
No.2 Wire
EA
Engine No.2 Wire
EA1
EB2
EF
Engine Wire
Engine
No.4 Wire
EF3
EG
90
HILUX (EWD378F)
E ELECTRICAL WIRING ROUTING
: Location of Connector Joining Wire Harness and Wire Harness
: Location of Ground Points
[RHD : 2L-T]
CLICK HERE TO VIEW CHAPTER INDEX Pages From Supplement
TO MODEL INDEX
EWD378F
HILUX (EWD378F)
91
E
Connector Joining Wire Harness and Wire Harness
1 2 2 1
1 2 1
2 1 2
3
2 1
3
EA1 GRAY EB2 GRAY EF3 DARK GRAY
Code Joining Wire Harness and Wire Harness (Connector Location)
EA1 Engine Room No.2 Wire and Engine Room Main Wire (Front Right Fender Apron)
EB2 Engine Room Main Wire and Engine Wire (Near the Engine Room R/B)
EF3 Engine Room Main Wire and Engine No.4 Wire (Near the Alternator)
CLICK HERE TO VIEW CHAPTER INDEX Pages From Supplement
TO MODEL INDEX
EWD378F
Engine Room
Main Wire
Cowl Wire
Engine Room
No.2 Wire
EA
EF
Engine No.2 Wire
EA1 EB2
Engine Wire
Engine
No.4 Wire
EE1
EG
EF1
EF3
or
A/C Sub Wire
92
HILUX (EWD378F)
E ELECTRICAL WIRING ROUTING
: Location of Connector Joining Wire Harness and Wire Harness
: Location of Ground Points
[RHD : 3L, 2L]
CLICK HERE TO VIEW CHAPTER INDEX Pages From Supplement
TO MODEL INDEX
EWD378F
HILUX (EWD378F)
93
E
Connector Joining Wire Harness and Wire Harness
1 2 2 1
1 2 1
2
1 2
3
2 1
3
1
2
1 2
1 1
EA1 GRAY EB2 GRAY
EF3 DARK GRAY
EF1 BLACK
EE1 GRAY
Code Joining Wire Harness and Wire Harness (Connector Location)
EA1 Engine Room No.2 Wire and Engine Room Main Wire (Front Right Fender Apron)
EB2 Engine Room Main Wire and Engine Wire (Near the Engine Room R/B)
EE1 Engine Room Main Wire and A/C Sub Wire (Near the Battery)
EF1 Engine No.4 Wire and Engine Room Main Wire (Near the Alternator)
EF3 Engine Room Main Wire and Engine No.4 Wire (Near the Alternator)
CLICK HERE TO VIEW CHAPTER INDEX Pages From Supplement
TO MODEL INDEX
EWD378F
Differential Wire
Engine Room
Main Wire
Cowl Wire
Engine Room
No.2 Wire
ED1
EA
Engine No.2 Wire
EA1
EO
EB2
EF
Engine Wire
94
HILUX (EWD378F)
E ELECTRICAL WIRING ROUTING
: Location of Connector Joining Wire Harness and Wire Harness
: Location of Ground Points
[RHD : 1KZ-TE]
CLICK HERE TO VIEW CHAPTER INDEX Pages From Supplement
TO MODEL INDEX
EWD378F
HILUX (EWD378F)
95
E
Connector Joining Wire Harness and Wire Harness
1 2 2 1
1 2
1
2
1 2 1
2
EA1 GRAY EB2 GRAY ED1 GRAY
Code Joining Wire Harness and Wire Harness (Connector Location)
EA1 Engine Room No.2 Wire and Engine Room Main Wire (Front Right Fender Apron)
EB2 Engine Room Main Wire and Engine Wire (Near the Engine Room R/B)
ED1 Engine No.2 Wire and Differential Wire (Near the Starter)
CLICK HERE TO VIEW CHAPTER INDEX Pages From Supplement
TO MODEL INDEX
EWD378F
Cowl Wire
Engine Room
No.2 Wire
Front Door
LH Wire
IC4
ID1
IK
IH
A/C Sub Wire
IJ
II
Cowl No.3
Wire
Cowl No.3 Wire
Cowl No.3
Wire
Roof Wire
Front Door
RH Wire
Engine Room
Main Wire
IL
Engine Wire
IM
IA1
IA2
IB1
IB2
IC1
IC2
or
IC5
IC6
or
IC3
or
96
HILUX (EWD378F)
E ELECTRICAL WIRING ROUTING
: Location of Connector Joining Wire Harness and Wire Harness
: Location of Ground Points
[RHD]
CLICK HERE TO VIEW CHAPTER INDEX Pages From Supplement
TO MODEL INDEX
EWD378F
HILUX (EWD378F)
97
E
Connector Joining Wire Harness and Wire Harness
IA1 IA2 IB1 GREEN
IC1
(∗1) IC2
(3RZ-FE M/T,1RZ-E)
IC5
(3RZ-F,1RZ,5L)
∗1 : 3RZ-FE A/T,1KZ-TE,5L,2L-T,Europe 2L
∗2 : 3RZ-FE,1KZ-TE,2L-T,2L,3L
∗3 : 3RZ-FE M/T w/ 2-4 Select SW,3RZ-F,1RZ,
1KZ-TE,5L
IC4
(∗3)
IC3
(∗2)
IC6
(1RZ-E) ID1
IB2 GREEN
1 2
3 4 5 6 7
8 9 10 11 12
1
2
3
4
5
6
7
8
9
10
11
12
1 1
1 2 3 4 5 5 4 3 2 1
2
7 6 5 4 3
1
2
1
3 4 5 6 7
1 2 3 4 5
6 7 8 9 10
5 4 3 2 1
10 9 8 7 6
2
7 6 5 4 3
1
2
1
3 4 5 6 7
1 2 3 4 5
6 7 8 9 10 11 12 13
1
2
3
4
5
13 6
7
8
9
10
11
12
1 2 3 4 5 5 4 3 2 1
1 2 3 4
5 6 7 8 9 10 11
11
4 3 2 1
5
6
7
8
9
10
1 2
5 6 7 8
13 14 15 16
21 22 23
3 4
9 10 11 12
17 18 19 20
24 25 26
4 3
12 11 10 9
20 19 18 17
26 25 24
2 1
8 7 6 5
16 15 14 13
23 22 21
1 2
3 4 5 6
7 8
1
2
3
4
5
6
7
8
Code Joining Wire Harness and Wire Harness (Connector Location)
IA1
Cowl Wire and Cowl No 3 Wire (Left Kick Panel)
IA2
Cowl Wire and Cowl No.3 Wire (Left Kick Panel)
IB1
Front Door LH Wire and Cowl Wire (Left Kick Panel)
IB2
Front Door LH Wire and Cowl Wire (Left Kick Panel)
IC1
IC2
IC3
Engine Wire and Cowl Wire (Behind the Glove Box)
IC4
Engine Wire and Cowl Wire (Behind the Glove Box)
IC5
IC6
ID1 Cowl Wire and A/C Sub Wire (Near the A/C Unit)
CLICK HERE TO VIEW CHAPTER INDEX Pages From Supplement
TO MODEL INDEX
EWD378F
Cowl Wire
Engine Room
No.2 Wire
Front Door
LH Wire
IM1
A/C Sub Wire
Cowl No.3
Wire
Cowl No.3 Wire
Cowl No.3
Wire
Roof Wire
Front Door
RH Wire
Engine Room
Main Wire
Engine Wire IH1
IG1 IL1
IM2
IK1
IJ2
IJ1
or
IJ3
98
HILUX (EWD378F)
E ELECTRICAL WIRING ROUTING
: Location of Connector Joining Wire Harness and Wire Harness
[RHD]
CLICK HERE TO VIEW CHAPTER INDEX Pages From Supplement
TO MODEL INDEX
EWD378F
HILUX (EWD378F)
99
E
Connector Joining Wire Harness and Wire Harness
1 2 2 1 1 2 2 1
1
2 3
4
5
6 7 8 9 10 11
12
13
14 15 16 17 18 19 20
21
22 23 24 25 26
4
3 2
1
12
11 10 9 8 7 6
5
21
20 19 18 17 16 15 14
13
26 25 24 23 22
1 2
2 1
1 2 2 1
1 1
1 2 3 4 5 5 4 3 2 1
1 2 3 4 5
6 7 8 9 10
5 4 3 2 1
10 9 8 7 6
1 2 3 4
5 6 7 8 9 10 4 3 2 1
5
6
7
8
9
10
IG1
GRAY
IH1
IJ1
IJ2 IJ3 IK1
GRAY YELLOW BLUE
IL1 IM1 IM2
GREEN GREEN
(Australia, Europe)
(General)
Code Joining Wire Harness and Wire Harness (Connector Location)
IG1 Cowl Wire and Cowl No.3 Wire (Behind the Ashtray)
IH1 Cowl Wire and Roof Wire (Instrument Panel Reinforcement Right)
IJ1
Engine Room Main Wire and Cowl Wire (Cowl Side Panel RH)
IJ2
Engine Room Main Wire and Cowl Wire (Cowl Side Panel RH)
IJ3 Engine Room No.2 Wire and Cowl Wire (Cowl Side Panel RH)
IK1 Engine Room No.2 Wire and Cowl No.3 Wire (Cowl Side Panel RH)
IL1 Cowl Wire and Cowl No.3 Wire (Right Kick Panel)
IM1
Front Door RH Wire and Cowl Wire (Right Kick Panel)
IM2
Front Door RH Wire and Cowl Wire (Right Kick Panel)
CLICK HERE TO VIEW CHAPTER INDEX Pages From Supplement
TO MODEL INDEX
EWD378F
Front Door LH Wire
Rear Door
LH Wire
Cowl No.3
Wire
Frame Wire
Cowl Wire
BB1
BD1
BN
BC1
Speed Sensor Wire
Cowl No.3
Wire
BA1
Roof Wire Front Door
RH Wire
Rear Door
RH Wire
BE1
Cowl No.3
Wire
Rear Window
No.3 Wire
Cowl Wire
100
HILUX (EWD378F)
E ELECTRICAL WIRING ROUTING
: Location of Connector Joining Wire Harness and Wire Harness
: Location of Ground Points
[RHD : Double Cab]
CLICK HERE TO VIEW CHAPTER INDEX Pages From Supplement
TO MODEL INDEX
EWD378F
HILUX (EWD378F)
101
E
Connector Joining Wire Harness and Wire Harness
1 2 3 4 5
6 7 8 9 10 11 12 13
1
2
3
4
5
13 6
7
8
9
10
11
12
1 2
3 4
2 1
4 3
1 2
3 4 5 6
7 8
1
2
3
4
5
6
7
8
1 2
3 4 5 6
7 8
1
2
3
4
5
6
7
8
1 2
3 4
5 6
1
2
3
4
5
6
BA1 GRAY
BB1 BC1
BD1 BE1
Code Joining Wire Harness and Wire Harness (Connector Location)
BA1 Frame Wire and Cowl Wire (Under the Driver's Seat)
BB1 Frame Wire and Cowl No.3 Wire (Under the Driver's Seat)
BC1 Frame Wire and Speed Sensor Wire (Near the No.5 Cross Member)
BD1 Rear Door LH Wire and Cowl Wire (Left Center Pillar)
BE1 Rear Door RH Wire and Cowl Wire (Right Center Pillar)
CLICK HERE TO VIEW CHAPTER INDEX Pages From Supplement
TO MODEL INDEX
EWD378F
Roof Wire Cowl No.3
Wire
Cowl Wire
Front Door
LH Wire
BB1
BC1
Speed Sensor Wire
BA1
Front Door
RH Wire
Frame Wire
Roof Wire
Cowl No.3
Wire
Cowl Wire
Front Door
LH Wire
BB1
BN
BC1
Speed Sensor Wire
BA1
Front Door
RH Wire
Frame Wire
Rear Window
No.3 Wire
Cowl Wire
102
HILUX (EWD378F)
E ELECTRICAL WIRING ROUTING
: Location of Connector Joining Wire Harness and Wire Harness
: Location of Ground Points
[RHD : Regular Cab]
[RHD : Extra Cab]
CLICK HERE TO VIEW CHAPTER INDEX Pages From Supplement
CLICK HERE TO VIEW CHAPTER INDEX
TO MODEL INDEX
EWD378F
HILUX (EWD378F)
103
E
Connector Joining Wire Harness and Wire Harness
1 2 3 4 5
6 7 8 9 10 11 12 13
1
2
3
4
5
13 6
7
8
9
10
11
12
1 2
3 4
2 1
4 3
1 2
3 4
5 6
1
2
3
4
5
6
BA1 GRAY
BB1 BC1
Code Joining Wire Harness and Wire Harness (Connector Location)
BA1 Frame Wire and Cowl Wire (Under the Driver's Seat)
BB1 Frame Wire and Cowl No.3 Wire (Under the Driver's Seat)
BC1 Frame Wire and Speed Sensor Wire (Near the No.5 Cross Member)
CLICK HERE TO VIEW CHAPTER INDEX Pages From Supplement
TO MODEL INDEX
EWD378F
PAGE 1 OF 7
1. A1 GRAY PG104
2. A2 GRAY PG104
3. A3 GRAY PG104
4. A4 GRAY PG104
5. A5 GRAY PG104
6. A6 GRAY PG104
7. A7 GRAY PG104
8. A8 GRAY PG104
9. A9 BLACK PG104
10.A10 BLACK PG104
11.A11 PG104
12.A12 GRAY PG104
13.A13 BLACK PG104
14.A14 BLACK PG104
15.A15 PG104
16.A16 PG104
17.A17 BLACK PG104
18.A18 PG104
19.A19 PG104
20.A20 PG104
21.A24 YELLOW PG104
22.A25 YELLOW PG104
23.A26 BLACK PG104
24.A27 PG104
25.A28 GRAY PG104
26.A29 GRAY PG104
27.A30 GRAY PG104
28.A31 GRAY PG104
29.B1 GRAY PG104
30.B2 GRAY PG104
31.B3 BLACK PG104
32.B4 BLACK PG104
33.B5 BLACK PG105
34.B6 (EXCEPT GENERAL) PG105
35.B6 (GENERAL) BLACK PG105
36.B7 PG105
37.C1 BLACK PG105
38.C2 DARK GRAY PG105
39.C3 (3RZ-F, 1RZ, 5L, 3L, 2L) BLACK PG105
40.C3 (3RZ-FE, 2RZ-FE, EUROPE DIESEL) BLACK PG105
41.C4 DRAK GRAY PG105
42.C5 PG105
BACK TO MAIN INDEX
TO MODEL INDEX
Pages From Supplement
EWD378F
CONTINUED
CONNECTOR LIST:
43.C6 GRAY PG105
44.C7 PG105
45.C8 PG105
46.C9 PG105
47.C10 BLUE PG105
48.C11 BROWN PG105
49.C12 BLACK PG105
50.C13 (LHD, RHD EUROPE) PG105
51.C13 (RHD EXCEPT EUROPE) PG105
52.C14 PG105
53.C15 (LHD) GRAY PG105
54.C15 (RHD) BLACK PG105
55.C16 YELLOW PG105
56.C17 YELLOW PG106
57.C18 YELLOW PG106
58.C19 BLACK PG106
59.C20 BLACK PG106
60.D1 GRAY PG106
61.D1 GRAY PG106
62.D2 BLUE PG106
63.D3 BLUE PG106
64.D4 PG106
65.D5 BLACK PG106
66.D6 PG106
67.D7 PG106
68.D8 PG106
69.D9 PG106
70.D10 BLACK PG106
71.D11 PG106
72.D11 PG106
73.D12 PG106
74.D12 PG106
75.D13 GRAY PG106
76.D14 PG106
77.D15 PG106
78.D16 GRAY PG106
79.D17 PG106
80.D18 BLACK PG106
81.D19 BLACK PG106
82.D20 BLACK PG106
83.D21 BLACK PG107
84.D22 PG107
85.D23 PG107
86.D24 PG107
87.D25 PG107
PAGE 2 OF 7
CLICK HERE TO VIEW CHAPTER INDEX
TO MODEL INDEX
Pages From Supplement
EWD378F
CONTINUED
CONNECTOR LIST:
88.D26 PG107
89.E1 BLACK PG107
90.E2 GRAY PG107
91.E3 (3RZ-F) DARK GRAY PG107
92.E3 (1RZ) DARK GRAY PG107
93.E4 PG107
94.E5 PG107
95.E6 PG107
96.E7 PG107
97.F1 GRAY PG107
98.F2 GRAY PG107
99.F3 GRAY PG107
100. F4 GRAY PG107
101. F5 PG107
102. F6 PG107
103. F7 PG107
104. F8 PG107
105. F9 GRAY PG107
106. F10 GRAY PG107
107. F11 PG107
108. F12 GRAY PG107
109. F13 PG107
110. F14 GRAY PG107
111. F15 YELLOW PG107
112. F16 YELLOW PG107
113. F17 BLACK PG107
114. F18 DARK GRAY PG107
115. G1 PG107
116. G2 BLACK PG107
117. H1 GRAY PG107
118. H2 GRAY PG107
119. H3 PG107
120. H4 BLACK PG108
121. H5 PG108
122. H6 PG108
123. H7 DARK GRAY PG108
124. H8 DARK GRAY PG108
125. H9 BLACK PG108
126. H10 BLACK PG108
127. H11 PG108
128. H12 BLACK PG108
129. I1 DARK GRAY PG108
130. I2 BLACK PG108
131. I3 BLACK PG108
132. I4 DARK GRAY PG108
PAGE 3 OF 7
CLICK HERE TO VIEW CHAPTER INDEX
TO MODEL INDEX
Pages From Supplement
EWD378F
CONTINUED
CONNECTOR LIST:
133. I5 GRAY PG108
134. I6 (1RZ-E) DARK GRAY PG108
135. I6 (1RZ) GRAY PG108
136. I7 DARK GRAY PG108
137. I8 BLACK PG108
138. I9 GRAY PG108
139. I10 (1RZ-E) BROWN PG108
140. I11 (1RZ-E) GRAY PG108
141. I11 (3RZ-FE, 2RZ-FE) GRAY PG108
142. I12 (1RZ-E) BROWN PG108
143. I12 (3RZ-FE, 2RZ-FE) BROWN PG108
144. I13 (1RZ-E) GRAY PG108
145. I13 (3RZ-FE, 2RZ-FE) PG108
146. I14 BROWN PG108
147. I15 GRAY PG108
148. I16 BLUE PG108
149. I17 PG108
150. I18 PG108
151. I19 GREEN PG108
152. I20 PG108
153. I21 GRAY PG108
154. I22 BROWN PG108
155. J1 GRAY PG108
156. J2 GRAY PG108
157. J3 (LHD) BLACK PG108
158. J3 (RHD) PG109
159. J4 (LHD) BLACK PG109
160. J4 (RHD) BLUE PG109
161. J5 (LHD) PG109
162. J5 (RHD) BLUE PG109
163. J6 (LHD) PG109
164. J6 (RHD) PG109
165. J7 (LHD) PG109
166. J7 (RHD) BLUE PG109
167. J8 PG109
168. J9 (LHD) BLUE PG109
169. J9 (RHD) BLUE PG109
170. J10 BLACK PG109
171. J10 ORANGE PG109
172. J10 (RHD) BLACK PG109
173. J11 (LHD) BLUE PG109
174. J11 (RHD) BLACK PG109
175. J12 (LHD) BLUE PG109
176. J12 (RHD) BLUE PG109
177. J13 (LHD) PG109
PAGE 4 OF 7
CLICK HERE TO VIEW CHAPTER INDEX
TO MODEL INDEX
Pages From Supplement
EWD378F
CONTINUED
CONNECTOR LIST:
178. J13 (RHD) BLACK PG109
179. J14 (LHD) BLACK PG109
180. J14 (LHD) ORANGE PG109
181. J14 (RHD) BLACK PG109
182. J15 (LHD) BLUE PG110
183. J15 (RHD) PG110
184. J16 (LHD) GRAY PG110
185. J16 (RHD) PG110
186. J17 (RHD) PG110
187. J18 (LHD) BLUE PG110
188. J19 (LHD) BLACK PG110
189. J20 (LHD) BLUE PG110
190. J21 (LHD) GRAY PG110
191. J21 (LHD) PG110
192. J22 (LHD) BLACK PG110
193. J23 (LHD) PG110
194. J24 (LHD) BLUE PG110
195. K1 DARK GRAY PG110
196. K2 GRAY PG110
197. L1 PG110
198. L1 PG110
199. L2 PG110
200. L2 PG110
201. N1 GRAY PG110
202. N2 GRAY PG110
203. O1 PG110
204. O1 GRAY PG110
205. O2 PG110
206. O3 GRAY PG110
207. O4 PG110
208. P2 PG110
209. P3 DARK GRAY PG111
210. P3 (5L) DARK GRAY PG111
211. P4 PG111
212. P5 PG111
213. P6 PG111
214. P7 PG111
215. P8 PG111
216. P9 PG111
217. P10 PG111
218. P11 PG111
219. P12 PG111
220. P13 PG111
221. P14 YELLOW PG111
222. P15 YELLOW PG111
PAGE 5 OF 7
CLICK HERE TO VIEW CHAPTER INDEX
TO MODEL INDEX
Pages From Supplement
EWD378F
CONTINUED
CONNECTOR LIST:
223. R1 BLUE PG111
224. R2 BLUE PG111
225. R3 BLACK PG111
226. R4 PG111
227. R5 BLACK PG111
228. R6 PG111
229. R6 PG111
230. R7 PG111
231. R7 PG111
232. R8 GRAY PG111
233. R9 PG111
234. R9 PG111
235. R10 BLACK PG111
236. R11 PG111
237. R12 PG111
238. R12 PG111
239. R13 PG111
240. R13 PG111
241. R14 PG111
242. R15 PG111
243. R16 PG111
244. R17 PG111
245. S1 BLACK PG111
246. S2 BLACK PG111
247. S2 BLACK PG111
248. S3 PG112
249. S4 BLACK PG112
250. S5 PG112
251. S6 PG112
252. S7 PG112
253. S8 BLACK PG112
254. S9 GRAY PG112
255. T1 (1RZ-E, 1KZ-TE) BLACK PG112
256. T1 (3RZ-FE, 2RZ-FE) BLACK PG112
257. T3 PG112
258. T4 PG112
259. T5 DARK GRAY PG112
260. T6 BLACK PG112
261. T7 PG112
262. T8 PG112
263. U1 PG112
264. V1 BLACK PG112
265. V2 DARK GRAY PG112
266. V3 BLACK PG112
267. V4 BROWN PG112
PAGE 6 OF 7
CLICK HERE TO VIEW CHAPTER INDEX
TO MODEL INDEX
Pages From Supplement
EWD378F
CONTINUED
CONNECTOR LIST:
268. V5 BLUE PG112
269. V6 BLUE PG112
270. V6 BLACK PG112
271. V6 BROWN PG112
272. V7 GRREN PG112
273. V8 BLACK PG112
274. V9 BROWN PG112
275. V10 (1KZ-TE, 2L) BROWN PG112
276. V10 (2L-T) BLACK PG112
277. V11 BROWN PG112
278. V12 GRAY PG112
279. V13 BLACK PG112
280. V14 BROWN PG112
281. V15 BLUE PG113
282. W1 GRAY PG113
283. W2 GRAY PG113
284. W3 (1RZ-E, 5L, 2L-T, 2L) GREEN PG113
285. W3 (3RZ-FE, 2RZ-FE, 1KZ-TE) DARK GRAY PG113
286. W4 BLACK PG113
PAGE 7 OF 7
CLICK HERE TO VIEW CHAPTER INDEX
TO MODEL INDEX
Pages From Supplement
EWD378F
CONNECTOR LIST:
104
HILUX (EWD378F)
F CONNECTOR LIST
1 2
1 1 2
1 2 3 4
5 6 7 8
1 2
3 4 5
1 2 1 2
1 2
5
4
3
2
1 1 2 3
1
1
2
1 2
5
3 4
6 7 8 9 10
1 2
3 4 5 6
1 2
1
2
1 2 4 5
3 1 2 3 4 5 6 7 8
9 10 11 12 13 14 15 16
1 2 3 4 5 6 7 8 9 10 11 12 13
14 15 16171819 20212223 24 25 26
1 2 3
4 5 6
1 2
1 2 1 2 3
4 5 6 7 8
1 2 1 2
1
2 3
4
2
1
3
1 2
1 2 1
1
2
1 2
GRAY GRAY GRAY GRAY
GRAY GRAY GRAY
BLACK
BLACK BLACK
GRAY BLACK BLACK
BLACK
YELLOW YELLOW BLACK GRAY GRAY
GRAY GRAY GRAY GRAY BLACK BLACK
A1 A2 A3 A4 A5
A6 A7 A8 A9 A10
A11 A12 A13 A14 A15 A16
A17 A18 A19 A20
A24 A25 A26 A27 A28 A29
A30 A31 B1 B2 B3 B4
CLICK HERE TO VIEW CHAPTER INDEX Pages From Supplement
CLICK HERE TO VIEW CHAPTER INDEX
TO MODEL INDEX
EWD378F
HILUX (EWD378F)
105
F
1 2
3 4
1 2 3 4 5
6 7 8
1 2 3 4 5
6 7 8
1 2
1 2
1 2
3 4
1 2 3 4 5 6
7 8 9 10 11
12 13 14 15 16 17 21
20
18
23
22
19
1 2 3 4 5 6
7 8 9 10 11
12 13 14 15 16 17 21
20
18
23
22
19
2
1
3
1
2 1 2
5 3
1
2
1 2 3 4
16
11
10
9
8
5
4
3
2
1 121314
6 7 15 13
9
8
7
6
5
4
3
2
1 101112
13
9
8
7
6
5
4
3
2
1 101112
1 2 3 4 5 6 7 8 9
10 11 12 131415 16 17 18
1 2 4 7 8
9 10 1112131415 16 17
5 6
3
1 2 3 4 5 6 7 8
9 10 1112131415 16 17
1 2 3 4 5 6
2 1 2 1
1 2 3 4 5 6
7 8 9 101112
A B
BLACK (Except General) (General) BLACK BLACK
DARK GRAY (3RZ-F, 1RZ, 5L, 3L, 2L) BLACK (3RZ-FE, 2RZ-FE, Europe Diesel) BLACK DARK GRAY
GRAY
BLUE
BROWN BLACK (LHD, RHD Europe)
B5 B6 B6 B7 C1
C2 C3 C3 C4
C5 C6 C7 C8
C9 C10
C11 C12 C13
(RHD Except Europe) (LHD) GRAY (RHD) BLACK YELLOW
C13 C14 C15 C15 C16
CLICK HERE TO VIEW CHAPTER INDEX Pages From Supplement
CLICK HERE TO VIEW CHAPTER INDEX
TO MODEL INDEX
EWD378F
106
HILUX (EWD378F)
F CONNECTOR LIST
2425
23 26
22
2021 28
27
1 2 3 4 5 6
7 8 9 1011121314151617
1819
A B
1 2 3 4 5 6
7 8 9 101112
A B
1 2
1 2
1 2
6
4
3
2
1
7 8 9 101112 14
5
13 1 2
5
3 4
6 7 8 9 10
1 2 3 4 5
6
4
3
2
1
7 8 9 101112 14
5
13 1 2 1 2 1 2
16 15 14 13 12 11 10 9
8 7 6 5 4 3 2 1
1
1
1
1
1 2
1 1
3
1 2
1 2 3 4 1 2 3 4 1 2 3 4 1 2 3 4
2
1 2
1
YELLOW YELLOW (∗ 1) GRAY
(∗ 2) GRAY BLUE BLUE BLACK
BLACK
(∗ 3) (∗ 4) (∗ 3) (∗ 4) GRAY
GRAY
C17 C18 D1
D1 D2 D3 D4 D5
D6 D7 D8 D9 D10
D11 D11 D12 D12 D13 D14 D15
D16
∗ 1 : w/ 2-4 SELECT SW
∗ 2 : w/o 2-4 SELECT SW
∗ 3 : Double Cab
∗ 4 : Single Cab, Extra Cab
BLACK BLACK
BLACK
D17 D18 D20
D19
C19 C20
BLACK BLACK
CLICK HERE TO VIEW CHAPTER INDEX Pages From Supplement
CLICK HERE TO VIEW CHAPTER INDEX
TO MODEL INDEX
EWD378F
HILUX (EWD378F)
107
F
1
2
1
2
1
2
1
2
1 2
1
3
2
1 2
6
4
3
2
1
7 8 9 101112 14
5
13
1 2
3 4 5 6
1 2 3 4 5 6 7 8 9 10 11 12 13
14 15 16171819 20212223 24 25 26
1 2 3 4 5 6 7 8
9 10111213141516
1 2 3 4 5 6 7 8 9 10 11
12 13 141516171819 2021 22
1 2
1 2
1 2 1 2
1
2 3
1
2 3 1 2
1 2
2
1
1 2
2
1 3 4 5 6 7
8 9 101112131415 16 1 2
1
2 1 2
1 2 1 2 1 2 3
2
1
1 2 3 4
1
1 2
1 2 3 4
5 6 7 8
1 2 3 4
5 6 7 8
1 2
BLACK
GRAY (1RZ) DARK GRAY
(3RZ-F) DARK GRAY
GRAY
GRAY GRAY GRAY
GRAY GRAY GRAY
GRAY YELOW
D22 D23 D24 D25 D26 E1
E2 E3
E3 E4
E5 E6 F1
F2 F3 F4 F5 F6 F7
F8 F9 F10 F11 F12
F13 F14 F15
YELLOW BLACK DARK GRAY
F16 F17 F18
BLACK
D21
BLACK
G1 G2
GRAY GRAY
H1 H2
E7
1 2
3 4
H3
CLICK HERE TO VIEW CHAPTER INDEX Pages From Supplement
CLICK HERE TO VIEW CHAPTER INDEX
TO MODEL INDEX
EWD378F
108
HILUX (EWD378F)
F CONNECTOR LIST
1
4 5
2 3
6
1
2 3
1
2 3 2
1
3 4
2
1
3 4
1
1 2
5
3 4
6 7 8 9 10
1 2
5
3 4
6 7 8 9 10
1 2 3 4
1 2 3
4 5 6
1 2 3 4
1 2 3 4 1 2 1 2 1 2
3 4
1 2
3 4
1 2
1 2
1 2
3
1 2 1 2 1 2
1 2 1 2 1 2
1 2
1 2
1 2
1 2 3
1 2
1 2 3 4
5 6 7 8
1 2 3 4 5 6 7 8 9 101112
1 2 3
4 5 6 7 8 1
2
1 2 1 2
A A A A A A
B B B C C C
A A A A A A
B B B C C C
A A B B C C
D D D E E E
BLACK DARK GRAY DARK GRAY BLACK
BLACK BLACK
DARK GRAY
BLACK
BLACK
DARK GRAY
GRAY
(1RZ) GRAY
(1RZ-E) DARK GRAY
(1RZ-E) BROWN (3RZ-FE, 2RZ-FE) BROWN (1RZ-E) GRAY
H4 H5 H6 H7 H8 H9
H10 H11 H12
DARK GRAY
I1 I2
I3 I4 I5 I6
I6 I7
I8 I9 I10 I10 I11
BLACK GRAY
(3RZ-FE, 2RZ-FE) GRAY
(1RZ-E) BROWN (3RZ-FE, 2RZ-FE) BROWN (1RZ-E) GRAY
I11
I12 I13
I12
(3RZ-FE, 2RZ-FE) GRAY BROWN GRAY
BLUE
I14 I15
I16 I17
I13
GREEN
GRAY BROWN
I18 I19 I20
I21 I22
(LHD) BLACK
J1 J2 J3
GRAY
GRAY
CLICK HERE TO VIEW CHAPTER INDEX Pages From Supplement
CLICK HERE TO VIEW CHAPTER INDEX
TO MODEL INDEX
EWD378F
HILUX (EWD378F)
109
F
A A
A A A A
A B B C C
A A B D D D C C
A A B B C C
D D D E E E
A A B B C C
D D E E F F
A A B B C C
D D E E F F
A B B C C
A A B D D D C C
A A B C C
A A B B B B C C
A A
A A A A
A B B C C
A A B D D D C C
A A B C C
A A B B B B C C
A
A
A
A
A
A A A A A A A
A B B C C
A A B D D D C C
A A A A A
A A A A A A A A
A A A A A
A A A A A A A A
B
B
A
A
A
C C C D D D B
A
A
A
A
A
A A A A A A A
B
B
A
A
A
C C C D D D B A B B C C
A A B D D D C C
A B B C C
A A B D D D C C
A A B C C
A A B B B B C C
A A B B C C
D D D E E E
A A A A A
A A A A A A A A
A A A A A
A A A A A A A A A A B B C C
D D D E E E
∗ 5 : 2RZ-FE (Europe), 3RZ-FE, 2L, 2L-T
∗ 6 : 2RZ-FE (General)
(RHD) (LHD) BLACK (RHD) BLUE (LHD)
(RHD) BLUE (LHD) (RHD)
J4 J5
J6
J3 J4
J5 J6
(LHD)
(RHD) BLUE
J7
J8
J7
(LHD) BLUE
(LHD ∗ 5) BLACK
(RHD) BLUE
J9
J10
J9
(LHD ∗ 6) ORANGE (RHD) BLACK (LHD) BLUE
(RHD) BLACK (LHD) BLUE (RHD) BLUE (LHD)
(RHD) BLACK
J11
J12 J13
J10 J10
J11 J12
J13
(LHD ∗ 5) BLACK (LHD ∗ 6) ORANGE (RHD) BLACK
J14 J14 J14
CLICK HERE TO VIEW CHAPTER INDEX Pages From Supplement
CLICK HERE TO VIEW CHAPTER INDEX
TO MODEL INDEX
EWD378F
110
HILUX (EWD378F)
F CONNECTOR LIST
A
A
A
A
A
A A A A A A A A A
A A A A
C
C
B
A
A
A A B B B C C
A A B B C C
D D E E F F
A A B B C C
D D E E F F
A B B C C
A A B D D D C C
A B B C C
A A B D D D C C
A A A A A
A A A A A A A A
C
C
B
A
A
A A B B B C C A A B C C
A A B B B B C C
B
B
A
A
A
C C C D D D B
A B B C C
A A B D D D C C
A A
A A A A
1 1 1 2 1 2
1 2 1 2 1
7
5 6
2 3 4
8 9 10
1 2
1
1
1 2 3 4 5
6 7 8 9 10
1 2
1 2 3
4 5 6 7 8
1 2
(LHD) BLUE (RHD) (LHD) GRAY (RHD)
(RHD) (LHD) BLUE
∗ 5 : 2RZ-FE (Europe), 3RZ-FE, 2L, 2L-T
∗ 6 : 2RZ-FE (General)
J15 J16
J17 J18
J15 J16
J19
(LHD) BLACK (LHD) BLUE
(LHD ∗ 5) GRAY (LHD ∗ 6)
J20
J21 J21
(LHD) BLACK (LHD)
(LHD) BLUE
J22 J23
J24
DARK GRAY GRAY (∗ 7) (∗ 8, Step Bumper Type)
(∗ 7) GRAY GRAY (∗ 9)
(∗10) GRAY
K1 K2 L1
L2 N1 N2 O1
O1
L2
L1
(∗ 8, Step Bumper Type)
∗ 7 : w/ Rear Deck
∗ 8 : w/o Rear Deck
∗ 9 : Diesel Except 1KZ-TE
∗10 : Gasoline, 1KZ-TE
O2
GRAY
O3 O4 P2
CLICK HERE TO VIEW CHAPTER INDEX Pages From Supplement
CLICK HERE TO VIEW CHAPTER INDEX
TO MODEL INDEX
EWD378F
HILUX (EWD378F)
111
F
5
4
3
2
1
6 7 8 9 101112 1
2 1 2 3 4 5 1 2 3 4 5
1 2 3 4 5 1 2 3 4 5
6
4
3
2
1
7 8 9 101112 14
5
13
1 2 3 4
5 6 7 8 9 10 1 2
1 2 1 2 1 2
2
1
1 2 3 4
5 6 7 8 9 10
2
1
1 2 3
4 5 6 7 8
1 2
3 4 5 6
1 2
3 456 78
1 2
3 4 5 6
1
2
1 2 3
4 5 6 1 2 3
4 5
1 2 3
4 5 6 1 2 3
4 5
1 2 3
6
5
4
1 2
1 2
1
1
1 2 3
1
2
3
1 2 3
1
2
3 10
9
8
7
6
5
4
3
2
1
1 2
1
2
1
2
1 2
1
1
(5L) DARK GRAY
(∗ 3)
∗ 3 : Double Cab
P4 P5 P6
P7 P8 P9
P3
YELLOW
(∗ 4)
P9 P10
P11 P12 P13 P14
BLUE
R1
YELLOW
P15
∗ 4 : Single Cab, Extra Cab
(3L, 2L) DARK GRAY
P3
BLUE BLACK BLACK (∗ 7, Malta) (∗ 8, Except Malta)
GRAY (∗ 7) (∗ 8) BLACK
BLACK (w/ Vent Window)
∗ 7 : w/ Rear Deck
R2 R3 R4 R5 R6 R6
R7 R7 R8 R9 R9 R10
R11 R12 R12 R13 R13 R14
∗ 8 : w/o Rear Deck
(w/o Vent Window)
(∗ 7, Malta) (∗ 8, Except Malta)
(w/ Vent Window) (w/o Vent Window)
R15 R16 R17
BLACK (Diesel) BLACK
(Gasoline) BLACK
S1 S2
S2
CLICK HERE TO VIEW CHAPTER INDEX Pages From Supplement
CLICK HERE TO VIEW CHAPTER INDEX
TO MODEL INDEX
EWD378F
112
HILUX (EWD378F)
F CONNECTOR LIST
1
1
3
2
4
1 3
2 1 3
2 2
3 4
1 1 2 3 4
1 2 3 4 1 2 3 1 2 3
4 5 6
1 2
1 2
1 2 3 1 2 3 4 5 1 2 3 4 5
6 7 8 9 10 11 12 13 14
2
3 4
1 1 2 3
1 2
1 2
3
1 2 1 2
1
2
1 2
1 2
1 2 1 2
1 2
1 2
1 2
1 2
1 2 1 2 1 2
1 2
S3
BLACK BLACK
S5 S6 S7 S8
S4
(1RZ-E, 1KZ-TE) BLACK (3RZ-FE, 2RZ-FE) BLACK
T1
T1 T3 T4
DARK GRAY
T5
BLACK BLACK
DARK GRAY BLACK BROWN BLUE (∗12) BLACK
T6 T7 T8 U1 V1
V2 V3 V4 V5 V6
(∗11) BLUE
V6
∗11 : LHD Europe 2L-T A/T
∗12 : LHD Except Europe 2L-T A/T
(RHD) BROWN GREEN BLACK BROWN (1KZ-TE, 2L) BROWN
V6 V7 V8 V9 V10
GRAY
S9
(2L-T) BLACK
V10
BROWN GRAY BLACK BROWN
V11 V12 V13 V14
CLICK HERE TO VIEW CHAPTER INDEX Pages From Supplement
CLICK HERE TO VIEW CHAPTER INDEX
TO MODEL INDEX
EWD378F
HILUX (EWD378F)
113
F
1 2 1 2
1 2
1 2
1
1 2
3 4
(1RZ-E, 5L, 2L-T, 2L) GREEN
BLUE GRAY GRAY (3RZ-FE, 2RZ-FE, 1KZ-TE) DARK GRAY
BLACK
V15 W1 W2 W3 W3
W4
CLICK HERE TO VIEW CHAPTER INDEX Pages From Supplement
TO MODEL INDEX
EWD378F
H PART NUMBER OF CONNECTORS
Code Part Name Part Number Code Part Name Part Number
HILUX (EWD378F)
Note: Not all of the above part numbers of the connector are established for the supply.
Nota: Toutes les références du connecteur ne sont pas définies pour la fourniture.
150
A 1 A/C Dual Pressure SW 90980-11149
A 2 A/C Magnetic Clutch 90980-11271
A 3 A/T Fluid Temp. SW 90980-10706
A 4 ABS Actuator 90980-10891
A 5 ABS Actuator 90980-11413
A 6 ABS Speed Sensor Front LH
90980-11075
A 7 ABS Speed Sensor Front RH
90980-11075
A 8 ADD Indicator SW 90980-11250
A 9 Air Flow Meter 90980-11317
A10 Alternator 90980-11349
A11 Alternator -
A12 Auto Antenna Motor 90980-11074
A13 A/C Amplifier 90980-10801
A14 A/C SW 90980-11280
A15 A/C Thermistor 90980-10825
A16 A/C Volume SW 90980-10214
A17 ABS Deceleration Sensor 90980-11182
A18 ABS ECU 90980-11565
A19 ABS ECU 90980-11390
A20 ADD Control Relay 90980-10173
A24
Airbag Squib (Front Passenger's Airbag
Assembly)
90980-10850
A25 Airbag Squib (Steering Wheel Pad) 90980-10850
A26 Ashtray Illumination 90980-00308
A27 Auto Antenna Control Relay 90980-10799
A28 ABS Speed Sensor Rear LH
90980-11467
A29 ABS Speed Sensor Rear RH
90980-11467
A30 A/C Triple Pressure SW 90980-10943
A31 Accelerator Pedal Position Sensor 90980-11016
B 1 Back-Up Light SW 90980-11250
B 2 Brake Fluid Level Warning SW 90980-11207
B 3 Brake Vacuum Warning SW 90980-11252
B 4 Blower Motor 90980-10214
B 5 Blower Resistor 90980-10171
B 6 Blower SW 90980-10463
B 7 Buckle SW 90980-11212
C 1 Camshaft Position Sensor 90980-10947
C 2 Carburetor 90980-11037
C 3
Check Connector (3RZ-F, 1RZ, 5L, 3L, 2L,
Except Europe)
90980-11195
C 3
Check Connector
(3RZ-FE,2RZ-FE,Europe Diesel)
90980-11323
C 4 Crankshaft Position Sensor 90980-11016
C 5 Cigarette Lighter 90980-10760
C 6 Cigarette Lighter Illumination 90980-11148
C 7 Circuit Opening Relay 82602-35150
C 8 Clock 90980-11013
C 9 Combination Meter 90980-11113
C10 Combination Meter 90980-11114
C11 Combination Meter 90980-11115
C12 Combination SW 90980-11594
C13
Combination SW (LHD, RHD Europe) 90980-11672
C13
Combination SW (RHD Excepr Europe) 90980-11671
C14 Combination SW 90980-11616
C15 Crankshaft Position Sensor 90980-11162
C16 Center Airbag Sensor Assembly 90980-11873
C17 Center Airbag Sensor Assembly 90980-11872
C18 Center Airbag Sensor Assembly 90980-11871
C19 Condenser Fan Motor 1
90980 11237
C20 Condenser Fan Motor 2
90980-11237
D 1
Detection SW (Transfer 4WD Position) (w/
2-4 SELECT SW)
90980-11250
D 1
Detection SW (Transfer 4WD Position) (w/o
2-4 SELECT SW)
90980-11581
D 2 Detection SW (Transfer L4 Position) 90980-11156
D 3 Daytime Running Light Relay 90980-10807
D 4 Diff. Lock ECU 90980-10801
D 5 Diff. Lock SW 90980-10631
D 6 Dim-Dip Light Relay 90980-10807
D 7 Diode (Door Courtesy)
D 8 Diode (Glow Plug) 90980-11608
D 9 Diode (Idle-Up)
D10 DLC3 90080-98010
Door Courtesy SW Front LH (Double Cab) 90980-11097
D11 Door Courtesy SW Front LH (Single Cab,
Extra Cab)
90980-10433
Door Courtesy SW Front RH (Double Cab) 90980-11097
D12 Door Courtesy SW Front RH (Single Cab,
Extra Cab)
90980-10433
D13 Detection SW (Rear Diff. Lock) 90980-11250
D14 Door Courtesy SW Rear LH
90980-11097
D15 Door Courtesy SW Rear RH
90980-11097
D16 Door Key Lock and Unlock SW 90980-11245
D17 Door Lock Control SW 90980-11013
D18 Door Lock Motor Front LH
D19 Door Lock Motor Front RH
90980-11150
D20 Door Lock Motor Rear LH
90980-11150
D21 Door Lock Motor Rear RH
D22 Door Speaker Front LH
90980-10935
D23 Door Speaker Front RH
90980-10935
D24 Door Speaker Rear LH
90980-10935
D25 Door Speaker Rear RH
90980-10935
BACK TO MAIN INDEX Pages From Supplement
TO MODEL INDEX
EWD378F
H
Code Part Name Part Number Code Part Name Part Number
HILUX (EWD378F)
Nota : No todos los números de las partes del conector indicados arriba están dispuestos para el suministro.
Anmerkung: Nicht alle der obenerwähnten Teile-Nummern der Stecker werden für die Lieferung etabliert.
151
D26 Diode (O/D) 90980-11608
E 1 ECT Solenoid 90980-10919
E 2 Engine Oil Level Warning SW 90980-10532
E 3
Emission Control ECU (3RZ-F) 90980-10797
E 3
Emission Control ECU (1RZ) 90980-10807
E 4
Engine ECU (M/T) or Engine and ECT ECU
(A/T)
90980-11390
E 5
Engine ECU (M/T) or Engine and ECT ECU
(A/T)
90980-11391
E 6
Engine ECU (M/T) or Engine and ECT ECU
(A/T)
90980-11392
E 7 Engine Speed Sensor 90980-11250
F 1 Front Clearance Light LH
90980-11149
F 2 Front Clearance Light RH
90980-11149
F 3 Front Side Turn Signal Light LH
90980-11162
F 4 Front Side Turn Signal Light RH
90980-11162
F 5
Front Turn Signal Light and Clearance Light
LH
90980-10216
F 6
Front Turn Signal Light and Clearance Light
RH
90980-10216
F 7 Front Turn Signal Light LH
90980-11019
F 8 Front Turn Signal Light RH
90980-11019
F 9 Fuel Heater 90980-10928
F10 Fuel Sedimentary SW 90980-11003
F11 4WD Control ECU 90980-10848
F12 Fuel Pump 90980-10843
F13 Fuel Sender 90980-10214
F14 First Gear Position SW 90980-10923
F15 Front Airbag Sensor LH
90980-11856
F16 Front Airbag Sensor RH
90980-11856
F17 Fuel Control Valve 90980-11349
F18 Fuel Temp. Sensor 90980-10737
G 1 Glow Plug -
G 2 Glove Box Light 90980-11148
H 1 Headlight Beam Level Control Actuator LH
90980-10891
H 2 Headlight Beam Level Control Actuator RH
90980-10891
H 3 Headlight Cleaner Motor and Washer Motor 90980-10140
H 4 Headlight Cleaner Relay 90980-10939
H 5 Headlight LH
90980-11314
H 6 Headlight RH
90980-11314
H 7 Heated Oxygen Sensor (Bank 1 Sensor 1)
90980-11028
H 8 Heated Oxygen Sensor (Bank 1 Sensor 2)
90980-11028
H 9 Horn 90980-10619
H10 Hazard SW
90980-10801
H11 Headlight Beam Level Control SW
90980-10801
H12 Headlight Cleaner SW 90980-10601
I 1 Igniter 90980-11197
I 2 Ignition Coil and Igniter No.1
90980-11150
I 3 Ignition Coil and Igniter No.2
90980-11150
I 4 Ignition Coil No.1 90980-11038
I 5 Ignition Coil No.2 90980-11286
I 6 IIA 90980-11037
I 7 IIA 90980-11038
I 8 Intake Air Temp. Sensor 90980-11163
I 9 Injection Pump 90980-11157
I10
Injector No.1 (1RZ-E) 90980-11285
I10
Injector No.1 (3RZ-FE, 2RZ-FE) 90980-11153
I11
Injector No.2 (1RZ-E) 90980-11285
I11
Injector No.2 (3RZ-FE, 2RZ-FE) 90980-11153
I12
Injector No.3 (1RZ-E) 90980-11285
I12
Injector No.3 (3RZ-FE, 2RZ-FE) 90980-11153
I13
Injector No.4 (1RZ-E) 90980-11285
I13
Injector No.4 (3RZ-FE, 2RZ-FE) 90980-11153
I14 Intake Shutter 90980-11149
I15 ISC Valve 90980-11145
I16 Ignition Key Cylinder Light 90980-10908
I17 Ignition SW 90980-11615
I18 Integration Relay 90980-11121
I19 Integration Relay 90980-10799
I20 Interior Light 90980-10121
I21 Injection Pump Correction Resistor No.1 90980-11163
I22 Injection Pump Correction Resistor No.2 90980-11278
J 1 Junction Connector
J 2 Junction Connector 90980-11661
J 3
Junction Connector (LHD)
J 3
Junction Connector (RHD) 90980-10976
J 4
Junction Connector (LHD) 90980-11661
J 4
Junction Connector (RHD) 90980-11542
J 5
Junction Connector (LHD) 90980-11661
J 5
Junction Connector (RHD) 90980-11542
J 6
Junction Connector (LHD) 90980-11661
J 6
Junction Connector (RHD) 90980-11542
J 7
Junction Connector (LHD) 90980-10976
J 7
Junction Connector (RHD) 90980-11542
J 8 Junction Connector
90980-11542
J 9
Junction Connector (LHD)
90980-11542
J 9
Junction Connector (RHD) 90980-10803
J10
Junction Connector (LHD) 90980-11542
J10
Junction Connector (RHD)
90980-10803
J11 Junction Connector
90980-10803
CLICK HERE TO VIEW CHAPTER INDEX Pages From Supplement
TO MODEL INDEX
EWD378F
H PART NUMBER OF CONNECTORS
Code Part Name Part Number Code Part Name Part Number
HILUX (EWD378F)
Note: Not all of the above part numbers of the connector are established for the supply.
Nota: Toutes les références du connecteur ne sont pas définies pour la fourniture.
152
J12 Junction Connector 90980-11542
J13
Junction Connector (LHD) 90980-11542
J13
Junction Connector (RHD) 90980-11661
J14
Junction Connector (LHD) 90980-11542
J14
Junction Connector (RHD) 90980-11661
J15
Junction Connector (LHD) 90980-10803
J15
Junction Connector (RHD) 90980-10976
J16
Junction Connector (LHD) 90980-10803
J16
Junction Connector (RHD)
90980-11661
J17 Junction Connector (RHD)
90980-11661
J18 Junction Connector (LHD)
J19 Junction Connector (LHD) 90980-11542
J20 Junction Connector (LHD)
J21
Junction Connector (LHD 2RZ-FE (Euope),
3RZ-FE, 2L, 2L-T)
90980-10803
J21
Junction Connector (LHD 2RZ-FE
(General))
90980-11542
J22 Junction Connector (LHD) 90980-10803
J23 Junction Connector (LHD) 90980-10976
J24 Junction Connector (LHD) 90980-11542
K 1 Knock Sensor 90980-11166
K 2 Kick Down SW 90980-11282
License Plate Light LH (w/ Rear Deck) 90980-11162
L 1 License Plate Light LH (w/o Rear Deck,
Step Bumper Type)
90980-11248
License Plate Light RH (w/ Rear Deck) 90980-11162
L 2 License Plate Light RH (w/o Rear Deck,
Step Bumper Type)
90980-11248
N 1 Neutral Start SW 90980-11332
N 2 Noise Filter 90980-10843
O 1
Oil Pressure SW (Diesel Except 1KZ-TE) 90980-10703
O 1
Oil Pressure SW (Gasoline, 1KZ-TE) 90980-11363
O 2 O/D Main SW 90980-11614
O 3 O/D Solenoid 90980-11156
O 4 O/D ECU 90980-10799
P 2 Parking Brake SW 90980-10825
P 3
Pre-Heating Timer (3L,2L) 90980-10799
P 3
Pre-Heating Timer (5L) 90980-10803
P 4 Personal Light 90980-10121
P 5 Power Window Control SW Front LH
90980-10789
P 6 Power Window Control SW Front RH
90980-10789
P 7 Power Window Control SW Rear LH
90980-10789
P 8 Power Window Control SW Rear RH
90980-10789
Power Window Master SW (Double Cab) 90980-10807
P 9 Power Window Master SW (Single Cab,
Extra Cab)
90980-10997
P10 Power Window Motor Front LH
P11 Power Window Motor Front RH
90980-10860
P12 Power Window Motor Rear LH
90980-10860
P13 Power Window Motor Rear RH
P14 Pretensioner LH
90980-11862
P15 Pretensioner RH
90980-11862
R 1 Radio and Player 90980-10997
R 2 Radio and Player 90980-10998
R 3 Rear Fog Light SW 90980-11533
R 4 Rear Window Defogger SW 90980-11326
R 5 Rheostat 90980-10214
R 6
Rear Combination Light LH (w/ Rear Deck,
Malta)
90980-10173
R 6
Rear Combination Light LH (w/o Rear Deck
Except Malta)
90980-10162
R 7
Rear Combination Light RH (w/ Rear Deck,
Malta)
90980-10173
R 7
Rear Combination Light RH (w/o Rear Deck
Except Malta)
90980-10162
R 8 Rear Diff. Lock Motor 90980-11194
R 9
Rear Fog Light (w/ Rear Deck) 90980-11140
R 9
Rear Fog Light (w/o Rear Deck) 90980-11142
R10 Rear Window Defogger
90980-10359
R11 Rear Window Defogger
90980-10359
Remote Control Mirror LH (w/ Vent Window) 90980-11170
R12 Remote Control Mirror LH (w/o Vent
Window)
90980-10907
R13
Remote Control Mirror RH (w/ Vent
Window)
90980-11170
R13
Remote Control Mirror RH (w/o Vent
Window)
90980-10907
R14 Remote Control Mirror SW 90980-11450
R15 Reverse Warning Buzzer 90980-11250
R16 Rear Speaker LH
90980-10935
R17 Rear Speaker RH
90980-10935
S 1 Speed Sensor (ECT) 90980-11156
S 2
Starter (Diesel) 90980-11184
S 2
Starter (Gasoline) 90980-11400
S 3 Starter -
S 4 Stop Light SW 90980-11118
S 5 Seat Heater (Driver's Seat)
90980-10908
S 6 Seat Heater (Front Passenger's Seat)
90980-10908
S 7 Seat Heater SW (Driver's Seat) 90980-10795
S 8 Seat Heater SW (Front Passenger's Seat) 90980-11090
S 9 Spill Control Valve 90980-11286
CLICK HERE TO VIEW CHAPTER INDEX Pages From Supplement
TO MODEL INDEX
EWD378F
H
Code Part Name Part Number Code Part Name Part Number
HILUX (EWD378F)
Nota : No todos los números de las partes del conector indicados arriba están dispuestos para el suministro.
Anmerkung: Nicht alle der obenerwähnten Teile-Nummern der Stecker werden für die Lieferung etabliert.
153
Throttle Position Sensor (1RZ-E, 1KZ-TE) 90980-10711
T 1 Throttle Position Sensor (3RZ-FE,
2RZ-FE)
90980-11261
T 3 2-4 Select Motor 90980-11290
T 4 2-4 Select SW 90980-10355
T 5 Timing Control Valve 90980-11030
T 6 Turbo Pressure Sensor 90980-10845
T 7 Transponder Key Amplifier 90980-10789
T 8 Transponder Key Computer 90980-11556
U 1 Unlock Warning SW 90980-10795
V 1 Vacuum Sensor 90980-10845
V 2 Vacuum SW 90980-11163
V 3 Variable Resistor 90980-10902
V 4 VSV (2WD, ADD) 90980-11149
V 5 VSV (4WD, ADD) 90980-11156
VSV (A/C Idle-Up) (Israel) 90980-10572
V 6 VSV (A/C Idle-Up) (LHD Except Israel) 90980-10214
VSV (A/C Idle-Up) (RHD) 90980-11149
V 7 VSV (EGR) 90980-11162
V 8 VSV (EVAP) 90980-11156
V 9 VSV (Throttle Position Control) 90980-11149
V10 VRV (EGR) 90980-11162
V11 VSV (BACS) 90980-11149
V12 VSV (EGR) 90980-11156
V13 VSV (Intake Constrictor Control No.1) 90980-11149
V14 VSV (Intake Constrictor Control No.2)
90980-11156
V15 VSV (Turbo Pressure Sensor)
90980-11156
W 1 Washer Motor 90980-11250
W 2 Water Temp. Sender 90980-11428
W 3 Water Temp. Sensor 90980-10737
W 4 Wiper Motor 90980-10171
CLICK HERE TO VIEW CHAPTER INDEX Pages From Supplement
TO MODEL INDEX
EWD378F
SYSTEM
INDEX
154
HILUX (EWD378F)
SYSTEMS
LOCATION
SYSTEMS
LOCATION
ABS
22-2
.
.
.
.
.
.
.
.
.
.
.
.
.
.
.
.
.
.
.
.
.
.
.
.
.
.
.
.
.
.
.
.
.
.
.
.
.
.
.
.
.
.
.
.
.
.
.
.
.
.
.
.
.
.
Air
Conditioner
(Except
Israel)
26-2
.
.
.
.
.
.
.
.
.
.
.
.
.
.
.
.
.
.
.
.
.
.
.
.
.
.
.
.
.
.
.
Air
Conditioner
(Israel)
29-2
.
.
.
.
.
.
.
.
.
.
.
.
.
.
.
.
.
.
.
.
.
.
.
.
.
.
.
.
.
.
.
.
.
.
.
.
.
.
Back-Up
Light
12-4
.
.
.
.
.
.
.
.
.
.
.
.
.
.
.
.
.
.
.
.
.
.
.
.
.
.
.
.
.
.
.
.
.
.
.
.
.
.
.
.
.
.
.
.
.
Carburetor
6-2
.
.
.
.
.
.
.
.
.
.
.
.
.
.
.
.
.
.
.
.
.
.
.
.
.
.
.
.
.
.
.
.
.
.
.
.
.
.
.
.
.
.
.
.
.
.
.
.
.
.
Charging
(Diesel)
3-3
.
.
.
.
.
.
.
.
.
.
.
.
.
.
.
.
.
.
.
.
.
.
.
.
.
.
.
.
.
.
.
.
.
.
.
.
.
.
.
.
.
.
.
.
Charging
(Gasoline)
1-3
.
.
.
.
.
.
.
.
.
.
.
.
.
.
.
.
.
.
.
.
.
.
.
.
.
.
.
.
.
.
.
.
.
.
.
.
.
.
.
.
.
Cigarette
Lighter
18-3
.
.
.
.
.
.
.
.
.
.
.
.
.
.
.
.
.
.
.
.
.
.
.
.
.
.
.
.
.
.
.
.
.
.
.
.
.
.
.
.
.
.
.
Clock
18-3
.
.
.
.
.
.
.
.
.
.
.
.
.
.
.
.
.
.
.
.
.
.
.
.
.
.
.
.
.
.
.
.
.
.
.
.
.
.
.
.
.
.
.
.
.
.
.
.
.
.
.
.
.
Combination
Meter
25-2
.
.
.
.
.
.
.
.
.
.
.
.
.
.
.
.
.
.
.
.
.
.
.
.
.
.
.
.
.
.
.
.
.
.
.
.
.
.
.
.
.
Door
Lock
Control
16-2
.
.
.
.
.
.
.
.
.
.
.
.
.
.
.
.
.
.
.
.
.
.
.
.
.
.
.
.
.
.
.
.
.
.
.
.
.
.
.
.
.
.
ECT
(3RZ-FE)
28-3
.
.
.
.
.
.
.
.
.
.
.
.
.
.
.
.
.
.
.
.
.
.
.
.
.
.
.
.
.
.
.
.
.
.
.
.
.
.
.
.
.
.
.
.
.
Emission
Control
(Europe)
27-2
.
.
.
.
.
.
.
.
.
.
.
.
.
.
.
.
.
.
.
.
.
.
.
.
.
.
.
.
.
.
.
.
.
.
.
Emission
Control
(General)
6-3
.
.
.
.
.
.
.
.
.
.
.
.
.
.
.
.
.
.
.
.
.
.
.
.
.
.
.
.
.
.
.
.
.
.
.
Engine
Control
(3RZ-FE,
2RZ-FE)
5-2
.
.
.
.
.
.
.
.
.
.
.
.
.
.
.
.
.
.
.
.
.
.
.
.
.
.
.
.
Engine
Immobiliser
System
(2RZ-FE)
5-8
.
.
.
.
.
.
.
.
.
.
.
.
.
.
.
.
.
.
.
.
.
.
.
.
.
.
Engine
Immobiliser
System
(Europe
2L,
2L-T)
27-5
.
.
.
.
.
.
.
.
.
.
.
.
.
.
.
.
.
Front
Wiper
and
Washer
20-3
.
.
.
.
.
.
.
.
.
.
.
.
.
.
.
.
.
.
.
.
.
.
.
.
.
.
.
.
.
.
.
.
.
.
.
.
Fuel
Heater
2-3
.
.
.
.
.
.
.
.
.
.
.
.
.
.
.
.
.
.
.
.
.
.
.
.
.
.
.
.
.
.
.
.
.
.
.
.
.
.
.
.
.
.
.
.
.
.
.
.
.
Glow
Plug
(General
2L,
3L)
7-2
.
.
.
.
.
.
.
.
.
.
.
.
.
.
.
.
.
.
.
.
.
.
.
.
.
.
.
.
.
.
.
.
.
.
.
Headlight
(w/
Daytime
Running
Light)
8-2
.
.
.
.
.
.
.
.
.
.
.
.
.
.
.
.
.
.
.
.
.
.
.
.
.
.
Headlight
(w/o
Daytime
Running
Light)
9-2
.
.
.
.
.
.
.
.
.
.
.
.
.
.
.
.
.
.
.
.
.
.
.
.
.
Headlight
Beam
Level
Control
10-2
.
.
.
.
.
.
.
.
.
.
.
.
.
.
.
.
.
.
.
.
.
.
.
.
.
.
.
.
.
.
.
.
Headlight
Cleaner
11-2
.
.
.
.
.
.
.
.
.
.
.
.
.
.
.
.
.
.
.
.
.
.
.
.
.
.
.
.
.
.
.
.
.
.
.
.
.
.
.
.
.
.
Horn
18-4
.
.
.
.
.
.
.
.
.
.
.
.
.
.
.
.
.
.
.
.
.
.
.
.
.
.
.
.
.
.
.
.
.
.
.
.
.
.
.
.
.
.
.
.
.
.
.
.
.
.
.
.
.
.
Ignition
(1RZ)
4-2
.
.
.
.
.
.
.
.
.
.
.
.
.
.
.
.
.
.
.
.
.
.
.
.
.
.
.
.
.
.
.
.
.
.
.
.
.
.
.
.
.
.
.
.
.
.
.
Ignition
(3RZ-F)
4-3
.
.
.
.
.
.
.
.
.
.
.
.
.
.
.
.
.
.
.
.
.
.
.
.
.
.
.
.
.
.
.
.
.
.
.
.
.
.
.
.
.
.
.
.
.
Ignition
(3RZ-FE,
2RZ-FE)
3-2
.
.
.
.
.
.
.
.
.
.
.
.
.
.
.
.
.
.
.
.
.
.
.
.
.
.
.
.
.
.
.
.
.
.
.
Illumination
15-2
.
.
.
.
.
.
.
.
.
.
.
.
.
.
.
.
.
.
.
.
.
.
.
.
.
.
.
.
.
.
.
.
.
.
.
.
.
.
.
.
.
.
.
.
.
.
.
.
Interior
Light
14-2
.
.
.
.
.
.
.
.
.
.
.
.
.
.
.
.
.
.
.
.
.
.
.
.
.
.
.
.
.
.
.
.
.
.
.
.
.
.
.
.
.
.
.
.
.
.
.
Light
Reminder
Buzzer,
Key
Reminder
and
Seat
Belt
Warning
18-2
.
.
.
.
Overdrive
(Israel)
27-7
.
.
.
.
.
.
.
.
.
.
.
.
.
.
.
.
.
.
.
.
.
.
.
.
.
.
.
.
.
.
.
.
.
.
.
.
.
.
.
.
.
.
.
Power
Source
1~29-1
.
.
.
.
.
.
.
.
.
.
.
.
.
.
.
.
.
.
.
.
.
.
.
.
.
.
.
.
.
.
.
.
.
.
.
.
.
.
.
.
.
.
.
.
Power
Window
17-2
.
.
.
.
.
.
.
.
.
.
.
.
.
.
.
.
.
.
.
.
.
.
.
.
.
.
.
.
.
.
.
.
.
.
.
.
.
.
.
.
.
.
.
.
.
Radio
and
Player
24-3
.
.
.
.
.
.
.
.
.
.
.
.
.
.
.
.
.
.
.
.
.
.
.
.
.
.
.
.
.
.
.
.
.
.
.
.
.
.
.
.
.
.
.
Rear
Differential
Lock
19-2
.
.
.
.
.
.
.
.
.
.
.
.
.
.
.
.
.
.
.
.
.
.
.
.
.
.
.
.
.
.
.
.
.
.
.
.
.
.
.
Rear
Fog
Light
3-3
.
.
.
.
.
.
.
.
.
.
.
.
.
.
.
.
.
.
.
.
.
.
.
.
.
.
.
.
.
.
.
.
.
.
.
.
.
.
.
.
.
.
.
.
.
.
Rear
Window
Defogger
20-2
.
.
.
.
.
.
.
.
.
.
.
.
.
.
.
.
.
.
.
.
.
.
.
.
.
.
.
.
.
.
.
.
.
.
.
.
.
Remote
Control
Mirror
24-2
.
.
.
.
.
.
.
.
.
.
.
.
.
.
.
.
.
.
.
.
.
.
.
.
.
.
.
.
.
.
.
.
.
.
.
.
.
.
Seat
Heater
11-3
.
.
.
.
.
.
.
.
.
.
.
.
.
.
.
.
.
.
.
.
.
.
.
.
.
.
.
.
.
.
.
.
.
.
.
.
.
.
.
.
.
.
.
.
.
.
.
SRS
23-2
.
.
.
.
.
.
.
.
.
.
.
.
.
.
.
.
.
.
.
.
.
.
.
.
.
.
.
.
.
.
.
.
.
.
.
.
.
.
.
.
.
.
.
.
.
.
.
.
.
.
.
.
.
.
Starting
(Diesel)
2-2
.
.
.
.
.
.
.
.
.
.
.
.
.
.
.
.
.
.
.
.
.
.
.
.
.
.
.
.
.
.
.
.
.
.
.
.
.
.
.
.
.
.
.
.
.
Starting
(Gasoline)
1-2
.
.
.
.
.
.
.
.
.
.
.
.
.
.
.
.
.
.
.
.
.
.
.
.
.
.
.
.
.
.
.
.
.
.
.
.
.
.
.
.
.
.
Stop
Light
9-3
.
.
.
.
.
.
.
.
.
.
.
.
.
.
.
.
.
.
.
.
.
.
.
.
.
.
.
.
.
.
.
.
.
.
.
.
.
.
.
.
.
.
.
.
.
.
.
.
.
.
Taillight
12-2
.
.
.
.
.
.
.
.
.
.
.
.
.
.
.
.
.
.
.
.
.
.
.
.
.
.
.
.
.
.
.
.
.
.
.
.
.
.
.
.
.
.
.
.
.
.
.
.
.
.
.
Turn
Signal
and
Hazard
Warning
Light
13-2
.
.
.
.
.
.
.
.
.
.
.
.
.
.
.
.
.
.
.
.
.
.
.
.
4WD
21-2
.
.
.
.
.
.
.
.
.
.
.
.
.
.
.
.
.
.
.
.
.
.
.
.
.
.
.
.
.
.
.
.
.
.
.
.
.
.
.
.
.
.
.
.
.
.
.
.
.
.
.
.
.
.
I OVERALL ELECTRICAL WIRING DIAGRAM
BACK TO MAIN INDEX Pages From Supplement
TO MODEL INDEX
EWD378F
HILUX (EWD378F)
158
I OVERALL ELECTRICAL WIRING DIAGRAM
;;;;;;;
;;;;;;;
;;;;;;;
;;;;;;;;
;;;;;;;;
;;;;;;;;
;;;;;;;;
;;;;;;;;
;;;;;;;;
;;;;;;;;
;;;;;;;;
;;;;;;;;
;;;;;;;;
1
2
3
4
1
HILUX
(
LHD
)
2
80A ALT
7. 5A ALT–S
40A AM1
30A AM2
2
2
2
2
2
ACC
IG1
IG2
ST2
AM1
4
6
8
7
A
M
2
1I
1
1H
1
2
7.
5A
STA
2
2
1
3
5
2
2
2
2
3
E
G
1
1
A
1
B
P–B
(∗2)
B–W B–W
EB
Front
left
fender
apron
A
B
A
A
A
A
1
2
1
1
1
2
2
2
2
1
W
B–R(∗4)
B–L(∗5)
W–B
(∗2)
W–B
W–B
(∗1)
BATTERY
STARTER RELAY
W
W–R
W
W–R
W
W
W
W
B
B–R
R
W
W–R
B
B–R
I17
IGNITION
SW
P
o
w
e
r
S
o
u
rc
e
S
ta
rtin
g
(G
a
s
o
lin
e
)
C
h
a
rg
in
g
(G
a
s
o
lin
e
)
3
A
S
1
B
2
A
1
A
B
IG
L
2
E
G
1
6
E
G
1
5
E
G
1
C
A
B
B
D
B
D
B
D
B
E
A
A
A
B
B
B
B
A
A
1D
1
10A
IGN
10A
GAUGE
1J
1
1H
5
1
H
6
(∗1)
(∗2)
(∗1)
(∗2)
1
B
W
R–L
Y–B
R–L
Y–B
W–R
R–L
Y–B
Y–B
Y–B
Y–B
(∗3)
(∗2)
To Daytime Running
Light Relay<8–3>
To Carburetor
<6–2>
9
A
R–L
B–W
W–R
W
B–W
R
B–R
B–R
R
W
W–R
S
2
S
3
,
STARTER
A
B
∗
1
:
2RZ–FE,
3RZ–FE JUNCTION
CONNECTOR
A
B
J 9 J12
,
CHARGE WARNING LIGHT
[COMB. METER]
B
A
C 9 C10
,
JUNCTION
CONNECTOR
B
A
J 1 J 2
,
J
3
J
4
,
JUNCTION
CONNECTOR
A
B
A10
A11
,
ALTERNATOR
A
B
JUNCTION
CONNECTOR
B
A
J 1 J 2
,
∗
5
:
Except
Cold
Area
Spec.
∗
4
:
Cold
Area
Spec.
∗
3
:
w/
Daytime
Running
Light
∗
2
:
1RZ,
3RZ–F
6
I
A
2
IA1
19
C
A
A
B
D
D
6
5
P
N
8
I
J
4
3
I
J
4
To Engine and ECT ECU
<28–2>
P–B P–B
(∗7) (∗7)
To Engine ECU(M/T)
or Engine and ECT ECU
<5–5>
N 1
NEUTRAL
START SW
J24
JUNCTION
CONNECTOR
P–B
P–B
V–Y
V–Y V–Y
P–B
(∗7) (∗7)
(∗7)
(∗7)
(∗7)
(∗6)
P–B
V–Y
P–B
(∗1)
(∗1)
(∗7)
V–Y
(∗7)
D
(∗6)
(∗7)
J
3
J
4
,
JUNCTION
CONNECTOR
A
B
B
B
J
3
JUNCTION
CONNECTOR
∗
7
:
3RZ–FE
∗
6
:
2RZ–FE
CLICK HERE TO VIEW CHAPTER INDEX Pages From Supplement
TO MODEL INDEX
EWD378F
HLUX (EWD378F)
159
I
;;;;;;;
;;;;;;;
;;;;;;;
;;;;;;;;
;;;;;;;;
;;;;;;;;
;;;;;;;;
;;;;;;;;
;;;;;;;;
;;;;;;;;
;;;;;;;;
;;;;;;;;
;;;;;;;;
1
2
3
4
2
HILUX
(
LHD
)
2
100A ALT(∗4)
80A ALT(∗5)
7. 5A ALT–S
40A AM1
20A AM2
2
2
2
2
2
ACC
IG1
IG2
ST2
AM1
4
6
8
7
A
M
2
1I
1
1H
1
2
7.
5A
STA
2
4
3
2
1
4
4
4
4
1
EE1
1
A
1
B
P–B P–B
B–W B–W
EB
Front
left
fender
apron
1
2
1
1
1
2
2
2
2
1
W
B–R
W–B
BATTERY
ST RLY
W
W–R
W
W–R
W
W
W
W
B
B–R
R
W
W–R
W–R
W
R
B–R
B
B–R
I17
IGNITION
SW
P
o
w
e
r
S
o
u
rc
e
S
ta
rtin
g
(D
ie
s
e
l)
C
h
a
rg
in
g
(D
ie
s
e
l)
∗
5
:
45A,
55A
Type
Alternator
∗
4
:
70A
Type
Alternator
∗
3
:
w/
Daytime
Running
Light
3
A
S
1
B
2
A
1
A
B
IG
L
C
A
B
B
D
B
D
B
D
B
E
A
A
A
B
B
B
B
A
A
1D
1
10A
IGN
10A
GAUGE
1J
1
1H
5
1
H
6
(∗1)
(∗2)
(∗1)
(∗2)
1
B
R–L
Y–B
W–R
R–L
Y–B
Y–B
Y–B
Y–B
(∗3)
To Daytime Running
Light Relay<8–3>
To Pre–Heating Timer
<7–3>
9
A
R–L
B–W
W–R
W
B–W
R
B–R
A
B
A
A
A
A
W–B
1
2
R W–B W–B
F
u
e
l
H
e
a
te
r
(∗2)
A
B
W–B
(∗1)
S
2
S
3
,
STARTER
A
B
A10
A11
,
ALTERNATOR
A
B
JUNCTION
CONNECTOR
A
B
J 9 J12
,
CHARGE WARNING LIGHT
[COMB. METER]
B
A
C 9 C10
,
J
3
J
4
,
JUNCTION
CONNECTOR
A
B
∗
1
:
Europe
∗
2
:
Except
Europe
B
B
J 3
JUNCTION
CONNECTOR
(∗2) (∗2)
C
A
A
B
A
B
19
IA1
8
IJ2
6
5
P
N
5
I
J
2
F 9
FUEL HEATER
To Emission Control
ECU<27–3>
To Emission Control
ECU<27–4>
P–B
P–B
P–B
V–Y
P–B
P–B
V–Y
P–B
P–B P–B
V–Y V–Y
P–B
(A/T) (A/T)
(A/T)
(A/T)
(A/T)
(∗1)
(M/T)
(M/T)
(∗1)
(A/T)
(A/T)
(A/T)
(M/T)
JUNCTION CONNECTOR
B
A
J 1 J 2
,
W–B
N 1
NEUTRAL
START SW
J
3
J
4
,
JUNCTION
CONNECTOR
A
B
J 3
JUNCTION
CONNECTOR
D
D
JUNCTION CONNECTOR
B
A
J 1 J 2
,
CLICK HERE TO VIEW CHAPTER INDEX Pages From Supplement
TO MODEL INDEX
EWD378F
HILUX (EWD378F)
160
I OVERALL ELECTRICAL WIRING DIAGRAM
;;;;;;;;;
;;;;;;;;;
;;;;;;;;;
;;;;;;;;;
;;;;;;;;;
1
2
3
4
3
HILUX
(
LHD
)
2
100A ALT(∗3)
80A ALT(∗4)
30A AM2
40A AM1
2
2
1I
1
7. 5A ECU–B
1B
11
7
I
G
2
ST2
AM2
6
12
IJ4
B
A
B
B
ED
Intake
manifold
EC
Ignition
coil
bracket
1
1
1
2
2
3
4
4
2
3
2
2
2
1
1
1
I17
IGNITION
SW
I 2
IGNITION COIL AND
IGNITER NO. 1
I 3
IGNITION COIL AND
IGNITER NO. 2
BATTERY
W
W
L–B
W–R
BR
BR
BR
BR
B–Y
B–L
L–W
B–Y
B–R
B–R
B–R
B–R
B–R
B–R
L–B
To Engine ECU(M/T) or
Engine and ECT ECU(A/T)
<5–7>
To Engine ECU(M/T) or
Engine and ECT ECU(A/T)
<5–7>
II
Cowl
side
panel
RH
IG
Cowl
side
panel
LH
BC1
5
10
BC1
7
1
10
A
A
A
A
A
6
A
A
5
4
3
A
A
A
W–B
W–B
W–B
Y–G
J19
JUNCTION
CONNECTOR
J14
JUNCTION
CONNECTOR
J
7
JUNCTION
CONNECTOR
C10
REAR
FOG
LIGHT
INDICATOR
LIGHT
[COMB.
METER]
R
3
REAR
FOG
LIGHT
SW
J23
JUNCTION
CONNECTOR
L–B L–B
R–W
L–W
Y–G Y–G
Y–G
W–B W–B
W–B
W–B W–B
W–B
From Daytime Running
Light Relay(∗1)<8–4>
From HEAD Relay(∗2)
<9–2>
To Combination SW
<8–4><9–1>
∗
1
:
w/
Daytime
Running
Light
∗
2
:
w/o
Daytime
Running
Light
∗
3
:
70A
Type
Alternator
∗
4
:
45A,
55A
Type
Alternator
W–B
R
9
REAR
FOG
LIGHT
P
o
w
e
r
S
o
u
rc
e
Ig
n
itio
n
(3
R
Z
–
F
E
,
2
R
Z
–
F
E
)
R
e
a
r
F
o
g
L
ig
h
t
N 2
NOISE FILTER
+B
IGT
IGF
GND
+B
GND
IGT
IGF
B
H
R
L
H
L
E
2
1
J
3
J
4
,
JUNCTION
CONNECTOR
A
B
C
B
(∗6)
A
A
(∗5)
A
A
(∗5)
C
B
(∗6)
∗
5
:
Except
Europe
2L,
2L–T
∗
6
:
Europe
2L,
2L–T
J18 A , B
JUNCTION
CONNECTOR
CLICK HERE TO VIEW CHAPTER INDEX Pages From Supplement
TO MODEL INDEX
EWD378F
HLUX (EWD378F)
161
I
1
2
3
4
4
HILUX
(
LHD
)
Ig
n
itio
n
(3
R
Z
–
F
)
2
30A
AM2
2
7
I
G
2
ST2
AM2
6
B
A
B
B
10
IJ5
4
I
J
1
D
D
4
2
1
W
1
2
BATTERY
J
9
JUNCTION
CONNECTOR
B–L
B
B B B
B
To
Tachometer
[Comb.
Meter]
<
25–1>
I
6
IIA
To Emission Control ECU
<6–3>
B–R
(1RZ)
W–R
W–R
B–R B–R
B–R
(3RZ–F)
I17
IGNITION
SW
P
o
w
e
r
S
o
u
rc
e
Ig
n
itio
n
(1
R
Z
)
EE
Cylinder
block
right
side
Y
L
1
5
4
2
6
3
4
I
J
1
D
D
D
B–R
(3RZ–F)
B–R
(3RZ–F)
B–R
(3RZ–F)
L
BR
B–L
B
B B B B
B
I
1
IGNITER
J
9
JUNCTION
CONNECTOR
I 4
IGNITION COIL NO. 1
I
5
IGNITION
COIL
NO.
2
(Shielded)
To Emission Control ECU
<6–3>
To A/C Amplifier
<26–4>
To Tachometer
[Comb. Meter]
<25–1>
B
C
P
+
P
–
IGV
EX
1
2
2
1
J
3
J
4
,
JUNCTION
CONNECTOR
A
B
(3RZ–F)
CLICK HERE TO VIEW CHAPTER INDEX Pages From Supplement
TO MODEL INDEX
EWD378F
HILUX (EWD378F)
162
I OVERALL ELECTRICAL WIRING DIAGRAM
;;;;;;;;;
;;;;;;;;;
;;;;;;;;;
;;;;;;;;;
;;;;;;;;;
;;;;;;;;;
;;;;;;;;
;;;;;;;;
;;;;;;;;
;;;;;;;;
;;;;;;;;;
;;;;;;;;;
;;;;;;;;;
;;;;;;;;;
;;;;;;;;;
1
2
3
4
5
HILUX
(
LHD
)
(
Cont.
next
page
)
2
ACC
IG1
IG2
ST2
AM1
4
6
8
7
A
M
2
1B
11
2
2
2
2
2
1I
1
1J
8
10A IGN
1H
6
B
A
B
A
B
B
12
IJ4
1
2
1
2
1
2
1
2
1
3
5
2
1
M
2
2
1
H
5
2
2
1B
7
12
BC1
7
IJ4
5
B
13
C
4
I
J
1
IG
Cowl
side
panel
LH
ED
Intake
manifold
II
Cowl
side
panel
RH
EB
1
B
C
1
Y
GR–L
B
R
B–W
R
B–R
B
B–R
W–B
(∗2)
W–B
R–L
R–L
R
V(∗2
∗5)
R–W
R–L
V–G
Y
D
C
13
9
16
A
A
A
A
A
D
A
A
GR–L
R–W
BR
G–W W–B
G–Y
R–L
W–B
W–B
W–B
W–B
W–B
W–B
R–L
R–L
R–L
R–L
V–G
GR–L
BR
W–B
W
R–L
R
W
L
B–R
B–R
W
W–R
W
GR–L
Y
I11
INJECTOR NO. 2
I12
INJECTOR NO. 3
I13
INJECTOR NO. 4
I10
INJECTOR NO. 1
30A AM2
80A ALT
15A EFI
7. 5A OBD
40A AM1
BATTERY
(∗2)
(∗1)
A
J
7
JUNCTION
CONNECTOR
(∗1)
W–B
F12
FUEL PUMP
J 1
JUNCTION
CONNECTOR
B(∗5)
R–Y
R–L
R–L
D10
DLC3
C
7
CIRCUIT
OPENING
RELAY
J14
JUNCTION CONNECTOR
From ABS ECU
<22–4>
J
8
JUNCTION
CONNECTOR
J12
JUNCTION
CONNECTOR
EFI RELAY
To Check Connector
<22–4><23–3>
P
o
w
e
r
S
o
u
rc
e
E
n
g
in
e
C
o
n
tro
l
(3
R
Z
–
F
E
,
2
R
Z
–
F
E
)
∗
6
:
3RZ–FE
∗
5
:
2RZ–FE
I17
IGNITION
SW
B–R
B–R
B–R
B–R
10A GAUGE
4
1
1
4
2
2
2
2
2
1
1
1
1
1
2
5
2
1
3
5
I
A
2
IA1
22
2
I
A
2
IA1
26
(∗5)
(∗6)
(∗5)
(∗6)
D
R–W
BAT
OP5
OP8
OP9
OP1
CG
G–W
CHECK ENGINE WARNING
LIGHT [COMB. METER]
C
B
C10 C11
,
C
R
R(∗3)
From Center
Airbag Sensor
Assembly<23–3>
C
C
C
J20
JUNCTION
CONNECTOR
7. 5A ECU–B
1H
1
Front
left
fender
apron
B–R
JUNCTION CONNECTOR
B
A
J 3 J 4
,
J21
JUNCTION
CONNECTOR
1D
1
J23
JUNCTION
CONNECTOR
R–L
11
OP6
L–Y
(∗3)
15
C
8
C
12
C
5
C
16
C
14
C
11
A
25
A
24
A
12
A
R–L
R
W
L
G–Y
R(∗3)
SIL
FC
#
20
#
30
#
40
#
10
TAC
+B
TC
W
B
B
A
A
J19
JUNCTION CONNECTOR
G
From Center
Airbag Sensor
Assembly<23–3>
6
A/B
P–B
To Tachometer
[Comb. Meter]
<25–1>
7
SIL
C
C
C
CFrom
ABS ECU
<22–3>
J20
JUNCTION
CONNECTOR
(Shielded)
V
V
V
V(∗1 ∗5)
V(∗6)
V(∗2 ∗5)
V(∗6)
R(∗4)
R(∗4)
R(∗3)
L–Y
L–B
∗
4
:
w/o
SRS
∗
3
:
w/
SRS
∗
2
:
Except
Europe
∗
1
:
Europe
B–W
R–L
(∗1
∗5)
V–G
R–L
R–W
V(∗2 ∗5)
E
4
E
5
,
ENGINE
ECU(M/T)
OR
ENGINE
AND
ECT
ECU(A/T)
A
B
E
6
C
V
A
B
C
D
L–B
B–W
Y
B
E
F
B(∗5)
R–L
From Center Airbag
Sensor Assembly
<23–4>
To Check Connector
<23–4>
(∗1 ∗5)
(∗1 ∗5)
(∗1 ∗5)
V
(∗1
∗5)
CLICK HERE TO VIEW CHAPTER INDEX Pages From Supplement
CONTINUED TO MODEL INDEX
EWD378F
HLUX (EWD378F)
163
I
5
6
7
8
5
HILUX
(
LHD
)
(
Cont'
d
)
7.
5A
STA
4
I
J
4
1
3
I
J
4
2
1
1
1
C
1
C
4
C
9
C
2
1
C
1
0
C
1
3
C
2
A
6
B
8
B
5
B
1
4
B
2
2
C
A
A
B
2
1
2
1
ED
Intake
manifold
1
3
B
5
A
1
7
A
4
A
1
4
A
1
3
A
2
6
A
2
0
A
1
6
A
1
9
A
1
B
11
B
4
B
2
B
3
B
10
B
9
A
10
A
8
A
2
1
2
1
1
3
2
3
3
1
1
2
4
2
4
3
2
5
2
4
3
1
3
1
LG–B
LG–B
R–L
R–L
R–L B–W
B–R
W–L
Y–R
Y–G
P–L
G–R
Y
G–Y
GR
B
G
R
G
W
BR
BR
BR
W–B
W–B
B–L
B–Y B–Y
B–Y
L–W
BR
BR
P–B(∗5)
Y
G–O
L–B
L–Y
R–B
G–W
B
G–B
R(∗5)
R–W(∗5)
B
BR(∗5)
R–L(∗5)
BR
R–L
B
R–L
Y–B
B
B(∗5)
R–L
R–L
B(∗5)
R–L
R–L
BR
(Shielded)
(Shielded)
(Shielded)
(Shielded)
(Shielded)
H 8
HEATED OXYGEN
SENSOR
(Bank 1 Sensor 2)
H 7
HEATED OXYGEN
SENSOR
(Bank 1 Sensor 1)
Y
P–B
To A/C Amplifier
<26–4>
From Speed Sensor
[Comb. Meter]<25–2>
From Stop
Light SW<9–4>
To ADD Indicator SW
(w/ ADD Indicator SW)<21–3>
To Detection SW
(Transfer 4WD Position)
(w/o ADD Indicator SW)<21–3>
R–L
R–L
LG–B
V 8
VSV(EVAP)
I15
ISC VALVE
A 9
AIR FLOW METER
T
1
THROTTLE
POSITION
SENSOR
W 3
WATER TEMP. SENSOR
(Shielded)
(Shielded)
(Shielded)
From Ignition Coil
and Igniter No. 2
<3–2>
From Ignition Coil
and Igniter No. 1
<3–1>
K 1
KNOCK SENSOR
C 1
CAMSHAFT POSITION
SENSOR
C 4
CRANKSHAFT POSITION
SENSOR
ENGINE
ECU(M/T)
OR
ENGINE
AND
ECT
ECU(A/T)
E
n
g
in
e
C
o
n
tro
l
(3
R
Z
–
F
E
,
2
R
Z
–
F
E
)
V 7
VSV(EGR)
1
2
EGR
OX1
HT1
OX2
HT2
STA
BATT
STP
SPD
ACT
AC1
4WD
KNK
G2+
NE
–
NE+
E1
E01
E02
IGT1
IGF
IGT2
VC
VTA
THW
VG
THA
E3
RSC
RSO
EVP
1
I
A
2
IA1
14
(∗5)
(∗6)
+B
E1
+B
E1
OX
HT
OX
HT
VC
VTA
E2
9
B
LG–B
E2
LG–B
LG–B
J
3
J
4
,
JUNCTION
CONNECTOR
A
B
,
E
5
E
4
A
B
C
1
,
E
6
A
B
G
L–B
B–W
L–Y
From Neutral
Start SW<1–3>
6
C
7
C
2
C
From Diode(Idle–Up)
<12–2>
A
A
C
C
TRANSPONDER
KEY
COIL
To Diode(Door Courtesy)
<14–3>
To Unlock Warning SW
<18–3>
A
A
II
Cowl
side
panel
RH
A
J19
JUNCTION
CONNECTOR
J23
JUNCTION
CONNECTOR
(∗5) (∗5)
(∗5)
J18
JUNCTION
CONNECTOR
T
7
TRANSPONDER
KEY
AMPLIFIER
J12
JUNCTION
CONNECTOR
T
8
TRANSPONDER
KEY
COMPUTER
G–B
G–R
O(∗6)
G–B
G–R
B–W
L–B
V
V–W
V–Y
V–G
V–R
L–Y
B–L
P–B
W–B W–B
10
11
2
1
6
12
4
5
13
1
2
3
4
5
3
8
9
1
4
D
CTY
KSW
GND
ELS
IMO
IMI
EFII
EFIO
IG
+B
VC5
AGND
CODE
RXCK
TXCT
VC5
AGND
CODE
RXCK
TXCT
ANT1
ANT2
L–B
B–W
E
n
g
in
e
Im
m
o
b
ilis
e
r
S
y
s
te
m
(2
R
Z
–
F
E
)
V–Y(∗6)
∗
5
:
2RZ–FE
∗
6
:
3RZ–FE
(∗5)
C
D
E
F
CLICK HERE TO VIEW CHAPTER INDEX Pages From Supplement
TO MODEL INDEX
EWD378F
HILUX (EWD378F)
164
I OVERALL ELECTRICAL WIRING DIAGRAM
;;;;;;;;;;
;;;;;;;;;;
;;;;;;;;;;
;;;;;;;;;;
;;;;;;;;;;
1
2
3
4
6
HILUX
(
LHD
)
2
30A
AM2
2
7
I
G
2
ST2
AM2
6
1H
6
10A
IGN
1D
1
5
I
J
3
1
2
4
2
I
J
1
B
B
B
B
P
o
w
e
r
S
o
u
rc
e
C
a
rb
u
re
to
r
FUEL CUT
SOLENOID
OUTER VENT
CONTROL VALVE
CHOKE
HEATER
C
2
CARBURETOR
BATTERY
W
B–W
B–W
B–W
B–W
Y–B
B–W
B–W
Y–B
B–W
W–R
W–R
B–R
B–R
B–W
J
9
JUNCTION
CONNECTOR
J
3
JUNCTION
CONNECTOR
I17
IGNITION
SW
From Alternator
<1–4>
7
B
3
A
4
B
1
A
2
1
3
IJ1
5
I
J
1
1
1
I
J
5
3
B
1
2
B
6
A
14
B
5
A
2
B
4
A
1
B
2
A
13
B
11
B
9
B
Cylinder
block
right
side
ED
Intake
manifold
IG
Cowl
side
panel
LH
II
Cowl
side
panel
RH
2
1
2
I
J
5
1
I
J
1
EO
SPD
TAC
IGV
IGB
TP
B–R
B–W
B–W
B–W B–R
B–R
B–R
L–Y
L–B L–B
L–Y
(1RZ)
(3RZ–F)
(3RZ–F)
(1RZ)
V 9
VSV(Throttle Position Control)
To A/C Amplifier
<26–4>
BR
BR
G–O G–O
B
B–L
L
G–R
L
W–B
W–B
W–B
W–B
W–B
From IIA(1RZ)
<4–1><4–2>
From Igniter
(3RZ–F)<4–4>
From Speed Sensor
[Comb. Meter]
<25–2>
V
2
VACUUM
SW
E
m
is
s
io
n
C
o
n
tro
l(G
e
n
e
ra
l)
To A/C Amplifier
<26–4> (3RZ–F)
(3RZ–F)
(1RZ)
(3RZ–F)
(1RZ)
BR
(1RZ)
A
A
A
A
A
J
7
JUNCTION
CONNECTOR
J23
JUNCTION
CONNECTOR
J15
JUNCTION
CONNECTOR
EE
AC1
ACT
AUX
VSW2
1
2
E
3
,
EMISSION
CONTROL
ECU
A
B
CLICK HERE TO VIEW CHAPTER INDEX Pages From Supplement
TO MODEL INDEX
EWD378F
HLUX (EWD378F)
165
I
;;;;;
;;;;;
;;;;;
;;;;;;;;;
;;;;;;;;;
;;;;;;;;;
;;;;;;;;;
;;;;;;;;;
;;;;;;;;;;
;;;;;;;;;;
;;;;;;;;;;
;;;;;;;;;;
;;;;;;;;;;
;;;;;;;;;;
1
2
3
4
7
HILUX
(
LHD
)
100A ALT(∗1)
80A ALT(∗2)
2
20A AM2
40A AM1
80A GLOW, ABS
2
2
2
1H
1
1I
1
2
I
G
1
IG2
ST2
AM1
4
6
8
7
A
M
2
4
3
2
1
4
4
4
4
2
EE1
7.
5A
STA
10A
GAUGE
2
1
H
5
2
1
B
7
B
A
5
B
B
B
1
A
EB
Front
left
fender
apron
1
1
1
1
A
2
2
2
2
2
2
1
A
1
1
W
W
W
W–R
B–R
B–R
B–R
P–B P–B B–R
W–B
B–Y B–Y
W–B
B–R
B–R
R–L R–L R–W
B
B
I17
IGNITION
SW
SUB
GLW
RLY
BATTERY
G
1
GLOW
PLUG
J
1
JUNCTION
CONNECTOR
D
8
DIODE
(Glow
Plug)
11
IJ5
IJ5
R–W
B–R
10A
IGN
1H
6
1D
1
8
I
J
2
3
I
J
5
3
2
1
EF
B–R
IJ
Right
kick
panel
B–R
B–W
FUEL CUT
SOLENOID
PICK–UP
SENSOR
B
B–W
B–W
Y–B
BR
R–W
BR
Y–B
BR
BR
I
9
INJECTION
PUMP
To Tachometer
[Comb. Meter]
<25–1>
From Alternator
<2–4>
P
o
w
e
r
S
o
u
rc
e
G
lo
w
P
lu
g
(G
e
n
e
ra
l
2
L
,
3
L
)
∗
1
:
70A
Type
Alternator
∗
2
:
45A,
55A
Type
Alternator
SREL
IG
GIND
EG
CHG
B–W
5
I
A
2
B Rear
side
of
cylinder
block
ACC
JUNCTION CONNECTOR
B
A
J 3 J 4
,
GLOW INDICATOR LIGHT
[COMB. METER]
B
A
C 9 C10
,
D
D
D
J
9
JUNCTION
CONNECTOR
1
3
8
7
2
1
I
J
2
10
P
3
PRE–HEATING
TIMER
B
B
J
9
JUNCTION
CONNECTOR
A
A
J13
JUNCTION
CONNECTOR
7
I
J
2
BR
B
C
C
J13
JUNCTION
CONNECTOR
R
CLICK HERE TO VIEW CHAPTER INDEX Pages From Supplement
TO MODEL INDEX
EWD378F
HILUX (EWD378F)
166
I OVERALL ELECTRICAL WIRING DIAGRAM
;;;;;
;;;;;
;;;;;
;;;;;
;;;;;
;;;;;
;;;;
;;;;
;;;;
;;;;
;;;;
;;;;;;;;
;;;;;;;;
;;;;;;;;
;;;;;;;;
;;;;;;;;
;;;;;;;;
;;;;;;
;;;;;;
;;;;;;
;;;;;;
;;;;;;
;;;;;;
;;;;;;
1
2
3
4
8
HILUX
(
LHD
)
2
2
40A AM1
15A DOME
100A ALT(∗1)
80A ALT(∗2)
4
AM1
IG1
ACC
2
2
2
2
2
2
2
6
2
2
2
2
2
2
4
3
2
1
1
3
2
4
10A HEAD(LH)
2
2
2
1
1
1
10A HEAD(RH)
10A HEAD(RL)
10A HEAD(LL)
EB
Front
left
fender
apron
1
1
2
2
3
3
13
10
7
2
A
W–B
10A
GAUGE
D
B
A
8
10
D
B
A
D
14
5
1
12
TAIL
OFF
HI
LO
HEAD
FLASH
LIGHT
CONTROL
SW
DIMMER SW
8
C13
COMBINATION
SW
7
1
3
16
IG
Cowl
side
panel
LH
II
Cowl
side
panel
RH
A
From Rear Fog Light SW
<3–4>
W–B
R–G
R–G
Y–B
G–W
R–W
L–W L–W
GR–R
R
R–L
L–Y
R–L
L
CHG
HI
HF
H
E
R–G
R–B
G–W
W–B
W–B W–B
W
L–Y
W
W
L–Y
G
W–G
L–Y
BATTERY
HEAD
RELAY
DIMMER
RELAY
H
5
HEADLIGHT
LH
H
6
HEADLIGHT
RH
J23
JUNCTION
CONNECTOR
C10
HIGH
BEAM
INDICATOR
LIGHT
[COMB.
METER]
I17
IGNITION
SW
From Alternator
<1–4><2–4>
DIM
H
–LP
IG
+B
D
3
DAYTIME
RUNNING
LIGHT
RELAY
P
o
w
e
r
S
o
u
rc
e
4
J
8
JUNCTION
CONNECTOR
J18
JUNCTION
CONNECTOR
R–L
3
2
3
2
1
1
1
1
1J
7
1F
4
9
1J
A
B
A
A
A
A
IA1
9
1F
8
1J
2
1H
5
1B
7
L–Y
R
R
GR–R
To Rear Fog Light SW
<3–3>
B
B
B
L–W
R–W
R–W
W–B
A
A
A
A
A
A
A
J19
JUNCTION
CONNECTOR
J14
JUNCTION
CONNECTOR
W–B
W–B W–B
W–B
W–B
W–B
J
7
JUNCTION
CONNECTOR
H
e
a
d
lig
h
t
(w
/
D
a
y
tim
e
R
u
n
n
in
g
L
ig
h
t)
R
R
R
R–B
1H
1
1I
1
13
1F
1J
12
W–B
R
R
See Illumination
System<15–1>
9
INTB
7
TOUT
See Taillight
System<12–1>
3
TAIL
2
T
1F
11
From
Headlight
Cleaner
SW
<
11–1>
R–W
J
1
J
2
,
JUNCTION
CONNECTOR
A
B
∗
1
:
70A
Type
Alternator
∗
2
:
45A,
55A
Type
Alternator
ED
HU
HF
T
H
HL
CLICK HERE TO VIEW CHAPTER INDEX Pages From Supplement
TO MODEL INDEX
EWD378F
HLUX (EWD378F)
167
I
;;;;
;;;;
;;;;
;;;;
;;;;
;;;;;
;;;;;
;;;;;
;;;;;
;;;;;
;;;;;
;;;;;
1
2
3
4
9
HILUX
(
LHD
)
2
2
9
7
1
J
1J
7
3
1F
100A ALT(∗5)
80A ALT(∗6)
1
2
10A STOP
10A
HEAD
(LH)
A
4
8
1
F
H 6
HEADLIGHT RH
2
1F
2
1
J
2
2
2
10A
HEAD
(RH)
1
2
3
4
1
2
3
1
2
3
IG
Cowl
side
panel
LH
TAIL
OFF
HIGH
LOW
HEAD
FLASH
H
T
ED
HF
HL
LIGHT
CONTROL
SW
DIMMER SW
HU
1
13
7
C13
COMBINATION
SW
8
1
7
10
2
BATTERY
HEAD RELAY
J
7
JUNCTION
CONNECTOR
C10
HIGH
BEAM
INDICATOR
LIGHT
[COMB.
METER]
H 5
HEADLIGHT LH
G–Y
R–B
R–B
R–L
R–W
R–Y
R–G R–G
R–G
W
R–Y
R–G
R–Y
W–B
W–B
1
1
3
2
16
P
o
w
e
r
S
o
u
rc
e
H
e
a
d
lig
h
t
(w
/o
D
a
y
tim
e
R
u
n
n
in
g
L
ig
h
t)
11
1F
2
R–W
B
B
B
From Rear Fog
Light SW<3–4>
To Rear Fog
Light SW<3–3>
R–W(∗10)
R–W(∗10)
R–W(∗9)
R–W(∗9)
R–W
R–W(∗10)
R–W(∗10)
L–W
R–W
J18
JUNCTION
CONNECTOR
(∗9)
(∗9)
A
A
A
A
C
B
W–B
A
II
Cowl
side
panel
RH
J23
JUNCTION
CONNECTOR
W–B
W–B
G–Y
1
2
G–Y G–Y G–W G–W G–W
S
4
STOP
LIGHT
SW
3
I
A
2
IA1
8
B
A
A
B
A
B
B
A
A
B
B
A
A
(∗1)
(∗2)
(∗3)
(∗4)
(∗3)
(∗4)
To ABS ECU<22–6>
To Engine ECU (M/T) or
Engine and ECT ECU (A/T)
<5–5>
G–W
G–W
3
B
C1
G–W
G–W
10
BC1
A
II
Cowl
side
panel
RH
J23
JUNCTION
CONNECTOR
W–B
(∗7)
R
6
STOP
LIGHT
LH
[REAR
COMB.
LIGHT
LH]
R
7
STOP
LIGHT
RH
[REAR
COMB.
LIGHT
RH]
S
to
p
L
ig
h
t
∗
1
:
Europe
∗
2
:
Except
Europe
∗
3
:
2RZ–FE,
3RZ–FE,
Diesel
Europe
∗
4
:
1RZ,
3RZ–F,
Diesel
Except
Europe
∗
5
:
70A
Type
Alternator
∗
6
:
45A,
55A
Type
Alternator
∗
7
:
w/
Rear
Deck
∗
8
:
w/o
Rear
Deck
B
(∗8)
3
3
4
4
W–B
W–B W–B
∗
9
:
w/
Rear
Fog
Light
∗10
:
w/o
Rear
Fog
Light
G–W
JUNCTION CONNECTOR
B
A
J 3 J 4
,
J21
J22
,
JUNCTION
CONNECTOR
A
B
CLICK HERE TO VIEW CHAPTER INDEX Pages From Supplement
TO MODEL INDEX
EWD378F
HILUX (EWD378F)
168
I OVERALL ELECTRICAL WIRING DIAGRAM
1
2
3
4
10
HILUX
(
LHD
)
H
e
a
d
lig
h
t
B
e
a
m
L
e
v
e
l
C
o
n
tro
l
2
4
3
1
2
2
See Headlight
System<8–1><9–1>
2
4
2
3
1
2
2
2
See Headlight
System<8–1>
2
10A
HEAD(RL)(∗1)
10A
HEAD(RH)(∗2)
2
1
UP
DOWN
8
2
DOWN
RELAY
2
1
0
UP
RELAY
M
6
3
3
4
4
5
2
BATTERY
HEAD
RELAY
R–L
G
G–W
Y–B
LG–R
W–B
W
H
1
HEADLIGHT
BEAM
LEVEL
CONTROL
ACTUATOR
LH
R–B
(∗1)
G
(∗1)
L
(∗1)
R–W(∗2)
L
(∗1)
R–W(∗2)
L (∗1)
R–W(∗2)
DIMMER
RELAY
P
o
w
e
r
S
o
u
rc
e
1
UP
DOWN
8
2
DOWN
RELAY
2
1
0
UP
RELAY
M
6
3
3
4
4
5
4
IA1
25
IA1
17
IA1
16
IA1
23
IA1
24
A
B
A
A
A
A
W–B
IG
Cowl
side
panel
LH
EB
Front
left
fender
apron
E
E
A
∗
1
:
w/
Daytime
Running
Light
∗
2
:
w/o
Daytime
Running
Light
L (∗1)
R–W(∗2)
W–B
H11
HEADLIGHT
BEAM
LEVEL
CONTROL
SW
H
2
HEADLIGHT
BEAM
LEVEL
CONTROL
ACTUATOR
RH
R–L
G
G–W
Y–B
LG–R
R–L
G
G–W
Y–B
LG–R
LG–R
Y–B
G–W
G
R–L
W–B
R–L
G
G–W
Y–B
LG–R
W–B W–B
W–B
W–B
J
4
JUNCTION
CONNECTOR
J
7
JUNCTION
CONNECTOR
R–B
(∗2)
GND
E
F
D
C
B
J
1
J
2
,
JUNCTION
CONNECTOR
A
B
1
0
9
8
7
6
1
2
CLICK HERE TO VIEW CHAPTER INDEX Pages From Supplement
TO MODEL INDEX
EWD378F
HLUX (EWD378F)
169
I
;;;;;;;;;
;;;;;;;;;
;;;;;;;;;
;;;;;;;;;
;;;;;;;;;
;;;;;;;;;
;;;;;;;;;
;;;;;;;;;
;;;;;;;;;
;;;;;;;;;
;;;;;;;;;
;;;;;
;;;;;
;;;;;
1
2
3
4
11
HILUX
(
LHD
)
S
e
a
t
H
e
a
te
r
2
100A
ALT(∗1)
80A
ALT(∗2)
1
40A
AM1
1
2
2
2
1I
1
1H
1
2
ACC
IG1
AM1
4
P
o
w
e
r
S
o
u
rc
e
H
e
a
d
lig
h
t
C
le
a
n
e
r
1H
5
20A
WIPER
20A
SEAT–HTR
1E
5
1
B
6
A
A
IA1
1
4
1
3
4
M
II
Cowl
side
panel
RH
2
3
4
5
1
A
A
A
A
A
A
B–W
W–B
W–B
W–B
W–B
W–B
W–B
W–B
W
H
4
HEADLIGHT
CLEANER
RELAY
J19
JUNCTION
CONNECTOR
J23
JUNCTION
CONNECTOR
H
3
HEADLIGHT
CLEANER
MOTOR
BATTERY
A
L–R
W
LG
W
W
W
R–W
W
R
LG
L
LG
W
I17
IGNITION
SW
H12
HEADLIGHT
CLEANER
SW
J21
JUNCTION
CONNECTOR
W
IG
Cowl
side
panel
LH
E
A
A
E
1
1
2
3
3
2
4
1
1
2
3
3
2
4
L
L
L
L
S 7
SEAT HEATER SW
(Driver' s Seat)
S 8
SEAT HEATER SW
(Front Passenger' s Seat)
S 5
SEAT HEATER
(Driver' s Seat)
S 6
SEAT HEATER
(Front Passenger' s Seat)
L–Y
L–W
L–Y
L–W
W–B
W–B
W–B W–B
W–B
J
7
JUNCTION
CONNECTOR
J
4
JUNCTION
CONNECTOR
LO
LO
HI
HI
HI
E
L
O
H
I
B
LO
LO
HI
HI
HI
E
L
O
H
I
B
To Daytime Running
Light Relay<8–3>
A
A
W–B
J14
JUNCTION
CONNECTOR
∗
2
:
45A,
55A
Type
Alternator
∗
1
:
70A
Type
Alternator
W–B
CLICK HERE TO VIEW CHAPTER INDEX Pages From Supplement
TO MODEL INDEX
EWD378F
HILUX (EWD378F)
170
I OVERALL ELECTRICAL WIRING DIAGRAM
;;;;;
;;;;;
;;;;;
;;;;;
;;;;;
;;;;;
;;;;;;;;;;
;;;;;;;;;;
;;;;;;;;;;
;;;;;;;;;;
;;;;;;;;;;
;;;;;;;;;;
;;;;;;;;;;
1
2
3
4
12
HILUX
(
LHD
)
2
100A ALT(∗11)
80A ALT(∗12)
40A AM1
1
2
5
3
2
2
2
1H
1
1I
1
2
ACC
IG1
AM1
4
2
10A
TAIL
2
IA2
IA1
3
B
A
B
A
16
14
TAIL
HEAD
OFF
IG
Cowl
side
panel
LH
EB
Front
left
fender
apron
II
Cowl
side
panel
RH
3
B
1
A
3
B
1
A
2
A
2
B
2
A
2
B
W
TAIL RELAY
D 3
DAYTIME RUNNING
LIGHT RELAY
(∗1)
(∗2)
(∗1)
(∗2)
(∗1)
(∗2)
(∗1)
(∗2)
L 1
LICENSE PLATE LIGHT LH
L 2
LICENSE PLATE LIGHT RH
C
B
C
B
1J
6
1F
7
9
B
C
1
A
A
A
A
A
B
10
BC1
1
1
2
2
2
A
A
1
2
(∗16)
(∗17)
I17
IGNITION
SW
J
7
JUNCTION
CONNECTOR
J23
JUNCTION
CONNECTOR
W
B–Y
R–Y
R–Y
R–Y(∗4)
3
(∗3)
G–O
(∗3)
W–B
W–B
W–B
W–B
W–B
W–B
W–B
(∗8)
W–B
(∗8)
G
(∗8)
G
(∗8)
G
G
G
G
(∗8)
W
R
G
G
B–Y
R
G
G
1H
5
10A
GAUGE
1B
7
1
F
2
IJ5
8
IJ4
10
1
2
9
I
J
4
7
I
J
5
7
B
C
1
G
(∗7)
G
(∗7)
W–B
(∗7)
W–B
(∗7)
W–B
W–B
W–B
(∗7)
W
G
W
(∗7)
(∗7)
(∗8)
W
(∗8)
R
W
(∗6)
W
(∗7)
W
(∗8)
G
G
R–L
(∗10)
R–L
(∗10)
R–L
(∗5, ∗9, ∗15)
R–L W W
W
(∗7)
W–B W–B
(∗6)
W
(∗7)
W–B
(∗5,
∗9,
∗15)
(∗10)
(∗5,
∗9,
∗15)
(∗10)
R15
REVERSE
WARNING
BUZZER
J13
JUNCTION
CONNECTOR
C
2
C
R 6
REAR COMBINATION
LIGHT LH
R 7
REAR COMBINATION
LIGHT RH
P
o
w
e
r
S
o
u
rc
e
T
a
illig
h
t
B
a
c
k
–
U
p
L
ig
h
t
∗
1
:
Front
Turn
Signal
Light
and
Clearance
Light
Separated
Type
∗
2
:
Front
Turn
Signal
Light
and
Clearance
Light
One
Body
Type
∗
3
:
w/
Daytime
Running
Light
∗
4
:
w/o
Daytime
Running
Light
∗
5
:
Diesel
Europe
∗
6
:
w/
Reverse
Warning
Buzzer
∗
7
:
w/
Rear
Deck
∗
8
:
w/o
Rear
Deck
∗
9
:
2RZ–FE
∗10
:
1RZ,
3RZ–F,
Diesel
Except
Europe
W–B
W
(∗8)
BATTERY
9
TAIL
T
1
1
2
2
∗11
:
70A
Type
Alternator
2
5
2
5
3
3
BUZZER
BACK–UP
TAIL
TAIL
BACK–UP
1
G
∗12
:
45A,
55A
Type
Alternator
LIGHT
CONTROL SW
FRONT CLEARANCE LIGHT LH
B
A
F 1 F 5
,
J
1
J
2
,
JUNCTION
CONNECTOR
A
B
FRONT CLEARANCE LIGHT RH
B
A
F 2 F 6
,
C13
COMBINATION SW
∗13
:
3RZ–FE,
2L–T
A/T
1
2
B
B
B
O
(∗15)
G
G
(∗15) (∗15)
(∗14)
G
(∗15)
To
Engine
and
ECT
ECU
<
5–7>
J24
JUNCTION
CONNECTOR
D
9
DIODE
(Idle–Up)
∗14
:
Except
3PZ–FE
∗15
:
3RZ–FE
∗16
:
Europe
∗17
:
Except
Europe
8
4
(∗13)
(∗13)
R–L
W
(∗14) (∗14)
A
A
A
(∗14)
(∗15)
W
(∗15)
W
J24
JUNCTION
CONNECTOR
To Engine and
ECT ECU <28–3>
W
(∗15)
B 1
BACK–UP
LIGHT SW
N 1
BACK–UP LIGHT SW
[NEUTRAL START SW]
ED
T
H
J
1
J
2
,
JUNCTION
CONNECTOR
A
B
CLICK HERE TO VIEW CHAPTER INDEX Pages From Supplement
TO MODEL INDEX
EWD378F
HLUX (EWD378F)
171
I
;;;;;
;;;;;
;;;;;
;;;;;
;;;;;
;;;;;
;;;;;
;;;;;;;;
;;;;;;;;
;;;;;;;;
;;;;;;;; ;;;;;;;;;
;;;;;;;;;
;;;;;;;;;
;;;;;;;;;
;;;;;;;;;
;;;;;;;;;
;;;;;;;;;
;;;;;;;;;
;;;;;;;;;
;;;;;;
;;;;;;
;;;;;;
;;;;;;
;;;;;;
;;;;;;
;;;;;;
;;;;;;
;;;;;;
;;;;;;
;;;;;;
;;;;;;
;;;;;;
;;;;;;
;;;;;;
;;;;;;
;;;;;;
;;;;;;
;;;;;;
;;;;;;
;;;;;;
;;;;;;
;;;;;;
;;;;;;
;;;;;;
;;;;;;
;;;;;;
;;;;;;
;;;;;;
;;;;;;
;;;;;;
;;;;;;
;;;;;;
;;;;;;
;;;;;;
;;;;;;
;;;;;;
;;;;;;
;;;;;;
;;;;;;
;;;;;;
1
2
3
4
13
HILUX
(
LHD
)
2
F
1B
2
1I
1
10A TURN
ON
15A HORN
RH
LH
40A AM1
B1
1B
10
4
1
B
TB
4
TL
AM1
IG1
ACC
2
1
1
H
1H
5
2
B2
OFF
8
1B
5
4
1
1
1
2
2
2
7
6
12
IG
Cowl
side
panel
LH
1F
1C
1
2
A
1A
2
1E
1
1A
1
1
J
11
1J
10
1
1D
7
2
G–B
G–Y
L–R
1
1E
4
RH
11
1D
6
2
1
2
1
1
2
J19
JUNCTION CONNECTOR
2
100A
ALT(∗1)
80A
ALT(∗2)
8
B
C1
2
B
C1
5
T
u
rn
S
ig
n
a
l
a
n
d
H
a
z
a
rd
W
a
rn
in
g
L
ig
h
t
3
2
1
3
II
Cowl
side
panel
RH
A
A
10
A
BATTERY
I17
IGNITION
SW
R
TR
TL
TB
TR
H10
HAZARD
SW
TURN
SIGNAL
FLASHER
C13
TURN
SIGNAL
SW
[COMB.
SW]
W W
L–W
R–B
L–W
G–R
L–R
L–R
G–B
G–Y
G–Y
G–B
W
W–B
G–Y
J
7
JUNCTION
CONNECTOR
F 5(∗3)
F 7(∗4)
FRONT TURN SIGNAL
LIGHT LH
G–B
G–B
G–Y
P
o
w
e
r
S
o
u
rc
e
1J
3
11
1D
L–W
A
B
A
B
A
A
A
A
E
B
D
A
D
A
EB
Front
left
fender
apron
IG
Cowl
side
panel
LH
A
J23
JUNCTION
CONNECTOR
J
7
JUNCTION
CONNECTOR
F 4
FRONT SIDE TURN
SIGNAL LIGHT RH
F 3
FRONT SIDE TURN
SIGNAL LIGHT LH
W–B W–B
W–B
W–B
W–B
W–B
W–B
W–B
G–B
W–B
G–Y
G–B
(Except Europe)
(Europe) (Europe)
1E
3
2
1
D
G–B
G–Y
1
2
LH
C10
TURN
SIGNAL
INDICATOR
LIGHT
[COMB.
METER]
W–B
W–B
A
A
W–B
W–B
∗
1
:
70A
Type
Alternator
∗
2
:
45A,
55A
Type
Alternator
∗
3
:
Front
Turn
Signal
Light
and
Clearance
Light
One
Body
Type
∗
4
:
Front
Turn
Signal
Light
and
Clearance
Light
Separated
Type
F 6(∗3)
F 8(∗4)
FRONT TURN SIGNAL
LIGHT RH
10
BC1
1
1
W–B
R 6
REAR TURN SIGNAL LIGHT LH
[REAR COMB. LIGHT LH]
W–B
W–B
W–B
3
3
R 7
REAR TURN SIGNAL LIGHT RH
[REAR COMB. LIGHT RH]
A
JUNCTION
CONNECTOR
B
A
J 3 J 4
,
JUNCTION CONNECTOR
B
A
J 1 J 2
,
CLICK HERE TO VIEW CHAPTER INDEX Pages From Supplement
TO MODEL INDEX
EWD378F
HILUX (EWD378F)
172
I OVERALL ELECTRICAL WIRING DIAGRAM
;;;;;;;;;;
;;;;;;;;;;
;;;;;;;;;;
;;;;;;;;;;
;;;;;;;;;;
;;;;;;;;;;
;;;;;;;;;;
;;;;;;;;;;
;;;;;;;;;;
;;;;;;;;;;
;;;;;;;;;;
;;;;;;;;;;
;;;;;;;;;;
;;;;;;;;;;
;;;;;;;;;;
;;;;
;;;;
;;;;
;;;;
;;;;
;;;;
;;;;
;;;;
;;;;
;;;;
;;;;
;;;;;;
;;;;;;
;;;;;;
;;;;
;;;;
;;;;
;;;;
;;;;
;;;;
;;;;
;;;;
;;;;
;;;;
;;;;
;;;;
;;;;
;;;;
;;;;
;;;;
;;;;
;;;;
;;;;
;;;;
;;;;
;;;;
;;;;
;;;;
1
2
3
4
14
HILUX
(
LHD
)
2
15A DOME
100A ALT(∗16)
80A ALT(∗17)
40A AM1
2
2
1I
1
1H
1
2
ACC
IG1
AM1
4
1H
5
10A
GAUGE
1J
12
1D
10
1K
2
6
1
2
1
A
1
2
A
1
2
5
A
1F
1
1
A
5
1
K
1
9
A
9
BATTERY
W
J13(∗10)
J16(∗9)
JUNCTION
CONNECTOR
D11
DOOR
COURTESY
SW
FRONT
LH
B–O(∗7)
B–O(∗12)
B–O(∗11)
B–O(∗12)
B–O(∗11)
B–O(∗3)
B(∗2)
B–O(∗11)
B–O
(∗5)
B–O
(∗3)
B(∗2)
B (∗2)
B–O(∗4)
B–O(∗13)
B–O
L–Y
(∗8)
I16
IGNITION KEY
CYLINDER LIGHT
I17
IGNITION
SW
W
W
L–Y
R
B–L(∗1)
L–Y
L–Y
(∗7)
L–Y
B–O
(∗5)
B–O
(∗6)
B–O
(∗3)
L–B
(∗8)
L–Y
(∗8)
P
o
w
e
r
S
o
u
rc
e
In
te
rio
r
L
ig
h
t
2
2
DOOR
OFF
ON
1
5
4
2
1
1
1
1
I
M
1
IC2
1
1
1
(∗14)
(∗15)
(∗14)
(∗15)
L–Y(∗7)
L–Y
L–Y
L–Y
L–Y
(∗7)
C 9
OPEN DOOR WARNING LIGHT
[COMB. METER]
P 4
PERSONAL LIGHT
I20
INTERIOR LIGHT
B–O
(∗7)
(∗13)
B–O
B–O(∗11)
B–O(∗11)
B–O(∗11)
B–O(∗12)
B–O(∗11)
B–O(∗11)
B–O(∗12)
B–O(∗11)
B–O(∗12)
B–O(∗11)
D14
DOOR
COURTESY
SW
REAR
LH
D15
DOOR
COURTESY
SW
REAR
RH
D
7
DIODE(Door
Courtesy)
∗
1
:
Europe
∗
2
:
Europe
Double
Cab
∗
3
:
Europe
Except
Double
Cab
∗
4
:
G.
C.
C.
∗
5
:
General
Regular
Cab
∗
6
:
General,
∗2
∗
7
:
G.
C.
C.
Double
Cab
∗
8
:
Diesel
Europe
Double
Cab
∗
9
:
2RZ–FE,
3RZ–FE,
Diesel
Europe
∗10
:
Except
∗9
∗11
:
General
Double
Cab
w/o
Door
Lock
∗12
:
Double
Cab
Except
∗11
∗13
:
Except
∗11
∗14
:
Regular
Cab
∗15
:
Except
∗14
∗16
:
70A
Type
Alternator
∗17
:
45A,
55A
Type
Alternator
1
1
1
2
2
2
B
B
B
B
B
GAUGE(B)
DOME(B)
KEY
ILLUMI.
DOME(B)
CTY(D)
CTY(P)
CTY(P)
1
1
D12
DOOR
COURTESY
SW
FRONT
RH
B
(∗2)
B–O(∗4)
I18
INTEGRATION
RELAY
A
(∗4)
∗18
:
w/
Engine
Immobiliser
System
A
A
A
B–L
(∗1)
From
Transponder
Key
Computer
<
5–8>
<
27–6>
B–L
(∗18)
J18
JUNCTION
CONNECTOR
CLICK HERE TO VIEW CHAPTER INDEX Pages From Supplement
TO MODEL INDEX
EWD378F
HLUX (EWD378F)
173
I
;;;
;;;
;;;
;;;
;;;
;;;
;;;
1
2
3
4
15
HILUX
(
LHD
)
2
100A
ALT(∗7)
80A
ALT(∗8)
1
2
5
3
2
2
2
10A
TAIL
2
C
B
B
A
5
1D
6
1J
1
3
4
1
9
8
IG
Cowl
side
panel
LH
4
C
15
A
W
1
1
7
A
A
A
A
A
2
2
9
A
A
A
A
A
B–Y
G
G–R
(∗1)
G–R(∗1)
G (∗2)
G–R(∗1)
G (∗2)
G–R(∗1)
G (∗2)
G–R(∗1)
G (∗2) W–B
W–B
W–B
W–B W–B
W–B
D 3
DAYTIME RUNNING
LIGHT RELAY
H10
HAZARD SW
R 4
REAR WINDOW DEFOGGER SW
A14
A/C SW
See
Taillight
System<
12–1>
BATTERY
J
7
JUNCTION
CONNECTOR
J10(∗3)
J11(∗4)
JUNCTION
CONNECTOR
W–B
W–B
W–B
G
G
(∗2)
G
(∗1)
3
4
1
2
1
2
8
2
2
1
4
B
2
A
1
A
3
B
D 5
DIFF. LOCK SW
C 6
CIGARETTE LIGHTER
ILLUMINATION
A26
ASHTRAY ILLUMINATION
R 3
REAR FOG LIGHT SW
G 2
GLOVE BOX LIGHT
R 1
RADIO AND PLAYER
10
7
II
Cowl
side
panel
RH
To Clock<18–3>
(∗5)
(∗6)
(∗5)
(∗6)
A
A
A
A
A
A
A
A
A
A
A
A
A
A
A
A
A
A
A
A
IJ
Right
kick
panel
G–R(∗1)
G (∗2)
G–R(∗1)
G (∗2)
G–R(∗1)
G (∗2)
G–R(∗1)
G (∗2)
G–R(∗1)
G (∗2)
G–R(∗1)
G (∗2)
G–R(∗1)
G (∗2)
G–R(∗1)
G (∗2)
W–B
W–B
W–B
W–B
W–B
W–B
W–B
BR
(Except Europe)
(Europe)
(Europe)
(Except Europe)
W–B
W–B
(Europe)
W–B
(Europe)
J14(∗3)
J15(∗4)
JUNCTION
CONNECTOR
J19
JUNCTION
CONNECTOR
J23
JUNCTION
CONNECTOR
P
o
w
e
r
S
o
u
rc
e
Illu
m
in
a
tio
n
∗
1
:
w/
Daytime
Running
Light
∗
2
:
w/o
Daytime
Running
Light
∗
3
:
2RZ–FE,
3RZ–FE,
Diesel
Europe
∗
4
:
Except
∗3
∗
5
:
Europe,
G.
C.
C.
∗
6
:
General
∗
7
:
70A
Type
Alternator
∗
8
:
45A,
55A
Type
Alternator
TAIL
RELAY
BR
INTB
TOUT
1
II1
2
II1
W–B
G
JUNCTION
CONNECTOR
B
A
J 1 J 2
,
METER ILLUMINATION
[COMB. METER]
C
A
C 9 C11
,
BLOWER SW
B
A
B 6 ,
9
4
A
G W–B
O 2
A/T SHIFT LEVER
ILLUMINATION
[O/D MAIN SW]
(A/T)
W–B
(A/T)
CLICK HERE TO VIEW CHAPTER INDEX Pages From Supplement
TO MODEL INDEX
EWD378F
HILUX (EWD378F)
174
I OVERALL ELECTRICAL WIRING DIAGRAM
;;;;;;;;;;
;;;;;;;;;;
;;;;;;;;;;
;;;;;;;;;;
;;;;;;;;;;
;;;;;;;;;;
;;;;;;;;;;
;;;;;;;;;;
;;;;
;;;;
;;;;
;;;;
;;;;
;;;;
;;;;
;;;;
;;;;
;;;;
;;;;
;;;;
;;;;
;;;;
;;;;
;;;;
;;;;
;;;;
;;;;
;;;;
;;;;
;;;;
;;;;
;;;;
;;;;
;;;;
;;;;
;;;;
;;;;
;;;;
;;;;
;;;;
;;;;
;;;;
;;;;
;;;;
;;;;
;;;;
;;;;
;;;;
;;;;
;;;;
;;;;
;;;;
;;;;
;;;;
;;;;
;;;;
;;;;
;;;;
;;;;
;;;;
;;;;
;;;;
;;;;
;;;;
;;;;
;;;;
;;;;
;;;;
;;;;
;;;;
;;;;
;;;;
;;;;
1
2
3
4
16
HILUX
(
LHD
)
30A
POWER
1I
1
2
2
5
I
L
1
1
B
G
1
2
B
G
1
4
I
L
1
3
2
M
3
2
M
3
2
M
B
A
C
A
B
A
C
A
B
B
A
B
2
B
3
B
3
2
M
1
B
H
1
2
B
H
1
1C
1
1
I
B
1
6
B
F
B
E
B
F
B
E
B
4
A
3
B
1
C
D
A
E
A
2
C
2
B
3
A
5
C
7
B
2
A
5
B
W–B
W–B
R–W
R–Y
R–W
R–Y
W–B
W–B
W–B
R–W
R–Y
L–W L–W B–Y
L–W L–W B–Y B–Y
B–Y
L–W
B–Y
B–Y
L–W
L–W
B–Y B–Y
L–W
L–W
W W
B–Y
B–Y
B–Y
B–Y
L–W
L–W
B–Y
B–Y
B–Y
40A AM1
100A ALT(∗1)
80A ALT(∗2)
(∗5)
(∗3)
(∗4)
LOCK
UNLOCK
EARTH
2
3
1
(∗5)
(∗3)
(∗4)
MOTOR(+)
MOTOR(–)
POWER
(DOOR
LOCK)
D20
DOOR LOCK MOTOR
REAR LH
D18
DOOR LOCK MOTOR
FRONT LH
D19
DOOR LOCK MOTOR
FRONT RH
L–W
BATTERY
IG
Cowl
side
panel
LH
D16
DOOR KEY LOCK AND
UNLOCK SW
D21
DOOR LOCK MOTOR
REAR RH
1
11
2
1
1
2
2
LOCK
UNLOCK
7
J
7
JUNCTION
CONNECTOR
P
o
w
e
r
S
o
u
rc
e
D
o
o
r
L
o
c
k
C
o
n
tro
l
∗
1
:
70A
Type
Alternator
∗
2
:
45A,
55A
Type
Alternator
∗
3
:
4–Door
w/
Power
Window
∗
4
:
2–Door
w/
Power
Window
∗
5
:
w/o
Power
Window
A
A
L
U
L
E
LOCK
UNLOCK
L
U
L
E
W
I19
INTEGRATION
RELAY
B
J
5
J
6
,
JUNCTION
CONNECTOR
A
B
DOOR LOCK CONTROL SW
[POWER WINDOW MASTER SW]
C
B
P 9 ,
DOOR LOCK CONTROL SW
A
D17
J
5
J
6
,
JUNCTION
CONNECTOR
A
B
CLICK HERE TO VIEW CHAPTER INDEX Pages From Supplement
TO MODEL INDEX
EWD378F
HLUX (EWD378F)
175
I
;;;;;;;;;;;;;;;;;;;;;
;;;;;;;;;;;;;;;;;;;;;
;;;;;;;;;;;;;;;;;;;;;
;;;;;;;;;;;;;;;;;;;;;
;;;;;;;;;;;;;;;;;;;;;
;;;;;;;;;;;;;;;;;;;;;
;;;;;;;;;;;;;;;;;;;;;
;;;;;;;;;;;;;;;;;;;;;
;;;;;;;;;;;;;;;;;;;;;
;;;;;;;;;;;;;;;;;;;;;
;;;;;;;;;;;;;;;;;;;;;
;;;;;;;;;;;;;;;;;;;;;
;;;;;
;;;;;
;;;;;
1
2
3
4
17
HILUX
(
LHD
)
2
100A
ALT(∗1)
80A
ALT(∗2)
40A
AM1
2
2
ACC
IG1
AM1
4
1
2
3
5
1C
1
1
F
6
1B
1
1H
5
10A
GAUGE
1B
12
WINDOW
LOCK
SW
LOCK
UP
DOWN
NORMAL
DRIVER'
S
POWER
WINDOW
RELAY
M
1
2
1
I
B
1
IG
Cowl
side
panel
LH
BATTERY
W
1
1
2
2
A
A
W–B
J
7
JUNCTION
CONNECTOR
POWER
RELAY
P10
POWER
WINDOW
MOTOR
FRONT
LH
W–B
LG
L–Y
W–B W–B W–B
R–L
W
R
I17
IGNITION
SW
P
o
w
e
r
S
o
u
rc
e
DOWN
UP
FRONT
PASSENGER'
S
DOWN
UP
REAR
LH
REAR
RH
UP
DOWN
8
I
B
2
3
I
B
2
7
I
B
2
2
I
B
2
9
I
B
2
4
I
B
2
7
IL2
2
IL2
4
B
G1
3
B
G1
4
B
H1
3
B
H1
5
B
G1
5
B
H1
M
1
2
5
2
3
1
P 6
POWER WINDOW
CONTROL SW FRONT RH
P11
POWER
WINDOW
MOTOR
FRONT
RH
UP
DOWN
LG
L–Y
M
1
2
5
2
3
1
P 7
POWER WINDOW
CONTROL SW REAR LH
P12
POWER
WINDOW
MOTOR
REAR
LH
UP
DOWN
LG
L–Y
M
1
2
5
2
3
1
P 8
POWER WINDOW
CONTROL SW REAR RH
P13
POWER
WINDOW
MOTOR
REAR
RH
UP
DOWN
LG
L–Y
L–R
R–B
R–G
R–L
L–B
Y
G
L–R
R–B
R–G
R–B
R–G
R–L
L–B
Y
G
Y
G
Y
G
L–R
L–R
P
o
w
e
r
W
in
d
o
w
1I
1
30A
POWER
1H
1
9
B
(∗4)
10
A
(∗3)
F
A
D
B
IL2
6
BW
DU
DD
E
1
A
3
B
5
A
4
B
3
A
(∗3)
1
B
(∗4)
L–R
W
W
W
W
L–R
L–R
L–R
L–R
L–R
4
L–R
PU
RLU
RRU
PD
RLD
RRD
4
4
14
A
8
B
6
A
(∗3)
10
B
(∗4)
9
A
1
2
A
8
A
1
3
A
L–R
L–R
Y
G
D
D
D
U
U
U
∗
4
:
2–Door
∗
3
:
4–Door
∗
2
:
45A,
55A
Type
Alternator
∗
1
:
70A
Type
Alternator
B
S
U
S
D
S
U
S
D
B
S
U
S
D
B
L–R
1
2
F
A
L–R
JUNCTION
CONNECTOR
B
A
J 5 J 6
,
P
9
,
POWER
WINDOW
MASTER
SW
A
B
L–R
CLICK HERE TO VIEW CHAPTER INDEX Pages From Supplement
TO MODEL INDEX
EWD378F
HILUX (EWD378F)
176
I OVERALL ELECTRICAL WIRING DIAGRAM
;;;;;;;;;
;;;;;;;;;
;;;;;;;;;
;;;;;;;;;
;;;;;;;;;
;;;;;;;;;
;;;;;;;;;
;;;;;;;;;
;;;;;;;;;
;;;;;;;;;
;;;;;;;;;
;;;;;;;;;
;;;;;;;;;
;;;;;;;;;;
;;;;;;;;;;
;;;;;;;;;;
;;;;;;;;;;
;;;;;;;;;;
;;;;;;;;;;
;;;;;;;;;;
;;;;;;;;;;
;;;;;;;;;;
;;;;;;;;;;
;;;;;;;;;;
;;;;;;;;;;
;;;;;;;;;;
;;;;
;;;;
;;;;
;;;;
;;;;
;;;;
;;;;;
;;;;;
;;;;;
;;;;;
;;;;;
;;;;;
;;;;;
;;;;;
;;;;;
;;;;;
;;;;;
;;;;;
;;;;;
;;;;;
;;;;;
;;;;;
;;;;;
;;;;;
1
2
3
4
18
HILUX
(
LHD
)
2
15A HORN
15A DOME
100A ALT(∗7)
80A ALT(∗8)
40A AM1
2
2
2
1H
1
1I
1
2
ACC
IG1
AM1
3
4
1H
5
1J
12
1F
13
10A GAUGE
7
1B
2
A
3
A
5
A
1
0
A
7
A
1C
1
2
1
1
2
IG
Cowl
side
panel
LH
6
A
5
B
C
7
E
6
1
2
C
E
A
A
2
2
2
2
1
1
1
1
A
W
J13
JUNCTION
CONNECTOR
B 7
BUCKLE SW
U 1
UNLOCK
WARNING SW
J
7
JUNCTION
CONNECTOR
J
4
JUNCTION
CONNECTOR
BATTERY
I17
IGNITION
SW
W
L–Y
L–W
W
L–Y
L–Y
W–B
G–B
P–B
W–R
P–G
R–L
R–L
W–B W–B
W–B
R
L–R
15A
ACC
1H
3
1B
9
1J
3
1J
4
1
E
10
6
B
18
A
II
Cowl
side
panel
RH
L–W
L–Y
L–R
A
A
4
1
A
J
8(∗3)
J
9(∗4)
JUNCTION
CONNECTOR
C
8
CLOCK
J23
JUNCTION
CONNECTOR
C
5
CIGARETTE
LIGHTER
H
9
HORN
HORN
RELAY
W–B
W–B
W–B
W–B
W–B
G–R(∗1)
G (∗2)
L–Y
B
L–W
L–Y
From Daytime Running
Light Relay(∗5)<15–4>
From " TAIL" Fuse(∗6)
<15–4>
(∗2)
(∗1)
ACC(+)
B(+)
EARTH(–)
ILL(+)
∗
1
:
w/
SRS
∗
2
:
w/o
SRS
∗
3
:
2RZ–FE,
3RZ–FE,
Diesel
Europe
∗
4
:
Except
∗3
∗
5
:
w/
Daytime
Running
Light
∗
6
:
w/o
Daytime
Running
Light
∗
7
:
70A
Type
Alternator
P
o
w
e
r
S
o
u
rc
e
C
ig
a
re
tte
L
ig
h
te
r
C
lo
c
k
H
o
rn
1
5
2
2
See Taillight
System<12–1>
2
10A TAIL
2
1
2
B
A
C
B
6
1
J
G
4
B–Y
G
G
TAIL RELAY
See Interior Light
System<14–2>
GAUGE(B)
TAIL(B)
DOME(B)
R
S/B
WARNING
BKL
CTY
(D)
EARTH
EARTH
KEY
U/L
SW.
GR GR
GR
1
2
3
3
1
2
2
C
C
C
J
8(∗3)
J
9(∗4)
JUNCTION
CONNECTOR
1
∗
8
:
45A,
55A
Type
Alternator
J
1
J
2
,
JUNCTION
CONNECTOR
A
B
SEAT BELT WARNING LIGHT
[COMB. METER]
B
A
C 9 C10
,
I18
INTEGRATION
RELAY
A
C12
C14
,
HORN
SW
[COMB.
SW]
A
B
P–B
From Transponder
Key Computer
<5–8><27–6>
P–B
(∗9)
G–R
∗
9
:
w/
Engine
Immobiliser
System
2
3
L
ig
h
t
R
e
m
in
d
e
r
B
u
z
z
e
r,
K
e
y
R
e
m
in
d
e
r
a
n
d
S
e
a
t
B
e
lt
W
a
rn
in
g
CLICK HERE TO VIEW CHAPTER INDEX Pages From Supplement
TO MODEL INDEX
EWD378F
HLUX (EWD378F)
177
I
;;;;;
;;;;;
;;;;;
;;;;;;;;;
;;;;;;;;;
;;;;;;;;;
;;;;;;;;;
;;;;;;;;;
;;;;;;;;;
;;;;;;;;;
;;;;;;;;;
;;;;;;;;;
;;;;;;;;;
;;;;;;;;;
1
2
3
4
19
HILUX
(
LHD
)
LG–R
LG–R LG–R
BC2
REL1
RLY1
6
BE1
9
2
5
2
BC2
P–L
M2
100A
ALT
R
1I
1E
7
7
1
B
SPD
P–L
LG–Y
2
1
RLY2
R–L
10A
GAUGE
20A
4WD
IG
40A
AM1
4
B
E1
6
5
REL2
L–Y
L–Y L–Y
LOCK
1
1H
1
1H
5
2
4WD
5
G–O From Speed Sensor
[Comb. Meter]
<25–3>
BE1
2
2
I17
IGNITION
SW
2
ACC
IG1
AM1
4
GND
4
From ABS ECU
<22–8>
LIMIT
SW
BE1
1
2
B
C2
7
B
E1
6
B
E1
3
B
E1
M
3
B
C2
II
J23
JUNCTION
CONNECTOR
Cowl
side
panel
RH
R
2
2
1
1
4
5
3
FREE
3
7
10
M1
M1
LG
W–B
LG
LG
W–B W–B
W–B W–B
LG–B LG–B
LG–B
W–B
B–Y
L–W
R–L
R–L
W W
5
BC2
4
LG–B
BATTERY
D 5
DIFF. LOCK SW
D13
DETECTION
SW
(Rear
Diff.
Lock)
R
8
REAR
DIFF.
LOCK
MOTOR
LG–B
1
M2
2
GND
To Detection SW
(Transfer L4 Position)
<21–4>
A
L–R
W
8
RLP
B
B
B
J 8
JUNCTION
CONNECTOR
5
B
8
C
9
I
C
1
LG–B
C
1
C
C
C
J16
JUNCTION
CONNECTOR
D
4
DIFF.
LOCK
ECU
LG–B
10
BC1
W–B
W–B
A
IG
J
7
JUNCTION
CONNECTOR
Cowl
side
panel
LH
A
J14
JUNCTION
CONNECTOR
J19
JUNCTION
CONNECTOR
A
A
A
A
A
W–B
W–B
W–B
P
o
w
e
r
S
o
u
rc
e
R
e
a
r
D
iffe
re
n
tia
l
L
o
c
k
REAR DIFF. LOCK
INDICATOR LIGHT
[COMB. METER]
C
B
C10 C11
,
CLICK HERE TO VIEW CHAPTER INDEX Pages From Supplement
TO MODEL INDEX
EWD378F
HILUX (EWD378F)
178
I OVERALL ELECTRICAL WIRING DIAGRAM
;;;;;
;;;;;
;;;;;
;;;;;;;;;
;;;;;;;;;
;;;;;;;;;
;;;;;;;;;
;;;;;;;;;
;;;;;;;;;
;;;;;;;;;
;;;;;;;;;
;;;;;;;;;
;;;;;;;;;
;;;;;;;;;
;;;;;;;;;
;;;;;;;;;
;;;;;;;;;
;;;;;;;;;
;;;;;;;;;
;;;;;;;;;
;;;;;;;;;
;;;;;;;;;
;;;;;;;;;
;;;;;;;;;
;;;;;;;;;
;;;;;;;;;
;;;;;;;;;
;;;;;;;;;
;;;;;;;;;
;;;;;;;;;
;;;;;;;;;
;;;;;;;;;
;;;;;;;;;
;;;;;;;;;
;;;;;;;;;
;;;;;;;;;
;;;;;;;;;
;;;;;;;;;
;;;;;;;;;
;;;;;;;;;
;;;;;;;;;
;;;;;;;;;
;;;;;;;;;
;;;;;;;;;
1
2
3
4
20
HILUX
(
LHD
)
2
2
1H
1
1I
1
2
15A DEFOG
40A AM1
2
ACC
IG1
AM1
4
1I
2
1A
8
1
B
5
1
I
E
1
1
A
1
B
P
W
B
W–B
B
R
P
IG
Cowl
side
panel
LH
A
1
1
1
2
2
2
A
B
W–B
W
1H
5
1E
5
1
A
4
10A
GAUGE
20A
WIPER
OFF
HIGH
LOW/
MIST
INT
WASHER
+B
+S
+1
+2
EW
17
B1
WF
M
M
II
Cowl
side
panel
RH
IG
Cowl
side
panel
LH
A
A
16
7
8
11
2
LG
LG
LG
W–B
L–W
L–B
L–Y
L–R
W–B
W–B
L–R
LG
3
1
4
2
6
2
P
o
w
e
r
S
o
u
rc
e
R
e
a
r
W
in
d
o
w
D
e
fo
g
g
e
r
F
ro
n
t
W
ip
e
r
a
n
d
W
a
s
h
e
r
BATTERY
R
4
REAR
WINDOW
DEFOGGER
SW
I17
IGNITION
SW
DEFOGGER
RELAY
C12
FRONT
WIPER
AND
WASHER
SW
[COMB.
SW]
WIPER
RELAY
J
7
JUNCTION
CONNECTOR
W
4
WIPER
MOTOR
B–Y
R
J23
JUNCTION
CONNECTOR
INT1
INT2
W
100A
ALT(∗1)
80A
ALT(∗2)
J14(∗3)
J15(∗4)
JUNCTION
CONNECTOR
A
J
7
JUNCTION
CONNECTOR
BK
Right
side
rear
pillar
1B
7
R–L
R–L
C
B
(∗4)
B
A
(∗3)
B
A
(∗3)
C
B
(∗4)
A
A
D
B
H 3(∗5)
WASHER MOTOR
[HEADLIGHT CLEANER MOTOR]
W 1(∗6)
WASHER MOTOR
∗
1
:
70A
Type
Alternator
∗
2
:
45A,
55A
Type
Alternator
∗
3
:
2RZ–FE,
3RZ–FE,
Diesel
Europe
∗
4
:
Except
∗3
∗
5
:
w/
Headlight
Cleaner
∗
6
:
w/o
Headlight
Cleaner
3
D
I
G
E
D
B
(∗4)
A
A
(∗3)
A
A
(∗3)
D
B
(∗4)
2
1
1
2
3
5
R10
R11
,
REAR
WINDOW
DEFOGGER
A
B
J
8
J13
,
JUNCTION
CONNECTOR
A
B
J21
J22
,
JUNCTION
CONNECTOR
A
B
CLICK HERE TO VIEW CHAPTER INDEX Pages From Supplement
TO MODEL INDEX
EWD378F
HLUX (EWD378F)
179
I
;;;;;
;;;;;
;;;;;
;;;;;;;;;
;;;;;;;;;
;;;;;;;;;
;;;;;;;;;
;;;;;;;;;
;;;;;;;;;
;;;;;;;;;
;;;;;;;;;
;;;;;;;;;
;;;;;;;;;
;;;;;;;;;
;;;;;;;;;
;;;;;;;;;
1
2
3
4
21
HILUX
(
LHD
)
20A
4WD
10A
GAUGE
2
ACC
IG1
AM1
4
3
4
2
6
1
2
EC1
1
EC1
IA1
18
IA1
11
IA1
15
IA1
20
1
2
1
2
2
1
EB
Front
left
fender
apron
2
1E
7
1
B
7
2
1H
5
6
I
J
5
IJ4
8
5
I
J
5
IJ4
6
2
I
J
5
IJ4
3
1
2
2
1
10
IC1
11
IC1
IG
Cowl
side
panel
LH
II
Cowl
side
panel
RH
C
B
B
A
5
B
C
B
C
B
A
A
A
A
B
A
C
B
9
C
A
A
A
A
C
B
1H
1
1I
1
A
A
E
B
A
B
D
A
(∗8)
(∗9)
(∗8)
(∗9)
(∗8)
(∗9)
(∗8)
(∗9)
(∗8)
(∗9)
G–B
R–B
R–L
W–B(∗3)
R–B
R–B
W–B
W–B
W–B
L–R
R
W
R–B
B
W–B
(∗3)
(∗12)
(∗3)
(∗3)
(∗3)
(∗3)
(∗7)
(∗9)
(∗6)
L–R L–R
W–B
W–B
G–B
R–B
G–B
G–B(∗3)
R–B(∗7)
R–L
R–B
L–R W–B W–B
B–Y B–Y
B–Y
LG
P–G
R–B
G–B
R–B
P–G
LG W–B W–B
W–B W–B
R–B R–B
G–B
W–B
W–B
W W
(∗3)
(∗3)
(∗3)
(∗3)
(∗3)
(∗3)
(∗3)
(∗3)
(∗3)
(∗11)
(∗11)
(∗3)
(∗3)
(∗4)
(∗8)
(∗8)
(∗5)
(∗5)
L–R
L–R
(∗10)
C
A
A
A
A
2
2
1
1
C
A
C
A
A
A
BATTERY
100A ALT(∗1)
80A ALT(∗2)
40A AM1
G–B
(∗11)
(∗11)
(∗3)
(∗3)
I17
IGNITION
SW
A20
ADD
CONTROL
RELAY
A 8
ADD INDICATOR SW
(∗8)
J23
JUNCTION
CONNECTOR
J
7
JUNCTION
CONNECTOR
J19
JUNCTION
CONNECTOR
J14(∗8)
J15(∗9)
JUNCTION
CONNECTOR
J21
JUNCTION
CONNECTOR
From Engine ECU(M/T)
or Engine and ECT
ECU(A/T)<5–6>
From ABS ECU
<22–6>
P
o
w
e
r
S
o
u
rc
e
4
W
D
∗
1
:
70A
Type
Alternator
∗
2
:
45A,
55A
Type
Alternator
∗
3
:
w/
ADD
∗
4
:
2RZ–FE
∗
5
:
Europe
∗
6
:
Except
Europe
∗
7
:
w/o
ADD
∗
8
:
2RZ–FE,
Diesel
Europe
∗
9
:
Except
∗8
∗10
:
2L–T
Regular
Cab
and
Double
Cab
∗11
:
w/
ADD
Indicator
SW
∗12
:
w/o
ADD
Indicator
SW
V 4
VSV
(2WD, ADD)
V 5
VSV
(4WD, ADD)
From ABS ECU
<22–6>
D 2
DETECTION SW
(Transfer L4 Position)
D 1
DETECTION SW
(Transfer 4WD Position)
(∗3) (∗3)
(∗3)
(∗8)
(∗9)
JUNCTION
CONNECTOR
B
A
J 1 J 2
,
JUNCTION
CONNECTOR
B
A
J 3 J 4
,
J
8
J13
,
JUNCTION
CONNECTOR
A
B
C10
C11
,
4WD
INDICATOR
LIGHT
[COMB.
METER]
B
C
J16
J22
,
JUNCTION
CONNECTOR
A
B
1
EB
2
EG1
4
2
EB
2
EG1
1
(∗4)
(∗10)
R–L
(∗9)
From Diff.
Lock ECU
<19–2>
CLICK HERE TO VIEW CHAPTER INDEX Pages From Supplement
TO MODEL INDEX
EWD378F
HILUX (EWD378F)
180
I OVERALL ELECTRICAL WIRING DIAGRAM
;;;;;;
;;;;;;
;;;;;;
;;;;;;
;;;;;;
;;;;;;
;;;;;;;;
;;;;;;;;
;;;;;;;;
;;;;;;;;
1
2
3
4
22
HILUX
(
LHD
)
(
Cont.
next
page
)
A
B
S
2
15A DOME
100A ALT(∗10)
80A ALT(∗11)
40A AM1
30A AM2
20A AM2
2
2
2
2
1J
12
1I
1
1F
12
1H
1
2
ACC
IG1
IG2
ST2
AM1
4
6
7
A
M
2
1H
6
10A IGN
1D
1
4
3
2
1
5
5
5
5
2
EA1
3
1
6
4
2
5
5
5
5
5
5
2
I
K
1
1
EA1
1
1
1
1
2
2
2
2
5
BATTERY
W
L
R–B
R–W
G
W–B
B
G–R
G–B
G–B
B
B
G–R
B
B
W–R
ABS SOLENOID
RELAY
L–Y
W
L–Y
W
R
B–R
B–R(∗4)
B–R
(∗9)
B–W
B
B
J
3
JUNCTION
CONNECTOR
I17
IGNITION
SW
P
o
w
e
r
S
o
u
r
c
e
A
B
3
A
2
0
B
3
I
C
1
6
B
4
A
5
A
EA
Front
right
fender
apron
M
4
B
1
2
A
8
A
1
6
A
1
A
2
A
9
A
1
0
A
1
1
A
2
4
B
2
B
1
B
5
B
4
A
8
A
3
A
7
A
1
A
5
A
3
B
C
3
2
3
2
2
1
6
1
2
L–Y
R
B–W
L–Y
R
BR
G–R
B–L
R–Y
(∗8)
B–W
(∗8)
G–R
G–B
G–B
V
B–L
R–Y
(∗8)
B–W
(∗8)
B–L
R+
TC
TS
SR
MR
MT
SFRH
SFRR
SFLH
SFLR
SRH
SRR
AST
GND
L
R–B
R–W
G
W–B
BR
R–B
R–W
L
W–B
W–B
W–B
GR–G
BR–W
GR–R
P–B
P–G
LG–R
LG–B
Y–R
W–B
∗
4
:
Diesel
∗
3
:
2RZ–FE
∗
2
:
Except
Europe
∗
1
:
Europe
∗
5
:
Diesel
Except
Europe
∗
6
:
Diesel
Europe
(∗9)
R–Y
B
B
(∗2)
A
A
(∗1)
A
A
(∗1)
B
B
(∗2)
∗
7
:
1RZ,
3RZ–F
∗
8
:
Except
2RZ–FE
(Short
Pin)
To
DLC3
<
5–3>
R–Y
(∗3)
From EFI Relay
<5–2>
R–L
(∗3)
G
E1
60A ABS(∗9)
80A GLOW, ABS(∗4)
2
1
2
∗
9
:
Gasoline
W–R
(∗4)
(∗9)
(∗8)
WB
WA
TS
+B
1
I
K
1
W–B
W–B
(∗8)
JUNCTION
CONNECTOR
A
B
J 9 J12
, A
4
A
5
,
ABS
ACTUATOR
A
B
A18
A19
,
ABS
ECU
A
B
∗10
:
70A
Type
Alternator
∗11
:
45A,
55A
Type
Alternator
5
I
J
3
IJ2
8
3
I
J
3
IJ2
4
6
I
J
3
IJ1
1
1
I
J
4
IJ2
3
2
I
J
3
IJ4
1
9
I
J
2
6
I
C
1
D
(∗3)
(∗7)
(∗5)
(∗6)
(∗2)
(∗7)
(∗9)
(∗4)
(∗9)
B–L
(∗9)
G–R
(∗9)
B–L
(∗9)
G–R
(∗4)
G–R
(∗9)
B–L
(∗9)
(∗4)
C
3
CHECK
CONNECTOR
(∗3)
(∗7)
(∗4)
(∗7)
IJ2
1
(∗1)
7
I
C
1
To Center Airbag
Sensor Assembly
<23–4>
To DLC3<5–3>
V
V
(∗8)
(∗3)
1
2
ABS
MOTOR RELAY
ED
:
Intake
manifold(∗3,
1RZ)
EE
:
Cylinder
block
right
side(3RZ–F)
EF
:
Rear
side
of
cylinder
block(∗4)
CLICK HERE TO VIEW CHAPTER INDEX Pages From Supplement
CONTINUED TO MODEL INDEX
EWD378F
HLUX (EWD378F)
181
I
;;;;;;;;;;;
;;;;;;;;;;;
;;;;;;;;;;;
;;;;;;;;;;;
;;;;;;;;;;;
;;;;;;;;;;;
;;;;;;;;;;;
;;;;;;;;;;;
;;;;;;;;;;;
;;;;;;;;;;;
;;;;;;;;;;;
;;;;;;;;;;;
;;;;;;;;;;;
;;;;;;;;;;;
;;;;;;;;;;;
5
6
7
8
22
HILUX
(
LHD
)
A
B
S
A
B
C
1H
5
1B
7
10A
GAUGE
15A
ECU–IG
5
B
12
C
4
I
C
1
25
B
1E
8
2
I
C
1
L–Y
R
B–L
L–Y
B–L
B–L
B–L
B–L
R–L
R–L
R
Y–G
Y–G
1
2
14
A
13
A
15
A
7
A
6
A
1
2
5
I
C
1
1
2
I
C
1
IG
Cowl
side
panel
LH
A
21
B
9
B
8
B
11
B
B
W
BR
G
R
(Shielded)
(Shielded)
G–W
L–R
G–B
W–B
G–W
W–B
J
7
JUNCTION
CONNECTOR
FL–
FL+
FSS
FR
–
FR+
STP
EXI3
EXI
GND
WA
A
6
ABS
SPEED
SENSOR
FRONT
LH
A
7
ABS
SPEED
SENSOR
FRONT
RH
From Stop Light SW
<9–4>
To Detection SW
(Transfer L4 Position)
<21–4>
10
B
18
B
19
B
7
B
5
B
22
B
5
1
2
3
4
+IG
GND
GS1
GS2
GST
IG1
GGND
GS1
GS2
GST
BAT
1
I
C
1
A17
ABS
DECELERATION
SENSOR
L–Y
Y–G
Y–G
BR–W
L–W
LG
L
L–Y
1
2
1
2
2
B
1
B
2
3
B
1
6
B
1
5
B
3
B
D1
1
B
D1
5
B
D1
6
B
D1
4
B
D1
1
B
F1
2
B
F1
3
B
F1
4
B
F1
2
B
D1
RL–
RL+
RSS
RR
–
RR+
G
R
BR
W
B
(Shielded)
(Shielded) (Shielded)
G
R
W
B
(Shielded)
B
W
B
W
A28
ABS
SPEED
SENSOR
REAR
LH
A29
ABS
SPEED
SENSOR
REAR
RH
∗
4
:
Diesel
C
B
(∗2)
B
A
(∗1)
B
A
(∗1)
C
B
(∗2)
To ADD Indicator SW
(w/ ADD Indicator SW)
<21–3>
To Detection SW
(Transfer 4WD Position)
(w/o ADD Indicator SW)
<21–3>
(Shielded)
(Shielded)
4
B
LG–B To Diff. Lock ECU
<19–2>
∗
9
:
Gasoline
JUNCTION
CONNECTOR
B
A
J 8 J13
,
C10
C11
,
ABS
WARNING
LIGHT
[COMB.
METER]
B
C
A18
A19
,
ABS
ECU
A
B
EXI2
D
(∗4)
B–L
(∗9)
B–L
(∗9)
B–L
(∗4)
B
B
B
J20
JUNCTION
CONNECTOR
∗
2
:
Except
Europe
∗
1
:
Europe
(4WD)
(4WD)
(4WD)
(4WD)
(4WD)
CLICK HERE TO VIEW CHAPTER INDEX Pages From Supplement
TO MODEL INDEX
EWD378F
HILUX (EWD378F)
182
I OVERALL ELECTRICAL WIRING DIAGRAM
;;;;;;;;;;
;;;;;;;;;;
;;;;;;;;;;
;;;;;;;;;;
;;;;;;;;;;
;;;;;;;;;;
;;;;;;;;;;
;;;;;;;;;;
;;;;;;;;;;
;;;;;;;;;;
;;;;;;;;;;
;;;;;;;;;;
;;;;;;;;;;
;;;;;;;;;;
;;;;;;;;;;
;;;;;;;;;;
1
2
3
4
23
HILUX
(
LHD
)
2
100A ALT(∗13)
80A ALT(∗14)
40A AM1
30A AM2
2
2
1I
1
7. 5A ECU–B
1B
11
1H
1
2
ACC
IG1
IG2
ST2
AM1
3
6
7
A
M
2
1H
6
1
H
3
10A IGN
15A ACC
1G
1
1
G
3
1D
1
B
B
A
A
A
A
B
B
1
2
SPIRAL
CABLE
1
2
IH
Instrument
panel
brace
RH
8
I
J
2
5
I
J
3
1
4
B
1
3
B
1
0
B
1
1
B
2
7
B
5
B
6
B
W
(∗12)
(∗5)
(∗11)
(∗12)
(∗11)
(∗12)
1
1
1
2
2
2
B
B
CENTER
AIRBAG
SENSOR
ASSEMBLY
W
W–R
L–B
(∗1, ∗3)
L–B
(∗5, ∗6)
B–R
(∗7)
B–R
(∗7)
B–W
GR
B–W
(∗4)
Y–B
Y
Y–R
Y–G
BR
(∗8)
(∗8)
I17
IGNITION
SW
J
3
JUNCTION
CONNECTOR
BATTERY
A25
AIRBAG
SQUIB
(Steering
Wheel
Pad)
A24
AIRBAG
SQUIB
(Front
Passenger'
s
Airbag
Assembly)
W
B–R
(∗10)
L–R
L–B
(∗5,
∗6)
L–B
(∗1,
∗3)
B–W
(∗4)
B–W
(∗4)
IG2
ACC
D+
D
–
P+
P
–
E1
2
A
1
A
5
C
6
C
2
8
B
3
B
1
9
B
12
C
C
5
1
1
L–B
(∗1,
∗3)
P–B
V
P–B
P–B
V
P–B
IJ
Right
kick
panel
BR
Y
Y–B
Y–O
Y–V
(∗8)
(∗8)
BR
BR
1
2
1
2
3
LA
TC
PL+
PL
–
PR+
PR
–
E2
+B
AB
TC
E1
J18
JUNCTION
CONNECTOR
P14
PRETENSIONER
LH
P15
PRETENSIONER
RH
C
3
CHECK
CONNECTOR
BR
JUNCTION
CONNECTOR
∗
1
:
Diesel
Europe
∗
2
:
1RZ
∗
3
:
2RZ–FE
∗
4
:
Except
∗3
∗
5
:
1RZ,
3RZ–F
∗
6
:
Diesel
Except
Europe
∗
7
:
Gasoline
∗
8
:
w/
Front
Passenger'
s
Airbag
∗
9
:
3RZ–F
∗10
:
Diesel
∗11
:
Europe
∗12
:
Except
Europe
P
o
w
e
r
S
o
u
rc
e
S
R
S
20A AM2
2
1
2
W–R
(∗10)
(∗7)
,
C17
C16
A
B
C
C18
,
A
J 9 J12
B ,
P–B
(∗3)
To DLC3
<5–3>
R–L
From
EFI
Relay
<
5–2>
(∗3)
12
B
R
(∗3)
SIL
To DLC3
<5–3>
∗13
:
70A
Type
Alternator
∗14
:
45A,
55A
Type
Alternator
1
I
J
5
IJ4
2
4
I
J
5
IJ2
3
1
I
J
3
IJ1
5
1
I
J
5
IJ4
2
(∗3)
(∗5)
(∗1)
(∗6)
(∗3)
(∗5)
(∗1)
(∗6)
(∗10)
(∗10)
(∗10)
(∗10)
P–B
(∗7)
P–B
(∗7)
V
(∗7)
P–B
(∗7)
1
I
J
2
(∗11)
3
2
C
9
SRS
WARNING
LIGHT
[COMB.
METER]
A
A
A
J20
JUNCTION
CONNECTOR
C
C
C
From ABS ECU
<22–3>
V
V
V
(∗4)
(∗4)
(∗3)
V
(∗3)
(∗5)
V
15
B
26
B
IN1
2
1
I
N
1
BR–Y
W–R
BR–Y
W–R
2
1
+SL
–SL
F15
FRONT
AIRBAG
SENSOR
LH
9
B
2
0
B
BR–W
B–W
2
1
+SR
–SR
F16
FRONT
AIRBAG
SENSOR
RH
J20
JUNCTION
CONNECTOR
To DLC3
<5–4>
From DLC3
<5–4>
ED
:
Intake
manifold(∗2,
∗3)
EE
:
Cylinder
block
right
side(∗9)
EF
:
Rear
side
of
cylinder
block(∗10)
CLICK HERE TO VIEW CHAPTER INDEX Pages From Supplement
TO MODEL INDEX
EWD378F
HLUX (EWD378F)
183
I
;;;;;;
;;;;;;
;;;;;;
;;;;;;
;;;;;;
;;;;;;
;;;;;;;;
;;;;;;;;
;;;;;;;;
;;;;;;;;
;;;;;;;;
;;;;;;;;
;;;;;;;;
;;;;;;;;
;;;;;;;;
;;;;;;;;
;;;;;;;;
1
2
3
4
24
HILUX
(
LHD
)
R
a
d
io
a
n
d
P
la
y
e
r
2
15A DOME
2
2
2
1
1
1
2
2
1J
12
1I
1
1F
13
1H
1
2
ACC
IG1
AM1
3
1H
3
15A
ACC
VR
HR
HL
M+
VL
LEFT
RIGHT
UP
DOWN
LEFT/
UP
RIGHT/
DOWN
LH
RH
LH
RH
5
8
1
7
6
1
0
E
OPERATION SW SELECT SW
M
M
3
B
A1
2
B
A1
1
B
A1
MH
MV
M+
5
I
B
2
C
B
A
A
1
I
L
2
IG
Cowl
side
panel
LH
1
I
B
1
A
3
BB1
2
BB1
1
BB1
LG–B
LG–R
LG
P–B(∗8)
LG–R
LG
W–B
J
7
JUNCTION
CONNECTOR
BATTERY
W
R
e
m
o
te
C
o
n
tro
l
M
irro
r
P
o
w
e
r
S
o
u
rc
e
I17
IGNITION
SW
L–Y
W
W
L–Y
L–R
GR
GR
L–Y
J
8(∗3)
J
9(∗4)
JUNCTION
CONNECTOR
2
1
2
1
2
IB1
3
IB1
2
IL1
3
IL1
GR
L–Y
GR
L–Y
V
P
L
LG
V(∗5)
L(∗6)
P (∗5)
LG(∗6)
L
LG
D23
DOOR
SPEAKER
FRONT
RH
D22
DOOR
SPEAKER
FRONT
LH
∗
1
:
70A
Type
Alternator
∗
2
:
45A,
55A
Type
Alternator
∗
3
:
2RZ–FE,
3RZ–FE,
Diesel
Europe
∗
4
:
Except
∗3
∗
5
:
w/
Door
Lock
Control
∗
6
:
w/o
Door
Lock
Control
M
M
C
A
C
A
ACC
+B
FL–
FL+
FR
–
FR+
GND
IJ
Right
kick
panel
BR
1B
9
1
B
3
4
I
B
1
GR
GR
B
9
R12
,
REMOTE
CONTROL
MIRROR
LH
A
B
J
5
J
6
,
JUNCTION
CONNECTOR
A
B
3
B
1
A
(∗7)
P–B
(∗8)
P–B
(∗7)
P–B
(∗8)
2
B
2
A
(∗7)
P–G
(∗7)
LG–R
(∗8)
LG–R
(∗8)
P–G
(∗7)
1
B
3
A
C
B
(∗7)
LG
(∗7)
LG
LG
LG–R
3
B
1
A
2
B
2
A
1
B
3
A
(∗7)
(∗8)
R13
,
REMOTE
CONTROL
MIRROR
RH
A
B
3
I
L
2
4
I
L
2
10
IB2
LG–B
LG
(∗8)
LG
W–B
LG–R
P–B
(∗7)
(∗7)
W–B
LG
(∗8)
(∗7)
LG–B
(∗7)
LG
P–G(∗8)
LG–B
LG
(∗8)
∗
7
:
w/
Vent
Window
∗
8
:
w/o
Vent
Window
LG–B
(∗7)
P–G
(∗7)
R14
REMOTE
CONTROL
MIRROR
SW
∗
9
:
4–Door
∗10
:
2–Door
3
A
4
A
7
A
6
A
2
A
5
A
1
A
RL–
1
2
6
B
G1
8
B
G1
RL+
W
B
Y
R
D24
DOOR
SPEAKER
REAR
LH
2
B
6
B
RR–
2
1
6
B
H1
8
B
H1
RR+
W
R
W
R
D25
DOOR
SPEAKER
REAR
RH
1
B
3
B
B
Y
(∗10)
(∗9)
(∗9)
(∗10)
R
W
(∗10)
(∗10)
(∗9)
(∗9)
(∗9)
(∗9)
(∗9)
(∗9)
R
1
R
2
,
RADIO
AND
PLAYER
A
B
40A AM1
100A ALT(∗1)
80A ALT(∗2)
(∗8)
(∗7)
1
2
1
2
R16
REAR
SPEAKER
LH
R17
REAR
SPEAKER
RH
CLICK HERE TO VIEW CHAPTER INDEX Pages From Supplement
TO MODEL INDEX
EWD378F
HILUX (EWD378F)
184
I OVERALL ELECTRICAL WIRING DIAGRAM
;;;;;
;;;;;
;;;;;
;;;;;
;;;;;
;;;;;
;;;;;
;;;;;
;;;;;
;;;;;;;;
;;;;;;;;
;;;;;;;;
;;;;;;;;
1
2
3
4
25
HILUX
(
LHD
)
(
Cont.
next
page
)
2
100A
ALT(∗11)
80A
ALT(∗12)
40A
AM1
2
1H
1
1I
1
2
ACC
IG1
AM1
4
1H
5
10A GAUGE
1B
7
W
TACHOMETER
OIL
LEVEL
FUEL
5
B
C
B
B
A
B
A
C
B
6
C
12
A
2
C
9
B
4
B
C
1
2
I
A
1
R–W(∗4)
B (∗8)
R
(∗3)
BR
Y–R
R
(∗3)
R–W
(∗3)
2
1
C
A
C
A
A
B
C
A
A
B
A
B
C
A
R
1
2
11
BC1
IJ
Right
kick
panel
BR
(∗3)
BR
BR
BR
(∗3)
Y–R BR
R–L
W W
From Engine ECU(M/T)or Engine and
ECT ECU(A/T)(∗4, ∗13)<5–3>
From Emission Control
ECU(∗3)<27–3>
From IIA(∗10)<4–2>
From Igniter(∗14)<4–4>
From Pick–Up Sensor
[Injection Pump](∗9)<7–4>
R–L
R–L
BR
(∗3)
I17
IGNITION
SW
BATTERY
COMBINATION
METER
JUNCTION
CONNECTOR
1
1
2
2
(∗1)
(∗2)
(∗1)
(∗2)
11
A
IJ5
9
IJ4
11
1
Y–R Y–R
(∗1,
∗3)
(∗2)
W 2
WATER TEMP.
SENDER
10
B
8
A
1
C
6
B
7
B
1
2
B
1
1
B
9
A
1D
9
1
J
13
1D
4
1
2
1
E
B
D
A
D
A
IG
Cowl
side
panel
LH
II
Cowl
side
panel
RH
G–W
G–W
G–W
(∗7)
W–B W–B W–B
W–B
W–B
W–B
(∗6)
W–B
G–W
W–B
W–B
J19
JUNCTION
CONNECTOR
W–B
W–B
B 2
BRAKE FLUID LEVEL
WARNING SW
P
2
PARKING
BRAKE
SW
J14
JUNCTION
CONNECTOR
A
B
W–B
A
A
A
A
A
A
A
A
2
1
A
A
W–B
(∗5)
W–B
J23
JUNCTION
CONNECTOR
J
7
JUNCTION
CONNECTOR
JUNCTION
CONNECTOR
G–W
W–B
(∗2)
W–B
(∗1)
SPEED SENSOR
REAR FOG
HIGH BEAM
TURN LH
TURN RH
BRAKE
CHARGE
T–BELT
(∗5)
G–O
See Charging System
<1–4><2–4>
See Turn Signal and
Hazard Warning
Light System
<13–2>
See Headlight System
<8–2><9–2>
See Rear Fog Light
System<3–4>
To Engine ECU(M/T)or
Engine and ECT ECU
(A/T)<5–5>
To Emission Control
ECU<6–3>
To Diff. Lock ECU
<19–2>
∗
1
:
2RZ–FE,
3RZ–FE,
Diesel
Europe
∗
2
:
1RZ,
3RZ–F,
Diesel
Except
Europe
∗
3
:
Diesel
Europe
∗
4
:
2RZ–FE
∗
5
:
Europe
∗
6
:
Except
Europe
∗
7
:
Diesel
∗
8
:
Except
∗4
P
o
w
e
r
S
o
u
r
c
e
C
o
m
b
in
a
tio
n
M
e
te
r
WATER
OIL TEMP.
OIL LEVEL
E 2
ENGINE OIL LEVEL
WARNING SW
(∗1)
(∗2)
(∗1)
(∗2)
F13
FUEL SENDER
JUNCTION
CONNECTOR
CANCEL
SW
∗
9
:
Diesel
Except
2L
Europe
∗10
:
1RZ
(∗3)
DELAY
B
J 8 J13
A ,
,
C10
C
9
A
B
,
C11
C
,
J13
J12
A
B
,
J
4
J
3
A
B
∗11
:
70A
Type
Alternator
∗12
:
45A,
55A
Type
Alternator
22
IA1
1
E
H
1
B 3
BRAKE VACUUM
WARNING SW
∗13
:
3RZ–FE
∗14
:
3RZ–F
(∗2, ∗13)
C
C
C
G–O
G–O
J21
JUNCTION
CONNECTOR
G–O
(∗3)
2
E
H
1
To O/D ECU
<27–7>
To Emission
Control ECU
<27–3>
(∗5)
CLICK HERE TO VIEW CHAPTER INDEX Pages From Supplement
CONTINUED TO MODEL INDEX
EWD378F
HLUX (EWD378F)
185
I
5
6
7
8
25
HILUX
(
LHD
)
A
B
1
B
2
B
6
A
7
C
1
2
C
1
A
2
1
1
A
B
A
B
A
A
G–O
BUZZER
(G. C. C. )
FILTER
BELT
TURBO
OIL
ABS
GLOW
See ABS System
<22–5>
See Glow Plug System
<7–2><27–4>
O
1
OIL
PRESSURE
SW
See Seat Belt
Warning System
<18–2>
F10
FUEL
SEDIMENTARY
SW
G–O
L–Y L–Y L–Y
EB
Front
left
fender
apron
W–B
W–B
W–B
W–B
(∗15)
(
∗3)
JUNCTION
CONNECTOR
See Charging System
<1–4><2–4>
COMBINATION
METER
9
C
13
C
8
C
3
A
4
C
5
A
2
A
1
5
A
4
A
4WD
CHECK ENGINE
RR DIFF LOCK
SRS
ILLUMINATION
DOOR
See 4WD System
<21–3>
See Engine Control System
<5–2>
See Rear Differential
Lock System<19–2>
See SRS System
<23–3>
See Illumination System
<15–2>
See Interior Light System
<14–4>
See SRS System
<23–3>
See Illumination
System<15–2>
See Interior Light
System<14–4>
C
o
m
b
in
a
tio
n
M
e
te
r
6
I
A
2
IA1
26
(∗5)
(∗6)
13
8
I
A
2
IA1
(∗5)
(∗6)
4
I
J
3
IJ1
3
(∗4,
∗13)
(∗17)
(∗19)
(∗7) (∗19)
L–Y
(∗16)
L–Y
(∗16)
∗
3
:
Diesel
Europe
∗
4
:
2RZ–FE
∗
5
:
Europe
∗
6
:
Except
Europe
∗
7
:
Diesel
∗13
:
3RZ–FE
∗15
:
Diesel
Except
Europe
∗16
:
Gasoline
∗17
:
1RZ,
3RZ–F
,
C10
C
9
A
B
,
C11
C
,
J
2
J
1
A
B
8
B
See Engine Control
System<27–4>
1
E
F2
3
EH1
L–Y
(∗18)
(∗18)
L–Y
O/D OFF
See ECT System(∗13)<28–4>
See O/D System(∗18)<27–4>
13
B
(A/T) (A/T)
∗18
:
Europe
2L–T,
2L
∗19
:
Except
∗18
CLICK HERE TO VIEW CHAPTER INDEX Pages From Supplement
TO MODEL INDEX
EWD378F
HILUX (EWD378F)
186
I OVERALL ELECTRICAL WIRING DIAGRAM
;;;;;
;;;;;
;;;;;
;;;;;;;;
;;;;;;;;
;;;;;;;;
;;;;;;;;
1
2
3
4
26
HILUX
(
LHD
)
2
ACC
IG1
AM1
4
10A GAUGE
1
2
3
5
4
10
IA2
IA1
6
4
1
OFF
M2
HI
LO
M1
B
5
BLOWER
RESISTOR
II
Cowl
side
panel
RH
EB
Front
left
fender
apron
2
1
M
IG
Cowl
side
panel
LH
4
5
6
1
2
2
2
2
2
1H
1
1H
5
1I
1
1J
1
2
2
C
A
A
B
B
B
A
A
2
7
I
G
1
6
I
G
1
2
I
G
1
2
E
D
1
1
I
G
1
IG1
4
8
I
G
1
IG1
3
4
I
J
5
IJ4
5
IA1
12
IA2
7
IA1
10
IA2
4
From Engine ECU(M/T)or
Engine and ECT ECU(A/T)
(∗5, ∗19)<5–5><5–6>
From Emission Control
ECU(∗6)<6–4>
1
From Igniter
<4–4>
From VSV(Throttle
Position Control)
<6–3>
B
B–R
L–B
L–Y
L–W
L–R L–R
L–W
L–R
W–R(∗1 ∗16)
B–L(∗2 ∗16)
W–B
B–Y
W–B W–B
B–Y B–Y
(∗3) (∗3)
L–R(∗15)
W (∗1 ∗16)
L–W(∗2 ∗16)
Y–R
B–W(∗17)
B–R(∗18)
B–R(∗16)
B (∗17)
L (∗1 ∗16)
L–B(∗2)
B–R(∗17)
P–L(∗1 ∗16)
L–Y(∗2)
L–W
(∗2)
(∗2)
(∗1)
(∗1)
L–R
L–B
L–R
W–B(∗7)
W–B(∗14)
W–B
W–B
B–Y
(∗12)
(∗4)
B
A
A
A
A
B
A
B
A
1
1
0
2
6
3
8
9
4
5
1
2
(∗1)
(∗2)
(∗14)
(∗7)
(∗5,
∗19)
(∗6)
J
7
JUNCTION
CONNECTOR
B
4
BLOWER
MOTOR
J14(∗12)
J15(∗13)
JUNCTION
CONNECTOR
A13
A/C
AMPLIFIER
A
2
A/C
MAGNETIC
CLUTCH
J12(∗12)
J22(∗13)
JUNCTION
CONNECTOR
A14
A/C
SW
10A
A.
C
HEATER
RELAY
J19
JUNCTION
CONNECTOR
J23
JUNCTION
CONNECTOR
50A HEATER
W–B
W–B
W–B(∗7)
W–B
W–B
W–B
W
R–L
L–R
R–L
R
W
R–L
L–B
W–B
Y–R
Y–R
A
A
A
A
A
(∗14)
(∗7)
JUNCTION
CONNECTOR
JUNCTION
CONNECTOR
2
1
∗
1
:
3RZ–F
∗
2
:
Except
3RZ–F
∗
3
:
Gasoline
∗
4
:
Diesel
∗
5
:
2RZ–FE
∗
6
:
Except
2RZ–FE
∗
7
:
Except
Europe
∗
8
:
Europe,
G.
C.
C.
∗
9
:
Except
∗8
∗10
:
70A
Type
Alternator
∗14
:
Europe
∗15
:
Boost
Ventilator
Type
∗16
:
Except
∗15
∗17
:
3RZ–F
∗15
∗18
:
Except
∗17
∗19
:
3RZ–FE
P
o
w
e
r
S
o
u
rc
e
A
ir
C
o
n
d
itio
n
e
r
(E
x
c
e
p
t
Is
ra
e
l)
I17
IGNITION
SW
8
B
(∗9)
8
A
(∗8)
1
B
3
A
2
B
4
A
5
B
6
B
6
A
5
A
3
2
L–R
L–Y
L–B
BLOWER
SW
W–B
(∗14)
∗20
:
Europe
2L–T
M/T,
2L
1
E
D
1
A
B–Y
(∗4)
B–Y
W–B
(∗4)
2
B–W(∗17)
B–R(∗18)
B–W(∗17)
B–R(∗18)
B–W(∗17)
B–R(∗18)
1
R–W(∗15)
PRS
SG
TE
B/V
IGN
VSV
A/C
GND
MGC
L–R
(∗15)
(∗4)
B–Y
(∗4)
B–L
(∗16)
,
J
2
J
1
A
B
,
J
2
J
1
A
B
,
B
6
A
B
2
2
2
1
40A AM1
R
100A ALT(∗10)
80A ALT(∗11)
2
BATTERY
W
2
1
∗11
:
45A,
55A
Type
Alternator
∗12
:
2RZ–FE,
3RZ–FE,
Diesel
Europe
∗13
:
Except
∗12
A16
A/C
VOLUME
SW
5
I
G
1
A15
A/C
THERMISTOR
W–B
(∗4)
2
B
(2L–T)
1
A
(2L,
3L)
2
A
(2L,
3L)
1
B
(2L–T)
V 6 A , B
VSV
(A/C Idle–Up)
D
D
D
J12
JUNCTION
CONNECTOR
To Emission
Control ECU<27–3>
B–Y
B–Y
(∗20)
(∗20)
B–Y
L–W
L–R
W
1
2
A 1
A/C DUAL PRESSURE SW
(∗20)
L–W
CLICK HERE TO VIEW CHAPTER INDEX Pages From Supplement
TO MODEL INDEX
EWD378F
HILUX (EWD378F)
188
I OVERALL ELECTRICAL WIRING DIAGRAM
;;;;;;;;;;
;;;;;;;;;;
;;;;;;;;;;
;;;;;;;;;;
;;;;;;;;;;
;;;;;;;;
;;;;;;;;
;;;;;;;;
;;;;;;;;
;;;;;;;;
;;;;;;;;;
;;;;;;;;;
;;;;;;;;;
;;;;;;;;;
1
2
3
4
27
HILUX
(
LHD
)
(
Cont.
next
page
)
2
2
2
2
1I
1
1H
1
2
ACC
IG1
IG2
ST2
AM1
4
6
7
A
M
2
2
2
2
2
1
1
1
1
100A ALT(∗1)
80A ALT(∗2)
40A AM1
20A AM2
80A GLOW, ABS
4
4
4
3
2
1
4
4
SUB GLW
RLY
2
EE1
1
23
A
26
A
9
A
10
A
5
A
6
A
1
B
A
3
A
17
A
18
16
B
A
BATTERY
I17
IGNITION
SW
E
4
E
5
,
EMISSION
CONTROL
ECU
A
B
P
o
w
e
r
S
o
u
rc
e
E
m
is
s
io
n
C
o
n
tro
l
(E
u
ro
p
e
)
L–B
R
B–R
W
W
W
W–R
B–Y
W–B
B–Y
W–B
W–R
BATT
THW
VA
VC
TWL
VEGR
EGR
VBAC
VSV
+B
NE+
A
A
1H
6
1D
1
A
A
B
A
B
B
J
3
J
4
,
JUNCTION
CONNECTOR
A
B
B
A
E
F
G
L–Y
L–W
B–W
A/C
TAC
B
B–Y B–Y 6
B
B
11
B
5
I
J
4
I
J
2
6
PIM
A
4
2
1
7
I
J
2
E2
A
16
J 1
JUNCTION
CONNECTOR
W
10A IGN
B–W
B–W
B–W
2
1
V12
VSV(EGR)
2
1
V10
VRV(EGR)
2
1
V11
VSV(BACS)
2
1
V15
VSV
(Turbo Pressure Control)
G–R
G–B
R–L
B B–W
B–W
B–W
B–W
NE–
19
A
TCV
21
A
B–W B–W
(2L–T)
(2L–T)
(2L–T)
(2L–T)
(2L–T)
(2L–T)
B–W
B–W
B–W
B–W
W 3
WATER TEMP. SENSOR
A31
ACCELERATOR PEDAL
POSITION SENSOR
V 1
VACUUM SENSOR
From A/C Magnetic
Clutch<26–3><29–3>
To Tachometer
[Comb. meter]
<25–1>
B–L
P–L P–L
B–Y
G
W–L
W–L
W–L
W–L
W–L
W–L
P–L
W–R
1
2
3
2
3
1
∗
3
:
w/
Engine
Immobiliser
System
∗
4
:
w/o
Engine
Immobiliser
System
L–B
W–R
B–W
7
I
A
1
1
I
J
2
13
A
SREL
13
IJ4
B–R
V–Y
A
2
STA
(A/T)
From " STA" Fuse
<2–3>
(M/T)
P–B
B
5
G–O
G–O
SPD
IJ4
4
(2L–T)
From Speed Sensor
[Comb. Meter]<25–3>
10
IJ2
W–R
B
B–R
2
1
14
B
EF
Rear
side
of
cylinder
head
12
3
6
8
+B
E1
OP1
TE1
C
3
CHECK
CONNECTOR
G–Y
BR
B–W
8
B
1
4
A
A
1
10A GAUGE
1H
5
1
F
2
1B
7
B
5
B
1
A
1
3
B
8
B
R–L
B
R–L
C
D
7
I
J
4
12
IJ4
I
9
INJECTION
PUMP
C15
CRANKSHAFT POSITION
SENSOR
I
9
INJECTION
PUMP
G
1
GLOW
PLUG
EB
Front
left
fender
apron
B–R B–R B–R
VA
VC
VC
PIM
E2
E2
(2L–T)
R
R–L
R–L
B
B
J
8
JUNCTION
CONNECTOR
LG–B
P P
R–W
LG–B
(2L–T) (2L–T)
C
9
C10
,
COMBINATION
METER
A
B
TURBO
GLOW
O/D OFF
2
3
1
2
1
13
1
3
3
F17
FUEL
CONTROL
VALVE
L–W L–W
BR
B–W
W–R
R
G–W
(∗3)
(∗3)
(∗3)
G–W
R
W–R
(∗4)
(∗4)
(∗4)
B–W
B–W
BR
BR
TE1
GIND
E1
NSW
R–W
BR
BR
R–W
IJ2
2
R–W
L–Y
From Neutral
Start SW<2–3>
(M/T)
(A/T)
P–B
R–L
J12
JUNCTION
CONNECTOR
A
BR
R–W
∗
2
:
45A,
55A
Type
Alternator
∗
1
:
70A
Type
Alternator
VF1
B–W
(∗4)
7. 5A ECU–B
B–W
CLICK HERE TO VIEW CHAPTER INDEX Pages From Supplement
TO MODEL INDEX
EWD378F
CONTINUED
HLUX (EWD378F)
189
I
5
6
7
8
27
HILUX
(
LHD
)
L–B
L–Y
L–W
B–W
A
E
F
G
C
C
1
2
3
4
5
T
7
TRANSPONDER
KEY
AMPLIFIER
J18
JUNCTION
CONNECTOR
V
V–W
V–Y
V–G
V–R
L–B
L–B
1
6
12
4
5
13
T
8
TRANSPONDER
KEY
COMPUTER
II
A
A
A
P–B
B–L
W–B
B–W
L–W
L–Y
3
1
0
2
1
4
8
9
W–B
R–L
B
R–L
C
LG–B
D
VC5
AGND
CODE
RXCK
TXCT
TRANSPONDER
KEY
COIL
ANT1
ANT2
J19
JUNCTION
CONNECTOR
J23
JUNCTION
CONNECTOR
Cowl
side
panel
RH
To Diode(Door Courtesy)
<14–3>
To Unlock Warning SW
<18–3>
D
FCVC
IG
GND
CTY
KSW
+B
VC5
AGND
CODE
RXCK
TXCT
10
5
1
2
2
1
C
C
10
IJ4
A
6
I
J
4
IG
Cowl
side
panel
LH
A
A
A
3
I
J
4
1
J14
JUNCTION
CONNECTOR
J
7
JUNCTION
CONNECTOR
A
W–B W–B
W–B
C
A
A
LG
LG
LG
R–L
R–L
LG–B
LG–B
O 2
O/D MAIN SW
D26
DIODE(O/D)
O 3
O/D SOLENOID
J16
JUNCTION
CONNECTOR J16
JUNCTION
CONNECTOR
3
6
SOL
E
KD
R–L
G–O
B–L
LG
W–B
B–L
K
2
KICK
DOWN
SW
B
SPD
2
5
8
O
4
O/D
ECU
From Speed Sensor
[Comb. Meter]<25–3>
LG
E
n
g
in
e
Im
m
o
b
ilis
e
r
S
y
s
te
m
(E
u
ro
p
e
2
L
,
2
L
–
T
)
O
v
e
rd
riv
e
(Is
ra
e
l)
LG–B
CLICK HERE TO VIEW CHAPTER INDEX Pages From Supplement
TO MODEL INDEX
EWD378F
HILUX (EWD378F)
190
I OVERALL ELECTRICAL WIRING DIAGRAM
;;;;;;;
;;;;;;;
;;;;;;;
;;;;;;;;
;;;;;;;;
;;;;;;;;
;;;;;;;;
;;;;;;;;
;;;;;;;;;;
;;;;;;;;;;
;;;;;;;;;;
;;;;;;;;;;
;;;;;;;;;;
;;;;;;;;;;
;;;;;;;;;;
1
2
3
4
28
HILUX
(
LHD
)
2
80A ALT
40A AM1
30A AM2
15A EFI
2
2
2
1I
1
1H
1
2
ACC
IG1
IG2
ST2
AM1
4
6
7
A
M
2
2
2
1
3
5
2
2
2
EB
Front
left
fender
apron
5
I
A
2
1J
8
10A IGN
1H
6
1
C
7
B
1
2
2
1
4
B
9
B
1
B
1
A
12
C
23
A
22
A
21
A
14
A
13
A
26
A
ED
Intake
manifold
A
1
1
1
1
A
1
2
3
2
2
2
2
11
B
B
1
B
BATTERY
J
1
JUNCTION
CONNECTOR
E
1
ECT
SOLENOID
EFI RELAY
ENGINE
AND
ECT
ECU
+B
S1
S2
E1
SL
E01
E02
BATT
OIL
THW
E2
VC
VTA
NSW
W
R–L
W–B
R–L
L–Y
LG
G–R
BR
W–B
W–B
BR
W–B
W–B
W–B
W–R
Y
R–L
W
W
W
W–R
Y
Y
1
I
A
2
B–W
B–R
B–R
Y Y
L–W
G–R
LG–B
G–Y
Y
P–B
LG–B
LG–B
LG–B
LG–B
LG–B
LG–B
LG–B
R
From Neutral Start SW
<1–2>
T 1
THROTTLE POSITION SENSOR
W 3
WATER TEMP. SENSOR
A 3
A/T FLUID TEMP. SW
J
4
JUNCTION
CONNECTOR
I17
IGNITION
SW
P
o
w
e
r
S
o
u
rc
e
1H
5
10A GAUGE
1F
2
10
IJ4
2
I
J
4
1
I
J
4
4
C
9
C
1
9
C
1
8
C
15
B
16
B
2
1
22
C
10
5
IG
Cowl
side
panel
LH
A
W–B
W–B
STP
SPD
2
L
SP2+
SP2
–
OD2
13
5
C
C
C
J
7
JUNCTION
CONNECTOR
O
2
O/D
MAIN
SW
S 1
SPEED SENSOR(ECT)
W–L
B–L
B–L
LG–B
LG–B
J16
JUNCTION
CONNECTOR
See
Engine
Control
System<5–5>
R–L
R–L R–L
R–L
LG LG
Y–B Y–B
LG–B
N 1
NEUTRAL START SW
C10
O/D
OFF
INDICATOR
LIGHT
[COMB.
METER]
E
C
T
(3
R
Z
–
F
E
)
W–B
3
2
4
VC
E2
VTA
2
3
W
B
Y
S1
S2
SL
C
LL
2L
,
E
5
E
4
A
B
,
E
6
C
1F
2
B
B
J
8
JUNCTION
CONNECTOR
R–L
R
R–L
A
A
J14
JUNCTION
CONNECTOR
17
C
R
W From Back–Up Light SW
[Neutral Start SW]
<12–4>
CLICK HERE TO VIEW CHAPTER INDEX Pages From Supplement
TO MODEL INDEX
EWD378F
HILUX (EWD378F)
192
I OVERALL ELECTRICAL WIRING DIAGRAM
;;;;;
;;;;;
;;;;;
;;;;;;;;;;
;;;;;;;;;;
;;;;;;;;;;
;;;;;;;;;;
;;;;;;;;;;
;;;;;;;;;;
;;;;;;;;;;
1
2
3
4
29
HILUX
(
LHD
)
(
Cont.
next
Page
)
40A AM1
50A HEATER
2
2
2
100A ALT
1
2
2
1
2
W
BATTERY
1H
1
1I
1
W
2
1
2
30A CDS FAN
2
1
3
5
2
2
2
2
G–W
5
I
A
1
GR
A
B
A
A
W–B
EB
W–B
Front
left
fender
apron
J
1
J
2
,
JUNCTION
CONNECTOR
A
B
CDS FAN
RELAY
C19
CONDENSER FAN
MOTOR 1
4
I
A
1
1
E
I
1
B
B
B
2
1
4
3
8
8
8
8
CDS FAN
NO. 1 RELAY
2
1
3
5
8
8
8
8
8
4
B–G
B–G
W–L
GR
B
W–L
W–L
CDS FAN
NO. 2 RELAY
2
E
I
1
6
E
I
1
GR
GR
L–W L–W
L–W
W–L
2
ACC
IG1
AM1
4
W
W
C20
CONDENSER FAN
MOTOR 2
3
E
I
1
R–L
4
1
A30
A/C
SINGLE
PRESSURE
SW
D
D
5
E
I
1
B–Y
From Emission
Control ECU
<27–3>
B–Y
1
1
B–Y B–Y
B–Y
V 6
VSV
(A/C Idle–Up)
A 2
A/C MAGNETIC
CLUTCH
4
E
I
1
W–B
W–B
W–B
1H
5
R
R
10A
GAUGE
1J
1
B
B
C
A
J
1
J
2
,
JUNCTION
CONNECTOR
A
B
J12
JUNCTION
CONNECTOR
2
1
2
3
5
4
2
2
2
2
R–L
6
I
A
1
A
B
A
A
EB
Front
left
fender
apron
W–B W–B
JUNCTION
CONNECTOR
B
A
J 1 J 2
,
Y–R
HEATER RELAY
2
4
1
OFF
M2
HI
LO
M1
B
5
BLOWER
RESISTOR
3
L–Y
L–R
L–B
L–B
L–B
4
3
8
W–B
A
II
Cowl
side
panel
RH
D
A
A
A
W–B
W–B
W–B
W–B
W–B W–B
W–B
W–B
W–B
W–B
W–B
W–B
J19
JUNCTION
CONNECTOR
A
A
B
6
BLOWER
SW
W–B
Y–R
J23
JUNCTION
CONNECTOR
A
B
C
D
GR
L–W
L
L–R
E
F
G
H
L
L–W
B–Y
W–G
GR
GR
GR
R
I17
IGNITION
SW
R
R
A
ir
C
o
n
d
itio
n
e
r
(Is
ra
e
l)
P
o
w
e
r
S
o
u
r
c
e
GR
GR
L–R
5
6
2
1
M
1
2
M
1
B
CLICK HERE TO VIEW CHAPTER INDEX Pages From Supplement
CONTINUED TO MODEL INDEX
EWD378F
HLUX (EWD378F)
193
I
5
6
7
8
29
HILUX
(
LHD
)
(
Cont'
d
)
A
B
C
D
E
F
G
H
A
ir
C
o
n
d
itio
n
e
r
(Is
ra
e
l)
12
IA1
L–B
L–R
L
L–W
GR
L–R
L–R
2
2
1
2
10
IA1
L–W L–W L–W
IG
Cowl
side
panel
LH
4
5
6
7
I
G
1
8
I
G
1
L–W
B–L
W–B
W–B W–B
L–W
B
A
A
A
B
A
B
A
1
9
1
0
2
6
4
5
J
7
JUNCTION
CONNECTOR
A13
A/C
AMPLIFIER
J12
JUNCTION
CONNECTOR
A14
A/C
SW
PRS
MGC
SG
TE
B/V
A/C
GND
5
I
G
1
2
3
A
A
W–B
W–B
W–B
W–B
J14
JUNCTION
CONNECTOR
B–L
W–B
W–B
W–B
2
I
G
1
B–Y
Y–R
B–R
B–R
GR
A30
A/C DUAL
PRESSURE SW
L–W
1
2
A15
A/C THERMISTOR
L W–B
L–W
L–R
L–W
2
1
M
B
4
BLOWER
MOTOR
B–R
A
10A
A.
C
CLICK HERE TO VIEW CHAPTER INDEX Pages From Supplement
TO MODEL INDEX
EWD378F
SYSTEM
INDEX
194
HILUX (EWD378F)
SYSTEMS
LOCATION
SYSTEMS
LOCATION
ABS
51-3
.
.
.
.
.
.
.
.
.
.
.
.
.
.
.
.
.
.
.
.
.
.
.
.
.
.
.
.
.
.
.
.
.
.
.
.
.
.
.
.
.
.
.
.
.
.
.
.
.
.
.
.
.
.
Air
Conditioner
55-2
.
.
.
.
.
.
.
.
.
.
.
.
.
.
.
.
.
.
.
.
.
.
.
.
.
.
.
.
.
.
.
.
.
.
.
.
.
.
.
.
.
.
.
.
.
Auto
Antenna
53-2
.
.
.
.
.
.
.
.
.
.
.
.
.
.
.
.
.
.
.
.
.
.
.
.
.
.
.
.
.
.
.
.
.
.
.
.
.
.
.
.
.
.
.
.
.
.
Back-Up
Light
42-3
.
.
.
.
.
.
.
.
.
.
.
.
.
.
.
.
.
.
.
.
.
.
.
.
.
.
.
.
.
.
.
.
.
.
.
.
.
.
.
.
.
.
.
.
.
Carburetor
35-2
.
.
.
.
.
.
.
.
.
.
.
.
.
.
.
.
.
.
.
.
.
.
.
.
.
.
.
.
.
.
.
.
.
.
.
.
.
.
.
.
.
.
.
.
.
.
.
.
.
Charging
(Diesel)
31-3
.
.
.
.
.
.
.
.
.
.
.
.
.
.
.
.
.
.
.
.
.
.
.
.
.
.
.
.
.
.
.
.
.
.
.
.
.
.
.
.
.
.
.
Charging
(Gasoline)
30-3
.
.
.
.
.
.
.
.
.
.
.
.
.
.
.
.
.
.
.
.
.
.
.
.
.
.
.
.
.
.
.
.
.
.
.
.
.
.
.
.
Cigarette
Lighter
47-1
.
.
.
.
.
.
.
.
.
.
.
.
.
.
.
.
.
.
.
.
.
.
.
.
.
.
.
.
.
.
.
.
.
.
.
.
.
.
.
.
.
.
.
Clock
47-2
.
.
.
.
.
.
.
.
.
.
.
.
.
.
.
.
.
.
.
.
.
.
.
.
.
.
.
.
.
.
.
.
.
.
.
.
.
.
.
.
.
.
.
.
.
.
.
.
.
.
.
.
.
Combination
Meter
54-2
.
.
.
.
.
.
.
.
.
.
.
.
.
.
.
.
.
.
.
.
.
.
.
.
.
.
.
.
.
.
.
.
.
.
.
.
.
.
.
.
.
Door
Lock
Control
45-2
.
.
.
.
.
.
.
.
.
.
.
.
.
.
.
.
.
.
.
.
.
.
.
.
.
.
.
.
.
.
.
.
.
.
.
.
.
.
.
.
.
.
ECT
37-3
.
.
.
.
.
.
.
.
.
.
.
.
.
.
.
.
.
.
.
.
.
.
.
.
.
.
.
.
.
.
.
.
.
.
.
.
.
.
.
.
.
.
.
.
.
.
.
.
.
.
.
.
.
.
Emission
Control
(Europe)
57-2
.
.
.
.
.
.
.
.
.
.
.
.
.
.
.
.
.
.
.
.
.
.
.
.
.
.
.
.
.
.
.
.
.
.
.
Emission
Control
(General)
35-3
.
.
.
.
.
.
.
.
.
.
.
.
.
.
.
.
.
.
.
.
.
.
.
.
.
.
.
.
.
.
.
.
.
.
Engine
Control
(1KZ-TE)
56-2
.
.
.
.
.
.
.
.
.
.
.
.
.
.
.
.
.
.
.
.
.
.
.
.
.
.
.
.
.
.
.
.
.
.
.
.
Engine
Control
(1RZ-E)
34-2
.
.
.
.
.
.
.
.
.
.
.
.
.
.
.
.
.
.
.
.
.
.
.
.
.
.
.
.
.
.
.
.
.
.
.
.
.
Engine
Control
(3RZ-FE)
33-3
.
.
.
.
.
.
.
.
.
.
.
.
.
.
.
.
.
.
.
.
.
.
.
.
.
.
.
.
.
.
.
.
.
.
.
.
Engine
Immobiliser
System
57-6
.
.
.
.
.
.
.
.
.
.
.
.
.
.
.
.
.
.
.
.
.
.
.
.
.
.
.
.
.
.
.
.
.
.
Front
Wiper
and
Washer
48-3
.
.
.
.
.
.
.
.
.
.
.
.
.
.
.
.
.
.
.
.
.
.
.
.
.
.
.
.
.
.
.
.
.
.
.
.
Fuel
Heater
31-3
.
.
.
.
.
.
.
.
.
.
.
.
.
.
.
.
.
.
.
.
.
.
.
.
.
.
.
.
.
.
.
.
.
.
.
.
.
.
.
.
.
.
.
.
.
.
.
.
Glow
Plug
(Australia
5L,
General
3L,
2L)
36-2
.
.
.
.
.
.
.
.
.
.
.
.
.
.
.
.
.
.
.
.
.
.
Headlight
(w/
Dim-Dip
Light)
38-2
.
.
.
.
.
.
.
.
.
.
.
.
.
.
.
.
.
.
.
.
.
.
.
.
.
.
.
.
.
.
.
.
.
Headlight
(w/o
Dim-Dip
Light)
39-2
.
.
.
.
.
.
.
.
.
.
.
.
.
.
.
.
.
.
.
.
.
.
.
.
.
.
.
.
.
.
.
.
Horn
50-4
.
.
.
.
.
.
.
.
.
.
.
.
.
.
.
.
.
.
.
.
.
.
.
.
.
.
.
.
.
.
.
.
.
.
.
.
.
.
.
.
.
.
.
.
.
.
.
.
.
.
.
.
.
.
Ignition
32-3
.
.
.
.
.
.
.
.
.
.
.
.
.
.
.
.
.
.
.
.
.
.
.
.
.
.
.
.
.
.
.
.
.
.
.
.
.
.
.
.
.
.
.
.
.
.
.
.
.
.
.
.
Illumination
44-3
.
.
.
.
.
.
.
.
.
.
.
.
.
.
.
.
.
.
.
.
.
.
.
.
.
.
.
.
.
.
.
.
.
.
.
.
.
.
.
.
.
.
.
.
.
.
.
.
Interior
Light
43-3
.
.
.
.
.
.
.
.
.
.
.
.
.
.
.
.
.
.
.
.
.
.
.
.
.
.
.
.
.
.
.
.
.
.
.
.
.
.
.
.
.
.
.
.
.
.
.
Light
Reminder
Buzzer
and
Key
Reminder
40-2
.
.
.
.
.
.
.
.
.
.
.
.
.
.
.
.
.
.
.
.
.
Power
Source
30~57-1
.
.
.
.
.
.
.
.
.
.
.
.
.
.
.
.
.
.
.
.
.
.
.
.
.
.
.
.
.
.
.
.
.
.
.
.
.
.
.
.
.
.
.
Power
Window
46-3
.
.
.
.
.
.
.
.
.
.
.
.
.
.
.
.
.
.
.
.
.
.
.
.
.
.
.
.
.
.
.
.
.
.
.
.
.
.
.
.
.
.
.
.
.
Radio
and
Player
53-3
.
.
.
.
.
.
.
.
.
.
.
.
.
.
.
.
.
.
.
.
.
.
.
.
.
.
.
.
.
.
.
.
.
.
.
.
.
.
.
.
.
.
.
Rear
Fog
Light
44-8
.
.
.
.
.
.
.
.
.
.
.
.
.
.
.
.
.
.
.
.
.
.
.
.
.
.
.
.
.
.
.
.
.
.
.
.
.
.
.
.
.
.
.
.
.
Rear
Window
Defogger
48-2
.
.
.
.
.
.
.
.
.
.
.
.
.
.
.
.
.
.
.
.
.
.
.
.
.
.
.
.
.
.
.
.
.
.
.
.
.
Remote
Control
Mirror
47-3
.
.
.
.
.
.
.
.
.
.
.
.
.
.
.
.
.
.
.
.
.
.
.
.
.
.
.
.
.
.
.
.
.
.
.
.
.
.
SRS
52-3
.
.
.
.
.
.
.
.
.
.
.
.
.
.
.
.
.
.
.
.
.
.
.
.
.
.
.
.
.
.
.
.
.
.
.
.
.
.
.
.
.
.
.
.
.
.
.
.
.
.
.
.
.
.
Starting
(Diesel)
31-2
.
.
.
.
.
.
.
.
.
.
.
.
.
.
.
.
.
.
.
.
.
.
.
.
.
.
.
.
.
.
.
.
.
.
.
.
.
.
.
.
.
.
.
.
Starting
(Gasoline)
30-2
.
.
.
.
.
.
.
.
.
.
.
.
.
.
.
.
.
.
.
.
.
.
.
.
.
.
.
.
.
.
.
.
.
.
.
.
.
.
.
.
.
Stop
Light
39-3
.
.
.
.
.
.
.
.
.
.
.
.
.
.
.
.
.
.
.
.
.
.
.
.
.
.
.
.
.
.
.
.
.
.
.
.
.
.
.
.
.
.
.
.
.
.
.
.
.
Taillight
40-3
.
.
.
.
.
.
.
.
.
.
.
.
.
.
.
.
.
.
.
.
.
.
.
.
.
.
.
.
.
.
.
.
.
.
.
.
.
.
.
.
.
.
.
.
.
.
.
.
.
.
.
Turn
Signal
and
Hazard
Warning
Light
41-2
.
.
.
.
.
.
.
.
.
.
.
.
.
.
.
.
.
.
.
.
.
.
.
.
4WD
(w/
2-4
Select
SW)
49-2
.
.
.
.
.
.
.
.
.
.
.
.
.
.
.
.
.
.
.
.
.
.
.
.
.
.
.
.
.
.
.
.
.
.
.
.
4WD
(w/o
2-4
Select
SW)
50-2
.
.
.
.
.
.
.
.
.
.
.
.
.
.
.
.
.
.
.
.
.
.
.
.
.
.
.
.
.
.
.
.
.
.
.
I OVERALL ELECTRICAL WIRING DIAGRAM
BACK TO MAIN INDEX Pages From Supplement
TO MODEL INDEX
EWD378F
HILUX (EWD378F)
198
I OVERALL ELECTRICAL WIRING DIAGRAM
;;;;;
;;;;;
;;;;;
;;;;;;;;;;
;;;;;;;;;;
;;;;;;;;;;
;;;;;;;;;;
;;;;;;;;;;
;;;;;;;;;;
;;;;;;;;;;
;;;;;;;;;;
;;;;;;;;;;
;;;;;;;;;;
;;;;;;;;;;
;;;;;;;;;;
;;;;;;;;;;
;;;;;;;;;;
;;;;;;
;;;;;;
;;;;;;
;;;;;;
1
2
3
4
30
HILUX
(
RHD
)
2
100A ALT(∗3)
80A ALT(∗4)
7. 5A ALT–S
40A AM1
30A AM2
2
2
2
2
2
ACC
IG1
IG2
ST2
AM1
4
6
8
7
A
M
2
1H
1
1I
1
1
1
1
1
2
2
2
2
2
1
3
5
2
7.
5A
STA
2
2
2
2
2
3
E
B
3
1
B
1
A
EB
Front
left
fender
apron
15
IJ1
25
IJ1
IC1
1
8
I
C
1
BATTERY
STARTER
C
C
C
C
W
B–R(∗5)
B–L(∗6)
B–W
W–B
To Engine ECU(M/T) or
Engine and ECT ECU(A/T)
<33–8><34–4>
To Engine and ECT ECU
<37–2>
V–Y
(A/T)
P–B
P–B
P–B
P–B
P–B
(A/T)
(M/T)
P–B(M/T)
V–Y(A/T)
V–Y V–Y
B–W
W–B
J12
JUNCTION
CONNECTOR
W
W
W
W
W–R
W–R
W
P–B
V–Y
(∗1)
(∗2)
I17
IGNITION
SW
P–B
(∗1)
B–R
B
B
1
2
R
P
o
w
e
r
S
o
u
rc
e
C
h
a
rg
in
g
(G
a
s
o
lin
e
)
3
A
S
1
B
2
A
1
A
B
IG
L
2
E
B
3
1H
5
1
H
6
10A GAUGE
10A IGN
1J
1
1
D
1
3D
11
3D
12
9
A
1
B
C
A
B
B
D
A
D
A
E
B
EB3
6
ALTERNATOR
JUNCTION
CONNECTOR
W–R
R–L
Y–B
W
5
E
B
3
R–L
Y–B
Y–B
Y–B
(∗2)
B–W
(∗1)
(∗2)
B–W
JUNCTION
CONNECTOR
B
B
R–L
W–R
W
B–R
R
R
B–R
B–R B–W
B–W
(∗2)
STARTER
RELAY
W
(∗1)
W
To Carburetor
<35–2>
CHARGE
WARNING
LIGHT
[COMB.
METER]
J 7
JUNCTION
CONNECTOR
(A/T) (A/T)
(A/T)
(A/T)
C
B
(∗1)
B
B
(∗2)
B
B
C
B
(∗1)
(∗2)
JUNCTION
CONNECTOR
6
5
P
N
N
1
NEUTRAL
START
SW
∗
3
:
70A
Type
Alternator
∗
4
:
45A,
55A
Type
Alternator
J14
B
,
J
2
J
1
A
B
,
C10
C
9
A
B
,
J14
J13
A
B
,
A11
A10
A
B
,
S
3
S
2
A
B
A
A
A
A
JUNCTION
CONNECTOR
A
J 1
W–B
∗
2
:
General
∗
1
:
Australia
S
ta
rtin
g
(G
a
s
o
lin
e
)
∗
5
:
Cold
Area
Spec.
∗
6
:
Except
Cold
Area
Spec.
CLICK HERE TO VIEW CHAPTER INDEX Pages From Supplement
TO MODEL INDEX
EWD378F
HILUX (EWD378F)
199
I
;;;;;;
;;;;;;
;;;;;;
;;;;;;;;;;
;;;;;;;;;;
;;;;;;;;;;
;;;;;;;;;;
;;;;;;;;;;
;;;;;;;;;;
;;;;;;;;;;
;;;;;;;;;;
;;;;;
;;;;;
;;;;;
1
2
3
4
31
HILUX
(
RHD
)
100A
ALT(∗4)
80A
ALT(∗5)
20A AM2
7. 5A ALT–S
40A AM1
2
2
2
2
2
2
ACC
IG1
IG2
ST2
AM1
4
6
8
7
A
M
2
1H
1
1I
1
4
3
2
1
4
4
4
4
1
EB
2
1
A
1
B
7.
5A
STA
2
2
2
1
1
1
1
IJ1
23
15
IJ1
IJ1
25
W
P–B
(∗1, ∗2)
A
B
A
A
A
A
EF
Front
right
fender
apron
C
C
1
2
2
2
2
JUNCTION
CONNECTOR
STARTER
BATTERY
ST
RLY
J12
JUNCTION
CONNECTOR
I17
IGNITION
SW
(∗1)
(∗2)
W W
W
W–R
W–R
B–W
B–W
W
V–Y
(∗3)
P–B
(∗1)
P–B
(∗2)
V–Y
(∗2)
V–Y
(∗1, ∗2)
W–B
W–B
(∗2)
B–R
R
B
B
P–B
(∗3)
V–Y
(∗1)
W–B
(∗1,
∗3)
W–B
(∗2)
B–R
3
A
S
2
A
1
A
IG
L
10A GAUGE
10A IGN
1H
5
1
H
6
1J
1
1
D
1
B
B
C
A
3D
11
3D
12
1
B
9
A
D
A
D
A
E
B
20
IJ1
W–R
W(Except
1KZ–TE)
B–R
R
W–R
Y–B
Y–B
Y–B
ALTERNATOR
JUNCTION
CONNECTOR
CHARGE
WARNING
LIGHT
[COMB.
METER]
JUNCTION CONNECTOR
To Pre–Heating
Timer<36–3>
B–R
R–L
B–W
B–W
(∗1)
B–W
(∗2, ∗3)
B–W
(∗1)
R–L
Y–B(∗2)
Y–B
(∗1, ∗3)
W
W
W–R
P
o
w
e
r
S
o
u
rc
e
S
ta
rtin
g
(D
ie
s
e
l)
C
h
a
rg
in
g
(D
ie
s
e
l)
W
(∗2,
∗3)
(∗1,
∗3)
B
B
B
B
JUNCTION
CONNECTOR
A
B
W–B
W–B
1
2
F 9
FUEL HEATER
R W–B
(∗2)
(5L,
∗3)
F
u
e
l
H
e
a
te
r
J14
B
,
J
2
J
1
A
B
,
S
3
S
2
A
B
,
A11
A10
A
B
,
C10
C
9
A
B
,
J14
J13
A
B
B
J 1 J 2
A ,
∗
1
:
Australia
∗
2
:
Europe
∗
3
:
General
∗
4
:
70A
Type
Alternator
∗
5
:
45A,
55A
Type
Alternator
30A AM2
2
C
B
C
B
1
2
W–R
W–R
W–R
(∗7)
(∗6)
(1KZ–TE)
(∗6)
(∗7)
(Except 1KZ–TE)
JUNCTION CONNECTOR
B
J14
R
1
EG1
W(1KZ–TE)
W
(Except 1KZ–TE)
(1KZ–TE)
W
(1KZ–TE)
W(1KZ–TE)
C
A
A
A
P–B
V–Y
(1KZ–TE)
(∗2)
J10
JUNCTION
CONNECTOR
To Emission Control
ECU<57–4>
To Engine ECU
<56–7>
3
EG1
EG1
4
R–L R–L
Y–B
Y–B
(Except 1KZ–TE)
(1KZ–TE)
(1KZ–TE)
(1KZ–TE)
(
1KZ–TE)
B
A
(∗3)
C
B
(∗2)
C
B
(∗2)
B
A
(∗3)
JUNCTION CONNECTOR
B
A
J 7 J 8
,
∗
6
:
2L–T
w/o
Dim–Dip
Light
∗
7
:
5L,
3L,
2L,
2L–T
w/
Dim–Dip
Light
1
B
B
CLICK HERE TO VIEW CHAPTER INDEX Pages From Supplement
TO MODEL INDEX
EWD378F
HILUX (EWD378F)
200
I OVERALL ELECTRICAL WIRING DIAGRAM
1
2
3
4
32
HILUX
(
RHD
)
30A AM2
2
2
IG2
ST2
6
7
A
M
2
9
I
C
6
IC3
12
C
B
A
A
18
IC6
2
A
4
A
1
A
3
A
1
B
2
B
ED
Intake
manifold
EC
Ignition
coil
bracket
W–R
JUNCTION
CONNECTOR
N 2
NOISE FILTER
BATTERY
I
2
IGNITION
COIL
AND
IGNITER
NO.
1
I
3
IGNITION
COIL
AND
IGNITER
NO.
2
(3RZ–FE)
(1RZ–E)
To
Engine
ECU(M/T)
or
Engine
and
ECT
ECU(A/T)<
33–6>
To
Engine
ECU
<
34–4>
I17
IGNITION
SW
2
1
4
2
3
3
2
4
1
1
B
B B
B
B–R
B–R
(1RZ–E)
B–R
(3RZ–FE)
B–R
B–R
B–R
R
G
B–L
B–Y
BR
L–W
B–Y
B–Y B–Y
B–L
BR
W
BR
BR
B–R
B–R
(Australia)
W–R
B–R
(General)
B–R
B–R
(1RZ–E)
B–R
(3RZ–FE)
IIA
B
B
B
A
JUNCTION
CONNECTOR
10
IC5
2
1
2
1
To Tachometer
[Comb. Meter]
<54–1>
To Check Connector
<34–3>
B–R
4
I
C
5
B–R
(3RZ–F)
L
B–R
Y
L
B–R
B B
B–L
B B
B
B–R
(1RZ)
B–R
3
5
1
4
2
6
B
I 4
IGNITION COIL
NO. 1
I 5
IGNITION COIL
NO. 2
I
1
IGNITER
IC5
4
B B
B–L
B
B
To Emission
Control ECU
<35–3>
To Tachometer
[Comb. Meter]
<54–1>
To A/C Amplifier
<55–3>
To
Emission
Control
ECU<35–3>
To Tachometer
[Comb. Meter]
<54–1>
EE
Cylinder
block
right
side
BR
BR
P
o
w
e
r
S
o
u
r
c
e
Ig
n
itio
n
BR
1
2
+B
+B
IGF
IGT
GND
IGF
IGT
GND
(General)
(Shielded)
(Shielded)
B
C
P
+
P
–
IGV
EX
IIA
,
J14
J13
A
B
,
I
7
I
6
A
B
,
J14
J13
A
B
1
C
4
C
2
C
I
6
C
BR
CLICK HERE TO VIEW CHAPTER INDEX Pages From Supplement
TO MODEL INDEX
EWD378F
HILUX (EWD378F)
202
I OVERALL ELECTRICAL WIRING DIAGRAM
;;;;;;
;;;;;;
;;;;;;
;;;;;;;;;
;;;;;;;;;
;;;;;;;;;
;;;;;;;;;
;;;;;;;;;
;;;;;;;;;
;;;;;;;;;
;;;;;;;;;
;;;;;;;;;
;;;;;;
;;;;;;
;;;;;;
;;;;;;
;;;;;;
;;;;;;
;;;;;;
;;;;;;
;;;;;;
1
2
3
4
33
HILUX
(
RHD
)
(
Cont.
next
page
)
2
30A AM2
15A EFI
7. 5A OBD
100A ALT(∗2)
80A ALT(∗3)
2
2
2
40A AM1
2
2
ACC
IG1
IG2
ST2
AM1
4
6
7
A
M
2
1H
1
1I
1
C
B
C
B
A
A
1H
6
10A IGN
1J
8
2
1
3
5
2
2
2
2
12
IC3
1
2
1
2
1
2
1
2
EB
Front
left
fender
apron
22
IJ1
A
A
BATTERY
W
W–B
R
W
L
R–L
R
W
L
R–L
W–B
W–B
R–L
B–R
B–R
B–R
B–R
B–R
B–R
J
1
JUNCTION
CONNECTOR
I10
INJECTOR NO. 1
I11
INJECTOR NO. 2
I12
INJECTOR NO. 3
I13
INJECTOR NO. 4
W–R
GR–L
Y
W
R
B–R
B–R
B–W
Y
GR–L
R
R–L
Y
Y
I17
IGNITION
SW
EFI RELAY
JUNCTION
CONNECTOR
P
o
w
e
r
S
o
u
rc
e
E
n
g
in
e
C
o
n
tro
l
(3
R
Z
–
F
E
)
K
J
I
H
G
F
E
A
B
C
D
IK
Cowl
side
panel
RH
1
B
A
1
2
1
M
12
BA1
2
1
3
5
1H
5
10A GAUGE
1F
2
3D
1
3
E
22
3D
5
3
E
21
13
C
5
B
IH
Cowl
side
panel
LH
IC3
1
IC3
6
ED
Intake
manifold
CHECK ENGINE WARNING
LIGHT[COMB. METER]
J
3
JUNCTION
CONNECTOR
J15
JUNCTION
CONNECTOR
R
V–G
G–Y
R
W
L
R–L
W–B
W–B
W–B
BR
BR
BR
V–G
R–L
G–W
F12
FUEL PUMP
G–Y
R
4
1
4
7
16
9
13
12
+B
W–B
G–W
R–L
R–L
R–L
R–L
R–L
W–B
R–Y
R
V
R–W
GR–L
R–L
R–L
R–L
R–L
R–W
Y
C
3
CHECK
CONNECTOR
D10
DLC3
CIRCUIT
OPENING
RELAY
From ABS ECU
<51–4>
A
A
A
A
W
W–R
B–R
1
2
1
2
1
2
1
2
7
7
7
7
BAT
OP5
TC
SIL
SG
CG
(∗1)
W–B
1
2
,
J14
J13
A
B
C
C10 C11
B ,
AB
6
P–B From Center Airbag
Sensor Assembly<52–3>
R
From
Center
Airbag
Sensor
Assembly<52–3>
∗
1
:
Shielded
∗
2
:
70A
Type
Alternator
∗
3
:
45A,
55A
Type
Alternator
B
B
B
J
5
JUNCTION
CONNECTOR
R–L
To
Check
Connector
<
51–3>
26
IJ1
CLICK HERE TO VIEW CHAPTER INDEX Pages From Supplement
CONTINUED TO MODEL INDEX
EWD378F
HILUX (EWD378F)
203
I
5
6
7
8
33
HILUX
(
RHD
)
(
Cont'
d
)
A
B
C
D
E
F
G
H
I
J
K
E
n
g
in
e
C
o
n
tro
l
(3
R
Z
–
F
E
)
1
5
C
9
A
1
0
A
3
B
2
B
1
0
B
1
2
C
8
A
7
I
C
3
2
1
8
C
1
C
14
IJ1
9
B
16
C
5
C
14
C
24
A
25
A
11
A
12
A
26
A
13
A
14
A
20
A
16
A
19
A
ED
Intake
manifold
3
1
2
5
4
A
2
3
1
A
SIL
W
FC
#
40
#
30
#
20
#
10
E02
E01
E1
IGT1
IGF
IGT2
TC
RSC
RSO
THA
VG
E3
+B
EVP
TAC
BATT
E2
Y
R–W
R–L
R–L
V
W–L
B–R
Y–G
P–L
Y–R
R–L
R–L
LG–B
LG–B
R–L
B–W
R–W
Y
LG–B
B–W
Y
R–W
J12
JUNCTION
CONNECTOR
V 8
VSV(EVAP)
To Tachometer
[Comb. Meter]
<54–1>
A
I15
ISC VALVE
A 9
AIR FLOW METER
R–L
R
V–G
G–Y
R
W
L
R–L
R
V–G
G–Y
R
W
L
R–L
W–B
W–B
BR
B–L
B–Y
L–W
From
Ignition
Coil
and
Igniter
No.
1,
No.
2
<
32–1>
BR
BR
4
A
1
7
A
4
B
6
B
2
1
1
B
1
1
B
2
C
1
3
C
4
C
1
1
C
9
C
3
1
2
1
5
A
1
3
B
2
1
1
ENGINE
ECU(M/T)
OR
ENGINE
AND
ECT
ECU(A/T)
THW
VAF
VC
VTA
ELS
4WD
STP
STA
SPD
NE+
NE
–
G2+
KNK
1
2
3
BR
C
4
CRANKSHAFT
POSITION
SENSOR
K
1
KNOCK
SENSOR
C 1
CAMSHAFT POSITION
SENSOR
R
G
BR
BR
W
B
GR
BR
G
(∗1)
W
LG–B
L
G
–B
LG–B
LG–B
G–R
G–B
G–Y
G–Y G–Y
Y
O
G–B
G–W
P–B(M/T)
V–Y(A/T)
G–O
(4WD)
V
3
VARIABLE
RESISTOR
W 3
WATER TEMP. SENSOR
T
1
THROTTLE
POSITION
SENSOR
From Diode(Idle–Up)
<44–4>
To ADD Indicator SW
(w/ ADD)<49–1><50–3>
To Detection SW
(Transfer 4WD Position)
(w/o ADD)<50–3>
From Stop Light SW
<39–4>
From " STA" Fuse(M/T)<30–2>
From Neutral Start SW(A/T)
<30–2>
From Speed Sensor
[Comb. Meter]
<54–3>
∗
1
:
Shielded
VCC
E2
VAF
E2
VC
VTA
(A/T)
(∗1)
(∗1)
(∗1)
2
3
,
E
5
E
4
A
B
,
E
6
C
LG–B
To Check Connector
<51–3>
CLICK HERE TO VIEW CHAPTER INDEX Pages From Supplement
TO MODEL INDEX
EWD378F
HILUX (EWD378F)
204
I OVERALL ELECTRICAL WIRING DIAGRAM
;;;;;;
;;;;;;
;;;;;;;;
;;;;;;;;
;;;;;;;;
;;;;;;;;
;;;;;;;;
;;;;;;;;
;;;;;;;;
;;;;;;;;
;;;;;
;;;;;
;;;;;
1
2
3
4
34
HILUX
(
RHD
)
2
15A EFI
80A ALT
30A AM2
40A AM1
2
2
2
1H
1
1I
1
2
ACC
IG1
IG2
ST2
AM1
4
6
7
A
M
2
C
B
C
B
A
A
1H
6
10A IGN
10A GAUGE
1J
8
1
F
2
1H
5
2
1
3
5
2
2
2
2
3D
1
3D
5
13
C
5
B
22
IJ1
CHECK ENGINE WARNING
LIGHT[COMB. METER]
2
1
3
5
9
I
C
6
EB
Front
left
fender
apron
IK
Cowl
side
panel
RH
1
2
1
2
1
2
1
2
1
B
A
1
2
1
M
12
BA1
A
A
B
2
2
2
2
1
1
1
1
A
B
B
W
R–L
R–L
L
L
B–R
B–R
B–R
B–R
W–B
W–B
W–B
G–W
G–W G–W
G–Y
P
R–L
R–L
R–L
R–L R–L
R–L
Y
Y
R–L
B–W
B–R
B–R B–R
W–B
B–R
W–R
W
Y
B–R
B–R
R–L
L
R–L
L
G–W
G–Y
P
P
R–L
Y
R–L
G–W
R
R
F12
FUEL PUMP
J 5
JUNCTION
CONNECTOR
I10
INJECTOR NO. 1
I12
INJECTOR NO. 3
I11
INJECTOR NO. 2
I13
INJECTOR NO. 4
EFI RELAY
I17
IGNITION
SW
CIRCUIT
OPENING
RELAY
J
1
JUNCTION
CONNECTOR
J15
JUNCTION
CONNECTOR
BATTERY
W
JUNCTION
CONNECTOR
8
I
C
6
15
IC6
4
I
C
6
26
IC6
4
I
C
2
6
I
C
6
8
B
16
B
7
B
9
B
2
B
16
A
3
A
5
A
10
A
4
A
18
A
17
A
19
A
10
B
4
B
25
A
12
A
24
A
13
A
26
A
13
B
11
A
6
A
21
A
7
A
9
A
ED
Intake
manifold
14
IJ1
2
1
2
1
2
1
8
1
3
9
3
2
1
2
3
12
19
1
2
4
1
3
C
3
CHECK
CONNECTOR
T 1
THROTTLE POSITION
SENSOR
W 3
WATER TEMP. SENSOR
I 8
IN–AIR TEMP. SENSOR
V 1
VACUUM SENSOR
V 3
VARIABLE RESISTOR
From
IIA
<
32–2>
R–L
LG–B
L
G
–
B
L
G
–
B
LG–B
P
P
P
Y
L–Y
P
LG–B GR
P
Y
L–Y
G–B
Y–G
G–R
LG–B
Y
R–L
G–B
Y–R
L–W
G–W
P
P
G–W
L–W
Y–R
G–B
B
R–L
R–L
Y
LG–B
LG–B
LG–B
+B
TE1
VF
TE2
+B
BATT
E2
THW
THA
VAF
VC
VTA
W
FC
#
20
#
10
E1
E01
E02
SPD
STA
P
G–Y
L
R–L
BR
BR
BR
G–O
P–B
B–L
R
B–Y
G
From Speed Sensor
[Comb. Meter]
<54–3>
From " STA" Fuse
<30–2>
From
IIA<32–2>
P
o
w
e
r
S
o
u
rc
e
E
n
g
in
e
C
o
n
tro
l
(1
R
Z
–
E
)
7
7
7
7
W–B
IG–
W
FP
TE1
VF1
TE2
E2
VCC
VAF
E2
VC
PIM
E2
VC
VTA
IDL
17
IC6
P–B
PIM
IDL
IGT
NE+
IGF
NE
–
,
E
5
E
4
A
B
ENGINE
ECU
C
C10 C11
B ,
,
J14
J13
A
B
CLICK HERE TO VIEW CHAPTER INDEX Pages From Supplement
TO MODEL INDEX
EWD378F
HILUX (EWD378F)
205
I
;;;;;;;;;;
;;;;;;;;;;
;;;;;;;;;;
;;;;;;;;;;
;;;;;;;;;;
1
2
3
4
35
HILUX
(
RHD
)
2
30A
AM2
2
7
I
G
2
ST2
AM2
6
1H
6
10A IGN
1D
1
5
I
C
5
1
2
4
2
I
C
4
B
B
B
B
P
o
w
e
r
S
o
u
rc
e
C
a
rb
u
re
to
r
FUEL CUT
SOLENOID
OUTER VENT
CONTROL VALVE
CHOKE
HEATER
C
2
CARBURETOR
BATTERY
W
B–W
B–W
B–W
B–W
Y–B
B–W
B–W
Y–B
B–W
W–R
W–R
B–R
B–R
J
7
JUNCTION
CONNECTOR
J14
JUNCTION
CONNECTOR
I17
IGNITION
SW
From Alternator
<30–4>
7
B
3
A
4
B
1
A
2
1
3
IC4
6
A
14
B
5
A
2
B
4
A
1
B
2
A
13
B
11
B
9
B
IL
Cowl
side
panel
RH
II
Cowl
side
panel
LH
2
1
2
I
C
5
1
I
C
4
EO
SPD
TAC
IGV
IGB
TP
B–W
B–R
B–W
B–W
B–W B–R
B–R
B–R (3RZ–F)
(3RZ–F)
(1RZ)
EMISSION
CONTROL
ECU
V 9
VSV(Throttle Position Control)
BR
G–O G–O
B
B–L
L
G–R W–B
W–B
W–B
W–B
From
Igniter(3RZ–F)<
32–3>
From
IIA(1RZ)<
32–4>
From Speed Sensor
[Comb. Meter]
<54–2>
V
2
VACUUM
SW
E
m
is
s
io
n
C
o
n
tro
l(G
e
n
e
ra
l)
To A/C Amplifier
<55–4> (3RZ–F)
1
2
AUX
VSW2
EE
:
Cylinder
block
right
side(3RZ–F)
ED
:
Intake
manifold(1RZ)
L
(1RZ)
,
E
3
A
B
3
B
AC1
12
B
ACT
L–Y
(1RZ)
L–B
(1RZ)
To
A/C
Amplifier
<
55–3>
<
55–4>
(3RZ–F)
5
I
C
4
1
1
I
C
5
L–Y
L–B
(1RZ)
(1RZ)
CLICK HERE TO VIEW CHAPTER INDEX Pages From Supplement
TO MODEL INDEX
EWD378F
HILUX (EWD378F)
206
I OVERALL ELECTRICAL WIRING DIAGRAM
;;;;;
;;;;;
;;;;;
;;;;;
;;;;;
;;;;;
;;;;;;;;;
;;;;;;;;;
;;;;;;;;;
;;;;;;;;;
;;;;;
;;;;;
;;;;;
;;;;;
;;;;;
;;;;;
;;;;;
;;;;;;;;
;;;;;;;;
;;;;;;;;
;;;;;;;;
;;;;;;;;
;;;;;;;;
;;;;;;;;
1
2
3
4
36
HILUX
(
RHD
)
2
100A ALT(∗4)
80A ALT(∗5)
80A ABS, GLOW
20A AM2
40A AM1
2
2
2
1H
1
1I
1
2
ACC
IG1
ST1
IG2
ST2
AM1
4
6
8
7
A
M
2
4
3
2
1
4
4
4
4
2
E
B
2
EF
Front
right
fender
apron
1H
5
1
B
7
1
F
2
3
D
1
3D
5
10A GAUGE
5
B
1
A
A
C
1
1
1
1
2
2
2
2
A
C
GLOW
INDICATOR
LIGHT
[COMB.
METER]
I17
IGNITION
SW
SUB
GLW
RLY
BATTERY
G
1
GLOW
PLUG
J
1
JUNCTION
CONNECTOR
J
6
JUNCTION
CONNECTOR
1
W
B–Y
W–B
B–Y
W–B
R–W R–W
W
W–R
W–R
W
B–R
R–L
(∗2)
R–L
(∗1)
R–L
(∗2)
R–L
(∗2)
R
B
B–R
B
B–R
R–W
B
B–R
R–L
(∗1)
5
I
J
2
IJ1
7
13
IC3
IC1
8
(∗1)
(∗2)
1H
6
2
7.
5A
STA
10A IGN
2
1
D
1
3D
11
3D
10
23
IJ1
B
A
B
B
C
2
1
B
1
B
2
2
1
C
P–B
(∗1)
P–B
(∗1)
P–B
(∗1)
B–W
(∗2)
B–R
(∗2)
P–B
(∗2)
P–B
(∗2)
B
B–R
JUNCTION
CONNECTOR
B–R B–R B–R
B–W
(∗2)
B–W
(∗1)
B–W
(∗1)
5
B
1
A
11
B
8
A
3
B
7
A
9
B
6
B
2
A
8
B
3
A
4
B
1
2
EG
Rear
side
of
cylinder
block
IC3
6
IC1
2
EG
Rear
side
of
cylinder
block
FUEL CUT
SOLENOID
PICK–UP
SENSOR
2
I
C
3
IC1
7
5
I
C
3
IC5
11
IM
3C
13
3C
16
(∗1)
(∗2)
W 3
WATER TEMP. SENSOR
From Alternator
<31–4>
(∗1)
(∗1)
(∗2)
(∗2)
(∗2)
(∗1)
I
9
INJECTION
PUMP
SREL
STA
GIND
EG
THW
CHG
IG
J12
JUNCTION
CONNECTOR
To
Tachometer
[Comb.
Meter]
<
54–1>
I14
INTAKE SHUTTER
J
7
JUNCTION
CONNECTOR
Y–B
G
BR
R–W
B–W B–W
B
B–W
(∗1)
B–W BR
(∗1)
BR
(∗2)
BR
(∗1)
BR
(∗2)
BR
(∗1)
BR
B
Y–B
BR
B–W
B–W
C
C
(∗1)
(∗2)
J 7
JUNCTION
CONNECTOR
∗
1
:
Australia
∗
2
:
General
P–B
P
o
w
e
r
S
o
u
rc
e
G
lo
w
P
lu
g
(A
u
s
tra
lia
5
L
,
G
e
n
e
ra
l
3
L
,
2
L
)
12
IC3
IC5
10
(∗1)
(∗2)
(∗1)
1
2
3
Right
kick
panel
1
I
C
3
IC1
1
(∗1)
(∗2)
,
C10
C
9
A
B
,
J14
J13
A
B
P
3
,
PRE–HEATING
TIMER
A
B
(∗3) (∗3)
(∗3)
∗
3
:
w/
Tachometer
∗
4
:
70A
Type
Alternator
∗
5
:
45A,
55A
Type
Alternator
IC1
10
4
I
C
3
D
8
DIODE(Glow
Plug)
B–R
B–R
(∗2 ∗3)
B–R
(∗2
∗3)
CLICK HERE TO VIEW CHAPTER INDEX Pages From Supplement
TO MODEL INDEX
EWD378F
HILUX (EWD378F)
207
I
;;;;;;;
;;;;;;;
;;;;;;;
;;;;;;;;
;;;;;;;;
;;;;;;;;
;;;;;;;;
;;;;;;;;
;;;;;;;;;;
;;;;;;;;;;
;;;;;;;;;;
;;;;;;;;;;
;;;;;
;;;;;
;;;;;
;;;;;
;;;;;
;;;;;
;;;;;
;;;;;
;;;;;
;;;;;
;;;;;
;;;;;
;;;;;
;;;;;
;;;;;
;;;;;
;;;;;
;;;;;
;;;;;
;;;;;;
;;;;;;
;;;;;;
;;;;;;
1
2
3
4
37
HILUX
(
RHD
)
2
80A ALT
40A AM1
30A AM2
15A EFI
2
2
2
1I
1
1H
1
2
ACC
IG1
IG2
ST2
AM1
4
6
7
A
M
2
2
2
1
3
5
2
2
2
EB
Front
left
fender
apron
22
IJ1
1J
8
10A IGN
1H
6
1
C
7
B
1
2
2
1
4
B
9
B
1
B
1
A
12
C
23
A
22
A
21
A
14
A
13
A
26
A
ED
Intake
manifold
A
1
1
1
1
A
1
2
3
2
2
2
2
11
B
C
1
C
BATTERY
J
1
JUNCTION
CONNECTOR
E
1
ECT
SOLENOID
EFI RELAY
ENGINE
AND
ECT
ECU
+B
S1
S2
E1
SL
E01
E02
BATT
OIL
THW
E2
VC
VTA
NSW
W
R–L
W–B
R–L
L–Y
LG
G–R
BR
W–B
W–B
BR
W–B
W–B
W–B
W–R
Y
R–L
W
W
W
W–R
Y
Y
14
IJ1
B–W
B–R
B–R
Y Y
L–W
G–R
LG–B
G–Y
Y
P–B
LG–B
LG–B
LG–B
LG–B
LG–B
LG–B
LG–B
R
From " STA" Fuse
<30–2>
T 1
THROTTLE POSITION SENSOR
W 3
WATER TEMP. SENSOR
A 3
A/T FLUID TEMP. SW
J14
JUNCTION
CONNECTOR
I17
IGNITION
SW
P
o
w
e
r
S
o
u
rc
e
1H
5
10A GAUGE
1F
2
3D
1
3
D
2
3
D
5
10
IC3
7
IC1
6
IC1
4
C
9
C
19
C
18
C
15
B
16
B
2
1
22
C
10
5
IH
Cowl
side
panel
LH
3E
21
3E
12
A
W–B
W–B
STP
SPD
2
L
SP2+
SP2
–
OD2
13
5
D
D
D
J
3
JUNCTION
CONNECTOR
O
2
O/D
MAIN
SW
S 1
SPEED SENSOR(ECT)
W–L
B–L
B–L
LG–B
LG–B
J
4
JUNCTION
CONNECTOR
See
Engine
Control
System<
33–8>
R
R–L
R–L R–L
R–L
LG LG
Y–B Y–B
LG–B
N 1
NEUTRAL START SW
C10
O/D
OFF
INDICATOR
LIGHT
[COMB.
METER]
E
C
T
W–B
3
2
4
VC
E2
VTA
2
3
W
B
Y
S1
S2
SL
C
LL
2L
,
E
5
E
4
A
B
,
E
6
C
CLICK HERE TO VIEW CHAPTER INDEX Pages From Supplement
TO MODEL INDEX
EWD378F
HILUX (EWD378F)
208
I OVERALL ELECTRICAL WIRING DIAGRAM
;;;;;;;
;;;;;;;
;;;;;;;
;;;;;;;
;;;;;;;
;;;;;;;
;;;;;;;;
;;;;;;;;
;;;;;;;;
;;;;;;;;
;;;;;;;;
1
2
3
4
38
HILUX
(
RHD
)
H
e
a
d
lig
h
t
(w
/
D
im
–
D
ip
L
ig
h
t)
2
15A DOME
100A ALT
40A AM1
2
2
4
3
2
1
2
2
1J
12
1I
1
1D
10
1H
1
2
ACC
IG1
AM1
4
18
IJ1
1
3
2
2
2
2
I17
IGNITION
SW
2
10A HEAD(RL)
10A HEAD(LH)
10A HEAD(RH)
2
2
2
2
2
2
10A HEAD(LL)
G–B
E
B
E
B
D
A
3
3
3
2
2
3
1
1
1
2
2
2
1
1
1
1
JUNCTION
CONNECTOR
BATTERY
HEAD RELAY
H 5
HEADLIGHT LH
H 6
HEADLIGHT RH
W
G–W
L
W–G
W–G
W–G
G–W
G–W
L
R
R–B
L–Y
1
2
1
2
W
L–Y
W
R
R
GR–R
W–G
G
W–G
L
G–W
R–L
R–W
DIMMER
RELAY
4
P
o
w
e
r
S
o
u
rc
e
1H
5
10A GAUGE
1F
2
24
IJ1
From
TAIL
Relay
<
40–1>
R–L
2
C
B
C
B
A
A
EF
Front
right
fender
apron
2
1
5
3
4
6
6
6
6
6
4
3
1
2
6
6
6
6
B
B
B
B
LG–R
A
B
A
B
B
A
C
A
TAIL
OFF
HIGH
LOW
HEAD
FLASH
H
T
ED
HF
HL
LIGHT
CONTROL
SW
DIMMER SW
HU
13
7
C13
COMBINATION
SW
8
16
IK
Cowl
side
panel
RH
From Rear Fog Light
SW<44–7>
L–W
D
JUNCTION
CONNECTOR
6
1
4
7
4
1
2
3
9
5
D
A
A
A
D
A
L–Y
R
R
GR–R
R–Y
8
1
3
1
1
GR–R
R
GR–R
L–Y
10
G–W
L
LG–R
G–R
R–G
L–W
R–W
G–O
L–W
R–W
G–O
L
LG–R
G–B
W–B
W–B
G–R
W–G
LG–R
G–R
G–R
W–B
W–B
W–B
R–G
J10
JUNCTION
CONNECTOR
C10
HIGH
BEAM
INDICATOR
LIGHT
[COMB.
METER]
J15
JUNCTION
CONNECTOR
J
1
JUNCTION
CONNECTOR
DIM–DIP RELAY
NO. 3
DIM–DIP RELAY
NO. 2
W–B
D
6
DIM–DIP
LIGHT
RELAY
7
1
0
L
B
J13 J14
A ,
B
J13 J14
A ,
CLICK HERE TO VIEW CHAPTER INDEX Pages From Supplement
TO MODEL INDEX
EWD378F
HILUX (EWD378F)
209
I
;;;;;
;;;;;
;;;;;
;;;;;
;;;;;
;;;;;
;;;;;
;;;;;
;;;;;
;;;;;
;;;;;
;;;;;
;;;;;
;;;;;
;;;;;
;;;;;
;;;;;
;;;;;
;;;;;
;;;;;
;;;;;
;;;;;
;;;;;
;;;;;
;;;;;
;;;;;
;;;;;
;;;;;
;;;;;
;;;;;
;;;;;
;;;;;
;;;;;
1
2
3
4
39
HILUX
(
RHD
)
2
100A ALT(∗6)
80A ALT(∗7)
10A
STOP
4
3
2
1
2
2
2
H
T
ED
HF
HL
HU
OFF
TAIL
HEAD
LOW
HIGH
FLASH
LIGHT
CONTROL SW
DIMMER SW
1J
2
1F
8
1J
7
1F
3
1F
11
1F
4
1J
9
1
2
3
1
2
3
10A
HEAD(LH)
10A
HEAD(RH)
A
B
A
B
C
A
2
2
2
1
1
3
2
1
1
2
2
W
10
7
IL
Cowl
side
panel
RH
IK
Cowl
side
panel
RH
IL
Cowl
side
panel
RH
H
5
HEADLIGHT
LH
H
6
HEADLIGHT
RH
C10
HIGH
BEAM
INDICATOR
LIGHT
[COMB.
METER]
J15
JUNCTION
CONNECTOR
BATTERY
HEAD RELAY
R–W
R–B
G–Y
R–W
R–G
R–Y
R–G
R–G
R–G
R–Y
W–B
(∗3)
W–B
(∗1, ∗2)
W–B
(∗1, ∗2)
W–B
(∗3)
G–Y
R–Y
R–Y
R–Y
W–B
(∗1,
∗2)
A
JUNCTION
CONNECTOR
8
I
J
1
3
I
J
2
1
2
3B
5
3
B
7
3B
6
3
B
9
3
B
A1
G–Y G–W
(∗1)
G–W
(∗1)
G–W G–W
G–W
G–W
(∗4)
10
BA1
IK
Cowl
side
panel
RH
IL
Cowl
side
panel
RH
(∗1,
∗2)
(∗3)
S
4
STOP
LIGHT
SW
J
7
JUNCTION
CONNECTOR
R
6
STOP
LIGHT
LH
[REAR
COMB.
LIGHT
LH]
R
7
STOP
LIGHT
RH
[REAR
COMB.
LIGHT
RH]
J15
JUNCTION
CONNECTOR
To
Engine
ECU(M/T)
or
Engine
and
ECT
ECU(A/T)
<
33–8>
W–B W–B W–B
W–B
(∗1, ∗2)
(∗3)
A
G–W
(∗3)
W–B
(∗3)
3
3
D
4
4
D
D
W–B
G–W
(∗2)
G–W
(∗2)
G–W
(3RZ–FE)
To
ABS
ECU<
51–6>
∗
1
:
Australia
∗
2
:
Europe
∗
3
:
General
∗
4
:
w/
Rear
Deck,
Malta
∗
5
:
Except
∗4
P
o
w
e
r
S
o
u
rc
e
H
e
a
d
lig
h
t
(w
/o
D
im
–
D
ip
L
ig
h
t)
S
to
p
L
ig
h
t
G–W
G–W
(∗1)
(∗2)
13
B
14
A
8
B
1
A
17
B
10
A
7
B
2
A
(∗1,
∗3)
(∗2)
16
B
9
A
(∗1,
∗3)
(∗2)
R–W
R–W
R–L
R–W
COMBINATION
SW
E
A
E
A
JUNCTION
CONNECTOR
(∗5)
B
J13 J14
A ,
,
C13
A
B
J13
A
∗
6
:
70A
Type
Alternator
∗
7
:
45A,
55A
Type
Alternator
CLICK HERE TO VIEW CHAPTER INDEX Pages From Supplement
TO MODEL INDEX
EWD378F
HILUX (EWD378F)
210
I OVERALL ELECTRICAL WIRING DIAGRAM
;;;;;;;
;;;;;;;
;;;;;;;
;;;;;
;;;;;
;;;;;
;;;;;
;;;;;
;;;;;
;;;;;
;;;;;
;;;;;
;;;;;
;;;;;
;;;;;
;;;;;;;;;;;;;
;;;;;;;;;;;;;
;;;;;;;;;;;;;
;;;;;;;;;;;;;
;;;;;;;;;;;;;
;;;;;;;;;;;;;
;;;;;;;;;;;;;
;;;;;;;;;;;;;
;;;;;;;;;;;;;
;;;;;;;;;;;;;
;;;;;;;;;;;;;
;;;;;;;;;;;;;
;;;;;;;;;;;;;
;;;;;;;;;;;;;
1
2
3
4
40
HILUX
(
RHD
)
2
100A
ALT(∗10)
80A
ALT(∗11)
40A AM1
1
2
5
3
2
2
2
1I
1
2
10A TAIL
2
1H
1
2
ACC
IG1
AM1
3
4
B
A
B
A
C
B
C
B
TAIL RELAY
JUNCTION
CONNECTOR
1H
3
1H
5
10A GAUGE
1J
6
1
F
7
OFF
TAIL
HEAD
1J
2
1F
11
1F
8
5
A
IL
IH
A
6
8
4
W–B
(∗1,
∗2)
W–B
(∗1, ∗2)
(∗1,
∗2)
W–B
W–B
(∗3)
BATTERY
To Dim–Dip Light
Relay<38–4>
J
3
JUNCTION
CONNECTOR
R–Y
R–Y
(∗6)
(∗6)
R–Y
(∗1, ∗3)
B–Y
W
W
W
G
G
R
L–R
G
G
See Interior Light
System<43–2>
I17
IGNITION
SW
L–R
R
20
3F
3F
19
9
B
A
1
2
1
2
1
2
A
2
A
2
B
2
B
1
B
3
A
1
B
3
A
A
B
A
A
A
A
IK
Cowl
side
panel
RH
10
BA1
G
IL
Cowl
side
panel
RH
E
A
A
2
2
3
3
E
JUNCTION
CONNECTOR
W–B
W–B
(∗1, ∗2)
(∗3)
W–B
(∗3)
W–B
W–B
W–B
W–B
W–B
W–B
W–B
W–B
W–B
(∗5)
W–B
(∗4)
W–B
(∗4)
W–B
(∗5)
(∗5)
W–B
(∗4)
J15
JUNCTION
CONNECTOR
J13
JUNCTION
CONNECTOR
R 6
TAILLIGHT LH
[REAR COMB. LIGHT LH]
R 7
TAILLIGHT RH
[REAR COMB. LIGHT RH]
L 1
LICENSE PLATE
LIGHT LH
L 2
LICENSE PLATE
LIGHT RH
FRONT CLEARANCE
LIGHT LH
FRONT CLEARANCE
LIGHT RH
G
G
G
G
G
G
G
G
(∗4)
G
(∗5)
G
(∗5)
(∗5)
G
(∗4)
G
(∗4)
G
G
(∗4)
G
G
G
(∗1)
∗
1
:
Australia
∗
2
:
Europe
∗
3
:
General
∗
4
:
w/
Rear
Deck,
Malta
∗
5
:
Except
∗4
∗
6
:
w/
Dim–Dip
Light
∗
7
:
w/o
Dim–Dip
Light
P
o
w
e
r
S
o
u
rc
e
L
ig
h
t
R
e
m
in
d
e
r
B
u
z
z
e
r
a
n
d
K
e
y
R
e
m
in
d
e
r
T
a
illig
h
t
1
1
1
2
2
2
W
(∗1)
(∗2,
∗3)
14
B
15
A
(∗1,
∗3)
(∗2)
16
B
9
A
(∗1,
∗3)
(∗2)
CIG.
(B)
GAUGE(B)
TAIL(B)
CTY(D)
∗
8
:
Front
Turn
Signal
Light
and
Clearance
Light
One
Body
Type
∗
9
:
Front
Turn
Signal
Light
and
Clearance
Light
Separated
Type
(∗8)
(∗9)
(∗8)
(∗9)
(∗8)
(∗9)
(∗8)
(∗9)
EB
:
Front
left
fender
apron(Gasoline)
EF
:
Front
right
fender
apron(Diesel)
,
J
2
J
1
A
B
LIGHT
CONTROL SW
,
J
2
J
1
A
B
A
F 2 F 6
B ,
A
F 1 F 5
B ,
9
I
J
2
IJ1
24
19
IJ1
R–Y(∗1,
∗3)
R–Y(∗2
∗7)
R–Y
(∗7 ∗2)
(∗1)
(∗3)
∗10
:
70A
Type
Alternator
∗11
:
45A,
55A
Type
Alternator
R–Y(∗2,
∗6)
T
H
E
D
Cowl
side
panel
RH
Cowl
side
panel
LH
IG
Cowl
side
panel
LH
A
J
7
JUNCTION
CONNECTOR
I18
INTEGRATION
RELAY
A
1C
1
EARTH
C13
A
,
B
COMBINATION
SW
10
A
7
A
2
1
U 1
UNLOCK
WARNING SW
EARTH
KEY
U/L
SW
G–B
P–B
7
W–B
W–B
15A
ACC
CLICK HERE TO VIEW CHAPTER INDEX Pages From Supplement
TO MODEL INDEX
EWD378F
HILUX (EWD378F)
211
I
;;;;;
;;;;;
;;;;;
;;;;;
;;;;;
;;;;;
;;;;;;;;
;;;;;;;;
;;;;;;;;
;;;;;;;; ;;;;;;;;;
;;;;;;;;;
;;;;;;;;;
;;;;;;;;;
;;;;;;;;;
;;;;;;;;;
;;;;;;;;;
;;;;;;;;;
;;;;;;
;;;;;;
;;;;;;
;;;;;;
;;;;;;
;;;;;;
;;;;;;
;;;;;;
;;;;;;
;;;;;;
;;;;;;
;;;;;;
;;;;;;
;;;;;;
;;;;;;
;;;;;;
;;;;;;
;;;;;;
;;;;;;
;;;;;;
;;;;;;
;;;;;;
;;;;;;
;;;;;;
;;;;;;
;;;;;;
;;;;;;
;;;;;;
;;;;;;
;;;;;;
;;;;;;
;;;;;;
;;;;;;
;;;;;;
;;;;;;
;;;;;;
;;;;;;
;;;;;;
;;;;;;
;;;;;;
;;;;;;
;;;;;
;;;;;
;;;;;
1
2
3
4
41
HILUX
(
RHD
)
15A HORN
100A
ALT(∗8)
80A
ALT(∗9)
40A
AM1
2
2
2
1H
1
1I
1
2
ACC
IG1
ST1
AM1
4
1H
5
1J
3
1D
11
10A TURN
1B
2
OFF
ON
B1
F
B2
TB
TL
TR
1B
4
1
B
10
8
1B
1C
1
7
6
1
1
1
3
5
4
1
2
2
2
2
2
1
W
W
W
L–W
R–B
L–W
G–R
L–R
IK
Cowl
side
panel
RH
IL
Cowl
side
panel
RH
II
Cowl
side
panel
LH
A
A
A
A
I17
IGNITION
SW
H10
HAZARD
SW
TURN
SIGNAL
FLASHER
J15
JUNCTION
CONNECTOR
BATTERY
W–B(∗4
∗5)
W–B(∗3
∗5)
W–B(∗1)
W–B
W–B
(∗2)
(∗1)
L–R
W–B
(∗2)
L–W
R
W–B
(∗1)
W–B
(∗1)
W–B
(∗2)
W–B
(∗2 ∗5)
W–B
(∗2)
LH
RH
1D
6
1
E
4
1J
11
1D
7
1E
3
1D
8
1D
2
1A
2
1
A
1
1
J
10
1E1
2
1
3F
3
3F
1
8
B
A1
R 7
REAR TURN SIGNAL LIGHT RH
[REAR COMB. LIGHT RH]
2
1
2
1
C10
TURN SIGNAL INDICATOR
LIGHT[COMB. METER]
2
1
2
B
A1
10
BA1
A
A
A
A
A
B
A
B
IL
Cowl
side
panel
RH
IH
Cowl
side
panel
LH
W–B
W–B
(∗5)
W–B
(∗2)
J13
JUNCTION
CONNECTOR
F 6(∗6)
F 8(∗7)
FRONT TURN
SIGNAL LIGHT RH
F 4
FRONT SIDE TURN
SIGNAL LIGHT RH
F 5(∗6)
F 7(∗7)
FRONT TURN
SIGNAL LIGHT LH
F 3
FRONT SIDE
TURN SIGNAL
LIGHT LH
R 6
REAR TURN
SIGNAL LIGHT LH
[REAR COMB.
LIGHT LH]
3
10
D
D
1
11
12
1
A
A
3
J
3
JUNCTION
CONNECTOR
J14
JUNCTION
CONNECTOR
JUNCTION
CONNECTOR
W–B(∗1)
W–B(∗3
∗5)
W–B(∗4
∗5)
W–B
W–B
W–B
G–B
G–Y
(∗2
∗5)
(∗2)
(∗1)
W–B
(∗3 ∗5)
W–B
W–B
(∗1)
W–B
(∗2)
W–B
G–B
G–B
G–Y
G–B
(∗5)
G–B
G–B
G–Y
G–Y
G–Y
G–Y
G–Y
(∗5)
G–Y W–B
W–B
(∗5)
W–B
W–B
(∗1)
W–B
(∗4
∗5)
W–B
W–B
G–B
LH
RH
L–R
∗
1
:
Europe,
Australia
∗
2
:
General
∗
3
:
Australia
∗
4
:
Europe
∗
5
:
w/
Front
Side
Turn
Signal
Light
∗
6
:
Front
Turn
Signal
Light
and
Clearance
Light
One
Body
Type
∗
7
:
Front
Turn
Signal
Light
and
Clearance
Light
Separated
Type
P
o
w
e
r
S
o
u
rc
e
T
u
rn
S
ig
n
a
l
a
n
d
H
a
z
a
rd
W
a
rn
in
g
L
ig
h
t
TL
TB
TR
2
B
7
A
(∗2,
∗3)
(∗4)
1
B
6
A
3
B
8
A
(∗2,
∗3)
(∗4)
EB
:
Front
left
fender
apron(Gasoline)
EF
:
Front
right
fender
apron(Diesel)
(∗2)
W–B
E
E
G–B
G–Y
TURN SIGNAL SW
[COMB. SW]
B
C13 A ,
,
J
2
J
1
A
B
A
A
A
J
9
JUNCTION
CONNECTOR
∗
8
:
70A
Type
Alternator
∗
9
:
45A,
55A
Type
Alternator
(∗4 ∗5)
W–B
CLICK HERE TO VIEW CHAPTER INDEX Pages From Supplement
TO MODEL INDEX
EWD378F
HILUX (EWD378F)
212
I OVERALL ELECTRICAL WIRING DIAGRAM
;;;;;;;;;
;;;;;;;;;
;;;;;;;;;
;;;;;;;;;
;;;;;;;;;
;;;;;;;;;
;;;;;;;;;
;;;;;;;
;;;;;;;
;;;;;;;
;;;;;;
;;;;;;
;;;;;;
1
2
3
4
42
HILUX
(
RHD
)
B
a
c
k
–
U
p
L
ig
h
t
2
100A
ALT(∗8)
80A
ALT(∗9)
40A
AM1
2
1I
1
1H
1
2
ACC
IG1
AM1
4
1H
5
10A
GAUGE
1B
7
1
F
2
3D
1
3D
2
2
1
4
8
7
B
A
1
B
1
1
2
2
C
B
C
P
o
w
e
r
S
o
u
rc
e
N
1
BACK–UP
LIGHT
SW
[NEUTRAL
START
SW]
B
1
BACK–UP
LIGHT
SW
BATTERY
W
R–L
R–L
W
W
(∗10)
(A/T)
(∗10)
(A/T)
(3RZ–FE,
3L,
2L–T,
2L)
(3RZ–F,
1RZ,
5L)
(∗6)
(∗5)
(∗6)
(∗5)
I17
IGNITION
SW
J 6
JUNCTION
CONNECTOR
W
W
R
R–L
(∗2)
R–L
(∗1)
R–L
R–L
(∗2)
(∗10)
W
W
BUZZER
2
1
5
5
10
BA1
IK
Cowl
side
panel
RH
IL
Cowl
side
panel
RH
E
A
E
3
3
W
W
W
W
W
(∗7)
W–B
W–B
W–B
W–B
W
(∗3)
(∗4)
W–B
W–B
W–B
(∗6)
(∗6)
(∗1, ∗5)
R
7
BACK–UP
LIGHT
RH
[REAR
COMB.
LIGHT
RH]
R
6
BACK–UP
LIGHT
LH
[REAR
COMB.
LIGHT
LH]
R15
REVERSE
WARNING
BUZZER
J15
JUNCTION
CONNECTOR
J13
JUNCTION
CONNECTOR
(∗7)
∗
1
:
Australia
∗
2
:
Europe,
General
∗
3
:
w/
Rear
Deck,
Malta
∗
4
:
Except
∗3
∗
5
:
Europe
∗
6
:
General
W–B
∗
7
:
w/
Reverse
Warning
Buzzer
∗
8
:
70A
Type
Alternator
∗
9
:
45A,
55A
Type
Alternator
∗10
:
Except
1RZ–E,
1KZ–TE
(3RZ–F,
1RZ,
5L)8
I
C
5
IC3
(3RZ–FE,
3L,
2L–T,
2L)10
7
I
C
5
IC3
9
R–L
(∗11)
(∗11)
W
R–L
(∗11)
W
(∗11)
1
I
C
1
IC6
5
(1RZ–E)
(1KZ–TE)
9
I
C
3
IC6
13
∗11
:
1KZ–TE,
1RZ–E
CLICK HERE TO VIEW CHAPTER INDEX Pages From Supplement
TO MODEL INDEX
EWD378F
HILUX (EWD378F)
213
I
;;;;
;;;;
;;;;
;;;;
;;;;
;;;;
;;;;
;;;;
;;;;
;;;;
;;;;
;;;;
;;;;
;;;;;
;;;;;
;;;;;
;;;;;
;;;;;
;;;;;
;;;;;
;;;;;
;;;;;
;;;;;
;;;;;;;;;;
;;;;;;;;;;
;;;;;;;;;;
;;;;;;;;;;
;;;;;;;;;;
;;;;;
;;;;;
;;;;;
;;;;;
;;;;;
;;;;;
;;;;;
;;;;;
;;;;;
;;;;;
;;;;;
;;;
;;;
;;;
;;;
;;;
;;;
;;;
;;;
;;;
;;;
;;;
;;;
;;;
;;;
;;;
;;;
;;;
;;;
;;;
;;;
;;;
;;;
;;;
;;;
;;;
;;;
;;;
;;;
;;;
1
2
3
4
43
HILUX
(
RHD
)
2
15A DOME
100A
ALT(∗12)
80A
ALT(∗13)
40A AM1
2
2
1I
1
1H
1
2
ACC
IG1
AM1
4
1H
5
10A GAUGE
1J
12
1D
10
1K
2
1
A
1
2
12
A
1
3B
3
3B
1
3B
4
3
B
2
1A
5
2
1
5
A
9
A
1
12
6
2
2
2
9
BATTERY
D12
DOOR
COURTESY
SW
FRONT
RH
D11
DOOR
COURTESY
SW
FRONT
LH
D 7
DIODE
(Door Courtesy)
I16
IGNITION KEY
CYLINDER LIGHT
W
B
(∗1, Europe)
B–O
(∗4)
B–O
(∗2)
B–O
(∗2)
B
(∗1)
B–O
(∗1)
1
1
1
W
L–Y
W
R
L–Y
L–Y
(∗1)
L–Y
L–B
(∗11)
L–Y
(∗11)
B–O
B
(∗1, Europe)
(∗2)
B–L
B–O
(∗4)
INTEGRATION
RELAY
I17
IGNITION
SW
P
o
w
e
r
S
o
u
rc
e
In
te
rio
r
L
ig
h
t
1F
1
1K
1
2
2
DOOR
OFF
ON
1
1
B
B
B
B
1
1
1
I
L
1
1
I
A
2
∗
1
:
Australia
Double
Cab
∗
2
:
Australia
Except
Double
Cab
∗
3
:
General
Double
Cab
w/o
Door
Lock
∗
4
:
Except
∗3
∗
5
:
General
Double
Cab
∗
6
:
Europe
Double
Cab
∗
7
:
General
Double
Cab
w/
Door
Lock
∗
8
:
Regular
Cab
∗
9
:
Double
Cab,
Extra
Cab
L–Y(∗1)
L–Y
I20
INTERIOR
LIGHT
B–O
C
C
C
(∗8)
(∗9)
(∗8)
(∗9)
L–Y
(∗1)
B–O
(∗6)
B–O
(∗6)
J10
JUNCTION
CONNECTOR
C
9
OPEN
DOOR
WARNING
LIGHT
[COMB.
METER]
J 6
JUNCTION
CONNECTOR
D14
DOOR
COURTESY
SW
REAR
LH
D15
DOOR
COURTESY
SW
REAR
RH
B–O
(∗1)
B–O
B–O
B–O(∗1)
B–O(∗3)
B–O(∗5)
B–O
(∗3)
(∗1)
(∗1)
B–O
(∗7)
B–O
(∗5)
B–O
(∗7)
B–O
(∗3)
B–O(∗3)
B–O
(∗1)
B–O(∗3)
B–O
(∗6)
B–O
(∗3)
B–O
(∗1)
B–O
(∗7)
B–O(∗6)
B–O
(∗1)
B–O
B–O
B–O
(∗7)
(∗3)
(∗3)
5
4
GAUGE(B)
DOME(B)
KEY
ILLUMI.
DOME(B)
CTY(D)
CTY(P)
CTY(P)
B–O
(∗5)
B–O
(∗10)
(Australia)
I18
A
∗10
:
General
Regular
Cab
B–O
(∗10)
∗11
:
w/
Ignition
Key
Cylinder
Light
∗12
:
70A
Type
Alternator
∗13
:
45A,
55A
Type
Alternator
CLICK HERE TO VIEW CHAPTER INDEX Pages From Supplement
TO MODEL INDEX
EWD378F
HILUX (EWD378F)
214
I OVERALL ELECTRICAL WIRING DIAGRAM
;;;;;
;;;;;
;;;;;
;;;;;
;;;;;
;;;;;
;;;;;
;;;;;
;;;;;
;;;;;
;;;;;
;;;;;
;;;;;
;;;;;
;;;;;
;;;;;
;;;;;
;;;;;
;;;;;
;;;;;
;;;;;
;;;;;
;;;;;
;;;;;
;;;;;
;;;;;
;;;;;
;;;;;
;;;;;
;;;;;
;;;;;
;;;;;
;;;;
;;;;
;;;;
;;;;
;;;;
;;;;
;;;;
;;;;
;;;;
;;;;;
;;;;;
;;;;;
;;;;;
;;;;;
;;;;;
;;;;;
;;;;;
;;;;;
;;;;;
;;;;;
;;;;;
;;;;;
;;;;;
;;;;;
;;;;;
;;;;;
;;;;;
;;;;;
;;;;;
;;;;;
;;;;;
;;;;;
;;;;;
;;;;;
;;;;;
;;;;;
;;;;;
;;;;;
;;;;;
;;;;;
;;;;;
;;;;;
;;;;;
;;;;;
;;;;;
;;;;;
;;;;;
;;;;;
;;;;;
;;;;;
;;;;;
;;;;;
;;;;;
;;;;;
;;;;;
;;;;;
;;;;;
;;;;;
;;;;;
;;;;;
;;;;;
;;;;;
;;;;;
;;;;;
;;;;;
;;;;;
;;;;;;;;;
;;;;;;;;;
;;;;;;;;;
;;;;;;;;;
;;;;;;;;;
1
2
3
4
44
HILUX
(
RHD
)
(
Cont.
next
page
)
2
100A
ALT(∗4)
80A
ALT(∗5)
40A
AM1
1
2
5
3
2
2
2
2
1I
1
7. 5A ECU–B
10A TAIL
1B
11
2
C
B
B
A
1J
6
1
A
6
1
F
7
3
F
20
3F
10
3F
17
3F
18
4
1
4
C
15
A
3F
2
3
D
17
3D
20
3D
13
3F
9
3F
1
IK
Cowl
side
panel
RH
1
1
1
1
E
2
2
2
2
E
A
A
A
JUNCTION
CONNECTOR
METER ILLUMINATION
[COMB. METER]
R 4
REAR WINDOW
DEFOGGER SW
See Light Reminder
Buzzer System<40–1>
TAIL RELAY
R 5
RHEOSTAT
J13
JUNCTION
CONNECTOR
J15
JUNCTION
CONNECTOR
W
W
B–Y
G
L–B
G
G
G W–G
W–B
W–B
W–B
W–B
W–B
W–B
W–B W–B
G
G
G
(∗1)
W–B
G
(∗2, ∗3)
BATTERY
3F
14
3F
13
3E
5
3
E
7
3
E
8
3
E
6
3
E
10
9
8
9
4
1
2
1
2
2
1
3E
13
3E
16
3E
17
3E
19
3E
11
3E
21
3E
4
IH
IM
Right
kick
panel
2
7
10
1
A
A
G(∗2,
∗3)
G
W–B
W–B
W–B
L–B
G
(∗2,
∗3)
G
G
G
G
G
G
G
BR
W–B
W–B
W–B
W–B
W–B
O To Engine and ECT ECU
<33–8>
BR
W–B
W–B
R 1
RADIO AND PLAYER
H10
HAZARD SW
O 2
A/T SHIFT LEVER ILLUMINATION
[O/D MAIN SW]
C 6
CIGARETTE LIGHTER
ILLUMINATION
A26
ASHTRAY
ILLUMINATION
G 2
GLOVE BOX LIGHT
D 9
DIODE
(Idle–Up)
J
3
JUNCTION
CONNECTOR
∗
1
:
Australia
∗
2
:
Europe
∗
3
:
General
P
o
w
e
r
S
o
u
rc
e
Illu
m
in
a
tio
n
(A/T) (A/T)
15
3F
G
To
Clock
<
47–2>
A
5
4
A
B 6 A
BLOWER SW
(A/T) (A/T)
1
I
G
1
2
I
G
1
G W–B
Cowl
side
panel
LH
B
J 1 J 2
A ,
C
C 9 C11
A ,
∗
4
:
70A
Type
Alternator
∗
5
:
45A,
55A
Type
Alternator
L–B
CLICK HERE TO VIEW CHAPTER INDEX Pages From Supplement
CONTINUED TO MODEL INDEX
EWD378F
HILUX (EWD378F)
215
I
;;;;;
;;;;;
;;;;;
;;;;;
;;;;;
5
6
7
8
44
HILUX
(
RHD
)
(
Cont'
d
)
A
B
1J
6
1A
6
8
2
4
1
9
8
1
3
15
A
4
C
IK
Cowl
side
panel
RH
IH
Cowl
side
panel
LH
II
Cowl
side
panel
LH
IM
Right
kick
panel
IL
Cowl
side
panel
RH
7
A
A
A
B
B
E
A
E
A
A
A
A
A
10
A
A
A
METER ILLUMINATION
[COMB. METER]
R 3
REAR FOG LIGHT SW
R 4
REAR WINDOW
DEFOGGER SW
H10
HAZARD SW
A14
A/C SW
R 1
RADIO AND PLAYER
J
9
JUNCTION
CONNECTOR
J15
JUNCTION
CONNECTOR
J
3
JUNCTION
CONNECTOR
J
8
JUNCTION
CONNECTOR
J
6
JUNCTION
CONNECTOR
L–B
G
(∗2, ∗3)
W–B
(∗2)
W–B
(∗2)
W–B
W–B
(∗2)
W–B
W–B
(∗3)
W–B
(∗2)
G
G
G
G
G
G
G
(∗2)
W–B(∗3)
W–B(∗2)
W–B(∗3)
W–B(∗2)
W–B
(∗2)
W–B
(∗2)
W–B
W–B
(∗2)
W–B
(∗2)
W–B
(∗2)
W–B(∗3) W–B
(∗3)
W–B
(∗3)
W–B
(∗3)
BR
BR
IK
Cowl
side
panel
RH
IH
Cowl
side
panel
LH
2
1
BA1
10
BA1
5
C
5
7
1
B
10
E
C
3
B
6
E
A
A
B
A
R
9
REAR
FOG
LIGHT
J
6
JUNCTION
CONNECTOR
C10
REAR
FOG
LIGHT
INDICATOR
LIGHT
[COMB.
METER]
J13
JUNCTION
CONNECTOR
J15
JUNCTION
CONNECTOR
J
3
JUNCTION
CONNECTOR
J10
JUNCTION
CONNECTOR
To Combination SW
<38–4>
R
3
REAR
FOG
LIGHT
SW
L–B L–B
Y–G
W–B
L–W
W–B W–B
W–B
W–B
W–B
Y–G
Y–G
Y–G
W–B
W–B
Illu
m
in
a
tio
n
R
e
a
r
F
o
g
L
ig
h
t
(∗2)
B
G
To
Clock<
47–2>
4
B
(∗3)
5
A
(∗2)
4
A
(∗2)
3
B
(∗3)
BLOWER SW
W–B(∗2)
W–B
(∗2)
(∗2)
(∗2)
B
LH
E
L
∗
2
:
Europe
∗
3
:
General
W–B
(∗3)
C
C 9 C11
A ,
B
B 6 A ,
A
W–B
B
A
G
B
A
A
A
A
(∗3)
(∗2)
(∗2)
(∗3)
(∗3)
5
1D
G
(∗2)
G
G
(∗3)
(∗2)
(∗2)
1
I
G
1
1
2
1
2
2
1
2
I
G
1
J13
JUNCTION CONNECTOR
G
W–B
W–B
A
A
A
A
W–B W–B
W–B
W–B
G
G
G
G
G
G
(∗2) (∗2)
(∗3)
(∗2)
(∗2)
A26
ASHTRAY ILLUMINATION
C 6
CIGARETTE LIGHTER
ILLUMINATION
G 2
GLOVE BOX LIGHT
(∗2)
CLICK HERE TO VIEW CHAPTER INDEX Pages From Supplement
TO MODEL INDEX
EWD378F
HILUX (EWD378F)
216
I OVERALL ELECTRICAL WIRING DIAGRAM
;;;;
;;;;
;;;;
;;;;
;;;;;;;;;
;;;;;;;;;
;;;;;;;;;
;;;;;;;;;
;;;;;;;;;
;;;;;;;;;
;;;;;;;;;
;;;;
;;;;
;;;;
;;;;
;;;;
;;;;
;;;;
;;;;
;;;;
;;;;
;;;;
;;;;
;;;;
;;;;
;;;;
;;;;
;;;;
;;;;
;;;;
;;;;
;;;;
;;;;
;;;;
;;;;
;;;;
;;;;
;;;;
;;;;
;;;;
;;;;
;;;;
;;;;
;;;;
;;;;
;;;;
;;;;
;;;;
;;;;
;;;;
;;;;
;;;;
;;;;
;;;;
;;;;
;;;;
;;;;
;;;;
;;;;
;;;;
;;;;
;;;;
;;;;
;;;;
;;;;
;;;;
;;;;
;;;;
;;;;
;;;;
;;;;
;;;;
;;;;
;;;;
;;;;
;;;;
;;;;
;;;;
;;;;
;;;;
;;;;
;;;;
;;;;
;;;;
;;;;
;;;;
1
2
3
4
45
HILUX
(
RHD
)
40A
AM1
100A
ALT(∗5)
80A
ALT(∗6)
2
2
5
I
B
1
1
B
E
1
1
B
D
1
3
B
2
B
2
B
E
1
2
B
D
1
6
B
A
B
C
A
C
A
IH
IK
Cowl
side
panel
RH
1
I
M
1
B
B
B
A
B
A
1
1
A
A
2
2
W
W
L–W
L–W
L–W
L–W
B–Y
B–Y
B–Y
B–Y
B–Y
BATTERY
W–B W–B
W–B
R–W
J15
JUNCTION
CONNECTOR
J
3
JUNCTION
CONNECTOR
D
o
o
r
L
o
c
k
C
o
n
tro
l
P
o
w
e
r
S
o
u
r
c
e
M
M
D18
DOOR LOCK MOTOR
FRONT LH
D20
DOOR LOCK MOTOR
REAR LH
M
D21
DOOR LOCK MOTOR
REAR RH
D19
DOOR LOCK MOTOR
FRONT RH
B–Y
B–Y B–Y
3
D16
DOOR KEY LOCK AND
UNLOCK SW
2
1
UNLOCK
LOCK
JUNCTION CONNECTOR
JUNCTION CONNECTOR
L–W
L–W
2
2
2
3
3
3
M
INTEGRATION
RELAY
2
C
3
C
3
B
10
B
3
A
4
B
(∗7)
(∗2)
(∗1)
(∗7)
W–B
W–B
DOOR
LOCK
CONTROL
SW
DOOR
LOCK
CONTROL
SW
[POWER
WINDOW
MASTER
SW]
1C
1
7
4
I
B
1
B–Y
L–W
B–Y
L–W
L–W
JUNCTION CONNECTOR
E
B
E
A
JUNCTION CONNECTOR
F
B
D
A
E
B
F
B
5
B
R–Y
R–W
R–Y
R–W
R–W
R–Y
W–B
W–B
W–B
MOTOR(–)
MOTOR(+)
2
3
UNLOCK
LOCK
EARTH
UNLOCK
LOCK
U
L
E
Cowl
side
panel
LH
U
L
E
B
J16 J17
A , B
J16 J17
A ,
I19
B
B
J16 J17
A ,
J17 B
J16 A ,
P
9
A
D17
C
IL
Cowl
side
panel
RH
II
Cowl
side
panel
LH
A
(∗3)
(∗3)
W–B
(∗4)
W–B
(∗4)
(∗3) (∗3)
W–B
(∗4)
W–B
(∗4)
(∗3)
∗
1
:
4–Door
w/
Power
Window
∗
2
:
w/o
Power
Window
∗
3
:
Australia,
Europe
∗
7
:
2–Door
w/
Power
Window
∗
5
:
70A
Type
Alternator
∗
6
:
45A,
55A
Type
Alternator
1I
1
30A
POWER
POWER
(DOOR
LOCK)
1
2
11
L–W
(∗8)
(∗4,
∗9)
L–W(∗8)
L–W(∗8)
(∗4, ∗9)
(∗4, ∗9)
B
B
B
J11
JUNCTION
CONNECTOR
D
D
D
L–W L–W
L–W
L–W
J11
JUNCTION
CONNECTOR
(∗8) (∗8)
(∗8)
(∗4, ∗9)
(∗4, ∗9)
(∗4, ∗9)
B–Y
B–Y
(∗8)
(∗4, ∗9)
(∗8)
(∗4, ∗9)
C
C
C
B–Y
B–Y
(∗8)
(∗4,
∗9)
J11
JUNCTION
CONNECTOR
B–Y
(∗8)
(∗4, ∗9)
B–Y
B–Y
B–Y
A
A
A
(∗8)
(∗4,
∗9)
(∗8)
(∗4, ∗9)
(∗8)
(∗4,
∗9)
J11
JUNCTION
CONNECTOR
∗
4
:
General
∗
8
:
Europe
4
C
(∗2)
5
A
14
A
(∗1)
,
B
∗
9
:
Australia
CLICK HERE TO VIEW CHAPTER INDEX Pages From Supplement
TO MODEL INDEX
EWD378F
HILUX (EWD378F)
217
I
;;;;;;;;;;;;;;;;;;;;;;;;;;;;
;;;;;;;;;;;;;;;;;;;;;;;;;;;;
;;;;;;;;;;;;;;;;;;;;;;;;;;;;
;;;;;;;;;;;;;;;;;;;;;;;;;;;;
;;;;;;;;;;;;;;;;;;;;;;;;;;;;
;;;;;;;;;;;;;;;;;;;;;;;;;;;;
;;;;;;;;;;;;;;;;;;;;;;;;;;;;
;;;;;;;;;;;;;;;;;;;;;;;;;;;;
;;;;;;;;;;;;;;;;;;;;;;;;;;;;
;;;;;;;;;;;;;;;;;;;;;;;;;;;;
1
2
3
4
46
HILUX
(
RHD
)
2
100A
ALT(∗1)
80A
ALT(∗2)
40A
AM1
2
2
ACC
IG1
AM1
4
3
4
1
2
1C
1
1
F
6
1B
1
1H
1
1H
5
10A GAUGE
1B
7
IH
Cowl
side
panel
LH
1I
1
F
A
F
A
D
B
WINDOW
LOCK
SW
LOCK
UP
DOWN
NORMAL
DRIVER'
S
POWER
WINDOW
RELAY
M
1
2
1
I
M
1
IK
Cowl
side
panel
RH
BATTERY
W
1
1
2
2
A
A
A
W–B
W–B
W–B
L–R
J15
JUNCTION
CONNECTOR
J
3
JUNCTION
CONNECTOR
POWER
RELAY
P11
POWER
WINDOW
MOTOR
FRONT
RH
W–B
LG
L–Y
W–B W–B W–B
R–L
W
L–R
L–R
L–R
L–R
R
W
JUNCTION
CONNECTOR
I17
IGNITION
SW
P
o
w
e
r
S
o
u
rc
e
DOWN
UP
FRONT
PASSENGER'
S
DOWN
UP
REAR
LH
REAR
RH
UP
DOWN
8
I
M
2
3
I
M
2
7
I
M
2
2
I
M
2
9
I
M
2
4
I
M
2
7
I
B
2
2
I
B
2
4
B
D
1
3
B
D
1
4
B
E
1
3
B
E
1
6
I
B
2
5
B
D1
5
B
E1
M
1
2
5
2
4
3
1
P 5
POWER WINDOW
CONTROL SW FRONT LH
P10
POWER
WINDOW
MOTOR
FRONT
LH
UP
DOWN
LG
L–Y
M
1
2
5
2
4
3
1
P 7
POWER WINDOW
CONTROL SW REAR LH
P12
POWER
WINDOW
MOTOR
REAR
LH
UP
DOWN
LG
L–Y
M
1
2
5
2
4
3
1
P 8
POWER WINDOW
CONTROL SW REAR RH
P13
POWER
WINDOW
MOTOR
REAR
RH
UP
DOWN
LG
L–Y
R–B
R–G
R–L
L–B
Y
G
L–R
L–R
L–R
R–B
R–G
R–B
R–G
L–R
R–L
L–B
Y
G
Y
G
Y
G
L–R
L–R
L–R
L–R
L–R
P
o
w
e
r
W
in
d
o
w
30A POWER
BW
DU
DD
E
PU
PD
RLU
RLD
RRU
RRD
SU
SD
U
D
B
SU
SD
U
D
B
SU
SD
U
D
B
W
W
2
1
,
J17
J16
A
B
∗
5
:
Europe,
General
∗
4
:
Single
Cab
R–L
R–L
C
C
(∗5)
(∗5)
(Australia)
B
B
(General)
(Europe)
(Europe)
(General)
J 8
JUNCTION
CONNECTOR
6
B
(∗4)
10
A
(∗3)
L–R
9
A
(∗3)
(∗4)
12
A
8
A
13
A
1
A
5
B
7
A
7
B
3
A
4
B
2
A
1
B
6
A
2
B
∗
3
:
Double
Cab
∗
2
:
45A,
55A
Type
Alternator
∗
1
:
70A
Type
Alternator
P
9
A
,
B
POWER
WINDOW
MASTER
SW
CLICK HERE TO VIEW CHAPTER INDEX Pages From Supplement
TO MODEL INDEX
EWD378F
HILUX (EWD378F)
218
I OVERALL ELECTRICAL WIRING DIAGRAM
;;;;;
;;;;;
;;;;;
;;;;;;
;;;;;;
;;;;;;
;;;;;;;;;
;;;;;;;;;
;;;;;;;;;
;;;;;;;;;
;;;;;;;;;
;;;;;;;;;
;;;;;;;;;
;;;;;;;;;
;;;;;;;;;
;;;;;;;;;
;;;;;;;;;
;;;;;
;;;;;
;;;;;
;;;;;
;;;;;
;;;;;
;;;;;
;;;;;
1
2
3
4
47
HILUX
(
RHD
)
R
e
m
o
te
C
o
n
tro
l
M
irro
r
2
15A DOME
100A ALT(∗4)
80A ALT(∗5)
40A
AM1
2
2
1I
1
1H
1
1J
12
1F
13
2
ACC
IG1
AM1
3
1H
3
15A
ACC
1B
3
1B
9
IH
Cowl
side
panel
LH
1
IL
Cowl
side
panel
RH
3C
4
3
C
5
3C
9
IK
Cowl
side
panel
RH
3C
22
3C
18
II
Cowl
side
panel
LH
1
1
1
2
3
A
A
A
A
A
A
A
2
2
2
BATTERY
W
W–B
(∗3)
W–B
(∗3)
W–B
(∗3)
W–B
(∗3)
W–B
(∗1, ∗2)
W–B
(∗1, ∗2)
W–B
(∗1,
∗2)
W–B
(∗1)
W–B
(∗3)
W–B
(∗2)
W–B
(∗2)
W–B
(∗2)
EARTH(–)
ILL(+)
2
J
9
JUNCTION
CONNECTOR
J15
JUNCTION
CONNECTOR
J 3
JUNCTION
CONNECTOR
C
5
CIGARETTE
LIGHTER
C
8
CLOCK
ACC(+)
B(+)
4
1
L–Y
W
W
L–R
GR
GR
(∗1)
GR
(∗2, ∗3)
GR
(∗1)
GR
(∗1)
GR
(∗2, ∗3)
L–Y
(∗2, ∗3)
L–Y
(∗1)
L–Y
(∗2, ∗3)
L–Y
(∗1)
GR
(∗1)
L–Y(∗2,
∗3)
L–Y(∗1)
I17
IGNITION
SW
L–Y(∗1)
P
o
w
e
r
S
o
u
rc
e
C
lo
c
k
C
ig
a
re
tte
L
ig
h
te
r
VR
HR
B
HL
M+
VL
LEFT
RIGHT
UP
DOWN
LEFT/
UP
RIGHT/
DOWN
LH
RH
LH
RH
5
8
1
7
6
1
0
9
E
OPERATION SW SELECT SW
4
I
M
1
R14
REMOTE
CONTROL
MIRROR
SW
GR
(∗1)
GR
5
I
M
2
1
0
I
M
2
3
I
B
2
4
I
B
2
1
I
B
2
3
M
2
M
1
A
A
C
B
C
B
3
M
2
M
1
I
M
1
IK
Cowl
side
panel
RH
1
JUNCTION
CONNECTOR
P–B P–B P–B
LG–B
P–G P–G P–G
LG
LG
P–G
LG
LG
LG LG
LG–R
LG–R
LG–B
W–B W–B
A
R12
REMOTE
CONTROL
MIRROR
LH
R13
REMOTE
CONTROL
MIRROR
RH
J15
JUNCTION
CONNECTOR
∗
1
:
Australia
∗
2
:
Europe
∗
3
:
General
(∗2, ∗3)
From " TAIL" Fuse
<44–2><44–7>
G
W–B
(∗1, ∗2)
,
J17
J16
A
B
∗
4
:
70A
Type
Alternator
∗
5
:
45A,
55A
Type
Alternator
A
B
(∗3)
B
A
(∗2)
C
B
A
A
B
A
(∗2)
A
B
(∗3)
A
A
C
B
JUNCTION
CONNECTOR
B
A
J 7 J 8
,
CLICK HERE TO VIEW CHAPTER INDEX Pages From Supplement
TO MODEL INDEX
EWD378F
HILUX (EWD378F)
219
I
;;;;;
;;;;;
;;;;;
;;;;;;;;;;;;;;
;;;;;;;;;;;;;;
;;;;;;;;;;;;;;
;;;;;;;;;;;;;;
;;;;;;;;;;;;;;
;;;;;;;;;;;;;;
;;;;;;;;;;;;;;
;;;;;;;;;;;;;;
;;;;;;;;;;;;;;
;;;;;;;;;;;;;;
;;;;;;;;;;;;;;
;;;;;;;;;;;;;;
;;;;;;;;;;;;;;
;;;;;;;;;;;;;;
;;;;;;;;;;;;;;
;;;;;;;;;;;;;;
;;;;;;;;;;;;;;
;;;;;;;;;;;;;;
;;;;;;;;;;;;;;
;;;;;;;;;;;;;;
;;;;;;;;;;;;;;
;;;;;;;;;;;;;;
;;;;;;;;;;;;;;
;;;;;;;;;;;;;;
;;;;;;;;;;;;;;
;;;;;;;;;;;;;;
;;;;;;;;;;;;;;
;;;;;;;;;;;;;;
;;;;;;;;;;;;;;
;;;;;;;;;;;;;;
;;;;;;;;;;;;;;
;;;;;;;;;;;;;;
;;;;;;;;;;;;;;
;;;;;;;;;;;;;;
;;;;;;;;;;;;;;
;;;;;;;;;;;;;;
;;;;;;;;;;;;;;
;;;;;;;;;;;;;;
;;;;;;;;;;;;;;
;;;;;;;;;;;;;;
;;;;;;;;;;;;;;
;;;;;;;;;;;;;;
;;;;;;;;;;;;;;
;;;;
;;;;
;;;;
;;;;
;;;;
;;;;
;;;;;
;;;;;
;;;;;
;;;;;
;;;;;
;;;;;
1
2
3
4
48
HILUX
(
RHD
)
2
100A
ALT(∗4)
80A
ALT(∗5)
40A AM1
2
2
1H
1
1I
1
2
ACC
IG1
AM1
4
3
4
1
2
1I
2
1
H
5
10A
GAUGE
1B
12
1A
8
1
B
5
1
I
H
1
1
A
1
B
IK
Cowl
side
panel
RH
IH
Cowl
side
panel
LH
BN
Left
side
rear
pillar
3D
14
3E
11
3F
9
3D
20
3D
13
3E
21
3F
1
1
1
1
3
A
2
2
2
6
2
A
A
A
A
A
A
15A DEFOG
W
W
P
W
P B
B–Y
R–L
B
W–B
W–B
W–B
(∗1)
(∗1)
(∗1)
B
W–B
(∗1)
B
W–B
(∗2)
W–B
(∗2)
W–B
(∗2)
W–B
(∗1)
W–B
(∗2)
W–B
R
R
REAR
WINDOW
DEFOGGER
I17
IGNITION
SW
DEFOGGER
RELAY
R
4
REAR
WINDOW
DEFOGGER
SW
J
9
JUNCTION
CONNECTOR
J15
JUNCTION
CONNECTOR
J
3
JUNCTION
CONNECTOR
BATTERY
20A
WIPER
1E
5
1
A
4
+B
+S
+1
+2
INT1
INT2
WF
EW
OFF
INT
LOW/
MIST
HIGH
WASHER
IJ1
1
6
I
J
2
IJ2
8
IJ1
4
1
2
M
12
16
3
2
1
7
8
2
11
8
7
D
A
D
D
A
A
1
7
11
A
A
IH
Cowl
side
panel
LH
IK
Cowl
side
panel
RH
II
Cowl
side
panel
LH
IL
Cowl
side
panel
RH
B
B
B
(∗1,
∗2)
(∗3)
(∗1,
∗2)
(∗3)
W
1
WASHER
MOTOR
J
3
JUNCTION
CONNECTOR
J15
JUNCTION
CONNECTOR
C12
WIPER
AND
WASHER
SW
[COMB.
SW]
J12
JUNCTION
CONNECTOR
J 7
JUNCTION CONNECTOR
(∗2)
(∗3)
(∗3)
(∗2)
(∗2)
(∗1,
∗3)
(∗1,
∗3)
(∗2)
WIPER
RELAY
LG
LG
(∗2, ∗3)
LG
(∗1)
LG
LG
(∗1)
LG
(∗2, ∗3)
L–R
L–W
L–B
L–Y
L–R
W–B
W–B
(∗3)
(∗1, ∗2)
W–B
W–B
(∗1, ∗2)
(∗1, ∗2)
W–B
W–B
(∗3)
(∗3)
LG
(∗1)
LG
(∗2,
∗3)
L–R
∗
1
:
Australia
∗
2
:
Europe
∗
3
:
General
P
o
w
e
r
S
o
u
rc
e
R
e
a
r
W
in
d
o
w
D
e
fo
g
g
e
r
F
ro
n
t
W
ip
e
r
a
n
d
W
a
s
h
e
r
E
IG
D
M
W
4
WIPER
MOTOR
4
2
1
3
,
R11
R10
A
B
∗
4
:
70A
Type
Alternator
∗
5
:
45A,
55A
Type
Alternator
CLICK HERE TO VIEW CHAPTER INDEX Pages From Supplement
TO MODEL INDEX
EWD378F
HILUX (EWD378F)
220
I OVERALL ELECTRICAL WIRING DIAGRAM
;;;;;;
;;;;;;
;;;;;;
;;;;;;;;;
;;;;;;;;;
;;;;;;;;;
;;;;;;;;;
;;;;;;;;;
;;;;;;;;;
;;;;;;;;;
;;;;;;;;;
;;;;;;;;;
;;;;;;;;;
;;;;;;;;;
;;;;;
;;;;;
;;;;;
;;;;
;;;;
;;;;
;;;;
;;;;
;;;;
;;;;
;;;;
;;;;
;;;;
;;;;
;;;;
;;;;;
;;;;;
;;;;;
;;;;;
;;;;;
;;;;;
;;;;;
;;;;;
;;;;;
;;;;;
;;;;;
;;;;;
;;;;;
;;;;;
;;;;;
;;;;;
;;;;;
;;;;;
;;;;;
;;;;;
;;;;;
;;;;;
1
2
3
4
49
HILUX
(
RHD
)
4
W
D
(w
/
2
–
4
S
e
le
c
t
S
W
)
2
100A
ALT
40A
AM1
2
1
1
2
2
1I
1
1H
1
2
ACC
IG1
AM1
4
1H
5
10A GAUGE
20A 4WD
1F
2
1
E
7
3D
1
3D
5
5
B
9
C
3A
5
3
A
7
3A
4
3A
6
3A
8
2
E
C
1
4
I
C
5
IC3
5
2
1
2
1
1
2
1
E
C
1
1
E
D
1
3A
1
3A
3
3A
2
6
I
C
5
IC3
8
From ABS ECU
<51–6>
P
o
w
e
r
S
o
u
r
c
e
BATTERY
W
G–B
G–B
(3RZ–FE)
G–B
G–B
G–B
G–B
W–B
W–B
R–B
R–B
R–B
L–R
(∗1)
(∗2)
(∗1)
(∗2)
4WD
INDICATOR
LIGHT
[COMB.
METER]
D 2
DETECTION SW
(Transfer L4 Position)
R–B
W
W
R
R–L R–L
B–Y
L–R L–R
G–B
R–B
R–B
IND
L4
4WD
IG
16
1
1
4
6
I17
IGNITION
SW
F11
4WD
CONTROL
ECU
IC4
3
I
C
4
4
I
C
4
1
I
C
4
2
1
2
1
2
2
1
M
IC5
2
3
IC3
IH
Cowl
side
panel
LH
IK
Cowl
side
panel
RH
3F
4
3F
5
3
F
7
3
F
6
3F
1
2WD
4WD
5
10
9
3
2
11
4
15
8
A
A
A
A
SPD
RL1
RL2
M1
M2
V2
V4
2
–4
G
N
D
6
5
3
2
4
From Speed Sensor
[Comb. Meter]
<54–3>
V 4
VSV
(2WD, ADD)
V 5
VSV
(4WD, ADD)
T 4
2–4 SELECT SW
R–L
R
G
Y
R–L
R
G
Y
P
LG
P–G
W–B
W–B
W–B
W–B
W–B
W–B
W–B
W–B
W–B
W–B
W–B
(∗2)
(
∗1)
J15
JUNCTION
CONNECTOR
J
3
JUNCTION
CONNECTOR
L–R
From ABS ECU
<51–6>
From Engine ECU
<33–8>
G–O
∗
1
:
3RZ–FE,
1KZ–TE
T
3
2–4
SELECT
MOTOR
,
C11
C10
B
C
D 1
DETECTION SW
(Transfer 4WD
Position)
A 8
ADD INDICATOR SW
2
E
D
1
20
IJ1
17
IJ1
4
E
B
3
1
E
B
3
R–B R–B G–B
R–B G–B
G–B
G–B
G–B
(∗3)
(∗4) (∗4)
(∗4)
(∗3)
G–B
(∗4) (∗4)
(∗3)
(∗4)
(∗4)
(∗3)
(∗3)
∗
2
:
5L
∗
3
:
Diesel
∗
4
:
Gasoline
CLICK HERE TO VIEW CHAPTER INDEX Pages From Supplement
TO MODEL INDEX
EWD378F
HILUX (EWD378F)
221
I
;;;;;
;;;;;
;;;;;
;;;;;;;;;
;;;;;;;;;
;;;;;;;;;
;;;;;;;;;
;;;;;;;;;
;;;;;;;;;
;;;;;;;;;
;;;;;;;;;
;;;;;;;;;
;;;;;;;;;
;;;;;;;;;
;;;;;;;;;
;;;;;;;;;
;;;;;;;;;
;;;;;;;;;
;;;;;
;;;;;
;;;;;
;;;;;
;;;;;
;;;;;
;;;;;
;;;;;
;;;;;
;;;;;
;;;;;
;;;;;
;;;;;
;;;;;
;;;;;
;;;;;
;;;;;
;;;;;
;;;;;
;;;;;
;;;;;
;;;;;
;;;;;
;;;;;
;;;;;
;;;;;
;;;;;
;;;;;
;;;;;;;;;;
;;;;;;;;;;
;;;;;;;;;;
;;;;;;;;;;
;;;;;;;;;;
;;;;;;;;;;
;;;;;;;;;;
1
2
3
4
50
HILUX
(
RHD
)
2
15A HORN
100A
ALT(∗10)
80A
ALT(∗11)
40A
AM1
2
2
1H
1
1I
1
2
ACC
IG1
AM1
4
1H
5
1
B
7
1
F
2
20A
4WD
10A
GAUGE
1E
7
1
2
1
2
3F
5
3
F
4
3
A
1
3
A
3
3F
1
3
A
2
1
EC1
2
EC1
1
ED1
2
ED1
1
2
IH
Cowl
side
panel
RH
IK
Cowl
side
panel
LH
2
IC5
3
IC3
1
1
1
3
4
2
2
2
2
6
1
A
A
A
A
W
W
L–W
W
R–L
(∗6)
G–B
R–B
B–Y
B–Y
B–Y
R–B R–B
R–B
P–G
LG W–B
W–B W–B
W–B
W–B
R–B
(w/
ADD)
R
I17
IGNITION
SW
A20
ADD
CONTROL
RELAY
A
8
ADD
INDICATOR
SW
V
4
VSV
(2WD,
ADD)
V
5
VSV
(4WD,
ADD)
J15
JUNCTION
CONNECTOR
J
3
JUNCTION
CONNECTOR
BATTERY
(∗3)
(∗2)
1
2
3
1J
3
1E
10
1J
4
6
17
B
18
A
5
B
9
C
3D
1
3D
5
3A
4
3
A
7
3A
5
3A
8
3A
6
6
I
C
5
IC3
8
IC5
6
IC3
8
1
2
2
1
L–W
R–L
(∗6)
R–L
G–B
(∗12)
H
9
HORN
(∗1)
(∗1)
(∗2)
(∗5)
(∗4)
C14
HORN SW
[COMB. SW]
HORN SW
[COMB. SW]
(∗7)
(∗9)
4WD
INDICATOR
LIGHT
[COMB.
METER]
G–B
(Australia)
R–B
(Australia)
G–R
(w/
SRS)
R–B
(∗7)
R–B
(∗8)
R–B
(∗6)
R–B
(∗7)
L–R
R–L
(∗6)
R–L
(Australia)
L–R
G–R
(w/ SRS)
G–R
(w/o SRS)
G–R
B
B
B
B
C
1
B
C
IC3
3
2
IC5
W–B
W–B
W–B
W–B
(∗8)
II
Cowl
side
panel
LH
IL
Cowl
side
panel
RH
W–B
W–B
W–B
From ABS ECU
<51–6>
J
5
JUNCTION
CONNECTOR
D
1
DETECTION
SW
(Transfer
4WD
Position)
D
2
DETECTION
SW
(Transfer
L4
Position)
HORN
RELAY
From ABS ECU
<51–6>
From Engine ECU(M/T)
or Engine and
ECT ECU(A/T)<33–8>
L–W
∗
1
:
3RZ–FE
∗
2
:
5L
∗
3
:
3RZ–FE,
2L–T
∗
4
:
3RZ–F
∗
5
:
3L,
2L–T
∗
6
:
Europe,
General
∗
7
:
Europe
∗
8
:
General
(∗8)
(∗7)
(∗7)
(∗8)
(∗4)
(3L)
P
o
w
e
r
S
o
u
rc
e
4
W
D
(w
/o
2
–
4
S
e
le
c
t
S
W
)
H
o
rn
G–B
(∗1)
G–B
B
G–B
(∗7)
From ABS ECU
<51–6>
(∗8)
(∗8)
(∗8)
∗
9
:
Australia,
General
(∗2)
,
C11
C10
B
C
B
C12 C13
A ,
∗10
:
70A
Type
Alternator
∗11
:
45A,
55A
Type
Alternator
5
I
C
3
4
I
C
5
(∗1, ∗2) (∗1, ∗2)
4
I
C
3
L–R
(2L–T)
L–R
(2L–T)
(∗2)
G–B
(∗2)
4
EB
3
1
EB
3
17
IJ1
20
IJ1
G–B
R–B R–B
G–B
R–B
G–B
G–B
G–B
B
(∗12)
(∗12)
(∗1)
(∗1)
∗12
:
w/o
ADD
Indicator
SW
(∗2)
(∗1) (∗1)
(∗1)
(∗1)
(∗2)
G–B
(∗1)
W–B
(Australia,
∗7)
(Australia)
J 6
JUNCTION
CONNECTOR
(∗13)
(∗13)
∗13
:
w/
ADD
Indicator
SW
CLICK HERE TO VIEW CHAPTER INDEX Pages From Supplement
TO MODEL INDEX
EWD378F
HILUX (EWD378F)
222
I OVERALL ELECTRICAL WIRING DIAGRAM
;;;;;;
;;;;;;
;;;;;;
;;;;;;
;;;;;;
;;;;;;
;;;;;;;;
;;;;;;;;
;;;;;;;;
;;;;;;;;
;;;;;
;;;;;
;;;;;
;;;;;
1
2
3
4
51
HILUX
(
RHD
)
(
Cont.
next
page
)
A
B
S
2
15A DOME
100A ALT(∗9)
80A ALT(∗10)
40A AM1
30A AM2
60A ABS(∗3)
80A ABS, GLOW(∗4)
2
2
2
2
1J
12
1I
1
1F
13
1H
1
2
ACC
IG1
IG2
ST2
AM1
4
6
7
A
M
2
1H
6
10A IGN
1D
1
3D
10
3D
11
4
3
2
1
5
5
5
5
2
EA1
3
1
6
4
2
5
5
5
5
5
5
2
I
K
1
1
EA1
1
1
1
1
1
2
2
2
2
2
5
BATTERY
W
L
R–B
R–W
G
W–B
B
G–R
G–B
G–B
B
B
G–R
B
B
W–R
ABS MOTOR RELAY
ABS SOLENOID RELAY
L–Y
W
L–Y
(∗1)
L–Y(∗2)
W
W–R
R
B–R
B–R(∗4)
B–R
(∗3)
B–W
(∗2)
B–W
(∗1)
C
C
C
C
J14
JUNCTION
CONNECTOR
J 8
JUNCTION CONNECTOR
I17
IGNITION
SW
P
o
w
e
r
S
o
u
rc
e
A
B
C
3
A
IA1
7
IC1
4
7
I
C
2
3
I
A
1
6
B
4
A
5
A
EA
Front
right
fender
apron
M
1
2
A
8
A
1
6
A
1
A
2
A
9
A
1
0
A
1
1
A
2
4
B
2
B
1
B
IK1
1
5
B
4
A
8
A
3
A
7
A
1
A
5
A
3
B
D
3
2
3
1
1
2
2
1
6
1
2
L–Y(∗1)
L–Y(∗2)
R
B–W(∗2)
B–W
(∗1)
L–Y(∗1)
L–Y(∗2)
R
G–R
V
B–L
R–Y
(∗6)
B–W
(∗4)
(∗3)
See Engine Control
System
<33–4><34–3>
G–R
G–B
G–B
V
V
B–L
R–Y
R–Y
(∗5)
(∗6)
B–W(∗1)
B–W
(∗2)
To DLC3
<33–4>
B–L
(1RZ–E)
(1KZ–TE,
5L,
∗2)
R+
TS
SR
MR
MT
SFRH
SFRR
SFLH
SFLR
SRH
SRR
AST
GND
ABS
ECU
L
R–B
R–W
G
W–B
BR
R–B
R–W
W–B
W–B
W–B
W–B
W–B
GR–G
BR–W
GR–R
P–B
P–G
LG–R
LG–B
Y–R
W–B
ABS
ACTUATOR
∗
4
:
Diesel
∗
3
:
Gasoline
∗
2
:
Europe
∗
1
:
Australia
∗
5
:
3RZ–FE
∗
6
:
Except
3RZ–FE
(∗3)
+B R–Y
20A AM2
2
1
2
(∗3, 1KZ–TE)
(∗12)
(∗3, 1KZ–TE)
(∗4 Except 1KZ–TE)
(Short
Pin)
E1
WB
TC
WA
TS
ED
:
Intake
manifold(Gasoline)
EG
:
Rear
side
of
cylinder
block
(Diesel
Except
1KZ–TE)
EO
:
Cylinder
block(1KZ–TE)
∗
7
:
3RZ–FE
M/T,
1RZ–E
∗
8
:
3RZ–FE
A/T,
1KZ–TE,
5L,
∗2
1
I
C
1
9
I
C
1
IC2
6
3
I
C
1
IC2
5
(∗8)5
I
C
1
IC2
(∗7)2
,
A19
A18
A
B
,
A
5
A
4
A
B
V
∗
9
:
70A
Type
Alternator
∗10
:
45A,
55A
Type
Alternator
C
B
C
B
W–R W–R
(∗11) (∗11)
J14
JUNCTION
CONNECTOR
B
∗11
:
2L–T
w/o
Dim–Dip
Light
∗12
:
5L,
2L,
2L–T
w/
Dim–Dip
Light
6
I
A
1
G–R
V
V
V
C
C
C
C
C
(∗5)
(∗5)
From DLC3
<33–4>
From Engine ECU(M/T)
or Engine and ECT
ECU(A/T)<33–5>
From Center Airbag
Sensor Assembly
<52–4>
(∗7)
(∗8)
20
B
TC
J 5
JUNCTION
CONNECTOR
C
3
CHECK
CONNECTOR
L
4
B
G
W–B
CLICK HERE TO VIEW CHAPTER INDEX Pages From Supplement
CONTINUED TO MODEL INDEX
EWD378F
HILUX (EWD378F)
223
I
;;;;;;;;;;;
;;;;;;;;;;;
;;;;;;;;;;;
;;;;;;;;;;;
;;;;;;;;;;;
;;;;;;;;;;;
;;;;;;;;;;;
;;;;;;;;;;;
;;;;;;;;;;;
;;;;;;;;;;;
;;;;;;;;;;;
;;;;;;;;;;;
;;;;;;;;;;;
;;;;;;;;;;;
;;;;;;;;;;;
;;;;;;;;;;;
;;;;;;;;;;;
;;;;;;
;;;;;;
;;;;;;
;;;;;;
;;;;;;
;;;;;;
;;;;;;;;
;;;;;;;;
;;;;;;;;
;;;;;;;;
5
6
7
8
51
HILUX
(
RHD
)
(
Cont'
d
)
A
B
S
A
B
C
D
1H
5
1B
7
1F
2
10A GAUGE
15A
ECU–IG
5
B
12
C
3D
1
3D
5
4
I
A
1
25
B
J 5
JUNCTION
CONNECTOR
ABS
WARNING
LIGHT
[COMB.
METER]
1E
6
1
E
8
3C
1
3C
3
2
I
A
1
B
B
L–Y(∗1)
L–Y(∗2)
R
B–L
B–L
B–L
B–L
B–L
B–L
R–L
R–L
(∗1)
(∗2)
R–L
(∗1)
R–L
(∗2)
R
Y–G
Y–G
(∗1)
(∗2)
Y–G
(∗1)
J
6
JUNCTION
CONNECTOR
1
2
14
A
13
A
15
A
7
A
6
A
1
2
5
IA1
11
IA1
10
IA1
12
IA1
IH
Cowl
side
panel
LH
A
2
1
B
9
B
8
B
1
1
B
ABS
ECU
B
W
BR
G
R
(∗13)
(∗13)
G–W
L–R
G–B
W–B
G–W
L–R
G–B
W–B
J
3
JUNCTION
CONNECTOR
FL–
FL+
FSS
FR
–
FR+
STP
EXI3
EXI
GND
WA
A
6
ABS
SPEED
SENSOR
FRONT
LH
A
7
ABS
SPEED
SENSOR
FRONT
RH
From Stop Light SW
<39–4>
To Detection SW
(Transfer L4 Position)
<49–2><50–4>
To ADD Indicator SW
(w/ ADD)<49–1><50–3>
To Detection SW
(Transfer 4WD Position)
(w/o ADD)<50–3><50–4>
10
B
18
B
19
B
7
B
5
B
22
B
5
1
2
3
4
+IG
GND
GS1
GS2
GST
IG1
GGND
GS1
GS2
GST
BAT
1
I
A
1
3C
20
3C
22
B
B
A17
ABS
DECELERATION
SENSOR
J
8
JUNCTION
CONNECTOR
L–Y(∗1)
L–Y(∗2)
L–Y
L–Y
(∗2)
(∗1)
Y–G
Y–G
Y–G
BR–W
L–W
LG
L
L–Y
1
2
1
2
2
B
1
B
2
3
B
1
6
B
1
5
B
3
BB1
1
BB1
5
BB1
6
BB1
4
BB1
1
B
C1
2
B
C1
3
B
C1
4
B
C1
2
BB1
RL–
RL+
RSS
RR
–
RR+
G
R
BR
W
B
(∗13)
(∗13) (∗13)
G
R
W
B
(∗13)
B
W
B
W
A28
ABS
SPEED
SENSOR
REAR
LH
A29
ABS
SPEED
SENSOR
REAR
RH
∗
1
:
Australia
∗
2
:
Europe
∗13
:
Shielded
(∗13)
(
∗13)
,
C11
C10
B
C
,
A19
A18
A
B
D
D
D
(4WD)
(4WD)
(4WD)
(4WD)
(4WD)
CLICK HERE TO VIEW CHAPTER INDEX Pages From Supplement
TO MODEL INDEX
EWD378F
HILUX (EWD378F)
224
I OVERALL ELECTRICAL WIRING DIAGRAM
;;;;;;;;;;;
;;;;;;;;;;;
;;;;;;;;;;;
;;;;;;;;;;;
;;;;;;;;;;;
;;;;;;;;;;;
;;;;;;;;;
;;;;;;;;;
;;;;;;;;;
;;;;;;;;;
;;;;;;;;;
;;;;;;;;;
;;;;;;;;;
;;;;;;;;;
;;;;;;;;;
;;;;;;;;;
;;;;;;;;;
;;;;;
;;;;;
;;;;;
;;;;;
1
2
3
4
52
HILUX
(
RHD
)
2
100A ALT(∗8)
80A ALT(∗9)
30A AM2
40A
AM1
2
2
1I
1
7. 5A ECU–B
1B
11
1H
1
2
ACC
IG1
IG2
ST2
AM1
3
6
7
A
M
2
1H
6
1
D
1
1
H
3
10A
IGN
15A ACC
1G
1
1
G
3
5
B
6
B
27
B
11
B
10
B
13
B
14
B
1
2
SPIRAL
CABLE
1
2
IJ
Instrument
panel
brace
LH
1
1
1
C
2
2
2
C
C
C
W
W
W–R
B–R
(∗4)
B–R
(∗4)
Y–B
Y
Y–R
Y–G
BR
L–R
B–W
(∗1)
B–W
(∗2)
B–R
(∗5)
L–R
L–B
(∗2)
L–B
(∗1)
I17
IGNITION
SW
J14
JUNCTION
CONNECTOR
J
8
JUNCTION
CONNECTOR
A25
AIRBAG
SQUIB
(Steering
Wheel
Pad)
A24
AIRBAG
SQUIB
(Front
Passenger'
s
Airbag
Assembly)
BATTERY
IG2
ACC
D+
D
–
P+
P
–
E1
2
A
1
A
5
C
6
C
2
8
B
IM
Right
kick
panel
3D
11
3D
10
B–W
(∗2)
B–W
(∗1)
L–B
(∗1)
L–B
(∗2)
L–B
(∗2)
P–B
3
B
1
9
B
C 9
SRS WARNING LIGHT
[COMB. METER]
1
2
1
2
5
3
1
2
AB
E1
+B
LA
TC
PL+
PL
–
PR+
PR
–
E2
P14
PRETENSIONER
LH
P15
PRETENSIONER
RH
P–B
BR
B–W
(∗1)
B–W
(∗5)
(∗4)
B–W
(∗2)
See Engine Control
System<33–3><34–4>
P–B
Y–V
Y–O
Y–B
Y
BR
BR
C
3
CHECK
CONNECTOR
CENTER
AIRBAG
SENSOR
ASSEMBLY
P
o
w
e
r
S
o
u
rc
e
S
R
S
∗
1
:
Australia
∗
2
:
Europe
∗
3
:
3RZ–FE
20A AM2
2
1
2
(∗4, 1KZ–TE)
(∗5 Except 1KZ–TE)
W–R
(∗7)
(∗4, 1KZ–TE)
W
∗
5
:
Diesel
∗
6
:
2L–T
w/o
Dim–Dip
Light
J
6
JUNCTION
CONNECTOR
B–W
(∗1)
ED
:
Intake
manifold(∗4)
EG
:
Rear
side
of
cylinder
block(∗5)
B–W
GR
1
I
C
1
1
I
C
3
IC5
1
P–B
(∗3)
To DLC3
<33–3>
C17
,
C16
A
B
,
C18
C
(5L)
(∗2)
∗
4
:
Gasoline
∗
7
:
5L,
2L,
2L–T
w/
Dim–Dip
Light
12
B
R
SIL
(∗3)
To
DLC3
<
33–4>
∗
8
:
70A
Type
Alternator
∗
9
:
45A,
55A
Type
Alternator
(∗5) (∗5)
25
IC6
2
I
C
3
P–B
(∗4)
(3RZ–FE)
(1RZ–E)
P–B
(∗4)
P–B
C
B
C
B
W–R W–R
(∗6) (∗6)
JUNCTION CONNECTOR
B
J14
V
To Check Connector
<51–3>
A
A
A
2
C
C
9
L–B
(∗1)
P–B
J
5
JUNCTION
CONNECTOR
(∗4)
IC3
2
(1KZ–TE)
26
B
15
B
1
2
BR–Y
W–R
–SL
+SL
F15
FRONT
AIRBAG
SENSOR
LH
20
B
9
B
1
I
J
3
2
I
J
3
BR–W
B–L
BR–W
B–L
1
2
–SR
+SR
F16
FRONT
AIRBAG
SENSOR
RH
CLICK HERE TO VIEW CHAPTER INDEX Pages From Supplement
TO MODEL INDEX
EWD378F
HILUX (EWD378F)
225
I
;;;;;
;;;;;
;;;;;
;;;;;
;;;;;
;;;;;
;;;;;
;;;;;
;;;;;
;;;;
;;;;
;;;;
;;;;
;;;;
;;;;
;;;;
;;;;;
;;;;;
;;;;;;;;;;
;;;;;;;;;;
;;;;;;;;;;
;;;;;;;;;;
;;;;;;;;;;
;;;;;;;;;;
;;;;;;;;;;
;;;;;;;;;;
;;;;;;;;;;
;;;;;;;;;;
;;;;;;;;;;
;;;;;;;;;;
;;;;;;;;;;
;;;;;;;;;;
;;;;;;;;;;
;;;;;;;;;;
;;;;;;;;;;
;;;;;;;;;;
;;;;;;;;;;
;;;;;;;;;;
;;;;;;
;;;;;;
;;;;;;
;;;;;;
;;;;;;
;;;;;;
;;;;;;
;;;;;;
;;;;;;
;;;;;;
;;;;;;
;;;;;;
;;;;;;
;;;;;;
;;;;;;
;;;;;;
;;;;;;
;;;;;;
;;;;;;
;;;;;;
;;;;;;
;;;;;;
;;;;;;
;;;;;;
1
2
3
4
53
HILUX
(
RHD
)
1H
1
1I
1
1J
12
1F
13
2
2
2
2
ACC
IG1
AM1
3
4
15A ECU–IG
1H
5
3C
1
1E
6
3C
2
3C
19
22
3C
17
3C
6
3E
20
3E
21
3E
11
3D
20
3D
13
3F
9
3
F
1
IH
IK
M
2
1
3C
7
3C
9
3
C
6
1B
9
1
B
3
15A ACC
1H
3
3
A
4
A
6
A
2
A
5
A
1
A
1
B
3
B
2
B
6
B
7
A
8
A
2
IB1
3
IB1
2
IM1
3
IM1
8
B
D1
6
B
D1
8
B
E1
6
B
E1
2
1
2
1
IM
L–Y
GR
L–R
R
B–Y
L
W–B
B–W
L–R
L–Y
ANTA
ANTB
AMP
ANT+
GND
RL
–
RL+
RR
–
RR+
ACC
+B
FL
–
FL+
FR
–
FR+
(∗1)
(∗1)
(∗2)
IG
B
ACC
W–B
W–B
Y–G
GR
L–Y
B–W
W–B
W
L–Y
L–Y(∗1)
W
Y–G
GR
40A AM1
100A ALT(∗6)
80A ALT(∗7)
15A DOME
(∗2)
(∗1)
(∗2)
(∗1)
(∗1)
(∗2)
(∗3)
(∗3)
(∗3)
(∗3)
V(∗4)
L(∗5)
P (∗4)
LG(∗5)
L
LG
V
P
L
LG R
W
R
W
BR
2
2
A
A
2
2
2
1
1
1
2
3
7
1
1
D22
DOOR
SPEAKER
FRONT
LH
D23
DOOR
SPEAKER
FRONT
RH
L–Y
L–Y
GR
GR
GR
(∗2)
R
W
B
Y
A
A
BATTERY
W–B
W–B
L–Y
(∗1)
J15
JUNCTION
CONNECTOR
A27
AUTO
ANTENNA
CONTROL
RELAY
J
3
JUNCTION
CONNECTOR
A12
AUTO
ANTENNA
MOTOR
RADIO
AND
PLAYER
∗
1
:
Australia
∗
3
:
w/
4
Speaker
P
o
w
e
r
S
o
u
rc
e
A
u
to
A
n
te
n
n
a
R
a
d
io
a
n
d
P
la
y
e
r
I17
IGNITION
SW
E
5
1
4
D25
DOOR
SPEAKER
REAR
RH
D24
DOOR
SPEAKER
REAR
LH
L–Y
W
∗
2
:
Europe,
General
∗
4
:
w/
Door
Lock
∗
5
:
w/o
Door
Lock
Cowl
side
panel
LH
Cowl
side
panel
RH
Right
kick
panel
,
R
2
R
1
A
B
∗
6
:
70A
Type
Alternator
∗
7
:
45A,
55A
Type
Alternator
A
A
(Europe)
C
B
(General)
C
B
(General)
A
A
(Europe)
J 8
JUNCTION
CONNECTOR
A
B
B
A
(General)
(Europe)
(Europe)
(General)
JUNCTION
CONNECTOR
B
A
J 7 J 8
,
CLICK HERE TO VIEW CHAPTER INDEX Pages From Supplement
TO MODEL INDEX
EWD378F
HILUX (EWD378F)
226
I OVERALL ELECTRICAL WIRING DIAGRAM
;;;;;
;;;;;
;;;;;
;;;;;
;;;;;
;;;;;
;;;;;
;;;;;
;;;;;
;;;;;
;;;;;
;;;;;
;;;;;
;;;;;;
;;;;;;
;;;;;;
;;;;;;
;;;;;;
;;;;;;
;;;;
;;;;
;;;;
;;;;
;;;;
;;;;
;;;;
;;;;
;;;;
;;;;
;;;;
;;;;
;;;;;;;;;
;;;;;;;;;
;;;;;;;;;
;;;;;;;;;
;;;;;;;;;
;;;;;;;;;
;;;;;;;;;
;;;;;;;;;
;;;;;;;;;
;;;;;;;;;
1
2
3
4
54
HILUX
(
RHD
)
(
Cont.
next
page
)
2
100A
ALT(∗7)
80A
ALT(∗8)
40A
AM1
2
1H
1
1I
1
2
ACC
IG1
AM1
4
1H
5
1
B
7
1
F
2
3
D
1
10A GAUGE
3D
5
5
B
W
TACHOMETER
FUEL
9
B
6
C
12
A
4
B
A
1
1
2
WATER
SPEED SENSOR
REAR FOG
HIGH BEAM
TURN LH
TURN RH
BRAKE
CHARGE
T–BELT
ILLUMINATION
Y–R Y–R
11
BA1
3C
15
3C
14
3C
16
IM
Right
kick
panel
W
W
R–L
(∗4, ∗5)
BR
BR
(∗4, ∗5)
BR
(∗4, ∗5)
BR
(∗4, ∗5)
BR
(∗3)
BR
(∗3)
B
(∗2)
R–W(3RZ–FE)
B (Except 3RZ–FE)
(∗1)
From IIA(1RZ–E, 1RZ)
<32–2><32–4>
From Engine ECU(M/T) or
Engine and ECT ECU(A/T)
(3RZ–FE)<33–6>
From Igniter(3RZ–F)<32–3>
From Pick–Up Sensor
[Injection Pump]<36–4>
From Engine ECU(1KZ–TE)<56–7>
From Emission Control
ECU(2L–T)<57–4>
1
1
C
B
2
2
C
C
C
B
C
BR
(∗3)
R
R–L
(∗4,
∗5)
R–L
(∗3)
R–L
(∗3)
(∗4)
(∗5)
(∗4)
(∗5)
J
6
JUNCTION
CONNECTOR
I17
IGNITION
SW
J 7
JUNCTION
CONNECTOR
F13
FUEL SENDER
BATTERY
∗
1
:
Gasoline
∗
2
:
Diesel
∗
3
:
Australia
∗
4
:
Europe
∗
5
:
General
10
B
8
A
1
B
1
C
6
B
7
B
1
2
B
1
1
B
9
A
1
5
A
4
C
3E
2
3E
3
3E
1
Y–R
(∗6)
(∗9)
1
Y–R
IL
Cowl
side
panel
RH
II
Cowl
side
panel
LH
W–B
W–B
W–B
W–B
(∗5)
(∗5)
(∗5)
(∗5)
1D
9
1
J
13
1D
4
2
1
1
IK
Cowl
side
panel
RH
IH
Cowl
side
panel
LH
3F
8
3
F
1
2
1
D
B
D
B
A
B
G–W
(∗2)
G–W
E
A
A
A
A
A
A
A
W–B
(∗3, ∗4)
G–W
G–W
W–B W–B
G–W
W–B
W–B
W–B
(∗5)
(∗3,
∗4)
W–B
(∗3)
W–B
(∗3)
W–B
(∗5)
W–B
(∗4)
JUNCTION
CONNECTOR
JUNCTION
CONNECTOR
B
3
BRAKE
VACUUM
WARNING
SW
B
2
BRAKE
FLUID
LEVEL
WARNING
SW
P
2
PARKING
BRAKE
SW
W
2
WATER
TEMP.
SENDER
J
3
JUNCTION
CONNECTOR
J15
JUNCTION
CONNECTOR
W–B
(∗3,
∗4)
See
Charging
System<30–4>
<
31–4>
(∗2)
CANCEL
SW
(∗2)
G–O
(∗3)
G–O
G–O
G–O
(∗4,
∗5)
To Emission Control
ECU<35–3><57–4>
To Engine
ECU(M/T) or
Engine and
ECT ECU(A/T)
<33–8><34–4>
<56–7>
To 4WD
Control ECU
<49–3>
See Rear Fog Light
System<44–8>
See Headlight System
<38–4><39–2>
See Turn Signal and
Hazard Warning Light
System<41–4>
See Charging System
<30–4><31–4>
See Illumination System
<44–2><44–6>
P
o
w
e
r
S
o
u
rc
e
C
o
m
b
in
a
tio
n
M
e
te
r
(∗2)
(∗4) (∗4)
W–B
∗
6
:
3RZ–FE,
1KZ–TE,
3L,
2L–T,
2L
COMBINATION
METER
(∗3, ∗4)
W–B
(∗5)
,
C10
C
9
A
B
,
C11
C
B
J13 J14
A ,
B
J 1 J 2
A ,
∗
7
:
70A
Type
Alternator
∗
8
:
45A,
55A
Type
Alternator
∗
9
:
3RZ–F,
1RZ,
5L
11
IC3
9
I
C
5
12
IC6
11
A
Y–R
(1RZ–E)
Y–R
(1RZ–E)
(∗6, ∗9) (∗6, ∗9)
EB
:
Front
left
fender
apron(∗1)
EF
:
Front
right
fender
apron(∗2)
8
B
See Engine Control System
<56–6><57–2>
TURBO
CLICK HERE TO VIEW CHAPTER INDEX Pages From Supplement
CONTINUED TO MODEL INDEX
EWD378F
HILUX (EWD378F)
227
I
;;;;;
;;;;;
;;;;;
5
6
7
8
54
HILUX
(
RHD
)
(
Cont'
d
)
BUZZER
FILTER
OIL LEVEL
OIL
GLOW
2
B
2
C
12
C
1
A
2
1
2
1
22
IJ1
1
E
F3
G–O
R–W
(∗2)
(∗4)
(∗2)
(∗2)
R–W
(∗4)
R–W
(∗4)
IH
Cowl
side
panel
LH
II
Cowl
side
panel
LH
IM
Right
kick
panel
W–B
(∗3, ∗4)
W–B
(∗5)
A
C
BR
(∗4)
F10
FUEL
SEDIMENTARY
SW
E 2
ENGINE OIL LEVEL
WARNING SW
J
3
JUNCTION
CONNECTOR
4WD
O/D OFF
CHECK ENGINE
DOOR
SRS
9
C
1
3
B
1
3
C
5
A
3
A
4
A
2
A
EF1
1
L–Y L–Y
(∗3, ∗5)
1
L–Y
(∗1, ∗5)
L–Y
(∗3, ∗5)
O
1
OIL
PRESSURE
SW
See ABS System
<51–5>
See Glow Plug System
<36–2><56–6><57–2>
See 4WD System
<49–1><50–3>
See ECT System
<37–4>
See Engine Control System
<33–3><34–2>
See Interior Light System
<43–4>
See SRS System
<52–3>
See SRS System
<52–3>
See Interior Light
System<43–4>
∗
1
:
Gasoline
∗
2
:
Diesel
∗
3
:
Australia
∗
4
:
Europe
∗
5
:
General
(∗1) (∗1)
(∗1) (∗1)
C
o
m
b
in
a
tio
n
M
e
te
r
COMBINATION
METER
DELAY
2
I
J
1
OIL TEMP.
OIL LEVEL
2
E
F3
C
BR
(∗4)
BR
(∗4)
3
E
F3
L–Y
(∗4)
L–Y
(∗4)
,
C10
C
9
A
B
,
C11
C
1
I
C
5
13
IC3
26
IJ1
2
I
J
2
2
0
I
C
6
7
C
(∗1, ∗5)
L–Y
(∗2
Except
1KZ–TE)
L–Y
(∗1,
∗3)
(∗3,
∗4)
(∗5)
(1RZ,
3RZ–F)
(3RZ–FE)
(1RZ–E)
L–Y
(∗1, ∗3)
8
I
C
1
R–W R–W
(1KZ–TE)
(1KZ–TE)
7
I
C
1
3C
12
BR BR
(1KZ–TE)
6
I
C
1
L–O
L–O
(1KZ–TE) (1KZ–TE)
J 7
JUNCTION
CONNECTOR
ABS
BR
(∗4)
BR
(∗4)
IM
Right
kick
panel
3C
13
BR
CLICK HERE TO VIEW CHAPTER INDEX Pages From Supplement
TO MODEL INDEX
EWD378F
HILUX (EWD378F)
228
I OVERALL ELECTRICAL WIRING DIAGRAM
;;;;;;
;;;;;;
;;;;;;
;;;;;;;;
;;;;;;;;
;;;;;;;;
;;;;;;;;
1
2
3
4
55
HILUX
(
RHD
)
A
ir
C
o
n
d
itio
n
e
r
2
ACC
IG1
AM1
4
P
o
w
e
r
S
o
u
rc
e
1H
1
1I
1
2
40A
AM1
100A ALT(∗10)
80A ALT(∗11)
2
1
2
3
5
4
2
2
2
2
10
IJ2
IJ1
6
C
A
B
B
1H
5
10A GAUGE
1J
1
7
I
J
2
IJ1
12
2
1
M
(∗1)
(∗2)
II
Cowl
side
panel
LH
IH
Cowl
side
panel
LH
A
IK
Cowl
side
panel
RH
A
A
A
BATTERY
W
A
B
A
A
JUNCTION CONNECTOR
J
3
JUNCTION
CONNECTOR
J15
JUNCTION
CONNECTOR
B
4
BLOWER
MOTOR
HEATER
RELAY
W–B
Y–R
Y–R
W–B
W–B
W–B
(∗1)
(∗2)
L–B
L–B
W–B
W–B
W–B
W–B
(Australia)
(Europe)
W–B
(∗2)
L–B
(∗1)
(∗2)
I17
IGNITION
SW
JUNCTION
CONNECTOR
W
W
L–R
R–L
R
R
L–R L–R
L–R
2
10A A. C
2
IJ2
4
2
1
5
ID1
6
ID1
II
Cowl
side
panel
LH
IL
Cowl
side
panel
RH
D
D
1
4
2
1
2
I
D
1
1
I
J
2
IC4
4
Front
right
fender
apron
A
A
1
6
2
1
0
9
3
8
From
Igniter
<
32–3>
PRS
GND
B/V
TE
MGC
SG
IGN
VSV
J 7
JUNCTION
CONNECTOR
A13
A/C
AMPLIFIER
A 1
A/C DUAL PRESSURE SW
L–R
L–W L–W L–W
B (∗3 ∗5)
L (∗4 ∗5)
L–B(∗6)
B–R(∗3 ∗5)
P–L(∗4 ∗5)
L–Y(∗6)
B
(∗5)
B–R
(∗5)
L–R
W–B
W–B
W–B
W–B
L–R(∗3 ∗5)
W (∗4 ∗5)
L–W(∗4 ∗6)
B–R(∗4)
B–W(∗3)
B–R(∗4)
B–W(∗3)
B–R(∗4)
Y–R
B–Y B–Y B–Y
B–Y
(Gasoline)
(∗9)
A 2
A/C MAGNETIC
CLUTCH
V
6
VSV(A/C
Idle–Up)
B–Y
W–B
W–B
W–B
JUNCTION
CONNECTOR
A15
A/C THERMISTOR
∗
1
:
Australia,
Europe
∗
2
:
General
∗
3
:
Boost
Ventilator
Type
∗
4
:
Except
∗3
∗
5
:
3RZ–F
∗
6
:
Except
3RZ–F
1
1
2
2
R–L
L–R
2
1
(Gasoline)
(∗9)
EB
:
∗7
EF
:
∗8
B
(∗2)
3
4
1
OFF
M2
HI
LO
M1
B
5
BLOWER
RESISTOR
8
6
A
(∗1)
2
B
2
A
1
B
3
A
5
B
1
A
2
BLOWER
SW
L–R
L–Y
6
B
8
A
L–B
5
A/C
EF
B
A
B–Y
B–Y
(∗9)
A16
A/C
VOLUME
SW
2
1
B–W
(∗3)
R–W(∗3)
∗
7
:
Front
left
fender
apron(Gasoline)
∗
8
:
Front
right
fender
apron(Diesel)
(∗9)
(∗9)
(∗9)
(∗9)
(∗9)
7
I
D
1
D
6
4
5
L–W
L–R
B–L
W–B W–B
B–L(∗6)
W–R(∗5)
A14
A/C
SW
(∗3)
(∗4)
∗
9
:
Diesel
W–B
,
J
2
J
1
A
B
B
J 1 J 2
A ,
,
B
6
A
B
,
J
2
J
1
A
B
4
I
D
1
ID1
1
3
I
D
1
ID1
8
From
Emission
Control
ECU
<
35–3>
<
35–4>
L–Y
(∗6)
L–B
(∗6)
(∗6)
(∗5)
(∗6)
(∗5)
From
Emission
Control
ECU
<
35–4>
∗10
:
70A
Type
Alternator
∗11
:
45A,
55A
Type
Alternator
2
2
R
R
1
2
50A HTR
1
EE1
2
EE1
2
1
CLICK HERE TO VIEW CHAPTER INDEX Pages From Supplement
TO MODEL INDEX
EWD378F
HILUX (EWD378F)
230
I OVERALL ELECTRICAL WIRING DIAGRAM
;;;;;
;;;;;
;;;;;
1
2
3
4
56
HILUX
(
RHD
)
(
Cont.
next
page
)
2
2
2
2
2
1I
1
1H
1
2
ACC
IG1
IG2
ST2
AM1
4
6
7
A
M
2
2
2
2
2
2
1
1
1
1
1
100A ALT
40A AM1
30A AM2
15A ECD
80A ABS, GLOW
4
4
4
3
2
1
4
4
SUB GLW
RLY
2
2
2
1
3
5
2
2
ECD RELAY
7
7
2
1
3
5
7
7
SPILL CONTROL
VALVE RELAY
22
IJ1
2
E
B
2
1
A
B
A
A
A
A
EF
J
1
J
2
,
JUNCTION
CONNECTOR
A
B
G
1
GLOW
PLUG
13
C
11
A
1
2
12
IC3
4
A
1
2
17
A
5
A
2
1
18
A
14
A
13
A
26
A
8
A
EO
IH
A
1
2
L–B
R–B
W
B
R
G
BR
W–B
W–B
L W–B W–B
W–B
W–B
BR
BR
3
I
C
3
1
I
C
3
12
C
9
A
S 9
SPILL CONTROL
VALVE
E 7
ENGINE SPEED
SENSOR
C15
CRANKSHAFT
POSITION SENSOR
2
1
V14
VSV(Intake Constrictor
Control No. 2)
A
10
2
1
V13
VSV(Intake Constrictor
Control No. 1)
A
12
1
2
T 5
TIMING CONTROL VALVE
A
24
1
2
V10
VRV(EGR) 7
B
8
B
1
5
B
3
C
1
C
2
C
2
I
J
1
1
3
I
J
1
A
A
14
IJ1
A
B
C
F14
FIRST GEAR
POSITION SW
C 3
CHECK CONNECTOR
J12
JUNCTION
CONNECTOR
BATTERY
J
3
JUNCTION
CONNECTOR
I17
IGNITION
SW
E
4
E
5
,
ENGINE
ECU
A
B
E
6
,
C
P
o
w
e
r
S
o
u
rc
e
E
n
g
in
e
C
o
n
tro
l
(1
K
Z
–
T
E
)
R
B–R
P
R
B–R
B
R–L
R–L
R–L
R–L
W
W
W
W–R
Y
Y
Y
L–O
B–Y
W–B
B–Y
W–B
R–L
W–B
R–L
R–L
R–L
R–L
R–L
R–L
G–Y
GR
G–B
G–W
R–L
R–L
R–L
R–L
W–R
Y
G–Y
L–O
Y
B–R
B–R
Y
L–O
P
L
L–B
L
R–L
B
G
(Shielded)
(Shielded)
R–L
9
1
3
8
12
2
B–R
B–R
+B
W
TE2
VF1
TE1
+BG
S/TH2
S/TH1
TCV
EGR
TE2
VF
TE1
MREL
+BF
SREL
SVR
SPV
NE+
NE
–
TDC+
TDC
–
E1
E01
E02
FSW
R–L
Cylinder
block
Cowl
side
panel
LH
Front
right
fender
apron
CLICK HERE TO VIEW CHAPTER INDEX Pages From Supplement
CONTINUED TO MODEL INDEX
EWD378F
HILUX (EWD378F)
231
I
;;;;;;;;
;;;;;;;;
;;;;;;;;
;;;;;;;;
;;;;;;;;
;;;;;;
;;;;;;
;;;;;;
;;;;;;
;;;;;;;;
;;;;;;;;
;;;;;;;;
;;;;;;;;
;;;;;;;;
;;;;;
;;;;;
;;;;;
5
6
7
8
56
HILUX
(
RHD
)
(
Cont'
d
)
E
n
g
in
e
C
o
n
tro
l
(1
K
Z
–
T
E
)
A
B
C
1
B
1
1
B
1
2
B
9
B
2
B
5
B
1
2
F18
FUEL TEMP. SENSOR
6
B
2
1
I22
INJECTION PUMP
CORRECTION
RESISTOR NO. 2
14
B
2
1
I21
INJECTION PUMP
CORRECTION
RESISTOR NO. 1
3
B
2
1
I 8
INTAKE AIR
TEMP. SENSOR
4
B
2
1
W 3
WATER TEMP. SENSOR
1H
6
1D
1
3
D
10
3D
11
14
C
1H
5
1F
2
5
C
7
C
1
A
8
B
5
B
B
B
IC3
7
3D
5
3D
1
9
C
18
C
11
C
4
3
2
1
3
2
1
G–R
G–R
G–R
G–R
G–R
R
B–R
P
B–W
P
P
B
B–W
P
R–W
R–L
G–O
B
V–Y
R
R–L
P
B
B–L
B–R
G–R
B–Y
P
P–L
L–B
G–B
LG–B
G–R
G–R
G–R
G–R
G–R
G–R
B
G–R
B–R
B–L
B
T
1
THROTTLE
POSITION
SENSOR
T
6
TURBO
PRESSURE
SENSOR
C
9
C10
,
COMBINATION
METER
A
B
B
10A IGN
10A GAUGE
IGSW
W
GIND
SPD
TAC
STA
VC
VA
IDL
E2
PIM
THF
VRP
VRT
THA
THW
J 5
JUNCTION
CONNECTOR
From Speed Sensor
[Comb. Meter]<54–3>
To Tachometer
[Comb. Meter]<54–1>
From " STA" Fuse<31–3>
E
4
E
5
,
ENGINE
ECU
A
B
C
E
6
,
TURBO
GLOW
CLICK HERE TO VIEW CHAPTER INDEX Pages From Supplement
TO MODEL INDEX
EWD378F
HILUX (EWD378F)
232
I OVERALL ELECTRICAL WIRING DIAGRAM
;;;;;;;;;;
;;;;;;;;;;
;;;;;;;;;;
;;;;;;;;;;
;;;;;;;;;;
;;;;;;;;;;
;;;;;;;;;
;;;;;;;;;
;;;;;;;;;
;;;;;;;;;
;;;;;;;;;
;;;;;;;;;
;;;;;;;;;
;;;;;;;;;
;;;;;;;;;
1
2
3
4
57
HILUX
(
RHD
)
(
Cont.
next
page
)
2
2
2
2
1I
1
1H
1
2
ACC
IG1
IG2
ST2
AM1
4
6
7
A
M
2
2
2
2
2
1
1
1
1
100A ALT
40A AM1
20A AM2
80A ABS, GLOW
4
4
4
3
2
1
4
4
SUB GLW
RLY
2
E
B
2
1
EF
G
1
GLOW
PLUG
16
B
8
A
14
B
23
A
26
A
9
A
10
A
25
A
14
A
13
A
7
B
A
3
A
17
A
18
21
A
26
A
19
A
A
BATTERY
I17
IGNITION
SW
E
4
E
5
,
EMISSION
CONTROL
ECU
A
B
P
o
w
e
r
S
o
u
rc
e
E
m
is
s
io
n
C
o
n
tro
l
(E
u
ro
p
e
2
L
–
T
,
2
L
)
L–B
R
B–R
B
W
W
W
W–R
B–Y
W–B
B–Y
W–B
B–R
W–R
R
G–W
3
1
2
B–R
BATT
THW
VA
VC
TCV
NE+
NE
–
TWL
TE1
VEGR
EGR
VBAC
VSV
+B
E1
A
A
1B
11
1H
6
1H
5
1D
1
1B
7
B
B
C
C
C
B
A
A
J13
J14
,
JUNCTION
CONNECTOR
A
B
C
B
3
I
J
1
B
C
D
B–W
B–W
L–Y
7. 5A ECU–B
W–R
W–R
(∗2)
(∗2)
I
9
INJECTION
PUMP
SP1
TAC
B
G–O G–O
6
B
B
5
B
5
I
C
3
I
C
3
6
(2L–T)
(2L–T)
PIM
A
4
2
1
13
IC3
7
IC1
7
I
J
1
E2
A
3
1
A
8
B
5
B
12
IC1
7
IC3
1
I
C
1
C
J 8
JUNCTION
CONNECTOR
J 1
JUNCTION
CONNECTOR
J
6
JUNCTION
CONNECTOR
COMBINATION METER
B
A
C 9 C10
,
(∗2)
(∗1)
W
W–R
W–R
10A IGN
10A GAUGE
R–L R–L
B–W
P
R–W
B–W
B–W
(2L–T)
2
1
V12
VSV(EGR)
2
1
V10
VRV(EGR)
2
1
V11
VSV(BACS)
2
1
V15
VSV
(Turbo Pressure Control)
G–R
G–B
R–L
B B–W
B–W
B–W
B–W
NSW
1
A
STA
2
A
EG
Rear
side
of
cylinder
block
8
I
C
1
B–W
P–B
BR
BR
P–B
BR
B–W
(2L–T)
(2L–T)
(2L–T)
(2L–T)
(2L–T)
(2L–T)
From " STA" Fuse
<31–2>
13
12
3
6
8
VF1
+B
E1
OP1
TE1
C
3
CHECK
CONNECTOR
G–Y
R–W
P
L–Y
BR
B–W
R–W
P
R–W
B–W
B–W
B–W
B–W
B–W
B–W
(2L–T)
W 3
WATER TEMP.
SENSOR
A31
ACCELERATOR PEDAL
POSITION SENSOR
T 6(2L–T)
TURBO PRESSURE SENSOR
V 1(2L)
VACUUM SENSOR
From Speed Sensor
[Comb. Meter]<54–3>
To Tachometer
[Comb. Meter]<54–1>
B–L
P–L P–L
B–Y
G
W–L
W–R
W–L
W–L
W–L
W–L
W–L
P–L
W–R(∗1)
W–R(∗2)
B–R B–R
1
2
3
2
3
1
∗
1
:
w/
Dim–Dip
Light
∗
2
:
w/o
Dim–Dip
Light
W–R
(∗1)
W–R
(∗1)
L–B
W–R
(∗2)
(2L–T)
R–W
B–W
BR
GLOW
TURBO
SREL
GIND
Front
right
fender
apron
(∗1)
CLICK HERE TO VIEW CHAPTER INDEX Pages From Supplement
CONTINUED TO MODEL INDEX
EWD378F
HILUX (EWD378F)
233
I
;;;
;;;
;;;
;;;
;;;
;;;
;;;;;;
;;;;;;
;;;;;;
;;;;;;
;;;;;;
;;;;;;
;;;;;;
;;;;;;
;;;;;;
;;;;;;
;;;;;;
;;;;;;
;;;;;;
;;;;;;
;;;;;;
;;;;;;
;;;;;;
;;;;;;
;;;;;;
;;;;;;
;;;;;;
;;;;;;
5
6
7
8
57
HILUX
(
RHD
)
L–B
B–W
B–W
L–Y
A
B
C
D
C
C
1
2
3
4
5
J
6
JUNCTION
CONNECTOR
V
V–W
V–Y
V–G
V–R
L–B
L–B
1
6
1
2
4
5
1
3
T
8
TRANSPONDER
KEY
COMPUTER
2
IC3
2
IC1
EG
Rear
side
of
cylinder
block
IK
Cowl
side
panel
RH
IH
Cowl
side
panel
LH
A
A
A
A
1
2
9
A
1
0
A
7
A
5
A
1A
5
See Interior Light
System<43–2>
I18
INTEGRATION
RELAY
A
U
1
UNLOCK
WARNING
SW
G–B
P–B
B–L
B–L
P–B
W–B
L–Y
B–W
L–W
9
10
2
3
14
9
8
A
J15
JUNCTION
CONNECTOR
J
3
JUNCTION
CONNECTOR
J
9
JUNCTION
CONNECTOR
W–B
W–B
BR
L–W
L–Y
2
3
1
F17
FUEL
CONTROL VALVE
E
n
g
in
e
Im
m
o
b
ilis
e
r
S
y
s
te
m
P–B
T
7
TRANSPONDER
KEY
AMPLIFIER
VC5
GND
CODE
RXCK
TXCT
CTY(P)
CTY(D)
CTY
KSW
GND
D
IG
ECVC
+B
VC5
AGND
CODE
RXCK
TXCT
GND
IG
IMMO
TRANSPONDER
KEY
COIL
ANT1
ANT2
CTY(P)
EARTH
KEY
U/L
SW
1
1
C
7
EARTH
IG
Cowl
side
panel
LH
A
J
7
JUNCTION
CONNECTOR
W–B
CLICK HERE TO VIEW CHAPTER INDEX Pages From Supplement
TO MODEL INDEX
EWD378F

HILUX ELECTRICALSUP. EWD378F.pdf

  • 1.
    This supplement providesinformation covering changes in the Electrical System specifications of the HILUX which were made in , 1999. 165, 166, 167, 170, 171, 172, 190, 191 Series For information which is not mentioned in this manual, please refer to the following Electrical Wiring Diagram Manuals: Pub. No. D HILUX Electrical Wiring Diagram D HILUX Chassis and Body Repair Manual Supplement D 1KZ-TE Engine Repair Manual EWD307F RM706E RM710E All information in this manual is based on the latest product information at the time of publication. However, specifications and procedures are subject to change without notice. CK TO MAIN MODEL IND VIEW THE MAIN INDEX EWD378F Pages From Supplement Back To Electrical Index Applicable models: RZN142, 144, 147, 148, 149, 154, 168, 169, 173, 174, 193 Series KZN165 Series LN 141, 145, 146, 147, 150, 152, Manual Name NOTICE system malfunction. When handling installation or inspection, etc.), always follow the direction given in the repair manuals supplemental restraint system components (removal, listed above prevent accidents and supplemental restraint to E1999 All rights reserved reproduced or copied, in whole or in part, without the written permission of Toyota Motor Corporation. FOREWORD This CD may not be TO MODEL INDEX TOYOTA MOTOR CORPORATION TOYOTA MOTOR CORPORATION JULY
  • 2.
    HILUX (EWD378F) 1 ELECTRICAL WIRINGDIAGRAM (English) Section No. Page INTRODUCTION . . . . . . . . . . . . . . . . . . . . . . . . . . . . . . . . . . . . . . A . . . . HOW TO USE THIS MANUAL 5 . . . . . . . . . . . . . . . . . . . . . . . . . . B . . . . ABBREVIATIONS . . . . . . . . . . . . . . . . . . . . . . . . . . . . . . . . . . . . . C . . . . RELAY LOCATIONS . . . . . . . . . . . . . . . . . . . . . . . . . . . . . . . . . . . D . . . . ELECTRICAL WIRING ROUTING . . . . . . . . . . . . . . . . . . . . . . . E . . . . CONNECTOR LIST . . . . . . . . . . . . . . . . . . . . . . . . . . . . . . . . . . . . F PART NUMBER OF CONNECTORS . . . . . . . . . . . . . . . . . . . . . H . . . . OVERALL ELECTRICAL WIRING DIAGRAM . . . . . . . . . . . . . . I 6 8 22 34 . . . . . . . . 112 150 154 MAIN INDEX: HILUX BACK TO MAIN FOREWORD & Electrical Index Pages From Supplement OVERALL ELECTRICAL WIRING DIAGRAM . . . . . . . . . . . . . . I 194 LHD RHD TO MODEL INDEX EWD378F July 1999 : Supp.
  • 3.
    HILUX (EWD378F) 5 INTRODUCTION A Thismanual consists of the following 9 sections: No. Section Description A INDEX Index of the contents of this manual. A INTRODUCTION Brief explanation of each section. B HOW TO USE THIS MANUAL Instructions on how to use this manual. C ABBREVIATIONS Defines the abbreviations used in this manual. D RELAY LOCATIONS Shows position of the Electronic Control Unit, Relays, Relay Block, etc. This section is closely related to the wiring diagram. E PARTS LIST List of part names used in this manual. F CONNECTOR JOINING WIRE HARNESS AND WIRE HARNESS Shows connector joining wire harness and wire harness described in this manual. G CONNECTOR LIST Describes the form of the connectors for the parts appeared in this book. This section is closely related to the wiring diagram. H PART NUMBER OF CONNECTORS Indicates the part number of the connectors used in this manual. I OVERALL ELECTRICAL WIRING DIAGRAM Provides circuit diagrams showing the circuit connections. BACK TO MAIN INDEX Pages From Supplement TO MODEL INDEX EWD378F
  • 4.
    6 HILUX (EWD378F) B HOWTO USE THIS MANUAL ;;;;;; ;;;;;; ;;;;;; 1 2 3 4 HOW TO READ THIS SECTION ACC IG1 ST1 IG2 ST2 AM2 1 2 6 EA4 7 EA3 2 A 2 B 1 A 1 B 4 B 5 A B 1 B EA 1 3C 15 3C 7 4 1 6 1 1 2 1 3 4 2 3 1 2 4 3 1 1 3 6 5 4 7 4 EA3 12 EA1 BO2 5 21 EA3 ID EC EA 1 2 1 2 1 2 1 2 16 BS1 1 2 M EA3 17 1 4 8 6 9 B W W-R B-W B-R B-L B-L B-W B-W(22R-E) B-W INJECTOR W-R R-G B BR B GR Y-R B-W Y-R BR-W G G-R Y-R L-Y Y-R G-Y GR-B W-B R-W R-G BR W-R W-R Y-R R-Y B-W Y-R Y-R W B-R W R W-R W-R W B-L B-W B-W B-W B-R B-R B-R B-R B-R B-R W-R W-R W-R W-R BR BR W-B W-B R-G Y-R W-B B-R Y-R B Y-R W-B B-W G B-W W-B B-R R-Y W-R B-W BR 100A ALT 40A AM1 30A AM2 STARTER RELAY 4 A 2 A 1 A 7 (22R-E) (2L-T) 1 2 7. 5A ST 7. 5A IGN S37 START INJECTOR TIME SW C24 COLD START INJECTOR To Emission ECU <9-8> BATTERY B-W STARTER Left front fender R-G C19 CIRCUIT OPENING RELAY V 5 VOLUME AIR FLOW METER H11 HEATED OXYGEN SENSOR K 2 KNOCK SENSOR 15A EFI (Shielded) EFI MAIN RELAY Left front fender Left kick panel R-G I 9 NO. 1 I11 NO. 3 I10 NO. 2 I12 NO. 4 F37 FUEL PUMP D 1 DATA LINK CONNECTOR 1 FP OX1 +B T1 VF Starting B-W B-L (2L-T) 1 A 1 B R AM1 I 6    , IGNITION SW A B A B S40 S41 S38 S39 A B B-W 2 Intake manifold RH BR E1 3 (2L-T) (22R-E) (2L-T) (2L-T) B-W R-G Y-R Y-R Y-R W-R W-R B 8 B A B C D E F G H I K L M N O P Q R S J Power Source Engine Control 1 R-Y B BR GR (22R-E) BR-W G G-R L-Y GR-B G-Y W-R (2L-T) BR (22R-E) * The system shown here is an EXAMPLE ONLY. It is different to the actual circuit shown in the wiring diagram section. 2 2 2 2 [A] [B] [C] [D] [E] [G] [F] [H] [I] [J] [K] [L] English BACK TO MAIN INDEX Pages From Supplement TO MODEL INDEX EWD378F
  • 5.
    [G] : Indicates related system. [H] : Indicates the wiring harness and wiring harness connector. The wiring harness with male terminal is shown with arrows ( ). Outside numerals are pin numbers. [I] : ( ) is used to indicate different wiring and connector, etc. when the vehicle model, engine type, or specification is different. [J] : Indicates a shielded cable. [K] : Indicates and located on ground point. [L] : The same code occuring on the next page indicates that the wire harness is continuous. Female Male ( ) Junction connector in this manual include a short terminal which is connected to a number of wire harnesses. Always perform inspection with the short terminal installed. (When installing the wire harnesses, the harnesses can be connected to any position within the short terminal grouping. Accordingly, in other vehicles, the same position in the short terminal may be connected to a wire harness from a different part.) Wire harness sharing the same short terminal grouping have the same color. HINT : Junction Connector Same Color Short Terminal [A] : System Title [B] : Indicates the wiring color. Wire colors are indicated by an alphabetical code. [C] : The position of the parts is the same as shown in the wiring diagram and wire routing. [D] : Indicates the pin number of the connector. The numbering system is different for female and male connectors. The numbering system for the overall wiring diagram is the same as above. [E] : Indicates a Relay Block. No shading is used and only the Relay Block No. is shown to distinguish it from the J/B. B = Black W = White BR = Brown L = Blue V = Voilet SB = Sky Blue R = Red G = Green LG = Light Green P = Pink Y = Yellow GR = Gray O = Orange The first letter indicates the basic wire color and the second letter indicates the color of the stripe. Example: L - Y L (Blue) Y (Yellow) Numbered in order from upper left to lower right Numbered in order from upper right to lower left Female Male Example: Example: Indicates Relay Block No.1 [F] : Junction Block (The number in the circle is the J/B No. and the connector code is shown beside it). Junction Blocks are shaded to clearly separate them from other parts. 3C indicates that it is inside Junction Block No.3 Example ;;;; ;;;; ;;;; ;;;; ;;;; ;;;; ;;;; HILUX (EWD378F) 7 B English CLICK HERETO VIEW CHAPTER INDEX Pages From Supplement TO MODEL INDEX EWD378F
  • 6.
    ∗ The titlesgiven inside the components are the names of the terminals (terminal codes) and are not treated as being abbreviations. 8 HILUX (EWD378F) C ABBREVIATIONS ABBREVIATIONS The following abbreviations are used in this manual. ABS = Anti-Lock Brake System A/C = Air Conditioner ADD = Automatic Disconnecting Differential A/T = Automatic Transmission BACS = Boost Altitude Compensational Stopper COMB. = Combination DIFF. = Differential DLC3 = Data Link Connector 3 ECT = Electronically Controlled Transmission ECU = Electronic Control Unit EFI = Electronic Fuel Injection EGR = Exhaust Gas Recirculation EVAP = Evaporative Emission G.C.C. = Gulf Cooperation Council IIA = Integrated Ignition Assembly ISC = Idle Speed Control LH = Left-Hand LHD = Left-Hand Drive M/T = Manual Transmission O/D = Overdrive RH = Right-Hand RHD = Right-Hand Drive SRS = Supplemental Restraint System SW = Switch TEMP. = Temperature VRV = Vacuum Regulating Valve VSV = Vacuum Switching Valve w/ = With w/o = Without 2WD = Two Wheel Drive Vehicles 4WD = Four Wheel Drive Vehicles English BACK TO MAIN INDEX Pages From Supplement TO MODEL INDEX EWD378F
  • 7.
    RELAY LOCATIONS: ENGINE COMPARTMENT:Pg 22 1.LHD Pg 22 INSTRUMENT PANEL Pg 22 1.LHD Pg22 ENGINE COMPARTMENT: Pg 23 1.RHD Pg 23 INSTRUMENT PANEL Pg 23 1.RHD Pg23 DRIVER SIDE J/B Pg 24 LHD Pg24 DRIVER SIDE J/B INNER CIRCUIT LHD Pg 25 DRIVER SIDE J/B Pg 26 RHD Pg26 DRIVER SIDE J/B INNER CIRCUIT RHD Pg 27 CENTER J/B Pg28 RHD AUSTRALIA Pg28 CENTER J/B INNER CIRCUIT Pg29 ENGINE ROOM R/B: Pg 30 ENGINE ROOM R/B No.2 Pg 31 R/B No.5 Pg31 R/B No.6 RHD w/DIM-DIP LIGHT Pg32 PASSENGER SIDE R/B Pg32: RHD 3RZ-FE, 1RZ-E, 1KZ-TE Pg 32 R/B No.8 ISRAEL Pg 33 BACK TO MAIN INDEX TO MODEL INDEX EWD378F Pages From Supplement
  • 8.
    ABS Decerelation Sensor •EmissionControl ECU (3RZ-F, 1RZ, Europe 2L-T, 2L) •Engine ECU (M/T) or Engine and ECT ECU (A/T) (3RZ-FE, 2RZ-FE) •Pre-Heating Timer (General Diesel) A/C Amplifier Diff. Lock ECU ABS ECU Center Airbag Sensor Assembly O/D ECU (Israel) Driver Side J/B Integration Relay Circuit Opening Relay Daytime Running Light Relay ADD Control Relay 22 HILUX (EWD378F) D RELAY LOCATIONS [Engine Compartment] (LHD) Engine Room R/B Engine Room R/B No.2 (Diesel) R/B No.5 Headlight Cleaner Relay R/B No.8 (Israel) [Instrument Panel] (LHD) CLICK HERE TO VIEW CHAPTER INDEX Pages From Supplement CLICK HERE TO VIEW CHAPTER INDEX TO MODEL INDEX EWD378F
  • 9.
    ABS Decerelation Sensor DriverSide J/B Integration Relay ABS ECU Center Airbag Sensor Assembly A/C Amplifier Passenger Side R/B (3RZ-FE, 1RZ-E, 1KZ-TE) ADD Control Relay 4WD Control ECU •Engine ECU (M/T) or Engine and ECT ECU (A/T) (3RZ-FE, 1RZ-E, 1KZ-TE) •Emission Control ECU (3RZ-F, 1RZ, Europe 2L-T, 2L) •Pre-Heating Timer (General Diesel, 5L) Dim-Dip Light Relay Auto Antenna Control Relay Center J/B (Australia) or Connector Holder (Except Australia) HILUX (EWD378F) 23 D [Engine Compartment] (RHD) Engine Room R/B (Gasoline) Engine Room R/B No.2 (Diesel) Engine Room R/B (Diesel) R/B No.6 R/B No.5 [Instrument Panel] (RHD) CLICK HERE TO VIEW CHAPTER INDEX Pages From Supplement CLICK HERE TO VIEW CHAPTER INDEX TO MODEL INDEX EWD378F
  • 10.
    9 8 7 6 1 5 2 4 30A POWER (for MediumCurrent) 4WD Integration Relay 20A 3 2 1 ECU-IG 15A WIPER 20A TURN 10A ACC 15A ECU-B 7.5A GAUGE 10A IGN 10A 10 11 12 SEAT-HTR 20A 3 5 13 12 11 10 9 8 7 6 5 4 3 2 1 Horn Relay (from Cowl Wire) (from Roof Wire) (from Engine Room Main Wire) (from Cowl Wire) (from Cowl Wire) (from Cowl Wire) YELLOW (from Cowl Wire) Power Relay Turn Signal Flasher (from Cowl Wire) Defogger Relay 6 5 4 3 2 1 4 3 2 1 12 11 10 9 8 7 6 5 4 3 2 1 2 1 4 3 1 1 6 3 2 2 10 3 2 2 2 1 (from Cowl Wire) (from Engine Room Main Wire) (from Engine Room Main Wire) 5 4 1 1 2 3 2 2 3 2 1 9 1 8 2 11 6 4 3 7 1 1 11 5 10 6 4 1 1 2 1 1 5 3 3 5 2 1 12 13 3 3 3 9 4 3 5 8 6 7 7 8 2 9 6 10 4 2 5 6 7 8 9 1 10 11 12 2 3 4 4 7 1 5 2 8 9 10 3 6 2 7 8 1 9 10 11 12 13 1 2 3 4 5 6 7 8 9 10 1 2 3 4 5 6 7 8 9 1011 1 2 3 4 5 6 7 8 9 10 1 2 3 4 5 6 7 8 9 10111213 1K 1J 1A 1D 1E 1F 1G 1B 1C 1H 1I 24 HILUX (EWD378F) D RELAY LOCATIONS ;;; ;;; ;;; : Driver Side J/B Lower Finish Panel (See Page 22) [LHD] CLICK HERE TO VIEW CHAPTER INDEX Pages From Supplement TO MODEL INDEX EWD378F
  • 11.
    10A TURN 2 1 53 30A POWER 7.5A ECU-B Turn Signal Flasher Power Relay Defogger Relay 5 1 3 2 Horn Relay 2 1 3 10A GAUGE 20A WIPER 20A 4WD 15A ECU-IG 15A ACC 10A IGN Integration Relay 3 2 1 20A SEAT-HTR 4 9 11 7 6 8 12 1 2 6 1J 6 1H 3 1H 5 1H 1 1J 3 1J 4 1J 2 1I 1 1H 1 1I 2 1C 6 1F 1 1C 3 1K 4 1B 10 1B 8 1B 1 1B 4 1G 11 1B 9 1E 8 1A 5 1B 10 1E 11 1D 12 1B 7 1B 2 1F 5 1E 4 1A 7 1E 2 1B 5 1J 2 1E 6 1E 8 1E 6 1B 3 1G 3 1B 9 1B 1 1G 1 1D 8 1J 11 1J 2 1D 6 1D 7 1D 2 1A 8 1D 12 1J 2 1K 10 1D 13 1F 12 1F 9 1D 4 1D 3 1D 3 1A 4 1F 3 1F 10 1E 9 1F 8 1F 11 1F 5 1D 6 1A 7 1F 10 1J 3 1E 4 1E 1 1E 1 1A 5 1F 1 1K 5 1A 1 1F 13 1J 9 1J 7 1J 2 1J HILUX (EWD378F) 25 D [Driver Side J/B Inner Circuit] [LHD] CLICK HERE TO VIEW CHAPTER INDEX Pages From Supplement TO MODEL INDEX EWD378F
  • 12.
    9 8 7 6 1 5 2 4 30A POWER (for MediumCurrent) 4WD Integration Relay 20A 3 2 1 ECU-IG 15A WIPER 20A TURN 10A ACC 15A ECU-B 7.5A GAUGE 10A IGN 10A 10 11 12 3 5 13 12 11 10 9 8 7 6 5 4 3 2 1 Horn Relay (from Cowl Wire) (from Roof Wire) (from Engine Room Main Wire) (from Cowl Wire) (from Cowl Wire) (from Cowl Wire) YELLOW (from Cowl Wire) Power Relay Turn Signal Flasher (from Cowl Wire) 6 5 4 3 2 1 4 3 2 1 12 11 10 9 8 7 6 5 4 3 2 1 2 1 4 3 1 1 6 3 2 2 10 3 2 2 2 1 (from Cowl Wire) (from Engine Room Main Wire) (from Engine Room Main Wire) 5 4 1 1 2 3 2 2 3 2 1 9 1 8 2 11 6 4 3 7 1 1 11 5 10 6 4 1 1 1 1 2 5 3 3 5 1 2 12 13 3 3 3 9 4 3 5 8 6 7 7 8 2 9 6 10 4 2 5 6 7 8 9 1 10 11 12 2 3 4 4 7 1 5 2 8 9 10 3 6 2 7 8 1 9 10 11 12 13 1 2 3 4 5 6 7 8 9 10 1 2 3 4 5 6 7 8 9 1011 1 2 3 4 5 6 7 8 9 10 1 2 3 4 5 6 7 8 9 10111213 Defogger Relay 1K 1J 1A 1D 1E 1F 1G 1B 1C 1H 1I 26 HILUX (EWD378F) D RELAY LOCATIONS ;;; ;;; ;;; : Driver Side J/B Lower Finish Panel (See Page 23) [RHD] CLICK HERE TO VIEW CHAPTER INDEX Pages From Supplement TO MODEL INDEX EWD378F
  • 13.
    10A TURN 2 1 53 30A POWER 7.5A ECU-B Turn Signal Flasher Power Relay Defogger Relay 5 1 3 2 Horn Relay 2 1 3 10A GAUGE 20A WIPER 20A 4WD 15A ECU-IG 15A ACC 10A IGN Integration Relay 3 2 1 4 9 11 7 6 8 12 1 2 1 1I 1 1H 2 1I 4 1J 3 1J 1 1J 5 1H 3 1H 6 1H 6 1J 5 1D 6 1A 7 1F 10 1J 3 1E 4 1E 1 1E 1 1A 5 1F 1 1K 5 1A 1 1F 13 1J 9 1J 7 1J 2 1J 11 1F 8 1F 9 1F 10 1F 3 1F 4 1F 3 1A 3 1D 4 1D 9 1D 12 1F 13 1F 10 1D 2 1K 12 1J 8 1D 2 1A 7 1D 6 1D 2 1D 11 1J 8 1J 1 1D 1 1G 9 1B 3 1B 3 1G 6 1B 8 1E 6 1E 2 1E 5 1J 2 1B 7 1E 4 1A 5 1E 2 1F 7 1B 12 1B 11 1D 10 1E 5 1B 8 1A 9 1E 11 1B 4 1G 1 1B 8 1B 10 1B 4 1B 3 1K 1 1C 6 1F 2 1C HILUX (EWD378F) 27 D [Driver Side J/B Inner Circuit] [RHD] CLICK HERE TO VIEW CHAPTER INDEX Pages From Supplement TO MODEL INDEX EWD378F
  • 14.
    3 2 10 22 21 20 19 18 17 16 15 14 13 12 11 9 8 7 6 5 4 2 3 1 1 4 23 1 4 5 6 7 1 8 5 6 7 8 2 3 4 5 6 7 8 9 10 1 7 6 4 3 5 2 10 9 8 14 13 12 11 10 9 8 7 6 5 4 2 3 1 15 20 19 18 17 16 15 (from Cowl Wire) BLUE (from Cowl Wire) (from Cowl Wire) (from Cowl Wire) (from Cowl Wire) (from Cowl Wire) 20 19 18 17 16 1 2 3 11 12 13 4 14 5 15 16 17 18 6 7 19 8 9 10 22 21 20 14 13 12 11 10 9 8 7 6 22 21 20 19 18 17 16 15 14 20 19 18 17 16 15 14 5 13 12 11 10 13 22 21 20 19 18 17 12 16 15 14 13 12 11 11 2 10 9 9 10 8 1 DARK GRAY 8 7 1 6 7 5 2 3 3 4 6 3 2 1 5 4 3 5 4 6 4 7 2 8 GRAY 9 1 BLACK 1 2 3 10 11 12 4 13 5 14 15 16 17 6 7 18 8 9 20 19 3A 3B 3C 3D 3E 3F 28 HILUX (EWD378F) D RELAY LOCATIONS ;;; ;;; ;;; : Center J/B Near the Steering Column Tube (See Page 23) [RHD Australia] CLICK HERE TO VIEW CHAPTER INDEX Pages From Supplement TO MODEL INDEX EWD378F
  • 15.
    1 3C 2 3C 33C 1 3A 2 3A 3 3A 4 3E 5 3E 6 3E 7 3E 8 3E 9 3E 10 3E 4 3A 5 3A 6 3A 7 3A 8 3A 5 3B 6 3B 7 3B 8 3B 9 3B 10 3B 1 3E 2 3E 3 3E 1 3D 2 3D 3 3D 4 3D 5 3D 6 3D 7 3D 8 3D 9 3D 10 3F 11 3F 12 3F 13 3F 14 3F 15 3F 16 3F 17 3F 18 3F 19 3F 20 3F 10 3D 11 3D 12 3D 11 3C 12 3C 13 3C 14 3C 15 3C 16 3C 4 3C 5 3C 6 3C 7 3C 8 3C 9 3C 10 3C 13 3D 14 3D 15 3D 16 3D 17 3D 18 3D 19 3D 20 3D 11 3E 12 3E 13 3E 14 3E 15 3E 16 3E 17 3E 18 3E 19 3E 20 3E 21 3E 22 3E 17 3C 18 3C 19 3C 20 3C 21 3C 22 3C 1 3F 2 3F 3 3F 4 3F 5 3F 6 3F 7 3F 8 3F 9 3F 1 3B 2 3B 3 3B 4 3B HILUX (EWD378F) 29 D [Center J/B Inner Circuit] CLICK HERE TO VIEW CHAPTER INDEX Pages From Supplement TO MODEL INDEX EWD378F
  • 16.
    1 2 3 4 4 2 3 1 3 5 1 2 3 5 1 2 3 5 1 2 1 2 3 5 12 1 2 1 2 1 2 1 2 1 2 HEAD (RH) 10A HEAD (LH) 10A 10A HEAD (RL) HEAD (LL) 10A 10A TAIL 10A A.C ∗1 OBD 7.5A 15A DOME HORN 15A 7.5A ALT-S DEFOG 15A 10A STOP 60A ABS Fuse (Gasoline) (for High Current) 80A ABS, GLOW (Diesel) (for High Current) 100A ALT Fuse (70A Type Alternator) 80A ALT Fuse (45A, 55A Type Alternator) (for High Currnet) 30A CDS FAN Fuse (for Medium Current) HEAD Relay DIMMER Relay EFI Relay (Gasoline) ECD Relay (1KZ-TE) STARTER Relay 50A HEATER Fuse (for Medium Current) HEATER Relay 40A AM1 Fuse (for Medium Current) CDS FAN Relay TAIL Relay 1 2 3 4 5 ∗1 : 15A EFI (2RZ-FE, 3RZ-FE) 15A ECD (1KZ-TE) 20A AM2 (Diesel Except 1KZ-TE) STA 7.5A 30A AM2 Fuse (Gasoline, 1KZ-TE) (for Medium Current) 2 1 1 2 2 1 2 1 2 1 2 1 2 1 1 2 1 2 1 2 2 1 2 1 2 1 2 1 30 HILUX (EWD378F) D RELAY LOCATIONS 2 : Engine Room R/B RHD Diesel : Engine Compartment Right (See Page 23) 2 : Engine Room R/B Except RHD Diesel : Engine Compartment Left (See Page 22, 23) CLICK HERE TO VIEW CHAPTER INDEX Pages From Supplement TO MODEL INDEX EWD378F
  • 17.
    3 4 1 2 3 4 1 2 ST RLY SUBGLW RLY ABS Motor Relay ABS Solenoid Relay 1 2 3 4 1 2 3 4 5 6 HILUX (EWD378F) 31 D 4 : Engine Room R/B No 2 LHD Diesel : Engine Compartment Left (See Page 22) 4 : Engine Room R/B No.2 RHD Diesel : Engine Compartment Right (See Page 23) 5 : R/B No 5 LHD : Front Right Fender Apron (See Page 22) 5 : R/B No.5 RHD : Near the Brake Master Cylinder (See Page 23) CLICK HERE TO VIEW CHAPTER INDEX Pages From Supplement CLICK HERE TO VIEW CHAPTER INDEX TO MODEL INDEX EWD378F
  • 18.
    1 2 5 3 Circuit OpeningRelay (3RZ-FE,1RZ-E) Spill Control Valve Relay (1KZ-TE) 32 HILUX (EWD378F) D RELAY LOCATIONS 6 : R/B No.6 Radiator Support RH (See Page 23) [RHD w/ Dim-Dip Light] 2 4 1 3 2 1 5 4 3 Dim-Dip Relay No.3 Dim-Dip Relay No.2 7 : Passenger Side R/B Cowl Side Panel LH (See Page 23) [RHD 3RZ-FE, 1RZ-E, 1KZ-TE] CLICK HERE TO VIEW CHAPTER INDEX Pages From Supplement CLICK HERE TO VIEW CHAPTER INDEX TO MODEL INDEX EWD378F
  • 19.
    3 2 1 5 4 2 4 1 3 CDS FAN NO.1Relay CDS FAN NO.2 Relay HILUX (EWD378F) 33 D 8 : R/B No.8 Radiator Support RH (See Page 22) [Israel] CLICK HERE TO VIEW CHAPTER INDEX Pages From Supplement TO MODEL INDEX EWD378F
  • 20.
    E: ELECTRICAL WIRINGROUTING: PAGE 1 OF 4 POSITION OF PARTS IN ENGINE COMPARTMENT: 1. LHD 3RZ-FE, 2RZ-FE A TO H Pg 34 2. LHD 3RZ-FE, 2RZ-FE I TO W Pg 35 3. LHD: 3RZ-F Pg 36 4. LHD: 1RZ Pg 37 5. LHD: 2L-T Pg 38 6. LHD: 3L, 2L Pg 39 POSITION OF PARTS IN INSTRUMENT PANEL: 1. LHD A TO D Pg 40 2. LHD E TO U Pg 41 POSITION OF PARTS IN BODY: 1. LHD REGULAR CAB Pg 42 2. LHD DOUBLE CAB Pg 43 3. LHD EXTRA CAB Pg 44 POSITION OF PARTS IN ENGINE COMPARTMENT: 1. RHD 3RZ-FE A TO H Pg 46 2. RHD 3RZ-FE I TO W Pg 47 3. RHD 3RZ-F Pg 48 4. RHD 1RZ-E Pg 49 5. RHD 1RZ Pg 50 6. RHD 5L Pg 51 7. RHD 2L-T Pg 52 8. RHD 3L, 2L Pg 53 9. RHD 1KZ-TE A TO H Pg 54 10. RHD 1 KZ-TE I TO W Pg 55 POSITION OF PARTS IN INSTRUMENT PANEL: 1. RHD A TO D Pg 56 2. RHD E TO U Pg 57 POSITION OF PARTS IN BODY: 1. RHD REGULAR CAB Pg 58 2. RHD DOUBLE CAB Pg 59 3. RHD EXTRA CAB Pg 60 LOCATION OF CONNECTOR JOINING WIRE HARNESS & WIRE HARNESS Pg 62 LOCATION OF GROUND POINTS Pg 62 1. LHD 3RZ-FE, 2RZ-FE Pg 62 CONNECTOR JOINING WIRE HARNESS & WIRE HARNESS Pg 63 BACK TO MAIN INDEX CONTINUED TO MODEL INDEX EWD378F Pages From Supplement
  • 21.
    E: ELECTRICAL WIRINGROUTING: PAGE 2 OF 4 LOCATION OF CONNECTOR JOINING WIRE HARNESS & WIRE HARNESS Pg 64 LOCATION OF GROUND POINTS Pg 64: 1.LHD 3RZ-R Pg 64 CONNECTOR JOINING WIRE HARNESS & WIRE HARNESS Pg 65 LOCATION OF CONNECTOR JOINING WIRE HARNESS & WIRE HARNESS Pg 66 LOCATION OF GROUND POINTS Pg 66: 1.LHD 1RZ Pg 66 CONNECTOR JOINING WIRE HARNESS & WIRE HARNESS Pg67 LOCATION OF CONNECTOR JOINING WIRE HARNESS & WIRE HARNESS Pg 68 LOCATION OF GROUND POINTS Pg 68: 1.LHD 2L-T Pg 68 CONNECTOR JOINING WIRE HARNESS & WIRE HARNESS Pg69 LOCATION OF CONNECTOR JOINING WIRE HARNESS & WIRE HARNESS Pg 70 LOCATION OF GROUND POINTS Pg 70: 1.LHD 3L, 2L Pg 70 CONNECTOR JOINING WIRE HARNESS & WIRE HARNESS Pg71 LOCATION OF CONNECTOR JOINING WIRE HARNESS & WIRE HARNESS Pg 72 LOCATION OF GROUND POINTS Pg 72: 1.LHD IA1 TO IN1 Pg 72 CONNECTOR JOINING WIRE HARNESS & WIRE HARNESS Pg73 LOCATION OF CONNECTOR JOINING WIRE HARNESS & WIRE HARNESS Pg 74 1.LHD II1 TO IM1 Pg 74 CONNECTOR JOINING WIRE HARNESS & WIRE HARNESS Pg75 LOCATION OF CONNECTOR JOINING WIRE HARNESS & WIRE HARNESS Pg 76 LOCATION OF GROUND POINTS Pg 76 1.LHD DOUBLE CAB Pg 76 CONNECTOR JOINING WIRE HARNESS & WIRE HARNESS Pg77 CLICK HERE TO VIEW CHAPTER INDEX CONTINUED TO MODEL INDEX EWD378F Pages From Supplement
  • 22.
    E: ELECTRICAL WIRINGROUTING: PAGE 3 OF4 LOCATION OF CONNECTOR JOINING WIRE HARNESS & WIRE HARNESS Pg 78 LOCATION OF GROUND POINTS Pg 78 1.LHD REGULAR CAB Pg 78 2.LHD EXTRA CAB Pg 78 CONNECTOR JOINING WIRE HARNESS & WIRE HARNESS Pg79 LOCATION OF CONNECTOR JOINING WIRE HARNESS & WIRE HARNESS Pg 80 LOCATION OF GROUND POINTS Pg 80 1.RHD 3RZ-FE Pg 80 CONNECTOR JOINING WIRE HARNESS & WIRE HARNESS Pg81 LOCATION OF CONNECTOR JOINING WIRE HARNESS & WIRE HARNESS Pg 82 LOCATION OF GROUND POINTS Pg 82 1.RHD 3RZ-F Pg 82 CONNECTOR JOINING WIRE HARNESS & WIRE HARNESS Pg83 LOCATION OF CONNECTOR JOINING WIRE HARNESS & WIRE HARNESS Pg 84 LOCATION OF GROUND POINTS Pg 84 1.RHD 1RZ-E Pg 84 CONNECTOR JOINING WIRE HARNESS & WIRE HARNESS Pg85 LOCATION OF CONNECTOR JOINING WIRE HARNESS & WIRE HARNESS Pg 86 LOCATION OF GROUND POINTS Pg 86 1.RHD 1RZ Pg 86 CONNECTOR JOINING WIRE HARNESS & WIRE HARNESS Pg87 LOCATION OF CONNECTOR JOINING WIRE HARNESS & WIRE HARNESS Pg 88 LOCATION OF GROUND POINTS Pg 88 1.RHD 5L Pg 88 CONNECTOR JOINING WIRE HARNESS & WIRE HARNESS Pg89 LOCATION OF CONNECTOR JOINING WIRE HARNESS & WIRE HARNESS Pg 90 LOCATION OF GROUND POINTS Pg 90 1.RHD 2L-T Pg 90 CONNECTOR JOINING WIRE HARNESS & WIRE HARNESS Pg91 LOCATION OF CONNECTOR JOINING WIRE HARNESS & WIRE HARNESS Pg 92 LOCATION OF GROUND POINTS Pg 92 1.RHD 3L, 2L Pg 92 CONNECTOR JOINING WIRE HARNESS & WIRE HARNESS Pg93 CLICK HERE TO VIEW CHAPTER INDEX CONTINUED TO MODEL INDEX EWD378F Pages From Supplement
  • 23.
    E: ELECTRICAL WIRINGROUTING: PAGE 4 OF4 LOCATION OF CONNECTOR JOINING WIRE HARNESS & WIRE HARNESS Pg 94 LOCATION OF GROUND POINTS Pg 94 1.RHD 1KZ-TE Pg 94 CONNECTOR JOINING WIRE HARNESS & WIRE HARNESS Pg95 LOCATION OF CONNECTOR JOINING WIRE HARNESS & WIRE HARNESS Pg 96 LOCATION OF GROUND POINTS Pg 96 1.RHD IA TO 1D 1Pg 96 CONNECTOR JOINING WIRE HARNESS & WIRE HARNESS Pg97 LOCATION OF CONNECTOR JOINING WIRE HARNESS & WIRE HARNESS Pg 98 1.RHD IG1 TO IM2 Pg 98 CONNECTOR JOINING WIRE HARNESS & WIRE HARNESS Pg99 LOCATION OF CONNECTOR JOINING WIRE HARNESS & WIRE HARNESS Pg 100 LOCATION OF GROUND POINTS Pg 100 1.RHD DOUBLE CAB Pg 100 CONNECTOR JOINING WIRE HARNESS & WIRE HARNESS Pg 101 LOCATION OF CONNECTOR JOINING WIRE HARNESS & WIRE HARNESS Pg 102 LOCATION OF GROUND POINTS Pg 102 1.RHD REGULAR CAB Pg 102 2.RHD EXTRA CAB Pg 102 CONNECTOR JOINING WIRE HARNESS & WIRE HARNESS Pg 103 CLICK HERE TO VIEW CHAPTER INDEX TO MODEL INDEX EWD378F Pages From Supplement
  • 24.
    34 HILUX (EWD378F) E ELECTRICALWIRING ROUTING Position of Parts in Engine Compartment [LHD : 3RZ-FE, 2RZ-FE] H3 (∗2 ∗3) F8 (∗6) F6 (∗5) A1 A5 F4 H4 A4 H5 H1 C3 A6 F15 B2 F3 F7 (∗6) F5 (∗5) F1 A3 A9 D1 H7 (2WD) D2 H8 (4WD) H8 (2WD) E1 H7 (4WD) B1 C1 F2 H2 H6 A7 A2 C4 A8 H9 A11 A10 F16 A 1 A/C Dual Pressure SW A 2 A/C Magnetic Clutch A 3 A/T Fluid Temp. SW A 4 ABS Actuator A 5 ABS Actuator A 6 ABS Speed Sensor Front LH A 7 ABS Speed Sensor Front RH A 8 ADD Indicator SW A 9 Air Flow Meter A10 Alternator A 11 Alternator B 1 Back-Up Light SW B 2 Brake Fluid Level Warning SW C 1 Camshaft Position Sensor C 3 Check Connector C 4 Crankshaft Position Sensor D 1 Detection SW (Transfer 4WD Position) D 2 Detection SW (Transfer L4 Position) E 1 ECT Solenoid F 1 Front Clearance Light LH F 2 Front Clearance Light RH F 3 Front Side Turn Signal Light LH F 4 Front Side Turn Signal Light RH F 5 Front Turn Signal Light and Clearance Light LH F 6 Front Turn Signal Light and Clearance Light RH F 7 Front Turn Signal Light LH F 8 Front Turn Signal Light RH F 15 Front Airbag Sensor LH F 16 Front Airbag Sensor RH H 1 Headlight Beam Level Control Actuator LH H 2 Headlight Beam Level Control Actuator RH H 3 Headlight Cleaner Motor and Washer Motor H 4 Headlight Cleaner Relay H 5 Headlight LH H 6 Headlight RH H 7 Heated Oxygen Sensor (Bank 1 Sensor 1) H 8 Heated Oxygen Sensor (Bank 1 Sensor 2) H 9 Horn Pages From Supplement CLICK HERE TO VIEW CHAPTER INDEX TO MODEL INDEX EWD378F
  • 25.
    HILUX (EWD378F) 35 E Position ofParts in Engine Compartment [LHD : 3RZ-FE, 2RZ-FE] W2 O1 N2 W1 (∗2 ∗4) W1 (∗1) W4 J2 J1 V8 V5 V4 I12 I13 S1 W3 N1 T1 V7 I15 S3 S2 I2 I3 I11 I10 K1 ∗1 : w/o ABS ∗2 : w/ ABS ∗3 : Europe ∗4 : Except Europe ∗5 : Front Turn Signal Light and Clearance Light One Body Type ∗6 : Front Turn Signal Light and Clearance Light Separeted Type I 2 Ignition Coil and Igniter No.1 I 3 Ignition Coil and Igniter No.2 I 10 Injector No.1 I 11 Injector No.2 I 12 Injector No.3 I 13 Injector No.4 I 15 ISC Valve J 1 Junction Connector J 2 Junction Connector K 1 Knock Sensor N 1 Neutral Start SW N 2 Noise Filter O 1 Oil Pressure SW S 1 Speed Sensor (ECT) S 2 Starter S 3 Starter T 1 Throttle Position Sensor V 4 VSV (2WD, ADD) V 5 VSV (4WD, ADD) V 7 VSV (EGR) V 8 VSV (EVAP) W 1 Washer Motor W 2 Water Temp. Sender W 3 Water Temp. Sensor W 4 Wiper Motor CLICK HERE TO VIEW CHAPTER INDEX Pages From Supplement TO MODEL INDEX EWD378F
  • 26.
    36 HILUX (EWD378F) E ELECTRICALWIRING ROUTING Position of Parts in Engine Compartment [LHD : 3RZ-F] W1 I1 A1 I4 F16 F6 (∗1) F8 (∗2) F2 A5 F4 F7 (∗2) F5 (∗1) H5 A6 F15 J2 J1 F3 F1 A4 W4 W2 O1 S2 C3 D1 D2 B1 C2 V9 B2 H6 A7 A2 I5 S3 A11 H9 A10 ∗1 : Front Turn Signal Light and Clearance Light One Body Type ∗2 : Front Turn Signal Light and Clearance Light Separated Type A 1 A/C Dual Pressure SW A 2 A/C Magnetic Clutch A 4 ABS Actuator A 5 ABS Actuator A 6 ABS Speed Sensor Front LH A 7 ABS Speed Sensor Front RH A10 Alternator A 11 Alternator B 1 Back-Up Light SW B 2 Brake Fluid Level Warning SW C 2 Carburetor C 3 Check Connector D 1 Detection SW (Transfer 4WD Position) D 2 Detection SW (Transfer L4 Position) F 1 Front Clearance Light LH F 2 Front Clearance Light RH F 3 Front Side Turn Signal Light LH F 4 Front Side Turn Signal Light RH F 5 Front Turn Signal Light and Clearance Light LH F 6 Front Turn Signal Light and Clearance Light RH F 7 Front Turn Signal Light LH F 8 Front Turn Signal Light RH F 15 Front Airbag Sensor LH F 16 Front Airbag Sensor RH H 5 Headlight LH H 6 Headlight RH H 9 Horn I 1 Igniter I 4 Ignition Coil No.1 I 5 Ignition Coil No.2 J 1 Junction Connector J 2 Junction Connector O 1 Oil Pressure SW S 2 Starter S 3 Starter V 9 VSV (Throttle Position Control) W 1 Washer Motor W 2 Water Temp. Sender W 4 Wiper Motor CLICK HERE TO VIEW CHAPTER INDEX Pages From Supplement TO MODEL INDEX EWD378F
  • 27.
    HILUX (EWD378F) 37 E Position ofParts in Engine Compartment [LHD : 1RZ] A7 F16 F8 (∗2) F6 (∗1) F2 W1 F4 H5 A6 F15 V9 J2 J1 C2 F7 (∗2) F5 (∗1) F1 W4 A4 A5 O1 B1 C3 V2 S3 S2 B2 F3 H6 A1 A2 W2 I6 H9 A11 A10 ∗1 : Front Turn Signal Light and Clearance Light One Body Type ∗2 : Front Turn Signal Light and Clearance Light Separated Type A 1 A/C Dual Pressure SW A 2 A/C Magnetic Clutch A 4 ABS Actuator A 5 ABS Actuator A 6 ABS Speed Sensor Front LH A 7 ABS Speed Sensor Front RH A10 Alternator A 11 Alternator B 1 Back-Up Light SW B 2 Brake Fluid Level Warning SW C 2 Carburetor C 3 Check Connector F 1 Front Clearance Light LH F 2 Front Clearance Light RH F 3 Front Side Turn Signal Light LH F 4 Front Side Turn Signal Light RH F 5 Front Turn Signal Light and Clearance Light LH F 6 Front Turn Signal Light and Clearance Light RH F 7 Front Turn Signal Light LH F 8 Front Turn Signal Light RH F 15 Front Airbag Sensor LH F 16 Front Airbag Sensor RH H 5 Headlight LH H 6 Headlight RH H 9 Horn I 6 IIA J 1 Junction Connector J 2 Junction Connector O 1 Oil Pressure SW S 2 Starter S 3 Starter V 2 Vacuum SW V 9 VSV (Throttle Position Control) W 1 Washer Motor W 2 Water Temp. Sender W 4 Wiper Motor CLICK HERE TO VIEW CHAPTER INDEX Pages From Supplement TO MODEL INDEX EWD378F
  • 28.
    38 HILUX (EWD378F) E ELECTRICALWIRING ROUTING Position of Parts in Engine Compartment [LHD : 2L-T] A4 A5 A1 A30 W1 H3 F16 A7 F2 F8 H2 F4 F15 J2 J1 V11 V12 W2 A31 F9 V4 F3 F7 F1 H4 W4 A10 O1 E2 G1 C3 S2 D1 D2 B1 B3 V10 B2 S3 W3 V5 F10 H6 C19 C20 V6 A11 A2 A8 I9 V1 H9 C15 V15 F17 H5 A6 H1 (Israel) (Except Israel) ∗1 : w/ Headlight Cleaner ∗2 : w/o Headlight Cleaner (∗2) (∗1) A 1 A/C Dual Pressure SW A 2 A/C Magnetic Clutch A 4 ABS Actuator A 5 ABS Actuator A 6 ABS Speed Sensor Front LH A 7 ABS Speed Sensor Front RH A 8 ADD Indicator SW A 10 Alternator A 11 Alternator A 30 A/C Triple Pressure SW A 31 Accelerator Pedal Position Sensor B 1 Back-Up Light SW B 2 Brake Fluid Level Warning SW B 3 Brake Vacuum Warning SW C 3 Check Connector C 15 Crankshaft Position Sensor C 19 Condenser Fan Motor 1 C 20 Condenser Fan Motor 2 D 1 Detection SW (Transfer 4WD Position) D 2 Detection SW (Transfer L4 Position) E 2 Engine Oil Level Warning SW F 1 Front Clearance Light LH F 2 Front Clearance Light RH F 3 Front Side Turn Signal Light LH F 4 Front Side Turn Signal Light RH F 7 Front Turn Signal Light LH F 8 Front Turn Signal Light RH F 9 Fuel Heater F 10 Fuel Sedimentary SW F 15 Front Airbag Sensor LH F 16 Front Airbag Sensor RH F 17 Fuel Control Valve G 1 Glow Plug H 1 Headlight Beam Level Control Actuator LH H 2 Headlight Beam Level Control Actuator RH H 3 Headlight Cleaner Motor and Washer Motor H 4 Headlight Cleaner Relay H 5 Headlight LH H 6 Headlight RH H 9 Horn I 9 Injection Pump J 1 Junction Connector J 2 Junction Connector K 2 Kick Down SW N 1 Neutral Start SW O 1 Oil Pressure SW O 3 O/D Solenoid S 2 Starter S 3 Starter V 1 Vacuum Sensor V 4 VSV (2WD, ADD) V 5 VSV (4WD, ADD) V 6 VSV (A/C Idle-Up) V 10 VRV (EGR) V 11 VSV (BACS) V 12 VSV (EGR) V 15 VSV (Turbo Pressure Sensor) W 1 Washer Motor W 2 Water Temp. Sender W 3 Water Temp. Sensor W 4 Wiper Motor CLICK HERE TO VIEW CHAPTER INDEX Pages From Supplement TO MODEL INDEX EWD378F
  • 29.
    HILUX (EWD378F) 39 E Position ofParts in Engine Compartment [LHD : 3L, 2L] A1 W1 H3 H2 F16 F8 (∗2) F6 (∗1) F2 A5 A4 F7 (∗2) F5 (∗1) F15 H1 J1 J2 V4 F9 F1 H5 F4 H4 W4 V6 O1 E2 B1 V10 D1 D2 W3 S2 V1 S3 C3 B2 B3 V5 F10 F3 H6 A7 A11 A2 A10 G1 C15 W2 H9 F17 W2 A31 A6 I9 ∗1 : Front Turn Signal Light and Clearance Light One Body Type ∗2 : Front Turn Signal Light and Clearance Light Separated Type ∗3 : w/ Headlight Cleaner ∗4 : w/o Headlight Cleaner ∗5 : Europe ∗6 : General (∗4) (∗3) (∗5) (∗6) A 1 A/C Dual Pressure SW A 2 A/C Magnetic Clutch A 4 ABS Actuator A 5 ABS Actuator A 6 ABS Speed Sensor Front LH A 7 ABS Speed Sensor Front RH A 10 Alternator A 11 Alternator A 31 Accelerator Pedal Position Sensor B 1 Back-Up Light SW B 2 Brake Fluid Level Warning SW B 3 Brake Vacuum Warning SW C 3 Check Connector C 15 Crankshaft Position Sensor D 1 Detection SW (Transfer 4WD Position) D 2 Detection SW (Transfer L4 Position) E 2 Engine Oil Level Warning SW F 1 Front Clearance Light LH F 2 Front Clearance Light RH F 3 Front Side Turn Signal Light LH F 4 Front Side Turn Signal Light RH F 5 Front Turn Signal Light and Clearance Light LH F 6 Front Turn Signal Light and Clearance Light RH F 7 Front Turn Signal Light LH F 8 Front Turn Signal Light RH F 9 Fuel Heater F 10 Fuel Sedimentary SW F 15 Front Airbag Sensor LH F 16 Front Airbag Sensor RH F 17 Fuel Control Valve G 1 Glow Plug H 1 Headlight Beam Level Control Actuator LH H 2 Headlight Beam Level Control Actuator RH H 3 Headlight Cleaner Motor and Washer Motor H 4 Headlight Cleaner Relay H 5 Headlight LH H 6 Headlight RH H 9 Horn I 9 Injection Pump J 1 Junction Connector J 2 Junction Connector O 1 Oil Pressure SW S 2 Starter S 3 Starter V 1 Vacuum Sensor V 4 VSV (2WD, ADD) V 5 VSV (4WD, ADD) V 6 VSV (A/C Idle-Up) V 10 VRV (EGR) W 1 Washer Motor W 2 Water Temp. Sender W 3 Water Temp. Sensor W 4 Wiper Motor CLICK HERE TO VIEW CHAPTER INDEX Pages From Supplement TO MODEL INDEX EWD378F
  • 30.
    40 HILUX (EWD378F) E ELECTRICALWIRING ROUTING Position of Parts in Instrument Panel [LHD] C12 C9 C10 D5 C7 A20 D11 (∗1) B5 A15 A18 B4 D4 D12 (∗1) A19 C14 C11 D7 A25 D26 D9 D8 C8 B6 A14 A16 A24 A13 D10 D3 A17 C13 C16 C17 C18 C5 C6 A26 ∗1 : 2-Door A13 A/C Amplifier A14 A/C SW A15 A/C Thermistor A16 A/C Volume SW A17 ABS Deceleration Sensor A18 ABS ECU A19 ABS ECU A20 ADD Control Relay A24 Airbag Squib (Front Passenger's Airbag Assembly) A25 Airbag Squib (Steering Wheel Pad) A26 Ashtray Illumination B 4 Blower Motor B 5 Blower Resistor B 6 Blower SW C 5 Cigarette Lighter C 6 Cigarette Lighter Illumination C 7 Circuit Opening Relay C 8 Clock C 9 Combination Meter C10 Combination Meter C11 Combination Meter C12 Combination SW C13 Combination SW C14 Combination SW C16 Center Airbag Sensor Assembly C17 Center Airbag Sensor Assembly C18 Center Airbag Sensor Assembly D 3 Daytime Running Light Relay D 4 Diff. Lock ECU D 5 Diff. Lock SW D 7 Diode (Door Courtesy) D 8 Diode (Glow Plug) D 9 Diode (Idle-Up) D10 DLC3 D11 Door Courtesy SW Front LH D12 Door Courtesy SW Front RH D26 Diode (O/D) CLICK HERE TO VIEW CHAPTER INDEX Pages From Supplement TO MODEL INDEX EWD378F
  • 31.
    HILUX (EWD378F) 41 E Position ofParts in Instrument Panel [LHD] J7 J4 J3 H12 I18 J5 J6 O4 R3 H11 S4 G2 J23 E3 E4 P3 E6 J22 J21 E5 J21 J14 J15 J12 J13 J10 J11 J8 J9 J18 P2 H10 I19 J16 I17 T7 I16 U1 R4 T8 R1 R2 J19 J20 J24 E 3 Emission Control ECU E 4 Engine ECU (M/T) or Engine and ECT ECU (A/T) E 5 Engine ECU (M/T) or Engine and ECT ECU (A/T) E 6 Engine ECU (M/T) or Engine and ECT ECU (A/T) G 2 Glove Box Light H10 Hazard SW H11 Headlight Beam Level Control SW H12 Headlight Cleaner SW I 16 Ignition Key Cylinder Light I 17 Ignition SW I 18 Integration Relay I 19 Integration Relay J 3 Junction Connector J 4 Junction Connector J 5 Junction Connector J 6 Junction Connector J 7 Junction Connector J 8 Junction Connector J 9 Junction Connector J 10 Junction Connector J 10 Junction Connector J 11 Junction Connector J 12 Junction Connector J 13 Junction Connector J 14 Junction Connector J 15 Junction Connector J 16 Junction Connector J 18 Junction Connector J 19 Junction Connector J 20 Junction Connector J 21 Junction Connector J 22 Junction Connector J 23 Junction Connector J 24 Junction Connector O 4 O/D ECU P 2 Parking Brake SW P 2 Pre-Heating Timer R 1 Radio and Player R 2 Radio and Player R 3 Rear Fog Light SW R 4 Rear Window Defogger SW S 4 Stop Light SW T 7 Transponder Key Amplifier T 8 Transponder Key Computer U 1 Unlock Warning SW CLICK HERE TO VIEW CHAPTER INDEX Pages From Supplement TO MODEL INDEX EWD378F
  • 32.
    42 HILUX (EWD378F) E ELECTRICALWIRING ROUTING Position of Parts in Body [LHD : Regular Cab] P9 R14 D22 D16 B7 D18 P14 F13 A29 F12 P15 R7 R15 R12 (∗1) R12 (∗2) P10 D23 I20 D17 R13 (∗1) R13 (∗2) P6 P11 D19 R8 A28 D13 R6 R9 L1 L2 ∗1 : w/ Vent Window ∗2 : w/o Vent Window A28 ABS Speed Sensor Rear LH A29 ABS Speed Sensor Rear RH B 7 Buckle SW D13 Detection SW (Rear Diff. Lock) D16 Door Key Lock and Unlock SW D17 Door Lock Control SW D18 Door Lock Motor Front LH D19 Door Lock Motor Front RH D22 Door Speaker Front LH D23 Door Speaker Front RH F 12 Fuel Pump F 13 Fuel Sender I 20 Interior Light L 1 License Plate Light LH L 2 License Plate Light RH P 6 Power Window Control SW Front RH P 9 Power Window Master SW P10 Power Window Motor Front LH P 11 Power Window Motor Front RH P14 Pretensioner LH P15 Pretensioner RH R 6 Rear Combination Light LH R 7 Rear Combination Light RH R 8 Rear Diff. Lock Motor R 9 Rear Fog Light R12 Remote Control Mirror LH R13 Remote Control Mirror RH R14 Remote Control Mirror SW R15 Reverse Warning Buzzer CLICK HERE TO VIEW CHAPTER INDEX Pages From Supplement TO MODEL INDEX EWD378F
  • 33.
    HILUX (EWD378F) 43 E Position ofParts in Body [LHD : Double Cab] D22 P9 D16 D18 D11 (∗1) B7 S5 D17 R14 A29 F13 F12 D15 (∗2) D15 (∗1) D21 P13 P8 R7 R15 L2 L1 R12 (∗3) R12 (∗4) P10 S6 P4 I20 R10 P6 R13 (∗4) R13 (∗3) P11 D19 D12 (∗1) D12 (∗2) R11 D11 (∗2) P14 P7 P12 D20 D14 (∗1) D23 D14 (∗2) S7 S8 P15 A28 R8 D13 R6 R9 ∗1 : General ∗2 : Except General ∗3 : w/ Vent Window ∗4 : w/o Vent Window ∗5 : G.C.C. ∗6 : Europe (∗6) (∗5) A28 ABS Speed Sensor Rear LH A29 ABS Speed Sensor Rear RH B 7 Buckle SW D11 Door Courtesy SW Front LH D12 Door Courtesy SW Front RH D13 Detection SW (Rear Diff. Lock) D14 Door Courtesy SW Rear LH D15 Door Courtesy SW Rear RH D16 Door Key Lock and Unlock SW D17 Door Lock Control SW D18 Door Lock Motor Front LH D19 Door Lock Motor Front RH D20 Door Lock Motor Rear LH D21 Door Lock Motor Rear RH D22 Door Speaker Front LH D23 Door Speaker Front RH F 12 Fuel Pump F 13 Fuel Sender I 20 Interior Light L 1 License Plate Light LH L 2 License Plate Light RH P 4 Personal Light P 6 Power Window Control SW Front RH P 7 Power Window Control SW Rear LH P 8 Power Window Control SW Rear RH P 9 Power Window Master SW P10 Power Window Motor Front LH P 11 Power Window Motor Front RH P12 Power Window Motor Rear LH P13 Power Window Motor Rear RH P14 Pretensioner LH P15 Pretensioner RH R 6 Rear Combination Light LH R 7 Rear Combination Light RH R 8 Rear Diff. Lock Motor R 9 Rear Fog Light R10 Rear Window Defogger R11 Rear Window Defogger R12 Remote Control Mirror LH R13 Remote Control Mirror RH R14 Remote Control Mirror SW R15 Reverse Warning Buzzer S 5 Seat Heater (Driver's Seat) S 6 Seat Heater (Front Passenger's Seat) S 7 Seat Heater SW (Driver's Seat) S 8 Seat Heater SW (Front Passenger's Seat) CLICK HERE TO VIEW CHAPTER INDEX Pages From Supplement TO MODEL INDEX EWD378F
  • 34.
    44 HILUX (EWD378F) E ELECTRICALWIRING ROUTING Position of Parts in Body [LHD : Extra Cab] D22 P9 D16 D18 S5 B7 R14 D17 A29 F13 F12 R7 R15 R12 (∗1) R12 (∗2) P10 S6 R10 I20 D23 R13 (∗1) R13 (∗2) P6 P11 R11 D19 P15 R17 R16 S7 S8 A28 R6 R9 L1 L2 ∗1 : w/ Vent Window ∗2 : w/o Vent Window ∗3 : G.C.C. ∗4 : Europe (∗3) P14 (∗4) A28 ABS Speed Sensor Rear LH A29 ABS Speed Sensor Rear RH B 7 Buckle SW D16 Door Key Lock and Unlock SW D17 Door Lock Control SW D18 Door Lock Motor Front LH D19 Door Lock Motor Front RH D22 Door Speaker Front LH D23 Door Speaker Front RH F 12 Fuel Pump F 13 Fuel Sender I 20 Interior Light L 1 License Plate Light LH L 2 License Plate Light RH P 6 Power Window Control SW Front RH P 9 Power Window Master SW P10 Power Window Motor Front LH P 11 Power Window Motor Front RH P14 Pretensioner LH P15 Pretensioner RH R 6 Rear Combination Light LH R 7 Rear Combination Light RH R 9 Rear Fog Light R10 Rear Window Defogger R11 Rear Window Defogger R12 Remote Control Mirror LH R13 Remote Control Mirror RH R14 Remote Control Mirror SW R15 Reverse Warning Buzzer R16 Rear Speaker LH R17 Rear Speaker RH S 5 Seat Heater (Driver's Seat) S 6 Seat Heater (Front Passenger's Seat) S 7 Seat Heater SW (Driver's Seat) S 8 Seat Heater SW (Front Passenger's Seat) CLICK HERE TO VIEW CHAPTER INDEX Pages From Supplement TO MODEL INDEX EWD378F
  • 35.
    46 HILUX (EWD378F) E ELECTRICALWIRING ROUTING Position of Parts in Engine Compartment [RHD : 3RZ-FE] A5 A9 F16 F8 F2 A4 F4 B2 F7 F15 C3 F3 A12 F1 C1 A3 D1 D2 D1 E1 B1 A8 H6 A7 C4 H9 A11 A10 A6 H5 ∗1 : w/ 2-4 Select SW ∗2 : w/o 2-4 Select SW (∗2) (∗1) A 3 A/T Fluid Temp. SW A 4 ABS Actuator A 5 ABS Actuator A 6 ABS Speed Sensor Front LH A 7 ABS Speed Sensor Front RH A 8 ADD Indicator SW A 9 Air Flow Meter A10 Alternator A 11 Alternator A12 Auto Antenna Motor B 1 Back-Up Light SW B 2 Brake Fluid Level Warning SW C 1 Camshaft Position Sensor C 3 Check Connector C 4 Crankshaft Position Sensor D 1 Detection SW (Transfer 4WD Position) D 2 Detection SW (Transfer L4 Position) E 1 ECT Solenoid F 1 Front Clearance Light LH F 2 Front Clearance Light RH F 3 Front Side Turn Signal Light LH F 4 Front Side Turn Signal Light RH F 7 Front Turn Signal Light LH F 8 Front Turn Signal Light RH F 15 Front Airbag Sensor LH F 16 Front Airbag Sensor RH H 5 Headlight LH H 6 Headlight RH H 9 Horn CLICK HERE TO VIEW CHAPTER INDEX Pages From Supplement TO MODEL INDEX EWD378F
  • 36.
    HILUX (EWD378F) 47 E Position ofParts in Engine Compartment [RHD : 3RZ-FE] O1 V3 K1 W2 W1 I3 I11 J1 J2 V4 V5 V8 I12 W3 I13 T1 N1 S1 T3 I15 S3 S2 W4 I2 N2 I10 I 2 Ignition Coil and Igniter No.1 I 3 Ignition Coil and Igniter No.2 I 10 Injector No.1 I 11 Injector No.2 I 12 Injector No.3 I 13 Injector No.4 I 15 ISC Valve J 1 Junction Connector J 2 Junction Connector K 1 Knock Sensor N 1 Neutral Start SW N 2 Noise Filter O 1 Oil Pressure SW S 1 Speed Sensor (ECT) S 2 Starter S 3 Starter T 1 Throttle Position Sensor T 3 2-4 Select Motor V 3 Variable Resistor V 4 VSV (2WD, ADD) V 5 VSV (4WD, ADD) V 8 VSV (EVAP) W 1 Washer Motor W 2 Water Temp. Sender W 3 Water Temp. Sensor W 4 Wiper Motor CLICK HERE TO VIEW CHAPTER INDEX Pages From Supplement TO MODEL INDEX EWD378F
  • 37.
    48 HILUX (EWD378F) E ELECTRICALWIRING ROUTING Position of Parts in Engine Compartment [RHD : 3RZ-F] I1 W2 I5 W1 F6 H6 F4 B2 C2 J1 J2 A1 F3 F5 D1 B1 S3 S2 V9 W4 I4 A2 O1 H9 A11 A10 H5 A 1 A/C Dual Pressure SW A 2 A/C Magnetic Clutch A10 Alternator A 11 Alternator B 1 Back-Up Light SW B 2 Brake Fluid Level Warning SW C 2 Carburetor D 1 Detection SW (Transfer 4WD Position) F 3 Front Side Turn Signal Light LH F 4 Front Side Turn Signal Light RH F 5 Front Turn Signal Light and Clearance Light LH F 6 Front Turn Signal Light and Clearance Light RH H 5 Headlight LH H 6 Headlight RH H 9 Horn I 1 Igniter I 4 Ignition Coil No.1 I 5 Ignition Coil No.2 J 1 Junction Connector J 2 Junction Connector O 1 Oil Pressure SW S 2 Starter S 3 Starter V 9 VSV (Throttle Position Control) W 1 Washer Motor W 2 Water Temp. Sender W 4 Wiper Motor CLICK HERE TO VIEW CHAPTER INDEX Pages From Supplement TO MODEL INDEX EWD378F
  • 38.
    HILUX (EWD378F) 49 E Position ofParts in Engine Compartment [RHD : 1RZ-E] I8 V3 F16 O1 W1 F8 F2 W2 A5 A4 I7 J1 J2 C3 F3 A6 F15 F7 F4 B2 I10 I12 B1 I13 I11 T1 V1 N2 S3 S2 W4 H6 A7 W3 V6 I6 H9 A11 A10 H5 F1 A 4 ABS Actuator A 5 ABS Actuator A 6 ABS Speed Sensor Front LH A 7 ABS Speed Sensor Front RH A10 Alternator A 11 Alternator B 1 Back-Up Light SW B 2 Brake Fluid Level Warning SW C 3 Check Connector F 1 Front Clearance Light LH F 2 Front Clearance Light RH F 3 Front Side Turn Signal Light LH F 4 Front Side Turn Signal Light RH F 7 Front Turn Signal Light LH F 8 Front Turn Signal Light RH F 15 Front Airbag Sensor LH F 16 Front Airbag Sensor RH H 5 Headlight LH H 6 Headlight RH H 9 Horn I 6 IIA I 7 IIA I 8 Intake Air Temp. Sensor I 10 Injector No.1 I 11 Injector No.2 I 12 Injector No.3 I 13 Injector No.4 J 1 Junction Connector J 2 Junction Connector N 2 Noise Filter O 1 Oil Pressure SW S 2 Starter S 3 Starter T 1 Throttle Position Sensor V 1 Vacuum Sensor V 3 Variable Resistor V 6 VSV (A/C Idle-Up) W 1 Washer Motor W 2 Water Temp. Sender W 3 Water Temp. Sensor W 4 Wiper Motor CLICK HERE TO VIEW CHAPTER INDEX Pages From Supplement TO MODEL INDEX EWD378F
  • 39.
    50 HILUX (EWD378F) E ELECTRICALWIRING ROUTING Position of Parts in Engine Compartment [RHD : 1RZ] W1 H6 F6 C2 J1 J2 A1 A10 B2 O1 W2 B1 V9 V2 S3 S2 W4 A2 I6 H9 A11 H5 F5 A 1 A/C Dual Pressure SW A 2 A/C Magnetic Clutch A10 Alternator A 11 Alternator B 1 Back-Up Light SW B 2 Brake Fluid Level Warning SW C 2 Carburetor F 5 Front Turn Signal Light and Clearance Light LH F 6 Front Turn Signal Light and Clearance Light RH H 5 Headlight LH H 6 Headlight RH H 9 Horn I 6 IIA J 1 Junction Connector J 2 Junction Connector O 1 Oil Pressure SW S 2 Starter S 3 Starter V 2 Vacuum SW V 9 VSV (Throttle Position Control) W 1 Washer Motor W 2 Water Temp. Sender W 4 Wiper Motor CLICK HERE TO VIEW CHAPTER INDEX Pages From Supplement TO MODEL INDEX EWD378F
  • 40.
    HILUX (EWD378F) 51 E Position ofParts in Engine Compartment [RHD : 5L] W1 S3 J2 J1 F16 F8 F2 A5 F4 A4 F15 I14 C3 V4 F3 A12 F7 F1 B2 B3 O1 B1 D1 D1 T3 D2 W3 A8 S2 V5 W4 F10 H6 A7 A11 A10 G1 I9 W2 H9 A6 H5 ∗1 : w/ 2-4 Select SW ∗2 : w/o 2-4 Select SW (∗1) (∗2) A 4 ABS Actuator A 5 ABS Actuator A 6 ABS Speed Sensor Front LH A 7 ABS Speed Sensor Front RH A 8 ADD Indicator SW A10 Alternator A 11 Alternator A12 Auto Antenna Motor B 1 Back-Up Light SW B 2 Brake Fluid Level Warning SW B 3 Brake Vacuum Warning SW C 3 Check Connector D 1 Detection SW (Transfer 4WD Position) D 2 Detection SW (Transfer L4 Position) F 1 Front Clearance Light LH F 2 Front Clearance Light RH F 3 Front Side Turn Signal Light LH F 4 Front Side Turn Signal Light RH F 7 Front Turn Signal Light LH F 8 Front Turn Signal Light RH F 10 Fuel Sedimentary SW F 15 Front Airbag Sensor LH F 16 Front Airbag Sensor RH G 1 Glow Plug H 5 Headlight LH H 6 Headlight RH H 9 Horn I 9 Injection Pump I 14 Intake Shutter J 1 Junction Connector J 2 Junction Connector O 1 Oil Pressure SW S 2 Starter S 3 Starter T 3 2-4 Select Motor V 4 VSV (2WD, ADD) V 5 VSV (4WD, ADD) W 1 Washer Motor W 2 Water Temp. Sender W 3 Water Temp. Sensor W 4 Wiper Motor CLICK HERE TO VIEW CHAPTER INDEX Pages From Supplement TO MODEL INDEX EWD378F
  • 41.
    52 HILUX (EWD378F) E ELECTRICALWIRING ROUTING Position of Parts in Engine Compartment [RHD : 2L-T] A4 A5 W1 H6 F8 J2 J1 F16 F2 F4 B2 V11 V12 W2 A31 F9 F3 F15 F7 B3 E2 I9 D1 D2 V10 W3 G1 S3 B1 S2 F17 C3 W4 F10 A7 A11 A10 O1 V15 F6 H9 A6 H5 F1 A 4 ABS Actuator A 5 ABS Actuator A 6 ABS Speed Sensor Front LH A 7 ABS Speed Sensor Front RH A10 Alternator A 11 Alternator A31 Accelerator Pedal Position Sensor B 1 Back-Up Light SW B 2 Brake Fluid Level Warning SW B 3 Brake Vacuum Warning SW C 3 Check Connector D 1 Detection SW (Transfer 4WD Position) D 2 Detection SW (Transfer L4 Position) E 2 Engine Oil Level Warning SW F 1 Front Clearance Light LH F 2 Front Clearance Light RH F 3 Front Side Turn Signal Light LH F 4 Front Side Turn Signal Light RH F 7 Front Turn Signal Light LH F 8 Front Turn Signal Light RH F 9 Fuel Heater F 10 Fuel Sedimentary SW F 15 Front Airbag Sensor LH F 16 Front Airbag Sensor RH F 17 Fuel Control Valve G 1 Glow Plug H 5 Headlight LH H 6 Headlight RH H 9 Horn I 9 Injection Pump J 1 Junction Connector J 2 Junction Connector O 1 Oil Pressure SW S 2 Starter S 3 Starter V10 VRV (EGR) V 11 VSV (BACS) V12 VSV (EGR) V15 VSV (Turbo Pressure Sensor) W 1 Washer Motor W 2 Water Temp. Sender W 3 Water Temp. Sensor W 4 Wiper Motor CLICK HERE TO VIEW CHAPTER INDEX Pages From Supplement TO MODEL INDEX EWD378F
  • 42.
    HILUX (EWD378F) 53 E Position ofParts in Engine Compartment [RHD : 3L, 2L] J2 V6 A11 F6 F8 F2 J1 W1 F4 F5 W2 A1 S3 F15 A31 F9 F3 F10 F7 F1 A4 A5 B2 B3 ∗1 : Front Turn Signal Light and Clearance Light One Body Type ∗2 : Front Turn Signal Light and Clearance Light Separated Type ∗3 : Europe ∗4 : General (∗2) (∗1) (∗3) (∗2) (∗1) E2 V10 B1 D1 W3 S2 V1 C3 W4 H6 A7 A10 A2 O1 G1 W2 H9 I9 F17 A6 H5 F16 (∗4) A 1 A/C Dual Pressure SW A 2 A/C Magnetic Clutch A 4 ABS Actuator A 5 ABS Actuator A 6 ABS Speed Sensor Front LH A 7 ABS Speed Sensor Front RH A10 Alternator A 11 Alternator A31 Accelerator Pedal Position Sensor B 1 Back-Up Light SW B 2 Brake Fluid Level Warning SW B 3 Brake Vacuum Warning SW C 3 Check Connector D 1 Detection SW (Transfer 4WD Position) E 2 Engine Oil Level Warning SW F 1 Front Clearance Light LH F 2 Front Clearance Light RH F 3 Front Side Turn Signal Light LH F 4 Front Side Turn Signal Light RH F 5 Front Turn Signal Light and Clearance Light LH F 6 Front Turn Signal Light and Clearance Light RH F 7 Front Turn Signal Light LH F 8 Front Turn Signal Light RH F 9 Fuel Heater F 10 Fuel Sedimentary SW F 15 Front Airbag Sensor LH F 16 Front Airbag Sensor RH F 17 Fuel Control Valve G 1 Glow Plug H 5 Headlight LH H 6 Headlight RH H 9 Horn I 9 Injection Pump J 1 Junction Connector J 2 Junction Connector O 1 Oil Pressure SW S 2 Starter S 3 Starter V 1 Vacuum Sensor V 6 VSV (A/C Idle-Up) V10 VRV (EGR) W 1 Washer Motor W 2 Water Temp. Sender W 3 Water Temp. Sensor W 4 Wiper Motor CLICK HERE TO VIEW CHAPTER INDEX Pages From Supplement TO MODEL INDEX EWD378F
  • 43.
    54 HILUX (EWD378F) E ELECTRICALWIRING ROUTING Position of Parts in Engine Compartment [RHD : 1KZ-TE] A4 A5 F16 F8 F2 F4 B2 B3 F7 F15 E2 F3 A12 F10 F1 F14 B1 D2 D1 G1 A8 C15 H6 A7 A11 A10 C3 E7 H9 F18 A6 H5 A 4 ABS Actuator A 5 ABS Actuator A 6 ABS Speed Sensor Front LH A 7 ABS Speed Sensor Front RH A 8 ADD Indicator SW A10 Alternator A 11 Alternator A12 Auto Antenna Motor B 1 Back-Up Light SW B 2 Brake Fluid Level Warning SW B 3 Brake Vacuum Warning SW C 3 Check Connector C15 Crankshaft Position Sensor D 1 Detection SW (Transfer 4WD Position) D 2 Detection SW (Transfer L4 Position) E 2 Engine Oil Level Warning SW E 7 Engine Speed Sensor F 1 Front Clearance Light LH F 2 Front Clearance Light RH F 3 Front Side Turn Signal Light LH F 4 Front Side Turn Signal Light RH F 7 Front Turn Signal Light LH F 8 Front Turn Signal Light RH F 10 Fuel Sedimentary SW F 14 First Gear Position SW F 15 Front Airbag Sensor LH F 16 Front Airbag Sensor RH F 18 Fuel Temp. Sensor G 1 Glow Plug H 5 Headlight LH H 6 Headlight RH H 9 Horn CLICK HERE TO VIEW CHAPTER INDEX Pages From Supplement TO MODEL INDEX EWD378F
  • 44.
    HILUX (EWD378F) 55 E Position ofParts in Engine Compartment [RHD : 1KZ-TE] W1 J2 J1 I22 S3 V4 V5 W4 I21 V13 T3 V14 T1 V10 W3 O1 I8 S9 T5 W2 S2 T6 I 8 Intake Air Temp. Sensor I 21 Injection Pump Correction Resistor No.1 I 22 Injection Pump Correction Resistor No.2 J 1 Junction Connector J 2 Junction Connector O 1 Oil Pressure SW S 2 Starter S 3 Starter S 9 Spill Control Valve T 1 Throttle Position Sensor T 3 2-4 Select Motor T 5 Timing Control Valve T 6 Turbo Pressure Sensor V 4 VSV (2WD, ADD) V 5 VSV (4WD, ADD) V10 VRV (EGR) V13 VSV (Intake Constrictor Control No.1 V14 VSV (Intake Constrictor Control No.2 W 1 Washer Motor W 2 Water Temp. Sender W 3 Water Temp. Sensor W 4 Wiper Motor CLICK HERE TO VIEW CHAPTER INDEX Pages From Supplement TO MODEL INDEX EWD378F
  • 45.
    56 HILUX (EWD378F) E ELECTRICALWIRING ROUTING Position of Parts in Instrument Panel [RHD] D11 A20 D12 A25 C14 C13 A13 C6 A24 A17 A27 A16 D8 D9 B6 A14 C8 D7 C9 C10 C11 C12 B4 B5 A15 C5 C16 C17 C18 A26 D6 D10 A19 A18 ∗1 : 2-Door (∗1) (∗1) A13 A/C Amplifier A14 A/C SW A15 A/C Thermistor A16 A/C Volume SW A17 ABS Deceleration Sensor A18 ABS ECU A19 ABS ECU A20 ADD Control Relay A24 Airbag Squib (Front Passenger's Airbag Assembly) A25 Airbag Squib (Steering Wheel Pad) A26 Ashtray Illumination A27 Auto Antenna Control Relay B 4 Blower Motor B 5 Blower Resistor B 6 Blower SW C 5 Cigarette Lighter C 6 Cigarette Lighter Illumination C 8 Clock C 9 Combination Meter C10 Combination Meter C11 Combination Meter C12 Combination SW C13 Combination SW C14 Combination SW C16 Center Airbag Sensor Assembly C17 Center Airbag Sensor Assembly C18 Center Airbag Sensor Assembly D 6 Dim-Dip Light Relay D 7 Diode (Door Courtesy) D 8 Diode (Glow Plug) D 9 Diode (Idle-Up) D10 DLC3 D11 Door Courtesy SW Front LH D12 Door Courtesy SW Front RH CLICK HERE TO VIEW CHAPTER INDEX Pages From Supplement TO MODEL INDEX EWD378F
  • 46.
    HILUX (EWD378F) 57 E Position ofParts in Instrument Panel [RHD] J4 J3 F11 I19 J11 J12 J9 R5 R3 J15 J8 J13 I18 J5 E5 E6 G2 R1 R2 P2 H10 S4 J6 J7 J14 E3 E4 P3 O2 T4 T8 R4 T7 U1 J10 I17 I16 J16 J17 E 3 Emission Control ECU E 4 Engine ECU (M/T) or Engine and ECT ECU (A/T) E 5 Engine ECU (M/T) or Engine and ECT ECU (A/T) E 6 Engine ECU (M/T) or Engine and ECT ECU (A/T) F 11 4WD Control ECU G 2 Glove Box Light H10 Hazard SW I 16 Ignition Key Cylinder Light I 17 Ignition SW I 18 Integration Relay I 19 Integration Relay J 3 Junction Connector J 4 Junction Connector J 5 Junction Connector J 6 Junction Connector J 7 Junction Connector J 8 Junction Connector J 9 Junction Connector J 10 Junction Connector J 11 Junction Connector J 12 Junction Connector J 13 Junction Connector J 14 Junction Connector J 15 Junction Connector J 16 Junction Connector J 17 Junction Connector O 2 O/D Main SW P 2 Parking Brake SW P 2 Pre-Heating Timer R 1 Radio and Player R 2 Radio and Player R 3 Rear Fog Light SW R 4 Rear Window Defogger SW R 5 Rheostat S 4 Stop Light SW T 4 2-4 Select SW T 7 Transponder Key Amplifier T 8 Transponder Key Computer U 1 Unlock Warning SW CLICK HERE TO VIEW CHAPTER INDEX Pages From Supplement TO MODEL INDEX EWD378F
  • 47.
    58 HILUX (EWD378F) E ELECTRICALWIRING ROUTING Position of Parts in Body [RHD : Regular Cab] D22 D18 P14 R12 P10 P5 R7 A29 F13 F12 R9 L2 L1 I20 D23 R13 R14 P9 D17 P11 D16 D19 P15 A28 R6 A28 ABS Speed Sensor Rear LH A29 ABS Speed Sensor Rear RH D16 Door Key Lock and Unlock SW D17 Door Lock Control SW D18 Door Lock Motor Front LH D19 Door Lock Motor Front RH D22 Door Speaker Front LH D23 Door Speaker Front RH F 12 Fuel Pump F 13 Fuel Sender I 20 Interior Light L 1 License Plate Light LH L 2 License Plate Light RH P 5 Power Window Control SW Front LH P 9 Power Window Master SW P10 Power Window Motor Front LH P 11 Power Window Motor Front RH P14 Pretensioner LH P15 Pretensioner RH R 6 Rear Combination Light LH R 7 Rear Combination Light RH R 9 Rear Fog Light R12 Remote Control Mirror LH R13 Remote Control Mirror RH R14 Remote Control Mirror SW CLICK HERE TO VIEW CHAPTER INDEX Pages From Supplement TO MODEL INDEX EWD378F
  • 48.
    HILUX (EWD378F) 59 E Position ofParts in Body [RHD : Double Cab] P5 D22 D18 D11 D11 P14 P10 R12 R7 A29 F13 D15 D21 P13 P8 R9 R15 P7 R11 D23 I20 R14 R13 P11 D16 D19 D12 R10 D24 P12 D20 D14 D14 P9 D17 D12 A28 P15 D25 D15 R6 F12 L1 L2 ∗1 : General ∗2 : Except General ∗3 : w/ Power Window ∗4 : w/o Power Window (∗2) (∗1) (∗4) (∗3) (∗2) (∗1) (∗2) (∗1) (∗2) (∗1) A28 ABS Speed Sensor Rear LH A29 ABS Speed Sensor Rear RH D11 Door Courtesy SW Front LH D12 Door Courtesy SW Front RH D14 Door Courtesy SW Rear LH D15 Door Courtesy SW Rear RH D16 Door Key Lock and Unlock SW D17 Door Lock Control SW D18 Door Lock Motor Front LH D19 Door Lock Motor Front RH D20 Door Lock Motor Rear LH D21 Door Lock Motor Rear RH D22 Door Speaker Front LH D23 Door Speaker Front RH D24 Door Speaker Rear LH D25 Door Speaker Rear RH F 12 Fuel Pump F 13 Fuel Sender I 20 Interior Light L 1 License Plate Light LH L 2 License Plate Light RH P 5 Power Window Control SW Front LH P 7 Power Window Control SW Rear LH P 8 Power Window Control SW Rear RH P 9 Power Window Master SW P10 Power Window Motor Front LH P 11 Power Window Motor Front RH P12 Power Window Motor Rear LH P13 Power Window Motor Rear RH P14 Pretensioner LH P15 Pretensioner RH R 6 Rear Combination Light LH R 7 Rear Combination Light RH R 9 Rear Fog Light R10 Rear Window Defogger R11 Rear Window Defogger R12 Remote Control Mirror LH R13 Remote Control Mirror RH R14 Remote Control Mirror SW R15 Reverse Warning Buzzer CLICK HERE TO VIEW CHAPTER INDEX Pages From Supplement TO MODEL INDEX EWD378F
  • 49.
    60 HILUX (EWD378F) E ELECTRICALWIRING ROUTING Position of Parts in Body [RHD : Extra Cab] D22 D18 P14 R7 A29 F13 F12 R11 I20 D23 D17 D16 D19 R10 P15 A28 R6 L1 L2 A28 ABS Speed Sensor Rear LH A29 ABS Speed Sensor Rear RH D16 Door Key Lock and Unlock SW D17 Door Lock Control SW D18 Door Lock Motor Front LH D19 Door Lock Motor Front RH D22 Door Speaker Front LH D23 Door Speaker Front RH F 12 Fuel Pump F 13 Fuel Sender I 20 Interior Light L 1 License Plate Light LH L 2 License Plate Light RH P14 Pretensioner LH P15 Pretensioner RH R 6 Rear Combination Light LH R 7 Rear Combination Light RH R10 Rear Window Defogger R11 Rear Window Defogger CLICK HERE TO VIEW CHAPTER INDEX Pages From Supplement TO MODEL INDEX EWD378F
  • 50.
    Differential Wire Engine Room MainWire Cowl Wire EC1 EG1 EB EA Engine No.2 Wire EA1 ED EC Engine Wire Engine Room No.2 Wire 62 HILUX (EWD378F) E ELECTRICAL WIRING ROUTING : Location of Connector Joining Wire Harness and Wire Harness : Location of Ground Points [LHD : 3RZ-FE, 2RZ-FE] CLICK HERE TO VIEW CHAPTER INDEX Pages From Supplement TO MODEL INDEX EWD378F
  • 51.
    HILUX (EWD378F) 63 E Connector JoiningWire Harness and Wire Harness 1 2 2 1 1 2 1 2 1 2 3 4 5 6 1 2 3 4 5 6 EA1 GRAY EC1 GRAY EG1 GRAY Code Joining Wire Harness and Wire Harness (Connector Location) EA1 Engine Room No.2 Wire and Engine Room Main Wire (Front Right Fender Apron) EC1 Engine No.2 Wire and Differential Wire (Near the Starter) EG1 Engine No.2 Wire and Engine Room Main Wire (Near the Engine Room R/B) CLICK HERE TO VIEW CHAPTER INDEX Pages From Supplement TO MODEL INDEX EWD378F
  • 52.
    Engine Room Main Wire EB EE EG1 EngineWire Engine No.2 Wire Cowl Wire EA Engine Room No.2 Wire EA1 64 HILUX (EWD378F) E ELECTRICAL WIRING ROUTING : Location of Connector Joining Wire Harness and Wire Harness : Location of Ground Points [LHD : 3RZ-F] CLICK HERE TO VIEW CHAPTER INDEX Pages From Supplement TO MODEL INDEX EWD378F
  • 53.
    HILUX (EWD378F) 65 E Connector JoiningWire Harness and Wire Harness 1 2 2 1 1 2 3 4 5 6 1 2 3 4 5 6 EA1 GRAY EG1 GRAY Code Joining Wire Harness and Wire Harness (Connector Location) EA1 Engine Room No.2 Wire and Engine Room Main Wire (Front Right Fender Apron) EG1 Engine No.2 Wire and Engine Room Main Wire (Near the Engine Room R/B) CLICK HERE TO VIEW CHAPTER INDEX Pages From Supplement TO MODEL INDEX EWD378F
  • 54.
    Engine Room Main Wire EB EngineNo.2 Wire EG1 Engine Wire ED Cowl Wire EA Engine Room No.2 Wire EA1 66 HILUX (EWD378F) E ELECTRICAL WIRING ROUTING : Location of Connector Joining Wire Harness and Wire Harness : Location of Ground Points [LHD : 1RZ] CLICK HERE TO VIEW CHAPTER INDEX Pages From Supplement TO MODEL INDEX EWD378F
  • 55.
    HILUX (EWD378F) 67 E Connector JoiningWire Harness and Wire Harness 1 2 2 1 1 2 3 4 5 6 1 2 3 4 5 6 EA1 GRAY EG1 GRAY Code Joining Wire Harness and Wire Harness (Connector Location) EA1 Engine Room No.2 Wire and Engine Room Main Wire (Front Right Fender Apron) EG1 Engine No.2 Wire and Engine Room Main Wire (Near the Engine Room R/B) CLICK HERE TO VIEW CHAPTER INDEX Pages From Supplement TO MODEL INDEX EWD378F
  • 56.
    Engine Room Main Wire Differential Wire CowlWire EA Engine No.2 Wire EA1 EH1 EB2 Engine Wire Engine No.4 Wire ED1 EF Engine Room No.2 Wire A/C Sub Wire EE1 EC1 EB EI1 or 68 HILUX (EWD378F) E ELECTRICAL WIRING ROUTING : Location of Connector Joining Wire Harness and Wire Harness : Location of Ground Points [LHD : 2L-T] CLICK HERE TO VIEW CHAPTER INDEX Pages From Supplement TO MODEL INDEX EWD378F
  • 57.
    HILUX (EWD378F) 69 E Connector JoiningWire Harness and Wire Harness 1 2 2 1 1 2 1 2 1 2 1 2 1 2 1 2 1 2 3 2 1 3 1 2 3 4 5 6 1 2 3 4 5 6 1 2 2 1 EA1 GRAY EC1 GRAY EB2 GRAY ED1 GRAY EE1 GRAY EI1 GRAY EH1 DARK GRAY (Except Israel) (Israel) Code Joining Wire Harness and Wire Harness (Connector Location) EA1 Engine Room No.2 Wire and Engine Room Main Wire (Front Right Fender Apron) EB2 Engine No.2 Wire and Engine Room Main Wire (Near the Engine Room R/B) EC1 Engine No.2 Wire and Differential Wire (Near the Starter) ED1 Cowl Wire and A/C Sub Wire (Front Right Fender Apron) EE1 Engine Room Main Wire and Engine Wire (Near the Engine Room R/B) EH1 Engine Room Main Wire and Engine No.4 Wire (Near the Alternator) EI1 A/C Sub Wire and Cowl Wire (Front Right Fender Apron) CLICK HERE TO VIEW CHAPTER INDEX Pages From Supplement TO MODEL INDEX EWD378F
  • 58.
    Engine Room Main Wire CowlWire EA Engine No.2 Wire EA1 EE1 Engine Wire Engine No.4 Wire ED1 EF EH1 EF2 or Engine Room No.2 Wire A/C Sub Wire EB 70 HILUX (EWD378F) E ELECTRICAL WIRING ROUTING : Location of Connector Joining Wire Harness and Wire Harness : Location of Ground Points [LHD : 3L, 2L] CLICK HERE TO VIEW CHAPTER INDEX Pages From Supplement TO MODEL INDEX EWD378F
  • 59.
    HILUX (EWD378F) 71 E Connector JoiningWire Harness and Wire Harness 1 2 2 1 1 2 1 2 1 2 1 2 1 2 3 2 1 3 1 1 EA1 GRAY ED1 GRAY EE1 GRAY EH1 DARK GRAY EF2 BLACK (General) (Europe) Code Joining Wire Harness and Wire Harness (Connector Location) EA1 Engine Room No.2 Wire and Engine Room Main Wire (Front Right Fender Apron) ED1 Cowl Wire and A/C Sub Wire (Front Right Fender Apron) EE1 Engine Room Main Wire and Engine Wire (Near the Engine Room R/B) EF2 Engine No.4 Wire and Engine Room Main Wire (Near the Alternator) EH1 Engine Room Main Wire and Engine No.4 Wire (Near the Alternator) CLICK HERE TO VIEW CHAPTER INDEX Pages From Supplement TO MODEL INDEX EWD378F
  • 60.
    Roof Wire A/CSub Wire Cowl No.3 Wire Front Door LH Wire Engine Room Main Wire IG1 IJ Cowl No.3 Wire IH IG Cowl No.3 Wire Cowl No.3 Wire Engine Room No.2 Wire Front Door RH Wire Engine Wire II Cowl Wire IB2 IC2 IC1 IB1 IE1 IA1 IA2 or IN1 72 HILUX (EWD378F) E ELECTRICAL WIRING ROUTING : Location of Connector Joining Wire Harness and Wire Harness : Location of Ground Points [LHD] CLICK HERE TO VIEW CHAPTER INDEX Pages From Supplement TO MODEL INDEX EWD378F
  • 61.
    HILUX (EWD378F) 73 E Connector JoiningWire Harness and Wire Harness IA1 GRAY (Europe) IA2 GRAY (General) IC1 GRAY IB2 GREEN IB1 GREEN IC2 IE1 IG1 IN1 YELLOW 1 2 3 4 5 6 7 8 9 10 11 12 13 14 15 16 17 18 19 20 21 22 23 24 25 26 4 3 2 1 12 11 10 9 8 7 6 5 21 20 19 18 17 16 15 14 13 26 25 24 23 22 1 2 3 4 5 6 7 8 9 10 4 3 2 1 5 6 7 8 9 10 1 2 3 4 5 5 4 3 2 1 1 2 3 4 5 6 7 8 9 10 5 4 3 2 1 10 9 8 7 6 1 2 3 4 5 6 7 8 9 10 11 12 1 2 3 4 5 6 7 8 9 10 11 12 1 1 1 2 2 1 1 2 3 4 5 6 7 8 1 2 3 4 5 6 7 8 1 2 2 1 Code Joining Wire Harness and Wire Harness (Connector Location) IA1 Engine Room Main Wire and Cowl Wire (Cowl Side Panel LH) IA2 Engine Room Main Wire and Cowl Wire (Cowl Side Panel LH) IB1 Front Door LH Wire and Cowl Wire (Left Kick Panel) IB2 Front Door LH Wire and Cowl Wire (Left Kick Panel) IC1 Cowl Wire and Cowl No 3 Wire (Left Kick Panel) IC2 Cowl Wire and Cowl No.3 Wire (Left Kick Panel) IE1 Cowl Wire and Roof Wire (Instrument Panel Reinforcement Left) IG1 Cowl Wire and A/C Sub Wire (Near the A/C Unit) IN1 Engine Room Main Wire and Cowl Wire (Under the Combination Meter) CLICK HERE TO VIEW CHAPTER INDEX Pages From Supplement TO MODEL INDEX EWD378F
  • 62.
    Roof Wire A/CSub Wire Cowl No.3 Wire Front Door LH Wire Engine Room Main Wire IJ3 Cowl No.3 Wire Cowl No.3 Wire Cowl No.3 Wire Engine Room No.2 Wire Front Door RH Wire Engine Wire Cowl Wire IL2 IM1 IJ5 IJ4 or II1 IL1 IJ2 IJ1 or IK1 74 HILUX (EWD378F) E ELECTRICAL WIRING ROUTING : Location of Connector Joining Wire Harness and Wire Harness [LHD] CLICK HERE TO VIEW CHAPTER INDEX Pages From Supplement TO MODEL INDEX EWD378F
  • 63.
    HILUX (EWD378F) 75 E Connector JoiningWire Harness and Wire Harness 1 2 2 1 1 2 3 4 5 5 4 3 2 1 1 2 3 4 5 6 7 8 9 10 5 4 3 2 1 10 9 8 7 6 2 7 6 5 4 3 1 2 1 3 4 5 6 7 1 2 3 4 5 6 7 8 9 10 11 12 13 1 2 3 4 5 13 6 7 8 9 10 11 12 1 2 3 4 5 6 7 8 9 10 11 11 4 3 2 1 5 6 7 8 9 10 1 2 2 1 1 2 3 4 5 5 4 3 2 1 2 7 6 5 4 3 1 2 1 3 4 5 6 7 1 1 II1 IJ1 IJ2 IJ3 IJ4 IJ5 IK1 IL1 IL2 IM1 (Gasoline) (Diesel) (Europe) (General) BLUE GREEN GREEN Code Joining Wire Harness and Wire Harness (Connector Location) II1 Cowl Wire and Cowl No.3 Wire (Behind the Ashtray) IJ1 IJ2 IJ3 Engine Wire and Cowl Wire (Behind the Glove Box) IJ4 IJ5 IK1 Engine Room No.2 Wire and Cowl No.3 Wire (Behind the Glove Box) IL1 Front Door RH Wire and Cowl Wire (Right Kick Panel) IL2 Front Door RH Wire and Cowl Wire (Right Kick Panel) IM1 Cowl Wire and Cowl No.3 Wire (Cowl Side Panel RH) CLICK HERE TO VIEW CHAPTER INDEX Pages From Supplement TO MODEL INDEX EWD378F
  • 64.
    Rear Door LH Wire CowlNo.3 Wire Cowl Wire BB1 BC1 BG1 BK BF1 BE1 BD1 BH1 Speed Sensor Wire Frame Wire Cowl No.3 Wire Front Door LH Wire Front Door LH Wire BA1 BC2 Roof Wire Front Door RH Wire Front Door RH Wire Rear Door RH Wire Cowl No.3 Wire Rear Window No.2 Wire Differential Wire Cowl Wire 76 HILUX (EWD378F) E ELECTRICAL WIRING ROUTING : Location of Connector Joining Wire Harness and Wire Harness : Location of Ground Points [LHD : Double Cab] CLICK HERE TO VIEW CHAPTER INDEX Pages From Supplement TO MODEL INDEX EWD378F
  • 65.
    HILUX (EWD378F) 77 E Connector JoiningWire Harness and Wire Harness 1 3 2 1 2 3 1 3 2 1 2 3 1 2 3 4 5 6 7 8 9 10 11 12 13 1 2 3 4 5 13 6 7 8 9 10 11 12 1 2 3 4 5 5 4 3 2 1 1 2 3 4 5 6 7 8 1 2 3 4 5 6 7 8 1 2 3 4 2 1 4 3 1 2 3 4 5 6 7 8 1 2 3 4 5 6 7 8 1 2 3 4 5 6 7 8 1 2 3 4 5 6 7 8 1 2 3 4 5 6 1 2 3 4 5 6 BA1 GRAY BB1 BC1 BC2 BD1 BE1 BF1 BG1 BH1 Code Joining Wire Harness and Wire Harness (Connector Location) BA1 Front Door LH Wire and Front Door LH Wire (Front LH Door Inside) BB1 Front Door RH Wire and Front Door RH Wire (Front RH Door Inside) BC1 Frame Wire and Cowl Wire (Under the Front Passenger's Seat) BC2 Frame Wire and Cowl Wire (Under the Front Passenger s Seat) BD1 Frame Wire and Cowl No.3 Wire (Under the Front Passenger's Seat) BE1 Frame Wire and Differential Wire (Near the No.5 Cross Member) BF1 Frame Wire and Speed Sensor Wire (Near the No.5 Cross Member) BG1 Rear Door LH Wire and Cowl Wire (Left Center Pillar) BH1 Rear Door RH Wire and Cowl Wire (Right Center Pillar) CLICK HERE TO VIEW CHAPTER INDEX Pages From Supplement TO MODEL INDEX EWD378F
  • 66.
    Roof Wire CowlNo.3 Wire Cowl Wire Front Door LH Wire Front Door LH Wire BC1 BB1 BD1 BE1 BF1 Speed Sensor Wire Differential Wire Cowl Wire BA1 Front Door RH Wire Front Door RH Wire Frame Wire BC2 Cowl No.3 Wire Cowl Wire Front Door RH Wire Front Door LH Wire Front Door LH Wire BK BF1 BD1 BB1 Speed Sensor Wire Cowl Wire BA1 Front Door RH Wire Frame Wire Rear Window No.2 Wire BC1 78 HILUX (EWD378F) E ELECTRICAL WIRING ROUTING : Location of Connector Joining Wire Harness and Wire Harness : Location of Ground Points [LHD : Regular Cab] [LHD : Extra Cab] CLICK HERE TO VIEW CHAPTER INDEX Pages From Supplement CLICK HERE TO VIEW CHAPTER INDEX TO MODEL INDEX EWD378F
  • 67.
    HILUX (EWD378F) 79 E Connector JoiningWire Harness and Wire Harness 1 3 2 1 2 3 1 3 2 1 2 3 1 2 3 4 5 6 7 8 9 10 11 12 13 1 2 3 4 5 13 6 7 8 9 10 11 12 1 2 3 4 5 5 4 3 2 1 1 2 3 4 5 6 7 8 1 2 3 4 5 6 7 8 1 2 3 4 2 1 4 3 1 2 3 4 5 6 1 2 3 4 5 6 BA1 GRAY BB1 BC1 BC2 BD1 BE1 BF1 Code Joining Wire Harness and Wire Harness (Connector Location) BA1 Front Door LH Wire and Front Door LH Wire (Front LH Door Inside) BB1 Front Door RH Wire and Front Door RH Wire (Front RH Door Inside) BC1 Frame Wire and Cowl Wire (Under the Front Passenger's seat) BC2 Frame Wire and Cowl Wire (Under the Front Passenger s seat) BD1 Frame Wire and Cowl No.3 Wire (Under the Front Passenger's Seat) BE1 Frame Wire and Differential Wire (Near the No.5 Cross Member) BF1 Frame Wire and Speed Sensor Wire (Near the No.5 Cross Member) CLICK HERE TO VIEW CHAPTER INDEX Pages From Supplement TO MODEL INDEX EWD378F
  • 68.
    Differential Wire Engine Room MainWire Cowl Wire Engine Room No.2 Wire ED1 EB EA Engine No.2 Wire EA1 ED EB3 EC Engine Wire 80 HILUX (EWD378F) E ELECTRICAL WIRING ROUTING : Location of Connector Joining Wire Harness and Wire Harness : Location of Ground Points [RHD : 3RZ-FE] CLICK HERE TO VIEW CHAPTER INDEX Pages From Supplement TO MODEL INDEX EWD378F
  • 69.
    HILUX (EWD378F) 81 E Connector JoiningWire Harness and Wire Harness 1 2 2 1 1 2 1 2 1 2 3 4 5 6 1 2 3 4 5 6 EA1 GRAY EB3 GRAY ED1 GRAY Code Joining Wire Harness and Wire Harness (Connector Location) EA1 Engine Room No.2 Wire and Engine Room Main Wire (Front Right Fender Apron) EB3 Engine No.2 Wire and Engine Room Main Wire (Near the Engine Room R/B) ED1 Engine No.2 Wire and Differential Wire (Near the Starter) CLICK HERE TO VIEW CHAPTER INDEX Pages From Supplement TO MODEL INDEX EWD378F
  • 70.
    Engine Room Main Wire CowlWire EB EE EB3 Engine Wire Engine No.2 Wire 82 HILUX (EWD378F) E ELECTRICAL WIRING ROUTING : Location of Connector Joining Wire Harness and Wire Harness : Location of Ground Points [RHD : 3RZ-F] CLICK HERE TO VIEW CHAPTER INDEX Pages From Supplement TO MODEL INDEX EWD378F
  • 71.
    HILUX (EWD378F) 83 E Connector JoiningWire Harness and Wire Harness 1 2 3 4 5 6 1 2 3 4 5 6 EB3 GRAY Code Joining Wire Harness and Wire Harness (Connector Location) EB3 Engine No.2 Wire and Engine Room Main Wire (Near the Engine Room R/B) CLICK HERE TO VIEW CHAPTER INDEX Pages From Supplement TO MODEL INDEX EWD378F
  • 72.
    Engine Room Main Wire CowlWire Engine Room No.2 Wire EB EA Engine No.2 Wire EA1 EB3 Engine Wire ED 84 HILUX (EWD378F) E ELECTRICAL WIRING ROUTING : Location of Connector Joining Wire Harness and Wire Harness : Location of Ground Points [RHD : 1RZ-E] CLICK HERE TO VIEW CHAPTER INDEX Pages From Supplement TO MODEL INDEX EWD378F
  • 73.
    HILUX (EWD378F) 85 E Connector JoiningWire Harness and Wire Harness 1 2 2 1 1 2 3 4 5 6 1 2 3 4 5 6 EA1 GRAY EB3 GRAY Code Joining Wire Harness and Wire Harness (Connector Location) EA1 Engine Room No.2 Wire and Engine Room Main Wire (Front Right Fender Apron) EB3 Engine No.2 Wire and Engine Room Main Wire (Near the Engine Room R/B) CLICK HERE TO VIEW CHAPTER INDEX Pages From Supplement TO MODEL INDEX EWD378F
  • 74.
    Engine Room Main Wire CowlWire EB Engine No.2 Wire EB3 Engine Wire ED 86 HILUX (EWD378F) E ELECTRICAL WIRING ROUTING : Location of Connector Joining Wire Harness and Wire Harness : Location of Ground Points [RHD : 1RZ] CLICK HERE TO VIEW CHAPTER INDEX Pages From Supplement TO MODEL INDEX EWD378F
  • 75.
    HILUX (EWD378F) 87 E Connector JoiningWire Harness and Wire Harness 1 2 3 4 5 6 1 2 3 4 5 6 EB3 GRAY Code Joining Wire Harness and Wire Harness (Connector Location) EB3 Engine No.2 Wire and Engine Room Main Wire (Near the Engine Room R/B) CLICK HERE TO VIEW CHAPTER INDEX Pages From Supplement TO MODEL INDEX EWD378F
  • 76.
    Differential Wire Engine Room MainWire Cowl Wire Engine Room No.2 Wire ED1 EC1 EA Engine No.2 Wire EA1 EB2 EF Engine Wire Engine No.4 Wire EF1 EG 88 HILUX (EWD378F) E ELECTRICAL WIRING ROUTING : Location of Connector Joining Wire Harness and Wire Harness : Location of Ground Points [RHD : 5L] CLICK HERE TO VIEW CHAPTER INDEX Pages From Supplement TO MODEL INDEX EWD378F
  • 77.
    HILUX (EWD378F) 89 E Connector JoiningWire Harness and Wire Harness 1 2 2 1 1 2 1 2 1 2 1 2 1 1 1 2 2 1 EA1 GRAY EC1 GRAY EB2 GRAY ED1 GRAY EF1 BLACK Code Joining Wire Harness and Wire Harness (Connector Location) EA1 Engine Room No.2 Wire and Engine Room Main Wire (Front Right Fender Apron) EB2 Engine Room Main Wire and Engine Wire (Near the Engine Room R/B) EC1 Engine No.2 Wire and Cowl Wire (Near the Engine Room R/B) ED1 Engine No.2 Wire and Differential Wire (Near the Starter) EF1 Engine No.4 Wire and Engine Room Main Wire (Near the Alternator) CLICK HERE TO VIEW CHAPTER INDEX Pages From Supplement TO MODEL INDEX EWD378F
  • 78.
    Engine Room Main Wire CowlWire Engine Room No.2 Wire EA Engine No.2 Wire EA1 EB2 EF Engine Wire Engine No.4 Wire EF3 EG 90 HILUX (EWD378F) E ELECTRICAL WIRING ROUTING : Location of Connector Joining Wire Harness and Wire Harness : Location of Ground Points [RHD : 2L-T] CLICK HERE TO VIEW CHAPTER INDEX Pages From Supplement TO MODEL INDEX EWD378F
  • 79.
    HILUX (EWD378F) 91 E Connector JoiningWire Harness and Wire Harness 1 2 2 1 1 2 1 2 1 2 3 2 1 3 EA1 GRAY EB2 GRAY EF3 DARK GRAY Code Joining Wire Harness and Wire Harness (Connector Location) EA1 Engine Room No.2 Wire and Engine Room Main Wire (Front Right Fender Apron) EB2 Engine Room Main Wire and Engine Wire (Near the Engine Room R/B) EF3 Engine Room Main Wire and Engine No.4 Wire (Near the Alternator) CLICK HERE TO VIEW CHAPTER INDEX Pages From Supplement TO MODEL INDEX EWD378F
  • 80.
    Engine Room Main Wire CowlWire Engine Room No.2 Wire EA EF Engine No.2 Wire EA1 EB2 Engine Wire Engine No.4 Wire EE1 EG EF1 EF3 or A/C Sub Wire 92 HILUX (EWD378F) E ELECTRICAL WIRING ROUTING : Location of Connector Joining Wire Harness and Wire Harness : Location of Ground Points [RHD : 3L, 2L] CLICK HERE TO VIEW CHAPTER INDEX Pages From Supplement TO MODEL INDEX EWD378F
  • 81.
    HILUX (EWD378F) 93 E Connector JoiningWire Harness and Wire Harness 1 2 2 1 1 2 1 2 1 2 3 2 1 3 1 2 1 2 1 1 EA1 GRAY EB2 GRAY EF3 DARK GRAY EF1 BLACK EE1 GRAY Code Joining Wire Harness and Wire Harness (Connector Location) EA1 Engine Room No.2 Wire and Engine Room Main Wire (Front Right Fender Apron) EB2 Engine Room Main Wire and Engine Wire (Near the Engine Room R/B) EE1 Engine Room Main Wire and A/C Sub Wire (Near the Battery) EF1 Engine No.4 Wire and Engine Room Main Wire (Near the Alternator) EF3 Engine Room Main Wire and Engine No.4 Wire (Near the Alternator) CLICK HERE TO VIEW CHAPTER INDEX Pages From Supplement TO MODEL INDEX EWD378F
  • 82.
    Differential Wire Engine Room MainWire Cowl Wire Engine Room No.2 Wire ED1 EA Engine No.2 Wire EA1 EO EB2 EF Engine Wire 94 HILUX (EWD378F) E ELECTRICAL WIRING ROUTING : Location of Connector Joining Wire Harness and Wire Harness : Location of Ground Points [RHD : 1KZ-TE] CLICK HERE TO VIEW CHAPTER INDEX Pages From Supplement TO MODEL INDEX EWD378F
  • 83.
    HILUX (EWD378F) 95 E Connector JoiningWire Harness and Wire Harness 1 2 2 1 1 2 1 2 1 2 1 2 EA1 GRAY EB2 GRAY ED1 GRAY Code Joining Wire Harness and Wire Harness (Connector Location) EA1 Engine Room No.2 Wire and Engine Room Main Wire (Front Right Fender Apron) EB2 Engine Room Main Wire and Engine Wire (Near the Engine Room R/B) ED1 Engine No.2 Wire and Differential Wire (Near the Starter) CLICK HERE TO VIEW CHAPTER INDEX Pages From Supplement TO MODEL INDEX EWD378F
  • 84.
    Cowl Wire Engine Room No.2Wire Front Door LH Wire IC4 ID1 IK IH A/C Sub Wire IJ II Cowl No.3 Wire Cowl No.3 Wire Cowl No.3 Wire Roof Wire Front Door RH Wire Engine Room Main Wire IL Engine Wire IM IA1 IA2 IB1 IB2 IC1 IC2 or IC5 IC6 or IC3 or 96 HILUX (EWD378F) E ELECTRICAL WIRING ROUTING : Location of Connector Joining Wire Harness and Wire Harness : Location of Ground Points [RHD] CLICK HERE TO VIEW CHAPTER INDEX Pages From Supplement TO MODEL INDEX EWD378F
  • 85.
    HILUX (EWD378F) 97 E Connector JoiningWire Harness and Wire Harness IA1 IA2 IB1 GREEN IC1 (∗1) IC2 (3RZ-FE M/T,1RZ-E) IC5 (3RZ-F,1RZ,5L) ∗1 : 3RZ-FE A/T,1KZ-TE,5L,2L-T,Europe 2L ∗2 : 3RZ-FE,1KZ-TE,2L-T,2L,3L ∗3 : 3RZ-FE M/T w/ 2-4 Select SW,3RZ-F,1RZ, 1KZ-TE,5L IC4 (∗3) IC3 (∗2) IC6 (1RZ-E) ID1 IB2 GREEN 1 2 3 4 5 6 7 8 9 10 11 12 1 2 3 4 5 6 7 8 9 10 11 12 1 1 1 2 3 4 5 5 4 3 2 1 2 7 6 5 4 3 1 2 1 3 4 5 6 7 1 2 3 4 5 6 7 8 9 10 5 4 3 2 1 10 9 8 7 6 2 7 6 5 4 3 1 2 1 3 4 5 6 7 1 2 3 4 5 6 7 8 9 10 11 12 13 1 2 3 4 5 13 6 7 8 9 10 11 12 1 2 3 4 5 5 4 3 2 1 1 2 3 4 5 6 7 8 9 10 11 11 4 3 2 1 5 6 7 8 9 10 1 2 5 6 7 8 13 14 15 16 21 22 23 3 4 9 10 11 12 17 18 19 20 24 25 26 4 3 12 11 10 9 20 19 18 17 26 25 24 2 1 8 7 6 5 16 15 14 13 23 22 21 1 2 3 4 5 6 7 8 1 2 3 4 5 6 7 8 Code Joining Wire Harness and Wire Harness (Connector Location) IA1 Cowl Wire and Cowl No 3 Wire (Left Kick Panel) IA2 Cowl Wire and Cowl No.3 Wire (Left Kick Panel) IB1 Front Door LH Wire and Cowl Wire (Left Kick Panel) IB2 Front Door LH Wire and Cowl Wire (Left Kick Panel) IC1 IC2 IC3 Engine Wire and Cowl Wire (Behind the Glove Box) IC4 Engine Wire and Cowl Wire (Behind the Glove Box) IC5 IC6 ID1 Cowl Wire and A/C Sub Wire (Near the A/C Unit) CLICK HERE TO VIEW CHAPTER INDEX Pages From Supplement TO MODEL INDEX EWD378F
  • 86.
    Cowl Wire Engine Room No.2Wire Front Door LH Wire IM1 A/C Sub Wire Cowl No.3 Wire Cowl No.3 Wire Cowl No.3 Wire Roof Wire Front Door RH Wire Engine Room Main Wire Engine Wire IH1 IG1 IL1 IM2 IK1 IJ2 IJ1 or IJ3 98 HILUX (EWD378F) E ELECTRICAL WIRING ROUTING : Location of Connector Joining Wire Harness and Wire Harness [RHD] CLICK HERE TO VIEW CHAPTER INDEX Pages From Supplement TO MODEL INDEX EWD378F
  • 87.
    HILUX (EWD378F) 99 E Connector JoiningWire Harness and Wire Harness 1 2 2 1 1 2 2 1 1 2 3 4 5 6 7 8 9 10 11 12 13 14 15 16 17 18 19 20 21 22 23 24 25 26 4 3 2 1 12 11 10 9 8 7 6 5 21 20 19 18 17 16 15 14 13 26 25 24 23 22 1 2 2 1 1 2 2 1 1 1 1 2 3 4 5 5 4 3 2 1 1 2 3 4 5 6 7 8 9 10 5 4 3 2 1 10 9 8 7 6 1 2 3 4 5 6 7 8 9 10 4 3 2 1 5 6 7 8 9 10 IG1 GRAY IH1 IJ1 IJ2 IJ3 IK1 GRAY YELLOW BLUE IL1 IM1 IM2 GREEN GREEN (Australia, Europe) (General) Code Joining Wire Harness and Wire Harness (Connector Location) IG1 Cowl Wire and Cowl No.3 Wire (Behind the Ashtray) IH1 Cowl Wire and Roof Wire (Instrument Panel Reinforcement Right) IJ1 Engine Room Main Wire and Cowl Wire (Cowl Side Panel RH) IJ2 Engine Room Main Wire and Cowl Wire (Cowl Side Panel RH) IJ3 Engine Room No.2 Wire and Cowl Wire (Cowl Side Panel RH) IK1 Engine Room No.2 Wire and Cowl No.3 Wire (Cowl Side Panel RH) IL1 Cowl Wire and Cowl No.3 Wire (Right Kick Panel) IM1 Front Door RH Wire and Cowl Wire (Right Kick Panel) IM2 Front Door RH Wire and Cowl Wire (Right Kick Panel) CLICK HERE TO VIEW CHAPTER INDEX Pages From Supplement TO MODEL INDEX EWD378F
  • 88.
    Front Door LHWire Rear Door LH Wire Cowl No.3 Wire Frame Wire Cowl Wire BB1 BD1 BN BC1 Speed Sensor Wire Cowl No.3 Wire BA1 Roof Wire Front Door RH Wire Rear Door RH Wire BE1 Cowl No.3 Wire Rear Window No.3 Wire Cowl Wire 100 HILUX (EWD378F) E ELECTRICAL WIRING ROUTING : Location of Connector Joining Wire Harness and Wire Harness : Location of Ground Points [RHD : Double Cab] CLICK HERE TO VIEW CHAPTER INDEX Pages From Supplement TO MODEL INDEX EWD378F
  • 89.
    HILUX (EWD378F) 101 E Connector JoiningWire Harness and Wire Harness 1 2 3 4 5 6 7 8 9 10 11 12 13 1 2 3 4 5 13 6 7 8 9 10 11 12 1 2 3 4 2 1 4 3 1 2 3 4 5 6 7 8 1 2 3 4 5 6 7 8 1 2 3 4 5 6 7 8 1 2 3 4 5 6 7 8 1 2 3 4 5 6 1 2 3 4 5 6 BA1 GRAY BB1 BC1 BD1 BE1 Code Joining Wire Harness and Wire Harness (Connector Location) BA1 Frame Wire and Cowl Wire (Under the Driver's Seat) BB1 Frame Wire and Cowl No.3 Wire (Under the Driver's Seat) BC1 Frame Wire and Speed Sensor Wire (Near the No.5 Cross Member) BD1 Rear Door LH Wire and Cowl Wire (Left Center Pillar) BE1 Rear Door RH Wire and Cowl Wire (Right Center Pillar) CLICK HERE TO VIEW CHAPTER INDEX Pages From Supplement TO MODEL INDEX EWD378F
  • 90.
    Roof Wire CowlNo.3 Wire Cowl Wire Front Door LH Wire BB1 BC1 Speed Sensor Wire BA1 Front Door RH Wire Frame Wire Roof Wire Cowl No.3 Wire Cowl Wire Front Door LH Wire BB1 BN BC1 Speed Sensor Wire BA1 Front Door RH Wire Frame Wire Rear Window No.3 Wire Cowl Wire 102 HILUX (EWD378F) E ELECTRICAL WIRING ROUTING : Location of Connector Joining Wire Harness and Wire Harness : Location of Ground Points [RHD : Regular Cab] [RHD : Extra Cab] CLICK HERE TO VIEW CHAPTER INDEX Pages From Supplement CLICK HERE TO VIEW CHAPTER INDEX TO MODEL INDEX EWD378F
  • 91.
    HILUX (EWD378F) 103 E Connector JoiningWire Harness and Wire Harness 1 2 3 4 5 6 7 8 9 10 11 12 13 1 2 3 4 5 13 6 7 8 9 10 11 12 1 2 3 4 2 1 4 3 1 2 3 4 5 6 1 2 3 4 5 6 BA1 GRAY BB1 BC1 Code Joining Wire Harness and Wire Harness (Connector Location) BA1 Frame Wire and Cowl Wire (Under the Driver's Seat) BB1 Frame Wire and Cowl No.3 Wire (Under the Driver's Seat) BC1 Frame Wire and Speed Sensor Wire (Near the No.5 Cross Member) CLICK HERE TO VIEW CHAPTER INDEX Pages From Supplement TO MODEL INDEX EWD378F
  • 92.
    PAGE 1 OF7 1. A1 GRAY PG104 2. A2 GRAY PG104 3. A3 GRAY PG104 4. A4 GRAY PG104 5. A5 GRAY PG104 6. A6 GRAY PG104 7. A7 GRAY PG104 8. A8 GRAY PG104 9. A9 BLACK PG104 10.A10 BLACK PG104 11.A11 PG104 12.A12 GRAY PG104 13.A13 BLACK PG104 14.A14 BLACK PG104 15.A15 PG104 16.A16 PG104 17.A17 BLACK PG104 18.A18 PG104 19.A19 PG104 20.A20 PG104 21.A24 YELLOW PG104 22.A25 YELLOW PG104 23.A26 BLACK PG104 24.A27 PG104 25.A28 GRAY PG104 26.A29 GRAY PG104 27.A30 GRAY PG104 28.A31 GRAY PG104 29.B1 GRAY PG104 30.B2 GRAY PG104 31.B3 BLACK PG104 32.B4 BLACK PG104 33.B5 BLACK PG105 34.B6 (EXCEPT GENERAL) PG105 35.B6 (GENERAL) BLACK PG105 36.B7 PG105 37.C1 BLACK PG105 38.C2 DARK GRAY PG105 39.C3 (3RZ-F, 1RZ, 5L, 3L, 2L) BLACK PG105 40.C3 (3RZ-FE, 2RZ-FE, EUROPE DIESEL) BLACK PG105 41.C4 DRAK GRAY PG105 42.C5 PG105 BACK TO MAIN INDEX TO MODEL INDEX Pages From Supplement EWD378F CONTINUED CONNECTOR LIST:
  • 93.
    43.C6 GRAY PG105 44.C7PG105 45.C8 PG105 46.C9 PG105 47.C10 BLUE PG105 48.C11 BROWN PG105 49.C12 BLACK PG105 50.C13 (LHD, RHD EUROPE) PG105 51.C13 (RHD EXCEPT EUROPE) PG105 52.C14 PG105 53.C15 (LHD) GRAY PG105 54.C15 (RHD) BLACK PG105 55.C16 YELLOW PG105 56.C17 YELLOW PG106 57.C18 YELLOW PG106 58.C19 BLACK PG106 59.C20 BLACK PG106 60.D1 GRAY PG106 61.D1 GRAY PG106 62.D2 BLUE PG106 63.D3 BLUE PG106 64.D4 PG106 65.D5 BLACK PG106 66.D6 PG106 67.D7 PG106 68.D8 PG106 69.D9 PG106 70.D10 BLACK PG106 71.D11 PG106 72.D11 PG106 73.D12 PG106 74.D12 PG106 75.D13 GRAY PG106 76.D14 PG106 77.D15 PG106 78.D16 GRAY PG106 79.D17 PG106 80.D18 BLACK PG106 81.D19 BLACK PG106 82.D20 BLACK PG106 83.D21 BLACK PG107 84.D22 PG107 85.D23 PG107 86.D24 PG107 87.D25 PG107 PAGE 2 OF 7 CLICK HERE TO VIEW CHAPTER INDEX TO MODEL INDEX Pages From Supplement EWD378F CONTINUED CONNECTOR LIST:
  • 94.
    88.D26 PG107 89.E1 BLACKPG107 90.E2 GRAY PG107 91.E3 (3RZ-F) DARK GRAY PG107 92.E3 (1RZ) DARK GRAY PG107 93.E4 PG107 94.E5 PG107 95.E6 PG107 96.E7 PG107 97.F1 GRAY PG107 98.F2 GRAY PG107 99.F3 GRAY PG107 100. F4 GRAY PG107 101. F5 PG107 102. F6 PG107 103. F7 PG107 104. F8 PG107 105. F9 GRAY PG107 106. F10 GRAY PG107 107. F11 PG107 108. F12 GRAY PG107 109. F13 PG107 110. F14 GRAY PG107 111. F15 YELLOW PG107 112. F16 YELLOW PG107 113. F17 BLACK PG107 114. F18 DARK GRAY PG107 115. G1 PG107 116. G2 BLACK PG107 117. H1 GRAY PG107 118. H2 GRAY PG107 119. H3 PG107 120. H4 BLACK PG108 121. H5 PG108 122. H6 PG108 123. H7 DARK GRAY PG108 124. H8 DARK GRAY PG108 125. H9 BLACK PG108 126. H10 BLACK PG108 127. H11 PG108 128. H12 BLACK PG108 129. I1 DARK GRAY PG108 130. I2 BLACK PG108 131. I3 BLACK PG108 132. I4 DARK GRAY PG108 PAGE 3 OF 7 CLICK HERE TO VIEW CHAPTER INDEX TO MODEL INDEX Pages From Supplement EWD378F CONTINUED CONNECTOR LIST:
  • 95.
    133. I5 GRAYPG108 134. I6 (1RZ-E) DARK GRAY PG108 135. I6 (1RZ) GRAY PG108 136. I7 DARK GRAY PG108 137. I8 BLACK PG108 138. I9 GRAY PG108 139. I10 (1RZ-E) BROWN PG108 140. I11 (1RZ-E) GRAY PG108 141. I11 (3RZ-FE, 2RZ-FE) GRAY PG108 142. I12 (1RZ-E) BROWN PG108 143. I12 (3RZ-FE, 2RZ-FE) BROWN PG108 144. I13 (1RZ-E) GRAY PG108 145. I13 (3RZ-FE, 2RZ-FE) PG108 146. I14 BROWN PG108 147. I15 GRAY PG108 148. I16 BLUE PG108 149. I17 PG108 150. I18 PG108 151. I19 GREEN PG108 152. I20 PG108 153. I21 GRAY PG108 154. I22 BROWN PG108 155. J1 GRAY PG108 156. J2 GRAY PG108 157. J3 (LHD) BLACK PG108 158. J3 (RHD) PG109 159. J4 (LHD) BLACK PG109 160. J4 (RHD) BLUE PG109 161. J5 (LHD) PG109 162. J5 (RHD) BLUE PG109 163. J6 (LHD) PG109 164. J6 (RHD) PG109 165. J7 (LHD) PG109 166. J7 (RHD) BLUE PG109 167. J8 PG109 168. J9 (LHD) BLUE PG109 169. J9 (RHD) BLUE PG109 170. J10 BLACK PG109 171. J10 ORANGE PG109 172. J10 (RHD) BLACK PG109 173. J11 (LHD) BLUE PG109 174. J11 (RHD) BLACK PG109 175. J12 (LHD) BLUE PG109 176. J12 (RHD) BLUE PG109 177. J13 (LHD) PG109 PAGE 4 OF 7 CLICK HERE TO VIEW CHAPTER INDEX TO MODEL INDEX Pages From Supplement EWD378F CONTINUED CONNECTOR LIST:
  • 96.
    178. J13 (RHD)BLACK PG109 179. J14 (LHD) BLACK PG109 180. J14 (LHD) ORANGE PG109 181. J14 (RHD) BLACK PG109 182. J15 (LHD) BLUE PG110 183. J15 (RHD) PG110 184. J16 (LHD) GRAY PG110 185. J16 (RHD) PG110 186. J17 (RHD) PG110 187. J18 (LHD) BLUE PG110 188. J19 (LHD) BLACK PG110 189. J20 (LHD) BLUE PG110 190. J21 (LHD) GRAY PG110 191. J21 (LHD) PG110 192. J22 (LHD) BLACK PG110 193. J23 (LHD) PG110 194. J24 (LHD) BLUE PG110 195. K1 DARK GRAY PG110 196. K2 GRAY PG110 197. L1 PG110 198. L1 PG110 199. L2 PG110 200. L2 PG110 201. N1 GRAY PG110 202. N2 GRAY PG110 203. O1 PG110 204. O1 GRAY PG110 205. O2 PG110 206. O3 GRAY PG110 207. O4 PG110 208. P2 PG110 209. P3 DARK GRAY PG111 210. P3 (5L) DARK GRAY PG111 211. P4 PG111 212. P5 PG111 213. P6 PG111 214. P7 PG111 215. P8 PG111 216. P9 PG111 217. P10 PG111 218. P11 PG111 219. P12 PG111 220. P13 PG111 221. P14 YELLOW PG111 222. P15 YELLOW PG111 PAGE 5 OF 7 CLICK HERE TO VIEW CHAPTER INDEX TO MODEL INDEX Pages From Supplement EWD378F CONTINUED CONNECTOR LIST:
  • 97.
    223. R1 BLUEPG111 224. R2 BLUE PG111 225. R3 BLACK PG111 226. R4 PG111 227. R5 BLACK PG111 228. R6 PG111 229. R6 PG111 230. R7 PG111 231. R7 PG111 232. R8 GRAY PG111 233. R9 PG111 234. R9 PG111 235. R10 BLACK PG111 236. R11 PG111 237. R12 PG111 238. R12 PG111 239. R13 PG111 240. R13 PG111 241. R14 PG111 242. R15 PG111 243. R16 PG111 244. R17 PG111 245. S1 BLACK PG111 246. S2 BLACK PG111 247. S2 BLACK PG111 248. S3 PG112 249. S4 BLACK PG112 250. S5 PG112 251. S6 PG112 252. S7 PG112 253. S8 BLACK PG112 254. S9 GRAY PG112 255. T1 (1RZ-E, 1KZ-TE) BLACK PG112 256. T1 (3RZ-FE, 2RZ-FE) BLACK PG112 257. T3 PG112 258. T4 PG112 259. T5 DARK GRAY PG112 260. T6 BLACK PG112 261. T7 PG112 262. T8 PG112 263. U1 PG112 264. V1 BLACK PG112 265. V2 DARK GRAY PG112 266. V3 BLACK PG112 267. V4 BROWN PG112 PAGE 6 OF 7 CLICK HERE TO VIEW CHAPTER INDEX TO MODEL INDEX Pages From Supplement EWD378F CONTINUED CONNECTOR LIST:
  • 98.
    268. V5 BLUEPG112 269. V6 BLUE PG112 270. V6 BLACK PG112 271. V6 BROWN PG112 272. V7 GRREN PG112 273. V8 BLACK PG112 274. V9 BROWN PG112 275. V10 (1KZ-TE, 2L) BROWN PG112 276. V10 (2L-T) BLACK PG112 277. V11 BROWN PG112 278. V12 GRAY PG112 279. V13 BLACK PG112 280. V14 BROWN PG112 281. V15 BLUE PG113 282. W1 GRAY PG113 283. W2 GRAY PG113 284. W3 (1RZ-E, 5L, 2L-T, 2L) GREEN PG113 285. W3 (3RZ-FE, 2RZ-FE, 1KZ-TE) DARK GRAY PG113 286. W4 BLACK PG113 PAGE 7 OF 7 CLICK HERE TO VIEW CHAPTER INDEX TO MODEL INDEX Pages From Supplement EWD378F CONNECTOR LIST:
  • 99.
    104 HILUX (EWD378F) F CONNECTORLIST 1 2 1 1 2 1 2 3 4 5 6 7 8 1 2 3 4 5 1 2 1 2 1 2 5 4 3 2 1 1 2 3 1 1 2 1 2 5 3 4 6 7 8 9 10 1 2 3 4 5 6 1 2 1 2 1 2 4 5 3 1 2 3 4 5 6 7 8 9 10 11 12 13 14 15 16 1 2 3 4 5 6 7 8 9 10 11 12 13 14 15 16171819 20212223 24 25 26 1 2 3 4 5 6 1 2 1 2 1 2 3 4 5 6 7 8 1 2 1 2 1 2 3 4 2 1 3 1 2 1 2 1 1 2 1 2 GRAY GRAY GRAY GRAY GRAY GRAY GRAY BLACK BLACK BLACK GRAY BLACK BLACK BLACK YELLOW YELLOW BLACK GRAY GRAY GRAY GRAY GRAY GRAY BLACK BLACK A1 A2 A3 A4 A5 A6 A7 A8 A9 A10 A11 A12 A13 A14 A15 A16 A17 A18 A19 A20 A24 A25 A26 A27 A28 A29 A30 A31 B1 B2 B3 B4 CLICK HERE TO VIEW CHAPTER INDEX Pages From Supplement CLICK HERE TO VIEW CHAPTER INDEX TO MODEL INDEX EWD378F
  • 100.
    HILUX (EWD378F) 105 F 1 2 34 1 2 3 4 5 6 7 8 1 2 3 4 5 6 7 8 1 2 1 2 1 2 3 4 1 2 3 4 5 6 7 8 9 10 11 12 13 14 15 16 17 21 20 18 23 22 19 1 2 3 4 5 6 7 8 9 10 11 12 13 14 15 16 17 21 20 18 23 22 19 2 1 3 1 2 1 2 5 3 1 2 1 2 3 4 16 11 10 9 8 5 4 3 2 1 121314 6 7 15 13 9 8 7 6 5 4 3 2 1 101112 13 9 8 7 6 5 4 3 2 1 101112 1 2 3 4 5 6 7 8 9 10 11 12 131415 16 17 18 1 2 4 7 8 9 10 1112131415 16 17 5 6 3 1 2 3 4 5 6 7 8 9 10 1112131415 16 17 1 2 3 4 5 6 2 1 2 1 1 2 3 4 5 6 7 8 9 101112 A B BLACK (Except General) (General) BLACK BLACK DARK GRAY (3RZ-F, 1RZ, 5L, 3L, 2L) BLACK (3RZ-FE, 2RZ-FE, Europe Diesel) BLACK DARK GRAY GRAY BLUE BROWN BLACK (LHD, RHD Europe) B5 B6 B6 B7 C1 C2 C3 C3 C4 C5 C6 C7 C8 C9 C10 C11 C12 C13 (RHD Except Europe) (LHD) GRAY (RHD) BLACK YELLOW C13 C14 C15 C15 C16 CLICK HERE TO VIEW CHAPTER INDEX Pages From Supplement CLICK HERE TO VIEW CHAPTER INDEX TO MODEL INDEX EWD378F
  • 101.
    106 HILUX (EWD378F) F CONNECTORLIST 2425 23 26 22 2021 28 27 1 2 3 4 5 6 7 8 9 1011121314151617 1819 A B 1 2 3 4 5 6 7 8 9 101112 A B 1 2 1 2 1 2 6 4 3 2 1 7 8 9 101112 14 5 13 1 2 5 3 4 6 7 8 9 10 1 2 3 4 5 6 4 3 2 1 7 8 9 101112 14 5 13 1 2 1 2 1 2 16 15 14 13 12 11 10 9 8 7 6 5 4 3 2 1 1 1 1 1 1 2 1 1 3 1 2 1 2 3 4 1 2 3 4 1 2 3 4 1 2 3 4 2 1 2 1 YELLOW YELLOW (∗ 1) GRAY (∗ 2) GRAY BLUE BLUE BLACK BLACK (∗ 3) (∗ 4) (∗ 3) (∗ 4) GRAY GRAY C17 C18 D1 D1 D2 D3 D4 D5 D6 D7 D8 D9 D10 D11 D11 D12 D12 D13 D14 D15 D16 ∗ 1 : w/ 2-4 SELECT SW ∗ 2 : w/o 2-4 SELECT SW ∗ 3 : Double Cab ∗ 4 : Single Cab, Extra Cab BLACK BLACK BLACK D17 D18 D20 D19 C19 C20 BLACK BLACK CLICK HERE TO VIEW CHAPTER INDEX Pages From Supplement CLICK HERE TO VIEW CHAPTER INDEX TO MODEL INDEX EWD378F
  • 102.
    HILUX (EWD378F) 107 F 1 2 1 2 1 2 1 2 1 2 1 3 2 12 6 4 3 2 1 7 8 9 101112 14 5 13 1 2 3 4 5 6 1 2 3 4 5 6 7 8 9 10 11 12 13 14 15 16171819 20212223 24 25 26 1 2 3 4 5 6 7 8 9 10111213141516 1 2 3 4 5 6 7 8 9 10 11 12 13 141516171819 2021 22 1 2 1 2 1 2 1 2 1 2 3 1 2 3 1 2 1 2 2 1 1 2 2 1 3 4 5 6 7 8 9 101112131415 16 1 2 1 2 1 2 1 2 1 2 1 2 3 2 1 1 2 3 4 1 1 2 1 2 3 4 5 6 7 8 1 2 3 4 5 6 7 8 1 2 BLACK GRAY (1RZ) DARK GRAY (3RZ-F) DARK GRAY GRAY GRAY GRAY GRAY GRAY GRAY GRAY GRAY YELOW D22 D23 D24 D25 D26 E1 E2 E3 E3 E4 E5 E6 F1 F2 F3 F4 F5 F6 F7 F8 F9 F10 F11 F12 F13 F14 F15 YELLOW BLACK DARK GRAY F16 F17 F18 BLACK D21 BLACK G1 G2 GRAY GRAY H1 H2 E7 1 2 3 4 H3 CLICK HERE TO VIEW CHAPTER INDEX Pages From Supplement CLICK HERE TO VIEW CHAPTER INDEX TO MODEL INDEX EWD378F
  • 103.
    108 HILUX (EWD378F) F CONNECTORLIST 1 4 5 2 3 6 1 2 3 1 2 3 2 1 3 4 2 1 3 4 1 1 2 5 3 4 6 7 8 9 10 1 2 5 3 4 6 7 8 9 10 1 2 3 4 1 2 3 4 5 6 1 2 3 4 1 2 3 4 1 2 1 2 1 2 3 4 1 2 3 4 1 2 1 2 1 2 3 1 2 1 2 1 2 1 2 1 2 1 2 1 2 1 2 1 2 1 2 3 1 2 1 2 3 4 5 6 7 8 1 2 3 4 5 6 7 8 9 101112 1 2 3 4 5 6 7 8 1 2 1 2 1 2 A A A A A A B B B C C C A A A A A A B B B C C C A A B B C C D D D E E E BLACK DARK GRAY DARK GRAY BLACK BLACK BLACK DARK GRAY BLACK BLACK DARK GRAY GRAY (1RZ) GRAY (1RZ-E) DARK GRAY (1RZ-E) BROWN (3RZ-FE, 2RZ-FE) BROWN (1RZ-E) GRAY H4 H5 H6 H7 H8 H9 H10 H11 H12 DARK GRAY I1 I2 I3 I4 I5 I6 I6 I7 I8 I9 I10 I10 I11 BLACK GRAY (3RZ-FE, 2RZ-FE) GRAY (1RZ-E) BROWN (3RZ-FE, 2RZ-FE) BROWN (1RZ-E) GRAY I11 I12 I13 I12 (3RZ-FE, 2RZ-FE) GRAY BROWN GRAY BLUE I14 I15 I16 I17 I13 GREEN GRAY BROWN I18 I19 I20 I21 I22 (LHD) BLACK J1 J2 J3 GRAY GRAY CLICK HERE TO VIEW CHAPTER INDEX Pages From Supplement CLICK HERE TO VIEW CHAPTER INDEX TO MODEL INDEX EWD378F
  • 104.
    HILUX (EWD378F) 109 F A A AA A A A B B C C A A B D D D C C A A B B C C D D D E E E A A B B C C D D E E F F A A B B C C D D E E F F A B B C C A A B D D D C C A A B C C A A B B B B C C A A A A A A A B B C C A A B D D D C C A A B C C A A B B B B C C A A A A A A A A A A A A A B B C C A A B D D D C C A A A A A A A A A A A A A A A A A A A A A A A A A A B B A A A C C C D D D B A A A A A A A A A A A A B B A A A C C C D D D B A B B C C A A B D D D C C A B B C C A A B D D D C C A A B C C A A B B B B C C A A B B C C D D D E E E A A A A A A A A A A A A A A A A A A A A A A A A A A A A B B C C D D D E E E ∗ 5 : 2RZ-FE (Europe), 3RZ-FE, 2L, 2L-T ∗ 6 : 2RZ-FE (General) (RHD) (LHD) BLACK (RHD) BLUE (LHD) (RHD) BLUE (LHD) (RHD) J4 J5 J6 J3 J4 J5 J6 (LHD) (RHD) BLUE J7 J8 J7 (LHD) BLUE (LHD ∗ 5) BLACK (RHD) BLUE J9 J10 J9 (LHD ∗ 6) ORANGE (RHD) BLACK (LHD) BLUE (RHD) BLACK (LHD) BLUE (RHD) BLUE (LHD) (RHD) BLACK J11 J12 J13 J10 J10 J11 J12 J13 (LHD ∗ 5) BLACK (LHD ∗ 6) ORANGE (RHD) BLACK J14 J14 J14 CLICK HERE TO VIEW CHAPTER INDEX Pages From Supplement CLICK HERE TO VIEW CHAPTER INDEX TO MODEL INDEX EWD378F
  • 105.
    110 HILUX (EWD378F) F CONNECTORLIST A A A A A A A A A A A A A A A A A A C C B A A A A B B B C C A A B B C C D D E E F F A A B B C C D D E E F F A B B C C A A B D D D C C A B B C C A A B D D D C C A A A A A A A A A A A A A C C B A A A A B B B C C A A B C C A A B B B B C C B B A A A C C C D D D B A B B C C A A B D D D C C A A A A A A 1 1 1 2 1 2 1 2 1 2 1 7 5 6 2 3 4 8 9 10 1 2 1 1 1 2 3 4 5 6 7 8 9 10 1 2 1 2 3 4 5 6 7 8 1 2 (LHD) BLUE (RHD) (LHD) GRAY (RHD) (RHD) (LHD) BLUE ∗ 5 : 2RZ-FE (Europe), 3RZ-FE, 2L, 2L-T ∗ 6 : 2RZ-FE (General) J15 J16 J17 J18 J15 J16 J19 (LHD) BLACK (LHD) BLUE (LHD ∗ 5) GRAY (LHD ∗ 6) J20 J21 J21 (LHD) BLACK (LHD) (LHD) BLUE J22 J23 J24 DARK GRAY GRAY (∗ 7) (∗ 8, Step Bumper Type) (∗ 7) GRAY GRAY (∗ 9) (∗10) GRAY K1 K2 L1 L2 N1 N2 O1 O1 L2 L1 (∗ 8, Step Bumper Type) ∗ 7 : w/ Rear Deck ∗ 8 : w/o Rear Deck ∗ 9 : Diesel Except 1KZ-TE ∗10 : Gasoline, 1KZ-TE O2 GRAY O3 O4 P2 CLICK HERE TO VIEW CHAPTER INDEX Pages From Supplement CLICK HERE TO VIEW CHAPTER INDEX TO MODEL INDEX EWD378F
  • 106.
    HILUX (EWD378F) 111 F 5 4 3 2 1 6 78 9 101112 1 2 1 2 3 4 5 1 2 3 4 5 1 2 3 4 5 1 2 3 4 5 6 4 3 2 1 7 8 9 101112 14 5 13 1 2 3 4 5 6 7 8 9 10 1 2 1 2 1 2 1 2 2 1 1 2 3 4 5 6 7 8 9 10 2 1 1 2 3 4 5 6 7 8 1 2 3 4 5 6 1 2 3 456 78 1 2 3 4 5 6 1 2 1 2 3 4 5 6 1 2 3 4 5 1 2 3 4 5 6 1 2 3 4 5 1 2 3 6 5 4 1 2 1 2 1 1 1 2 3 1 2 3 1 2 3 1 2 3 10 9 8 7 6 5 4 3 2 1 1 2 1 2 1 2 1 2 1 1 (5L) DARK GRAY (∗ 3) ∗ 3 : Double Cab P4 P5 P6 P7 P8 P9 P3 YELLOW (∗ 4) P9 P10 P11 P12 P13 P14 BLUE R1 YELLOW P15 ∗ 4 : Single Cab, Extra Cab (3L, 2L) DARK GRAY P3 BLUE BLACK BLACK (∗ 7, Malta) (∗ 8, Except Malta) GRAY (∗ 7) (∗ 8) BLACK BLACK (w/ Vent Window) ∗ 7 : w/ Rear Deck R2 R3 R4 R5 R6 R6 R7 R7 R8 R9 R9 R10 R11 R12 R12 R13 R13 R14 ∗ 8 : w/o Rear Deck (w/o Vent Window) (∗ 7, Malta) (∗ 8, Except Malta) (w/ Vent Window) (w/o Vent Window) R15 R16 R17 BLACK (Diesel) BLACK (Gasoline) BLACK S1 S2 S2 CLICK HERE TO VIEW CHAPTER INDEX Pages From Supplement CLICK HERE TO VIEW CHAPTER INDEX TO MODEL INDEX EWD378F
  • 107.
    112 HILUX (EWD378F) F CONNECTORLIST 1 1 3 2 4 1 3 2 1 3 2 2 3 4 1 1 2 3 4 1 2 3 4 1 2 3 1 2 3 4 5 6 1 2 1 2 1 2 3 1 2 3 4 5 1 2 3 4 5 6 7 8 9 10 11 12 13 14 2 3 4 1 1 2 3 1 2 1 2 3 1 2 1 2 1 2 1 2 1 2 1 2 1 2 1 2 1 2 1 2 1 2 1 2 1 2 1 2 1 2 S3 BLACK BLACK S5 S6 S7 S8 S4 (1RZ-E, 1KZ-TE) BLACK (3RZ-FE, 2RZ-FE) BLACK T1 T1 T3 T4 DARK GRAY T5 BLACK BLACK DARK GRAY BLACK BROWN BLUE (∗12) BLACK T6 T7 T8 U1 V1 V2 V3 V4 V5 V6 (∗11) BLUE V6 ∗11 : LHD Europe 2L-T A/T ∗12 : LHD Except Europe 2L-T A/T (RHD) BROWN GREEN BLACK BROWN (1KZ-TE, 2L) BROWN V6 V7 V8 V9 V10 GRAY S9 (2L-T) BLACK V10 BROWN GRAY BLACK BROWN V11 V12 V13 V14 CLICK HERE TO VIEW CHAPTER INDEX Pages From Supplement CLICK HERE TO VIEW CHAPTER INDEX TO MODEL INDEX EWD378F
  • 108.
    HILUX (EWD378F) 113 F 1 21 2 1 2 1 2 1 1 2 3 4 (1RZ-E, 5L, 2L-T, 2L) GREEN BLUE GRAY GRAY (3RZ-FE, 2RZ-FE, 1KZ-TE) DARK GRAY BLACK V15 W1 W2 W3 W3 W4 CLICK HERE TO VIEW CHAPTER INDEX Pages From Supplement TO MODEL INDEX EWD378F
  • 109.
    H PART NUMBEROF CONNECTORS Code Part Name Part Number Code Part Name Part Number HILUX (EWD378F) Note: Not all of the above part numbers of the connector are established for the supply. Nota: Toutes les références du connecteur ne sont pas définies pour la fourniture. 150 A 1 A/C Dual Pressure SW 90980-11149 A 2 A/C Magnetic Clutch 90980-11271 A 3 A/T Fluid Temp. SW 90980-10706 A 4 ABS Actuator 90980-10891 A 5 ABS Actuator 90980-11413 A 6 ABS Speed Sensor Front LH 90980-11075 A 7 ABS Speed Sensor Front RH 90980-11075 A 8 ADD Indicator SW 90980-11250 A 9 Air Flow Meter 90980-11317 A10 Alternator 90980-11349 A11 Alternator - A12 Auto Antenna Motor 90980-11074 A13 A/C Amplifier 90980-10801 A14 A/C SW 90980-11280 A15 A/C Thermistor 90980-10825 A16 A/C Volume SW 90980-10214 A17 ABS Deceleration Sensor 90980-11182 A18 ABS ECU 90980-11565 A19 ABS ECU 90980-11390 A20 ADD Control Relay 90980-10173 A24 Airbag Squib (Front Passenger's Airbag Assembly) 90980-10850 A25 Airbag Squib (Steering Wheel Pad) 90980-10850 A26 Ashtray Illumination 90980-00308 A27 Auto Antenna Control Relay 90980-10799 A28 ABS Speed Sensor Rear LH 90980-11467 A29 ABS Speed Sensor Rear RH 90980-11467 A30 A/C Triple Pressure SW 90980-10943 A31 Accelerator Pedal Position Sensor 90980-11016 B 1 Back-Up Light SW 90980-11250 B 2 Brake Fluid Level Warning SW 90980-11207 B 3 Brake Vacuum Warning SW 90980-11252 B 4 Blower Motor 90980-10214 B 5 Blower Resistor 90980-10171 B 6 Blower SW 90980-10463 B 7 Buckle SW 90980-11212 C 1 Camshaft Position Sensor 90980-10947 C 2 Carburetor 90980-11037 C 3 Check Connector (3RZ-F, 1RZ, 5L, 3L, 2L, Except Europe) 90980-11195 C 3 Check Connector (3RZ-FE,2RZ-FE,Europe Diesel) 90980-11323 C 4 Crankshaft Position Sensor 90980-11016 C 5 Cigarette Lighter 90980-10760 C 6 Cigarette Lighter Illumination 90980-11148 C 7 Circuit Opening Relay 82602-35150 C 8 Clock 90980-11013 C 9 Combination Meter 90980-11113 C10 Combination Meter 90980-11114 C11 Combination Meter 90980-11115 C12 Combination SW 90980-11594 C13 Combination SW (LHD, RHD Europe) 90980-11672 C13 Combination SW (RHD Excepr Europe) 90980-11671 C14 Combination SW 90980-11616 C15 Crankshaft Position Sensor 90980-11162 C16 Center Airbag Sensor Assembly 90980-11873 C17 Center Airbag Sensor Assembly 90980-11872 C18 Center Airbag Sensor Assembly 90980-11871 C19 Condenser Fan Motor 1 90980 11237 C20 Condenser Fan Motor 2 90980-11237 D 1 Detection SW (Transfer 4WD Position) (w/ 2-4 SELECT SW) 90980-11250 D 1 Detection SW (Transfer 4WD Position) (w/o 2-4 SELECT SW) 90980-11581 D 2 Detection SW (Transfer L4 Position) 90980-11156 D 3 Daytime Running Light Relay 90980-10807 D 4 Diff. Lock ECU 90980-10801 D 5 Diff. Lock SW 90980-10631 D 6 Dim-Dip Light Relay 90980-10807 D 7 Diode (Door Courtesy) D 8 Diode (Glow Plug) 90980-11608 D 9 Diode (Idle-Up) D10 DLC3 90080-98010 Door Courtesy SW Front LH (Double Cab) 90980-11097 D11 Door Courtesy SW Front LH (Single Cab, Extra Cab) 90980-10433 Door Courtesy SW Front RH (Double Cab) 90980-11097 D12 Door Courtesy SW Front RH (Single Cab, Extra Cab) 90980-10433 D13 Detection SW (Rear Diff. Lock) 90980-11250 D14 Door Courtesy SW Rear LH 90980-11097 D15 Door Courtesy SW Rear RH 90980-11097 D16 Door Key Lock and Unlock SW 90980-11245 D17 Door Lock Control SW 90980-11013 D18 Door Lock Motor Front LH D19 Door Lock Motor Front RH 90980-11150 D20 Door Lock Motor Rear LH 90980-11150 D21 Door Lock Motor Rear RH D22 Door Speaker Front LH 90980-10935 D23 Door Speaker Front RH 90980-10935 D24 Door Speaker Rear LH 90980-10935 D25 Door Speaker Rear RH 90980-10935 BACK TO MAIN INDEX Pages From Supplement TO MODEL INDEX EWD378F
  • 110.
    H Code Part NamePart Number Code Part Name Part Number HILUX (EWD378F) Nota : No todos los números de las partes del conector indicados arriba están dispuestos para el suministro. Anmerkung: Nicht alle der obenerwähnten Teile-Nummern der Stecker werden für die Lieferung etabliert. 151 D26 Diode (O/D) 90980-11608 E 1 ECT Solenoid 90980-10919 E 2 Engine Oil Level Warning SW 90980-10532 E 3 Emission Control ECU (3RZ-F) 90980-10797 E 3 Emission Control ECU (1RZ) 90980-10807 E 4 Engine ECU (M/T) or Engine and ECT ECU (A/T) 90980-11390 E 5 Engine ECU (M/T) or Engine and ECT ECU (A/T) 90980-11391 E 6 Engine ECU (M/T) or Engine and ECT ECU (A/T) 90980-11392 E 7 Engine Speed Sensor 90980-11250 F 1 Front Clearance Light LH 90980-11149 F 2 Front Clearance Light RH 90980-11149 F 3 Front Side Turn Signal Light LH 90980-11162 F 4 Front Side Turn Signal Light RH 90980-11162 F 5 Front Turn Signal Light and Clearance Light LH 90980-10216 F 6 Front Turn Signal Light and Clearance Light RH 90980-10216 F 7 Front Turn Signal Light LH 90980-11019 F 8 Front Turn Signal Light RH 90980-11019 F 9 Fuel Heater 90980-10928 F10 Fuel Sedimentary SW 90980-11003 F11 4WD Control ECU 90980-10848 F12 Fuel Pump 90980-10843 F13 Fuel Sender 90980-10214 F14 First Gear Position SW 90980-10923 F15 Front Airbag Sensor LH 90980-11856 F16 Front Airbag Sensor RH 90980-11856 F17 Fuel Control Valve 90980-11349 F18 Fuel Temp. Sensor 90980-10737 G 1 Glow Plug - G 2 Glove Box Light 90980-11148 H 1 Headlight Beam Level Control Actuator LH 90980-10891 H 2 Headlight Beam Level Control Actuator RH 90980-10891 H 3 Headlight Cleaner Motor and Washer Motor 90980-10140 H 4 Headlight Cleaner Relay 90980-10939 H 5 Headlight LH 90980-11314 H 6 Headlight RH 90980-11314 H 7 Heated Oxygen Sensor (Bank 1 Sensor 1) 90980-11028 H 8 Heated Oxygen Sensor (Bank 1 Sensor 2) 90980-11028 H 9 Horn 90980-10619 H10 Hazard SW 90980-10801 H11 Headlight Beam Level Control SW 90980-10801 H12 Headlight Cleaner SW 90980-10601 I 1 Igniter 90980-11197 I 2 Ignition Coil and Igniter No.1 90980-11150 I 3 Ignition Coil and Igniter No.2 90980-11150 I 4 Ignition Coil No.1 90980-11038 I 5 Ignition Coil No.2 90980-11286 I 6 IIA 90980-11037 I 7 IIA 90980-11038 I 8 Intake Air Temp. Sensor 90980-11163 I 9 Injection Pump 90980-11157 I10 Injector No.1 (1RZ-E) 90980-11285 I10 Injector No.1 (3RZ-FE, 2RZ-FE) 90980-11153 I11 Injector No.2 (1RZ-E) 90980-11285 I11 Injector No.2 (3RZ-FE, 2RZ-FE) 90980-11153 I12 Injector No.3 (1RZ-E) 90980-11285 I12 Injector No.3 (3RZ-FE, 2RZ-FE) 90980-11153 I13 Injector No.4 (1RZ-E) 90980-11285 I13 Injector No.4 (3RZ-FE, 2RZ-FE) 90980-11153 I14 Intake Shutter 90980-11149 I15 ISC Valve 90980-11145 I16 Ignition Key Cylinder Light 90980-10908 I17 Ignition SW 90980-11615 I18 Integration Relay 90980-11121 I19 Integration Relay 90980-10799 I20 Interior Light 90980-10121 I21 Injection Pump Correction Resistor No.1 90980-11163 I22 Injection Pump Correction Resistor No.2 90980-11278 J 1 Junction Connector J 2 Junction Connector 90980-11661 J 3 Junction Connector (LHD) J 3 Junction Connector (RHD) 90980-10976 J 4 Junction Connector (LHD) 90980-11661 J 4 Junction Connector (RHD) 90980-11542 J 5 Junction Connector (LHD) 90980-11661 J 5 Junction Connector (RHD) 90980-11542 J 6 Junction Connector (LHD) 90980-11661 J 6 Junction Connector (RHD) 90980-11542 J 7 Junction Connector (LHD) 90980-10976 J 7 Junction Connector (RHD) 90980-11542 J 8 Junction Connector 90980-11542 J 9 Junction Connector (LHD) 90980-11542 J 9 Junction Connector (RHD) 90980-10803 J10 Junction Connector (LHD) 90980-11542 J10 Junction Connector (RHD) 90980-10803 J11 Junction Connector 90980-10803 CLICK HERE TO VIEW CHAPTER INDEX Pages From Supplement TO MODEL INDEX EWD378F
  • 111.
    H PART NUMBEROF CONNECTORS Code Part Name Part Number Code Part Name Part Number HILUX (EWD378F) Note: Not all of the above part numbers of the connector are established for the supply. Nota: Toutes les références du connecteur ne sont pas définies pour la fourniture. 152 J12 Junction Connector 90980-11542 J13 Junction Connector (LHD) 90980-11542 J13 Junction Connector (RHD) 90980-11661 J14 Junction Connector (LHD) 90980-11542 J14 Junction Connector (RHD) 90980-11661 J15 Junction Connector (LHD) 90980-10803 J15 Junction Connector (RHD) 90980-10976 J16 Junction Connector (LHD) 90980-10803 J16 Junction Connector (RHD) 90980-11661 J17 Junction Connector (RHD) 90980-11661 J18 Junction Connector (LHD) J19 Junction Connector (LHD) 90980-11542 J20 Junction Connector (LHD) J21 Junction Connector (LHD 2RZ-FE (Euope), 3RZ-FE, 2L, 2L-T) 90980-10803 J21 Junction Connector (LHD 2RZ-FE (General)) 90980-11542 J22 Junction Connector (LHD) 90980-10803 J23 Junction Connector (LHD) 90980-10976 J24 Junction Connector (LHD) 90980-11542 K 1 Knock Sensor 90980-11166 K 2 Kick Down SW 90980-11282 License Plate Light LH (w/ Rear Deck) 90980-11162 L 1 License Plate Light LH (w/o Rear Deck, Step Bumper Type) 90980-11248 License Plate Light RH (w/ Rear Deck) 90980-11162 L 2 License Plate Light RH (w/o Rear Deck, Step Bumper Type) 90980-11248 N 1 Neutral Start SW 90980-11332 N 2 Noise Filter 90980-10843 O 1 Oil Pressure SW (Diesel Except 1KZ-TE) 90980-10703 O 1 Oil Pressure SW (Gasoline, 1KZ-TE) 90980-11363 O 2 O/D Main SW 90980-11614 O 3 O/D Solenoid 90980-11156 O 4 O/D ECU 90980-10799 P 2 Parking Brake SW 90980-10825 P 3 Pre-Heating Timer (3L,2L) 90980-10799 P 3 Pre-Heating Timer (5L) 90980-10803 P 4 Personal Light 90980-10121 P 5 Power Window Control SW Front LH 90980-10789 P 6 Power Window Control SW Front RH 90980-10789 P 7 Power Window Control SW Rear LH 90980-10789 P 8 Power Window Control SW Rear RH 90980-10789 Power Window Master SW (Double Cab) 90980-10807 P 9 Power Window Master SW (Single Cab, Extra Cab) 90980-10997 P10 Power Window Motor Front LH P11 Power Window Motor Front RH 90980-10860 P12 Power Window Motor Rear LH 90980-10860 P13 Power Window Motor Rear RH P14 Pretensioner LH 90980-11862 P15 Pretensioner RH 90980-11862 R 1 Radio and Player 90980-10997 R 2 Radio and Player 90980-10998 R 3 Rear Fog Light SW 90980-11533 R 4 Rear Window Defogger SW 90980-11326 R 5 Rheostat 90980-10214 R 6 Rear Combination Light LH (w/ Rear Deck, Malta) 90980-10173 R 6 Rear Combination Light LH (w/o Rear Deck Except Malta) 90980-10162 R 7 Rear Combination Light RH (w/ Rear Deck, Malta) 90980-10173 R 7 Rear Combination Light RH (w/o Rear Deck Except Malta) 90980-10162 R 8 Rear Diff. Lock Motor 90980-11194 R 9 Rear Fog Light (w/ Rear Deck) 90980-11140 R 9 Rear Fog Light (w/o Rear Deck) 90980-11142 R10 Rear Window Defogger 90980-10359 R11 Rear Window Defogger 90980-10359 Remote Control Mirror LH (w/ Vent Window) 90980-11170 R12 Remote Control Mirror LH (w/o Vent Window) 90980-10907 R13 Remote Control Mirror RH (w/ Vent Window) 90980-11170 R13 Remote Control Mirror RH (w/o Vent Window) 90980-10907 R14 Remote Control Mirror SW 90980-11450 R15 Reverse Warning Buzzer 90980-11250 R16 Rear Speaker LH 90980-10935 R17 Rear Speaker RH 90980-10935 S 1 Speed Sensor (ECT) 90980-11156 S 2 Starter (Diesel) 90980-11184 S 2 Starter (Gasoline) 90980-11400 S 3 Starter - S 4 Stop Light SW 90980-11118 S 5 Seat Heater (Driver's Seat) 90980-10908 S 6 Seat Heater (Front Passenger's Seat) 90980-10908 S 7 Seat Heater SW (Driver's Seat) 90980-10795 S 8 Seat Heater SW (Front Passenger's Seat) 90980-11090 S 9 Spill Control Valve 90980-11286 CLICK HERE TO VIEW CHAPTER INDEX Pages From Supplement TO MODEL INDEX EWD378F
  • 112.
    H Code Part NamePart Number Code Part Name Part Number HILUX (EWD378F) Nota : No todos los números de las partes del conector indicados arriba están dispuestos para el suministro. Anmerkung: Nicht alle der obenerwähnten Teile-Nummern der Stecker werden für die Lieferung etabliert. 153 Throttle Position Sensor (1RZ-E, 1KZ-TE) 90980-10711 T 1 Throttle Position Sensor (3RZ-FE, 2RZ-FE) 90980-11261 T 3 2-4 Select Motor 90980-11290 T 4 2-4 Select SW 90980-10355 T 5 Timing Control Valve 90980-11030 T 6 Turbo Pressure Sensor 90980-10845 T 7 Transponder Key Amplifier 90980-10789 T 8 Transponder Key Computer 90980-11556 U 1 Unlock Warning SW 90980-10795 V 1 Vacuum Sensor 90980-10845 V 2 Vacuum SW 90980-11163 V 3 Variable Resistor 90980-10902 V 4 VSV (2WD, ADD) 90980-11149 V 5 VSV (4WD, ADD) 90980-11156 VSV (A/C Idle-Up) (Israel) 90980-10572 V 6 VSV (A/C Idle-Up) (LHD Except Israel) 90980-10214 VSV (A/C Idle-Up) (RHD) 90980-11149 V 7 VSV (EGR) 90980-11162 V 8 VSV (EVAP) 90980-11156 V 9 VSV (Throttle Position Control) 90980-11149 V10 VRV (EGR) 90980-11162 V11 VSV (BACS) 90980-11149 V12 VSV (EGR) 90980-11156 V13 VSV (Intake Constrictor Control No.1) 90980-11149 V14 VSV (Intake Constrictor Control No.2) 90980-11156 V15 VSV (Turbo Pressure Sensor) 90980-11156 W 1 Washer Motor 90980-11250 W 2 Water Temp. Sender 90980-11428 W 3 Water Temp. Sensor 90980-10737 W 4 Wiper Motor 90980-10171 CLICK HERE TO VIEW CHAPTER INDEX Pages From Supplement TO MODEL INDEX EWD378F
  • 113.
    SYSTEM INDEX 154 HILUX (EWD378F) SYSTEMS LOCATION SYSTEMS LOCATION ABS 22-2 . . . . . . . . . . . . . . . . . . . . . . . . . . . . . . . . . . . . . . . . . . . . . . . . . . . . . . Air Conditioner (Except Israel) 26-2 . . . . . . . . . . . . . . . . . . . . . . . . . . . . . . . Air Conditioner (Israel) 29-2 . . . . . . . . . . . . . . . . . . . . . . . . . . . . . . . . . . . . . . Back-Up Light 12-4 . . . . . . . . . . . . . . . . . . . . . . . . . . . . . . . . . . . . . . . . . . . . . Carburetor 6-2 . . . . . . . . . . . . . . . . . . . . . . . . . . . . . . . . . . . . . . . . . . . . . . . . . . Charging (Diesel) 3-3 . . . . . . . . . . . . . . . . . . . . . . . . . . . . . . . . . . . . . . . . . . . . Charging (Gasoline) 1-3 . . . . . . . . . . . . . . . . . . . . . . . . . . . . . . . . . . . . . . . . . Cigarette Lighter 18-3 . . . . . . . . . . . . . . . . . . . . . . . . . . . . . . . . . . . . . . . . . . . Clock 18-3 . . . . . . . . . . . . . . . . . . . . . . . . . . . . . . . . . . . . . . . . . . . . . . . . . . . . . Combination Meter 25-2 . . . . . . . . . . . . . . . . . . . . . . . . . . . . . . . . . . . . . . . . . Door Lock Control 16-2 . . . . . . . . . . . . . . . . . . . . . . . . . . . . . . . . . . . . . . . . . . ECT (3RZ-FE) 28-3 . . . . . . . . . . . . . . . . . . . . . . . . . . . . . . . . . . . . . . . . . . . . . Emission Control (Europe) 27-2 . . . . . . . . . . . . . . . . . . . . . . . . . . . . . . . . . . . Emission Control (General) 6-3 . . . . . . . . . . . . . . . . . . . . . . . . . . . . . . . . . . . Engine Control (3RZ-FE, 2RZ-FE) 5-2 . . . . . . . . . . . . . . . . . . . . . . . . . . . . Engine Immobiliser System (2RZ-FE) 5-8 . . . . . . . . . . . . . . . . . . . . . . . . . . Engine Immobiliser System (Europe 2L, 2L-T) 27-5 . . . . . . . . . . . . . . . . . Front Wiper and Washer 20-3 . . . . . . . . . . . . . . . . . . . . . . . . . . . . . . . . . . . . Fuel Heater 2-3 . . . . . . . . . . . . . . . . . . . . . . . . . . . . . . . . . . . . . . . . . . . . . . . . . Glow Plug (General 2L, 3L) 7-2 . . . . . . . . . . . . . . . . . . . . . . . . . . . . . . . . . . . Headlight (w/ Daytime Running Light) 8-2 . . . . . . . . . . . . . . . . . . . . . . . . . . Headlight (w/o Daytime Running Light) 9-2 . . . . . . . . . . . . . . . . . . . . . . . . . Headlight Beam Level Control 10-2 . . . . . . . . . . . . . . . . . . . . . . . . . . . . . . . . Headlight Cleaner 11-2 . . . . . . . . . . . . . . . . . . . . . . . . . . . . . . . . . . . . . . . . . . Horn 18-4 . . . . . . . . . . . . . . . . . . . . . . . . . . . . . . . . . . . . . . . . . . . . . . . . . . . . . . Ignition (1RZ) 4-2 . . . . . . . . . . . . . . . . . . . . . . . . . . . . . . . . . . . . . . . . . . . . . . . Ignition (3RZ-F) 4-3 . . . . . . . . . . . . . . . . . . . . . . . . . . . . . . . . . . . . . . . . . . . . . Ignition (3RZ-FE, 2RZ-FE) 3-2 . . . . . . . . . . . . . . . . . . . . . . . . . . . . . . . . . . . Illumination 15-2 . . . . . . . . . . . . . . . . . . . . . . . . . . . . . . . . . . . . . . . . . . . . . . . . Interior Light 14-2 . . . . . . . . . . . . . . . . . . . . . . . . . . . . . . . . . . . . . . . . . . . . . . . Light Reminder Buzzer, Key Reminder and Seat Belt Warning 18-2 . . . . Overdrive (Israel) 27-7 . . . . . . . . . . . . . . . . . . . . . . . . . . . . . . . . . . . . . . . . . . . Power Source 1~29-1 . . . . . . . . . . . . . . . . . . . . . . . . . . . . . . . . . . . . . . . . . . . . Power Window 17-2 . . . . . . . . . . . . . . . . . . . . . . . . . . . . . . . . . . . . . . . . . . . . . Radio and Player 24-3 . . . . . . . . . . . . . . . . . . . . . . . . . . . . . . . . . . . . . . . . . . . Rear Differential Lock 19-2 . . . . . . . . . . . . . . . . . . . . . . . . . . . . . . . . . . . . . . . Rear Fog Light 3-3 . . . . . . . . . . . . . . . . . . . . . . . . . . . . . . . . . . . . . . . . . . . . . . Rear Window Defogger 20-2 . . . . . . . . . . . . . . . . . . . . . . . . . . . . . . . . . . . . . Remote Control Mirror 24-2 . . . . . . . . . . . . . . . . . . . . . . . . . . . . . . . . . . . . . . Seat Heater 11-3 . . . . . . . . . . . . . . . . . . . . . . . . . . . . . . . . . . . . . . . . . . . . . . . SRS 23-2 . . . . . . . . . . . . . . . . . . . . . . . . . . . . . . . . . . . . . . . . . . . . . . . . . . . . . . Starting (Diesel) 2-2 . . . . . . . . . . . . . . . . . . . . . . . . . . . . . . . . . . . . . . . . . . . . . Starting (Gasoline) 1-2 . . . . . . . . . . . . . . . . . . . . . . . . . . . . . . . . . . . . . . . . . . Stop Light 9-3 . . . . . . . . . . . . . . . . . . . . . . . . . . . . . . . . . . . . . . . . . . . . . . . . . . Taillight 12-2 . . . . . . . . . . . . . . . . . . . . . . . . . . . . . . . . . . . . . . . . . . . . . . . . . . . Turn Signal and Hazard Warning Light 13-2 . . . . . . . . . . . . . . . . . . . . . . . . 4WD 21-2 . . . . . . . . . . . . . . . . . . . . . . . . . . . . . . . . . . . . . . . . . . . . . . . . . . . . . . I OVERALLELECTRICAL WIRING DIAGRAM BACK TO MAIN INDEX Pages From Supplement TO MODEL INDEX EWD378F
  • 114.
    HILUX (EWD378F) 158 I OVERALLELECTRICAL WIRING DIAGRAM ;;;;;;; ;;;;;;; ;;;;;;; ;;;;;;;; ;;;;;;;; ;;;;;;;; ;;;;;;;; ;;;;;;;; ;;;;;;;; ;;;;;;;; ;;;;;;;; ;;;;;;;; ;;;;;;;; 1 2 3 4 1 HILUX ( LHD ) 2 80A ALT 7. 5A ALT–S 40A AM1 30A AM2 2 2 2 2 2 ACC IG1 IG2 ST2 AM1 4 6 8 7 A M 2 1I 1 1H 1 2 7. 5A STA 2 2 1 3 5 2 2 2 2 3 E G 1 1 A 1 B P–B (∗2) B–W B–W EB Front left fender apron A B A A A A 1 2 1 1 1 2 2 2 2 1 W B–R(∗4) B–L(∗5) W–B (∗2) W–B W–B (∗1) BATTERY STARTER RELAY W W–R W W–R W W W W B B–R R W W–R B B–R I17 IGNITION SW P o w e r S o u rc e S ta rtin g (G a s o lin e ) C h a rg in g (G a s o lin e ) 3 A S 1 B 2 A 1 A B IG L 2 E G 1 6 E G 1 5 E G 1 C A B B D B D B D B E A A A B B B B A A 1D 1 10A IGN 10A GAUGE 1J 1 1H 5 1 H 6 (∗1) (∗2) (∗1) (∗2) 1 B W R–L Y–B R–L Y–B W–R R–L Y–B Y–B Y–B Y–B (∗3) (∗2) To Daytime Running Light Relay<8–3> To Carburetor <6–2> 9 A R–L B–W W–R W B–W R B–R B–R R W W–R S 2 S 3 , STARTER A B ∗ 1 : 2RZ–FE, 3RZ–FE JUNCTION CONNECTOR A B J 9 J12 , CHARGE WARNING LIGHT [COMB. METER] B A C 9 C10 , JUNCTION CONNECTOR B A J 1 J 2 , J 3 J 4 , JUNCTION CONNECTOR A B A10 A11 , ALTERNATOR A B JUNCTION CONNECTOR B A J 1 J 2 , ∗ 5 : Except Cold Area Spec. ∗ 4 : Cold Area Spec. ∗ 3 : w/ Daytime Running Light ∗ 2 : 1RZ, 3RZ–F 6 I A 2 IA1 19 C A A B D D 6 5 P N 8 I J 4 3 I J 4 To Engine and ECT ECU <28–2> P–B P–B (∗7) (∗7) To Engine ECU(M/T) or Engine and ECT ECU <5–5> N 1 NEUTRAL START SW J24 JUNCTION CONNECTOR P–B P–B V–Y V–Y V–Y P–B (∗7) (∗7) (∗7) (∗7) (∗7) (∗6) P–B V–Y P–B (∗1) (∗1) (∗7) V–Y (∗7) D (∗6) (∗7) J 3 J 4 , JUNCTION CONNECTOR A B B B J 3 JUNCTION CONNECTOR ∗ 7 : 3RZ–FE ∗ 6 : 2RZ–FE CLICK HERE TO VIEW CHAPTER INDEX Pages From Supplement TO MODEL INDEX EWD378F
  • 115.
    HLUX (EWD378F) 159 I ;;;;;;; ;;;;;;; ;;;;;;; ;;;;;;;; ;;;;;;;; ;;;;;;;; ;;;;;;;; ;;;;;;;; ;;;;;;;; ;;;;;;;; ;;;;;;;; ;;;;;;;; ;;;;;;;; 1 2 3 4 2 HILUX ( LHD ) 2 100A ALT(∗4) 80AALT(∗5) 7. 5A ALT–S 40A AM1 20A AM2 2 2 2 2 2 ACC IG1 IG2 ST2 AM1 4 6 8 7 A M 2 1I 1 1H 1 2 7. 5A STA 2 4 3 2 1 4 4 4 4 1 EE1 1 A 1 B P–B P–B B–W B–W EB Front left fender apron 1 2 1 1 1 2 2 2 2 1 W B–R W–B BATTERY ST RLY W W–R W W–R W W W W B B–R R W W–R W–R W R B–R B B–R I17 IGNITION SW P o w e r S o u rc e S ta rtin g (D ie s e l) C h a rg in g (D ie s e l) ∗ 5 : 45A, 55A Type Alternator ∗ 4 : 70A Type Alternator ∗ 3 : w/ Daytime Running Light 3 A S 1 B 2 A 1 A B IG L C A B B D B D B D B E A A A B B B B A A 1D 1 10A IGN 10A GAUGE 1J 1 1H 5 1 H 6 (∗1) (∗2) (∗1) (∗2) 1 B R–L Y–B W–R R–L Y–B Y–B Y–B Y–B (∗3) To Daytime Running Light Relay<8–3> To Pre–Heating Timer <7–3> 9 A R–L B–W W–R W B–W R B–R A B A A A A W–B 1 2 R W–B W–B F u e l H e a te r (∗2) A B W–B (∗1) S 2 S 3 , STARTER A B A10 A11 , ALTERNATOR A B JUNCTION CONNECTOR A B J 9 J12 , CHARGE WARNING LIGHT [COMB. METER] B A C 9 C10 , J 3 J 4 , JUNCTION CONNECTOR A B ∗ 1 : Europe ∗ 2 : Except Europe B B J 3 JUNCTION CONNECTOR (∗2) (∗2) C A A B A B 19 IA1 8 IJ2 6 5 P N 5 I J 2 F 9 FUEL HEATER To Emission Control ECU<27–3> To Emission Control ECU<27–4> P–B P–B P–B V–Y P–B P–B V–Y P–B P–B P–B V–Y V–Y P–B (A/T) (A/T) (A/T) (A/T) (A/T) (∗1) (M/T) (M/T) (∗1) (A/T) (A/T) (A/T) (M/T) JUNCTION CONNECTOR B A J 1 J 2 , W–B N 1 NEUTRAL START SW J 3 J 4 , JUNCTION CONNECTOR A B J 3 JUNCTION CONNECTOR D D JUNCTION CONNECTOR B A J 1 J 2 , CLICK HERE TO VIEW CHAPTER INDEX Pages From Supplement TO MODEL INDEX EWD378F
  • 116.
    HILUX (EWD378F) 160 I OVERALLELECTRICAL WIRING DIAGRAM ;;;;;;;;; ;;;;;;;;; ;;;;;;;;; ;;;;;;;;; ;;;;;;;;; 1 2 3 4 3 HILUX ( LHD ) 2 100A ALT(∗3) 80A ALT(∗4) 30A AM2 40A AM1 2 2 1I 1 7. 5A ECU–B 1B 11 7 I G 2 ST2 AM2 6 12 IJ4 B A B B ED Intake manifold EC Ignition coil bracket 1 1 1 2 2 3 4 4 2 3 2 2 2 1 1 1 I17 IGNITION SW I 2 IGNITION COIL AND IGNITER NO. 1 I 3 IGNITION COIL AND IGNITER NO. 2 BATTERY W W L–B W–R BR BR BR BR B–Y B–L L–W B–Y B–R B–R B–R B–R B–R B–R L–B To Engine ECU(M/T) or Engine and ECT ECU(A/T) <5–7> To Engine ECU(M/T) or Engine and ECT ECU(A/T) <5–7> II Cowl side panel RH IG Cowl side panel LH BC1 5 10 BC1 7 1 10 A A A A A 6 A A 5 4 3 A A A W–B W–B W–B Y–G J19 JUNCTION CONNECTOR J14 JUNCTION CONNECTOR J 7 JUNCTION CONNECTOR C10 REAR FOG LIGHT INDICATOR LIGHT [COMB. METER] R 3 REAR FOG LIGHT SW J23 JUNCTION CONNECTOR L–B L–B R–W L–W Y–G Y–G Y–G W–B W–B W–B W–B W–B W–B From Daytime Running Light Relay(∗1)<8–4> From HEAD Relay(∗2) <9–2> To Combination SW <8–4><9–1> ∗ 1 : w/ Daytime Running Light ∗ 2 : w/o Daytime Running Light ∗ 3 : 70A Type Alternator ∗ 4 : 45A, 55A Type Alternator W–B R 9 REAR FOG LIGHT P o w e r S o u rc e Ig n itio n (3 R Z – F E , 2 R Z – F E ) R e a r F o g L ig h t N 2 NOISE FILTER +B IGT IGF GND +B GND IGT IGF B H R L H L E 2 1 J 3 J 4 , JUNCTION CONNECTOR A B C B (∗6) A A (∗5) A A (∗5) C B (∗6) ∗ 5 : Except Europe 2L, 2L–T ∗ 6 : Europe 2L, 2L–T J18 A , B JUNCTION CONNECTOR CLICK HERE TO VIEW CHAPTER INDEX Pages From Supplement TO MODEL INDEX EWD378F
  • 117.
    HLUX (EWD378F) 161 I 1 2 3 4 4 HILUX ( LHD ) Ig n itio n (3 R Z – F ) 2 30A AM2 2 7 I G 2 ST2 AM2 6 B A B B 10 IJ5 4 I J 1 D D 4 2 1 W 1 2 BATTERY J 9 JUNCTION CONNECTOR B–L B B BB B To Tachometer [Comb. Meter] < 25–1> I 6 IIA To Emission Control ECU <6–3> B–R (1RZ) W–R W–R B–R B–R B–R (3RZ–F) I17 IGNITION SW P o w e r S o u rc e Ig n itio n (1 R Z ) EE Cylinder block right side Y L 1 5 4 2 6 3 4 I J 1 D D D B–R (3RZ–F) B–R (3RZ–F) B–R (3RZ–F) L BR B–L B B B B B B I 1 IGNITER J 9 JUNCTION CONNECTOR I 4 IGNITION COIL NO. 1 I 5 IGNITION COIL NO. 2 (Shielded) To Emission Control ECU <6–3> To A/C Amplifier <26–4> To Tachometer [Comb. Meter] <25–1> B C P + P – IGV EX 1 2 2 1 J 3 J 4 , JUNCTION CONNECTOR A B (3RZ–F) CLICK HERE TO VIEW CHAPTER INDEX Pages From Supplement TO MODEL INDEX EWD378F
  • 118.
    HILUX (EWD378F) 162 I OVERALLELECTRICAL WIRING DIAGRAM ;;;;;;;;; ;;;;;;;;; ;;;;;;;;; ;;;;;;;;; ;;;;;;;;; ;;;;;;;;; ;;;;;;;; ;;;;;;;; ;;;;;;;; ;;;;;;;; ;;;;;;;;; ;;;;;;;;; ;;;;;;;;; ;;;;;;;;; ;;;;;;;;; 1 2 3 4 5 HILUX ( LHD ) ( Cont. next page ) 2 ACC IG1 IG2 ST2 AM1 4 6 8 7 A M 2 1B 11 2 2 2 2 2 1I 1 1J 8 10A IGN 1H 6 B A B A B B 12 IJ4 1 2 1 2 1 2 1 2 1 3 5 2 1 M 2 2 1 H 5 2 2 1B 7 12 BC1 7 IJ4 5 B 13 C 4 I J 1 IG Cowl side panel LH ED Intake manifold II Cowl side panel RH EB 1 B C 1 Y GR–L B R B–W R B–R B B–R W–B (∗2) W–B R–L R–L R V(∗2 ∗5) R–W R–L V–G Y D C 13 9 16 A A A A A D A A GR–L R–W BR G–W W–B G–Y R–L W–B W–B W–B W–B W–B W–B R–L R–L R–L R–L V–G GR–L BR W–B W R–L R W L B–R B–R W W–R W GR–L Y I11 INJECTOR NO. 2 I12 INJECTOR NO. 3 I13 INJECTOR NO. 4 I10 INJECTOR NO. 1 30A AM2 80A ALT 15A EFI 7. 5A OBD 40A AM1 BATTERY (∗2) (∗1) A J 7 JUNCTION CONNECTOR (∗1) W–B F12 FUEL PUMP J 1 JUNCTION CONNECTOR B(∗5) R–Y R–L R–L D10 DLC3 C 7 CIRCUIT OPENING RELAY J14 JUNCTION CONNECTOR From ABS ECU <22–4> J 8 JUNCTION CONNECTOR J12 JUNCTION CONNECTOR EFI RELAY To Check Connector <22–4><23–3> P o w e r S o u rc e E n g in e C o n tro l (3 R Z – F E , 2 R Z – F E ) ∗ 6 : 3RZ–FE ∗ 5 : 2RZ–FE I17 IGNITION SW B–R B–R B–R B–R 10A GAUGE 4 1 1 4 2 2 2 2 2 1 1 1 1 1 2 5 2 1 3 5 I A 2 IA1 22 2 I A 2 IA1 26 (∗5) (∗6) (∗5) (∗6) D R–W BAT OP5 OP8 OP9 OP1 CG G–W CHECK ENGINE WARNING LIGHT [COMB. METER] C B C10 C11 , C R R(∗3) From Center Airbag Sensor Assembly<23–3> C C C J20 JUNCTION CONNECTOR 7. 5A ECU–B 1H 1 Front left fender apron B–R JUNCTION CONNECTOR B A J 3 J 4 , J21 JUNCTION CONNECTOR 1D 1 J23 JUNCTION CONNECTOR R–L 11 OP6 L–Y (∗3) 15 C 8 C 12 C 5 C 16 C 14 C 11 A 25 A 24 A 12 A R–L R W L G–Y R(∗3) SIL FC # 20 # 30 # 40 # 10 TAC +B TC W B B A A J19 JUNCTION CONNECTOR G From Center Airbag Sensor Assembly<23–3> 6 A/B P–B To Tachometer [Comb. Meter] <25–1> 7 SIL C C C CFrom ABS ECU <22–3> J20 JUNCTION CONNECTOR (Shielded) V V V V(∗1 ∗5) V(∗6) V(∗2 ∗5) V(∗6) R(∗4) R(∗4) R(∗3) L–Y L–B ∗ 4 : w/o SRS ∗ 3 : w/ SRS ∗ 2 : Except Europe ∗ 1 : Europe B–W R–L (∗1 ∗5) V–G R–L R–W V(∗2 ∗5) E 4 E 5 , ENGINE ECU(M/T) OR ENGINE AND ECT ECU(A/T) A B E 6 C V A B C D L–B B–W Y B E F B(∗5) R–L From Center Airbag Sensor Assembly <23–4> To Check Connector <23–4> (∗1 ∗5) (∗1 ∗5) (∗1 ∗5) V (∗1 ∗5) CLICK HERE TO VIEW CHAPTER INDEX Pages From Supplement CONTINUED TO MODEL INDEX EWD378F
  • 119.
    HLUX (EWD378F) 163 I 5 6 7 8 5 HILUX ( LHD ) ( Cont' d ) 7. 5A STA 4 I J 4 1 3 I J 4 2 1 1 1 C 1 C 4 C 9 C 2 1 C 1 0 C 1 3 C 2 A 6 B 8 B 5 B 1 4 B 2 2 C A A B 2 1 2 1 ED Intake manifold 1 3 B 5 A 1 7 A 4 A 1 4 A 1 3 A 2 6 A 2 0 A 1 6 A 1 9 A 1 B 11 B 4 B 2 B 3 B 10 B 9 A 10 A 8 A 2 1 2 1 1 3 2 3 3 1 1 2 4 2 4 3 2 5 2 4 3 1 3 1 LG–B LG–B R–L R–L R–L B–W B–R W–L Y–R Y–G P–L G–R Y G–Y GR B G R G W BR BR BR W–B W–B B–L B–YB–Y B–Y L–W BR BR P–B(∗5) Y G–O L–B L–Y R–B G–W B G–B R(∗5) R–W(∗5) B BR(∗5) R–L(∗5) BR R–L B R–L Y–B B B(∗5) R–L R–L B(∗5) R–L R–L BR (Shielded) (Shielded) (Shielded) (Shielded) (Shielded) H 8 HEATED OXYGEN SENSOR (Bank 1 Sensor 2) H 7 HEATED OXYGEN SENSOR (Bank 1 Sensor 1) Y P–B To A/C Amplifier <26–4> From Speed Sensor [Comb. Meter]<25–2> From Stop Light SW<9–4> To ADD Indicator SW (w/ ADD Indicator SW)<21–3> To Detection SW (Transfer 4WD Position) (w/o ADD Indicator SW)<21–3> R–L R–L LG–B V 8 VSV(EVAP) I15 ISC VALVE A 9 AIR FLOW METER T 1 THROTTLE POSITION SENSOR W 3 WATER TEMP. SENSOR (Shielded) (Shielded) (Shielded) From Ignition Coil and Igniter No. 2 <3–2> From Ignition Coil and Igniter No. 1 <3–1> K 1 KNOCK SENSOR C 1 CAMSHAFT POSITION SENSOR C 4 CRANKSHAFT POSITION SENSOR ENGINE ECU(M/T) OR ENGINE AND ECT ECU(A/T) E n g in e C o n tro l (3 R Z – F E , 2 R Z – F E ) V 7 VSV(EGR) 1 2 EGR OX1 HT1 OX2 HT2 STA BATT STP SPD ACT AC1 4WD KNK G2+ NE – NE+ E1 E01 E02 IGT1 IGF IGT2 VC VTA THW VG THA E3 RSC RSO EVP 1 I A 2 IA1 14 (∗5) (∗6) +B E1 +B E1 OX HT OX HT VC VTA E2 9 B LG–B E2 LG–B LG–B J 3 J 4 , JUNCTION CONNECTOR A B , E 5 E 4 A B C 1 , E 6 A B G L–B B–W L–Y From Neutral Start SW<1–3> 6 C 7 C 2 C From Diode(Idle–Up) <12–2> A A C C TRANSPONDER KEY COIL To Diode(Door Courtesy) <14–3> To Unlock Warning SW <18–3> A A II Cowl side panel RH A J19 JUNCTION CONNECTOR J23 JUNCTION CONNECTOR (∗5) (∗5) (∗5) J18 JUNCTION CONNECTOR T 7 TRANSPONDER KEY AMPLIFIER J12 JUNCTION CONNECTOR T 8 TRANSPONDER KEY COMPUTER G–B G–R O(∗6) G–B G–R B–W L–B V V–W V–Y V–G V–R L–Y B–L P–B W–B W–B 10 11 2 1 6 12 4 5 13 1 2 3 4 5 3 8 9 1 4 D CTY KSW GND ELS IMO IMI EFII EFIO IG +B VC5 AGND CODE RXCK TXCT VC5 AGND CODE RXCK TXCT ANT1 ANT2 L–B B–W E n g in e Im m o b ilis e r S y s te m (2 R Z – F E ) V–Y(∗6) ∗ 5 : 2RZ–FE ∗ 6 : 3RZ–FE (∗5) C D E F CLICK HERE TO VIEW CHAPTER INDEX Pages From Supplement TO MODEL INDEX EWD378F
  • 120.
    HILUX (EWD378F) 164 I OVERALLELECTRICAL WIRING DIAGRAM ;;;;;;;;;; ;;;;;;;;;; ;;;;;;;;;; ;;;;;;;;;; ;;;;;;;;;; 1 2 3 4 6 HILUX ( LHD ) 2 30A AM2 2 7 I G 2 ST2 AM2 6 1H 6 10A IGN 1D 1 5 I J 3 1 2 4 2 I J 1 B B B B P o w e r S o u rc e C a rb u re to r FUEL CUT SOLENOID OUTER VENT CONTROL VALVE CHOKE HEATER C 2 CARBURETOR BATTERY W B–W B–W B–W B–W Y–B B–W B–W Y–B B–W W–R W–R B–R B–R B–W J 9 JUNCTION CONNECTOR J 3 JUNCTION CONNECTOR I17 IGNITION SW From Alternator <1–4> 7 B 3 A 4 B 1 A 2 1 3 IJ1 5 I J 1 1 1 I J 5 3 B 1 2 B 6 A 14 B 5 A 2 B 4 A 1 B 2 A 13 B 11 B 9 B Cylinder block right side ED Intake manifold IG Cowl side panel LH II Cowl side panel RH 2 1 2 I J 5 1 I J 1 EO SPD TAC IGV IGB TP B–R B–W B–W B–W B–R B–R B–R L–Y L–B L–B L–Y (1RZ) (3RZ–F) (3RZ–F) (1RZ) V 9 VSV(Throttle Position Control) To A/C Amplifier <26–4> BR BR G–O G–O B B–L L G–R L W–B W–B W–B W–B W–B From IIA(1RZ) <4–1><4–2> From Igniter (3RZ–F)<4–4> From Speed Sensor [Comb. Meter] <25–2> V 2 VACUUM SW E m is s io n C o n tro l(G e n e ra l) To A/C Amplifier <26–4> (3RZ–F) (3RZ–F) (1RZ) (3RZ–F) (1RZ) BR (1RZ) A A A A A J 7 JUNCTION CONNECTOR J23 JUNCTION CONNECTOR J15 JUNCTION CONNECTOR EE AC1 ACT AUX VSW2 1 2 E 3 , EMISSION CONTROL ECU A B CLICK HERE TO VIEW CHAPTER INDEX Pages From Supplement TO MODEL INDEX EWD378F
  • 121.
    HLUX (EWD378F) 165 I ;;;;; ;;;;; ;;;;; ;;;;;;;;; ;;;;;;;;; ;;;;;;;;; ;;;;;;;;; ;;;;;;;;; ;;;;;;;;;; ;;;;;;;;;; ;;;;;;;;;; ;;;;;;;;;; ;;;;;;;;;; ;;;;;;;;;; 1 2 3 4 7 HILUX ( LHD ) 100A ALT(∗1) 80AALT(∗2) 2 20A AM2 40A AM1 80A GLOW, ABS 2 2 2 1H 1 1I 1 2 I G 1 IG2 ST2 AM1 4 6 8 7 A M 2 4 3 2 1 4 4 4 4 2 EE1 7. 5A STA 10A GAUGE 2 1 H 5 2 1 B 7 B A 5 B B B 1 A EB Front left fender apron 1 1 1 1 A 2 2 2 2 2 2 1 A 1 1 W W W W–R B–R B–R B–R P–B P–B B–R W–B B–Y B–Y W–B B–R B–R R–L R–L R–W B B I17 IGNITION SW SUB GLW RLY BATTERY G 1 GLOW PLUG J 1 JUNCTION CONNECTOR D 8 DIODE (Glow Plug) 11 IJ5 IJ5 R–W B–R 10A IGN 1H 6 1D 1 8 I J 2 3 I J 5 3 2 1 EF B–R IJ Right kick panel B–R B–W FUEL CUT SOLENOID PICK–UP SENSOR B B–W B–W Y–B BR R–W BR Y–B BR BR I 9 INJECTION PUMP To Tachometer [Comb. Meter] <25–1> From Alternator <2–4> P o w e r S o u rc e G lo w P lu g (G e n e ra l 2 L , 3 L ) ∗ 1 : 70A Type Alternator ∗ 2 : 45A, 55A Type Alternator SREL IG GIND EG CHG B–W 5 I A 2 B Rear side of cylinder block ACC JUNCTION CONNECTOR B A J 3 J 4 , GLOW INDICATOR LIGHT [COMB. METER] B A C 9 C10 , D D D J 9 JUNCTION CONNECTOR 1 3 8 7 2 1 I J 2 10 P 3 PRE–HEATING TIMER B B J 9 JUNCTION CONNECTOR A A J13 JUNCTION CONNECTOR 7 I J 2 BR B C C J13 JUNCTION CONNECTOR R CLICK HERE TO VIEW CHAPTER INDEX Pages From Supplement TO MODEL INDEX EWD378F
  • 122.
    HILUX (EWD378F) 166 I OVERALLELECTRICAL WIRING DIAGRAM ;;;;; ;;;;; ;;;;; ;;;;; ;;;;; ;;;;; ;;;; ;;;; ;;;; ;;;; ;;;; ;;;;;;;; ;;;;;;;; ;;;;;;;; ;;;;;;;; ;;;;;;;; ;;;;;;;; ;;;;;; ;;;;;; ;;;;;; ;;;;;; ;;;;;; ;;;;;; ;;;;;; 1 2 3 4 8 HILUX ( LHD ) 2 2 40A AM1 15A DOME 100A ALT(∗1) 80A ALT(∗2) 4 AM1 IG1 ACC 2 2 2 2 2 2 2 6 2 2 2 2 2 2 4 3 2 1 1 3 2 4 10A HEAD(LH) 2 2 2 1 1 1 10A HEAD(RH) 10A HEAD(RL) 10A HEAD(LL) EB Front left fender apron 1 1 2 2 3 3 13 10 7 2 A W–B 10A GAUGE D B A 8 10 D B A D 14 5 1 12 TAIL OFF HI LO HEAD FLASH LIGHT CONTROL SW DIMMER SW 8 C13 COMBINATION SW 7 1 3 16 IG Cowl side panel LH II Cowl side panel RH A From Rear Fog Light SW <3–4> W–B R–G R–G Y–B G–W R–W L–W L–W GR–R R R–L L–Y R–L L CHG HI HF H E R–G R–B G–W W–B W–B W–B W L–Y W W L–Y G W–G L–Y BATTERY HEAD RELAY DIMMER RELAY H 5 HEADLIGHT LH H 6 HEADLIGHT RH J23 JUNCTION CONNECTOR C10 HIGH BEAM INDICATOR LIGHT [COMB. METER] I17 IGNITION SW From Alternator <1–4><2–4> DIM H –LP IG +B D 3 DAYTIME RUNNING LIGHT RELAY P o w e r S o u rc e 4 J 8 JUNCTION CONNECTOR J18 JUNCTION CONNECTOR R–L 3 2 3 2 1 1 1 1 1J 7 1F 4 9 1J A B A A A A IA1 9 1F 8 1J 2 1H 5 1B 7 L–Y R R GR–R To Rear Fog Light SW <3–3> B B B L–W R–W R–W W–B A A A A A A A J19 JUNCTION CONNECTOR J14 JUNCTION CONNECTOR W–B W–B W–B W–B W–B W–B J 7 JUNCTION CONNECTOR H e a d lig h t (w / D a y tim e R u n n in g L ig h t) R R R R–B 1H 1 1I 1 13 1F 1J 12 W–B R R See Illumination System<15–1> 9 INTB 7 TOUT See Taillight System<12–1> 3 TAIL 2 T 1F 11 From Headlight Cleaner SW < 11–1> R–W J 1 J 2 , JUNCTION CONNECTOR A B ∗ 1 : 70A Type Alternator ∗ 2 : 45A, 55A Type Alternator ED HU HF T H HL CLICK HERE TO VIEW CHAPTER INDEX Pages From Supplement TO MODEL INDEX EWD378F
  • 123.
    HLUX (EWD378F) 167 I ;;;; ;;;; ;;;; ;;;; ;;;; ;;;;; ;;;;; ;;;;; ;;;;; ;;;;; ;;;;; ;;;;; 1 2 3 4 9 HILUX ( LHD ) 2 2 9 7 1 J 1J 7 3 1F 100A ALT(∗5) 80AALT(∗6) 1 2 10A STOP 10A HEAD (LH) A 4 8 1 F H 6 HEADLIGHT RH 2 1F 2 1 J 2 2 2 10A HEAD (RH) 1 2 3 4 1 2 3 1 2 3 IG Cowl side panel LH TAIL OFF HIGH LOW HEAD FLASH H T ED HF HL LIGHT CONTROL SW DIMMER SW HU 1 13 7 C13 COMBINATION SW 8 1 7 10 2 BATTERY HEAD RELAY J 7 JUNCTION CONNECTOR C10 HIGH BEAM INDICATOR LIGHT [COMB. METER] H 5 HEADLIGHT LH G–Y R–B R–B R–L R–W R–Y R–G R–G R–G W R–Y R–G R–Y W–B W–B 1 1 3 2 16 P o w e r S o u rc e H e a d lig h t (w /o D a y tim e R u n n in g L ig h t) 11 1F 2 R–W B B B From Rear Fog Light SW<3–4> To Rear Fog Light SW<3–3> R–W(∗10) R–W(∗10) R–W(∗9) R–W(∗9) R–W R–W(∗10) R–W(∗10) L–W R–W J18 JUNCTION CONNECTOR (∗9) (∗9) A A A A C B W–B A II Cowl side panel RH J23 JUNCTION CONNECTOR W–B W–B G–Y 1 2 G–Y G–Y G–W G–W G–W S 4 STOP LIGHT SW 3 I A 2 IA1 8 B A A B A B B A A B B A A (∗1) (∗2) (∗3) (∗4) (∗3) (∗4) To ABS ECU<22–6> To Engine ECU (M/T) or Engine and ECT ECU (A/T) <5–5> G–W G–W 3 B C1 G–W G–W 10 BC1 A II Cowl side panel RH J23 JUNCTION CONNECTOR W–B (∗7) R 6 STOP LIGHT LH [REAR COMB. LIGHT LH] R 7 STOP LIGHT RH [REAR COMB. LIGHT RH] S to p L ig h t ∗ 1 : Europe ∗ 2 : Except Europe ∗ 3 : 2RZ–FE, 3RZ–FE, Diesel Europe ∗ 4 : 1RZ, 3RZ–F, Diesel Except Europe ∗ 5 : 70A Type Alternator ∗ 6 : 45A, 55A Type Alternator ∗ 7 : w/ Rear Deck ∗ 8 : w/o Rear Deck B (∗8) 3 3 4 4 W–B W–B W–B ∗ 9 : w/ Rear Fog Light ∗10 : w/o Rear Fog Light G–W JUNCTION CONNECTOR B A J 3 J 4 , J21 J22 , JUNCTION CONNECTOR A B CLICK HERE TO VIEW CHAPTER INDEX Pages From Supplement TO MODEL INDEX EWD378F
  • 124.
    HILUX (EWD378F) 168 I OVERALLELECTRICAL WIRING DIAGRAM 1 2 3 4 10 HILUX ( LHD ) H e a d lig h t B e a m L e v e l C o n tro l 2 4 3 1 2 2 See Headlight System<8–1><9–1> 2 4 2 3 1 2 2 2 See Headlight System<8–1> 2 10A HEAD(RL)(∗1) 10A HEAD(RH)(∗2) 2 1 UP DOWN 8 2 DOWN RELAY 2 1 0 UP RELAY M 6 3 3 4 4 5 2 BATTERY HEAD RELAY R–L G G–W Y–B LG–R W–B W H 1 HEADLIGHT BEAM LEVEL CONTROL ACTUATOR LH R–B (∗1) G (∗1) L (∗1) R–W(∗2) L (∗1) R–W(∗2) L (∗1) R–W(∗2) DIMMER RELAY P o w e r S o u rc e 1 UP DOWN 8 2 DOWN RELAY 2 1 0 UP RELAY M 6 3 3 4 4 5 4 IA1 25 IA1 17 IA1 16 IA1 23 IA1 24 A B A A A A W–B IG Cowl side panel LH EB Front left fender apron E E A ∗ 1 : w/ Daytime Running Light ∗ 2 : w/o Daytime Running Light L (∗1) R–W(∗2) W–B H11 HEADLIGHT BEAM LEVEL CONTROL SW H 2 HEADLIGHT BEAM LEVEL CONTROL ACTUATOR RH R–L G G–W Y–B LG–R R–L G G–W Y–B LG–R LG–R Y–B G–W G R–L W–B R–L G G–W Y–B LG–R W–B W–B W–B W–B J 4 JUNCTION CONNECTOR J 7 JUNCTION CONNECTOR R–B (∗2) GND E F D C B J 1 J 2 , JUNCTION CONNECTOR A B 1 0 9 8 7 6 1 2 CLICK HERE TO VIEW CHAPTER INDEX Pages From Supplement TO MODEL INDEX EWD378F
  • 125.
    HLUX (EWD378F) 169 I ;;;;;;;;; ;;;;;;;;; ;;;;;;;;; ;;;;;;;;; ;;;;;;;;; ;;;;;;;;; ;;;;;;;;; ;;;;;;;;; ;;;;;;;;; ;;;;;;;;; ;;;;;;;;; ;;;;; ;;;;; ;;;;; 1 2 3 4 11 HILUX ( LHD ) S e a t H e a te r 2 100A ALT(∗1) 80A ALT(∗2) 1 40A AM1 1 2 2 2 1I 1 1H 1 2 ACC IG1 AM1 4 P o w e r S o u rc e H e a d lig h t C le a n e r 1H 5 20A WIPER 20A SEAT–HTR 1E 5 1 B 6 A A IA1 1 4 1 3 4 M II Cowl side panel RH 2 3 4 5 1 A A A A A A B–W W–B W–B W–B W–B W–B W–B W–B W H 4 HEADLIGHT CLEANER RELAY J19 JUNCTION CONNECTOR J23 JUNCTION CONNECTOR H 3 HEADLIGHT CLEANER MOTOR BATTERY A L–R W LG W W W R–W W R LG L LG W I17 IGNITION SW H12 HEADLIGHT CLEANER SW J21 JUNCTION CONNECTOR W IG Cowl side panel LH E A A E 1 1 2 3 3 2 4 1 1 2 3 3 2 4 L L L L S 7 SEATHEATER SW (Driver' s Seat) S 8 SEAT HEATER SW (Front Passenger' s Seat) S 5 SEAT HEATER (Driver' s Seat) S 6 SEAT HEATER (Front Passenger' s Seat) L–Y L–W L–Y L–W W–B W–B W–B W–B W–B J 7 JUNCTION CONNECTOR J 4 JUNCTION CONNECTOR LO LO HI HI HI E L O H I B LO LO HI HI HI E L O H I B To Daytime Running Light Relay<8–3> A A W–B J14 JUNCTION CONNECTOR ∗ 2 : 45A, 55A Type Alternator ∗ 1 : 70A Type Alternator W–B CLICK HERE TO VIEW CHAPTER INDEX Pages From Supplement TO MODEL INDEX EWD378F
  • 126.
    HILUX (EWD378F) 170 I OVERALLELECTRICAL WIRING DIAGRAM ;;;;; ;;;;; ;;;;; ;;;;; ;;;;; ;;;;; ;;;;;;;;;; ;;;;;;;;;; ;;;;;;;;;; ;;;;;;;;;; ;;;;;;;;;; ;;;;;;;;;; ;;;;;;;;;; 1 2 3 4 12 HILUX ( LHD ) 2 100A ALT(∗11) 80A ALT(∗12) 40A AM1 1 2 5 3 2 2 2 1H 1 1I 1 2 ACC IG1 AM1 4 2 10A TAIL 2 IA2 IA1 3 B A B A 16 14 TAIL HEAD OFF IG Cowl side panel LH EB Front left fender apron II Cowl side panel RH 3 B 1 A 3 B 1 A 2 A 2 B 2 A 2 B W TAIL RELAY D 3 DAYTIME RUNNING LIGHT RELAY (∗1) (∗2) (∗1) (∗2) (∗1) (∗2) (∗1) (∗2) L 1 LICENSE PLATE LIGHT LH L 2 LICENSE PLATE LIGHT RH C B C B 1J 6 1F 7 9 B C 1 A A A A A B 10 BC1 1 1 2 2 2 A A 1 2 (∗16) (∗17) I17 IGNITION SW J 7 JUNCTION CONNECTOR J23 JUNCTION CONNECTOR W B–Y R–Y R–Y R–Y(∗4) 3 (∗3) G–O (∗3) W–B W–B W–B W–B W–B W–B W–B (∗8) W–B (∗8) G (∗8) G (∗8) G G G G (∗8) W R G G B–Y R G G 1H 5 10A GAUGE 1B 7 1 F 2 IJ5 8 IJ4 10 1 2 9 I J 4 7 I J 5 7 B C 1 G (∗7) G (∗7) W–B (∗7) W–B (∗7) W–B W–B W–B (∗7) W G W (∗7) (∗7) (∗8) W (∗8) R W (∗6) W (∗7) W (∗8) G G R–L (∗10) R–L (∗10) R–L (∗5, ∗9, ∗15) R–L W W W (∗7) W–B W–B (∗6) W (∗7) W–B (∗5, ∗9, ∗15) (∗10) (∗5, ∗9, ∗15) (∗10) R15 REVERSE WARNING BUZZER J13 JUNCTION CONNECTOR C 2 C R 6 REAR COMBINATION LIGHT LH R 7 REAR COMBINATION LIGHT RH P o w e r S o u rc e T a illig h t B a c k – U p L ig h t ∗ 1 : Front Turn Signal Light and Clearance Light Separated Type ∗ 2 : Front Turn Signal Light and Clearance Light One Body Type ∗ 3 : w/ Daytime Running Light ∗ 4 : w/o Daytime Running Light ∗ 5 : Diesel Europe ∗ 6 : w/ Reverse Warning Buzzer ∗ 7 : w/ Rear Deck ∗ 8 : w/o Rear Deck ∗ 9 : 2RZ–FE ∗10 : 1RZ, 3RZ–F, Diesel Except Europe W–B W (∗8) BATTERY 9 TAIL T 1 1 2 2 ∗11 : 70A Type Alternator 2 5 2 5 3 3 BUZZER BACK–UP TAIL TAIL BACK–UP 1 G ∗12 : 45A, 55A Type Alternator LIGHT CONTROL SW FRONT CLEARANCE LIGHT LH B A F 1 F 5 , J 1 J 2 , JUNCTION CONNECTOR A B FRONT CLEARANCE LIGHT RH B A F 2 F 6 , C13 COMBINATION SW ∗13 : 3RZ–FE, 2L–T A/T 1 2 B B B O (∗15) G G (∗15) (∗15) (∗14) G (∗15) To Engine and ECT ECU < 5–7> J24 JUNCTION CONNECTOR D 9 DIODE (Idle–Up) ∗14 : Except 3PZ–FE ∗15 : 3RZ–FE ∗16 : Europe ∗17 : Except Europe 8 4 (∗13) (∗13) R–L W (∗14) (∗14) A A A (∗14) (∗15) W (∗15) W J24 JUNCTION CONNECTOR To Engine and ECT ECU <28–3> W (∗15) B 1 BACK–UP LIGHT SW N 1 BACK–UP LIGHT SW [NEUTRAL START SW] ED T H J 1 J 2 , JUNCTION CONNECTOR A B CLICK HERE TO VIEW CHAPTER INDEX Pages From Supplement TO MODEL INDEX EWD378F
  • 127.
    HLUX (EWD378F) 171 I ;;;;; ;;;;; ;;;;; ;;;;; ;;;;; ;;;;; ;;;;; ;;;;;;;; ;;;;;;;; ;;;;;;;; ;;;;;;;; ;;;;;;;;; ;;;;;;;;; ;;;;;;;;; ;;;;;;;;; ;;;;;;;;; ;;;;;;;;; ;;;;;;;;; ;;;;;;;;; ;;;;;;;;; ;;;;;; ;;;;;; ;;;;;; ;;;;;; ;;;;;; ;;;;;; ;;;;;; ;;;;;; ;;;;;; ;;;;;; ;;;;;; ;;;;;; ;;;;;; ;;;;;; ;;;;;; ;;;;;; ;;;;;; ;;;;;; ;;;;;; ;;;;;; ;;;;;; ;;;;;; ;;;;;; ;;;;;; ;;;;;; ;;;;;; ;;;;;; ;;;;;; ;;;;;; ;;;;;; ;;;;;; ;;;;;; ;;;;;; ;;;;;; ;;;;;; ;;;;;; ;;;;;; ;;;;;; ;;;;;; ;;;;;; ;;;;;; 1 2 3 4 13 HILUX ( LHD ) 2 F 1B 2 1I 1 10ATURN ON 15A HORN RH LH 40A AM1 B1 1B 10 4 1 B TB 4 TL AM1 IG1 ACC 2 1 1 H 1H 5 2 B2 OFF 8 1B 5 4 1 1 1 2 2 2 7 6 12 IG Cowl side panel LH 1F 1C 1 2 A 1A 2 1E 1 1A 1 1 J 11 1J 10 1 1D 7 2 G–B G–Y L–R 1 1E 4 RH 11 1D 6 2 1 2 1 1 2 J19 JUNCTION CONNECTOR 2 100A ALT(∗1) 80A ALT(∗2) 8 B C1 2 B C1 5 T u rn S ig n a l a n d H a z a rd W a rn in g L ig h t 3 2 1 3 II Cowl side panel RH A A 10 A BATTERY I17 IGNITION SW R TR TL TB TR H10 HAZARD SW TURN SIGNAL FLASHER C13 TURN SIGNAL SW [COMB. SW] W W L–W R–B L–W G–R L–R L–R G–B G–Y G–Y G–B W W–B G–Y J 7 JUNCTION CONNECTOR F 5(∗3) F 7(∗4) FRONT TURN SIGNAL LIGHT LH G–B G–B G–Y P o w e r S o u rc e 1J 3 11 1D L–W A B A B A A A A E B D A D A EB Front left fender apron IG Cowl side panel LH A J23 JUNCTION CONNECTOR J 7 JUNCTION CONNECTOR F 4 FRONT SIDE TURN SIGNAL LIGHT RH F 3 FRONT SIDE TURN SIGNAL LIGHT LH W–B W–B W–B W–B W–B W–B W–B W–B G–B W–B G–Y G–B (Except Europe) (Europe) (Europe) 1E 3 2 1 D G–B G–Y 1 2 LH C10 TURN SIGNAL INDICATOR LIGHT [COMB. METER] W–B W–B A A W–B W–B ∗ 1 : 70A Type Alternator ∗ 2 : 45A, 55A Type Alternator ∗ 3 : Front Turn Signal Light and Clearance Light One Body Type ∗ 4 : Front Turn Signal Light and Clearance Light Separated Type F 6(∗3) F 8(∗4) FRONT TURN SIGNAL LIGHT RH 10 BC1 1 1 W–B R 6 REAR TURN SIGNAL LIGHT LH [REAR COMB. LIGHT LH] W–B W–B W–B 3 3 R 7 REAR TURN SIGNAL LIGHT RH [REAR COMB. LIGHT RH] A JUNCTION CONNECTOR B A J 3 J 4 , JUNCTION CONNECTOR B A J 1 J 2 , CLICK HERE TO VIEW CHAPTER INDEX Pages From Supplement TO MODEL INDEX EWD378F
  • 128.
    HILUX (EWD378F) 172 I OVERALLELECTRICAL WIRING DIAGRAM ;;;;;;;;;; ;;;;;;;;;; ;;;;;;;;;; ;;;;;;;;;; ;;;;;;;;;; ;;;;;;;;;; ;;;;;;;;;; ;;;;;;;;;; ;;;;;;;;;; ;;;;;;;;;; ;;;;;;;;;; ;;;;;;;;;; ;;;;;;;;;; ;;;;;;;;;; ;;;;;;;;;; ;;;; ;;;; ;;;; ;;;; ;;;; ;;;; ;;;; ;;;; ;;;; ;;;; ;;;; ;;;;;; ;;;;;; ;;;;;; ;;;; ;;;; ;;;; ;;;; ;;;; ;;;; ;;;; ;;;; ;;;; ;;;; ;;;; ;;;; ;;;; ;;;; ;;;; ;;;; ;;;; ;;;; ;;;; ;;;; ;;;; ;;;; ;;;; ;;;; 1 2 3 4 14 HILUX ( LHD ) 2 15A DOME 100A ALT(∗16) 80A ALT(∗17) 40A AM1 2 2 1I 1 1H 1 2 ACC IG1 AM1 4 1H 5 10A GAUGE 1J 12 1D 10 1K 2 6 1 2 1 A 1 2 A 1 2 5 A 1F 1 1 A 5 1 K 1 9 A 9 BATTERY W J13(∗10) J16(∗9) JUNCTION CONNECTOR D11 DOOR COURTESY SW FRONT LH B–O(∗7) B–O(∗12) B–O(∗11) B–O(∗12) B–O(∗11) B–O(∗3) B(∗2) B–O(∗11) B–O (∗5) B–O (∗3) B(∗2) B (∗2) B–O(∗4) B–O(∗13) B–O L–Y (∗8) I16 IGNITION KEY CYLINDER LIGHT I17 IGNITION SW W W L–Y R B–L(∗1) L–Y L–Y (∗7) L–Y B–O (∗5) B–O (∗6) B–O (∗3) L–B (∗8) L–Y (∗8) P o w e r S o u rc e In te rio r L ig h t 2 2 DOOR OFF ON 1 5 4 2 1 1 1 1 I M 1 IC2 1 1 1 (∗14) (∗15) (∗14) (∗15) L–Y(∗7) L–Y L–Y L–Y L–Y (∗7) C 9 OPEN DOOR WARNING LIGHT [COMB. METER] P 4 PERSONAL LIGHT I20 INTERIOR LIGHT B–O (∗7) (∗13) B–O B–O(∗11) B–O(∗11) B–O(∗11) B–O(∗12) B–O(∗11) B–O(∗11) B–O(∗12) B–O(∗11) B–O(∗12) B–O(∗11) D14 DOOR COURTESY SW REAR LH D15 DOOR COURTESY SW REAR RH D 7 DIODE(Door Courtesy) ∗ 1 : Europe ∗ 2 : Europe Double Cab ∗ 3 : Europe Except Double Cab ∗ 4 : G. C. C. ∗ 5 : General Regular Cab ∗ 6 : General, ∗2 ∗ 7 : G. C. C. Double Cab ∗ 8 : Diesel Europe Double Cab ∗ 9 : 2RZ–FE, 3RZ–FE, Diesel Europe ∗10 : Except ∗9 ∗11 : General Double Cab w/o Door Lock ∗12 : Double Cab Except ∗11 ∗13 : Except ∗11 ∗14 : Regular Cab ∗15 : Except ∗14 ∗16 : 70A Type Alternator ∗17 : 45A, 55A Type Alternator 1 1 1 2 2 2 B B B B B GAUGE(B) DOME(B) KEY ILLUMI. DOME(B) CTY(D) CTY(P) CTY(P) 1 1 D12 DOOR COURTESY SW FRONT RH B (∗2) B–O(∗4) I18 INTEGRATION RELAY A (∗4) ∗18 : w/ Engine Immobiliser System A A A B–L (∗1) From Transponder Key Computer < 5–8> < 27–6> B–L (∗18) J18 JUNCTION CONNECTOR CLICK HERE TO VIEW CHAPTER INDEX Pages From Supplement TO MODEL INDEX EWD378F
  • 129.
    HLUX (EWD378F) 173 I ;;; ;;; ;;; ;;; ;;; ;;; ;;; 1 2 3 4 15 HILUX ( LHD ) 2 100A ALT(∗7) 80A ALT(∗8) 1 2 5 3 2 2 2 10A TAIL 2 C B B A 5 1D 6 1J 1 3 4 1 9 8 IG Cowl side panel LH 4 C 15 A W 1 1 7 A A A A A 2 2 9 A A A A A B–Y G G–R (∗1) G–R(∗1) G (∗2) G–R(∗1) G(∗2) G–R(∗1) G (∗2) G–R(∗1) G (∗2) W–B W–B W–B W–B W–B W–B D 3 DAYTIME RUNNING LIGHT RELAY H10 HAZARD SW R 4 REAR WINDOW DEFOGGER SW A14 A/C SW See Taillight System< 12–1> BATTERY J 7 JUNCTION CONNECTOR J10(∗3) J11(∗4) JUNCTION CONNECTOR W–B W–B W–B G G (∗2) G (∗1) 3 4 1 2 1 2 8 2 2 1 4 B 2 A 1 A 3 B D 5 DIFF. LOCK SW C 6 CIGARETTE LIGHTER ILLUMINATION A26 ASHTRAY ILLUMINATION R 3 REAR FOG LIGHT SW G 2 GLOVE BOX LIGHT R 1 RADIO AND PLAYER 10 7 II Cowl side panel RH To Clock<18–3> (∗5) (∗6) (∗5) (∗6) A A A A A A A A A A A A A A A A A A A A IJ Right kick panel G–R(∗1) G (∗2) G–R(∗1) G (∗2) G–R(∗1) G (∗2) G–R(∗1) G (∗2) G–R(∗1) G (∗2) G–R(∗1) G (∗2) G–R(∗1) G (∗2) G–R(∗1) G (∗2) W–B W–B W–B W–B W–B W–B W–B BR (Except Europe) (Europe) (Europe) (Except Europe) W–B W–B (Europe) W–B (Europe) J14(∗3) J15(∗4) JUNCTION CONNECTOR J19 JUNCTION CONNECTOR J23 JUNCTION CONNECTOR P o w e r S o u rc e Illu m in a tio n ∗ 1 : w/ Daytime Running Light ∗ 2 : w/o Daytime Running Light ∗ 3 : 2RZ–FE, 3RZ–FE, Diesel Europe ∗ 4 : Except ∗3 ∗ 5 : Europe, G. C. C. ∗ 6 : General ∗ 7 : 70A Type Alternator ∗ 8 : 45A, 55A Type Alternator TAIL RELAY BR INTB TOUT 1 II1 2 II1 W–B G JUNCTION CONNECTOR B A J 1 J 2 , METER ILLUMINATION [COMB. METER] C A C 9 C11 , BLOWER SW B A B 6 , 9 4 A G W–B O 2 A/T SHIFT LEVER ILLUMINATION [O/D MAIN SW] (A/T) W–B (A/T) CLICK HERE TO VIEW CHAPTER INDEX Pages From Supplement TO MODEL INDEX EWD378F
  • 130.
    HILUX (EWD378F) 174 I OVERALLELECTRICAL WIRING DIAGRAM ;;;;;;;;;; ;;;;;;;;;; ;;;;;;;;;; ;;;;;;;;;; ;;;;;;;;;; ;;;;;;;;;; ;;;;;;;;;; ;;;;;;;;;; ;;;; ;;;; ;;;; ;;;; ;;;; ;;;; ;;;; ;;;; ;;;; ;;;; ;;;; ;;;; ;;;; ;;;; ;;;; ;;;; ;;;; ;;;; ;;;; ;;;; ;;;; ;;;; ;;;; ;;;; ;;;; ;;;; ;;;; ;;;; ;;;; ;;;; ;;;; ;;;; ;;;; ;;;; ;;;; ;;;; ;;;; ;;;; ;;;; ;;;; ;;;; ;;;; ;;;; ;;;; ;;;; ;;;; ;;;; ;;;; ;;;; ;;;; ;;;; ;;;; ;;;; ;;;; ;;;; ;;;; ;;;; ;;;; ;;;; ;;;; ;;;; ;;;; ;;;; ;;;; ;;;; 1 2 3 4 16 HILUX ( LHD ) 30A POWER 1I 1 2 2 5 I L 1 1 B G 1 2 B G 1 4 I L 1 3 2 M 3 2 M 3 2 M B A C A B A C A B B A B 2 B 3 B 3 2 M 1 B H 1 2 B H 1 1C 1 1 I B 1 6 B F B E B F B E B 4 A 3 B 1 C D A E A 2 C 2 B 3 A 5 C 7 B 2 A 5 B W–B W–B R–W R–Y R–W R–Y W–B W–B W–B R–W R–Y L–W L–W B–Y L–W L–W B–Y B–Y B–Y L–W B–Y B–Y L–W L–W B–Y B–Y L–W L–W W W B–Y B–Y B–Y B–Y L–W L–W B–Y B–Y B–Y 40A AM1 100A ALT(∗1) 80A ALT(∗2) (∗5) (∗3) (∗4) LOCK UNLOCK EARTH 2 3 1 (∗5) (∗3) (∗4) MOTOR(+) MOTOR(–) POWER (DOOR LOCK) D20 DOOR LOCK MOTOR REAR LH D18 DOOR LOCK MOTOR FRONT LH D19 DOOR LOCK MOTOR FRONT RH L–W BATTERY IG Cowl side panel LH D16 DOOR KEY LOCK AND UNLOCK SW D21 DOOR LOCK MOTOR REAR RH 1 11 2 1 1 2 2 LOCK UNLOCK 7 J 7 JUNCTION CONNECTOR P o w e r S o u rc e D o o r L o c k C o n tro l ∗ 1 : 70A Type Alternator ∗ 2 : 45A, 55A Type Alternator ∗ 3 : 4–Door w/ Power Window ∗ 4 : 2–Door w/ Power Window ∗ 5 : w/o Power Window A A L U L E LOCK UNLOCK L U L E W I19 INTEGRATION RELAY B J 5 J 6 , JUNCTION CONNECTOR A B DOOR LOCK CONTROL SW [POWER WINDOW MASTER SW] C B P 9 , DOOR LOCK CONTROL SW A D17 J 5 J 6 , JUNCTION CONNECTOR A B CLICK HERE TO VIEW CHAPTER INDEX Pages From Supplement TO MODEL INDEX EWD378F
  • 131.
    HLUX (EWD378F) 175 I ;;;;;;;;;;;;;;;;;;;;; ;;;;;;;;;;;;;;;;;;;;; ;;;;;;;;;;;;;;;;;;;;; ;;;;;;;;;;;;;;;;;;;;; ;;;;;;;;;;;;;;;;;;;;; ;;;;;;;;;;;;;;;;;;;;; ;;;;;;;;;;;;;;;;;;;;; ;;;;;;;;;;;;;;;;;;;;; ;;;;;;;;;;;;;;;;;;;;; ;;;;;;;;;;;;;;;;;;;;; ;;;;;;;;;;;;;;;;;;;;; ;;;;;;;;;;;;;;;;;;;;; ;;;;; ;;;;; ;;;;; 1 2 3 4 17 HILUX ( LHD ) 2 100A ALT(∗1) 80A ALT(∗2) 40A AM1 2 2 ACC IG1 AM1 4 1 2 3 5 1C 1 1 F 6 1B 1 1H 5 10A GAUGE 1B 12 WINDOW LOCK SW LOCK UP DOWN NORMAL DRIVER' S POWER WINDOW RELAY M 1 2 1 I B 1 IG Cowl side panel LH BATTERY W 1 1 2 2 A A W–B J 7 JUNCTION CONNECTOR POWER RELAY P10 POWER WINDOW MOTOR FRONT LH W–B LG L–Y W–B W–BW–B R–L W R I17 IGNITION SW P o w e r S o u rc e DOWN UP FRONT PASSENGER' S DOWN UP REAR LH REAR RH UP DOWN 8 I B 2 3 I B 2 7 I B 2 2 I B 2 9 I B 2 4 I B 2 7 IL2 2 IL2 4 B G1 3 B G1 4 B H1 3 B H1 5 B G1 5 B H1 M 1 2 5 2 3 1 P 6 POWER WINDOW CONTROL SW FRONT RH P11 POWER WINDOW MOTOR FRONT RH UP DOWN LG L–Y M 1 2 5 2 3 1 P 7 POWER WINDOW CONTROL SW REAR LH P12 POWER WINDOW MOTOR REAR LH UP DOWN LG L–Y M 1 2 5 2 3 1 P 8 POWER WINDOW CONTROL SW REAR RH P13 POWER WINDOW MOTOR REAR RH UP DOWN LG L–Y L–R R–B R–G R–L L–B Y G L–R R–B R–G R–B R–G R–L L–B Y G Y G Y G L–R L–R P o w e r W in d o w 1I 1 30A POWER 1H 1 9 B (∗4) 10 A (∗3) F A D B IL2 6 BW DU DD E 1 A 3 B 5 A 4 B 3 A (∗3) 1 B (∗4) L–R W W W W L–R L–R L–R L–R L–R 4 L–R PU RLU RRU PD RLD RRD 4 4 14 A 8 B 6 A (∗3) 10 B (∗4) 9 A 1 2 A 8 A 1 3 A L–R L–R Y G D D D U U U ∗ 4 : 2–Door ∗ 3 : 4–Door ∗ 2 : 45A, 55A Type Alternator ∗ 1 : 70A Type Alternator B S U S D S U S D B S U S D B L–R 1 2 F A L–R JUNCTION CONNECTOR B A J 5 J 6 , P 9 , POWER WINDOW MASTER SW A B L–R CLICK HERE TO VIEW CHAPTER INDEX Pages From Supplement TO MODEL INDEX EWD378F
  • 132.
    HILUX (EWD378F) 176 I OVERALLELECTRICAL WIRING DIAGRAM ;;;;;;;;; ;;;;;;;;; ;;;;;;;;; ;;;;;;;;; ;;;;;;;;; ;;;;;;;;; ;;;;;;;;; ;;;;;;;;; ;;;;;;;;; ;;;;;;;;; ;;;;;;;;; ;;;;;;;;; ;;;;;;;;; ;;;;;;;;;; ;;;;;;;;;; ;;;;;;;;;; ;;;;;;;;;; ;;;;;;;;;; ;;;;;;;;;; ;;;;;;;;;; ;;;;;;;;;; ;;;;;;;;;; ;;;;;;;;;; ;;;;;;;;;; ;;;;;;;;;; ;;;;;;;;;; ;;;; ;;;; ;;;; ;;;; ;;;; ;;;; ;;;;; ;;;;; ;;;;; ;;;;; ;;;;; ;;;;; ;;;;; ;;;;; ;;;;; ;;;;; ;;;;; ;;;;; ;;;;; ;;;;; ;;;;; ;;;;; ;;;;; ;;;;; 1 2 3 4 18 HILUX ( LHD ) 2 15A HORN 15A DOME 100A ALT(∗7) 80A ALT(∗8) 40A AM1 2 2 2 1H 1 1I 1 2 ACC IG1 AM1 3 4 1H 5 1J 12 1F 13 10A GAUGE 7 1B 2 A 3 A 5 A 1 0 A 7 A 1C 1 2 1 1 2 IG Cowl side panel LH 6 A 5 B C 7 E 6 1 2 C E A A 2 2 2 2 1 1 1 1 A W J13 JUNCTION CONNECTOR B 7 BUCKLE SW U 1 UNLOCK WARNING SW J 7 JUNCTION CONNECTOR J 4 JUNCTION CONNECTOR BATTERY I17 IGNITION SW W L–Y L–W W L–Y L–Y W–B G–B P–B W–R P–G R–L R–L W–B W–B W–B R L–R 15A ACC 1H 3 1B 9 1J 3 1J 4 1 E 10 6 B 18 A II Cowl side panel RH L–W L–Y L–R A A 4 1 A J 8(∗3) J 9(∗4) JUNCTION CONNECTOR C 8 CLOCK J23 JUNCTION CONNECTOR C 5 CIGARETTE LIGHTER H 9 HORN HORN RELAY W–B W–B W–B W–B W–B G–R(∗1) G (∗2) L–Y B L–W L–Y From Daytime Running Light Relay(∗5)<15–4> From " TAIL" Fuse(∗6) <15–4> (∗2) (∗1) ACC(+) B(+) EARTH(–) ILL(+) ∗ 1 : w/ SRS ∗ 2 : w/o SRS ∗ 3 : 2RZ–FE, 3RZ–FE, Diesel Europe ∗ 4 : Except ∗3 ∗ 5 : w/ Daytime Running Light ∗ 6 : w/o Daytime Running Light ∗ 7 : 70A Type Alternator P o w e r S o u rc e C ig a re tte L ig h te r C lo c k H o rn 1 5 2 2 See Taillight System<12–1> 2 10A TAIL 2 1 2 B A C B 6 1 J G 4 B–Y G G TAIL RELAY See Interior Light System<14–2> GAUGE(B) TAIL(B) DOME(B) R S/B WARNING BKL CTY (D) EARTH EARTH KEY U/L SW. GR GR GR 1 2 3 3 1 2 2 C C C J 8(∗3) J 9(∗4) JUNCTION CONNECTOR 1 ∗ 8 : 45A, 55A Type Alternator J 1 J 2 , JUNCTION CONNECTOR A B SEAT BELT WARNING LIGHT [COMB. METER] B A C 9 C10 , I18 INTEGRATION RELAY A C12 C14 , HORN SW [COMB. SW] A B P–B From Transponder Key Computer <5–8><27–6> P–B (∗9) G–R ∗ 9 : w/ Engine Immobiliser System 2 3 L ig h t R e m in d e r B u z z e r, K e y R e m in d e r a n d S e a t B e lt W a rn in g CLICK HERE TO VIEW CHAPTER INDEX Pages From Supplement TO MODEL INDEX EWD378F
  • 133.
    HLUX (EWD378F) 177 I ;;;;; ;;;;; ;;;;; ;;;;;;;;; ;;;;;;;;; ;;;;;;;;; ;;;;;;;;; ;;;;;;;;; ;;;;;;;;; ;;;;;;;;; ;;;;;;;;; ;;;;;;;;; ;;;;;;;;; ;;;;;;;;; 1 2 3 4 19 HILUX ( LHD ) LG–R LG–R LG–R BC2 REL1 RLY1 6 BE1 9 2 5 2 BC2 P–L M2 100A ALT R 1I 1E 7 7 1 B SPD P–L LG–Y 2 1 RLY2 R–L 10A GAUGE 20A 4WD IG 40A AM1 4 B E1 6 5 REL2 L–Y L–YL–Y LOCK 1 1H 1 1H 5 2 4WD 5 G–O From Speed Sensor [Comb. Meter] <25–3> BE1 2 2 I17 IGNITION SW 2 ACC IG1 AM1 4 GND 4 From ABS ECU <22–8> LIMIT SW BE1 1 2 B C2 7 B E1 6 B E1 3 B E1 M 3 B C2 II J23 JUNCTION CONNECTOR Cowl side panel RH R 2 2 1 1 4 5 3 FREE 3 7 10 M1 M1 LG W–B LG LG W–B W–B W–B W–B LG–B LG–B LG–B W–B B–Y L–W R–L R–L W W 5 BC2 4 LG–B BATTERY D 5 DIFF. LOCK SW D13 DETECTION SW (Rear Diff. Lock) R 8 REAR DIFF. LOCK MOTOR LG–B 1 M2 2 GND To Detection SW (Transfer L4 Position) <21–4> A L–R W 8 RLP B B B J 8 JUNCTION CONNECTOR 5 B 8 C 9 I C 1 LG–B C 1 C C C J16 JUNCTION CONNECTOR D 4 DIFF. LOCK ECU LG–B 10 BC1 W–B W–B A IG J 7 JUNCTION CONNECTOR Cowl side panel LH A J14 JUNCTION CONNECTOR J19 JUNCTION CONNECTOR A A A A A W–B W–B W–B P o w e r S o u rc e R e a r D iffe re n tia l L o c k REAR DIFF. LOCK INDICATOR LIGHT [COMB. METER] C B C10 C11 , CLICK HERE TO VIEW CHAPTER INDEX Pages From Supplement TO MODEL INDEX EWD378F
  • 134.
    HILUX (EWD378F) 178 I OVERALLELECTRICAL WIRING DIAGRAM ;;;;; ;;;;; ;;;;; ;;;;;;;;; ;;;;;;;;; ;;;;;;;;; ;;;;;;;;; ;;;;;;;;; ;;;;;;;;; ;;;;;;;;; ;;;;;;;;; ;;;;;;;;; ;;;;;;;;; ;;;;;;;;; ;;;;;;;;; ;;;;;;;;; ;;;;;;;;; ;;;;;;;;; ;;;;;;;;; ;;;;;;;;; ;;;;;;;;; ;;;;;;;;; ;;;;;;;;; ;;;;;;;;; ;;;;;;;;; ;;;;;;;;; ;;;;;;;;; ;;;;;;;;; ;;;;;;;;; ;;;;;;;;; ;;;;;;;;; ;;;;;;;;; ;;;;;;;;; ;;;;;;;;; ;;;;;;;;; ;;;;;;;;; ;;;;;;;;; ;;;;;;;;; ;;;;;;;;; ;;;;;;;;; ;;;;;;;;; ;;;;;;;;; ;;;;;;;;; ;;;;;;;;; 1 2 3 4 20 HILUX ( LHD ) 2 2 1H 1 1I 1 2 15A DEFOG 40A AM1 2 ACC IG1 AM1 4 1I 2 1A 8 1 B 5 1 I E 1 1 A 1 B P W B W–B B R P IG Cowl side panel LH A 1 1 1 2 2 2 A B W–B W 1H 5 1E 5 1 A 4 10A GAUGE 20A WIPER OFF HIGH LOW/ MIST INT WASHER +B +S +1 +2 EW 17 B1 WF M M II Cowl side panel RH IG Cowl side panel LH A A 16 7 8 11 2 LG LG LG W–B L–W L–B L–Y L–R W–B W–B L–R LG 3 1 4 2 6 2 P o w e r S o u rc e R e a r W in d o w D e fo g g e r F ro n t W ip e r a n d W a s h e r BATTERY R 4 REAR WINDOW DEFOGGER SW I17 IGNITION SW DEFOGGER RELAY C12 FRONT WIPER AND WASHER SW [COMB. SW] WIPER RELAY J 7 JUNCTION CONNECTOR W 4 WIPER MOTOR B–Y R J23 JUNCTION CONNECTOR INT1 INT2 W 100A ALT(∗1) 80A ALT(∗2) J14(∗3) J15(∗4) JUNCTION CONNECTOR A J 7 JUNCTION CONNECTOR BK Right side rear pillar 1B 7 R–L R–L C B (∗4) B A (∗3) B A (∗3) C B (∗4) A A D B H 3(∗5) WASHER MOTOR [HEADLIGHT CLEANER MOTOR] W 1(∗6) WASHER MOTOR ∗ 1 : 70A Type Alternator ∗ 2 : 45A, 55A Type Alternator ∗ 3 : 2RZ–FE, 3RZ–FE, Diesel Europe ∗ 4 : Except ∗3 ∗ 5 : w/ Headlight Cleaner ∗ 6 : w/o Headlight Cleaner 3 D I G E D B (∗4) A A (∗3) A A (∗3) D B (∗4) 2 1 1 2 3 5 R10 R11 , REAR WINDOW DEFOGGER A B J 8 J13 , JUNCTION CONNECTOR A B J21 J22 , JUNCTION CONNECTOR A B CLICK HERE TO VIEW CHAPTER INDEX Pages From Supplement TO MODEL INDEX EWD378F
  • 135.
    HLUX (EWD378F) 179 I ;;;;; ;;;;; ;;;;; ;;;;;;;;; ;;;;;;;;; ;;;;;;;;; ;;;;;;;;; ;;;;;;;;; ;;;;;;;;; ;;;;;;;;; ;;;;;;;;; ;;;;;;;;; ;;;;;;;;; ;;;;;;;;; ;;;;;;;;; ;;;;;;;;; 1 2 3 4 21 HILUX ( LHD ) 20A 4WD 10A GAUGE 2 ACC IG1 AM1 4 3 4 2 6 1 2 EC1 1 EC1 IA1 18 IA1 11 IA1 15 IA1 20 1 2 1 2 2 1 EB Front left fender apron 2 1E 7 1 B 7 2 1H 5 6 I J 5 IJ4 8 5 I J 5 IJ4 6 2 I J 5 IJ4 3 1 2 2 1 10 IC1 11 IC1 IG Cowl side panel LH II Cowl side panel RH C B B A 5 B C B C B A A A A B A C B 9 C A A A A C B 1H 1 1I 1 A A E B A B D A (∗8) (∗9) (∗8) (∗9) (∗8) (∗9) (∗8) (∗9) (∗8) (∗9) G–B R–B R–L W–B(∗3) R–B R–B W–B W–B W–B L–R R W R–B B W–B (∗3) (∗12) (∗3) (∗3) (∗3) (∗3) (∗7) (∗9) (∗6) L–R L–R W–B W–B G–B R–B G–B G–B(∗3) R–B(∗7) R–L R–B L–RW–B W–B B–Y B–Y B–Y LG P–G R–B G–B R–B P–G LG W–B W–B W–B W–B R–B R–B G–B W–B W–B W W (∗3) (∗3) (∗3) (∗3) (∗3) (∗3) (∗3) (∗3) (∗3) (∗11) (∗11) (∗3) (∗3) (∗4) (∗8) (∗8) (∗5) (∗5) L–R L–R (∗10) C A A A A 2 2 1 1 C A C A A A BATTERY 100A ALT(∗1) 80A ALT(∗2) 40A AM1 G–B (∗11) (∗11) (∗3) (∗3) I17 IGNITION SW A20 ADD CONTROL RELAY A 8 ADD INDICATOR SW (∗8) J23 JUNCTION CONNECTOR J 7 JUNCTION CONNECTOR J19 JUNCTION CONNECTOR J14(∗8) J15(∗9) JUNCTION CONNECTOR J21 JUNCTION CONNECTOR From Engine ECU(M/T) or Engine and ECT ECU(A/T)<5–6> From ABS ECU <22–6> P o w e r S o u rc e 4 W D ∗ 1 : 70A Type Alternator ∗ 2 : 45A, 55A Type Alternator ∗ 3 : w/ ADD ∗ 4 : 2RZ–FE ∗ 5 : Europe ∗ 6 : Except Europe ∗ 7 : w/o ADD ∗ 8 : 2RZ–FE, Diesel Europe ∗ 9 : Except ∗8 ∗10 : 2L–T Regular Cab and Double Cab ∗11 : w/ ADD Indicator SW ∗12 : w/o ADD Indicator SW V 4 VSV (2WD, ADD) V 5 VSV (4WD, ADD) From ABS ECU <22–6> D 2 DETECTION SW (Transfer L4 Position) D 1 DETECTION SW (Transfer 4WD Position) (∗3) (∗3) (∗3) (∗8) (∗9) JUNCTION CONNECTOR B A J 1 J 2 , JUNCTION CONNECTOR B A J 3 J 4 , J 8 J13 , JUNCTION CONNECTOR A B C10 C11 , 4WD INDICATOR LIGHT [COMB. METER] B C J16 J22 , JUNCTION CONNECTOR A B 1 EB 2 EG1 4 2 EB 2 EG1 1 (∗4) (∗10) R–L (∗9) From Diff. Lock ECU <19–2> CLICK HERE TO VIEW CHAPTER INDEX Pages From Supplement TO MODEL INDEX EWD378F
  • 136.
    HILUX (EWD378F) 180 I OVERALLELECTRICAL WIRING DIAGRAM ;;;;;; ;;;;;; ;;;;;; ;;;;;; ;;;;;; ;;;;;; ;;;;;;;; ;;;;;;;; ;;;;;;;; ;;;;;;;; 1 2 3 4 22 HILUX ( LHD ) ( Cont. next page ) A B S 2 15A DOME 100A ALT(∗10) 80A ALT(∗11) 40A AM1 30A AM2 20A AM2 2 2 2 2 1J 12 1I 1 1F 12 1H 1 2 ACC IG1 IG2 ST2 AM1 4 6 7 A M 2 1H 6 10A IGN 1D 1 4 3 2 1 5 5 5 5 2 EA1 3 1 6 4 2 5 5 5 5 5 5 2 I K 1 1 EA1 1 1 1 1 2 2 2 2 5 BATTERY W L R–B R–W G W–B B G–R G–B G–B B B G–R B B W–R ABS SOLENOID RELAY L–Y W L–Y W R B–R B–R(∗4) B–R (∗9) B–W B B J 3 JUNCTION CONNECTOR I17 IGNITION SW P o w e r S o u r c e A B 3 A 2 0 B 3 I C 1 6 B 4 A 5 A EA Front right fender apron M 4 B 1 2 A 8 A 1 6 A 1 A 2 A 9 A 1 0 A 1 1 A 2 4 B 2 B 1 B 5 B 4 A 8 A 3 A 7 A 1 A 5 A 3 B C 3 2 3 2 2 1 6 1 2 L–Y R B–W L–Y R BR G–R B–L R–Y (∗8) B–W (∗8) G–R G–B G–B V B–L R–Y (∗8) B–W (∗8) B–L R+ TC TS SR MR MT SFRH SFRR SFLH SFLR SRH SRR AST GND L R–B R–W G W–B BR R–B R–W L W–B W–B W–B GR–G BR–W GR–R P–B P–G LG–R LG–B Y–R W–B ∗ 4 : Diesel ∗ 3 : 2RZ–FE ∗ 2 : Except Europe ∗ 1 : Europe ∗ 5 : Diesel Except Europe ∗ 6 : Diesel Europe (∗9) R–Y B B (∗2) A A (∗1) A A (∗1) B B (∗2) ∗ 7 : 1RZ, 3RZ–F ∗ 8 : Except 2RZ–FE (Short Pin) To DLC3 < 5–3> R–Y (∗3) From EFI Relay <5–2> R–L (∗3) G E1 60A ABS(∗9) 80A GLOW, ABS(∗4) 2 1 2 ∗ 9 : Gasoline W–R (∗4) (∗9) (∗8) WB WA TS +B 1 I K 1 W–B W–B (∗8) JUNCTION CONNECTOR A B J 9 J12 , A 4 A 5 , ABS ACTUATOR A B A18 A19 , ABS ECU A B ∗10 : 70A Type Alternator ∗11 : 45A, 55A Type Alternator 5 I J 3 IJ2 8 3 I J 3 IJ2 4 6 I J 3 IJ1 1 1 I J 4 IJ2 3 2 I J 3 IJ4 1 9 I J 2 6 I C 1 D (∗3) (∗7) (∗5) (∗6) (∗2) (∗7) (∗9) (∗4) (∗9) B–L (∗9) G–R (∗9) B–L (∗9) G–R (∗4) G–R (∗9) B–L (∗9) (∗4) C 3 CHECK CONNECTOR (∗3) (∗7) (∗4) (∗7) IJ2 1 (∗1) 7 I C 1 To Center Airbag Sensor Assembly <23–4> To DLC3<5–3> V V (∗8) (∗3) 1 2 ABS MOTOR RELAY ED : Intake manifold(∗3, 1RZ) EE : Cylinder block right side(3RZ–F) EF : Rear side of cylinder block(∗4) CLICK HERE TO VIEW CHAPTER INDEX Pages From Supplement CONTINUED TO MODEL INDEX EWD378F
  • 137.
    HLUX (EWD378F) 181 I ;;;;;;;;;;; ;;;;;;;;;;; ;;;;;;;;;;; ;;;;;;;;;;; ;;;;;;;;;;; ;;;;;;;;;;; ;;;;;;;;;;; ;;;;;;;;;;; ;;;;;;;;;;; ;;;;;;;;;;; ;;;;;;;;;;; ;;;;;;;;;;; ;;;;;;;;;;; ;;;;;;;;;;; ;;;;;;;;;;; 5 6 7 8 22 HILUX ( LHD ) A B S A B C 1H 5 1B 7 10A GAUGE 15A ECU–IG 5 B 12 C 4 I C 1 25 B 1E 8 2 I C 1 L–Y R B–L L–Y B–L B–L B–L B–L R–L R–L R Y–G Y–G 1 2 14 A 13 A 15 A 7 A 6 A 1 2 5 I C 1 1 2 I C 1 IG Cowl side panel LH A 21 B 9 B 8 B 11 B B W BR G R (Shielded) (Shielded) G–W L–R G–B W–B G–W W–B J 7 JUNCTION CONNECTOR FL– FL+ FSS FR – FR+ STP EXI3 EXI GND WA A 6 ABS SPEED SENSOR FRONT LH A 7 ABS SPEED SENSOR FRONT RH From StopLight SW <9–4> To Detection SW (Transfer L4 Position) <21–4> 10 B 18 B 19 B 7 B 5 B 22 B 5 1 2 3 4 +IG GND GS1 GS2 GST IG1 GGND GS1 GS2 GST BAT 1 I C 1 A17 ABS DECELERATION SENSOR L–Y Y–G Y–G BR–W L–W LG L L–Y 1 2 1 2 2 B 1 B 2 3 B 1 6 B 1 5 B 3 B D1 1 B D1 5 B D1 6 B D1 4 B D1 1 B F1 2 B F1 3 B F1 4 B F1 2 B D1 RL– RL+ RSS RR – RR+ G R BR W B (Shielded) (Shielded) (Shielded) G R W B (Shielded) B W B W A28 ABS SPEED SENSOR REAR LH A29 ABS SPEED SENSOR REAR RH ∗ 4 : Diesel C B (∗2) B A (∗1) B A (∗1) C B (∗2) To ADD Indicator SW (w/ ADD Indicator SW) <21–3> To Detection SW (Transfer 4WD Position) (w/o ADD Indicator SW) <21–3> (Shielded) (Shielded) 4 B LG–B To Diff. Lock ECU <19–2> ∗ 9 : Gasoline JUNCTION CONNECTOR B A J 8 J13 , C10 C11 , ABS WARNING LIGHT [COMB. METER] B C A18 A19 , ABS ECU A B EXI2 D (∗4) B–L (∗9) B–L (∗9) B–L (∗4) B B B J20 JUNCTION CONNECTOR ∗ 2 : Except Europe ∗ 1 : Europe (4WD) (4WD) (4WD) (4WD) (4WD) CLICK HERE TO VIEW CHAPTER INDEX Pages From Supplement TO MODEL INDEX EWD378F
  • 138.
    HILUX (EWD378F) 182 I OVERALLELECTRICAL WIRING DIAGRAM ;;;;;;;;;; ;;;;;;;;;; ;;;;;;;;;; ;;;;;;;;;; ;;;;;;;;;; ;;;;;;;;;; ;;;;;;;;;; ;;;;;;;;;; ;;;;;;;;;; ;;;;;;;;;; ;;;;;;;;;; ;;;;;;;;;; ;;;;;;;;;; ;;;;;;;;;; ;;;;;;;;;; ;;;;;;;;;; 1 2 3 4 23 HILUX ( LHD ) 2 100A ALT(∗13) 80A ALT(∗14) 40A AM1 30A AM2 2 2 1I 1 7. 5A ECU–B 1B 11 1H 1 2 ACC IG1 IG2 ST2 AM1 3 6 7 A M 2 1H 6 1 H 3 10A IGN 15A ACC 1G 1 1 G 3 1D 1 B B A A A A B B 1 2 SPIRAL CABLE 1 2 IH Instrument panel brace RH 8 I J 2 5 I J 3 1 4 B 1 3 B 1 0 B 1 1 B 2 7 B 5 B 6 B W (∗12) (∗5) (∗11) (∗12) (∗11) (∗12) 1 1 1 2 2 2 B B CENTER AIRBAG SENSOR ASSEMBLY W W–R L–B (∗1, ∗3) L–B (∗5, ∗6) B–R (∗7) B–R (∗7) B–W GR B–W (∗4) Y–B Y Y–R Y–G BR (∗8) (∗8) I17 IGNITION SW J 3 JUNCTION CONNECTOR BATTERY A25 AIRBAG SQUIB (Steering Wheel Pad) A24 AIRBAG SQUIB (Front Passenger' s Airbag Assembly) W B–R (∗10) L–R L–B (∗5, ∗6) L–B (∗1, ∗3) B–W (∗4) B–W (∗4) IG2 ACC D+ D – P+ P – E1 2 A 1 A 5 C 6 C 2 8 B 3 B 1 9 B 12 C C 5 1 1 L–B (∗1, ∗3) P–B V P–B P–B V P–B IJ Right kick panel BR Y Y–B Y–O Y–V (∗8) (∗8) BR BR 1 2 1 2 3 LA TC PL+ PL – PR+ PR – E2 +B AB TC E1 J18 JUNCTION CONNECTOR P14 PRETENSIONER LH P15 PRETENSIONER RH C 3 CHECK CONNECTOR BR JUNCTION CONNECTOR ∗ 1 : Diesel Europe ∗ 2 : 1RZ ∗ 3 : 2RZ–FE ∗ 4 : Except ∗3 ∗ 5 : 1RZ, 3RZ–F ∗ 6 : Diesel Except Europe ∗ 7 : Gasoline ∗ 8 : w/ Front Passenger' s Airbag ∗ 9 : 3RZ–F ∗10 : Diesel ∗11 : Europe ∗12 : Except Europe P o w e r S o u rc e S R S 20A AM2 2 1 2 W–R (∗10) (∗7) , C17 C16 A B C C18 , A J 9 J12 B , P–B (∗3) To DLC3 <5–3> R–L From EFI Relay < 5–2> (∗3) 12 B R (∗3) SIL To DLC3 <5–3> ∗13 : 70A Type Alternator ∗14 : 45A, 55A Type Alternator 1 I J 5 IJ4 2 4 I J 5 IJ2 3 1 I J 3 IJ1 5 1 I J 5 IJ4 2 (∗3) (∗5) (∗1) (∗6) (∗3) (∗5) (∗1) (∗6) (∗10) (∗10) (∗10) (∗10) P–B (∗7) P–B (∗7) V (∗7) P–B (∗7) 1 I J 2 (∗11) 3 2 C 9 SRS WARNING LIGHT [COMB. METER] A A A J20 JUNCTION CONNECTOR C C C From ABS ECU <22–3> V V V (∗4) (∗4) (∗3) V (∗3) (∗5) V 15 B 26 B IN1 2 1 I N 1 BR–Y W–R BR–Y W–R 2 1 +SL –SL F15 FRONT AIRBAG SENSOR LH 9 B 2 0 B BR–W B–W 2 1 +SR –SR F16 FRONT AIRBAG SENSOR RH J20 JUNCTION CONNECTOR To DLC3 <5–4> From DLC3 <5–4> ED : Intake manifold(∗2, ∗3) EE : Cylinder block right side(∗9) EF : Rear side of cylinder block(∗10) CLICK HERE TO VIEW CHAPTER INDEX Pages From Supplement TO MODEL INDEX EWD378F
  • 139.
    HLUX (EWD378F) 183 I ;;;;;; ;;;;;; ;;;;;; ;;;;;; ;;;;;; ;;;;;; ;;;;;;;; ;;;;;;;; ;;;;;;;; ;;;;;;;; ;;;;;;;; ;;;;;;;; ;;;;;;;; ;;;;;;;; ;;;;;;;; ;;;;;;;; ;;;;;;;; 1 2 3 4 24 HILUX ( LHD ) R a d io a n d P la y e r 2 15A DOME 2 2 2 1 1 1 2 2 1J 12 1I 1 1F 13 1H 1 2 ACC IG1 AM1 3 1H 3 15A ACC VR HR HL M+ VL LEFT RIGHT UP DOWN LEFT/ UP RIGHT/ DOWN LH RH LH RH 5 8 1 7 6 1 0 E OPERATIONSW SELECT SW M M 3 B A1 2 B A1 1 B A1 MH MV M+ 5 I B 2 C B A A 1 I L 2 IG Cowl side panel LH 1 I B 1 A 3 BB1 2 BB1 1 BB1 LG–B LG–R LG P–B(∗8) LG–R LG W–B J 7 JUNCTION CONNECTOR BATTERY W R e m o te C o n tro l M irro r P o w e r S o u rc e I17 IGNITION SW L–Y W W L–Y L–R GR GR L–Y J 8(∗3) J 9(∗4) JUNCTION CONNECTOR 2 1 2 1 2 IB1 3 IB1 2 IL1 3 IL1 GR L–Y GR L–Y V P L LG V(∗5) L(∗6) P (∗5) LG(∗6) L LG D23 DOOR SPEAKER FRONT RH D22 DOOR SPEAKER FRONT LH ∗ 1 : 70A Type Alternator ∗ 2 : 45A, 55A Type Alternator ∗ 3 : 2RZ–FE, 3RZ–FE, Diesel Europe ∗ 4 : Except ∗3 ∗ 5 : w/ Door Lock Control ∗ 6 : w/o Door Lock Control M M C A C A ACC +B FL– FL+ FR – FR+ GND IJ Right kick panel BR 1B 9 1 B 3 4 I B 1 GR GR B 9 R12 , REMOTE CONTROL MIRROR LH A B J 5 J 6 , JUNCTION CONNECTOR A B 3 B 1 A (∗7) P–B (∗8) P–B (∗7) P–B (∗8) 2 B 2 A (∗7) P–G (∗7) LG–R (∗8) LG–R (∗8) P–G (∗7) 1 B 3 A C B (∗7) LG (∗7) LG LG LG–R 3 B 1 A 2 B 2 A 1 B 3 A (∗7) (∗8) R13 , REMOTE CONTROL MIRROR RH A B 3 I L 2 4 I L 2 10 IB2 LG–B LG (∗8) LG W–B LG–R P–B (∗7) (∗7) W–B LG (∗8) (∗7) LG–B (∗7) LG P–G(∗8) LG–B LG (∗8) ∗ 7 : w/ Vent Window ∗ 8 : w/o Vent Window LG–B (∗7) P–G (∗7) R14 REMOTE CONTROL MIRROR SW ∗ 9 : 4–Door ∗10 : 2–Door 3 A 4 A 7 A 6 A 2 A 5 A 1 A RL– 1 2 6 B G1 8 B G1 RL+ W B Y R D24 DOOR SPEAKER REAR LH 2 B 6 B RR– 2 1 6 B H1 8 B H1 RR+ W R W R D25 DOOR SPEAKER REAR RH 1 B 3 B B Y (∗10) (∗9) (∗9) (∗10) R W (∗10) (∗10) (∗9) (∗9) (∗9) (∗9) (∗9) (∗9) R 1 R 2 , RADIO AND PLAYER A B 40A AM1 100A ALT(∗1) 80A ALT(∗2) (∗8) (∗7) 1 2 1 2 R16 REAR SPEAKER LH R17 REAR SPEAKER RH CLICK HERE TO VIEW CHAPTER INDEX Pages From Supplement TO MODEL INDEX EWD378F
  • 140.
    HILUX (EWD378F) 184 I OVERALLELECTRICAL WIRING DIAGRAM ;;;;; ;;;;; ;;;;; ;;;;; ;;;;; ;;;;; ;;;;; ;;;;; ;;;;; ;;;;;;;; ;;;;;;;; ;;;;;;;; ;;;;;;;; 1 2 3 4 25 HILUX ( LHD ) ( Cont. next page ) 2 100A ALT(∗11) 80A ALT(∗12) 40A AM1 2 1H 1 1I 1 2 ACC IG1 AM1 4 1H 5 10A GAUGE 1B 7 W TACHOMETER OIL LEVEL FUEL 5 B C B B A B A C B 6 C 12 A 2 C 9 B 4 B C 1 2 I A 1 R–W(∗4) B (∗8) R (∗3) BR Y–R R (∗3) R–W (∗3) 2 1 C A C A A B C A A B A B C A R 1 2 11 BC1 IJ Right kick panel BR (∗3) BR BR BR (∗3) Y–R BR R–L W W From Engine ECU(M/T)or Engine and ECT ECU(A/T)(∗4, ∗13)<5–3> From Emission Control ECU(∗3)<27–3> From IIA(∗10)<4–2> From Igniter(∗14)<4–4> From Pick–Up Sensor [Injection Pump](∗9)<7–4> R–L R–L BR (∗3) I17 IGNITION SW BATTERY COMBINATION METER JUNCTION CONNECTOR 1 1 2 2 (∗1) (∗2) (∗1) (∗2) 11 A IJ5 9 IJ4 11 1 Y–R Y–R (∗1, ∗3) (∗2) W 2 WATER TEMP. SENDER 10 B 8 A 1 C 6 B 7 B 1 2 B 1 1 B 9 A 1D 9 1 J 13 1D 4 1 2 1 E B D A D A IG Cowl side panel LH II Cowl side panel RH G–W G–W G–W (∗7) W–B W–B W–B W–B W–B W–B (∗6) W–B G–W W–B W–B J19 JUNCTION CONNECTOR W–B W–B B 2 BRAKE FLUID LEVEL WARNING SW P 2 PARKING BRAKE SW J14 JUNCTION CONNECTOR A B W–B A A A A A A A A 2 1 A A W–B (∗5) W–B J23 JUNCTION CONNECTOR J 7 JUNCTION CONNECTOR JUNCTION CONNECTOR G–W W–B (∗2) W–B (∗1) SPEED SENSOR REAR FOG HIGH BEAM TURN LH TURN RH BRAKE CHARGE T–BELT (∗5) G–O See Charging System <1–4><2–4> See Turn Signal and Hazard Warning Light System <13–2> See Headlight System <8–2><9–2> See Rear Fog Light System<3–4> To Engine ECU(M/T)or Engine and ECT ECU (A/T)<5–5> To Emission Control ECU<6–3> To Diff. Lock ECU <19–2> ∗ 1 : 2RZ–FE, 3RZ–FE, Diesel Europe ∗ 2 : 1RZ, 3RZ–F, Diesel Except Europe ∗ 3 : Diesel Europe ∗ 4 : 2RZ–FE ∗ 5 : Europe ∗ 6 : Except Europe ∗ 7 : Diesel ∗ 8 : Except ∗4 P o w e r S o u r c e C o m b in a tio n M e te r WATER OIL TEMP. OIL LEVEL E 2 ENGINE OIL LEVEL WARNING SW (∗1) (∗2) (∗1) (∗2) F13 FUEL SENDER JUNCTION CONNECTOR CANCEL SW ∗ 9 : Diesel Except 2L Europe ∗10 : 1RZ (∗3) DELAY B J 8 J13 A , , C10 C 9 A B , C11 C , J13 J12 A B , J 4 J 3 A B ∗11 : 70A Type Alternator ∗12 : 45A, 55A Type Alternator 22 IA1 1 E H 1 B 3 BRAKE VACUUM WARNING SW ∗13 : 3RZ–FE ∗14 : 3RZ–F (∗2, ∗13) C C C G–O G–O J21 JUNCTION CONNECTOR G–O (∗3) 2 E H 1 To O/D ECU <27–7> To Emission Control ECU <27–3> (∗5) CLICK HERE TO VIEW CHAPTER INDEX Pages From Supplement CONTINUED TO MODEL INDEX EWD378F
  • 141.
    HLUX (EWD378F) 185 I 5 6 7 8 25 HILUX ( LHD ) A B 1 B 2 B 6 A 7 C 1 2 C 1 A 2 1 1 A B A B A A G–O BUZZER (G. C.C. ) FILTER BELT TURBO OIL ABS GLOW See ABS System <22–5> See Glow Plug System <7–2><27–4> O 1 OIL PRESSURE SW See Seat Belt Warning System <18–2> F10 FUEL SEDIMENTARY SW G–O L–Y L–Y L–Y EB Front left fender apron W–B W–B W–B W–B (∗15) ( ∗3) JUNCTION CONNECTOR See Charging System <1–4><2–4> COMBINATION METER 9 C 13 C 8 C 3 A 4 C 5 A 2 A 1 5 A 4 A 4WD CHECK ENGINE RR DIFF LOCK SRS ILLUMINATION DOOR See 4WD System <21–3> See Engine Control System <5–2> See Rear Differential Lock System<19–2> See SRS System <23–3> See Illumination System <15–2> See Interior Light System <14–4> See SRS System <23–3> See Illumination System<15–2> See Interior Light System<14–4> C o m b in a tio n M e te r 6 I A 2 IA1 26 (∗5) (∗6) 13 8 I A 2 IA1 (∗5) (∗6) 4 I J 3 IJ1 3 (∗4, ∗13) (∗17) (∗19) (∗7) (∗19) L–Y (∗16) L–Y (∗16) ∗ 3 : Diesel Europe ∗ 4 : 2RZ–FE ∗ 5 : Europe ∗ 6 : Except Europe ∗ 7 : Diesel ∗13 : 3RZ–FE ∗15 : Diesel Except Europe ∗16 : Gasoline ∗17 : 1RZ, 3RZ–F , C10 C 9 A B , C11 C , J 2 J 1 A B 8 B See Engine Control System<27–4> 1 E F2 3 EH1 L–Y (∗18) (∗18) L–Y O/D OFF See ECT System(∗13)<28–4> See O/D System(∗18)<27–4> 13 B (A/T) (A/T) ∗18 : Europe 2L–T, 2L ∗19 : Except ∗18 CLICK HERE TO VIEW CHAPTER INDEX Pages From Supplement TO MODEL INDEX EWD378F
  • 142.
    HILUX (EWD378F) 186 I OVERALLELECTRICAL WIRING DIAGRAM ;;;;; ;;;;; ;;;;; ;;;;;;;; ;;;;;;;; ;;;;;;;; ;;;;;;;; 1 2 3 4 26 HILUX ( LHD ) 2 ACC IG1 AM1 4 10A GAUGE 1 2 3 5 4 10 IA2 IA1 6 4 1 OFF M2 HI LO M1 B 5 BLOWER RESISTOR II Cowl side panel RH EB Front left fender apron 2 1 M IG Cowl side panel LH 4 5 6 1 2 2 2 2 2 1H 1 1H 5 1I 1 1J 1 2 2 C A A B B B A A 2 7 I G 1 6 I G 1 2 I G 1 2 E D 1 1 I G 1 IG1 4 8 I G 1 IG1 3 4 I J 5 IJ4 5 IA1 12 IA2 7 IA1 10 IA2 4 From Engine ECU(M/T)or Engine and ECT ECU(A/T) (∗5, ∗19)<5–5><5–6> From Emission Control ECU(∗6)<6–4> 1 From Igniter <4–4> From VSV(Throttle Position Control) <6–3> B B–R L–B L–Y L–W L–R L–R L–W L–R W–R(∗1 ∗16) B–L(∗2 ∗16) W–B B–Y W–B W–B B–Y B–Y (∗3) (∗3) L–R(∗15) W (∗1 ∗16) L–W(∗2 ∗16) Y–R B–W(∗17) B–R(∗18) B–R(∗16) B (∗17) L (∗1 ∗16) L–B(∗2) B–R(∗17) P–L(∗1 ∗16) L–Y(∗2) L–W (∗2) (∗2) (∗1) (∗1) L–R L–B L–R W–B(∗7) W–B(∗14) W–B W–B B–Y (∗12) (∗4) B A A A A B A B A 1 1 0 2 6 3 8 9 4 5 1 2 (∗1) (∗2) (∗14) (∗7) (∗5, ∗19) (∗6) J 7 JUNCTION CONNECTOR B 4 BLOWER MOTOR J14(∗12) J15(∗13) JUNCTION CONNECTOR A13 A/C AMPLIFIER A 2 A/C MAGNETIC CLUTCH J12(∗12) J22(∗13) JUNCTION CONNECTOR A14 A/C SW 10A A. C HEATER RELAY J19 JUNCTION CONNECTOR J23 JUNCTION CONNECTOR 50A HEATER W–B W–B W–B(∗7) W–B W–B W–B W R–L L–R R–L R W R–L L–B W–B Y–R Y–R A A A A A (∗14) (∗7) JUNCTION CONNECTOR JUNCTION CONNECTOR 2 1 ∗ 1 : 3RZ–F ∗ 2 : Except 3RZ–F ∗ 3 : Gasoline ∗ 4 : Diesel ∗ 5 : 2RZ–FE ∗ 6 : Except 2RZ–FE ∗ 7 : Except Europe ∗ 8 : Europe, G. C. C. ∗ 9 : Except ∗8 ∗10 : 70A Type Alternator ∗14 : Europe ∗15 : Boost Ventilator Type ∗16 : Except ∗15 ∗17 : 3RZ–F ∗15 ∗18 : Except ∗17 ∗19 : 3RZ–FE P o w e r S o u rc e A ir C o n d itio n e r (E x c e p t Is ra e l) I17 IGNITION SW 8 B (∗9) 8 A (∗8) 1 B 3 A 2 B 4 A 5 B 6 B 6 A 5 A 3 2 L–R L–Y L–B BLOWER SW W–B (∗14) ∗20 : Europe 2L–T M/T, 2L 1 E D 1 A B–Y (∗4) B–Y W–B (∗4) 2 B–W(∗17) B–R(∗18) B–W(∗17) B–R(∗18) B–W(∗17) B–R(∗18) 1 R–W(∗15) PRS SG TE B/V IGN VSV A/C GND MGC L–R (∗15) (∗4) B–Y (∗4) B–L (∗16) , J 2 J 1 A B , J 2 J 1 A B , B 6 A B 2 2 2 1 40A AM1 R 100A ALT(∗10) 80A ALT(∗11) 2 BATTERY W 2 1 ∗11 : 45A, 55A Type Alternator ∗12 : 2RZ–FE, 3RZ–FE, Diesel Europe ∗13 : Except ∗12 A16 A/C VOLUME SW 5 I G 1 A15 A/C THERMISTOR W–B (∗4) 2 B (2L–T) 1 A (2L, 3L) 2 A (2L, 3L) 1 B (2L–T) V 6 A , B VSV (A/C Idle–Up) D D D J12 JUNCTION CONNECTOR To Emission Control ECU<27–3> B–Y B–Y (∗20) (∗20) B–Y L–W L–R W 1 2 A 1 A/C DUAL PRESSURE SW (∗20) L–W CLICK HERE TO VIEW CHAPTER INDEX Pages From Supplement TO MODEL INDEX EWD378F
  • 143.
    HILUX (EWD378F) 188 I OVERALLELECTRICAL WIRING DIAGRAM ;;;;;;;;;; ;;;;;;;;;; ;;;;;;;;;; ;;;;;;;;;; ;;;;;;;;;; ;;;;;;;; ;;;;;;;; ;;;;;;;; ;;;;;;;; ;;;;;;;; ;;;;;;;;; ;;;;;;;;; ;;;;;;;;; ;;;;;;;;; 1 2 3 4 27 HILUX ( LHD ) ( Cont. next page ) 2 2 2 2 1I 1 1H 1 2 ACC IG1 IG2 ST2 AM1 4 6 7 A M 2 2 2 2 2 1 1 1 1 100A ALT(∗1) 80A ALT(∗2) 40A AM1 20A AM2 80A GLOW, ABS 4 4 4 3 2 1 4 4 SUB GLW RLY 2 EE1 1 23 A 26 A 9 A 10 A 5 A 6 A 1 B A 3 A 17 A 18 16 B A BATTERY I17 IGNITION SW E 4 E 5 , EMISSION CONTROL ECU A B P o w e r S o u rc e E m is s io n C o n tro l (E u ro p e ) L–B R B–R W W W W–R B–Y W–B B–Y W–B W–R BATT THW VA VC TWL VEGR EGR VBAC VSV +B NE+ A A 1H 6 1D 1 A A B A B B J 3 J 4 , JUNCTION CONNECTOR A B B A E F G L–Y L–W B–W A/C TAC B B–Y B–Y 6 B B 11 B 5 I J 4 I J 2 6 PIM A 4 2 1 7 I J 2 E2 A 16 J 1 JUNCTION CONNECTOR W 10A IGN B–W B–W B–W 2 1 V12 VSV(EGR) 2 1 V10 VRV(EGR) 2 1 V11 VSV(BACS) 2 1 V15 VSV (Turbo Pressure Control) G–R G–B R–L B B–W B–W B–W B–W NE– 19 A TCV 21 A B–W B–W (2L–T) (2L–T) (2L–T) (2L–T) (2L–T) (2L–T) B–W B–W B–W B–W W 3 WATER TEMP. SENSOR A31 ACCELERATOR PEDAL POSITION SENSOR V 1 VACUUM SENSOR From A/C Magnetic Clutch<26–3><29–3> To Tachometer [Comb. meter] <25–1> B–L P–L P–L B–Y G W–L W–L W–L W–L W–L W–L P–L W–R 1 2 3 2 3 1 ∗ 3 : w/ Engine Immobiliser System ∗ 4 : w/o Engine Immobiliser System L–B W–R B–W 7 I A 1 1 I J 2 13 A SREL 13 IJ4 B–R V–Y A 2 STA (A/T) From " STA" Fuse <2–3> (M/T) P–B B 5 G–O G–O SPD IJ4 4 (2L–T) From Speed Sensor [Comb. Meter]<25–3> 10 IJ2 W–R B B–R 2 1 14 B EF Rear side of cylinder head 12 3 6 8 +B E1 OP1 TE1 C 3 CHECK CONNECTOR G–Y BR B–W 8 B 1 4 A A 1 10A GAUGE 1H 5 1 F 2 1B 7 B 5 B 1 A 1 3 B 8 B R–L B R–L C D 7 I J 4 12 IJ4 I 9 INJECTION PUMP C15 CRANKSHAFT POSITION SENSOR I 9 INJECTION PUMP G 1 GLOW PLUG EB Front left fender apron B–R B–R B–R VA VC VC PIM E2 E2 (2L–T) R R–L R–L B B J 8 JUNCTION CONNECTOR LG–B P P R–W LG–B (2L–T) (2L–T) C 9 C10 , COMBINATION METER A B TURBO GLOW O/D OFF 2 3 1 2 1 13 1 3 3 F17 FUEL CONTROL VALVE L–W L–W BR B–W W–R R G–W (∗3) (∗3) (∗3) G–W R W–R (∗4) (∗4) (∗4) B–W B–W BR BR TE1 GIND E1 NSW R–W BR BR R–W IJ2 2 R–W L–Y From Neutral Start SW<2–3> (M/T) (A/T) P–B R–L J12 JUNCTION CONNECTOR A BR R–W ∗ 2 : 45A, 55A Type Alternator ∗ 1 : 70A Type Alternator VF1 B–W (∗4) 7. 5A ECU–B B–W CLICK HERE TO VIEW CHAPTER INDEX Pages From Supplement TO MODEL INDEX EWD378F CONTINUED
  • 144.
    HLUX (EWD378F) 189 I 5 6 7 8 27 HILUX ( LHD ) L–B L–Y L–W B–W A E F G C C 1 2 3 4 5 T 7 TRANSPONDER KEY AMPLIFIER J18 JUNCTION CONNECTOR V V–W V–Y V–G V–R L–B L–B 1 6 12 4 5 13 T 8 TRANSPONDER KEY COMPUTER II A A A P–B B–L W–B B–W L–W L–Y 3 1 0 2 1 4 8 9 W–B R–L B R–L C LG–B D VC5 AGND CODE RXCK TXCT TRANSPONDER KEY COIL ANT1 ANT2 J19 JUNCTION CONNECTOR J23 JUNCTION CONNECTOR Cowl side panel RH To Diode(DoorCourtesy) <14–3> To Unlock Warning SW <18–3> D FCVC IG GND CTY KSW +B VC5 AGND CODE RXCK TXCT 10 5 1 2 2 1 C C 10 IJ4 A 6 I J 4 IG Cowl side panel LH A A A 3 I J 4 1 J14 JUNCTION CONNECTOR J 7 JUNCTION CONNECTOR A W–B W–B W–B C A A LG LG LG R–L R–L LG–B LG–B O 2 O/D MAIN SW D26 DIODE(O/D) O 3 O/D SOLENOID J16 JUNCTION CONNECTOR J16 JUNCTION CONNECTOR 3 6 SOL E KD R–L G–O B–L LG W–B B–L K 2 KICK DOWN SW B SPD 2 5 8 O 4 O/D ECU From Speed Sensor [Comb. Meter]<25–3> LG E n g in e Im m o b ilis e r S y s te m (E u ro p e 2 L , 2 L – T ) O v e rd riv e (Is ra e l) LG–B CLICK HERE TO VIEW CHAPTER INDEX Pages From Supplement TO MODEL INDEX EWD378F
  • 145.
    HILUX (EWD378F) 190 I OVERALLELECTRICAL WIRING DIAGRAM ;;;;;;; ;;;;;;; ;;;;;;; ;;;;;;;; ;;;;;;;; ;;;;;;;; ;;;;;;;; ;;;;;;;; ;;;;;;;;;; ;;;;;;;;;; ;;;;;;;;;; ;;;;;;;;;; ;;;;;;;;;; ;;;;;;;;;; ;;;;;;;;;; 1 2 3 4 28 HILUX ( LHD ) 2 80A ALT 40A AM1 30A AM2 15A EFI 2 2 2 1I 1 1H 1 2 ACC IG1 IG2 ST2 AM1 4 6 7 A M 2 2 2 1 3 5 2 2 2 EB Front left fender apron 5 I A 2 1J 8 10A IGN 1H 6 1 C 7 B 1 2 2 1 4 B 9 B 1 B 1 A 12 C 23 A 22 A 21 A 14 A 13 A 26 A ED Intake manifold A 1 1 1 1 A 1 2 3 2 2 2 2 11 B B 1 B BATTERY J 1 JUNCTION CONNECTOR E 1 ECT SOLENOID EFI RELAY ENGINE AND ECT ECU +B S1 S2 E1 SL E01 E02 BATT OIL THW E2 VC VTA NSW W R–L W–B R–L L–Y LG G–R BR W–B W–B BR W–B W–B W–B W–R Y R–L W W W W–R Y Y 1 I A 2 B–W B–R B–R Y Y L–W G–R LG–B G–Y Y P–B LG–B LG–B LG–B LG–B LG–B LG–B LG–B R From Neutral Start SW <1–2> T 1 THROTTLE POSITION SENSOR W 3 WATER TEMP. SENSOR A 3 A/T FLUID TEMP. SW J 4 JUNCTION CONNECTOR I17 IGNITION SW P o w e r S o u rc e 1H 5 10A GAUGE 1F 2 10 IJ4 2 I J 4 1 I J 4 4 C 9 C 1 9 C 1 8 C 15 B 16 B 2 1 22 C 10 5 IG Cowl side panel LH A W–B W–B STP SPD 2 L SP2+ SP2 – OD2 13 5 C C C J 7 JUNCTION CONNECTOR O 2 O/D MAIN SW S 1 SPEED SENSOR(ECT) W–L B–L B–L LG–B LG–B J16 JUNCTION CONNECTOR See Engine Control System<5–5> R–L R–L R–L R–L LG LG Y–B Y–B LG–B N 1 NEUTRAL START SW C10 O/D OFF INDICATOR LIGHT [COMB. METER] E C T (3 R Z – F E ) W–B 3 2 4 VC E2 VTA 2 3 W B Y S1 S2 SL C LL 2L , E 5 E 4 A B , E 6 C 1F 2 B B J 8 JUNCTION CONNECTOR R–L R R–L A A J14 JUNCTION CONNECTOR 17 C R W From Back–Up Light SW [Neutral Start SW] <12–4> CLICK HERE TO VIEW CHAPTER INDEX Pages From Supplement TO MODEL INDEX EWD378F
  • 146.
    HILUX (EWD378F) 192 I OVERALLELECTRICAL WIRING DIAGRAM ;;;;; ;;;;; ;;;;; ;;;;;;;;;; ;;;;;;;;;; ;;;;;;;;;; ;;;;;;;;;; ;;;;;;;;;; ;;;;;;;;;; ;;;;;;;;;; 1 2 3 4 29 HILUX ( LHD ) ( Cont. next Page ) 40A AM1 50A HEATER 2 2 2 100A ALT 1 2 2 1 2 W BATTERY 1H 1 1I 1 W 2 1 2 30A CDS FAN 2 1 3 5 2 2 2 2 G–W 5 I A 1 GR A B A A W–B EB W–B Front left fender apron J 1 J 2 , JUNCTION CONNECTOR A B CDS FAN RELAY C19 CONDENSER FAN MOTOR 1 4 I A 1 1 E I 1 B B B 2 1 4 3 8 8 8 8 CDS FAN NO. 1 RELAY 2 1 3 5 8 8 8 8 8 4 B–G B–G W–L GR B W–L W–L CDS FAN NO. 2 RELAY 2 E I 1 6 E I 1 GR GR L–W L–W L–W W–L 2 ACC IG1 AM1 4 W W C20 CONDENSER FAN MOTOR 2 3 E I 1 R–L 4 1 A30 A/C SINGLE PRESSURE SW D D 5 E I 1 B–Y From Emission Control ECU <27–3> B–Y 1 1 B–Y B–Y B–Y V 6 VSV (A/C Idle–Up) A 2 A/C MAGNETIC CLUTCH 4 E I 1 W–B W–B W–B 1H 5 R R 10A GAUGE 1J 1 B B C A J 1 J 2 , JUNCTION CONNECTOR A B J12 JUNCTION CONNECTOR 2 1 2 3 5 4 2 2 2 2 R–L 6 I A 1 A B A A EB Front left fender apron W–B W–B JUNCTION CONNECTOR B A J 1 J 2 , Y–R HEATER RELAY 2 4 1 OFF M2 HI LO M1 B 5 BLOWER RESISTOR 3 L–Y L–R L–B L–B L–B 4 3 8 W–B A II Cowl side panel RH D A A A W–B W–B W–B W–B W–B W–B W–B W–B W–B W–B W–B W–B J19 JUNCTION CONNECTOR A A B 6 BLOWER SW W–B Y–R J23 JUNCTION CONNECTOR A B C D GR L–W L L–R E F G H L L–W B–Y W–G GR GR GR R I17 IGNITION SW R R A ir C o n d itio n e r (Is ra e l) P o w e r S o u r c e GR GR L–R 5 6 2 1 M 1 2 M 1 B CLICK HERE TO VIEW CHAPTER INDEX Pages From Supplement CONTINUED TO MODEL INDEX EWD378F
  • 147.
    HLUX (EWD378F) 193 I 5 6 7 8 29 HILUX ( LHD ) ( Cont' d ) A B C D E F G H A ir C o n d itio n e r (Is ra e l) 12 IA1 L–B L–R L L–W GR L–R L–R 2 2 1 2 10 IA1 L–W L–WL–W IG Cowl side panel LH 4 5 6 7 I G 1 8 I G 1 L–W B–L W–B W–B W–B L–W B A A A B A B A 1 9 1 0 2 6 4 5 J 7 JUNCTION CONNECTOR A13 A/C AMPLIFIER J12 JUNCTION CONNECTOR A14 A/C SW PRS MGC SG TE B/V A/C GND 5 I G 1 2 3 A A W–B W–B W–B W–B J14 JUNCTION CONNECTOR B–L W–B W–B W–B 2 I G 1 B–Y Y–R B–R B–R GR A30 A/C DUAL PRESSURE SW L–W 1 2 A15 A/C THERMISTOR L W–B L–W L–R L–W 2 1 M B 4 BLOWER MOTOR B–R A 10A A. C CLICK HERE TO VIEW CHAPTER INDEX Pages From Supplement TO MODEL INDEX EWD378F
  • 148.
    SYSTEM INDEX 194 HILUX (EWD378F) SYSTEMS LOCATION SYSTEMS LOCATION ABS 51-3 . . . . . . . . . . . . . . . . . . . . . . . . . . . . . . . . . . . . . . . . . . . . . . . . . . . . . . Air Conditioner 55-2 . . . . . . . . . . . . . . . . . . . . . . . . . . . . . . . . . . . . . . . . . . . . . Auto Antenna 53-2 . . . . . . . . . . . . . . . . . . . . . . . . . . . . . . . . . . . . . . . . . . . . . . Back-Up Light 42-3 . . . . . . . . . . . . . . . . . . . . . . . . . . . . . . . . . . . . . . . . . . . . . Carburetor 35-2 . . . . . . . . . . . . . . . . . . . . . . . . . . . . . . . . . . . . . . . . . . . . . . . . . Charging (Diesel) 31-3 . . . . . . . . . . . . . . . . . . . . . . . . . . . . . . . . . . . . . . . . . . . Charging (Gasoline) 30-3 . . . . . . . . . . . . . . . . . . . . . . . . . . . . . . . . . . . . . . . . Cigarette Lighter 47-1 . . . . . . . . . . . . . . . . . . . . . . . . . . . . . . . . . . . . . . . . . . . Clock 47-2 . . . . . . . . . . . . . . . . . . . . . . . . . . . . . . . . . . . . . . . . . . . . . . . . . . . . . Combination Meter 54-2 . . . . . . . . . . . . . . . . . . . . . . . . . . . . . . . . . . . . . . . . . Door Lock Control 45-2 . . . . . . . . . . . . . . . . . . . . . . . . . . . . . . . . . . . . . . . . . . ECT 37-3 . . . . . . . . . . . . . . . . . . . . . . . . . . . . . . . . . . . . . . . . . . . . . . . . . . . . . . Emission Control (Europe) 57-2 . . . . . . . . . . . . . . . . . . . . . . . . . . . . . . . . . . . Emission Control (General) 35-3 . . . . . . . . . . . . . . . . . . . . . . . . . . . . . . . . . . Engine Control (1KZ-TE) 56-2 . . . . . . . . . . . . . . . . . . . . . . . . . . . . . . . . . . . . Engine Control (1RZ-E) 34-2 . . . . . . . . . . . . . . . . . . . . . . . . . . . . . . . . . . . . . Engine Control (3RZ-FE) 33-3 . . . . . . . . . . . . . . . . . . . . . . . . . . . . . . . . . . . . Engine Immobiliser System 57-6 . . . . . . . . . . . . . . . . . . . . . . . . . . . . . . . . . . Front Wiper and Washer 48-3 . . . . . . . . . . . . . . . . . . . . . . . . . . . . . . . . . . . . Fuel Heater 31-3 . . . . . . . . . . . . . . . . . . . . . . . . . . . . . . . . . . . . . . . . . . . . . . . . Glow Plug (Australia 5L, General 3L, 2L) 36-2 . . . . . . . . . . . . . . . . . . . . . . Headlight (w/ Dim-Dip Light) 38-2 . . . . . . . . . . . . . . . . . . . . . . . . . . . . . . . . . Headlight (w/o Dim-Dip Light) 39-2 . . . . . . . . . . . . . . . . . . . . . . . . . . . . . . . . Horn 50-4 . . . . . . . . . . . . . . . . . . . . . . . . . . . . . . . . . . . . . . . . . . . . . . . . . . . . . . Ignition 32-3 . . . . . . . . . . . . . . . . . . . . . . . . . . . . . . . . . . . . . . . . . . . . . . . . . . . . Illumination 44-3 . . . . . . . . . . . . . . . . . . . . . . . . . . . . . . . . . . . . . . . . . . . . . . . . Interior Light 43-3 . . . . . . . . . . . . . . . . . . . . . . . . . . . . . . . . . . . . . . . . . . . . . . . Light Reminder Buzzer and Key Reminder 40-2 . . . . . . . . . . . . . . . . . . . . . Power Source 30~57-1 . . . . . . . . . . . . . . . . . . . . . . . . . . . . . . . . . . . . . . . . . . . Power Window 46-3 . . . . . . . . . . . . . . . . . . . . . . . . . . . . . . . . . . . . . . . . . . . . . Radio and Player 53-3 . . . . . . . . . . . . . . . . . . . . . . . . . . . . . . . . . . . . . . . . . . . Rear Fog Light 44-8 . . . . . . . . . . . . . . . . . . . . . . . . . . . . . . . . . . . . . . . . . . . . . Rear Window Defogger 48-2 . . . . . . . . . . . . . . . . . . . . . . . . . . . . . . . . . . . . . Remote Control Mirror 47-3 . . . . . . . . . . . . . . . . . . . . . . . . . . . . . . . . . . . . . . SRS 52-3 . . . . . . . . . . . . . . . . . . . . . . . . . . . . . . . . . . . . . . . . . . . . . . . . . . . . . . Starting (Diesel) 31-2 . . . . . . . . . . . . . . . . . . . . . . . . . . . . . . . . . . . . . . . . . . . . Starting (Gasoline) 30-2 . . . . . . . . . . . . . . . . . . . . . . . . . . . . . . . . . . . . . . . . . Stop Light 39-3 . . . . . . . . . . . . . . . . . . . . . . . . . . . . . . . . . . . . . . . . . . . . . . . . . Taillight 40-3 . . . . . . . . . . . . . . . . . . . . . . . . . . . . . . . . . . . . . . . . . . . . . . . . . . . Turn Signal and Hazard Warning Light 41-2 . . . . . . . . . . . . . . . . . . . . . . . . 4WD (w/ 2-4 Select SW) 49-2 . . . . . . . . . . . . . . . . . . . . . . . . . . . . . . . . . . . . 4WD (w/o 2-4 Select SW) 50-2 . . . . . . . . . . . . . . . . . . . . . . . . . . . . . . . . . . . I OVERALLELECTRICAL WIRING DIAGRAM BACK TO MAIN INDEX Pages From Supplement TO MODEL INDEX EWD378F
  • 149.
    HILUX (EWD378F) 198 I OVERALLELECTRICAL WIRING DIAGRAM ;;;;; ;;;;; ;;;;; ;;;;;;;;;; ;;;;;;;;;; ;;;;;;;;;; ;;;;;;;;;; ;;;;;;;;;; ;;;;;;;;;; ;;;;;;;;;; ;;;;;;;;;; ;;;;;;;;;; ;;;;;;;;;; ;;;;;;;;;; ;;;;;;;;;; ;;;;;;;;;; ;;;;;;;;;; ;;;;;; ;;;;;; ;;;;;; ;;;;;; 1 2 3 4 30 HILUX ( RHD ) 2 100A ALT(∗3) 80A ALT(∗4) 7. 5A ALT–S 40A AM1 30A AM2 2 2 2 2 2 ACC IG1 IG2 ST2 AM1 4 6 8 7 A M 2 1H 1 1I 1 1 1 1 1 2 2 2 2 2 1 3 5 2 7. 5A STA 2 2 2 2 2 3 E B 3 1 B 1 A EB Front left fender apron 15 IJ1 25 IJ1 IC1 1 8 I C 1 BATTERY STARTER C C C C W B–R(∗5) B–L(∗6) B–W W–B To Engine ECU(M/T) or Engine and ECT ECU(A/T) <33–8><34–4> To Engine and ECT ECU <37–2> V–Y (A/T) P–B P–B P–B P–B P–B (A/T) (M/T) P–B(M/T) V–Y(A/T) V–Y V–Y B–W W–B J12 JUNCTION CONNECTOR W W W W W–R W–R W P–B V–Y (∗1) (∗2) I17 IGNITION SW P–B (∗1) B–R B B 1 2 R P o w e r S o u rc e C h a rg in g (G a s o lin e ) 3 A S 1 B 2 A 1 A B IG L 2 E B 3 1H 5 1 H 6 10A GAUGE 10A IGN 1J 1 1 D 1 3D 11 3D 12 9 A 1 B C A B B D A D A E B EB3 6 ALTERNATOR JUNCTION CONNECTOR W–R R–L Y–B W 5 E B 3 R–L Y–B Y–B Y–B (∗2) B–W (∗1) (∗2) B–W JUNCTION CONNECTOR B B R–L W–R W B–R R R B–R B–R B–W B–W (∗2) STARTER RELAY W (∗1) W To Carburetor <35–2> CHARGE WARNING LIGHT [COMB. METER] J 7 JUNCTION CONNECTOR (A/T) (A/T) (A/T) (A/T) C B (∗1) B B (∗2) B B C B (∗1) (∗2) JUNCTION CONNECTOR 6 5 P N N 1 NEUTRAL START SW ∗ 3 : 70A Type Alternator ∗ 4 : 45A, 55A Type Alternator J14 B , J 2 J 1 A B , C10 C 9 A B , J14 J13 A B , A11 A10 A B , S 3 S 2 A B A A A A JUNCTION CONNECTOR A J 1 W–B ∗ 2 : General ∗ 1 : Australia S ta rtin g (G a s o lin e ) ∗ 5 : Cold Area Spec. ∗ 6 : Except Cold Area Spec. CLICK HERE TO VIEW CHAPTER INDEX Pages From Supplement TO MODEL INDEX EWD378F
  • 150.
    HILUX (EWD378F) 199 I ;;;;;; ;;;;;; ;;;;;; ;;;;;;;;;; ;;;;;;;;;; ;;;;;;;;;; ;;;;;;;;;; ;;;;;;;;;; ;;;;;;;;;; ;;;;;;;;;; ;;;;;;;;;; ;;;;; ;;;;; ;;;;; 1 2 3 4 31 HILUX ( RHD ) 100A ALT(∗4) 80A ALT(∗5) 20A AM2 7.5A ALT–S 40A AM1 2 2 2 2 2 2 ACC IG1 IG2 ST2 AM1 4 6 8 7 A M 2 1H 1 1I 1 4 3 2 1 4 4 4 4 1 EB 2 1 A 1 B 7. 5A STA 2 2 2 1 1 1 1 IJ1 23 15 IJ1 IJ1 25 W P–B (∗1, ∗2) A B A A A A EF Front right fender apron C C 1 2 2 2 2 JUNCTION CONNECTOR STARTER BATTERY ST RLY J12 JUNCTION CONNECTOR I17 IGNITION SW (∗1) (∗2) W W W W–R W–R B–W B–W W V–Y (∗3) P–B (∗1) P–B (∗2) V–Y (∗2) V–Y (∗1, ∗2) W–B W–B (∗2) B–R R B B P–B (∗3) V–Y (∗1) W–B (∗1, ∗3) W–B (∗2) B–R 3 A S 2 A 1 A IG L 10A GAUGE 10A IGN 1H 5 1 H 6 1J 1 1 D 1 B B C A 3D 11 3D 12 1 B 9 A D A D A E B 20 IJ1 W–R W(Except 1KZ–TE) B–R R W–R Y–B Y–B Y–B ALTERNATOR JUNCTION CONNECTOR CHARGE WARNING LIGHT [COMB. METER] JUNCTION CONNECTOR To Pre–Heating Timer<36–3> B–R R–L B–W B–W (∗1) B–W (∗2, ∗3) B–W (∗1) R–L Y–B(∗2) Y–B (∗1, ∗3) W W W–R P o w e r S o u rc e S ta rtin g (D ie s e l) C h a rg in g (D ie s e l) W (∗2, ∗3) (∗1, ∗3) B B B B JUNCTION CONNECTOR A B W–B W–B 1 2 F 9 FUEL HEATER R W–B (∗2) (5L, ∗3) F u e l H e a te r J14 B , J 2 J 1 A B , S 3 S 2 A B , A11 A10 A B , C10 C 9 A B , J14 J13 A B B J 1 J 2 A , ∗ 1 : Australia ∗ 2 : Europe ∗ 3 : General ∗ 4 : 70A Type Alternator ∗ 5 : 45A, 55A Type Alternator 30A AM2 2 C B C B 1 2 W–R W–R W–R (∗7) (∗6) (1KZ–TE) (∗6) (∗7) (Except 1KZ–TE) JUNCTION CONNECTOR B J14 R 1 EG1 W(1KZ–TE) W (Except 1KZ–TE) (1KZ–TE) W (1KZ–TE) W(1KZ–TE) C A A A P–B V–Y (1KZ–TE) (∗2) J10 JUNCTION CONNECTOR To Emission Control ECU<57–4> To Engine ECU <56–7> 3 EG1 EG1 4 R–L R–L Y–B Y–B (Except 1KZ–TE) (1KZ–TE) (1KZ–TE) (1KZ–TE) ( 1KZ–TE) B A (∗3) C B (∗2) C B (∗2) B A (∗3) JUNCTION CONNECTOR B A J 7 J 8 , ∗ 6 : 2L–T w/o Dim–Dip Light ∗ 7 : 5L, 3L, 2L, 2L–T w/ Dim–Dip Light 1 B B CLICK HERE TO VIEW CHAPTER INDEX Pages From Supplement TO MODEL INDEX EWD378F
  • 151.
    HILUX (EWD378F) 200 I OVERALLELECTRICAL WIRING DIAGRAM 1 2 3 4 32 HILUX ( RHD ) 30A AM2 2 2 IG2 ST2 6 7 A M 2 9 I C 6 IC3 12 C B A A 18 IC6 2 A 4 A 1 A 3 A 1 B 2 B ED Intake manifold EC Ignition coil bracket W–R JUNCTION CONNECTOR N 2 NOISE FILTER BATTERY I 2 IGNITION COIL AND IGNITER NO. 1 I 3 IGNITION COIL AND IGNITER NO. 2 (3RZ–FE) (1RZ–E) To Engine ECU(M/T) or Engine and ECT ECU(A/T)< 33–6> To Engine ECU < 34–4> I17 IGNITION SW 2 1 4 2 3 3 2 4 1 1 B B B B B–R B–R (1RZ–E) B–R (3RZ–FE) B–R B–R B–R R G B–L B–Y BR L–W B–Y B–Y B–Y B–L BR W BR BR B–R B–R (Australia) W–R B–R (General) B–R B–R (1RZ–E) B–R (3RZ–FE) IIA B B B A JUNCTION CONNECTOR 10 IC5 2 1 2 1 To Tachometer [Comb. Meter] <54–1> To Check Connector <34–3> B–R 4 I C 5 B–R (3RZ–F) L B–R Y L B–R B B B–L B B B B–R (1RZ) B–R 3 5 1 4 2 6 B I 4 IGNITION COIL NO. 1 I 5 IGNITION COIL NO. 2 I 1 IGNITER IC5 4 B B B–L B B To Emission Control ECU <35–3> To Tachometer [Comb. Meter] <54–1> To A/C Amplifier <55–3> To Emission Control ECU<35–3> To Tachometer [Comb. Meter] <54–1> EE Cylinder block right side BR BR P o w e r S o u r c e Ig n itio n BR 1 2 +B +B IGF IGT GND IGF IGT GND (General) (Shielded) (Shielded) B C P + P – IGV EX IIA , J14 J13 A B , I 7 I 6 A B , J14 J13 A B 1 C 4 C 2 C I 6 C BR CLICK HERE TO VIEW CHAPTER INDEX Pages From Supplement TO MODEL INDEX EWD378F
  • 152.
    HILUX (EWD378F) 202 I OVERALLELECTRICAL WIRING DIAGRAM ;;;;;; ;;;;;; ;;;;;; ;;;;;;;;; ;;;;;;;;; ;;;;;;;;; ;;;;;;;;; ;;;;;;;;; ;;;;;;;;; ;;;;;;;;; ;;;;;;;;; ;;;;;;;;; ;;;;;; ;;;;;; ;;;;;; ;;;;;; ;;;;;; ;;;;;; ;;;;;; ;;;;;; ;;;;;; 1 2 3 4 33 HILUX ( RHD ) ( Cont. next page ) 2 30A AM2 15A EFI 7. 5A OBD 100A ALT(∗2) 80A ALT(∗3) 2 2 2 40A AM1 2 2 ACC IG1 IG2 ST2 AM1 4 6 7 A M 2 1H 1 1I 1 C B C B A A 1H 6 10A IGN 1J 8 2 1 3 5 2 2 2 2 12 IC3 1 2 1 2 1 2 1 2 EB Front left fender apron 22 IJ1 A A BATTERY W W–B R W L R–L R W L R–L W–B W–B R–L B–R B–R B–R B–R B–R B–R J 1 JUNCTION CONNECTOR I10 INJECTOR NO. 1 I11 INJECTOR NO. 2 I12 INJECTOR NO. 3 I13 INJECTOR NO. 4 W–R GR–L Y W R B–R B–R B–W Y GR–L R R–L Y Y I17 IGNITION SW EFI RELAY JUNCTION CONNECTOR P o w e r S o u rc e E n g in e C o n tro l (3 R Z – F E ) K J I H G F E A B C D IK Cowl side panel RH 1 B A 1 2 1 M 12 BA1 2 1 3 5 1H 5 10A GAUGE 1F 2 3D 1 3 E 22 3D 5 3 E 21 13 C 5 B IH Cowl side panel LH IC3 1 IC3 6 ED Intake manifold CHECK ENGINE WARNING LIGHT[COMB. METER] J 3 JUNCTION CONNECTOR J15 JUNCTION CONNECTOR R V–G G–Y R W L R–L W–B W–B W–B BR BR BR V–G R–L G–W F12 FUEL PUMP G–Y R 4 1 4 7 16 9 13 12 +B W–B G–W R–L R–L R–L R–L R–L W–B R–Y R V R–W GR–L R–L R–L R–L R–L R–W Y C 3 CHECK CONNECTOR D10 DLC3 CIRCUIT OPENING RELAY From ABS ECU <51–4> A A A A W W–R B–R 1 2 1 2 1 2 1 2 7 7 7 7 BAT OP5 TC SIL SG CG (∗1) W–B 1 2 , J14 J13 A B C C10 C11 B , AB 6 P–B From Center Airbag Sensor Assembly<52–3> R From Center Airbag Sensor Assembly<52–3> ∗ 1 : Shielded ∗ 2 : 70A Type Alternator ∗ 3 : 45A, 55A Type Alternator B B B J 5 JUNCTION CONNECTOR R–L To Check Connector < 51–3> 26 IJ1 CLICK HERE TO VIEW CHAPTER INDEX Pages From Supplement CONTINUED TO MODEL INDEX EWD378F
  • 153.
    HILUX (EWD378F) 203 I 5 6 7 8 33 HILUX ( RHD ) ( Cont' d ) A B C D E F G H I J K E n g in e C o n tro l (3 R Z – F E ) 1 5 C 9 A 1 0 A 3 B 2 B 1 0 B 1 2 C 8 A 7 I C 3 2 1 8 C 1 C 14 IJ1 9 B 16 C 5 C 14 C 24 A 25 A 11 A 12 A 26 A 13 A 14 A 20 A 16 A 19 A ED Intake manifold 3 1 2 5 4 A 2 3 1 A SIL W FC # 40 # 30 # 20 # 10 E02 E01 E1 IGT1 IGF IGT2 TC RSC RSO THA VG E3 +B EVP TAC BATT E2 Y R–W R–L R–L V W–L B–R Y–G P–L Y–R R–L R–L LG–B LG–B R–L B–W R–W Y LG–B B–W Y R–W J12 JUNCTION CONNECTOR V 8 VSV(EVAP) ToTachometer [Comb. Meter] <54–1> A I15 ISC VALVE A 9 AIR FLOW METER R–L R V–G G–Y R W L R–L R V–G G–Y R W L R–L W–B W–B BR B–L B–Y L–W From Ignition Coil and Igniter No. 1, No. 2 < 32–1> BR BR 4 A 1 7 A 4 B 6 B 2 1 1 B 1 1 B 2 C 1 3 C 4 C 1 1 C 9 C 3 1 2 1 5 A 1 3 B 2 1 1 ENGINE ECU(M/T) OR ENGINE AND ECT ECU(A/T) THW VAF VC VTA ELS 4WD STP STA SPD NE+ NE – G2+ KNK 1 2 3 BR C 4 CRANKSHAFT POSITION SENSOR K 1 KNOCK SENSOR C 1 CAMSHAFT POSITION SENSOR R G BR BR W B GR BR G (∗1) W LG–B L G –B LG–B LG–B G–R G–B G–Y G–Y G–Y Y O G–B G–W P–B(M/T) V–Y(A/T) G–O (4WD) V 3 VARIABLE RESISTOR W 3 WATER TEMP. SENSOR T 1 THROTTLE POSITION SENSOR From Diode(Idle–Up) <44–4> To ADD Indicator SW (w/ ADD)<49–1><50–3> To Detection SW (Transfer 4WD Position) (w/o ADD)<50–3> From Stop Light SW <39–4> From " STA" Fuse(M/T)<30–2> From Neutral Start SW(A/T) <30–2> From Speed Sensor [Comb. Meter] <54–3> ∗ 1 : Shielded VCC E2 VAF E2 VC VTA (A/T) (∗1) (∗1) (∗1) 2 3 , E 5 E 4 A B , E 6 C LG–B To Check Connector <51–3> CLICK HERE TO VIEW CHAPTER INDEX Pages From Supplement TO MODEL INDEX EWD378F
  • 154.
    HILUX (EWD378F) 204 I OVERALLELECTRICAL WIRING DIAGRAM ;;;;;; ;;;;;; ;;;;;;;; ;;;;;;;; ;;;;;;;; ;;;;;;;; ;;;;;;;; ;;;;;;;; ;;;;;;;; ;;;;;;;; ;;;;; ;;;;; ;;;;; 1 2 3 4 34 HILUX ( RHD ) 2 15A EFI 80A ALT 30A AM2 40A AM1 2 2 2 1H 1 1I 1 2 ACC IG1 IG2 ST2 AM1 4 6 7 A M 2 C B C B A A 1H 6 10A IGN 10A GAUGE 1J 8 1 F 2 1H 5 2 1 3 5 2 2 2 2 3D 1 3D 5 13 C 5 B 22 IJ1 CHECK ENGINE WARNING LIGHT[COMB. METER] 2 1 3 5 9 I C 6 EB Front left fender apron IK Cowl side panel RH 1 2 1 2 1 2 1 2 1 B A 1 2 1 M 12 BA1 A A B 2 2 2 2 1 1 1 1 A B B W R–L R–L L L B–R B–R B–R B–R W–B W–B W–B G–W G–W G–W G–Y P R–L R–L R–L R–L R–L R–L Y Y R–L B–W B–R B–R B–R W–B B–R W–R W Y B–R B–R R–L L R–L L G–W G–Y P P R–L Y R–L G–W R R F12 FUEL PUMP J 5 JUNCTION CONNECTOR I10 INJECTOR NO. 1 I12 INJECTOR NO. 3 I11 INJECTOR NO. 2 I13 INJECTOR NO. 4 EFI RELAY I17 IGNITION SW CIRCUIT OPENING RELAY J 1 JUNCTION CONNECTOR J15 JUNCTION CONNECTOR BATTERY W JUNCTION CONNECTOR 8 I C 6 15 IC6 4 I C 6 26 IC6 4 I C 2 6 I C 6 8 B 16 B 7 B 9 B 2 B 16 A 3 A 5 A 10 A 4 A 18 A 17 A 19 A 10 B 4 B 25 A 12 A 24 A 13 A 26 A 13 B 11 A 6 A 21 A 7 A 9 A ED Intake manifold 14 IJ1 2 1 2 1 2 1 8 1 3 9 3 2 1 2 3 12 19 1 2 4 1 3 C 3 CHECK CONNECTOR T 1 THROTTLE POSITION SENSOR W 3 WATER TEMP. SENSOR I 8 IN–AIR TEMP. SENSOR V 1 VACUUM SENSOR V 3 VARIABLE RESISTOR From IIA < 32–2> R–L LG–B L G – B L G – B LG–B P P P Y L–Y P LG–B GR P Y L–Y G–B Y–G G–R LG–B Y R–L G–B Y–R L–W G–W P P G–W L–W Y–R G–B B R–L R–L Y LG–B LG–B LG–B +B TE1 VF TE2 +B BATT E2 THW THA VAF VC VTA W FC # 20 # 10 E1 E01 E02 SPD STA P G–Y L R–L BR BR BR G–O P–B B–L R B–Y G From Speed Sensor [Comb. Meter] <54–3> From " STA" Fuse <30–2> From IIA<32–2> P o w e r S o u rc e E n g in e C o n tro l (1 R Z – E ) 7 7 7 7 W–B IG– W FP TE1 VF1 TE2 E2 VCC VAF E2 VC PIM E2 VC VTA IDL 17 IC6 P–B PIM IDL IGT NE+ IGF NE – , E 5 E 4 A B ENGINE ECU C C10 C11 B , , J14 J13 A B CLICK HERE TO VIEW CHAPTER INDEX Pages From Supplement TO MODEL INDEX EWD378F
  • 155.
    HILUX (EWD378F) 205 I ;;;;;;;;;; ;;;;;;;;;; ;;;;;;;;;; ;;;;;;;;;; ;;;;;;;;;; 1 2 3 4 35 HILUX ( RHD ) 2 30A AM2 2 7 I G 2 ST2 AM2 6 1H 6 10A IGN 1D 1 5 I C 5 1 2 4 2 I C 4 B B B B P o w e r S o u rc e C a rb u re to r FUELCUT SOLENOID OUTER VENT CONTROL VALVE CHOKE HEATER C 2 CARBURETOR BATTERY W B–W B–W B–W B–W Y–B B–W B–W Y–B B–W W–R W–R B–R B–R J 7 JUNCTION CONNECTOR J14 JUNCTION CONNECTOR I17 IGNITION SW From Alternator <30–4> 7 B 3 A 4 B 1 A 2 1 3 IC4 6 A 14 B 5 A 2 B 4 A 1 B 2 A 13 B 11 B 9 B IL Cowl side panel RH II Cowl side panel LH 2 1 2 I C 5 1 I C 4 EO SPD TAC IGV IGB TP B–W B–R B–W B–W B–W B–R B–R B–R (3RZ–F) (3RZ–F) (1RZ) EMISSION CONTROL ECU V 9 VSV(Throttle Position Control) BR G–O G–O B B–L L G–R W–B W–B W–B W–B From Igniter(3RZ–F)< 32–3> From IIA(1RZ)< 32–4> From Speed Sensor [Comb. Meter] <54–2> V 2 VACUUM SW E m is s io n C o n tro l(G e n e ra l) To A/C Amplifier <55–4> (3RZ–F) 1 2 AUX VSW2 EE : Cylinder block right side(3RZ–F) ED : Intake manifold(1RZ) L (1RZ) , E 3 A B 3 B AC1 12 B ACT L–Y (1RZ) L–B (1RZ) To A/C Amplifier < 55–3> < 55–4> (3RZ–F) 5 I C 4 1 1 I C 5 L–Y L–B (1RZ) (1RZ) CLICK HERE TO VIEW CHAPTER INDEX Pages From Supplement TO MODEL INDEX EWD378F
  • 156.
    HILUX (EWD378F) 206 I OVERALLELECTRICAL WIRING DIAGRAM ;;;;; ;;;;; ;;;;; ;;;;; ;;;;; ;;;;; ;;;;;;;;; ;;;;;;;;; ;;;;;;;;; ;;;;;;;;; ;;;;; ;;;;; ;;;;; ;;;;; ;;;;; ;;;;; ;;;;; ;;;;;;;; ;;;;;;;; ;;;;;;;; ;;;;;;;; ;;;;;;;; ;;;;;;;; ;;;;;;;; 1 2 3 4 36 HILUX ( RHD ) 2 100A ALT(∗4) 80A ALT(∗5) 80A ABS, GLOW 20A AM2 40A AM1 2 2 2 1H 1 1I 1 2 ACC IG1 ST1 IG2 ST2 AM1 4 6 8 7 A M 2 4 3 2 1 4 4 4 4 2 E B 2 EF Front right fender apron 1H 5 1 B 7 1 F 2 3 D 1 3D 5 10A GAUGE 5 B 1 A A C 1 1 1 1 2 2 2 2 A C GLOW INDICATOR LIGHT [COMB. METER] I17 IGNITION SW SUB GLW RLY BATTERY G 1 GLOW PLUG J 1 JUNCTION CONNECTOR J 6 JUNCTION CONNECTOR 1 W B–Y W–B B–Y W–B R–W R–W W W–R W–R W B–R R–L (∗2) R–L (∗1) R–L (∗2) R–L (∗2) R B B–R B B–R R–W B B–R R–L (∗1) 5 I J 2 IJ1 7 13 IC3 IC1 8 (∗1) (∗2) 1H 6 2 7. 5A STA 10A IGN 2 1 D 1 3D 11 3D 10 23 IJ1 B A B B C 2 1 B 1 B 2 2 1 C P–B (∗1) P–B (∗1) P–B (∗1) B–W (∗2) B–R (∗2) P–B (∗2) P–B (∗2) B B–R JUNCTION CONNECTOR B–R B–R B–R B–W (∗2) B–W (∗1) B–W (∗1) 5 B 1 A 11 B 8 A 3 B 7 A 9 B 6 B 2 A 8 B 3 A 4 B 1 2 EG Rear side of cylinder block IC3 6 IC1 2 EG Rear side of cylinder block FUEL CUT SOLENOID PICK–UP SENSOR 2 I C 3 IC1 7 5 I C 3 IC5 11 IM 3C 13 3C 16 (∗1) (∗2) W 3 WATER TEMP. SENSOR From Alternator <31–4> (∗1) (∗1) (∗2) (∗2) (∗2) (∗1) I 9 INJECTION PUMP SREL STA GIND EG THW CHG IG J12 JUNCTION CONNECTOR To Tachometer [Comb. Meter] < 54–1> I14 INTAKE SHUTTER J 7 JUNCTION CONNECTOR Y–B G BR R–W B–W B–W B B–W (∗1) B–W BR (∗1) BR (∗2) BR (∗1) BR (∗2) BR (∗1) BR B Y–B BR B–W B–W C C (∗1) (∗2) J 7 JUNCTION CONNECTOR ∗ 1 : Australia ∗ 2 : General P–B P o w e r S o u rc e G lo w P lu g (A u s tra lia 5 L , G e n e ra l 3 L , 2 L ) 12 IC3 IC5 10 (∗1) (∗2) (∗1) 1 2 3 Right kick panel 1 I C 3 IC1 1 (∗1) (∗2) , C10 C 9 A B , J14 J13 A B P 3 , PRE–HEATING TIMER A B (∗3) (∗3) (∗3) ∗ 3 : w/ Tachometer ∗ 4 : 70A Type Alternator ∗ 5 : 45A, 55A Type Alternator IC1 10 4 I C 3 D 8 DIODE(Glow Plug) B–R B–R (∗2 ∗3) B–R (∗2 ∗3) CLICK HERE TO VIEW CHAPTER INDEX Pages From Supplement TO MODEL INDEX EWD378F
  • 157.
    HILUX (EWD378F) 207 I ;;;;;;; ;;;;;;; ;;;;;;; ;;;;;;;; ;;;;;;;; ;;;;;;;; ;;;;;;;; ;;;;;;;; ;;;;;;;;;; ;;;;;;;;;; ;;;;;;;;;; ;;;;;;;;;; ;;;;; ;;;;; ;;;;; ;;;;; ;;;;; ;;;;; ;;;;; ;;;;; ;;;;; ;;;;; ;;;;; ;;;;; ;;;;; ;;;;; ;;;;; ;;;;; ;;;;; ;;;;; ;;;;; ;;;;;; ;;;;;; ;;;;;; ;;;;;; 1 2 3 4 37 HILUX ( RHD ) 2 80A ALT 40AAM1 30A AM2 15A EFI 2 2 2 1I 1 1H 1 2 ACC IG1 IG2 ST2 AM1 4 6 7 A M 2 2 2 1 3 5 2 2 2 EB Front left fender apron 22 IJ1 1J 8 10A IGN 1H 6 1 C 7 B 1 2 2 1 4 B 9 B 1 B 1 A 12 C 23 A 22 A 21 A 14 A 13 A 26 A ED Intake manifold A 1 1 1 1 A 1 2 3 2 2 2 2 11 B C 1 C BATTERY J 1 JUNCTION CONNECTOR E 1 ECT SOLENOID EFI RELAY ENGINE AND ECT ECU +B S1 S2 E1 SL E01 E02 BATT OIL THW E2 VC VTA NSW W R–L W–B R–L L–Y LG G–R BR W–B W–B BR W–B W–B W–B W–R Y R–L W W W W–R Y Y 14 IJ1 B–W B–R B–R Y Y L–W G–R LG–B G–Y Y P–B LG–B LG–B LG–B LG–B LG–B LG–B LG–B R From " STA" Fuse <30–2> T 1 THROTTLE POSITION SENSOR W 3 WATER TEMP. SENSOR A 3 A/T FLUID TEMP. SW J14 JUNCTION CONNECTOR I17 IGNITION SW P o w e r S o u rc e 1H 5 10A GAUGE 1F 2 3D 1 3 D 2 3 D 5 10 IC3 7 IC1 6 IC1 4 C 9 C 19 C 18 C 15 B 16 B 2 1 22 C 10 5 IH Cowl side panel LH 3E 21 3E 12 A W–B W–B STP SPD 2 L SP2+ SP2 – OD2 13 5 D D D J 3 JUNCTION CONNECTOR O 2 O/D MAIN SW S 1 SPEED SENSOR(ECT) W–L B–L B–L LG–B LG–B J 4 JUNCTION CONNECTOR See Engine Control System< 33–8> R R–L R–L R–L R–L LG LG Y–B Y–B LG–B N 1 NEUTRAL START SW C10 O/D OFF INDICATOR LIGHT [COMB. METER] E C T W–B 3 2 4 VC E2 VTA 2 3 W B Y S1 S2 SL C LL 2L , E 5 E 4 A B , E 6 C CLICK HERE TO VIEW CHAPTER INDEX Pages From Supplement TO MODEL INDEX EWD378F
  • 158.
    HILUX (EWD378F) 208 I OVERALLELECTRICAL WIRING DIAGRAM ;;;;;;; ;;;;;;; ;;;;;;; ;;;;;;; ;;;;;;; ;;;;;;; ;;;;;;;; ;;;;;;;; ;;;;;;;; ;;;;;;;; ;;;;;;;; 1 2 3 4 38 HILUX ( RHD ) H e a d lig h t (w / D im – D ip L ig h t) 2 15A DOME 100A ALT 40A AM1 2 2 4 3 2 1 2 2 1J 12 1I 1 1D 10 1H 1 2 ACC IG1 AM1 4 18 IJ1 1 3 2 2 2 2 I17 IGNITION SW 2 10A HEAD(RL) 10A HEAD(LH) 10A HEAD(RH) 2 2 2 2 2 2 10A HEAD(LL) G–B E B E B D A 3 3 3 2 2 3 1 1 1 2 2 2 1 1 1 1 JUNCTION CONNECTOR BATTERY HEAD RELAY H 5 HEADLIGHT LH H 6 HEADLIGHT RH W G–W L W–G W–G W–G G–W G–W L R R–B L–Y 1 2 1 2 W L–Y W R R GR–R W–G G W–G L G–W R–L R–W DIMMER RELAY 4 P o w e r S o u rc e 1H 5 10A GAUGE 1F 2 24 IJ1 From TAIL Relay < 40–1> R–L 2 C B C B A A EF Front right fender apron 2 1 5 3 4 6 6 6 6 6 4 3 1 2 6 6 6 6 B B B B LG–R A B A B B A C A TAIL OFF HIGH LOW HEAD FLASH H T ED HF HL LIGHT CONTROL SW DIMMER SW HU 13 7 C13 COMBINATION SW 8 16 IK Cowl side panel RH From Rear Fog Light SW<44–7> L–W D JUNCTION CONNECTOR 6 1 4 7 4 1 2 3 9 5 D A A A D A L–Y R R GR–R R–Y 8 1 3 1 1 GR–R R GR–R L–Y 10 G–W L LG–R G–R R–G L–W R–W G–O L–W R–W G–O L LG–R G–B W–B W–B G–R W–G LG–R G–R G–R W–B W–B W–B R–G J10 JUNCTION CONNECTOR C10 HIGH BEAM INDICATOR LIGHT [COMB. METER] J15 JUNCTION CONNECTOR J 1 JUNCTION CONNECTOR DIM–DIP RELAY NO. 3 DIM–DIP RELAY NO. 2 W–B D 6 DIM–DIP LIGHT RELAY 7 1 0 L B J13 J14 A , B J13 J14 A , CLICK HERE TO VIEW CHAPTER INDEX Pages From Supplement TO MODEL INDEX EWD378F
  • 159.
    HILUX (EWD378F) 209 I ;;;;; ;;;;; ;;;;; ;;;;; ;;;;; ;;;;; ;;;;; ;;;;; ;;;;; ;;;;; ;;;;; ;;;;; ;;;;; ;;;;; ;;;;; ;;;;; ;;;;; ;;;;; ;;;;; ;;;;; ;;;;; ;;;;; ;;;;; ;;;;; ;;;;; ;;;;; ;;;;; ;;;;; ;;;;; ;;;;; ;;;;; ;;;;; ;;;;; 1 2 3 4 39 HILUX ( RHD ) 2 100A ALT(∗6) 80AALT(∗7) 10A STOP 4 3 2 1 2 2 2 H T ED HF HL HU OFF TAIL HEAD LOW HIGH FLASH LIGHT CONTROL SW DIMMER SW 1J 2 1F 8 1J 7 1F 3 1F 11 1F 4 1J 9 1 2 3 1 2 3 10A HEAD(LH) 10A HEAD(RH) A B A B C A 2 2 2 1 1 3 2 1 1 2 2 W 10 7 IL Cowl side panel RH IK Cowl side panel RH IL Cowl side panel RH H 5 HEADLIGHT LH H 6 HEADLIGHT RH C10 HIGH BEAM INDICATOR LIGHT [COMB. METER] J15 JUNCTION CONNECTOR BATTERY HEAD RELAY R–W R–B G–Y R–W R–G R–Y R–G R–G R–G R–Y W–B (∗3) W–B (∗1, ∗2) W–B (∗1, ∗2) W–B (∗3) G–Y R–Y R–Y R–Y W–B (∗1, ∗2) A JUNCTION CONNECTOR 8 I J 1 3 I J 2 1 2 3B 5 3 B 7 3B 6 3 B 9 3 B A1 G–Y G–W (∗1) G–W (∗1) G–W G–W G–W G–W (∗4) 10 BA1 IK Cowl side panel RH IL Cowl side panel RH (∗1, ∗2) (∗3) S 4 STOP LIGHT SW J 7 JUNCTION CONNECTOR R 6 STOP LIGHT LH [REAR COMB. LIGHT LH] R 7 STOP LIGHT RH [REAR COMB. LIGHT RH] J15 JUNCTION CONNECTOR To Engine ECU(M/T) or Engine and ECT ECU(A/T) < 33–8> W–B W–B W–B W–B (∗1, ∗2) (∗3) A G–W (∗3) W–B (∗3) 3 3 D 4 4 D D W–B G–W (∗2) G–W (∗2) G–W (3RZ–FE) To ABS ECU< 51–6> ∗ 1 : Australia ∗ 2 : Europe ∗ 3 : General ∗ 4 : w/ Rear Deck, Malta ∗ 5 : Except ∗4 P o w e r S o u rc e H e a d lig h t (w /o D im – D ip L ig h t) S to p L ig h t G–W G–W (∗1) (∗2) 13 B 14 A 8 B 1 A 17 B 10 A 7 B 2 A (∗1, ∗3) (∗2) 16 B 9 A (∗1, ∗3) (∗2) R–W R–W R–L R–W COMBINATION SW E A E A JUNCTION CONNECTOR (∗5) B J13 J14 A , , C13 A B J13 A ∗ 6 : 70A Type Alternator ∗ 7 : 45A, 55A Type Alternator CLICK HERE TO VIEW CHAPTER INDEX Pages From Supplement TO MODEL INDEX EWD378F
  • 160.
    HILUX (EWD378F) 210 I OVERALLELECTRICAL WIRING DIAGRAM ;;;;;;; ;;;;;;; ;;;;;;; ;;;;; ;;;;; ;;;;; ;;;;; ;;;;; ;;;;; ;;;;; ;;;;; ;;;;; ;;;;; ;;;;; ;;;;; ;;;;;;;;;;;;; ;;;;;;;;;;;;; ;;;;;;;;;;;;; ;;;;;;;;;;;;; ;;;;;;;;;;;;; ;;;;;;;;;;;;; ;;;;;;;;;;;;; ;;;;;;;;;;;;; ;;;;;;;;;;;;; ;;;;;;;;;;;;; ;;;;;;;;;;;;; ;;;;;;;;;;;;; ;;;;;;;;;;;;; ;;;;;;;;;;;;; 1 2 3 4 40 HILUX ( RHD ) 2 100A ALT(∗10) 80A ALT(∗11) 40A AM1 1 2 5 3 2 2 2 1I 1 2 10A TAIL 2 1H 1 2 ACC IG1 AM1 3 4 B A B A C B C B TAIL RELAY JUNCTION CONNECTOR 1H 3 1H 5 10A GAUGE 1J 6 1 F 7 OFF TAIL HEAD 1J 2 1F 11 1F 8 5 A IL IH A 6 8 4 W–B (∗1, ∗2) W–B (∗1, ∗2) (∗1, ∗2) W–B W–B (∗3) BATTERY To Dim–Dip Light Relay<38–4> J 3 JUNCTION CONNECTOR R–Y R–Y (∗6) (∗6) R–Y (∗1, ∗3) B–Y W W W G G R L–R G G See Interior Light System<43–2> I17 IGNITION SW L–R R 20 3F 3F 19 9 B A 1 2 1 2 1 2 A 2 A 2 B 2 B 1 B 3 A 1 B 3 A A B A A A A IK Cowl side panel RH 10 BA1 G IL Cowl side panel RH E A A 2 2 3 3 E JUNCTION CONNECTOR W–B W–B (∗1, ∗2) (∗3) W–B (∗3) W–B W–B W–B W–B W–B W–B W–B W–B W–B (∗5) W–B (∗4) W–B (∗4) W–B (∗5) (∗5) W–B (∗4) J15 JUNCTION CONNECTOR J13 JUNCTION CONNECTOR R 6 TAILLIGHT LH [REAR COMB. LIGHT LH] R 7 TAILLIGHT RH [REAR COMB. LIGHT RH] L 1 LICENSE PLATE LIGHT LH L 2 LICENSE PLATE LIGHT RH FRONT CLEARANCE LIGHT LH FRONT CLEARANCE LIGHT RH G G G G G G G G (∗4) G (∗5) G (∗5) (∗5) G (∗4) G (∗4) G G (∗4) G G G (∗1) ∗ 1 : Australia ∗ 2 : Europe ∗ 3 : General ∗ 4 : w/ Rear Deck, Malta ∗ 5 : Except ∗4 ∗ 6 : w/ Dim–Dip Light ∗ 7 : w/o Dim–Dip Light P o w e r S o u rc e L ig h t R e m in d e r B u z z e r a n d K e y R e m in d e r T a illig h t 1 1 1 2 2 2 W (∗1) (∗2, ∗3) 14 B 15 A (∗1, ∗3) (∗2) 16 B 9 A (∗1, ∗3) (∗2) CIG. (B) GAUGE(B) TAIL(B) CTY(D) ∗ 8 : Front Turn Signal Light and Clearance Light One Body Type ∗ 9 : Front Turn Signal Light and Clearance Light Separated Type (∗8) (∗9) (∗8) (∗9) (∗8) (∗9) (∗8) (∗9) EB : Front left fender apron(Gasoline) EF : Front right fender apron(Diesel) , J 2 J 1 A B LIGHT CONTROL SW , J 2 J 1 A B A F 2 F 6 B , A F 1 F 5 B , 9 I J 2 IJ1 24 19 IJ1 R–Y(∗1, ∗3) R–Y(∗2 ∗7) R–Y (∗7 ∗2) (∗1) (∗3) ∗10 : 70A Type Alternator ∗11 : 45A, 55A Type Alternator R–Y(∗2, ∗6) T H E D Cowl side panel RH Cowl side panel LH IG Cowl side panel LH A J 7 JUNCTION CONNECTOR I18 INTEGRATION RELAY A 1C 1 EARTH C13 A , B COMBINATION SW 10 A 7 A 2 1 U 1 UNLOCK WARNING SW EARTH KEY U/L SW G–B P–B 7 W–B W–B 15A ACC CLICK HERE TO VIEW CHAPTER INDEX Pages From Supplement TO MODEL INDEX EWD378F
  • 161.
    HILUX (EWD378F) 211 I ;;;;; ;;;;; ;;;;; ;;;;; ;;;;; ;;;;; ;;;;;;;; ;;;;;;;; ;;;;;;;; ;;;;;;;; ;;;;;;;;; ;;;;;;;;; ;;;;;;;;; ;;;;;;;;; ;;;;;;;;; ;;;;;;;;; ;;;;;;;;; ;;;;;;;;; ;;;;;; ;;;;;; ;;;;;; ;;;;;; ;;;;;; ;;;;;; ;;;;;; ;;;;;; ;;;;;; ;;;;;; ;;;;;; ;;;;;; ;;;;;; ;;;;;; ;;;;;; ;;;;;; ;;;;;; ;;;;;; ;;;;;; ;;;;;; ;;;;;; ;;;;;; ;;;;;; ;;;;;; ;;;;;; ;;;;;; ;;;;;; ;;;;;; ;;;;;; ;;;;;; ;;;;;; ;;;;;; ;;;;;; ;;;;;; ;;;;;; ;;;;;; ;;;;;; ;;;;;; ;;;;;; ;;;;;; ;;;;;; ;;;;; ;;;;; ;;;;; 1 2 3 4 41 HILUX ( RHD ) 15AHORN 100A ALT(∗8) 80A ALT(∗9) 40A AM1 2 2 2 1H 1 1I 1 2 ACC IG1 ST1 AM1 4 1H 5 1J 3 1D 11 10A TURN 1B 2 OFF ON B1 F B2 TB TL TR 1B 4 1 B 10 8 1B 1C 1 7 6 1 1 1 3 5 4 1 2 2 2 2 2 1 W W W L–W R–B L–W G–R L–R IK Cowl side panel RH IL Cowl side panel RH II Cowl side panel LH A A A A I17 IGNITION SW H10 HAZARD SW TURN SIGNAL FLASHER J15 JUNCTION CONNECTOR BATTERY W–B(∗4 ∗5) W–B(∗3 ∗5) W–B(∗1) W–B W–B (∗2) (∗1) L–R W–B (∗2) L–W R W–B (∗1) W–B (∗1) W–B (∗2) W–B (∗2 ∗5) W–B (∗2) LH RH 1D 6 1 E 4 1J 11 1D 7 1E 3 1D 8 1D 2 1A 2 1 A 1 1 J 10 1E1 2 1 3F 3 3F 1 8 B A1 R 7 REAR TURN SIGNAL LIGHT RH [REAR COMB. LIGHT RH] 2 1 2 1 C10 TURN SIGNAL INDICATOR LIGHT[COMB. METER] 2 1 2 B A1 10 BA1 A A A A A B A B IL Cowl side panel RH IH Cowl side panel LH W–B W–B (∗5) W–B (∗2) J13 JUNCTION CONNECTOR F 6(∗6) F 8(∗7) FRONT TURN SIGNAL LIGHT RH F 4 FRONT SIDE TURN SIGNAL LIGHT RH F 5(∗6) F 7(∗7) FRONT TURN SIGNAL LIGHT LH F 3 FRONT SIDE TURN SIGNAL LIGHT LH R 6 REAR TURN SIGNAL LIGHT LH [REAR COMB. LIGHT LH] 3 10 D D 1 11 12 1 A A 3 J 3 JUNCTION CONNECTOR J14 JUNCTION CONNECTOR JUNCTION CONNECTOR W–B(∗1) W–B(∗3 ∗5) W–B(∗4 ∗5) W–B W–B W–B G–B G–Y (∗2 ∗5) (∗2) (∗1) W–B (∗3 ∗5) W–B W–B (∗1) W–B (∗2) W–B G–B G–B G–Y G–B (∗5) G–B G–B G–Y G–Y G–Y G–Y G–Y (∗5) G–Y W–B W–B (∗5) W–B W–B (∗1) W–B (∗4 ∗5) W–B W–B G–B LH RH L–R ∗ 1 : Europe, Australia ∗ 2 : General ∗ 3 : Australia ∗ 4 : Europe ∗ 5 : w/ Front Side Turn Signal Light ∗ 6 : Front Turn Signal Light and Clearance Light One Body Type ∗ 7 : Front Turn Signal Light and Clearance Light Separated Type P o w e r S o u rc e T u rn S ig n a l a n d H a z a rd W a rn in g L ig h t TL TB TR 2 B 7 A (∗2, ∗3) (∗4) 1 B 6 A 3 B 8 A (∗2, ∗3) (∗4) EB : Front left fender apron(Gasoline) EF : Front right fender apron(Diesel) (∗2) W–B E E G–B G–Y TURN SIGNAL SW [COMB. SW] B C13 A , , J 2 J 1 A B A A A J 9 JUNCTION CONNECTOR ∗ 8 : 70A Type Alternator ∗ 9 : 45A, 55A Type Alternator (∗4 ∗5) W–B CLICK HERE TO VIEW CHAPTER INDEX Pages From Supplement TO MODEL INDEX EWD378F
  • 162.
    HILUX (EWD378F) 212 I OVERALLELECTRICAL WIRING DIAGRAM ;;;;;;;;; ;;;;;;;;; ;;;;;;;;; ;;;;;;;;; ;;;;;;;;; ;;;;;;;;; ;;;;;;;;; ;;;;;;; ;;;;;;; ;;;;;;; ;;;;;; ;;;;;; ;;;;;; 1 2 3 4 42 HILUX ( RHD ) B a c k – U p L ig h t 2 100A ALT(∗8) 80A ALT(∗9) 40A AM1 2 1I 1 1H 1 2 ACC IG1 AM1 4 1H 5 10A GAUGE 1B 7 1 F 2 3D 1 3D 2 2 1 4 8 7 B A 1 B 1 1 2 2 C B C P o w e r S o u rc e N 1 BACK–UP LIGHT SW [NEUTRAL START SW] B 1 BACK–UP LIGHT SW BATTERY W R–L R–L W W (∗10) (A/T) (∗10) (A/T) (3RZ–FE, 3L, 2L–T, 2L) (3RZ–F, 1RZ, 5L) (∗6) (∗5) (∗6) (∗5) I17 IGNITION SW J 6 JUNCTION CONNECTOR W W R R–L (∗2) R–L (∗1) R–L R–L (∗2) (∗10) W W BUZZER 2 1 5 5 10 BA1 IK Cowl side panel RH IL Cowl side panel RH E A E 3 3 W W W W W (∗7) W–B W–B W–B W–B W (∗3) (∗4) W–B W–B W–B (∗6) (∗6) (∗1, ∗5) R 7 BACK–UP LIGHT RH [REAR COMB. LIGHT RH] R 6 BACK–UP LIGHT LH [REAR COMB. LIGHT LH] R15 REVERSE WARNING BUZZER J15 JUNCTION CONNECTOR J13 JUNCTION CONNECTOR (∗7) ∗ 1 : Australia ∗ 2 : Europe, General ∗ 3 : w/ Rear Deck, Malta ∗ 4 : Except ∗3 ∗ 5 : Europe ∗ 6 : General W–B ∗ 7 : w/ Reverse Warning Buzzer ∗ 8 : 70A Type Alternator ∗ 9 : 45A, 55A Type Alternator ∗10 : Except 1RZ–E, 1KZ–TE (3RZ–F, 1RZ, 5L)8 I C 5 IC3 (3RZ–FE, 3L, 2L–T, 2L)10 7 I C 5 IC3 9 R–L (∗11) (∗11) W R–L (∗11) W (∗11) 1 I C 1 IC6 5 (1RZ–E) (1KZ–TE) 9 I C 3 IC6 13 ∗11 : 1KZ–TE, 1RZ–E CLICK HERE TO VIEW CHAPTER INDEX Pages From Supplement TO MODEL INDEX EWD378F
  • 163.
    HILUX (EWD378F) 213 I ;;;; ;;;; ;;;; ;;;; ;;;; ;;;; ;;;; ;;;; ;;;; ;;;; ;;;; ;;;; ;;;; ;;;;; ;;;;; ;;;;; ;;;;; ;;;;; ;;;;; ;;;;; ;;;;; ;;;;; ;;;;; ;;;;;;;;;; ;;;;;;;;;; ;;;;;;;;;; ;;;;;;;;;; ;;;;;;;;;; ;;;;; ;;;;; ;;;;; ;;;;; ;;;;; ;;;;; ;;;;; ;;;;; ;;;;; ;;;;; ;;;;; ;;; ;;; ;;; ;;; ;;; ;;; ;;; ;;; ;;; ;;; ;;; ;;; ;;; ;;; ;;; ;;; ;;; ;;; ;;; ;;; ;;; ;;; ;;; ;;; ;;; ;;; ;;; ;;; ;;; 1 2 3 4 43 HILUX ( RHD ) 2 15A DOME 100A ALT(∗12) 80A ALT(∗13) 40AAM1 2 2 1I 1 1H 1 2 ACC IG1 AM1 4 1H 5 10A GAUGE 1J 12 1D 10 1K 2 1 A 1 2 12 A 1 3B 3 3B 1 3B 4 3 B 2 1A 5 2 1 5 A 9 A 1 12 6 2 2 2 9 BATTERY D12 DOOR COURTESY SW FRONT RH D11 DOOR COURTESY SW FRONT LH D 7 DIODE (Door Courtesy) I16 IGNITION KEY CYLINDER LIGHT W B (∗1, Europe) B–O (∗4) B–O (∗2) B–O (∗2) B (∗1) B–O (∗1) 1 1 1 W L–Y W R L–Y L–Y (∗1) L–Y L–B (∗11) L–Y (∗11) B–O B (∗1, Europe) (∗2) B–L B–O (∗4) INTEGRATION RELAY I17 IGNITION SW P o w e r S o u rc e In te rio r L ig h t 1F 1 1K 1 2 2 DOOR OFF ON 1 1 B B B B 1 1 1 I L 1 1 I A 2 ∗ 1 : Australia Double Cab ∗ 2 : Australia Except Double Cab ∗ 3 : General Double Cab w/o Door Lock ∗ 4 : Except ∗3 ∗ 5 : General Double Cab ∗ 6 : Europe Double Cab ∗ 7 : General Double Cab w/ Door Lock ∗ 8 : Regular Cab ∗ 9 : Double Cab, Extra Cab L–Y(∗1) L–Y I20 INTERIOR LIGHT B–O C C C (∗8) (∗9) (∗8) (∗9) L–Y (∗1) B–O (∗6) B–O (∗6) J10 JUNCTION CONNECTOR C 9 OPEN DOOR WARNING LIGHT [COMB. METER] J 6 JUNCTION CONNECTOR D14 DOOR COURTESY SW REAR LH D15 DOOR COURTESY SW REAR RH B–O (∗1) B–O B–O B–O(∗1) B–O(∗3) B–O(∗5) B–O (∗3) (∗1) (∗1) B–O (∗7) B–O (∗5) B–O (∗7) B–O (∗3) B–O(∗3) B–O (∗1) B–O(∗3) B–O (∗6) B–O (∗3) B–O (∗1) B–O (∗7) B–O(∗6) B–O (∗1) B–O B–O B–O (∗7) (∗3) (∗3) 5 4 GAUGE(B) DOME(B) KEY ILLUMI. DOME(B) CTY(D) CTY(P) CTY(P) B–O (∗5) B–O (∗10) (Australia) I18 A ∗10 : General Regular Cab B–O (∗10) ∗11 : w/ Ignition Key Cylinder Light ∗12 : 70A Type Alternator ∗13 : 45A, 55A Type Alternator CLICK HERE TO VIEW CHAPTER INDEX Pages From Supplement TO MODEL INDEX EWD378F
  • 164.
    HILUX (EWD378F) 214 I OVERALLELECTRICAL WIRING DIAGRAM ;;;;; ;;;;; ;;;;; ;;;;; ;;;;; ;;;;; ;;;;; ;;;;; ;;;;; ;;;;; ;;;;; ;;;;; ;;;;; ;;;;; ;;;;; ;;;;; ;;;;; ;;;;; ;;;;; ;;;;; ;;;;; ;;;;; ;;;;; ;;;;; ;;;;; ;;;;; ;;;;; ;;;;; ;;;;; ;;;;; ;;;;; ;;;;; ;;;; ;;;; ;;;; ;;;; ;;;; ;;;; ;;;; ;;;; ;;;; ;;;;; ;;;;; ;;;;; ;;;;; ;;;;; ;;;;; ;;;;; ;;;;; ;;;;; ;;;;; ;;;;; ;;;;; ;;;;; ;;;;; ;;;;; ;;;;; ;;;;; ;;;;; ;;;;; ;;;;; ;;;;; ;;;;; ;;;;; ;;;;; ;;;;; ;;;;; ;;;;; ;;;;; ;;;;; ;;;;; ;;;;; ;;;;; ;;;;; ;;;;; ;;;;; ;;;;; ;;;;; ;;;;; ;;;;; ;;;;; ;;;;; ;;;;; ;;;;; ;;;;; ;;;;; ;;;;; ;;;;; ;;;;; ;;;;; ;;;;; ;;;;; ;;;;; ;;;;; ;;;;; ;;;;; ;;;;; ;;;;; ;;;;;;;;; ;;;;;;;;; ;;;;;;;;; ;;;;;;;;; ;;;;;;;;; 1 2 3 4 44 HILUX ( RHD ) ( Cont. next page ) 2 100A ALT(∗4) 80A ALT(∗5) 40A AM1 1 2 5 3 2 2 2 2 1I 1 7. 5A ECU–B 10A TAIL 1B 11 2 C B B A 1J 6 1 A 6 1 F 7 3 F 20 3F 10 3F 17 3F 18 4 1 4 C 15 A 3F 2 3 D 17 3D 20 3D 13 3F 9 3F 1 IK Cowl side panel RH 1 1 1 1 E 2 2 2 2 E A A A JUNCTION CONNECTOR METER ILLUMINATION [COMB. METER] R 4 REAR WINDOW DEFOGGER SW See Light Reminder Buzzer System<40–1> TAIL RELAY R 5 RHEOSTAT J13 JUNCTION CONNECTOR J15 JUNCTION CONNECTOR W W B–Y G L–B G G G W–G W–B W–B W–B W–B W–B W–B W–B W–B G G G (∗1) W–B G (∗2, ∗3) BATTERY 3F 14 3F 13 3E 5 3 E 7 3 E 8 3 E 6 3 E 10 9 8 9 4 1 2 1 2 2 1 3E 13 3E 16 3E 17 3E 19 3E 11 3E 21 3E 4 IH IM Right kick panel 2 7 10 1 A A G(∗2, ∗3) G W–B W–B W–B L–B G (∗2, ∗3) G G G G G G G BR W–B W–B W–B W–B W–B O To Engine and ECT ECU <33–8> BR W–B W–B R 1 RADIO AND PLAYER H10 HAZARD SW O 2 A/T SHIFT LEVER ILLUMINATION [O/D MAIN SW] C 6 CIGARETTE LIGHTER ILLUMINATION A26 ASHTRAY ILLUMINATION G 2 GLOVE BOX LIGHT D 9 DIODE (Idle–Up) J 3 JUNCTION CONNECTOR ∗ 1 : Australia ∗ 2 : Europe ∗ 3 : General P o w e r S o u rc e Illu m in a tio n (A/T) (A/T) 15 3F G To Clock < 47–2> A 5 4 A B 6 A BLOWER SW (A/T) (A/T) 1 I G 1 2 I G 1 G W–B Cowl side panel LH B J 1 J 2 A , C C 9 C11 A , ∗ 4 : 70A Type Alternator ∗ 5 : 45A, 55A Type Alternator L–B CLICK HERE TO VIEW CHAPTER INDEX Pages From Supplement CONTINUED TO MODEL INDEX EWD378F
  • 165.
    HILUX (EWD378F) 215 I ;;;;; ;;;;; ;;;;; ;;;;; ;;;;; 5 6 7 8 44 HILUX ( RHD ) ( Cont' d ) A B 1J 6 1A 6 8 2 4 1 9 8 1 3 15 A 4 C IK Cowl side panel RH IH Cowl side panel LH II Cowl side panel LH IM Right kick panel IL Cowl side panel RH 7 A A A B B E A E A A A A A 10 A A A METER ILLUMINATION [COMB.METER] R 3 REAR FOG LIGHT SW R 4 REAR WINDOW DEFOGGER SW H10 HAZARD SW A14 A/C SW R 1 RADIO AND PLAYER J 9 JUNCTION CONNECTOR J15 JUNCTION CONNECTOR J 3 JUNCTION CONNECTOR J 8 JUNCTION CONNECTOR J 6 JUNCTION CONNECTOR L–B G (∗2, ∗3) W–B (∗2) W–B (∗2) W–B W–B (∗2) W–B W–B (∗3) W–B (∗2) G G G G G G G (∗2) W–B(∗3) W–B(∗2) W–B(∗3) W–B(∗2) W–B (∗2) W–B (∗2) W–B W–B (∗2) W–B (∗2) W–B (∗2) W–B(∗3) W–B (∗3) W–B (∗3) W–B (∗3) BR BR IK Cowl side panel RH IH Cowl side panel LH 2 1 BA1 10 BA1 5 C 5 7 1 B 10 E C 3 B 6 E A A B A R 9 REAR FOG LIGHT J 6 JUNCTION CONNECTOR C10 REAR FOG LIGHT INDICATOR LIGHT [COMB. METER] J13 JUNCTION CONNECTOR J15 JUNCTION CONNECTOR J 3 JUNCTION CONNECTOR J10 JUNCTION CONNECTOR To Combination SW <38–4> R 3 REAR FOG LIGHT SW L–B L–B Y–G W–B L–W W–B W–B W–B W–B W–B Y–G Y–G Y–G W–B W–B Illu m in a tio n R e a r F o g L ig h t (∗2) B G To Clock< 47–2> 4 B (∗3) 5 A (∗2) 4 A (∗2) 3 B (∗3) BLOWER SW W–B(∗2) W–B (∗2) (∗2) (∗2) B LH E L ∗ 2 : Europe ∗ 3 : General W–B (∗3) C C 9 C11 A , B B 6 A , A W–B B A G B A A A A (∗3) (∗2) (∗2) (∗3) (∗3) 5 1D G (∗2) G G (∗3) (∗2) (∗2) 1 I G 1 1 2 1 2 2 1 2 I G 1 J13 JUNCTION CONNECTOR G W–B W–B A A A A W–B W–B W–B W–B G G G G G G (∗2) (∗2) (∗3) (∗2) (∗2) A26 ASHTRAY ILLUMINATION C 6 CIGARETTE LIGHTER ILLUMINATION G 2 GLOVE BOX LIGHT (∗2) CLICK HERE TO VIEW CHAPTER INDEX Pages From Supplement TO MODEL INDEX EWD378F
  • 166.
    HILUX (EWD378F) 216 I OVERALLELECTRICAL WIRING DIAGRAM ;;;; ;;;; ;;;; ;;;; ;;;;;;;;; ;;;;;;;;; ;;;;;;;;; ;;;;;;;;; ;;;;;;;;; ;;;;;;;;; ;;;;;;;;; ;;;; ;;;; ;;;; ;;;; ;;;; ;;;; ;;;; ;;;; ;;;; ;;;; ;;;; ;;;; ;;;; ;;;; ;;;; ;;;; ;;;; ;;;; ;;;; ;;;; ;;;; ;;;; ;;;; ;;;; ;;;; ;;;; ;;;; ;;;; ;;;; ;;;; ;;;; ;;;; ;;;; ;;;; ;;;; ;;;; ;;;; ;;;; ;;;; ;;;; ;;;; ;;;; ;;;; ;;;; ;;;; ;;;; ;;;; ;;;; ;;;; ;;;; ;;;; ;;;; ;;;; ;;;; ;;;; ;;;; ;;;; ;;;; ;;;; ;;;; ;;;; ;;;; ;;;; ;;;; ;;;; ;;;; ;;;; ;;;; ;;;; ;;;; ;;;; ;;;; ;;;; ;;;; ;;;; 1 2 3 4 45 HILUX ( RHD ) 40A AM1 100A ALT(∗5) 80A ALT(∗6) 2 2 5 I B 1 1 B E 1 1 B D 1 3 B 2 B 2 B E 1 2 B D 1 6 B A B C A C A IH IK Cowl side panel RH 1 I M 1 B B B A B A 1 1 A A 2 2 W W L–W L–W L–W L–W B–Y B–Y B–Y B–Y B–Y BATTERY W–B W–B W–B R–W J15 JUNCTION CONNECTOR J 3 JUNCTION CONNECTOR D o o r L o c k C o n tro l P o w e r S o u r c e M M D18 DOOR LOCK MOTOR FRONT LH D20 DOOR LOCK MOTOR REAR LH M D21 DOOR LOCK MOTOR REAR RH D19 DOOR LOCK MOTOR FRONT RH B–Y B–Y B–Y 3 D16 DOOR KEY LOCK AND UNLOCK SW 2 1 UNLOCK LOCK JUNCTION CONNECTOR JUNCTION CONNECTOR L–W L–W 2 2 2 3 3 3 M INTEGRATION RELAY 2 C 3 C 3 B 10 B 3 A 4 B (∗7) (∗2) (∗1) (∗7) W–B W–B DOOR LOCK CONTROL SW DOOR LOCK CONTROL SW [POWER WINDOW MASTER SW] 1C 1 7 4 I B 1 B–Y L–W B–Y L–W L–W JUNCTION CONNECTOR E B E A JUNCTION CONNECTOR F B D A E B F B 5 B R–Y R–W R–Y R–W R–W R–Y W–B W–B W–B MOTOR(–) MOTOR(+) 2 3 UNLOCK LOCK EARTH UNLOCK LOCK U L E Cowl side panel LH U L E B J16 J17 A , B J16 J17 A , I19 B B J16 J17 A , J17 B J16 A , P 9 A D17 C IL Cowl side panel RH II Cowl side panel LH A (∗3) (∗3) W–B (∗4) W–B (∗4) (∗3) (∗3) W–B (∗4) W–B (∗4) (∗3) ∗ 1 : 4–Door w/ Power Window ∗ 2 : w/o Power Window ∗ 3 : Australia, Europe ∗ 7 : 2–Door w/ Power Window ∗ 5 : 70A Type Alternator ∗ 6 : 45A, 55A Type Alternator 1I 1 30A POWER POWER (DOOR LOCK) 1 2 11 L–W (∗8) (∗4, ∗9) L–W(∗8) L–W(∗8) (∗4, ∗9) (∗4, ∗9) B B B J11 JUNCTION CONNECTOR D D D L–W L–W L–W L–W J11 JUNCTION CONNECTOR (∗8) (∗8) (∗8) (∗4, ∗9) (∗4, ∗9) (∗4, ∗9) B–Y B–Y (∗8) (∗4, ∗9) (∗8) (∗4, ∗9) C C C B–Y B–Y (∗8) (∗4, ∗9) J11 JUNCTION CONNECTOR B–Y (∗8) (∗4, ∗9) B–Y B–Y B–Y A A A (∗8) (∗4, ∗9) (∗8) (∗4, ∗9) (∗8) (∗4, ∗9) J11 JUNCTION CONNECTOR ∗ 4 : General ∗ 8 : Europe 4 C (∗2) 5 A 14 A (∗1) , B ∗ 9 : Australia CLICK HERE TO VIEW CHAPTER INDEX Pages From Supplement TO MODEL INDEX EWD378F
  • 167.
    HILUX (EWD378F) 217 I ;;;;;;;;;;;;;;;;;;;;;;;;;;;; ;;;;;;;;;;;;;;;;;;;;;;;;;;;; ;;;;;;;;;;;;;;;;;;;;;;;;;;;; ;;;;;;;;;;;;;;;;;;;;;;;;;;;; ;;;;;;;;;;;;;;;;;;;;;;;;;;;; ;;;;;;;;;;;;;;;;;;;;;;;;;;;; ;;;;;;;;;;;;;;;;;;;;;;;;;;;; ;;;;;;;;;;;;;;;;;;;;;;;;;;;; ;;;;;;;;;;;;;;;;;;;;;;;;;;;; ;;;;;;;;;;;;;;;;;;;;;;;;;;;; 1 2 3 4 46 HILUX ( RHD ) 2 100A ALT(∗1) 80A ALT(∗2) 40A AM1 2 2 ACC IG1 AM1 4 3 4 1 2 1C 1 1 F 6 1B 1 1H 1 1H 5 10A GAUGE 1B 7 IH Cowl side panel LH 1I 1 F A F A D B WINDOW LOCK SW LOCK UP DOWN NORMAL DRIVER' S POWER WINDOW RELAY M 1 2 1 I M 1 IK Cowl side panel RH BATTERY W 1 1 2 2 A A A W–B W–B W–B L–R J15 JUNCTION CONNECTOR J 3 JUNCTION CONNECTOR POWER RELAY P11 POWER WINDOW MOTOR FRONT RH W–B LG L–Y W–BW–B W–B R–L W L–R L–R L–R L–R R W JUNCTION CONNECTOR I17 IGNITION SW P o w e r S o u rc e DOWN UP FRONT PASSENGER' S DOWN UP REAR LH REAR RH UP DOWN 8 I M 2 3 I M 2 7 I M 2 2 I M 2 9 I M 2 4 I M 2 7 I B 2 2 I B 2 4 B D 1 3 B D 1 4 B E 1 3 B E 1 6 I B 2 5 B D1 5 B E1 M 1 2 5 2 4 3 1 P 5 POWER WINDOW CONTROL SW FRONT LH P10 POWER WINDOW MOTOR FRONT LH UP DOWN LG L–Y M 1 2 5 2 4 3 1 P 7 POWER WINDOW CONTROL SW REAR LH P12 POWER WINDOW MOTOR REAR LH UP DOWN LG L–Y M 1 2 5 2 4 3 1 P 8 POWER WINDOW CONTROL SW REAR RH P13 POWER WINDOW MOTOR REAR RH UP DOWN LG L–Y R–B R–G R–L L–B Y G L–R L–R L–R R–B R–G R–B R–G L–R R–L L–B Y G Y G Y G L–R L–R L–R L–R L–R P o w e r W in d o w 30A POWER BW DU DD E PU PD RLU RLD RRU RRD SU SD U D B SU SD U D B SU SD U D B W W 2 1 , J17 J16 A B ∗ 5 : Europe, General ∗ 4 : Single Cab R–L R–L C C (∗5) (∗5) (Australia) B B (General) (Europe) (Europe) (General) J 8 JUNCTION CONNECTOR 6 B (∗4) 10 A (∗3) L–R 9 A (∗3) (∗4) 12 A 8 A 13 A 1 A 5 B 7 A 7 B 3 A 4 B 2 A 1 B 6 A 2 B ∗ 3 : Double Cab ∗ 2 : 45A, 55A Type Alternator ∗ 1 : 70A Type Alternator P 9 A , B POWER WINDOW MASTER SW CLICK HERE TO VIEW CHAPTER INDEX Pages From Supplement TO MODEL INDEX EWD378F
  • 168.
    HILUX (EWD378F) 218 I OVERALLELECTRICAL WIRING DIAGRAM ;;;;; ;;;;; ;;;;; ;;;;;; ;;;;;; ;;;;;; ;;;;;;;;; ;;;;;;;;; ;;;;;;;;; ;;;;;;;;; ;;;;;;;;; ;;;;;;;;; ;;;;;;;;; ;;;;;;;;; ;;;;;;;;; ;;;;;;;;; ;;;;;;;;; ;;;;; ;;;;; ;;;;; ;;;;; ;;;;; ;;;;; ;;;;; ;;;;; 1 2 3 4 47 HILUX ( RHD ) R e m o te C o n tro l M irro r 2 15A DOME 100A ALT(∗4) 80A ALT(∗5) 40A AM1 2 2 1I 1 1H 1 1J 12 1F 13 2 ACC IG1 AM1 3 1H 3 15A ACC 1B 3 1B 9 IH Cowl side panel LH 1 IL Cowl side panel RH 3C 4 3 C 5 3C 9 IK Cowl side panel RH 3C 22 3C 18 II Cowl side panel LH 1 1 1 2 3 A A A A A A A 2 2 2 BATTERY W W–B (∗3) W–B (∗3) W–B (∗3) W–B (∗3) W–B (∗1, ∗2) W–B (∗1, ∗2) W–B (∗1, ∗2) W–B (∗1) W–B (∗3) W–B (∗2) W–B (∗2) W–B (∗2) EARTH(–) ILL(+) 2 J 9 JUNCTION CONNECTOR J15 JUNCTION CONNECTOR J 3 JUNCTION CONNECTOR C 5 CIGARETTE LIGHTER C 8 CLOCK ACC(+) B(+) 4 1 L–Y W W L–R GR GR (∗1) GR (∗2, ∗3) GR (∗1) GR (∗1) GR (∗2, ∗3) L–Y (∗2, ∗3) L–Y (∗1) L–Y (∗2, ∗3) L–Y (∗1) GR (∗1) L–Y(∗2, ∗3) L–Y(∗1) I17 IGNITION SW L–Y(∗1) P o w e r S o u rc e C lo c k C ig a re tte L ig h te r VR HR B HL M+ VL LEFT RIGHT UP DOWN LEFT/ UP RIGHT/ DOWN LH RH LH RH 5 8 1 7 6 1 0 9 E OPERATION SW SELECT SW 4 I M 1 R14 REMOTE CONTROL MIRROR SW GR (∗1) GR 5 I M 2 1 0 I M 2 3 I B 2 4 I B 2 1 I B 2 3 M 2 M 1 A A C B C B 3 M 2 M 1 I M 1 IK Cowl side panel RH 1 JUNCTION CONNECTOR P–B P–B P–B LG–B P–G P–G P–G LG LG P–G LG LG LG LG LG–R LG–R LG–B W–B W–B A R12 REMOTE CONTROL MIRROR LH R13 REMOTE CONTROL MIRROR RH J15 JUNCTION CONNECTOR ∗ 1 : Australia ∗ 2 : Europe ∗ 3 : General (∗2, ∗3) From " TAIL" Fuse <44–2><44–7> G W–B (∗1, ∗2) , J17 J16 A B ∗ 4 : 70A Type Alternator ∗ 5 : 45A, 55A Type Alternator A B (∗3) B A (∗2) C B A A B A (∗2) A B (∗3) A A C B JUNCTION CONNECTOR B A J 7 J 8 , CLICK HERE TO VIEW CHAPTER INDEX Pages From Supplement TO MODEL INDEX EWD378F
  • 169.
    HILUX (EWD378F) 219 I ;;;;; ;;;;; ;;;;; ;;;;;;;;;;;;;; ;;;;;;;;;;;;;; ;;;;;;;;;;;;;; ;;;;;;;;;;;;;; ;;;;;;;;;;;;;; ;;;;;;;;;;;;;; ;;;;;;;;;;;;;; ;;;;;;;;;;;;;; ;;;;;;;;;;;;;; ;;;;;;;;;;;;;; ;;;;;;;;;;;;;; ;;;;;;;;;;;;;; ;;;;;;;;;;;;;; ;;;;;;;;;;;;;; ;;;;;;;;;;;;;; ;;;;;;;;;;;;;; ;;;;;;;;;;;;;; ;;;;;;;;;;;;;; ;;;;;;;;;;;;;; ;;;;;;;;;;;;;; ;;;;;;;;;;;;;; ;;;;;;;;;;;;;; ;;;;;;;;;;;;;; ;;;;;;;;;;;;;; ;;;;;;;;;;;;;; ;;;;;;;;;;;;;; ;;;;;;;;;;;;;; ;;;;;;;;;;;;;; ;;;;;;;;;;;;;; ;;;;;;;;;;;;;; ;;;;;;;;;;;;;; ;;;;;;;;;;;;;; ;;;;;;;;;;;;;; ;;;;;;;;;;;;;; ;;;;;;;;;;;;;; ;;;;;;;;;;;;;; ;;;;;;;;;;;;;; ;;;;;;;;;;;;;; ;;;;;;;;;;;;;; ;;;;;;;;;;;;;; ;;;;;;;;;;;;;; ;;;;;;;;;;;;;; ;;;;;;;;;;;;;; ;;;; ;;;; ;;;; ;;;; ;;;; ;;;; ;;;;; ;;;;; ;;;;; ;;;;; ;;;;; ;;;;; 1 2 3 4 48 HILUX ( RHD ) 2 100A ALT(∗4) 80A ALT(∗5) 40A AM1 2 2 1H 1 1I 1 2 ACC IG1 AM1 4 3 4 1 2 1I 2 1 H 5 10A GAUGE 1B 12 1A 8 1 B 5 1 I H 1 1 A 1 B IK Cowl side panel RH IH Cowl side panel LH BN Left side rear pillar 3D 14 3E 11 3F 9 3D 20 3D 13 3E 21 3F 1 1 1 1 3 A 2 2 2 6 2 A A A A A A 15ADEFOG W W P W P B B–Y R–L B W–B W–B W–B (∗1) (∗1) (∗1) B W–B (∗1) B W–B (∗2) W–B (∗2) W–B (∗2) W–B (∗1) W–B (∗2) W–B R R REAR WINDOW DEFOGGER I17 IGNITION SW DEFOGGER RELAY R 4 REAR WINDOW DEFOGGER SW J 9 JUNCTION CONNECTOR J15 JUNCTION CONNECTOR J 3 JUNCTION CONNECTOR BATTERY 20A WIPER 1E 5 1 A 4 +B +S +1 +2 INT1 INT2 WF EW OFF INT LOW/ MIST HIGH WASHER IJ1 1 6 I J 2 IJ2 8 IJ1 4 1 2 M 12 16 3 2 1 7 8 2 11 8 7 D A D D A A 1 7 11 A A IH Cowl side panel LH IK Cowl side panel RH II Cowl side panel LH IL Cowl side panel RH B B B (∗1, ∗2) (∗3) (∗1, ∗2) (∗3) W 1 WASHER MOTOR J 3 JUNCTION CONNECTOR J15 JUNCTION CONNECTOR C12 WIPER AND WASHER SW [COMB. SW] J12 JUNCTION CONNECTOR J 7 JUNCTION CONNECTOR (∗2) (∗3) (∗3) (∗2) (∗2) (∗1, ∗3) (∗1, ∗3) (∗2) WIPER RELAY LG LG (∗2, ∗3) LG (∗1) LG LG (∗1) LG (∗2, ∗3) L–R L–W L–B L–Y L–R W–B W–B (∗3) (∗1, ∗2) W–B W–B (∗1, ∗2) (∗1, ∗2) W–B W–B (∗3) (∗3) LG (∗1) LG (∗2, ∗3) L–R ∗ 1 : Australia ∗ 2 : Europe ∗ 3 : General P o w e r S o u rc e R e a r W in d o w D e fo g g e r F ro n t W ip e r a n d W a s h e r E IG D M W 4 WIPER MOTOR 4 2 1 3 , R11 R10 A B ∗ 4 : 70A Type Alternator ∗ 5 : 45A, 55A Type Alternator CLICK HERE TO VIEW CHAPTER INDEX Pages From Supplement TO MODEL INDEX EWD378F
  • 170.
    HILUX (EWD378F) 220 I OVERALLELECTRICAL WIRING DIAGRAM ;;;;;; ;;;;;; ;;;;;; ;;;;;;;;; ;;;;;;;;; ;;;;;;;;; ;;;;;;;;; ;;;;;;;;; ;;;;;;;;; ;;;;;;;;; ;;;;;;;;; ;;;;;;;;; ;;;;;;;;; ;;;;;;;;; ;;;;; ;;;;; ;;;;; ;;;; ;;;; ;;;; ;;;; ;;;; ;;;; ;;;; ;;;; ;;;; ;;;; ;;;; ;;;; ;;;;; ;;;;; ;;;;; ;;;;; ;;;;; ;;;;; ;;;;; ;;;;; ;;;;; ;;;;; ;;;;; ;;;;; ;;;;; ;;;;; ;;;;; ;;;;; ;;;;; ;;;;; ;;;;; ;;;;; ;;;;; ;;;;; 1 2 3 4 49 HILUX ( RHD ) 4 W D (w / 2 – 4 S e le c t S W ) 2 100A ALT 40A AM1 2 1 1 2 2 1I 1 1H 1 2 ACC IG1 AM1 4 1H 5 10A GAUGE 20A 4WD 1F 2 1 E 7 3D 1 3D 5 5 B 9 C 3A 5 3 A 7 3A 4 3A 6 3A 8 2 E C 1 4 I C 5 IC3 5 2 1 2 1 1 2 1 E C 1 1 E D 1 3A 1 3A 3 3A 2 6 I C 5 IC3 8 From ABS ECU <51–6> P o w e r S o u r c e BATTERY W G–B G–B (3RZ–FE) G–B G–B G–B G–B W–B W–B R–B R–B R–B L–R (∗1) (∗2) (∗1) (∗2) 4WD INDICATOR LIGHT [COMB. METER] D 2 DETECTION SW (Transfer L4 Position) R–B W W R R–L R–L B–Y L–R L–R G–B R–B R–B IND L4 4WD IG 16 1 1 4 6 I17 IGNITION SW F11 4WD CONTROL ECU IC4 3 I C 4 4 I C 4 1 I C 4 2 1 2 1 2 2 1 M IC5 2 3 IC3 IH Cowl side panel LH IK Cowl side panel RH 3F 4 3F 5 3 F 7 3 F 6 3F 1 2WD 4WD 5 10 9 3 2 11 4 15 8 A A A A SPD RL1 RL2 M1 M2 V2 V4 2 –4 G N D 6 5 3 2 4 From Speed Sensor [Comb. Meter] <54–3> V 4 VSV (2WD, ADD) V 5 VSV (4WD, ADD) T 4 2–4 SELECT SW R–L R G Y R–L R G Y P LG P–G W–B W–B W–B W–B W–B W–B W–B W–B W–B W–B W–B (∗2) ( ∗1) J15 JUNCTION CONNECTOR J 3 JUNCTION CONNECTOR L–R From ABS ECU <51–6> From Engine ECU <33–8> G–O ∗ 1 : 3RZ–FE, 1KZ–TE T 3 2–4 SELECT MOTOR , C11 C10 B C D 1 DETECTION SW (Transfer 4WD Position) A 8 ADD INDICATOR SW 2 E D 1 20 IJ1 17 IJ1 4 E B 3 1 E B 3 R–B R–B G–B R–B G–B G–B G–B G–B (∗3) (∗4) (∗4) (∗4) (∗3) G–B (∗4) (∗4) (∗3) (∗4) (∗4) (∗3) (∗3) ∗ 2 : 5L ∗ 3 : Diesel ∗ 4 : Gasoline CLICK HERE TO VIEW CHAPTER INDEX Pages From Supplement TO MODEL INDEX EWD378F
  • 171.
    HILUX (EWD378F) 221 I ;;;;; ;;;;; ;;;;; ;;;;;;;;; ;;;;;;;;; ;;;;;;;;; ;;;;;;;;; ;;;;;;;;; ;;;;;;;;; ;;;;;;;;; ;;;;;;;;; ;;;;;;;;; ;;;;;;;;; ;;;;;;;;; ;;;;;;;;; ;;;;;;;;; ;;;;;;;;; ;;;;;;;;; ;;;;; ;;;;; ;;;;; ;;;;; ;;;;; ;;;;; ;;;;; ;;;;; ;;;;; ;;;;; ;;;;; ;;;;; ;;;;; ;;;;; ;;;;; ;;;;; ;;;;; ;;;;; ;;;;; ;;;;; ;;;;; ;;;;; ;;;;; ;;;;; ;;;;; ;;;;; ;;;;; ;;;;; ;;;;;;;;;; ;;;;;;;;;; ;;;;;;;;;; ;;;;;;;;;; ;;;;;;;;;; ;;;;;;;;;; ;;;;;;;;;; 1 2 3 4 50 HILUX ( RHD ) 2 15A HORN 100A ALT(∗10) 80A ALT(∗11) 40A AM1 2 2 1H 1 1I 1 2 ACC IG1 AM1 4 1H 5 1 B 7 1 F 2 20A 4WD 10A GAUGE 1E 7 1 2 1 2 3F 5 3 F 4 3 A 1 3 A 3 3F 1 3 A 2 1 EC1 2 EC1 1 ED1 2 ED1 1 2 IH Cowl side panel RH IK Cowl side panel LH 2 IC5 3 IC3 1 1 1 3 4 2 2 2 2 6 1 A A A A W W L–W W R–L (∗6) G–B R–B B–Y B–Y B–Y R–BR–B R–B P–G LG W–B W–B W–B W–B W–B R–B (w/ ADD) R I17 IGNITION SW A20 ADD CONTROL RELAY A 8 ADD INDICATOR SW V 4 VSV (2WD, ADD) V 5 VSV (4WD, ADD) J15 JUNCTION CONNECTOR J 3 JUNCTION CONNECTOR BATTERY (∗3) (∗2) 1 2 3 1J 3 1E 10 1J 4 6 17 B 18 A 5 B 9 C 3D 1 3D 5 3A 4 3 A 7 3A 5 3A 8 3A 6 6 I C 5 IC3 8 IC5 6 IC3 8 1 2 2 1 L–W R–L (∗6) R–L G–B (∗12) H 9 HORN (∗1) (∗1) (∗2) (∗5) (∗4) C14 HORN SW [COMB. SW] HORN SW [COMB. SW] (∗7) (∗9) 4WD INDICATOR LIGHT [COMB. METER] G–B (Australia) R–B (Australia) G–R (w/ SRS) R–B (∗7) R–B (∗8) R–B (∗6) R–B (∗7) L–R R–L (∗6) R–L (Australia) L–R G–R (w/ SRS) G–R (w/o SRS) G–R B B B B C 1 B C IC3 3 2 IC5 W–B W–B W–B W–B (∗8) II Cowl side panel LH IL Cowl side panel RH W–B W–B W–B From ABS ECU <51–6> J 5 JUNCTION CONNECTOR D 1 DETECTION SW (Transfer 4WD Position) D 2 DETECTION SW (Transfer L4 Position) HORN RELAY From ABS ECU <51–6> From Engine ECU(M/T) or Engine and ECT ECU(A/T)<33–8> L–W ∗ 1 : 3RZ–FE ∗ 2 : 5L ∗ 3 : 3RZ–FE, 2L–T ∗ 4 : 3RZ–F ∗ 5 : 3L, 2L–T ∗ 6 : Europe, General ∗ 7 : Europe ∗ 8 : General (∗8) (∗7) (∗7) (∗8) (∗4) (3L) P o w e r S o u rc e 4 W D (w /o 2 – 4 S e le c t S W ) H o rn G–B (∗1) G–B B G–B (∗7) From ABS ECU <51–6> (∗8) (∗8) (∗8) ∗ 9 : Australia, General (∗2) , C11 C10 B C B C12 C13 A , ∗10 : 70A Type Alternator ∗11 : 45A, 55A Type Alternator 5 I C 3 4 I C 5 (∗1, ∗2) (∗1, ∗2) 4 I C 3 L–R (2L–T) L–R (2L–T) (∗2) G–B (∗2) 4 EB 3 1 EB 3 17 IJ1 20 IJ1 G–B R–B R–B G–B R–B G–B G–B G–B B (∗12) (∗12) (∗1) (∗1) ∗12 : w/o ADD Indicator SW (∗2) (∗1) (∗1) (∗1) (∗1) (∗2) G–B (∗1) W–B (Australia, ∗7) (Australia) J 6 JUNCTION CONNECTOR (∗13) (∗13) ∗13 : w/ ADD Indicator SW CLICK HERE TO VIEW CHAPTER INDEX Pages From Supplement TO MODEL INDEX EWD378F
  • 172.
    HILUX (EWD378F) 222 I OVERALLELECTRICAL WIRING DIAGRAM ;;;;;; ;;;;;; ;;;;;; ;;;;;; ;;;;;; ;;;;;; ;;;;;;;; ;;;;;;;; ;;;;;;;; ;;;;;;;; ;;;;; ;;;;; ;;;;; ;;;;; 1 2 3 4 51 HILUX ( RHD ) ( Cont. next page ) A B S 2 15A DOME 100A ALT(∗9) 80A ALT(∗10) 40A AM1 30A AM2 60A ABS(∗3) 80A ABS, GLOW(∗4) 2 2 2 2 1J 12 1I 1 1F 13 1H 1 2 ACC IG1 IG2 ST2 AM1 4 6 7 A M 2 1H 6 10A IGN 1D 1 3D 10 3D 11 4 3 2 1 5 5 5 5 2 EA1 3 1 6 4 2 5 5 5 5 5 5 2 I K 1 1 EA1 1 1 1 1 1 2 2 2 2 2 5 BATTERY W L R–B R–W G W–B B G–R G–B G–B B B G–R B B W–R ABS MOTOR RELAY ABS SOLENOID RELAY L–Y W L–Y (∗1) L–Y(∗2) W W–R R B–R B–R(∗4) B–R (∗3) B–W (∗2) B–W (∗1) C C C C J14 JUNCTION CONNECTOR J 8 JUNCTION CONNECTOR I17 IGNITION SW P o w e r S o u rc e A B C 3 A IA1 7 IC1 4 7 I C 2 3 I A 1 6 B 4 A 5 A EA Front right fender apron M 1 2 A 8 A 1 6 A 1 A 2 A 9 A 1 0 A 1 1 A 2 4 B 2 B 1 B IK1 1 5 B 4 A 8 A 3 A 7 A 1 A 5 A 3 B D 3 2 3 1 1 2 2 1 6 1 2 L–Y(∗1) L–Y(∗2) R B–W(∗2) B–W (∗1) L–Y(∗1) L–Y(∗2) R G–R V B–L R–Y (∗6) B–W (∗4) (∗3) See Engine Control System <33–4><34–3> G–R G–B G–B V V B–L R–Y R–Y (∗5) (∗6) B–W(∗1) B–W (∗2) To DLC3 <33–4> B–L (1RZ–E) (1KZ–TE, 5L, ∗2) R+ TS SR MR MT SFRH SFRR SFLH SFLR SRH SRR AST GND ABS ECU L R–B R–W G W–B BR R–B R–W W–B W–B W–B W–B W–B GR–G BR–W GR–R P–B P–G LG–R LG–B Y–R W–B ABS ACTUATOR ∗ 4 : Diesel ∗ 3 : Gasoline ∗ 2 : Europe ∗ 1 : Australia ∗ 5 : 3RZ–FE ∗ 6 : Except 3RZ–FE (∗3) +B R–Y 20A AM2 2 1 2 (∗3, 1KZ–TE) (∗12) (∗3, 1KZ–TE) (∗4 Except 1KZ–TE) (Short Pin) E1 WB TC WA TS ED : Intake manifold(Gasoline) EG : Rear side of cylinder block (Diesel Except 1KZ–TE) EO : Cylinder block(1KZ–TE) ∗ 7 : 3RZ–FE M/T, 1RZ–E ∗ 8 : 3RZ–FE A/T, 1KZ–TE, 5L, ∗2 1 I C 1 9 I C 1 IC2 6 3 I C 1 IC2 5 (∗8)5 I C 1 IC2 (∗7)2 , A19 A18 A B , A 5 A 4 A B V ∗ 9 : 70A Type Alternator ∗10 : 45A, 55A Type Alternator C B C B W–R W–R (∗11) (∗11) J14 JUNCTION CONNECTOR B ∗11 : 2L–T w/o Dim–Dip Light ∗12 : 5L, 2L, 2L–T w/ Dim–Dip Light 6 I A 1 G–R V V V C C C C C (∗5) (∗5) From DLC3 <33–4> From Engine ECU(M/T) or Engine and ECT ECU(A/T)<33–5> From Center Airbag Sensor Assembly <52–4> (∗7) (∗8) 20 B TC J 5 JUNCTION CONNECTOR C 3 CHECK CONNECTOR L 4 B G W–B CLICK HERE TO VIEW CHAPTER INDEX Pages From Supplement CONTINUED TO MODEL INDEX EWD378F
  • 173.
    HILUX (EWD378F) 223 I ;;;;;;;;;;; ;;;;;;;;;;; ;;;;;;;;;;; ;;;;;;;;;;; ;;;;;;;;;;; ;;;;;;;;;;; ;;;;;;;;;;; ;;;;;;;;;;; ;;;;;;;;;;; ;;;;;;;;;;; ;;;;;;;;;;; ;;;;;;;;;;; ;;;;;;;;;;; ;;;;;;;;;;; ;;;;;;;;;;; ;;;;;;;;;;; ;;;;;;;;;;; ;;;;;; ;;;;;; ;;;;;; ;;;;;; ;;;;;; ;;;;;; ;;;;;;;; ;;;;;;;; ;;;;;;;; ;;;;;;;; 5 6 7 8 51 HILUX ( RHD ) ( Cont' d ) A B S A B C D 1H 5 1B 7 1F 2 10A GAUGE 15A ECU–IG 5 B 12 C 3D 1 3D 5 4 I A 1 25 B J5 JUNCTION CONNECTOR ABS WARNING LIGHT [COMB. METER] 1E 6 1 E 8 3C 1 3C 3 2 I A 1 B B L–Y(∗1) L–Y(∗2) R B–L B–L B–L B–L B–L B–L R–L R–L (∗1) (∗2) R–L (∗1) R–L (∗2) R Y–G Y–G (∗1) (∗2) Y–G (∗1) J 6 JUNCTION CONNECTOR 1 2 14 A 13 A 15 A 7 A 6 A 1 2 5 IA1 11 IA1 10 IA1 12 IA1 IH Cowl side panel LH A 2 1 B 9 B 8 B 1 1 B ABS ECU B W BR G R (∗13) (∗13) G–W L–R G–B W–B G–W L–R G–B W–B J 3 JUNCTION CONNECTOR FL– FL+ FSS FR – FR+ STP EXI3 EXI GND WA A 6 ABS SPEED SENSOR FRONT LH A 7 ABS SPEED SENSOR FRONT RH From Stop Light SW <39–4> To Detection SW (Transfer L4 Position) <49–2><50–4> To ADD Indicator SW (w/ ADD)<49–1><50–3> To Detection SW (Transfer 4WD Position) (w/o ADD)<50–3><50–4> 10 B 18 B 19 B 7 B 5 B 22 B 5 1 2 3 4 +IG GND GS1 GS2 GST IG1 GGND GS1 GS2 GST BAT 1 I A 1 3C 20 3C 22 B B A17 ABS DECELERATION SENSOR J 8 JUNCTION CONNECTOR L–Y(∗1) L–Y(∗2) L–Y L–Y (∗2) (∗1) Y–G Y–G Y–G BR–W L–W LG L L–Y 1 2 1 2 2 B 1 B 2 3 B 1 6 B 1 5 B 3 BB1 1 BB1 5 BB1 6 BB1 4 BB1 1 B C1 2 B C1 3 B C1 4 B C1 2 BB1 RL– RL+ RSS RR – RR+ G R BR W B (∗13) (∗13) (∗13) G R W B (∗13) B W B W A28 ABS SPEED SENSOR REAR LH A29 ABS SPEED SENSOR REAR RH ∗ 1 : Australia ∗ 2 : Europe ∗13 : Shielded (∗13) ( ∗13) , C11 C10 B C , A19 A18 A B D D D (4WD) (4WD) (4WD) (4WD) (4WD) CLICK HERE TO VIEW CHAPTER INDEX Pages From Supplement TO MODEL INDEX EWD378F
  • 174.
    HILUX (EWD378F) 224 I OVERALLELECTRICAL WIRING DIAGRAM ;;;;;;;;;;; ;;;;;;;;;;; ;;;;;;;;;;; ;;;;;;;;;;; ;;;;;;;;;;; ;;;;;;;;;;; ;;;;;;;;; ;;;;;;;;; ;;;;;;;;; ;;;;;;;;; ;;;;;;;;; ;;;;;;;;; ;;;;;;;;; ;;;;;;;;; ;;;;;;;;; ;;;;;;;;; ;;;;;;;;; ;;;;; ;;;;; ;;;;; ;;;;; 1 2 3 4 52 HILUX ( RHD ) 2 100A ALT(∗8) 80A ALT(∗9) 30A AM2 40A AM1 2 2 1I 1 7. 5A ECU–B 1B 11 1H 1 2 ACC IG1 IG2 ST2 AM1 3 6 7 A M 2 1H 6 1 D 1 1 H 3 10A IGN 15A ACC 1G 1 1 G 3 5 B 6 B 27 B 11 B 10 B 13 B 14 B 1 2 SPIRAL CABLE 1 2 IJ Instrument panel brace LH 1 1 1 C 2 2 2 C C C W W W–R B–R (∗4) B–R (∗4) Y–B Y Y–R Y–G BR L–R B–W (∗1) B–W (∗2) B–R (∗5) L–R L–B (∗2) L–B (∗1) I17 IGNITION SW J14 JUNCTION CONNECTOR J 8 JUNCTION CONNECTOR A25 AIRBAG SQUIB (Steering Wheel Pad) A24 AIRBAG SQUIB (Front Passenger' s Airbag Assembly) BATTERY IG2 ACC D+ D – P+ P – E1 2 A 1 A 5 C 6 C 2 8 B IM Right kick panel 3D 11 3D 10 B–W (∗2) B–W (∗1) L–B (∗1) L–B (∗2) L–B (∗2) P–B 3 B 1 9 B C 9 SRS WARNING LIGHT [COMB. METER] 1 2 1 2 5 3 1 2 AB E1 +B LA TC PL+ PL – PR+ PR – E2 P14 PRETENSIONER LH P15 PRETENSIONER RH P–B BR B–W (∗1) B–W (∗5) (∗4) B–W (∗2) See Engine Control System<33–3><34–4> P–B Y–V Y–O Y–B Y BR BR C 3 CHECK CONNECTOR CENTER AIRBAG SENSOR ASSEMBLY P o w e r S o u rc e S R S ∗ 1 : Australia ∗ 2 : Europe ∗ 3 : 3RZ–FE 20A AM2 2 1 2 (∗4, 1KZ–TE) (∗5 Except 1KZ–TE) W–R (∗7) (∗4, 1KZ–TE) W ∗ 5 : Diesel ∗ 6 : 2L–T w/o Dim–Dip Light J 6 JUNCTION CONNECTOR B–W (∗1) ED : Intake manifold(∗4) EG : Rear side of cylinder block(∗5) B–W GR 1 I C 1 1 I C 3 IC5 1 P–B (∗3) To DLC3 <33–3> C17 , C16 A B , C18 C (5L) (∗2) ∗ 4 : Gasoline ∗ 7 : 5L, 2L, 2L–T w/ Dim–Dip Light 12 B R SIL (∗3) To DLC3 < 33–4> ∗ 8 : 70A Type Alternator ∗ 9 : 45A, 55A Type Alternator (∗5) (∗5) 25 IC6 2 I C 3 P–B (∗4) (3RZ–FE) (1RZ–E) P–B (∗4) P–B C B C B W–R W–R (∗6) (∗6) JUNCTION CONNECTOR B J14 V To Check Connector <51–3> A A A 2 C C 9 L–B (∗1) P–B J 5 JUNCTION CONNECTOR (∗4) IC3 2 (1KZ–TE) 26 B 15 B 1 2 BR–Y W–R –SL +SL F15 FRONT AIRBAG SENSOR LH 20 B 9 B 1 I J 3 2 I J 3 BR–W B–L BR–W B–L 1 2 –SR +SR F16 FRONT AIRBAG SENSOR RH CLICK HERE TO VIEW CHAPTER INDEX Pages From Supplement TO MODEL INDEX EWD378F
  • 175.
    HILUX (EWD378F) 225 I ;;;;; ;;;;; ;;;;; ;;;;; ;;;;; ;;;;; ;;;;; ;;;;; ;;;;; ;;;; ;;;; ;;;; ;;;; ;;;; ;;;; ;;;; ;;;;; ;;;;; ;;;;;;;;;; ;;;;;;;;;; ;;;;;;;;;; ;;;;;;;;;; ;;;;;;;;;; ;;;;;;;;;; ;;;;;;;;;; ;;;;;;;;;; ;;;;;;;;;; ;;;;;;;;;; ;;;;;;;;;; ;;;;;;;;;; ;;;;;;;;;; ;;;;;;;;;; ;;;;;;;;;; ;;;;;;;;;; ;;;;;;;;;; ;;;;;;;;;; ;;;;;;;;;; ;;;;;;;;;; ;;;;;; ;;;;;; ;;;;;; ;;;;;; ;;;;;; ;;;;;; ;;;;;; ;;;;;; ;;;;;; ;;;;;; ;;;;;; ;;;;;; ;;;;;; ;;;;;; ;;;;;; ;;;;;; ;;;;;; ;;;;;; ;;;;;; ;;;;;; ;;;;;; ;;;;;; ;;;;;; ;;;;;; 1 2 3 4 53 HILUX ( RHD ) 1H 1 1I 1 1J 12 1F 13 2 2 2 2 ACC IG1 AM1 3 4 15A ECU–IG 1H 5 3C 1 1E 6 3C 2 3C 19 22 3C 17 3C 6 3E 20 3E 21 3E 11 3D 20 3D 13 3F 9 3 F 1 IH IK M 2 1 3C 7 3C 9 3 C 6 1B 9 1 B 3 15AACC 1H 3 3 A 4 A 6 A 2 A 5 A 1 A 1 B 3 B 2 B 6 B 7 A 8 A 2 IB1 3 IB1 2 IM1 3 IM1 8 B D1 6 B D1 8 B E1 6 B E1 2 1 2 1 IM L–Y GR L–R R B–Y L W–B B–W L–R L–Y ANTA ANTB AMP ANT+ GND RL – RL+ RR – RR+ ACC +B FL – FL+ FR – FR+ (∗1) (∗1) (∗2) IG B ACC W–B W–B Y–G GR L–Y B–W W–B W L–Y L–Y(∗1) W Y–G GR 40A AM1 100A ALT(∗6) 80A ALT(∗7) 15A DOME (∗2) (∗1) (∗2) (∗1) (∗1) (∗2) (∗3) (∗3) (∗3) (∗3) V(∗4) L(∗5) P (∗4) LG(∗5) L LG V P L LG R W R W BR 2 2 A A 2 2 2 1 1 1 2 3 7 1 1 D22 DOOR SPEAKER FRONT LH D23 DOOR SPEAKER FRONT RH L–Y L–Y GR GR GR (∗2) R W B Y A A BATTERY W–B W–B L–Y (∗1) J15 JUNCTION CONNECTOR A27 AUTO ANTENNA CONTROL RELAY J 3 JUNCTION CONNECTOR A12 AUTO ANTENNA MOTOR RADIO AND PLAYER ∗ 1 : Australia ∗ 3 : w/ 4 Speaker P o w e r S o u rc e A u to A n te n n a R a d io a n d P la y e r I17 IGNITION SW E 5 1 4 D25 DOOR SPEAKER REAR RH D24 DOOR SPEAKER REAR LH L–Y W ∗ 2 : Europe, General ∗ 4 : w/ Door Lock ∗ 5 : w/o Door Lock Cowl side panel LH Cowl side panel RH Right kick panel , R 2 R 1 A B ∗ 6 : 70A Type Alternator ∗ 7 : 45A, 55A Type Alternator A A (Europe) C B (General) C B (General) A A (Europe) J 8 JUNCTION CONNECTOR A B B A (General) (Europe) (Europe) (General) JUNCTION CONNECTOR B A J 7 J 8 , CLICK HERE TO VIEW CHAPTER INDEX Pages From Supplement TO MODEL INDEX EWD378F
  • 176.
    HILUX (EWD378F) 226 I OVERALLELECTRICAL WIRING DIAGRAM ;;;;; ;;;;; ;;;;; ;;;;; ;;;;; ;;;;; ;;;;; ;;;;; ;;;;; ;;;;; ;;;;; ;;;;; ;;;;; ;;;;;; ;;;;;; ;;;;;; ;;;;;; ;;;;;; ;;;;;; ;;;; ;;;; ;;;; ;;;; ;;;; ;;;; ;;;; ;;;; ;;;; ;;;; ;;;; ;;;; ;;;;;;;;; ;;;;;;;;; ;;;;;;;;; ;;;;;;;;; ;;;;;;;;; ;;;;;;;;; ;;;;;;;;; ;;;;;;;;; ;;;;;;;;; ;;;;;;;;; 1 2 3 4 54 HILUX ( RHD ) ( Cont. next page ) 2 100A ALT(∗7) 80A ALT(∗8) 40A AM1 2 1H 1 1I 1 2 ACC IG1 AM1 4 1H 5 1 B 7 1 F 2 3 D 1 10A GAUGE 3D 5 5 B W TACHOMETER FUEL 9 B 6 C 12 A 4 B A 1 1 2 WATER SPEED SENSOR REAR FOG HIGH BEAM TURN LH TURN RH BRAKE CHARGE T–BELT ILLUMINATION Y–R Y–R 11 BA1 3C 15 3C 14 3C 16 IM Right kick panel W W R–L (∗4, ∗5) BR BR (∗4, ∗5) BR (∗4, ∗5) BR (∗4, ∗5) BR (∗3) BR (∗3) B (∗2) R–W(3RZ–FE) B (Except 3RZ–FE) (∗1) From IIA(1RZ–E, 1RZ) <32–2><32–4> From Engine ECU(M/T) or Engine and ECT ECU(A/T) (3RZ–FE)<33–6> From Igniter(3RZ–F)<32–3> From Pick–Up Sensor [Injection Pump]<36–4> From Engine ECU(1KZ–TE)<56–7> From Emission Control ECU(2L–T)<57–4> 1 1 C B 2 2 C C C B C BR (∗3) R R–L (∗4, ∗5) R–L (∗3) R–L (∗3) (∗4) (∗5) (∗4) (∗5) J 6 JUNCTION CONNECTOR I17 IGNITION SW J 7 JUNCTION CONNECTOR F13 FUEL SENDER BATTERY ∗ 1 : Gasoline ∗ 2 : Diesel ∗ 3 : Australia ∗ 4 : Europe ∗ 5 : General 10 B 8 A 1 B 1 C 6 B 7 B 1 2 B 1 1 B 9 A 1 5 A 4 C 3E 2 3E 3 3E 1 Y–R (∗6) (∗9) 1 Y–R IL Cowl side panel RH II Cowl side panel LH W–B W–B W–B W–B (∗5) (∗5) (∗5) (∗5) 1D 9 1 J 13 1D 4 2 1 1 IK Cowl side panel RH IH Cowl side panel LH 3F 8 3 F 1 2 1 D B D B A B G–W (∗2) G–W E A A A A A A A W–B (∗3, ∗4) G–W G–W W–B W–B G–W W–B W–B W–B (∗5) (∗3, ∗4) W–B (∗3) W–B (∗3) W–B (∗5) W–B (∗4) JUNCTION CONNECTOR JUNCTION CONNECTOR B 3 BRAKE VACUUM WARNING SW B 2 BRAKE FLUID LEVEL WARNING SW P 2 PARKING BRAKE SW W 2 WATER TEMP. SENDER J 3 JUNCTION CONNECTOR J15 JUNCTION CONNECTOR W–B (∗3, ∗4) See Charging System<30–4> < 31–4> (∗2) CANCEL SW (∗2) G–O (∗3) G–O G–O G–O (∗4, ∗5) To Emission Control ECU<35–3><57–4> To Engine ECU(M/T) or Engine and ECT ECU(A/T) <33–8><34–4> <56–7> To 4WD Control ECU <49–3> See Rear Fog Light System<44–8> See Headlight System <38–4><39–2> See Turn Signal and Hazard Warning Light System<41–4> See Charging System <30–4><31–4> See Illumination System <44–2><44–6> P o w e r S o u rc e C o m b in a tio n M e te r (∗2) (∗4) (∗4) W–B ∗ 6 : 3RZ–FE, 1KZ–TE, 3L, 2L–T, 2L COMBINATION METER (∗3, ∗4) W–B (∗5) , C10 C 9 A B , C11 C B J13 J14 A , B J 1 J 2 A , ∗ 7 : 70A Type Alternator ∗ 8 : 45A, 55A Type Alternator ∗ 9 : 3RZ–F, 1RZ, 5L 11 IC3 9 I C 5 12 IC6 11 A Y–R (1RZ–E) Y–R (1RZ–E) (∗6, ∗9) (∗6, ∗9) EB : Front left fender apron(∗1) EF : Front right fender apron(∗2) 8 B See Engine Control System <56–6><57–2> TURBO CLICK HERE TO VIEW CHAPTER INDEX Pages From Supplement CONTINUED TO MODEL INDEX EWD378F
  • 177.
    HILUX (EWD378F) 227 I ;;;;; ;;;;; ;;;;; 5 6 7 8 54 HILUX ( RHD ) ( Cont' d ) BUZZER FILTER OIL LEVEL OIL GLOW 2 B 2 C 12 C 1 A 2 1 2 1 22 IJ1 1 E F3 G–O R–W (∗2) (∗4) (∗2) (∗2) R–W (∗4) R–W (∗4) IH Cowl side panel LH II Cowl side panel LH IM Right kick panel W–B (∗3,∗4) W–B (∗5) A C BR (∗4) F10 FUEL SEDIMENTARY SW E 2 ENGINE OIL LEVEL WARNING SW J 3 JUNCTION CONNECTOR 4WD O/D OFF CHECK ENGINE DOOR SRS 9 C 1 3 B 1 3 C 5 A 3 A 4 A 2 A EF1 1 L–Y L–Y (∗3, ∗5) 1 L–Y (∗1, ∗5) L–Y (∗3, ∗5) O 1 OIL PRESSURE SW See ABS System <51–5> See Glow Plug System <36–2><56–6><57–2> See 4WD System <49–1><50–3> See ECT System <37–4> See Engine Control System <33–3><34–2> See Interior Light System <43–4> See SRS System <52–3> See SRS System <52–3> See Interior Light System<43–4> ∗ 1 : Gasoline ∗ 2 : Diesel ∗ 3 : Australia ∗ 4 : Europe ∗ 5 : General (∗1) (∗1) (∗1) (∗1) C o m b in a tio n M e te r COMBINATION METER DELAY 2 I J 1 OIL TEMP. OIL LEVEL 2 E F3 C BR (∗4) BR (∗4) 3 E F3 L–Y (∗4) L–Y (∗4) , C10 C 9 A B , C11 C 1 I C 5 13 IC3 26 IJ1 2 I J 2 2 0 I C 6 7 C (∗1, ∗5) L–Y (∗2 Except 1KZ–TE) L–Y (∗1, ∗3) (∗3, ∗4) (∗5) (1RZ, 3RZ–F) (3RZ–FE) (1RZ–E) L–Y (∗1, ∗3) 8 I C 1 R–W R–W (1KZ–TE) (1KZ–TE) 7 I C 1 3C 12 BR BR (1KZ–TE) 6 I C 1 L–O L–O (1KZ–TE) (1KZ–TE) J 7 JUNCTION CONNECTOR ABS BR (∗4) BR (∗4) IM Right kick panel 3C 13 BR CLICK HERE TO VIEW CHAPTER INDEX Pages From Supplement TO MODEL INDEX EWD378F
  • 178.
    HILUX (EWD378F) 228 I OVERALLELECTRICAL WIRING DIAGRAM ;;;;;; ;;;;;; ;;;;;; ;;;;;;;; ;;;;;;;; ;;;;;;;; ;;;;;;;; 1 2 3 4 55 HILUX ( RHD ) A ir C o n d itio n e r 2 ACC IG1 AM1 4 P o w e r S o u rc e 1H 1 1I 1 2 40A AM1 100A ALT(∗10) 80A ALT(∗11) 2 1 2 3 5 4 2 2 2 2 10 IJ2 IJ1 6 C A B B 1H 5 10A GAUGE 1J 1 7 I J 2 IJ1 12 2 1 M (∗1) (∗2) II Cowl side panel LH IH Cowl side panel LH A IK Cowl side panel RH A A A BATTERY W A B A A JUNCTION CONNECTOR J 3 JUNCTION CONNECTOR J15 JUNCTION CONNECTOR B 4 BLOWER MOTOR HEATER RELAY W–B Y–R Y–R W–B W–B W–B (∗1) (∗2) L–B L–B W–B W–B W–B W–B (Australia) (Europe) W–B (∗2) L–B (∗1) (∗2) I17 IGNITION SW JUNCTION CONNECTOR W W L–R R–L R R L–R L–R L–R 2 10A A. C 2 IJ2 4 2 1 5 ID1 6 ID1 II Cowl side panel LH IL Cowl side panel RH D D 1 4 2 1 2 I D 1 1 I J 2 IC4 4 Front right fender apron A A 1 6 2 1 0 9 3 8 From Igniter < 32–3> PRS GND B/V TE MGC SG IGN VSV J 7 JUNCTION CONNECTOR A13 A/C AMPLIFIER A 1 A/C DUAL PRESSURE SW L–R L–W L–W L–W B (∗3 ∗5) L (∗4 ∗5) L–B(∗6) B–R(∗3 ∗5) P–L(∗4 ∗5) L–Y(∗6) B (∗5) B–R (∗5) L–R W–B W–B W–B W–B L–R(∗3 ∗5) W (∗4 ∗5) L–W(∗4 ∗6) B–R(∗4) B–W(∗3) B–R(∗4) B–W(∗3) B–R(∗4) Y–R B–Y B–Y B–Y B–Y (Gasoline) (∗9) A 2 A/C MAGNETIC CLUTCH V 6 VSV(A/C Idle–Up) B–Y W–B W–B W–B JUNCTION CONNECTOR A15 A/C THERMISTOR ∗ 1 : Australia, Europe ∗ 2 : General ∗ 3 : Boost Ventilator Type ∗ 4 : Except ∗3 ∗ 5 : 3RZ–F ∗ 6 : Except 3RZ–F 1 1 2 2 R–L L–R 2 1 (Gasoline) (∗9) EB : ∗7 EF : ∗8 B (∗2) 3 4 1 OFF M2 HI LO M1 B 5 BLOWER RESISTOR 8 6 A (∗1) 2 B 2 A 1 B 3 A 5 B 1 A 2 BLOWER SW L–R L–Y 6 B 8 A L–B 5 A/C EF B A B–Y B–Y (∗9) A16 A/C VOLUME SW 2 1 B–W (∗3) R–W(∗3) ∗ 7 : Front left fender apron(Gasoline) ∗ 8 : Front right fender apron(Diesel) (∗9) (∗9) (∗9) (∗9) (∗9) 7 I D 1 D 6 4 5 L–W L–R B–L W–B W–B B–L(∗6) W–R(∗5) A14 A/C SW (∗3) (∗4) ∗ 9 : Diesel W–B , J 2 J 1 A B B J 1 J 2 A , , B 6 A B , J 2 J 1 A B 4 I D 1 ID1 1 3 I D 1 ID1 8 From Emission Control ECU < 35–3> < 35–4> L–Y (∗6) L–B (∗6) (∗6) (∗5) (∗6) (∗5) From Emission Control ECU < 35–4> ∗10 : 70A Type Alternator ∗11 : 45A, 55A Type Alternator 2 2 R R 1 2 50A HTR 1 EE1 2 EE1 2 1 CLICK HERE TO VIEW CHAPTER INDEX Pages From Supplement TO MODEL INDEX EWD378F
  • 179.
    HILUX (EWD378F) 230 I OVERALLELECTRICAL WIRING DIAGRAM ;;;;; ;;;;; ;;;;; 1 2 3 4 56 HILUX ( RHD ) ( Cont. next page ) 2 2 2 2 2 1I 1 1H 1 2 ACC IG1 IG2 ST2 AM1 4 6 7 A M 2 2 2 2 2 2 1 1 1 1 1 100A ALT 40A AM1 30A AM2 15A ECD 80A ABS, GLOW 4 4 4 3 2 1 4 4 SUB GLW RLY 2 2 2 1 3 5 2 2 ECD RELAY 7 7 2 1 3 5 7 7 SPILL CONTROL VALVE RELAY 22 IJ1 2 E B 2 1 A B A A A A EF J 1 J 2 , JUNCTION CONNECTOR A B G 1 GLOW PLUG 13 C 11 A 1 2 12 IC3 4 A 1 2 17 A 5 A 2 1 18 A 14 A 13 A 26 A 8 A EO IH A 1 2 L–B R–B W B R G BR W–B W–B L W–B W–B W–B W–B BR BR 3 I C 3 1 I C 3 12 C 9 A S 9 SPILL CONTROL VALVE E 7 ENGINE SPEED SENSOR C15 CRANKSHAFT POSITION SENSOR 2 1 V14 VSV(Intake Constrictor Control No. 2) A 10 2 1 V13 VSV(Intake Constrictor Control No. 1) A 12 1 2 T 5 TIMING CONTROL VALVE A 24 1 2 V10 VRV(EGR) 7 B 8 B 1 5 B 3 C 1 C 2 C 2 I J 1 1 3 I J 1 A A 14 IJ1 A B C F14 FIRST GEAR POSITION SW C 3 CHECK CONNECTOR J12 JUNCTION CONNECTOR BATTERY J 3 JUNCTION CONNECTOR I17 IGNITION SW E 4 E 5 , ENGINE ECU A B E 6 , C P o w e r S o u rc e E n g in e C o n tro l (1 K Z – T E ) R B–R P R B–R B R–L R–L R–L R–L W W W W–R Y Y Y L–O B–Y W–B B–Y W–B R–L W–B R–L R–L R–L R–L R–L R–L G–Y GR G–B G–W R–L R–L R–L R–L W–R Y G–Y L–O Y B–R B–R Y L–O P L L–B L R–L B G (Shielded) (Shielded) R–L 9 1 3 8 12 2 B–R B–R +B W TE2 VF1 TE1 +BG S/TH2 S/TH1 TCV EGR TE2 VF TE1 MREL +BF SREL SVR SPV NE+ NE – TDC+ TDC – E1 E01 E02 FSW R–L Cylinder block Cowl side panel LH Front right fender apron CLICK HERE TO VIEW CHAPTER INDEX Pages From Supplement CONTINUED TO MODEL INDEX EWD378F
  • 180.
    HILUX (EWD378F) 231 I ;;;;;;;; ;;;;;;;; ;;;;;;;; ;;;;;;;; ;;;;;;;; ;;;;;; ;;;;;; ;;;;;; ;;;;;; ;;;;;;;; ;;;;;;;; ;;;;;;;; ;;;;;;;; ;;;;;;;; ;;;;; ;;;;; ;;;;; 5 6 7 8 56 HILUX ( RHD ) ( Cont' d ) E n g in e C o n tro l (1 K Z – T E ) A B C 1 B 1 1 B 1 2 B 9 B 2 B 5 B 1 2 F18 FUEL TEMP.SENSOR 6 B 2 1 I22 INJECTION PUMP CORRECTION RESISTOR NO. 2 14 B 2 1 I21 INJECTION PUMP CORRECTION RESISTOR NO. 1 3 B 2 1 I 8 INTAKE AIR TEMP. SENSOR 4 B 2 1 W 3 WATER TEMP. SENSOR 1H 6 1D 1 3 D 10 3D 11 14 C 1H 5 1F 2 5 C 7 C 1 A 8 B 5 B B B IC3 7 3D 5 3D 1 9 C 18 C 11 C 4 3 2 1 3 2 1 G–R G–R G–R G–R G–R R B–R P B–W P P B B–W P R–W R–L G–O B V–Y R R–L P B B–L B–R G–R B–Y P P–L L–B G–B LG–B G–R G–R G–R G–R G–R G–R B G–R B–R B–L B T 1 THROTTLE POSITION SENSOR T 6 TURBO PRESSURE SENSOR C 9 C10 , COMBINATION METER A B B 10A IGN 10A GAUGE IGSW W GIND SPD TAC STA VC VA IDL E2 PIM THF VRP VRT THA THW J 5 JUNCTION CONNECTOR From Speed Sensor [Comb. Meter]<54–3> To Tachometer [Comb. Meter]<54–1> From " STA" Fuse<31–3> E 4 E 5 , ENGINE ECU A B C E 6 , TURBO GLOW CLICK HERE TO VIEW CHAPTER INDEX Pages From Supplement TO MODEL INDEX EWD378F
  • 181.
    HILUX (EWD378F) 232 I OVERALLELECTRICAL WIRING DIAGRAM ;;;;;;;;;; ;;;;;;;;;; ;;;;;;;;;; ;;;;;;;;;; ;;;;;;;;;; ;;;;;;;;;; ;;;;;;;;; ;;;;;;;;; ;;;;;;;;; ;;;;;;;;; ;;;;;;;;; ;;;;;;;;; ;;;;;;;;; ;;;;;;;;; ;;;;;;;;; 1 2 3 4 57 HILUX ( RHD ) ( Cont. next page ) 2 2 2 2 1I 1 1H 1 2 ACC IG1 IG2 ST2 AM1 4 6 7 A M 2 2 2 2 2 1 1 1 1 100A ALT 40A AM1 20A AM2 80A ABS, GLOW 4 4 4 3 2 1 4 4 SUB GLW RLY 2 E B 2 1 EF G 1 GLOW PLUG 16 B 8 A 14 B 23 A 26 A 9 A 10 A 25 A 14 A 13 A 7 B A 3 A 17 A 18 21 A 26 A 19 A A BATTERY I17 IGNITION SW E 4 E 5 , EMISSION CONTROL ECU A B P o w e r S o u rc e E m is s io n C o n tro l (E u ro p e 2 L – T , 2 L ) L–B R B–R B W W W W–R B–Y W–B B–Y W–B B–R W–R R G–W 3 1 2 B–R BATT THW VA VC TCV NE+ NE – TWL TE1 VEGR EGR VBAC VSV +B E1 A A 1B 11 1H 6 1H 5 1D 1 1B 7 B B C C C B A A J13 J14 , JUNCTION CONNECTOR A B C B 3 I J 1 B C D B–W B–W L–Y 7. 5A ECU–B W–R W–R (∗2) (∗2) I 9 INJECTION PUMP SP1 TAC B G–O G–O 6 B B 5 B 5 I C 3 I C 3 6 (2L–T) (2L–T) PIM A 4 2 1 13 IC3 7 IC1 7 I J 1 E2 A 3 1 A 8 B 5 B 12 IC1 7 IC3 1 I C 1 C J 8 JUNCTION CONNECTOR J 1 JUNCTION CONNECTOR J 6 JUNCTION CONNECTOR COMBINATION METER B A C 9 C10 , (∗2) (∗1) W W–R W–R 10A IGN 10A GAUGE R–L R–L B–W P R–W B–W B–W (2L–T) 2 1 V12 VSV(EGR) 2 1 V10 VRV(EGR) 2 1 V11 VSV(BACS) 2 1 V15 VSV (Turbo Pressure Control) G–R G–B R–L B B–W B–W B–W B–W NSW 1 A STA 2 A EG Rear side of cylinder block 8 I C 1 B–W P–B BR BR P–B BR B–W (2L–T) (2L–T) (2L–T) (2L–T) (2L–T) (2L–T) From " STA" Fuse <31–2> 13 12 3 6 8 VF1 +B E1 OP1 TE1 C 3 CHECK CONNECTOR G–Y R–W P L–Y BR B–W R–W P R–W B–W B–W B–W B–W B–W B–W (2L–T) W 3 WATER TEMP. SENSOR A31 ACCELERATOR PEDAL POSITION SENSOR T 6(2L–T) TURBO PRESSURE SENSOR V 1(2L) VACUUM SENSOR From Speed Sensor [Comb. Meter]<54–3> To Tachometer [Comb. Meter]<54–1> B–L P–L P–L B–Y G W–L W–R W–L W–L W–L W–L W–L P–L W–R(∗1) W–R(∗2) B–R B–R 1 2 3 2 3 1 ∗ 1 : w/ Dim–Dip Light ∗ 2 : w/o Dim–Dip Light W–R (∗1) W–R (∗1) L–B W–R (∗2) (2L–T) R–W B–W BR GLOW TURBO SREL GIND Front right fender apron (∗1) CLICK HERE TO VIEW CHAPTER INDEX Pages From Supplement CONTINUED TO MODEL INDEX EWD378F
  • 182.
    HILUX (EWD378F) 233 I ;;; ;;; ;;; ;;; ;;; ;;; ;;;;;; ;;;;;; ;;;;;; ;;;;;; ;;;;;; ;;;;;; ;;;;;; ;;;;;; ;;;;;; ;;;;;; ;;;;;; ;;;;;; ;;;;;; ;;;;;; ;;;;;; ;;;;;; ;;;;;; ;;;;;; ;;;;;; ;;;;;; ;;;;;; ;;;;;; 5 6 7 8 57 HILUX ( RHD ) L–B B–W B–W L–Y A B C D C C 1 2 3 4 5 J 6 JUNCTION CONNECTOR V V–W V–Y V–G V–R L–B L–B 1 6 1 2 4 5 1 3 T 8 TRANSPONDER KEY COMPUTER 2 IC3 2 IC1 EG Rear side of cylinder block IK Cowl side panel RH IH Cowl side panel LH A A A A 1 2 9 A 1 0 A 7 A 5 A 1A 5 See InteriorLight System<43–2> I18 INTEGRATION RELAY A U 1 UNLOCK WARNING SW G–B P–B B–L B–L P–B W–B L–Y B–W L–W 9 10 2 3 14 9 8 A J15 JUNCTION CONNECTOR J 3 JUNCTION CONNECTOR J 9 JUNCTION CONNECTOR W–B W–B BR L–W L–Y 2 3 1 F17 FUEL CONTROL VALVE E n g in e Im m o b ilis e r S y s te m P–B T 7 TRANSPONDER KEY AMPLIFIER VC5 GND CODE RXCK TXCT CTY(P) CTY(D) CTY KSW GND D IG ECVC +B VC5 AGND CODE RXCK TXCT GND IG IMMO TRANSPONDER KEY COIL ANT1 ANT2 CTY(P) EARTH KEY U/L SW 1 1 C 7 EARTH IG Cowl side panel LH A J 7 JUNCTION CONNECTOR W–B CLICK HERE TO VIEW CHAPTER INDEX Pages From Supplement TO MODEL INDEX EWD378F