Download free for 30 days
Sign in
Upload
Language (EN)
Support
Business
Mobile
Social Media
Marketing
Technology
Art & Photos
Career
Design
Education
Presentations & Public Speaking
Government & Nonprofit
Healthcare
Internet
Law
Leadership & Management
Automotive
Engineering
Software
Recruiting & HR
Retail
Sales
Services
Science
Small Business & Entrepreneurship
Food
Environment
Economy & Finance
Data & Analytics
Investor Relations
Sports
Spiritual
News & Politics
Travel
Self Improvement
Real Estate
Entertainment & Humor
Health & Medicine
Devices & Hardware
Lifestyle
Change Language
Language
English
Español
Português
Français
Deutsche
Cancel
Save
Submit search
EN
Junior Iung
67
Slideshow
About
Presentations
Infographics
Documents
Likes
About
Sort by
Latest
Most popular
Lista de peças da bomba Doowoon 104749-7330
by
Junior Iung
Esquema elétrico renault master 2.5
by
Junior Iung
3462090 plano de teste delphi
by
Junior Iung
Solenóide (Mprop) bombas de alta pressão Bosch
by
Junior Iung
Tabela teste injetores bosch denso siemens
by
Junior Iung
Constellation com motor 9.3 mwm
by
Junior Iung
095000 8290 explodido injetor HILUX 3.0
by
Junior Iung
Tabela conversão válvulas reguladoras bomba alta pressão Bosch
by
Junior Iung
No infographics yet
Sort by
Latest
Most popular
104741-3833 plano de teste zexel
by
Junior Iung
3340f401g plano de teste delphi
by
Junior Iung
Plano de teste yanmar 729457-51380
by
Junior Iung
Plano de teste Denso 096000-5260 (VE4/10F2500RND526)
by
Junior Iung
104740-9661 plano de teste zexel
by
Junior Iung
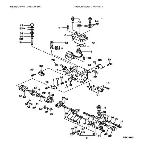
096500-3091 explodido, lista de peças e plano bomba denso
by
Junior Iung
Plano de teste 104741-5323 zexel
by
Junior Iung
Bomba Stanadyne DB2635-5681 Plano de teste e explodido de peças
by
Junior Iung
Plano de teste Delphi v8960a170w-1
by
Junior Iung
BOMBA STANADYNE DE2635-6237 RE-557897 JOHN DEERE
by
Junior Iung
Plano de teste Bosch 0402746699
by
Junior Iung
104742 3100 104642 3100 F 01G 09W 0EH
by
Junior Iung
Plano de teste Denso 196000-3710
by
Junior Iung
104742-7530 plano de teste zexel
by
Junior Iung
104645-8472 104745-8472
by
Junior Iung
1
2
3
4
No likes yet
Personal Information
Organization / Workplace
Pellegrino Distribuidora de autopeças
Location
Porto Alegre
Occupation
Vendedor