This Wiring Diagram Manual has been prepared to provide information on
the Electrical System of the HILUX.
Applicable models: RZN: 142, 144, 147, 148, 149, 1 54,
168,169,173,174,193 Series
LN: 141.145,146,147,150,152,
165,166,167,170,171,172, 191 Series
For service specifications and repair procedures of the above models other
than those listed in this manual, refer to the following manuals;
Manual Name Pub. No.
•HILUX Chassis and Body Repair Manual RM585E
•1RZ, 1RZ-E, 2RZ-FE, 3RZ-F, 3RZ-FE
Engine Repair Manual Supplement
RM584E
•2L, 2L-T, 3L, 5L Engine Repair Manual RM582E
•HILUX New Car Features NCF140E
All information in this manual is based on the latest product information at
the time of publication. However, specifications and procedures are subject
to change without notice.
BACK TO MAIN MODEL IND VIEW THE MAIN INDEX
EWD307
Back To Electrical Index
Pages From Manual
TO MODEL INDEX
FOREWORD
NOTICE
When handling supplemental restraint system components (removal, installation or
inspection, etc. ), always follow the direction given in the repair manuals listed above to
prevent accidents and supplemental restraint system malfunction.
All rights reserved. This CD may not be
reproduced or copied, in whole or in part,
without the written permission of Toyota
Motor Corporation.
TOYOTA MOTOR CORPORATION
© 1997 TOYOTA MOTOR CORPORATION
3
HOW TO USE THIS MANUAL B ... 4
ABBREVIATIONS C ... 7
RELAY LOCATIONS D ... 26
ELECTRICAL WIRING ROUTING E ... 38
ELECTRICAL WIRING DIAGRAM F ... 166
Pages From Manual
INTRODUCTION
No.
A ...
Section Page
MAIN INDEX: HILUX
AUGUST 1997
TO MODEL INDEX
EWD307F
BACK TO MAIN FOREWORD & Electrical Index
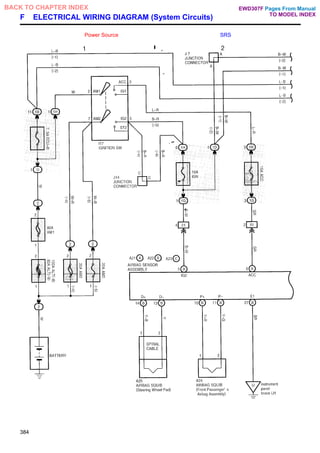
ELECTRICAL WIRING DIAGRAM
A: INTRODUCTION
This manual consists of the following 6 sections:
I
n
f
o
r
m
a
t
i
o
n
o
n
connectors in the SYSTEM CIRCUITS may be looked up in the SYSTEM CIRCUITS
CONNECTORS.
3
No. Section Description
INDEX
A
INTRODUCTION
Brief explanation of each section.
B
HOW TO USE THIS
MANUAL
Instructions on how to use this manual.
C ABBREVIATIONS
Defines the abbreviations used in this manual.
D RELAY LOCATIONS
Shows position of the Electronic Control Unit, Relays, Relay Block, etc. This section
is closely related to the system circuit.
E
ELECTRICAL WIRING
ROUTING
Describes position of the Parts Connectors, Ground points, etc. This section is
closely related to the system circuit.
INDEX
Index of the system circuits.
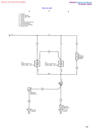
SYSTEM CIRCUITS Electrical circuits of each system are shown from the power
supply to the ground points, and the connection methods between related system
are shown
ELECTRICAL WIRING
DIAGRAM
F
SYSTEM CIRCUIT CONNECTORS All connector shapes, terminals and colors
included in the wiring diagrams are shown here, grouped according to the respective
wiring diagrams. (See the illustration below.)
Pages From Manual
TO MODEL INDEX
BACK TO MAIN INDEX
Index of the contents of this manual.
TO MODEL INDEX
EWD307F
B: HOW TO USE THIS MANUAL
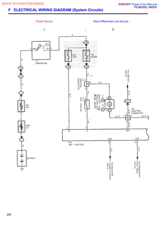
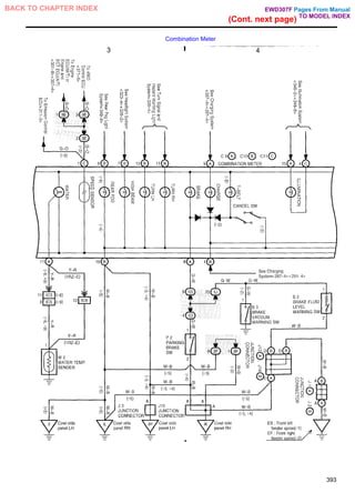
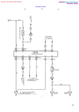
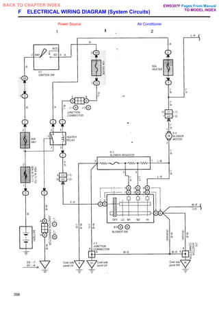
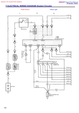
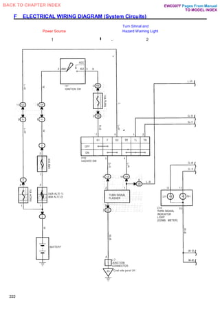
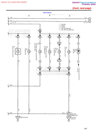
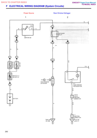
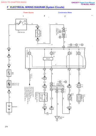
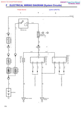
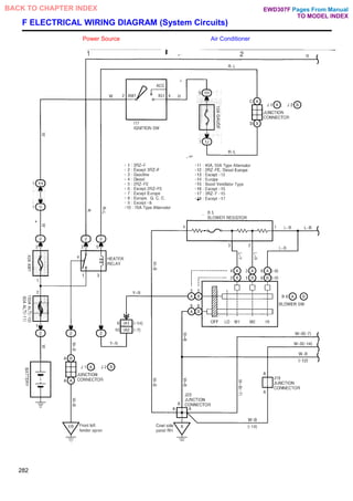
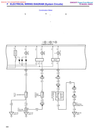
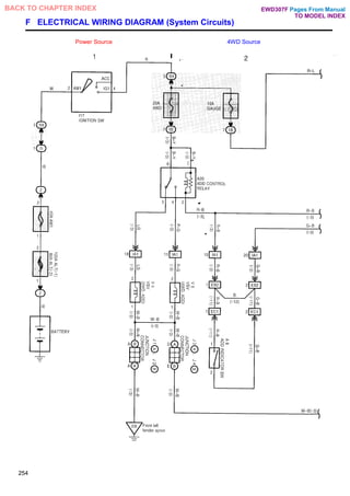
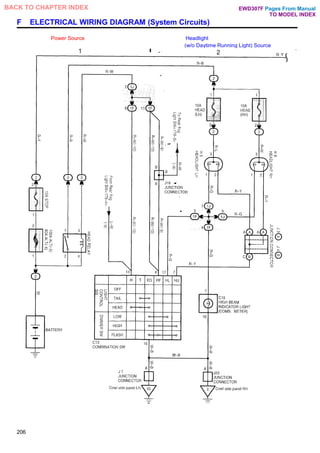
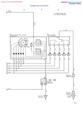
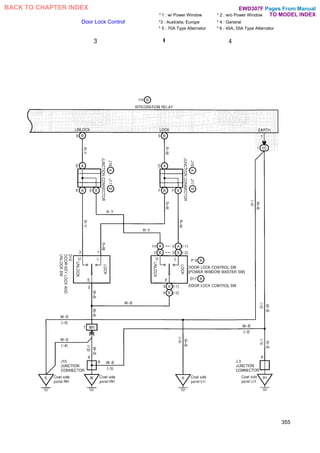
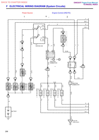
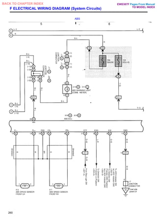
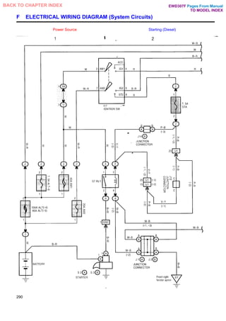
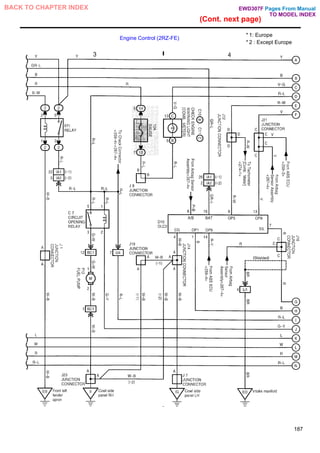
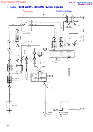
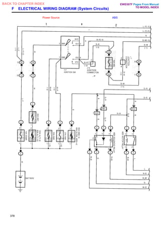
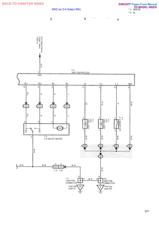
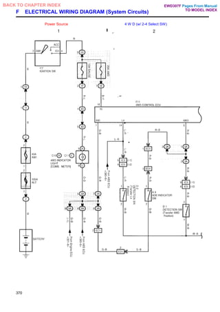
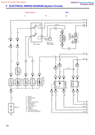
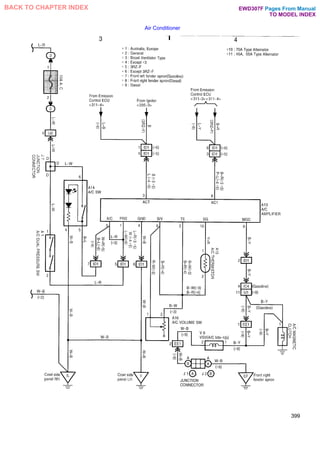
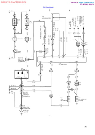
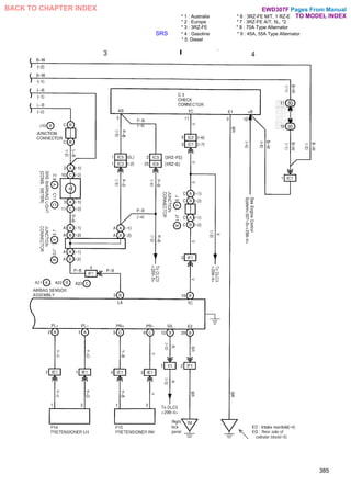
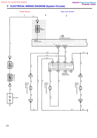
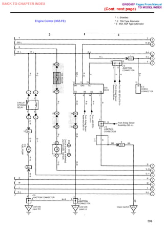
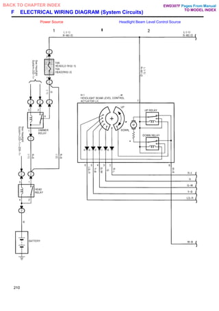
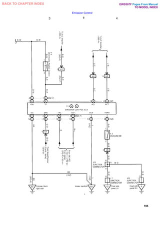
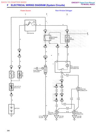
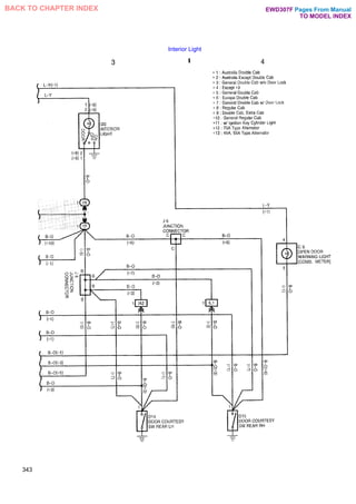
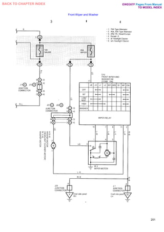
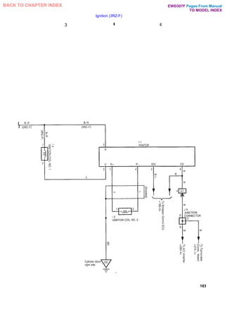
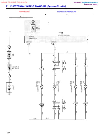
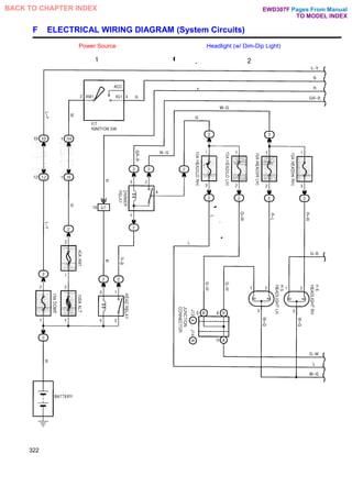
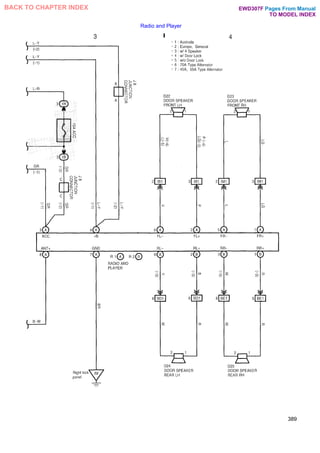
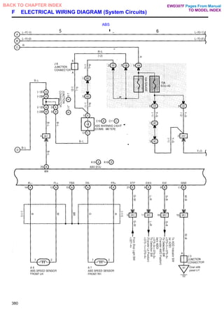
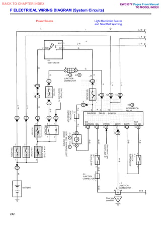
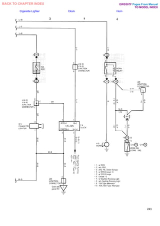
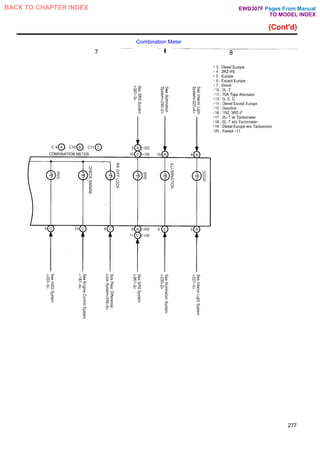
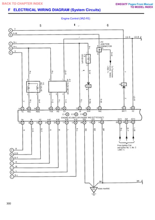
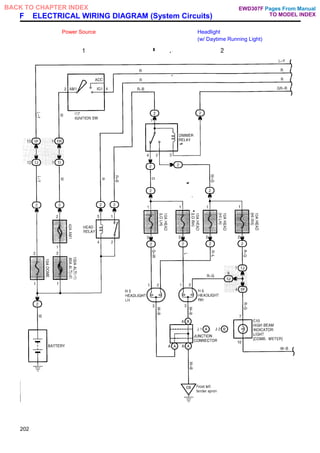
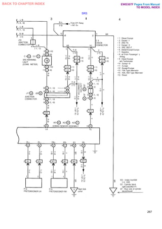
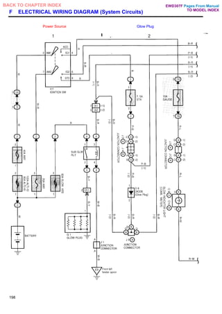
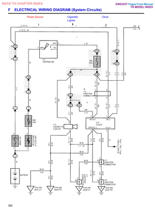
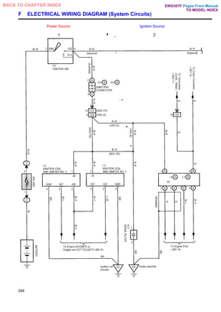
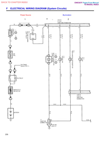
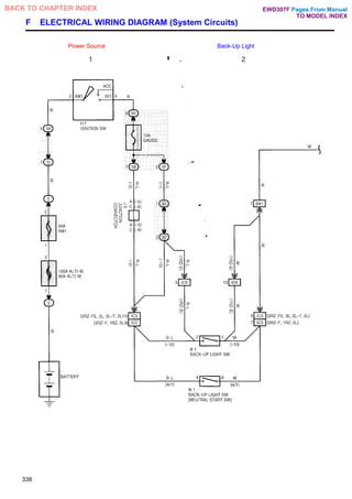
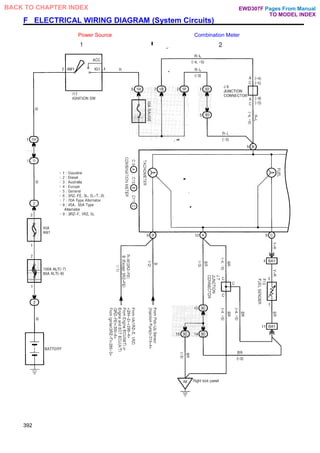
F ELECTRICAL WIRING DIAGRAM (SYSTEM CIRCUITS)
4
Pages From Manual
TO MODEL INDEX
BACK TO MAIN INDEX EWD307F
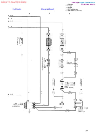
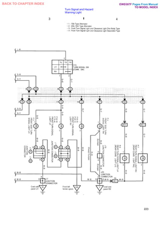
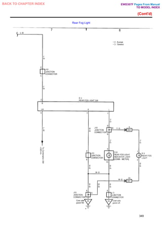
A: The same code occurring on the next page indicates
that the wire harness is continuous.
B: Number of the section of the system circuit (S);
C: System Title
D: Indicates the wiring color.
Wire colors are indicated by an alphabetical code.
B = Black L = Blue R = Red
BR - Brown LG - Light Green V = Violet
G = Green 0 = Orange W - White
GR = Gray P = Pink Y - Yellow
The first letter indicates the basic wire color and the
second letter indicates the color of the stripe.
Example: L - Y
E: Represents a part.
The position of the parts is the same as shown in the
system circuits and wiring routing.
F: Indicates the pin number of the connector. The
numbering system is different for female and male
connectors.
Example: Numbered in order Numbered in order
from upper left to from upper right to
lower riqht lower left
G: Indicates a Relay Block. No shading is used and
only the Relay Block No. is shown to distinguish it
from the J/B.
Example: CD Indicates Relay Block No. 1.
H: When 2 parts both use one connector in common,
the parts connector name used in the wire routing
section is shown in square brackets [ ].
- HINT:
I: Junction Block (The number in the circle is the J/B
No. and the connector code is shown beside it).
Junction Blocks are shaded to clearly separate them
from other parts.
Example:
3B indicates
that it is inside
Junction Block
No. 3.
J: Indicates related system.
K: The left number is the number of the page and the
right number is the number of the section on the
system circuit.
L: Indicates the wiring harness and wiring harness
connector. The wiring harness with male terminal is
shown with arrows (^). Outside numerals are pin
numbers.
M: ( ) is used to indicate different wiring and
connector, etc. when the vehicle model, engine
type, or specification is different.
N: Indicates a shielded cable.
O: Indicates a ground point.
P: Page No.
Junction connector (code: J 1 to J23) in this manual include a
short terminal which is connected to a number of wire
harnesses. Always perform inspection with the short terminal
installed. (When installing the wire harnesses, the harnesses
can be connected to any position within the short terminal
grouping. Accordingly, in other vehicles, the same position in
the short terminal may be connected to a wire harness from a
different part.) Wire harness sharing the same short terminal
grouping have the same color.
5
Pages From Manual
TO MODEL INDEX
BACK TO CHAPTER INDEX
B
EWD307F
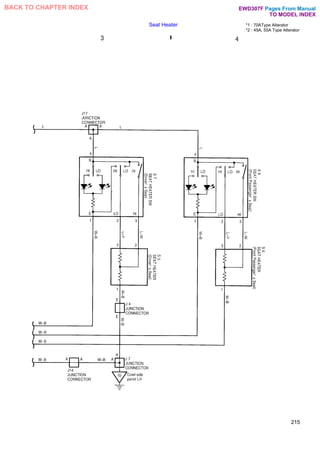
B HOW TO USE THIS MANUAL
Shown on this page are the connectors (wire harness side) for parts shown in the system circuits. An explanation is
given for each item on the page.
Part code No. and Part name The part code
No. and part name are given as in the system
circuit, arranged in alphabetical order.
The position of the parts is the same as shown
in the system circuits and wiring routing.
The location indicated is the location of the
applicable part within the system circuit. (The
left number is the number of the page and the
right number is the number of the section on the
system circuit.)
SYSTEM CIRCUIT CONNECTORS
Indicates the pin number of the
connector.
Connector color These indicate that the part has more
(connectors with the color not than one connector.
indicated are milky white in color.)
6
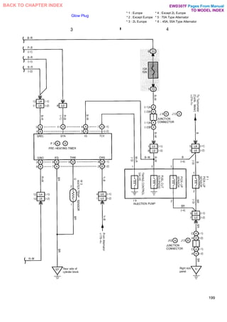
Pages From Manual
TO MODEL INDEX
BACK TO CHAPTER INDEX EWD307F
C: ABBREVIATIONS
ABBREVIATIONS
The following abbreviations are used in this manual.
ABS = Anti-Lock Brake System
A/C = Air Conditioner
ADD = Automatic Disconnecting Differential
A/T = Automatic Transmission
COMB. = Combination
DIFF. = Differential
DLC3 = Data Link Connector3
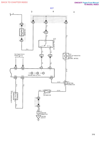
ECT = Electronically Controlled Transmission
ECU = Electronic Control Unit
EFI = Electronic Fuel Injection
EGR = Exhaust Gas Recirculation
EVAP = Evaporative Emission
G.C.C. = Gulf Cooperation Council
IIA = Integrated Ignition Assembly
ISC = Idle Speed Control
LH = Left-Hand
LHD = Left-Hand Drive
M/T = Manual Transmission
O/D = Overdrive
RH = Right-Hand
RHD = Right-Hand Drive
SW = Switch
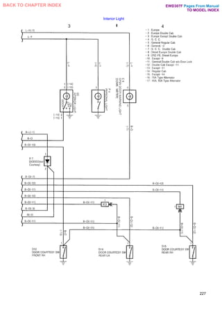
TEMP. = Temperature
VSV = Vacuum Switching Valve
w/ = With
w/o = Without
2WD = Two Wheel Drive Vehicles
4WD = Four Wheel Drive Vehicles
7
Pages From Manual
TO MODEL INDEX
BACK TO MAIN INDEX EWD307F
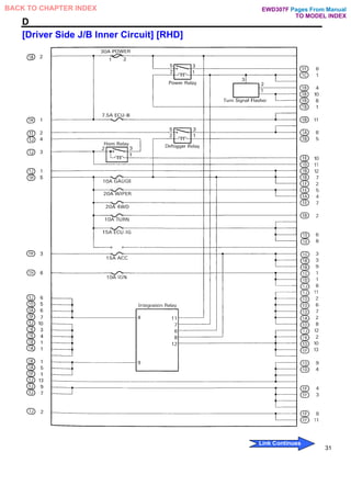
D: RELAY LOCATIONS
ENGINE COMPARTMENT: Pg26
1.LHD Pg26
INSTRUMENT PANEL Pg26
1.LHD Pg26
ENGINE COMPARTMENT: Pg27
1.RHD Pg27
INSTRUMENT PANEL Pg27
1.RHD Pg27
DRIVER SIDE J/B LOWER FINISH PANEL Pg28
1.LHD Pg28
DRIVER SIDE J/B INNER CIRCUIT LHD Pg29
DRIVER SIDE J/B LOWER PANEL FINISH Pg30
RHD Pg30
DRIVER SIDE J/B INNER CIRCUIT RHD Pg31
CENTER J/B NEAR THE STEERING COLUMN TUBE Pg32
RHD AUSTRALIA Pg32
CENTER J/B CIRCUIT Pg33
ENGINE ROOM R/B RHD DIESEL: ENGINE COMPARTMENT RIGHT Pg34
EXCEPT RHD DIESEL: ENGINE COMPARTMENT
LEFT Pg34
ENGINE ROOM R/B RHD NO.2 DIESEL: ENGINE COMPARTMENT RIGHT
Pg35
R/B NO.5 RHD: NEAR THE BRAKE MASTER CYLINDER Pg35
R/B NO.6 RADIATOR SUPPORT RH Pg36
RHD w/ DIM-DIP LIGHT Pg36
Pages From Manual
TO MODEL INDEX
BACK TO MAIN INDEX
PASSENGER SIDE R/B COWL SIDE PANEL LH Pg36
RHD 3RZ-FE, 1RZ-E Pg36
EWD307F
D: RELAY LOCATIONS
[Engine Compartment]
(LHD)
26
Pages From Manual
TO MODEL INDEX
BACK TO CHAPTER INDEX
Link Continues
EWD307F
To: ST-11 ST-14
To: Sup. 2L,2L-T,3L,5L
D
[Engine Compartment]
(RHD)
27
Pages From Manual
TO MODEL INDEX
BACK TO CHAPTER INDEX
Link Continues
EWD307F
To: ST-11 ST-14
To: Sup. 2L,2L-T,3L,5L
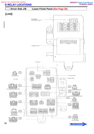
D RELAY LOCATIONS
Driver Side J/B Lower Finish Panel (See Page 26)
Pages From Manual
TO MODEL INDEX
BACK TO CHAPTER INDEX
Link Continues
EWD307F
D
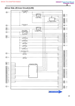
[Driver Side J/B Inner Circuit] [LHD]
29
Pages From Manual
TO MODEL INDEX
BACK TO CHAPTER INDEX EWD307F
Link Continues
D RELAY LOCATIONS
Driver Side J/B (See Page 27) Lower Finish Panel
Pages From Manual
TO MODEL INDEX
BACK TO CHAPTER INDEX
Link Continues
EWD307F
D
[Driver Side J/B Inner Circuit] [RHD]
31
Pages From Manual
TO MODEL INDEX
BACK TO CHAPTER INDEX
Link Continues
EWD307F
D RELAY LOCATIONS
Center J/B Near The Steering Column Tube (See Page 27)
[RHD Australia]
32
Pages From Manual
TO MODEL INDEX
BACK TO CHAPTER INDEX
Link Continues
EWD307F
D
[Center J/B Inner Circuit]
33
BACK TO CHAPTER INDEX
Link Continues
Pages From Manual
TO MODEL INDEX
EWD307F
D RELAY LOCATIONS
RHD Diesel : Engine Compartment Right (See Page 27)
(2)
Engine Room
R/B Except RHD Diesel : Engine Compartment Left (See Page 26, 27)
34
Pages From Manual
TO MODEL INDEX
BACK TO CHAPTER INDEX
Link Continues
EWD307F
LHD Diesel : Engine Compartment Left (See Page 26)
( 4 ) Engine Room R/B No.2
RHD Diesel : Engine Compartment Right (See Page 27)
LHD: Front Right Fender Apron (See Page 26)
( 5 ) R/B No.5
RHD: Near The Brake Master Cylinder (See Page 27)
35
Pages From Manual
TO MODEL INDEX
BACK TO CHAPTER INDEX
Link Continues
D
EWD307F
D RELAY LOCATIONS
( 6 ) : R/B No.6 Radiator Support RH (See Page 27)
(RHD w/ Dim-Dip Light)
( 7 ) : Passenger Side R/B Cowl Side Panel LH (See Page 27)
(RHD 3RZ-FE, 1RZ-E)
36
Pages From Manual
TO MODEL INDEX
BACK TO CHAPTER INDEX
LINK BACK 173 177 181 185 191 193 197 201 205 209 213 217 221 225 229 233 237 241 245 249
253 257 263 265 269 273 279 281 285 289 293 297 303 305 309 313 317 321 325 329 333
337 341 345 351 353 357 361 365 369 373 377 383 387 391 397 401
EWD307F
E: ELECTRICAL WIRING ROUTING
PAGE 1 OF 3
POSITION OF PARTS IN ENGINE COMPARTMENT:
1. LHD: 2RZ-FE Pg38
2. LHD: 3RZ-F Pg42
3. LHD: 1RZ Pg46
4. LHD: 2L-T Pg50
5. LHD: 3L, 2L Pg54
POSITION OF PARTS IN INSTRUMENT PANEL:
1. LHD: INSTRUMENT PANEL 1 Pg58
2. LHD: INSTRUMENT PANEL 2 Pg62
POSITION OF PARTS IN BODY:
1. LHD: REGULAR CAB Pg66
2. LHD: DOUBLE CAB Pg70
3. LHD: EXTRA CAB Pg74
POSITION OF PARTS IN ENGINE COMPARTMENT:
1. RHD: 3RZ-FE Pg78
2. RHD: 3RZ-F Pg82
3. RHD: 1RZ-E Pg86
4. RHD: 1RZ Pg90
5. RHD: 5L Pg94
6. RHD: 2L-T Pg98
7. RHD: 3L, 2L Pg102
POSITION OF PARTS IN INSTRUMENT PANEL:
1. RHD: INSTRUMENT PANEL 1 Pg106
2. RHD: INSTRUMENT PANEL 2 Pg110
POSITION OF PARTS IN BODY:
1. RHD: REGULAR CAB Pg114
2. RHD: DOUBLE CAB Pg118
3. RHD: EXTRA CAB Pg122
LOCATION OF CONNECTOR JOINING WIRE HARNESS AND WIRE HARNESS Pg126
LOCATION OF GROUND POINTS Pg126
1. LHD: 2RZ-FE Pg126
CONNECTOR JOINING WIRE HARNESS AND WIRE HARNESS Pg127
LOCATION OF CONNECTOR JOINING WIRE HARNESS Pg128
LOCATION OF GROUND POINTS Pg128
1. LHD: 3RZ-F Pg128
CONNECTOR JOINING WIRE HARNESS AND WIRE HARNESS Pg129
LOCATION OF CONNECTOR JOINING WIRE HARNESS AND WIRE HARNESS Pg130
LOCATION OF GROUND POINTS Pg130
1. LHD: 1RZ Pg130
CONNECTOR JOINING WIRE HARNESS AND WIRE HARNESS Pg131
LOCATION OF CONNECTOR JOINING WIRE HARNESS AND WIRE HARNESS Pg132
LOCATION OF GROUND POINTS Pg132
1. LHD: 2L-T Pg132
CONNECTOR JOINING WIRE HARNESS AND WIRE HARNESS Pg133
LOCATION OF CONNECTOR JOINING WIRE HARNESS AND WIRE HARNESS Pg134
LOCATION OF GROUND POINTS Pg134
1. LHD: 3L, 2L Pg134
BACK TO MAIN INDEX
TO MODEL INDEX
Pages From Manual
EWD307F
CONTINUED
CONNECTOR JOINING WIRE HARNESS AND WIRE HARNESS Pg135
LOCATION OF CONNECTOR JOINING WIRE HARNESS AND WIRE HARNESS Pg136
1. LHD Pg136
CONNECTOR JOINING WIRE HARNESS AND WIRE HARNESS Pg137
LOCATION OF CONNECTOR JOINING WIRE HARNESS AND WIRE HARNESS Pg138
1. LHD Pg138
CONNECTOR JOINING WIRE HARNESS AND WIRE HARNESS Pg139
LOCATION OF CONNECTOR JOINING WIRE HARNESS AND WIRE HARNESS Pg140
LOCATION OF GROUND POINTS Pg140
1. LHD: DOUBLE CAB Pg140
CONNECTOR JOINING WIRE HARNESS AND WIRE HARNESS Pg141
LOCATION OF CONNECTOR JOINING WIRE HARNESS AND WIRE HARNESS Pg142
LOCATION OF GROUND POINTS Pg142
1. LHD: REGULAR CAB Pg142
CONNECTOR JOINING WIRE HARNESS AND WIRE HARNESS Pg143
LOCATION OF CONNECTOR JOINING WIRE HARNESS AND WIRE HARNESS Pg144
LOCATION OF GROUND POINTS Pg144
1. RHD: 3RZ-FE Pg144
CONNECTOR JOINING WIRE HARNESS AND WIRE HARNESS Pg145
LOCATION OF CONNECTOR JOINING WIRE HARNESS AND WIRE HARNESS Pg146
LOCATION OF GROUND POINTS Pg146
1. RHD: 3RZ-F Pg146
CONNECTOR JOINING WIRE HARNESS AND WIRE HARNESS Pg147
LOCATION OF CONNECTOR JOINING WIRE HARNESS AND WIRE HARNESS Pg148
LOCATION OF GROUND POINTS Pg148
1. RHD: 1RZ-E Pg148
CONNECTOR JOINING WIRE HARNESS AND WIRE HARNESS Pg149
LOCATION OF CONNECTOR JOINING WIRE HARNESS AND WIRE HARNESS Pg150
LOCATION OF GROUND POINTS Pg150
1. RHD: 1RZ Pg150
CONNECTOR JOINING WIRE HARNESS AND WIRE HARNESS Pg151
LOCATION OF CONNECTOR JOINING WIRE HARNESS AND WIRE HARNESS Pg152
LOCATION OF GROUND POINTS Pg152
1. RHD: 5L Pg152
CONNECTOR JOINING WIRE HARNESS AND WIRE HARNESS Pg153
LOCATION OF CONNECTOR JOINING WIRE HARNESS AND WIRE HARNESS Pg154
LOCATION OF GROUND POINTS Pg154
1. RHD: 2L-T Pg154
CONNECTOR JOINING WIRE HARNESS AND WIRE HARNESS Pg155
LOCATION OF CONNECTOR JOINING WIRE HARNESS AND WIRE HARNESS Pg156
LOCATION OF GROUND POINTS Pg156
1. RHD: 3L, 2L Pg156
CONNECTOR JOINING WIRE HARNESS AND WIRE HARNESS Pg157
LOCATION OF CONNECTOR JOINING WIRE HARNESS AND WIRE HARNESS Pg158
CONNECTOR JOINING WIRE HARNESS AND WIRE HARNESS Pg159
LOCATION OF CONNECTOR JOINING WIRE HARNESS AND WIRE HARNESS Pg160
1. RHD Pg160
Pages From Manual
BACK TO CHAPTER INDEX
TO MODEL INDEX
PAGE 2 OF 3
1. RHD Pg158
LOCATION OF GROUND POINTS Pg158
EWD307F
CONTINUED
E: ELECTRICAL WIRING ROUTING
CONNECTOR JOINING WIRE HARNESS AND WIRE HARNESS Pg161
LOCATION OF CONNECTOR JOINING WIRE HARNESS AND WIRE HARNESS Pg162
LOCATION OF GROUND POINTS Pg162
1. RHD: DOUBLE CAB Pg162
Pages From Manual
BACK TO CHAPTER INDEX
TO MODEL INDEX
PAGE 3 OF 3
CONNECTOR JOINING WIRE HARNESS AND WIRE HARNESS Pg163
LOCATION OF CONNECTOR JOINING WIRE HARNESS AND WIRE HARNESS Pg164
LOCATION OF GROUND POINTS Pg164
1. RHD: REGULAR CAB Pg164
2. RHD: EXTRA CAB Pg164
CONNECTOR JOINING WIRE HARNESS AND WIRE HARNESS Pg165
EWD307F
E: ELECTRICAL WIRING ROUTING
E ELECTRICAL WIRING ROUTING
Position of Parts in Engine Compartment
[LHD:2RZ-FE] *1 : w/o ABS
*2 : w/ ABS
*3: Europe
*4: Except Europe
38
Pages From Manual
TO MODEL INDEX
BACK TO CHAPTER INDEX
Link Continues
EWD307F
Position of Parts in Engine Compartment
39
Code English
A 1 A/C Dual Pressure SW
A 2 A/C Magnetic Clutch
A 4 ABS Actuator
A 5 ABS Actuator
A 6 ABS Speed Sensor Front LH
A 7 ABS Speed Sensor Front RH
A 8 ADD Indicator SW
A 9 Air Flow Meter
A 10 Alternator
A 11 Alternator
B 1 Back-Up Light SW
B 2 Brake Fluid Level Warning SW
C 1 Camshaft Position Sensor
C 3 Check Connector
C 4 Crankshaft Position Sensor
D 1 Detection SW (Transfer 4WD Position)
D 2 Detection SW (Transfer L4 Position)
F 1 Front Clearance Light LH
F 2 Front Clearance Light RH
F 3 Front Side Turn Signal Light LH
F 4 Front Side Turn Signal Light RH
F 5 Front Turn Signal Light and Clearance Light LH
F 6 Front Turn Signal Light and Clearance Light RH
F 7 Front Turn Signal Light LH
F 8 Front Turn Signal Light RH
H 1 Headlight Beam Level Control Actuator LH
H 2 Headlight Beam Level Control Actuator RH
H 3 Headlight Cleaner Motor and Washer Motor
H 4 Headlight Cleaner Relay
H 5 Headlight LH
H 6 Headlight RH
H 7 Heated Oxygen Sensor (Bank 1 Sensor 1)
H 8 Heated Oxygen Sensor (Bank 1 Sensor 2)
H 9 Horn
I 2 Ignition Coil and Igniter No.1
I 3 Ignition Coil and Igniter No.2
I 10 Injector No.1
I 11 Injector No.2
I 12 Injector No.3
I 13 Injector No.4
I 15 ISC Valve
J 1 Junction Connector
J 2 Junction Connector
K 1 Knock Sensor
N 2 Noise Filter
0 1 Oil Pressure SW
S 2 Starter
S 3 Starter
T 1 Throttle Position Sensor
V 4 VSV (2WD, ADD)
V 5 VSV (4WD, ADD)
V 7 VSV (EGR)
V 8 VSV (EVAP)
W 1 Washer Motor
W 2 Water Temp. Sender
W 3 Water Temp. Sensor
W 4 Wiper Motor
Pages From Manual
TO MODEL INDEX
BACK TO CHAPTER INDEX
Link Continues
E
EWD307F
E ELECTRICAL WIRING ROUTING
Position of Parts in Engine Compartment
[LHD:2RZ-FE] *1 : w/o ABS
*2.: w/ ABS
*3: Europe
*4: Except Europe
40
Pages From Manual
TO MODEL INDEX
BACK TO CHAPTER INDEX
Link Continues
EWD307F
Position of Parts in Engine Compartment
Code English
A 1 A/C Dual Pressure SW
A 2 A/C Magnetic Clutch
A 4 ABS Actuator
A 5 ABS Actuator
A 6 ABS Speed Sensor Front LH
A 7 ABS Speed Sensor Front RH
A 8 ADD Indicator SW
A 9 Air Flow Meter
A 10 Alternator
A11 Alternator
B 1 Back-Up Light SW
B 2 Brake Fluid Level Warning SW
C 1 Camshaft Position Sensor
C 3 Check Connector
C 4 Crankshaft Position Sensor
D 1 Detection SW (Transfer 4WD Position)
D 2 Detection SW (Transfer L4 Position)
F 1 Front Clearance Light LH
F 2 Front Clearance Light RH
F 3 Front Side Turn Signal Light LH
F 4 Front Side Turn Signal Light RH
F 5 Front Turn Signal Light and Clearance Light LH
F 6 Front Turn Signal Light and Clearance Light RH
F 7 Front Turn Signal Light LH
F 8 Front Turn Signal Light RH
H 1 Headlight Beam Level Control Actuator LH
H 2 Headlight Beam Level Control Actuator RH
H 3 Headlight Cleaner Motor and Washer Motor
H 4 Headlight Cleaner Relay
H 5 Headlight LH
H 6 Headlight RH
H 7 Heated Oxygen Sensor (Bank 1 Sensor 1)
H 8 Heated Oxygen Sensor (Bank 1 Sensor 2)
H 9 Horn
I 2 Ignition Coil and Igniter No.1
I 3 Ignition Coil and Igniter No.2
I 10 Injector No.1
I 11 Injector No.2
I 12 Injector No.3
I 13 Injector No.4
I 15 ISC Valve
J 1 Junction Connector
J 2 Junction Connector
K 1 Knock Sensor
N 2 Noise Filter
O 1 Oil Pressure SW
S 2 Starter
S 3 Starter
T 1 Throttle Position Sensor
V 4 VSV (2WD, ADD)
V 5 VSV (4WD, ADD)
V 7 VSV (EGR)
V 8 VSV (EVAP)
W 1 Washer Motor
W 2 Water Temp. Sender
W 3 Water Temp. Sensor
W 4 Wiper Motor
41
Pages From Manual
TO MODEL INDEX
BACK TO CHAPTER INDEX
Link Continues
E
EWD307F
E ELECTRICAL WIRING ROUTING
Position of Parts in Engine Compartment
[LHD:3RZ-F]
42
Pages From Manual
TO MODEL INDEX
BACK TO CHAPTER INDEX
Link Continues
EWD307F
E
Position of Parts in Engine Compartment
Code English
A 1 A/C Dual Pressure SW
A 2 A/C Magnetic Clutch
A 4 ABS Actuator
A 5 ABS Actuator
A 6 ABS Speed Sensor Front LH
A 7 ABS Speed Sensor Front RH
A 10 Alternator
A 11 Alternator
B 1 Back-Up Light SW
B 2 Brake Fluid Level Warning SW
C 2 Carburetor
C 3 Check Connector
D 1 Detection SW (Transfer 4WD Position)
D 2 Detection SW (Transfer L4 Position)
F 1 Front Clearance Light LH
F 2 Front Clearance Light RH
F 3 Front Side Turn Signal Light LH
F 4 Front Side Turn Signal Light RH
F 5 Front Turn Signal Light and Clearance Light LH
F 6 Front Turn Signal Light and Clearance Light RH
F 7 Front Turn Signal Light LH
F 8 Front Turn Signal Light RH
H 5 Headlight LH
H 6 Headlight RH
H 9 Horn
I 1 Igniter
I 4 Ignition Coil No.1
I 5 Ignition Coil No.2
J 1 Junction Connector
J 2 Junction Connector
O 1 Oil Pressure SW
S 2 Starter
S 3 Starter
V 9 VSV (Throttle Position Control)
W 1 Washer Motor
W 2 Water Temp. Sender
W 4 Wiper Motor
43
Pages From Manual
TO MODEL INDEX
BACK TO CHAPTER INDEX
Link Continues
EWD307F
E ELECTRICAL WIRING ROUTING
Position of Parts in Engine Compartment
[LHD:3RZ-F]
44
Pages From Manual
TO MODEL INDEX
BACK TO CHAPTER INDEX
Link Continues
EWD307F
E
Position of Parts in Engine Compartment
Code English
A 1 A/C Dual Pressure SW
A 2 A/C Magnetic Clutch
A 4 ABS Actuator
A 5 ABS Actuator
A 6 ABS Speed Sensor Front LH
A 7 ABS Speed Sensor Front RH
A 10 Alternator
A 11 Alternator
B 1 Back-Up Light SW
B 2 Brake Fluid Level Warning SW
C 2 Carburetor
C 3 Check Connector
D 1 Detection SW (Transfer 4WD Position)
D 2 Detection SW (Transfer L4 Position)
F 1 Front Clearance Light LH
F 2 Front Clearance Light RH
F 3 Front Side Turn Signal Light LH
F 4 Front Side Turn Signal Light RH
F 5 Front Turn Signal Light and Clearance Light LH
F 6 Front Turn Signal Light and Clearance Light RH
F 7 Front Turn Signal Light LH
F 8 Front Turn Signal Light RH
H 5 Headlight LH
H 6 Headlight RH
H 9 Horn
I 1 Igniter
I 4 Ignition Coil No.1
I 5 Ignition Coil No.2
J 1 Junction Connector
J 2 Junction Connector
0 1 Oil Pressure SW
S 2 Starter
s 3 Starter
v 9 VSV (Throttle Position Control)
w 1 Washer Motor
w 2 Water Temp. Sender
w 4 Wiper Motor
45
Pages From Manual
TO MODEL INDEX
BACK TO CHAPTER INDEX
Link Continues
EWD307F
E ELECTRICAL WIRING ROUTING
Position of Parts in Engine Compartment
[LHD:1RZ]
46
Pages From Manual
TO MODEL INDEX
BACK TO CHAPTER INDEX
Link Continues
EWD307F
E
Position of Parts in Engine Compartment
Code English
A 1 A/C Dual Pressure SW
A 2 A/C Magnetic Clutch
A 4 ABS Actuator
A 5 ABS Actuator
A 6 ABS Speed Sensor Front LH
A 7 ABS Speed Sensor Front RH
A 10 Alternator
A 11 Alternator
B 1 Back-Up Light SW
B 2 Brake Fluid Level Warning SW
C 2 Carburetor
C3 Check Connector
F1 Front Clearance Light LH
F2 Front Clearance Light RH
F3 Front Side Turn Signal Light LH
F4 Front Side Turn Signal Light RH
F5 Front Turn Signal Light and Clearance Light LH
F6 Front Turn Signal Light and Clearance Light RH
F7 Front Turn Signal Light LH
F8 Front Turn Signal Light RH
H5 Headlight LH
H6 Headlight RH
H9 Horn
I6 IIA
J 1 Junction Connector
J 2 Junction Connector
O1 Oil Pressure SW
S 2 Starter
S3 Starter
V2 Vacuum SW
V9 VSV (Throttle Position Control)
W 1 Washer Motor
W2 Water Temp. Sender
W4 Wiper Motor
47
Pages From Manual
TO MODEL INDEX
BACK TO CHAPTER INDEX
Link Continues
EWD307F
E ELECTRICAL WIRING ROUTING
Position of Parts in Engine Compartment
[LHD:1RZ]
48
Pages From Manual
TO MODEL INDEX
BACK TO CHAPTER INDEX
Link Continues
EWD307F
E
Position of Parts in Engine Compartment
Code English
A1 A/C Dual Pressure SW
A2 A/C Magnetic Clutch
A4 ABS Actuator
A5 ABS Actuator
A6 ABS Speed Sensor Front LH
A7 ABS Speed Sensor Front RH
A10 Alternator
A11 Alternator
B1 Back-Up Light SW
B2 Brake Fluid Level Warning SW
C2 Carburetor
C3 Check Connector
F1 Front Clearance Light LH
F2 Front Clearance Light RH
F3 Front Side Turn Signal Light LH
F4 Front Side Turn Signal Light RH
F5 Front Turn Signal Light and Clearance Light LH
F6 Front Turn Signal Light and Clearance Light RH
F7 Front Turn Signal Light LH
F8 Front Turn Signal Light RH
H5 Headlight LH
H6 Headlight RH
H9 Horn
I6 IIA
J1 Junction Connector
J2 Junction Connector
O1 Oil Pressure SW
S2 Starter
S3 Starter
V2 Vacuum SW
V9 VSV (Throttle Position Control)
W1 Washer Motor
W2 Water Temp. Sender
W4 Wiper Motor
49
Pages From Manual
TO MODEL INDEX
BACK TO CHAPTER INDEX
Link Continues
EWD307F
E ELECTRICAL WIRING ROUTING
Position of Parts in Engine Compartment
[LHD:2L-T]
50
Pages From Manual
TO MODEL INDEX
BACK TO CHAPTER INDEX
Link Continues
EWD307F
E
Position of Parts in Engine Compartment
Code English
A 1 A/C Dual Pressure SW
A 2 A/C Magnetic Clutch
A 4 ABS Actuator
A 5 ABS Actuator
A 6 ABS Speed Sensor Front LH
A 7 ABS Speed Sensor Front RH
A 8 ADD Indicator SW
A 10 Alternator
A 11 Alternator
B 1 Back-Up Light SW
B 2 Brake Fluid Level Warning SW
B 3 Brake Vacuum Warning SW
C 3 Check Connector
D 1 Detection SW (Transfer 4WD Position)
D 2 Detection SW (Transfer L4 Position)
E 2 Engine Oil Level Warning SW
F 1 Front Clearance Light LH
F 2 Front Clearance Light RH
F 3 Front Side Turn Signal Light LH
F 4 Front Side Turn Signal Light RH
F 7 Front Turn Signal Light LH
F 8 Front Turn Signal Light RH
F 9 Fuel Heater
F 10 Fuel Sedimentary SW
G 1 Glow Plug
H 1 Headlight Beam Level Control Actuator LH
H 2 Headlight Beam Level Control Actuator RH
H 3 Headlight Cleaner Motor and Washer Motor
H 4 Headlight Cleaner Relay
H 5 Headlight LH
H 6 Headlight RH
H 9 Horn
I 9 Injection Pump
J 1 Junction Connector
J 2 Junction Connector
0 1 Oil Pressure SW
S 2 Starter
S 3 Starter
T 2 Turbo Pressure SW
V 4 VSV (2WD, ADD)
V 5 VSV (4WD. ADD)
V 6 VSV (A/C Idle-Up)
W 1 Washer Motor
W 2 Water Temp. Sender
W 3 Water Temp. Sensor
W 4 Wiper Motor
51
Pages From Manual
TO MODEL INDEX
BACK TO CHAPTER INDEX
Link Continues
EWD307F
E ELECTRICAL WIRING ROUTING
Position of Parts in Engine Compartment
[LHD:2L-T]
52
Pages From Manual
TO MODEL INDEX
BACK TO CHAPTER INDEX
Link Continues
EWD307F
E
Position of Parts in Engine Compartment
Code English
A 1 A/C Dual Pressure SW
A 2 A/C Magnetic Clutch
A 4 ABS Actuator
A 5 ABS Actuator
A 6 ABS Speed Sensor Front LH
A 7 ABS Speed Sensor Front RH
A 8 ADD Indicator SW
A 10 Alternator
A11 Alternator
B 1 Back-Up Light SW
B2 Brake Fluid Level Warning SW
B 3 Brake Vacuum Warning SW
C 3 Check Connector
D 1 Detection SW (Transfer 4WD Position)
D 2 Detection SW (Transfer L4 Position)
E 2 Engine Oil Level Warning SW
F 1 Front Clearance Light LH
F 2 Front Clearance Light RH
F 3 Front Side Turn Signal Light LH
F 4 Front Side Turn Signal Light RH
F 7 Front Turn Signal Light LH
F 8 Front Turn Signal Light RH
F 9 Fuel Heater
F 10 Fuel Sedimentary SW
G 1 Glow Plug
H 1 Headlight Beam Level Control Actuator LH
H 2 Headlight Beam Level Control Actuator RH
H 3 Headlight Cleaner Motor and Washer Motor
H 4 Headlight Cleaner Relay
H 5 Headlight LH
H 6 Headlight RH
H 9 Horn
I 9 Injection Pump
J 1 Junction Connector
J 2 Junction Connector
0 1 Oil Pressure SW
S 2 Starter
S 3 Starter
T 2 Turbo Pressure SW
V 4 VSV (2WD, ADD)
V 5 VSV (4WD, ADD)
V 6 VSV (A/C Idle-Up)
W 1 Washer Motor
W 2 Water Temp. Sender
W 3 Water Temp. Sensor
W 4 Wiper Motor
53
Pages From Manual
TO MODEL INDEX
BACK TO CHAPTER INDEX
Link Continues
EWD307F
E ELECTRICAL WIRING ROUTING
Position of Parts in Engine Compartment
[LHD:3L,2L]
54
Pages From Manual
TO MODEL INDEX
BACK TO CHAPTER INDEX
Link Continues
EWD307F
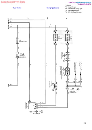
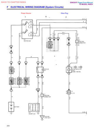
Fuel Heater
G 1 Glow Plug
S 2 Starter
S 3 Starter
ST-50
ST-50
To: Sup. 2L,2L-T,3L,5L
E
Position of Parts in Engine Compartment
Code English
A 1 A/C Dual Pressure SW
A 2 A/C Magnetic Clutch
A 4 ABS Actuator
A 5 ABS Actuator
A 6 A 7 ABS Speed Sensor Front LH ABS Speed Sensor Front RH
A 10 Alternator
A 11 Alternator
B 1 Back-Up Light SW
B 2 Brake Fluid Level Warning SW
B 3 Brake Vacuum Warning SW
C 3 Check Connector
D 1 Detection SW (Transfer 4WD Position)
D 2 Detection SW (Transfer L4 Position)
E 2 Engine Oil Level Warning SW
F 1 Front Clearance Light LH
F 2 Front Clearance Light RH
F 3 Front Side Turn Signal Light LH
F 4 Front Side Turn Signal Light RH
F 5 Front Turn Signal Light and Clearance Light LH
F 6 Front Turn Signal Light and Clearance Light RH
F 7 Front Turn Signal Light LH
F 8 Front Turn Signal Light RH
F 9
F 10 Fuel Sedimentary SW
G 1 Glow Plug
H 1 Headlight Beam Level Control Actuator LH
H 2 Headlight Beam Level Control Actuator RH
H 3 Headlight Cleaner Motor and Washer Motor
H 4 Headlight Cleaner Relay
H 5 Headlight LH
H 6 Headlight RH
H 9 Horn
I 9 Injection Pump
J 1 Junction Connector
J 2 Junction Connector
0 1 Oil Pressure SW
P 1 Pick-Up Sensor
S 2 Starter
S 3 Starter
V 4 VSV (2WD, ADD)
V 5 VSV (4WD. ADD)
V 6 VSV (A/C Idle-Up)
W 1 Washer Motor
W 2 Water Temp. Sender
W 3 Water Temp. Sensor
W 4 Wiper Motor
55
Pages From Manual
TO MODEL INDEX
BACK TO CHAPTER INDEX
Link Continues
EWD307F
Fuel Heater
E ELECTRICAL WIRING ROUTING
Position of Parts in Engine Compartment
[LHD:3L,2L]
56
Pages From Manual
TO MODEL INDEX
BACK TO CHAPTER INDEX
Link Continues
EWD307F
E
Position of Parts in Engine Compartment
Code English
A1 A/C Dual Pressure SW
A2 A/C Magnetic Clutch
A4 ABS Actuator
A6 ABS Actuator
A6 ABS Speed Sensor Front LH
A7 ABS Speed Sensor Front RH
A10 Alternator
A11 Alternator
B1 Back-Up Light SW
B2 Brake Fluid Level Warning SW
B3 Brake Vacuum Warning SW
C3 Check Connector
D1 Detection SW (Transfer 4WD Position)
D2 Detection SW (Transfer L4 Position)
E2 Engine Oil Level Warning SW
F1 Front Clearance Light LH
F2 Front Clearance Light RH
F3 Front Side Turn Signal Light LH
F4 Front Side Turn Signal Light RH
F5 Front Turn Signal Light and Clearance Light LH
F6 Front Turn Signal Light and Clearance Light RH
F7 Front Turn Signal Light LH
F8 Front Turn Signal Light RH
F9 Fuel Heater
F10 Fuel Sedimentary SW
G1 Glow Plug
H1 Headlight Beam Level Control Actuator LH
H2 Headlight Beam Level Control Actuator RH
H3 Headlight Cleaner Motor and Washer Motor
H4 Headlight Cleaner Relay
H5 Headlight LH
H6 Headlight RH
H9 Horn
I9 Injection Pump
J1 Junction Connector
J2 Junction Connector
O1 Oil Pressure SW
P1 Pick-Up Sensor
S2 Starter
S3 Starter
V4 VSV (2WD. ADD)
V5 VSV (4WD, ADD)
V6 VSV (A/C Idle-Up)
W1 Washer Motor
W2 Water Temp. Sender
W3 Water Temp. Sensor
W4 Wiper Motor
57
Pages From Manual
TO MODEL INDEX
BACK TO CHAPTER INDEX
Link Continues
EWD307F
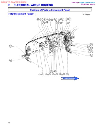
E ELECTRICAL WIRING ROUTING
Position of Parts in Instrument Panel
[LHD: lnstrument Panel 1]
58
1 :2-Door
Pages From Manual
TO MODEL INDEX
BACK TO CHAPTER INDEX
Link Continues
EWD307F
E
Position of Parts in Instrument Panel
Code English
A13 A/C Amplifier
A 14 A/C SW
A 15 A/C Thermistor
A 16 A/C Volume SW
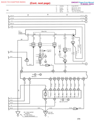
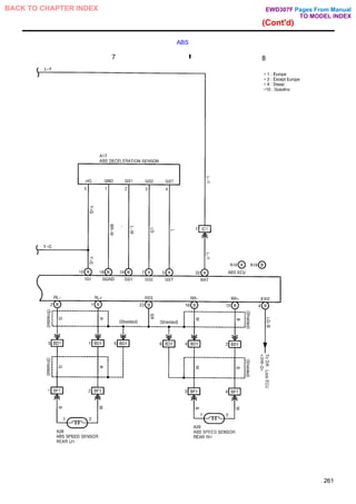
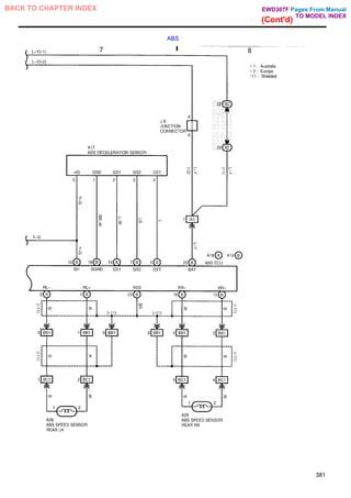
A 17 ABS Deceleration Sensor
A 18 ABS ECU
A 19 ABS ECU
A 20 ADD Control Relay
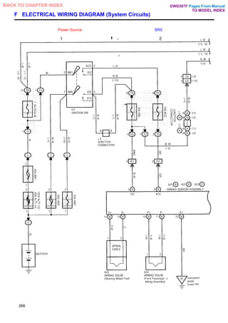
A 21 Airbag Sensor Assembly
A 22 Airbag Sensor Assembly
A 23 Airbag Sensor Assembly
A 24 Airbag Squib (Front Passenger's Airbag Assembly)
A 25 Airbag Squib (Steering Wheel Pad)
A 26 Ashtray Illumination
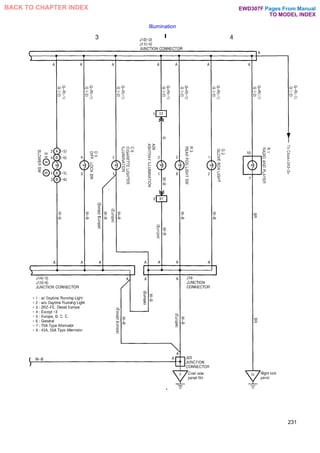
B 4 Blower Motor
B 5 Blower Resistor
B 6 Blower SW
C 5 Cigarette Lighter
C 6 Cigarette Lighter Illumination
C 7 Circuit Opening Relay
C 8 Clock
C 9 Combination Meter
C 10 Combination Meter
C 11 Combination Meter
C 12 Combination SW
C 13 Combination SW
C 14 Combination SW
D 3 Daytime Running Light Relay
D 4 Diff. Lock ECU
D 5 Diff. Lock SW
D 7 Diode (Door Courtesy)
D 8 Diode (Glow Plug)
D 10 DLC3
D 11 Door Courtesy SW Front LH
D 12 Door Courtesy SW Front RH
59
Pages From Manual
TO MODEL INDEX
BACK TO CHAPTER INDEX
Link Continues
EWD307F
E ELECTRICAL WIRING ROUTING
Position of Parts in Instrument Panel
[LHD:lnstrument Panel 1]
60
Pages From Manual
TO MODEL INDEX
BACK TO CHAPTER INDEX
Link Continues
EWD307F
E
Position of Parts in Instrument Panel
Code English
A13 A/C Amplifier
A 14 A/C SW
A 15 A/C Thermistor
A 16 A/C Volume SW
A 17 ABS Deceleration Sensor
A 18 ABS ECU
A 19 ABS ECU
A 20 ADD Control Relay
A 21 Airbag Sensor Assembly
A 22 Airbag Sensor Assembly
A 23 Airbag Sensor Assembly
A 24 Airbag Squib (Front Passenger's Airbag Assembly)
A 26 Airbag Squib (Steering Wheel Pad)
A 26 Ashtray Illumination
B 4 Blower Motor
B 5 Blower Resistor
B 6 Blower SW
C 5 Cigarette Lighter
C 6 Cigarette Lighter Illumination
C 7 Circuit Opening Relay
C 8 Clock
C 9 Combination Meter
C 10 Combination Meter
C 11 Combination Meter
C 12 Combination SW
C 13 Combination SW
C14 Combination SW
D 3 Daytime Running Light Relay
D 4 Diff. Lock ECU
D 5 Diff. Lock SW
D 7 Diode (Door Courtesy)
D 8 Diode (Glow Plug)
D10 DLC3
D11 Door Courtesy SW Front LH
D12 Door Courtesy SW Front RH
61
Pages From Manual
TO MODEL INDEX
BACK TO CHAPTER INDEX
Link Continues
EWD307F
E ELECTRICAL WIRING ROUTING
Position of Parts in Instrument Panel
[LHD:lnstrument Panel 2]
62
Pages From Manual
TO MODEL INDEX
BACK TO CHAPTER INDEX
Link Continues
EWD307F
E
Position of Parts in Instrument Panel
Code English
E3 Emission Control ECU
E4 Engine ECU
E5 Engine ECU
E6 Engine ECU
G2 Glove Box Light
H10 Hazard SW
H11 Headlight Beam Level Control SW
H12 Headlight Cleaner SW
I16 Ignition Key Cylinder Light
I17 Ignition SW
I18 Integration Relay
I19 Integration Relay
J3 Junction Connector
J4 Junction Connector
J5 Junction Connector
J6 Junction Connector
J7 Junction Connector
J8 Junction Connector
J9 Junction Connector
J10 Junction Connector
J11 Junction Connector
J12 Junction Connector
J13 Junction Connector
J14 Junction Connector
J15 Junction Connector
J16 Junction Connector
J17 Junction Connector
J18 Junction Connector
J19 Junction Connector
J20 Junction Connector
J21 Junction Connector
J22 Junction Connector
J23 Junction Connector
P2 Parking Brake SW
P3 Pre-Heating Timer
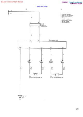
R1 Radio and Player
R3 Rear Fog Light SW
R4 Rear Window Defogger SW
S4 Stop Light SW
U1 Unlock Warning SW
63
Pages From Manual
TO MODEL INDEX
BACK TO CHAPTER INDEX
Link Continues
EWD307F
E ELECTRICAL WIRING ROUTING
Position of Parts in Instrument Panel
[LHD:lnstrument Panel 2]
64
Pages From Manual
TO MODEL INDEX
BACK TO CHAPTER INDEX
Link Continues
EWD307F
E
Position of Parts in Instrument Panel
Code English
E 3 Emission Control ECU
E 4 Engine ECU
E 5 Engine ECU
E 6 Engine ECU
G 2 Glove Box Light
H10 Hazard SW
H11 Headlight Beam Level Control SW
H 12 Headlight Cleaner SW
16 Ignition Key Cylinder Light
17 Ignition SW
18 Integration Relay
19 Integration Relay
J 3 Junction Connector
J 4 Junction Connector
J 5 Junction Connector
J 6 Junction Connector
J 7 Junction Connector
J 8 Junction Connector
J 9 Junction Connector
J 10 Junction Connector
J 11 Junction Connector
J 12 Junction Connector
J 13 Junction Connector
J 14 Junction Connector
J 15 Junction Connector
J 16 Junction Connector
J 17 Junction Connector
J 18 Junction Connector
J 19 Junction Connector
J 20 Junction Connector
J 21 Junction Connector
J 22 Junction Connector
123 Junction Connector
P 2 Parking Brake SW
P 3 Pre-Heating Timer
R 1 Radio and Player
R 3 Rear Fog Light SW
R 4 Rear Window Defogger SW
S 4 Stop Light SW
U 1 Unlock Warning SW
65
Pages From Manual
TO MODEL INDEX
BACK TO CHAPTER INDEX
Link Continues
EWD307F
E ELECTRICAL WIRING ROUTING
[LHD:Regular Cab]
Position of Parts in Body
*1 : w/ Vent Window
*2 : w/o Vent Window
66
Pages From Manual
TO MODEL INDEX
BACK TO CHAPTER INDEX
Link Continues
EWD307F
E
Position of Parts in Body
Code English
A 28 ABS Speed Sensor Rear LH
A29 ABS Speed Sensor Rear RH
B 7 Buckle SW
D 13 Detection SW (Rear Diff. Lock)
D 16 Door Key Lock and Unlock SW
D 17 Door Lock Control SW
D 18 Door Lock Motor Front LH
D 19 Door Lock Motor Front RH
D 22 Door Speaker Front LH
D 23 Door Speaker Front RH
F 12 Fuel Pump
F 13 Fuel Sender
1 20 Interior Light
L 1 License Plate Light LH
L 2 License Plate Light RH
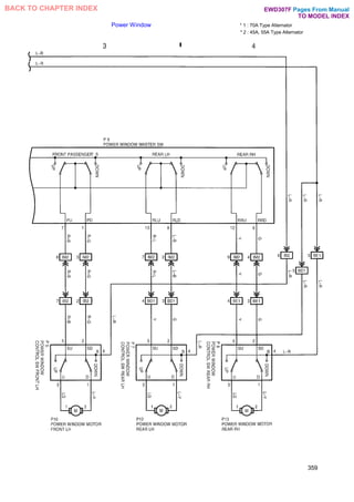
P 6 Power Window Control SW Front RH
P 9 Power Window Master SW
P 10 Power Window Motor Front LH
P 11 Power Window Motor Front RH
P 14 Pretensioner LH
P 15 Pretensioner RH
R 6 Rear Combination Light LH
R 7 Rear Combination Light RH
R 8 Rear Diff. Lock Motor
R 9 Rear Fog Light
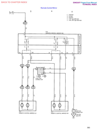
R 12 Remote Control Mirror LH
R 13 Remote Control Mirror RH
R 14 Remote Control Mirror SW
67
Pages From Manual
TO MODEL INDEX
BACK TO CHAPTER INDEX
Link Continues
EWD307F
E ELECTRICAL WIRING ROUTING
Position of Parts in Body
[LHD:Regular Cab] *1 : w/ Vent Window
*2 : w/o Vent Window
68
Pages From Manual
TO MODEL INDEX
BACK TO CHAPTER INDEX
Link Continues
EWD307F
E
Position of Parts in Body
Code English
A 28 ABS Speed Sensor Rear LH
A 29 ABS Speed Sensor Rear RH
B 7 Buckle SW
D13 Detection SW (Rear Diff. Lock)
D 16 Door Key Lock and Unlock SW
D17 Door Lock Control SW
D18 Door Lock Motor Front LH
D 19 Door Lock Motor Front RH
D22 Door Speaker Front LH
D23 Door Speaker Front RH
F 12 Fuel Pump
F 13 Fuel Sender
I 20 Interior Light
L 1 License Plate Light LH
L 2 License Plate Light RH
P 6 Power Window Control SW Front RH
P 9 Power Window Master SW
P 10 Power Window Motor Front LH
P 11 Power Window Motor Front RH
P 14 Pretensioner LH
P 15 Pretensioner RH
R 6 Rear Combination Light LH
R 7 Rear Combination Light RH
R 8 Rear Diff. Lock Motor
R 9 Rear Fog Light
R 12 Remote Control Mirror LH
R 13 Remote Control Mirror RH
R 14 Remote Control Mirror SW
69
Pages From Manual
TO MODEL INDEX
BACK TO CHAPTER INDEX
Link Continues
EWD307F
E ELECTRICAL WIRING ROUTING
Position of Parts in Body
[LHD:Double Cab] *1 : General
*2: Except General
*3 : w/ Vent Window
*4 : w/o Vent Window
70
Pages From Manual
TO MODEL INDEX
BACK TO CHAPTER INDEX
Link Continues
EWD307F
E
Position of Parts in Body
Code English
A 28 ABS Speed Sensor Rear LH
A 29 ABS Speed Sensor Rear RH
B 7 Buckle SW
D 11 Door Courtesy SW Front LH
D 12 Door Courtesy SW Front RH
D 13 Detection SW (Rear Diff. Lock)
D 14 Door Courtesy SW Rear LH
D 15 Door Courtesy SW Rear RH
D 16 Door Key Lock and Unlock SW
D 17 Door Lock Control SW
D 18 Door Lock Motor Front LH
D 19 Door Lock Motor Front RH
D 20 Door Lock Motor Rear LH
D 21 Door Lock Motor Rear RH
D 22 Door Speaker Front LH
D 23 Door Speaker Front RH
F 12 Fuel Pump
F 13 Fuel Sender
I 20 Interior Light
L 1 License Plate Light LH
L 2 License Plate Light RH
P 4 Personal Light
P 6 Power Window Control SW Front RH
P 7 Power Window Control SW Rear LH
P 8 Power Window Control SW Rear RH
P 9 Power Window Master SW
P 10 Power Window Motor Front LH
P 11 Power Window Motor Front RH
P 12 Power Window Motor Rear LH
P 13 Power Window Motor Rear RH
P 14 Pretensioner LH
P 15 Pretensioner RH
R 6 Rear Combination Light LH
R 7 Rear Combination Light RH
R 8 Rear Diff. Lock Motor
R 9 Rear Fog Light
R 10 Rear Window Defogger
R 11 Rear Window Defogger
R 12 Remote Control Mirror LH
R 13 Remote Control Mirror RH
R 14 Remote Control Mirror SW
R 15 Reverse Warning Buzzer
S 5 Seat Heater (Driver's Seat)
S 6 Seat Heater (Front Passenger's Seat)
S 7 Seat Heater SW (Driver's Seat)
S 8 Seat Heater SW (Front Passenger's Seat)
71
Pages From Manual
TO MODEL INDEX
BACK TO CHAPTER INDEX
Link Continues
EWD307F
E ELECTRICAL WIRING ROUTING
Position of Parts in Body
[LHD:Double Cab]
*1 : General
*2 : Except General
*3 : w/ Vent Window
*4 : w/o Vent Window
72
Pages From Manual
TO MODEL INDEX
BACK TO CHAPTER INDEX
Link Continues
EWD307F
E
Position of Parts in Body
Code English
A 28 ABS Speed Sensor Rear LH
A 29 ABS Speed Sensor Rear RH
B 7 Buckle SW
D11 Door Courtesy SW Front LH
D12 Door Courtesy SW Front RH
D13 Detection SW (Rear Diff. Lock)
D14 Door Courtesy SW Rear LH
D15 Door Courtesy SW Raar RH
D16 Door Key Lock and Unlock SW
D17 Door Lock Control SW
D18 Door Lock Motor Front LH
D19 Door Lock Motor Front RH
D20 Door Lock Motor Rear LH
D21 Door Lock Motor Rear RH
D22 Door Speaker Front LH
D23 Door Speaker Front RH
F 12 Fuel Pump
F 13 Fuel Sender
1 20 Interior Light
L 1 License Plate Light LH
L 2 License Plate Light RH
P 4 Personal Light
P 6 Power Wndow Control SW Front RH
P 7 Power Window Control SW Rear LH
P 8 Power W ndow Control SW Rear RH
P 9 Power W ndow Master SW
P 10 Power W ndow Motor Front LH
P 11 Power W ndow Motor Front RH
P 12 Power W ndow Motor Rear LH
P 13 Power W ndow Motor Rear RH
P14 Pretensioner LH
P 16 Pretensioner RH
R 6 Rear Combination Light LH
R 7 Rear Combination Light RH
R 8 Rear Diff. Lock Motor
R 9 Rear Fog Light
R 10 Rear Window Defogger
R 11
R 12
Rear Window Defogger Remote Control Mirror LH
R13 Remote Control Mirror RH
R 14 Remote Control Mirror SW
R 15 Reverse Warning Buzzer
S 5 Seat Heater (Driver's Seat)
S6 Seat Heater (Front Passenger's Seat)
S 7 Seat Heater SW (Driver's Seat)
S 8 Seat Heater SW (Front Passenger's Seat)
73
Pages From Manual
TO MODEL INDEX
BACK TO CHAPTER INDEX
Link Continues
EWD307F
E ELECTRICAL WIRING ROUTING
Position of Parts in Body
[LHD:Extra Cab]
*1 : w/ Vent Window
*2 : w/o Vent Window
74
Pages From Manual
TO MODEL INDEX
BACK TO CHAPTER INDEX
Link Continues
EWD307F
E
Position of Parts in Body
Code English
A28 ABS Speed Sensor Rear LH
A29 ABS Speed Sensor Rear RH
D16 Door Key Lock and Unlock SW
D17 Door Lock Control SW
D18 Door Lock Motor Front LH
D19 Door Lock Motor Front RH
D22 Door Speaker Front LH
D23 Door Speaker Front RH
F12 Fuel Pump
F13 Fuel Sender
I20 Interior Light
L1 License Plate Light LH
L2 License Plate Light RH
P6 Power Window Control SW Front RH
P9 Power Window Master SW
P10 Power Window Motor Front LH
P11 Power Window Motor Front RH
P14 Pretensioner LH
P15 Pretensioner RH
R6 Rear Combination Light LH
R7 Rear Combination Light RH
R9 Rear Fog Light
R10 Rear Window Defogger
R11 Rear Window Defogger
R12 Remote Control Mirror LH
R13 Remote Control Mirror RH
R14 Remote Control Mirror SW
R15 Reverse Warning Buzzer
S5 Seat Heater (Driver's Seat)
S6 Seat Heater (Front Passenger's Seat)
S7 Seat Heater SW (Driver's Seat)
S8 Seat Heater SW (Front Passenger's Seat)
75
Pages From Manual
TO MODEL INDEX
BACK TO CHAPTER INDEX
Link Continues
EWD307F
E ELECTRICAL WIRING ROUTING
Position of Parts in Body
[LHD: Extra Cab]
* 1 : w/ Vent Window
*2 : w/o Vent Window
76
Pages From Manual
TO MODEL INDEX
BACK TO CHAPTER INDEX
Link Continues
EWD307F
E
Position of Parts in Body
Code English
A28 ABS Speed Sensor Rear LH
A29 ABS Speed Sensor Rear RH
D16 Door Key lock and Unlock SW
D17 Door Lock Control SW
D18 Door Lock Motor Front LH
D19 Door Lock Motor Front RH
D22 Door Speaker Front LH
D23 Door Speaker Front RH
F12 Fuel Pump
F13 Fuel Sender
I20 Interior Light
L1 License Plate Light LH
L2 License Plate Light RH
P6 Power Window Control SW Front RH
P9 Power Window Master SW
P10 Power Window Motor Front LH
P11 Power Window Motor Front RH
P14 Pretensioner LH
P15 Pretensioner RH
R6 Rear Combination Light LH
R7 Rear Combination Light RH
R9 Rear Fog Light
R10 Rear Window Defogger
R11 Rear Window Defogger
R12 Remote Control Mirror LH
R13 Remote Control Mirror RH
R14 Remote Control Mirror SW
R15 Reverse Warning Buzzer
S5 Seat Heater (Driver's Seat)
S 6 Seat Heater (Front Passenger's Seat)
S 7 Seat Heater SW (Driver's Seat)
S8 Seat Heater SW (Front Passenger's Seat)
77
Pages From Manual
TO MODEL INDEX
BACK TO CHAPTER INDEX
LINK BACK 173 177 181 185 191 193 197 201 205 209 213 217 221 225 229 233 237 241 245 249
253 257 263 267 269 273 279 281 285 289 293 297 303 305 309 313 317 321 325 329
333 337 341 345 351 353 357 361 365 369 373 377 383 387 391 397 401
EWD307F
E ELECTRICAL WIRING ROUTING
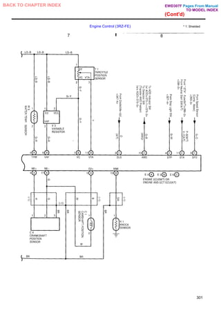
Position of Parts in Engine Compartment
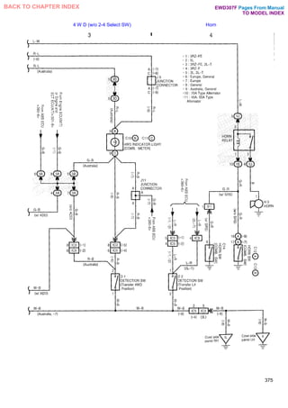
[RHD:3RZ-FE] *1 : w/ 2-4 Select SW
*2 : w/o 2-4 Select SW
78
Pages From Manual
TO MODEL INDEX
BACK TO CHAPTER INDEX
Link Continues
EWD307F
E
Position of Parts in Engine Compartment
Code English
A1 A/C Dual Pressure SW
A2 A/C Magnetic Clutch
A3 A/T Fluid Temp. SW
A4 ABS Actuator
A5 ABS Actuator
A6 ABS Speed Sensor Front LH
A7 ABS Speed Sensor Front RH
A8 ADD Indicator SW
A9 Air Flow Meter
A10 Alternator
A11 Alternator
A12 Auto Antenna Motor
B1 Back-Up Light SW
B2 Brake Fluid Level Warning SW
C1 Camshaft Position Sensor
C3 Check Connector
C4 Crankshaft Position Sensor
D1 Detection SW (Transfer 4WD Position)
D2 Detection SW (Transfer L4 Position)
E1 ECT Solenoid
F1 Front Clearance Light LH
F2 Front Clearance Light RH
F3 Front Side Turn Signal Light LH
F4 Front Side Turn Signal Light RH
F5 Front Turn Signal Light and Clearance Light LH
F6 Front Turn Signal Light and Clearance Light RH
F7 Front Turn Signal Light LH
F8 Front Turn Signal Light RH
H5 Headlight LH
H6 Headlight RH
H9 Horn
I2 Ignition Coil and Igniter No.1
I3 Ignition Coil and Igniter No.2
I10 Injector No.1
I11 Injector No.2
I12 Injector No.3
I13 Injector No.4
I15 ISC Valve
J1 Junction Connector
J2 Junction Connector
K1 Knock Sensor
N1 Neutral Start SW
N2 Noise Filter
O1 Oil Pressure SW
S1 Speed Sensor (ECT)
S2 Starter
S3 Starter
T1 Throttle Position Sensor
T3 2-4 Select Motor
V3 Variable Resistor
V4 VSV (2WD. ADD)
V5 VSV (4WD ADD)
V8 VSV (EVAP)
W1 Washer Motor
W2 Water Temp. Sender
W3 Water Temp. Sensor
W4 Wiper Motor
79
Pages From Manual
TO MODEL INDEX
BACK TO CHAPTER INDEX
Link Continues
EWD307F
E ELECTRICAL WIRING ROUTING
Position of Parts in Engine Compartment
[RHD:3RZ-FE] *1 : w/ 2-4 Select SW
*2 : w/o 2-4 Select SW
80
Pages From Manual
TO MODEL INDEX
BACK TO CHAPTER INDEX
Link Continues
EWD307F
E
Position of Parts in Engine Compartment
Code English
A 1 A/C Dual Pressure SW
A2 A/C Magnetic Clutch
A3 A/T Fluid Temp. SW
A4 ABS Actuator
A5 ABS Actuator
A6 ABS Speed Sensor Front LH
A7 ABS Speed Sensor Front RH
A8 ADD Indicator SW
A9 Air Flow Meter
A10 Alternator
A11 Alternator
A12 Auto Antenna Motor
B1 Back-Up Light SW
B2 Brake Fluid Level Warning SW
C1 Camshaft Position Sensor
C3 Check Connector
C4 Crankshaft Position Sensor
D1 Detection SW (Transfer 4WD Position)
D2 Detection SW (Transfer L4 Position)
E1 ECT Solenoid
F1 Front Clearance Light LH
F2 Front Clearance Light RH
F3 Front Side Turn Signal Light LH
F4 Front Side Turn Signal Light RH
F5 Front Turn Signal Light and Clearance Light LH
F6 Front Turn Signal Light and Clearance Light RH
F7 Front Turn Signal Light LH
F8 Front Turn Signal Light RH
H5 Headlight LH
H6 Headlight RH
H9 Horn
I2 Ignition Coil and Igniter No.1
I3 Ignition Coil and Igniter No.2
I10 Injector No.1
I11 Injector No.2
I12 Injector No.3
I13 Injector No.4
I15 ISC Valve
J1 Junction Connector
J2 Junction Connector
K1 Knock Sensor
N1 Neutral Start SW
N2 Noise Filter
O1 Oil Pressure SW
S1 Speed Sensor (ECT)
S2 Starter
S3 Starter
T1 Throttle Position Sensor
T3 2-4 Select Motor
V3 Variable Resistor
V4 VSV (2WD, ADD)
V5 VSV (4WD ADD)
V8 VSV (EVAP)
W1 Washer Motor
W2 Water Temp. Sender
W3 Water Temp. Sensor
W4 Wiper Motor
81
Pages From Manual
TO MODEL INDEX
BACK TO CHAPTER INDEX
Link Continues
EWD307F
E ELECTRICAL WIRING ROUTING
Position of Parts in Engine Compartment
[RHD:3RZ-F]
82
Pages From Manual
TO MODEL INDEX
BACK TO CHAPTER INDEX
Link Continues
EWD307F
E
Position of Parts in Engine Compartment
Code English
A1 A/C Dual Pressure SW
A2 A/C Magnetic Clutch
A3 Alternator
A4 Alternator
B1 Back-Up Light SW
B2 Brake Fluid Level Warning SW
C2 Carburetor
D1 Detection SW (Transfer 4WD Position)
F1 Front Clearance Light LH
F2 Front Clearance Light RH
F3 Front Side Turn Signal Light LH
F4 Front Side Turn Signal Light RH
F5 Front Turn Signal Light and Clearance Light LH
F6 Front Turn Signal Light and Clearance Light RH
F7 Front Turn Signal Light LH
F8 Front Turn Signal Light RH
H5 Headlight LH
H6 Headlight RH
H9 Horn
I1 Igniter
I4 Ignition Coil No.1
I5 Ignition Coil No.2
J1 Junction Connector
J2 Junction Connector
O1 Oil Pressure SW
S2 Starter
S3 Starter
V9 VSV (Throttle Position Control)
W1 Washer Motor
W2 Water Temp, Sender
W4 Wiper Motor
83
Pages From Manual
TO MODEL INDEX
BACK TO CHAPTER INDEX
Link Continues
EWD307F
E ELECTRICAL WIRING ROUTING
Position of Parts in Engine Compartment
[RHD:3RZ-F]
84
Pages From Manual
TO MODEL INDEX
BACK TO CHAPTER INDEX
Link Continues
EWD307F
E
Position of Parts in Engine Compartment
Code English
A1 A/C Dual Pressure SW
A2 A/C Magnetic Clutch
A10 Alternator
A11 Alternator
B1 Back-Up Light SW
B2 Brake Fluid Level Warning SW
C2 Carburetor
D1 Detection SW (Transfer 4WD Position)
F1 Front Clearance Light LH
F2 Front Clearance Light RH
F3 Front Side Turn Signal Light LH
F4 Front Side Turn Signal Light RH
F5 Front Turn Signal Light and Clearance Light LH
F6 Front Turn Signal Light and Clearance Light RH
F7 Front Turn Signal Light LH
F8 Front Turn Signal Light RH
H5 Headlight LH
H6 Headlight RH
H9 Horn
I1 Igniter
I4 Ignition Coil No.1
I5 Ignition Coil No.2
J1 Junction Connector
J2 Junction Connector
O1 Oil Pressure SW
S2 Starter
S3 Starter
V9 VSV (Throttle Position Control)
W1 Washer Motor
W2 Water Temp. Sender
W4 Wiper Motor
85
Pages From Manual
TO MODEL INDEX
BACK TO CHAPTER INDEX
Link Continues
EWD307F
E ELECTRICAL WIRING ROUTING
Position of Parts in Engine Compartment
[RHD:1RZ-E]
88
Pages From Manual
TO MODEL INDEX
BACK TO CHAPTER INDEX
Link Continues
EWD307F
E
Position of Parts in Engine Compartment
Code English
A1 A/C Dual Pressure SW
A2 A/C Magnetic Clutch
A4 ABS Actuator
A5 ABS Actuator
A6 ABS Speed Sensor Front LH
A7 ABS Speed Sensor Front RH
A10 Alternator
A11 Alternator
B1 Back-Up Light SW
B2 Brake Fluid Level Warning SW
C3 Check Connector
F1 Front Clearance Light LH
F2 Front Clearance Light RH
F3 Front Side Turn Signal Light LH
F4 Front Side Turn Signal Light RH
F5 Front Turn Signal Light and Clearance Light LH
F6 Front Turn Signal Light and Clearance Light RH
F7 Front Turn Signal Light LH
F8 Front Turn Signal Light RH
H5 Headlight LH
H6 Headlight RH
H9 Horn
I6 IIA
I7 IIA
I8 In-Air Temp. Sensor
I10 Injector No.1
I11 Injector No.2
I12 Injector No.3
I13 Injector No.4
J1 Junction Connector
J2 Junction Connector
N2 Noise Filter
O1 Oil Pressure SW
S2 Starter
S3 Starter
T1 Throttle Position Sensor
V1 Vacuum Sensor
V3 Variable Resistor
V6 VSV (A/C Idle-Up)
W1 Washer Motor
W2 Water Temp. Sender
W3 Water Tamp. Sensor
W4 Wiper Motor
89
Pages From Manual
TO MODEL INDEX
BACK TO CHAPTER INDEX
Link Continues
EWD307F
E ELECTRICAL WIRING ROUTING
Position of Parts in Engine Compartment
[RHD:1RZ]
90
Pages From Manual
TO MODEL INDEX
BACK TO CHAPTER INDEX
Link Continues
EWD307F
E
Position of Parts in Engine Compartment
Code English
A1 A/C Dual Pressure SW
A2 A/C Magnetic Clutch
A10 Alternator
A11 Alternator
B1 Back-Up Light SW
B2 Brake Fluid Level Warning SW
C2 Carburetor
F1 Front Clearance Light LH
F2 Front Clearance Light RH
F5 Front Turn Signal Light and Clearance Light LH
F6 Front Turn Signal Light and Clearance Light RH
F7 Front Turn Signal Light LH
F8 Front Turn Signal Light RH
H5 Headlight LH
H6 Headlight RH
H9 Horn
I6 IIA
J1 Junction Connector
J2 Junction Connector
O1 Oil Pressure SW
S2 Starter
S3 Starter
V2 Vacuum SW
V9 VSV (Throttle Position Control)
W1 Washer Motor
W2 Water Temp. Sender
W4 Wiper Motor
91
Pages From Manual
TO MODEL INDEX
BACK TO CHAPTER INDEX
Link Continues
EWD307F
E ELECTRICAL WIRING ROUTING
Position of Parts in Engine Compartment
[RHD:1RZ]
92
Pages From Manual
TO MODEL INDEX
BACK TO CHAPTER INDEX
Link Continues
EWD307F
E
Position of Parts in Engine Compartment
Code English
A1 A/C Dual Pressure SW
A2 A/C Magnetic Clutch
A10 Alternator
A11 Alternator
B1 Back-Up Light SW
B2 Brake Fluid Level Warning SW
C2 Carburetor
F1 Front Clearance Light LH
F2 Front Clearance Light RH
F5 Front Turn Signal Light and Clearance Light LH
F6 Front Turn Signal Light and Clearance Light RH
F7 Front Turn Signal Light LH
F8 Front Turn Signal Light RH
H5 Headlight LH
H6 Headlight RH
H9 Horn
I6 IIA
J1 Junction Connector
J2 Junction Connector
O1 Oil Pressure SW
S2 Starter
S3 Starter
V2 Vacuum SW
V9 VSV (Throttle Position Control)
W1 Washer Motor
W2 Water Temp. Sender
W4 Wiper Motor
93
Pages From Manual
TO MODEL INDEX
BACK TO CHAPTER INDEX
Link Continues
EWD307F
E ELECTRICAL WIRING ROUTING
Position of Parts in Engine Compartment
[RHD:5L]
*1 : w/ 2-4 Select SW
*2 : w/o 2-4 Select SW
94
Pages From Manual
TO MODEL INDEX
BACK TO CHAPTER INDEX
Link Continues
EWD307F
E
Position of Parts in Engine Compartment
Code English
A 1 A/C Dual Pressure SW
A 4 ABS Actuator
A 5 ABS Actuator
A 6 ABS Speed Sensor Front LH
A 7 ABS Speed Sensor Front RH
A 8 ADD Indicator SW
A 0 Alternator
A 1 Alternator
A 2 Auto Antenna Motor
B 1 Back-Up Light SW
B 2 Brake Fluid Level Warning SW
B 3 Brake Vacuum Warning SW
C 3 Check Connector
D 1 Detection SW (Transfer 4WD Position)
D 2 Detection SW (Transfer L4 Position)
F 1 Front Clearance Light LH
F 2 Front Clearance Light RH
F 3 Front Side Turn Signal Light LH
F 4 Front Side Turn Signal Light RH
F 5 Front Turn Signal Light and Clearance Light LH
F 6 Front Turn Signal Light and Clearance Light RH
F' 7 Front Turn Signal Light LH
F 8 Front Turn Signal Light RH
F 10 Fuel Sedimentary SW
G 1 Glow Plug
H 5 Headlight LH
H .6 Headlight RH
H 9 Horn
I 9 Injection Pump
I 14 Intake Shutter
J 1 Junction Connector
J 2 Junction Connector
0 1 Oil Pressure SW
S 2 Starter
S 3 Starter
T 3 2-4 Select Motor
V 4 VSV (2WD. ADD)
V 5 VSV (4WD, ADD)
W 1 Washer Motor
W 2 Water Temp. Sender
W 3 Water Temp. Sensor
W 4 Wiper Motor
95
Pages From Manual
TO MODEL INDEX
BACK TO CHAPTER INDEX
Link Continues
EWD307F
E ELECTRICAL WIRING ROUTING
Position of Parts in Engine Compartment
[RHD:5L] *1 : w/ 2-4 Select SW
*2 : w/o 2-4 Select SW
96
Pages From Manual
TO MODEL INDEX
BACK TO CHAPTER INDEX
Link Continues
EWD307F
E
Position of Parts in Engine Compartment
Code English
A 1 A/C Dual Pressure SW
A 4 ABS Actuator
A 5 ABS Actuator
A 6 ABS Speed Sensor Front LH
A 7 ABS Speed Sensor Front RH
A 8 ADD Indicator SW
A 10 Alternator
A 11 Alternator
A 12 Auto Antenna Motor
B 1 Back-Up Light SW
B 2 Brake Fluid Level Warning SW
B 3 Brake Vacuum Warning SW
C 3 Check Connector
D 1 Detection SW (Transfer 4WD Position)
D 2 Detection SW (Transfer L4 Position)
F 1 Front Clearance Light LH
F 2 Front Clearance Light RH
F 3 Front Side Turn Signal Light LH
F 4 Front Side Turn Signal Light RH
F 5 Front Turn Signal Light and Clearance Light LH
F 6 Front Turn Signal Light and Clearance Light RH
F 7 Front Turn Signal Light LH
F 8 Front Turn Signal Light RH
F 10 Fuel Sedimentary SW
G 1 Glow Plug
H 5 Headlight LH
H 6 Headlight RH
H 9 Horn
1 9 Injection Pump
I 14 Intake Shutter
J 1 Junction Connector
J 2 Junction Connector
0 1 Oil Pressure SW
S 2 Starter
S 3 Starter
T 3 2-4 Select Motor
V 4 VSV (2WD. ADD)
V 5 VSV (4WD, ADD)
W 1 Washer Motor
W 2 Water Temp, Sender
W 3 Water Temp. Sensor
W 4 Wiper Motor
97
Pages From Manual
TO MODEL INDEX
BACK TO CHAPTER INDEX
Link Continues
EWD307F
E ELECTRICAL WIRING ROUTING
Position of Parts in Engine Compartment
[RHD:2L-T]
98
Pages From Manual
TO MODEL INDEX
BACK TO CHAPTER INDEX
Link Continues
EWD307F
E
Position of Parts in Engine Compartment
Code English
A 1 A/C Dual Pressure SW
A 4 ABS Actuator
A 5 ABS Actuator
A 6 ABS Speed Sensor Front LH
A 7 ABS Speed Sensor Front RH
A 10 Alternator
A 11 Alternator
B 1 Back-Up Light SW
B 2 Brake Fluid Level Warning SW
B 3 Brake Vacuum Warning SW
C 3 Check Connector
D 1 Detection SW (Transfer 4WD Position)
D 2 Detection SW (Transfer L4 Position)
E 2 Engine Oil Level Warning SW
F 1 Front Clearance Light LH
F 2 Front Clearance Light RH
F 3 Front Side Turn Signal Light LH
F 4 Front Side Turn Signal Light RH
F 7 Front Turn Signal Light LH
F 8 Front Turn Signal Light RH
F 9 Fuel Heater
F 10 Fuel Sedimentary SW
G 1 Glow Plug
H 5 Headlight LH
H 6 Headlight RH
H 9 Horn
I 9 Injection Pump
J 1 Junction Connector
J 2 Junction Connector
0 1 Oil Pressure SW
S 2 Starter
S 3 Starter
T 2 Turbo Pressure SW
W 1 Washer Motor
W 2 Water Temp. Sender
W 3 Water Temp. Sensor
W 4 Wiper Motor
99
Pages From Manual
TO MODEL INDEX
BACK TO CHAPTER INDEX
Link Continues
EWD307F
E ELECTRICAL WIRING ROUTING
Position of Parts in Engine Compartment
[RHD:2L-T]
100
Pages From Manual
TO MODEL INDEX
BACK TO CHAPTER INDEX
Link Continues
EWD307F
E
Position of Parts in Engine Compartment
Code English
A1 A/C Dual Pressure SW
A4 ABS Actuator
A5 ABS Actuator
A6 ABS Speed Sensor Front LH
A7 ABS Speed Sensor Front RH
A10 Alternator
A11 Alternator
B1 Back-Up Light SW
B2 Brake Fluid Level Warning SW
B3 Brake Vacuum Warning SW
C3 Check Connector
D1 Detection SW (Transfer 4WD Position)
D2 Detection SW (Transfer L4 Position)
E2 Engine Oil Level Warning SW
F1 Front Clearance Light LH
F2 Front Clearance Light RH
F3 Front Side Turn Signal Light LH
F4 Front Side Turn Signal Light RH
F7 Front Turn Signal Light LH
F8 Front Turn Signal Light RH
F9 Fuel Heater
F10 Fuel Sedimentary SW
G1 Glow Plug
H5 Headlight LH
H6 Headlight RH
H9 Horn
I9 Injection Pump
J1 Junction Connector
J2 Junction Connector
O1 Oil Pressure SW
S2 Starter
S3 Starter
T2 Turbo Pressure SW
W1 Washer Motor
W2 Water Temp. Sender
W3 Water Temp. Sensor
W4 Wiper Motor
101
Pages From Manual
TO MODEL INDEX
BACK TO CHAPTER INDEX
Link Continues
EWD307F
E ELECTRICAL WIRING ROUTING
Position of Parts in Engine Compartment
[RHD:3L,2L]
102
Pages From Manual
TO MODEL INDEX
BACK TO CHAPTER INDEX
Link Continues
EWD307F
Fuel Heater
G 1 Glow Plug
S 2: Starter
S 3: Starter
To: Sup. 2L,2L-T,3L,5L
E
Position of Parts in Engine Compartment
Code English
A 1 A/C Dual Pressure SW
A 2 A/C Magnetic Clutch
A 4 ABS Actuator
A 5 ABS Actuator
A 6 ABS Speed Sensor Front LH
A 7 ABS Speed Sensor Front RH
A 10 Alternator
A 11 Alternator
B 1 Back-Up Light SW
B 2 Brake Fluid Level Warning SW
B 3 Brake Vacuum Warning SW
C 3 Check Connector
D 1 Detection SW (Transfer 4WD Position)
E 2 Engine Oil Level Warning SW
F 1 Front Clearance Light LH
F 2 Front Clearance Light RH
F 3 Front Side Turn Signal Light LH
F 4 Front Side Turn Signal Light RH
F 5 Front Turn Signal Light and Clearance Light LH
F 6 Front Turn Signal Light and Clearance Light RH
F 7 Front Turn Signal Light LH
F 8 Front Turn Signal Light RH
F 9 Fuel Heater
F 10 Fuel Sedimentary SW
G 1 Glow Plug
H 5 Headlight LH
H 6 Headlight RH
H 9 Horn
I 9 Injection Pump
J 1 Junction Connector
J 2 Junction Connector
0 1 Oil Pressure SW
S 2 Starter
S 3 Starter
V 6 VSV (A/C Idle-Up)
W 1 Washer Motor
W 2 Water Temp. Sender
W 3 Water Temp. Sensor
W 4 Wiper Motor
103
Pages From Manual
TO MODEL INDEX
BACK TO CHAPTER INDEX
Link Continues
EWD307F
E ELECTRICAL WIRING ROUTING
Position of Parts in Engine Compartment
[RHD:3L,2L]
104
Pages From Manual
TO MODEL INDEX
BACK TO CHAPTER INDEX
Link Continues
EWD307F
E
Position of Parts in Engine Compartment
Code English
A 1 A/C Dual Pressure SW
A 2 A/C Magnetic Clutch
A 4 ABS Actuator
A 5 ABS Actuator
A 6 ABS Speed Sensor Front LH
A 7 ABS Speed Sensor Front RH
A 10 Alternator
A11 Alternator
B 1 Back-Up Light SW
B 2 Brake Fluid Level Warning SW
B 3 Brake Vacuum Warning SW
C 3 Check Connector
D 1 Detection SW (Transfer 4WD Position)
E 2 Engine Oil Level Warning SW
F 1 Front Clearance Light LH
F 2 Front Clearance Light RH
F 3 Front Side Turn Signal Light LH
F 4 Front Side Turn Signal Light RH
F 5 Front Turn Signal Light and Clearance Light LH
F 6 Front Turn Signal Light and Clearance Light RH
F 7 Front Turn Signal Light LH
F 8 Front Turn Signal Light RH
F 9 Fuel Heater
F 10 Fuel Sedimentary SW
G 1 Glow Plug
H 5 Headlight LH
H 6 Headlight RH
H 9 Horn
I 9 Injection Pump
J 1 Junction Connector
J 2 Junction Connector
0 1 Oil Pressure SW
S 2 Starter
S 3 Starter
V 6 VSV (A/C Idle-Up)
W 1 Washer Motor
W 2 Water Temp. Sender
W 3 Water Temp. Sensor
W 4 Wiper Motor
105
Pages From Manual
TO MODEL INDEX
BACK TO CHAPTER INDEX
Link Continues
EWD307F
E ELECTRICAL WIRING ROUTING
Position of Parts in Instrument Panel
[RHD:lnstrument Panel 1] *1 :2-Door
106
Pages From Manual
TO MODEL INDEX
BACK TO CHAPTER INDEX
Link Continues
EWD307F
E
Position of Parts in Instrument Panel
Code English
A 13 A/C Amplifier
A 14 A/C SW
A 15 A/C Thermistor
A 16 A/C Volume SW
A 17 ABS Deceleration Sensor
A 18 ABS ECU
A 19 ABS ECU
A 20 ADD Control Relay
A 21 Airbag Sensor Assembly
A 22 Airbag Sensor Assembly
A 23 Airbag Sensor Assembly
A 24 Airbag Squib (Front Passenger's Airbag Assembly
A 25 Airbag Squib (Steering Wheel Pad)
A 26 Ashtray Illumination
A 27 Auto Antenna Control Relay
B 4 Blower Motor
B 5 Blower Resistor
B 6 Blower SW
C 5 Cigarette Lighter
C 6 Cigarette Lighter Illumination
C 8 Clock
C 9 Combination Meter
C 10 Combination Meter
C 11 Combination Meter
C 12 Combination SW
C 13 Combination SW
C 14 Combination SW
D 6 Dim-Dip Light Relay
D 7 Diode (Door Courtesy)
D 8 Diode (Glow Plug)
D 9 Diode (Idle-Up)
D 10 DLC3
D 11 Door Courtesy SW Front LH
D 12 Door Courtesy SW Front RH
107
Pages From Manual
TO MODEL INDEX
BACK TO CHAPTER INDEX
Link Continues
EWD307F
E ELECTRICAL WIRING ROUTING
Position of Parts in Instrument Panel
[RHD:lnstrument Panel 1] *1 :2-Door
108
Pages From Manual
TO MODEL INDEX
BACK TO CHAPTER INDEX
Link Continues
EWD307F
E
Position of Parts in Instrument Panel
Code English
A13 A/C Amplifier
A 14 A/C SW
A 15 A/C Thermistor
A 16 A/C Volume SW
A 17 ABS Deceleration Sensor
A 18 ABS ECU
A 19 ABS ECU
A 20 ADD Control Relay
A 21 Airbag Sensor Assembly
A 22 Airbag Sensor Assembly
A 23 Airbag Sensor Assembly
A 24 Airbag Squib (Front Passenger's Airbag Assembly)
A 25 Airbag Squib (Steering Wheel Pad)
A 26 Ashtray Illumination
A 27 Auto Antenna Control Relay
B 4 Blower Motor
B 5 Blower Resistor
B 6 Blower SW
C 5 Cigarette Lighter
C 6 Cigarette Lighter Illumination
C 8 Clock
C 9 Combination Meter
C 10 Combination Meter
C 11 Combination Meter
C 12 Combination SW
C 13 Combination SW
C 14 Combination SW
D 6 Dim-Dip Light Relay
D 7 Diode (Door Courtesy)
D 8 Diode (Glow Plug)
D 9 Diode (Idle-Up)
D 10 DLC3
D 11 Door Courtesy SW Front LH
D 12 Door Courtesy SW Front RH
109
Pages From Manual
TO MODEL INDEX
BACK TO CHAPTER INDEX
Link Continues
EWD307F
E ELECTRICAL WIRING ROUTING
Position of Parts in Instrument Panel
[RHD:lnstrument Panel 2]
110
Pages From Manual
TO MODEL INDEX
BACK TO CHAPTER INDEX
Link Continues
EWD307F
E
Position of Parts in Instrument Panel
Code English
E 3 Emission Control ECU
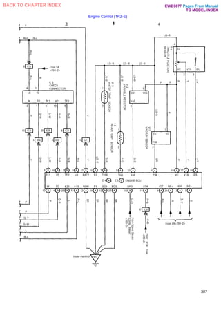
E 4 Engine ECU (M/T) or Engine and ECT ECU (A/T)
E 5 Engine ECU (M/T) or Engine and ECT ECU (A/T)
E 6 Engine ECU (M/T) or Engine and ECT ECU (A/T)
F 11 4WD Control ECU
G 2 Glove Box Light
H 10 Hazard SW
I 16 Ignition Key Cylinder Light
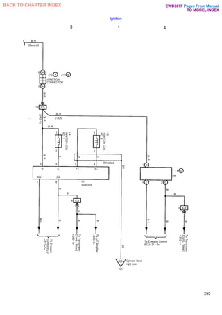
I 17 Ignition SW
I 18 Integration Relay
I 19 Integration Relay
J 3 Junction Connector
J 4 Junction Connector
J 5 Junction Conn ctor
J 6 Junction Conn ctor
J 7 Junction Conn ctor
J 8 Junction Conn ctor
J 9 Junction Conn ctor
J 10 Junction Conn ctor
J 11 Junction Conn ctor
J 12 Junction Connector
J 13 Junction Connector
J 14 Junction Connector
J 15 Junction Connector
J 16 Junction Connector
J 17 Junction Connector
O 2 O/D Main SW
P 2 Parking Brake SW
P 3 Pre-Heating Timer
R 1 Radio and Player
R 2 Radio and Player
R 3 Rear Fog Light SW
R 4 Rear Window Defogger SW
R 5 Rheostat
S 4 Stop Light SW
T 4 2-4 Select SW
111
Pages From Manual
TO MODEL INDEX
BACK TO CHAPTER INDEX
Link Continues
EWD307F
E ELECTRICAL WIRING ROUTING
Position of Parts in Instrument Panel
[RH D: Instrument Panel 2]
112
Pages From Manual
TO MODEL INDEX
BACK TO CHAPTER INDEX
Link Continues
EWD307F
E
Position of Parts in Instrument Panel
Code English
E3 Emission Control ECU
E4 Engine ECU (M/T) or Engine and ECT ECU (A/T)
E5 Engine ECU (M/T) or Engine and ECT ECU (A/T)
E6 Engine ECU (M/T) or Engine and ECT ECU (A/T)
F11 4WD Control ECU
G2 Glove Box Light
H10 Hazard SW
I16 Ignition Key Cylinder Light
I17 Ignition SW
I18 Integration Relay
I19 Integration Relay
J3 Junction Connector
J4 Junction Connector
J5 Junction Connector
J6 Junction Connector
J7 Junction Connector
J8 Junction Connector
J9 Junction Connector
J10 Junction Connector
J11 Junction Connector
J12 Junction Connector
J13 Junction Connector
J14 Junction Connector
J15 Junction Connector
J16 Junction Connector
J17 Junction Connector
O2 O/D Main SW
P2 Parking Brake SW
P3 Pre-Heating Timer
R1 Radio and Player
R2 Radio and Player
R3 Rear Fog Light SW
R4 Rear Window Defogger SW
R5 Rheostat
S4 Stop Light SW
T4 2-4 Select SW
113
Pages From Manual
TO MODEL INDEX
BACK TO CHAPTER INDEX
Link Continues
EWD307F
E ELECTRICAL WIRING ROUTING
Position of Parts in Body
[RHD:Regular Cab]
114
Pages From Manual
TO MODEL INDEX
BACK TO CHAPTER INDEX
Link Continues
EWD307F
E
Position of Parts in Body
Code English
A 28 ABS Speed Sensor Rear LH
A 29 ABS Speed Sensor Rear RH
D 16 Door Key Lock and Unlock SW
D 17 Door Lock Control SW
D 18 Door Lock Motor Front LH
D 19 Door Lock Motor Front RH
D 22 Door Speaker Front LH
D 23 Door Speaker Front RH
F 12 Fuel Pump
F 13 Fuel Sender
I 20 Interior Light
L 1 License Plate Light LH
L 2 License Plate Light RH
P 14 Pretensioner LH
P 15 Pretensioner RH
R 6 Rear Combination Light LH
R 7 Rear Combination Light RH
R 9 Rear Fog Light
115
Pages From Manual
TO MODEL INDEX
BACK TO CHAPTER INDEX
Link Continues
EWD307F
E ELECTRICAL WIRING ROUTING
Position of Parts in Body
[RHD:Regular Cab]
116
Pages From Manual
TO MODEL INDEX
BACK TO CHAPTER INDEX
Link Continues
EWD307F
E
Position of Parts in Body
Code English
A 28 ABS Speed Sensor Rear LH
A 29 ABS Speed Sensor Rear RH
D16 Door Key Lock and Unlock SW
D 17 Door Lock Control SW
D 18 Door Lock Motor Front LH
D 19 Door Lock Motor Front RH
D22 Door Speaker Front LH
D23 Door Speaker Front RH
F 12 Fuel Pump
F 13 Fuel Sender
I 20 Interior Light
L 1 License Plate Light LH
L 2 License Plate Light RH
P 14 Pretensioner LH
P 15 Pretensioner RH
R 6 Rear Combination Light LH
R 7 Rear Combination Light RH
R 9 Rear Fog Light
117
Pages From Manual
TO MODEL INDEX
BACK TO CHAPTER INDEX
Link Continues
EWD307F
E ELECTRICAL WIRING ROUTING
Position of Parts in Body
[RHD:Double Cab] *1:General
*2:Except
118
Pages From Manual
TO MODEL INDEX
BACK TO CHAPTER INDEX
Link Continues
EWD307F
E
Position of Parts in Body
Code English
A 28 ABS Speed Sensor Rear LH
A 29 ABS Speed Sensor Rear RH
D 11 Door Courtesy SW Front LH
D 12 Door Courtesy SW Front RH
D 14 Door Courtesy SW Rear LH
D 15 Door Courtesy SW Rear RH
D 16 Door Key Lock and Unlock SW
D 17 Door Lock Control SW
D 18 Door Lock Motor Front LH
D 19 Door Lock Motor Front RH
D 20 Door Lock Motor Rear LH
D 21 Door Lock Motor Rear RH
D 22 Door Speaker Front LH
D 23 Door Speaker Front RH
D 24 Door Speaker Rear LH
D 25 Door Speaker Rear RH
F 12 Fuel Pump
F 13 Fuel Sender
I 20 Interior Light
L 1 License Plate Light LH
L 2 License Plate Light RH
P 5 Power Window Control SW Front LH
P 7 Power Window Control SW Rear LH
P 8 Power Window Control SW Rear RH
P 9 Power Window Master SW
P 10 Power Window Motor Front LH
P 11 Power Window Motor Front RH
P 12 Power Window Motor Rear LH
P 13 Power Window Motor Rear RH
P 14 Pretensioner LH
P 15 Pretensioner RH
R 6 Rear Combination Light LH
R 7 Rear Combination Light RH
R 9 Rear Fog Light
R 10 Rear Window Defogger
R 11 Rear Window Defogger
R 12 Remote Control Mirror LH
R 13 Remote Control Mirror RH
R 14 Remote Control Mirror SW
R 15 Reverse Warning Buzzer
119
Pages From Manual
TO MODEL INDEX
BACK TO CHAPTER INDEX
Link Continues
EWD307F
E ELECTRICAL WIRING ROUTING
Position of Parts in Body
[RHD:Double Cab] *1:General
*2:Except General
120
Pages From Manual
TO MODEL INDEX
BACK TO CHAPTER INDEX
Link Continues
EWD307F
E
Position of Parts in Body
Code English
A 28 ABS Speed Sensor Rear LH
A 29 ABS Speed Sensor Rear RH
D 11 Door Courtesy SW Front LH
D12 Door Courtesy SW Front RH
D 14 Door Courtesy SW Rear LH
D 15 Door Courtesy SW Rear RH
D 16 Door Key Lock and Unlock SW
D17 Door Lock Control SW
D 18 Door Lock Motor Front LH
D 19 Door Lock Motor Front RH
D20 Door Lock Motor Rear LH
D21 Door Lock Motor Rear RH
D22 Door Speaker Front LH
D23 Door Speaker Front RH
D24 Door Speaker Front LH
D25 Door Speaker Front RH
F 12 Fuel Pump
F 13 Fuel Sender
I 20 Interior Light
L 1 License Plate Light LH
L 2 License Plate Light RH
P 5 Power Window Control SW Front LH
P 7 Power Window Control SW Rear LH
P 8 Power Window Control SW Rear RH
P 9 Power Window Master SW
P 10 Power Window Motor Front LH
P 11 Power Window Motor Front RH
P 12 Power Window Motor Rear LH
P 13 Power Window Motor Rear RH
P 14 Pretensioner LH
P 15 Pretensioner RH
R 6 ear Combination Light LH
R 7 ear Combination Light RH
R 9 ear Fog Light
R 10 ear Window Defogger
R 11 ear Window Defogger
R 12 emote Control Mirror LH
R 13 emote Control Mirror RH
R 14 emote Control Mirror SW
R 15 Reverse Warning Buzzer
121
Pages From Manual
TO MODEL INDEX
BACK TO CHAPTER INDEX
Link Continues
EWD307F
E ELECTRICAL WIRING ROUTING
Position of Parts in Body
[RHD:Extra Cab]
122
Pages From Manual
TO MODEL INDEX
BACK TO CHAPTER INDEX
Link Continues
EWD307F
E
Position of Parts in Body
Code English
A 28 ABS Speed Sensor Rear LH
A 29 ABS Speed Sensor Rear RH
D 16 Door Key Lock and Unlock SW
D 17 Door Lock Control SW
D 18 Door Lock Motor Front LH
D 19 Door Lock Motor Front RH
D 22 Door Speaker Front LH
D 23 Door Speaker Front RH
F 12 Fuel Pump
F 13 Fuel Sender
I 20 Interior Light
L 1 License Plate Light LH
L 2 License Plate Light RH
P 14 Pretensioner LH
P 15 Pretensioner RH
R 6 Rear Combination Light LH
R 7 Rear Combination Light RH
R 10 Rear Window Defogger
R 11 Rear Window Defogger
123
Pages From Manual
TO MODEL INDEX
BACK TO CHAPTER INDEX
Link Continues
EWD307F
E ELECTRICAL WIRING ROUTING
Position of Parts in Body
[RHD:Extra Cab]
124
Pages From Manual
TO MODEL INDEX
BACK TO CHAPTER INDEX
Link Continues
EWD307F
E
Position of Parts in Body
Code English
A 28 ABS Speed Sensor Rear LH
A 29 ABS Speed Sensor Rear RH
D 16 Door Key Lock and Unlock SW
D17 Door Lock Control SW
D 18 Door Lock Motor Front LH
D 19 Door Lock Motor Front RH
D22 Door Speaker Front LH
D23 Door Speaker Front RH
F 12 Fuel Pump
F 13 Fuel Sender
I 20 Interior Light
L 1 License Plate Light LH
L 2 License Plate Light RH
P 14 Pretensioner LH
P 15 Pretensioner RH
R 6 Rear Combination Light LH
R 7 Rear Combination Light RH
R 10 Rear Window Defogger
R 11 Rear Window Defogger
125
Pages From Manual
TO MODEL INDEX
BACK TO CHAPTER INDEX
LINK BACK 173 177 181 185 191 193 197 201 205 209 213 217 221 225 229 233 237 241 245 249
253 257 263 265 269 273 279 281 285 289 293 297 303 305 309 313 317 321 325 329
333 337 341 345 351 353 357 361 365 369 373 377 383 387 391 397 401
EWD307F
E ELECTRICAL WIRING ROUTING
: Location of Connector Joining Wire Harness and Wire Harness
: Location of Ground Points
[LHD:2RZ-FE]
126
Pages From Manual
TO MODEL INDEX
BACK TO CHAPTER INDEX
Link Continues
EWD307F
E
Connector Joining Wire Harness and Wire Harness
Code Joining Wire Harness and Wire Harness (Connector Location)
EA1 Engine Room No. 2 Wire and Engine Room Main Wire (Front Right Fender Apron)
EB1
EB2
Engine No. 2 Wire and Engine Room Main Wire (Near the Engine Room R/B)
EC1 Engine No. 2 Wire and Differential Wire (Near the Starter)
127
Pages From Manual
TO MODEL INDEX
BACK TO CHAPTER INDEX
Link Continues
EWD307F
E ELECTRICAL WIRING ROUTING
: Location of Connector Joining Wire Harness and Wire Harness
: Location of Ground Points
[LHD:3RZ-F]
128
Pages From Manual
TO MODEL INDEX
BACK TO CHAPTER INDEX
Link Continues
EWD307F
E
Connector Joining Wire Harness and Wire Harness
Code Joining Wire Harness and Wire Harness (Connector Location)
EA1 Engine Room No. 2 Wire and Engine Room Main Wire (Front Right Fender Apron)
EB1 Engine No. 2 Wire and Engine Room Main Wire (Near the Engine Room R/B)
129
Pages From Manual
TO MODEL INDEX
BACK TO CHAPTER INDEX
Link Continues
EWD307F
E ELECTRICAL WIRING ROUTING
: Location of Connector Joining Wire Harness and Wire Harness
: Location of Ground Points
[LHD:1RZ]
130
Pages From Manual
TO MODEL INDEX
BACK TO CHAPTER INDEX
Link Continues
EWD307F
E
Connector Joining Wire Harness and Wire Harness
Code Joining Wire Harness and Wire Harness (Connector Location)
EA1 Engine Room No. 2 Wire and Engine Room Main Wire (Front Right Fender Apron)
EB1 Engine No. 2 Wire and Engine Room Main Wire (Near the Engine Room R/B)
131
Pages From Manual
TO MODEL INDEX
BACK TO CHAPTER INDEX
Link Continues
EWD307F
E ELECTRICAL WIRING ROUTING
: Location of Connector Joining Wire Harness and Wire Harness
: Location of Ground Points
[LHD:2L-T]
132
Pages From Manual
TO MODEL INDEX
BACK TO CHAPTER INDEX
Link Continues
EWD307F
E
Connector Joining Wire Harness and Wire Harness
Code Joining Wire Harness and Wire Harness (Connector Location)
EA1 Engine Room No. 2 Wire and Engine Room Main Wire (Front Right Fender Apron)
EB2 Engine No. 2 Wire and Engine Room Main Wire (Near the Engine Room R/B)
EC1 Engine No. 2 Wire and Differential Wire (Near the Starter)
EE1 Engine Room Main Wire and Engine Wire (Near the Engine Room R/B)
EF1 Engine Room Main Wire and Engine No. 4 Wire (Near the Alternator)
133
Pages From Manual
TO MODEL INDEX
BACK TO CHAPTER INDEX
Link Continues
EWD307F
E ELECTRICAL WIRING ROUTING
: Location of Connector Joining Wire Harness and Wire Harness
: Location of Ground Points
[LHD:3L,2L]
134
Pages From Manual
TO MODEL INDEX
BACK TO CHAPTER INDEX
Link Continues
EWD307F
E
Connector Joining Wire Harness and Wire Harness
Code Joining Wire Harness and Wire Harness (Connector Location)
EA1 Engine Room No. 2 Wire and Engine Room Main Wire (Front Right Fender Apron)
ED1 Cowl Wire and A/C Sub Wire (Front Right Fender Apron)
EE1 Engine Room Main Wire and Engine Wire (Near the Engine Room R/B)
EF1 Engine Room Main Wire and Engine No. 4 Wire (Near the Alternator)
EF2 Engine No. 4 Wire and Engine Room Main Wire (Near the Alternator)
135
Pages From Manual
TO MODEL INDEX
BACK TO CHAPTER INDEX
Link Continues
EWD307F
E ELECTRICAL WIRING ROUTING
: Location of Connector Joining Wire Harness and Wire Harness
: Location of Ground Points
[LHD]
136
Pages From Manual
TO MODEL INDEX
BACK TO CHAPTER INDEX
Link Continues
EWD307F
E
Connector Joining Wire Harness and Wire Harness
Code Joining Wire Harness and Wire Harness (Connector Location)
IA1
IA2
Engine Room Main Wire and Cowl Wire (Cowl Side Panel LH)
IR1
IB2
Front Door LH Wire and Cowl Wire (Lett Kick Panel)
IC1
IC2
Cowl Wire and Cowl No. 3 Wire (Lett Kick Panel)
ID1 Cowl Wire and Cowl No. 4 Wire (Instrument Panel Reinforcement Left)
IE1 Cowl Wire and Roof Wire (Instrument Panel Reinforcement Left)
IF1 Cowl No. 4 Wire and Cowl Wire (Instrument Panel Brace RH)
IG1 Cowl Wire and A/C Sub Wire (Near the A/C Unit)
137
Pages From Manual
TO MODEL INDEX
BACK TO CHAPTER INDEX
Link Continues
EWD307F
E ELECTRICAL WIRING ROUTING
: Location of Connector Joining Wire Harness and Wire Harness
[LHD]
138
Pages From Manual
TO MODEL INDEX
BACK TO CHAPTER INDEX
Link Continues
EWD307F
E
Connector Joining Wire Harness and Wire Harness
Code Joining Wire Harness and Wire Harness (Connector Location)
IH1 Cowl Wire and Cowl No. 4 Wire (Instrument Panel Brace RH)
II1 Cowl Wire and Cowl No. 3 Wire (Behind the Ashtray)
IJ1
IJ2
IJ3
IJ4
IJ5
Engine Wire and Cowl Wire (Behind the Glove Box)
IK1 Engine Room No. 2 Wire and Cowl No. 3 Wire (Behind the Glove Box)
IL1
IL2
Front Door RH Wire and Cowl Wire (Right Kick Panel)
IM1 Cowl Wire and Cowl No. 3 Wire (Cowl Side Panel RH)
139
Pages From Manual
TO MODEL INDEX
BACK TO CHAPTER INDEX
Link Continues
EWD307F
E ELECTRICAL WIRING ROUTING
: Location of Connector Joining Wire Harness and Wire Harness
: Location of Ground Points
[LHD:Double Cab]
140
Pages From Manual
TO MODEL INDEX
BACK TO CHAPTER INDEX
Link Continues
EWD307F
E
Connector Joining Wire Harness and Wire Harness
Code Joining Wire Harness and Wire Harness (Connector Location)
BA1 Front Door LH Wire and Front Door LH Wire (Front LH Door Inside)
BB1 Front Door RH Wire and Front Door RH Wire (Front RH Door Inside)
BC1
BC2
Frame Wire and Cowl Wire (Under the Front Passenger's Seat)
BD1 Frame Wire and Cowl No. 3 Wire (Under the Front Passenger's Seat)
BE1 Frame Wire and Differential Wire (Near the No. 5 Cross Member)
BF1 Frame Wire and Speed Sensor Wire (Near the No. 5 Cross Member)
BGl Rear Door No. 2 Wire and Cowl Wire (Left Center Pillar)
BH1 Rear Door No. 1 Wire and Cowl Wire (Right Center Pillar)
141
Pages From Manual
TO MODEL INDEX
BACK TO CHAPTER INDEX
Link Continues
EWD307F
E ELECTRICAL WIRING ROUTING
: Location of Connector Joining Wire Harness and Wire Harness
: Location of Ground Points
[LHD:Regular Cab]
[LHD: Extra Cab]
142
Pages From Manual
TO MODEL INDEX
BACK TO CHAPTER INDEX
Link Continues
EWD307F
E
Connector Joining Wire Harness and Wire Harness
Code Joining Wire Harness and Wire Harness (Connector Location)
BA1 Front Door LH Wire and Front Door LH Wire (Front LH Door Inside)
BB1 Front Door RH Wire and Front Door RH Wire (Front RH Door Inside)
BC1
BC2
Frame Wire and Cowl Wire (Under the Front Passenger's Seat)
BD1 Frame Wire and Cowl No. 3 Wire (Under the Front Passenger's Seat)
BE1 Frame Wire and Differential Wire (Near the No. 5 Cross Member)
BF1 Frame Wire and Speed Sensor Wire (Near the No. 5 Cross Member)
143
Pages From Manual
TO MODEL INDEX
BACK TO CHAPTER INDEX
LINK BACK 173 177 181 185 191 193 197 201 205 209 213 217 221 225 229 233 237 241 245 249
253 257 263 265 269 273 279 281 285 289 293 297 303 305 309 313 317 321 325 329
333 337 341 345 351 353 357 361 365 369 373 377 383 387 391 397 401
EWD307F
E ELECTRICAL WIRING ROUTING
: Location of Connector Joining Wire Harness and Wire Harness
: Location of Ground Points
[RHD:3RZ-FE]
144
Pages From Manual
TO MODEL INDEX
BACK TO CHAPTER INDEX
Link Continues
EWD307F
E
Connector Joining Wire Harness and Wire Harness
Code Joining Wire Harness and Wire Harness (Connector Location)
EA1 Engine Room No. 2 Wire and Engine Room Main Wire (Front Right Fender Apron)
EB1 Engine No. 2 Wire and Engine Room Main Wire (Near the Engine Room R/B)
EC1 Engine No. 2 Wire and Cowl Wire (Near the Engine Room R/B)
ED1 Engine No. 2 Wire and Differential Wire (Near the Starter)
145
Pages From Manual
TO MODEL INDEX
BACK TO CHAPTER INDEX
Link Continues
EWD307F
E ELECTRICAL WIRING ROUTING
: Location of Connector Joining Wire Harness and Wire Harness
: Location of Ground Points
[RHD:3RZ-F]
146
Pages From Manual
TO MODEL INDEX
BACK TO CHAPTER INDEX
Link Continues
EWD307F
E
Connector Joining Wire Harness and Wire Harness
Code Joining Wire Harness and Wire Harness (Connector Location)
EB1 Engine No. 2 Wire and Engine Room Main Wire (Near the Engine Room R/B)
147
Pages From Manual
TO MODEL INDEX
BACK TO CHAPTER INDEX
Link Continues
EWD307F
E ELECTRICAL WIRING ROUTING
: Location of Connector Joining Wire Harness and Wire Harness
: Location of Ground Points
[RHD:1RZ-E]
148
Pages From Manual
TO MODEL INDEX
BACK TO CHAPTER INDEX
Link Continues
EWD307F
E
Connector Joining Wire Harness and Wire Harness
Code Joining Wire Harness and Wire Harness (Connector Location)
EA1 Engine Room No. 2 Wire and Engine Room Main Wire (Front Right Fender Apron)
EB1 Engine No. 2 Wire and Engine Room Main Wire (Near the Engine Room R/B)
149
Pages From Manual
TO MODEL INDEX
BACK TO CHAPTER INDEX
Link Continues
EWD307F
E ELECTRICAL WIRING ROUTING
: Location of Connector Joining Wire Harness and Wire Harness
: Location of Ground Points
[RHD:1RZ]
150
Pages From Manual
TO MODEL INDEX
BACK TO CHAPTER INDEX
Link Continues
EWD307F
E
Connector Joining Wire Harness and Wire Harness
Code Joining Wire Harness and Wire Harness (Connector Location)
EB1 Engine No. 2 Wire and Engine Room Main Wire (Near the Engine Room R/B)
151
Pages From Manual
TO MODEL INDEX
BACK TO CHAPTER INDEX
Link Continues
EWD307F
E ELECTRICAL WIRING ROUTING
: Location of Connector Joining Wire Harness and Wire Harness
: Location of Ground Points
[RHD:5L]
152
Pages From Manual
TO MODEL INDEX
BACK TO CHAPTER INDEX
Link Continues
EWD307F
E
Connector Joining Wire Harness and Wire Harness
Code Joining Wire Harness and Wire Harness (Connector Location)
EA1 Engine Room No. 2 Wire and Engine Room Main Wire (Front Right Fender Apron)
EB2 Engine Room Main Wire and Engine Wire (Near the Engine Room R/B)
EC1 Engine No. 2 Wire and Cowl Wire (Near the Engine Room R/B)
ED1 Engine No. 2 Wire and Differential Wire (Near the Starter)
EF1 Engine No. 4 Wire and Engine Room Main Wire (Near the Alternator)
153
Pages From Manual
TO MODEL INDEX
BACK TO CHAPTER INDEX
Link Continues
EWD307F
E ELECTRICAL WIRING ROUTING
: Location of Connector Joining Wire Harness and Wire Harness
: Location of Ground Points
[RHD:2L-T]
154
Pages From Manual
TO MODEL INDEX
BACK TO CHAPTER INDEX
Link Continues
EWD307F
E
Connector Joining Wire Harness and Wire Harness
ode Joining Wire Harness and Wire Harness (Connector Location)
EA1 Engine Room No. 2 Wire and Engine Room Main Wire (Front Right Fender Apron)
EB2 Engine Room Main Wire and Engine Wire (Near the Engine Room R/B)
EF2 Engine Room Main Wire and Engine No. 4 Wire (Near the Alternator)
155
Pages From Manual
TO MODEL INDEX
BACK TO CHAPTER INDEX
Link Continues
EWD307F
E ELECTRICAL WIRING ROUTING
: Location of Connector Joining Wire Harness and Wire Harness
: Location of Ground Points
[RHD:3L,2L]
156
Pages From Manual
TO MODEL INDEX
BACK TO CHAPTER INDEX
Link Continues
EWD307F
E
Connector Joining Wire Harness and Wire Harness
Code Joining Wire Harness and Wire Harness (Connector Location)
EA1 Engine Room No. 2 Wire and Engine Room Main Wire (Front Right Fender Apron)
EB2 Engine Room Main Wire and Engine Wire (Near the Engine Room R/B)
EE1 Engine Room Main Wire and A/C Sub Wire (Near the Battery)
EF1 Engine No. 4 Wire and Engine Room Main Wire (Near the Alternator)
EF2 Engine Room Main Wire and Engine No. 4 Wire (Near the Alternator)
157
Pages From Manual
TO MODEL INDEX
BACK TO CHAPTER INDEX
Link Continues
EWD307F
E ELECTRICAL WIRING ROUTING
: Location of Connector Joining Wire Harness and Wire Harness
: Location of Ground Points
[RHD]
158
Pages From Manual
TO MODEL INDEX
BACK TO CHAPTER INDEX
Link Continues
EWD307F
E
Connector Joining Wire Harness and Wire Harness
Code Joining Wire Harness and Wire Harness (Connector Location)
IA1
IA2
Cowl Wire and Cowl No. 3 Wire (Left Kick Panel)
IB1
IB2
Front Door LH Wire and Cowl Wire (Left Kick Panel)
IC1
IC2
IC3
IC4
IC5
IC6
Engine Wire and Cowl Wire (Behind the Glove Box)
ID1 Cowl Wire and A/C Sub Wire (Near the A/C Unit)
159
Pages From Manual
TO MODEL INDEX
BACK TO CHAPTER INDEX
Link Continues
EWD307F
E ELECTRICAL WIRING ROUTING
: Location of Connector Joining Wire Harness and Wire Harness
[RHD]
160
Pages From Manual
TO MODEL INDEX
BACK TO CHAPTER INDEX
Link Continues
EWD307F
E
Connector Joining Wire Harness and Wire Harness
Code Joining Wire Harness and Wire Harness (Connector Location)
IE1 Cowl No. 4. Wire and Cowl Wire (Instrument Panel Brace LH)
IF1 Cowl Wire and Cowl No. 4 Wire (Instrument Panel Brace LH)
IG1 Cowl Wire and Cowl No. 3 Wire (Behind the Ashtray)
IH1 Cowl Wire and Roof Wire (Instrument Reinforcement Right)
II1 Cowl Wire and Cowl No. 3 Wire (Instrument Reinforcement Right)
IJ1 Engine Room Main Wire and Cowl Wire (Cowl Side Panel RH)
IK1 Engine Room No. 2 Wire and Cowl No. 3 Wire (Cowl Side Panel RH)
IL1 Cowl Wire and Cowl No. 3 Wire (Right Kick Panel)
IM1
IM2
Front Door RH Wire and Cowl Wire (Right Kick Panel)
161
Pages From Manual
TO MODEL INDEX
BACK TO CHAPTER INDEX
Link Continues
EWD307F
E ELECTRICAL WIRING ROUTING
: Location of Connector Joining Wire Harness and Wire Harness
: Location of Ground Points
[RHD:Double Cab]
162
Pages From Manual
TO MODEL INDEX
BACK TO CHAPTER INDEX
Link Continues
EWD307F
E
Connector Joining Wire Harness and Wire Harness
Code Joining Wire Harness and Wire Harness (Connector Location)
BA1 Frame Wire and Cowl Wire (Under the Driver's Seat)
BB1 Frame Wire and Cowl No. 3 Wire (Under the Driver's Seat)
BC1 Frame Wire and Speed Sensor Wire (Near the No. 5 Cross Member)
BD1 Rear Door LH Wire and Cowl Wire (Left Center Pillar)
BE1 Rear Door RH Wire and Cowl Wire (Right Center Pillar)
163
Pages From Manual
TO MODEL INDEX
BACK TO CHAPTER INDEX
Link Continues
EWD307F
E ELECTRICAL WIRING ROUTING
: Location of Connector Joining Wire Harness and Wire Harness
: Location of Ground Points
[RHD:Regular Cab]
[RHD:Extra Cab]
164
Pages From Manual
TO MODEL INDEX
BACK TO CHAPTER INDEX
Link Continues
EWD307F
E
Connector Joining Wire Harness and Wire Harness
Code Joining Wire Harness and Wire Harness (Connector Location)
BA1 Frame Wire and Cowl Wire (Under the Driver's Seat)
BB1 Frame Wire and Cowl No. 3 Wire (Under the Driver's Seat)
BC1 Frame Wire and Speed Sensor Wire (Near the No. 5 Cross Member)
165
Pages From Manual
TO MODEL INDEX
BACK TO CHAPTER INDEX
LINK BACK 173 177 181 185 191 193 197 201 205 209 213 217 221 225 229 233 237 241 245 249
253 257 263 265 269 273 279 281 285 289 293 297 303 305 309 313 317 321 325 329
333 337 341 345 351 353 357 361 365 369 373 377 383 387 391 397 401
EWD307F
F ELECTRICAL WIRING DIAGRAM
ELECTRICAL WIRING DIAGRAM
Location
LHD RHD
ABS 258-2 378-2
AIR CONDITIONER 282-2 398-2
AUTO ANTENNA. - 388-2
BACK-UP LIGHT 219.4 338-2
CARBURETOR 194-2 310-1
CHARGING (DIESEL) 175-3 291-3
CHARGING (GASOLINE) 171-3 287-3
CIGARETTE LIGHTER 243-3 362-1
CLOCK 243-3 362-2
COMBINATION METER 274-2 392-2
DOOR LOCK CONTROL 234-2 354-2
ECT - 318-2
EMISSION CONTROL 195-3 311-3
ENGINE CONTROL (1RZ-E) - 306-1
ENGINE CONTROL (2RZ-FE) 186-2 -
ENGINE CONTROL (3RZ-FE) - 298-2
FRONT WIPER AND WASHER 251-3 367-3
FUEL HEATER 175-3 291-3
GLOW PLUG - 314-2
HEADLIGHT (w/ DAYTIME RUNNING LIGHT) 202-2 -
HEADLIGHT (w/ DIM-DIP LIGHT) - 322-2
HEADLIGHT (w/o DAYTIME RUNNING LIGHT) 206-2 -
HEADLIGHT (w/o DIM-DIP LIGHT) - 326-2
HEADLIGHT BEAM LEVEL CONTROL 210-2 -
HEADLIGHT CLEANER 214-2 -
HORN 243-4 375-4
IGNITION - 294-1
IGNITION (1RZ) 182-2 -
IGNITION (2RZ-FE) 178-2 -
IGNITION (3RZ-F) ... ..... 183-3 -
ILLUMINATION 230-2 346-2
INTERIOR LIGHT 226-2 342-2
LIGHT REMINDER BUZZER - 330-2
LIGHT REMINDER BUZZER AND SEAT BELT WARNING 242-2 -
POWER SOURCE 170-282-1 286-388-1
POWER WINDOW 238-2 358-2
RADIO AND PLAYER 271-3 389-3
REAR DIFFERENTIAL LOCK. 246-2 -
REAR FOG LIGHT 179-3 349-7
REAR WINDOW DEFOGGER 250-2 366-2
REMOTE CONTROL MIRROR 270-2 363-3
SEAT HEATER 215-3 -
SRS 266-2 384-2
STARTING (DIESEL) 174-2 290-2
STARTING (GASOLINE) 170-2 286-2
STOP LIGHT 207-3 327-3
TAILLIGHT 218-2 331-3
TURN SIGNAL AND HAZARD WARNING LIGHT 222-2 334-2
4WD 254-2 -
4WD (w/ 2-4 SELECT SW) - 370-2
4WD (w/o 2-4 SELECT SW) - 374-2
166
Pages From Manual
TO MODEL INDEX
BACK TO MAIN INDEX EWD307F
RHD
HILUX:
F ELECTRICAL WIRING DIAGRAM (System Circuits)
Power Source Starting (Gasoline)
170
Pages From Manual
TO MODEL INDEX
BACK TO CHAPTER INDEX EWD307F
Charging (Gasoline)
171
Pages From Manual
TO MODEL INDEX
BACK TO CHAPTER INDEX EWD307F
SYSTEM CIRCUIT CONNECTORS
PARTS CODE PARTS & CONNECTOR TYPE LOCATION
A10
(A) ALTERNATOR
BLACK
171-3
A11
(B) ALTERNATOR
171-3
C9
(A) CHARGE WARNING LIGHT
[COMB. METER]
171-4
C10
(B) CHARGE WARNING LIGHT
[COMB. METER]
BLUE
171-4
117
IGNITION SW
170-1
J1
(A) JUNCTION CONNECTOR
GRAY
170-2
171-4
PARTS CODE PARTS & CONNECTOR TYPE LOCATION
J2
(B) JUNCTION CONNECTOR
GRAY
170-2 171-4
J3
(A) JUNCTION CONNECTOR
BLACK
170-2
171-4
J4
(B) JUNCTION CONNECTOR
BLACK
171-4
J9
(B) JUNCTON CONNECTOR
BLUE
171-4
J12
(A) JUNCTION CONNECTOR
BLUE
171-4
S2
(A) STARTER
BLACK
170-2
172
Pages From Manual
TO MODEL INDEX
BACK TO CHAPTER INDEX EWD307F
PARTS CODE PARTS & CONNECTOR TYPE LOCATION
S3
(B) STARTER
170-2
PARTS CODE PARTS & CONNECTOR TYPE LOCATION
Relays, Fuses and J/B etc. Parts connector position Joint connectors and Ground points
See page 26 to 36 38 to 77 (LHD), 78 to 125 (RHD) 126 to 143 (LHD), 144 to 165 (RHD)
173
Pages From Manual
TO MODEL INDEX
BACK TO CHAPTER INDEX EWD307F
F ELECTRICAL WIRING DIAGRAM (System Circuits)
Power Source Starting (Diesel)
174
Pages From Manual
TO MODEL INDEX
BACK TO CHAPTER INDEX EWD307F
Fuel Heater Charging (Diesel)
* 1: Europe
* 2 : Except Europe
* 3 : w/ Daytime Running Light
* 4 : 70A Type Alternator
* 5 : 45A, 55A Type Alternator
175
Pages From Manual
TO MODEL INDEX
BACK TO CHAPTER INDEX EWD307F
SYSTEM CIRCUIT CONNECTORS
PARTS CODE PARTS & CONNECTOR TYPE LOCATION
A10
(A)ALTERNATOR
BLACK
175-3
A11
(B) ALTERNATOR
175-3
C9
(A)CHARGE WARNING
LIGHT [COMB. METER]
175-4
C10
(B) CHARGE WARNING
LIGHT [COMB. METER]
BLUE
175-4
F9
FUEL HEATER
GRAY
175-3
I17
IGNITION SW
174-1
PARTS CODE PARTS & CONNECTOR TYPE LOCATION
J1
(A)JUNCTION CONNECTOR
GRAY
174-2
175-4
J2
(B)JUNCTION CONNECTOR
GRAY
174-2
175-4
J3
(A)JUNCTION CONNECTOR
BLACK
174-2
175-3
175-4
J4
(B)JUNCTION CONNECTOR
BLACK
175-4
J9
(B)JUNCTION CONNECTOR
BLUE
175-4
J12
(A)JUNCTION CONNECTOR
BLUE
175-4
176
Pages From Manual
TO MODEL INDEX
BACK TO CHAPTER INDEX EWD307F
PARTS CODE PARTS & CONNECTOR TYPE LOCATION
S2
(A) STARTER
BLACK
174-2
S3
(B) STARTER
174-2
PARTS CODE PARTS & CONNECTOR TYPE LOCATION
177
Relays, Fuses and J/B etc. Parts connector position Joint connectors and Ground points
See page 26 to 36 38 to 77 (LHD), 78 to 125 (RHD) 126 to 143 (LHD), 144 to 165 (RHD)
Pages From Manual
TO MODEL INDEX
BACK TO CHAPTER INDEX EWD307F
F ELECTRICAL WIRING DIAGRAM (System Circuits)
Power Source Ignition (2RZ-FE)
178
Pages From Manual
TO MODEL INDEX
BACK TO CHAPTER INDEX EWD307F
Rear Fog Light
179
Pages From Manual
TO MODEL INDEX
BACK TO CHAPTER INDEX EWD307F
SYSTEM CIRCUIT CONNECTORS
PARTS CODE PARTS & CONNECTOR TYPE LOCATION
C10
REAR FOG LIGHT
INDICATOR LIGHT [COMB.
METER]
BLUE
179-4
12
IGNITION COIL AND
IGNITER NO. 1
BLACK
178-1
178-2
13
IGNITION COIL AND
IGNITER NO. 2
BLACK
178-2
117
IGNITION SW
178-1
J3
(A)JUNCTION CONNECTOR
BLACK
178-2
J4
(B)JUNCTION
CONNECTOR
BLACK
178-2
PARTS CODE PARTS & CONNECTOR TYPE LOCATION
J7
JUNCTION CONNECTOR
179-3
J14
JUNCTION CONNECTOR
ORANGE
179-3
J18
JUNCTION CONNECTOR
BLUE
179-3
179-4
J19
JUNCTION CONNECTOR
ORANGE
179-3
J23
JUNCTION CONNECTOR
179-4
N2
NOISE FILTER GRAY
178-1
180
Pages From Manual
TO MODEL INDEX
BACK TO CHAPTER INDEX EWD307F
PARTS CODE PARTS & CONNECTOR TYPE LOCATION
R3
REAR FOG LIGHT SW
BLACK
179-3
179-4
R9
REAR FOG LIGHT (w/ Rear
Deck)
179-4
R9
REAR FOG LIGHT (w/o Rear
Deck)
179-4
PARTS CODE PARTS & CONNECTOR TYPE LOCATION
181
Relays, Fuses and J/B etc. Parts connector position Joint connectors and Ground points
See page 26 to 36 38 to 77 (LHD), 78 to 125 (RHD) 126 to 143 (LHD), 144 to 165 (RHD)
Pages From Manual
TO MODEL INDEX
BACK TO CHAPTER INDEX EWD307F
F ELECTRICAL WIRING DIAGRAM (System Circuits)
Power Source Ignition (1RZ)
182
Pages From Manual
TO MODEL INDEX
BACK TO CHAPTER INDEX EWD307F
Ignition (3RZ-F)
183
Pages From Manual
TO MODEL INDEX
BACK TO CHAPTER INDEX EWD307F
SYSTEM CIRCUIT CONNECTORS
PARTS CODE PARTS & CONNECTOR TYPE LOCATION
I1
IGNITER DARK
GRAY
183-4
I4
IGNITION COIL NO. 1 DARK
GRAY
183-3
I5
IGNITION COIL NO. 2
GRAY
183-4
I6
IIA
GRAY
182-1
182-2
I17
IGNITION SW
182-1
J3
(A)JUNCTION CONNECTOR
BLACK
182-1
PARTS CODE PARTS & CONNECTOR TYPE LOCATION
J4
(B)JUNCTION CONNECTOR
BLACK
182-1
J9
JUNCTION CONNECTOR
BLUE
182-2
183-4
184
Pages From Manual
TO MODEL INDEX
BACK TO CHAPTER INDEX EWD307F
PARTS CODE PARTS & CONNECTOR TYPE LOCATION PARTS CODE PARTS & CONNECTOR TYPE LOCATION
185
Relays, Fuses and J/B etc. Parts connector position Joint connectors and Ground points
See page 26 to 36 38 to 77 (LHD), 78 to 125 (RHD 126 to 143 (LHD), 144 to 165 (RHD)
Pages From Manual
TO MODEL INDEX
BACK TO CHAPTER INDEX EWD307F
F ELECTRICAL WIRING DIAGRAM (System Circuits)
Power Source Engine Control (2RZ-FE)
186
Pages From Manual
TO MODEL INDEX
BACK TO CHAPTER INDEX EWD307F
Engine Control (2RZ-FE)
* 1: Europe
* 2 : Except Europe
187
Pages From Manual
TO MODEL INDEX
BACK TO CHAPTER INDEX
(Cont. next page)
EWD307F
F ELECTRICAL WIRING DIAGRAM (System Circuits)
Engine Control (2RZ-FE)
188
Pages From Manual
TO MODEL INDEX
BACK TO CHAPTER INDEX EWD307F
Engine Control (2RZ-FE) *1: Europe
*2 : Except Europe
189
Pages From Manual
TO MODEL INDEX
BACK TO CHAPTER INDEX
(Cont'd)
EWD307F
SYSTEM CIRCUIT CONNECTORS
PARTS CODE PARTS & CONNECTOR TYPE LOCATION
A 9
AIR FLOW METER
BLACK
189-7
C1
CAMSHAFT POSITION
SENSOR
BLACK
189-7
C4
CRANKSHAFT POSITION
SENSOR
DARK GRAY
189-7
C7
CIRCUIT OPENING RELAY
187-3
C10
(B)CHECK ENGINE
WARNING LIGHT [COMB.
METER]
BLUE
187-4
C11
©CHECK ENGINE
WARNING LIGHT [COMB.
METER]
BROWN
187-4
PARTS CODE PARTS & CONNECTOR TYPE LOCATION
D10
DLC3
BLACK
187-4
E4
(A)ENGINE ECU
188-5
188-6
189-7
189-8
E5
(B) ENGINE ECU
188-5
188-6
189-7
189-8
E6
©ENGINE ECU
188-5
188-6
189-7
189-8
F12
FUEL PUMP
GRAY
187-3
H7
HEATED OXYGEN SENSOR
(Bank 1 Sensor 1)
DARK GRAY
188-6
190
Pages From Manual
TO MODEL INDEX
BACK TO CHAPTER INDEX EWD307F
PARTS CODE PARTS & CONNECTOR TYPE LOCATION
H8
HEATED OXYGEN SENSOR
(Bank 1 Sensor 2)
DARK GRAY
188-6
110
INJECTOR NO. 1
BLUE
186-1
I11
INJECTOR NO. 2
BLUE
186-2
I12
INJECTOR NO. 3
BLUE
186-2
PARTS CODE PARTS & CONNECTOR TYPE LOCATION
I13
INJECTOR NO. 4
BLUE
186-2
I15
ISC VALVE
GRAY
189-8
I17
IGNITION SW
186-1
J1
JUNCTION CONNECTOR
GRAY
187-3
191
Relays, Fuses and J/B etc. Parts connector position Joint connectors and Ground points
See page 26 to 36 38 to 77 (LHD), 78 to 125 (RHD 126 to 143 (LHD), 144 to 165 (RHD)
Pages From Manual
TO MODEL INDEX
BACK TO CHAPTER INDEX EWD307F
SYSTEM CIRCUIT CONNECTORS
PARTS CODE PARTS & CONNECTOR TYPE LOCATION
J3
(A) JUNCTION CONNECTOR
BLACK
186-2
188-5
J4
(B) JUNCTION CONNECTOR
BLACK
186-2
188-5
J7
JUNCTION CONNECTOR
187-4
J8
JUNCTION CONNECTOR
187-3
J12
JUNCTION CONNECTOR
BLUE
187-4
J14
JUNCTION CONNECTOR
ORANGE
187 4
PARTS CODE PARTS & CONNECTOR TYPE LOCATION
J16
JUNCTION CONNECTOR
GRAY
187-4
J19
JUNCTION CONNECTOR
ORANGE
187-3
J21
JUNCTION CONNECTOR
187-4
J23
JUNCTION CONNECTOR
187-3
K1
KNOCK SENSOR DARK
GRAY
189-7
T1
THROTTLE POSITION
SENSOR
BLACK
189-7
192
Pages From Manual
TO MODEL INDEX
BACK TO CHAPTER INDEX EWD307F
PARTS CODE PARTS & CONNECTOR TYPE LOCATION
V7
VSV (EGR)
GREEN
188-5
V8
VSV (EVAP)
BLACK
189-8
W3
WATER TEMP. SENSOR
DARK GRAY
189-7
PARTS CODE PARTS & CONNECTOR TYPE LOCATION
193
Relays, Fuses and J/B etc. Parts connector position Joint connectors and Ground points
See page 26 to 36 38 to 77 (LHD), 78 to 125 (RHD 126 to 143 (LHD), 144 to 165 (RHD)
Pages From Manual
TO MODEL INDEX
BACK TO CHAPTER INDEX EWD307F
F ELECTRICAL WIRING DIAGRAM (System Circuits)
Power Source Carburetor
194
Pages From Manual
TO MODEL INDEX
BACK TO CHAPTER INDEX EWD307F
Emission Control
195
Pages From Manual
TO MODEL INDEX
BACK TO CHAPTER INDEX EWD307F
SYSTEM CIRCUIT CONNECTORS
PARTS CODE PARTS & CONNECTOR TYPE LOCATION
C2
CARBURETOR DARK
GRAY
194-1
194-2
E3
(A)EMISSION CONTROL
ECU (3RZ-F)
DARK GRAY
195-3
195-4
E3
(B)EMISSION CONTROL
ECU (1RZ)
DARK GRAY
195-3
195-4
I17
IGNITION SW
194-1
J3
JUNCTION CONNECTOR
BLACK
194-1
J7
JUNCTION CONNECTOR
195-4
PARTS CODE PARTS & CONNECTOR TYPE LOCATION
J9
JUNCTION CONNECTOR
BLUE
194-1
J15
JUNCTION CONNECTOR
BLUE
195-4
J23
JUNCTION CONNECTOR
195-4
V2
VACUUM SW
DARK GRAY
195-4
V9
VSV (Throttle Position
Control)
BROWN
195-3
196
Pages From Manual
TO MODEL INDEX
BACK TO CHAPTER INDEX EWD307F
PARTS CODE PARTS & CONNECTOR TYPE LOCATION PARTS CODE PARTS & CONNECTOR TYPE LOCATION
197
Relays, Fuses and J/B etc. Parts connector position Joint connectors and Ground points
See page 26 to 36 38 to 77 (LHD), 78 to 125 (RHD 126 to 143 (LHD), 144 to 165 (RHD)
Pages From Manual
TO MODEL INDEX
BACK TO CHAPTER INDEX EWD307F
F ELECTRICAL WIRING DIAGRAM (System Circuits)
Power Source Glow Plug
198
Pages From Manual
TO MODEL INDEX
BACK TO CHAPTER INDEX EWD307F
Glow Plug
* 1 : Europe * 4 : Except 2L Europe
* 2 : Except Europe * 5 : 70A Type Alternator
* 3 : 2L Europe * 6 :. 45A, 55A Type Alternator
199
Pages From Manual
TO MODEL INDEX
BACK TO CHAPTER INDEX EWD307F
SYSTEM CIRCUIT CONNECTORS
PARTS CODE PARTS & CONNECTOR TYPE LOCATION
C9
(A)GLOW INDICATOR LIGHT
[COMB. METER]
198-2
C10
(B)GLOW INDICATOR LIGHT
[COMB. METER]
BLUE
198-2
D8
DIODE (Glow Plug)
198-2
G1
GLOW PLUG
198-1
I9
INJECTION PUMP
GRAY
199-4
I17
IGNITION SW
198-1
PARTS CODE PARTS & CONNECTOR TYPE LOCATION
J1
JUNCTION CONNECTOR
GRAY
198-1
J3
(A) JUNCTION CONNECTOR
BLACK
198-2
J4
(B) JUNCTION CONNECTOR
BLACK
198-2
J8
(A) JUNCTION ONNECTOR
198-2
J9
(B) JUNCTION CONNECTOR
BLUE
198-2
199-4
J12
(A) JUNCTION CONNECTOR
BLUE
199-4
200
Pages From Manual
TO MODEL INDEX
BACK TO CHAPTER INDEX EWD307F
PARTS CODE PARTS & CONNECTOR TYPE LOCATION PARTS CODE PARTS & CONNECTOR TYPE LOCATION
J13
(B) JUNCTION CONNECTOR
198-2
199-4
W3
WATER TEMP. SENSOR
GREEN (11)
199-3
P1
PICK-UP SENSOR
GRAY
199-4
P3
(A)PRE-HEATING TIMER
(Europe)
DARK GRAY
199-3
P3
(B) PRE-HEATING TIMER
(Except Europe)
DARK GRAY
199-3
201
Relays, Fuses and J/B etc. Parts connector position Joint connectors and Ground points
See page 26 to 36 38 to 77 (LHD), 78 to 125 (RHD 126 to 143 (LHD), 144 to 165 (RHD)
Pages From Manual
TO MODEL INDEX
BACK TO CHAPTER INDEX EWD307F
F ELECTRICAL WIRING DIAGRAM (System Circuits)
Power Source Headlight
(w/ Daytime Running Light)
202
Pages From Manual
TO MODEL INDEX
BACK TO CHAPTER INDEX EWD307F
Headlight (w/ Daytime Running Light)
203
Pages From Manual
TO MODEL INDEX
BACK TO CHAPTER INDEX EWD307F
SYSTEM CIRCUIT CONNECTORS
PARTS CODE PARTS & CONNECTOR TYPE LOCATION PARTS CODE PARTS & CONNECTOR TYPE LOCATION
C10
HIGH BEAM INDICATOR
LIGHT [COMB. METER]
BLUE
202 2 J1
(A)JUNCTION CONNECTOR
GRAY
202-2
C13
COMBINATION SW
203-3 203-
4
J2
(B)JUNCTION CONNECTOR
GRAY
202-2
D3
DAYTIME RUNNING LIGHT
RELAY
BLUE
203-3 203-
4
J7
JUNCTION CONNECTOR
203-3
H5
HEADLIGHT LH
202-2 J8
JUNCTION CONNECTOR
203-3
203-4
H6
HEADLIGHT RH
202-2 J14
JUNCTION CONNECTOR
ORANGE
203-4
117
IGNITION SW
202-1 J18
JUNCTION CONNECTOR
BLUE
203-4
204
Pages From Manual
TO MODEL INDEX
BACK TO CHAPTER INDEX EWD307F
PARTS CODE PARTS & CONNECTOR TYPE LOCATION PARTS CODE PARTS & CONNECTOR TYPE LOCATION
J19
JUNCTION CONNECTOR
ORANGE
203-4
J23
JUNCTION CONNECTOR
203-4
205
Relays, Fuses and J/B etc. Parts connector position Joint connectors and Ground points
See page 26 to 36 38 to 77 (LHD), 78 to 125 (RHD 126 to 143 (LHD), 144 to 165 (RHD)
Pages From Manual
TO MODEL INDEX
BACK TO CHAPTER INDEX EWD307F
F ELECTRICAL WIRING DIAGRAM (System Circuits)
Power Source Headlight
(w/o Daytime Running Light) Source
206
Pages From Manual
TO MODEL INDEX
BACK TO CHAPTER INDEX EWD307F
Stop Light
207
Pages From Manual
TO MODEL INDEX
BACK TO CHAPTER INDEX EWD307F
SYSTEM CIRCUIT CONNECTORS
PARTS CODE PARTS & CONNECTOR TYPE LOCATION PARTS CODE PARTS & CONNECTOR TYPE LOCATION
C10
HIGH BEAM INDICATOR
LIGHT [COMB. METER]
BLUE
206-2 J7
JUNCTION CONNECTOR
206-1
C13
COMBINATION SW
206-1
206-2
J18
JUNCTION CONNECTOR
BLUE
206-2
H5
HEADLIGHT LH
206-2 J21
(A)JUNCTION
CONNECTOR
207-4
H6
HEADLIGHT RH
206-2 J22
(B)JUNCTION
CONNECTOR
BLACK
207-4
J3
(A)JUNCTION CONNECTOR
BLACK
206-2 J23
JUNCTION CONNECTOR
206-2
207-4
J4
(B)JUNCTION CONNECTOR
BLACK
206-2 R6
STOP LIGHT LH [REAR
COMB. LIGHT LH] (w/Rear
Deck)
207 3
208
Pages From Manual
TO MODEL INDEX
BACK TO CHAPTER INDEX EWD307F
PARTS CODE PARTS & CONNECTOR TYPE LOCATION PARTS CODE PARTS & CONNECTOR TYPE LOCATION
R6
STOP LIGHT LH [REAR
COMB. LIGHT LH] (w/o Rear
Deck)
207-3
R7
STOP LIGHT RH [REAR
COMB. LIGHT RH] (w/ Rear
Deck)
207-4
R7
STOP LIGHT RH [REAR
COMB. LIGHT RH] (w/o Rear
Deck)
207-4
S4
STOP LIGHT SW
BLACK
207-4
209
Relays, Fuses and J/B etc. Parts connector position Joint connectors and Ground points
See page 26 to 36 38 to 77 (LHD), 78 to 125 (RHD 126 to 143 (LHD), 144 to 165 (RHD)
Pages From Manual
TO MODEL INDEX
BACK TO CHAPTER INDEX EWD307F
F ELECTRICAL WIRING DIAGRAM (System Circuits)
Power Source Headlight Beam Level Control Source
210
Pages From Manual
TO MODEL INDEX
BACK TO CHAPTER INDEX EWD307F
Headlight Beam Level Control
211
Pages From Manual
TO MODEL INDEX
BACK TO CHAPTER INDEX EWD307F
SYSTEM CIRCUIT CONNECTORS
PARTS CODE PARTS & CONNECTOR TYPE LOCATION PARTS CODE PARTS & CONNECTOR TYPE LOCATION
H1
HEADLIGHT BEAM LEVEL
CONTROL ACTUATOR LH
GRAY
210-1
210-2
J7
JUNCTION CONNECTOR
211-4
H2
HEADLIGHT BEAM LEVEL
CONTROL ACTUATOR RH
GRAY
211-3
H11
HEADLIGHT BEAM LEVEL
CONTROL SW
211-4
J1
(A)JUNCTION CONNECTOR
GRAY
211-4
J2
(B)JUNCTION CONNECTOR
GRAY
211-4
J4
JUNCTION CONNECTOR
BLACK
211-4
212
Pages From Manual
TO MODEL INDEX
BACK TO CHAPTER INDEX EWD307F
PARTS CODE PARTS & CONNECTOR TYPE LOCATION PARTS CODE PARTS & CONNECTOR TYPE LOCATION
213
Relays, Fuses and J/B etc. Parts connector position Joint connectors and Ground points
See page 26 to 36 38 to 77 (LHD), 78 to 125 (RHD 126 to 143 (LHD), 144 to 165 (RHD)
Pages From Manual
TO MODEL INDEX
BACK TO CHAPTER INDEX EWD307F
F ELECTRICAL WIRING DIAGRAM (System Circuits)
Power Source Headlight Cleaner
214
Pages From Manual
TO MODEL INDEX
BACK TO CHAPTER INDEX EWD307F
Seat Heater *1 : 70AType Alterator
*2 : 45A, 55A Type Alterator
215
Pages From Manual
TO MODEL INDEX
BACK TO CHAPTER INDEX EWD307F
SYSTEM CIRCUIT CONNECTORS
PARTS CODE PARTS & CONNECTOR TYPE LOCATION PARTS CODE PARTS & CONNECTOR TYPE LOCATION
H3
HEADLIGHT CLEANER
MOTOR
214-2 J14
JUNCTION CONNECTOR
ORANGE
215-3
H4
HEADLIGHT CLEANER
RELAY
BLACK
214-2 J17
JUNCTION CONNECTOR
BLACK
215-3
H12
HEADLIGHT CLEANER SW
BLACK
214-2 J19
JUNCTION CONNECTOR
ORANGE
214-2
I17
IGNITION SW
214-1 J21
JUNCTION CONNECTOR
214-2
J4
JUNCTION CONNECTOR
BLACK
215-3 J23
JUNCTION CONNECTOR
214-2
J7
JUNCTION CONNECTOR
215-3 S5
SEAT HEATER (Driver's
Seat)
215-3
216
Pages From Manual
TO MODEL INDEX
BACK TO CHAPTER INDEX EWD307F
PARTS CODE PARTS & CONNECTOR TYPE LOCATION PARTS CODE PARTS & CONNECTOR TYPE LOCATION
S6
SEAT HEATER (Front
Passenger's Seat)
215-4
S7
SEAT HEATER SW
(Driver's Seat)
215-3
S8
SEAT HEATER SW (Front
Passenger's Seat)
BLACK
215-4
217
Relays, Fuses and J/B etc. Parts connector position Joint connectors and Ground points
See page 26 to 36 38 to 77 (LHD), 78 to 125 (RHD 126 to 143 (LHD), 144 to 165 (RHD)
Pages From Manual
TO MODEL INDEX
BACK TO CHAPTER INDEX EWD307F
F ELECTRICAL WIRING DIAGRAM (System Circuits)
Power Source Taillight
218
Pages From Manual
TO MODEL INDEX
BACK TO CHAPTER INDEX EWD307F
Taillight Back-Up Light
219
Pages From Manual
TO MODEL INDEX
BACK TO CHAPTER INDEX EWD307F
SYSTEM CIRCUIT CONNECTORS
PARTS CODE PARTS & CONNECTOR TYPE LOCATION PARTS CODE PARTS & CONNECTOR TYPE LOCATION
B1
BACK-UP LIGHT SW
GRAY
219-4 F6
(D FRONT CLEARANCE
LIGHT RH
218-2
C13
COMBINATION SW
218-1 I17
IGNITION SW
218-1
D3
DAYTIME RUNNING LIGHT
RELAY
BLUE
218-1 J1 J2
(A),(B) JUNCTION
CONNECTOR
GRAY
218-2
F3
(A) FRONT CLEARANCE
LIGHT LH
GRAY
218-1 J7 J23
JUNCTION CONNECTOR
218-1
218-2
F4
(A) FRONT CLEARANCE
LIGHT RH
GRAY
218-2 J13
JUNCTION CONNECTOR
219-4
F5
(B) FRONT CLEARANCE
LIGHT LH
218-1 L1
LICENSE PLATE LIGHT LH
(w/ Rear Deck)
218-2
220
Pages From Manual
TO MODEL INDEX
BACK TO CHAPTER INDEX EWD307F
PARTS CODE PARTS & CONNECTOR TYPE LOCATION PARTS CODE PARTS & CONNECTOR TYPE LOCATION
L1
LICENSE PLATE LIGHT LH
(w/o Rear Deck, Step
Bumper Type)
218-2 R6
REAR COMBINATION
LIGHT LH (w/o Rear Deck)
219-3
L2
LICENSE PLATE LIGHT RH
(w/ Rear Deck)
218-2 R7
REAR COMBINATION
LIGHT RH (w/ Rear Deck)
219-3
219-4
L2
LICENSE PLATE LIGHT RH
(w/o Rear Deck, Step
Bumper Type)
218-2 R7
REAR COMBINATION
LIGHT RH (w/o Rear Deck)
219-3
219-4
R6
REAR COMBINATION
LIGHT LH (w/ Rear Deck)
219-3 R15
REVERSE WARNING
BUZZER
219-4
221
Relays, Fuses and J/B etc. Parts connector position Joint connectors and Ground points
See page 26 to 36 38 to 77 (LHD), 78 to 125 (RHD 126 to 143 (LHD), 144 to 165 (RHD)
Pages From Manual
TO MODEL INDEX
BACK TO CHAPTER INDEX EWD307F
F ELECTRICAL WIRING DIAGRAM (System Circuits)
Turn Sihnal and
Power Source Hazard Warning Light
222
Pages From Manual
TO MODEL INDEX
BACK TO CHAPTER INDEX EWD307F
Turn Signal and Hazard
Warning Light
223
Pages From Manual
TO MODEL INDEX
BACK TO CHAPTER INDEX EWD307F
SYSTEM CIRCUIT CONNECTORS
PARTS CODE PARTS & CONNECTOR TYPE LOCATION PARTS CODE PARTS & CONNECTOR TYPE LOCATION
C10
TURN SIGNAL INDICATOR
LIGHT [COMB. METER]
BLUE
222-2 F7
FRONT TURN SIGNAL
LIGHT LH
223-3
C13
TURN SIGNAL SW [COMB.
SW]
223-3 F8
FRONT TURN SIGNAL
LIGHT RH
223-3
F3
FRONT SIDE TURN SIGNAL
LIGHT LH
GRAY
223-3 H10
HAZARD SW
BLACK
222-1
222-2
F4
FRONT SIDE TURN SIGNAL
LIGHT RH
GRAY
223-4 I17
IGNITION SW
222-1
F5
FRONT TURN SIGNAL
LIGHT LH
223-3 J1 J2
(A), (B)JUNCTION
CONNECTOR
GRAY
223-3
F6
FRONT TURN SIGNAL
LIGHT RH
223-3 J3 J4
(A), (B)JUNCTION
CONNECTOR
BLACK
223-3
224
Pages From Manual
TO MODEL INDEX
BACK TO CHAPTER INDEX EWD307F
PARTS CODE PARTS & CONNECTOR TYPE LOCATION PARTS CODE PARTS & CONNECTOR TYPE LOCATION
J7 J23
JUNCTION CONNECTOR
222-2
223-3
223-4
R7
REAR TURN SIGNAL LIGHT
RH REAR COMB. LIGHT RH]
w/ Rear Deck)
223-4
J19
JUNCTION CONNECTOR
ORANGE
223-4 R7
REAR TURN SIGNAL LIGHT
RH REAR COMB. LIGHT RH]
w/o Rear Deck)
223-4
R6
REAR TURN SIGNAL LIGHT
LH [REAR COMB. LIGHT LH]
(w/ Rear Deck)
223-4
R6
REAR TURN SIGNAL LIGHT
LH [REAR COMB. LIGHT LH]
(w/o Rear Deck)
223-4
225
Relays, Fuses and J/B etc. Parts connector position Joint connectors and Ground points
See page 26 to 36 38 to 77 (LHD), 78 to 125 (RHD 126 to 143 (LHD), 144 to 165 (RHD)
Pages From Manual
TO MODEL INDEX
BACK TO CHAPTER INDEX EWD307F
F ELECTRICAL WIRING DIAGRAM (System Circuits)
Power Source Interior Light
226
Pages From Manual
TO MODEL INDEX
BACK TO CHAPTER INDEX EWD307F
Interior Light
227
Pages From Manual
TO MODEL INDEX
BACK TO CHAPTER INDEX EWD307F
SYSTEM CIRCUIT CONNECTORS
PARTS CODE PARTS & CONNECTOR TYPE LOCATION PARTS CODE PARTS & CONNECTOR TYPE LOCATION
C9
OPEN DOOR WARNING
LIGHT [COMB. METER]
227-4 D14
DOOR COURTESY SW
REAR LH
227-4
D7
DIODE (Door Courtesy)
227-3 D15
DOOR COURTESY SW
REAR RH
227-4
D11
DOOR COURTESY SW
FRONT LH (4-Door)
226-2 I16
IGNITION KEY CYLINDER
LIGHT
BLUE
226-1
D11
DOOR COURTESY SW
FRONT LH (2-Door)
226-2 I17
IGNITION SW
226-1
D12
DOOR COURTESY SW
FRONT RH (4-Door)
227-3 I18
(A) INTEGRATION RELAY
226-1 226-
2
D12
DOOR COURTESY SW
FRONT RH (2-Door)
227-3 I20
INTERIOR LIGHT
227-3
228
Pages From Manual
TO MODEL INDEX
BACK TO CHAPTER INDEX EWD307F
PARTS CODE PARTS & CONNECTOR TYPE LOCATION PARTS CODE PARTS & CONNECTOR TYPE LOCATION
J13
JUNCTION CONNECTOR
226-2
J16
JUNCTION CONNECTOR
GRAY
226-2
P4
PERSONAL LIGHT
227-3
229
Relays, Fuses and J/B etc. Parts connector position Joint connectors and Ground points
See page 26 to 36 38 to 77 (LHD), 78 to 125 (RHD 126 to 143 (LHD), 144 to 165 (RHD)
Pages From Manual
TO MODEL INDEX
BACK TO CHAPTER INDEX EWD307F
F ELECTRICAL WIRING DIAGRAM (System Circuits)
Power Source Illumination
230
Pages From Manual
TO MODEL INDEX
BACK TO CHAPTER INDEX EWD307F
Illumination
231
Pages From Manual
TO MODEL INDEX
BACK TO CHAPTER INDEX EWD307F
SYSTEM CIRCUIT CONNECTORS
PARTS CODE PARTS & CONNECTOR TYPE LOCATION PARTS CODE PARTS & CONNECTOR TYPE LOCATION
A14
A/CSW
BLACK
230-2 C11
©METER ILLUMINATION
[COMB. METER]
BROWN
230-2
A26
ASHTRAY ILLUMINATION
BLACK
231-3 D3
DAYTIME RUNNING LIGHT
RELAY
BLUE
230-1
B6
(A) BLOWER SW (Europe,
G. C. C. )
231-3 D5
DIFF. LOCKSW
BLACK
231-3
B6
(B) BLOWER SW (General)
BLACK
231-3 G2
GLOVE BOX LIGHT
BLACK
231-4
C6
CIGARETTE LIGHTER
ILLUMINATION
GRAY
231-3 H10
HAZARD SW
BLACK
230-2
C9
(A) METER ILLUMINATION
[COMB. METER]
230-2 J1 J2
(A), (B)JUNCTION
CONNECTOR
GRAY
230-1
232
Pages From Manual
TO MODEL INDEX
BACK TO CHAPTER INDEX EWD307F
PARTS CODE PARTS & CONNECTOR TYPE LOCATION PARTS CODE PARTS & CONNECTOR TYPE LOCATION
J7
J23
JUNCTION CONNECTOR
230-2
231-4
R3
REAR FOG LIGHT SW
BLACK
231-4
J10
J14
J19
JUNCTION CONNECTOR
ORANGE
230-2
231-3
231-4
R4
REAR WINDOW
DEFOGGER SW
BLACK
230-2
J11
J15
JUNCTION CONNECTOR
BLUE
230-2
231-3
231-4
R1
RADIO AND PLAYER
BLUE
231-4
233
Pages From Manual
TO MODEL INDEX
BACK TO CHAPTER INDEX
Relays, Fuses and J/B etc. Parts connector position Joint connectors and Ground points
See page 26 to 36 38 to 77 (LHD), 78 to 125 (RHD 126 to 143 (LHD), 144 to 165 (RHD)
EWD307F
F ELECTRICAL WIRING DIAGRAM (System Circuits)
Power Source Door Lock Control
234
Pages From Manual
TO MODEL INDEX
BACK TO CHAPTER INDEX EWD307F
Door Lock Control
235
Pages From Manual
TO MODEL INDEX
BACK TO CHAPTER INDEX EWD307F
SYSTEM CIRCUIT CONNECTORS
PARTS CODE PARTS & CONNECTOR TYPE LOCATION PARTS CODE PARTS & CONNECTOR TYPE LOCATION
D16
DOOR KEY LOCK AND
UNLOCK SW
GRAY
235-4 I19
(B) INTEGRATION RELAY
GREEN
234-1
234-2
235-3
235-4
D17
(A) DOOR LOCK CONTROL
SW
235-3 J5
(A) JUNCTION
CONNECTOR
234-2
235-3
235-4
D18
DOOR LOCK MOTOR
FRONT LH
BLACK
234-2 J6
(B) JUNCTION
CONNECTOR
234-2
235-3
235-4
D19
DOOR LOCK MOTOR
FRONT RH
BLACK
234-1 J7
JUNCTION CONNECTOR
235-4
D20
DOOR LOCK MOTOR REAR
LH
BLACK
234-2 P9
(B)DOOR LOCK CONTROL
SW [POWER WINDOW
MASTER SW] (4-Door)
235-3
D21
DOOR LOCK MOTOR REAR
RH
BLACK
235-3 P9
(C)DOOR LOCK CONTROL
SW [POWER WINDOW
MASTER SW] (2-Door)
235-3
236
Pages From Manual
TO MODEL INDEX
BACK TO CHAPTER INDEX EWD307F
PARTS CODE PARTS & CONNECTOR TYPE LOCATION PARTS CODE PARTS & CONNECTOR TYPE LOCATION
237
Relays, Fuses and J/B etc. Parts connector position Joint connectors and Ground points
See page 26 to 36 38 to 77 (LHD), 78 to 125 (RHD 126 to 143 (LHD), 144 to 165 (RHD)
Pages From Manual
TO MODEL INDEX
BACK TO CHAPTER INDEX EWD307F
F ELECTRICAL WIRING DIAGRAM (System Circuits)
Power Source Power Window
238
Pages From Manual
TO MODEL INDEX
BACK TO CHAPTER INDEX EWD307F
* 1 : 70A Type Alternator
* 2 : 45A, 55A Type Alternator
Power Window * 3 : 4-Door
* 4 : 2-Door
239
Pages From Manual
TO MODEL INDEX
BACK TO CHAPTER INDEX EWD307F
SYSTEM CIRCUIT CONNECTORS
PARTS CODE PARTS & CONNECTOR TYPE LOCATION PARTS CODE PARTS & CONNECTOR TYPE LOCATION
I17
IGNITION SW
238-1 P8
POWER WINDOW
CONTROL SW REAR RH
239-4
J5
(A) JUNCTION
CONNECTOR
238-1 238-2 P9
(A) POWER WINDOW
MASTER SW (4-
Door)
238-2 239-3
239-4
J6
(B) JUNCTION
CONNECTOR
238-1 238 2 P9
(B) POWER WINDOW
MASTER SW (2-Door)
238-2 239 3
239-4
J7
JUNCTION CONNECTOR
238-2 P10
POWER WINDOW MOTOR
FRONT LH
238-2
P6
POWER WINDOW
CONTROL SW FRONT RH
239-3 P11
POWER WINDOW MOTOR
FRONT RH
239-3
P7
POWER WINDOW
CONTROL SW REAR LH
239-3 P12
POWER WINDOW MOTOR
REAR LH
239-3
240
Pages From Manual
TO MODEL INDEX
BACK TO CHAPTER INDEX EWD307F
PARTS CODE PARTS & CONNECTOR TYPE LOCATION PARTS CODE PARTS & CONNECTOR TYPE LOCATION
P13
POWER WINDOW MOTOR
REAR RH
239-4
241
Relays, Fuses and J/B etc. Parts connector position Joint connectors and Ground points
See page 26 to 36 38 to 77 (LHD), 78 to 125 (RHD 126 to 143 (LHD), 144 to 165 (RHD)
Pages From Manual
TO MODEL INDEX
BACK TO CHAPTER INDEX EWD307F
F ELECTRICAL WIRING DIAGRAM (System Circuits)
Power Source Light Reminder Buzzer
and Seat Belt Warning
242
Pages From Manual
TO MODEL INDEX
BACK TO CHAPTER INDEX EWD307F
Cigarette Lighter Clock Horn
243
Pages From Manual
TO MODEL INDEX
BACK TO CHAPTER INDEX EWD307F
SYSTEM CIRCUIT CONNECTORS
PARTS CODE PARTS & CONNECTOR TYPE LOCATION PARTS CODE PARTS & CONNECTOR TYPE LOCATION
B7
BUCKLE SW
242-2 C14
(B) HORN SW [COMB. SW]
(W/SRS)
243-4
C5
CIGARETTE LIGHTER
243-3 H9
HORN
BLACK
243-4
C8
CLOCK
243-3 I17
IGNITION SW
242-1
C9
(A) SEAT BELT WARNING
LIGHT [COMB. METER]
242 1 I18
(A) INTEGRATION RELAY
242-2
C10
(B) SEAT BELT WARNING
LIGHT [COMB. METER]
BLUE
242-1 J1
(A) JUNCTION
CONNECTOR
GRAY
242-1
C12
(A) HORN SW [COMB. SW]
(W/O SRS)
BLACK
243-4 J2
(B) JUNCTION
CONNECTOR
GRAY
242-1
244
Pages From Manual
TO MODEL INDEX
BACK TO CHAPTER INDEX EWD307F
PARTS CODE PARTS & CONNECTOR TYPE LOCATION PARTS CODE PARTS & CONNECTOR TYPE LOCATION
J4
JUNCTION CONNECTOR
BLACK
242-2 J13
JUNCTION CONNECTOR
242-1
J7
JUNCTION CONNECTOR
242-2 J20
JUNCTION CONNECTOR
243-4
J8
JUNCTION CONNECTOR
243 3 J23
JUNCTION CONNECTOR
243-3
J9
JUNCTION CONNECTOR
BLUE
243-3 U1
UNLOCK WARNING SW
242-2
245
Relays, Fuses and J/B etc. Parts connector position Joint connectors and Ground points
See page 26 to 36 38 to 77 (LHD), 78 to 125 (RHD 126 to 143 (LHD), 144 to 165 (RHD)
Pages From Manual
TO MODEL INDEX
BACK TO CHAPTER INDEX EWD307F
F ELECTRICAL WIRING DIAGRAM (System Circuits)
Power Source Rear Differential Lock Source
246
Pages From Manual
TO MODEL INDEX
BACK TO CHAPTER INDEX EWD307F
Rear Differential Lock
247
Pages From Manual
TO MODEL INDEX
BACK TO CHAPTER INDEX EWD307F
SYSTEM CIRCUIT CONNECTORS
PARTS CODE PARTS & CONNECTOR TYPE LOCATION PARTS CODE PARTS & CONNECTOR TYPE LOCATION
C10
(B)REARDIFF. LOCK
INDICATOR LIGHT [COMB.
METER]
BLUE
246-2
JUNCTION CONNECTOR
247-3
C11
(C)REARDIFF. LOCK
INDICATOR LIGHT [COMB.
METER]
BROWN
246-2 J8
JUNCTION CONNECTOR
246-2
D4
DIFF. LOCK ECU
246-1 246-
2 247-3
247-4
J14
JUNCTION CONNECTOR
ORANGE
247 3
D5
DIFF. LOCKSW
BLACK
246-2 J16
JUNCTION CONNECTOR
GRAY
246-2
D13
DETECTION SW (Rear Diff.
Lock)
GRAY
247-3 J19
JUNCTION CONNECTOR
ORANGE
247-4
I17
IGNITION SW
246-1 J23
JUNCTION CONNECTOR
247-4
248
Pages From Manual
TO MODEL INDEX
BACK TO CHAPTER INDEX
J7
EWD307F
PARTS CODE PARTS & CONNECTOR TYPE LOCATION PARTS CODE PARTS & CONNECTOR TYPE LOCATION
R8
REAR DIFF. LOCK MOTOR
GRAY
247-4
249
Relays, Fuses and J/B etc. Parts connector position Joint connectors and Ground points
See page 26 to 36 38 to 77 (LHD), 78 to 125 (RHD 126 to 143 (LHD), 144 to 165 (RHD)
Pages From Manual
TO MODEL INDEX
BACK TO CHAPTER INDEX EWD307F
F ELECTRICAL WIRING DIAGRAM (System Circuits)
Power Source Rear Window Defogger
250
Pages From Manual
TO MODEL INDEX
BACK TO CHAPTER INDEX EWD307F
Front Wiper and Washer
251
Pages From Manual
TO MODEL INDEX
BACK TO CHAPTER INDEX EWD307F
SYSTEM CIRCUIT CONNECTORS
PARTS CODE PARTS & CONNECTOR TYPE LOCATION PARTS CODE PARTS & CONNECTOR TYPE LOCATION
C12
FRONT WIPER AND
WASHER SW [COMB. SW]
BLACK
251-4 J14
JUNCTION CONNECTOR
ORANGE
250-2
H3
WASHER MOTOR
[HEADLIGHT CLEANER
MOTOR]
251-3 J15
JUNCTION CONNECTOR
BLUE
250-2
I17
IGNITION SW
250-1 J21
(A) JUNCTION
CONNECTOR
251-3
J7
JUNCTION CONNECTOR
250-2 251-
4
J22
(DJUNCTION CONNECTOR
BLACK
251-3
J8
(A)JUNCTION CONNECTOR
251-3 J23
JUNCTION CONNECTOR
251-3
J13
(B) JUNCTION CONNECTOR
251-3 R4
REAR WINDOW
DEFOGGER SW
BLACK
250-2
252
Pages From Manual
TO MODEL INDEX
BACK TO CHAPTER INDEX EWD307F
PARTS CODE PARTS & CONNECTOR TYPE LOCATION PARTS CODE PARTS & CONNECTOR TYPE LOCATION
R10
(A) REAR WINDOW
DEFOGGER
BLACK
250-2
R11
(DREAR WINDOW
DEFOGGER
BLACK
250-2
W1
WASHER MOTOR
GRAY
251-3
W4
WIPER MOTOR
BLACK
251-4
253
Relays, Fuses and J/B etc. Parts connector position Joint connectors and Ground points
See page 26 to 36 38 to 77 (LHD), 78 to 125 (RHD 126 to 143 (LHD), 144 to 165 (RHD)
Pages From Manual
TO MODEL INDEX
BACK TO CHAPTER INDEX EWD307F
F ELECTRICAL WIRING DIAGRAM (System Circuits)
Power Source 4WD Source
254
Pages From Manual
TO MODEL INDEX
BACK TO CHAPTER INDEX EWD307F
4WD
255
Pages From Manual
TO MODEL INDEX
BACK TO CHAPTER INDEX EWD307F
SYSTEM CIRCUIT CONNECTORS
PARTS CODE PARTS & CONNECTOR TYPE LOCATION PARTS CODE PARTS & CONNECTOR TYPE LOCATION
A 8
ADD INDICATOR SW
GRAY
254-2 I17
IGNITION SW
254-1
A20
ADD CONTROL RELAY
254-2 J1 J2
(A), (B)JUNCTION
CONNECTOR
GRAY
254-1
C10
(B)4WD INDICATOR LIGHT
[COMB. METER]
BLUE
255-3 J3 J4
(A), (B)JUNCTION
CONNECTOR
BLACK
254-2
C11
(C)4WD INDICATOR LIGHT
[COMB. METER]
BROWN
255-3 J7 J23
JUNCTION CONNECTOR
255-3
255-4
D1
DETECTION SW (Transfer
4WD Position)
GRAY
255-3 J8
(A)JUNCTION
CONNECTOR
255-3
D2
DETECTION SW (Transfer
L4 Position)
BLUE
255-4 J13
(B) JUNCTION
CONNECTOR
255-3
256
Pages From Manual
TO MODEL INDEX
BACK TO CHAPTER INDEX EWD307F
PARTS CODE PARTS & CONNECTOR TYPE LOCATION PARTS CODE PARTS & CONNECTOR TYPE LOCATION
J14 J19
JUNCTION CONNECTOR
ORANGE
255 4 J22
(B) JUNCTION
CONNECTOR
BLACK
255-3
J15
JUNCTION CONNECTOR
BLUE
255-4 V4
VSV (2WD, ADD)
BROWN
254-1
J16
(A)JUNCTION
CONNECTOR
GRAY
255-3 V5
VSV (4WD, ADD)
BLUE
254-2
J17
JUNCTION CONNECTOR
BLACK
255-4
257
Relays, Fuses and J/B etc. Parts connector position Joint connectors and Ground points
See page 26 to 36 38 to 77 (LHD), 78 to 125 (RHD 126 to 143 (LHD), 144 to 165 (RHD)
Pages From Manual
TO MODEL INDEX
BACK TO CHAPTER INDEX EWD307F
F ELECTRICAL WIRING DIAGRAM (System Circuits)
Power Source ABS
258
Pages From Manual
TO MODEL INDEX
BACK TO CHAPTER INDEX EWD307F
(Cont. next page)
ABS
259
Pages From Manual
TO MODEL INDEX
BACK TO CHAPTER INDEX EWD307F
F ELECTRICAL WIRING DIAGRAM (System Circuits)
ABS
260
Pages From Manual
TO MODEL INDEX
BACK TO CHAPTER INDEX EWD307F
ABS
261
Pages From Manual
TO MODEL INDEX
BACK TO CHAPTER INDEX
(Cont'd)
EWD307F
SYSTEM CIRCUIT CONNECTORS
PARTS CODE PARTS & CONNECTOR TYPE LOCATION
A 4
(A)ABS ACTUATOR
GRAY
259-3
259-4
A 5
(DABS ACTUATOR
BLACK
259-3
259-4
A 6
ABS SPEED SENSOR
FRONT LH
GRAY
260-5
A 7
ABS SPEED SENSOR
FRONT RH
GRAY
260-5
A17
ABS DECELERATION
SENSOR
BLACK
261-7
A18
(A)ABS ECU
259-3
259-4
260-5
260-6
261-7
261-8
262
PARTS CODE PARTS & CONNECTOR TYPE LOCATION
A19
(C) ABS ECU
259-3
259-4
260-5
260-6
261-7
261-8
A28
ABS SPEED SENSOR
REAR LH
GRAY
261-7
A29 *
ABS SPEED SENSOR
REAR RH
GRAY
261-8
C3
CHECK CONNECTOR
(2RZ-FE, 2L-T)
BLACK
259-3
259-4
C3
CHECK CONNECTOR
(EXCEPT 2RZ-FE 2L-T)
BLACK
259-3
259-4
C10
(B)ABS WARNING LIGHT
[COMB. METER]
BLUE
260-5
Pages From Manual
TO MODEL INDEX
BACK TO CHAPTER INDEX EWD307F
PARTS CODE PARTS & CONNECTOR TYPE LOCATION PARTS CODE PARTS & CONNECTOR TYPE LOCATION
C11
(C) ABS WARNING LIGHT
[COMB. METER]
BROWN
260-5 J8
(A) JUNCTION
CONNECTOR
260-5
I17
IGNITION SW
258-1 J9
(B) JUNCTION
CONNECTOR
BLUE
258-2
J3
JUNCTION CONNECTOR
BLACK
258-2 J12
(A)JUNCTION
CONNECTOR
BLUE
258-2
J7
JUNCTION CONNECTOR
260-6 J13
(B) JUNCTION
CONNECTOR
260-5
263
Relays, Fuses and J/B etc. Parts connector position Joint connectors and Ground points
See page 26 to 36 38 to 77 (LHD), 78 to 125 (RHD 126 to 143 (LHD), 144 to 165 (RHD)
Pages From Manual
TO MODEL INDEX
BACK TO CHAPTER INDEX EWD307F
SYSTEM CIRCUIT CONNECTORS
PARTS CODE PARTS & CONNECTOR TYPE LOCATION PARTS CODE PARTS & CONNECTOR TYPE LOCATION
J17
(A) JUNCTION
CONNECTOR
BLACK
260-5
J20
(C) JUNCTION
CONNECTOR
259-3 260-
5
J21
(A) JUNCTION
CONNECTOR
259-3
264
Pages From Manual
TO MODEL INDEX
BACK TO CHAPTER INDEX EWD307F
PARTS CODE PARTS & CONNECTOR TYPE LOCATION PARTS CODE PARTS & CONNECTOR TYPE LOCATION
265
Relays, Fuses and J/B etc. Parts connector position Joint connectors and Ground points
See page 26 to 36 38 to 77 (LHD), 78 to 125 (RHD 126 to 143 (LHD), 144 to 165 (RHD)
Pages From Manual
TO MODEL INDEX
BACK TO CHAPTER INDEX EWD307F
F ELECTRICAL WIRING DIAGRAM (System Circuits)
Power Source SRS
266
Pages From Manual
TO MODEL INDEX
BACK TO CHAPTER INDEX EWD307F
SRS
267
Pages From Manual
TO MODEL INDEX
BACK TO CHAPTER INDEX EWD307F
F ELECTRICAL WIRING DIAGRAM (System Circuits)
PARTS CODE PARTS & CONNECTOR TYPE LOCATION PARTS CODE PARTS & CONNECTOR TYPE LOCATION
A21
(A)AIRBAG SENSOR
ASSEMBLY
YELLOW
266-2
267-3
267-4
C3
CHECK CONNECTOR
(Except 2RZ-FE 2L-T)
BLACK
267-3
267-4
A22
(B) AIRBAG SENSOR
ASSEMBLY
YELLOW
266-2
267-3
267-4
C9
(A)SRS WARNING LIGHT
[COMB. METER]
267-3
A23
(C)AIRBAG SENSOR
ASSEMBLY
YELLOW
266-2
267-3
267-4
C11
(C)SRS WARNING LIGHT
[COMB. METER]
BROWN
267-3
A24
AIRBAG SQUIB (Front
Passenger's Airbag
Assembly)
YELLOW
266-2 I17
IGNITION SW
266-1
A25
AIRBAG SQUIB (Steering
Wheel Pad)
YELLOW
266-1
266-2
J3
JUNCTION CONNECTOR
BLACK
266-1
C3
CHECK CONNECTOR (2RZ-
FE, 2L-T)
BLACK
267-3
267-4
J9
(B) JUNCTION CONNECTOR
BLUE
266-2
268
Pages From Manual
TO MODEL INDEX
BACK TO CHAPTER INDEX EWD307F
PARTS CODE PARTS & CONNECTOR TYPE LOCATION PARTS CODE PARTS & CONNECTOR TYPE LOCATION
J12
(A)JUNCTION
CONNECTOR
BLUE
266-2 J21
(A) JUNCTION
CONNECTOR
267-4
J17
(A) JUNCTION
CONNECTOR
BLACK
267-3 P14
PRETENSIONER LH
YELLOW
267-3
J18
JUNCTION CONNECTOR
BLUE
267 3 P15
PRETENSIONER RH
YELLOW
267-3
J20
(B) JUNCTION
CONNECTOR
267-3
267-4
269
Relays, Fuses and J/B etc. Parts connector position Joint connectors and Ground points
See page 26 to 36 38 to 77 (LHD), 78 to 125 (RHD 126 to 143 (LHD), 144 to 165 (RHD)
Pages From Manual
TO MODEL INDEX
BACK TO CHAPTER INDEX EWD307F
F ELECTRICAL WIRING DIAGRAM (System Circuits)
Power Source Remote Control Mirror
270
Pages From Manual
TO MODEL INDEX
BACK TO CHAPTER INDEX EWD307F
Radio and Player
271
Pages From Manual
TO MODEL INDEX
BACK TO CHAPTER INDEX EWD307F
SYSTEM CIRCUIT CONNECTORS
PARTS CODE PARTS & CONNECTOR TYPE LOCATION PARTS CODE PARTS & CONNECTOR TYPE LOCATION
D22
DOOR SPEAKER FRONT
LH
271-3 J8
JUNCTION CONNECTOR
271-3
D23
DOOR SPEAKER FRONT
RH
271-4 J9
JUNCTION CONNECTOR
BLUE
271-3
I17
IGNITION SW
270-1 R1
RADIO AND PLAYER
BLUE
271-3
271-4
J5
(A)JUNCTION CONNECTOR
270-2 R12
REMOTE CONTROL
MIRROR LH
270-1
J6
(C) JUNCTION
CONNECTOR
270-2 R13
REMOTE CONTROL
MIRROR RH
270-2
J7
JUNCTION CONNECTOR
270-2 R14
REMOTE CONTROL
MIRROR SW
270-1
270-2
272
Pages From Manual
TO MODEL INDEX
BACK TO CHAPTER INDEX EWD307F
PARTS CODE PARTS & CONNECTOR TYPE LOCATION PARTS CODE PARTS & CONNECTOR TYPE LOCATION
273
Relays, Fuses and J/B etc. Parts connector position Joint connectors and Ground points
See page 26 to 36 38 to 77 (LHD), 78 to 125 (RHD 126 to 143 (LHD), 144 to 165 (RHD)
Pages From Manual
TO MODEL INDEX
BACK TO CHAPTER INDEX EWD307F
F ELECTRICAL WIRING DIAGRAM (System Circuits)
Power Source Combination Meter
274
Pages From Manual
TO MODEL INDEX
BACK TO CHAPTER INDEX EWD307F
(Cont. next page)
Combination Meter
275
Pages From Manual
TO MODEL INDEX
BACK TO CHAPTER INDEX EWD307F
F ELECTRICAL WIRING DIAGRAM (System Circuits)
Combination Meter
276
Pages From Manual
TO MODEL INDEX
BACK TO CHAPTER INDEX EWD307F
(Cont'd)
Combination Meter
277
Pages From Manual
TO MODEL INDEX
BACK TO CHAPTER INDEX EWD307F
SYSTEM CIRCUIT CONNECTORS
PARTS CODE PARTS & CONNECTOR TYPE LOCATION PARTS CODE PARTS & CONNECTOR TYPE LOCATION
B2
BRAKE FLUID LEVEL
WARNING SW
GRAY
275-4 F13
FUEL SENDER
274-2
C9
(A) COMBINATION METER 274-1
274-2
275-3
275-4
276-5
276-6
277-7
277-8
I17
IGNITION SW
274-1
C10
(B)COMBINATION METER
BLUE
274-1
274-2
275-3
275-4
276-5
276-6
277-7
277-8
J1
(A) JUNCTION
CONNECTOR
GRAY
276-5
C11
(C)COMBINATION METER
BROWN
274-1
274-2
275-3
275-4
276-5
276-6
277-7
277-8
J2
(B) JUNCTION
CONNECTOR
GRAY
276-5
E2
ENGINE OIL LEVEL
WARNING SW
GRAY
274-1 J3
(A)JUNCTON CONNECTOR
BLACK
275-4
F10
FUEL SEDIMENTARY SW
GRAY
276-5 J4
(B) JUNCTION
CONNECTOR
BLACK
275-4
278
Pages From Manual
TO MODEL INDEX
BACK TO CHAPTER INDEX EWD307F
PARTS CODE PARTS & CONNECTOR TYPE LOCATION PARTS CODE PARTS & CONNECTOR TYPE LOCATION
J7
JUNCTION CONNECTOR
275-3 J14
JUNCTION CONNECTOR
ORANGE
275-4
J8
(A)JUNCTION CONNECTOR
274-2 J19
JUNCTION CONNECTOR
ORANGE
275-4
J12
(A)JUNCTION CONNECTOR
BLUE
274-2 J23
JUNCTION CONNECTOR
275-3
J13
(B)JUNCTION CONNECTOR
274-2 O1
OIL PRESSURE SW
(Gasoline)
GRAY
276-6
Relays, Fuses and J/B etc. Parts connector position Joint connectors and Ground points
See page 26 to 36 38 to 77 (LHD), 78 to 125 (RHD 126 to 143 (LHD), 144 to 165 (RHD)
279
Pages From Manual
TO MODEL INDEX
BACK TO CHAPTER INDEX EWD307F
SYSTEM CIRCUIT CONNECTORS
PARTS CODE PARTS & CONNECTOR TYPE LOCATION PARTS CODE PARTS & CONNECTOR TYPE LOCATION
O1
OIL PRESSURE SW (Diesel)
276-6
P2
PARKING BRAKE SW
275-3
T2
TURBO PRESSURE SW
BLACK
276-6
V2
VACUUM SW
BLACK
275-4
W2
WATER TEMP. SENDER
GRAY 1
274-2
280
Pages From Manual
TO MODEL INDEX
BACK TO CHAPTER INDEX EWD307F
PARTS CODE PARTS & CONNECTOR TYPE LOCATION PARTS CODE PARTS & CONNECTOR TYPE LOCATION
Relays, Fuses and J/B etc. Parts connector position Joint connectors and Ground points
See page 26 to 36 38 to 77 (LHD), 78 to 125 (RHD 126 to 143 (LHD), 144 to 165 (RHD)
281
Pages From Manual
TO MODEL INDEX
BACK TO CHAPTER INDEX EWD307F
F ELECTRICAL WIRING DIAGRAM (System Circuits)
Power Source Air Conditioner
282
Pages From Manual
TO MODEL INDEX
BACK TO CHAPTER INDEX EWD307F
Air Conditioner
283
Pages From Manual
TO MODEL INDEX
BACK TO CHAPTER INDEX EWD307F
SYSTEM CIRCUIT CONNECTORS
PARTS CODE PARTS & CONNECTOR TYPE LOCATION PARTS CODE PARTS & CONNECTOR TYPE LOCATION
A1
A/C DUAL PRESSURE SW
GRAY
283-3 B4
BLOWER MOTOR
BLACK
283-3
A 2
A/C MAGNETIC CLUTCH
GRAY
283-4 B5
BLOWER RESISTOR
BLACK
282-2
A13
A/C AMPLIFIER
BLACK
283-3 283-
4
B6
(A) BLOWER SW
(Europe G. C. C. )
282-2
A14
A/C SW
BLACK
283-3 B6
(B) BLOWER SW (General)
BLACK
282-2
A15
A/C THERMISTOR
283-4 I17
IGNITION SW
282-1
A16
A/C VOLUME SW
283-4 J1 J2
(A), (B) JUNCTION
CONNECTOR
GRAY
282-1 282-
2
284
Pages From Manual
TO MODEL INDEX
BACK TO CHAPTER INDEX EWD307F
PARTS CODE PARTS & CONNECTOR TYPE LOCATION PARTS CODE PARTS & CONNECTOR TYPE LOCATION
J7
J23
JUNCTION CONNECTOR
282-2 J22
JUNCTION CONNECTOR
BLACK
283-3
J12
JUNCTION CONNECTOR
BLUE
283-3 V6
VSV (A/C Idle-Up)
BLACK
283-4
J14
J19
JUNCTION CONNECTOR
ORANGE
282-2 283-
3
J15
JUNCTION CONNECTOR
BLUE
283-3
285
Relays, Fuses and J/B etc. Parts connector position Joint connectors and Ground points
See page 26 to 36 38 to 77 (LHD), 78 to 125 (RHD 126 to 143 (LHD), 144 to 165 (RHD)
Pages From Manual
TO MODEL INDEX
BACK TO CHAPTER INDEX EWD307F
F ELECTRICAL WIRING DIAGRAM (System Circuits)
Power Source Starting (Gasoline)
286
Pages From Manual
TO MODEL INDEX
BACK TO CHAPTER INDEX EWD307F
* 1 : Australia * 4 : Except Cold Area Spec.
Charging (Gasoline) * 2 : General * 5 : 70ATypeAlternator
* 3 : Cold Area Spec. * 6 : 45A, 55A Type Alternator
287
Pages From Manual
TO MODEL INDEX
BACK TO CHAPTER INDEX EWD307F
SYSTEM CIRCUIT CONNECTORS
PARTS CODE PARTS & CONNECTOR TYPE LOCATION PARTS CODE PARTS & CONNECTOR TYPE LOCATION
A10
(A) ALTERNATOR
BLACK
287-3 J2
(B)JUNCTION CONNECTOR
GRAY
287-4
A11
(B)ALTERNATOR
287-3 J7
JUNCTION CONNECTOR
BLUE
287-4
C9
(A)CHARGE WARNING
LIGHT [COMB. METER]
287-4 J12
JUNCTION CONNECTOR
BLUE
286-2
C10
(B)CHARGE WARNING
LIGHT [COMB. METER]
BLUE
287-4 J13
(A) JUNCTION
CONNECTOR
BLACK
287-4
I17
IGNITION SW
286-1 J14
(B) JUNCTION
CONNECTOR
BLACK
287-4
J1
(A) JUNCTION
CONNECTOR
GRAY
286-2
287-4
N1
NEUTRAL START SW
GRAY
286-2
288
Pages From Manual
TO MODEL INDEX
BACK TO CHAPTER INDEX EWD307F
PARTS CODE PARTS & CONNECTOR TYPE LOCATION PARTS CODE PARTS & CONNECTOR TYPE LOCATION
S2
(A) STARTER
BLACK
286-1
S3
(B) STARTER
286-1
Relays, Fuses and J/B etc. Parts connector position Joint connectors and Ground points
See page 26 to 36 38 to 77 (LHD), 78 to 125 (RHD 126 to 143 (LHD), 144 to 165 (RHD)
289
Pages From Manual
TO MODEL INDEX
BACK TO CHAPTER INDEX EWD307F
F ELECTRICAL WIRING DIAGRAM (System Circuits)
Power Source Starting (Diesel)
290
Pages From Manual
TO MODEL INDEX
BACK TO CHAPTER INDEX EWD307F
* 1 : Australia
* 2 : Europe
* 3 : General
Fuel Heater Charging (Diesel) * 4 : 70ATypeAlternator
* 5 : 45A, 55A Type Alternator
291
Pages From Manual
TO MODEL INDEX
BACK TO CHAPTER INDEX EWD307F
SYSTEM CIRCUIT CONNECTORS
PARTS CODE PARTS & CONNECTOR TYPE LOCATION PARTS CODE PARTS & CONNECTOR TYPE LOCATION
A10
(A) ALTERNATOR
(B) BLACK
291-3 J1
(A) JUNCTION CONNECTOR
GRAY
290-2
291-3
A11
(B)ALTERNATOR
291-3 J2
(B) JUNCTION CONNECTOR
GRAY
290-2
291-3
C9
(A)CHARGE WARNING
LIGHT [COMB. METER]
291-4 J7
JUNCTION CONNECTOR
BLUE
291-4
C10
(B)CHARGE WARNING
LIGHT [COMB. METER]
BLUE
291-4 J12
JUNCTION CONNECTOR
BLUE
290-2
F9
FUEL HEATER
GRAY
291-3 J13
(A)JUNCTION CONNECTOR
BLACK
291-4
117
IGNITION SW
290-2 J14
(B) JUNCTION CONNECTOR
BLACK
290-2
291-4
292
Pages From Manual
TO MODEL INDEX
BACK TO CHAPTER INDEX EWD307F
PARTS CODE PARTS & CONNECTOR TYPE LOCATION PARTS CODE PARTS & CONNECTOR TYPE LOCATION
S2
(A) STARTER
BLACK
290-1
S3
(C) STARTER
290-1
293
Relays, Fuses and J/B etc. Parts connector position Joint connectors and Ground points
See page 26 to 36 38 to 77 (LHD), 78 to 125 (RHD 126 to 143 (LHD), 144 to 165 (RHD)
Pages From Manual
TO MODEL INDEX
BACK TO CHAPTER INDEX EWD307F
F ELECTRICAL WIRING DIAGRAM (System Circuits)
Power Source Ignition Source
294
Pages From Manual
TO MODEL INDEX
BACK TO CHAPTER INDEX EWD307F
Ignition
295
Pages From Manual
TO MODEL INDEX
BACK TO CHAPTER INDEX EWD307F
SYSTEM CIRCUIT CONNECTORS
PARTS CODE PARTS & CONNECTOR TYPE LOCATION PARTS CODE PARTS & CONNECTOR TYPE LOCATION
I1
IGNITER DARK
GRAY
295-3 I6
(C) IIA (1RZ)
GRAY
295-4
I2
IGNITION COIL AND
IGNITER N0.1
BLACK
294-1 I7
(B) IIA
GRAY
294-2
I3
IGNITION COIL AND
IGNITER NO. 2
BLACK
294-1 294-
2
I17
IGNITION SW
294-1
I4
IGNITION COIL NO. 1
DARK GRAY
295-3 J13
(A) JUNCTION
CONNECTOR
BLACK
294-1 295-3
I5
IGNITION COIL NO. 2
GRAY
295-3 J14
(B) JUNCTION
CONNECTOR
BLACK
294-1 295-3
I6
(A) IIA(1RZ-E)
GRAY
294-2 N2
NOISE FILTER
GRAY
294-2
296
Pages From Manual
TO MODEL INDEX
BACK TO CHAPTER INDEX EWD307F
PARTS CODE PARTS & CONNECTOR TYPE LOCATION PARTS CODE PARTS & CONNECTOR TYPE LOCATION
297
Relays, Fuses and J/B etc. Parts connector position Joint connectors and Ground points
See page 26 to 36 38 to 77 (LHD), 78 to 125 (RHD 126 to 143 (LHD), 144 to 165 (RHD)
Pages From Manual
TO MODEL INDEX
BACK TO CHAPTER INDEX EWD307F
F ELECTRICAL WIRING DIAGRAM (System Circuits)
Power Source Engine Control (3RZ-FE)
298
Pages From Manual
TO MODEL INDEX
BACK TO CHAPTER INDEX EWD307F
* 1 : Shielded
Engine Control (3RZ-FE) * 2 : 70A Type Alternator
* 3 : 45A, 55A Type Alternator
299
Pages From Manual
TO MODEL INDEX
BACK TO CHAPTER INDEX
(Cont. next page)
EWD307F
F ELECTRICAL WIRING DIAGRAM (System Circuits)
Engine Control (3RZ-FE)
300
Pages From Manual
TO MODEL INDEX
BACK TO CHAPTER INDEX EWD307F
Engine Control (3RZ-FE) * 1: Shielded
301
Pages From Manual
TO MODEL INDEX
BACK TO CHAPTER INDEX
(Cont'd)
EWD307F
SYSTEM CIRCUIT CONNECTORS
PARTS CODE PARTS & CONNECTOR TYPE LOCATION PARTS CODE PARTS & CONNECTOR TYPE LOCATION
A 9
AIR FLOW METER
BLACK
300-5 D10
DLC3
BLACK
299-3
299-4
C1
CAMSHAFT POSITION
SENSOR
BLACK
301-7 E4
(A) ENGINE ECU (M/T) OR
ENGINE AND ECT ECU
(A/T)
300-5
300-6
301-7
301-8
C3
CHECK CONNECTOR
BLACK
299-4 E5
(B) ENGINE ECU (M/T) OR
ENGINE AND ECT ECU
(A/T)
300-5
300-6
301-7
301-8
C4
CRANKSHAFT POSITION
SENSOR
DARK GRAY
301-7 E6
(C)ENGINE ECU (M/T) OR
ENGINE AND ECT ECU
(A/T)
300-5
300-6
301-7
301-8
C10
(B) CHECK ENGINE
WARNING LIGHT [COMB.
METER]
BLUE
299-3 F12
FUEL PUMP GRAY (III
299-3
C11
(C) CHECK ENGINE
WARNING LIGHT [COMB.
METER]
BROWN
299-3 I10
INJECTOR NO. 1
BLUE
298-1
302
Pages From Manual
TO MODEL INDEX
BACK TO CHAPTER INDEX EWD307F
PARTS CODE PARTS & CONNECTOR TYPE LOCATION PARTS CODE PARTS & CONNECTOR TYPE LOCATION
I11
INJECTOR NO. 2
BLUE
298-2 I17
IGNITION SW
298-1
I12
INJECTOR NO. 3
BLUE
298-2 J1
JUNCTION CONNECTOR
GRAY
298-2
I13
INJECTOR NO. 4
BLUE
298-2 J3
JUNCTION CONNECTOR
299-3
I15
ISC VALVE
GRAY
300-5 J5
JUNCTION CONNECTOR
BLUE
299-4
303
Relays, Fuses and J/B etc. Parts connector position Joint connectors and Ground points
See page 26 to 36 38 to 77 (LHD), 78 to 125 (RHD 126 to 143 (LHD), 144 to 165 (RHD)
Pages From Manual
TO MODEL INDEX
BACK TO CHAPTER INDEX EWD307F
SYSTEM CIRCUIT CONNECTORS
PARTS CODE PARTS & CONNECTOR TYPE LOCATION PARTS CODE PARTS & CONNECTOR TYPE LOCATION
J12
JUNCTION CONNECTOR
BLUE
299-4
300-6
V3
VARIABLE RESISTOR
BLACK
301 7
J13
(A)JUNCTION
CONNECTOR
BLACK
298-2 V8
VSV (EVAP)
BLACK
300 6
J14
(B) JUNCTION CONNECTOR
BLACK
298-2 W3
WATER TEMP. SENSOR
DARK GRAY
301-7
J15
JUNCTION CONNECTOR
299-3
K1
KNOCK SENSOR DARK
GRAY
301-8
T1
THROTTLE POSITION
SENSOR
BLACK
301-7
304
Pages From Manual
TO MODEL INDEX
BACK TO CHAPTER INDEX EWD307F
PARTS CODE PARTS & CONNECTOR TYPE LOCATION PARTS CODE PARTS & CONNECTOR TYPE LOCATION
305
Relays, Fuses and J/B etc. Parts connector position Joint connectors and Ground points
See page 26 to 36 38 to 77 (LHD), 78 to 125 (RHD 126 to 143 (LHD), 144 to 165 (RHD)
Pages From Manual
TO MODEL INDEX
BACK TO CHAPTER INDEX EWD307F
F ELECTRICAL WIRING DIAGRAM (System Circuits)
Power Source Engine Control (1RZ-E)
306
Pages From Manual
TO MODEL INDEX
BACK TO CHAPTER INDEX EWD307F
Engine Control (1RZ-E)
307
Pages From Manual
TO MODEL INDEX
BACK TO CHAPTER INDEX EWD307F
SYSTEM CIRCUIT CONNECTORS
PARTS CODE PARTS & CONNECTOR TYPE LOCATION PARTS CODE PARTS & CONNECTOR TYPE LOCATION
C3
CHECK CONNECTOR
BLACK
307-3 I8
IN-AIR TEMP. SENSOR
BLACK
307-4
C10
(B) CHECK ENGINE
WARNING LIGHT [COMB.
METER]
BLUE
306-2
I10
I11
I12
I13
INJECTOR NO. 1, NO. 2,
NO. 3, NO. 4
GRAY
306-1
C11
(C) CHECK ENGINE
WARNING LIGHT [COMB.
METER)
BROWN
306-2 I17
IGNITION SW
306-1
E4
(A) ENGINE ECU
307-3 307-
4
J1
JUNCTION CONNECTOR
GRAY
306-2
E5
(B) ENGINE ECU
307-3 307-
4
J12
JUNCTION CONNECTOR
BLUE
306-2
F12
FUEL PUMP
GRAY
306-2 J13
(A) JUNCTION
CONNECTOR
BLACK
306-1
308
Pages From Manual
TO MODEL INDEX
BACK TO CHAPTER INDEX EWD307F
PARTS CODE PARTS & CONNECTOR TYPE LOCATION PARTS CODE PARTS & CONNECTOR TYPE LOCATION
J14
(B) JUNCTION
CONNECTOR
BLACK
306-1 V3
VARIABLE RESISTOR
BLACK
307-4
J15
JUNCTION CONNECTOR
306-2 W3
WATER TEMP. SENSOR
GREEN
307-3
T1
THROTTLE POSITION
SENSOR
BLACK
307-4
V1
VACUUM SENSOR
BLACK
307-4
309
Relays, Fuses and J/B etc. Parts connector position Joint connectors and Ground points
See page 26 to 36 38 to 77 (LHD), 78 to 125 (RHD 126 to 143 (LHD), 144 to 165 (RHD)
Pages From Manual
TO MODEL INDEX
BACK TO CHAPTER INDEX EWD307F
F ELECTRICAL WIRING DIAGRAM (System Circuits)
Power Source Carburetor Source
310
Pages From Manual
TO MODEL INDEX
BACK TO CHAPTER INDEX EWD307F
Emission Control
311
Pages From Manual
TO MODEL INDEX
BACK TO CHAPTER INDEX EWD307F
SYSTEM CIRCUIT CONNECTORS
PARTS CODE PARTS & CONNECTOR TYPE LOCATION PARTS CODE PARTS & CONNECTOR TYPE LOCATION
C2
CARBURETOR DARK
GRAY
310-1
310-2
V2
VACUUM SW (1RZ)
311-4
E3
(A)EMISSION CONTROL
ECU (3RZ-F)
DARK GRAY
311-3
311-4
V9
VSV (Throttle Position
Control)
BROWN
311-3
E3
(B) EMISSION CONTROL
ECU (1RZ)
DARK GRAY
311-3
311-4
I17
IGNITION SW
310-1
J7
JUNCTION CONNECTOR
BLUE
310-1
J14
JUNCTION CONNECTOR
BLACK
310-1
312
Pages From Manual
TO MODEL INDEX
BACK TO CHAPTER INDEX EWD307F
PARTS CODE PARTS & CONNECTOR TYPE LOCATION PARTS CODE PARTS & CONNECTOR TYPE LOCATION
313
Relays, Fuses and J/B etc. Parts connector position Joint connectors and Ground points
See page 26 to 36 38 to 77 (LHD), 78 to 125 (RHD 126 to 143 (LHD), 144 to 165 (RHD)
Pages From Manual
TO MODEL INDEX
BACK TO CHAPTER INDEX EWD307F
F ELECTRICAL WIRING DIAGRAM (System Circuits)
Power Source Glow Plug
314
Pages From Manual
TO MODEL INDEX
BACK TO CHAPTER INDEX EWD307F
Glow Plug
315
Pages From Manual
TO MODEL INDEX
BACK TO CHAPTER INDEX EWD307F
SYSTEM CIRCUIT CONNECTORS
PARTS CODE PARTS & CONNECTOR TYPE LOCATION PARTS CODE PARTS & CONNECTOR TYPE LOCATION
C9
(A) GLOW INDICATOR
LIGHT [COMB. METER]
314-2 I17
IGNITION SW
314-1
C10
(B) GLOW INDICATOR
LIGHT [COMB. METER]
BLUE
314-2 J1
JUNCTION CONNECTOR
GRAY
314-1
D8
DIODE (Glow Plug)
315-3 J6
JUNCTION CONNECTOR
314-2
G1
GLOW PLUG
314-1 J7
JUNCTION CONNECTOR
BLUE
315-4
I9
INJECTION PUMP
GRAY
315-3 315-
4
J12
JUNCTION CONNECTOR
BLUE
315-4
I14
INTAKE SHUTTER
BROWN
315-4 J13
(A) JUNCTION
CONNECTOR
BLACK
315-3
316
Pages From Manual
TO MODEL INDEX
BACK TO CHAPTER INDEX EWD307F
PARTS CODE PARTS & CONNECTOR TYPE LOCATION PARTS CODE PARTS & CONNECTOR TYPE LOCATION
J14
(B) JUNCTION
CONNECTOR
BLACK
315-3
P3
(A) PRE-HEATING TIMER
(GENERAL)
DARK GRAY
315-3 315-4
P3
(B) PRE-HEATING TIMER
(AUSTRALIA, EUROPE)
DARK GRAY
315-3 315-4
W3
WATER TEMP. SENSOR
GREEN
315-3
317
Relays, Fuses and J/B etc. Parts connector position Joint connectors and Ground points
See page 26 to 36 38 to 77 (LHD), 78 to 125 (RHD 126 to 143 (LHD), 144 to 165 (RHD)
Pages From Manual
TO MODEL INDEX
BACK TO CHAPTER INDEX EWD307F
F ELECTRICAL WIRING DIAGRAM (System Circuits)
Power Source ECT
318
Pages From Manual
TO MODEL INDEX
BACK TO CHAPTER INDEX EWD307F
ECT
319
Pages From Manual
TO MODEL INDEX
BACK TO CHAPTER INDEX EWD307F
SYSTEM CIRCUIT CONNECTORS
PARTS CODE PARTS & CONNECTOR TYPE LOCATION PARTS CODE PARTS & CONNECTOR TYPE LOCATION
A3
A/T FLUID TEMP. SW
GRAY
318-2 I17
IGNITION SW
318-1
C10
O/D OFF INDICATOR LIGHT
[COMB. METER]
BLUE
319-4 J1
JUNCTION CONNECTOR
GRAY
318-1
E1
ECT SOLENOID
BLACK
318-2 J3
JUNCTION CONNECTOR
319-3
E4
(A) ENGINEANDECTECU
318-2
319-3
J4
JUNCTION CONNECTOR
BLUE
319-4
E5
(B) ENGINE AND ECT ECU
318-2
319-3
J14
JUNCTION CONNECTOR
BLACK
318-1
E6
(C) ENGINE AND ECT ECU
318-2
319-3
N1
NEUTRAL START SW
GRAY
319-3
320
Pages From Manual
TO MODEL INDEX
BACK TO CHAPTER INDEX EWD307F
PARTS CODE PARTS & CONNECTOR TYPE LOCATION PARTS
CODE
PARTS & CONNECTOR TYPE LOCATION
O2
O/D MAIN SW
319-3
S1
SPEED SENSOR (ECT)
BLACK
319-3
T1
THROTTLE POSITION
SENSOR
BLACK
318-2
W3
WATER TEMP. SENSOR
DARK GRAY
318-2
Relays, Fuses and J/B etc. Parts connector position Joint connectors and Ground points
See page 26 to 36 38 to 77 (LHD), 78 to 125 (RHD 126 to 143 (LHD), 144 to 165 (RHD)
321
Pages From Manual
TO MODEL INDEX
BACK TO CHAPTER INDEX EWD307F
F ELECTRICAL WIRING DIAGRAM (System Circuits)
Power Source Headlight (w/ Dim-Dip Light)
322
Pages From Manual
TO MODEL INDEX
BACK TO CHAPTER INDEX EWD307F
Headlight (w/ Dim-Dip Light)
323
Pages From Manual
TO MODEL INDEX
BACK TO CHAPTER INDEX EWD307F
SYSTEM CIRCUIT CONNECTORS
PARTS CODE PARTS & CONNECTOR TYPE LOCATION PARTS CODE PARTS & CONNECTOR TYPE LOCATION
C10
HIGH BEAM INDICATOR
LIGHT [COMB. METER]
BLUE
323-4 J1
JUNCTION CONNECTOR
GRAY
323-3
C13
COMBINATION SW
323-4 J3
JUNCTION CONNECTOR
323-4
D6
DIM-DIP LIGHT RELAY
323-3 323-4 J10
JUNCTION CONNECTOR
BLACK
323-4
H5
HEADLIGHT LH
322-2 J13
(A) JUNCTION
CONNECTOR
BLACK
322-2
323-3
323-4
H6
HEADLIGHT RH
322 2 J14
(B) JUNCTION
CONNECTOR
BLACK
322-2
323-3
323-4
I17
IGNITION SW
322-1
324
Pages From Manual
TO MODEL INDEX
BACK TO CHAPTER INDEX EWD307F
PARTS CODE PARTS & CONNECTOR TYPE LOCATION PARTS CODE PARTS & CONNECTOR TYPE LOCATION
325
Relays, Fuses and J/B etc. Parts connector position Joint connectors and Ground points
See page 26 to 36 38 to 77 (LHD), 78 to 125 (RHD 126 to 143 (LHD), 144 to 165 (RHD)
Pages From Manual
TO MODEL INDEX
BACK TO CHAPTER INDEX EWD307F
F ELECTRICAL WIRING DIAGRAM (System Circuits)
Power Source Headlight (w/o Dim-Dip Light)
326
Pages From Manual
TO MODEL INDEX
BACK TO CHAPTER INDEX EWD307F
Stop Light
327
Pages From Manual
TO MODEL INDEX
BACK TO CHAPTER INDEX EWD307F
SYSTEM CIRCUIT CONNECTORS
PARTS CODE PARTS & CONNECTOR TYPE LOCATION PARTS CODE PARTS & CONNECTOR TYPE LOCATION
C10
HIGH BEAM INDICATOR
LIGHT [COMB. METER]
BLUE
326-2 J11
JUNCTION CONNECTOR
BLACK
327-4
C13
(A)COMBINATION SW
(Australia, General)
326-1
326-2
J13
(A) JUNCTION
CONNECTOR
BLACK
326-2
327-4
C13
(B) COMBINATION SW
(Europe)
326-1
326-2
J14
(B) JUNCTION
CONNECTOR
BLACK
326-2
H5
HEADLIGHT LH
326-2 J15
JUNCTION CONNECTOR
327-3
H6
HEADLIGHT RH
326-2 R6
STOP LIGHT LH [REAR
COMB. LIGHT LH] (W/
REAR DECK, MALTA)
327-3
J3
JUNCTION CONNECTOR
326-2 R6
STOP LIGHT LH [REAR
COMB. LIGHT LH]
(EXCEPT W/ REAR DECK,
MALTA)
327-3
328
Pages From Manual
TO MODEL INDEX
BACK TO CHAPTER INDEX EWD307F
PARTS CODE PARTS & CONNECTOR TYPE LOCATION PARTS CODE PARTS & CONNECTOR TYPE LOCATION
R7
STOP LIGHT RH [REAR COMB.
LIGHT RH] (w/ Rear Deck, Malta)
327-3
R7
STOP LIGHT RH [REAR COMB.
LIGHT RH] (Except w/ Rear Deck,
Malta)
327-3
S4
STOP LIGHT SW
BLACK
327-3
329
Relays, Fuses and J/B etc. Parts connector position Joint connectors and Ground points
See page 26 to 36 38 to 77 (LHD), 78 to 125 (RHD 126 to 143 (LHD), 144 to 165 (RHD)
Pages From Manual
TO MODEL INDEX
BACK TO CHAPTER INDEX EWD307F
F ELECTRICAL WIRING DIAGRAM (System Circuits)
Power Source Light Reminder Buzzer
330
Pages From Manual
TO MODEL INDEX
BACK TO CHAPTER INDEX EWD307F
Taillight
331
Pages From Manual
TO MODEL INDEX
BACK TO CHAPTER INDEX EWD307F
SYSTEM CIRCUIT CONNECTORS
PARTS CODE PARTS & CONNECTOR TYPE LOCATION PARTS CODE PARTS & CONNECTOR TYPE LOCATION
C13
(A) COMBINATION SW
(Australia, General)
330-1 117
IGNITION SW
330-1
C13
(B) COMBINATION SW
(Europe)
330-1 118
(A) INTEGRATION RELAY
330-2
F1
(B) FRONT CLEARANCE
LIGHT LH
GRAY
331-4 J1
(A) JUNCTION
CONNECTOR
GRAY
330-2
331-4
F2
(D FRONT CLEARANCE
LIGHT RH
GRAY
331-4 J2
(B) JUNCTION
CONNECTOR
GRAY
330-2
331-4
F5
(A) FRONT CLEARANCE
LIGHT LH
331-4 J3 J15
JUNCTION CONNECTOR
330-2
331-3
F6
(A) FRONT CLEARANCE
LIGHT RH
331-4 J13
JUNCTION CONNECTOR
BLACK
331-3
332
Pages From Manual
TO MODEL INDEX
BACK TO CHAPTER INDEX EWD307F
PARTS CODE PARTS & CONNECTOR TYPE LOCATION PARTS CODE PARTS & CONNECTOR TYPE LOCATION
L1
LICENSE PLATE LIGHT LH
(w/ Rear Deck)
331-3 R6
TAILLIGHT LH REAR
COMB. LIGHT LH] w/ Rear
Deck, Malta)
331-3
L1
LICENSE PLATE LIGHT LH
(w/o Rear Deck)
331-3 R6
TAILLIGHT LH REAR
COMB. LIGHT LH] Except w/
Rear Deck, Malta)
331-3
L2
LICENSE PLATE LIGHT
RH (w/ Rear Deck)
331-3 R7
TAILLIGHT RH REAR
COMB. LIGHT RH] w/ Rear
Deck, Malta)
331-3
L2
LICENSE PLATE LIGHT
RH (w/o Rear Deck)
331-3 R7
TAILLIGHT RH REAR
COMB. LIGHT RH] Except
w/ Rear Deck, Malta)
331-3
333
Relays, Fuses and J/B etc. Parts connector position Joint connectors and Ground points
See page 26 to 36 38 to 77 (LHD), 78 to 125 (RHD 126 to 143 (LHD), 144 to 165 (RHD)
Pages From Manual
TO MODEL INDEX
BACK TO CHAPTER INDEX EWD307F
F ELECTRICAL WIRING DIAGRAM (System Circuits)
Power Source Turn Signal and
Hazard Warning Liqht
334
Pages From Manual
TO MODEL INDEX
BACK TO CHAPTER INDEX EWD307F
Turn Signal and Hazard Warning Light
335
Pages From Manual
TO MODEL INDEX
BACK TO CHAPTER INDEX EWD307F
SYSTEM CIRCUIT CONNECTORS
PARTS CODE PARTS & CONNECTOR TYPE LOCATION PARTS CODE PARTS & CONNECTOR TYPE LOCATION
C10
TURN SIGNAL INDICATOR
LIGHT [COMB. METER]
BLUE
335-3
335-4
F6
FRONT TURN SIGNAL
LIGHT RH
335-4
C13
(A)TURN SIGNAL SW
COMB. SW] Australia,
General)
335-3 F7
FRONT TURN SIGNAL
LIGHT LH
335-3
C13
(B)TURN SIGNAL SW
COMB. SW] Europe)
335-3 F8
FRONT TURN SIGNAL
LIGHT RH
335-4
F3
FRONT SIDE TURN SIGNAL
LIGHT LH
GRAY
335-3 H10
HAZARD SW
BLACK
334-1
334-2
F4
FRONT SIDE TURN SIGNAL
LIGHT RH
GRAY
335-4 117
IGNITION SW
334-1
F5
FRONT TURN SIGNAL
LIGHT LH
335-3 J1 J2
(A), (B) JUNCTION
CONNECTOR
GRAY
335-4
336
Pages From Manual
TO MODEL INDEX
BACK TO CHAPTER INDEX EWD307F
PARTS CODE PARTS & CONNECTOR TYPE LOCATION PARTS CODE PARTS & CONNECTOR TYPE LOCATION
J3
J15
JUNCTION CONNECTOR
334-2
335-4
R6
REAR TURN SIGNAL LIGHT
LH REAR COMB. LIGHT LH]
w/ Rear Deck, Malta)
335-3
J9
JUNCTION CONNECTOR
BLUE
335-3 R6
REAR TURN SIGNAL LIGHT
LH REAR COMB. LIGHT LH]
Except w/ Rear Deck, Malta)
335-3
J13
JUNCTION CONNECTOR
BLACK
335-3 R7
REAR TURN SIGNAL LIGHT
RH REAR COMB. LIGHT
RH] w/ Rear Deck, Malta)
335-4
J14
JUNCTION CONNECTOR
BLACK
335-4 R7
REAR TURN SIGNAL LIGHT
RH REAR COMB. LIGHT
RH] Except w/ Rear Deck,
Malta)
335-4
337
Relays, Fuses and J/B etc. Parts connector position Joint connectors and Ground points
See page 26 to 36 38 to 77 (LHD), 78 to 125 (RHD 126 to 143 (LHD), 144 to 165 (RHD)
Pages From Manual
TO MODEL INDEX
BACK TO CHAPTER INDEX EWD307F
F ELECTRICAL WIRING DIAGRAM (System Circuits)
Power Source Back-Up Light
338
Pages From Manual
TO MODEL INDEX
BACK TO CHAPTER INDEX EWD307F
Back-Up Light
339
Pages From Manual
TO MODEL INDEX
BACK TO CHAPTER INDEX EWD307F
SYSTEM CIRCUIT CONNECTORS
PARTS CODE PARTS & CONNECTOR TYPE LOCATION PARTS CODE PARTS & CONNECTOR TYPE LOCATION
B1
BACK-UP LIGHT SW
GRAY
338-2 R6
BACK-UP LIGHT LH [REAR
COMB. LIGHT LH] (w/ Rear
Deck, Malta)
339-3
I17
IGNITION SW
338-1 R6
BACK-UP LIGHT LH REAR
COMB. LIGHT LH] Except w/
Rear Deck, Malta)
339-3
J6
JUNCTION CONNECTOR
338-1 R7
BACK-UP LIGHT RH REAR
COMB. LIGHT RH] w/ Rear
Deck, Malta)
339-4
J13
JUNCTION CONNECTOR
BLACK
339-3 R7
BACK-UP LIGHT RH [REAR
COMB. LIGHT RH] (Except
w/ Rear Deck, Malta)
339-4
J15
JUNCTION CONNECTOR
339-4 R15
REVERSE WARNING
BUZZER
339-4
N1
BACK-UP LIGHT SW
[NEUTRAL START SW]
GRAY
338-2
340
Pages From Manual
TO MODEL INDEX
BACK TO CHAPTER INDEX EWD307F
PARTS CODE PARTS & CONNECTOR TYPE LOCATION PARTS CODE PARTS & CONNECTOR TYPE LOCATION
341
Relays, Fuses and J/B etc. Parts connector position Joint connectors and Ground points
See page 26 to 36 38 to 77 (LHD), 78 to 125 (RHD 126 to 143 (LHD), 144 to 165 (RHD)
Pages From Manual
TO MODEL INDEX
BACK TO CHAPTER INDEX EWD307F
F ELECTRICAL WIRING DIAGRAM (System Circuits)
Power Source Interior Light
342
Pages From Manual
TO MODEL INDEX
BACK TO CHAPTER INDEX EWD307F
Interior Light
343
Pages From Manual
TO MODEL INDEX
BACK TO CHAPTER INDEX EWD307F
SYSTEM CIRCUIT CONNECTORS
PARTS CODE PARTS & CONNECTOR TYPE LOCATION PARTS CODE PARTS & CONNECTOR TYPE LOCATION
C9
OPEN DOOR WARNING
LIGHT [COMB. METER]
343-4 D14
DOOR COURTESY SW
REAR LH
343-3
D7
DIODE (Door Courtesy)
342-2 D15
DOOR COURTESY SW
REAR RH
343-4
D11
DOOR COURTESY SW
FRONT LH (2-Door)
342-2 I16
IGNITION KEY CYLINDER
LIGHT BLUE
342-1
D11
DOOR COURTESY SW
FRONT LH (4-Door)
342-2 I17
IGNITION SW
342-1
D12
DOOR COURTESY SW
FRONT RH (2-Door)
342-2 I18
(A) INTEGRATION RELAY
342-1 342-2
D12
DOOR COURTESY SW
FRONT RH (4-Door)
342-2 I20
INTERIOR LIGHT
343-3
344
Pages From Manual
TO MODEL INDEX
BACK TO CHAPTER INDEX EWD307F
PARTS CODE PARTS & CONNECTOR TYPE LOCATION PARTS CODE PARTS & CONNECTOR TYPE LOCATION
J6
JUNCTION CONNECTOR
343-3
345
Relays, Fuses and J/B etc. Parts connector position Joint connectors and Ground points
See page 26 to 36 38 to 77 (LHD), 78 to 125 (RHD 126 to 143 (LHD), 144 to 165 (RHD)
Pages From Manual
TO MODEL INDEX
BACK TO CHAPTER INDEX EWD307F
F ELECTRICAL WIRING DIAGRAM (System Circuits)
Power Source Illumination
346
Pages From Manual
TO MODEL INDEX
BACK TO CHAPTER INDEX EWD307F
(Cont. next page)
Illumination
347
Pages From Manual
TO MODEL INDEX
BACK TO CHAPTER INDEX EWD307F
F ELECTRICAL WIRING DIAGRAM (System Circuits)
Illumination
348
Pages From Manual
TO MODEL INDEX
BACK TO CHAPTER INDEX EWD307F
(Cont'd)
Rear Fog Light
349
Pages From Manual
TO MODEL INDEX
BACK TO CHAPTER INDEX EWD307F
SYSTEM CIRCUIT CONNECTORS
PARTS CODE PARTS & CONNECTOR TYPE LOCATION PARTS CODE PARTS & CONNECTOR TYPE LOCATION
A14
A/CSW
BLACK
346-2
348-6
C10
REAR FOG LIGHT
INDICATOR LIGHT [COMB.
METER]
BLUE
349-8
A26
ASHTRAY ILLUMINATION
BLACK
347-4 C11
(C) METER ILLUMINATION
[COMB. METER]
BROWN
346-2
348-6
B6
(A) BLOWER SW (Australia,
Europe)
346-2
348-6
D9
DIODE (Idle-Up)
347-4
B6
(B) BLOWER SW (General)
BLACK
348-6 G2
GLOVE BOX LIGHT
BLACK
347-4
C6
CIGARETTE LIGHTER
ILLUMINATION
GRAY
347-3 H10
HAZARD SW
BLACK
347-3
348-5
C9
(A) METER ILLUMINATION
[COMB. METER]
346-2
348-6
J1
(A) JUNCTION
CONNECTOR
GRAY
346-1
350
Pages From Manual
TO MODEL INDEX
BACK TO CHAPTER INDEX EWD307F
PARTS CODE PARTS & CONNECTOR TYPE LOCATION PARTS CODE PARTS & CONNECTOR TYPE LOCATION
J2
(B) JUNCTION
CONNECTOR
GRAY
346-1 J9
JUNCTION CONNECTOR
BLUE
348-5
J3
JUNCTION CONNECTOR
347-4
348-6
349-8
J10
JUNCTION CONNECTOR
BLACK
349-7
349-8
J6
JUNCTION CONNECTOR
348-5
348-6
J13
JUNCTION CONNECTOR
BLACK
346-2
348-5
349-8
J8
JUNCTION CONNECTOR
348-6 J15
JUNCTION CONNECTOR
346-2
348-5
349-8
351
Relays, Fuses and J/B etc. Parts connector position Joint connectors and Ground points
See page 26 to 36 38 to 77 (LHD), 78 to 125 (RHD 126 to 143 (LHD), 144 to 165 (RHD)
Pages From Manual
TO MODEL INDEX
BACK TO CHAPTER INDEX EWD307F
SYSTEM CIRCUIT CONNECTORS
PARTS CODE PARTS & CONNECTOR TYPE LOCATION PARTS CODE PARTS & CONNECTOR TYPE LOCATION
02
A/T SHIFT LEVER
ILLUMINATION [O/D MAIN
SW]
347-3 R9
REAR FOG LIGHT (w/o Rear
Deck)
349-8
R1
RADIO AND PLAYER
BLUE
347-3
348-6
R3
REAR FOG LIGHT SW
BLACK
348-5
349-7
349-8
R4
REAR WINDOW
DEFOGGER SW
BLACK
346-2
348-5
R5
RHEOSTAT
BLACK
346-2
R9
REAR FOG LIGHT (w/ Rear
Deck)
349-8
352
Pages From Manual
TO MODEL INDEX
BACK TO CHAPTER INDEX EWD307F
PARTS CODE PARTS & CONNECTOR TYPE LOCATION PARTS CODE PARTS & CONNECTOR TYPE LOCATION
Relays, Fuses and J/B etc. Parts connector position Joint connectors and Ground points
See page 26 to 36 38 to 77 (LHD), 78 to 125 (RHD 126 to 143 (LHD), 144 to 165 (RHD)
353
Pages From Manual
TO MODEL INDEX
BACK TO CHAPTER INDEX EWD307F
F ELECTRICAL WIRING DIAGRAM (System Circuits)
Power Source Door Lock Control Source
354
Pages From Manual
TO MODEL INDEX
BACK TO CHAPTER INDEX EWD307F
* 1 : w/ Power Window * 2 : w/o Power Window
Door Lock Control *3 : Australia, Europe * 4 : General
* 5 : 70A Type Alternator * 6 : 45A, 55A Type Alternator
355
Pages From Manual
TO MODEL INDEX
BACK TO CHAPTER INDEX EWD307F
SYSTEM CIRCUIT CONNECTORS
PARTS CODE PARTS & CONNECTOR TYPE LOCATION PARTS CODE PARTS & CONNECTOR TYPE LOCATION
D16
DOOR KEY LOCK AND
UNLOCK SW
GRAY
355-3 119
(B) INTEGRATION RELAY
GREEN
354-1
354-2
355-3
355-4
D17
(B) DOOR LOCK CONTROL
SW
355-3
355-4
J3
JUNCTION CONNECTOR
355-4
D18
DOOR LOCK MOTOR
FRONT LH
BLACK
354-1 J15
JUNCTION CONNECTOR
355-3
D19
DOOR LOCK MOTOR
FRONT RH
BLACK
354-2 J16
(A) JUNCTION
CONNECTOR
354-2
355-3
355-4
D20
DOOR LOCK MOTOR
REAR LH
BLACK
354-2 J17
(B) JUNCTION
CONNECTOR
354-2
355-3
355-4
D21
DOOR LOCK MOTOR
REAR RH
BLACK
354 2 P9
(A) DOOR LOCK
CONTROL SW
[POWER WINDOW
MASTER SW]
355-3
355-4
356
Pages From Manual
TO MODEL INDEX
BACK TO CHAPTER INDEX EWD307F
PARTS CODE PARTS & CONNECTOR TYPE LOCATION PARTS CODE PARTS & CONNECTOR TYPE LOCATION
Relays, Fuses and J/B etc. Parts connector position Joint connectors and Ground points
See page 26 to 36 38 to 77 (LHD), 78 to 125 (RHD 126 to 143 (LHD), 144 to 165 (RHD)
357
Pages From Manual
TO MODEL INDEX
BACK TO CHAPTER INDEX EWD307F
F ELECTRICAL WIRING DIAGRAM (System Circuits)
Power Source Power Window
358
Pages From Manual
TO MODEL INDEX
BACK TO CHAPTER INDEX EWD307F
Power Window * 1 : 70A Type Alternator
* 2 : 45A, 55A Type Alternator
359
Pages From Manual
TO MODEL INDEX
BACK TO CHAPTER INDEX EWD307F
SYSTEM CIRCUIT CONNECTORS
PARTS CODE PARTS & CONNECTOR TYPE LOCATION PARTS CODE PARTS & CONNECTOR TYPE LOCATION
I17
IGNITION SW
358-1 P7
POWER WINDOW
CONTROL SW REAR LH
359-3
J3
JUNCTION CONNECTOR
358-1 P8
POWER WINDOW
CONTROL SW REAR RH
359-4
J15
JUNCTION CONNECTOR
358-2 P9
POWER WINDOW MASTER
SW
358-2
359-3
359-4
J16
(A) JUNCTION
CONNECTOR
358-2 P10
POWER WINDOW MOTOR
FRONT LH
359-3
J17
(B) JUNCTION
CONNECTOR
358-2 P11
POWER WINDOW MOTOR
FRONT RH
358-2
P5
POWER WINDOW
CONTROL SW FRONT LH
359-3 P12
POWER WINDOW MOTOR
REAR LH
359-3
360
Pages From Manual
TO MODEL INDEX
BACK TO CHAPTER INDEX EWD307F
Relays, Fuses and J/B etc. Parts connector position Joint connectors and Ground points
See page 26 to 36 38 to 77 (LHD), 78 to 125 (RHD 126 to 143 (LHD), 144 to 165 (RHD)
PARTS CODE PARTS & CONNECTOR TYPE LOCATION PARTS CODE PARTS & CONNECTOR TYPE LOCATION
P13
POWER WINDOW MOTOR
REAR RH
359-4
361
Pages From Manual
TO MODEL INDEX
BACK TO CHAPTER INDEX EWD307F
F ELECTRICAL WIRING DIAGRAM (System Circuits)
Power Source Cigarette Clock
Lighter
362
Pages From Manual
TO MODEL INDEX
BACK TO CHAPTER INDEX EWD307F
Remote Control Mirror
363
Pages From Manual
TO MODEL INDEX
BACK TO CHAPTER INDEX EWD307F
SYSTEM CIRCUIT CONNECTORS
PARTS
CODE
PARTS & CONNECTOR TYPE LOCATION
C5 CIGARETTE LIGHTER 362-1
C8 CLOCK 362-2
I17 IGNITION SW 362-1
J3 JUNCTION CONNECTOR 362-2
J8 JUNCTION CONNECTOR 362-2
J9 JUNCTION CONNECTOR
BLUE
362-2
PARTS
CODE
PARTS & CONNECTOR TYPE LOCATION
J15 JUNCTION CONNECTOR 362-2
363-4
J16 (A) JUNCTION
CONNECTOR
363-3
J17 (B) JUNCTION CONNECTOR 363-3
R12 REMOTE CONTROL MIRROR LH 363-3
R13 REMOTE CONTROL MIRROR RH 363-4
R14 REMOTE CONTROL MIRROR
SW
363-3
363-4
364
Pages From Manual
TO MODEL INDEX
BACK TO CHAPTER INDEX EWD307F
Relays, Fuses and J/B etc. Parts connector position Joint connectors and Ground points
See page 26 to 36 38 to 77 (LHD), 78 to 125 (RHD 126 to 143 (LHD), 144 to 165 (RHD)
PARTS CODE PARTS & CONNECTOR TYPE LOCATION PARTS CODE PARTS & CONNECTOR TYPE LOCATION
365
Pages From Manual
TO MODEL INDEX
BACK TO CHAPTER INDEX EWD307F
F ELECTRICAL WIRING DIAGRAM (System Circuits)
Power Source Rear Window Defogger
366
Pages From Manual
TO MODEL INDEX
BACK TO CHAPTER INDEX EWD307F
Front Wiper and Washer
367
Pages From Manual
TO MODEL INDEX
BACK TO CHAPTER INDEX EWD307F
SYSTEM CIRCUIT CONNECTORS
PARTS CODE PARTS & CONNECTOR TYPE LOCATION PARTS CODE PARTS & CONNECTOR TYPE LOCATION
C12
WIPER AND WASHER SW
[COMB. SW]
BLACK
367-3
367-4
J15
JUNCTION CONNECTOR
366-2
367-4
I17
IGNITION SW
366-1 R4
REAR WINDOW
DEFOGGER SW
BLACK
366-2
J3
JUNCTION CONNECTOR
366-2
367-4
R10
(A) REAR WINDOW
DEFOGGER
BLACK
366-1
J5
JUNCTION CONNECTOR
BLUE
367 3 R11
(DREAR WINDOW
DEFOGGER
BLACK
366-1
J7
JUNCTION CONNECTOR
BLUE
367-3 W1
WASHER MOTOR
GRAY
367-3
J9
JUNCTION CONNECTOR
BLUE
366-2 W4
WIPER MOTOR
BLACK
367-4
368
Pages From Manual
TO MODEL INDEX
BACK TO CHAPTER INDEX EWD307F
Relays, Fuses and J/B etc. Parts connector position Joint connectors and Ground points
See page 26 to 36 38 to 77 (LHD), 78 to 125 (RHD 126 to 143 (LHD), 144 to 165 (RHD)
PARTS CODE PARTS & CONNECTOR TYPE LOCATION PARTS CODE PARTS & CONNECTOR TYPE LOCATION
369
Pages From Manual
TO MODEL INDEX
BACK TO CHAPTER INDEX EWD307F
F ELECTRICAL WIRING DIAGRAM (System Circuits)
Power Source 4 W D (w/ 2-4 Select SW)
370
Pages From Manual
TO MODEL INDEX
BACK TO CHAPTER INDEX EWD307F
4WD (w/ 2-4 Select SW) * 1 : 3RZ-FE
* 2 : 5L
371
Pages From Manual
TO MODEL INDEX
BACK TO CHAPTER INDEX EWD307F
SYSTEM CIRCUIT CONNECTORS
PARTS CODE PARTS & CONNECTOR TYPE LOCATION PARTS CODE PARTS & CONNECTOR TYPE LOCATION
A 8
ADD INDICATOR SW
GRAY
370-2 I17
IGNITION SW
370-1
C10
(B) 4WD INDICATOR
LIGHT [COMB. METER]
BLUE
370 1 J3
JUNCTION CONNECTOR
371 3
C11
(C) 4WD INDICATOR
LIGHT [COMB. METER]
BROWN
370-1 J15
JUNCTION CONNECTOR
371-4
D1
DETECTION SW (Transfer
4WD Position)
GRAY
370-2 T3
2-4 SELECT MOTOR
371-3
D2
DETECTION SW (Transfer
L4 Position)
BLUE
370-2 T4
2-4 SELECT SW
371-4
F11
4WD CONTROL ECU
370-1
370-2
371-3
371-4
V4
VSV (2WD, ADD)
BROWN
371-4
372
Pages From Manual
TO MODEL INDEX
BACK TO CHAPTER INDEX EWD307F
Relays, Fuses and J/B etc. Parts connector position Joint connectors and Ground points
See page 26 to 36 38 to 77 (LHD), 78 to 125 (RHD 126 to 143 (LHD), 144 to 165 (RHD)
PARTS CODE PARTS & CONNECTOR TYPE LOCATION PARTS CODE PARTS & CONNECTOR TYPE LOCATION
V5
VSV (4WD, ADD)
BLUE
371-4
373
Pages From Manual
TO MODEL INDEX
BACK TO CHAPTER INDEX EWD307F
F ELECTRICAL WIRING DIAGRAM (System Circuits)
Power Source 4WD(w/o 2-4 Select SW)
374
Pages From Manual
TO MODEL INDEX
BACK TO CHAPTER INDEX EWD307F
4 W D (w/o 2-4 Select SW) Horn
375
Pages From Manual
TO MODEL INDEX
BACK TO CHAPTER INDEX EWD307F
SYSTEM CIRCUIT CONNECTORS
PARTS
CODE
PARTS & CONNECTOR TYPE LOCATION
A 8 ADD INDICATOR SW
GRAY
374-2
A20 ADD CONTROL RELAY 374-1 374-2
C10 (B) 4WD INDICATOR LIGHT
[COMB. METER]
BLUE
375-3
C11 (C) 4WD INDICATOR LIGHT
[COMB. METER] BROWN
375-3
C12 (A) HORN SW [COMB. SW]
BLACK
375-4
C13 (D HORN SW [COMB. SW] 375-4
PARTS
CODE
PARTS & CONNECTOR TYPE LOCATION
C14 HORN SW [COMB. SW] 375-4
D1 DETECTION SW (Transfer 4WD
Position) GRAY
375-3
D2 DETECTION SW (Transfer L4
Position) BLUE
375-4
H9 HORN BLACK 375-4
I17 IGNITION SW 374-1
J3 JUNCTION CONNECTOR 374-2
376
Pages From Manual
TO MODEL INDEX
BACK TO CHAPTER INDEX EWD307F
PARTS CODE PARTS & CONNECTOR TYPE LOCATION PARTS CODE PARTS & CONNECTOR TYPE LOCATION
J6
JUNCTION CONNECTOR
375-4 V5
VSV (4WD, ADD)
BLUE
374-1
J11
JUNCTION CONNECTOR
BLACK
375-3
J15
JUNCTION CONNECTOR
374-1
V4
VSV (2WD, ADD)
BROWN
374-1
377
Relays, Fuses and J/B etc. Parts connector position Joint connectors and Ground points
See page 26 to 36 38 to 77 (LHD), 78 to 125 (RHD 126 to 143 (LHD), 144 to 165 (RHD)
Pages From Manual
TO MODEL INDEX
BACK TO CHAPTER INDEX EWD307F
F ELECTRICAL WIRING DIAGRAM (System Circuits)
Power Source ABS
378
Pages From Manual
TO MODEL INDEX
BACK TO CHAPTER INDEX EWD307F
*1: Australia *6: Except 3RZ-FE
*2: Europe *7: 3RZ-FE M/T, 1RZ-E
*3: Gasoline *8: 3RZ-FE A/T, 5L. -2
ABS *4: Diesel *9: 70A Type Alternator
*5: 3R2-FE *10 : 45A, 55A Type Alternator
379
Pages From Manual
TO MODEL INDEX
BACK TO CHAPTER INDEX
(Cont. next page) EWD307F
F ELECTRICAL WIRING DIAGRAM (System Circuits)
ABS
380
Pages From Manual
TO MODEL INDEX
BACK TO CHAPTER INDEX EWD307F
ABS
381
Pages From Manual
TO MODEL INDEX
BACK TO CHAPTER INDEX
(Cont'd)
EWD307F
SYSTEM CIRCUIT CONNECTORS
PARTS CODE PARTS & CONNECTOR TYPE LOCATION PARTS CODE PARTS & CONNECTOR TYPE LOCATION
A 4
(A) ABS ACTUATOR
GRAY
379-3
379-4
A28 A29
ABS SPEED SENSOR
REAR LH, RH
GRAY
381-7
381-8
A 5
(DABS ACTUATOR
BLACK
379-3
379-4
C3
CHECK CONNECTOR
(3RZ-FE, 1RZ-E, 2L-T)
BLACK
379-3
379-4
A 6
A 7
ABS SPEED SENSOR
FRONT LH, RH
GRAY
380-5 C3
CHECK CONNECTOR (5L,
2L)
BLACK
379-3
379-4
A17
ABS DECELERATION
SENSOR
BLACK
381-7 C10
(B) ABS WARNING LIGHT
[COMB. METER]
BLUE
380-5
A18
(A) ABS ECU
379-3
379-4
380-5
380-6
381-7
381-8
C11
(C) ABS WARNING LIGHT
[COMB. METER]
BROWN
380-5
A19
(B) ABS ECU
379-3
379-4
380-5
380-6
381-7
381-8
I17
IGNITION SW
378-1
382
Pages From Manual
TO MODEL INDEX
BACK TO CHAPTER INDEX EWD307F
Relays, Fuses and J/B etc. Parts connector position Joint connectors and Ground points
See page 26 to 36 38 to 77 (LHD), 78 to 125 (RHD 126 to 143 (LHD), 144 to 165 (RHD)
PARTS CODE PARTS & CONNECTOR TYPE LOCATION PARTS CODE PARTS & CONNECTOR TYPE LOCATION
J3
JUNCTION CONNECTOR
380-6 J8
JUNCTION CONNECTOR
381-8
J5
(A) JUNCTION
CONNECTOR
BLUE
379-3
380-5
J11
(B) JUNCTION
CONNECTOR
BLACK
379-3
380-5
J6
JUNCTION CONNECTOR
380 5 J14
JUNCTION CONNECTOR
BLACK
378-2
J7
JUNCTION CONNECTOR
BLUE
378-2
383
Pages From Manual
TO MODEL INDEX
BACK TO CHAPTER INDEX EWD307F
F ELECTRICAL WIRING DIAGRAM (System Circuits)
Power Source SRS
384
Pages From Manual
TO MODEL INDEX
BACK TO CHAPTER INDEX EWD307F
* 1 : Australia * 6 : 3RZ-FE M/T, 1 RZ-E
* 2 : Europe * 7 : 3RZ-FE A/T, 5L, *2
* 3 : 3RZ-FE * 8 : 70A Type Alternator
SRS * 4 : Gasoline * 9 : 45A, 55A Type Alternator
* 5: Diesel
385
Pages From Manual
TO MODEL INDEX
BACK TO CHAPTER INDEX EWD307F
SYSTEM CIRCUIT CONNECTORS
PARTS CODE PARTS & CONNECTOR TYPE LOCATION PARTS CODE PARTS & CONNECTOR TYPE LOCATION
A21
(A) AIRBAG SENSOR
ASSEMBLY
YELLOW 384-1
384-2
385-3
385-4
C3
CHECK CONNECTOR (5L,
2L)
BLACK
385-3
385-4
A22
(B) AIRBAG SENSOR
ASSEMBLY
YELLOW 384-1
384-2
385-3
385-4
C9
(A) SRS WARNING
LIGHT [COMB.
METER]
385-3
A23
(C) AIRBAG SENSOR
ASSEMBLY
YELLOW 384-1
384-2
385-3
385-4
(C) SRS WARNING LIGHT
[COMB. METER]
BROWN
385-3
A24
AIRBAG SQUIB (Front
Passenger's Airbag
Assembly)
YELLOW
384-2 I17
IGNITION SW
384-1
A25
AIRBAG SQUIB (Steering
Wheel Pad)
YELLOW
384-1 J5
(A) JUNCTION
CONNECTOR
BLUE
385-3
385-4
C3
CHECK CONNECTOR
(3RZ-FE, 1RZ-E, 2L-T)
BLACK
385-3
385-4
J7
JUNCTION CONNECTOR
BLUE
384-2
386
Pages From Manual
TO MODEL INDEX
BACK TO CHAPTER INDEX
C11
EWD307F
Relays, Fuses and J/B etc. Parts connector position Joint connectors and Ground points
See page 26 to 36 38 to 77 (LHD), 78 to 125 (RHD 126 to 143 (LHD), 144 to 165 (RHD)
PARTS CODE PARTS & CONNECTOR TYPE LOCATION PARTS CODE PARTS & CONNECTOR TYPE LOCATION
J10
(B) JUNCTION
CONNECTOR
BLACK
385-3 P15
PRETENSIONER RH
YELLOW
385-3
J11
(B) JUNCTION
CONNECTOR
BLACK
385-4
J14
JUNCTION CONNECTOR
BLACK
384-1
P14
PRETENSIONER LH
YELLOW
385-3
387
Pages From Manual
TO MODEL INDEX
BACK TO CHAPTER INDEX EWD307F
F ELECTRICAL WIRING DIAGRAM (System Circuits)
Power Source Auto Antenna
388
Pages From Manual
TO MODEL INDEX
BACK TO CHAPTER INDEX EWD307F
Radio and Player
389
Pages From Manual
TO MODEL INDEX
BACK TO CHAPTER INDEX EWD307F
SYSTEM CIRCUIT CONNECTORS
PARTS CODE PARTS & CONNECTOR TYPE LOCATION PARTS CODE PARTS & CONNECTOR TYPE LOCATION
A12
AUTO ANTENNA MOTOR
GRAY
388-2 I17
IGNITION SW
388-1
A27
AUTO ANTENNA CONTROL
RELAY
388-1
388-2
J3
JUNCTION CONNECTOR
388-1
D22
DOOR SPEAKER FRONT LH
389-4 J8
JUNCTION CONNECTOR
389 3
D23
DOOR SPEAKER FRONT RH
389-4 J15
JUNCTION CONNECTOR
388-2
D24
DOOR SPEAKER REAR LH
389-4 R1
(A) RADIO AND PLAYER
BLUE
389-3
389-4
D25
DOOR SPEAKER REAR RH
389-4 R2
(B) RADIO AND PLAYER
BLUE
389-3
389-4
390
Pages From Manual
TO MODEL INDEX
BACK TO CHAPTER INDEX EWD307F
Relays, Fuses and J/B etc. Parts connector position Joint connectors and Ground points
See page 26 to 36 38 to 77 (LHD), 78 to 125 (RHD 126 to 143 (LHD), 144 to 165 (RHD)
PARTS CODE PARTS & CONNECTOR TYPE LOCATION PARTS CODE PARTS & CONNECTOR TYPE LOCATION
391
Pages From Manual
TO MODEL INDEX
BACK TO CHAPTER INDEX EWD307F
F ELECTRICAL WIRING DIAGRAM (System Circuits)
Power Source Combination Meter
392
Pages From Manual
TO MODEL INDEX
BACK TO CHAPTER INDEX EWD307F
Combination Meter
393
Pages From Manual
TO MODEL INDEX
BACK TO CHAPTER INDEX
(Cont. next page)
EWD307F
F ELECTRICAL WIRING DIAGRAM (System Circuits)
Combination Meter
394
Pages From Manual
TO MODEL INDEX
BACK TO CHAPTER INDEX EWD307F
(Cont'd)
Combination Meter
395
Pages From Manual
TO MODEL INDEX
BACK TO CHAPTER INDEX EWD307F
SYSTEM CIRCUIT CONNECTORS
PARTS CODE PARTS & CONNECTOR TYPE LOCATION PARTS CODE PARTS & CONNECTOR TYPE LOCATION
B2
BRAKE FLUID LEVEL
WARNING SW
GRAY
393-4 F10
FUEL SEDIMENTARY SW
GRAY
394-5
B3
BRAKE VACUUM
WARNING SW
BLACK
393-4 F13
FUEL SENDER
392-2
C9
(A) COMBINATION
METER
392-1
392-2
393-3
393-4
394-5
394-6
395-7
395-8
I17
IGNITION SW
392-1
C10
(B) COMBINATION METER
BLUE
392-1
392-2
393-3
393-4
394-5
394-6
395 7
395-8
J1
J2
(A), (B) JUNCTION
CONNECTOR
393-4
C11
(C) COMBINATION METER
BROWN
392-1
392-2
393-3
393-4
394-5
394-6
395-7
395-8
J3
J15
JUNCTION CONNECTOR
393-3
393-4
394-5
E2
ENGINE OIL LEVEL
WARNING SW
GRAY
394-6 J6
JUNCTION CONNECTOR
392-2
396
Pages From Manual
TO MODEL INDEX
BACK TO CHAPTER INDEX EWD307F
Relays, Fuses and J/B etc. Parts connector position Joint connectors and Ground points
See page 26 to 36 38 to 77 (LHD), 78 to 125 (RHD 126 to 143 (LHD), 144 to 165 (RHD)
PARTS CODE PARTS & CONNECTOR TYPE LOCATION PARTS CODE PARTS & CONNECTOR TYPE LOCATION
J7
JUNCTION CONNECTOR
BLUE
392-2
394-6
P2
PARKING BRAKE SW
393-4
J13
J14
(A), (B) JUNCTION
CONNECTOR
BLACK
393-4 T2
TURBO PRESSURE SW
BLACK
394-5
01
OIL PRESSURE SW
(Gasoline)
GRAY
395-7 W2
WATER TEMP. SENDER
GRAY
393-3
01
OIL PRESSURE SW (Diesel)
395-7
397
Pages From Manual
TO MODEL INDEX
BACK TO CHAPTER INDEX EWD307F
F ELECTRICAL WIRING DIAGRAM (System Circuits)
Power Source Air Conditioner
398
Pages From Manual
TO MODEL INDEX
BACK TO CHAPTER INDEX EWD307F
Air Conditioner
399
Pages From Manual
TO MODEL INDEX
BACK TO CHAPTER INDEX EWD307F
SYSTEM CIRCUIT CONNECTORS
PARTS CODE PARTS & CONNECTOR TYPE LOCATION PARTS CODE PARTS & CONNECTOR TYPE LOCATION
A1
A/C DUAL PRESSURE SW
GRAY
399-3 B4
BLOWER MOTOR
BLACK
398-2
A 2
A/C MAGNETIC CLUTCH
GRAY
399-4 B5
BLOWER RESISTOR
BLACK
398-1
398-2
A13
A/C AMPLIFIER
BLACK
399-3
399-4
B6
(A) BLOWER SW
(Austral a, Europe)
398-1
398 2
A14
A/C SW
BLACK
399-3 B6
(B) BLOWER SW (General)
BLACK
398-1
398-2
A15
A/C THERMISTOR
399-4 I17
IGNITION SW
398-1
A16
A/C VOLUME SW
399-3 J1
(A) JUNCTION
CONNECTOR
GRAY
398-1
399-4
400
Pages From Manual
TO MODEL INDEX
BACK TO CHAPTER INDEX EWD307F
401
PARTS CODE PARTS & CONNECTOR TYPE LOCATION PARTS CODE PARTS & CONNECTOR TYPE LOCATION
J2
(B) JUNCTION
CONNECTOR
GRAY
398-1 399-4 V6
VSV (A/C Idle-Up)
BLACK
399-4
J3
JUNCTION CONNECTOR
398-1
J7
JUNCTION CONNECTOR
BLUE
399-3
J15
JUNCTION CONNECTOR
398-2
Relays, Fuses and J/B etc. Parts connector position Joint connectors and Ground points
See page 26 to 36 38 to 77 (LHD), 78 to 125 (RHD 126 to 143 (LHD), 144 to 165 (RHD)
Pages From Manual
TO MODEL INDEX
BACK TO CHAPTER INDEX EWD307F

HILUX ELECRICAL EWD307F.pdf

  • 1.
    This Wiring DiagramManual has been prepared to provide information on the Electrical System of the HILUX. Applicable models: RZN: 142, 144, 147, 148, 149, 1 54, 168,169,173,174,193 Series LN: 141.145,146,147,150,152, 165,166,167,170,171,172, 191 Series For service specifications and repair procedures of the above models other than those listed in this manual, refer to the following manuals; Manual Name Pub. No. •HILUX Chassis and Body Repair Manual RM585E •1RZ, 1RZ-E, 2RZ-FE, 3RZ-F, 3RZ-FE Engine Repair Manual Supplement RM584E •2L, 2L-T, 3L, 5L Engine Repair Manual RM582E •HILUX New Car Features NCF140E All information in this manual is based on the latest product information at the time of publication. However, specifications and procedures are subject to change without notice. BACK TO MAIN MODEL IND VIEW THE MAIN INDEX EWD307 Back To Electrical Index Pages From Manual TO MODEL INDEX FOREWORD NOTICE When handling supplemental restraint system components (removal, installation or inspection, etc. ), always follow the direction given in the repair manuals listed above to prevent accidents and supplemental restraint system malfunction. All rights reserved. This CD may not be reproduced or copied, in whole or in part, without the written permission of Toyota Motor Corporation. TOYOTA MOTOR CORPORATION © 1997 TOYOTA MOTOR CORPORATION
  • 2.
    3 HOW TO USETHIS MANUAL B ... 4 ABBREVIATIONS C ... 7 RELAY LOCATIONS D ... 26 ELECTRICAL WIRING ROUTING E ... 38 ELECTRICAL WIRING DIAGRAM F ... 166 Pages From Manual INTRODUCTION No. A ... Section Page MAIN INDEX: HILUX AUGUST 1997 TO MODEL INDEX EWD307F BACK TO MAIN FOREWORD & Electrical Index ELECTRICAL WIRING DIAGRAM
  • 3.
    A: INTRODUCTION This manualconsists of the following 6 sections: I n f o r m a t i o n o n connectors in the SYSTEM CIRCUITS may be looked up in the SYSTEM CIRCUITS CONNECTORS. 3 No. Section Description INDEX A INTRODUCTION Brief explanation of each section. B HOW TO USE THIS MANUAL Instructions on how to use this manual. C ABBREVIATIONS Defines the abbreviations used in this manual. D RELAY LOCATIONS Shows position of the Electronic Control Unit, Relays, Relay Block, etc. This section is closely related to the system circuit. E ELECTRICAL WIRING ROUTING Describes position of the Parts Connectors, Ground points, etc. This section is closely related to the system circuit. INDEX Index of the system circuits. SYSTEM CIRCUITS Electrical circuits of each system are shown from the power supply to the ground points, and the connection methods between related system are shown ELECTRICAL WIRING DIAGRAM F SYSTEM CIRCUIT CONNECTORS All connector shapes, terminals and colors included in the wiring diagrams are shown here, grouped according to the respective wiring diagrams. (See the illustration below.) Pages From Manual TO MODEL INDEX BACK TO MAIN INDEX Index of the contents of this manual. TO MODEL INDEX EWD307F
  • 4.
    B: HOW TOUSE THIS MANUAL F ELECTRICAL WIRING DIAGRAM (SYSTEM CIRCUITS) 4 Pages From Manual TO MODEL INDEX BACK TO MAIN INDEX EWD307F
  • 5.
    A: The samecode occurring on the next page indicates that the wire harness is continuous. B: Number of the section of the system circuit (S); C: System Title D: Indicates the wiring color. Wire colors are indicated by an alphabetical code. B = Black L = Blue R = Red BR - Brown LG - Light Green V = Violet G = Green 0 = Orange W - White GR = Gray P = Pink Y - Yellow The first letter indicates the basic wire color and the second letter indicates the color of the stripe. Example: L - Y E: Represents a part. The position of the parts is the same as shown in the system circuits and wiring routing. F: Indicates the pin number of the connector. The numbering system is different for female and male connectors. Example: Numbered in order Numbered in order from upper left to from upper right to lower riqht lower left G: Indicates a Relay Block. No shading is used and only the Relay Block No. is shown to distinguish it from the J/B. Example: CD Indicates Relay Block No. 1. H: When 2 parts both use one connector in common, the parts connector name used in the wire routing section is shown in square brackets [ ]. - HINT: I: Junction Block (The number in the circle is the J/B No. and the connector code is shown beside it). Junction Blocks are shaded to clearly separate them from other parts. Example: 3B indicates that it is inside Junction Block No. 3. J: Indicates related system. K: The left number is the number of the page and the right number is the number of the section on the system circuit. L: Indicates the wiring harness and wiring harness connector. The wiring harness with male terminal is shown with arrows (^). Outside numerals are pin numbers. M: ( ) is used to indicate different wiring and connector, etc. when the vehicle model, engine type, or specification is different. N: Indicates a shielded cable. O: Indicates a ground point. P: Page No. Junction connector (code: J 1 to J23) in this manual include a short terminal which is connected to a number of wire harnesses. Always perform inspection with the short terminal installed. (When installing the wire harnesses, the harnesses can be connected to any position within the short terminal grouping. Accordingly, in other vehicles, the same position in the short terminal may be connected to a wire harness from a different part.) Wire harness sharing the same short terminal grouping have the same color. 5 Pages From Manual TO MODEL INDEX BACK TO CHAPTER INDEX B EWD307F
  • 6.
    B HOW TOUSE THIS MANUAL Shown on this page are the connectors (wire harness side) for parts shown in the system circuits. An explanation is given for each item on the page. Part code No. and Part name The part code No. and part name are given as in the system circuit, arranged in alphabetical order. The position of the parts is the same as shown in the system circuits and wiring routing. The location indicated is the location of the applicable part within the system circuit. (The left number is the number of the page and the right number is the number of the section on the system circuit.) SYSTEM CIRCUIT CONNECTORS Indicates the pin number of the connector. Connector color These indicate that the part has more (connectors with the color not than one connector. indicated are milky white in color.) 6 Pages From Manual TO MODEL INDEX BACK TO CHAPTER INDEX EWD307F
  • 7.
    C: ABBREVIATIONS ABBREVIATIONS The followingabbreviations are used in this manual. ABS = Anti-Lock Brake System A/C = Air Conditioner ADD = Automatic Disconnecting Differential A/T = Automatic Transmission COMB. = Combination DIFF. = Differential DLC3 = Data Link Connector3 ECT = Electronically Controlled Transmission ECU = Electronic Control Unit EFI = Electronic Fuel Injection EGR = Exhaust Gas Recirculation EVAP = Evaporative Emission G.C.C. = Gulf Cooperation Council IIA = Integrated Ignition Assembly ISC = Idle Speed Control LH = Left-Hand LHD = Left-Hand Drive M/T = Manual Transmission O/D = Overdrive RH = Right-Hand RHD = Right-Hand Drive SW = Switch TEMP. = Temperature VSV = Vacuum Switching Valve w/ = With w/o = Without 2WD = Two Wheel Drive Vehicles 4WD = Four Wheel Drive Vehicles 7 Pages From Manual TO MODEL INDEX BACK TO MAIN INDEX EWD307F
  • 8.
    D: RELAY LOCATIONS ENGINECOMPARTMENT: Pg26 1.LHD Pg26 INSTRUMENT PANEL Pg26 1.LHD Pg26 ENGINE COMPARTMENT: Pg27 1.RHD Pg27 INSTRUMENT PANEL Pg27 1.RHD Pg27 DRIVER SIDE J/B LOWER FINISH PANEL Pg28 1.LHD Pg28 DRIVER SIDE J/B INNER CIRCUIT LHD Pg29 DRIVER SIDE J/B LOWER PANEL FINISH Pg30 RHD Pg30 DRIVER SIDE J/B INNER CIRCUIT RHD Pg31 CENTER J/B NEAR THE STEERING COLUMN TUBE Pg32 RHD AUSTRALIA Pg32 CENTER J/B CIRCUIT Pg33 ENGINE ROOM R/B RHD DIESEL: ENGINE COMPARTMENT RIGHT Pg34 EXCEPT RHD DIESEL: ENGINE COMPARTMENT LEFT Pg34 ENGINE ROOM R/B RHD NO.2 DIESEL: ENGINE COMPARTMENT RIGHT Pg35 R/B NO.5 RHD: NEAR THE BRAKE MASTER CYLINDER Pg35 R/B NO.6 RADIATOR SUPPORT RH Pg36 RHD w/ DIM-DIP LIGHT Pg36 Pages From Manual TO MODEL INDEX BACK TO MAIN INDEX PASSENGER SIDE R/B COWL SIDE PANEL LH Pg36 RHD 3RZ-FE, 1RZ-E Pg36 EWD307F
  • 9.
    D: RELAY LOCATIONS [EngineCompartment] (LHD) 26 Pages From Manual TO MODEL INDEX BACK TO CHAPTER INDEX Link Continues EWD307F To: ST-11 ST-14 To: Sup. 2L,2L-T,3L,5L
  • 10.
    D [Engine Compartment] (RHD) 27 Pages FromManual TO MODEL INDEX BACK TO CHAPTER INDEX Link Continues EWD307F To: ST-11 ST-14 To: Sup. 2L,2L-T,3L,5L
  • 11.
    D RELAY LOCATIONS DriverSide J/B Lower Finish Panel (See Page 26) Pages From Manual TO MODEL INDEX BACK TO CHAPTER INDEX Link Continues EWD307F
  • 12.
    D [Driver Side J/BInner Circuit] [LHD] 29 Pages From Manual TO MODEL INDEX BACK TO CHAPTER INDEX EWD307F Link Continues
  • 13.
    D RELAY LOCATIONS DriverSide J/B (See Page 27) Lower Finish Panel Pages From Manual TO MODEL INDEX BACK TO CHAPTER INDEX Link Continues EWD307F
  • 14.
    D [Driver Side J/BInner Circuit] [RHD] 31 Pages From Manual TO MODEL INDEX BACK TO CHAPTER INDEX Link Continues EWD307F
  • 15.
    D RELAY LOCATIONS CenterJ/B Near The Steering Column Tube (See Page 27) [RHD Australia] 32 Pages From Manual TO MODEL INDEX BACK TO CHAPTER INDEX Link Continues EWD307F
  • 16.
    D [Center J/B InnerCircuit] 33 BACK TO CHAPTER INDEX Link Continues Pages From Manual TO MODEL INDEX EWD307F
  • 17.
    D RELAY LOCATIONS RHDDiesel : Engine Compartment Right (See Page 27) (2) Engine Room R/B Except RHD Diesel : Engine Compartment Left (See Page 26, 27) 34 Pages From Manual TO MODEL INDEX BACK TO CHAPTER INDEX Link Continues EWD307F
  • 18.
    LHD Diesel :Engine Compartment Left (See Page 26) ( 4 ) Engine Room R/B No.2 RHD Diesel : Engine Compartment Right (See Page 27) LHD: Front Right Fender Apron (See Page 26) ( 5 ) R/B No.5 RHD: Near The Brake Master Cylinder (See Page 27) 35 Pages From Manual TO MODEL INDEX BACK TO CHAPTER INDEX Link Continues D EWD307F
  • 19.
    D RELAY LOCATIONS (6 ) : R/B No.6 Radiator Support RH (See Page 27) (RHD w/ Dim-Dip Light) ( 7 ) : Passenger Side R/B Cowl Side Panel LH (See Page 27) (RHD 3RZ-FE, 1RZ-E) 36 Pages From Manual TO MODEL INDEX BACK TO CHAPTER INDEX LINK BACK 173 177 181 185 191 193 197 201 205 209 213 217 221 225 229 233 237 241 245 249 253 257 263 265 269 273 279 281 285 289 293 297 303 305 309 313 317 321 325 329 333 337 341 345 351 353 357 361 365 369 373 377 383 387 391 397 401 EWD307F
  • 20.
    E: ELECTRICAL WIRINGROUTING PAGE 1 OF 3 POSITION OF PARTS IN ENGINE COMPARTMENT: 1. LHD: 2RZ-FE Pg38 2. LHD: 3RZ-F Pg42 3. LHD: 1RZ Pg46 4. LHD: 2L-T Pg50 5. LHD: 3L, 2L Pg54 POSITION OF PARTS IN INSTRUMENT PANEL: 1. LHD: INSTRUMENT PANEL 1 Pg58 2. LHD: INSTRUMENT PANEL 2 Pg62 POSITION OF PARTS IN BODY: 1. LHD: REGULAR CAB Pg66 2. LHD: DOUBLE CAB Pg70 3. LHD: EXTRA CAB Pg74 POSITION OF PARTS IN ENGINE COMPARTMENT: 1. RHD: 3RZ-FE Pg78 2. RHD: 3RZ-F Pg82 3. RHD: 1RZ-E Pg86 4. RHD: 1RZ Pg90 5. RHD: 5L Pg94 6. RHD: 2L-T Pg98 7. RHD: 3L, 2L Pg102 POSITION OF PARTS IN INSTRUMENT PANEL: 1. RHD: INSTRUMENT PANEL 1 Pg106 2. RHD: INSTRUMENT PANEL 2 Pg110 POSITION OF PARTS IN BODY: 1. RHD: REGULAR CAB Pg114 2. RHD: DOUBLE CAB Pg118 3. RHD: EXTRA CAB Pg122 LOCATION OF CONNECTOR JOINING WIRE HARNESS AND WIRE HARNESS Pg126 LOCATION OF GROUND POINTS Pg126 1. LHD: 2RZ-FE Pg126 CONNECTOR JOINING WIRE HARNESS AND WIRE HARNESS Pg127 LOCATION OF CONNECTOR JOINING WIRE HARNESS Pg128 LOCATION OF GROUND POINTS Pg128 1. LHD: 3RZ-F Pg128 CONNECTOR JOINING WIRE HARNESS AND WIRE HARNESS Pg129 LOCATION OF CONNECTOR JOINING WIRE HARNESS AND WIRE HARNESS Pg130 LOCATION OF GROUND POINTS Pg130 1. LHD: 1RZ Pg130 CONNECTOR JOINING WIRE HARNESS AND WIRE HARNESS Pg131 LOCATION OF CONNECTOR JOINING WIRE HARNESS AND WIRE HARNESS Pg132 LOCATION OF GROUND POINTS Pg132 1. LHD: 2L-T Pg132 CONNECTOR JOINING WIRE HARNESS AND WIRE HARNESS Pg133 LOCATION OF CONNECTOR JOINING WIRE HARNESS AND WIRE HARNESS Pg134 LOCATION OF GROUND POINTS Pg134 1. LHD: 3L, 2L Pg134 BACK TO MAIN INDEX TO MODEL INDEX Pages From Manual EWD307F CONTINUED
  • 21.
    CONNECTOR JOINING WIREHARNESS AND WIRE HARNESS Pg135 LOCATION OF CONNECTOR JOINING WIRE HARNESS AND WIRE HARNESS Pg136 1. LHD Pg136 CONNECTOR JOINING WIRE HARNESS AND WIRE HARNESS Pg137 LOCATION OF CONNECTOR JOINING WIRE HARNESS AND WIRE HARNESS Pg138 1. LHD Pg138 CONNECTOR JOINING WIRE HARNESS AND WIRE HARNESS Pg139 LOCATION OF CONNECTOR JOINING WIRE HARNESS AND WIRE HARNESS Pg140 LOCATION OF GROUND POINTS Pg140 1. LHD: DOUBLE CAB Pg140 CONNECTOR JOINING WIRE HARNESS AND WIRE HARNESS Pg141 LOCATION OF CONNECTOR JOINING WIRE HARNESS AND WIRE HARNESS Pg142 LOCATION OF GROUND POINTS Pg142 1. LHD: REGULAR CAB Pg142 CONNECTOR JOINING WIRE HARNESS AND WIRE HARNESS Pg143 LOCATION OF CONNECTOR JOINING WIRE HARNESS AND WIRE HARNESS Pg144 LOCATION OF GROUND POINTS Pg144 1. RHD: 3RZ-FE Pg144 CONNECTOR JOINING WIRE HARNESS AND WIRE HARNESS Pg145 LOCATION OF CONNECTOR JOINING WIRE HARNESS AND WIRE HARNESS Pg146 LOCATION OF GROUND POINTS Pg146 1. RHD: 3RZ-F Pg146 CONNECTOR JOINING WIRE HARNESS AND WIRE HARNESS Pg147 LOCATION OF CONNECTOR JOINING WIRE HARNESS AND WIRE HARNESS Pg148 LOCATION OF GROUND POINTS Pg148 1. RHD: 1RZ-E Pg148 CONNECTOR JOINING WIRE HARNESS AND WIRE HARNESS Pg149 LOCATION OF CONNECTOR JOINING WIRE HARNESS AND WIRE HARNESS Pg150 LOCATION OF GROUND POINTS Pg150 1. RHD: 1RZ Pg150 CONNECTOR JOINING WIRE HARNESS AND WIRE HARNESS Pg151 LOCATION OF CONNECTOR JOINING WIRE HARNESS AND WIRE HARNESS Pg152 LOCATION OF GROUND POINTS Pg152 1. RHD: 5L Pg152 CONNECTOR JOINING WIRE HARNESS AND WIRE HARNESS Pg153 LOCATION OF CONNECTOR JOINING WIRE HARNESS AND WIRE HARNESS Pg154 LOCATION OF GROUND POINTS Pg154 1. RHD: 2L-T Pg154 CONNECTOR JOINING WIRE HARNESS AND WIRE HARNESS Pg155 LOCATION OF CONNECTOR JOINING WIRE HARNESS AND WIRE HARNESS Pg156 LOCATION OF GROUND POINTS Pg156 1. RHD: 3L, 2L Pg156 CONNECTOR JOINING WIRE HARNESS AND WIRE HARNESS Pg157 LOCATION OF CONNECTOR JOINING WIRE HARNESS AND WIRE HARNESS Pg158 CONNECTOR JOINING WIRE HARNESS AND WIRE HARNESS Pg159 LOCATION OF CONNECTOR JOINING WIRE HARNESS AND WIRE HARNESS Pg160 1. RHD Pg160 Pages From Manual BACK TO CHAPTER INDEX TO MODEL INDEX PAGE 2 OF 3 1. RHD Pg158 LOCATION OF GROUND POINTS Pg158 EWD307F CONTINUED E: ELECTRICAL WIRING ROUTING
  • 22.
    CONNECTOR JOINING WIREHARNESS AND WIRE HARNESS Pg161 LOCATION OF CONNECTOR JOINING WIRE HARNESS AND WIRE HARNESS Pg162 LOCATION OF GROUND POINTS Pg162 1. RHD: DOUBLE CAB Pg162 Pages From Manual BACK TO CHAPTER INDEX TO MODEL INDEX PAGE 3 OF 3 CONNECTOR JOINING WIRE HARNESS AND WIRE HARNESS Pg163 LOCATION OF CONNECTOR JOINING WIRE HARNESS AND WIRE HARNESS Pg164 LOCATION OF GROUND POINTS Pg164 1. RHD: REGULAR CAB Pg164 2. RHD: EXTRA CAB Pg164 CONNECTOR JOINING WIRE HARNESS AND WIRE HARNESS Pg165 EWD307F E: ELECTRICAL WIRING ROUTING
  • 23.
    E ELECTRICAL WIRINGROUTING Position of Parts in Engine Compartment [LHD:2RZ-FE] *1 : w/o ABS *2 : w/ ABS *3: Europe *4: Except Europe 38 Pages From Manual TO MODEL INDEX BACK TO CHAPTER INDEX Link Continues EWD307F
  • 24.
    Position of Partsin Engine Compartment 39 Code English A 1 A/C Dual Pressure SW A 2 A/C Magnetic Clutch A 4 ABS Actuator A 5 ABS Actuator A 6 ABS Speed Sensor Front LH A 7 ABS Speed Sensor Front RH A 8 ADD Indicator SW A 9 Air Flow Meter A 10 Alternator A 11 Alternator B 1 Back-Up Light SW B 2 Brake Fluid Level Warning SW C 1 Camshaft Position Sensor C 3 Check Connector C 4 Crankshaft Position Sensor D 1 Detection SW (Transfer 4WD Position) D 2 Detection SW (Transfer L4 Position) F 1 Front Clearance Light LH F 2 Front Clearance Light RH F 3 Front Side Turn Signal Light LH F 4 Front Side Turn Signal Light RH F 5 Front Turn Signal Light and Clearance Light LH F 6 Front Turn Signal Light and Clearance Light RH F 7 Front Turn Signal Light LH F 8 Front Turn Signal Light RH H 1 Headlight Beam Level Control Actuator LH H 2 Headlight Beam Level Control Actuator RH H 3 Headlight Cleaner Motor and Washer Motor H 4 Headlight Cleaner Relay H 5 Headlight LH H 6 Headlight RH H 7 Heated Oxygen Sensor (Bank 1 Sensor 1) H 8 Heated Oxygen Sensor (Bank 1 Sensor 2) H 9 Horn I 2 Ignition Coil and Igniter No.1 I 3 Ignition Coil and Igniter No.2 I 10 Injector No.1 I 11 Injector No.2 I 12 Injector No.3 I 13 Injector No.4 I 15 ISC Valve J 1 Junction Connector J 2 Junction Connector K 1 Knock Sensor N 2 Noise Filter 0 1 Oil Pressure SW S 2 Starter S 3 Starter T 1 Throttle Position Sensor V 4 VSV (2WD, ADD) V 5 VSV (4WD, ADD) V 7 VSV (EGR) V 8 VSV (EVAP) W 1 Washer Motor W 2 Water Temp. Sender W 3 Water Temp. Sensor W 4 Wiper Motor Pages From Manual TO MODEL INDEX BACK TO CHAPTER INDEX Link Continues E EWD307F
  • 25.
    E ELECTRICAL WIRINGROUTING Position of Parts in Engine Compartment [LHD:2RZ-FE] *1 : w/o ABS *2.: w/ ABS *3: Europe *4: Except Europe 40 Pages From Manual TO MODEL INDEX BACK TO CHAPTER INDEX Link Continues EWD307F
  • 26.
    Position of Partsin Engine Compartment Code English A 1 A/C Dual Pressure SW A 2 A/C Magnetic Clutch A 4 ABS Actuator A 5 ABS Actuator A 6 ABS Speed Sensor Front LH A 7 ABS Speed Sensor Front RH A 8 ADD Indicator SW A 9 Air Flow Meter A 10 Alternator A11 Alternator B 1 Back-Up Light SW B 2 Brake Fluid Level Warning SW C 1 Camshaft Position Sensor C 3 Check Connector C 4 Crankshaft Position Sensor D 1 Detection SW (Transfer 4WD Position) D 2 Detection SW (Transfer L4 Position) F 1 Front Clearance Light LH F 2 Front Clearance Light RH F 3 Front Side Turn Signal Light LH F 4 Front Side Turn Signal Light RH F 5 Front Turn Signal Light and Clearance Light LH F 6 Front Turn Signal Light and Clearance Light RH F 7 Front Turn Signal Light LH F 8 Front Turn Signal Light RH H 1 Headlight Beam Level Control Actuator LH H 2 Headlight Beam Level Control Actuator RH H 3 Headlight Cleaner Motor and Washer Motor H 4 Headlight Cleaner Relay H 5 Headlight LH H 6 Headlight RH H 7 Heated Oxygen Sensor (Bank 1 Sensor 1) H 8 Heated Oxygen Sensor (Bank 1 Sensor 2) H 9 Horn I 2 Ignition Coil and Igniter No.1 I 3 Ignition Coil and Igniter No.2 I 10 Injector No.1 I 11 Injector No.2 I 12 Injector No.3 I 13 Injector No.4 I 15 ISC Valve J 1 Junction Connector J 2 Junction Connector K 1 Knock Sensor N 2 Noise Filter O 1 Oil Pressure SW S 2 Starter S 3 Starter T 1 Throttle Position Sensor V 4 VSV (2WD, ADD) V 5 VSV (4WD, ADD) V 7 VSV (EGR) V 8 VSV (EVAP) W 1 Washer Motor W 2 Water Temp. Sender W 3 Water Temp. Sensor W 4 Wiper Motor 41 Pages From Manual TO MODEL INDEX BACK TO CHAPTER INDEX Link Continues E EWD307F
  • 27.
    E ELECTRICAL WIRINGROUTING Position of Parts in Engine Compartment [LHD:3RZ-F] 42 Pages From Manual TO MODEL INDEX BACK TO CHAPTER INDEX Link Continues EWD307F
  • 28.
    E Position of Partsin Engine Compartment Code English A 1 A/C Dual Pressure SW A 2 A/C Magnetic Clutch A 4 ABS Actuator A 5 ABS Actuator A 6 ABS Speed Sensor Front LH A 7 ABS Speed Sensor Front RH A 10 Alternator A 11 Alternator B 1 Back-Up Light SW B 2 Brake Fluid Level Warning SW C 2 Carburetor C 3 Check Connector D 1 Detection SW (Transfer 4WD Position) D 2 Detection SW (Transfer L4 Position) F 1 Front Clearance Light LH F 2 Front Clearance Light RH F 3 Front Side Turn Signal Light LH F 4 Front Side Turn Signal Light RH F 5 Front Turn Signal Light and Clearance Light LH F 6 Front Turn Signal Light and Clearance Light RH F 7 Front Turn Signal Light LH F 8 Front Turn Signal Light RH H 5 Headlight LH H 6 Headlight RH H 9 Horn I 1 Igniter I 4 Ignition Coil No.1 I 5 Ignition Coil No.2 J 1 Junction Connector J 2 Junction Connector O 1 Oil Pressure SW S 2 Starter S 3 Starter V 9 VSV (Throttle Position Control) W 1 Washer Motor W 2 Water Temp. Sender W 4 Wiper Motor 43 Pages From Manual TO MODEL INDEX BACK TO CHAPTER INDEX Link Continues EWD307F
  • 29.
    E ELECTRICAL WIRINGROUTING Position of Parts in Engine Compartment [LHD:3RZ-F] 44 Pages From Manual TO MODEL INDEX BACK TO CHAPTER INDEX Link Continues EWD307F
  • 30.
    E Position of Partsin Engine Compartment Code English A 1 A/C Dual Pressure SW A 2 A/C Magnetic Clutch A 4 ABS Actuator A 5 ABS Actuator A 6 ABS Speed Sensor Front LH A 7 ABS Speed Sensor Front RH A 10 Alternator A 11 Alternator B 1 Back-Up Light SW B 2 Brake Fluid Level Warning SW C 2 Carburetor C 3 Check Connector D 1 Detection SW (Transfer 4WD Position) D 2 Detection SW (Transfer L4 Position) F 1 Front Clearance Light LH F 2 Front Clearance Light RH F 3 Front Side Turn Signal Light LH F 4 Front Side Turn Signal Light RH F 5 Front Turn Signal Light and Clearance Light LH F 6 Front Turn Signal Light and Clearance Light RH F 7 Front Turn Signal Light LH F 8 Front Turn Signal Light RH H 5 Headlight LH H 6 Headlight RH H 9 Horn I 1 Igniter I 4 Ignition Coil No.1 I 5 Ignition Coil No.2 J 1 Junction Connector J 2 Junction Connector 0 1 Oil Pressure SW S 2 Starter s 3 Starter v 9 VSV (Throttle Position Control) w 1 Washer Motor w 2 Water Temp. Sender w 4 Wiper Motor 45 Pages From Manual TO MODEL INDEX BACK TO CHAPTER INDEX Link Continues EWD307F
  • 31.
    E ELECTRICAL WIRINGROUTING Position of Parts in Engine Compartment [LHD:1RZ] 46 Pages From Manual TO MODEL INDEX BACK TO CHAPTER INDEX Link Continues EWD307F
  • 32.
    E Position of Partsin Engine Compartment Code English A 1 A/C Dual Pressure SW A 2 A/C Magnetic Clutch A 4 ABS Actuator A 5 ABS Actuator A 6 ABS Speed Sensor Front LH A 7 ABS Speed Sensor Front RH A 10 Alternator A 11 Alternator B 1 Back-Up Light SW B 2 Brake Fluid Level Warning SW C 2 Carburetor C3 Check Connector F1 Front Clearance Light LH F2 Front Clearance Light RH F3 Front Side Turn Signal Light LH F4 Front Side Turn Signal Light RH F5 Front Turn Signal Light and Clearance Light LH F6 Front Turn Signal Light and Clearance Light RH F7 Front Turn Signal Light LH F8 Front Turn Signal Light RH H5 Headlight LH H6 Headlight RH H9 Horn I6 IIA J 1 Junction Connector J 2 Junction Connector O1 Oil Pressure SW S 2 Starter S3 Starter V2 Vacuum SW V9 VSV (Throttle Position Control) W 1 Washer Motor W2 Water Temp. Sender W4 Wiper Motor 47 Pages From Manual TO MODEL INDEX BACK TO CHAPTER INDEX Link Continues EWD307F
  • 33.
    E ELECTRICAL WIRINGROUTING Position of Parts in Engine Compartment [LHD:1RZ] 48 Pages From Manual TO MODEL INDEX BACK TO CHAPTER INDEX Link Continues EWD307F
  • 34.
    E Position of Partsin Engine Compartment Code English A1 A/C Dual Pressure SW A2 A/C Magnetic Clutch A4 ABS Actuator A5 ABS Actuator A6 ABS Speed Sensor Front LH A7 ABS Speed Sensor Front RH A10 Alternator A11 Alternator B1 Back-Up Light SW B2 Brake Fluid Level Warning SW C2 Carburetor C3 Check Connector F1 Front Clearance Light LH F2 Front Clearance Light RH F3 Front Side Turn Signal Light LH F4 Front Side Turn Signal Light RH F5 Front Turn Signal Light and Clearance Light LH F6 Front Turn Signal Light and Clearance Light RH F7 Front Turn Signal Light LH F8 Front Turn Signal Light RH H5 Headlight LH H6 Headlight RH H9 Horn I6 IIA J1 Junction Connector J2 Junction Connector O1 Oil Pressure SW S2 Starter S3 Starter V2 Vacuum SW V9 VSV (Throttle Position Control) W1 Washer Motor W2 Water Temp. Sender W4 Wiper Motor 49 Pages From Manual TO MODEL INDEX BACK TO CHAPTER INDEX Link Continues EWD307F
  • 35.
    E ELECTRICAL WIRINGROUTING Position of Parts in Engine Compartment [LHD:2L-T] 50 Pages From Manual TO MODEL INDEX BACK TO CHAPTER INDEX Link Continues EWD307F
  • 36.
    E Position of Partsin Engine Compartment Code English A 1 A/C Dual Pressure SW A 2 A/C Magnetic Clutch A 4 ABS Actuator A 5 ABS Actuator A 6 ABS Speed Sensor Front LH A 7 ABS Speed Sensor Front RH A 8 ADD Indicator SW A 10 Alternator A 11 Alternator B 1 Back-Up Light SW B 2 Brake Fluid Level Warning SW B 3 Brake Vacuum Warning SW C 3 Check Connector D 1 Detection SW (Transfer 4WD Position) D 2 Detection SW (Transfer L4 Position) E 2 Engine Oil Level Warning SW F 1 Front Clearance Light LH F 2 Front Clearance Light RH F 3 Front Side Turn Signal Light LH F 4 Front Side Turn Signal Light RH F 7 Front Turn Signal Light LH F 8 Front Turn Signal Light RH F 9 Fuel Heater F 10 Fuel Sedimentary SW G 1 Glow Plug H 1 Headlight Beam Level Control Actuator LH H 2 Headlight Beam Level Control Actuator RH H 3 Headlight Cleaner Motor and Washer Motor H 4 Headlight Cleaner Relay H 5 Headlight LH H 6 Headlight RH H 9 Horn I 9 Injection Pump J 1 Junction Connector J 2 Junction Connector 0 1 Oil Pressure SW S 2 Starter S 3 Starter T 2 Turbo Pressure SW V 4 VSV (2WD, ADD) V 5 VSV (4WD. ADD) V 6 VSV (A/C Idle-Up) W 1 Washer Motor W 2 Water Temp. Sender W 3 Water Temp. Sensor W 4 Wiper Motor 51 Pages From Manual TO MODEL INDEX BACK TO CHAPTER INDEX Link Continues EWD307F
  • 37.
    E ELECTRICAL WIRINGROUTING Position of Parts in Engine Compartment [LHD:2L-T] 52 Pages From Manual TO MODEL INDEX BACK TO CHAPTER INDEX Link Continues EWD307F
  • 38.
    E Position of Partsin Engine Compartment Code English A 1 A/C Dual Pressure SW A 2 A/C Magnetic Clutch A 4 ABS Actuator A 5 ABS Actuator A 6 ABS Speed Sensor Front LH A 7 ABS Speed Sensor Front RH A 8 ADD Indicator SW A 10 Alternator A11 Alternator B 1 Back-Up Light SW B2 Brake Fluid Level Warning SW B 3 Brake Vacuum Warning SW C 3 Check Connector D 1 Detection SW (Transfer 4WD Position) D 2 Detection SW (Transfer L4 Position) E 2 Engine Oil Level Warning SW F 1 Front Clearance Light LH F 2 Front Clearance Light RH F 3 Front Side Turn Signal Light LH F 4 Front Side Turn Signal Light RH F 7 Front Turn Signal Light LH F 8 Front Turn Signal Light RH F 9 Fuel Heater F 10 Fuel Sedimentary SW G 1 Glow Plug H 1 Headlight Beam Level Control Actuator LH H 2 Headlight Beam Level Control Actuator RH H 3 Headlight Cleaner Motor and Washer Motor H 4 Headlight Cleaner Relay H 5 Headlight LH H 6 Headlight RH H 9 Horn I 9 Injection Pump J 1 Junction Connector J 2 Junction Connector 0 1 Oil Pressure SW S 2 Starter S 3 Starter T 2 Turbo Pressure SW V 4 VSV (2WD, ADD) V 5 VSV (4WD, ADD) V 6 VSV (A/C Idle-Up) W 1 Washer Motor W 2 Water Temp. Sender W 3 Water Temp. Sensor W 4 Wiper Motor 53 Pages From Manual TO MODEL INDEX BACK TO CHAPTER INDEX Link Continues EWD307F
  • 39.
    E ELECTRICAL WIRINGROUTING Position of Parts in Engine Compartment [LHD:3L,2L] 54 Pages From Manual TO MODEL INDEX BACK TO CHAPTER INDEX Link Continues EWD307F Fuel Heater G 1 Glow Plug S 2 Starter S 3 Starter ST-50 ST-50 To: Sup. 2L,2L-T,3L,5L
  • 40.
    E Position of Partsin Engine Compartment Code English A 1 A/C Dual Pressure SW A 2 A/C Magnetic Clutch A 4 ABS Actuator A 5 ABS Actuator A 6 A 7 ABS Speed Sensor Front LH ABS Speed Sensor Front RH A 10 Alternator A 11 Alternator B 1 Back-Up Light SW B 2 Brake Fluid Level Warning SW B 3 Brake Vacuum Warning SW C 3 Check Connector D 1 Detection SW (Transfer 4WD Position) D 2 Detection SW (Transfer L4 Position) E 2 Engine Oil Level Warning SW F 1 Front Clearance Light LH F 2 Front Clearance Light RH F 3 Front Side Turn Signal Light LH F 4 Front Side Turn Signal Light RH F 5 Front Turn Signal Light and Clearance Light LH F 6 Front Turn Signal Light and Clearance Light RH F 7 Front Turn Signal Light LH F 8 Front Turn Signal Light RH F 9 F 10 Fuel Sedimentary SW G 1 Glow Plug H 1 Headlight Beam Level Control Actuator LH H 2 Headlight Beam Level Control Actuator RH H 3 Headlight Cleaner Motor and Washer Motor H 4 Headlight Cleaner Relay H 5 Headlight LH H 6 Headlight RH H 9 Horn I 9 Injection Pump J 1 Junction Connector J 2 Junction Connector 0 1 Oil Pressure SW P 1 Pick-Up Sensor S 2 Starter S 3 Starter V 4 VSV (2WD, ADD) V 5 VSV (4WD. ADD) V 6 VSV (A/C Idle-Up) W 1 Washer Motor W 2 Water Temp. Sender W 3 Water Temp. Sensor W 4 Wiper Motor 55 Pages From Manual TO MODEL INDEX BACK TO CHAPTER INDEX Link Continues EWD307F Fuel Heater
  • 41.
    E ELECTRICAL WIRINGROUTING Position of Parts in Engine Compartment [LHD:3L,2L] 56 Pages From Manual TO MODEL INDEX BACK TO CHAPTER INDEX Link Continues EWD307F
  • 42.
    E Position of Partsin Engine Compartment Code English A1 A/C Dual Pressure SW A2 A/C Magnetic Clutch A4 ABS Actuator A6 ABS Actuator A6 ABS Speed Sensor Front LH A7 ABS Speed Sensor Front RH A10 Alternator A11 Alternator B1 Back-Up Light SW B2 Brake Fluid Level Warning SW B3 Brake Vacuum Warning SW C3 Check Connector D1 Detection SW (Transfer 4WD Position) D2 Detection SW (Transfer L4 Position) E2 Engine Oil Level Warning SW F1 Front Clearance Light LH F2 Front Clearance Light RH F3 Front Side Turn Signal Light LH F4 Front Side Turn Signal Light RH F5 Front Turn Signal Light and Clearance Light LH F6 Front Turn Signal Light and Clearance Light RH F7 Front Turn Signal Light LH F8 Front Turn Signal Light RH F9 Fuel Heater F10 Fuel Sedimentary SW G1 Glow Plug H1 Headlight Beam Level Control Actuator LH H2 Headlight Beam Level Control Actuator RH H3 Headlight Cleaner Motor and Washer Motor H4 Headlight Cleaner Relay H5 Headlight LH H6 Headlight RH H9 Horn I9 Injection Pump J1 Junction Connector J2 Junction Connector O1 Oil Pressure SW P1 Pick-Up Sensor S2 Starter S3 Starter V4 VSV (2WD. ADD) V5 VSV (4WD, ADD) V6 VSV (A/C Idle-Up) W1 Washer Motor W2 Water Temp. Sender W3 Water Temp. Sensor W4 Wiper Motor 57 Pages From Manual TO MODEL INDEX BACK TO CHAPTER INDEX Link Continues EWD307F
  • 43.
    E ELECTRICAL WIRINGROUTING Position of Parts in Instrument Panel [LHD: lnstrument Panel 1] 58 1 :2-Door Pages From Manual TO MODEL INDEX BACK TO CHAPTER INDEX Link Continues EWD307F
  • 44.
    E Position of Partsin Instrument Panel Code English A13 A/C Amplifier A 14 A/C SW A 15 A/C Thermistor A 16 A/C Volume SW A 17 ABS Deceleration Sensor A 18 ABS ECU A 19 ABS ECU A 20 ADD Control Relay A 21 Airbag Sensor Assembly A 22 Airbag Sensor Assembly A 23 Airbag Sensor Assembly A 24 Airbag Squib (Front Passenger's Airbag Assembly) A 25 Airbag Squib (Steering Wheel Pad) A 26 Ashtray Illumination B 4 Blower Motor B 5 Blower Resistor B 6 Blower SW C 5 Cigarette Lighter C 6 Cigarette Lighter Illumination C 7 Circuit Opening Relay C 8 Clock C 9 Combination Meter C 10 Combination Meter C 11 Combination Meter C 12 Combination SW C 13 Combination SW C 14 Combination SW D 3 Daytime Running Light Relay D 4 Diff. Lock ECU D 5 Diff. Lock SW D 7 Diode (Door Courtesy) D 8 Diode (Glow Plug) D 10 DLC3 D 11 Door Courtesy SW Front LH D 12 Door Courtesy SW Front RH 59 Pages From Manual TO MODEL INDEX BACK TO CHAPTER INDEX Link Continues EWD307F
  • 45.
    E ELECTRICAL WIRINGROUTING Position of Parts in Instrument Panel [LHD:lnstrument Panel 1] 60 Pages From Manual TO MODEL INDEX BACK TO CHAPTER INDEX Link Continues EWD307F
  • 46.
    E Position of Partsin Instrument Panel Code English A13 A/C Amplifier A 14 A/C SW A 15 A/C Thermistor A 16 A/C Volume SW A 17 ABS Deceleration Sensor A 18 ABS ECU A 19 ABS ECU A 20 ADD Control Relay A 21 Airbag Sensor Assembly A 22 Airbag Sensor Assembly A 23 Airbag Sensor Assembly A 24 Airbag Squib (Front Passenger's Airbag Assembly) A 26 Airbag Squib (Steering Wheel Pad) A 26 Ashtray Illumination B 4 Blower Motor B 5 Blower Resistor B 6 Blower SW C 5 Cigarette Lighter C 6 Cigarette Lighter Illumination C 7 Circuit Opening Relay C 8 Clock C 9 Combination Meter C 10 Combination Meter C 11 Combination Meter C 12 Combination SW C 13 Combination SW C14 Combination SW D 3 Daytime Running Light Relay D 4 Diff. Lock ECU D 5 Diff. Lock SW D 7 Diode (Door Courtesy) D 8 Diode (Glow Plug) D10 DLC3 D11 Door Courtesy SW Front LH D12 Door Courtesy SW Front RH 61 Pages From Manual TO MODEL INDEX BACK TO CHAPTER INDEX Link Continues EWD307F
  • 47.
    E ELECTRICAL WIRINGROUTING Position of Parts in Instrument Panel [LHD:lnstrument Panel 2] 62 Pages From Manual TO MODEL INDEX BACK TO CHAPTER INDEX Link Continues EWD307F
  • 48.
    E Position of Partsin Instrument Panel Code English E3 Emission Control ECU E4 Engine ECU E5 Engine ECU E6 Engine ECU G2 Glove Box Light H10 Hazard SW H11 Headlight Beam Level Control SW H12 Headlight Cleaner SW I16 Ignition Key Cylinder Light I17 Ignition SW I18 Integration Relay I19 Integration Relay J3 Junction Connector J4 Junction Connector J5 Junction Connector J6 Junction Connector J7 Junction Connector J8 Junction Connector J9 Junction Connector J10 Junction Connector J11 Junction Connector J12 Junction Connector J13 Junction Connector J14 Junction Connector J15 Junction Connector J16 Junction Connector J17 Junction Connector J18 Junction Connector J19 Junction Connector J20 Junction Connector J21 Junction Connector J22 Junction Connector J23 Junction Connector P2 Parking Brake SW P3 Pre-Heating Timer R1 Radio and Player R3 Rear Fog Light SW R4 Rear Window Defogger SW S4 Stop Light SW U1 Unlock Warning SW 63 Pages From Manual TO MODEL INDEX BACK TO CHAPTER INDEX Link Continues EWD307F
  • 49.
    E ELECTRICAL WIRINGROUTING Position of Parts in Instrument Panel [LHD:lnstrument Panel 2] 64 Pages From Manual TO MODEL INDEX BACK TO CHAPTER INDEX Link Continues EWD307F
  • 50.
    E Position of Partsin Instrument Panel Code English E 3 Emission Control ECU E 4 Engine ECU E 5 Engine ECU E 6 Engine ECU G 2 Glove Box Light H10 Hazard SW H11 Headlight Beam Level Control SW H 12 Headlight Cleaner SW 16 Ignition Key Cylinder Light 17 Ignition SW 18 Integration Relay 19 Integration Relay J 3 Junction Connector J 4 Junction Connector J 5 Junction Connector J 6 Junction Connector J 7 Junction Connector J 8 Junction Connector J 9 Junction Connector J 10 Junction Connector J 11 Junction Connector J 12 Junction Connector J 13 Junction Connector J 14 Junction Connector J 15 Junction Connector J 16 Junction Connector J 17 Junction Connector J 18 Junction Connector J 19 Junction Connector J 20 Junction Connector J 21 Junction Connector J 22 Junction Connector 123 Junction Connector P 2 Parking Brake SW P 3 Pre-Heating Timer R 1 Radio and Player R 3 Rear Fog Light SW R 4 Rear Window Defogger SW S 4 Stop Light SW U 1 Unlock Warning SW 65 Pages From Manual TO MODEL INDEX BACK TO CHAPTER INDEX Link Continues EWD307F
  • 51.
    E ELECTRICAL WIRINGROUTING [LHD:Regular Cab] Position of Parts in Body *1 : w/ Vent Window *2 : w/o Vent Window 66 Pages From Manual TO MODEL INDEX BACK TO CHAPTER INDEX Link Continues EWD307F
  • 52.
    E Position of Partsin Body Code English A 28 ABS Speed Sensor Rear LH A29 ABS Speed Sensor Rear RH B 7 Buckle SW D 13 Detection SW (Rear Diff. Lock) D 16 Door Key Lock and Unlock SW D 17 Door Lock Control SW D 18 Door Lock Motor Front LH D 19 Door Lock Motor Front RH D 22 Door Speaker Front LH D 23 Door Speaker Front RH F 12 Fuel Pump F 13 Fuel Sender 1 20 Interior Light L 1 License Plate Light LH L 2 License Plate Light RH P 6 Power Window Control SW Front RH P 9 Power Window Master SW P 10 Power Window Motor Front LH P 11 Power Window Motor Front RH P 14 Pretensioner LH P 15 Pretensioner RH R 6 Rear Combination Light LH R 7 Rear Combination Light RH R 8 Rear Diff. Lock Motor R 9 Rear Fog Light R 12 Remote Control Mirror LH R 13 Remote Control Mirror RH R 14 Remote Control Mirror SW 67 Pages From Manual TO MODEL INDEX BACK TO CHAPTER INDEX Link Continues EWD307F
  • 53.
    E ELECTRICAL WIRINGROUTING Position of Parts in Body [LHD:Regular Cab] *1 : w/ Vent Window *2 : w/o Vent Window 68 Pages From Manual TO MODEL INDEX BACK TO CHAPTER INDEX Link Continues EWD307F
  • 54.
    E Position of Partsin Body Code English A 28 ABS Speed Sensor Rear LH A 29 ABS Speed Sensor Rear RH B 7 Buckle SW D13 Detection SW (Rear Diff. Lock) D 16 Door Key Lock and Unlock SW D17 Door Lock Control SW D18 Door Lock Motor Front LH D 19 Door Lock Motor Front RH D22 Door Speaker Front LH D23 Door Speaker Front RH F 12 Fuel Pump F 13 Fuel Sender I 20 Interior Light L 1 License Plate Light LH L 2 License Plate Light RH P 6 Power Window Control SW Front RH P 9 Power Window Master SW P 10 Power Window Motor Front LH P 11 Power Window Motor Front RH P 14 Pretensioner LH P 15 Pretensioner RH R 6 Rear Combination Light LH R 7 Rear Combination Light RH R 8 Rear Diff. Lock Motor R 9 Rear Fog Light R 12 Remote Control Mirror LH R 13 Remote Control Mirror RH R 14 Remote Control Mirror SW 69 Pages From Manual TO MODEL INDEX BACK TO CHAPTER INDEX Link Continues EWD307F
  • 55.
    E ELECTRICAL WIRINGROUTING Position of Parts in Body [LHD:Double Cab] *1 : General *2: Except General *3 : w/ Vent Window *4 : w/o Vent Window 70 Pages From Manual TO MODEL INDEX BACK TO CHAPTER INDEX Link Continues EWD307F
  • 56.
    E Position of Partsin Body Code English A 28 ABS Speed Sensor Rear LH A 29 ABS Speed Sensor Rear RH B 7 Buckle SW D 11 Door Courtesy SW Front LH D 12 Door Courtesy SW Front RH D 13 Detection SW (Rear Diff. Lock) D 14 Door Courtesy SW Rear LH D 15 Door Courtesy SW Rear RH D 16 Door Key Lock and Unlock SW D 17 Door Lock Control SW D 18 Door Lock Motor Front LH D 19 Door Lock Motor Front RH D 20 Door Lock Motor Rear LH D 21 Door Lock Motor Rear RH D 22 Door Speaker Front LH D 23 Door Speaker Front RH F 12 Fuel Pump F 13 Fuel Sender I 20 Interior Light L 1 License Plate Light LH L 2 License Plate Light RH P 4 Personal Light P 6 Power Window Control SW Front RH P 7 Power Window Control SW Rear LH P 8 Power Window Control SW Rear RH P 9 Power Window Master SW P 10 Power Window Motor Front LH P 11 Power Window Motor Front RH P 12 Power Window Motor Rear LH P 13 Power Window Motor Rear RH P 14 Pretensioner LH P 15 Pretensioner RH R 6 Rear Combination Light LH R 7 Rear Combination Light RH R 8 Rear Diff. Lock Motor R 9 Rear Fog Light R 10 Rear Window Defogger R 11 Rear Window Defogger R 12 Remote Control Mirror LH R 13 Remote Control Mirror RH R 14 Remote Control Mirror SW R 15 Reverse Warning Buzzer S 5 Seat Heater (Driver's Seat) S 6 Seat Heater (Front Passenger's Seat) S 7 Seat Heater SW (Driver's Seat) S 8 Seat Heater SW (Front Passenger's Seat) 71 Pages From Manual TO MODEL INDEX BACK TO CHAPTER INDEX Link Continues EWD307F
  • 57.
    E ELECTRICAL WIRINGROUTING Position of Parts in Body [LHD:Double Cab] *1 : General *2 : Except General *3 : w/ Vent Window *4 : w/o Vent Window 72 Pages From Manual TO MODEL INDEX BACK TO CHAPTER INDEX Link Continues EWD307F
  • 58.
    E Position of Partsin Body Code English A 28 ABS Speed Sensor Rear LH A 29 ABS Speed Sensor Rear RH B 7 Buckle SW D11 Door Courtesy SW Front LH D12 Door Courtesy SW Front RH D13 Detection SW (Rear Diff. Lock) D14 Door Courtesy SW Rear LH D15 Door Courtesy SW Raar RH D16 Door Key Lock and Unlock SW D17 Door Lock Control SW D18 Door Lock Motor Front LH D19 Door Lock Motor Front RH D20 Door Lock Motor Rear LH D21 Door Lock Motor Rear RH D22 Door Speaker Front LH D23 Door Speaker Front RH F 12 Fuel Pump F 13 Fuel Sender 1 20 Interior Light L 1 License Plate Light LH L 2 License Plate Light RH P 4 Personal Light P 6 Power Wndow Control SW Front RH P 7 Power Window Control SW Rear LH P 8 Power W ndow Control SW Rear RH P 9 Power W ndow Master SW P 10 Power W ndow Motor Front LH P 11 Power W ndow Motor Front RH P 12 Power W ndow Motor Rear LH P 13 Power W ndow Motor Rear RH P14 Pretensioner LH P 16 Pretensioner RH R 6 Rear Combination Light LH R 7 Rear Combination Light RH R 8 Rear Diff. Lock Motor R 9 Rear Fog Light R 10 Rear Window Defogger R 11 R 12 Rear Window Defogger Remote Control Mirror LH R13 Remote Control Mirror RH R 14 Remote Control Mirror SW R 15 Reverse Warning Buzzer S 5 Seat Heater (Driver's Seat) S6 Seat Heater (Front Passenger's Seat) S 7 Seat Heater SW (Driver's Seat) S 8 Seat Heater SW (Front Passenger's Seat) 73 Pages From Manual TO MODEL INDEX BACK TO CHAPTER INDEX Link Continues EWD307F
  • 59.
    E ELECTRICAL WIRINGROUTING Position of Parts in Body [LHD:Extra Cab] *1 : w/ Vent Window *2 : w/o Vent Window 74 Pages From Manual TO MODEL INDEX BACK TO CHAPTER INDEX Link Continues EWD307F
  • 60.
    E Position of Partsin Body Code English A28 ABS Speed Sensor Rear LH A29 ABS Speed Sensor Rear RH D16 Door Key Lock and Unlock SW D17 Door Lock Control SW D18 Door Lock Motor Front LH D19 Door Lock Motor Front RH D22 Door Speaker Front LH D23 Door Speaker Front RH F12 Fuel Pump F13 Fuel Sender I20 Interior Light L1 License Plate Light LH L2 License Plate Light RH P6 Power Window Control SW Front RH P9 Power Window Master SW P10 Power Window Motor Front LH P11 Power Window Motor Front RH P14 Pretensioner LH P15 Pretensioner RH R6 Rear Combination Light LH R7 Rear Combination Light RH R9 Rear Fog Light R10 Rear Window Defogger R11 Rear Window Defogger R12 Remote Control Mirror LH R13 Remote Control Mirror RH R14 Remote Control Mirror SW R15 Reverse Warning Buzzer S5 Seat Heater (Driver's Seat) S6 Seat Heater (Front Passenger's Seat) S7 Seat Heater SW (Driver's Seat) S8 Seat Heater SW (Front Passenger's Seat) 75 Pages From Manual TO MODEL INDEX BACK TO CHAPTER INDEX Link Continues EWD307F
  • 61.
    E ELECTRICAL WIRINGROUTING Position of Parts in Body [LHD: Extra Cab] * 1 : w/ Vent Window *2 : w/o Vent Window 76 Pages From Manual TO MODEL INDEX BACK TO CHAPTER INDEX Link Continues EWD307F
  • 62.
    E Position of Partsin Body Code English A28 ABS Speed Sensor Rear LH A29 ABS Speed Sensor Rear RH D16 Door Key lock and Unlock SW D17 Door Lock Control SW D18 Door Lock Motor Front LH D19 Door Lock Motor Front RH D22 Door Speaker Front LH D23 Door Speaker Front RH F12 Fuel Pump F13 Fuel Sender I20 Interior Light L1 License Plate Light LH L2 License Plate Light RH P6 Power Window Control SW Front RH P9 Power Window Master SW P10 Power Window Motor Front LH P11 Power Window Motor Front RH P14 Pretensioner LH P15 Pretensioner RH R6 Rear Combination Light LH R7 Rear Combination Light RH R9 Rear Fog Light R10 Rear Window Defogger R11 Rear Window Defogger R12 Remote Control Mirror LH R13 Remote Control Mirror RH R14 Remote Control Mirror SW R15 Reverse Warning Buzzer S5 Seat Heater (Driver's Seat) S 6 Seat Heater (Front Passenger's Seat) S 7 Seat Heater SW (Driver's Seat) S8 Seat Heater SW (Front Passenger's Seat) 77 Pages From Manual TO MODEL INDEX BACK TO CHAPTER INDEX LINK BACK 173 177 181 185 191 193 197 201 205 209 213 217 221 225 229 233 237 241 245 249 253 257 263 267 269 273 279 281 285 289 293 297 303 305 309 313 317 321 325 329 333 337 341 345 351 353 357 361 365 369 373 377 383 387 391 397 401 EWD307F
  • 63.
    E ELECTRICAL WIRINGROUTING Position of Parts in Engine Compartment [RHD:3RZ-FE] *1 : w/ 2-4 Select SW *2 : w/o 2-4 Select SW 78 Pages From Manual TO MODEL INDEX BACK TO CHAPTER INDEX Link Continues EWD307F
  • 64.
    E Position of Partsin Engine Compartment Code English A1 A/C Dual Pressure SW A2 A/C Magnetic Clutch A3 A/T Fluid Temp. SW A4 ABS Actuator A5 ABS Actuator A6 ABS Speed Sensor Front LH A7 ABS Speed Sensor Front RH A8 ADD Indicator SW A9 Air Flow Meter A10 Alternator A11 Alternator A12 Auto Antenna Motor B1 Back-Up Light SW B2 Brake Fluid Level Warning SW C1 Camshaft Position Sensor C3 Check Connector C4 Crankshaft Position Sensor D1 Detection SW (Transfer 4WD Position) D2 Detection SW (Transfer L4 Position) E1 ECT Solenoid F1 Front Clearance Light LH F2 Front Clearance Light RH F3 Front Side Turn Signal Light LH F4 Front Side Turn Signal Light RH F5 Front Turn Signal Light and Clearance Light LH F6 Front Turn Signal Light and Clearance Light RH F7 Front Turn Signal Light LH F8 Front Turn Signal Light RH H5 Headlight LH H6 Headlight RH H9 Horn I2 Ignition Coil and Igniter No.1 I3 Ignition Coil and Igniter No.2 I10 Injector No.1 I11 Injector No.2 I12 Injector No.3 I13 Injector No.4 I15 ISC Valve J1 Junction Connector J2 Junction Connector K1 Knock Sensor N1 Neutral Start SW N2 Noise Filter O1 Oil Pressure SW S1 Speed Sensor (ECT) S2 Starter S3 Starter T1 Throttle Position Sensor T3 2-4 Select Motor V3 Variable Resistor V4 VSV (2WD. ADD) V5 VSV (4WD ADD) V8 VSV (EVAP) W1 Washer Motor W2 Water Temp. Sender W3 Water Temp. Sensor W4 Wiper Motor 79 Pages From Manual TO MODEL INDEX BACK TO CHAPTER INDEX Link Continues EWD307F
  • 65.
    E ELECTRICAL WIRINGROUTING Position of Parts in Engine Compartment [RHD:3RZ-FE] *1 : w/ 2-4 Select SW *2 : w/o 2-4 Select SW 80 Pages From Manual TO MODEL INDEX BACK TO CHAPTER INDEX Link Continues EWD307F
  • 66.
    E Position of Partsin Engine Compartment Code English A 1 A/C Dual Pressure SW A2 A/C Magnetic Clutch A3 A/T Fluid Temp. SW A4 ABS Actuator A5 ABS Actuator A6 ABS Speed Sensor Front LH A7 ABS Speed Sensor Front RH A8 ADD Indicator SW A9 Air Flow Meter A10 Alternator A11 Alternator A12 Auto Antenna Motor B1 Back-Up Light SW B2 Brake Fluid Level Warning SW C1 Camshaft Position Sensor C3 Check Connector C4 Crankshaft Position Sensor D1 Detection SW (Transfer 4WD Position) D2 Detection SW (Transfer L4 Position) E1 ECT Solenoid F1 Front Clearance Light LH F2 Front Clearance Light RH F3 Front Side Turn Signal Light LH F4 Front Side Turn Signal Light RH F5 Front Turn Signal Light and Clearance Light LH F6 Front Turn Signal Light and Clearance Light RH F7 Front Turn Signal Light LH F8 Front Turn Signal Light RH H5 Headlight LH H6 Headlight RH H9 Horn I2 Ignition Coil and Igniter No.1 I3 Ignition Coil and Igniter No.2 I10 Injector No.1 I11 Injector No.2 I12 Injector No.3 I13 Injector No.4 I15 ISC Valve J1 Junction Connector J2 Junction Connector K1 Knock Sensor N1 Neutral Start SW N2 Noise Filter O1 Oil Pressure SW S1 Speed Sensor (ECT) S2 Starter S3 Starter T1 Throttle Position Sensor T3 2-4 Select Motor V3 Variable Resistor V4 VSV (2WD, ADD) V5 VSV (4WD ADD) V8 VSV (EVAP) W1 Washer Motor W2 Water Temp. Sender W3 Water Temp. Sensor W4 Wiper Motor 81 Pages From Manual TO MODEL INDEX BACK TO CHAPTER INDEX Link Continues EWD307F
  • 67.
    E ELECTRICAL WIRINGROUTING Position of Parts in Engine Compartment [RHD:3RZ-F] 82 Pages From Manual TO MODEL INDEX BACK TO CHAPTER INDEX Link Continues EWD307F
  • 68.
    E Position of Partsin Engine Compartment Code English A1 A/C Dual Pressure SW A2 A/C Magnetic Clutch A3 Alternator A4 Alternator B1 Back-Up Light SW B2 Brake Fluid Level Warning SW C2 Carburetor D1 Detection SW (Transfer 4WD Position) F1 Front Clearance Light LH F2 Front Clearance Light RH F3 Front Side Turn Signal Light LH F4 Front Side Turn Signal Light RH F5 Front Turn Signal Light and Clearance Light LH F6 Front Turn Signal Light and Clearance Light RH F7 Front Turn Signal Light LH F8 Front Turn Signal Light RH H5 Headlight LH H6 Headlight RH H9 Horn I1 Igniter I4 Ignition Coil No.1 I5 Ignition Coil No.2 J1 Junction Connector J2 Junction Connector O1 Oil Pressure SW S2 Starter S3 Starter V9 VSV (Throttle Position Control) W1 Washer Motor W2 Water Temp, Sender W4 Wiper Motor 83 Pages From Manual TO MODEL INDEX BACK TO CHAPTER INDEX Link Continues EWD307F
  • 69.
    E ELECTRICAL WIRINGROUTING Position of Parts in Engine Compartment [RHD:3RZ-F] 84 Pages From Manual TO MODEL INDEX BACK TO CHAPTER INDEX Link Continues EWD307F
  • 70.
    E Position of Partsin Engine Compartment Code English A1 A/C Dual Pressure SW A2 A/C Magnetic Clutch A10 Alternator A11 Alternator B1 Back-Up Light SW B2 Brake Fluid Level Warning SW C2 Carburetor D1 Detection SW (Transfer 4WD Position) F1 Front Clearance Light LH F2 Front Clearance Light RH F3 Front Side Turn Signal Light LH F4 Front Side Turn Signal Light RH F5 Front Turn Signal Light and Clearance Light LH F6 Front Turn Signal Light and Clearance Light RH F7 Front Turn Signal Light LH F8 Front Turn Signal Light RH H5 Headlight LH H6 Headlight RH H9 Horn I1 Igniter I4 Ignition Coil No.1 I5 Ignition Coil No.2 J1 Junction Connector J2 Junction Connector O1 Oil Pressure SW S2 Starter S3 Starter V9 VSV (Throttle Position Control) W1 Washer Motor W2 Water Temp. Sender W4 Wiper Motor 85 Pages From Manual TO MODEL INDEX BACK TO CHAPTER INDEX Link Continues EWD307F
  • 71.
    E ELECTRICAL WIRINGROUTING Position of Parts in Engine Compartment [RHD:1RZ-E] 88 Pages From Manual TO MODEL INDEX BACK TO CHAPTER INDEX Link Continues EWD307F
  • 72.
    E Position of Partsin Engine Compartment Code English A1 A/C Dual Pressure SW A2 A/C Magnetic Clutch A4 ABS Actuator A5 ABS Actuator A6 ABS Speed Sensor Front LH A7 ABS Speed Sensor Front RH A10 Alternator A11 Alternator B1 Back-Up Light SW B2 Brake Fluid Level Warning SW C3 Check Connector F1 Front Clearance Light LH F2 Front Clearance Light RH F3 Front Side Turn Signal Light LH F4 Front Side Turn Signal Light RH F5 Front Turn Signal Light and Clearance Light LH F6 Front Turn Signal Light and Clearance Light RH F7 Front Turn Signal Light LH F8 Front Turn Signal Light RH H5 Headlight LH H6 Headlight RH H9 Horn I6 IIA I7 IIA I8 In-Air Temp. Sensor I10 Injector No.1 I11 Injector No.2 I12 Injector No.3 I13 Injector No.4 J1 Junction Connector J2 Junction Connector N2 Noise Filter O1 Oil Pressure SW S2 Starter S3 Starter T1 Throttle Position Sensor V1 Vacuum Sensor V3 Variable Resistor V6 VSV (A/C Idle-Up) W1 Washer Motor W2 Water Temp. Sender W3 Water Tamp. Sensor W4 Wiper Motor 89 Pages From Manual TO MODEL INDEX BACK TO CHAPTER INDEX Link Continues EWD307F
  • 73.
    E ELECTRICAL WIRINGROUTING Position of Parts in Engine Compartment [RHD:1RZ] 90 Pages From Manual TO MODEL INDEX BACK TO CHAPTER INDEX Link Continues EWD307F
  • 74.
    E Position of Partsin Engine Compartment Code English A1 A/C Dual Pressure SW A2 A/C Magnetic Clutch A10 Alternator A11 Alternator B1 Back-Up Light SW B2 Brake Fluid Level Warning SW C2 Carburetor F1 Front Clearance Light LH F2 Front Clearance Light RH F5 Front Turn Signal Light and Clearance Light LH F6 Front Turn Signal Light and Clearance Light RH F7 Front Turn Signal Light LH F8 Front Turn Signal Light RH H5 Headlight LH H6 Headlight RH H9 Horn I6 IIA J1 Junction Connector J2 Junction Connector O1 Oil Pressure SW S2 Starter S3 Starter V2 Vacuum SW V9 VSV (Throttle Position Control) W1 Washer Motor W2 Water Temp. Sender W4 Wiper Motor 91 Pages From Manual TO MODEL INDEX BACK TO CHAPTER INDEX Link Continues EWD307F
  • 75.
    E ELECTRICAL WIRINGROUTING Position of Parts in Engine Compartment [RHD:1RZ] 92 Pages From Manual TO MODEL INDEX BACK TO CHAPTER INDEX Link Continues EWD307F
  • 76.
    E Position of Partsin Engine Compartment Code English A1 A/C Dual Pressure SW A2 A/C Magnetic Clutch A10 Alternator A11 Alternator B1 Back-Up Light SW B2 Brake Fluid Level Warning SW C2 Carburetor F1 Front Clearance Light LH F2 Front Clearance Light RH F5 Front Turn Signal Light and Clearance Light LH F6 Front Turn Signal Light and Clearance Light RH F7 Front Turn Signal Light LH F8 Front Turn Signal Light RH H5 Headlight LH H6 Headlight RH H9 Horn I6 IIA J1 Junction Connector J2 Junction Connector O1 Oil Pressure SW S2 Starter S3 Starter V2 Vacuum SW V9 VSV (Throttle Position Control) W1 Washer Motor W2 Water Temp. Sender W4 Wiper Motor 93 Pages From Manual TO MODEL INDEX BACK TO CHAPTER INDEX Link Continues EWD307F
  • 77.
    E ELECTRICAL WIRINGROUTING Position of Parts in Engine Compartment [RHD:5L] *1 : w/ 2-4 Select SW *2 : w/o 2-4 Select SW 94 Pages From Manual TO MODEL INDEX BACK TO CHAPTER INDEX Link Continues EWD307F
  • 78.
    E Position of Partsin Engine Compartment Code English A 1 A/C Dual Pressure SW A 4 ABS Actuator A 5 ABS Actuator A 6 ABS Speed Sensor Front LH A 7 ABS Speed Sensor Front RH A 8 ADD Indicator SW A 0 Alternator A 1 Alternator A 2 Auto Antenna Motor B 1 Back-Up Light SW B 2 Brake Fluid Level Warning SW B 3 Brake Vacuum Warning SW C 3 Check Connector D 1 Detection SW (Transfer 4WD Position) D 2 Detection SW (Transfer L4 Position) F 1 Front Clearance Light LH F 2 Front Clearance Light RH F 3 Front Side Turn Signal Light LH F 4 Front Side Turn Signal Light RH F 5 Front Turn Signal Light and Clearance Light LH F 6 Front Turn Signal Light and Clearance Light RH F' 7 Front Turn Signal Light LH F 8 Front Turn Signal Light RH F 10 Fuel Sedimentary SW G 1 Glow Plug H 5 Headlight LH H .6 Headlight RH H 9 Horn I 9 Injection Pump I 14 Intake Shutter J 1 Junction Connector J 2 Junction Connector 0 1 Oil Pressure SW S 2 Starter S 3 Starter T 3 2-4 Select Motor V 4 VSV (2WD. ADD) V 5 VSV (4WD, ADD) W 1 Washer Motor W 2 Water Temp. Sender W 3 Water Temp. Sensor W 4 Wiper Motor 95 Pages From Manual TO MODEL INDEX BACK TO CHAPTER INDEX Link Continues EWD307F
  • 79.
    E ELECTRICAL WIRINGROUTING Position of Parts in Engine Compartment [RHD:5L] *1 : w/ 2-4 Select SW *2 : w/o 2-4 Select SW 96 Pages From Manual TO MODEL INDEX BACK TO CHAPTER INDEX Link Continues EWD307F
  • 80.
    E Position of Partsin Engine Compartment Code English A 1 A/C Dual Pressure SW A 4 ABS Actuator A 5 ABS Actuator A 6 ABS Speed Sensor Front LH A 7 ABS Speed Sensor Front RH A 8 ADD Indicator SW A 10 Alternator A 11 Alternator A 12 Auto Antenna Motor B 1 Back-Up Light SW B 2 Brake Fluid Level Warning SW B 3 Brake Vacuum Warning SW C 3 Check Connector D 1 Detection SW (Transfer 4WD Position) D 2 Detection SW (Transfer L4 Position) F 1 Front Clearance Light LH F 2 Front Clearance Light RH F 3 Front Side Turn Signal Light LH F 4 Front Side Turn Signal Light RH F 5 Front Turn Signal Light and Clearance Light LH F 6 Front Turn Signal Light and Clearance Light RH F 7 Front Turn Signal Light LH F 8 Front Turn Signal Light RH F 10 Fuel Sedimentary SW G 1 Glow Plug H 5 Headlight LH H 6 Headlight RH H 9 Horn 1 9 Injection Pump I 14 Intake Shutter J 1 Junction Connector J 2 Junction Connector 0 1 Oil Pressure SW S 2 Starter S 3 Starter T 3 2-4 Select Motor V 4 VSV (2WD. ADD) V 5 VSV (4WD, ADD) W 1 Washer Motor W 2 Water Temp, Sender W 3 Water Temp. Sensor W 4 Wiper Motor 97 Pages From Manual TO MODEL INDEX BACK TO CHAPTER INDEX Link Continues EWD307F
  • 81.
    E ELECTRICAL WIRINGROUTING Position of Parts in Engine Compartment [RHD:2L-T] 98 Pages From Manual TO MODEL INDEX BACK TO CHAPTER INDEX Link Continues EWD307F
  • 82.
    E Position of Partsin Engine Compartment Code English A 1 A/C Dual Pressure SW A 4 ABS Actuator A 5 ABS Actuator A 6 ABS Speed Sensor Front LH A 7 ABS Speed Sensor Front RH A 10 Alternator A 11 Alternator B 1 Back-Up Light SW B 2 Brake Fluid Level Warning SW B 3 Brake Vacuum Warning SW C 3 Check Connector D 1 Detection SW (Transfer 4WD Position) D 2 Detection SW (Transfer L4 Position) E 2 Engine Oil Level Warning SW F 1 Front Clearance Light LH F 2 Front Clearance Light RH F 3 Front Side Turn Signal Light LH F 4 Front Side Turn Signal Light RH F 7 Front Turn Signal Light LH F 8 Front Turn Signal Light RH F 9 Fuel Heater F 10 Fuel Sedimentary SW G 1 Glow Plug H 5 Headlight LH H 6 Headlight RH H 9 Horn I 9 Injection Pump J 1 Junction Connector J 2 Junction Connector 0 1 Oil Pressure SW S 2 Starter S 3 Starter T 2 Turbo Pressure SW W 1 Washer Motor W 2 Water Temp. Sender W 3 Water Temp. Sensor W 4 Wiper Motor 99 Pages From Manual TO MODEL INDEX BACK TO CHAPTER INDEX Link Continues EWD307F
  • 83.
    E ELECTRICAL WIRINGROUTING Position of Parts in Engine Compartment [RHD:2L-T] 100 Pages From Manual TO MODEL INDEX BACK TO CHAPTER INDEX Link Continues EWD307F
  • 84.
    E Position of Partsin Engine Compartment Code English A1 A/C Dual Pressure SW A4 ABS Actuator A5 ABS Actuator A6 ABS Speed Sensor Front LH A7 ABS Speed Sensor Front RH A10 Alternator A11 Alternator B1 Back-Up Light SW B2 Brake Fluid Level Warning SW B3 Brake Vacuum Warning SW C3 Check Connector D1 Detection SW (Transfer 4WD Position) D2 Detection SW (Transfer L4 Position) E2 Engine Oil Level Warning SW F1 Front Clearance Light LH F2 Front Clearance Light RH F3 Front Side Turn Signal Light LH F4 Front Side Turn Signal Light RH F7 Front Turn Signal Light LH F8 Front Turn Signal Light RH F9 Fuel Heater F10 Fuel Sedimentary SW G1 Glow Plug H5 Headlight LH H6 Headlight RH H9 Horn I9 Injection Pump J1 Junction Connector J2 Junction Connector O1 Oil Pressure SW S2 Starter S3 Starter T2 Turbo Pressure SW W1 Washer Motor W2 Water Temp. Sender W3 Water Temp. Sensor W4 Wiper Motor 101 Pages From Manual TO MODEL INDEX BACK TO CHAPTER INDEX Link Continues EWD307F
  • 85.
    E ELECTRICAL WIRINGROUTING Position of Parts in Engine Compartment [RHD:3L,2L] 102 Pages From Manual TO MODEL INDEX BACK TO CHAPTER INDEX Link Continues EWD307F Fuel Heater G 1 Glow Plug S 2: Starter S 3: Starter To: Sup. 2L,2L-T,3L,5L
  • 86.
    E Position of Partsin Engine Compartment Code English A 1 A/C Dual Pressure SW A 2 A/C Magnetic Clutch A 4 ABS Actuator A 5 ABS Actuator A 6 ABS Speed Sensor Front LH A 7 ABS Speed Sensor Front RH A 10 Alternator A 11 Alternator B 1 Back-Up Light SW B 2 Brake Fluid Level Warning SW B 3 Brake Vacuum Warning SW C 3 Check Connector D 1 Detection SW (Transfer 4WD Position) E 2 Engine Oil Level Warning SW F 1 Front Clearance Light LH F 2 Front Clearance Light RH F 3 Front Side Turn Signal Light LH F 4 Front Side Turn Signal Light RH F 5 Front Turn Signal Light and Clearance Light LH F 6 Front Turn Signal Light and Clearance Light RH F 7 Front Turn Signal Light LH F 8 Front Turn Signal Light RH F 9 Fuel Heater F 10 Fuel Sedimentary SW G 1 Glow Plug H 5 Headlight LH H 6 Headlight RH H 9 Horn I 9 Injection Pump J 1 Junction Connector J 2 Junction Connector 0 1 Oil Pressure SW S 2 Starter S 3 Starter V 6 VSV (A/C Idle-Up) W 1 Washer Motor W 2 Water Temp. Sender W 3 Water Temp. Sensor W 4 Wiper Motor 103 Pages From Manual TO MODEL INDEX BACK TO CHAPTER INDEX Link Continues EWD307F
  • 87.
    E ELECTRICAL WIRINGROUTING Position of Parts in Engine Compartment [RHD:3L,2L] 104 Pages From Manual TO MODEL INDEX BACK TO CHAPTER INDEX Link Continues EWD307F
  • 88.
    E Position of Partsin Engine Compartment Code English A 1 A/C Dual Pressure SW A 2 A/C Magnetic Clutch A 4 ABS Actuator A 5 ABS Actuator A 6 ABS Speed Sensor Front LH A 7 ABS Speed Sensor Front RH A 10 Alternator A11 Alternator B 1 Back-Up Light SW B 2 Brake Fluid Level Warning SW B 3 Brake Vacuum Warning SW C 3 Check Connector D 1 Detection SW (Transfer 4WD Position) E 2 Engine Oil Level Warning SW F 1 Front Clearance Light LH F 2 Front Clearance Light RH F 3 Front Side Turn Signal Light LH F 4 Front Side Turn Signal Light RH F 5 Front Turn Signal Light and Clearance Light LH F 6 Front Turn Signal Light and Clearance Light RH F 7 Front Turn Signal Light LH F 8 Front Turn Signal Light RH F 9 Fuel Heater F 10 Fuel Sedimentary SW G 1 Glow Plug H 5 Headlight LH H 6 Headlight RH H 9 Horn I 9 Injection Pump J 1 Junction Connector J 2 Junction Connector 0 1 Oil Pressure SW S 2 Starter S 3 Starter V 6 VSV (A/C Idle-Up) W 1 Washer Motor W 2 Water Temp. Sender W 3 Water Temp. Sensor W 4 Wiper Motor 105 Pages From Manual TO MODEL INDEX BACK TO CHAPTER INDEX Link Continues EWD307F
  • 89.
    E ELECTRICAL WIRINGROUTING Position of Parts in Instrument Panel [RHD:lnstrument Panel 1] *1 :2-Door 106 Pages From Manual TO MODEL INDEX BACK TO CHAPTER INDEX Link Continues EWD307F
  • 90.
    E Position of Partsin Instrument Panel Code English A 13 A/C Amplifier A 14 A/C SW A 15 A/C Thermistor A 16 A/C Volume SW A 17 ABS Deceleration Sensor A 18 ABS ECU A 19 ABS ECU A 20 ADD Control Relay A 21 Airbag Sensor Assembly A 22 Airbag Sensor Assembly A 23 Airbag Sensor Assembly A 24 Airbag Squib (Front Passenger's Airbag Assembly A 25 Airbag Squib (Steering Wheel Pad) A 26 Ashtray Illumination A 27 Auto Antenna Control Relay B 4 Blower Motor B 5 Blower Resistor B 6 Blower SW C 5 Cigarette Lighter C 6 Cigarette Lighter Illumination C 8 Clock C 9 Combination Meter C 10 Combination Meter C 11 Combination Meter C 12 Combination SW C 13 Combination SW C 14 Combination SW D 6 Dim-Dip Light Relay D 7 Diode (Door Courtesy) D 8 Diode (Glow Plug) D 9 Diode (Idle-Up) D 10 DLC3 D 11 Door Courtesy SW Front LH D 12 Door Courtesy SW Front RH 107 Pages From Manual TO MODEL INDEX BACK TO CHAPTER INDEX Link Continues EWD307F
  • 91.
    E ELECTRICAL WIRINGROUTING Position of Parts in Instrument Panel [RHD:lnstrument Panel 1] *1 :2-Door 108 Pages From Manual TO MODEL INDEX BACK TO CHAPTER INDEX Link Continues EWD307F
  • 92.
    E Position of Partsin Instrument Panel Code English A13 A/C Amplifier A 14 A/C SW A 15 A/C Thermistor A 16 A/C Volume SW A 17 ABS Deceleration Sensor A 18 ABS ECU A 19 ABS ECU A 20 ADD Control Relay A 21 Airbag Sensor Assembly A 22 Airbag Sensor Assembly A 23 Airbag Sensor Assembly A 24 Airbag Squib (Front Passenger's Airbag Assembly) A 25 Airbag Squib (Steering Wheel Pad) A 26 Ashtray Illumination A 27 Auto Antenna Control Relay B 4 Blower Motor B 5 Blower Resistor B 6 Blower SW C 5 Cigarette Lighter C 6 Cigarette Lighter Illumination C 8 Clock C 9 Combination Meter C 10 Combination Meter C 11 Combination Meter C 12 Combination SW C 13 Combination SW C 14 Combination SW D 6 Dim-Dip Light Relay D 7 Diode (Door Courtesy) D 8 Diode (Glow Plug) D 9 Diode (Idle-Up) D 10 DLC3 D 11 Door Courtesy SW Front LH D 12 Door Courtesy SW Front RH 109 Pages From Manual TO MODEL INDEX BACK TO CHAPTER INDEX Link Continues EWD307F
  • 93.
    E ELECTRICAL WIRINGROUTING Position of Parts in Instrument Panel [RHD:lnstrument Panel 2] 110 Pages From Manual TO MODEL INDEX BACK TO CHAPTER INDEX Link Continues EWD307F
  • 94.
    E Position of Partsin Instrument Panel Code English E 3 Emission Control ECU E 4 Engine ECU (M/T) or Engine and ECT ECU (A/T) E 5 Engine ECU (M/T) or Engine and ECT ECU (A/T) E 6 Engine ECU (M/T) or Engine and ECT ECU (A/T) F 11 4WD Control ECU G 2 Glove Box Light H 10 Hazard SW I 16 Ignition Key Cylinder Light I 17 Ignition SW I 18 Integration Relay I 19 Integration Relay J 3 Junction Connector J 4 Junction Connector J 5 Junction Conn ctor J 6 Junction Conn ctor J 7 Junction Conn ctor J 8 Junction Conn ctor J 9 Junction Conn ctor J 10 Junction Conn ctor J 11 Junction Conn ctor J 12 Junction Connector J 13 Junction Connector J 14 Junction Connector J 15 Junction Connector J 16 Junction Connector J 17 Junction Connector O 2 O/D Main SW P 2 Parking Brake SW P 3 Pre-Heating Timer R 1 Radio and Player R 2 Radio and Player R 3 Rear Fog Light SW R 4 Rear Window Defogger SW R 5 Rheostat S 4 Stop Light SW T 4 2-4 Select SW 111 Pages From Manual TO MODEL INDEX BACK TO CHAPTER INDEX Link Continues EWD307F
  • 95.
    E ELECTRICAL WIRINGROUTING Position of Parts in Instrument Panel [RH D: Instrument Panel 2] 112 Pages From Manual TO MODEL INDEX BACK TO CHAPTER INDEX Link Continues EWD307F
  • 96.
    E Position of Partsin Instrument Panel Code English E3 Emission Control ECU E4 Engine ECU (M/T) or Engine and ECT ECU (A/T) E5 Engine ECU (M/T) or Engine and ECT ECU (A/T) E6 Engine ECU (M/T) or Engine and ECT ECU (A/T) F11 4WD Control ECU G2 Glove Box Light H10 Hazard SW I16 Ignition Key Cylinder Light I17 Ignition SW I18 Integration Relay I19 Integration Relay J3 Junction Connector J4 Junction Connector J5 Junction Connector J6 Junction Connector J7 Junction Connector J8 Junction Connector J9 Junction Connector J10 Junction Connector J11 Junction Connector J12 Junction Connector J13 Junction Connector J14 Junction Connector J15 Junction Connector J16 Junction Connector J17 Junction Connector O2 O/D Main SW P2 Parking Brake SW P3 Pre-Heating Timer R1 Radio and Player R2 Radio and Player R3 Rear Fog Light SW R4 Rear Window Defogger SW R5 Rheostat S4 Stop Light SW T4 2-4 Select SW 113 Pages From Manual TO MODEL INDEX BACK TO CHAPTER INDEX Link Continues EWD307F
  • 97.
    E ELECTRICAL WIRINGROUTING Position of Parts in Body [RHD:Regular Cab] 114 Pages From Manual TO MODEL INDEX BACK TO CHAPTER INDEX Link Continues EWD307F
  • 98.
    E Position of Partsin Body Code English A 28 ABS Speed Sensor Rear LH A 29 ABS Speed Sensor Rear RH D 16 Door Key Lock and Unlock SW D 17 Door Lock Control SW D 18 Door Lock Motor Front LH D 19 Door Lock Motor Front RH D 22 Door Speaker Front LH D 23 Door Speaker Front RH F 12 Fuel Pump F 13 Fuel Sender I 20 Interior Light L 1 License Plate Light LH L 2 License Plate Light RH P 14 Pretensioner LH P 15 Pretensioner RH R 6 Rear Combination Light LH R 7 Rear Combination Light RH R 9 Rear Fog Light 115 Pages From Manual TO MODEL INDEX BACK TO CHAPTER INDEX Link Continues EWD307F
  • 99.
    E ELECTRICAL WIRINGROUTING Position of Parts in Body [RHD:Regular Cab] 116 Pages From Manual TO MODEL INDEX BACK TO CHAPTER INDEX Link Continues EWD307F
  • 100.
    E Position of Partsin Body Code English A 28 ABS Speed Sensor Rear LH A 29 ABS Speed Sensor Rear RH D16 Door Key Lock and Unlock SW D 17 Door Lock Control SW D 18 Door Lock Motor Front LH D 19 Door Lock Motor Front RH D22 Door Speaker Front LH D23 Door Speaker Front RH F 12 Fuel Pump F 13 Fuel Sender I 20 Interior Light L 1 License Plate Light LH L 2 License Plate Light RH P 14 Pretensioner LH P 15 Pretensioner RH R 6 Rear Combination Light LH R 7 Rear Combination Light RH R 9 Rear Fog Light 117 Pages From Manual TO MODEL INDEX BACK TO CHAPTER INDEX Link Continues EWD307F
  • 101.
    E ELECTRICAL WIRINGROUTING Position of Parts in Body [RHD:Double Cab] *1:General *2:Except 118 Pages From Manual TO MODEL INDEX BACK TO CHAPTER INDEX Link Continues EWD307F
  • 102.
    E Position of Partsin Body Code English A 28 ABS Speed Sensor Rear LH A 29 ABS Speed Sensor Rear RH D 11 Door Courtesy SW Front LH D 12 Door Courtesy SW Front RH D 14 Door Courtesy SW Rear LH D 15 Door Courtesy SW Rear RH D 16 Door Key Lock and Unlock SW D 17 Door Lock Control SW D 18 Door Lock Motor Front LH D 19 Door Lock Motor Front RH D 20 Door Lock Motor Rear LH D 21 Door Lock Motor Rear RH D 22 Door Speaker Front LH D 23 Door Speaker Front RH D 24 Door Speaker Rear LH D 25 Door Speaker Rear RH F 12 Fuel Pump F 13 Fuel Sender I 20 Interior Light L 1 License Plate Light LH L 2 License Plate Light RH P 5 Power Window Control SW Front LH P 7 Power Window Control SW Rear LH P 8 Power Window Control SW Rear RH P 9 Power Window Master SW P 10 Power Window Motor Front LH P 11 Power Window Motor Front RH P 12 Power Window Motor Rear LH P 13 Power Window Motor Rear RH P 14 Pretensioner LH P 15 Pretensioner RH R 6 Rear Combination Light LH R 7 Rear Combination Light RH R 9 Rear Fog Light R 10 Rear Window Defogger R 11 Rear Window Defogger R 12 Remote Control Mirror LH R 13 Remote Control Mirror RH R 14 Remote Control Mirror SW R 15 Reverse Warning Buzzer 119 Pages From Manual TO MODEL INDEX BACK TO CHAPTER INDEX Link Continues EWD307F
  • 103.
    E ELECTRICAL WIRINGROUTING Position of Parts in Body [RHD:Double Cab] *1:General *2:Except General 120 Pages From Manual TO MODEL INDEX BACK TO CHAPTER INDEX Link Continues EWD307F
  • 104.
    E Position of Partsin Body Code English A 28 ABS Speed Sensor Rear LH A 29 ABS Speed Sensor Rear RH D 11 Door Courtesy SW Front LH D12 Door Courtesy SW Front RH D 14 Door Courtesy SW Rear LH D 15 Door Courtesy SW Rear RH D 16 Door Key Lock and Unlock SW D17 Door Lock Control SW D 18 Door Lock Motor Front LH D 19 Door Lock Motor Front RH D20 Door Lock Motor Rear LH D21 Door Lock Motor Rear RH D22 Door Speaker Front LH D23 Door Speaker Front RH D24 Door Speaker Front LH D25 Door Speaker Front RH F 12 Fuel Pump F 13 Fuel Sender I 20 Interior Light L 1 License Plate Light LH L 2 License Plate Light RH P 5 Power Window Control SW Front LH P 7 Power Window Control SW Rear LH P 8 Power Window Control SW Rear RH P 9 Power Window Master SW P 10 Power Window Motor Front LH P 11 Power Window Motor Front RH P 12 Power Window Motor Rear LH P 13 Power Window Motor Rear RH P 14 Pretensioner LH P 15 Pretensioner RH R 6 ear Combination Light LH R 7 ear Combination Light RH R 9 ear Fog Light R 10 ear Window Defogger R 11 ear Window Defogger R 12 emote Control Mirror LH R 13 emote Control Mirror RH R 14 emote Control Mirror SW R 15 Reverse Warning Buzzer 121 Pages From Manual TO MODEL INDEX BACK TO CHAPTER INDEX Link Continues EWD307F
  • 105.
    E ELECTRICAL WIRINGROUTING Position of Parts in Body [RHD:Extra Cab] 122 Pages From Manual TO MODEL INDEX BACK TO CHAPTER INDEX Link Continues EWD307F
  • 106.
    E Position of Partsin Body Code English A 28 ABS Speed Sensor Rear LH A 29 ABS Speed Sensor Rear RH D 16 Door Key Lock and Unlock SW D 17 Door Lock Control SW D 18 Door Lock Motor Front LH D 19 Door Lock Motor Front RH D 22 Door Speaker Front LH D 23 Door Speaker Front RH F 12 Fuel Pump F 13 Fuel Sender I 20 Interior Light L 1 License Plate Light LH L 2 License Plate Light RH P 14 Pretensioner LH P 15 Pretensioner RH R 6 Rear Combination Light LH R 7 Rear Combination Light RH R 10 Rear Window Defogger R 11 Rear Window Defogger 123 Pages From Manual TO MODEL INDEX BACK TO CHAPTER INDEX Link Continues EWD307F
  • 107.
    E ELECTRICAL WIRINGROUTING Position of Parts in Body [RHD:Extra Cab] 124 Pages From Manual TO MODEL INDEX BACK TO CHAPTER INDEX Link Continues EWD307F
  • 108.
    E Position of Partsin Body Code English A 28 ABS Speed Sensor Rear LH A 29 ABS Speed Sensor Rear RH D 16 Door Key Lock and Unlock SW D17 Door Lock Control SW D 18 Door Lock Motor Front LH D 19 Door Lock Motor Front RH D22 Door Speaker Front LH D23 Door Speaker Front RH F 12 Fuel Pump F 13 Fuel Sender I 20 Interior Light L 1 License Plate Light LH L 2 License Plate Light RH P 14 Pretensioner LH P 15 Pretensioner RH R 6 Rear Combination Light LH R 7 Rear Combination Light RH R 10 Rear Window Defogger R 11 Rear Window Defogger 125 Pages From Manual TO MODEL INDEX BACK TO CHAPTER INDEX LINK BACK 173 177 181 185 191 193 197 201 205 209 213 217 221 225 229 233 237 241 245 249 253 257 263 265 269 273 279 281 285 289 293 297 303 305 309 313 317 321 325 329 333 337 341 345 351 353 357 361 365 369 373 377 383 387 391 397 401 EWD307F
  • 109.
    E ELECTRICAL WIRINGROUTING : Location of Connector Joining Wire Harness and Wire Harness : Location of Ground Points [LHD:2RZ-FE] 126 Pages From Manual TO MODEL INDEX BACK TO CHAPTER INDEX Link Continues EWD307F
  • 110.
    E Connector Joining WireHarness and Wire Harness Code Joining Wire Harness and Wire Harness (Connector Location) EA1 Engine Room No. 2 Wire and Engine Room Main Wire (Front Right Fender Apron) EB1 EB2 Engine No. 2 Wire and Engine Room Main Wire (Near the Engine Room R/B) EC1 Engine No. 2 Wire and Differential Wire (Near the Starter) 127 Pages From Manual TO MODEL INDEX BACK TO CHAPTER INDEX Link Continues EWD307F
  • 111.
    E ELECTRICAL WIRINGROUTING : Location of Connector Joining Wire Harness and Wire Harness : Location of Ground Points [LHD:3RZ-F] 128 Pages From Manual TO MODEL INDEX BACK TO CHAPTER INDEX Link Continues EWD307F
  • 112.
    E Connector Joining WireHarness and Wire Harness Code Joining Wire Harness and Wire Harness (Connector Location) EA1 Engine Room No. 2 Wire and Engine Room Main Wire (Front Right Fender Apron) EB1 Engine No. 2 Wire and Engine Room Main Wire (Near the Engine Room R/B) 129 Pages From Manual TO MODEL INDEX BACK TO CHAPTER INDEX Link Continues EWD307F
  • 113.
    E ELECTRICAL WIRINGROUTING : Location of Connector Joining Wire Harness and Wire Harness : Location of Ground Points [LHD:1RZ] 130 Pages From Manual TO MODEL INDEX BACK TO CHAPTER INDEX Link Continues EWD307F
  • 114.
    E Connector Joining WireHarness and Wire Harness Code Joining Wire Harness and Wire Harness (Connector Location) EA1 Engine Room No. 2 Wire and Engine Room Main Wire (Front Right Fender Apron) EB1 Engine No. 2 Wire and Engine Room Main Wire (Near the Engine Room R/B) 131 Pages From Manual TO MODEL INDEX BACK TO CHAPTER INDEX Link Continues EWD307F
  • 115.
    E ELECTRICAL WIRINGROUTING : Location of Connector Joining Wire Harness and Wire Harness : Location of Ground Points [LHD:2L-T] 132 Pages From Manual TO MODEL INDEX BACK TO CHAPTER INDEX Link Continues EWD307F
  • 116.
    E Connector Joining WireHarness and Wire Harness Code Joining Wire Harness and Wire Harness (Connector Location) EA1 Engine Room No. 2 Wire and Engine Room Main Wire (Front Right Fender Apron) EB2 Engine No. 2 Wire and Engine Room Main Wire (Near the Engine Room R/B) EC1 Engine No. 2 Wire and Differential Wire (Near the Starter) EE1 Engine Room Main Wire and Engine Wire (Near the Engine Room R/B) EF1 Engine Room Main Wire and Engine No. 4 Wire (Near the Alternator) 133 Pages From Manual TO MODEL INDEX BACK TO CHAPTER INDEX Link Continues EWD307F
  • 117.
    E ELECTRICAL WIRINGROUTING : Location of Connector Joining Wire Harness and Wire Harness : Location of Ground Points [LHD:3L,2L] 134 Pages From Manual TO MODEL INDEX BACK TO CHAPTER INDEX Link Continues EWD307F
  • 118.
    E Connector Joining WireHarness and Wire Harness Code Joining Wire Harness and Wire Harness (Connector Location) EA1 Engine Room No. 2 Wire and Engine Room Main Wire (Front Right Fender Apron) ED1 Cowl Wire and A/C Sub Wire (Front Right Fender Apron) EE1 Engine Room Main Wire and Engine Wire (Near the Engine Room R/B) EF1 Engine Room Main Wire and Engine No. 4 Wire (Near the Alternator) EF2 Engine No. 4 Wire and Engine Room Main Wire (Near the Alternator) 135 Pages From Manual TO MODEL INDEX BACK TO CHAPTER INDEX Link Continues EWD307F
  • 119.
    E ELECTRICAL WIRINGROUTING : Location of Connector Joining Wire Harness and Wire Harness : Location of Ground Points [LHD] 136 Pages From Manual TO MODEL INDEX BACK TO CHAPTER INDEX Link Continues EWD307F
  • 120.
    E Connector Joining WireHarness and Wire Harness Code Joining Wire Harness and Wire Harness (Connector Location) IA1 IA2 Engine Room Main Wire and Cowl Wire (Cowl Side Panel LH) IR1 IB2 Front Door LH Wire and Cowl Wire (Lett Kick Panel) IC1 IC2 Cowl Wire and Cowl No. 3 Wire (Lett Kick Panel) ID1 Cowl Wire and Cowl No. 4 Wire (Instrument Panel Reinforcement Left) IE1 Cowl Wire and Roof Wire (Instrument Panel Reinforcement Left) IF1 Cowl No. 4 Wire and Cowl Wire (Instrument Panel Brace RH) IG1 Cowl Wire and A/C Sub Wire (Near the A/C Unit) 137 Pages From Manual TO MODEL INDEX BACK TO CHAPTER INDEX Link Continues EWD307F
  • 121.
    E ELECTRICAL WIRINGROUTING : Location of Connector Joining Wire Harness and Wire Harness [LHD] 138 Pages From Manual TO MODEL INDEX BACK TO CHAPTER INDEX Link Continues EWD307F
  • 122.
    E Connector Joining WireHarness and Wire Harness Code Joining Wire Harness and Wire Harness (Connector Location) IH1 Cowl Wire and Cowl No. 4 Wire (Instrument Panel Brace RH) II1 Cowl Wire and Cowl No. 3 Wire (Behind the Ashtray) IJ1 IJ2 IJ3 IJ4 IJ5 Engine Wire and Cowl Wire (Behind the Glove Box) IK1 Engine Room No. 2 Wire and Cowl No. 3 Wire (Behind the Glove Box) IL1 IL2 Front Door RH Wire and Cowl Wire (Right Kick Panel) IM1 Cowl Wire and Cowl No. 3 Wire (Cowl Side Panel RH) 139 Pages From Manual TO MODEL INDEX BACK TO CHAPTER INDEX Link Continues EWD307F
  • 123.
    E ELECTRICAL WIRINGROUTING : Location of Connector Joining Wire Harness and Wire Harness : Location of Ground Points [LHD:Double Cab] 140 Pages From Manual TO MODEL INDEX BACK TO CHAPTER INDEX Link Continues EWD307F
  • 124.
    E Connector Joining WireHarness and Wire Harness Code Joining Wire Harness and Wire Harness (Connector Location) BA1 Front Door LH Wire and Front Door LH Wire (Front LH Door Inside) BB1 Front Door RH Wire and Front Door RH Wire (Front RH Door Inside) BC1 BC2 Frame Wire and Cowl Wire (Under the Front Passenger's Seat) BD1 Frame Wire and Cowl No. 3 Wire (Under the Front Passenger's Seat) BE1 Frame Wire and Differential Wire (Near the No. 5 Cross Member) BF1 Frame Wire and Speed Sensor Wire (Near the No. 5 Cross Member) BGl Rear Door No. 2 Wire and Cowl Wire (Left Center Pillar) BH1 Rear Door No. 1 Wire and Cowl Wire (Right Center Pillar) 141 Pages From Manual TO MODEL INDEX BACK TO CHAPTER INDEX Link Continues EWD307F
  • 125.
    E ELECTRICAL WIRINGROUTING : Location of Connector Joining Wire Harness and Wire Harness : Location of Ground Points [LHD:Regular Cab] [LHD: Extra Cab] 142 Pages From Manual TO MODEL INDEX BACK TO CHAPTER INDEX Link Continues EWD307F
  • 126.
    E Connector Joining WireHarness and Wire Harness Code Joining Wire Harness and Wire Harness (Connector Location) BA1 Front Door LH Wire and Front Door LH Wire (Front LH Door Inside) BB1 Front Door RH Wire and Front Door RH Wire (Front RH Door Inside) BC1 BC2 Frame Wire and Cowl Wire (Under the Front Passenger's Seat) BD1 Frame Wire and Cowl No. 3 Wire (Under the Front Passenger's Seat) BE1 Frame Wire and Differential Wire (Near the No. 5 Cross Member) BF1 Frame Wire and Speed Sensor Wire (Near the No. 5 Cross Member) 143 Pages From Manual TO MODEL INDEX BACK TO CHAPTER INDEX LINK BACK 173 177 181 185 191 193 197 201 205 209 213 217 221 225 229 233 237 241 245 249 253 257 263 265 269 273 279 281 285 289 293 297 303 305 309 313 317 321 325 329 333 337 341 345 351 353 357 361 365 369 373 377 383 387 391 397 401 EWD307F
  • 127.
    E ELECTRICAL WIRINGROUTING : Location of Connector Joining Wire Harness and Wire Harness : Location of Ground Points [RHD:3RZ-FE] 144 Pages From Manual TO MODEL INDEX BACK TO CHAPTER INDEX Link Continues EWD307F
  • 128.
    E Connector Joining WireHarness and Wire Harness Code Joining Wire Harness and Wire Harness (Connector Location) EA1 Engine Room No. 2 Wire and Engine Room Main Wire (Front Right Fender Apron) EB1 Engine No. 2 Wire and Engine Room Main Wire (Near the Engine Room R/B) EC1 Engine No. 2 Wire and Cowl Wire (Near the Engine Room R/B) ED1 Engine No. 2 Wire and Differential Wire (Near the Starter) 145 Pages From Manual TO MODEL INDEX BACK TO CHAPTER INDEX Link Continues EWD307F
  • 129.
    E ELECTRICAL WIRINGROUTING : Location of Connector Joining Wire Harness and Wire Harness : Location of Ground Points [RHD:3RZ-F] 146 Pages From Manual TO MODEL INDEX BACK TO CHAPTER INDEX Link Continues EWD307F
  • 130.
    E Connector Joining WireHarness and Wire Harness Code Joining Wire Harness and Wire Harness (Connector Location) EB1 Engine No. 2 Wire and Engine Room Main Wire (Near the Engine Room R/B) 147 Pages From Manual TO MODEL INDEX BACK TO CHAPTER INDEX Link Continues EWD307F
  • 131.
    E ELECTRICAL WIRINGROUTING : Location of Connector Joining Wire Harness and Wire Harness : Location of Ground Points [RHD:1RZ-E] 148 Pages From Manual TO MODEL INDEX BACK TO CHAPTER INDEX Link Continues EWD307F
  • 132.
    E Connector Joining WireHarness and Wire Harness Code Joining Wire Harness and Wire Harness (Connector Location) EA1 Engine Room No. 2 Wire and Engine Room Main Wire (Front Right Fender Apron) EB1 Engine No. 2 Wire and Engine Room Main Wire (Near the Engine Room R/B) 149 Pages From Manual TO MODEL INDEX BACK TO CHAPTER INDEX Link Continues EWD307F
  • 133.
    E ELECTRICAL WIRINGROUTING : Location of Connector Joining Wire Harness and Wire Harness : Location of Ground Points [RHD:1RZ] 150 Pages From Manual TO MODEL INDEX BACK TO CHAPTER INDEX Link Continues EWD307F
  • 134.
    E Connector Joining WireHarness and Wire Harness Code Joining Wire Harness and Wire Harness (Connector Location) EB1 Engine No. 2 Wire and Engine Room Main Wire (Near the Engine Room R/B) 151 Pages From Manual TO MODEL INDEX BACK TO CHAPTER INDEX Link Continues EWD307F
  • 135.
    E ELECTRICAL WIRINGROUTING : Location of Connector Joining Wire Harness and Wire Harness : Location of Ground Points [RHD:5L] 152 Pages From Manual TO MODEL INDEX BACK TO CHAPTER INDEX Link Continues EWD307F
  • 136.
    E Connector Joining WireHarness and Wire Harness Code Joining Wire Harness and Wire Harness (Connector Location) EA1 Engine Room No. 2 Wire and Engine Room Main Wire (Front Right Fender Apron) EB2 Engine Room Main Wire and Engine Wire (Near the Engine Room R/B) EC1 Engine No. 2 Wire and Cowl Wire (Near the Engine Room R/B) ED1 Engine No. 2 Wire and Differential Wire (Near the Starter) EF1 Engine No. 4 Wire and Engine Room Main Wire (Near the Alternator) 153 Pages From Manual TO MODEL INDEX BACK TO CHAPTER INDEX Link Continues EWD307F
  • 137.
    E ELECTRICAL WIRINGROUTING : Location of Connector Joining Wire Harness and Wire Harness : Location of Ground Points [RHD:2L-T] 154 Pages From Manual TO MODEL INDEX BACK TO CHAPTER INDEX Link Continues EWD307F
  • 138.
    E Connector Joining WireHarness and Wire Harness ode Joining Wire Harness and Wire Harness (Connector Location) EA1 Engine Room No. 2 Wire and Engine Room Main Wire (Front Right Fender Apron) EB2 Engine Room Main Wire and Engine Wire (Near the Engine Room R/B) EF2 Engine Room Main Wire and Engine No. 4 Wire (Near the Alternator) 155 Pages From Manual TO MODEL INDEX BACK TO CHAPTER INDEX Link Continues EWD307F
  • 139.
    E ELECTRICAL WIRINGROUTING : Location of Connector Joining Wire Harness and Wire Harness : Location of Ground Points [RHD:3L,2L] 156 Pages From Manual TO MODEL INDEX BACK TO CHAPTER INDEX Link Continues EWD307F
  • 140.
    E Connector Joining WireHarness and Wire Harness Code Joining Wire Harness and Wire Harness (Connector Location) EA1 Engine Room No. 2 Wire and Engine Room Main Wire (Front Right Fender Apron) EB2 Engine Room Main Wire and Engine Wire (Near the Engine Room R/B) EE1 Engine Room Main Wire and A/C Sub Wire (Near the Battery) EF1 Engine No. 4 Wire and Engine Room Main Wire (Near the Alternator) EF2 Engine Room Main Wire and Engine No. 4 Wire (Near the Alternator) 157 Pages From Manual TO MODEL INDEX BACK TO CHAPTER INDEX Link Continues EWD307F
  • 141.
    E ELECTRICAL WIRINGROUTING : Location of Connector Joining Wire Harness and Wire Harness : Location of Ground Points [RHD] 158 Pages From Manual TO MODEL INDEX BACK TO CHAPTER INDEX Link Continues EWD307F
  • 142.
    E Connector Joining WireHarness and Wire Harness Code Joining Wire Harness and Wire Harness (Connector Location) IA1 IA2 Cowl Wire and Cowl No. 3 Wire (Left Kick Panel) IB1 IB2 Front Door LH Wire and Cowl Wire (Left Kick Panel) IC1 IC2 IC3 IC4 IC5 IC6 Engine Wire and Cowl Wire (Behind the Glove Box) ID1 Cowl Wire and A/C Sub Wire (Near the A/C Unit) 159 Pages From Manual TO MODEL INDEX BACK TO CHAPTER INDEX Link Continues EWD307F
  • 143.
    E ELECTRICAL WIRINGROUTING : Location of Connector Joining Wire Harness and Wire Harness [RHD] 160 Pages From Manual TO MODEL INDEX BACK TO CHAPTER INDEX Link Continues EWD307F
  • 144.
    E Connector Joining WireHarness and Wire Harness Code Joining Wire Harness and Wire Harness (Connector Location) IE1 Cowl No. 4. Wire and Cowl Wire (Instrument Panel Brace LH) IF1 Cowl Wire and Cowl No. 4 Wire (Instrument Panel Brace LH) IG1 Cowl Wire and Cowl No. 3 Wire (Behind the Ashtray) IH1 Cowl Wire and Roof Wire (Instrument Reinforcement Right) II1 Cowl Wire and Cowl No. 3 Wire (Instrument Reinforcement Right) IJ1 Engine Room Main Wire and Cowl Wire (Cowl Side Panel RH) IK1 Engine Room No. 2 Wire and Cowl No. 3 Wire (Cowl Side Panel RH) IL1 Cowl Wire and Cowl No. 3 Wire (Right Kick Panel) IM1 IM2 Front Door RH Wire and Cowl Wire (Right Kick Panel) 161 Pages From Manual TO MODEL INDEX BACK TO CHAPTER INDEX Link Continues EWD307F
  • 145.
    E ELECTRICAL WIRINGROUTING : Location of Connector Joining Wire Harness and Wire Harness : Location of Ground Points [RHD:Double Cab] 162 Pages From Manual TO MODEL INDEX BACK TO CHAPTER INDEX Link Continues EWD307F
  • 146.
    E Connector Joining WireHarness and Wire Harness Code Joining Wire Harness and Wire Harness (Connector Location) BA1 Frame Wire and Cowl Wire (Under the Driver's Seat) BB1 Frame Wire and Cowl No. 3 Wire (Under the Driver's Seat) BC1 Frame Wire and Speed Sensor Wire (Near the No. 5 Cross Member) BD1 Rear Door LH Wire and Cowl Wire (Left Center Pillar) BE1 Rear Door RH Wire and Cowl Wire (Right Center Pillar) 163 Pages From Manual TO MODEL INDEX BACK TO CHAPTER INDEX Link Continues EWD307F
  • 147.
    E ELECTRICAL WIRINGROUTING : Location of Connector Joining Wire Harness and Wire Harness : Location of Ground Points [RHD:Regular Cab] [RHD:Extra Cab] 164 Pages From Manual TO MODEL INDEX BACK TO CHAPTER INDEX Link Continues EWD307F
  • 148.
    E Connector Joining WireHarness and Wire Harness Code Joining Wire Harness and Wire Harness (Connector Location) BA1 Frame Wire and Cowl Wire (Under the Driver's Seat) BB1 Frame Wire and Cowl No. 3 Wire (Under the Driver's Seat) BC1 Frame Wire and Speed Sensor Wire (Near the No. 5 Cross Member) 165 Pages From Manual TO MODEL INDEX BACK TO CHAPTER INDEX LINK BACK 173 177 181 185 191 193 197 201 205 209 213 217 221 225 229 233 237 241 245 249 253 257 263 265 269 273 279 281 285 289 293 297 303 305 309 313 317 321 325 329 333 337 341 345 351 353 357 361 365 369 373 377 383 387 391 397 401 EWD307F
  • 149.
    F ELECTRICAL WIRINGDIAGRAM ELECTRICAL WIRING DIAGRAM Location LHD RHD ABS 258-2 378-2 AIR CONDITIONER 282-2 398-2 AUTO ANTENNA. - 388-2 BACK-UP LIGHT 219.4 338-2 CARBURETOR 194-2 310-1 CHARGING (DIESEL) 175-3 291-3 CHARGING (GASOLINE) 171-3 287-3 CIGARETTE LIGHTER 243-3 362-1 CLOCK 243-3 362-2 COMBINATION METER 274-2 392-2 DOOR LOCK CONTROL 234-2 354-2 ECT - 318-2 EMISSION CONTROL 195-3 311-3 ENGINE CONTROL (1RZ-E) - 306-1 ENGINE CONTROL (2RZ-FE) 186-2 - ENGINE CONTROL (3RZ-FE) - 298-2 FRONT WIPER AND WASHER 251-3 367-3 FUEL HEATER 175-3 291-3 GLOW PLUG - 314-2 HEADLIGHT (w/ DAYTIME RUNNING LIGHT) 202-2 - HEADLIGHT (w/ DIM-DIP LIGHT) - 322-2 HEADLIGHT (w/o DAYTIME RUNNING LIGHT) 206-2 - HEADLIGHT (w/o DIM-DIP LIGHT) - 326-2 HEADLIGHT BEAM LEVEL CONTROL 210-2 - HEADLIGHT CLEANER 214-2 - HORN 243-4 375-4 IGNITION - 294-1 IGNITION (1RZ) 182-2 - IGNITION (2RZ-FE) 178-2 - IGNITION (3RZ-F) ... ..... 183-3 - ILLUMINATION 230-2 346-2 INTERIOR LIGHT 226-2 342-2 LIGHT REMINDER BUZZER - 330-2 LIGHT REMINDER BUZZER AND SEAT BELT WARNING 242-2 - POWER SOURCE 170-282-1 286-388-1 POWER WINDOW 238-2 358-2 RADIO AND PLAYER 271-3 389-3 REAR DIFFERENTIAL LOCK. 246-2 - REAR FOG LIGHT 179-3 349-7 REAR WINDOW DEFOGGER 250-2 366-2 REMOTE CONTROL MIRROR 270-2 363-3 SEAT HEATER 215-3 - SRS 266-2 384-2 STARTING (DIESEL) 174-2 290-2 STARTING (GASOLINE) 170-2 286-2 STOP LIGHT 207-3 327-3 TAILLIGHT 218-2 331-3 TURN SIGNAL AND HAZARD WARNING LIGHT 222-2 334-2 4WD 254-2 - 4WD (w/ 2-4 SELECT SW) - 370-2 4WD (w/o 2-4 SELECT SW) - 374-2 166 Pages From Manual TO MODEL INDEX BACK TO MAIN INDEX EWD307F RHD HILUX:
  • 150.
    F ELECTRICAL WIRINGDIAGRAM (System Circuits) Power Source Starting (Gasoline) 170 Pages From Manual TO MODEL INDEX BACK TO CHAPTER INDEX EWD307F
  • 151.
    Charging (Gasoline) 171 Pages FromManual TO MODEL INDEX BACK TO CHAPTER INDEX EWD307F
  • 152.
    SYSTEM CIRCUIT CONNECTORS PARTSCODE PARTS & CONNECTOR TYPE LOCATION A10 (A) ALTERNATOR BLACK 171-3 A11 (B) ALTERNATOR 171-3 C9 (A) CHARGE WARNING LIGHT [COMB. METER] 171-4 C10 (B) CHARGE WARNING LIGHT [COMB. METER] BLUE 171-4 117 IGNITION SW 170-1 J1 (A) JUNCTION CONNECTOR GRAY 170-2 171-4 PARTS CODE PARTS & CONNECTOR TYPE LOCATION J2 (B) JUNCTION CONNECTOR GRAY 170-2 171-4 J3 (A) JUNCTION CONNECTOR BLACK 170-2 171-4 J4 (B) JUNCTION CONNECTOR BLACK 171-4 J9 (B) JUNCTON CONNECTOR BLUE 171-4 J12 (A) JUNCTION CONNECTOR BLUE 171-4 S2 (A) STARTER BLACK 170-2 172 Pages From Manual TO MODEL INDEX BACK TO CHAPTER INDEX EWD307F
  • 153.
    PARTS CODE PARTS& CONNECTOR TYPE LOCATION S3 (B) STARTER 170-2 PARTS CODE PARTS & CONNECTOR TYPE LOCATION Relays, Fuses and J/B etc. Parts connector position Joint connectors and Ground points See page 26 to 36 38 to 77 (LHD), 78 to 125 (RHD) 126 to 143 (LHD), 144 to 165 (RHD) 173 Pages From Manual TO MODEL INDEX BACK TO CHAPTER INDEX EWD307F
  • 154.
    F ELECTRICAL WIRINGDIAGRAM (System Circuits) Power Source Starting (Diesel) 174 Pages From Manual TO MODEL INDEX BACK TO CHAPTER INDEX EWD307F
  • 155.
    Fuel Heater Charging(Diesel) * 1: Europe * 2 : Except Europe * 3 : w/ Daytime Running Light * 4 : 70A Type Alternator * 5 : 45A, 55A Type Alternator 175 Pages From Manual TO MODEL INDEX BACK TO CHAPTER INDEX EWD307F
  • 156.
    SYSTEM CIRCUIT CONNECTORS PARTSCODE PARTS & CONNECTOR TYPE LOCATION A10 (A)ALTERNATOR BLACK 175-3 A11 (B) ALTERNATOR 175-3 C9 (A)CHARGE WARNING LIGHT [COMB. METER] 175-4 C10 (B) CHARGE WARNING LIGHT [COMB. METER] BLUE 175-4 F9 FUEL HEATER GRAY 175-3 I17 IGNITION SW 174-1 PARTS CODE PARTS & CONNECTOR TYPE LOCATION J1 (A)JUNCTION CONNECTOR GRAY 174-2 175-4 J2 (B)JUNCTION CONNECTOR GRAY 174-2 175-4 J3 (A)JUNCTION CONNECTOR BLACK 174-2 175-3 175-4 J4 (B)JUNCTION CONNECTOR BLACK 175-4 J9 (B)JUNCTION CONNECTOR BLUE 175-4 J12 (A)JUNCTION CONNECTOR BLUE 175-4 176 Pages From Manual TO MODEL INDEX BACK TO CHAPTER INDEX EWD307F
  • 157.
    PARTS CODE PARTS& CONNECTOR TYPE LOCATION S2 (A) STARTER BLACK 174-2 S3 (B) STARTER 174-2 PARTS CODE PARTS & CONNECTOR TYPE LOCATION 177 Relays, Fuses and J/B etc. Parts connector position Joint connectors and Ground points See page 26 to 36 38 to 77 (LHD), 78 to 125 (RHD) 126 to 143 (LHD), 144 to 165 (RHD) Pages From Manual TO MODEL INDEX BACK TO CHAPTER INDEX EWD307F
  • 158.
    F ELECTRICAL WIRINGDIAGRAM (System Circuits) Power Source Ignition (2RZ-FE) 178 Pages From Manual TO MODEL INDEX BACK TO CHAPTER INDEX EWD307F
  • 159.
    Rear Fog Light 179 PagesFrom Manual TO MODEL INDEX BACK TO CHAPTER INDEX EWD307F
  • 160.
    SYSTEM CIRCUIT CONNECTORS PARTSCODE PARTS & CONNECTOR TYPE LOCATION C10 REAR FOG LIGHT INDICATOR LIGHT [COMB. METER] BLUE 179-4 12 IGNITION COIL AND IGNITER NO. 1 BLACK 178-1 178-2 13 IGNITION COIL AND IGNITER NO. 2 BLACK 178-2 117 IGNITION SW 178-1 J3 (A)JUNCTION CONNECTOR BLACK 178-2 J4 (B)JUNCTION CONNECTOR BLACK 178-2 PARTS CODE PARTS & CONNECTOR TYPE LOCATION J7 JUNCTION CONNECTOR 179-3 J14 JUNCTION CONNECTOR ORANGE 179-3 J18 JUNCTION CONNECTOR BLUE 179-3 179-4 J19 JUNCTION CONNECTOR ORANGE 179-3 J23 JUNCTION CONNECTOR 179-4 N2 NOISE FILTER GRAY 178-1 180 Pages From Manual TO MODEL INDEX BACK TO CHAPTER INDEX EWD307F
  • 161.
    PARTS CODE PARTS& CONNECTOR TYPE LOCATION R3 REAR FOG LIGHT SW BLACK 179-3 179-4 R9 REAR FOG LIGHT (w/ Rear Deck) 179-4 R9 REAR FOG LIGHT (w/o Rear Deck) 179-4 PARTS CODE PARTS & CONNECTOR TYPE LOCATION 181 Relays, Fuses and J/B etc. Parts connector position Joint connectors and Ground points See page 26 to 36 38 to 77 (LHD), 78 to 125 (RHD) 126 to 143 (LHD), 144 to 165 (RHD) Pages From Manual TO MODEL INDEX BACK TO CHAPTER INDEX EWD307F
  • 162.
    F ELECTRICAL WIRINGDIAGRAM (System Circuits) Power Source Ignition (1RZ) 182 Pages From Manual TO MODEL INDEX BACK TO CHAPTER INDEX EWD307F
  • 163.
    Ignition (3RZ-F) 183 Pages FromManual TO MODEL INDEX BACK TO CHAPTER INDEX EWD307F
  • 164.
    SYSTEM CIRCUIT CONNECTORS PARTSCODE PARTS & CONNECTOR TYPE LOCATION I1 IGNITER DARK GRAY 183-4 I4 IGNITION COIL NO. 1 DARK GRAY 183-3 I5 IGNITION COIL NO. 2 GRAY 183-4 I6 IIA GRAY 182-1 182-2 I17 IGNITION SW 182-1 J3 (A)JUNCTION CONNECTOR BLACK 182-1 PARTS CODE PARTS & CONNECTOR TYPE LOCATION J4 (B)JUNCTION CONNECTOR BLACK 182-1 J9 JUNCTION CONNECTOR BLUE 182-2 183-4 184 Pages From Manual TO MODEL INDEX BACK TO CHAPTER INDEX EWD307F
  • 165.
    PARTS CODE PARTS& CONNECTOR TYPE LOCATION PARTS CODE PARTS & CONNECTOR TYPE LOCATION 185 Relays, Fuses and J/B etc. Parts connector position Joint connectors and Ground points See page 26 to 36 38 to 77 (LHD), 78 to 125 (RHD 126 to 143 (LHD), 144 to 165 (RHD) Pages From Manual TO MODEL INDEX BACK TO CHAPTER INDEX EWD307F
  • 166.
    F ELECTRICAL WIRINGDIAGRAM (System Circuits) Power Source Engine Control (2RZ-FE) 186 Pages From Manual TO MODEL INDEX BACK TO CHAPTER INDEX EWD307F
  • 167.
    Engine Control (2RZ-FE) *1: Europe * 2 : Except Europe 187 Pages From Manual TO MODEL INDEX BACK TO CHAPTER INDEX (Cont. next page) EWD307F
  • 168.
    F ELECTRICAL WIRINGDIAGRAM (System Circuits) Engine Control (2RZ-FE) 188 Pages From Manual TO MODEL INDEX BACK TO CHAPTER INDEX EWD307F
  • 169.
    Engine Control (2RZ-FE)*1: Europe *2 : Except Europe 189 Pages From Manual TO MODEL INDEX BACK TO CHAPTER INDEX (Cont'd) EWD307F
  • 170.
    SYSTEM CIRCUIT CONNECTORS PARTSCODE PARTS & CONNECTOR TYPE LOCATION A 9 AIR FLOW METER BLACK 189-7 C1 CAMSHAFT POSITION SENSOR BLACK 189-7 C4 CRANKSHAFT POSITION SENSOR DARK GRAY 189-7 C7 CIRCUIT OPENING RELAY 187-3 C10 (B)CHECK ENGINE WARNING LIGHT [COMB. METER] BLUE 187-4 C11 ©CHECK ENGINE WARNING LIGHT [COMB. METER] BROWN 187-4 PARTS CODE PARTS & CONNECTOR TYPE LOCATION D10 DLC3 BLACK 187-4 E4 (A)ENGINE ECU 188-5 188-6 189-7 189-8 E5 (B) ENGINE ECU 188-5 188-6 189-7 189-8 E6 ©ENGINE ECU 188-5 188-6 189-7 189-8 F12 FUEL PUMP GRAY 187-3 H7 HEATED OXYGEN SENSOR (Bank 1 Sensor 1) DARK GRAY 188-6 190 Pages From Manual TO MODEL INDEX BACK TO CHAPTER INDEX EWD307F
  • 171.
    PARTS CODE PARTS& CONNECTOR TYPE LOCATION H8 HEATED OXYGEN SENSOR (Bank 1 Sensor 2) DARK GRAY 188-6 110 INJECTOR NO. 1 BLUE 186-1 I11 INJECTOR NO. 2 BLUE 186-2 I12 INJECTOR NO. 3 BLUE 186-2 PARTS CODE PARTS & CONNECTOR TYPE LOCATION I13 INJECTOR NO. 4 BLUE 186-2 I15 ISC VALVE GRAY 189-8 I17 IGNITION SW 186-1 J1 JUNCTION CONNECTOR GRAY 187-3 191 Relays, Fuses and J/B etc. Parts connector position Joint connectors and Ground points See page 26 to 36 38 to 77 (LHD), 78 to 125 (RHD 126 to 143 (LHD), 144 to 165 (RHD) Pages From Manual TO MODEL INDEX BACK TO CHAPTER INDEX EWD307F
  • 172.
    SYSTEM CIRCUIT CONNECTORS PARTSCODE PARTS & CONNECTOR TYPE LOCATION J3 (A) JUNCTION CONNECTOR BLACK 186-2 188-5 J4 (B) JUNCTION CONNECTOR BLACK 186-2 188-5 J7 JUNCTION CONNECTOR 187-4 J8 JUNCTION CONNECTOR 187-3 J12 JUNCTION CONNECTOR BLUE 187-4 J14 JUNCTION CONNECTOR ORANGE 187 4 PARTS CODE PARTS & CONNECTOR TYPE LOCATION J16 JUNCTION CONNECTOR GRAY 187-4 J19 JUNCTION CONNECTOR ORANGE 187-3 J21 JUNCTION CONNECTOR 187-4 J23 JUNCTION CONNECTOR 187-3 K1 KNOCK SENSOR DARK GRAY 189-7 T1 THROTTLE POSITION SENSOR BLACK 189-7 192 Pages From Manual TO MODEL INDEX BACK TO CHAPTER INDEX EWD307F
  • 173.
    PARTS CODE PARTS& CONNECTOR TYPE LOCATION V7 VSV (EGR) GREEN 188-5 V8 VSV (EVAP) BLACK 189-8 W3 WATER TEMP. SENSOR DARK GRAY 189-7 PARTS CODE PARTS & CONNECTOR TYPE LOCATION 193 Relays, Fuses and J/B etc. Parts connector position Joint connectors and Ground points See page 26 to 36 38 to 77 (LHD), 78 to 125 (RHD 126 to 143 (LHD), 144 to 165 (RHD) Pages From Manual TO MODEL INDEX BACK TO CHAPTER INDEX EWD307F
  • 174.
    F ELECTRICAL WIRINGDIAGRAM (System Circuits) Power Source Carburetor 194 Pages From Manual TO MODEL INDEX BACK TO CHAPTER INDEX EWD307F
  • 175.
    Emission Control 195 Pages FromManual TO MODEL INDEX BACK TO CHAPTER INDEX EWD307F
  • 176.
    SYSTEM CIRCUIT CONNECTORS PARTSCODE PARTS & CONNECTOR TYPE LOCATION C2 CARBURETOR DARK GRAY 194-1 194-2 E3 (A)EMISSION CONTROL ECU (3RZ-F) DARK GRAY 195-3 195-4 E3 (B)EMISSION CONTROL ECU (1RZ) DARK GRAY 195-3 195-4 I17 IGNITION SW 194-1 J3 JUNCTION CONNECTOR BLACK 194-1 J7 JUNCTION CONNECTOR 195-4 PARTS CODE PARTS & CONNECTOR TYPE LOCATION J9 JUNCTION CONNECTOR BLUE 194-1 J15 JUNCTION CONNECTOR BLUE 195-4 J23 JUNCTION CONNECTOR 195-4 V2 VACUUM SW DARK GRAY 195-4 V9 VSV (Throttle Position Control) BROWN 195-3 196 Pages From Manual TO MODEL INDEX BACK TO CHAPTER INDEX EWD307F
  • 177.
    PARTS CODE PARTS& CONNECTOR TYPE LOCATION PARTS CODE PARTS & CONNECTOR TYPE LOCATION 197 Relays, Fuses and J/B etc. Parts connector position Joint connectors and Ground points See page 26 to 36 38 to 77 (LHD), 78 to 125 (RHD 126 to 143 (LHD), 144 to 165 (RHD) Pages From Manual TO MODEL INDEX BACK TO CHAPTER INDEX EWD307F
  • 178.
    F ELECTRICAL WIRINGDIAGRAM (System Circuits) Power Source Glow Plug 198 Pages From Manual TO MODEL INDEX BACK TO CHAPTER INDEX EWD307F
  • 179.
    Glow Plug * 1: Europe * 4 : Except 2L Europe * 2 : Except Europe * 5 : 70A Type Alternator * 3 : 2L Europe * 6 :. 45A, 55A Type Alternator 199 Pages From Manual TO MODEL INDEX BACK TO CHAPTER INDEX EWD307F
  • 180.
    SYSTEM CIRCUIT CONNECTORS PARTSCODE PARTS & CONNECTOR TYPE LOCATION C9 (A)GLOW INDICATOR LIGHT [COMB. METER] 198-2 C10 (B)GLOW INDICATOR LIGHT [COMB. METER] BLUE 198-2 D8 DIODE (Glow Plug) 198-2 G1 GLOW PLUG 198-1 I9 INJECTION PUMP GRAY 199-4 I17 IGNITION SW 198-1 PARTS CODE PARTS & CONNECTOR TYPE LOCATION J1 JUNCTION CONNECTOR GRAY 198-1 J3 (A) JUNCTION CONNECTOR BLACK 198-2 J4 (B) JUNCTION CONNECTOR BLACK 198-2 J8 (A) JUNCTION ONNECTOR 198-2 J9 (B) JUNCTION CONNECTOR BLUE 198-2 199-4 J12 (A) JUNCTION CONNECTOR BLUE 199-4 200 Pages From Manual TO MODEL INDEX BACK TO CHAPTER INDEX EWD307F
  • 181.
    PARTS CODE PARTS& CONNECTOR TYPE LOCATION PARTS CODE PARTS & CONNECTOR TYPE LOCATION J13 (B) JUNCTION CONNECTOR 198-2 199-4 W3 WATER TEMP. SENSOR GREEN (11) 199-3 P1 PICK-UP SENSOR GRAY 199-4 P3 (A)PRE-HEATING TIMER (Europe) DARK GRAY 199-3 P3 (B) PRE-HEATING TIMER (Except Europe) DARK GRAY 199-3 201 Relays, Fuses and J/B etc. Parts connector position Joint connectors and Ground points See page 26 to 36 38 to 77 (LHD), 78 to 125 (RHD 126 to 143 (LHD), 144 to 165 (RHD) Pages From Manual TO MODEL INDEX BACK TO CHAPTER INDEX EWD307F
  • 182.
    F ELECTRICAL WIRINGDIAGRAM (System Circuits) Power Source Headlight (w/ Daytime Running Light) 202 Pages From Manual TO MODEL INDEX BACK TO CHAPTER INDEX EWD307F
  • 183.
    Headlight (w/ DaytimeRunning Light) 203 Pages From Manual TO MODEL INDEX BACK TO CHAPTER INDEX EWD307F
  • 184.
    SYSTEM CIRCUIT CONNECTORS PARTSCODE PARTS & CONNECTOR TYPE LOCATION PARTS CODE PARTS & CONNECTOR TYPE LOCATION C10 HIGH BEAM INDICATOR LIGHT [COMB. METER] BLUE 202 2 J1 (A)JUNCTION CONNECTOR GRAY 202-2 C13 COMBINATION SW 203-3 203- 4 J2 (B)JUNCTION CONNECTOR GRAY 202-2 D3 DAYTIME RUNNING LIGHT RELAY BLUE 203-3 203- 4 J7 JUNCTION CONNECTOR 203-3 H5 HEADLIGHT LH 202-2 J8 JUNCTION CONNECTOR 203-3 203-4 H6 HEADLIGHT RH 202-2 J14 JUNCTION CONNECTOR ORANGE 203-4 117 IGNITION SW 202-1 J18 JUNCTION CONNECTOR BLUE 203-4 204 Pages From Manual TO MODEL INDEX BACK TO CHAPTER INDEX EWD307F
  • 185.
    PARTS CODE PARTS& CONNECTOR TYPE LOCATION PARTS CODE PARTS & CONNECTOR TYPE LOCATION J19 JUNCTION CONNECTOR ORANGE 203-4 J23 JUNCTION CONNECTOR 203-4 205 Relays, Fuses and J/B etc. Parts connector position Joint connectors and Ground points See page 26 to 36 38 to 77 (LHD), 78 to 125 (RHD 126 to 143 (LHD), 144 to 165 (RHD) Pages From Manual TO MODEL INDEX BACK TO CHAPTER INDEX EWD307F
  • 186.
    F ELECTRICAL WIRINGDIAGRAM (System Circuits) Power Source Headlight (w/o Daytime Running Light) Source 206 Pages From Manual TO MODEL INDEX BACK TO CHAPTER INDEX EWD307F
  • 187.
    Stop Light 207 Pages FromManual TO MODEL INDEX BACK TO CHAPTER INDEX EWD307F
  • 188.
    SYSTEM CIRCUIT CONNECTORS PARTSCODE PARTS & CONNECTOR TYPE LOCATION PARTS CODE PARTS & CONNECTOR TYPE LOCATION C10 HIGH BEAM INDICATOR LIGHT [COMB. METER] BLUE 206-2 J7 JUNCTION CONNECTOR 206-1 C13 COMBINATION SW 206-1 206-2 J18 JUNCTION CONNECTOR BLUE 206-2 H5 HEADLIGHT LH 206-2 J21 (A)JUNCTION CONNECTOR 207-4 H6 HEADLIGHT RH 206-2 J22 (B)JUNCTION CONNECTOR BLACK 207-4 J3 (A)JUNCTION CONNECTOR BLACK 206-2 J23 JUNCTION CONNECTOR 206-2 207-4 J4 (B)JUNCTION CONNECTOR BLACK 206-2 R6 STOP LIGHT LH [REAR COMB. LIGHT LH] (w/Rear Deck) 207 3 208 Pages From Manual TO MODEL INDEX BACK TO CHAPTER INDEX EWD307F
  • 189.
    PARTS CODE PARTS& CONNECTOR TYPE LOCATION PARTS CODE PARTS & CONNECTOR TYPE LOCATION R6 STOP LIGHT LH [REAR COMB. LIGHT LH] (w/o Rear Deck) 207-3 R7 STOP LIGHT RH [REAR COMB. LIGHT RH] (w/ Rear Deck) 207-4 R7 STOP LIGHT RH [REAR COMB. LIGHT RH] (w/o Rear Deck) 207-4 S4 STOP LIGHT SW BLACK 207-4 209 Relays, Fuses and J/B etc. Parts connector position Joint connectors and Ground points See page 26 to 36 38 to 77 (LHD), 78 to 125 (RHD 126 to 143 (LHD), 144 to 165 (RHD) Pages From Manual TO MODEL INDEX BACK TO CHAPTER INDEX EWD307F
  • 190.
    F ELECTRICAL WIRINGDIAGRAM (System Circuits) Power Source Headlight Beam Level Control Source 210 Pages From Manual TO MODEL INDEX BACK TO CHAPTER INDEX EWD307F
  • 191.
    Headlight Beam LevelControl 211 Pages From Manual TO MODEL INDEX BACK TO CHAPTER INDEX EWD307F
  • 192.
    SYSTEM CIRCUIT CONNECTORS PARTSCODE PARTS & CONNECTOR TYPE LOCATION PARTS CODE PARTS & CONNECTOR TYPE LOCATION H1 HEADLIGHT BEAM LEVEL CONTROL ACTUATOR LH GRAY 210-1 210-2 J7 JUNCTION CONNECTOR 211-4 H2 HEADLIGHT BEAM LEVEL CONTROL ACTUATOR RH GRAY 211-3 H11 HEADLIGHT BEAM LEVEL CONTROL SW 211-4 J1 (A)JUNCTION CONNECTOR GRAY 211-4 J2 (B)JUNCTION CONNECTOR GRAY 211-4 J4 JUNCTION CONNECTOR BLACK 211-4 212 Pages From Manual TO MODEL INDEX BACK TO CHAPTER INDEX EWD307F
  • 193.
    PARTS CODE PARTS& CONNECTOR TYPE LOCATION PARTS CODE PARTS & CONNECTOR TYPE LOCATION 213 Relays, Fuses and J/B etc. Parts connector position Joint connectors and Ground points See page 26 to 36 38 to 77 (LHD), 78 to 125 (RHD 126 to 143 (LHD), 144 to 165 (RHD) Pages From Manual TO MODEL INDEX BACK TO CHAPTER INDEX EWD307F
  • 194.
    F ELECTRICAL WIRINGDIAGRAM (System Circuits) Power Source Headlight Cleaner 214 Pages From Manual TO MODEL INDEX BACK TO CHAPTER INDEX EWD307F
  • 195.
    Seat Heater *1: 70AType Alterator *2 : 45A, 55A Type Alterator 215 Pages From Manual TO MODEL INDEX BACK TO CHAPTER INDEX EWD307F
  • 196.
    SYSTEM CIRCUIT CONNECTORS PARTSCODE PARTS & CONNECTOR TYPE LOCATION PARTS CODE PARTS & CONNECTOR TYPE LOCATION H3 HEADLIGHT CLEANER MOTOR 214-2 J14 JUNCTION CONNECTOR ORANGE 215-3 H4 HEADLIGHT CLEANER RELAY BLACK 214-2 J17 JUNCTION CONNECTOR BLACK 215-3 H12 HEADLIGHT CLEANER SW BLACK 214-2 J19 JUNCTION CONNECTOR ORANGE 214-2 I17 IGNITION SW 214-1 J21 JUNCTION CONNECTOR 214-2 J4 JUNCTION CONNECTOR BLACK 215-3 J23 JUNCTION CONNECTOR 214-2 J7 JUNCTION CONNECTOR 215-3 S5 SEAT HEATER (Driver's Seat) 215-3 216 Pages From Manual TO MODEL INDEX BACK TO CHAPTER INDEX EWD307F
  • 197.
    PARTS CODE PARTS& CONNECTOR TYPE LOCATION PARTS CODE PARTS & CONNECTOR TYPE LOCATION S6 SEAT HEATER (Front Passenger's Seat) 215-4 S7 SEAT HEATER SW (Driver's Seat) 215-3 S8 SEAT HEATER SW (Front Passenger's Seat) BLACK 215-4 217 Relays, Fuses and J/B etc. Parts connector position Joint connectors and Ground points See page 26 to 36 38 to 77 (LHD), 78 to 125 (RHD 126 to 143 (LHD), 144 to 165 (RHD) Pages From Manual TO MODEL INDEX BACK TO CHAPTER INDEX EWD307F
  • 198.
    F ELECTRICAL WIRINGDIAGRAM (System Circuits) Power Source Taillight 218 Pages From Manual TO MODEL INDEX BACK TO CHAPTER INDEX EWD307F
  • 199.
    Taillight Back-Up Light 219 PagesFrom Manual TO MODEL INDEX BACK TO CHAPTER INDEX EWD307F
  • 200.
    SYSTEM CIRCUIT CONNECTORS PARTSCODE PARTS & CONNECTOR TYPE LOCATION PARTS CODE PARTS & CONNECTOR TYPE LOCATION B1 BACK-UP LIGHT SW GRAY 219-4 F6 (D FRONT CLEARANCE LIGHT RH 218-2 C13 COMBINATION SW 218-1 I17 IGNITION SW 218-1 D3 DAYTIME RUNNING LIGHT RELAY BLUE 218-1 J1 J2 (A),(B) JUNCTION CONNECTOR GRAY 218-2 F3 (A) FRONT CLEARANCE LIGHT LH GRAY 218-1 J7 J23 JUNCTION CONNECTOR 218-1 218-2 F4 (A) FRONT CLEARANCE LIGHT RH GRAY 218-2 J13 JUNCTION CONNECTOR 219-4 F5 (B) FRONT CLEARANCE LIGHT LH 218-1 L1 LICENSE PLATE LIGHT LH (w/ Rear Deck) 218-2 220 Pages From Manual TO MODEL INDEX BACK TO CHAPTER INDEX EWD307F
  • 201.
    PARTS CODE PARTS& CONNECTOR TYPE LOCATION PARTS CODE PARTS & CONNECTOR TYPE LOCATION L1 LICENSE PLATE LIGHT LH (w/o Rear Deck, Step Bumper Type) 218-2 R6 REAR COMBINATION LIGHT LH (w/o Rear Deck) 219-3 L2 LICENSE PLATE LIGHT RH (w/ Rear Deck) 218-2 R7 REAR COMBINATION LIGHT RH (w/ Rear Deck) 219-3 219-4 L2 LICENSE PLATE LIGHT RH (w/o Rear Deck, Step Bumper Type) 218-2 R7 REAR COMBINATION LIGHT RH (w/o Rear Deck) 219-3 219-4 R6 REAR COMBINATION LIGHT LH (w/ Rear Deck) 219-3 R15 REVERSE WARNING BUZZER 219-4 221 Relays, Fuses and J/B etc. Parts connector position Joint connectors and Ground points See page 26 to 36 38 to 77 (LHD), 78 to 125 (RHD 126 to 143 (LHD), 144 to 165 (RHD) Pages From Manual TO MODEL INDEX BACK TO CHAPTER INDEX EWD307F
  • 202.
    F ELECTRICAL WIRINGDIAGRAM (System Circuits) Turn Sihnal and Power Source Hazard Warning Light 222 Pages From Manual TO MODEL INDEX BACK TO CHAPTER INDEX EWD307F
  • 203.
    Turn Signal andHazard Warning Light 223 Pages From Manual TO MODEL INDEX BACK TO CHAPTER INDEX EWD307F
  • 204.
    SYSTEM CIRCUIT CONNECTORS PARTSCODE PARTS & CONNECTOR TYPE LOCATION PARTS CODE PARTS & CONNECTOR TYPE LOCATION C10 TURN SIGNAL INDICATOR LIGHT [COMB. METER] BLUE 222-2 F7 FRONT TURN SIGNAL LIGHT LH 223-3 C13 TURN SIGNAL SW [COMB. SW] 223-3 F8 FRONT TURN SIGNAL LIGHT RH 223-3 F3 FRONT SIDE TURN SIGNAL LIGHT LH GRAY 223-3 H10 HAZARD SW BLACK 222-1 222-2 F4 FRONT SIDE TURN SIGNAL LIGHT RH GRAY 223-4 I17 IGNITION SW 222-1 F5 FRONT TURN SIGNAL LIGHT LH 223-3 J1 J2 (A), (B)JUNCTION CONNECTOR GRAY 223-3 F6 FRONT TURN SIGNAL LIGHT RH 223-3 J3 J4 (A), (B)JUNCTION CONNECTOR BLACK 223-3 224 Pages From Manual TO MODEL INDEX BACK TO CHAPTER INDEX EWD307F
  • 205.
    PARTS CODE PARTS& CONNECTOR TYPE LOCATION PARTS CODE PARTS & CONNECTOR TYPE LOCATION J7 J23 JUNCTION CONNECTOR 222-2 223-3 223-4 R7 REAR TURN SIGNAL LIGHT RH REAR COMB. LIGHT RH] w/ Rear Deck) 223-4 J19 JUNCTION CONNECTOR ORANGE 223-4 R7 REAR TURN SIGNAL LIGHT RH REAR COMB. LIGHT RH] w/o Rear Deck) 223-4 R6 REAR TURN SIGNAL LIGHT LH [REAR COMB. LIGHT LH] (w/ Rear Deck) 223-4 R6 REAR TURN SIGNAL LIGHT LH [REAR COMB. LIGHT LH] (w/o Rear Deck) 223-4 225 Relays, Fuses and J/B etc. Parts connector position Joint connectors and Ground points See page 26 to 36 38 to 77 (LHD), 78 to 125 (RHD 126 to 143 (LHD), 144 to 165 (RHD) Pages From Manual TO MODEL INDEX BACK TO CHAPTER INDEX EWD307F
  • 206.
    F ELECTRICAL WIRINGDIAGRAM (System Circuits) Power Source Interior Light 226 Pages From Manual TO MODEL INDEX BACK TO CHAPTER INDEX EWD307F
  • 207.
    Interior Light 227 Pages FromManual TO MODEL INDEX BACK TO CHAPTER INDEX EWD307F
  • 208.
    SYSTEM CIRCUIT CONNECTORS PARTSCODE PARTS & CONNECTOR TYPE LOCATION PARTS CODE PARTS & CONNECTOR TYPE LOCATION C9 OPEN DOOR WARNING LIGHT [COMB. METER] 227-4 D14 DOOR COURTESY SW REAR LH 227-4 D7 DIODE (Door Courtesy) 227-3 D15 DOOR COURTESY SW REAR RH 227-4 D11 DOOR COURTESY SW FRONT LH (4-Door) 226-2 I16 IGNITION KEY CYLINDER LIGHT BLUE 226-1 D11 DOOR COURTESY SW FRONT LH (2-Door) 226-2 I17 IGNITION SW 226-1 D12 DOOR COURTESY SW FRONT RH (4-Door) 227-3 I18 (A) INTEGRATION RELAY 226-1 226- 2 D12 DOOR COURTESY SW FRONT RH (2-Door) 227-3 I20 INTERIOR LIGHT 227-3 228 Pages From Manual TO MODEL INDEX BACK TO CHAPTER INDEX EWD307F
  • 209.
    PARTS CODE PARTS& CONNECTOR TYPE LOCATION PARTS CODE PARTS & CONNECTOR TYPE LOCATION J13 JUNCTION CONNECTOR 226-2 J16 JUNCTION CONNECTOR GRAY 226-2 P4 PERSONAL LIGHT 227-3 229 Relays, Fuses and J/B etc. Parts connector position Joint connectors and Ground points See page 26 to 36 38 to 77 (LHD), 78 to 125 (RHD 126 to 143 (LHD), 144 to 165 (RHD) Pages From Manual TO MODEL INDEX BACK TO CHAPTER INDEX EWD307F
  • 210.
    F ELECTRICAL WIRINGDIAGRAM (System Circuits) Power Source Illumination 230 Pages From Manual TO MODEL INDEX BACK TO CHAPTER INDEX EWD307F
  • 211.
    Illumination 231 Pages From Manual TOMODEL INDEX BACK TO CHAPTER INDEX EWD307F
  • 212.
    SYSTEM CIRCUIT CONNECTORS PARTSCODE PARTS & CONNECTOR TYPE LOCATION PARTS CODE PARTS & CONNECTOR TYPE LOCATION A14 A/CSW BLACK 230-2 C11 ©METER ILLUMINATION [COMB. METER] BROWN 230-2 A26 ASHTRAY ILLUMINATION BLACK 231-3 D3 DAYTIME RUNNING LIGHT RELAY BLUE 230-1 B6 (A) BLOWER SW (Europe, G. C. C. ) 231-3 D5 DIFF. LOCKSW BLACK 231-3 B6 (B) BLOWER SW (General) BLACK 231-3 G2 GLOVE BOX LIGHT BLACK 231-4 C6 CIGARETTE LIGHTER ILLUMINATION GRAY 231-3 H10 HAZARD SW BLACK 230-2 C9 (A) METER ILLUMINATION [COMB. METER] 230-2 J1 J2 (A), (B)JUNCTION CONNECTOR GRAY 230-1 232 Pages From Manual TO MODEL INDEX BACK TO CHAPTER INDEX EWD307F
  • 213.
    PARTS CODE PARTS& CONNECTOR TYPE LOCATION PARTS CODE PARTS & CONNECTOR TYPE LOCATION J7 J23 JUNCTION CONNECTOR 230-2 231-4 R3 REAR FOG LIGHT SW BLACK 231-4 J10 J14 J19 JUNCTION CONNECTOR ORANGE 230-2 231-3 231-4 R4 REAR WINDOW DEFOGGER SW BLACK 230-2 J11 J15 JUNCTION CONNECTOR BLUE 230-2 231-3 231-4 R1 RADIO AND PLAYER BLUE 231-4 233 Pages From Manual TO MODEL INDEX BACK TO CHAPTER INDEX Relays, Fuses and J/B etc. Parts connector position Joint connectors and Ground points See page 26 to 36 38 to 77 (LHD), 78 to 125 (RHD 126 to 143 (LHD), 144 to 165 (RHD) EWD307F
  • 214.
    F ELECTRICAL WIRINGDIAGRAM (System Circuits) Power Source Door Lock Control 234 Pages From Manual TO MODEL INDEX BACK TO CHAPTER INDEX EWD307F
  • 215.
    Door Lock Control 235 PagesFrom Manual TO MODEL INDEX BACK TO CHAPTER INDEX EWD307F
  • 216.
    SYSTEM CIRCUIT CONNECTORS PARTSCODE PARTS & CONNECTOR TYPE LOCATION PARTS CODE PARTS & CONNECTOR TYPE LOCATION D16 DOOR KEY LOCK AND UNLOCK SW GRAY 235-4 I19 (B) INTEGRATION RELAY GREEN 234-1 234-2 235-3 235-4 D17 (A) DOOR LOCK CONTROL SW 235-3 J5 (A) JUNCTION CONNECTOR 234-2 235-3 235-4 D18 DOOR LOCK MOTOR FRONT LH BLACK 234-2 J6 (B) JUNCTION CONNECTOR 234-2 235-3 235-4 D19 DOOR LOCK MOTOR FRONT RH BLACK 234-1 J7 JUNCTION CONNECTOR 235-4 D20 DOOR LOCK MOTOR REAR LH BLACK 234-2 P9 (B)DOOR LOCK CONTROL SW [POWER WINDOW MASTER SW] (4-Door) 235-3 D21 DOOR LOCK MOTOR REAR RH BLACK 235-3 P9 (C)DOOR LOCK CONTROL SW [POWER WINDOW MASTER SW] (2-Door) 235-3 236 Pages From Manual TO MODEL INDEX BACK TO CHAPTER INDEX EWD307F
  • 217.
    PARTS CODE PARTS& CONNECTOR TYPE LOCATION PARTS CODE PARTS & CONNECTOR TYPE LOCATION 237 Relays, Fuses and J/B etc. Parts connector position Joint connectors and Ground points See page 26 to 36 38 to 77 (LHD), 78 to 125 (RHD 126 to 143 (LHD), 144 to 165 (RHD) Pages From Manual TO MODEL INDEX BACK TO CHAPTER INDEX EWD307F
  • 218.
    F ELECTRICAL WIRINGDIAGRAM (System Circuits) Power Source Power Window 238 Pages From Manual TO MODEL INDEX BACK TO CHAPTER INDEX EWD307F
  • 219.
    * 1 :70A Type Alternator * 2 : 45A, 55A Type Alternator Power Window * 3 : 4-Door * 4 : 2-Door 239 Pages From Manual TO MODEL INDEX BACK TO CHAPTER INDEX EWD307F
  • 220.
    SYSTEM CIRCUIT CONNECTORS PARTSCODE PARTS & CONNECTOR TYPE LOCATION PARTS CODE PARTS & CONNECTOR TYPE LOCATION I17 IGNITION SW 238-1 P8 POWER WINDOW CONTROL SW REAR RH 239-4 J5 (A) JUNCTION CONNECTOR 238-1 238-2 P9 (A) POWER WINDOW MASTER SW (4- Door) 238-2 239-3 239-4 J6 (B) JUNCTION CONNECTOR 238-1 238 2 P9 (B) POWER WINDOW MASTER SW (2-Door) 238-2 239 3 239-4 J7 JUNCTION CONNECTOR 238-2 P10 POWER WINDOW MOTOR FRONT LH 238-2 P6 POWER WINDOW CONTROL SW FRONT RH 239-3 P11 POWER WINDOW MOTOR FRONT RH 239-3 P7 POWER WINDOW CONTROL SW REAR LH 239-3 P12 POWER WINDOW MOTOR REAR LH 239-3 240 Pages From Manual TO MODEL INDEX BACK TO CHAPTER INDEX EWD307F
  • 221.
    PARTS CODE PARTS& CONNECTOR TYPE LOCATION PARTS CODE PARTS & CONNECTOR TYPE LOCATION P13 POWER WINDOW MOTOR REAR RH 239-4 241 Relays, Fuses and J/B etc. Parts connector position Joint connectors and Ground points See page 26 to 36 38 to 77 (LHD), 78 to 125 (RHD 126 to 143 (LHD), 144 to 165 (RHD) Pages From Manual TO MODEL INDEX BACK TO CHAPTER INDEX EWD307F
  • 222.
    F ELECTRICAL WIRINGDIAGRAM (System Circuits) Power Source Light Reminder Buzzer and Seat Belt Warning 242 Pages From Manual TO MODEL INDEX BACK TO CHAPTER INDEX EWD307F
  • 223.
    Cigarette Lighter ClockHorn 243 Pages From Manual TO MODEL INDEX BACK TO CHAPTER INDEX EWD307F
  • 224.
    SYSTEM CIRCUIT CONNECTORS PARTSCODE PARTS & CONNECTOR TYPE LOCATION PARTS CODE PARTS & CONNECTOR TYPE LOCATION B7 BUCKLE SW 242-2 C14 (B) HORN SW [COMB. SW] (W/SRS) 243-4 C5 CIGARETTE LIGHTER 243-3 H9 HORN BLACK 243-4 C8 CLOCK 243-3 I17 IGNITION SW 242-1 C9 (A) SEAT BELT WARNING LIGHT [COMB. METER] 242 1 I18 (A) INTEGRATION RELAY 242-2 C10 (B) SEAT BELT WARNING LIGHT [COMB. METER] BLUE 242-1 J1 (A) JUNCTION CONNECTOR GRAY 242-1 C12 (A) HORN SW [COMB. SW] (W/O SRS) BLACK 243-4 J2 (B) JUNCTION CONNECTOR GRAY 242-1 244 Pages From Manual TO MODEL INDEX BACK TO CHAPTER INDEX EWD307F
  • 225.
    PARTS CODE PARTS& CONNECTOR TYPE LOCATION PARTS CODE PARTS & CONNECTOR TYPE LOCATION J4 JUNCTION CONNECTOR BLACK 242-2 J13 JUNCTION CONNECTOR 242-1 J7 JUNCTION CONNECTOR 242-2 J20 JUNCTION CONNECTOR 243-4 J8 JUNCTION CONNECTOR 243 3 J23 JUNCTION CONNECTOR 243-3 J9 JUNCTION CONNECTOR BLUE 243-3 U1 UNLOCK WARNING SW 242-2 245 Relays, Fuses and J/B etc. Parts connector position Joint connectors and Ground points See page 26 to 36 38 to 77 (LHD), 78 to 125 (RHD 126 to 143 (LHD), 144 to 165 (RHD) Pages From Manual TO MODEL INDEX BACK TO CHAPTER INDEX EWD307F
  • 226.
    F ELECTRICAL WIRINGDIAGRAM (System Circuits) Power Source Rear Differential Lock Source 246 Pages From Manual TO MODEL INDEX BACK TO CHAPTER INDEX EWD307F
  • 227.
    Rear Differential Lock 247 PagesFrom Manual TO MODEL INDEX BACK TO CHAPTER INDEX EWD307F
  • 228.
    SYSTEM CIRCUIT CONNECTORS PARTSCODE PARTS & CONNECTOR TYPE LOCATION PARTS CODE PARTS & CONNECTOR TYPE LOCATION C10 (B)REARDIFF. LOCK INDICATOR LIGHT [COMB. METER] BLUE 246-2 JUNCTION CONNECTOR 247-3 C11 (C)REARDIFF. LOCK INDICATOR LIGHT [COMB. METER] BROWN 246-2 J8 JUNCTION CONNECTOR 246-2 D4 DIFF. LOCK ECU 246-1 246- 2 247-3 247-4 J14 JUNCTION CONNECTOR ORANGE 247 3 D5 DIFF. LOCKSW BLACK 246-2 J16 JUNCTION CONNECTOR GRAY 246-2 D13 DETECTION SW (Rear Diff. Lock) GRAY 247-3 J19 JUNCTION CONNECTOR ORANGE 247-4 I17 IGNITION SW 246-1 J23 JUNCTION CONNECTOR 247-4 248 Pages From Manual TO MODEL INDEX BACK TO CHAPTER INDEX J7 EWD307F
  • 229.
    PARTS CODE PARTS& CONNECTOR TYPE LOCATION PARTS CODE PARTS & CONNECTOR TYPE LOCATION R8 REAR DIFF. LOCK MOTOR GRAY 247-4 249 Relays, Fuses and J/B etc. Parts connector position Joint connectors and Ground points See page 26 to 36 38 to 77 (LHD), 78 to 125 (RHD 126 to 143 (LHD), 144 to 165 (RHD) Pages From Manual TO MODEL INDEX BACK TO CHAPTER INDEX EWD307F
  • 230.
    F ELECTRICAL WIRINGDIAGRAM (System Circuits) Power Source Rear Window Defogger 250 Pages From Manual TO MODEL INDEX BACK TO CHAPTER INDEX EWD307F
  • 231.
    Front Wiper andWasher 251 Pages From Manual TO MODEL INDEX BACK TO CHAPTER INDEX EWD307F
  • 232.
    SYSTEM CIRCUIT CONNECTORS PARTSCODE PARTS & CONNECTOR TYPE LOCATION PARTS CODE PARTS & CONNECTOR TYPE LOCATION C12 FRONT WIPER AND WASHER SW [COMB. SW] BLACK 251-4 J14 JUNCTION CONNECTOR ORANGE 250-2 H3 WASHER MOTOR [HEADLIGHT CLEANER MOTOR] 251-3 J15 JUNCTION CONNECTOR BLUE 250-2 I17 IGNITION SW 250-1 J21 (A) JUNCTION CONNECTOR 251-3 J7 JUNCTION CONNECTOR 250-2 251- 4 J22 (DJUNCTION CONNECTOR BLACK 251-3 J8 (A)JUNCTION CONNECTOR 251-3 J23 JUNCTION CONNECTOR 251-3 J13 (B) JUNCTION CONNECTOR 251-3 R4 REAR WINDOW DEFOGGER SW BLACK 250-2 252 Pages From Manual TO MODEL INDEX BACK TO CHAPTER INDEX EWD307F
  • 233.
    PARTS CODE PARTS& CONNECTOR TYPE LOCATION PARTS CODE PARTS & CONNECTOR TYPE LOCATION R10 (A) REAR WINDOW DEFOGGER BLACK 250-2 R11 (DREAR WINDOW DEFOGGER BLACK 250-2 W1 WASHER MOTOR GRAY 251-3 W4 WIPER MOTOR BLACK 251-4 253 Relays, Fuses and J/B etc. Parts connector position Joint connectors and Ground points See page 26 to 36 38 to 77 (LHD), 78 to 125 (RHD 126 to 143 (LHD), 144 to 165 (RHD) Pages From Manual TO MODEL INDEX BACK TO CHAPTER INDEX EWD307F
  • 234.
    F ELECTRICAL WIRINGDIAGRAM (System Circuits) Power Source 4WD Source 254 Pages From Manual TO MODEL INDEX BACK TO CHAPTER INDEX EWD307F
  • 235.
    4WD 255 Pages From Manual TOMODEL INDEX BACK TO CHAPTER INDEX EWD307F
  • 236.
    SYSTEM CIRCUIT CONNECTORS PARTSCODE PARTS & CONNECTOR TYPE LOCATION PARTS CODE PARTS & CONNECTOR TYPE LOCATION A 8 ADD INDICATOR SW GRAY 254-2 I17 IGNITION SW 254-1 A20 ADD CONTROL RELAY 254-2 J1 J2 (A), (B)JUNCTION CONNECTOR GRAY 254-1 C10 (B)4WD INDICATOR LIGHT [COMB. METER] BLUE 255-3 J3 J4 (A), (B)JUNCTION CONNECTOR BLACK 254-2 C11 (C)4WD INDICATOR LIGHT [COMB. METER] BROWN 255-3 J7 J23 JUNCTION CONNECTOR 255-3 255-4 D1 DETECTION SW (Transfer 4WD Position) GRAY 255-3 J8 (A)JUNCTION CONNECTOR 255-3 D2 DETECTION SW (Transfer L4 Position) BLUE 255-4 J13 (B) JUNCTION CONNECTOR 255-3 256 Pages From Manual TO MODEL INDEX BACK TO CHAPTER INDEX EWD307F
  • 237.
    PARTS CODE PARTS& CONNECTOR TYPE LOCATION PARTS CODE PARTS & CONNECTOR TYPE LOCATION J14 J19 JUNCTION CONNECTOR ORANGE 255 4 J22 (B) JUNCTION CONNECTOR BLACK 255-3 J15 JUNCTION CONNECTOR BLUE 255-4 V4 VSV (2WD, ADD) BROWN 254-1 J16 (A)JUNCTION CONNECTOR GRAY 255-3 V5 VSV (4WD, ADD) BLUE 254-2 J17 JUNCTION CONNECTOR BLACK 255-4 257 Relays, Fuses and J/B etc. Parts connector position Joint connectors and Ground points See page 26 to 36 38 to 77 (LHD), 78 to 125 (RHD 126 to 143 (LHD), 144 to 165 (RHD) Pages From Manual TO MODEL INDEX BACK TO CHAPTER INDEX EWD307F
  • 238.
    F ELECTRICAL WIRINGDIAGRAM (System Circuits) Power Source ABS 258 Pages From Manual TO MODEL INDEX BACK TO CHAPTER INDEX EWD307F
  • 239.
    (Cont. next page) ABS 259 PagesFrom Manual TO MODEL INDEX BACK TO CHAPTER INDEX EWD307F
  • 240.
    F ELECTRICAL WIRINGDIAGRAM (System Circuits) ABS 260 Pages From Manual TO MODEL INDEX BACK TO CHAPTER INDEX EWD307F
  • 241.
    ABS 261 Pages From Manual TOMODEL INDEX BACK TO CHAPTER INDEX (Cont'd) EWD307F
  • 242.
    SYSTEM CIRCUIT CONNECTORS PARTSCODE PARTS & CONNECTOR TYPE LOCATION A 4 (A)ABS ACTUATOR GRAY 259-3 259-4 A 5 (DABS ACTUATOR BLACK 259-3 259-4 A 6 ABS SPEED SENSOR FRONT LH GRAY 260-5 A 7 ABS SPEED SENSOR FRONT RH GRAY 260-5 A17 ABS DECELERATION SENSOR BLACK 261-7 A18 (A)ABS ECU 259-3 259-4 260-5 260-6 261-7 261-8 262 PARTS CODE PARTS & CONNECTOR TYPE LOCATION A19 (C) ABS ECU 259-3 259-4 260-5 260-6 261-7 261-8 A28 ABS SPEED SENSOR REAR LH GRAY 261-7 A29 * ABS SPEED SENSOR REAR RH GRAY 261-8 C3 CHECK CONNECTOR (2RZ-FE, 2L-T) BLACK 259-3 259-4 C3 CHECK CONNECTOR (EXCEPT 2RZ-FE 2L-T) BLACK 259-3 259-4 C10 (B)ABS WARNING LIGHT [COMB. METER] BLUE 260-5 Pages From Manual TO MODEL INDEX BACK TO CHAPTER INDEX EWD307F
  • 243.
    PARTS CODE PARTS& CONNECTOR TYPE LOCATION PARTS CODE PARTS & CONNECTOR TYPE LOCATION C11 (C) ABS WARNING LIGHT [COMB. METER] BROWN 260-5 J8 (A) JUNCTION CONNECTOR 260-5 I17 IGNITION SW 258-1 J9 (B) JUNCTION CONNECTOR BLUE 258-2 J3 JUNCTION CONNECTOR BLACK 258-2 J12 (A)JUNCTION CONNECTOR BLUE 258-2 J7 JUNCTION CONNECTOR 260-6 J13 (B) JUNCTION CONNECTOR 260-5 263 Relays, Fuses and J/B etc. Parts connector position Joint connectors and Ground points See page 26 to 36 38 to 77 (LHD), 78 to 125 (RHD 126 to 143 (LHD), 144 to 165 (RHD) Pages From Manual TO MODEL INDEX BACK TO CHAPTER INDEX EWD307F
  • 244.
    SYSTEM CIRCUIT CONNECTORS PARTSCODE PARTS & CONNECTOR TYPE LOCATION PARTS CODE PARTS & CONNECTOR TYPE LOCATION J17 (A) JUNCTION CONNECTOR BLACK 260-5 J20 (C) JUNCTION CONNECTOR 259-3 260- 5 J21 (A) JUNCTION CONNECTOR 259-3 264 Pages From Manual TO MODEL INDEX BACK TO CHAPTER INDEX EWD307F
  • 245.
    PARTS CODE PARTS& CONNECTOR TYPE LOCATION PARTS CODE PARTS & CONNECTOR TYPE LOCATION 265 Relays, Fuses and J/B etc. Parts connector position Joint connectors and Ground points See page 26 to 36 38 to 77 (LHD), 78 to 125 (RHD 126 to 143 (LHD), 144 to 165 (RHD) Pages From Manual TO MODEL INDEX BACK TO CHAPTER INDEX EWD307F
  • 246.
    F ELECTRICAL WIRINGDIAGRAM (System Circuits) Power Source SRS 266 Pages From Manual TO MODEL INDEX BACK TO CHAPTER INDEX EWD307F
  • 247.
    SRS 267 Pages From Manual TOMODEL INDEX BACK TO CHAPTER INDEX EWD307F
  • 248.
    F ELECTRICAL WIRINGDIAGRAM (System Circuits) PARTS CODE PARTS & CONNECTOR TYPE LOCATION PARTS CODE PARTS & CONNECTOR TYPE LOCATION A21 (A)AIRBAG SENSOR ASSEMBLY YELLOW 266-2 267-3 267-4 C3 CHECK CONNECTOR (Except 2RZ-FE 2L-T) BLACK 267-3 267-4 A22 (B) AIRBAG SENSOR ASSEMBLY YELLOW 266-2 267-3 267-4 C9 (A)SRS WARNING LIGHT [COMB. METER] 267-3 A23 (C)AIRBAG SENSOR ASSEMBLY YELLOW 266-2 267-3 267-4 C11 (C)SRS WARNING LIGHT [COMB. METER] BROWN 267-3 A24 AIRBAG SQUIB (Front Passenger's Airbag Assembly) YELLOW 266-2 I17 IGNITION SW 266-1 A25 AIRBAG SQUIB (Steering Wheel Pad) YELLOW 266-1 266-2 J3 JUNCTION CONNECTOR BLACK 266-1 C3 CHECK CONNECTOR (2RZ- FE, 2L-T) BLACK 267-3 267-4 J9 (B) JUNCTION CONNECTOR BLUE 266-2 268 Pages From Manual TO MODEL INDEX BACK TO CHAPTER INDEX EWD307F
  • 249.
    PARTS CODE PARTS& CONNECTOR TYPE LOCATION PARTS CODE PARTS & CONNECTOR TYPE LOCATION J12 (A)JUNCTION CONNECTOR BLUE 266-2 J21 (A) JUNCTION CONNECTOR 267-4 J17 (A) JUNCTION CONNECTOR BLACK 267-3 P14 PRETENSIONER LH YELLOW 267-3 J18 JUNCTION CONNECTOR BLUE 267 3 P15 PRETENSIONER RH YELLOW 267-3 J20 (B) JUNCTION CONNECTOR 267-3 267-4 269 Relays, Fuses and J/B etc. Parts connector position Joint connectors and Ground points See page 26 to 36 38 to 77 (LHD), 78 to 125 (RHD 126 to 143 (LHD), 144 to 165 (RHD) Pages From Manual TO MODEL INDEX BACK TO CHAPTER INDEX EWD307F
  • 250.
    F ELECTRICAL WIRINGDIAGRAM (System Circuits) Power Source Remote Control Mirror 270 Pages From Manual TO MODEL INDEX BACK TO CHAPTER INDEX EWD307F
  • 251.
    Radio and Player 271 PagesFrom Manual TO MODEL INDEX BACK TO CHAPTER INDEX EWD307F
  • 252.
    SYSTEM CIRCUIT CONNECTORS PARTSCODE PARTS & CONNECTOR TYPE LOCATION PARTS CODE PARTS & CONNECTOR TYPE LOCATION D22 DOOR SPEAKER FRONT LH 271-3 J8 JUNCTION CONNECTOR 271-3 D23 DOOR SPEAKER FRONT RH 271-4 J9 JUNCTION CONNECTOR BLUE 271-3 I17 IGNITION SW 270-1 R1 RADIO AND PLAYER BLUE 271-3 271-4 J5 (A)JUNCTION CONNECTOR 270-2 R12 REMOTE CONTROL MIRROR LH 270-1 J6 (C) JUNCTION CONNECTOR 270-2 R13 REMOTE CONTROL MIRROR RH 270-2 J7 JUNCTION CONNECTOR 270-2 R14 REMOTE CONTROL MIRROR SW 270-1 270-2 272 Pages From Manual TO MODEL INDEX BACK TO CHAPTER INDEX EWD307F
  • 253.
    PARTS CODE PARTS& CONNECTOR TYPE LOCATION PARTS CODE PARTS & CONNECTOR TYPE LOCATION 273 Relays, Fuses and J/B etc. Parts connector position Joint connectors and Ground points See page 26 to 36 38 to 77 (LHD), 78 to 125 (RHD 126 to 143 (LHD), 144 to 165 (RHD) Pages From Manual TO MODEL INDEX BACK TO CHAPTER INDEX EWD307F
  • 254.
    F ELECTRICAL WIRINGDIAGRAM (System Circuits) Power Source Combination Meter 274 Pages From Manual TO MODEL INDEX BACK TO CHAPTER INDEX EWD307F
  • 255.
    (Cont. next page) CombinationMeter 275 Pages From Manual TO MODEL INDEX BACK TO CHAPTER INDEX EWD307F
  • 256.
    F ELECTRICAL WIRINGDIAGRAM (System Circuits) Combination Meter 276 Pages From Manual TO MODEL INDEX BACK TO CHAPTER INDEX EWD307F
  • 257.
    (Cont'd) Combination Meter 277 Pages FromManual TO MODEL INDEX BACK TO CHAPTER INDEX EWD307F
  • 258.
    SYSTEM CIRCUIT CONNECTORS PARTSCODE PARTS & CONNECTOR TYPE LOCATION PARTS CODE PARTS & CONNECTOR TYPE LOCATION B2 BRAKE FLUID LEVEL WARNING SW GRAY 275-4 F13 FUEL SENDER 274-2 C9 (A) COMBINATION METER 274-1 274-2 275-3 275-4 276-5 276-6 277-7 277-8 I17 IGNITION SW 274-1 C10 (B)COMBINATION METER BLUE 274-1 274-2 275-3 275-4 276-5 276-6 277-7 277-8 J1 (A) JUNCTION CONNECTOR GRAY 276-5 C11 (C)COMBINATION METER BROWN 274-1 274-2 275-3 275-4 276-5 276-6 277-7 277-8 J2 (B) JUNCTION CONNECTOR GRAY 276-5 E2 ENGINE OIL LEVEL WARNING SW GRAY 274-1 J3 (A)JUNCTON CONNECTOR BLACK 275-4 F10 FUEL SEDIMENTARY SW GRAY 276-5 J4 (B) JUNCTION CONNECTOR BLACK 275-4 278 Pages From Manual TO MODEL INDEX BACK TO CHAPTER INDEX EWD307F
  • 259.
    PARTS CODE PARTS& CONNECTOR TYPE LOCATION PARTS CODE PARTS & CONNECTOR TYPE LOCATION J7 JUNCTION CONNECTOR 275-3 J14 JUNCTION CONNECTOR ORANGE 275-4 J8 (A)JUNCTION CONNECTOR 274-2 J19 JUNCTION CONNECTOR ORANGE 275-4 J12 (A)JUNCTION CONNECTOR BLUE 274-2 J23 JUNCTION CONNECTOR 275-3 J13 (B)JUNCTION CONNECTOR 274-2 O1 OIL PRESSURE SW (Gasoline) GRAY 276-6 Relays, Fuses and J/B etc. Parts connector position Joint connectors and Ground points See page 26 to 36 38 to 77 (LHD), 78 to 125 (RHD 126 to 143 (LHD), 144 to 165 (RHD) 279 Pages From Manual TO MODEL INDEX BACK TO CHAPTER INDEX EWD307F
  • 260.
    SYSTEM CIRCUIT CONNECTORS PARTSCODE PARTS & CONNECTOR TYPE LOCATION PARTS CODE PARTS & CONNECTOR TYPE LOCATION O1 OIL PRESSURE SW (Diesel) 276-6 P2 PARKING BRAKE SW 275-3 T2 TURBO PRESSURE SW BLACK 276-6 V2 VACUUM SW BLACK 275-4 W2 WATER TEMP. SENDER GRAY 1 274-2 280 Pages From Manual TO MODEL INDEX BACK TO CHAPTER INDEX EWD307F
  • 261.
    PARTS CODE PARTS& CONNECTOR TYPE LOCATION PARTS CODE PARTS & CONNECTOR TYPE LOCATION Relays, Fuses and J/B etc. Parts connector position Joint connectors and Ground points See page 26 to 36 38 to 77 (LHD), 78 to 125 (RHD 126 to 143 (LHD), 144 to 165 (RHD) 281 Pages From Manual TO MODEL INDEX BACK TO CHAPTER INDEX EWD307F
  • 262.
    F ELECTRICAL WIRINGDIAGRAM (System Circuits) Power Source Air Conditioner 282 Pages From Manual TO MODEL INDEX BACK TO CHAPTER INDEX EWD307F
  • 263.
    Air Conditioner 283 Pages FromManual TO MODEL INDEX BACK TO CHAPTER INDEX EWD307F
  • 264.
    SYSTEM CIRCUIT CONNECTORS PARTSCODE PARTS & CONNECTOR TYPE LOCATION PARTS CODE PARTS & CONNECTOR TYPE LOCATION A1 A/C DUAL PRESSURE SW GRAY 283-3 B4 BLOWER MOTOR BLACK 283-3 A 2 A/C MAGNETIC CLUTCH GRAY 283-4 B5 BLOWER RESISTOR BLACK 282-2 A13 A/C AMPLIFIER BLACK 283-3 283- 4 B6 (A) BLOWER SW (Europe G. C. C. ) 282-2 A14 A/C SW BLACK 283-3 B6 (B) BLOWER SW (General) BLACK 282-2 A15 A/C THERMISTOR 283-4 I17 IGNITION SW 282-1 A16 A/C VOLUME SW 283-4 J1 J2 (A), (B) JUNCTION CONNECTOR GRAY 282-1 282- 2 284 Pages From Manual TO MODEL INDEX BACK TO CHAPTER INDEX EWD307F
  • 265.
    PARTS CODE PARTS& CONNECTOR TYPE LOCATION PARTS CODE PARTS & CONNECTOR TYPE LOCATION J7 J23 JUNCTION CONNECTOR 282-2 J22 JUNCTION CONNECTOR BLACK 283-3 J12 JUNCTION CONNECTOR BLUE 283-3 V6 VSV (A/C Idle-Up) BLACK 283-4 J14 J19 JUNCTION CONNECTOR ORANGE 282-2 283- 3 J15 JUNCTION CONNECTOR BLUE 283-3 285 Relays, Fuses and J/B etc. Parts connector position Joint connectors and Ground points See page 26 to 36 38 to 77 (LHD), 78 to 125 (RHD 126 to 143 (LHD), 144 to 165 (RHD) Pages From Manual TO MODEL INDEX BACK TO CHAPTER INDEX EWD307F
  • 266.
    F ELECTRICAL WIRINGDIAGRAM (System Circuits) Power Source Starting (Gasoline) 286 Pages From Manual TO MODEL INDEX BACK TO CHAPTER INDEX EWD307F
  • 267.
    * 1 :Australia * 4 : Except Cold Area Spec. Charging (Gasoline) * 2 : General * 5 : 70ATypeAlternator * 3 : Cold Area Spec. * 6 : 45A, 55A Type Alternator 287 Pages From Manual TO MODEL INDEX BACK TO CHAPTER INDEX EWD307F
  • 268.
    SYSTEM CIRCUIT CONNECTORS PARTSCODE PARTS & CONNECTOR TYPE LOCATION PARTS CODE PARTS & CONNECTOR TYPE LOCATION A10 (A) ALTERNATOR BLACK 287-3 J2 (B)JUNCTION CONNECTOR GRAY 287-4 A11 (B)ALTERNATOR 287-3 J7 JUNCTION CONNECTOR BLUE 287-4 C9 (A)CHARGE WARNING LIGHT [COMB. METER] 287-4 J12 JUNCTION CONNECTOR BLUE 286-2 C10 (B)CHARGE WARNING LIGHT [COMB. METER] BLUE 287-4 J13 (A) JUNCTION CONNECTOR BLACK 287-4 I17 IGNITION SW 286-1 J14 (B) JUNCTION CONNECTOR BLACK 287-4 J1 (A) JUNCTION CONNECTOR GRAY 286-2 287-4 N1 NEUTRAL START SW GRAY 286-2 288 Pages From Manual TO MODEL INDEX BACK TO CHAPTER INDEX EWD307F
  • 269.
    PARTS CODE PARTS& CONNECTOR TYPE LOCATION PARTS CODE PARTS & CONNECTOR TYPE LOCATION S2 (A) STARTER BLACK 286-1 S3 (B) STARTER 286-1 Relays, Fuses and J/B etc. Parts connector position Joint connectors and Ground points See page 26 to 36 38 to 77 (LHD), 78 to 125 (RHD 126 to 143 (LHD), 144 to 165 (RHD) 289 Pages From Manual TO MODEL INDEX BACK TO CHAPTER INDEX EWD307F
  • 270.
    F ELECTRICAL WIRINGDIAGRAM (System Circuits) Power Source Starting (Diesel) 290 Pages From Manual TO MODEL INDEX BACK TO CHAPTER INDEX EWD307F
  • 271.
    * 1 :Australia * 2 : Europe * 3 : General Fuel Heater Charging (Diesel) * 4 : 70ATypeAlternator * 5 : 45A, 55A Type Alternator 291 Pages From Manual TO MODEL INDEX BACK TO CHAPTER INDEX EWD307F
  • 272.
    SYSTEM CIRCUIT CONNECTORS PARTSCODE PARTS & CONNECTOR TYPE LOCATION PARTS CODE PARTS & CONNECTOR TYPE LOCATION A10 (A) ALTERNATOR (B) BLACK 291-3 J1 (A) JUNCTION CONNECTOR GRAY 290-2 291-3 A11 (B)ALTERNATOR 291-3 J2 (B) JUNCTION CONNECTOR GRAY 290-2 291-3 C9 (A)CHARGE WARNING LIGHT [COMB. METER] 291-4 J7 JUNCTION CONNECTOR BLUE 291-4 C10 (B)CHARGE WARNING LIGHT [COMB. METER] BLUE 291-4 J12 JUNCTION CONNECTOR BLUE 290-2 F9 FUEL HEATER GRAY 291-3 J13 (A)JUNCTION CONNECTOR BLACK 291-4 117 IGNITION SW 290-2 J14 (B) JUNCTION CONNECTOR BLACK 290-2 291-4 292 Pages From Manual TO MODEL INDEX BACK TO CHAPTER INDEX EWD307F
  • 273.
    PARTS CODE PARTS& CONNECTOR TYPE LOCATION PARTS CODE PARTS & CONNECTOR TYPE LOCATION S2 (A) STARTER BLACK 290-1 S3 (C) STARTER 290-1 293 Relays, Fuses and J/B etc. Parts connector position Joint connectors and Ground points See page 26 to 36 38 to 77 (LHD), 78 to 125 (RHD 126 to 143 (LHD), 144 to 165 (RHD) Pages From Manual TO MODEL INDEX BACK TO CHAPTER INDEX EWD307F
  • 274.
    F ELECTRICAL WIRINGDIAGRAM (System Circuits) Power Source Ignition Source 294 Pages From Manual TO MODEL INDEX BACK TO CHAPTER INDEX EWD307F
  • 275.
    Ignition 295 Pages From Manual TOMODEL INDEX BACK TO CHAPTER INDEX EWD307F
  • 276.
    SYSTEM CIRCUIT CONNECTORS PARTSCODE PARTS & CONNECTOR TYPE LOCATION PARTS CODE PARTS & CONNECTOR TYPE LOCATION I1 IGNITER DARK GRAY 295-3 I6 (C) IIA (1RZ) GRAY 295-4 I2 IGNITION COIL AND IGNITER N0.1 BLACK 294-1 I7 (B) IIA GRAY 294-2 I3 IGNITION COIL AND IGNITER NO. 2 BLACK 294-1 294- 2 I17 IGNITION SW 294-1 I4 IGNITION COIL NO. 1 DARK GRAY 295-3 J13 (A) JUNCTION CONNECTOR BLACK 294-1 295-3 I5 IGNITION COIL NO. 2 GRAY 295-3 J14 (B) JUNCTION CONNECTOR BLACK 294-1 295-3 I6 (A) IIA(1RZ-E) GRAY 294-2 N2 NOISE FILTER GRAY 294-2 296 Pages From Manual TO MODEL INDEX BACK TO CHAPTER INDEX EWD307F
  • 277.
    PARTS CODE PARTS& CONNECTOR TYPE LOCATION PARTS CODE PARTS & CONNECTOR TYPE LOCATION 297 Relays, Fuses and J/B etc. Parts connector position Joint connectors and Ground points See page 26 to 36 38 to 77 (LHD), 78 to 125 (RHD 126 to 143 (LHD), 144 to 165 (RHD) Pages From Manual TO MODEL INDEX BACK TO CHAPTER INDEX EWD307F
  • 278.
    F ELECTRICAL WIRINGDIAGRAM (System Circuits) Power Source Engine Control (3RZ-FE) 298 Pages From Manual TO MODEL INDEX BACK TO CHAPTER INDEX EWD307F
  • 279.
    * 1 :Shielded Engine Control (3RZ-FE) * 2 : 70A Type Alternator * 3 : 45A, 55A Type Alternator 299 Pages From Manual TO MODEL INDEX BACK TO CHAPTER INDEX (Cont. next page) EWD307F
  • 280.
    F ELECTRICAL WIRINGDIAGRAM (System Circuits) Engine Control (3RZ-FE) 300 Pages From Manual TO MODEL INDEX BACK TO CHAPTER INDEX EWD307F
  • 281.
    Engine Control (3RZ-FE)* 1: Shielded 301 Pages From Manual TO MODEL INDEX BACK TO CHAPTER INDEX (Cont'd) EWD307F
  • 282.
    SYSTEM CIRCUIT CONNECTORS PARTSCODE PARTS & CONNECTOR TYPE LOCATION PARTS CODE PARTS & CONNECTOR TYPE LOCATION A 9 AIR FLOW METER BLACK 300-5 D10 DLC3 BLACK 299-3 299-4 C1 CAMSHAFT POSITION SENSOR BLACK 301-7 E4 (A) ENGINE ECU (M/T) OR ENGINE AND ECT ECU (A/T) 300-5 300-6 301-7 301-8 C3 CHECK CONNECTOR BLACK 299-4 E5 (B) ENGINE ECU (M/T) OR ENGINE AND ECT ECU (A/T) 300-5 300-6 301-7 301-8 C4 CRANKSHAFT POSITION SENSOR DARK GRAY 301-7 E6 (C)ENGINE ECU (M/T) OR ENGINE AND ECT ECU (A/T) 300-5 300-6 301-7 301-8 C10 (B) CHECK ENGINE WARNING LIGHT [COMB. METER] BLUE 299-3 F12 FUEL PUMP GRAY (III 299-3 C11 (C) CHECK ENGINE WARNING LIGHT [COMB. METER] BROWN 299-3 I10 INJECTOR NO. 1 BLUE 298-1 302 Pages From Manual TO MODEL INDEX BACK TO CHAPTER INDEX EWD307F
  • 283.
    PARTS CODE PARTS& CONNECTOR TYPE LOCATION PARTS CODE PARTS & CONNECTOR TYPE LOCATION I11 INJECTOR NO. 2 BLUE 298-2 I17 IGNITION SW 298-1 I12 INJECTOR NO. 3 BLUE 298-2 J1 JUNCTION CONNECTOR GRAY 298-2 I13 INJECTOR NO. 4 BLUE 298-2 J3 JUNCTION CONNECTOR 299-3 I15 ISC VALVE GRAY 300-5 J5 JUNCTION CONNECTOR BLUE 299-4 303 Relays, Fuses and J/B etc. Parts connector position Joint connectors and Ground points See page 26 to 36 38 to 77 (LHD), 78 to 125 (RHD 126 to 143 (LHD), 144 to 165 (RHD) Pages From Manual TO MODEL INDEX BACK TO CHAPTER INDEX EWD307F
  • 284.
    SYSTEM CIRCUIT CONNECTORS PARTSCODE PARTS & CONNECTOR TYPE LOCATION PARTS CODE PARTS & CONNECTOR TYPE LOCATION J12 JUNCTION CONNECTOR BLUE 299-4 300-6 V3 VARIABLE RESISTOR BLACK 301 7 J13 (A)JUNCTION CONNECTOR BLACK 298-2 V8 VSV (EVAP) BLACK 300 6 J14 (B) JUNCTION CONNECTOR BLACK 298-2 W3 WATER TEMP. SENSOR DARK GRAY 301-7 J15 JUNCTION CONNECTOR 299-3 K1 KNOCK SENSOR DARK GRAY 301-8 T1 THROTTLE POSITION SENSOR BLACK 301-7 304 Pages From Manual TO MODEL INDEX BACK TO CHAPTER INDEX EWD307F
  • 285.
    PARTS CODE PARTS& CONNECTOR TYPE LOCATION PARTS CODE PARTS & CONNECTOR TYPE LOCATION 305 Relays, Fuses and J/B etc. Parts connector position Joint connectors and Ground points See page 26 to 36 38 to 77 (LHD), 78 to 125 (RHD 126 to 143 (LHD), 144 to 165 (RHD) Pages From Manual TO MODEL INDEX BACK TO CHAPTER INDEX EWD307F
  • 286.
    F ELECTRICAL WIRINGDIAGRAM (System Circuits) Power Source Engine Control (1RZ-E) 306 Pages From Manual TO MODEL INDEX BACK TO CHAPTER INDEX EWD307F
  • 287.
    Engine Control (1RZ-E) 307 PagesFrom Manual TO MODEL INDEX BACK TO CHAPTER INDEX EWD307F
  • 288.
    SYSTEM CIRCUIT CONNECTORS PARTSCODE PARTS & CONNECTOR TYPE LOCATION PARTS CODE PARTS & CONNECTOR TYPE LOCATION C3 CHECK CONNECTOR BLACK 307-3 I8 IN-AIR TEMP. SENSOR BLACK 307-4 C10 (B) CHECK ENGINE WARNING LIGHT [COMB. METER] BLUE 306-2 I10 I11 I12 I13 INJECTOR NO. 1, NO. 2, NO. 3, NO. 4 GRAY 306-1 C11 (C) CHECK ENGINE WARNING LIGHT [COMB. METER) BROWN 306-2 I17 IGNITION SW 306-1 E4 (A) ENGINE ECU 307-3 307- 4 J1 JUNCTION CONNECTOR GRAY 306-2 E5 (B) ENGINE ECU 307-3 307- 4 J12 JUNCTION CONNECTOR BLUE 306-2 F12 FUEL PUMP GRAY 306-2 J13 (A) JUNCTION CONNECTOR BLACK 306-1 308 Pages From Manual TO MODEL INDEX BACK TO CHAPTER INDEX EWD307F
  • 289.
    PARTS CODE PARTS& CONNECTOR TYPE LOCATION PARTS CODE PARTS & CONNECTOR TYPE LOCATION J14 (B) JUNCTION CONNECTOR BLACK 306-1 V3 VARIABLE RESISTOR BLACK 307-4 J15 JUNCTION CONNECTOR 306-2 W3 WATER TEMP. SENSOR GREEN 307-3 T1 THROTTLE POSITION SENSOR BLACK 307-4 V1 VACUUM SENSOR BLACK 307-4 309 Relays, Fuses and J/B etc. Parts connector position Joint connectors and Ground points See page 26 to 36 38 to 77 (LHD), 78 to 125 (RHD 126 to 143 (LHD), 144 to 165 (RHD) Pages From Manual TO MODEL INDEX BACK TO CHAPTER INDEX EWD307F
  • 290.
    F ELECTRICAL WIRINGDIAGRAM (System Circuits) Power Source Carburetor Source 310 Pages From Manual TO MODEL INDEX BACK TO CHAPTER INDEX EWD307F
  • 291.
    Emission Control 311 Pages FromManual TO MODEL INDEX BACK TO CHAPTER INDEX EWD307F
  • 292.
    SYSTEM CIRCUIT CONNECTORS PARTSCODE PARTS & CONNECTOR TYPE LOCATION PARTS CODE PARTS & CONNECTOR TYPE LOCATION C2 CARBURETOR DARK GRAY 310-1 310-2 V2 VACUUM SW (1RZ) 311-4 E3 (A)EMISSION CONTROL ECU (3RZ-F) DARK GRAY 311-3 311-4 V9 VSV (Throttle Position Control) BROWN 311-3 E3 (B) EMISSION CONTROL ECU (1RZ) DARK GRAY 311-3 311-4 I17 IGNITION SW 310-1 J7 JUNCTION CONNECTOR BLUE 310-1 J14 JUNCTION CONNECTOR BLACK 310-1 312 Pages From Manual TO MODEL INDEX BACK TO CHAPTER INDEX EWD307F
  • 293.
    PARTS CODE PARTS& CONNECTOR TYPE LOCATION PARTS CODE PARTS & CONNECTOR TYPE LOCATION 313 Relays, Fuses and J/B etc. Parts connector position Joint connectors and Ground points See page 26 to 36 38 to 77 (LHD), 78 to 125 (RHD 126 to 143 (LHD), 144 to 165 (RHD) Pages From Manual TO MODEL INDEX BACK TO CHAPTER INDEX EWD307F
  • 294.
    F ELECTRICAL WIRINGDIAGRAM (System Circuits) Power Source Glow Plug 314 Pages From Manual TO MODEL INDEX BACK TO CHAPTER INDEX EWD307F
  • 295.
    Glow Plug 315 Pages FromManual TO MODEL INDEX BACK TO CHAPTER INDEX EWD307F
  • 296.
    SYSTEM CIRCUIT CONNECTORS PARTSCODE PARTS & CONNECTOR TYPE LOCATION PARTS CODE PARTS & CONNECTOR TYPE LOCATION C9 (A) GLOW INDICATOR LIGHT [COMB. METER] 314-2 I17 IGNITION SW 314-1 C10 (B) GLOW INDICATOR LIGHT [COMB. METER] BLUE 314-2 J1 JUNCTION CONNECTOR GRAY 314-1 D8 DIODE (Glow Plug) 315-3 J6 JUNCTION CONNECTOR 314-2 G1 GLOW PLUG 314-1 J7 JUNCTION CONNECTOR BLUE 315-4 I9 INJECTION PUMP GRAY 315-3 315- 4 J12 JUNCTION CONNECTOR BLUE 315-4 I14 INTAKE SHUTTER BROWN 315-4 J13 (A) JUNCTION CONNECTOR BLACK 315-3 316 Pages From Manual TO MODEL INDEX BACK TO CHAPTER INDEX EWD307F
  • 297.
    PARTS CODE PARTS& CONNECTOR TYPE LOCATION PARTS CODE PARTS & CONNECTOR TYPE LOCATION J14 (B) JUNCTION CONNECTOR BLACK 315-3 P3 (A) PRE-HEATING TIMER (GENERAL) DARK GRAY 315-3 315-4 P3 (B) PRE-HEATING TIMER (AUSTRALIA, EUROPE) DARK GRAY 315-3 315-4 W3 WATER TEMP. SENSOR GREEN 315-3 317 Relays, Fuses and J/B etc. Parts connector position Joint connectors and Ground points See page 26 to 36 38 to 77 (LHD), 78 to 125 (RHD 126 to 143 (LHD), 144 to 165 (RHD) Pages From Manual TO MODEL INDEX BACK TO CHAPTER INDEX EWD307F
  • 298.
    F ELECTRICAL WIRINGDIAGRAM (System Circuits) Power Source ECT 318 Pages From Manual TO MODEL INDEX BACK TO CHAPTER INDEX EWD307F
  • 299.
    ECT 319 Pages From Manual TOMODEL INDEX BACK TO CHAPTER INDEX EWD307F
  • 300.
    SYSTEM CIRCUIT CONNECTORS PARTSCODE PARTS & CONNECTOR TYPE LOCATION PARTS CODE PARTS & CONNECTOR TYPE LOCATION A3 A/T FLUID TEMP. SW GRAY 318-2 I17 IGNITION SW 318-1 C10 O/D OFF INDICATOR LIGHT [COMB. METER] BLUE 319-4 J1 JUNCTION CONNECTOR GRAY 318-1 E1 ECT SOLENOID BLACK 318-2 J3 JUNCTION CONNECTOR 319-3 E4 (A) ENGINEANDECTECU 318-2 319-3 J4 JUNCTION CONNECTOR BLUE 319-4 E5 (B) ENGINE AND ECT ECU 318-2 319-3 J14 JUNCTION CONNECTOR BLACK 318-1 E6 (C) ENGINE AND ECT ECU 318-2 319-3 N1 NEUTRAL START SW GRAY 319-3 320 Pages From Manual TO MODEL INDEX BACK TO CHAPTER INDEX EWD307F
  • 301.
    PARTS CODE PARTS& CONNECTOR TYPE LOCATION PARTS CODE PARTS & CONNECTOR TYPE LOCATION O2 O/D MAIN SW 319-3 S1 SPEED SENSOR (ECT) BLACK 319-3 T1 THROTTLE POSITION SENSOR BLACK 318-2 W3 WATER TEMP. SENSOR DARK GRAY 318-2 Relays, Fuses and J/B etc. Parts connector position Joint connectors and Ground points See page 26 to 36 38 to 77 (LHD), 78 to 125 (RHD 126 to 143 (LHD), 144 to 165 (RHD) 321 Pages From Manual TO MODEL INDEX BACK TO CHAPTER INDEX EWD307F
  • 302.
    F ELECTRICAL WIRINGDIAGRAM (System Circuits) Power Source Headlight (w/ Dim-Dip Light) 322 Pages From Manual TO MODEL INDEX BACK TO CHAPTER INDEX EWD307F
  • 303.
    Headlight (w/ Dim-DipLight) 323 Pages From Manual TO MODEL INDEX BACK TO CHAPTER INDEX EWD307F
  • 304.
    SYSTEM CIRCUIT CONNECTORS PARTSCODE PARTS & CONNECTOR TYPE LOCATION PARTS CODE PARTS & CONNECTOR TYPE LOCATION C10 HIGH BEAM INDICATOR LIGHT [COMB. METER] BLUE 323-4 J1 JUNCTION CONNECTOR GRAY 323-3 C13 COMBINATION SW 323-4 J3 JUNCTION CONNECTOR 323-4 D6 DIM-DIP LIGHT RELAY 323-3 323-4 J10 JUNCTION CONNECTOR BLACK 323-4 H5 HEADLIGHT LH 322-2 J13 (A) JUNCTION CONNECTOR BLACK 322-2 323-3 323-4 H6 HEADLIGHT RH 322 2 J14 (B) JUNCTION CONNECTOR BLACK 322-2 323-3 323-4 I17 IGNITION SW 322-1 324 Pages From Manual TO MODEL INDEX BACK TO CHAPTER INDEX EWD307F
  • 305.
    PARTS CODE PARTS& CONNECTOR TYPE LOCATION PARTS CODE PARTS & CONNECTOR TYPE LOCATION 325 Relays, Fuses and J/B etc. Parts connector position Joint connectors and Ground points See page 26 to 36 38 to 77 (LHD), 78 to 125 (RHD 126 to 143 (LHD), 144 to 165 (RHD) Pages From Manual TO MODEL INDEX BACK TO CHAPTER INDEX EWD307F
  • 306.
    F ELECTRICAL WIRINGDIAGRAM (System Circuits) Power Source Headlight (w/o Dim-Dip Light) 326 Pages From Manual TO MODEL INDEX BACK TO CHAPTER INDEX EWD307F
  • 307.
    Stop Light 327 Pages FromManual TO MODEL INDEX BACK TO CHAPTER INDEX EWD307F
  • 308.
    SYSTEM CIRCUIT CONNECTORS PARTSCODE PARTS & CONNECTOR TYPE LOCATION PARTS CODE PARTS & CONNECTOR TYPE LOCATION C10 HIGH BEAM INDICATOR LIGHT [COMB. METER] BLUE 326-2 J11 JUNCTION CONNECTOR BLACK 327-4 C13 (A)COMBINATION SW (Australia, General) 326-1 326-2 J13 (A) JUNCTION CONNECTOR BLACK 326-2 327-4 C13 (B) COMBINATION SW (Europe) 326-1 326-2 J14 (B) JUNCTION CONNECTOR BLACK 326-2 H5 HEADLIGHT LH 326-2 J15 JUNCTION CONNECTOR 327-3 H6 HEADLIGHT RH 326-2 R6 STOP LIGHT LH [REAR COMB. LIGHT LH] (W/ REAR DECK, MALTA) 327-3 J3 JUNCTION CONNECTOR 326-2 R6 STOP LIGHT LH [REAR COMB. LIGHT LH] (EXCEPT W/ REAR DECK, MALTA) 327-3 328 Pages From Manual TO MODEL INDEX BACK TO CHAPTER INDEX EWD307F
  • 309.
    PARTS CODE PARTS& CONNECTOR TYPE LOCATION PARTS CODE PARTS & CONNECTOR TYPE LOCATION R7 STOP LIGHT RH [REAR COMB. LIGHT RH] (w/ Rear Deck, Malta) 327-3 R7 STOP LIGHT RH [REAR COMB. LIGHT RH] (Except w/ Rear Deck, Malta) 327-3 S4 STOP LIGHT SW BLACK 327-3 329 Relays, Fuses and J/B etc. Parts connector position Joint connectors and Ground points See page 26 to 36 38 to 77 (LHD), 78 to 125 (RHD 126 to 143 (LHD), 144 to 165 (RHD) Pages From Manual TO MODEL INDEX BACK TO CHAPTER INDEX EWD307F
  • 310.
    F ELECTRICAL WIRINGDIAGRAM (System Circuits) Power Source Light Reminder Buzzer 330 Pages From Manual TO MODEL INDEX BACK TO CHAPTER INDEX EWD307F
  • 311.
    Taillight 331 Pages From Manual TOMODEL INDEX BACK TO CHAPTER INDEX EWD307F
  • 312.
    SYSTEM CIRCUIT CONNECTORS PARTSCODE PARTS & CONNECTOR TYPE LOCATION PARTS CODE PARTS & CONNECTOR TYPE LOCATION C13 (A) COMBINATION SW (Australia, General) 330-1 117 IGNITION SW 330-1 C13 (B) COMBINATION SW (Europe) 330-1 118 (A) INTEGRATION RELAY 330-2 F1 (B) FRONT CLEARANCE LIGHT LH GRAY 331-4 J1 (A) JUNCTION CONNECTOR GRAY 330-2 331-4 F2 (D FRONT CLEARANCE LIGHT RH GRAY 331-4 J2 (B) JUNCTION CONNECTOR GRAY 330-2 331-4 F5 (A) FRONT CLEARANCE LIGHT LH 331-4 J3 J15 JUNCTION CONNECTOR 330-2 331-3 F6 (A) FRONT CLEARANCE LIGHT RH 331-4 J13 JUNCTION CONNECTOR BLACK 331-3 332 Pages From Manual TO MODEL INDEX BACK TO CHAPTER INDEX EWD307F
  • 313.
    PARTS CODE PARTS& CONNECTOR TYPE LOCATION PARTS CODE PARTS & CONNECTOR TYPE LOCATION L1 LICENSE PLATE LIGHT LH (w/ Rear Deck) 331-3 R6 TAILLIGHT LH REAR COMB. LIGHT LH] w/ Rear Deck, Malta) 331-3 L1 LICENSE PLATE LIGHT LH (w/o Rear Deck) 331-3 R6 TAILLIGHT LH REAR COMB. LIGHT LH] Except w/ Rear Deck, Malta) 331-3 L2 LICENSE PLATE LIGHT RH (w/ Rear Deck) 331-3 R7 TAILLIGHT RH REAR COMB. LIGHT RH] w/ Rear Deck, Malta) 331-3 L2 LICENSE PLATE LIGHT RH (w/o Rear Deck) 331-3 R7 TAILLIGHT RH REAR COMB. LIGHT RH] Except w/ Rear Deck, Malta) 331-3 333 Relays, Fuses and J/B etc. Parts connector position Joint connectors and Ground points See page 26 to 36 38 to 77 (LHD), 78 to 125 (RHD 126 to 143 (LHD), 144 to 165 (RHD) Pages From Manual TO MODEL INDEX BACK TO CHAPTER INDEX EWD307F
  • 314.
    F ELECTRICAL WIRINGDIAGRAM (System Circuits) Power Source Turn Signal and Hazard Warning Liqht 334 Pages From Manual TO MODEL INDEX BACK TO CHAPTER INDEX EWD307F
  • 315.
    Turn Signal andHazard Warning Light 335 Pages From Manual TO MODEL INDEX BACK TO CHAPTER INDEX EWD307F
  • 316.
    SYSTEM CIRCUIT CONNECTORS PARTSCODE PARTS & CONNECTOR TYPE LOCATION PARTS CODE PARTS & CONNECTOR TYPE LOCATION C10 TURN SIGNAL INDICATOR LIGHT [COMB. METER] BLUE 335-3 335-4 F6 FRONT TURN SIGNAL LIGHT RH 335-4 C13 (A)TURN SIGNAL SW COMB. SW] Australia, General) 335-3 F7 FRONT TURN SIGNAL LIGHT LH 335-3 C13 (B)TURN SIGNAL SW COMB. SW] Europe) 335-3 F8 FRONT TURN SIGNAL LIGHT RH 335-4 F3 FRONT SIDE TURN SIGNAL LIGHT LH GRAY 335-3 H10 HAZARD SW BLACK 334-1 334-2 F4 FRONT SIDE TURN SIGNAL LIGHT RH GRAY 335-4 117 IGNITION SW 334-1 F5 FRONT TURN SIGNAL LIGHT LH 335-3 J1 J2 (A), (B) JUNCTION CONNECTOR GRAY 335-4 336 Pages From Manual TO MODEL INDEX BACK TO CHAPTER INDEX EWD307F
  • 317.
    PARTS CODE PARTS& CONNECTOR TYPE LOCATION PARTS CODE PARTS & CONNECTOR TYPE LOCATION J3 J15 JUNCTION CONNECTOR 334-2 335-4 R6 REAR TURN SIGNAL LIGHT LH REAR COMB. LIGHT LH] w/ Rear Deck, Malta) 335-3 J9 JUNCTION CONNECTOR BLUE 335-3 R6 REAR TURN SIGNAL LIGHT LH REAR COMB. LIGHT LH] Except w/ Rear Deck, Malta) 335-3 J13 JUNCTION CONNECTOR BLACK 335-3 R7 REAR TURN SIGNAL LIGHT RH REAR COMB. LIGHT RH] w/ Rear Deck, Malta) 335-4 J14 JUNCTION CONNECTOR BLACK 335-4 R7 REAR TURN SIGNAL LIGHT RH REAR COMB. LIGHT RH] Except w/ Rear Deck, Malta) 335-4 337 Relays, Fuses and J/B etc. Parts connector position Joint connectors and Ground points See page 26 to 36 38 to 77 (LHD), 78 to 125 (RHD 126 to 143 (LHD), 144 to 165 (RHD) Pages From Manual TO MODEL INDEX BACK TO CHAPTER INDEX EWD307F
  • 318.
    F ELECTRICAL WIRINGDIAGRAM (System Circuits) Power Source Back-Up Light 338 Pages From Manual TO MODEL INDEX BACK TO CHAPTER INDEX EWD307F
  • 319.
    Back-Up Light 339 Pages FromManual TO MODEL INDEX BACK TO CHAPTER INDEX EWD307F
  • 320.
    SYSTEM CIRCUIT CONNECTORS PARTSCODE PARTS & CONNECTOR TYPE LOCATION PARTS CODE PARTS & CONNECTOR TYPE LOCATION B1 BACK-UP LIGHT SW GRAY 338-2 R6 BACK-UP LIGHT LH [REAR COMB. LIGHT LH] (w/ Rear Deck, Malta) 339-3 I17 IGNITION SW 338-1 R6 BACK-UP LIGHT LH REAR COMB. LIGHT LH] Except w/ Rear Deck, Malta) 339-3 J6 JUNCTION CONNECTOR 338-1 R7 BACK-UP LIGHT RH REAR COMB. LIGHT RH] w/ Rear Deck, Malta) 339-4 J13 JUNCTION CONNECTOR BLACK 339-3 R7 BACK-UP LIGHT RH [REAR COMB. LIGHT RH] (Except w/ Rear Deck, Malta) 339-4 J15 JUNCTION CONNECTOR 339-4 R15 REVERSE WARNING BUZZER 339-4 N1 BACK-UP LIGHT SW [NEUTRAL START SW] GRAY 338-2 340 Pages From Manual TO MODEL INDEX BACK TO CHAPTER INDEX EWD307F
  • 321.
    PARTS CODE PARTS& CONNECTOR TYPE LOCATION PARTS CODE PARTS & CONNECTOR TYPE LOCATION 341 Relays, Fuses and J/B etc. Parts connector position Joint connectors and Ground points See page 26 to 36 38 to 77 (LHD), 78 to 125 (RHD 126 to 143 (LHD), 144 to 165 (RHD) Pages From Manual TO MODEL INDEX BACK TO CHAPTER INDEX EWD307F
  • 322.
    F ELECTRICAL WIRINGDIAGRAM (System Circuits) Power Source Interior Light 342 Pages From Manual TO MODEL INDEX BACK TO CHAPTER INDEX EWD307F
  • 323.
    Interior Light 343 Pages FromManual TO MODEL INDEX BACK TO CHAPTER INDEX EWD307F
  • 324.
    SYSTEM CIRCUIT CONNECTORS PARTSCODE PARTS & CONNECTOR TYPE LOCATION PARTS CODE PARTS & CONNECTOR TYPE LOCATION C9 OPEN DOOR WARNING LIGHT [COMB. METER] 343-4 D14 DOOR COURTESY SW REAR LH 343-3 D7 DIODE (Door Courtesy) 342-2 D15 DOOR COURTESY SW REAR RH 343-4 D11 DOOR COURTESY SW FRONT LH (2-Door) 342-2 I16 IGNITION KEY CYLINDER LIGHT BLUE 342-1 D11 DOOR COURTESY SW FRONT LH (4-Door) 342-2 I17 IGNITION SW 342-1 D12 DOOR COURTESY SW FRONT RH (2-Door) 342-2 I18 (A) INTEGRATION RELAY 342-1 342-2 D12 DOOR COURTESY SW FRONT RH (4-Door) 342-2 I20 INTERIOR LIGHT 343-3 344 Pages From Manual TO MODEL INDEX BACK TO CHAPTER INDEX EWD307F
  • 325.
    PARTS CODE PARTS& CONNECTOR TYPE LOCATION PARTS CODE PARTS & CONNECTOR TYPE LOCATION J6 JUNCTION CONNECTOR 343-3 345 Relays, Fuses and J/B etc. Parts connector position Joint connectors and Ground points See page 26 to 36 38 to 77 (LHD), 78 to 125 (RHD 126 to 143 (LHD), 144 to 165 (RHD) Pages From Manual TO MODEL INDEX BACK TO CHAPTER INDEX EWD307F
  • 326.
    F ELECTRICAL WIRINGDIAGRAM (System Circuits) Power Source Illumination 346 Pages From Manual TO MODEL INDEX BACK TO CHAPTER INDEX EWD307F
  • 327.
    (Cont. next page) Illumination 347 PagesFrom Manual TO MODEL INDEX BACK TO CHAPTER INDEX EWD307F
  • 328.
    F ELECTRICAL WIRINGDIAGRAM (System Circuits) Illumination 348 Pages From Manual TO MODEL INDEX BACK TO CHAPTER INDEX EWD307F
  • 329.
    (Cont'd) Rear Fog Light 349 PagesFrom Manual TO MODEL INDEX BACK TO CHAPTER INDEX EWD307F
  • 330.
    SYSTEM CIRCUIT CONNECTORS PARTSCODE PARTS & CONNECTOR TYPE LOCATION PARTS CODE PARTS & CONNECTOR TYPE LOCATION A14 A/CSW BLACK 346-2 348-6 C10 REAR FOG LIGHT INDICATOR LIGHT [COMB. METER] BLUE 349-8 A26 ASHTRAY ILLUMINATION BLACK 347-4 C11 (C) METER ILLUMINATION [COMB. METER] BROWN 346-2 348-6 B6 (A) BLOWER SW (Australia, Europe) 346-2 348-6 D9 DIODE (Idle-Up) 347-4 B6 (B) BLOWER SW (General) BLACK 348-6 G2 GLOVE BOX LIGHT BLACK 347-4 C6 CIGARETTE LIGHTER ILLUMINATION GRAY 347-3 H10 HAZARD SW BLACK 347-3 348-5 C9 (A) METER ILLUMINATION [COMB. METER] 346-2 348-6 J1 (A) JUNCTION CONNECTOR GRAY 346-1 350 Pages From Manual TO MODEL INDEX BACK TO CHAPTER INDEX EWD307F
  • 331.
    PARTS CODE PARTS& CONNECTOR TYPE LOCATION PARTS CODE PARTS & CONNECTOR TYPE LOCATION J2 (B) JUNCTION CONNECTOR GRAY 346-1 J9 JUNCTION CONNECTOR BLUE 348-5 J3 JUNCTION CONNECTOR 347-4 348-6 349-8 J10 JUNCTION CONNECTOR BLACK 349-7 349-8 J6 JUNCTION CONNECTOR 348-5 348-6 J13 JUNCTION CONNECTOR BLACK 346-2 348-5 349-8 J8 JUNCTION CONNECTOR 348-6 J15 JUNCTION CONNECTOR 346-2 348-5 349-8 351 Relays, Fuses and J/B etc. Parts connector position Joint connectors and Ground points See page 26 to 36 38 to 77 (LHD), 78 to 125 (RHD 126 to 143 (LHD), 144 to 165 (RHD) Pages From Manual TO MODEL INDEX BACK TO CHAPTER INDEX EWD307F
  • 332.
    SYSTEM CIRCUIT CONNECTORS PARTSCODE PARTS & CONNECTOR TYPE LOCATION PARTS CODE PARTS & CONNECTOR TYPE LOCATION 02 A/T SHIFT LEVER ILLUMINATION [O/D MAIN SW] 347-3 R9 REAR FOG LIGHT (w/o Rear Deck) 349-8 R1 RADIO AND PLAYER BLUE 347-3 348-6 R3 REAR FOG LIGHT SW BLACK 348-5 349-7 349-8 R4 REAR WINDOW DEFOGGER SW BLACK 346-2 348-5 R5 RHEOSTAT BLACK 346-2 R9 REAR FOG LIGHT (w/ Rear Deck) 349-8 352 Pages From Manual TO MODEL INDEX BACK TO CHAPTER INDEX EWD307F
  • 333.
    PARTS CODE PARTS& CONNECTOR TYPE LOCATION PARTS CODE PARTS & CONNECTOR TYPE LOCATION Relays, Fuses and J/B etc. Parts connector position Joint connectors and Ground points See page 26 to 36 38 to 77 (LHD), 78 to 125 (RHD 126 to 143 (LHD), 144 to 165 (RHD) 353 Pages From Manual TO MODEL INDEX BACK TO CHAPTER INDEX EWD307F
  • 334.
    F ELECTRICAL WIRINGDIAGRAM (System Circuits) Power Source Door Lock Control Source 354 Pages From Manual TO MODEL INDEX BACK TO CHAPTER INDEX EWD307F
  • 335.
    * 1 :w/ Power Window * 2 : w/o Power Window Door Lock Control *3 : Australia, Europe * 4 : General * 5 : 70A Type Alternator * 6 : 45A, 55A Type Alternator 355 Pages From Manual TO MODEL INDEX BACK TO CHAPTER INDEX EWD307F
  • 336.
    SYSTEM CIRCUIT CONNECTORS PARTSCODE PARTS & CONNECTOR TYPE LOCATION PARTS CODE PARTS & CONNECTOR TYPE LOCATION D16 DOOR KEY LOCK AND UNLOCK SW GRAY 355-3 119 (B) INTEGRATION RELAY GREEN 354-1 354-2 355-3 355-4 D17 (B) DOOR LOCK CONTROL SW 355-3 355-4 J3 JUNCTION CONNECTOR 355-4 D18 DOOR LOCK MOTOR FRONT LH BLACK 354-1 J15 JUNCTION CONNECTOR 355-3 D19 DOOR LOCK MOTOR FRONT RH BLACK 354-2 J16 (A) JUNCTION CONNECTOR 354-2 355-3 355-4 D20 DOOR LOCK MOTOR REAR LH BLACK 354-2 J17 (B) JUNCTION CONNECTOR 354-2 355-3 355-4 D21 DOOR LOCK MOTOR REAR RH BLACK 354 2 P9 (A) DOOR LOCK CONTROL SW [POWER WINDOW MASTER SW] 355-3 355-4 356 Pages From Manual TO MODEL INDEX BACK TO CHAPTER INDEX EWD307F
  • 337.
    PARTS CODE PARTS& CONNECTOR TYPE LOCATION PARTS CODE PARTS & CONNECTOR TYPE LOCATION Relays, Fuses and J/B etc. Parts connector position Joint connectors and Ground points See page 26 to 36 38 to 77 (LHD), 78 to 125 (RHD 126 to 143 (LHD), 144 to 165 (RHD) 357 Pages From Manual TO MODEL INDEX BACK TO CHAPTER INDEX EWD307F
  • 338.
    F ELECTRICAL WIRINGDIAGRAM (System Circuits) Power Source Power Window 358 Pages From Manual TO MODEL INDEX BACK TO CHAPTER INDEX EWD307F
  • 339.
    Power Window *1 : 70A Type Alternator * 2 : 45A, 55A Type Alternator 359 Pages From Manual TO MODEL INDEX BACK TO CHAPTER INDEX EWD307F
  • 340.
    SYSTEM CIRCUIT CONNECTORS PARTSCODE PARTS & CONNECTOR TYPE LOCATION PARTS CODE PARTS & CONNECTOR TYPE LOCATION I17 IGNITION SW 358-1 P7 POWER WINDOW CONTROL SW REAR LH 359-3 J3 JUNCTION CONNECTOR 358-1 P8 POWER WINDOW CONTROL SW REAR RH 359-4 J15 JUNCTION CONNECTOR 358-2 P9 POWER WINDOW MASTER SW 358-2 359-3 359-4 J16 (A) JUNCTION CONNECTOR 358-2 P10 POWER WINDOW MOTOR FRONT LH 359-3 J17 (B) JUNCTION CONNECTOR 358-2 P11 POWER WINDOW MOTOR FRONT RH 358-2 P5 POWER WINDOW CONTROL SW FRONT LH 359-3 P12 POWER WINDOW MOTOR REAR LH 359-3 360 Pages From Manual TO MODEL INDEX BACK TO CHAPTER INDEX EWD307F
  • 341.
    Relays, Fuses andJ/B etc. Parts connector position Joint connectors and Ground points See page 26 to 36 38 to 77 (LHD), 78 to 125 (RHD 126 to 143 (LHD), 144 to 165 (RHD) PARTS CODE PARTS & CONNECTOR TYPE LOCATION PARTS CODE PARTS & CONNECTOR TYPE LOCATION P13 POWER WINDOW MOTOR REAR RH 359-4 361 Pages From Manual TO MODEL INDEX BACK TO CHAPTER INDEX EWD307F
  • 342.
    F ELECTRICAL WIRINGDIAGRAM (System Circuits) Power Source Cigarette Clock Lighter 362 Pages From Manual TO MODEL INDEX BACK TO CHAPTER INDEX EWD307F
  • 343.
    Remote Control Mirror 363 PagesFrom Manual TO MODEL INDEX BACK TO CHAPTER INDEX EWD307F
  • 344.
    SYSTEM CIRCUIT CONNECTORS PARTS CODE PARTS& CONNECTOR TYPE LOCATION C5 CIGARETTE LIGHTER 362-1 C8 CLOCK 362-2 I17 IGNITION SW 362-1 J3 JUNCTION CONNECTOR 362-2 J8 JUNCTION CONNECTOR 362-2 J9 JUNCTION CONNECTOR BLUE 362-2 PARTS CODE PARTS & CONNECTOR TYPE LOCATION J15 JUNCTION CONNECTOR 362-2 363-4 J16 (A) JUNCTION CONNECTOR 363-3 J17 (B) JUNCTION CONNECTOR 363-3 R12 REMOTE CONTROL MIRROR LH 363-3 R13 REMOTE CONTROL MIRROR RH 363-4 R14 REMOTE CONTROL MIRROR SW 363-3 363-4 364 Pages From Manual TO MODEL INDEX BACK TO CHAPTER INDEX EWD307F
  • 345.
    Relays, Fuses andJ/B etc. Parts connector position Joint connectors and Ground points See page 26 to 36 38 to 77 (LHD), 78 to 125 (RHD 126 to 143 (LHD), 144 to 165 (RHD) PARTS CODE PARTS & CONNECTOR TYPE LOCATION PARTS CODE PARTS & CONNECTOR TYPE LOCATION 365 Pages From Manual TO MODEL INDEX BACK TO CHAPTER INDEX EWD307F
  • 346.
    F ELECTRICAL WIRINGDIAGRAM (System Circuits) Power Source Rear Window Defogger 366 Pages From Manual TO MODEL INDEX BACK TO CHAPTER INDEX EWD307F
  • 347.
    Front Wiper andWasher 367 Pages From Manual TO MODEL INDEX BACK TO CHAPTER INDEX EWD307F
  • 348.
    SYSTEM CIRCUIT CONNECTORS PARTSCODE PARTS & CONNECTOR TYPE LOCATION PARTS CODE PARTS & CONNECTOR TYPE LOCATION C12 WIPER AND WASHER SW [COMB. SW] BLACK 367-3 367-4 J15 JUNCTION CONNECTOR 366-2 367-4 I17 IGNITION SW 366-1 R4 REAR WINDOW DEFOGGER SW BLACK 366-2 J3 JUNCTION CONNECTOR 366-2 367-4 R10 (A) REAR WINDOW DEFOGGER BLACK 366-1 J5 JUNCTION CONNECTOR BLUE 367 3 R11 (DREAR WINDOW DEFOGGER BLACK 366-1 J7 JUNCTION CONNECTOR BLUE 367-3 W1 WASHER MOTOR GRAY 367-3 J9 JUNCTION CONNECTOR BLUE 366-2 W4 WIPER MOTOR BLACK 367-4 368 Pages From Manual TO MODEL INDEX BACK TO CHAPTER INDEX EWD307F
  • 349.
    Relays, Fuses andJ/B etc. Parts connector position Joint connectors and Ground points See page 26 to 36 38 to 77 (LHD), 78 to 125 (RHD 126 to 143 (LHD), 144 to 165 (RHD) PARTS CODE PARTS & CONNECTOR TYPE LOCATION PARTS CODE PARTS & CONNECTOR TYPE LOCATION 369 Pages From Manual TO MODEL INDEX BACK TO CHAPTER INDEX EWD307F
  • 350.
    F ELECTRICAL WIRINGDIAGRAM (System Circuits) Power Source 4 W D (w/ 2-4 Select SW) 370 Pages From Manual TO MODEL INDEX BACK TO CHAPTER INDEX EWD307F
  • 351.
    4WD (w/ 2-4Select SW) * 1 : 3RZ-FE * 2 : 5L 371 Pages From Manual TO MODEL INDEX BACK TO CHAPTER INDEX EWD307F
  • 352.
    SYSTEM CIRCUIT CONNECTORS PARTSCODE PARTS & CONNECTOR TYPE LOCATION PARTS CODE PARTS & CONNECTOR TYPE LOCATION A 8 ADD INDICATOR SW GRAY 370-2 I17 IGNITION SW 370-1 C10 (B) 4WD INDICATOR LIGHT [COMB. METER] BLUE 370 1 J3 JUNCTION CONNECTOR 371 3 C11 (C) 4WD INDICATOR LIGHT [COMB. METER] BROWN 370-1 J15 JUNCTION CONNECTOR 371-4 D1 DETECTION SW (Transfer 4WD Position) GRAY 370-2 T3 2-4 SELECT MOTOR 371-3 D2 DETECTION SW (Transfer L4 Position) BLUE 370-2 T4 2-4 SELECT SW 371-4 F11 4WD CONTROL ECU 370-1 370-2 371-3 371-4 V4 VSV (2WD, ADD) BROWN 371-4 372 Pages From Manual TO MODEL INDEX BACK TO CHAPTER INDEX EWD307F
  • 353.
    Relays, Fuses andJ/B etc. Parts connector position Joint connectors and Ground points See page 26 to 36 38 to 77 (LHD), 78 to 125 (RHD 126 to 143 (LHD), 144 to 165 (RHD) PARTS CODE PARTS & CONNECTOR TYPE LOCATION PARTS CODE PARTS & CONNECTOR TYPE LOCATION V5 VSV (4WD, ADD) BLUE 371-4 373 Pages From Manual TO MODEL INDEX BACK TO CHAPTER INDEX EWD307F
  • 354.
    F ELECTRICAL WIRINGDIAGRAM (System Circuits) Power Source 4WD(w/o 2-4 Select SW) 374 Pages From Manual TO MODEL INDEX BACK TO CHAPTER INDEX EWD307F
  • 355.
    4 W D(w/o 2-4 Select SW) Horn 375 Pages From Manual TO MODEL INDEX BACK TO CHAPTER INDEX EWD307F
  • 356.
    SYSTEM CIRCUIT CONNECTORS PARTS CODE PARTS& CONNECTOR TYPE LOCATION A 8 ADD INDICATOR SW GRAY 374-2 A20 ADD CONTROL RELAY 374-1 374-2 C10 (B) 4WD INDICATOR LIGHT [COMB. METER] BLUE 375-3 C11 (C) 4WD INDICATOR LIGHT [COMB. METER] BROWN 375-3 C12 (A) HORN SW [COMB. SW] BLACK 375-4 C13 (D HORN SW [COMB. SW] 375-4 PARTS CODE PARTS & CONNECTOR TYPE LOCATION C14 HORN SW [COMB. SW] 375-4 D1 DETECTION SW (Transfer 4WD Position) GRAY 375-3 D2 DETECTION SW (Transfer L4 Position) BLUE 375-4 H9 HORN BLACK 375-4 I17 IGNITION SW 374-1 J3 JUNCTION CONNECTOR 374-2 376 Pages From Manual TO MODEL INDEX BACK TO CHAPTER INDEX EWD307F
  • 357.
    PARTS CODE PARTS& CONNECTOR TYPE LOCATION PARTS CODE PARTS & CONNECTOR TYPE LOCATION J6 JUNCTION CONNECTOR 375-4 V5 VSV (4WD, ADD) BLUE 374-1 J11 JUNCTION CONNECTOR BLACK 375-3 J15 JUNCTION CONNECTOR 374-1 V4 VSV (2WD, ADD) BROWN 374-1 377 Relays, Fuses and J/B etc. Parts connector position Joint connectors and Ground points See page 26 to 36 38 to 77 (LHD), 78 to 125 (RHD 126 to 143 (LHD), 144 to 165 (RHD) Pages From Manual TO MODEL INDEX BACK TO CHAPTER INDEX EWD307F
  • 358.
    F ELECTRICAL WIRINGDIAGRAM (System Circuits) Power Source ABS 378 Pages From Manual TO MODEL INDEX BACK TO CHAPTER INDEX EWD307F
  • 359.
    *1: Australia *6:Except 3RZ-FE *2: Europe *7: 3RZ-FE M/T, 1RZ-E *3: Gasoline *8: 3RZ-FE A/T, 5L. -2 ABS *4: Diesel *9: 70A Type Alternator *5: 3R2-FE *10 : 45A, 55A Type Alternator 379 Pages From Manual TO MODEL INDEX BACK TO CHAPTER INDEX (Cont. next page) EWD307F
  • 360.
    F ELECTRICAL WIRINGDIAGRAM (System Circuits) ABS 380 Pages From Manual TO MODEL INDEX BACK TO CHAPTER INDEX EWD307F
  • 361.
    ABS 381 Pages From Manual TOMODEL INDEX BACK TO CHAPTER INDEX (Cont'd) EWD307F
  • 362.
    SYSTEM CIRCUIT CONNECTORS PARTSCODE PARTS & CONNECTOR TYPE LOCATION PARTS CODE PARTS & CONNECTOR TYPE LOCATION A 4 (A) ABS ACTUATOR GRAY 379-3 379-4 A28 A29 ABS SPEED SENSOR REAR LH, RH GRAY 381-7 381-8 A 5 (DABS ACTUATOR BLACK 379-3 379-4 C3 CHECK CONNECTOR (3RZ-FE, 1RZ-E, 2L-T) BLACK 379-3 379-4 A 6 A 7 ABS SPEED SENSOR FRONT LH, RH GRAY 380-5 C3 CHECK CONNECTOR (5L, 2L) BLACK 379-3 379-4 A17 ABS DECELERATION SENSOR BLACK 381-7 C10 (B) ABS WARNING LIGHT [COMB. METER] BLUE 380-5 A18 (A) ABS ECU 379-3 379-4 380-5 380-6 381-7 381-8 C11 (C) ABS WARNING LIGHT [COMB. METER] BROWN 380-5 A19 (B) ABS ECU 379-3 379-4 380-5 380-6 381-7 381-8 I17 IGNITION SW 378-1 382 Pages From Manual TO MODEL INDEX BACK TO CHAPTER INDEX EWD307F
  • 363.
    Relays, Fuses andJ/B etc. Parts connector position Joint connectors and Ground points See page 26 to 36 38 to 77 (LHD), 78 to 125 (RHD 126 to 143 (LHD), 144 to 165 (RHD) PARTS CODE PARTS & CONNECTOR TYPE LOCATION PARTS CODE PARTS & CONNECTOR TYPE LOCATION J3 JUNCTION CONNECTOR 380-6 J8 JUNCTION CONNECTOR 381-8 J5 (A) JUNCTION CONNECTOR BLUE 379-3 380-5 J11 (B) JUNCTION CONNECTOR BLACK 379-3 380-5 J6 JUNCTION CONNECTOR 380 5 J14 JUNCTION CONNECTOR BLACK 378-2 J7 JUNCTION CONNECTOR BLUE 378-2 383 Pages From Manual TO MODEL INDEX BACK TO CHAPTER INDEX EWD307F
  • 364.
    F ELECTRICAL WIRINGDIAGRAM (System Circuits) Power Source SRS 384 Pages From Manual TO MODEL INDEX BACK TO CHAPTER INDEX EWD307F
  • 365.
    * 1 :Australia * 6 : 3RZ-FE M/T, 1 RZ-E * 2 : Europe * 7 : 3RZ-FE A/T, 5L, *2 * 3 : 3RZ-FE * 8 : 70A Type Alternator SRS * 4 : Gasoline * 9 : 45A, 55A Type Alternator * 5: Diesel 385 Pages From Manual TO MODEL INDEX BACK TO CHAPTER INDEX EWD307F
  • 366.
    SYSTEM CIRCUIT CONNECTORS PARTSCODE PARTS & CONNECTOR TYPE LOCATION PARTS CODE PARTS & CONNECTOR TYPE LOCATION A21 (A) AIRBAG SENSOR ASSEMBLY YELLOW 384-1 384-2 385-3 385-4 C3 CHECK CONNECTOR (5L, 2L) BLACK 385-3 385-4 A22 (B) AIRBAG SENSOR ASSEMBLY YELLOW 384-1 384-2 385-3 385-4 C9 (A) SRS WARNING LIGHT [COMB. METER] 385-3 A23 (C) AIRBAG SENSOR ASSEMBLY YELLOW 384-1 384-2 385-3 385-4 (C) SRS WARNING LIGHT [COMB. METER] BROWN 385-3 A24 AIRBAG SQUIB (Front Passenger's Airbag Assembly) YELLOW 384-2 I17 IGNITION SW 384-1 A25 AIRBAG SQUIB (Steering Wheel Pad) YELLOW 384-1 J5 (A) JUNCTION CONNECTOR BLUE 385-3 385-4 C3 CHECK CONNECTOR (3RZ-FE, 1RZ-E, 2L-T) BLACK 385-3 385-4 J7 JUNCTION CONNECTOR BLUE 384-2 386 Pages From Manual TO MODEL INDEX BACK TO CHAPTER INDEX C11 EWD307F
  • 367.
    Relays, Fuses andJ/B etc. Parts connector position Joint connectors and Ground points See page 26 to 36 38 to 77 (LHD), 78 to 125 (RHD 126 to 143 (LHD), 144 to 165 (RHD) PARTS CODE PARTS & CONNECTOR TYPE LOCATION PARTS CODE PARTS & CONNECTOR TYPE LOCATION J10 (B) JUNCTION CONNECTOR BLACK 385-3 P15 PRETENSIONER RH YELLOW 385-3 J11 (B) JUNCTION CONNECTOR BLACK 385-4 J14 JUNCTION CONNECTOR BLACK 384-1 P14 PRETENSIONER LH YELLOW 385-3 387 Pages From Manual TO MODEL INDEX BACK TO CHAPTER INDEX EWD307F
  • 368.
    F ELECTRICAL WIRINGDIAGRAM (System Circuits) Power Source Auto Antenna 388 Pages From Manual TO MODEL INDEX BACK TO CHAPTER INDEX EWD307F
  • 369.
    Radio and Player 389 PagesFrom Manual TO MODEL INDEX BACK TO CHAPTER INDEX EWD307F
  • 370.
    SYSTEM CIRCUIT CONNECTORS PARTSCODE PARTS & CONNECTOR TYPE LOCATION PARTS CODE PARTS & CONNECTOR TYPE LOCATION A12 AUTO ANTENNA MOTOR GRAY 388-2 I17 IGNITION SW 388-1 A27 AUTO ANTENNA CONTROL RELAY 388-1 388-2 J3 JUNCTION CONNECTOR 388-1 D22 DOOR SPEAKER FRONT LH 389-4 J8 JUNCTION CONNECTOR 389 3 D23 DOOR SPEAKER FRONT RH 389-4 J15 JUNCTION CONNECTOR 388-2 D24 DOOR SPEAKER REAR LH 389-4 R1 (A) RADIO AND PLAYER BLUE 389-3 389-4 D25 DOOR SPEAKER REAR RH 389-4 R2 (B) RADIO AND PLAYER BLUE 389-3 389-4 390 Pages From Manual TO MODEL INDEX BACK TO CHAPTER INDEX EWD307F
  • 371.
    Relays, Fuses andJ/B etc. Parts connector position Joint connectors and Ground points See page 26 to 36 38 to 77 (LHD), 78 to 125 (RHD 126 to 143 (LHD), 144 to 165 (RHD) PARTS CODE PARTS & CONNECTOR TYPE LOCATION PARTS CODE PARTS & CONNECTOR TYPE LOCATION 391 Pages From Manual TO MODEL INDEX BACK TO CHAPTER INDEX EWD307F
  • 372.
    F ELECTRICAL WIRINGDIAGRAM (System Circuits) Power Source Combination Meter 392 Pages From Manual TO MODEL INDEX BACK TO CHAPTER INDEX EWD307F
  • 373.
    Combination Meter 393 Pages FromManual TO MODEL INDEX BACK TO CHAPTER INDEX (Cont. next page) EWD307F
  • 374.
    F ELECTRICAL WIRINGDIAGRAM (System Circuits) Combination Meter 394 Pages From Manual TO MODEL INDEX BACK TO CHAPTER INDEX EWD307F
  • 375.
    (Cont'd) Combination Meter 395 Pages FromManual TO MODEL INDEX BACK TO CHAPTER INDEX EWD307F
  • 376.
    SYSTEM CIRCUIT CONNECTORS PARTSCODE PARTS & CONNECTOR TYPE LOCATION PARTS CODE PARTS & CONNECTOR TYPE LOCATION B2 BRAKE FLUID LEVEL WARNING SW GRAY 393-4 F10 FUEL SEDIMENTARY SW GRAY 394-5 B3 BRAKE VACUUM WARNING SW BLACK 393-4 F13 FUEL SENDER 392-2 C9 (A) COMBINATION METER 392-1 392-2 393-3 393-4 394-5 394-6 395-7 395-8 I17 IGNITION SW 392-1 C10 (B) COMBINATION METER BLUE 392-1 392-2 393-3 393-4 394-5 394-6 395 7 395-8 J1 J2 (A), (B) JUNCTION CONNECTOR 393-4 C11 (C) COMBINATION METER BROWN 392-1 392-2 393-3 393-4 394-5 394-6 395-7 395-8 J3 J15 JUNCTION CONNECTOR 393-3 393-4 394-5 E2 ENGINE OIL LEVEL WARNING SW GRAY 394-6 J6 JUNCTION CONNECTOR 392-2 396 Pages From Manual TO MODEL INDEX BACK TO CHAPTER INDEX EWD307F
  • 377.
    Relays, Fuses andJ/B etc. Parts connector position Joint connectors and Ground points See page 26 to 36 38 to 77 (LHD), 78 to 125 (RHD 126 to 143 (LHD), 144 to 165 (RHD) PARTS CODE PARTS & CONNECTOR TYPE LOCATION PARTS CODE PARTS & CONNECTOR TYPE LOCATION J7 JUNCTION CONNECTOR BLUE 392-2 394-6 P2 PARKING BRAKE SW 393-4 J13 J14 (A), (B) JUNCTION CONNECTOR BLACK 393-4 T2 TURBO PRESSURE SW BLACK 394-5 01 OIL PRESSURE SW (Gasoline) GRAY 395-7 W2 WATER TEMP. SENDER GRAY 393-3 01 OIL PRESSURE SW (Diesel) 395-7 397 Pages From Manual TO MODEL INDEX BACK TO CHAPTER INDEX EWD307F
  • 378.
    F ELECTRICAL WIRINGDIAGRAM (System Circuits) Power Source Air Conditioner 398 Pages From Manual TO MODEL INDEX BACK TO CHAPTER INDEX EWD307F
  • 379.
    Air Conditioner 399 Pages FromManual TO MODEL INDEX BACK TO CHAPTER INDEX EWD307F
  • 380.
    SYSTEM CIRCUIT CONNECTORS PARTSCODE PARTS & CONNECTOR TYPE LOCATION PARTS CODE PARTS & CONNECTOR TYPE LOCATION A1 A/C DUAL PRESSURE SW GRAY 399-3 B4 BLOWER MOTOR BLACK 398-2 A 2 A/C MAGNETIC CLUTCH GRAY 399-4 B5 BLOWER RESISTOR BLACK 398-1 398-2 A13 A/C AMPLIFIER BLACK 399-3 399-4 B6 (A) BLOWER SW (Austral a, Europe) 398-1 398 2 A14 A/C SW BLACK 399-3 B6 (B) BLOWER SW (General) BLACK 398-1 398-2 A15 A/C THERMISTOR 399-4 I17 IGNITION SW 398-1 A16 A/C VOLUME SW 399-3 J1 (A) JUNCTION CONNECTOR GRAY 398-1 399-4 400 Pages From Manual TO MODEL INDEX BACK TO CHAPTER INDEX EWD307F
  • 381.
    401 PARTS CODE PARTS& CONNECTOR TYPE LOCATION PARTS CODE PARTS & CONNECTOR TYPE LOCATION J2 (B) JUNCTION CONNECTOR GRAY 398-1 399-4 V6 VSV (A/C Idle-Up) BLACK 399-4 J3 JUNCTION CONNECTOR 398-1 J7 JUNCTION CONNECTOR BLUE 399-3 J15 JUNCTION CONNECTOR 398-2 Relays, Fuses and J/B etc. Parts connector position Joint connectors and Ground points See page 26 to 36 38 to 77 (LHD), 78 to 125 (RHD 126 to 143 (LHD), 144 to 165 (RHD) Pages From Manual TO MODEL INDEX BACK TO CHAPTER INDEX EWD307F