POSNEG
DISCONNECT
SWITCH
BATTERY
ALTERNATOR
BREAKER
MAIN RELAY
STARTER
RELAY
NEUTRAL
START
RELAY
STARTER
MOTOR
STARTER
SWITCH
TIMER
RELAY
STARTER
CONTROL
RELAY
NEUTRAL
START SW.
ALTERNATOR
GOVERNOR
ACTUATOR
HEATER
CONTROL UNIT
HEATER
RELAY
AIR
HEATER
HORN
AIR CONDITIONER
CAB HEATER
CONTROLLER
SWITCH PANEL
LIGHTS
WINDSHIELD WASHER
CIGAR LIGHTER
LOW CURRENT CIRCUITPOWER CIRCUIT
START/STOP CIRCUIT
CHARGING
CIRCUIT
FUSE PANEL
WINDSHIELD WIPER
BASIC ELECTRICAL SYSTEM
G S
MTR BAT
MOTOR
POSNEG POSNEG
DISCONNECT
SWITCH
BATTERY
ALTERNATOR
BREAKER
MAIN RELAY
STARTER
RELAY
NEUTRAL
START
RELAY
STARTER
MOTOR
STARTER
SWITCH TIMER
RELAY
STARTER
CONTROL
RELAY
NEUTRAL
START SW.
ALTERNATOR
GOVERNOR
ACTUATOR
HEATER
CONTROL
UNIT
HEATER
RELAY
AIR
HEATER
HORN
AIR
CONDITIONER
CAB HEATER
CONTROLLER
SWITCH PANEL
LIGHTS
WINDSHIELD
WASHER
WINDSHIELD
WIPER
CIGAR
LIGHTER
LOW CURRENT CIRCUITPOWER CIRCUIT
START/STOP CIRCUIT
CHARGING
CIRCUIT
FUSE PANEL
BASIC ELECTRICAL SYSTEM
G S
MTR BAT
MOTOR
AIR CONDITIONER
CAB HEATER
SWITCH PANEL
LIGHTS
WINDSHIELD WASHER
WINDSHIELD WIPER
CIGAR LIGHTER
HORN
CONTROLLER
FUSE PANEL
LOW CURRENT CIRCUIT
ALTERNATOR
BREAKER
DISCONNECT
SWITCH
BATTERY
STARTER
RELAY
NEUTRAL
START
RELAY
STARTER
MOTOR
STARTER
CONTROL
RELAY
NEUTRAL
START SW.
POWER CIRCUIT
START/STOP CIRCUIT
CHARGING CIRCUIT
GOVERNOR
ACTUATOR
TIMER
RELAY
STARTER
SWITCH
HEATER
RELAY
AIR
HEATER
HEATER
CONTROL UNIT
ENGINE
COOLANT
TEMP. SW.
START AID
SOLENOID
START AID
SWITCH
MAIN
RELAY
ALTERNATOR
POSNEG
BASIC ELECTRICAL SYSTEM
G S
MTR BAT
MOTOR
308-YL
200-BK
308-YL
101-RD-6
MAIN
RELAY
R
C
S
B ST
OFF
ON
START SWITCH
200-BK-6
B
POS NEG
RD-00 RD-00
POS NEG
109-RD-6
BK-00
BATTERIES
60A
1N
+B
OUT
GND
TIMER RELAY
CIRCUIT BREAKER FOR
THE ALTERNATOR
POWER
CIRCUIT 15 A
179-BU
120-YL
123-WH-18
160-PU
129-BU
169-PK-18
152-BU
1118-GY
113-OR-18
124-GY-14
5 A
10 A
10 A
10 A
10 A
5 A
10 A
10 A
10 A
5 A
15 A
10 A
10 A
10 A
10 A
10 A
15 A
5 A
180-GN
149-PU
191-WH-14
143-BR-18
147-PU
5 A
FUSE PANEL
C987-RD-14
107-RD-14
184-RD
105-RD
103-RD
115-RD
114-RD
110-RD
175-RD-14
168-RD-14
15 A
10 A
10 A
10 A
10 A
10 A
15 A
15 A
15 A
10A
15 A
10 A
176-RD
FUSE PANEL
200-BK
308-YL
110-RD
200-BK
4
1
3
2
112-PU-6
101-RD-6
101-RD-6
308-YL
308-YL
101-RD-6
101-RD-6
ALTERNATOR
105-RD
G S
MTR BAT
MOTOR
ALT
R
E
P
L
R
C
S
B ST
OFF
ON
105-RD
200-BK-18
308-YL-18
200-BK-18
308-YL
180-GN
309-GY-18
191-WH-14
150-OR-18
147-PU
179-BU
120-YL
123-WH-18
160-PU
129-BU
169-PK-18
152-BU
118-GY
113-OR-18
124-GN-14
30 A
5 A
10 A
15 A
10 A
10 A
10 A
10 A
10 A
15 A
10 A
10 A
POS NEG
101-RD-4
RD-00 RD-00
POS NEG
101-RD-6
BK-00
109-RD-6
ALT
R
200-BK-6
E
P
B
L
101-RD-6
101-RD-6
101-RD-6
60A
109-RD-6
10 A
5 A
5 A
15 A
5 A
10 A
10 A
10 A
5 A
10 A
10 A
5 A
10 A
10 A
5 A
10 A
168-RD-10
130-RD-14
149-RD
184-RD
103-RD
115-RD
114-RD
175-RD-14
110-RD
105-RD
112-PU-6
308-YL
308-YL
308-YL
110-RD
200BK
1N
+B
OUT
GND
4
1
3
2
START SWITCH
TIMER RELAY
FUSE PANEL
MAIN
RELAY
FUSE PANEL
ALTERNATOR
CIRCUIT BREAKER FOR
THE ALTERNATOR
BATTERIES
POWER CIRCUIT
G S
MTR BAT
MOTOR
308-YL
200-BK
308-YL
112-PU-6
308-YL
MAIN
RELAY
R
C
S
B ST
OFF
ON
308-YL
324-RD
307-OR
105-RD
START SWITCH
10
7
12
4
ALT
R
200-BK-6
E
P
B
L
POS NEG
101-RD-4
RD-00 RD-00
POS NEG
101-RD-6
BK-00
BATTERIES
60A
1N
GND
OUT
+B
TIMER RELAY
CIRCUIT BREAKER FOR
THE ALTERNATOR
POWER CIRCUIT
5 A
179-BU
120-YL
147-PU
113-OR-18
129-BU
152-BU
123-WH-18
169-PK-18
160-PU
118-GY
5 A
10 A
10 A
10 A
10 A
5 A
5 A
10 A
10 A
5 A
10 A
10 A
10 A
15 A
5 A
15 A
5 A
10 A 130-GN
166-BR-18
191-WH-14
150-OR-18
124-GN-14
10 A
FUSE
PANEL
15 A
168-RD-19
175-RD-14
103-RD
C987-RD-14
184-RD
149-RD
105-RD
115-RD
110-RD
114-RD
FUSE PANEL
30 A
10 A
10 A
10 A
10 A
5 A
5 A
10 A
10 A
15 A
10 A
15A
30 A
10 A
200-BK
308-YL
200-BK
109-RD-6
4
2
3
1
109-RD-6
109-RD-6
105-RD
1
5
10
7
308-YL
105-RD
308-YL
112-PU-6
101-RD-6G S
MTR BAT
MOTOR
POS NEG
308-YL
101-RD-4
RD-00 RD-00
POS NEG
101-RD-6
BK-00
R
C
S
B ST
OFF
ON
1
2
304-WH-8 304-WH-8
109-RD-6
109-RD-8
ALT
R
109-RD-6
200-BK-6
E
P
B
L
403-GN-18
330-YL
403-GN-18
K776-GN-18
309-GY-18
200-BK-18
WH/BU
WH/YL
YL
WH/GN
BK
308-YL
110-RD
189-RD
200-BK
1N
+B
OUT
GND
4
1
3
2
306-GN
C
A
B
307-OR
105-RD105-RD
110-RD
107-RD-14
189-RD
154-RD
151-GN
BK-18
RD-18
WH-18
101-RD-6
101-RD-6
10 A
10 A
101-RD-6
200-BK-18
308-YL-18
200-BK-18
308-YL
60A
KEY START SWITCH
TIMER RELAY
ENGINE SHUTDOWN TIMER
STARTER CONTROL RELAY
STARTER MOTOR
BATTERIES
ALTERNATOR
NEUTRAL
START RELAY
NEUTRAL
START SWITCH
STARTER
RELAY
STARTER SOLENOID
10 A
308-YL
308-YL
S
P
L
R
GND
308-YL-18
107-RD-14
227-PK-14
200-BK-18
GN-18
RD-14
BK-18
BU-14
3
1
4
2
ON (KEY)
+ BATTERY
SOLENOID
GND
327-PK-14 6 327-PK-14
START AND STOP CIRCUIT
G S
MTR BAT
MOTOR
ENGINE SHUTDOWN
SOLENOID
POS NEG
308-YL
101-RD-4
RD-00 RD-00
POS NEG
101-RD-6
BK-00
R
C
S
B ST
OFF
ON
1
2
304-WH-8 304-WH-8
109-RD-6
109-RD-8
ALT
R
109-RD-6
200-BK-6
E
P
B
L
403-GN-18
300-YL
403-GN-18
200-BK-18
WH/BU
WH/YL
BK
S
P
GND
308-YL
189-RD
200-BK
KEY
+B
GND
6
1
2
308-YL
110-RD
189-RD
200BK
1N
+B
OUT
GND
4
1
3
2
306-GN
C
A
B
307-OR
105-RD
105-RD
110-RD
189-RD
154-RD
BK-18
RD-18
WH-18
101-RD-6
101-RD-6
10 A
10 A
101-RD-6
200-BK-18
308-YL-18
200-BK-18
308-YL
308-YL
308-YL
60A
KEY START SWITCH
TIMER RELAY
GOVERNOR ACTUATOR
STARTER CONTROL RELAY
STARTER MOTOR
BATTERIES
ALTERNATOR
NEUTRAL
START
RELAY
NEUTRAL START SWITCH
STARTER RELAYSTARTER SOLENOID
START AND STOP CIRCUIT
G S
MTR BAT
MOTOR
POS NEG
101-RD-4
RD-00 RD-00
POS NEG
101-RD-6
BK-00
R
C
S
B ST
OFF
ON
KEY START SWITCH
308-YL
326-RD
307-OR
105-RD
10
7
12
4
C
A
B
189-RD
154-RD
308-YL
105-RD
BK-18
RD-18
WH-18
NEUTRAL
START SWITCH5
10
11
7
326-RD
307-OR5
2
1
109-RD-8
STARTER
RELAY
304-WH-8
ALT
200-BK-6
B-
B+
R
D
10 A
NEUTRAL
START RELAY
308-YL
200-BK
300-YL
60A
STARTER MOTOR
BATTERIES
ALTERNATOR
STARTER SOLENOID
10 A
308-YL
G S
MTR BAT
MOTOR
200-BK-18
109-RD-6
101-RD-6
+B
GND
1
2
200-BK-10
301-BU-10
326-RD 1
109-RD-6 109-RD-6
109-RD-6
189-RD 9 189-RD
308-YL
189-RD
110-RD
GDN
IN
OUT
+B
2
4
3
1
TIMER RELAY
304-WH-8
304-WH-8
200-BK-18
200-BK
200-BK
200-BK
3
200-BK
326-RD 326-RD
105-RD
101-RD
307-OR
154-RD
START AND STOP CIRCUIT
POS NEG
BK-18
RD-18
WH-18
154-RD200BK-18
307-OR
308-YL
A718-PU-18
200-BK-18
308-YL-18
306-GN
A718-PU-18
310-PK-18
403-GN-18
200-BK-18
KEY SW. (ON)
KEY SW. (START)
TEMPERATURE
INDICATOR
RELAY
REGULATOR
CHECK TERM.
GND
101-RD-4
RD-00 RD-00
POS NEG
101-RD-4 877-YL-4 877-YL-4
BK-00
R
C
S
B ST
OFF
ON
T°
1
2
STARTER SWITCH
HEATER CONTROL UNIT
HEATER
RELAY AIR HEATER
STARTING AID
CIRCUIT
G S
MTR BAT
MOTOR
ALT P
R
B
E
L
200BK-18
C
A
B
200BK-18
POS NEG
BK-18
RD-18
WH-18
154-RD200BK-18
307-OR
308-YL
A718-PU-18
200-BK-18
306-GN
308-YL-18
306-GN
A718-PU-18
310-PU-18
200-BK-18
200-BK-18
200-BK-18
KEY SW. (ON)
KEY SW. (START)
TEMPERATURE
INDICATOR
RELAY
REGULATOR
CHECK TERM.
GND.
101-RD-4
RD-00 RD-00
POS NEG
101-RD-4 877-YL-4 877-YL-4
BK-00
R
C
S
B ST
OFF
ON
T°
1
2
STARTER SWITCH
HEATER CONTROL UNIT
HEATER RELAY AIR HEATER
STARTING AID
CIRCUIT
G S
MTR BAT
MOTOR
POS NEG
101-RD-4
RD-00 RD-00
POS NEG
101-RD-4 877-YL-4
BK-00
HEATER
RELAY
AIR
HEATER
G S
MTR BAT
MOTOR
3
4
L975-PK-18
A713-PU-18
4L975-PK-18
200-BK-18 T°
1
2
A713-PU-18
2
1
RD-18
WH-18
BK-18
200BK-18
307-OR
STARTER SWITCH
308-YL
306-GN
308-YL-18
306-GN
L975-PK-18
A713-PU-18
310-PU-18
200-BK-18
KEY SW. (ON)
KEY SW. (START)
TEMPERATURE
INDICATOR
RELAY
REGULATOR
CHECK TERM.
GND
HEATER CONTROL UNIT
322C
STARTING AID
CIRCUIT
200BK-18
5
11 A
B
C
10
12
308-YL
307-OR
154-RD
15
1653
1
2
310-PU
311-WH-18
311-WH-18
200BK-18
307-OR
ENGINE COOLANT
TEMPERATURE SW.
START AID
SOLENOID
START AID SW.
307-OR
307-OR
307-OR
11
154-RD
310-PU310-PU
308-YL
T°
R
C
S
B ST
OFF
ON
30 A
5 A
10 A
15 A
10 A
10 A
10 A
10 A
10 A
15 A
10 A
10 A
POS NEG
101-RD-4
RD-00 RD-00
POS NEG
101-RD-6
BK-00
109-RD-6
ALT
R
200-BK-6
E
P
B
L
101-RD-6
101-RD-6
101-RD-6
60A
109-RD-6
112-PU-6
10 A
5 A
5 A
15 A
10 A
10 A
10 A
5 A
10 A
10 A
5 A
10 A
10 A
5 A
15 A
5 A
BATTERIES
BREAKER FOR
THE ALTERNATOR
ALTERNATOR
CHARGING CIRCUIT
G S
MTR BAT
MOTOR
POS NEG
101-RD-4
RD-00 RD-00
POS NEG
101-RD-6
BK-00
ALT
200-BK-6
B-
B+
R
D
60A
109-RD-6
BATTERIES
BREAKER FOR
THE ALTERNATOR
ALTERNATOR
CHARGING CIRCUIT
G S
MTR BAT
MOTOR
103-RD
C987-RD-14
184-RD
149-RD
105-RD
115-RD
110-RD
114-RD
175-RD-14
15 A
10 A
10 A
10 A
10 A
10 A
10 A
15 A
10 A
15A
30 A
30 A
168-RD-10
101-RD-6
109-RD-6
109-RD-6
1200-BK
308-YL
112-PU-6
179-BU
120-YL
147-PU
113-OR-18
129-BU
152-BU
123-WH-18
169-PK-18
160-PU
118-GY
180-GN
166-BR-18
191-WH-14
150-OR-18
124-GN-14
5 A
5 A
10 A
10 A
10 A
10 A
5 A
5 A
10 A
10 A
5 A
10 A
10 A
10 A
15A
5 A
15 A
5 A
10 A
10 A
T°
FUEL LEVEL SENSOR
1
2
YL
BK
CONN. 83
CHASSIS
235-BK
COOLANT
TEMPERATURE SENSOR235-BK
495-GN
492-GY
T°235-BK
491-PK
CHASSIS
CHASSIS
HYDRAULIC OIL
TEMPERATURE SENSOR
ENGINE OIL
PRESSURE SWITCH
HYDRAULIC OIL
FILTER SWITCH
2
1
RD
BK
CHASSIS
235-BK
497-OR
CHASSIS 235-BK
CONN. 97
SIGNAL
GROUND
CONN. 95
AIR CLEANER
SWITCH
CHASSIS
235-BK
CONN. 185
CONN. 13
INDICATOR
HEATER
CONTROL LIMIT
CONN. 20
L975-PK
R
C
S
BST
OFF
ON
CONN. 47
START SW.
10
4
308-YL
105-RD 7105-RD
CONN. 36
CONN. 10
308-YL
BK-00 RD-00 RD-00
200-BK
BATTERIES
DISCONNECT
SWITCH
BK-00
MAIN RELAY
112-PU5 A
FUSE (BACKUP
MONITOR CONTROL)
169-PK
5 A
101-RD103-RD 10 A
FUSE (DOME
LAMP/MEMORY)
101-RD105-RD
FUSE (KEY SW.)
ALT. BREAKER
109-RD
101-RD
TERMINAL
BLOCK
101-RD
CHASSIS
9
8
13 189-PK
11
10
9
B
A
101-RD
893-GN
892-BR
7
3
1
4
8
5
6
2
7
3
1
4
8
5
6
2
807-PK
189-PK
103-RD
893-GN
892-BR
201-BK
169-PK
103-RD
893-GN
892-BR
201-BK
LIGHT
ACC
+B
CDL+
CDL-
GND
MONITOR CONN. 52 CONN. 73
CONN. 73
CONN. 73
CONN. 11
CONN. 105
41
42
46
4
40
31
32
33
43
23
CONN. 172
30
29
33
47
35
CONN. 171
FUEL LEVEL
COOLANT TEMP. SENSOR
BACKUP SW.
ALT. R TERM.
ENG. OIL PRESS. SW.
CUPSUL FILTER PLUGGED
AIR CLEANER PLUGGED
AIR HEATER CONTROLLER
ENG OIL LEVEL SW.
COOLANT LEVEL SW.
HYD OIL LEVEL SW.
CDL +
CDL -
KEY SW. DN.
405-GY
497-OR
430-BU
L975-PK
C468-BU
412-BU
496-WH
883-GN
892-BR
308-YL
495-GN
492-GY
491-PK
M736-BU
403-GN
9
12
M736-BU
235-BK
M736-BU
235-BK
CONN. 106 CONN. 37
M736-BU
235-BK
BACKUP SW.
403-GN
CHASSIS
ALTERNATOR
109-RD
405-GY
430-BU
312C ENGINE AND
PUMP CONTROL
CIRCUIT
7
CONN. 108
10 A
60A
POSNEG POSNEG
ALT
R
E
P
B
L
6
10
CONN. 106
1
1
2
CONN. 96
CHASSIS
235-BK
C468-BU ENGINE OIL
LEVEL SWITCH
1
2
CONN. 1
CHASSIS
235-BK
412-BU
1
2
CONN. 84
CHASSIS
235-BK
496-WH
COOLANT
LEVEL
SWITCH
HYDRAULIC
OIL
LEVEL
SWITCH
G S
MTR BAT
MOTOR
T°
FUEL LEVEL SENSOR
1
2
YL
BK
CONN. 90
CHASSIS
235-BK
COOLANT
TEMPERATURE SENSOR235-BK
495-GN
492-GY
T°235-BK
491-PK
CHASSIS
CHASSIS
HYDRAULIC OIL
TEMPERATURE SENSOR
ENGINE OIL
PRESSURE SWITCH
HYDRAULIC OIL
FILTER SWITCH
2
1
RD
BK
CHASSIS
235-BK
497-OR
CHASSIS 235-BK
CONN. 97
SIGNAL
GROUND
CONN. 95
AIR CLEANER
SWITCH
CHASSIS
235-BK
CONN. 5
CONN. 27
INDICATOR
HEATER
CONTROL LIMIT
CONN. 19
L975-PK
R
C
S
BST
OFF
ON
CONN. 51
START SW.
10
4
308-YL
105-RD 7105-RD
CONN. 44
CONN. 24
308-YL
BK-00 RD-00 RD-00
200-BK
BATTERIES
DISCONNECT
SWITCH
BK-00
MAIN RELAY
112-PU5 A
FUSE (BACKUP
MONITOR CONTROL)
169-PK
5 A
101-RD103-RD 10 A
FUSE (DOME
LAMP/MEMORY)
101-RD105-RD
FUSE (KEY SW.)
ALT. BREAKER
109-RD
101-RD
TERMINAL
BLOCK
101-RD
CHASSIS
9
8
13 189-PK
11
10
9
2
1
7
101-RD
893-GN
892-BR
7
3
1
4
8
5
6
2
7
3
1
4
8
5
6
2
807-PK
189-PK
103-RD
893-GN
892-BR
201-BK
169-PK
103-RD
893-GN
892-BR
201-BK
LIGHT
ACC
+B
CDL+
CDL-
GND
MONITOR CONN. 59 CONN. 58
CONN. 52
CONN. 52
CONN. 25
CONN. 109
41
42
46
4
40
31
32
33
43
23
CONN. 72
30
29
33
47
35
CONN. 71
FUEL LEVEL
COOLANT TEMP. SENSOR
BACKUP SW.
ALT. R TERM.
ENG. OIL PRESS. SW.
CUPSUL FILTER PLUGGED
AIR CLEANER PLUGGED
AIR HEATER CONTROLLER
ENG OIL LEVEL SW.
COOLANT LEVEL SW.
HYD OIL LEVEL SW.
CDL+
CDL-
KEY SW. DN.
405-GY
497-OR
430-BU
L975-PK
C468-BU
412-BU
496-WH
883-GN
892-BR
308-YL
495-GN
492-GY
491-PK
M736-BU
403-GN
9
12
M736-BU M736-BU
235-BK
CONN. 106 CONN. 45
M736-BU
235-BK
BACKUP SW.
403-GN
CHASSIS
ALTERNATOR
109-RD
405-GY
430-BU
315C ENGINE AND
PUMP CONTROL
CIRCUIT
10 A
60A
POSNEG POSNEG
ALT
R
E
P
B
L
10
1
1
2
CONN. 96
CHASSIS
235-BK
C468-BU ENGINE OIL
LEVEL SWITCH
CONN. 1
CHASSIS
235-BK
412-BU
1
2
CONN. 92
CHASSIS
235-BK
496-WH
COOLANT
LEVEL
SWITCH
HYDRAULIC
OIL
LEVEL
SWITCH
G S
MTR BAT
MOTOR
T°
FUEL LEVEL SENSOR
1
2
YL
BK
CONN. 179
CHASSIS
235-BK
COOLANT
TEMPERATURE SENSOR235-BK
495-GN
492-GY
T°235-BK
491-PK
CHASSIS
CHASSIS
HYDRAULIC OIL
TEMPERATURE SENSOR
ENGINE OIL
PRESSURE SWITCH
HYDRAULIC OIL
FILTER SWITCH
2
1
RD
BK
CHASSIS
235-BK
497-OR
CHASSIS 235-BK
CONN. 16
SIGNAL
GROUND
CONN. 137
AIR CLEANER
SWITCHCHASSIS 235-BK
CONN. 185
CONN. 87
9
8
7
6
5
4
3
2
1
INDICATOR
HEATER
CONTROL LIMIT
CONN. 85
L975-PK
R
C
S
BST
OFF
ON
CONN. 42
START SW.
10
4
308-YL
105-RD 7105-RD
CONN. 53
CONN. 82
308-YL
BK-00
RD-00 RD-00
ALT
R
E
P
B
L
200-BK
BATTERIES
DISCONNECT
SWITCH
BK-00
MAIN RELAY
112-PU5 A
FUSE (BACKUP
MONITOR CONTROL)
169-PK
101-RD103-RD 10 A
FUSE (DOME
LAMP/MEMORY)
101-RD105-RD 10 A
FUSE (KEY SW.) ALT. BREAKER
109-RD
101-RD
TERMINAL
BLOCK
101-RD
CHASSIS
9
8
13 189-PK
11
10
9
41
40
101-RD
893-GN
892-BR
7
3
1
4
8
5
6
2
7
3
1
4
8
5
6
2
807-PK
189-PK
103-RD
893-GN
892-BR
201-BK
169-PK
103-RD
893-GN
892-BR
201-BK
LIGHT
ACC
+B
CDL+
CDL-
GND
MONITOR CONN. 7 CONN. 8
CONN. 1
CONN. 1
CONN. 83
CONN. 51
41
42
46
4
33
43
23
CONN. 72
30
29
33
47
35
CONN. 71
FUEL LEVEL
COOLANT TEMP. SENSOR
BACKUP SW.
ALT. R TERM.
ENG. OIL PRESS. SW.
CUPSUL FILTER PLUGGED
AIR CLEANER PLUGGED
AIR HEATER CONTROLLER
CDL+
CDL-
KEY SW. DN.
405-GY
497-OR
430-BU
L975-PK
883-GN
892-BR
308-YL
495-GN
492-GY
491-PK
M736-BU
403-GN
8
32
9
12
M736-BU
235-BK
M736-BU
235-BK
CONN. 51 CONN. 54
M736-BU
235-BK
BACKUP SW.
403-GN
CHASSIS
ALTERNATOR
109-RD
405-GY
430-BU
320C ENGINE AND
PUMP CONTROL
CIRCUIT
1
2
3
4
5
6
G S
MTR BAT
MOTOR
60A
5 A
POSNEG POSNEG
T°
FUEL LEVEL SENSOR
1
2
YL
BK
CONN. 83
CHASSIS
235-BK
COOLANT
TEMPERATURE SENSOR235-BK
495-GN
492-GY
T°235-BK
491-PK
CHASSIS
CHASSIS
HYDRAULIC OIL
TEMPERATURE SENSOR
ENGINE OIL
PRESSURE SWITCH
HYDRAULIC OIL
FILTER SWITCH
1
2
RD
BK
CHASSIS
235-BK
497-OR
CHASSIS
235-BK
CONN. 118
SIGNAL
GROUND
CONN. 137
AIR CLEANER
SWITCH
CHASSIS
235-BK
CONN. 185
CONN. 87
INDICATOR
HEATER
CONTROL LIMIT
CONN. 85
L975-PK
R
C
S
BST
OFF
ON
CONN. 47
START SW.
10
4
308-YL
105-RD 7105-RD
CONN. 52
CONN. 82
308-YL
BK-00 RD-00 RD-00
200-BK
BATTERIES
DISCONNECT
SWITCH
BK-00
MAIN RELAY
112-PU5 A
FUSE (BACKUP
MONITOR CONTROL)
169-PK
5 A
101-RD103-RD 10 A
FUSE (DOME
LAMP/MEMORY)
101-RD105-RD
FUSE (KEY SW.)
ALT. BREAKER
109-RD
101-RD
TERMINAL
BLOCK
101-RD
CHASSIS
9
8
13 189-PK
11
10
9
41
40
45
101-RD
893-GN
892-BR
7
3
1
4
8
5
6
2
7
3
1
4
8
5
6
2
807-PK
189-PK
103-RD
893-GN
892-BR
201-BK
169-PK
103-RD
893-GN
892-BR
201-BK
LIGHT
ACC
+B
CDL+
CDL-
GND
MONITOR CONN. 7 CONN. 6
CONN. 1
CONN. 1
CONN. 82
CONN. 57
41
42
46
4
40
31
32
33
43
23
CONN. 172
30
29
33
47
35
CONN. 171
FUEL LEVEL
COOLANT TEMP. SENSOR
BACKUP SW.
ALT. R TERM.
ENG. OIL PRESS. SW.
CUPSUL FILTER PLUGGED
AIR CLEANER PLUGGED
AIR HEATER CONTROLLER
ENG OIL LEVEL SW.
COOLANT LEVEL SW.
HYD OIL LEVEL SW.
CDL+
CDL-
KEY SW. DN.
405-GY
497-OR
430-BU
L975-PK
C468-BU
412-BU
496-WH
883-GN
892-BR
308-YL
495-GN
492-GY
491-PK
M736-BU
403-GN
9
12
M736-BU
235-BK
M736-BU
235-BK
CONN. 51 CONN. 54
M736-BU
235-BK
BACKUP SW.
403-GN
CHASSIS
ALTERNATOR
109-RD
405-GY
430-BU
322C ENGINE AND
PUMP CONTROL
CIRCUIT
10 A
60A
POSNEG POSNEG
ALT
R
E
P
B
L
3
32
1
1
2
C468-BU ENGINE OIL
LEVEL SWITCH
1
2
CONN. 173
CHASSIS
235-BK
412-BU
1
2
CONN. 138
CHASSIS
235-BK
496-WH
COOLANT
LEVEL
SWITCH
HYDRAULIC
OIL
LEVEL
SWITCH
G S
MTR BAT
MOTOR
3
A
B
CONN. 113
CONN. 115
2
1
CONN. 119
5
POWER SHIFT PRV
RIGHT PUMP OUTPUT
PRESSURE SENSOR
LEFT PUMP OUTPUT
PRESSURE SENSOR
MONITOR
ENGINE SPEED DIAL
ENGINE SPEED
SENSOR
ENGINE
GOVERNOR ACTUATOR
AND FEEDBACK SENSOR
ENGINE
AND
PUMP
CONTROL
PUMP
ENGINE AND PUMP REGULATION
ENGINE
ENGINE
SPEED SENSOR
GOVERNOR
LEVER
FEEDBACK
SENSOR
GOVERNOR
ACTUATOR
SWITCH PANEL
MONITOR ENGINE
AND
PUMP
CONTROL
AUTOMATIC ENGINE SPEED CONTROL CIRCUIT (AEC)
ENGINE
AND
PUMP
CONTROL
ENGINE
GOVERNOR
LEVER
FEEDBACK
SENSOR
GOVERNOR ACTUATOR
MOTOR
TRAVEL PRESSURE
SWITCH (LEFT)
TRAVEL PRESSURE
SWITCH (RIGHT)
IMPLEMENT/SWING
PRESSURE SWITCH
ENGINE SPEED DIAL
ONE-TOUCH LOW
IDLE SWITCH
ONE-TOUCH
LOW IDLE CONTROL CIRCUIT
IMPLEMENT SWING
PRESSURE SWITCH
TRAVEL PRESSURE
SWITCH (RIGHT)
TRAVEL PRESSURE
SWITCH (LEFT)
TRAVEL SWITCH
(STRAIGHT
TRAVEL PEDAL)
STRAIGHT TRAVEL
SOLENOID
ENGINE
AND
PUMP
CONTROL
STRAIGHT TRAVEL CONTROL
10 A 10 A
10 A
+B
IN
OUT
GND
12V 12V
+B
DECEL
ACCEL
KEY
F/8
ESS
GND
R
C
S
B ST
OFF
ONBACK-UP CIRCUIT
STARTER
SW.
CONTROLLER
TRAVEL
CONTROL SW.
MAIN RELAY
TIMER
RELAY
GOVERNOR
ACTUATOR
BACKUP SW.
SWING
BRAKE
SOLENOID
PROPORTIONAL
REDUCING
VALVE
BACKUP
REGISTER
SWING
BRAKE
CIRCUIT
DRIVE
CIRCUIT
GOVERNOR
ACTUATOR
CIRCUIT
LEFT PUMP (FRONT) PRESSURE SWITCH
RIGHT PUMP (REAR) PRESSURE SWITCH
STRAIGHT TRAVEL PRESSURE SWITCH
STRAIGHT TRAVEL PRESSURE SWITCH
RIGHT TRAVEL PRESSURE SWITCH
IMPLEMENT/SWING PRESSURE SWITCH
WATER SEPARATOR
HYDRAULIC OIL LEVEL SWITCH
ENGINE OIL LEVEL SWITCH
MANUAL LOW IDLE SWITCH
ENGINE OIL PRESSURE SENSOR
ALTERNATOR
FUEL LEVEL SENSOR
HYDRAULIC OIL TEMPERATURE SENSOR
ACTION ALARM
ENGINE SPEED DIAL
SWITCH PANEL
ENGINE COOLANT TEMPERATURE SENSOR
PROPORTIONAL REDUCING VALVE FOR AUX. HYDRAULICS
ATTACHMENT PUMP PRESSURE SWITCH
ATTACHMENT PEDAL PRESSURE SWITCH NO.1
ATTACHMENT PEDAL PRESSURE SWITCH NO.2
ENGINE COOLANT LEVEL INDICATOR
RESTRICTED HYDRAULIC RETURN FILTER INDICATOR
RESTRICTED AIR FILTER SWITCH
AIR HEATER INDICATOR
TRAVEL ALARM
SWING PARKING BRAKE SOLENOID
TRAVEL SPEED SOLENOID
STRAIGHT TRAVEL SOLENOID
POWER SHIFT SOLENOID
MONITOR
BACK-UP SWITCH
START
SWITCH
ENGINE
ENGINE
SPEED SENSOR
MAIN
PUMPS
GOVERNOR LEVER
FEEDBACK SENSOR
GOVERNOR
ACTUATOR
BATTERY
ELECTRONIC CONTROL SYSTEM
ENGINE
AND
PUMP
CONTROL
CONNECTOR 2 CONNECTOR 1
ENGINE AND
PUMP CONTROL
UP
LEFT
DOWN
RIGHT CANCEL
OK
MENU
SETTING
1
2
3
4
5
6
BK
PK
BU
GN
BR
COM
S1
S2
S3
S4
1
2
3
4
5
6
7
8 9 10
1
2
3
6
5
4
1
2
12
A
B
C
BK 18
RD 18
BU 18
A
C
B
R
C
S
B
ON
OFF
ST
CO
NTRO
L
RELAY
BAT
STA
R
T
1
2
34
43
21
3 2 15 4
17 16 15 14 13 12 11 1020 19 18
9 8 7 6
1
2
3
4
5
6
7
8
9
10
11
12
13
14
15
16
17
18
19
20
L. CHASSIS
L. BOOM
W. INT (6)
W. INT (3)
TRAVEL MODE SW.
AEC MODE SW.
ALARM CANCEL SW.
+B
TRAVEL MODE IND. 1
TRAVEL MODE IND. 2
W. LOW
WASH
ALARM CANCEL IND.
AEC MODE IND
GND
AUT
n/min
1
2 3 4
8 7 6 5
12
3
4
5
6
7
8
+B
GND
F/B
ACCEL
DECEL
KEY
ESS
-
A
B
C
RD
BK
WH
+B
GND
SIG
AB
C
YL
BK
1
2
1 2
T°
1
2
1
2 3 4
8 7 6 5
12
3
4
5
6
7
8
+B
GND
F/B
ACCEL
DECEL
KEY
ESS
-
13
1
5
2
40
CONN 1
235-BK
A
A
10
L
CONN 3
184-BU
308 - YL
1
235-BK
UP
LEFT
DOWN
RIGHT CANCEL
OK
MENU
SETTING
UP
LEFT
DOWN
RIGHT CANCEL
OK
MENU
SETTING
00:00
TRVL SPEED AUTO
INSTALL TOOL #1
MAIN MENU
PREFERENCES
SELECT TOOL
FLTR/FLUID INFO
MAIN MENU
SELECT TOOL
FLTR/FLUID INFO
SERVICE OPTIONS
ENTER PASSWORD
0 0 0 0
:L / R : + / -
ENTER PASSWORD
F F F 2
:L / R : + / -
SERVICE
ECM SUMMARY
1
312C STANDARD
INVALID PASSWORD
: RETRY
: EXIT
SERVICE
SWITCH STATUS
1
10
EXIT
SWITCH STATUS
1
10
00:00
TRVL SPEED AUTO
INSTALL TOOL #1
00:00
TRVL SPEED AUTO
INSTALL TOOL #1
MAIN MENU
PREFERENCES
SELECT TOOL
FLTR/FLUID INFO
PREFERENCE MENU
SELECT LANGUAGE
ADJUST CLOCK
DISPLAY ADJ
:H / M : + / -
ADJUST CLOCK
0 0 0 0
SERVICE
ECM SUMMARY
1
312C STANDARD
SERVICE
ECM SUMMARY
1
3312C STANDARD
SERVICE
SWITCH STATUS
1
10
SERVICE
SWITCH STATUS
10
HIGH PRESS
SERVICE
STATUS
1
52.5
SERVICE
STATUS
11
1948
SERVICE
CONFIGURATION
1
320 HYD
SERVICE
CONFIGURATION
15
1300
SERVICE
CONFIGURATION
39
STANDBY
SERVICE
CONFIGURATION
39
CLEAR?
SERVICE
ACTIVE ERROR
00 OF 02
TOP
SERVICE
ACTIVE ERROR
00 OF 02
TOP
SERVICE
ACTIVE ERROR
01 OF 02
69 : 1162 - 04
SERVICE
LOGGED ERROR
00 OF 02
TOP
SERVICE
LOGGED ERROR
01 OF 05
69 : 190 - 04
SERVICE
LOGGED ERROR
00 OF 02
69 : 581 - 04
SERVICE
LOGGED ERROR
02 OF 05
CLEAR?
SERVICE
LOGGED EVENT
00 OF 05
TOP
SERVICE
LOGGED EVENT
01 OF 05
69 : 600
SERVICE
LOGGED EVENT
01 OF 05
69 : 600
SERVICE
LOGGED ERROR
01 OF 05
CLEAR?
322 electrical system caterpillar (1)
322 electrical system caterpillar (1)
322 electrical system caterpillar (1)
322 electrical system caterpillar (1)
322 electrical system caterpillar (1)
322 electrical system caterpillar (1)
322 electrical system caterpillar (1)

322 electrical system caterpillar (1)

  • 1.
    POSNEG DISCONNECT SWITCH BATTERY ALTERNATOR BREAKER MAIN RELAY STARTER RELAY NEUTRAL START RELAY STARTER MOTOR STARTER SWITCH TIMER RELAY STARTER CONTROL RELAY NEUTRAL START SW. ALTERNATOR GOVERNOR ACTUATOR HEATER CONTROLUNIT HEATER RELAY AIR HEATER HORN AIR CONDITIONER CAB HEATER CONTROLLER SWITCH PANEL LIGHTS WINDSHIELD WASHER CIGAR LIGHTER LOW CURRENT CIRCUITPOWER CIRCUIT START/STOP CIRCUIT CHARGING CIRCUIT FUSE PANEL WINDSHIELD WIPER BASIC ELECTRICAL SYSTEM G S MTR BAT MOTOR
  • 2.
    POSNEG POSNEG DISCONNECT SWITCH BATTERY ALTERNATOR BREAKER MAIN RELAY STARTER RELAY NEUTRAL START RELAY STARTER MOTOR STARTER SWITCHTIMER RELAY STARTER CONTROL RELAY NEUTRAL START SW. ALTERNATOR GOVERNOR ACTUATOR HEATER CONTROL UNIT HEATER RELAY AIR HEATER HORN AIR CONDITIONER CAB HEATER CONTROLLER SWITCH PANEL LIGHTS WINDSHIELD WASHER WINDSHIELD WIPER CIGAR LIGHTER LOW CURRENT CIRCUITPOWER CIRCUIT START/STOP CIRCUIT CHARGING CIRCUIT FUSE PANEL BASIC ELECTRICAL SYSTEM G S MTR BAT MOTOR
  • 3.
    AIR CONDITIONER CAB HEATER SWITCHPANEL LIGHTS WINDSHIELD WASHER WINDSHIELD WIPER CIGAR LIGHTER HORN CONTROLLER FUSE PANEL LOW CURRENT CIRCUIT ALTERNATOR BREAKER DISCONNECT SWITCH BATTERY STARTER RELAY NEUTRAL START RELAY STARTER MOTOR STARTER CONTROL RELAY NEUTRAL START SW. POWER CIRCUIT START/STOP CIRCUIT CHARGING CIRCUIT GOVERNOR ACTUATOR TIMER RELAY STARTER SWITCH HEATER RELAY AIR HEATER HEATER CONTROL UNIT ENGINE COOLANT TEMP. SW. START AID SOLENOID START AID SWITCH MAIN RELAY ALTERNATOR POSNEG BASIC ELECTRICAL SYSTEM G S MTR BAT MOTOR
  • 4.
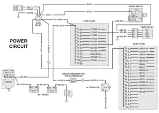
    308-YL 200-BK 308-YL 101-RD-6 MAIN RELAY R C S B ST OFF ON START SWITCH 200-BK-6 B POSNEG RD-00 RD-00 POS NEG 109-RD-6 BK-00 BATTERIES 60A 1N +B OUT GND TIMER RELAY CIRCUIT BREAKER FOR THE ALTERNATOR POWER CIRCUIT 15 A 179-BU 120-YL 123-WH-18 160-PU 129-BU 169-PK-18 152-BU 1118-GY 113-OR-18 124-GY-14 5 A 10 A 10 A 10 A 10 A 5 A 10 A 10 A 10 A 5 A 15 A 10 A 10 A 10 A 10 A 10 A 15 A 5 A 180-GN 149-PU 191-WH-14 143-BR-18 147-PU 5 A FUSE PANEL C987-RD-14 107-RD-14 184-RD 105-RD 103-RD 115-RD 114-RD 110-RD 175-RD-14 168-RD-14 15 A 10 A 10 A 10 A 10 A 10 A 15 A 15 A 15 A 10A 15 A 10 A 176-RD FUSE PANEL 200-BK 308-YL 110-RD 200-BK 4 1 3 2 112-PU-6 101-RD-6 101-RD-6 308-YL 308-YL 101-RD-6 101-RD-6 ALTERNATOR 105-RD G S MTR BAT MOTOR ALT R E P L
  • 5.
    R C S B ST OFF ON 105-RD 200-BK-18 308-YL-18 200-BK-18 308-YL 180-GN 309-GY-18 191-WH-14 150-OR-18 147-PU 179-BU 120-YL 123-WH-18 160-PU 129-BU 169-PK-18 152-BU 118-GY 113-OR-18 124-GN-14 30 A 5A 10 A 15 A 10 A 10 A 10 A 10 A 10 A 15 A 10 A 10 A POS NEG 101-RD-4 RD-00 RD-00 POS NEG 101-RD-6 BK-00 109-RD-6 ALT R 200-BK-6 E P B L 101-RD-6 101-RD-6 101-RD-6 60A 109-RD-6 10 A 5 A 5 A 15 A 5 A 10 A 10 A 10 A 5 A 10 A 10 A 5 A 10 A 10 A 5 A 10 A 168-RD-10 130-RD-14 149-RD 184-RD 103-RD 115-RD 114-RD 175-RD-14 110-RD 105-RD 112-PU-6 308-YL 308-YL 308-YL 110-RD 200BK 1N +B OUT GND 4 1 3 2 START SWITCH TIMER RELAY FUSE PANEL MAIN RELAY FUSE PANEL ALTERNATOR CIRCUIT BREAKER FOR THE ALTERNATOR BATTERIES POWER CIRCUIT G S MTR BAT MOTOR
  • 6.
    308-YL 200-BK 308-YL 112-PU-6 308-YL MAIN RELAY R C S B ST OFF ON 308-YL 324-RD 307-OR 105-RD START SWITCH 10 7 12 4 ALT R 200-BK-6 E P B L POSNEG 101-RD-4 RD-00 RD-00 POS NEG 101-RD-6 BK-00 BATTERIES 60A 1N GND OUT +B TIMER RELAY CIRCUIT BREAKER FOR THE ALTERNATOR POWER CIRCUIT 5 A 179-BU 120-YL 147-PU 113-OR-18 129-BU 152-BU 123-WH-18 169-PK-18 160-PU 118-GY 5 A 10 A 10 A 10 A 10 A 5 A 5 A 10 A 10 A 5 A 10 A 10 A 10 A 15 A 5 A 15 A 5 A 10 A 130-GN 166-BR-18 191-WH-14 150-OR-18 124-GN-14 10 A FUSE PANEL 15 A 168-RD-19 175-RD-14 103-RD C987-RD-14 184-RD 149-RD 105-RD 115-RD 110-RD 114-RD FUSE PANEL 30 A 10 A 10 A 10 A 10 A 5 A 5 A 10 A 10 A 15 A 10 A 15A 30 A 10 A 200-BK 308-YL 200-BK 109-RD-6 4 2 3 1 109-RD-6 109-RD-6 105-RD 1 5 10 7 308-YL 105-RD 308-YL 112-PU-6 101-RD-6G S MTR BAT MOTOR
  • 7.
    POS NEG 308-YL 101-RD-4 RD-00 RD-00 POSNEG 101-RD-6 BK-00 R C S B ST OFF ON 1 2 304-WH-8 304-WH-8 109-RD-6 109-RD-8 ALT R 109-RD-6 200-BK-6 E P B L 403-GN-18 330-YL 403-GN-18 K776-GN-18 309-GY-18 200-BK-18 WH/BU WH/YL YL WH/GN BK 308-YL 110-RD 189-RD 200-BK 1N +B OUT GND 4 1 3 2 306-GN C A B 307-OR 105-RD105-RD 110-RD 107-RD-14 189-RD 154-RD 151-GN BK-18 RD-18 WH-18 101-RD-6 101-RD-6 10 A 10 A 101-RD-6 200-BK-18 308-YL-18 200-BK-18 308-YL 60A KEY START SWITCH TIMER RELAY ENGINE SHUTDOWN TIMER STARTER CONTROL RELAY STARTER MOTOR BATTERIES ALTERNATOR NEUTRAL START RELAY NEUTRAL START SWITCH STARTER RELAY STARTER SOLENOID 10 A 308-YL 308-YL S P L R GND 308-YL-18 107-RD-14 227-PK-14 200-BK-18 GN-18 RD-14 BK-18 BU-14 3 1 4 2 ON (KEY) + BATTERY SOLENOID GND 327-PK-14 6 327-PK-14 START AND STOP CIRCUIT G S MTR BAT MOTOR ENGINE SHUTDOWN SOLENOID
  • 8.
    POS NEG 308-YL 101-RD-4 RD-00 RD-00 POSNEG 101-RD-6 BK-00 R C S B ST OFF ON 1 2 304-WH-8 304-WH-8 109-RD-6 109-RD-8 ALT R 109-RD-6 200-BK-6 E P B L 403-GN-18 300-YL 403-GN-18 200-BK-18 WH/BU WH/YL BK S P GND 308-YL 189-RD 200-BK KEY +B GND 6 1 2 308-YL 110-RD 189-RD 200BK 1N +B OUT GND 4 1 3 2 306-GN C A B 307-OR 105-RD 105-RD 110-RD 189-RD 154-RD BK-18 RD-18 WH-18 101-RD-6 101-RD-6 10 A 10 A 101-RD-6 200-BK-18 308-YL-18 200-BK-18 308-YL 308-YL 308-YL 60A KEY START SWITCH TIMER RELAY GOVERNOR ACTUATOR STARTER CONTROL RELAY STARTER MOTOR BATTERIES ALTERNATOR NEUTRAL START RELAY NEUTRAL START SWITCH STARTER RELAYSTARTER SOLENOID START AND STOP CIRCUIT G S MTR BAT MOTOR
  • 9.
    POS NEG 101-RD-4 RD-00 RD-00 POSNEG 101-RD-6 BK-00 R C S B ST OFF ON KEY START SWITCH 308-YL 326-RD 307-OR 105-RD 10 7 12 4 C A B 189-RD 154-RD 308-YL 105-RD BK-18 RD-18 WH-18 NEUTRAL START SWITCH5 10 11 7 326-RD 307-OR5 2 1 109-RD-8 STARTER RELAY 304-WH-8 ALT 200-BK-6 B- B+ R D 10 A NEUTRAL START RELAY 308-YL 200-BK 300-YL 60A STARTER MOTOR BATTERIES ALTERNATOR STARTER SOLENOID 10 A 308-YL G S MTR BAT MOTOR 200-BK-18 109-RD-6 101-RD-6 +B GND 1 2 200-BK-10 301-BU-10 326-RD 1 109-RD-6 109-RD-6 109-RD-6 189-RD 9 189-RD 308-YL 189-RD 110-RD GDN IN OUT +B 2 4 3 1 TIMER RELAY 304-WH-8 304-WH-8 200-BK-18 200-BK 200-BK 200-BK 3 200-BK 326-RD 326-RD 105-RD 101-RD 307-OR 154-RD START AND STOP CIRCUIT
  • 10.
    POS NEG BK-18 RD-18 WH-18 154-RD200BK-18 307-OR 308-YL A718-PU-18 200-BK-18 308-YL-18 306-GN A718-PU-18 310-PK-18 403-GN-18 200-BK-18 KEY SW.(ON) KEY SW. (START) TEMPERATURE INDICATOR RELAY REGULATOR CHECK TERM. GND 101-RD-4 RD-00 RD-00 POS NEG 101-RD-4 877-YL-4 877-YL-4 BK-00 R C S B ST OFF ON T° 1 2 STARTER SWITCH HEATER CONTROL UNIT HEATER RELAY AIR HEATER STARTING AID CIRCUIT G S MTR BAT MOTOR ALT P R B E L 200BK-18 C A B 200BK-18
  • 11.
    POS NEG BK-18 RD-18 WH-18 154-RD200BK-18 307-OR 308-YL A718-PU-18 200-BK-18 306-GN 308-YL-18 306-GN A718-PU-18 310-PU-18 200-BK-18 200-BK-18 200-BK-18 KEY SW.(ON) KEY SW. (START) TEMPERATURE INDICATOR RELAY REGULATOR CHECK TERM. GND. 101-RD-4 RD-00 RD-00 POS NEG 101-RD-4 877-YL-4 877-YL-4 BK-00 R C S B ST OFF ON T° 1 2 STARTER SWITCH HEATER CONTROL UNIT HEATER RELAY AIR HEATER STARTING AID CIRCUIT G S MTR BAT MOTOR
  • 12.
    POS NEG 101-RD-4 RD-00 RD-00 POSNEG 101-RD-4 877-YL-4 BK-00 HEATER RELAY AIR HEATER G S MTR BAT MOTOR 3 4 L975-PK-18 A713-PU-18 4L975-PK-18 200-BK-18 T° 1 2 A713-PU-18 2 1 RD-18 WH-18 BK-18 200BK-18 307-OR STARTER SWITCH 308-YL 306-GN 308-YL-18 306-GN L975-PK-18 A713-PU-18 310-PU-18 200-BK-18 KEY SW. (ON) KEY SW. (START) TEMPERATURE INDICATOR RELAY REGULATOR CHECK TERM. GND HEATER CONTROL UNIT 322C STARTING AID CIRCUIT 200BK-18 5 11 A B C 10 12 308-YL 307-OR 154-RD 15 1653 1 2 310-PU 311-WH-18 311-WH-18 200BK-18 307-OR ENGINE COOLANT TEMPERATURE SW. START AID SOLENOID START AID SW. 307-OR 307-OR 307-OR 11 154-RD 310-PU310-PU 308-YL T° R C S B ST OFF ON
  • 13.
    30 A 5 A 10A 15 A 10 A 10 A 10 A 10 A 10 A 15 A 10 A 10 A POS NEG 101-RD-4 RD-00 RD-00 POS NEG 101-RD-6 BK-00 109-RD-6 ALT R 200-BK-6 E P B L 101-RD-6 101-RD-6 101-RD-6 60A 109-RD-6 112-PU-6 10 A 5 A 5 A 15 A 10 A 10 A 10 A 5 A 10 A 10 A 5 A 10 A 10 A 5 A 15 A 5 A BATTERIES BREAKER FOR THE ALTERNATOR ALTERNATOR CHARGING CIRCUIT G S MTR BAT MOTOR
  • 14.
    POS NEG 101-RD-4 RD-00 RD-00 POSNEG 101-RD-6 BK-00 ALT 200-BK-6 B- B+ R D 60A 109-RD-6 BATTERIES BREAKER FOR THE ALTERNATOR ALTERNATOR CHARGING CIRCUIT G S MTR BAT MOTOR 103-RD C987-RD-14 184-RD 149-RD 105-RD 115-RD 110-RD 114-RD 175-RD-14 15 A 10 A 10 A 10 A 10 A 10 A 10 A 15 A 10 A 15A 30 A 30 A 168-RD-10 101-RD-6 109-RD-6 109-RD-6 1200-BK 308-YL 112-PU-6 179-BU 120-YL 147-PU 113-OR-18 129-BU 152-BU 123-WH-18 169-PK-18 160-PU 118-GY 180-GN 166-BR-18 191-WH-14 150-OR-18 124-GN-14 5 A 5 A 10 A 10 A 10 A 10 A 5 A 5 A 10 A 10 A 5 A 10 A 10 A 10 A 15A 5 A 15 A 5 A 10 A 10 A
  • 15.
    T° FUEL LEVEL SENSOR 1 2 YL BK CONN.83 CHASSIS 235-BK COOLANT TEMPERATURE SENSOR235-BK 495-GN 492-GY T°235-BK 491-PK CHASSIS CHASSIS HYDRAULIC OIL TEMPERATURE SENSOR ENGINE OIL PRESSURE SWITCH HYDRAULIC OIL FILTER SWITCH 2 1 RD BK CHASSIS 235-BK 497-OR CHASSIS 235-BK CONN. 97 SIGNAL GROUND CONN. 95 AIR CLEANER SWITCH CHASSIS 235-BK CONN. 185 CONN. 13 INDICATOR HEATER CONTROL LIMIT CONN. 20 L975-PK R C S BST OFF ON CONN. 47 START SW. 10 4 308-YL 105-RD 7105-RD CONN. 36 CONN. 10 308-YL BK-00 RD-00 RD-00 200-BK BATTERIES DISCONNECT SWITCH BK-00 MAIN RELAY 112-PU5 A FUSE (BACKUP MONITOR CONTROL) 169-PK 5 A 101-RD103-RD 10 A FUSE (DOME LAMP/MEMORY) 101-RD105-RD FUSE (KEY SW.) ALT. BREAKER 109-RD 101-RD TERMINAL BLOCK 101-RD CHASSIS 9 8 13 189-PK 11 10 9 B A 101-RD 893-GN 892-BR 7 3 1 4 8 5 6 2 7 3 1 4 8 5 6 2 807-PK 189-PK 103-RD 893-GN 892-BR 201-BK 169-PK 103-RD 893-GN 892-BR 201-BK LIGHT ACC +B CDL+ CDL- GND MONITOR CONN. 52 CONN. 73 CONN. 73 CONN. 73 CONN. 11 CONN. 105 41 42 46 4 40 31 32 33 43 23 CONN. 172 30 29 33 47 35 CONN. 171 FUEL LEVEL COOLANT TEMP. SENSOR BACKUP SW. ALT. R TERM. ENG. OIL PRESS. SW. CUPSUL FILTER PLUGGED AIR CLEANER PLUGGED AIR HEATER CONTROLLER ENG OIL LEVEL SW. COOLANT LEVEL SW. HYD OIL LEVEL SW. CDL + CDL - KEY SW. DN. 405-GY 497-OR 430-BU L975-PK C468-BU 412-BU 496-WH 883-GN 892-BR 308-YL 495-GN 492-GY 491-PK M736-BU 403-GN 9 12 M736-BU 235-BK M736-BU 235-BK CONN. 106 CONN. 37 M736-BU 235-BK BACKUP SW. 403-GN CHASSIS ALTERNATOR 109-RD 405-GY 430-BU 312C ENGINE AND PUMP CONTROL CIRCUIT 7 CONN. 108 10 A 60A POSNEG POSNEG ALT R E P B L 6 10 CONN. 106 1 1 2 CONN. 96 CHASSIS 235-BK C468-BU ENGINE OIL LEVEL SWITCH 1 2 CONN. 1 CHASSIS 235-BK 412-BU 1 2 CONN. 84 CHASSIS 235-BK 496-WH COOLANT LEVEL SWITCH HYDRAULIC OIL LEVEL SWITCH G S MTR BAT MOTOR
  • 16.
    T° FUEL LEVEL SENSOR 1 2 YL BK CONN.90 CHASSIS 235-BK COOLANT TEMPERATURE SENSOR235-BK 495-GN 492-GY T°235-BK 491-PK CHASSIS CHASSIS HYDRAULIC OIL TEMPERATURE SENSOR ENGINE OIL PRESSURE SWITCH HYDRAULIC OIL FILTER SWITCH 2 1 RD BK CHASSIS 235-BK 497-OR CHASSIS 235-BK CONN. 97 SIGNAL GROUND CONN. 95 AIR CLEANER SWITCH CHASSIS 235-BK CONN. 5 CONN. 27 INDICATOR HEATER CONTROL LIMIT CONN. 19 L975-PK R C S BST OFF ON CONN. 51 START SW. 10 4 308-YL 105-RD 7105-RD CONN. 44 CONN. 24 308-YL BK-00 RD-00 RD-00 200-BK BATTERIES DISCONNECT SWITCH BK-00 MAIN RELAY 112-PU5 A FUSE (BACKUP MONITOR CONTROL) 169-PK 5 A 101-RD103-RD 10 A FUSE (DOME LAMP/MEMORY) 101-RD105-RD FUSE (KEY SW.) ALT. BREAKER 109-RD 101-RD TERMINAL BLOCK 101-RD CHASSIS 9 8 13 189-PK 11 10 9 2 1 7 101-RD 893-GN 892-BR 7 3 1 4 8 5 6 2 7 3 1 4 8 5 6 2 807-PK 189-PK 103-RD 893-GN 892-BR 201-BK 169-PK 103-RD 893-GN 892-BR 201-BK LIGHT ACC +B CDL+ CDL- GND MONITOR CONN. 59 CONN. 58 CONN. 52 CONN. 52 CONN. 25 CONN. 109 41 42 46 4 40 31 32 33 43 23 CONN. 72 30 29 33 47 35 CONN. 71 FUEL LEVEL COOLANT TEMP. SENSOR BACKUP SW. ALT. R TERM. ENG. OIL PRESS. SW. CUPSUL FILTER PLUGGED AIR CLEANER PLUGGED AIR HEATER CONTROLLER ENG OIL LEVEL SW. COOLANT LEVEL SW. HYD OIL LEVEL SW. CDL+ CDL- KEY SW. DN. 405-GY 497-OR 430-BU L975-PK C468-BU 412-BU 496-WH 883-GN 892-BR 308-YL 495-GN 492-GY 491-PK M736-BU 403-GN 9 12 M736-BU M736-BU 235-BK CONN. 106 CONN. 45 M736-BU 235-BK BACKUP SW. 403-GN CHASSIS ALTERNATOR 109-RD 405-GY 430-BU 315C ENGINE AND PUMP CONTROL CIRCUIT 10 A 60A POSNEG POSNEG ALT R E P B L 10 1 1 2 CONN. 96 CHASSIS 235-BK C468-BU ENGINE OIL LEVEL SWITCH CONN. 1 CHASSIS 235-BK 412-BU 1 2 CONN. 92 CHASSIS 235-BK 496-WH COOLANT LEVEL SWITCH HYDRAULIC OIL LEVEL SWITCH G S MTR BAT MOTOR
  • 17.
    T° FUEL LEVEL SENSOR 1 2 YL BK CONN.179 CHASSIS 235-BK COOLANT TEMPERATURE SENSOR235-BK 495-GN 492-GY T°235-BK 491-PK CHASSIS CHASSIS HYDRAULIC OIL TEMPERATURE SENSOR ENGINE OIL PRESSURE SWITCH HYDRAULIC OIL FILTER SWITCH 2 1 RD BK CHASSIS 235-BK 497-OR CHASSIS 235-BK CONN. 16 SIGNAL GROUND CONN. 137 AIR CLEANER SWITCHCHASSIS 235-BK CONN. 185 CONN. 87 9 8 7 6 5 4 3 2 1 INDICATOR HEATER CONTROL LIMIT CONN. 85 L975-PK R C S BST OFF ON CONN. 42 START SW. 10 4 308-YL 105-RD 7105-RD CONN. 53 CONN. 82 308-YL BK-00 RD-00 RD-00 ALT R E P B L 200-BK BATTERIES DISCONNECT SWITCH BK-00 MAIN RELAY 112-PU5 A FUSE (BACKUP MONITOR CONTROL) 169-PK 101-RD103-RD 10 A FUSE (DOME LAMP/MEMORY) 101-RD105-RD 10 A FUSE (KEY SW.) ALT. BREAKER 109-RD 101-RD TERMINAL BLOCK 101-RD CHASSIS 9 8 13 189-PK 11 10 9 41 40 101-RD 893-GN 892-BR 7 3 1 4 8 5 6 2 7 3 1 4 8 5 6 2 807-PK 189-PK 103-RD 893-GN 892-BR 201-BK 169-PK 103-RD 893-GN 892-BR 201-BK LIGHT ACC +B CDL+ CDL- GND MONITOR CONN. 7 CONN. 8 CONN. 1 CONN. 1 CONN. 83 CONN. 51 41 42 46 4 33 43 23 CONN. 72 30 29 33 47 35 CONN. 71 FUEL LEVEL COOLANT TEMP. SENSOR BACKUP SW. ALT. R TERM. ENG. OIL PRESS. SW. CUPSUL FILTER PLUGGED AIR CLEANER PLUGGED AIR HEATER CONTROLLER CDL+ CDL- KEY SW. DN. 405-GY 497-OR 430-BU L975-PK 883-GN 892-BR 308-YL 495-GN 492-GY 491-PK M736-BU 403-GN 8 32 9 12 M736-BU 235-BK M736-BU 235-BK CONN. 51 CONN. 54 M736-BU 235-BK BACKUP SW. 403-GN CHASSIS ALTERNATOR 109-RD 405-GY 430-BU 320C ENGINE AND PUMP CONTROL CIRCUIT 1 2 3 4 5 6 G S MTR BAT MOTOR 60A 5 A POSNEG POSNEG
  • 18.
    T° FUEL LEVEL SENSOR 1 2 YL BK CONN.83 CHASSIS 235-BK COOLANT TEMPERATURE SENSOR235-BK 495-GN 492-GY T°235-BK 491-PK CHASSIS CHASSIS HYDRAULIC OIL TEMPERATURE SENSOR ENGINE OIL PRESSURE SWITCH HYDRAULIC OIL FILTER SWITCH 1 2 RD BK CHASSIS 235-BK 497-OR CHASSIS 235-BK CONN. 118 SIGNAL GROUND CONN. 137 AIR CLEANER SWITCH CHASSIS 235-BK CONN. 185 CONN. 87 INDICATOR HEATER CONTROL LIMIT CONN. 85 L975-PK R C S BST OFF ON CONN. 47 START SW. 10 4 308-YL 105-RD 7105-RD CONN. 52 CONN. 82 308-YL BK-00 RD-00 RD-00 200-BK BATTERIES DISCONNECT SWITCH BK-00 MAIN RELAY 112-PU5 A FUSE (BACKUP MONITOR CONTROL) 169-PK 5 A 101-RD103-RD 10 A FUSE (DOME LAMP/MEMORY) 101-RD105-RD FUSE (KEY SW.) ALT. BREAKER 109-RD 101-RD TERMINAL BLOCK 101-RD CHASSIS 9 8 13 189-PK 11 10 9 41 40 45 101-RD 893-GN 892-BR 7 3 1 4 8 5 6 2 7 3 1 4 8 5 6 2 807-PK 189-PK 103-RD 893-GN 892-BR 201-BK 169-PK 103-RD 893-GN 892-BR 201-BK LIGHT ACC +B CDL+ CDL- GND MONITOR CONN. 7 CONN. 6 CONN. 1 CONN. 1 CONN. 82 CONN. 57 41 42 46 4 40 31 32 33 43 23 CONN. 172 30 29 33 47 35 CONN. 171 FUEL LEVEL COOLANT TEMP. SENSOR BACKUP SW. ALT. R TERM. ENG. OIL PRESS. SW. CUPSUL FILTER PLUGGED AIR CLEANER PLUGGED AIR HEATER CONTROLLER ENG OIL LEVEL SW. COOLANT LEVEL SW. HYD OIL LEVEL SW. CDL+ CDL- KEY SW. DN. 405-GY 497-OR 430-BU L975-PK C468-BU 412-BU 496-WH 883-GN 892-BR 308-YL 495-GN 492-GY 491-PK M736-BU 403-GN 9 12 M736-BU 235-BK M736-BU 235-BK CONN. 51 CONN. 54 M736-BU 235-BK BACKUP SW. 403-GN CHASSIS ALTERNATOR 109-RD 405-GY 430-BU 322C ENGINE AND PUMP CONTROL CIRCUIT 10 A 60A POSNEG POSNEG ALT R E P B L 3 32 1 1 2 C468-BU ENGINE OIL LEVEL SWITCH 1 2 CONN. 173 CHASSIS 235-BK 412-BU 1 2 CONN. 138 CHASSIS 235-BK 496-WH COOLANT LEVEL SWITCH HYDRAULIC OIL LEVEL SWITCH G S MTR BAT MOTOR 3 A B CONN. 113 CONN. 115 2 1 CONN. 119 5
  • 19.
    POWER SHIFT PRV RIGHTPUMP OUTPUT PRESSURE SENSOR LEFT PUMP OUTPUT PRESSURE SENSOR MONITOR ENGINE SPEED DIAL ENGINE SPEED SENSOR ENGINE GOVERNOR ACTUATOR AND FEEDBACK SENSOR ENGINE AND PUMP CONTROL PUMP ENGINE AND PUMP REGULATION
  • 24.
    ENGINE ENGINE SPEED SENSOR GOVERNOR LEVER FEEDBACK SENSOR GOVERNOR ACTUATOR SWITCH PANEL MONITORENGINE AND PUMP CONTROL AUTOMATIC ENGINE SPEED CONTROL CIRCUIT (AEC)
  • 25.
    ENGINE AND PUMP CONTROL ENGINE GOVERNOR LEVER FEEDBACK SENSOR GOVERNOR ACTUATOR MOTOR TRAVEL PRESSURE SWITCH(LEFT) TRAVEL PRESSURE SWITCH (RIGHT) IMPLEMENT/SWING PRESSURE SWITCH ENGINE SPEED DIAL ONE-TOUCH LOW IDLE SWITCH ONE-TOUCH LOW IDLE CONTROL CIRCUIT
  • 26.
    IMPLEMENT SWING PRESSURE SWITCH TRAVELPRESSURE SWITCH (RIGHT) TRAVEL PRESSURE SWITCH (LEFT) TRAVEL SWITCH (STRAIGHT TRAVEL PEDAL) STRAIGHT TRAVEL SOLENOID ENGINE AND PUMP CONTROL STRAIGHT TRAVEL CONTROL
  • 27.
    10 A 10A 10 A +B IN OUT GND 12V 12V +B DECEL ACCEL KEY F/8 ESS GND R C S B ST OFF ONBACK-UP CIRCUIT STARTER SW. CONTROLLER TRAVEL CONTROL SW. MAIN RELAY TIMER RELAY GOVERNOR ACTUATOR BACKUP SW. SWING BRAKE SOLENOID PROPORTIONAL REDUCING VALVE BACKUP REGISTER SWING BRAKE CIRCUIT DRIVE CIRCUIT GOVERNOR ACTUATOR CIRCUIT
  • 29.
    LEFT PUMP (FRONT)PRESSURE SWITCH RIGHT PUMP (REAR) PRESSURE SWITCH STRAIGHT TRAVEL PRESSURE SWITCH STRAIGHT TRAVEL PRESSURE SWITCH RIGHT TRAVEL PRESSURE SWITCH IMPLEMENT/SWING PRESSURE SWITCH WATER SEPARATOR HYDRAULIC OIL LEVEL SWITCH ENGINE OIL LEVEL SWITCH MANUAL LOW IDLE SWITCH ENGINE OIL PRESSURE SENSOR ALTERNATOR FUEL LEVEL SENSOR HYDRAULIC OIL TEMPERATURE SENSOR ACTION ALARM ENGINE SPEED DIAL SWITCH PANEL ENGINE COOLANT TEMPERATURE SENSOR PROPORTIONAL REDUCING VALVE FOR AUX. HYDRAULICS ATTACHMENT PUMP PRESSURE SWITCH ATTACHMENT PEDAL PRESSURE SWITCH NO.1 ATTACHMENT PEDAL PRESSURE SWITCH NO.2 ENGINE COOLANT LEVEL INDICATOR RESTRICTED HYDRAULIC RETURN FILTER INDICATOR RESTRICTED AIR FILTER SWITCH AIR HEATER INDICATOR TRAVEL ALARM SWING PARKING BRAKE SOLENOID TRAVEL SPEED SOLENOID STRAIGHT TRAVEL SOLENOID POWER SHIFT SOLENOID MONITOR BACK-UP SWITCH START SWITCH ENGINE ENGINE SPEED SENSOR MAIN PUMPS GOVERNOR LEVER FEEDBACK SENSOR GOVERNOR ACTUATOR BATTERY ELECTRONIC CONTROL SYSTEM ENGINE AND PUMP CONTROL
  • 30.
    CONNECTOR 2 CONNECTOR1 ENGINE AND PUMP CONTROL
  • 32.
  • 33.
  • 34.
  • 35.
  • 36.
  • 38.
  • 39.
  • 40.
    3 2 154 17 16 15 14 13 12 11 1020 19 18 9 8 7 6 1 2 3 4 5 6 7 8 9 10 11 12 13 14 15 16 17 18 19 20 L. CHASSIS L. BOOM W. INT (6) W. INT (3) TRAVEL MODE SW. AEC MODE SW. ALARM CANCEL SW. +B TRAVEL MODE IND. 1 TRAVEL MODE IND. 2 W. LOW WASH ALARM CANCEL IND. AEC MODE IND GND AUT n/min
  • 42.
    1 2 3 4 87 6 5 12 3 4 5 6 7 8 +B GND F/B ACCEL DECEL KEY ESS -
  • 43.
  • 44.
  • 45.
  • 46.
  • 53.
    1 2 3 4 87 6 5 12 3 4 5 6 7 8 +B GND F/B ACCEL DECEL KEY ESS -
  • 54.
  • 56.
  • 57.
  • 58.
  • 59.
  • 60.
  • 61.
    ENTER PASSWORD 0 00 0 :L / R : + / -
  • 62.
    ENTER PASSWORD F FF 2 :L / R : + / -
  • 63.
  • 64.
  • 65.
  • 66.
  • 67.
  • 68.
  • 69.
  • 70.
  • 71.
    :H / M: + / - ADJUST CLOCK 0 0 0 0
  • 72.
  • 73.
  • 74.
  • 75.
  • 76.
  • 77.
  • 78.
  • 79.
  • 80.
  • 81.
  • 82.
  • 83.
  • 84.
    SERVICE ACTIVE ERROR 01 OF02 69 : 1162 - 04
  • 85.
  • 86.
  • 87.
  • 88.
  • 89.
  • 90.
  • 91.
  • 92.