9C106.101 1
Department Of Technical Education
Andhra Pradesh
Name : J. Ganga Reddy
Designation : Lecturer
Branch : Civil Engineering
Institute : Govt. Polytechnic, Hyderabad
Year/Semester : I Year
Subject : Engineering Mechanics
Subject code : C106
Topic : Shear Force & Bending Moment
Duration : 50 Min
Sub Topic : SFD & BMD for a cantilever subjected to
point loads and UDL
Teaching Aids : PPTs, Animations and Sketches
Revised by : M. Mahesh & J. Ganga Reddy
9C106.101 2
Objectives
On completion of this topic, you will be able to
• Determine shear force
• Determine Bending moment
• Plot S.F. and B.M. values at salient points to draw
shear force diagram (SFD) and bending moment
diagram (BMD)
In the case of a cantilever beam subjected to point loads
and UDL
9C106.101 3
Recap
• SF at any section is the algebraic sum of all the vertical
forces taken either to the left or right of the section
including support reactions
• S.F is taken as positive if it acts towards left in the
upward direction/towards right in the downward direction
• S.F us taken as negative if it acts towards right in the
upward direction/towards left in the downward direction.
9C106.101 4
Recap
• B.M at any section is defined as the algebraic sum of
moments of all vertical forces acting either to the left or
to the right of the section including those of support
reactions
• B.M causing concavity upwards will be taken as positive
and called as sagging bending moment
• B.M causing convexity upwards will be taken as negative
and called as hogging bending moment.
9C106.101 5
Draw the S.F and B.M diagrams for the
cantilever beam shown in below fig
25 KN 18 KN
10 KN/m
E D
2m 2m 2m 2m
C
B
A
9C106.101 6
for the portion BC
S.F. at any section x – x,
Fx = 10 x x = 10 x ---------Linear
S.F at B (at x = 0), FB = 10 x (0) =0
S.F. at C (at x = 2m), FC = 10 x 2 = 20KN

25 KN 18 KN
10 KN/m
E D
2m 2m 2m 2m
C
B
A
x
X
X
X
SHEAR FORCE
9C106.101 7
For the portion CD
S.F. at any section x – x,
Fx = 10 x + 18 --------- Linear
S.F. at C(at x = 2m),
Fc = 10 x 2 + 18 = 38 KN
S.F. at D (at x = 4m),
FD = 10 x 4 + 18 = 58 KN.
25 KN 18 KN
10 KN/m
E D
2m 2m 2m 2m
C
B
A
x
X
X
9C106.101 8
For the portion DE
S.F. at any section x – x,
Fx = 10 x 4+ 18 = 58 KN ---------Constant
 S.F. at D (at x = 4m),
FD = 58 KN
S.F. at E (at x = 6m),
FE = 58 KN
25 KN 18 KN
10 KN/m
E D
2m 2m 2m 2m
C
B
A
x
X
X
9C106.101 9
For the portion EA
S.F. at any section x – x,
Fx = 10 x 4 + 18 + 25 = 83 KN ---------Constant
 S.F. at E (at x = 6m), FE = 83 KN
S.F. at A (at x = 8m), FA = 83 KN
25 KN 18 KN
10 KN/m
E D
2m 2m 2m 2m
C
B
A
x
X
X
9C106.101 10
Bending Moment Diagram (BMD)
In the portion BC
B.M. at any section x – x,
Mx = – 10 x x x = – 5 x2
---------- Parabolic
 B.M. at B (at x = 0), MB = – 5 (0)2
=0
B.M. at C (at x = 2), Mc = – 5 (2)2
= – 20 KN -m
2
x
25 KN 18 KN
10 KN/m
E D
2m 2m 2m 2m
C
B
A
x
X
X
9C106.101 11
In the portion CD
B.M. at any section x – x,
Mx = – 10 x x x – 18(x – 2)
= – 5 x2
–18(x –2) ---------- Parabolic
 B.M. at C (at x = 2m), Mc = – 5 (2)2
– 18(2 – 2)
= – 20KN –m --------as before
B.M. at D (at x = 4m), MD = – 5 (4)2
– 18 (4 – 2)
= – 116 KN -m
2
x
25 KN 18 KN
10 KN/m
E D
2m 2m 2m 2m
C
B
A
x
X
X
9C106.101 12
In the portion DE
B.M. at any section x – x,
Mx = – 10 x 4 x (x –2) – 18(x – 2)
= – 40 (x –2) – 18 (x –2) ------ Linear)
 B.M. at D (at x = 4m), MD = – 40 (4 –2)– 18(4 – 2)
= – 116KN –m
25 KN 18 KN
10 KN/m
E D
2m 2m 2m 2m
C
B
A
x
X
X
9C106.101 13
B.M at E(at x = 6m)
Mx = – 40 (x –2) – 18 (x –2)
ME = – 40 (6 –2) – 18 (6 –2)
= – 160 –72
= – 232 KN –m
9C106.101 14
In the portion EA
B.M. at any section x – x,
Mx = – 10 x 4 (x –2) – 18(x – 2) –25(x – 6)
= – 40 (x –2) – 18 (x –2) –25(x – 6) ------ Linear)
25 KN 18 KN
10 KN/m
E D
2m 2m 2m 2m
C
B
A
x
9C106.101 15
Mx = – 40 (x –2) – 18 (x –2) –25(x – 6)
B.M at E(at x = 6m),
ME = – 40 (6 –2) – 18 (6 –2) –25(6 – 6)
= – 232 KN – m
B.M at A(at x = 8m),
MA = – 40 (8 –2) – 18 (8 –2) –25(8 – 6)
= – 240 – 108 – 50
= – 398 KN – m
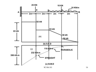
9C106.101 16
25 KN 18 KN
10 KN/m
E D
2m 2m 2m 2m
C
B
A
(-)
232 KN-m
116 KN-m
STRAIGHT
PARABOLIC
398 kN-m
83 kN
83 kN
53 kN
38 kN
20 kN
(+)
(b) S.F.D
(c) B.M.D
9C106.101 17
SUMMARY
In this class, it is discussed
• To calculate S.F and B.M at any section
• To draw SFD and BMD
In the case of cantilever subjected to point loads and UDL

engineering mechanics subjects ppt 12345

  • 1.
    9C106.101 1 Department OfTechnical Education Andhra Pradesh Name : J. Ganga Reddy Designation : Lecturer Branch : Civil Engineering Institute : Govt. Polytechnic, Hyderabad Year/Semester : I Year Subject : Engineering Mechanics Subject code : C106 Topic : Shear Force & Bending Moment Duration : 50 Min Sub Topic : SFD & BMD for a cantilever subjected to point loads and UDL Teaching Aids : PPTs, Animations and Sketches Revised by : M. Mahesh & J. Ganga Reddy
  • 2.
    9C106.101 2 Objectives On completionof this topic, you will be able to • Determine shear force • Determine Bending moment • Plot S.F. and B.M. values at salient points to draw shear force diagram (SFD) and bending moment diagram (BMD) In the case of a cantilever beam subjected to point loads and UDL
  • 3.
    9C106.101 3 Recap • SFat any section is the algebraic sum of all the vertical forces taken either to the left or right of the section including support reactions • S.F is taken as positive if it acts towards left in the upward direction/towards right in the downward direction • S.F us taken as negative if it acts towards right in the upward direction/towards left in the downward direction.
  • 4.
    9C106.101 4 Recap • B.Mat any section is defined as the algebraic sum of moments of all vertical forces acting either to the left or to the right of the section including those of support reactions • B.M causing concavity upwards will be taken as positive and called as sagging bending moment • B.M causing convexity upwards will be taken as negative and called as hogging bending moment.
  • 5.
    9C106.101 5 Draw theS.F and B.M diagrams for the cantilever beam shown in below fig 25 KN 18 KN 10 KN/m E D 2m 2m 2m 2m C B A
  • 6.
    9C106.101 6 for theportion BC S.F. at any section x – x, Fx = 10 x x = 10 x ---------Linear S.F at B (at x = 0), FB = 10 x (0) =0 S.F. at C (at x = 2m), FC = 10 x 2 = 20KN  25 KN 18 KN 10 KN/m E D 2m 2m 2m 2m C B A x X X X SHEAR FORCE
  • 7.
    9C106.101 7 For theportion CD S.F. at any section x – x, Fx = 10 x + 18 --------- Linear S.F. at C(at x = 2m), Fc = 10 x 2 + 18 = 38 KN S.F. at D (at x = 4m), FD = 10 x 4 + 18 = 58 KN. 25 KN 18 KN 10 KN/m E D 2m 2m 2m 2m C B A x X X
  • 8.
    9C106.101 8 For theportion DE S.F. at any section x – x, Fx = 10 x 4+ 18 = 58 KN ---------Constant  S.F. at D (at x = 4m), FD = 58 KN S.F. at E (at x = 6m), FE = 58 KN 25 KN 18 KN 10 KN/m E D 2m 2m 2m 2m C B A x X X
  • 9.
    9C106.101 9 For theportion EA S.F. at any section x – x, Fx = 10 x 4 + 18 + 25 = 83 KN ---------Constant  S.F. at E (at x = 6m), FE = 83 KN S.F. at A (at x = 8m), FA = 83 KN 25 KN 18 KN 10 KN/m E D 2m 2m 2m 2m C B A x X X
  • 10.
    9C106.101 10 Bending MomentDiagram (BMD) In the portion BC B.M. at any section x – x, Mx = – 10 x x x = – 5 x2 ---------- Parabolic  B.M. at B (at x = 0), MB = – 5 (0)2 =0 B.M. at C (at x = 2), Mc = – 5 (2)2 = – 20 KN -m 2 x 25 KN 18 KN 10 KN/m E D 2m 2m 2m 2m C B A x X X
  • 11.
    9C106.101 11 In theportion CD B.M. at any section x – x, Mx = – 10 x x x – 18(x – 2) = – 5 x2 –18(x –2) ---------- Parabolic  B.M. at C (at x = 2m), Mc = – 5 (2)2 – 18(2 – 2) = – 20KN –m --------as before B.M. at D (at x = 4m), MD = – 5 (4)2 – 18 (4 – 2) = – 116 KN -m 2 x 25 KN 18 KN 10 KN/m E D 2m 2m 2m 2m C B A x X X
  • 12.
    9C106.101 12 In theportion DE B.M. at any section x – x, Mx = – 10 x 4 x (x –2) – 18(x – 2) = – 40 (x –2) – 18 (x –2) ------ Linear)  B.M. at D (at x = 4m), MD = – 40 (4 –2)– 18(4 – 2) = – 116KN –m 25 KN 18 KN 10 KN/m E D 2m 2m 2m 2m C B A x X X
  • 13.
    9C106.101 13 B.M atE(at x = 6m) Mx = – 40 (x –2) – 18 (x –2) ME = – 40 (6 –2) – 18 (6 –2) = – 160 –72 = – 232 KN –m
  • 14.
    9C106.101 14 In theportion EA B.M. at any section x – x, Mx = – 10 x 4 (x –2) – 18(x – 2) –25(x – 6) = – 40 (x –2) – 18 (x –2) –25(x – 6) ------ Linear) 25 KN 18 KN 10 KN/m E D 2m 2m 2m 2m C B A x
  • 15.
    9C106.101 15 Mx =– 40 (x –2) – 18 (x –2) –25(x – 6) B.M at E(at x = 6m), ME = – 40 (6 –2) – 18 (6 –2) –25(6 – 6) = – 232 KN – m B.M at A(at x = 8m), MA = – 40 (8 –2) – 18 (8 –2) –25(8 – 6) = – 240 – 108 – 50 = – 398 KN – m
  • 16.
    9C106.101 16 25 KN18 KN 10 KN/m E D 2m 2m 2m 2m C B A (-) 232 KN-m 116 KN-m STRAIGHT PARABOLIC 398 kN-m 83 kN 83 kN 53 kN 38 kN 20 kN (+) (b) S.F.D (c) B.M.D
  • 17.
    9C106.101 17 SUMMARY In thisclass, it is discussed • To calculate S.F and B.M at any section • To draw SFD and BMD In the case of cantilever subjected to point loads and UDL