Overview of our motors




     MA series             M series                     MYG series




     MD series             YVP series                   YEJ2 series




     BM series       MONO PHASE series   MY   MC   ML
TABLE OF CONTENTS

GENERAL INFORMATION                                                                                                         A1 - A3



MA SERIES                                                                   Moveable Feet                                   A4 -A 8
Aluminum triphase squirrel cage induction motors in accordance with IEC/DIN
Frame size 56-132, output 0.06-18.5Kw, IP55, Insulation grade F.




M SERIES                                                                                                                     A9 - A19
Cast-iron triphase phase squirrel cage induction motors in accordance with IEC/DIN
Frame size 63-355, output 0.18-315Kw, IP55, Insulation grade F.




 MD SERIES                                                                                                                  A20 - A21
Cast-iron triphase multi-speed motor




YEJ2 SERIES                                                                                                                      A22
DC brake motor




BM SERIES AC brake motor                                                                                                    A23 - A25
4 Kinds frame size from 71 to 100, Specialized brake disc, no asbestos, with high friction coefficient and long life time
( abrasion wasting <0.15mm by 1300,000 times on-off) AC current brake, quickly response time Low noise & Vibration




MONO PHASE SERIES                                                                                                           A26 - A28
MY --- capacitor running
MC --- capacitor starting
ML --- dual capacitor, starting and running
GENERAL INFORMATION

The Products
     The core of our delivery program consists of:
MA series Aluminum triphase squirrel cage induction motors in accordance with IEC/DIN Frame size 56-132, output 0.06-18.5Kw,
            IP55, Insulation grade F.
M series   Cast-iron triphase squirrel cage induction motors in accordance with IEC/DIN
           Frame size 63-355, output 0.18-315Kw, IP55, Insulation grade F.
MD series Cast-iron triphase multi-speed motor
YEJ2 series DC brake motor
BM series AC brake motor£¨H
MY series Monophase electric motors, aluminum body, Tstar t/Tn=0.35-0.55,capacitor permanent
          Frame size 56-90, output 0.06-2.2Kw, IP55, Insulation grade F
MC series Monophase electric motors, aluminum body, High starting torque, Tstar t/Tn=2.2~3, capacitor start, Frame size 71-112,
          output 0.12-3Kw, IP55, Insulation grade F
ML series Monophase electric motors, aluminum body, High starting & running torque, Tstar t/Tn=2.0~2.2,
           capacitor start / capacitor run, Frame size 71-112, output 0.25-3.7Kw, IP55, Iso F


Site Conditions
                                                                                        o          o
Useful used in most environments and will operate satisfactorily at temperatures from-20 C to +40 C and at altitudes up to 1000 metres
above sea level. For special environmental conditions,please consult our technical department.


Voltage and Frequency
230/400V ¡÷/ Y 50Hz       (PN)/275/480V ¡÷/ Y 60Hz(PN *1.2)
400/690V ¡÷/ Y 50Hz (PN)/480/830V ¡÷/ Y 60Hz(PN *1.2)
Our motors are suitable for a voltage range of+/-5% from the normal value, voltages beyond these limits will cause a high winding
temperature rise.
Other voltages and/or frequencies are available on request.


Terminal box
The terminal box is sealed to IP55 and located on top as standard , By special order the terminal box may be located on the RH or LH
side.


Shaft
The centre bore in the shaft is in accordance with the standard DIN 332 sheet 1-2, form DS.


Balancing
The rotors are dynamically balanced with 1/2 key in the shaft.


Shaft roughness
The shaft is machined and suitable for mounting of V-seal or oil seal, with a roughness of 0.8 or less.


Key and keyway
According to DIN 6885, P1, form A.




                                                                 - A1 -
GENERAL INFORMATION
Type of installation:
Positioning of the motor at the place of work, in relation to the line of axis (horizontal or ver tical) and the fixing devices.
The table shows the most widespread methods of installation in relation the the construction shape.
In conformity with IEC34-7, codes l and ll are given, relative to the two systems of classification used.
The motor identification plate gives the construction shape (IMB3, IMB5, IMB14, IMB34, IMB35, IMB10, IMB9) independently of the
type of installation.

 Type of construction
 with fixing feet
 IMB3


 Code I                            IM B3              IM V5             IM V6             IM B6              IM B7             IM B8
 Code II                          IM 1001            IM 1011           IM 1031           IM 1051            IM 1061           IM 1071
 Type of construction
 with flange with through
 holes on drive side
 FF IMB5

 Code I                            IM B5              IM V1             IM V3
 Code II                          IM 3001            IM 3011           IM 3031
 Type of construction
 with flange with threaded
 holes on drive side
 FT IMB14

 Code I                            IM B14             IM V18            IM V19
 Code II                          IM 3601            IM 3611           IM 3631
 Type of construction
 with fixing feet and
 flange with through holes
 type FF on drive side
 IMB35
 Code I                            IM B35             IM V15            IM V36
 Code II                          IM 2001            IM 2011           IM 2031
 Type of construction
 with fixing feet and flange
 with threaded holes type
 FT on drive side
 IMB34
 Code I                            IM B34             IM V15            IM V36
 Code II                          IM 2101            IM 2111           IM 2131
 Type of construction
 without shield support
 or flange on drive side
 IMB9

 Code I                            IM B9              IM V8             IM V9
 Code II                          IM 9101            IM 9111           IM 9131
 Type of construction
 with special flange
 on drive side
 IMB10


 Code I                            IM B10             IM V10            IM V14
 Code II                          IM 4001            IM 4011           IM 4031


                                                                  - A2 -
GENERAL INFORMATION
Bearings
Our motors are equipped as standard with quality bearings from C&U,NSK,NTN,SKF
All bearings are protected from the external environment with oil seals on the drive and non drive end.
Grease nipple for frame size 180 and up.
Size and type of bearings are given as bellows:

     Frame Size                Poles               Drive End          Non - Drive End
          56                    2-4               6201 ZZ C3            6201 ZZ C3
          63                    2-4               6201 ZZ C3            6201 ZZ C3
          71                    2-6               6202 ZZ C3            6202 ZZ C3
          80                    2-8               6204 ZZ C3            6204 ZZ C3
          90                    2-8               6205 ZZ C3            6205 ZZ C3
         100                    2-8               6206 ZZ C3            6206 ZZ C3
         112                    2-8               6306 ZZ C3            6306 ZZ C3
         132                    2-8               6308 ZZ C3            6308 ZZ C3
         160                    2-8               6309 ZZ C3            6309 ZZ C3
         180                    2-8                6311 C3               6311 C3
         200                    2-8                6312 C3               6312 C3
         225                    2-8                6313 C3               6313 C3
         250                    2-8                6314 C3               6314 C3
                                 2                 6314 C3               6314 C3
         280
                                4-8                6317 C3               6317 C3
                                 2                 6317 C3               6317 C3
         315
                               4-10               NU 319 C3              6319 C3
                                 2                 6319 C3               6319 C3
         355
                               4-10               NU 322 C3             NU 322 C3



Overload capacities
In compliance with IEC34 part 1,all motors can be exposed to the following overload conditions:
    1.5 times the rated current for 2 min.
    1.6 times the rated torque for 15 sec.
Both conditions apply to the rated voltage and rated frequency.

Guarantee
Our guarantee expires after 12 months from date of installation or 18 months after date of shipment, whatever comes first.
It only covers the replacement or repair free of charge of the defective units or parts provided that we admit that said faults
or defects are to be ascribed to manufacturing processes. The customer does not have to feel entitled to cancel or reduce
the outstanding orders because of defective material previously supplied. We will not be responsible for the payment of any
charges related to goods to be replaced or repaired under guarantee. Returns of material will only be accepted if both back
and forth transport charges will be covered by the customer. Our guarantee becomes completely null and void if units result
altered or repaired. For alternation it is included also the application of the motor out of the ambit and circle of our Society.
Our guarantee not cover defects of faults which would be attributed to external factors, insufficient maintenance, overload,
inadequate lubrication, unproper selection, mounting errors or shipping damages being shipment risks and expenses on
behalf of the customer.

We reserve the right to make changes to the performance data and dimensions in this catalogue without notice, This
information is for reference only.
Furthermore we reserve the prohibition to reproduce or publish pages or whole parts of this catalogue without
authorization


                                                                 - A3 -
EFF 2                                                                               MA MOTOR
   GENERAL INTRODUCTION
    MA series three-phase aluminum housing industry motors are made with casting aluminum alloy for the housing, end shields and
 terminal box. The direction of wiring out of terminal box can be rotated at multi direction, the motor feet can be removed and suitable different
 installation ways and apply fields. MA series motors are in conformity with IEC/DIN standards and meet or exceed the efficiency EFF2
 required by EU/CEMEP. fitable for the common sites and concise machineries that have no special requirements including reducers,
 comperessors, pumps, assembling line, packing machines, foodstuff processing machineries, etc. The features and operating conditions
 are as followings:
 ¡ñ Moveable feet                                                             ¡ñ Insulation Class: F, with temperature rise class B

 ¡ñ High accuracy, light weight and beautiful appearance                      ¡ñDuty: Continuous (S1)

 ¡ñ Totally enclosed fan cooled (IC411 in accordance with IEC60034-6) ¡ñ Connection: Star-connection for 3kw or less and
 ¡ñ Rated voltage: 380V, 400V, 415V                                              delta-connection for 4kw or more
                                                                                                                o           o
 ¡ñ Rated Frequency: 50HZ, 60HZ                                               ¡ñ Ambient temperature: -20 C¡Ü         0¡Ü C
                                                                                                                         40
 ¡ñ Protection: IP55                                                          ¡ñ The altitude does not exceed 1000 meters above sea level




 EXPLODED VIEW FOR SPARE PARTS
                                                                                                                      NEW




1. B5 Flange          6. Oil seal (V ring)           11. Bearing            16. Circlip                21. Washer                26. Cable gland
2. Gasket             7. Bolt                        12. Stator             17. Rear Endshield         22. Fan clamp             27. Terminal board
3. B14 Flange         8. Spring Washer               13. Feet               18. Fan                    23. Terminal box lid
4. Frame              9. Front Endshield             14. Nameplate          19. Fan cowl               24. Terminal box base
5. Key                10. Wave washer                15. Rotor              20. Screw                  25. Washer

                                                                     - A4 -
MA MOTOR                                                                                     EFF 2



PERFORMANCE DATA                                                2 POLE. 3000 RPM SYNCHRONOUS SPEED 50Hz
                    OUTPUT       SPEED     IFL    IFL    IFL        EFFICIENCY   POWER FACTOR                      Weight
                                                                                                IST   TST   TMAX
 TYPE                                     380V   400V   415V
              Kw         Hp      r/min   (AMPS) (AMPS) (AMPS)           %           COS ¦µ      IN    TN    TN      (kg)

MA 56 K 2     0.09      0.12     2800    0.323   0.31    0.30         62.0           0.68       6.0   2.2   2.3     3.4
MA 56 G 2     0.12      0.18     2800    0.382   0.36    0.35         67.0           0.71       6.0   2.2   2.3     3.8
MA 63 K 2     0.18      0.25     2800    0.53    0.50    0.49         69.0           0.75       6.0   2.2   2.3     5.2
MA 63 G 2     0.25      0.37     2800    0.67    0.64    0.61         72.0           0.78       6.0   2.2   2.3     5.8
MA 71 K 2     0.37      0.50     2800    0.95     0.9    0.87         73.5           0.80       6.0   2.2   2.3     7.8
MA 71 G 2     0.55      0.75     2800    1.35    1.28    1.24         75.0           0.82       6.0   2.2   2.3     6.5
MA 80 K 2     0.75           1   2840    1.78    1.69    1.63         75.0           0.83       6.0   2.2   2.3    11.5
MA 80 G 2     1.1        1.5     2840    2.49    2.37    2.28         77.0           0.84       7.0   2.2   2.3     12
MA 90 S 2     1.5            2   2840    3.34    3.17    3.06         79.0           0.84       7.0   2.2   2.3    13.5
MA 90 L 2     2.2            3   2840    4.69    4.46    4.29         81.0           0.85       7.0   2.2   2.3     15
MA 100 L 2     3             4   2880    6.14    5.83    5.62         83.0           0.87       7.5   2.2   2.3     25
MA 112 M 2     4         5.5     2890    7.83    7.44    7.17         85.0           0.88       7.5   2.2   2.3     28
MA 132 S 2    5.5        7.5     2900     10.7   10.17   9.80         86.0           0.88       7.5   2.2   2.3     39
MA 132 SX 2   7.5        10      2900     14.2   13.49   13.00        87.0           0.88       7.5   2.2   2.3     41
MA 160 M 2    11         15      2930    20.9    19.9    19.2         88.7           0.90       7.5   2.2   2.3     69
MA 160 MX 2   15         20      2930    28.3    26.9    25.9         89.5           0.90       7.5   2.2   2.3     78
MA 160 L 2    18.5       25      2930    34.1    32.4    31.2         90.5           0.91       7.5   2.2   2.3     90



PERFORMANCE DATA                                                4 POLE. 1500 RPM SYNCHRONOUS SPEED 50Hz
                    OUTPUT       SPEED     IFL    IFL    IFL        EFFICIENCY   POWER FACTOR                      Weight
                                                                                                IST   TST   TMAX
 TYPE                                     380V   400V   415V
              Kw         Hp      r/min   (AMPS) (AMPS) (AMPS)           %           COS ¦µ      IN    TN    TN      (kg)

MA 56 K 4     0.06      0.09     1400    0.28    0.27    0.26         56.0           0.58       6.0   2.2   2.3     3.3
MA 56 G 4     0.09      0.12     1400    0.385   0.37    0.35         58.0           0.61       6.0   2.2   2.3     3.5
MA 63 K 4     0.12      0.18     1400    0.48    0.46    0.44         60.0           0.63       6.0   2.2   2.3     4.2
MA 63 G 4     0.18      0.25     1400    0.65    0.62    0.60         64.0           0.66       6.0   2.2   2.3     4.5
MA 71 K 4     0.25      0.37     1400    0.83    0.79    0.76         67.3           0.68       6.0   2.2   2.3      6
MA 71 G 4     0.37      0.50     1400    1.12    1.06    1.03          70            0.72       6.0   2.2   2.3     6.3
MA 80 K 4     0.55      0.75     1400    1.54    1.46    1.41         71.8           0.75       5.2   2.4   2.3      8
MA 80 G 4     0.75           1   1400    1.99    1.89    1.82         73.5           0.76       6.0   2.3   2.3     9.2
MA 90 S 4     1.1        1.5     1400     2.8    2.66    2.56         76.5           0.77       6.0   2.3   2.3     11
MA 90 L 4     1.5            2   1400    3.65    3.47    3.34         78.6           0.79       6.0   2.3   2.3     14
MA 100 L 4    2.2            3   1420    5.05    4.80    4.62          82            0.81       7.0   2.3   2.3    19.2
MA 100 LX 4    3             4   1420    6.64    6.31    6.08          83            0.82       7.0   2.3   2.3    22.5
MA 112 M 4     4         5.5     1440    8.62    8.19    7.89          85            0.82       7.0   2.3   2.3    28.5
MA 132 S 4    5.5        7.5     1440     11.5   10.93   10.53        86.6           0.83       7.0   2.3   2.3     40
MA 132 M 4    7.5        10      1440     15.3   14.54   14.01        87.6           0.84       7.0   2.3   2.3     47
MA 160 M 4    11         15      1460    22.2    21.1    20.3         88.5           0.85       7.0   2.3   2.3     78
MA 160 L 4    15         20      1460    29.8    28.3    27.3         89.9           0.85       7.0   2.3   2.3     90



                                                           - A5 -
EFF 2                                                                   MA MOTOR

PERFORMANCE DATA                                               6 POLE. 1000 RPM SYNCHRONOUS SPEED 50Hz
                    OUTPUT       SPEED     IFL    IFL    IFL       EFFICIENCY   POWER FACTOR                      Weight
                                                                                               IST   TST   TMAX
 TYPE                                     380V   400V   415V
              Kw          Hp     r/min   (AMPS) (AMPS) (AMPS)          %           COS ¦µ      IN    TN    TN      (kg)

MA 71 K 6     0.18       0.25    900     0.79    0.75   0.72         57.0           0.66       4.0   1.9   2.0      6

MA 71 G 6     0.25       0.37    900     0.97    0.92   0.89         60.0           0.68       4.0   1.9   2.0     6.3

MA 80 K 6     0.37       0.50    900     1.27    1.21   1.16         63.0           0.70       4.7   1.9   2.0     8.5

MA 80 G 6     0.55       0.75    900     1.74    1.65   1.59         66.0           0.72       4.7   1.9   2.1     9.6

MA 90 S 6     0.75           1   910     2.23    2.12   2.04         70.0           0.72       5.5   2.0   2.1     13

MA 90 L 6     1.1        1.5     910      3.1    2.95   2.84         73.3           0.73       5.5   2.0   2.1     14

MA 100 L 6    1.5            2   940      3.89   3.7    3.56         77.5           0.75       5.5   2.0   2.1     18

MA 112 M 6    2.2            3   940      5.46   5.19   5.0          80.0           0.76       6.5   2.0   2.1    24.5

MA 132 S 6     3             4   960      7.1    6.75   6.50         82.0           0.76       6.5   2.1   2.1     39

MA 132 M 6     4         5.5     960      9.3    8.84   8.52         83.0           0.76       6.5   2.1   2.1    41.5

MA 132 MX 6   5.5        7.5     960     12.5    11.9   11.5         85.4           0.78       6.5   2.1   2.1     55

MA 160 M 6    7.5        10      970      16.8   16.0   15.4         87.0           0.78       6.5   2.1   2.1     78

MA 160 L 6    11         15      970      23.7   22.5   21.7         88.3           0.80       6.5   2.1   2.1     90




PERFORMANCE DATA                                               8 POLE. 800 RPM SYNCHRONOUS SPEED 50Hz

                    OUTPUT       SPEED     IFL    IFL    IFL       EFFICIENCY   POWER FACTOR                      Weight
                                                                                               IST   TST   TMAX
 TYPE                                     380V   400V   415V
              Kw          Hp     r/min   (AMPS) (AMPS) (AMPS)          %           COS ¦µ      IN    TN    TN      (kg)

MA 80 K 8     0.18       0.25    690     0.86    0.82   0.79         52.0           0.61       3.3   1.8   1.9     10

MA 80 G 8     0.25       0.37    690     1.14    1.08   1.04         54.6           0.61       3.3   1.8   1.9     11

MA 90 S 8     0.37       0.50    690     1.47    1.4    1.35         62.8           0.61       4.0   1.8   1.9     13

MA 90 L 8     0.55       0.75    690      2.1    2.0    1.92         63.5           0.61       4.0   1.8   2.0     14

MA 100 L 8    0.75           1   700      2.34   2.22   2.14         72.1           0.67       4.0   1.8   2.0     23

MA 100 LX 8   1.1        1.5     700     3.22    3.06   2.95         74.0           0.69       5.0   1.8   2.0     25

MA 112 M 8    1.5            2   700      4.41   4.19   4.04         76.0           0.69       5.0   1.8   2.0     28

MA 132 S 8    2.2            3   710      6.0    5.7    5.49         79.2           0.71       6.0   1.8   2.0     45

MA 132 M 8     3             4   710      7.6    7.22   6.96         80.0           0.73       6.0   1.8   2.0     55

MA 160 M 8     4         5.5     720      10.0   9.5    9.2          82.0           0.74       6.0   1.9   2.0     69

MA 160 MX 8   5.5        7.5     720     13.3    12.6   12.1         84.0           0.75       6.0   2.0   2.0     78

MA 160 L 8    7.5        10      720      17.6   16.8   16.2         86.1           0.75       6.0   2.0   2.0     90



                                                          - A6 -
MA MOTOR                                                                                                     EFF 2


MA56-160 IMB3




MA56-160 IMB5/B35




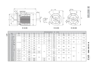
Frame    A   AB    AC    AD    B         C               D         DH          E       F    G     H    K      KK      L    M    N   P    S     T

MA56     90 115    110   100   71   36              9             M4x12 20             3    7.2   56   5.8 1-M20x1.5 170   100 80   120 ¨ 7    3
                                                         +0.008
MA63     100 135   130   115   80   40              11   -0.003   M4x12 23 ¡À
                                                                            0.26       4    8.5   63   7   1-M20x1.5 225   115 95   140 ¨ 10   3

MA71     112 150   145   120   90   45              14            M5x12 30             5    11    71   7   1-M20x1.5 250   130 110 160 ¨ 10 3.5
                                              1.5
                                             ¡À
MA80     125 165   175   145 100    50              19            M6x16 40             6 15.5 80       10 1-M25x1.5 295    165 130 200 ¨ 12 3.5

MA90S    140 180   195   155 100    56              24            M8x19 50 ¡À
                                                                            0.31       8    20    90   10 1-M25x1.5 315    165 130 200 ¨ 12 3.5
                                                         +0.009
MA90L    140 180   195   155 125    56              24            M8x19 50             8    20    90   10 1-M25x1.5 340    165 130 200 ¨ 12 3.5
                                                         -0.004
MA100L   160 205   215   180 140    63              28            M10x22 60            8    24 100     12 1-M32x1.5 385    215 180 250 ¨ 15    4

MA112M   190 230   240   190 140    70              28            M10x22 60            8    24 112     12 2-M32x1.5 400    215 180 250 ¨ 15    4
                                              2.0
                                             ¡À                                ¡À
                                                                                0.37
MA132S   216 270   275   210 140    89              38            M12x28 80            10   33 132     12 2-M32x1.5 470    265 230 300 ¨ 15    4

MA132M   216 270   275   210 178    89              38 +0.018 M12x28 80                10   33 132     12 2-M32x1.5 510    265 230 300 ¨ 15    4

MA160M   254 320   330   255 210 108                42 +0.002 M16x36 110               12   37 160     15 2-M40x1.5 615    300 250 350 ¨ 19    5
                                              3.0
                                             ¡À                                 0.43
                                                                               ¡À
MA160L   254 320   330   255 254 108                42            M16x36 110           12   37 160     15 2-M40x1.5 670    300 250 350 ¨ 19    5



                                                                        - A7 -
EFF 2                                                                             MA MOTOR
 MA56-160 IMB14A




 MA56-132 IMB14B




MA56-160 B14A . B14B
                                                                                                  B14A                     B14B
Frame    AC    AD         D         DH            E        F     G       KK       L
                                                                                        M    N    P      S   T    M    N    P     S   T
MA56     110   100   9             M4x12    20             3    7.2   1-M20x1.5   170   65   50   80     M5 2.5   85   70 105 M6 2.5
                          +0.008
MA63     130   115   11            M4x12    23    ¡À0.26   4    8.5   1-M20x1.5   225   75   60   90     M5 2.5   85   70 105 M6 2.5
                          -0.003
MA71     145   120   14            M5x12    30             5    11    1-M20x1.5   250   85   70 105 M6 2.5        115 95 140 M8       3

MA80     175   145   19            M6x16    40             6    15.5 1-M25x1.5    295   100 80 120 M6        3    130 110 160 M8 3.5

MA90S    195   155   24            M8x19    50    ¡À0.31   8    20    1-M25x1.5   315   115 95 140 M8        3    130 110 160 M8 3.5
                          +0.009
MA90L    195   155   24            M8x19    50             8    20    1-M25x1.5   340   115 95 140 M8        3    130 110 160 M8 3.5
                          -0.004
MA100L   215   180   28            M10x22   60             8    24    1-M32x1.5   385   130 110 160 M8 3.5        165 130 200 M10 3.5

MA112M   240   190   28            M10x22   60             8    24    2-M32x1.5   400   130 110 160 M8 3.5        165 130 200 M10 3.5
                                                  ¡À0.37
MA132S   272   210   38            M12x28   80             10   33    2-M32x1.5   470   165 130 200 M10 3.5       215 180 250 M12     4

MA132M   272   210   38   +0.018   M12x28   80             10   33    2-M32x1.5   510   165 130 200 M10 3.5       215 180 250 M12     4
                          +0.002
MA160M   330   255   42            M16x36   110            12   37    2-M40x1.5   615   215 180 250 M12      4    -    -    -     -   -
                                                  ¡À0.43
MA160L   330   255   42            M16x36   110            12   37    2-M40x1.5   670   215 180 250 M12      4    -    -    -     -   -



                                                           - A8 -
EFF 2                                                                      M MOTOR
PERFORMANCE DATA
Synchronous Speed 3000 r/min (2 poles) 400V/50Hz
                    Rated                                                      Locked    Locked    Max.
                    Output                      Full Load                      Current   Torque   Torque    Moment       Weight
                                                                                                            of Interia
   TYPE                             Current   Speed         Eff       Power     Rated     Rated     Rated
                                                                                                            J=1/4GD2
             Kw              Hp     in 400V                           Factor   Current   Torque    Torque                 kg
                                        A     r/min         %         cos ¦Õ                                  kgm2
                                                                               Ist/In    Tst/TN   Tmax/TN

M 63 K 2     0.18            0.25    0.50     2800          66        0.80       5.5      2.2       2.2      0.0003       14

M 63 G 2     0.25            0.33    0.66     2800          69        0.81       5.5      2.2       2.2      0.0004      14.5

M 71 K 2     0.37            0.50    0.94     2800          71        0.81       6.1      2.2       2.2     0.00055       15

M 71 G 2     0.55            0.75    1.33     2800          74        0.82       6.1      2.2       2.3      0.0006      15.5

M 80 K 2     0.75             1      1.74     2845          75        0.83       6.1      2.2       2.3      0.0008      16.5

M 80 G 2     1.1             1.5     2.45     2840          77        0.84       7.0      2.2       2.3      0.001       17.5

M 90 S 2     1.5              2      3.26     2840          79        0.84       7.0      2.2       2.3     0.00014       21

M 90 L 2     2.2              3      4.61     2840          81        0.85       7.0      2.2       2.3      0.0015       25

M 100 L 2     3               4      6.0      2860          83        0.87       7.5      2.2       2.3      0.0035       33

M 112 M 2     4              5.5     7.72     2880          85        0.88       7.5      2.2       2.3      0.0065       41

M 132 S 2    5.5             7.5     10.2     2900          86        0.88       7.5      2.2       2.3      0.0126       57

M 132 SX 2   7.5             10      14.0     2900          87        0.88       7.5      2.2       2.3      0.0146       63

M 160 M 2     11             15      19.9     2930          88        0.89       7.5      2.2       2.3      0.0461       102

M 160 MX 2    15             20      26.5     2900          89        0.89       7.5      2.2       2.3      0.0553       113

M 160 L 2    18.5            25      32.2     2930          90        0.90       7.5      2.2       2.3      0.0679       128

M 180 M 2     22             30      38.5     2940          90        0.90       7.5      2.0       2.3      0.0828       164

M 200 L 2     30             40      52.1     2950          91.2      0.90       7.5      2.0       2.3      0.129        213

M 200 LX 2    37             50      63.3     2950          92        0.90       7.5      2.0       2.3      0.151        237

M 225 M 2     45             60      77.0     2970          92.3      0.90       7.5      2.0       2.3      0.237        283

M 250 M 2     55             75      94.6     2970          92.5      0.90       7.5      2.0       2.3      0.354        362

M 280 S 2     75             100    126.6     2970          93        0.90       7.5      2.0       2.3      0.546        487

M 280 M 2     90             125    150.3     2970          93.8      0.91       7.5      2.0       2.3      0.621        558

M 315 S 2    110             150    185.3     2980          94        0.91       7.1      1.8       2.2       1.35        882

M 315 M 2    132             180    220.0     2980          94.5      0.91       7.1      1.8       2.2       1.5         972

M 315 L 2    160             220    265.6     2980          94.6      0.92       7.1      1.8       2.2       1.67       1044

M 315 LX 2   200             270    330.3     2980          94.8      0.92       7.1      1.8       2.2       3.32       1071

M 355 M 2    250             340     412      2980          95.3      0.92       7.1      1.6       2.2       2.56       1900

M 355 L 2    315             420     517      2980          95.6      0.92       7.1      1.6       2.2       3.34       2300



                                                            - A10 -
M MOTOR                                                                                     EFF 2


PERFORMANCE DATA                      Synchronous Speed 1500 r/min (4 poles) 400V/50Hz
                      Rated                                                       Locked    Locked    Max.
                      Output                       Full Load                      Current   Torque   Torque    Moment       Weight
                                                                                                               of Interia
  TYPE                                 Current   Speed         Eff       Power     Rated     Rated     Rated
                                                                                                               J=1/4GD2
               Kw               Hp     in 400V                           Factor   Current   Torque    Torque                 kg
                                           A     r/min         %         cos ¦Õ                                  kgm2
                                                                                  Ist/In    Tst/TN   Tmax/TN

M 63 K 4       0.12            0.16     0.42     1320          57        0.72       2.1      4.4      2.2      0.00009       13

M 63 G 4       0.18            0.25     0.52     1320          70        0.72       3.6      2.4      2.5      0.00010      13.5

M 71 K 4       0.25            0.33     0.73     1350          70.6      0.70       4.1      2.5      3.0      0.0011        14

M 71 G 4       0.37            0.50      1       1340          71        0.75       4.1      2.5      3.1      0.0012       14.5

M 80 K 4       0.55            0.75     1.4      1390          72.8      0.75       5.3      2.5      2.5      0.0013        15

M 80 G 4       0.75             1       1.91     1380          74.4      0.76       6.0      2.3      2.3      0.0013        16

M 90 S 4       1.1             1.5      2.71     1390          76.2      0.77       6.0      2.3      2.3       0.002        23

M 90     L 4   1.5              2       3.49     1390          78.5      0.79       6.0      2.3      2.3      0.0027        25

M 100 L 4      2.2              3       4.84     1410          81        0.81       7.0      2.3      2.3      0.0062        33

M 100 LX 4      3               4       6.39     1410          82.6      0.82       7.0      2.3      2.3      0.0070        35

M 112 M 4       4              5.5      8.36     1435          84.2      0.82       7.0      2.3      2.3      0.0119        41

M 132 S 4      5.5             7.5      10.9     1400          85        0.83       7.0      2.3      2.3      0.0251        61

M 132 M 4      7.5             10       14.5     1440          87        0.84       7.0      2.3      2.3       0.034        73

M 160 M 4      11              15       21.1     1460          88        0.84       7.0      2.2      2.3      0.0870       115

M 160 L 4      15              20       28.3     1460          89        0.85       7.5      2.2      2.3      0.1078       132

M 180 M 4      18.5            25       34.3     1470          90.5      0.86       7.5      2.2      2.3      0.1528       159

M 180 L 4      22              30       40.5     1470          91        0.86       7.5      2.2      2.3      0.1557       172

M 200 L 4      30              40       54.3     1470          92        0.86       7.2      2.2      2.3      0.2564       234

M 225 S 4      37              50       66.1     1480          92.5      0.87       7.2      2.2      2.3      0.4365       268

M 225 M 4      45              60       79.8     1480          92.8      0.87       7.2      2.2      2.3      0.5458       302

M 250 M 4      55              75       97.8     1480          93        0.87       7.2      2.2      2.3      0.7293       383

M 280 S 4      75              100     131.1     1480          93.8      0.87       7.2      2.2      2.3        1.26       550

M 280 M 4      90              125     157.3     1480          94.2      0.87       7.2      2.2      2.3        1.65       614

M 315 S 4      110             150     190.2     1490          94.5      0.88       6.9      2.1      2.2        1.98       893

M 315 M 4      132             180     227.1     1490          94.8      0.88       6.9      2.1      2.2        2.61       990

M 315 L 4      160             220     273.6     1490          94.9      0.89       6.9      2.1      2.2        3.25       1045

M 315 LX 4     200             270      341      1490          95.0      0.89       6.9      2.1      2.2        3.86       1192

M 355 M 4      250             340      421      1490          95.3      0.90       6.9      2.1      2.2        6.42       1700

M 355 L 4      315             420      528      1490          95.6      0.90       6.9      2.1      2.2        7.95       1900



                                                               - A11 -
EFF 2                                                                       M MOTOR
PERFORMANCE DATA                      Synchronous Speed 1000 r/min (6 poles) 400V/50Hz
                      Rated                                                       Locked    Locked    Max.
                      Output                       Full Load                      Current   Torque   Torque    Moment       Weight
                                                                                                               of Interia
  TYPE                                 Current   Speed         Eff       Power     Rated     Rated     Rated
                                                                                                               J=1/4GD2
               Kw               Hp     in 400V                           Factor   Current   Torque    Torque                 kg
                                           A     r/min         %         cos ¦Õ                                  kgm2
                                                                                  Ist/In    Tst/TN   Tmax/TN

M 71     K 6   0.18            0.25     0.70     900           57        0.66       4.0      1.9      2.0      0.0011        14

M 71 G 6       0.25            0.33     0.90     900           60        0.68       4.0      1.9      2.0      0.0014       14.5

M 80     K 6   0.37            0.50     1.24     900           66.5      0.70       4.7      1.9      2.0      0.0016        15

M 80 G 6       0.55            0.75     1.70     900           68.2      0.66       4.7      1.9      2.1      0.0019        16

M 90 S 6       0.75             1       2.12     910           71        0.72       5.5      2.0      2.1      0.0033        19

M 90     L 6   1.1             1.5      2.98     910           73        0.73       5.5      2.0      2.1      0.0040        22

M 100 L 6      1.5              2       3.85     920           76        0.75       5.5      2.0      2.1      0.0082        32

M 112 M 6      2.2              3       5.36     935           79        0.76       6.5      2.0      2.1      0.0147        41

M 132 S 6       3               4       6.7      960           81        0.76       6.5      2.1      2.1      0.0343        53

M 132 M 6       4              5.5      8.8      960           82        0.76       6.5      2.1      2.1      0.0429        61

M 132 MX 6     5.5             7.5      11.7     960           84        0.77       6.5      2.1      2.1      0.0543        70

M 160 M 6      7.5             10       15.9     970           86        0.77       6.5      2.0      2.1      0.1003       101

M 160 L 6      11              15       22.4     970           87.5      0.78       6.5      2.0      2.1      0.1336       120

M 180 L 6      15              20       29.2     970           89        0.81       7.0      2.0      2.1      0.2332       170

M 200 L 6      18.5            25       35.8     970           90.0      0.81       7.0      2.1      2.1      0.3532       187

M 200 LX 6     22              30      41.90     970           90.1      0.83       7.0      2.1      2.1      0.3401       210

M 225 M 6      30              40      55.50     980           91.5      0.84       7.0      2.0      2.1      0.5793       288

M 250 M 6      37              50      66.90     980           92.0      0.86       7.0      2.1      2.1      0.9524       367

M 280 S 6      45              60      81.10     980           92.5      0.86       7.0      2.1      2.0        1.31       483

M 280 M 6      55              75      98.10     980           92.8      0.86       7.0      2.1      2.0        1.54       550

M 315 S 6      75              100     133.2     990           93.5      0.86       7.0      2.0      2.0        3.55       930

M 315 M 6      90              125     158.70    990           93.8      0.86       7.0      2.0      2.0        4.17       950

M 315 L 6      110             150     192.2     990           94.0      0.86       6.7      2.0      2.0        5.10       1092

M 315 LX 6     132             180     230.2     990           94.2      0.87       6.7      2.0      2.0        6.17       1150

M 355 M 6      160             220     276.5     990           94.9      0.88       6.7      1.9      2.0        7.29       1550

M 355 MX 6     200             270     346.4     990           94.7      0.88       6.7      1.9      2.0        8.67       1600

M 355 L    6   250             340      433      990           94.7      0.88       6.7      1.9      2.0       11.04       1700


                                                               - A12 -
M MOTOR                                                                                     EFF 2



PERFORMANCE DATA                      Synchronous Speed 750 r/min (8 poles) 400V/50Hz
                      Rated                                                       Locked    Locked    Max.
                      Output                       Full Load                      Current   Torque   Torque    Moment
                                                                                                                            Weight
                                                                                                               of Interia
  TYPE                                 Current   Speed         Eff       Power     Rated     Rated     Rated
               Kw               Hp     in 400V                           Factor   Current   Torque    Torque   J=1/4GD2      kg
                                           A     r/min         %         cos ¦Õ   Ist/In    Tst/TN   Tmax/TN     kgm2
M 80     K 8   0.18            0.25      0.84    690           52         0.61      3.3       1.8       1.9    0.0025        22
M 80 G 8       0.25            0.33     1.09     690           54.6      0.61       3.3      1.8      1.9       0.003        24
M 90 S 8       0.37            0.50     1.42     690           62.8      0.61       4.0      1.8      1.9      0.0051        26
M 90     L 8   0.55            0.75     2.06     690           63.5      0.61       4.0      1.8      2.0      0.0065        28
M 100 L 8      0.75             1       2.3      680           71.0      0.67       4.0      1.8      2.0      0.00576       30
M 100 LX 8     1.1             1.5      3.2      680           73.0      0.69       5.0      1.8      2.0      0.00716       32
M 112 M 8      1.5              2       4.2      690           75.0      0.69       5.0      1.8      2.0      0.01263       40
M 132 S 8      2.2              3       5.7      710           78.0      0.71       6.0      1.8      2.0      0.03489       56
M 132 M 8       3               4       7.2      710           79.0      0.73       6.0      1.8      2.0      0.04372       71
M 160 M 8       4              5.5      9.5      720           81.0      0.73       6.0      1.9      2.0      0.07846       97
M 160 MX 8     5.5             7.5      12.6     720           83.0      0.74       6.0      2.0      2.0       0.101       106
M 160 L 8      7.5             10       16.9     720           85.5      0.75       6.0      2.0      2.0       0.134       126
M 180 L 8      11              15       23.7     730           87.5      0.76       6.6      2.0      2.0      0.2181       168
M 200 L 8      15              20       31.6     730           88.0      0.76       6.6      2.0      2.0      0.3579       220
M 225 S 8      18.5            25       38.1     730           90.0      0.76       6.6      1.9      2.0      0.5172       226
M 225 M 8      22              30       44.5     740           90.5      0.78       6.6      1.9      2.0       0.616       248
M 250 M 8      30              40       59.9     740           91.0      0.79       6.6      1.9      2.0       0.838       344
M 280 S 8      37              50       72.4     740           91.5      0.79       6.6      1.9      2.0        1.56       468
M 280 M 8      45              60       87.9     740           92.0      0.79       6.6      1.9      2.0        1.86       503
M 315 S 8      55              75      104.9     740           92.8      0.81       6.6      1.8      2.0        3.37       900
M 315 M 8      75              100     140.7     740           93.0      0.81       6.6      1.8      2.0        4.5        980
M 315 L 8      90              125     168.7     740           93.8      0.82       6.6      1.8      2.0        5.3        1100
M 315 LX 8     110             150     205.0     740           94.0      0.82       6.4      1.8      2.0        6.2        1120
M 355 M 8      132             180     246.1     740           94.4      0.82       6.4      1.8      2.0        9.51       2000
M 355 MX 8     160             220     297.4     740           94.7      0.82       6.4      1.8      2.0        10.8       2150
M 355 L 8      200             270      369      745           94.8      0.84       6.4      1.8      2.0        12.3       2250



PERFORMANCE DATA                      Synchronous Speed 600 r/min (10 poles) 400V/50Hz
                      Rated                                                       Locked    Locked    Max.
                      Output                       Full Load                      Current   Torque   Torque    Moment
                                                                                                                            Weight
                                                                                                               of Interia
  TYPE                                 Current   Speed         Eff       Power     Rated     Rated     Rated
                                                                                                               J=1/4GD2
               Kw               Hp     in 400V                           Factor   Current   Torque    Torque                 kg
                                           A     r/min          %        cos ¦Õ   Ist/In    Tst/TN   Tmax/TN     kgm2
M 315 S 10     45              60        99.6    590           91.5       0.75      6.2       1.5       2.0      5.1        818
M 315 M 10     55              75      121.1     590           92.0      0.75       6.2      1.5      2.0        6.1        928
M 315 L 10     75              100     162.1     590           92.5      0.76       6.2      1.5      2.0        6.9        1080
M 315 LX 10    90              125      191      590           93.0      0.77       6.2      1.5      2.0        7.2        1200
M 355 M 10     110             150      219      590           93.2      0.78       6.0      1.3      2.0        12.5       1800
M 355 MX 10    132             180      261      590           93.5      0.78       6.0      1.3      2.0        13.7       2000
M 355 L 10     160             220      317      590           93.5      0.78       6.0      1.3      2.0        14.8       2500


                                                               - A13 -
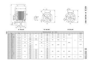
M 63-90                        M 100-355                        M 63-355

                                                                       Dimensions in mm
              Type               Poles          A    AB    AC    B        C       D     DA     E     EA    H          HD     K     L
          M    63                2/4           100   135   130   80       40     11j6   11j6   23    23    63         180         230
                                                                                                                             7
          M    71               2/4/6          112   150   145   90       45     14j6   14j6   30    30    71         195         255
          M    80    K /G                      125   165   175            50     19j6   19j6   40    40    80         220         295
                                                                 100
          M    90    S                                                                                                       10   320
                                               140   180   195            56     24j6   24j6   50    50    90         250
          M    90    L                                           125                                                              345
          M   100    L/LX                      160   205   215            63                               100        270         385
                                                                                 28j6   28j6   60    60
- A14 -




          M   112    M                         190   230   240   140      70                               112        300         400
                                                                                                                             12
          M   132    S/SX   2/4/6/8                                                                                               470
                                               216   270   275            89     38k6   38k6   80    80    132        345
          M   132    M                                           178                                                              510




                                                                                                                                          M 63-355: IMB3
          M   160    M/MX                                        210                                                              615
                                               254   320   330            108    42k6   42k6               160        420
          M   160    L                                           254                                                              670
                                                                                                                             15
          M   180    M                                           241                                                              700
                                               279   355   380            121    48k6   48k6   110         180        455
          M   180    L                                           279                                                              740
          M   200    L/LX           2                                                   48k6
                                               318   395   420   305      133    55m6                      200        505         770
          M   200    L/LX       4/6/8
                                                                                        55m6
          M   225    S            4/8                            286             60m6          140   110                     19   815
          M   225    M              2          356   435   470            149    55m6   48k6   110         225        560         820
                                                                 311
          M   225    M          4/6/8                                                                                             845
                                                                                 60m6
          M   250    M              2
                                               406   490   510   349      168           55m6               250        615         910
          M   250    M          4/6/8
                                                                                 65m6
          M   280    S              2
                                                                 368                                                         24   985
          M   280    S          4/6/8                                            75m6   60m6   140   140
                                               457   550   580            190                              280        680




                                                                                                                                         M MOTOR
          M   280    M              2                                            65m6   55m6         110
                                                                 419                                                              1035
          M   280    M          4/6/8                                            75m6   60m6
                                                                                                     140
          M   315    S              2                                            65m6   65m6                                      1160
                                                                 406
          M   315    S      4   / 6 / 8 / 10                                     80m6   80m6   170   170                          1270
          M   315    M              2                                     216    65m6   65m6   140   140                          1190
                                               508   635   645   457                                       315        845
          M   315    M      4   / 6 / 8 / 10                                     80m6   80m6   170   170                          1300
          M   315    L/LX           2                                            65m6   65m6   140   140                          1190
                                                                 508                                                         28
          M   315    L/LX   4   / 6 / 8 / 10                                     80m6   80m6   170   170                          1300
          M   355    M              2                                            75m6   75m6   140   140                          1500
          M   355    M      4   / 6 / 8 / 10                                     75m6   95m6   170   170                          1530
                                               610   730   710   630      254                              355        1010
          M   355    L              2                                            75m6   75m6   140   140                          1500
          M   355    L      4   / 6 / 8 / 10                                     95m6   95m6   170   170                          1530
M MOTOR
                                                                                                                                                                          M 80-315 : Shaft dimensions & Terminal box EFF 2
                             Drive-end shaft                                  Non drive-end shaft                                 Terminal box

                                                                             Dimensions in mm
               Type             Poles          D     E     F     G     DB     GD   DA      EA       FA    GB    DC    GF   Eye Bolt    Outlet Hole      X    Y      Z
          TM     80   K/G                     19j6   40    6    15.5   M6      6   19j6    40        6   15.5   M6    6                                99    99    50
          TM     90   S                                                                                                      NO       1 x M 20 x 1.5
                                              24j6   50         20     M8          24j6    50            20     M8
          TM     90   L                                                                                                                                106   106   57
- A15 -




                                                           8                  7                     8                 7
          TM    100   L/LX                                                                                                            1 x M 32 x 1.5
                                              28j6   60         24     M10         28j6    60            24     M10          M8
          TM    112   M
          TM    132   S/SX   2/4/6/8                                                                                                  2 x M 32 x 1.5   115   122   65
                                              38k6   80    10   33     M12         38k6    80       10   33     M12         M10
          TM    132   M
                                                                              8                                       8
          TM    160   M/MX
                                              42k6         12   37                 42k6             12   37
          TM    160   L
                                                                       M16                                                  M12       2 x M 40 x 1.5   152   162   75
          TM    180   M                       48k6                                                              M16
                                                     110   14   42.5          9    48k6
          TM    180   L                                                                             14   42.5         9
          TM    200   L/LX         2                                               48k6
                                              55m6         16   49            10
          TM    200   L/LX     4/6/8
                                                                                   55m6   110       16   49     M20   10
          TM    225   S          4/8          60m6   140   18   53            11                                            M16       2 x M 50 x 1.5   190   210   101
          TM    225   M            2          55m6   110   16   49            10   48k6             14   42.5   M16   9
          TM    225   M        4/6/8                                                                16
                                              60m6              53
          TM    250   M            2
                                                           18                 11   55m6                  49           10
          TM    250   M        4/6/8
                                              65m6              58
          TM    280   S            2
                                                     140                                                                    M20                        217   248   124
          TM    280   S        4 /6 / 8       75m6         20   67.5   M20    12   60m6   140       18   53           11
          TM    280   M            2          65m6         18    58           11   55m6   110       16   49           10
          TM    280   M        4/6/8          75m6         20   67.5          12   60m6                  53     M20                   2 x M 63 x 1.5
                                                                                          140       18                11
          TM    315   S            2          65m6         18    58           11   65m6                  58
          TM    315   S      4 / 6 / 8 / 10   80m6   170   22    71           14   80m6   170       22   71           14
          TM    315   M            2          65m6   140   18    58           11   65m6   140       18   58           11
                                                                                                                            M30                        281   319   174
          TM    315   M      4 / 6 / 8 / 10   80m6   170   22    71           14   80m6   170       22   71           14
          TM    315   L/LX         2          65m6   140   18    58           11   65m6   140       18   58           11
          T1    315   L/LX   4 / 6 / 8 / 10   80m6   170   22    71           14   80m6   170       22   71           14
EFF 2 M 63-355: IMB35
                                          M 63-355                                               M 63-200                            M 225-355
                                                                              Dimensions in mm
              Type             Poles           A     AB    AC     B    C      D      DA    E        EA      H     HD     K     L       M      N      P     S     T
          M     63              2/4           100    135   130   80    40    11j6   11j6   23       23      63    180         230     115     95    140
                                                                                                                         7                                4O10   3
          M     71             2 / 4 /6       112    150   145   90    45    14j6   14j6   30       30      71    195         255     130    110    160
          M     80   K/G                      125    165   175         50    19j6   19j6   40       40      80    214         295
                                                                 100
          M     90   S                                                                                                   10   320     165   130j6   200   4O12   3.5
                                              140    180   195         56    24j6   24j6   50       50      90    250
          M     90   L                                           125                                                          345
          M    100   L/LX                     160    205   215         63                                   100   270         385
                                                                             28j6   28j6   60       60                                215   180j6   250
          M    112   M                        190    230   240   140   70                                   112   300         400
- A16 -




                                                                                                                         12                               4O15   4
          M    133   S/SX   2/4/6/8                                                                                           470
                                              216    270   275         89    38k6   38k6   80       80      132   345                 265   230j6   300
          M    132   M                                           178                                                          510
          M    160   M/MX                                        210                                                          615
                                              254    320   330         108   42k6   42k6                    160   420
          M    160   L                                           254                                                          670
                                                                                                                         15           300   250j6   350
          M    180   M                                           241                                                          700
                                              279    355   380         121   48k6   48k6   110              180   455                                     4O19
          M    180   L                                           279                                                          740
          M    200   L/LX          2                                                48k6
                                              318    395   420   305   133   55m6                           200   505         770     350   300h6   400
          M    200   L/LX     4/6/8
                                                                                    55m6
          M    225   S           4/8                             286         60m6          140      110                  19   815
          M    225   M             2          356    435   470         149   55m6   48k6   110              225   555         820     400   350h6   450
                                                                 311                                                                                             5
          M    225   M        4/6/8                                                                                           845
                                                                             60m6
          M    250   M             2
                                              406    490   510   349   168          55m6                    250   615         910
          M    250   M        4/6/8                                                                                                                       8O19
                                                                             65m6
          M    280   S             2                                                                                           985
                                                                 368                       140                                        500   450h6   550




                                                                                                                                                                       M MOTOR
          M    280   S        4/6/8                                          75m6   60m6            140                  24    985
                                              457    550   580         190                                  280   680
          M    280   M             2                                         65m6   55m6            110                       1035
                                                                 419
          M    280   M        4/6/8                                          75m6   60m6                                      1035
                                                                                                    140
          M    315   S             2                                         65m6   65m6                                      1160
                                                                 406
          M    315   S      4 / 6 / 8 / 10                                   80m6   80m6   170      170                       1270
          M    315   M             2                                   216   65m6   65m6   140      140                       1190
                                              508    635   645   457                                        315   845    28           600   550h6   660
          M    315   M      4 / 6 / 8 / 10                                   80m6   80m6   170      170                       1300
          M    315   L/LX          2                                         65m6   65m6   140      140                       1190
                                                                 508
          M    315   L/LX   4 / 6 / 8 / 10                                   80m6   80m6   170      170                       1300                        8O24   6
          M    355   M             2                                         75m6   75m6   140      140                       1500
                                                                 560
          M    355   M       4 / 6 / 8 /10                                   95m6   95m6   170      170                       1530
                                              610    730   710         254                                  355   1010   28           740    680    800
          M    355   L             2                                         75m6   75m6   140      140                       1500
                                                                 630
          M    355   L       4 / 6 / 8 /10                                   95m6   95m6   170      170                       1530
M MOTOR
                                      M 63-280                                      M 63-200                   M 225-280


                                                                      Dimensions    in    mm
              Type           Poles      AC        D      DA    E     EA    HD       L       M      N      P        S       T     FLANGE
- A17 -




          M     63            2/4       130      11j6   11j6   23    23    140     230     115    95j6   140
                                                                                                                  4O10     3     FF115
          M     71           2/4/6      145      14j6   14j6   30    30    160     255     130   110j6   160
          M     80   K/G                175      19j6   19j6   40    40    245     295
          M     90   S                                                             320     165   130j6   200      4O12     3.5   FF 165
                                        195      24j6   24j6   50    50    255
          M     90   L                                                             345
          M    100   L/LX               215                                305     385
                                                 28j6   28j6   60    60                    215   180j6   250                     FF 215
          M    112   M                  240                                315     400
                                                                                                                  4O15     4
          M    132   S/SX   2/4/6/8                                                470




                                                                                                                                           M 63-280: IMB5
                                        275      38k6   38k6   80    80    360             265   230j6   300                     FF 265
          M    132   M                                                             510
          M    160   M/MX                                                          615
                                        330      42k6   42k6               430
          M    160   L                                                             670
                                                                                           300   250j6   350                     FF 300
          M    180   M                                                             700
                                        380      48k6   48k6   110         455                                    4O19
          M    180   L                                                             740
          M    200   L/LX     2                         48k6
                                        420      55m6                      505     770     350   300h6   400                     FF 350
          M    200   L/LX   4/6/8
                                                        55m6
          M    225   S       4/8                 60m6          140   110           815
          M    225   M        2         470      55m6   48k6   110         560     820     400   350h6   450               5     FF 400
          M    225   M      4/6/8                                                  845
                                                 60m6
          M    250   M        2
                                                                           645




                                                                                                                                           EFF 2
                                        510             55m6                       910
          M    250   M      4/6/8                                                                                 8O19
                                                 65m6
          M    280   S        2                                140                 985
                                                                                           500   450h6   550                     FF 500
          M    280   S      4/6/8                75m6   60m6         140           985
                                        580                                685
          M    280   M        2                  65m6   55m6         110           1035
          M    280   M      4/6/8                75m6   60m6         140           1035
EFF 2 M 180-355: IMV1
                               M 180-355                               M 180-200                            M 225-355
- A18 -




                                                                      Dimensions   in    mm
              Type             Poles        AC     D      E    HD           L      M           N       P      S         T   FLANGE
          M    180   M                                                     760
                            2/4/6/8         380   48k6         530                 300        250j6   350    4O19           FF 300
          M    180   L                                                     800
                                                         110
          M    200   L/LX         2
                                            420   55m6         580         840     350        300h6   400                   FF 350
          M    200   L/LX    4/6/8
          M    225   S          4/8               60m6   140               905
          M    225   M            2         470   55m6   110   640         910     400        350h6   450                   FF 400
                                                                                                                        5
          M    225   M       4/6/8                                         935
                                                  60m6
          M    250   M            2
                                            510                695         1015                              8O19
          M    250   M       4/6/8
                                                  65m6
          M    280   S            2                                                                                         FF 500
                                                         140               1110    500        450h6   550
          M    280   S       4/6/8                75m6
                                            580                770
          M    280   M            2               65m6
                                                                           1150
          M    280   M       4/6/8                75m6




                                                                                                                                     M MOTOR
          M    315   S            2               65m6                     1280
          M    315   S       4/6/8                80m6   170               1510
          M    315   M            2               65m6   140               1310
                                            645                980                 600        550h6   660    8O24       6   FF 600
          M    315   M       4/6/8                80m6   170               1430
          M    315   L/LX         2               65m6   140               1310
          M    315   L/LX    4/6/8                80m6   170               1430
          M    355   M            2               75m6   140               1640
          M    355   M      4 / 6 /8 /10          95m6   170               1640
                                            710                1055                740         680    800    8O24       6   FF740
          M    355   L            2               75m6   140               1640
          M    355   L      4 / 6 / 8 /10         95m6   170               1670
M MOTOR                                                                                                                                                  EFF 2


M 63-132: IM B34




                                                       Dimensions in mm
    Type       Poles     A      AB      AC         B         C           D         DA          E          EA           H         HD        K             L         Eye Bolt
M    63         2/4      100    135     130        80        40         11j6       11j6        23         23         63          180                    230
                                                                                                                                            7
M    71        2/4/6     112    150     145        90        45         14j6       14j6        30         30         71          195                    255
M    80 K/G              125    165     165                  50         19j6       19j6        40         40         80          214                    295          NO
                                                  100
M   90 S                                                                                                                                   10           320
                         140    180     195                  56         24j6       24j6        50         50         90          250
M   90 L       2/4/6/8                            125                                                                                                   345
M   100 L/LX             160    205     215                  63                                                     100          270                    385
                                                  140                   28j6       28j6        60         60                               12                        M8
M   112 M                190    230     240                  70                                                     112          300                    400



M 63-132: IM B14




                                                       Dimensions                       in     mm
                                                                                                                Small Flange (B14A)               Large Flange (B14B)
    Type       Poles     AC     D     DA      E         EA        HD           L    Eye Bolt
                                                                                                    P      N       M       T           S   P      N           M     T         S
M    63         2/4      130   11j6   11j6    23        23        115        230                    90     60      75                      120   80j6        100    2.5
                                                                                                                           2.5        M5                                  M6
M    71        2/4/6     145   14j6   14j6    30        30        132        255                    105    70      85                      140   95j6        115    3.0
M    80 K/G              175   19j6   19j6    40        40        205        295          NO        120   80j6 100                 M6
M    90 S                                                                    320                                           3               160 110j6         130          M8
                         195   24j6   24j6    50        50        225                               140   95j6 115
M    90 L      2/4/6/8                                                       345                                                                                    3,5
                                                                                                                                      M8
M   100 L/LX             215                                      260        385
                               28j6   28j6    60        60                                M8        150   110j6 130        3,5             200 130j6         165          M10
M   112 M                240                                      270        400

                                                                    - A19 -
MD MOTOR MULTI-SPEED
 Series MD motors are widely used in various mechanical equipment which needs stepped speed adjustment, so that they enable the equipment to have compact
 structure, lower noise and ability to save energy.

               Power Current Speed    ¦Ç   Power Locked-rotor Locked-rotor  Pull-out                    Power Current Speed    ¦Ç   Power Locked-rotor Locked-rotor  Pull-out
 Type                                      factor  torque       current      torque       Type                                      factor  torque       current      torque
               (KW)    (A)    (rpm)   %     cos Rated torque Rated torque Rated torque                  (KW)    (A)    (rpm)   %     cos Rated torque Rated torque Rated torque
           4   0.45    1.4    1420    66   0.74       1.5         6.5          1.8                  6    22     44.2   980     88   0.86       1.4         6.5          1.8
MD80K-                                                                                   MD225-
           2   0.55    1.5    2860    65   0.85       1.6          7           1.8                  4    28     56.2   1470    87   0.87       1.3          7           1.8
           4   0.55    1.7    1420    68   0.74       1.5         6.5          1.8                  6    26     52.2   980     88   0.86       1.4         6.5          1.8
MD80G-                                                                                   MD225M-
           2   0.75     2     2860    66   0.85       1.6          7           1.8                  4    34     66     1470    87    0.9       1.3          7           1.8
           4   0.85    2.3    1430    74   0.77       1.5         6.5          1.8                  6    32     62.1   980     90   0.87       1.4         6.5          1.8
MD90S                                                                                    MD250M-
           2    1.1    2.8    2850    72   0.84       1.6          7           1.8                  4    42     74.7   1470    88   0.91       1.3          7           1.8
           4    1.3    3.3    1430    76   0.78       1.5         6.5          1.8                  6    42     81.5   980     90   0.87       1.4         6.5          1.8
MD90L-                                                                                   MD280S-
           2    1.8    4.3    2850    74   0.84       1.6          7           1.8                  4    55    104.2   1470    89    0.9       1.3          7           1.8
           4     2     4.8    1430    78   0.81       1.5         6.5          1.8                  6    55    106.7   990     90   0.87       1.4         6.5          1.8
MD100LA-                                                                                 MD280M-
           2    2.4    5.6    2850    76   0.86       1.6          7           1.8                  4    72    138.1   1480    89   0.89       1.3          7           1.8
           4    2.4    5.6    1430    79   0.83       1.5         6.5          1.8                  8   0.45    1.9    680     58   0.63       1.5         5.5          1.8
MD100LB-                                                                                 MD90L-
           2     3     5.7    2850    77   0.89       1.6          7           1.8                  4   0.75    1.92   1420    72   0.87       1.5         6.5          1.8
           4    3.3    7.4    1450    81   0.83       1.5         6.5          1.8                  8   0.85    3.1    700     68   0.63       1.5         5.5          1.8
MD112L-                                                                                  MD100L-
           2     4     8.6    2860    80   0.88       1.6          7           1.8                  4    1.5    3.5    1420    75   0.88       1.5         6.5          1.8
           4    4.5    9.8    1450    83   0.84       1.5         6.5          1.8                  8    1.5     5     700     72   0.63       1.5         5.5          1.8
MD132S-                                                                                  MD112M-
           2    5.5    11.9   2860    79   0.88       1.6          7           1.8                  4    2.4    5.3    1420    78   0.88       1.5         6.5          1.8
           4    6.5    13.8   1450    84   0.85       1.5         6.5          1.8                  8    2.2     7     720     75   0.64       1.5         5.5          1.8
MD132M-                                                                                  MD132S-
           2     8     17.1   2880    80   0.89       1.6          7           1.8                  4    3.3    7.1    1450    80   0.88       1.5         6.5          1.8
           4     9     18.5   1460    87   0.85       1.5         6.5          1.8                  8     3      9     720     78   0.65       1.5         5.5          1.8
MD160M-                                                                                  MD132M-
           2    11     22.9   2920    82   0.89       1.6          7           1.8                  4    4.5    9.4    1440    82   0.88       1.5         6.5          1.8
           4    11     22.3   1460    87   0.86       1.5         6.5          1.8                  8     5     13.9   730     83   0.66       1.5         5.5          1.8
MD160L-                                                                                  MD160M-
           2    14     28.8   2920    82    0.9       1.6          7           1.8                  4    7.5    15.2   1450    84   0.89       1.5         6.5          1.8
           4    15     29.4   1470    89   0.87       1.5         6.5          1.8                  8     7     19     730     85   0.66       1.5         5.5          1.8
MD180M-                                                                                  MD160-
           2   18.5    36.7   2940    85    0.9       1.6          7           1.8                  4    11     21.8   1450    86   0.89       1.5         6.5          1.8

MD180L-    4   18.5    35.9   1470    89   0.88       1.5         6.5          1.8                  8    11     26     730     86   0.74       1.5          6           1.8
                                                                                         MD180L-
           2    22     42.7   2940    86   0.91       1.6          7           1.8                  4    17     31.9   1470    87   0.92       1.5          7           1.8
           4    26     49.9   1470    89   0.89       1.4         6.5          1.8                  8    14     33     740     86   0.74       1.5          6           1.8
MD200L-                                                                                  MD200LA-
           2    30     58.3   2950    85   0.92       1.4          7           1.8                  4    22     41.3   1470    88   0.92       1.5          7           1.8
           4    32     60.7   1480    90   0.89       1.4         6.5          1.8                  8    17     40.1   740     87   0.74       1.5          6           1.8
MD225S-                                                                                  MD200LB-
           2    37     71.7   2960    86   0.92       1.4          7           1.8                  4    26     48.8   1470    88   0.92       1.5          7           1.8
           4    37     69.4   1480    91   0.89       1.4         6.5          1.8                  8    24     53.2   740     89   0.77       1.4          6           1.8
MD225M-                                                                                  MD225M-
           2    45     86.4   2960    87   0.92       1.4          7           1.8                  4    34     66.7   1470    88   0.88       1.3          7           1.8
           4    45     84.4   1480    91   0.89       1.4         6.5          1.8                  8    30     64.9   740     90   0.78       1.4          6           1.8
MD250M-                                                                                  MD250M-
           2    55    103.2   2960    88   0.92       1.4          7           1.8                  4    42     78.8   1480    89   0.91       1.3          7           1.8
           4    60    111.3   1480    91    0.9       1.4         6.5          1.8                  8    40     83.5   740     91    0.8       1.4          6           1.8
MD280S-                                                                                  MD280S-
           2    72    135.1   2970    88   0.92       1.4          7           1.8                  4    55     102    1480    90   0.91       1.3          7           1.8
           4    72    133.6   1480    91    0.9       1.4         6.5          1.8                  8    47     96.9   740     91   0.81       1.4          6           1.8
MD280M-                                                                                  MD280M-
           2    82    152.2   2970    88   0.93       1.4          7           1.8                  4    67    122.9   1480    90   0.92       1.3          7           1.8
           6   0.65    2.2    920     64    0.7       1.4         6.5          1.8                  8   0.35    1.6    680     56    0.6       1.5          5           1.8
MD90S-                                                                                   MD90S-
           4   0.85    2.3    1420    70   0.79       1.3          7           1.8                  6   0.45    1.4    930     70   0.72       1.5          6           1.8
           6   0.85    2.8    930     66    0.7       1.4         6.5          1.8                  8   0.45    1.9    680     59    0.6       1.5          5           1.8
MD90L-                                                                                   MD90L-
           4    1.1     3     1420    71   0.79       1.3          7           1.8                  6   0.65    1.9    930     71   0.73       1.5          6           1.8
           6    1.3    3.8    940     74    0.7       1.4          6           1.8                  8   0.72    2.9    710     65    0.6       1.5          5           1.8
MD100LA-                                                                                 MD100L-
           4    1.8    4.4    1440    77    0.8       1.3         6.5          1.8                  6    1.1    3.1    950     75   0.73       1.5          6           1.8
           6    1.5    4.3    940     75    0.7       1.4          6           1.8                  8    1.3    4.5    710     72   0.61       1.5          5           1.8
MD100LB-                                                                                 MD112M-
           4    2.2    5.4    1440    77    0.8       1.4         6.5          1.8                  6    1.8    4.8    950     78   0.73       1.5          6           1.8
           6    2.2    5.7    960     77   0.75       1.4          6           1.8                  8    1.8    5.8    730     72   0.62       1.5          5           1.8
MD112M-                                                                                  MD132S-
           4    2.8    6.7    1440    77   0.82       1.3         6.5          1.8                  6    2.4    6.2    970     80   0.73       1.5          6           1.8
           6     3     7.7    960     79   0.75       1.4          6           1.8                  8    2.6    8.2    730     78   0.62       1.5          5           1.8
MD132S-                                                                                  MD132M-
           4     4     9.5    1440    80   0.82       1.3         6.5          1.8                  6    3.7    9.4    970     82    73        1.5          6           1.8
           6     4     9.8    960     81   0.76       1.4          6           1.8                  8    4.5    13.3   730     83   0.62       1.5          5           1.8
MD132M-                                                                                  MD160M-
           4    5.5    12.3   1440    80   0.85       1.3         6.5          1.8                  6     6     14.7   980     85   0.73       1.5          6           1.8
           6    6.5    15.1   970     84   0.78       1.4          6           1.8                  8     6     17.5   730     84   0.62       1.5          5           1.8
MD160M-                                                                                  MD160L-
           4     8     17.4   1460    83   0.85       1.3         6.5          1.8                  6     8     19.4   980     86   0.73       1.5          6           1.8
           6     9     20.6   970     85   0.78       1.4          6           1.8                  8    7.5    21.9   730     84   0.62       1.5          5           1.8
MD160L-                                                                                  MD180M-
           4    11     23.4   1460    84   0.85       1.3         6.5          1.8                  6    10     24.2   980     86   0.73       1.5          6           1.8
           6    11     25.9   980     85   0.78       1.4          6           1.8                  8     9     24.8   730     85   0.65       1.5          5           1.8
MD180M-                                                                                  MD180L-
           4    14     29.8   1470    85   0.85       1.3         6.5          1.8                  6    12     28.3   980     86   0.75       1.5          6           1.8
           6    13     29.4   980     86   0.78       1.4          6           1.8                  8    12     32.5   730     86   0.65       1.5          5           1.8
MD180L-                                                                                  MD200LA-
           4    16     33.6   1470    85   0.85       1.3         6.5          1.8                  6    17     39.1   980     87   0.76       1.5          6           1.8
           6   18.5    41.4   980     87   0.78       1.4         6.5          1.8                  8    15     40.3   730     87   0.65       1.5          5           1.8
MD200L-                                                                                  MD200LB-
           4    22     44.7   1460    87   0.86       1.3          7           1.8                  6    20     45.4   980     88   0.76       1.5          6           1.8

                                                                                 - A20 -
MULTI-SPEED MD MOTOR
               Power Current Speed    ¦Ç   Power Locked-rotor Locked-rotor  Pull-out                    Power Current Speed    ¦Ç   Power Locked-rotor Locked-rotor  Pull-out
 Type                                                                                     Type
                                           factor  torque       current      torque                                                 factor  torque       current      torque
               (KW)    (A)    (rpm)   %     cos Rated torque Rated torque Rated torque                  (KW)    (A)    (rpm)   %     cos Rated torque Rated torque Rated torque
           8    30     58.5   730     90   0.86       1.5          5           1.8                 8     1.5    5.2    730     71   0.62       1.3         5.5          1.8
MD250M
           6    15     33.1   980     88   0.78       1.5          6           1.8       MD132MA    6     2     5.4    970     77   0.73       1.3         6.5          1.8
          12    2.6    11.6   480     75   0.46       1.2          4           1.8                 4     2.2    4.9    1460    79   0.87       1.4          7           1.8
MD160M
           6     5     11.9   970     84   0.78       1.3          6           1.8                 8     1.8    6.3    730     72   0.62       1.3         5.5          1.8
          12    3.7    16.4   480     77   0.46       1.2          4           1.8       MD132MB    6    2.6    6.8    970     78   0.74       1.3         6.5          1.8
MD160L
           6     7     15.8   970     85   0.79       1.3          6           1.8                 4      3     6.5    1460    80   0.87       1.4          7           1.8
          12    5.5    19.6   490     79   0.54       1.2          4           1.8                 8     3.3    10.2   720     79   0.62       1.6         5.5          1.8
MD180M
           6    10     20.5   980     86   0.86       1.3          6           1.8       MD160M    6      4     9.9    960     81   0.76       1.5         6.5          1.8
          12    7.5    25.1   490     82   0.56       1.2          4           1.8                 4     5.5    11.6   1440    83   0.87       1.4          7           1.8
MD200LA
           6    13     26.4   980     87   0.86       1.3          6           1.8                 8     4.5    13.8   720     80   0.62       1.6         5.5          1.8
          12     9     28.9   490     87   0.57       1.2          4           1.8       MD160L    6      6     14.5   960     83   0.76       1.5         6.5          1.8
MD200LB
           6    15     30.4   980     87   0.87       1.3          6           1.8                 4     7.5    15.6   1440    84   0.87       1.4          7           1.8

MD225M    12    12     35.8   490     85   0.61       1.2          4           1.8                 8      7     18.5   740     81   0.71       1.6         6.5          1.8
           6    20     39.7   980     88   0.87       1.3          6           1.8       MD180L    6      9     20.6   980     83    0.8       1.5          7           1.8
          12    15     42.9   490     86   0.63       1.2          4           1.8                 4     12     24.1   1470    84    0.9       1.4          7           1.8
MD250M
           6    24     47.6   980     88   0.87       1.3          6           1.8                 8     10     25.8   740     83   0.71       1.6         6.5          1.8
          12    20     54.8   490     88   0.63       1.2          4           1.8       MD200L    6     13     28.7   980     85   0.81       1.5          7           1.8
MD280S
           6    30     58.9   990     89   0.87       1.3          6           1.8                 4     17     33.4   1470    86    0.9       1.4          7           1.8
          12    24     63.7   490     88   0.65       1.2          4           1.8                 8     14     34.3   740     86   0.71       1.6         6.5          1.8
MD280M
           6    37     72.6   990     89   0.87       1.3          6           1.8       MD225S     6   18.5    39.9   980     87   0.81       1.5          7           1.8
           6   0.75    2.6    950     67   0.65       1.3         5.5          1.8                  4    24     46.6   1480    87    0.9       1.4          7           1.8
MD100L     4    1.3    3.7    1440    72   0.75       1.3          6           1.8                  8    17     42.4   740     87    0.7       1.6         6.5          1.8
           2    1.8    4.5    2900    71   0.85       1.3          7           1.8       MD225M     6    22     43.2   980     87   0.85       1.5          7           1.8
           6    1.1    3.5    960     73   0.65       1.3         5.5          1.8                  4    28     34.3   1480    87    0.9       1.4          7           1.8
MD112M     4     2     5.1    1450    73   0.81       1.3          6           1.8                  8    24     55.3   740     88   0.75       1.2         6.5          1.8
           2    2.4    5.8    2920    74   0.85       1.3          7           1.8       MD250M     6    26     52.8   990     88   0.85       1.5          7           1.8
           6    1.8    5.1    970     75   0.71       1.3         5.5          1.8                  4    34     63.1   1480    89   0.92       1.4          7           1.8
MD132S     4    2.6    6.1    1460    76   0.83       1.3          6           1.8                  8    30     68.1   740     89   0.75       1.2         6.5          1.8
           2     3     7.4    2910    71   0.87       1.3          7           1.8       MD280S     6    34     67.5   990     89   0.86       1.5          7           1.8
           6    2.2     6     970     77   0.72       1.3         5.5          1.8                  4    42     77.9   1480    89   0.92       1.4          7           1.8
MD132MA    4    3.3    7.5    1460    80   0.84       1.3          6           1.8                  8    34     77.4   740     89   0.75       1.2         6.5          1.8
           2     4     8.8    2910    76   0.91       1.3          7           1.8       MD280M     6    37     73.4   990     89   0.86       1.5          7           1.8
           6    2.6    6.9    970     80   0.72       1.3         5.5          1.8                  4    50     91.8   1480    90   0.92       1.4          7           1.8
MD132MB    4     4      9     1460    80   0.84       1.3          6           1.8                 12    3.3    13     480     72   0.55       1.3          5           1.8
           2     5     10.8   2910    77   0.91       1.3          7           1.8       MD180L    8      5     16     740     79   0.62       1.3          6           1.8
           6    3.7    9.5    980     82   0.72       1.3         5.5          1.8                  6    6.5    14     970     82   0.88       1.3          6           1.8
MD160M     4     5     11.2   1470    81   0.84       1.3          6           1.8                  4     9     19     1470    83   0.89       1.3          7           1.8
           2     6     13.2   2930    76   0.91       1.3          7           1.8                 12    4.5    17     490     73   0.56       1.3          5           1.8
           6    4.5    11.4   980     83   0.72       1.3         5.5          1.8                  8     7     20     740     81   0.67       1.3          6           1.8
                                                                                         MD200LA
MD160L     4     7     15.1   1470    83   0.85       1.3          6           1.8                  6     8     17     980     83   0.88       1.3          6           1.8
           2     9     18.8   2930    77   0.91       1.3          7           1.8                  4    11     23     1480    84   0.88       1.3          7           1.8
           8   0.65    2.7    700     59   0.63       1.3         4.5          1.8                 12    5.5    20     490     74   0.56       1.3          5           1.8
MD112M     4     2     5.1    1450    73   0.81       1.3          6           1.8                  8     8     22     740     81   0.67       1.3          6           1.8
                                                                                         MD200LB
           2    2.4    5.8    2920    74   0.85       1.3          7           1.8                  6    10     21     980     83   0.88       1.3          6           1.8
           8     1     3.6    720     69   0.61       1.3         4.5          1.8                  4    13     27     1480    84   0.88       1.3          7           1.8
MD132S     4    2.6    6.1    1460    78   0.83       1.3          6           1.8                 12     7     21     490     81   0.63       1.3          5           1.8
           2     3     7.1    2910    74   0.87       1.3          7           1.8                  8    11     27.6   740     85   0.72       1.3          6           1.8
                                                                                         MD225M
           8    1.3    4.6    720     71   0.61       1.3         4.5          1.8                  6    13     26     980     85   0.88       1.3          6           1.8
MD132M     4    3.7    8.4    1460    80   0.84       1.3          6           1.8                  4    20     39     1480    86    0.9       1.3          7           1.8
           2    4.5    10     2910    75   0.91       1.3          7           1.8                 12     9     26     490     82   0.63       1.3          5           1.8
           8    2.2    7.6    720     75   0.59       1.3         4.5          1.8                  8    14     34     740     85   0.73       1.3          6           1.8
                                                                                         MD250M
MD160M     4     5     11.2   1440    81   0.84       1.3          6           1.8                  6    16     33     990     85   0.88       1.3          6           1.8
           2     6     13.2   2910    75   0.91       1.3          7           1.8                  4    26     49     1480    87   0.92       1.3          7           1.8
           8    2.8    9.2    720     77    0.6       1.3         4.5          1.8                 12    11     32     490     83   0.63       1.3          5           1.8
MD160L     4     7     15.1   1440    83   0.85       1.3          6           1.8                  8   18.5    43     740     87   0.75       1.3          6           1.8
                                                                                         MD280S
           2     9     18.8   2910    79   0.92       1.3          7           1.8                  6    20     41     990     85   0.88       1.3          6           1.8
           8   0.85    3.7    710     62   0.56       1.3         5.5          1.8                  4    34     65     1490    87   0.92       1.3          7           1.8
MD112M     4     1     3.1    950     67   0.74       1.3          6           1.8                 12    13     37     490     84   0.63       1.3          5           1.8
           2    1.5    3.5    1440    75   0.86       1.4          7           1.8                  8    22     51     740     87   0.75       1.3          6           1.8
                                                                                         MD280M
           8    1.1    4.1    730     67    0.6       1.3         5.5          1.8                  6    24     49     990     85   0.88       1.3          6           1.8
MD132S     6    1.5    4.2    970     74   0.74       1.3          6           1.8                  4    40     75     1490    88   0.92       1.3          7           1.8
           4    1.8     4     1460    78   0.87       1.4          7           1.8          /       /     /      /       /     /      /         /           /            /



                                                                                 - A21 -
YEJ2 BRAKE MOTOR ( DC )
YEJ2 can make action promptly when the power of electric motor is off. Quick brake time doesn’t exceed 0.15 second for frame sizes 63MM up to 90MM
and not exceed 0.2 second for frame sizes 100MM up to 160MM. YEJ2 series are widely used in machine tools, packaging machinery, woodworker
machinery, foof processing machinery, chemical engineering machinery, textile machinery, construction machinery, gear reducer and so on.

                  Output     Speed     Current      Eff    Power     Static    No-load Energizing                                          Weight
    TYPE                                                   Factor   Braking   Brake Lag power              Ist/In     Tst/TN    Tmax/TN
                    Kw        rpm         A         %      cos ¦Õ torque(N.m) time (s)   (w)                                                kg
                                                            380V/50Hz 2Pole 3000RPM
YEJ2-631-2         0.18      2720       0.53        65       0.8         4          0.2           18         5.5        2.2        2.2       12
YEJ2-631-2         0.25      2720       0.69        68       0.81        4          0.2           18         5.5        2.2        2.2       13
YEJ2-711-2         0.37      2740       0.99        70       0.81        4          0.2           18         6.1        2.2        2.2       14
YEJ2-712-2         0.55      2740       1.4         73       0.82        4          0.2           18         6.1        2.2        2.3       15
YEJ2-801-2         0.75      2845       1.83        75       0.83       7.5         0.2           30         6.1        2.2        2.3       17
YEJ2-802-2         1.1       2840       2.58        77       0.84       7.5         0.2           30         7.0        2.2        2.3       18
YEJ2-90S-2         1.5       2840       3.43        79       0.84       15          0.2           50         7.0        2.2        2.3       23
YEJ2-90L-2         2.2       2840       4.85        81       0.85       15          0.2           50         7.0        2.2        2.3       26
YEJ2-100L-2        3.0       2860       6.31        83       0.87       30          0.2           65         7.5        2.2        2.3       37
YEJ2-112M-2        4.0       2880       8.1         85       0.88       40         0.25           90         7.5        2.2        2.3       45
YEJ2-132S1-2       5.5       2900       11.0        86       0.88       75         0.25           90         7.5        2.2        2.3       69
YEJ2-132S2-2       7.5       2900       14.9        87       0.88       75         0.25           90         7.5        2.2        2.3       72
YEJ2-160M1-2        11       2930       21.3        88       0.89       150        0.35          150         7.5        2.2        2.3      120
YEJ2-160M2-2        15       2930       28.8        89       0.89       150        0.35          150         7.5        2.2        2.3      130
YEJ2-160L-2        18.5      2930       34.7        90       0.90       150        0.35          150         7.5        2.2        2.3      149
                                                            380V/50Hz 4Pole 1500RPM
YEJ2-631-4         0.12      1310       0.44        57       0.72        4          0.2           18         4.4        2.1        2.2       13
YEJ2-632-4         0.18      1310       0.62        60       0.73        4          0.2           18         4.4        2.1        2.2       14
YEJ2-711-4         0.25      1330       0.79        65       0.74        4          0.2           18         5.2        2.1        2.2       15
YEJ2-712-4         0.37      1330       1.12        67       0.75        4          0.2           18         5.2        2.1        2.2       16
YEJ2-801-4         0.55      1390       1.57        71       0.75       7.5         0.2           30         5.2        2.4        2.3       17
YEJ2-802-4         0.75      1390       2.03        73       0.76       7.5         0.2           30         6.0        2.3        2.3       18
YEJ2-90S-4         1.1       1380       2.89        75       0.77       15          0.2           50         6.0        2.3        2.3       22
YEJ2-90L-4         1.5       1390       3.07        78       0.79       15          0.2           50         6.0        2.3        2.3       27
YEJ2-100L-4        2.2       1390       5.16        80       0.81       30          0.2           65         7.0        2.3        2.3       34
YEJ2-100L2-4        3        1410       6.78        82       0.82       30          0.2           65         7.0        2.3        2.3       38
YEJ2-112M-4         4        1410       8.80        84       0.82       40         0.25           90         7.0        2.3        2.3       48
YEJ2-132S-4        5.5       1435       11.7        85       0.83       75         0.25           90         7.0        2.3        2.3       71
YEJ2-132M-4        7.5       1440       15.6        87       0.84       75         0.25          150         7.0        2.3        2.3       83
YEJ2-160M-4         11       1440       22.3        88       0.84       150        0.35          150         7.0        2.2        2.3      128
YEJ2-160L-4         15       1460       30.1        89       0.85       150        0.35          150         7.0        2.2        2.3      142
                                                            380V/50Hz 6Pole 1000RPM
YEJ2-711-6         0.18      850        0.74        56       0.66        4          0.2           18         4.0        1.9        2.0      9.5
YEJ2-712-6         0.25      850        0.95        59       0.68        4          0.2           18         4.0        1.9        2.0       11
YEJ2-801-6         0.37      885        1.3         62       0.70       7.5         0.2           30         4.7        1.9        2.0       17
YEJ2-802-6         0.55      885        1.79        65       0.72       7.5         0.2           30         4.7        1.9        2.1       19
YEJ2-90S-6         0.75      910        2.29        69       0.72       15          0.2           50         5.5        2.0        2.1       22
YEJ2-90L-6         1.1       910        3.18        72       0.73       15          0.2           50         5.5        2.0        2.1       26
YEJ2-100L-6        1.5       920        3.94        76       0.75       30          0.2           65         6.5        2.0        2.1       34
YEJ2-112M-6        2.2       935        5.60        79       0.76       40         0.25           90         6.5        2.0        2.1       42
YEJ2-132S-6        3.0       960        7.40        81       0.76       75         0.25           90         6.5        2.1        2.1       68
YEJ2-132M1-6       4.0       960        9.80        82       0.76       75         0.25           90         6.5        2.1        2.1       79
YEJ2-132M2-6       5.5       960        12.9        84       0.77       75         0.25           90         6.5        2.1        2.1       87
YEJ2-160M-6        7.5       970        17.0        86       0.77       150        0.35          150         6.5        2.0        2.1      122
YEJ2-160L-6         11       970        24.2        87       0.78       150        0.35          150         6.5        2.0        2.1      141
                                                            380V/50Hz 8Pole 750RPM
YEJ2-801-8         0.18      645        0.88        51       0.61       7.5         0.2           30         3.3        1.8        1.9       17
YEJ2-802-8         0.25      645        1.15        54       0.61       7.5         0.2           50         3.3        1.8        1.9       19
YEJ2-90S-8         0.37      670        1.49        62       0.61       15          0.2           50         4.0        1.8        1.9       23
YEJ2-90L-8         0.55      670        2.18        63       0.61       15          0.2           50         4.0        1.8        2.0       25
YEJ2-100L1-8       0.75      680        2.17        71       0.67       30          0.2           65         4.0        1.8        2.0       33
YEJ2-100L2-8       1.1       680        2.39        73       0.69       30          0.2           65         5.0        1.8        2.0       38
YEJ2-112M-8        1.5       690        4.50        75       0.69       40         0.25           90         5.0        1.8        2.0       50
YEJ2-132S-8        2.2       705        6.00        78       0.71       75         0.25           90         6.0        1.8        2.0       63
YEJ2-132M-8        3.0       705        7.90        79       0.73       75         0.25           90         6.0        1.8        2.0       79
YEJ2-160M1-8       4.0       720        10.3        81       0.73       150        0.35          150         6.0        1.9        2.0      118
YEJ2160M2-8        5.5       720        13.6        83       0.74       150        0.35          150         6.0        2.0        2.0      119
YEJ2-160L-8        7.5       720        17.8       85.5      0.75       150        0.35          150         6.0        2.0        2.0      145


                                                                    - A22 -
BM BRAKE MOTOR ( AC )
  BM brake motors are asynchronous three-phase totally enclosed fan cooled motors. The motors brake in case of power supply failure
ensuring further to a precise stop and a quick braking action, the security of a sudden intervention in case of an unintentional power supply
failure (f.e. power supply black-out, equipment faiure.)
   The braking action is obtained without axial sliding of the shaft and provides equal braking torque in both directions of rotation. BM brake
motors are specially suitable to be used with lifting and translating machines, tooling machinery, automatic and transfer machinery in textile,
ceramic and packing fields and in all situation where precision and quickness in braking are required, or to cut production cycles in fixed
spaces and times.

  1. Power range from 0.25KW to 3KW, 4 Kinds frame size from 71 to 100
  2. Specialized brake disc, no asbestos, with high friction coefficient and long life time ( abrasion wasting <0.15mm by 1300,000 times
on-off)
  3. AC current brake, quickly response time
  4. Low noise & Vibration



                    POWER          nN           IN                                             J x 10-4 A.C.TMAX       D.C.TMAX
       TYPE                                              COS ¦µ       M st /MN    M max /MN                                             Zo
                     (KW)        (r/min)        (A)                                            (Kg.m2)   (N.m)          (N.m)

  2P                                                                                                                            n0=3000r/min

  BM 71     K 2       0.37        2800         0.96        0.80         2.3          2.3         5.37        13.5         8.5         5700

  BM 71 G 2           0.55        2800         1.35        0.82         2.3          2.3         6.05        13.5         8.5         5700

  BM 80     K 2       0.75        2800         1.75        0.85         2.2          2.3         12.8        17.5          14         5700

  BM 80 G 2           1.1         2800         2.55        0.85         2.2          2.3         14.2        17.5          14         5700

  BM 90 S 2           1.5         2800         3.44        0.85         2.2          2.3         20.9         37           29         4280

  BM 90 L 2           2.2         2800         4.83        0.86         2.2          2.3        24.15         37           29         4280

  BM 100 L 2           3          2800         6.39        0.87         2.2          2.3        43.88         50           41         2650

  4P                                                                                                                            n0=1500r/min
  BM 71     K 4       0.25        1400         0.83        0.68         2.4          2.4         7.95        13.5         8.5        19000
  BM 71 G 4           0.37        1400         1.12        0.72         2.4          2.4         8.95        13.5         8.5        18050
  BM 80     K 4       0.55        1400         1.56        0.73         2.4          2.4        16.48        17.5          14         9500
  BM 80 G 4           0.75        1400         2.01        0.75         2.3          2.4        18.91        17.5          14         9500
  BM 90 S 4           1.1         1400         2.75        0.78         2.3          2.3        28.77         37           29        14250
  BM 90 L 4           1.5         1400         3.65        0.79         2.3          2.3        33.59         37           29        11400
  BM 100 L 4          2.2         1400         5.03        0.82         2.2          2.3        56.33         50           41         7600
  BM 100 LX 2          3          1400         6.82        0.81         2.2          2.3        66.18         50           41         6650

  6P                                                                                                                            n0=1000r/min
  BM 71     K 6       0.18         930         0.74        0.63         2.0          2.0        11.09        13.5         8.5        26000
  BM 71 G 6           0.25         930         0.94        0.64         2.0          2.0        12.75        13.5         8.5        26000
  BM 80     K 6       0.37         930         1.29        0.64         2.0          2.0        25.84        17.5          14        17000
  BM 80 G 6           0.55         930         1.81        0.65         2.0          2.0        29.95        17.5          14        17000
  BM 90 S 6           0.75         930         2.19        0.70         2.0          2.2        39.88         37           29        17000
  BM 90 L 6           1.1          930         2.98        0.72         2.0          2.2        50.88         37           29        14000
  BM 100 L 6          1.5          930         3.90        0.74         2.0          2.2        96.33         50           41        10000



                                                                   - A23 -
BM BRAKE MOTOR ( AC )
EXPLODED VIEW FOR SPARE PARTS




 1. Front cover                11. Key (Form A)                 21. Brake adjuster
 2. Wave spring washer         12. Rotor                        22. Brake moving element
 3. Front bearing              13. Key                          23. Spring
 4. Blindstop                  14. Rear bearing                 24. Braking torque adjusting locknut
 5. Gasket                     15. Tierod                       25. Air gap adjusting nut
 6. Terminal box cover screw   16. Rear cover                   26. Brake coil
 7. Terminal box cover         17. Fan                          27. Lock nut
 8. Terminal board             18. Circlip surface              28. Endcover
 9. Cable gland                19. Rear cover (brake surface)   29. Hexagon rear nut
 10. Frame                     20. Brake disk                   30. Brake release



                                            - A24 -
BM BRAKE MOTOR ( AC )
BM71...BM100

 B3




TYPE     A    B     C    D       E    F        G        H           I         Q        U          V         W         Y        BB       L         R      Z     K     d
BM71    112   90    43   14     30    5        11       71         10        336       5         136       108       140       113     147        80    75     8    M5
BM80    125   100   51   19     40    6        15.5     80         10        372       6         154       118       160       125     167        80    75     10   M6
BM90    140   125   56   24     50    8        20        90        12        439       7         180       128       180       155     201    98.5     98.5    10   M8
BM100   160   140   75   28     60    8        24       100        14        498       7         205       145       200       176     237    98.5     98.5    12   M10



 B5




TYPE    D      E     F    G      M     N          P           Q         S          U        W           X         Y         L        R        Z         K      d
BM71    14    30     5    11    130   110        160         330        10         5       107         3.5       140       141       80      75        7.5    M5
BM80    19    40     6   15.5   165   130        200         368        12         6       118         3.5       160       163       80      75         9     M6
BM90    24    50     8    20    165   130        200         439        12         7       128         3.5       180       202       98.5    98.5      M8      12
BM100   28    60     8    24    215   180        250         498        15         7       145          4        200       238       98.5    98.5      13     M10



 B14




TYPE     D     E     F    G      M        N         P         Q         S          U       W           X         Y         L          R       Z         d
BM71    14    30     5    11     85       70     105         336        M6         5       107         2.5       140       147       80      75        M5
BM80    19    40     6   15.5   100       80     120         372        M6         6       118         3         160       167        80      75       M6
BM90    24    50     8    20    115       95     138         439        M8         7       128         3         180       202       98.5    98.5      M8
BM100   28    60     8    24    130   110        160         498        M8         7       145         3.5       200       238       98.5    98.5      M10


                                                                   - A25 -
MONOPHASE MOTOR ( ALUMINUM HOUSING )

MY
ALUMINUM HOUSING
                        SERIES SINGLE-PHASE CAPACITOR RUN ASYNCHRONOUS MOTORS




MY Series aluminum housing single-phase capacitor-run asynchronous
motors, with latest design in entirety, are made of selected quality materials
and conform to the IEC standard.
MY motors have good performance, safe and reliable operation, nice
appearance, and can be maintained very conveniently while with low
noises, little vibration and at the same time of light weight and simple
construction. The multiple of starting torque is 0.3-0.7
These series motors are suitable for the occasion where the requirement
of starting torque is low and long-term continuous working, such as
home electric appliance, pumps, fans and recording meters, etc.




                                IMB3                                                      IMB14                                                                  IMB5

OVERALL & INSTALL DIMENSIONS
                                                                             Mounting Dimensions(mm)
    Frame                                                                                                                                                              Overall Dimensions(mm)
     Size                                     IMB3                                             IMB14                                  IMB5
                 A       B       C      D      E       F      G      H       K     M       N      P         S     T       M      N          P    S         T     AB      AC     AD    HD      L
     63         100     80      40     11      23      4     8.5     63      7    75      60      90        M5   2.5      115   95      140     10         3     130     130   115   185 230
     71         112     90      45     14      30      5     11      71      7    85      70   105          M6   2.5     130    110     160     10         3.5   145     145   125   205 225
     80         125 100         50     19      40      6    15.5 80          10   100     80   120          M6    3      165    130     200     12         3.5   160     165   135   235 290
     90S        140 100         56     24      50      8     20      90      10   115     95   140          M8    3      165    130     200     12         3.5   180     185   145   265 335
     90L        140 125         56     24      50      8     20      90      10   115     95   140          M8    3      165    130     200     12         3.5   180     185   145   265 360


OVERALL & INSTALL DIMENSIONS

       TYPE                   Power            Voltage             Current        Speed               Eff        Power          Tstart/Tn       Tmax/Tn          Starting A Run Capaction
                               Kw                 V                  A            r/min               %          factor                                              A           uf/v
   MY631-2                      0.18                220             1.48           2800                60         0.92               0.4             1.7                5         8uf/450v
   MY632-2                      0.25                220             1.96           2800                63         0.92               0.4             1.7                7         12uf/450v
   MY711-2                      0.37                220             2.73           2800                67         0.92               0.35            1.7               10         16uf/450v
   MY712-2                      0.55                220             3.88           2800                70         0.92               0.35            1.7               15         20uf/450v
   MY801-2                      0.75                220             5.15           2800                72         0.92               0.33            1.7               20         25uf/450v
   MY802-2                       1.1                220             7.02           2800                75         0.95               0.33            1.7               30         30uf/450v
   MY90S-2                       1.5                220             9.44           2800                76         0.95               0.3             1.7               45         40uf/450v
   MY90L-2                       2.2                220             13.67          2800                77         0.95               0.3             1.7               65         60uf/450v
   MY631-4                      0.12                220              1.1           1400                55         0.9                0.4             1.7               3.5        8uf/450v
   MY632-4                      0.18                220             1.62           1400                56         0.9                0.4             1.7                5         10uf/450v
   MY711-4                      0.25                220             2.02           1400                61         0.92               0.35            1.7                7         10uf/450v
   MY712-4                      0.37                220             2.95           1400                62         0.92               0.35            1.7               10         14uf/450v
   MY801-4                      0.55                220             4.25           1400                64         0.92               0.35            1.7               15         20uf/450v
   MY802-4                      0.75                220             5.45           1400                68         0.92               0.32            1.7               20         25uf/450v
   MY90S-4                       1.1                220             7.45           1400                71         0.95               0.32            1.7               30         30uf/450v
   MY90L-4                       1.5                220             9.83           1400                73         0.95               0.3             1.7               45         40uf/450v


                                                                                            - A26 -
( ALUMINUM HOUSING )                                                      MONOPHASE MOTOR

MC
ALUMINUM HOUSING
                      SERIES SINGLE-PHASE CAPACITOR START ASYNCHRONOUS MOTORS



MC Series aluminum housing single-phase capacitor-start asynchronous
motors, with latest design in entirety, are made of selected quality materials
and conform to the IEC standard.
MC motors have good performance, safe and reliable operation, nice
appearance and can be maintained very conveniently while with low noises,
little vibration and at the same time of light weight and simple construction.
Hugh starting torque, perfect starting performance, generally the multiple of
starting torque can up to more than 2.5 times.
These series motors are suitable for the occasion where big starting torque
and small starting current, such as air-compressors, pumps, refrigerators,
medical apparatus, and many other machines needing full-load start.




                               IMB3                                                      IMB14                                                                 IMB5

OVERALL &INSTALL DIMENSIONS
                                                                          Mounting Dimensions(mm)
   Frame                                                                                                                                                               Overall Dimensions(mm)
    Size                                    IMB3                                                IMB14                                IMB5
                 A      B      C      D      E      F      G      H       K      M        N      P         S     T       M      N         P      S         T     AB      AC     AD    HD      L
    71         112     90      45     14     30     5      11     71      7      85      70     105        M6   2.5     130    110        160   10         3.5   145     125   125   205 255
    80         125 100         50     19     40     6     15.5 80         10     100     80     120        M6    3      165    130        200   10         3.5   160     165   135   235 295
    90S        140 100         56     24     50     8      20     90      10     115     95     140        M8    3      165    130        200   12         3.5   180     185   145   265 335
    90L        140 125         56     24     50     8      20     90      10     115     95     140        M8    3      165    130        200   12         3.5   180     185   145   265 360
    100L       160 140         63     28     60     8      24     100     12      -       -      -         -     -       215   180        250   15         4     205     215   170   280 380
    112M       190 140         70     28     60     8      24     112     12      -       -      -         -     -      215    180        250   15         4     245     240   180   310 400


OVERALL &INSTALL DIMENSIONS
      TYPE                  Power            Voltage            Current          Speed               Eff        Power          Tstart/Tn        Tmax/Tn          Starting A Run Capaction
                             Kw                 V                 A              r/min               %          factor                                               A           uf/v
   MC711-2                     0.18               220            1.89             2800                60         0.72                3               1.8                12        75uf/300v
   MC712-2                     0.25               220             2.4             2800                64         0.74                3               1.8                15        75uf/300v
   MC801-2                     0.37               220            3.36             2800                65         0.77               2.8              1.8                21       100uf/300v
   MC802-2                     0.55               220            4.65             2800                68         0.79               2.8              1.8                29       150uf/300v
   MC92S-2                     0.75               220            6.09             2800                70         0.8                2.5              1.8                37       200uf/300v
   MC90L-2                      1.1               220            8.68             2800                72         0.8                2.5              1.8                60       300uf/300v
   MC100L1-2                    1.5               220            11.38            2900                74         0.81               2.5              1.8                80       400uf/300v
   MC100L2-2                    2.2               220            16.46            2900                75         0.81               2.2              1.8               120       400uf/300v
   MC112M-2                      3                220            21.88            1400                76         0.82               2.2              1.8               150       600uf/300v
   MC711-4                     0.12               220            1.88             1400                50         0.58                3               1.8                9         75uf/300v
   MC712-4                     0.18               220            2.49             1400                53         0.62               2.8              1.8                12        75uf/300v
   MC801-4                     0.25               220            3.11             1400                58         0.63               2.8              1.8                15       100uf/300v
   MC802-4                     0.37               220            4.24             1400                62         0.64               2.5              1.8                21       100uf/300v
   MC90S-4                     0.55               220            5.49             1400                66         0.69               2.5              1.8                29       100uf/300v
   MC90L-4                     0.75               220            6.87             1400                68         0.73               2.5              1.8                37       150uf/300v
   MC100L1-4                    1.1               220            9.52             1400                71         0.74               2.5              1.8                60       200uf/300v
   MC100L2-4                    1.5               220            12.45            1450                73         0.75               2.5              1.8                80       400uf/300v
   MC112M-4                     2.2               220            17.78            1450                74         0.76               2.2              1.8               120       600uf/300v

                                                                                              - A27 -
MONOPHASE MOTOR ( ALUMINUM HOUSING )

ML
ALUMINUM HOUSING
                      SERIES SINGLE – PHASE DUAL - CAPACITOR ASYNCHRONOUS MOTORS



ML series aluminum housing single-phase dual-capacitor asynchronous
motors, with latest design in entirely ,are made of selected quality materials
and conform to the IEC standard.
ML motors have good performance ,safery and reliable operation, nice
appearance, and can be maintained very conveniently while with low noises,
little vibration and at the compositive performance is good, the multiple of
starting torque is 1.8-2.5
There series motors are suitable for the occasion where the requirements
of big starting torque and high over load, such as air-compressors,pumps,
fans,medical apparatus and instruments, and many other small machines.




                               IMB3                                                      IMB14                                                               IMB5

OVERALL &INSTALL DIMENSIONS
                                                                          Mounting Dimensions(mm)
  Frame                                                                                                                                                            Overall Dimensions(mm)
   Size                                     IMB3                                                IMB14                               IMB5
                A      B       C      D       E      F      G      H       K     M        N      P      S      T      M        N        P      S      T       AB     AC     AD    HD      L
    71         112     90     45      14     30      5     11      71      7     85      70     105     M6     2.5    130     110       160   10      3.5    145     145   125   210 255
    80         25     100     50      19     40      6    15.5 80         10     100     80     120     M6     3.0    165     130       200   12      3.5    160     165   135   240 295
    90S        140 100        56      24     50      8     20      90     10     115     95     140     M8     3.0    165     130       200   12      3.5    180     185   145   270 335
    90L        140 125        56      24     50      8     20      90     10     115     95     140     M8     3.0    165     130       200   12      3.5    180     185   145   270 360
    100L       160 140        63      28     60      8     24     100     12      -       -      -      -       -     215     180       250   15      4      205     215   170   280 380




OVERALL &INSTALL DIMENSIONS

  Model                      Power           Voltage            Current          Speed           Eff         Power          Tstart/Tn       Tmax/Tn       Starting          Run Capactior
                              Kw                V                 A              r/min           %           factor                                    Capactior uf/v           uf/v
  ML711-2                      0.37               220             2.73            2800           67           0.92             2.3            1.8           75uf/300v         12uf/450v
  ML712-2                      0.55               220             3.88            2800           70           0.92             2.5            1.8           100uf/300v        16uf/450v
  ML801-2                      0.75               220             5.15            2800           72           0.92             2.5            1.8           100uf/300v        20uf/450v
  ML802-2                      1.10               220             7.02            2800           75           0.95             2.5            1.8           150uf/300v        25uf/450v
  ML90S-2                      1.50               220             9.44            2800           76           0.95             2.5            1.8           250uf/300v        40uf/450v
  ML90L-2                      2.20               220             13.67           2800           77           0.95             2.5            1.8           300uf/300v        60uf/450
  ML100L-2                     3.00               220             18.2            2800           79           0.95             2.5            1.8           400uf/300v        60uf/450v
  ML711-4                      0.25               220             1.99            1400           62           0.92             2.5            1.8           50uf/300v         10uf/450v
  ML712-4                      0.37               220             2.81            1400           65           0.92             2.5            1.8           75uf/300v         10uf/450v
  ML801-4                      0.55               220              4.0            1400           68           0.92             2.5            1.8           100uf/300v        16uf/450v
  ML802-4                      0.75               220             5.22            1400           71           0.92             2.5            1.8           100uf/300v        20uf/450v
  ML90S-4                      1.10               220              7.2            1400           73           0.95             2.5            1.8           150uf/300v        30uf/450v
  ML90L-4                      1.50               220             9.57            1400           75           0.95             2.5            1.8           200uf/300v        35uf/450v
  ML100L1-4                    2.20               220             13.9            1400           76           0.95             2.5            1.8           300uf/300v        40uf/450v
  ML100L2-4                    3.00               220             18.6            1400           77           0.95             2.5            1.8           400uf/300v        60uf/450v


                                                                                              - A28 -

Electromotor catalogue

  • 1.
    Overview of ourmotors MA series M series MYG series MD series YVP series YEJ2 series BM series MONO PHASE series MY MC ML
  • 2.
    TABLE OF CONTENTS GENERALINFORMATION A1 - A3 MA SERIES Moveable Feet A4 -A 8 Aluminum triphase squirrel cage induction motors in accordance with IEC/DIN Frame size 56-132, output 0.06-18.5Kw, IP55, Insulation grade F. M SERIES A9 - A19 Cast-iron triphase phase squirrel cage induction motors in accordance with IEC/DIN Frame size 63-355, output 0.18-315Kw, IP55, Insulation grade F. MD SERIES A20 - A21 Cast-iron triphase multi-speed motor YEJ2 SERIES A22 DC brake motor BM SERIES AC brake motor A23 - A25 4 Kinds frame size from 71 to 100, Specialized brake disc, no asbestos, with high friction coefficient and long life time ( abrasion wasting <0.15mm by 1300,000 times on-off) AC current brake, quickly response time Low noise & Vibration MONO PHASE SERIES A26 - A28 MY --- capacitor running MC --- capacitor starting ML --- dual capacitor, starting and running
  • 3.
    GENERAL INFORMATION The Products The core of our delivery program consists of: MA series Aluminum triphase squirrel cage induction motors in accordance with IEC/DIN Frame size 56-132, output 0.06-18.5Kw, IP55, Insulation grade F. M series Cast-iron triphase squirrel cage induction motors in accordance with IEC/DIN Frame size 63-355, output 0.18-315Kw, IP55, Insulation grade F. MD series Cast-iron triphase multi-speed motor YEJ2 series DC brake motor BM series AC brake motor£¨H MY series Monophase electric motors, aluminum body, Tstar t/Tn=0.35-0.55,capacitor permanent Frame size 56-90, output 0.06-2.2Kw, IP55, Insulation grade F MC series Monophase electric motors, aluminum body, High starting torque, Tstar t/Tn=2.2~3, capacitor start, Frame size 71-112, output 0.12-3Kw, IP55, Insulation grade F ML series Monophase electric motors, aluminum body, High starting & running torque, Tstar t/Tn=2.0~2.2, capacitor start / capacitor run, Frame size 71-112, output 0.25-3.7Kw, IP55, Iso F Site Conditions o o Useful used in most environments and will operate satisfactorily at temperatures from-20 C to +40 C and at altitudes up to 1000 metres above sea level. For special environmental conditions,please consult our technical department. Voltage and Frequency 230/400V ¡÷/ Y 50Hz (PN)/275/480V ¡÷/ Y 60Hz(PN *1.2) 400/690V ¡÷/ Y 50Hz (PN)/480/830V ¡÷/ Y 60Hz(PN *1.2) Our motors are suitable for a voltage range of+/-5% from the normal value, voltages beyond these limits will cause a high winding temperature rise. Other voltages and/or frequencies are available on request. Terminal box The terminal box is sealed to IP55 and located on top as standard , By special order the terminal box may be located on the RH or LH side. Shaft The centre bore in the shaft is in accordance with the standard DIN 332 sheet 1-2, form DS. Balancing The rotors are dynamically balanced with 1/2 key in the shaft. Shaft roughness The shaft is machined and suitable for mounting of V-seal or oil seal, with a roughness of 0.8 or less. Key and keyway According to DIN 6885, P1, form A. - A1 -
  • 4.
    GENERAL INFORMATION Type ofinstallation: Positioning of the motor at the place of work, in relation to the line of axis (horizontal or ver tical) and the fixing devices. The table shows the most widespread methods of installation in relation the the construction shape. In conformity with IEC34-7, codes l and ll are given, relative to the two systems of classification used. The motor identification plate gives the construction shape (IMB3, IMB5, IMB14, IMB34, IMB35, IMB10, IMB9) independently of the type of installation. Type of construction with fixing feet IMB3 Code I IM B3 IM V5 IM V6 IM B6 IM B7 IM B8 Code II IM 1001 IM 1011 IM 1031 IM 1051 IM 1061 IM 1071 Type of construction with flange with through holes on drive side FF IMB5 Code I IM B5 IM V1 IM V3 Code II IM 3001 IM 3011 IM 3031 Type of construction with flange with threaded holes on drive side FT IMB14 Code I IM B14 IM V18 IM V19 Code II IM 3601 IM 3611 IM 3631 Type of construction with fixing feet and flange with through holes type FF on drive side IMB35 Code I IM B35 IM V15 IM V36 Code II IM 2001 IM 2011 IM 2031 Type of construction with fixing feet and flange with threaded holes type FT on drive side IMB34 Code I IM B34 IM V15 IM V36 Code II IM 2101 IM 2111 IM 2131 Type of construction without shield support or flange on drive side IMB9 Code I IM B9 IM V8 IM V9 Code II IM 9101 IM 9111 IM 9131 Type of construction with special flange on drive side IMB10 Code I IM B10 IM V10 IM V14 Code II IM 4001 IM 4011 IM 4031 - A2 -
  • 5.
    GENERAL INFORMATION Bearings Our motorsare equipped as standard with quality bearings from C&U,NSK,NTN,SKF All bearings are protected from the external environment with oil seals on the drive and non drive end. Grease nipple for frame size 180 and up. Size and type of bearings are given as bellows: Frame Size Poles Drive End Non - Drive End 56 2-4 6201 ZZ C3 6201 ZZ C3 63 2-4 6201 ZZ C3 6201 ZZ C3 71 2-6 6202 ZZ C3 6202 ZZ C3 80 2-8 6204 ZZ C3 6204 ZZ C3 90 2-8 6205 ZZ C3 6205 ZZ C3 100 2-8 6206 ZZ C3 6206 ZZ C3 112 2-8 6306 ZZ C3 6306 ZZ C3 132 2-8 6308 ZZ C3 6308 ZZ C3 160 2-8 6309 ZZ C3 6309 ZZ C3 180 2-8 6311 C3 6311 C3 200 2-8 6312 C3 6312 C3 225 2-8 6313 C3 6313 C3 250 2-8 6314 C3 6314 C3 2 6314 C3 6314 C3 280 4-8 6317 C3 6317 C3 2 6317 C3 6317 C3 315 4-10 NU 319 C3 6319 C3 2 6319 C3 6319 C3 355 4-10 NU 322 C3 NU 322 C3 Overload capacities In compliance with IEC34 part 1,all motors can be exposed to the following overload conditions: 1.5 times the rated current for 2 min. 1.6 times the rated torque for 15 sec. Both conditions apply to the rated voltage and rated frequency. Guarantee Our guarantee expires after 12 months from date of installation or 18 months after date of shipment, whatever comes first. It only covers the replacement or repair free of charge of the defective units or parts provided that we admit that said faults or defects are to be ascribed to manufacturing processes. The customer does not have to feel entitled to cancel or reduce the outstanding orders because of defective material previously supplied. We will not be responsible for the payment of any charges related to goods to be replaced or repaired under guarantee. Returns of material will only be accepted if both back and forth transport charges will be covered by the customer. Our guarantee becomes completely null and void if units result altered or repaired. For alternation it is included also the application of the motor out of the ambit and circle of our Society. Our guarantee not cover defects of faults which would be attributed to external factors, insufficient maintenance, overload, inadequate lubrication, unproper selection, mounting errors or shipping damages being shipment risks and expenses on behalf of the customer. We reserve the right to make changes to the performance data and dimensions in this catalogue without notice, This information is for reference only. Furthermore we reserve the prohibition to reproduce or publish pages or whole parts of this catalogue without authorization - A3 -
  • 6.
    EFF 2 MA MOTOR GENERAL INTRODUCTION MA series three-phase aluminum housing industry motors are made with casting aluminum alloy for the housing, end shields and terminal box. The direction of wiring out of terminal box can be rotated at multi direction, the motor feet can be removed and suitable different installation ways and apply fields. MA series motors are in conformity with IEC/DIN standards and meet or exceed the efficiency EFF2 required by EU/CEMEP. fitable for the common sites and concise machineries that have no special requirements including reducers, comperessors, pumps, assembling line, packing machines, foodstuff processing machineries, etc. The features and operating conditions are as followings: ¡ñ Moveable feet ¡ñ Insulation Class: F, with temperature rise class B ¡ñ High accuracy, light weight and beautiful appearance ¡ñDuty: Continuous (S1) ¡ñ Totally enclosed fan cooled (IC411 in accordance with IEC60034-6) ¡ñ Connection: Star-connection for 3kw or less and ¡ñ Rated voltage: 380V, 400V, 415V delta-connection for 4kw or more o o ¡ñ Rated Frequency: 50HZ, 60HZ ¡ñ Ambient temperature: -20 C¡Ü 0¡Ü C 40 ¡ñ Protection: IP55 ¡ñ The altitude does not exceed 1000 meters above sea level EXPLODED VIEW FOR SPARE PARTS NEW 1. B5 Flange 6. Oil seal (V ring) 11. Bearing 16. Circlip 21. Washer 26. Cable gland 2. Gasket 7. Bolt 12. Stator 17. Rear Endshield 22. Fan clamp 27. Terminal board 3. B14 Flange 8. Spring Washer 13. Feet 18. Fan 23. Terminal box lid 4. Frame 9. Front Endshield 14. Nameplate 19. Fan cowl 24. Terminal box base 5. Key 10. Wave washer 15. Rotor 20. Screw 25. Washer - A4 -
  • 7.
    MA MOTOR EFF 2 PERFORMANCE DATA 2 POLE. 3000 RPM SYNCHRONOUS SPEED 50Hz OUTPUT SPEED IFL IFL IFL EFFICIENCY POWER FACTOR Weight IST TST TMAX TYPE 380V 400V 415V Kw Hp r/min (AMPS) (AMPS) (AMPS) % COS ¦µ IN TN TN (kg) MA 56 K 2 0.09 0.12 2800 0.323 0.31 0.30 62.0 0.68 6.0 2.2 2.3 3.4 MA 56 G 2 0.12 0.18 2800 0.382 0.36 0.35 67.0 0.71 6.0 2.2 2.3 3.8 MA 63 K 2 0.18 0.25 2800 0.53 0.50 0.49 69.0 0.75 6.0 2.2 2.3 5.2 MA 63 G 2 0.25 0.37 2800 0.67 0.64 0.61 72.0 0.78 6.0 2.2 2.3 5.8 MA 71 K 2 0.37 0.50 2800 0.95 0.9 0.87 73.5 0.80 6.0 2.2 2.3 7.8 MA 71 G 2 0.55 0.75 2800 1.35 1.28 1.24 75.0 0.82 6.0 2.2 2.3 6.5 MA 80 K 2 0.75 1 2840 1.78 1.69 1.63 75.0 0.83 6.0 2.2 2.3 11.5 MA 80 G 2 1.1 1.5 2840 2.49 2.37 2.28 77.0 0.84 7.0 2.2 2.3 12 MA 90 S 2 1.5 2 2840 3.34 3.17 3.06 79.0 0.84 7.0 2.2 2.3 13.5 MA 90 L 2 2.2 3 2840 4.69 4.46 4.29 81.0 0.85 7.0 2.2 2.3 15 MA 100 L 2 3 4 2880 6.14 5.83 5.62 83.0 0.87 7.5 2.2 2.3 25 MA 112 M 2 4 5.5 2890 7.83 7.44 7.17 85.0 0.88 7.5 2.2 2.3 28 MA 132 S 2 5.5 7.5 2900 10.7 10.17 9.80 86.0 0.88 7.5 2.2 2.3 39 MA 132 SX 2 7.5 10 2900 14.2 13.49 13.00 87.0 0.88 7.5 2.2 2.3 41 MA 160 M 2 11 15 2930 20.9 19.9 19.2 88.7 0.90 7.5 2.2 2.3 69 MA 160 MX 2 15 20 2930 28.3 26.9 25.9 89.5 0.90 7.5 2.2 2.3 78 MA 160 L 2 18.5 25 2930 34.1 32.4 31.2 90.5 0.91 7.5 2.2 2.3 90 PERFORMANCE DATA 4 POLE. 1500 RPM SYNCHRONOUS SPEED 50Hz OUTPUT SPEED IFL IFL IFL EFFICIENCY POWER FACTOR Weight IST TST TMAX TYPE 380V 400V 415V Kw Hp r/min (AMPS) (AMPS) (AMPS) % COS ¦µ IN TN TN (kg) MA 56 K 4 0.06 0.09 1400 0.28 0.27 0.26 56.0 0.58 6.0 2.2 2.3 3.3 MA 56 G 4 0.09 0.12 1400 0.385 0.37 0.35 58.0 0.61 6.0 2.2 2.3 3.5 MA 63 K 4 0.12 0.18 1400 0.48 0.46 0.44 60.0 0.63 6.0 2.2 2.3 4.2 MA 63 G 4 0.18 0.25 1400 0.65 0.62 0.60 64.0 0.66 6.0 2.2 2.3 4.5 MA 71 K 4 0.25 0.37 1400 0.83 0.79 0.76 67.3 0.68 6.0 2.2 2.3 6 MA 71 G 4 0.37 0.50 1400 1.12 1.06 1.03 70 0.72 6.0 2.2 2.3 6.3 MA 80 K 4 0.55 0.75 1400 1.54 1.46 1.41 71.8 0.75 5.2 2.4 2.3 8 MA 80 G 4 0.75 1 1400 1.99 1.89 1.82 73.5 0.76 6.0 2.3 2.3 9.2 MA 90 S 4 1.1 1.5 1400 2.8 2.66 2.56 76.5 0.77 6.0 2.3 2.3 11 MA 90 L 4 1.5 2 1400 3.65 3.47 3.34 78.6 0.79 6.0 2.3 2.3 14 MA 100 L 4 2.2 3 1420 5.05 4.80 4.62 82 0.81 7.0 2.3 2.3 19.2 MA 100 LX 4 3 4 1420 6.64 6.31 6.08 83 0.82 7.0 2.3 2.3 22.5 MA 112 M 4 4 5.5 1440 8.62 8.19 7.89 85 0.82 7.0 2.3 2.3 28.5 MA 132 S 4 5.5 7.5 1440 11.5 10.93 10.53 86.6 0.83 7.0 2.3 2.3 40 MA 132 M 4 7.5 10 1440 15.3 14.54 14.01 87.6 0.84 7.0 2.3 2.3 47 MA 160 M 4 11 15 1460 22.2 21.1 20.3 88.5 0.85 7.0 2.3 2.3 78 MA 160 L 4 15 20 1460 29.8 28.3 27.3 89.9 0.85 7.0 2.3 2.3 90 - A5 -
  • 8.
    EFF 2 MA MOTOR PERFORMANCE DATA 6 POLE. 1000 RPM SYNCHRONOUS SPEED 50Hz OUTPUT SPEED IFL IFL IFL EFFICIENCY POWER FACTOR Weight IST TST TMAX TYPE 380V 400V 415V Kw Hp r/min (AMPS) (AMPS) (AMPS) % COS ¦µ IN TN TN (kg) MA 71 K 6 0.18 0.25 900 0.79 0.75 0.72 57.0 0.66 4.0 1.9 2.0 6 MA 71 G 6 0.25 0.37 900 0.97 0.92 0.89 60.0 0.68 4.0 1.9 2.0 6.3 MA 80 K 6 0.37 0.50 900 1.27 1.21 1.16 63.0 0.70 4.7 1.9 2.0 8.5 MA 80 G 6 0.55 0.75 900 1.74 1.65 1.59 66.0 0.72 4.7 1.9 2.1 9.6 MA 90 S 6 0.75 1 910 2.23 2.12 2.04 70.0 0.72 5.5 2.0 2.1 13 MA 90 L 6 1.1 1.5 910 3.1 2.95 2.84 73.3 0.73 5.5 2.0 2.1 14 MA 100 L 6 1.5 2 940 3.89 3.7 3.56 77.5 0.75 5.5 2.0 2.1 18 MA 112 M 6 2.2 3 940 5.46 5.19 5.0 80.0 0.76 6.5 2.0 2.1 24.5 MA 132 S 6 3 4 960 7.1 6.75 6.50 82.0 0.76 6.5 2.1 2.1 39 MA 132 M 6 4 5.5 960 9.3 8.84 8.52 83.0 0.76 6.5 2.1 2.1 41.5 MA 132 MX 6 5.5 7.5 960 12.5 11.9 11.5 85.4 0.78 6.5 2.1 2.1 55 MA 160 M 6 7.5 10 970 16.8 16.0 15.4 87.0 0.78 6.5 2.1 2.1 78 MA 160 L 6 11 15 970 23.7 22.5 21.7 88.3 0.80 6.5 2.1 2.1 90 PERFORMANCE DATA 8 POLE. 800 RPM SYNCHRONOUS SPEED 50Hz OUTPUT SPEED IFL IFL IFL EFFICIENCY POWER FACTOR Weight IST TST TMAX TYPE 380V 400V 415V Kw Hp r/min (AMPS) (AMPS) (AMPS) % COS ¦µ IN TN TN (kg) MA 80 K 8 0.18 0.25 690 0.86 0.82 0.79 52.0 0.61 3.3 1.8 1.9 10 MA 80 G 8 0.25 0.37 690 1.14 1.08 1.04 54.6 0.61 3.3 1.8 1.9 11 MA 90 S 8 0.37 0.50 690 1.47 1.4 1.35 62.8 0.61 4.0 1.8 1.9 13 MA 90 L 8 0.55 0.75 690 2.1 2.0 1.92 63.5 0.61 4.0 1.8 2.0 14 MA 100 L 8 0.75 1 700 2.34 2.22 2.14 72.1 0.67 4.0 1.8 2.0 23 MA 100 LX 8 1.1 1.5 700 3.22 3.06 2.95 74.0 0.69 5.0 1.8 2.0 25 MA 112 M 8 1.5 2 700 4.41 4.19 4.04 76.0 0.69 5.0 1.8 2.0 28 MA 132 S 8 2.2 3 710 6.0 5.7 5.49 79.2 0.71 6.0 1.8 2.0 45 MA 132 M 8 3 4 710 7.6 7.22 6.96 80.0 0.73 6.0 1.8 2.0 55 MA 160 M 8 4 5.5 720 10.0 9.5 9.2 82.0 0.74 6.0 1.9 2.0 69 MA 160 MX 8 5.5 7.5 720 13.3 12.6 12.1 84.0 0.75 6.0 2.0 2.0 78 MA 160 L 8 7.5 10 720 17.6 16.8 16.2 86.1 0.75 6.0 2.0 2.0 90 - A6 -
  • 9.
    MA MOTOR EFF 2 MA56-160 IMB3 MA56-160 IMB5/B35 Frame A AB AC AD B C D DH E F G H K KK L M N P S T MA56 90 115 110 100 71 36 9 M4x12 20 3 7.2 56 5.8 1-M20x1.5 170 100 80 120 ¨ 7 3 +0.008 MA63 100 135 130 115 80 40 11 -0.003 M4x12 23 ¡À 0.26 4 8.5 63 7 1-M20x1.5 225 115 95 140 ¨ 10 3 MA71 112 150 145 120 90 45 14 M5x12 30 5 11 71 7 1-M20x1.5 250 130 110 160 ¨ 10 3.5 1.5 ¡À MA80 125 165 175 145 100 50 19 M6x16 40 6 15.5 80 10 1-M25x1.5 295 165 130 200 ¨ 12 3.5 MA90S 140 180 195 155 100 56 24 M8x19 50 ¡À 0.31 8 20 90 10 1-M25x1.5 315 165 130 200 ¨ 12 3.5 +0.009 MA90L 140 180 195 155 125 56 24 M8x19 50 8 20 90 10 1-M25x1.5 340 165 130 200 ¨ 12 3.5 -0.004 MA100L 160 205 215 180 140 63 28 M10x22 60 8 24 100 12 1-M32x1.5 385 215 180 250 ¨ 15 4 MA112M 190 230 240 190 140 70 28 M10x22 60 8 24 112 12 2-M32x1.5 400 215 180 250 ¨ 15 4 2.0 ¡À ¡À 0.37 MA132S 216 270 275 210 140 89 38 M12x28 80 10 33 132 12 2-M32x1.5 470 265 230 300 ¨ 15 4 MA132M 216 270 275 210 178 89 38 +0.018 M12x28 80 10 33 132 12 2-M32x1.5 510 265 230 300 ¨ 15 4 MA160M 254 320 330 255 210 108 42 +0.002 M16x36 110 12 37 160 15 2-M40x1.5 615 300 250 350 ¨ 19 5 3.0 ¡À 0.43 ¡À MA160L 254 320 330 255 254 108 42 M16x36 110 12 37 160 15 2-M40x1.5 670 300 250 350 ¨ 19 5 - A7 -
  • 10.
    EFF 2 MA MOTOR MA56-160 IMB14A MA56-132 IMB14B MA56-160 B14A . B14B B14A B14B Frame AC AD D DH E F G KK L M N P S T M N P S T MA56 110 100 9 M4x12 20 3 7.2 1-M20x1.5 170 65 50 80 M5 2.5 85 70 105 M6 2.5 +0.008 MA63 130 115 11 M4x12 23 ¡À0.26 4 8.5 1-M20x1.5 225 75 60 90 M5 2.5 85 70 105 M6 2.5 -0.003 MA71 145 120 14 M5x12 30 5 11 1-M20x1.5 250 85 70 105 M6 2.5 115 95 140 M8 3 MA80 175 145 19 M6x16 40 6 15.5 1-M25x1.5 295 100 80 120 M6 3 130 110 160 M8 3.5 MA90S 195 155 24 M8x19 50 ¡À0.31 8 20 1-M25x1.5 315 115 95 140 M8 3 130 110 160 M8 3.5 +0.009 MA90L 195 155 24 M8x19 50 8 20 1-M25x1.5 340 115 95 140 M8 3 130 110 160 M8 3.5 -0.004 MA100L 215 180 28 M10x22 60 8 24 1-M32x1.5 385 130 110 160 M8 3.5 165 130 200 M10 3.5 MA112M 240 190 28 M10x22 60 8 24 2-M32x1.5 400 130 110 160 M8 3.5 165 130 200 M10 3.5 ¡À0.37 MA132S 272 210 38 M12x28 80 10 33 2-M32x1.5 470 165 130 200 M10 3.5 215 180 250 M12 4 MA132M 272 210 38 +0.018 M12x28 80 10 33 2-M32x1.5 510 165 130 200 M10 3.5 215 180 250 M12 4 +0.002 MA160M 330 255 42 M16x36 110 12 37 2-M40x1.5 615 215 180 250 M12 4 - - - - - ¡À0.43 MA160L 330 255 42 M16x36 110 12 37 2-M40x1.5 670 215 180 250 M12 4 - - - - - - A8 -
  • 12.
    EFF 2 M MOTOR PERFORMANCE DATA Synchronous Speed 3000 r/min (2 poles) 400V/50Hz Rated Locked Locked Max. Output Full Load Current Torque Torque Moment Weight of Interia TYPE Current Speed Eff Power Rated Rated Rated J=1/4GD2 Kw Hp in 400V Factor Current Torque Torque kg A r/min % cos ¦Õ kgm2 Ist/In Tst/TN Tmax/TN M 63 K 2 0.18 0.25 0.50 2800 66 0.80 5.5 2.2 2.2 0.0003 14 M 63 G 2 0.25 0.33 0.66 2800 69 0.81 5.5 2.2 2.2 0.0004 14.5 M 71 K 2 0.37 0.50 0.94 2800 71 0.81 6.1 2.2 2.2 0.00055 15 M 71 G 2 0.55 0.75 1.33 2800 74 0.82 6.1 2.2 2.3 0.0006 15.5 M 80 K 2 0.75 1 1.74 2845 75 0.83 6.1 2.2 2.3 0.0008 16.5 M 80 G 2 1.1 1.5 2.45 2840 77 0.84 7.0 2.2 2.3 0.001 17.5 M 90 S 2 1.5 2 3.26 2840 79 0.84 7.0 2.2 2.3 0.00014 21 M 90 L 2 2.2 3 4.61 2840 81 0.85 7.0 2.2 2.3 0.0015 25 M 100 L 2 3 4 6.0 2860 83 0.87 7.5 2.2 2.3 0.0035 33 M 112 M 2 4 5.5 7.72 2880 85 0.88 7.5 2.2 2.3 0.0065 41 M 132 S 2 5.5 7.5 10.2 2900 86 0.88 7.5 2.2 2.3 0.0126 57 M 132 SX 2 7.5 10 14.0 2900 87 0.88 7.5 2.2 2.3 0.0146 63 M 160 M 2 11 15 19.9 2930 88 0.89 7.5 2.2 2.3 0.0461 102 M 160 MX 2 15 20 26.5 2900 89 0.89 7.5 2.2 2.3 0.0553 113 M 160 L 2 18.5 25 32.2 2930 90 0.90 7.5 2.2 2.3 0.0679 128 M 180 M 2 22 30 38.5 2940 90 0.90 7.5 2.0 2.3 0.0828 164 M 200 L 2 30 40 52.1 2950 91.2 0.90 7.5 2.0 2.3 0.129 213 M 200 LX 2 37 50 63.3 2950 92 0.90 7.5 2.0 2.3 0.151 237 M 225 M 2 45 60 77.0 2970 92.3 0.90 7.5 2.0 2.3 0.237 283 M 250 M 2 55 75 94.6 2970 92.5 0.90 7.5 2.0 2.3 0.354 362 M 280 S 2 75 100 126.6 2970 93 0.90 7.5 2.0 2.3 0.546 487 M 280 M 2 90 125 150.3 2970 93.8 0.91 7.5 2.0 2.3 0.621 558 M 315 S 2 110 150 185.3 2980 94 0.91 7.1 1.8 2.2 1.35 882 M 315 M 2 132 180 220.0 2980 94.5 0.91 7.1 1.8 2.2 1.5 972 M 315 L 2 160 220 265.6 2980 94.6 0.92 7.1 1.8 2.2 1.67 1044 M 315 LX 2 200 270 330.3 2980 94.8 0.92 7.1 1.8 2.2 3.32 1071 M 355 M 2 250 340 412 2980 95.3 0.92 7.1 1.6 2.2 2.56 1900 M 355 L 2 315 420 517 2980 95.6 0.92 7.1 1.6 2.2 3.34 2300 - A10 -
  • 13.
    M MOTOR EFF 2 PERFORMANCE DATA Synchronous Speed 1500 r/min (4 poles) 400V/50Hz Rated Locked Locked Max. Output Full Load Current Torque Torque Moment Weight of Interia TYPE Current Speed Eff Power Rated Rated Rated J=1/4GD2 Kw Hp in 400V Factor Current Torque Torque kg A r/min % cos ¦Õ kgm2 Ist/In Tst/TN Tmax/TN M 63 K 4 0.12 0.16 0.42 1320 57 0.72 2.1 4.4 2.2 0.00009 13 M 63 G 4 0.18 0.25 0.52 1320 70 0.72 3.6 2.4 2.5 0.00010 13.5 M 71 K 4 0.25 0.33 0.73 1350 70.6 0.70 4.1 2.5 3.0 0.0011 14 M 71 G 4 0.37 0.50 1 1340 71 0.75 4.1 2.5 3.1 0.0012 14.5 M 80 K 4 0.55 0.75 1.4 1390 72.8 0.75 5.3 2.5 2.5 0.0013 15 M 80 G 4 0.75 1 1.91 1380 74.4 0.76 6.0 2.3 2.3 0.0013 16 M 90 S 4 1.1 1.5 2.71 1390 76.2 0.77 6.0 2.3 2.3 0.002 23 M 90 L 4 1.5 2 3.49 1390 78.5 0.79 6.0 2.3 2.3 0.0027 25 M 100 L 4 2.2 3 4.84 1410 81 0.81 7.0 2.3 2.3 0.0062 33 M 100 LX 4 3 4 6.39 1410 82.6 0.82 7.0 2.3 2.3 0.0070 35 M 112 M 4 4 5.5 8.36 1435 84.2 0.82 7.0 2.3 2.3 0.0119 41 M 132 S 4 5.5 7.5 10.9 1400 85 0.83 7.0 2.3 2.3 0.0251 61 M 132 M 4 7.5 10 14.5 1440 87 0.84 7.0 2.3 2.3 0.034 73 M 160 M 4 11 15 21.1 1460 88 0.84 7.0 2.2 2.3 0.0870 115 M 160 L 4 15 20 28.3 1460 89 0.85 7.5 2.2 2.3 0.1078 132 M 180 M 4 18.5 25 34.3 1470 90.5 0.86 7.5 2.2 2.3 0.1528 159 M 180 L 4 22 30 40.5 1470 91 0.86 7.5 2.2 2.3 0.1557 172 M 200 L 4 30 40 54.3 1470 92 0.86 7.2 2.2 2.3 0.2564 234 M 225 S 4 37 50 66.1 1480 92.5 0.87 7.2 2.2 2.3 0.4365 268 M 225 M 4 45 60 79.8 1480 92.8 0.87 7.2 2.2 2.3 0.5458 302 M 250 M 4 55 75 97.8 1480 93 0.87 7.2 2.2 2.3 0.7293 383 M 280 S 4 75 100 131.1 1480 93.8 0.87 7.2 2.2 2.3 1.26 550 M 280 M 4 90 125 157.3 1480 94.2 0.87 7.2 2.2 2.3 1.65 614 M 315 S 4 110 150 190.2 1490 94.5 0.88 6.9 2.1 2.2 1.98 893 M 315 M 4 132 180 227.1 1490 94.8 0.88 6.9 2.1 2.2 2.61 990 M 315 L 4 160 220 273.6 1490 94.9 0.89 6.9 2.1 2.2 3.25 1045 M 315 LX 4 200 270 341 1490 95.0 0.89 6.9 2.1 2.2 3.86 1192 M 355 M 4 250 340 421 1490 95.3 0.90 6.9 2.1 2.2 6.42 1700 M 355 L 4 315 420 528 1490 95.6 0.90 6.9 2.1 2.2 7.95 1900 - A11 -
  • 14.
    EFF 2 M MOTOR PERFORMANCE DATA Synchronous Speed 1000 r/min (6 poles) 400V/50Hz Rated Locked Locked Max. Output Full Load Current Torque Torque Moment Weight of Interia TYPE Current Speed Eff Power Rated Rated Rated J=1/4GD2 Kw Hp in 400V Factor Current Torque Torque kg A r/min % cos ¦Õ kgm2 Ist/In Tst/TN Tmax/TN M 71 K 6 0.18 0.25 0.70 900 57 0.66 4.0 1.9 2.0 0.0011 14 M 71 G 6 0.25 0.33 0.90 900 60 0.68 4.0 1.9 2.0 0.0014 14.5 M 80 K 6 0.37 0.50 1.24 900 66.5 0.70 4.7 1.9 2.0 0.0016 15 M 80 G 6 0.55 0.75 1.70 900 68.2 0.66 4.7 1.9 2.1 0.0019 16 M 90 S 6 0.75 1 2.12 910 71 0.72 5.5 2.0 2.1 0.0033 19 M 90 L 6 1.1 1.5 2.98 910 73 0.73 5.5 2.0 2.1 0.0040 22 M 100 L 6 1.5 2 3.85 920 76 0.75 5.5 2.0 2.1 0.0082 32 M 112 M 6 2.2 3 5.36 935 79 0.76 6.5 2.0 2.1 0.0147 41 M 132 S 6 3 4 6.7 960 81 0.76 6.5 2.1 2.1 0.0343 53 M 132 M 6 4 5.5 8.8 960 82 0.76 6.5 2.1 2.1 0.0429 61 M 132 MX 6 5.5 7.5 11.7 960 84 0.77 6.5 2.1 2.1 0.0543 70 M 160 M 6 7.5 10 15.9 970 86 0.77 6.5 2.0 2.1 0.1003 101 M 160 L 6 11 15 22.4 970 87.5 0.78 6.5 2.0 2.1 0.1336 120 M 180 L 6 15 20 29.2 970 89 0.81 7.0 2.0 2.1 0.2332 170 M 200 L 6 18.5 25 35.8 970 90.0 0.81 7.0 2.1 2.1 0.3532 187 M 200 LX 6 22 30 41.90 970 90.1 0.83 7.0 2.1 2.1 0.3401 210 M 225 M 6 30 40 55.50 980 91.5 0.84 7.0 2.0 2.1 0.5793 288 M 250 M 6 37 50 66.90 980 92.0 0.86 7.0 2.1 2.1 0.9524 367 M 280 S 6 45 60 81.10 980 92.5 0.86 7.0 2.1 2.0 1.31 483 M 280 M 6 55 75 98.10 980 92.8 0.86 7.0 2.1 2.0 1.54 550 M 315 S 6 75 100 133.2 990 93.5 0.86 7.0 2.0 2.0 3.55 930 M 315 M 6 90 125 158.70 990 93.8 0.86 7.0 2.0 2.0 4.17 950 M 315 L 6 110 150 192.2 990 94.0 0.86 6.7 2.0 2.0 5.10 1092 M 315 LX 6 132 180 230.2 990 94.2 0.87 6.7 2.0 2.0 6.17 1150 M 355 M 6 160 220 276.5 990 94.9 0.88 6.7 1.9 2.0 7.29 1550 M 355 MX 6 200 270 346.4 990 94.7 0.88 6.7 1.9 2.0 8.67 1600 M 355 L 6 250 340 433 990 94.7 0.88 6.7 1.9 2.0 11.04 1700 - A12 -
  • 15.
    M MOTOR EFF 2 PERFORMANCE DATA Synchronous Speed 750 r/min (8 poles) 400V/50Hz Rated Locked Locked Max. Output Full Load Current Torque Torque Moment Weight of Interia TYPE Current Speed Eff Power Rated Rated Rated Kw Hp in 400V Factor Current Torque Torque J=1/4GD2 kg A r/min % cos ¦Õ Ist/In Tst/TN Tmax/TN kgm2 M 80 K 8 0.18 0.25 0.84 690 52 0.61 3.3 1.8 1.9 0.0025 22 M 80 G 8 0.25 0.33 1.09 690 54.6 0.61 3.3 1.8 1.9 0.003 24 M 90 S 8 0.37 0.50 1.42 690 62.8 0.61 4.0 1.8 1.9 0.0051 26 M 90 L 8 0.55 0.75 2.06 690 63.5 0.61 4.0 1.8 2.0 0.0065 28 M 100 L 8 0.75 1 2.3 680 71.0 0.67 4.0 1.8 2.0 0.00576 30 M 100 LX 8 1.1 1.5 3.2 680 73.0 0.69 5.0 1.8 2.0 0.00716 32 M 112 M 8 1.5 2 4.2 690 75.0 0.69 5.0 1.8 2.0 0.01263 40 M 132 S 8 2.2 3 5.7 710 78.0 0.71 6.0 1.8 2.0 0.03489 56 M 132 M 8 3 4 7.2 710 79.0 0.73 6.0 1.8 2.0 0.04372 71 M 160 M 8 4 5.5 9.5 720 81.0 0.73 6.0 1.9 2.0 0.07846 97 M 160 MX 8 5.5 7.5 12.6 720 83.0 0.74 6.0 2.0 2.0 0.101 106 M 160 L 8 7.5 10 16.9 720 85.5 0.75 6.0 2.0 2.0 0.134 126 M 180 L 8 11 15 23.7 730 87.5 0.76 6.6 2.0 2.0 0.2181 168 M 200 L 8 15 20 31.6 730 88.0 0.76 6.6 2.0 2.0 0.3579 220 M 225 S 8 18.5 25 38.1 730 90.0 0.76 6.6 1.9 2.0 0.5172 226 M 225 M 8 22 30 44.5 740 90.5 0.78 6.6 1.9 2.0 0.616 248 M 250 M 8 30 40 59.9 740 91.0 0.79 6.6 1.9 2.0 0.838 344 M 280 S 8 37 50 72.4 740 91.5 0.79 6.6 1.9 2.0 1.56 468 M 280 M 8 45 60 87.9 740 92.0 0.79 6.6 1.9 2.0 1.86 503 M 315 S 8 55 75 104.9 740 92.8 0.81 6.6 1.8 2.0 3.37 900 M 315 M 8 75 100 140.7 740 93.0 0.81 6.6 1.8 2.0 4.5 980 M 315 L 8 90 125 168.7 740 93.8 0.82 6.6 1.8 2.0 5.3 1100 M 315 LX 8 110 150 205.0 740 94.0 0.82 6.4 1.8 2.0 6.2 1120 M 355 M 8 132 180 246.1 740 94.4 0.82 6.4 1.8 2.0 9.51 2000 M 355 MX 8 160 220 297.4 740 94.7 0.82 6.4 1.8 2.0 10.8 2150 M 355 L 8 200 270 369 745 94.8 0.84 6.4 1.8 2.0 12.3 2250 PERFORMANCE DATA Synchronous Speed 600 r/min (10 poles) 400V/50Hz Rated Locked Locked Max. Output Full Load Current Torque Torque Moment Weight of Interia TYPE Current Speed Eff Power Rated Rated Rated J=1/4GD2 Kw Hp in 400V Factor Current Torque Torque kg A r/min % cos ¦Õ Ist/In Tst/TN Tmax/TN kgm2 M 315 S 10 45 60 99.6 590 91.5 0.75 6.2 1.5 2.0 5.1 818 M 315 M 10 55 75 121.1 590 92.0 0.75 6.2 1.5 2.0 6.1 928 M 315 L 10 75 100 162.1 590 92.5 0.76 6.2 1.5 2.0 6.9 1080 M 315 LX 10 90 125 191 590 93.0 0.77 6.2 1.5 2.0 7.2 1200 M 355 M 10 110 150 219 590 93.2 0.78 6.0 1.3 2.0 12.5 1800 M 355 MX 10 132 180 261 590 93.5 0.78 6.0 1.3 2.0 13.7 2000 M 355 L 10 160 220 317 590 93.5 0.78 6.0 1.3 2.0 14.8 2500 - A13 -
  • 16.
    M 63-90 M 100-355 M 63-355 Dimensions in mm Type Poles A AB AC B C D DA E EA H HD K L M 63 2/4 100 135 130 80 40 11j6 11j6 23 23 63 180 230 7 M 71 2/4/6 112 150 145 90 45 14j6 14j6 30 30 71 195 255 M 80 K /G 125 165 175 50 19j6 19j6 40 40 80 220 295 100 M 90 S 10 320 140 180 195 56 24j6 24j6 50 50 90 250 M 90 L 125 345 M 100 L/LX 160 205 215 63 100 270 385 28j6 28j6 60 60 - A14 - M 112 M 190 230 240 140 70 112 300 400 12 M 132 S/SX 2/4/6/8 470 216 270 275 89 38k6 38k6 80 80 132 345 M 132 M 178 510 M 63-355: IMB3 M 160 M/MX 210 615 254 320 330 108 42k6 42k6 160 420 M 160 L 254 670 15 M 180 M 241 700 279 355 380 121 48k6 48k6 110 180 455 M 180 L 279 740 M 200 L/LX 2 48k6 318 395 420 305 133 55m6 200 505 770 M 200 L/LX 4/6/8 55m6 M 225 S 4/8 286 60m6 140 110 19 815 M 225 M 2 356 435 470 149 55m6 48k6 110 225 560 820 311 M 225 M 4/6/8 845 60m6 M 250 M 2 406 490 510 349 168 55m6 250 615 910 M 250 M 4/6/8 65m6 M 280 S 2 368 24 985 M 280 S 4/6/8 75m6 60m6 140 140 457 550 580 190 280 680 M MOTOR M 280 M 2 65m6 55m6 110 419 1035 M 280 M 4/6/8 75m6 60m6 140 M 315 S 2 65m6 65m6 1160 406 M 315 S 4 / 6 / 8 / 10 80m6 80m6 170 170 1270 M 315 M 2 216 65m6 65m6 140 140 1190 508 635 645 457 315 845 M 315 M 4 / 6 / 8 / 10 80m6 80m6 170 170 1300 M 315 L/LX 2 65m6 65m6 140 140 1190 508 28 M 315 L/LX 4 / 6 / 8 / 10 80m6 80m6 170 170 1300 M 355 M 2 75m6 75m6 140 140 1500 M 355 M 4 / 6 / 8 / 10 75m6 95m6 170 170 1530 610 730 710 630 254 355 1010 M 355 L 2 75m6 75m6 140 140 1500 M 355 L 4 / 6 / 8 / 10 95m6 95m6 170 170 1530
  • 17.
    M MOTOR M 80-315 : Shaft dimensions & Terminal box EFF 2 Drive-end shaft Non drive-end shaft Terminal box Dimensions in mm Type Poles D E F G DB GD DA EA FA GB DC GF Eye Bolt Outlet Hole X Y Z TM 80 K/G 19j6 40 6 15.5 M6 6 19j6 40 6 15.5 M6 6 99 99 50 TM 90 S NO 1 x M 20 x 1.5 24j6 50 20 M8 24j6 50 20 M8 TM 90 L 106 106 57 - A15 - 8 7 8 7 TM 100 L/LX 1 x M 32 x 1.5 28j6 60 24 M10 28j6 60 24 M10 M8 TM 112 M TM 132 S/SX 2/4/6/8 2 x M 32 x 1.5 115 122 65 38k6 80 10 33 M12 38k6 80 10 33 M12 M10 TM 132 M 8 8 TM 160 M/MX 42k6 12 37 42k6 12 37 TM 160 L M16 M12 2 x M 40 x 1.5 152 162 75 TM 180 M 48k6 M16 110 14 42.5 9 48k6 TM 180 L 14 42.5 9 TM 200 L/LX 2 48k6 55m6 16 49 10 TM 200 L/LX 4/6/8 55m6 110 16 49 M20 10 TM 225 S 4/8 60m6 140 18 53 11 M16 2 x M 50 x 1.5 190 210 101 TM 225 M 2 55m6 110 16 49 10 48k6 14 42.5 M16 9 TM 225 M 4/6/8 16 60m6 53 TM 250 M 2 18 11 55m6 49 10 TM 250 M 4/6/8 65m6 58 TM 280 S 2 140 M20 217 248 124 TM 280 S 4 /6 / 8 75m6 20 67.5 M20 12 60m6 140 18 53 11 TM 280 M 2 65m6 18 58 11 55m6 110 16 49 10 TM 280 M 4/6/8 75m6 20 67.5 12 60m6 53 M20 2 x M 63 x 1.5 140 18 11 TM 315 S 2 65m6 18 58 11 65m6 58 TM 315 S 4 / 6 / 8 / 10 80m6 170 22 71 14 80m6 170 22 71 14 TM 315 M 2 65m6 140 18 58 11 65m6 140 18 58 11 M30 281 319 174 TM 315 M 4 / 6 / 8 / 10 80m6 170 22 71 14 80m6 170 22 71 14 TM 315 L/LX 2 65m6 140 18 58 11 65m6 140 18 58 11 T1 315 L/LX 4 / 6 / 8 / 10 80m6 170 22 71 14 80m6 170 22 71 14
  • 18.
    EFF 2 M63-355: IMB35 M 63-355 M 63-200 M 225-355 Dimensions in mm Type Poles A AB AC B C D DA E EA H HD K L M N P S T M 63 2/4 100 135 130 80 40 11j6 11j6 23 23 63 180 230 115 95 140 7 4O10 3 M 71 2 / 4 /6 112 150 145 90 45 14j6 14j6 30 30 71 195 255 130 110 160 M 80 K/G 125 165 175 50 19j6 19j6 40 40 80 214 295 100 M 90 S 10 320 165 130j6 200 4O12 3.5 140 180 195 56 24j6 24j6 50 50 90 250 M 90 L 125 345 M 100 L/LX 160 205 215 63 100 270 385 28j6 28j6 60 60 215 180j6 250 M 112 M 190 230 240 140 70 112 300 400 - A16 - 12 4O15 4 M 133 S/SX 2/4/6/8 470 216 270 275 89 38k6 38k6 80 80 132 345 265 230j6 300 M 132 M 178 510 M 160 M/MX 210 615 254 320 330 108 42k6 42k6 160 420 M 160 L 254 670 15 300 250j6 350 M 180 M 241 700 279 355 380 121 48k6 48k6 110 180 455 4O19 M 180 L 279 740 M 200 L/LX 2 48k6 318 395 420 305 133 55m6 200 505 770 350 300h6 400 M 200 L/LX 4/6/8 55m6 M 225 S 4/8 286 60m6 140 110 19 815 M 225 M 2 356 435 470 149 55m6 48k6 110 225 555 820 400 350h6 450 311 5 M 225 M 4/6/8 845 60m6 M 250 M 2 406 490 510 349 168 55m6 250 615 910 M 250 M 4/6/8 8O19 65m6 M 280 S 2 985 368 140 500 450h6 550 M MOTOR M 280 S 4/6/8 75m6 60m6 140 24 985 457 550 580 190 280 680 M 280 M 2 65m6 55m6 110 1035 419 M 280 M 4/6/8 75m6 60m6 1035 140 M 315 S 2 65m6 65m6 1160 406 M 315 S 4 / 6 / 8 / 10 80m6 80m6 170 170 1270 M 315 M 2 216 65m6 65m6 140 140 1190 508 635 645 457 315 845 28 600 550h6 660 M 315 M 4 / 6 / 8 / 10 80m6 80m6 170 170 1300 M 315 L/LX 2 65m6 65m6 140 140 1190 508 M 315 L/LX 4 / 6 / 8 / 10 80m6 80m6 170 170 1300 8O24 6 M 355 M 2 75m6 75m6 140 140 1500 560 M 355 M 4 / 6 / 8 /10 95m6 95m6 170 170 1530 610 730 710 254 355 1010 28 740 680 800 M 355 L 2 75m6 75m6 140 140 1500 630 M 355 L 4 / 6 / 8 /10 95m6 95m6 170 170 1530
  • 19.
    M MOTOR M 63-280 M 63-200 M 225-280 Dimensions in mm Type Poles AC D DA E EA HD L M N P S T FLANGE - A17 - M 63 2/4 130 11j6 11j6 23 23 140 230 115 95j6 140 4O10 3 FF115 M 71 2/4/6 145 14j6 14j6 30 30 160 255 130 110j6 160 M 80 K/G 175 19j6 19j6 40 40 245 295 M 90 S 320 165 130j6 200 4O12 3.5 FF 165 195 24j6 24j6 50 50 255 M 90 L 345 M 100 L/LX 215 305 385 28j6 28j6 60 60 215 180j6 250 FF 215 M 112 M 240 315 400 4O15 4 M 132 S/SX 2/4/6/8 470 M 63-280: IMB5 275 38k6 38k6 80 80 360 265 230j6 300 FF 265 M 132 M 510 M 160 M/MX 615 330 42k6 42k6 430 M 160 L 670 300 250j6 350 FF 300 M 180 M 700 380 48k6 48k6 110 455 4O19 M 180 L 740 M 200 L/LX 2 48k6 420 55m6 505 770 350 300h6 400 FF 350 M 200 L/LX 4/6/8 55m6 M 225 S 4/8 60m6 140 110 815 M 225 M 2 470 55m6 48k6 110 560 820 400 350h6 450 5 FF 400 M 225 M 4/6/8 845 60m6 M 250 M 2 645 EFF 2 510 55m6 910 M 250 M 4/6/8 8O19 65m6 M 280 S 2 140 985 500 450h6 550 FF 500 M 280 S 4/6/8 75m6 60m6 140 985 580 685 M 280 M 2 65m6 55m6 110 1035 M 280 M 4/6/8 75m6 60m6 140 1035
  • 20.
    EFF 2 M180-355: IMV1 M 180-355 M 180-200 M 225-355 - A18 - Dimensions in mm Type Poles AC D E HD L M N P S T FLANGE M 180 M 760 2/4/6/8 380 48k6 530 300 250j6 350 4O19 FF 300 M 180 L 800 110 M 200 L/LX 2 420 55m6 580 840 350 300h6 400 FF 350 M 200 L/LX 4/6/8 M 225 S 4/8 60m6 140 905 M 225 M 2 470 55m6 110 640 910 400 350h6 450 FF 400 5 M 225 M 4/6/8 935 60m6 M 250 M 2 510 695 1015 8O19 M 250 M 4/6/8 65m6 M 280 S 2 FF 500 140 1110 500 450h6 550 M 280 S 4/6/8 75m6 580 770 M 280 M 2 65m6 1150 M 280 M 4/6/8 75m6 M MOTOR M 315 S 2 65m6 1280 M 315 S 4/6/8 80m6 170 1510 M 315 M 2 65m6 140 1310 645 980 600 550h6 660 8O24 6 FF 600 M 315 M 4/6/8 80m6 170 1430 M 315 L/LX 2 65m6 140 1310 M 315 L/LX 4/6/8 80m6 170 1430 M 355 M 2 75m6 140 1640 M 355 M 4 / 6 /8 /10 95m6 170 1640 710 1055 740 680 800 8O24 6 FF740 M 355 L 2 75m6 140 1640 M 355 L 4 / 6 / 8 /10 95m6 170 1670
  • 21.
    M MOTOR EFF 2 M 63-132: IM B34 Dimensions in mm Type Poles A AB AC B C D DA E EA H HD K L Eye Bolt M 63 2/4 100 135 130 80 40 11j6 11j6 23 23 63 180 230 7 M 71 2/4/6 112 150 145 90 45 14j6 14j6 30 30 71 195 255 M 80 K/G 125 165 165 50 19j6 19j6 40 40 80 214 295 NO 100 M 90 S 10 320 140 180 195 56 24j6 24j6 50 50 90 250 M 90 L 2/4/6/8 125 345 M 100 L/LX 160 205 215 63 100 270 385 140 28j6 28j6 60 60 12 M8 M 112 M 190 230 240 70 112 300 400 M 63-132: IM B14 Dimensions in mm Small Flange (B14A) Large Flange (B14B) Type Poles AC D DA E EA HD L Eye Bolt P N M T S P N M T S M 63 2/4 130 11j6 11j6 23 23 115 230 90 60 75 120 80j6 100 2.5 2.5 M5 M6 M 71 2/4/6 145 14j6 14j6 30 30 132 255 105 70 85 140 95j6 115 3.0 M 80 K/G 175 19j6 19j6 40 40 205 295 NO 120 80j6 100 M6 M 90 S 320 3 160 110j6 130 M8 195 24j6 24j6 50 50 225 140 95j6 115 M 90 L 2/4/6/8 345 3,5 M8 M 100 L/LX 215 260 385 28j6 28j6 60 60 M8 150 110j6 130 3,5 200 130j6 165 M10 M 112 M 240 270 400 - A19 -
  • 22.
    MD MOTOR MULTI-SPEED Series MD motors are widely used in various mechanical equipment which needs stepped speed adjustment, so that they enable the equipment to have compact structure, lower noise and ability to save energy. Power Current Speed ¦Ç Power Locked-rotor Locked-rotor Pull-out Power Current Speed ¦Ç Power Locked-rotor Locked-rotor Pull-out Type factor torque current torque Type factor torque current torque (KW) (A) (rpm) % cos Rated torque Rated torque Rated torque (KW) (A) (rpm) % cos Rated torque Rated torque Rated torque 4 0.45 1.4 1420 66 0.74 1.5 6.5 1.8 6 22 44.2 980 88 0.86 1.4 6.5 1.8 MD80K- MD225- 2 0.55 1.5 2860 65 0.85 1.6 7 1.8 4 28 56.2 1470 87 0.87 1.3 7 1.8 4 0.55 1.7 1420 68 0.74 1.5 6.5 1.8 6 26 52.2 980 88 0.86 1.4 6.5 1.8 MD80G- MD225M- 2 0.75 2 2860 66 0.85 1.6 7 1.8 4 34 66 1470 87 0.9 1.3 7 1.8 4 0.85 2.3 1430 74 0.77 1.5 6.5 1.8 6 32 62.1 980 90 0.87 1.4 6.5 1.8 MD90S MD250M- 2 1.1 2.8 2850 72 0.84 1.6 7 1.8 4 42 74.7 1470 88 0.91 1.3 7 1.8 4 1.3 3.3 1430 76 0.78 1.5 6.5 1.8 6 42 81.5 980 90 0.87 1.4 6.5 1.8 MD90L- MD280S- 2 1.8 4.3 2850 74 0.84 1.6 7 1.8 4 55 104.2 1470 89 0.9 1.3 7 1.8 4 2 4.8 1430 78 0.81 1.5 6.5 1.8 6 55 106.7 990 90 0.87 1.4 6.5 1.8 MD100LA- MD280M- 2 2.4 5.6 2850 76 0.86 1.6 7 1.8 4 72 138.1 1480 89 0.89 1.3 7 1.8 4 2.4 5.6 1430 79 0.83 1.5 6.5 1.8 8 0.45 1.9 680 58 0.63 1.5 5.5 1.8 MD100LB- MD90L- 2 3 5.7 2850 77 0.89 1.6 7 1.8 4 0.75 1.92 1420 72 0.87 1.5 6.5 1.8 4 3.3 7.4 1450 81 0.83 1.5 6.5 1.8 8 0.85 3.1 700 68 0.63 1.5 5.5 1.8 MD112L- MD100L- 2 4 8.6 2860 80 0.88 1.6 7 1.8 4 1.5 3.5 1420 75 0.88 1.5 6.5 1.8 4 4.5 9.8 1450 83 0.84 1.5 6.5 1.8 8 1.5 5 700 72 0.63 1.5 5.5 1.8 MD132S- MD112M- 2 5.5 11.9 2860 79 0.88 1.6 7 1.8 4 2.4 5.3 1420 78 0.88 1.5 6.5 1.8 4 6.5 13.8 1450 84 0.85 1.5 6.5 1.8 8 2.2 7 720 75 0.64 1.5 5.5 1.8 MD132M- MD132S- 2 8 17.1 2880 80 0.89 1.6 7 1.8 4 3.3 7.1 1450 80 0.88 1.5 6.5 1.8 4 9 18.5 1460 87 0.85 1.5 6.5 1.8 8 3 9 720 78 0.65 1.5 5.5 1.8 MD160M- MD132M- 2 11 22.9 2920 82 0.89 1.6 7 1.8 4 4.5 9.4 1440 82 0.88 1.5 6.5 1.8 4 11 22.3 1460 87 0.86 1.5 6.5 1.8 8 5 13.9 730 83 0.66 1.5 5.5 1.8 MD160L- MD160M- 2 14 28.8 2920 82 0.9 1.6 7 1.8 4 7.5 15.2 1450 84 0.89 1.5 6.5 1.8 4 15 29.4 1470 89 0.87 1.5 6.5 1.8 8 7 19 730 85 0.66 1.5 5.5 1.8 MD180M- MD160- 2 18.5 36.7 2940 85 0.9 1.6 7 1.8 4 11 21.8 1450 86 0.89 1.5 6.5 1.8 MD180L- 4 18.5 35.9 1470 89 0.88 1.5 6.5 1.8 8 11 26 730 86 0.74 1.5 6 1.8 MD180L- 2 22 42.7 2940 86 0.91 1.6 7 1.8 4 17 31.9 1470 87 0.92 1.5 7 1.8 4 26 49.9 1470 89 0.89 1.4 6.5 1.8 8 14 33 740 86 0.74 1.5 6 1.8 MD200L- MD200LA- 2 30 58.3 2950 85 0.92 1.4 7 1.8 4 22 41.3 1470 88 0.92 1.5 7 1.8 4 32 60.7 1480 90 0.89 1.4 6.5 1.8 8 17 40.1 740 87 0.74 1.5 6 1.8 MD225S- MD200LB- 2 37 71.7 2960 86 0.92 1.4 7 1.8 4 26 48.8 1470 88 0.92 1.5 7 1.8 4 37 69.4 1480 91 0.89 1.4 6.5 1.8 8 24 53.2 740 89 0.77 1.4 6 1.8 MD225M- MD225M- 2 45 86.4 2960 87 0.92 1.4 7 1.8 4 34 66.7 1470 88 0.88 1.3 7 1.8 4 45 84.4 1480 91 0.89 1.4 6.5 1.8 8 30 64.9 740 90 0.78 1.4 6 1.8 MD250M- MD250M- 2 55 103.2 2960 88 0.92 1.4 7 1.8 4 42 78.8 1480 89 0.91 1.3 7 1.8 4 60 111.3 1480 91 0.9 1.4 6.5 1.8 8 40 83.5 740 91 0.8 1.4 6 1.8 MD280S- MD280S- 2 72 135.1 2970 88 0.92 1.4 7 1.8 4 55 102 1480 90 0.91 1.3 7 1.8 4 72 133.6 1480 91 0.9 1.4 6.5 1.8 8 47 96.9 740 91 0.81 1.4 6 1.8 MD280M- MD280M- 2 82 152.2 2970 88 0.93 1.4 7 1.8 4 67 122.9 1480 90 0.92 1.3 7 1.8 6 0.65 2.2 920 64 0.7 1.4 6.5 1.8 8 0.35 1.6 680 56 0.6 1.5 5 1.8 MD90S- MD90S- 4 0.85 2.3 1420 70 0.79 1.3 7 1.8 6 0.45 1.4 930 70 0.72 1.5 6 1.8 6 0.85 2.8 930 66 0.7 1.4 6.5 1.8 8 0.45 1.9 680 59 0.6 1.5 5 1.8 MD90L- MD90L- 4 1.1 3 1420 71 0.79 1.3 7 1.8 6 0.65 1.9 930 71 0.73 1.5 6 1.8 6 1.3 3.8 940 74 0.7 1.4 6 1.8 8 0.72 2.9 710 65 0.6 1.5 5 1.8 MD100LA- MD100L- 4 1.8 4.4 1440 77 0.8 1.3 6.5 1.8 6 1.1 3.1 950 75 0.73 1.5 6 1.8 6 1.5 4.3 940 75 0.7 1.4 6 1.8 8 1.3 4.5 710 72 0.61 1.5 5 1.8 MD100LB- MD112M- 4 2.2 5.4 1440 77 0.8 1.4 6.5 1.8 6 1.8 4.8 950 78 0.73 1.5 6 1.8 6 2.2 5.7 960 77 0.75 1.4 6 1.8 8 1.8 5.8 730 72 0.62 1.5 5 1.8 MD112M- MD132S- 4 2.8 6.7 1440 77 0.82 1.3 6.5 1.8 6 2.4 6.2 970 80 0.73 1.5 6 1.8 6 3 7.7 960 79 0.75 1.4 6 1.8 8 2.6 8.2 730 78 0.62 1.5 5 1.8 MD132S- MD132M- 4 4 9.5 1440 80 0.82 1.3 6.5 1.8 6 3.7 9.4 970 82 73 1.5 6 1.8 6 4 9.8 960 81 0.76 1.4 6 1.8 8 4.5 13.3 730 83 0.62 1.5 5 1.8 MD132M- MD160M- 4 5.5 12.3 1440 80 0.85 1.3 6.5 1.8 6 6 14.7 980 85 0.73 1.5 6 1.8 6 6.5 15.1 970 84 0.78 1.4 6 1.8 8 6 17.5 730 84 0.62 1.5 5 1.8 MD160M- MD160L- 4 8 17.4 1460 83 0.85 1.3 6.5 1.8 6 8 19.4 980 86 0.73 1.5 6 1.8 6 9 20.6 970 85 0.78 1.4 6 1.8 8 7.5 21.9 730 84 0.62 1.5 5 1.8 MD160L- MD180M- 4 11 23.4 1460 84 0.85 1.3 6.5 1.8 6 10 24.2 980 86 0.73 1.5 6 1.8 6 11 25.9 980 85 0.78 1.4 6 1.8 8 9 24.8 730 85 0.65 1.5 5 1.8 MD180M- MD180L- 4 14 29.8 1470 85 0.85 1.3 6.5 1.8 6 12 28.3 980 86 0.75 1.5 6 1.8 6 13 29.4 980 86 0.78 1.4 6 1.8 8 12 32.5 730 86 0.65 1.5 5 1.8 MD180L- MD200LA- 4 16 33.6 1470 85 0.85 1.3 6.5 1.8 6 17 39.1 980 87 0.76 1.5 6 1.8 6 18.5 41.4 980 87 0.78 1.4 6.5 1.8 8 15 40.3 730 87 0.65 1.5 5 1.8 MD200L- MD200LB- 4 22 44.7 1460 87 0.86 1.3 7 1.8 6 20 45.4 980 88 0.76 1.5 6 1.8 - A20 -
  • 23.
    MULTI-SPEED MD MOTOR Power Current Speed ¦Ç Power Locked-rotor Locked-rotor Pull-out Power Current Speed ¦Ç Power Locked-rotor Locked-rotor Pull-out Type Type factor torque current torque factor torque current torque (KW) (A) (rpm) % cos Rated torque Rated torque Rated torque (KW) (A) (rpm) % cos Rated torque Rated torque Rated torque 8 30 58.5 730 90 0.86 1.5 5 1.8 8 1.5 5.2 730 71 0.62 1.3 5.5 1.8 MD250M 6 15 33.1 980 88 0.78 1.5 6 1.8 MD132MA 6 2 5.4 970 77 0.73 1.3 6.5 1.8 12 2.6 11.6 480 75 0.46 1.2 4 1.8 4 2.2 4.9 1460 79 0.87 1.4 7 1.8 MD160M 6 5 11.9 970 84 0.78 1.3 6 1.8 8 1.8 6.3 730 72 0.62 1.3 5.5 1.8 12 3.7 16.4 480 77 0.46 1.2 4 1.8 MD132MB 6 2.6 6.8 970 78 0.74 1.3 6.5 1.8 MD160L 6 7 15.8 970 85 0.79 1.3 6 1.8 4 3 6.5 1460 80 0.87 1.4 7 1.8 12 5.5 19.6 490 79 0.54 1.2 4 1.8 8 3.3 10.2 720 79 0.62 1.6 5.5 1.8 MD180M 6 10 20.5 980 86 0.86 1.3 6 1.8 MD160M 6 4 9.9 960 81 0.76 1.5 6.5 1.8 12 7.5 25.1 490 82 0.56 1.2 4 1.8 4 5.5 11.6 1440 83 0.87 1.4 7 1.8 MD200LA 6 13 26.4 980 87 0.86 1.3 6 1.8 8 4.5 13.8 720 80 0.62 1.6 5.5 1.8 12 9 28.9 490 87 0.57 1.2 4 1.8 MD160L 6 6 14.5 960 83 0.76 1.5 6.5 1.8 MD200LB 6 15 30.4 980 87 0.87 1.3 6 1.8 4 7.5 15.6 1440 84 0.87 1.4 7 1.8 MD225M 12 12 35.8 490 85 0.61 1.2 4 1.8 8 7 18.5 740 81 0.71 1.6 6.5 1.8 6 20 39.7 980 88 0.87 1.3 6 1.8 MD180L 6 9 20.6 980 83 0.8 1.5 7 1.8 12 15 42.9 490 86 0.63 1.2 4 1.8 4 12 24.1 1470 84 0.9 1.4 7 1.8 MD250M 6 24 47.6 980 88 0.87 1.3 6 1.8 8 10 25.8 740 83 0.71 1.6 6.5 1.8 12 20 54.8 490 88 0.63 1.2 4 1.8 MD200L 6 13 28.7 980 85 0.81 1.5 7 1.8 MD280S 6 30 58.9 990 89 0.87 1.3 6 1.8 4 17 33.4 1470 86 0.9 1.4 7 1.8 12 24 63.7 490 88 0.65 1.2 4 1.8 8 14 34.3 740 86 0.71 1.6 6.5 1.8 MD280M 6 37 72.6 990 89 0.87 1.3 6 1.8 MD225S 6 18.5 39.9 980 87 0.81 1.5 7 1.8 6 0.75 2.6 950 67 0.65 1.3 5.5 1.8 4 24 46.6 1480 87 0.9 1.4 7 1.8 MD100L 4 1.3 3.7 1440 72 0.75 1.3 6 1.8 8 17 42.4 740 87 0.7 1.6 6.5 1.8 2 1.8 4.5 2900 71 0.85 1.3 7 1.8 MD225M 6 22 43.2 980 87 0.85 1.5 7 1.8 6 1.1 3.5 960 73 0.65 1.3 5.5 1.8 4 28 34.3 1480 87 0.9 1.4 7 1.8 MD112M 4 2 5.1 1450 73 0.81 1.3 6 1.8 8 24 55.3 740 88 0.75 1.2 6.5 1.8 2 2.4 5.8 2920 74 0.85 1.3 7 1.8 MD250M 6 26 52.8 990 88 0.85 1.5 7 1.8 6 1.8 5.1 970 75 0.71 1.3 5.5 1.8 4 34 63.1 1480 89 0.92 1.4 7 1.8 MD132S 4 2.6 6.1 1460 76 0.83 1.3 6 1.8 8 30 68.1 740 89 0.75 1.2 6.5 1.8 2 3 7.4 2910 71 0.87 1.3 7 1.8 MD280S 6 34 67.5 990 89 0.86 1.5 7 1.8 6 2.2 6 970 77 0.72 1.3 5.5 1.8 4 42 77.9 1480 89 0.92 1.4 7 1.8 MD132MA 4 3.3 7.5 1460 80 0.84 1.3 6 1.8 8 34 77.4 740 89 0.75 1.2 6.5 1.8 2 4 8.8 2910 76 0.91 1.3 7 1.8 MD280M 6 37 73.4 990 89 0.86 1.5 7 1.8 6 2.6 6.9 970 80 0.72 1.3 5.5 1.8 4 50 91.8 1480 90 0.92 1.4 7 1.8 MD132MB 4 4 9 1460 80 0.84 1.3 6 1.8 12 3.3 13 480 72 0.55 1.3 5 1.8 2 5 10.8 2910 77 0.91 1.3 7 1.8 MD180L 8 5 16 740 79 0.62 1.3 6 1.8 6 3.7 9.5 980 82 0.72 1.3 5.5 1.8 6 6.5 14 970 82 0.88 1.3 6 1.8 MD160M 4 5 11.2 1470 81 0.84 1.3 6 1.8 4 9 19 1470 83 0.89 1.3 7 1.8 2 6 13.2 2930 76 0.91 1.3 7 1.8 12 4.5 17 490 73 0.56 1.3 5 1.8 6 4.5 11.4 980 83 0.72 1.3 5.5 1.8 8 7 20 740 81 0.67 1.3 6 1.8 MD200LA MD160L 4 7 15.1 1470 83 0.85 1.3 6 1.8 6 8 17 980 83 0.88 1.3 6 1.8 2 9 18.8 2930 77 0.91 1.3 7 1.8 4 11 23 1480 84 0.88 1.3 7 1.8 8 0.65 2.7 700 59 0.63 1.3 4.5 1.8 12 5.5 20 490 74 0.56 1.3 5 1.8 MD112M 4 2 5.1 1450 73 0.81 1.3 6 1.8 8 8 22 740 81 0.67 1.3 6 1.8 MD200LB 2 2.4 5.8 2920 74 0.85 1.3 7 1.8 6 10 21 980 83 0.88 1.3 6 1.8 8 1 3.6 720 69 0.61 1.3 4.5 1.8 4 13 27 1480 84 0.88 1.3 7 1.8 MD132S 4 2.6 6.1 1460 78 0.83 1.3 6 1.8 12 7 21 490 81 0.63 1.3 5 1.8 2 3 7.1 2910 74 0.87 1.3 7 1.8 8 11 27.6 740 85 0.72 1.3 6 1.8 MD225M 8 1.3 4.6 720 71 0.61 1.3 4.5 1.8 6 13 26 980 85 0.88 1.3 6 1.8 MD132M 4 3.7 8.4 1460 80 0.84 1.3 6 1.8 4 20 39 1480 86 0.9 1.3 7 1.8 2 4.5 10 2910 75 0.91 1.3 7 1.8 12 9 26 490 82 0.63 1.3 5 1.8 8 2.2 7.6 720 75 0.59 1.3 4.5 1.8 8 14 34 740 85 0.73 1.3 6 1.8 MD250M MD160M 4 5 11.2 1440 81 0.84 1.3 6 1.8 6 16 33 990 85 0.88 1.3 6 1.8 2 6 13.2 2910 75 0.91 1.3 7 1.8 4 26 49 1480 87 0.92 1.3 7 1.8 8 2.8 9.2 720 77 0.6 1.3 4.5 1.8 12 11 32 490 83 0.63 1.3 5 1.8 MD160L 4 7 15.1 1440 83 0.85 1.3 6 1.8 8 18.5 43 740 87 0.75 1.3 6 1.8 MD280S 2 9 18.8 2910 79 0.92 1.3 7 1.8 6 20 41 990 85 0.88 1.3 6 1.8 8 0.85 3.7 710 62 0.56 1.3 5.5 1.8 4 34 65 1490 87 0.92 1.3 7 1.8 MD112M 4 1 3.1 950 67 0.74 1.3 6 1.8 12 13 37 490 84 0.63 1.3 5 1.8 2 1.5 3.5 1440 75 0.86 1.4 7 1.8 8 22 51 740 87 0.75 1.3 6 1.8 MD280M 8 1.1 4.1 730 67 0.6 1.3 5.5 1.8 6 24 49 990 85 0.88 1.3 6 1.8 MD132S 6 1.5 4.2 970 74 0.74 1.3 6 1.8 4 40 75 1490 88 0.92 1.3 7 1.8 4 1.8 4 1460 78 0.87 1.4 7 1.8 / / / / / / / / / / - A21 -
  • 24.
    YEJ2 BRAKE MOTOR( DC ) YEJ2 can make action promptly when the power of electric motor is off. Quick brake time doesn’t exceed 0.15 second for frame sizes 63MM up to 90MM and not exceed 0.2 second for frame sizes 100MM up to 160MM. YEJ2 series are widely used in machine tools, packaging machinery, woodworker machinery, foof processing machinery, chemical engineering machinery, textile machinery, construction machinery, gear reducer and so on. Output Speed Current Eff Power Static No-load Energizing Weight TYPE Factor Braking Brake Lag power Ist/In Tst/TN Tmax/TN Kw rpm A % cos ¦Õ torque(N.m) time (s) (w) kg 380V/50Hz 2Pole 3000RPM YEJ2-631-2 0.18 2720 0.53 65 0.8 4 0.2 18 5.5 2.2 2.2 12 YEJ2-631-2 0.25 2720 0.69 68 0.81 4 0.2 18 5.5 2.2 2.2 13 YEJ2-711-2 0.37 2740 0.99 70 0.81 4 0.2 18 6.1 2.2 2.2 14 YEJ2-712-2 0.55 2740 1.4 73 0.82 4 0.2 18 6.1 2.2 2.3 15 YEJ2-801-2 0.75 2845 1.83 75 0.83 7.5 0.2 30 6.1 2.2 2.3 17 YEJ2-802-2 1.1 2840 2.58 77 0.84 7.5 0.2 30 7.0 2.2 2.3 18 YEJ2-90S-2 1.5 2840 3.43 79 0.84 15 0.2 50 7.0 2.2 2.3 23 YEJ2-90L-2 2.2 2840 4.85 81 0.85 15 0.2 50 7.0 2.2 2.3 26 YEJ2-100L-2 3.0 2860 6.31 83 0.87 30 0.2 65 7.5 2.2 2.3 37 YEJ2-112M-2 4.0 2880 8.1 85 0.88 40 0.25 90 7.5 2.2 2.3 45 YEJ2-132S1-2 5.5 2900 11.0 86 0.88 75 0.25 90 7.5 2.2 2.3 69 YEJ2-132S2-2 7.5 2900 14.9 87 0.88 75 0.25 90 7.5 2.2 2.3 72 YEJ2-160M1-2 11 2930 21.3 88 0.89 150 0.35 150 7.5 2.2 2.3 120 YEJ2-160M2-2 15 2930 28.8 89 0.89 150 0.35 150 7.5 2.2 2.3 130 YEJ2-160L-2 18.5 2930 34.7 90 0.90 150 0.35 150 7.5 2.2 2.3 149 380V/50Hz 4Pole 1500RPM YEJ2-631-4 0.12 1310 0.44 57 0.72 4 0.2 18 4.4 2.1 2.2 13 YEJ2-632-4 0.18 1310 0.62 60 0.73 4 0.2 18 4.4 2.1 2.2 14 YEJ2-711-4 0.25 1330 0.79 65 0.74 4 0.2 18 5.2 2.1 2.2 15 YEJ2-712-4 0.37 1330 1.12 67 0.75 4 0.2 18 5.2 2.1 2.2 16 YEJ2-801-4 0.55 1390 1.57 71 0.75 7.5 0.2 30 5.2 2.4 2.3 17 YEJ2-802-4 0.75 1390 2.03 73 0.76 7.5 0.2 30 6.0 2.3 2.3 18 YEJ2-90S-4 1.1 1380 2.89 75 0.77 15 0.2 50 6.0 2.3 2.3 22 YEJ2-90L-4 1.5 1390 3.07 78 0.79 15 0.2 50 6.0 2.3 2.3 27 YEJ2-100L-4 2.2 1390 5.16 80 0.81 30 0.2 65 7.0 2.3 2.3 34 YEJ2-100L2-4 3 1410 6.78 82 0.82 30 0.2 65 7.0 2.3 2.3 38 YEJ2-112M-4 4 1410 8.80 84 0.82 40 0.25 90 7.0 2.3 2.3 48 YEJ2-132S-4 5.5 1435 11.7 85 0.83 75 0.25 90 7.0 2.3 2.3 71 YEJ2-132M-4 7.5 1440 15.6 87 0.84 75 0.25 150 7.0 2.3 2.3 83 YEJ2-160M-4 11 1440 22.3 88 0.84 150 0.35 150 7.0 2.2 2.3 128 YEJ2-160L-4 15 1460 30.1 89 0.85 150 0.35 150 7.0 2.2 2.3 142 380V/50Hz 6Pole 1000RPM YEJ2-711-6 0.18 850 0.74 56 0.66 4 0.2 18 4.0 1.9 2.0 9.5 YEJ2-712-6 0.25 850 0.95 59 0.68 4 0.2 18 4.0 1.9 2.0 11 YEJ2-801-6 0.37 885 1.3 62 0.70 7.5 0.2 30 4.7 1.9 2.0 17 YEJ2-802-6 0.55 885 1.79 65 0.72 7.5 0.2 30 4.7 1.9 2.1 19 YEJ2-90S-6 0.75 910 2.29 69 0.72 15 0.2 50 5.5 2.0 2.1 22 YEJ2-90L-6 1.1 910 3.18 72 0.73 15 0.2 50 5.5 2.0 2.1 26 YEJ2-100L-6 1.5 920 3.94 76 0.75 30 0.2 65 6.5 2.0 2.1 34 YEJ2-112M-6 2.2 935 5.60 79 0.76 40 0.25 90 6.5 2.0 2.1 42 YEJ2-132S-6 3.0 960 7.40 81 0.76 75 0.25 90 6.5 2.1 2.1 68 YEJ2-132M1-6 4.0 960 9.80 82 0.76 75 0.25 90 6.5 2.1 2.1 79 YEJ2-132M2-6 5.5 960 12.9 84 0.77 75 0.25 90 6.5 2.1 2.1 87 YEJ2-160M-6 7.5 970 17.0 86 0.77 150 0.35 150 6.5 2.0 2.1 122 YEJ2-160L-6 11 970 24.2 87 0.78 150 0.35 150 6.5 2.0 2.1 141 380V/50Hz 8Pole 750RPM YEJ2-801-8 0.18 645 0.88 51 0.61 7.5 0.2 30 3.3 1.8 1.9 17 YEJ2-802-8 0.25 645 1.15 54 0.61 7.5 0.2 50 3.3 1.8 1.9 19 YEJ2-90S-8 0.37 670 1.49 62 0.61 15 0.2 50 4.0 1.8 1.9 23 YEJ2-90L-8 0.55 670 2.18 63 0.61 15 0.2 50 4.0 1.8 2.0 25 YEJ2-100L1-8 0.75 680 2.17 71 0.67 30 0.2 65 4.0 1.8 2.0 33 YEJ2-100L2-8 1.1 680 2.39 73 0.69 30 0.2 65 5.0 1.8 2.0 38 YEJ2-112M-8 1.5 690 4.50 75 0.69 40 0.25 90 5.0 1.8 2.0 50 YEJ2-132S-8 2.2 705 6.00 78 0.71 75 0.25 90 6.0 1.8 2.0 63 YEJ2-132M-8 3.0 705 7.90 79 0.73 75 0.25 90 6.0 1.8 2.0 79 YEJ2-160M1-8 4.0 720 10.3 81 0.73 150 0.35 150 6.0 1.9 2.0 118 YEJ2160M2-8 5.5 720 13.6 83 0.74 150 0.35 150 6.0 2.0 2.0 119 YEJ2-160L-8 7.5 720 17.8 85.5 0.75 150 0.35 150 6.0 2.0 2.0 145 - A22 -
  • 25.
    BM BRAKE MOTOR( AC ) BM brake motors are asynchronous three-phase totally enclosed fan cooled motors. The motors brake in case of power supply failure ensuring further to a precise stop and a quick braking action, the security of a sudden intervention in case of an unintentional power supply failure (f.e. power supply black-out, equipment faiure.) The braking action is obtained without axial sliding of the shaft and provides equal braking torque in both directions of rotation. BM brake motors are specially suitable to be used with lifting and translating machines, tooling machinery, automatic and transfer machinery in textile, ceramic and packing fields and in all situation where precision and quickness in braking are required, or to cut production cycles in fixed spaces and times. 1. Power range from 0.25KW to 3KW, 4 Kinds frame size from 71 to 100 2. Specialized brake disc, no asbestos, with high friction coefficient and long life time ( abrasion wasting <0.15mm by 1300,000 times on-off) 3. AC current brake, quickly response time 4. Low noise & Vibration POWER nN IN J x 10-4 A.C.TMAX D.C.TMAX TYPE COS ¦µ M st /MN M max /MN Zo (KW) (r/min) (A) (Kg.m2) (N.m) (N.m) 2P n0=3000r/min BM 71 K 2 0.37 2800 0.96 0.80 2.3 2.3 5.37 13.5 8.5 5700 BM 71 G 2 0.55 2800 1.35 0.82 2.3 2.3 6.05 13.5 8.5 5700 BM 80 K 2 0.75 2800 1.75 0.85 2.2 2.3 12.8 17.5 14 5700 BM 80 G 2 1.1 2800 2.55 0.85 2.2 2.3 14.2 17.5 14 5700 BM 90 S 2 1.5 2800 3.44 0.85 2.2 2.3 20.9 37 29 4280 BM 90 L 2 2.2 2800 4.83 0.86 2.2 2.3 24.15 37 29 4280 BM 100 L 2 3 2800 6.39 0.87 2.2 2.3 43.88 50 41 2650 4P n0=1500r/min BM 71 K 4 0.25 1400 0.83 0.68 2.4 2.4 7.95 13.5 8.5 19000 BM 71 G 4 0.37 1400 1.12 0.72 2.4 2.4 8.95 13.5 8.5 18050 BM 80 K 4 0.55 1400 1.56 0.73 2.4 2.4 16.48 17.5 14 9500 BM 80 G 4 0.75 1400 2.01 0.75 2.3 2.4 18.91 17.5 14 9500 BM 90 S 4 1.1 1400 2.75 0.78 2.3 2.3 28.77 37 29 14250 BM 90 L 4 1.5 1400 3.65 0.79 2.3 2.3 33.59 37 29 11400 BM 100 L 4 2.2 1400 5.03 0.82 2.2 2.3 56.33 50 41 7600 BM 100 LX 2 3 1400 6.82 0.81 2.2 2.3 66.18 50 41 6650 6P n0=1000r/min BM 71 K 6 0.18 930 0.74 0.63 2.0 2.0 11.09 13.5 8.5 26000 BM 71 G 6 0.25 930 0.94 0.64 2.0 2.0 12.75 13.5 8.5 26000 BM 80 K 6 0.37 930 1.29 0.64 2.0 2.0 25.84 17.5 14 17000 BM 80 G 6 0.55 930 1.81 0.65 2.0 2.0 29.95 17.5 14 17000 BM 90 S 6 0.75 930 2.19 0.70 2.0 2.2 39.88 37 29 17000 BM 90 L 6 1.1 930 2.98 0.72 2.0 2.2 50.88 37 29 14000 BM 100 L 6 1.5 930 3.90 0.74 2.0 2.2 96.33 50 41 10000 - A23 -
  • 26.
    BM BRAKE MOTOR( AC ) EXPLODED VIEW FOR SPARE PARTS 1. Front cover 11. Key (Form A) 21. Brake adjuster 2. Wave spring washer 12. Rotor 22. Brake moving element 3. Front bearing 13. Key 23. Spring 4. Blindstop 14. Rear bearing 24. Braking torque adjusting locknut 5. Gasket 15. Tierod 25. Air gap adjusting nut 6. Terminal box cover screw 16. Rear cover 26. Brake coil 7. Terminal box cover 17. Fan 27. Lock nut 8. Terminal board 18. Circlip surface 28. Endcover 9. Cable gland 19. Rear cover (brake surface) 29. Hexagon rear nut 10. Frame 20. Brake disk 30. Brake release - A24 -
  • 27.
    BM BRAKE MOTOR( AC ) BM71...BM100 B3 TYPE A B C D E F G H I Q U V W Y BB L R Z K d BM71 112 90 43 14 30 5 11 71 10 336 5 136 108 140 113 147 80 75 8 M5 BM80 125 100 51 19 40 6 15.5 80 10 372 6 154 118 160 125 167 80 75 10 M6 BM90 140 125 56 24 50 8 20 90 12 439 7 180 128 180 155 201 98.5 98.5 10 M8 BM100 160 140 75 28 60 8 24 100 14 498 7 205 145 200 176 237 98.5 98.5 12 M10 B5 TYPE D E F G M N P Q S U W X Y L R Z K d BM71 14 30 5 11 130 110 160 330 10 5 107 3.5 140 141 80 75 7.5 M5 BM80 19 40 6 15.5 165 130 200 368 12 6 118 3.5 160 163 80 75 9 M6 BM90 24 50 8 20 165 130 200 439 12 7 128 3.5 180 202 98.5 98.5 M8 12 BM100 28 60 8 24 215 180 250 498 15 7 145 4 200 238 98.5 98.5 13 M10 B14 TYPE D E F G M N P Q S U W X Y L R Z d BM71 14 30 5 11 85 70 105 336 M6 5 107 2.5 140 147 80 75 M5 BM80 19 40 6 15.5 100 80 120 372 M6 6 118 3 160 167 80 75 M6 BM90 24 50 8 20 115 95 138 439 M8 7 128 3 180 202 98.5 98.5 M8 BM100 28 60 8 24 130 110 160 498 M8 7 145 3.5 200 238 98.5 98.5 M10 - A25 -
  • 28.
    MONOPHASE MOTOR (ALUMINUM HOUSING ) MY ALUMINUM HOUSING SERIES SINGLE-PHASE CAPACITOR RUN ASYNCHRONOUS MOTORS MY Series aluminum housing single-phase capacitor-run asynchronous motors, with latest design in entirety, are made of selected quality materials and conform to the IEC standard. MY motors have good performance, safe and reliable operation, nice appearance, and can be maintained very conveniently while with low noises, little vibration and at the same time of light weight and simple construction. The multiple of starting torque is 0.3-0.7 These series motors are suitable for the occasion where the requirement of starting torque is low and long-term continuous working, such as home electric appliance, pumps, fans and recording meters, etc. IMB3 IMB14 IMB5 OVERALL & INSTALL DIMENSIONS Mounting Dimensions(mm) Frame Overall Dimensions(mm) Size IMB3 IMB14 IMB5 A B C D E F G H K M N P S T M N P S T AB AC AD HD L 63 100 80 40 11 23 4 8.5 63 7 75 60 90 M5 2.5 115 95 140 10 3 130 130 115 185 230 71 112 90 45 14 30 5 11 71 7 85 70 105 M6 2.5 130 110 160 10 3.5 145 145 125 205 225 80 125 100 50 19 40 6 15.5 80 10 100 80 120 M6 3 165 130 200 12 3.5 160 165 135 235 290 90S 140 100 56 24 50 8 20 90 10 115 95 140 M8 3 165 130 200 12 3.5 180 185 145 265 335 90L 140 125 56 24 50 8 20 90 10 115 95 140 M8 3 165 130 200 12 3.5 180 185 145 265 360 OVERALL & INSTALL DIMENSIONS TYPE Power Voltage Current Speed Eff Power Tstart/Tn Tmax/Tn Starting A Run Capaction Kw V A r/min % factor A uf/v MY631-2 0.18 220 1.48 2800 60 0.92 0.4 1.7 5 8uf/450v MY632-2 0.25 220 1.96 2800 63 0.92 0.4 1.7 7 12uf/450v MY711-2 0.37 220 2.73 2800 67 0.92 0.35 1.7 10 16uf/450v MY712-2 0.55 220 3.88 2800 70 0.92 0.35 1.7 15 20uf/450v MY801-2 0.75 220 5.15 2800 72 0.92 0.33 1.7 20 25uf/450v MY802-2 1.1 220 7.02 2800 75 0.95 0.33 1.7 30 30uf/450v MY90S-2 1.5 220 9.44 2800 76 0.95 0.3 1.7 45 40uf/450v MY90L-2 2.2 220 13.67 2800 77 0.95 0.3 1.7 65 60uf/450v MY631-4 0.12 220 1.1 1400 55 0.9 0.4 1.7 3.5 8uf/450v MY632-4 0.18 220 1.62 1400 56 0.9 0.4 1.7 5 10uf/450v MY711-4 0.25 220 2.02 1400 61 0.92 0.35 1.7 7 10uf/450v MY712-4 0.37 220 2.95 1400 62 0.92 0.35 1.7 10 14uf/450v MY801-4 0.55 220 4.25 1400 64 0.92 0.35 1.7 15 20uf/450v MY802-4 0.75 220 5.45 1400 68 0.92 0.32 1.7 20 25uf/450v MY90S-4 1.1 220 7.45 1400 71 0.95 0.32 1.7 30 30uf/450v MY90L-4 1.5 220 9.83 1400 73 0.95 0.3 1.7 45 40uf/450v - A26 -
  • 29.
    ( ALUMINUM HOUSING) MONOPHASE MOTOR MC ALUMINUM HOUSING SERIES SINGLE-PHASE CAPACITOR START ASYNCHRONOUS MOTORS MC Series aluminum housing single-phase capacitor-start asynchronous motors, with latest design in entirety, are made of selected quality materials and conform to the IEC standard. MC motors have good performance, safe and reliable operation, nice appearance and can be maintained very conveniently while with low noises, little vibration and at the same time of light weight and simple construction. Hugh starting torque, perfect starting performance, generally the multiple of starting torque can up to more than 2.5 times. These series motors are suitable for the occasion where big starting torque and small starting current, such as air-compressors, pumps, refrigerators, medical apparatus, and many other machines needing full-load start. IMB3 IMB14 IMB5 OVERALL &INSTALL DIMENSIONS Mounting Dimensions(mm) Frame Overall Dimensions(mm) Size IMB3 IMB14 IMB5 A B C D E F G H K M N P S T M N P S T AB AC AD HD L 71 112 90 45 14 30 5 11 71 7 85 70 105 M6 2.5 130 110 160 10 3.5 145 125 125 205 255 80 125 100 50 19 40 6 15.5 80 10 100 80 120 M6 3 165 130 200 10 3.5 160 165 135 235 295 90S 140 100 56 24 50 8 20 90 10 115 95 140 M8 3 165 130 200 12 3.5 180 185 145 265 335 90L 140 125 56 24 50 8 20 90 10 115 95 140 M8 3 165 130 200 12 3.5 180 185 145 265 360 100L 160 140 63 28 60 8 24 100 12 - - - - - 215 180 250 15 4 205 215 170 280 380 112M 190 140 70 28 60 8 24 112 12 - - - - - 215 180 250 15 4 245 240 180 310 400 OVERALL &INSTALL DIMENSIONS TYPE Power Voltage Current Speed Eff Power Tstart/Tn Tmax/Tn Starting A Run Capaction Kw V A r/min % factor A uf/v MC711-2 0.18 220 1.89 2800 60 0.72 3 1.8 12 75uf/300v MC712-2 0.25 220 2.4 2800 64 0.74 3 1.8 15 75uf/300v MC801-2 0.37 220 3.36 2800 65 0.77 2.8 1.8 21 100uf/300v MC802-2 0.55 220 4.65 2800 68 0.79 2.8 1.8 29 150uf/300v MC92S-2 0.75 220 6.09 2800 70 0.8 2.5 1.8 37 200uf/300v MC90L-2 1.1 220 8.68 2800 72 0.8 2.5 1.8 60 300uf/300v MC100L1-2 1.5 220 11.38 2900 74 0.81 2.5 1.8 80 400uf/300v MC100L2-2 2.2 220 16.46 2900 75 0.81 2.2 1.8 120 400uf/300v MC112M-2 3 220 21.88 1400 76 0.82 2.2 1.8 150 600uf/300v MC711-4 0.12 220 1.88 1400 50 0.58 3 1.8 9 75uf/300v MC712-4 0.18 220 2.49 1400 53 0.62 2.8 1.8 12 75uf/300v MC801-4 0.25 220 3.11 1400 58 0.63 2.8 1.8 15 100uf/300v MC802-4 0.37 220 4.24 1400 62 0.64 2.5 1.8 21 100uf/300v MC90S-4 0.55 220 5.49 1400 66 0.69 2.5 1.8 29 100uf/300v MC90L-4 0.75 220 6.87 1400 68 0.73 2.5 1.8 37 150uf/300v MC100L1-4 1.1 220 9.52 1400 71 0.74 2.5 1.8 60 200uf/300v MC100L2-4 1.5 220 12.45 1450 73 0.75 2.5 1.8 80 400uf/300v MC112M-4 2.2 220 17.78 1450 74 0.76 2.2 1.8 120 600uf/300v - A27 -
  • 30.
    MONOPHASE MOTOR (ALUMINUM HOUSING ) ML ALUMINUM HOUSING SERIES SINGLE – PHASE DUAL - CAPACITOR ASYNCHRONOUS MOTORS ML series aluminum housing single-phase dual-capacitor asynchronous motors, with latest design in entirely ,are made of selected quality materials and conform to the IEC standard. ML motors have good performance ,safery and reliable operation, nice appearance, and can be maintained very conveniently while with low noises, little vibration and at the compositive performance is good, the multiple of starting torque is 1.8-2.5 There series motors are suitable for the occasion where the requirements of big starting torque and high over load, such as air-compressors,pumps, fans,medical apparatus and instruments, and many other small machines. IMB3 IMB14 IMB5 OVERALL &INSTALL DIMENSIONS Mounting Dimensions(mm) Frame Overall Dimensions(mm) Size IMB3 IMB14 IMB5 A B C D E F G H K M N P S T M N P S T AB AC AD HD L 71 112 90 45 14 30 5 11 71 7 85 70 105 M6 2.5 130 110 160 10 3.5 145 145 125 210 255 80 25 100 50 19 40 6 15.5 80 10 100 80 120 M6 3.0 165 130 200 12 3.5 160 165 135 240 295 90S 140 100 56 24 50 8 20 90 10 115 95 140 M8 3.0 165 130 200 12 3.5 180 185 145 270 335 90L 140 125 56 24 50 8 20 90 10 115 95 140 M8 3.0 165 130 200 12 3.5 180 185 145 270 360 100L 160 140 63 28 60 8 24 100 12 - - - - - 215 180 250 15 4 205 215 170 280 380 OVERALL &INSTALL DIMENSIONS Model Power Voltage Current Speed Eff Power Tstart/Tn Tmax/Tn Starting Run Capactior Kw V A r/min % factor Capactior uf/v uf/v ML711-2 0.37 220 2.73 2800 67 0.92 2.3 1.8 75uf/300v 12uf/450v ML712-2 0.55 220 3.88 2800 70 0.92 2.5 1.8 100uf/300v 16uf/450v ML801-2 0.75 220 5.15 2800 72 0.92 2.5 1.8 100uf/300v 20uf/450v ML802-2 1.10 220 7.02 2800 75 0.95 2.5 1.8 150uf/300v 25uf/450v ML90S-2 1.50 220 9.44 2800 76 0.95 2.5 1.8 250uf/300v 40uf/450v ML90L-2 2.20 220 13.67 2800 77 0.95 2.5 1.8 300uf/300v 60uf/450 ML100L-2 3.00 220 18.2 2800 79 0.95 2.5 1.8 400uf/300v 60uf/450v ML711-4 0.25 220 1.99 1400 62 0.92 2.5 1.8 50uf/300v 10uf/450v ML712-4 0.37 220 2.81 1400 65 0.92 2.5 1.8 75uf/300v 10uf/450v ML801-4 0.55 220 4.0 1400 68 0.92 2.5 1.8 100uf/300v 16uf/450v ML802-4 0.75 220 5.22 1400 71 0.92 2.5 1.8 100uf/300v 20uf/450v ML90S-4 1.10 220 7.2 1400 73 0.95 2.5 1.8 150uf/300v 30uf/450v ML90L-4 1.50 220 9.57 1400 75 0.95 2.5 1.8 200uf/300v 35uf/450v ML100L1-4 2.20 220 13.9 1400 76 0.95 2.5 1.8 300uf/300v 40uf/450v ML100L2-4 3.00 220 18.6 1400 77 0.95 2.5 1.8 400uf/300v 60uf/450v - A28 -