Thank you for purchasing the e-69. This manual includes full installation procedures and a full user operating manual. The pager automatically sends warning text messages to your mobile phone if your vehicle alarm system sounds or if your vehicle battery gets disconnected. The text messages received also contains GPS data to show location of your vehicle by way of coordinates for Google map. By sending a simple text message to the pager, you can ask for the current GPS position at any time where network reception is available. It has been designed to operate with most alarms, immobilisers and compatible factory fitted (OEM) vehicle alarm systems.  For correct operation, please read this manual to familiarise yourself with the features.   12 Month Limited WARRANTY: Installation is to be done by certified installers only. Self installation may void Warranty. Proof of installation from a certified installer will be needed for warranty purposes. Caution:  Reacting to an alarm text warning message is your responsibility and the safety of the person attending the vehicle as a result of a warning text message should be paramount. We advise no unnecessary risk to yourself or others. GSM & GPS reception: Use of this product in some locations may cause loss of the GSM signal. This is no fault of the product. Generally, GPS reception is not possible inside building – recommended for outdoor use only. Do not use this product where cellular products are prohibited. Do not disassemble this product. Warranty void if manufacturers seals broken. USER COMMANDS TO PAGER All commands to be   UPPERCASE -Requires a GSM SIM card-Not supplied -Relay supplied for Anti-Theft  function. -Text unlock function optional, requires extra relay. (Ask your Supplier/Installer for more info) Model: E-69   12 or 24 volt VEHICLE TO MOBILE PHONE  GSM TEXT PAGER  & GPS LOCATOR OPERATION AND INSTALLATION MANUAL 1 234S Initialisation code  1 234 PXXXX Change password -  1234  is default XXXX is your chosen password 1234UL Send Unlock pulse from pager (Optional: Extra relay required, ask your supplier/installer) 1234H Activate panic command from pager 1 234G GPS positioning data sending request 1 234 AA Activate Anti -Theft function 1 234 DA Deactivate Anti-Theft function RESET Resets pager to factory defaults
CONTENTS; SIM Cards……………………….……………..…… 2 Controlling The Pager……………………….…….. 3 Dual Colour Led……………………………….…… 3 Warning Messages………………………………... 4 Standby mode…………………………………….... 5 Initialising The Pager………………………………. 5 GSM/GPS Pager Controlled outputs………..……  6 GPS Positioning Data Requesting  a Text…………………………………  6 Wiring Diagram…………………………………….. 7/8 Changing The Password………………………….. 9 Switching the allocated mobile phone…………… 9 Default Reset ………………………………………. 10 GSM Pager Testing………………………………… 10 GPS Features………………………………………  10 FAQ’s……………………………………………….. 11/12 Installation……………….…………………………. 12 Installation………………………………………….. 13/14 WIRING CONNECTIONS GPS Antenna The GPS antenna must be able to see the sky in order to receive satellite signals. Mount flat on top of the dashboard or it may be concealed beneath the top surface of the dashboard providing the antenna is not obstructed or close to metal which may shield the signals. Do not insert or remove SIM  card with power connected 14 Dual Colour LED Mount where it can be seen by the driver but does not cause distraction whilst driving.  Bottom of left side ‘A’ pillar is suggested INSERT A  SIM CARD (NOT SUPPLIED) & INSTALL INTO VEHICLE. FROM YOUR MOBILE PHONE, SEND AN ‘INITIALISING CODE’ TEXT TO THE PAGERS SIM CARD NUMBER. CHANGE THE PASSWORD TO YOUR PERSONAL CHOICE ARM YOUR ALARM SYSTEM:-  THE PAGER IS NOW ACTIVE AND IS READY TO SEND WARNING MESSAGES TRIGGER YOUR ALARM TO VERIFY WARNING TEXT MESSAGES ARE SENT TO YOUR MOBILE PHONE DISARM YOUR ALARM AND TURN THE IGNITION ON:- DEACTIVATES THE PAGER 6 SIMPLE STEPS WIRE COLOUR & FUNCTION CONNECTION TO:- RED +12v or +24v To constant fused power supply (+) BLACK – Ground (-) To ground chassis(-) BROWN –  Alarm trigger input(Horn/Siren) To alarm pin switch  Polarity set by jumper, (-) is default RED/WHITE – Ignition input (+) To vehicles ignition wire (+) which switches to ground when ignition is off GREEN - Unlock Output (-) 500mAmp  (Optional) To vehicles unlock wire – may require a relay to convert to high current or polarity change (Optional-Extra relay required) WHITE- Anti Theft Output (-) To disable the Starter (extra 30/40A relay with socket is required ) YELLOW - Horn Output (-) To Horn (polarity change over relay may be required)
SIM CARD (not supplied) A GSM SIM card is required for this pager.  They are available from different network suppliers  on a range of pricing plans. Some suppliers offer data stream contracts (non-voice type) where text messages cost considerably less than normal cards.  A low cost option is generally the Pre-Pay type as text messages sent from the pager would be the only charge depending on the network provider. If you choose a Pre-Pay card, we recommend one that does not need to be removed from the pager to recharge credit. As the pager module is mounted under the dashboard, it may not be readily accessible. Fees may apply if professional assistance is required. To prevent credit expiry on SIM card, we recommend the Auto-Pay option if available for your SIM card.  Pre-Pay: This pager will NOT notify you if your credit has expired.  Please set a re-charge date if your mobile phone has a ‘task reminder’,  Add the SIM card number to your mobile phone ‘contacts’ list.  To prevent unauthorised use or tampering, keep the pagers cellular number confidential and change the pager’s password (page 9).  Activate the card before using with this pager Delete all text messages that may exist on the SIM card Do not lock the SIM card Do not turn on call transfer Once the pager is installed into your vehicle, the pager needs to be ‘initialised’ so it knows which mobile phone is to receive messages.  See ‘To initialise the pager’ – page 5. IF THE PAGER IS NOT ‘INITIALISED’, IT WILL NOT OPERATE . INSTALLATION – SEE DIAGRAM PAGES 7 & 8 TO INSTALL, THE FOLLOWING MUST BE AVAILABLE:- a) GSM SIM CARD FOR THIS PAGER (not supplied)  b) VEHICLE OWNERS MOBILE PHONE ( *)  NOTE:  Do not insert or remove SIM card when power is connected .   If necessary, re-position the jumpers for alarm  siren/horn polarity. Insert the SIM card, (see diagram on page 7/8) find a mounting location for the module and battery back-up pack under the dashboard. Do not place near vehicle computers(ECU) or similar.   The back-up battery pack requires six non-rechargeable alkaline AA batteries(Not supplied). Mount where accessible for easy battery replacement at a later time (eg: roof of the glove box). The dual colour LED should be mounted where it can be seen from the outside but not cause a distraction whilst driving. Bottom left side of ‘A’ pillar is suggested. The GPS antenna must be able to face the sky in order to receive satellite signals. Mount flat on top of the dashboard or it may be concealed beneath the top surface of the dashboard providing the antenna is not shielded by metal, close to metal or other electronic components. Testing must be done outdoors so the GPS antenna can receive satellite signals. Tall buildings and heavy overcast sky may affect reception and positional accuracy. When powered, the pager will start searching for GSM & GPS signals which is indicated by the dual colour LED – see LED flash codes.(Pg 3) The mobile phone which is to receive text messages must now be ‘initialised’ (memorised) into the pager. Follow the instructions “TO INITIALISE THE PAGER” (page 5). Allow at least 2 minutes after network connection is made before sending the initialising code. (*)  If the vehicle owners mobile phone is not at hand when installing and testing, ‘initialisation’ can be carried out from any mobile phone. The vehicle owner will need to re-initialise the pager so that it communicates with their mobile phone and deletes the test phone. 2 13
3 12 CONTROLLING THE PAGER ACTIVATE After turning the ignition off, the pager will automatically arm after 60 sec. After activating the e-69 will be active and ready to send text alert warning messages when required. DE-ACTIVATE E-69 disarms as soon as Alarm is on & Ignition is off. No Warning messages will be sent  DUAL COLOUR  LED STATUS : RED LED – GSM NETWORK / PAGER STATUS INDICATOR The status of the pager is shown when the LED is lit red.  Flash cycle is every 4 seconds Constant ON * = Searching for GSM network 1 flash  = System normal & GSM connected Does not flash this code whilst driving  2 flashes  = In Stand-by (see page 5) 3 flashes  = Pager not initialised (see page 6) 4 flashes  = SIM card not inserted Flickering  = Sending or receiving text messages GREEN LED – GPS STATUS INDICATOR The status of GPS is shown by the LED Constant ON *  = Searching for GPS Signal To prevent a distraction whilst driving, the LED does not flash when the e-69 is deactivated. It will only light whilst driving if an abnormal situation occurs, such as ‘constant on’ for no GSM network connection. If the LED is constantly lit red when parking (no GSM connection), try moving your vehicle to a different location. GPS reception may not be possible inside certain buildings and areas. Warning:  In order to receive warning messages, both your mobile phone and the pager must have GSM network coverage. Your mobile phone shows signal strength and the pagers LED shows its status.  BE AWARE THAT IF THERE IS NO SIGNAL ON EITHER DEVICE, YOU WILL NOT RECEIVE ANY WARNING MESSAGES. The pager is for +12V or 24V, and vehicles with negative grounds only. Warning : Interfering with the electrical system of your vehicle may cause damage to this product, or infringe the terms of any warranties. If in doubt, we suggest you seek advice from your dealer/installer prior to installing this product. INSTALLATION TEXT CONTROLLED OUTPUTS   This pager has three text controlled outputs; ‘ PANIC’ – causes the vehicles horn to sound for 30 seconds as a warning to others. Perfect for finding your car if needed at a car park. ‘ UNLOCK’ – a single pulse output which is usually connected to the drivers door.  A text message unlocks the door if, for instance, the keys were accidentally locked inside, misplaced or the keys were lost. (Optional – Requires extra relay. Ask your supplier/installer for more info) ‘ ANTI-THEFT’ – a continuous output which can be used to prevent the engine from starting. This may be used, for instance, where the vehicles keys and remote controls have been misplaced. A text message turns ON ‘anti theft’ A further text message turns OFF ‘anti theft’ Refer to User commands page at the last page for text codes. The above outputs may be used for other applications, however, the text commands remain the same.
FAQ’s Q:   Does the pager remain connected to the GSM network at all times ? A:  Yes, the pager is always connected whether the alarm is armed or disarmed. The only time the pager is not connected to the network is when there is no cellular coverage, in ‘Standby’ or the pager’s power is disconnected.  Q:   If the red LED lights solid, what does this mean ? A:  It indicates that there is no cellular coverage at your location and is a warning that text messages cannot be sent or received.  Q:   Will the pager flatten my vehicle battery ? A:  The pager nominally consumes 10mA and a battery in good fully charged condition is not affected under normal vehicle usage. Power consumption reduces to 5mA when in Standby mode.  Q:   If the LED lights solid green, what does this mean ? A:  It indicates that the system is searching for a GPS signal.  Q:   Can the pager send text messages to more than one mobile phone ? A:  No, it is dedicated to send messages to just one mobile phone.  You can select or change which phone receives the warning text messages. Q:   What happens if the someone calls the pager by mistake (voice or text) ? A:  Nothing, the pager ignores voice calls and all text messages not commencing with your password. Q:   Does a Pre-Pay SIM card have to be removed from the pager to re-charge it ? A:  Not necessarily, but check with the SIM card’s network provider. Some cards may have to be removed to be recharged.  Some card suppliers offer Auto-Pay which automatically re-charges the card when its value drops below a minimum value.  (Check with your sim card provider) Q:  What happens if my Pre-Pay SIM card has no credit remaining ? A:  The pager will not send any messages - of any type.  Q:   Does the weather affect GPS operation? A:  It can do. GPS systems are able to overcome most weather problems, but heavy overcast skies, solar activity, earth rotation, atmospheric density, building reflections etc can affect reception and positional accuracy.  11 4 WARNING TEXT MESSAGES 1)  WARNING: ALARM INTRUDED This message will be sent if the alarm is triggered.  The GPS positioning data text will be included. 2)  WARNING: VEHICLE BATTERY LOW This message will be sent automatically if the vehicle’s battery gets disconnected.  Attend the vehicle immediately. 3)  WARNING: BACK UP BATTERY LOW This message will be sent automatically if the pagers back-up battery is disconnected or the batteries are low.  Connect or replace the batteries. GPS TEXT MESSAGES 1) GPS SIGNAL NOT READY This message will be sent if the system has just been powered and has not proceeded GPS positioning. 2) NO CURRENT GPS SIGNAL  AVAILABLE This message will be sent when the system cannot receive GPS data within 5 minutes. 3) GPS LAST POSITION FIXED AT xx xx’xx.xx”S, xxx xx’xx.xx”E If the GPS cannot receive signal within 5 minutes upon receipt of GPS location request. A message from the last position will be sent immediately. It will however attempt GPS positioning and send final positioning data by text. 4) GPS CURRENT FIXED AT xx xx’xx.xx”S, xxx xx’xx.xx”E This message will be sent when GPS data is received. For example, you will receive the message as;  GPS CURRENT FIXED AT  25 02’45.19”S,121 28’00.51”E You may check  the car location from either; http://maps.google.com   - no download required or  http://earth.google.com   - requires program download Using either of the above internet sites, type the latitude and longitude position into the search bar, please add a space between degrees and minutes as  25  02’45.19”S,121 28’00.51”E Depending on your mobile phone, you may easily copy paste onto Google map and zoom in on the location.
DEFAULT RESET To reset the pager back to all original factory default settings (and password  to 1234), send the following text from your mobile phone:-  RESET  (all in upper case) Pager replies to sending mobile phone with  ‘RESET OK’.   The pager then needs to be re-initialised. ( Refer to Page 5) TESTING THE GSM PAGER  –  We recommend regular testing Arm the alarm system, check LED status after 60 seconds  B)  Trigger the alarm,  The mobile phone should receive the text message  “ WARNING:- ALARM INTRUDED”  plus ‘last known’ GPS location data (wait for reply) A second message will be received giving current GPS location data. The pager will attempt to send the warning message 3 times if network signal is too weak and fails to send 1 st  or 2 nd  time. 5 10 STAND-BY ‘ Stand-by’ is designed to preserve vehicle battery power when vehicle is turned off by reducing the pagers power requirements. When in ‘Stand-by’, the pager is disconnected from both GSM and GPS coverage.. However, Stand-by mode immediately deactivates as soon as the car alarm is triggered or when a command text is sent. NO GSM SIGNAL   If you happen to park your vehicle at a location where there is no GSM coverage, the LED will turn constant red to warn you. Moving the vehicle just a few metres may restore coverage, just like mobile phones. Whilst driving, the pager constantly attempts a network connection. When the alarm is armed, the pager attempts network connection for 5 minutes and if unsuccessful will enter ‘Stand-by’. When In this mode, the pager will attempt a network connection every 60 minutes. It remains in ‘Stand-by’ if unsuccessful. If the alarm system is activated whilst in this mode, the pager will immediately attempt a network connection and try to send a warning message. The message will be sent next time the pager connects to the network. NO GPS SIGNAL This is indicated by the LED lighting solid green and may occur with adverse weather conditions, parking inside a building, or surrounded by tall buildings.  TO INITIALISE THE PAGER   (allow 2 minutes after GSM connection before sending commands) 1)  Send an SMS  text  1234S  as initialisation code   from the mobile phone that is going to receive the alarm messages to the pagers SIM card phone number. 2)  The pager replies with  “NUMBER SET OK”   (allow time for reply – depends on cellular traffic) 3)  1234 is default password, we recommend you now change the password see “  CHANGE THE PASSWORD”.( Refer to Page 9) GPS FEATURES: * 16 Channel GPS Correlator * 8192 Search Bins with GPS acquisition Accelerator Accuracy: 2.5M CEP (Stand-Alone, S/A off) Time to First Fix: 34s (Cold Start) Acquisition Sensitivity: -142 dBm (Cold Start) Tracking Sensitivity: -158 dBm
CHANGING THE PASSWORD To prevent someone from changing your pager settings, it is recommended that you change the pagers default  password. The password can only be changed after carrying out ‘initialisation’.  1. Choose a 4 digit numerical password and send the following text  message   to the pager:- 1234PXXXX   ( XXXX  is your chosen number -  P  is upper case, no spaces.) 2. Pager replies with  “PASSWORD CHANGED OK”   3. Any further commands now commence with your new password , not 1234 4.  Record the new password in your mobile phone ‘contacts’ list. TIP: If you car alarm has a PIN coded override, record the number  in your mobile phone for easy recall CHANGING THE ALLOCATED MOBILE PHONE There may be occasions when you don’t want warning messages to be sent to the original mobile phone, such as when someone when vehicles changes ownership, or when you have changed your cellular number. From the new mobile phone, just re-send a user command (with new password if it has changed from factory default ). The pager replies to the new mobile phone with the corresponding reply .   To check transfer, trigger the alarm – the new phone should receive the warning text. Previous allocated mobile phone number will now deleted and will not receive messages. To return to the original mobile phone, just repeat this procedure. NOTE:   A confirmation reply must be received before sending any other command. If no reply received within a reasonable time, re-send the original text.  Text messages may not always be received in the order they are sent due to cellular traffic. Text commands, once executed, are automatically deleted from the pagers SIM card memory. 9 6 TO REQUEST GPS LOCATION Whenever you need to know the vehicles location, send this text command: XXXXG Pager will reply with GPS latitude & longitude data  PAGER CONTROLLED OUTPUTS 1) Controlling Anti Theft Function  To activate  Anti Theft function (engine start disable), send this text command:  XXXXAA   Pager replies with  “ACTIVATE ANTI HI-JACK” To deactivate  Anti Theft function (engine start enabled), send this text command:  XXXXDA Pager replies with  “DEACTIVATE ANTI HI-JACK” 2) Controlling Remote Panic Function To sound the vehicles horn or alarm siren for 30 seconds, send this text command: XXXXH   3) Controlling Remote Door Unlock Function(Optional-Refer Pg 1) To unlock the drivers door (when say the keys are accidentally locked inside),  send this text command:  XXXXUL   XXXX is your password, see page 9
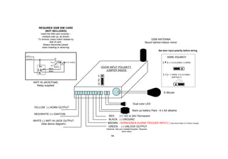
Set door input polarity before wiring GSM ANTENNA Mount behind interior mirror Dual color LED REQUIRES GSM SIM CARD (NOT INCLUDED) Insert the SIM card correctly – contacts side up, as shown. To remove, press indent release by side of card.  Always disconnect power  when inserting or removing. 7/8 Back-up battery Pack - 6 x AA alkaline  RED  (+) 12V or 24V Permanent  BLACK  (-) GROUND BROWN  HORN/SIREN ALARM TRIGGER INPUT(-)   (See Above Right For Polarity Change)  ANTI HI-JACK(Theft) Relay supplied GREEN  (-) UNLOCK OUTPUT  (Optional- Ask your installer/Supplier. Requires extra relay) WHITE (-) ANTI HI-JACK OUTPUT (See above diagram) RED/WHITE (+) IGNITION YELLOW  (-) HORN OUTPUT G Mouse DOOR INPUT POLARITY  JUMPER INSIDE 1 2 3 HORN  POLARITY (  +  )   = 1+2 CLOSED, 3 OPEN (  -  )   = 1 OPEN, 2+3 CLOSED (DEFAULT)

E 69 user manual

  • 1.
    Thank you forpurchasing the e-69. This manual includes full installation procedures and a full user operating manual. The pager automatically sends warning text messages to your mobile phone if your vehicle alarm system sounds or if your vehicle battery gets disconnected. The text messages received also contains GPS data to show location of your vehicle by way of coordinates for Google map. By sending a simple text message to the pager, you can ask for the current GPS position at any time where network reception is available. It has been designed to operate with most alarms, immobilisers and compatible factory fitted (OEM) vehicle alarm systems. For correct operation, please read this manual to familiarise yourself with the features. 12 Month Limited WARRANTY: Installation is to be done by certified installers only. Self installation may void Warranty. Proof of installation from a certified installer will be needed for warranty purposes. Caution: Reacting to an alarm text warning message is your responsibility and the safety of the person attending the vehicle as a result of a warning text message should be paramount. We advise no unnecessary risk to yourself or others. GSM & GPS reception: Use of this product in some locations may cause loss of the GSM signal. This is no fault of the product. Generally, GPS reception is not possible inside building – recommended for outdoor use only. Do not use this product where cellular products are prohibited. Do not disassemble this product. Warranty void if manufacturers seals broken. USER COMMANDS TO PAGER All commands to be UPPERCASE -Requires a GSM SIM card-Not supplied -Relay supplied for Anti-Theft function. -Text unlock function optional, requires extra relay. (Ask your Supplier/Installer for more info) Model: E-69 12 or 24 volt VEHICLE TO MOBILE PHONE GSM TEXT PAGER & GPS LOCATOR OPERATION AND INSTALLATION MANUAL 1 234S Initialisation code 1 234 PXXXX Change password - 1234 is default XXXX is your chosen password 1234UL Send Unlock pulse from pager (Optional: Extra relay required, ask your supplier/installer) 1234H Activate panic command from pager 1 234G GPS positioning data sending request 1 234 AA Activate Anti -Theft function 1 234 DA Deactivate Anti-Theft function RESET Resets pager to factory defaults
  • 2.
    CONTENTS; SIM Cards……………………….……………..……2 Controlling The Pager……………………….…….. 3 Dual Colour Led……………………………….…… 3 Warning Messages………………………………... 4 Standby mode…………………………………….... 5 Initialising The Pager………………………………. 5 GSM/GPS Pager Controlled outputs………..…… 6 GPS Positioning Data Requesting a Text………………………………… 6 Wiring Diagram…………………………………….. 7/8 Changing The Password………………………….. 9 Switching the allocated mobile phone…………… 9 Default Reset ………………………………………. 10 GSM Pager Testing………………………………… 10 GPS Features……………………………………… 10 FAQ’s……………………………………………….. 11/12 Installation……………….…………………………. 12 Installation………………………………………….. 13/14 WIRING CONNECTIONS GPS Antenna The GPS antenna must be able to see the sky in order to receive satellite signals. Mount flat on top of the dashboard or it may be concealed beneath the top surface of the dashboard providing the antenna is not obstructed or close to metal which may shield the signals. Do not insert or remove SIM card with power connected 14 Dual Colour LED Mount where it can be seen by the driver but does not cause distraction whilst driving. Bottom of left side ‘A’ pillar is suggested INSERT A SIM CARD (NOT SUPPLIED) & INSTALL INTO VEHICLE. FROM YOUR MOBILE PHONE, SEND AN ‘INITIALISING CODE’ TEXT TO THE PAGERS SIM CARD NUMBER. CHANGE THE PASSWORD TO YOUR PERSONAL CHOICE ARM YOUR ALARM SYSTEM:- THE PAGER IS NOW ACTIVE AND IS READY TO SEND WARNING MESSAGES TRIGGER YOUR ALARM TO VERIFY WARNING TEXT MESSAGES ARE SENT TO YOUR MOBILE PHONE DISARM YOUR ALARM AND TURN THE IGNITION ON:- DEACTIVATES THE PAGER 6 SIMPLE STEPS WIRE COLOUR & FUNCTION CONNECTION TO:- RED +12v or +24v To constant fused power supply (+) BLACK – Ground (-) To ground chassis(-) BROWN – Alarm trigger input(Horn/Siren) To alarm pin switch Polarity set by jumper, (-) is default RED/WHITE – Ignition input (+) To vehicles ignition wire (+) which switches to ground when ignition is off GREEN - Unlock Output (-) 500mAmp (Optional) To vehicles unlock wire – may require a relay to convert to high current or polarity change (Optional-Extra relay required) WHITE- Anti Theft Output (-) To disable the Starter (extra 30/40A relay with socket is required ) YELLOW - Horn Output (-) To Horn (polarity change over relay may be required)
  • 3.
    SIM CARD (notsupplied) A GSM SIM card is required for this pager. They are available from different network suppliers on a range of pricing plans. Some suppliers offer data stream contracts (non-voice type) where text messages cost considerably less than normal cards. A low cost option is generally the Pre-Pay type as text messages sent from the pager would be the only charge depending on the network provider. If you choose a Pre-Pay card, we recommend one that does not need to be removed from the pager to recharge credit. As the pager module is mounted under the dashboard, it may not be readily accessible. Fees may apply if professional assistance is required. To prevent credit expiry on SIM card, we recommend the Auto-Pay option if available for your SIM card. Pre-Pay: This pager will NOT notify you if your credit has expired. Please set a re-charge date if your mobile phone has a ‘task reminder’, Add the SIM card number to your mobile phone ‘contacts’ list. To prevent unauthorised use or tampering, keep the pagers cellular number confidential and change the pager’s password (page 9). Activate the card before using with this pager Delete all text messages that may exist on the SIM card Do not lock the SIM card Do not turn on call transfer Once the pager is installed into your vehicle, the pager needs to be ‘initialised’ so it knows which mobile phone is to receive messages. See ‘To initialise the pager’ – page 5. IF THE PAGER IS NOT ‘INITIALISED’, IT WILL NOT OPERATE . INSTALLATION – SEE DIAGRAM PAGES 7 & 8 TO INSTALL, THE FOLLOWING MUST BE AVAILABLE:- a) GSM SIM CARD FOR THIS PAGER (not supplied) b) VEHICLE OWNERS MOBILE PHONE ( *) NOTE: Do not insert or remove SIM card when power is connected . If necessary, re-position the jumpers for alarm siren/horn polarity. Insert the SIM card, (see diagram on page 7/8) find a mounting location for the module and battery back-up pack under the dashboard. Do not place near vehicle computers(ECU) or similar. The back-up battery pack requires six non-rechargeable alkaline AA batteries(Not supplied). Mount where accessible for easy battery replacement at a later time (eg: roof of the glove box). The dual colour LED should be mounted where it can be seen from the outside but not cause a distraction whilst driving. Bottom left side of ‘A’ pillar is suggested. The GPS antenna must be able to face the sky in order to receive satellite signals. Mount flat on top of the dashboard or it may be concealed beneath the top surface of the dashboard providing the antenna is not shielded by metal, close to metal or other electronic components. Testing must be done outdoors so the GPS antenna can receive satellite signals. Tall buildings and heavy overcast sky may affect reception and positional accuracy. When powered, the pager will start searching for GSM & GPS signals which is indicated by the dual colour LED – see LED flash codes.(Pg 3) The mobile phone which is to receive text messages must now be ‘initialised’ (memorised) into the pager. Follow the instructions “TO INITIALISE THE PAGER” (page 5). Allow at least 2 minutes after network connection is made before sending the initialising code. (*) If the vehicle owners mobile phone is not at hand when installing and testing, ‘initialisation’ can be carried out from any mobile phone. The vehicle owner will need to re-initialise the pager so that it communicates with their mobile phone and deletes the test phone. 2 13
  • 4.
    3 12 CONTROLLINGTHE PAGER ACTIVATE After turning the ignition off, the pager will automatically arm after 60 sec. After activating the e-69 will be active and ready to send text alert warning messages when required. DE-ACTIVATE E-69 disarms as soon as Alarm is on & Ignition is off. No Warning messages will be sent DUAL COLOUR LED STATUS : RED LED – GSM NETWORK / PAGER STATUS INDICATOR The status of the pager is shown when the LED is lit red. Flash cycle is every 4 seconds Constant ON * = Searching for GSM network 1 flash = System normal & GSM connected Does not flash this code whilst driving 2 flashes = In Stand-by (see page 5) 3 flashes = Pager not initialised (see page 6) 4 flashes = SIM card not inserted Flickering = Sending or receiving text messages GREEN LED – GPS STATUS INDICATOR The status of GPS is shown by the LED Constant ON * = Searching for GPS Signal To prevent a distraction whilst driving, the LED does not flash when the e-69 is deactivated. It will only light whilst driving if an abnormal situation occurs, such as ‘constant on’ for no GSM network connection. If the LED is constantly lit red when parking (no GSM connection), try moving your vehicle to a different location. GPS reception may not be possible inside certain buildings and areas. Warning: In order to receive warning messages, both your mobile phone and the pager must have GSM network coverage. Your mobile phone shows signal strength and the pagers LED shows its status. BE AWARE THAT IF THERE IS NO SIGNAL ON EITHER DEVICE, YOU WILL NOT RECEIVE ANY WARNING MESSAGES. The pager is for +12V or 24V, and vehicles with negative grounds only. Warning : Interfering with the electrical system of your vehicle may cause damage to this product, or infringe the terms of any warranties. If in doubt, we suggest you seek advice from your dealer/installer prior to installing this product. INSTALLATION TEXT CONTROLLED OUTPUTS This pager has three text controlled outputs; ‘ PANIC’ – causes the vehicles horn to sound for 30 seconds as a warning to others. Perfect for finding your car if needed at a car park. ‘ UNLOCK’ – a single pulse output which is usually connected to the drivers door. A text message unlocks the door if, for instance, the keys were accidentally locked inside, misplaced or the keys were lost. (Optional – Requires extra relay. Ask your supplier/installer for more info) ‘ ANTI-THEFT’ – a continuous output which can be used to prevent the engine from starting. This may be used, for instance, where the vehicles keys and remote controls have been misplaced. A text message turns ON ‘anti theft’ A further text message turns OFF ‘anti theft’ Refer to User commands page at the last page for text codes. The above outputs may be used for other applications, however, the text commands remain the same.
  • 5.
    FAQ’s Q: Does the pager remain connected to the GSM network at all times ? A: Yes, the pager is always connected whether the alarm is armed or disarmed. The only time the pager is not connected to the network is when there is no cellular coverage, in ‘Standby’ or the pager’s power is disconnected. Q: If the red LED lights solid, what does this mean ? A: It indicates that there is no cellular coverage at your location and is a warning that text messages cannot be sent or received. Q: Will the pager flatten my vehicle battery ? A: The pager nominally consumes 10mA and a battery in good fully charged condition is not affected under normal vehicle usage. Power consumption reduces to 5mA when in Standby mode. Q: If the LED lights solid green, what does this mean ? A: It indicates that the system is searching for a GPS signal. Q: Can the pager send text messages to more than one mobile phone ? A: No, it is dedicated to send messages to just one mobile phone. You can select or change which phone receives the warning text messages. Q: What happens if the someone calls the pager by mistake (voice or text) ? A: Nothing, the pager ignores voice calls and all text messages not commencing with your password. Q: Does a Pre-Pay SIM card have to be removed from the pager to re-charge it ? A: Not necessarily, but check with the SIM card’s network provider. Some cards may have to be removed to be recharged. Some card suppliers offer Auto-Pay which automatically re-charges the card when its value drops below a minimum value. (Check with your sim card provider) Q: What happens if my Pre-Pay SIM card has no credit remaining ? A: The pager will not send any messages - of any type. Q: Does the weather affect GPS operation? A: It can do. GPS systems are able to overcome most weather problems, but heavy overcast skies, solar activity, earth rotation, atmospheric density, building reflections etc can affect reception and positional accuracy. 11 4 WARNING TEXT MESSAGES 1) WARNING: ALARM INTRUDED This message will be sent if the alarm is triggered. The GPS positioning data text will be included. 2) WARNING: VEHICLE BATTERY LOW This message will be sent automatically if the vehicle’s battery gets disconnected. Attend the vehicle immediately. 3) WARNING: BACK UP BATTERY LOW This message will be sent automatically if the pagers back-up battery is disconnected or the batteries are low. Connect or replace the batteries. GPS TEXT MESSAGES 1) GPS SIGNAL NOT READY This message will be sent if the system has just been powered and has not proceeded GPS positioning. 2) NO CURRENT GPS SIGNAL AVAILABLE This message will be sent when the system cannot receive GPS data within 5 minutes. 3) GPS LAST POSITION FIXED AT xx xx’xx.xx”S, xxx xx’xx.xx”E If the GPS cannot receive signal within 5 minutes upon receipt of GPS location request. A message from the last position will be sent immediately. It will however attempt GPS positioning and send final positioning data by text. 4) GPS CURRENT FIXED AT xx xx’xx.xx”S, xxx xx’xx.xx”E This message will be sent when GPS data is received. For example, you will receive the message as; GPS CURRENT FIXED AT 25 02’45.19”S,121 28’00.51”E You may check the car location from either; http://maps.google.com - no download required or http://earth.google.com - requires program download Using either of the above internet sites, type the latitude and longitude position into the search bar, please add a space between degrees and minutes as 25 02’45.19”S,121 28’00.51”E Depending on your mobile phone, you may easily copy paste onto Google map and zoom in on the location.
  • 6.
    DEFAULT RESET Toreset the pager back to all original factory default settings (and password to 1234), send the following text from your mobile phone:- RESET (all in upper case) Pager replies to sending mobile phone with ‘RESET OK’. The pager then needs to be re-initialised. ( Refer to Page 5) TESTING THE GSM PAGER – We recommend regular testing Arm the alarm system, check LED status after 60 seconds B) Trigger the alarm, The mobile phone should receive the text message “ WARNING:- ALARM INTRUDED” plus ‘last known’ GPS location data (wait for reply) A second message will be received giving current GPS location data. The pager will attempt to send the warning message 3 times if network signal is too weak and fails to send 1 st or 2 nd time. 5 10 STAND-BY ‘ Stand-by’ is designed to preserve vehicle battery power when vehicle is turned off by reducing the pagers power requirements. When in ‘Stand-by’, the pager is disconnected from both GSM and GPS coverage.. However, Stand-by mode immediately deactivates as soon as the car alarm is triggered or when a command text is sent. NO GSM SIGNAL If you happen to park your vehicle at a location where there is no GSM coverage, the LED will turn constant red to warn you. Moving the vehicle just a few metres may restore coverage, just like mobile phones. Whilst driving, the pager constantly attempts a network connection. When the alarm is armed, the pager attempts network connection for 5 minutes and if unsuccessful will enter ‘Stand-by’. When In this mode, the pager will attempt a network connection every 60 minutes. It remains in ‘Stand-by’ if unsuccessful. If the alarm system is activated whilst in this mode, the pager will immediately attempt a network connection and try to send a warning message. The message will be sent next time the pager connects to the network. NO GPS SIGNAL This is indicated by the LED lighting solid green and may occur with adverse weather conditions, parking inside a building, or surrounded by tall buildings. TO INITIALISE THE PAGER (allow 2 minutes after GSM connection before sending commands) 1) Send an SMS text 1234S as initialisation code from the mobile phone that is going to receive the alarm messages to the pagers SIM card phone number. 2) The pager replies with “NUMBER SET OK” (allow time for reply – depends on cellular traffic) 3) 1234 is default password, we recommend you now change the password see “ CHANGE THE PASSWORD”.( Refer to Page 9) GPS FEATURES: * 16 Channel GPS Correlator * 8192 Search Bins with GPS acquisition Accelerator Accuracy: 2.5M CEP (Stand-Alone, S/A off) Time to First Fix: 34s (Cold Start) Acquisition Sensitivity: -142 dBm (Cold Start) Tracking Sensitivity: -158 dBm
  • 7.
    CHANGING THE PASSWORDTo prevent someone from changing your pager settings, it is recommended that you change the pagers default password. The password can only be changed after carrying out ‘initialisation’. 1. Choose a 4 digit numerical password and send the following text message to the pager:- 1234PXXXX ( XXXX is your chosen number - P is upper case, no spaces.) 2. Pager replies with “PASSWORD CHANGED OK” 3. Any further commands now commence with your new password , not 1234 4. Record the new password in your mobile phone ‘contacts’ list. TIP: If you car alarm has a PIN coded override, record the number in your mobile phone for easy recall CHANGING THE ALLOCATED MOBILE PHONE There may be occasions when you don’t want warning messages to be sent to the original mobile phone, such as when someone when vehicles changes ownership, or when you have changed your cellular number. From the new mobile phone, just re-send a user command (with new password if it has changed from factory default ). The pager replies to the new mobile phone with the corresponding reply . To check transfer, trigger the alarm – the new phone should receive the warning text. Previous allocated mobile phone number will now deleted and will not receive messages. To return to the original mobile phone, just repeat this procedure. NOTE: A confirmation reply must be received before sending any other command. If no reply received within a reasonable time, re-send the original text. Text messages may not always be received in the order they are sent due to cellular traffic. Text commands, once executed, are automatically deleted from the pagers SIM card memory. 9 6 TO REQUEST GPS LOCATION Whenever you need to know the vehicles location, send this text command: XXXXG Pager will reply with GPS latitude & longitude data PAGER CONTROLLED OUTPUTS 1) Controlling Anti Theft Function To activate Anti Theft function (engine start disable), send this text command: XXXXAA Pager replies with “ACTIVATE ANTI HI-JACK” To deactivate Anti Theft function (engine start enabled), send this text command: XXXXDA Pager replies with “DEACTIVATE ANTI HI-JACK” 2) Controlling Remote Panic Function To sound the vehicles horn or alarm siren for 30 seconds, send this text command: XXXXH 3) Controlling Remote Door Unlock Function(Optional-Refer Pg 1) To unlock the drivers door (when say the keys are accidentally locked inside), send this text command: XXXXUL XXXX is your password, see page 9
  • 8.
    Set door inputpolarity before wiring GSM ANTENNA Mount behind interior mirror Dual color LED REQUIRES GSM SIM CARD (NOT INCLUDED) Insert the SIM card correctly – contacts side up, as shown. To remove, press indent release by side of card. Always disconnect power when inserting or removing. 7/8 Back-up battery Pack - 6 x AA alkaline RED (+) 12V or 24V Permanent BLACK (-) GROUND BROWN HORN/SIREN ALARM TRIGGER INPUT(-) (See Above Right For Polarity Change) ANTI HI-JACK(Theft) Relay supplied GREEN (-) UNLOCK OUTPUT (Optional- Ask your installer/Supplier. Requires extra relay) WHITE (-) ANTI HI-JACK OUTPUT (See above diagram) RED/WHITE (+) IGNITION YELLOW (-) HORN OUTPUT G Mouse DOOR INPUT POLARITY JUMPER INSIDE 1 2 3 HORN POLARITY ( + ) = 1+2 CLOSED, 3 OPEN ( - ) = 1 OPEN, 2+3 CLOSED (DEFAULT)