E.C.M LAB CIRCUITS
(ANIMATED)
RESEARCHED AND PRESENTED BY-
Mohammed Imran
( ASSISTANT PROFESSOR)
DEPARTMENT OF ELECTRICAL AND ELECRONICS ENGINEERING
CONTRIBUTIONS BY-
-Abrar Rafat (MECHANICAL 2nd year)
-Syed Ateeq (MECHANICAL 2nd year)
-Zia Ul Haq (MECHANICAL 2nd year)
-Mohammed Maqsood (MECHANICAL 2nd year)
1.BRAKE TEST ON DC COMPOUND MOTOR
220 V,
D.C.
SUPPLY
BRAKE DRUM
S1
S2
DPST
DPST
FUSE
FUSE
V
A
Z
ZZ
YY
Y
M
AA
A
4 POINT STARTER
L Z
0-300V,M.C.
0-20A,M.C.
L
-
A
NOTE:- 1. RED common mistakes
2. FUSE RATING WILL BE 125%
OF FULL LOAD
2.SPEED CONTROL OF DC SHUNT MOTOR
220 V,
D.C.
SUPPLY
DPST
DPST
FUSE
FUSE
A
M
3 POINT STARTER
L Z A
515 Ω
min
V
A
AA
Z
100 Ω
Max.
0-300V,M.C.
0-5A,M.C.
ZZ
NOTE:- 1. RED common mistakes
2. FUSE RATING WILL BE 125%
OF FULL LOAD
3.BRAKE TEST ON DC SERIES MOTOR
220 V,
D.C.
SUPPLY
BRAKE DRUM
S1
S2
FUSE
FUSE
V
A
YY
Y
M
AA
A
2 POINT STARTER
L A
0-300V,M.C.
0-20A,M.C.
+
-
DPST
DPST
NOTE:- 1. RED common mistakes
2. FUSE RATING WILL BE 125%
OF FULL LOAD
4.BRAKE TEST ON DC SHUNT MOTOR
220 V,
D.C.
SUPPLY
DPST
DPST
FUSE
FUSE
A
M
3 POINT STARTER
L Z A
ZZ
V
0-300V,M.C.
S1
S2
BRAKE DRUM
0-15A,M.C.
A
Z
AA
NOTE:- 1. RED common mistakes
2. FUSE RATING WILL BE 125%
OF FULL LOAD
100ohms min
5.LOAD CHARCTERISTIC OF DC SHUNT
GENERATOR
220 V,
D.C.
SUPPLY
FUSE
FUSE
M
3 POINT STARTER
L Z A
ZZ A
AA
G
A
AA
A
ZZ
A
V
Z
Z
L
O
A
D
0-2A,M.C.
0-20A,M.C.
0-300V
M.C.
DPST
DPST
NOTE:- 1. RED common mistakes
2. FUSE RATING WILL BE 125%
OF FULL LOAD
100Ω MAX
6.LOAD TEST ON 3-PHASE
INDUCTION MOTOR
3 phase
415 v
supply
R
Y
B
N
STAR/DELTA STARTER
R
Y
B
A
V
0-10,M.I
5/10 A,300/600 upf
fuse
fuse
fuse
TPST
TPST
TPST Brake drum
S1 S2
NOTE:- 1. RED common mistakes
2. FUSE RATING WILL BE 125%
OF FULL LOAD
0-600v,M.I
7.OPEN AND SHORT CIRCUIT TEST ON A
TRANSFORMER
A
V OPEN CIRCUIT
M L
C V
1- phase A.C
supply
A
V
SHORTCIRCUIT
M L
C V
1- phase A.C
supply
fuse
fuse
fuse
fuse
0-300v, MI
0-1A, MI
0-15A,MI
0-75V, MI
AUTO TRANSFORMER
HIGH VOLTAGE RATED
AUTO TRANSFORMER
HIGH CURRENT RATED
PH
DPST
DPST
DPST
DPST
N
PH
N
L1
L2 H1
H2
L1
L2
H1
H2
2.5/5A,150/300V lpf
15/30A,75/150V upf
Red Common mistakes
8.MEASUREMENT OF POWER BY TWO
WATTMETER METHOD
3 phase
415 v
supply
R
Y
B
STAR/DELTA STARTER
R
Y
B
A
V
0-10,M.I
5/10 A,300/600 upf
fuse
fuse
fuse
TPST
TPST
TPST Brake drum
S1 S2
NOTE:- 1. RED common mistakes
2. FUSE RATING WILL BE 125%
OF FULL LOAD
0-600v,M.I
M
C
V
L
L
5/10 A,300/600 upf
V
M
C
600
600
9.MAGNETISATION CHARACTERISTICS Of
DC SPEARATELY EXCITED GENERATOR
V
220v
Dc
supply
FUSE
FUSE
FUSE
FUSE
DPST
DPSTDPST
DPST
3 POINT STARTER
L Z A
M G
A
SPST
220v
Dc
supply
0-1 A,M.C
0-300V,M.C
ZZ
Z
ZZ
Z
A
AA
A
AA
1000 Ω /A
Max.
NOTE:- 1. RED common mistakes
2. FUSE RATING WILL BE 125%
OF FULL LOAD
100 Ω
min
10.THEVENINS THEOREM
230 V,1Phase,A.C
Supply
DPST
DPST
R P S
0-30V
R 1 R 2
R 3 Vth R L
Circuit to find Vth
A
B
R1 R2
R3 RL
Circuit to find Rth
Rth
230 V,1`-Phase,A.C
Supply
DPST
DPST
R P S
0-30V
R 1 R 2
R 3
A
B
A
I load
Rl
NORTONS THEOREM
230 V,1Phase,A.C
Supply
DPST
DPST
R P S
0-30V
R 1 R 2
R 3 ISC R L
Circuit to find Isc
A
B
A
NORTONS THEOREM
R1 R2
R3 RL
Circuit to find RN
Rn
NORTONS THEOREM
230 V,1-Phase,A.C
Supply
DPST
DPST
R P S
0-30V
R 1 R 2
R 3 R L
Circuit to find IL
A
B
A
D.R.B
I load

Corrected1

  • 1.
    E.C.M LAB CIRCUITS (ANIMATED) RESEARCHEDAND PRESENTED BY- Mohammed Imran ( ASSISTANT PROFESSOR) DEPARTMENT OF ELECTRICAL AND ELECRONICS ENGINEERING CONTRIBUTIONS BY- -Abrar Rafat (MECHANICAL 2nd year) -Syed Ateeq (MECHANICAL 2nd year) -Zia Ul Haq (MECHANICAL 2nd year) -Mohammed Maqsood (MECHANICAL 2nd year)
  • 2.
    1.BRAKE TEST ONDC COMPOUND MOTOR 220 V, D.C. SUPPLY BRAKE DRUM S1 S2 DPST DPST FUSE FUSE V A Z ZZ YY Y M AA A 4 POINT STARTER L Z 0-300V,M.C. 0-20A,M.C. L - A NOTE:- 1. RED common mistakes 2. FUSE RATING WILL BE 125% OF FULL LOAD
  • 3.
    2.SPEED CONTROL OFDC SHUNT MOTOR 220 V, D.C. SUPPLY DPST DPST FUSE FUSE A M 3 POINT STARTER L Z A 515 Ω min V A AA Z 100 Ω Max. 0-300V,M.C. 0-5A,M.C. ZZ NOTE:- 1. RED common mistakes 2. FUSE RATING WILL BE 125% OF FULL LOAD
  • 4.
    3.BRAKE TEST ONDC SERIES MOTOR 220 V, D.C. SUPPLY BRAKE DRUM S1 S2 FUSE FUSE V A YY Y M AA A 2 POINT STARTER L A 0-300V,M.C. 0-20A,M.C. + - DPST DPST NOTE:- 1. RED common mistakes 2. FUSE RATING WILL BE 125% OF FULL LOAD
  • 5.
    4.BRAKE TEST ONDC SHUNT MOTOR 220 V, D.C. SUPPLY DPST DPST FUSE FUSE A M 3 POINT STARTER L Z A ZZ V 0-300V,M.C. S1 S2 BRAKE DRUM 0-15A,M.C. A Z AA NOTE:- 1. RED common mistakes 2. FUSE RATING WILL BE 125% OF FULL LOAD 100ohms min
  • 6.
    5.LOAD CHARCTERISTIC OFDC SHUNT GENERATOR 220 V, D.C. SUPPLY FUSE FUSE M 3 POINT STARTER L Z A ZZ A AA G A AA A ZZ A V Z Z L O A D 0-2A,M.C. 0-20A,M.C. 0-300V M.C. DPST DPST NOTE:- 1. RED common mistakes 2. FUSE RATING WILL BE 125% OF FULL LOAD 100Ω MAX
  • 7.
    6.LOAD TEST ON3-PHASE INDUCTION MOTOR 3 phase 415 v supply R Y B N STAR/DELTA STARTER R Y B A V 0-10,M.I 5/10 A,300/600 upf fuse fuse fuse TPST TPST TPST Brake drum S1 S2 NOTE:- 1. RED common mistakes 2. FUSE RATING WILL BE 125% OF FULL LOAD 0-600v,M.I
  • 8.
    7.OPEN AND SHORTCIRCUIT TEST ON A TRANSFORMER A V OPEN CIRCUIT M L C V 1- phase A.C supply A V SHORTCIRCUIT M L C V 1- phase A.C supply fuse fuse fuse fuse 0-300v, MI 0-1A, MI 0-15A,MI 0-75V, MI AUTO TRANSFORMER HIGH VOLTAGE RATED AUTO TRANSFORMER HIGH CURRENT RATED PH DPST DPST DPST DPST N PH N L1 L2 H1 H2 L1 L2 H1 H2 2.5/5A,150/300V lpf 15/30A,75/150V upf Red Common mistakes
  • 9.
    8.MEASUREMENT OF POWERBY TWO WATTMETER METHOD 3 phase 415 v supply R Y B STAR/DELTA STARTER R Y B A V 0-10,M.I 5/10 A,300/600 upf fuse fuse fuse TPST TPST TPST Brake drum S1 S2 NOTE:- 1. RED common mistakes 2. FUSE RATING WILL BE 125% OF FULL LOAD 0-600v,M.I M C V L L 5/10 A,300/600 upf V M C 600 600
  • 10.
    9.MAGNETISATION CHARACTERISTICS Of DCSPEARATELY EXCITED GENERATOR V 220v Dc supply FUSE FUSE FUSE FUSE DPST DPSTDPST DPST 3 POINT STARTER L Z A M G A SPST 220v Dc supply 0-1 A,M.C 0-300V,M.C ZZ Z ZZ Z A AA A AA 1000 Ω /A Max. NOTE:- 1. RED common mistakes 2. FUSE RATING WILL BE 125% OF FULL LOAD 100 Ω min
  • 11.
    10.THEVENINS THEOREM 230 V,1Phase,A.C Supply DPST DPST RP S 0-30V R 1 R 2 R 3 Vth R L Circuit to find Vth A B
  • 12.
    R1 R2 R3 RL Circuitto find Rth Rth
  • 13.
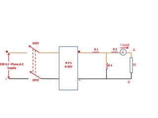
    230 V,1`-Phase,A.C Supply DPST DPST R PS 0-30V R 1 R 2 R 3 A B A I load Rl
  • 14.
    NORTONS THEOREM 230 V,1Phase,A.C Supply DPST DPST RP S 0-30V R 1 R 2 R 3 ISC R L Circuit to find Isc A B A
  • 15.
    NORTONS THEOREM R1 R2 R3RL Circuit to find RN Rn
  • 16.
    NORTONS THEOREM 230 V,1-Phase,A.C Supply DPST DPST RP S 0-30V R 1 R 2 R 3 R L Circuit to find IL A B A D.R.B I load

Editor's Notes