Communication Lab Manual                                    SSIT, Tumkur




       COMMUNICATION LAB MANUAL
                                       FOR
                      V SEMESTER B.E (E & C)
                           (For private circulation only)

        VISHVESHWARAIAH TECHNOLOGICAL UNIVERSITY




                    NAME: ___________________________


     DEPARTMENT OF ELECTRONICS & COMMUNICATION
Communication Lab Manual                                         SSIT, Tumkur



SRI SIDDHARTHA INSTITUTE OF TECHNOLOGY
                       MARLUR, TUMKUR-572105



                           CONTENTS
             1. II-Order Low Pass and High Pass Active Filters

             2. II –Order Band Pass and Band Elimination Filters

             3. Attenuators

             4. Collector Amplitude Modulation & Demodulation

             5. Balanced Modulator

             6. Class-C Tuned Amplifier

             7. Frequency Modulation and Demodulation

             8. Radio Receiver Characteristics

             9. Pre & De – Emphasis Networks

             10. AM IC Circuit-Modulation and Demodulation

             11. Pulse Amplitude Modulation

             12. Pulse Width Modulation

             13. Pulse Position Modulation

             14. Transistor Mixer
Communication Lab Manual                                           SSIT, Tumkur



       TESTING OF EQUIPMENTS BEFORE STARTING THE
                      CONDUCTION
   1. OP AMP
   Apply sine wave of amplitude 1
   volt (1 kHz) as shown in ckt
   diagram, if IC is good the output
   be a square wave with peaks at +
   VSAT and – Vsat.


   2. 555 Timer :
                                 If IC is good for the applied 5 V D.C supply as in
                                 ckt diagram the voltage at pin no. 5 will be 2/3
                                 Vcc (3.3 Volts)


                                     3. Transistor
                                 Identify emitter, base and collector of the
                                 transistor, with DMM in diode position, if
                                 transistor junctions are good it should indicate a
   low resistance upon forward biasing emitter base junction or collector – base
   junction and should indicate either OL or 1.(depending on DMM) upon
   reverse biasing EB or CB junctions.
   4. Source impedance of ASG:
   1. Connect the DRB with the maximum resistance to ASG as in figure.
   2. Adjust the amplitude of sine wave of 5V pp at 1 KHz.
   3. Start reducing the resistance of DRB this reduces the output voltage also.
   Source resistance Rs is that value of DRB resistance when the amplitude of
   the output signal is half of the initial value. (2.5 V pp)
Communication Lab Manual                                          SSIT, Tumkur


CIRCUIT DIAGRAM: -
II-Order Active Low Pass Filter




II-Order Active High Pass Filter




Design:- (LPF & HPF)
Assume Pass band gain AV = 2, Cutoff frequency fC = 5KHz
                            Rf
   1. Amplifier: AV = 1 +      = 2, then Rf = R, choose Rf = R = 10KŸ
                            R
                                                  1
   2. Filter Circuit : Cut off frequency fC =          = 5KHz
                                                2SR1C1
      Choose C1 = 0.01Pf then R1 = 3.183 KŸ a 3.3 KŸ

              Rf = 10KŸ, R1 = 3.3KŸ, C1 = 0.01Pf, Op-amp = PA741




                                        1
Communication Lab Manual                                                SSIT, Tumkur



Experiment No:                                                              DATE: __/__/____


        II – Order Low Pass and High Pass Active Filters

AIM: - Design a second order Butterworth active low pass / high pass filter for a
given cut-off frequency fC = ______Hz. Conduct an experiment to draw frequency
response and verify the roll off.



PROCEDURE: -

   1. Connections are made as shown in the circuit diagram.
   2. Apply sine wave i/p signal of peak amplitude 5 volts.
   3. Check the gain of non-inverting amplifier by keeping the frequency of the
       input signal in the pass band of the filter. Note down the output voltage
       VO max.
   4. Keeping the input signal amplitude constant, vary the frequency until the
      output voltage reduces to 0.707 Vo max, the corresponding frequency is
       the cut-off frequency (fC) of the filter.


To find the Roll-off factor :-
   1. For LPF :- Keeping the input signal amplitude constant, adjust the input
       frequency at 10fC. Note down the output signal amplitude. The difference
       in the gain of the filter at fC and 10fC gives the Roll-of factor.
   2. For HPF :- Keeping the input signal amplitude constant, adjust the input
       frequency at 0.1fC, note down the output signal amplitude. The difference
       in the gain of the filter at fC and 0.1fC gives the Roll-of factor.




Conclusion:




                                          2
Communication Lab Manual                                       SSIT, Tumkur



Tabulation:

High Pass Filter                              Vi p-p =      Volts (Constant)
 I/P frequency in      O/P Voltage      Gain magnitude   Gain magnitude in DB
        Hz             VO P-P (volts)       (Vo/Vi)           20log(Vo/Vi)




Roll off = - (G1 - G2) db/decade =

Frequency Response for High Pass Filter




                                        3
Communication Lab Manual                                       SSIT, Tumkur


Tabulation:
Low Pass Filter                               Vi p-p =       Volts (Constant)
 I/P frequency in      O/P Voltage      Gain magnitude   Gain magnitude in DB
        Hz             VO P-P (volts)       (Vo/Vi)           20log(Vo/Vi)




Roll off = - (G1 - G2) db/decade =

Frequency Response for Low Pass Filter




Staff-in-charge:




                                        4
Communication Lab Manual                                       SSIT, Tumkur


CIRCUIT DIAGRAM: -
II-Order Active Band Pass Filter




II-Order Active Band Elimination Filter




Design:-

   1. BPF : - R = 10KŸ, Rf = 5.86 KŸ, R1 = 1.989 KŸ, R2 = 3.3 KŸ,
              C1 = 0.01Pf, C2 = 0.01Pf, Op-amp = PA741

   2. BSF : - R = 10KŸ, Rf = 5.86 KŸ, Ra = 3.3 KŸ, Rb = 1.989 KŸ,
              C1 = 0.01Pf, C2 = 0.01Pf, Op-amp = PA741



                                     5
Communication Lab Manual                                                SSIT, Tumkur



Experiment No:                                                              DATE: __/__/____


  II – Order Band Pass and Band Elimination Active Filters

AIM: - Design a second order band pass and band stop active filter for a given
frequencies fC1 = ______Hz and fC2 = ______Hz. Conduct an experiment to draw
frequency response and verify the Roll off (Band Width = 3 to 5 KHz).



PROCEDURE: -

   1. Connections are made as shown in the circuit diagram.
   2. Apply sine wave i/p signal of peak amplitude 5 volts.
   3. Check the gain of non-inverting amplifier by keeping the frequency of the
       input signal in the pass band of the filter. Note down the output voltage
       VO max.
   4. Keeping the input signal amplitude constant, vary the frequency on either
      side of pass band until the output voltage reduces to 0.707 Vo max, the
       corresponding frequencies are the lower cut-off frequency (fL) and the
       upper cut-off frequency (fH) of the filter.


To find the Roll-off factor :-
   1. For LPF :- Keeping the input signal amplitude constant, adjust the input
       frequency at 10fC, note down the output signal amplitude. The difference
       in the gain of the filter at fC and 10fC gives the Roll-of factor.
   2. For HPF :- Keeping the input signal amplitude constant, adjust the input
       frequency at 0.1fC, note down the output signal amplitude. The difference
       in the gain of the filter at fC and 0.1fC gives the Roll-of factor.




                                          6
Communication Lab Manual                                         SSIT, Tumkur



Design:
Specifications:
Pass band gain AV = 1.586, cut -off frequency fH = 5 KHz, fL=8 KHz, BW= 3 KHz
1. Amplifier:
Voltage gain AV = 1 + Rf / R = 1.586, choose R = 10K:,
Then Rf = 5.86 k: (use 5.6 k:+ 220 : std value)
2. Filter:
Cut - off frequency fH= 1/2S R2C2= 5 KHz
Choose C2= 0.01Pf, then R2 = 3.183 k: (Select R2 = 3.3 k:)
Cut - off frequency fL = 1/2S R1 C1 = 8 k Hz
Choose C1= 0.01Pf, then R1= 1.989 k : (Select R1 = (1.5 k: + 470:))

Tabulation:
Band Pass Filter                           Vi p-p =           Volts (Constant)
 Frequency                                                         Gain in DB
                 O/P Voltage VO PP (volts)       Gain (Vo/Vi)
     Hz                                                           20 log (Vo/Vi)
               Vomax =

fL =                                                            G1


0.1fL =           0.707 Vomax =                                 G2
10fH=

f H=              0.707 Vomax =                                 G2’

Roll off = - (G1 - G2) db/decade =

Frequency Response for Band Pass Filter




                                       7
Communication Lab Manual                                          SSIT, Tumkur


Tabulation:
Band Elimination Filter                     Vi p-p =           Volts (Constant)
 Frequency                                                          Gain in DB
                  O/P Voltage VO PP (volts)       Gain (Vo/Vi)
     Hz                                                            20 log (Vo/Vi)
              Vomax =

fL =                                                             G1


0.1fL =            0.707 Vomax =                                 G2
10fH=

f H=               0.707 Vomax =                                 G2’

Roll off = - (G1 - G2) db/decade =

Frequency Response for Band Elimination Filter




Conclusion:




Staff-in-charge:




                                      8
Communication Lab Manual                                                   SSIT, Tumkur


CIRCUIT DIAGRAM: -
            T-Type Attenuator                                  S-Type Attenuator




Design:-

Specification: Vi = 5v, Vo = 2.5v, f = 1KHz
T- Type
            R O (N  1)                   R O 2N
      R1                          R2
             (N  1)                      (N 2 - 1)
      RO =RS =600: (Assuming RS of ASG as 600:)
      N = Attenuation factor = Vi / Vo = 2,
      Therefore R1 = 200:, R2= 800:,
                            R1 = 200:, R2 = 800:, RL = 600:

S- Type
            R O (N 2  1)                   R O (N  1)
      R1                            R2
                 2N                           (N - 1)
      RO=RS=600: (Assuming Rs. of ASG as 600:)
      N = attenuation factor Vi / Vo = 2,

Therefore R1 = 450:, R2 = 1.8 K:.

                            R1 = 450:, R2 = 1.8 K:, RL = 600:


          Type                 Vi volts                   VO volts          N = Vi/VO


      T-Type




       S-Type




                                               9
Communication Lab Manual                                              SSIT, Tumkur



Experiment No:                                                         DATE: __/__/____


           Attenuators – T, S, Lattice and O-Pad Types

AIM: - Design the attenuation circuits using T, S, O-Pad and Lattice type
networks to attenuate a given signal of amplitude _______volts and frequency
______Hz to be reduced to 50% of the amplitude. Test the circuit and record the
results.



PROCEDURE: -

   1. Find the source resistance RS of ASG.
   2. Connections are made as shown in the circuit diagram.
   3. Adjust the amplitude of the input signal at 5VP-P at 1KHz.
   4. Measure the amplitude of the output signal.
   5. Find the attenuation factor N.


Design:-

    1. T-Type attenuators:-

                                                     (N - 1)
                                            R1   RO           200
                                                    (N  1)
     For N=2 and RS = RO = 600Ÿ, then
                                                          N
                                            R2   2R O           800
                                                      (N  1)
                                                          2



    2. S-Type attenuators:-

                                                    (N 2 - 1)
                                            R1   RO           450
                                                      2N
     For N=2 and RS = RO = 600 , then
                                                    (N  1)
                                            R2   RO           1.8K
                                                    (N  1)




                                       10
Communication Lab Manual                                                   SSIT, Tumkur



           Lattice-Type Attenuator                           O-Pad Type Attenuator




Design:-

Specification: Vi = 5v, Vo = 2.5v, f = 1KHz
Lattice- Type
             R O (N  1)                   R O 2N
      R1                           R2
              (N  1)                      (N 2 - 1)
      RO =RS =600: (Assuming RS of ASG as 600:)
      N = Attenuation factor = Vi / Vo = 2,
      Therefore R1 = 200:, R2= 800:,
                             R1 = 200:, R2 = 800:, RL = 600:

O-Pad Type
             R O (N 2  1)                   R O (N  1)
      R1                             R2
                  2N                           (N - 1)
      RO=RS=600: (Assuming Rs. of ASG as 600:)
      N = attenuation factor Vi / Vo = 2,

Therefore R1 = 450:, R2 = 1.8 K:.

                             R1 = 450:, R2 = 1.8 K:, RL = 600:


        Type                    Vi volts                   VO volts         N = Vi/VO


    Lattice-Type




    O-Pad Type




                                               11
Communication Lab Manual                                          SSIT, Tumkur


Design:-

    3. Lattice-Type attenuators:-
                                                     (N - 1)
                                            R1   RO           200
                                                    (N  1)
       For N=2 and RS = RO = 600 , then
                                                          N
                                            R2   2R O           800
                                                      (N  1)
                                                          2



    4. O-Pad Type attenuators:-

                                                (N 2 - 1)
                                       R1    RO           450
                                                  2N
    For N=2 and RS = RO = 600 , then
                                                (N  1)
                                       R2    RO           1.8K
                                                (N  1)




Conclusion:-




Staff-in-charge:-




                                    12
Communication Lab Manual                                           SSIT, Tumkur


CIRCUIT DIAGRAM: -
              Collector AM and Demodulation using Envelop Detector




Design:-
Specifications: -
Tuned frequency = fIFT, Assume fIFT = 455 KHz, t = 2.19 Psec
RC  t, i.e., RC = 100 t = 0.219 msec
Choose C = 0.01 Pf, then R = 21.97 KŸ, Select R = 22KŸ (Std. value)
                            1           1
Envelope detector: -          ! R1 C1 !
                           fm           fc
Let R1C1 = 100 / fc ~ 0.219 msec
Choose C1 = 1 Pf, then R1 = 219:, Select R1 = 220 : (std. value)

                    R1 = 220 :, C1 = 1 Pf, R = 22K:, C = 0.01Pf

Check point: -
   x       Ensure that AFT is not loading the ASG.
   x       Check the transistor (See self checking)
   x       Adjust the carrier frequency exactly equal to fIFT.
   x       Observe the clamped signal at the base of the transistor.




                                         13
Communication Lab Manual                                        SSIT, Tumkur



Experiment No:                                                   DATE: __/__/____


    Collector AM  Demodulation using Envelop Detector

AIM:- Conduct an experiment to generate an AM signal using collector
modulation for an fC = _______KHz and fm = _______Hz. Plot the variations of
modulating signal amplitude v/s modulation index.



PROCEDURE: -

   1. Connections are made as shown in circuit diagram.
   2. By switching off the modulating signal, find the tuned frequency of IFT by
      varying the carrier signal frequency.
   3. Keeping the carrier frequency the tuned frequency of IFT switch on the
      modulating signal and observe the AM signal at the output of IFT.
   4. Find the modulation index ‘m’, the amplitude of the carrier signal Vc and
      the amplitude of the message signal Vm from the AM output by
      measuring Vmax and Vmin.
      Measure Vmax  Vmin
          (i)    from the AM o/p
          (ii)   from the Trapezoidal w/f
   5. By varying amplitude of the modulating signal note down ‘m’, ‘Vm’, ‘Vc’
      from Vmax and Vmin. Make sure that Vc is remaining constant.
   6. Plot graph of Vm v/s % m.

   7. Connect the envelope detector ckt to the IFT o/p and observe the
      demodulated signal.


Note: To obtain the trapezoidal wave from, feed the modulating signal to
Channel ‘A’ and the modulated signal to channel ‘B’ of CRO and time / Div knob
in X via A position.




                                      14
Communication Lab Manual                                                SSIT, Tumkur



Tabulation:-
Modulation
Tuned frequency of IFT, fIFT = ____________KHz

                                    Vmax - Vmin          Vmax - Vmin          Vmax  Vmin
Sl.No    Vmax (V)   Vmin (V)   m=                 Vm =                 Vc =
                                    Vmax  Vmin               2                    2




Demodulation
                     Sl.No          Vo (V)        fo (Hz)




          (Vmax  Vmin)               (Vmax  Vmin)                (Vmax  Vmin)
     m                  ,      Vm                   ,       Vc
          (Vmax  Vmin)                     2                            2




                                                            m
                                                                 L1  L2
L1  L2
15
Communication Lab Manual                                        SSIT, Tumkur


WAVE FORMS: -




     (a) Carrier wave, (b) Sinusoidal wave, (c) Amplitude modulated signal.



Conclusion:-




Staff-in-charge:-




                                     16
Communication Lab Manual                                    SSIT, Tumkur


CIRCUIT DIAGRAM: -
                        Balanced Modulator (Using Diodes)




D1, D2, D3, D4 – OA79


Waveforms-




                                     17
Communication Lab Manual                                          SSIT, Tumkur



 Experiment No:                                                        DATE: __/__/____


                     Balanced Modulator (Using Diodes)

 Aim:- Rig up a balanced modulator (Ring modulator) circuit. Test its operation
 and record the waveforms.



Procedure: -

    1. Connections are made as shown in the circuit diagram.

    2. Apply the modulating signal (Sine wave) with frequency fm and the
       carrier signal (square wave) with frequency fC (fC = 10 f m).

    3. Observe the phase reversal of 1800 at each Zero crossing of modulating
       signal in the output DSBSC signal.



 Tabulation:-
      Sl.No.           VC Volts        fC Hz          Vm Volts             fm Hz




 Conclusion:-




 Staff-in-charge:-




                                      18
Communication Lab Manual                                           SSIT, Tumkur


CIRCUIT DIAGRAM: -
                            Class-C Tuned Amplifier




                                                     2
                                                   VO        PDC   VDC u IC       PAC
 f Hz VO volts VDC volts IC mA RL ohms       PAC        mW
                                                   8R L            mW             PDC




Design:-
Specification:
Frequency f = 150 KHz, t = 6.66 usec
     R1C1  t, i.e, R1C1 = 100 t
      Choose C1 = 0.01Pf, the R1 = 66.6 K:.Select R1 = 68 K: (std value)
Tank ckt:    f            150KHz
                  S
      If C = 0.001Pf, then L = 1.125 mH a1mH. Then Factual = 159 KHz.

                  R1 = 68K:, C1 = 0.01Pf, C= 0.001Pf, L = 1mH
Check points: -
  x      Check the transistor (See self checking)
  x      Adjust i/p frequency exactly equal to tuned frequency.
  x      Observe the clamped signal at the base of the transistor.


                                       19
Communication Lab Manual                                         SSIT, Tumkur



 Experiment No:                                                     DATE: __/__/____


                            Class-C Tuned Amplifier

 Aim:- Design and test a Class-C Tuned amplifier to work at fO = ______KHz
 (Center frequency). Find its maximum efficiency at optimum load.



Procedure: -
    1. Connections are made as shown in circuit diagram.
    2. Adjust the input frequency of the signal to get maximum output at the
       load.
    3. For the applied DC voltage adjust the amplitude of input sine wave signal
       so that the output signal peak to peak amplitude is twice of the DC voltage
       (without any distortion).
    4. Vary the load resistance RL around 10 KW.
    5. Note Vo, VDC, IC and RL to find PAC and PDC hence the efficiency.
       (Note: While measuring Vo, short the Ammeter connection)
 Ideal graph:-




 Conclusion :-




 Staff-in-charge:-




                                      20
Communication Lab Manual                                                               SSIT, Tumkur


Circuit Diagram: -
Frequency Modulation Circuit: -




Frequency Demodulation Circuit: -




                                                                                                 BT   2
 Sl.No   fc Hz       fm Hz Vm volts fcmax Hz fcmin Hz         G1 Hz   G2 Hz   G Hz
                                                                                            fm




                 1      f cmax - f c ,   2   f c - f cmin ,       Max of      1   or    2



                                                21
Communication Lab Manual                                       SSIT, Tumkur



 Experiment No:                                                  DATE: __/__/____


                  Frequency Modulation  Demodulation

 Aim:- Design and conduct a suitable experiment to generate an FM wave using
 IC8038. Find the modulation index E and the bandwidth of operation BT. Display
 the various waveforms.


Procedure: -
    1. Connections are made as shown in the circuit diagram.

    2. By switching off the modulating signal m(t), note down the carrier sine
       wave of frequency of fC at pin 2 of IC 8038.

    3. Apply the modulating signal m(t) with suitable amplitude to get
       undistorted FM signal.

    4. Note down maximum and minimum frequency of the carrier in FM signal
       (i.e., fC max and fCmin)

    5. Find the frequency deviation, modulation index  operation band width.

    6. Test the demodulator circuit by giving FM output from IC8038 as an input
       for the demodulator circuit.




                                       22
Communication Lab Manual                                        SSIT, Tumkur


Design-1: -
      1. FM modulator circuit.
                 Let carrier frequency fC = 3 KHz, fC = 0.3/R Ct.
                 Choose R = 10KŸ = Ra = Rb, then Ct = 0.01Pf.
                 Take RL = 10KŸ, CC = 0.01Pf.
      2. Demodulator using PLL.
                 Let fO = fC = 3 KHz, fO = 1.2/4R1C1.
                 Choose C1 = 0.001Pf, then R1 = 100KŸ.
                 Filter design: Let fm = 1 KHz = 1/2SRC
                 Choose C = 0.1Pf, then R = 1.59 KŸ a 1.5 KŸ
Design - 2: -
      1. FM modulator circuit.
                 Let carrier frequency fC = 5 KHz, fC = 0.3/R Ct.
                 Choose R = 10KŸ = Ra = Rb, then Ct = 0.001Pf.
                 Take RL = 10KŸ, CC = 0.01Pf.
      2. Demodulator using PLL.
                 Let fO = fC = 3 KHz, fO = 1.2/4R1C1.
                 Choose C1 = 0.001Pf, then R1 = 100KŸ.
                 Filter design: Let fm = 1 KHz = 1/2SRC
                 Choose C = 0.1Pf, then R = 1.59 KŸ a 1.5 KŸ
Wave Form: -




                                     23
Communication Lab Manual                                           SSIT, Tumkur


Design:-
Specification:
                                                            0.3
                        Carrier frequency fC = 3 kHz, f c
                                                            RC t
                 Choose R= 10 KŸ, Ra = Rb, then Ct = 0.01Pf (use DCB)
 Ra = Rb = 10 KŸ, RL = 10 KŸ, Ct = 0.01Pf (use DCB). R = 82 KŸ, CC = 0.01Pf.
Note: -
       Usually the carrier frequency of the FM signal is in the range of 100s of
       KHz, but is chosen in terms of 1s of KHz to enable proper measurement of
       frequency deviating G.

Check Points: -
     Ensure that a square wave and a triangular wave at pin 9 and 3 of IC 8038
     respective.




Conclusion :-




Staff-in-charge:-




                                         24
Communication Lab Manual                                    SSIT, Tumkur


Circuit Diagram: -
Radio Receiver: -




                           R = 10K:, C = 0.1Pf, RL = 100:


Selectivity: -
fm = _____Hz, %m = ______
 Sl.No    fC Hz      Vo volts




Fidility: -
fm = _____Hz, %m = ______
 Sl.No    fC Hz      Vo volts




Sensitivity: -
fm = _____Hz, %m = ______
 fC Hz   Vi volts    Vo volts




                                       25
Communication Lab Manual                                                 SSIT, Tumkur



Experiment No:                                                             DATE: __/__/____


                      Radio Receiver Characteristics
Aim:- Plot the sensitivity/selectivity/fidelity graphs of a given AM Broadcast receiver in
MW band by conducting suitable experiment.
Procedure: -
   1. Connections are made as shown in the circuit diagram.
   2. Ensure the Radio Receiver is in MW band.
   3. Adjust the modulation index of AM signal at 30 %  fm = 400 Hz.
   4. Let the receiver be tuned to 800 KHz. (can be anywhere between 540 KHz 1450
      KHz).
   5. Keeping the carrier frequency of the AM signal at 800 KHz, observe the
      demodulated signal and note down its amplitude.
Selectivity: -
   1. Repeat the step 5 by changing the carrier frequency at 805, 810, 815 and 795,
      790, 785 KHz.
   2. Plot a graph of carrier frequency of AM signal Vs the amplitude of the output
      signal (Vo Vs fc).
Sensitivity: -
   1. Repeat the steps 1 to 5.
   2. Vary the amplitude of the AM signal to get a standard value of output voltage
      (Volts). All the other parameters are kept constant (i.e., fc, fm, m). Note the
      change in the amplitude of the output signal.
   3. Repeat step 9 for different values of fc.
   4. Plot a graph of amplitude of input signal v/s carrier frequency of AM signal (Vi
      v/s fc).
Fidelity: -
   1. Repeat the steps 1 to 5.
   2. Vary the frequency of the modulating signal keeping all other parameters
      constant (i.e., fc, VAM, m). Note the change in the amplitude of the output signal.

   3. Plot a graph of amplitude of output signal Vs frequency of the modulating signal
      (Vo Vs fm).
Conclusion:-




Staff-in-charge:-




                                          26
Communication Lab Manual                                        SSIT, Tumkur


Circuit Diagram: -
Pre-emphasis                                De-emphasis




TABULATION: - Pre-Emphasis N/W
                                  Vo         Normalized gain   Normalized Gain
   f Hz        Vo volts    Gain
                                  Vi            Gain/Go            In db




De-Emphasis N/W
                                  Vo         Normalized gain   Normalized Gain
   f Hz        Vo volts    Gain
                                  Vi            Gain/Go            In db




                                       27
Communication Lab Manual                                           SSIT, Tumkur



 Experiment No:                                                      DATE: __/__/____


               Pre-emphasis and De-emphasis Networks

 Aim:- Design and conduct an experiment to test a pre-emphasis and de-emphasis
 circuit for 75Ps between 2.1KHz to 15KHz and record the results..


Procedure: -
    1. Connections are made as shown in the circuit diagram.

    2. Apply a sine wave of 5Vpp amplitude, vary the frequency and note down
       the gain of the circuit.

    3. Plot a graph of normalized gain Vs frequency.

 Design: -
       1. Pre-emphasis circuit.
                     Given f1 = 2.1 KHz, f2 = 15KHz.
                     f1 = 1/2SrC, f2 = 1/2SRC
                     Choose C = 0.1Pf then r = 820Ÿ and R = 100Ÿ.
                     Also r/R = Rf/R1, then R1 = 2.2KŸ and Rf = 15KŸ.
       2. De-emphasis circuit.
                     fC = 1/2SRdCd.
                     Choose Cd = 0.1Pf and fC = f1 = 2.1KHz
                     Then Rd = 820Ÿ.
 Conclusion :-




 Staff-in-charge:-




                                        28
Communication Lab Manual                                               SSIT, Tumkur



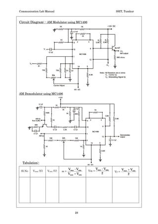
Circuit Diagram: - AM Modulator using MC1496




AM Demodulator using MC1496




  Tabulation:-

                                    Vmax - Vmin          Vmax - Vmin          Vmax  Vmin
 Sl.No   Vmax (V)   Vmin (V)   m=                 Vm =                 Vc =
                                    Vmax  Vmin               2                    2




                                         29
Communication Lab Manual                                         SSIT, Tumkur



 Experiment No:                                                    DATE: __/__/____


             AM – IC Circuit (Modulation  Demodulation)

 Aim:- Using IC1496, rig up an AM modulation and Demodulation circuit. Test its
 operation and record the waveforms.


Procedure: -
    a) AM Modulation
    1. Connections are made as shown in the circuit diagram.
    2. Give the modulating signal of 2VPP (1KHz).
    3. Give the carrier signal of 1VPP (600KHz).
    4. Note down the AM modulated signal at pin 6 and also at the emitter of the
       buffer (emitter follower).
    5. Change the amplitude levels of the modulating signal, keeping fC and fm as
       constant and find the depth of modulation.
    b) AM Demodulation
    1. Give the AM wave to pin1 of MC1496.
    2. Also give the AM wave from the buffer o/p.
    3. Note the demodulated signal at pin 12 of MC1496.


 Design: -
       Select Vdc = +12V, IC = 3mA. RL = + Vdc/ IC = 4KŸa3.9KŸ.
       Vbe = 700mV, I = 160mA, Voltage at pin 5 = 1.7V.
       Vbias = (-8+1.7) = -6.3V
       RS = Vbias/I = 6.3/160mA = 7KŸa6.8KŸ
 Conclusion :-




 Staff-in-charge:-




                                       30
Communication Lab Manual                                                   SSIT, Tumkur



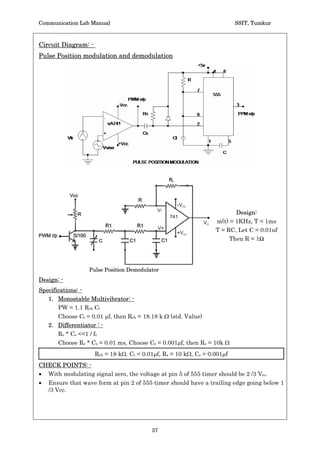
Circuit Diagram: -
Pulse amplitude modulation and demodulation




Design: -
Specifications: -
IC = 1ma, hFE = 100, VCEsat = 0.3 V, VBEsat = 0.7v (assume), fm = 100hz.
    1. Biasing: -       Vm(t) = IC *RC + VCEsat ----- 1
                       Let Vm(t) = 2.5 v w.f peak + 3v DC shift = 5.5 V peak signal
                       Then Rc = 5.2 kŸ, select Rc = 4.7 k Ÿ(std. Value).
                       Vc (t) = IB*RB + VBEsat --------2
                       Let Vc(t) = 2 Vpp ( 1 V peak ) , Since IB = Ic / hFE = 10uA
                       Then RB = 30 k Ÿ
                       Select RB = 22 k Ÿ (Std. Value).
    2. Filter: -         Cut off frequency of the filter fo  fm
                       Choose fo = 500 Hz = 1 / 2 S RC
                       Choose C = 0.1 P f, then R = 3.3 k Ÿ
                       Rc = 4.7 K Ÿ RB = 22k Ÿ, R = 3.3k Ÿ, C = 0.1Pf
 Check Points: -
    1. Ensure that square wave signal at the base of the transistor should have
       amplitude  VJ.
    2. Ensure that m (t) is having sufficient dc shift.
 Tabulation: -
 VC(pp) volts      fC (Hz)       Vm(pp) volts     fm (Hz)       Reconstructed output
                                                                VO volts       fO (Hz)




                                             31
Communication Lab Manual                                          SSIT, Tumkur


Experiment No:                                                   DATE: __/__/____

          Pulse Amplitude Modulation  Demodulation
Aim:- Conduct an experiment to generate PAM signal and also design a circuit to
demodulate the obtained PAM signal and verify sampling theorem. Plot the
relevant waveforms.

Procedure: -
      1.     Connections are made as shown in the circuit diagram.
      2.     Apply the square wave carrier signal of 2V peak to peak amplitude
             with frequency fc = 5 kHz.
      3.     Apply sine wave modulating signal with frequency fm = 100 Hz
             with 5 Vpp amplitude and 3 V DC shift (use function generator).
      4.     Observe the PAM output.
      5.     Observe the demodulated signal at the output of the low pass filter.
      6.     Repeat the steps 2 to 5 for fc = 2 fm  fc  2 fm.
Waveforms:




Conclusion :-




Staff-in-charge:-




                                      32
Communication Lab Manual                              SSIT, Tumkur



Circuit Diagram: -
Pulse Width modulation and demodulation




                           Pulse Width Demodulation




                                    33
Communication Lab Manual                                        SSIT, Tumkur



Experiment No:                                                  DATE: __/__/____

               Pulse Width Modulation  Demodulation
Aim:- Conduct an experiment to generate PAM signal and also design a circuit to
demodulate the obtained PAM signal and verify sampling theorem. Plot the
relevant waveforms.


Procedure: -
   1. Connections are made as shown in the circuit diagram.
   2. Keeping the modulating signal with minimum amplitude, observe the
      output of astable multivibrator with 50 % duty cycle at frequency fc.
   3. Apply the modulating signal with frequency fm and the amplitude less
      than the critical amplitude observe the PWM signal.
   4. Verify the variation of width of the pulses with respect to clamped
      modulating signal (at point A).


To find the critical amplitude: -
       As the amplitude of the modulating signal is increase the width of the
pulses during the negative half of the modulating signal keeps on reducing and
that at the positive half of the modulating signal is increased the width of the
pulses during the negative half of the modulating signal keeps on reducing and
that at the positive half of the modulating signal keeps on increasing.




                                     34
Communication Lab Manual                                                           SSIT, Tumkur


Design: -

Specifications: -
                   Frequency fc = 1 KHz, duty cycle: 50 %
                 T = 1 ms, Ton = Tb= 0.5 ms
I) Astable multivibrator: -             Where RcH = charging resistance,
                                        RDCH = Discharging Resistance,
                                        Rf = Diode forward resistance
                                        Ct = timing capacitor
                 TON = 0.69 (RCH + Rf ) Ct
                 Toff = 0.69 (RDCH + Rf) Ct
                 Ton = Toff = 0.5 ms
                 Choose Ct = 0.1 Pf, then (RCH + Rf) = (RDCH + Rf) = 7.246 k:
                 Assuming Rf of diode = 100:,
                 Then RCH = RDCH = 7.146 k: (use 6.8 k: + 330: std value)
II) Clamping ckt
        Negative peak of the modulating signal clamped to zero
        Rc 1 /fm, fm = 100Hz
        RC = 100 /fm, choose C= 10 f, then R = 100K.
        RCH = RDCH = (6.8K      + 330 ), R = 100K , Ct = 0.1        f, C = 10 f.


Check points: -
With modulating signal zero, the voltage at pin 5 of 555 timer should be 2/3 VCC.
Ensure that modulating signal is clamped.



 Tabulation: -
 Unmodulated carrier          PWM Output                                            Demodulator
                                                          Dynamic   Modulating
  Ton       Toff              Max.width       Min.width
                      fc Hz                                range    frequency       VO(V)   fO(Hz)
  ms        ms                   ms              ms
                                                           volts      fm Hz




                                                35
Communication Lab Manual        SSIT, Tumkur



Waveforms:-




Conclusion :-




Staff-in-charge:-




                           36
Communication Lab Manual                                                  SSIT, Tumkur



Circuit Diagram: -
Pulse Position modulation and demodulation




                                                                         Design:
                                                                  m(t) = 1KHz, T = 1ms
                                                                  T = RC, Let C = 0.01uf
                                                                       Then R = 1Ÿ




                 Pulse Position Demodulator
Design: -
Specifications: -
   1. Monostable Multivibrator: -
       PW = 1.1 Rch Ct
      Choose Ct = 0.01 Pf, then Rch = 18.18 k : (std. Value)
   2. Differentiator : -
      Rs * Cs 1 / fc
      Choose Rs * Cs = 0.01 ms, Choose Cs = 0.001Pf, then Rs = 10k :
                     Rch = 18 k:. Ct = 0.01Pf, Rs = 10 k:, Cs = 0.001Pf
CHECK POINTS: -
x With modulating signal zero, the voltage at pin 5 of 555 timer should be 2 /3 Vcc.
x Ensure that wave form at pin 2 of 555 timer should have a trailing edge going below 1
  /3 Vcc.




                                          37
Communication Lab Manual                                           SSIT, Tumkur


Experiment No:                              DATE: __/__/____

            Pulse Position Modulation  Demodulation
Aim:- Conduct an experiment to generate PAM signal and also design a circuit to
demodulate the obtained PAM signal and verify sampling theorem. Plot the
relevant waveforms.

Procedure: -
   1. Connections are made as shown in the circuit diagram.
   2. Check the working of 555 timer as a monostable multivibrator by giving an
      unmodulated PWM signal. Verify the pulse width of output signal for the
      designed value.
   3. By applying the PWM signal note the change in the position of the pulses i.e.
      PPM signal.
   4. Critical amplitude of the modulating signal is that value of m(t) at which the
      pulse in PPM just disappears.

Waveforms:-




Conclusion:-




Staff-in-charge:-




                                       38

Communicationlabmanual

  • 1.
    Communication Lab Manual SSIT, Tumkur COMMUNICATION LAB MANUAL FOR V SEMESTER B.E (E & C) (For private circulation only) VISHVESHWARAIAH TECHNOLOGICAL UNIVERSITY NAME: ___________________________ DEPARTMENT OF ELECTRONICS & COMMUNICATION
  • 2.
    Communication Lab Manual SSIT, Tumkur SRI SIDDHARTHA INSTITUTE OF TECHNOLOGY MARLUR, TUMKUR-572105 CONTENTS 1. II-Order Low Pass and High Pass Active Filters 2. II –Order Band Pass and Band Elimination Filters 3. Attenuators 4. Collector Amplitude Modulation & Demodulation 5. Balanced Modulator 6. Class-C Tuned Amplifier 7. Frequency Modulation and Demodulation 8. Radio Receiver Characteristics 9. Pre & De – Emphasis Networks 10. AM IC Circuit-Modulation and Demodulation 11. Pulse Amplitude Modulation 12. Pulse Width Modulation 13. Pulse Position Modulation 14. Transistor Mixer
  • 3.
    Communication Lab Manual SSIT, Tumkur TESTING OF EQUIPMENTS BEFORE STARTING THE CONDUCTION 1. OP AMP Apply sine wave of amplitude 1 volt (1 kHz) as shown in ckt diagram, if IC is good the output be a square wave with peaks at + VSAT and – Vsat. 2. 555 Timer : If IC is good for the applied 5 V D.C supply as in ckt diagram the voltage at pin no. 5 will be 2/3 Vcc (3.3 Volts) 3. Transistor Identify emitter, base and collector of the transistor, with DMM in diode position, if transistor junctions are good it should indicate a low resistance upon forward biasing emitter base junction or collector – base junction and should indicate either OL or 1.(depending on DMM) upon reverse biasing EB or CB junctions. 4. Source impedance of ASG: 1. Connect the DRB with the maximum resistance to ASG as in figure. 2. Adjust the amplitude of sine wave of 5V pp at 1 KHz. 3. Start reducing the resistance of DRB this reduces the output voltage also. Source resistance Rs is that value of DRB resistance when the amplitude of the output signal is half of the initial value. (2.5 V pp)
  • 4.
    Communication Lab Manual SSIT, Tumkur CIRCUIT DIAGRAM: - II-Order Active Low Pass Filter II-Order Active High Pass Filter Design:- (LPF & HPF) Assume Pass band gain AV = 2, Cutoff frequency fC = 5KHz Rf 1. Amplifier: AV = 1 + = 2, then Rf = R, choose Rf = R = 10KŸ R 1 2. Filter Circuit : Cut off frequency fC = = 5KHz 2SR1C1 Choose C1 = 0.01Pf then R1 = 3.183 KŸ a 3.3 KŸ Rf = 10KŸ, R1 = 3.3KŸ, C1 = 0.01Pf, Op-amp = PA741 1
  • 5.
    Communication Lab Manual SSIT, Tumkur Experiment No: DATE: __/__/____ II – Order Low Pass and High Pass Active Filters AIM: - Design a second order Butterworth active low pass / high pass filter for a given cut-off frequency fC = ______Hz. Conduct an experiment to draw frequency response and verify the roll off. PROCEDURE: - 1. Connections are made as shown in the circuit diagram. 2. Apply sine wave i/p signal of peak amplitude 5 volts. 3. Check the gain of non-inverting amplifier by keeping the frequency of the input signal in the pass band of the filter. Note down the output voltage VO max. 4. Keeping the input signal amplitude constant, vary the frequency until the output voltage reduces to 0.707 Vo max, the corresponding frequency is the cut-off frequency (fC) of the filter. To find the Roll-off factor :- 1. For LPF :- Keeping the input signal amplitude constant, adjust the input frequency at 10fC. Note down the output signal amplitude. The difference in the gain of the filter at fC and 10fC gives the Roll-of factor. 2. For HPF :- Keeping the input signal amplitude constant, adjust the input frequency at 0.1fC, note down the output signal amplitude. The difference in the gain of the filter at fC and 0.1fC gives the Roll-of factor. Conclusion: 2
  • 6.
    Communication Lab Manual SSIT, Tumkur Tabulation: High Pass Filter Vi p-p = Volts (Constant) I/P frequency in O/P Voltage Gain magnitude Gain magnitude in DB Hz VO P-P (volts) (Vo/Vi) 20log(Vo/Vi) Roll off = - (G1 - G2) db/decade = Frequency Response for High Pass Filter 3
  • 7.
    Communication Lab Manual SSIT, Tumkur Tabulation: Low Pass Filter Vi p-p = Volts (Constant) I/P frequency in O/P Voltage Gain magnitude Gain magnitude in DB Hz VO P-P (volts) (Vo/Vi) 20log(Vo/Vi) Roll off = - (G1 - G2) db/decade = Frequency Response for Low Pass Filter Staff-in-charge: 4
  • 8.
    Communication Lab Manual SSIT, Tumkur CIRCUIT DIAGRAM: - II-Order Active Band Pass Filter II-Order Active Band Elimination Filter Design:- 1. BPF : - R = 10KŸ, Rf = 5.86 KŸ, R1 = 1.989 KŸ, R2 = 3.3 KŸ, C1 = 0.01Pf, C2 = 0.01Pf, Op-amp = PA741 2. BSF : - R = 10KŸ, Rf = 5.86 KŸ, Ra = 3.3 KŸ, Rb = 1.989 KŸ, C1 = 0.01Pf, C2 = 0.01Pf, Op-amp = PA741 5
  • 9.
    Communication Lab Manual SSIT, Tumkur Experiment No: DATE: __/__/____ II – Order Band Pass and Band Elimination Active Filters AIM: - Design a second order band pass and band stop active filter for a given frequencies fC1 = ______Hz and fC2 = ______Hz. Conduct an experiment to draw frequency response and verify the Roll off (Band Width = 3 to 5 KHz). PROCEDURE: - 1. Connections are made as shown in the circuit diagram. 2. Apply sine wave i/p signal of peak amplitude 5 volts. 3. Check the gain of non-inverting amplifier by keeping the frequency of the input signal in the pass band of the filter. Note down the output voltage VO max. 4. Keeping the input signal amplitude constant, vary the frequency on either side of pass band until the output voltage reduces to 0.707 Vo max, the corresponding frequencies are the lower cut-off frequency (fL) and the upper cut-off frequency (fH) of the filter. To find the Roll-off factor :- 1. For LPF :- Keeping the input signal amplitude constant, adjust the input frequency at 10fC, note down the output signal amplitude. The difference in the gain of the filter at fC and 10fC gives the Roll-of factor. 2. For HPF :- Keeping the input signal amplitude constant, adjust the input frequency at 0.1fC, note down the output signal amplitude. The difference in the gain of the filter at fC and 0.1fC gives the Roll-of factor. 6
  • 10.
    Communication Lab Manual SSIT, Tumkur Design: Specifications: Pass band gain AV = 1.586, cut -off frequency fH = 5 KHz, fL=8 KHz, BW= 3 KHz 1. Amplifier: Voltage gain AV = 1 + Rf / R = 1.586, choose R = 10K:, Then Rf = 5.86 k: (use 5.6 k:+ 220 : std value) 2. Filter: Cut - off frequency fH= 1/2S R2C2= 5 KHz Choose C2= 0.01Pf, then R2 = 3.183 k: (Select R2 = 3.3 k:) Cut - off frequency fL = 1/2S R1 C1 = 8 k Hz Choose C1= 0.01Pf, then R1= 1.989 k : (Select R1 = (1.5 k: + 470:)) Tabulation: Band Pass Filter Vi p-p = Volts (Constant) Frequency Gain in DB O/P Voltage VO PP (volts) Gain (Vo/Vi) Hz 20 log (Vo/Vi) Vomax = fL = G1 0.1fL = 0.707 Vomax = G2 10fH= f H= 0.707 Vomax = G2’ Roll off = - (G1 - G2) db/decade = Frequency Response for Band Pass Filter 7
  • 11.
    Communication Lab Manual SSIT, Tumkur Tabulation: Band Elimination Filter Vi p-p = Volts (Constant) Frequency Gain in DB O/P Voltage VO PP (volts) Gain (Vo/Vi) Hz 20 log (Vo/Vi) Vomax = fL = G1 0.1fL = 0.707 Vomax = G2 10fH= f H= 0.707 Vomax = G2’ Roll off = - (G1 - G2) db/decade = Frequency Response for Band Elimination Filter Conclusion: Staff-in-charge: 8
  • 12.
    Communication Lab Manual SSIT, Tumkur CIRCUIT DIAGRAM: - T-Type Attenuator S-Type Attenuator Design:- Specification: Vi = 5v, Vo = 2.5v, f = 1KHz T- Type R O (N 1) R O 2N R1 R2 (N 1) (N 2 - 1) RO =RS =600: (Assuming RS of ASG as 600:) N = Attenuation factor = Vi / Vo = 2, Therefore R1 = 200:, R2= 800:, R1 = 200:, R2 = 800:, RL = 600: S- Type R O (N 2 1) R O (N 1) R1 R2 2N (N - 1) RO=RS=600: (Assuming Rs. of ASG as 600:) N = attenuation factor Vi / Vo = 2, Therefore R1 = 450:, R2 = 1.8 K:. R1 = 450:, R2 = 1.8 K:, RL = 600: Type Vi volts VO volts N = Vi/VO T-Type S-Type 9
  • 13.
    Communication Lab Manual SSIT, Tumkur Experiment No: DATE: __/__/____ Attenuators – T, S, Lattice and O-Pad Types AIM: - Design the attenuation circuits using T, S, O-Pad and Lattice type networks to attenuate a given signal of amplitude _______volts and frequency ______Hz to be reduced to 50% of the amplitude. Test the circuit and record the results. PROCEDURE: - 1. Find the source resistance RS of ASG. 2. Connections are made as shown in the circuit diagram. 3. Adjust the amplitude of the input signal at 5VP-P at 1KHz. 4. Measure the amplitude of the output signal. 5. Find the attenuation factor N. Design:- 1. T-Type attenuators:- (N - 1) R1 RO 200 (N 1) For N=2 and RS = RO = 600Ÿ, then N R2 2R O 800 (N 1) 2 2. S-Type attenuators:- (N 2 - 1) R1 RO 450 2N For N=2 and RS = RO = 600 , then (N 1) R2 RO 1.8K (N 1) 10
  • 14.
    Communication Lab Manual SSIT, Tumkur Lattice-Type Attenuator O-Pad Type Attenuator Design:- Specification: Vi = 5v, Vo = 2.5v, f = 1KHz Lattice- Type R O (N 1) R O 2N R1 R2 (N 1) (N 2 - 1) RO =RS =600: (Assuming RS of ASG as 600:) N = Attenuation factor = Vi / Vo = 2, Therefore R1 = 200:, R2= 800:, R1 = 200:, R2 = 800:, RL = 600: O-Pad Type R O (N 2 1) R O (N 1) R1 R2 2N (N - 1) RO=RS=600: (Assuming Rs. of ASG as 600:) N = attenuation factor Vi / Vo = 2, Therefore R1 = 450:, R2 = 1.8 K:. R1 = 450:, R2 = 1.8 K:, RL = 600: Type Vi volts VO volts N = Vi/VO Lattice-Type O-Pad Type 11
  • 15.
    Communication Lab Manual SSIT, Tumkur Design:- 3. Lattice-Type attenuators:- (N - 1) R1 RO 200 (N 1) For N=2 and RS = RO = 600 , then N R2 2R O 800 (N 1) 2 4. O-Pad Type attenuators:- (N 2 - 1) R1 RO 450 2N For N=2 and RS = RO = 600 , then (N 1) R2 RO 1.8K (N 1) Conclusion:- Staff-in-charge:- 12
  • 16.
    Communication Lab Manual SSIT, Tumkur CIRCUIT DIAGRAM: - Collector AM and Demodulation using Envelop Detector Design:- Specifications: - Tuned frequency = fIFT, Assume fIFT = 455 KHz, t = 2.19 Psec RC t, i.e., RC = 100 t = 0.219 msec Choose C = 0.01 Pf, then R = 21.97 KŸ, Select R = 22KŸ (Std. value) 1 1 Envelope detector: - ! R1 C1 ! fm fc Let R1C1 = 100 / fc ~ 0.219 msec Choose C1 = 1 Pf, then R1 = 219:, Select R1 = 220 : (std. value) R1 = 220 :, C1 = 1 Pf, R = 22K:, C = 0.01Pf Check point: - x Ensure that AFT is not loading the ASG. x Check the transistor (See self checking) x Adjust the carrier frequency exactly equal to fIFT. x Observe the clamped signal at the base of the transistor. 13
  • 17.
    Communication Lab Manual SSIT, Tumkur Experiment No: DATE: __/__/____ Collector AM Demodulation using Envelop Detector AIM:- Conduct an experiment to generate an AM signal using collector modulation for an fC = _______KHz and fm = _______Hz. Plot the variations of modulating signal amplitude v/s modulation index. PROCEDURE: - 1. Connections are made as shown in circuit diagram. 2. By switching off the modulating signal, find the tuned frequency of IFT by varying the carrier signal frequency. 3. Keeping the carrier frequency the tuned frequency of IFT switch on the modulating signal and observe the AM signal at the output of IFT. 4. Find the modulation index ‘m’, the amplitude of the carrier signal Vc and the amplitude of the message signal Vm from the AM output by measuring Vmax and Vmin. Measure Vmax Vmin (i) from the AM o/p (ii) from the Trapezoidal w/f 5. By varying amplitude of the modulating signal note down ‘m’, ‘Vm’, ‘Vc’ from Vmax and Vmin. Make sure that Vc is remaining constant. 6. Plot graph of Vm v/s % m. 7. Connect the envelope detector ckt to the IFT o/p and observe the demodulated signal. Note: To obtain the trapezoidal wave from, feed the modulating signal to Channel ‘A’ and the modulated signal to channel ‘B’ of CRO and time / Div knob in X via A position. 14
  • 18.
    Communication Lab Manual SSIT, Tumkur Tabulation:- Modulation Tuned frequency of IFT, fIFT = ____________KHz Vmax - Vmin Vmax - Vmin Vmax Vmin Sl.No Vmax (V) Vmin (V) m= Vm = Vc = Vmax Vmin 2 2 Demodulation Sl.No Vo (V) fo (Hz) (Vmax Vmin) (Vmax Vmin) (Vmax Vmin) m , Vm , Vc (Vmax Vmin) 2 2 m L1 L2
  • 19.
  • 20.
  • 21.
    Communication Lab Manual SSIT, Tumkur WAVE FORMS: - (a) Carrier wave, (b) Sinusoidal wave, (c) Amplitude modulated signal. Conclusion:- Staff-in-charge:- 16
  • 22.
    Communication Lab Manual SSIT, Tumkur CIRCUIT DIAGRAM: - Balanced Modulator (Using Diodes) D1, D2, D3, D4 – OA79 Waveforms- 17
  • 23.
    Communication Lab Manual SSIT, Tumkur Experiment No: DATE: __/__/____ Balanced Modulator (Using Diodes) Aim:- Rig up a balanced modulator (Ring modulator) circuit. Test its operation and record the waveforms. Procedure: - 1. Connections are made as shown in the circuit diagram. 2. Apply the modulating signal (Sine wave) with frequency fm and the carrier signal (square wave) with frequency fC (fC = 10 f m). 3. Observe the phase reversal of 1800 at each Zero crossing of modulating signal in the output DSBSC signal. Tabulation:- Sl.No. VC Volts fC Hz Vm Volts fm Hz Conclusion:- Staff-in-charge:- 18
  • 24.
    Communication Lab Manual SSIT, Tumkur CIRCUIT DIAGRAM: - Class-C Tuned Amplifier 2 VO PDC VDC u IC PAC f Hz VO volts VDC volts IC mA RL ohms PAC mW 8R L mW PDC Design:- Specification: Frequency f = 150 KHz, t = 6.66 usec R1C1 t, i.e, R1C1 = 100 t Choose C1 = 0.01Pf, the R1 = 66.6 K:.Select R1 = 68 K: (std value) Tank ckt: f 150KHz S If C = 0.001Pf, then L = 1.125 mH a1mH. Then Factual = 159 KHz. R1 = 68K:, C1 = 0.01Pf, C= 0.001Pf, L = 1mH Check points: - x Check the transistor (See self checking) x Adjust i/p frequency exactly equal to tuned frequency. x Observe the clamped signal at the base of the transistor. 19
  • 25.
    Communication Lab Manual SSIT, Tumkur Experiment No: DATE: __/__/____ Class-C Tuned Amplifier Aim:- Design and test a Class-C Tuned amplifier to work at fO = ______KHz (Center frequency). Find its maximum efficiency at optimum load. Procedure: - 1. Connections are made as shown in circuit diagram. 2. Adjust the input frequency of the signal to get maximum output at the load. 3. For the applied DC voltage adjust the amplitude of input sine wave signal so that the output signal peak to peak amplitude is twice of the DC voltage (without any distortion). 4. Vary the load resistance RL around 10 KW. 5. Note Vo, VDC, IC and RL to find PAC and PDC hence the efficiency. (Note: While measuring Vo, short the Ammeter connection) Ideal graph:- Conclusion :- Staff-in-charge:- 20
  • 26.
    Communication Lab Manual SSIT, Tumkur Circuit Diagram: - Frequency Modulation Circuit: - Frequency Demodulation Circuit: - BT 2 Sl.No fc Hz fm Hz Vm volts fcmax Hz fcmin Hz G1 Hz G2 Hz G Hz fm 1 f cmax - f c , 2 f c - f cmin , Max of 1 or 2 21
  • 27.
    Communication Lab Manual SSIT, Tumkur Experiment No: DATE: __/__/____ Frequency Modulation Demodulation Aim:- Design and conduct a suitable experiment to generate an FM wave using IC8038. Find the modulation index E and the bandwidth of operation BT. Display the various waveforms. Procedure: - 1. Connections are made as shown in the circuit diagram. 2. By switching off the modulating signal m(t), note down the carrier sine wave of frequency of fC at pin 2 of IC 8038. 3. Apply the modulating signal m(t) with suitable amplitude to get undistorted FM signal. 4. Note down maximum and minimum frequency of the carrier in FM signal (i.e., fC max and fCmin) 5. Find the frequency deviation, modulation index operation band width. 6. Test the demodulator circuit by giving FM output from IC8038 as an input for the demodulator circuit. 22
  • 28.
    Communication Lab Manual SSIT, Tumkur Design-1: - 1. FM modulator circuit. Let carrier frequency fC = 3 KHz, fC = 0.3/R Ct. Choose R = 10KŸ = Ra = Rb, then Ct = 0.01Pf. Take RL = 10KŸ, CC = 0.01Pf. 2. Demodulator using PLL. Let fO = fC = 3 KHz, fO = 1.2/4R1C1. Choose C1 = 0.001Pf, then R1 = 100KŸ. Filter design: Let fm = 1 KHz = 1/2SRC Choose C = 0.1Pf, then R = 1.59 KŸ a 1.5 KŸ Design - 2: - 1. FM modulator circuit. Let carrier frequency fC = 5 KHz, fC = 0.3/R Ct. Choose R = 10KŸ = Ra = Rb, then Ct = 0.001Pf. Take RL = 10KŸ, CC = 0.01Pf. 2. Demodulator using PLL. Let fO = fC = 3 KHz, fO = 1.2/4R1C1. Choose C1 = 0.001Pf, then R1 = 100KŸ. Filter design: Let fm = 1 KHz = 1/2SRC Choose C = 0.1Pf, then R = 1.59 KŸ a 1.5 KŸ Wave Form: - 23
  • 29.
    Communication Lab Manual SSIT, Tumkur Design:- Specification: 0.3 Carrier frequency fC = 3 kHz, f c RC t Choose R= 10 KŸ, Ra = Rb, then Ct = 0.01Pf (use DCB) Ra = Rb = 10 KŸ, RL = 10 KŸ, Ct = 0.01Pf (use DCB). R = 82 KŸ, CC = 0.01Pf. Note: - Usually the carrier frequency of the FM signal is in the range of 100s of KHz, but is chosen in terms of 1s of KHz to enable proper measurement of frequency deviating G. Check Points: - Ensure that a square wave and a triangular wave at pin 9 and 3 of IC 8038 respective. Conclusion :- Staff-in-charge:- 24
  • 30.
    Communication Lab Manual SSIT, Tumkur Circuit Diagram: - Radio Receiver: - R = 10K:, C = 0.1Pf, RL = 100: Selectivity: - fm = _____Hz, %m = ______ Sl.No fC Hz Vo volts Fidility: - fm = _____Hz, %m = ______ Sl.No fC Hz Vo volts Sensitivity: - fm = _____Hz, %m = ______ fC Hz Vi volts Vo volts 25
  • 31.
    Communication Lab Manual SSIT, Tumkur Experiment No: DATE: __/__/____ Radio Receiver Characteristics Aim:- Plot the sensitivity/selectivity/fidelity graphs of a given AM Broadcast receiver in MW band by conducting suitable experiment. Procedure: - 1. Connections are made as shown in the circuit diagram. 2. Ensure the Radio Receiver is in MW band. 3. Adjust the modulation index of AM signal at 30 % fm = 400 Hz. 4. Let the receiver be tuned to 800 KHz. (can be anywhere between 540 KHz 1450 KHz). 5. Keeping the carrier frequency of the AM signal at 800 KHz, observe the demodulated signal and note down its amplitude. Selectivity: - 1. Repeat the step 5 by changing the carrier frequency at 805, 810, 815 and 795, 790, 785 KHz. 2. Plot a graph of carrier frequency of AM signal Vs the amplitude of the output signal (Vo Vs fc). Sensitivity: - 1. Repeat the steps 1 to 5. 2. Vary the amplitude of the AM signal to get a standard value of output voltage (Volts). All the other parameters are kept constant (i.e., fc, fm, m). Note the change in the amplitude of the output signal. 3. Repeat step 9 for different values of fc. 4. Plot a graph of amplitude of input signal v/s carrier frequency of AM signal (Vi v/s fc). Fidelity: - 1. Repeat the steps 1 to 5. 2. Vary the frequency of the modulating signal keeping all other parameters constant (i.e., fc, VAM, m). Note the change in the amplitude of the output signal. 3. Plot a graph of amplitude of output signal Vs frequency of the modulating signal (Vo Vs fm). Conclusion:- Staff-in-charge:- 26
  • 32.
    Communication Lab Manual SSIT, Tumkur Circuit Diagram: - Pre-emphasis De-emphasis TABULATION: - Pre-Emphasis N/W Vo Normalized gain Normalized Gain f Hz Vo volts Gain Vi Gain/Go In db De-Emphasis N/W Vo Normalized gain Normalized Gain f Hz Vo volts Gain Vi Gain/Go In db 27
  • 33.
    Communication Lab Manual SSIT, Tumkur Experiment No: DATE: __/__/____ Pre-emphasis and De-emphasis Networks Aim:- Design and conduct an experiment to test a pre-emphasis and de-emphasis circuit for 75Ps between 2.1KHz to 15KHz and record the results.. Procedure: - 1. Connections are made as shown in the circuit diagram. 2. Apply a sine wave of 5Vpp amplitude, vary the frequency and note down the gain of the circuit. 3. Plot a graph of normalized gain Vs frequency. Design: - 1. Pre-emphasis circuit. Given f1 = 2.1 KHz, f2 = 15KHz. f1 = 1/2SrC, f2 = 1/2SRC Choose C = 0.1Pf then r = 820Ÿ and R = 100Ÿ. Also r/R = Rf/R1, then R1 = 2.2KŸ and Rf = 15KŸ. 2. De-emphasis circuit. fC = 1/2SRdCd. Choose Cd = 0.1Pf and fC = f1 = 2.1KHz Then Rd = 820Ÿ. Conclusion :- Staff-in-charge:- 28
  • 34.
    Communication Lab Manual SSIT, Tumkur Circuit Diagram: - AM Modulator using MC1496 AM Demodulator using MC1496 Tabulation:- Vmax - Vmin Vmax - Vmin Vmax Vmin Sl.No Vmax (V) Vmin (V) m= Vm = Vc = Vmax Vmin 2 2 29
  • 35.
    Communication Lab Manual SSIT, Tumkur Experiment No: DATE: __/__/____ AM – IC Circuit (Modulation Demodulation) Aim:- Using IC1496, rig up an AM modulation and Demodulation circuit. Test its operation and record the waveforms. Procedure: - a) AM Modulation 1. Connections are made as shown in the circuit diagram. 2. Give the modulating signal of 2VPP (1KHz). 3. Give the carrier signal of 1VPP (600KHz). 4. Note down the AM modulated signal at pin 6 and also at the emitter of the buffer (emitter follower). 5. Change the amplitude levels of the modulating signal, keeping fC and fm as constant and find the depth of modulation. b) AM Demodulation 1. Give the AM wave to pin1 of MC1496. 2. Also give the AM wave from the buffer o/p. 3. Note the demodulated signal at pin 12 of MC1496. Design: - Select Vdc = +12V, IC = 3mA. RL = + Vdc/ IC = 4KŸa3.9KŸ. Vbe = 700mV, I = 160mA, Voltage at pin 5 = 1.7V. Vbias = (-8+1.7) = -6.3V RS = Vbias/I = 6.3/160mA = 7KŸa6.8KŸ Conclusion :- Staff-in-charge:- 30
  • 36.
    Communication Lab Manual SSIT, Tumkur Circuit Diagram: - Pulse amplitude modulation and demodulation Design: - Specifications: - IC = 1ma, hFE = 100, VCEsat = 0.3 V, VBEsat = 0.7v (assume), fm = 100hz. 1. Biasing: - Vm(t) = IC *RC + VCEsat ----- 1 Let Vm(t) = 2.5 v w.f peak + 3v DC shift = 5.5 V peak signal Then Rc = 5.2 kŸ, select Rc = 4.7 k Ÿ(std. Value). Vc (t) = IB*RB + VBEsat --------2 Let Vc(t) = 2 Vpp ( 1 V peak ) , Since IB = Ic / hFE = 10uA Then RB = 30 k Ÿ Select RB = 22 k Ÿ (Std. Value). 2. Filter: - Cut off frequency of the filter fo fm Choose fo = 500 Hz = 1 / 2 S RC Choose C = 0.1 P f, then R = 3.3 k Ÿ Rc = 4.7 K Ÿ RB = 22k Ÿ, R = 3.3k Ÿ, C = 0.1Pf Check Points: - 1. Ensure that square wave signal at the base of the transistor should have amplitude VJ. 2. Ensure that m (t) is having sufficient dc shift. Tabulation: - VC(pp) volts fC (Hz) Vm(pp) volts fm (Hz) Reconstructed output VO volts fO (Hz) 31
  • 37.
    Communication Lab Manual SSIT, Tumkur Experiment No: DATE: __/__/____ Pulse Amplitude Modulation Demodulation Aim:- Conduct an experiment to generate PAM signal and also design a circuit to demodulate the obtained PAM signal and verify sampling theorem. Plot the relevant waveforms. Procedure: - 1. Connections are made as shown in the circuit diagram. 2. Apply the square wave carrier signal of 2V peak to peak amplitude with frequency fc = 5 kHz. 3. Apply sine wave modulating signal with frequency fm = 100 Hz with 5 Vpp amplitude and 3 V DC shift (use function generator). 4. Observe the PAM output. 5. Observe the demodulated signal at the output of the low pass filter. 6. Repeat the steps 2 to 5 for fc = 2 fm fc 2 fm. Waveforms: Conclusion :- Staff-in-charge:- 32
  • 38.
    Communication Lab Manual SSIT, Tumkur Circuit Diagram: - Pulse Width modulation and demodulation Pulse Width Demodulation 33
  • 39.
    Communication Lab Manual SSIT, Tumkur Experiment No: DATE: __/__/____ Pulse Width Modulation Demodulation Aim:- Conduct an experiment to generate PAM signal and also design a circuit to demodulate the obtained PAM signal and verify sampling theorem. Plot the relevant waveforms. Procedure: - 1. Connections are made as shown in the circuit diagram. 2. Keeping the modulating signal with minimum amplitude, observe the output of astable multivibrator with 50 % duty cycle at frequency fc. 3. Apply the modulating signal with frequency fm and the amplitude less than the critical amplitude observe the PWM signal. 4. Verify the variation of width of the pulses with respect to clamped modulating signal (at point A). To find the critical amplitude: - As the amplitude of the modulating signal is increase the width of the pulses during the negative half of the modulating signal keeps on reducing and that at the positive half of the modulating signal is increased the width of the pulses during the negative half of the modulating signal keeps on reducing and that at the positive half of the modulating signal keeps on increasing. 34
  • 40.
    Communication Lab Manual SSIT, Tumkur Design: - Specifications: - Frequency fc = 1 KHz, duty cycle: 50 % T = 1 ms, Ton = Tb= 0.5 ms I) Astable multivibrator: - Where RcH = charging resistance, RDCH = Discharging Resistance, Rf = Diode forward resistance Ct = timing capacitor TON = 0.69 (RCH + Rf ) Ct Toff = 0.69 (RDCH + Rf) Ct Ton = Toff = 0.5 ms Choose Ct = 0.1 Pf, then (RCH + Rf) = (RDCH + Rf) = 7.246 k: Assuming Rf of diode = 100:, Then RCH = RDCH = 7.146 k: (use 6.8 k: + 330: std value) II) Clamping ckt Negative peak of the modulating signal clamped to zero Rc 1 /fm, fm = 100Hz RC = 100 /fm, choose C= 10 f, then R = 100K. RCH = RDCH = (6.8K + 330 ), R = 100K , Ct = 0.1 f, C = 10 f. Check points: - With modulating signal zero, the voltage at pin 5 of 555 timer should be 2/3 VCC. Ensure that modulating signal is clamped. Tabulation: - Unmodulated carrier PWM Output Demodulator Dynamic Modulating Ton Toff Max.width Min.width fc Hz range frequency VO(V) fO(Hz) ms ms ms ms volts fm Hz 35
  • 41.
    Communication Lab Manual SSIT, Tumkur Waveforms:- Conclusion :- Staff-in-charge:- 36
  • 42.
    Communication Lab Manual SSIT, Tumkur Circuit Diagram: - Pulse Position modulation and demodulation Design: m(t) = 1KHz, T = 1ms T = RC, Let C = 0.01uf Then R = 1Ÿ Pulse Position Demodulator Design: - Specifications: - 1. Monostable Multivibrator: - PW = 1.1 Rch Ct Choose Ct = 0.01 Pf, then Rch = 18.18 k : (std. Value) 2. Differentiator : - Rs * Cs 1 / fc Choose Rs * Cs = 0.01 ms, Choose Cs = 0.001Pf, then Rs = 10k : Rch = 18 k:. Ct = 0.01Pf, Rs = 10 k:, Cs = 0.001Pf CHECK POINTS: - x With modulating signal zero, the voltage at pin 5 of 555 timer should be 2 /3 Vcc. x Ensure that wave form at pin 2 of 555 timer should have a trailing edge going below 1 /3 Vcc. 37
  • 43.
    Communication Lab Manual SSIT, Tumkur Experiment No: DATE: __/__/____ Pulse Position Modulation Demodulation Aim:- Conduct an experiment to generate PAM signal and also design a circuit to demodulate the obtained PAM signal and verify sampling theorem. Plot the relevant waveforms. Procedure: - 1. Connections are made as shown in the circuit diagram. 2. Check the working of 555 timer as a monostable multivibrator by giving an unmodulated PWM signal. Verify the pulse width of output signal for the designed value. 3. By applying the PWM signal note the change in the position of the pulses i.e. PPM signal. 4. Critical amplitude of the modulating signal is that value of m(t) at which the pulse in PPM just disappears. Waveforms:- Conclusion:- Staff-in-charge:- 38