Engineering Encyclopedia
                                     Saudi Aramco DeskTop Standards




              Drafting Instrument Loop Diagrams




       Note: The source of the technical material in this volume is the Professional
          Engineering Development Program (PEDP) of Engineering Services.
       Warning: The material contained in this document was developed for Saudi
          Aramco and is intended for the exclusive use of Saudi Aramco’s
          employees. Any material contained in this document which is not
          already in the public domain may not be copied, reproduced, sold, given,
          or disclosed to third parties, or otherwise used in whole, or in part,
          without the written permission of the Vice President, Engineering
          Services, Saudi Aramco.



Chapter : Drafting                                For additional information on this subject, contact
File Reference: AGE10803                                              N. H. Alahaimer on 874-0876
Engineering Encyclopedia                                                           Drafting
                                                          Drafting Instrument Loop Diagrams



CONTENTS                                                                         PAGES

   Information

       Instrument Loop Diagram                                                        1
           Ild Symbols And Abbreviations                                              1
       Interpreting Ilds                                                            29
       Interpret An Ild For A Pneumatic Instrument Control Loop                     37
       Interpret An Ild For An Electronic Instrument Control Loop                   44
       Tracing Current Flow In Control Loops                                        57
       Computer Relays                                                              59
         Computer Relay Symbols                                                     59
       Instrument Systems                                                           67
           Foxboro Spec 200                                                         67
           The Honeywell Vutronik Control Loop                                      83
           The Honeywell Vutronik Alarm Card                                        96
           Examples Of Honeywell Cards                                             100
           Honeywell Resistance To Current Converter Card                          102

   Work Aids                                                                       104

   Glossary                                                                        119




Saudi Aramco DeskTop Standards
Engineering Encyclopedia                                                                    Drafting
                                                                   Drafting Instrument Loop Diagrams



Instrument Loop Diagram

Every process control loop has an instrument loop diagram (ILD) drawn for it. ILDs give
more information about control loops than any other drawing. Although they are of interest
mainly to instrumentation engineers and tech-nicians they are one of the most common
drawings seen in Saudi Aramco.

ILD Symbols And Abbreviations

Handout No. 1 (Drawing No. 990-J-36492 Sheets 1 and 2) shows common ILD symbols and
abbreviations. Some of them will be described in detail in this module.

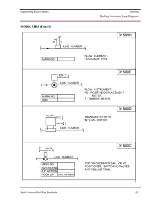
Orifice Plate. Figure 1 shows the symbol for a flow element orifice plate. Figure 2 shows an
orifice plate.



                    H   L
                            LINE NUMBER


                                          FLOW ELEMENT
                                          ORIFICE PLATE
         MARK NO.
         BORE




                                 CORRECT SIZE
                              NUMBER MUST MATCH
                              BORE SHOWN ON ILD




                                                      1.550
                                                                     ORIFICE PLATE



                                OW
                              FL
                                                               CORRECT DIRECTION
                                                                NUMBER ON PLATE
                                                              MUST FACE UPSTREAM


                              FIGURE I. FLOW ELEMENT, ORIFICE PLATE




Saudi Aramco DeskTop Standards                                                                    1
Engineering Encyclopedia                                                                    Drafting
                                                                   Drafting Instrument Loop Diagrams


ILD Symbols and Abbreviations(Cont'd)

Orifice Plate(Cont'd). An orifice plate is placed into a pipeline to cause a pressure differential
between its upstream and downstream flow. H and L stand for High and Low. They indicate
the high and low pressure sides of the plate. The difference in pressure is used to indicate
flow rate. Pressure differential varies as the square of the flow rate. Therefore, the square
root of the pressure differential reading is needed in order to obtain the linear value of the
flow rate.

Process variable measuring devices, such as orifice plates, are sometimes called elements.

The mark number, seen in Figure 1, is the identification, or tag, number given to the flow
element. Bore is the size of the hole, in inches, in the orifice plate. The line number is the
identification number of the pipeline.

Control Valve. Figure 3 shows the symbol for a control valve. The letter S above the small
triangle means there is an air supply to open or close the valve. The abbreviation INST means
that an instrument air signal is supplied to the valve positioner. The positioner is shown by
the square block.

The output air signal is shown going to the top of the valve. Therefore, the valve operates by
air pushing down onto the diaphragm.

The mark number for this valve would be PCV, TCV, LCV, or FCV (for pressure,
temperature, level or flow control valve) followed by the loop number.

Size rating is the size, in inches, of the valve inlet and outlet bore.

A. F. ACTION, sometimes shown only as ACTION, says what the valve will do if there is an
Air Failure (AF). The word OPEN or CLOSE will be shown after A.F. ACTION.




                  S                     OUTPUT

                         INST.
                                        LINE NUMBER

                      MARK NO.                       DIAPHRAGM OPERATED GLOBE
                      SIZE RATING                    VALVE WITH POSITIONER
                      A. F. ACTION


                                     FIGURE 3.   CONTROL VALVE




Saudi Aramco DeskTop Standards                                                                    2
Engineering Encyclopedia                                                                       Drafting
                                                                      Drafting Instrument Loop Diagrams


ILD Symbols and Abbreviations(Cont'd)

Electrical Switches. Figures 4 and 5 show electrical switches. In Figure 4, NO means Normally
Open. NC means Normally Closed.

The letter C on its own means Common. By operating the Hand Switch, C can be connected
either to NO or to NC.

Mark No. is the identification of the switch.

In Figure 5, SET AT is the value of the process variable at which the switch will automatically
trip open or close. The value will be shown in psi, °F, or %, depending on the type of switch
used (that is, the type of process variable that is being controlled). The symbol % is often
used in level control. Level may be given not as a dimension but as a percentage of the vessel
capacity. For example the set point may be 75% to show that the vessel should be kept at
75% full.



                 NO
                 OR
                 NC

                                                                    HAND SWITCH

                 C


                                      MARK NO.


                                                     FIGURE 4
                 LINE OF EQUIPMENT
                      MARK NO.




                                                                    SWITCH ( SINGLE )


                                     MARK NO.
                                     SET AT


                                          FIGURE 5. LEVEL SWITCH ( SINGLE )




Saudi Aramco DeskTop Standards                                                                       3
Engineering Encyclopedia                                                                  Drafting
                                                                 Drafting Instrument Loop Diagrams


ILD Symbols and Abbreviations(Cont'd)

Lamps And Lights. Figure 6 shows the symbols used for lamps and lights.




                                                                   LAMP


                           MARK NO.



                                      RED




                                                            RUNNING LIGHTS

                                      GREEN

                           MARK NO.


                                              FIGURE 6



When a light is not identified by a color, the light will usually be white. The mark number
will give the number of the instrument loop to which the light is connected.



ILD Line Symbols. Figure 7 shows ILD line symbols. Lines may be broken to avoid drawing
over equipment or information. The line may then be continued on the other side of the
equipment or information.



                     PROCESS LINES

                     INSTRUMENT AIR LINES

                     INSTRUMENT ELECTRIC LINES           LINE                   LINE
                                                         BREAK                CONTINUES
                     INSTRUMENT CAPILLARY TUBES

                                 FIGURE 7. ILD LINE SYMBOLS




Saudi Aramco DeskTop Standards                                                                  4
Engineering Encyclopedia                                                                   Drafting
                                                                  Drafting Instrument Loop Diagrams


ILD Symbols and Abbreviations(Cont'd)

Air Supply. Figure 8 shows more ILD abbreviations. Those on the left indicate air supply.
Those on the right are as stated.



                                                     D/P        DIFFERENTIAL PRESSURE
                                                     +          POSITIVE TERMINAL
                                                     _          NEGATIVE TERMINAL
                       S           AIR SUPPLY        AO / AFS   AIR OPEN / AIR FAILURE CLOSE
                            A/S                      AC / AFO   AIR CLOSE / AIR FAILURE OPEN
                                                     H          HIGH PRESSURE
                                                     L          LOW PRESSURE
          EITHER SYMBOL MAY BE USED.                 GND        GROUND

                                      FIGURE 8.   ILD ABBREVIATIONS



Electrical Signal Lines. Figure 9 shows ILD Electrical Signal Lines.




                           RED

                           WHITE
                                        WIRE
                                       COLORS              SHIELDED CABLE
                           BLACK

                           GREY                                    THIS SYMBOL
                                                            INDICATES A SHIELD

                           FIGURE 9. ILD ELECTRICAL SIGNAL LINES



The wires are color coded to show which wires must be connected to terminal posts.

Instrument cables that carry low voltage signals are shielded to prevent outside electrical
energy from interfering with the signals.




Saudi Aramco DeskTop Standards                                                                   5
Engineering Encyclopedia                                                            Drafting
                                                           Drafting Instrument Loop Diagrams


ILD Symbols and Abbreviations(Cont'd)

Box and Cable numbering. Figure 10 shows box and cable numbering. The Junction Box (JB)
or Terminal Box (TB) number is located at the top of the box symbol shown in Figure 10.
Connections, called terminal posts, inside the block are numbered.



                             JB OR TB NUMBER    TERMINAL NUMBERS
                                                SHOWN HERE


                                                          TERMINAL BOX WITH
                                                          TERMINALS




                                                           CONDUIT OR
                                                           CABLE NUMBER



                                                CONDUIT OR CABLE
                                                NUMBER SHOWN HERE


                           FIGURE 10.   BOX AND CABLE NUMBERING



The conduit or cable number will be written in the block near the electrical line symbol.
Cables are always identified in pairs, or groups of pairs, of wire.




Saudi Aramco DeskTop Standards                                                            6
Engineering Encyclopedia                                                               Drafting
                                                              Drafting Instrument Loop Diagrams


ILD Symbols and Abbreviations(Cont'd)

Local Indicators. Figure 11 shows the symbols for Local Indicators. Range means the range of
the indicator scale.

The letters B and E in the Foxboro local indicator symbol give the polarity of the input signal
(+ve or -ve). (Foxboro is the name of one of the manufacturers of instruments used by Saudi
Aramco. Another manufacturer is named Honeywell.)




                                                            LOCAL INDICATOR


                   MARK NO.
                   RANGE




                           B   E
                           +   _
                                                        FOXBORO LOCAL
                                                        INDICATOR CONNECTIONS




                                   FIGURE 11.   LOCAL INDICATORS




Saudi Aramco DeskTop Standards                                                               7
Engineering Encyclopedia                                                                         Drafting
                                                                        Drafting Instrument Loop Diagrams


ILD Symbols and Abbreviations(Cont'd)

Temperature Sensing Elements.                   Figure 12 shows the symbols for Temperature Sensing
Elements.

The Range is usually from zero to the maximum process temperature the Resistance
Temperature Element (RTE) will measure in its loop, for example, 0 to 250°F.
Type on the thermocouple symbol identifies the metals in the thermocouple, for example,
IRON/CON would mean iron and constantan.
             EQUIPMENT
              NUMBER




                                                                  RESISTANCE TEMPERATURE
                                                                  ELEMENT

                               MARK NO.
                               RANGE
                EQUIPMENT OR
                 LINE NUMBER




                                                                  THERMOCOUPLE TEMPERATURE
                                                                  ELEMENT


                                MARK NO.
                                TYPE


                                  FIGURE 12.       TEMPERATURE SENSING ELEMENTS


Transducer. Figure 13 shows the symbol used for a transducer. The figure shows that the
transducer is changing an electrical input signal to a pneumatic output signal. Other symbols
may show the transducer changing a pneumatic input to an electrical output.




                                            +
                                           _                         TRANSDUCER


                                     MARK NO.


                                           FIGURE 13.    TRANSDUCER



Saudi Aramco DeskTop Standards                                                                         8
Engineering Encyclopedia                                                                   Drafting
                                                                  Drafting Instrument Loop Diagrams


ILD Symbols and Abbreviations(Cont'd)

Level Transmitters. Figure 14 shows the ILD symbols for Level Transmitters. All four
symbols are very similar and all show the vessel in which the level is being controlled. Note
the symbol for an accumulator, which is shown with the dry leg transmitters. The
accumulator is used to remove liquid from the dry leg.



                                         DRY LEG
                            VESSEL NO.    L                                               1
                                                      OUT
                                          H
                                                  N
              MARK NO.                                        S
              RANGE
              SUPPRESSION                         LEVEL TRANSMITTER WITH AIR SUPPLY
              ELEVATION                           CONNECTION ( D / P CELL )

                                         WET LEG
                                                                                          2
                                          H            RED
                            VESSEL NO.        +
                                         L    _
                                                      GREY
              MARK NO.
              RANGE                               LEVEL TRANSMITTER
              SUPPRESSION                         ( D / P CELL )
              ELEVATION


                                         DRY LEG

                            VESSEL NO.    L            RED                                3
                                              +
                                          H   _
                                                       GREY

              MARK NO.
              RANGE
              SUPPRESSION
              ELEVATION

                                          WET LEG
                                                       OUT                                4
                            VESSEL NO.    H

                                         L
                                                             S
              MARK NO.
              RANGE
                                                  LEVEL TRANSMITTER WITH AIR SUPPLY
              SUPPRESSION
              ELEVATION                           CONNECTION ( D / P CELL )

                      FIGURE 14. LEVEL TRANSMITTERS WITH D / P CELLS




Saudi Aramco DeskTop Standards                                                                   9
Engineering Encyclopedia                                                                 Drafting
                                                                Drafting Instrument Loop Diagrams



All four transmitter types use differential pressure to measure level. Types 1 and 3 are the
same except that 1 is pneumatic and 3 is electronic. Both use dry legs.

Types 2 and 4 are the same except that 2 is electrical and 4 is pneumatic. Both use wet legs.
Pressure measurement is sometimes expressed as the height of a column of water. This is
because a column of water one foot high produces a known pressure of 0.433 psi.
Alternatively, a column of water 27.7 inches high produces a pressure of 1.0 psi.

We can use this information to convert liquid pressure measurements into liquid level
measurements.

DP transmitters can be fitted with a biasing spring kit. The spring can be used to adjust or
balance out certain differential pressure readings in order to give us the actual readings we
require. When the bias acts to oppose pressure on the high side, it is called suppression.
When it acts to assist pressure on the high side, it is called elevation. An example is shown
below.




                                 100 '' WC
                                                               15 psig




                                                               SEAL      HIGH          LOW
                                                              LEG        SIDE          SIDE

                                                                         P1              P2
                                                                          BIAS

                                                               3 psig




                                    0 '' WC
                                                HL
                                              P1   P2



The pressure of liquid in the seal (or wet) leg is not needed for determining the liquid level in
the tank. Therefore, bias can be applied to balance out this pressure. Because bias in this
case is assisting pressure on the high side, we have elevation.




Saudi Aramco DeskTop Standards                                                                10
Engineering Encyclopedia                                                                 Drafting
                                                                Drafting Instrument Loop Diagrams


ILD Symbols and Abbreviations(Cont'd)

Level Transmitters (Cont'd). Figure 15 shows how a differential pressure transmitter is used to
measure level in a vessel open to the atmosphere.

Atmospheric pressure acts on the top of the water and also on the low pressure side of the DP
cell. Therefore, the difference in pressure between the high and low sides of the cell is equal
only to the pressure exerted by the water level.

Example: If the DP cell senses a pressure differential of 10 psi it means that the level of water
is 10 x 27.7 inches.



                           OPEN TANK LEVEL MEASUREMENT




                                   AIR PRESSURE




                                                                          LOW PRESSURE
        HEIGHT




                                        WATER                             SIDE VENTED TO
                                                                          ATMOSPHERE




                                                                           H L




                    FIGURE 15.   LEVEL MEASUREMENT USING A DP CELL




Saudi Aramco DeskTop Standards                                                                11
Engineering Encyclopedia                                                                 Drafting
                                                                Drafting Instrument Loop Diagrams


ILD Symbols and Abbreviations(Cont'd)

Level Transmitters (Cont'd). Figure 16 shows how a DP transmitter measures level in a closed
vessel.




      200 ''                      TANK PRESSURE


                                                                                        200 ''
                                                                        DRY LEG



                                        WATER
           100 ''


                                                                           H L




                                                                         DP CELL



                     FIGURE 16.    LEVEL MEASUREMENT USING DP CELL



In order to obtain a differential pressure that depends only on the liquid level, the pressure of
the tank atmosphere must be cancelled out. This is done by connecting the low side of the DP
cell to the top of the tank. This connection is called a dry leg.




Saudi Aramco DeskTop Standards                                                                   12
Engineering Encyclopedia                                                                Drafting
                                                               Drafting Instrument Loop Diagrams


ILD Symbols and Abbreviations(Cont'd)

Level Transmitters (Cont'd). Figure 17 shows why wet legs are sometimes used.




                                         AIR



      200 ''


                                                                                       200 ''
                                                                       WET LEG



                                        WATER
           100 ''


                                                                          H L




                                                                        DP CELL



                     FIGURE 17.   LEVEL MEASUREMENT USING DP CELL



The atmosphere in a tank may carry vapor from the liquid. If a dry leg DP cell is being used,
some of the vapor will condense in the leg. After a time, liquid at varying levels could collect
in the leg. This would cause differential pressure readings that do not represent only the
height of liquid in the vessel.




Saudi Aramco DeskTop Standards                                                                  13
Engineering Encyclopedia                                                                       Drafting
                                                                      Drafting Instrument Loop Diagrams


ILD Symbols and Abbreviations(Cont'd)

To overcome this problem the wet legs are made to a known height, then filled with liquid.
Because the liquid level in the leg is constant, the pressure it exerts on the low side of the DP
cell is constant. This pressure can be taken into account when reading differential pressure.
Figure 17 shows that it is possible for the low side pressure to be greater than the high side
pressure. DP cells are always connected with their high side to the vessel.

Temperature Transmitters. Figure 18 shows the symbols for Temperature Transmitters. Range
gives the temperature range of the transmitter, for example 0 to 250°F.
            EQUIPMENT OR
             LINE NUMBER




                                                     RED
                                           +
                                           _

                                                    GREY


                                                             TEMPERATURE TRANSMITTER.
                               MARK NO.                      THERMOCOUPLE WITH INTEGRAL
                               RANGE                         ELECTRONIC mV / mA CONVERTER
                EQUIPMENT OR
                 LINE NUMBER




                                                      RED
                                               +
                                               _

                                                     GREY

                                                            TEMPERATURE TRANSMITTER.
                                                            RESISTANCE TEMPERATURE DETECTOR
                                MARK NO.
                                                            WITH RTD / mA CONVERTER
                                RANGE



                                  FIGURE 18.       TEMPERATURE TRANSMITTERS




Saudi Aramco DeskTop Standards                                                                      14
Engineering Encyclopedia                                                                        Drafting
                                                                       Drafting Instrument Loop Diagrams


ILD Symbols and Abbreviations(Cont'd)

Pressure and Flow Transmitters. Figure 19 shows two kinds of transmitters, one for pressure and
one for flow. The difference is in the connection to the process. Pressure measurement
requires only one connection. Flow measurement requires two connections; one for the high
pressure side of the orifice plate, and one for the low side.
             EQUIPMENT OR
              LINE NUMBER




                                                  RED
                                         +
                                         _
                                                  GREY
                                                                  PRESSURE TRANSMITTER

                              MARK NO.
                              RANGE


                                                   OUT


                                             IN
                                                         S
                                                               FLOW TRANSMITTER WITH AIR
                            MARK NO.                           SUPPLY CONNECTION
                            RANGE


                                                   FIGURE 19



Note that the flow transmitter has two input lines (on the left). This is because the flow
transmitter is using differential pressure.

Range will show the calibrated range of each transmitter. Examples would be:

                   • 0 - 100 psi (for pressure transmitter)

                   • 0 - 100" W.C. (inches water column) - [for flow transmitter]




Saudi Aramco DeskTop Standards                                                                       15
Engineering Encyclopedia                                                                Drafting
                                                               Drafting Instrument Loop Diagrams


ILD Symbols and Abbreviations(Cont'd)

Controller. Figure 20 shows the ILD symbol for a controller.




                    IN
                   OUT
                                                                   CONTROLLER
       S                   MARK NO.
                           SET POINT
                           P. BAND
                           RESET
                           DERIVATIVE
                           ACTION



                              FIGURE 20. ILD CONTROLLER SYMBOL



The meaning of the terms shown on the controller are explained below.

Mark No. identifies the process variable or loop number which is being controlled.

Set Point is the process variable value to which the controller has been set. It is the value
needed for efficient and safe operation. The set point setting can be altered by the operator
when necessary.

P Band means proportional band. This is a setting which determines the amount the variable
measurement must change from the set point for the control valve to move through 100% of
its travel. For example, suppose the total travel of a control valve is 6" (that is from fully
closed to fully open is a travel of 6"). If a total deviation of the process variable from set
point is also 6" (that is 3" below set point to 3" above set point) then the P Band is 100%
(because a 6" movement of the variable causes a 6" movement of the valve).

Note that the controller has a constant pressure air supply. The output of this supply depends
on the input being received from the transmitter (which signal depends on the process variable
measurement).




Saudi Aramco DeskTop Standards                                                               16
Engineering Encyclopedia                                                             Drafting
                                                            Drafting Instrument Loop Diagrams


ILD Symbols and Abbreviations(Cont'd)

Level Control. Figure 21 shows a level control system. The valve is fully closed when the
level is 3" above its set point. It is fully open when the level is 3" below its set point.
Therefore, the level must travel through its full range in order to move the valve through
100% of its travel (6"). Therefore, P (Proportional) Band is 100%.



                           1.5 FEET         1.5 FOOT




                                 200 % 100 % 50 %
                                  PB   PB    PB
   6 '' VALVE                                                  6 '' FLOAT
  MOVEMENT                                                     MOVEMENT




                 VALVE A



                                                                   SPAN
                                                                                     3 ''
                                                                   SET POINT
                                                                                     3 ''
                                                                   ZERO




                                                                      VALVE B




                             FIGURE 21. LEVEL CONTROL SYSTEM




Saudi Aramco DeskTop Standards                                                              17
Engineering Encyclopedia                                                             Drafting
                                                            Drafting Instrument Loop Diagrams


ILD Symbols and Abbreviations(Cont'd)

Level Control (Cont'd). Figure 22 shows the arrangement for a P Band of 50%. A total
deviation from the set point of 3" causes a 6" movement of the control valve. The P Band is,
therefore, 50%.



                                 2 FEET        1 FOOT




                                 200 % 100 % 50 %
                                  PB   PB    PB
   6 '' VALVE                                                  3 '' FLOAT
  MOVEMENT                                                     MOVEMENT




                 VALVE A



                                                                                     1.5 ''
                                                                    SET POINT
                                                                                     1.5 ''




                                                                      VALVE B




                                          FIGURE 22




Saudi Aramco DeskTop Standards                                                                18
Engineering Encyclopedia                                                              Drafting
                                                             Drafting Instrument Loop Diagrams


ILD Symbols and Abbreviations(Cont'd)

Level Control (Cont'd). Figure 23 shows the arrangement for a P Band of 200%. A total set
point deviation of 12" causes a 6" movement of the control valve.



                           1 FOOT         2 FEET




                                 200 % 100 % 50 %
                                  PB   PB    PB
   6 '' VALVE                                                   12 '' FLOAT
  MOVEMENT                                                      MOVEMENT




                 VALVE A
                                                                     SPAN

                                                                                     6 ''

                                                                     SET POINT

                                                                                     6 ''

                                                                     SPAN




                                                                       VALVE B




                             FIGURE 23.   PIVOT TO THE LEFT




Saudi Aramco DeskTop Standards                                                              19
Engineering Encyclopedia                                                                 Drafting
                                                                Drafting Instrument Loop Diagrams


ILD Symbols and Abbreviations(Cont'd)

Level Control (Cont'd). Reset may have a time value next to it. Reset is used with proportional
control to return a variable back to its set point. (Reset is also sometimes called Gain.)

For example, Figure 24 shows a stable process. The level is at set point and 50 gpm is
entering and leaving the tank.




    WATER
      IN



               50 GPM
                                                                            MAXIMUM LEVEL

                                                                            SET POINT
                                                                            MINIMUM LEVEL


                                                                           WATER
                                                                            OUT



                                                                           50 GPM




                            FIGURE 24. STABLE PROCESS




Saudi Aramco DeskTop Standards                                                                20
Engineering Encyclopedia                                                                 Drafting
                                                                Drafting Instrument Loop Diagrams


ILD Symbols and Abbreviations(Cont'd)

Level Control (Cont'd). If for some reason the flow leaving the tank increases to 60 gpm the
level will fall. The float will then cause the control valve to open and input flow will increase.
However, the valve cannot adjust until after the level has deviated from set point. Hence, a
new stable condition may exist which is not at set point, as shown in Figure 25. The
difference between the new level and the set point is called offset.




       WATER
         IN




                 60 GPM

                                                                        OFFSET
                SET POINT


                                                                             WATER
                                                                              OUT



                                                                             60 GPM




                            FIGURE 25. STABLE BUT OFFSET




Saudi Aramco DeskTop Standards                                                                21
Engineering Encyclopedia                                                                 Drafting
                                                                Drafting Instrument Loop Diagrams


ILD Symbols and Abbreviations(Cont'd)

Level Control (Cont'd). Reset is used to help the proportional control to bring the variable back
to set point. It does this by sending an extra signal to the control valve. The signal adjusts the
control valve until set point is reached. Then the reset signal stops.

The reset mechanism is part of the controller. It has a scale on which different times can be
set, for example from 0.1 to 50 minutes. A setting of 0.5 means that the control valve will be
adjusted every 0.5 minutes until set point is reached.

Derivative also may have a time value next to it. It is usually used only in Temperature
Control Loops. Derivative is sometimes called Rate Action or Integral.

Derivative is necessary because proportional plus reset control may take a long time to correct
temperature deviations from set point. Derivative action is concerned with how fast a
temperature is changing from set point.

If temperature is deviating only slowly from set point, the controller will make only small
adjustments to the control valve. Derivative action senses the speed of the change
immediately the change begins (unlike reset, which responds after the change has occurred
and caused offset).

If the rate of change is high, derivative immediately causes a large adjustment to be made to
the control valve to bring the temperature under control.

Derivative action stops when the temperature stops changing.

The derivation mechanism is also a part of the controller. It uses the same kind of time scale
as the reset unit.

Action will have Direct or Reverse next to it. Direct means that if the input signal to an
instrument is increased, the output signal from the instrument will also increase. Reverse
means that if the input signal increases, the output signal decreases.




Saudi Aramco DeskTop Standards                                                                22
Engineering Encyclopedia                                                                Drafting
                                                               Drafting Instrument Loop Diagrams


ILD Symbols and Abbreviations(Cont'd)

Indicating Controller. Figure 26 shows the symbols used for an indicating controller. They are
the same as for a basic controller except that a scale range for the variable will be given.
Scales may be linear or square root.

Linear scales are used for those process variables which change in direct proportion to
changes in instrument output signals, e.g. level, temperature, pressure. Flow measurements,
however, are taken from differential pressure readings at an orifice plate. Differential
pressure changes in proportion to the square of the flow rate. Therefore, the square root of the
differential pressure must be found (or extracted) from a differential pressure signal in order
to find the flow rate. This is why some scales are square root.



                    IN
                   OUT

       S
                           MARK NO.
                           SET POINT
                                                                 INDICATING
                           P. BAND                               CONTROLLER
                           RESET
                           DERIVATIVE
                           ACTION
                           SCALE RANGE



                    IN
                                 ( IND. CONTROL )
                   OUT
                              ( MANUAL CONTROL
                   SET              UNIT )
                           MARK NO.
       S                                                  INDICATING CONTROLLER
                           SET POINT
                                                          WITH MANUAL CONTROL UNIT
                           P. BAND
                           RESET
                           DERIVATIVE
                           ACTION
                           SCALE RANGE


                              FIGURE 26. INDICATING CONTROLLERS




Saudi Aramco DeskTop Standards                                                               23
Engineering Encyclopedia                                                             Drafting
                                                            Drafting Instrument Loop Diagrams


ILD Symbols and Abbreviations(Cont'd)

Panel-Mounted Indicator. Figure 27 shows the symbol for a panel-mounted indicator. Range
gives the range for the indicator scale.




                    IN

                                                           INDICATOR
                                                           ( 1 TO 3 POINTERS )
                           MARK NO.
                           RANGE



                            FIGURE 27. PANEL MOUNTED INDICATOR



Strip Chart Recorder. Figure 28 shows the symbol for a strip chart recorder. Mark numbers
and Range are given for each pen.

If more than one instrument loop is being recorded, additional input line symbols are added
for each loop. Notes may be given to explain more about the symbols.

GND, L1 and L2 mean Ground, Line 1 and Line 2, respectively.


                    IN
                  GND
                   L1
                   L2
                           MARK    1 ST. PEN

                           RANGE   1 ST. PEN                 RECORDER
                                                             ( 1 TO 3 PENS )
                           MARK    2 Dn. PEN


                           RANGE   2 Dn. PEN

                           MARK    3 Dr. PEN


                           RANGE   3 Dr. PEN



                                               FIGURE 28




Saudi Aramco DeskTop Standards                                                            24
Engineering Encyclopedia                                                                 Drafting
                                                                Drafting Instrument Loop Diagrams


ILD Symbols and Abbreviations(Cont'd)

Two-Purpose Instrument Devices. Figure 29 shows the ILD symbols for two components of a
loop combined into one.

The top output signal goes to a level transmitter or controller. The bottom output signal goes
to a final control element, such as a control valve.




                                                        OUT
                  VESSEL NO.                IN
                                                                LEVEL TRANSMITTER /
                                                        OUT     CONTROLLER
                                        S
                                                                WITH AIR SUPPLY
                                                                CONNECTION ( DISPLACER )

              TRANSMITTER                          CONTROLLER
       MARK NO.                             MARK NO.
       RANGE                                SET POINT
                                  AND
                                            P BAND
                                            RESET



                       FIGURE 29. TWO - PURPOSE INTRUMENT DEVICES




Saudi Aramco DeskTop Standards                                                                25
Engineering Encyclopedia                                                                      Drafting
                                                                     Drafting Instrument Loop Diagrams


ILD Symbols and Abbreviations(Cont'd)

Level Transmitter/Controller. Figure 30 shows the symbols used to denote a transmitter or a
controller. In each case, the appropriate information blocks would be filled in and the other
blocks left blank.
                EQUIPMENT OR
                 LINE NUMBER




                                                  OUT        PRESSURE TRANSMITTER
                                                             OR CONTROLLER WITH AIR
                                                             SUPPLY CONNECTION
                                             IN         S

                                                             MARK NO.
                                                             RANGE
                                                             SET POINT
                               TRANSMITTER                   P BAND
              MARK NO.                                       RESET
              RANGE                                     OR   DERIVATIVE
                                                             ACTION
                EQUIPMENT OR
                 LINE NUMBER




                                                  OUT        TEMPERATURE TRANSMITTER
                                                             OR CONTROLLER WITH AIR
                                                             SUPPLY CONNECTION
                                             IN
                                                        S
                                                              MARK NO.
                                                              RANGE
                                                              SET POINT
                               TRANSMITTER                    P BAND
              MARK NO.                                        RESET
              RANGE                                     OR    DERIVATIVE
                                                              ACTION



                                 FIGURE 30. LEVEL TRANSMITTER / CONTROLLER




Saudi Aramco DeskTop Standards                                                                     26
Engineering Encyclopedia                                                                 Drafting
                                                                Drafting Instrument Loop Diagrams


ILD Symbols and Abbreviations(Cont'd)

Three-Way Solenoid Valve. Figure 31 gives the symbol for a three-way solenoid valve. This
symbol is usually connected to the symbol for the final control element. Most solenoid valves
are not very large. They are commonly used to shut off instrument air supply to control
valves.




                                                           SOLENOID OPERATED
                                                           THREE - WAY VALVE
                                                           ENERGIZED     P-A
                           P            A                  DEENERGIZED A - E


                                 E
                                                MARK NO.


                                            FIGURE 31.




Saudi Aramco DeskTop Standards                                                                27
Engineering Encyclopedia                                                                  Drafting
                                                                 Drafting Instrument Loop Diagrams


ILD Symbols and Abbreviations(Cont'd)

Three-Way Valve Operation. Figure 32 shows the normal operation of a three-way valve. When
the coil is energized, air flows to the control valve actuator without interruption.

When the solenoid coil is de-energized (which is what happens when the Emergency Shut
Down (ESD) button is pressed) the three-way valve closes. This blocks the flow of air to the
control valve. At the same time, the 3-way valve allows the air which is operating the control
valve to vent to the atmosphere. This causes the control valve to close.




        AIR                        TO                   AIR                        FROM
       SUPPLY                    ACTUATOR              SUPPLY                    ACTUATOR

                P                A                              P                A

                           E                                            E
                    ENERGIZED                                       DEENERGIZED

                 P - PRESSURE              A - ACTUATOR               E - EXHAUST


                                           FIGURE 32




Saudi Aramco DeskTop Standards                                                                 28
Engineering Encyclopedia                                                                Drafting
                                                               Drafting Instrument Loop Diagrams



INTERPRETING ILDS

Handout No. 2 (Drawing 461-J-NA-942815) is a simplified ILD. The Title Block, shown in
Figure 33 below, identifies the loop that is on the drawing.




It is Flow Control Loop 101 (FC-101). The block says that FC-101 is part of a crude oil
pipeline at Berri-3 Plant, Ras Tanura, The Plant Number is 461.

The index letter, J, is the standard index letter for Instrument Loop Diagrams.

The Reference Drawing Block gives the drawing numbers of P&IDs and Instrument
Installation Schedules on which FC-101 can be found.

Reference is also made to the drawing numbers of Rack Power Distribution (Rack Pwr Dist.)
and ILD PC-301.



Saudi Aramco DeskTop Standards                                                               29
Engineering Encyclopedia                                                                                      Drafting
                                                                                     Drafting Instrument Loop Diagrams



INTERPRETING ILDS (Cont'd)

Handout No. 2 shows that the ILD is divided into four parts: FIELD, FIELD JUNCTION
BOX, CONTROL ROOM PANEL REAR and CONTROL ROOM PANEL FRONT. (Large
junction boxes are sometimes called Marshalling Boxes.)

When reading an ILD, it is usual to start at the sensing element. In Handout No. 2, this is an
orifice plate, as shown in Figure 34.

Note: The Figures given inside the circles are for this module reference only. They do not
appear on an actual ILD.

       7      4     NA - 942815               461         J           61845

   REV. NO.   SHT   DRAWING NO.       PLANT NO.         INDEX    JOB ORDER NO.




                                                              FIELD


                                                                                           8

                                                                                         E-9007
                                                                       6
                                                                                 7


                                      5


                                                                                        4-20 m ADC
                                                         4
                                                                                           9
                                                          MARK NO. FT - 101
                                                          RANGE   0-100''WC
                                  2       H         L
                                                        10'' - P - 145 - 1A1

                                                                  3

                            MARK NO.                FE - 101
                    1
                            BORE                    6''

                                                    ILD SENSOR AND TRANSMITTER

                                                                  FIGURE 34




Saudi Aramco DeskTop Standards                                                                                     30
Engineering Encyclopedia                                                                                Drafting
                                                                               Drafting Instrument Loop Diagrams



INTERPRETING ILDS (Cont'd)



             The mark number (which is the same as a tag or identification number) of the
   At   1    flow element is 101 (that is, FE-101). The BORE of the flow element is 6"
             (that is, the hole through the orifice plate is 6" diameter).

        2    H and L show on which side of the orifice plate high and low pressures are
             sensed.

        3    The pipeline is 10" pipe and the pipeline number is 10"-P-145-1A1.

        4    The Mark Number for the Flow Transmitter is 101 (that is, FT-101). The
             pressure measuring range of the transmitter is 0-100" water column (WC).

        5    Auxiliary process lines take high and low pressure to the flow transmitter.

        6    This is an electrically operated flow transmitter, as shown by the electric signal
             lines              .

        7    The electrical signal lines are shielded all the way from the transmitter to the
             next loop component.

        8    E-3007 is the identification number of the electrical signal line cable.

             Electronic loops use standard instrument signals of either 4 to 20 mA or 10 to
        9
             50 mA, direct current. The drawing shows that 4-20 mA DC is being used.




Saudi Aramco DeskTop Standards                                                                               31
Engineering Encyclopedia                                                                 Drafting
                                                                Drafting Instrument Loop Diagrams



INTERPRETING ILDS (Cont'd)

Figure 35 shows the JUNCTION BOX and CONTROL ROOM PANEL REAR instrument
signal wire line connections.




(1)    Shows JUNCTION BOX-200 (J.B. 200). The left side cables come from the flow
       transmitter and enter Terminals 1 and 2. Terminal 3 is used to ground the shielding on
       the signal line.

(2)    C-8101 identifies the signal line cable coming from JB 200.

(3)    J. B. 320 is located behind the control room panel, that is, panel rear.

(4)    CC-517 identifies the wire cable from JB 320 that goes to Flow Recorder (FR-101) on
       the Control Room front panel.

(5)    The wire line symbol shows a connection between Terminals 12 and 13. This is done
       in order to complete a circuit.


Saudi Aramco DeskTop Standards                                                                32
Engineering Encyclopedia                                                                Drafting
                                                               Drafting Instrument Loop Diagrams



INTERPRETING ILDS (Cont'd)


Figure 36 gives information about control panel instruments.




Saudi Aramco DeskTop Standards                                                               33
Engineering Encyclopedia                                                                Drafting
                                                               Drafting Instrument Loop Diagrams



INTERPRETING ILDS (Cont'd)

(1)    These are the incoming signals from JB 320.

(2)    This is the ILD symbol for a three-pen recorder.

(3)    Mark No. 1st Pen is for flow recorder FR-101. 0-10 Ã identifies the part of the strip
       chart which is recording the flow in loop 101. The square root sign (Ã) shows that a
       square root scale is being used.

(4)    The 2nd Pen is recording the pressure in control loop PC-301. The range 0-100 refers
       to the part of the strip chart that is recording pressure. The note symbol, 2 , refers to
       the reference drawing in the Legend block.

(5)    These are incoming signals from JB 320 to flow indicating controller, FIC-101.

(6)    This is the basic ILD symbol for an indicating controller.

(7)    These are the outgoing symbols from FIC-101.

(8)    CC-518 identifies the cable between the FIC-101 and JB 320.




Saudi Aramco DeskTop Standards                                                               34
Engineering Encyclopedia                                                                Drafting
                                                               Drafting Instrument Loop Diagrams



INTERPRETING ILDS (Cont'd)

Figure 37 below shows again the wiring terminations In the junction box and rear panels.
(Reference should be made to the ILD as a whole.)




(1)    The outgoing signals from FIC-101 go to the same JB 320 as do the incoming signals
       to FIC-101. Different terminals in JB 320 are used for the incoming and outgoing
       signal wires.

(2)    C-8101 is the same cable that has the incoming signal lines.

(3)    This is JB 200. It has the signal lines from the flow transmitter, FT-101. It also has
       the outgoing signals wired to terminals 5 and 6.

(4)    E-1115 identifies the signal cable wires from JB 200 to the field instruments.




Saudi Aramco DeskTop Standards                                                               35
Engineering Encyclopedia                                                                            Drafting
                                                                           Drafting Instrument Loop Diagrams



INTERPRETING ILDS (Cont'd)

Figure 38 below shows the field-mounted instruments which complete the control loop.




                                                    MARK NO.   FTd - 101



                                                                              1
                                            3                                     S
                                                                  2



                            4
                                           S    6
                                     10''- P - 145 - 1A1


                    MARK NO.       FCV - 101
                    SIZE RATING    10'' GLOBE        5
                    A. F. ACTION   CLOSE


                     FIGURE 38.      ILD TRANSDUCER AND CONTROL VALVE



(1)    These are the signal lines from JB 200.

(2)    This is the symbol for a transducer. Mark No. identifies it as Ftd-101.

(3)    The transducer changes the incoming electrical signal to an outgoing pneumatic signal.

(4)    This is the basic ILD symbol for a control valve.

(5)    The information block shows that the control valve is Flow Control Valve FCV-101.
       It is a 10" globe valve. A.F. Action Close means it will close if there is an air failure.

(6)    This is the pipeline number. It is 10" pipe, line number S-145.




Saudi Aramco DeskTop Standards                                                                           36
Engineering Encyclopedia                                                            Drafting
                                                           Drafting Instrument Loop Diagrams



INTERPRET AN ILD FOR A PNEUMATIC INSTRUMENT CONTROL LOOP

Figure 39 shows a simplified section of a P&ID. Control Loop number 113 is controlling the
level of tempered water in the surge drum 139-D-211.




Saudi Aramco DeskTop Standards                                                           37
Engineering Encyclopedia                                                               Drafting
                                                              Drafting Instrument Loop Diagrams



INTERPRET AN ILD FOR A PNEUMATIC INSTRUMENT CONTROL LOOP
(Cont'd)

The level in the drum is sensed by the level transmitter, LT-113. The transmitter sends
pneumatic signals to a level indicating controller, LIC-113, and to two level switches LS-
113A                                                                                   and
LS-113B.

In turn, LIC-113 sends pneumatic signals to a level control valve, LCV-113. If the level in
the drum goes low, the signals cause the control valve to open. This allows more make-up
water to flow into the drum. If the level goes high, the signals cause the valve to close. This
reduces the make-up water flow rate.

The level switches are connected to high and low alarms (XA-3-32 and XA-3-33). The
switches are set to operate if the drum level goes dangerously high or dangerously low. They
are operated by the pneumatic signals coming from the level transmitter. The 3 refers to the
row number on the control panel. The 32 and 33 respectively refer to the column numbers.
They give the locations on the control panel where the alarms can be found.

Figure 40 shows how the level control loop would look on an ILD.

The ILD is shown in sections in Figure 41 through 44




Saudi Aramco DeskTop Standards                                                              38
Engineering Encyclopedia                                      Drafting
                                     Drafting Instrument Loop Diagrams



INTERPRET AN ILD FOR A PNEUMATIC INSTRUMENT CONTROL LOOP
(Cont'd)




Saudi Aramco DeskTop Standards                                     39
Engineering Encyclopedia                                                              Drafting
                                                             Drafting Instrument Loop Diagrams



INTERPRET AN ILD FOR A PNEUMATIC INSTRUMENT CONTROL LOOP
(Cont'd)

Figure 41 is the ILD symbol for the level indicating controller LIC-113. The range is from 0-
100. Because it is a level controller, the scale range is a percentage. Levels are usually
indicated as a percentage of the vessel capacity. 0 to 100, therefore, is the range from
completely empty to completely full. Note the triangle and letter S to indicate air supply.




Saudi Aramco DeskTop Standards                                                             40
Engineering Encyclopedia                                                                 Drafting
                                                                Drafting Instrument Loop Diagrams



INTERPRET AN ILD FOR A PNEUMATIC INSTRUMENT CONTROL LOOP
(Cont'd)

Figure 42 is the symbol for a level transmitter. The symbol ÆP/P means that the differential,
pressure (ÆP) sensed by the transmitter is sent to the loop controller as a pressure (P). It will
be sent as a pneumatic pressure signal of 3 to 15 psi.




The figure shows that the transmitter senses the differential pressure at equipment number
139-D-211. This is the surge drum shown on the P & ID.



Saudi Aramco DeskTop Standards                                                                41
Engineering Encyclopedia                                                               Drafting
                                                              Drafting Instrument Loop Diagrams



INTERPRET AN ILD FOR A PNEUMATIC INSTRUMENT CONTROL LOOP
(Cont'd)

Figure 43 shows the level control valve. 3"-SC-160-IAIA identifies the make-up water
pipeline. This is the line the level control loop uses to control the level in the surge drum.




Saudi Aramco DeskTop Standards                                                              42
Engineering Encyclopedia                                                             Drafting
                                                            Drafting Instrument Loop Diagrams



INTERPRET AN ILD FOR A PNEUMATIC INSTRUMENT CONTROL LOOP
(Cont'd)

Figure 44 shows the level switches in the control loop. LS-113A is the high level alarm
switch. It is set to open when it receives a 12-psi signal from the level transmitter.

LS-113B is the low-level alarm switch. It will open when it receives a 6-psi signal from the
level transmitter.




Figure 40 shows that the switches are connected to alarms XA-3-32 and XA-3-33 on the front
panel of the control room. The alarms can be seen on windows 3-32 and 3-33




Saudi Aramco DeskTop Standards                                                            43
Engineering Encyclopedia                                                             Drafting
                                                            Drafting Instrument Loop Diagrams



INTERPRET AN ILD FOR AN ELECTRONIC INSTRUMENT CONTROL LOOP

Handout No. 3 (Drawing Number J-415-NB-582636) shows an electronic instrument control
loop. Electronic loops are more complicated than pneumatic loops. There are two reasons for
this:

•      Loop components are both field mounted and located in the control room. Also, the
       instruments may be great distances away from each other. They must be connected
       together by electric wires. The wires may pass through one or more junction boxes.

•      The electric wiring connections between instruments must be done in such a way that
       complete electric circuits are formed.




Saudi Aramco DeskTop Standards                                                            44
Engineering Encyclopedia                                                             Drafting
                                                            Drafting Instrument Loop Diagrams



INTERPRET AN ILD FOR AN ELECTRONIC INSTRUMENT CONTROL LOOP
(Cont'd)

The top of Handout No. 3 shows a pressure control loop, shown again below in Figure 45.

The symbol for a control valve can be seen. It has Tag No. PCV-51. It is connected to
pipeline 4"-5-304-6A1 and has a 20-psig air supply.




                                          Fig 45



Saudi Aramco DeskTop Standards                                                            45
Engineering Encyclopedia                                                               Drafting
                                                              Drafting Instrument Loop Diagrams



INTERPRET AN ILD FOR AN ELECTRONIC INSTRUMENT CONTROL LOOP
(Cont'd)

Figure 46 shows the symbol for the transducer. You can tell it is a transducer because it has
two electrical connections, an air supply and a pneumatic output line. The two electric wires
are part of the control loop electric circuit. The current through the transducers varies with
changes in process variable values. Air at a constant pressure of 20 psig is supplied to the
transducer. The output value of the air pressure varies with changes in the transducer current.
Hence, electric signals are converted to pneumatic signals.




The symbol for a transducer is sometimes drawn as a square, but Foxboro, the company
which makes the instrument, draw it as a circle.

The letters E and B identify the terminal connections inside the transducer junction box. Note
again that the transducer needs a 20-psig air supply. The symbols shown in Figure 47 are for
locally-mounted air regulators.




Saudi Aramco DeskTop Standards                                                              46
Engineering Encyclopedia                                         Drafting
                                        Drafting Instrument Loop Diagrams



INTERPRET AN ILD FOR AN ELECTRONIC INSTRUMENT CONTROL LOOP
(Cont'd)




Saudi Aramco DeskTop Standards                                        47
Engineering Encyclopedia                                                             Drafting
                                                            Drafting Instrument Loop Diagrams



INTERPRET AN ILD FOR AN ELECTRONIC INSTRUMENT CONTROL LOOP
(Cont'd)

Figure 48 shows the symbols for the field-mounted pressure indicator (PI-51) and the field-
mounted pressure transmitter (PT-51).

The transmitter is shown to be connected to a pipeline identified as 4"-S-305-3A1. The
circular symbol marked 'IND' shows that the transmitter has an indicator mounted on it.




Saudi Aramco DeskTop Standards                                                            48
Engineering Encyclopedia                                                               Drafting
                                                              Drafting Instrument Loop Diagrams



INTERPRET AN ILD FOR AN ELECTRONIC INSTRUMENT CONTROL LOOP
(Cont'd)

Figure 49 shows the field junction box. All the instruments of Loop P-51 are wired into this
box. The box is identified as ETB3. The number that follows the ETB3 symbol is the
terminal number for the wire inside the terminal box.

The symbol marked 503 is a shield for the cable coming out of the junction box. It shields the
cable from outside electrical interference.




Saudi Aramco DeskTop Standards                                                              49
Engineering Encyclopedia                                                              Drafting
                                                             Drafting Instrument Loop Diagrams



INTERPRET AN ILD FOR AN ELECTRICAL INSTRUMENT CONTROL LOOP
(Cont'd)

Figure 50 shows that the wiring goes from the junction box, through a marshalling box, and to
a panel interconnection junction box in the control room.

A marshalling box (MB) is simply a big junction box. It is usually located just inside the
control room building. It is a collection point for field wiring that comes into the control
room from many parts of the plant. From the marshalling box, the instrument loop wiring is
organized and routed to various display areas and panels in the control room.

The number of marshalling boxes in a plant depends on the size of the plant. Each box is
numbered. Figure 50 shows that on this ILD the marshalling box is MB7. The number that
follows each MB7 is the terminal number inside the box. There may be hundreds of wires in
each box.




Saudi Aramco DeskTop Standards                                                             50
Engineering Encyclopedia                                                               Drafting
                                                              Drafting Instrument Loop Diagrams



INTERPRET AN ILD FOR AN ELECTRICAL INSTRUMENT CONTROL LOOP SET

Figure 51 shows, at the left, numbered blocks between the marshalling block and the panel
interconnection junction box. These are the individual wire numbers between the boxes.




The panel interconnection junction box is located behind the control room panel. It is usually
close to the loop controller. A short cable connects the controller to the junction box. The
cable carries a number of wires each insulated from the others. The wires are color coded.




Saudi Aramco DeskTop Standards                                                              51
Engineering Encyclopedia                                                                 Drafting
                                                                Drafting Instrument Loop Diagrams



INTERPRET AN ILD FOR AN ELECTRONIC INSTRUMENT CONTROL LOOP
(Cont'd)

The panel interconnection junction box symbols are shown in Figure 52.




The colors identify wires inside the connecting cable. Each of the lines below the colors
represents one wire inside the cable. The letter indicates the connection point on the cable
plug. For example, the violet wire in the cable is connected to point F in the cable plug. You
can also see from the figure that the violet wire is connected to the terminal strip at connection
number 5. Figure 53 shows the cable plug.

The letters BK at the top of the numbers column identify the terminal strip inside the panel
interconnection junction block. The ILD shows the identification of other terminal strips,
such as BH1, EA1 and so on.



Saudi Aramco DeskTop Standards                                                                52
Engineering Encyclopedia                                                                Drafting
                                                               Drafting Instrument Loop Diagrams



INTERPRET AN ILD FOR AN ELECTRONIC INSTRUMENT CONTROL LOOP
(Cont'd)

The (+) and (-) signs indicate the polarity of each numbered terminal that is being used.




Saudi Aramco DeskTop Standards                                                               53
Engineering Encyclopedia                                                              Drafting
                                                             Drafting Instrument Loop Diagrams



INTERPRET AN ILD FOR AN ELECTRONIC INSTRUMENT CONTROL LOOP
(Cont'd)

Figure 54 shows that there is a 100-ohm resistor connected across terminals 3 and 4 in the
junction box. Resistors are needed whenever an input signal is too high for other instruments
in the control loop.




Saudi Aramco DeskTop Standards                                                             54
Engineering Encyclopedia                                                           Drafting
                                                          Drafting Instrument Loop Diagrams



INTERPRET AN ILD FOR AN ELECTRONIC INSTRUMENT CONTROL LOOP
(Cont'd)

Figure 55 shows the symbol for the pressure controller.

The controller needs a 118V 60Hz power supply. FOP No. F3-10 means that the instrument
is located on the Face Of Panel F3, in position 10. On other ILDs the abbreviation BOP
(Back of Panel) may sometimes be seen.




Saudi Aramco DeskTop Standards                                                          55
Engineering Encyclopedia                                                     Drafting
                                                    Drafting Instrument Loop Diagrams



INTERPRET AN ILD FOR AN ELECTRONIC INSTRUMENT CONTROL LOOP
(Cont'd)

Figure 56 shows the recorder and its connections.




Saudi Aramco DeskTop Standards                                                    56
Engineering Encyclopedia                                                                 Drafting
                                                                Drafting Instrument Loop Diagrams



TRACING CURRENT FLOW IN CONTROL LOOPS

The symbol at the bottom right-hand corner of Figure 56 is for a three-pen recorder. Pen
number 2 records pressure values on PR-51. The recorder operates with a 118V, 60Hz
supply.

In order to record pressure values, the recorder must be connected to the pressure control
loop. It must receive signals that indicate the pressure values.

A study of the ILD, on Handout No. 3, shows that the power to operate the pressure
transmitter, PT-51, is supplied by the pressure controller, PC-51. The controller also operates
with a 118V, 60Hz supply. The ILD shows that a multi-wire cable connects the pressure
controller output to terminal 1 on terminal strip BK. A wire connects terminal 1 to the
positive side of the pressure transmitter, PT-51. The transmitter acts as a variable resistor. Its
resistance depends on the value of the process variable. Therefore, the current flowing
through the control loop changes as the transmitter resistance changes. And this change is a
measure of the process variable.

From the transmitter, the current flows through the pressure indicator, PI-51. From there it
goes to terminal BK-3. From BK-3 the current flows through a 100- ohm resistor to BK-4. A
wire connects BK-4 to BH-6. A wire from the multi-wire cable connects BH-6 to the plug.
The ILD shows this connection to be letter H on the plug (a violet colored wire). The current
goes to operate PR-51.

In order for the current to flow, there must be a complete circuit. Therefore, the current that
operates PR-51 must be returned to its source, PC-51. The ILD shows that this is done by
connecting a wire from the multi-wire cable (a brown wire) to terminal 7 on terminal strip
BH. This wire acts as a return wire. It takes the return current from PR-51 to BH-7. A wire
connects BH-7 to terminal 2 on terminal strip BK. A wire from the multi-cable wire is
connected to BK-2. The IDL shows this to be connection U on the plug (a grey color wire).
The connection completes the circuit.




Saudi Aramco DeskTop Standards                                                                57
Engineering Encyclopedia                                                             Drafting
                                                            Drafting Instrument Loop Diagrams



INTERPRET AN ILD FOR A PNEUMATIC INSTRUMENT CONTROL LOOP
(Cont'd)

Figure 57 shows the symbol for a panel-mounted alarm. The numbers 1 - 10 identify the
location of the alarm in the alarm display panel, i.e., Row 1, Column 10.

Tracing the wires from the alarm shows that it is connected to the multi-wire cable plug at
terminals 6 and 7 on terminal strip EO. Temperature switch TS-54 is connected by the multi-
wire cable (connections J and B) to these same terminals. Hence, the current passing through
TS-54 can also pass through alarm XA-1-10. If the supply fails, the switch will trip and set
off the alarm.




Saudi Aramco DeskTop Standards                                                            58
Engineering Encyclopedia                                                            Drafting
                                                           Drafting Instrument Loop Diagrams



Computer Relays

Computer Relay Symbols

Symbols are used to show Computer Relays on ILDs. Details of other information related to
the relays may also be given. This section of the module covers the symbols and related
information.

Manufacturer's Symbols. Saudi Aramco uses instrumentation supplied by two manufacturers,
Foxboro and Honeywell. Relays supplied by these companies are drawn differently on ILDs.
An example is shown in Figure 58. The symbols are for adder/subtractor cards.




Saudi Aramco DeskTop Standards                                                           59
Engineering Encyclopedia                                                           Drafting
                                                          Drafting Instrument Loop Diagrams



Computer Relays (Cont'd)

Manufacturer's Symbols(Cont'd). Foxboro instruments use the words "adder" or "summer" on
their cards (from "sum" meaning 'add').

Foxboro summer card output terminals are always the number 2 terminals.         Honeywell
adder/subtracter card output terminals are always the number 6 terminals.

TP (terminal panel) followed by a mark number is used to identify terminals on Honeywell
Computer Relays.

Handout No. 4 (Drawing No. R84-A-NA-B44995 Sheet 1) is a P&ID for a deethanizer
system. Handout No. 5 (Drawing No. R84-J-NB46327 Sheet 1 A) is the ILD for Flow
Control Loop F-010 shown on the P&ID.




Saudi Aramco DeskTop Standards                                                          60
Engineering Encyclopedia                                                                 Drafting
                                                                Drafting Instrument Loop Diagrams



Computer Relays (Cont'd)

Manufacturer's Symbols(Cont'd).   The ILD on Handout No. 5 shows that Honeywell relay
instruments are being used.

The ILD shows that the following instruments are to be found in the field (that is, out in the
plant area).

               •   Flow Transmitter, FT-010          NOTE: On this ILD the mark
               •   Flow Element, FE-010        numbers also include the Plant
               •   Flow Indicator, FI-010            number (R84).
               •   Flow Transducer, FTd-010
               •   Flow Control Valve, FCV-010

It also shows that the following instruments are found on the front of Control Panel CP-R84-
101.

               •   Flow Recorder, FR-010
               •   Flow Totalizer, FQI-010
               •   Flow Indicating Controller, FIC-010

Note that the flow indicator, FI-010, has a (non-linear) square root scale. This is because the
indicator is connected in series with the flow transmitter, FT-010, and the transmitter's
differential pressure signals have not yet passed through the square root extractor.

The auxiliary rack section shows that there are three Computer Relays being used. These are:

               •   FY-010A -        a multiplier/divider card
               •   FY-010B -        a square root extractor
               •   FQ-010 -         a flow integrator card.




Saudi Aramco DeskTop Standards                                                                61
Engineering Encyclopedia                                                               Drafting
                                                              Drafting Instrument Loop Diagrams



Computer Relays(Cont'd)

Computer Relay Symbols (Cont'd). Note that the function of the relays is shown at the top, as
shown in Figure 59.




The square root sign (Ã) indicates a square root extractor. The multiplication sign (X)
indicates a multiplier/divider card which is performing multiplication. (If a division sign ( )
were above the relay, the card would be performing a division function.) The integral sign (_)
indicates an integrator card.



Saudi Aramco DeskTop Standards                                                              62
Engineering Encyclopedia                                                             Drafting
                                                            Drafting Instrument Loop Diagrams



Computer Relays (Cont'd)

Computer Relay Symbols(Cont'd). Figure 60 shows where the other information about the relays
was obtained from the ILD.




Saudi Aramco DeskTop Standards                                                            63
Engineering Encyclopedia                                                                Drafting
                                                               Drafting Instrument Loop Diagrams



Computer Relays (Cont'd)

Computer Relay Symbols(Cont'd). A study of the ILD (Figure 60) shows the symbol




                                                  2
                                             10-TT-016-12



The arrow enters the multiplier card at terminal number 8.

10-TT-016 tells us that a temperature transmitter, TT-016, is sending a signal to the multiplier
card. The 12 tells us that a wire from terminal 12 on the transmitter is connected to terminal 8
on the multiplier.

The number 2 in the box refers us to the Reference Drawings given on the right-hand side of
the ILD. 2 refers to ILD NB-B46327, sheet 35.


This kind of information is characteristic of ILDs. They show where an input signal comes
from and, if necessary, will make reference to another ILD to show the destination of the
signal.

Block number 7, just above TPAI-1, shows that the output from terminal 3 goes to 10TY-
010B. The reference drawing section refers to ILD NB-B46327 sheet 29. Sheet 29 is shown
in Handout No. 6. (Drawing No. R84-J-B46327 Sheet 29.) It shows that a TYPE E
thermocouple is used to sense the temperature in line 16"-P-1002-3A1. It also shows that a
3", globe type temperature control valve is fitted into line 3"-SC-1001-3A1C.

The symbols shown at the center of the auxiliary rack section of the ILD are for a computer
system. They are shown in Figure 61.




Saudi Aramco DeskTop Standards                                                               64
Engineering Encyclopedia                                  Drafting
                                 Drafting Instrument Loop Diagrams



Computer Relays (Cont'd)




Saudi Aramco DeskTop Standards                                 65
Engineering Encyclopedia                                                                Drafting
                                                               Drafting Instrument Loop Diagrams



Computer Relays (Cont'd)

Computer Relay Symbols(Cont'd)

Note that the symbol MV/I represents the temperature transmitter TT-10. MV/I means it is
converting millivolts to current. Two input signals are shown entering the transmitter. One is
from TE-010; the other is from TE-015. Block 3 says that TE-015 is found on Sheet 34.

17/C cable, in the Rack Section, means 17 conductor cable. It is a cable containing 17
conductor wires. The cables are connected to the control instruments.

The ILD shows that lines 7 and 10 out of TPA-2-2 can be traced to the computing relays TY-
010A and TY-010B respectively.

TY-010A is the signal selector. The symbol above the card (<) is the mathematical symbol
for less than. In this case, the symbol means that the card is a low signal selector. If the
symbol was >, which means greater than, the card would be operating as a high signal
selector.

TY-010B is the adder/subtractor card. The Greek letter, capital sigma (_) above the card
means the sum of. It shows that the card is operating as an adder or subtractor, depending on
how the card is set. If a plus sign (+) is over the card, it means that the card is only adding.
The Greek capital letter delta (Æ) or a minus sign (-) is used to indicate a subtractor card.

Note that the input signal to terminal 5 on the adder/subtractor card comes from TPA1-1-3.
This shows again how ILDs are used to trace electric circuits from one drawing to another.

Other connections are shown going to sockets and pins for the computer control of the
temperature.




Saudi Aramco DeskTop Standards                                                               66
Engineering Encyclopedia                                                               Drafting
                                                           Drafting Instrument Loop Diagrams



Instrument Systems

Saudi Aramco uses two control systems that are manufactured as complete units. The
systems are shown on ILDs. One of the systems is the Foxboro Spec 200 and the other is the
Honeywell Vutronic.

Foxboro Spec 200

'Spec' is an abbreviation for Simplified Package for Electronic Control.           The basic
arrangement of the Spec 200 is shown in Figure 62.




                                            PROCESS



     TRANSMITTER
                                                                                   I
                                                                                         P
                                                 ALARMS
                                                                       4 - 20 mA

       4 - 20 mA
       10 - 50 mA            INPUT                                    OUTPUT
          RTD              BUFFER AND            CONTROL            BUFFER AND
    THERMOCOUPLE                         0 - 10V FUNCTION 0 - 10V     SIGNAL   10 - 50 mA
                             SIGNAL
           mV              CONVERSION                               CONVERSION
       VOLTAGE




                            BASIC ARRANGEMENT OF A SPEC 200 LOOP

                                        FIGURE 62




Saudi Aramco DeskTop Standards                                                               67
Engineering Encyclopedia                                                              Drafting
                                                             Drafting Instrument Loop Diagrams



Instrument Systems(Cont'd)

Foxboro Spec 200 (Cont'd)

The system is a closed loop. The block symbol marked I/P (Figure 63) is used to show Spec
200 transducers. These transducers convert current energy (I) to pressure energy (P).




                                            I
                                                    P




                                           FIGURE 63



Input signals such as 4-20 mA, 10-50 mA, millivolts and ohms can be used by the system.
These signals are converted to 0 - 10 Volts DC signals by input signal converters. The 0 - 10
V signals are used by rack and panel mounted instruments, such as controllers, indicators,
recorders and alarms. Using small voltage signals makes the system safe to work on.

All Spec 200 instruments are connected in parallel. This allows components to be removed
from the loop without breaking up the system. It also means that the same voltage is applied
to all components.

Output signal converters are used to send 4-20 mA and 10-50 mA signals to field instruments.

The Spec 200 system consists of two areas: the display area and the nest area, as shown in
Figure 64.

The display area contains the recorders and indicators, and provides all the information
needed by operators.

The nest area contains the circuit cards for the control, computing, input and output
converters, alarm and conditioning units.

Nest units are fitted into sections called racks.



Saudi Aramco DeskTop Standards                                                             68
Engineering Encyclopedia                                  Drafting
                                 Drafting Instrument Loop Diagrams



Instrument Systems(Cont'd)

Foxboro Spec 200 (Cont'd)




Saudi Aramco DeskTop Standards                                 69
Engineering Encyclopedia                                                                Drafting
                                                             Drafting Instrument Loop Diagrams



Instrument Systems(Cont'd)

Foxboro Spec 200 (Cont'd)

Figure 65 shows the operation of the Spec 200.




                                             PROCESS



     TRANSMITTER
                                        5 VOLTS                                     I
                                                                                          P
                                                    ALARMS
                                                                        0 - 20 mA
                                            5 VOLTS
        4 - 20 mA            INTPUT                                    OUTPUT
                           BUFFER AND             CONTROL            BUFFER AND
                                          0 - 10V FUNCTION 0 - 10V     SIGNAL   0 - 50 mA
                             SIGNAL
                           CONVERSION                                CONVERSION




                                          5 VOLTS               5 VOLTS




                                  INPUT SIGNAL DISTRIBUTION


                                         FIGURE 65




Saudi Aramco DeskTop Standards                                                                70
Engineering Encyclopedia                                                                 Drafting
                                                                Drafting Instrument Loop Diagrams



Instrument Systems(Cont'd)

Foxboro Spec 200 (Cont'd)

Suppose the following: A process control loop is for pressure control; the set point is 15 psi;
the transmitter has a range of 0-30 psi; the current range for the transmitter is 4-20 milliamps.

From the above it follows that a set point of 15 psi is equal to 50% of the transmitter's range.
This gives a signal of 12 mA (i.e. 50% of 4-20 mA range). As long as the process pressure
remains steady at 15 psi, the transmitter sends a 12 mA signal. When the 12 mA signal
reaches the input buffer and signal converter relay card in the nest unit, it is changed to a
voltage signal.

Spec 200 operates on 0-10 V. Since 12 mA is exactly half the transmitter range, the voltage
signal would also be exactly half its range, that is, 5 V. Therefore, the relay card in the
converter sends a 5 V signal to all other components in the control loop. For example, 5 volts
will be sent to the recorder and this will be seen as 15 psi on the recorder graph.

The transducer operates on a milliamp range. Therefore, the voltage signal must be converted
back to an amperage signal before it enters the transducer. This is done by the card in the
output buffer and signal converter in the nest unit.

The Spec 200 cards are used for specific functions. Some of these functions are described
below.




Saudi Aramco DeskTop Standards                                                                71
Engineering Encyclopedia                                                                Drafting
                                                               Drafting Instrument Loop Diagrams


Foxboro Spec 200 (Cont'd)

The Function of the 2AI-I2V Current to Voltage Converter Card. The Foxboro current converter
card Model No. 2AI-I2V is a solid state component located in the nest assembly. 2AI-I2V
stands for:

               2   -   A Spec 200 component
               A   -   Analog signals in and out
               I   -   Input instrument
               I   -   Current signals in
               2   -   This is an isolated card
               V   -   Voltage signals out

The 2AI-I2V card has only one function. It receives 4 to 20 mA signals from a field
transmitter and changes them to 0 to 10-volt signals. These are the signals needed by the
Spec 200 system. The voltage output is proportional to the current input.

The card can operate with two inputs and two outputs for dual operation. This means that the
card can receive and convert 4-20 mA signals from two transmitters.

The input (current signals) sides of the card circuit are isolated electrically from the output
sides (voltage signals). The two circuits are not connected by wires, but the input influences
the output because it passes through a transformer. This induces a proportional voltage in the
output side of the transformer coils.

Isolated cards are used because they give more protection to the cards. For example, a short
circuit in the transmitter circuit will not damage the card.

If the figure 3 were shown in place of the 2, it would mean that the card was not isolated.

The Function of the Controller Card 2AX+45. The Foxboro controller card, 2AX+45, has
electronic circuits that receive the input signals and modify them according to the control
settings. The card sends an electronic output signal to control a final control element, usually
a control valve.




Saudi Aramco DeskTop Standards                                                                72
Engineering Encyclopedia                                                                 Drafting
                                                                Drafting Instrument Loop Diagrams


Foxboro Spec 200 (Cont'd)

The Function of 2AP+ALM-AR Alarm Card.     Alarm cards cause alarms to sound in the plant
control room if operating conditions become abnormal.

The Foxboro 2AP+ALM-AR is a dual alarm card. That means that it can monitor two
different variables at the same time. 2AP+ALM-AR stands for:

               2   -       Spec 200 component
               A   -       Analog signals in and out
               P   -       Process component module
               ALM -       Alarm
               AR -        Dual absolute alarm - relay output

The card can be set to send output signals to two different alarm lights. For example, the
2AP+ALM-AR alarm card could monitor pressure for a low condition and temperature for a
high condition. The card can also be set to monitor both high and low conditions for the
same process variable. It could do this using only one input signal.

The alarm card is a solid state function card that slides into a module in the nest unit. The
card has two single alarm circuits with a common power supply. Each alarm has one input,
one set point, and one output. Alarm points are calibrated from zero to 100% of scale.

The alarm card receives voltage signals from other function cards, such as a square root
extractor, or a resistance-to-voltage temperature card. It has two relays built into it, one for
each alarm circuit. When the alarm is off, the relays on the alarm card are energized. The
relay contacts are normally open (NO) and this gives a no-alarm condition, as shown in
Figure 66.



                                                    TERMINAL NUMBERS
                                           -4
                                                                                     LAMP
            NC                                                                       OFF
                     COM                           -                      +
                                           -2           POWER SUPPLY

            NO


                                           +2
                                                    TERMINAL NUMBERS

                                     RELAY CONTACTS OPEN
                                           FIGURE 66


Saudi Aramco DeskTop Standards                                                                73
Engineering Encyclopedia                                                                Drafting
                                                               Drafting Instrument Loop Diagrams


Foxboro Spec 200 (Cont'd)

The Function of 2AP+ALM-AR Alarm Card (Cont'd. So long as the process variable that the alarm
card is monitoring stays within its set-point range, the relay will stay energized.

Imagine that the alarm circuit is monitoring a pressure control loop. The alarm is set to come
on if the pressure goes too high. At this condition, the voltage signal coming into the alarm
card will be at the value for which the alarm card has been set. This will cause the relay to be
deenergized. When this happens the NC contacts close, as shown in Figure 67, and the alarm
light comes on.




                                                  TERMINAL NUMBERS

                                        -4


            NC
                     COM                         -                       +
                                        -2             POWER SUPPLY
                                                                                    LAMP
                                                                                     ON
            NO


                                        +2
                                                     TERMINAL NUMBERS

                                 RELAY CONTACTS CLOSED

                                         FIGURE 67




Saudi Aramco DeskTop Standards                                                               74
Engineering Encyclopedia                                                               Drafting
                                                              Drafting Instrument Loop Diagrams


Foxboro Spec 200 (Cont'd)

The Function of the 2AO-V2I V/I Card The Foxboro voltage to current (V/I) card is a solid state
component located in the nest assembly. 2AO-V2I stands for:

               2   -   Spec 200 component
               A   -   Analog signals in and out
               O   -   Output instrument
               V   -   Voltage signals in
               2   -   This is an isolated card
               I   -   Current signals out

The 2AO-V2I card has only one function. It receives input voltage signals from the controller
card and converts these 0 to 10 volts to a 4 to 20 mA output signal. This output signal is sent
to a field mounted transducer. The current output is proportional to the voltage input.

The Function of the 2AI-P2VR/V Converter Card. The Foxboro 2AI-P2V resistance to voltage
converter card is a solid state component located in the nest assembly. It produces an output
voltage signal that is proportional to the temperature of a resistance temperature detector
(RTD). 2AI-P2V stands for:

               2   -   Spec 200 component
               A   -   Analog signals in and out
               I   -   Input
               P   -   Platinum resistance bulb
               2   -   An isolated card
               V   -   Voltage output

The converter card has two inputs and two outputs for dual operation with a common power
supply.




Saudi Aramco DeskTop Standards                                                              75
Engineering Encyclopedia                                                                Drafting
                                                               Drafting Instrument Loop Diagrams


Foxboro Spec 200 (Cont'd)

The Function of the 2AI-P2VR/V Converter Card (Cont'd).     A resistance temperature detector
(RTD) is used to monitor the temperature of a process. The resistance measured by the RTD
is sent into the converter card. The card changes the measured resistance from ohms into
volts. The card is calibrated so that the low end of the temperature range corresponds to zero
volts. The high end of the temperature range is calibrated to correspond to 10 volts.

Output signals from the converter card can go to a loop controller, a temperature indicator, a
temperature recorder, and to an alarm card.

NOTE: Some cards may be identified as 2AI-N2V, where the N stands for nickel. RTDs
operate on the principle that some metals increase their electrical resistance when heated.

Other abbreviations often seen on Spec 200 cards are:

                   I/P for input
                   O/P for output
                   DS for Distribution

                   ÆP/I means differential pressure (ÆP) input, current (I) output.




Saudi Aramco DeskTop Standards                                                               76
Engineering Encyclopedia                                                                Drafting
                                                               Drafting Instrument Loop Diagrams


Foxboro Spec 200 (Cont'd)

Nest Unit Card Symbols. Symbols used on Saudi Aramco ILDs for Nest Unit cards on the Spec
200 are as shown in Figure 68. Handout No. 7 (Drawing No. 490-J-674433) Shows an ILD
with Spec 200 control.



         28           +2    A: (PY - 101A)  +4                 +1  A: (PY - 101A)
                            B: PY - 102A                           B: PY - 102A
         29            -2                   -4                  -1
                            C:                                     C:
         30                 D: ANALOG INPUT                        D: REC. DIST.
                            E: 4 - 5 - 3                           E: 4 - 2 - /
                            F: 2AI - 13V                           F: 2AX + DSI




                                     NEST UNIT CARD SYMBOLS

                                             FIGURE 68

Note the word analog on some of the card symbols. This means that the card is operating
with numbers that are represented by directly measurable quantities, such as voltage,
amperage. That is, the numbers are analogous to physical quantities. Compare this with
digital which means that operation is made with numbers and is represented by numbers.

Note also the letters A, B, C, D, E and F. These will be given as a legend on ILDs for Spec
200. They identify each function of the card in the rack area. See Figure 69. A, B and C tell
us the Tag Numbers of the respective loops. 'D' tells us the function of the card. For example
in Figure 68 one card is an analog input card and the other is a recorder distribution card. 'E'
tells us the location of the card. For example, 4-5-3 means that the card is in rack 4, nest 5
and is card 3. 'F' tells us how to identify the card in a nest unit. For example, 2AI-13V will
be printed on the card near the bottom.


                                              LEGEND
                                 A   :   TAG NO. LOOP A
                                 B   :   TAG NO. LOOP B
                                 C   :   TAG NO. LOOP C
                                 D   :   FUNCTION
                                 E   :   LOCATION REF.
                                 F   :   MODEL NO.

                                          FIGURE 69. LEGEND



Saudi Aramco DeskTop Standards                                                               77
Engineering Encyclopedia                                                                                                                                         Drafting
                                                                                                                     Drafting Instrument Loop Diagrams


Interpreting Foxboro Spec 200 ILD's(Cont'd)



Handout No. 8 (Drawing No. 490-J-NB-67483) shows a Spec 200 loop ILD. It is for a level
control loop L-360 at Ras Tanura Refinery.

Figure 70 shows part of the ILD.

The variable being measured is the level in vessel 4900 - 14. The ILD shows (inside the
vessel) the high level alarm (HLA) is 3 feet and the low level alarm (LLA) is 1 foot 8 inches.
The level transmitter (LT-360) senses the level in the vessel. The ILD shows that the
transmitter output is a pneumatic signal. The signal will vary between 3 and 15 psi. The level
measurement is indicated on a locally mounted indicator, LI-360. The same pneumatic signal
that indicates the level value is sent to a transducer, LTd-360A, Model E11GM. The ILD
shows that LTd - 360A converts the pressure signals to Milliamp signals (i.e., 3 - 15 psi
pneumatic signals are converted to 4 - 20mA signals).



                                                                                                   FIELD    MARSHALLING                        RACK AREA
                                                                                                 JUNCTION      BOX
                                                                                                   BOX        MTC #2
                             4" - C - 46 - 3AI




                                                     FIELD
                             LINE NO.




                                                                    TAG          LT - 360
                                                                    MODEL       2500T-2495
                                                                    RANGE        60 "



                                                                          P/I                     ETB #6
   490D-14                              FISHER                                          RED
                                                                            +                       23         368        8 -12+      +1 A : LY - 358       +3
              HLA                        LEVEL                                          GREY
                                      TRANSMITTER                           -                       24         369        8 -12-      -1 B : LY - 360A      -3
                                                                                                                                       0 C:                 +4
    LLA                                                                                                                               +2 D : ANALOG INPUT   -4
               3' - 0"




                                                                                                                                      -2 E : 8 - B6
                                                                                                                                      0     F : 2AI - 13V
    1' - 8"




                                                                    TAG          LTd. - 360 A
                                                                    MODEL       EIIGM
                                             67 FR
                                                                    CAL.RANGE 3 - 15#
                                                                                                                                   DATA LOGGING
                                                                                                                                   CONNECTOR 8
                         S
                                                                                                                                       23

                                                                    TAG         LI - 360
                                         LOCATED NEAR        IND.                                                                      24
                                                                    MODEL       ASHCROFT 1279A
                                              LCV - 360
                                                                    CAL.RANGE 0 - 1000
                                                                                                                                     LDL - 360




                                                                          FIGURE 70.             INPUT CIRCUIT




Saudi Aramco DeskTop Standards                                                                                                                                        78
Engineering Encyclopedia                                                                                           Drafting
                                                                                    Drafting Instrument Loop Diagrams


Interpreting Foxboro Spec 200 ILD's(Cont'd)

Tracing the two output wires from LTd - 360A shows that they are connected to terminals +2
and -2 on card 2AI - I3V. This card has two inputs and two outputs. The card model number
indicates that the card is not isolated electrically.

The 4-20 mA input at terminals 2 is found as an output at terminals +4 and -4 of the card.

Figure 71 shows that one pair of wires goes to a data logging connector (Level Data Logging
(LDL-360). This is for a computer connection. The computer receives and records the level
signal, but it does not control anything in the loop.

Another pair of wires goes to terminals +1 and -1 on the alarm card 2AP - ALM - A. The
terminals are jumped to terminals +3 and -3. This gives a single input to both alarm circuits
(+3B is LS-360 (H); -3 is LS-360 (L) .)

One alarm circuit responds to a high level. The other responds to a low level. As long as the
process level remains between the high and low set points, no alarm will be given.



       FIELD    MARSHALLING                                           RACK AREA NO. 8
     JUNCTION       BOX
        BOX        MTC #2

      ETB #6
        23         368        8 -12+           +1     A : LY - 358       +3
        24         369        8 -12-            -1    B : LY - 360A      -3
                                                0     C:                 +4
                                                +2    D : ANALOG INPUT   -4
                                                -2 E : 8 - B6
                                                0     F : 2AI - 13V




                                             DATA LOGGING
                                             CONNECTOR 8


                                                 23


                                                 24

                                               LDL - 360


                                                                                    +1 A : LS - 360   (H)    +3
                                                                                    -1 B : LS - 360A ( L )   -3
                                                                                    +2 C :                   +4
                                                                                    -2 D : ALARM              -4
                                                                                        E : 8 - E9           +5

                                                                                        F : 2AP - ALM - A    -5
                                                                         -1
                                                       TO FY - 360A
                                                 1      NB - 674434
                                                                         +1



                                       FIGURE 71. 2AI - I3V OUTPUT




Saudi Aramco DeskTop Standards                                                                                          79
Engineering Encyclopedia                                                                          Drafting
                                                                         Drafting Instrument Loop Diagrams


Interpreting Foxboro Spec 200 ILD's(Cont'd)

Figure 72 shows the outputs. It can be seen on the symbols that terminal 9 refers to the high
(H) alarm, and terminal 10 to the low (L) alarm.




                                              +1     A: 9: X A -2 -3 (H) +3
                                               -1    B: 10: X A -2 -4 (L) -3
                                              +2     C:                   +4
                                              -2     D: ALARM              -4
                                                     E: 8 - E9            +5
                                                     F: 2AP - ALM -A       -5
                    +1
     TO FY-360 A
     NB - 674434
                    -1




                                              +1 A: 9: X A -2 -3 (H)      +7
                                               -1 B: 10: X A -2 -4 (L)    -7
                                              +2 C:                       +8
                                               -2 D: ALARM DIST.           -8
                                               +3     E: 8 - F10           +9
                                                -3    F: 2AX + DSI         -9
                                               +4                        +10
                                                -4                        -10
                                              +5                          +11
                                               -5                         -11
                                               +6                         +12
                     TO ALARM                  -6                         -12
                     RACK 15


                              FIGURE 72.             ALARM CIRCUIT

Terminals +2 and -2 are for output 1. The wires from terminal 2 can be traced to the alarm
distribution card 2AX +DSI, terminals +9 and -9. This is the high level signal input.



Saudi Aramco DeskTop Standards                                                                         80
Engineering Encyclopedia                                                                           Drafting
                                                                   Drafting Instrument Loop Diagrams


Interpreting Foxboro Spec 200 ILD's(Cont'd)

Terminals +5 and -5 on 2AP - ALM - A are wired to terminals +10 and -10 on 2AX + DSI.
These are the low-level input terminals.

If there is a high or low alarm, the distribution card will send a signal to Alarm Rack 15,
through a standard 2AK cable. The ILD shows that the annunciator XA - 2 - 3 illuminates for
a high-level alarm. Annunciator XA - 2 - 4 lights up for a low-level alarm.

Figure 73 shows the 2AP - ALM - A card. It shows that input terminals +3 and -3 have two
additional pairs of wires connected to it.




                                   +1    A : LS - 360   (H)   +3
                                    -1 B : LS - 360A ( L )    -3
                                   +2    C:                   +4
                                    -2   D : ALARM            -4
                                         E : 8 - E9           +5
                                         F : 2AP - ALM - A    -5
                         -1
          TO FY - 360A
           NB - 674434
                         +1
                                                                           TAG         LIC - 360
                                                                           MODEL       230SM
                                                                           LOCATION    P10 - 8
                                                                           SET PIONT
                                                                           P. BAND
                                                                           RESET
                                                                           ACTION REVERSE




                                   +1    A : LY - 360         +3
                                    -1 B :                    -3
                                   +2    C:                   +4
                                    -2 D : ANALOG CNTRL. -4
                                         E : 8 - D5           +5
                                         F : 2AC + A4         -5




                              FIGURE 73. CONTROL INPUT CIRCUIT




Saudi Aramco DeskTop Standards                                                                          81
Engineering Encyclopedia                                                                                                                    Drafting
                                                                                                    Drafting Instrument Loop Diagrams


Interpreting Foxboro Spec 200 ILD's(Cont'd)

One pair goes to a computing relay FY - 360A which can be seen on drawing NB - 674434.
The other pair goes to terminals +1 and -1 on the top of controller card 2AC + A4. It is these
two connections that provide the O - 10v signal for the controller.

The output signals of the control card are +2 and -2 as shown in Figure 74.

The O - 10 volt signal enters the voltage to current connector card 2AO - V2I + P + P at
terminals +4 and -4. The 4 - 20mA output signals leave from terminals +2 and -2. After
passing through the marshalling and field junction boxes, the mlliamp signals enter the
transducer LTd - 360B. The transducer converts the current signals to 3 - 15 psi pneumatic
signals to operate control valve LCV - 360.




                                                                                                                          +1 A : LC - 360      +3
                                                                                                                          -1 B :               -3
                                                                                                                          +2 C :               +4
                                                                                                                          -2 D : ANALOG CNTRL. -4
                                                                                                                              E : 8 - D5       +5
                                                                                                                              F : 2AC +A4      -5




            67 FR
                                                                ETB#6
                                                         RED                            +1
                                OUT         +                    25     370    8 -10+        A : LY - 356C           +3
    S                                                    GREY
                                            -                    26     371    8 -10-   -1 B : LY - 360C             -3
                                                                                         0   C:                      +4
                                                                                        +2   D : ANALOG INPUT        -4
                                                                                        -2 E : 8 - CI                +5
        LINE NO. 4 '' - C - 33 - 3AI                                                     0   F : 2AO - V3I + P + P   -5
                                                            S
                                                67 FRS

          TAG       LCV - 360     TAG        LTd - 360B
          MODEL     3"            MODEL      69TA - I
          CAL.RANGE AO / AFC      CAL.RANGE 3 - 15 PSI




                                                          FIGURE 74.          OUTPUT CIRCUIT




Saudi Aramco DeskTop Standards                                                                                                                      82
Engineering Encyclopedia                                                             Drafting
                                                            Drafting Instrument Loop Diagrams


The Honeywell Vutronik Control Loop

Honeywell manufacture a process control system called the Vutronik. It can be used to
control a complete system in a plant. The system is made up of five categories, as shown in
Figure 75.




                                        ACCESSORY
                                        EQUIPMENT




                                                                    CONTROL
            FIELD                       CONTRX                      AND
            EQUIPMENT                   SYSTEM                      NONCONTROL
                                                                    STATION




                                       ELECTRONIC
                                       AUXILIARY
                                       UNIT




                                  FIGURE 75.   VUTRONIK SYSTEM




Saudi Aramco DeskTop Standards                                                            83
Engineering Encyclopedia                                                                Drafting
                                                               Drafting Instrument Loop Diagrams


The Honeywell Vutronik Control Loop(Cont'd)

Electronic Auxiliary Units. Electronic auxiliary components are used for performing monitoring
and computing functions. The components are printed circuit cards mounted in a single-card
file. The cards provide such functions as:

            °   alarm switches
            °   square root extraction
            °   millivolt to current conversion (mV/I)
            °   resistance to current conversion (Ω/Ι)

Saudi Aramco uses single-card files (cases) to house auxiliary cards. The cases are mounted
behind the control panel or in a rack. Figure 76 shows a file case.

Input signals are transmitted to the card circuit through a flat flexible circuit and card-edge
selector.

Note that the case has a 16-point terminal block for connecting signal wiring.

The card receives the input signal and then performs the function for which it was set (i.e.
square root extraction, mV to I conversion, etc.). The output signals are transmitted back
through the edge connector and flexible circuit to the terminal block. Wires transmit the
signals to the control instruments in the field and control room.




Saudi Aramco DeskTop Standards                                                               84
Engineering Encyclopedia                                                              Drafting
                                                             Drafting Instrument Loop Diagrams


The Honeywell Vutronik Control Loop(Cont'd)

Contrx System. Contrx is a plug-in system. It connects the Vutronik display panel instruments
to the field instruments. The connections are made through termination panels similar to the
one shown in Figure 77.




Saudi Aramco DeskTop Standards                                                             85
Engineering Encyclopedia                                                           Drafting
                                                          Drafting Instrument Loop Diagrams


The Honeywell Vutronik Control Loop(Cont'd)

Contrx System (Cont'd).   Signals from field instruments pass from the terminals through
multiconductor cables to the control room instruments, as shown in Figure 78.




Saudi Aramco DeskTop Standards                                                          86
Engineering Encyclopedia                                                               Drafting
                                                              Drafting Instrument Loop Diagrams


The Honeywell Vutronik Control Loop(Cont'd)

Accessory Equipment.   The Vutronik system includes accessories such as power supplies,
Zenner barriers and standby control modules.

The power supplies provide the voltages for operating Vutronik devices. A Zenner barrier is
a connection device that keeps loop current below an unsafe limit. It limits current surges and
prevents sparking due to short circuits. Standby control modules can be plugged into a loop
to allow a Vutronik controller to be removed without upsetting the process.



Field Equipment. Field equipment used on the Vutronik system include:

            °   Flow measurement instruments
            °   Pressure measurement instruments
            °   Level measurement instruments
            °   Transducers
            °   Valve positioners
            °   Control valves.

Vultronik transmitters use a 4 to 20mA current loop. Other devices in the system use 1 to
5vdc. Therefore, the current signal being used by the transmitters must be converted to a
voltage signal.




Saudi Aramco DeskTop Standards                                                              87
Engineering Encyclopedia                                                                 Drafting
                                                                Drafting Instrument Loop Diagrams


The Honeywell Vutronik Control Loop(Cont'd)

Changing Current Signals to Voltage Signals. Figure 79 shows a Vutronik terminal block (TPA).
Terminal number 4 is the signal common (that is, it is the terminal to which all signals return).
You saw earlier that there are eight terminal blocks on a Vutronik termination panel (TPA).
ALL number 4 terminals on a TPA are connected together internally. This produces a circuit
that carries a common voltage signal through the TPA (that is, through all eight terminals.)




      TRANSMITTER




                           250ž




         1     2      3      4    5     6     7     8    9    10    11    12    13    14




        +25V    PV           SC   +V    -V 1 - 5V LL    RL    #1  AL      #2    RSP
         DC                                 OUT               AL COM      AL

                                      TPA TERMINAL BLOCK

                                            FIGURE 79




Saudi Aramco DeskTop Standards                                                                88
Engineering Encyclopedia                                                                  Drafting
                                                                Drafting Instrument Loop Diagrams


The Honeywell Vutronik Control Loop(Cont'd)

Changing Current Signals to Voltage Signals (Cont'd). Terminal number 1 on each terminal block
is connected to a 25v dc supply. The power supply is not shown on ILDs. Terminal number
2 is the process variable input to the controller.

A jumper lead is connected across terminals 2 and 3. A 250-ohm resistor is connected across
terminals 3 and 4. The resistor helps to reduce the 25 vdc to a 1 - 5 vdc potential across
terminal 3 and the signal common. This arrangement is shown in Figure 80.




      TRANSMITTER
        4 - 20 mA




                            250ž




        1      2      3       4    5   6      7   8    9   10     11     12    13    14




                       _
                +
                   25 vdc

                                           FIGURE 80




Saudi Aramco DeskTop Standards                                                                 89
Engineering Encyclopedia                                                                 Drafting
                                                                Drafting Instrument Loop Diagrams


The Honeywell Vutronik Control Loop(Cont'd)

Changing Current Signals to Voltage Signals (Cont'd). Figure 81 is a reminder of what is meant by
signal common. It is the common point on a parallel circuit through which current is returned
to its source.




              CONVENTIONAL DRAWING                     UNCONVENTIONAL DRAWING
                   OF CIRCUIT                                OF CIRCUIT




                   R1       R2       R3
                                                              R1       R2        R3




               SIGNAL COMMON                                       SIGNAL COMMON


                                          FIGURE 81




Saudi Aramco DeskTop Standards                                                                90
Engineering Encyclopedia                                                                Drafting
                                                               Drafting Instrument Loop Diagrams


The Honeywell Vutronik Control Loop(Cont'd)

Changing Current Signals to Voltage Signals (Cont'd).    Return connections from control
instruments to the signal common at terminal 4 are NOT shown on ILDs.

Note the following from Figure 79: Current flows:

            °   from terminal 1 to the transmitter
            °   from the transmitter to terminal 2
            °   from terminal 2 across the jumper lead to terminal 3
            °   through the 250 ohm resistor to terminal 4, the signal common.

Remember that Vutronik transmitters operate with 4 - 20mA. If a 4-mA current signal is
received from the transmitter, then Ohm's Law says that the voltage drop across the 250-ohm
resistor is 1 volt, since V = IR = 0.004 x 250 = 1 V.

If a 20-mA current signal is received from the transmitter, then from 0.020 x 250, there is a 5-
v drop across the 250-ohm resistor.

4 - 20 mA is the range of current flow through the transmitter. This is proportional to a 1-5 v
signal at the signal common.

Figure 82 shows a Vutronik system for level control loop 3010. The system is operating a
level recorder, a level indicating controller and an alarm.

Note the symbol [-||-] that is used to denote a switch card.

As an example, we will trace the signal that operates the level recorder, LR - 3010.

A 25 - vdc power supply producing 4 - 20 mA is connected to terminal 1 on TPAI-2. This
supply is not shown on the ILDs. (Remember that other connections, such as the internal
connections between all terminal 4 and the return connections from instruments to terminals 4
are also not shown on ILDs.)

A wire connects terminal 1 on TPAI-2 to the positive side of the transmitter, LT-3010. The
connection is made through CA-41 and FA-1 on the BACK AUXILIARY RACK, RK-D28-
3001-1. From FA-1 the wire goes to TB-E-3007 in the junction box, terminal 1. The wire is
shielded and is earthed at terminal 3.




Saudi Aramco DeskTop Standards                                                               91
Engineering Encyclopedia                                  Drafting
                                 Drafting Instrument Loop Diagrams


Tracing Signals




Saudi Aramco DeskTop Standards                                 92
Engineering Encyclopedia                                                                      Drafting
                                                                     Drafting Instrument Loop Diagrams


The Honeywell Vutronik Control Loop(Cont'd)

Tracing Signals (Cont'd).  From TB-E-3007 the current goes to the positive side of the
transmitter. The transmitter acts like a variable resistor: the resistance depends on the process
variable measurement it is receiving. Therefore, the current that passes through the
transmitter depends on the process variable measurement.

The current flows from the negative terminal of the transmitter, through TB-E-3007 terminal
2, FA terminal 2, CA terminal 42 and to TPAI-3 terminal 2.

Terminal 2 on TPAI-3 is wired to terminal 2 on TPAI-2. This terminal is jumped to terminal
3. Terminal 3 is connected by a 250-ohm resistor to terminal 4. The voltage drop across the
resistor will be between 1 and 5 volts, depending on the value of the current which the
process variable has allowed to flow through the system. But, remember, terminals number 4
are connected together, internally, even though this is not shown on the ILD. Therefore, the
voltage across terminals 2 and 4 in TPAI-2 and TPAI-3 is 1-5 v, as shown in Figure 83.



                            4 - 20 m A
                                                 FROM TRANSMITTER


                     TPA1- 3      1          2   3      4       5
                                                            _
                                         +
                                                                VOLTMETER WILL
                                                 V              INDICATE 1 TO 5 vdc

                                                                INTERNAL
                                                     250ž       CONNECTION



                     TPA1- 2      1          2   3      4       5

                                                 + 25 vdc
                                                 TO TRANSMITTER


                                      FIGURE 83. ILD DETAIL




Saudi Aramco DeskTop Standards                                                                     93
Engineering Encyclopedia                                                                Drafting
                                                               Drafting Instrument Loop Diagrams


Tracing Signals (Cont'd)


Suppose a connection is made between terminal 2 on TPAI-3 and the input of the recorder,
and then from the output of the recorder to terminal 4 on TPAI-3. The voltage across the
recorder terminals will be between 1 and 5 vdc, proportional to the value of the process
variable. Hence the voltage operating the recorder will be in accordance with the value of the
process variable.

The connections between the terminal blocks and the instruments are made by wires or
cables. These connections are not shown on ILDs. The same wires or cables connect the
instruments to terminal 4, the signal common, in order to complete the circuit.

The ILD shows that the output signals from the level indicating controller come from
terminals 5 and 6 on TPAI-2. These are the standard terminals used on Honeywell TPAs for
output signals. (Remember that the output signals of a controller are proportional to the input
signals it receives from the transmitter. In this case the input signals will be between 1 - 5 V
dc and the output signals will be between 4 - 20 mA DC.)

The wire from terminal 5 goes to transducer LTd-3010. The current signal is converted to a
pneumatic signal to open or close control valve LCV-3010. The negative terminal of the
transducer is connected to terminal 6 of TAPAI-2. This terminal is connected to the negative
terminal of the controller and so completes the circuit.

The schematic in Figure 84 shows the circuits we have been discussing.




Saudi Aramco DeskTop Standards                                                               94
Engineering Encyclopedia                                                           Drafting
                                                          Drafting Instrument Loop Diagrams


The Honeywell Vutronik Control Loop(Cont'd)

Tracing Signals (Cont'd)




          LT - 30 10
                             4 - 20 mA
               +                                                  SIGNAL
                                                                 COMMON
               -

                                                                LR - 3010

                                   + 25 vdc
                                                                1 - 5vdc

                                 POWER
                                 SUPPLY                           250ž



                                                               LIC - 3010
                                      SC                       +        -


          LTd - 3010             4 - 20 mA
              +
               -


                                                               LS-3010-1/ 2




         LCV - 3010



                                              FIGURE 84




Saudi Aramco DeskTop Standards                                                          95
Engineering Encyclopedia                                                                Drafting
                                                               Drafting Instrument Loop Diagrams


The Honeywell Vutronik Alarm Card


The Honeywell alarm card monitors a process variable and trips an alarm if the variable goes
beyond preset limits. The alarm card may trip a circuit to start or stop a pump, open or close a
valve, or trip a plant's ESD system.

The Honeywell dual alarm card has two input circuits. Each input circuit needs a 1 to 5 vdc
input signal.

Figure 85 shows a simple illustration of how the alarm card operates as part of an alarm
circuit.




                                          ALARM            OUTPUT 1A
                                                                              ALARM
                                          CIRCUIT 1A

             INPUT 1
            1 - 5 vdc

                                          ALARM            OUTPUT 1B
                                          CIRCUIT 1B                           ALARM




                                          ALARM            OUTPUT 2A
                                          CIRCUIT 2A                           ALARM

              INPUT 2
             1 - 5 vdc

                                          ALARM            OUTPUT 2B
                                          CIRCUIT 2B                           ALARM




                                 FIGURE 85.    DUAL ALARM CIRCUIT




Saudi Aramco DeskTop Standards                                                               96
Engineering Encyclopedia                                                               Drafting
                                                              Drafting Instrument Loop Diagrams


The Honeywell Vutronik Alarm Card(Cont'd)

Each input has two outputs. Each output is a set of relay contacts. They act as the switch part
of the alarm card. Figure 86 shows how a relay operates.




A relay is an electrically-operated switch. Figure 86 shows a relay that is normally open. A
spring keeps the relay contacts apart. When current flows through the coil the soft iron core
becomes a magnet. The magnetic force pulls the armature down and the contacts close.

When the current stops flowing through the coil, the spring pulls the contacts apart. Now
return again to the dual alarm system (Figure 85.) When the input voltage signal goes beyond
a preset limit, the relays will operate. They will activate an alarm in the control room.



Saudi Aramco DeskTop Standards                                                              97
Engineering Encyclopedia                                                              Drafting
                                                             Drafting Instrument Loop Diagrams


The Honeywell Vutronik Alarm Card(Cont'd)



Figure 85 showed that the card provides two separate alarms for each input signal. Thus, for
example, both a high and low alarm can be set for the input from a level transmitter.

Handout No. 9 (Drawing No. U54-J-XB-B19079) shows an ILD for level control loop L-020.
The alarm card is located on the auxiliary rack RX-454-1. The card is a level switch LS-020
A and B.

The card receives two 1 to 5 vdc signals from terminals 2 and 7 on TPAI-7. They are
connected to terminals 3 and 5 on the alarm card. The mark number of input 1 is LS-020A.
Its alarm settings are 2.1 volts high/1.0 volt low. These are alarms 1A and 1B respectively.

Input 2 has a mark number of L-020B. It uses only one alarm setting, which is 3.0 v high.
This is alarm 2A.

Tracing the connections from the alarms back to the switch card shows that the alarm output
terminals for these three alarms are:

               Output for Alarm 1A -        Terminals 2 and 6
               Output for Alarm 1B -        Terminals 7 and 8
               Output for Alarm 2A -        Terminals 10 and 11

These connections are made through terminal strips TBC and TBA.

               Alarm 1A          operates   XA-1-37
               Alarm 1B          operates   XA-1-43
               Alarm 2A          operates   XA-1-30




Saudi Aramco DeskTop Standards                                                             98
Engineering Encyclopedia                                                                Drafting
                                                               Drafting Instrument Loop Diagrams


The Honeywell Vutronik Alarm Card(Cont'd)



Note that alarm circuits 1B is not a complete circuit on the ILD. This is because alarm 1B is
also connected to TBA-78, which is seen to be shown on drawing number XB-B-19078 sheet
B. (A study of this drawing shows that alarm 1B is part of the ESD system.)

The ILDs will not always show the inputs and outputs on an alarm card. When they are not
shown, you must refer to the vendor manual. This gives the inputs and outputs of all the
alarms.

Note the bracket around terminals 14, 15 and 16. This means that the terminals act as a single
unit case only.

A study of the ILD for loop 020 shows that when the level transmitter LT-020 senses a low
level in U54-D-052 the light in window panel 1-43 on the control room panel will come on.
When the level is high the light in window 1-37 will come on. (Note that terminals 82 and 83
on TBA are jumped together to form a complete circuit.)

Summary

Alarm cards can be used to monitor any process variable. The mA output from any
transmitter is converted to 1 to 5 vdc and used to operate the cards. The cards can monitor
two different variables at the same time. Both input signals are independent of each other.

Each set of output contacts on the card can be set at high or low alarms.




Saudi Aramco DeskTop Standards                                                               99
Engineering Encyclopedia                                                               Drafting
                                                              Drafting Instrument Loop Diagrams


Examples of Honeywell Cards

Honeywell mV/I Converter Card. The Honeywell mV/I converter card is mounted in a
single card file. The card has two separate converter circuits. It can be used in two different
loops at the same time. Each output is 4-20 mA.

Figure 87 shows an ILD for a temperature control loop.

A thermocouple (Type J) measures temperature in the field. The thermocouple develops
millivolt signals, the values of which depend on the temperature measurement. Wires carry
the mV input signal to input number 1 on the mV/I converter card, TY-304. Note that the
input terminals are on the card, not on the card file terminal strip. The ILD shows that the
converter is in the auxiliary rack in the control room.

The card converts the mV signal to a 4-20 mA signal. The output of TY-304 is shown to be
at terminal 12. The 250-ohm resistor on TB 1 converts the mA output signal to 1-5 vdc.

Remember that the power supply and some connections are not shown on ILDs. These
include the internal connections that link all terminals number 4 together, and the wire or
cable connections that take the 1-5 vdc signal to the control instruments.

The 1-5 vdc signal goes to TR-304 (Recorder). The same voltage also exists across terminals
3 and 4 on TB 2. From these the voltage is sent to TI-304 (Indicator).




Saudi Aramco DeskTop Standards                                                             100
Engineering Encyclopedia                                          Drafting
                                         Drafting Instrument Loop Diagrams


Honeywell mV/I Converter Card (Cont'd)




Saudi Aramco DeskTop Standards                                        101
Engineering Encyclopedia                                                             Drafting
                                                            Drafting Instrument Loop Diagrams


Honeywell Resistance to Current Converter Card


Figure 88 shows a temperature control loop in which a Resistance Temperature Detector
(RTD) is used to measure temperature. The RTD is a variable resistor. Its resistance changes
according to changes in temperature.

TY-305 converts the resistance signal to a 4-20 mA signal. The 250 ohm resistor on TB 7
causes a voltage drop of 1-5 vdc. This voltage is used by TR-305 and TI-305.




Saudi Aramco DeskTop Standards                                                           102
Engineering Encyclopedia                                                             Drafting
                                                            Drafting Instrument Loop Diagrams


Honeywell Resistance to Current Converter Card (Cont'd)


Figure 89 show an ILD using square root extractor card, SQ-301. The operation of the circuit
is similar to those already discussed.




Saudi Aramco DeskTop Standards                                                           103
Engineering Encyclopedia                                                            Drafting
                                                           Drafting Instrument Loop Diagrams



WORK AIDS

ILDs use standard symbols to depict various control instruments. These symbols, taken from
Saudi Aramco Standard Drawing numbers 990-J-AD-036491, 990-J-AB-36492 and 990-J-
AB-36493 are shown below:




Saudi Aramco DeskTop Standards                                                          104
Engineering Encyclopedia                                                                       Drafting
                                                                      Drafting Instrument Loop Diagrams



WORK AIDS (Cont'd)

                                                                                      01500H
                                H         L
                                              LINE NUMBER


                                                            FLOW ELEMENT :
                    MARK NO.                                ' ANNUBAR ' TYPE




                                                                                      01500E
                                     PD / T

                                      LINE NUMBER

                                                            FLOW INSTRUMENT:
                                                            PD : POSITIVE DISPLACEMENT
                    MARK NO.                                      METER.
                    SIZE                                    T : TURBINE METER



                                                                                      01500D
                       PD OR T
                                    OUT                     TRANSMITTER WITH
                                                            INTEGAL ORIFICE
                                              S
                                      LINE NUMBER




                S
                                                                                      01500C
                       INSTR.



                                LINE NUMBER

                    MARK NO.                                PISTON OPERATED BALL VALVE
                                                            POSITIONER, SWITCHING VALVES
                    SIZE/RATING
                                                            AND VOLUME TANK.
                    A.F. ACTION
                    HOOK UP     DWG. AB 036560


                                                                                                   2




Saudi Aramco DeskTop Standards                                                                     105
Engineering Encyclopedia                                                                Drafting
                                                               Drafting Instrument Loop Diagrams



WORK AIDS (Cont'd)

                                                                               001500
                                 OUTPUT
               S
                   INSTR.
                                 LINE NUMBER

                                                   DIAPHRAGM OPERATED
                   MARK NO.                        GLOBE VALVE WITH
                   SIZE /RATING                    POSITIONER
                   A.F. ACTION


                                  MOTOR                                        01500A
                                JUNCTION
                                   BOX
                                                          DIAPHRAGM - OPERATED
                                                          GLOBE
                                                          VALVE WITH POSITIONER


                                           MARK NO.
                            M              CONT. PSTN
                                           VALVE PSTN

                                  LINE NUMBER


                   MARK NO.
                   SIZE/RATING
                   TYPE



                                                        NC OR NO
                                                        C
                   MARK NO.                             NC OR NO
                   CONT. POS VALVE POS
                                                         MARK NO.
                                                         CONT. POS VALVE POS


                                                         SAFETY SHUT OFF VALVE
                                                         WITH TWO CYLINDERS AND
                                                         TWO LIMIT SWITCHES
                     LINE NUMBER

                   MARK NO.
                   SIZE

                                                                                            3



Saudi Aramco DeskTop Standards                                                              106
Engineering Encyclopedia                                                                       Drafting
                                                                      Drafting Instrument Loop Diagrams



WORK AIDS (Cont'd)


                                                           MARK NO.
                                                           CONT. POS VALVE POS

                                                    C
                                                    NO OR NC
                                                                    SAFETY SHUT OFF VALVE
                                                                    WITH ONE CYLINDERS AND
                                                    C               TWO LIMIT SWITCHES
                                                    NO OR NC


                                LINE NUMBER                MARK NO.
                                                           CONT. POS VALVE POS

                MARK NO.
                SIZE




                         5          1       4


                                                                    HAND OPERATED SPRING
                                3       2                           RETURN 4 WAY PILOT VALVE
                    MARK NO.


                       5            1       4

                                                                    DIAPHRAGM OPERATED
                                                                    4 WAY PILOT VALVE
                                3       2
                   MARK NO.
            LINE OR EQUIPMENT
                 MARK NO.




                                                C

                                                NO OR NC            SWITCH ( SINGLE )


                                MARK NO.
                                SET AT


                                                                                                   4


Saudi Aramco DeskTop Standards                                                                     107
Engineering Encyclopedia                                                                Drafting
                                                               Drafting Instrument Loop Diagrams



WORK AIDS (Cont'd)

           LINE OR EQUIPMENT
                MARK NO.                           C
                                                   C
                                                   NO OR NC         SWITCH ( DUAL )
                                                   NO OR NC


                               MARK NO.
                               SW1 SET AT
                               SW2 SET AT


                                 JB OR TB NUMBER
                                                              TERMINAL BOX WITH
                                                              TERMINALS




                                  RB NUMBER




                                                              RELAY BOX OR SHUTDOWN
                                                              SYSTEM




                                                              CONDUIT OR CABLE
                                                              NUMBER




                                                              CHECK VALVE



                                                              PNEUMATIC TERMINAL

                                                                                            5



Saudi Aramco DeskTop Standards                                                              108
Engineering Encyclopedia                                  Drafting
                                 Drafting Instrument Loop Diagrams



WORK AIDS (Cont'd)




Saudi Aramco DeskTop Standards                                109
Engineering Encyclopedia                                                           Drafting
                                                          Drafting Instrument Loop Diagrams



WORK AIDS (Cont'd)


             COAX

                                                       PROXIMITY VIBRATION
                                                       PICK - UP ELEMENT
          EQUIPMENT
           MARK NO.                           SHIELD
                     MARK NO.
                     RANGE


                                    BLACK
                               A
                                    RED
                               B
                                    GREEN              SEISMIC VIBRATION
                               C
                                    WHITE              PICK - UP ELEMENT
                               D

             EQUIPMENT             SHIELD
             MARK NO.

              MARK NO.
              RANGE
              MTG. POS.

                               MOTOR J. B.




                                                       MOTOR OPERATED
                                                       VALVE




                           M




                                     LINE NUMBER


                    MARK NO.
                    SIZE



                                                                                     7


Saudi Aramco DeskTop Standards                                                           110
Engineering Encyclopedia                                                    Drafting
                                                   Drafting Instrument Loop Diagrams



WORK AIDS (Cont'd)



                   1
                   2               3
                   7               4            SPEED TRANSMITTER
                   8               5            WITH INTEGRAL SPEED
                                                INDICATOR
                   9               6
                   10



                  MARK NO.
                  RANGE

                                               INSTRUMENT PROCESS LINES
                                               INSTRUMENT AIR LINES
                                               INSTRUMENT ELECTRIC LINES
                                               INSTRUMENT CAPILLARY TUBES




                           SPARE




         IN                            RECORDER ( 1 TO 3 PENS )
         GND.
         L1
         L2
                  MARK 1st PEN
                  RANGE 1st PEN
                  MARK 2nd PEN
      DWG. NO.    RANGE 2nd PEN
                  MARK 3rd PEN
                  RANGE 3rd PEN


                                                                                8


Saudi Aramco DeskTop Standards                                                  111
Engineering Encyclopedia                                                  Drafting
                                                 Drafting Instrument Loop Diagrams



WORK AIDS (Cont'd)



               IN                       CONTROLLER

               OUT



       S                   MARK NO.
                           SET POINT
                           P. BAND
                           RESET
                           DERIVATIVE
                           ACTION




                                        INDICATOR ( 1 TO 3 POINTERS
                IN




                           MARK NO.
                           RANGE




               IN                       INDICATING CONTROLLER

               OUT



       S                   MARK NO.
                           SET POINT
                           P. BAND
                           RESET
                           DERIVATIVE
                           ACTION
                           SCALERANGE




                                                                             9


Saudi Aramco DeskTop Standards                                                112
Engineering Encyclopedia                                                                Drafting
                                                               Drafting Instrument Loop Diagrams



WORK AIDS (Cont'd)



                    IN                                 INDICATING CONTROLLER
                                  ( IND. CONTROL )     WITH MANUAL CONTROL UNIT
                    OUT
                                     ( MANUAL
                    SET            CONTROL UNIT )
                                 MARK NO.
             S                   SET POINT
                                 P. BAND
                                 RESET
                                 DERIVATIVE
                                 ACTION
                                 SCALE RANGE




                                          COLOR CODE
                                   1
                                             ''   ''       TERMINAL STRIP WITH
                                   2                       CORD SET
                                             ''   ''
                                   3
                                   4         ''   ''       THE TERMINAL STRIP COLOR
                                                           CODE AND CORD SET SHALL
                         100 ž




                                   5         ''   ''
            TYPICAL                                        BE IN ACCORDANCE WITH
                                   6         ''   ''       VENDOR DRAWINGS.
                                   7         ''   ''

                                   8         ''   ''

                                   9         ''   ''

                                  10         ''   ''
                                                       9 CORES
                                                       TIED BACK


                                                       INDICATING CONTROLLER
                     IN

                     OUT



             S                   MARK NO.
                                 SET POINT
                                 P. BAND
                                 RESET
                                 DERIVATIVE
                                 ACTION
                                 SCALERANGE


                                                                                           10


Saudi Aramco DeskTop Standards                                                              113
Engineering Encyclopedia                                                  Drafting
                                                 Drafting Instrument Loop Diagrams



WORK AIDS (Cont'd)


                                         CONTROLLER




              DWG. NO.
                            MARK NO.
                            SET POINT
                            P. BAND
                            RESET
                            DERIVATIVE
                            ACTION




                                           INDICATOR ( 1 TO 3 POINTERS )




              DWG. NO.
                            MARK NO.
                            RANGE




                                           ALARM UNIT




              DWG. NO.
                            MARK NO.
                            SET POINT




                                           EMF / RTD TO CURRENT
                                           CONVERTER



              DWG. NO.
                            MARK NO.
                            RANGE IN
                            RANGE OUT



                                                                            11


Saudi Aramco DeskTop Standards                                                114
Engineering Encyclopedia                                                                 Drafting
                                                                Drafting Instrument Loop Diagrams



WORK AIDS (Cont'd)


                             10                  11
                              9                  12     VIBRATION MONITOR
                              8                  13     SEISMIC TYPE OR PROXIMITY TYPE
                              7                  14
                              6                  15
                              5                  16
                              4                  17
       GRND.                  3                  18
                   L2         2                  19
    DWG. NO.       L1
                                 1               20
                            MARK NO.
                            PRE ALARM
                            S. D. SET AT
                            SCALE RANGE




                                                            MULTIPOINT TEMPERATURE
                                                            RECORDER




                                     MARK NO.
                                     RANGE
                                     SCALE

                            L1
              DWG. NO.      L2
                                                GRND.


                                                            MULTIPOINT TEMPERATURE
                                                            INDICATOR




                                     MARK NO.
                                     RANGE
                                     SCALE

                            L1
               DWG. NO.     L2
                                                GRND.
                                                                                            12


Saudi Aramco DeskTop Standards                                                               115
Engineering Encyclopedia                                                           Drafting
                                                          Drafting Instrument Loop Diagrams



WORK AIDS (Cont'd)



                                MARK NO.
                                                  TEMPERATURE MONITOR
                                SCALE RANGE
                                                  MASTER MODULE
                           NO
                           NC
                           H




                                 MARK NO.         TEMPERATURE SWITCH
                                SET AT            ANNUNCIATOR ALARM
                                ACTION
                                                  SINGLE SET POINT
                           NO
                           NC                     MODULE
                           H




                                 HI. SET AT       TEMPERATURE SWITCH
                                 HI. HI. SET AT   ANNUNCIATOR ALARM
                                ACTION
                                                  DUAL SET POINT MODULE
                           NO
                           NC                     FOR FRONT OF PANEL
                           H                      MOUNTING.




                                 MARK NO.
                                                  TEMPERATURE SWITCH
                                                  ANNUNCIATOR ALARM
                                                  DUAL SET POINT FOR
                           NO    HI. SET AT
                                                  REMOTE RACK
                           NC    ACTION
                           C                      MOUNTING.
                           NO
                           NC
                           C
                           NO    HI. SET AT
                           NC    ACTION
                           C
                           NO
                           NC
                           C




                                                                                      13


Saudi Aramco DeskTop Standards                                                         116
Engineering Encyclopedia                                                        Drafting
                                                       Drafting Instrument Loop Diagrams



WORK AIDS (Cont'd)


             COMMON                     ANNUNCIATOR WINDOW TERMINAL
                                        ONE COMMON TERMINAL FOR ALL
                                        ANNUNCIATOR LIGHTS


                           MARK NO.
                           WINDOW



                                        ANNUNCIATOR WINDOW TERMINAL



                           MARK NO.
                           WINDOW


                                                     PUSH BUTTONS




                           MARK NO.                  MARK NO.



                                                 SPEED INDICATOR



                           MARK NO.
                           RANGE


                                                  HAND SWITCH
        NO
        OR
        NC


         C
                                      MARK NO.

                                                                                    14




Saudi Aramco DeskTop Standards                                                      117
Engineering Encyclopedia                                                   Drafting
                                                  Drafting Instrument Loop Diagrams



WORK AIDS (Cont'd)



                                      LAMP




                           MARK NO.



                                RED
                                      RUNNING LIGHTS



                            GREEN

                           MARK NO.




                                                DIODE




                            1
                                               TELEPHONE JACK

                            2



                           MARK NO.


                                                                               15




Saudi Aramco DeskTop Standards                                                 118
Engineering Encyclopedia                                                                  Drafting
                                                                 Drafting Instrument Loop Diagrams



GLOSSARY

Derivative                       The name given to the control procedure that is concerned
                                 with
(or Rate Action):                how quickly a process variable (usually temperature) is changing
                                 its value.

Offset:                          The difference between the actual value of a process variable
                                 and its set point value.

Proportional band:               The ration, as a percentage, of the deviation of a process
                                 variable from set point divided by the amount of control valve
                                 stem movement the deviation causes.

Reset (or gain):                 The name given to the control procedure which is designed to
                                 bring a process variable back to its set point.




Saudi Aramco DeskTop Standards                                                                119

ARMACO STANDARD

  • 1.
    Engineering Encyclopedia Saudi Aramco DeskTop Standards Drafting Instrument Loop Diagrams Note: The source of the technical material in this volume is the Professional Engineering Development Program (PEDP) of Engineering Services. Warning: The material contained in this document was developed for Saudi Aramco and is intended for the exclusive use of Saudi Aramco’s employees. Any material contained in this document which is not already in the public domain may not be copied, reproduced, sold, given, or disclosed to third parties, or otherwise used in whole, or in part, without the written permission of the Vice President, Engineering Services, Saudi Aramco. Chapter : Drafting For additional information on this subject, contact File Reference: AGE10803 N. H. Alahaimer on 874-0876
  • 2.
    Engineering Encyclopedia Drafting Drafting Instrument Loop Diagrams CONTENTS PAGES Information Instrument Loop Diagram 1 Ild Symbols And Abbreviations 1 Interpreting Ilds 29 Interpret An Ild For A Pneumatic Instrument Control Loop 37 Interpret An Ild For An Electronic Instrument Control Loop 44 Tracing Current Flow In Control Loops 57 Computer Relays 59 Computer Relay Symbols 59 Instrument Systems 67 Foxboro Spec 200 67 The Honeywell Vutronik Control Loop 83 The Honeywell Vutronik Alarm Card 96 Examples Of Honeywell Cards 100 Honeywell Resistance To Current Converter Card 102 Work Aids 104 Glossary 119 Saudi Aramco DeskTop Standards
  • 3.
    Engineering Encyclopedia Drafting Drafting Instrument Loop Diagrams Instrument Loop Diagram Every process control loop has an instrument loop diagram (ILD) drawn for it. ILDs give more information about control loops than any other drawing. Although they are of interest mainly to instrumentation engineers and tech-nicians they are one of the most common drawings seen in Saudi Aramco. ILD Symbols And Abbreviations Handout No. 1 (Drawing No. 990-J-36492 Sheets 1 and 2) shows common ILD symbols and abbreviations. Some of them will be described in detail in this module. Orifice Plate. Figure 1 shows the symbol for a flow element orifice plate. Figure 2 shows an orifice plate. H L LINE NUMBER FLOW ELEMENT ORIFICE PLATE MARK NO. BORE CORRECT SIZE NUMBER MUST MATCH BORE SHOWN ON ILD 1.550 ORIFICE PLATE OW FL CORRECT DIRECTION NUMBER ON PLATE MUST FACE UPSTREAM FIGURE I. FLOW ELEMENT, ORIFICE PLATE Saudi Aramco DeskTop Standards 1
  • 4.
    Engineering Encyclopedia Drafting Drafting Instrument Loop Diagrams ILD Symbols and Abbreviations(Cont'd) Orifice Plate(Cont'd). An orifice plate is placed into a pipeline to cause a pressure differential between its upstream and downstream flow. H and L stand for High and Low. They indicate the high and low pressure sides of the plate. The difference in pressure is used to indicate flow rate. Pressure differential varies as the square of the flow rate. Therefore, the square root of the pressure differential reading is needed in order to obtain the linear value of the flow rate. Process variable measuring devices, such as orifice plates, are sometimes called elements. The mark number, seen in Figure 1, is the identification, or tag, number given to the flow element. Bore is the size of the hole, in inches, in the orifice plate. The line number is the identification number of the pipeline. Control Valve. Figure 3 shows the symbol for a control valve. The letter S above the small triangle means there is an air supply to open or close the valve. The abbreviation INST means that an instrument air signal is supplied to the valve positioner. The positioner is shown by the square block. The output air signal is shown going to the top of the valve. Therefore, the valve operates by air pushing down onto the diaphragm. The mark number for this valve would be PCV, TCV, LCV, or FCV (for pressure, temperature, level or flow control valve) followed by the loop number. Size rating is the size, in inches, of the valve inlet and outlet bore. A. F. ACTION, sometimes shown only as ACTION, says what the valve will do if there is an Air Failure (AF). The word OPEN or CLOSE will be shown after A.F. ACTION. S OUTPUT INST. LINE NUMBER MARK NO. DIAPHRAGM OPERATED GLOBE SIZE RATING VALVE WITH POSITIONER A. F. ACTION FIGURE 3. CONTROL VALVE Saudi Aramco DeskTop Standards 2
  • 5.
    Engineering Encyclopedia Drafting Drafting Instrument Loop Diagrams ILD Symbols and Abbreviations(Cont'd) Electrical Switches. Figures 4 and 5 show electrical switches. In Figure 4, NO means Normally Open. NC means Normally Closed. The letter C on its own means Common. By operating the Hand Switch, C can be connected either to NO or to NC. Mark No. is the identification of the switch. In Figure 5, SET AT is the value of the process variable at which the switch will automatically trip open or close. The value will be shown in psi, °F, or %, depending on the type of switch used (that is, the type of process variable that is being controlled). The symbol % is often used in level control. Level may be given not as a dimension but as a percentage of the vessel capacity. For example the set point may be 75% to show that the vessel should be kept at 75% full. NO OR NC HAND SWITCH C MARK NO. FIGURE 4 LINE OF EQUIPMENT MARK NO. SWITCH ( SINGLE ) MARK NO. SET AT FIGURE 5. LEVEL SWITCH ( SINGLE ) Saudi Aramco DeskTop Standards 3
  • 6.
    Engineering Encyclopedia Drafting Drafting Instrument Loop Diagrams ILD Symbols and Abbreviations(Cont'd) Lamps And Lights. Figure 6 shows the symbols used for lamps and lights. LAMP MARK NO. RED RUNNING LIGHTS GREEN MARK NO. FIGURE 6 When a light is not identified by a color, the light will usually be white. The mark number will give the number of the instrument loop to which the light is connected. ILD Line Symbols. Figure 7 shows ILD line symbols. Lines may be broken to avoid drawing over equipment or information. The line may then be continued on the other side of the equipment or information. PROCESS LINES INSTRUMENT AIR LINES INSTRUMENT ELECTRIC LINES LINE LINE BREAK CONTINUES INSTRUMENT CAPILLARY TUBES FIGURE 7. ILD LINE SYMBOLS Saudi Aramco DeskTop Standards 4
  • 7.
    Engineering Encyclopedia Drafting Drafting Instrument Loop Diagrams ILD Symbols and Abbreviations(Cont'd) Air Supply. Figure 8 shows more ILD abbreviations. Those on the left indicate air supply. Those on the right are as stated. D/P DIFFERENTIAL PRESSURE + POSITIVE TERMINAL _ NEGATIVE TERMINAL S AIR SUPPLY AO / AFS AIR OPEN / AIR FAILURE CLOSE A/S AC / AFO AIR CLOSE / AIR FAILURE OPEN H HIGH PRESSURE L LOW PRESSURE EITHER SYMBOL MAY BE USED. GND GROUND FIGURE 8. ILD ABBREVIATIONS Electrical Signal Lines. Figure 9 shows ILD Electrical Signal Lines. RED WHITE WIRE COLORS SHIELDED CABLE BLACK GREY THIS SYMBOL INDICATES A SHIELD FIGURE 9. ILD ELECTRICAL SIGNAL LINES The wires are color coded to show which wires must be connected to terminal posts. Instrument cables that carry low voltage signals are shielded to prevent outside electrical energy from interfering with the signals. Saudi Aramco DeskTop Standards 5
  • 8.
    Engineering Encyclopedia Drafting Drafting Instrument Loop Diagrams ILD Symbols and Abbreviations(Cont'd) Box and Cable numbering. Figure 10 shows box and cable numbering. The Junction Box (JB) or Terminal Box (TB) number is located at the top of the box symbol shown in Figure 10. Connections, called terminal posts, inside the block are numbered. JB OR TB NUMBER TERMINAL NUMBERS SHOWN HERE TERMINAL BOX WITH TERMINALS CONDUIT OR CABLE NUMBER CONDUIT OR CABLE NUMBER SHOWN HERE FIGURE 10. BOX AND CABLE NUMBERING The conduit or cable number will be written in the block near the electrical line symbol. Cables are always identified in pairs, or groups of pairs, of wire. Saudi Aramco DeskTop Standards 6
  • 9.
    Engineering Encyclopedia Drafting Drafting Instrument Loop Diagrams ILD Symbols and Abbreviations(Cont'd) Local Indicators. Figure 11 shows the symbols for Local Indicators. Range means the range of the indicator scale. The letters B and E in the Foxboro local indicator symbol give the polarity of the input signal (+ve or -ve). (Foxboro is the name of one of the manufacturers of instruments used by Saudi Aramco. Another manufacturer is named Honeywell.) LOCAL INDICATOR MARK NO. RANGE B E + _ FOXBORO LOCAL INDICATOR CONNECTIONS FIGURE 11. LOCAL INDICATORS Saudi Aramco DeskTop Standards 7
  • 10.
    Engineering Encyclopedia Drafting Drafting Instrument Loop Diagrams ILD Symbols and Abbreviations(Cont'd) Temperature Sensing Elements. Figure 12 shows the symbols for Temperature Sensing Elements. The Range is usually from zero to the maximum process temperature the Resistance Temperature Element (RTE) will measure in its loop, for example, 0 to 250°F. Type on the thermocouple symbol identifies the metals in the thermocouple, for example, IRON/CON would mean iron and constantan. EQUIPMENT NUMBER RESISTANCE TEMPERATURE ELEMENT MARK NO. RANGE EQUIPMENT OR LINE NUMBER THERMOCOUPLE TEMPERATURE ELEMENT MARK NO. TYPE FIGURE 12. TEMPERATURE SENSING ELEMENTS Transducer. Figure 13 shows the symbol used for a transducer. The figure shows that the transducer is changing an electrical input signal to a pneumatic output signal. Other symbols may show the transducer changing a pneumatic input to an electrical output. + _ TRANSDUCER MARK NO. FIGURE 13. TRANSDUCER Saudi Aramco DeskTop Standards 8
  • 11.
    Engineering Encyclopedia Drafting Drafting Instrument Loop Diagrams ILD Symbols and Abbreviations(Cont'd) Level Transmitters. Figure 14 shows the ILD symbols for Level Transmitters. All four symbols are very similar and all show the vessel in which the level is being controlled. Note the symbol for an accumulator, which is shown with the dry leg transmitters. The accumulator is used to remove liquid from the dry leg. DRY LEG VESSEL NO. L 1 OUT H N MARK NO. S RANGE SUPPRESSION LEVEL TRANSMITTER WITH AIR SUPPLY ELEVATION CONNECTION ( D / P CELL ) WET LEG 2 H RED VESSEL NO. + L _ GREY MARK NO. RANGE LEVEL TRANSMITTER SUPPRESSION ( D / P CELL ) ELEVATION DRY LEG VESSEL NO. L RED 3 + H _ GREY MARK NO. RANGE SUPPRESSION ELEVATION WET LEG OUT 4 VESSEL NO. H L S MARK NO. RANGE LEVEL TRANSMITTER WITH AIR SUPPLY SUPPRESSION ELEVATION CONNECTION ( D / P CELL ) FIGURE 14. LEVEL TRANSMITTERS WITH D / P CELLS Saudi Aramco DeskTop Standards 9
  • 12.
    Engineering Encyclopedia Drafting Drafting Instrument Loop Diagrams All four transmitter types use differential pressure to measure level. Types 1 and 3 are the same except that 1 is pneumatic and 3 is electronic. Both use dry legs. Types 2 and 4 are the same except that 2 is electrical and 4 is pneumatic. Both use wet legs. Pressure measurement is sometimes expressed as the height of a column of water. This is because a column of water one foot high produces a known pressure of 0.433 psi. Alternatively, a column of water 27.7 inches high produces a pressure of 1.0 psi. We can use this information to convert liquid pressure measurements into liquid level measurements. DP transmitters can be fitted with a biasing spring kit. The spring can be used to adjust or balance out certain differential pressure readings in order to give us the actual readings we require. When the bias acts to oppose pressure on the high side, it is called suppression. When it acts to assist pressure on the high side, it is called elevation. An example is shown below. 100 '' WC 15 psig SEAL HIGH LOW LEG SIDE SIDE P1 P2 BIAS 3 psig 0 '' WC HL P1 P2 The pressure of liquid in the seal (or wet) leg is not needed for determining the liquid level in the tank. Therefore, bias can be applied to balance out this pressure. Because bias in this case is assisting pressure on the high side, we have elevation. Saudi Aramco DeskTop Standards 10
  • 13.
    Engineering Encyclopedia Drafting Drafting Instrument Loop Diagrams ILD Symbols and Abbreviations(Cont'd) Level Transmitters (Cont'd). Figure 15 shows how a differential pressure transmitter is used to measure level in a vessel open to the atmosphere. Atmospheric pressure acts on the top of the water and also on the low pressure side of the DP cell. Therefore, the difference in pressure between the high and low sides of the cell is equal only to the pressure exerted by the water level. Example: If the DP cell senses a pressure differential of 10 psi it means that the level of water is 10 x 27.7 inches. OPEN TANK LEVEL MEASUREMENT AIR PRESSURE LOW PRESSURE HEIGHT WATER SIDE VENTED TO ATMOSPHERE H L FIGURE 15. LEVEL MEASUREMENT USING A DP CELL Saudi Aramco DeskTop Standards 11
  • 14.
    Engineering Encyclopedia Drafting Drafting Instrument Loop Diagrams ILD Symbols and Abbreviations(Cont'd) Level Transmitters (Cont'd). Figure 16 shows how a DP transmitter measures level in a closed vessel. 200 '' TANK PRESSURE 200 '' DRY LEG WATER 100 '' H L DP CELL FIGURE 16. LEVEL MEASUREMENT USING DP CELL In order to obtain a differential pressure that depends only on the liquid level, the pressure of the tank atmosphere must be cancelled out. This is done by connecting the low side of the DP cell to the top of the tank. This connection is called a dry leg. Saudi Aramco DeskTop Standards 12
  • 15.
    Engineering Encyclopedia Drafting Drafting Instrument Loop Diagrams ILD Symbols and Abbreviations(Cont'd) Level Transmitters (Cont'd). Figure 17 shows why wet legs are sometimes used. AIR 200 '' 200 '' WET LEG WATER 100 '' H L DP CELL FIGURE 17. LEVEL MEASUREMENT USING DP CELL The atmosphere in a tank may carry vapor from the liquid. If a dry leg DP cell is being used, some of the vapor will condense in the leg. After a time, liquid at varying levels could collect in the leg. This would cause differential pressure readings that do not represent only the height of liquid in the vessel. Saudi Aramco DeskTop Standards 13
  • 16.
    Engineering Encyclopedia Drafting Drafting Instrument Loop Diagrams ILD Symbols and Abbreviations(Cont'd) To overcome this problem the wet legs are made to a known height, then filled with liquid. Because the liquid level in the leg is constant, the pressure it exerts on the low side of the DP cell is constant. This pressure can be taken into account when reading differential pressure. Figure 17 shows that it is possible for the low side pressure to be greater than the high side pressure. DP cells are always connected with their high side to the vessel. Temperature Transmitters. Figure 18 shows the symbols for Temperature Transmitters. Range gives the temperature range of the transmitter, for example 0 to 250°F. EQUIPMENT OR LINE NUMBER RED + _ GREY TEMPERATURE TRANSMITTER. MARK NO. THERMOCOUPLE WITH INTEGRAL RANGE ELECTRONIC mV / mA CONVERTER EQUIPMENT OR LINE NUMBER RED + _ GREY TEMPERATURE TRANSMITTER. RESISTANCE TEMPERATURE DETECTOR MARK NO. WITH RTD / mA CONVERTER RANGE FIGURE 18. TEMPERATURE TRANSMITTERS Saudi Aramco DeskTop Standards 14
  • 17.
    Engineering Encyclopedia Drafting Drafting Instrument Loop Diagrams ILD Symbols and Abbreviations(Cont'd) Pressure and Flow Transmitters. Figure 19 shows two kinds of transmitters, one for pressure and one for flow. The difference is in the connection to the process. Pressure measurement requires only one connection. Flow measurement requires two connections; one for the high pressure side of the orifice plate, and one for the low side. EQUIPMENT OR LINE NUMBER RED + _ GREY PRESSURE TRANSMITTER MARK NO. RANGE OUT IN S FLOW TRANSMITTER WITH AIR MARK NO. SUPPLY CONNECTION RANGE FIGURE 19 Note that the flow transmitter has two input lines (on the left). This is because the flow transmitter is using differential pressure. Range will show the calibrated range of each transmitter. Examples would be: • 0 - 100 psi (for pressure transmitter) • 0 - 100" W.C. (inches water column) - [for flow transmitter] Saudi Aramco DeskTop Standards 15
  • 18.
    Engineering Encyclopedia Drafting Drafting Instrument Loop Diagrams ILD Symbols and Abbreviations(Cont'd) Controller. Figure 20 shows the ILD symbol for a controller. IN OUT CONTROLLER S MARK NO. SET POINT P. BAND RESET DERIVATIVE ACTION FIGURE 20. ILD CONTROLLER SYMBOL The meaning of the terms shown on the controller are explained below. Mark No. identifies the process variable or loop number which is being controlled. Set Point is the process variable value to which the controller has been set. It is the value needed for efficient and safe operation. The set point setting can be altered by the operator when necessary. P Band means proportional band. This is a setting which determines the amount the variable measurement must change from the set point for the control valve to move through 100% of its travel. For example, suppose the total travel of a control valve is 6" (that is from fully closed to fully open is a travel of 6"). If a total deviation of the process variable from set point is also 6" (that is 3" below set point to 3" above set point) then the P Band is 100% (because a 6" movement of the variable causes a 6" movement of the valve). Note that the controller has a constant pressure air supply. The output of this supply depends on the input being received from the transmitter (which signal depends on the process variable measurement). Saudi Aramco DeskTop Standards 16
  • 19.
    Engineering Encyclopedia Drafting Drafting Instrument Loop Diagrams ILD Symbols and Abbreviations(Cont'd) Level Control. Figure 21 shows a level control system. The valve is fully closed when the level is 3" above its set point. It is fully open when the level is 3" below its set point. Therefore, the level must travel through its full range in order to move the valve through 100% of its travel (6"). Therefore, P (Proportional) Band is 100%. 1.5 FEET 1.5 FOOT 200 % 100 % 50 % PB PB PB 6 '' VALVE 6 '' FLOAT MOVEMENT MOVEMENT VALVE A SPAN 3 '' SET POINT 3 '' ZERO VALVE B FIGURE 21. LEVEL CONTROL SYSTEM Saudi Aramco DeskTop Standards 17
  • 20.
    Engineering Encyclopedia Drafting Drafting Instrument Loop Diagrams ILD Symbols and Abbreviations(Cont'd) Level Control (Cont'd). Figure 22 shows the arrangement for a P Band of 50%. A total deviation from the set point of 3" causes a 6" movement of the control valve. The P Band is, therefore, 50%. 2 FEET 1 FOOT 200 % 100 % 50 % PB PB PB 6 '' VALVE 3 '' FLOAT MOVEMENT MOVEMENT VALVE A 1.5 '' SET POINT 1.5 '' VALVE B FIGURE 22 Saudi Aramco DeskTop Standards 18
  • 21.
    Engineering Encyclopedia Drafting Drafting Instrument Loop Diagrams ILD Symbols and Abbreviations(Cont'd) Level Control (Cont'd). Figure 23 shows the arrangement for a P Band of 200%. A total set point deviation of 12" causes a 6" movement of the control valve. 1 FOOT 2 FEET 200 % 100 % 50 % PB PB PB 6 '' VALVE 12 '' FLOAT MOVEMENT MOVEMENT VALVE A SPAN 6 '' SET POINT 6 '' SPAN VALVE B FIGURE 23. PIVOT TO THE LEFT Saudi Aramco DeskTop Standards 19
  • 22.
    Engineering Encyclopedia Drafting Drafting Instrument Loop Diagrams ILD Symbols and Abbreviations(Cont'd) Level Control (Cont'd). Reset may have a time value next to it. Reset is used with proportional control to return a variable back to its set point. (Reset is also sometimes called Gain.) For example, Figure 24 shows a stable process. The level is at set point and 50 gpm is entering and leaving the tank. WATER IN 50 GPM MAXIMUM LEVEL SET POINT MINIMUM LEVEL WATER OUT 50 GPM FIGURE 24. STABLE PROCESS Saudi Aramco DeskTop Standards 20
  • 23.
    Engineering Encyclopedia Drafting Drafting Instrument Loop Diagrams ILD Symbols and Abbreviations(Cont'd) Level Control (Cont'd). If for some reason the flow leaving the tank increases to 60 gpm the level will fall. The float will then cause the control valve to open and input flow will increase. However, the valve cannot adjust until after the level has deviated from set point. Hence, a new stable condition may exist which is not at set point, as shown in Figure 25. The difference between the new level and the set point is called offset. WATER IN 60 GPM OFFSET SET POINT WATER OUT 60 GPM FIGURE 25. STABLE BUT OFFSET Saudi Aramco DeskTop Standards 21
  • 24.
    Engineering Encyclopedia Drafting Drafting Instrument Loop Diagrams ILD Symbols and Abbreviations(Cont'd) Level Control (Cont'd). Reset is used to help the proportional control to bring the variable back to set point. It does this by sending an extra signal to the control valve. The signal adjusts the control valve until set point is reached. Then the reset signal stops. The reset mechanism is part of the controller. It has a scale on which different times can be set, for example from 0.1 to 50 minutes. A setting of 0.5 means that the control valve will be adjusted every 0.5 minutes until set point is reached. Derivative also may have a time value next to it. It is usually used only in Temperature Control Loops. Derivative is sometimes called Rate Action or Integral. Derivative is necessary because proportional plus reset control may take a long time to correct temperature deviations from set point. Derivative action is concerned with how fast a temperature is changing from set point. If temperature is deviating only slowly from set point, the controller will make only small adjustments to the control valve. Derivative action senses the speed of the change immediately the change begins (unlike reset, which responds after the change has occurred and caused offset). If the rate of change is high, derivative immediately causes a large adjustment to be made to the control valve to bring the temperature under control. Derivative action stops when the temperature stops changing. The derivation mechanism is also a part of the controller. It uses the same kind of time scale as the reset unit. Action will have Direct or Reverse next to it. Direct means that if the input signal to an instrument is increased, the output signal from the instrument will also increase. Reverse means that if the input signal increases, the output signal decreases. Saudi Aramco DeskTop Standards 22
  • 25.
    Engineering Encyclopedia Drafting Drafting Instrument Loop Diagrams ILD Symbols and Abbreviations(Cont'd) Indicating Controller. Figure 26 shows the symbols used for an indicating controller. They are the same as for a basic controller except that a scale range for the variable will be given. Scales may be linear or square root. Linear scales are used for those process variables which change in direct proportion to changes in instrument output signals, e.g. level, temperature, pressure. Flow measurements, however, are taken from differential pressure readings at an orifice plate. Differential pressure changes in proportion to the square of the flow rate. Therefore, the square root of the differential pressure must be found (or extracted) from a differential pressure signal in order to find the flow rate. This is why some scales are square root. IN OUT S MARK NO. SET POINT INDICATING P. BAND CONTROLLER RESET DERIVATIVE ACTION SCALE RANGE IN ( IND. CONTROL ) OUT ( MANUAL CONTROL SET UNIT ) MARK NO. S INDICATING CONTROLLER SET POINT WITH MANUAL CONTROL UNIT P. BAND RESET DERIVATIVE ACTION SCALE RANGE FIGURE 26. INDICATING CONTROLLERS Saudi Aramco DeskTop Standards 23
  • 26.
    Engineering Encyclopedia Drafting Drafting Instrument Loop Diagrams ILD Symbols and Abbreviations(Cont'd) Panel-Mounted Indicator. Figure 27 shows the symbol for a panel-mounted indicator. Range gives the range for the indicator scale. IN INDICATOR ( 1 TO 3 POINTERS ) MARK NO. RANGE FIGURE 27. PANEL MOUNTED INDICATOR Strip Chart Recorder. Figure 28 shows the symbol for a strip chart recorder. Mark numbers and Range are given for each pen. If more than one instrument loop is being recorded, additional input line symbols are added for each loop. Notes may be given to explain more about the symbols. GND, L1 and L2 mean Ground, Line 1 and Line 2, respectively. IN GND L1 L2 MARK 1 ST. PEN RANGE 1 ST. PEN RECORDER ( 1 TO 3 PENS ) MARK 2 Dn. PEN RANGE 2 Dn. PEN MARK 3 Dr. PEN RANGE 3 Dr. PEN FIGURE 28 Saudi Aramco DeskTop Standards 24
  • 27.
    Engineering Encyclopedia Drafting Drafting Instrument Loop Diagrams ILD Symbols and Abbreviations(Cont'd) Two-Purpose Instrument Devices. Figure 29 shows the ILD symbols for two components of a loop combined into one. The top output signal goes to a level transmitter or controller. The bottom output signal goes to a final control element, such as a control valve. OUT VESSEL NO. IN LEVEL TRANSMITTER / OUT CONTROLLER S WITH AIR SUPPLY CONNECTION ( DISPLACER ) TRANSMITTER CONTROLLER MARK NO. MARK NO. RANGE SET POINT AND P BAND RESET FIGURE 29. TWO - PURPOSE INTRUMENT DEVICES Saudi Aramco DeskTop Standards 25
  • 28.
    Engineering Encyclopedia Drafting Drafting Instrument Loop Diagrams ILD Symbols and Abbreviations(Cont'd) Level Transmitter/Controller. Figure 30 shows the symbols used to denote a transmitter or a controller. In each case, the appropriate information blocks would be filled in and the other blocks left blank. EQUIPMENT OR LINE NUMBER OUT PRESSURE TRANSMITTER OR CONTROLLER WITH AIR SUPPLY CONNECTION IN S MARK NO. RANGE SET POINT TRANSMITTER P BAND MARK NO. RESET RANGE OR DERIVATIVE ACTION EQUIPMENT OR LINE NUMBER OUT TEMPERATURE TRANSMITTER OR CONTROLLER WITH AIR SUPPLY CONNECTION IN S MARK NO. RANGE SET POINT TRANSMITTER P BAND MARK NO. RESET RANGE OR DERIVATIVE ACTION FIGURE 30. LEVEL TRANSMITTER / CONTROLLER Saudi Aramco DeskTop Standards 26
  • 29.
    Engineering Encyclopedia Drafting Drafting Instrument Loop Diagrams ILD Symbols and Abbreviations(Cont'd) Three-Way Solenoid Valve. Figure 31 gives the symbol for a three-way solenoid valve. This symbol is usually connected to the symbol for the final control element. Most solenoid valves are not very large. They are commonly used to shut off instrument air supply to control valves. SOLENOID OPERATED THREE - WAY VALVE ENERGIZED P-A P A DEENERGIZED A - E E MARK NO. FIGURE 31. Saudi Aramco DeskTop Standards 27
  • 30.
    Engineering Encyclopedia Drafting Drafting Instrument Loop Diagrams ILD Symbols and Abbreviations(Cont'd) Three-Way Valve Operation. Figure 32 shows the normal operation of a three-way valve. When the coil is energized, air flows to the control valve actuator without interruption. When the solenoid coil is de-energized (which is what happens when the Emergency Shut Down (ESD) button is pressed) the three-way valve closes. This blocks the flow of air to the control valve. At the same time, the 3-way valve allows the air which is operating the control valve to vent to the atmosphere. This causes the control valve to close. AIR TO AIR FROM SUPPLY ACTUATOR SUPPLY ACTUATOR P A P A E E ENERGIZED DEENERGIZED P - PRESSURE A - ACTUATOR E - EXHAUST FIGURE 32 Saudi Aramco DeskTop Standards 28
  • 31.
    Engineering Encyclopedia Drafting Drafting Instrument Loop Diagrams INTERPRETING ILDS Handout No. 2 (Drawing 461-J-NA-942815) is a simplified ILD. The Title Block, shown in Figure 33 below, identifies the loop that is on the drawing. It is Flow Control Loop 101 (FC-101). The block says that FC-101 is part of a crude oil pipeline at Berri-3 Plant, Ras Tanura, The Plant Number is 461. The index letter, J, is the standard index letter for Instrument Loop Diagrams. The Reference Drawing Block gives the drawing numbers of P&IDs and Instrument Installation Schedules on which FC-101 can be found. Reference is also made to the drawing numbers of Rack Power Distribution (Rack Pwr Dist.) and ILD PC-301. Saudi Aramco DeskTop Standards 29
  • 32.
    Engineering Encyclopedia Drafting Drafting Instrument Loop Diagrams INTERPRETING ILDS (Cont'd) Handout No. 2 shows that the ILD is divided into four parts: FIELD, FIELD JUNCTION BOX, CONTROL ROOM PANEL REAR and CONTROL ROOM PANEL FRONT. (Large junction boxes are sometimes called Marshalling Boxes.) When reading an ILD, it is usual to start at the sensing element. In Handout No. 2, this is an orifice plate, as shown in Figure 34. Note: The Figures given inside the circles are for this module reference only. They do not appear on an actual ILD. 7 4 NA - 942815 461 J 61845 REV. NO. SHT DRAWING NO. PLANT NO. INDEX JOB ORDER NO. FIELD 8 E-9007 6 7 5 4-20 m ADC 4 9 MARK NO. FT - 101 RANGE 0-100''WC 2 H L 10'' - P - 145 - 1A1 3 MARK NO. FE - 101 1 BORE 6'' ILD SENSOR AND TRANSMITTER FIGURE 34 Saudi Aramco DeskTop Standards 30
  • 33.
    Engineering Encyclopedia Drafting Drafting Instrument Loop Diagrams INTERPRETING ILDS (Cont'd) The mark number (which is the same as a tag or identification number) of the At 1 flow element is 101 (that is, FE-101). The BORE of the flow element is 6" (that is, the hole through the orifice plate is 6" diameter). 2 H and L show on which side of the orifice plate high and low pressures are sensed. 3 The pipeline is 10" pipe and the pipeline number is 10"-P-145-1A1. 4 The Mark Number for the Flow Transmitter is 101 (that is, FT-101). The pressure measuring range of the transmitter is 0-100" water column (WC). 5 Auxiliary process lines take high and low pressure to the flow transmitter. 6 This is an electrically operated flow transmitter, as shown by the electric signal lines . 7 The electrical signal lines are shielded all the way from the transmitter to the next loop component. 8 E-3007 is the identification number of the electrical signal line cable. Electronic loops use standard instrument signals of either 4 to 20 mA or 10 to 9 50 mA, direct current. The drawing shows that 4-20 mA DC is being used. Saudi Aramco DeskTop Standards 31
  • 34.
    Engineering Encyclopedia Drafting Drafting Instrument Loop Diagrams INTERPRETING ILDS (Cont'd) Figure 35 shows the JUNCTION BOX and CONTROL ROOM PANEL REAR instrument signal wire line connections. (1) Shows JUNCTION BOX-200 (J.B. 200). The left side cables come from the flow transmitter and enter Terminals 1 and 2. Terminal 3 is used to ground the shielding on the signal line. (2) C-8101 identifies the signal line cable coming from JB 200. (3) J. B. 320 is located behind the control room panel, that is, panel rear. (4) CC-517 identifies the wire cable from JB 320 that goes to Flow Recorder (FR-101) on the Control Room front panel. (5) The wire line symbol shows a connection between Terminals 12 and 13. This is done in order to complete a circuit. Saudi Aramco DeskTop Standards 32
  • 35.
    Engineering Encyclopedia Drafting Drafting Instrument Loop Diagrams INTERPRETING ILDS (Cont'd) Figure 36 gives information about control panel instruments. Saudi Aramco DeskTop Standards 33
  • 36.
    Engineering Encyclopedia Drafting Drafting Instrument Loop Diagrams INTERPRETING ILDS (Cont'd) (1) These are the incoming signals from JB 320. (2) This is the ILD symbol for a three-pen recorder. (3) Mark No. 1st Pen is for flow recorder FR-101. 0-10 Ã identifies the part of the strip chart which is recording the flow in loop 101. The square root sign (Ã) shows that a square root scale is being used. (4) The 2nd Pen is recording the pressure in control loop PC-301. The range 0-100 refers to the part of the strip chart that is recording pressure. The note symbol, 2 , refers to the reference drawing in the Legend block. (5) These are incoming signals from JB 320 to flow indicating controller, FIC-101. (6) This is the basic ILD symbol for an indicating controller. (7) These are the outgoing symbols from FIC-101. (8) CC-518 identifies the cable between the FIC-101 and JB 320. Saudi Aramco DeskTop Standards 34
  • 37.
    Engineering Encyclopedia Drafting Drafting Instrument Loop Diagrams INTERPRETING ILDS (Cont'd) Figure 37 below shows again the wiring terminations In the junction box and rear panels. (Reference should be made to the ILD as a whole.) (1) The outgoing signals from FIC-101 go to the same JB 320 as do the incoming signals to FIC-101. Different terminals in JB 320 are used for the incoming and outgoing signal wires. (2) C-8101 is the same cable that has the incoming signal lines. (3) This is JB 200. It has the signal lines from the flow transmitter, FT-101. It also has the outgoing signals wired to terminals 5 and 6. (4) E-1115 identifies the signal cable wires from JB 200 to the field instruments. Saudi Aramco DeskTop Standards 35
  • 38.
    Engineering Encyclopedia Drafting Drafting Instrument Loop Diagrams INTERPRETING ILDS (Cont'd) Figure 38 below shows the field-mounted instruments which complete the control loop. MARK NO. FTd - 101 1 3 S 2 4 S 6 10''- P - 145 - 1A1 MARK NO. FCV - 101 SIZE RATING 10'' GLOBE 5 A. F. ACTION CLOSE FIGURE 38. ILD TRANSDUCER AND CONTROL VALVE (1) These are the signal lines from JB 200. (2) This is the symbol for a transducer. Mark No. identifies it as Ftd-101. (3) The transducer changes the incoming electrical signal to an outgoing pneumatic signal. (4) This is the basic ILD symbol for a control valve. (5) The information block shows that the control valve is Flow Control Valve FCV-101. It is a 10" globe valve. A.F. Action Close means it will close if there is an air failure. (6) This is the pipeline number. It is 10" pipe, line number S-145. Saudi Aramco DeskTop Standards 36
  • 39.
    Engineering Encyclopedia Drafting Drafting Instrument Loop Diagrams INTERPRET AN ILD FOR A PNEUMATIC INSTRUMENT CONTROL LOOP Figure 39 shows a simplified section of a P&ID. Control Loop number 113 is controlling the level of tempered water in the surge drum 139-D-211. Saudi Aramco DeskTop Standards 37
  • 40.
    Engineering Encyclopedia Drafting Drafting Instrument Loop Diagrams INTERPRET AN ILD FOR A PNEUMATIC INSTRUMENT CONTROL LOOP (Cont'd) The level in the drum is sensed by the level transmitter, LT-113. The transmitter sends pneumatic signals to a level indicating controller, LIC-113, and to two level switches LS- 113A and LS-113B. In turn, LIC-113 sends pneumatic signals to a level control valve, LCV-113. If the level in the drum goes low, the signals cause the control valve to open. This allows more make-up water to flow into the drum. If the level goes high, the signals cause the valve to close. This reduces the make-up water flow rate. The level switches are connected to high and low alarms (XA-3-32 and XA-3-33). The switches are set to operate if the drum level goes dangerously high or dangerously low. They are operated by the pneumatic signals coming from the level transmitter. The 3 refers to the row number on the control panel. The 32 and 33 respectively refer to the column numbers. They give the locations on the control panel where the alarms can be found. Figure 40 shows how the level control loop would look on an ILD. The ILD is shown in sections in Figure 41 through 44 Saudi Aramco DeskTop Standards 38
  • 41.
    Engineering Encyclopedia Drafting Drafting Instrument Loop Diagrams INTERPRET AN ILD FOR A PNEUMATIC INSTRUMENT CONTROL LOOP (Cont'd) Saudi Aramco DeskTop Standards 39
  • 42.
    Engineering Encyclopedia Drafting Drafting Instrument Loop Diagrams INTERPRET AN ILD FOR A PNEUMATIC INSTRUMENT CONTROL LOOP (Cont'd) Figure 41 is the ILD symbol for the level indicating controller LIC-113. The range is from 0- 100. Because it is a level controller, the scale range is a percentage. Levels are usually indicated as a percentage of the vessel capacity. 0 to 100, therefore, is the range from completely empty to completely full. Note the triangle and letter S to indicate air supply. Saudi Aramco DeskTop Standards 40
  • 43.
    Engineering Encyclopedia Drafting Drafting Instrument Loop Diagrams INTERPRET AN ILD FOR A PNEUMATIC INSTRUMENT CONTROL LOOP (Cont'd) Figure 42 is the symbol for a level transmitter. The symbol ÆP/P means that the differential, pressure (ÆP) sensed by the transmitter is sent to the loop controller as a pressure (P). It will be sent as a pneumatic pressure signal of 3 to 15 psi. The figure shows that the transmitter senses the differential pressure at equipment number 139-D-211. This is the surge drum shown on the P & ID. Saudi Aramco DeskTop Standards 41
  • 44.
    Engineering Encyclopedia Drafting Drafting Instrument Loop Diagrams INTERPRET AN ILD FOR A PNEUMATIC INSTRUMENT CONTROL LOOP (Cont'd) Figure 43 shows the level control valve. 3"-SC-160-IAIA identifies the make-up water pipeline. This is the line the level control loop uses to control the level in the surge drum. Saudi Aramco DeskTop Standards 42
  • 45.
    Engineering Encyclopedia Drafting Drafting Instrument Loop Diagrams INTERPRET AN ILD FOR A PNEUMATIC INSTRUMENT CONTROL LOOP (Cont'd) Figure 44 shows the level switches in the control loop. LS-113A is the high level alarm switch. It is set to open when it receives a 12-psi signal from the level transmitter. LS-113B is the low-level alarm switch. It will open when it receives a 6-psi signal from the level transmitter. Figure 40 shows that the switches are connected to alarms XA-3-32 and XA-3-33 on the front panel of the control room. The alarms can be seen on windows 3-32 and 3-33 Saudi Aramco DeskTop Standards 43
  • 46.
    Engineering Encyclopedia Drafting Drafting Instrument Loop Diagrams INTERPRET AN ILD FOR AN ELECTRONIC INSTRUMENT CONTROL LOOP Handout No. 3 (Drawing Number J-415-NB-582636) shows an electronic instrument control loop. Electronic loops are more complicated than pneumatic loops. There are two reasons for this: • Loop components are both field mounted and located in the control room. Also, the instruments may be great distances away from each other. They must be connected together by electric wires. The wires may pass through one or more junction boxes. • The electric wiring connections between instruments must be done in such a way that complete electric circuits are formed. Saudi Aramco DeskTop Standards 44
  • 47.
    Engineering Encyclopedia Drafting Drafting Instrument Loop Diagrams INTERPRET AN ILD FOR AN ELECTRONIC INSTRUMENT CONTROL LOOP (Cont'd) The top of Handout No. 3 shows a pressure control loop, shown again below in Figure 45. The symbol for a control valve can be seen. It has Tag No. PCV-51. It is connected to pipeline 4"-5-304-6A1 and has a 20-psig air supply. Fig 45 Saudi Aramco DeskTop Standards 45
  • 48.
    Engineering Encyclopedia Drafting Drafting Instrument Loop Diagrams INTERPRET AN ILD FOR AN ELECTRONIC INSTRUMENT CONTROL LOOP (Cont'd) Figure 46 shows the symbol for the transducer. You can tell it is a transducer because it has two electrical connections, an air supply and a pneumatic output line. The two electric wires are part of the control loop electric circuit. The current through the transducers varies with changes in process variable values. Air at a constant pressure of 20 psig is supplied to the transducer. The output value of the air pressure varies with changes in the transducer current. Hence, electric signals are converted to pneumatic signals. The symbol for a transducer is sometimes drawn as a square, but Foxboro, the company which makes the instrument, draw it as a circle. The letters E and B identify the terminal connections inside the transducer junction box. Note again that the transducer needs a 20-psig air supply. The symbols shown in Figure 47 are for locally-mounted air regulators. Saudi Aramco DeskTop Standards 46
  • 49.
    Engineering Encyclopedia Drafting Drafting Instrument Loop Diagrams INTERPRET AN ILD FOR AN ELECTRONIC INSTRUMENT CONTROL LOOP (Cont'd) Saudi Aramco DeskTop Standards 47
  • 50.
    Engineering Encyclopedia Drafting Drafting Instrument Loop Diagrams INTERPRET AN ILD FOR AN ELECTRONIC INSTRUMENT CONTROL LOOP (Cont'd) Figure 48 shows the symbols for the field-mounted pressure indicator (PI-51) and the field- mounted pressure transmitter (PT-51). The transmitter is shown to be connected to a pipeline identified as 4"-S-305-3A1. The circular symbol marked 'IND' shows that the transmitter has an indicator mounted on it. Saudi Aramco DeskTop Standards 48
  • 51.
    Engineering Encyclopedia Drafting Drafting Instrument Loop Diagrams INTERPRET AN ILD FOR AN ELECTRONIC INSTRUMENT CONTROL LOOP (Cont'd) Figure 49 shows the field junction box. All the instruments of Loop P-51 are wired into this box. The box is identified as ETB3. The number that follows the ETB3 symbol is the terminal number for the wire inside the terminal box. The symbol marked 503 is a shield for the cable coming out of the junction box. It shields the cable from outside electrical interference. Saudi Aramco DeskTop Standards 49
  • 52.
    Engineering Encyclopedia Drafting Drafting Instrument Loop Diagrams INTERPRET AN ILD FOR AN ELECTRICAL INSTRUMENT CONTROL LOOP (Cont'd) Figure 50 shows that the wiring goes from the junction box, through a marshalling box, and to a panel interconnection junction box in the control room. A marshalling box (MB) is simply a big junction box. It is usually located just inside the control room building. It is a collection point for field wiring that comes into the control room from many parts of the plant. From the marshalling box, the instrument loop wiring is organized and routed to various display areas and panels in the control room. The number of marshalling boxes in a plant depends on the size of the plant. Each box is numbered. Figure 50 shows that on this ILD the marshalling box is MB7. The number that follows each MB7 is the terminal number inside the box. There may be hundreds of wires in each box. Saudi Aramco DeskTop Standards 50
  • 53.
    Engineering Encyclopedia Drafting Drafting Instrument Loop Diagrams INTERPRET AN ILD FOR AN ELECTRICAL INSTRUMENT CONTROL LOOP SET Figure 51 shows, at the left, numbered blocks between the marshalling block and the panel interconnection junction box. These are the individual wire numbers between the boxes. The panel interconnection junction box is located behind the control room panel. It is usually close to the loop controller. A short cable connects the controller to the junction box. The cable carries a number of wires each insulated from the others. The wires are color coded. Saudi Aramco DeskTop Standards 51
  • 54.
    Engineering Encyclopedia Drafting Drafting Instrument Loop Diagrams INTERPRET AN ILD FOR AN ELECTRONIC INSTRUMENT CONTROL LOOP (Cont'd) The panel interconnection junction box symbols are shown in Figure 52. The colors identify wires inside the connecting cable. Each of the lines below the colors represents one wire inside the cable. The letter indicates the connection point on the cable plug. For example, the violet wire in the cable is connected to point F in the cable plug. You can also see from the figure that the violet wire is connected to the terminal strip at connection number 5. Figure 53 shows the cable plug. The letters BK at the top of the numbers column identify the terminal strip inside the panel interconnection junction block. The ILD shows the identification of other terminal strips, such as BH1, EA1 and so on. Saudi Aramco DeskTop Standards 52
  • 55.
    Engineering Encyclopedia Drafting Drafting Instrument Loop Diagrams INTERPRET AN ILD FOR AN ELECTRONIC INSTRUMENT CONTROL LOOP (Cont'd) The (+) and (-) signs indicate the polarity of each numbered terminal that is being used. Saudi Aramco DeskTop Standards 53
  • 56.
    Engineering Encyclopedia Drafting Drafting Instrument Loop Diagrams INTERPRET AN ILD FOR AN ELECTRONIC INSTRUMENT CONTROL LOOP (Cont'd) Figure 54 shows that there is a 100-ohm resistor connected across terminals 3 and 4 in the junction box. Resistors are needed whenever an input signal is too high for other instruments in the control loop. Saudi Aramco DeskTop Standards 54
  • 57.
    Engineering Encyclopedia Drafting Drafting Instrument Loop Diagrams INTERPRET AN ILD FOR AN ELECTRONIC INSTRUMENT CONTROL LOOP (Cont'd) Figure 55 shows the symbol for the pressure controller. The controller needs a 118V 60Hz power supply. FOP No. F3-10 means that the instrument is located on the Face Of Panel F3, in position 10. On other ILDs the abbreviation BOP (Back of Panel) may sometimes be seen. Saudi Aramco DeskTop Standards 55
  • 58.
    Engineering Encyclopedia Drafting Drafting Instrument Loop Diagrams INTERPRET AN ILD FOR AN ELECTRONIC INSTRUMENT CONTROL LOOP (Cont'd) Figure 56 shows the recorder and its connections. Saudi Aramco DeskTop Standards 56
  • 59.
    Engineering Encyclopedia Drafting Drafting Instrument Loop Diagrams TRACING CURRENT FLOW IN CONTROL LOOPS The symbol at the bottom right-hand corner of Figure 56 is for a three-pen recorder. Pen number 2 records pressure values on PR-51. The recorder operates with a 118V, 60Hz supply. In order to record pressure values, the recorder must be connected to the pressure control loop. It must receive signals that indicate the pressure values. A study of the ILD, on Handout No. 3, shows that the power to operate the pressure transmitter, PT-51, is supplied by the pressure controller, PC-51. The controller also operates with a 118V, 60Hz supply. The ILD shows that a multi-wire cable connects the pressure controller output to terminal 1 on terminal strip BK. A wire connects terminal 1 to the positive side of the pressure transmitter, PT-51. The transmitter acts as a variable resistor. Its resistance depends on the value of the process variable. Therefore, the current flowing through the control loop changes as the transmitter resistance changes. And this change is a measure of the process variable. From the transmitter, the current flows through the pressure indicator, PI-51. From there it goes to terminal BK-3. From BK-3 the current flows through a 100- ohm resistor to BK-4. A wire connects BK-4 to BH-6. A wire from the multi-wire cable connects BH-6 to the plug. The ILD shows this connection to be letter H on the plug (a violet colored wire). The current goes to operate PR-51. In order for the current to flow, there must be a complete circuit. Therefore, the current that operates PR-51 must be returned to its source, PC-51. The ILD shows that this is done by connecting a wire from the multi-wire cable (a brown wire) to terminal 7 on terminal strip BH. This wire acts as a return wire. It takes the return current from PR-51 to BH-7. A wire connects BH-7 to terminal 2 on terminal strip BK. A wire from the multi-cable wire is connected to BK-2. The IDL shows this to be connection U on the plug (a grey color wire). The connection completes the circuit. Saudi Aramco DeskTop Standards 57
  • 60.
    Engineering Encyclopedia Drafting Drafting Instrument Loop Diagrams INTERPRET AN ILD FOR A PNEUMATIC INSTRUMENT CONTROL LOOP (Cont'd) Figure 57 shows the symbol for a panel-mounted alarm. The numbers 1 - 10 identify the location of the alarm in the alarm display panel, i.e., Row 1, Column 10. Tracing the wires from the alarm shows that it is connected to the multi-wire cable plug at terminals 6 and 7 on terminal strip EO. Temperature switch TS-54 is connected by the multi- wire cable (connections J and B) to these same terminals. Hence, the current passing through TS-54 can also pass through alarm XA-1-10. If the supply fails, the switch will trip and set off the alarm. Saudi Aramco DeskTop Standards 58
  • 61.
    Engineering Encyclopedia Drafting Drafting Instrument Loop Diagrams Computer Relays Computer Relay Symbols Symbols are used to show Computer Relays on ILDs. Details of other information related to the relays may also be given. This section of the module covers the symbols and related information. Manufacturer's Symbols. Saudi Aramco uses instrumentation supplied by two manufacturers, Foxboro and Honeywell. Relays supplied by these companies are drawn differently on ILDs. An example is shown in Figure 58. The symbols are for adder/subtractor cards. Saudi Aramco DeskTop Standards 59
  • 62.
    Engineering Encyclopedia Drafting Drafting Instrument Loop Diagrams Computer Relays (Cont'd) Manufacturer's Symbols(Cont'd). Foxboro instruments use the words "adder" or "summer" on their cards (from "sum" meaning 'add'). Foxboro summer card output terminals are always the number 2 terminals. Honeywell adder/subtracter card output terminals are always the number 6 terminals. TP (terminal panel) followed by a mark number is used to identify terminals on Honeywell Computer Relays. Handout No. 4 (Drawing No. R84-A-NA-B44995 Sheet 1) is a P&ID for a deethanizer system. Handout No. 5 (Drawing No. R84-J-NB46327 Sheet 1 A) is the ILD for Flow Control Loop F-010 shown on the P&ID. Saudi Aramco DeskTop Standards 60
  • 63.
    Engineering Encyclopedia Drafting Drafting Instrument Loop Diagrams Computer Relays (Cont'd) Manufacturer's Symbols(Cont'd). The ILD on Handout No. 5 shows that Honeywell relay instruments are being used. The ILD shows that the following instruments are to be found in the field (that is, out in the plant area). • Flow Transmitter, FT-010 NOTE: On this ILD the mark • Flow Element, FE-010 numbers also include the Plant • Flow Indicator, FI-010 number (R84). • Flow Transducer, FTd-010 • Flow Control Valve, FCV-010 It also shows that the following instruments are found on the front of Control Panel CP-R84- 101. • Flow Recorder, FR-010 • Flow Totalizer, FQI-010 • Flow Indicating Controller, FIC-010 Note that the flow indicator, FI-010, has a (non-linear) square root scale. This is because the indicator is connected in series with the flow transmitter, FT-010, and the transmitter's differential pressure signals have not yet passed through the square root extractor. The auxiliary rack section shows that there are three Computer Relays being used. These are: • FY-010A - a multiplier/divider card • FY-010B - a square root extractor • FQ-010 - a flow integrator card. Saudi Aramco DeskTop Standards 61
  • 64.
    Engineering Encyclopedia Drafting Drafting Instrument Loop Diagrams Computer Relays(Cont'd) Computer Relay Symbols (Cont'd). Note that the function of the relays is shown at the top, as shown in Figure 59. The square root sign (Ã) indicates a square root extractor. The multiplication sign (X) indicates a multiplier/divider card which is performing multiplication. (If a division sign ( ) were above the relay, the card would be performing a division function.) The integral sign (_) indicates an integrator card. Saudi Aramco DeskTop Standards 62
  • 65.
    Engineering Encyclopedia Drafting Drafting Instrument Loop Diagrams Computer Relays (Cont'd) Computer Relay Symbols(Cont'd). Figure 60 shows where the other information about the relays was obtained from the ILD. Saudi Aramco DeskTop Standards 63
  • 66.
    Engineering Encyclopedia Drafting Drafting Instrument Loop Diagrams Computer Relays (Cont'd) Computer Relay Symbols(Cont'd). A study of the ILD (Figure 60) shows the symbol 2 10-TT-016-12 The arrow enters the multiplier card at terminal number 8. 10-TT-016 tells us that a temperature transmitter, TT-016, is sending a signal to the multiplier card. The 12 tells us that a wire from terminal 12 on the transmitter is connected to terminal 8 on the multiplier. The number 2 in the box refers us to the Reference Drawings given on the right-hand side of the ILD. 2 refers to ILD NB-B46327, sheet 35. This kind of information is characteristic of ILDs. They show where an input signal comes from and, if necessary, will make reference to another ILD to show the destination of the signal. Block number 7, just above TPAI-1, shows that the output from terminal 3 goes to 10TY- 010B. The reference drawing section refers to ILD NB-B46327 sheet 29. Sheet 29 is shown in Handout No. 6. (Drawing No. R84-J-B46327 Sheet 29.) It shows that a TYPE E thermocouple is used to sense the temperature in line 16"-P-1002-3A1. It also shows that a 3", globe type temperature control valve is fitted into line 3"-SC-1001-3A1C. The symbols shown at the center of the auxiliary rack section of the ILD are for a computer system. They are shown in Figure 61. Saudi Aramco DeskTop Standards 64
  • 67.
    Engineering Encyclopedia Drafting Drafting Instrument Loop Diagrams Computer Relays (Cont'd) Saudi Aramco DeskTop Standards 65
  • 68.
    Engineering Encyclopedia Drafting Drafting Instrument Loop Diagrams Computer Relays (Cont'd) Computer Relay Symbols(Cont'd) Note that the symbol MV/I represents the temperature transmitter TT-10. MV/I means it is converting millivolts to current. Two input signals are shown entering the transmitter. One is from TE-010; the other is from TE-015. Block 3 says that TE-015 is found on Sheet 34. 17/C cable, in the Rack Section, means 17 conductor cable. It is a cable containing 17 conductor wires. The cables are connected to the control instruments. The ILD shows that lines 7 and 10 out of TPA-2-2 can be traced to the computing relays TY- 010A and TY-010B respectively. TY-010A is the signal selector. The symbol above the card (<) is the mathematical symbol for less than. In this case, the symbol means that the card is a low signal selector. If the symbol was >, which means greater than, the card would be operating as a high signal selector. TY-010B is the adder/subtractor card. The Greek letter, capital sigma (_) above the card means the sum of. It shows that the card is operating as an adder or subtractor, depending on how the card is set. If a plus sign (+) is over the card, it means that the card is only adding. The Greek capital letter delta (Æ) or a minus sign (-) is used to indicate a subtractor card. Note that the input signal to terminal 5 on the adder/subtractor card comes from TPA1-1-3. This shows again how ILDs are used to trace electric circuits from one drawing to another. Other connections are shown going to sockets and pins for the computer control of the temperature. Saudi Aramco DeskTop Standards 66
  • 69.
    Engineering Encyclopedia Drafting Drafting Instrument Loop Diagrams Instrument Systems Saudi Aramco uses two control systems that are manufactured as complete units. The systems are shown on ILDs. One of the systems is the Foxboro Spec 200 and the other is the Honeywell Vutronic. Foxboro Spec 200 'Spec' is an abbreviation for Simplified Package for Electronic Control. The basic arrangement of the Spec 200 is shown in Figure 62. PROCESS TRANSMITTER I P ALARMS 4 - 20 mA 4 - 20 mA 10 - 50 mA INPUT OUTPUT RTD BUFFER AND CONTROL BUFFER AND THERMOCOUPLE 0 - 10V FUNCTION 0 - 10V SIGNAL 10 - 50 mA SIGNAL mV CONVERSION CONVERSION VOLTAGE BASIC ARRANGEMENT OF A SPEC 200 LOOP FIGURE 62 Saudi Aramco DeskTop Standards 67
  • 70.
    Engineering Encyclopedia Drafting Drafting Instrument Loop Diagrams Instrument Systems(Cont'd) Foxboro Spec 200 (Cont'd) The system is a closed loop. The block symbol marked I/P (Figure 63) is used to show Spec 200 transducers. These transducers convert current energy (I) to pressure energy (P). I P FIGURE 63 Input signals such as 4-20 mA, 10-50 mA, millivolts and ohms can be used by the system. These signals are converted to 0 - 10 Volts DC signals by input signal converters. The 0 - 10 V signals are used by rack and panel mounted instruments, such as controllers, indicators, recorders and alarms. Using small voltage signals makes the system safe to work on. All Spec 200 instruments are connected in parallel. This allows components to be removed from the loop without breaking up the system. It also means that the same voltage is applied to all components. Output signal converters are used to send 4-20 mA and 10-50 mA signals to field instruments. The Spec 200 system consists of two areas: the display area and the nest area, as shown in Figure 64. The display area contains the recorders and indicators, and provides all the information needed by operators. The nest area contains the circuit cards for the control, computing, input and output converters, alarm and conditioning units. Nest units are fitted into sections called racks. Saudi Aramco DeskTop Standards 68
  • 71.
    Engineering Encyclopedia Drafting Drafting Instrument Loop Diagrams Instrument Systems(Cont'd) Foxboro Spec 200 (Cont'd) Saudi Aramco DeskTop Standards 69
  • 72.
    Engineering Encyclopedia Drafting Drafting Instrument Loop Diagrams Instrument Systems(Cont'd) Foxboro Spec 200 (Cont'd) Figure 65 shows the operation of the Spec 200. PROCESS TRANSMITTER 5 VOLTS I P ALARMS 0 - 20 mA 5 VOLTS 4 - 20 mA INTPUT OUTPUT BUFFER AND CONTROL BUFFER AND 0 - 10V FUNCTION 0 - 10V SIGNAL 0 - 50 mA SIGNAL CONVERSION CONVERSION 5 VOLTS 5 VOLTS INPUT SIGNAL DISTRIBUTION FIGURE 65 Saudi Aramco DeskTop Standards 70
  • 73.
    Engineering Encyclopedia Drafting Drafting Instrument Loop Diagrams Instrument Systems(Cont'd) Foxboro Spec 200 (Cont'd) Suppose the following: A process control loop is for pressure control; the set point is 15 psi; the transmitter has a range of 0-30 psi; the current range for the transmitter is 4-20 milliamps. From the above it follows that a set point of 15 psi is equal to 50% of the transmitter's range. This gives a signal of 12 mA (i.e. 50% of 4-20 mA range). As long as the process pressure remains steady at 15 psi, the transmitter sends a 12 mA signal. When the 12 mA signal reaches the input buffer and signal converter relay card in the nest unit, it is changed to a voltage signal. Spec 200 operates on 0-10 V. Since 12 mA is exactly half the transmitter range, the voltage signal would also be exactly half its range, that is, 5 V. Therefore, the relay card in the converter sends a 5 V signal to all other components in the control loop. For example, 5 volts will be sent to the recorder and this will be seen as 15 psi on the recorder graph. The transducer operates on a milliamp range. Therefore, the voltage signal must be converted back to an amperage signal before it enters the transducer. This is done by the card in the output buffer and signal converter in the nest unit. The Spec 200 cards are used for specific functions. Some of these functions are described below. Saudi Aramco DeskTop Standards 71
  • 74.
    Engineering Encyclopedia Drafting Drafting Instrument Loop Diagrams Foxboro Spec 200 (Cont'd) The Function of the 2AI-I2V Current to Voltage Converter Card. The Foxboro current converter card Model No. 2AI-I2V is a solid state component located in the nest assembly. 2AI-I2V stands for: 2 - A Spec 200 component A - Analog signals in and out I - Input instrument I - Current signals in 2 - This is an isolated card V - Voltage signals out The 2AI-I2V card has only one function. It receives 4 to 20 mA signals from a field transmitter and changes them to 0 to 10-volt signals. These are the signals needed by the Spec 200 system. The voltage output is proportional to the current input. The card can operate with two inputs and two outputs for dual operation. This means that the card can receive and convert 4-20 mA signals from two transmitters. The input (current signals) sides of the card circuit are isolated electrically from the output sides (voltage signals). The two circuits are not connected by wires, but the input influences the output because it passes through a transformer. This induces a proportional voltage in the output side of the transformer coils. Isolated cards are used because they give more protection to the cards. For example, a short circuit in the transmitter circuit will not damage the card. If the figure 3 were shown in place of the 2, it would mean that the card was not isolated. The Function of the Controller Card 2AX+45. The Foxboro controller card, 2AX+45, has electronic circuits that receive the input signals and modify them according to the control settings. The card sends an electronic output signal to control a final control element, usually a control valve. Saudi Aramco DeskTop Standards 72
  • 75.
    Engineering Encyclopedia Drafting Drafting Instrument Loop Diagrams Foxboro Spec 200 (Cont'd) The Function of 2AP+ALM-AR Alarm Card. Alarm cards cause alarms to sound in the plant control room if operating conditions become abnormal. The Foxboro 2AP+ALM-AR is a dual alarm card. That means that it can monitor two different variables at the same time. 2AP+ALM-AR stands for: 2 - Spec 200 component A - Analog signals in and out P - Process component module ALM - Alarm AR - Dual absolute alarm - relay output The card can be set to send output signals to two different alarm lights. For example, the 2AP+ALM-AR alarm card could monitor pressure for a low condition and temperature for a high condition. The card can also be set to monitor both high and low conditions for the same process variable. It could do this using only one input signal. The alarm card is a solid state function card that slides into a module in the nest unit. The card has two single alarm circuits with a common power supply. Each alarm has one input, one set point, and one output. Alarm points are calibrated from zero to 100% of scale. The alarm card receives voltage signals from other function cards, such as a square root extractor, or a resistance-to-voltage temperature card. It has two relays built into it, one for each alarm circuit. When the alarm is off, the relays on the alarm card are energized. The relay contacts are normally open (NO) and this gives a no-alarm condition, as shown in Figure 66. TERMINAL NUMBERS -4 LAMP NC OFF COM - + -2 POWER SUPPLY NO +2 TERMINAL NUMBERS RELAY CONTACTS OPEN FIGURE 66 Saudi Aramco DeskTop Standards 73
  • 76.
    Engineering Encyclopedia Drafting Drafting Instrument Loop Diagrams Foxboro Spec 200 (Cont'd) The Function of 2AP+ALM-AR Alarm Card (Cont'd. So long as the process variable that the alarm card is monitoring stays within its set-point range, the relay will stay energized. Imagine that the alarm circuit is monitoring a pressure control loop. The alarm is set to come on if the pressure goes too high. At this condition, the voltage signal coming into the alarm card will be at the value for which the alarm card has been set. This will cause the relay to be deenergized. When this happens the NC contacts close, as shown in Figure 67, and the alarm light comes on. TERMINAL NUMBERS -4 NC COM - + -2 POWER SUPPLY LAMP ON NO +2 TERMINAL NUMBERS RELAY CONTACTS CLOSED FIGURE 67 Saudi Aramco DeskTop Standards 74
  • 77.
    Engineering Encyclopedia Drafting Drafting Instrument Loop Diagrams Foxboro Spec 200 (Cont'd) The Function of the 2AO-V2I V/I Card The Foxboro voltage to current (V/I) card is a solid state component located in the nest assembly. 2AO-V2I stands for: 2 - Spec 200 component A - Analog signals in and out O - Output instrument V - Voltage signals in 2 - This is an isolated card I - Current signals out The 2AO-V2I card has only one function. It receives input voltage signals from the controller card and converts these 0 to 10 volts to a 4 to 20 mA output signal. This output signal is sent to a field mounted transducer. The current output is proportional to the voltage input. The Function of the 2AI-P2VR/V Converter Card. The Foxboro 2AI-P2V resistance to voltage converter card is a solid state component located in the nest assembly. It produces an output voltage signal that is proportional to the temperature of a resistance temperature detector (RTD). 2AI-P2V stands for: 2 - Spec 200 component A - Analog signals in and out I - Input P - Platinum resistance bulb 2 - An isolated card V - Voltage output The converter card has two inputs and two outputs for dual operation with a common power supply. Saudi Aramco DeskTop Standards 75
  • 78.
    Engineering Encyclopedia Drafting Drafting Instrument Loop Diagrams Foxboro Spec 200 (Cont'd) The Function of the 2AI-P2VR/V Converter Card (Cont'd). A resistance temperature detector (RTD) is used to monitor the temperature of a process. The resistance measured by the RTD is sent into the converter card. The card changes the measured resistance from ohms into volts. The card is calibrated so that the low end of the temperature range corresponds to zero volts. The high end of the temperature range is calibrated to correspond to 10 volts. Output signals from the converter card can go to a loop controller, a temperature indicator, a temperature recorder, and to an alarm card. NOTE: Some cards may be identified as 2AI-N2V, where the N stands for nickel. RTDs operate on the principle that some metals increase their electrical resistance when heated. Other abbreviations often seen on Spec 200 cards are: I/P for input O/P for output DS for Distribution ÆP/I means differential pressure (ÆP) input, current (I) output. Saudi Aramco DeskTop Standards 76
  • 79.
    Engineering Encyclopedia Drafting Drafting Instrument Loop Diagrams Foxboro Spec 200 (Cont'd) Nest Unit Card Symbols. Symbols used on Saudi Aramco ILDs for Nest Unit cards on the Spec 200 are as shown in Figure 68. Handout No. 7 (Drawing No. 490-J-674433) Shows an ILD with Spec 200 control. 28 +2 A: (PY - 101A) +4 +1 A: (PY - 101A) B: PY - 102A B: PY - 102A 29 -2 -4 -1 C: C: 30 D: ANALOG INPUT D: REC. DIST. E: 4 - 5 - 3 E: 4 - 2 - / F: 2AI - 13V F: 2AX + DSI NEST UNIT CARD SYMBOLS FIGURE 68 Note the word analog on some of the card symbols. This means that the card is operating with numbers that are represented by directly measurable quantities, such as voltage, amperage. That is, the numbers are analogous to physical quantities. Compare this with digital which means that operation is made with numbers and is represented by numbers. Note also the letters A, B, C, D, E and F. These will be given as a legend on ILDs for Spec 200. They identify each function of the card in the rack area. See Figure 69. A, B and C tell us the Tag Numbers of the respective loops. 'D' tells us the function of the card. For example in Figure 68 one card is an analog input card and the other is a recorder distribution card. 'E' tells us the location of the card. For example, 4-5-3 means that the card is in rack 4, nest 5 and is card 3. 'F' tells us how to identify the card in a nest unit. For example, 2AI-13V will be printed on the card near the bottom. LEGEND A : TAG NO. LOOP A B : TAG NO. LOOP B C : TAG NO. LOOP C D : FUNCTION E : LOCATION REF. F : MODEL NO. FIGURE 69. LEGEND Saudi Aramco DeskTop Standards 77
  • 80.
    Engineering Encyclopedia Drafting Drafting Instrument Loop Diagrams Interpreting Foxboro Spec 200 ILD's(Cont'd) Handout No. 8 (Drawing No. 490-J-NB-67483) shows a Spec 200 loop ILD. It is for a level control loop L-360 at Ras Tanura Refinery. Figure 70 shows part of the ILD. The variable being measured is the level in vessel 4900 - 14. The ILD shows (inside the vessel) the high level alarm (HLA) is 3 feet and the low level alarm (LLA) is 1 foot 8 inches. The level transmitter (LT-360) senses the level in the vessel. The ILD shows that the transmitter output is a pneumatic signal. The signal will vary between 3 and 15 psi. The level measurement is indicated on a locally mounted indicator, LI-360. The same pneumatic signal that indicates the level value is sent to a transducer, LTd-360A, Model E11GM. The ILD shows that LTd - 360A converts the pressure signals to Milliamp signals (i.e., 3 - 15 psi pneumatic signals are converted to 4 - 20mA signals). FIELD MARSHALLING RACK AREA JUNCTION BOX BOX MTC #2 4" - C - 46 - 3AI FIELD LINE NO. TAG LT - 360 MODEL 2500T-2495 RANGE 60 " P/I ETB #6 490D-14 FISHER RED + 23 368 8 -12+ +1 A : LY - 358 +3 HLA LEVEL GREY TRANSMITTER - 24 369 8 -12- -1 B : LY - 360A -3 0 C: +4 LLA +2 D : ANALOG INPUT -4 3' - 0" -2 E : 8 - B6 0 F : 2AI - 13V 1' - 8" TAG LTd. - 360 A MODEL EIIGM 67 FR CAL.RANGE 3 - 15# DATA LOGGING CONNECTOR 8 S 23 TAG LI - 360 LOCATED NEAR IND. 24 MODEL ASHCROFT 1279A LCV - 360 CAL.RANGE 0 - 1000 LDL - 360 FIGURE 70. INPUT CIRCUIT Saudi Aramco DeskTop Standards 78
  • 81.
    Engineering Encyclopedia Drafting Drafting Instrument Loop Diagrams Interpreting Foxboro Spec 200 ILD's(Cont'd) Tracing the two output wires from LTd - 360A shows that they are connected to terminals +2 and -2 on card 2AI - I3V. This card has two inputs and two outputs. The card model number indicates that the card is not isolated electrically. The 4-20 mA input at terminals 2 is found as an output at terminals +4 and -4 of the card. Figure 71 shows that one pair of wires goes to a data logging connector (Level Data Logging (LDL-360). This is for a computer connection. The computer receives and records the level signal, but it does not control anything in the loop. Another pair of wires goes to terminals +1 and -1 on the alarm card 2AP - ALM - A. The terminals are jumped to terminals +3 and -3. This gives a single input to both alarm circuits (+3B is LS-360 (H); -3 is LS-360 (L) .) One alarm circuit responds to a high level. The other responds to a low level. As long as the process level remains between the high and low set points, no alarm will be given. FIELD MARSHALLING RACK AREA NO. 8 JUNCTION BOX BOX MTC #2 ETB #6 23 368 8 -12+ +1 A : LY - 358 +3 24 369 8 -12- -1 B : LY - 360A -3 0 C: +4 +2 D : ANALOG INPUT -4 -2 E : 8 - B6 0 F : 2AI - 13V DATA LOGGING CONNECTOR 8 23 24 LDL - 360 +1 A : LS - 360 (H) +3 -1 B : LS - 360A ( L ) -3 +2 C : +4 -2 D : ALARM -4 E : 8 - E9 +5 F : 2AP - ALM - A -5 -1 TO FY - 360A 1 NB - 674434 +1 FIGURE 71. 2AI - I3V OUTPUT Saudi Aramco DeskTop Standards 79
  • 82.
    Engineering Encyclopedia Drafting Drafting Instrument Loop Diagrams Interpreting Foxboro Spec 200 ILD's(Cont'd) Figure 72 shows the outputs. It can be seen on the symbols that terminal 9 refers to the high (H) alarm, and terminal 10 to the low (L) alarm. +1 A: 9: X A -2 -3 (H) +3 -1 B: 10: X A -2 -4 (L) -3 +2 C: +4 -2 D: ALARM -4 E: 8 - E9 +5 F: 2AP - ALM -A -5 +1 TO FY-360 A NB - 674434 -1 +1 A: 9: X A -2 -3 (H) +7 -1 B: 10: X A -2 -4 (L) -7 +2 C: +8 -2 D: ALARM DIST. -8 +3 E: 8 - F10 +9 -3 F: 2AX + DSI -9 +4 +10 -4 -10 +5 +11 -5 -11 +6 +12 TO ALARM -6 -12 RACK 15 FIGURE 72. ALARM CIRCUIT Terminals +2 and -2 are for output 1. The wires from terminal 2 can be traced to the alarm distribution card 2AX +DSI, terminals +9 and -9. This is the high level signal input. Saudi Aramco DeskTop Standards 80
  • 83.
    Engineering Encyclopedia Drafting Drafting Instrument Loop Diagrams Interpreting Foxboro Spec 200 ILD's(Cont'd) Terminals +5 and -5 on 2AP - ALM - A are wired to terminals +10 and -10 on 2AX + DSI. These are the low-level input terminals. If there is a high or low alarm, the distribution card will send a signal to Alarm Rack 15, through a standard 2AK cable. The ILD shows that the annunciator XA - 2 - 3 illuminates for a high-level alarm. Annunciator XA - 2 - 4 lights up for a low-level alarm. Figure 73 shows the 2AP - ALM - A card. It shows that input terminals +3 and -3 have two additional pairs of wires connected to it. +1 A : LS - 360 (H) +3 -1 B : LS - 360A ( L ) -3 +2 C: +4 -2 D : ALARM -4 E : 8 - E9 +5 F : 2AP - ALM - A -5 -1 TO FY - 360A NB - 674434 +1 TAG LIC - 360 MODEL 230SM LOCATION P10 - 8 SET PIONT P. BAND RESET ACTION REVERSE +1 A : LY - 360 +3 -1 B : -3 +2 C: +4 -2 D : ANALOG CNTRL. -4 E : 8 - D5 +5 F : 2AC + A4 -5 FIGURE 73. CONTROL INPUT CIRCUIT Saudi Aramco DeskTop Standards 81
  • 84.
    Engineering Encyclopedia Drafting Drafting Instrument Loop Diagrams Interpreting Foxboro Spec 200 ILD's(Cont'd) One pair goes to a computing relay FY - 360A which can be seen on drawing NB - 674434. The other pair goes to terminals +1 and -1 on the top of controller card 2AC + A4. It is these two connections that provide the O - 10v signal for the controller. The output signals of the control card are +2 and -2 as shown in Figure 74. The O - 10 volt signal enters the voltage to current connector card 2AO - V2I + P + P at terminals +4 and -4. The 4 - 20mA output signals leave from terminals +2 and -2. After passing through the marshalling and field junction boxes, the mlliamp signals enter the transducer LTd - 360B. The transducer converts the current signals to 3 - 15 psi pneumatic signals to operate control valve LCV - 360. +1 A : LC - 360 +3 -1 B : -3 +2 C : +4 -2 D : ANALOG CNTRL. -4 E : 8 - D5 +5 F : 2AC +A4 -5 67 FR ETB#6 RED +1 OUT + 25 370 8 -10+ A : LY - 356C +3 S GREY - 26 371 8 -10- -1 B : LY - 360C -3 0 C: +4 +2 D : ANALOG INPUT -4 -2 E : 8 - CI +5 LINE NO. 4 '' - C - 33 - 3AI 0 F : 2AO - V3I + P + P -5 S 67 FRS TAG LCV - 360 TAG LTd - 360B MODEL 3" MODEL 69TA - I CAL.RANGE AO / AFC CAL.RANGE 3 - 15 PSI FIGURE 74. OUTPUT CIRCUIT Saudi Aramco DeskTop Standards 82
  • 85.
    Engineering Encyclopedia Drafting Drafting Instrument Loop Diagrams The Honeywell Vutronik Control Loop Honeywell manufacture a process control system called the Vutronik. It can be used to control a complete system in a plant. The system is made up of five categories, as shown in Figure 75. ACCESSORY EQUIPMENT CONTROL FIELD CONTRX AND EQUIPMENT SYSTEM NONCONTROL STATION ELECTRONIC AUXILIARY UNIT FIGURE 75. VUTRONIK SYSTEM Saudi Aramco DeskTop Standards 83
  • 86.
    Engineering Encyclopedia Drafting Drafting Instrument Loop Diagrams The Honeywell Vutronik Control Loop(Cont'd) Electronic Auxiliary Units. Electronic auxiliary components are used for performing monitoring and computing functions. The components are printed circuit cards mounted in a single-card file. The cards provide such functions as: ° alarm switches ° square root extraction ° millivolt to current conversion (mV/I) ° resistance to current conversion (Ω/Ι) Saudi Aramco uses single-card files (cases) to house auxiliary cards. The cases are mounted behind the control panel or in a rack. Figure 76 shows a file case. Input signals are transmitted to the card circuit through a flat flexible circuit and card-edge selector. Note that the case has a 16-point terminal block for connecting signal wiring. The card receives the input signal and then performs the function for which it was set (i.e. square root extraction, mV to I conversion, etc.). The output signals are transmitted back through the edge connector and flexible circuit to the terminal block. Wires transmit the signals to the control instruments in the field and control room. Saudi Aramco DeskTop Standards 84
  • 87.
    Engineering Encyclopedia Drafting Drafting Instrument Loop Diagrams The Honeywell Vutronik Control Loop(Cont'd) Contrx System. Contrx is a plug-in system. It connects the Vutronik display panel instruments to the field instruments. The connections are made through termination panels similar to the one shown in Figure 77. Saudi Aramco DeskTop Standards 85
  • 88.
    Engineering Encyclopedia Drafting Drafting Instrument Loop Diagrams The Honeywell Vutronik Control Loop(Cont'd) Contrx System (Cont'd). Signals from field instruments pass from the terminals through multiconductor cables to the control room instruments, as shown in Figure 78. Saudi Aramco DeskTop Standards 86
  • 89.
    Engineering Encyclopedia Drafting Drafting Instrument Loop Diagrams The Honeywell Vutronik Control Loop(Cont'd) Accessory Equipment. The Vutronik system includes accessories such as power supplies, Zenner barriers and standby control modules. The power supplies provide the voltages for operating Vutronik devices. A Zenner barrier is a connection device that keeps loop current below an unsafe limit. It limits current surges and prevents sparking due to short circuits. Standby control modules can be plugged into a loop to allow a Vutronik controller to be removed without upsetting the process. Field Equipment. Field equipment used on the Vutronik system include: ° Flow measurement instruments ° Pressure measurement instruments ° Level measurement instruments ° Transducers ° Valve positioners ° Control valves. Vultronik transmitters use a 4 to 20mA current loop. Other devices in the system use 1 to 5vdc. Therefore, the current signal being used by the transmitters must be converted to a voltage signal. Saudi Aramco DeskTop Standards 87
  • 90.
    Engineering Encyclopedia Drafting Drafting Instrument Loop Diagrams The Honeywell Vutronik Control Loop(Cont'd) Changing Current Signals to Voltage Signals. Figure 79 shows a Vutronik terminal block (TPA). Terminal number 4 is the signal common (that is, it is the terminal to which all signals return). You saw earlier that there are eight terminal blocks on a Vutronik termination panel (TPA). ALL number 4 terminals on a TPA are connected together internally. This produces a circuit that carries a common voltage signal through the TPA (that is, through all eight terminals.) TRANSMITTER 250ž 1 2 3 4 5 6 7 8 9 10 11 12 13 14 +25V PV SC +V -V 1 - 5V LL RL #1 AL #2 RSP DC OUT AL COM AL TPA TERMINAL BLOCK FIGURE 79 Saudi Aramco DeskTop Standards 88
  • 91.
    Engineering Encyclopedia Drafting Drafting Instrument Loop Diagrams The Honeywell Vutronik Control Loop(Cont'd) Changing Current Signals to Voltage Signals (Cont'd). Terminal number 1 on each terminal block is connected to a 25v dc supply. The power supply is not shown on ILDs. Terminal number 2 is the process variable input to the controller. A jumper lead is connected across terminals 2 and 3. A 250-ohm resistor is connected across terminals 3 and 4. The resistor helps to reduce the 25 vdc to a 1 - 5 vdc potential across terminal 3 and the signal common. This arrangement is shown in Figure 80. TRANSMITTER 4 - 20 mA 250ž 1 2 3 4 5 6 7 8 9 10 11 12 13 14 _ + 25 vdc FIGURE 80 Saudi Aramco DeskTop Standards 89
  • 92.
    Engineering Encyclopedia Drafting Drafting Instrument Loop Diagrams The Honeywell Vutronik Control Loop(Cont'd) Changing Current Signals to Voltage Signals (Cont'd). Figure 81 is a reminder of what is meant by signal common. It is the common point on a parallel circuit through which current is returned to its source. CONVENTIONAL DRAWING UNCONVENTIONAL DRAWING OF CIRCUIT OF CIRCUIT R1 R2 R3 R1 R2 R3 SIGNAL COMMON SIGNAL COMMON FIGURE 81 Saudi Aramco DeskTop Standards 90
  • 93.
    Engineering Encyclopedia Drafting Drafting Instrument Loop Diagrams The Honeywell Vutronik Control Loop(Cont'd) Changing Current Signals to Voltage Signals (Cont'd). Return connections from control instruments to the signal common at terminal 4 are NOT shown on ILDs. Note the following from Figure 79: Current flows: ° from terminal 1 to the transmitter ° from the transmitter to terminal 2 ° from terminal 2 across the jumper lead to terminal 3 ° through the 250 ohm resistor to terminal 4, the signal common. Remember that Vutronik transmitters operate with 4 - 20mA. If a 4-mA current signal is received from the transmitter, then Ohm's Law says that the voltage drop across the 250-ohm resistor is 1 volt, since V = IR = 0.004 x 250 = 1 V. If a 20-mA current signal is received from the transmitter, then from 0.020 x 250, there is a 5- v drop across the 250-ohm resistor. 4 - 20 mA is the range of current flow through the transmitter. This is proportional to a 1-5 v signal at the signal common. Figure 82 shows a Vutronik system for level control loop 3010. The system is operating a level recorder, a level indicating controller and an alarm. Note the symbol [-||-] that is used to denote a switch card. As an example, we will trace the signal that operates the level recorder, LR - 3010. A 25 - vdc power supply producing 4 - 20 mA is connected to terminal 1 on TPAI-2. This supply is not shown on the ILDs. (Remember that other connections, such as the internal connections between all terminal 4 and the return connections from instruments to terminals 4 are also not shown on ILDs.) A wire connects terminal 1 on TPAI-2 to the positive side of the transmitter, LT-3010. The connection is made through CA-41 and FA-1 on the BACK AUXILIARY RACK, RK-D28- 3001-1. From FA-1 the wire goes to TB-E-3007 in the junction box, terminal 1. The wire is shielded and is earthed at terminal 3. Saudi Aramco DeskTop Standards 91
  • 94.
    Engineering Encyclopedia Drafting Drafting Instrument Loop Diagrams Tracing Signals Saudi Aramco DeskTop Standards 92
  • 95.
    Engineering Encyclopedia Drafting Drafting Instrument Loop Diagrams The Honeywell Vutronik Control Loop(Cont'd) Tracing Signals (Cont'd). From TB-E-3007 the current goes to the positive side of the transmitter. The transmitter acts like a variable resistor: the resistance depends on the process variable measurement it is receiving. Therefore, the current that passes through the transmitter depends on the process variable measurement. The current flows from the negative terminal of the transmitter, through TB-E-3007 terminal 2, FA terminal 2, CA terminal 42 and to TPAI-3 terminal 2. Terminal 2 on TPAI-3 is wired to terminal 2 on TPAI-2. This terminal is jumped to terminal 3. Terminal 3 is connected by a 250-ohm resistor to terminal 4. The voltage drop across the resistor will be between 1 and 5 volts, depending on the value of the current which the process variable has allowed to flow through the system. But, remember, terminals number 4 are connected together, internally, even though this is not shown on the ILD. Therefore, the voltage across terminals 2 and 4 in TPAI-2 and TPAI-3 is 1-5 v, as shown in Figure 83. 4 - 20 m A FROM TRANSMITTER TPA1- 3 1 2 3 4 5 _ + VOLTMETER WILL V INDICATE 1 TO 5 vdc INTERNAL 250ž CONNECTION TPA1- 2 1 2 3 4 5 + 25 vdc TO TRANSMITTER FIGURE 83. ILD DETAIL Saudi Aramco DeskTop Standards 93
  • 96.
    Engineering Encyclopedia Drafting Drafting Instrument Loop Diagrams Tracing Signals (Cont'd) Suppose a connection is made between terminal 2 on TPAI-3 and the input of the recorder, and then from the output of the recorder to terminal 4 on TPAI-3. The voltage across the recorder terminals will be between 1 and 5 vdc, proportional to the value of the process variable. Hence the voltage operating the recorder will be in accordance with the value of the process variable. The connections between the terminal blocks and the instruments are made by wires or cables. These connections are not shown on ILDs. The same wires or cables connect the instruments to terminal 4, the signal common, in order to complete the circuit. The ILD shows that the output signals from the level indicating controller come from terminals 5 and 6 on TPAI-2. These are the standard terminals used on Honeywell TPAs for output signals. (Remember that the output signals of a controller are proportional to the input signals it receives from the transmitter. In this case the input signals will be between 1 - 5 V dc and the output signals will be between 4 - 20 mA DC.) The wire from terminal 5 goes to transducer LTd-3010. The current signal is converted to a pneumatic signal to open or close control valve LCV-3010. The negative terminal of the transducer is connected to terminal 6 of TAPAI-2. This terminal is connected to the negative terminal of the controller and so completes the circuit. The schematic in Figure 84 shows the circuits we have been discussing. Saudi Aramco DeskTop Standards 94
  • 97.
    Engineering Encyclopedia Drafting Drafting Instrument Loop Diagrams The Honeywell Vutronik Control Loop(Cont'd) Tracing Signals (Cont'd) LT - 30 10 4 - 20 mA + SIGNAL COMMON - LR - 3010 + 25 vdc 1 - 5vdc POWER SUPPLY 250ž LIC - 3010 SC + - LTd - 3010 4 - 20 mA + - LS-3010-1/ 2 LCV - 3010 FIGURE 84 Saudi Aramco DeskTop Standards 95
  • 98.
    Engineering Encyclopedia Drafting Drafting Instrument Loop Diagrams The Honeywell Vutronik Alarm Card The Honeywell alarm card monitors a process variable and trips an alarm if the variable goes beyond preset limits. The alarm card may trip a circuit to start or stop a pump, open or close a valve, or trip a plant's ESD system. The Honeywell dual alarm card has two input circuits. Each input circuit needs a 1 to 5 vdc input signal. Figure 85 shows a simple illustration of how the alarm card operates as part of an alarm circuit. ALARM OUTPUT 1A ALARM CIRCUIT 1A INPUT 1 1 - 5 vdc ALARM OUTPUT 1B CIRCUIT 1B ALARM ALARM OUTPUT 2A CIRCUIT 2A ALARM INPUT 2 1 - 5 vdc ALARM OUTPUT 2B CIRCUIT 2B ALARM FIGURE 85. DUAL ALARM CIRCUIT Saudi Aramco DeskTop Standards 96
  • 99.
    Engineering Encyclopedia Drafting Drafting Instrument Loop Diagrams The Honeywell Vutronik Alarm Card(Cont'd) Each input has two outputs. Each output is a set of relay contacts. They act as the switch part of the alarm card. Figure 86 shows how a relay operates. A relay is an electrically-operated switch. Figure 86 shows a relay that is normally open. A spring keeps the relay contacts apart. When current flows through the coil the soft iron core becomes a magnet. The magnetic force pulls the armature down and the contacts close. When the current stops flowing through the coil, the spring pulls the contacts apart. Now return again to the dual alarm system (Figure 85.) When the input voltage signal goes beyond a preset limit, the relays will operate. They will activate an alarm in the control room. Saudi Aramco DeskTop Standards 97
  • 100.
    Engineering Encyclopedia Drafting Drafting Instrument Loop Diagrams The Honeywell Vutronik Alarm Card(Cont'd) Figure 85 showed that the card provides two separate alarms for each input signal. Thus, for example, both a high and low alarm can be set for the input from a level transmitter. Handout No. 9 (Drawing No. U54-J-XB-B19079) shows an ILD for level control loop L-020. The alarm card is located on the auxiliary rack RX-454-1. The card is a level switch LS-020 A and B. The card receives two 1 to 5 vdc signals from terminals 2 and 7 on TPAI-7. They are connected to terminals 3 and 5 on the alarm card. The mark number of input 1 is LS-020A. Its alarm settings are 2.1 volts high/1.0 volt low. These are alarms 1A and 1B respectively. Input 2 has a mark number of L-020B. It uses only one alarm setting, which is 3.0 v high. This is alarm 2A. Tracing the connections from the alarms back to the switch card shows that the alarm output terminals for these three alarms are: Output for Alarm 1A - Terminals 2 and 6 Output for Alarm 1B - Terminals 7 and 8 Output for Alarm 2A - Terminals 10 and 11 These connections are made through terminal strips TBC and TBA. Alarm 1A operates XA-1-37 Alarm 1B operates XA-1-43 Alarm 2A operates XA-1-30 Saudi Aramco DeskTop Standards 98
  • 101.
    Engineering Encyclopedia Drafting Drafting Instrument Loop Diagrams The Honeywell Vutronik Alarm Card(Cont'd) Note that alarm circuits 1B is not a complete circuit on the ILD. This is because alarm 1B is also connected to TBA-78, which is seen to be shown on drawing number XB-B-19078 sheet B. (A study of this drawing shows that alarm 1B is part of the ESD system.) The ILDs will not always show the inputs and outputs on an alarm card. When they are not shown, you must refer to the vendor manual. This gives the inputs and outputs of all the alarms. Note the bracket around terminals 14, 15 and 16. This means that the terminals act as a single unit case only. A study of the ILD for loop 020 shows that when the level transmitter LT-020 senses a low level in U54-D-052 the light in window panel 1-43 on the control room panel will come on. When the level is high the light in window 1-37 will come on. (Note that terminals 82 and 83 on TBA are jumped together to form a complete circuit.) Summary Alarm cards can be used to monitor any process variable. The mA output from any transmitter is converted to 1 to 5 vdc and used to operate the cards. The cards can monitor two different variables at the same time. Both input signals are independent of each other. Each set of output contacts on the card can be set at high or low alarms. Saudi Aramco DeskTop Standards 99
  • 102.
    Engineering Encyclopedia Drafting Drafting Instrument Loop Diagrams Examples of Honeywell Cards Honeywell mV/I Converter Card. The Honeywell mV/I converter card is mounted in a single card file. The card has two separate converter circuits. It can be used in two different loops at the same time. Each output is 4-20 mA. Figure 87 shows an ILD for a temperature control loop. A thermocouple (Type J) measures temperature in the field. The thermocouple develops millivolt signals, the values of which depend on the temperature measurement. Wires carry the mV input signal to input number 1 on the mV/I converter card, TY-304. Note that the input terminals are on the card, not on the card file terminal strip. The ILD shows that the converter is in the auxiliary rack in the control room. The card converts the mV signal to a 4-20 mA signal. The output of TY-304 is shown to be at terminal 12. The 250-ohm resistor on TB 1 converts the mA output signal to 1-5 vdc. Remember that the power supply and some connections are not shown on ILDs. These include the internal connections that link all terminals number 4 together, and the wire or cable connections that take the 1-5 vdc signal to the control instruments. The 1-5 vdc signal goes to TR-304 (Recorder). The same voltage also exists across terminals 3 and 4 on TB 2. From these the voltage is sent to TI-304 (Indicator). Saudi Aramco DeskTop Standards 100
  • 103.
    Engineering Encyclopedia Drafting Drafting Instrument Loop Diagrams Honeywell mV/I Converter Card (Cont'd) Saudi Aramco DeskTop Standards 101
  • 104.
    Engineering Encyclopedia Drafting Drafting Instrument Loop Diagrams Honeywell Resistance to Current Converter Card Figure 88 shows a temperature control loop in which a Resistance Temperature Detector (RTD) is used to measure temperature. The RTD is a variable resistor. Its resistance changes according to changes in temperature. TY-305 converts the resistance signal to a 4-20 mA signal. The 250 ohm resistor on TB 7 causes a voltage drop of 1-5 vdc. This voltage is used by TR-305 and TI-305. Saudi Aramco DeskTop Standards 102
  • 105.
    Engineering Encyclopedia Drafting Drafting Instrument Loop Diagrams Honeywell Resistance to Current Converter Card (Cont'd) Figure 89 show an ILD using square root extractor card, SQ-301. The operation of the circuit is similar to those already discussed. Saudi Aramco DeskTop Standards 103
  • 106.
    Engineering Encyclopedia Drafting Drafting Instrument Loop Diagrams WORK AIDS ILDs use standard symbols to depict various control instruments. These symbols, taken from Saudi Aramco Standard Drawing numbers 990-J-AD-036491, 990-J-AB-36492 and 990-J- AB-36493 are shown below: Saudi Aramco DeskTop Standards 104
  • 107.
    Engineering Encyclopedia Drafting Drafting Instrument Loop Diagrams WORK AIDS (Cont'd) 01500H H L LINE NUMBER FLOW ELEMENT : MARK NO. ' ANNUBAR ' TYPE 01500E PD / T LINE NUMBER FLOW INSTRUMENT: PD : POSITIVE DISPLACEMENT MARK NO. METER. SIZE T : TURBINE METER 01500D PD OR T OUT TRANSMITTER WITH INTEGAL ORIFICE S LINE NUMBER S 01500C INSTR. LINE NUMBER MARK NO. PISTON OPERATED BALL VALVE POSITIONER, SWITCHING VALVES SIZE/RATING AND VOLUME TANK. A.F. ACTION HOOK UP DWG. AB 036560 2 Saudi Aramco DeskTop Standards 105
  • 108.
    Engineering Encyclopedia Drafting Drafting Instrument Loop Diagrams WORK AIDS (Cont'd) 001500 OUTPUT S INSTR. LINE NUMBER DIAPHRAGM OPERATED MARK NO. GLOBE VALVE WITH SIZE /RATING POSITIONER A.F. ACTION MOTOR 01500A JUNCTION BOX DIAPHRAGM - OPERATED GLOBE VALVE WITH POSITIONER MARK NO. M CONT. PSTN VALVE PSTN LINE NUMBER MARK NO. SIZE/RATING TYPE NC OR NO C MARK NO. NC OR NO CONT. POS VALVE POS MARK NO. CONT. POS VALVE POS SAFETY SHUT OFF VALVE WITH TWO CYLINDERS AND TWO LIMIT SWITCHES LINE NUMBER MARK NO. SIZE 3 Saudi Aramco DeskTop Standards 106
  • 109.
    Engineering Encyclopedia Drafting Drafting Instrument Loop Diagrams WORK AIDS (Cont'd) MARK NO. CONT. POS VALVE POS C NO OR NC SAFETY SHUT OFF VALVE WITH ONE CYLINDERS AND C TWO LIMIT SWITCHES NO OR NC LINE NUMBER MARK NO. CONT. POS VALVE POS MARK NO. SIZE 5 1 4 HAND OPERATED SPRING 3 2 RETURN 4 WAY PILOT VALVE MARK NO. 5 1 4 DIAPHRAGM OPERATED 4 WAY PILOT VALVE 3 2 MARK NO. LINE OR EQUIPMENT MARK NO. C NO OR NC SWITCH ( SINGLE ) MARK NO. SET AT 4 Saudi Aramco DeskTop Standards 107
  • 110.
    Engineering Encyclopedia Drafting Drafting Instrument Loop Diagrams WORK AIDS (Cont'd) LINE OR EQUIPMENT MARK NO. C C NO OR NC SWITCH ( DUAL ) NO OR NC MARK NO. SW1 SET AT SW2 SET AT JB OR TB NUMBER TERMINAL BOX WITH TERMINALS RB NUMBER RELAY BOX OR SHUTDOWN SYSTEM CONDUIT OR CABLE NUMBER CHECK VALVE PNEUMATIC TERMINAL 5 Saudi Aramco DeskTop Standards 108
  • 111.
    Engineering Encyclopedia Drafting Drafting Instrument Loop Diagrams WORK AIDS (Cont'd) Saudi Aramco DeskTop Standards 109
  • 112.
    Engineering Encyclopedia Drafting Drafting Instrument Loop Diagrams WORK AIDS (Cont'd) COAX PROXIMITY VIBRATION PICK - UP ELEMENT EQUIPMENT MARK NO. SHIELD MARK NO. RANGE BLACK A RED B GREEN SEISMIC VIBRATION C WHITE PICK - UP ELEMENT D EQUIPMENT SHIELD MARK NO. MARK NO. RANGE MTG. POS. MOTOR J. B. MOTOR OPERATED VALVE M LINE NUMBER MARK NO. SIZE 7 Saudi Aramco DeskTop Standards 110
  • 113.
    Engineering Encyclopedia Drafting Drafting Instrument Loop Diagrams WORK AIDS (Cont'd) 1 2 3 7 4 SPEED TRANSMITTER 8 5 WITH INTEGRAL SPEED INDICATOR 9 6 10 MARK NO. RANGE INSTRUMENT PROCESS LINES INSTRUMENT AIR LINES INSTRUMENT ELECTRIC LINES INSTRUMENT CAPILLARY TUBES SPARE IN RECORDER ( 1 TO 3 PENS ) GND. L1 L2 MARK 1st PEN RANGE 1st PEN MARK 2nd PEN DWG. NO. RANGE 2nd PEN MARK 3rd PEN RANGE 3rd PEN 8 Saudi Aramco DeskTop Standards 111
  • 114.
    Engineering Encyclopedia Drafting Drafting Instrument Loop Diagrams WORK AIDS (Cont'd) IN CONTROLLER OUT S MARK NO. SET POINT P. BAND RESET DERIVATIVE ACTION INDICATOR ( 1 TO 3 POINTERS IN MARK NO. RANGE IN INDICATING CONTROLLER OUT S MARK NO. SET POINT P. BAND RESET DERIVATIVE ACTION SCALERANGE 9 Saudi Aramco DeskTop Standards 112
  • 115.
    Engineering Encyclopedia Drafting Drafting Instrument Loop Diagrams WORK AIDS (Cont'd) IN INDICATING CONTROLLER ( IND. CONTROL ) WITH MANUAL CONTROL UNIT OUT ( MANUAL SET CONTROL UNIT ) MARK NO. S SET POINT P. BAND RESET DERIVATIVE ACTION SCALE RANGE COLOR CODE 1 '' '' TERMINAL STRIP WITH 2 CORD SET '' '' 3 4 '' '' THE TERMINAL STRIP COLOR CODE AND CORD SET SHALL 100 ž 5 '' '' TYPICAL BE IN ACCORDANCE WITH 6 '' '' VENDOR DRAWINGS. 7 '' '' 8 '' '' 9 '' '' 10 '' '' 9 CORES TIED BACK INDICATING CONTROLLER IN OUT S MARK NO. SET POINT P. BAND RESET DERIVATIVE ACTION SCALERANGE 10 Saudi Aramco DeskTop Standards 113
  • 116.
    Engineering Encyclopedia Drafting Drafting Instrument Loop Diagrams WORK AIDS (Cont'd) CONTROLLER DWG. NO. MARK NO. SET POINT P. BAND RESET DERIVATIVE ACTION INDICATOR ( 1 TO 3 POINTERS ) DWG. NO. MARK NO. RANGE ALARM UNIT DWG. NO. MARK NO. SET POINT EMF / RTD TO CURRENT CONVERTER DWG. NO. MARK NO. RANGE IN RANGE OUT 11 Saudi Aramco DeskTop Standards 114
  • 117.
    Engineering Encyclopedia Drafting Drafting Instrument Loop Diagrams WORK AIDS (Cont'd) 10 11 9 12 VIBRATION MONITOR 8 13 SEISMIC TYPE OR PROXIMITY TYPE 7 14 6 15 5 16 4 17 GRND. 3 18 L2 2 19 DWG. NO. L1 1 20 MARK NO. PRE ALARM S. D. SET AT SCALE RANGE MULTIPOINT TEMPERATURE RECORDER MARK NO. RANGE SCALE L1 DWG. NO. L2 GRND. MULTIPOINT TEMPERATURE INDICATOR MARK NO. RANGE SCALE L1 DWG. NO. L2 GRND. 12 Saudi Aramco DeskTop Standards 115
  • 118.
    Engineering Encyclopedia Drafting Drafting Instrument Loop Diagrams WORK AIDS (Cont'd) MARK NO. TEMPERATURE MONITOR SCALE RANGE MASTER MODULE NO NC H MARK NO. TEMPERATURE SWITCH SET AT ANNUNCIATOR ALARM ACTION SINGLE SET POINT NO NC MODULE H HI. SET AT TEMPERATURE SWITCH HI. HI. SET AT ANNUNCIATOR ALARM ACTION DUAL SET POINT MODULE NO NC FOR FRONT OF PANEL H MOUNTING. MARK NO. TEMPERATURE SWITCH ANNUNCIATOR ALARM DUAL SET POINT FOR NO HI. SET AT REMOTE RACK NC ACTION C MOUNTING. NO NC C NO HI. SET AT NC ACTION C NO NC C 13 Saudi Aramco DeskTop Standards 116
  • 119.
    Engineering Encyclopedia Drafting Drafting Instrument Loop Diagrams WORK AIDS (Cont'd) COMMON ANNUNCIATOR WINDOW TERMINAL ONE COMMON TERMINAL FOR ALL ANNUNCIATOR LIGHTS MARK NO. WINDOW ANNUNCIATOR WINDOW TERMINAL MARK NO. WINDOW PUSH BUTTONS MARK NO. MARK NO. SPEED INDICATOR MARK NO. RANGE HAND SWITCH NO OR NC C MARK NO. 14 Saudi Aramco DeskTop Standards 117
  • 120.
    Engineering Encyclopedia Drafting Drafting Instrument Loop Diagrams WORK AIDS (Cont'd) LAMP MARK NO. RED RUNNING LIGHTS GREEN MARK NO. DIODE 1 TELEPHONE JACK 2 MARK NO. 15 Saudi Aramco DeskTop Standards 118
  • 121.
    Engineering Encyclopedia Drafting Drafting Instrument Loop Diagrams GLOSSARY Derivative The name given to the control procedure that is concerned with (or Rate Action): how quickly a process variable (usually temperature) is changing its value. Offset: The difference between the actual value of a process variable and its set point value. Proportional band: The ration, as a percentage, of the deviation of a process variable from set point divided by the amount of control valve stem movement the deviation causes. Reset (or gain): The name given to the control procedure which is designed to bring a process variable back to its set point. Saudi Aramco DeskTop Standards 119