Executive Summary
The process design is for a retrofit to an existing plant in the Gulf Coast, USA. This process
would upgrade waste streams from an existing plant to produce product-grade acetone for
sale. Currently, these waste streams are burned as fuel and produce high pressure steam.
Environmental regulations have changed, and the company’s boilers no longer meet
environmental regulations, so one of these three options to treat the waste streams needs to
be implemented:
Burn: upgrade the existing boilers so that the waste can continue to be burned
Sell: sell the waste streams to WasteCo.
Build: build an acetone recovery unit and sell the acetone
Our recommendation is to sell the waste streams to WasteCo.
The designed plant produces 189 MMlb of acetone per year and features 7 distillation
columns, 1 isopropanol (IPOH) reactor, and 2 carbon beds. Two waste streams, one
concentrated in isopropanol and one concentrated in acetone, feed into the plant from an
existing operation. The IPOH reactor utilizes a copper on alumina catalyst to convert IPOH
to acetone. The catalyst achieves a conversion of 90% and has a selectivity to acetone of
90%. The plant is estimated to cost 194 MM$ in capital and 40 MM$ in operating costs per
year in order to sell product-grade acetone at the current market price of 40 ¢/lb.
The economic analysis of the base case gave an After Tax Rate of Return (ATROR) of
11.51%, a Net Present Worth (NPW) of 28.3 $MM, and a 5.7 year payback period. The
company currently has multiple projects that it would like to execute over the next three
years which will occupy capital funds and manpower. These projects are all economically
attractive, with ATRORs of 20% or greater and NPWs of $30 MM. The company is also
reluctant to create a new product line, which would be the case if the plant is constructed.
Therefore, the acetone retrofit plant, which costs 194 MM$ to build, requires 60 laborers,
has an ATROR less than 20%, and requires the company to start a new product line is not
economically or strategically attractive. For all of these reasons, building the acetone retrofit
plant is not recommended.
The waste streams are currently burned for use as fuel to produce high pressure steam. This
gives the streams a combined worth of 10 MM$/yr. However, the capital cost of upgrading
the boiler in order to continue burning these streams would be a large capital investment for
the company. It is estimated that this would reduce the worth of these streams to 7.7
MM$/yr when they are used as a fuel source. WasteCo. values the two waste streams at a
combined worth of 17 ¢/lb, which gives a revenue of 32 MM$/year. Selling to WasteCo.
represents the best option economically, and is in line with the company’s objectives as this
option requires no capital investment and does not require the creation of a new product
line.
1
Table of Contents
Section One: Background................................................................................................... 6
Background..................................................................................................................... 7
Product Background .................................................................................................... 7
Feed Background ........................................................................................................ 7
Market Survey ............................................................................................................. 8
Section Two: Process Description....................................................................................... 9
Process Description .......................................................................................................10
Overview ....................................................................................................................10
Feed Streams.............................................................................................................10
IPOH Reactor .............................................................................................................10
Block and Process Flow Diagrams .............................................................................12
Separations ................................................................................................................14
Process Specifications ...................................................................................................16
Achieving Hard and Soft Specifications ......................................................................16
Separation Specifications ...........................................................................................19
Reactor Specifications ................................................................................................19
Mass Balance .............................................................................................................20
Energy Balance ..........................................................................................................23
Section Three: Process and Equipment Design.................................................................26
Process/Equipment Design ............................................................................................27
Distillation Column Key Variables ...............................................................................27
General Optimization Technique.................................................................................27
Shell and Tube Reactor Key Variables .......................................................................44
General Optimization Technique.................................................................................45
Reactor and Catalyst Maintenance .............................................................................47
Detailed Equipment Lists................................................................................................47
Inside Battery Limit (IBL).............................................................................................47
Outside Battery Limit (OBL) ........................................................................................48
Section Four: Alternative Cases.........................................................................................49
Alternative Studies .........................................................................................................50
Acetone-Methanol Separation.....................................................................................50
Section Five: Outside Battery Limit ....................................................................................54
2
Outside Battery Limit......................................................................................................55
Section Six: Environmental, Safety and Special Design Considerations ............................56
Environmental/Safety Information...................................................................................57
Chemical Information..................................................................................................57
Waste Considerations.................................................................................................59
Safety Precautions......................................................................................................59
Process Hazard Analysis (PHA) .................................................................................60
Discussion of the Process Hazard Analysis: ...............................................................63
Standard Operating Procedure (Startup & Shutdown Procedure):..................................64
Startup Procedure.......................................................................................................64
Shutdown Procedure ..................................................................................................65
Process Control Strategies .........................................................................................65
Special Design Considerations ...................................................................................67
Section Seven: Capital Estimate........................................................................................69
Capital Estimate.............................................................................................................70
Basis...........................................................................................................................70
Summary of Capital Cost Calculations........................................................................71
ICARUS List of Assumptions ......................................................................................71
Section Eight: Operating Costs..........................................................................................74
Overview........................................................................................................................75
Raw Materials ................................................................................................................75
Fixed Costs ....................................................................................................................75
Utilities ...........................................................................................................................76
Section Nine: Economic Evaluation ...................................................................................79
Basis ..............................................................................................................................80
Plant Economics.........................................................................................................80
Fixed Costs.................................................................................................................80
Future Prospects for the Acetone Market....................................................................80
Chemical Commodity Historical and Future Pricing ....................................................81
Basis for Utility Costs..................................................................................................84
Base Case Economic Analysis.......................................................................................85
Sensitivity Analysis.........................................................................................................87
Case 1: Not all of the product can be sold - 30 MMlb/yr surplus..................................87
3
Case 2: The Price of Acetone Changes......................................................................88
Case 3: Capital Costs Increase...................................................................................88
Case 4: The Price of Natural Gas Changes ................................................................89
Section Ten: PDRI.............................................................................................................92
PDRI Discussion ............................................................................................................93
Section Eleven: Outstanding Issues...................................................................................96
Technical........................................................................................................................97
Economical ....................................................................................................................97
Environmental/Safety .....................................................................................................97
Section Twelve: Conclusion and Recommendations..........................................................99
Conclusions .................................................................................................................100
Recommendations .......................................................................................................102
Based on the sensitivity analysis ..............................................................................102
Based on the alternative case studies.......................................................................102
Based on the economic analysis:..............................................................................102
Supporting Information for Recommendations:.............................................................103
Sensitivity Analysis ...................................................................................................103
Alternative Cases......................................................................................................103
Section Thirteen: References...........................................................................................105
References...................................................................................................................106
GATE 1 References..................................................................................................106
GATE 2 References..................................................................................................106
GATE 3 References..................................................................................................106
GATE 4 References..................................................................................................107
GATE 5 References..................................................................................................107
Section Fourteen: Appendix.............................................................................................109
Equipment Sizing Calculation Methodologies...............................................................110
Distillation Columns ..................................................................................................110
Reflux Drums............................................................................................................112
Heat Exchangers ......................................................................................................113
Shell and Tube Reactor ............................................................................................115
Hot Oil System..........................................................................................................116
Pumps ......................................................................................................................117
4
Compressors ............................................................................................................120
Holdup Tanks ...........................................................................................................121
Carbon Beds.............................................................................................................122
Deciding Where to Place Holding Tanks ......................................................................122
Before the reactor.....................................................................................................122
Before Separator 300 ...............................................................................................123
Before Separator 500 ...............................................................................................123
Before and After Separator 700 ................................................................................123
Material and Type of Holding Tank Consideration.....................................................123
Equipment Specification Sheets...................................................................................124
Distillation Column....................................................................................................124
Heat Exchanger........................................................................................................126
Pumps ......................................................................................................................128
Compressor..............................................................................................................131
Equipment Sizing Calculations by Unit Operation.........................................................133
Tower 100.................................................................................................................133
Tower 200.................................................................................................................137
Tower 300.................................................................................................................141
Tower 400.................................................................................................................146
Tower 500.................................................................................................................151
Tower 600.................................................................................................................156
Tower 700.................................................................................................................160
Reactor.....................................................................................................................165
Hot Oil System .............................................................................................................167
Economic Calculation Methodologies (ICARUS Inputs):...............................................168
Assumptions.............................................................................................................168
Sizing Inputs.............................................................................................................171
Alternate Cases: .......................................................................................................176
ICARUS Individual Equipment Prices .......................................................................177
Price Correlation Curves ..............................................................................................179
Alternative Case Capital and Cash Flow Sheets ..........................................................181
Extractive Distillation.................................................................................................181
Hydrogen-Propylene Separator ................................................................................183
5
Sensitivity Analysis:......................................................................................................185
Case 2: Acetone Price Changes...............................................................................187
.....................................................................................................................................187
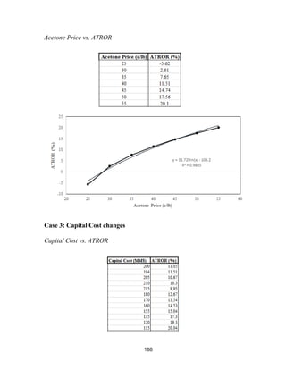
Case 3: Capital Cost changes...................................................................................188
Case 4: Natural Gas Price Changes .........................................................................190
HYSYS Model ..............................................................................................................191
Section One: Background
Background
Our team has undergone the task of determining the best method of treatment for the two
waste streams associated with our current production process. Until now, we have been
burning these waste streams to produce high pressure steam. WasteCo has recently shown
interest in purchasing these streams for their company in order to recover key components.
After taking their intentions into consideration, we feel that it may be possible for our
company to upgrade these waste streams ourselves. More specifically, a copper on alumina
catalyst could be used to convert isopropanol to acetone, which could be combined with the
acetone already present and processed further in order to produce a highly purified acetone
product.
Product Background
Acetone is a commodity chemical with many practical laboratory and household uses. It is a
polar organic compound that is miscible in water and is capable of dissolving many organic
compounds. As a result, it is commonly used as a cleaning agent for glassware in chemical
laboratories. It is also a relatively safe chemical and is therefore much more desirable than
other polar compounds such as methanol or ethanol, which have higher flashpoints and are
therefore more likely to catch fire. Acetone is also commonly used as the main component
in nail polish remover, as it is capable of dissolving the nitrocellulose layer on the surface of
the nail without causing much damage to the nail itself. Acetone’s simple chemical structure
makes it fairly easy to produce in large quantities.
Feed Background
In order to determine whether the acetone
production plant could be profitable, our
company compared the potential profits
of this plant with the amount earned from
burning or selling our waste streams.
Burning acetone yields a high pressure
steam product. Fluctuations in the price
of HPS is assumed to follow the trends of
natural gas. The data in table __ was used
to determine the price of HPS based on
the price of natural gas of
$2.50/MMBTU. This yields an assumed
HPS price of roughly 9 ¢/lb acetone
product. By combusting both the waste
acetone and waste isopropanol streams
from our current production process
using its lower heating value and
assuming a 60% energy yield, our company
Figure 1: Utility prices as a function of natural gas price
8
estimates that the current burning of these waste streams earns a profit of roughly $7.7
MM/yr.
WasteCo is currently offering our company 15 ¢/lb for the waste acetone stream and 12 ¢/lb
for the waste isopropanol streams. By considering the mass of each stream that we currently
produce in our process, our company estimates that selling these waste streams to WasteCo
would earn a profit of roughly $34.2 MM/yr. This is a greater profit than our company
currently makes by burning these streams and thus it should be considered as an alternative
practice.
Market Survey
Market prices for truck acetone had shown
decreases throughout 2015. However, recent
increases to almost 40¢/lb have occurred due
to higher raw material costs such as refinery-
grade propylene (RGP). This serves as one of
the two raw materials used in the production
of cumene, the feedstock for phenol/acetone
production.
US spot export acetone prices have also seen a
recent increase in price per lb. The
strengthening of RGP values and increases in
US domestic acetone pricing have been
reflected in export pricing. In addition, US
acetone supply has been tightened due to
upcoming plant turnarounds and lack of recent
imports.
Using the current truck acetone price of 40¢
/lb, current estimates for the design plant
indicate that roughly $75.6 MM/yr of acetone
can be produced (assuming an acetone
capacity of roughly 189 MMlb/yr). Although
acetone prices have decreased significantly
over the past year, the recent stagnation and
slight increases in price change indicate that
the profitability of an acetone production plant
may increase in the near future.
Figure 2: Acetone delivered contract price in 2015-2016 [26]
Figure 3: Acetone Free On Board spot price 2015-2016 [26]
Section Two: Process
Description
Process Description
Overview
The acetone retrofit plant is located in the US Gulf Coast. Two waste streams from an
adjacent production plant production will be fed to the acetone plant in order to produce 189
MMlb of acetone product per year with >99.9% purity. This plant uses a copper on alumina
catalyst to convert isopropanol to acetone. In order to maximize the capacity and purity of
the acetone product, one isopropanol (IPOH) conversion reactor and seven distillation
columns were optimized in this process.
Feed Streams
Two waste streams from an adjacent plant serve as the feed streams for this process. The
compositions of the feed streams are as follows:
Table 1: The compositions of the acetone and IPOH waste streams
The waste acetone is fed to the process at 16,670 lb/hr and the waste isopropanol is fed at
11,706 lb/hr. Both feed streams enter as subcooled liquids at 80 °F and atmospheric pressure
(14.7 psia).
IPOH Reactor
The IPOH reactor converts isopropanol to acetone and hydrogen gas.
Isopropanol is also consumed by several side reactions.
11
A shell and tube reactor packed with copper on alumina catalyst was designed for this
process with the reactant stream fed to the tubes. The feed stream to the reactor is pumped to
50 psia and heated to 627 °F using two process streams and high pressure stream utility
(three heat exchangers in series). These conditions allow for an isopropanol conversion of
93.5% and a 90% selectivity with respect to acetone production. Because these reactions are
highly endothermic, a utility stream of hot oil was fed through the shells of the reactor in
order to keep the vessel isothermal. This prevents conversion from falling as more
isopropanol is consumed. A pressure drop of 20 psi occurs throughout the reactor. The
product stream exits as superheated vapor and is immediately compressed to 30 psi and
condensed to liquid using two process streams and refrigerant (three heat exchangers in
series).
12
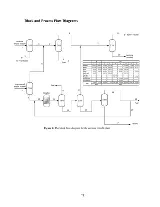
Block and Process Flow Diagrams
Figure 4: The block flow diagram for the acetone retrofit plant
Separations
Acetone Waste Tower (T-100)
The goal of this column is to completely remove the acetic acid from the acetone waste
stream, which limits the number of distillation columns constructed with stainless steel to
this single column. The acetone waste stream is initially pumped to 65.7 psia and heated to
152 °F using one process stream and low-low pressure steam (two heat exchangers in
series). The distillation column contains 11 actual trays. Following a flow meter and control
valve, the feed stream (37.2 psia, 152 °F) enters the column at tray 7. The reflux ratio is set
to 1.001, which results in a condenser duty of -8.645 MMBTU/hr and a reboiler duty of
8.504 MMBTU/hr. The condenser will run at a pressure of 14.7 psia and temperature of
132.7 °F with a pressure drop of 5 psia. The reboiler will run at a pressure of 21.2 psia and
temperature of 228.5 °F. The bottoms product (enriched in acetic acid) is sent to fuel, while
the distillate product is fed into column T-300 after mixing with the distillate product of
column T-200.
Isopropanol Waste Tower (T-200)
The goal of this column is to separate the acetone and methanol from isopropanol and water
present in the isopropanol waste stream. This is done to prevent acetone and methanol from
being fed to the reactor and to collect the acetone present in this feed stream. The
isopropanol waste stream is initially pumped to 65.9 psia and heated to 180 °F using one
process stream. The distillation column contains 35 actual trays. Following a flow meter and
control valve, the feed stream (60.9 psia, 180 °F) enters the column at tray 18. The reflux
ratio is set to 20.59, which results in a condenser duty of -22.66 MMBTU/hr and a reboiler
duty of 22.92 MMBTU/hr. The condenser will run at a pressure of 14.7 psia and a
temperature of 147.6 °F with a pressure drop of 4 psia. The reboiler will run at a pressure of
20.6 psia and a temperature of 193.5 °F. The distillate product is mixed with the distillate
product of tower T-100 and subsequently fed to T-300. The bottoms product is fed to the
IPOH reactor.
Acetone/Methanol Vacuum Tower (T-300)
The goal of this column is to separate the acetone from methanol present in the mixture of
product streams from T-100 and T-200. This increases the purity of the final acetone
product by removing methanol. This separation is very difficult to achieve at atmospheric
pressure due to an azeotrope formed by acetone and methanol, and thus a vacuum
distillation column was used. The feed stream is initially pumped to 49.6 psia and cooled to
43 °F using a process stream and refrigerant (2 heat exchangers in series). The distillation
column contains 55 actual trays. Following a flow meter and control valve, the feed stream
(1.8 psia, 43 °F) enters the column at tray 40. The reflux ratio is set to 7.382, which results
in a condenser duty of -30.71 MMBTU/hr and a reboiler duty of 30.05 MMBTU/hr. The
condenser will run at a pressure of 0.8 psia and a temperature 15 °F. The reboiler will run at
a pressure of 2.2 psia and a temperature of 73.48 °F. The distillate product (enriched in
acetone) is sent to the final column, T-700, after mixing with the distillate of T-500 and the
bottoms product (enriched in methanol) is sent to fuel.
15
Gas Products Tower (T-400)
The goal of this column is to separate hydrogen and propylene from the other components in
present in the outlet of the IPOH reactor. Hydrogen and propylene are gasses at STP and
thus can be easily separated from a mixture of liquid components. The feed stream
(superheated vapor) is initially compressed to 40 psia and 725 °F. It is then condensed and
cooled to 25.16 °F using two process streams and refrigerant (three heat exchangers in
series). The distillation column contains 36 actual trays. Following a flow meter and a
control valve, the feed stream (20 psia, 25.16 °F) enters the column at tray 18. The reflux
ratio is set to 10, which results in a condenser duty of -12.49 MMBTU/hr and a reboiler duty
of 12.92 MMBTU/hr. The condenser will run at a pressure of 14.7 psia and a temperature of
-132.5 °F. The reboiler will run at a pressure of 17.6 psia and a temperature of 149.1 °F. The
distillate product (enriched in H2 and propylene) is compressed to 70 psia and sent to fuel
and the bottoms product is sent to column T-500.
Acetone/Isopropanol Vacuum Tower (T-500)
The goal of this column is to separate acetone (the desired product) from all other
components leaving T-400. Although these components do not form an azeotrope, a vacuum
distillation column is necessary to achieve the sufficient separation so that final product
capacity of 189 MMlb/yr is achieved. The feed stream is initially pumped to 83.8 psia. The
distillation column contains 53 actual trays. Following a flow meter and a control valve, the
feed stream (8.1 psia, 111.5 °F) enters the column at tray 27. The reflux ratio is set to 28.68,
which results in a condenser duty of -50.19 MMBTU/hr and a reboiler duty of 49.82
MMBTU/hr. The condenser will run at a pressure of 2 psia and a temperature of 89.7 °F.
The reboiler will run at a pressure of 8.5 psia and a temperature of 150.8 °F. The distillate
product (enriched in acetone) is sent to the final column, T-700, after mixing with the
distillate of column T-300 and the bottoms product is sent to column T-600.
Water Remover (T-600)
The goal of this column is to remove water from all other components leaving T-500. This
is done to limit the amount of water recycling back to the reactor. The feed stream is
initially pumped to 64.2 psia and heated to 176.9 °F using low-low pressure steam. The
distillation column contains 6 actual trays. Following a flow meter and a control valve, the
feed stream (14.9 psia, 176.9 °F) enters the column at tray 4. The reflux ratio is set to 1.002,
which results in a condenser duty of -1.66 MMBTU/hr and a reboiler duty of 1.63
MMBTU/hr. The condenser will run at a pressure of 14.7 psia and a temperature of 198 °F.
The reboiler will run at a pressure of 20.7 psia and a temperature of 230.4 °F. The bottoms
product (enriched in water) is removed from the process as waste and half of the distillate
product (enriched in IPOH) is recycled back to the reactor. The remaining distillate product
is sent to fuel.
Final Acetone Tower (T-700)
16
The goal of this column is to remove trace amounts of methanol from the mixture of the
distillate streams from T-300 and T-500 in order to reach final product purity (≥ 99.9 % by
mass). In order to perform the difficult separation of acetone and methanol, this column
operated at a high enough pressure that the separation occurs on the right side of the
azeotrope. As a result, acetone is collected in the bottoms while methanol is collected in the
distillate. The feed stream is initially pumped to 129.12 psia and cooled to 83.4 °F using one
process stream, low-low pressure steam, and cold water (3 heat exchangers in series). The
distillation column contains 43 actual trays. Following a flow meter and a control valve, the
feed stream (25.2 psia, 83.4 °F) enters the column at tray 25. The reflux ratio is set to 107.2,
which results in a condenser duty of -6 MMBTU/hr and a reboiler duty of 5.937
MMBTU/hr. The condenser will run at a pressure of 64 psia and a temperature of 219 °F.
The reboiler will run at a pressure of 70 psia and a temperature of 230.7 °F. The distillate
product (enriched in methanol) is sent to fuel while the bottoms product is our final acetone
product. This stream is then sent to carbon beds for final purification.
Process Specifications
Achieving Hard and Soft Specifications
Table 2: Summary of the hard and soft specifications provided to the design team
Hard Specifications Peter’s Posse’s Design
Product Capacity: 189 MMlb/yr 189.3
Product Acetone Purity: 99.90-99.93 wt% min 99.90
Product Isopropanol: 500 wt ppm max 0
Product Methanol: 1000 wt ppm max 500
Product Acetic Acid: 10 wt ppm max 0
Product Water: 1000 wt ppm max 500
Sellable Hydrogen: 95 mol% min N/A
Fuel Acetone + Methanol: 3 wt% max N/A
Fuel Water: 2 wt% max N/A
Byproduct for Sale: 99.9 wt% N/A
Soft Specifications Peter’s Posse’s Design
Acetone Recovery: 95% 91.2
17
Acetic Acid to Avoid Stainless Steel: 50 wt% max 0 in all except one distillation column
4,000 MMBTU/lb Acetone Product Reboiler Duty 5,954
Reactor Feed Specifications Peter’s Posse’s Design
Isopropanol: 85 wt% min 89.7
Acetone: 5 wt% max 1.8
Methanol: 1 wt% max 0.4
Water: 10 wt% max 5.0
The soft specification of recovery was not met because the hard specs were met without it.
Meeting 95% acetone recovery would mean producing 197 MMlb/yr, which means our
design would have to use extra utilities and have slightly larger columns. This would
produce 4.3MM$/yr more in sales. Assuming the utilities and capital costs increase by the
same percentage that the capacity increased, the After Tax Rate of Return (ATROR) of the
process will change to 12.33% from 11.51%. This change is slightly more profitable, but
may only be due to the assumptions. As a higher purity is desired, the energy input
increases non-linearly. This means that the capital cost and energy inputs are probably
much larger than the 4% increase assumed based on the 4% increase in capacity. The
design would probably be less profitable than meeting the 189 MMlb/yr capacity.
The soft specification of 4,000 MMBTU/lb of acetone product reboiler duty was also not
met. Our reboiler duty is 48% higher than the soft spec because of the high reboiler duties
in the two vacuum towers. Combined, the two vacuum towers contribute 3702 BTU/lb in
reboiler duty. This is because the separation of acetone and methanol is an azeotrope that
cannot be separated under atmospheric conditions. The high reboiler duty is compensated
for by crossing process streams later in the process to save energy.
Table 3: Summary of the conditons in each of the plant’s seven distillation columns
Column Reflux
Ratio
Trays Feed
Tray
Feed Condenser Reboiler
Temp Press Temp Press Duty
(MMBT
U/hr)
Temp Press Duty
(MMBT
U/hr)
100 1.001 11 7 152 37.2 132.7 14.7 -8.645 228.5 21.2 8.5
200 20.59 35 18 180 60.9 147.6 14.7 -8.645 193.5 20.6 22.92
300 7.382 55 40 43 24.7 15 0.8 -30.71 73.48 2.2 30.05
18
400 10 36 18 25.16 20 -132.5 14.7 -12.49 149.1 17.6 12.92
500 28.68 53 27 111.5 8.1 89.7 2 -50.1 150.8 8.5 49.82
600 1.002 6 4 176.9 14.9 198 14.7 -1.66 230.4 20.7 1.63
700 107.2 43 30 83.4 25.2 219 64 -6 230.7 70 5.937
19
Separation Specifications
Table 4: Summary of the key light and heavy components that were separated in each of the seven distillation
columns
Column Key Light Key Heavy
1 Water Acetic Acid
2 Methanol Isopropanol
3 Acetone Methanol
4 Propylene Acetone
5 Acetone Isopropanol
6 Isopropanol Water
7 Acetone Methanol
Reactor Specifications
Table 5: The IPOH reactor conditions
Inlet Pressure (psia) 50
Maximum Pressure Drop (psi) 20
Temperature (°F) 627.4
Feed Flow Rate (lb/hr) 9781
Weight Catalyst (lb) 39,200
Conversion of IPOH (%) 90
Acetone Selectivity (%) 90
Mesityl Oxide Selectivity (%) 8
Propylene Selectivity (%) 2
Mass Balance
21
Mass Balances (Continued)
22
Mass Balance Continued
23
Energy Balance
24
25
Section Three: Process and
Equipment Design
Process/Equipment Design
Distillation Column Key Variables
There are various factors that affect the design of a distillation column. Pressure is the most
important parameter. At high pressures, the relative volatility of most two-component
systems decreases and the separation becomes more difficult. Higher pressures require
either more trays (higher capital cost) or a higher reflux (greater utility cost) in order to
achieve the separation. The capital cost of a column is also intrinsically higher at higher
pressures, as a thicker material of construction is needed to be able to withstand the pressure
exerted by the vapor on the walls of the column. Separation becomes much easier at
pressures below atmospheric, but these systems require expensive vacuum equipment and
dramatically increase utility costs. Therefore, most of the columns in the acetone retrofit
system were designed to operate at atmospheric pressure in the condenser. Two of the seven
columns, however, are operating under vacuum. Column 500 operates under vacuum
because an extremely pure top stream of acetone was required to be sent to the final
separator in order to meet specifications. Column 300 also operates under vacuum because
operating at such a low pressure allowed the design group to get around the acetone-
methanol azeotrope, which is key for this process. For each column, a pressure drop of 0.1
psi was assumed for each tray, a pressure drop of 4 psi was assigned to each condenser, and
a negligible pressure drop was assumed for the reboilers.
General Optimization Technique
To begin, the pressure in the condenser of each column was set to atmospheric pressure, as
this is the lowest pressure that the column could operate at without vacuum. For each
column, an arbitrary number of trays was put into HYSYS to allow for the desired
separation to occur. Then, the number of trays was reduced until the reflux ratio began to
greatly increase. From this analysis, the number of trays was tentatively set for each column.
Based on the tentative number of trays for each column and a 0.1 psi pressure drop per tray,
the pressure in the reboiler of each column was also tentatively set.
Then, based on the pressure and temperature profile of each column, the feeds to each
column were modified using heat exchangers, pumps, and valves so that the pressure and
temperature of the feed matched the pressure and temperature at the middle of each column.
This was a major design decision because having a feed composition that matches closely
with the composition at the feed tray in the column allows for the best separation. If the feed
pressure and temperature vary greatly from the pressure and temperature of the liquid and
vapor at the feed tray in the column, then mixing will occur in a portion of the column
which will reduce the column efficiency. The feed conditions were determined before a
knee of the curve analysis was performed because the design group assumed that the
number of trays would not vary greatly from the tentative values.
Then, with the feeds at the proper pressure and temperature, a knee of the curve analysis
was performed for each column. The number of trays versus reflux ratio was plotted for
each column and the number of trays found at the knee of the curve was selected. This knee
28
of the curve analysis leads to a minimization of both capital and utility cost. A greater
number of trays in a column gives more stages for contact between the rising vapor and
downward-flowing liquid, which allows for better separation. However, increasing the
number of stages requires a taller column and a greater capital cost. Increasing the reflux
ratio results in greater flows in the column, which gives a higher mass transfer coefficient
and better separation at each stage. However, increasing the reflux ratio increases both the
condenser and reboiler duties, as more vapor must be condensed and more liquid must be
vaporized. Increasing the reflux ratio also increases capital cost, as a wider column is
required to handle the increased vapor flow rates.
With the number of trays selected, a second optimization was performed. A plot of reflux
ratio versus feed tray location was made for each column and the feed tray that gave the
minimum reflux ratio was determined. Since the condenser and reboiler duties are
proportional to the reflux ratio, the feed tray that minimizes the reflux ratio also minimizes
these duties and leads to lower utility costs.
The optimal number of trays for each column found using the knee of the curve analysis are
based on HYSYS data and are therefore the theoretical number of trays. When the columns
were sized to determine their height and diameter, the theoretical number of trays for each
column was an input used to find the actual number of trays.
The optimal feed tray location found in the following optimizations is also a theoretical
value, and was later scaled up when the column heights and diameters were determined.
Distillation Column 100 (Acetone Waste Tower)
Purpose
The purpose of this column is to remove the acetic acid that is present in the acetone waste
stream so that the remainder of the columns in the process can be made of carbon steel
instead of stainless steel, which greatly reduces the capital cost for the plant.
29
XY Analysis
The XY diagram for isopropanol and acetic acid at atmospheric pressure is shown in Figure
5. The separation is relatively easy as can be seen from the separation of the equilibrium line
from the y=x line.
Feed Condition
The pressure at the condenser was set to atmospheric pressure. The feed temperature and
pressure were specified to match the pressure and temperature at the middle of the column.
The pressure of the feed is 16.70 psia and the temperature is 140.7°F, which gives a vapor
fraction of 0.0217.
Column Sizing and Feed Tray Determination
With the feed conditions specified, a knee of the curve analysis was performed by making a
plot of number of trays versus reflux ratio, which is shown as Figure 6.
Figure 5: XY diagram for IPOH and acetic acid at atmospheric pressure
30
Using the knee of the curve method, the optimum number of theoretical trays was found to
be 5. With the number of theoretical trays determined, the next thing to be determined was
the feed tray location. Figure 7 shows a plot of reflux ratio versus feed tray location, which
was used to determine the optimum feed tray location.
From Figure 7, the optimal feed tray was found to be tray 3, as this minimizes the reflux
ratio.
Figure 6: Knee of the curve analysis to find optimal number of trays for Column 100
Figure 7: Determining the feed tray location for Column 100
31
Distillation Column 200 (Isopropanol Waste Tower)
Purpose
The purpose of the Isopropanol Waste Tower is to send almost all of the isopropanol in the
waste stream down to the reactor system so that it can react to form acetone. Almost all of
the methanol and acetone fed to the tower leaves in the top and is sent to Column 300 where
the methanol is separated from the acetone.
XY Analysis
The XY diagram for isopropanol and methanol at atmospheric pressure is shown in Figure
8. The separation is fairly difficult as can be seen from the separation of the equilibrium line
from the y=x line. This explains why this tower has a relatively high theoretical number of
stages.
Feed Condition
The pressure at the condenser was set to atmospheric pressure. The feed temperature and
pressure were specified to match the pressure and temperature at the middle of the column.
The feed is a subcooled liquid with a pressure of 19.70 psia and a temperature of 150.2°F.
Figure 8: XY diagram for IPOH and methanol at atmospheric pressure
32
Column Sizing and Feed Tray Determination
With the feed conditions specified, a knee of the curve analysis was performed by making a
plot of number of trays versus reflux ratio, which is shown as Figure 9.
Using the knee of the curve method, the optimum number of theoretical trays was found to
be 19. With the number of theoretical trays determined, the next thing to be determined was
the feed tray location. Figure 10 shows a plot of reflux ratio versus feed tray location, which
was used to determine the optimum feed tray location.
Figure 9: Knee of the curve analysis to find the optimal number of trays for Column 200
Figure 10: Determining the feed tray location for Column 200
33
From Figure 10, the optimal feed tray was found to be tray 9, as this minimizes the reflux
ratio.
Distillation Column 300 (Acetone/Methanol Vacuum Tower)
Purpose
Column 300 is operated at vacuum in order to separate acetone from methanol. A 99.50
wt.% acetone stream leaves from the top of the column and is sent to mixing point C to mix
with acetone produced from the reactor. A 87.22 wt.% methanol stream leaves as the
bottoms and is used for fuel.
XY Analysis
The XY diagram for acetone and methanol at atmospheric pressure is shown in Figure 11.
The separation is extremely difficult as can be seen from the separation of the equilibrium
line from the y=x line. There is also an azeotrope that occurs at approximately 84 wt.%
acetone which makes a column that produces a >99 wt.% acetone stream at atmospheric
pressure impossible.
Figure 11: XY diagram for acetone and methanol at atmospheric pressure
34
The XY diagram for acetone and methanol at 1.5 psia is shown in Figure 12. At this
extremely low pressure, the separation becomes much easier and the azeotrope is no longer
present. However, the tower still has a very high number of theoretical stages because
getting the desired tops acetone purity of 99.5 wt.% adds on a greater number of stages.
Feed Condition
The pressure at the condenser was set to 0.20 psia. The feed temperature and pressure were
specified to match the pressure and temperature at the middle of the column. The feed is at a
pressure of 2 psia and a temperature of 48.86 °F, with a vapor fraction of 0.09.
Column Sizing and Feed Tray Determination
With the feed conditions specified, a knee of the curve analysis was performed by making a
plot of number of trays versus reflux ratio, which is shown as Figure 13.
Figure 12: XY diagram for acetone and methanol at 1.5 psia
35
Using the knee of the curve method, the optimum number of theoretical trays was found to
be 22. With the number of theoretical trays determined, the next thing to be determined was
the feed tray location. Figure 14 shows a plot of reflux ratio versus feed tray location, which
was used to determine the optimum feed tray location.
From Figure 14, the optimal feed tray was found to be tray 18, as this minimizes the reflux
ratio.
Figure 13: Knee of the curve analysis to determine the optimal number of trays for Column 300
Figure 14: Determining the feed tray location for Column 300
36
Distillation Column 400 (Gas Products Tower)
Purpose
The purpose of the Gas Products Tower is to remove the lightest components formed during
the reaction, hydrogen and propylene. These gases are removed from the tops of this tower,
whose condenser runs at total reflux. All other species coming from the reactor come out the
bottom of this tower before being separated in the following columns.
XY Analysis
The XY diagram for propylene and acetone at atmospheric pressure is shown in Figure 15.
The separation is extremely easy as can be seen from the large distance between the
equilibrium line and the y=x line.
Feed Condition
The pressure at the condenser was set to atmospheric pressure. The feed temperature and
pressure were specified to match the pressure and temperature at the middle of the column.
The feed is at a pressure of 20.00 psia and a temperature of 25.14 °F, with a vapor fraction
of 0.4345.
Figure 15: XY Diagram for propylene and acetone at atmospheric pressure
37
Column Sizing and Feed Tray Determination
The column would only converge in HYSYS with 10 theoretical trays, the feed at tray 5,
and a reflux ratio of 10.00.
Distillation Column 500 (Acetone/Isopropanol Vacuum Tower)
Purpose
Column 500 is operated at vacuum in order to separate acetone from isopropanol. A 99.82
wt.% acetone stream leaves from the top of the column and is sent to mixing point C to mix
with acetone coming from Column 300. Almost all of the unreacted isopropanol was sent
out of the bottoms of this column. It was desired to send the isopropanol to the bottoms
stream so that as much unreacted isopropanol as possible could be recycled back to the
reactor. This column is operated at vacuum because of the high purity specification of the
tops stream.
XY Analysis
The XY diagram for acetone and isopropanol at atmospheric pressure is shown in Figure
16. The separation is fairly easy as can be seen from the distance between the equilibrium
line and the y=x line. However, since a nearly pure acetone distillate stream was required, a
high number of theoretical trays were needed for this column.
Figure 16: XY Diagram for acetone and isopropanol at atmospheric pressure
38
Feed Condition
The pressure at the condenser was set to 2.00 psia. The feed temperature and pressure were
specified to match the pressure and temperature at the middle of the column. The feed is at a
pressure of 8.10 psia and a temperature of 111.5 °F, with a vapor fraction of 0.0852.
Column Sizing and Feed Tray Determination
With the feed conditions specified, a knee of the curve analysis was performed by making a
plot of number of trays versus the reflux ratio of Column 700. This was done because
simply optimizing Column 500 on its own led to extremely high and unrealistic reflux ratios
in Column 700, which could not be reduced. Therefore, Column 500 was optimized with
respect to Column 700 since the distillate of Column 500 is fed to Column 700 and plays a
major role in that column’s design. The knee of the curve analysis is shown as Figure 17.
Using the knee of the curve method, the optimum number of theoretical trays was found to
be 28. With the number of theoretical trays determined, the next thing to be determined was
the feed tray location. Figure 18 shows a plot of reflux ratio of Column 500 versus feed tray
location, which was used to determine the optimum feed tray location.
Figure 17: Knee of the curve analysis to determine the optimal number of trays for Column 500
39
From Figure 18, the optimal feed tray was tray 16. Above this tray, the feed would have
been below stage pressure. Therefore, a plot of reflux ratio versus feed tray location was
only performed up to tray 16.
Distillation Column 600 (Water Remover)
Purpose
The purpose of Column 600 is to remove a large amount of the water in the system so that
the recycle back to the reactor meets the specification for water fed to the reactor. The
distillate contains a large amount of unreacted isopropanol that is fed back to the reactor.
Figure 18: Determining the feed tray location for Column 500
40
XY Analysis
The XY diagram for isopropanol and water at atmospheric pressure is shown in Figure 19.
The separation is fairly easy as can be seen from the large distance between the equilibrium
line and the y=x line. Since an azeotrope exists between isopropanol and water at
atmospheric pressure, it was not possible to remove all of the water in the feed. This was
acceptable, however, because the reactor feed specifications were able to be met without all
of the water being removed.
Feed Condition
The pressure at the condenser was set to 14.70 psia. The feed temperature and pressure were
specified to match the pressure and temperature at the middle of the column. The feed is at a
pressure of 14.90 psia and a temperature of 176.8 °F, with a vapor fraction of 0.0409.
Column Sizing and Feed Tray Determination
With the feed conditions specified, a knee of the curve analysis was performed by making a
plot of number of trays versus reflux ratio, which is shown as Figure 20.
Figure 19: XY diagram for isopropanol and water at atmospheric pressure
41
From this plot, it can be seen that the reflux ratio does not change with number of trays.
Therefore, it was decided to use the smallest possible theoretical number of trays, 3.
The feed was decided to enter at the middle of the column at tray 2.
Distillation Column 700 (Final Acetone Tower)
Purpose
The purpose of this column is to remove trace amounts of methanol in order to meet the
acetone purity specification of 99.90%. This tower operates at high pressure to move to the
right of the acetone-methanol azeotrope, which causes acetone to be the bottoms product
and methanol to be the distillate.
XY Analysis
The XY diagram for methanol and acetone at the condenser pressure of 64.00 psia is shown
in Figure 21. This plot shows that almost all of the methanol is able to be removed from the
top of the column.
Figure 20: The reflux ratio does not change with number of trays for Column 600
42
Feed Condition
The pressure at the condenser was set to 64.00 psia. The feed temperature and pressure were
specified to match the pressure and temperature at the middle of the column. The feed is at a
pressure of 73.40 psia and a temperature of 233.8 °F, with a vapor fraction of 0.0043.
Column Sizing and Feed Tray Determination
With the feed conditions specified, a knee of the curve analysis was performed by making a
plot of number of trays versus reflux ratio, which is shown as Figure 22.
Figure 21: XY diagram for methanol and acetone at 64.00 psia
43
Using the knee of the curve method, the optimum number of theoretical trays was found to
be 36. With the number of theoretical trays determined, the next thing to be determined was
the feed tray location. Figure 23 shows a plot of reflux ratio versus feed tray location, which
was used to determine the optimum feed tray location.
From Figure 23, the optimal feed tray was tray 26.
Figure 22: Knee of the curve analysis to find the optimum number of trays for Column 700
Figure 23: Determining the feed tray location for Column 700
44
Shell and Tube Reactor Key Variables
The reactor design was dependent on information provided by our research team. The inlet
pressure and total pressure drop through the reactor were specified as 50 and 20 psi,
respectively since equilibrium is favored by low pressure. Selectivity and conversion are
temperature dependent, which makes it important to keep the reactor isothermal so that a
consistent product purity is maintained. The reactor also needed to be designed large
enough to hold the catalyst given its dimensions and its weight hourly space velocity
(WHSV).
The desired reaction is the dehydrogenation of IPOH to acetone and hydrogen, shown
below. Two major side reactions were accounted for that IPOH could participate in: IPOH
can participate in an aldol condensation reaction to form mesityl oxide, water, and
hydrogen, and IPOH can undergo a dehydration reaction to form propylene and water, also
shown below.
The desired reaction is an equilibrium reaction, so the reactor was designed at a high
temperature and low pressure to drive the process the reaction in the forward direction. The
plug-flow characteristics of the reactor also help to drive the reaction to equilibrium by
avoiding uniform mixing of the reaction. Removing acetone will help to shift the reaction
towards completion based on Le Châtelier's principle. The plug-flow properties of the shell
and tube reactor is favorable for this because the concentration of acetone starts very low,
45
and ends at the outlet concentration. If a CSTR type reactor was chosen, the reactor would
always be run at the outlet acetone concentration, decreasing acetone production.
The production of side products was minimized by choosing the appropriate reaction
temperature. The selectivity for mesityl oxide and propylene increased with temperature, as
did the conversion of IPOH. The tradeoff between selectivity and conversion was
considered and optimized.
Reactor Choice
A shell and tube reactor was chosen based on the volume needed for the heterogeneous
catalyst, and the surface area needed for heat transfer to keep the reactor near isothermal
operation. A direct fired heater reactor will not be used because a fixed bed or shell and
tube reactor in combination with available utilities can accommodate the temperatures that
are needed; and it is a more expensive alternative.
For an assumed flow rate of 9,800 lb/hr into the reactor, a heat input of 3.55 MMBTU/hr
yielded a process temperature change of 52.9o
F. Because the reactor needs to be run at
650o
F, hot oil at 750o
F must be used as the heat transfer fluid since the temperature
approach is 100-200o
F when heating above 600o
F. Dowtherm oil was chosen as the heat
transfer fluid, and it has an overall heat transfer coefficient of approximately 15 BTU (hr ft2
o
F)-1
[24]. The desired outlet temperature of the hot oil needed to be about 730o
F to achieve
a ∆TLM less than 90o
F (730o
F gives ∆TLM=81o
F), and to stay above the 100o
F temperature
approach. The minimum area required for heat transfer was determined to be 2,895 ft2
. The
surface area of the packed bed reactor was assumed to be the same as the heat transfer area.
For a fixed bed reactor, a length over diameter ratio of 3 was used to find a diameter of 17ft
and a resulting reactor volume equal to 11,575ft3
. Based on the catalyst’s WHSV, the
volume needed to accommodate the catalyst with a void fraction of 0.3 is 1,254ft3
. Because
of the factor of 10 difference in reactor volume needed for the catalyst versus the volume
needed for heat transfer using a cylindrical packed bed, a reactor with a higher area of heat
transfer to volume ratio will be needed, such as a shell and tube heat exchanger design.
General Optimization Technique
The research group that developed our catalyst specified that the reactor feed needed to be
50 psi, with a maximum pressure drop of 20 psi. The tube diameter is set to 1” to hold the
catalyst with a maximum linear length (L) of 40 ft, and the volume for the catalyst was set
by its WHSV of 0.25 (lb feed/hr)/(lb catalyst). The number of tubes (N) was calculated
using the required catalyst volume and individual tube volume at a specific length. The
maximum N per reactor was specified to be 10,000. The Ergun Equation (Appendix,
Equipment sizing calculation methodologies) was used to determine the pressure drop
through the tubes. The reactor was sized by iterating the linear length to get a pressure drop
below 20 psi, and fewer than 10,000 tubes. The area for heat transfer was not a constraint
because the required area is 2,895 ft2
when using 750o
F hot oil, and the surface area of
10,000 tubes is on the order of 60,000 ft2
. Because equilibrium is favored by low pressure,
we chose to design to the maximum pressure drop of 20 psi, which also gave the minimum
46
number of tubes, helping to make catalyst replacement easier. The design is: N=6967, L=33
ft, and ∆P=19.9 psi.
Reactor (IPOH)
Purpose
The reactor converts a feed stream of 0.80 mass fraction IPOH and 0.0086 mass fraction
acetone into a stream of 0.090 mass fraction IPOH and 0.71 mass fraction acetone. It needs
to provide enough volume to hold the catalyst, and enough surface area for heat transfer to
maintain a nearly isothermal reactor.
Conversion and Selectivity Analysis
The optimal operating temperature for the reactor was determined by finding the knee of the
curve for conversion versus selectivity. This fell between two data points, which
corresponded to 600 and 700 o
F. An operating temperature of 650 o
F was chosen. The
values of conversion at 600 and 700 o
F were averaged to find the conversion of 0.90 at 650
o
F. The conversion versus selectivity for the side products was also plotted to make sure
there were no significant differences in mesityl oxide or polypropylene selectivity between
600 and 700 o
F. At an IPOH conversion of 0.935, the selectivity of the side products fell in
a near-vertical region, meaning those variables are not sensitive to temperature changes
between 600 and 700 o
F, and do not need to be further considered. A conversion of 90%
was used in calculations and the HYSYS model to account for the temperature variations
within the reactor because it is not perfectly isothermal.
Figure 24: Knee of the curve optimization of conversion and selectivity
47
Hot Oil Heating Loop
Purpose
A utility needed to be provided to keep the reactor running isothermally. Based on the heat
of reaction and the moles of IPOH reacted, it was determined that 3.55 MMBTU/hr of heat
needs to be provided to the reactor to keep it near isothermal. The most economical utility
that could supply heat to reach a reaction temperature of 650 o
F was hot oil heated to 750o
F.
Optimization of Utility Stream Used to Heat the Hot Oil
There were seven waste streams in our process that could be used in the direct fire heater to
heat the hot oil. The utility in each stream was determined by multiplying the lower heating
value by the flow rate of the stream. The stream has to provide 3.55 MMBTU/hr, and no
single stream provided enough heat without providing ≥100% more than necessary. By
combining the bottoms of T-100 and distillate of T-700, a total of 5.646 MMBTU/hr can be
supplied to the direct fire heater, which can transfer 3.67 MMBTU/hr based on a 65%
thermal efficiency [18]. This provides enough heat to the reactor, with a safety factor of
1.03, and allows us to use a waste stream directly in the process.
Reactor and Catalyst Maintenance
Regeneration Process
Purpose
The copper on alumina catalyst experiences losses in activity (a function of the rate constant
and conversion) over time. This is likely due to coke forming on the surface as the
hydrocarbons pass over it at high temperature. Coke formation is known to happen during
dehydrogenation reactions, and has specifically been seen on a copper on alumina catalyst
[11, 14].
Regeneration Process
The catalyst must be regenerated every 6 months, and the entire regeneration cycle takes 7
days. Because Eurecat is the company supplying our catalyst and has a location in the US
Gulf Coast, we will be using their expert catalyst regeneration services rather than designing
and operating the process in-house.
Detailed Equipment Lists
Inside Battery Limit (IBL)
The IBL contains all of the essential equipment to meet our plant capacity and hard
specifications. A summary of the number of each piece of process equipment for the base
48
case is given below. For details on the sizing of each, see the Appendix, Alternative Case
Capital and Cash Flow Sheets.
Table 6: Summary of all process equipment required for the acetone retrofit plant
Outside Battery Limit (OBL)
The OBL contains all of the auxiliary support equipment for our process. This is existing
infrastructure from the existing process. This includes the utility systems, which
encompasses refrigerant, cooling water, low low pressure steam, low pressure steam,
medium pressure steam, and high pressure steam. The steam system contains boilers that are
currently fed by the streams that would become feed streams to this acetone retrofit process,
pressurizing equipment, liquid and gas fuel storage tanks, and the steam distribution system.
There is also a substation to provide electricity for the process needs such as pumps and
compressors. The OBL will house the product holdup tank which can store the acetone
product for 14 days, and emergency flares for system leaks or when rupture disks break.
Section Four: Alternative
Cases
Alternative Studies
Acetone-Methanol Separation
Currently, the designed base case acetone recovery plant has 7 distillation columns, 1
reactor and 2 carbon beds. The challenge to minimize cost came with the acetone-methanol
separation. Three main types of distillation were designed and tested to separate acetone and
methanol. These systems were vacuum distillation (base case), extractive distillation, and
pressure-swing distillation.
The base case features two vacuum columns to separate acetone and methanol. These were
Columns 300 and 500. Column 300 features a length of 198 feet and a diameter of 15 feet.
Column 500 features a height of 139 feet and a diameter of 13 feet. These columns are at the
maximum possible diameter that allow the columns to be prefabricated and shipped to the
plant location. The low pressures in these columns cause the azeotrope to disappear and
allows for nearly pure acetone to be obtained in the distillate of each column.
Extractive distillation is used for mixtures with low relative volatility and those that form an
azeotrope. Extractive distillation uses an entrainer as a separation solvent. The entrainer is
miscible in the mixture and has a higher boiling point. The entrainer is added to enhance the
separation between the acetone and methanol while avoiding the formation of an azeotrope.
In this case water was used as the entrainer to separate acetone and methanol. These
columns were modeled in HYSYS and then sized. The first column has a height of 109 ft
and a diameter of 5 ft, while the second column has a height of 149 ft and a diameter of 15.6
ft. The cost compared to the vacuum case can be seen in Table 7. A major disadvantage
with extractive distillation is the large duty of the feed pump due to the requirement of
feeding 20,000 lb/hr of entrainer to the columns. The extractive distillation system is shown
in the image below.
Pressure Swing Distillation is another method that breaks the acetone methanol azeotrope to
produce a pure stream of acetone. The HYSYS schematic shown below is the pressure
swing system. The theory behind this separation technique is to operate the first tower at
low pressure and then the second column at high pressure creating the pressure swing. This
Figure 25: HYSYS simulation snip of the extractive distillation system
51
breaks the azeotrope by removing the acetone as the bottoms product of the first column.
The distillate goes through the high pressure column to produce a methanol stream out the
bottoms of the second column. The distillate of the second column gets recycled back and
fed to the first column to conserve as much acetone as possible. This separation technique
was able to meet the desired production of acetone, but it came at a very high utility and
capital cost derived from the extreme recycle flow rate and column diameters.
When attempting to size the two columns for the pressure swing distillation system, neither
of the flow rates for the liquid and vapor allowed for the Glitsch Method plot to be used. For
the first column, which operates at high pressure (approximately 50 psi), the Glitsch Method
plot was able to be extrapolated to account for the high flows in the column. This gave an
estimated diameter of 25.5 feet and a height of 57.5 ft. For the second column, which
operates at vacuum, the flows were so high that an extrapolation of the Glitsch method plot
could not be obtained. It is estimated that the diameter of the column would have to have
been at least 50 feet. The minimum column diameter for the column to be prefabricated and
shipped to the Gulf Coast location is 15 feet. Therefore, each column would have to be
fabricated on site, and the capital cost of the large diameter columns plus the construction
cost would be astronomical. The pumps required to move the extremely high flows in
pressure swing distillation system (due to the large recycle stream) would also require a very
large amount of energy. Thus the conclusion was drawn that pressure swing distillation was
an unfeasible solution for acetone methanol separation.
Economic Analysis of the Acetone-Methanol Separation Techniques
As previously explained, the pressure-swing system featured such large flows that the
capital cost would have been exorbitantly high and thus that system was not analyzed
further.
Table 7 shows the capital cost and utility cost associated with the base case and extractive
distillation alternative case. The capital costs are fairly similar, but the total operating cost
per year is approximately 2.5 times higher for extractive distillation system.
Figure 26: HYSYS simulation snip of the pressure swing distillation system
52
Table 7: Total capital cost and operating cost per year for the base case and two alternative cases
Separation Method Capital Cost ($) Total Operating Cost ($/yr)
Vacuum Distillation (Base
Case)
194,136,000 40,000,000
Extractive Distillation 193,867,000 113,000,000
Pressure Swing Distillation N/A N/A
Further economic analysis was performed on the base case and extractive distillation
systems. The extractive distillation system featured a raw material cost associated with
adding 20,000 lb/hr of water to the system as an entrainer. The cost of this water stream was
determined to be 17.95 ¢/lb acetone. This stream alone made this process economically
unfeasible. On top of that, there are high refrigeration costs (22.37 ¢/lb acetone) associated
with the condenser of the second column in the extractive distillation system, which
contributes to the operating cost of about $40 million per year. For the extractive distillation
system to reach the ATROR hurdle rate of 20%, the price of acetone would have to raise to
93.5 ¢/lb, which is more than double its current price.
The base case requires a slightly higher capital cost due to the presence of the vacuum
system and the large size of the vacuum column. The operating cost is much lower,
however, due to the fact that the condenser in Column 300 uses a lower cost refrigerant than
the second column in the extractive distillation system and because there is no required
entrainer stream. The acetone price required for the base case plant to reach the ATROR
hurdle rate of 20% is 54.4 ¢/lb, which is approximately 14 cents higher than its current
price. Based on this number, it can be concluded that the base case is a more economical
option than both the extractive distillation and pressure-swing distillation alternative cases.
Additional Separations and Containments:
An additional separation that was considered was the separation of hydrogen from
propylene. This would produce two alternative product streams for additional revenue. The
hydrogen-propylene product in the base case is used to fuel the fire heater, saving the cost of
natural gas that would otherwise be needed to fuel the fire heater. The addition of this
separator also adds a heat exchanger, a pump and a compressor. This is depicted in Figure
27.
53
The costs associated with the hydrogen-propylene separation system are summarized in
Table 8.
Table 8: Summary of the additional capital and utility costs associated with the addition of the hydrogen-
propylene separation system
Separation Method Capital Cost Utility Cost Total
Separator (PPE-H2) $1,909,000 $315,133
This process produces 246.3 lb/hr of 99.74 wt.% hydrogen which can be sold for 81 ¢/lb, as
well as 441.5 lb/hr of 100 wt.% propylene which can be sold for 41 ¢/lb. These two
additional sources of revenue increase the ATROR of the project from 11.51% to 13.55%,
based on an acetone price of 40 ¢/lb. The entire case flow sheet for the base case plus this
hydrogen-propylene system can be found in the Appendix.
In conclusion, the best technique for separating acetone and methanol is vacuum distillation.
This technique employs an expensive vacuum and refrigeration system to achieve the
separation, but avoids the extremely high utility costs associated with the extremely large
flows in the pressure-swing and extractive distillation systems. While the base case appears
to be the most effective system, the addition of a hydrogen-propylene separation to the base
case plant gives a better return on investment. Although the company does not want to get
into new product lines, the production of hydrogen and propylene as products increases the
ATROR by approximately 2%, making it a viable option to consider in addition to the base
case.
Figure 27: HYSYS simulation snip of the hydrogen-propylene separation system
Section Five: Outside
Battery Limit
Outside Battery Limit
The OBL is located 1 mile from the plant. It contains the equipment needed to produce all
of the utilities including electricity, product storage, and flares for product leaks. It does not
include refrigeration or hot oil systems, which are included in the IBL.
Quotes from external contractors for various elements of the capital cost of constructing the
OBL were provided from previous years. Table 9 shows these bids. The costs given in the
quotes were scaled to present-day costs using provided correlations. Table 9 also shows the
summary of the present-day OBL capital costs.
Table 9: Summary of previous OBL bids and the present-day OBL capital costs
Section Six: Environmental,
Safety and Special Design
Considerations
Environmental/Safety Information
Chemical Information
Hydrogen
Hydrogen is a gas at room temperature and is typically the product from the reactions in the
process. It is a side product from the oxidation reaction from isopropanol to acetone and
from the reaction that converts isopropanol to mesityl oxide. It is flammable (even at low
concentrations) and usually travels with propylene throughout the entire process due to the
similar boiling points.
Propylene
Propylene is a product that is produced from a dehydration reaction of isopropanol.
Propylene is also a gas at room temperature that has a high flammability NFPA category of
4. It is highly flammable and oxidants were avoided to explosive behavior. Similarly,
contact of cold liquid propylene with water was also avoided due to the large temperature
difference.
Methanol
Methanol is found in both of the initial waste streams. Methanol is completely soluble in
water and is a liquid at room temperature. It is a flammable liquid and it is toxic orally.
Since it was soluble in water, there was an azeotrope between the two compounds in the
separation.
Mesityl Oxide
Mesityl oxide is the main product of a side reaction of multiple isopropanol forming mesityl
oxide, hydrogen and water. Mesityl oxide is a liquid at room temperature with a low
solubility in water. It is also a very flammable compound that is also toxic. It is not very
reactive but is a side product that reduces the purity of the product stream and ideally goes
to fuel along with multiple other components.
Acetic Acid
Acetic acid is only present initially in the acetone waste stream. Acetic acid is a liquid at
room temperature while being completely soluble in water. It is a somewhat flammable
liquid with a NFPA category rating of 2. It also is toxic orally, and dermally. Since, the
process was designed in a way to eliminate the acetic acid as quickly as possible from the
system due to its corrosive nature, incompatible materials like oxidizing agents, hydroxides
and some metals were not a primary concern in the end products of the design. Therefore
part of the process had a stainless steel component to avoid corrosion.
58
Formaldehyde
Formaldehyde is found as a trace product from the main and side reactions. It is a liquid at
room temperature. Formaldehyde is somewhat flammable with a NFPA category of 2 and is
very toxic if ingested and hazardous through skin contact, eye contact or inhalation. It is
reactive with many components like anhydrides, carbonyl compounds, oxides and
peroxides. Polymerization can be inhibited by adding methanol or stabilizers such as methyl
cellulose.
Isopropanol
Isopropanol is a liquid at room temperature and is the reactant that produces acetone. It
comes in as large quantities through incoming waste streams. It is a liquid at room
temperature and has a very high flammability with a NFPA category of 3. It is completely
soluble in water, reacts violently with hydrogen, oxidants, and is incompatible with many
acids, alkali metals, Isopropanol reacts with metallic aluminum at high temperatures and
attacks some plastics, rubber, and coatings. Isopropanol can also be peroxidized.
It undergoes an oxidation in the main reaction to produce acetone and in the side reaction to
produce the mesityl oxide. While, in the last side reaction it undergoes a dehydrogenation
reaction to produce propylene. Considering the reactivity of all the components in the
streams, many holding tanks were constructed out of nickel.
Acetone
Acetone is the end desired product of the system. It is a liquid at room temperature and is
completely soluble in water. It is also very flammable with a NFPA category of 3.
Additionally, it is toxic orally and dermally. It undergoes explosive reactions with
chloroform and base and reacts violently with some acids.
Table 10: Summary of physical and chemical properties for each of the chemicals present in the plant
Chemical Molecular
Weight
(g/mol)
Boiling
Point (C)
Freezing
Point
(C)
Flash
Point (C)
Toxicity Flammability
(UFL/LFL) by
volume
Reactivity
Hydrogen 2.016 -252.8 -259.2 -149.99 Simple
asphyxiant
4%/74.2% Highly
flammable.
Strong reducing
agent
Propylene 42.08 -47.7 -94 -107.990 Nontoxic 2.4%/11.0% Highly
flammable.
Methanol 32.04 64.7 -98.0 9.7 LD50 Oral %/36% Acid chlorides,
acid anhydrides,
oxidizing agents,
alkali metals
59
Mesityl Oxide 98.15 130 -41.5 31 Acute
toxicity
1.4%/7.2% None
Acetic Acid 60.05 117.5 16.2 40 LD50 Oral,
LC50
Inhalation,
LC50
Dermal
4%/19.9% Oxidizing
agents,
hydroxides,
Water 18.016 100 0 N/A Nontoxic Nonflammab
le
Water reactive
substances
Formaldehyde 30.031 98 -15 50 Ingestion,
skin
contact, eye
contact
hazard
6%/ 36.5% Incompatible
with carbonyl
compounds,
oxides
Isopropanol 60.10 82 -89.5 12.0 Inhalation/
Oral
2%/12.7% Reacts violently
with hydrogen
Acetone 58.08 132.8 -94 -17 Oral
(LD50),
Inhalation
(LC50),
Dermal
(LD50)
Highly
flammable,
NFPA
Category 3
2%/13%
Explosive with
chloroform and
base; reacts
violently with
nitric acid
Waste Considerations
The only stream going to waste is the bottoms of T-600. It is 92.6% water by mass, and 7%
formaldehyde by mass. This stream will go to industrial wastewater treatment outside of the
process. All other streams are burned as plant fuel or are sold.
Safety Precautions
Maintenance workers, engineers and other employees working in the system should be
wearing the proper protective equipment to ensure safety in the plant from high pressure,
high temperature and corrosive environments that are prevalent in the system.
Process Hazard Analysis (PHA)
Process Unit Hazard Effects Severity Likelihood Risk Current Control Verifications
Column High
pressure
buildup,
Leak
Shock,
Explosion,
Leak
Major Possible High Rupture cap to
prevent pressure
overload
Test, analysis and inspection
and training for employee
Compressor High power
and high
pressure
Shock,
Leak/Explosion
Major Possible High Shut off switch,
metal components
grounded/guarded
Test, analysis and
inspection, certification,
maintenance
Carbon bed High
pressure
buildup
Shock,
Leak/Explosion
Major Possible High Rupture cap to
prevent pressure
overload
Test, analysis and inspection
with maintenance
Pumps/Mixer Excessive
Pressure
Pipe rupture, Major Possible High Pressure vessels
leak before burst
Shutoff Activated
automatically if
fire is detected
Station attendant
trained in
inspection
Maintenance
System tests
Regular system training
61
Active
Electrical
Components
Electric Shock
Burns
Heart Problems
Minor Unlikely Moderate Metal
components
grounded and
insulated.
Station attendant
trained in
inspection
Active charge
components
covered
Fence
surrounding
system
Maintenance
Regular system training for
employees
Holding
Tanks
Excessive
Pressure due
to Vapor
Expansion
Vapor Release
-Hazardous if
inhaled or
absorbed
Major Unlikely Moderate Shutoff activated
automatically.
Inspection
procedure
Tank
Degradation
Chemical
contamination
Hazardous
exhaust fumes
emitted
Harmful if
inhaled
Minor Rare Low Material chosen
that is resistant to
corrosion from
most materials in
system.
Attendant trained
in inspection
Regular system training for
employee.
Maintenance.
System Tests.
62
Cooler High Cold
Temperature
Burns Major Unlikely Moderate Pipes insulated to
extreme
temperatures
Test, analyze, get pipes
certified and quality control
Reactor Fire Hazard Spontaneous
Combustion
Major Possible High Shutoff is
activated
automatically.
Pipes and
pressure vessels
insulated
System Check and
Maintenance
Health
Hazard
Dust Inhalation Major Possible Moderate Weekly
Inspection
Maintenance
Figure 28: Process hazard analysis table of components in the acetone retrofit system
Figure 29: Process hazard analysis matrix to determine risk
Discussion of the Process Hazard Analysis:
The process hazard analysis summary above shows how the different components of the
system are in terms of safety. The risk was obtained by using the matrix above between the
likelihood of the event and the impact of the event.
The high risk conditions were high pressure systems and a fire hazard from the reactor. The
high risks were calculated from the probability and severity of the accidents by using Figure
29. The accumulation of high pressures and high temperature could lead to pipe and system
ruptures. Therefore, rupture disks were added as means to remedy and reduce the risk of
accidents happening. Attendants and inspection training would be provided to insure proper
functioning of the columns, compressor, carbon bed, and pumps/mixer. These modifications
to the plant would save the company money from not having to pay for repairs that are
much more drastic than a blown rupture disk. A complete system shutdown or malfunctions
in the system would be more expensive than adding these safety measures.
Similarly, a heating problem with the reactor could burn workers. The use of a temperature
control system should prevent any major temperature overloads in the reactor.
The other risks are not as high but are still as serious need to be considered. For example, a
leak from the cooler could cause burns and vapor/fumes inhaled from the reactor could
cause major health problems. That is why simple pipe insulation could reduce likelihood of
malfunctioning and weekly inspection of the reactor should drastically reduce chances of
vapor evaporation/leaks from the reactor. Insulation and the grounding of the metal
components of the pumps and mixers may circumvent the problem of electric shocks and
burns for workers. In addition to this, a trained station attendant should be inspecting the
system regularly. However, pipe and pressure vessel insulation is only insulated to 150 o
F,
which is still a hazard to workers. Additional measures could later be implemented if these
safety modifications prove not to be enough. It is in the company’s best interest to protect
64
the lives and well-being of its workers even if it means at a slightly higher price. This
ensures a safe working place for workers. It also avoids any economic and public
repercussion that may occur if there is an equipment malfunction or worker injury due to
poor safety design. For every injury prevented, the company saves itself from being
responsible for the injury, having poor publicity, and providing medical compensation.
Standard Operating Procedure (Startup & Shutdown
Procedure):
Startup Procedure
This startup operating procedure will start with the Column 100 system.
(1) We will initially open the control valve prior to the column to allow the stream to
flow.
(2) Turn on the feed pump which is fed initially by a water reservoir. Then allow the
column to fill up to 3 feet.
(3) Turn the feed pump off.
(4) Turn the reboiler on and feed the utility to the condenser so any vapors are
condensed.
(5) Once the reboiler reaches a temperature of 228 o
F, turn on the reflux pump and
operate at total reflux until the trays reach the specified temperatures:
Table 11: Temperatures that each of the trays in Tower 100 must reach during startup at total reflux
Trays Temperature (o
F)
Condenser 132.7
1 148.8
2 151.3
3 155.1
4 170.7
5 203.8
Reboiler 228.5
(6) Once trays reach temperature within 5 o
F, use a utility stream instead of a process
stream for startup; turn on the feed heat exchanger.
(7) Turn the feed pump on.
(8) Turn on the distillate and bottoms product pumps.
65
(9) Check for leaks.
(10) Repeat steps 1 through 9 for the acetone waste feed stream.
(11) Monitor the column until it reaches steady state.
Shutdown Procedure
This shutdown operating procedure will start with the Column 100 system.
(1) Turn the feed pump off and let the column empty.
(2) Turn the control valve of the process stream that acts as a utility for the heat
exchanger.
(3) Close the feed control valve
(4) Let remaining process run until liquid holdup in the column is emptied.
(5) Turn off the condenser and reboiler
(6) Turn off the reflux, distillate and bottoms pump.
(7) Check for maintenance problems.
Process Control Strategies
Reactor
Temperature control is used to control the amount of high pressure steam entering the shell
side of the final heat exchanger before the reactor. This ensures that the temperature in the
reactor stays approximately constant at the design temperature so that the selectivity and
conversion which were used to model the reactor are valid. The reactor level was also
controlled via a valve in the line before the reactor so that the reactor does not overflow and
leak out flammable materials. Temperature control is used for the reactor to prevent the
reactor contents from getting too hot. A thermocouple will be couple to a valve in the hot oil
line which will cause the valve to close if the temperature in the reactor exceeds 700 o
F.
Fire Heater for Hot Oil System
Temperature control is used to control the amount of fuel being fed to the fire heater so that
the oil temperature is at a desired set point. The temperature control adjusts a valve that
controls the amount of fuel being fed to the heater.
Column System (including reboiler and condenser)
For the feed streams to each of the separators, pressure and temperature control were used to
ensure that the feed was entering the column at a pressure and temperature similar to the
feed tray (as designed) to ensure that the columns work efficiently and consistently meet
specifications. Temperature control on the bottom tray of the column was used to control the
flow of the utility in the reboiler to ensure that the columns have a high enough vapor flow
to achieve the separation. Each reactor also has level control at the bottom of the column to
66
ensure that there is the minimum of 3 feet of liquid holdup so that the column does not run
dry. The level sensor controls the bottoms product valve and closes this valve if the liquid
level in the tank drops below the minimum 3 feet.
Reflux Drums
Level control is used for each of the reflux drums to ensure that the reflux ratio stays
approximately constant at the value for which the column was designed. The level sensor
measurement is used to control the valve of the distillate product stream. The reflux pump
will have a flow controller with it to ensure constant flow back to the column. Therefore, the
level controller was chosen to be connected to the distillate product flow to ensure that the
reflux drum level stays constant. A pressure and level alarm should also be installed for each
of the reflux drums in the case of excess vapor or liquid accumulation.
Storage/Holding Tanks
Pressure and level alarms should be installed for each holding tank in case of excess vapor
or liquid accumulation.
Mixing Points
Each of the streams entering the three mixing points were designed to be at the same
pressure. At each mixing point, the valve controlling the pressure of one of the streams was
controlled by the pressure measurement of the other stream in order to ensure that the
pressures entering each mixing point were the same. For example, if the measured pressure
of stream 8 is lower than the pressure of stream 9, then the controller would decrease the
opening of the valve for stream 9 to drop it to the same pressure as stream 8.
Reflux Pumps
All reflux pumps have a flow controller that controls the valve after the reflux pump to
ensure that the flows of the reflux stream are constant to each of the columns. This ensures
that the column has high enough liquid flows to ensure the column will meet specifications.
Check valves should be installed after each reflux pump to prevent backflow into the pump.
Distillate Pumps
The valve before the distillate pump is controlled by the level in the reflux drum to prevent
liquid accumulation in the drums. Because all of the distillate pumps are centrifugal pumps,
there needs to be a low level alarm on each pump to ensure that the pumps do not run dry.
Check valves should be installed after each distillate pump to prevent backflow into the
pump.
67
Bottoms Pumps
The valve after each of the bottoms pumps is controlled by the level in bottom of the
column to ensure that the liquid holdup in the tank is at or above the minimum. Check
valves should be installed after each bottoms pump to prevent backflow into the pump.
Feed Pumps
Each of the feed pumps are flow controlled to ensure constant flow into each of the
columns. Check valves should be installed after each feed pump to prevent backflow into
the pump.
Process Stream HEX
The temperature of the process stream leaving a heat exchanger is used to control the flow
of the utility to the heat exchanger. This temperature control scheme cannot be used for
process-process heat exchangers because the flow of the process streams need to remain
constant. However, the temperatures of the process streams entering and leaving the
process-process heat exchangers will be closely monitored.
Compressor
The compressor after Column 400 is used to compress the hydrogen-propylene mixture
leaving the column. A valve before the compressor will be connected to a level controller
with the reflux drum to control the flow to the compressor. If the liquid level high in the
reflux drum is high, the valve with open more to prevent backup of the vapor in the system.
Carbon Beds
There will be a thermocouple placed before the carbon bed system to ensure that the acetone
stream being fed to the bed is cool enough so that there is no disruption in the adsorption of
the impurities to the activated carbon. If the stream is too hot, there will be poor adsorption,
the beds will be ineffective, and the product being sent to the consumers will not be up to
standards. There will be pressure control on the feed stream in order to be able to drop the
pressure and thus drop the temperature of the stream if it is entering the system at a high
temperature.
Special Design Considerations
● Nickel was used for the holding tanks because it seemed to be the cheapest material
that was still resistant to the corrosive behavior of the components in the system like
acetone, mesityl oxide and formaldehyde. Carbon steel was used for most of the
process while stainless steel was used for the trays of each of the distillation columns
and for the components of the design that had contact with acetic acid. Since most
materials could not be stand the corrosiveness of acetic acid, stainless steel was
implemented to circumvent the problem.
● To avoid stainless steel equipment, acetic acid was removed from the acetone waste
feed stream with the first distillation column (T-100) so that no acetic acid made it to
68
the rest of the process. The acetic acid waste stream was sent to the fired heater to
be used as fuel. This avoided having to store corrosive and potential toxic waste.
● Chemicals like acetone, mesityl oxide and other components in the streams are toxic
and have environmental consequences if the system does have leaks. That is why
control valves and holdup tanks are designed in locations where there is a possibility
of a severe malfunction or leak contributing to a health hazard. Implementation of
holdup tanks were placed in areas where if a malfunction or breakdown of a column
ahead or behind could cause the entire system to fail; a quick check was to see if a
distillation column were to fail, what would happen and where (if any) would a
holding tank be placed to avoid the crisis.
● Process streams were used in as many places as possible rather than using utilities
when designing heat exchangers. By crossing streams, roughly $750,000/yr were
saved in utility costs. This also means that energy was saved in generating utility
streams, which are heated using a fossil fuel or carbon based chemical like the waste
streams feeding the acetone retrofit process. By saving energy and conserving fuel,
the acetone retrofit process will have a smaller environmental impact related to
greenhouse gas emissions compared to if process streams were not crossed.
● Heat exchangers were designed to withstand 50 psi if they used LLPS so that they
could use LPS at 50 psi if hotter temperatures are needed during operation. It adds
flexibility to the temperatures that the system can be run at so that corrections for
heat loss can be made.
Section Seven: Capital
Estimate
Capital Estimate
Basis
After evaluation, the total plant capital cost (including IBL and OBL) totaled $194 million
as seen in Table 12. This is based on a plant capacity of 189 MMlb acetone/year. The
Aspen Economic Software was used to estimate the capital cost for all equipment except the
two vacuum systems and the refrigeration system. This includes all towers, holding tanks,
reflux drums, heat exchangers, pumps, and the compress. For the vacuum and refrigeration
systems, externally-provided data was used to estimate the capital cost. An escalation of 3%
per year over three years and a project contingency of 20% was assumed in order to make
the capital cost estimation.
71
Summary of Capital Cost Calculations
ICARUS List of Assumptions
Below is a list of assumptions made in ICARUS to serve as the basis for economic analysis
when pricing equipment. This is repeated in the Appendix, Economic Calculation
Methodologies (ICARUS Inputs) along with the assumptions made in each equipment
specification sheet.
Table 12: Capital cost summary sheet for the base case plant design
72
General Specs
● Process description: Proven process (none of the information is proprietary, and all
of the separations have been done before)
● Process complexity: Typical (Azeotropes are common- this was the only major
problem we faced. Our process used mostly standard distillation procedures for
separations)
● Process control: Digital (We will not have manual control processes)
● Plant addition: Adjacent to existing (There is an existent plan that produces our feed
streams adjacent to this plant)
● Estimated start date: Jan 18, 2016 (Assumed to be the beginning of semester)
● Soil conditions: Sand/clay [19]
● Pressure Vessel Design Code: ASME (specified)
● Vessel diameter: ID (specified)
● P and I design level: Full (specified)
Investment Parameters
● Capital escalation: 0 (This will be specified and added into the capital estimate
which includes ICARUS and other capital costs)
● Facility type: chemical process facility (acetone is not a specialty chemical,
pharmaceutical, or food product)
● Operating mode: 24 hrs/day (assumed)
● Length of start-up period: 20 weeks (specified as default)
Discussion
The two most expensive systems in terms of capital are Tower 300 (Acetone/Methanol
Vacuum Tower) and the IPOH Reactor.
The Tower 300 system is expensive mainly because of the large size of the tower, which is
required for the difficult acetone-methanol separation. This cost is much smaller than it
would be if the originally-planned pressure-swing distillation system was installed, because
that system would have required two extremely large towers. Tower 300 requires a vacuum
system to be installed; but even with this cost, the system is cheaper than the pressure-swing
system. A possible alternative to lower the capital cost for Tower 300 would be to use an
extractive distillation column. Further research would need to be done to see if the capital
savings for using extractive distillation would make up for the fact that a fresh stream of an
entrainer would need to be purchased for the system. .Another large capital expense
associated with the Tower 300 system is the holding tank. However, a large holding tank is
necessary for safety reasons.
The IPOH reactor system features a large capital cost because the reactor also acts as a heat
exchanger. The reactor required a large area for the proper heat transfer to occur so that the
reactor stays at the optimal temperature for conversion and selectivity reasons. A large
holding tank is also included in the IPOH reactor system, which greatly increases the capital
cost but is necessary for safety reasons. The final reason the IPOH capital cost is high is due
73
to the presence of a fired heater system, which is required to provide heat to the endothermic
reaction.
The capital estimate also took into account indirect costs, which included engineering costs,
field management/representatives, rack/sewers, tools, temporary structures, rentals, and
surplus materials. The rack/sewers were estimated to be 20% of the total direct cost of each
piece of equipment. ICARUS provided a lump sum indirect cost, which accounted for
installation and engineering costs. The final contribution to the indirect cost was the
difference in ICARUS between the direct total and IBL direct total costs, which represents
costs not accounted for in equipment capital and installation. These three values were
proportionally distributed across all pieces of process equipment, and contributed $26
million to the capital estimate.
Section Eight: Operating
Costs
Overview
Operating costs for this project include:
1) Raw Materials - copper on alumina catalyst (feed streams are assumed to have no
value)
2) Byproducts - none of the byproducts are being sold in the base case, so their values
were set to zero.
3) Utilities - Hot Oil, HPS, MPS, LPS, LLPS, CW, Refrigerant, power
4) Fixed Costs - labor, overhead, repair and maintenance, property tax, insurance
The relative price of each operating cost is shown below:
Table 13: Summary of operating costs by type
Operating Cost
Type
Cost (¢/lb acetone product)
Raw Materials 0.08
Byproducts 0
Utilities 9.73
Fixed Costs 11.37
Raw Materials
The only raw material cost in the process is the catalyst. Over the life of the project, 6
reactor volumes of catalyst will be required, and its current cost is $10/lb.
The raw materials are an isopropanol and an acetone waste stream, and are valued as a fuel
source for the existing process. The raw materials were considered to have no value in the
economic analysis, but they will be considered as a different opportunity for the company,
where it is valued as a utility.
Fixed Costs
Labor costs were based off of 60 employees, covering two shifts. This was an estimate
based on having 9 unit operations in the system. This encompasses people in charge of
plant maintenance, one operator per unit operation, and people to take samples and analyze
the data.
Overhead costs were calculated by multiplying the labor cost by a factor of 1.5. This covers
soft costs associated with project support, such as marketing, administration, and support
staff.
76
Repair and maintenance costs were assumed to be 1.5% of the capital costs. Property taxes
were accounted for as a fixed cost while sales and income taxes were accounted for in the
cash flow sheets. Property tax was 2.5% of the capital cost. Insurance was assumed to be
0.5% of the capital costs. This covers casualties, property damage, and pollution liability.
Utilities
The power utilities were used to power the process pumps and compressors. The
heating/cooling utilities available spanned from -150 to 750 o
F. The assumed price of each
utility is shown in Appendix, Economic Calculation Methodologies (ICARUS Inputs).
These were calculated based on a natural gas price of $2.5/MMBTU. Although the current
price of natural gas is $1.86/MMBTU, $2.5/MMBTU was used as a safety factor. The
historical natural gas prices show price fluctuations of at least $0.5/MMBTU in any single
year. The natural gas futures predict that the price will increase to $6/MMBTU by 2025
[31]. The combination of these two factors resulted in us estimating the price of natural gas
to be higher than the current value.
The heating/cooling utilities were used for the reactor, process heat exchangers, reboilers,
and condensers. Each utility has a different cost, which allowed us to optimize the use of
each by minimizing price. Heat exchangers with large duties can be split into multiple heat
exchangers in series to reduce the use of expensive utilities. This is done by adding another
heat exchanger using a different process once the process stream is heated/cooled to the
range of a less expensive utility. Utility costs were also minimized by crossing process
streams where one needed to be heated, and the other needed to be cooled. The largest
energy savings seen by crossing streams was from cooling the reactor effluent by preheating
the stream going into T-700. This saved 4.34MMBU/hr. The cheapest utility was always
chosen while satisfying the temperature approach limits for each temperature range.
77
Table 14: Summary of the power usage for the compressor and each of the pumps in the plant
Table 15: Summary of the energy usage per hour of all reboilers, condensers, and heat exchangers in the plant
Section Nine: Economic
Evaluation
Basis
The basis used for the economic evaluation is shown below. The values were provided from
the company’s management. The targets for designing a process that is competitive with
other ones the company is considering are: ATROR ≥ 20% and NPV ≥ $30MM.
Plant Economics
● Plant Operating Time: 8400 hours per year
● Plant Startup: January 2019
● Project Start: March 2016
● Project Life: 15 years from start-up
● Capital Spending: 15%/35%/50%
● Market Build: 40%, 75%, 100% in 1st
3 years of production
● SG&A: 2% of sales
● Income Tax Rate: 38%
● Working Capital: 10% of revenues
● Depreciation: MACRA
● Project Discount Rate: 9%
● Escalation (Inflation): 3% per year
Fixed Costs
● Plant Labor Salary + Benefits: $85,000/man-yr
● Plant Overhead: 1.5 x Plant Labor
● Repairs and maintenance: 1.5% of capital
● Property tax: 2.5% of capital
● Insurance: 0.5% of capital
Future Prospects for the Acetone Market
The consumption of acetone is expected to increase in the future based on the demand of the
products that it is used for, predominantly BPA, methyl methacrylate, and solvents. In
2014, BPA accounted for 31% of all global acetone production, and it is expected to
continue to surpass all other categories by 2020 [25]. The largest market players in the
acetone industry are: Dow chemical company, BASF, INEOS Phenol GmBH, CEPSA
QUIMICA, Shell Chemicals, Mitsui Chemicals, Reliance Chemicals, Honeywell and LG. A
company in Shanghai China recently started up the world's largest phenol and acetone plant,
meaning China will be importing less acetone than historically.
81
The estimated trend in consumption and year-over-year growth both indicate that the
demand for acetone will be consistently increasing in the future. Because acetone is used as
a precursor to BPA, the demand for acetone will likely not drop significantly over the 18
year period that this plant will be in operation [25]. Seventy-three percent of BPA is used to
make polycarbonate resins. Twenty percent of these resins are used in the automotive
industry, and another 20% is used in making media products like CDs and DVDs. Because
of the market shift away from tangible media products, this is not an area of consumption
that should be depended on for demand. However, the automotive industry is increasingly
replacing glass with polycarbonate plastic, which is projected to increase in the future [25,
32]. According to a Research and Markets publication, the BPA market is projected to grow
between 2014 and 2019 [25].
Chemical Commodity Historical and Future Pricing
The acetone price increases at a higher rate than if its price increased only due to inflation
[28]. A line was fit to the historical acetone price to project what it will be in the future
because no commodity was found to correlate to acetone prices to use for future predictions
(crude oil correlation R=0.349, natural gas correlation R=0.252, and cumene correlation
R=0.448. Data shown in Appendix, Price Correlation Curves). We estimate that its price
will increase in the future for two main reasons:
Figure 30: Global acetone consumption forecast through year 2020 [25]
82
1) Acetone is a byproduct of cumene, which is petroleum based. The historical
prices correlate with a linear fit having an R=0.95 (data shown in Appendix, Price
Correlation Curves). The futures for crude oil predict that the price will drop by about 15%
by the year 2025 [31]. However, the cost of cumene was not seen to correlate with
acetone’s price. This means that the price of acetone will likely be driven by supply/demand
more than the cumene price.
2) The demand for acetone will likely grow, based on the analysis given in the
previous section. Combined with the decrease in acetone production, this will increase the
global price of acetone.
Figure 31: Prediction of future acetone prices based on historical data
83
The historical prices for hydrogen and PPE are also shown, and future projections are
shown. Hydrogen and PPE are considered as additional products to sell in an alternative
case. The double dashed lines show the price increasing by the inflation prices each year,
and the single dashed lines are linear fits to the data showing how the prices increase over
time. In 2019, when the process starts up, the price projection for PPE is lower than
hydrogen. However, by the end of the 15 years of operation, hydrogen is less valuable than
PPE. This illustrates that hydrogen’s price does not follow the domestic inflation rate, and
may not be as valuable as PPE because our mass flow of PPE is two times larger than our
flow of hydrogen.
Figure 32: Prediction of future hydrogen and propylene prices based on historical data
84
Basis for Utility Costs
Figure 33: Historical natural gas prices along with forecasted prices up to 2025 [29]
The plot of natural gas prices shows that it peaked in 2005, and has been on a steady decline
since then because of technological improvements of hydraulic fracturing. The inset zooms
in on the price trend since 2014, which also shows a 50% decrease in price over the two
year period. The current price for natural gas is $1.96/MMBTU, so utility prices were based
off of this price. The price has been decreasing for the past decade, but World Bank predicts
that it will triple within the next 10 years.
The historical or future price of isopropanol (the major component in the feed stream other
than acetone) was not factored into the economic evaluation. This is because its current
value is derived from being used as a fuel, rather than as a product to sell. Its heat of
combustion will not change over time like price would, so its value is based upon the price
of natural gas that it saves from being used. The price of natural gas is predicted to increase
from the current price of $2/MMBTU, to $6/MMBTU in 2025 [31]. This means that the
feed streams to the acetone retrofit process will become more valuable with time. The
avoided costs of using the feed streams as fuel instead of natural gas to produce high
pressure steam will be larger in the future, and will be taken into consideration when
comparing the company’s options, but will not be part of the acetone retrofit cash flow.
85
Base Case Economic Analysis
The total plant capital cost is $194,136,000. The operating costs for the plant are
$40,000,000 per year. Figure 34 shows the summary of the cash flow sheet for the base
case at an acetone price of 40 ¢/lb.
Figure 34: Cash flow summary sheet for the base case design
As can be seen from Figure 34, the net present worth of the plant is $28.3 million, which
gives an After Tax Rate of Return (ATROR) of 11.51%. Management has informed the
plant design team that capital spending is constrained due to a major acquisition and that
there are currently a number of other attractive projects with NPVs of over $30 MM and
ATRORs better than 20%. Since the plant design does not meet this ATROR rate of 20%,
the design team does not recommend going forward with the construction of this acetone
86
retrofit plant. The large capital cost of the plant, which can only increase with construction
issues and delays, along with the low ATROR makes this plant risky and economically
unfeasible for the company. Therefore, the design team had to decide between the two other
methods for dealing with the two waste streams- burning them to produce high pressure
steam, or selling them to WasteCo., a company who has offered to pay for the two waste
streams.
The value of the acetone and IPOH waste streams when they are burned to produce high
pressure stream for the current plant is approximately $10 MM per year. A summary of the
calculation of this value is shown in Table 16.
Table 16: Determination of the potential revenue associated with burning the waste streams for fuel
The lower heating value for the combined waste streams and their mass flow rates were
used to determine the MMBTU/hr of energy that can be obtained from the streams when
they are burned. Assuming a burning efficiency of 60% in the boiler and a price of high
pressure stream of 600 cents/MMBTU (based on a natural gas price of $2.50/MMBTU), the
value of the streams when they are burned was determined to be $10 MM/year. However,
this value does not take into account the fact that the reboiler system would need to be
upgraded in order to burn these streams (which would not currently meet environmental
standards). Assuming a boiler upgrade would cost 10% of the acetone retrofit in capital
costs, and would last for 15 years, the new profit from burning the streams becomes $8.7
MM/year.
WasteCo. is offering 15 ¢/lb and 12 ¢/lb for the waste acetone stream and waste IPOH
stream, respectively. As shown in Table 17, the company can make approximately 32.8
MM$/year by selling the acetone and IPOH waste streams to WasteCo. Since this option
does not include upgrading or constructing any additional infrastructure, no significant
deductions need to be taken out of this revenue.
Based on these numbers, selling the waste streams to WasteCo. is recommended over
continuing to burn these streams for fuel. In addition, based on the WasteCo. option revenue
of 32.8 MM$/year, the NPW of the acetone retrofit plant would have to be 540 MM$ to
Table 17: Summary of the revenue associated with selling the waste streams to WasteCo.
87
compete with this option. An NPW of 540 MM$ corresponds to an acetone price of
$1.01/lb, which is 2.5 times the current price of acetone.
Sensitivity Analysis
Case 1: Not all of the product can be sold - 30 MMlb/yr surplus
This investigates the outcome of not being able to sell all of the acetone at 189 MMlb/yr
capacity. Acetone sales are assumed to be under yearly contract, meaning 30 MMlb/yr
cannot be sold for an entire year. This study will investigate what should be done with the
excess product, and how it would affect the profitability of the acetone retrofit process.
How to Handle the Surplus
There are two options:
1) Store the acetone product until a buyer is identified and a contract is signed
2) Use the acetone product as fuel in the meantime to reduce operating costs
The process cannot be shut down as an Option 3 because it is essentially a waste treatment
facility. Shutting down the acetone retrofit process means that the existing process
producing the waste streams will be out of compliance with environmental regulations.
Option 1: Storage of 30 MMlb from one year of surplus operation.
Holding tank dimensions: H= 122 ft, D=80 ft
Holding tank cost: $144,590,000
Option 2: Use the surplus as fuel instead of storing it, and reduce utility costs.
Rather than spending the energy to separate acetone beyond what can be sold, 16% of the
feed stream will be diverted to the fuel boilers to produce high pressure steam, and the
utility requirements are also reduced by 16%. Over the course of a year, 2.23x107
lbs of the
acetone stream and 1.57x107
lbs of the IPOH stream will be sent directly to the fuel boilers
to produce 4.44x105
MMBTU of energy over the course of the year. This equates to $0.888
million saved from not purchasing natural gas but costs $10.5 million in lost product
revenue. The ATROR becomes 8.27%. The cash flow sheets for Option 1 and 2 are in the
Appendix, Sensitivity Analysis.
Discussion
The capital cost for the acetone retrofit process is $194,000,000, so adding the holding tank
nearly doubles the capital cost for the process. This changes the ATROR to 3.23%, and it
was originally 11.51%. It does provide the option of selling the product at a later date,
which would require 14 years to pay off the holding tank on a nominal dollar basis. The
second option produces an ATROR of 8.27%, and is less risky. Option 2 does neglect the
88
possibility of violating environmental regulations and facing fines. The boiler plant in the
OBL does not need to be upgraded if the acetone retrofit is built, so sending the feed streams
back to the boilers violates the new environmental regulations that were driving the acetone
retrofit project in the first place. By diverting the stream, rather than sending it through the
process for storage, all of the equipment is running well below capacity, and at lower
efficiencies.
Recommendation
It is recommended that the feed stream is diverted from the system if the product cannot be
sold, and a partial boiler upgrade is completed when the acetone retrofit is being installed.
The boiler system can then safely burn a percentage of the feed streams in an emergency.
This will add cost, but keeps the company in compliance if all of the product cannot be sold.
Case 2: The Price of Acetone Changes
Based on the acetone pricing data from ICIS, the price of acetone used for the economic
analysis was 40¢/lb. However, the price of acetone could change for various reasons. First,
the demand for acetone could change. This could be caused by a government regulation on
BPA, which is formed by the condensation of acetone. The demand could also change due
to the development of a new technology that decreases production costs. The effect of
acetone price on ATROR is shown in Figure 35. In order for the plant to reach the ATROR
hurdle rate of 20%, the price of acetone would have to increase to about 55 ¢/lb.
Case 3: Capital Costs Increase
The plant could experience an increase in capital costs as a result of delays in construction
or any other unforeseen costs that are incurred during the construction process. Figure 36 is
Figure 35: Effect of acetone price on the ATROR (capacity and capital costs constant)
89
a plot showing the effect of capital cost on ATROR. It can be seen from the plot that the
capital cost would need to be reduced by approximately $79 million (to $115 million) in
order for the plant to eclipse the ATROR hurdle rate of 20%. Since the sizing of all of the
capital equipment was optimized to reduce costs, achieving such a cut in capital cost is
unfeasible.
Case 4: The Price of Natural Gas Changes
The price of natural gas could continue to fluctuate in future years. The price of natural gas
has reached a 10-year low due to technology improvements in hydraulic fracturing. Natural
gas is a non-renewable resource that will become increasingly expensive to drill for as the
supplies decrease. The current domestic supplies are expected to last 84 years [30], but that
does not imply that the cost will remain at $2/MMBTU until the economical reserves are
drained. According to the World Bank, natural gas will reach $6/MMBTU by 2025 [31],
which needs to be considered for the future of the acetone retrofit process. Table 18 shows
the utility prices at two different prices of natural gas. Linear interpolation was used to
obtain utility prices at two additional prices of natural gas. Then, a plot of ATROR as a
function of natural gas price was produced. If the price of natural gas increases to
$6/MMBTU by 2025, the ATROR of the plant would drop to below 10%.
Figure 36: Effect of capital cost on ATROR (acetone price and capacity held constant)
90
Costs Not Included in the Cash Flow sheets used in the Previous Section:
The OBL operating costs, as well as the fixed cost of outsourcing the catalyst regeneration
was not included in the cash flow sheets. One volume of catalyst would be regenerated
every six months by sending the catalyst to Eurecat Group’s Gulf Coast location for a cost
Table 18: Utility costs at two natural gas prices. Linear interpolation was used to obtain utility costs at
other natural gas prices.
Figure 37: Effect of natural gas price on ATROR (acetone price and capital cost held constant)
91
of $1.50 to $6.00 per pound of catalyst. The OBL operating costs, as well as the catalyst
regeneration cost, would only make the economics of the base case worse and therefore not
including these costs did not have an effect on the final decision that the group made
regarding the acetone retrofit plant.
Section Ten: PDRI
PDRI Discussion
The PDRI or the Project Definition Rating Index is a measure of how completely or
thoroughly the project was addressed. In terms of the project, multiple PDRIs were
calculated to monitor the progress of the project after each gate. Each of the various
categories were given a different weighting system to calculate the overall PDRI.
Unfortunately, many of the categories or criterion in the PDRI were outside of the scope of
this project and thus the final score never really approached the optimal score of
approximately 250.
A couple of the categories were either not well-defined or within the scope of the project. A
category that was not within the scope of the project is Civil, Structural and Architectural
and Electrical components. Similarly, there were many miscellaneous components like
training requirements and CADD/Model requirements that are outside the scope of this
project. Other categories like Site Information, Infrastructure, Procurement Strategy and
Project Execution Plan were broadly introduced in the description of the project but were
not well-defined.
The figure below shows the progression of PDRI values as the project progressed
throughout the semester.
Figure 38: PDRI values throughout the design of the plant
94
The following figure shows the reduction of the PDRI as the project progressed:
Figure 39: The breakdown of the PDRI into its three categories for each PDRI completed
Specific categories where the score was a ‘Level 5’ include:
PDRI Section I
Maintenance philosophy
Operating philosophy
Future Expansion Considerations
Expected project life cycle
Site Characteristics Available vs. Required
Dismantling and demolition requirements
Design for constructability analysis (Level 5)
PDRI Section II
Surveys and Soil Tests
Permit requirements
Process Safety Management
Utility Flow Diagrams
Piping System Requirements
Plot Plan
Line List
95
Tie-In List
Piping Specialty Items List
Instrument Index
Equipment Status
Equipment Location Drawings
Civil/Structural Requirements
Architectural Requirements
Transportation Requirements
Logic Diagrams
Electrical Area Classifications
Substation Requirements/Power Sources Identified
Electric Single Line Diagrams
Instrument & Electrical Specifications
PDRI Section III
Procurement procedures and plans
Procurement Responsibility Matrix
CADD/Model Requirements
Project Accounting Requirements
Engineering/Construction Plan & Approach
Pre-Commissioning Turnover Sequence Requirements
Startup requirements
Training requirements
Section Eleven: Outstanding
Issues
Technical
1. Column 400 was difficult to converge in HYSYS when the XY diagram looks like it
should be an easy separation. The feed stream was not binary, so an XY diagram is
not a perfect way to predict the separation, and there may have been hidden,
complex interactions between molecules. It may have to do with the temperature
profile of the column spanning from about -100o
F to 100o
F.
2. The calculation to determine the value of burning the waste streams was a simple
calculation that assumed a boiler heat efficiency. Knowing the efficiency of the
boiler at the existing OBL will provide a more accurate value.
Economical
1. The project is too risky based on the ATROR of 11.51%, with a hurdle ATROR of
20%. However, the company was approached by WasteCo., who wanted to buy the
waste. This indicates that there is an economical process for handling the waste,
meaning that our design could be improved to become economical (assuming
WasteCo. also upgrades the acetone to product-grade).
2. No information was provided on the economics of the boiler upgrade project.
Without knowing the NPW or ATROR of the boiler project, it was difficult to make
an informed recommendation to management on which project to pursue.
3. The refrigeration costs were 6-20 times the cost of any other single utility in the
process. This should be used as a driver for the design knowing its negative impact
on project economics. This process was not designed to intentionally avoid
refrigeration, although the price of refrigeration was minimized in the heat
exchanger sizing calculations.
4. The cost of refrigeration for the gas separation was extrapolated from the data given
for refrigeration down to -150 F. A vendor would need to be contacted in order to
confirm that the pricing is similar to that modeled in the alternative case.
Environmental/Safety
1. Equipment improvements could be made to help prevent possible leakage of
material resulting from corrosion of process vessels. If needed, stainless steel could
replace carbon steel in more distillation columns.
2. Extra holding tanks could be implemented to prevent product accumulation or spills
in the event of a process malfunction.
3. Hydrogen gas is very flammable, and so is acetone. A worker safety training
program should be put in place to make all workers aware of the dangers of the
98
flammable materials in the process. This should include training on what to do in
the event of a material leak, and how to respond to fires.
Section Twelve: Conclusion
and Recommendations
Conclusions
A summary of the economic analysis of the three possible choices- plant construction, boiler
upgrade to continue burning the waste, and selling to WasteCo., can be seen in Figure 40.
As previously described, due to the plethora of other worthy investments that are available
to the company, the acetone retrofit plant had to meet an ATROR of 20% and NPW of $30
MM to be considered. The acetone retrofit plant ATROR of 11.51% and NPW of $28.3 MM
does not meet these criteria. Sending the waste streams to fuel would save 10 $MM/yr in
utility costs for the current plant. However, this option requires capital costs associated with
a reboiler upgrade in order to meet environmental specifications. WasteCo. made an offer of
15 ¢/lb for the acetone stream and 12 ¢/lb for the IPOH stream. This offer would generate
31.5 $MM/yr in revenue for the plant with no large capital investments, which is why
selling to WasteCo. is the final recommendation.
Figure 40: The net profit per year for each of the three options for handling the waste streams
Upon the completion of the economic evaluation for the base case, it was concluded that
constructing the acetone retrofit plant is not the best option for the company.
Unless the price of natural gas stays at its current value of $2/MMBTU and the price of
acetone increases by 35.5%, selling the acetone and IPOH waste streams to WasteCo. is the
best option going forward. One area of the plant design that could be improved to make
producing acetone more profitable is reducing the total utility usage of the plant. Utility
costs account for over 37% of the total plant cost as can be seen in Figure 41.
101
Specifically, reducing the amount of refrigeration that is used in the system would make the
plant more profitable. As can be seen from Figure 42, refrigeration accounts for
approximately 71% of the total utility costs.
Figure 41: Breakdown of Total Plant Costs (Capital + Operating) by type
Figure 42: Breakdown of utility costs by type
102
The design team did not have pricing for refrigeration until the plant design was completed.
Therefore, the design was focused on designing the plant distillation columns to run at
atmospheric pressures or higher to eliminate the costs associated with vacuum systems.
However, the pricing for both vacuum and refrigeration systems shows that avoiding low
temperatures in the columns was more important than avoiding vacuum to produce an
economically feasible design.
Recommendations
The acetone retrofit should not be considered for construction unless the following
conditions are met:
Based on the sensitivity analysis
1. With capital costs and plant capacity held at the current values, the price of acetone
must increase to at least 55 ¢/lb over the entire plant lifespan for the plant to meet
the 20% hurdle rate
2. With plant capacity and acetone price fixed at the current values, the capital cost
must be reduced by 41% in order to meet the 20% hurdle rate.
3. An increase in natural gas prices by $4/MMBTU decreases the ATROR from
11.51% to 9.56%. Therefore, further studies to severely cut utility costs must be
completed.
4. A partial boiler upgrade must accompany the construction of the project to protect
against times when all of the product cannot be sold. This will enable the feed
streams to be temporarily burnt as fuel and remain in compliance with new
environmental regulations.
Based on the alternative case studies
4. Use vacuum distillation unless water prices fall drastically and utility costs are no
longer dependent on natural gas.
5. Sell hydrogen and PPE to increase the ATROR of the project, making the investment
less risky.
Based on the economic analysis:
6. Sell to WasteCo. unless acetone price reaches 101 ¢/lb, at which point the acetone
retrofit design will generate a NPW (divided over 18 years of the project life) equal
to the profits gained from WasteCo.
103
Supporting Information for Recommendations:
Sensitivity Analysis
A sensitivity analysis, summarized in Table 19, was performed to find the conditions under
which plant construction would meet the ATROR hurdle rate of 20%.
Alternative Cases
Three different alternative cases were investigated. A total of three different methods for
separating acetone and methanol were analyzed (one of which was the base case), along
with the option of separating and selling hydrogen and propylene as side products.
The three ways to break the acetone-methanol azeotrope were vacuum, extractive, and
pressure swing distillation. Of these, the vacuum distillation method was the most
economical.
Pressure Swing
The pressure swing design required two columns and a large recycle loop to achieve the
desired purity of acetone. This resulted in towers that were sized to be larger than what
could be prefabricated and shipped to the plant. The high recycle flows also required higher
utilities to heat and condense the large flow through the towers than the other two cases.
These two design issues made the process unreasonable compared to the other two, and it
was not considered to be a viable option.
Table 19: Sensitivity Analysis summary
104
Extractive
Extractive distillation required two columns and a new feed stream of 20,000 lb/hr of fresh
water. This additional flow rate increased the size of the columns, and added $34 million/yr
of operating costs, while the capital costs were essentially the same as the base case.
Vacuum
The vacuum distillation option required a single tower, and an additional vacuum pump
system to produce the low pressures needed for the system. It was used as the base case
because it offered the highest ATROR, had fewer unit operations to maintain, and did not
require an additional feed stream into the system. It posed the fewest technical and
economic risks.
Below are the theoretical acetone prices needed to reach a 20% ATROR with each
separation technique. Vacuum distillation requires nearly half of the price of acetone
compared to the next best case. Based on the acetone market and historical price trends,
reaching an acetone price of 54.4 ¢/lb is conceivable, but reaching the price of 93.5¢/lb is
not reasonable to expect within
the lifetime of the project.
Gas Separation to sell hydrogen
and propylene
An additional separator with
auxiliary equipment can be added
to the base case to purify
hydrogen from PPE and produce
two product-grade byproducts.
The price of hydrogen is 81 ¢/lb,
and PPE is 41 ¢/lb, both of which
are more valuable than the
acetone product. Assuming all of
the hydrogen and PPE is sold, the
additional profits increase the
ATROR to 13.55% from 11.51%.
Although it does not achieve an ATROR of 20%, it makes the investment less risky.
Figure 4: Acetone price required to meet hurdle rate for the base
case and two alternative cases
Section Thirteen: References
References
GATE 1 References
1. Bailey, William A., and Sumner H. Mcallister. Separation of By-Products from
Isophorone. Shell Dev, assignee. Patent 2,351,352. 13 June 1944. Print.
2. Weber, Markus, and Oto Schnurr. Continuous Process for Recovering Acetone from
a Waste Stream Resulting from Acetone Purification. Ineos Phenol Gmbh & Co. Kg,
assignee. Patent 7,416,645. 3 July 2003. Print.
3. Shell International Corporation. Production of Aliphatic or Cyclo-aliphatiic
Carboxylic Compounds. Patent 938,854. 9 Oct. 1963. Print.
4. J.A. Kent, “Handbook of Industrial Chemistry and Biotechnology,” vol 1, Edition
12, 314-390.
5. A. Seidel and M. Bickford, “Kirk-Othmer Encyclopedia of Chemical Technology,”
Acetone, Jan 14, 2011.
6. C. Maldqnado, J.L.G. Fierro, G. Birke, E. Martinez, P. Reyes, Conversion of
Methanol to formaldehyde on TiO2 supported Ag Nanoparticles,J. Chil. Chem Soc.,
55, 2010.
GATE 2 References
7.Luyben, William L., Comparison of Extractive Distillation and Pressure-Swing
Distillation for Acetone−Methanol Separation, Industrial & Engineering Chemistry
Research Ind. Eng. Chem. Res. 47.8 (2008) 2696-707. Web.
8. Gil, Iván D., Diana C. Botía, Pablo Ortiz, and Oscar F. Sánchez. "Extractive
Distillation of Acetone/Methanol Mixture Using Water as Entrainer." Industrial &
Engineering Chemistry Research Ind. Eng. Chem. Res. 48.10 (2009): 4858-865. Web.
9. “Mass Transfer in VOC Adsorption on Zeolite:  Experimental and Theoretical
Breakthrough Curves,” Stephan Brosillon, Marie-Helene Manero, and, and Jean-Noel
Foussard Environmental Science & Technology 2001 35 (17), 3571-3575
10. “Fixed Bed Adsorption of Acetone and Ammonia onto Oxidized Activated Carbon
Fibers,” Christian L. Mangun, Richard D. Braatz,, James Economy,and, and Allen J.
Hall Industrial & Engineering Chemistry Research 1999 38 (9), 3499-3504
GATE 3 References
11. F. Pepe, C. Angeletti, S. De Rossi, and M. Lo Jacono, Catalytic Behavior and
Surface Chemistry of Copper/Alumina Catalysts for Isopropanol Decomposition,
1984.
107
12. Allan, Lister, and Porter H. Thomas. Regeneration of Catalysts. British Petroleum
Co, assignee. Patent 3,041,290. 26 June 1962. Print.
13. Engelhard Material Data Sheet
14. M.D. Argyle and C.H. Bartholomew, Heterogeneous Catalyst Deactivation and
Regeneration, Catalysts, 2015, 145-269.
15. Huang, T. "ICIS Pricing, Acetone (Asia Pacific)." Chemical Industry News &
Chemical Market Intelligence. ICIS, Jan. 2014. Web. 19 Apr. 2016.
16. Jardin, Frederic, Eurecat. Message to the author. N.d. Email.
GATE 4 References
17. Engineers Ede. "Overall Heat Transfer Coefficient Table Charts and Equation |
Engineers Edge | Www.engineersedge.com." Overall Heat Transfer Coefficient
Table Charts and Equation | Engineers Edge | Www.engineersedge.com. Engineers
Edge, 2016. Web. 02 Apr. 2016.
18. Nedwick, Robert. Chemical Engineering Blue Book. 2016
GATE 5 References
19. Almanac, Texas. "Texas Almanac - The Source For All Things Texan Since 1857."
Soils of Texas. Texas Almanac, 2010. Web. 19 Apr. 2016.
20. Wintek Corporation. "Rotary Vane vs Oil Sealed Liquid Ring." Wintek -. Wintek
Corporation, 2014. Web. 19 Apr. 2016.
21. Stainless Steel Coroporation. "Stainless Steel Grades." - SS Material Grades.
Stainless Steel Corporation, 2015. Web. 19 Apr. 2016.
22. Elliot Group. "Single Stage Centrifugal Compressors■ ■." (n.d.): n. pag. Elliot
Group. Elliot Group, 2013. Web.
23. Moore, Richard L. "Implementation of DOWTHERM A Properties into RELAP5-
3D/ATHENA." Idaho National Laboratory (2011): n. pag. Web.
24. Dow. "Engineering and Operating Guide for DOWTHERM." A-to-Z Guide to
Thermodynamics, Heat and Mass Transfer, and Fluids Engineering AtoZ (2008): n.
pag. Web.
25. FMI. "Acetone Market: Global Industry Analysis and Opportunity Assessment, 2014
- 2020." FMI - Future Market Insights. FMI - Future Market Insights Market
Research Report, 2014. Web. 19 Apr. 2016.
26. ICIS. "Chemical Profile." Chemical Industry News & Chemical Market Intelligence.
ICIS, 2015. Web. 19 Apr. 2016.
27. Research and Markets. "Global Bisphenol A Market 2015-2019 - Rising Demand for
Polycarbonate Plastics with Bayer Material Science, Dow Chemical, LG Chemical,
Mitsubishi Chemical Holdings & Mitsui Chemicals Dominating." PR Newswire. PR
Newswire, 15 May 2015. Web.
28. Multpl. "US Inflation Rate by Year." Multpl. Multpl, 2015. Web. 19 Apr. 2016.
29. US EIA. "Natural Gas Weekly Update." U.S. Energy Information Administration
(EIA). U.S. Energy Information Administration, 14 Apr. 2016. Web. 19 Apr. 2016.
108
30. US EIA. "Frequently Asked Questions." U.S. Energy Information Administration.
U.S. Energy Information Administration, 18 Nov. 2015. Web. 19 Apr. 2016.
31. World Bank. "Crude Oil Spot Prices." (n.d.): n. pag. World Bank Commodities Price
Forecast. World Bank, 20 July 2015. Web.
32. ICIS Chemical Business. “Chemical Profile Bisphenol-A.” ICIS. ICIS, 08 Dec.
2015. Web. 15 Apr. 2016.
Section Fourteen: Appendix
Equipment Sizing Calculation Methodologies
Distillation Columns
Methodology
1) Input tray parameters from HYSYS including temperature, pressure, vapor and liquid
flow rates, vapor and liquid densities, key light and heavy K values, liquid viscosity
2) Determine vapor and liquid design flow rates
-Determine which stage has highest total flow
-Input vapor and liquid flows and densities of corresponding stage
-Convert liquid volume flow to liquid mass flow using density
-Calculate Vapor load using following equation:
-Calculate liquid GPM (flow in gallons per minute) using following equation:
3) Determine necessary correction factors
-Input tray spacing (assumed 24 inches), corresponding tray spacing factor, non-foaming
system, corresponding system factor, flood value (assume 70)
-Calculate Flooding Factor (80/Flood)
Calculate corrected vapor and liquid loads using following equation:
Determine tower diameter using Glitsch Method:
111
- Draw line connecting corrected vapor load (left y axis) to corrected liquid load (right
y axis)
- Line intersects single pass tray and double pass tray lines at value of diameter
- To determine diameter for four pass tray, divide corrected vapor and liquid loads by
2 and repeat Glitcsh Method.
- Determine where line intersects double pass tray and multiply this diameter by 21/2
4) Determine actual stages and length
-Calculate alpha (sum light K's/sum heavy K's)
-Calculate average viscosity
-Calculate efficiency using following equation:
-Input theoretical number of stages from HYSYS
-Actual number of trays = theoretical/efficiency
-Input number of feed locations (usually 1)
-Input liquid level time (assume 15 min)
-Input bottoms product rate and density from HYSYS
-Calculate height of liquid level (Volume = Volumetric flow * Time)
-Use volume to get height
112
List of Heights
-Assume reflux = 3 ft
-Height of trays and feed = (# of trays * tray spacing) + (# of feeds * (2*tray spacing))
-Height of reboiler = 3 + (2*tray spacing)
-Height of liquid level = calculated value If value is less than 3 ft, use 3ft (minimum
value)
-Assume tower bottom = 0.5 ft
-Height of manyways: 3 ft per manway, must have one at top and bottom and 1 for every
20 trays in tower
TOTAL HEIGHT = SUM OF ALL HEIGHTS CALCULATED
5) Test width vs height. If L/D > 30, switch to two diameter tower (never implemented in
this design)
Assumptions
Most towers did not require liquid level heights of >3ft. However, 3 ft was added to the
bottom of each column for liquid holdup since this was defined as the minimum liquid level
height.
Towers which featured high vapor and liquid flows often did not allow for the Glitsch
method to be applied for single-pass and two-pass columns. The high flows only allowed for
the calculation of the diameter of a four-pass column in these situations. Therefore, it was
assumed that towers with high flows could not have single-pass or two-pass trays.
Reflux Drums
Methodology
The reflux drums were designed to be able to hold up to 15 minutes of flow in case a
column following the reflux drum goes down and flow gets backed up in the system. The
following details the calculations to determine the volume of these drums:
1) Obtain condenser volumetric flow rate from HYSYS (in ft3
/s).
2) Multiply the flow by the residence time you wish to achieve (15 min) in order to obtain
the volume.
3) Assume an L/D of 3, and use V= (Pi/4)D4
L to obtain the length and diameter of the
reflux drum.
113
Assumptions:
The reflux drums are assumed to be horizontal, so we set the L/D to the minimum of 3 to
prevent sagging of the drum due to high static head pressure.
Heat Exchangers
Methodology
Desired stream temperatures were obtained from the process model and used to determine
the utility type, area, and flow needed for a heat exchanger. Excel's solver function was
used to minimize the utility cost when more than one utility was in the correct temperature
range.
Calculations:
Two equations are used to solve for any combination of two unknown variables, allowing
the area to be solved for:
The values for U provided on p.5-31 of the Blue Book were used to account for fouling and
estimate the overall heat transfer unit. An additional safety factor of 1.1x the calculated area
was used.
The F factor for counter current heat exchangers was used, and is summarized below:
114
Assumptions
The heat exchangers were assumed to be perfectly insulated from the environment such that
no heat is lost from the shells. The temperature approach of 20o
F was used for temperatures
below between 0-300o
F, and 100o
F for temperatures above 600o
F. A correction factor “F”
was used to correct the log mean temperature difference to account for imperfectly
countercurrent, multi-tube heat exchangers. The U values provided in the Blue Book were
used to take into account fouling and nucleate/film boiling.
115
Shell and Tube Reactor
Methodology
Sizing Calculation Defined: inlet pressure, pressure drop, maximum number of tubes,
maximum tube length, reactor diameter, and tube diameter.
1) A tube length was chosen, and the number of tubes needed to hold the volume of
catalyst was calculated assuming the tubes were cylinders. The pressure drop across
each tube was calculated using the single phase Ergun Equation because it is a vapor
phase reaction:
2) Once a pressure drop was found, the length of tube was updated, and the iteration
continued until the pressure drop equaled 20 psi. The largest pressure drop led to the
smallest number of tubes, which reduces capital cost. The reactor diameter was estimated by
assuming the tubes were square packed into a square shape: where N is the number of tubes.
Once the number of tubes, pressure drop, and reactor diameter were within the defined
limits, the reactor was sized.
Heat Calculations: The area needed for heat transfer was calculated using an overall heat
transfer coefficient: The log mean temperature difference had a defined limit of 90 F, Q was
determined by the heat of reaction and conversion (taken from HYSYS), and U was taken
from reference 16.
Assumptions:
Dowtherm oil is used as the heat transfer fluid, and it has an overall heat transfer unit of 15
BTU/(hr ft2 o
F) [17] when used in a shell and tube reactor. We assumed that there was only
a single vapor phase flowing through the tubes, making the single phase Ergun Equation
valid. The Ergun Equation assumes a uniform packing density, no wall effects, that the
116
catalyst shape/size do not change over time, and the flow patterns are uniform throughout
the tube. It was also assumed that a single shell reactor could be built with nearly 7,000
tubes. The area for heat transfer was calculated assuming there is space between every tube
so the entire surface area of all of the tubes comprises the area for heat transfer. It was also
assumed to have a perfectly insulated shell that does not lose heat to the surroundings. The
temperature change across the reactor is estimated as a countercurrent exchanger, where the
log mean temperature difference is a good approximation across the length.
Hot Oil System
Methodology
1) The amount of duty needed from the system was determined, and a thermal
efficiency was factored in to determine the absolute amount of duty to provide to the
system:
Actual Duty = Theoretical Duty/n, where n=efficiency
2) The mass flow rate of hot oil was calculated from a known Q, Cp, and ᐃT using the
following equation, assuming no vaporization of the oil:
3) The mass flow rate, volume of the reactor, assuming no tubes and a safety factor of
1.5 (equation below), plus the volume in the length of the pipes was used to
determine the volume of hot oil in the system. An exchange of two volumes per
hour was used, giving a final volume of oil in the system.
4) A surge tank was designed to hold all of the oil in the system, and used an L/D of 3.
Assumptions
No heat is lost to the environment as the oil is piped through the system. The system piping
is 10m long, and a value of 129.06L oil/m pipe was used to determine the volume in the
pipes. The pressure drop across the system was assumed to be 5 psi across the fire heater, 5
psi through the surge tank, 10 psi through the purge valve, 20 psi across the reactor, and 5
psi through the piping because of the oil’s high viscosity. A safety factor of 1.5 was used
when calculating the surge tank volume to account for oil expansion with temperature.
117
Pumps
Methodology
1) Flow rate obtained from bottoms stream for the bottoms pump, the distillate stream for
the distillate pump, and from the reflux rate for the reflux pump. The flow was multiplied by
the stream density to calculate the flow in GPM. The design flow that we used was 1.25
times this value (for safety considerations).
2) Determining Psctn: The source pressure was obtained from the reboiler or condenser in
HYSYS. The static head on the suction side of the pump was calculated based on the
reboiler being at the skirt height of 10 ft, and the condenser being at the top of the column
(used total column height + skirt height). A 1 psi drop was assumed for the suction line.
3) Determine Pdsch: First we determined the destination pressure from the feed tray of the
destination column for the bottoms and distillate, or the first tray in the column for the
reflux pump. The pressure drops due to static head, the heat exchanger, the flow meter, and
the control valve were added on to the destination pressure to obtain Pdsch. Pressure drop
across HEX was assumed to be 5 psi, across flow meters was assumed to be 3 psi, and
across control valves was assumed to be 10 psi. The discharge line pressure was assumed to
be 10 psi.
4) The head on the pump in feet was calculated as Pdsch-Psctn.
5) This head was used along with the flow rate in GPM to determine the NPSH using the
following plot. If the required NPSH was greater than Psctn, there would be cavitation in the
pump, so we made sure all of our suction pressures were above the NPSH.
118
6) The pump efficiency was then obtained from the following plot using the flow rate of the
stream being pumped (in GPM).
119
6) The brake horsepower was obtained via the following equation, where w is the mass flow
rate in lb/min and head is the pressure head in feet:
7) A motor efficiency of 90% was assumed. The motor horsepower was determined using
the following equation:
Assumptions
Reboilers serve as source for bottoms pumps
Reflux drums serve as source for distillate and reflux pumps
120
Compressors
Methodology
1) Input incoming fluid properties including molecular weight, compressibility factor,
K ratio (Cp/Cv) from HYSYS
2) Input polytropic efficiency of compressor from HYSYS
3) Input inlet and outlet temperatures from HYSYS
4) Calculate discharge temperature (T2) actual using following equation:
5) Compare T2 calculated to T2 from HYSYS. If T2 calculated >> T2 HYSYS, design
multiple compressors in series with intermittent cooling.
6) Calculate polytropic head using following equation:
6) Calculate power per stage using following equation:
Assumptions
Motor efficiency= 90%.
121
Holdup Tanks
Methodology
1) Decide where to put holding tank in the process by assuming malfunction of a unit
operations, type of material being transported and the effectiveness of putting a hold up tank
in a specific location.
2) Sizing Calculations
a. Obtain volumetric flow rate of the stream.
b. Decide on a hold up time specified by industry guidelines or necessary operation
holding time.
c. Multiply holding time and volumetric flow rate to get tank of volume required.
d. Apply assumption of oversizing tank based on given volume (i.e. assuming all tanks are
90% full)
e. Decide on what dimensional size you want the tanks to be (i.e. tall and skinny tanks or
fat and short tanks)
Volumetric flow rate * hold up time = Tank of Volume
3.1415 * radius
2
* length = Volume
3) To conserve space, tall and skinny tanks were implemented except for the 14 day hold up
time
4) Floating roof design was used to prevent vapor loss or otherwise fixed roof design was
implemented
5) API Standard 650 standard tanks were chosen and API 620 for very low pressure
6) Material considerations were used by checking the corrosiveness and reactivity of
materials in the stream with the multiple materials used for construction; nickel came out to
be the cheapest and most resistant.
Assumptions
Design Recommendations from the Blue Book:
Product: 14 days
Raw material: 7 days
Chemical for process: 7 days
Intermediate Tankage: 7 days
Intermediate Holdup Time 8 hours
The intermediate holdup time value was used since it is more practical and similar to
industry. We assumed the tanks would be filled to 90 % capacity.
122
Carbon Beds
Methodology
The following method was used to calculate the height, diameter, and volume of the two
carbon beds in the system:
1) We are given that we need 1 lb of carbon for every lb/hr of acetone product flow.
2) We divided the required mass of carbon by the density of the carbon (55 g/ft3
) to get the
volume of the carbon section of the bed.
3) We used an L/D of 4 to size the carbon section of the bed. This gave us a diameter and
length for the carbon section of the bed since volume was known.
4) 6 feet at the bottom of the column and 6 feet at the top of the column were added as
manways for maintenance. These heights were added to the height of the carbon section to
obtain the total height.
Assumptions
The carbon adsorbs the same over time - assumes no loss of activity. An L/D of 4 was
assumed because it is the standard ratio used for columns.
Deciding Where to Place Holding Tanks
Before the reactor
The reactor has a large flow and if the reactor goes down, no fluid should be able to pass
because the reactants will not be converted to products, and the product downstream will
therefore not meet specifications.
If separators 400 and/or 500 go down, the fluid in the recycle can go to the holdup tank
before the reactor, and fluid coming to the reactor from separator 200 will also be held since
the reactor products cannot be purified.
If the reactor goes down, the holdup before the reactor can hold the volume that was
in that column, and the feed to the reactor will also be held-up since the reactor products
cannot go to the recycle stream until separator 500 is operational again.
123
Before Separator 300
This also has a high flow rate, and a column equipment malfunction would mean a large
amount of fluid that cannot be processed. This is needed so the flow from both of the feeds
does not need to be stopped, and the reaction can continue, and product can continue to be
made. Any liquid after separator 300 will be sent into a mixing point to another holding
tank.
Before Separator 500
So if separator 500 fails, the stream goes on to separator 600 and proportionally a large
amount of the 9000 lb/hr stream going into separator 500 would end up potentially going to
waste. It also can act as a control of the stream going into mixer E and is the major portion
of the bottom recycle that can potentially go awry. And if separator 400 goes down, it can
easily be stored into a holdup tank prior to separator 500 that can be recycled again. From
separator 400, about 300 barrels/day goes up the top and about 771 barrels/day go from the
bottom. So having a tank of about 1000 barrels/day should be safe to hold most of it and
have the excess balanced in the tank right before the reactor (in the recycle).
Before and After Separator 700
This is because if our final separator fails, our acetone purity will drop and we will not be
able to meet the specifications so it is necessary to put a holdup tank before separator 700.
Additionally, there is a need to have a holdup tank after the separator to hold the product
and keep the stream in case there is a need to put it back in the process if there was a prior
failure.
Material and Type of Holding Tank Consideration
The material of the tanks should be made out of nickel since it is the most resistant to
acetone, methanol, propanol, formaldehyde and the other chemical components. It is also
cheaper than monel, tantalum, titanium and the other possibilities for resistant materials for
holding tank materials.
The type of holding tanks were designed based on the pressure of the stream so if they are
less than 2.5 psi, they are put in an API Standard 650 and for greater pressure values, we
used API standard 620. For streams with small proportions of vapors, we used a floating
rooftop tank to prevent less vapor loss while for 100% liquid streams, we used the fixed
rooftop tank.
124
Equipment Specification Sheets
Distillation Column
125
126
Heat Exchanger
127
128
Pumps
129
130
131
Compressor
132
133
Equipment Sizing Calculations by Unit Operation
Tower 100
134
135
136
137
Tower 200
138
139
140
141
Tower 300
142
143
144
145
146
Tower 400
147
148
149
150
151
Tower 500
152
153
154
155
156
Tower 600
157
158
159
160
Tower 700
161
162
163
164
165
Reactor
166
167
Hot Oil System
168
Economic Calculation Methodologies (ICARUS Inputs):
Assumptions
General Process Data
General Specs
Process description: Proven process (none of the information is proprietary, and all of the
separations have been done before)
Process complexity: Typical (Azeotropes are common- this was the only major problem we
faced. Our process used mostly standard distillation procedures for separations)
Process control: Digital (We will not have manual control processes)
Plant addition: Adjacent to existing (There is an existent plan that produces our feed streams
adjacent to this plant)
Estimated start date: Jan 18, 2016 (Assumed to be the beginning of semester)
Soil conditions: Sand/clay [19]
Pressure Vessel Design Code: ASME (specified)
Vessel diameter: ID (specified)
P and I design level: Full (specified)
Investment Parameters
Capital escalation: 0 (This will be specified and added into the capital estimate which
includes ICARUS and other capital costs)
Facility type: chemical process facility (acetone is not a specialty chemical, pharmaceutical,
or food product)
Operating mode: 24 hrs/day (assumed)
Length of start-up period: 20 weeks (specified as default)
169
Project Area
The footprint area was left as 50x50 ft, except for Tower 700 where the holdup tank had a
40 ft diameter. The footprint was increased to 65x50 ft.
**All equipment was specified as 1 identical unless otherwise stated**
Distillation Columns
Assume all columns have valve trays
Shell material: Tower 100 - stainless steel (ss304)
All other towers- carbon steel (A515)
Tray material: ss410 for all (avoids tray corrosion, trays are thin)
Kept corrosion allowance to ⅛” because we have a corrosive material but we compensate by
changing to stainless steel
Design gauge pressure was set to 30 psig if our calculated value was below that. Vacuum
design gauge pressure was set to -14.7 psig.
Pdesign psig = Poperation psia + 30 psia - 14.7 psia
Reflux Drums
Specified to withstand full vacuum (-14.7 psig) and the pressure seen at the condenser.
Condensers
All assumed to be fixed tube-sheet heat exchangers
Reboilers
All assumed to be thermosiphon heat exchangers
Pumps
Each pump was duplicated (2 identical items).
All pumps have double mechanical seals
All assumed to be API610-centrifugal pumps or ANSI if GPM<300 or head<500ft
170
Pumps for tower 100 use ss304 on all parts to protect against corrosion. ss316 is not
necessary because it is designed for chloride resistance, which is not in our system.
Reflux and distillate pumps were designed to the temperature of the condenser. Bottoms
pumps were designed for the temperature of the reboiler.
Heat Exchangers
Fixed tube exchangers (sizings were based on delta T log-mean difference and a safety
factor of 1.1 times calculated area)
The tube side of the heat exchanger feeding Tower 100 was specified to be ss321
($157,800) because it offered the corrosion resistant properties that are needed for heating
the stream containing acetic acid, but was cheaper than ss347 ($158,200), which offered
similar corrosion resistant properties. ss321 was also specified for the reboiler tubes because
the reboiler is in contact with the high acetic acid content of the bottoms product.
Pdesign was calculated assuming the pressure into the heat exchanger is the same as the
operating Pdsch from the pump before it, if applicable. This means that the control valve in
the line is set to keep the pressure specified to Pdsch, not another pressure.
For reboiler pumps, the designed pressure and temperatures were calculated using the
pressure and temperature at the condenser. The same method was used for the reboiler.
Carbon steel was chosen to be the tube and shell material for all heat exchangers. One
exception was the tube material for the heat exchangers before and part of Tower 100
because acetic acid is corrosive.
The pressure of refrigerant systems was assumed to be 50 psi, and the pressure of LLPS was
assumed to be 50 psi instead of 25 psi.
Vacuum Pump
Using oil-sealed vacuum pump because water-sealed requires an extra cooler.
Reactor
Number of identical items - 2
Modeled as heat exchanger
Holdup Tanks
Vertical vessels
171
MOC - Nickel
Skirt height is 10 ft
Compressors
Centrifugal
Tdesign =200o
F because this is the minimum allowed in ICARUS. Companies build
compressors for T>500o
F [21]
Carbon Beds
2 identical items
Sizing Inputs
Tower 100
172
Tower 200
Tower 300
173
Tower 400
174
Tower 500
Tower 600
175
Tower 700
IPOH Reactor
176
Carbon Bed
Recycle Pumps
Alternate Cases:
PPE/H2 Separator
177
Extractive Distillation
ICARUS Individual Equipment Prices
Base Case
178
179
Price Correlation Curves
180
181
Alternative Case Capital and Cash Flow Sheets
Extractive Distillation
182
183
Hydrogen-Propylene Separator
184
185
Sensitivity Analysis:
Case 1: 30MM lb Surplus of Acetone
Option 1: Add holding tank to store surplus, sell eventually
186
Option 2: Use surplus for fuel to reduce utility costs
187
Case 2: Acetone Price Changes
188
Acetone Price vs. ATROR
Case 3: Capital Cost changes
Capital Cost vs. ATROR
189
190
Case 4: Natural Gas Price Changes
Linear Interpolation of Utility Prices with Natural Gas Prices
Natural gas cost vs. ATROR
HYSYS Model

Acetone Retrofit_Senior Design

  • 1.
    Executive Summary The processdesign is for a retrofit to an existing plant in the Gulf Coast, USA. This process would upgrade waste streams from an existing plant to produce product-grade acetone for sale. Currently, these waste streams are burned as fuel and produce high pressure steam. Environmental regulations have changed, and the company’s boilers no longer meet environmental regulations, so one of these three options to treat the waste streams needs to be implemented: Burn: upgrade the existing boilers so that the waste can continue to be burned Sell: sell the waste streams to WasteCo. Build: build an acetone recovery unit and sell the acetone Our recommendation is to sell the waste streams to WasteCo. The designed plant produces 189 MMlb of acetone per year and features 7 distillation columns, 1 isopropanol (IPOH) reactor, and 2 carbon beds. Two waste streams, one concentrated in isopropanol and one concentrated in acetone, feed into the plant from an existing operation. The IPOH reactor utilizes a copper on alumina catalyst to convert IPOH to acetone. The catalyst achieves a conversion of 90% and has a selectivity to acetone of 90%. The plant is estimated to cost 194 MM$ in capital and 40 MM$ in operating costs per year in order to sell product-grade acetone at the current market price of 40 ¢/lb. The economic analysis of the base case gave an After Tax Rate of Return (ATROR) of 11.51%, a Net Present Worth (NPW) of 28.3 $MM, and a 5.7 year payback period. The company currently has multiple projects that it would like to execute over the next three years which will occupy capital funds and manpower. These projects are all economically attractive, with ATRORs of 20% or greater and NPWs of $30 MM. The company is also reluctant to create a new product line, which would be the case if the plant is constructed. Therefore, the acetone retrofit plant, which costs 194 MM$ to build, requires 60 laborers, has an ATROR less than 20%, and requires the company to start a new product line is not economically or strategically attractive. For all of these reasons, building the acetone retrofit plant is not recommended. The waste streams are currently burned for use as fuel to produce high pressure steam. This gives the streams a combined worth of 10 MM$/yr. However, the capital cost of upgrading the boiler in order to continue burning these streams would be a large capital investment for the company. It is estimated that this would reduce the worth of these streams to 7.7 MM$/yr when they are used as a fuel source. WasteCo. values the two waste streams at a combined worth of 17 ¢/lb, which gives a revenue of 32 MM$/year. Selling to WasteCo. represents the best option economically, and is in line with the company’s objectives as this option requires no capital investment and does not require the creation of a new product line.
  • 2.
    1 Table of Contents SectionOne: Background................................................................................................... 6 Background..................................................................................................................... 7 Product Background .................................................................................................... 7 Feed Background ........................................................................................................ 7 Market Survey ............................................................................................................. 8 Section Two: Process Description....................................................................................... 9 Process Description .......................................................................................................10 Overview ....................................................................................................................10 Feed Streams.............................................................................................................10 IPOH Reactor .............................................................................................................10 Block and Process Flow Diagrams .............................................................................12 Separations ................................................................................................................14 Process Specifications ...................................................................................................16 Achieving Hard and Soft Specifications ......................................................................16 Separation Specifications ...........................................................................................19 Reactor Specifications ................................................................................................19 Mass Balance .............................................................................................................20 Energy Balance ..........................................................................................................23 Section Three: Process and Equipment Design.................................................................26 Process/Equipment Design ............................................................................................27 Distillation Column Key Variables ...............................................................................27 General Optimization Technique.................................................................................27 Shell and Tube Reactor Key Variables .......................................................................44 General Optimization Technique.................................................................................45 Reactor and Catalyst Maintenance .............................................................................47 Detailed Equipment Lists................................................................................................47 Inside Battery Limit (IBL).............................................................................................47 Outside Battery Limit (OBL) ........................................................................................48 Section Four: Alternative Cases.........................................................................................49 Alternative Studies .........................................................................................................50 Acetone-Methanol Separation.....................................................................................50 Section Five: Outside Battery Limit ....................................................................................54
  • 3.
    2 Outside Battery Limit......................................................................................................55 SectionSix: Environmental, Safety and Special Design Considerations ............................56 Environmental/Safety Information...................................................................................57 Chemical Information..................................................................................................57 Waste Considerations.................................................................................................59 Safety Precautions......................................................................................................59 Process Hazard Analysis (PHA) .................................................................................60 Discussion of the Process Hazard Analysis: ...............................................................63 Standard Operating Procedure (Startup & Shutdown Procedure):..................................64 Startup Procedure.......................................................................................................64 Shutdown Procedure ..................................................................................................65 Process Control Strategies .........................................................................................65 Special Design Considerations ...................................................................................67 Section Seven: Capital Estimate........................................................................................69 Capital Estimate.............................................................................................................70 Basis...........................................................................................................................70 Summary of Capital Cost Calculations........................................................................71 ICARUS List of Assumptions ......................................................................................71 Section Eight: Operating Costs..........................................................................................74 Overview........................................................................................................................75 Raw Materials ................................................................................................................75 Fixed Costs ....................................................................................................................75 Utilities ...........................................................................................................................76 Section Nine: Economic Evaluation ...................................................................................79 Basis ..............................................................................................................................80 Plant Economics.........................................................................................................80 Fixed Costs.................................................................................................................80 Future Prospects for the Acetone Market....................................................................80 Chemical Commodity Historical and Future Pricing ....................................................81 Basis for Utility Costs..................................................................................................84 Base Case Economic Analysis.......................................................................................85 Sensitivity Analysis.........................................................................................................87 Case 1: Not all of the product can be sold - 30 MMlb/yr surplus..................................87
  • 4.
    3 Case 2: ThePrice of Acetone Changes......................................................................88 Case 3: Capital Costs Increase...................................................................................88 Case 4: The Price of Natural Gas Changes ................................................................89 Section Ten: PDRI.............................................................................................................92 PDRI Discussion ............................................................................................................93 Section Eleven: Outstanding Issues...................................................................................96 Technical........................................................................................................................97 Economical ....................................................................................................................97 Environmental/Safety .....................................................................................................97 Section Twelve: Conclusion and Recommendations..........................................................99 Conclusions .................................................................................................................100 Recommendations .......................................................................................................102 Based on the sensitivity analysis ..............................................................................102 Based on the alternative case studies.......................................................................102 Based on the economic analysis:..............................................................................102 Supporting Information for Recommendations:.............................................................103 Sensitivity Analysis ...................................................................................................103 Alternative Cases......................................................................................................103 Section Thirteen: References...........................................................................................105 References...................................................................................................................106 GATE 1 References..................................................................................................106 GATE 2 References..................................................................................................106 GATE 3 References..................................................................................................106 GATE 4 References..................................................................................................107 GATE 5 References..................................................................................................107 Section Fourteen: Appendix.............................................................................................109 Equipment Sizing Calculation Methodologies...............................................................110 Distillation Columns ..................................................................................................110 Reflux Drums............................................................................................................112 Heat Exchangers ......................................................................................................113 Shell and Tube Reactor ............................................................................................115 Hot Oil System..........................................................................................................116 Pumps ......................................................................................................................117
  • 5.
    4 Compressors ............................................................................................................120 Holdup Tanks...........................................................................................................121 Carbon Beds.............................................................................................................122 Deciding Where to Place Holding Tanks ......................................................................122 Before the reactor.....................................................................................................122 Before Separator 300 ...............................................................................................123 Before Separator 500 ...............................................................................................123 Before and After Separator 700 ................................................................................123 Material and Type of Holding Tank Consideration.....................................................123 Equipment Specification Sheets...................................................................................124 Distillation Column....................................................................................................124 Heat Exchanger........................................................................................................126 Pumps ......................................................................................................................128 Compressor..............................................................................................................131 Equipment Sizing Calculations by Unit Operation.........................................................133 Tower 100.................................................................................................................133 Tower 200.................................................................................................................137 Tower 300.................................................................................................................141 Tower 400.................................................................................................................146 Tower 500.................................................................................................................151 Tower 600.................................................................................................................156 Tower 700.................................................................................................................160 Reactor.....................................................................................................................165 Hot Oil System .............................................................................................................167 Economic Calculation Methodologies (ICARUS Inputs):...............................................168 Assumptions.............................................................................................................168 Sizing Inputs.............................................................................................................171 Alternate Cases: .......................................................................................................176 ICARUS Individual Equipment Prices .......................................................................177 Price Correlation Curves ..............................................................................................179 Alternative Case Capital and Cash Flow Sheets ..........................................................181 Extractive Distillation.................................................................................................181 Hydrogen-Propylene Separator ................................................................................183
  • 6.
    5 Sensitivity Analysis:......................................................................................................185 Case 2:Acetone Price Changes...............................................................................187 .....................................................................................................................................187 Case 3: Capital Cost changes...................................................................................188 Case 4: Natural Gas Price Changes .........................................................................190 HYSYS Model ..............................................................................................................191
  • 7.
  • 8.
    Background Our team hasundergone the task of determining the best method of treatment for the two waste streams associated with our current production process. Until now, we have been burning these waste streams to produce high pressure steam. WasteCo has recently shown interest in purchasing these streams for their company in order to recover key components. After taking their intentions into consideration, we feel that it may be possible for our company to upgrade these waste streams ourselves. More specifically, a copper on alumina catalyst could be used to convert isopropanol to acetone, which could be combined with the acetone already present and processed further in order to produce a highly purified acetone product. Product Background Acetone is a commodity chemical with many practical laboratory and household uses. It is a polar organic compound that is miscible in water and is capable of dissolving many organic compounds. As a result, it is commonly used as a cleaning agent for glassware in chemical laboratories. It is also a relatively safe chemical and is therefore much more desirable than other polar compounds such as methanol or ethanol, which have higher flashpoints and are therefore more likely to catch fire. Acetone is also commonly used as the main component in nail polish remover, as it is capable of dissolving the nitrocellulose layer on the surface of the nail without causing much damage to the nail itself. Acetone’s simple chemical structure makes it fairly easy to produce in large quantities. Feed Background In order to determine whether the acetone production plant could be profitable, our company compared the potential profits of this plant with the amount earned from burning or selling our waste streams. Burning acetone yields a high pressure steam product. Fluctuations in the price of HPS is assumed to follow the trends of natural gas. The data in table __ was used to determine the price of HPS based on the price of natural gas of $2.50/MMBTU. This yields an assumed HPS price of roughly 9 ¢/lb acetone product. By combusting both the waste acetone and waste isopropanol streams from our current production process using its lower heating value and assuming a 60% energy yield, our company Figure 1: Utility prices as a function of natural gas price
  • 9.
    8 estimates that thecurrent burning of these waste streams earns a profit of roughly $7.7 MM/yr. WasteCo is currently offering our company 15 ¢/lb for the waste acetone stream and 12 ¢/lb for the waste isopropanol streams. By considering the mass of each stream that we currently produce in our process, our company estimates that selling these waste streams to WasteCo would earn a profit of roughly $34.2 MM/yr. This is a greater profit than our company currently makes by burning these streams and thus it should be considered as an alternative practice. Market Survey Market prices for truck acetone had shown decreases throughout 2015. However, recent increases to almost 40¢/lb have occurred due to higher raw material costs such as refinery- grade propylene (RGP). This serves as one of the two raw materials used in the production of cumene, the feedstock for phenol/acetone production. US spot export acetone prices have also seen a recent increase in price per lb. The strengthening of RGP values and increases in US domestic acetone pricing have been reflected in export pricing. In addition, US acetone supply has been tightened due to upcoming plant turnarounds and lack of recent imports. Using the current truck acetone price of 40¢ /lb, current estimates for the design plant indicate that roughly $75.6 MM/yr of acetone can be produced (assuming an acetone capacity of roughly 189 MMlb/yr). Although acetone prices have decreased significantly over the past year, the recent stagnation and slight increases in price change indicate that the profitability of an acetone production plant may increase in the near future. Figure 2: Acetone delivered contract price in 2015-2016 [26] Figure 3: Acetone Free On Board spot price 2015-2016 [26]
  • 10.
  • 11.
    Process Description Overview The acetoneretrofit plant is located in the US Gulf Coast. Two waste streams from an adjacent production plant production will be fed to the acetone plant in order to produce 189 MMlb of acetone product per year with >99.9% purity. This plant uses a copper on alumina catalyst to convert isopropanol to acetone. In order to maximize the capacity and purity of the acetone product, one isopropanol (IPOH) conversion reactor and seven distillation columns were optimized in this process. Feed Streams Two waste streams from an adjacent plant serve as the feed streams for this process. The compositions of the feed streams are as follows: Table 1: The compositions of the acetone and IPOH waste streams The waste acetone is fed to the process at 16,670 lb/hr and the waste isopropanol is fed at 11,706 lb/hr. Both feed streams enter as subcooled liquids at 80 °F and atmospheric pressure (14.7 psia). IPOH Reactor The IPOH reactor converts isopropanol to acetone and hydrogen gas. Isopropanol is also consumed by several side reactions.
  • 12.
    11 A shell andtube reactor packed with copper on alumina catalyst was designed for this process with the reactant stream fed to the tubes. The feed stream to the reactor is pumped to 50 psia and heated to 627 °F using two process streams and high pressure stream utility (three heat exchangers in series). These conditions allow for an isopropanol conversion of 93.5% and a 90% selectivity with respect to acetone production. Because these reactions are highly endothermic, a utility stream of hot oil was fed through the shells of the reactor in order to keep the vessel isothermal. This prevents conversion from falling as more isopropanol is consumed. A pressure drop of 20 psi occurs throughout the reactor. The product stream exits as superheated vapor and is immediately compressed to 30 psi and condensed to liquid using two process streams and refrigerant (three heat exchangers in series).
  • 13.
    12 Block and ProcessFlow Diagrams Figure 4: The block flow diagram for the acetone retrofit plant
  • 15.
    Separations Acetone Waste Tower(T-100) The goal of this column is to completely remove the acetic acid from the acetone waste stream, which limits the number of distillation columns constructed with stainless steel to this single column. The acetone waste stream is initially pumped to 65.7 psia and heated to 152 °F using one process stream and low-low pressure steam (two heat exchangers in series). The distillation column contains 11 actual trays. Following a flow meter and control valve, the feed stream (37.2 psia, 152 °F) enters the column at tray 7. The reflux ratio is set to 1.001, which results in a condenser duty of -8.645 MMBTU/hr and a reboiler duty of 8.504 MMBTU/hr. The condenser will run at a pressure of 14.7 psia and temperature of 132.7 °F with a pressure drop of 5 psia. The reboiler will run at a pressure of 21.2 psia and temperature of 228.5 °F. The bottoms product (enriched in acetic acid) is sent to fuel, while the distillate product is fed into column T-300 after mixing with the distillate product of column T-200. Isopropanol Waste Tower (T-200) The goal of this column is to separate the acetone and methanol from isopropanol and water present in the isopropanol waste stream. This is done to prevent acetone and methanol from being fed to the reactor and to collect the acetone present in this feed stream. The isopropanol waste stream is initially pumped to 65.9 psia and heated to 180 °F using one process stream. The distillation column contains 35 actual trays. Following a flow meter and control valve, the feed stream (60.9 psia, 180 °F) enters the column at tray 18. The reflux ratio is set to 20.59, which results in a condenser duty of -22.66 MMBTU/hr and a reboiler duty of 22.92 MMBTU/hr. The condenser will run at a pressure of 14.7 psia and a temperature of 147.6 °F with a pressure drop of 4 psia. The reboiler will run at a pressure of 20.6 psia and a temperature of 193.5 °F. The distillate product is mixed with the distillate product of tower T-100 and subsequently fed to T-300. The bottoms product is fed to the IPOH reactor. Acetone/Methanol Vacuum Tower (T-300) The goal of this column is to separate the acetone from methanol present in the mixture of product streams from T-100 and T-200. This increases the purity of the final acetone product by removing methanol. This separation is very difficult to achieve at atmospheric pressure due to an azeotrope formed by acetone and methanol, and thus a vacuum distillation column was used. The feed stream is initially pumped to 49.6 psia and cooled to 43 °F using a process stream and refrigerant (2 heat exchangers in series). The distillation column contains 55 actual trays. Following a flow meter and control valve, the feed stream (1.8 psia, 43 °F) enters the column at tray 40. The reflux ratio is set to 7.382, which results in a condenser duty of -30.71 MMBTU/hr and a reboiler duty of 30.05 MMBTU/hr. The condenser will run at a pressure of 0.8 psia and a temperature 15 °F. The reboiler will run at a pressure of 2.2 psia and a temperature of 73.48 °F. The distillate product (enriched in acetone) is sent to the final column, T-700, after mixing with the distillate of T-500 and the bottoms product (enriched in methanol) is sent to fuel.
  • 16.
    15 Gas Products Tower(T-400) The goal of this column is to separate hydrogen and propylene from the other components in present in the outlet of the IPOH reactor. Hydrogen and propylene are gasses at STP and thus can be easily separated from a mixture of liquid components. The feed stream (superheated vapor) is initially compressed to 40 psia and 725 °F. It is then condensed and cooled to 25.16 °F using two process streams and refrigerant (three heat exchangers in series). The distillation column contains 36 actual trays. Following a flow meter and a control valve, the feed stream (20 psia, 25.16 °F) enters the column at tray 18. The reflux ratio is set to 10, which results in a condenser duty of -12.49 MMBTU/hr and a reboiler duty of 12.92 MMBTU/hr. The condenser will run at a pressure of 14.7 psia and a temperature of -132.5 °F. The reboiler will run at a pressure of 17.6 psia and a temperature of 149.1 °F. The distillate product (enriched in H2 and propylene) is compressed to 70 psia and sent to fuel and the bottoms product is sent to column T-500. Acetone/Isopropanol Vacuum Tower (T-500) The goal of this column is to separate acetone (the desired product) from all other components leaving T-400. Although these components do not form an azeotrope, a vacuum distillation column is necessary to achieve the sufficient separation so that final product capacity of 189 MMlb/yr is achieved. The feed stream is initially pumped to 83.8 psia. The distillation column contains 53 actual trays. Following a flow meter and a control valve, the feed stream (8.1 psia, 111.5 °F) enters the column at tray 27. The reflux ratio is set to 28.68, which results in a condenser duty of -50.19 MMBTU/hr and a reboiler duty of 49.82 MMBTU/hr. The condenser will run at a pressure of 2 psia and a temperature of 89.7 °F. The reboiler will run at a pressure of 8.5 psia and a temperature of 150.8 °F. The distillate product (enriched in acetone) is sent to the final column, T-700, after mixing with the distillate of column T-300 and the bottoms product is sent to column T-600. Water Remover (T-600) The goal of this column is to remove water from all other components leaving T-500. This is done to limit the amount of water recycling back to the reactor. The feed stream is initially pumped to 64.2 psia and heated to 176.9 °F using low-low pressure steam. The distillation column contains 6 actual trays. Following a flow meter and a control valve, the feed stream (14.9 psia, 176.9 °F) enters the column at tray 4. The reflux ratio is set to 1.002, which results in a condenser duty of -1.66 MMBTU/hr and a reboiler duty of 1.63 MMBTU/hr. The condenser will run at a pressure of 14.7 psia and a temperature of 198 °F. The reboiler will run at a pressure of 20.7 psia and a temperature of 230.4 °F. The bottoms product (enriched in water) is removed from the process as waste and half of the distillate product (enriched in IPOH) is recycled back to the reactor. The remaining distillate product is sent to fuel. Final Acetone Tower (T-700)
  • 17.
    16 The goal ofthis column is to remove trace amounts of methanol from the mixture of the distillate streams from T-300 and T-500 in order to reach final product purity (≥ 99.9 % by mass). In order to perform the difficult separation of acetone and methanol, this column operated at a high enough pressure that the separation occurs on the right side of the azeotrope. As a result, acetone is collected in the bottoms while methanol is collected in the distillate. The feed stream is initially pumped to 129.12 psia and cooled to 83.4 °F using one process stream, low-low pressure steam, and cold water (3 heat exchangers in series). The distillation column contains 43 actual trays. Following a flow meter and a control valve, the feed stream (25.2 psia, 83.4 °F) enters the column at tray 25. The reflux ratio is set to 107.2, which results in a condenser duty of -6 MMBTU/hr and a reboiler duty of 5.937 MMBTU/hr. The condenser will run at a pressure of 64 psia and a temperature of 219 °F. The reboiler will run at a pressure of 70 psia and a temperature of 230.7 °F. The distillate product (enriched in methanol) is sent to fuel while the bottoms product is our final acetone product. This stream is then sent to carbon beds for final purification. Process Specifications Achieving Hard and Soft Specifications Table 2: Summary of the hard and soft specifications provided to the design team Hard Specifications Peter’s Posse’s Design Product Capacity: 189 MMlb/yr 189.3 Product Acetone Purity: 99.90-99.93 wt% min 99.90 Product Isopropanol: 500 wt ppm max 0 Product Methanol: 1000 wt ppm max 500 Product Acetic Acid: 10 wt ppm max 0 Product Water: 1000 wt ppm max 500 Sellable Hydrogen: 95 mol% min N/A Fuel Acetone + Methanol: 3 wt% max N/A Fuel Water: 2 wt% max N/A Byproduct for Sale: 99.9 wt% N/A Soft Specifications Peter’s Posse’s Design Acetone Recovery: 95% 91.2
  • 18.
    17 Acetic Acid toAvoid Stainless Steel: 50 wt% max 0 in all except one distillation column 4,000 MMBTU/lb Acetone Product Reboiler Duty 5,954 Reactor Feed Specifications Peter’s Posse’s Design Isopropanol: 85 wt% min 89.7 Acetone: 5 wt% max 1.8 Methanol: 1 wt% max 0.4 Water: 10 wt% max 5.0 The soft specification of recovery was not met because the hard specs were met without it. Meeting 95% acetone recovery would mean producing 197 MMlb/yr, which means our design would have to use extra utilities and have slightly larger columns. This would produce 4.3MM$/yr more in sales. Assuming the utilities and capital costs increase by the same percentage that the capacity increased, the After Tax Rate of Return (ATROR) of the process will change to 12.33% from 11.51%. This change is slightly more profitable, but may only be due to the assumptions. As a higher purity is desired, the energy input increases non-linearly. This means that the capital cost and energy inputs are probably much larger than the 4% increase assumed based on the 4% increase in capacity. The design would probably be less profitable than meeting the 189 MMlb/yr capacity. The soft specification of 4,000 MMBTU/lb of acetone product reboiler duty was also not met. Our reboiler duty is 48% higher than the soft spec because of the high reboiler duties in the two vacuum towers. Combined, the two vacuum towers contribute 3702 BTU/lb in reboiler duty. This is because the separation of acetone and methanol is an azeotrope that cannot be separated under atmospheric conditions. The high reboiler duty is compensated for by crossing process streams later in the process to save energy. Table 3: Summary of the conditons in each of the plant’s seven distillation columns Column Reflux Ratio Trays Feed Tray Feed Condenser Reboiler Temp Press Temp Press Duty (MMBT U/hr) Temp Press Duty (MMBT U/hr) 100 1.001 11 7 152 37.2 132.7 14.7 -8.645 228.5 21.2 8.5 200 20.59 35 18 180 60.9 147.6 14.7 -8.645 193.5 20.6 22.92 300 7.382 55 40 43 24.7 15 0.8 -30.71 73.48 2.2 30.05
  • 19.
    18 400 10 3618 25.16 20 -132.5 14.7 -12.49 149.1 17.6 12.92 500 28.68 53 27 111.5 8.1 89.7 2 -50.1 150.8 8.5 49.82 600 1.002 6 4 176.9 14.9 198 14.7 -1.66 230.4 20.7 1.63 700 107.2 43 30 83.4 25.2 219 64 -6 230.7 70 5.937
  • 20.
    19 Separation Specifications Table 4:Summary of the key light and heavy components that were separated in each of the seven distillation columns Column Key Light Key Heavy 1 Water Acetic Acid 2 Methanol Isopropanol 3 Acetone Methanol 4 Propylene Acetone 5 Acetone Isopropanol 6 Isopropanol Water 7 Acetone Methanol Reactor Specifications Table 5: The IPOH reactor conditions Inlet Pressure (psia) 50 Maximum Pressure Drop (psi) 20 Temperature (°F) 627.4 Feed Flow Rate (lb/hr) 9781 Weight Catalyst (lb) 39,200 Conversion of IPOH (%) 90 Acetone Selectivity (%) 90 Mesityl Oxide Selectivity (%) 8 Propylene Selectivity (%) 2
  • 21.
  • 22.
  • 23.
  • 24.
  • 25.
  • 26.
  • 27.
    Section Three: Processand Equipment Design
  • 28.
    Process/Equipment Design Distillation ColumnKey Variables There are various factors that affect the design of a distillation column. Pressure is the most important parameter. At high pressures, the relative volatility of most two-component systems decreases and the separation becomes more difficult. Higher pressures require either more trays (higher capital cost) or a higher reflux (greater utility cost) in order to achieve the separation. The capital cost of a column is also intrinsically higher at higher pressures, as a thicker material of construction is needed to be able to withstand the pressure exerted by the vapor on the walls of the column. Separation becomes much easier at pressures below atmospheric, but these systems require expensive vacuum equipment and dramatically increase utility costs. Therefore, most of the columns in the acetone retrofit system were designed to operate at atmospheric pressure in the condenser. Two of the seven columns, however, are operating under vacuum. Column 500 operates under vacuum because an extremely pure top stream of acetone was required to be sent to the final separator in order to meet specifications. Column 300 also operates under vacuum because operating at such a low pressure allowed the design group to get around the acetone- methanol azeotrope, which is key for this process. For each column, a pressure drop of 0.1 psi was assumed for each tray, a pressure drop of 4 psi was assigned to each condenser, and a negligible pressure drop was assumed for the reboilers. General Optimization Technique To begin, the pressure in the condenser of each column was set to atmospheric pressure, as this is the lowest pressure that the column could operate at without vacuum. For each column, an arbitrary number of trays was put into HYSYS to allow for the desired separation to occur. Then, the number of trays was reduced until the reflux ratio began to greatly increase. From this analysis, the number of trays was tentatively set for each column. Based on the tentative number of trays for each column and a 0.1 psi pressure drop per tray, the pressure in the reboiler of each column was also tentatively set. Then, based on the pressure and temperature profile of each column, the feeds to each column were modified using heat exchangers, pumps, and valves so that the pressure and temperature of the feed matched the pressure and temperature at the middle of each column. This was a major design decision because having a feed composition that matches closely with the composition at the feed tray in the column allows for the best separation. If the feed pressure and temperature vary greatly from the pressure and temperature of the liquid and vapor at the feed tray in the column, then mixing will occur in a portion of the column which will reduce the column efficiency. The feed conditions were determined before a knee of the curve analysis was performed because the design group assumed that the number of trays would not vary greatly from the tentative values. Then, with the feeds at the proper pressure and temperature, a knee of the curve analysis was performed for each column. The number of trays versus reflux ratio was plotted for each column and the number of trays found at the knee of the curve was selected. This knee
  • 29.
    28 of the curveanalysis leads to a minimization of both capital and utility cost. A greater number of trays in a column gives more stages for contact between the rising vapor and downward-flowing liquid, which allows for better separation. However, increasing the number of stages requires a taller column and a greater capital cost. Increasing the reflux ratio results in greater flows in the column, which gives a higher mass transfer coefficient and better separation at each stage. However, increasing the reflux ratio increases both the condenser and reboiler duties, as more vapor must be condensed and more liquid must be vaporized. Increasing the reflux ratio also increases capital cost, as a wider column is required to handle the increased vapor flow rates. With the number of trays selected, a second optimization was performed. A plot of reflux ratio versus feed tray location was made for each column and the feed tray that gave the minimum reflux ratio was determined. Since the condenser and reboiler duties are proportional to the reflux ratio, the feed tray that minimizes the reflux ratio also minimizes these duties and leads to lower utility costs. The optimal number of trays for each column found using the knee of the curve analysis are based on HYSYS data and are therefore the theoretical number of trays. When the columns were sized to determine their height and diameter, the theoretical number of trays for each column was an input used to find the actual number of trays. The optimal feed tray location found in the following optimizations is also a theoretical value, and was later scaled up when the column heights and diameters were determined. Distillation Column 100 (Acetone Waste Tower) Purpose The purpose of this column is to remove the acetic acid that is present in the acetone waste stream so that the remainder of the columns in the process can be made of carbon steel instead of stainless steel, which greatly reduces the capital cost for the plant.
  • 30.
    29 XY Analysis The XYdiagram for isopropanol and acetic acid at atmospheric pressure is shown in Figure 5. The separation is relatively easy as can be seen from the separation of the equilibrium line from the y=x line. Feed Condition The pressure at the condenser was set to atmospheric pressure. The feed temperature and pressure were specified to match the pressure and temperature at the middle of the column. The pressure of the feed is 16.70 psia and the temperature is 140.7°F, which gives a vapor fraction of 0.0217. Column Sizing and Feed Tray Determination With the feed conditions specified, a knee of the curve analysis was performed by making a plot of number of trays versus reflux ratio, which is shown as Figure 6. Figure 5: XY diagram for IPOH and acetic acid at atmospheric pressure
  • 31.
    30 Using the kneeof the curve method, the optimum number of theoretical trays was found to be 5. With the number of theoretical trays determined, the next thing to be determined was the feed tray location. Figure 7 shows a plot of reflux ratio versus feed tray location, which was used to determine the optimum feed tray location. From Figure 7, the optimal feed tray was found to be tray 3, as this minimizes the reflux ratio. Figure 6: Knee of the curve analysis to find optimal number of trays for Column 100 Figure 7: Determining the feed tray location for Column 100
  • 32.
    31 Distillation Column 200(Isopropanol Waste Tower) Purpose The purpose of the Isopropanol Waste Tower is to send almost all of the isopropanol in the waste stream down to the reactor system so that it can react to form acetone. Almost all of the methanol and acetone fed to the tower leaves in the top and is sent to Column 300 where the methanol is separated from the acetone. XY Analysis The XY diagram for isopropanol and methanol at atmospheric pressure is shown in Figure 8. The separation is fairly difficult as can be seen from the separation of the equilibrium line from the y=x line. This explains why this tower has a relatively high theoretical number of stages. Feed Condition The pressure at the condenser was set to atmospheric pressure. The feed temperature and pressure were specified to match the pressure and temperature at the middle of the column. The feed is a subcooled liquid with a pressure of 19.70 psia and a temperature of 150.2°F. Figure 8: XY diagram for IPOH and methanol at atmospheric pressure
  • 33.
    32 Column Sizing andFeed Tray Determination With the feed conditions specified, a knee of the curve analysis was performed by making a plot of number of trays versus reflux ratio, which is shown as Figure 9. Using the knee of the curve method, the optimum number of theoretical trays was found to be 19. With the number of theoretical trays determined, the next thing to be determined was the feed tray location. Figure 10 shows a plot of reflux ratio versus feed tray location, which was used to determine the optimum feed tray location. Figure 9: Knee of the curve analysis to find the optimal number of trays for Column 200 Figure 10: Determining the feed tray location for Column 200
  • 34.
    33 From Figure 10,the optimal feed tray was found to be tray 9, as this minimizes the reflux ratio. Distillation Column 300 (Acetone/Methanol Vacuum Tower) Purpose Column 300 is operated at vacuum in order to separate acetone from methanol. A 99.50 wt.% acetone stream leaves from the top of the column and is sent to mixing point C to mix with acetone produced from the reactor. A 87.22 wt.% methanol stream leaves as the bottoms and is used for fuel. XY Analysis The XY diagram for acetone and methanol at atmospheric pressure is shown in Figure 11. The separation is extremely difficult as can be seen from the separation of the equilibrium line from the y=x line. There is also an azeotrope that occurs at approximately 84 wt.% acetone which makes a column that produces a >99 wt.% acetone stream at atmospheric pressure impossible. Figure 11: XY diagram for acetone and methanol at atmospheric pressure
  • 35.
    34 The XY diagramfor acetone and methanol at 1.5 psia is shown in Figure 12. At this extremely low pressure, the separation becomes much easier and the azeotrope is no longer present. However, the tower still has a very high number of theoretical stages because getting the desired tops acetone purity of 99.5 wt.% adds on a greater number of stages. Feed Condition The pressure at the condenser was set to 0.20 psia. The feed temperature and pressure were specified to match the pressure and temperature at the middle of the column. The feed is at a pressure of 2 psia and a temperature of 48.86 °F, with a vapor fraction of 0.09. Column Sizing and Feed Tray Determination With the feed conditions specified, a knee of the curve analysis was performed by making a plot of number of trays versus reflux ratio, which is shown as Figure 13. Figure 12: XY diagram for acetone and methanol at 1.5 psia
  • 36.
    35 Using the kneeof the curve method, the optimum number of theoretical trays was found to be 22. With the number of theoretical trays determined, the next thing to be determined was the feed tray location. Figure 14 shows a plot of reflux ratio versus feed tray location, which was used to determine the optimum feed tray location. From Figure 14, the optimal feed tray was found to be tray 18, as this minimizes the reflux ratio. Figure 13: Knee of the curve analysis to determine the optimal number of trays for Column 300 Figure 14: Determining the feed tray location for Column 300
  • 37.
    36 Distillation Column 400(Gas Products Tower) Purpose The purpose of the Gas Products Tower is to remove the lightest components formed during the reaction, hydrogen and propylene. These gases are removed from the tops of this tower, whose condenser runs at total reflux. All other species coming from the reactor come out the bottom of this tower before being separated in the following columns. XY Analysis The XY diagram for propylene and acetone at atmospheric pressure is shown in Figure 15. The separation is extremely easy as can be seen from the large distance between the equilibrium line and the y=x line. Feed Condition The pressure at the condenser was set to atmospheric pressure. The feed temperature and pressure were specified to match the pressure and temperature at the middle of the column. The feed is at a pressure of 20.00 psia and a temperature of 25.14 °F, with a vapor fraction of 0.4345. Figure 15: XY Diagram for propylene and acetone at atmospheric pressure
  • 38.
    37 Column Sizing andFeed Tray Determination The column would only converge in HYSYS with 10 theoretical trays, the feed at tray 5, and a reflux ratio of 10.00. Distillation Column 500 (Acetone/Isopropanol Vacuum Tower) Purpose Column 500 is operated at vacuum in order to separate acetone from isopropanol. A 99.82 wt.% acetone stream leaves from the top of the column and is sent to mixing point C to mix with acetone coming from Column 300. Almost all of the unreacted isopropanol was sent out of the bottoms of this column. It was desired to send the isopropanol to the bottoms stream so that as much unreacted isopropanol as possible could be recycled back to the reactor. This column is operated at vacuum because of the high purity specification of the tops stream. XY Analysis The XY diagram for acetone and isopropanol at atmospheric pressure is shown in Figure 16. The separation is fairly easy as can be seen from the distance between the equilibrium line and the y=x line. However, since a nearly pure acetone distillate stream was required, a high number of theoretical trays were needed for this column. Figure 16: XY Diagram for acetone and isopropanol at atmospheric pressure
  • 39.
    38 Feed Condition The pressureat the condenser was set to 2.00 psia. The feed temperature and pressure were specified to match the pressure and temperature at the middle of the column. The feed is at a pressure of 8.10 psia and a temperature of 111.5 °F, with a vapor fraction of 0.0852. Column Sizing and Feed Tray Determination With the feed conditions specified, a knee of the curve analysis was performed by making a plot of number of trays versus the reflux ratio of Column 700. This was done because simply optimizing Column 500 on its own led to extremely high and unrealistic reflux ratios in Column 700, which could not be reduced. Therefore, Column 500 was optimized with respect to Column 700 since the distillate of Column 500 is fed to Column 700 and plays a major role in that column’s design. The knee of the curve analysis is shown as Figure 17. Using the knee of the curve method, the optimum number of theoretical trays was found to be 28. With the number of theoretical trays determined, the next thing to be determined was the feed tray location. Figure 18 shows a plot of reflux ratio of Column 500 versus feed tray location, which was used to determine the optimum feed tray location. Figure 17: Knee of the curve analysis to determine the optimal number of trays for Column 500
  • 40.
    39 From Figure 18,the optimal feed tray was tray 16. Above this tray, the feed would have been below stage pressure. Therefore, a plot of reflux ratio versus feed tray location was only performed up to tray 16. Distillation Column 600 (Water Remover) Purpose The purpose of Column 600 is to remove a large amount of the water in the system so that the recycle back to the reactor meets the specification for water fed to the reactor. The distillate contains a large amount of unreacted isopropanol that is fed back to the reactor. Figure 18: Determining the feed tray location for Column 500
  • 41.
    40 XY Analysis The XYdiagram for isopropanol and water at atmospheric pressure is shown in Figure 19. The separation is fairly easy as can be seen from the large distance between the equilibrium line and the y=x line. Since an azeotrope exists between isopropanol and water at atmospheric pressure, it was not possible to remove all of the water in the feed. This was acceptable, however, because the reactor feed specifications were able to be met without all of the water being removed. Feed Condition The pressure at the condenser was set to 14.70 psia. The feed temperature and pressure were specified to match the pressure and temperature at the middle of the column. The feed is at a pressure of 14.90 psia and a temperature of 176.8 °F, with a vapor fraction of 0.0409. Column Sizing and Feed Tray Determination With the feed conditions specified, a knee of the curve analysis was performed by making a plot of number of trays versus reflux ratio, which is shown as Figure 20. Figure 19: XY diagram for isopropanol and water at atmospheric pressure
  • 42.
    41 From this plot,it can be seen that the reflux ratio does not change with number of trays. Therefore, it was decided to use the smallest possible theoretical number of trays, 3. The feed was decided to enter at the middle of the column at tray 2. Distillation Column 700 (Final Acetone Tower) Purpose The purpose of this column is to remove trace amounts of methanol in order to meet the acetone purity specification of 99.90%. This tower operates at high pressure to move to the right of the acetone-methanol azeotrope, which causes acetone to be the bottoms product and methanol to be the distillate. XY Analysis The XY diagram for methanol and acetone at the condenser pressure of 64.00 psia is shown in Figure 21. This plot shows that almost all of the methanol is able to be removed from the top of the column. Figure 20: The reflux ratio does not change with number of trays for Column 600
  • 43.
    42 Feed Condition The pressureat the condenser was set to 64.00 psia. The feed temperature and pressure were specified to match the pressure and temperature at the middle of the column. The feed is at a pressure of 73.40 psia and a temperature of 233.8 °F, with a vapor fraction of 0.0043. Column Sizing and Feed Tray Determination With the feed conditions specified, a knee of the curve analysis was performed by making a plot of number of trays versus reflux ratio, which is shown as Figure 22. Figure 21: XY diagram for methanol and acetone at 64.00 psia
  • 44.
    43 Using the kneeof the curve method, the optimum number of theoretical trays was found to be 36. With the number of theoretical trays determined, the next thing to be determined was the feed tray location. Figure 23 shows a plot of reflux ratio versus feed tray location, which was used to determine the optimum feed tray location. From Figure 23, the optimal feed tray was tray 26. Figure 22: Knee of the curve analysis to find the optimum number of trays for Column 700 Figure 23: Determining the feed tray location for Column 700
  • 45.
    44 Shell and TubeReactor Key Variables The reactor design was dependent on information provided by our research team. The inlet pressure and total pressure drop through the reactor were specified as 50 and 20 psi, respectively since equilibrium is favored by low pressure. Selectivity and conversion are temperature dependent, which makes it important to keep the reactor isothermal so that a consistent product purity is maintained. The reactor also needed to be designed large enough to hold the catalyst given its dimensions and its weight hourly space velocity (WHSV). The desired reaction is the dehydrogenation of IPOH to acetone and hydrogen, shown below. Two major side reactions were accounted for that IPOH could participate in: IPOH can participate in an aldol condensation reaction to form mesityl oxide, water, and hydrogen, and IPOH can undergo a dehydration reaction to form propylene and water, also shown below. The desired reaction is an equilibrium reaction, so the reactor was designed at a high temperature and low pressure to drive the process the reaction in the forward direction. The plug-flow characteristics of the reactor also help to drive the reaction to equilibrium by avoiding uniform mixing of the reaction. Removing acetone will help to shift the reaction towards completion based on Le Châtelier's principle. The plug-flow properties of the shell and tube reactor is favorable for this because the concentration of acetone starts very low,
  • 46.
    45 and ends atthe outlet concentration. If a CSTR type reactor was chosen, the reactor would always be run at the outlet acetone concentration, decreasing acetone production. The production of side products was minimized by choosing the appropriate reaction temperature. The selectivity for mesityl oxide and propylene increased with temperature, as did the conversion of IPOH. The tradeoff between selectivity and conversion was considered and optimized. Reactor Choice A shell and tube reactor was chosen based on the volume needed for the heterogeneous catalyst, and the surface area needed for heat transfer to keep the reactor near isothermal operation. A direct fired heater reactor will not be used because a fixed bed or shell and tube reactor in combination with available utilities can accommodate the temperatures that are needed; and it is a more expensive alternative. For an assumed flow rate of 9,800 lb/hr into the reactor, a heat input of 3.55 MMBTU/hr yielded a process temperature change of 52.9o F. Because the reactor needs to be run at 650o F, hot oil at 750o F must be used as the heat transfer fluid since the temperature approach is 100-200o F when heating above 600o F. Dowtherm oil was chosen as the heat transfer fluid, and it has an overall heat transfer coefficient of approximately 15 BTU (hr ft2 o F)-1 [24]. The desired outlet temperature of the hot oil needed to be about 730o F to achieve a ∆TLM less than 90o F (730o F gives ∆TLM=81o F), and to stay above the 100o F temperature approach. The minimum area required for heat transfer was determined to be 2,895 ft2 . The surface area of the packed bed reactor was assumed to be the same as the heat transfer area. For a fixed bed reactor, a length over diameter ratio of 3 was used to find a diameter of 17ft and a resulting reactor volume equal to 11,575ft3 . Based on the catalyst’s WHSV, the volume needed to accommodate the catalyst with a void fraction of 0.3 is 1,254ft3 . Because of the factor of 10 difference in reactor volume needed for the catalyst versus the volume needed for heat transfer using a cylindrical packed bed, a reactor with a higher area of heat transfer to volume ratio will be needed, such as a shell and tube heat exchanger design. General Optimization Technique The research group that developed our catalyst specified that the reactor feed needed to be 50 psi, with a maximum pressure drop of 20 psi. The tube diameter is set to 1” to hold the catalyst with a maximum linear length (L) of 40 ft, and the volume for the catalyst was set by its WHSV of 0.25 (lb feed/hr)/(lb catalyst). The number of tubes (N) was calculated using the required catalyst volume and individual tube volume at a specific length. The maximum N per reactor was specified to be 10,000. The Ergun Equation (Appendix, Equipment sizing calculation methodologies) was used to determine the pressure drop through the tubes. The reactor was sized by iterating the linear length to get a pressure drop below 20 psi, and fewer than 10,000 tubes. The area for heat transfer was not a constraint because the required area is 2,895 ft2 when using 750o F hot oil, and the surface area of 10,000 tubes is on the order of 60,000 ft2 . Because equilibrium is favored by low pressure, we chose to design to the maximum pressure drop of 20 psi, which also gave the minimum
  • 47.
    46 number of tubes,helping to make catalyst replacement easier. The design is: N=6967, L=33 ft, and ∆P=19.9 psi. Reactor (IPOH) Purpose The reactor converts a feed stream of 0.80 mass fraction IPOH and 0.0086 mass fraction acetone into a stream of 0.090 mass fraction IPOH and 0.71 mass fraction acetone. It needs to provide enough volume to hold the catalyst, and enough surface area for heat transfer to maintain a nearly isothermal reactor. Conversion and Selectivity Analysis The optimal operating temperature for the reactor was determined by finding the knee of the curve for conversion versus selectivity. This fell between two data points, which corresponded to 600 and 700 o F. An operating temperature of 650 o F was chosen. The values of conversion at 600 and 700 o F were averaged to find the conversion of 0.90 at 650 o F. The conversion versus selectivity for the side products was also plotted to make sure there were no significant differences in mesityl oxide or polypropylene selectivity between 600 and 700 o F. At an IPOH conversion of 0.935, the selectivity of the side products fell in a near-vertical region, meaning those variables are not sensitive to temperature changes between 600 and 700 o F, and do not need to be further considered. A conversion of 90% was used in calculations and the HYSYS model to account for the temperature variations within the reactor because it is not perfectly isothermal. Figure 24: Knee of the curve optimization of conversion and selectivity
  • 48.
    47 Hot Oil HeatingLoop Purpose A utility needed to be provided to keep the reactor running isothermally. Based on the heat of reaction and the moles of IPOH reacted, it was determined that 3.55 MMBTU/hr of heat needs to be provided to the reactor to keep it near isothermal. The most economical utility that could supply heat to reach a reaction temperature of 650 o F was hot oil heated to 750o F. Optimization of Utility Stream Used to Heat the Hot Oil There were seven waste streams in our process that could be used in the direct fire heater to heat the hot oil. The utility in each stream was determined by multiplying the lower heating value by the flow rate of the stream. The stream has to provide 3.55 MMBTU/hr, and no single stream provided enough heat without providing ≥100% more than necessary. By combining the bottoms of T-100 and distillate of T-700, a total of 5.646 MMBTU/hr can be supplied to the direct fire heater, which can transfer 3.67 MMBTU/hr based on a 65% thermal efficiency [18]. This provides enough heat to the reactor, with a safety factor of 1.03, and allows us to use a waste stream directly in the process. Reactor and Catalyst Maintenance Regeneration Process Purpose The copper on alumina catalyst experiences losses in activity (a function of the rate constant and conversion) over time. This is likely due to coke forming on the surface as the hydrocarbons pass over it at high temperature. Coke formation is known to happen during dehydrogenation reactions, and has specifically been seen on a copper on alumina catalyst [11, 14]. Regeneration Process The catalyst must be regenerated every 6 months, and the entire regeneration cycle takes 7 days. Because Eurecat is the company supplying our catalyst and has a location in the US Gulf Coast, we will be using their expert catalyst regeneration services rather than designing and operating the process in-house. Detailed Equipment Lists Inside Battery Limit (IBL) The IBL contains all of the essential equipment to meet our plant capacity and hard specifications. A summary of the number of each piece of process equipment for the base
  • 49.
    48 case is givenbelow. For details on the sizing of each, see the Appendix, Alternative Case Capital and Cash Flow Sheets. Table 6: Summary of all process equipment required for the acetone retrofit plant Outside Battery Limit (OBL) The OBL contains all of the auxiliary support equipment for our process. This is existing infrastructure from the existing process. This includes the utility systems, which encompasses refrigerant, cooling water, low low pressure steam, low pressure steam, medium pressure steam, and high pressure steam. The steam system contains boilers that are currently fed by the streams that would become feed streams to this acetone retrofit process, pressurizing equipment, liquid and gas fuel storage tanks, and the steam distribution system. There is also a substation to provide electricity for the process needs such as pumps and compressors. The OBL will house the product holdup tank which can store the acetone product for 14 days, and emergency flares for system leaks or when rupture disks break.
  • 50.
  • 51.
    Alternative Studies Acetone-Methanol Separation Currently,the designed base case acetone recovery plant has 7 distillation columns, 1 reactor and 2 carbon beds. The challenge to minimize cost came with the acetone-methanol separation. Three main types of distillation were designed and tested to separate acetone and methanol. These systems were vacuum distillation (base case), extractive distillation, and pressure-swing distillation. The base case features two vacuum columns to separate acetone and methanol. These were Columns 300 and 500. Column 300 features a length of 198 feet and a diameter of 15 feet. Column 500 features a height of 139 feet and a diameter of 13 feet. These columns are at the maximum possible diameter that allow the columns to be prefabricated and shipped to the plant location. The low pressures in these columns cause the azeotrope to disappear and allows for nearly pure acetone to be obtained in the distillate of each column. Extractive distillation is used for mixtures with low relative volatility and those that form an azeotrope. Extractive distillation uses an entrainer as a separation solvent. The entrainer is miscible in the mixture and has a higher boiling point. The entrainer is added to enhance the separation between the acetone and methanol while avoiding the formation of an azeotrope. In this case water was used as the entrainer to separate acetone and methanol. These columns were modeled in HYSYS and then sized. The first column has a height of 109 ft and a diameter of 5 ft, while the second column has a height of 149 ft and a diameter of 15.6 ft. The cost compared to the vacuum case can be seen in Table 7. A major disadvantage with extractive distillation is the large duty of the feed pump due to the requirement of feeding 20,000 lb/hr of entrainer to the columns. The extractive distillation system is shown in the image below. Pressure Swing Distillation is another method that breaks the acetone methanol azeotrope to produce a pure stream of acetone. The HYSYS schematic shown below is the pressure swing system. The theory behind this separation technique is to operate the first tower at low pressure and then the second column at high pressure creating the pressure swing. This Figure 25: HYSYS simulation snip of the extractive distillation system
  • 52.
    51 breaks the azeotropeby removing the acetone as the bottoms product of the first column. The distillate goes through the high pressure column to produce a methanol stream out the bottoms of the second column. The distillate of the second column gets recycled back and fed to the first column to conserve as much acetone as possible. This separation technique was able to meet the desired production of acetone, but it came at a very high utility and capital cost derived from the extreme recycle flow rate and column diameters. When attempting to size the two columns for the pressure swing distillation system, neither of the flow rates for the liquid and vapor allowed for the Glitsch Method plot to be used. For the first column, which operates at high pressure (approximately 50 psi), the Glitsch Method plot was able to be extrapolated to account for the high flows in the column. This gave an estimated diameter of 25.5 feet and a height of 57.5 ft. For the second column, which operates at vacuum, the flows were so high that an extrapolation of the Glitsch method plot could not be obtained. It is estimated that the diameter of the column would have to have been at least 50 feet. The minimum column diameter for the column to be prefabricated and shipped to the Gulf Coast location is 15 feet. Therefore, each column would have to be fabricated on site, and the capital cost of the large diameter columns plus the construction cost would be astronomical. The pumps required to move the extremely high flows in pressure swing distillation system (due to the large recycle stream) would also require a very large amount of energy. Thus the conclusion was drawn that pressure swing distillation was an unfeasible solution for acetone methanol separation. Economic Analysis of the Acetone-Methanol Separation Techniques As previously explained, the pressure-swing system featured such large flows that the capital cost would have been exorbitantly high and thus that system was not analyzed further. Table 7 shows the capital cost and utility cost associated with the base case and extractive distillation alternative case. The capital costs are fairly similar, but the total operating cost per year is approximately 2.5 times higher for extractive distillation system. Figure 26: HYSYS simulation snip of the pressure swing distillation system
  • 53.
    52 Table 7: Totalcapital cost and operating cost per year for the base case and two alternative cases Separation Method Capital Cost ($) Total Operating Cost ($/yr) Vacuum Distillation (Base Case) 194,136,000 40,000,000 Extractive Distillation 193,867,000 113,000,000 Pressure Swing Distillation N/A N/A Further economic analysis was performed on the base case and extractive distillation systems. The extractive distillation system featured a raw material cost associated with adding 20,000 lb/hr of water to the system as an entrainer. The cost of this water stream was determined to be 17.95 ¢/lb acetone. This stream alone made this process economically unfeasible. On top of that, there are high refrigeration costs (22.37 ¢/lb acetone) associated with the condenser of the second column in the extractive distillation system, which contributes to the operating cost of about $40 million per year. For the extractive distillation system to reach the ATROR hurdle rate of 20%, the price of acetone would have to raise to 93.5 ¢/lb, which is more than double its current price. The base case requires a slightly higher capital cost due to the presence of the vacuum system and the large size of the vacuum column. The operating cost is much lower, however, due to the fact that the condenser in Column 300 uses a lower cost refrigerant than the second column in the extractive distillation system and because there is no required entrainer stream. The acetone price required for the base case plant to reach the ATROR hurdle rate of 20% is 54.4 ¢/lb, which is approximately 14 cents higher than its current price. Based on this number, it can be concluded that the base case is a more economical option than both the extractive distillation and pressure-swing distillation alternative cases. Additional Separations and Containments: An additional separation that was considered was the separation of hydrogen from propylene. This would produce two alternative product streams for additional revenue. The hydrogen-propylene product in the base case is used to fuel the fire heater, saving the cost of natural gas that would otherwise be needed to fuel the fire heater. The addition of this separator also adds a heat exchanger, a pump and a compressor. This is depicted in Figure 27.
  • 54.
    53 The costs associatedwith the hydrogen-propylene separation system are summarized in Table 8. Table 8: Summary of the additional capital and utility costs associated with the addition of the hydrogen- propylene separation system Separation Method Capital Cost Utility Cost Total Separator (PPE-H2) $1,909,000 $315,133 This process produces 246.3 lb/hr of 99.74 wt.% hydrogen which can be sold for 81 ¢/lb, as well as 441.5 lb/hr of 100 wt.% propylene which can be sold for 41 ¢/lb. These two additional sources of revenue increase the ATROR of the project from 11.51% to 13.55%, based on an acetone price of 40 ¢/lb. The entire case flow sheet for the base case plus this hydrogen-propylene system can be found in the Appendix. In conclusion, the best technique for separating acetone and methanol is vacuum distillation. This technique employs an expensive vacuum and refrigeration system to achieve the separation, but avoids the extremely high utility costs associated with the extremely large flows in the pressure-swing and extractive distillation systems. While the base case appears to be the most effective system, the addition of a hydrogen-propylene separation to the base case plant gives a better return on investment. Although the company does not want to get into new product lines, the production of hydrogen and propylene as products increases the ATROR by approximately 2%, making it a viable option to consider in addition to the base case. Figure 27: HYSYS simulation snip of the hydrogen-propylene separation system
  • 55.
  • 56.
    Outside Battery Limit TheOBL is located 1 mile from the plant. It contains the equipment needed to produce all of the utilities including electricity, product storage, and flares for product leaks. It does not include refrigeration or hot oil systems, which are included in the IBL. Quotes from external contractors for various elements of the capital cost of constructing the OBL were provided from previous years. Table 9 shows these bids. The costs given in the quotes were scaled to present-day costs using provided correlations. Table 9 also shows the summary of the present-day OBL capital costs. Table 9: Summary of previous OBL bids and the present-day OBL capital costs
  • 57.
    Section Six: Environmental, Safetyand Special Design Considerations
  • 58.
    Environmental/Safety Information Chemical Information Hydrogen Hydrogenis a gas at room temperature and is typically the product from the reactions in the process. It is a side product from the oxidation reaction from isopropanol to acetone and from the reaction that converts isopropanol to mesityl oxide. It is flammable (even at low concentrations) and usually travels with propylene throughout the entire process due to the similar boiling points. Propylene Propylene is a product that is produced from a dehydration reaction of isopropanol. Propylene is also a gas at room temperature that has a high flammability NFPA category of 4. It is highly flammable and oxidants were avoided to explosive behavior. Similarly, contact of cold liquid propylene with water was also avoided due to the large temperature difference. Methanol Methanol is found in both of the initial waste streams. Methanol is completely soluble in water and is a liquid at room temperature. It is a flammable liquid and it is toxic orally. Since it was soluble in water, there was an azeotrope between the two compounds in the separation. Mesityl Oxide Mesityl oxide is the main product of a side reaction of multiple isopropanol forming mesityl oxide, hydrogen and water. Mesityl oxide is a liquid at room temperature with a low solubility in water. It is also a very flammable compound that is also toxic. It is not very reactive but is a side product that reduces the purity of the product stream and ideally goes to fuel along with multiple other components. Acetic Acid Acetic acid is only present initially in the acetone waste stream. Acetic acid is a liquid at room temperature while being completely soluble in water. It is a somewhat flammable liquid with a NFPA category rating of 2. It also is toxic orally, and dermally. Since, the process was designed in a way to eliminate the acetic acid as quickly as possible from the system due to its corrosive nature, incompatible materials like oxidizing agents, hydroxides and some metals were not a primary concern in the end products of the design. Therefore part of the process had a stainless steel component to avoid corrosion.
  • 59.
    58 Formaldehyde Formaldehyde is foundas a trace product from the main and side reactions. It is a liquid at room temperature. Formaldehyde is somewhat flammable with a NFPA category of 2 and is very toxic if ingested and hazardous through skin contact, eye contact or inhalation. It is reactive with many components like anhydrides, carbonyl compounds, oxides and peroxides. Polymerization can be inhibited by adding methanol or stabilizers such as methyl cellulose. Isopropanol Isopropanol is a liquid at room temperature and is the reactant that produces acetone. It comes in as large quantities through incoming waste streams. It is a liquid at room temperature and has a very high flammability with a NFPA category of 3. It is completely soluble in water, reacts violently with hydrogen, oxidants, and is incompatible with many acids, alkali metals, Isopropanol reacts with metallic aluminum at high temperatures and attacks some plastics, rubber, and coatings. Isopropanol can also be peroxidized. It undergoes an oxidation in the main reaction to produce acetone and in the side reaction to produce the mesityl oxide. While, in the last side reaction it undergoes a dehydrogenation reaction to produce propylene. Considering the reactivity of all the components in the streams, many holding tanks were constructed out of nickel. Acetone Acetone is the end desired product of the system. It is a liquid at room temperature and is completely soluble in water. It is also very flammable with a NFPA category of 3. Additionally, it is toxic orally and dermally. It undergoes explosive reactions with chloroform and base and reacts violently with some acids. Table 10: Summary of physical and chemical properties for each of the chemicals present in the plant Chemical Molecular Weight (g/mol) Boiling Point (C) Freezing Point (C) Flash Point (C) Toxicity Flammability (UFL/LFL) by volume Reactivity Hydrogen 2.016 -252.8 -259.2 -149.99 Simple asphyxiant 4%/74.2% Highly flammable. Strong reducing agent Propylene 42.08 -47.7 -94 -107.990 Nontoxic 2.4%/11.0% Highly flammable. Methanol 32.04 64.7 -98.0 9.7 LD50 Oral %/36% Acid chlorides, acid anhydrides, oxidizing agents, alkali metals
  • 60.
    59 Mesityl Oxide 98.15130 -41.5 31 Acute toxicity 1.4%/7.2% None Acetic Acid 60.05 117.5 16.2 40 LD50 Oral, LC50 Inhalation, LC50 Dermal 4%/19.9% Oxidizing agents, hydroxides, Water 18.016 100 0 N/A Nontoxic Nonflammab le Water reactive substances Formaldehyde 30.031 98 -15 50 Ingestion, skin contact, eye contact hazard 6%/ 36.5% Incompatible with carbonyl compounds, oxides Isopropanol 60.10 82 -89.5 12.0 Inhalation/ Oral 2%/12.7% Reacts violently with hydrogen Acetone 58.08 132.8 -94 -17 Oral (LD50), Inhalation (LC50), Dermal (LD50) Highly flammable, NFPA Category 3 2%/13% Explosive with chloroform and base; reacts violently with nitric acid Waste Considerations The only stream going to waste is the bottoms of T-600. It is 92.6% water by mass, and 7% formaldehyde by mass. This stream will go to industrial wastewater treatment outside of the process. All other streams are burned as plant fuel or are sold. Safety Precautions Maintenance workers, engineers and other employees working in the system should be wearing the proper protective equipment to ensure safety in the plant from high pressure, high temperature and corrosive environments that are prevalent in the system.
  • 61.
    Process Hazard Analysis(PHA) Process Unit Hazard Effects Severity Likelihood Risk Current Control Verifications Column High pressure buildup, Leak Shock, Explosion, Leak Major Possible High Rupture cap to prevent pressure overload Test, analysis and inspection and training for employee Compressor High power and high pressure Shock, Leak/Explosion Major Possible High Shut off switch, metal components grounded/guarded Test, analysis and inspection, certification, maintenance Carbon bed High pressure buildup Shock, Leak/Explosion Major Possible High Rupture cap to prevent pressure overload Test, analysis and inspection with maintenance Pumps/Mixer Excessive Pressure Pipe rupture, Major Possible High Pressure vessels leak before burst Shutoff Activated automatically if fire is detected Station attendant trained in inspection Maintenance System tests Regular system training
  • 62.
    61 Active Electrical Components Electric Shock Burns Heart Problems MinorUnlikely Moderate Metal components grounded and insulated. Station attendant trained in inspection Active charge components covered Fence surrounding system Maintenance Regular system training for employees Holding Tanks Excessive Pressure due to Vapor Expansion Vapor Release -Hazardous if inhaled or absorbed Major Unlikely Moderate Shutoff activated automatically. Inspection procedure Tank Degradation Chemical contamination Hazardous exhaust fumes emitted Harmful if inhaled Minor Rare Low Material chosen that is resistant to corrosion from most materials in system. Attendant trained in inspection Regular system training for employee. Maintenance. System Tests.
  • 63.
    62 Cooler High Cold Temperature BurnsMajor Unlikely Moderate Pipes insulated to extreme temperatures Test, analyze, get pipes certified and quality control Reactor Fire Hazard Spontaneous Combustion Major Possible High Shutoff is activated automatically. Pipes and pressure vessels insulated System Check and Maintenance Health Hazard Dust Inhalation Major Possible Moderate Weekly Inspection Maintenance Figure 28: Process hazard analysis table of components in the acetone retrofit system
  • 64.
    Figure 29: Processhazard analysis matrix to determine risk Discussion of the Process Hazard Analysis: The process hazard analysis summary above shows how the different components of the system are in terms of safety. The risk was obtained by using the matrix above between the likelihood of the event and the impact of the event. The high risk conditions were high pressure systems and a fire hazard from the reactor. The high risks were calculated from the probability and severity of the accidents by using Figure 29. The accumulation of high pressures and high temperature could lead to pipe and system ruptures. Therefore, rupture disks were added as means to remedy and reduce the risk of accidents happening. Attendants and inspection training would be provided to insure proper functioning of the columns, compressor, carbon bed, and pumps/mixer. These modifications to the plant would save the company money from not having to pay for repairs that are much more drastic than a blown rupture disk. A complete system shutdown or malfunctions in the system would be more expensive than adding these safety measures. Similarly, a heating problem with the reactor could burn workers. The use of a temperature control system should prevent any major temperature overloads in the reactor. The other risks are not as high but are still as serious need to be considered. For example, a leak from the cooler could cause burns and vapor/fumes inhaled from the reactor could cause major health problems. That is why simple pipe insulation could reduce likelihood of malfunctioning and weekly inspection of the reactor should drastically reduce chances of vapor evaporation/leaks from the reactor. Insulation and the grounding of the metal components of the pumps and mixers may circumvent the problem of electric shocks and burns for workers. In addition to this, a trained station attendant should be inspecting the system regularly. However, pipe and pressure vessel insulation is only insulated to 150 o F, which is still a hazard to workers. Additional measures could later be implemented if these safety modifications prove not to be enough. It is in the company’s best interest to protect
  • 65.
    64 the lives andwell-being of its workers even if it means at a slightly higher price. This ensures a safe working place for workers. It also avoids any economic and public repercussion that may occur if there is an equipment malfunction or worker injury due to poor safety design. For every injury prevented, the company saves itself from being responsible for the injury, having poor publicity, and providing medical compensation. Standard Operating Procedure (Startup & Shutdown Procedure): Startup Procedure This startup operating procedure will start with the Column 100 system. (1) We will initially open the control valve prior to the column to allow the stream to flow. (2) Turn on the feed pump which is fed initially by a water reservoir. Then allow the column to fill up to 3 feet. (3) Turn the feed pump off. (4) Turn the reboiler on and feed the utility to the condenser so any vapors are condensed. (5) Once the reboiler reaches a temperature of 228 o F, turn on the reflux pump and operate at total reflux until the trays reach the specified temperatures: Table 11: Temperatures that each of the trays in Tower 100 must reach during startup at total reflux Trays Temperature (o F) Condenser 132.7 1 148.8 2 151.3 3 155.1 4 170.7 5 203.8 Reboiler 228.5 (6) Once trays reach temperature within 5 o F, use a utility stream instead of a process stream for startup; turn on the feed heat exchanger. (7) Turn the feed pump on. (8) Turn on the distillate and bottoms product pumps.
  • 66.
    65 (9) Check forleaks. (10) Repeat steps 1 through 9 for the acetone waste feed stream. (11) Monitor the column until it reaches steady state. Shutdown Procedure This shutdown operating procedure will start with the Column 100 system. (1) Turn the feed pump off and let the column empty. (2) Turn the control valve of the process stream that acts as a utility for the heat exchanger. (3) Close the feed control valve (4) Let remaining process run until liquid holdup in the column is emptied. (5) Turn off the condenser and reboiler (6) Turn off the reflux, distillate and bottoms pump. (7) Check for maintenance problems. Process Control Strategies Reactor Temperature control is used to control the amount of high pressure steam entering the shell side of the final heat exchanger before the reactor. This ensures that the temperature in the reactor stays approximately constant at the design temperature so that the selectivity and conversion which were used to model the reactor are valid. The reactor level was also controlled via a valve in the line before the reactor so that the reactor does not overflow and leak out flammable materials. Temperature control is used for the reactor to prevent the reactor contents from getting too hot. A thermocouple will be couple to a valve in the hot oil line which will cause the valve to close if the temperature in the reactor exceeds 700 o F. Fire Heater for Hot Oil System Temperature control is used to control the amount of fuel being fed to the fire heater so that the oil temperature is at a desired set point. The temperature control adjusts a valve that controls the amount of fuel being fed to the heater. Column System (including reboiler and condenser) For the feed streams to each of the separators, pressure and temperature control were used to ensure that the feed was entering the column at a pressure and temperature similar to the feed tray (as designed) to ensure that the columns work efficiently and consistently meet specifications. Temperature control on the bottom tray of the column was used to control the flow of the utility in the reboiler to ensure that the columns have a high enough vapor flow to achieve the separation. Each reactor also has level control at the bottom of the column to
  • 67.
    66 ensure that thereis the minimum of 3 feet of liquid holdup so that the column does not run dry. The level sensor controls the bottoms product valve and closes this valve if the liquid level in the tank drops below the minimum 3 feet. Reflux Drums Level control is used for each of the reflux drums to ensure that the reflux ratio stays approximately constant at the value for which the column was designed. The level sensor measurement is used to control the valve of the distillate product stream. The reflux pump will have a flow controller with it to ensure constant flow back to the column. Therefore, the level controller was chosen to be connected to the distillate product flow to ensure that the reflux drum level stays constant. A pressure and level alarm should also be installed for each of the reflux drums in the case of excess vapor or liquid accumulation. Storage/Holding Tanks Pressure and level alarms should be installed for each holding tank in case of excess vapor or liquid accumulation. Mixing Points Each of the streams entering the three mixing points were designed to be at the same pressure. At each mixing point, the valve controlling the pressure of one of the streams was controlled by the pressure measurement of the other stream in order to ensure that the pressures entering each mixing point were the same. For example, if the measured pressure of stream 8 is lower than the pressure of stream 9, then the controller would decrease the opening of the valve for stream 9 to drop it to the same pressure as stream 8. Reflux Pumps All reflux pumps have a flow controller that controls the valve after the reflux pump to ensure that the flows of the reflux stream are constant to each of the columns. This ensures that the column has high enough liquid flows to ensure the column will meet specifications. Check valves should be installed after each reflux pump to prevent backflow into the pump. Distillate Pumps The valve before the distillate pump is controlled by the level in the reflux drum to prevent liquid accumulation in the drums. Because all of the distillate pumps are centrifugal pumps, there needs to be a low level alarm on each pump to ensure that the pumps do not run dry. Check valves should be installed after each distillate pump to prevent backflow into the pump.
  • 68.
    67 Bottoms Pumps The valveafter each of the bottoms pumps is controlled by the level in bottom of the column to ensure that the liquid holdup in the tank is at or above the minimum. Check valves should be installed after each bottoms pump to prevent backflow into the pump. Feed Pumps Each of the feed pumps are flow controlled to ensure constant flow into each of the columns. Check valves should be installed after each feed pump to prevent backflow into the pump. Process Stream HEX The temperature of the process stream leaving a heat exchanger is used to control the flow of the utility to the heat exchanger. This temperature control scheme cannot be used for process-process heat exchangers because the flow of the process streams need to remain constant. However, the temperatures of the process streams entering and leaving the process-process heat exchangers will be closely monitored. Compressor The compressor after Column 400 is used to compress the hydrogen-propylene mixture leaving the column. A valve before the compressor will be connected to a level controller with the reflux drum to control the flow to the compressor. If the liquid level high in the reflux drum is high, the valve with open more to prevent backup of the vapor in the system. Carbon Beds There will be a thermocouple placed before the carbon bed system to ensure that the acetone stream being fed to the bed is cool enough so that there is no disruption in the adsorption of the impurities to the activated carbon. If the stream is too hot, there will be poor adsorption, the beds will be ineffective, and the product being sent to the consumers will not be up to standards. There will be pressure control on the feed stream in order to be able to drop the pressure and thus drop the temperature of the stream if it is entering the system at a high temperature. Special Design Considerations ● Nickel was used for the holding tanks because it seemed to be the cheapest material that was still resistant to the corrosive behavior of the components in the system like acetone, mesityl oxide and formaldehyde. Carbon steel was used for most of the process while stainless steel was used for the trays of each of the distillation columns and for the components of the design that had contact with acetic acid. Since most materials could not be stand the corrosiveness of acetic acid, stainless steel was implemented to circumvent the problem. ● To avoid stainless steel equipment, acetic acid was removed from the acetone waste feed stream with the first distillation column (T-100) so that no acetic acid made it to
  • 69.
    68 the rest ofthe process. The acetic acid waste stream was sent to the fired heater to be used as fuel. This avoided having to store corrosive and potential toxic waste. ● Chemicals like acetone, mesityl oxide and other components in the streams are toxic and have environmental consequences if the system does have leaks. That is why control valves and holdup tanks are designed in locations where there is a possibility of a severe malfunction or leak contributing to a health hazard. Implementation of holdup tanks were placed in areas where if a malfunction or breakdown of a column ahead or behind could cause the entire system to fail; a quick check was to see if a distillation column were to fail, what would happen and where (if any) would a holding tank be placed to avoid the crisis. ● Process streams were used in as many places as possible rather than using utilities when designing heat exchangers. By crossing streams, roughly $750,000/yr were saved in utility costs. This also means that energy was saved in generating utility streams, which are heated using a fossil fuel or carbon based chemical like the waste streams feeding the acetone retrofit process. By saving energy and conserving fuel, the acetone retrofit process will have a smaller environmental impact related to greenhouse gas emissions compared to if process streams were not crossed. ● Heat exchangers were designed to withstand 50 psi if they used LLPS so that they could use LPS at 50 psi if hotter temperatures are needed during operation. It adds flexibility to the temperatures that the system can be run at so that corrections for heat loss can be made.
  • 70.
  • 71.
    Capital Estimate Basis After evaluation,the total plant capital cost (including IBL and OBL) totaled $194 million as seen in Table 12. This is based on a plant capacity of 189 MMlb acetone/year. The Aspen Economic Software was used to estimate the capital cost for all equipment except the two vacuum systems and the refrigeration system. This includes all towers, holding tanks, reflux drums, heat exchangers, pumps, and the compress. For the vacuum and refrigeration systems, externally-provided data was used to estimate the capital cost. An escalation of 3% per year over three years and a project contingency of 20% was assumed in order to make the capital cost estimation.
  • 72.
    71 Summary of CapitalCost Calculations ICARUS List of Assumptions Below is a list of assumptions made in ICARUS to serve as the basis for economic analysis when pricing equipment. This is repeated in the Appendix, Economic Calculation Methodologies (ICARUS Inputs) along with the assumptions made in each equipment specification sheet. Table 12: Capital cost summary sheet for the base case plant design
  • 73.
    72 General Specs ● Processdescription: Proven process (none of the information is proprietary, and all of the separations have been done before) ● Process complexity: Typical (Azeotropes are common- this was the only major problem we faced. Our process used mostly standard distillation procedures for separations) ● Process control: Digital (We will not have manual control processes) ● Plant addition: Adjacent to existing (There is an existent plan that produces our feed streams adjacent to this plant) ● Estimated start date: Jan 18, 2016 (Assumed to be the beginning of semester) ● Soil conditions: Sand/clay [19] ● Pressure Vessel Design Code: ASME (specified) ● Vessel diameter: ID (specified) ● P and I design level: Full (specified) Investment Parameters ● Capital escalation: 0 (This will be specified and added into the capital estimate which includes ICARUS and other capital costs) ● Facility type: chemical process facility (acetone is not a specialty chemical, pharmaceutical, or food product) ● Operating mode: 24 hrs/day (assumed) ● Length of start-up period: 20 weeks (specified as default) Discussion The two most expensive systems in terms of capital are Tower 300 (Acetone/Methanol Vacuum Tower) and the IPOH Reactor. The Tower 300 system is expensive mainly because of the large size of the tower, which is required for the difficult acetone-methanol separation. This cost is much smaller than it would be if the originally-planned pressure-swing distillation system was installed, because that system would have required two extremely large towers. Tower 300 requires a vacuum system to be installed; but even with this cost, the system is cheaper than the pressure-swing system. A possible alternative to lower the capital cost for Tower 300 would be to use an extractive distillation column. Further research would need to be done to see if the capital savings for using extractive distillation would make up for the fact that a fresh stream of an entrainer would need to be purchased for the system. .Another large capital expense associated with the Tower 300 system is the holding tank. However, a large holding tank is necessary for safety reasons. The IPOH reactor system features a large capital cost because the reactor also acts as a heat exchanger. The reactor required a large area for the proper heat transfer to occur so that the reactor stays at the optimal temperature for conversion and selectivity reasons. A large holding tank is also included in the IPOH reactor system, which greatly increases the capital cost but is necessary for safety reasons. The final reason the IPOH capital cost is high is due
  • 74.
    73 to the presenceof a fired heater system, which is required to provide heat to the endothermic reaction. The capital estimate also took into account indirect costs, which included engineering costs, field management/representatives, rack/sewers, tools, temporary structures, rentals, and surplus materials. The rack/sewers were estimated to be 20% of the total direct cost of each piece of equipment. ICARUS provided a lump sum indirect cost, which accounted for installation and engineering costs. The final contribution to the indirect cost was the difference in ICARUS between the direct total and IBL direct total costs, which represents costs not accounted for in equipment capital and installation. These three values were proportionally distributed across all pieces of process equipment, and contributed $26 million to the capital estimate.
  • 75.
  • 76.
    Overview Operating costs forthis project include: 1) Raw Materials - copper on alumina catalyst (feed streams are assumed to have no value) 2) Byproducts - none of the byproducts are being sold in the base case, so their values were set to zero. 3) Utilities - Hot Oil, HPS, MPS, LPS, LLPS, CW, Refrigerant, power 4) Fixed Costs - labor, overhead, repair and maintenance, property tax, insurance The relative price of each operating cost is shown below: Table 13: Summary of operating costs by type Operating Cost Type Cost (¢/lb acetone product) Raw Materials 0.08 Byproducts 0 Utilities 9.73 Fixed Costs 11.37 Raw Materials The only raw material cost in the process is the catalyst. Over the life of the project, 6 reactor volumes of catalyst will be required, and its current cost is $10/lb. The raw materials are an isopropanol and an acetone waste stream, and are valued as a fuel source for the existing process. The raw materials were considered to have no value in the economic analysis, but they will be considered as a different opportunity for the company, where it is valued as a utility. Fixed Costs Labor costs were based off of 60 employees, covering two shifts. This was an estimate based on having 9 unit operations in the system. This encompasses people in charge of plant maintenance, one operator per unit operation, and people to take samples and analyze the data. Overhead costs were calculated by multiplying the labor cost by a factor of 1.5. This covers soft costs associated with project support, such as marketing, administration, and support staff.
  • 77.
    76 Repair and maintenancecosts were assumed to be 1.5% of the capital costs. Property taxes were accounted for as a fixed cost while sales and income taxes were accounted for in the cash flow sheets. Property tax was 2.5% of the capital cost. Insurance was assumed to be 0.5% of the capital costs. This covers casualties, property damage, and pollution liability. Utilities The power utilities were used to power the process pumps and compressors. The heating/cooling utilities available spanned from -150 to 750 o F. The assumed price of each utility is shown in Appendix, Economic Calculation Methodologies (ICARUS Inputs). These were calculated based on a natural gas price of $2.5/MMBTU. Although the current price of natural gas is $1.86/MMBTU, $2.5/MMBTU was used as a safety factor. The historical natural gas prices show price fluctuations of at least $0.5/MMBTU in any single year. The natural gas futures predict that the price will increase to $6/MMBTU by 2025 [31]. The combination of these two factors resulted in us estimating the price of natural gas to be higher than the current value. The heating/cooling utilities were used for the reactor, process heat exchangers, reboilers, and condensers. Each utility has a different cost, which allowed us to optimize the use of each by minimizing price. Heat exchangers with large duties can be split into multiple heat exchangers in series to reduce the use of expensive utilities. This is done by adding another heat exchanger using a different process once the process stream is heated/cooled to the range of a less expensive utility. Utility costs were also minimized by crossing process streams where one needed to be heated, and the other needed to be cooled. The largest energy savings seen by crossing streams was from cooling the reactor effluent by preheating the stream going into T-700. This saved 4.34MMBU/hr. The cheapest utility was always chosen while satisfying the temperature approach limits for each temperature range.
  • 78.
    77 Table 14: Summaryof the power usage for the compressor and each of the pumps in the plant
  • 79.
    Table 15: Summaryof the energy usage per hour of all reboilers, condensers, and heat exchangers in the plant
  • 80.
  • 81.
    Basis The basis usedfor the economic evaluation is shown below. The values were provided from the company’s management. The targets for designing a process that is competitive with other ones the company is considering are: ATROR ≥ 20% and NPV ≥ $30MM. Plant Economics ● Plant Operating Time: 8400 hours per year ● Plant Startup: January 2019 ● Project Start: March 2016 ● Project Life: 15 years from start-up ● Capital Spending: 15%/35%/50% ● Market Build: 40%, 75%, 100% in 1st 3 years of production ● SG&A: 2% of sales ● Income Tax Rate: 38% ● Working Capital: 10% of revenues ● Depreciation: MACRA ● Project Discount Rate: 9% ● Escalation (Inflation): 3% per year Fixed Costs ● Plant Labor Salary + Benefits: $85,000/man-yr ● Plant Overhead: 1.5 x Plant Labor ● Repairs and maintenance: 1.5% of capital ● Property tax: 2.5% of capital ● Insurance: 0.5% of capital Future Prospects for the Acetone Market The consumption of acetone is expected to increase in the future based on the demand of the products that it is used for, predominantly BPA, methyl methacrylate, and solvents. In 2014, BPA accounted for 31% of all global acetone production, and it is expected to continue to surpass all other categories by 2020 [25]. The largest market players in the acetone industry are: Dow chemical company, BASF, INEOS Phenol GmBH, CEPSA QUIMICA, Shell Chemicals, Mitsui Chemicals, Reliance Chemicals, Honeywell and LG. A company in Shanghai China recently started up the world's largest phenol and acetone plant, meaning China will be importing less acetone than historically.
  • 82.
    81 The estimated trendin consumption and year-over-year growth both indicate that the demand for acetone will be consistently increasing in the future. Because acetone is used as a precursor to BPA, the demand for acetone will likely not drop significantly over the 18 year period that this plant will be in operation [25]. Seventy-three percent of BPA is used to make polycarbonate resins. Twenty percent of these resins are used in the automotive industry, and another 20% is used in making media products like CDs and DVDs. Because of the market shift away from tangible media products, this is not an area of consumption that should be depended on for demand. However, the automotive industry is increasingly replacing glass with polycarbonate plastic, which is projected to increase in the future [25, 32]. According to a Research and Markets publication, the BPA market is projected to grow between 2014 and 2019 [25]. Chemical Commodity Historical and Future Pricing The acetone price increases at a higher rate than if its price increased only due to inflation [28]. A line was fit to the historical acetone price to project what it will be in the future because no commodity was found to correlate to acetone prices to use for future predictions (crude oil correlation R=0.349, natural gas correlation R=0.252, and cumene correlation R=0.448. Data shown in Appendix, Price Correlation Curves). We estimate that its price will increase in the future for two main reasons: Figure 30: Global acetone consumption forecast through year 2020 [25]
  • 83.
    82 1) Acetone isa byproduct of cumene, which is petroleum based. The historical prices correlate with a linear fit having an R=0.95 (data shown in Appendix, Price Correlation Curves). The futures for crude oil predict that the price will drop by about 15% by the year 2025 [31]. However, the cost of cumene was not seen to correlate with acetone’s price. This means that the price of acetone will likely be driven by supply/demand more than the cumene price. 2) The demand for acetone will likely grow, based on the analysis given in the previous section. Combined with the decrease in acetone production, this will increase the global price of acetone. Figure 31: Prediction of future acetone prices based on historical data
  • 84.
    83 The historical pricesfor hydrogen and PPE are also shown, and future projections are shown. Hydrogen and PPE are considered as additional products to sell in an alternative case. The double dashed lines show the price increasing by the inflation prices each year, and the single dashed lines are linear fits to the data showing how the prices increase over time. In 2019, when the process starts up, the price projection for PPE is lower than hydrogen. However, by the end of the 15 years of operation, hydrogen is less valuable than PPE. This illustrates that hydrogen’s price does not follow the domestic inflation rate, and may not be as valuable as PPE because our mass flow of PPE is two times larger than our flow of hydrogen. Figure 32: Prediction of future hydrogen and propylene prices based on historical data
  • 85.
    84 Basis for UtilityCosts Figure 33: Historical natural gas prices along with forecasted prices up to 2025 [29] The plot of natural gas prices shows that it peaked in 2005, and has been on a steady decline since then because of technological improvements of hydraulic fracturing. The inset zooms in on the price trend since 2014, which also shows a 50% decrease in price over the two year period. The current price for natural gas is $1.96/MMBTU, so utility prices were based off of this price. The price has been decreasing for the past decade, but World Bank predicts that it will triple within the next 10 years. The historical or future price of isopropanol (the major component in the feed stream other than acetone) was not factored into the economic evaluation. This is because its current value is derived from being used as a fuel, rather than as a product to sell. Its heat of combustion will not change over time like price would, so its value is based upon the price of natural gas that it saves from being used. The price of natural gas is predicted to increase from the current price of $2/MMBTU, to $6/MMBTU in 2025 [31]. This means that the feed streams to the acetone retrofit process will become more valuable with time. The avoided costs of using the feed streams as fuel instead of natural gas to produce high pressure steam will be larger in the future, and will be taken into consideration when comparing the company’s options, but will not be part of the acetone retrofit cash flow.
  • 86.
    85 Base Case EconomicAnalysis The total plant capital cost is $194,136,000. The operating costs for the plant are $40,000,000 per year. Figure 34 shows the summary of the cash flow sheet for the base case at an acetone price of 40 ¢/lb. Figure 34: Cash flow summary sheet for the base case design As can be seen from Figure 34, the net present worth of the plant is $28.3 million, which gives an After Tax Rate of Return (ATROR) of 11.51%. Management has informed the plant design team that capital spending is constrained due to a major acquisition and that there are currently a number of other attractive projects with NPVs of over $30 MM and ATRORs better than 20%. Since the plant design does not meet this ATROR rate of 20%, the design team does not recommend going forward with the construction of this acetone
  • 87.
    86 retrofit plant. Thelarge capital cost of the plant, which can only increase with construction issues and delays, along with the low ATROR makes this plant risky and economically unfeasible for the company. Therefore, the design team had to decide between the two other methods for dealing with the two waste streams- burning them to produce high pressure steam, or selling them to WasteCo., a company who has offered to pay for the two waste streams. The value of the acetone and IPOH waste streams when they are burned to produce high pressure stream for the current plant is approximately $10 MM per year. A summary of the calculation of this value is shown in Table 16. Table 16: Determination of the potential revenue associated with burning the waste streams for fuel The lower heating value for the combined waste streams and their mass flow rates were used to determine the MMBTU/hr of energy that can be obtained from the streams when they are burned. Assuming a burning efficiency of 60% in the boiler and a price of high pressure stream of 600 cents/MMBTU (based on a natural gas price of $2.50/MMBTU), the value of the streams when they are burned was determined to be $10 MM/year. However, this value does not take into account the fact that the reboiler system would need to be upgraded in order to burn these streams (which would not currently meet environmental standards). Assuming a boiler upgrade would cost 10% of the acetone retrofit in capital costs, and would last for 15 years, the new profit from burning the streams becomes $8.7 MM/year. WasteCo. is offering 15 ¢/lb and 12 ¢/lb for the waste acetone stream and waste IPOH stream, respectively. As shown in Table 17, the company can make approximately 32.8 MM$/year by selling the acetone and IPOH waste streams to WasteCo. Since this option does not include upgrading or constructing any additional infrastructure, no significant deductions need to be taken out of this revenue. Based on these numbers, selling the waste streams to WasteCo. is recommended over continuing to burn these streams for fuel. In addition, based on the WasteCo. option revenue of 32.8 MM$/year, the NPW of the acetone retrofit plant would have to be 540 MM$ to Table 17: Summary of the revenue associated with selling the waste streams to WasteCo.
  • 88.
    87 compete with thisoption. An NPW of 540 MM$ corresponds to an acetone price of $1.01/lb, which is 2.5 times the current price of acetone. Sensitivity Analysis Case 1: Not all of the product can be sold - 30 MMlb/yr surplus This investigates the outcome of not being able to sell all of the acetone at 189 MMlb/yr capacity. Acetone sales are assumed to be under yearly contract, meaning 30 MMlb/yr cannot be sold for an entire year. This study will investigate what should be done with the excess product, and how it would affect the profitability of the acetone retrofit process. How to Handle the Surplus There are two options: 1) Store the acetone product until a buyer is identified and a contract is signed 2) Use the acetone product as fuel in the meantime to reduce operating costs The process cannot be shut down as an Option 3 because it is essentially a waste treatment facility. Shutting down the acetone retrofit process means that the existing process producing the waste streams will be out of compliance with environmental regulations. Option 1: Storage of 30 MMlb from one year of surplus operation. Holding tank dimensions: H= 122 ft, D=80 ft Holding tank cost: $144,590,000 Option 2: Use the surplus as fuel instead of storing it, and reduce utility costs. Rather than spending the energy to separate acetone beyond what can be sold, 16% of the feed stream will be diverted to the fuel boilers to produce high pressure steam, and the utility requirements are also reduced by 16%. Over the course of a year, 2.23x107 lbs of the acetone stream and 1.57x107 lbs of the IPOH stream will be sent directly to the fuel boilers to produce 4.44x105 MMBTU of energy over the course of the year. This equates to $0.888 million saved from not purchasing natural gas but costs $10.5 million in lost product revenue. The ATROR becomes 8.27%. The cash flow sheets for Option 1 and 2 are in the Appendix, Sensitivity Analysis. Discussion The capital cost for the acetone retrofit process is $194,000,000, so adding the holding tank nearly doubles the capital cost for the process. This changes the ATROR to 3.23%, and it was originally 11.51%. It does provide the option of selling the product at a later date, which would require 14 years to pay off the holding tank on a nominal dollar basis. The second option produces an ATROR of 8.27%, and is less risky. Option 2 does neglect the
  • 89.
    88 possibility of violatingenvironmental regulations and facing fines. The boiler plant in the OBL does not need to be upgraded if the acetone retrofit is built, so sending the feed streams back to the boilers violates the new environmental regulations that were driving the acetone retrofit project in the first place. By diverting the stream, rather than sending it through the process for storage, all of the equipment is running well below capacity, and at lower efficiencies. Recommendation It is recommended that the feed stream is diverted from the system if the product cannot be sold, and a partial boiler upgrade is completed when the acetone retrofit is being installed. The boiler system can then safely burn a percentage of the feed streams in an emergency. This will add cost, but keeps the company in compliance if all of the product cannot be sold. Case 2: The Price of Acetone Changes Based on the acetone pricing data from ICIS, the price of acetone used for the economic analysis was 40¢/lb. However, the price of acetone could change for various reasons. First, the demand for acetone could change. This could be caused by a government regulation on BPA, which is formed by the condensation of acetone. The demand could also change due to the development of a new technology that decreases production costs. The effect of acetone price on ATROR is shown in Figure 35. In order for the plant to reach the ATROR hurdle rate of 20%, the price of acetone would have to increase to about 55 ¢/lb. Case 3: Capital Costs Increase The plant could experience an increase in capital costs as a result of delays in construction or any other unforeseen costs that are incurred during the construction process. Figure 36 is Figure 35: Effect of acetone price on the ATROR (capacity and capital costs constant)
  • 90.
    89 a plot showingthe effect of capital cost on ATROR. It can be seen from the plot that the capital cost would need to be reduced by approximately $79 million (to $115 million) in order for the plant to eclipse the ATROR hurdle rate of 20%. Since the sizing of all of the capital equipment was optimized to reduce costs, achieving such a cut in capital cost is unfeasible. Case 4: The Price of Natural Gas Changes The price of natural gas could continue to fluctuate in future years. The price of natural gas has reached a 10-year low due to technology improvements in hydraulic fracturing. Natural gas is a non-renewable resource that will become increasingly expensive to drill for as the supplies decrease. The current domestic supplies are expected to last 84 years [30], but that does not imply that the cost will remain at $2/MMBTU until the economical reserves are drained. According to the World Bank, natural gas will reach $6/MMBTU by 2025 [31], which needs to be considered for the future of the acetone retrofit process. Table 18 shows the utility prices at two different prices of natural gas. Linear interpolation was used to obtain utility prices at two additional prices of natural gas. Then, a plot of ATROR as a function of natural gas price was produced. If the price of natural gas increases to $6/MMBTU by 2025, the ATROR of the plant would drop to below 10%. Figure 36: Effect of capital cost on ATROR (acetone price and capacity held constant)
  • 91.
    90 Costs Not Includedin the Cash Flow sheets used in the Previous Section: The OBL operating costs, as well as the fixed cost of outsourcing the catalyst regeneration was not included in the cash flow sheets. One volume of catalyst would be regenerated every six months by sending the catalyst to Eurecat Group’s Gulf Coast location for a cost Table 18: Utility costs at two natural gas prices. Linear interpolation was used to obtain utility costs at other natural gas prices. Figure 37: Effect of natural gas price on ATROR (acetone price and capital cost held constant)
  • 92.
    91 of $1.50 to$6.00 per pound of catalyst. The OBL operating costs, as well as the catalyst regeneration cost, would only make the economics of the base case worse and therefore not including these costs did not have an effect on the final decision that the group made regarding the acetone retrofit plant.
  • 93.
  • 94.
    PDRI Discussion The PDRIor the Project Definition Rating Index is a measure of how completely or thoroughly the project was addressed. In terms of the project, multiple PDRIs were calculated to monitor the progress of the project after each gate. Each of the various categories were given a different weighting system to calculate the overall PDRI. Unfortunately, many of the categories or criterion in the PDRI were outside of the scope of this project and thus the final score never really approached the optimal score of approximately 250. A couple of the categories were either not well-defined or within the scope of the project. A category that was not within the scope of the project is Civil, Structural and Architectural and Electrical components. Similarly, there were many miscellaneous components like training requirements and CADD/Model requirements that are outside the scope of this project. Other categories like Site Information, Infrastructure, Procurement Strategy and Project Execution Plan were broadly introduced in the description of the project but were not well-defined. The figure below shows the progression of PDRI values as the project progressed throughout the semester. Figure 38: PDRI values throughout the design of the plant
  • 95.
    94 The following figureshows the reduction of the PDRI as the project progressed: Figure 39: The breakdown of the PDRI into its three categories for each PDRI completed Specific categories where the score was a ‘Level 5’ include: PDRI Section I Maintenance philosophy Operating philosophy Future Expansion Considerations Expected project life cycle Site Characteristics Available vs. Required Dismantling and demolition requirements Design for constructability analysis (Level 5) PDRI Section II Surveys and Soil Tests Permit requirements Process Safety Management Utility Flow Diagrams Piping System Requirements Plot Plan Line List
  • 96.
    95 Tie-In List Piping SpecialtyItems List Instrument Index Equipment Status Equipment Location Drawings Civil/Structural Requirements Architectural Requirements Transportation Requirements Logic Diagrams Electrical Area Classifications Substation Requirements/Power Sources Identified Electric Single Line Diagrams Instrument & Electrical Specifications PDRI Section III Procurement procedures and plans Procurement Responsibility Matrix CADD/Model Requirements Project Accounting Requirements Engineering/Construction Plan & Approach Pre-Commissioning Turnover Sequence Requirements Startup requirements Training requirements
  • 97.
  • 98.
    Technical 1. Column 400was difficult to converge in HYSYS when the XY diagram looks like it should be an easy separation. The feed stream was not binary, so an XY diagram is not a perfect way to predict the separation, and there may have been hidden, complex interactions between molecules. It may have to do with the temperature profile of the column spanning from about -100o F to 100o F. 2. The calculation to determine the value of burning the waste streams was a simple calculation that assumed a boiler heat efficiency. Knowing the efficiency of the boiler at the existing OBL will provide a more accurate value. Economical 1. The project is too risky based on the ATROR of 11.51%, with a hurdle ATROR of 20%. However, the company was approached by WasteCo., who wanted to buy the waste. This indicates that there is an economical process for handling the waste, meaning that our design could be improved to become economical (assuming WasteCo. also upgrades the acetone to product-grade). 2. No information was provided on the economics of the boiler upgrade project. Without knowing the NPW or ATROR of the boiler project, it was difficult to make an informed recommendation to management on which project to pursue. 3. The refrigeration costs were 6-20 times the cost of any other single utility in the process. This should be used as a driver for the design knowing its negative impact on project economics. This process was not designed to intentionally avoid refrigeration, although the price of refrigeration was minimized in the heat exchanger sizing calculations. 4. The cost of refrigeration for the gas separation was extrapolated from the data given for refrigeration down to -150 F. A vendor would need to be contacted in order to confirm that the pricing is similar to that modeled in the alternative case. Environmental/Safety 1. Equipment improvements could be made to help prevent possible leakage of material resulting from corrosion of process vessels. If needed, stainless steel could replace carbon steel in more distillation columns. 2. Extra holding tanks could be implemented to prevent product accumulation or spills in the event of a process malfunction. 3. Hydrogen gas is very flammable, and so is acetone. A worker safety training program should be put in place to make all workers aware of the dangers of the
  • 99.
    98 flammable materials inthe process. This should include training on what to do in the event of a material leak, and how to respond to fires.
  • 100.
  • 101.
    Conclusions A summary ofthe economic analysis of the three possible choices- plant construction, boiler upgrade to continue burning the waste, and selling to WasteCo., can be seen in Figure 40. As previously described, due to the plethora of other worthy investments that are available to the company, the acetone retrofit plant had to meet an ATROR of 20% and NPW of $30 MM to be considered. The acetone retrofit plant ATROR of 11.51% and NPW of $28.3 MM does not meet these criteria. Sending the waste streams to fuel would save 10 $MM/yr in utility costs for the current plant. However, this option requires capital costs associated with a reboiler upgrade in order to meet environmental specifications. WasteCo. made an offer of 15 ¢/lb for the acetone stream and 12 ¢/lb for the IPOH stream. This offer would generate 31.5 $MM/yr in revenue for the plant with no large capital investments, which is why selling to WasteCo. is the final recommendation. Figure 40: The net profit per year for each of the three options for handling the waste streams Upon the completion of the economic evaluation for the base case, it was concluded that constructing the acetone retrofit plant is not the best option for the company. Unless the price of natural gas stays at its current value of $2/MMBTU and the price of acetone increases by 35.5%, selling the acetone and IPOH waste streams to WasteCo. is the best option going forward. One area of the plant design that could be improved to make producing acetone more profitable is reducing the total utility usage of the plant. Utility costs account for over 37% of the total plant cost as can be seen in Figure 41.
  • 102.
    101 Specifically, reducing theamount of refrigeration that is used in the system would make the plant more profitable. As can be seen from Figure 42, refrigeration accounts for approximately 71% of the total utility costs. Figure 41: Breakdown of Total Plant Costs (Capital + Operating) by type Figure 42: Breakdown of utility costs by type
  • 103.
    102 The design teamdid not have pricing for refrigeration until the plant design was completed. Therefore, the design was focused on designing the plant distillation columns to run at atmospheric pressures or higher to eliminate the costs associated with vacuum systems. However, the pricing for both vacuum and refrigeration systems shows that avoiding low temperatures in the columns was more important than avoiding vacuum to produce an economically feasible design. Recommendations The acetone retrofit should not be considered for construction unless the following conditions are met: Based on the sensitivity analysis 1. With capital costs and plant capacity held at the current values, the price of acetone must increase to at least 55 ¢/lb over the entire plant lifespan for the plant to meet the 20% hurdle rate 2. With plant capacity and acetone price fixed at the current values, the capital cost must be reduced by 41% in order to meet the 20% hurdle rate. 3. An increase in natural gas prices by $4/MMBTU decreases the ATROR from 11.51% to 9.56%. Therefore, further studies to severely cut utility costs must be completed. 4. A partial boiler upgrade must accompany the construction of the project to protect against times when all of the product cannot be sold. This will enable the feed streams to be temporarily burnt as fuel and remain in compliance with new environmental regulations. Based on the alternative case studies 4. Use vacuum distillation unless water prices fall drastically and utility costs are no longer dependent on natural gas. 5. Sell hydrogen and PPE to increase the ATROR of the project, making the investment less risky. Based on the economic analysis: 6. Sell to WasteCo. unless acetone price reaches 101 ¢/lb, at which point the acetone retrofit design will generate a NPW (divided over 18 years of the project life) equal to the profits gained from WasteCo.
  • 104.
    103 Supporting Information forRecommendations: Sensitivity Analysis A sensitivity analysis, summarized in Table 19, was performed to find the conditions under which plant construction would meet the ATROR hurdle rate of 20%. Alternative Cases Three different alternative cases were investigated. A total of three different methods for separating acetone and methanol were analyzed (one of which was the base case), along with the option of separating and selling hydrogen and propylene as side products. The three ways to break the acetone-methanol azeotrope were vacuum, extractive, and pressure swing distillation. Of these, the vacuum distillation method was the most economical. Pressure Swing The pressure swing design required two columns and a large recycle loop to achieve the desired purity of acetone. This resulted in towers that were sized to be larger than what could be prefabricated and shipped to the plant. The high recycle flows also required higher utilities to heat and condense the large flow through the towers than the other two cases. These two design issues made the process unreasonable compared to the other two, and it was not considered to be a viable option. Table 19: Sensitivity Analysis summary
  • 105.
    104 Extractive Extractive distillation requiredtwo columns and a new feed stream of 20,000 lb/hr of fresh water. This additional flow rate increased the size of the columns, and added $34 million/yr of operating costs, while the capital costs were essentially the same as the base case. Vacuum The vacuum distillation option required a single tower, and an additional vacuum pump system to produce the low pressures needed for the system. It was used as the base case because it offered the highest ATROR, had fewer unit operations to maintain, and did not require an additional feed stream into the system. It posed the fewest technical and economic risks. Below are the theoretical acetone prices needed to reach a 20% ATROR with each separation technique. Vacuum distillation requires nearly half of the price of acetone compared to the next best case. Based on the acetone market and historical price trends, reaching an acetone price of 54.4 ¢/lb is conceivable, but reaching the price of 93.5¢/lb is not reasonable to expect within the lifetime of the project. Gas Separation to sell hydrogen and propylene An additional separator with auxiliary equipment can be added to the base case to purify hydrogen from PPE and produce two product-grade byproducts. The price of hydrogen is 81 ¢/lb, and PPE is 41 ¢/lb, both of which are more valuable than the acetone product. Assuming all of the hydrogen and PPE is sold, the additional profits increase the ATROR to 13.55% from 11.51%. Although it does not achieve an ATROR of 20%, it makes the investment less risky. Figure 4: Acetone price required to meet hurdle rate for the base case and two alternative cases
  • 106.
  • 107.
    References GATE 1 References 1.Bailey, William A., and Sumner H. Mcallister. Separation of By-Products from Isophorone. Shell Dev, assignee. Patent 2,351,352. 13 June 1944. Print. 2. Weber, Markus, and Oto Schnurr. Continuous Process for Recovering Acetone from a Waste Stream Resulting from Acetone Purification. Ineos Phenol Gmbh & Co. Kg, assignee. Patent 7,416,645. 3 July 2003. Print. 3. Shell International Corporation. Production of Aliphatic or Cyclo-aliphatiic Carboxylic Compounds. Patent 938,854. 9 Oct. 1963. Print. 4. J.A. Kent, “Handbook of Industrial Chemistry and Biotechnology,” vol 1, Edition 12, 314-390. 5. A. Seidel and M. Bickford, “Kirk-Othmer Encyclopedia of Chemical Technology,” Acetone, Jan 14, 2011. 6. C. Maldqnado, J.L.G. Fierro, G. Birke, E. Martinez, P. Reyes, Conversion of Methanol to formaldehyde on TiO2 supported Ag Nanoparticles,J. Chil. Chem Soc., 55, 2010. GATE 2 References 7.Luyben, William L., Comparison of Extractive Distillation and Pressure-Swing Distillation for Acetone−Methanol Separation, Industrial & Engineering Chemistry Research Ind. Eng. Chem. Res. 47.8 (2008) 2696-707. Web. 8. Gil, Iván D., Diana C. Botía, Pablo Ortiz, and Oscar F. Sánchez. "Extractive Distillation of Acetone/Methanol Mixture Using Water as Entrainer." Industrial & Engineering Chemistry Research Ind. Eng. Chem. Res. 48.10 (2009): 4858-865. Web. 9. “Mass Transfer in VOC Adsorption on Zeolite:  Experimental and Theoretical Breakthrough Curves,” Stephan Brosillon, Marie-Helene Manero, and, and Jean-Noel Foussard Environmental Science & Technology 2001 35 (17), 3571-3575 10. “Fixed Bed Adsorption of Acetone and Ammonia onto Oxidized Activated Carbon Fibers,” Christian L. Mangun, Richard D. Braatz,, James Economy,and, and Allen J. Hall Industrial & Engineering Chemistry Research 1999 38 (9), 3499-3504 GATE 3 References 11. F. Pepe, C. Angeletti, S. De Rossi, and M. Lo Jacono, Catalytic Behavior and Surface Chemistry of Copper/Alumina Catalysts for Isopropanol Decomposition, 1984.
  • 108.
    107 12. Allan, Lister,and Porter H. Thomas. Regeneration of Catalysts. British Petroleum Co, assignee. Patent 3,041,290. 26 June 1962. Print. 13. Engelhard Material Data Sheet 14. M.D. Argyle and C.H. Bartholomew, Heterogeneous Catalyst Deactivation and Regeneration, Catalysts, 2015, 145-269. 15. Huang, T. "ICIS Pricing, Acetone (Asia Pacific)." Chemical Industry News & Chemical Market Intelligence. ICIS, Jan. 2014. Web. 19 Apr. 2016. 16. Jardin, Frederic, Eurecat. Message to the author. N.d. Email. GATE 4 References 17. Engineers Ede. "Overall Heat Transfer Coefficient Table Charts and Equation | Engineers Edge | Www.engineersedge.com." Overall Heat Transfer Coefficient Table Charts and Equation | Engineers Edge | Www.engineersedge.com. Engineers Edge, 2016. Web. 02 Apr. 2016. 18. Nedwick, Robert. Chemical Engineering Blue Book. 2016 GATE 5 References 19. Almanac, Texas. "Texas Almanac - The Source For All Things Texan Since 1857." Soils of Texas. Texas Almanac, 2010. Web. 19 Apr. 2016. 20. Wintek Corporation. "Rotary Vane vs Oil Sealed Liquid Ring." Wintek -. Wintek Corporation, 2014. Web. 19 Apr. 2016. 21. Stainless Steel Coroporation. "Stainless Steel Grades." - SS Material Grades. Stainless Steel Corporation, 2015. Web. 19 Apr. 2016. 22. Elliot Group. "Single Stage Centrifugal Compressors■ ■." (n.d.): n. pag. Elliot Group. Elliot Group, 2013. Web. 23. Moore, Richard L. "Implementation of DOWTHERM A Properties into RELAP5- 3D/ATHENA." Idaho National Laboratory (2011): n. pag. Web. 24. Dow. "Engineering and Operating Guide for DOWTHERM." A-to-Z Guide to Thermodynamics, Heat and Mass Transfer, and Fluids Engineering AtoZ (2008): n. pag. Web. 25. FMI. "Acetone Market: Global Industry Analysis and Opportunity Assessment, 2014 - 2020." FMI - Future Market Insights. FMI - Future Market Insights Market Research Report, 2014. Web. 19 Apr. 2016. 26. ICIS. "Chemical Profile." Chemical Industry News & Chemical Market Intelligence. ICIS, 2015. Web. 19 Apr. 2016. 27. Research and Markets. "Global Bisphenol A Market 2015-2019 - Rising Demand for Polycarbonate Plastics with Bayer Material Science, Dow Chemical, LG Chemical, Mitsubishi Chemical Holdings & Mitsui Chemicals Dominating." PR Newswire. PR Newswire, 15 May 2015. Web. 28. Multpl. "US Inflation Rate by Year." Multpl. Multpl, 2015. Web. 19 Apr. 2016. 29. US EIA. "Natural Gas Weekly Update." U.S. Energy Information Administration (EIA). U.S. Energy Information Administration, 14 Apr. 2016. Web. 19 Apr. 2016.
  • 109.
    108 30. US EIA."Frequently Asked Questions." U.S. Energy Information Administration. U.S. Energy Information Administration, 18 Nov. 2015. Web. 19 Apr. 2016. 31. World Bank. "Crude Oil Spot Prices." (n.d.): n. pag. World Bank Commodities Price Forecast. World Bank, 20 July 2015. Web. 32. ICIS Chemical Business. “Chemical Profile Bisphenol-A.” ICIS. ICIS, 08 Dec. 2015. Web. 15 Apr. 2016.
  • 110.
  • 111.
    Equipment Sizing CalculationMethodologies Distillation Columns Methodology 1) Input tray parameters from HYSYS including temperature, pressure, vapor and liquid flow rates, vapor and liquid densities, key light and heavy K values, liquid viscosity 2) Determine vapor and liquid design flow rates -Determine which stage has highest total flow -Input vapor and liquid flows and densities of corresponding stage -Convert liquid volume flow to liquid mass flow using density -Calculate Vapor load using following equation: -Calculate liquid GPM (flow in gallons per minute) using following equation: 3) Determine necessary correction factors -Input tray spacing (assumed 24 inches), corresponding tray spacing factor, non-foaming system, corresponding system factor, flood value (assume 70) -Calculate Flooding Factor (80/Flood) Calculate corrected vapor and liquid loads using following equation: Determine tower diameter using Glitsch Method:
  • 112.
    111 - Draw lineconnecting corrected vapor load (left y axis) to corrected liquid load (right y axis) - Line intersects single pass tray and double pass tray lines at value of diameter - To determine diameter for four pass tray, divide corrected vapor and liquid loads by 2 and repeat Glitcsh Method. - Determine where line intersects double pass tray and multiply this diameter by 21/2 4) Determine actual stages and length -Calculate alpha (sum light K's/sum heavy K's) -Calculate average viscosity -Calculate efficiency using following equation: -Input theoretical number of stages from HYSYS -Actual number of trays = theoretical/efficiency -Input number of feed locations (usually 1) -Input liquid level time (assume 15 min) -Input bottoms product rate and density from HYSYS -Calculate height of liquid level (Volume = Volumetric flow * Time) -Use volume to get height
  • 113.
    112 List of Heights -Assumereflux = 3 ft -Height of trays and feed = (# of trays * tray spacing) + (# of feeds * (2*tray spacing)) -Height of reboiler = 3 + (2*tray spacing) -Height of liquid level = calculated value If value is less than 3 ft, use 3ft (minimum value) -Assume tower bottom = 0.5 ft -Height of manyways: 3 ft per manway, must have one at top and bottom and 1 for every 20 trays in tower TOTAL HEIGHT = SUM OF ALL HEIGHTS CALCULATED 5) Test width vs height. If L/D > 30, switch to two diameter tower (never implemented in this design) Assumptions Most towers did not require liquid level heights of >3ft. However, 3 ft was added to the bottom of each column for liquid holdup since this was defined as the minimum liquid level height. Towers which featured high vapor and liquid flows often did not allow for the Glitsch method to be applied for single-pass and two-pass columns. The high flows only allowed for the calculation of the diameter of a four-pass column in these situations. Therefore, it was assumed that towers with high flows could not have single-pass or two-pass trays. Reflux Drums Methodology The reflux drums were designed to be able to hold up to 15 minutes of flow in case a column following the reflux drum goes down and flow gets backed up in the system. The following details the calculations to determine the volume of these drums: 1) Obtain condenser volumetric flow rate from HYSYS (in ft3 /s). 2) Multiply the flow by the residence time you wish to achieve (15 min) in order to obtain the volume. 3) Assume an L/D of 3, and use V= (Pi/4)D4 L to obtain the length and diameter of the reflux drum.
  • 114.
    113 Assumptions: The reflux drumsare assumed to be horizontal, so we set the L/D to the minimum of 3 to prevent sagging of the drum due to high static head pressure. Heat Exchangers Methodology Desired stream temperatures were obtained from the process model and used to determine the utility type, area, and flow needed for a heat exchanger. Excel's solver function was used to minimize the utility cost when more than one utility was in the correct temperature range. Calculations: Two equations are used to solve for any combination of two unknown variables, allowing the area to be solved for: The values for U provided on p.5-31 of the Blue Book were used to account for fouling and estimate the overall heat transfer unit. An additional safety factor of 1.1x the calculated area was used. The F factor for counter current heat exchangers was used, and is summarized below:
  • 115.
    114 Assumptions The heat exchangerswere assumed to be perfectly insulated from the environment such that no heat is lost from the shells. The temperature approach of 20o F was used for temperatures below between 0-300o F, and 100o F for temperatures above 600o F. A correction factor “F” was used to correct the log mean temperature difference to account for imperfectly countercurrent, multi-tube heat exchangers. The U values provided in the Blue Book were used to take into account fouling and nucleate/film boiling.
  • 116.
    115 Shell and TubeReactor Methodology Sizing Calculation Defined: inlet pressure, pressure drop, maximum number of tubes, maximum tube length, reactor diameter, and tube diameter. 1) A tube length was chosen, and the number of tubes needed to hold the volume of catalyst was calculated assuming the tubes were cylinders. The pressure drop across each tube was calculated using the single phase Ergun Equation because it is a vapor phase reaction: 2) Once a pressure drop was found, the length of tube was updated, and the iteration continued until the pressure drop equaled 20 psi. The largest pressure drop led to the smallest number of tubes, which reduces capital cost. The reactor diameter was estimated by assuming the tubes were square packed into a square shape: where N is the number of tubes. Once the number of tubes, pressure drop, and reactor diameter were within the defined limits, the reactor was sized. Heat Calculations: The area needed for heat transfer was calculated using an overall heat transfer coefficient: The log mean temperature difference had a defined limit of 90 F, Q was determined by the heat of reaction and conversion (taken from HYSYS), and U was taken from reference 16. Assumptions: Dowtherm oil is used as the heat transfer fluid, and it has an overall heat transfer unit of 15 BTU/(hr ft2 o F) [17] when used in a shell and tube reactor. We assumed that there was only a single vapor phase flowing through the tubes, making the single phase Ergun Equation valid. The Ergun Equation assumes a uniform packing density, no wall effects, that the
  • 117.
    116 catalyst shape/size donot change over time, and the flow patterns are uniform throughout the tube. It was also assumed that a single shell reactor could be built with nearly 7,000 tubes. The area for heat transfer was calculated assuming there is space between every tube so the entire surface area of all of the tubes comprises the area for heat transfer. It was also assumed to have a perfectly insulated shell that does not lose heat to the surroundings. The temperature change across the reactor is estimated as a countercurrent exchanger, where the log mean temperature difference is a good approximation across the length. Hot Oil System Methodology 1) The amount of duty needed from the system was determined, and a thermal efficiency was factored in to determine the absolute amount of duty to provide to the system: Actual Duty = Theoretical Duty/n, where n=efficiency 2) The mass flow rate of hot oil was calculated from a known Q, Cp, and ᐃT using the following equation, assuming no vaporization of the oil: 3) The mass flow rate, volume of the reactor, assuming no tubes and a safety factor of 1.5 (equation below), plus the volume in the length of the pipes was used to determine the volume of hot oil in the system. An exchange of two volumes per hour was used, giving a final volume of oil in the system. 4) A surge tank was designed to hold all of the oil in the system, and used an L/D of 3. Assumptions No heat is lost to the environment as the oil is piped through the system. The system piping is 10m long, and a value of 129.06L oil/m pipe was used to determine the volume in the pipes. The pressure drop across the system was assumed to be 5 psi across the fire heater, 5 psi through the surge tank, 10 psi through the purge valve, 20 psi across the reactor, and 5 psi through the piping because of the oil’s high viscosity. A safety factor of 1.5 was used when calculating the surge tank volume to account for oil expansion with temperature.
  • 118.
    117 Pumps Methodology 1) Flow rateobtained from bottoms stream for the bottoms pump, the distillate stream for the distillate pump, and from the reflux rate for the reflux pump. The flow was multiplied by the stream density to calculate the flow in GPM. The design flow that we used was 1.25 times this value (for safety considerations). 2) Determining Psctn: The source pressure was obtained from the reboiler or condenser in HYSYS. The static head on the suction side of the pump was calculated based on the reboiler being at the skirt height of 10 ft, and the condenser being at the top of the column (used total column height + skirt height). A 1 psi drop was assumed for the suction line. 3) Determine Pdsch: First we determined the destination pressure from the feed tray of the destination column for the bottoms and distillate, or the first tray in the column for the reflux pump. The pressure drops due to static head, the heat exchanger, the flow meter, and the control valve were added on to the destination pressure to obtain Pdsch. Pressure drop across HEX was assumed to be 5 psi, across flow meters was assumed to be 3 psi, and across control valves was assumed to be 10 psi. The discharge line pressure was assumed to be 10 psi. 4) The head on the pump in feet was calculated as Pdsch-Psctn. 5) This head was used along with the flow rate in GPM to determine the NPSH using the following plot. If the required NPSH was greater than Psctn, there would be cavitation in the pump, so we made sure all of our suction pressures were above the NPSH.
  • 119.
    118 6) The pumpefficiency was then obtained from the following plot using the flow rate of the stream being pumped (in GPM).
  • 120.
    119 6) The brakehorsepower was obtained via the following equation, where w is the mass flow rate in lb/min and head is the pressure head in feet: 7) A motor efficiency of 90% was assumed. The motor horsepower was determined using the following equation: Assumptions Reboilers serve as source for bottoms pumps Reflux drums serve as source for distillate and reflux pumps
  • 121.
    120 Compressors Methodology 1) Input incomingfluid properties including molecular weight, compressibility factor, K ratio (Cp/Cv) from HYSYS 2) Input polytropic efficiency of compressor from HYSYS 3) Input inlet and outlet temperatures from HYSYS 4) Calculate discharge temperature (T2) actual using following equation: 5) Compare T2 calculated to T2 from HYSYS. If T2 calculated >> T2 HYSYS, design multiple compressors in series with intermittent cooling. 6) Calculate polytropic head using following equation: 6) Calculate power per stage using following equation: Assumptions Motor efficiency= 90%.
  • 122.
    121 Holdup Tanks Methodology 1) Decidewhere to put holding tank in the process by assuming malfunction of a unit operations, type of material being transported and the effectiveness of putting a hold up tank in a specific location. 2) Sizing Calculations a. Obtain volumetric flow rate of the stream. b. Decide on a hold up time specified by industry guidelines or necessary operation holding time. c. Multiply holding time and volumetric flow rate to get tank of volume required. d. Apply assumption of oversizing tank based on given volume (i.e. assuming all tanks are 90% full) e. Decide on what dimensional size you want the tanks to be (i.e. tall and skinny tanks or fat and short tanks) Volumetric flow rate * hold up time = Tank of Volume 3.1415 * radius 2 * length = Volume 3) To conserve space, tall and skinny tanks were implemented except for the 14 day hold up time 4) Floating roof design was used to prevent vapor loss or otherwise fixed roof design was implemented 5) API Standard 650 standard tanks were chosen and API 620 for very low pressure 6) Material considerations were used by checking the corrosiveness and reactivity of materials in the stream with the multiple materials used for construction; nickel came out to be the cheapest and most resistant. Assumptions Design Recommendations from the Blue Book: Product: 14 days Raw material: 7 days Chemical for process: 7 days Intermediate Tankage: 7 days Intermediate Holdup Time 8 hours The intermediate holdup time value was used since it is more practical and similar to industry. We assumed the tanks would be filled to 90 % capacity.
  • 123.
    122 Carbon Beds Methodology The followingmethod was used to calculate the height, diameter, and volume of the two carbon beds in the system: 1) We are given that we need 1 lb of carbon for every lb/hr of acetone product flow. 2) We divided the required mass of carbon by the density of the carbon (55 g/ft3 ) to get the volume of the carbon section of the bed. 3) We used an L/D of 4 to size the carbon section of the bed. This gave us a diameter and length for the carbon section of the bed since volume was known. 4) 6 feet at the bottom of the column and 6 feet at the top of the column were added as manways for maintenance. These heights were added to the height of the carbon section to obtain the total height. Assumptions The carbon adsorbs the same over time - assumes no loss of activity. An L/D of 4 was assumed because it is the standard ratio used for columns. Deciding Where to Place Holding Tanks Before the reactor The reactor has a large flow and if the reactor goes down, no fluid should be able to pass because the reactants will not be converted to products, and the product downstream will therefore not meet specifications. If separators 400 and/or 500 go down, the fluid in the recycle can go to the holdup tank before the reactor, and fluid coming to the reactor from separator 200 will also be held since the reactor products cannot be purified. If the reactor goes down, the holdup before the reactor can hold the volume that was in that column, and the feed to the reactor will also be held-up since the reactor products cannot go to the recycle stream until separator 500 is operational again.
  • 124.
    123 Before Separator 300 Thisalso has a high flow rate, and a column equipment malfunction would mean a large amount of fluid that cannot be processed. This is needed so the flow from both of the feeds does not need to be stopped, and the reaction can continue, and product can continue to be made. Any liquid after separator 300 will be sent into a mixing point to another holding tank. Before Separator 500 So if separator 500 fails, the stream goes on to separator 600 and proportionally a large amount of the 9000 lb/hr stream going into separator 500 would end up potentially going to waste. It also can act as a control of the stream going into mixer E and is the major portion of the bottom recycle that can potentially go awry. And if separator 400 goes down, it can easily be stored into a holdup tank prior to separator 500 that can be recycled again. From separator 400, about 300 barrels/day goes up the top and about 771 barrels/day go from the bottom. So having a tank of about 1000 barrels/day should be safe to hold most of it and have the excess balanced in the tank right before the reactor (in the recycle). Before and After Separator 700 This is because if our final separator fails, our acetone purity will drop and we will not be able to meet the specifications so it is necessary to put a holdup tank before separator 700. Additionally, there is a need to have a holdup tank after the separator to hold the product and keep the stream in case there is a need to put it back in the process if there was a prior failure. Material and Type of Holding Tank Consideration The material of the tanks should be made out of nickel since it is the most resistant to acetone, methanol, propanol, formaldehyde and the other chemical components. It is also cheaper than monel, tantalum, titanium and the other possibilities for resistant materials for holding tank materials. The type of holding tanks were designed based on the pressure of the stream so if they are less than 2.5 psi, they are put in an API Standard 650 and for greater pressure values, we used API standard 620. For streams with small proportions of vapors, we used a floating rooftop tank to prevent less vapor loss while for 100% liquid streams, we used the fixed rooftop tank.
  • 125.
  • 126.
  • 127.
  • 128.
  • 129.
  • 130.
  • 131.
  • 132.
  • 133.
  • 134.
    133 Equipment Sizing Calculationsby Unit Operation Tower 100
  • 135.
  • 136.
  • 137.
  • 138.
  • 139.
  • 140.
  • 141.
  • 142.
  • 143.
  • 144.
  • 145.
  • 146.
  • 147.
  • 148.
  • 149.
  • 150.
  • 151.
  • 152.
  • 153.
  • 154.
  • 155.
  • 156.
  • 157.
  • 158.
  • 159.
  • 160.
  • 161.
  • 162.
  • 163.
  • 164.
  • 165.
  • 166.
  • 167.
  • 168.
  • 169.
    168 Economic Calculation Methodologies(ICARUS Inputs): Assumptions General Process Data General Specs Process description: Proven process (none of the information is proprietary, and all of the separations have been done before) Process complexity: Typical (Azeotropes are common- this was the only major problem we faced. Our process used mostly standard distillation procedures for separations) Process control: Digital (We will not have manual control processes) Plant addition: Adjacent to existing (There is an existent plan that produces our feed streams adjacent to this plant) Estimated start date: Jan 18, 2016 (Assumed to be the beginning of semester) Soil conditions: Sand/clay [19] Pressure Vessel Design Code: ASME (specified) Vessel diameter: ID (specified) P and I design level: Full (specified) Investment Parameters Capital escalation: 0 (This will be specified and added into the capital estimate which includes ICARUS and other capital costs) Facility type: chemical process facility (acetone is not a specialty chemical, pharmaceutical, or food product) Operating mode: 24 hrs/day (assumed) Length of start-up period: 20 weeks (specified as default)
  • 170.
    169 Project Area The footprintarea was left as 50x50 ft, except for Tower 700 where the holdup tank had a 40 ft diameter. The footprint was increased to 65x50 ft. **All equipment was specified as 1 identical unless otherwise stated** Distillation Columns Assume all columns have valve trays Shell material: Tower 100 - stainless steel (ss304) All other towers- carbon steel (A515) Tray material: ss410 for all (avoids tray corrosion, trays are thin) Kept corrosion allowance to ⅛” because we have a corrosive material but we compensate by changing to stainless steel Design gauge pressure was set to 30 psig if our calculated value was below that. Vacuum design gauge pressure was set to -14.7 psig. Pdesign psig = Poperation psia + 30 psia - 14.7 psia Reflux Drums Specified to withstand full vacuum (-14.7 psig) and the pressure seen at the condenser. Condensers All assumed to be fixed tube-sheet heat exchangers Reboilers All assumed to be thermosiphon heat exchangers Pumps Each pump was duplicated (2 identical items). All pumps have double mechanical seals All assumed to be API610-centrifugal pumps or ANSI if GPM<300 or head<500ft
  • 171.
    170 Pumps for tower100 use ss304 on all parts to protect against corrosion. ss316 is not necessary because it is designed for chloride resistance, which is not in our system. Reflux and distillate pumps were designed to the temperature of the condenser. Bottoms pumps were designed for the temperature of the reboiler. Heat Exchangers Fixed tube exchangers (sizings were based on delta T log-mean difference and a safety factor of 1.1 times calculated area) The tube side of the heat exchanger feeding Tower 100 was specified to be ss321 ($157,800) because it offered the corrosion resistant properties that are needed for heating the stream containing acetic acid, but was cheaper than ss347 ($158,200), which offered similar corrosion resistant properties. ss321 was also specified for the reboiler tubes because the reboiler is in contact with the high acetic acid content of the bottoms product. Pdesign was calculated assuming the pressure into the heat exchanger is the same as the operating Pdsch from the pump before it, if applicable. This means that the control valve in the line is set to keep the pressure specified to Pdsch, not another pressure. For reboiler pumps, the designed pressure and temperatures were calculated using the pressure and temperature at the condenser. The same method was used for the reboiler. Carbon steel was chosen to be the tube and shell material for all heat exchangers. One exception was the tube material for the heat exchangers before and part of Tower 100 because acetic acid is corrosive. The pressure of refrigerant systems was assumed to be 50 psi, and the pressure of LLPS was assumed to be 50 psi instead of 25 psi. Vacuum Pump Using oil-sealed vacuum pump because water-sealed requires an extra cooler. Reactor Number of identical items - 2 Modeled as heat exchanger Holdup Tanks Vertical vessels
  • 172.
    171 MOC - Nickel Skirtheight is 10 ft Compressors Centrifugal Tdesign =200o F because this is the minimum allowed in ICARUS. Companies build compressors for T>500o F [21] Carbon Beds 2 identical items Sizing Inputs Tower 100
  • 173.
  • 174.
  • 175.
  • 176.
  • 177.
  • 178.
  • 179.
  • 180.
  • 181.
  • 182.
    181 Alternative Case Capitaland Cash Flow Sheets Extractive Distillation
  • 183.
  • 184.
  • 185.
  • 186.
    185 Sensitivity Analysis: Case 1:30MM lb Surplus of Acetone Option 1: Add holding tank to store surplus, sell eventually
  • 187.
    186 Option 2: Usesurplus for fuel to reduce utility costs
  • 188.
    187 Case 2: AcetonePrice Changes
  • 189.
    188 Acetone Price vs.ATROR Case 3: Capital Cost changes Capital Cost vs. ATROR
  • 190.
  • 191.
    190 Case 4: NaturalGas Price Changes Linear Interpolation of Utility Prices with Natural Gas Prices Natural gas cost vs. ATROR
  • 192.