РЕСПУБЛИКА КАЗАХСТАН
(19) KZ (13) B (11) 29211
(51) F42B 19/00 (2006.01)
КОМИТЕТ ПО ПРАВАМ
ИНТЕЛЛЕКТУАЛЬНОЙ СОБСТВЕННОСТИ
МИНИСТЕРСТВА ЮСТИЦИИ РЕСПУБЛИКИ КАЗАХСТАН
ОПИСАНИЕ ИЗОБРЕТЕНИЯ
К ПАТЕНТУ
(21) 2013/0218.1
(22) 20.02.2013
(45) 17.11.2014, бюл. №11
(72) Сударь Дмитрий Давыдович; Кадыров Жаннат
Нургалиевич; Кочетков Андрей Викторович; Лучков
Виталий Юрьевич
(73) Кадыров Жаннат Нургалиевич; Кочетков
Андрей Викторович
(56) Векшинская Н., Максимов Г. Во всем виновата
торпеда? 2002. URL: http://flb.ru/inforprint/9753.html ;
Кокряков Д.А. Торпеда 53-65. 2011. URL:
http://rudocs.exdat.com/docs/index-4329.html
RU 2187066 C2, 10.08.2002
(54) СИСТЕМА ДЕГАЗАЦИИ КИСЛОРОДА
ПРИ РАЗЛОЖЕНИИ ПЕРЕКИСИ ВОДОРОДА В
ТОРПЕДНЫХ ЁМКОСТЯХ
(57) Изобретение относится к концепции и
техническим решениям практического применения
самодвижущихся морских подводных видов
военной техники и вооружения, а именно, к
перекисным торпедам, а более конкретно, к
способам дегазации газообразного кислорода при
разложении перекиси водорода в торпедных
ёмкостях.
Технический результат при использовании
предлагаемой системы дегазации заключается в
обеспечении надежности и работоспособности при
любом, в том числе и повышенном давлении внутри
резервуара (при давлении свыше 2,7 атм, когда
поплавковая система дегазации перестает
функционировать и дегазация прекращается).
В состав каждого клапана дополнительно
введена промежуточная втулка из материала с
самосмазывающими свойствами, часть которой
выполнена конической, связанной с торпедной
ёмкостью боковым эллипсовидной формы
отверстием, при этом форма и размеры внутренней
конической поверхности промежуточной втулки
подобраны таким образом, чтобы обеспечить по
мере увеличения избыточного давления в торпедной
ёмкости, при неподвижном осевом положении
промежуточной втулки, эффект упругого
сдавливания и вминания в сопряженные
контактирующие поверхности
упругодеформируемому уплотняющему
герметизирующему элементу во внешне
облегающую его многогранную внутреннюю
полуоткрытую в направлении конической
поверхности полость в верхней утолщенной части,
центрально осесимметрично расположенного
внутреннего металлического стержня, связанного
через пружину сжатия с промежуточной втулкой и
базирующейся наружной конической поверхностью
по сопряженной поверхности промежуточной
втулки.
(19)KZ(13)B(11)29211
29211
2
Изобретение относится к концепции и
техническим решениям практического применения
самодвижущихся морских подводных видов
военной техники и вооружения, а именно, к
перекисным торпедам, а более конкретно, к
способам дегазации газообразного кислорода при
разложении перекиси водорода в торпедных
ёмкостях.
Перекись водорода (марок ПВ-98, ПВ-85 и др.)
является эффективным экологически чистым
окислителем для «бесследных» торпед. Торпеды с
окислителем ПВ-98 при наличии работоспособной и
надежной системы дегазации вполне можно
эксплуатировать в любых широтах Мирового
океана. Длительные испытания в районах
экваториальных вод, а также в морях, прилегающих
к Индийскому океану (температура воды на
поверхности +35°С) показали хорошие
эксплуатационные характеристики. Недопустим
лишь длительный нагрев резервуара окислителя
лучами солнца при погрузке снаряженной торпеды.
С конца восьмидесятых годов и на протяжении
11 лет на вооружении Военно-морского флота
СССР, а позднее Российской Федерации
использовался керамический дегазатор. При его
эксплуатации было установлено, что при
многократном смачивании поверхностей дегазатора
жидкой перекисью гидрофобное покрытие
смывается, а ячейки фильтра размерами 4-5 мкм
забивались жидкой перекисью. В результате
дегазатор не пропускал ни газообразный кислород,
ни жидкую перекись, а торпеды калибра 533,4 мм,
обладавшие самыми лучшими тактико-
техническими данными в своем классе, были сняты
с вооружения, поскольку наличие в резервуаре
окислителя подвижного поршня не позволило
разместить в нем единственно имевшуюся на тот
момент поплавковую систему дегазации.
Известна первая, и пока единственная,
поплавковая система дегазации, разработанная в
Германии еще в конце 30-х годов прошлого века. В
известной системе дегазации клапан открывается
под воздействием силы тяжести поплавка через
систему рычагов в газообразной среде для сброса
давления за борт и закрывается тем же поплавком,
приобретающим свойство «положительной
плавучести» в среде жидкой перекиси водорода, для
исключения сброса за борт жидкой перекиси при
кренах и дифферентах носителя торпед - подводной
лодки или корабля. При этом поплавковая система
не исключает вынос за борт жидкой перекиси при
переменных кренах и дифферентах, которые
постоянно воздействуют на дегазаторы. В
результате чего в систему дегазации был введён
катализатор для разложения выносимой перекиси,
что является основным недостатком поплавковой
системы дегазации. Кроме того, в случаях
интенсивного разложения перекиси водорода
вследствие эксплуатационного износа цирезинового
защитного покрытия внутренней поверхности
резервуара окислителя, давление внутри резервуара
окислителя резко повышается, полностью закрывая
стравливающие клапаны. Это создает нештатную
аварийную ситуацию, для исключения которой
перекись водорода из резервуара окислителя у
находящихся на стеллажах торпед или находящихся
в торпедном аппарате торпед, выбрасывается за
борт.
Известная система дегазации кислорода при
разложении перекиси водорода в торпедных
ёмкостях содержит не менее двух клапанов
дегазации. При этом клапаны расположены в
каждом из противоположных вдоль длины
торпедной ёмкости сечениях попарно симметрично
под углом 15° относительно вертикальной оси
симметрии.
Недостатком известной системы дегазации
кислорода на основе поплавковой системы является
то, что при повышении давления внутри резервуара
окислителя до 2,7 атм и более, создаваемого усилия
недостаточно, чтобы оторвать поплавок. Это
приводит к тому, что стравливающие клапаны
«запираются», при этом образуется нештатная
аварийная ситуация, которая может привести к
трагическим последствиям. Как известно, одной из
наиболее реальных версий гибели флагмана
Российского подводного флота - атомной подводной
лодки «Курск» было разрушение перекисной
торпеды из-за сбоя в системе дегазации кислорода.
Технический результат при использовании
предлагаемой системы дегазации заключается в
обеспечении надёжности и работоспособности при
любом, в том числе и при повышенном давлении
внутри резервуара (например, при давлении свыше
2,7 атм, при котором поплавковая система дегазации
перестает функционировать и дегазация
прекращается).
Указанный технический результат достигается
тем, что в системе дегазации кислорода при
разложении перекиси водорода в торпедных
ёмкостях, содержащей не менее двух клапанов
дегазации, расположенных в каждом из
противоположных вдоль длины торпедной ёмкости
сечениях попарно симметрично под углом 15°
относительно вертикальной оси симметрии, в состав
каждого клапана дополнительно введена
промежуточная втулка из материала с
самосмазывающими свойствами, часть которой
выполнена конической, связанной с торпедной
ёмкостью боковым эллипсовидной формы
отверстием, при этом форма и размеры внутренней
конической поверхности промежуточной втулки
подобраны таким образом, чтобы обеспечить по
мере увеличения избыточного давления в торпедной
ёмкости при неподвижном осевом положении
промежуточной втулки эффект упругого
сдавливания и вминания в сопряженные
контактирующие поверхности
упругодеформируемому уплотняющему
герметизирующему элементу во внешне
облегающую его многогранную внутреннюю
полуоткрытую в направлении конической
поверхности полость в верхней утолщенной части
центрально осесимметрично расположенного
внутреннего металлического стержня, связанного
через пружину сжатия с промежуточной втулкой и
29211
3
базирующейся наружной конической поверхностью
по сопряженной поверхности промежуточной
втулки.
Сопоставляемый анализ с прототипом
показывает, что заявляемая система дегазации
кислорода при разложении перекиси водорода в
торпедных ёмкостях отличается тем, что в состав
каждого клапана дополнительно введена
промежуточная втулка из материала с
самосмазывающими свойствами, часть которой
выполнена конической, связанной с торпедной
ёмкостью боковым эллипсовидной формы
отверстием, при этом форма и размеры внутренней
конической поверхности промежуточной втулки
подобраны таким образом, чтобы обеспечить по
мере увеличения избыточного давления в торпедной
ёмкости при неподвижном осевом положении
промежуточной втулки эффект упругого
сдавливания и вминания в сопряженные
контактирующие поверхности
упругодеформируемому уплотняющему
герметизирующему элементу во внешне
облегающую его многогранную внутреннюю
полуоткрытую в направлении конической
поверхности полость в верхней утолщенной части
центрально осесимметрично расположенного
внутреннего металлического стержня, связанного
через пружину сжатия с промежуточной втулкой и
базирующейся наружной конической поверхностью
по сопряженной поверхности промежуточной
втулки.
Таким образом, заявляемая система дегазации
соответствует критерию изобретения «новизна».
Сравнение заявляемого решения не только с
прототипом, но и с другими техническими
решениями в данной и смежных областях техники,
не позволило выявить в них признаки, отличающие
заявляемое решение от прототипа, что позволяет
сделать вывод о соответствии критерию
изобретения «существенные отличия».
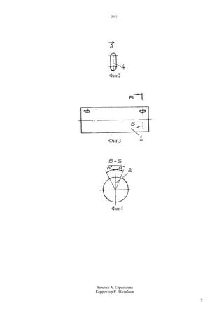
Изобретение поясняется иллюстрациями, где на
фиг.1 изображена система дегазации во
взаимодействии с отверстием резервуара окислителя
(разрез по оси); на фиг.2 - вид по А на фиг.1; на
фиг.3 - схематичное изображение резервуара
окислителя (вид сбоку); на фиг.4 - разрез по Б - Б на
фиг.3.
Предлагаемая система дегазации кислорода при
разложении перекиси водорода в торпедных
ёмкостях содержит не менее двух клапанов
дегазации (дегазаторов), расположенных вдоль
длины торпедной ёмкости 1 (резервуара окислителя)
по её краям попарно симметрично под углом 15°
относительно вертикальной оси 2 симметрии.
Причем в каждом из сечений располагают не менее
двух клапанов дегазации.
Выбор количества дегазаторов основано на
предположении, что стравливание кислорода
гарантированно производится через один из
клапанов при разложении перекиси водорода в
торпедных ёмкостях при любых значениях углов
крена и дифферента носителя торпед (подводной
лодки или надводного корабля).
В соответствии с предлагаемым изобретением в
состав каждого клапана (фиг.1 и 2) дополнительно
вводят промежуточную втулку 3 из материала с
самосмазывающими свойствами, например, из
фторопласта. В боковой стороне втулки 3
выполнено отверстие 4 эллипсовидной формы.
Промежуточная втулка 3 наружной цилиндрической
поверхностью базируется в одном из четырёх
отверстий ёмкости 1 (диаметром Ø, фиг.1). Втулка 3
имеет внутреннюю коническую поверхность, по
которой базируется своей верхней утолщённой
частью центрально осесимметрично расположенный
внутренний металлический стержень 5. В верхней
утолщенной части стержня 5 имеется многогранная
внутренняя полуоткрытая в направлении
конической поверхности полость 6, в которой
размещен упругодеформируемый уплотняющий
герметизирующий элемент 7. Прижатие стержня 5 к
промежуточной втулке 3 осуществляется пружиной
сжатия 8. Фиксация клапана в отверстии корпуса
торпедной ёмкости производится стопорным
кольцом 9.
Стравливание кислорода из ёмкости происходит
через эллипсовидное отверстие 4 в промежуточной
втулке 3, круглое отверстие 10 в верхней
утолщенной части стержня из полуоткрытой
полости 6 с находящимся в нём
упругодеформированным уплотняющим
герметизирующим элементом 7.
В соответствии с предлагаемым изобретением,
форму и размеры внутренней конической
поверхности промежуточной втулки 3 подбирают
таким, чтобы обеспечить, по мере увеличения
избыточного давления в торпедной ёмкости, эффект
упругого сдавливания и вминания в сопряженные
контактирующие поверхности
упругодеформируемому уплотняющему
герметизирующему элементу 7 во внешне
облегающую его многогранную внутреннюю
полуоткрытую в направлении конической
поверхности полость 6 верхней утолщенной части
стержня 5.
При этом стравливание кислорода из ёмкости
происходит через эллипсовидное отверстие 4 в
промежуточной втулке 3 и круглое отверстие 10 из
полуоткрытой полости с находящимся в нём
сдавленным упругодеформированным
уплотняющим герметизирующим элементом 7.
По мере роста давления в ёмкости 1 (в том чисте
и больше 2,7 атм) происходит значительное упругое
сдавливание и вминание упругодеформируемого
уплотняющего герметизированного элемента во
внешне облегающую его многогранную
внутреннюю полость 6 стержня 5. В таком
положении между внутренней конической
поверхностью втулки 3 и краем сдеформированного
элемента 7 образуется микроскопическая щель
размером порядка трёх-четырёх мкм, через которую
производится стравливание кислорода. При таких
размерах щели возможно только стравливание
газообразных веществ, в частности, избыточного
кислорода из ёмкости.
29211
4
Впервые решена проблема дегазации
избыточного кислорода при разложении перекиси
водорода в торпедных ёмкостях. Теперь, с
увеличением давления в ёмкости, в том числе
значения 2,7 атм (при котором происходит отказ в
работе известных поплавковых систем дегазации),
предлагаемая система дегазации не только
работоспособна, но и обеспечивает повышение
эффективности дегазации за счет максимального
стравливания избыточного кислорода из ёмкости.
Введение в состав клапана дополнительной
промежуточной втулки из материала с
самосмазывающими свойствами, обеспечит
работоспособность и надёжность работе системы
дегазации даже при многолетнем хранении торпеды,
например, на стеллажах. При этом не происходит
высыхания, «спекания» и других механических
повреждений упругодеформируемых уплотняющих
герметизирующих элементов.
Предложенную систему дегазации на основании
заявляемого способа можно использовать как для
модернизации имеющегося парка перекисных
торпед, так и при проектировании новых. При этом
замена прежних дегазаторов на новые
(поставляемые в собранном виде) производится
быстро, не трудоёмко. Затраты на изготовление
клапана дегазации, изготовленного в соответствии с
заявляемым способом, приемлемы и не значительны
по величине.
ФОРМУЛА ИЗОБРЕТЕНИЯ
Система дегазации кислорода при разложении
перекиси водорода в торпедных ёмкостях,
содержащая не менее двух клапанов дегазации,
расположенных в каждом из противоположных
вдоль длины торпедной ёмкости сечениях попарно
симметрично под углом 15° относительно
вертикальной оси симметрии, отличающаяся тем,
что в состав каждого клапана дополнительно
введена промежуточная втулка из материала с
самосмазывающими свойствами, часть которой
выполнена конической, связанной с торпедной
ёмкостью боковым эллипсовидной формы
отверстием, при этом форма и размеры внутренней
конической поверхности промежуточной втулки
подобраны таким образом, чтобы обеспечить по
мере увеличения избыточного давления в торпедной
ёмкости, при неподвижном осевом положении
промежуточной втулки, эффект упругого
сдавливания и вминания в сопряженные
контактирующие поверхности
упругодеформируемому уплотняющему
герметизирующему элементу во внешне
облегающую его многогранную внутреннюю
полуоткрытую в направлении конической
поверхности полость в верхней утолщенной части,
центрально осесимметрично расположенного
внутреннего металлического стержня, связанного
через пружину сжатия с промежуточной втулкой и
базирующейся наружной конической поверхностью
по сопряженной поверхности промежуточной
втулки.
29211
5
Верстка А. Сарсекеева
Корректор Р. Шалабаев

29211p

  • 1.
    РЕСПУБЛИКА КАЗАХСТАН (19) KZ(13) B (11) 29211 (51) F42B 19/00 (2006.01) КОМИТЕТ ПО ПРАВАМ ИНТЕЛЛЕКТУАЛЬНОЙ СОБСТВЕННОСТИ МИНИСТЕРСТВА ЮСТИЦИИ РЕСПУБЛИКИ КАЗАХСТАН ОПИСАНИЕ ИЗОБРЕТЕНИЯ К ПАТЕНТУ (21) 2013/0218.1 (22) 20.02.2013 (45) 17.11.2014, бюл. №11 (72) Сударь Дмитрий Давыдович; Кадыров Жаннат Нургалиевич; Кочетков Андрей Викторович; Лучков Виталий Юрьевич (73) Кадыров Жаннат Нургалиевич; Кочетков Андрей Викторович (56) Векшинская Н., Максимов Г. Во всем виновата торпеда? 2002. URL: http://flb.ru/inforprint/9753.html ; Кокряков Д.А. Торпеда 53-65. 2011. URL: http://rudocs.exdat.com/docs/index-4329.html RU 2187066 C2, 10.08.2002 (54) СИСТЕМА ДЕГАЗАЦИИ КИСЛОРОДА ПРИ РАЗЛОЖЕНИИ ПЕРЕКИСИ ВОДОРОДА В ТОРПЕДНЫХ ЁМКОСТЯХ (57) Изобретение относится к концепции и техническим решениям практического применения самодвижущихся морских подводных видов военной техники и вооружения, а именно, к перекисным торпедам, а более конкретно, к способам дегазации газообразного кислорода при разложении перекиси водорода в торпедных ёмкостях. Технический результат при использовании предлагаемой системы дегазации заключается в обеспечении надежности и работоспособности при любом, в том числе и повышенном давлении внутри резервуара (при давлении свыше 2,7 атм, когда поплавковая система дегазации перестает функционировать и дегазация прекращается). В состав каждого клапана дополнительно введена промежуточная втулка из материала с самосмазывающими свойствами, часть которой выполнена конической, связанной с торпедной ёмкостью боковым эллипсовидной формы отверстием, при этом форма и размеры внутренней конической поверхности промежуточной втулки подобраны таким образом, чтобы обеспечить по мере увеличения избыточного давления в торпедной ёмкости, при неподвижном осевом положении промежуточной втулки, эффект упругого сдавливания и вминания в сопряженные контактирующие поверхности упругодеформируемому уплотняющему герметизирующему элементу во внешне облегающую его многогранную внутреннюю полуоткрытую в направлении конической поверхности полость в верхней утолщенной части, центрально осесимметрично расположенного внутреннего металлического стержня, связанного через пружину сжатия с промежуточной втулкой и базирующейся наружной конической поверхностью по сопряженной поверхности промежуточной втулки. (19)KZ(13)B(11)29211
  • 2.
    29211 2 Изобретение относится кконцепции и техническим решениям практического применения самодвижущихся морских подводных видов военной техники и вооружения, а именно, к перекисным торпедам, а более конкретно, к способам дегазации газообразного кислорода при разложении перекиси водорода в торпедных ёмкостях. Перекись водорода (марок ПВ-98, ПВ-85 и др.) является эффективным экологически чистым окислителем для «бесследных» торпед. Торпеды с окислителем ПВ-98 при наличии работоспособной и надежной системы дегазации вполне можно эксплуатировать в любых широтах Мирового океана. Длительные испытания в районах экваториальных вод, а также в морях, прилегающих к Индийскому океану (температура воды на поверхности +35°С) показали хорошие эксплуатационные характеристики. Недопустим лишь длительный нагрев резервуара окислителя лучами солнца при погрузке снаряженной торпеды. С конца восьмидесятых годов и на протяжении 11 лет на вооружении Военно-морского флота СССР, а позднее Российской Федерации использовался керамический дегазатор. При его эксплуатации было установлено, что при многократном смачивании поверхностей дегазатора жидкой перекисью гидрофобное покрытие смывается, а ячейки фильтра размерами 4-5 мкм забивались жидкой перекисью. В результате дегазатор не пропускал ни газообразный кислород, ни жидкую перекись, а торпеды калибра 533,4 мм, обладавшие самыми лучшими тактико- техническими данными в своем классе, были сняты с вооружения, поскольку наличие в резервуаре окислителя подвижного поршня не позволило разместить в нем единственно имевшуюся на тот момент поплавковую систему дегазации. Известна первая, и пока единственная, поплавковая система дегазации, разработанная в Германии еще в конце 30-х годов прошлого века. В известной системе дегазации клапан открывается под воздействием силы тяжести поплавка через систему рычагов в газообразной среде для сброса давления за борт и закрывается тем же поплавком, приобретающим свойство «положительной плавучести» в среде жидкой перекиси водорода, для исключения сброса за борт жидкой перекиси при кренах и дифферентах носителя торпед - подводной лодки или корабля. При этом поплавковая система не исключает вынос за борт жидкой перекиси при переменных кренах и дифферентах, которые постоянно воздействуют на дегазаторы. В результате чего в систему дегазации был введён катализатор для разложения выносимой перекиси, что является основным недостатком поплавковой системы дегазации. Кроме того, в случаях интенсивного разложения перекиси водорода вследствие эксплуатационного износа цирезинового защитного покрытия внутренней поверхности резервуара окислителя, давление внутри резервуара окислителя резко повышается, полностью закрывая стравливающие клапаны. Это создает нештатную аварийную ситуацию, для исключения которой перекись водорода из резервуара окислителя у находящихся на стеллажах торпед или находящихся в торпедном аппарате торпед, выбрасывается за борт. Известная система дегазации кислорода при разложении перекиси водорода в торпедных ёмкостях содержит не менее двух клапанов дегазации. При этом клапаны расположены в каждом из противоположных вдоль длины торпедной ёмкости сечениях попарно симметрично под углом 15° относительно вертикальной оси симметрии. Недостатком известной системы дегазации кислорода на основе поплавковой системы является то, что при повышении давления внутри резервуара окислителя до 2,7 атм и более, создаваемого усилия недостаточно, чтобы оторвать поплавок. Это приводит к тому, что стравливающие клапаны «запираются», при этом образуется нештатная аварийная ситуация, которая может привести к трагическим последствиям. Как известно, одной из наиболее реальных версий гибели флагмана Российского подводного флота - атомной подводной лодки «Курск» было разрушение перекисной торпеды из-за сбоя в системе дегазации кислорода. Технический результат при использовании предлагаемой системы дегазации заключается в обеспечении надёжности и работоспособности при любом, в том числе и при повышенном давлении внутри резервуара (например, при давлении свыше 2,7 атм, при котором поплавковая система дегазации перестает функционировать и дегазация прекращается). Указанный технический результат достигается тем, что в системе дегазации кислорода при разложении перекиси водорода в торпедных ёмкостях, содержащей не менее двух клапанов дегазации, расположенных в каждом из противоположных вдоль длины торпедной ёмкости сечениях попарно симметрично под углом 15° относительно вертикальной оси симметрии, в состав каждого клапана дополнительно введена промежуточная втулка из материала с самосмазывающими свойствами, часть которой выполнена конической, связанной с торпедной ёмкостью боковым эллипсовидной формы отверстием, при этом форма и размеры внутренней конической поверхности промежуточной втулки подобраны таким образом, чтобы обеспечить по мере увеличения избыточного давления в торпедной ёмкости при неподвижном осевом положении промежуточной втулки эффект упругого сдавливания и вминания в сопряженные контактирующие поверхности упругодеформируемому уплотняющему герметизирующему элементу во внешне облегающую его многогранную внутреннюю полуоткрытую в направлении конической поверхности полость в верхней утолщенной части центрально осесимметрично расположенного внутреннего металлического стержня, связанного через пружину сжатия с промежуточной втулкой и
  • 3.
    29211 3 базирующейся наружной коническойповерхностью по сопряженной поверхности промежуточной втулки. Сопоставляемый анализ с прототипом показывает, что заявляемая система дегазации кислорода при разложении перекиси водорода в торпедных ёмкостях отличается тем, что в состав каждого клапана дополнительно введена промежуточная втулка из материала с самосмазывающими свойствами, часть которой выполнена конической, связанной с торпедной ёмкостью боковым эллипсовидной формы отверстием, при этом форма и размеры внутренней конической поверхности промежуточной втулки подобраны таким образом, чтобы обеспечить по мере увеличения избыточного давления в торпедной ёмкости при неподвижном осевом положении промежуточной втулки эффект упругого сдавливания и вминания в сопряженные контактирующие поверхности упругодеформируемому уплотняющему герметизирующему элементу во внешне облегающую его многогранную внутреннюю полуоткрытую в направлении конической поверхности полость в верхней утолщенной части центрально осесимметрично расположенного внутреннего металлического стержня, связанного через пружину сжатия с промежуточной втулкой и базирующейся наружной конической поверхностью по сопряженной поверхности промежуточной втулки. Таким образом, заявляемая система дегазации соответствует критерию изобретения «новизна». Сравнение заявляемого решения не только с прототипом, но и с другими техническими решениями в данной и смежных областях техники, не позволило выявить в них признаки, отличающие заявляемое решение от прототипа, что позволяет сделать вывод о соответствии критерию изобретения «существенные отличия». Изобретение поясняется иллюстрациями, где на фиг.1 изображена система дегазации во взаимодействии с отверстием резервуара окислителя (разрез по оси); на фиг.2 - вид по А на фиг.1; на фиг.3 - схематичное изображение резервуара окислителя (вид сбоку); на фиг.4 - разрез по Б - Б на фиг.3. Предлагаемая система дегазации кислорода при разложении перекиси водорода в торпедных ёмкостях содержит не менее двух клапанов дегазации (дегазаторов), расположенных вдоль длины торпедной ёмкости 1 (резервуара окислителя) по её краям попарно симметрично под углом 15° относительно вертикальной оси 2 симметрии. Причем в каждом из сечений располагают не менее двух клапанов дегазации. Выбор количества дегазаторов основано на предположении, что стравливание кислорода гарантированно производится через один из клапанов при разложении перекиси водорода в торпедных ёмкостях при любых значениях углов крена и дифферента носителя торпед (подводной лодки или надводного корабля). В соответствии с предлагаемым изобретением в состав каждого клапана (фиг.1 и 2) дополнительно вводят промежуточную втулку 3 из материала с самосмазывающими свойствами, например, из фторопласта. В боковой стороне втулки 3 выполнено отверстие 4 эллипсовидной формы. Промежуточная втулка 3 наружной цилиндрической поверхностью базируется в одном из четырёх отверстий ёмкости 1 (диаметром Ø, фиг.1). Втулка 3 имеет внутреннюю коническую поверхность, по которой базируется своей верхней утолщённой частью центрально осесимметрично расположенный внутренний металлический стержень 5. В верхней утолщенной части стержня 5 имеется многогранная внутренняя полуоткрытая в направлении конической поверхности полость 6, в которой размещен упругодеформируемый уплотняющий герметизирующий элемент 7. Прижатие стержня 5 к промежуточной втулке 3 осуществляется пружиной сжатия 8. Фиксация клапана в отверстии корпуса торпедной ёмкости производится стопорным кольцом 9. Стравливание кислорода из ёмкости происходит через эллипсовидное отверстие 4 в промежуточной втулке 3, круглое отверстие 10 в верхней утолщенной части стержня из полуоткрытой полости 6 с находящимся в нём упругодеформированным уплотняющим герметизирующим элементом 7. В соответствии с предлагаемым изобретением, форму и размеры внутренней конической поверхности промежуточной втулки 3 подбирают таким, чтобы обеспечить, по мере увеличения избыточного давления в торпедной ёмкости, эффект упругого сдавливания и вминания в сопряженные контактирующие поверхности упругодеформируемому уплотняющему герметизирующему элементу 7 во внешне облегающую его многогранную внутреннюю полуоткрытую в направлении конической поверхности полость 6 верхней утолщенной части стержня 5. При этом стравливание кислорода из ёмкости происходит через эллипсовидное отверстие 4 в промежуточной втулке 3 и круглое отверстие 10 из полуоткрытой полости с находящимся в нём сдавленным упругодеформированным уплотняющим герметизирующим элементом 7. По мере роста давления в ёмкости 1 (в том чисте и больше 2,7 атм) происходит значительное упругое сдавливание и вминание упругодеформируемого уплотняющего герметизированного элемента во внешне облегающую его многогранную внутреннюю полость 6 стержня 5. В таком положении между внутренней конической поверхностью втулки 3 и краем сдеформированного элемента 7 образуется микроскопическая щель размером порядка трёх-четырёх мкм, через которую производится стравливание кислорода. При таких размерах щели возможно только стравливание газообразных веществ, в частности, избыточного кислорода из ёмкости.
  • 4.
    29211 4 Впервые решена проблемадегазации избыточного кислорода при разложении перекиси водорода в торпедных ёмкостях. Теперь, с увеличением давления в ёмкости, в том числе значения 2,7 атм (при котором происходит отказ в работе известных поплавковых систем дегазации), предлагаемая система дегазации не только работоспособна, но и обеспечивает повышение эффективности дегазации за счет максимального стравливания избыточного кислорода из ёмкости. Введение в состав клапана дополнительной промежуточной втулки из материала с самосмазывающими свойствами, обеспечит работоспособность и надёжность работе системы дегазации даже при многолетнем хранении торпеды, например, на стеллажах. При этом не происходит высыхания, «спекания» и других механических повреждений упругодеформируемых уплотняющих герметизирующих элементов. Предложенную систему дегазации на основании заявляемого способа можно использовать как для модернизации имеющегося парка перекисных торпед, так и при проектировании новых. При этом замена прежних дегазаторов на новые (поставляемые в собранном виде) производится быстро, не трудоёмко. Затраты на изготовление клапана дегазации, изготовленного в соответствии с заявляемым способом, приемлемы и не значительны по величине. ФОРМУЛА ИЗОБРЕТЕНИЯ Система дегазации кислорода при разложении перекиси водорода в торпедных ёмкостях, содержащая не менее двух клапанов дегазации, расположенных в каждом из противоположных вдоль длины торпедной ёмкости сечениях попарно симметрично под углом 15° относительно вертикальной оси симметрии, отличающаяся тем, что в состав каждого клапана дополнительно введена промежуточная втулка из материала с самосмазывающими свойствами, часть которой выполнена конической, связанной с торпедной ёмкостью боковым эллипсовидной формы отверстием, при этом форма и размеры внутренней конической поверхности промежуточной втулки подобраны таким образом, чтобы обеспечить по мере увеличения избыточного давления в торпедной ёмкости, при неподвижном осевом положении промежуточной втулки, эффект упругого сдавливания и вминания в сопряженные контактирующие поверхности упругодеформируемому уплотняющему герметизирующему элементу во внешне облегающую его многогранную внутреннюю полуоткрытую в направлении конической поверхности полость в верхней утолщенной части, центрально осесимметрично расположенного внутреннего металлического стержня, связанного через пружину сжатия с промежуточной втулкой и базирующейся наружной конической поверхностью по сопряженной поверхности промежуточной втулки.
  • 5.