DRAWN
RUSSELL CANTOS
CHECKED
SAMIR AWAD
27/02/2006
SPEED REDUCER
SIZE REV
1
MODULE
22
DATE
FILE NAME
Speed Reducer.idw
DRAWING TITLE:
SCALE SHEET
OFA N/A 9 9
ROSEMOUNT TECHNOLOGY CENTRE
3737 BEAUBIEN EAST
MONTREAL QUEBEC
H1X 1A2
ALL DIMENSIONS ARE IN INCHES
UNLESS OTHERWISE SPECIFIED
8.38 5.29
5.25
2.476.31
NOTE:
NOT TO SCALE
DRAWN
RUSSELL CANTOS
CHECKED
SAMIR AWAD
27/02/2006
SPEED REDUCER
SIZE REV
2
MODULE
22
DATE
FILE NAME
Speed Reducer.idw
DRAWING TITLE:
SCALE SHEET
OFA 1/2 9 9
ROSEMOUNT TECHNOLOGY CENTRE
3737 BEAUBIEN EAST
MONTREAL QUEBEC
H1X 1A2
ALL DIMENSIONS ARE IN INCHES
UNLESS OTHERWISE SPECIFIED
Parts List
ITEM QTY PART NUMBER
1 1
2 1
3 1 Housing
4 1 Housing Cover
5 1 Inside Bushing
6 2 Collar
7 1 Screw Bushing
8 1 Housing Plate
9 1 Housing Panel
10 1 Worm Shaft
11 1 Worm Gear Shaft
12 1 ANSI B18.2.2 - 9/16 - 18
13 1 ANSI B18.6.2 - 10-32 UNF - 0.1875
14 4 Slotted Screw 3_4
15 8 Slotted Screw 1_2
16 2 ANSI B18.6.2 - 1/4-28 UNF - 0.25
17 2 Woodruff Key #405
3
9
8
4
15
14
6
7
10
5 16
11
1712 2
1
13
DRAWN
RUSSELL CANTOS
CHECKED
SAMIR AWAD
27/02/2006
SPEED REDUCER
SIZE REV
3
MODULE
22
DATE
FILE NAME
Speed Reducer.idw
DRAWING TITLE:
SCALE SHEET
OFA N/A 9 9
ROSEMOUNT TECHNOLOGY CENTRE
3737 BEAUBIEN EAST
MONTREAL QUEBEC
H1X 1A2
ALL DIMENSIONS ARE IN INCHES
UNLESS OTHERWISE SPECIFIED
Parts List
ITEM QTY PART NUMBER DESCRIPTION
1 1 Worm Gears 6/50, 1.9665
2 1 Worm Gears 6/50, 1.9665
3 1 Housing
4 1 Housing Cover
5 1 Inside Bushing
6 2 Collar
7 1 Screw Bushing
8 1 Housing Plate
9 1 Housing Panel
10 1 Worm Shaft
11 1 Worm Gear Shaft
12 1 ANSI B18.2.2 - 9/16 - 18 Hex Jam Nut
13 1 ANSI B18.6.2 - 10-32 UNF - 0.1875 Slotted Headless Set Screw - Cup Point
14 4 Slotted Screw 3_4 SCRW RHMS 1/4-20 UNCX1
15 8 Slotted Screw 1_2 SCRW RHMS 1/4-20 UNCX1
16 2 ANSI B18.6.2 - 1/4-28 UNF - 0.25 Slotted Headless Set Screw - Cup Point
17 2 Woodruff Key #405 0.125 x 0.237 x 0.606
SECTION A-A
SCALE 1 : 1
SECTION B-B
SCALE 1 : 1
DETAIL D
SCALE 2 : 1
DRAWN
RUSSELL CANTOS
CHECKED
SAMIR AWAD
27/02/2006
SPEED REDUCER
SIZE REV
4
MODULE
22
DATE
FILE NAME
Speed Reducer.idw
DRAWING TITLE:
SCALE SHEET
OFA 1:1 9 9
ROSEMOUNT TECHNOLOGY CENTRE
3737 BEAUBIEN EAST
MONTREAL QUEBEC
H1X 1A2
ALL DIMENSIONS ARE IN INCHES
UNLESS OTHERWISE SPECIFIED
A
A
B
B
C C
3.583.45
.31 .21
R.13
R.13
1.132.52
R.31
R.591.99
114°
1.37
1.75
.19
n.60
R.44 R.19
R.31
KEYWAY 1/8 WIDE x 1/16 DEEP
KEYWAY 1/8 WIDE x 1/16 DEEP
40°
.04 .05
.14
2. GEAR
PITCH DIAMETER: 2.652
CIRCULAR PITCH: .167
NUMBER OF TEETH: 50
WHOLE DEPTH: .1144
KEYWAY: FOR #405 WOODRUFF KEY
MATERIAL: CAST IRON
1. WORM
PITCH DIAMETER: .75
CIRCULAR PITCH: .167
NUMBER OF TEETH: 6
KEYWAY: FOR #405 WOODRUFF KEY
MATERIAL: BAR STEEL
n.25
0.31225
R
0.31275
REAM
SECTION E-E
SCALE 1 / 2
SECTION F-F
SCALE 1 / 2
SECTION G-G
SCALE 1 / 2
DRAWN
RUSSELL CANTOS
CHECKED
SAMIR AWAD
27/02/2006
SPEED REDUCER
SIZE REV
5
MODULE
22
DATE
FILE NAME
Speed Reducer.idw
DRAWING TITLE:
SCALE SHEET
OFA 1:2 9 9
ROSEMOUNT TECHNOLOGY CENTRE
3737 BEAUBIEN EAST
MONTREAL QUEBEC
H1X 1A2
ALL DIMENSIONS ARE IN INCHES
UNLESS OTHERWISE SPECIFIED
E E FF
G
G
1.83
4.19
2.11
5.19
5.56
2.80 R.38
.75
.31
1.72
4.94
.56
6.31
n3.13
R2.00
R1.06
2.362.58
.25
5.19
1.22
R.06
1.061.00
.22
R.06
.56
.72
.61
.52
.50
2.47
1.22
.07.32
.25
.25
.38
R.13
3.62
R.50
NOTES:
FILLETS & ROUNDS 1/16R
#7(.2010) DRILL -1/4-20UNC-2
4HOLES EQUALLY SPACED ON 3-1/2 B.C.
FOR 1/4x1/2 ROUND HEAD CAP SCREWS
39/64 DRILL-.625 REAM
3/4-16UNF-2-1/2 DEEP
#7(.2010) DRILL-3/4 DEEP
1/4-20UNC-2-4HOLES FOR 1/4x5/8
ROUND HEAD CAP SCREWS
#21(1.590)DRILL-#10-32UNF-2
FOR #10x3/16 SOCKET CUP
SLOTTED SETS CREW
9/32 DRILL
SPOTFACE 1/2
4HOLES
.86
1 DIA. x.032 SPOTFACE
3. HOUSING
SECTION H-H
SCALE 1 : 1
SECTION J-J
SCALE 1 : 1
DRAWN
RUSSELL CANTOS
CHECKED
SAMIR AWAD
27/02/2006
SPEED REDUCER
SIZE REV
6
MODULE
22
DATE
FILE NAME
Speed Reducer.idw
DRAWING TITLE:
SCALE SHEET
OFA 1:1 9 9
ROSEMOUNT TECHNOLOGY CENTRE
3737 BEAUBIEN EAST
MONTREAL QUEBEC
H1X 1A2
ALL DIMENSIONS ARE IN INCHES
UNLESS OTHERWISE SPECIFIED
H H
J
J
4.69
3.69
R.06
1.721.22
.25 .31
R.28 R.13
1.22
.25
4.19
.25
.50
.25
.06
.06
R.06
9/32 DRILL-1/2 SPOTFACE
4HOLES FOR 1/4x5/8
ROUND HEAD CAP SCREWS
NOTES:
FILLETS & ROUNDS 1/16R
4. HOUSING COVER
DRAWN
RUSSELL CANTOS
CHECKED
SAMIR AWAD
27/02/2006
SPEED REDUCER
SIZE REV
7
MODULE
22
DATE
FILE NAME
Speed Reducer.idw
DRAWING TITLE:
SCALE SHEET
OFA N/A 9 9
ROSEMOUNT TECHNOLOGY CENTRE
3737 BEAUBIEN EAST
MONTREAL QUEBEC
H1X 1A2
ALL DIMENSIONS ARE IN INCHES
UNLESS OTHERWISE SPECIFIED
1.70
0.8735
0.8725
0.7666
n
0.7656
23/64 DRILL.375 REAM
R.06
.50
n.88
n.39 DRILL
#7(.2010)DRILL-1/4-20UNC
FOR 1/4x1/4 SOCKET CONCEPT
SLOTTED SET SCREW
.88
ACROSS FLATS
1.92
1.36.28
.09
23/64 DRILL .375 REAM
3/4-16UNF-2
NECK 3/32 WIDE x 1/16 DEEP
.88 1.01
1.01
9/16-18UNF-2
.31
n.019
.19
.25
n.25
n.47
n.47
.24
.13
R.31
.50
.75
.61
6. COLLAR
5. INSIDE BUSHING
12. HEX JAM NUT
13. SLOTTED SET SCREW #10
SCALE 2:1
16. SLOTTED SET SCREW 1/4
SCALE 2:1
15. SLOTTED SCREW 1/2
SCALE 2:1
14. SLOTTED SCREW 3/4
SCALE 2:1
17. WOODRUFF KEY
SCALE 2:1
7. SCREW BUSHING
30~ CHAMFER
.17
.18
.20n
.20n
DRAWN
RUSSELL CANTOS
CHECKED
SAMIR AWAD
27/02/2006
SPEED REDUCER
SIZE REV
8
MODULE
22
DATE
FILE NAME
Speed Reducer.idw
DRAWING TITLE:
SCALE SHEET
OFA 1:1 9 9
ROSEMOUNT TECHNOLOGY CENTRE
3737 BEAUBIEN EAST
MONTREAL QUEBEC
H1X 1A2
ALL DIMENSIONS ARE IN INCHES
UNLESS OTHERWISE SPECIFIED
8.38
5.29
3.081.50 3.80
n.3725
#405 WOODRUFF KEYSEATSPOT FOR SET SCREW WITH COLLAR IN POSITION SPOT FOR SET SCREW WITH COLLAR IN POSITION
KEYWAY 3/16 WIDE x 3/32 DEEP
.191.801.12.381.50
n.88
R.25
n.56
n.62
#405 WOODRUFF KEYSEATKEYWAY 1/4 WIDE x 3/32 DEEP NECK 1/16 WIDE x 1/16 DEEP
9/16-18UNF-2 FOR
STANDARD HEX JAM NUT
11. WORM GEAR SHAFT
10. WORM SHAFT
SECTION K-K
SCALE 1 : 1
SECTION L-L
SCALE 1 : 1
DRAWN
RUSSELL CANTOS
CHECKED
SAMIR AWAD
27/02/2006
SPEED REDUCER
SIZE REV
9
MODULE
22
DATE
FILE NAME
Speed Reducer.idw
DRAWING TITLE:
SCALE SHEET
OFA 1:1 9 9
ROSEMOUNT TECHNOLOGY CENTRE
3737 BEAUBIEN EAST
MONTREAL QUEBEC
H1X 1A2
ALL DIMENSIONS ARE IN INCHES
UNLESS OTHERWISE SPECIFIED
K
K
L
L
NECK 1/16 WIDE x 1/16 DEEP
n4.00 n4.00
n1.13
19/32 DRILL .625 REAM 19/32 DRILL .625 REAM
.69
.87
.19
R.06
.38
9/32 DRLL-4HOLES EQUALLY SPACED
FOR 1/4x1/2 ROUND HEAD CAP SCREWS
9/32 DRLL-4HOLES EQUALLY SPACED
FOR 1/4x1/2 ROUND HEAD CAP SCREWS
n3.13

Speed Reducer

  • 1.
    DRAWN RUSSELL CANTOS CHECKED SAMIR AWAD 27/02/2006 SPEEDREDUCER SIZE REV 1 MODULE 22 DATE FILE NAME Speed Reducer.idw DRAWING TITLE: SCALE SHEET OFA N/A 9 9 ROSEMOUNT TECHNOLOGY CENTRE 3737 BEAUBIEN EAST MONTREAL QUEBEC H1X 1A2 ALL DIMENSIONS ARE IN INCHES UNLESS OTHERWISE SPECIFIED 8.38 5.29 5.25 2.476.31 NOTE: NOT TO SCALE
  • 2.
    DRAWN RUSSELL CANTOS CHECKED SAMIR AWAD 27/02/2006 SPEEDREDUCER SIZE REV 2 MODULE 22 DATE FILE NAME Speed Reducer.idw DRAWING TITLE: SCALE SHEET OFA 1/2 9 9 ROSEMOUNT TECHNOLOGY CENTRE 3737 BEAUBIEN EAST MONTREAL QUEBEC H1X 1A2 ALL DIMENSIONS ARE IN INCHES UNLESS OTHERWISE SPECIFIED Parts List ITEM QTY PART NUMBER 1 1 2 1 3 1 Housing 4 1 Housing Cover 5 1 Inside Bushing 6 2 Collar 7 1 Screw Bushing 8 1 Housing Plate 9 1 Housing Panel 10 1 Worm Shaft 11 1 Worm Gear Shaft 12 1 ANSI B18.2.2 - 9/16 - 18 13 1 ANSI B18.6.2 - 10-32 UNF - 0.1875 14 4 Slotted Screw 3_4 15 8 Slotted Screw 1_2 16 2 ANSI B18.6.2 - 1/4-28 UNF - 0.25 17 2 Woodruff Key #405 3 9 8 4 15 14 6 7 10 5 16 11 1712 2 1 13
  • 3.
    DRAWN RUSSELL CANTOS CHECKED SAMIR AWAD 27/02/2006 SPEEDREDUCER SIZE REV 3 MODULE 22 DATE FILE NAME Speed Reducer.idw DRAWING TITLE: SCALE SHEET OFA N/A 9 9 ROSEMOUNT TECHNOLOGY CENTRE 3737 BEAUBIEN EAST MONTREAL QUEBEC H1X 1A2 ALL DIMENSIONS ARE IN INCHES UNLESS OTHERWISE SPECIFIED Parts List ITEM QTY PART NUMBER DESCRIPTION 1 1 Worm Gears 6/50, 1.9665 2 1 Worm Gears 6/50, 1.9665 3 1 Housing 4 1 Housing Cover 5 1 Inside Bushing 6 2 Collar 7 1 Screw Bushing 8 1 Housing Plate 9 1 Housing Panel 10 1 Worm Shaft 11 1 Worm Gear Shaft 12 1 ANSI B18.2.2 - 9/16 - 18 Hex Jam Nut 13 1 ANSI B18.6.2 - 10-32 UNF - 0.1875 Slotted Headless Set Screw - Cup Point 14 4 Slotted Screw 3_4 SCRW RHMS 1/4-20 UNCX1 15 8 Slotted Screw 1_2 SCRW RHMS 1/4-20 UNCX1 16 2 ANSI B18.6.2 - 1/4-28 UNF - 0.25 Slotted Headless Set Screw - Cup Point 17 2 Woodruff Key #405 0.125 x 0.237 x 0.606
  • 4.
    SECTION A-A SCALE 1: 1 SECTION B-B SCALE 1 : 1 DETAIL D SCALE 2 : 1 DRAWN RUSSELL CANTOS CHECKED SAMIR AWAD 27/02/2006 SPEED REDUCER SIZE REV 4 MODULE 22 DATE FILE NAME Speed Reducer.idw DRAWING TITLE: SCALE SHEET OFA 1:1 9 9 ROSEMOUNT TECHNOLOGY CENTRE 3737 BEAUBIEN EAST MONTREAL QUEBEC H1X 1A2 ALL DIMENSIONS ARE IN INCHES UNLESS OTHERWISE SPECIFIED A A B B C C 3.583.45 .31 .21 R.13 R.13 1.132.52 R.31 R.591.99 114° 1.37 1.75 .19 n.60 R.44 R.19 R.31 KEYWAY 1/8 WIDE x 1/16 DEEP KEYWAY 1/8 WIDE x 1/16 DEEP 40° .04 .05 .14 2. GEAR PITCH DIAMETER: 2.652 CIRCULAR PITCH: .167 NUMBER OF TEETH: 50 WHOLE DEPTH: .1144 KEYWAY: FOR #405 WOODRUFF KEY MATERIAL: CAST IRON 1. WORM PITCH DIAMETER: .75 CIRCULAR PITCH: .167 NUMBER OF TEETH: 6 KEYWAY: FOR #405 WOODRUFF KEY MATERIAL: BAR STEEL n.25 0.31225 R 0.31275 REAM
  • 5.
    SECTION E-E SCALE 1/ 2 SECTION F-F SCALE 1 / 2 SECTION G-G SCALE 1 / 2 DRAWN RUSSELL CANTOS CHECKED SAMIR AWAD 27/02/2006 SPEED REDUCER SIZE REV 5 MODULE 22 DATE FILE NAME Speed Reducer.idw DRAWING TITLE: SCALE SHEET OFA 1:2 9 9 ROSEMOUNT TECHNOLOGY CENTRE 3737 BEAUBIEN EAST MONTREAL QUEBEC H1X 1A2 ALL DIMENSIONS ARE IN INCHES UNLESS OTHERWISE SPECIFIED E E FF G G 1.83 4.19 2.11 5.19 5.56 2.80 R.38 .75 .31 1.72 4.94 .56 6.31 n3.13 R2.00 R1.06 2.362.58 .25 5.19 1.22 R.06 1.061.00 .22 R.06 .56 .72 .61 .52 .50 2.47 1.22 .07.32 .25 .25 .38 R.13 3.62 R.50 NOTES: FILLETS & ROUNDS 1/16R #7(.2010) DRILL -1/4-20UNC-2 4HOLES EQUALLY SPACED ON 3-1/2 B.C. FOR 1/4x1/2 ROUND HEAD CAP SCREWS 39/64 DRILL-.625 REAM 3/4-16UNF-2-1/2 DEEP #7(.2010) DRILL-3/4 DEEP 1/4-20UNC-2-4HOLES FOR 1/4x5/8 ROUND HEAD CAP SCREWS #21(1.590)DRILL-#10-32UNF-2 FOR #10x3/16 SOCKET CUP SLOTTED SETS CREW 9/32 DRILL SPOTFACE 1/2 4HOLES .86 1 DIA. x.032 SPOTFACE 3. HOUSING
  • 6.
    SECTION H-H SCALE 1: 1 SECTION J-J SCALE 1 : 1 DRAWN RUSSELL CANTOS CHECKED SAMIR AWAD 27/02/2006 SPEED REDUCER SIZE REV 6 MODULE 22 DATE FILE NAME Speed Reducer.idw DRAWING TITLE: SCALE SHEET OFA 1:1 9 9 ROSEMOUNT TECHNOLOGY CENTRE 3737 BEAUBIEN EAST MONTREAL QUEBEC H1X 1A2 ALL DIMENSIONS ARE IN INCHES UNLESS OTHERWISE SPECIFIED H H J J 4.69 3.69 R.06 1.721.22 .25 .31 R.28 R.13 1.22 .25 4.19 .25 .50 .25 .06 .06 R.06 9/32 DRILL-1/2 SPOTFACE 4HOLES FOR 1/4x5/8 ROUND HEAD CAP SCREWS NOTES: FILLETS & ROUNDS 1/16R 4. HOUSING COVER
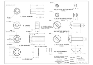
  • 7.
    DRAWN RUSSELL CANTOS CHECKED SAMIR AWAD 27/02/2006 SPEEDREDUCER SIZE REV 7 MODULE 22 DATE FILE NAME Speed Reducer.idw DRAWING TITLE: SCALE SHEET OFA N/A 9 9 ROSEMOUNT TECHNOLOGY CENTRE 3737 BEAUBIEN EAST MONTREAL QUEBEC H1X 1A2 ALL DIMENSIONS ARE IN INCHES UNLESS OTHERWISE SPECIFIED 1.70 0.8735 0.8725 0.7666 n 0.7656 23/64 DRILL.375 REAM R.06 .50 n.88 n.39 DRILL #7(.2010)DRILL-1/4-20UNC FOR 1/4x1/4 SOCKET CONCEPT SLOTTED SET SCREW .88 ACROSS FLATS 1.92 1.36.28 .09 23/64 DRILL .375 REAM 3/4-16UNF-2 NECK 3/32 WIDE x 1/16 DEEP .88 1.01 1.01 9/16-18UNF-2 .31 n.019 .19 .25 n.25 n.47 n.47 .24 .13 R.31 .50 .75 .61 6. COLLAR 5. INSIDE BUSHING 12. HEX JAM NUT 13. SLOTTED SET SCREW #10 SCALE 2:1 16. SLOTTED SET SCREW 1/4 SCALE 2:1 15. SLOTTED SCREW 1/2 SCALE 2:1 14. SLOTTED SCREW 3/4 SCALE 2:1 17. WOODRUFF KEY SCALE 2:1 7. SCREW BUSHING 30~ CHAMFER .17 .18 .20n .20n
  • 8.
    DRAWN RUSSELL CANTOS CHECKED SAMIR AWAD 27/02/2006 SPEEDREDUCER SIZE REV 8 MODULE 22 DATE FILE NAME Speed Reducer.idw DRAWING TITLE: SCALE SHEET OFA 1:1 9 9 ROSEMOUNT TECHNOLOGY CENTRE 3737 BEAUBIEN EAST MONTREAL QUEBEC H1X 1A2 ALL DIMENSIONS ARE IN INCHES UNLESS OTHERWISE SPECIFIED 8.38 5.29 3.081.50 3.80 n.3725 #405 WOODRUFF KEYSEATSPOT FOR SET SCREW WITH COLLAR IN POSITION SPOT FOR SET SCREW WITH COLLAR IN POSITION KEYWAY 3/16 WIDE x 3/32 DEEP .191.801.12.381.50 n.88 R.25 n.56 n.62 #405 WOODRUFF KEYSEATKEYWAY 1/4 WIDE x 3/32 DEEP NECK 1/16 WIDE x 1/16 DEEP 9/16-18UNF-2 FOR STANDARD HEX JAM NUT 11. WORM GEAR SHAFT 10. WORM SHAFT
  • 9.
    SECTION K-K SCALE 1: 1 SECTION L-L SCALE 1 : 1 DRAWN RUSSELL CANTOS CHECKED SAMIR AWAD 27/02/2006 SPEED REDUCER SIZE REV 9 MODULE 22 DATE FILE NAME Speed Reducer.idw DRAWING TITLE: SCALE SHEET OFA 1:1 9 9 ROSEMOUNT TECHNOLOGY CENTRE 3737 BEAUBIEN EAST MONTREAL QUEBEC H1X 1A2 ALL DIMENSIONS ARE IN INCHES UNLESS OTHERWISE SPECIFIED K K L L NECK 1/16 WIDE x 1/16 DEEP n4.00 n4.00 n1.13 19/32 DRILL .625 REAM 19/32 DRILL .625 REAM .69 .87 .19 R.06 .38 9/32 DRLL-4HOLES EQUALLY SPACED FOR 1/4x1/2 ROUND HEAD CAP SCREWS 9/32 DRLL-4HOLES EQUALLY SPACED FOR 1/4x1/2 ROUND HEAD CAP SCREWS n3.13