30Jan02TRATORES JOHN DEERE 7500 CPCQ26568 00A01
INDICE GERAL
30Jan02TRATORES JOHN DEERE 7500 CPCQ26568 00A01
INDICE GERAL
30Jan02TRATORES JOHN DEERE 7500 CPCQ26568 00A01
INDICE GERAL
30Jan02TRATORES JOHN DEERE 7500 CPCQ26568 00A01
INDICE GERAL
30Jan02TRATORES JOHN DEERE 7500 CPCQ26568 00A01
INDICE GERAL
30Jan02TRATORES JOHN DEERE 7500 CPCQ26568 00A01
INDICE GERAL
30Jan02TRATORES JOHN DEERE 7500 CPCQ26568 00A01
INDICE GERAL
30Jan02TRATORES JOHN DEERE 7500 CPCQ26568 00A01
INDICE GERAL
30Jan02TRATORES JOHN DEERE 7500 CPCQ26568 00A01
INDICE GERAL
30Jan02TRATORES JOHN DEERE 7500 CPCQ26568 00A01
INDICE GERAL
30Jan02TRATORES JOHN DEERE 7500 CPCQ26568 00A01
INDICE GERAL
30Jan02TRATORES JOHN DEERE 7500 CPCQ26568 00A01
INDICE GERAL
30Jan02TRATORES JOHN DEERE 7500 CPCQ26568 1A13
INDICE DE GRUPO - INDICE DE GRUPO
30Jan02TRATORES JOHN DEERE 7500 CPCQ26568 1A13
INDICE DE GRUPO - INDICE DE GRUPO
TRATORES JOHN DEERE 7500 CPCQ26568 30Jan02
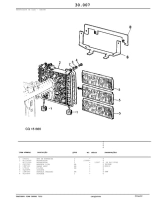
MOTOR SEMIMONTADO
1 AJ59470 MOTOR 6068 TJ01 1
7
5
0
0
X
20.001
-
ITEM NÚMERO DESCRIÇÃO QTDE OBSERVAÇÕESNO. SÉRIE
TRATORES JOHN DEERE 7500 CPCQ26568 30Jan02
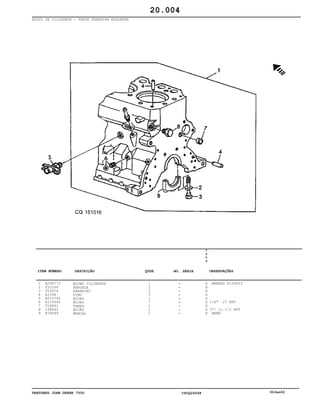
BLOCO DE CILINDROS SEMIMONTADO
1 BSA6068T1 BLOCO SEMIM. 1
7
5
0
0
X
20.002
-
ITEM NÚMERO DESCRIÇÃO QTDE OBSERVAÇÕESNO. SÉRIE
TRATORES JOHN DEERE 7500 CPCQ26568 30Jan02
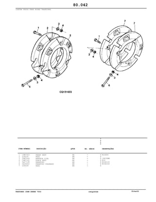
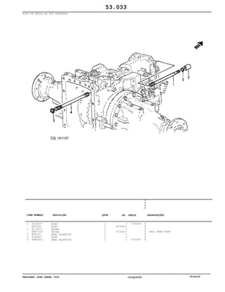
BLOCO DE CILINDROS PARTE DIANTEIRA DIREITA
1
2
3
4
5
6
7
8
9
10
11
12
13
14
15
16
17
AJ58772
A120R
R54802
15H624
15H623
R26650
T18891
R75892
R26493
R121043
R111137
R65215
T20168
T23474
R82674
14H774
R115390
BLOBO CILINDROS
PINO
INJETOR
BUJAO
BUJAO
PINO
TAMPA
JUNTA
BUCHA
VALVULA ALIVIO
MOLA
MANCAL
ARRUELA
PARAFUSO
PRISIONEIRO
PORCA SEXT
CONEXÃO
1
1
6
1
1
2
1
1
1
1
1
6
12
12
1
1
1
7
5
0
0
X
X
X
X
X
X
X
X
X
X
X
X
X
X
X
X
X
MARKED R124853
1/2" 14NPT
3/8"
3/8"
3/8"-24UNF
3/8"
20.003
-
-
-
-
-
-
-
-
-
-
-
-
-
-
-
-
-
ITEM NÚMERO DESCRIÇÃO QTDE OBSERVAÇÕESNO. SÉRIE
TRATORES JOHN DEERE 7500 CPCQ26568 30Jan02
BLOCO DE CILINDROS - PARTE TRASEIRA ESQUERDA
1
2
3
4
5
6
7
8
9
AJ58772
T20168
T23474
A120R
AT13740
R119392
T18891
15H562
R79089
BLOBO CILINDROS
ARRUELA
PARAFUSO
PINO
BUJAO
BUJAO
TAMPA
BUJÃO
MANCAL
1
2
2
3
1
7
1
1
1
7
5
0
0
X
X
X
X
X
X
X
X
X
MARKED R124853
1/8" 27 NPT
1"- 11.1/2 NPT
REAR
20.004
-
-
-
-
-
-
-
-
-
ITEM NÚMERO DESCRIÇÃO QTDE OBSERVAÇÕESNO. SÉRIE
TRATORES JOHN DEERE 7500 CPCQ26568 30Jan02
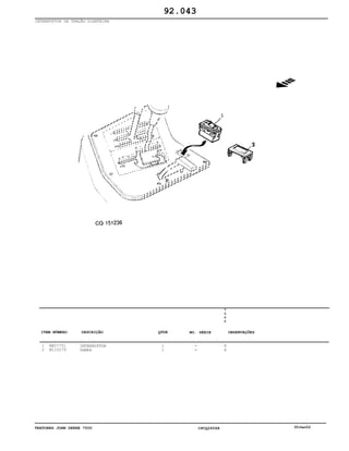
INTERRUPTOR DE PRESSÃO DO ÓLEO
1 AT85174 INTERRUPTOR 1
7
5
0
0
X 1/8"-27 NPT
20.005
-
ITEM NÚMERO DESCRIÇÃO QTDE OBSERVAÇÕESNO. SÉRIE
TRATORES JOHN DEERE 7500 CPCQ26568 30Jan02
PLACA DIANTEIRA
1
2
3
4
5
6
7
8
R131794
12H324
T20166
R75470
T23442
24H1136
12H303
14H785
JUNTA
ARRUELA DENTADA
PARAFUSO
PLACA
PRISIONEIRO
ARRUELA
ARRUELA PRESSAO
PORCA SEXT
1
5
5
1
3
3
3
3
7
5
0
0
X
X
X
X
X
X
X
X
3/8"
3/8"X8"
11/32"X11/16
5/16"
5/16"
20.006
-
-
-
-
-
-
-
-
ITEM NÚMERO DESCRIÇÃO QTDE OBSERVAÇÕESNO. SÉRIE
TRATORES JOHN DEERE 7500 CPCQ26568 30Jan02
ENGRENAGEM DE DISTRIBUICÃO (SUPERIOR)
1
2
3
4
5
6
T26327
R101227
AR91660
T20034
R101224
R101225
PARAFUSO
ARRUELA
ENGRENAGEM
BUCHA
EIXO
ARRUELA
2
1
1
1
1
1
7
5
0
0
X
X
X
X
X
X
1/2" X 2.1/4"
Z 55 MARKED R70182
20.007
-
-
-
-
-
-
ITEM NÚMERO DESCRIÇÃO QTDE OBSERVAÇÕESNO. SÉRIE
TRATORES JOHN DEERE 7500 CPCQ26568 30Jan02
ENGRENAGEM DE DISTRIBUICÃO (INFERIOR)
1
2
3
4
5
6
7
8
J56583
R101227
AT24252
T26321
R101224
R101225
R100105
19H3011
PORCA
ARRUELA
ENGRENAGEM
BUCHA
EIXO
ARRUELA
ARRUELA
PARAF SEXT
1
1
2
1
1
1
1
1
7
5
0
0
X
X
X
X
X
X
X
X
1/2"-20UNF
Z 45 MARKED T26322
1/2"X2.1/8"
20.008
-
-
-
-
-
-
-
-
ITEM NÚMERO DESCRIÇÃO QTDE OBSERVAÇÕESNO. SÉRIE
TRATORES JOHN DEERE 7500 CPCQ26568 30Jan02
PLACAS DE LEVANTE DO MOTOR
1
2
3
J57090
J57091
19H2472
CALÇO TRASEIRO
CALÇO DIANT
PARAFUSO
1
1
2
7
5
0
0
X
X
X
REAR
FRONT
1/2" X 1"
20.009
-
-
-
ITEM NÚMERO DESCRIÇÃO QTDE OBSERVAÇÕESNO. SÉRIE
TRATORES JOHN DEERE 7500 CPCQ26568 30Jan02
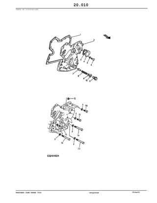
TAMPA DE DISTRIBUIÇÃO
20.010
TRATORES JOHN DEERE 7500 CPCQ26568 30Jan02
1
2
3
4
5
6
7
8
9
10
11
12
13
14
15
16
R126513
AJ58511
T20364
T20362
24H1304
19H2284
R83169
T27658
24H1290
A4827R
R91692
14H774
19H3065
19H3031
19H1726
19H2549
JUNTA
TAMPA
JUNTA
TAMPA
ARRUELA LISA
PARAF SEXT
VALVULA ALIVIO
MOLA
ARRUELA LISA
ARRUELA
TAMPAO
PORCA SEXT
PARAF SEXT
PARAF SEXT
PARAF SEXT
PARAFUSO
1
1
1
1
15
2
1
1
1
1
1
1
4
2
2
5
7
5
0
0
X
X
X
X
X
X
X
X
X
X
X
X
X
X
X
X
10,3X18,3X3,0MM
3/8"X7/8"
21/64"X3/4"
3/8"-24UNF
3/8"X2
3/8"X2.1/2"
3/8"X2.1/4"
3/8"X1-7/8"
20.011
-
-
-
-
-
-
-
-
-
-
-
-
-
-
-
-
ITEM NÚMERO DESCRIÇÃO QTDE OBSERVAÇÕESNO. SÉRIE
TRATORES JOHN DEERE 7500 CPCQ26568 30Jan02
SENSOR MAGNÉTICO (TACOMETRO)
1
2
RE508195
51M7044
EMISSOR
ANEL O
1
1
7
5
0
0
X
X 17,3X2,2MM
20.012
-
-
ITEM NÚMERO DESCRIÇÃO QTDE OBSERVAÇÕESNO. SÉRIE
TRATORES JOHN DEERE 7500 CPCQ26568 30Jan02
BOCAL DE ENCHIMENTO DE ÓLEO (4039TJ01)
1
2
3
4
5
6
7
RE44199
R90788
T20328
R87259
19H3217
24H1304
19H2458
BOCAL
TAMPA
JUNTA
JUNTA
PARAFUSO
ARRUELA LISA
PARAF SEXT
1
1
1
1
1
2
1
3480
3480
3480
3480
3480
3480
3480
7
5
0
0
X
X
X
X
X
X
X
MARKED RE 25648
3/8"X1-3/4"
10,3X18,3X3,0MM
3/8"X3"
20.013
-
-
-
-
-
-
-
ITEM NÚMERO DESCRIÇÃO QTDE OBSERVAÇÕESNO. SÉRIE
TRATORES JOHN DEERE 7500 CPCQ26568 30Jan02
20.014
TRATORES JOHN DEERE 7500 CPCQ26568 30Jan02
TAMPA DO BOCAL DE ENCHIMENTO DE ÓLEO DO MOTOR
1
2
3
4
5
T20336
T23260
24H1304
19H1648
19H1728
JUNTA
TAMPA
ARRUELA LISA
PARAF SEXT
PARAFUSO
1
1
2
1
1
3479
3479
3479
3479
3479
7
5
0
0
X
X
X
X
X
10,3X18,3X3,0MM
3/8"X3/4"
3/8"X2 1/4"
20.015
-
-
-
-
-
ITEM NÚMERO DESCRIÇÃO QTDE OBSERVAÇÕESNO. SÉRIE
TRATORES JOHN DEERE 7500 CPCQ26568 30Jan02
CARCAÇA DO VOLANTE
1
2
3
4
5
6
7
19H3219
19H2008
R129553
R122548
12H304
R97351
RE44574
PARAFUSO
PARAF SEXT
ARRUELA
CAIXA VOLANTE
ARRUELA PRESSAO
JUNTA
RETENTOR
8
4
1
1
8
1
1
7
5
0
0
X
X
X
X
X
X
X
3/8"X1-3/8"
5/8"X 1 5/8"
3/8"
REAR
20.016
-
-
-
-
-
-
-
ITEM NÚMERO DESCRIÇÃO QTDE OBSERVAÇÕESNO. SÉRIE
TRATORES JOHN DEERE 7500 CPCQ26568 30Jan02
VOLANTE
1
2
3
19H2993
R28811
RE58829
PARAF SEXT
COROA
VOLANTE
4
1
1
7
5
0
0
X
X
X
1/2"X 1 1/2"
Z 129
MARKED R122664
20.017
-
-
-
ITEM NÚMERO DESCRIÇÃO QTDE OBSERVAÇÕESNO. SÉRIE
TRATORES JOHN DEERE 7500 CPCQ26568 30Jan02
TAMPA DOS BALANCINS
1
2
3
AT21679
AR103811
R75728
TAMPA
PARAF C/ARRUELA
JUNTA
1
12
7
5
0
0
X
X
X
20.018
-
-
-
ITEM NÚMERO DESCRIÇÃO QTDE OBSERVAÇÕESNO. SÉRIE
TRATORES JOHN DEERE 7500 CPCQ26568 30Jan02
RESPIRO
1
2
3
4
R495R
R92154
AR21837
J57278
ANEL O
COTOVELO
ABRACADEIRA
MANGUEIRA
1
1
1
1
7
5
0
0
X
X
X
X
20.019
-
-
-
-
ITEM NÚMERO DESCRIÇÃO QTDE OBSERVAÇÕESNO. SÉRIE
TRATORES JOHN DEERE 7500 CPCQ26568 30Jan02
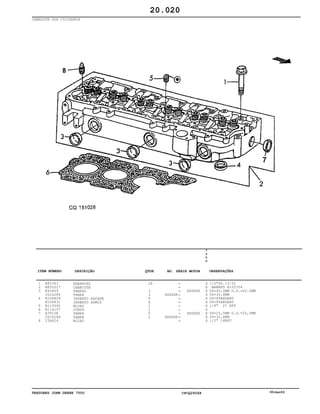
CABEÇOTE DOS CILINDROS
1
2
3
4
5
6
7
8
R85363
RE55527
R43409
CD16284
R106829
R106831
R119392
R114157
A3910R
CD16284
15H624
PARAFUSO
CABECOTE
TAMPAO
TAMPA
INSERTO ESCAPE
INSERTO ADMIS
BUJAO
JUNTA
TAMPA
TAMPA
BUJAO
28
3
3
6
6
1
1
2
2
XXXXXX
XXXXXX
XXXXXX
XXXXXX
7
5
0
0
X
X
X
X
X
X
X
X
X
X
X
1/2"X4.13/32
MARKED R105704
OD=43,2MM O.D.=43.2MM
0D=32,6MM
OD=STANDARD
OD=STANDARD
1/8" 27 NPT
OD=25,5MM O.D.=25,5MM
0D=32,6MM
1/2" 14NPT
20.020
-
-
-
-
-
-
-
-
-
-
-
ITEM NÚMERO DESCRIÇÃO QTDE OBSERVAÇÕESNO. SÉRIE MOTOR
TRATORES JOHN DEERE 7500 CPCQ26568 30Jan02
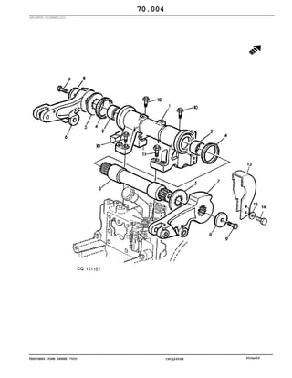
ÁRVORE DE MANIVELAS
1
2
3
4
5
RE19871
T20070
26H72
T20072
19H2676
ARVORE COMANDO
ENGRENAGEM
CHAVETA
PLACA
PARAF SEXT
1
1
1
1
2
7
5
0
0
X
X
X
X
X
Z 48
1/8"X5/8"
3/8"X1"
20.021
-
-
-
-
-
ITEM NÚMERO DESCRIÇÃO QTDE OBSERVAÇÕESNO. SÉRIE
TRATORES JOHN DEERE 7500 CPCQ26568 30Jan02
BALANCIN - EIXO - TUCHO - VARETA
1
2
3
4
5
6
7
8
9
10
R54565
DD12121
T20316
T20314
19H1733
R42729
T20315
RE31973
R83429
T20073
TAMPA
EIXO
ARRUELA
MOLA
PARAF SEXT
ARRUELA
SUPORTE
BALANCIN
VARETA EMP
TUCHO
2
1
2
5
6
6
6
12
12
12
7
5
0
0
X
X
X
X
X
X
X
X
X
X
3/8"X 2 1/2"
20.022
-
-
-
-
-
-
-
-
-
-
ITEM NÚMERO DESCRIÇÃO QTDE OBSERVAÇÕESNO. SÉRIE
TRATORES JOHN DEERE 7500 CPCQ26568 30Jan02
VÁLVULAS
1
2
3
4
5
6
7
8
R91889
RE60005
R26125
RE31617
RE37643
RE37644
R106831
R98062
R97490
R97491
R106829
R90692
R97492
R97493
TRAVA
ROTOR
MOLA
RETENTOR
RETENTOR
RETENTOR
INSERTO ADMIS
VALV.ADMISSAO
VALV ADMISSAO
VALV.ADMISSAO
INSERTO ESCAPE
VALV.ESCAPE
VALV.ESCAPE
VALV.ESCAPE
24
12
12
12
AR
AR
6
6
AR
6
6
AR
AR
7
5
0
0
X
X
X
X
X
X
X
X
X
X
X
X
X
X
OD=STANDARD O.D.=STANDARD
OD=+0,381MM O.D. =+0,381MM
OD=+0,762MM O.D. =+0,762MM
OD=STANDARD
OD=STANDARD O.D.=STANDARD
OD =+0,381MM O.D.=+0,381MM
OD =+0,762MM O.D.=+0,762MM
OD=STANDARD
OD=STANDARD O.D.=+STANDARD
OD =+0,381MM O.D.=+0,381MM
OD =+0,762MM O.D.=+0,762MM
20.023
-
-
-
-
-
-
-
-
-
-
-
-
-
-
ITEM NÚMERO DESCRIÇÃO QTDE OBSERVAÇÕESNO. SÉRIE
TRATORES JOHN DEERE 7500 CPCQ26568 30Jan02
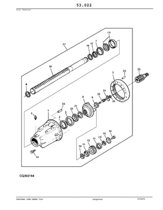
VIRABREQUIM
1
2
3
4
5
6
7
8
9
10
11
12
RE45517
A120R
26H72
T20094
26H27
T20046
H35244
R81989
AR67942
RE12820
T20217
19H2993
VIRABREQUIM
PINO
CHAVETA
ENGRENAGEM
CHAVETA
DEFLETOR
ANEL O
ACOPLAMENTO
RETENTOR
POLIA C/AMORT.
ARRUELA
PARAF SEXT
1
1
1
1
1
1
1
1
1
1
1
1
7
5
0
0
X
X
X
X
X
X
X
X
X
X
X
X
MARKED R121027
1/8"X5/8"
Z 24
5/16"X1.1/8"
FRONT
1/2"X 1 1/2"
20.024
-
-
-
-
-
-
-
-
-
-
-
-
ITEM NÚMERO DESCRIÇÃO QTDE OBSERVAÇÕESNO. SÉRIE
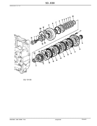
TRATORES JOHN DEERE 7500 CPCQ26568 30Jan02
MANCAIS DE BANCADA
1
2
3
RE27352
RE27353
RE27360
RE13571
AR95932
RE60350
RE27351
RE27359
RE27366
JOGO CASQUILHOS
JOGO CASQUILHOS
JOGO CASQUILHOS
JOGO ARRUELA
JOGO ARRUELA
KIT MANCAL
JOGO CASQUILHOS
JOGO CASQUILHOS
JOGO CASQUILHOS
6
AR
AR
1
AR
1
AR
AR
AR
7
5
0
0
X
X
X
X
X
X
X
X
X
ID = STD (KIT (2) R100808)
ID=0,254MM (KIT (2) R87750)
ID=0,508MM (A) KIT (2) R87756)
TK = STD (KIT (4) R78598)
TK=+0.17MM (KIT (3) R64851)
ID=STD (KIT (2) R121413)
ID=0,254MM (KIT (2) R87749)
ID=0,508MM (KIT (2) R87755)
ID=0,762MM (KIT (2) R87758)
20.025
(A) SOMENTE COM RAIO LAMINADO (MARKED R126921)
-
-
-
-
-
-
-
-
-
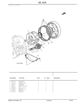
ITEM NÚMERO DESCRIÇÃO QTDE OBSERVAÇÕESNO. SÉRIE
TRATORES JOHN DEERE 7500 CPCQ26568 30Jan02
CAMISA DE CILINDRO/PISTÃO/BIELA
1
2
3
4
5
6
7
8
9
10
11
R121867
CD15466
R65833
AR65507
RE66820
R54114
.......
R124230
RE53716
R57451
R74195
RE47867
AR97653
AR97654
CAMISA CILINDRO
ESPACADOR
ESPACADOR
JOGO VEDACAO
KIT ANEIS
ANEL ELASTICO
PISTAO
PINO
BIELA
BUCHA
PARAFUSO
KIT MANCAIS
KIT MANCAIS
KIT MANCAIS
6
AR
AR
6
6
12
6
6
6
6
12
6
AR
AR
7
5
0
0
X
X
X
X
X
X
X
X
X
X
X
X
X
X
TK= 0,05MM
TK=0,1MM
NSEP ORD AJ58773
O.D.=41MM
ID=STANDARD (KIT (2) R125711)
ID=0,254MM (A) (KIT (2) R75396)
ID=0,508MM (KIT (2) R73597)
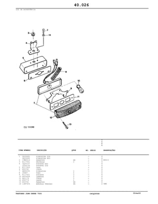
20.026
(A) SOMENTE COM RAIO LAMINADO (MARKED R126921)
-
-
-
-
-
-
-
-
-
-
-
-
-
-
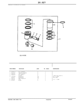
ITEM NÚMERO DESCRIÇÃO QTDE OBSERVAÇÕESNO. SÉRIE
TRATORES JOHN DEERE 7500 CPCQ26568 30Jan02
CAMISAS E PISTÕES/KIT DE REPARO
1
2
3
4
5
6
7
8
9
AJ58773
R121867
AR65507
RE66820
.......
CD15466
R65833
R54114
R56188
R57451
KIT COMPRESS
CAMISA CILINDRO
JOGO VEDACAO
KIT ANEIS
PISTAO
ESPACADOR
ESPACADOR
ANEL ELASTICO
PINO
BUCHA
6
6
6
6
6
AR
AR
12
6
6
7
5
0
0
X
X
X
X
X
X
X
X
X
X
NSEP ORD AJ58773
TK= 0,05MM
TK=0,1MM
O.D. = 41MM
20.027
-
-
-
-
-
-
-
-
-
-
ITEM NÚMERO DESCRIÇÃO QTDE OBSERVAÇÕESNO. SÉRIE
TRATORES JOHN DEERE 7500 CPCQ26568 30Jan02
BOMBA DE ÓLEO
1
2
3
4
5
6
7
8
9
10
11
12
13
14
15
R74552
12H304
RE50211
R61871
R79560
AR85788
R54632
T20298
14H826
R66177
RE15490
R79563
R79562
R112867
AJ58821
PARAFUSO
ARRUELA PRESSAO
PENEIRA
ANEL O
ADAPTADOR
EIXO
TAMPA
ENGRENAGEM
PORCA SEXT
ENGRENAGEM
CARCACA
ACOPLAMENTO
PORCA
TUBO
BOMBA
2
2
1
1
1
1
1
1
1
1
1
1
1
1
7
5
0
0
X
X
X
X
X
X
X
X
X
X
X
X
X
X
X
3/8"
(A)
Z 33
1/2"-13 UNC
(B)
(C)
20.028
(A)
(B)
(C)
TAMBEM PEDIR R66177
TAMBEM PEDIR AR85788
MARCADO R97587
-
-
-
-
-
-
-
-
-
-
-
-
-
-
-
ITEM NÚMERO DESCRIÇÃO QTDE OBSERVAÇÕESNO. SÉRIE
TRATORES JOHN DEERE 7500 CPCQ26568 30Jan02
CARTER DE ÓLEO
1
2
3
4
5
6
7
8
9
10
11
12
13
14
19H2284
12H304
RE43845
RE54894
R56461
R97344
R121779
24H1304
19H2633
19H2023
R116102
R120247
19H3483
24M1303
PARAF SEXT
ARRUELA PRESSAO
TAMAPA
TUBO
ANEL O
JUNTA
CARTER
ARRUELA LISA
PARAF SEXT
PARAF SEXT
DRENO
ARRUELA
PARAFUSO
ARRUELA
1
1
1
1
1
1
1
36
4
2
1
1
30
1
3479
3479
3479
3479
3479
3479
3479
3479
3479
3479
3479
3479
3479
3479
7
5
0
0
X
X
X
X
X
X
X
X
X
X
X
X
X
X
3/8"X7/8"
3/8"
10,3X18,3X3,0MM
3/8"X 1 1/2"
3/8" X 3 1/4
M22X1,5
COBRE (COPPER)
3/8"X1.1/8"
10,3X17,5X1,5MM
20.029
-
-
-
-
-
-
-
-
-
-
-
-
-
-
ITEM NÚMERO DESCRIÇÃO QTDE OBSERVAÇÕESNO. SÉRIE MOTOR
TRATORES JOHN DEERE 7500 CPCQ26568 30Jan02
CARTER DE ÓLEO - MOTORES 6068TJ01
1
2
3
4
5
N14822
N10214
R97344
RE46687
AJ59646
PARAFUSO
PARAFUSO
JUNTA
TAMPÃO
CARTER
32
4
1
1
1
003480
003480
003480
003480
003480
7
5
0
0
X
X
X
X
X
3/8"X3/4"
3/8"X1"
20.030
-
-
-
-
-
ITEM NÚMERO DESCRIÇÃO QTDE OBSERVAÇÕESNO. SÉRIE
TRATORES JOHN DEERE 7500 CPCQ26568 30Jan02
DUTO DE ADMISSÃO DE AR
1
2
3
4
5
6
7
8
19H3483
12H304
RE56595
R81275
AR21840
R56551
T58477
R26906
PARAFUSO
ARRUELA PRESSAO
DUTO ADMISSAO
JUNTA
ABRACADEIRA
MANGUEIRA
TAMPAO
ANEL O
2
2
1
1
2
1
1
1
7
5
0
0
X
X
X
X
X
X
X
X
3/8"X1.1/8"
3/8"
7/8"-14 UNF
20.031
-
-
-
-
-
-
-
-
ITEM NÚMERO DESCRIÇÃO QTDE OBSERVAÇÕESNO. SÉRIE
TRATORES JOHN DEERE 7500 CPCQ26568 30Jan02
TURBOCOMPRESSOR
1
2
3
4
5
6
7
8
9
10
11
12
13
14
15
19H2552
12H304
RE56617
R89879
T19898
RE55037
19H2284
R43416
RE62102
AR21837
R76974
R82859
T11180
R46414
24H1304
PARAF SEXT
ARRUELA PRESSAO
TURBOCOMPRESS
JUNTA
CONEXAO
MANGUEIRA
PARAF SEXT
JUNTA
TUBULAÇÕES
ABRACADEIRA
MANGUEIRA
CONEXAO
CONEXAO
FIXADOR
ARRUELA LISA
4
2
1
1
1
1
2
1
1
2
1
1
1
1
4
7
5
0
0
X
X
X
X
X
X
X
X
X
X
X
X
X
X
X
3/8"X1.1/8"
3/8"
3/8"X7/8"
10,3X18,3X3,0MM
20.032
-
-
-
-
-
-
-
-
-
-
-
-
-
-
-
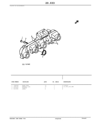
ITEM NÚMERO DESCRIÇÃO QTDE OBSERVAÇÕESNO. SÉRIE
TRATORES JOHN DEERE 7500 CPCQ26568 30Jan02
COLETOR DE ESCAPAMENTO
1
2
3
4
19H2458
24H1304
R119265
R119395
PARAF SEXT
ARRUELA LISA
COLETOR
JUNTA
12
12
1
6
7
5
0
0
X
X
X
X
3/8"X3"
10,3X18,3X3,0MM
20.033
-
-
-
-
ITEM NÚMERO DESCRIÇÃO QTDE OBSERVAÇÕESNO. SÉRIE
TRATORES JOHN DEERE 7500 CPCQ26568 30Jan02
BOMBA DE ALIMENTAÇÃO DE COMBUSTÍVEL
1
2
3
4
RE55390
T16318
24H1136
19H2127
BOMBA COMBUST.
ANEL O
ARRUELA
PARAF SEXT
1
1
2
2
7
5
0
0
X
X
X
X
11/32"X11/16
5/16"X7/8"
20.034
-
-
-
-
ITEM NÚMERO DESCRIÇÃO QTDE OBSERVAÇÕESNO. SÉRIE
TRATORES JOHN DEERE 7500 CPCQ26568 30Jan02
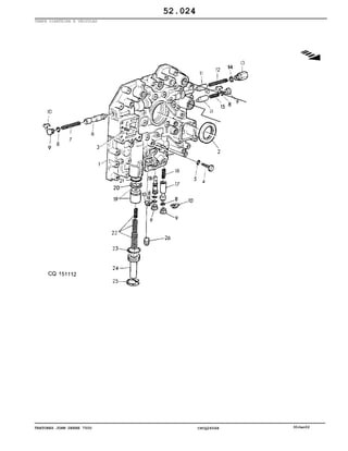
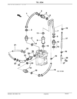
BOMBA DE INJEÇÃO DE COMBUSTÍVEL
1
2
3
4
5
6
7
8
RE61860
14M7150
12H317
R56131
R76964
RE22744
R130854
NSEP068
BOMBA INJET
PORCA SEXT
ARRUELA PRESSAO
CHAVETA
ENGRENAGEM
SOLENOIDE
ANEL O
CONEXÃO
1
1
1
1
1
1
1
6
7
5
0
0
X
X
X
X
X
X
X
X
(A) LUCAS DP201
M14
9/16"
Z = 48
(A) NSEP
20.035
(A) CONSULTE O CONCESSIONÁRIO AUTORIZADO LUCAS POR PIEZAS NO LISTADAS
-
-
-
-
-
-
-
-
ITEM NÚMERO DESCRIÇÃO QTDE OBSERVAÇÕESNO. SÉRIE
TRATORES JOHN DEERE 7500 CPCQ26568 30Jan02
TUBULAÇÕES DE COMBUSTÍVEL
1
2
3
4
5
6
7
8
9
10
11
12
RE58171
RE19797
19M8560
RE20901
RE19800
RE56684
RE58830
RE58831
RE58832
RE58833
RE58834
RE58835
TUBULACOES
GRAMPO
PARAF SEXT
GRAMPO
GRAMPO
TUBULACOES
TUBO
TUBO
TUBO
TUBO
TUBO
TUBO
1
5
7
1
1
1
1
1
1
1
1
1
7
5
0
0
X
X
X
X
X
X
X
X
X
X
X
X
ID=1,6MM
M6X12
20.036
-
-
-
-
-
-
-
-
-
-
-
-
ITEM NÚMERO DESCRIÇÃO QTDE OBSERVAÇÕESNO. SÉRIE
TRATORES JOHN DEERE 7500 CPCQ26568 30Jan02
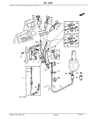
INJETOR DE COMBUSTÍVEL
1
2
3
4
5
6
7
8
9
10
11
RE36939
R71963
R79605
T31174
R92352
R48000
T24472
R51936
R51937
R66090
J56917
R101201
INJETOR
CONECTOR "T"
JUNTA
TAMPAO
VEDACAO
JUNTA
TAMPAO
ANEL PENETRACAO
PORCA
TUBO
TUBO
PARAF SEXT
6
6
6
AR
6
6
AR
12
12
5
1
6
7
5
0
0
X
X
X
X
X
X
X
X
X
X
X
X
REAR
20.037
-
-
-
-
-
-
-
-
-
-
-
-
ITEM NÚMERO DESCRIÇÃO QTDE OBSERVAÇÕESNO. SÉRIE
TRATORES JOHN DEERE 7500 CPCQ26568 30Jan02
FILTRO DE COMBUSTÍVEL
20.038
TRATORES JOHN DEERE 7500 CPCQ26568 30Jan02
1
2
3
4
5
6
7
8
9
11
12
13
14
15
16
19H3239
24H1304
.......
.......
15H275
R27094
J57275
J56979
AT32333
J55731
RE56605
RE57409
J56137
R26286
AJ59162
R56101
P60209
12H304
19H2676
PARAFUSO
ARRUELA LISA
FILTRO COMBUST
FILTRO COMBUST
BUJAO
BUJAO
MANGUEIRA
CONEXAO
CONEXÃO
CONEXAO
CONEXAO
TUBULACOES
MANGUEIRA
ANEL O
CANO
CLIP
SUPORTE FILTRO
ARRUELA PRESSAO
PARAF SEXT
2
2
1
1
2
2
1
1
1
1
1
1
1
4
1
2
1
2
2
XXXXXX
XXXXXX
1968
XXXXXX
XXXXXX
XXXXXX
1968
1968
XXXXXX
XXXXXX
XXXXXX
XXXXXX
1967
1967
7
5
0
0
X
X
X
X
X
X
X
X
X
X
X
X
X
X
X
X
X
X
X
3/8"X1-1/4"
10,3X18,3X3,0MM
NSEP (A)
NSEP (A)
1/4"-18NPT
1/2"- 20UNF
1/4" -18NPTF
1/4"-18 NPT
3/8"
3/8"X1"
20.039
(A) COMPONENTES DE REPOSICAO PARA RE63124
-
-
-
-
-
-
-
-
-
-
-
-
-
-
-
-
-
-
-
ITEM NÚMERO DESCRIÇÃO QTDE OBSERVAÇÕESNO. SÉRIE MOTOR
TRATORES JOHN DEERE 7500 CPCQ26568 30Jan02
FILTRO DE COMBUSTÍVEL/ELEMENTO FILTRANTE
1 RE62419 ELEMEN.FILTRANTE 1
7
5
0
0
X
20.040
-
ITEM NÚMERO DESCRIÇÃO QTDE OBSERVAÇÕESNO. SÉRIE
TRATORES JOHN DEERE 7500 CPCQ26568 30Jan02
FILTRO DE COMBUSTÍVEL/CABEÇA DO FILTRO - KIT
1
2
3
4
5
6
7
8
RE500160
.......
.......
R113565
.......
.......
RE26286
RE62158
KIT
CABEÇOTE DO FILTRO
TAMPÃO DE DRENO
VEDAÇÃO
BATENTE
ANEL O
ANEL O
TAMPÃO
1
1
1
1
1
1
2
2
7
5
0
0
X
X
X
X
X
X
X
X
NSEP
NSEP ORD RE60854
NSEP ORD RE51649
NSEP ORD RE51649
1/2" -20UNF
20.041
-
-
-
-
-
-
-
-
ITEM NÚMERO DESCRIÇÃO QTDE OBSERVAÇÕESNO. SÉRIE MOTOR
TRATORES JOHN DEERE 7500 CPCQ26568 30Jan02
FILTRO DE COMBUSTÍVEL/KIT DE JUNTAS
1 RE50752 JUNTAS 1
7
5
0
0
X
20.042
-
ITEM NÚMERO DESCRIÇÃO QTDE OBSERVAÇÕESNO. SÉRIE
TRATORES JOHN DEERE 7500 CPCQ26568 30Jan02
FILTRO DE COMBUSTÍVEL/KIT TAMPÃO DE PURGA E DE SANGRIA
1 RE60854 KIT TAMPOES 1
7
5
0
0
X
20.043
-
ITEM NÚMERO DESCRIÇÃO QTDE OBSERVAÇÕESNO. SÉRIE
TRATORES JOHN DEERE 7500 CPCQ26568 30Jan02
FILTRO DE COMBUSTÍVEL/PEÇAS MECÂNICAS
1 RE51649 PECAS MECANICAS 1
7
5
0
0
X (A)
20.044
-
ITEM NÚMERO DESCRIÇÃO QTDE OBSERVAÇÕESNO. SÉRIE
TRATORES JOHN DEERE 7500 CPCQ26568 30Jan02
FILTRO DE COMBUSTÍVEL/COPO DE DECANTAÇÃO
1
2
3
4
5
6
7
8
9
RE51650
.......
.......
.......
.......
.......
.......
.......
NSEP033
COPO DECANT
ANEL ELASTICO
CORPO ROSCADO
ANEL ELASTICO
COPO DECANT
ANEL ELASTICO
PARAF.SEXT.
JUNTA
TAMPAO DRENO
1
1
1
1
1
1
1
1
1
7
5
0
0
X
X
X
X
X
X
X
X
X
(A)
NSEP ORD RE50752
NSEP ORD RE51650
NSEP ORD RE50752
NSEP ORD RE51650
NSEP ORD RE50752
NSEP ORD RE51650
NSEP ORD RE60854
20.045
-
-
-
-
-
-
-
-
-
ITEM NÚMERO DESCRIÇÃO QTDE OBSERVAÇÕESNO. SÉRIE
TRATORES JOHN DEERE 7500 CPCQ26568 30Jan02
PRÉ-FILTRO - COMPONENTES
20.046
TRATORES JOHN DEERE 7500 CPCQ26568 30Jan02
1
2
3
4
5
6
7
8
9
10
11
12
DQ25143
CQ24628
CQ24634
CQ24635
CQ24640
DQ24057
CQ24629
DQ25145
DQ39530
CQ24631
DQ25144
DQ39455
DQ32910
PLUG DO RESPIRO
ANEL
BASE
CONEXAO
GUARNICAO
ELEM FILTRANTE
ANEL
COPO TRANSPARENTE
COPO ALUMINIO
VEDACAO
PLUG DRENO
SEDIMENTADOR
KIT TAMPÃO
1
1
1
1
1
1
1
1
1
1
1
1
2
11110
11110
11109
7
5
0
0
X
X
X
X
X
X
X
X
X
X
X
X
X
INCL KEYS 2
INCL KEYS 7
ORD DQ39520
INCL KEYS 9
20.047
-
-
-
-
-
-
-
-
-
-
-
-
-
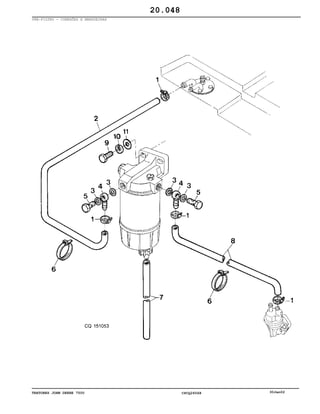
ITEM NÚMERO DESCRIÇÃO QTDE OBSERVAÇÕESNO. SÉRIE
TRATORES JOHN DEERE 7500 CPCQ26568 30Jan02
PRE-FILTRO - CONEXÕES E MANGUEIRAS
20.048
TRATORES JOHN DEERE 7500 CPCQ26568 30Jan02
1
2
3
4
5
6
7
8
9
10
11
SG064.01
CQ29172
S17072
CQ08038
CQ29143
CQ03768
CQ29167
CQ29173
19H2676
12H304
24M7040
ABRACADEIRA
MANGUEIRA
JUNTA
TERMINAL
PARAFUSO
ABRACADEIRA AUTOTRAVANTE
MANGUEIRA
MANGUEIRA
PARAF SEXT
ARRUELA PRESSAO
ARRUELA LISA
4
1
4
2
2
AR
1
1
AR
AR
AR
7
5
0
0
X
X
X
X
X
X
X
X
X
X
X
1/2"X5/8"
LGTH=200MM LGHT
LGHT
3/8"X1"
3/8"
11X21X2MM
20.049
-
-
-
-
-
-
-
-
-
-
-
ITEM NÚMERO DESCRIÇÃO QTDE OBSERVAÇÕESNO. SÉRIE
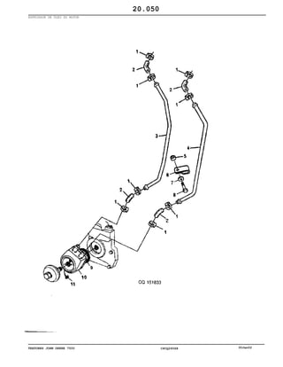
TRATORES JOHN DEERE 7500 CPCQ26568 30Jan02
ESFRIADOR DE ÓLEO DO MOTOR
20.050
TRATORES JOHN DEERE 7500 CPCQ26568 30Jan02
1
2
3
4
5
6
7
8
9
10
11
AR21837
T25469
J56996
J56997
T20280
R72853
24H1304
19H3031
R105714
RE50122
R56947
ABRACADEIRA
MANGUEIRA
TUBULACOES
TUBULACOES
ESPACADOR
FIXADOR
ARRUELA LISA
PARAF SEXT
VEDACAO
ESFRIADOR OLEO
TAMPAO
8
4
1
1
1
1
1
1
1
1
7
5
0
0
X
X
X
X
X
X
X
X
X
X
X
ID 19MM
10,3X18,3X3,0MM
3/8"X2.1/2"
20.051
-
-
-
-
-
-
-
-
-
-
-
ITEM NÚMERO DESCRIÇÃO QTDE OBSERVAÇÕESNO. SÉRIE
TRATORES JOHN DEERE 7500 CPCQ26568 30Jan02
FILTRO DE ÓLEO/ADAPTADOR
20.052
TRATORES JOHN DEERE 7500 CPCQ26568 30Jan02
1
2
3
4
5
6
7
8
9
10
11
12
13
14
15
16
T19044
R54823
15H623
19H1944
19H2633
R113701
R120146
R114097
R114096
19H3483
U12198
R109886
R56462
R109882
19H2733
19H3065
FILTRO
CONEXAO
BUJAO
PARAF SEXT
PARAF SEXT
ADAPTADOR
JUNTA
JUNTA
CAIXA
PARAFUSO
ANEL O
TAMPA
ANEL O
PARAF ESPECIAL
PARAF SEXT
PARAF SEXT
1
1
1
1
2
1
1
1
1
2
1
1
1
1
1
1
7
5
0
0
X
X
X
X
X
X
X
X
X
X
X
X
X
X
X
X
3/8"
3/8"X 2 3/4"
3/8"X 1 1/2"
3/8"X1.1/8"
3/8"X2 3/8"
3/8"X2
20.053
-
-
-
-
-
-
-
-
-
-
-
-
-
-
-
-
ITEM NÚMERO DESCRIÇÃO QTDE OBSERVAÇÕESNO. SÉRIE
TRATORES JOHN DEERE 7500 CPCQ26568 30Jan02
VARETA DO NÍVEL DE ÓLEO/GUIA
1
2
3
4
AT21535
R10093
R114102
14H826
VARETA NIVEL
ANEL O
GUIA
PORCA SEXT
1
1
1
1
7
5
0
0
X
X
X
X
LGTH=289MM (A)
(B)
1/2"-13 UNC (B)
20.054
(A)
(B)
COMPRIMENTO = 289MM
COMPRIMENTO = 155MM
-
-
-
-
ITEM NÚMERO DESCRIÇÃO QTDE OBSERVAÇÕESNO. SÉRIE
TRATORES JOHN DEERE 7500 CPCQ26568 30Jan02
CONJUNTO BOMBA DE AGUA
1 AJ59049 BOMBA AGUA 1
7
5
0
0
X
20.055
-
ITEM NÚMERO DESCRIÇÃO QTDE OBSERVAÇÕESNO. SÉRIE
TRATORES JOHN DEERE 7500 CPCQ26568 30Jan02
BOMBA DE ÁGUA
20.056
TRATORES JOHN DEERE 7500 CPCQ26568 30Jan02
1
2
3
4
5
6
7
8
9
10
11
12
13
14
15
16
17
18
T20243
T25484
T25485
J56760
AR101549
19H2633
J57225
J56993
R34985
15H561
12H304
19H3065
JD10238
14H774
19H1726
24H1304
J57192
CQ33410
JUNTA
TAMPA
JUNTA
ROTOR
CONJUNTO RETENTOR
PARAF SEXT
POLIA
CAIXA
TUBO
TAMPÃO
ARRUELA PRESSAO
PARAF SEXT
EIXO
PORCA SEXT
PARAF SEXT
ARRUELA LISA
TUBO
POLIA
1
1
1
1
1
2
1
1
2
1
7
4
1
1
1
1
1
1
7
5
0
0
X
X
X
X
X
X
X
X
X
X
X
X
X
X
X
X
X
X
3/8"X 1 1/2"
OD=16MM O.D.=19MM
3/8"
3/8"X2
3/8"-24UNF
3/8"X2.1/4"
10,3X18,3X3,0MM
(A)
20.057
(A) SOMENTE COM CABINE
-
-
-
-
-
-
-
-
-
-
-
-
-
-
-
-
-
-
ITEM NÚMERO DESCRIÇÃO QTDE OBSERVAÇÕESNO. SÉRIE
TRATORES JOHN DEERE 7500 CPCQ26568 30Jan02
TERMOSTATO/CARCAÇA DO TERMOSTATO
1
2
3
4
5
6
7
8
9
10
11
12
19H3065
R61501
19H3483
J57192
AR21839
R54641
12H304
19H1912
AJ58552
AR61538
R54638
R116137
PARAF SEXT
TAMPA
PARAFUSO
TUBO
ABRAÇADEIRA
JUNTA
ARRUELA PRESSAO
PARAF SEXT
CAIXA
TERMOSTATO
JUNTA
MANGUEIRA
1
1
2
1
2
1
2
2
1
2
1
1
7
5
0
0
X
X
X
X
X
X
X
X
X
X
X
X
3/8"X2
3/8"X1.1/8"
3/8"
3/8"X3.1/2"
MARCADA J56994
20.058
-
-
-
-
-
-
-
-
-
-
-
-
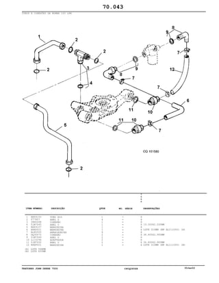
ITEM NÚMERO DESCRIÇÃO QTDE OBSERVAÇÕESNO. SÉRIE
TRATORES JOHN DEERE 7500 CPCQ26568 30Jan02
SENSOR DE TEMPERATURA
1 RE51774 SENSOR AGUA 1
7
5
0
0
X
20.059
-
ITEM NÚMERO DESCRIÇÃO QTDE OBSERVAÇÕESNO. SÉRIE
TRATORES JOHN DEERE 7500 CPCQ26568 30Jan02
LÍQUIDO DE ARREFECIMENTO
1 TY16034 ADITIVO
7
5
0
0
X (A)
20.060
(A) 5 LITROS
-
ITEM NÚMERO DESCRIÇÃO QTDE OBSERVAÇÕESNO. SÉRIE
30Jan02TRATORES JOHN DEERE 7500 CPCQ26568 1D9
INDICE DE GRUPO - INDICE DE GRUPO
30Jan02TRATORES JOHN DEERE 7500 CPCQ26568 1D9
INDICE DE GRUPO - INDICE DE GRUPO
30Jan02TRATORES JOHN DEERE 7500 CPCQ26568 1D9
INDICE DE GRUPO - INDICE DE GRUPO
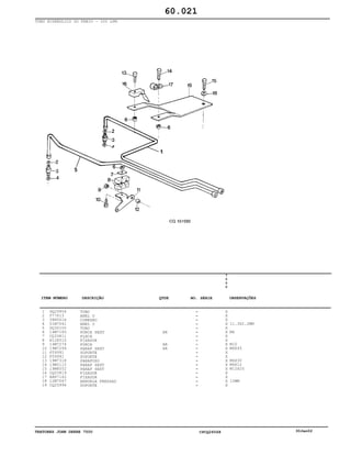
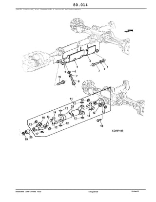
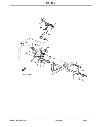
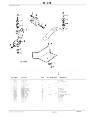
TRATORES JOHN DEERE 7500 CPCQ26568 30Jan02
SUSPENSÃO DO MOTOR
1
2
3
4
5
6
7
8
9
10
11
12
13
14
15
16
17
19M7943
24H1353
RE60720
R95413
CQ28491
RE54513
DQ29533
19M7794
CQ00309
14M7313
19H1824
19H1824
R95412
CQ28492
24M7038
19M8055
19M7214
P59328
19M7784
19M7382
T70659
PARAF SEXT
ARRUELA
ISOLADOR
SUPORTE ESQ
SUPORTE ESQ
SUPORTE
SUPORTE
PARAFUSO SEXT
ARRUELA LISA
PORCA AUTOFREN
PARAF SEXT
PARAF SEXT
SUPORTE DIR
SUPORTE DIR
ARRUELA LISA
PARAF SEXT
PARAF SEXT
SUPORTE
PARAF SEXT
PARAF SEXT
FIXADOR
AR
1
AR
AR
2
4
1
2
2
AR
AR
AR
1074
1414
1074
1073
1413
1073
7
5
0
0
X
X
X
X
X
X
X
X
X
X
X
X
X
X
X
X
X
X
X
X
X
M12X90
0,56"X2,25"
ORD (1) 19H1824
M16X50
13X46MM
M12
5/8"X2.1/4"
5/8"X2.1/4"
ORD (1) 19H1824
14X24MM
M14X55
M12X70
M10X20
M10X40
30.001
-
-
-
-
-
-
-
-
-
-
-
-
-
-
-
-
-
-
-
-
-
ITEM NÚMERO DESCRIÇÃO QTDE OBSERVAÇÕESNO. SÉRIE TRATOR
TRATORES JOHN DEERE 7500 CPCQ26568 30Jan02
30.002
TRATORES JOHN DEERE 7500 CPCQ26568 30Jan02
VENTILADOR/CORREIAS
1
2
3
4
AJ58970
AR64075
19H2676
12H304
CONJ CORREIAS
VENTILADOR
PARAF SEXT
ARRUELA PRESSAO
1
1
4
4
7
5
0
0
X
X
X
X
3/8"X1"
3/8"
30.003
-
-
-
-
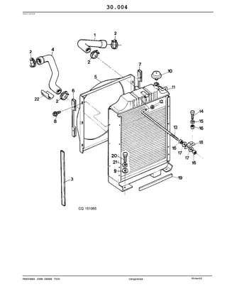
ITEM NÚMERO DESCRIÇÃO QTDE OBSERVAÇÕESNO. SÉRIE
TRATORES JOHN DEERE 7500 CPCQ26568 30Jan02
RADIADOR
30.004
TRATORES JOHN DEERE 7500 CPCQ26568 30Jan02
1
2
3
4
5
6
7
8
9
10
11
12
13
14
15
16
17
18
19
20
21
22
CQ26416
T22486
CQ31041
CQ26414
CQ30587
P59253
CQ30788
CQ34109
P59252
CQ30789
CQ34110
CQ13706
CQ01249
DQ27167
DQ26358
DQ32876
40M7144
P59265
19M7166
12M7066
14M7140
24M7178
CQ60080
CQ25248
19M7139
12M7065
CQ29163
MANGUEIRA
ABRACADEIRA
VEDAÇÃO
MANGUEIRA
ADUTOR
SUPORTE
SUPORTE
SUPORTE
SUPORTE
SUPORTE
SUPORTE
PARAF FENDA
ARRUELA LISA
TAMPA
RADIADOR
RADIADOR
ANEL ELAST
TIRANTE
PARAFUSO SEXT
ARRUELA PRESSAO
PORCA SEXT
ARRUELA LISA
SUPORTE
VEDACAO
PARAFUSO
ARRUELA PRESSAO
VEDAÇÃO
AR
1
AR
AR
AR
AR
AR
AR
1
3758
3758
3757
3757
7
5
0
0
X
X
X
X
X
X
X
X
X
X
X
X
X
X
X
X
X
X
X
X
X
X
X
X
X
X
X
UP
530MM
LOW
LH
LH
LH
RH
RH
RH
6,3X16MM
9X28MM
(A)
M10X20
10MM
M10
10,5X30X2,5MM
M8X20
5MM
30.005
(A) SOMENTE CABINE
-
-
-
-
-
-
-
-
-
-
-
-
-
-
-
-
-
-
-
-
-
-
-
-
-
-
-
ITEM NÚMERO DESCRIÇÃO QTDE OBSERVAÇÕESNO. SÉRIE TRATOR
TRATORES JOHN DEERE 7500 CPCQ26568 30Jan02
RESFRIADOR DE ÓLEO
1
2
3
4
DQ25304
DQ41945
CQ01249
12M7065
19M7162
RESFRIADOR
RESFRIADOR
ARRUELA LISA
ARRUELA PRESSAO
PARAF SEXT
1
1
AR
AR
AR
13870
13869
7
5
0
0
X
X
X
X
X
9X28MM
5MM
M8X16
30.006
-
-
-
-
-
ITEM NÚMERO DESCRIÇÃO QTDE OBSERVAÇÕESNO. SÉRIE
TRATORES JOHN DEERE 7500 CPCQ26568 30Jan02
RESFRIADOR DE ÓLEO - CABINE
1
2
3
4
5
6
7
8
Z35271
AL119566
AL111999
CQ01249
19M7162
L79122
CQ32696
12M7065
DQ32695
ARR DE BORRACHA
RESFRIADOR
RESFRIADOR
ARRUELA LISA
PARAF SEXT
FILTRO
SUPORTE
ARRUELA PRESSAO
SUPORTE
2
1
1
AR
AR
AR
AR
1
10998
10997
7
5
0
0
X
X
X
X
X
X
X
X
X
OR AL119566
9X28MM
M8X16
5MM
30.007
-
-
-
-
-
-
-
-
-
ITEM NÚMERO DESCRIÇÃO QTDE OBSERVAÇÕESNO. SÉRIE
TRATORES JOHN DEERE 7500 CPCQ26568 30Jan02
TUBOS DO RESFRIADOR DE ÓLEO (POWRQUAD)
1
2
3
4
5
6
7
8
9
51M7047
38H5005
T77858
DQ25302
DQ25303
DQ10173
CQ25294
CQ25298
T70659
ANEL O
CONEXAO
ANEL O
TUBO
TUBO
ABRACADEIRA
MANGUEIRA
MANGUEIRA
FIXADOR
13869
13869
13869
13869
13869
13869
13869
13869
13869
7
5
0
0
X
X
X
X
X
X
X
X
X
23,6X2,9MM
LGTH=1870MM
LGTH=2360MM
30.008
-
-
-
-
-
-
-
-
-
ITEM NÚMERO DESCRIÇÃO QTDE OBSERVAÇÕESNO. SÉRIE
TRATORES JOHN DEERE 7500 CPCQ26568 30Jan02
MANGUEIRAS DO RESFRIADOR DE ÓLEO (COM CABINE E SEM CABINE)
1
2
3
4
5
6
7
51M7047
L102171
AL78643
CQ42113
CQ42114
DQ41945
DQ32549
DQ38638
ANEL O
CONEXÃO
CONEXÃO
MANGUEIRA
MANGUEIRA
RESFRIADOR
ABRAÇADEIRA
FIXADOR
2
1
1
1
1
1
4
2
13870
13870
13870
13870
13870
13870
13870
13870
7
5
0
0
X
X
X
X
X
X
X
X
23,6X2,9MM
POWRQUAD
SINCROPLUS
LH
RH
19-38
30.009
-
-
-
-
-
-
-
-
ITEM NÚMERO DESCRIÇÃO QTDE OBSERVAÇÕESNO. SÉRIE
TRATORES JOHN DEERE 7500 CPCQ26568 30Jan02
30.010
TRATORES JOHN DEERE 7500 CPCQ26568 30Jan02
MANGUEIRAS DO RESFRIADOR - CABINE
1
2
3
4
5
CQ33020
DQ32549
CQ32769
CQ25294
CQ25298
REDUTOR
ABRAÇADEIRA
TUBO
MANGUEIRA
MANGUEIRA
13869
13869
13869
13869
13869
7
5
0
0
X
X
X
X
X
LGTH=1870MM
LGTH=2360MM
30.011
-
-
-
-
-
ITEM NÚMERO DESCRIÇÃO QTDE OBSERVAÇÕESNO. SÉRIE
TRATORES JOHN DEERE 7500 CPCQ26568 30Jan02
MANGUERAS DE CALEFAÇÃO
30.012
TRATORES JOHN DEERE 7500 CPCQ26568 30Jan02
1
2
3
4
5
6
7
8
T22486
CQ33644
DQ10173
DQ33663
DQ33675
DQ33662
CQ28556
CQ33645
ABRACADEIRA
MANGUEIRA
ABRACADEIRA
MANGUEIRA
ADAPTADOR
MANGUEIRA
ABRAÇACEIRA AUTOTRAVANTE
MANGUEIRA
4
4
7
5
0
0
X
X
X
X
X
X
X
X
30.013
-
-
-
-
-
-
-
-
ITEM NÚMERO DESCRIÇÃO QTDE OBSERVAÇÕESNO. SÉRIE
TRATORES JOHN DEERE 7500 CPCQ26568 30Jan02
VARETA DE COMANDO DO ACELERADOR
1
2
3
4
5
6
DQ03833
CQ03841
14M7027
CQ29549
T22242
11M7009
TERMINAL
ANEL
PORCA SEXT
HASTE
TERMINAL
CONTRAPINO
1
1
AR
1
1
AR
7
5
0
0
X
X
X
X
X
X
M6
2X16MM
30.014
-
-
-
-
-
-
ITEM NÚMERO DESCRIÇÃO QTDE OBSERVAÇÕESNO. SÉRIE
TRATORES JOHN DEERE 7500 CPCQ26568 30Jan02
PROTEÇÃO DO TANQUE
1
2
3
4
5
DQ38209
DQ38212
DQ25607
DQ38296
DQ38297
PROTEÇAO INFERIOR
PROTEÇÃO SUPERIOR
SUPORTE
SUPORTE
SUPORTE
1
1
1
1
1
7
5
0
0
X
X
X
X
X
30.015
-
-
-
-
-
ITEM NÚMERO DESCRIÇÃO QTDE OBSERVAÇÕESNO. SÉRIE
TRATORES JOHN DEERE 7500 CPCQ26568 30Jan02
PROTEÇÃO DO TANQUE AUXILIAR
1
2
3
4
5
DQ38515
DQ38518
DQ38523
DQ38521
DQ38520
PROTEÇÃO INFERIOR
PROTECAO SUPERIOR
SUPORTE
SUPORTE
SUPORTE
1
1
1
1
1
7
5
0
0
X
X
X
X
X
30.016
-
-
-
-
-
ITEM NÚMERO DESCRIÇÃO QTDE OBSERVAÇÕESNO. SÉRIE
TRATORES JOHN DEERE 7500 CPCQ26568 30Jan02
SUPORTES DO DEPÓSITO DE COMBUSTÍVEL
1
2
3
4
5
6
7
AP32897
DQ25991
19M7387
P60214
19M8049
DQ25607
24M7178
ABRACADEIRA
ABRACADEIRA
PARAF SEXT
SUPORTE
PARAFUSO
SUPORTE
ARRUELA LISA
AR
AR
7
5
0
0
X
X
X
X
X
X
X
M12X40
M10X80
10,5X30X2,5MM
30.017
-
-
-
-
-
-
-
ITEM NÚMERO DESCRIÇÃO QTDE OBSERVAÇÕESNO. SÉRIE
TRATORES JOHN DEERE 7500 CPCQ26568 30Jan02
DEPÓSITO DE COMBUSTÍVEL
30.018
TRATORES JOHN DEERE 7500 CPCQ26568 30Jan02
1
2
3
4
5
6
7
8
9
10
11
12
13
21M7265
SG064.01
CQ29172
CQ25601
DQ24762
AL113086
CQ29104
CQ26211
DQ27500
AL82025
R114843
CQ26320
CQ26321
PARAF FENDA
ABRACADEIRA
MANGUEIRA
MANGUEIRA
BOIA
TAMPA
FILTRO
JUNTA
RESERVATORIO
ABRAÇADEIRA
PLUG
MANGUEIRA
ABRACADEIRA
AR
1
7
5
0
0
X
X
X
X
X
X
X
X
X
X
X
X
X
M5X12
1/2"X5/8"
LGHT=600MM
30.019
-
-
-
-
-
-
-
-
-
-
-
-
-
ITEM NÚMERO DESCRIÇÃO QTDE OBSERVAÇÕESNO. SÉRIE
TRATORES JOHN DEERE 7500 CPCQ26568 30Jan02
SUPORTE DO DEPÓSITO DE COMBUSTÍVEL - AUXILIAR
30.020
TRATORES JOHN DEERE 7500 CPCQ26568 30Jan02
1
2
3
4
5
6
7
8
9
10
11
12
13
14
15
16
DQ25984
DQ39225
19M7285
12M7067
DQ26165
19M7387
24M7038
14M7031
CQ25980
24M7040
12M7066
19M8049
DQ25983
DQ25969
CQ26003
19M7073
DQ25964
CINTA TRAS
CINTA TRAS
PARAFUSO
ARRUELA PRESSAO
CINTA CENTRAL
PARAF SEXT
ARRUELA LISA
PORCA SEXT
SUPORTE
ARRUELA LISA
ARRUELA PRESSAO
PARAFUSO
CINTA DIANT
SUPORTE
SUPORTE
PARAF SEXT
SUPORTE
1
1
AR
AR
1
AR
AR
AR
AR
AR
AR
AR
9950
9949
7
5
0
0
X
X
X
X
X
X
X
X
X
X
X
X
X
X
X
X
X
M12X30
12MM
M12X40
14X24MM
M12
11X21X2MM
10MM
M10X80
M12X50
30.021
-
-
-
-
-
-
-
-
-
-
-
-
-
-
-
-
-
ITEM NÚMERO DESCRIÇÃO QTDE OBSERVAÇÕESNO. SÉRIE
TRATORES JOHN DEERE 7500 CPCQ26568 30Jan02
DEPÓSITO DE COMBUSTÍVEL - AUXILIAR
1
2
3
4
5
6
7
8
9
10
11
12
13
14
15
RE52504
CQ03768
CQ26737
DQ28406
DQ15378
CQ30481
IE032.01
T70659
CQ27504
CQ27514
DQ10173
12M7066
19M7183
CQ28409
CQ29102
RESPIRO
ABRACADEIRA AUTOTRAVANTE
MANGUEIRA
TANQUE AUX
ABRACADEIRA
MANGUEIRA
ESPACADOR
FIXADOR
TUBO
LUVA
ABRACADEIRA
ARRUELA PRESSAO
PARAF SEXT
MANGUEIRA
ABRAÇADEIRA
2
2
2
2
4
AR
AR
7
5
0
0
X
X
X
X
X
X
X
X
X
X
X
X
X
X
X
LGTH=590MM
10MM
M10X40
30.022
-
-
-
-
-
-
-
-
-
-
-
-
-
-
-
ITEM NÚMERO DESCRIÇÃO QTDE OBSERVAÇÕESNO. SÉRIE
TRATORES JOHN DEERE 7500 CPCQ26568 30Jan02
FILTRO DE AR
1
2
3
4
5
6
7
8
DQ28600
DQ04467
DQ04466
19M7167
24M7040
12M7066
14M7140
DQ29090
DQ41395
FILTRO DE AR
ELEM. FILTRANTE
ELEM.FILTRANTE
PARAFUSO SEXT
ARRUELA LISA
ARRUELA PRESSAO
PORCA SEXT
PROTEÇÃO-FILTRO
PROTEÇÃO-FILTRO
1
1
1
AR
AR
AR
AR
1
1 11524
11523
7
5
0
0
X
X
X
X
X
X
X
X
X
M10X25
11X21X2MM
10MM
M10
30.023
-
-
-
-
-
-
-
-
-
ITEM NÚMERO DESCRIÇÃO QTDE OBSERVAÇÕESNO. SÉRIE
TRATORES JOHN DEERE 7500 CPCQ26568 30Jan02
MANGUEIRAS DO FILTRO DE AR
30.024
TRATORES JOHN DEERE 7500 CPCQ26568 30Jan02
1
2
3
4
5
6
RE52702
CQ29162
DQ28503
CQ29163
DQ26315
CQ28791
ABRAÇADEIRA
MANGUEIRA
TUBO
VEDAÇÃO
SENSOR
ADAPTADOR
4
1
1
1
1
1
7
5
0
0
X
X
X
X
X
X
30.025
-
-
-
-
-
-
ITEM NÚMERO DESCRIÇÃO QTDE OBSERVAÇÕESNO. SÉRIE
TRATORES JOHN DEERE 7500 CPCQ26568 30Jan02
SISTEMA DE ESCAPAMENTO
30.026
TRATORES JOHN DEERE 7500 CPCQ26568 30Jan02
1
2
3
4
5
6
7
8
9
10
11
12
13
14
15
16
17
18
19
20
DQ28699
AL82025
CQ28794
DQ28795
19M7193
12M7065
14M7029
19M7162
CQ28948
DQ29487
DQ28552
RE40048
19H2284
12H304
19M7167
12M7066
14M7140
CQ29244
CQ29203
DQ11307
ESCAPAMENTO
ABRAÇADEIRA
MANGUEIRA
ABRAÇADEIRA
PARAFUSO SEXT
ARRUELA PRESSAO
PORCA SEXT
PARAF SEXT
SUPORTE
SUPORTE
SILENCIADOR
ABRACADEIRA
PARAF SEXT
ARRUELA PRESSAO
PARAFUSO SEXT
ARRUELA PRESSAO
PORCA SEXT
REFORÇO
SUPORTE
CORDOALHA
1
2
1
AR
AR
AR
AR
AR
1
1
1
1
AR
AR
AR
AR
AR
1
1
1
7
5
0
0
X
X
X
X
X
X
X
X
X
X
X
X
X
X
X
X
X
X
X
X
M8X20
5MM
M8
M8X16
3/8"X7/8"
3/8"
M10X25
10MM
M10
(A)
30.027
(A) SOMENTE COM CABINE
-
-
-
-
-
-
-
-
-
-
-
-
-
-
-
-
-
-
-
-
ITEM NÚMERO DESCRIÇÃO QTDE OBSERVAÇÕESNO. SÉRIE
TRATORES JOHN DEERE 7500 CPCQ26568 30Jan02
30.028
30Jan02TRATORES JOHN DEERE 7500 CPCQ26568 1E13
INDICE DE GRUPO - INDICE DE GRUPO
30Jan02TRATORES JOHN DEERE 7500 CPCQ26568 1E13
INDICE DE GRUPO - INDICE DE GRUPO
30Jan02TRATORES JOHN DEERE 7500 CPCQ26568 1E13
INDICE DE GRUPO - INDICE DE GRUPO
TRATORES JOHN DEERE 7500 CPCQ26568 30Jan02
SUPORTE DA BATERIA
1
2
3
4
5
6
7
8
9
10
11
12
13
14
15
16
17
18
19
20
21
CQ25813
14M7140
12M7066
19M7166
03M7092
DQ27446
DQ32116
DQ27447
14M7028
12M7064
DQ28074
19M7640
R110554
24M7088
CQ28149
14M7027
14M7020
12M7065
DQ34364
L79226
CQ34360
L79177
VEDACAO
PORCA SEXT
ARRUELA PRESSAO
PARAFUSO SEXT
PARAF FRANCES
SUPORTE
SUPORTE
TAMPA
PORCA SEXT
ARRUELA PRESSAO
SUPORTE
PARAF SEXT
TRINCO
ARRUELA LISA
CANTONEIRA
PORCA SEXT
PORCA BORBOLETA
ARRUELA PRESSAO
SUPORTE
TRINCO
TAMPA
TERMINAL ESFÉRICO
AR
AR
AR
1
AR
AR
7676
7676
7676
7676
7675
7675
7675
7
5
0
0
X
X
X
X
X
X
X
X
X
X
X
X
X
X
X
X
X
X
X
X
X
X
M10
10MM
M10X20
M6X16
(A)
M5
5MM
M5X12
6.6X12.5X1.6
M6
M8
5MM
40.001
(A) CABINE
-
-
-
-
-
-
-
-
-
-
-
-
-
-
-
-
-
-
-
-
-
-
ITEM NÚMERO DESCRIÇÃO QTDE OBSERVAÇÕESNO. SÉRIE
TRATORES JOHN DEERE 7500 CPCQ26568 30Jan02
BATERIA E CABOS
1
2
3
4
DQ30879
DQ30878
DQ41555
AP32859
DQ25557
CQ03753
CABO
CABO
CABO
CABO
BATERIA
ABRACADEIRA 3
12786
12785
7
5
0
0
X
X
X
X
X
X
(A)
(B)
(A)
SUB DQ45431
12V 150AH
40.002
(A)
(B)
COM MOTOR DE PARTIDA LUCAS - ARGENTINA
COM MOTOR DE PARTIDA DENSO
-
-
-
-
-
-
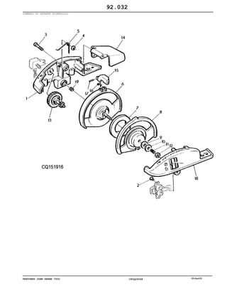
ITEM NÚMERO DESCRIÇÃO QTDE OBSERVAÇÕESNO. SÉRIE
TRATORES JOHN DEERE 7500 CPCQ26568 30Jan02
MOTOR DE PARTIDA (LUCAS)
1
2
3
AJ59109
NSEP069
AJ58542
AJ59342
RE509857
19H3483
12H304
MOTOR ARRANQUE
MOTOR ARRANQUE
MOTOR ARRANQUE
MOTOR PARTIDA
MOTOR PARTIDA
PARAFUSO
ARRUELA PRESSAO
1
1
1
1
1
3
3
XXXXXX
XXXXXX
15209
XXXXXX
XXXXXX
XXXXXX
15208
7
5
0
0
X
X
X
X
X
X
X
LUCAS (A)
ORD RE70959
LUCAS
3/8"X1.1/8"
3/8"
40.003
-
-
-
-
-
-
-
ITEM NÚMERO DESCRIÇÃO QTDE OBSERVAÇÕESNO. SÉRIE MOTOR
TRATORES JOHN DEERE 7500 CPCQ26568 30Jan02
MOTOR DE PARTIDA E COMPONENTES LUCAS
40.004
TRATORES JOHN DEERE 7500 CPCQ26568 30Jan02
1
2
3
4
5
6
7
8
9
10
11
12
13
14
15
16
17
18
19
20
21
22
23
24
25
26
27
28
29
30
31
32
33
34
35
36
37
38
39
40
41
42
43
44
45
46
J53073
J53050
J53051
J53052
J53038
J53038
AJ52481
J53039
J53053
J53054
J53697
J53698
J53057
J53700
J53058
J53059
J53060
J53037
J53045
AJ52485
AJ52486
J53061
J53062
AJ52464
J53046
J53047
J53063
J53064
J53065
J57272
J53040
J53042
AJ52482
J53041
J53043
J53048
J53074
J53044
J53067
J53068
AJ52483
AJ58737
J53069
J53070
J53071
J53072
AJ53422
J53699
J53864
J53992
PARAFUSO
ARRUELA
ARRUELA
ANEL
PARAFUSO
PARAFUSO
ABRACADEIRA
PORCA
PARAFUSO
ANEL O
ISOLADOR
TERMINAL
ISOLANTE
BOBINA
ESPACADOR
ESPACADOR
ESPACADOR
FITA
BUCHA
JOGO DE MOLAS
TAMPA
PARAFUSO
ARRUELA
ESCOVA
PORCA
ARRUELA
ESPACADOR
ARRUELA
RETENTOR
IMPULSOR
RETENTOR
ANEL
CONJ TAMPA
VEDACAO
BUCHA
ESPACADOR
INDUZIDO
BUCHA
PARAFUSO
ARRUELA
CARCACA
CAPA IMPULSOR
PINO
ALAVANCA
ANEL ELASTICO
JUNTA
SOLENOIDE
ARRUELA
PROTECAO
PORCA
2
2
2
2
1
1
1
1
4
1
1
1
2
1
AR
AR
1
1
1
2
1
4
4
1
1
1
1
1
1
1
1
2
1
1
1
1
1
1
2
2
1
1
1
1
1
1
1
1
1
1
XXXXXX
XXXXXX
XXXXXX
XXXXXX
XXXXXX
XXXXXX
XXXXXX
XXXXXX
XXXXXX
XXXXXX
XXXXXX
XXXXXX
XXXXXX
XXXXXX
XXXXXX
XXXXXX
XXXXXX
XXXXXX
XXXXXX
XXXXXX
XXXXXX
XXXXXX
XXXXXX
XXXXXX
XXXXXX
XXXXXX
XXXXXX
XXXXXX
XXXXXX
XXXXXX
XXXXXX
XXXXXX
XXXXXX
XXXXXX
XXXXXX
XXXXXX
XXXXXX
XXXXXX
XXXXXX
XXXXXX
XXXXXX
XXXXXX
XXXXXX
XXXXXX
XXXXXX
XXXXXX
XXXXXX
XXXXXX
XXXXXX
XXXXXX
7
5
0
0
X
X
X
X
X
X
X
X
X
X
X
X
X
X
X
X
X
X
X
X
X
X
X
X
X
X
X
X
X
X
X
X
X
X
X
X
X
X
X
X
X
X
X
X
X
X
X
X
X
X
40.005
-
-
-
-
-
-
-
-
-
-
-
-
-
-
-
-
-
-
-
-
-
-
-
-
-
-
-
-
-
-
-
-
-
-
-
-
-
-
-
-
-
-
-
-
-
-
-
-
-
-
ITEM NÚMERO DESCRIÇÃO QTDE OBSERVAÇÕESNO. SÉRIE MOTOR
TRATORES JOHN DEERE 7500 CPCQ26568 30Jan02
MOTOR DE PARTIDA (C0MPONENTES) - PRESTOLITE
1
2
3
4
5
6
7
8
9
AJ59342
AJ60106
AJ60107
AJ60108
AJ60110
AJ60111
AJ60112
AJ60113
AJ60115
MOTOR PARTIDA
KIT SOLENOIDE
KIT ALAVANCA
KIT IMPULSOR
KIT REDUÇÃO
KIT BOBINA
KIT ESCOVAS
CONJ. PLACA PORTA
KIT BUCHAS
1
1
1
1
1
1
1
1
1
12786
12786
12786
12786
12786
12786
12786
12786
12786
7
5
0
0
X
X
X
X
X
X
X
X
X
(A)
40.006
(A) ARGENTINA
-
-
-
-
-
-
-
-
-
ITEM NÚMERO DESCRIÇÃO QTDE OBSERVAÇÕESNO. SÉRIE
TRATORES JOHN DEERE 7500 CPCQ26568 30Jan02
40.007
TRATORES JOHN DEERE 7500 CPCQ26568 30Jan02
MOTOR DE PARTIDA E COMPONENTES LUCAS - SOMENTE ARGENTINA
40.008
TRATORES JOHN DEERE 7500 CPCQ26568 30Jan02
1
2
3
4
5
6
7
8
9
AJ59109
AJ59342
RE509857
AJ53422
J57097
J53070
J57272
AJ58813
AJ58814
AJ58815
J53700
MOTOR ARRANQUE
MOTOR PARTIDA
MOTOR PARTIDA
SOLENOIDE
PROTETOR
ALAVANCA
IMPULSOR
CONJ TAMPA
CONJ MOLAS
KIT DE ESCOVAS
BOBINA
1
1
1
1
1
1
1
1
1
1
1
XXXXXX
XXXXXX
15209
XXXXXX
XXXXXX
XXXXXX
XXXXXX
XXXXXX
XXXXXX
XXXXXX
XXXXXX
XXXXXX
15208
7
5
0
0
X
X
X
X
X
X
X
X
X
X
X
LUCAS NO.35258770
LUCAS NO.35640780
LUCAS NO.35640495
LUCAS NO.35255903
LUCAS NO.35255860
LUCAS NO.35257678
LUCAS NO.35257677
LUCAS NO. 35258664
40.009
-
-
-
-
-
-
-
-
-
-
-
ITEM NÚMERO DESCRIÇÃO QTDE OBSERVAÇÕESNO. SÉRIE MOTOR
TRATORES JOHN DEERE 7500 CPCQ26568 30Jan02
MOTOR DE PARTIDA E COMPONENTES - DENSO
40.010
TRATORES JOHN DEERE 7500 CPCQ26568 30Jan02
1
2
3
4
5
6
7
8
9
10
11
12
13
14
15
16
17
RE70756
R96703
T146102
T146517
T146515
T146516
T146104
T146106
R135509
R135510
RE70679
RE70682
RE71256
M3636T
14H1076
19H2633
RE70959
12H304
14M7031
12M7067
24M7240
DQ11307
KIT
PRESILHA
ETIQUETA
ETIQUETA
ETIQUETA
ETIQUETA
ETIQUETA
ETIQUETA
JUNTA
ANEL O
INTERRUPTOR
EMBREAGEM
PARAFUSO C/ARRUELA
PRISIONEIRO
PORCA
PARAF SEXT
MOTOR DE PARTIDA
ARRUELA PRESSAO
PORCA SEXT
ARRUELA PRESSAO
ARRUELA LISA
CORDOALHA
1
1
1
1
1
1
1
1
1
1
1
1
1
1
1
3
1
3
1653
1653
1653
1653
1653
1653
1653
1653
1653
1653
1653
1653
1653
1653
1653
1653
1653
1653
7
5
0
0
X
X
X
X
X
X
X
X
X
X
X
X
X
X
X
X
X
X
X
X
X
X
3/8"
3/8"X 1 1/2"
MARKED RE70473
3/8" MARKED RE70473
M12
12MM
13X25X3
40.011
-
-
-
-
-
-
-
-
-
-
-
-
-
-
-
-
-
-
-
-
-
-
ITEM NÚMERO DESCRIÇÃO QTDE OBSERVAÇÕESNO. SÉRIE
TRATORES JOHN DEERE 7500 CPCQ26568 30Jan02
SUPORTE DO COMPRESSOR AR CONDICIONADO
40.012
TRATORES JOHN DEERE 7500 CPCQ26568 30Jan02
1
2
3
4
5
6
7
8
9
10
11
12
13
19M7167
19M7066
24M7040
CQ34235
CQ34246
19M8007
14M7140
19M8260
CQ02836
19H444
CQ34247
DQ37978
CQ34052
PARAFUSO SEXT
ARRUELA PRESSÃO
ARRUELA LISA
CHAPA DOBRADA
ESPAÇADOR
PARAF SEXT
PORCA SEXT
PARAFUSO
PARAFUSO
PARAFUSO
FIXADOR
SUPORTE
ESPAÇADOR
AR
AR
AR
1
1
AR
AR
AR
AR
AR
AR
AR
AR
7
5
0
0
X
X
X
X
X
X
X
X
X
X
X
X
X
M10X25
11X21X2MM
M10X25
M10
M10X40
1/12"
40.013
(A) CABINE
-
-
-
-
-
-
-
-
-
-
-
-
-
ITEM NÚMERO DESCRIÇÃO QTDE OBSERVAÇÕESNO. SÉRIE
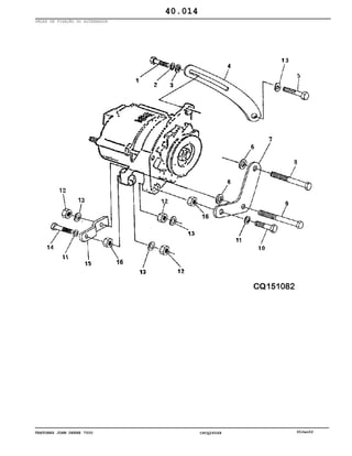
TRATORES JOHN DEERE 7500 CPCQ26568 30Jan02
PEÇAS DE FIXAÇÃO DO ALTERNADOR
40.014
TRATORES JOHN DEERE 7500 CPCQ26568 30Jan02
1
2
3
4
5
6
7
8
9
10
11
12
13
14
15
16
19H2127
19M7163
12H303
12M7065
24H1292
24M7055
J52521
CQ36003
19H1726
24H1305
J57066
CQ35991
19H3065
19H2732
19H3239
19M7288
24H1305
14H812
12H304
19H3217
19M7301
J56701
CQ35992
14H1076
14M7029
PARAF SEXT
PARAFUSO SEXT
ARRUELA PRESSAO
ARRUELA PRESSAO
ARRUELA
ARRUELA
TENSOR
TENSOR
PARAF SEXT
ARRUELA
SUPORTE
SUPORTE
PARAF SEXT
PARAF SEXT
PARAFUSO
PARAFUSO
ARRUELA
PORCA SEXT
ARRUELA PRESSAO
PARAFUSO
PARAF SEXT
SUPORTE
CONTRA SUPORTE
PORCA
PORCA SEXT
1
1
1
3
1
3
1
1
1
2
1
1
1
1
1
1
2
3
4
1
1
1
1
2
2
7
5
0
0
X
X
X
X
X
X
X
X
X
X
X
X
X
X
X
X
X
X
X
X
X
X
X
X
X
5/16"X7/8"
M8X25 (B)
5/16"
5MM (B)
8,7X19X3MM
(B)
(B)
3/8"X2.1/4"
13/32"X13/16
(B)
3/8"X2
3/8"X2 3/4"
3/8"X1-1/4"
M8X30 (B)
13/32"X13/16
3/8"
3/8"
3/8"X1-3/4"
M8X40 (B)
(B)
3/8"
M8 (B)
40.015
(A) SOMENTE COM CABINE
-
-
-
-
-
-
-
-
-
-
-
-
-
-
-
-
-
-
-
-
-
-
-
-
-
ITEM NÚMERO DESCRIÇÃO QTDE OBSERVAÇÕESNO. SÉRIE
TRATORES JOHN DEERE 7500 CPCQ26568 30Jan02
ALTERNADOR E COMPONENTES
1
2
3
4
5
6
7
8
AJ58834
AJ58806
AJ58166
AJ58846
AJ58808
J57081
J53892
AJ58541
CONJ ROTOR
CONJ REGULADOR
CONJ ESCOVAS
CONJ PLACA
CONJ ROLAMENTO
POLIA
VENTILADOR
ALTERNADOR
1
1
1
1
1
1
1
1
7
5
0
0
X
X
X
X
X
X
X
X
LUCAS NO.35213492
LUCAS JD 01
LUCAS NO.35212753
LUCAS JD 06
FRONT LUCAS NO.JD03
LUCAS NO.35214149
LUCAS NO.35211738
12V-52A LUCAS NO.35213492
40.016
-
-
-
-
-
-
-
-
ITEM NÚMERO DESCRIÇÃO QTDE OBSERVAÇÕESNO. SÉRIE
TRATORES JOHN DEERE 7500 CPCQ26568 30Jan02
ALTERNADOR
1
2
3
4
AJ58541
AJ58637
J57081
DQ37383
AJ58970
ALTERNADOR
ALTERNADOR
POLIA
CONJ. ALTERNADOR
CONJ CORREIAS
1
1
1
1
7
5
0
0
X
X
X
X
X
12V-52A
(A)
40.017
(A) COM CABINE
-
-
-
-
-
ITEM NÚMERO DESCRIÇÃO QTDE OBSERVAÇÕESNO. SÉRIE
TRATORES JOHN DEERE 7500 CPCQ26568 30Jan02
FAROLETE DIANTEIRO
1
2
3
4
5
6
7
8
9
10
11
RE48990
AL78675
57M7289
L58892
L113561
21M7460
24M7038
14M7367
57M7256
RE60765
57M7166
FAROLETE
SUPORTE
CONECTOR
ARRUELA
SUPORTE
PARAF FENDA
ARRUELA LISA
PORCA SEXT
CONECTOR
LENTE
LAMPADA
2
AR
AR
AR
7
5
0
0
X
X
X
X
X
X
X
X
X
X
X
14X24MM
M12X1,25 MP150
H4-12V.60/55W
40.018
-
-
-
-
-
-
-
-
-
-
-
ITEM NÚMERO DESCRIÇÃO QTDE OBSERVAÇÕESNO. SÉRIE
TRATORES JOHN DEERE 7500 CPCQ26568 30Jan02
40.019
TRATORES JOHN DEERE 7500 CPCQ26568 30Jan02
LUZES INTERMITENTES E DE POSIÇÃO
1
2
3
4
5
6
7
8
9
10
AL75641
L75588
57M7014
57M6498
AL75642
19M8700
R110386
R110387
21M7465
24M7362
SINALEIRA
SINALEIRA
LAMPADA
LAMPADA
SINALEIRA
PARAF SEXT
SUPORTE
TAMPA
PARAFUSO
ARRUELA
1
1
1
1
2
4
2
2
2
4
7
5
0
0
X
X
X
X
X
X
X
X
X
X
M8X25
M5X12
40.020
-
-
-
-
-
-
-
-
-
-
ITEM NÚMERO DESCRIÇÃO QTDE OBSERVAÇÕESNO. SÉRIE
TRATORES JOHN DEERE 7500 CPCQ26568 30Jan02
LUZ DE SERVIÇO
1
2
3
4
5
6
7
8
9
10
11
12
13
14
15
16
17
18
19
RE48990
R106603
R106554
R106555
19M7009
24M7362
R106604
19M7560
14M7272
T63817
57M7256
57M7289
AT130104
14M7166
24M7026
19M7269
37M7177
L110367
RE60765
FAROLETE
ELO
SUPORTE
SUPORTE
PARAFUSO
ARRUELA
REFORÇO
PARAF SEXT
PORCA
GUARNIÇÃO
CONECTOR
CONECTOR
LAMPADA
PORCA SEXT
ARRUELA LISA
PARAFUSO
PARAFUSO
ARRUELA
LENTE
AR
AR
AR
AR
AR
AR
AR
AR
AR
AR
AR
AR
1
AR
1
1
2
AR
AR
7
5
0
0
X
X
X
X
X
X
X
X
X
X
X
X
X
X
X
X
X
X
X
M8X20
M6X16
M6
M8
9X17X1,6
M8X50
40.021
-
-
-
-
-
-
-
-
-
-
-
-
-
-
-
-
-
-
-
ITEM NÚMERO DESCRIÇÃO QTDE OBSERVAÇÕESNO. SÉRIE
TRATORES JOHN DEERE 7500 CPCQ26568 30Jan02
SINALEIRA TRASEIRA
40.022
TRATORES JOHN DEERE 7500 CPCQ26568 30Jan02
1
2
3
4
5
6
7
8
9
10
11
12
13
14
15
DQ24553
DQ08098
DQ24790
21M7364
14M7028
12M7064
24M7087
CQ05126
12M7067
14M7031
AL112964
AL112012
57M7014
57M7011
CQ25923
AL113022
SINALEIRA
LAMPADA
ADAPTADOR
PARAF FENDA
PORCA SEXT
ARRUELA PRESSAO
ARRUELA LISA
ARRUELA LISA
ARRUELA PRESSAO
PORCA SEXT
SINALEIRA
SINALEIRA
LAMPADA
LAMPADA
VEDACAO
CHICOTE
AR
AR
AR
AR
AR
AR
AR
2
2
2
2
2242
2242
2241
7
5
0
0
X
X
X
X
X
X
X
X
X
X
X
X
X
X
X
X
INCL KEYS 2 (A)
15W (A)
(A)
M6X20 (A)
M5
5MM
5,5X10MM
14X40X3 (A)
12MM (A)
M12 (A)
ORD W/AL113022
40.023
(A) PARA EXPORTAÇÃO
-
-
-
-
-
-
-
-
-
-
-
-
-
-
-
-
ITEM NÚMERO DESCRIÇÃO QTDE OBSERVAÇÕESNO. SÉRIE
TRATORES JOHN DEERE 7500 CPCQ26568 30Jan02
FAROIS DE SERVIÇO (ESTRUTURA DE SEGURANÇA 4 POSTES TRASEIRO)
1
2
DQ33944
AS04903
FAROL
LAMAPADA
7
5
0
0
X
X
40.024
-
-
ITEM NÚMERO DESCRIÇÃO QTDE OBSERVAÇÕESNO. SÉRIE
TRATORES JOHN DEERE 7500 CPCQ26568 30Jan02
FARÓIS DE SERVIÇO (ESTRUTURA DE SEGURANÇA 4 POSTES, DIANTEIROS CENTRAL)
1
2
DQ25853
AS04904
FAROL
LAMPADA
7
5
0
0
X
X
40.025
-
-
ITEM NÚMERO DESCRIÇÃO QTDE OBSERVAÇÕESNO. SÉRIE
TRATORES JOHN DEERE 7500 CPCQ26568 30Jan02
LUZ DE ADVERTÊNCIA
1
2
3
4
5
6
7
8
9
10
11
12
13
14
DQ26685
DQ26686
19M6414
R117451
CQ26157
CQ26156
R117420
R54782
AR60250
26687
R117421
AD2062R
R61179
R54779
R54781
12M7006
SINALEIRA DIR
SINALEIRA ESQ
PARAFUSO
PROTECAO
SUPORTE ESQ
SUPORTE DIR
CAPA
JUNTA
SINALEIRA
TUBO
SUPORTE
LAMPADA
JUNTA
LENTE
PARAFUSO
ARRUELA PRESSAO
AR
2
2
2
2
2
2
2
AR
AR
7
5
0
0
X
X
X
X
X
X
X
X
X
X
X
X
X
X
X
X
M6X12
6MM
40.026
-
-
-
-
-
-
-
-
-
-
-
-
-
-
-
-
ITEM NÚMERO DESCRIÇÃO QTDE OBSERVAÇÕESNO. SÉRIE
TRATORES JOHN DEERE 7500 CPCQ26568 30Jan02
FARÓIS DIANTEIROS
1
2
DQ25062
AS04903
FAROL
LAMAPADA
7
5
0
0
X
X
INCL KEYS 2
40.027
-
-
ITEM NÚMERO DESCRIÇÃO QTDE OBSERVAÇÕESNO. SÉRIE
TRATORES JOHN DEERE 7500 CPCQ26568 30Jan02
CHICOTE PRINCIPAL - SEM CABINE
1
2
3
DQ25873
DQ30187
DQ34655
CQ36690
CQ03769
CHICOTE
CHICOTE
CHICOTE
CHICOTE
ABRACADEIRA
2
1
1
1
1
6479
10029
6478
10028
7
5
0
0
X
X
X
X
X
ORD W/DQ34349
ALSO ORDER AL113022
40.028
-
-
-
-
-
ITEM NÚMERO DESCRIÇÃO QTDE OBSERVAÇÕESNO. SÉRIE
TRATORES JOHN DEERE 7500 CPCQ26568 30Jan02
CHICOTE PRINCIPAL - CABINE
1 DQ31381
DQ34656
DQ36692
CHICOTE
CHICOTE
CHICOTE
6479
9440
6478
9439
7
5
0
0
X
X
X
40.029
-
-
-
ITEM NÚMERO DESCRIÇÃO QTDE OBSERVAÇÕESNO. SÉRIE TRATOR
TRATORES JOHN DEERE 7500 CPCQ26568 30Jan02
CHICOTES, TETO DA CABINE
1
2
3
DQ32751
L100781
L100782
CHICOTE CABINE
GUARNIÇÃO
GUARNIÇÃO
1
2
1
7
5
0
0
X
X
X
40.030
-
-
-
ITEM NÚMERO DESCRIÇÃO QTDE OBSERVAÇÕESNO. SÉRIE
TRATORES JOHN DEERE 7500 CPCQ26568 30Jan02
CHICOTES, CALEFAÇÃO E AR CONDICIONADO
1
2
3
4
5
6
L111184
R44302
L38053
AL110589
L111127
A3411R
CLIPE
CINTA
GUARNIÇÃO
CHICOTE
CLIPE
GUARNIÇÃO
3
1
1
1
1
1
7
5
0
0
X
X
X
X
X
X
40.031
-
-
-
-
-
-
ITEM NÚMERO DESCRIÇÃO QTDE OBSERVAÇÕESNO. SÉRIE
TRATORES JOHN DEERE 7500 CPCQ26568 30Jan02
40.032
TRATORES JOHN DEERE 7500 CPCQ26568 30Jan02
CHICOTES, UCLH
1
2
3
4
5
6
DQ25998
DQ32786
RE170904
14M7029
12M7065
19M7162
RE43542
CHICOTE
CHICOTE
CONTROLADOR DE LEVANTE
PORCA SEXT
ARRUELA PRESSAO
PARAF SEXT
DIODO
7
5
0
0
X
X
X
X
X
X
X
(A)
(B)
M8
5MM
M8X16
40.033
(A)
(B)
SEM CABINE
COM CABINE
-
-
-
-
-
-
-
ITEM NÚMERO DESCRIÇÃO QTDE OBSERVAÇÕESNO. SÉRIE
TRATORES JOHN DEERE 7500 CPCQ26568 30Jan02
CAIXA DE FUSÍVEIS (FUSÍVEIS, DIODOS E RELÉS)
40.034
TRATORES JOHN DEERE 7500 CPCQ26568 30Jan02
1
2
3
4
5
6
7
8
9
10
11
12
13
14
15
16
17
18
19
20
21
22
23
24
25
AP32844
19M6614
12M7006
RE48875
CQ33338
14M7274
24M7087
14M7028
24M7088
14M7027
RE43737
RE43737
57M7120
57M7146
RE49724
RE49726
P60241
RE39967
RE48876
19M7560
L59800
AL76596
DQ34348
57M7594
57M7508
57M7509
57M7252
57M7429
57M7511
R104921
CHAPA
PARAFUSO
ARRUELA PRESSAO
CAIXA
SUPORTE
PORCA
ARRUELA LISA
PORCA SEXT
ARRUELA LISA
PORCA SEXT
SUPORTE
SUPORTE
FUSIVEL
FUSIVEL
SUPORTE
SUPORTE
TAMPA
DIODO
RELE
PARAF SEXT
GRAMPO
DIODO
CHICOTE RECUPERAÇÃO
TERMINAL
TERMINAL
TERMINAL
TERMINAL
TERMINAL
TERMINAL
CONECTOR
AR
AR
1
AR
AR
AR
AR
AR
1
2
AR
AR
3
2
AR
7
5
0
0
X
X
X
X
X
X
X
X
X
X
X
X
X
X
X
X
X
X
X
X
X
X
X
X
X
X
X
X
X
X
(A)
M6X12
6MM
INCL KEYS 6
M10
5,5X10MM
M5
6.6X12.5X1.6
M6
(A)
(B)
20A
30A
(A)
M6X16
OD 4MM
OD 1,0 - 1,5MM
OD 2,5 - 4MM
OD 2,5MM
OD 1,00 - 1,5MM
OD 0,5 - 0,75MM
40.035
(A)
(B)
SEM CABINE
COM CABINE
-
-
-
-
-
-
-
-
-
-
-
-
-
-
-
-
-
-
-
-
-
-
-
-
-
-
-
-
-
-
ITEM NÚMERO DESCRIÇÃO QTDE OBSERVAÇÕESNO. SÉRIE
TRATORES JOHN DEERE 7500 CPCQ26568 30Jan02
DIODO
1
2
3
4
14M7029
12M7065
19M7162
RE43542
PORCA SEXT
ARRUELA PRESSAO
PARAF SEXT
DIODO
7
5
0
0
X
X
X
X
M8
5MM
M8X16
40.036
-
-
-
-
ITEM NÚMERO DESCRIÇÃO QTDE OBSERVAÇÕESNO. SÉRIE
TRATORES JOHN DEERE 7500 CPCQ26568 30Jan02
40.037
TRATORES JOHN DEERE 7500 CPCQ26568 30Jan02
RELÉ DE CIRCUITO DE PARTIDA
1
2
3
4
5
6
7
8
9
10
11
12
13
RE38391
19M6614
12H295
14H785
12M7065
14H785
R113164
RE49735
RE49736
RE48867
R113189
CQ03753
14M7027
RELE
PARAFUSO
ARRUELA PRESSAO
PORCA SEXT
ARRUELA PRESSAO
PORCA SEXT
PROTECAO
CABO
CABO
CAIXA
REBITE
ABRACADEIRA
PORCA SEXT
AR
AR
AR
AR
AR
4
AR
7
5
0
0
X
X
X
X
X
X
X
X
X
X
X
X
X
M6X12
3/16"
5/16"
5MM
5/16"
6,2X16,5
M6
40.038
-
-
-
-
-
-
-
-
-
-
-
-
-
ITEM NÚMERO DESCRIÇÃO QTDE OBSERVAÇÕESNO. SÉRIE
TRATORES JOHN DEERE 7500 CPCQ26568 30Jan02
CAIXA DE FUSÍVEIS (CABINE)
1
2
3
4
5
6
7
8
9
CQ10218
CQ01248
12M7006
DQ31902
CQ32740
UN4808
DQ39771
CQ32739
DQ39152
DQ42404
PARAF FENDA
ARRUELA LISA
ARRUELA PRESSAO
TAMPA
VEDAÇÃO
VEDAÇÃO
VEDAÇÃO
VEDAÇÃO
SUPORTE
SUPORTE
AR
AR
AR
1
1
2
1
2
1
1
7
5
0
0
X
X
X
X
X
X
X
X
X
X
M6X16
6,4X18MM
6MM
SUB L152250
PARA BOMBA 100LPM
PARA BOMBA 60LPM
40.039
-
-
-
-
-
-
-
-
-
-
ITEM NÚMERO DESCRIÇÃO QTDE OBSERVAÇÕESNO. SÉRIE
TRATORES JOHN DEERE 7500 CPCQ26568 30Jan02
CHICOTE DO LIMPADOR PARABRISAS
1
2
3
4
5
24M7055
L40484
L101519
L101338
14M7029
ARRUELA
CINTO
CLIPE
SUPORTE
PORCA SEXT
7
5
0
0
X
X
X
X
X M8
40.040
-
-
-
-
-
ITEM NÚMERO DESCRIÇÃO QTDE OBSERVAÇÕESNO. SÉRIE
TRATORES JOHN DEERE 7500 CPCQ26568 30Jan02
CABO INTERMDIÁRIO
1 DQ35930
DQ37329
CABO
CABO
7
5
0
0
X
X
W/CABINE
W/O CABINE
40.041
-
-
ITEM NÚMERO DESCRIÇÃO QTDE OBSERVAÇÕESNO. SÉRIE
TRATORES JOHN DEERE 7500 CPCQ26568 30Jan02
SUPORTE DA CAIXA DE FERRAMENTAS - CABINE
40.042
TRATORES JOHN DEERE 7500 CPCQ26568 30Jan02
1
2
3
4
5
6
7
8
9
10
11
12
13
14
15
16
17
18
19
20
21
22
23
24
25
26
27
28
29
30
31
32
33
34
35
36
37
38
39
57M7289
57M7258
R104846
57M7254
57M7328
57M7256
R104919
57M7317
57M7255
57M7257
57M7265
57M7291
57M7260
57M7263
57M7364
57M7264
57M7283
57M7306
57M7258
57M7298
57M7309
57M7304
57M7285
R78059
57M7469
R104701
57M7496
U46662
51M7347
57M7161
57M7508
57M7509
R78056
R78057
R104921
R78058
Z44689
L36681
M75140
R78063
CONECTOR
VEDADOR
TERMINAL
CONECTOR
CONECTOR
CONECTOR
TERMINAL
CONECTOR
CONECTOR
CONECTOR
CONECTOR
CONECTOR
CONECTOR
CONECTOR
CONECTOR
CONECTOR
CONECTOR
CONECTOR
VEDADOR
CONECTOR
CONECTOR
CONECTOR
CONECTOR
PLUG
CONECTOR
TERMINAL
TERMINAL
TERMINAL
CONECTOR
TERMINAL
TERMINAL
TERMINAL
CONECTOR
TERMINAL CILIND.FEMEA
CONECTOR
TERMINAL
VEDADOR
TERMINAL
CLIP
TERMINAL
7
5
0
0
X
X
X
X
X
X
X
X
X
X
X
X
X
X
X
X
X
X
X
X
X
X
X
X
X
X
X
X
X
X
X
X
X
X
X
X
X
X
X
X
TK=1,0MM
SUB FOR 57M7252
2,0MM 2/3.7MM
3.00MM 2/3.9MM
TK=1,0MM 2/2,5
OD 1,0 - 1,5MM
OD 2,5 - 4MM
TK=0,8MM 213MM
TK=0,8MM 213MM
I.D.=2,0 - 4,0
40.043
-
-
-
-
-
-
-
-
-
-
-
-
-
-
-
-
-
-
-
-
-
-
-
-
-
-
-
-
-
-
-
-
-
-
-
-
-
-
-
-
ITEM NÚMERO DESCRIÇÃO QTDE OBSERVAÇÕESNO. SÉRIE
TRATORES JOHN DEERE 7500 CPCQ26568 30Jan02
TERMINAIS E CONECTORES ELÉTRICOS
40.044
TRATORES JOHN DEERE 7500 CPCQ26568 30Jan02
1
2
3
4
5
6
7
8
9
10
11
12
13
14
15
16
17
18
19
20
21
22
23
24
25
26
27
28
29
30
31
32
33
34
35
36
37
38
39
40
41
42
RE68327
57M7385
E64911
CQ09403
57M7472
57M7624
M117518
57M7349
57M7472
RE42192
CQ22886
CQ10886
R74993
T28583
RE41949
57M7557
57M7564
57M7572
57M7262
RE46736
R104846
57M7258
57M7511
U46662
57M7498
57M7511
57M7429
CQ22885
R104846
57M7258
57M7347
57M7170
57M7064
57M7842
57M7363
57M7385
57M7384
57M7253
57M7624
57M7089
57M7106
57M7341
57M7103
57M7041
57M7104
57M7229
R104701
57M7316
57M7292
57M7290
57M7253
R104701
CONECTOR
CONECTOR
CONECTOR
PORTA-RECEPTAC
CONECTOR
CONECTOR
CONECTOR
CONECTOR
CONECTOR
CONECTOR
CONECTOR
PORTA-RECEPTAC
PROTETOR
CONECTOR
CONECTOR
TERMINAL
TERMINAL
TERMINAL
CONECTOR
CONECTOR
TERMINAL
VEDADOR
TERMINAL
TERMINAL
TERMINAL
TERMINAL
TERMINAL
TERMINAL
TERMINAL
VEDADOR
CONECTOR
CORPO RECEPTÁCULO
CORPO DE RECEPTACULO
TERMINAL
CORPO DE RECEPTÁCULO
CONECTOR
CORPO DE RECEPTACULO
RECEPTÁCULO
CONECTOR
TERMINAL
TERMINAL
TERMINAL
TERMINAL
TERMINAL
TERMINAL
TERMINAL
TERMINAL
CONECTOR
CONECTOR
CONECTOR
RECEPTÁCULO
TERMINAL
7
5
0
0
X
X
X
X
X
X
X
X
X
X
X
X
X
X
X
X
X
X
X
X
X
X
X
X
X
X
X
X
X
X
X
X
X
X
X
X
X
X
X
X
X
X
X
X
X
X
X
X
X
X
X
X
TK=1,5MM
TK=1,0MM
TK=2,5MM
(ALSO ORDER (8) 57M7429)
TK=1,0MM
OD 0,5 - 0,75MM
TK=2,5MM
OD 0,5 - 0,75MM
OD 1,00 - 1,5MM
TK=1,0MM
PRETO,NEGRO,BLACK
AMARELO,AMARILLO,YELLOW
VERMELHO,ROJO,RED
TK=1,5MM
TK=4,0MM
TK=6,0MM
TK=1,5MM
TK=2,5MM
TK=6,0MM
TK=1,0MM
TK=1,0MM 2/2,5
TK=1,0MM 2/2,5
40.045
-
-
-
-
-
-
-
-
-
-
-
-
-
-
-
-
-
-
-
-
-
-
-
-
-
-
-
-
-
-
-
-
-
-
-
-
-
-
-
-
-
-
-
-
-
-
-
-
-
-
-
-
ITEM NÚMERO DESCRIÇÃO QTDE OBSERVAÇÕESNO. SÉRIE
TRATORES JOHN DEERE 7500 CPCQ26568 30Jan02
TERMINAIS E CONECTORES ELÉTRICOS
40.046
TRATORES JOHN DEERE 7500 CPCQ26568 30Jan02
1
2
3
4
5
6
7
8
9
10
11
12
13
14
15
16
17
18
19
20
21
22
23
24
25
26
27
28
29
30
31
32
33
57M7315
57M7364
57M7258
R104846
57M7266
57M7259
57M7267
R78064
R104919
57M7289
57M7254
57M7328
57M7256
57M7365
57M7317
57M7255
57M7257
57M7318
57M7247
57M7244
57M7291
57M7260
57M7263
57M7296
57M7261
57M7264
57M7283
57M7306
57M7298
57M7299
57M7309
57M7304
57M7285
R78063
57M7274
R78059
57M7280
57M7305
57M7307
CONECTOR
CONECTOR
VEDADOR
TERMINAL
CORPO RECEPTACULO
TERMINAL
PONTA TERMINAL MACHO
TERMINAL
TERMINAL
CONECTOR
CONECTOR
CONECTOR
CONECTOR
TERMINAL MACHO
CONECTOR
CONECTOR
CONECTOR
CONECTOR
CORPO RECEPTÁCULO
PONTA TERMINAL MACHO
CONECTOR
CONECTOR
CONECTOR
CONECTOR
CORPO RECEPTÁCULO
CONECTOR
CONECTOR
CONECTOR
CONECTOR
TERMINAL
CONECTOR
CONECTOR
CONECTOR
TERMINAL
CONECTOR
PLUG
CONECTOR
PONTA TERMINAL MACHO
CONECTOR
AR
AR
AR
AR
AR
AR
AR
AR
AR
AR
AR
AR
AR
AR
AR
AR
AR
AR
AR
AR
AR
AR
AR
AR
AR
AR
AR
AR
AR
AR
AR
AR
AR
AR
AR
AR
AR
AR
AR
7
5
0
0
X
X
X
X
X
X
X
X
X
X
X
X
X
X
X
X
X
X
X
X
X
X
X
X
X
X
X
X
X
X
X
X
X
X
X
X
X
X
X
TK=1,0MM
LGTH=16MM
PRETO/NEGRO/BLACK
CINZA/GRIS, GRAY
PRETO/NEGRO/BLACK
CINZA/GRIS/GRAY
2,0MM 2/3.7MM
-3.0MM 2/3.7MM
3.00MM 2/3.9MM
40.047
-
-
-
-
-
-
-
-
-
-
-
-
-
-
-
-
-
-
-
-
-
-
-
-
-
-
-
-
-
-
-
-
-
-
-
-
-
-
-
ITEM NÚMERO DESCRIÇÃO QTDE OBSERVAÇÕESNO. SÉRIE
TRATORES JOHN DEERE 7500 CPCQ26568 30Jan02
TERMINAIS E CONECTORES ELÉTRICOS
40.048
TRATORES JOHN DEERE 7500 CPCQ26568 30Jan02
1
2
3
4
5
6
7
8
9
10
11
12
13
14
15
16
17
18
19
20
R78063
R78059
R78062
R78057
R78060
RE12333
R78055
RE12366
R78061
R78058
R78056
R78051
R78064
R78048
RE12363
RE12331
R78053
RE12330
R78049
RE12364
R78054
RE12332
R78050
RE12365
TERMINAL
PLUG
TERMINAL
TERMINAL CILIND.FEMEA
SOQUETE
CONECTOR
PONTA TERMINAL MACHO
CONECTOR
PINO
TERMINAL
CONECTOR
VEDAÇÃO
TERMINAL
TERMINAL
CONECTOR
CONECTOR
PINO
CONECTOR
RETENTOR
CONECTOR TERMINAL FEMEA
PONTA TERMINAL MACHO
CONECTOR
VEDAÇÃO
CONECTOR
AR
AR
AR
AR
AR
AR
AR
AR
AR
AR
AR
AR
AR
AR
AR
AR
AR
AR
AR
AR
AR
AR
AR
AR
7
5
0
0
X
X
X
X
X
X
X
X
X
X
X
X
X
X
X
X
X
X
X
X
X
X
X
X
CINZA/GRIS/GRAY
VERDE/VERDE/GREEN
AZUL/CELESTE/BLUE
TK=0,8MM 213MM
TK=2,0MM 213MM
TK=2,0MM 213MM
TK=0,8MM 213MM
40.049
-
-
-
-
-
-
-
-
-
-
-
-
-
-
-
-
-
-
-
-
-
-
-
-
ITEM NÚMERO DESCRIÇÃO QTDE OBSERVAÇÕESNO. SÉRIE
TRATORES JOHN DEERE 7500 CPCQ26568 30Jan02
TERMINAIS E CONECTORES ELÉTRICOS
1
2
3
4
5
57M7437
57M7436
57M7474
57M7379
R104701
TERMINAL CILINDR.FEMEA
RECEPTACULO
RECEPTÁCULO
CONECTOR
TERMINAL
AR
1
1
1
2
7
5
0
0
X
X
X
X
X
TK=-0,75MM2/1,7
TK=1,0MM 2/2,5
40.050
-
-
-
-
-
ITEM NÚMERO DESCRIÇÃO QTDE OBSERVAÇÕESNO. SÉRIE
30Jan02TRATORES JOHN DEERE 7500 CPCQ26568 1F22
INDICE DE GRUPO - INDICE DE GRUPO
30Jan02TRATORES JOHN DEERE 7500 CPCQ26568 1F22
INDICE DE GRUPO - INDICE DE GRUPO
TRATORES JOHN DEERE 7500 CPCQ26568 30Jan02
EIXO ARTICULADO, AMORTECEDOR DE TORÇAO
1
2
3
4
5
6
7
8
9
10
11
12
13
14
15
16
17
L80400
AL76454
L110320
AL80759
19M7981
24M7238
L110081
DQ43002
L100707
L80446
L77173
L80445
AL117424
DQ36562
40M7255
AL110149
DQ43000
L110079
DQ42999
R119592
CQ43001
FLANGE
ROLAMENTO
VEDAÇÃO
AMORTECEDOR
PARAF SEXT
ARRUELA LISA
FLANGE
FLANGE
ARRUELA
PARAF C/FLANGE
PARAFUSO
PARAFUSO
CARDÃ
CARDÃ
ANEL ELÁSTICO
CRUZETA E CONJ ROLAMENTOS
CONJ DE CRUZETA
FLANGE
FLANGE
TERMINAL
GARFO
1
1
1
1
6
AR
1
1
1
1
4
4
1
1
8
2
2
1
1
1
1
10377
10377
10377
10377
10377
10376
10376
10376
10376
7
5
0
0
X
X
X
X
X
X
X
X
X
X
X
X
X
X
X
X
X
X
X
X
X
M8X55
8,7X17X2MM
OD 116MM
OD 116MM
M10X30
ORD DQ36562
OD 120MM
0D 120MM
52.001
-
-
-
-
-
-
-
-
-
-
-
-
-
-
-
-
-
-
-
-
-
ITEM NÚMERO DESCRIÇÃO QTDE OBSERVAÇÕESNO. SÉRIE
EMBREAGEM
TRATORES JOHN DEERE 7500 CPCQ26568 30Jan02
CAIXA DE FREIOS DOS PLANETÁRIOS
52.002
TRATORES JOHN DEERE 7500 CPCQ26568 30Jan02
1
2
3
4
5
6
7
8
9
10
11
12
13
14
15
RE66746
AR103873
R124019
R120565
34M7244
R95501
R119873
34M7102
R95498
R129184
R135625
R111039
R28776
R115154
R38295
CARCAÇA
RETENTOR
ALAVANCA
ALAVANCA
PINO ELASTICO
EIXO
ALAVANCA
PINO ELASTICO
EIXO
MOLA
VALVULA
TAMPAO
ANEL O
GRAMPO
ROLETE
1
2
1
1
2
1
1
1
1
1
1
1
1
1
2
7
5
0
0
X
X
X
X
X
X
X
X
X
X
X
X
X
X
X
52.003
-
-
-
-
-
-
-
-
-
-
-
-
-
-
-
ITEM NÚMERO DESCRIÇÃO QTDE OBSERVAÇÕESNO. SÉRIE
TRATORES JOHN DEERE 7500 CPCQ26568 30Jan02
CAIXA DAS VÁLVULAS DE CONTROLE
52.004
TRATORES JOHN DEERE 7500 CPCQ26568 30Jan02
1
2
3
4
5
6
7
8
9
10
11
12
13
14
15
16
17
18
19
20
21
22
23
24
25
26
27
28
29
30
31
32
33
34
35
R129280
R135174
R119810
51M7047
R115415
R95506
R115389
R27166
R115388
R54174
RE54443
R110457
R78436
R120354
R110256
R95216
R112974
R110257
RE62621
P48347
R112976
R110260
51M7047
R119646
R74192
51M7043
R119084
51M7045
R110151
R119203
R120452
RE54982
51M7045
R124023
R121580
CARCACA
VALVULA
TAMPAO
ANEL O
MOLA
VALVULA
TAMPAO
ANEL O
TRAVA
MOLA
KIT
TRAVA
ANEL O
TAMPAO
VALVULA
MOLA
MOLA
PINO
PISTAO
ANEL O
RETENTOR
TAMPAO
ANEL O
LIMITADOR
MOLA
ANEL O
LIMITADOR
ANEL O
TAMPAO
PARAFUSO
ARRUELA
MOLA
ANEL O
TAMPÃO
TAMPÃO
1
1
1
1
2
1
1
1
1
1
1
1
1
1
1
1
1
1
1
1
1
1
1
1
2
1
1
1
1
1
1
1
1
1
3
71551
71551
71550
71550
71550
71550
71550
71550
7
5
0
0
X
X
X
X
X
X
X
X
X
X
X
X
X
X
X
X
X
X
X
X
X
X
X
X
X
X
X
X
X
X
X
X
X
X
X
23,6X2,9MM
23,6X2,9MM
19.300X2.200MM
19.300X2.200MM
52.005
-
-
-
-
-
-
-
-
-
-
-
-
-
-
-
-
-
-
-
-
-
-
-
-
-
-
-
-
-
-
-
-
-
-
-
ITEM NÚMERO DESCRIÇÃO QTDE OBSERVAÇÕESNO. SÉRIE
EMBREAGEM
TRATORES JOHN DEERE 7500 CPCQ26568 30Jan02
CAIXA DAS VÁLVULAS DE CONTROLE - VÁLVULAS DE CONTROLE, JUNTAS
52.006
TRATORES JOHN DEERE 7500 CPCQ26568 30Jan02
1
2
3
4
5
6
7
8
9
10
11
12
13
14
15
16
17
18
19
20
21
22
23
24
25
26
27
28
29
30
31
32
15H275
R95503
R76617
R42057
R95075
R119084
R115152
RE64082
R124021
R134754
R27166
R115152
R119646
R74192
51M7043
51M7045
R110151
RE46534
51M7042
R175130
R175131
RE46684
51M7041
R119203
RE54216
R120452
R105585
RE52144
RE57465
19M7774
51M7045
R124023
BUJAO
VALVULA
ANEL O
MOLA
TAMPAO
LIMITADOR
TRAVA
KIT
VALVULA
TAMPÃO
ANEL O
TRAVA
LIMITADOR
MOLA
ANEL O
ANEL O
TAMPAO
CHAVE
ANEL O
PARAFUSO
PARAFUSO
TAMPAO
ANEL O
PARAFUSO
MOLA
ARRUELA
ARRUELA
EXCENTRICO
PLACA
PARAFUSO
ANEL O
TAMPÃO
4
3
6
3
3
1
3
1
2
1
1
1
1
2
1
1
1
1
1
21
14
5
5
1
1
1
3
4
1
4
1
1
71551
71551
71551
71550
71550
71550
71550
71550
71550
71550
71550
71550
7
5
0
0
X
X
X
X
X
X
X
X
X
X
X
X
X
X
X
X
X
X
X
X
X
X
X
X
X
X
X
X
X
X
X
X
1/4"-18NPT HS 10.9
(SUB FOR RE475980)
19.300X2.200MM
11.3X2.2MM
19.300X2.200MM
52.007
-
-
-
-
-
-
-
-
-
-
-
-
-
-
-
-
-
-
-
-
-
-
-
-
-
-
-
-
-
-
-
-
ITEM NÚMERO DESCRIÇÃO QTDE OBSERVAÇÕESNO. SÉRIE
EMBREAGEM
TRATORES JOHN DEERE 7500 CPCQ26568 30Jan02
VOLANTE DA EMBREAGEM
1
2
3
4
5
6
7
8
9
10
RE47278
RE151355
R87210
R33167
R105040
R39322
R63226
R175130
R105585
R114264
RE41945
KIT
KIT
ARRUELA ENCOSTO
ANEL
ARRUELA ENCOSTO
ANEL
ANEL O
PARAFUSO
ARRUELA
PINO
INSERTO
1
1
2
1
2
1
1
1
1
AR
XXXXXX
XXXXXX
7
5
0
0
X
X
X
X
X
X
X
X
X
X
X
MARKED R132975
MARKED R151447
52.008
-
-
-
-
-
-
-
-
-
-
-
ITEM NÚMERO DESCRIÇÃO QTDE OBSERVAÇÕESNO. SÉRIE
TRATORES JOHN DEERE 7500 CPCQ26568 30Jan02
INVERSOR HIDRÁULICO
1
2
3
4
5
6
7
8
9
10
11
12
13
14
R121451
R176475
R122142
R95378
RE48092
R109908
R95422
R95380
R124436
R122322
R124438
44M7070
R95316
R128889
19M2820
19M7786
RE39262
ESPACADOR
ESPAÇADOR
COROA DENTADA
PLACA
DISCO
MOLA
DISCO
JUNTA
CARCACA
CARCAÇA
BUCHA
PINO
PISTAO
PISTÃO
PARAF SEXT
PARAF SEXT
RETENTOR
1
1
1
3
4
8
1
1
1
1
1
2
1
5
AR
1
314989
43960
XXXXXX
314988
XXXXXX
7
5
0
0
X
X
X
X
X
X
X
X
X
X
X
X
X
X
X
X
X
OR R109514 OR R124416
OR R128887
M16X55
M10X30
52.009
-
-
-
-
-
-
-
-
-
-
-
-
-
-
-
-
-
ITEM NÚMERO DESCRIÇÃO QTDE OBSERVAÇÕESNO. SÉRIE
TRANSMISSÃO
TRATORES JOHN DEERE 7500 CPCQ26568 30Jan02
EMBREAGEM DA TRANSMISSÃO
52.010
TRATORES JOHN DEERE 7500 CPCQ26568 30Jan02
1
2
3
4
5
6
7
8
9
10
11
12
13
14
15
16
17
18
19
20
21
22
23
24
25
R109523
R95360
R95301
R104655
RE56037
400R
R79018
R87395
RE63059
R121150
R171007
R113656
R171013
RE35512
R96805
R109958
R96806
R109960
19M7329
R153187
R171010
R109519
RE34603
R125173
RE62918
R107206
RE56451
R87210
TAMBOR
ARRUELA ENCOSTO
BUCHA
BUCHA
PISTAO
ESFERA
MOLA
ARRUELA
KIT
CARCACA
CARCAÇA
CUBO
CUBO
DISCO
PLACA
MOLA
PLACA
PINO
PARAF SEXT
PINHÃO
PINHÃO
EIXO
PINO ELASTICO
ARRUELA
ROLAMENTO
ANEL ELASTICO
EIXO
ARRUELA ENCOSTO
1
1
1
1
1
2
2
2
1
1
1
1
1
4
3
12
1
12
6
6
6
6
6
12
12
1
1
1
314989
314989
314989
314988
314988
314988
7
5
0
0
X
X
X
X
X
X
X
X
X
X
X
X
X
X
X
X
X
X
X
X
X
X
X
X
X
X
X
X
1/4"
M10X75
SUB FOR R122141
(SUB FOR R101179 APPL)
52.011
-
-
-
-
-
-
-
-
-
-
-
-
-
-
-
-
-
-
-
-
-
-
-
-
-
-
-
-
ITEM NÚMERO DESCRIÇÃO QTDE OBSERVAÇÕESNO. SÉRIE
TRANSMISSÃO
TRATORES JOHN DEERE 7500 CPCQ26568 30Jan02
52.012
TRATORES JOHN DEERE 7500 CPCQ26568 30Jan02
EIXO DE SAÍDA DA TRANSMISSÃO
1
2
3
4
5
6
7
8
RE70427
RE162113
R112955
R112857
R39322
R92241
R110037
R162278
R110197
R162148
R110217
RE47326
EIXO
EIXO
ANEL
ANEL O
ANEL
BUCHA
EIXO
EIXO
ESPACADOR
ESPAÇADOR
BUCHA
BUCHA
1
1
1
1
1
1
1
1
1
1
1
1
037050
037050
037050
037050
037049
45411
037049
037049
037049
7
5
0
0
X
X
X
X
X
X
X
X
X
X
X
X
(SUB FOR RE61257)
52.013
-
-
-
-
-
-
-
-
-
-
-
-
ITEM NÚMERO DESCRIÇÃO QTDE OBSERVAÇÕESNO. SÉRIE
TRANSMISSÃO
TRATORES JOHN DEERE 7500 CPCQ26568 30Jan02
EMBREAGEM DE TRANSMISSÃO DIRETA
52.014
TRATORES JOHN DEERE 7500 CPCQ26568 30Jan02
1
2
3
4
5
6
7
8
9
10
11
12
13
14
15
16
17
18
RE57000
RE151356
RE156447
RE155060
R104738
R95835
R95301
RE47294
R101187
400R
R87395
R101165
RE56036
AR94516
R116894
R101170
34H355
34H355
R153297
R125065
R101168
R125656
R121041
R121042
R121042
R38295
KIT
KIT
TAMBOR
TAMBOR
BUCHA
ARRUELA ENCOSTO
BUCHA
KIT
ENGRENAGEM
ESFERA
ARRUELA
DISCO
ADAPTADOR
DISCO
PLACA
ARRUELA
PINO ELASTICO
PINO ELASTICO
PINO ELÁSTICO
MOLA
MOLA
TAMPA
TAMPA
PARAF SEXT
PARAF SEXT
ROLETE
1
1
1
1
1
1
1
1
2
2
1
1
4
3
1
6
6
6
6
6
1
1
6
6
2
128016
139549
122104
139549
122104
122104
128015
139548
139548
122103
122103
122103
1911
7
5
0
0
X
X
X
X
X
X
X
X
X
X
X
X
X
X
X
X
X
X
X
X
X
X
X
X
X
X
(A)
(B)
MARKED R153300
(C)
1/4"
(D)
(D)
52.015
(A)
(B)
(C)
(D)
MARKED R121040 ORD RE156447, RE155061, RE151059 (6) R153297
MARKED R151057 ORD RE156447, (6) R153297
ORD RE156447, SUB FOR RE151356
ORD (6) R125065, (6) 34H353, R125656
-
-
-
-
-
-
-
-
-
-
-
-
-
-
-
-
-
-
-
-
-
-
-
-
-
-
ITEM NÚMERO DESCRIÇÃO QTDE OBSERVAÇÕESNO. SÉRIE
TRANSMISSÃO
TRATORES JOHN DEERE 7500 CPCQ26568 30Jan02
PLANETÁRIO DO FREIO
52.016
TRATORES JOHN DEERE 7500 CPCQ26568 30Jan02
1
2
3
4
5
6
7
8
9
10
11
12
13
14
15
16
RE34784
RE151059
R101169
R95313
R101159
R101214
R95316
R109066
R105585
R114215
RE34786
R101160
R101158
R125985
RE62245
R109067
R116057
DISCO
DISCO
MOLA
PLACA
CARCACA
PISTAO
PISTAO
PARAFUSO
ARRUELA
PLACA
DISCO
DISCO
DISCO
CARCACA
KIT
PARAFUSO
PARAFUSO
1
8
1
1
2
1
1
2
2
3
1
1
1
AR
1
1
7
5
0
0
X
X
X
X
X
X
X
X
X
X
X
X
X
X
X
X
X
TK=3,30MM FOR RE 57000
TK=5,16MM FOR RE151356
HS 10.9 M6X80
M6X50,HS10.9
52.017
-
-
-
-
-
-
-
-
-
-
-
-
-
-
-
-
-
ITEM NÚMERO DESCRIÇÃO QTDE OBSERVAÇÕESNO. SÉRIE
TRATORES JOHN DEERE 7500 CPCQ26568 30Jan02
PINHÕES SOLARES
1
2
3
4
5
6
7
RE41265
R95895
R101171
R95835
RE34763
R108984
R101170
ENGRENAGEM
ARRUELA ENCOSTO
ENGRENAGEM
ARRUELA ENCOSTO
ENGRENAGEM
ARRUELA
ARRUELA
1
1
1
1
1
1
1
7
5
0
0
X
X
X
X
X
X
X
52.018
-
-
-
-
-
-
-
ITEM NÚMERO DESCRIÇÃO QTDE OBSERVAÇÕESNO. SÉRIE
TRATORES JOHN DEERE 7500 CPCQ26568 30Jan02
PLANETÁRIO DA ENTRADA
1
2
3
4
5
6
7
8
9
10
11
12
RE65234
R101177
R101174
RE41285
R101175
R96826
RE47279
RE34603
R101244
R129365
R115215
R121248
ENGRENAGEM
CARCACA
PINHAO PLANET
ROLAMENTO
ESPACADOR
ARRUELA ENCOSTO
KIT
PINO ELASTICO
ARRUELA
ANEL ELASTICO
PARAFUSO
DEFLETOR
1
1
3
6
3
6
3
1
1
2
2
1
7
5
0
0
X
X
X
X
X
X
X
X
X
X
X
X
52.019
-
-
-
-
-
-
-
-
-
-
-
-
ITEM NÚMERO DESCRIÇÃO QTDE OBSERVAÇÕESNO. SÉRIE
TRATORES JOHN DEERE 7500 CPCQ26568 30Jan02
BOMBA DE LUBRIFICAÇÃO DA TRANSMISSÃO
52.020
TRATORES JOHN DEERE 7500 CPCQ26568 30Jan02
1
2
3
4
5
6
7
8
9
10
11
12
13
14
15
16
17
18
19
20
RE52284
R88889
R130488
R30587
JD10269
RE47291
R79639
40M7097
R108925
R108927
T27432
R106825
R115119
H64801
RE162140
R161739
R161741
R161742
R120947
RE163759
EIXO
BUCHA
COLETOR
PINO
ROLAMENTO
KIT
ESFERA
ANEL ELÁSTICO
ENGRENAGEM
ENGRENAGEM
ANEL ELASTICO
PARAFUSO
ROLAMENTO
ANEL O
EIXO
COLETOR
ENGRENAGEM
ENGRENAGEM
VÁLVULA
KIT
1
1
1
2
1
1
1
1
1
1
1
6
1
1
1
1
1
1
1
1
146000
146000
146000
146000
145999
145999
145999
7
5
0
0
X
X
X
X
X
X
X
X
X
X
X
X
X
X
X
X
X
X
X
X
TK=12MM
TK=12MM
TK=2,74MM
TK=15MM
TK=15MM
52.021
-
-
-
-
-
-
-
-
-
-
-
-
-
-
-
-
-
-
-
-
ITEM NÚMERO DESCRIÇÃO QTDE OBSERVAÇÕESNO. SÉRIE
TRATORES JOHN DEERE 7500 CPCQ26568 30Jan02
TAMPA DIANTEIRA DO CÂMBIO
52.022
TRATORES JOHN DEERE 7500 CPCQ26568 30Jan02
1
2
3
4
5
6
7
8
9
10
11
12
13
14
15
16
17
18
19
20
21
22
23
24
25
26
27
28
29
30
31
32
33
34
35
36
37
38
44M7070
34M7038
RE46684
51M7041
R121682
R121885
RE52242
R78165
R120981
R120947
R109535
R86638
R95082
51M7045
R109493
R95086
RE60501
51M7043
R115152
AR103873
R108617
34M7207
R95063
RE47315
51M7042
RE52986
R77175
R107252
R95065
R113463
R58941
R95073
R115140
R112063
RE12187
R76617
R95075
R95778
R77610
PINO
PINO ELASTICO
TAMPAO
ANEL O
JUNTA
CAPA
TAMPAO
PINO
VALVULA
VÁLVULA
MOLA
CALCO
CONEXAO
ANEL O
MOLA
VALVULA
TAMPÃO
ANEL O
TRAVA
RETENTOR
ALAVANCA
PINO ELASTICO
EIXO
KIT
ANEL O
KIT
CAPA
PINO ELASTICO
TAMPAO
MOLA
PINO
TOPE
PARAFUSO
PARAF SEXT
CONEXAO
ANEL O
TAMPAO
CAPA
MOLA
2
1
2
4
1
1
1
1
1
1
1
1
2
1
1
1
1
1
1
1
1
1
1
1
1
2
1
1
1
1
1
9
5
2
1
1
1
1
39133
146000
39133
39133
39133
145999
39132
39132
39132
39132
7
5
0
0
X
X
X
X
X
X
X
X
X
X
X
X
X
X
X
X
X
X
X
X
X
X
X
X
X
X
X
X
X
X
X
X
X
X
X
X
X
X
X
6X20MM
11.3X2.2MM
19.300X2.200MM
M10X45 HS 10.9
M10X85 HS 10.9
9.300X2.200MM
52.023
-
-
-
-
-
-
-
-
-
-
-
-
-
-
-
-
-
-
-
-
-
-
-
-
-
-
-
-
-
-
-
-
-
-
-
-
-
-
-
ITEM NÚMERO DESCRIÇÃO QTDE OBSERVAÇÕESNO. SÉRIE
TRANSMISSÃO
TRATORES JOHN DEERE 7500 CPCQ26568 30Jan02
TAMPA DIANTEIRA E VÁLVULAS
52.024
TRATORES JOHN DEERE 7500 CPCQ26568 30Jan02
1
2
3
4
5
6
7
8
9
10
11
12
13
14
15
16
17
18
19
20
21
22
23
24
25
26
R126462
R129797
RE39354
34M7126
R34028
R27976
R95076
R95077
R76617
R95075
RE46685
R115152
R95081
R95084
R95082
51M7045
R116040
T23853
R95086
R131824
R134141
RE62620
R112977
P51079
RE47303
R104728
R87455
40M1857
R121580
15H560
CARCACA
CARCAÇA
RETENTOR
PINO ELASTICO
PARAF FENDA
ANEL O
VALVULA
MOLA
ANEL O
TAMPAO
TAMPÃO
TRAVA
VALVULA
MOLA
CONEXAO
ANEL O
MOLA
MOLA
VALVULA
VALVULA
VALVULA
PISTAO
VEDACAO
ANEL O
KIT
ANEL
TAMPAO
ANEL ELASTICO
TAMPÃO
BUJAO
1
1
2
1
1
1
1
5
4
4
4
2
1
1
1
1
1
1
1
1
1
1
1
1
1
1
1
1
1
95462
95884
95462
95884
95461
95883
95461
95883
7
5
0
0
X
X
X
X
X
X
X
X
X
X
X
X
X
X
X
X
X
X
X
X
X
X
X
X
X
X
X
X
X
X
19.300X2.200MM
1/16"
52.025
-
-
-
-
-
-
-
-
-
-
-
-
-
-
-
-
-
-
-
-
-
-
-
-
-
-
-
-
-
-
ITEM NÚMERO DESCRIÇÃO QTDE OBSERVAÇÕESNO. SÉRIE
TRANSMISSÃO
TRATORES JOHN DEERE 7500 CPCQ26568 30Jan02
TAMPA DIANTEIRA DA CAIXA DE VÁLVULA - SENSORES
1
2
3
4
5
6
7
8
9
10
11
12
13
14
15
16
17
18
19
R127580
R127579
R150858
R109066
R109067
RE46684
51M7041
51M7043
R113419
R112945
L41526
RE165047
R111085
R95398
R44302
NSEP047
AL81358
AL116547
AL81358
JUNTA
PLACA
SUPORTE
PARAFUSO
PARAFUSO
TAMPAO
ANEL O
ANEL O
ADAPTADOR
CONEXAO
ANEL O
SENSOR
CONEXAO
MANGUEIRA
CINTA
PROTECAO
INTERRUPTOR
INTERRUPTOR
INTERRUPTOR
2
1
1
4
30
2
2
1
1
1
1
1
1
1
1
1
1
1
1
7
5
0
0
X
X
X
X
X
X
X
X
X
X
X
X
X
X
X
X
X
X
X
SUB FOR R151368
HS 10.9 M6X80 HS 10.9
M6X50,HS10.9
11.3X2.2MM
(A)
(B)
(C)
52.026
(A)
(B)
(C)
LÂMPADA INDICADORA DA PRESSÃO DO ÓLEO
SENSOR DE TESTE BAIXA TEMPERATURA
SENSOR DE ALTA TEMPERATURA
-
-
-
-
-
-
-
-
-
-
-
-
-
-
-
-
-
-
-
ITEM NÚMERO DESCRIÇÃO QTDE OBSERVAÇÕESNO. SÉRIE TRATOR
TRATORES JOHN DEERE 7500 CPCQ26568 30Jan02
52.027
TRATORES JOHN DEERE 7500 CPCQ26568 30Jan02
FILTRO DE ÓLEO DA TRANSMISSÃO, CAIXA
1
2
3
4
5
6
R120902
R95850
R109066
51M7040
RE69674
AL77061
JUNTA
CARCACA
PARAFUSO
ANEL O
INTERRUPTOR
FILTRO
1
1
6
1
1
1
7
5
0
0
X
X
X
X
X
X
HS 10.9 M6X80
9,3X2,2MM
(A)
52.028
(A) SUB FOR RE58157) ORD RE165048
-
-
-
-
-
-
ITEM NÚMERO DESCRIÇÃO QTDE OBSERVAÇÕESNO. SÉRIE
TRATORES JOHN DEERE 7500 CPCQ26568 30Jan02
PEÇAS RETORNO DE ÓLEO (TRANSMISSÃO POWRQUAD)
1
2
3
4
5
R115104
A4540R
U15973
R115213
19M7274
JOELHO
ANEL O
ANEL
TUBO
PARAF SEXT
1
2
1
1
2
7
5
0
0
X
X
X
X
X M8X70
52.029
-
-
-
-
-
ITEM NÚMERO DESCRIÇÃO QTDE OBSERVAÇÕESNO. SÉRIE
TRATORES JOHN DEERE 7500 CPCQ26568 30Jan02
PEÇAS DE MONTAGEM, TRANSMISSÃO POWRQUAD
1
2
3
4
5
6
7
8
9
10
11
12
13
14
R121833
L111453
19M7786
DQ27856
34M7102
19M7785
R95396
19M7810
19M8162
19M7139
19M7865
19M7163
24M7026
Z32264
PROTECAO
PROTEÇÃO
PARAF SEXT
ALAVANCA
PINO ELASTICO
PARAF SEXT
JUNTA
PARAF SEXT
PARAFUSO
PARAFUSO
PARAFUSO
PARAFUSO SEXT
ARRUELA LISA
ESPACADOR
1
1
1
1
1
1
1
6
4
AR
1
1
1
1
67159
67158
7
5
0
0
X
X
X
X
X
X
X
X
X
X
X
X
X
X
M10X30
M10X25
M10X80
M10X40
M8X20
M8X16
M8X25
9X17X1,6
52.030
-
-
-
-
-
-
-
-
-
-
-
-
-
-
ITEM NÚMERO DESCRIÇÃO QTDE OBSERVAÇÕESNO. SÉRIE
30Jan02TRATORES JOHN DEERE 7500 CPCQ26568 1H14
INDICE DE GRUPO - INDICE DE GRUPO
30Jan02TRATORES JOHN DEERE 7500 CPCQ26568 1H14
INDICE DE GRUPO - INDICE DE GRUPO
30Jan02TRATORES JOHN DEERE 7500 CPCQ26568 1H14
INDICE DE GRUPO - INDICE DE GRUPO
TRATORES JOHN DEERE 7500 CPCQ26568 30Jan02
53.001
TRATORES JOHN DEERE 7500 CPCQ26568 30Jan02
CAIXA DE GRUPOS, EIXO DE ACIONAMENTO
53.002
TRATORES JOHN DEERE 7500 CPCQ26568 30Jan02
1
2
3
4
5
6
7
8
9
10
11
12
13
14
15
16
17
18
19
20
21
22
23
24
25
26
27
28
29
RE71151
RE150486
JD7395
R108929
R162142
RE34603
R119095
R120939
R120940
RE54776
R119097
R153138
R120941
R120939
R120499
R100501
R100502
R100503
R100504
R100505
JD7418
R109909
JD8206
R108888
R110196
R88246
19M7387
RE55288
AL77433
R110484
R113617
R110485
R110487
R113616
R110494
25602
CARCAÇA
CARCAÇA
CONE
EIXO
EIXO
PINO ELASTICO
ESPACADOR
ARRUELA ENCOSTO
ENGRENAGEM
SINCRONIZADOR
LUVA
LUVA]
ENGRENAGEM
ARRUELA ENCOSTO
ROLAMENTO
ANEL ELASTICO
ANEL ELASTICO
ANEL ELASTICO
ANEL ELASTICO
ANEL ELASTICO
CAPA
ANEL ELASTICO
CAPA
ENGRENAGEM TUB
TRAVA
PARAF SEXT
PARAF SEXT
KIT
TAMPAO
ENGRENAGEM
PINO
CALÇO
MOLA
ANEL SINCRONIZADOR
COLAR DESLOCADOR
SELANTE
1
1
1
1
1
2
1
1
1
1
2
2
1
1
1
AR
AR
AR
AR
AR
1
1
1
1
1
1
AR
1
2
1
3
3
3
2
1
1
16966
37050
16965
37049
7
5
0
0
X
X
X
X
X
X
X
X
X
X
X
X
X
X
X
X
X
X
X
X
X
X
X
X
X
X
X
X
X
X
X
X
X
X
X
X
MARKED R108879 OR R136105
MARKED R152466
Z 24/14
Z 36
Z 25
2,93 MM
3,01MM
3,08MM
3.16MM
3,24MM
M12X40
OD=8MM
50 GR
53.003
-
-
-
-
-
-
-
-
-
-
-
-
-
-
-
-
-
-
-
-
-
-
-
-
-
-
-
-
-
-
-
-
-
-
-
-
ITEM NÚMERO DESCRIÇÃO QTDE OBSERVAÇÕESNO. SÉRIE
TRANSMISSÃO
TRATORES JOHN DEERE 7500 CPCQ26568 30Jan02
EIXO DE SAÍDA DO DIFERENCIAL, CÂMBIO DE GRUPOS
53.004
TRATORES JOHN DEERE 7500 CPCQ26568 30Jan02
1
2
3
4
5
6
7
8
9
10
11
12
13
14
15
16
17
18
19
20
21
22
23
24
25
26
27
28
RE52043
RE187398
RE194070
JD8280
R35365
R35366
R35367
R110459
JD10377
R122203
R162580
RE54776
R109508
R109657
R153137
R95407
R108893
R122521
R119199
R95248
R115998
R115999
R116000
R110458
R51200
R106797
R110484
R113617
R110485
R110487
R113616
R110494
ENGRENAGEM
COROA E PINHÃO
COROA E PINHÃO
CAPA
ESPACADOR
ESPACADOR
ESPACADOR
CAPA
CONE
ENGRENAGEM
ENGRENAGEM
SINCRONIZADOR
ENGRENAGEM
LUVA
LUVA
BUCHA
ENGRENAGEM
ENGRENAGEM
ENGRENAGEM
ESPACADOR
CALCO
CALCO
CALCO
ROLAMENTO CÔNICO
PORCA
LUVA
ENGRENAGEM
PINO
CALÇO
MOLA
ANEL SINCRONIZADOR
COLAR DESLOCADOR
1
1
1
2
3
3
4
1
1
1
1
1
1
1
1
1
1
1
1
1
3
4
6
1
1
1
1
3
3
3
2
1
XXXXXX
XXXXXX
71819
71819
XXXXXX
XXXXXX
71818
71818
7
5
0
0
X
X
X
X
X
X
X
X
X
X
X
X
X
X
X
X
X
X
X
X
X
X
X
X
X
X
X
X
X
X
X
X
53.005
-
-
-
-
-
-
-
-
-
-
-
-
-
-
-
-
-
-
-
-
-
-
-
-
-
-
-
-
-
-
-
-
ITEM NÚMERO DESCRIÇÃO QTDE OBSERVAÇÕESNO. SÉRIE
TRANSMISSÃO
TRATORES JOHN DEERE 7500 CPCQ26568 30Jan02
BLOQUEIO DE ESTACIONAMENTO
53.006
TRATORES JOHN DEERE 7500 CPCQ26568 30Jan02
1
2
3
4
5
6
7
8
9
10
11
12
13
14
15
16
17
18
19
20
21
22
23
24
25
26
27
28
29
30
31
RE53756
R66670
24H1227
R108896
R106904
R93803
A38413
R62372
R26375
R39112
11H239
R112897
JD9812
JD8856
R36623
R112567
34H314
B2762R
44M7119
DQ25005
R115957
RE51287
.......
CQ01248
14M7165
R118165
R111716
RE49696
AL80135
40M7040
R118164
PINO
ROLO
ARRUELA
GATILHO
BUCHA
EIXO
ANEL ELAST
MOLA
ANEL O
TAMPAO
CONTRAPINO
CAME
CAPA
CONE
ARRUELA
PROTECAO
PINO ELASTICO
ANEL O
PINO
VARETA
MOLA
KIT
ARRUELA
ARRUELA LISA
PORCA SEXT
PARAF ALLEN
ARRUELA
ROLAMENTO
BRACO
ANEL ELASTICO
PIVO
1
1
1
1
2
1
2
1
1
1
1
1
2
1
AR
1
2
1
7
5
0
0
X
X
X
X
X
X
X
X
X
X
X
X
X
X
X
X
X
X
X
X
X
X
X
X
X
X
X
X
X
X
X
5/32"X1"
SUB 173276
1/4"X1 1/4"
INCL KEYS 23 SUB RE71380
NSEP ORD RE512870
6,4X18MM
M6
M10X40
53.007
-
-
-
-
-
-
-
-
-
-
-
-
-
-
-
-
-
-
-
-
-
-
-
-
-
-
-
-
-
-
-
ITEM NÚMERO DESCRIÇÃO QTDE OBSERVAÇÕESNO. SÉRIE
TRATORES JOHN DEERE 7500 CPCQ26568 30Jan02
EIXOS DO MECANISMO DE CÂMBIOS
53.008
TRATORES JOHN DEERE 7500 CPCQ26568 30Jan02
1
2
3
4
5
6
7
8
9
10
11
12
13
14
15
16
17
18
19
20
21
22
23
45M7080
RE52254
R110294
RE51905
R122638
R119187
R26552
L80052
R120943
R128361
R96577
RE53807
R72653
14M7027
R26552
R54575
14M7273
R79521
L53813
R375R
RE58344
34M7207
AT107510
PINO TRAVA
GARFO
VARETA
GARFO
PARAF ALLEN
TRAVA
ESFERA
TERMINAL
EIXO
EIXO
PINO
EIXO
ANEL ELAST
PORCA SEXT
ESFERA
MOLA
PORCA SEXT
TERMINAL
ANEL O
ANEL O
ALAVANCA
PINO ELASTICO
TAMPÃO
1
1
1
1
AR
4
AR
1
1
1
1
1
1
1
AR
3
2
1
1
1
1
1
7
5
0
0
X
X
X
X
X
X
X
X
X
X
X
X
X
X
X
X
X
X
X
X
X
X
X
CD
AB SUB R125392
5/16"
CD
AB
M6
5/16"
M8
53.009
-
-
-
-
-
-
-
-
-
-
-
-
-
-
-
-
-
-
-
-
-
-
-
ITEM NÚMERO DESCRIÇÃO QTDE OBSERVAÇÕESNO. SÉRIE
TRATORES JOHN DEERE 7500 CPCQ26568 30Jan02
ELEMENTOS DE COMANDO, CÂMBIO DE GRUPOS
53.010
TRATORES JOHN DEERE 7500 CPCQ26568 30Jan02
1
2
3
4
5
6
7
8
9
10
R96924
RE55844
44M7070
R93784
R56464
RE55561
R119832
RE55562
T12083
19M7786
JUNTA
TAMPA
PINO
BRACO
ANEL O
EIXO
PINO
EIXO
TAMPAO
PARAF SEXT
2
1
2
2
AR
1
2
1
1
9
7
5
0
0
X
X
X
X
X
X
X
X
X
X
MARKED R120090
A-B
C-D
M10X30
*
*
53.011
-
-
-
-
-
-
-
-
-
-
ITEM NÚMERO DESCRIÇÃO QTDE OBSERVAÇÕESNO. SÉRIE
TRATORES JOHN DEERE 7500 CPCQ26568 30Jan02
53.012
TRATORES JOHN DEERE 7500 CPCQ26568 30Jan02
1
2
3
4
5
6
7
8
9
10
11
12
13
14
15
16
17
18
19
20
21
22
RE33083
19M7407
R115202
U12331
L110066
AL119709
19M7786
51M7041
38H5002
RE46684
RE54872
RE159087
RE47392
RE153687
RE50782
R109691
19M7560
R109690
AT107509
R26375
R101293
R101291
R39112
L64500
RETENTOR
PARAF SEXT
LUVA
ANEL O
PINO
CARCAÇA
PARAF SEXT
ANEL O
CONEXAO
TAMPAO
SOLENOIDE
VÁLVULA SOLENOIDE
KIT
SOLENOIDE
BOBINA
PORCA
PARAF SEXT
FIXADOR
TAMPAO
ANEL O
EIXO
PINO
TAMPAO
VEDAÇÃO
1
4
1
1
2
1
12
AR
1
1
1
1
1
1
2
1
1
2
1
1
1
1
71846
71845
7
5
0
0
X
X
X
X
X
X
X
X
X
X
X
X
X
X
X
X
X
X
X
X
X
X
X
X
M8X25
ORD RE69640
M10X30
11.3X2.2MM
USE WITH RE159087
USE WITH RE54872
M6X16
50 CM3
53.013
-
-
-
-
-
-
-
-
-
-
-
-
-
-
-
-
-
-
-
-
-
-
-
-
ITEM NÚMERO DESCRIÇÃO QTDE OBSERVAÇÕESNO. SÉRIE
TRATORES JOHN DEERE 7500 CPCQ26568 30Jan02
53.014
TRATORES JOHN DEERE 7500 CPCQ26568 30Jan02
1
2
3
4
5
6
7
8
9
10
11
12
13
14
15
16
17
18
19
20
21
22
23
24
25
26
RE166156
R107621
R107620
R95449
R107622
R95450
RE34868
R95452
R110319
R95453
RE47385
AT107509
R95454
R95455
R134341
R49002
R49003
R49004
JD8979
JD8267
R93317
JD10527
R39283
R129726
JD8247
R115201
R181288
ENGRENAGEM
BUCHA
ARRUELA ENCOSTO
CUBO
ANEL ELASTICO
PLACA
DISCO
DISCO
PLACA
PLACA
KIT
TAMPAO
PISTAO
ARRUELA
PORCA
CALCO
CALCO
CALCO
CONE
CAPA
ARRUELA
CONE
ANEL
ANEL O
CAPA
EIXO
EIXO
1
2
1
1
1
1
7
6
1
1
1
1
1
2
1
AR
AR
AR
1
1
1
1
2
2
1
1
1 XXXXXX
XXXXXX
7
5
0
0
X
X
X
X
X
X
X
X
X
X
X
X
X
X
X
X
X
X
X
X
X
X
X
X
X
X
X
MARKED R124197
0,076MM
0,127MM
0,254MM
ORD W/AT107509
53.015
-
-
-
-
-
-
-
-
-
-
-
-
-
-
-
-
-
-
-
-
-
-
-
-
-
-
-
ITEM NÚMERO DESCRIÇÃO QTDE OBSERVAÇÕESNO. SÉRIE
TRATORES JOHN DEERE 7500 CPCQ26568 30Jan02
CAIXA DO DIFERENCIAL
53.016
TRATORES JOHN DEERE 7500 CPCQ26568 30Jan02
1
2
3
4
5
6
7
8
9
10
11
12
13
14
15
16
17
18
19
20
21
22
23
24
25
26
27
28
29
30
31
32
33
34
35
36
37
38
39
40
41
42
RE65088
RE163138
U10289
44M7103
19M7560
R49518
RE54872
RE159087
R26287
T106596
RE42651
T21564
AL38083
U10289
AR26746
R26287
RE47789
U10289
RE57756
19M7386
A4540R
R39832
R121828
R27175
F3171R
19M8837
R169519
R170103
T26565
T26565
RE42567
R26286
R42849
15H666
R89411
R32210
RE173060
T100529
RE176881
AT107509
RE46685
19M7560
R109691
RE50782
R109690
RE54873
RE47392
CAIXA
CAIXA
ANEL O
PINO
PARAF SEXT
CONEXAO
SOLENOIDE
VÁLVULA SOLENOIDE
ANEL O
PARAFUSO
TUBO DE OLEO
VEDACAO
TAMPA
ANEL O
CONEXAO
ANEL O
TUBO
ANEL O
TUBO
PARAF SEXT
ANEL O
ADAPTADOR
ADAPTADOR
TAMPAO
ANEL O
PARAF SEXT
PARAFUSO
ARRUELA
PINO
PINO
DRENO
ANEL O
ESFERA
TAMPÃO
FILTRO
PINO
TUBO DE ÓLEO
PARAFUSO
TUBO DE OLEO
TAMPAO
TAMPÃO
PARAF SEXT
PORCA
BOBINA
FIXADOR
VALVULA
KIT
1
1
1
1
2
1
1
1
1
1
1
1
1
1
1
1
1
1
1
1
1
1
1
2
2
8
8
8
4
4
2
2
2
3
1
1
1
2
1
2
1
2
1
1
1
1
1
XXXXXX
037137
037136
037136
037136
037136
037136
037136
XXXXXX
037136
7
5
0
0
X
X
X
X
X
X
X
X
X
X
X
X
X
X
X
X
X
X
X
X
X
X
X
X
X
X
X
X
X
X
X
X
X
X
X
X
X
X
X
X
X
X
X
X
X
X
X
M6X16
M12X20
M20X120
M6X16
53.017
-
-
-
-
-
-
-
-
-
-
-
-
-
-
-
-
-
-
-
-
-
-
-
-
-
-
-
-
-
-
-
-
-
-
-
-
-
-
-
-
-
-
-
-
-
-
-
ITEM NÚMERO DESCRIÇÃO QTDE OBSERVAÇÕESNO. SÉRIE
TRATORES JOHN DEERE 7500 CPCQ26568 30Jan02
DIFERENCIAL
53.018
TRATORES JOHN DEERE 7500 CPCQ26568 30Jan02
1
2
3
4
5
6
7
8
9
10
11
12
13
14
15
16
17
18
19
20
21
22
23
24
25
26
27
28
29
30
31
R105843
R129586
R47172
R105847
R93623
R74868
R162100
R67811
R80879
R130825
R105848
R78156
RE12518
R105846
R105845
R131177
JD8290
JD8191
R39322
R93885
R105844
R151061
R70236
JD8210
JD8159
R46323
R46324
R46325
R105849
R112887
AR26746
R26287
RE47789
AR26746
R26287
R39832
R131214
R68171
CARCACA
CARCAÇA
ARRUELA
PARAFUSO
ARRUELA ENCOSTO
ENGRENAGEM
ARRUELA ENCOSTO
ARRUELA ENCOSTO
PINHAO
PINHÃO
ENGRENAGEM
PLACA
DISCO
PISTAO
TAMPA
TAMPA
CAPA
CONE
ANEL
LUVA
EIXO
EIXO
PARAFUSO
CAPA
CONE
CALCO
CALCO
CALCO
LUVA
PARAFUSO
CONEXAO
ANEL O
TUBO
CONEXAO
ANEL O
ADAPTADOR
ARRUELA
ROLETE
1
10
10
2
1
2
2
2
1
3
3
1
1
1
1
1
2
1
1
1
1
1
1
AR
AR
AR
1
10
1
1
1
1
1
1
2
42
52812
52812
52812
52812
52812
52812
52812
52812
52811
52811
52811
52811
52811
7
5
0
0
X
X
X
X
X
X
X
X
X
X
X
X
X
X
X
X
X
X
X
X
X
X
X
X
X
X
X
X
X
X
X
X
X
X
X
X
X
X
SUB R129586
SUB R130825
SUB R131177
SUB R151061
0.076MM
0,127MM
0,254MM
53.019
-
-
-
-
-
-
-
-
-
-
-
-
-
-
-
-
-
-
-
-
-
-
-
-
-
-
-
-
-
-
-
-
-
-
-
-
-
-
ITEM NÚMERO DESCRIÇÃO QTDE OBSERVAÇÕESNO. SÉRIE
TRANSMISSÃO
TRATORES JOHN DEERE 7500 CPCQ26568 30Jan02
TUBOS DE ÓLEO DA TRANSMISSÃO (POWRQUAD)
53.020
TRATORES JOHN DEERE 7500 CPCQ26568 30Jan02
1
2
3
4
5
6
7
8
9
10
11
12
13
14
15
16
17
18
19
20
21
22
23
24
25
38H5017
T77857
RE48348
RE59013
T77857
38H5031
38H5148
T77857
RE49231
T77857
38H5003
19M7162
T24802
28H3381
H75541
19M7786
T13814
19M7162
RE58290
T77613
38H5002
51M7041
R120901
AL112681
R112296
A4540R
51M7043
CONEXAO
ANEL O
TUBO
TUBO
ANEL O
CONECTOR
CONEXÃO
ANEL O
TUBO
ANEL O
CONECTOR
PARAF SEXT
ABRACADEIRA
ESPAÇADOR
ABRACADEIRA
PARAF SEXT
FIXADOR
PARAF SEXT
TUBO
ANEL O
CONEXAO
ANEL O
JUNTA
TUBO
PARAFUSO
ANEL O
ANEL O
1
1
1
AR
1
AR
AR
1
AR
15333
25253
15332
15332
15322
23252
7
5
0
0
X
X
X
X
X
X
X
X
X
X
X
X
X
X
X
X
X
X
X
X
X
X
X
X
X
X
X
M8X16
M10X30
M8X16
11.3X2.2MM
53.021
-
-
-
-
-
-
-
-
-
-
-
-
-
-
-
-
-
-
-
-
-
-
-
-
-
-
-
ITEM NÚMERO DESCRIÇÃO QTDE OBSERVAÇÕESNO. SÉRIE
TRATORES JOHN DEERE 7500 CPCQ26568 30Jan02
EIXO TRASEIRO
53.022
TRATORES JOHN DEERE 7500 CPCQ26568 30Jan02
1
2
3
4
5
6
7
8
9
10
11
12
13
14
15
16
17
18
19
20
21
22
23
24
25
26
27
R121532
R182470
R105825
JD7798
AR51564
JD8259
R121803
R53658
R53657
R57269
R105827
R182471
J57046
R110458
R110459
R105829
R182472
19M6824
R113494
R94919
J57021
J57193
RE31701
R33026
J57034
J57092
R185109
R182475
RE61190
RE61191
JD8954
JD8196
F2253R
R94714
R93172
F3171R
R105901
T26565
AJ61058
AJ58774
CAIXA
CAIXA
COROA
GRAXEIRA
RETENTOR
CAPA
CAPA
ANEL ELAST
ANEL ELÁSTICO
ANEL RASPADOR
SUPORTE
SUPORTE
ARRUELA
ROLAMENTO CÔNICO
CAPA
PINHAO
PINHÃO
PARAF SEXT
PARAFUSO
ARRUELA
ESPACADOR
ESPAÇADOR
RETENTOR
RETENTOR
SEMI EIXO
SEMI EIXO
SEMI-EIXO
SEMI-EIXO
ROLAMENTO CÔNICO
ROLAMENTO CÔNICO
ROLAMENTO CÔNICO
ROLAMENTO CÔNICO
ARRUELA
PARAFUSO ESP
TRAVA
ANEL O
EIXO
PINO
REDUÇÃO FINAL
REDUÇÃO FINAL
2
2
2
2
2
2
2
2
2
2
2
2
2
12
12
6
6
12
6
6
2
2
2
2
2
2
2
2
2
2
2
2
2
2
2
2
2
2
2
2
XXXXXX
XXXXXX
XXXXXX
XXXXXX
004341
XXXXXX
XXXXXX
XXXXXX
XXXXXX
XXXXXX
XXXXXX
XXXXXX
004340
XXXXXX
XXXXXX
XXXXXX
7
5
0
0
X
X
X
X
X
X
X
X
X
X
X
X
X
X
X
X
X
X
X
X
X
X
X
X
X
X
X
X
X
X
X
X
X
X
X
X
X
X
X
X
HEAVY DUTY
HEAVY DUTY
(B)
HEAVY DUTY
HEAVY DUTY
M16X120
(A)
(B)
(A)
(B)
(A) SHORT
(B) LARGE ORD R185109
(B)
HEAVY DUTY
(A)
(B)
HEAVY DUTY
HEAVY DUTY
53.023
(A)
(B)
PARA SEMI EIXO 80MM
PARA SEMI EIXO 86MM
-
-
-
-
-
-
-
-
-
-
-
-
-
-
-
-
-
-
-
-
-
-
-
-
-
-
-
-
-
-
-
-
-
-
-
-
-
-
-
-
ITEM NÚMERO DESCRIÇÃO QTDE OBSERVAÇÕESNO.SÉRIE EIXO
TRASEIRO
TRATORES JOHN DEERE 7500 CPCQ26568 30Jan02
CAIXA DA TOMADA DE POTÊNCIA
53.024
TRATORES JOHN DEERE 7500 CPCQ26568 30Jan02
1
2
3
4
5
6
7
8
9
10
11
12
13
14
15
16
17
18
RE186139
R27329
19M7353
19M7675
19M7397
A776R
RE42709
RE187450
R48685
T12083
F2741
CQ26719
CQ26720
19M7342
12M7069
38H1168
R26448
25602
R28776
R394R
CARCAÇA
PARAFUSO
PARAF SEXT
PARAFUSO SEXT
PARAF SEXT
PINO
INDICADOR
INDICADOR
PINO
TAMPAO
SELO
BATENTE DIR
BATENTE ESQ
PARAF SEXT
ARRUELA PRESSAO
CONEXÃO
ANEL O
SELANTE
ANEL O
ANEL O
1
2
3
6
1
2
1
1
2
1
1
1
1
AR
AR
1
1
2
2
7
5
0
0
X
X
X
X
X
X
X
X
X
X
X
X
X
X
X
X
X
X
X
X
INCL KEYS 2,8 SUB RE66208
M16X95
M16X200
M16X50
SUB RE187450
M16X55
16MM
50 GR
53.025
-
-
-
-
-
-
-
-
-
-
-
-
-
-
-
-
-
-
-
-
ITEM NÚMERO DESCRIÇÃO QTDE OBSERVAÇÕESNO. SÉRIE
TRATORES JOHN DEERE 7500 CPCQ26568 30Jan02
TDP TRASEIRA
53.026
TRATORES JOHN DEERE 7500 CPCQ26568 30Jan02
1
2
3
4
5
6
7
8
9
10
11
12
13
14
15
16
17
18
19
20
21
22
23
24
R133086
JD7378
R125980
R95784
L33035
R93485
R125178
34M7074
R125086
R122750
R95165
JD7292
R129912
RE38725
L151598
R129680
R95152
RE64466
JD10070
R95151
JD10070
R95152
JD10527
R105882
EIXO
CONE
ENGRENAGEM
ARRUELA ENCOSTO
ANEL ELASTICO
MOLA
COLAR DESLIZAM
PINO ELASTICO
EMBOLO
ANEL O
CAPA
CAPA
DISCO
SELO
EIXO
ANEL ELÁSTICO
ARRUELA ENCOSTO
ENGRENAGEM COM DEFLETOR FRONT.
ROLAMENTO
ESPACADOR
ROLAMENTO
ARRUELA ENCOSTO
CONE
DEFLETOR TRASEIRA
1
1
1
7
5
0
0
X
X
X
X
X
X
X
X
X
X
X
X
X
X
X
X
X
X
X
X
X
X
X
X
8X75MM
(A)
53.027
(A) SUB FOR R125087, R161794, L110178
-
-
-
-
-
-
-
-
-
-
-
-
-
-
-
-
-
-
-
-
-
-
-
-
ITEM NÚMERO DESCRIÇÃO QTDE OBSERVAÇÕESNO. SÉRIE
TRATORES JOHN DEERE 7500 CPCQ26568 30Jan02
CONTRA-EIXO DA TDF
53.028
TRATORES JOHN DEERE 7500 CPCQ26568 30Jan02
1
2
3
4
5
6
7
8
9
10
R95160
JD7222
JD7228
R95142
JD7278
RE47322
R87789
R95143
R49434
JD7266
CONTRAEIXO
CONE
CONE
LUVA
CAPA
KIT
PARAFUSO
ENGRENAGEM
ANEL ELAST
CAPA
1
1
1
1
1
3
4
1
1
1
7
5
0
0
X
X
X
X
X
X
X
X
X
X
M10X25
Z 23
53.029
-
-
-
-
-
-
-
-
-
-
ITEM NÚMERO DESCRIÇÃO QTDE OBSERVAÇÕESNO. SÉRIE
TRATORES JOHN DEERE 7500 CPCQ26568 30Jan02
EMBREAGEM DA TDP
53.030
TRATORES JOHN DEERE 7500 CPCQ26568 30Jan02
1
2
3
4
5
6
7
8
9
10
11
12
13
14
15
16
17
18
19
20
21
22
JD9076
R116379
R129754
R105539
R52876
R50222
R129759
R43381
R35034
R129975
R70027
R70027
R43383
RE33043
R95109
RE23286
RE23286
RE65291
R95110
R95110
R105879
R130719
JD8161
R104713
R33167
RE33040
R93467
JD9133
R76674
CONE
TAMBOR
TAMBOR
VALVULA
ANEL ELAST
BUCHA
PISTÃO
ARRUELA
GAXETA
RETENTOR
DISCO
DISCO
ANEL ELASTICO
CUBO
PLACA
DISCO
DISCO
DISCO
PLACA
PLACA
PLACA
PLACA
CONE
PARAF SEXT
ANEL
PLACA
PISTAO
CAPA
ARRUELA
1
1
1
1
1
1
1
1
5
7
1
1
1
4
5
5
3
4
1
1
1
1
6
1
1
1
2
43138
43138
43138
37726
43138
37726
43125
43137
43137
43137
43137
37725
43137
37725
43124
7
5
0
0
X
X
X
X
X
X
X
X
X
X
X
X
X
X
X
X
X
X
X
X
X
X
X
X
X
X
X
X
X
M8X25
53.031
-
-
-
-
-
-
-
-
-
-
-
-
-
-
-
-
-
-
-
-
-
-
-
-
-
-
-
-
-
ITEM NÚMERO DESCRIÇÃO QTDE OBSERVAÇÕESNO. SÉRIE
TRANSMISSÃO
TRATORES JOHN DEERE 7500 CPCQ26568 30Jan02
SUPORTE DIANTEIRO DA TDF
1
2
3
4
5
6
RE66783
R109138
R128837
JD7425
RE47323
JD8247
RE47328
SUPORTE
PARAFUSO
PARAFUSO
CAPA
KIT
CAPA
KIT
1
5
4
1
AR
1
AR
7
5
0
0
X
X
X
X
X
X
X
SUBFOR R105887 OR R128520
SUBFOR (5) R128837
53.032
-
-
-
-
-
-
-
ITEM NÚMERO DESCRIÇÃO QTDE OBSERVAÇÕESNO. SÉRIE
TRATORES JOHN DEERE 7500 CPCQ26568 30Jan02
EIXO DE SAÍDA DA TDF TRASEIRA
1
2
3
4
5
R125477
R97250
R110217
RE47326
R69721
R109477
40M1852
EIXO
EIXO
BUCHA
BUCHA
ANEL ELASTICO
EIXO
ANEL ELASTICO
1
1
1
1
1
1
1
037050
037050
037049
037049
7
5
0
0
X
X
X
X
X
X
X
INCL SNAP RING
53.033
-
-
-
-
-
-
-
ITEM NÚMERO DESCRIÇÃO QTDE OBSERVAÇÕESNO. SÉRIE
TRATORES JOHN DEERE 7500 CPCQ26568 30Jan02
VÁLVULA DE COMANDO, TDP TRASEIRA (COMANDO ELÉTRICO)
53.034
TRATORES JOHN DEERE 7500 CPCQ26568 30Jan02
1
2
3
4
5
6
7
8
9
10
11
12
13
14
15
16
17
18
19
20
21
22
23
24
R95189
RE47329
R95195
R95216
34M7045
R95890
P48347
R95892
40M1851
RE46684
51M7041
R95197
R95198
19M7775
R95200
19M7834
RE53051
19M7560
R120884
RE50782
R109690
RE53311
RE47393
R109691
CARCACA
KIT
MOLA
MOLA
PINO ELASTICO
PISTAO
ANEL O
TAMPAO
PINO ELASTICO
TAMPAO
ANEL O
JUNTA
PLACA
PARAFUSO
JUNTA
PARAFUSO
SOLENOIDE
PARAF SEXT
VALVULA
BOBINA
FIXADOR
VALVULA
KIT
PORCA
1
1
1
1
1
1
1
1
1
2
2
1
1
2
1
6
1
2
1
1
1
1
1
1
7
5
0
0
X
X
X
X
X
X
X
X
X
X
X
X
X
X
X
X
X
X
X
X
X
X
X
X
SUB R125204
SUB R153675
6X60MM
11.3X2.2MM
M6X16
M6X45
M6X16
53.035
-
-
-
-
-
-
-
-
-
-
-
-
-
-
-
-
-
-
-
-
-
-
-
-
ITEM NÚMERO DESCRIÇÃO QTDE OBSERVAÇÕESNO. SÉRIE
TRATORES JOHN DEERE 7500 CPCQ26568 30Jan02
PROTEÇÃO PRINCIPAL DA TDF
1
2
3
4
5
6
CQ26100
P59264
CQ06679
19M7784
L12974
CQ33350
DECALCO
PROTECAO
ARRUELA LISA
PARAF SEXT
CAPA
DECALCO
AR
7
5
0
0
X
X
X
X
X
X
17X27X2,65MM
M10X20
53.036
-
-
-
-
-
-
ITEM NÚMERO DESCRIÇÃO QTDE OBSERVAÇÕESNO. SÉRIE
TRATORES JOHN DEERE 7500 CPCQ26568 30Jan02
BOCAL DE ENCHIMENTO DE ÓLEO DA TRANSMISSÃO
1
2
3
4
AL38083
DQ25822
19M7386
24M7038
TAMPA
BOCAL
PARAF SEXT
ARRUELA LISA
7
5
0
0
X
X
X
X
M12X20
14X24MM
53.037
-
-
-
-
ITEM NÚMERO DESCRIÇÃO QTDE OBSERVAÇÕESNO. SÉRIE
TRATORES JOHN DEERE 7500 CPCQ26568 30Jan02
53.038
30Jan02TRATORES JOHN DEERE 7500 CPCQ26568 2A13
INDICE DE GRUPO - INDICE DE GRUPO
30Jan02TRATORES JOHN DEERE 7500 CPCQ26568 2A13
INDICE DE GRUPO - INDICE DE GRUPO
TRATORES JOHN DEERE 7500 CPCQ26568 30Jan02
60.001
TRATORES JOHN DEERE 7500 CPCQ26568 30Jan02
VOLANTE DE DIREÇÃO, COMPONENTES
60.002
TRATORES JOHN DEERE 7500 CPCQ26568 30Jan02
1
2
3
4
5
6
7
8
9
10
11
12
13
14
15
16
17
18
19
20
21
22
23
24
25
26
27
DQ43769
14M7209
T17148
L78852
19M7169
CQ27751
R113369
14M7167
40M1861
CQ06693
DQ24768
DQ28759
DQ32686
CQ60209
DQ28758
40M7040
CQ60155
CQ60145
12M7066
19M7166
.......
DQ29541
DQ32687
R84157
DQ29537
.......
24M7090
CQ33341
CQ33340
CQ33342
CQ33343
TAMPA
PORCA SEXT
ARRUELA
VOLANTE
PARAFUSO SEXT
PIVO
BUCHA
PORCA AUTOFREN
ANEL ELASTICO
ANEL ELASTICO
ROLAMENTO
COLUNA
COLUNA
MOLA
MANIPULO
ANEL ELASTICO
PINO
SUPORTE
ARRUELA PRESSAO
PARAFUSO SEXT
EIXO
EIXO
EIXO
LUVA
RETENTOR
RETENTOR
ARRUELA LISA
GARFO
GARFO
CRUZETA
ANEL ELÁSTICO
AR
AR
AR
AR
AR
AR
AR
4949
1898
4949
1898
4948
1897
4948
1897
1897
7
5
0
0
X
X
X
X
X
X
X
X
X
X
X
X
X
X
X
X
X
X
X
X
X
X
X
X
X
X
X
X
X
X
X
M18
M10X35
M10
42X1,75MM
25X1,2MM
10MM
M10X20
NSEP ORD DQ29541, DQ29537
(A)
NSEP ORD DQ29453, 24M7090
22X37MM
60.003
-
-
-
-
-
-
-
-
-
-
-
-
-
-
-
-
-
-
-
-
-
-
-
-
-
-
-
-
-
-
-
ITEM NÚMERO DESCRIÇÃO QTDE OBSERVAÇÕESNO. SÉRIE TRATOR
TRATORES JOHN DEERE 7500 CPCQ26568 30Jan02
DIREÇÃO HIDROSTÁTICA E FREIO, MANGUEIRAS E TUBOS HIDRÁULICOS - CABINE
60.004
TRATORES JOHN DEERE 7500 CPCQ26568 30Jan02
1
2
3
4
5
6
7
8
9
10
11
12
13
14
15
16
17
18
19
20
21
22
23
DQ32194
R34558
L79337
T77814
38H5001
T77857
DQ33563
DQ35216
DQ32251
DQ33565
19M7301
AH77724
12M7065
24M7026
L39888
AL114312
T77613
38H5022
38H5016
38H5003
L100555
38H5131
L100644
DQ31851
DQ31850
38H5002
TUBO
FIXADOR
BORRACHA
ANEL O
CONEXAO
ANEL O
MANGUEIRA
MANGUEIRA
MANGUEIRA
MANGUEIRA
PARAF SEXT
FIXADOR
ARRUELA PRESSAO
ARRUELA LISA
VEDAÇÃO
MANGUEIRA
ANEL O
CONEXÃO
CONEXAO
CONECTOR
CONEXÃO
CONEXÃO
GUARNIÇÃO
TUBO
TUBO
CONEXAO
2
AR
AR
AR
1
1
7881
XXXXXX
XXXXXX
7880
7
5
0
0
X
X
X
X
X
X
X
X
X
X
X
X
X
X
X
X
X
X
X
X
X
X
X
X
X
X
M8X40
5MM
9X17X1,6
60.005
-
-
-
-
-
-
-
-
-
-
-
-
-
-
-
-
-
-
-
-
-
-
-
-
-
-
ITEM NÚMERO DESCRIÇÃO QTDE OBSERVAÇÕESNO. SÉRIE
TRATORES JOHN DEERE 7500 CPCQ26568 30Jan02
60.006
TRATORES JOHN DEERE 7500 CPCQ26568 30Jan02
UNIDADE DA DIREÇÃO HIDROSTÁTICA
1
2
3
4
5
6
7
8
9
10
11
12
13
14
RE34138
AL119235
C15104
T77346
T54324
B3690R
JD8856
T41836
T70321
T152293
E84676
T101545
P51079
T101546
AE46834
UNIDADE DIRECAO
UNIDADE DIREÇÃO
RETENTOR
BUCHA
ANEL DE PENETRAÇÃO
ANEL O
CONE
ARRUELA
ANEL
PLACA DE DESGASTE
PARAF.SEXT
RETENTOR
ANEL O
ANEL ENCOSTO
KIT VEDAÇÃO
1
1
1
1
1
1
1
2
3
1
7
1
1
1
AR
XXXXXX
XXXXXX
7
5
0
0
X
X
X
X
X
X
X
X
X
X
X
X
X
X
X
60.007
-
-
-
-
-
-
-
-
-
-
-
-
-
-
-
ITEM NÚMERO DESCRIÇÃO QTDE OBSERVAÇÕESNO. SÉRIE
TRATORES JOHN DEERE 7500 CPCQ26568 30Jan02
DIREÇÃO HIDROSTÁTICA E FREIOS, TUBOS HIDRÁULICOS E PECAS DE FIXACAO - SEM CABINE
60.008
TRATORES JOHN DEERE 7500 CPCQ26568 30Jan02
1
2
3
4
5
6
7
8
9
10
11
12
13
14
15
16
17
18
19
20
21
22
23
24
25
26
27
28
29
30
31
AP32864
T77857
38H5003
L100555
51M7043
B2762
51M7041
38H5002
T77613
DQ60616
DQ60617
DQ60590
51M7040
38H5022
38H5016
T77613
AL114312
AP32561
DQ35216
AP32559
AP32567
AP32568
19M7595
DQ03962
CQ33811
14M7165
19M7721
DQ04007
CQ25192
H75541
14M7165
H128515
T77857
38H5003
51M7043
TUBO
ANEL O
CONECTOR
CONEXÃO
ANEL O
ANEL O
ANEL O
CONEXAO
ANEL O
TUBO
TUBO
TUBO
ANEL O
CONEXÃO
CONEXAO
ANEL O
MANGUEIRA
TUBO
MANGUEIRA
TUBO
TUBO
TUBO
PARAFUSO
FIXADOR
PLACA
PORCA SEXT
PARAF SEXT
FIXADOR
ESPACADOR
ABRACADEIRA
PORCA SEXT
FIXADOR
ANEL O
CONECTOR
ANEL O
1
1
1
1
AR
AR
AR
AR
AR
XXXXXX
XXXXXX
7881
7881
XXXXXX
XXXXXX
7880
7880
7
5
0
0
X
X
X
X
X
X
X
X
X
X
X
X
X
X
X
X
X
X
X
X
X
X
X
X
X
X
X
X
X
X
X
X
X
X
X
INC 4
11.3X2.2MM
INC 6
9,3X2,2MM
INCL KEYS 12
M6X50
M6
M6X65
M6
60.009
-
-
-
-
-
-
-
-
-
-
-
-
-
-
-
-
-
-
-
-
-
-
-
-
-
-
-
-
-
-
-
-
-
-
-
ITEM NÚMERO DESCRIÇÃO QTDE OBSERVAÇÕESNO. SÉRIE
TRATORES JOHN DEERE 7500 CPCQ26568 30Jan02
DIREÇÃO HIDROSTÁTICA, TUBOS HIDRÁULICOS E PEÇAS DE FIXACAO
60.010
TRATORES JOHN DEERE 7500 CPCQ26568 30Jan02
1
2
3
4
5
6
7
8
9
10
11
12
14M7165
AH87142
CQ33811
DQ04007
P59993
19M7299
CQ25995
CQ46867
DQ29952
H128515
19M7299
19M8552
12M7067
PORCA SEXT
FIXADOR
PLACA
FIXADOR
SUPORTE
PARAF SEXT
SUPORTE
SUPORTE
TUBO
FIXADOR
PARAF SEXT
PARAF SEXT
ARRUELA PRESSAO
AR
AR
2
1
7
5
0
0
X
X
X
X
X
X
X
X
X
X
X
X
X
M6
M6X45
MOTOR 350
M6X45
M12X25
12MM
60.011
-
-
-
-
-
-
-
-
-
-
-
-
-
ITEM NÚMERO DESCRIÇÃO QTDE OBSERVAÇÕESNO. SÉRIE
TRATORES JOHN DEERE 7500 CPCQ26568 30Jan02
DIREÇÃO HIDROSTÁTICA, TUBOS HIDRÁULICOS E PEÇAS DE FIXACAO
1
2
3
4
5
6
7
8
9
DQ60627
DQ60628
T77857
19M7167
T70659
14M7274
AL78576
AL78414
L41536
TUBO
TUBO
ANEL O
PARAFUSO SEXT
FIXADOR
PORCA
MANGUEIRA
CONEXAO
ANEL O
AR
AR
7
5
0
0
X
X
X
X
X
X
X
X
X
M10X25
M10
4X4
60.012
-
-
-
-
-
-
-
-
-
ITEM NÚMERO DESCRIÇÃO QTDE OBSERVAÇÕESNO. SÉRIE
TRATORES JOHN DEERE 7500 CPCQ26568 30Jan02
VÁLVULA DE FREIO
1
2
3
4
5
6
7
8
9
10
11
12
13
14
15
16
17
18
19
20
21
22
23
24
AP32508
AP37887
R26552
19M8493
R108052
38H5002
51M7041
R60755
R108062
U17409
A4365
R10093
T13119
19M7167
RE46598
AP32913
34H294
R108066
R108041
R108042
R108067
RE60708
R115975
12M7066
P60242
VALVULA
VALVULA
ESFERA
PARAFUSO
EMBOLO
CONEXAO
ANEL O
ROLAMENTO DE AGULHA
TAMPÃO
ANEL O
ANEL O
ANEL O
ANEL O
PARAFUSO SEXT
KIT
KIT
PINO ELÁSTICO
ANEL O
RETENTOR
ANEL DE APOIO
RETENTOR
KIT
ARRUELA
ARRUELA PRESSAO
PISTÃO
1
1
1
2
2
2
1
2
2
2
2
2
2
4
1
2
2
2
2
2
2
2
AR
AR
13757
13756
7
5
0
0
X
X
X
X
X
X
X
X
X
X
X
X
X
X
X
X
X
X
X
X
X
X
X
X
X
5/16"
11.3X2.2MM
M10X25
10MM
60.013
-
-
-
-
-
-
-
-
-
-
-
-
-
-
-
-
-
-
-
-
-
-
-
-
-
ITEM NÚMERO DESCRIÇÃO QTDE OBSERVAÇÕESNO. SÉRIE
TRATORES JOHN DEERE 7500 CPCQ26568 30Jan02
CONJUNTO DE FIXADORES DA VÁLVULA DE FREIO
1 RE63587 KIT 1
7
5
0
0
X (A)
60.014
(A) (SUB FOR RE46601 OR RE60709) (SUB RE67861)
-
ITEM NÚMERO DESCRIÇÃO QTDE OBSERVAÇÕESNO. SÉRIE
TRATORES JOHN DEERE 7500 CPCQ26568 30Jan02
CONJUNTO DE VALVULA DE RETENÇÃO DE COMPENSAÇÃO DO FREIO
1
3
4
5
6
RE46597
RE60708
R60755
A4365R
R10093
R108042
R108067
KIT
KIT
ROLAMENTO DE AGULHA
ANEL O
ANEL O
ANEL DE APOIO
RETENTOR
1
1
1
1
1
1
1
XXXXXX
XXXXXX
7
5
0
0
X
X
X
X
X
X
X
(A) SUB RE60708)
(B)
60.015
(A)
(B)
( -XXXXXX) 7200-002258; 7400-002437
(XXXXXX- ) 7200-002259; 7400-002438
-
-
-
-
-
-
-
ITEM NÚMERO DESCRIÇÃO QTDE OBSERVAÇÕESNO. SÉRIE
TRATORES JOHN DEERE 7500 CPCQ26568 30Jan02
KIT DE REPARO DO FREIO DE VÁLVULA
60.016
TRATORES JOHN DEERE 7500 CPCQ26568 30Jan02
1
2
3
4
5
6
7
8
9
10
11
12
13
14
15
16
17
18
19
20
21
22
23
RE67860
T42571
51M7041
51M7043
R30903
R30903
R26287
R26448
U17409
A4365R
R10093
T13119
R28776
T77932
B2762R
R118205
R108066
R132845
R108042
R108067
R113054
R113057
R113061
KIT
ANEL APOIO
ANEL O
ANEL O
ANEL O
ANEL O
ANEL O
ANEL O
ANEL O
ANEL O
ANEL O
ANEL O
ANEL O
ANEL O
ANEL O
VEDAÇÃO
ANEL O
VEDAÇÃO
ANEL DE APOIO
RETENTOR
ANEL APOIO
VEDAÇÃO
ESFERA
1
1
3
1
1
1
1
1
2
2
2
2
1
1
1
1
3
2
2
2
1
1
1
7
5
0
0
X
X
X
X
X
X
X
X
X
X
X
X
X
X
X
X
X
X
X
X
X
X
X
(USE WITH RE67321)
11.3X2.2MM
60.017
-
-
-
-
-
-
-
-
-
-
-
-
-
-
-
-
-
-
-
-
-
-
-
ITEM NÚMERO DESCRIÇÃO QTDE OBSERVAÇÕESNO. SÉRIE
TRATORES JOHN DEERE 7500 CPCQ26568 30Jan02
PEDAIS DO FREIO
1
2
3
4
5
6
7
8
9
10
11
12
13
14
19M7139
24M7026
RE66257
R112676
R51192
14M7140
RE43662
RE43663
RE49670
12M7006
19M7167
R50879
34H313
R50034
PARAFUSO
ARRUELA LISA
SENSOR
PARAFUSO
BUCHA
PORCA SEXT
PEDAL ESQ
PEDAL DIR
SUPORTE
ARRUELA PRESSAO
PARAFUSO SEXT
TRAVESSA
PINO ELAST
MOLA
AR
AR
1
2
2
AR
2
1
1
AR
AR
1
AR
1
7
5
0
0
X
X
X
X
X
X
X
X
X
X
X
X
X
X
M8X20
9X17X1,6
M10
INCL KEYS 5, 12, 13, 14
INCL KEYS 5
6MM
M10X25
60.018
-
-
-
-
-
-
-
-
-
-
-
-
-
-
ITEM NÚMERO DESCRIÇÃO QTDE OBSERVAÇÕESNO. SÉRIE
TRATORES JOHN DEERE 7500 CPCQ26568 30Jan02
DISCO DO FREIO
1
2
3
4
5
R125128
RE160072
R122850
R125127
R126399
PLACA
DISCO
RETENTOR
PISTAO
RETENTOR
2
2
2
2
2
7
5
0
0
X
X
X
X
X
SUB RE640066 OR RE701175
60.019
-
-
-
-
-
ITEM NÚMERO DESCRIÇÃO QTDE OBSERVAÇÕESNO. SÉRIE
TRATORES JOHN DEERE 7500 CPCQ26568 30Jan02
TUBOS HIDRÁULICOS DO FREIO
1
2
3
4
5
6
7
8
9
10
11
12
13
14
15
16
17
18
19
AP32572
T77613
38H5002
51M7041
AP32571
14M7167
CQ33811
H128515
14M7274
19M7299
P59991
28H1903
19M7166
19M3115
19M8552
H75541
AH87142
12M7067
CQ25996
TUBO
ANEL O
CONEXAO
ANEL O
TUBO
PORCA AUTOFREN
PLACA
FIXADOR
PORCA
PARAF SEXT
SUPORTE
ESPACADOR
PARAFUSO SEXT
PARAF SEXT
PARAF SEXT
ABRACADEIRA
FIXADOR
ARRUELA PRESSAO
SUPORTE
AR
AR
AR
AR
AR
7
5
0
0
X
X
X
X
X
X
X
X
X
X
X
X
X
X
X
X
X
X
X
INCL KEYS 4
11.3X2.2MM
M10
M10
M6X45
M10X20
M6X12
M12X25
12MM
60.020
-
-
-
-
-
-
-
-
-
-
-
-
-
-
-
-
-
-
-
ITEM NÚMERO DESCRIÇÃO QTDE OBSERVAÇÕESNO. SÉRIE
TRATORES JOHN DEERE 7500 CPCQ26568 30Jan02
TUBO HIDRÁULICO DO FREIO - 100 LPM
1
2
3
4
5
6
7
8
9
10
11
12
13
14
15
16
17
18
19
DQ29954
T77613
38H5016
51M7041
DQ30105
14M7165
CQ33811
H128515
14M7274
19M7299
P59991
P59991
19M7318
19M3115
19M8552
CQ03819
AH87142
12M7067
CQ25996
TUBO
ANEL O
CONEXAO
ANEL O
TUBO
PORCA SEXT
PLACA
FIXADOR
PORCA
PARAF SEXT
SUPORTE
SUPORTE
PARAFUSO
PARAF SEXT
PARAF SEXT
FIXADOR
FIXADOR
ARRUELA PRESSAO
SUPORTE
AR
AR
AR
7
5
0
0
X
X
X
X
X
X
X
X
X
X
X
X
X
X
X
X
X
X
X
11.3X2.2MM
M6
M10
M6X45
M6X30
M6X12
M12X25
12MM
60.021
-
-
-
-
-
-
-
-
-
-
-
-
-
-
-
-
-
-
-
ITEM NÚMERO DESCRIÇÃO QTDE OBSERVAÇÕESNO. SÉRIE
TRATORES JOHN DEERE 7500 CPCQ26568 30Jan02
60.022
30Jan02TRATORES JOHN DEERE 7500 CPCQ26568 2B9
INDICE DE GRUPO - INDICE DE GRUPO
30Jan02TRATORES JOHN DEERE 7500 CPCQ26568 2B9
INDICE DE GRUPO - INDICE DE GRUPO
30Jan02TRATORES JOHN DEERE 7500 CPCQ26568 2B9
INDICE DE GRUPO - INDICE DE GRUPO
TRATORES JOHN DEERE 7500 CPCQ26568 30Jan02
70.001
TRATORES JOHN DEERE 7500 CPCQ26568 30Jan02
VÁLVULA DE CONTROL DO LEVANTE HIDRÁULICO
70.002
TRATORES JOHN DEERE 7500 CPCQ26568 30Jan02
1
2
3
4
5
6
7
8
9
10
11
12
13
14
15
16
17
18
CQ60094
51M7041
38H5002
T77613
DQ60580
38H5127
DQ28389
38H5016
DQ28388
P59203
R74210
R26448
DQ28390
T77857
38H5003
51M7043
P59202
AL82025
CONEXAO
ANEL O
CONEXAO
ANEL O
CONEXAO
CONEXAO
TUBO
CONEXAO
TUBO
CONEXAO
ANEL O
ANEL O
TUBO
ANEL O
CONECTOR
ANEL O
MANGUEIRA
ABRAÇADEIRA
7
5
0
0
X
X
X
X
X
X
X
X
X
X
X
X
X
X
X
X
X
X
11.3X2.2MM
INCL KEYS 2
INCL KEYS 16
70.003
-
-
-
-
-
-
-
-
-
-
-
-
-
-
-
-
-
-
ITEM NÚMERO DESCRIÇÃO QTDE OBSERVAÇÕESNO. SÉRIE
TRATORES JOHN DEERE 7500 CPCQ26568 30Jan02
LEVANTE HIDRÁULICO
70.004
TRATORES JOHN DEERE 7500 CPCQ26568 30Jan02
1
2
3
4
5
6
7
8
9
10
11
12
13
14
L100025
R111551
R111550
CQ33509
L75841
R111553
R111546
R111547
R33877
19M8102
19M7824
19M7851
R154949
24M7026
19M7162
SUPORTE
BUCHA
EIXO
EIXO
VEDACAO
ARRUELA
BRACO ESQ
BRACO DIR
ARRUELA
PARAF SEXT
PARAF C/FLANGE
PARAF C/FLANGE
BLINDAGEM
ARRUELA LISA
PARAF SEXT
AR
AR
AR
AR
AR
XXXXXX
XXXXXX
7
5
0
0
X
X
X
X
X
X
X
X
X
X
X
X
X
X
X
M20X65
M20X60
9X17X1,6
M8X16
70.005
-
-
-
-
-
-
-
-
-
-
-
-
-
-
-
ITEM NÚMERO DESCRIÇÃO QTDE OBSERVAÇÕESNO. SÉRIE
TRATORES JOHN DEERE 7500 CPCQ26568 30Jan02
SENSOR DE PROFUNDIDADE, LEVANTE HIDRÁULICO
70.006
TRATORES JOHN DEERE 7500 CPCQ26568 30Jan02
1
2
3
4
5
6
7
8
9
10
11
12
13
14
15
16
R111692
R40915
R56504
R112679
R86457
P48347
R111691
R41076
R26871
RE24467
RE56165
21M7360
12H295
14M7028
19M7139
RE54029
14H860
EIXO
BRACO
PINO ELAST
VEDACAO
SUPORTE
ANEL O
SUPORTE
BUCHA
ANEL ELAST
SENSOR
SENSOR
PARAF FENDA
ARRUELA PRESSAO
PORCA SEXT
PARAFUSO
HASTE
PORCA
1
1
1
1
1
AR
1
1
1
1
1
AR
AR
AR
AR
1
AR
3967
3966
7
5
0
0
X
X
X
X
X
X
X
X
X
X
X
X
X
X
X
X
X
M5X45
3/16"
M5
M8X20
1/4"
70.007
-
-
-
-
-
-
-
-
-
-
-
-
-
-
-
-
-
ITEM NÚMERO DESCRIÇÃO QTDE OBSERVAÇÕESNO. SÉRIE TRATOR
TRATORES JOHN DEERE 7500 CPCQ26568 30Jan02
CILINDRO DE LEVANTE
1
2
3
4
5
6
7
8
9
10
11
12
DQ27023
DQ32160
R95206
R95207
T20217
R107975
L75695
R68672
11M7059
58M5575
H148011
H148010
DQ27021
DQ33185
CILINDRO
CILINDRO
PINO
PLACA
ARRUELA
PARAFUSO
PINO
PINO
CONTRAPINO
GRAXEIRA
VEDACAO
BUCHA
REPARO
KIT
5924
5924
5923
5923
5923
5923
7
5
0
0
X
X
X
X
X
X
X
X
X
X
X
X
X
X
3,2X20MM
M10
70.008
-
-
-
-
-
-
-
-
-
-
-
-
-
-
ITEM NÚMERO DESCRIÇÃO QTDE OBSERVAÇÕESNO. SÉRIE TRATOR
TRATORES JOHN DEERE 7500 CPCQ26568 30Jan02
TUBOS HIDRÁULICOS, CILINDRO DO LEVANTE
1
2
3
4
5
6
7
8
51M7045
38H5076
T77857
DQ25766
51M7043
38H5003
RE49100
38H5031
ANEL O
CONECTOR
ANEL O
MANGUEIRA
ANEL O
CONECTOR
MANGUEIRA
CONECTOR
7
5
0
0
X
X
X
X
X
X
X
X
19.300X2.200MM
INCL KEYS 1
INCL KEYS 5
70.009
-
-
-
-
-
-
-
-
ITEM NÚMERO DESCRIÇÃO QTDE OBSERVAÇÕESNO. SÉRIE
TRATORES JOHN DEERE 7500 CPCQ26568 30Jan02
SUPORTE BARRA DE TRAÇÃO, SENSOR DA TRAÇÃO
70.010
TRATORES JOHN DEERE 7500 CPCQ26568 30Jan02
1
2
3
4
5
6
7
8
9
10
11
12
13
14
15
16
17
18
19
20
21
22
R111186
R108086
R108088
R108089
R108090
R108091
19M7285
R111582
R115771
R113392
RE43738
R108093
R111187
AT128773
40M5099
R108095
R111188
19M7300
JD7798
R95401
19M7297
R76477
EIXO
RETENTOR
BUCHA
BUCHA
PINO
PLACA
PARAFUSO
SUPORTE
PINO
CLIPE
POTENCIOMETRO
CLIPE
REFORCO
BUCHA
ANEL ELAST
TAMPA
TAMPA
PARAF SEXT
GRAXEIRA
BLINDAGEM
PARAF SEXT
ABRACADEIRA
1
3
2
2
1
1
2
2
2
2
1
1
1
1
1
2
1
10
1
1
2
1
7
5
0
0
X
X
X
X
X
X
X
X
X
X
X
X
X
X
X
X
X
X
X
X
X
X
M12X30
M6X10
M8X12
70.011
-
-
-
-
-
-
-
-
-
-
-
-
-
-
-
-
-
-
-
-
-
-
ITEM NÚMERO DESCRIÇÃO QTDE OBSERVAÇÕESNO. SÉRIE TRATOR
TRATORES JOHN DEERE 7500 CPCQ26568 30Jan02
BARRAS DE TRAÇÃO, TELESCÓPICAS
70.012
TRATORES JOHN DEERE 7500 CPCQ26568 30Jan02
1
2
3
4
5
6
7
8
9
DQ33824
DQ33825
DQ26120
RE11578
R26908
RE43609
RE43608
19M6614
34M7199
R106297
11M7028
R108112
BRAÇO DO LEVANTE
BRAÇO DO LEVANTE
BRACO COMP
PORCA
MOLA
EXTREMO DO BRAÇO
EXTREMO DE BRAÇO
PARAFUSO
PINO ELÁSTICO
PINO
CONTRAPINO
BUCHA
1
1
1
2
2
2
2
2
2
2
2
2
8239
8239
8238
7
5
0
0
X
X
X
X
X
X
X
X
X
X
X
X
RH
LH
RH
LH
M6X12
5X32MM
70.013
-
-
-
-
-
-
-
-
-
-
-
-
ITEM NÚMERO DESCRIÇÃO QTDE OBSERVAÇÕESNO. SÉRIE
TRATORES JOHN DEERE 7500 CPCQ26568 30Jan02
TENSORES AJUSTÁVEUS, COM BARRAS DE TRAÇÃO TELESCÓPICAS
70.014
TRATORES JOHN DEERE 7500 CPCQ26568 30Jan02
1
2
3
4
5
6
7
8
9
10
11
12
13
14
15
16
17
RE55238
34M7158
R117616
JD7798
30H6
R96295
R117872
R106308
R63737
11M7021
R65239
R65240
A602R
R80436
CQ42183
R69166
11M7059
TERMINAL
PINO ELAST
CORPO
GRAXEIRA
TAMPAO
TRAVA
TERMINAL
PARAFUSO
PINO
CONTRAPINO
PINO
ARRUELA
ANEL
ANEL
PINO
PINO
CONTRAPINO
2
2
2
4
2
2
2
2
2
2
2
2
2
2
2
2
2
7
5
0
0
X
X
X
X
X
X
X
X
X
X
X
X
X
X
X
X
X
4X25MM
SUB R79916
3,2X20MM
70.015
-
-
-
-
-
-
-
-
-
-
-
-
-
-
-
-
-
ITEM NÚMERO DESCRIÇÃO QTDE OBSERVAÇÕESNO. SÉRIE
TRATORES JOHN DEERE 7500 CPCQ26568 30Jan02
TENSOR CENTRAL
70.016
TRATORES JOHN DEERE 7500 CPCQ26568 30Jan02
1
2
3
4
5
6
7
8
9
10
11
12
13
14
15
P59247
19M7268
CQ26283
19M7907
AR62151
R118182
19M8102
RE48263
JD7798
R80436
R96295
R110936
RE48265
24M7038
RE48258
SUPORTE
PARAF SEXT
SUPORTE
PARAF SEXT
PINO
PINO
PARAF SEXT
TERMINAL
GRAXEIRA
ANEL
TRAVA
CORPO
TERMINAL
ARRUELA LISA
BRAÇO CENTRAL
AR
AR
AR
7
5
0
0
X
X
X
X
X
X
X
X
X
X
X
X
X
X
X
M12X25
M20X140
M20X65
14X24MM
70.017
-
-
-
-
-
-
-
-
-
-
-
-
-
-
-
ITEM NÚMERO DESCRIÇÃO QTDE OBSERVAÇÕESNO. SÉRIE
TRATORES JOHN DEERE 7500 CPCQ26568 30Jan02
BARRA ESTABILIZADORA
1
2
3
4
5
6
7
8
9
10
11
12
13
14
15
16
24M7090
12M7070
CQ07569
11M7054
DQ26134
CQ26016
DQ26111
CQ25768
58M5573
DQ26261
L77493
DQ26009
12M7006
M48519
11M7012
DQ34284
ARRUELA LISA
ARRUELA PRESSAO
PARAF SEXT
CONTRAPINO
SUPORTE
PINO
ROTULA
BUCHA
GRAXEIRA
CORPO
PINO
BARRA
ARRUELA PRESSAO
PINO DIR
CONTRAPINO
ESTABILIZADOR
AR
AR
AR
AR
2
2
2
2
2
2
2
2
2
2
7
5
0
0
X
X
X
X
X
X
X
X
X
X
X
X
X
X
X
X
22X37MM
20MM
M20X65
6,3X32MM
M6
6MM
3,2X16MM
70.018
-
-
-
-
-
-
-
-
-
-
-
-
-
-
-
-
ITEM NÚMERO DESCRIÇÃO QTDE OBSERVAÇÕESNO. SÉRIE
TRATORES JOHN DEERE 7500 CPCQ26568 30Jan02
PEÇAS DE MONTAGEM PARA VÁLVULA PRIORITÁRIA
1
2
3
4
5
6
7
8
9
10
11
12
19M8035
CQ27871
19M7950
P59329
19M7285
24M7038
CQ35365
CQ27817
19M7288
12M7065
14M7029
CQ34069
PARAF SEXT
SUPORTE
PARAF SEXT
SUPORTE
PARAFUSO
ARRUELA LISA
PROTEÇÃO
PROTEÇÃO
PARAFUSO
ARRUELA PRESSAO
PORCA SEXT
ESPAÇADOR
AR
AR
AR
AR
1
1
AR
AR
AR
1
7
5
0
0
X
X
X
X
X
X
X
X
X
X
X
X
M16X35
W/O ROCKSHAFT
M20X45
M12X30
14X24MM
W/O ROCKSHAFT
W/O ROCKSHAFT
M8X30
5MM
M8
(A)
70.019
(A) SOMENTE USINEIRO
-
-
-
-
-
-
-
-
-
-
-
-
ITEM NÚMERO DESCRIÇÃO QTDE OBSERVAÇÕESNO. SÉRIE
TRATORES JOHN DEERE 7500 CPCQ26568 30Jan02
VÁLVULA PRIORITÁRIA DA ENTRADA 60 LPM
70.020
TRATORES JOHN DEERE 7500 CPCQ26568 30Jan02
1
2
3
4
5
6
7
8
9
10
11
12
13
14
15
16
RE46684
51M7041
38H5003
51M7043
RE12187
R77175
DQ28754
AP32920
DQ41959
DQ43423
R111525
R111516
P60285
R58832
DQ60568
DQ60569
DQ60704
R111298
RE49624
TAMPAO
ANEL O
CONECTOR
ANEL O
CONEXAO
CAPA
CONJ VALVULA
KIT VEDAÇÃO
CONJ COMANDO
CONJ. VALVULA
MOLA
ANEL O
TAMPÃO
FILTRO
VALVULA
VALVULA
CARRETEL
MOLA
TAMPÃO
3
6
1
1
3
3
1
1
1
1
1
2
1
2
1
1
1
1
1
13841
XXXXXX
13840
XXXXXX
7
5
0
0
X
X
X
X
X
X
X
X
X
X
X
X
X
X
X
X
X
X
X
INCL KEYS 2
11.3X2.2MM
9.300X2.200MM
INCL KEYS 9
ORD R26375
INCL KEYS 9
70.021
-
-
-
-
-
-
-
-
-
-
-
-
-
-
-
-
-
-
-
ITEM NÚMERO DESCRIÇÃO QTDE OBSERVAÇÕESNO. SÉRIE TRATOR
TRATORES JOHN DEERE 7500 CPCQ26568 30Jan02
VÁLVULA DE CONTROL DO LEVANTE HIDRÁULICO 60 LPM
70.022
TRATORES JOHN DEERE 7500 CPCQ26568 30Jan02
1
2
3
4
5
6
7
8
9
10
11
12
13
14
15
16
17
18
19
20
21
22
23
24
25
26
27
28
RE39607
U12547
T76502
R33259
T44604
R63548
T81686
T67424
T67425
RE46687
51M7045
R111288
R111526
RE39396
R111493
R63548
R111488
R111498
R111308
RE49624
R47150
RE50338
R26906
RE50337
19M8667
12M7031
RE49630
T70177
CONJ VALVULA
ANEL O
TAMPÃO
ANEL O
ANEL O
ANEL O
ANEL O
PORCA
PORCA
TAMPÃO
ANEL O
VALVULA
ARRUELA PRESSAO
VALVULA
TAMPÃO
ANEL O
TAMPÃO
CAPA
ANEL
TAMPÃO
ANEL O
KIT
ANEL O
KIT
PARAF SEXT
ARRUELA PRESSÃO
SOLENOIDE
ANEL O
1
2
2
4
1
1
2
2
1
1
1
1
1
1
1
2
2
1
1
1
2
1
2
1
AR
AR
2
1
7
5
0
0
X
X
X
X
X
X
X
X
X
X
X
X
X
X
X
X
X
X
X
X
X
X
X
X
X
X
X
X
19.300X2.200MM
M4X55
70.023
-
-
-
-
-
-
-
-
-
-
-
-
-
-
-
-
-
-
-
-
-
-
-
-
-
-
-
-
ITEM NÚMERO DESCRIÇÃO QTDE OBSERVAÇÕESNO. SÉRIE
TRATORES JOHN DEERE 7500 CPCQ26568 30Jan02
VALVULA DO LEVANTE HIDRAULICO
70.024
TRATORES JOHN DEERE 7500 CPCQ26568 30Jan02
1
2
3
4
5
6
7
8
9
10
11
12
13
14
15
16
17
18
19
20
21
22
23
24
25
26
27
28
29
30
31
32
33
34
35
36
37
RE176785
U12547
T76502
R111486
T44604
R63548
T81686
RE179329
R111487
RE46687
51M7045
R111288
R111526
RE39396
R111493
R63548
RE179258
L65322
R111308
RE49624
R47150
RE50338
R26906
RE50337
19M8842
12H315
RE179032
T70177
R111532
T150958
R111235
R111234
RE179259
R114850
R111496
R111489
RE50336
RE50335
VALVULA
ANEL O
TAMPÃO
PRATO
ANEL O
ANEL O
ANEL O
KIT RETENTOR
MOLA DE COMPRESSÃO
TAMPÃO
ANEL O
VALVULA
ARRUELA PRESSAO
VALVULA
TAMPÃO
ANEL O
TAMPÃO
PROTEÇÃO CONTRA PÓ
ANEL
TAMPÃO
ANEL O
KIT
ANEL O
KIT
PARAFUSO
ARRUELA DE SEGURANÇA
VALVULA SOLENOIDE
ANEL O
ANEL O
ANEL DE APOIO
ANEL DE APOIO
ANEL O
TAMPÃO
MOLA
PINO
BUCHA
KIT
KIT
1
2
2
2
1
2
2
1
2
1
1
1
1
1
1
1
1
1
1
1
2
1
2
1
8
8
2
1
2
2
2
1
1
1
1
1
1
1
7
5
0
0
X
X
X
X
X
X
X
X
X
X
X
X
X
X
X
X
X
X
X
X
X
X
X
X
X
X
X
X
X
X
X
X
X
X
X
X
X
X
19.300X2.200MM
INCL KEYS 2
M4X60, HS 12.9
0.164"
INCL KEYS2,5-7,11,23,29,3
70.025
-
-
-
-
-
-
-
-
-
-
-
-
-
-
-
-
-
-
-
-
-
-
-
-
-
-
-
-
-
-
-
-
-
-
-
-
-
-
ITEM NÚMERO DESCRIÇÃO QTDE OBSERVAÇÕESNO. SÉRIE
TRATORES JOHN DEERE 7500 CPCQ26568 30Jan02
VÁLVULA DE CONTROL - 100 LPM VCR 300
70.026
TRATORES JOHN DEERE 7500 CPCQ26568 30Jan02
1
2
3
4
5
6
7
8
9
10
11
12
13
14
15
16
17
18
19
20
21
22
23
24
25
26
27
28
29
30
31
32
33
34
35
36
37
38
39
40
41
42
43
AL78187
E69117
R28782
R26976
R111206
R95493
R111238
19M7768
R111242
R95491
25H723
19M8706
R111288
R95494
R95490
R111308
R113228
34H184
R111200
RE49624
R26375
RE49631
RE49633
RE56127
RE50384
RE50385
R26906
U17409
51M7045
AL102951
R118092
R118192
R113218
R111504
R117942
R111527
R113229
R113223
R113224
R113226
R126667
R117738
AL118383
VALVULA DE CONTROLE
ANEL O
ANEL O
ANEL O
VEDAÇÃO
DISCO
MOLA
PARAFUSO
TAMPÃO
BOTÃO
PINO
PARAFUSO
VALVULA
ANEL O
BOTÃO
ANEL
TAMPÃO
PINO ELASTICO
ANEL O
TAMPÃO
ANEL O
KIT
KIT
KIT
KIT
KIT
ANEL O
ANEL O
ANEL O
ENGATE RÁPIDO
GAXETA
ARRUELA PRESSÃO
ANEL
ANEL
ANEL O
ANEL O
ANEL O
ANEL
ANEL O
ANEL O
VEDAÇÃO
GRAXA
FRANGE
1
2
1
1
1
1
2
2
1
1
1
3
2
1
1
2
1
1
1
2
1
1
1
1
1
1
1
1
10
1
1
1
1
1
2
1
4
4
4
2
2
2
1
7
5
0
0
X
X
X
X
X
X
X
X
X
X
X
X
X
X
X
X
X
X
X
X
X
X
X
X
X
X
X
X
X
X
X
X
X
X
X
X
X
X
X
X
X
X
X
M6X16
1/8"X 1.1/2
19.300X2.200MM
70.027
-
-
-
-
-
-
-
-
-
-
-
-
-
-
-
-
-
-
-
-
-
-
-
-
-
-
-
-
-
-
-
-
-
-
-
-
-
-
-
-
-
-
-
ITEM NÚMERO DESCRIÇÃO QTDE OBSERVAÇÕESNO. SÉRIE
TRATORES JOHN DEERE 7500 CPCQ26568 30Jan02
VÁLVULAS DE CONTROLE 301
70.028
TRATORES JOHN DEERE 7500 CPCQ26568 30Jan02
1
2
3
4
5
6
7
8
9
10
11
12
13
14
15
16
17
18
19
20
21
22
23
24
25
26
27
28
29
30
31
32
33
34
35
36
37
38
39
40
41
AP32585
AL119217
E69117
R28782
R26976
AL110322
R95493
R111238
19M7768
R111242
R95491
25H723
19M8706
R111288
R95494
R95490
R111308
R113228
34H184
R111200
RE49624
R26375
RE49631
AP35824
RE56127
RE50384
RE50385
R26906
U17409
51M7045
AL112951
R118092
R118192
R113218
R111504
R117942
R111527
R113229
R113223
R113224
R113226
R126667
R117738
VALVULA
VÁLVULA
ANEL O
ANEL O
ANEL O
FLANGE
DISCO
MOLA
PARAFUSO
TAMPÃO
BOTÃO
PINO
PARAFUSO
VALVULA
ANEL O
BOTÃO
ANEL
TAMPÃO
PINO ELASTICO
ANEL O
TAMPÃO
ANEL O
KIT
KIT
KIT
KIT
KIT
ANEL O
ANEL O
ANEL O
ENGATE RAPIDO
GAXETA
ARRUELA PRESSÃO
ANEL
ANEL
ANEL O
ANEL O
ANEL O
ANEL
ANEL O
ANEL O
VEDAÇÃO
GRAXA
AR
AR
2
1
1
1
1
2
2
1
1
1
3
2
1
1
2
1
1
1
2
2
1
1
1
1
1
1
1
2
2
2
3
1
1
1
1
1
1
1
1
1
1
10505
7
5
0
0
X
X
X
X
X
X
X
X
X
X
X
X
X
X
X
X
X
X
X
X
X
X
X
X
X
X
X
X
X
X
X
X
X
X
X
X
X
X
X
X
X
X
X
M6X16
1/8"X 1.1/2
(SUB FOR RE49634)
19.300X2.200MM
70.029
-
-
-
-
-
-
-
-
-
-
-
-
-
-
-
-
-
-
-
-
-
-
-
-
-
-
-
-
-
-
-
-
-
-
-
-
-
-
-
-
-
-
-
ITEM NÚMERO DESCRIÇÃO QTDE OBSERVAÇÕESNO. SÉRIE
TRATORES JOHN DEERE 7500 CPCQ26568 30Jan02
VÁLVULAS DE CONTROLE
70.030
TRATORES JOHN DEERE 7500 CPCQ26568 30Jan02
1
2
3
4
5
6
7
8
9
10
11
12
13
14
15
16
17
18
19
20
21
22
23
24
25
26
27
28
29
30
31
32
33
34
35
36
37
38
39
40
41
AP32585
E69117
L152323
R26976
AL118383
R95493
R111238
19M7768
R111242
R95491
25H723
19M8706
R111288
R95494
R95490
R111308
R113228
34H184
R111200
RE49624
L152324
RE49631
AL119217
RE56127
RE50384
RE50385
L152325
L152326
R118192
R118092
L37733
R113218
R111527
R111504
R117942
R113229
R113223
R113224
R113226
R126667
R111206
R117738
VALVULA
ANEL O
ANEL O
ANEL O
FRANGE
DISCO
MOLA
PARAFUSO
TAMPÃO
BOTÃO
PINO
PARAFUSO
VALVULA
ANEL O
BOTÃO
ANEL
TAMPÃO
PINO ELASTICO
ANEL O
TAMPÃO
ANEL O
KIT
VÁLVULA
KIT
KIT
KIT
ANEL O
ANEL O
ARRUELA PRESSÃO
GAXETA
ANEL O
ANEL
ANEL O
ANEL
ANEL O
ANEL O
ANEL
ANEL O
ANEL O
VEDAÇÃO
VEDAÇÃO
GRAXA
1
2
1
1
1
1
2
2
1
1
1
3
2
1
1
2
1
1
1
2
2
1
1
1
1
1
1
1
3
AR
AR
1
1
1
1
1
1
1
1
1
1
1
7
5
0
0
X
X
X
X
X
X
X
X
X
X
X
X
X
X
X
X
X
X
X
X
X
X
X
X
X
X
X
X
X
X
X
X
X
X
X
X
X
X
X
X
X
X
M6X16
1/8"X 1.1/2
270G
70.031
-
-
-
-
-
-
-
-
-
-
-
-
-
-
-
-
-
-
-
-
-
-
-
-
-
-
-
-
-
-
-
-
-
-
-
-
-
-
-
-
-
-
ITEM NÚMERO DESCRIÇÃO QTDE OBSERVAÇÕESNO. SÉRIE
TRATORES JOHN DEERE 7500 CPCQ26568 30Jan02
VÁLVULAS DE CONTROLE REMOTO E ENGATE RÁPIDO
70.032
TRATORES JOHN DEERE 7500 CPCQ26568 30Jan02
1
2
3
4
5
6
7
8
9
10
11
12
13
14
15
16
17
18
19
20
21
22
DQ04227
AL112951
DQ38613
51M7045
DQ60573
R95493
R95494
AP32585
AL119217
AL112952
AL112953
L110090
L112370
AP32923
R111200
P60263
CQ33818
CQ33819
CQ33965
38H5079
R47151
L37733
AL110322
19M7768
TAMPAO MACHO
ENGATE RAPIDO
ENGATE RAPIDO
ANEL O
VALVULA
DISCO
ANEL O
VALVULA
VÁLVULA
KIT
KIT
ANEL ELAST
CAPA
KIT VEDAÇÃO
ANEL O
TAMPA
PLUG
ESFERA
CHAPA
PORCA
ANEL O
ANEL O
FLANGE
PARAFUSO
AR
AR
AR
AR
AR
AR
AR
AR
AR
AR
AR
AR
AR
AR
AR
AR
1
4
1
1
1
AR
10441
4382
10505
10440
10504
7
5
0
0
X
X
X
X
X
X
X
X
X
X
X
X
X
X
X
X
X
X
X
X
X
X
X
X
19.300X2.200MM
SERIE 150 SUB AL77163
SERIE 301
SÉRIE 301
(A)
(A)
M6X16
70.033
(A) CANAVIEIRO
-
-
-
-
-
-
-
-
-
-
-
-
-
-
-
-
-
-
-
-
-
-
-
-
ITEM NÚMERO DESCRIÇÃO QTDE OBSERVAÇÕESNO. SÉRIE
TRATORES JOHN DEERE 7500 CPCQ26568 30Jan02
VÁLVULA DE CONTROLE SÉRIE 100 E 101
1
2
3
4
5
6
7
8
9
10
11
12
13
14
AL75841
AL77163
T77857
R111200
R111206
R111278
R113209
R115952
R95493
R95494
19M8705
AL118383
19M7768
R113228
L37733
AL75838
VALVULA DE CONTROLE
VALVULA
ANEL O
ANEL O
VEDAÇÃO
CONE DE VÁLVULA
PINO
LUVA
DISCO
ANEL O
PARAFUSO
FRANGE
PARAFUSO
TAMPÃO
ANEL O
VALVULA
AR
AR
1
2
1
1
1
1
1
1
2
1
2
1
1
1
7
5
0
0
X
X
X
X
X
X
X
X
X
X
X
X
X
X
X
X
SÉRIE 100
SÉRIE 101
SÉRIE 100
M6X65
M6X16
70.034
-
-
-
-
-
-
-
-
-
-
-
-
-
-
-
-
ITEM NÚMERO DESCRIÇÃO QTDE OBSERVAÇÕESNO. SÉRIE
TRATORES JOHN DEERE 7500 CPCQ26568 30Jan02
CONJUNTO DE REPAROS DA VÁLVULA DE CONTROLE REMOTO (SÉRIE 100)
1
2
3
4
RE50333
RE50334
RE50332
RE50385
KIT
KIT
KIT VEDAÇÃO
KIT
1
1
1
1
7
5
0
0
X
X
X
X
70.035
-
-
-
-
ITEM NÚMERO DESCRIÇÃO QTDE OBSERVAÇÕESNO. SÉRIE
TRATORES JOHN DEERE 7500 CPCQ26568 30Jan02
VÁLVULA PRIORITÁRIA
70.036
TRATORES JOHN DEERE 7500 CPCQ26568 30Jan02
1
2
3
4
5
6
7
8
9
10
11
12
13
14
15
16
17
18
19
20
21
22
23
24
25
26
27
AL76171
T77857
R95493
RE39397
R115892
51M7041
RE46684
R111296
R95494
38H5003
51M7043
RE12187
R111292
R79060
RE49091
R111297
38H5023
51M7041
R111293
R58832
RE49624
R26375
T77814
RE62446
19M7387
19M7744
38H5016
VALVULA
ANEL O
DISCO
VALVULA ALIVIO
ANEL O
ANEL O
TAMPAO
TUCHO
ANEL O
CONECTOR
ANEL O
CONEXAO
DISCO]
VEDAÇÃO
VEDAÇÀO
MOLA
CONEXAO
ANEL O
VALVULA
FILTRO
TAMPÃO
ANEL O
ANEL O
KIT
PARAF SEXT
PARAFUSO SEXT
CONEXAO
1
1
1
1
1
1
1
1
1
1
1
1
1
1
1
1
1
1
1
1
1
1
1
1
2
2
1
7
5
0
0
X
X
X
X
X
X
X
X
X
X
X
X
X
X
X
X
X
X
X
X
X
X
X
X
X
X
X
MARKED R115753
11.3X2.2MM
9.300X2.200MM
11.3X2.2MM
M12X40
M12X35
70.037
-
-
-
-
-
-
-
-
-
-
-
-
-
-
-
-
-
-
-
-
-
-
-
-
-
-
-
ITEM NÚMERO DESCRIÇÃO QTDE OBSERVAÇÕESNO. SÉRIE
TRATORES JOHN DEERE 7500 CPCQ26568 30Jan02
VÁLVULA PRIORITÁRIA DE ENGATE
1
2
3
4
5
6
7
8
9
10
11
12
13
14
15
19M8776
AL77028
AL78187
AL76171
RE39607
42M7050
14M7491
RE154986
Z29304
R95494
U42902
T75984
19M7077
CQ33965
38H5079
PARAF SEXT
TAMPA
VALVULA DE CONTROLE
VALVULA
CONJ VALVULA
PRISIONEIRO
PORCA SEXT
COMANDO HIDRAULICO
ANEL
ANEL O
ANEL
ANEL O
PARAF SEXT
CHAPA
PORCA
AR
1
2
1
AR
AR
AR
7
5
0
0
X
X
X
X
X
X
X
X
X
X
X
X
X
X
X
M10X70
M10
(A)
M6X20 (B)
(C)
(C)
70.038
(A)
(B)
(C)
USADO COM (20) AL78187
USADO COM (1) AL78187
CANAVIEIRO
-
-
-
-
-
-
-
-
-
-
-
-
-
-
-
ITEM NÚMERO DESCRIÇÃO QTDE OBSERVAÇÕESNO. SÉRIE
TRATORES JOHN DEERE 7500 CPCQ26568 30Jan02
TAMPAS
1
2
3
4
5
6
7
AL77028
R95494
U42902
Z29304
T75984
AL77680
H63283
TAMPA
ANEL O
ANEL
ANEL
ANEL O
TAMPA
ANEL O
1
1
1
1
1
1
1
7
5
0
0
X
X
X
X
X
X
X
70.039
-
-
-
-
-
-
-
ITEM NÚMERO DESCRIÇÃO QTDE OBSERVAÇÕESNO. SÉRIE
TRATORES JOHN DEERE 7500 CPCQ26568 30Jan02
KIT RETORNO LIVRE P/ MOTORES HID. VCR
1
2
3
4
5
6
7
51M7045
38H5076
38H5142
AL81368
L31745
T77857
AL82291
ANEL O
CONECTOR
CONEXAO
MACHO DO ENGATE RAPIDO
PROTEÇÃO CONTRA PO
ANEL O
KIT
2
1
1
1
1
2
1
7
5
0
0
X
X
X
X
X
X
X
19.300X2.200MM
70.040
-
-
-
-
-
-
-
ITEM NÚMERO DESCRIÇÃO QTDE OBSERVAÇÕESNO. SÉRIE
TRATORES JOHN DEERE 7500 CPCQ26568 30Jan02
BOMBA DE CARGA 100 LPM
1
2
3
4
5
6
7
8
RE151054
R108011
19M8395
R108013
RE49037
R107872
L116628
19M8444
R108008
BOMBA
ANEL
PARAFUSO
MOLA
KIT DE VEDAÇÃO
JUNTA
JUNTA
PARAFUSO
ARRUELA
1
1
1
1
1
1
1
3
3
225296
225295
7
5
0
0
X
X
X
X
X
X
X
X
X
M12X40 HS 12.9
ORD L116628
M12X60
70.041
-
-
-
-
-
-
-
-
-
ITEM NÚMERO DESCRIÇÃO QTDE OBSERVAÇÕESNO. SÉRIE
TRANSMISSÃO
TRATORES JOHN DEERE 7500 CPCQ26568 30Jan02
70.042
TRATORES JOHN DEERE 7500 CPCQ26568 30Jan02
TUBOS E CONEXÕES DA BOMBA 100 LPM
1
2
3
4
5
6
7
8
9
10
11
12
RE49105
T77857
38H5068
51M7045
RE49107
NSEP021
AL82025
DQ30072
51M7049
L110294
51M7050
NSEP021
TUBO HID
ANEL O
CONEXÃO
ANEL O
MANGUEIRA
MANGUEIRA
ABRAÇADEIRA
CONEXÃO
ANEL O
ADAPTADOR
ANEL O
MANGUEIRA
1
4
1
1
1
1
4
2
2
2
2
1
7
5
0
0
X
X
X
X
X
X
X
X
X
X
X
X
19.300X2.200MM
LGTH 310MM (MP AL111093) (A)
38.600X2.900MM
34.600X2.900MM
LGTH 310MM (MP AL111093) (B)
70.043
(A)
(B)
LGTH 568MM
LGTH 655MM
-
-
-
-
-
-
-
-
-
-
-
-
ITEM NÚMERO DESCRIÇÃO QTDE OBSERVAÇÕESNO. SÉRIE
TRATORES JOHN DEERE 7500 CPCQ26568 30Jan02
BOMBA HIDRÁULICA 100 LPM
70.044
TRATORES JOHN DEERE 7500 CPCQ26568 30Jan02
1
2
3
4
5
6
7
8
9
10
11
12
13
14
15
16
17
18
19
20
21
22
23
24
25
26
27
28
29
30
31
32
33
34
35
36
AL75305
RE43835
NSEP010
R107795
R107796
R107797
R107798
R107799
RE43837
R107800
R107801
R107802
R107803
R107808
R107809
R107810
R107811
R107814
RE49136
R107816
RE52579
R107818
R108015
R108016
RE52580
R108019
RE46648
RE46649
R108024
51M7043
JD8253
JD8935
JD7449
JD8118
JD8237
JD8905
BOMBA HIDR
KIT REPARO
KIT
TAMPÃO
ASSENTO
MOLA
MOLA
TAMPÃO
KIT REPARO
MOLA
PARAFUSO
ASSENTO
ASSENTO
EIXO
PLACA
ANEL
FORQUILHA
ESPAÇADOR
KIT
TAMPA
KIT
CARCAÇA
PARAFUSO
PARAFUSO
KIT ROLAMENTO
PINO ELASTICO
VALVULA
CONTROLADOR
DRENO
ANEL O
CAPA ROLAMENTO
CONE ROLAMENTO
CAPA ROLAMENTO
CONE ROLAMENTO
CAPA
CONE ROLAMENTO
1
1
1
3
1
1
1
1
1
1
1
1
1
1
1
1
1
2
1
2
1
1
8
6
1
2
1
1
1
1
2
2
1
1
1
1
7
5
0
0
X
X
X
X
X
X
X
X
X
X
X
X
X
X
X
X
X
X
X
X
X
X
X
X
X
X
X
X
X
X
X
X
X
X
X
X
(ORD RE43836)
70.045
-
-
-
-
-
-
-
-
-
-
-
-
-
-
-
-
-
-
-
-
-
-
-
-
-
-
-
-
-
-
-
-
-
-
-
-
ITEM NÚMERO DESCRIÇÃO QTDE OBSERVAÇÕESNO. SÉRIE
TRATORES JOHN DEERE 7500 CPCQ26568 30Jan02
KIT DE VEDAÇÃO DA BOMBA HIDRÁULICA 100 LPM
1 RE43836 KIT VEDAÇÃO 1
7
5
0
0
X
70.046
-
ITEM NÚMERO DESCRIÇÃO QTDE OBSERVAÇÕESNO. SÉRIE
TRATORES JOHN DEERE 7500 CPCQ26568 30Jan02
ACIONAMENTO BOMBA HIDRÁULICA
1
2
3
4
5
6
7
8
R115351
RE33466
R44357
R44358
R44359
40M7071
T15258
R48747
R48748
R48749
R48750
R96515
R96517
T27432
A2597R
40M7256
R94072
R121795
44M7103
RE50005
ENGRENAGEM
ROLAMENTO
CALCO
CALCO
CALCO
ANEL ELASTICO
ANEL ELASTICO
ANEL ELASTICO
ANEL ELASTICO
ANEL ELASTICO
ANEL ELASTICO
ANEL ELASTICO
ANEL ELASTICO
ANEL ELASTICO
ANEL ELASTICO
ANEL ELASTICO
LUVA
PINHÃO
PINO
KIT
1
2
3
3
3
AR
AR
AR
AR
AR
AR
AR
AR
AR
AR
1
1
1
1
1
7
5
0
0
X
X
X
X
X
X
X
X
X
X
X
X
X
X
X
X
X
X
X
X
0.008MM
0.13MM
0.25MM
1.50MM
1,57MM (A)
TK=2,08MM (A)
TK=2,16MM (A)
TK=2,24MM (A)
TK=2,31MM (A)
TK=2,45MM (A)
TK=2,60MM (A)
TK=2,74MM (A)
TK=2,89MM (A)
70.047
(A) FAZ PARTE DE RE50005
-
-
-
-
-
-
-
-
-
-
-
-
-
-
-
-
-
-
-
-
ITEM NÚMERO DESCRIÇÃO QTDE OBSERVAÇÕESNO. SÉRIE
TRATORES JOHN DEERE 7500 CPCQ26568 30Jan02
BOMBA HIDRÁULICA 60 LPM
70.048
TRATORES JOHN DEERE 7500 CPCQ26568 30Jan02
1
2
3
4
5
6
7
8
9
10
11
12
13
14
15
16
17
18
19
20
21
22
23
24
25
51M7047
38H5005
T77858
AP32532
38H5121
51M7045
P59233
R29936
AP32912
DQ33772
19M4750
SG010.01
19M7167
24M7040
R109228
RE45864
AP32565
AP32988
F1870R
19M7744
19M7268
U42702
R108011
CQ24922
CQ26500
L116628
DQ33832
AE56248
DQ33831
ANEL O
CONEXAO
ANEL O
MANGUEIRA
CONEXAO
ANEL O
CONEXAO
ANEL O
BOMBA
BOMBA
PARAF ALLEN
ABRACADEIRA
PARAFUSO SEXT
ARRUELA LISA
MANGUEIRA
ELEM FILTRANTE
FILTRO
FILTRO
ANEL O
PARAFUSO SEXT
PARAF SEXT
ANEL O
ANEL
SUPORTE
JUNTA
JUNTA
KIT REPARO
KIT
KIT VEDAÇÃO
2
AR
2
AR
AR
7904
7943
8350
7904
7904
7903
7942
8349
7903
7
5
0
0
X
X
X
X
X
X
X
X
X
X
X
X
X
X
X
X
X
X
X
X
X
X
X
X
X
X
X
X
X
23,6X2,9MM
19.300X2.200MM
(A)
M10X25
M10X25
11X21X2MM
INCL KEYS 15 SUB AP32988
M12X35
M12X25
70.049
(A) KIT DE REPARO DA BOMBA AP32950
-
-
-
-
-
-
-
-
-
-
-
-
-
-
-
-
-
-
-
-
-
-
-
-
-
-
-
-
-
ITEM NÚMERO DESCRIÇÃO QTDE OBSERVAÇÕESNO. SÉRIE TRATOR
TRATORES JOHN DEERE 7500 CPCQ26568 30Jan02
BOMBA HIDRÁULICA 100 LPM - COMPONENTES
1
2
3
T42302
19M7403
R106714
ANEL O
PARAF SEXT
ARRUELA
1
AR
AR
7
5
0
0
X
X
X
M12X35
70.050
-
-
-
ITEM NÚMERO DESCRIÇÃO QTDE OBSERVAÇÕESNO. SÉRIE
TRATORES JOHN DEERE 7500 CPCQ26568 30Jan02
BOMBA HIDRÁULICA 100 LPM - COMANDO
1
2
3
4
5
6
7
8
9
10
R115351
RE33466
R44357
R44358
R44359
R48747
40M7071
T15258
R48749
R48750
T27432
A2597R
40M7085
R94072
R115352
R48750
T15258
T27432
A2597R
44M7103
RE50005
ENGRENAGEM
ROLAMENTO
CALCO
CALCO
CALCO
ANEL ELASTICO
ANEL ELASTICO
ANEL ELASTICO
ANEL ELASTICO
ANEL ELASTICO
ANEL ELASTICO
ANEL ELASTICO
ANEL ELASTICO
LUVA
PINHAO
ANEL ELASTICO
ANEL ELASTICO
ANEL ELASTICO
ANEL ELASTICO
PINO
KIT
1
2
3
3
3
AR
AR
AR
AR
AR
AR
AR
1
1
1
AR
AR
AR
AR
1
1
7
5
0
0
X
X
X
X
X
X
X
X
X
X
X
X
X
X
X
X
X
X
X
X
X
0.008MM
0.13MM
0.25MM
TK=2,08MM
1.50MM
1,57MM
TK=2,24MM
TK=2,31MM
TK=2,74MM
TK=2,89MM
TK=2,31MM
1,57MM
TK=2,74MM
TK=2,89MM
INCL KEYS 4, 8
70.051
-
-
-
-
-
-
-
-
-
-
-
-
-
-
-
-
-
-
-
-
-
ITEM NÚMERO DESCRIÇÃO QTDE OBSERVAÇÕESNO. SÉRIE
TRATORES JOHN DEERE 7500 CPCQ26568 30Jan02
TUBOS DA VÁLVULA PRIORITÁRIA DE ENTRADA
1
2
3
4
5
6
7
8
9
10
P59202
CQ38233
AL82025
R49518
RE55212
R29936
38H5016
51M7041
T77613
RE52695
R108012
MANGUEIRA
MANGUEIRA
ABRAÇADEIRA
CONEXAO
CONEXÃO
ANEL O
CONEXAO
ANEL O
ANEL O
MANGUEIRA
TAMPÃO
1
1
2
1
1
1
1
1
2
1
1
XXXXXX
XXXXXX
7
5
0
0
X
X
X
X
X
X
X
X
X
X
X
11.3X2.2MM
70.052
-
-
-
-
-
-
-
-
-
-
-
ITEM NÚMERO DESCRIÇÃO QTDE OBSERVAÇÕESNO. SÉRIE
TRATORES JOHN DEERE 7500 CPCQ26568 30Jan02
ENGATE RÁPIDO DA VÁLVULA PRIORITÁRIA
1
2
3
AL112951
CQ33591
51M7045
ENGATE RAPIDO
EXTENSÃO
ANEL O
4
2
4
7
5
0
0
X
X
X 19.300X2.200MM
70.053
-
-
-
ITEM NÚMERO DESCRIÇÃO QTDE OBSERVAÇÕESNO. SÉRIE
TRATORES JOHN DEERE 7500 CPCQ26568 30Jan02
TUBOS DE ÓLEO HIDRÁULICO - 100 LPM
70.054
TRATORES JOHN DEERE 7500 CPCQ26568 30Jan02
1
2
3
4
5
6
7
8
9
10
11
12
13
14
15
16
17
18
19
20
21
22
23
24
25
26
27
RE49110
T77858
38H5013
51M7048
38H5005
51M7047
RE50386
T78612
RE46728
51M7049
R29463
38H5033
51M7050
RE52401
T77932
AR21837
R110989
38H5010
51M7043
R124627
RE51178
T77857
T77613
38H1094
38H5008
51M7040
R124628
MANGUEIRA
ANEL O
CONEXÀO
ANEL O
CONEXAO
ANEL O
TUBO
ANEL
RESERVATÓRIO
ANEL O
ANEL
CONEXÃO
ANEL O
MANGUEIRA
ANEL O
ABRACADEIRA
MANGUEIRA
CONEXAO
ANEL O
CONEXÃO
MANGUEIRA
ANEL O
ANEL O
CONEXÃO
CONEXÃO
ANEL O
PRESILHA
1
1
1
1
1
1
1
1
1
1
1
1
1
1
3
1
1
1
1
1
1
2
1
1
1
1
7
5
0
0
X
X
X
X
X
X
X
X
X
X
X
X
X
X
X
X
X
X
X
X
X
X
X
X
X
X
X
29,6X2,9MM
23,6X2,9MM
38,6X2,9MM
34,6X2,9MM
34.600X2.900MM
9,3X2,2MM
70.055
-
-
-
-
-
-
-
-
-
-
-
-
-
-
-
-
-
-
-
-
-
-
-
-
-
-
-
ITEM NÚMERO DESCRIÇÃO QTDE OBSERVAÇÕESNO. SÉRIE
TRATORES JOHN DEERE 7500 CPCQ26568 30Jan02
FILTRO PARA ÓLEO HIDRÁULICO
70.056
TRATORES JOHN DEERE 7500 CPCQ26568 30Jan02
1
2
3
4
5
6
7
8
9
10
11
12
13
14
15
16
17
18
19
20
21
CQ35246
RE43917
RE152373
RE39527
18M7139
19M7268
24M7026
51M7040
RE12187
R26448
R77175
M84497
R96151
R56101
24M7065
RE46684
24M7038
CQ35466
CQ35467
CQ03768
RE49038
RE56106
SUPORTE
SUPORTE
SUPORTE
FILTRO
PARAFUSO
PARAF SEXT
ARRUELA LISA
ANEL O
CONEXAO
ANEL O
CAPA
CONEXÃO
MANGUEIRA
CLIP
ARRUELA PRESSÃO
TAMPAO
ARRUELA LISA
MANGUEIRA
MANGUEIRA
ABRACADEIRA AUTOTRAVANTE
KIT
SENSOR
1
1
1
AR
AR
AR
1
1
1
2
1
1
2
AR
1
AR
1
5153
5152
7
5
0
0
X
X
X
X
X
X
X
X
X
X
X
X
X
X
X
X
X
X
X
X
X
X
M12X25
9X17X1,6
9,3X2,2MM
9.300X2.200MM
14X24MM
SUB RE51308
70.057
-
-
-
-
-
-
-
-
-
-
-
-
-
-
-
-
-
-
-
-
-
-
ITEM NÚMERO DESCRIÇÃO QTDE OBSERVAÇÕESNO. SÉRIE TRATOR
TRATORES JOHN DEERE 7500 CPCQ26568 30Jan02
COMANDOS HIDRÁULICOS - MONTAGEM
70.058
TRATORES JOHN DEERE 7500 CPCQ26568 30Jan02
1
2
3
4
5
6
7
8
10
11
12
13
14
15
16
17
18
19
20
DQ28755
19M8775
AL77028
DQ28754
DQ41959
DQ43423
DQ60573
AL77680
19M8776
DQ28756
RE170964
DQ42743
DQ43428
42M7050
14M7491
AP32585
AL119217
AL77163
DQ30457
DQ40120
DQ42089
DQ43425
DQ30456
DQ40119
DQ42088
DQ43424
R95493
R95494
DQ30458
DQ40121
DQ42090
DQ43426
DQ31496
RE39607
CONJ COMANDO
PARAF SEXT
TAMPA
CONJ VALVULA
CONJ COMANDO
CONJ. VALVULA
VALVULA
TAMPA
PARAF SEXT
CONJ COMANDO
CONJ COMANDO
CONJ COMANDO
CONJ COMANDO
PRISIONEIRO
PORCA SEXT
VALVULA
VÁLVULA
VALVULA
CONJ COMANDO
CONJ.COMANDO
CONJ COMANDO
CONJ COMANDO
CONJ COMANDO
CONJ COMANDO
CONJ COMANDO
CONJ COMANDO
DISCO
ANEL O
CONJ. COMANDO
CONJ COMANDO
CONJ COMANDO
CONJ COMANDO
CONJ MONTADO
CONJ VALVULA
1
AR
AR
AR
1
1
AR
AR
AR
1
1
1
1
AR
AR
AR
1
AR
1
1
1
1
1
1
1
1
AR
AR
AR
1
1
1
AR
AR
13841
XXXXXX
13619
13870
XXXXXX
4455
10505
4455
10505
XXXXXX
XXXXXX
13619
14417
XXXXXX
4455
10682
14127
XXXXXX
13840
13618
13869
XXXXXX
10504
10504
XXXXXX
XXXXXX
13618
14416
14126
XXXXXX
4454
7
5
0
0
X
X
X
X
X
X
X
X
X
X
X
X
X
X
X
X
X
X
X
X
X
X
X
X
X
X
X
X
X
X
X
X
X
X
M10X25
SÉRIE 150 SUB AL77163
M10X70
CLH VCR 301+VCR 101
M10
SÉRIE 301
SÉRIE 301
SÉRIE 101
SLH VCR 301 + VCR 101
SLH VCR 301 + VCR 101
CLH VCR 301=VCR 101
CLH VCR 301+VCR 101
CLH VCR 301 + VCR 101
CLH VCR 150
70.059
(A) EXPORTAÇÃO
-
-
-
-
-
-
-
-
-
-
-
-
-
-
-
-
-
-
-
-
-
-
-
-
-
-
-
-
-
-
-
-
-
-
ITEM NÚMERO DESCRIÇÃO QTDE OBSERVAÇÕESNO. SÉRIE TRATOR
TRATORES JOHN DEERE 7500 CPCQ26568 30Jan02
70.060
30Jan02TRATORES JOHN DEERE 7500 CPCQ26568 2D1
INDICE DE GRUPO - INDICE DE GRUPO
30Jan02TRATORES JOHN DEERE 7500 CPCQ26568 2D1
INDICE DE GRUPO - INDICE DE GRUPO
30Jan02TRATORES JOHN DEERE 7500 CPCQ26568 2D1
INDICE DE GRUPO - INDICE DE GRUPO
30Jan02TRATORES JOHN DEERE 7500 CPCQ26568 2D1
INDICE DE GRUPO - INDICE DE GRUPO
TRATORES JOHN DEERE 7500 CPCQ26568 30Jan02
CHASSI
1
2
3
4
5
6
7
8
DQ28428
DQ42303
DQ28429
DQ42302
R117602
R117158
DQ27825
19M7950
24M7242
19M7892
CHASSI
CHASSI
CHASSI
CHASSI
SUPORTE
PRISIONEIRO
SUPORTE DIANT
PARAF SEXT
ARRUELA LISA
PARAFUSO
1
1
1
1
AR
AR
9950
9950
9949
9949
7
5
0
0
X
X
X
X
X
X
X
X
X
X
LH
LH
RH
RH
M20X45
21,4X42X5
80.001
-
-
-
-
-
-
-
-
-
-
ITEM NÚMERO DESCRIÇÃO QTDE OBSERVAÇÕESNO. SÉRIE
TRATORES JOHN DEERE 7500 CPCQ26568 30Jan02
80.002
TRATORES JOHN DEERE 7500 CPCQ26568 30Jan02
CHASSI, PEÇAS DE MONTAGEM
1
2
3
19M8837
R114918
A776R
PARAF SEXT
ARRUELA
PINO
AR
7
5
0
0
X
X
X
M20X120
80.003
-
-
-
ITEM NÚMERO DESCRIÇÃO QTDE OBSERVAÇÕESNO. SÉRIE
TRATORES JOHN DEERE 7500 CPCQ26568 30Jan02
ESTRUTURA FRONTAL
80.004
TRATORES JOHN DEERE 7500 CPCQ26568 30Jan02
1
2
3
4
5
6
7
8
9
10
11
12
13
14
14M7140
AL76291
24M7200
DQ28788
DQ32631
19M7744
19M7387
14M7031
12M7067
CQ28543
19M7166
12M7066
CQ28787
CQ32692
CQ25248
CQ32693
PORCA SEXT
BATENTE
ARRUELA LISA
BASE
SUPORTE
PARAFUSO SEXT
PARAF SEXT
PORCA SEXT
ARRUELA PRESSAO
VEDAÇÃO
PARAFUSO SEXT
ARRUELA PRESSAO
SUPORTE
SUPORTE
VEDACAO
SUPORTE
AR
6
AR
1
1
AR
AR
AR
AR
1
CN
AR
1
7
5
0
0
X
X
X
X
X
X
X
X
X
X
X
X
X
X
X
X
M10
22X36X1,5
(A)
M12X35
M12X40 (B)
M12
12MM
M10X20
10MM
(A)
(A)
80.005
(A)
(B)
SOMENTE COM CABINE
SEM CABINE
-
-
-
-
-
-
-
-
-
-
-
-
-
-
-
-
ITEM NÚMERO DESCRIÇÃO QTDE OBSERVAÇÕESNO. SÉRIE
TRATORES JOHN DEERE 7500 CPCQ26568 30Jan02
CAPÔ
1
2
3
4
5
6
7
8
9
10
11
12
13
DQ28803
R95654
R107957
DQ28831
DQ31754
19M7163
CQ01249
12M7065
14M7029
CQ26419
CQ25383
14M7140
12M7066
19M7166
CAPO
ORNAMENTO
PORCA
SUPORTE
SUPORTE
PARAFUSO SEXT
ARRUELA LISA
ARRUELA PRESSAO
PORCA SEXT
VEDACAO
VEDACAO
PORCA SEXT
ARRUELA PRESSAO
PARAFUSO SEXT
1
1
2
1
1
AR
AR
AR
AR
1
1
AR
AR
AR
7
5
0
0
X
X
X
X
X
X
X
X
X
X
X
X
X
X
(A)
M8X25
9X28MM
5MM
M8
M10
10MM
M10X20
80.006
(A) SOMENTE COM CABINE
-
-
-
-
-
-
-
-
-
-
-
-
-
-
ITEM NÚMERO DESCRIÇÃO QTDE OBSERVAÇÕESNO. SÉRIE
TRATORES JOHN DEERE 7500 CPCQ26568 30Jan02
SUPORTE DO CAPÔ
1
2
3
4
5
6
7
8
9
10
CQ33346
DQ33838
DQ33838
19M7179
12M7065
24M7026
14M7040
14M7029
19M7139
24M7008
SUPORTE
SUPORTE ESQ
SUPORTE ESQ
PARAF SEXT
ARRUELA PRESSAO
ARRUELA LISA
PORCA SEXT
PORCA SEXT
PARAFUSO
ARRUELA LISA
1
1
1
AR
AR
AR
AR
XXXXXX
7
5
0
0
X
X
X
X
X
X
X
X
X
X
M10X50
5MM
9X17X1,6
M10
M8
M8X20
8,4X23X1,5
80.007
-
-
-
-
-
-
-
-
-
-
ITEM NÚMERO DESCRIÇÃO QTDE OBSERVAÇÕESNO. SÉRIE TRATOR
TRATORES JOHN DEERE 7500 CPCQ26568 30Jan02
GRADES LATERAIS
80.008
TRATORES JOHN DEERE 7500 CPCQ26568 30Jan02
1
2
3
4
5
6
7
8
9
10
11
12
13
14
15
16
17
18
19
20
21
22
23
24
25
26
27
28
29
30
DQ08621
19M7163
R74628
L63150
CQ31042
CQ31041
DQ34692
DQ42432
DQ29003
DQ28862
19M7139
24M7026
12M7065
14M7029
CQ33346
DQ33840
DQ27658
R110554
19M7560
19M3118
CQ34344
14M7165
14M7166
DQ27606
DQ28923
DQ30492
DQ30493
19M7372
24M7082
14M7028
19M7166
19M3145
12M7066
24M7040
CQ26637
CQ34161
CQ28507
19M7162
FIXADOR
PARAFUSO SEXT
GRAMPO
MANÍPULO
VEDAÇÃO
VEDAÇÃO
GRADE DIR
GRADE ESQ
GRADE ESQ
GRADE DIR
PARAFUSO
ARRUELA LISA
ARRUELA PRESSAO
PORCA SEXT
SUPORTE
SUPORTE ESQ
SUPORTE DIR
TRINCO
PARAF SEXT
PARAF SEXT
ARRUELA LISA
PORCA SEXT
PORCA SEXT
BLINDAGEM DIR
BLINDAGEM ESQ
EXTENSÃO ESQ
EXTENSÃO DIR
PARAFUSO
ARRUELA LISA
PORCA SEXT
PARAFUSO SEXT
PARAF SEXT
ARRUELA PRESSAO
ARRUELA LISA
SUPORTE
SUPORTE
VEDAÇÃO
PARAF SEXT
2
AR
2
2
2
4
1
1
1
1
AR
AR
AR
1
AR
AR
2
AR
AR
AR
1
2
AR
AR
AR
AR
2
AR
2
2
2
2
AR
13062
6419
6419
6419
13061
XXXXXX
6418
6418
6418
7
5
0
0
X
X
X
X
X
X
X
X
X
X
X
X
X
X
X
X
X
X
X
X
X
X
X
X
X
X
X
X
X
X
X
X
X
X
X
X
X
X
M8X25
530MM
M8X20
9X17X1,6
5MM
M8
M6X16
M6X20
6,4X18X2
M6
M8
M5X16
5,5X10
M5
M10X20
M10X25
10MM
11X21X2MM
M8X16
80.009
-
-
-
-
-
-
-
-
-
-
-
-
-
-
-
-
-
-
-
-
-
-
-
-
-
-
-
-
-
-
-
-
-
-
-
-
-
-
ITEM NÚMERO DESCRIÇÃO QTDE OBSERVAÇÕESNO. SÉRIE TRATOR
TRATORES JOHN DEERE 7500 CPCQ26568 30Jan02
GRADE FRONTAL
1
2
3
12M7066
DQ33424
19M7166
ARRUELA PRESSAO
TELA
PARAFUSO SEXT
AR
AR
7
5
0
0
X
X
X
10MM
M10X20
80.010
-
-
-
ITEM NÚMERO DESCRIÇÃO QTDE OBSERVAÇÕESNO. SÉRIE
TRATORES JOHN DEERE 7500 CPCQ26568 30Jan02
CONTRAPESO DIANTEIRO
1
2
3
4
5
CQ29519
19M7620
C2214E
L18955
T32146
SUPORTE
PARAF SEXT
ARRUELA
CONTRAPINO
PINO
1
AR
AR
1
1
7
5
0
0
X
X
X
X
X
M20X130
80.011
-
-
-
-
-
ITEM NÚMERO DESCRIÇÃO QTDE OBSERVAÇÕESNO. SÉRIE
TRATORES JOHN DEERE 7500 CPCQ26568 30Jan02
CONTRAPESOS DIANTEIROS ADICIONAIS
1
2
3
4
5
6
7
T32146
L18955
L38449
CQ27661
19M7642
L38450
AR68801
12M7044
PINO
CONTRAPINO
PESO
PARAF SEXT
PARAF SEXT
PESO
SUPORTE
ARRUELA
1
1
4
AR
4
2
AR
7
5
0
0
X
X
X
X
X
X
X
X
RH
M16X270
M16X260
LH
80.012
-
-
-
-
-
-
-
-
ITEM NÚMERO DESCRIÇÃO QTDE OBSERVAÇÕESNO. SÉRIE
TRATORES JOHN DEERE 7500 CPCQ26568 30Jan02
TAMPÃO
1 99M7009
99M7011
99M7015
99M7016
99M7057
99M7098
99M7108
99M7109
99M7115
TAMPAO
TAMPÃO
TAMPÃO
TAMPAO
TAMPÃO
TAMPÃO
TAMPÃO
TAMPAO
TAMPÃO
AR
AR
AR
AR
AR
AR
AR
AR
AR
7
5
0
0
X
X
X
X
X
X
X
X
X
OD=14,5MM
OD=23,6MM
OD=11,0MM
OD=10,0MM
OD=20,0MM
OD=6,0MM
OD=16,0MM
OD=17,0MM
OD=28,0MM
80.013
-
-
-
-
-
-
-
-
-
ITEM NÚMERO DESCRIÇÃO QTDE OBSERVAÇÕESNO. SÉRIE
TRATORES JOHN DEERE 7500 CPCQ26568 30Jan02
TRAÇÃO DIANTEIRA, EIXO TRANSMISSÃO E PROTEÇÃO ANTIENROLAMENTO
80.014
TRATORES JOHN DEERE 7500 CPCQ26568 30Jan02
1
2
3
4
5
6
7
8
10
11
12
13
14
15
16
17
18
19
20
21
24M7040
12M7066
19M7167
DQ40077
CQ40081
24M7026
12M7065
19M7162
19M7163
AL117427
DQ36681
40M7112
L115015
CQ43006
AL110150
DQ43004
L111484
30M7017
AL111805
DQ43007
58M5574
19M8552
L100245
L100246
CQ43005
ARRUELA LISA
ARRUELA PRESSAO
PARAFUSO SEXT
PROTEÇÃO
PROTEÇÃO
ARRUELA LISA
ARRUELA PRESSAO
PARAF SEXT
PARAFUSO SEXT
CARDÃ
CARDÃ
ANEL ELÁSTICO
FLANGE
FLANGE
CONJ.CRUZETA E ROLAMENTO
CONJ CRUZETA E ROLAMENTO
DISCO DE FREIO
DISCO
FORQUILHA COM EIXO
FORQUILHA
GRAXEIRA
PARAF SEXT
ARRUELA
BUCHA
GARFO
AR
AR
AR
AR
AR
AR
AR
1
1
8
1
1
2
2
1
1
1
1
1
4
1
1
1
13237
13237
13237
13237
13237
13236
13236
13236
13236
7
5
0
0
X
X
X
X
X
X
X
X
X
X
X
X
X
X
X
X
X
X
X
X
X
X
X
X
X
11X21X2MM
10MM
M10X25
9X17X1,6
5MM
M8X16
M8X25
LGTH 56MM
48MM
0=45MM
TH=143MM LGTH
M8
M12X25
80.015
-
-
-
-
-
-
-
-
-
-
-
-
-
-
-
-
-
-
-
-
-
-
-
-
-
ITEM NÚMERO DESCRIÇÃO QTDE OBSERVAÇÕESNO. SÉRIE
TRATORES JOHN DEERE 7500 CPCQ26568 30Jan02
EIXO DE TRAÇÃO DIANTEIRO
1
2
3
DQ25011
DQ34512
DQ44180
DQ27412
DQ27411
EIXO DIAT.
EIXO DIANTEIRO
EIXO DIANTEIRO
REPARO CILINDRO
REPARO DO EIXO
1
1
1
7176
14266
7175
14265
7
5
0
0
X
X
X
X
X
AS 2060
80.016
-
-
-
-
-
ITEM NÚMERO DESCRIÇÃO QTDE OBSERVAÇÕESNO. SÉRIE
TRATORES JOHN DEERE 7500 CPCQ26568 30Jan02
EIXO DIANTEIRO, SUSPENSÃO
1
2
3
4
5
19M7921
L78006
19M7883
L78009
A31870
PARAF SEXT
BUCHA
PARAF SEXT
ARRUELA
PORCA
AR
AR
AR
7
5
0
0
X
X
X
X
X
M20X150
M20X120
80.017
-
-
-
-
-
ITEM NÚMERO DESCRIÇÃO QTDE OBSERVAÇÕESNO. SÉRIE
TRATORES JOHN DEERE 7500 CPCQ26568 30Jan02
GRUPO CARCAÇA DE ARTICULAÇÃO/PLANETÁRIA
80.018
TRATORES JOHN DEERE 7500 CPCQ26568 30Jan02
1
2
3
4
5
6
7
8
9
10
11
12
13
14
15
16
17
18
19
20
21
22
23
24
25
26
27
28
29
30
31
32
33
34
35
36
37
38
39
40
41
42
43
44
CQ27407
19M8577
L39997
L55602
L40121
L41008
CQ27305
L41170
L55603
CQ27406
CQ27861
CQ27405
CQ27404
CQ27377
CQ27378
L110729
L110417
L110418
CQ27381
DQ27345
T82559
CQ27379
CQ27346
CQ27347
CQ27348
CQ27349
CQ27350
CQ27351
CQ27352
CQ27353
CQ27354
CQ27355
CQ27356
CQ27357
CQ27358
CQ27359
CQ27360
CQ27361
CQ27362
CQ27363
CQ27364
CQ27365
CQ27366
CQ27367
CQ27368
CQ27369
CQ27370
CQ27371
CQ27372
CQ27373
CQ27374
CQ27375
CQ27376
DQ27345
DQ36983
CQ27401
CQ27297
CQ29402
19M6119
CQ27343
AT117348
CQ27336
CQ36985
CQ36984
DQ27297
T82543
T113255
DQ27344
T82543
CQ27331
CQ27408
L55595
AL110927
L53843
15M7027
CQ16065
L110646
CQ43010
CQ43008
CQ43009
T82619
PORTA PLANET
PARAFUSO
ARRUELA ENCOSTO
ARRUELA ENCOSTO
ARRUELA ENCOSTO
ARRUELA ENCOSTO
ARRUELA ENCOSTO
ARRUELA ENCOSTO
ARRUELA ENCOSTO
ANEL ELASTICO
EIXO
ARRUELA
ARRUELA
PORCA
CHAPA SEGURANCA
ANEL DE SEGURANÇA
ANEL ELÁSTICO
ARRUELA
ENGRENAGEM
ROLAMENTO
ANEL O
CUBO
ANEL
ANEL
ANEL
ANEL
ANEL
ANEL
ANEL
ANEL
ANEL
ANEL
ANEL
ANEL
ANEL
ANEL
ANEL
ANEL
ANEL
ANEL
ANEL
ANEL
ANEL
ANEL
ANEL
ANEL
ANEL
ANEL
ANEL
ANEL
ANEL
ANEL
ANEL
ROLAMENTO
RETENTOR
PARAFUSO
PARAFUSO
PORCA SEXTAVADA
PARAF SEXT
MANCAL
ROLAMENTO
ARRUELA
ARTICULAÇÃO DIR
ARTICULAÇÃO ESQ
ARTICULACAO
ANEL ELASTICO
BUCHA
RETENTOR
ANEL ELASTICO
EIXO
ENGRENAGEM
ANEL O
ROLAMENTO
ANEL O
BUJAO
PORCA
CRUZETA
GARFO ARTICULADO
GARFO DUPLO
GARFO ARTICULADO
PARAFUSO
7
5
0
0
X
X
X
X
X
X
X
X
X
X
X
X
X
X
X
X
X
X
X
X
X
X
X
X
X
X
X
X
X
X
X
X
X
X
X
X
X
X
X
X
X
X
X
X
X
X
X
X
X
X
X
X
X
X
X
X
X
X
X
X
X
X
X
X
X
X
X
X
X
X
X
X
X
X
X
X
X
X
X
X
X
TK=1,5
TK=1,7
TK=2,0
TK=2,5
TK=2,7
TK=3,0
TK=2,2
52X3
16,55
16,60
16,625
16,65
16,675
16,700
16,725
16,750
16,775
16,800
16,825
16,850
16,875
16,900
16,925
16,950
16,975
17,000
17,025
17,050
17,075
17,100
17,125
17,150
17,175
17,200
17,225
17,250
17,275
17,300
M14X35
0,6
M30X1,5
80.019
-
-
-
-
-
-
-
-
-
-
-
-
-
-
-
-
-
-
-
-
-
-
-
-
-
-
-
-
-
-
-
-
-
-
-
-
-
-
-
-
-
-
-
-
-
-
-
-
-
-
-
-
-
-
-
-
-
-
-
-
-
-
-
-
-
-
-
-
-
-
-
-
-
-
-
-
-
-
-
-
-
ITEM NÚMERO DESCRIÇÃO QTDE OBSERVAÇÕESNO. SÉRIE
TRATORES JOHN DEERE 7500 CPCQ26568 30Jan02
GRUPO CARCAÇA/DIFERENCIAL
80.020
TRATORES JOHN DEERE 7500 CPCQ26568 30Jan02
1
2
3
4
5
6
7
8
9
10
11
12
13
14
15
16
17
18
19
20
21
22
23
24
25
26
27
28
29
30
31
DQ27256
19M8119
34M7135
DQ27991
CQ27394
L41002
L41003
L41004
L41005
L116252
L41003
L41000
L40999
L40998
L40997
L101690
L112211
L112212
L112213
L112214
L112215
L112216
L112222
L112217
L112218
L112219
L112220
L112221
L112210
L112209
L112208
L112207
L112206
L112205
L112204
L112203
L112202
L112201
L112200
L112199
L112198
L116248
L116249
L116250
L116251
DQ27344
T113255
CQ27330
CQ27992
L110641
DQ27319
L40003
L62419
L35577
L62420
L40130
CQ27322
L60103
CQ27323
L110636
JD37087
R75522
AL32877
CQ29337
CQ27329
A31870
19M7921
L78006
L78009
L111817
19M7907
CQ27396
COROA E PINHAO
PARAF SEXT
PINO ELASTICO
ROLAMENTO
ANEL ELASTICO
ARRUELA
ARRUELA
ARRUELA
ARRUELA
ARRUELA DE AJUSTE
ARRUELA
ARRUELA
ARRUELA
ARRUELA
ARRUELA
ARRUELA DE AJUSTE]
ARRUELA DE AJUSTE
ARRUELA DE AJUSTE
ARRUELA DE AJUSTE
ARRUELA DE AJUSTE
ARRUELA DE AJUSTE
ARRUELA DE AJUSTE
ARRUELA DE AJUSTE
ARRUELA DE AJUSTE
ARRUELA DE AJUSTE
ARRUELA DE AJUSTE
ARRUELA DE AJUSTE
ARRUELA DE AJUSTE
ARRUELA DE AJUSTE
ARRUELA DE AJUSTE
ARRUELA DE AJUSTE
ARRUELA DE AJUSTE
ARRUELA DE AJUSTE
ARRUELA DE AJUSTE
ARRUELA DE AJUSTE
ARRUELA DE AJUSTE
ARRUELA DE AJUSTE
ARRUELA DE AJUSTE
ARRUELA DE AJUSTE
ARRUELA DE AJUSTE
ARRUELA DE AJUSTE
ARRUELA DE AJUSTE
ARRUELA DE AJUSTE
ARRUELA DE AJUSTE
ARRUELA DE AJUSTE
RETENTOR
BUCHA
CARCACA
PARAF SEXT
ARRUELA
ALOJAMIENTO
PLACA INT.
PLACA
PLACA
PLACA
ARRUELA
ENGRENAGEM
ARRUELA
ENGRENAGEM
EIXO DO DIFERENCIAL
ROLAMENTO
ARRUELA
RESPIRO
REBITE RANHURADO
CARCACA
PORCA
PARAF SEXT
BUCHA
ARRUELA
PINO
PARAF SEXT
BUCHA
AR
AR
AR
2
7
5
0
0
X
X
X
X
X
X
X
X
X
X
X
X
X
X
X
X
X
X
X
X
X
X
X
X
X
X
X
X
X
X
X
X
X
X
X
X
X
X
X
X
X
X
X
X
X
X
X
X
X
X
X
X
X
X
X
X
X
X
X
X
X
X
X
X
X
X
X
X
X
X
X
X
M12X130
14X40
0,4
0,3
0,2
0,1
2,50
0,3
0,6
0,8
1,0
1,2
0,55
0,65
0,70
0,75
0,85
0,90
0,95
1,05
1,10
1,15
1,25
1,30
1,35
1,40
1,45
1,50
1,55
1,60
1,65
1,70
1,75
1,80
1,85
1,90
1,95
2,00
2,30
2,35
2,40
2,45
M18X60
TK=1,2
TK=1,3
TK=1,4
TK=3,2MM
M20X150
M20X140
80.021
-
-
-
-
-
-
-
-
-
-
-
-
-
-
-
-
-
-
-
-
-
-
-
-
-
-
-
-
-
-
-
-
-
-
-
-
-
-
-
-
-
-
-
-
-
-
-
-
-
-
-
-
-
-
-
-
-
-
-
-
-
-
-
-
-
-
-
-
-
-
-
-
ITEM NÚMERO DESCRIÇÃO QTDE OBSERVAÇÕESNO. SÉRIE
TRATORES JOHN DEERE 7500 CPCQ26568 30Jan02
GRUPO CILINDRO DE DIREÇÃO/ACIONAMENTO
80.022
TRATORES JOHN DEERE 7500 CPCQ26568 30Jan02
1
2
3
4
5
6
7
8
9
10
11
12
13
14
15
16
17
18
19
20
21
22
23
24
25
26
27
28
29
30
31
32
33
34
35
CQ27318
R75837
CQ27316
CQ27317
CQ27315
DQ27314
CQ27258
CQ27259
CQ27260
CQ27261
CQ27262
CQ27263
L110702
CQ27265
CQ27267
CQ27268
CQ27269
CQ27270
CQ27299
CQ27300
L110703
CQ27311
CQ27312
CQ27313
L110705
L110706
L110658
L110695
L110696
L110697
L110698
L110699
L110704
L110701
L110654
L110655
L110656
L110657
T82519
T82520
T82521
T82522
T82523
T82524
T82525
T82526
DQ27257
CQ27396
CQ45134
CQ27241
CQ27242
CQ27993
L55572
L55473
CQ27386
CQ27385
CQ27384
CQ27385
L55577
L55578
L55579
L55560
L55596
L55559
L55568
L55555
L55556
L55557
L55558
L55559
L55560
L55561
L55568
L55569
L55570
CQ27391
CQ27392
L55473
L55572
L55561
L55471
CQ27388
L55468
L55472
L55552
L56381
DQ27395
CQ27387
DQ28536
DQ28533
PORCA SEXT
ARRUELA
FLANGE
PROTECAO
RETENTOR
ROLAMENTO
ANEL
ANEL
ANEL
ANEL
ANEL
ANEL
ANEL
ANEL
ANEL
ANEL
ANEL
ANEL
ANEL
ANEL
ANEL
ANEL
ANEL
ANEL
ANEL
ANEL
ANEL
ANEL
ANEL
ANEL
ANEL
ANEL
ANEL
ANEL
ANEL
ANEL
ANEL
ANEL
ARRUELA
ARRUELA
ARRUELA
ARRUELA
ARRUELA
ARRUELA
ARRUELA
ARRUELA
ROLAMENTO
BUCHA
BUCHA
BUJAO MAGNÉTICO
BUJAO
ANEL O
PLACA
ANEL RANHURADO
GUIA
ANEL O
CILINDRO
ANEL O
ARRUELA
ARRUELA
ARRUELA
ARRUELA
ARRUELA
ARRUELA
ARRUELA
ARRUELA
ARRUELA
ARRUELA
ARRUELA
ARRUELA
ARRUELA
ANEL BIPARTIDO
ARRUELA
ARRUELA
ARRUELA
GUIA
PARAF SEXT
ANEL RANHURADO
PLACA
ANEL BIPARTIDO
ANEL O
PISTAO
ANEL RETENTOR
ANEL VEDACAO
ANEL SEGURANCA
ANEL ELAST
BARRA DIRECAO
HASTE
TERMINAL
TERMINAL
1325
1324
7
5
0
0
X
X
X
X
X
X
X
X
X
X
X
X
X
X
X
X
X
X
X
X
X
X
X
X
X
X
X
X
X
X
X
X
X
X
X
X
X
X
X
X
X
X
X
X
X
X
X
X
X
X
X
X
X
X
X
X
X
X
X
X
X
X
X
X
X
X
X
X
X
X
X
X
X
X
X
X
X
X
X
X
X
X
X
X
X
X
X
X
X
X
10,40MM
10,43MM
10,46MM
10,49MM
10,52MM
10,55MM
11,06MM
10,61MM
10,64MM
10,67MM
10,70MM
10,73MM
10,76MM
10,79MM
11,03MM
10,85MM
10,88
10,91MM
10,97MM
10,94MM
11,30MM
11,27MM
11,24MM
11,21MM
11,18MM
11,15MM
11,00MM
11,09MM
1,05
0,7
0,8
0,9
1,0
1,05
1,1
1,15
1,5
1,4
1,3
1,2
1,1
1,0
1,15
1,25
1,35
M16X95
80.023
-
-
-
-
-
-
-
-
-
-
-
-
-
-
-
-
-
-
-
-
-
-
-
-
-
-
-
-
-
-
-
-
-
-
-
-
-
-
-
-
-
-
-
-
-
-
-
-
-
-
-
-
-
-
-
-
-
-
-
-
-
-
-
-
-
-
-
-
-
-
-
-
-
-
-
-
-
-
-
-
-
-
-
-
-
-
-
-
-
-
ITEM NÚMERO DESCRIÇÃO QTDE OBSERVAÇÕESNO. SÉRIE
TRATORES JOHN DEERE 7500 CPCQ26568 30Jan02
PONTE DO EIXO - AS2060
80.024
TRATORES JOHN DEERE 7500 CPCQ26568 30Jan02
1
2
3
4
5
6
7
8
9
10
11
12
13
14
15
16
17
18
19
20
21
22
L115618
L115619
L76471
JD37087
L112198
L112203
L112201
L112209
L112208
L112207
L112206
L112205
L112204
L112202
L112200
L112199
L40998
L40999
L41001
L41004
L41005
L112210
L41000
L41002
L40997
L41003
L112211
L112212
L101689
L101690
L112213
L112214
L112215
L112216
L112222
L112217
L112218
L112219
L112220
L112221
L151281
L151282
L151283
L151284
L151285
L151286
L151287
L151288
L151289
L151290
AL81823
L110640
19M8857
L110641
CQ27241
L55580
JD7847
L114558
L110233
AL119215
AL119379
AL110918
14M7523
L116259
AL32877
AL113452
AL113453
PONTE I
PONTE II
BUCHA
ROLAMENTO
ARRUELA DE AJUSTE
ARRUELA DE AJUSTE
ARRUELA DE AJUSTE
ARRUELA DE AJUSTE
ARRUELA DE AJUSTE
ARRUELA DE AJUSTE
ARRUELA DE AJUSTE
ARRUELA DE AJUSTE
ARRUELA DE AJUSTE
ARRUELA DE AJUSTE
ARRUELA DE AJUSTE
ARRUELA DE AJUSTE
ARRUELA
ARRUELA
ARRUELA
ARRUELA
ARRUELA
ARRUELA DE AJUSTE
ARRUELA
ARRUELA
ARRUELA
ARRUELA
ARRUELA DE AJUSTE
ARRUELA DE AJUSTE
ARRUELA DE AJUSTE
ARRUELA DE AJUSTE]
ARRUELA DE AJUSTE
ARRUELA DE AJUSTE
ARRUELA DE AJUSTE
ARRUELA DE AJUSTE
ARRUELA DE AJUSTE
ARRUELA DE AJUSTE
ARRUELA DE AJUSTE
ARRUELA DE AJUSTE
ARRUELA DE AJUSTE
ARRUELA DE AJUSTE
ARRUELA DE AJUSTE
ARRUELA DE AJUSTE
ARRUELA DE AJUSTE
ARRUELA DE AJUSTE
ARRUELA DE AJUSTE
ARRUELA DE AJUSTE
ARRUELA DE AJUSTE
ARRUELA DE AJUSTE
ARRUELA DE AJUSTE
ARRUELA DE AJUSTE
ROLAMENTOS DOS ROLOS
ANEL O
PARAFUSO SEXTAVADO
ARRUELA
BUJAO MAGNÉTICO
ANEL O
BOCAL DE LUBRIFICAÇÃO
BUCHA
RETENTOR
BUCHA
ARTICULAÇÃO ESFÉRICA
TERMINAL AXIAL
PORCA SEXTAVADA
PORCA SEXTAVADA
RESPIRO
VEDAÇÃO
VEDAÇÃO
1
1
2
1
AR
AR
AR
AR
AR
AR
AR
AR
AR
AR
AR
AR
AR
AR
AR
AR
AR
AR
AR
AR
AR
AR
AR
AR
AR
AR
AR
AR
AR
AR
AR
AR
AR
AR
AR
AR
AR
AR
AR
AR
AR
AR
AR
AR
AR
AR
1
1
15
15
2
2
2
2
2
1
2
2
2
2
1
AR
AR
14266
14266
14266
14266
14266
14266
14266
14266
14266
14266
14266
14266
14266
14266
14266
14266
14266
14266
14266
14266
14266
14266
14266
14266
14266
14266
14266
14266
14266
14266
14266
14266
14266
14266
14266
14266
14266
14266
14266
14266
14266
14266
14266
14266
14266
14266
14266
14266
14266
14266
14266
14266
14266
14266
14266
14266
14266
14266
14266
14266
14266
14266
14266
14266
14266
14266
14266
7
5
0
0
X
X
X
X
X
X
X
X
X
X
X
X
X
X
X
X
X
X
X
X
X
X
X
X
X
X
X
X
X
X
X
X
X
X
X
X
X
X
X
X
X
X
X
X
X
X
X
X
X
X
X
X
X
X
X
X
X
X
X
X
X
X
X
X
X
X
X
2,00
1,75
1,85
1,45
1,50
1,55
1,60
1,65
1,70
1,80
1,90
1,95
1,0
0,8
0,5
0,2
0,1
1,40
0,6
0,4
1,2
0,3
0,65
0,70
0,55
0,75
0,85
0,90
0,95
1,05
1,10
1,15
1,25
1,30
1,35
33X2
80.025
-
-
-
-
-
-
-
-
-
-
-
-
-
-
-
-
-
-
-
-
-
-
-
-
-
-
-
-
-
-
-
-
-
-
-
-
-
-
-
-
-
-
-
-
-
-
-
-
-
-
-
-
-
-
-
-
-
-
-
-
-
-
-
-
-
-
-
ITEM NÚMERO DESCRIÇÃO QTDE OBSERVAÇÕESNO. SÉRIE
TRATORES JOHN DEERE 7500 CPCQ26568 30Jan02
CARCAÇA ARTICULADA - AS 2060
80.026
TRATORES JOHN DEERE 7500 CPCQ26568 30Jan02
1
2
3
4
5
6
7
8
9
10
11
12
13
14
15
16
17
18
19
20
21
22
23
24
25
26
L110707
L110710
AL111096
AL110924
L110711
L110712
L110713
L110714
L110715
L110716
L110717
L110718
L110719
L110720
L110721
L116246
L116247
L112111
19M6119
AL81776
L110642
40M1873
T159519
AL81843
T82543
AL110925
L110647
L110646
L110648
AL111187
L101813
L110650
T82559
T187684
AL81844
19M8858
CQ27401
L114785
14M7447
CARCAÇA ARTICULAÇÃO
CARCAÇA ARTICULAÇÃO
ROLAMENTO DOS ROLOS
RETENTOR
ARRUELA DE AJUSTE
ARRUELA DE AJUSTE
ARRUELA DE AJUSTE
ARRUELA DE AJUSTE
ARRUELA DE AJUSTE
ARRUELA DE AJUSTE
ARRUELA DE AJUSTE
ARRUELA DE AJUSTE
ARRUELA DE AJUSTE
ARRUELA DE AJUSTE
ARRUELA DE AJUSTE
ARRUELA DE AJUSTE
ARRUELA DE AJUSTE
PINO DA ARTICULAÇÃO
PARAF SEXT
ROLAMENTO DE ESFERAS
CUBO
ANEL ELASTICO
ANEL DE SEGURANÇA
RETENTOR
ANEL ELASTICO
ARTICULAÇÃO DUPLA
CRUZETA
CRUZETA
GARFO ARTICULAÇÃO
GARFO ARTICULAÇÃO
BUCHA
CHAPA RETENÇÃO
ANEL O
ANEL
ROLAMENTOS DO ROLOS
PARAFUSO SEXTAVADO
PARAFUSO
PARAFUSO ENCOSTO
PORCA SEXTAVADA
1
2
4
4
AR
AR
AR
AR
AR
AR
AR
AR
AR
AR
AR
AR
AR
4
16
2
2
2
2
2
2
2
2
4
2
2
2
2
2
2
4
16
20
2
2
14266
14266
14266
14266
14266
14266
14266
14266
14266
14266
14266
14266
14266
14266
14266
14266
14266
14266
14266
14266
14266
14266
14266
14266
14266
14266
14266
14266
14266
14266
14266
14266
14266
14266
14266
14266
14266
14266
14266
7
5
0
0
X
X
X
X
X
X
X
X
X
X
X
X
X
X
X
X
X
X
X
X
X
X
X
X
X
X
X
X
X
X
X
X
X
X
X
X
X
X
X
RH
LH
S=0,2
S=0,3
S=0,4
S=0,6
S=0,8
S=1,0
S=1,2
S=1,4
S=1,6
S=1,8
S=2,0
S=0,7
S=0,5
M14X35
90X3,0MM
80.027
-
-
-
-
-
-
-
-
-
-
-
-
-
-
-
-
-
-
-
-
-
-
-
-
-
-
-
-
-
-
-
-
-
-
-
-
-
-
-
ITEM NÚMERO DESCRIÇÃO QTDE OBSERVAÇÕESNO. SÉRIE
TRATORES JOHN DEERE 7500 CPCQ26568 30Jan02
CONJUNTO PLANETÁRIO - AS 2060
80.028
TRATORES JOHN DEERE 7500 CPCQ26568 30Jan02
1
2
3
4
5
6
7
8
9
10
11
L116103
L116104
L116105
L152432
AL110927
L152433
L152434
L110729
L56820
L55580
19M8577
ENGRENAGEM DENTES INT.
EIXO SOLAR
PORTADOR PLANETÁRIO
PLANETÁRIA
ROLAMENTO
ANEL DE SEGURANÇA
ANEL DE SEGURANÇA
ANEL DE SEGURANÇA
TAMPÃO
ANEL O
PARAFUSO
2
2
2
6
6
12
12
6
2
2
4
14266
14266
14266
14266
14266
14266
14266
14266
14266
14266
14266
7
5
0
0
X
X
X
X
X
X
X
X
X
X
X
33X2
80.029
-
-
-
-
-
-
-
-
-
-
-
ITEM NÚMERO DESCRIÇÃO QTDE OBSERVAÇÕESNO. SÉRIE
TRATORES JOHN DEERE 7500 CPCQ26568 30Jan02
DIREÇÃO
80.030
TRATORES JOHN DEERE 7500 CPCQ26568 30Jan02
1
2
3
4
5
6
7
AL119373
L116255
L116257
L116256
L152012
L116258
AL119378
CILINDRO DA DIREÇÃO
BUCHA DE GUIA
HASTE DO PISTÃO
TUBO CILINDRICO
ANEL ELÁSTICO
ANEL DE SEGURANÇA
JOGO DE REPARO
1
1
1
1
1
1
1
14266
14266
14266
14266
14266
14266
14266
7
5
0
0
X
X
X
X
X
X
X
80.031
-
-
-
-
-
-
-
ITEM NÚMERO DESCRIÇÃO QTDE OBSERVAÇÕESNO. SÉRIE
TRATORES JOHN DEERE 7500 CPCQ26568 30Jan02
DIFERENCIAL
80.032
TRATORES JOHN DEERE 7500 CPCQ26568 30Jan02
1
2
3
4
5
6
7
8
9
10
11
12
L110634
L100150
L100151
L100152
L100153
L100154
L110635
T116851
L601103
L110636
R75522
19M8119
34M7135
T82618
GAIOLA DIFERENCIAL
PLACA EMBREAGEM EXTERIOR
PLACA EMBREAGEM EXTERIOR
PLACA EMBREAGEM EXTERIOR
PLACA EMBREAGEM INTERIOR
ARRUELA DE PRESSÃO
ENGRENAGEM PLANETÁRIA
ENGREANGEM SATÉLITE DIF.
ARRUELA ENCOSTO
EIXO DO DIFERENCIAL
ARRUELA
PARAF SEXT
PINO ELASTICO
PINO ELASTICO
10
10
10
8
2
2
4
4
2
12
12
4
4
14266
14266
14266
14266
14266
14266
14266
14266
14266
14266
14266
14266
14266
14266
7
5
0
0
X
X
X
X
X
X
X
X
X
X
X
X
X
X
S=1,1
S=1,2
Z=16
M12X130
14X40
8X40
80.033
-
-
-
-
-
-
-
-
-
-
-
-
-
-
ITEM NÚMERO DESCRIÇÃO QTDE OBSERVAÇÕESNO. SÉRIE
TRATORES JOHN DEERE 7500 CPCQ26568 30Jan02
ACIONAMENTO - AS 2060
80.034
TRATORES JOHN DEERE 7500 CPCQ26568 30Jan02
1
2
3
4
5
6
7
8
9
10
DQ44683
T82518
T82519
T82520
T82521
T82522
T82523
T82524
T82525
T82526
T82527
L110654
L110655
L110656
L110657
AT148947
L110658
L110659
L110660
L110660
L110661
L110662
L110663
L110664
L110665
L110666
L110667
L110668
L110669
L110670
L110671
L110672
L110673
L110674
L110675
L110676
L110677
L110678
L110679
L110680
L110681
L110682
L110683
L110684
L110685
L110686
L110687
L110688
L110689
L110690
L110691
L110692
L110693
L110694
L110695
L110696
L110697
L110698
L110699
L110700
L110701
L110702
L110703
L110704
L110705
L110706
JD10359
AL110922
L110708
T82532
T75837
14M7523
CONJ.COROA PINHÃO
ARRUELA
ARRUELA
ARRUELA
ARRUELA
ARRUELA
ARRUELA
ARRUELA
ARRUELA
ARRUELA
ARRUELA
ANEL
ANEL
ANEL
ANEL
ROLAMENTO DO ROLOS
ANEL
ANEL
ANEL
ANEL
ANEL
ANEL
ANEL
ANEL
ANEL
ANEL
ANEL
ANEL
ANEL
ANEL
ANEL
ANEL
ANEL
ANEL
ANEL
ANEL
ANEL
ANEL
ANEL
ANEL
ANEL
ANEL
ANEL
ANEL
ANEL
ANEL
ANEL
ANEL
ANEL
ANEL
ANEL
ANEL
ANEL
ANEL
ANEL
ANEL
ANEL
ANEL
ANEL
ANEL
ANEL
ANEL
ANEL
ANEL
ANEL
ANEL
ROLAEMNTO DOS ROLOS
RETENTOR
FLANGE ACIONAMENTO
CHAPA RETENÇÃO
ARRUELA
PORCA SEXTAVADA
1
1
1
1
1
1
1
1
1
1
1
1
1
1
1
1
1
1
1
1
1
1
1
1
1
1
1
1
1
1
1
1
1
1
1
1
1
1
1
1
1
1
1
1
1
1
1
1
1
1
1
1
1
1
1
1
1
1
1
1
1
1
1
1
1
1
1
1
1
1
1
1
14266
14266
14266
14266
14266
14266
14266
14266
14266
14266
14266
14266
14266
14266
14266
14266
14266
14266
14266
14266
14266
14266
14266
14266
14266
14266
14266
14266
14266
14266
14266
14266
14266
14266
14266
14266
14266
14266
14266
14266
14266
14266
14266
14266
14266
14266
14266
14266
14266
14266
14266
14266
14266
14266
14266
14266
14266
14266
14266
14266
14266
14266
14266
14266
14266
14266
14266
14266
14266
14266
14266
14266
7
5
0
0
X
X
X
X
X
X
X
X
X
X
X
X
X
X
X
X
X
X
X
X
X
X
X
X
X
X
X
X
X
X
X
X
X
X
X
X
X
X
X
X
X
X
X
X
X
X
X
X
X
X
X
X
X
X
X
X
X
X
X
X
X
X
X
X
X
X
X
X
X
X
X
X
S=0,9
1,05
11,30MM
S=11,36
S=11,36
S=11,42
S=11,45
S=11,48
S=11,51
S=11,54
S=11,57
S=11,60
S=11,63
S=11,66
S=11,69
S=11,72
S=11,75
S=11,78
S=11,81
S=11,84
S=11,87
S=11,90
S=11,93
S=11,96
S=11,99
S=12,02
S=12,05
S=12,08
S=12,11
S=12,14
S=12,17
S=12,20
S=12,23
S=12,26
S=12,29
S=12,32
S=12,35
S=12,38
11,27MM
11,24MM
11,21MM
11,18MM
11,15MM
11,12MM
11,09MM
11,06MM
11,03MM
11,00MM
10,97MM
10,94MM
80.035
-
-
-
-
-
-
-
-
-
-
-
-
-
-
-
-
-
-
-
-
-
-
-
-
-
-
-
-
-
-
-
-
-
-
-
-
-
-
-
-
-
-
-
-
-
-
-
-
-
-
-
-
-
-
-
-
-
-
-
-
-
-
-
-
-
-
-
-
-
-
-
-
ITEM NÚMERO DESCRIÇÃO QTDE OBSERVAÇÕESNO. SÉRIE
TRATORES JOHN DEERE 7500 CPCQ26568 30Jan02
RODAS DIANTEIRAS
1
2
3
4
5
6
7
8
9
DQ30263
DQ30259
DQ30261
CQ29426
CQ30871
CQ30868
CQ29427
CQ29428
CQ16065
DQ20973
AL13849
DQ26972
CQ26095
AZ33725
DQ37643
L38444
CQ26971
CQ26973
CQ26094
CQ33323
CQ33842
CQ26160
CQ37642
DQ25261
DQ26969
DQ26093
DQ25260
DQ37677
ARO
ARO
ARO
PARAFUSO
DISCO
DISCO
PORCA
ARRUELA
PORCA
PORCA
CAMARA
CAMARA
CAMARA
CAMARA
CAMARA
PNEU
PNEU
PNEU
PNEU
PNEU
PNEU
PNEU
PNEU
RODA
RODA
RODA
RODA
RODA
20
AR
2
2
2
2
2
2
2
2
2
2
2
2
2
2
2
2
2
2
5077
6476
5076
6475
7
5
0
0
X
X
X
X
X
X
X
X
X
X
X
X
X
X
X
X
X
X
X
X
X
X
X
X
X
X
X
X
(D)
(A)
(B)
5/8"
28" (D)
(A) (B)
5/8"
5/8"
(A) (B) (D)
M18 (C)
14.9X28 (D)
18.4X26 (B)
16.9X26 (A)
14.9X24
12.4-36" (E)
14.9X28 (A) (D) R1 PR 8
14.9X28 (D) R2 PR 6
18.4X26 (B) R1 PR 10
16.9X26 PR 16 (A)
16.9-26 R1 6 LONAS
16.9-26 R1 8 LONAS
14.9X24 R2 PR6
12.4-36" RI PRG (E)
(D) INCL KEYS 2-5
(B)
(A)
(C)
(E)
80.036
(A)
(B)
(C)
(D)
(E)
COM RODA DW14X26
COM RODA W16X26
COM RODA DW12X24
COM RODA W12X28
COM RODA DW10X36
-
-
-
-
-
-
-
-
-
-
-
-
-
-
-
-
-
-
-
-
-
-
-
-
-
-
-
-
ITEM NÚMERO DESCRIÇÃO QTDE OBSERVAÇÕESNO. SÉRIE
TRATORES JOHN DEERE 7500 CPCQ26568 30Jan02
PARALAMAS DIANTEIROS
1
2
3
4
5
6
7
8
9
10
L114706
19M8653
L114159
L114160
19M7791
AL69320
AL69331
19M7790
L64560
L27099
03M7264
14M7296
BASE
PARAFUSO
FIXADOR
FIXADOR
PARAF SEXT
SUPORTE DIR
SUPORTE ESQ
PARAF SEXT
PARALAMAS
CHAPA
PARAF FRANCES
PORCA C/FLANGE
2
8
1
1
4
1
1
6
2
6
12
12
7
5
0
0
X
X
X
X
X
X
X
X
X
X
X
X
M16X35
RH OR LH
RH OR LH
M12X40
M12X35
M10X25
M10
80.037
-
-
-
-
-
-
-
-
-
-
-
-
ITEM NÚMERO DESCRIÇÃO QTDE OBSERVAÇÕESNO. SÉRIE
TRATORES JOHN DEERE 7500 CPCQ26568 30Jan02
RODAS TRASEIRAS (PINHÃO E CREMALHEIRA)
80.038
TRATORES JOHN DEERE 7500 CPCQ26568 30Jan02
1
2
3
4
5
6
7
8
9
10
11
12
13
14
15
16
17
18
19
20
21
22
19H1782
12H236
J53701
J56367
A4379R
R83588
CQ32109
J54812
J53723
CQ32110
12H245
08H4419
CQ26033
R41012
R34659
CQ32274
14H800
L38141
08H4373
R58303
A4883R
J53702
J56365
R73380
CQ28088
CQ25610
CQ26159
CQ29478
CQ32273
CQ38200
CQ38199
R23551
CQ25611
CQ07844
CQ32275
J53262
R34801R
J55278
PARAF SEXT
ARRUELA PRESSAO
MEIO MANCAL
SEMI CASQUILHO
PINHAO
EIXO
CENTRO DE RODA
CENTRO DE RODA
CENTRO DA RODA
CENTRO DA RODA
ARRUELA PRESSAO
PARAF SEXT
RODA
RODA
RODA
RODA
PORCA
GRAMPO
PARAFUSO QUAD
PARAFUSO
ANEL ELASTICO
MEIO MANCAL
MEIO MANCAL
ANEL ELASTICO
PNEU
PNEU
PNEU
PNEU
PNEU
PNEU RADIAL
PNEU RADIAL
CAMARA
CAMARA
CAMARA DE AR
CAMARA
CASTANHA
PARAFUSO
TAMPAO
AR
AR
2
2
2
2
2
2
2
AR
AR
2
2
2
AR
AR
16
AR
AR
AR
2
AR
2
2
2
2
AR
2
2
2
2
2
AR
16
AR
2
0084
0084
XXXXXX
XXXXXX
0084
0083
XXXXXX
XXXXXX
0083
7
5
0
0
X
X
X
X
X
X
X
X
X
X
X
X
X
X
X
X
X
X
X
X
X
X
X
X
X
X
X
X
X
X
X
X
X
X
X
X
X
X
3/4"X2 1/4
ID 86
ID 80
30" - 32" (A) (C)
30" - 32" (A) (C)
38" (B)
38" (B)
7/8"X6 1/2"
(A)
(B)
(C)
(D)
5/8"
(B)
5/8"X4" (B)
ID 86
ID 80
18.4-38 R1 PR10 (B)
24.5X32 R1 PR10 (A)
23.1X30 R2 PR8 (C)
23.1X30 R2 PR10 (C)
20.8-38"RI PR10
18.4 R38
16.9 R26
18.4X38 (B)
24.5X32 (A)
23.1/18-30 (C)
(D)
80.039
(A)
(B)
(C)
(D)
COM RODA DW 21AX32
COM RODA W16X38
COM RODA DW20X30
COM RODA W18X38
-
-
-
-
-
-
-
-
-
-
-
-
-
-
-
-
-
-
-
-
-
-
-
-
-
-
-
-
-
-
-
-
-
-
-
-
-
-
ITEM NÚMERO DESCRIÇÃO QTDE OBSERVAÇÕESNO. SÉRIE TRATOR
TRATORES JOHN DEERE 7500 CPCQ26568 30Jan02
CONTRAPESOS PARA RODAS TRASEIRAS DE AÇO
1
2
3
4
5
6
19M7609
24M7049
14M7142
19M7952
L28228
CQ27184
PARAFUSO
ARRUELA LISA
PORCA SEXT
PARAF SEXT
PESO
ESPACADOR
AR
AR
AR
AR
AR
7
5
0
0
X
X
X
X
X
X
M16X90
18X30MM
M16
M16X160
80.040
-
-
-
-
-
-
ITEM NÚMERO DESCRIÇÃO QTDE OBSERVAÇÕESNO. SÉRIE
TRATORES JOHN DEERE 7500 CPCQ26568 30Jan02
CONTRAPESOS PARA RODAS TRASEIRAS DE FERRO FUNDIDO
1
2
3
4
5
6
7
CQ26032
CQ16817
R34801R
CQ16408
14M7142
14H800
CQ26402
L28228
ESPACADOR
BUCHA
PARAFUSO
ARRUELA LISA
PORCA SEXT
PORCA
PARAFUSO QUADRADO
PESO
6
6
AR
AR
AR
AR
AR
7
5
0
0
X
X
X
X
X
X
X
X
W/WHEEL 30", 32", 34"
W/WHEEL38"
W/WHEEL30",32", 34"
16,5X40MM W/WHEEL30", 32"
M16
5/8"
M16X160
80.041
-
-
-
-
-
-
-
-
ITEM NÚMERO DESCRIÇÃO QTDE OBSERVAÇÕESNO. SÉRIE
TRATORES JOHN DEERE 7500 CPCQ26568 30Jan02
CONTRA PESOS PARA RODAS TRASEIRAS
1
2
3
4
5
6
7
19M7343
L28230
24M7049
14M7142
CQ27128
CQ26402
L28228
PARAF SEXT
PESO
ARRUELA LISA
PORCA SEXT
PARAFUSO
PARAFUSO QUADRADO
PESO
AR
AR
AR
AR
AR
AR
AR
7
5
0
0
X
X
X
X
X
X
X
M16X60
18X30MM
M16
M16X100
M16X160
80.042
-
-
-
-
-
-
-
ITEM NÚMERO DESCRIÇÃO QTDE OBSERVAÇÕESNO. SÉRIE
TRATORES JOHN DEERE 7500 CPCQ26568 30Jan02
BARRA DE TRAÇÃO OSCILANTE
1
2
3
4
5
6
7
8
9
10
11
12
13
14
15
16
17
18
19
20
L76089
L76136
R95613
L18955
L76093
R95612
CQ25577
19M7518
CQ26407
F304R
19M7722
24H1513
R88667
DQ26791
DQ28142
DQ34064
DQ34065
L76088
19M8485
L76091
L76092
CQ33967
CQ33966
CQ28141
CQ26790
CQ31233
PINO
BUJAO
PINO
CONTRAPINO
BARRA TRACAO
BUCHA
SUPORTE
PARAF SEXT
SUPORTE
MOLA
PARAF SEXT
ARRUELA LISA
PORCA ESPECIAL
PINO
PINO
PINO
PINO
SUPORTE
PARAF SEXT
SUPORTE
ESPACADOR
PINO
PINO
PINO
PINO
PINO ELÁSTICO
1
1
2
2
1
1
1
AR
1
1
AR
AR
1
1
1
1
1
AR
1
2
1
1
1
1
1
XXXXXX
XXXXXX
XXXXXX
XXXXXX
XXXXXX
XXXXXX
XXXXXX
XXXXXX
7
5
0
0
X
X
X
X
X
X
X
X
X
X
X
X
X
X
X
X
X
X
X
X
X
X
X
X
X
X
M20X100
M20X160
35,7X1,5MM
(A)
(A)
M16X90
(A)
(A)
12.5X75X2.5
80.043
(A) EXPORTAÇÃO
-
-
-
-
-
-
-
-
-
-
-
-
-
-
-
-
-
-
-
-
-
-
-
-
-
-
ITEM NÚMERO DESCRIÇÃO QTDE OBSERVAÇÕESNO. SÉRIE TRATOR
TRATORES JOHN DEERE 7500 CPCQ26568 30Jan02
DECALCOS
1
2
3
4
5
6
7
8
9
CQ34774
CQ33348
CQ33349
CQ26099
CQ43640
CQ43736
CQ43638
CQ27859
CQ43639
DECALCO
DECALCO
DECALCO
DECALCO
DECALCO
DECALCOS
DECALCO
DECALCO
DECALCOS
7
5
0
0
X
X
X
X
X
X
X
X
X
80.044
-
-
-
-
-
-
-
-
-
ITEM NÚMERO DESCRIÇÃO QTDE OBSERVAÇÕESNO. SÉRIE TRATOR
TRATORES JOHN DEERE 7500 CPCQ26568 30Jan02
ÓLEOS LUBRIFICANTES, HIDRÁULICOS E TINTAS
1
2
3
4
5
6
7
8
9
DQ30255
DQ36349
DQ30253
DQ36348
DQ30252
DQ30254
AJ59056
DQ37004
DQ28285
OLEO SAE 90
ÓLEO SAE 90
OLEO HIDR. ISO 68
ÓLEO HIDR. ISO 68
OLEO HY-GARD
OLEO
ÓLEO P/AMACIAMENTO
ÓLEO
KIT TINTA
AR
AR
AR
AR
AR
AR
AR
AR
AR
7
5
0
0
X
X
X
X
X
X
X
X
X
SAE 90 (A)
SAE 90 (B)
ISO 68 (A)
ISO 68 (B)
HY-GARD (A)
15W-40 (A)
15W-40 (B)
80.045
(A)
(B)
20 LITROS
5 LITROS
-
-
-
-
-
-
-
-
-
ITEM NÚMERO DESCRIÇÃO QTDE OBSERVAÇÕESNO. SÉRIE
TRATORES JOHN DEERE 7500 CPCQ26568 30Jan02
CAIXA DE FERRAMENTAS
1
2
3
4
5
6
7
8
DQ27127
DQ33769
DQ26674
CQ04507
DQ04397
19M7162
24M7026
12M7065
14M7029
CAIXA FERRAM
CAIXA FERRAM
CHAVE
ALAVANCA
CADEADO
PARAF SEXT
ARRUELA LISA
ARRUELA PRESSAO
PORCA SEXT
7
5
0
0
X
X
X
X
X
X
X
X
X
(B)
(A)
INCL KEYS 27-30, 27-33
M8X16
9X17X1,6
5MM
M8
80.046
(A)
(B)
COM CABINE
SEM CABINE
-
-
-
-
-
-
-
-
-
ITEM NÚMERO DESCRIÇÃO QTDE OBSERVAÇÕESNO. SÉRIE
TRATORES JOHN DEERE 7500 CPCQ26568 30Jan02
SUPORTE DA CAIXA DE FERRAMENTAS - CABINE
1
2
3
4
5
6
7
8
9
19M7168
24M7101
12M7066
14M7140
DQ33766
14M7029
12M7065
24M7207
19M7139
PARAFUSO SEXT
ARRUELA LISA
ARRUELA PRESSAO
PORCA SEXT
SUPORTE
PORCA SEXT
ARRUELA PRESSAO
ARRUELA LISA
PARAFUSO
AR
AR
AR
AR
1
AR
AR
AR
AR
7
5
0
0
X
X
X
X
X
X
X
X
X
M10X30
11X34MMX3
10MM
M10
M8
5MM
8.4X24X2MM
M8X20
80.047
-
-
-
-
-
-
-
-
-
ITEM NÚMERO DESCRIÇÃO QTDE OBSERVAÇÕESNO. SÉRIE
TRATORES JOHN DEERE 7500 CPCQ26568 30Jan02
FITA DE GUARNIÇÃO
1 R46727 FITA DE GUARNIÇÃO 1
7
5
0
0
X (A)
80.048
(A) SOMENTE COM CABINE
-
ITEM NÚMERO DESCRIÇÃO QTDE OBSERVAÇÕESNO. SÉRIE
30Jan02TRATORES JOHN DEERE 7500 CPCQ26568 2F3
INDICE DE GRUPO - INDICE DE GRUPO
30Jan02TRATORES JOHN DEERE 7500 CPCQ26568 2F3
INDICE DE GRUPO - INDICE DE GRUPO
30Jan02TRATORES JOHN DEERE 7500 CPCQ26568 2F3
INDICE DE GRUPO - INDICE DE GRUPO
30Jan02TRATORES JOHN DEERE 7500 CPCQ26568 2F3
INDICE DE GRUPO - INDICE DE GRUPO
30Jan02TRATORES JOHN DEERE 7500 CPCQ26568 2F3
INDICE DE GRUPO - INDICE DE GRUPO
30Jan02TRATORES JOHN DEERE 7500 CPCQ26568 2F3
INDICE DE GRUPO - INDICE DE GRUPO
TRATORES JOHN DEERE 7500 CPCQ26568 30Jan02
ATENUADOR DE RUÍDO
1
2
3
4
5
6
7
8
L114663
38H5012
51M7043
AL151879
AL116783
19M7611
24M7051
38H5017
ABRAÇADEIRA
ADAPTADOR
ANEL O
ATENUADOR
SUPORTE
PARAF SEXT
ARRUELA
CONEXAO
2
2
2
1
1
1
1
1
7
5
0
0
X
X
X
X
X
X
X
X
M20X45
91.001
-
-
-
-
-
-
-
-
ITEM NÚMERO DESCRIÇÃO QTDE OBSERVAÇÕESNO. SÉRIE
TRATORES JOHN DEERE 7500 CPCQ26568 30Jan02
ESTRUTURA DA PLATAFORMA DO OPERADOR
1
2
3
4
5
6
7
8
9
10
DQ34346
19M7077
L57250
L113886
L57823
CQ01248
14M7165
CQ28744
12M7006
19M6614
99M7016
PLATAFORMA
PARAF SEXT
MANIPULO
MANÍPULO
ARRUELA
ARRUELA LISA
PORCA SEXT
DEFLETOR
ARRUELA PRESSAO
PARAFUSO
TAMPAO
1
AR
1
1
2
AR
AR
1
AR
AR
3
7
5
0
0
X
X
X
X
X
X
X
X
X
X
X
M6X20
(A)
6,4X18MM
M6
6MM
M6X12
OD=10,0MM
91.002
(A) CABINE
-
-
-
-
-
-
-
-
-
-
-
ITEM NÚMERO DESCRIÇÃO QTDE OBSERVAÇÕESNO. SÉRIE
TRATORES JOHN DEERE 7500 CPCQ26568 30Jan02
SUPORTE DA ESTRUTURA DA PLATAFORMA DO OPERADOR
1
2
3
4
5
6
7
8
9
10
11
12
13
19M7518
CQ34905
R66375
CQ27171
R111173
DQ25986
DQ25964
19M8035
19M7620
12M7070
CQ25955
CQ31822
CQ31823
PARAF SEXT
ARRUELA
CALCO
ESPACADOR
CALÇO
SUPORTE ESQ
SUPORTE
PARAF SEXT
PARAF SEXT
ARRUELA PRESSAO
SUPORTE
SUPORTE ESQ
SUPORTE DIR
AR
8
4
4
1
1
AR
AR
AR
2
7
5
0
0
X
X
X
X
X
X
X
X
X
X
X
X
X
M20X100
M16X35
M20X130
20MM
(A)
(A)
91.003
(A) SOMENTE CABINE
-
-
-
-
-
-
-
-
-
-
-
-
-
ITEM NÚMERO DESCRIÇÃO QTDE OBSERVAÇÕESNO. SÉRIE
TRATORES JOHN DEERE 7500 CPCQ26568 30Jan02
SUPORTE DOS CONTROLES
91.004
TRATORES JOHN DEERE 7500 CPCQ26568 30Jan02
1
2
3
4
5
6
7
8
9
10
11
12
13
14
15
16
17
18
19
20
21
22
23
24
25
26
27
19M7163
12M7065
24M7026
19M7301
14M7029
AP32839
L79794
P59923
T70659
19M7560
12M7006
14M7027
19M6614
DQ26734
DQ60687
DQ31860
DQ60529
DQ32045
L80302
99M7011
19M7167
24M7040
RE43637
RE46534
CQ01248
CQ29588
CQ31316
AL113988
DQ32717
P59946
PARAFUSO SEXT
ARRUELA PRESSAO
ARRUELA LISA
PARAF SEXT
PORCA SEXT
SUPORTE
GUARNICAO
TAMPA
FIXADOR
PARAF SEXT
ARRUELA PRESSAO
PORCA SEXT
PARAFUSO
TAMPA
TAMPA
TAMPA
SUPORTE
SUPORTE
DECALCO
TAMPÃO
PARAFUSO SEXT
ARRUELA LISA
INTERRUPTOR
CHAVE
ARRUELA LISA
VEDAÇÃO
SUPORTE
SUPORTE VEDAÇÃO
TAMPA
EXTENSAO
AR
AR
AR
AR
AR
1
1
1
1
AR
AR
AR
AR
1
1
1
1
1
1
AR
AR
1
1
AR
AR
1
1
1
1
7
5
0
0
X
X
X
X
X
X
X
X
X
X
X
X
X
X
X
X
X
X
X
X
X
X
X
X
X
X
X
X
X
X
M8X25
5MM
9X17X1,6
M8X40
M8
M6X16
6MM
M6
M6X12
C/CX. DE JUNCAO
S/CX. DE JUNCAO
(A)
(A)
OD=23,6MM
M10X25
11X21X2MM
6,4X18MM
(A)
(A)
(A)
(A)
91.005
(A) COM CABINE
-
-
-
-
-
-
-
-
-
-
-
-
-
-
-
-
-
-
-
-
-
-
-
-
-
-
-
-
-
-
ITEM NÚMERO DESCRIÇÃO QTDE OBSERVAÇÕESNO. SÉRIE
TRATORES JOHN DEERE 7500 CPCQ26568 30Jan02
CHAPAS DO PISO
91.006
TRATORES JOHN DEERE 7500 CPCQ26568 30Jan02
1
2
3
4
5
6
7
8
9
10
11
12
13
14
15
16
17
18
19
20
21
22
23
24
25
DQ25815
DQ33631
19M7560
24M7088
14M7165
DQ24729
19M7162
12M7065
CQ24972
19M7077
12M7006
CQ01248
DQ34943
CQ27559
19M7301
24M7026
12M7065
14M7029
CQ27441
CQ33630
CQ07213
14M7027
19M7077
12M7006
DQ34773
L59800
TAMPA
TAMPA
PARAF SEXT
ARRUELA LISA
PORCA SEXT
PISO DIR
PARAF SEXT
ARRUELA PRESSAO
PISO CENTRAL
PARAF SEXT
ARRUELA PRESSAO
ARRUELA LISA
PISO ESQ
CORRIMAO
PARAF SEXT
ARRUELA LISA
ARRUELA PRESSAO
PORCA SEXT
FITA
VEDAÇÃO
ARRUELA LISA
PORCA SEXT
PARAF SEXT
ARRUELA PRESSAO
ESCOTILHA
GRAMPO
1
AR
AR
AR
AR
AR
AR
AR
AR
1
1
2
2
2
2
1
4
7
5
0
0
X
X
X
X
X
X
X
X
X
X
X
X
X
X
X
X
X
X
X
X
X
X
X
X
X
X
(A)
(B)
M6X16
6.6X12.5X1.6
M6
M8X16
5MM
M6X20
6MM
6,4X18MM
M8X40
9X17X1,6
5MM
M8
(B)
6X25MM (B)
M6 (B)
M6X20 (B)
6MM (B)
91.007
(A)
(B)
SEM CABINE
COM CABINE
-
-
-
-
-
-
-
-
-
-
-
-
-
-
-
-
-
-
-
-
-
-
-
-
-
-
ITEM NÚMERO DESCRIÇÃO QTDE OBSERVAÇÕESNO. SÉRIE
TRATORES JOHN DEERE 7500 CPCQ26568 30Jan02
1
2
3
4
5
6
7
8
9
10
11
12
CQ26057
CQ26058
R96195
R96196
RE50373
19M7139
24M7026
12M7065
14M7029
CQ26235
CQ26049
CQ25155
CQ34677
R96216
37M7165
SUPORTE
PERFIL
PROTECAO DIR
PROTECAO ESQ
KIT
PARAFUSO
ARRUELA LISA
ARRUELA PRESSAO
PORCA SEXT
SUPORTE ESQ
SUPORTE DIR
TAPETE
TAPETE
BUCHA
PARAF FENDA
2
2
8
AR
AR
AR
AR
AR
XXXXXX
XXXXXX
7
5
0
0
X
X
X
X
X
X
X
X
X
X
X
X
X
X
X
M8X20
9X17X1,6
5MM
M8
91.008
-
-
-
-
-
-
-
-
-
-
-
-
-
-
-
ITEM NÚMERO DESCRIÇÃO QTDE OBSERVAÇÕESNO. SÉRIE
TRATORES JOHN DEERE 7500 CPCQ26568 30Jan02
PARALAMAS TRASEIROS
1
2
3
4
5
6
7
8
9
14M7166
CQ01249
CQ25243
L77917
L77912
L77510
L77511
24M7026
14M7029
19M7162
99M7095
PORCA SEXT
ARRUELA LISA
ESCORA
VEDACAO
VEDAÇÃO
PARALAMA DIR
PARALAMA ESQ
ARRUELA LISA
PORCA SEXT
PARAF SEXT
CONEXÃO
AR
AR
2
2
1
1
1
AR
AR
AR
1
7
5
0
0
X
X
X
X
X
X
X
X
X
X
X
M8
9X28MM
(B)
9X17X1,6
M8
M8X16
(A)
91.009
(A)
(B)
SEM EPCC
COM CABINE
-
-
-
-
-
-
-
-
-
-
-
ITEM NÚMERO DESCRIÇÃO QTDE OBSERVAÇÕESNO. SÉRIE
TRATORES JOHN DEERE 7500 CPCQ26568 30Jan02
PARALAMAS TRASEIROS, EXTENSÃO
91.010
TRATORES JOHN DEERE 7500 CPCQ26568 30Jan02
1
2
3
4
5
6
7
8
9
10
11
12
13
14
15
16
DQ26130
DQ26131
DQ34507
DQ34508
AL82916
AL82917
DQ34488
DQ34489
L101641
L101640
CQ30098
CQ30097
CQ26135
CQ26136
19M7139
19M7163
24M7026
14M7029
19M7560
19M7077
14M7027
24M7088
CQ01248
L101649
L101643
99M7095
L114318
CQ42250
SUPORTE DIR
SUPORTE ESQ
SUPORTE DIR
SUPORTE ESQ
SUPORTE DIR
SUPORTE ESQ
SUPORTE DIR
SUPORTE ESQ
SUPORTE DIR
SUPORTE ESQ
PROTEÇÃO DIR
PROTEÇ!AO ESQ
EXTENSAO DIR
EXTENSAO ESQ
PARAFUSO
PARAFUSO SEXT
ARRUELA LISA
PORCA SEXT
PARAF SEXT
PARAF SEXT
PORCA SEXT
ARRUELA LISA
ARRUELA LISA
EXTENSÃO ESQ
EXTENSÃO DIR
CONEXÃO
TAMPÃO
ARRUELA DE RETENÇÃO
1
1
1
1
1
1
1
1
1
1
1
1
1
1
AR
AR
AR
AR
AR
AR
AR
AR
1
3
AR
AR
XXXXXX
XXXXXX
XXXXXX
XXXXXX
XXXXXX
XXXXXX
XXXXXX
XXXXXX
7
5
0
0
X
X
X
X
X
X
X
X
X
X
X
X
X
X
X
X
X
X
X
X
X
X
X
X
X
X
X
X
W/O ESTRUTURA SEGURANÇA
W/0 ESTRUTURA SEGURANÇA
W/0 ESTRUTURA SEGURANÇA
W/O ESTRUTURA SEGURANÇA
(A) W/ ESTRUT. SEGURANÇA
(A) W/ ESTRUT. SEGURANÇA
(A) W/ ESTRUT.SEGURANÇA
(A) W/ ESTRUT. SEGURANÇA
W/0 ESTRUTURA SEGURANÇA
W/0 ESTRUTURA SEGURANÇA
M8X20
M8X25
9X17X1,6
M8
M6X16
M6X20
M6
6.6X12.5X1.6
6,4X18MM
W/ ESTRUTURA SEGURANÇA
W/ ESTRUTURA SEGURANÇA
91.011
(A) CABINE
-
-
-
-
-
-
-
-
-
-
-
-
-
-
-
-
-
-
-
-
-
-
-
-
-
-
-
-
ITEM NÚMERO DESCRIÇÃO QTDE OBSERVAÇÕESNO. SÉRIE
TRATORES JOHN DEERE 7500 CPCQ26568 30Jan02
ESTRUTURA DE SEGURANCA 4 POSTES
91.012
TRATORES JOHN DEERE 7500 CPCQ26568 30Jan02
1
2
3
4
5
6
7
8
9
10
11
12
13
14
15
16
DQ25856
CQ32225
DQ24915
24M7008
12M7065
19M3127
19M7139
19M7501
12M7069
CQ24899
CQ25923
14M7031
12M7067
CQ05126
19M7216
CQ25725
19M7029
19M7163
TETO
TETO
PROTECAO
ARRUELA LISA
ARRUELA PRESSAO
PARAF SEXT
PARAFUSO
PARAFUSO
ARRUELA PRESSAO
ARRUELA
VEDACAO
PORCA SEXT
ARRUELA PRESSAO
ARRUELA LISA
PARAF SEXT
TUCHO
PORCA SEXT
PARAFUSO SEXT
1
AR
AR
AR
AR
8
6
AR
AR
AR
AR
2
AR
AR
5748
5748
5748
5748
5747
5747
7
5
0
0
X
X
X
X
X
X
X
X
X
X
X
X
X
X
X
X
X
X
8,4X23X1,5
5MM
M8X16
M8X20
M16X110
16MM
M12
12MM
14X40X3
M12X100
M8
M8X25
91.013
-
-
-
-
-
-
-
-
-
-
-
-
-
-
-
-
-
-
ITEM NÚMERO DESCRIÇÃO QTDE OBSERVAÇÕESNO. SÉRIE TRATOR
TRATORES JOHN DEERE 7500 CPCQ26568 30Jan02
ESCADA
1
2
3
4
5
6
7
8
9
10
11
12
CQ25307
12M7066
19M7167
14M7140
P59929
CQ25724
19M7347
AP32855
03M7017
24M7040
CQ32215
19M7169
SUPORTE
ARRUELA PRESSAO
PARAFUSO SEXT
PORCA SEXT
SUPORTE
ESPACADOR
PARAFUSO
ESCADA
PARAF FRANCES
ARRUELA LISA
SUPORTE
PARAFUSO SEXT
1
AR
AR
AR
1
1
AR
1
AR
AR
1
AR
7
5
0
0
X
X
X
X
X
X
X
X
X
X
X
X
10MM
M10X25
M10
M10X120
M10X25
11X21X2MM
(A)
M10X35 (A)
91.014
(A) COM CABINE
-
-
-
-
-
-
-
-
-
-
-
-
ITEM NÚMERO DESCRIÇÃO QTDE OBSERVAÇÕESNO. SÉRIE
TRATORES JOHN DEERE 7500 CPCQ26568 30Jan02
ESTRUTURA DA CABINE
1
2
DQ39794
DQ42355
CQ39050
ESTRUTURA CABINE
ESTRUTURA CABINE
BASE DO ASSENTO
13196
13195
7
5
0
0
X
X
X
91.015
-
-
-
ITEM NÚMERO DESCRIÇÃO QTDE OBSERVAÇÕESNO. SÉRIE
TRATORES JOHN DEERE 7500 CPCQ26568 30Jan02
PEÇAS DE REVESTIMENTO
1
2
3
4
5
6
7
8
AL114768
L76767
UN4822
R111570
24M7298
19M7162
L76331
R54477
PAINEL
VEDAÇÃO
ESPUMA
TRINCO
ARRUELA LISA
PARAF SEXT
GUARNIÇÃO
REBITE
1
1
1
1
6
6
2
2
7
5
0
0
X
X
X
X
X
X
X
X
8,4X2MM
M8X16
91.016
-
-
-
-
-
-
-
-
ITEM NÚMERO DESCRIÇÃO QTDE OBSERVAÇÕESNO. SÉRIE
TRATORES JOHN DEERE 7500 CPCQ26568 30Jan02
REVESTIMENTO PARTE SUPERIOR, POSTERIOR DA CABINE
1
2
3
4
L79320
L100380
L112143
L112144
37M7291
PROTEÇÃO
PARAFUSO
ISOLAMENTO ACÚSTICO
PATIM DE BORRACHA
PARAFUSO
1
2
1
1
2
7
5
0
0
X
X
X
X
X
(A)
91.017
(A) COM CONTROLE REMOTO PARA BARRA DE TRAÇÃO
-
-
-
-
-
ITEM NÚMERO DESCRIÇÃO QTDE OBSERVAÇÕESNO. SÉRIE
TRATORES JOHN DEERE 7500 CPCQ26568 30Jan02
REVESTIMENTO DO PARA-LAMAS TRASEIRO
1
2
3
4
5
6
7
AL113917
L56021
L39860
L116183
CQ34091
L112522
UN4815
ISOLAMENTO ACÚSTICO
ALMOFADA
TIRA
ISOLAMENTO ACÚSTICO
MOLDURA
ISOLAMENTO ACÚSTICO
VEDAÇÃO
1
4
4
1
1
1
7
5
0
0
X
X
X
X
X
X
X
LH
RH
LGTH 1900MM
91.018
-
-
-
-
-
-
-
ITEM NÚMERO DESCRIÇÃO QTDE OBSERVAÇÕESNO. SÉRIE
TRATORES JOHN DEERE 7500 CPCQ26568 30Jan02
REVESTIMENTO DO POSTE
1
2
3
4
5
6
7
8
AL116339
AL116340
L111871
L111872
L112141
L112142
L113655
L113659
ISOLAMENTO ACUSTICO
ISOLAMENTO ACÚSTICO
PAINEL
PAINEL
ISOLADOR ACÚSTICO
ISOLADOR ACÚSTICO
TAMPÃO
TAMPÃO
1
1
1
1
1
1
4
4
7
5
0
0
X
X
X
X
X
X
X
X
(A) FRONT, LH
(A) FRONT, RH
LH
RH
REAR, LH
REAR, RH
91.019
(A) COM AR CONDICIONADO
-
-
-
-
-
-
-
-
ITEM NÚMERO DESCRIÇÃO QTDE OBSERVAÇÕESNO. SÉRIE
TRATORES JOHN DEERE 7500 CPCQ26568 30Jan02
CHAPAS DO CHÃO
1
2
3
4
5
6
CQ32243
19M6614
12M7006
19M7077
CQ32117
UN4815
TAMPA
PARAFUSO
ARRUELA PRESSAO
PARAF SEXT
CHAPA
VEDAÇÃO
7
5
0
0
X
X
X
X
X
X
M6X12
6MM
M6X20
LGTH 1900MM
91.020
-
-
-
-
-
-
ITEM NÚMERO DESCRIÇÃO QTDE OBSERVAÇÕESNO. SÉRIE
TRATORES JOHN DEERE 7500 CPCQ26568 30Jan02
91.021
TRATORES JOHN DEERE 7500 CPCQ26568 30Jan02
TAPETE
91.022
TRATORES JOHN DEERE 7500 CPCQ26568 30Jan02
1
2
3
4
5
6
7
8
9
10
11
12
13
14
15
L112457
21M7362
CQ32971
CQ34094
24M7138
37M7088
L77865
L110193
37M7249
CQ01248
37M7146
L115239
CQ35790
L111796
CQ42273
Z42839
CQ32637
CQ32639
CAPÔ
PARAF FENDA
MOLDURA
MOLDURA
ARRUELA LISA
PARAF FENDA
TAPETE
TAPETE
PARAFUSO
ARRUELA LISA
PARAFUSO
MOLDURA
MOLDURA
TAPETE
TAPETE
TAMPÃO
BASE
BASE
1
24
1
1
1
2
1
1
4
5
1
1
1
1
1
2
1
1
XXXXXX
7486
XXXXXX
XXXXXX
7485
XXXXXX
7
5
0
0
X
X
X
X
X
X
X
X
X
X
X
X
X
X
X
X
X
X
PARA BOMBA 100 LPM
M6X20
M6X14
6,4X18MM
ORD CQ35790
(SUB FOR L115207)
RH
LH
91.023
-
-
-
-
-
-
-
-
-
-
-
-
-
-
-
-
-
-
ITEM NÚMERO DESCRIÇÃO QTDE OBSERVAÇÕESNO. SÉRIE TRATOR
TRATORES JOHN DEERE 7500 CPCQ26568 30Jan02
REVESTIMENTO LATERAL
91.024
TRATORES JOHN DEERE 7500 CPCQ26568 30Jan02
1
2
3
4
5
6
7
8
9
10
11
12
13
14
15
16
17
18
19
20
21
22
CQ40433
CQ40434
L76767
L112866
L111480
L116184
L112657
19M6614
L112796
L112797
L39134
L79886
L112232
L102140
21M7362
24M7251
37M7166
L80136
L78846
L78847
AL112355
AL112354
AL114973
19M7560
19M7160
CQ01248
L100800
L80471
L110852
PAINEL
PAINEL
VEDAÇÃO
PORCA
PORCA
VEDAÇÃO
PLUG
PARAFUSO
PARAFUSO
PARAFUSO
PARAFUSO
ESPUMA
ESPUMA
TAMPÃO
PARAF FENDA
ARRUELA
PARAFUSO
ARRUELA
MOLDURA
MOLDURA
MOLDURA
MOLDURA
MOLDURA
PARAF SEXT
PARAFUSO
ARRUELA LISA
PLACA
ETIQUETA
ISOLAMENTO
1
1
1
22
14
4
10
2
6
16
6
1
1
2
6
12
4
4
1
1
1
1
1
5
1
6
4
4
4
7
5
0
0
X
X
X
X
X
X
X
X
X
X
X
X
X
X
X
X
X
X
X
X
X
X
X
X
X
X
X
X
X
LH
RH
M6X12
LH
RH
M6X20
7X20MM
LH
RH
LH
RH
RH
M6X16
M6X30 RH
6,4X18MM
91.025
-
-
-
-
-
-
-
-
-
-
-
-
-
-
-
-
-
-
-
-
-
-
-
-
-
-
-
-
-
ITEM NÚMERO DESCRIÇÃO QTDE OBSERVAÇÕESNO. SÉRIE
TRATORES JOHN DEERE 7500 CPCQ26568 30Jan02
MAÇANETA
1
2
3
4
5
6
7
AL76067
21M7327
24M7362
19M7561
L113887
L57250
L113886
12M7006
PUNHO
PARAFUSO
ARRUELA
PARAF ALLEN
PROTEÇÃO
MANIPULO
MANÍPULO
ARRUELA PRESSAO
1
2
6
6
1
1
1
2
7
5
0
0
X
X
X
X
X
X
X
X
M6X35
M8X30
(A)
6MM
91.026
(A) CABINE
-
-
-
-
-
-
-
-
ITEM NÚMERO DESCRIÇÃO QTDE OBSERVAÇÕESNO. SÉRIE
TRATORES JOHN DEERE 7500 CPCQ26568 30Jan02
REVESTIMENTO DE TETO INTERNO
1
2
3
L114338
CQ10218
L112639
PAINEL
PARAF FENDA
MOLDURA
1
11
2
7
5
0
0
X
X
X
M6X16
91.027
-
-
-
ITEM NÚMERO DESCRIÇÃO QTDE OBSERVAÇÕESNO. SÉRIE
TRATORES JOHN DEERE 7500 CPCQ26568 30Jan02
TETO INTERNO
1
2
3
4
5
6
7
8
9
10
11
AL110302
L111277
L39134
L111276
L100413
L100414
.......
.......
37M7109
24M7251
R81207
L100850
TETO
ENTRADA DE AR
PARAFUSO
ENTRADA DE AR
JUNTA
JUNTA
VEDACAO
VEDACAO
PARAFUSO
ARRUELA
CAPA
VEDAÇÃO
1
1
6
1
1
1
2
2
2
2
4
1
7
5
0
0
X
X
X
X
X
X
X
X
X
X
X
X
RH
LH
LH
RH
NSEP (A)
NSEP (B)
LGTH=4125MM LGTH=4125MM
91.028
(A)
(B)
COMPRIIMENTO=880MM (MF L100850)
COMPRIMENTO=1180MM (MF L100850)
-
-
-
-
-
-
-
-
-
-
-
-
ITEM NÚMERO DESCRIÇÃO QTDE OBSERVAÇÕESNO. SÉRIE
TRATORES JOHN DEERE 7500 CPCQ26568 30Jan02
TETO EXTERNO
1
2
3
4
5
6
7
8
9
L110276
CQ01248
37M7260
24M7315
L40376
19M7344
24M7251
19M8648
37M7242
TETO
ARRUELA LISA
PARAFUSO]
ARRUELA
ARRUELA
PARAFUSO
ARRUELA
PARAFUSO
PARAFUSO
1
AR
4
2
2
2
13
13
4
7
5
0
0
X
X
X
X
X
X
X
X
X
6,4X18MM
6,3X70MM REAR
M16X65
M6X16
6,3X55MM FRONT
91.029
-
-
-
-
-
-
-
-
-
ITEM NÚMERO DESCRIÇÃO QTDE OBSERVAÇÕESNO. SÉRIE
TRATORES JOHN DEERE 7500 CPCQ26568 30Jan02
JANELA TRASEIRA
91.030
TRATORES JOHN DEERE 7500 CPCQ26568 30Jan02
1
2
3
4
5
6
7
8
9
10
11
12
13
14
15
16
17
18
19
20
21
22
23
24
25
26
27
28
29
30
31
32
33
34
35
36
37
38
39
40
AL111717
24M7008
14M7478
AL110725
L78727
AL77794
T27260
24M7252
R133450
14M7165
99M7109
34M7126
L111419
03M7331
L114104
24M7298
L78704
L78851
24M7026
14M7166
L78703
21M7310
CQ01248
L78705
24M7251
14M7376
L78693
L75449
19M7139
L111414
R97588
14M7029
AL114803
L111440
L112290
L110367
L113715
L55969
AL110724
AL113815
PUNHO
ARRUELA LISA
PORCA AUTOFR
DOBRADIÇA
VIDRAÇA
APOIO
ARRUELA
ARRUELA
PUNHO
PORCA SEXT
TAMPAO
PINO ELASTICO
JUNTA
PARAFUSO
VEDAÇÃO
ARRUELA LISA
ARRUELA DE VEDAÇÃO
BUCHA
ARRUELA LISA
PORCA SEXT
CAPA
PARAFUSO
ARRUELA LISA
BUCHA
ARRUELA
PORCA AUTOFRENANTE
ESPUMA
PERFIL "U"
PARAFUSO
ANGULO
ESFERA
PORCA SEXT
AMORTECEDOR HIDROPNEUMATICO
TAMPA
VEDAÇÀO
ARRUELA
ESFERA
PORCA
DOBRADIÇA
MANÍPULO
1
6
2
1
1
1
1
1
1
1
1
1
2
2
1
2
8
2
8
2
8
6
6
6
6
6
2
2
4
1
2
4
2
2
1
2
2
2
1
1
7
5
0
0
X
X
X
X
X
X
X
X
X
X
X
X
X
X
X
X
X
X
X
X
X
X
X
X
X
X
X
X
X
X
X
X
X
X
X
X
X
X
X
X
8,4X23X1,5
LH
M6
OD=17,0MM
M8X35
8,4X2MM
9X17X1,6
M8
M6X25
6,4X18MM
M6
M8X20
M8
RH
91.031
-
-
-
-
-
-
-
-
-
-
-
-
-
-
-
-
-
-
-
-
-
-
-
-
-
-
-
-
-
-
-
-
-
-
-
-
-
-
-
-
ITEM NÚMERO DESCRIÇÃO QTDE OBSERVAÇÕESNO. SÉRIE
TRATORES JOHN DEERE 7500 CPCQ26568 30Jan02
JANELAS LATERAIS
91.032
TRATORES JOHN DEERE 7500 CPCQ26568 30Jan02
1
2
3
4
5
6
7
8
9
10
11
12
13
14
15
16
17
18
19
20
21
22
L78703
14M7165
24M7251
L78702
L78704
AL111136
03M7338
L114105
12M7081
21M7423
34M7094
RE58028
R113351
L114775
12M7133
19M8648
AL118243
AL118242
L115740
40M7082
24M7139
14M7272
L113305
L113306
CAPA
PORCA SEXT
ARRUELA
BUCHA
ARRUELA DE VEDAÇÃO
DOBRADIÇA
PARAFUSO
VEDAÇÃO
ARRUELA DE PRESSÃO
PARAFUSO
PINO ELÁSTICO
FECHO
PROTETOR
BUCHA
ARRUELA PRESS!AO
PARAFUSO
ENGATE
ENGATE
PINO
PINO ELÁSTICO
ARRUELA
PORCA
VIDRAÇA
VIDRAÇA
4
4
4
4
4
4
4
2
8
8
2
2
2
2
2
2
1
1
2
2
2
2
1
1
12904
12904
12904
12904
12904
12904
12904
12904
12904
12904
12904
12904
7
5
0
0
X
X
X
X
X
X
X
X
X
X
X
X
X
X
X
X
X
X
X
X
X
X
X
X
M6
ORD AL117017
M6X30
(UB FOR R110958)
M6X16
RH
LH
M6
RH
LH
91.033
-
-
-
-
-
-
-
-
-
-
-
-
-
-
-
-
-
-
-
-
-
-
-
-
ITEM NÚMERO DESCRIÇÃO QTDE OBSERVAÇÕESNO. SÉRIE TRATOR
TRATORES JOHN DEERE 7500 CPCQ26568 30Jan02
FECHADURA DA PORTA
91.034
TRATORES JOHN DEERE 7500 CPCQ26568 30Jan02
1
2
3
4
5
6
7
8
9
10
11
12
13
14
15
16
17
18
19
20
L113440
AL113176
L113436
L113438
R74402
L113717
L113718
03M7085
37M7063
24M7146
21M7310
24M7054
14M7166
24M7026
L78691
RE71557
L113908
L113907
AL113174
19M7574
CANTONEIRA
FECHADURA
PLACA
CAPÔ
TOPE
ESTRIBO
FECHADURA
PARAF FRANCES
PARAFUSO
ARRUELA
PARAFUSO
ARRUELA LISA
PORCA SEXT
ARRUELA LISA
BUCHA
CHAVE
ARRUELA DE VEDAÇÃO
ARRUELA DE VEDAÇÃO
CANTONEIRA
PARAFUSO
1
1
1
1
2
1
2
2
6
6
2
2
4
4
2
2
2
2
2
4
7
5
0
0
X
X
X
X
X
X
X
X
X
X
X
X
X
X
X
X
X
X
X
X
LH
LH
LH
LH
M10X30
M6X25
6,4X12,5MM
M8
9X17X1,6
M8X40
91.035
-
-
-
-
-
-
-
-
-
-
-
-
-
-
-
-
-
-
-
-
ITEM NÚMERO DESCRIÇÃO QTDE OBSERVAÇÕESNO. SÉRIE
TRATORES JOHN DEERE 7500 CPCQ26568 30Jan02
PORTAS
91.036
TRATORES JOHN DEERE 7500 CPCQ26568 30Jan02
1
2
3
4
5
6
7
8
9
10
11
12
13
14
15
16
17
18
19
20
21
22
23
24
25
26
27
28
29
30
31
32
33
34
35
36
37
AL78276
RE46588
RE46587
RE46590
RE46589
RE46592
AL151278
R97588
56M7007
L77647
L77648
L114107
L112546
L112638
L78769
L78768
L78851
24M7026
21M7392
L78703
21M7371
24M7362
L77652
CQ02499
L77651
19M7865
24M7298
L100869
L112270
L78704
24H1292
L113039
L113038
14M7166
03M7094
CQ32967
CQ33965
CQ32966
24M7362
19M8700
CQ32964
CANTONEIRA
DOBRADIÇA
DOBRADIÇA
DOBRADIÇA
DOBRADIÇA
DOBRADIÇA
AMORTECEDOR HIDROPNEUMATICO
ESFERA
JUNTA ESFÉRICA
PORTA
PORTA
VEDAÇÃO
PRATO
PRATO
ARRUELA
ARRUELA
BUCHA
ARRUELA LISA
PARAFUSO
CAPA
PARAFUSO
ARRUELA
ARRUELA DE VEDAÇÃO
ARRUELA
ARRUELA
PARAFUSO
ARRUELA LISA
ARRUELA
PROTETOR
ARRUELA DE VEDAÇÃO
ARRUELA
CAPA
CAPA
PORCA SEXT
PARAF FRANCES
CHAPA
CHAPA
CHAPA
ARRUELA
PARAF SEXT
CHAPA
1
2
1
1
1
2
4
2
1
1
2
2
2
2
2
2
2
1
2
6
4
12
6
2
8
8
2
2
2
2
1
1
AR
AR
7
5
0
0
X
X
X
X
X
X
X
X
X
X
X
X
X
X
X
X
X
X
X
X
X
X
X
X
X
X
X
X
X
X
X
X
X
X
X
X
X
X
X
X
X
LH
LH
RH
LH
RH
LH
RH
UP
LOW
9X17X1,6
M8X30
M8X20
26X50
M8X16
8,4X2MM
8,7X19X3MM
LH
RH
M8 RH
M8X30 RH
RH
RH
RH
RH
M8X25 RH
RH
91.037
-
-
-
-
-
-
-
-
-
-
-
-
-
-
-
-
-
-
-
-
-
-
-
-
-
-
-
-
-
-
-
-
-
-
-
-
-
-
-
-
-
ITEM NÚMERO DESCRIÇÃO QTDE OBSERVAÇÕESNO. SÉRIE
TRATORES JOHN DEERE 7500 CPCQ26568 30Jan02
PARABRISA FIXO
91.038
TRATORES JOHN DEERE 7500 CPCQ26568 30Jan02
1
2
3
4
5
6
7
8
9
10
11
12
13
14
15
16
17
18
19
20
21
22
23
L78733
L76388
03M7342
L78704
L78702
24M7251
14M7165
L78703
L78693
L75449
24M7026
19M7139
CQ01248
19M7077
14M7165
CQ01248
37M7193
37M7305
19M7319
L57827
L114102
L100685
L112290
R81207
PARABRISA
SUPORTE
PARAFUSO
ARRUELA DE VEDAÇÃO
BUCHA
ARRUELA
PORCA SEXT
CAPA
ESPUMA
PERFIL "U"
ARRUELA LISA
PARAFUSO
ARRUELA LISA
PARAF SEXT
PORCA SEXT
ARRUELA LISA
PARAFUSO
PARAFUSO
PARAF SEXT
ARRUELA DE VEDAÇÃO
VEDAÇÃO
LIMITADOR
VEDAÇÀO
CAPA
1
2
2
3
3
2
2
3
2
2
4
4
4
4
1
1
2
2
1
2
1
2
1
2
8815
8814
7
5
0
0
X
X
X
X
X
X
X
X
X
X
X
X
X
X
X
X
X
X
X
X
X
X
X
X
M6X30
M6
9X17X1,6
M8X20
6,4X18MM
M6X20
M6
6,4X18MM
M6X60
91.039
-
-
-
-
-
-
-
-
-
-
-
-
-
-
-
-
-
-
-
-
-
-
-
-
ITEM NÚMERO DESCRIÇÃO QTDE OBSERVAÇÕESNO. SÉRIE
TRATORES JOHN DEERE 7500 CPCQ26568 30Jan02
PARABRISA, PARTE INFERIOR
1
2
3
4
5
6
7
8
9
L78534
L78533
L114103
L111480
21M7327
CQ01248
L78702
L78704
L78703
L41443
VIDRAÇA
VIDRAÇA
VEDAÇÃO
PORCA
PARAFUSO
ARRUELA LISA
BUCHA
ARRUELA DE VEDAÇÃO
CAPA
ANEL O
1
1
2
4
4
4
4
4
4
4
7
5
0
0
X
X
X
X
X
X
X
X
X
X
RH
LH
M6X35
6,4X18MM
91.040
-
-
-
-
-
-
-
-
-
-
ITEM NÚMERO DESCRIÇÃO QTDE OBSERVAÇÕESNO. SÉRIE
TRATORES JOHN DEERE 7500 CPCQ26568 30Jan02
91.041
TRATORES JOHN DEERE 7500 CPCQ26568 30Jan02
UNIDADE DE CALEFAÇÃO, MANGUEIRAS, DECALEFAÇÃO, COMPONENTES DO VENTILADOR
91.042
TRATORES JOHN DEERE 7500 CPCQ26568 30Jan02
1
2
3
4
5
6
7
8
9
10
11
12
13
14
15
16
17
18
19
20
21
22
23
24
25
26
27
28
29
30
31
32
33
34
35
36
38
39
40
41
42
43
44
45
L110186
DQ10173
37M7174
AL110296
L113312
L113313
24M7139
AL111591
14M7297
19M7640
AL110297
AL110881
19M7560
L79884
24M7087
AL110260
L76254
19M8669
19M7768
L77942
AL77579
R33259
R113050
L77943
AL110298
L59927
R10093
AL110299
L79919
L79648
L76257
RE46634
L110187
AL112950
L59800
R44165
AL76568
RE43497
AL59879
L110145
37M7185
L110156
37M7272
L110865
L110867
MANGUEIRA
ABRACADEIRA
PARAFUSO
VALVULA
ESPUMA
ESPUMA
ARRUELA
REDE DE RESISTORES
PORCA
PARAF SEXT
SUPORTE
SOPRADOR
PARAF SEXT
VEDAÇÃO
ARRUELA LISA
EVAPORADOR
ESPUMA
PARAFUSO
PARAFUSO
PRATO
VALVULA
ANEL O
ANEL
PRATO
MANGUEIRA
PORCA
ANEL O
MANGUEIRA
GUARNIÇÃO
SUPORTE
GUARNIÇÃO
INTERRUPTOR
MANGUEIRA
CAIXA
GRAMPO
PORCA
MANOPLA
INTERRUPTOR DO SOPRADOR
INTERRUPTOR
TAMPA
PARAF FENDA
VENEZIANA DE OPERAÇÃO
PARAFUSO
ETIQUETA
ETIQUETA
1
6
1
1
1
1
6
1
2
2
1
2
8
2
1
1
2
1
1
1
2
1
1
1
1
2
1
3
4
1
1
1
1
8
2
4
1
1
1
4
2
2
1
1
7
5
0
0
X
X
X
X
X
X
X
X
X
X
X
X
X
X
X
X
X
X
X
X
X
X
X
X
X
X
X
X
X
X
X
X
X
X
X
X
X
X
X
X
X
X
X
X
X
LH
RH
M5
M5X12
M6X16
5,5X10MM
M5X35
M6X16
INCL KEYS 25
4,8X16MM
91.043
-
-
-
-
-
-
-
-
-
-
-
-
-
-
-
-
-
-
-
-
-
-
-
-
-
-
-
-
-
-
-
-
-
-
-
-
-
-
-
-
-
-
-
-
-
ITEM NÚMERO DESCRIÇÃO QTDE OBSERVAÇÕESNO. SÉRIE
TRATORES JOHN DEERE 7500 CPCQ26568 30Jan02
1
2
3
4
5
6
7
8
9
10
11
12
13
14
15
16
17
18
37M7140
37M7185
24M7139
37M7218
99M7057
L110144
37M7219
L61769
L59796
L79648
L110148
L110149
L110633
L110189
14M7272
24M7139
19M7077
L110146
PARAFUSO
PARAF FENDA
ARRUELA
PARAFUSO
TAMPÃO
TAMPA
PARAFUSO
VEDAÇÃO
VEDAÇÃO
SUPORTE
CANTONEIRA
CANTONEIRA
PRENDEDOR
VEDAÇÃO
PORCA
ARRUELA
PARAF SEXT
PRENDEDOR
2
2
2
3
2
1
2
1
1
4
1
1
1
2
8
8
8
2
7
5
0
0
X
X
X
X
X
X
X
X
X
X
X
X
X
X
X
X
X
X
4,8X16MM
OD=20,0MM
LH
RH
M6
M6X20
91.044
-
-
-
-
-
-
-
-
-
-
-
-
-
-
-
-
-
-
ITEM NÚMERO DESCRIÇÃO QTDE OBSERVAÇÕESNO. SÉRIE
TRATORES JOHN DEERE 7500 CPCQ26568 30Jan02
FILTRO DE AR
1
2
3
4
5
6
7
8
9
10
AL111748
40M7040
L111425
37M7255
AL111469
AL110264
L59796
L110183
L110155
AL110300
FILTRO DE AR
ANEL ELASTICO
ANEL ELÁSTICO
PARAFUSO
PARAFUSO BORBOLETA
CAIXA
VEDAÇÃO
ESPUMA
TAMPA
PARAFUSO
1
2
2
6
2
1
1
1
1
2
7
5
0
0
X
X
X
X
X
X
X
X
X
X
SUB FOR AL119095
INCL KEY 4
91.045
-
-
-
-
-
-
-
-
-
-
ITEM NÚMERO DESCRIÇÃO QTDE OBSERVAÇÕESNO. SÉRIE
TRATORES JOHN DEERE 7500 CPCQ26568 30Jan02
LUZ INTERNA DA CABINA, LUZ DO CONSOLE, DUTOS DE AR
91.046
TRATORES JOHN DEERE 7500 CPCQ26568 30Jan02
1
2
3
4
5
6
7
8
9
10
11
12
13
14
15
L110977
37M7230
14M7209
R81207
R106551
24M7207
57M7615
AL110365
L112250
57M7105
L110496
L110495
R72040
L110150
L110151
19M8403
TAMPÃO
PARAFUSO
PORCA SEXT
CAPA
TAMPA
ARRUELA LISA
LAMPADA
LAMPADA
PRENDEDOR
BULBO
LENTE
TAMPA
GUARNIÇÃO
DUTO DE AR
DUTO DE AR
PARAF SEXT
2
2
4
2
1
AR
2
1
1
1
1
1
1
1
AR
7
5
0
0
X
X
X
X
X
X
X
X
X
X
X
X
X
X
X
X
4.8X25
M18
8.4X24X2MM
LH
RH
M8X75
91.047
-
-
-
-
-
-
-
-
-
-
-
-
-
-
-
-
ITEM NÚMERO DESCRIÇÃO QTDE OBSERVAÇÕESNO. SÉRIE
TRATORES JOHN DEERE 7500 CPCQ26568 30Jan02
DRENO DO CONDENSADOR DE ÁGUA AR CONDICIONADO
91.048
TRATORES JOHN DEERE 7500 CPCQ26568 30Jan02
1
2
3
4
5
6
7
8
9
10
11
Z59343
37M7089
P51212
L111584
R60263
R60264
SG06401
37M7095
L113800
L113801
AL117566
AL117567
DQ37173
DQ37174
CQ38910
R44302
ISOLAMENTO
PARAFUSO
ANEL O
VEDAÇÃO
BUCHA
MANGUEIRA
ABRAÇADEIRA
PARAFUSO
PAINEL
PAINEL
TUBO
TUBO
TUBO
TUBO
MANGUEIRA
CINTA
2
4
2
2
2
2
2
4
1
1
1
1
2
2
XXXXXX
XXXXXX
XXXXXX
XXXXXX
XXXXXX
XXXXXX
XXXXXX
XXXXXX
XXXXXX
7
5
0
0
X
X
X
X
X
X
X
X
X
X
X
X
X
X
X
X
M6X12
1/2"X5/8"
LH
LH
RH
LH
RH
LH
RH
SUB L114086
91.049
-
-
-
-
-
-
-
-
-
-
-
-
-
-
-
-
ITEM NÚMERO DESCRIÇÃO QTDE OBSERVAÇÕESNO. SÉRIE TRATOR
TRATORES JOHN DEERE 7500 CPCQ26568 30Jan02
TUBULAÇÕES, CALEFAÇÃO E AR CONDICIONADO
91.050
TRATORES JOHN DEERE 7500 CPCQ26568 30Jan02
1
2
3
4
5
6
7
8
9
10
11
12
13
14
L111464
CQ38761
21M7423
AL111784
AL111785
L110815
L111465
L150706
DQ10173
R10093
R33259
L150708
L150707
L150709
LINHA
GRAMPO
PARAFUSO
LINHA
LINHA
GRAMPO
LINHA
ISOLADOR
ABRACADEIRA
ANEL O
ANEL O
ISOLADOR
ISOLADOR
ISOLADOR
1
6
6
1
1
6
1
AR
4
2
2
7
5
0
0
X
X
X
X
X
X
X
X
X
X
X
X
X
X
M6X30
(A)
(A)
91.051
-
-
-
-
-
-
-
-
-
-
-
-
-
-
ITEM NÚMERO DESCRIÇÃO QTDE OBSERVAÇÕESNO. SÉRIE
TRATORES JOHN DEERE 7500 CPCQ26568 30Jan02
COMPRESSOR - AR CONDICIONADO
1
2
3
4
5
6
7
8
10
DQ35685
19M7660
AL78494
AL78780
57M7267
L79311
L115093
24M7055
CQ33577
COMPRESSOR
PARAFUSO
EMBREAGEM
COLETOR
PONTA TERMINAL MACHO
JUNTA
PINO
ARRUELA
CORREIA
4
1
1
1
1
2
4
1
7
5
0
0
X
X
X
X
X
X
X
X
X
SUB AL155836
91.052
-
-
-
-
-
-
-
-
-
ITEM NÚMERO DESCRIÇÃO QTDE OBSERVAÇÕESNO. SÉRIE
TRATORES JOHN DEERE 7500 CPCQ26568 30Jan02
SECADOR, INTERRUPTOR DE PRESSÃO PARA AR CONDICIONADO
1
2
3
4
5
6
7
8
9
14M7274
12M7135
24M7028
L112745
L151429
99M7102
19M7170
AL77581
R10093
AL112954
PORCA
ARRUELA PRESSÃO
ARRUELA
ANEL O
ANEL O
GRAMPO
PARAFUSO
FILTRO SECADOR
ANEL O
SENSOR
1
1
1
1
1
1
1
1
2
1
XXXXXX
XXXXXX
7
5
0
0
X
X
X
X
X
X
X
X
X
X
M10
M10X50
(ORD W/L1127450
91.053
-
-
-
-
-
-
-
-
-
-
ITEM NÚMERO DESCRIÇÃO QTDE OBSERVAÇÕESNO. SÉRIE
TRATORES JOHN DEERE 7500 CPCQ26568 30Jan02
MANGUEIRAS AR CONDICIONADO
91.054
TRATORES JOHN DEERE 7500 CPCQ26568 30Jan02
1
2
3
4
5
6
7
8
9
10
11
12
13
14
15
16
17
18
19
20
DQ32238
AL112625
DQ31310
R33259
14M7272
19M7966
CQ38890
L110828
198973
R10093
19M7657
L114448
R120955
L110815
19M8263
L41980
T70659
19M7768
R113050
AL78796
MANGUEIRA
MANGUEIRA
MANGUEIRA
ANEL O
PORCA
PARAFUSO
ABRAÇADEIRA
ESPAÇADOR
PARAFUSO
ANEL O
PARAFUSO
SUPORTE
CAPA
GRAMPO
PARAFUSO
ABRAÇADEIRA
FIXADOR
PARAFUSO
ANEL
VALVULA
7
5
0
0
X
X
X
X
X
X
X
X
X
X
X
X
X
X
X
X
X
X
X
X
INCL KEY 13
INCL KEY 13
M6
M8X25
M6X16
91.055
-
-
-
-
-
-
-
-
-
-
-
-
-
-
-
-
-
-
-
-
ITEM NÚMERO DESCRIÇÃO QTDE OBSERVAÇÕESNO. SÉRIE
TRATORES JOHN DEERE 7500 CPCQ26568 30Jan02
91.056
30Jan02TRATORES JOHN DEERE 7500 CPCQ26568 2G1
INDICE DE GRUPO - INDICE DE GRUPO
30Jan02TRATORES JOHN DEERE 7500 CPCQ26568 2G1
INDICE DE GRUPO - INDICE DE GRUPO
30Jan02TRATORES JOHN DEERE 7500 CPCQ26568 2G1
INDICE DE GRUPO - INDICE DE GRUPO
30Jan02TRATORES JOHN DEERE 7500 CPCQ26568 2G1
INDICE DE GRUPO - INDICE DE GRUPO
30Jan02TRATORES JOHN DEERE 7500 CPCQ26568 2G1
INDICE DE GRUPO - INDICE DE GRUPO
30Jan02TRATORES JOHN DEERE 7500 CPCQ26568 2G1
INDICE DE GRUPO - INDICE DE GRUPO
TRATORES JOHN DEERE 7500 CPCQ26568 30Jan02
PAINEL DE INSTRUMENTOS
1
2
AP32936
RE45865
PAINEL
JUNTA
7
5
0
0
X
X
92.001
-
-
ITEM NÚMERO DESCRIÇÃO QTDE OBSERVAÇÕESNO. SÉRIE
TRATORES JOHN DEERE 7500 CPCQ26568 30Jan02
QUADRO DE INSTRUMENTOS
92.002
TRATORES JOHN DEERE 7500 CPCQ26568 30Jan02
1
2
3
4
5
6
7
8
9
10
11
12
13
14
15
16
17
18
21M7265
21M7284
DQ26712
19M6614
CQ01248
CQ30278
CQ26815
CQ36892
P59946
19M6614
P59922
DQ26860
21M7362
CQ60208
19M7560
14M7027
12M7006
CQ26808
DQ10881
DQ10882
CQ30277
CQ36859
PARAF FENDA
PARAF FENDA
SUPORTE
PARAFUSO
ARRUELA LISA
CONSOLE
CONSOLE
CONSOLE
EXTENSAO
PARAFUSO
SUPORTE
CHAPA
PARAF FENDA
TAMPA
PARAF SEXT
PORCA SEXT
ARRUELA PRESSAO
APOIO
LAMPADA
LAMPADA
DECALCO
DECALCO
AR
AR
AR
AR
AR
AR
AR
10029
10029
10029
10028
10028
7
5
0
0
X
X
X
X
X
X
X
X
X
X
X
X
X
X
X
X
X
X
X
X
X
X
M5X12
M6X12
6,4X18MM
(A)
(B)
M6X12
M6X20
M6X16
M6
6MM
YELLOW
RED
92.003
(A)
(B)
P/ BOMBA 100 LPM
P/ BOMBA 60 LPM
-
-
-
-
-
-
-
-
-
-
-
-
-
-
-
-
-
-
-
-
-
-
ITEM NÚMERO DESCRIÇÃO QTDE OBSERVAÇÕESNO. SÉRIE
TRATORES JOHN DEERE 7500 CPCQ26568 30Jan02
CAPO DO CONSOLE CENTRAL
92.004
TRATORES JOHN DEERE 7500 CPCQ26568 30Jan02
1
2
3
4
5
6
7
8
9
10
11
12
13
CQ26154
CQ26793
L115285
DQ32632
DQ32633
21M7271
CQ29446
CQ27422
CQ32569
R106529
L80355
CQ01248
37M7165
21M7362
DQ26146
CQ34313
37M7203
CONSOLE
CAPÔ
CAPÔ
CAPÔ
CAPÔ
PARAFUSO FENDA
SUPORTE
TAMPA
TAMPA
PORCA DE SEGURANÇA
PORCA DE SEGURANÇA
ARRUELA LISA
PARAF FENDA
PARAF FENDA
FIXADOR
CHAPA
PARAFUSO
AR
1
AR
AR
1
2
7
5
0
0
X
X
X
X
X
X
X
X
X
X
X
X
X
X
X
X
X
RH
LH
(A) RH
(A) LH
M5X16
(A)
6,4X18MM
M6X20
M4X20 SUB 37M7336
92.005
(A) COM CABINE
-
-
-
-
-
-
-
-
-
-
-
-
-
-
-
-
-
ITEM NÚMERO DESCRIÇÃO QTDE OBSERVAÇÕESNO. SÉRIE
TRATORES JOHN DEERE 7500 CPCQ26568 30Jan02
INSTRUMENTOS DO PAINEL
92.006
TRATORES JOHN DEERE 7500 CPCQ26568 30Jan02
1
2
3
4
5
6
7
8
9
10
11
12
13
14
15
16
21M7290
AL76568
R44165
L110553
R73728
L102358
AL35179
AL36529
37M7203
RE51104
M115279
R117163
R115974
RE45963
L37489
AT162676
PARAFUSO
MANOPLA
PORCA
DECALCO
TAMPAO
TAMPAO
CHAVE LUZ
CHAVE MULTIF
PARAFUSO
CHAVE LUZ
TAMPA
DECALCO
PORCA
CHAVE GERAL
ALAVANCA
CHAVE
AR
1
1
1
1
1
1
1
1
1
1
1
1
1
1
7
5
0
0
X
X
X
X
X
X
X
X
X
X
X
X
X
X
X
X
M3X35
M4X20 SUB 37M7336
92.007
-
-
-
-
-
-
-
-
-
-
-
-
-
-
-
-
ITEM NÚMERO DESCRIÇÃO QTDE OBSERVAÇÕESNO. SÉRIE
TRATORES JOHN DEERE 7500 CPCQ26568 30Jan02
CONSOLE PARA ALAVANCAS DE CÂMBIO
1
2
3
4
5
AL81458
DQ41927
L58448
24M7026
14M7029
AL110863
SUPORTE
SUPORTE
VEDAÇÃO
ARRUELA LISA
PORCA SEXT
SUPORTE
1
1
1
AR
AR
1
3005
3004
7
5
0
0
X
X
X
X
X
X
(SUB FOR AL115064)
9X17X1,6
M8
SUB AL152875
92.008
-
-
-
-
-
-
ITEM NÚMERO DESCRIÇÃO QTDE OBSERVAÇÕESNO. SÉRIE TRATOR
TRATORES JOHN DEERE 7500 CPCQ26568 30Jan02
PEÇAS DE ACIONAMENTO DA EMBREAGEM PEDAL E CABO
1
2
3
4
5
6
7
8
9
10
11
12
13
14
15
19M7167
12M7066
R106381
R106387
RE43710
11M7005
45M7036
R51192
T20316
14M7140
DQ27846
R112680
L80053
L79792
L79337
PARAFUSO SEXT
ARRUELA PRESSAO
SUPORTE
PIVO
PEDAL
CONTRAPINO
PINO
BUCHA
ARRUELA
PORCA SEXT
CABO
TERMINAL
TERMINAL
FIXADOR
BORRACHA
AR
AR
AR
AR
7
5
0
0
X
X
X
X
X
X
X
X
X
X
X
X
X
X
X
M10X25
10MM
INCL KEYS 8
1,6 X 10
M10
92.009
-
-
-
-
-
-
-
-
-
-
-
-
-
-
-
ITEM NÚMERO DESCRIÇÃO QTDE OBSERVAÇÕESNO. SÉRIE
TRATORES JOHN DEERE 7500 CPCQ26568 30Jan02
PEDAL DO ACELERADOR
92.010
TRATORES JOHN DEERE 7500 CPCQ26568 30Jan02
1
2
3
4
5
6
7
8
9
10
11
12
13
14
15
16
17
18
19
20
21
22
L113020
DQ27080
R67575
L114712
45M7044
L78152
34H282
CQ25361
L35975
L41366
R58509
R58511
L110311
L110988
L102562
L78154
L112950
L36272
14M7165
R26871
L79071
L113021
L78701
PEDAL
CONJ ALAVANCA
BUCHA
PINO
PINO
CHAPA
PINO ELASTICO
SUPORTE
FIXADOR
FIXADOR
MANCAL
MANCAL
MOLA
MANCAL
EIXO
MANCAL
INVERSOR
TERMINAL
PORCA SEXT
ANEL ELAST
BUCHA
BUCHA
MOLA
AR
3368
3367
7
5
0
0
X
X
X
X
X
X
X
X
X
X
X
X
X
X
X
X
X
X
X
X
X
X
X
M6
92.011
-
-
-
-
-
-
-
-
-
-
-
-
-
-
-
-
-
-
-
-
-
-
-
ITEM NÚMERO DESCRIÇÃO QTDE OBSERVAÇÕESNO. SÉRIE TRATOR
TRATORES JOHN DEERE 7500 CPCQ26568 30Jan02
CABOS DO CÂMBIO DE MARCHAS (POWRQUAD)
92.012
TRATORES JOHN DEERE 7500 CPCQ26568 30Jan02
1
2
3
4
5
6
7
8
9
DQ34213
14M7272
L80051
L80052
DQ34221
45M7080
AL79050
L79076
L80053
CABO
PORCA
TERMINAL
TERMINAL
CABO
PINO TRAVA
PINO TRAVA
CLIPE
TERMINAL
1
AR
1
2
1
3
1
4
1
7
5
0
0
X
X
X
X
X
X
X
X
X
(A)
M6
(B)
92.013
(A)
(B)
CÂMBIO F-R
CAMBIO 1A4
-
-
-
-
-
-
-
-
-
ITEM NÚMERO DESCRIÇÃO QTDE OBSERVAÇÕESNO. SÉRIE
TRATORES JOHN DEERE 7500 CPCQ26568 30Jan02
ALAVANCA DO CÂMBIO DE MARCHAS (POWRQUAD) (-02092)
92.014
TRATORES JOHN DEERE 7500 CPCQ26568 30Jan02
1
2
3
4
5
6
7
8
9
10
11
12
13
14
15
16
17
18
19
20
21
22
AL110308
AL110242
AL77500
AL82500
L78169
L101401
AL29889
19M7168
24M7026
14M7166
L112469
19M7865
14M7416
L80355
CQ26638
L77805
L77802
19M7560
L77964
L78980
CQ01248
14M7167
ALAVANCA
ALAVANCA
SUPORTE
PAINEL
BUCHA
ALAVANCA
ESPACADOR
PARAFUSO SEXT
ARRUELA LISA
PORCA SEXT
MOLA
PARAFUSO
PORCA SEXT
PORCA DE SEGURANÇA
PARAF ALLEN
MANIPULO
MANIPULO
PARAF SEXT
TAMPA
TAMPA
ARRUELA LISA
PORCA AUTOFREN
1
1
1
1
2
1
2
AR
AR
AR
4
AR
AR
AR
AR
1
1
AR
1
1
AR
AR
7
5
0
0
X
X
X
X
X
X
X
X
X
X
X
X
X
X
X
X
X
X
X
X
X
X
M10X30
9X17X1,6
M8
M8X16
M8
M6X16
6,4X18MM
M10
92.015
-
-
-
-
-
-
-
-
-
-
-
-
-
-
-
-
-
-
-
-
-
-
ITEM NÚMERO DESCRIÇÃO QTDE OBSERVAÇÕESNO. SÉRIE
TRATORES JOHN DEERE 7500 CPCQ26568 30Jan02
ALAVANCA DE CÂMBIO DE MARCHAS (POWRQUAD) (002093-)
92.016
TRATORES JOHN DEERE 7500 CPCQ26568 30Jan02
1
2
3
4
5
6
7
8
9
10
11
12
13
14
15
16
17
18
19
20
21
22
23
24
25
26
27
28
29
30
31
32
33
34
35
36
37
AL110868
L111879
L114032
DQ38226
AL110722
AL110860
L77964
L78980
L112041
CQ36978
19M8403
14M7166
L111165
AL150844
AL117587
L110964
AL111214
AL150845
19M7865
CQ01249
L77978
L80355
19M8866
L77805
CQ01248
19M7560
L111179
14M7272
DQ28903
AL113247
19M7286
L102451
L111988
L111987
34M7172
14M7298
AL80994
DQ31114
AL112581
AL112614
AL117786
AL119584
DQ46828
HASTA
PINO
PINO
SUPORTE
PAINEL
SUPORTE
TAMPA
TAMPA
MOLA
ARRUELA
PARAF SEXT
PORCA SEXT
ARRUELA
QUADRANTE
QUADRANTE
ALAVANCA
QUADRANTE
QUADRANTE
PARAFUSO
ARRUELA LISA
BUCHA
PORCA DE SEGURANÇA
PARAFUSO FENDA
MANIPULO
ARRUELA LISA
PARAF SEXT
MANIPULO
PORCA
SUPORTE
PLACA
PARAFUSO
MOLA
ARRUELA
ARRUELA
PINO ELASTICO
PORCA C/FLANGE
BUCHA
SUPORTE
QUADRANTE
SUPORTE
GRAXEIRA
GRAXEIRA
GRAXEIRA
1
AR
AR
1
3
1
1
1
6
2
AR
AR
6
1
1
1
1
4
AR
4
AR
AR
1
AR
AR
1
AR
1
1
1
AR
AR
AR
AR
1
1
1
1
1
1
7231
7231
7231
7553
10604
XXXXXX
7230
7230
7230
10603
7
5
0
0
X
X
X
X
X
X
X
X
X
X
X
X
X
X
X
X
X
X
X
X
X
X
X
X
X
X
X
X
X
X
X
X
X
X
X
X
X
X
X
X
X
X
X
INCL KEYS 18
MARCHA C-D
M8X75
M8
INCL KEYS 18
INCL KEYS 18, 31
INCL KEYS 18
M8X16
9X28MM
M5X16
6,4X18MM
M6X16
M6
M6X25
TK=1,00MM
TK=1,5MM
M8
SUB AL119447
92.017
-
-
-
-
-
-
-
-
-
-
-
-
-
-
-
-
-
-
-
-
-
-
-
-
-
-
-
-
-
-
-
-
-
-
-
-
-
-
-
-
-
-
-
ITEM NÚMERO DESCRIÇÃO QTDE OBSERVAÇÕESNO. SÉRIE
TRATORES JOHN DEERE 7500 CPCQ26568 30Jan02
ALAVANCA DO CÂMBIO DE GRUPOS
92.018
TRATORES JOHN DEERE 7500 CPCQ26568 30Jan02
1
2
3
4
5
6
7
8
9
10
DQ34212
14M7272
L80051
L80053
DQ34210
DQ34211
L80052
L79076
45M7080
AL79050
CABO
PORCA
TERMINAL
TERMINAL
CABO
CABO
TERMINAL
CLIPE
PINO TRAVA
PINO TRAVA
1
AR
1
3
1
1
2
6
5
1
7
5
0
0
X
X
X
X
X
X
X
X
X
X
(A)
M6
(B)
(C)
92.019
(A)
(B)
(C)
FREIO DE ESTACIONAMENTO
CAMBIO GRUPO A- B
CAMBIO GRUPO C - D
-
-
-
-
-
-
-
-
-
-
ITEM NÚMERO DESCRIÇÃO QTDE OBSERVAÇÕESNO. SÉRIE
TRATORES JOHN DEERE 7500 CPCQ26568 30Jan02
ALAVANCA DO CÂMBIO DE GRUPO (-2092)
92.020
TRATORES JOHN DEERE 7500 CPCQ26568 30Jan02
1
2
3
4
5
6
7
8
9
10
11
12
13
14
15
16
17
18
19
20
21
AL82871
L101210
L102451
AL80994
CQ36978
19M8403
14M7166
L77963
L77789
L77790
CQ01248
L101929
L100750
AL80657
19M7865
19M7286
14M7272
14M7416
L77805
19M7560
L77964
ALAVANCA
SUPORTE
MOLA
BUCHA
ARRUELA
PARAF SEXT
PORCA SEXT
ARRUELA
QUADRANTE
QUADRANTE
ARRUELA LISA
ESPACADOR
QUADRANTE PARK
SUPORTE
PARAFUSO
PARAFUSO
PORCA
PORCA SEXT
MANIPULO
PARAF SEXT
TAMPA
1
1
1
1
2
1
AR
6
1
1
AR
1
1
1
AR
AR
AR
AR
1
AR
1
7
5
0
0
X
X
X
X
X
X
X
X
X
X
X
X
X
X
X
X
X
X
X
X
X
M8X75
M8
TK=2,00MM
MARCHA A-B
MARCHA C-D
6,4X18MM
M8X16
M6X25
M6
M8
M6X16
92.021
-
-
-
-
-
-
-
-
-
-
-
-
-
-
-
-
-
-
-
-
-
ITEM NÚMERO DESCRIÇÃO QTDE OBSERVAÇÕESNO. SÉRIE
TRATORES JOHN DEERE 7500 CPCQ26568 30Jan02
ALAVANCA DO CÂMBIO DE GRUPOS (002093-)
92.022
TRATORES JOHN DEERE 7500 CPCQ26568 30Jan02
1
2
3
4
5
6
7
8
9
10
11
12
13
14
15
16
17
18
19
20
21
22
L77964
19M7560
CQ01248
L77805
AL110859
19M7162
CQ01249
L112053
L77963
L101929
L77978
AL110850
AL117583
14M7166
CQ36978
14M7029
19M8403
AL110849
AL117582
AL110860
L110566
CQ41926
L111988
L111987
AL80994
AL117787
AL119584
DQ46828
TAMPA
PARAF SEXT
ARRUELA LISA
MANIPULO
HASTE
PARAF SEXT
ARRUELA LISA
SUPORTE
ARRUELA
ESPACADOR
BUCHA
QUADRANTE C-D
QUADRANTE C-D
PORCA SEXT
ARRUELA
PORCA SEXT
PARAF SEXT
QUADRANTE A-B
QUADRANTE A-B
SUPORTE
PINO
PINO
ARRUELA
ARRUELA
BUCHA
GRAXEIRA
GRAXEIRA
GRAXEIRA
1
AR
AR
1
AR
AR
1
5
1
1
1
1
AR
2
AR
AR
1
1
1
AR
1
AR
AR
1
1
1
1
XXXXXX
7231
7231
7553
10604
XXXXXX
XXXXXX
7230
7230
10603
7
5
0
0
X
X
X
X
X
X
X
X
X
X
X
X
X
X
X
X
X
X
X
X
X
X
X
X
X
X
X
X
M6X16
6,4X18MM
M8X16
9X28MM
TK=2,00MM
(B)
(B)
M8
M8
M8X75
INCL KEYS 11 (A)
(C)
TK=1,00MM
TK=1,5MM
92.023
(A)
(B)
CAMBIO GRUPO A - B
CAMBIO GRUPO C - D
-
-
-
-
-
-
-
-
-
-
-
-
-
-
-
-
-
-
-
-
-
-
-
-
-
-
-
-
ITEM NÚMERO DESCRIÇÃO QTDE OBSERVAÇÕESNO. SÉRIE
TRATORES JOHN DEERE 7500 CPCQ26568 30Jan02
COMANDO DO ACELERADOR
92.024
TRATORES JOHN DEERE 7500 CPCQ26568 30Jan02
1
2
3
4
5
6
7
8
9
10
11
12
13
14
15
16
17
AL82454
L58671
L110422
19M7295
24M7026
R50227
R31271
14M7029
L112425
L80051
L79076
DQ34208
AL79050
CQ33741
56M5259
14M7172
CQ03753
ALAVANCA
ARRUELA
PLACA
PARAF SEXT
ARRUELA LISA
RETENTOR
MOLA
PORCA SEXT
MANIPULO
TERMINAL
CLIPE
CABO
PINO TRAVA
VEDAÇÃO
JUNTA ESFERICA
PORCA SEXT
ABRACADEIRA
1
2
1
AR
AR
1
1
AR
1
1
1
1
1
2
1
AR
11
2092
2092
2092
2092
2092
2092
2092
2092
2092
2092
2092
2092
2092
2092
2092
2092
2092
7
5
0
0
X
X
X
X
X
X
X
X
X
X
X
X
X
X
X
X
X
8,4X16X1,6MM
M8X45
9X17X1,6
M8
(A)
(B)
M6
92.025
(A)
(B)
CAMBIO GRUPO A - B
CAMBIO GRUPO C - D
-
-
-
-
-
-
-
-
-
-
-
-
-
-
-
-
-
ITEM NÚMERO DESCRIÇÃO QTDE OBSERVAÇÕESNO. SÉRIE TRATOR
TRATORES JOHN DEERE 7500 CPCQ26568 30Jan02
COMANDO DO ACELERADOR (002093-)
92.026
TRATORES JOHN DEERE 7500 CPCQ26568 30Jan02
1
2
3
4
5
6
7
8
9
10
11
12
13
14
15
16
17
18
19
20
AL111482
AL119895
AL119851
14M7028
12M7064
55M7003
L110422
L58671
R50227
R31271
24M7026
19M7378
14M7151
L80051
14M7272
56M5259
DQ34208
AL79050
L79076
40M7040
L112425
ALAVANCA
ALAVANCA
ALAVANCA
PORCA SEXT
ARRUELA PRESSAO
PINO
PLACA
ARRUELA
RETENTOR
MOLA
ARRUELA LISA
PARAFUSO SEXT
PORCA SEXT
TERMINAL
PORCA
JUNTA ESFERICA
CABO
PINO TRAVA
CLIPE
ANEL ELASTICO
MANIPULO
1
1
AR
AR
1
1
2
1
1
1
AR
AR
1
AR
1
1
1
1
AR
1
2093
2093
8930
2093
2093
2093
2093
2093
2093
2093
2093
2093
2093
2093
2093
2093
2093
2093
2093
2093
2093
8929
7
5
0
0
X
X
X
X
X
X
X
X
X
X
X
X
X
X
X
X
X
X
X
X
X
SUB AL151282
M5
5MM
8,4X16X1,6MM
9X17X1,6
M8X45
M8
M6
92.027
-
-
-
-
-
-
-
-
-
-
-
-
-
-
-
-
-
-
-
-
-
ITEM NÚMERO DESCRIÇÃO QTDE OBSERVAÇÕESNO. SÉRIE TRATOR
TRATORES JOHN DEERE 7500 CPCQ26568 30Jan02
VÁLVULA DO CONTROLE REMOTO ELEMENTOS DE COMANDO
92.028
TRATORES JOHN DEERE 7500 CPCQ26568 30Jan02
1
2
3
4
5
6
7
8
9
10
11
12
13
14
15
16
17
18
19
20
21
22
23
AL76483
AL80141
AL113510
L110766
AL80142
AL113512
DQ34209
L101931
CQ06670
14M7168
19M7139
24M7026
14M7029
L77747
M113899
45M7080
L79076
14M7272
L80052
AL80143
AL113514
L110296
A4827R
L41536
L100560
CQ33741
SUPORTE
ALAVANCA
ALAVANCA
BUCHA
ALAVANCA
ALAVANCA
CABO
ESPACADOR
ARRUELA LISA
PORCA AUTOFREN
PARAFUSO
ARRUELA LISA
PORCA SEXT
MANIPULO
TAMPA
PINO TRAVA
CLIPE
PORCA
TERMINAL
ALAVANCA
ALAVANCA
ANEL O
ARRUELA
ANEL O
TERMINAL
VEDAÇÃO
1
1
1
3
1
1
3
AR
1
AR
AR
AR
AR
3
3
3
6
AR
3
1
1
3
3
3
3
3
3457
3457
3457
3456
3456
3456
7
5
0
0
X
X
X
X
X
X
X
X
X
X
X
X
X
X
X
X
X
X
X
X
X
X
X
X
X
X
(A)
(A)
(B)
(B)
13X38MM
M12
M8X20
9X17X1,6
M8
M6
(C)
(C)
92.029
(A)
(B)
(C)
COM 1 VÁLVULA CONTROLE REMOTO
COM 2 VALVULAS CONTROLE REMOTO
COM 3 VALVULAS CONTROLE REMOTO
-
-
-
-
-
-
-
-
-
-
-
-
-
-
-
-
-
-
-
-
-
-
-
-
-
-
ITEM NÚMERO DESCRIÇÃO QTDE OBSERVAÇÕESNO. SÉRIE TRATOR
TRATORES JOHN DEERE 7500 CPCQ26568 30Jan02
UNIDADE DE CONTROLE DO LEVANTE HIDRÁULICO, BLOQUEIO DAS ALAVANCAS
92.030
TRATORES JOHN DEERE 7500 CPCQ26568 30Jan02
1
2
3
4
5
6
7
8
9
10
11
12
13
14
15
16
17
18
19
20
RE49639
DQ28669
DQ28668
RE60316
RE166611
AM118802
L111965
CQ26638
CQ33278
AL82600
AL82770
L80355
AL110119
RE57993
RE64281
24M7088
19M7560
CQ28328
99M7015
CQ28329
CQ01248
14M7028
24M7087
CQ26571
CQ31494
BOTAO
TAMPA
TAMPA
CONTROLE
CONTROLE
INTERRUPTOR
BATENTE
PARAF ALLEN
PARAFUSO ALLEN
TAMPA
MANÍPULO
PORCA DE SEGURANÇA
POTENCIOMETRO
CHICOTE
CHICOTE
ARRUELA LISA
PARAF SEXT
TAMPA
TAMPÃO
DECALCO
ARRUELA LISA
PORCA SEXT
ARRUELA LISA
VEDACAO
VEDAÇÃO
AR
AR
4
AR
AR
AR
AR
AR
AR
AR
1
2293
5451
2293
5451
2292
5450
2292
5450
7
5
0
0
X
X
X
X
X
X
X
X
X
X
X
X
X
X
X
X
X
X
X
X
X
X
X
X
X
INCL KEYS 21
INCL KEYS 16, 21
INCL KEYS 1, 11
M5X20 (A)
6.6X12.5X1.6
M6X16
INCL KEYS 21
OD=11,0MM (A)
6,4X18MM (A)
M5 (A)
5,5X10MM (A)
(A)
(A)
92.031
(A) SEM LEVANTE HIDRÁULICO
-
-
-
-
-
-
-
-
-
-
-
-
-
-
-
-
-
-
-
-
-
-
-
-
-
ITEM NÚMERO DESCRIÇÃO QTDE OBSERVAÇÕESNO. SÉRIE TRATOR
TRATORES JOHN DEERE 7500 CPCQ26568 30Jan02
COMANDO DO LEVANTE HIDRÁULICO
92.032
TRATORES JOHN DEERE 7500 CPCQ26568 30Jan02
1
2
3
4
5
6
7
8
9
10
11
12
13
14
15
16
17
18
19
R130027
37H144
TH101502
R114990
R112551
R125915
R112515
R131135
R131047
R112513
R114899
14M7165
RE58029
R117463
R112552
R112553
34H234
R129531
R118453
CARCAÇA
PARAFUSO
PARAFUSO
PORCA
PINO
RODA
ARRUELA
RODA
BUCHA
ARRUELA
PINO
PORCA SEXT
MANOPLA
MANGUEIRA
MANOPLA
MOLA DE TORÇÃO
PINO ELÁSTICO
CARCAÇA
CLIP
1
2
1
1
1
1
1
1
1
1
1
1
1
1
1
1
1
1
1
7
5
0
0
X
X
X
X
X
X
X
X
X
X
X
X
X
X
X
X
X
X
X
M6
92.033
-
-
-
-
-
-
-
-
-
-
-
-
-
-
-
-
-
-
-
ITEM NÚMERO DESCRIÇÃO QTDE OBSERVAÇÕESNO. SÉRIE
TRATORES JOHN DEERE 7500 CPCQ26568 30Jan02
LAVADOR DE PARA-BRISA COM DEPÓSITO
92.034
TRATORES JOHN DEERE 7500 CPCQ26568 30Jan02
1
2
3
4
5
6
7
8
9
10
11
AL77711
L78422
L80013
AL79013
L80014
L80015
CQ39458
AL114276
AL35642
24M7362
19M8700
RESERVATÓRIO
RESERVATÓRIO
TAPÃO DE ENCHIMENTO
BOMBA
GUARNIÇÃO
TAMPÃO
MANGUEIRA
VALV ANTI-RET
BOCAL
ARRUELA
PARAF SEXT
1
1
1
1
2
1
1
1
1
2
2
7
5
0
0
X
X
X
X
X
X
X
X
X
X
X M8X25
92.035
-
-
-
-
-
-
-
-
-
-
-
ITEM NÚMERO DESCRIÇÃO QTDE OBSERVAÇÕESNO. SÉRIE
TRATORES JOHN DEERE 7500 CPCQ26568 30Jan02
CONSOLE
92.036
TRATORES JOHN DEERE 7500 CPCQ26568 30Jan02
1
2
3
4
5
6
7
8
9
10
11
12
13
14
15
16
17
18
19
20
L100486
AL118349
21M7362
21M7362
24M7087
37M7185
21M7403
L79574
L112511
L59635
L101932
AL79029
M84972
L79592
CQ25028
CQ39945
CQ01248
14M7027
CQ25259
37M7165
L80355
L102490
CQ34370
VEDACAO
REFORÇO
PARAF FENDA
PARAF FENDA
ARRUELA LISA
PARAF FENDA
PARAF FENDA
CONSOLE
CONSOLE
BUCHA
ESPACADOR
SUPORTE
CLIPE
TAMPA
TAMPA
TAMPA
ARRUELA LISA
PORCA SEXT
REFORCO
PARAF FENDA
PORCA DE SEGURANÇA
VEDAÇÃO
DECALCO
AR
AR
AR
AR
AR
1
AR
AR
2
1
3454
3453
7
5
0
0
X
X
X
X
X
X
X
X
X
X
X
X
X
X
X
X
X
X
X
X
X
X
X
INCL KEYS 1
M6X20
M6X20
5,5X10MM
4,8X16MM
M6X40
M6
(A)
6,4X18MM
M6
92.037
(A) SOMENTE COM CABINE
-
-
-
-
-
-
-
-
-
-
-
-
-
-
-
-
-
-
-
-
-
-
-
ITEM NÚMERO DESCRIÇÃO QTDE OBSERVAÇÕESNO. SÉRIE TRATOR
TRATORES JOHN DEERE 7500 CPCQ26568 30Jan02
LIMPADOR DE PARABRISA FRONTAL
92.038
TRATORES JOHN DEERE 7500 CPCQ26568 30Jan02
1
2
3
4
5
6
7
8
9
10
11
12
AL76686
19M7560
12M7133
14M7272
19M6614
24M7139
24M7026
14M7273
AL75527
RE24201
L39134
L112235
MOTOR
PARAF SEXT
ARRUELA PRESS!AO
PORCA
PARAFUSO
ARRUELA
ARRUELA LISA
PORCA SEXT
HASTE DO LIMPADOR DE PARABRISA
LAMINA DO LIMPADOR DE PARABRISA
PARAFUSO
REVESTIMENTO
1
1
1
1
5
3
1
1
1
1
2
1
7
5
0
0
X
X
X
X
X
X
X
X
X
X
X
X
M6X16
M6
M6X12
9X17X1,6
M8
SUB AL153662
SUB AL153661
92.039
-
-
-
-
-
-
-
-
-
-
-
-
ITEM NÚMERO DESCRIÇÃO QTDE OBSERVAÇÕESNO. SÉRIE
TRATORES JOHN DEERE 7500 CPCQ26568 30Jan02
CONSOLE PARA RÁDIO
1
2
3
4
5
6
7
8
37M7192
37M7263
Z55427
L78042
19M6614
24M7054
L78238
L113378
PARAFUSO
PARAFUSO
REVESTIMENTO
SUPORTE
PARAFUSO
ARRUELA LISA
PORCA
PAINEL
2
2
1
1
4
4
4
1
7
5
0
0
X
X
X
X
X
X
X
X
M6X12
6,4X12,5MM
92.040
-
-
-
-
-
-
-
-
ITEM NÚMERO DESCRIÇÃO QTDE OBSERVAÇÕESNO. SÉRIE
TRATORES JOHN DEERE 7500 CPCQ26568 30Jan02
ANTENA
1
2
3
4
5
AL115638
L113922
24M7048
AL60981
14M7273
ANTENA
ANTENA
ARRUELA LISA
CABO NEGATIVO
PORCA SEXT
AR
7
5
0
0
X
X
X
X
X M8
92.041
-
-
-
-
-
ITEM NÚMERO DESCRIÇÃO QTDE OBSERVAÇÕESNO. SÉRIE
TRATORES JOHN DEERE 7500 CPCQ26568 30Jan02
AUTO-FALANTE
1
2
3
4
5
6
7
8
9
10
11
12
13
14
R54477
L102143
R52640
37M7185
L110769
AL114329
L79648
L110285
L110286
L101926
R34812
L100842
L100840
L100380
AL81184
L100830
REBITE
SUPORTE
PORCA
PARAF FENDA
CANAL
ALTOFALANTE
SUPORTE
CARCAÇA
CARCAÇA
ISOLADOR
ANEL O
GRELHA
GRELHA
PARAFUSO
GRELHA
BUCHA
8
2
8
8
4
2
8
1
1
2
8
1
1
8
1
8
7
5
0
0
X
X
X
X
X
X
X
X
X
X
X
X
X
X
X
X
4,8X16MM
(B)
(B)
RH (B)
LH (B)
RH
LH
(A)
92.042
(A)
(B)
SEM AUTOFALANTE
COM RÁDIO
-
-
-
-
-
-
-
-
-
-
-
-
-
-
-
-
ITEM NÚMERO DESCRIÇÃO QTDE OBSERVAÇÕESNO. SÉRIE
TRATORES JOHN DEERE 7500 CPCQ26568 30Jan02
INTERRUPTOR DA TRAÇÃO DIANTEIRA
1
2
RE57751
M115279
INTERRUPTOR
TAMPA
1
1
7
5
0
0
X
X
92.043
-
-
ITEM NÚMERO DESCRIÇÃO QTDE OBSERVAÇÕESNO. SÉRIE
TRATORES JOHN DEERE 7500 CPCQ26568 30Jan02
RETROVISOR
1
2
3
4
5
6
7
8
9
AL77485
AL77486
L79775
AL78021
L79776
L79777
L79778
21M7423
24M7362
19M8813
PRENDEDOR
PRENDEDOR
CAPA
RETROVISOR
ESPELHO DE RETROVISOR
SOQUETE
SUPORTE
PARAFUSO
ARRUELA
PARAFUSO
1
1
2
2
1
1
1
2
4
4
7
5
0
0
X
X
X
X
X
X
X
X
X
X
LH
RH (A)
M6X30
M8X30
92.044
(A) OPCIONAL
-
-
-
-
-
-
-
-
-
-
ITEM NÚMERO DESCRIÇÃO QTDE OBSERVAÇÕESNO. SÉRIE
TRATORES JOHN DEERE 7500 CPCQ26568 30Jan02
PARA-SOL
1
2
3
AL117679
21M7310
L113023
PARA-SOL
PARAFUSO
GANCHO
1
1
7
5
0
0
X
X
X
M6X25
92.045
-
-
-
ITEM NÚMERO DESCRIÇÃO QTDE OBSERVAÇÕESNO. SÉRIE
TRATORES JOHN DEERE 7500 CPCQ26568 30Jan02
92.046
TRATORES JOHN DEERE 7500 CPCQ26568 30Jan02
LEVANTE HIDRÁULICO, CONTROLE A DISTÂNCIA
1
2
3
4
5
6
7
8
9
10
AL81040
AL81777
L101021
CQ14690
L78876
L102090
CQ13706
L65071
L114318
CQ14996
PROTECAO
MICRO SWITCH
CLIPE
PARAF FENDA
BORRACHA
BLINDAGEM
PARAF FENDA
DECALCO
TAMPÃO
ARRUELA LISA
AR
2
1
AR
AR
AR
AR
AR
AR
AR
7
5
0
0
X
X
X
X
X
X
X
X
X
X
M3,5X13
6,3X16MM
92.047
-
-
-
-
-
-
-
-
-
-
ITEM NÚMERO DESCRIÇÃO QTDE OBSERVAÇÕESNO. SÉRIE
TRATORES JOHN DEERE 7500 CPCQ26568 30Jan02
CAIXA DO CONTROLE ELETRÔNICO PARA LEVANTE HIDRÁULICO
1
2
3
19M7685
24M7088
RE170904
PARAF SEXT
ARRUELA LISA
CONTROLADOR DE LEVANTE
AR
AR
7
5
0
0
X
X
X
M6X70
6.6X12.5X1.6
92.048
-
-
-
ITEM NÚMERO DESCRIÇÃO QTDE OBSERVAÇÕESNO. SÉRIE
TRATORES JOHN DEERE 7500 CPCQ26568 30Jan02
CONJUNTO DE RETENÇÃO DOS CABOS DE COMANDO
1
2
3
4
5
6
AL80895
L100626
CQ60249
L100627
19M7139
19M7162
12M7065
SUPORTE
SUPORTE
SUPORTE
SUPORTE
PARAFUSO
PARAF SEXT
ARRUELA PRESSAO
1
1
1
1
AR
AR
AR
04679
04678
7
5
0
0
X
X
X
X
X
X
X
M8X20
M8X16
5MM
92.049
-
-
-
-
-
-
-
ITEM NÚMERO DESCRIÇÃO QTDE OBSERVAÇÕESNO. SÉRIE
TRATORES JOHN DEERE 7500 CPCQ26568 30Jan02
ASSENTO
1
2
3
4
5
6
7
8
9
10
DQ27555
DQ34703
19M7139
12M7065
24M7026
CQ25842
CQ34676
14M7029
DQ27557
CQ27564
CQ36459
CQ28972
CQ27676
ASSENTO
ASSENTO
PARAFUSO
ARRUELA PRESSAO
ARRUELA LISA
SUPORTE
SUPORTE
PORCA SEXT
CINTO
SUPORTE ESQ
SUPORTE
PARAF SEXT
REFORCO
1
AR
AR
AR
1
AR
1
1
AR
2
7543
7543
7543
7542
7543
7542
7
5
0
0
X
X
X
X
X
X
X
X
X
X
X
X
X
(A)
M8X20
5MM
9X17X1,6
M8
7/16"X1"
92.050
(A) SUB DQ34703, ALSO ORDER CQ35501, CQ35502, CQ34676
-
-
-
-
-
-
-
-
-
-
-
-
-
ITEM NÚMERO DESCRIÇÃO QTDE OBSERVAÇÕESNO. SÉRIE TRATOR
TRATORES JOHN DEERE 7500 CPCQ26568 30Jan02
92.051
TRATORES JOHN DEERE 7500 CPCQ26568 30Jan02
SUPORTE PARA MANUAL DO OPERADOR - C/CABINE
1
2
3
4
5
R77915
14M7027
CQ01248
12M7006
CQ10218
SUPORTE
PORCA SEXT
ARRUELA LISA
ARRUELA PRESSAO
PARAF FENDA
1
7
5
0
0
X
X
X
X
X
M6
6,4X18MM
6MM
M6X16
92.052
-
-
-
-
-
ITEM NÚMERO DESCRIÇÃO QTDE OBSERVAÇÕESNO. SÉRIE
TRATORES JOHN DEERE 7500 CPCQ26568 30Jan02
92.053
TRATORES JOHN DEERE 7500 CPCQ26568 30Jan02
ASSENTO
92.054
TRATORES JOHN DEERE 7500 CPCQ26568 30Jan02
1
2
3
4
5
6
7
8
9
10
11
12
13
14
15
16
17
18
DQ35025
DQ35026
DQ35027
DQ35028
DQ35029
DQ35030
DQ35040
DQ35041
DQ35042
DQ35043
DQ35044
DQ35045
DQ35046
DQ35047
DQ35048
DQ35049
DQ35050
DQ35051
KIT P/ASSENTO
KIT P/ASSENTO
KIT PARA ASSENTO
KIT P/ASSENTO
KIT P/ASSENTO
KIT P/ASSENTO
KIT P/ASSENTO
KIT P/ASSENTO
KIT P/ASSENTO
KIT P/ASSENTO
KIT P/ASSENTO
KIT P/ASSENTO
KIT P/ASSENTO
KIT P/ASSENTO
KIT P/ASSENTO
KIT P/ASSENTO
KIT P/ASSENTO
KIT P/ASSENTO
7542
7542
7542
7542
7542
7542
7542
7542
7542
7542
7542
7542
7542
7542
7542
7542
7542
7542
7
5
0
0
X
X
X
X
X
X
X
X
X
X
X
X
X
X
X
X
X
X
92.055
-
-
-
-
-
-
-
-
-
-
-
-
-
-
-
-
-
-
ITEM NÚMERO DESCRIÇÃO QTDE OBSERVAÇÕESNO. SÉRIE
TRATORES JOHN DEERE 7500 CPCQ26568 30Jan02
ASSENTO
92.056
TRATORES JOHN DEERE 7500 CPCQ26568 30Jan02
1
2
3
4
5
6
7
8
9
DQ42159
DQ42160
DQ42174
DQ42161
DQ42162
DQ42175
DQ42163
DQ42167
DQ42168
KIT ESTRUTURA FLUT
KIT BOTÃO REG. DE PESO
KIT MOLAS
KIT SUSPENSÃO
KIT AMORTECEDOR
KIT SAPATA DESLIZANTE
KIT ALAVANCA
KIT EIXOS
KIT ELEM. FIXAÇÃO
AR
AR
AR
AR
AR
AR
AR
AR
AR
7543
7543
7543
7543
7543
7543
7543
7543
7543
7
5
0
0
X
X
X
X
X
X
X
X
X
92.057
-
-
-
-
-
-
-
-
-
ITEM NÚMERO DESCRIÇÃO QTDE OBSERVAÇÕESNO. SÉRIE
TRATORES JOHN DEERE 7500 CPCQ26568 30Jan02
ASSENTO
92.058
TRATORES JOHN DEERE 7500 CPCQ26568 30Jan02
1
2
3
4
5
DQ42164
DQ42165
DQ42166
DQ42170
DQ42169
KIT APOIO DE BRAÇO
APOIO DE BRAÇO
APOIO DE BRAÇO
ENCOSTO ESTOFADO
KIT ASSENTO ESTOFADO
7543
7543
7543
7543
7543
7
5
0
0
X
X
X
X
X
92.059
-
-
-
-
-
ITEM NÚMERO DESCRIÇÃO QTDE OBSERVAÇÕESNO. SÉRIE
TRATORES JOHN DEERE 7500 CPCQ26568 30Jan02
ASSENTO DE LUXO (C/ CABINE
1
2
3
4
5
6
AL114617
DQ36976
DQ43728
19M7867
19M7139
DQ27557
24M7026
12M7065
14M7029
ASSENTO
ASSENTO
ASSENTO
PARAFUSO
PARAFUSO
CINTO
ARRUELA LISA
ARRUELA PRESSAO
PORCA SEXT
1
1
1
4
4
8
8
4
9937
15354
XXXXXX
XXXXXX
XXXXXX
XXXXXX
9937
15353
XXXXXX
XXXXXX
7
5
0
0
X
X
X
X
X
X
X
X
X
M8X25
M8X20
9X17X1,6
5MM
M8
92.060
-
-
-
-
-
-
-
-
-
ITEM NÚMERO DESCRIÇÃO QTDE OBSERVAÇÕESNO. SÉRIE
TRATORES JOHN DEERE 7500 CPCQ26568 30Jan02
92.061
TRATORES JOHN DEERE 7500 CPCQ26568 30Jan02
ASSENTO DE LUXO
92.062
TRATORES JOHN DEERE 7500 CPCQ26568 30Jan02
1
2
3
4
5
6
7
8
9
10
11
12
13
14
AL117273
AL117276
AL117274
AL117311
AL117282
AL66513
14M7166
19M7902
24M7026
22M7098
L39751
L64675
AL66514
16M2498
DESCANÇA PÉS
PRATO
APOIO DE BRAÇO
PRATO
SUPORTE
APOIO DE BRAÇO
PORCA SEXT
PARAF SEXT
ARRUELA LISA
ARRUELA
TAMPÃO
BUCHA
APOIO DE BRAÇO
REBITE
1
1
1
1
1
1
AR
AR
AR
AR
2
2
1
3
7
5
0
0
X
X
X
X
X
X
X
X
X
X
X
X
X
X
M8
M8X16
9X17X1,6
92.063
-
-
-
-
-
-
-
-
-
-
-
-
-
-
ITEM NÚMERO DESCRIÇÃO QTDE OBSERVAÇÕESNO. SÉRIE
TRATORES JOHN DEERE 7500 CPCQ26568 30Jan02
ASSENTO DE LUXO
92.064
TRATORES JOHN DEERE 7500 CPCQ26568 30Jan02
1
2
3
4
5
6
7
8
9
10
11
12
AL117280
AL117279
AL117277
AL117275
14M7166
.......
L114926
L114927
AL117278
L114928
L79500
L58217
VIROLA
AJUSTADOR
PLACA
REVESTIMENTO
PORCA SEXT
PLACA
ALAVANCA
MOLA DE TRAÇÃO
VIROLA
REVESTIMENTO
ARRUELA
PORCA SEGURANÇA
1
1
1
1
AR
1
1
1
1
1
1
2
7
5
0
0
X
X
X
X
X
X
X
X
X
X
X
X
M8
NSEP
92.065
-
-
-
-
-
-
-
-
-
-
-
-
ITEM NÚMERO DESCRIÇÃO QTDE OBSERVAÇÕESNO. SÉRIE
TRATORES JOHN DEERE 7500 CPCQ26568 30Jan02
ASSENTO DE LUXO
92.066
TRATORES JOHN DEERE 7500 CPCQ26568 30Jan02
1
2
3
4
5
6
7
8
9
AL117337
AL117336
AL117334
AL117335
14M7273
24M7026
.......
L64713
L114972
PRATO
PEÇAS DE MONTAGEM
ALAVANCA
ALAVANCA
PORCA SEXT
ARRUELA LISA
DISCO
MOLA DE TRAÇÃO
PINÇA
1
1
1
1
4
4
8
1
1
7
5
0
0
X
X
X
X
X
X
X
X
X
M8
9X17X1,6
NSEP
92.067
-
-
-
-
-
-
-
-
-
ITEM NÚMERO DESCRIÇÃO QTDE OBSERVAÇÕESNO. SÉRIE
TRATORES JOHN DEERE 7500 CPCQ26568 30Jan02
ASSENTO DE LUXO
1
2
3
4
5
AL117281
14M7166
L79500
L114930
L114974
L114929
SUSPENSÃO DE ASSENTO
PORCA SEXT
ARRUELA
PINÇA
PLACA
PLACA
1
8
4
1
1
1
7
5
0
0
X
X
X
X
X
X
M8
(A)
92.068
(A) SEM ADAPTADOR GIRATÓRIO
-
-
-
-
-
-
ITEM NÚMERO DESCRIÇÃO QTDE OBSERVAÇÕESNO. SÉRIE
TRATORES JOHN DEERE 7500 CPCQ26568 30Jan02
ALMOFADA - ASSENTO DE LUXO
1
2
AL116981
AL117308
AL116980
AL117309
COXIM
COXIM
COXIM
COXIM
1
1
1
1
7
5
0
0
X
X
X
X
FOR AL114617
FOR AL114618
FOR AL114617
FOR AL114618
92.069
-
-
-
-
ITEM NÚMERO DESCRIÇÃO QTDE OBSERVAÇÕESNO. SÉRIE
TRATORES JOHN DEERE 7500 CPCQ26568 30Jan02
CINTO DE SEGURANÇA - ASSENTO DE LUXO
1 AL116284 CINTO DE SEGURANÇA 1
7
5
0
0
X
92.070
-
ITEM NÚMERO DESCRIÇÃO QTDE OBSERVAÇÕESNO. SÉRIE
TRATORES JOHN DEERE 7500 CPCQ26568 30Jan02
92.071
TRATORES JOHN DEERE 7500 CPCQ26568 30Jan02
ASSENTO DE LUXO
92.072
TRATORES JOHN DEERE 7500 CPCQ26568 30Jan02
1
2
3
4
5
6
AL117263
L114921
AL117264
AL117265
40M7082
L63562
SUSPENSÃO DE ASSENTO
MOLA DE TRAÇÃO
FUSO
AMORTECEDOR
PINO ELÁSTICO
PINO
7
5
0
0
X
X
X
X
X
X
92.073
-
-
-
-
-
-
ITEM NÚMERO DESCRIÇÃO QTDE OBSERVAÇÕESNO. SÉRIE
TRATORES JOHN DEERE 7500 CPCQ26568 30Jan02
ASSENTO DE LUXO
92.074
TRATORES JOHN DEERE 7500 CPCQ26568 30Jan02
1
2
3
4
5
6
7
8
9
10
11
AL117266
AL117268
AL117269
L38855
14M7166
L42041
L114922
L38851
L38847
L25678
AL117272
AL120003
BATENTE
CALIBRE
SUSPENSÃO DO ASSENTO
ROLLO
PORCA SEXT
ROLAMENTO
PINO
ROLETE
VISOR
PARA CHOQUE
KIT
SUPORTE MOLA DO ASSENTO
1
1
1
4
2
4
1
1
1
2
1
AR
7
5
0
0
X
X
X
X
X
X
X
X
X
X
X
X
M8
INCL KEYS 4, 6, 10
92.075
-
-
-
-
-
-
-
-
-
-
-
-
ITEM NÚMERO DESCRIÇÃO QTDE OBSERVAÇÕESNO. SÉRIE
TRATORES JOHN DEERE 7500 CPCQ26568 30Jan02
ASSENTO DE LUXO
92.076
TRATORES JOHN DEERE 7500 CPCQ26568 30Jan02
1
2
3
4
5
AL117267
AL117271
AL117270
L38862
40M7030
TOPE
AJUSTADOR
PROTETOR
BARRA
PINO ELÁSTICO
1
1
1
1
1
7
5
0
0
X
X
X
X
X
92.077
-
-
-
-
-
ITEM NÚMERO DESCRIÇÃO QTDE OBSERVAÇÕESNO. SÉRIE
TRATORES JOHN DEERE 7500 CPCQ26568 30Jan02
92.078
TRATORES JOHN DEERE 7500 CPCQ26568 30Jan02
INDICE ALFANUMERICO
03M7017
03M7085
03M7092
03M7094
03M7264
03M7331
03M7338
03M7342
08H4373
08H4419
11H239
11M7005
11M7009
11M7012
11M7021
11M7028
11M7054
11M7059
11M7059
12H236
12H245
12H295
12H295
12H303
12H303
12H304
12H304
12H304
12H304
12H304
12H304
12H304
12H304
12H304
12H304
12H304
12H304
12H304
12H304
12H315
12H317
12H324
12M7006
12M7006
12M7006
12M7006
12M7006
12M7006
12M7006
12M7006
12M7006
12M7006
12M7006
12M7006
12M7006
12M7031
12M7044
12M7064
12M7064
12M7064
12M7065
12M7065
12M7065
12M7065
12M7065
12M7065
12M7065
12M7065
12M7065
12M7065
12M7065
12M7065
12M7065
12M7065
12M7065
12M7065
12M7065
12M7065
12M7065
12M7065
12M7065
12M7065
12M7065
12M7065
12M7065
12M7066
12M7066
12M7066
12M7066
12M7066
12M7066
12M7066
12M7066
12M7066
12M7066
12M7066
12M7066
12M7066
12M7066
12M7066
12M7066
12M7067
12M7067
12M7067
12M7067
12M7067
12M7067
12M7067
12M7067
12M7069
12M7069
12M7070
12M7070
12M7081
12M7133
12M7133
12M7135
14H1076
14H1076
14H774
14H774
14H774
14H785
14H785
14H785
14H800
14H800
14H812
14H826
14H826
14H860
14M7020
14M7027
14M7027
14M7027
14M7027
14M7027
14M7027
14M7027
14M7027
14M7027
14M7027
14M7027
14M7028
14M7028
14M7028
14M7028
14M7028
14M7028
14M7028
14M7029
14M7029
14M7029
14M7029
14M7029
14M7029
14M7029
14M7029
14M7029
14M7029
14M7029
14M7029
14M7029
14M7029
14M7029
14M7029
14M7029
14M7029
14M7029
14M7029
14M7029
14M7029
14M7029
14M7031
14M7031
14M7031
14M7031
14M7031
14M7040
14M7140
14M7140
14M7140
14M7140
14M7140
14M7140
14M7140
14M7140
14M7140
14M7140
14M7140
14M7142
14M7142
14M7142
14M7150
14M7151
14M7165
14M7165
14M7165
14M7165
14M7165
14M7165
14M7165
14M7165
14M7165
14M7165
14M7165
14M7165
14M7165
14M7165
14M7166
14M7166
14M7166
14M7166
14M7166
14M7166
14M7166
14M7166
14M7166
14M7166
14M7166
14M7166
14M7166
14M7166
14M7167
14M7167
14M7167
14M7168
14M7172
14M7209
14M7209
14M7272
14M7272
14M7272
14M7272
14M7272
14M7272
14M7272
14M7272
14M7272
14M7272
14M7272
14M7273
14M7273
14M7273
14M7273
14M7274
14M7274
14M7274
14M7274
14M7274
14M7296
14M7297
14M7298
14M7313
14M7367
14M7376
14M7416
14M7416
14M7447
14M7478
14M7491
14M7491
14M7523
14M7523
15H275
15H275
15H560
15H561
15H562
15H623
15H623
15H624
15H624
15H666
15M7027
16M2498
18M7139
198973
19H1648
19H1726
19H1726
19H1726
19H1728
19H1733
19H1782
19H1824
19H1824
19H1912
091.014
091.035
040.001
091.037
080.037
091.031
091.033
091.039
080.039
080.039
053.007
092.009
030.014
070.018
070.015
070.013
070.018
070.008
070.015
080.039
080.039
040.038
070.007
020.006
040.015
020.016
020.028
020.029
020.031
020.032
020.039
020.049
020.057
020.058
030.003
030.027
040.003
040.011
040.015
070.025
020.035
020.006
040.026
040.035
040.039
060.018
070.018
091.002
091.005
091.007
091.007
091.020
091.026
092.003
092.052
070.023
080.012
040.001
040.023
092.027
030.005
030.006
030.007
030.027
040.001
040.015
040.033
040.036
040.038
060.005
070.019
080.006
080.007
080.009
080.015
080.046
080.047
091.005
091.007
091.007
091.008
091.013
092.049
092.050
092.060
030.005
030.021
030.022
030.023
030.027
040.001
060.003
060.013
080.005
080.006
080.009
080.010
080.015
080.047
091.014
092.009
030.021
040.011
040.023
060.011
060.020
060.021
080.005
091.013
053.025
091.013
070.018
091.003
091.033
091.033
092.039
091.053
040.011
040.015
020.003
020.011
020.057
020.006
040.038
040.038
080.039
080.041
040.015
020.028
020.054
070.007
040.001
030.014
040.001
040.035
040.038
053.009
091.005
091.007
091.011
092.003
092.037
092.052
040.001
040.023
040.035
070.007
080.009
092.027
092.031
030.027
040.015
040.033
040.036
040.040
070.019
080.006
080.007
080.009
080.046
080.047
091.005
091.007
091.008
091.009
091.011
091.031
092.008
092.023
092.025
092.029
092.050
092.060
030.021
040.011
040.023
080.005
091.013
080.007
030.005
030.023
030.027
040.001
040.013
060.018
080.005
080.006
080.047
091.014
092.009
080.040
080.041
080.042
020.035
092.027
053.007
060.009
060.009
060.011
060.021
080.009
091.002
091.007
091.031
091.033
091.039
091.039
092.011
092.033
040.021
080.009
091.009
091.031
091.035
091.037
092.015
092.017
092.021
092.023
092.063
092.065
092.068
092.075
060.003
060.020
092.015
092.029
092.025
060.003
091.047
040.021
091.033
091.044
091.055
092.013
092.017
092.019
092.021
092.027
092.029
092.039
053.009
092.039
092.041
092.067
040.035
060.012
060.020
060.021
091.053
080.037
091.043
092.017
030.001
040.018
091.031
092.015
092.021
080.027
091.031
070.038
070.059
080.025
080.035
020.039
052.007
052.025
020.057
020.004
020.003
020.053
020.003
020.020
053.017
080.019
092.063
070.057
091.055
020.015
020.011
020.057
040.015
020.015
020.022
080.039
030.001
030.001
020.058
09
08
05
31
09
14
07
03
13
09
11
06
06
15
10
08
04
08
17
02
08
03
12
07
02
05
02
02
02
02
15
10
11
07
04
14
03
13
13
26
03
02
14
03
03
10
13
08
11
10
23
03
07
15
04
26
07
09
06
04
21
03
07
06
17
02
04
02
05
12
10
07
05
11
07
07
07
02
07
16
07
04
06
03
05
15
10
12
06
16
03
18
23
11
12
26
01
02
03
02
02
03
15
09
12
18
18
08
11
13
07
02
10
09
15
03
02
10
16
16
12
14
08
04
06
11
05
12
09
04
16
16
03
15
10
13
14
12
21
10
14
15
02
08
05
08
13
24
03
18
07
16
03
01
05
11
08
08
12
08
06
05
17
08
07
07
32
04
15
08
11
06
06
07
14
10
07
10
07
16
07
17
02
07
06
01
11
04
04
10
03
05
04
02
12
25
22
27
01
06
18
06
04
10
02
07
15
18
12
14
19
01
20
13
30
10
11
07
13
07
05
02
05
08
06
22
08
16
02
03
09
21
15
05
02
25
02
17
14
16
04
17
08
05
05
06
06
09
09
01
10
08
32
08
08
26
13
18
26
03
07
11
18
10
04
01
26
10
08
05
03
04
08
31
38
14
04
09
04
15
15
05
05
05
01
09
09
08
NÚMERO PÁGINA ITEM NÚMERO PÁGINA ITEM NÚMERO PÁGINA ITEM NÚMERO PÁGINA ITEM
TRATORES JOHN DEERE 7500 CPCQ26568 30Jan02
INDICE ALFANUMERICO
19H1944
19H2008
19H2023
19H2127
19H2127
19H2284
19H2284
19H2284
19H2284
19H2458
19H2458
19H2472
19H2549
19H2552
19H2633
19H2633
19H2633
19H2633
19H2676
19H2676
19H2676
19H2676
19H2732
19H2733
19H2993
19H2993
19H3011
19H3031
19H3031
19H3065
19H3065
19H3065
19H3065
19H3065
19H3217
19H3217
19H3219
19H3239
19H3239
19H3483
19H3483
19H3483
19H3483
19H3483
19H444
19M2820
19M3115
19M3115
19M3118
19M3127
19M3145
19M4750
19M6119
19M6119
19M6414
19M6614
19M6614
19M6614
19M6614
19M6614
19M6614
19M6614
19M6614
19M6614
19M6614
19M6614
19M6824
19M7009
19M7029
19M7066
19M7073
19M7077
19M7077
19M7077
19M7077
19M7077
19M7077
19M7077
19M7077
19M7139
19M7139
19M7139
19M7139
19M7139
19M7139
19M7139
19M7139
19M7139
19M7139
19M7139
19M7139
19M7139
19M7139
19M7139
19M7139
19M7160
19M7162
19M7162
19M7162
19M7162
19M7162
19M7162
19M7162
19M7162
19M7162
19M7162
19M7162
19M7162
19M7162
19M7162
19M7162
19M7162
19M7163
19M7163
19M7163
19M7163
19M7163
19M7163
19M7163
19M7163
19M7166
19M7166
19M7166
19M7166
19M7166
19M7166
19M7166
19M7166
19M7167
19M7167
19M7167
19M7167
19M7167
19M7167
19M7167
19M7167
19M7167
19M7167
19M7167
19M7168
19M7168
19M7169
19M7169
19M7170
19M7179
19M7183
19M7193
19M7214
19M7216
19M7268
19M7268
19M7268
19M7269
19M7274
19M7285
19M7285
19M7285
19M7286
19M7286
19M7288
19M7288
19M7295
19M7297
19M7299
19M7299
19M7299
19M7299
19M7300
19M7301
19M7301
19M7301
19M7301
19M7318
19M7319
19M7329
19M7342
19M7343
19M7344
19M7347
19M7353
19M7372
19M7378
19M7382
19M7386
19M7386
19M7387
19M7387
19M7387
19M7387
19M7387
19M7397
19M7403
19M7407
19M7501
19M7518
19M7518
19M7560
19M7560
19M7560
19M7560
19M7560
19M7560
19M7560
19M7560
19M7560
19M7560
19M7560
19M7560
19M7560
19M7560
19M7560
19M7560
19M7560
19M7560
19M7560
19M7561
19M7574
19M7595
19M7609
19M7611
19M7620
19M7620
19M7640
19M7640
19M7642
19M7657
19M7660
19M7675
19M7685
19M7691
19M7721
19M7722
19M7744
19M7744
19M7744
19M7768
19M7768
19M7768
19M7768
19M7768
19M7768
19M7768
19M7774
19M7775
19M7784
19M7784
19M7785
19M7786
19M7786
19M7786
19M7786
19M7786
19M7790
19M7791
19M7794
19M7810
19M7824
19M7834
19M7851
19M7865
19M7865
19M7865
19M7865
19M7865
19M7867
19M7883
19M7892
19M7902
19M7907
19M7907
19M7921
19M7921
19M7943
19M7950
19M7950
19M7952
19M7966
19M7981
19M8007
19M8035
19M8035
19M8049
19M8049
19M8055
19M8102
19M8102
19M8119
19M8119
020.053
020.016
020.029
020.034
040.015
020.011
020.029
020.032
030.027
020.013
020.033
020.009
020.011
020.032
020.029
020.053
020.057
040.011
020.021
020.039
020.049
030.003
040.015
020.053
020.017
020.024
020.008
020.011
020.051
020.011
020.053
020.057
020.058
040.015
020.013
040.015
020.016
020.039
040.015
020.029
020.031
020.053
020.058
040.003
040.013
052.009
060.020
060.021
080.009
091.013
080.009
070.049
080.019
080.027
040.026
040.035
040.038
070.013
091.002
091.005
091.020
091.025
092.003
092.003
092.039
092.040
053.023
040.021
091.013
040.013
030.021
070.038
091.002
091.007
091.007
091.011
091.020
091.039
091.044
030.005
052.030
060.018
070.007
080.007
080.009
080.047
091.008
091.011
091.013
091.031
091.039
092.029
092.049
092.050
092.060
091.025
030.006
030.007
030.027
040.033
040.036
053.021
053.021
070.005
080.009
080.015
080.046
091.007
091.009
091.016
092.023
092.049
040.015
052.030
080.006
080.009
080.015
091.005
091.011
091.013
030.005
040.001
060.003
060.020
080.005
080.006
080.009
080.010
030.023
030.027
040.013
060.012
060.013
060.018
070.049
080.015
091.005
091.014
092.009
080.047
092.015
060.003
091.014
091.053
080.007
030.022
030.027
030.001
091.013
070.017
070.049
070.057
040.021
052.029
030.021
070.011
070.019
092.017
092.021
040.015
070.019
092.025
070.011
060.011
060.011
060.020
060.021
070.011
040.015
060.005
091.005
091.007
060.021
091.039
052.011
053.025
080.042
091.029
091.014
053.025
080.009
092.027
030.001
053.017
053.037
030.017
030.021
053.003
070.037
080.005
053.025
070.050
053.013
091.013
080.043
091.003
040.021
040.035
053.013
053.017
053.017
053.035
080.009
091.005
091.007
091.011
091.025
091.043
092.003
092.015
092.017
092.021
092.023
092.031
092.039
091.026
091.035
060.009
080.040
091.001
080.011
091.003
040.001
091.043
080.012
091.055
091.052
053.025
092.048
091.052
060.009
080.043
070.037
070.049
080.005
070.027
070.029
070.031
070.033
070.034
091.043
091.055
052.007
053.035
030.001
053.036
052.030
052.009
052.030
053.011
053.013
053.021
080.037
080.037
030.001
052.030
070.005
053.035
070.005
052.030
091.037
092.015
092.017
092.021
092.060
080.017
080.001
092.063
070.017
080.021
080.017
080.021
030.001
070.019
080.001
080.040
091.055
052.001
040.013
070.019
091.003
030.017
030.021
030.001
070.005
070.017
080.021
080.033
04
02
10
04
01
06
01
07
13
07
01
03
16
01
09
05
06
11
05
16
09
03
09
15
01
12
08
14
08
13
16
12
01
08
05
14
01
01
10
13
01
10
03
02
10
12
14
14
16
05
25
10
23
06
02
02
02
05
09
13
02
07
04
08
05
05
13
05
15
02
15
13
02
09
22
09
04
14
17
20
10
01
14
09
09
09
05
04
05
29
12
09
04
02
02
18
04
04
08
05
03
10
16
14
30
08
05
06
08
06
06
05
01
12
05
02
10
01
05
16
14
04
19
13
10
13
25
03
04
15
01
04
13
11
12
03
18
03
01
01
08
05
12
06
04
13
05
13
13
02
19
05
16
05
02
07
05
28
16
10
09
04
21
06
10
10
10
18
14
10
04
14
13
18
17
12
01
06
07
03
22
11
16
18
03
03
05
20
25
06
05
02
02
06
08
01
08
18
15
04
37
18
16
10
02
08
18
12
13
18
23
20
02
13
02
04
20
19
01
06
02
09
11
09
04
11
02
04
01
09
23
11
26
18
06
08
08
08
22
12
18
18
30
14
15
04
06
13
03
10
07
14
06
04
06
08
10
16
11
11
23
12
16
15
02
03
08
08
04
30
01
26
01
03
06
04
06
05
06
01
08
05
11
12
09
07
02
10
NÚMERO PÁGINA ITEM NÚMERO PÁGINA ITEM NÚMERO PÁGINA ITEM NÚMERO PÁGINA ITEM
TRATORES JOHN DEERE 7500 CPCQ26568 30Jan02
INDICE ALFANUMERICO
19M8162
19M8260
19M8263
19M8395
19M8403
19M8403
19M8403
19M8403
19M8444
19M8485
19M8493
19M8552
19M8552
19M8552
19M8552
19M8560
19M8577
19M8577
19M8648
19M8648
19M8653
19M8667
19M8669
19M8700
19M8700
19M8700
19M8705
19M8706
19M8706
19M8706
19M8775
19M8776
19M8776
19M8813
19M8837
19M8837
19M8842
19M8857
19M8858
19M8866
21M7265
21M7265
21M7271
21M7284
21M7290
21M7310
21M7310
21M7310
21M7327
21M7327
21M7360
21M7362
21M7362
21M7362
21M7362
21M7362
21M7362
21M7364
21M7371
21M7392
21M7403
21M7423
21M7423
21M7423
21M7460
21M7465
22M7098
24H1136
24H1136
24H1227
24H1290
24H1292
24H1292
24H1304
24H1304
24H1304
24H1304
24H1304
24H1304
24H1304
24H1304
24H1304
24H1305
24H1305
24H1353
24H1513
24M1303
24M7008
24M7008
24M7008
24M7026
24M7026
24M7026
24M7026
24M7026
24M7026
24M7026
24M7026
24M7026
24M7026
24M7026
24M7026
24M7026
24M7026
24M7026
24M7026
24M7026
24M7026
24M7026
24M7026
24M7026
24M7026
24M7026
24M7026
24M7026
24M7026
24M7026
24M7026
24M7026
24M7028
24M7038
24M7038
24M7038
24M7038
24M7038
24M7038
24M7038
24M7040
24M7040
24M7040
24M7040
24M7040
24M7040
24M7040
24M7040
24M7040
24M7048
24M7049
24M7049
24M7051
24M7054
24M7054
24M7055
24M7055
24M7055
24M7065
24M7082
24M7087
24M7087
24M7087
24M7087
24M7087
24M7088
24M7088
24M7088
24M7088
24M7088
24M7088
24M7090
24M7090
24M7101
24M7138
24M7139
24M7139
24M7139
24M7139
24M7139
24M7146
24M7178
24M7178
24M7200
24M7207
24M7207
24M7238
24M7240
24M7242
24M7251
24M7251
24M7251
24M7251
24M7251
24M7251
24M7252
24M7298
24M7298
24M7298
24M7315
24M7362
24M7362
24M7362
24M7362
24M7362
24M7362
24M7362
25602
25602
25H723
25H723
25H723
26687
26H27
26H72
26H72
28H1903
28H3381
30H6
30M7017
34H184
34H184
34H184
34H234
34H282
34H294
34H313
34H314
34H355
34H355
34M7038
34M7045
34M7074
34M7094
34M7102
34M7102
34M7126
34M7126
34M7135
34M7135
34M7158
34M7172
34M7199
34M7207
34M7207
34M7244
37H144
37M7063
37M7088
37M7089
37M7095
37M7109
37M7140
37M7146
37M7165
37M7165
37M7165
37M7166
37M7174
37M7177
37M7185
37M7185
37M7185
37M7185
37M7192
37M7193
37M7203
37M7203
37M7218
37M7219
37M7230
37M7242
37M7249
37M7255
37M7260
37M7263
37M7272
37M7291
37M7305
38H1094
38H1168
38H5001
38H5002
38H5002
38H5002
38H5002
38H5002
38H5002
38H5002
38H5003
38H5003
38H5003
38H5003
38H5003
38H5003
38H5003
38H5003
38H5005
38H5005
38H5005
38H5008
052.030
040.013
091.055
070.041
091.047
092.017
092.021
092.023
070.041
080.043
060.013
060.011
060.020
060.021
080.015
020.036
080.019
080.029
091.029
091.033
080.037
070.023
091.043
040.020
091.037
092.035
070.034
070.027
070.029
070.031
070.059
070.038
070.059
092.044
053.017
080.003
070.025
080.025
080.027
092.017
030.019
092.003
092.005
092.003
092.007
091.031
091.035
092.045
091.026
091.040
070.007
091.023
091.025
092.003
092.005
092.037
092.037
040.023
091.037
091.037
092.037
091.033
091.051
092.044
040.018
040.020
092.063
020.006
020.034
053.007
020.011
040.015
091.037
020.011
020.013
020.015
020.029
020.032
020.033
020.039
020.051
020.057
040.015
040.015
030.001
080.043
020.029
080.007
091.013
091.031
040.021
052.030
060.005
060.018
070.005
070.057
080.007
080.009
080.015
080.046
091.005
091.007
091.008
091.009
091.011
091.031
091.035
091.037
091.039
092.008
092.015
092.025
092.027
092.029
092.039
092.050
092.060
092.063
092.067
091.053
030.001
030.021
040.018
053.037
070.017
070.019
070.057
020.049
030.021
030.023
040.013
070.049
080.009
080.015
091.005
091.014
092.041
080.040
080.042
091.001
091.035
092.040
040.015
040.040
091.052
070.057
080.009
040.023
040.035
091.043
092.031
092.037
040.001
040.035
091.007
091.011
092.031
092.048
060.003
070.018
080.047
091.023
091.033
091.043
091.044
091.044
092.039
091.035
030.005
030.017
080.005
080.047
091.047
052.001
040.011
080.001
091.025
091.028
091.029
091.031
091.033
091.039
091.031
091.016
091.031
091.037
091.029
040.020
040.021
091.026
091.037
091.037
092.035
092.044
053.003
053.025
070.027
070.029
070.031
040.026
020.024
020.021
020.024
060.020
053.021
070.015
080.015
070.027
070.029
070.031
092.033
092.011
060.013
060.018
053.007
052.015
052.015
052.023
053.035
053.027
091.033
052.003
052.030
052.025
091.031
080.021
080.033
070.015
092.017
070.013
052.023
053.009
052.003
092.033
091.035
091.023
091.049
091.049
091.028
091.044
091.023
091.008
092.005
092.037
091.025
091.043
040.021
091.043
091.044
092.037
092.042
092.040
091.039
092.005
092.007
091.044
091.044
091.047
091.029
091.023
091.045
091.029
092.040
091.043
091.017
091.039
070.055
053.025
060.005
053.013
053.021
060.005
060.009
060.013
060.020
070.003
053.021
060.005
060.009
060.009
070.003
070.009
070.021
070.037
030.008
070.049
070.055
070.055
09
08
15
03
15
10
06
16
07
16
03
11
15
15
18
03
02
11
08
16
02
25
17
06
36
11
10
12
12
12
02
01
07
09
24
01
25
08
23
20
01
01
03
02
01
22
11
02
02
04
11
02
13
11
10
03
03
04
18
16
06
10
03
07
06
09
10
06
03
03
09
03
28
05
06
03
08
15
02
02
07
16
06
11
02
12
14
10
03
02
15
13
13
02
13
06
06
10
06
06
03
15
06
06
06
19
14
15
11
03
09
05
10
10
07
04
04
09
06
03
11
06
07
04
14
06
16
11
09
05
03
13
27
01
19
10
03
02
03
07
12
06
03
01
08
14
23
07
07
14
19
04
13
09
03
11
12
02
23
01
02
04
20
06
03
16
06
10
17
07
03
08
06
06
16
07
14
10
07
25
03
06
08
05
16
24
04
10
06
03
19
35
10
08
29
16
11
11
11
08
05
03
03
12
12
05
15
18
18
18
17
07
16
13
17
14
14
02
05
08
11
08
05
03
12
03
11
02
31
06
21
22
05
02
09
05
02
08
09
01
10
12
09
17
15
03
17
41
02
05
04
01
17
13
09
04
07
02
09
08
04
03
02
43
04
17
24
14
05
09
19
23
07
05
03
03
09
18
03
30
15
06
03
10
02
02
05
25
NÚMERO PÁGINA ITEM NÚMERO PÁGINA ITEM NÚMERO PÁGINA ITEM NÚMERO PÁGINA ITEM
TRATORES JOHN DEERE 7500 CPCQ26568 30Jan02
INDICE ALFANUMERICO
38H5010
38H5012
38H5013
38H5016
38H5016
38H5016
38H5016
38H5016
38H5016
38H5017
38H5017
38H5022
38H5022
38H5023
38H5031
38H5031
38H5033
38H5068
38H5076
38H5076
38H5079
38H5079
38H5121
38H5127
38H5131
38H5142
38H5148
400R
400R
40M1851
40M1852
40M1857
40M1861
40M1873
40M5099
40M7030
40M7040
40M7040
40M7040
40M7040
40M7071
40M7071
40M7082
40M7082
40M7085
40M7097
40M7112
40M7144
40M7255
40M7256
42M7050
42M7050
44M7070
44M7070
44M7070
44M7103
44M7103
44M7103
44M7119
45M7036
45M7044
45M7080
45M7080
45M7080
45M7080
51M7040
51M7040
51M7040
51M7040
51M7041
51M7041
51M7041
51M7041
51M7041
51M7041
51M7041
51M7041
51M7041
51M7041
51M7041
51M7041
51M7041
51M7041
51M7041
51M7041
51M7042
51M7042
51M7043
51M7043
51M7043
51M7043
51M7043
51M7043
51M7043
51M7043
51M7043
51M7043
51M7043
51M7043
51M7043
51M7043
51M7043
51M7044
51M7045
51M7045
51M7045
51M7045
51M7045
51M7045
51M7045
51M7045
51M7045
51M7045
51M7045
51M7045
51M7045
51M7045
51M7045
51M7045
51M7047
51M7047
51M7047
51M7047
51M7047
51M7047
51M7048
51M7049
51M7049
51M7050
51M7050
51M7347
55M7003
56M5259
56M5259
56M7007
57M6498
57M7011
57M7014
57M7014
57M7041
57M7064
57M7089
57M7103
57M7104
57M7105
57M7106
57M7120
57M7146
57M7161
57M7166
57M7170
57M7229
57M7244
57M7247
57M7252
57M7253
57M7253
57M7254
57M7254
57M7255
57M7255
57M7256
57M7256
57M7256
57M7256
57M7257
57M7257
57M7258
57M7258
57M7258
57M7258
57M7258
57M7259
57M7260
57M7260
57M7261
57M7262
57M7263
57M7263
57M7264
57M7264
57M7265
57M7266
57M7267
57M7267
57M7274
57M7280
57M7283
57M7283
57M7285
57M7285
57M7289
57M7289
57M7289
57M7289
57M7290
57M7291
57M7291
57M7292
57M7296
57M7298
57M7298
57M7299
57M7304
57M7304
57M7305
57M7306
57M7306
57M7307
57M7309
57M7309
57M7315
57M7316
57M7317
57M7317
57M7318
57M7328
57M7328
57M7341
57M7347
57M7349
57M7363
57M7364
57M7364
57M7365
57M7379
57M7384
57M7385
57M7385
57M7429
57M7429
57M7436
57M7437
57M7469
57M7472
57M7472
57M7474
57M7496
57M7498
57M7508
57M7508
57M7509
57M7509
57M7511
57M7511
57M7511
57M7557
57M7564
57M7572
57M7594
57M7615
57M7624
57M7624
57M7842
58M5573
58M5574
58M5575
99M7009
99M7011
99M7011
99M7015
99M7015
99M7016
99M7016
99M7057
99M7057
99M7095
99M7095
99M7098
99M7102
99M7108
99M7109
99M7109
99M7115
A120R
A120R
A120R
A2597R
A2597R
A2597R
A31870
A31870
A3411R
A38413
A3910R
A4365
A4365R
A4365R
070.055
091.001
070.055
060.005
060.009
060.021
070.003
070.037
070.052
053.021
091.001
060.005
060.009
070.037
053.021
070.009
070.055
070.043
070.009
070.040
070.033
070.038
070.049
070.003
060.005
070.040
053.021
052.011
052.015
053.035
053.033
052.025
060.003
080.027
070.011
092.077
053.007
060.003
091.045
092.027
070.047
070.051
091.033
092.073
070.051
052.021
080.015
030.005
052.001
070.047
070.038
070.059
052.009
052.023
053.011
053.017
070.047
070.051
053.007
092.009
092.011
053.009
092.013
092.019
092.029
052.028
060.009
070.055
070.057
052.007
052.023
052.026
053.013
053.021
053.035
060.009
060.013
060.017
060.020
060.021
070.003
070.021
070.037
070.037
070.052
052.007
052.023
052.005
052.007
052.023
052.026
053.021
060.009
060.009
060.017
070.003
070.009
070.021
070.037
070.045
070.055
091.001
020.012
052.005
052.005
052.007
052.007
052.023
052.025
070.009
070.023
070.025
070.027
070.029
070.033
070.040
070.043
070.049
070.053
030.008
030.009
052.005
052.005
070.049
070.055
070.055
070.043
070.055
070.043
070.055
040.043
092.027
092.025
092.027
091.037
040.020
040.023
040.020
040.023
040.045
040.045
040.045
040.045
040.045
091.047
040.045
040.035
040.035
040.043
040.018
040.045
040.045
040.047
040.047
040.035
040.045
040.045
040.043
040.047
040.043
040.047
040.018
040.021
040.043
040.047
040.043
040.047
040.043
040.043
040.045
040.045
040.047
040.047
040.043
040.047
040.047
040.045
040.043
040.047
040.043
040.047
040.043
040.047
040.047
091.052
040.047
040.047
040.043
040.047
040.043
040.047
040.018
040.021
040.043
040.047
040.045
040.043
040.047
040.045
040.047
040.043
040.047
040.047
040.043
040.047
040.047
040.043
040.047
040.047
040.043
040.047
040.047
040.045
040.043
040.047
040.047
040.043
040.047
040.045
040.045
040.045
040.045
040.043
040.047
040.047
040.050
040.045
040.045
040.045
040.035
040.045
040.050
040.050
040.043
040.045
040.045
040.050
040.043
040.045
040.035
040.043
040.035
040.043
040.035
040.045
040.045
040.045
040.045
040.045
040.035
091.047
040.045
040.045
040.045
070.018
080.015
070.008
080.013
080.013
091.005
080.013
092.031
080.013
091.002
080.013
091.044
091.009
091.011
080.013
091.053
080.013
080.013
091.031
080.013
020.003
020.004
020.024
070.047
070.051
070.051
080.017
080.021
040.031
053.007
020.020
060.013
060.015
060.017
18
02
03
17
13
03
08
27
06
01
08
17
13
17
05
08
12
03
02
02
18
15
05
06
19
03
05
06
07
09
05
25
09
09
15
05
30
15
02
19
04
04
19
05
05
08
12
12
13
05
06
10
10
01
03
03
08
09
19
07
05
01
06
09
14
04
12
26
07
23
04
07
08
20
11
06
06
03
04
04
02
02
06
18
07
19
24
26
15
17
08
25
04
31
04
16
05
04
11
30
19
03
02
28
33
16
31
13
14
01
11
11
29
29
03
01
04
06
03
01
01
04
23
01
06
04
09
10
11
13
28
05
15
15
07
04
13
03
12
35
29
34
35
35
10
34
12
12
29
11
28
36
15
14
24
32
41
04
08
08
11
09
11
05
09
09
12
02
18
22
26
02
04
12
17
20
19
13
18
15
21
10
04
05
05
29
31
16
22
22
27
03
12
01
07
40
11
16
39
19
19
24
24
21
26
32
17
23
33
20
25
01
38
07
10
13
04
08
34
27
08
31
14
01
09
04
31
02
31
24
23
02
01
24
05
09
03
26
23
23
30
23
31
24
23
23
16
17
18
22
07
06
33
30
09
17
09
01
01
17
01
15
01
10
01
05
09
14
01
05
01
01
11
01
02
04
02
04
04
08
05
25
06
07
07
10
03
10
NÚMERO PÁGINA ITEM NÚMERO PÁGINA ITEM NÚMERO PÁGINA ITEM NÚMERO PÁGINA ITEM
TRATORES JOHN DEERE 7500 CPCQ26568 30Jan02
INDICE ALFANUMERICO
A4379R
A4540R
A4540R
A4540R
A4827R
A4827R
A4883R
A602R
A776R
A776R
AD2062R
AE46834
AE56248
AH77724
AH87142
AH87142
AH87142
AJ52464
AJ52481
AJ52482
AJ52483
AJ52485
AJ52486
AJ53422
AJ53422
AJ56626
AJ58166
AJ58511
AJ58541
AJ58541
AJ58542
AJ58552
AJ58637
AJ58737
AJ58772
AJ58772
AJ58773
AJ58774
AJ58806
AJ58808
AJ58813
AJ58814
AJ58815
AJ58821
AJ58834
AJ58846
AJ58970
AJ58970
AJ59049
AJ59056
AJ59109
AJ59109
AJ59162
AJ59342
AJ59342
AJ59342
AJ59470
AJ59646
AJ60106
AJ60107
AJ60108
AJ60110
AJ60111
AJ60112
AJ60113
AJ60115
AJ61058
AL102951
AL110119
AL110149
AL110150
AL110242
AL110260
AL110264
AL110266
AL110296
AL110297
AL110298
AL110299
AL110300
AL110302
AL110308
AL110322
AL110322
AL110365
AL110589
AL110722
AL110724
AL110725
AL110849
AL110850
AL110859
AL110860
AL110860
AL110863
AL110868
AL110881
AL110918
AL110922
AL110924
AL110925
AL110927
AL110927
AL111096
AL111136
AL111187
AL111214
AL111469
AL111482
AL111591
AL111717
AL111748
AL111784
AL111785
AL111805
AL111999
AL112012
AL112354
AL112355
AL112581
AL112614
AL112625
AL112681
AL112950
AL112951
AL112951
AL112951
AL112952
AL112953
AL112954
AL112964
AL113022
AL113086
AL113174
AL113176
AL113247
AL113452
AL113453
AL113510
AL113512
AL113514
AL113815
AL113917
AL113988
AL114276
AL114312
AL114312
AL114329
AL114617
AL114768
AL114803
AL114973
AL115638
AL116284
AL116339
AL116340
AL116547
AL116783
AL116980
AL116981
AL117263
AL117264
AL117265
AL117266
AL117267
AL117268
AL117269
AL117270
AL117271
AL117272
AL117273
AL117274
AL117275
AL117276
AL117277
AL117278
AL117279
AL117280
AL117281
AL117282
AL117308
AL117309
AL117311
AL117334
AL117335
AL117336
AL117337
AL117424
AL117427
AL117566
AL117567
AL117582
AL117583
AL117587
AL117679
AL117786
AL117787
AL118242
AL118243
AL118349
AL118383
AL118383
AL118383
AL119215
AL119217
AL119217
AL119217
AL119217
AL119235
AL119373
AL119378
AL119379
AL119566
AL119584
AL119584
AL119709
AL119851
AL119895
AL120003
AL13849
AL150844
AL150845
AL151278
AL151879
AL29889
AL32877
AL32877
AL35179
AL35642
AL36529
AL38083
AL38083
AL59879
AL60981
AL66513
AL66514
AL69320
AL69331
AL75305
AL75527
AL75641
AL75642
AL75838
AL75841
AL76067
AL76171
AL76171
AL76291
AL76454
AL76483
AL76568
AL76568
AL76596
AL76686
AL77028
AL77028
AL77028
AL77061
AL77163
AL77163
AL77396
AL77433
AL77485
AL77486
AL77500
AL77579
AL77581
AL77680
AL77680
AL77711
AL77794
AL78021
AL78187
AL78187
AL78276
AL78414
AL78494
AL78576
AL78643
AL78675
AL78780
AL78796
AL79013
AL79029
AL79050
AL79050
AL79050
AL79050
080.039
052.029
053.017
053.021
020.011
092.029
080.039
070.015
053.025
080.003
040.026
060.007
070.049
060.005
060.011
060.020
060.021
040.005
040.005
040.005
040.005
040.005
040.005
040.005
040.009
020.039
040.016
020.011
040.016
040.017
040.003
020.058
040.017
040.005
020.003
020.004
020.027
053.023
040.016
040.016
040.009
040.009
040.009
020.028
040.016
040.016
030.003
040.017
020.055
080.045
040.003
040.009
020.039
040.003
040.006
040.009
020.001
020.030
040.006
040.006
040.006
040.006
040.006
040.006
040.006
040.006
053.023
070.027
092.031
052.001
080.015
092.015
091.043
091.045
070.059
091.043
091.043
091.043
091.043
091.045
091.028
092.015
070.029
070.033
091.047
040.031
092.017
091.031
091.031
092.023
092.023
092.023
092.017
092.023
092.008
092.017
091.043
080.025
080.035
080.027
080.027
080.019
080.029
080.027
091.033
080.027
092.017
091.045
092.027
091.043
091.031
091.045
091.051
091.051
080.015
030.007
040.023
091.025
091.025
092.017
092.017
091.055
053.021
091.043
070.029
070.033
070.053
070.033
070.033
091.053
040.023
040.023
030.019
091.035
091.035
092.017
080.025
080.025
092.029
092.029
092.029
091.031
091.018
091.005
092.035
060.005
060.009
092.042
092.060
091.016
091.031
091.025
092.041
092.070
091.019
091.019
052.026
091.001
092.069
092.069
092.073
092.073
092.073
092.075
092.077
092.075
092.075
092.077
092.077
092.075
092.063
092.063
092.065
092.063
092.065
092.065
092.065
092.065
092.068
092.063
092.069
092.069
092.063
092.067
092.067
092.067
092.067
052.001
080.015
091.049
091.049
092.023
092.023
092.017
092.045
092.017
092.023
091.033
091.033
092.037
070.027
070.031
070.034
080.025
070.029
070.031
070.033
070.059
060.007
080.031
080.031
080.025
030.007
092.017
092.023
053.013
092.027
092.027
092.075
080.036
092.017
092.017
091.037
091.001
092.015
080.021
080.025
092.007
092.035
092.007
053.017
053.037
091.043
092.041
092.063
092.063
080.037
080.037
070.045
092.039
040.020
040.020
070.034
070.034
091.026
070.037
070.038
080.005
052.001
092.029
091.043
092.007
040.035
092.039
070.038
070.039
070.059
052.028
070.034
070.059
080.015
053.003
092.044
092.044
092.015
091.043
091.053
070.039
070.059
092.035
091.031
092.044
070.027
070.038
091.037
060.012
091.052
060.012
030.009
040.018
091.052
091.055
092.035
092.037
092.013
092.019
092.025
092.027
04
02
19
24
10
20
15
13
06
03
10
14
24
11
02
17
17
21
06
30
38
17
18
43
02
10
03
02
08
01
01
09
01
38
01
01
01
27
02
05
06
07
08
15
01
04
01
04
01
07
01
01
12
01
01
01
01
05
02
03
04
05
06
07
08
09
27
30
10
14
14
02
15
06
09
04
10
24
27
10
01
01
05
21
08
04
04
39
04
17
12
05
05
18
05
01
11
17
06
03
13
36
05
02
06
17
15
05
01
07
01
01
04
05
16
02
11
17
17
35
36
02
22
33
30
02
01
08
09
09
11
15
06
19
02
27
21
22
02
04
18
40
01
25
08
15
15
06
01
01
33
17
01
01
01
02
18
05
02
01
01
03
04
01
01
02
03
03
02
10
01
03
04
02
03
09
02
01
01
05
01
02
04
03
04
02
01
12
11
09
09
17
12
13
01
37
22
17
17
02
43
05
11
15
01
23
07
12
01
01
07
16
02
37
22
06
02
02
11
07
13
15
05
04
07
22
20
07
09
08
11
01
39
04
06
13
05
05
01
09
01
05
14
01
01
01
04
02
02
01
36
02
20
01
02
01
03
06
01
13
09
22
01
01
03
20
07
06
06
01
06
03
01
03
01
08
03
07
02
02
04
20
04
10
07
10
13
17
NÚMERO PÁGINA ITEM NÚMERO PÁGINA ITEM NÚMERO PÁGINA ITEM NÚMERO PÁGINA ITEM
TRATORES JOHN DEERE 7500 CPCQ26568 30Jan02
INDICE ALFANUMERICO
AL80135
AL80141
AL80142
AL80143
AL80657
AL80759
AL80895
AL80994
AL80994
AL80994
AL81040
AL81184
AL81358
AL81358
AL81368
AL81458
AL81776
AL81777
AL81823
AL81843
AL81844
AL82025
AL82025
AL82025
AL82025
AL82025
AL82291
AL82454
AL82500
AL82600
AL82770
AL82871
AL82916
AL82917
AM118802
AP32508
AP32532
AP32559
AP32561
AP32565
AP32567
AP32568
AP32571
AP32572
AP32585
AP32585
AP32585
AP32585
AP32839
AP32844
AP32855
AP32859
AP32864
AP32897
AP32912
AP32913
AP32920
AP32923
AP32936
AP32988
AP35824
AP37887
AR101549
AR103811
AR103873
AR103873
AR21837
AR21837
AR21837
AR21837
AR21839
AR21840
AR26746
AR26746
AR26746
AR51564
AR60250
AR61538
AR62151
AR64075
AR65507
AR65507
AR67942
AR68801
AR85788
AR91660
AR94516
AR95932
AR97653
AR97654
AS04903
AS04903
AS04904
AT107509
AT107509
AT107509
AT107510
AT117348
AT128773
AT130104
AT13740
AT148947
AT162676
AT21535
AT21679
AT24252
AT32333
AT85174
AZ33725
B2762
B2762R
B2762R
B3690R
BSA6068T1
C15104
C2214E
CD15466
CD15466
CD16284
CD16284
CQ00309
CQ01248
CQ01248
CQ01248
CQ01248
CQ01248
CQ01248
CQ01248
CQ01248
CQ01248
CQ01248
CQ01248
CQ01248
CQ01248
CQ01248
CQ01248
CQ01248
CQ01248
CQ01248
CQ01248
CQ01248
CQ01248
CQ01248
CQ01249
CQ01249
CQ01249
CQ01249
CQ01249
CQ01249
CQ01249
CQ02499
CQ02836
CQ03753
CQ03753
CQ03753
CQ03768
CQ03768
CQ03768
CQ03769
CQ03819
CQ03841
CQ04507
CQ05126
CQ05126
CQ06670
CQ06679
CQ06693
CQ07213
CQ07569
CQ07844
CQ08038
CQ09403
CQ10218
CQ10218
CQ10218
CQ10886
CQ13706
CQ13706
CQ14690
CQ14996
CQ16065
CQ16065
CQ16408
CQ16817
CQ22885
CQ22886
CQ24628
CQ24629
CQ24631
CQ24634
CQ24635
CQ24640
CQ24899
CQ24922
CQ24972
CQ25028
CQ25155
CQ25192
CQ25243
CQ25248
CQ25248
CQ25259
CQ25294
CQ25294
CQ25298
CQ25298
CQ25307
CQ25361
CQ25383
CQ25577
CQ25601
CQ25610
CQ25611
CQ25724
CQ25725
CQ25768
CQ25813
CQ25842
CQ25923
CQ25923
CQ25955
CQ25980
CQ25995
CQ25996
CQ25996
CQ26003
CQ26016
CQ26032
CQ26033
CQ26049
CQ26057
CQ26058
CQ26094
CQ26095
CQ26099
CQ26100
CQ26135
CQ26136
CQ26154
CQ26156
CQ26157
CQ26159
CQ26160
CQ26211
CQ26235
CQ26283
CQ26320
CQ26321
CQ26402
CQ26402
CQ26407
CQ26414
CQ26416
CQ26419
CQ26500
CQ26571
CQ26637
CQ26638
CQ26638
CQ26719
CQ26720
CQ26737
CQ26790
CQ26793
CQ26808
CQ26815
CQ26971
CQ26973
CQ27128
CQ27171
CQ27184
CQ27241
CQ27241
CQ27242
CQ27258
CQ27259
CQ27260
CQ27261
CQ27262
CQ27263
CQ27265
CQ27267
CQ27268
CQ27269
CQ27270
CQ27297
CQ27299
CQ27300
053.007
092.029
092.029
092.029
092.021
052.001
092.049
092.017
092.021
092.023
092.047
092.042
052.026
052.026
070.040
092.008
080.027
092.047
080.025
080.027
080.027
030.019
030.027
070.003
070.043
070.052
070.040
092.025
092.015
092.031
092.031
092.021
091.011
091.011
092.031
060.013
070.049
060.009
060.009
070.049
060.009
060.009
060.020
060.020
070.029
070.031
070.033
070.059
091.005
040.035
091.014
040.002
060.009
030.017
070.049
060.013
070.021
070.033
092.001
070.049
070.029
060.013
020.057
020.018
052.003
052.023
020.019
020.032
020.051
070.055
020.058
020.031
053.017
053.019
053.019
053.023
040.026
020.058
070.017
030.003
020.026
020.027
020.024
080.012
020.028
020.007
052.015
020.025
020.026
020.026
040.024
040.027
040.025
053.013
053.015
053.017
053.009
080.019
070.011
040.021
020.004
080.035
092.007
020.054
020.018
020.008
020.039
020.005
080.036
060.009
053.007
060.017
060.007
020.002
060.007
080.011
020.026
020.027
020.020
020.020
030.001
040.039
053.007
091.002
091.005
091.007
091.011
091.023
091.025
091.029
091.031
091.039
091.039
091.040
092.003
092.005
092.015
092.017
092.021
092.023
092.031
092.037
092.052
030.005
030.006
030.007
080.006
091.009
092.017
092.023
091.037
040.013
040.002
040.038
092.025
020.049
030.022
070.057
040.028
060.021
030.014
080.046
040.023
091.013
092.029
053.036
060.003
091.007
070.018
080.039
020.049
040.045
040.039
091.027
092.052
040.045
030.005
092.047
092.047
092.047
080.019
080.036
080.041
080.041
040.045
040.045
020.047
020.047
020.047
020.047
020.047
020.047
091.013
070.049
091.007
092.037
091.008
060.009
091.009
030.005
080.005
092.037
030.008
030.011
030.008
030.011
091.014
092.011
080.006
080.043
030.019
080.039
080.039
091.014
091.013
070.018
040.001
092.050
040.023
091.013
091.003
030.021
060.011
060.020
060.021
030.021
070.018
080.041
080.039
091.008
091.008
091.008
080.036
080.036
080.044
053.036
091.011
091.011
092.005
040.026
040.026
080.039
080.036
030.019
091.008
070.017
030.019
030.019
080.041
080.042
080.043
030.005
030.005
080.006
070.049
092.031
080.009
092.015
092.031
053.025
053.025
030.022
080.043
092.005
092.003
092.003
080.036
080.036
080.042
091.003
080.040
080.023
080.025
080.023
080.023
080.023
080.023
080.023
080.023
080.023
080.023
080.023
080.023
080.023
080.023
080.019
080.023
080.023
29
02
04
18
14
04
01
33
04
21
01
13
17
19
04
01
07
02
06
11
22
10
02
18
07
02
07
01
04
07
08
01
01
01
04
01
04
16
15
16
17
18
05
01
01
01
07
12
06
01
08
02
01
01
09
15
07
12
01
16
23
01
05
02
02
19
03
10
01
16
05
05
13
24
27
04
07
10
05
02
03
03
09
06
06
03
11
02
11
11
02
02
02
17
12
36
23
25
14
13
05
03
16
01
01
03
06
01
07
05
18
15
05
01
02
03
02
06
03
07
07
02
24
05
22
11
12
09
19
02
23
13
16
05
05
08
21
22
11
03
17
14
03
09
02
03
06
02
17
07
21
09
04
12
17
06
02
19
03
16
02
03
08
12
07
03
10
20
03
19
04
04
01
02
05
12
08
07
04
10
39
06
04
02
24
11
02
07
09
03
04
05
08
22
08
13
10
25
03
19
13
16
07
04
08
05
01
08
10
07
04
18
19
06
14
08
01
05
14
09
11
08
07
19
19
14
06
01
10
09
01
02
08
07
04
01
03
03
01
04
04
18
08
08
09
03
12
13
06
06
09
04
01
09
23
20
28
15
06
11
11
03
19
02
16
06
08
08
05
04
06
11
10
12
07
07
07
07
07
07
07
07
07
07
07
21
07
07
NÚMERO PÁGINA ITEM NÚMERO PÁGINA ITEM NÚMERO PÁGINA ITEM NÚMERO PÁGINA ITEM
TRATORES JOHN DEERE 7500 CPCQ26568 30Jan02
INDICE ALFANUMERICO
CQ27305
CQ27311
CQ27312
CQ27313
CQ27315
CQ27316
CQ27317
CQ27318
CQ27322
CQ27323
CQ27329
CQ27330
CQ27331
CQ27336
CQ27343
CQ27346
CQ27347
CQ27348
CQ27349
CQ27350
CQ27351
CQ27352
CQ27353
CQ27354
CQ27355
CQ27356
CQ27357
CQ27358
CQ27359
CQ27360
CQ27361
CQ27362
CQ27363
CQ27364
CQ27365
CQ27366
CQ27367
CQ27368
CQ27369
CQ27370
CQ27371
CQ27372
CQ27373
CQ27374
CQ27375
CQ27376
CQ27377
CQ27378
CQ27379
CQ27381
CQ27384
CQ27385
CQ27385
CQ27386
CQ27387
CQ27388
CQ27391
CQ27392
CQ27394
CQ27396
CQ27396
CQ27401
CQ27401
CQ27404
CQ27405
CQ27406
CQ27407
CQ27408
CQ27422
CQ27441
CQ27504
CQ27514
CQ27559
CQ27564
CQ27661
CQ27676
CQ27751
CQ27817
CQ27859
CQ27861
CQ27871
CQ27992
CQ27993
CQ28088
CQ28141
CQ28149
CQ28328
CQ28329
CQ28409
CQ28491
CQ28492
CQ28507
CQ28543
CQ28556
CQ28744
CQ28787
CQ28791
CQ28794
CQ28948
CQ28972
CQ29102
CQ29104
CQ29143
CQ29162
CQ29163
CQ29163
CQ29167
CQ29172
CQ29172
CQ29173
CQ29203
CQ29244
CQ29337
CQ29402
CQ29426
CQ29427
CQ29428
CQ29446
CQ29478
CQ29519
CQ29549
CQ29588
CQ30097
CQ30098
CQ30277
CQ30278
CQ30481
CQ30587
CQ30788
CQ30789
CQ30868
CQ30871
CQ31041
CQ31041
CQ31042
CQ31233
CQ31316
CQ31494
CQ31822
CQ31823
CQ32109
CQ32110
CQ32117
CQ32215
CQ32225
CQ32243
CQ32273
CQ32274
CQ32275
CQ32569
CQ32637
CQ32639
CQ32692
CQ32693
CQ32696
CQ32739
CQ32740
CQ32769
CQ32964
CQ32966
CQ32967
CQ32971
CQ33020
CQ33278
CQ33323
CQ33338
CQ33340
CQ33341
CQ33342
CQ33343
CQ33346
CQ33346
CQ33348
CQ33349
CQ33350
CQ33410
CQ33509
CQ33577
CQ33591
CQ33630
CQ33644
CQ33645
CQ33741
CQ33741
CQ33811
CQ33811
CQ33811
CQ33811
CQ33818
CQ33819
CQ33842
CQ33965
CQ33965
CQ33965
CQ33966
CQ33967
CQ34052
CQ34069
CQ34091
CQ34094
CQ34109
CQ34110
CQ34161
CQ34235
CQ34246
CQ34247
CQ34313
CQ34344
CQ34360
CQ34370
CQ34676
CQ34677
CQ34774
CQ34905
CQ35246
CQ35365
CQ35466
CQ35467
CQ35790
CQ35991
CQ35992
CQ36003
CQ36459
CQ36690
CQ36859
CQ36892
CQ36978
CQ36978
CQ36978
CQ36984
CQ36985
CQ37642
CQ38199
CQ38200
CQ38233
CQ38761
CQ38890
CQ38910
CQ39050
CQ39458
CQ39945
CQ40081
CQ40433
CQ40434
CQ41926
CQ42113
CQ42114
CQ42183
CQ42250
CQ42273
CQ43001
CQ43005
CQ43006
CQ43008
CQ43009
CQ43010
CQ43638
CQ43639
CQ43640
CQ43736
CQ45134
CQ46867
CQ60080
CQ60094
CQ60145
CQ60155
CQ60208
CQ60209
CQ60249
DD12121
DQ03833
DQ03962
DQ04007
DQ04007
DQ04227
DQ04397
DQ04466
DQ04467
DQ08098
DQ08621
DQ10173
DQ10173
DQ10173
DQ10173
DQ10173
DQ10881
DQ10882
DQ11307
080.019
080.023
080.023
080.023
080.023
080.023
080.023
080.023
080.021
080.021
080.021
080.021
080.019
080.019
080.019
080.019
080.019
080.019
080.019
080.019
080.019
080.019
080.019
080.019
080.019
080.019
080.019
080.019
080.019
080.019
080.019
080.019
080.019
080.019
080.019
080.019
080.019
080.019
080.019
080.019
080.019
080.019
080.019
080.019
080.019
080.019
080.019
080.019
080.019
080.019
080.023
080.023
080.023
080.023
080.023
080.023
080.023
080.023
080.021
080.021
080.023
080.019
080.027
080.019
080.019
080.019
080.019
080.019
092.005
091.007
030.022
030.022
091.007
092.050
080.012
092.050
060.003
070.019
080.044
080.019
070.019
080.021
080.023
080.039
080.043
040.001
092.031
092.031
030.022
030.001
030.001
080.009
080.005
030.013
091.002
080.005
030.025
030.027
030.027
092.050
030.022
030.019
020.049
030.025
030.005
030.025
020.049
020.049
030.019
020.049
030.027
030.027
080.021
080.019
080.036
080.036
080.036
092.005
080.039
080.011
030.014
091.005
091.011
091.011
092.003
092.003
030.022
030.005
030.005
030.005
080.036
080.036
030.005
080.009
080.009
080.043
091.005
092.031
091.003
091.003
080.039
080.039
091.020
091.014
091.013
091.020
080.039
080.039
080.039
092.005
091.023
091.023
080.005
080.005
030.007
040.039
040.039
030.011
091.037
091.037
091.037
091.023
030.011
092.031
080.036
040.035
060.003
060.003
060.003
060.003
080.007
080.009
080.044
080.044
053.036
020.057
070.005
091.052
070.053
091.007
030.013
030.013
092.025
092.029
060.009
060.011
060.020
060.021
070.033
070.033
080.036
070.033
070.038
091.037
080.043
080.043
040.013
070.019
091.018
091.023
030.005
030.005
080.009
040.013
040.013
040.013
092.005
080.009
040.001
092.037
092.050
091.008
080.044
091.003
070.057
070.019
070.057
070.057
091.023
040.015
040.015
040.015
092.050
040.028
092.003
092.003
092.017
092.021
092.023
080.019
080.019
080.036
080.039
080.039
070.052
091.051
091.055
091.049
091.015
092.035
092.037
080.015
091.025
091.025
092.023
030.009
030.009
070.015
091.011
091.023
052.001
080.015
080.015
080.019
080.019
080.019
080.044
080.044
080.044
080.044
080.023
060.011
030.005
070.003
060.003
060.003
092.003
060.003
092.049
020.022
030.014
060.009
060.009
060.011
070.033
080.046
030.023
030.023
040.023
080.009
030.008
030.013
030.022
091.043
091.051
092.003
092.003
030.027
03
07
07
07
05
03
04
01
16
18
24
09
33
26
24
17
17
17
17
17
17
17
17
17
17
17
17
17
17
17
17
17
17
17
17
17
17
17
17
17
17
17
17
17
17
17
08
09
16
13
18
17
19
16
33
27
21
22
05
31
10
20
24
07
06
04
01
34
05
18
09
10
13
08
04
10
06
08
08
05
02
10
13
18
19
14
14
16
14
04
10
29
09
07
07
12
06
03
09
09
15
07
05
02
22
04
07
02
03
08
19
18
23
22
02
04
05
04
18
01
04
23
02
02
18
06
06
05
06
07
03
03
03
06
05
20
24
20
12
13
06
07
05
11
01
01
18
10
19
05
14
15
12
14
06
08
05
03
37
34
32
03
01
06
08
05
25
24
26
27
01
13
02
03
06
18
03
10
02
19
02
08
14
23
21
03
07
07
15
16
08
17
14
33
19
19
13
12
05
03
06
07
28
04
05
11
12
17
20
20
05
10
01
02
01
07
17
18
11
07
15
04
08
02
18
06
09
05
14
27
27
08
18
18
01
02
07
10
02
07
13
05
01
01
19
03
04
15
16
12
17
21
13
42
43
41
07
09
05
06
10
07
18
01
17
16
12
13
02
02
01
20
24
04
01
04
03
02
02
01
06
03
11
02
09
17
17
20
NÚMERO PÁGINA ITEM NÚMERO PÁGINA ITEM NÚMERO PÁGINA ITEM NÚMERO PÁGINA ITEM
TRATORES JOHN DEERE 7500 CPCQ26568 30Jan02
INDICE ALFANUMERICO
DQ11307
DQ15378
DQ20973
DQ24057
DQ24553
DQ24729
DQ24762
DQ24768
DQ24790
DQ24915
DQ25005
DQ25011
DQ25062
DQ25143
DQ25144
DQ25145
DQ25260
DQ25261
DQ25302
DQ25303
DQ25304
DQ25557
DQ25607
DQ25607
DQ25766
DQ25815
DQ25822
DQ25853
DQ25856
DQ25873
DQ25964
DQ25964
DQ25969
DQ25983
DQ25984
DQ25986
DQ25991
DQ25998
DQ26009
DQ26093
DQ26111
DQ26120
DQ26130
DQ26131
DQ26134
DQ26146
DQ26165
DQ26261
DQ26315
DQ26358
DQ26674
DQ26685
DQ26686
DQ26712
DQ26734
DQ26791
DQ26860
DQ26969
DQ26972
DQ27021
DQ27023
DQ27080
DQ27127
DQ27167
DQ27256
DQ27257
DQ27297
DQ27314
DQ27319
DQ27344
DQ27344
DQ27345
DQ27345
DQ27395
DQ27411
DQ27412
DQ27446
DQ27447
DQ27500
DQ27555
DQ27557
DQ27557
DQ27606
DQ27658
DQ27825
DQ27846
DQ27856
DQ27991
DQ28074
DQ28142
DQ28285
DQ28388
DQ28389
DQ28390
DQ28406
DQ28428
DQ28429
DQ28503
DQ28533
DQ28536
DQ28552
DQ28600
DQ28668
DQ28669
DQ28699
DQ28754
DQ28754
DQ28755
DQ28756
DQ28758
DQ28759
DQ28788
DQ28795
DQ28803
DQ28831
DQ28862
DQ28903
DQ28923
DQ29003
DQ29090
DQ29487
DQ29533
DQ29537
DQ29541
DQ29952
DQ29954
DQ30072
DQ30105
DQ30187
DQ30252
DQ30253
DQ30254
DQ30255
DQ30259
DQ30261
DQ30263
DQ30456
DQ30457
DQ30458
DQ30492
DQ30493
DQ30878
DQ30879
DQ31114
DQ31310
DQ31381
DQ31496
DQ31754
DQ31850
DQ31851
DQ31860
DQ31902
DQ32045
DQ32116
DQ32160
DQ32194
DQ32238
DQ32251
DQ32549
DQ32549
DQ32631
DQ32632
DQ32633
DQ32686
DQ32687
DQ32695
DQ32717
DQ32751
DQ32786
DQ32876
DQ32910
DQ33185
DQ33424
DQ33563
DQ33565
DQ33631
DQ33662
DQ33663
DQ33675
DQ33766
DQ33769
DQ33772
DQ33824
DQ33825
DQ33831
DQ33832
DQ33838
DQ33838
DQ33840
DQ33944
DQ34064
DQ34065
DQ34208
DQ34208
DQ34209
DQ34210
DQ34211
DQ34212
DQ34213
DQ34221
DQ34284
DQ34346
DQ34348
DQ34364
DQ34488
DQ34489
DQ34507
DQ34508
DQ34512
DQ34655
DQ34656
DQ34692
DQ34703
DQ34773
DQ34943
DQ35025
DQ35026
DQ35027
DQ35028
DQ35029
DQ35030
DQ35040
DQ35041
DQ35042
DQ35043
DQ35044
DQ35045
DQ35046
DQ35047
DQ35048
DQ35049
DQ35050
DQ35051
DQ35216
DQ35216
DQ35685
DQ35930
DQ36348
DQ36349
DQ36562
DQ36681
DQ36692
DQ36976
DQ36983
DQ37004
DQ37173
DQ37174
DQ37329
DQ37383
DQ37643
DQ37677
DQ37978
DQ38209
DQ38212
DQ38226
DQ38296
DQ38297
DQ38515
DQ38518
DQ38520
DQ38521
DQ38523
DQ38613
DQ38638
DQ39152
DQ39225
DQ39455
DQ39530
DQ39771
DQ39794
DQ40077
DQ40119
DQ40120
DQ40121
DQ41395
DQ41555
DQ41927
DQ41945
DQ41945
DQ41959
DQ41959
DQ42088
DQ42089
DQ42090
DQ42159
DQ42160
DQ42161
DQ42162
040.011
030.022
080.036
020.047
040.023
091.007
030.019
060.003
040.023
091.013
053.007
080.016
040.027
020.047
020.047
020.047
080.036
080.036
030.008
030.008
030.006
040.002
030.015
030.017
070.009
091.007
053.037
040.025
091.013
040.028
030.021
091.003
030.021
030.021
030.021
091.003
030.017
040.033
070.018
080.036
070.018
070.013
091.011
091.011
070.018
092.005
030.021
070.018
030.025
030.005
080.046
040.026
040.026
092.003
091.005
080.043
092.003
080.036
080.036
070.008
070.008
092.011
080.046
030.005
080.021
080.023
080.019
080.023
080.021
080.019
080.021
080.019
080.019
080.023
080.016
080.016
040.001
040.001
030.019
092.050
092.050
092.060
080.009
080.009
080.001
092.009
052.030
080.021
040.001
080.043
080.045
070.003
070.003
070.003
030.022
080.001
080.001
030.025
080.023
080.023
030.027
030.023
092.031
092.031
030.027
070.021
070.059
070.059
070.059
060.003
060.003
080.005
030.027
080.006
080.006
080.009
092.017
080.009
080.009
030.023
030.027
030.001
060.003
060.003
060.011
060.021
070.043
060.021
040.028
080.045
080.045
080.045
080.045
080.036
080.036
080.036
070.059
070.059
070.059
080.009
080.009
040.002
040.002
092.017
091.055
040.029
070.059
080.006
060.005
060.005
091.005
040.039
091.005
040.001
070.008
060.005
091.055
060.005
030.009
030.011
080.005
092.005
092.005
060.003
060.003
030.007
091.005
040.030
040.033
030.005
020.047
070.008
080.010
060.005
060.005
091.007
030.013
030.013
030.013
080.047
080.046
070.049
070.013
070.013
070.049
070.049
080.007
080.007
080.009
040.024
080.043
080.043
092.025
092.027
092.029
092.019
092.019
092.019
092.013
092.013
070.018
091.002
040.035
040.001
091.011
091.011
091.011
091.011
080.016
040.028
040.029
080.009
092.050
091.007
091.007
092.055
092.055
092.055
092.055
092.055
092.055
092.055
092.055
092.055
092.055
092.055
092.055
092.055
092.055
092.055
092.055
092.055
092.055
060.005
060.009
091.052
040.041
080.045
080.045
052.001
080.015
040.029
092.060
080.019
080.045
091.049
091.049
040.041
040.017
080.036
080.036
040.013
030.015
030.015
092.017
030.015
030.015
030.016
030.016
030.016
030.016
030.016
070.033
030.009
040.039
030.021
020.047
020.047
040.039
091.015
080.015
070.059
070.059
070.059
030.023
040.002
092.008
030.006
030.009
070.021
070.059
070.059
070.059
070.059
092.057
092.057
092.057
092.057
17
05
06
06
01
05
05
11
03
02
20
01
01
01
10
08
09
09
04
05
01
03
03
06
04
01
02
01
01
01
16
07
13
12
01
06
02
01
12
09
07
01
01
01
05
11
04
10
05
11
02
01
01
03
14
14
10
09
07
12
01
02
01
10
01
09
28
06
12
31
07
14
18
32
03
02
06
07
09
01
07
03
20
14
05
11
04
04
10
14
09
09
07
13
04
01
02
03
35
34
11
01
02
02
01
07
04
01
08
14
12
04
04
01
04
08
26
20
08
08
10
05
22
20
08
01
08
05
02
05
03
06
01
01
01
01
15
14
18
21
21
01
01
34
03
01
19
04
22
21
14
04
15
06
01
01
01
08
06
02
05
02
02
12
20
08
26
01
01
11
12
12
02
07
09
01
06
04
05
05
01
09
01
01
25
24
02
03
14
01
14
14
12
16
05
05
06
01
01
05
16
01
21
18
01
01
01
01
01
02
01
07
01
24
12
01
02
03
04
05
06
07
08
09
10
11
12
13
14
15
16
17
18
07
16
01
01
04
02
12
11
01
01
19
08
09
09
01
03
07
09
12
01
02
03
04
05
01
02
05
04
03
02
07
09
01
11
08
07
01
04
15
14
18
08
01
01
01
05
07
04
15
14
18
01
02
04
05
NÚMERO PÁGINA ITEM NÚMERO PÁGINA ITEM NÚMERO PÁGINA ITEM NÚMERO PÁGINA ITEM
TRATORES JOHN DEERE 7500 CPCQ26568 30Jan02
INDICE ALFANUMERICO
DQ42163
DQ42164
DQ42165
DQ42166
DQ42167
DQ42168
DQ42169
DQ42170
DQ42174
DQ42175
DQ42302
DQ42303
DQ42355
DQ42404
DQ42432
DQ42743
DQ42999
DQ43000
DQ43002
DQ43004
DQ43007
DQ43423
DQ43423
DQ43424
DQ43425
DQ43426
DQ43428
DQ43728
DQ43769
DQ44180
DQ44683
DQ46828
DQ46828
DQ60529
DQ60568
DQ60569
DQ60573
DQ60573
DQ60580
DQ60590
DQ60616
DQ60617
DQ60627
DQ60628
DQ60687
DQ60704
E64911
E69117
E69117
E69117
E84676
F1870R
F2253R
F2741
F304R
F3171R
F3171R
H128515
H128515
H128515
H128515
H148010
H148011
H35244
H63283
H64801
H75541
H75541
H75541
IE032.01
J52521
J53037
J53038
J53038
J53039
J53040
J53041
J53042
J53043
J53044
J53045
J53046
J53047
J53048
J53050
J53051
J53052
J53053
J53054
J53057
J53058
J53059
J53060
J53061
J53062
J53063
J53064
J53065
J53067
J53068
J53069
J53070
J53070
J53071
J53072
J53073
J53074
J53262
J53697
J53698
J53699
J53700
J53700
J53701
J53702
J53723
J53864
J53892
J53992
J54812
J55278
J55731
J56137
J56365
J56367
J56583
J56701
J56760
J56917
J56979
J56993
J56996
J56997
J57021
J57034
J57046
J57066
J57081
J57081
J57090
J57091
J57092
J57097
J57192
J57192
J57193
J57225
J57272
J57272
J57275
J57278
JD10070
JD10070
JD10238
JD10269
JD10359
JD10377
JD10527
JD10527
JD37087
JD37087
JD7222
JD7228
JD7266
JD7278
JD7292
JD7378
JD7395
JD7418
JD7425
JD7449
JD7798
JD7798
JD7798
JD7798
JD7847
JD8118
JD8159
JD8161
JD8191
JD8196
JD8206
JD8210
JD8237
JD8247
JD8247
JD8253
JD8259
JD8267
JD8280
JD8290
JD8856
JD8856
JD8905
JD8935
JD8954
JD8979
JD9076
JD9133
JD9812
L100025
L100150
L100151
L100152
L100153
L100154
L100245
L100246
L100380
L100380
L100413
L100414
L100486
L100555
L100555
L100560
L100626
L100627
L100644
L100685
L100707
L100750
L100781
L100782
L100800
L100830
L100840
L100842
L100850
L100869
L101021
L101210
L101338
L101401
L101519
L101640
L101641
L101643
L101649
L101689
L101690
L101690
L101813
L101926
L101929
L101929
L101931
L101932
L102090
L102140
L102143
L102171
L102358
L102451
L102451
L102490
L102562
L110066
L110079
L110081
L110090
L110144
L110145
L110146
L110148
L110149
L110150
L110151
L110155
L110156
L110183
L110186
L110187
L110189
L110193
L110233
L110276
L110285
L110286
L110294
L110296
L110311
L110320
L110367
L110367
L110417
L110418
L110422
092.057
092.059
092.059
092.059
092.057
092.057
092.059
092.059
092.057
092.057
080.001
080.001
091.015
040.039
080.009
070.059
052.001
052.001
052.001
080.015
080.015
070.021
070.059
070.059
070.059
070.059
070.059
092.060
060.003
080.016
080.035
092.017
092.023
091.005
070.021
070.021
070.033
070.059
070.003
060.009
060.009
060.009
060.012
060.012
091.005
070.021
040.045
070.027
070.029
070.031
060.007
070.049
053.023
053.025
080.043
053.017
053.023
060.009
060.011
060.020
060.021
070.008
070.008
020.024
070.039
052.021
053.021
060.009
060.020
030.022
040.015
040.005
040.005
040.005
040.005
040.005
040.005
040.005
040.005
040.005
040.005
040.005
040.005
040.005
040.005
040.005
040.005
040.005
040.005
040.005
040.005
040.005
040.005
040.005
040.005
040.005
040.005
040.005
040.005
040.005
040.005
040.005
040.009
040.005
040.005
040.005
040.005
080.039
040.005
040.005
040.005
040.005
040.009
080.039
080.039
080.039
040.005
040.016
040.005
080.039
080.039
020.039
020.039
080.039
080.039
020.008
040.015
020.057
020.037
020.039
020.057
020.051
020.051
053.023
053.023
053.023
040.015
040.016
040.017
020.009
020.009
053.023
040.009
020.057
020.058
053.023
020.057
040.005
040.009
020.039
020.019
053.027
053.027
020.057
052.021
080.035
053.005
053.015
053.027
080.021
080.025
053.029
053.029
053.029
053.029
053.027
053.027
053.003
053.003
053.032
070.045
053.023
070.011
070.015
070.017
080.025
070.045
053.019
053.031
053.019
053.023
053.003
053.019
070.045
053.015
053.032
070.045
053.023
053.015
053.005
053.019
053.007
060.007
070.045
070.045
053.023
053.015
053.031
053.031
053.007
070.005
080.033
080.033
080.033
080.033
080.033
080.015
080.015
091.017
092.042
091.028
091.028
092.037
060.005
060.009
092.029
092.049
092.049
060.005
091.039
052.001
092.021
040.030
040.030
091.025
092.042
092.042
092.042
091.028
091.037
092.047
092.021
040.040
092.015
040.040
091.011
091.011
091.011
091.011
080.025
080.021
080.025
080.027
092.042
092.021
092.023
092.029
092.037
092.047
091.025
092.042
030.009
092.007
092.017
092.021
092.037
092.011
053.013
052.001
052.001
070.033
091.044
091.043
091.044
091.044
091.044
091.047
091.047
091.045
091.043
091.045
091.043
091.043
091.044
091.023
080.025
091.029
092.042
092.042
070.043
092.029
092.011
052.001
040.021
091.031
080.019
080.019
092.025
07
01
02
03
08
09
05
04
03
06
02
01
01
09
07
08
15
14
07
14
16
07
04
15
14
18
08
01
01
01
01
37
22
15
12
13
04
05
05
11
09
10
01
02
14
14
03
02
02
02
10
17
21
10
10
23
24
28
09
08
08
11
10
07
07
14
13
26
16
07
04
15
04
05
07
28
31
29
32
35
16
22
23
33
02
03
04
08
09
12
14
14
14
19
20
24
25
26
36
37
39
40
04
41
42
01
34
20
10
11
44
13
09
03
16
07
45
07
46
06
22
07
09
16
03
01
15
04
10
06
08
03
04
16
18
09
07
06
02
01
02
18
03
17
04
16
07
27
05
05
04
19
21
13
05
05
07
22
23
20
04
02
03
10
05
12
02
02
14
03
33
03
19
04
09
12
34
20
16
14
20
16
19
35
25
05
31
05
20
02
13
14
06
36
32
20
19
01
21
13
01
02
02
02
03
04
19
20
02
12
05
06
01
18
03
22
02
03
20
21
08
13
02
03
20
14
11
11
11
25
03
02
04
06
03
02
02
13
13
05
06
05
18
09
12
10
06
09
06
12
02
02
06
29
03
19
15
05
15
07
10
06
40
18
11
12
14
14
09
42
08
01
32
14
07
14
01
08
08
10
19
13
03
18
36
11
12
03
NÚMERO PÁGINA ITEM NÚMERO PÁGINA ITEM NÚMERO PÁGINA ITEM NÚMERO PÁGINA ITEM
TRATORES JOHN DEERE 7500 CPCQ26568 30Jan02
INDICE ALFANUMERICO
L110422
L110495
L110496
L110553
L110566
L110633
L110634
L110635
L110636
L110636
L110640
L110641
L110641
L110642
L110646
L110646
L110647
L110648
L110650
L110654
L110654
L110655
L110655
L110656
L110656
L110657
L110657
L110658
L110658
L110659
L110660
L110660
L110661
L110662
L110663
L110664
L110665
L110666
L110667
L110668
L110669
L110670
L110671
L110672
L110673
L110674
L110675
L110676
L110677
L110678
L110679
L110680
L110681
L110682
L110683
L110684
L110685
L110686
L110687
L110688
L110689
L110690
L110691
L110692
L110693
L110694
L110695
L110695
L110696
L110696
L110697
L110697
L110698
L110698
L110699
L110699
L110700
L110701
L110701
L110702
L110702
L110703
L110703
L110704
L110704
L110705
L110705
L110706
L110706
L110707
L110708
L110710
L110711
L110712
L110713
L110714
L110715
L110716
L110717
L110718
L110719
L110720
L110721
L110729
L110729
L110766
L110769
L110815
L110815
L110828
L110852
L110865
L110867
L110964
L110977
L110988
L111127
L111165
L111179
L111184
L111276
L111277
L111414
L111419
L111425
L111440
L111453
L111464
L111465
L111480
L111480
L111484
L111584
L111796
L111817
L111871
L111872
L111879
L111965
L111987
L111987
L111988
L111988
L112041
L112053
L112111
L112141
L112142
L112143
L112144
L112198
L112198
L112199
L112199
L112200
L112200
L112201
L112201
L112202
L112202
L112203
L112203
L112204
L112204
L112205
L112205
L112206
L112206
L112207
L112207
L112208
L112208
L112209
L112209
L112210
L112210
L112211
L112211
L112212
L112212
L112213
L112213
L112214
L112214
L112215
L112215
L112216
L112216
L112217
L112217
L112218
L112218
L112219
L112219
L112220
L112220
L112221
L112221
L112222
L112222
L112232
L112235
L112250
L112270
L112290
L112290
L112370
L112425
L112425
L112457
L112469
L112511
L112522
L112546
L112638
L112639
L112657
L112745
L112796
L112797
L112866
L112950
L113020
L113021
L113023
L113038
L113039
L113305
L113306
L113312
L113313
L113378
L113436
L113438
L113440
L113561
L113655
L113659
L113715
L113717
L113718
L113800
L113801
L113886
L113886
L113887
L113907
L113908
L113922
L114032
L114102
L114103
L114104
L114105
L114107
L114159
L114160
L114318
L114318
L114338
L114448
L114558
L114663
L114706
L114712
L114775
L114785
L114921
L114922
L114926
L114927
L114928
L114929
L114930
L114972
L114974
L115015
L115093
L115239
L115285
L115618
L115619
L115740
L116103
L116104
L116105
L116183
L116184
092.027
091.047
091.047
092.007
092.023
091.044
080.033
080.033
080.021
080.033
080.025
080.021
080.025
080.027
080.019
080.027
080.027
080.027
080.027
080.023
080.035
080.023
080.035
080.023
080.035
080.023
080.035
080.023
080.035
080.035
080.035
080.035
080.035
080.035
080.035
080.035
080.035
080.035
080.035
080.035
080.035
080.035
080.035
080.035
080.035
080.035
080.035
080.035
080.035
080.035
080.035
080.035
080.035
080.035
080.035
080.035
080.035
080.035
080.035
080.035
080.035
080.035
080.035
080.035
080.035
080.035
080.023
080.035
080.023
080.035
080.023
080.035
080.023
080.035
080.023
080.035
080.035
080.023
080.035
080.023
080.035
080.023
080.035
080.023
080.035
080.023
080.035
080.023
080.035
080.027
080.035
080.027
080.027
080.027
080.027
080.027
080.027
080.027
080.027
080.027
080.027
080.027
080.027
080.019
080.029
092.029
092.042
091.051
091.055
091.055
091.025
091.043
091.043
092.017
091.047
092.011
040.031
092.017
092.017
040.031
091.028
091.028
091.031
091.031
091.045
091.031
052.030
091.051
091.051
091.025
091.040
080.015
091.049
091.023
080.021
091.019
091.019
092.017
092.031
092.017
092.023
092.017
092.023
092.017
092.023
080.027
091.019
091.019
091.017
091.017
080.021
080.025
080.021
080.025
080.021
080.025
080.021
080.025
080.021
080.025
080.021
080.025
080.021
080.025
080.021
080.025
080.021
080.025
080.021
080.025
080.021
080.025
080.021
080.025
080.021
080.025
080.021
080.025
080.021
080.025
080.021
080.025
080.021
080.025
080.021
080.025
080.021
080.025
080.021
080.025
080.021
080.025
080.021
080.025
080.021
080.025
080.021
080.025
080.021
080.025
091.025
092.039
091.047
091.037
091.031
091.039
070.033
092.025
092.027
091.023
092.015
092.037
091.018
091.037
091.037
091.027
091.025
091.053
091.025
091.025
091.025
092.011
092.011
092.011
092.045
091.037
091.037
091.033
091.033
091.043
091.043
092.040
091.035
091.035
091.035
040.018
091.019
091.019
091.031
091.035
091.035
091.049
091.049
091.002
091.026
091.026
091.035
091.035
092.041
092.017
091.039
091.040
091.031
091.033
091.037
080.037
080.037
091.011
092.047
091.027
091.055
080.025
091.001
080.037
092.011
091.033
080.027
092.073
092.075
092.065
092.065
092.065
092.068
092.068
092.067
092.068
080.015
091.052
091.023
092.005
080.025
080.025
091.033
080.029
080.029
080.029
091.018
091.025
06
12
11
04
19
13
01
05
19
08
07
11
09
08
40
15
14
16
19
08
02
08
02
08
02
08
02
07
04
04
04
04
04
04
04
04
04
04
04
04
04
04
04
04
04
04
04
04
04
04
04
04
04
04
04
04
04
04
04
04
04
04
04
04
04
04
07
04
07
04
07
04
07
04
07
04
04
07
04
07
04
07
04
07
04
07
04
07
04
01
07
01
04
04
04
04
04
04
04
04
04
04
04
10
08
03
05
06
14
08
22
44
45
14
01
14
05
12
24
01
04
02
30
13
03
34
02
01
07
04
03
15
04
12
29
03
04
02
05
30
20
30
20
08
08
05
05
06
03
03
06
05
06
05
06
05
06
05
06
05
06
05
06
05
06
05
06
05
06
05
06
05
06
05
06
05
06
05
06
05
06
05
06
05
06
05
06
05
06
05
06
05
06
05
06
05
06
05
06
05
11
12
09
26
35
22
11
09
20
01
11
07
06
10
11
03
06
04
08
09
03
16
01
21
03
29
29
22
22
05
05
08
03
04
01
05
07
08
37
06
07
09
09
03
06
05
18
17
02
02
20
02
15
08
09
03
03
15
09
01
12
13
01
01
04
14
25
02
07
07
08
10
05
04
09
05
13
07
11
02
01
02
18
01
02
03
04
05
NÚMERO PÁGINA ITEM NÚMERO PÁGINA ITEM NÚMERO PÁGINA ITEM NÚMERO PÁGINA ITEM
TRATORES JOHN DEERE 7500 CPCQ26568 30Jan02
INDICE ALFANUMERICO
L116246
L116247
L116248
L116249
L116250
L116251
L116252
L116255
L116256
L116257
L116258
L116259
L116628
L116628
L12974
L150706
L150707
L150708
L150709
L151281
L151282
L151283
L151284
L151285
L151286
L151287
L151288
L151289
L151290
L151429
L151598
L152012
L152323
L152324
L152325
L152326
L152432
L152433
L152434
L18955
L18955
L18955
L25678
L27099
L28228
L28228
L28228
L28230
L31745
L33035
L35577
L35975
L36272
L36681
L37489
L37733
L37733
L37733
L38053
L38141
L38444
L38449
L38450
L38847
L38851
L38855
L38862
L39134
L39134
L39134
L39751
L39860
L39888
L39997
L40003
L40121
L40130
L40376
L40484
L40997
L40997
L40998
L40998
L40999
L40999
L41000
L41000
L41001
L41002
L41002
L41003
L41003
L41003
L41004
L41004
L41005
L41005
L41008
L41170
L41366
L41443
L41526
L41536
L41536
L41980
L42041
L53813
L53843
L55468
L55471
L55472
L55473
L55473
L55552
L55555
L55556
L55557
L55558
L55559
L55559
L55560
L55560
L55561
L55561
L55568
L55568
L55569
L55570
L55572
L55572
L55577
L55578
L55579
L55580
L55580
L55595
L55596
L55602
L55603
L55969
L56021
L56381
L56820
L57250
L57250
L57823
L57827
L58217
L58448
L58671
L58671
L58892
L59635
L59796
L59796
L59800
L59800
L59800
L59927
L60103
L601103
L61769
L62419
L62420
L63150
L63562
L64500
L64560
L64675
L64713
L65071
L65322
L75449
L75449
L75588
L75695
L75841
L76088
L76089
L76091
L76092
L76093
L76136
L76254
L76257
L76259
L76331
L76388
L76471
L76767
L76767
L77173
L77493
L77510
L77511
L77647
L77648
L77651
L77652
L77747
L77789
L77790
L77802
L77805
L77805
L77805
L77805
L77865
L77912
L77917
L77942
L77943
L77963
L77963
L77964
L77964
L77964
L77964
L77978
L77978
L78006
L78006
L78009
L78009
L78042
L78152
L78154
L78169
L78238
L78422
L78533
L78534
L78691
L78693
L78693
L78701
L78702
L78702
L78702
L78703
L78703
L78703
L78703
L78703
L78704
L78704
L78704
L78704
L78704
L78705
L78727
L78733
L78768
L78769
L78846
L78847
L78851
L78851
L78852
L78876
L78980
L78980
L79071
L79076
L79076
L79076
L79076
L79076
L79122
L79177
L79226
L79311
L79320
L79337
L79337
L79500
L79500
L79574
L79592
L79648
L79648
L79648
L79775
L79776
L79777
L79778
L79792
L79794
080.027
080.027
080.021
080.021
080.021
080.021
080.021
080.031
080.031
080.031
080.031
080.025
070.041
070.049
053.036
091.051
091.051
091.051
091.051
080.025
080.025
080.025
080.025
080.025
080.025
080.025
080.025
080.025
080.025
091.053
053.027
080.031
070.031
070.031
070.031
070.031
080.029
080.029
080.029
080.011
080.012
080.043
092.075
080.037
080.040
080.041
080.042
080.042
070.040
053.027
080.021
092.011
092.011
040.043
092.007
070.031
070.033
070.034
040.031
080.039
080.036
080.012
080.012
092.075
092.075
092.075
092.077
091.025
091.028
092.039
092.063
091.018
060.005
080.019
080.021
080.019
080.021
091.029
040.040
080.021
080.025
080.021
080.025
080.021
080.025
080.021
080.025
080.025
080.021
080.025
080.021
080.021
080.025
080.021
080.025
080.021
080.025
080.019
080.019
092.011
091.040
052.026
060.012
092.029
091.055
092.075
053.009
080.019
080.023
080.023
080.023
080.023
080.023
080.023
080.023
080.023
080.023
080.023
080.023
080.023
080.023
080.023
080.023
080.023
080.023
080.023
080.023
080.023
080.023
080.023
080.023
080.023
080.023
080.025
080.029
080.019
080.023
080.019
080.019
091.031
091.018
080.023
080.029
091.002
091.026
091.002
091.039
092.065
092.008
092.025
092.027
040.018
092.037
091.044
091.045
040.035
091.007
091.043
091.043
080.021
080.033
091.044
080.021
080.021
080.009
092.073
053.013
080.037
092.063
092.067
092.047
070.025
091.031
091.039
040.020
070.008
070.005
080.043
080.043
080.043
080.043
080.043
080.043
091.043
091.043
091.043
091.016
091.039
080.025
091.016
091.025
052.001
070.018
091.009
091.009
091.037
091.037
091.037
091.037
092.029
092.021
092.021
092.015
092.015
092.017
092.021
092.023
091.023
091.009
091.009
091.043
091.043
092.021
092.023
092.015
092.017
092.021
092.023
092.017
092.023
080.017
080.021
080.017
080.021
092.040
092.011
092.011
092.015
092.040
092.035
091.040
091.040
091.035
091.031
091.039
092.011
091.033
091.039
091.040
091.031
091.033
091.037
091.039
091.040
091.031
091.033
091.037
091.039
091.040
091.031
091.031
091.039
091.037
091.037
091.025
091.025
091.031
091.037
060.003
092.047
092.015
092.017
092.011
092.013
092.019
092.025
092.027
092.029
030.007
040.001
040.001
091.052
091.017
060.005
092.009
092.065
092.068
092.037
092.037
091.043
091.044
092.042
092.044
092.044
092.044
092.044
092.009
091.005
04
04
06
06
06
06
06
02
04
03
06
19
06
23
05
08
13
12
14
05
05
05
05
05
05
05
05
05
05
04
15
05
03
21
27
28
04
06
07
04
02
04
10
08
05
07
07
02
05
05
14
09
17
37
15
31
20
14
03
12
08
03
05
09
08
04
04
10
03
11
11
03
14
03
13
03
15
05
02
06
05
06
05
06
05
06
05
05
06
05
06
06
05
06
05
06
05
03
03
10
09
11
09
21
16
06
19
37
28
26
29
15
23
30
20
20
20
20
20
20
20
20
20
25
20
20
20
20
14
24
20
20
20
11
10
35
20
03
03
38
02
31
09
03
06
04
19
12
02
02
07
04
08
09
07
19
25
34
25
17
07
08
14
14
04
06
22
07
12
08
08
18
28
10
02
06
04
15
01
17
18
05
02
16
30
37
07
02
03
02
02
10
11
05
05
08
08
22
20
12
09
10
17
16
21
19
04
06
04
04
19
23
08
09
19
06
21
01
18
11
02
27
04
28
04
06
16
05
07
02
01
01
15
27
09
22
04
05
06
21
01
17
08
08
17
05
27
04
07
24
05
01
13
12
17
17
18
14
04
05
20
07
20
08
08
11
18
15
05
21
19
06
01
03
15
11
03
07
12
29
10
07
02
04
05
06
14
07
NÚMERO PÁGINA ITEM NÚMERO PÁGINA ITEM NÚMERO PÁGINA ITEM NÚMERO PÁGINA ITEM
TRATORES JOHN DEERE 7500 CPCQ26568 30Jan02
INDICE ALFANUMERICO
L79884
L79886
L79919
L80013
L80014
L80015
L80051
L80051
L80051
L80051
L80052
L80052
L80052
L80052
L80053
L80053
L80053
L80136
L80302
L80355
L80355
L80355
L80355
L80355
L80400
L80445
L80446
L80471
M113899
M115279
M115279
M117518
M3636T
M48519
M75140
M84497
M84972
N10214
N14822
NSEP005
NSEP006
NSEP006
NSEP006
NSEP010
NSEP017
NSEP017
NSEP021
NSEP021
NSEP025
NSEP029
NSEP029
NSEP030
NSEP030
NSEP031
NSEP032
NSEP033
NSEP044
NSEP045
NSEP047
NSEP053
NSEP056
NSEP068
NSEP069
NSEP077
NSEP083
NSEP084
NSEP091
P48347
P48347
P48347
P51079
P51079
P51212
P59202
P59202
P59203
P59233
P59247
P59252
P59253
P59264
P59265
P59328
P59329
P59922
P59923
P59929
P59946
P59946
P59991
P59991
P59991
P59993
P60209
P60214
P60241
P60242
P60263
P60285
R100105
R100501
R100502
R100503
R100504
R100505
R10093
R10093
R10093
R10093
R10093
R10093
R10093
R10093
R101158
R101159
R101160
R101165
R101168
R101169
R101170
R101170
R101171
R101174
R101175
R101177
R101187
R101201
R101214
R101224
R101224
R101225
R101225
R101227
R101227
R101244
R101291
R101293
R104655
R104701
R104701
R104701
R104701
R104713
R104728
R104738
R104846
R104846
R104846
R104846
R104919
R104919
R104921
R104921
R105040
R105539
R105585
R105585
R105585
R105714
R105825
R105827
R105829
R105843
R105844
R105845
R105846
R105847
R105848
R105849
R105879
R105882
R105901
R106297
R106308
R106381
R106387
R106529
R106551
R106554
R106555
R106603
R106604
R106714
R106797
R106825
R106829
R106829
R106831
R106831
R106904
R107206
R107252
R107620
R107621
R107622
R107795
R107796
R107797
R107798
R107799
R107800
R107801
R107802
R107803
R107808
R107809
R107810
R107811
R107814
R107816
R107818
R107872
R107957
R107975
R108008
R108011
R108011
R108012
R108013
R108015
R108016
R108019
R108024
R108041
R108042
R108042
R108042
R108052
R108062
R108066
R108066
R108067
R108067
R108067
R108086
R108088
R108089
R108090
R108091
R108093
R108095
R108112
R108617
R108888
R108893
R108896
R108925
R108927
R108929
R108984
R109066
R109066
R109066
R109067
R109067
R109138
R109228
R109477
R109493
R109508
R109519
R109523
R109535
R109657
R109690
R109690
R109690
R109691
R109691
R109691
R109882
R109886
R109908
R109909
R109958
R109960
R110037
R110151
R110151
R110196
R110197
R110217
R110217
R110256
R110257
R110260
R110294
R110319
091.043
091.025
091.043
092.035
092.035
092.035
092.013
092.019
092.025
092.027
053.009
092.013
092.019
092.029
092.009
092.013
092.019
091.025
091.005
092.005
092.015
092.017
092.031
092.037
052.001
052.001
052.001
091.025
092.029
092.007
092.043
040.045
040.011
070.018
040.043
070.057
092.037
020.030
020.030
020.045
020.045
020.045
020.045
070.045
091.028
091.028
070.043
070.043
020.045
020.026
020.027
020.039
020.039
020.045
020.045
020.045
020.041
060.003
052.026
060.003
092.065
020.035
040.003
092.067
020.041
020.041
020.041
052.005
053.035
070.007
052.025
060.007
091.049
070.003
070.052
070.003
070.049
070.017
030.005
030.005
053.036
030.005
030.001
070.019
092.003
091.005
091.014
091.005
092.003
060.020
060.021
060.021
060.011
020.039
030.017
040.035
060.013
070.033
070.021
020.008
053.003
053.003
053.003
053.003
053.003
020.054
060.013
060.015
060.017
091.043
091.051
091.053
091.055
052.017
052.017
052.017
052.015
052.015
052.017
052.015
052.018
052.018
052.019
052.019
052.019
052.015
020.037
052.017
020.007
020.008
020.007
020.008
020.007
020.008
052.019
053.013
053.013
052.011
040.043
040.045
040.045
040.050
053.031
052.025
052.015
040.043
040.045
040.045
040.047
040.043
040.047
040.035
040.043
052.008
053.031
052.007
052.008
052.017
020.051
053.023
053.023
053.023
053.019
053.019
053.019
053.019
053.019
053.019
053.019
053.031
053.027
053.023
070.013
070.015
092.009
092.009
092.005
091.047
040.021
040.021
040.021
040.021
070.050
053.005
052.021
020.020
020.023
020.020
020.023
053.007
052.011
052.023
053.015
053.015
053.015
070.045
070.045
070.045
070.045
070.045
070.045
070.045
070.045
070.045
070.045
070.045
070.045
070.045
070.045
070.045
070.045
070.041
080.006
070.008
070.041
070.041
070.049
070.052
070.041
070.045
070.045
070.045
070.045
060.013
060.013
060.015
060.017
060.013
060.013
060.013
060.017
060.013
060.015
060.017
070.011
070.011
070.011
070.011
070.011
070.011
070.011
070.013
052.023
053.003
053.005
053.007
052.021
052.021
053.003
052.018
052.017
052.026
052.028
052.017
052.026
053.032
070.049
053.033
052.023
053.005
052.011
052.011
052.023
053.005
053.013
053.017
053.035
053.013
053.017
053.035
020.053
020.053
052.009
053.003
052.011
052.011
052.013
052.005
052.007
053.003
052.013
052.013
053.033
052.005
052.005
052.005
053.009
053.015
13
11
28
03
05
06
03
03
10
13
08
04
07
17
13
09
04
16
16
07
14
19
09
18
01
11
09
21
13
11
02
07
09
14
38
11
11
02
01
07
02
04
06
03
07
08
06
12
08
06
05
03
03
03
05
09
06
22
16
20
06
08
01
07
02
05
03
20
07
06
21
12
03
17
01
10
07
01
07
06
02
13
14
04
09
08
05
27
07
11
11
12
05
14
04
15
24
14
10
07
13
13
13
13
13
02
11
04
11
26
10
08
10
12
04
11
09
15
02
13
07
03
03
05
02
06
11
05
05
05
06
06
02
02
09
20
19
04
25
37
42
05
17
23
02
03
21
25
03
06
06
25
34
04
03
27
08
08
09
02
08
12
01
17
12
11
03
08
22
15
24
25
07
08
03
04
06
05
03
04
02
07
03
22
12
04
07
04
05
05
23
27
03
02
05
04
05
06
07
08
10
11
12
13
14
15
16
17
18
20
22
06
03
05
08
02
21
10
04
23
24
26
29
18
19
05
19
04
08
17
17
20
06
20
02
03
04
05
06
12
16
09
20
17
13
04
09
10
03
06
07
04
03
15
05
02
14
04
14
10
19
01
10
11
16
40
21
14
38
24
14
12
05
15
14
16
06
29
17
18
07
08
02
15
18
22
03
09
NÚMERO PÁGINA ITEM NÚMERO PÁGINA ITEM NÚMERO PÁGINA ITEM NÚMERO PÁGINA ITEM
TRATORES JOHN DEERE 7500 CPCQ26568 30Jan02
INDICE ALFANUMERICO
R110386
R110387
R110457
R110458
R110458
R110459
R110459
R110484
R110484
R110485
R110485
R110487
R110487
R110494
R110494
R110554
R110554
R110936
R110989
R111039
R111085
R111137
R111173
R111186
R111187
R111188
R111200
R111200
R111200
R111200
R111200
R111206
R111206
R111206
R111234
R111235
R111238
R111238
R111238
R111242
R111242
R111242
R111278
R111288
R111288
R111288
R111288
R111288
R111292
R111293
R111296
R111297
R111298
R111308
R111308
R111308
R111308
R111308
R111486
R111487
R111488
R111489
R111493
R111493
R111496
R111498
R111504
R111504
R111504
R111516
R111525
R111526
R111526
R111527
R111527
R111527
R111532
R111546
R111547
R111550
R111551
R111553
R111570
R111582
R111691
R111692
R111716
R112063
R112296
R112513
R112515
R112551
R112552
R112553
R112567
R112570
R112676
R112679
R112680
R112857
R112867
R112887
R112897
R112945
R112955
R112974
R112976
R112977
R113050
R113050
R113054
R113057
R113061
R113164
R113189
R113209
R113218
R113218
R113218
R113223
R113223
R113223
R113224
R113224
R113224
R113226
R113226
R113226
R113228
R113228
R113228
R113228
R113229
R113229
R113229
R113351
R113369
R113392
R113419
R113463
R113494
R113565
R113616
R113616
R113617
R113617
R113656
R113701
R114096
R114097
R114102
R114157
R114215
R114264
R114843
R114850
R114899
R114918
R114990
R115104
R115119
R115140
R115152
R115152
R115152
R115152
R115154
R115201
R115202
R115213
R115215
R115351
R115351
R115352
R115388
R115389
R115390
R115415
R115771
R115892
R115952
R115957
R115974
R115975
R115998
R115999
R116000
R116040
R116057
R116102
R116137
R116379
R116894
R117158
R117163
R117420
R117421
R117451
R117463
R117602
R117616
R117738
R117738
R117738
R117872
R117942
R117942
R117942
R118092
R118092
R118092
R118164
R118165
R118182
R118192
R118192
R118192
R118205
R118453
R119084
R119084
R119095
R119097
R119187
R119199
R119203
R119203
R119265
R119392
R119392
R119395
R119592
R119646
R119646
R119810
R119832
R119873
R120146
R120247
R120354
R120452
R120452
R120499
R120565
R120884
R120901
R120902
R120939
R120939
R120940
R120941
R120943
R120947
R120947
R120955
R120981
R121041
R121042
R121042
R121043
R121150
R121248
R121451
R121532
R121580
R121580
R121682
R121779
R121795
R121803
R121828
R121833
R121867
R121867
R121885
R122142
R122203
R122322
R122521
R122548
R122638
R122750
R122850
R124019
R124021
R124023
R124023
R124230
040.020
040.020
052.005
053.005
053.023
053.005
053.023
053.003
053.005
053.003
053.005
053.003
053.005
053.003
053.005
040.001
080.009
070.017
070.055
052.003
052.026
020.003
091.003
070.011
070.011
070.011
070.027
070.029
070.031
070.033
070.034
070.027
070.031
070.034
070.025
070.025
070.027
070.029
070.031
070.027
070.029
070.031
070.034
070.023
070.025
070.027
070.029
070.031
070.037
070.037
070.037
070.037
070.021
070.023
070.025
070.027
070.029
070.031
070.025
070.025
070.023
070.025
070.023
070.025
070.025
070.023
070.027
070.029
070.031
070.021
070.021
070.023
070.025
070.027
070.029
070.031
070.025
070.005
070.005
070.005
070.005
070.005
091.016
070.011
070.007
070.007
053.007
052.023
053.021
092.033
092.033
092.033
092.033
092.033
053.007
053.007
060.018
070.007
092.009
052.013
020.028
053.019
053.007
052.026
052.013
052.005
052.005
052.025
091.043
091.055
060.017
060.017
060.017
040.038
040.038
070.034
070.027
070.029
070.031
070.027
070.029
070.031
070.027
070.029
070.031
070.027
070.029
070.031
070.027
070.029
070.031
070.034
070.027
070.029
070.031
091.033
060.003
070.011
052.026
052.023
053.023
020.041
053.003
053.005
053.003
053.005
052.011
020.053
020.053
020.053
020.054
020.020
052.017
052.008
030.019
070.025
092.033
080.003
092.033
052.029
052.021
052.023
052.007
052.007
052.023
052.025
052.003
053.015
053.013
052.029
052.019
070.047
070.051
070.051
052.005
052.005
020.003
052.005
070.011
070.037
070.034
053.007
092.007
060.013
053.005
053.005
053.005
052.025
052.017
020.029
020.058
053.031
052.015
080.001
092.007
040.026
040.026
040.026
092.033
080.001
070.015
070.027
070.029
070.031
070.015
070.027
070.029
070.031
070.027
070.029
070.031
053.007
053.007
070.017
070.027
070.029
070.031
060.017
092.033
052.005
052.007
053.003
053.003
053.009
053.005
052.005
052.007
020.033
020.004
020.020
020.033
052.001
052.005
052.007
052.005
053.011
052.003
020.053
020.029
052.005
052.005
052.007
053.003
052.003
053.035
053.021
052.028
053.003
053.003
053.003
053.003
053.009
052.021
052.023
091.055
052.023
052.015
052.015
052.015
020.003
052.011
052.019
052.009
053.023
052.005
052.025
052.023
020.029
070.047
053.023
053.017
052.030
020.026
020.027
052.023
052.009
053.005
052.009
053.005
020.016
053.009
053.027
060.019
052.003
052.007
052.005
052.007
020.026
07
08
12
20
10
06
11
23
23
25
25
26
26
28
28
12
15
12
17
12
13
11
05
01
13
17
19
19
19
13
03
05
41
04
32
31
07
07
07
09
09
09
05
12
12
13
13
13
13
19
08
16
15
19
19
16
16
16
04
09
17
36
15
15
35
18
34
34
34
09
08
13
13
36
36
33
29
06
07
03
02
05
04
08
07
01
27
33
23
10
07
05
15
16
16
23
04
04
12
03
14
23
12
10
02
17
21
20
22
19
21
22
23
07
11
06
33
33
32
38
38
37
39
39
38
40
40
39
17
17
17
13
37
37
36
13
07
10
09
29
14
04
27
27
24
24
11
06
09
08
03
06
09
09
11
34
11
02
04
01
13
32
07
12
18
10
14
26
03
04
11
01
01
07
09
07
17
05
09
05
07
21
13
22
17
18
19
15
16
11
12
02
12
04
12
05
09
03
14
03
03
42
41
41
07
35
35
35
31
31
30
31
26
06
32
32
29
16
19
27
06
05
09
06
15
30
24
03
06
05
04
16
24
13
03
07
07
07
12
14
31
26
12
04
19
21
01
06
11
07
10
09
19
09
13
09
16
17
17
10
10
12
01
01
35
26
05
07
07
05
21
01
01
02
06
02
08
08
14
04
05
10
03
03
09
34
32
07
NÚMERO PÁGINA ITEM NÚMERO PÁGINA ITEM NÚMERO PÁGINA ITEM NÚMERO PÁGINA ITEM
TRATORES JOHN DEERE 7500 CPCQ26568 30Jan02
INDICE ALFANUMERICO
R124436
R124438
R124627
R124628
R125065
R125086
R125127
R125128
R125173
R125178
R125477
R125656
R125915
R125980
R125985
R126399
R126462
R126513
R126667
R126667
R126667
R127579
R127580
R128361
R128837
R128889
R129184
R129280
R129365
R129531
R129553
R129586
R129680
R129726
R129754
R129759
R129797
R129912
R129975
R130027
R130488
R130719
R130825
R130854
R131047
R131135
R131177
R131214
R131794
R131824
R132845
R133086
R133450
R134141
R134341
R134754
R135174
R135509
R135510
R135625
R150858
R151061
R153137
R153138
R153187
R153297
R154949
R161739
R161741
R161742
R162100
R162142
R162148
R162278
R162580
R169519
R170103
R171007
R171010
R171013
R175130
R175130
R175131
R176475
R181288
R182470
R182471
R182472
R182475
R185109
R23551
R26125
R26286
R26286
R26287
R26287
R26287
R26287
R26287
R26375
R26375
R26375
R26375
R26375
R26448
R26448
R26448
R26448
R26493
R26552
R26552
R26552
R26650
R26871
R26871
R26906
R26906
R26906
R26906
R26906
R26908
R26976
R26976
R26976
R27094
R27166
R27166
R27175
R27329
R27976
R28776
R28776
R28776
R28782
R28782
R28811
R29463
R29936
R29936
R30587
R30903
R30903
R31271
R31271
R32210
R33026
R33167
R33167
R33259
R33259
R33259
R33259
R33877
R34028
R34558
R34659
R34801R
R34801R
R34812
R34985
R35034
R35365
R35366
R35367
R36623
R375R
R38295
R38295
R39112
R39112
R39283
R39322
R39322
R39322
R394R
R39832
R39832
R40915
R41012
R41076
R42057
R42729
R42849
R43381
R43383
R43409
R43416
R44165
R44165
R44302
R44302
R44302
R44357
R44357
R44358
R44358
R44359
R44359
R46323
R46324
R46325
R46414
R46727
R47150
R47150
R47151
R47172
R48000
R48685
R48747
R48747
R48748
R48749
R48749
R48750
R48750
R48750
R49002
R49003
R49004
R49434
R49518
R49518
R495R
R50034
R50222
R50227
R50227
R50879
R51192
R51192
R51200
R51936
R51937
R52640
R52876
R53657
R53658
R54114
R54114
R54174
R54477
R54477
R54565
R54575
R54632
R54638
R54641
R54779
R54781
R54782
R54802
R54823
R56101
R56101
R56131
R56188
R56461
R56462
R56464
R56504
R56551
R56947
R57269
R57451
R57451
R58303
R58509
R58511
R58832
R58832
R58941
R60263
R60264
R60755
R60755
R61179
R61501
R61871
R62372
R63226
R63548
R63548
R63548
R63548
R63737
R65215
R65239
052.009
052.009
070.055
070.055
052.015
053.027
060.019
060.019
052.011
053.027
053.033
052.015
092.033
053.027
052.017
060.019
052.025
020.011
070.027
070.029
070.031
052.026
052.026
053.009
053.032
052.009
052.003
052.005
052.019
092.033
020.016
053.019
053.027
053.015
053.031
053.031
052.025
053.027
053.031
092.033
052.021
053.031
053.019
020.035
092.033
092.033
053.019
053.019
020.006
052.025
060.017
053.027
091.031
052.025
053.015
052.007
052.005
040.011
040.011
052.003
052.026
053.019
053.005
053.003
052.011
052.015
070.005
052.021
052.021
052.021
053.019
053.003
052.013
052.013
053.005
053.017
053.017
052.011
052.011
052.011
052.007
052.008
052.007
052.009
053.015
053.023
053.023
053.023
053.023
053.023
080.039
020.023
020.039
053.017
053.017
053.017
053.019
053.019
060.017
053.007
053.013
070.027
070.029
070.037
053.025
060.017
070.003
070.057
020.003
053.009
053.009
060.013
020.003
070.007
092.011
020.031
070.023
070.025
070.027
070.029
070.013
070.027
070.029
070.031
020.039
052.005
052.007
053.017
053.025
052.025
052.003
053.025
060.017
070.027
070.029
020.017
070.055
070.049
070.052
052.021
060.017
060.017
092.025
092.027
053.017
053.023
052.008
053.031
070.023
091.043
091.051
091.055
070.005
052.025
060.005
080.039
080.039
080.041
092.042
020.057
053.031
053.005
053.005
053.005
053.007
053.009
052.003
052.015
053.007
053.013
053.015
052.008
052.013
053.019
053.025
053.017
053.019
070.007
080.039
070.007
052.007
020.022
053.017
053.031
053.031
020.020
020.032
091.043
092.007
040.031
052.026
091.049
070.047
070.051
070.047
070.051
070.047
070.051
053.019
053.019
053.019
020.032
080.048
070.023
070.025
070.033
053.019
020.037
053.025
070.047
070.051
070.047
070.047
070.051
070.047
070.051
070.051
053.015
053.015
053.015
053.029
053.017
070.052
020.019
060.018
053.031
092.025
092.027
060.018
060.018
092.009
053.005
020.037
020.037
092.042
053.031
053.023
053.023
020.026
020.027
052.005
091.016
092.042
020.022
053.009
020.028
020.058
020.058
040.026
040.026
040.026
020.003
020.053
020.039
070.057
020.035
020.027
020.029
020.053
053.011
070.007
020.031
020.051
053.023
020.026
020.027
080.039
092.011
092.011
070.021
070.037
052.023
091.049
091.049
060.013
060.015
040.026
020.058
020.028
053.007
052.008
070.023
070.023
070.025
070.025
070.015
020.003
070.015
08
09
20
27
15
09
04
01
21
07
01
16
06
03
13
05
01
01
41
41
40
02
01
10
02
11
10
01
10
18
03
01
16
24
02
06
01
13
08
01
03
15
07
07
09
08
12
30
01
18
18
01
09
18
15
10
02
04
05
11
03
17
11
09
18
14
12
16
17
18
06
03
07
06
08
24
25
10
18
11
20
07
21
01
26
01
08
12
18
18
19
03
11
29
07
14
25
28
07
09
18
21
21
22
15
08
12
09
09
07
15
02
06
09
19
08
23
23
27
27
03
04
04
04
04
08
11
22
02
05
13
17
13
03
03
02
11
08
05
04
05
06
07
09
33
17
03
18
04
21
11
04
08
04
02
10
21
03
10
09
08
03
04
05
15
20
15
18
10
21
23
05
04
15
18
20
29
02
10
08
04
06
30
07
10
03
08
35
03
02
15
11
03
03
03
03
03
03
21
21
21
14
01
21
21
19
02
06
08
04
04
04
04
04
04
04
08
16
17
18
09
05
03
01
14
05
06
08
12
05
08
21
08
09
03
04
06
06
05
07
10
08
01
01
16
07
11
06
12
13
06
03
02
13
13
04
08
05
13
05
03
06
11
07
09
09
14
11
12
11
20
30
05
06
07
02
11
02
04
08
06
06
16
06
16
09
12
11
NÚMERO PÁGINA ITEM NÚMERO PÁGINA ITEM NÚMERO PÁGINA ITEM NÚMERO PÁGINA ITEM
TRATORES JOHN DEERE 7500 CPCQ26568 30Jan02
INDICE ALFANUMERICO
R65240
R65833
R65833
R66090
R66177
R66375
R66670
R67575
R67811
R68171
R68672
R69166
R69721
R70027
R70027
R70236
R71963
R72040
R72653
R72853
R73380
R73728
R74192
R74192
R74195
R74210
R74402
R74552
R74628
R74868
R74993
R75470
R75522
R75522
R75728
R75837
R75892
R76477
R76617
R76617
R76617
R76674
R76964
R76974
R77175
R77175
R77175
R77610
R77915
R78048
R78049
R78050
R78051
R78053
R78054
R78055
R78056
R78056
R78057
R78057
R78058
R78058
R78059
R78059
R78059
R78060
R78061
R78062
R78063
R78063
R78063
R78064
R78064
R78156
R78165
R78436
R79018
R79060
R79089
R79521
R79560
R79562
R79563
R79605
R79639
R80436
R80436
R80879
R81207
R81207
R81207
R81275
R81989
R82674
R82859
R83169
R83429
R83588
R84157
R85363
R86457
R86638
R87210
R87210
R87259
R87395
R87395
R87455
R87789
R88246
R88667
R88889
R89411
R89879
R90692
R90788
R91692
R91889
R92154
R92241
R92352
R93172
R93317
R93467
R93485
R93623
R93784
R93803
R93885
R94072
R94072
R94714
R94919
R95063
R95065
R95073
R95075
R95075
R95075
R95076
R95077
R95081
R95082
R95082
R95084
R95086
R95086
R95109
R95110
R95110
R95142
R95143
R95151
R95152
R95152
R95160
R95165
R95189
R95195
R95197
R95198
R95200
R95206
R95207
R95216
R95216
R95248
R95301
R95301
R95313
R95316
R95316
R95360
R95378
R95380
R95396
R95398
R95401
R95407
R95412
R95413
R95422
R95449
R95450
R95452
R95453
R95454
R95455
R95490
R95490
R95490
R95491
R95491
R95491
R95493
R95493
R95493
R95493
R95493
R95493
R95493
R95494
R95494
R95494
R95494
R95494
R95494
R95494
R95494
R95494
R95498
R95501
R95503
R95506
R95612
R95613
R95654
R95778
R95784
R95835
R95835
R95850
R95890
R95892
R95895
R96151
R96195
R96196
R96216
R96295
R96295
R96515
R96517
R96577
R96703
R96805
R96806
R96826
R96924
R97250
R97344
R97344
R97351
R97490
R97491
R97492
R97493
R97588
R97588
R98062
RE11578
RE12187
RE12187
RE12187
RE12187
RE12330
RE12331
RE12332
RE12333
RE12363
RE12364
RE12365
RE12366
RE12518
RE12820
RE13571
RE150486
RE151054
RE151059
RE151355
RE151356
RE152373
RE153687
RE15490
RE154986
RE155060
RE156447
RE159087
RE159087
RE160072
RE162113
RE162140
RE163138
RE163759
RE165047
RE166156
RE166611
RE170904
070.015
020.026
020.027
020.037
020.028
091.003
053.007
092.011
053.019
053.019
070.008
070.015
053.033
053.031
053.031
053.019
020.037
091.047
053.009
020.051
080.039
092.007
052.005
052.007
020.026
070.003
091.035
020.028
080.009
053.019
040.045
020.006
080.021
080.033
020.018
080.023
020.003
070.011
052.007
052.023
052.025
053.031
020.035
020.032
052.023
070.021
070.057
052.023
092.052
040.049
040.049
040.049
040.049
040.049
040.049
040.049
040.043
040.049
040.043
040.049
040.043
040.049
040.043
040.047
040.049
040.049
040.049
040.049
040.043
040.047
040.049
040.047
040.049
053.019
052.023
052.005
052.011
070.037
020.004
053.009
020.028
020.028
020.028
020.037
052.021
070.015
070.017
053.019
091.028
091.039
091.047
020.031
020.024
020.003
020.032
020.011
020.022
080.039
060.003
020.020
070.007
052.023
052.008
052.011
020.013
052.011
052.015
052.025
053.029
053.003
080.043
052.021
053.017
020.032
020.023
020.013
020.011
020.023
020.019
052.013
020.037
053.023
053.015
053.031
053.027
053.019
053.011
053.007
053.019
070.047
070.051
053.023
053.023
052.023
052.023
052.023
052.007
052.023
052.025
052.025
052.025
052.025
052.023
052.025
052.025
052.023
052.025
053.031
053.031
053.031
053.029
053.029
053.027
053.027
053.027
053.029
053.027
053.035
053.035
053.035
053.035
053.035
070.008
070.008
052.005
053.035
053.005
052.011
052.015
052.017
052.009
052.017
052.011
052.009
052.009
052.030
052.026
070.011
053.005
030.001
030.001
052.009
053.015
053.015
053.015
053.015
053.015
053.015
070.027
070.029
070.031
070.027
070.029
070.031
070.027
070.029
070.031
070.033
070.034
070.037
070.059
070.027
070.029
070.031
070.033
070.034
070.037
070.038
070.039
070.059
052.003
052.003
052.007
052.005
080.043
080.043
080.006
052.023
053.027
052.015
052.018
052.028
053.035
053.035
052.018
070.057
091.008
091.008
091.008
070.015
070.017
070.047
070.047
053.009
040.011
052.011
052.011
052.019
053.011
053.033
020.029
020.030
020.016
020.023
020.023
020.023
020.023
091.031
091.037
020.023
070.013
052.023
070.021
070.037
070.057
040.049
040.049
040.049
040.049
040.049
040.049
040.049
040.049
053.019
020.024
020.025
053.003
070.041
052.017
052.008
052.015
070.057
053.013
020.028
070.038
052.015
052.015
053.013
053.017
060.019
052.013
052.021
053.017
052.021
052.026
053.015
092.031
040.033
12
02
06
10
10
03
02
03
06
31
07
16
03
09
09
18
02
13
13
06
17
05
25
14
10
11
05
01
03
05
13
04
21
09
03
02
08
22
03
35
08
22
05
11
26
06
10
38
01
10
15
19
08
13
17
04
32
07
33
02
35
06
23
30
01
02
06
01
39
28
01
05
09
09
08
13
07
14
09
18
05
13
12
03
07
14
10
07
11
23
04
04
08
15
12
07
09
05
21
01
05
11
02
25
04
08
08
24
07
19
13
02
32
04
08
02
11
01
02
05
05
23
21
20
06
04
04
06
16
06
06
22
15
22
28
31
05
36
09
06
07
11
12
13
12
15
17
12
14
14
04
08
20
17
22
01
11
01
03
12
13
15
02
03
16
04
16
03
04
03
11
06
02
03
07
07
14
20
12
10
04
06
04
06
08
10
13
14
15
15
15
10
10
10
06
06
06
05
08
03
16
14
14
14
06
09
09
10
02
17
09
06
02
06
06
03
02
37
04
03
04
02
06
08
02
12
03
03
11
06
11
04
04
11
02
13
15
06
01
01
06
03
06
06
06
08
08
31
06
06
02
34
05
12
08
14
12
18
03
11
16
20
05
10
10
02
01
01
01
01
01
02
13
11
08
01
01
11
06
02
01
15
01
20
12
01
03
02
NÚMERO PÁGINA ITEM NÚMERO PÁGINA ITEM NÚMERO PÁGINA ITEM NÚMERO PÁGINA ITEM
TRATORES JOHN DEERE 7500 CPCQ26568 30Jan02
INDICE ALFANUMERICO
RE170904
RE170964
RE173060
RE176785
RE176881
RE179032
RE179258
RE179259
RE179329
RE186139
RE187398
RE187450
RE194070
RE19797
RE19800
RE19871
RE20901
RE22744
RE23286
RE23286
RE24201
RE24467
RE26286
RE27351
RE27352
RE27353
RE27359
RE27360
RE27366
RE31617
RE31701
RE31973
RE33040
RE33043
RE33083
RE33466
RE33466
RE34138
RE34603
RE34603
RE34603
RE34763
RE34784
RE34786
RE34868
RE35512
RE36939
RE37643
RE37644
RE38391
RE38725
RE39262
RE39354
RE39396
RE39396
RE39397
RE39527
RE39607
RE39607
RE39607
RE39967
RE40048
RE41265
RE41285
RE41945
RE41949
RE42192
RE42567
RE42651
RE42709
RE43497
RE43542
RE43542
RE43608
RE43609
RE43637
RE43662
RE43663
RE43710
RE43737
RE43737
RE43738
RE43835
RE43836
RE43837
RE43845
RE43917
RE44199
RE44574
RE45517
RE45864
RE45865
RE45963
RE46534
RE46534
RE46587
RE46588
RE46589
RE46590
RE46592
RE46597
RE46598
RE46634
RE46648
RE46649
RE46684
RE46684
RE46684
RE46684
RE46684
RE46684
RE46684
RE46684
RE46685
RE46685
RE46687
RE46687
RE46687
RE46728
RE46736
RE47278
RE47279
RE47291
RE47294
RE47303
RE47315
RE47322
RE47323
RE47326
RE47326
RE47328
RE47329
RE47385
RE47392
RE47392
RE47393
RE47789
RE47789
RE47867
RE48092
RE48258
RE48263
RE48265
RE48348
RE48867
RE48875
RE48876
RE48990
RE48990
RE49037
RE49038
RE49091
RE49100
RE49105
RE49107
RE49110
RE49136
RE49231
RE49624
RE49624
RE49624
RE49624
RE49624
RE49624
RE49624
RE49630
RE49631
RE49631
RE49631
RE49633
RE49639
RE49670
RE49696
RE49724
RE49726
RE49735
RE49736
RE50005
RE50005
RE500160
RE50122
RE50211
RE50332
RE50333
RE50334
RE50335
RE50336
RE50337
RE50337
RE50338
RE50338
RE50373
RE50384
RE50384
RE50384
RE50385
RE50385
RE50385
RE50385
RE50386
RE50752
RE50782
RE50782
RE50782
RE508195
RE509857
RE509857
RE51104
RE51178
RE51287
RE51649
RE51650
RE51774
RE51905
RE52043
RE52144
RE52242
RE52254
RE52284
RE52401
RE52504
RE52579
RE52580
RE52695
RE52702
RE52986
RE53051
RE53311
RE53716
RE53756
RE53807
RE54029
RE54216
RE54443
RE54513
RE54776
RE54776
RE54872
RE54872
RE54873
RE54894
RE54982
RE55037
RE55212
RE55238
RE55288
RE55390
RE55527
RE55561
RE55562
RE55844
RE56036
RE56037
RE56106
RE56127
RE56127
RE56127
RE56165
RE56451
RE56595
RE56605
RE56617
RE56684
RE57000
RE57409
RE57465
RE57751
RE57756
RE57993
RE58028
RE58029
RE58171
RE58290
RE58344
RE58829
RE58830
RE58831
RE58832
RE58833
RE58834
RE58835
RE59013
RE60005
RE60316
RE60350
RE60501
RE60708
RE60708
092.048
070.059
053.017
070.025
053.017
070.025
070.025
070.025
070.025
053.025
053.005
053.025
053.005
020.036
020.036
020.021
020.036
020.035
053.031
053.031
092.039
070.007
020.041
020.025
020.025
020.025
020.025
020.025
020.025
020.023
053.023
020.022
053.031
053.031
053.013
070.047
070.051
060.007
052.011
052.019
053.003
052.018
052.017
052.017
053.015
052.011
020.037
020.023
020.023
040.038
053.027
052.009
052.025
070.023
070.025
070.037
070.057
070.023
070.038
070.059
040.035
030.027
052.018
052.019
052.008
040.045
040.045
053.017
053.017
053.025
091.043
040.033
040.036
070.013
070.013
091.005
060.018
060.018
092.009
040.035
040.035
070.011
070.045
070.046
070.045
020.029
070.057
020.013
020.016
020.024
070.049
092.001
092.007
052.007
091.005
091.037
091.037
091.037
091.037
091.037
060.015
060.013
091.043
070.045
070.045
052.007
052.023
052.026
053.013
053.035
070.021
070.037
070.057
052.025
053.017
020.030
070.023
070.025
070.055
040.045
052.008
052.019
052.021
052.015
052.025
052.023
053.029
053.032
052.013
053.033
053.032
053.035
053.015
053.013
053.017
053.035
053.017
053.019
020.026
052.009
070.017
070.017
070.017
053.021
040.038
040.035
040.035
040.018
040.021
070.041
070.057
070.037
070.009
070.043
070.043
070.055
070.045
053.021
070.021
070.023
070.025
070.027
070.029
070.031
070.037
070.023
070.027
070.029
070.031
070.027
092.031
060.018
053.007
040.035
040.035
040.038
040.038
070.047
070.051
020.041
020.051
020.028
070.035
070.035
070.035
070.025
070.025
070.023
070.025
070.023
070.025
091.008
070.027
070.029
070.031
070.027
070.029
070.031
070.035
070.055
020.042
053.013
053.017
053.035
020.012
040.003
040.009
092.007
070.055
053.007
020.044
020.045
020.059
053.009
053.005
052.007
052.023
053.009
052.021
070.055
030.022
070.045
070.045
070.052
030.025
052.023
053.035
053.035
020.026
053.007
053.009
070.007
052.007
052.005
030.001
053.003
053.005
053.013
053.017
053.017
020.029
052.005
020.032
070.052
070.015
053.003
020.034
020.020
053.011
053.011
053.011
052.015
052.011
070.057
070.027
070.029
070.031
070.007
052.011
020.031
020.039
020.032
020.036
052.015
020.039
052.007
092.043
053.017
092.031
091.033
092.033
020.036
053.021
053.009
020.017
020.036
020.036
020.036
020.036
020.036
020.036
053.021
020.023
092.031
020.025
052.023
060.013
060.015
03
08
34
01
36
27
17
33
08
01
01
07
01
02
05
01
04
06
13
13
10
10
07
03
01
01
03
01
03
04
17
08
19
11
01
02
02
01
20
08
04
05
01
10
07
12
01
04
04
01
14
14
02
14
14
04
03
01
05
20
16
12
01
04
10
15
10
28
09
07
38
06
04
04
04
20
07
08
05
11
11
11
02
01
09
03
02
01
07
01
15
02
14
18
21
03
02
04
03
04
01
14
31
27
28
22
03
06
10
10
01
07
15
09
36
04
10
10
09
20
01
07
06
05
22
23
06
04
08
02
06
02
11
12
42
23
15
26
11
04
15
08
13
03
10
04
17
01
01
05
20
15
07
01
05
01
19
07
16
20
20
20
20
20
21
27
22
22
22
23
01
09
28
13
14
08
09
08
10
01
10
03
03
01
02
37
37
24
24
22
22
04
25
25
25
26
26
26
04
07
01
13
39
20
01
01
01
10
21
22
01
01
01
04
01
28
07
02
01
14
01
21
25
09
01
25
17
22
08
01
12
15
25
11
05
08
09
11
06
41
04
32
06
04
01
21
01
02
06
08
02
10
05
21
24
24
24
10
24
03
07
03
06
01
08
29
01
17
11
12
13
01
17
21
03
07
08
09
10
11
12
03
02
03
03
16
21
01
NÚMERO PÁGINA ITEM NÚMERO PÁGINA ITEM NÚMERO PÁGINA ITEM NÚMERO PÁGINA ITEM
TRATORES JOHN DEERE 7500 CPCQ26568 30Jan02
INDICE ALFANUMERICO
RE60720
RE60765
RE60765
RE60854
RE61190
RE61191
RE61860
RE62102
RE62158
RE62245
RE62419
RE62446
RE62620
RE62621
RE62918
RE63059
RE63587
RE64082
RE64281
RE64466
RE65088
RE65234
RE65291
RE66257
RE66746
RE66783
RE66820
RE66820
RE67860
RE68327
RE69674
RE70427
RE70679
RE70682
RE70756
RE70959
RE71151
RE71256
RE71557
S17072
SG010.01
SG064.01
SG064.01
SG06401
T100529
T101545
T101546
T106596
T11180
T113255
T113255
T116851
T12083
T12083
T13119
T13119
T13814
T146102
T146104
T146106
T146515
T146516
T146517
T150958
T152293
T15258
T15258
T15258
T159519
T16318
T17148
T187684
T18891
T18891
T19044
T19898
T20034
T20046
T20070
T20072
T20073
T20094
T20166
T20168
T20168
T20217
T20217
T20243
T20280
T20298
T20314
T20315
T20316
T20316
T20328
T20336
T20362
T20364
T21564
T22242
T22486
T22486
T23260
T23442
T23474
T23474
T23853
T24472
T24802
T25469
T25484
T25485
T26321
T26327
T26565
T26565
T26565
T27260
T27432
T27432
T27432
T27432
T27658
T28583
T31174
T32146
T32146
T41836
T42302
T42571
T44604
T44604
T54324
T58477
T63817
T67424
T67425
T70177
T70177
T70321
T70659
T70659
T70659
T70659
T70659
T70659
T75837
T75984
T75984
T76502
T76502
T77346
T77613
T77613
T77613
T77613
T77613
T77613
T77613
T77613
T77613
T77814
T77814
T77857
T77857
T77857
T77857
T77857
T77857
T77857
T77857
T77857
T77857
T77857
T77857
T77857
T77857
T77857
T77858
T77858
T77858
T77932
T77932
T78612
T81686
T81686
T82518
T82519
T82519
T82520
T82520
T82521
T82521
T82522
T82522
T82523
T82523
T82524
T82524
T82525
T82525
T82526
T82526
T82527
T82532
T82543
T82543
T82543
T82559
T82559
T82618
T82619
TH101502
TY16034
U10289
U10289
U10289
U12198
U12331
U12547
U12547
U15973
U17409
U17409
U17409
U17409
U42702
U42902
U42902
U46662
U46662
UN4808
UN4815
UN4815
UN4822
Z29304
Z29304
Z32264
Z35271
Z42839
Z44689
Z55427
Z59343
030.001
040.018
040.021
020.043
053.023
053.023
020.035
020.032
020.041
052.017
020.040
070.037
052.025
052.005
052.011
052.011
060.014
052.007
092.031
053.027
053.017
052.019
053.031
060.018
052.003
053.032
020.026
020.027
060.017
040.045
052.028
052.013
040.011
040.011
040.011
040.011
053.003
040.011
091.035
020.049
070.049
020.049
030.019
091.049
053.017
060.007
060.007
053.017
020.032
080.019
080.021
080.033
053.011
053.025
060.013
060.017
053.021
040.011
040.011
040.011
040.011
040.011
040.011
070.025
060.007
070.047
070.051
070.051
080.027
020.034
060.003
080.027
020.003
020.004
020.053
020.032
020.007
020.024
020.021
020.021
020.022
020.024
020.006
020.003
020.004
020.024
070.008
020.057
020.051
020.028
020.022
020.022
020.022
092.009
020.013
020.015
020.011
020.011
053.017
030.014
030.005
030.013
020.015
020.006
020.003
020.004
052.025
020.037
053.021
020.051
020.057
020.057
020.008
020.007
053.017
053.017
053.023
091.031
052.021
070.047
070.051
070.051
020.011
040.045
020.037
080.011
080.012
060.007
070.050
060.017
070.023
070.025
060.007
020.031
040.021
070.023
070.023
070.023
070.025
060.007
030.001
030.008
030.022
060.012
091.005
091.055
080.035
070.038
070.039
070.023
070.025
060.007
053.021
060.005
060.009
060.009
060.020
060.021
070.003
070.052
070.055
060.005
070.037
053.021
053.021
053.021
053.021
060.005
060.009
060.009
060.012
070.003
070.009
070.034
070.037
070.040
070.043
070.055
030.008
070.049
070.055
060.017
070.055
070.055
070.023
070.025
080.035
080.023
080.035
080.023
080.035
080.023
080.035
080.023
080.035
080.023
080.035
080.023
080.035
080.023
080.035
080.023
080.035
080.035
080.035
080.019
080.019
080.027
080.019
080.027
080.033
080.019
092.033
020.060
053.017
053.017
053.017
020.053
053.013
070.023
070.025
052.029
060.013
060.017
070.027
070.029
070.049
070.038
070.039
040.043
040.045
040.039
091.018
091.020
091.016
070.038
070.039
052.030
030.007
091.023
040.043
092.040
091.049
03
10
19
01
19
19
01
09
08
14
01
24
19
19
22
09
01
08
11
18
01
01
13
03
01
01
04
04
01
01
05
01
06
07
01
12
01
08
16
03
11
01
02
07
35
11
13
08
13
30
08
06
09
09
12
12
15
03
03
03
03
03
03
30
09
04
04
08
10
02
03
21
07
07
01
05
04
06
02
04
10
04
03
13
02
11
04
01
05
08
04
07
03
09
03
01
04
03
10
05
02
01
02
05
14
03
16
07
11
02
02
03
04
01
26
27
26
07
11
04
04
08
08
14
04
05
01
07
01
02
05
05
04
07
10
08
09
28
28
08
17
09
08
05
09
17
09
12
05
03
03
03
18
16
08
14
02
02
04
08
23
04
23
02
04
06
08
06
02
29
03
14
03
02
02
06
02
22
03
03
02
14
15
08
07
07
02
08
02
08
02
08
02
08
02
08
02
08
02
08
02
08
02
02
08
29
32
12
15
20
12
44
03
01
02
12
16
11
04
02
02
03
09
09
28
28
20
11
03
27
23
06
07
06
03
09
04
14
01
13
36
03
01
NÚMERO PÁGINA ITEM NÚMERO PÁGINA ITEM NÚMERO PÁGINA ITEM NÚMERO PÁGINA ITEM

Trator Jonh Deere 7500

  • 2.
    30Jan02TRATORES JOHN DEERE7500 CPCQ26568 00A01 INDICE GERAL
  • 3.
    30Jan02TRATORES JOHN DEERE7500 CPCQ26568 00A01 INDICE GERAL
  • 4.
    30Jan02TRATORES JOHN DEERE7500 CPCQ26568 00A01 INDICE GERAL
  • 5.
    30Jan02TRATORES JOHN DEERE7500 CPCQ26568 00A01 INDICE GERAL
  • 6.
    30Jan02TRATORES JOHN DEERE7500 CPCQ26568 00A01 INDICE GERAL
  • 7.
    30Jan02TRATORES JOHN DEERE7500 CPCQ26568 00A01 INDICE GERAL
  • 8.
    30Jan02TRATORES JOHN DEERE7500 CPCQ26568 00A01 INDICE GERAL
  • 9.
    30Jan02TRATORES JOHN DEERE7500 CPCQ26568 00A01 INDICE GERAL
  • 10.
    30Jan02TRATORES JOHN DEERE7500 CPCQ26568 00A01 INDICE GERAL
  • 11.
    30Jan02TRATORES JOHN DEERE7500 CPCQ26568 00A01 INDICE GERAL
  • 12.
    30Jan02TRATORES JOHN DEERE7500 CPCQ26568 00A01 INDICE GERAL
  • 13.
    30Jan02TRATORES JOHN DEERE7500 CPCQ26568 00A01 INDICE GERAL
  • 14.
    30Jan02TRATORES JOHN DEERE7500 CPCQ26568 1A13 INDICE DE GRUPO - INDICE DE GRUPO
  • 15.
    30Jan02TRATORES JOHN DEERE7500 CPCQ26568 1A13 INDICE DE GRUPO - INDICE DE GRUPO
  • 16.
    TRATORES JOHN DEERE7500 CPCQ26568 30Jan02 MOTOR SEMIMONTADO 1 AJ59470 MOTOR 6068 TJ01 1 7 5 0 0 X 20.001 - ITEM NÚMERO DESCRIÇÃO QTDE OBSERVAÇÕESNO. SÉRIE
  • 17.
    TRATORES JOHN DEERE7500 CPCQ26568 30Jan02 BLOCO DE CILINDROS SEMIMONTADO 1 BSA6068T1 BLOCO SEMIM. 1 7 5 0 0 X 20.002 - ITEM NÚMERO DESCRIÇÃO QTDE OBSERVAÇÕESNO. SÉRIE
  • 18.
    TRATORES JOHN DEERE7500 CPCQ26568 30Jan02 BLOCO DE CILINDROS PARTE DIANTEIRA DIREITA 1 2 3 4 5 6 7 8 9 10 11 12 13 14 15 16 17 AJ58772 A120R R54802 15H624 15H623 R26650 T18891 R75892 R26493 R121043 R111137 R65215 T20168 T23474 R82674 14H774 R115390 BLOBO CILINDROS PINO INJETOR BUJAO BUJAO PINO TAMPA JUNTA BUCHA VALVULA ALIVIO MOLA MANCAL ARRUELA PARAFUSO PRISIONEIRO PORCA SEXT CONEXÃO 1 1 6 1 1 2 1 1 1 1 1 6 12 12 1 1 1 7 5 0 0 X X X X X X X X X X X X X X X X X MARKED R124853 1/2" 14NPT 3/8" 3/8" 3/8"-24UNF 3/8" 20.003 - - - - - - - - - - - - - - - - - ITEM NÚMERO DESCRIÇÃO QTDE OBSERVAÇÕESNO. SÉRIE
  • 19.
    TRATORES JOHN DEERE7500 CPCQ26568 30Jan02 BLOCO DE CILINDROS - PARTE TRASEIRA ESQUERDA 1 2 3 4 5 6 7 8 9 AJ58772 T20168 T23474 A120R AT13740 R119392 T18891 15H562 R79089 BLOBO CILINDROS ARRUELA PARAFUSO PINO BUJAO BUJAO TAMPA BUJÃO MANCAL 1 2 2 3 1 7 1 1 1 7 5 0 0 X X X X X X X X X MARKED R124853 1/8" 27 NPT 1"- 11.1/2 NPT REAR 20.004 - - - - - - - - - ITEM NÚMERO DESCRIÇÃO QTDE OBSERVAÇÕESNO. SÉRIE
  • 20.
    TRATORES JOHN DEERE7500 CPCQ26568 30Jan02 INTERRUPTOR DE PRESSÃO DO ÓLEO 1 AT85174 INTERRUPTOR 1 7 5 0 0 X 1/8"-27 NPT 20.005 - ITEM NÚMERO DESCRIÇÃO QTDE OBSERVAÇÕESNO. SÉRIE
  • 21.
    TRATORES JOHN DEERE7500 CPCQ26568 30Jan02 PLACA DIANTEIRA 1 2 3 4 5 6 7 8 R131794 12H324 T20166 R75470 T23442 24H1136 12H303 14H785 JUNTA ARRUELA DENTADA PARAFUSO PLACA PRISIONEIRO ARRUELA ARRUELA PRESSAO PORCA SEXT 1 5 5 1 3 3 3 3 7 5 0 0 X X X X X X X X 3/8" 3/8"X8" 11/32"X11/16 5/16" 5/16" 20.006 - - - - - - - - ITEM NÚMERO DESCRIÇÃO QTDE OBSERVAÇÕESNO. SÉRIE
  • 22.
    TRATORES JOHN DEERE7500 CPCQ26568 30Jan02 ENGRENAGEM DE DISTRIBUICÃO (SUPERIOR) 1 2 3 4 5 6 T26327 R101227 AR91660 T20034 R101224 R101225 PARAFUSO ARRUELA ENGRENAGEM BUCHA EIXO ARRUELA 2 1 1 1 1 1 7 5 0 0 X X X X X X 1/2" X 2.1/4" Z 55 MARKED R70182 20.007 - - - - - - ITEM NÚMERO DESCRIÇÃO QTDE OBSERVAÇÕESNO. SÉRIE
  • 23.
    TRATORES JOHN DEERE7500 CPCQ26568 30Jan02 ENGRENAGEM DE DISTRIBUICÃO (INFERIOR) 1 2 3 4 5 6 7 8 J56583 R101227 AT24252 T26321 R101224 R101225 R100105 19H3011 PORCA ARRUELA ENGRENAGEM BUCHA EIXO ARRUELA ARRUELA PARAF SEXT 1 1 2 1 1 1 1 1 7 5 0 0 X X X X X X X X 1/2"-20UNF Z 45 MARKED T26322 1/2"X2.1/8" 20.008 - - - - - - - - ITEM NÚMERO DESCRIÇÃO QTDE OBSERVAÇÕESNO. SÉRIE
  • 24.
    TRATORES JOHN DEERE7500 CPCQ26568 30Jan02 PLACAS DE LEVANTE DO MOTOR 1 2 3 J57090 J57091 19H2472 CALÇO TRASEIRO CALÇO DIANT PARAFUSO 1 1 2 7 5 0 0 X X X REAR FRONT 1/2" X 1" 20.009 - - - ITEM NÚMERO DESCRIÇÃO QTDE OBSERVAÇÕESNO. SÉRIE
  • 25.
    TRATORES JOHN DEERE7500 CPCQ26568 30Jan02 TAMPA DE DISTRIBUIÇÃO 20.010
  • 26.
    TRATORES JOHN DEERE7500 CPCQ26568 30Jan02 1 2 3 4 5 6 7 8 9 10 11 12 13 14 15 16 R126513 AJ58511 T20364 T20362 24H1304 19H2284 R83169 T27658 24H1290 A4827R R91692 14H774 19H3065 19H3031 19H1726 19H2549 JUNTA TAMPA JUNTA TAMPA ARRUELA LISA PARAF SEXT VALVULA ALIVIO MOLA ARRUELA LISA ARRUELA TAMPAO PORCA SEXT PARAF SEXT PARAF SEXT PARAF SEXT PARAFUSO 1 1 1 1 15 2 1 1 1 1 1 1 4 2 2 5 7 5 0 0 X X X X X X X X X X X X X X X X 10,3X18,3X3,0MM 3/8"X7/8" 21/64"X3/4" 3/8"-24UNF 3/8"X2 3/8"X2.1/2" 3/8"X2.1/4" 3/8"X1-7/8" 20.011 - - - - - - - - - - - - - - - - ITEM NÚMERO DESCRIÇÃO QTDE OBSERVAÇÕESNO. SÉRIE
  • 27.
    TRATORES JOHN DEERE7500 CPCQ26568 30Jan02 SENSOR MAGNÉTICO (TACOMETRO) 1 2 RE508195 51M7044 EMISSOR ANEL O 1 1 7 5 0 0 X X 17,3X2,2MM 20.012 - - ITEM NÚMERO DESCRIÇÃO QTDE OBSERVAÇÕESNO. SÉRIE
  • 28.
    TRATORES JOHN DEERE7500 CPCQ26568 30Jan02 BOCAL DE ENCHIMENTO DE ÓLEO (4039TJ01) 1 2 3 4 5 6 7 RE44199 R90788 T20328 R87259 19H3217 24H1304 19H2458 BOCAL TAMPA JUNTA JUNTA PARAFUSO ARRUELA LISA PARAF SEXT 1 1 1 1 1 2 1 3480 3480 3480 3480 3480 3480 3480 7 5 0 0 X X X X X X X MARKED RE 25648 3/8"X1-3/4" 10,3X18,3X3,0MM 3/8"X3" 20.013 - - - - - - - ITEM NÚMERO DESCRIÇÃO QTDE OBSERVAÇÕESNO. SÉRIE
  • 29.
    TRATORES JOHN DEERE7500 CPCQ26568 30Jan02 20.014
  • 30.
    TRATORES JOHN DEERE7500 CPCQ26568 30Jan02 TAMPA DO BOCAL DE ENCHIMENTO DE ÓLEO DO MOTOR 1 2 3 4 5 T20336 T23260 24H1304 19H1648 19H1728 JUNTA TAMPA ARRUELA LISA PARAF SEXT PARAFUSO 1 1 2 1 1 3479 3479 3479 3479 3479 7 5 0 0 X X X X X 10,3X18,3X3,0MM 3/8"X3/4" 3/8"X2 1/4" 20.015 - - - - - ITEM NÚMERO DESCRIÇÃO QTDE OBSERVAÇÕESNO. SÉRIE
  • 31.
    TRATORES JOHN DEERE7500 CPCQ26568 30Jan02 CARCAÇA DO VOLANTE 1 2 3 4 5 6 7 19H3219 19H2008 R129553 R122548 12H304 R97351 RE44574 PARAFUSO PARAF SEXT ARRUELA CAIXA VOLANTE ARRUELA PRESSAO JUNTA RETENTOR 8 4 1 1 8 1 1 7 5 0 0 X X X X X X X 3/8"X1-3/8" 5/8"X 1 5/8" 3/8" REAR 20.016 - - - - - - - ITEM NÚMERO DESCRIÇÃO QTDE OBSERVAÇÕESNO. SÉRIE
  • 32.
    TRATORES JOHN DEERE7500 CPCQ26568 30Jan02 VOLANTE 1 2 3 19H2993 R28811 RE58829 PARAF SEXT COROA VOLANTE 4 1 1 7 5 0 0 X X X 1/2"X 1 1/2" Z 129 MARKED R122664 20.017 - - - ITEM NÚMERO DESCRIÇÃO QTDE OBSERVAÇÕESNO. SÉRIE
  • 33.
    TRATORES JOHN DEERE7500 CPCQ26568 30Jan02 TAMPA DOS BALANCINS 1 2 3 AT21679 AR103811 R75728 TAMPA PARAF C/ARRUELA JUNTA 1 12 7 5 0 0 X X X 20.018 - - - ITEM NÚMERO DESCRIÇÃO QTDE OBSERVAÇÕESNO. SÉRIE
  • 34.
    TRATORES JOHN DEERE7500 CPCQ26568 30Jan02 RESPIRO 1 2 3 4 R495R R92154 AR21837 J57278 ANEL O COTOVELO ABRACADEIRA MANGUEIRA 1 1 1 1 7 5 0 0 X X X X 20.019 - - - - ITEM NÚMERO DESCRIÇÃO QTDE OBSERVAÇÕESNO. SÉRIE
  • 35.
    TRATORES JOHN DEERE7500 CPCQ26568 30Jan02 CABEÇOTE DOS CILINDROS 1 2 3 4 5 6 7 8 R85363 RE55527 R43409 CD16284 R106829 R106831 R119392 R114157 A3910R CD16284 15H624 PARAFUSO CABECOTE TAMPAO TAMPA INSERTO ESCAPE INSERTO ADMIS BUJAO JUNTA TAMPA TAMPA BUJAO 28 3 3 6 6 1 1 2 2 XXXXXX XXXXXX XXXXXX XXXXXX 7 5 0 0 X X X X X X X X X X X 1/2"X4.13/32 MARKED R105704 OD=43,2MM O.D.=43.2MM 0D=32,6MM OD=STANDARD OD=STANDARD 1/8" 27 NPT OD=25,5MM O.D.=25,5MM 0D=32,6MM 1/2" 14NPT 20.020 - - - - - - - - - - - ITEM NÚMERO DESCRIÇÃO QTDE OBSERVAÇÕESNO. SÉRIE MOTOR
  • 36.
    TRATORES JOHN DEERE7500 CPCQ26568 30Jan02 ÁRVORE DE MANIVELAS 1 2 3 4 5 RE19871 T20070 26H72 T20072 19H2676 ARVORE COMANDO ENGRENAGEM CHAVETA PLACA PARAF SEXT 1 1 1 1 2 7 5 0 0 X X X X X Z 48 1/8"X5/8" 3/8"X1" 20.021 - - - - - ITEM NÚMERO DESCRIÇÃO QTDE OBSERVAÇÕESNO. SÉRIE
  • 37.
    TRATORES JOHN DEERE7500 CPCQ26568 30Jan02 BALANCIN - EIXO - TUCHO - VARETA 1 2 3 4 5 6 7 8 9 10 R54565 DD12121 T20316 T20314 19H1733 R42729 T20315 RE31973 R83429 T20073 TAMPA EIXO ARRUELA MOLA PARAF SEXT ARRUELA SUPORTE BALANCIN VARETA EMP TUCHO 2 1 2 5 6 6 6 12 12 12 7 5 0 0 X X X X X X X X X X 3/8"X 2 1/2" 20.022 - - - - - - - - - - ITEM NÚMERO DESCRIÇÃO QTDE OBSERVAÇÕESNO. SÉRIE
  • 38.
    TRATORES JOHN DEERE7500 CPCQ26568 30Jan02 VÁLVULAS 1 2 3 4 5 6 7 8 R91889 RE60005 R26125 RE31617 RE37643 RE37644 R106831 R98062 R97490 R97491 R106829 R90692 R97492 R97493 TRAVA ROTOR MOLA RETENTOR RETENTOR RETENTOR INSERTO ADMIS VALV.ADMISSAO VALV ADMISSAO VALV.ADMISSAO INSERTO ESCAPE VALV.ESCAPE VALV.ESCAPE VALV.ESCAPE 24 12 12 12 AR AR 6 6 AR 6 6 AR AR 7 5 0 0 X X X X X X X X X X X X X X OD=STANDARD O.D.=STANDARD OD=+0,381MM O.D. =+0,381MM OD=+0,762MM O.D. =+0,762MM OD=STANDARD OD=STANDARD O.D.=STANDARD OD =+0,381MM O.D.=+0,381MM OD =+0,762MM O.D.=+0,762MM OD=STANDARD OD=STANDARD O.D.=+STANDARD OD =+0,381MM O.D.=+0,381MM OD =+0,762MM O.D.=+0,762MM 20.023 - - - - - - - - - - - - - - ITEM NÚMERO DESCRIÇÃO QTDE OBSERVAÇÕESNO. SÉRIE
  • 39.
    TRATORES JOHN DEERE7500 CPCQ26568 30Jan02 VIRABREQUIM 1 2 3 4 5 6 7 8 9 10 11 12 RE45517 A120R 26H72 T20094 26H27 T20046 H35244 R81989 AR67942 RE12820 T20217 19H2993 VIRABREQUIM PINO CHAVETA ENGRENAGEM CHAVETA DEFLETOR ANEL O ACOPLAMENTO RETENTOR POLIA C/AMORT. ARRUELA PARAF SEXT 1 1 1 1 1 1 1 1 1 1 1 1 7 5 0 0 X X X X X X X X X X X X MARKED R121027 1/8"X5/8" Z 24 5/16"X1.1/8" FRONT 1/2"X 1 1/2" 20.024 - - - - - - - - - - - - ITEM NÚMERO DESCRIÇÃO QTDE OBSERVAÇÕESNO. SÉRIE
  • 40.
    TRATORES JOHN DEERE7500 CPCQ26568 30Jan02 MANCAIS DE BANCADA 1 2 3 RE27352 RE27353 RE27360 RE13571 AR95932 RE60350 RE27351 RE27359 RE27366 JOGO CASQUILHOS JOGO CASQUILHOS JOGO CASQUILHOS JOGO ARRUELA JOGO ARRUELA KIT MANCAL JOGO CASQUILHOS JOGO CASQUILHOS JOGO CASQUILHOS 6 AR AR 1 AR 1 AR AR AR 7 5 0 0 X X X X X X X X X ID = STD (KIT (2) R100808) ID=0,254MM (KIT (2) R87750) ID=0,508MM (A) KIT (2) R87756) TK = STD (KIT (4) R78598) TK=+0.17MM (KIT (3) R64851) ID=STD (KIT (2) R121413) ID=0,254MM (KIT (2) R87749) ID=0,508MM (KIT (2) R87755) ID=0,762MM (KIT (2) R87758) 20.025 (A) SOMENTE COM RAIO LAMINADO (MARKED R126921) - - - - - - - - - ITEM NÚMERO DESCRIÇÃO QTDE OBSERVAÇÕESNO. SÉRIE
  • 41.
    TRATORES JOHN DEERE7500 CPCQ26568 30Jan02 CAMISA DE CILINDRO/PISTÃO/BIELA 1 2 3 4 5 6 7 8 9 10 11 R121867 CD15466 R65833 AR65507 RE66820 R54114 ....... R124230 RE53716 R57451 R74195 RE47867 AR97653 AR97654 CAMISA CILINDRO ESPACADOR ESPACADOR JOGO VEDACAO KIT ANEIS ANEL ELASTICO PISTAO PINO BIELA BUCHA PARAFUSO KIT MANCAIS KIT MANCAIS KIT MANCAIS 6 AR AR 6 6 12 6 6 6 6 12 6 AR AR 7 5 0 0 X X X X X X X X X X X X X X TK= 0,05MM TK=0,1MM NSEP ORD AJ58773 O.D.=41MM ID=STANDARD (KIT (2) R125711) ID=0,254MM (A) (KIT (2) R75396) ID=0,508MM (KIT (2) R73597) 20.026 (A) SOMENTE COM RAIO LAMINADO (MARKED R126921) - - - - - - - - - - - - - - ITEM NÚMERO DESCRIÇÃO QTDE OBSERVAÇÕESNO. SÉRIE
  • 42.
    TRATORES JOHN DEERE7500 CPCQ26568 30Jan02 CAMISAS E PISTÕES/KIT DE REPARO 1 2 3 4 5 6 7 8 9 AJ58773 R121867 AR65507 RE66820 ....... CD15466 R65833 R54114 R56188 R57451 KIT COMPRESS CAMISA CILINDRO JOGO VEDACAO KIT ANEIS PISTAO ESPACADOR ESPACADOR ANEL ELASTICO PINO BUCHA 6 6 6 6 6 AR AR 12 6 6 7 5 0 0 X X X X X X X X X X NSEP ORD AJ58773 TK= 0,05MM TK=0,1MM O.D. = 41MM 20.027 - - - - - - - - - - ITEM NÚMERO DESCRIÇÃO QTDE OBSERVAÇÕESNO. SÉRIE
  • 43.
    TRATORES JOHN DEERE7500 CPCQ26568 30Jan02 BOMBA DE ÓLEO 1 2 3 4 5 6 7 8 9 10 11 12 13 14 15 R74552 12H304 RE50211 R61871 R79560 AR85788 R54632 T20298 14H826 R66177 RE15490 R79563 R79562 R112867 AJ58821 PARAFUSO ARRUELA PRESSAO PENEIRA ANEL O ADAPTADOR EIXO TAMPA ENGRENAGEM PORCA SEXT ENGRENAGEM CARCACA ACOPLAMENTO PORCA TUBO BOMBA 2 2 1 1 1 1 1 1 1 1 1 1 1 1 7 5 0 0 X X X X X X X X X X X X X X X 3/8" (A) Z 33 1/2"-13 UNC (B) (C) 20.028 (A) (B) (C) TAMBEM PEDIR R66177 TAMBEM PEDIR AR85788 MARCADO R97587 - - - - - - - - - - - - - - - ITEM NÚMERO DESCRIÇÃO QTDE OBSERVAÇÕESNO. SÉRIE
  • 44.
    TRATORES JOHN DEERE7500 CPCQ26568 30Jan02 CARTER DE ÓLEO 1 2 3 4 5 6 7 8 9 10 11 12 13 14 19H2284 12H304 RE43845 RE54894 R56461 R97344 R121779 24H1304 19H2633 19H2023 R116102 R120247 19H3483 24M1303 PARAF SEXT ARRUELA PRESSAO TAMAPA TUBO ANEL O JUNTA CARTER ARRUELA LISA PARAF SEXT PARAF SEXT DRENO ARRUELA PARAFUSO ARRUELA 1 1 1 1 1 1 1 36 4 2 1 1 30 1 3479 3479 3479 3479 3479 3479 3479 3479 3479 3479 3479 3479 3479 3479 7 5 0 0 X X X X X X X X X X X X X X 3/8"X7/8" 3/8" 10,3X18,3X3,0MM 3/8"X 1 1/2" 3/8" X 3 1/4 M22X1,5 COBRE (COPPER) 3/8"X1.1/8" 10,3X17,5X1,5MM 20.029 - - - - - - - - - - - - - - ITEM NÚMERO DESCRIÇÃO QTDE OBSERVAÇÕESNO. SÉRIE MOTOR
  • 45.
    TRATORES JOHN DEERE7500 CPCQ26568 30Jan02 CARTER DE ÓLEO - MOTORES 6068TJ01 1 2 3 4 5 N14822 N10214 R97344 RE46687 AJ59646 PARAFUSO PARAFUSO JUNTA TAMPÃO CARTER 32 4 1 1 1 003480 003480 003480 003480 003480 7 5 0 0 X X X X X 3/8"X3/4" 3/8"X1" 20.030 - - - - - ITEM NÚMERO DESCRIÇÃO QTDE OBSERVAÇÕESNO. SÉRIE
  • 46.
    TRATORES JOHN DEERE7500 CPCQ26568 30Jan02 DUTO DE ADMISSÃO DE AR 1 2 3 4 5 6 7 8 19H3483 12H304 RE56595 R81275 AR21840 R56551 T58477 R26906 PARAFUSO ARRUELA PRESSAO DUTO ADMISSAO JUNTA ABRACADEIRA MANGUEIRA TAMPAO ANEL O 2 2 1 1 2 1 1 1 7 5 0 0 X X X X X X X X 3/8"X1.1/8" 3/8" 7/8"-14 UNF 20.031 - - - - - - - - ITEM NÚMERO DESCRIÇÃO QTDE OBSERVAÇÕESNO. SÉRIE
  • 47.
    TRATORES JOHN DEERE7500 CPCQ26568 30Jan02 TURBOCOMPRESSOR 1 2 3 4 5 6 7 8 9 10 11 12 13 14 15 19H2552 12H304 RE56617 R89879 T19898 RE55037 19H2284 R43416 RE62102 AR21837 R76974 R82859 T11180 R46414 24H1304 PARAF SEXT ARRUELA PRESSAO TURBOCOMPRESS JUNTA CONEXAO MANGUEIRA PARAF SEXT JUNTA TUBULAÇÕES ABRACADEIRA MANGUEIRA CONEXAO CONEXAO FIXADOR ARRUELA LISA 4 2 1 1 1 1 2 1 1 2 1 1 1 1 4 7 5 0 0 X X X X X X X X X X X X X X X 3/8"X1.1/8" 3/8" 3/8"X7/8" 10,3X18,3X3,0MM 20.032 - - - - - - - - - - - - - - - ITEM NÚMERO DESCRIÇÃO QTDE OBSERVAÇÕESNO. SÉRIE
  • 48.
    TRATORES JOHN DEERE7500 CPCQ26568 30Jan02 COLETOR DE ESCAPAMENTO 1 2 3 4 19H2458 24H1304 R119265 R119395 PARAF SEXT ARRUELA LISA COLETOR JUNTA 12 12 1 6 7 5 0 0 X X X X 3/8"X3" 10,3X18,3X3,0MM 20.033 - - - - ITEM NÚMERO DESCRIÇÃO QTDE OBSERVAÇÕESNO. SÉRIE
  • 49.
    TRATORES JOHN DEERE7500 CPCQ26568 30Jan02 BOMBA DE ALIMENTAÇÃO DE COMBUSTÍVEL 1 2 3 4 RE55390 T16318 24H1136 19H2127 BOMBA COMBUST. ANEL O ARRUELA PARAF SEXT 1 1 2 2 7 5 0 0 X X X X 11/32"X11/16 5/16"X7/8" 20.034 - - - - ITEM NÚMERO DESCRIÇÃO QTDE OBSERVAÇÕESNO. SÉRIE
  • 50.
    TRATORES JOHN DEERE7500 CPCQ26568 30Jan02 BOMBA DE INJEÇÃO DE COMBUSTÍVEL 1 2 3 4 5 6 7 8 RE61860 14M7150 12H317 R56131 R76964 RE22744 R130854 NSEP068 BOMBA INJET PORCA SEXT ARRUELA PRESSAO CHAVETA ENGRENAGEM SOLENOIDE ANEL O CONEXÃO 1 1 1 1 1 1 1 6 7 5 0 0 X X X X X X X X (A) LUCAS DP201 M14 9/16" Z = 48 (A) NSEP 20.035 (A) CONSULTE O CONCESSIONÁRIO AUTORIZADO LUCAS POR PIEZAS NO LISTADAS - - - - - - - - ITEM NÚMERO DESCRIÇÃO QTDE OBSERVAÇÕESNO. SÉRIE
  • 51.
    TRATORES JOHN DEERE7500 CPCQ26568 30Jan02 TUBULAÇÕES DE COMBUSTÍVEL 1 2 3 4 5 6 7 8 9 10 11 12 RE58171 RE19797 19M8560 RE20901 RE19800 RE56684 RE58830 RE58831 RE58832 RE58833 RE58834 RE58835 TUBULACOES GRAMPO PARAF SEXT GRAMPO GRAMPO TUBULACOES TUBO TUBO TUBO TUBO TUBO TUBO 1 5 7 1 1 1 1 1 1 1 1 1 7 5 0 0 X X X X X X X X X X X X ID=1,6MM M6X12 20.036 - - - - - - - - - - - - ITEM NÚMERO DESCRIÇÃO QTDE OBSERVAÇÕESNO. SÉRIE
  • 52.
    TRATORES JOHN DEERE7500 CPCQ26568 30Jan02 INJETOR DE COMBUSTÍVEL 1 2 3 4 5 6 7 8 9 10 11 RE36939 R71963 R79605 T31174 R92352 R48000 T24472 R51936 R51937 R66090 J56917 R101201 INJETOR CONECTOR "T" JUNTA TAMPAO VEDACAO JUNTA TAMPAO ANEL PENETRACAO PORCA TUBO TUBO PARAF SEXT 6 6 6 AR 6 6 AR 12 12 5 1 6 7 5 0 0 X X X X X X X X X X X X REAR 20.037 - - - - - - - - - - - - ITEM NÚMERO DESCRIÇÃO QTDE OBSERVAÇÕESNO. SÉRIE
  • 53.
    TRATORES JOHN DEERE7500 CPCQ26568 30Jan02 FILTRO DE COMBUSTÍVEL 20.038
  • 54.
    TRATORES JOHN DEERE7500 CPCQ26568 30Jan02 1 2 3 4 5 6 7 8 9 11 12 13 14 15 16 19H3239 24H1304 ....... ....... 15H275 R27094 J57275 J56979 AT32333 J55731 RE56605 RE57409 J56137 R26286 AJ59162 R56101 P60209 12H304 19H2676 PARAFUSO ARRUELA LISA FILTRO COMBUST FILTRO COMBUST BUJAO BUJAO MANGUEIRA CONEXAO CONEXÃO CONEXAO CONEXAO TUBULACOES MANGUEIRA ANEL O CANO CLIP SUPORTE FILTRO ARRUELA PRESSAO PARAF SEXT 2 2 1 1 2 2 1 1 1 1 1 1 1 4 1 2 1 2 2 XXXXXX XXXXXX 1968 XXXXXX XXXXXX XXXXXX 1968 1968 XXXXXX XXXXXX XXXXXX XXXXXX 1967 1967 7 5 0 0 X X X X X X X X X X X X X X X X X X X 3/8"X1-1/4" 10,3X18,3X3,0MM NSEP (A) NSEP (A) 1/4"-18NPT 1/2"- 20UNF 1/4" -18NPTF 1/4"-18 NPT 3/8" 3/8"X1" 20.039 (A) COMPONENTES DE REPOSICAO PARA RE63124 - - - - - - - - - - - - - - - - - - - ITEM NÚMERO DESCRIÇÃO QTDE OBSERVAÇÕESNO. SÉRIE MOTOR
  • 55.
    TRATORES JOHN DEERE7500 CPCQ26568 30Jan02 FILTRO DE COMBUSTÍVEL/ELEMENTO FILTRANTE 1 RE62419 ELEMEN.FILTRANTE 1 7 5 0 0 X 20.040 - ITEM NÚMERO DESCRIÇÃO QTDE OBSERVAÇÕESNO. SÉRIE
  • 56.
    TRATORES JOHN DEERE7500 CPCQ26568 30Jan02 FILTRO DE COMBUSTÍVEL/CABEÇA DO FILTRO - KIT 1 2 3 4 5 6 7 8 RE500160 ....... ....... R113565 ....... ....... RE26286 RE62158 KIT CABEÇOTE DO FILTRO TAMPÃO DE DRENO VEDAÇÃO BATENTE ANEL O ANEL O TAMPÃO 1 1 1 1 1 1 2 2 7 5 0 0 X X X X X X X X NSEP NSEP ORD RE60854 NSEP ORD RE51649 NSEP ORD RE51649 1/2" -20UNF 20.041 - - - - - - - - ITEM NÚMERO DESCRIÇÃO QTDE OBSERVAÇÕESNO. SÉRIE MOTOR
  • 57.
    TRATORES JOHN DEERE7500 CPCQ26568 30Jan02 FILTRO DE COMBUSTÍVEL/KIT DE JUNTAS 1 RE50752 JUNTAS 1 7 5 0 0 X 20.042 - ITEM NÚMERO DESCRIÇÃO QTDE OBSERVAÇÕESNO. SÉRIE
  • 58.
    TRATORES JOHN DEERE7500 CPCQ26568 30Jan02 FILTRO DE COMBUSTÍVEL/KIT TAMPÃO DE PURGA E DE SANGRIA 1 RE60854 KIT TAMPOES 1 7 5 0 0 X 20.043 - ITEM NÚMERO DESCRIÇÃO QTDE OBSERVAÇÕESNO. SÉRIE
  • 59.
    TRATORES JOHN DEERE7500 CPCQ26568 30Jan02 FILTRO DE COMBUSTÍVEL/PEÇAS MECÂNICAS 1 RE51649 PECAS MECANICAS 1 7 5 0 0 X (A) 20.044 - ITEM NÚMERO DESCRIÇÃO QTDE OBSERVAÇÕESNO. SÉRIE
  • 60.
    TRATORES JOHN DEERE7500 CPCQ26568 30Jan02 FILTRO DE COMBUSTÍVEL/COPO DE DECANTAÇÃO 1 2 3 4 5 6 7 8 9 RE51650 ....... ....... ....... ....... ....... ....... ....... NSEP033 COPO DECANT ANEL ELASTICO CORPO ROSCADO ANEL ELASTICO COPO DECANT ANEL ELASTICO PARAF.SEXT. JUNTA TAMPAO DRENO 1 1 1 1 1 1 1 1 1 7 5 0 0 X X X X X X X X X (A) NSEP ORD RE50752 NSEP ORD RE51650 NSEP ORD RE50752 NSEP ORD RE51650 NSEP ORD RE50752 NSEP ORD RE51650 NSEP ORD RE60854 20.045 - - - - - - - - - ITEM NÚMERO DESCRIÇÃO QTDE OBSERVAÇÕESNO. SÉRIE
  • 61.
    TRATORES JOHN DEERE7500 CPCQ26568 30Jan02 PRÉ-FILTRO - COMPONENTES 20.046
  • 62.
    TRATORES JOHN DEERE7500 CPCQ26568 30Jan02 1 2 3 4 5 6 7 8 9 10 11 12 DQ25143 CQ24628 CQ24634 CQ24635 CQ24640 DQ24057 CQ24629 DQ25145 DQ39530 CQ24631 DQ25144 DQ39455 DQ32910 PLUG DO RESPIRO ANEL BASE CONEXAO GUARNICAO ELEM FILTRANTE ANEL COPO TRANSPARENTE COPO ALUMINIO VEDACAO PLUG DRENO SEDIMENTADOR KIT TAMPÃO 1 1 1 1 1 1 1 1 1 1 1 1 2 11110 11110 11109 7 5 0 0 X X X X X X X X X X X X X INCL KEYS 2 INCL KEYS 7 ORD DQ39520 INCL KEYS 9 20.047 - - - - - - - - - - - - - ITEM NÚMERO DESCRIÇÃO QTDE OBSERVAÇÕESNO. SÉRIE
  • 63.
    TRATORES JOHN DEERE7500 CPCQ26568 30Jan02 PRE-FILTRO - CONEXÕES E MANGUEIRAS 20.048
  • 64.
    TRATORES JOHN DEERE7500 CPCQ26568 30Jan02 1 2 3 4 5 6 7 8 9 10 11 SG064.01 CQ29172 S17072 CQ08038 CQ29143 CQ03768 CQ29167 CQ29173 19H2676 12H304 24M7040 ABRACADEIRA MANGUEIRA JUNTA TERMINAL PARAFUSO ABRACADEIRA AUTOTRAVANTE MANGUEIRA MANGUEIRA PARAF SEXT ARRUELA PRESSAO ARRUELA LISA 4 1 4 2 2 AR 1 1 AR AR AR 7 5 0 0 X X X X X X X X X X X 1/2"X5/8" LGTH=200MM LGHT LGHT 3/8"X1" 3/8" 11X21X2MM 20.049 - - - - - - - - - - - ITEM NÚMERO DESCRIÇÃO QTDE OBSERVAÇÕESNO. SÉRIE
  • 65.
    TRATORES JOHN DEERE7500 CPCQ26568 30Jan02 ESFRIADOR DE ÓLEO DO MOTOR 20.050
  • 66.
    TRATORES JOHN DEERE7500 CPCQ26568 30Jan02 1 2 3 4 5 6 7 8 9 10 11 AR21837 T25469 J56996 J56997 T20280 R72853 24H1304 19H3031 R105714 RE50122 R56947 ABRACADEIRA MANGUEIRA TUBULACOES TUBULACOES ESPACADOR FIXADOR ARRUELA LISA PARAF SEXT VEDACAO ESFRIADOR OLEO TAMPAO 8 4 1 1 1 1 1 1 1 1 7 5 0 0 X X X X X X X X X X X ID 19MM 10,3X18,3X3,0MM 3/8"X2.1/2" 20.051 - - - - - - - - - - - ITEM NÚMERO DESCRIÇÃO QTDE OBSERVAÇÕESNO. SÉRIE
  • 67.
    TRATORES JOHN DEERE7500 CPCQ26568 30Jan02 FILTRO DE ÓLEO/ADAPTADOR 20.052
  • 68.
    TRATORES JOHN DEERE7500 CPCQ26568 30Jan02 1 2 3 4 5 6 7 8 9 10 11 12 13 14 15 16 T19044 R54823 15H623 19H1944 19H2633 R113701 R120146 R114097 R114096 19H3483 U12198 R109886 R56462 R109882 19H2733 19H3065 FILTRO CONEXAO BUJAO PARAF SEXT PARAF SEXT ADAPTADOR JUNTA JUNTA CAIXA PARAFUSO ANEL O TAMPA ANEL O PARAF ESPECIAL PARAF SEXT PARAF SEXT 1 1 1 1 2 1 1 1 1 2 1 1 1 1 1 1 7 5 0 0 X X X X X X X X X X X X X X X X 3/8" 3/8"X 2 3/4" 3/8"X 1 1/2" 3/8"X1.1/8" 3/8"X2 3/8" 3/8"X2 20.053 - - - - - - - - - - - - - - - - ITEM NÚMERO DESCRIÇÃO QTDE OBSERVAÇÕESNO. SÉRIE
  • 69.
    TRATORES JOHN DEERE7500 CPCQ26568 30Jan02 VARETA DO NÍVEL DE ÓLEO/GUIA 1 2 3 4 AT21535 R10093 R114102 14H826 VARETA NIVEL ANEL O GUIA PORCA SEXT 1 1 1 1 7 5 0 0 X X X X LGTH=289MM (A) (B) 1/2"-13 UNC (B) 20.054 (A) (B) COMPRIMENTO = 289MM COMPRIMENTO = 155MM - - - - ITEM NÚMERO DESCRIÇÃO QTDE OBSERVAÇÕESNO. SÉRIE
  • 70.
    TRATORES JOHN DEERE7500 CPCQ26568 30Jan02 CONJUNTO BOMBA DE AGUA 1 AJ59049 BOMBA AGUA 1 7 5 0 0 X 20.055 - ITEM NÚMERO DESCRIÇÃO QTDE OBSERVAÇÕESNO. SÉRIE
  • 71.
    TRATORES JOHN DEERE7500 CPCQ26568 30Jan02 BOMBA DE ÁGUA 20.056
  • 72.
    TRATORES JOHN DEERE7500 CPCQ26568 30Jan02 1 2 3 4 5 6 7 8 9 10 11 12 13 14 15 16 17 18 T20243 T25484 T25485 J56760 AR101549 19H2633 J57225 J56993 R34985 15H561 12H304 19H3065 JD10238 14H774 19H1726 24H1304 J57192 CQ33410 JUNTA TAMPA JUNTA ROTOR CONJUNTO RETENTOR PARAF SEXT POLIA CAIXA TUBO TAMPÃO ARRUELA PRESSAO PARAF SEXT EIXO PORCA SEXT PARAF SEXT ARRUELA LISA TUBO POLIA 1 1 1 1 1 2 1 1 2 1 7 4 1 1 1 1 1 1 7 5 0 0 X X X X X X X X X X X X X X X X X X 3/8"X 1 1/2" OD=16MM O.D.=19MM 3/8" 3/8"X2 3/8"-24UNF 3/8"X2.1/4" 10,3X18,3X3,0MM (A) 20.057 (A) SOMENTE COM CABINE - - - - - - - - - - - - - - - - - - ITEM NÚMERO DESCRIÇÃO QTDE OBSERVAÇÕESNO. SÉRIE
  • 73.
    TRATORES JOHN DEERE7500 CPCQ26568 30Jan02 TERMOSTATO/CARCAÇA DO TERMOSTATO 1 2 3 4 5 6 7 8 9 10 11 12 19H3065 R61501 19H3483 J57192 AR21839 R54641 12H304 19H1912 AJ58552 AR61538 R54638 R116137 PARAF SEXT TAMPA PARAFUSO TUBO ABRAÇADEIRA JUNTA ARRUELA PRESSAO PARAF SEXT CAIXA TERMOSTATO JUNTA MANGUEIRA 1 1 2 1 2 1 2 2 1 2 1 1 7 5 0 0 X X X X X X X X X X X X 3/8"X2 3/8"X1.1/8" 3/8" 3/8"X3.1/2" MARCADA J56994 20.058 - - - - - - - - - - - - ITEM NÚMERO DESCRIÇÃO QTDE OBSERVAÇÕESNO. SÉRIE
  • 74.
    TRATORES JOHN DEERE7500 CPCQ26568 30Jan02 SENSOR DE TEMPERATURA 1 RE51774 SENSOR AGUA 1 7 5 0 0 X 20.059 - ITEM NÚMERO DESCRIÇÃO QTDE OBSERVAÇÕESNO. SÉRIE
  • 75.
    TRATORES JOHN DEERE7500 CPCQ26568 30Jan02 LÍQUIDO DE ARREFECIMENTO 1 TY16034 ADITIVO 7 5 0 0 X (A) 20.060 (A) 5 LITROS - ITEM NÚMERO DESCRIÇÃO QTDE OBSERVAÇÕESNO. SÉRIE
  • 76.
    30Jan02TRATORES JOHN DEERE7500 CPCQ26568 1D9 INDICE DE GRUPO - INDICE DE GRUPO
  • 77.
    30Jan02TRATORES JOHN DEERE7500 CPCQ26568 1D9 INDICE DE GRUPO - INDICE DE GRUPO
  • 78.
    30Jan02TRATORES JOHN DEERE7500 CPCQ26568 1D9 INDICE DE GRUPO - INDICE DE GRUPO
  • 79.
    TRATORES JOHN DEERE7500 CPCQ26568 30Jan02 SUSPENSÃO DO MOTOR 1 2 3 4 5 6 7 8 9 10 11 12 13 14 15 16 17 19M7943 24H1353 RE60720 R95413 CQ28491 RE54513 DQ29533 19M7794 CQ00309 14M7313 19H1824 19H1824 R95412 CQ28492 24M7038 19M8055 19M7214 P59328 19M7784 19M7382 T70659 PARAF SEXT ARRUELA ISOLADOR SUPORTE ESQ SUPORTE ESQ SUPORTE SUPORTE PARAFUSO SEXT ARRUELA LISA PORCA AUTOFREN PARAF SEXT PARAF SEXT SUPORTE DIR SUPORTE DIR ARRUELA LISA PARAF SEXT PARAF SEXT SUPORTE PARAF SEXT PARAF SEXT FIXADOR AR 1 AR AR 2 4 1 2 2 AR AR AR 1074 1414 1074 1073 1413 1073 7 5 0 0 X X X X X X X X X X X X X X X X X X X X X M12X90 0,56"X2,25" ORD (1) 19H1824 M16X50 13X46MM M12 5/8"X2.1/4" 5/8"X2.1/4" ORD (1) 19H1824 14X24MM M14X55 M12X70 M10X20 M10X40 30.001 - - - - - - - - - - - - - - - - - - - - - ITEM NÚMERO DESCRIÇÃO QTDE OBSERVAÇÕESNO. SÉRIE TRATOR
  • 80.
    TRATORES JOHN DEERE7500 CPCQ26568 30Jan02 30.002
  • 81.
    TRATORES JOHN DEERE7500 CPCQ26568 30Jan02 VENTILADOR/CORREIAS 1 2 3 4 AJ58970 AR64075 19H2676 12H304 CONJ CORREIAS VENTILADOR PARAF SEXT ARRUELA PRESSAO 1 1 4 4 7 5 0 0 X X X X 3/8"X1" 3/8" 30.003 - - - - ITEM NÚMERO DESCRIÇÃO QTDE OBSERVAÇÕESNO. SÉRIE
  • 82.
    TRATORES JOHN DEERE7500 CPCQ26568 30Jan02 RADIADOR 30.004
  • 83.
    TRATORES JOHN DEERE7500 CPCQ26568 30Jan02 1 2 3 4 5 6 7 8 9 10 11 12 13 14 15 16 17 18 19 20 21 22 CQ26416 T22486 CQ31041 CQ26414 CQ30587 P59253 CQ30788 CQ34109 P59252 CQ30789 CQ34110 CQ13706 CQ01249 DQ27167 DQ26358 DQ32876 40M7144 P59265 19M7166 12M7066 14M7140 24M7178 CQ60080 CQ25248 19M7139 12M7065 CQ29163 MANGUEIRA ABRACADEIRA VEDAÇÃO MANGUEIRA ADUTOR SUPORTE SUPORTE SUPORTE SUPORTE SUPORTE SUPORTE PARAF FENDA ARRUELA LISA TAMPA RADIADOR RADIADOR ANEL ELAST TIRANTE PARAFUSO SEXT ARRUELA PRESSAO PORCA SEXT ARRUELA LISA SUPORTE VEDACAO PARAFUSO ARRUELA PRESSAO VEDAÇÃO AR 1 AR AR AR AR AR AR 1 3758 3758 3757 3757 7 5 0 0 X X X X X X X X X X X X X X X X X X X X X X X X X X X UP 530MM LOW LH LH LH RH RH RH 6,3X16MM 9X28MM (A) M10X20 10MM M10 10,5X30X2,5MM M8X20 5MM 30.005 (A) SOMENTE CABINE - - - - - - - - - - - - - - - - - - - - - - - - - - - ITEM NÚMERO DESCRIÇÃO QTDE OBSERVAÇÕESNO. SÉRIE TRATOR
  • 84.
    TRATORES JOHN DEERE7500 CPCQ26568 30Jan02 RESFRIADOR DE ÓLEO 1 2 3 4 DQ25304 DQ41945 CQ01249 12M7065 19M7162 RESFRIADOR RESFRIADOR ARRUELA LISA ARRUELA PRESSAO PARAF SEXT 1 1 AR AR AR 13870 13869 7 5 0 0 X X X X X 9X28MM 5MM M8X16 30.006 - - - - - ITEM NÚMERO DESCRIÇÃO QTDE OBSERVAÇÕESNO. SÉRIE
  • 85.
    TRATORES JOHN DEERE7500 CPCQ26568 30Jan02 RESFRIADOR DE ÓLEO - CABINE 1 2 3 4 5 6 7 8 Z35271 AL119566 AL111999 CQ01249 19M7162 L79122 CQ32696 12M7065 DQ32695 ARR DE BORRACHA RESFRIADOR RESFRIADOR ARRUELA LISA PARAF SEXT FILTRO SUPORTE ARRUELA PRESSAO SUPORTE 2 1 1 AR AR AR AR 1 10998 10997 7 5 0 0 X X X X X X X X X OR AL119566 9X28MM M8X16 5MM 30.007 - - - - - - - - - ITEM NÚMERO DESCRIÇÃO QTDE OBSERVAÇÕESNO. SÉRIE
  • 86.
    TRATORES JOHN DEERE7500 CPCQ26568 30Jan02 TUBOS DO RESFRIADOR DE ÓLEO (POWRQUAD) 1 2 3 4 5 6 7 8 9 51M7047 38H5005 T77858 DQ25302 DQ25303 DQ10173 CQ25294 CQ25298 T70659 ANEL O CONEXAO ANEL O TUBO TUBO ABRACADEIRA MANGUEIRA MANGUEIRA FIXADOR 13869 13869 13869 13869 13869 13869 13869 13869 13869 7 5 0 0 X X X X X X X X X 23,6X2,9MM LGTH=1870MM LGTH=2360MM 30.008 - - - - - - - - - ITEM NÚMERO DESCRIÇÃO QTDE OBSERVAÇÕESNO. SÉRIE
  • 87.
    TRATORES JOHN DEERE7500 CPCQ26568 30Jan02 MANGUEIRAS DO RESFRIADOR DE ÓLEO (COM CABINE E SEM CABINE) 1 2 3 4 5 6 7 51M7047 L102171 AL78643 CQ42113 CQ42114 DQ41945 DQ32549 DQ38638 ANEL O CONEXÃO CONEXÃO MANGUEIRA MANGUEIRA RESFRIADOR ABRAÇADEIRA FIXADOR 2 1 1 1 1 1 4 2 13870 13870 13870 13870 13870 13870 13870 13870 7 5 0 0 X X X X X X X X 23,6X2,9MM POWRQUAD SINCROPLUS LH RH 19-38 30.009 - - - - - - - - ITEM NÚMERO DESCRIÇÃO QTDE OBSERVAÇÕESNO. SÉRIE
  • 88.
    TRATORES JOHN DEERE7500 CPCQ26568 30Jan02 30.010
  • 89.
    TRATORES JOHN DEERE7500 CPCQ26568 30Jan02 MANGUEIRAS DO RESFRIADOR - CABINE 1 2 3 4 5 CQ33020 DQ32549 CQ32769 CQ25294 CQ25298 REDUTOR ABRAÇADEIRA TUBO MANGUEIRA MANGUEIRA 13869 13869 13869 13869 13869 7 5 0 0 X X X X X LGTH=1870MM LGTH=2360MM 30.011 - - - - - ITEM NÚMERO DESCRIÇÃO QTDE OBSERVAÇÕESNO. SÉRIE
  • 90.
    TRATORES JOHN DEERE7500 CPCQ26568 30Jan02 MANGUERAS DE CALEFAÇÃO 30.012
  • 91.
    TRATORES JOHN DEERE7500 CPCQ26568 30Jan02 1 2 3 4 5 6 7 8 T22486 CQ33644 DQ10173 DQ33663 DQ33675 DQ33662 CQ28556 CQ33645 ABRACADEIRA MANGUEIRA ABRACADEIRA MANGUEIRA ADAPTADOR MANGUEIRA ABRAÇACEIRA AUTOTRAVANTE MANGUEIRA 4 4 7 5 0 0 X X X X X X X X 30.013 - - - - - - - - ITEM NÚMERO DESCRIÇÃO QTDE OBSERVAÇÕESNO. SÉRIE
  • 92.
    TRATORES JOHN DEERE7500 CPCQ26568 30Jan02 VARETA DE COMANDO DO ACELERADOR 1 2 3 4 5 6 DQ03833 CQ03841 14M7027 CQ29549 T22242 11M7009 TERMINAL ANEL PORCA SEXT HASTE TERMINAL CONTRAPINO 1 1 AR 1 1 AR 7 5 0 0 X X X X X X M6 2X16MM 30.014 - - - - - - ITEM NÚMERO DESCRIÇÃO QTDE OBSERVAÇÕESNO. SÉRIE
  • 93.
    TRATORES JOHN DEERE7500 CPCQ26568 30Jan02 PROTEÇÃO DO TANQUE 1 2 3 4 5 DQ38209 DQ38212 DQ25607 DQ38296 DQ38297 PROTEÇAO INFERIOR PROTEÇÃO SUPERIOR SUPORTE SUPORTE SUPORTE 1 1 1 1 1 7 5 0 0 X X X X X 30.015 - - - - - ITEM NÚMERO DESCRIÇÃO QTDE OBSERVAÇÕESNO. SÉRIE
  • 94.
    TRATORES JOHN DEERE7500 CPCQ26568 30Jan02 PROTEÇÃO DO TANQUE AUXILIAR 1 2 3 4 5 DQ38515 DQ38518 DQ38523 DQ38521 DQ38520 PROTEÇÃO INFERIOR PROTECAO SUPERIOR SUPORTE SUPORTE SUPORTE 1 1 1 1 1 7 5 0 0 X X X X X 30.016 - - - - - ITEM NÚMERO DESCRIÇÃO QTDE OBSERVAÇÕESNO. SÉRIE
  • 95.
    TRATORES JOHN DEERE7500 CPCQ26568 30Jan02 SUPORTES DO DEPÓSITO DE COMBUSTÍVEL 1 2 3 4 5 6 7 AP32897 DQ25991 19M7387 P60214 19M8049 DQ25607 24M7178 ABRACADEIRA ABRACADEIRA PARAF SEXT SUPORTE PARAFUSO SUPORTE ARRUELA LISA AR AR 7 5 0 0 X X X X X X X M12X40 M10X80 10,5X30X2,5MM 30.017 - - - - - - - ITEM NÚMERO DESCRIÇÃO QTDE OBSERVAÇÕESNO. SÉRIE
  • 96.
    TRATORES JOHN DEERE7500 CPCQ26568 30Jan02 DEPÓSITO DE COMBUSTÍVEL 30.018
  • 97.
    TRATORES JOHN DEERE7500 CPCQ26568 30Jan02 1 2 3 4 5 6 7 8 9 10 11 12 13 21M7265 SG064.01 CQ29172 CQ25601 DQ24762 AL113086 CQ29104 CQ26211 DQ27500 AL82025 R114843 CQ26320 CQ26321 PARAF FENDA ABRACADEIRA MANGUEIRA MANGUEIRA BOIA TAMPA FILTRO JUNTA RESERVATORIO ABRAÇADEIRA PLUG MANGUEIRA ABRACADEIRA AR 1 7 5 0 0 X X X X X X X X X X X X X M5X12 1/2"X5/8" LGHT=600MM 30.019 - - - - - - - - - - - - - ITEM NÚMERO DESCRIÇÃO QTDE OBSERVAÇÕESNO. SÉRIE
  • 98.
    TRATORES JOHN DEERE7500 CPCQ26568 30Jan02 SUPORTE DO DEPÓSITO DE COMBUSTÍVEL - AUXILIAR 30.020
  • 99.
    TRATORES JOHN DEERE7500 CPCQ26568 30Jan02 1 2 3 4 5 6 7 8 9 10 11 12 13 14 15 16 DQ25984 DQ39225 19M7285 12M7067 DQ26165 19M7387 24M7038 14M7031 CQ25980 24M7040 12M7066 19M8049 DQ25983 DQ25969 CQ26003 19M7073 DQ25964 CINTA TRAS CINTA TRAS PARAFUSO ARRUELA PRESSAO CINTA CENTRAL PARAF SEXT ARRUELA LISA PORCA SEXT SUPORTE ARRUELA LISA ARRUELA PRESSAO PARAFUSO CINTA DIANT SUPORTE SUPORTE PARAF SEXT SUPORTE 1 1 AR AR 1 AR AR AR AR AR AR AR 9950 9949 7 5 0 0 X X X X X X X X X X X X X X X X X M12X30 12MM M12X40 14X24MM M12 11X21X2MM 10MM M10X80 M12X50 30.021 - - - - - - - - - - - - - - - - - ITEM NÚMERO DESCRIÇÃO QTDE OBSERVAÇÕESNO. SÉRIE
  • 100.
    TRATORES JOHN DEERE7500 CPCQ26568 30Jan02 DEPÓSITO DE COMBUSTÍVEL - AUXILIAR 1 2 3 4 5 6 7 8 9 10 11 12 13 14 15 RE52504 CQ03768 CQ26737 DQ28406 DQ15378 CQ30481 IE032.01 T70659 CQ27504 CQ27514 DQ10173 12M7066 19M7183 CQ28409 CQ29102 RESPIRO ABRACADEIRA AUTOTRAVANTE MANGUEIRA TANQUE AUX ABRACADEIRA MANGUEIRA ESPACADOR FIXADOR TUBO LUVA ABRACADEIRA ARRUELA PRESSAO PARAF SEXT MANGUEIRA ABRAÇADEIRA 2 2 2 2 4 AR AR 7 5 0 0 X X X X X X X X X X X X X X X LGTH=590MM 10MM M10X40 30.022 - - - - - - - - - - - - - - - ITEM NÚMERO DESCRIÇÃO QTDE OBSERVAÇÕESNO. SÉRIE
  • 101.
    TRATORES JOHN DEERE7500 CPCQ26568 30Jan02 FILTRO DE AR 1 2 3 4 5 6 7 8 DQ28600 DQ04467 DQ04466 19M7167 24M7040 12M7066 14M7140 DQ29090 DQ41395 FILTRO DE AR ELEM. FILTRANTE ELEM.FILTRANTE PARAFUSO SEXT ARRUELA LISA ARRUELA PRESSAO PORCA SEXT PROTEÇÃO-FILTRO PROTEÇÃO-FILTRO 1 1 1 AR AR AR AR 1 1 11524 11523 7 5 0 0 X X X X X X X X X M10X25 11X21X2MM 10MM M10 30.023 - - - - - - - - - ITEM NÚMERO DESCRIÇÃO QTDE OBSERVAÇÕESNO. SÉRIE
  • 102.
    TRATORES JOHN DEERE7500 CPCQ26568 30Jan02 MANGUEIRAS DO FILTRO DE AR 30.024
  • 103.
    TRATORES JOHN DEERE7500 CPCQ26568 30Jan02 1 2 3 4 5 6 RE52702 CQ29162 DQ28503 CQ29163 DQ26315 CQ28791 ABRAÇADEIRA MANGUEIRA TUBO VEDAÇÃO SENSOR ADAPTADOR 4 1 1 1 1 1 7 5 0 0 X X X X X X 30.025 - - - - - - ITEM NÚMERO DESCRIÇÃO QTDE OBSERVAÇÕESNO. SÉRIE
  • 104.
    TRATORES JOHN DEERE7500 CPCQ26568 30Jan02 SISTEMA DE ESCAPAMENTO 30.026
  • 105.
    TRATORES JOHN DEERE7500 CPCQ26568 30Jan02 1 2 3 4 5 6 7 8 9 10 11 12 13 14 15 16 17 18 19 20 DQ28699 AL82025 CQ28794 DQ28795 19M7193 12M7065 14M7029 19M7162 CQ28948 DQ29487 DQ28552 RE40048 19H2284 12H304 19M7167 12M7066 14M7140 CQ29244 CQ29203 DQ11307 ESCAPAMENTO ABRAÇADEIRA MANGUEIRA ABRAÇADEIRA PARAFUSO SEXT ARRUELA PRESSAO PORCA SEXT PARAF SEXT SUPORTE SUPORTE SILENCIADOR ABRACADEIRA PARAF SEXT ARRUELA PRESSAO PARAFUSO SEXT ARRUELA PRESSAO PORCA SEXT REFORÇO SUPORTE CORDOALHA 1 2 1 AR AR AR AR AR 1 1 1 1 AR AR AR AR AR 1 1 1 7 5 0 0 X X X X X X X X X X X X X X X X X X X X M8X20 5MM M8 M8X16 3/8"X7/8" 3/8" M10X25 10MM M10 (A) 30.027 (A) SOMENTE COM CABINE - - - - - - - - - - - - - - - - - - - - ITEM NÚMERO DESCRIÇÃO QTDE OBSERVAÇÕESNO. SÉRIE
  • 106.
    TRATORES JOHN DEERE7500 CPCQ26568 30Jan02 30.028
  • 107.
    30Jan02TRATORES JOHN DEERE7500 CPCQ26568 1E13 INDICE DE GRUPO - INDICE DE GRUPO
  • 108.
    30Jan02TRATORES JOHN DEERE7500 CPCQ26568 1E13 INDICE DE GRUPO - INDICE DE GRUPO
  • 109.
    30Jan02TRATORES JOHN DEERE7500 CPCQ26568 1E13 INDICE DE GRUPO - INDICE DE GRUPO
  • 110.
    TRATORES JOHN DEERE7500 CPCQ26568 30Jan02 SUPORTE DA BATERIA 1 2 3 4 5 6 7 8 9 10 11 12 13 14 15 16 17 18 19 20 21 CQ25813 14M7140 12M7066 19M7166 03M7092 DQ27446 DQ32116 DQ27447 14M7028 12M7064 DQ28074 19M7640 R110554 24M7088 CQ28149 14M7027 14M7020 12M7065 DQ34364 L79226 CQ34360 L79177 VEDACAO PORCA SEXT ARRUELA PRESSAO PARAFUSO SEXT PARAF FRANCES SUPORTE SUPORTE TAMPA PORCA SEXT ARRUELA PRESSAO SUPORTE PARAF SEXT TRINCO ARRUELA LISA CANTONEIRA PORCA SEXT PORCA BORBOLETA ARRUELA PRESSAO SUPORTE TRINCO TAMPA TERMINAL ESFÉRICO AR AR AR 1 AR AR 7676 7676 7676 7676 7675 7675 7675 7 5 0 0 X X X X X X X X X X X X X X X X X X X X X X M10 10MM M10X20 M6X16 (A) M5 5MM M5X12 6.6X12.5X1.6 M6 M8 5MM 40.001 (A) CABINE - - - - - - - - - - - - - - - - - - - - - - ITEM NÚMERO DESCRIÇÃO QTDE OBSERVAÇÕESNO. SÉRIE
  • 111.
    TRATORES JOHN DEERE7500 CPCQ26568 30Jan02 BATERIA E CABOS 1 2 3 4 DQ30879 DQ30878 DQ41555 AP32859 DQ25557 CQ03753 CABO CABO CABO CABO BATERIA ABRACADEIRA 3 12786 12785 7 5 0 0 X X X X X X (A) (B) (A) SUB DQ45431 12V 150AH 40.002 (A) (B) COM MOTOR DE PARTIDA LUCAS - ARGENTINA COM MOTOR DE PARTIDA DENSO - - - - - - ITEM NÚMERO DESCRIÇÃO QTDE OBSERVAÇÕESNO. SÉRIE
  • 112.
    TRATORES JOHN DEERE7500 CPCQ26568 30Jan02 MOTOR DE PARTIDA (LUCAS) 1 2 3 AJ59109 NSEP069 AJ58542 AJ59342 RE509857 19H3483 12H304 MOTOR ARRANQUE MOTOR ARRANQUE MOTOR ARRANQUE MOTOR PARTIDA MOTOR PARTIDA PARAFUSO ARRUELA PRESSAO 1 1 1 1 1 3 3 XXXXXX XXXXXX 15209 XXXXXX XXXXXX XXXXXX 15208 7 5 0 0 X X X X X X X LUCAS (A) ORD RE70959 LUCAS 3/8"X1.1/8" 3/8" 40.003 - - - - - - - ITEM NÚMERO DESCRIÇÃO QTDE OBSERVAÇÕESNO. SÉRIE MOTOR
  • 113.
    TRATORES JOHN DEERE7500 CPCQ26568 30Jan02 MOTOR DE PARTIDA E COMPONENTES LUCAS 40.004
  • 114.
    TRATORES JOHN DEERE7500 CPCQ26568 30Jan02 1 2 3 4 5 6 7 8 9 10 11 12 13 14 15 16 17 18 19 20 21 22 23 24 25 26 27 28 29 30 31 32 33 34 35 36 37 38 39 40 41 42 43 44 45 46 J53073 J53050 J53051 J53052 J53038 J53038 AJ52481 J53039 J53053 J53054 J53697 J53698 J53057 J53700 J53058 J53059 J53060 J53037 J53045 AJ52485 AJ52486 J53061 J53062 AJ52464 J53046 J53047 J53063 J53064 J53065 J57272 J53040 J53042 AJ52482 J53041 J53043 J53048 J53074 J53044 J53067 J53068 AJ52483 AJ58737 J53069 J53070 J53071 J53072 AJ53422 J53699 J53864 J53992 PARAFUSO ARRUELA ARRUELA ANEL PARAFUSO PARAFUSO ABRACADEIRA PORCA PARAFUSO ANEL O ISOLADOR TERMINAL ISOLANTE BOBINA ESPACADOR ESPACADOR ESPACADOR FITA BUCHA JOGO DE MOLAS TAMPA PARAFUSO ARRUELA ESCOVA PORCA ARRUELA ESPACADOR ARRUELA RETENTOR IMPULSOR RETENTOR ANEL CONJ TAMPA VEDACAO BUCHA ESPACADOR INDUZIDO BUCHA PARAFUSO ARRUELA CARCACA CAPA IMPULSOR PINO ALAVANCA ANEL ELASTICO JUNTA SOLENOIDE ARRUELA PROTECAO PORCA 2 2 2 2 1 1 1 1 4 1 1 1 2 1 AR AR 1 1 1 2 1 4 4 1 1 1 1 1 1 1 1 2 1 1 1 1 1 1 2 2 1 1 1 1 1 1 1 1 1 1 XXXXXX XXXXXX XXXXXX XXXXXX XXXXXX XXXXXX XXXXXX XXXXXX XXXXXX XXXXXX XXXXXX XXXXXX XXXXXX XXXXXX XXXXXX XXXXXX XXXXXX XXXXXX XXXXXX XXXXXX XXXXXX XXXXXX XXXXXX XXXXXX XXXXXX XXXXXX XXXXXX XXXXXX XXXXXX XXXXXX XXXXXX XXXXXX XXXXXX XXXXXX XXXXXX XXXXXX XXXXXX XXXXXX XXXXXX XXXXXX XXXXXX XXXXXX XXXXXX XXXXXX XXXXXX XXXXXX XXXXXX XXXXXX XXXXXX XXXXXX 7 5 0 0 X X X X X X X X X X X X X X X X X X X X X X X X X X X X X X X X X X X X X X X X X X X X X X X X X X 40.005 - - - - - - - - - - - - - - - - - - - - - - - - - - - - - - - - - - - - - - - - - - - - - - - - - - ITEM NÚMERO DESCRIÇÃO QTDE OBSERVAÇÕESNO. SÉRIE MOTOR
  • 115.
    TRATORES JOHN DEERE7500 CPCQ26568 30Jan02 MOTOR DE PARTIDA (C0MPONENTES) - PRESTOLITE 1 2 3 4 5 6 7 8 9 AJ59342 AJ60106 AJ60107 AJ60108 AJ60110 AJ60111 AJ60112 AJ60113 AJ60115 MOTOR PARTIDA KIT SOLENOIDE KIT ALAVANCA KIT IMPULSOR KIT REDUÇÃO KIT BOBINA KIT ESCOVAS CONJ. PLACA PORTA KIT BUCHAS 1 1 1 1 1 1 1 1 1 12786 12786 12786 12786 12786 12786 12786 12786 12786 7 5 0 0 X X X X X X X X X (A) 40.006 (A) ARGENTINA - - - - - - - - - ITEM NÚMERO DESCRIÇÃO QTDE OBSERVAÇÕESNO. SÉRIE
  • 116.
    TRATORES JOHN DEERE7500 CPCQ26568 30Jan02 40.007
  • 117.
    TRATORES JOHN DEERE7500 CPCQ26568 30Jan02 MOTOR DE PARTIDA E COMPONENTES LUCAS - SOMENTE ARGENTINA 40.008
  • 118.
    TRATORES JOHN DEERE7500 CPCQ26568 30Jan02 1 2 3 4 5 6 7 8 9 AJ59109 AJ59342 RE509857 AJ53422 J57097 J53070 J57272 AJ58813 AJ58814 AJ58815 J53700 MOTOR ARRANQUE MOTOR PARTIDA MOTOR PARTIDA SOLENOIDE PROTETOR ALAVANCA IMPULSOR CONJ TAMPA CONJ MOLAS KIT DE ESCOVAS BOBINA 1 1 1 1 1 1 1 1 1 1 1 XXXXXX XXXXXX 15209 XXXXXX XXXXXX XXXXXX XXXXXX XXXXXX XXXXXX XXXXXX XXXXXX XXXXXX 15208 7 5 0 0 X X X X X X X X X X X LUCAS NO.35258770 LUCAS NO.35640780 LUCAS NO.35640495 LUCAS NO.35255903 LUCAS NO.35255860 LUCAS NO.35257678 LUCAS NO.35257677 LUCAS NO. 35258664 40.009 - - - - - - - - - - - ITEM NÚMERO DESCRIÇÃO QTDE OBSERVAÇÕESNO. SÉRIE MOTOR
  • 119.
    TRATORES JOHN DEERE7500 CPCQ26568 30Jan02 MOTOR DE PARTIDA E COMPONENTES - DENSO 40.010
  • 120.
    TRATORES JOHN DEERE7500 CPCQ26568 30Jan02 1 2 3 4 5 6 7 8 9 10 11 12 13 14 15 16 17 RE70756 R96703 T146102 T146517 T146515 T146516 T146104 T146106 R135509 R135510 RE70679 RE70682 RE71256 M3636T 14H1076 19H2633 RE70959 12H304 14M7031 12M7067 24M7240 DQ11307 KIT PRESILHA ETIQUETA ETIQUETA ETIQUETA ETIQUETA ETIQUETA ETIQUETA JUNTA ANEL O INTERRUPTOR EMBREAGEM PARAFUSO C/ARRUELA PRISIONEIRO PORCA PARAF SEXT MOTOR DE PARTIDA ARRUELA PRESSAO PORCA SEXT ARRUELA PRESSAO ARRUELA LISA CORDOALHA 1 1 1 1 1 1 1 1 1 1 1 1 1 1 1 3 1 3 1653 1653 1653 1653 1653 1653 1653 1653 1653 1653 1653 1653 1653 1653 1653 1653 1653 1653 7 5 0 0 X X X X X X X X X X X X X X X X X X X X X X 3/8" 3/8"X 1 1/2" MARKED RE70473 3/8" MARKED RE70473 M12 12MM 13X25X3 40.011 - - - - - - - - - - - - - - - - - - - - - - ITEM NÚMERO DESCRIÇÃO QTDE OBSERVAÇÕESNO. SÉRIE
  • 121.
    TRATORES JOHN DEERE7500 CPCQ26568 30Jan02 SUPORTE DO COMPRESSOR AR CONDICIONADO 40.012
  • 122.
    TRATORES JOHN DEERE7500 CPCQ26568 30Jan02 1 2 3 4 5 6 7 8 9 10 11 12 13 19M7167 19M7066 24M7040 CQ34235 CQ34246 19M8007 14M7140 19M8260 CQ02836 19H444 CQ34247 DQ37978 CQ34052 PARAFUSO SEXT ARRUELA PRESSÃO ARRUELA LISA CHAPA DOBRADA ESPAÇADOR PARAF SEXT PORCA SEXT PARAFUSO PARAFUSO PARAFUSO FIXADOR SUPORTE ESPAÇADOR AR AR AR 1 1 AR AR AR AR AR AR AR AR 7 5 0 0 X X X X X X X X X X X X X M10X25 11X21X2MM M10X25 M10 M10X40 1/12" 40.013 (A) CABINE - - - - - - - - - - - - - ITEM NÚMERO DESCRIÇÃO QTDE OBSERVAÇÕESNO. SÉRIE
  • 123.
    TRATORES JOHN DEERE7500 CPCQ26568 30Jan02 PEÇAS DE FIXAÇÃO DO ALTERNADOR 40.014
  • 124.
    TRATORES JOHN DEERE7500 CPCQ26568 30Jan02 1 2 3 4 5 6 7 8 9 10 11 12 13 14 15 16 19H2127 19M7163 12H303 12M7065 24H1292 24M7055 J52521 CQ36003 19H1726 24H1305 J57066 CQ35991 19H3065 19H2732 19H3239 19M7288 24H1305 14H812 12H304 19H3217 19M7301 J56701 CQ35992 14H1076 14M7029 PARAF SEXT PARAFUSO SEXT ARRUELA PRESSAO ARRUELA PRESSAO ARRUELA ARRUELA TENSOR TENSOR PARAF SEXT ARRUELA SUPORTE SUPORTE PARAF SEXT PARAF SEXT PARAFUSO PARAFUSO ARRUELA PORCA SEXT ARRUELA PRESSAO PARAFUSO PARAF SEXT SUPORTE CONTRA SUPORTE PORCA PORCA SEXT 1 1 1 3 1 3 1 1 1 2 1 1 1 1 1 1 2 3 4 1 1 1 1 2 2 7 5 0 0 X X X X X X X X X X X X X X X X X X X X X X X X X 5/16"X7/8" M8X25 (B) 5/16" 5MM (B) 8,7X19X3MM (B) (B) 3/8"X2.1/4" 13/32"X13/16 (B) 3/8"X2 3/8"X2 3/4" 3/8"X1-1/4" M8X30 (B) 13/32"X13/16 3/8" 3/8" 3/8"X1-3/4" M8X40 (B) (B) 3/8" M8 (B) 40.015 (A) SOMENTE COM CABINE - - - - - - - - - - - - - - - - - - - - - - - - - ITEM NÚMERO DESCRIÇÃO QTDE OBSERVAÇÕESNO. SÉRIE
  • 125.
    TRATORES JOHN DEERE7500 CPCQ26568 30Jan02 ALTERNADOR E COMPONENTES 1 2 3 4 5 6 7 8 AJ58834 AJ58806 AJ58166 AJ58846 AJ58808 J57081 J53892 AJ58541 CONJ ROTOR CONJ REGULADOR CONJ ESCOVAS CONJ PLACA CONJ ROLAMENTO POLIA VENTILADOR ALTERNADOR 1 1 1 1 1 1 1 1 7 5 0 0 X X X X X X X X LUCAS NO.35213492 LUCAS JD 01 LUCAS NO.35212753 LUCAS JD 06 FRONT LUCAS NO.JD03 LUCAS NO.35214149 LUCAS NO.35211738 12V-52A LUCAS NO.35213492 40.016 - - - - - - - - ITEM NÚMERO DESCRIÇÃO QTDE OBSERVAÇÕESNO. SÉRIE
  • 126.
    TRATORES JOHN DEERE7500 CPCQ26568 30Jan02 ALTERNADOR 1 2 3 4 AJ58541 AJ58637 J57081 DQ37383 AJ58970 ALTERNADOR ALTERNADOR POLIA CONJ. ALTERNADOR CONJ CORREIAS 1 1 1 1 7 5 0 0 X X X X X 12V-52A (A) 40.017 (A) COM CABINE - - - - - ITEM NÚMERO DESCRIÇÃO QTDE OBSERVAÇÕESNO. SÉRIE
  • 127.
    TRATORES JOHN DEERE7500 CPCQ26568 30Jan02 FAROLETE DIANTEIRO 1 2 3 4 5 6 7 8 9 10 11 RE48990 AL78675 57M7289 L58892 L113561 21M7460 24M7038 14M7367 57M7256 RE60765 57M7166 FAROLETE SUPORTE CONECTOR ARRUELA SUPORTE PARAF FENDA ARRUELA LISA PORCA SEXT CONECTOR LENTE LAMPADA 2 AR AR AR 7 5 0 0 X X X X X X X X X X X 14X24MM M12X1,25 MP150 H4-12V.60/55W 40.018 - - - - - - - - - - - ITEM NÚMERO DESCRIÇÃO QTDE OBSERVAÇÕESNO. SÉRIE
  • 128.
    TRATORES JOHN DEERE7500 CPCQ26568 30Jan02 40.019
  • 129.
    TRATORES JOHN DEERE7500 CPCQ26568 30Jan02 LUZES INTERMITENTES E DE POSIÇÃO 1 2 3 4 5 6 7 8 9 10 AL75641 L75588 57M7014 57M6498 AL75642 19M8700 R110386 R110387 21M7465 24M7362 SINALEIRA SINALEIRA LAMPADA LAMPADA SINALEIRA PARAF SEXT SUPORTE TAMPA PARAFUSO ARRUELA 1 1 1 1 2 4 2 2 2 4 7 5 0 0 X X X X X X X X X X M8X25 M5X12 40.020 - - - - - - - - - - ITEM NÚMERO DESCRIÇÃO QTDE OBSERVAÇÕESNO. SÉRIE
  • 130.
    TRATORES JOHN DEERE7500 CPCQ26568 30Jan02 LUZ DE SERVIÇO 1 2 3 4 5 6 7 8 9 10 11 12 13 14 15 16 17 18 19 RE48990 R106603 R106554 R106555 19M7009 24M7362 R106604 19M7560 14M7272 T63817 57M7256 57M7289 AT130104 14M7166 24M7026 19M7269 37M7177 L110367 RE60765 FAROLETE ELO SUPORTE SUPORTE PARAFUSO ARRUELA REFORÇO PARAF SEXT PORCA GUARNIÇÃO CONECTOR CONECTOR LAMPADA PORCA SEXT ARRUELA LISA PARAFUSO PARAFUSO ARRUELA LENTE AR AR AR AR AR AR AR AR AR AR AR AR 1 AR 1 1 2 AR AR 7 5 0 0 X X X X X X X X X X X X X X X X X X X M8X20 M6X16 M6 M8 9X17X1,6 M8X50 40.021 - - - - - - - - - - - - - - - - - - - ITEM NÚMERO DESCRIÇÃO QTDE OBSERVAÇÕESNO. SÉRIE
  • 131.
    TRATORES JOHN DEERE7500 CPCQ26568 30Jan02 SINALEIRA TRASEIRA 40.022
  • 132.
    TRATORES JOHN DEERE7500 CPCQ26568 30Jan02 1 2 3 4 5 6 7 8 9 10 11 12 13 14 15 DQ24553 DQ08098 DQ24790 21M7364 14M7028 12M7064 24M7087 CQ05126 12M7067 14M7031 AL112964 AL112012 57M7014 57M7011 CQ25923 AL113022 SINALEIRA LAMPADA ADAPTADOR PARAF FENDA PORCA SEXT ARRUELA PRESSAO ARRUELA LISA ARRUELA LISA ARRUELA PRESSAO PORCA SEXT SINALEIRA SINALEIRA LAMPADA LAMPADA VEDACAO CHICOTE AR AR AR AR AR AR AR 2 2 2 2 2242 2242 2241 7 5 0 0 X X X X X X X X X X X X X X X X INCL KEYS 2 (A) 15W (A) (A) M6X20 (A) M5 5MM 5,5X10MM 14X40X3 (A) 12MM (A) M12 (A) ORD W/AL113022 40.023 (A) PARA EXPORTAÇÃO - - - - - - - - - - - - - - - - ITEM NÚMERO DESCRIÇÃO QTDE OBSERVAÇÕESNO. SÉRIE
  • 133.
    TRATORES JOHN DEERE7500 CPCQ26568 30Jan02 FAROIS DE SERVIÇO (ESTRUTURA DE SEGURANÇA 4 POSTES TRASEIRO) 1 2 DQ33944 AS04903 FAROL LAMAPADA 7 5 0 0 X X 40.024 - - ITEM NÚMERO DESCRIÇÃO QTDE OBSERVAÇÕESNO. SÉRIE
  • 134.
    TRATORES JOHN DEERE7500 CPCQ26568 30Jan02 FARÓIS DE SERVIÇO (ESTRUTURA DE SEGURANÇA 4 POSTES, DIANTEIROS CENTRAL) 1 2 DQ25853 AS04904 FAROL LAMPADA 7 5 0 0 X X 40.025 - - ITEM NÚMERO DESCRIÇÃO QTDE OBSERVAÇÕESNO. SÉRIE
  • 135.
    TRATORES JOHN DEERE7500 CPCQ26568 30Jan02 LUZ DE ADVERTÊNCIA 1 2 3 4 5 6 7 8 9 10 11 12 13 14 DQ26685 DQ26686 19M6414 R117451 CQ26157 CQ26156 R117420 R54782 AR60250 26687 R117421 AD2062R R61179 R54779 R54781 12M7006 SINALEIRA DIR SINALEIRA ESQ PARAFUSO PROTECAO SUPORTE ESQ SUPORTE DIR CAPA JUNTA SINALEIRA TUBO SUPORTE LAMPADA JUNTA LENTE PARAFUSO ARRUELA PRESSAO AR 2 2 2 2 2 2 2 AR AR 7 5 0 0 X X X X X X X X X X X X X X X X M6X12 6MM 40.026 - - - - - - - - - - - - - - - - ITEM NÚMERO DESCRIÇÃO QTDE OBSERVAÇÕESNO. SÉRIE
  • 136.
    TRATORES JOHN DEERE7500 CPCQ26568 30Jan02 FARÓIS DIANTEIROS 1 2 DQ25062 AS04903 FAROL LAMAPADA 7 5 0 0 X X INCL KEYS 2 40.027 - - ITEM NÚMERO DESCRIÇÃO QTDE OBSERVAÇÕESNO. SÉRIE
  • 137.
    TRATORES JOHN DEERE7500 CPCQ26568 30Jan02 CHICOTE PRINCIPAL - SEM CABINE 1 2 3 DQ25873 DQ30187 DQ34655 CQ36690 CQ03769 CHICOTE CHICOTE CHICOTE CHICOTE ABRACADEIRA 2 1 1 1 1 6479 10029 6478 10028 7 5 0 0 X X X X X ORD W/DQ34349 ALSO ORDER AL113022 40.028 - - - - - ITEM NÚMERO DESCRIÇÃO QTDE OBSERVAÇÕESNO. SÉRIE
  • 138.
    TRATORES JOHN DEERE7500 CPCQ26568 30Jan02 CHICOTE PRINCIPAL - CABINE 1 DQ31381 DQ34656 DQ36692 CHICOTE CHICOTE CHICOTE 6479 9440 6478 9439 7 5 0 0 X X X 40.029 - - - ITEM NÚMERO DESCRIÇÃO QTDE OBSERVAÇÕESNO. SÉRIE TRATOR
  • 139.
    TRATORES JOHN DEERE7500 CPCQ26568 30Jan02 CHICOTES, TETO DA CABINE 1 2 3 DQ32751 L100781 L100782 CHICOTE CABINE GUARNIÇÃO GUARNIÇÃO 1 2 1 7 5 0 0 X X X 40.030 - - - ITEM NÚMERO DESCRIÇÃO QTDE OBSERVAÇÕESNO. SÉRIE
  • 140.
    TRATORES JOHN DEERE7500 CPCQ26568 30Jan02 CHICOTES, CALEFAÇÃO E AR CONDICIONADO 1 2 3 4 5 6 L111184 R44302 L38053 AL110589 L111127 A3411R CLIPE CINTA GUARNIÇÃO CHICOTE CLIPE GUARNIÇÃO 3 1 1 1 1 1 7 5 0 0 X X X X X X 40.031 - - - - - - ITEM NÚMERO DESCRIÇÃO QTDE OBSERVAÇÕESNO. SÉRIE
  • 141.
    TRATORES JOHN DEERE7500 CPCQ26568 30Jan02 40.032
  • 142.
    TRATORES JOHN DEERE7500 CPCQ26568 30Jan02 CHICOTES, UCLH 1 2 3 4 5 6 DQ25998 DQ32786 RE170904 14M7029 12M7065 19M7162 RE43542 CHICOTE CHICOTE CONTROLADOR DE LEVANTE PORCA SEXT ARRUELA PRESSAO PARAF SEXT DIODO 7 5 0 0 X X X X X X X (A) (B) M8 5MM M8X16 40.033 (A) (B) SEM CABINE COM CABINE - - - - - - - ITEM NÚMERO DESCRIÇÃO QTDE OBSERVAÇÕESNO. SÉRIE
  • 143.
    TRATORES JOHN DEERE7500 CPCQ26568 30Jan02 CAIXA DE FUSÍVEIS (FUSÍVEIS, DIODOS E RELÉS) 40.034
  • 144.
    TRATORES JOHN DEERE7500 CPCQ26568 30Jan02 1 2 3 4 5 6 7 8 9 10 11 12 13 14 15 16 17 18 19 20 21 22 23 24 25 AP32844 19M6614 12M7006 RE48875 CQ33338 14M7274 24M7087 14M7028 24M7088 14M7027 RE43737 RE43737 57M7120 57M7146 RE49724 RE49726 P60241 RE39967 RE48876 19M7560 L59800 AL76596 DQ34348 57M7594 57M7508 57M7509 57M7252 57M7429 57M7511 R104921 CHAPA PARAFUSO ARRUELA PRESSAO CAIXA SUPORTE PORCA ARRUELA LISA PORCA SEXT ARRUELA LISA PORCA SEXT SUPORTE SUPORTE FUSIVEL FUSIVEL SUPORTE SUPORTE TAMPA DIODO RELE PARAF SEXT GRAMPO DIODO CHICOTE RECUPERAÇÃO TERMINAL TERMINAL TERMINAL TERMINAL TERMINAL TERMINAL CONECTOR AR AR 1 AR AR AR AR AR 1 2 AR AR 3 2 AR 7 5 0 0 X X X X X X X X X X X X X X X X X X X X X X X X X X X X X X (A) M6X12 6MM INCL KEYS 6 M10 5,5X10MM M5 6.6X12.5X1.6 M6 (A) (B) 20A 30A (A) M6X16 OD 4MM OD 1,0 - 1,5MM OD 2,5 - 4MM OD 2,5MM OD 1,00 - 1,5MM OD 0,5 - 0,75MM 40.035 (A) (B) SEM CABINE COM CABINE - - - - - - - - - - - - - - - - - - - - - - - - - - - - - - ITEM NÚMERO DESCRIÇÃO QTDE OBSERVAÇÕESNO. SÉRIE
  • 145.
    TRATORES JOHN DEERE7500 CPCQ26568 30Jan02 DIODO 1 2 3 4 14M7029 12M7065 19M7162 RE43542 PORCA SEXT ARRUELA PRESSAO PARAF SEXT DIODO 7 5 0 0 X X X X M8 5MM M8X16 40.036 - - - - ITEM NÚMERO DESCRIÇÃO QTDE OBSERVAÇÕESNO. SÉRIE
  • 146.
    TRATORES JOHN DEERE7500 CPCQ26568 30Jan02 40.037
  • 147.
    TRATORES JOHN DEERE7500 CPCQ26568 30Jan02 RELÉ DE CIRCUITO DE PARTIDA 1 2 3 4 5 6 7 8 9 10 11 12 13 RE38391 19M6614 12H295 14H785 12M7065 14H785 R113164 RE49735 RE49736 RE48867 R113189 CQ03753 14M7027 RELE PARAFUSO ARRUELA PRESSAO PORCA SEXT ARRUELA PRESSAO PORCA SEXT PROTECAO CABO CABO CAIXA REBITE ABRACADEIRA PORCA SEXT AR AR AR AR AR 4 AR 7 5 0 0 X X X X X X X X X X X X X M6X12 3/16" 5/16" 5MM 5/16" 6,2X16,5 M6 40.038 - - - - - - - - - - - - - ITEM NÚMERO DESCRIÇÃO QTDE OBSERVAÇÕESNO. SÉRIE
  • 148.
    TRATORES JOHN DEERE7500 CPCQ26568 30Jan02 CAIXA DE FUSÍVEIS (CABINE) 1 2 3 4 5 6 7 8 9 CQ10218 CQ01248 12M7006 DQ31902 CQ32740 UN4808 DQ39771 CQ32739 DQ39152 DQ42404 PARAF FENDA ARRUELA LISA ARRUELA PRESSAO TAMPA VEDAÇÃO VEDAÇÃO VEDAÇÃO VEDAÇÃO SUPORTE SUPORTE AR AR AR 1 1 2 1 2 1 1 7 5 0 0 X X X X X X X X X X M6X16 6,4X18MM 6MM SUB L152250 PARA BOMBA 100LPM PARA BOMBA 60LPM 40.039 - - - - - - - - - - ITEM NÚMERO DESCRIÇÃO QTDE OBSERVAÇÕESNO. SÉRIE
  • 149.
    TRATORES JOHN DEERE7500 CPCQ26568 30Jan02 CHICOTE DO LIMPADOR PARABRISAS 1 2 3 4 5 24M7055 L40484 L101519 L101338 14M7029 ARRUELA CINTO CLIPE SUPORTE PORCA SEXT 7 5 0 0 X X X X X M8 40.040 - - - - - ITEM NÚMERO DESCRIÇÃO QTDE OBSERVAÇÕESNO. SÉRIE
  • 150.
    TRATORES JOHN DEERE7500 CPCQ26568 30Jan02 CABO INTERMDIÁRIO 1 DQ35930 DQ37329 CABO CABO 7 5 0 0 X X W/CABINE W/O CABINE 40.041 - - ITEM NÚMERO DESCRIÇÃO QTDE OBSERVAÇÕESNO. SÉRIE
  • 151.
    TRATORES JOHN DEERE7500 CPCQ26568 30Jan02 SUPORTE DA CAIXA DE FERRAMENTAS - CABINE 40.042
  • 152.
    TRATORES JOHN DEERE7500 CPCQ26568 30Jan02 1 2 3 4 5 6 7 8 9 10 11 12 13 14 15 16 17 18 19 20 21 22 23 24 25 26 27 28 29 30 31 32 33 34 35 36 37 38 39 57M7289 57M7258 R104846 57M7254 57M7328 57M7256 R104919 57M7317 57M7255 57M7257 57M7265 57M7291 57M7260 57M7263 57M7364 57M7264 57M7283 57M7306 57M7258 57M7298 57M7309 57M7304 57M7285 R78059 57M7469 R104701 57M7496 U46662 51M7347 57M7161 57M7508 57M7509 R78056 R78057 R104921 R78058 Z44689 L36681 M75140 R78063 CONECTOR VEDADOR TERMINAL CONECTOR CONECTOR CONECTOR TERMINAL CONECTOR CONECTOR CONECTOR CONECTOR CONECTOR CONECTOR CONECTOR CONECTOR CONECTOR CONECTOR CONECTOR VEDADOR CONECTOR CONECTOR CONECTOR CONECTOR PLUG CONECTOR TERMINAL TERMINAL TERMINAL CONECTOR TERMINAL TERMINAL TERMINAL CONECTOR TERMINAL CILIND.FEMEA CONECTOR TERMINAL VEDADOR TERMINAL CLIP TERMINAL 7 5 0 0 X X X X X X X X X X X X X X X X X X X X X X X X X X X X X X X X X X X X X X X X TK=1,0MM SUB FOR 57M7252 2,0MM 2/3.7MM 3.00MM 2/3.9MM TK=1,0MM 2/2,5 OD 1,0 - 1,5MM OD 2,5 - 4MM TK=0,8MM 213MM TK=0,8MM 213MM I.D.=2,0 - 4,0 40.043 - - - - - - - - - - - - - - - - - - - - - - - - - - - - - - - - - - - - - - - - ITEM NÚMERO DESCRIÇÃO QTDE OBSERVAÇÕESNO. SÉRIE
  • 153.
    TRATORES JOHN DEERE7500 CPCQ26568 30Jan02 TERMINAIS E CONECTORES ELÉTRICOS 40.044
  • 154.
    TRATORES JOHN DEERE7500 CPCQ26568 30Jan02 1 2 3 4 5 6 7 8 9 10 11 12 13 14 15 16 17 18 19 20 21 22 23 24 25 26 27 28 29 30 31 32 33 34 35 36 37 38 39 40 41 42 RE68327 57M7385 E64911 CQ09403 57M7472 57M7624 M117518 57M7349 57M7472 RE42192 CQ22886 CQ10886 R74993 T28583 RE41949 57M7557 57M7564 57M7572 57M7262 RE46736 R104846 57M7258 57M7511 U46662 57M7498 57M7511 57M7429 CQ22885 R104846 57M7258 57M7347 57M7170 57M7064 57M7842 57M7363 57M7385 57M7384 57M7253 57M7624 57M7089 57M7106 57M7341 57M7103 57M7041 57M7104 57M7229 R104701 57M7316 57M7292 57M7290 57M7253 R104701 CONECTOR CONECTOR CONECTOR PORTA-RECEPTAC CONECTOR CONECTOR CONECTOR CONECTOR CONECTOR CONECTOR CONECTOR PORTA-RECEPTAC PROTETOR CONECTOR CONECTOR TERMINAL TERMINAL TERMINAL CONECTOR CONECTOR TERMINAL VEDADOR TERMINAL TERMINAL TERMINAL TERMINAL TERMINAL TERMINAL TERMINAL VEDADOR CONECTOR CORPO RECEPTÁCULO CORPO DE RECEPTACULO TERMINAL CORPO DE RECEPTÁCULO CONECTOR CORPO DE RECEPTACULO RECEPTÁCULO CONECTOR TERMINAL TERMINAL TERMINAL TERMINAL TERMINAL TERMINAL TERMINAL TERMINAL CONECTOR CONECTOR CONECTOR RECEPTÁCULO TERMINAL 7 5 0 0 X X X X X X X X X X X X X X X X X X X X X X X X X X X X X X X X X X X X X X X X X X X X X X X X X X X X TK=1,5MM TK=1,0MM TK=2,5MM (ALSO ORDER (8) 57M7429) TK=1,0MM OD 0,5 - 0,75MM TK=2,5MM OD 0,5 - 0,75MM OD 1,00 - 1,5MM TK=1,0MM PRETO,NEGRO,BLACK AMARELO,AMARILLO,YELLOW VERMELHO,ROJO,RED TK=1,5MM TK=4,0MM TK=6,0MM TK=1,5MM TK=2,5MM TK=6,0MM TK=1,0MM TK=1,0MM 2/2,5 TK=1,0MM 2/2,5 40.045 - - - - - - - - - - - - - - - - - - - - - - - - - - - - - - - - - - - - - - - - - - - - - - - - - - - - ITEM NÚMERO DESCRIÇÃO QTDE OBSERVAÇÕESNO. SÉRIE
  • 155.
    TRATORES JOHN DEERE7500 CPCQ26568 30Jan02 TERMINAIS E CONECTORES ELÉTRICOS 40.046
  • 156.
    TRATORES JOHN DEERE7500 CPCQ26568 30Jan02 1 2 3 4 5 6 7 8 9 10 11 12 13 14 15 16 17 18 19 20 21 22 23 24 25 26 27 28 29 30 31 32 33 57M7315 57M7364 57M7258 R104846 57M7266 57M7259 57M7267 R78064 R104919 57M7289 57M7254 57M7328 57M7256 57M7365 57M7317 57M7255 57M7257 57M7318 57M7247 57M7244 57M7291 57M7260 57M7263 57M7296 57M7261 57M7264 57M7283 57M7306 57M7298 57M7299 57M7309 57M7304 57M7285 R78063 57M7274 R78059 57M7280 57M7305 57M7307 CONECTOR CONECTOR VEDADOR TERMINAL CORPO RECEPTACULO TERMINAL PONTA TERMINAL MACHO TERMINAL TERMINAL CONECTOR CONECTOR CONECTOR CONECTOR TERMINAL MACHO CONECTOR CONECTOR CONECTOR CONECTOR CORPO RECEPTÁCULO PONTA TERMINAL MACHO CONECTOR CONECTOR CONECTOR CONECTOR CORPO RECEPTÁCULO CONECTOR CONECTOR CONECTOR CONECTOR TERMINAL CONECTOR CONECTOR CONECTOR TERMINAL CONECTOR PLUG CONECTOR PONTA TERMINAL MACHO CONECTOR AR AR AR AR AR AR AR AR AR AR AR AR AR AR AR AR AR AR AR AR AR AR AR AR AR AR AR AR AR AR AR AR AR AR AR AR AR AR AR 7 5 0 0 X X X X X X X X X X X X X X X X X X X X X X X X X X X X X X X X X X X X X X X TK=1,0MM LGTH=16MM PRETO/NEGRO/BLACK CINZA/GRIS, GRAY PRETO/NEGRO/BLACK CINZA/GRIS/GRAY 2,0MM 2/3.7MM -3.0MM 2/3.7MM 3.00MM 2/3.9MM 40.047 - - - - - - - - - - - - - - - - - - - - - - - - - - - - - - - - - - - - - - - ITEM NÚMERO DESCRIÇÃO QTDE OBSERVAÇÕESNO. SÉRIE
  • 157.
    TRATORES JOHN DEERE7500 CPCQ26568 30Jan02 TERMINAIS E CONECTORES ELÉTRICOS 40.048
  • 158.
    TRATORES JOHN DEERE7500 CPCQ26568 30Jan02 1 2 3 4 5 6 7 8 9 10 11 12 13 14 15 16 17 18 19 20 R78063 R78059 R78062 R78057 R78060 RE12333 R78055 RE12366 R78061 R78058 R78056 R78051 R78064 R78048 RE12363 RE12331 R78053 RE12330 R78049 RE12364 R78054 RE12332 R78050 RE12365 TERMINAL PLUG TERMINAL TERMINAL CILIND.FEMEA SOQUETE CONECTOR PONTA TERMINAL MACHO CONECTOR PINO TERMINAL CONECTOR VEDAÇÃO TERMINAL TERMINAL CONECTOR CONECTOR PINO CONECTOR RETENTOR CONECTOR TERMINAL FEMEA PONTA TERMINAL MACHO CONECTOR VEDAÇÃO CONECTOR AR AR AR AR AR AR AR AR AR AR AR AR AR AR AR AR AR AR AR AR AR AR AR AR 7 5 0 0 X X X X X X X X X X X X X X X X X X X X X X X X CINZA/GRIS/GRAY VERDE/VERDE/GREEN AZUL/CELESTE/BLUE TK=0,8MM 213MM TK=2,0MM 213MM TK=2,0MM 213MM TK=0,8MM 213MM 40.049 - - - - - - - - - - - - - - - - - - - - - - - - ITEM NÚMERO DESCRIÇÃO QTDE OBSERVAÇÕESNO. SÉRIE
  • 159.
    TRATORES JOHN DEERE7500 CPCQ26568 30Jan02 TERMINAIS E CONECTORES ELÉTRICOS 1 2 3 4 5 57M7437 57M7436 57M7474 57M7379 R104701 TERMINAL CILINDR.FEMEA RECEPTACULO RECEPTÁCULO CONECTOR TERMINAL AR 1 1 1 2 7 5 0 0 X X X X X TK=-0,75MM2/1,7 TK=1,0MM 2/2,5 40.050 - - - - - ITEM NÚMERO DESCRIÇÃO QTDE OBSERVAÇÕESNO. SÉRIE
  • 160.
    30Jan02TRATORES JOHN DEERE7500 CPCQ26568 1F22 INDICE DE GRUPO - INDICE DE GRUPO
  • 161.
    30Jan02TRATORES JOHN DEERE7500 CPCQ26568 1F22 INDICE DE GRUPO - INDICE DE GRUPO
  • 162.
    TRATORES JOHN DEERE7500 CPCQ26568 30Jan02 EIXO ARTICULADO, AMORTECEDOR DE TORÇAO 1 2 3 4 5 6 7 8 9 10 11 12 13 14 15 16 17 L80400 AL76454 L110320 AL80759 19M7981 24M7238 L110081 DQ43002 L100707 L80446 L77173 L80445 AL117424 DQ36562 40M7255 AL110149 DQ43000 L110079 DQ42999 R119592 CQ43001 FLANGE ROLAMENTO VEDAÇÃO AMORTECEDOR PARAF SEXT ARRUELA LISA FLANGE FLANGE ARRUELA PARAF C/FLANGE PARAFUSO PARAFUSO CARDÃ CARDÃ ANEL ELÁSTICO CRUZETA E CONJ ROLAMENTOS CONJ DE CRUZETA FLANGE FLANGE TERMINAL GARFO 1 1 1 1 6 AR 1 1 1 1 4 4 1 1 8 2 2 1 1 1 1 10377 10377 10377 10377 10377 10376 10376 10376 10376 7 5 0 0 X X X X X X X X X X X X X X X X X X X X X M8X55 8,7X17X2MM OD 116MM OD 116MM M10X30 ORD DQ36562 OD 120MM 0D 120MM 52.001 - - - - - - - - - - - - - - - - - - - - - ITEM NÚMERO DESCRIÇÃO QTDE OBSERVAÇÕESNO. SÉRIE EMBREAGEM
  • 163.
    TRATORES JOHN DEERE7500 CPCQ26568 30Jan02 CAIXA DE FREIOS DOS PLANETÁRIOS 52.002
  • 164.
    TRATORES JOHN DEERE7500 CPCQ26568 30Jan02 1 2 3 4 5 6 7 8 9 10 11 12 13 14 15 RE66746 AR103873 R124019 R120565 34M7244 R95501 R119873 34M7102 R95498 R129184 R135625 R111039 R28776 R115154 R38295 CARCAÇA RETENTOR ALAVANCA ALAVANCA PINO ELASTICO EIXO ALAVANCA PINO ELASTICO EIXO MOLA VALVULA TAMPAO ANEL O GRAMPO ROLETE 1 2 1 1 2 1 1 1 1 1 1 1 1 1 2 7 5 0 0 X X X X X X X X X X X X X X X 52.003 - - - - - - - - - - - - - - - ITEM NÚMERO DESCRIÇÃO QTDE OBSERVAÇÕESNO. SÉRIE
  • 165.
    TRATORES JOHN DEERE7500 CPCQ26568 30Jan02 CAIXA DAS VÁLVULAS DE CONTROLE 52.004
  • 166.
    TRATORES JOHN DEERE7500 CPCQ26568 30Jan02 1 2 3 4 5 6 7 8 9 10 11 12 13 14 15 16 17 18 19 20 21 22 23 24 25 26 27 28 29 30 31 32 33 34 35 R129280 R135174 R119810 51M7047 R115415 R95506 R115389 R27166 R115388 R54174 RE54443 R110457 R78436 R120354 R110256 R95216 R112974 R110257 RE62621 P48347 R112976 R110260 51M7047 R119646 R74192 51M7043 R119084 51M7045 R110151 R119203 R120452 RE54982 51M7045 R124023 R121580 CARCACA VALVULA TAMPAO ANEL O MOLA VALVULA TAMPAO ANEL O TRAVA MOLA KIT TRAVA ANEL O TAMPAO VALVULA MOLA MOLA PINO PISTAO ANEL O RETENTOR TAMPAO ANEL O LIMITADOR MOLA ANEL O LIMITADOR ANEL O TAMPAO PARAFUSO ARRUELA MOLA ANEL O TAMPÃO TAMPÃO 1 1 1 1 2 1 1 1 1 1 1 1 1 1 1 1 1 1 1 1 1 1 1 1 2 1 1 1 1 1 1 1 1 1 3 71551 71551 71550 71550 71550 71550 71550 71550 7 5 0 0 X X X X X X X X X X X X X X X X X X X X X X X X X X X X X X X X X X X 23,6X2,9MM 23,6X2,9MM 19.300X2.200MM 19.300X2.200MM 52.005 - - - - - - - - - - - - - - - - - - - - - - - - - - - - - - - - - - - ITEM NÚMERO DESCRIÇÃO QTDE OBSERVAÇÕESNO. SÉRIE EMBREAGEM
  • 167.
    TRATORES JOHN DEERE7500 CPCQ26568 30Jan02 CAIXA DAS VÁLVULAS DE CONTROLE - VÁLVULAS DE CONTROLE, JUNTAS 52.006
  • 168.
    TRATORES JOHN DEERE7500 CPCQ26568 30Jan02 1 2 3 4 5 6 7 8 9 10 11 12 13 14 15 16 17 18 19 20 21 22 23 24 25 26 27 28 29 30 31 32 15H275 R95503 R76617 R42057 R95075 R119084 R115152 RE64082 R124021 R134754 R27166 R115152 R119646 R74192 51M7043 51M7045 R110151 RE46534 51M7042 R175130 R175131 RE46684 51M7041 R119203 RE54216 R120452 R105585 RE52144 RE57465 19M7774 51M7045 R124023 BUJAO VALVULA ANEL O MOLA TAMPAO LIMITADOR TRAVA KIT VALVULA TAMPÃO ANEL O TRAVA LIMITADOR MOLA ANEL O ANEL O TAMPAO CHAVE ANEL O PARAFUSO PARAFUSO TAMPAO ANEL O PARAFUSO MOLA ARRUELA ARRUELA EXCENTRICO PLACA PARAFUSO ANEL O TAMPÃO 4 3 6 3 3 1 3 1 2 1 1 1 1 2 1 1 1 1 1 21 14 5 5 1 1 1 3 4 1 4 1 1 71551 71551 71551 71550 71550 71550 71550 71550 71550 71550 71550 71550 7 5 0 0 X X X X X X X X X X X X X X X X X X X X X X X X X X X X X X X X 1/4"-18NPT HS 10.9 (SUB FOR RE475980) 19.300X2.200MM 11.3X2.2MM 19.300X2.200MM 52.007 - - - - - - - - - - - - - - - - - - - - - - - - - - - - - - - - ITEM NÚMERO DESCRIÇÃO QTDE OBSERVAÇÕESNO. SÉRIE EMBREAGEM
  • 169.
    TRATORES JOHN DEERE7500 CPCQ26568 30Jan02 VOLANTE DA EMBREAGEM 1 2 3 4 5 6 7 8 9 10 RE47278 RE151355 R87210 R33167 R105040 R39322 R63226 R175130 R105585 R114264 RE41945 KIT KIT ARRUELA ENCOSTO ANEL ARRUELA ENCOSTO ANEL ANEL O PARAFUSO ARRUELA PINO INSERTO 1 1 2 1 2 1 1 1 1 AR XXXXXX XXXXXX 7 5 0 0 X X X X X X X X X X X MARKED R132975 MARKED R151447 52.008 - - - - - - - - - - - ITEM NÚMERO DESCRIÇÃO QTDE OBSERVAÇÕESNO. SÉRIE
  • 170.
    TRATORES JOHN DEERE7500 CPCQ26568 30Jan02 INVERSOR HIDRÁULICO 1 2 3 4 5 6 7 8 9 10 11 12 13 14 R121451 R176475 R122142 R95378 RE48092 R109908 R95422 R95380 R124436 R122322 R124438 44M7070 R95316 R128889 19M2820 19M7786 RE39262 ESPACADOR ESPAÇADOR COROA DENTADA PLACA DISCO MOLA DISCO JUNTA CARCACA CARCAÇA BUCHA PINO PISTAO PISTÃO PARAF SEXT PARAF SEXT RETENTOR 1 1 1 3 4 8 1 1 1 1 1 2 1 5 AR 1 314989 43960 XXXXXX 314988 XXXXXX 7 5 0 0 X X X X X X X X X X X X X X X X X OR R109514 OR R124416 OR R128887 M16X55 M10X30 52.009 - - - - - - - - - - - - - - - - - ITEM NÚMERO DESCRIÇÃO QTDE OBSERVAÇÕESNO. SÉRIE TRANSMISSÃO
  • 171.
    TRATORES JOHN DEERE7500 CPCQ26568 30Jan02 EMBREAGEM DA TRANSMISSÃO 52.010
  • 172.
    TRATORES JOHN DEERE7500 CPCQ26568 30Jan02 1 2 3 4 5 6 7 8 9 10 11 12 13 14 15 16 17 18 19 20 21 22 23 24 25 R109523 R95360 R95301 R104655 RE56037 400R R79018 R87395 RE63059 R121150 R171007 R113656 R171013 RE35512 R96805 R109958 R96806 R109960 19M7329 R153187 R171010 R109519 RE34603 R125173 RE62918 R107206 RE56451 R87210 TAMBOR ARRUELA ENCOSTO BUCHA BUCHA PISTAO ESFERA MOLA ARRUELA KIT CARCACA CARCAÇA CUBO CUBO DISCO PLACA MOLA PLACA PINO PARAF SEXT PINHÃO PINHÃO EIXO PINO ELASTICO ARRUELA ROLAMENTO ANEL ELASTICO EIXO ARRUELA ENCOSTO 1 1 1 1 1 2 2 2 1 1 1 1 1 4 3 12 1 12 6 6 6 6 6 12 12 1 1 1 314989 314989 314989 314988 314988 314988 7 5 0 0 X X X X X X X X X X X X X X X X X X X X X X X X X X X X 1/4" M10X75 SUB FOR R122141 (SUB FOR R101179 APPL) 52.011 - - - - - - - - - - - - - - - - - - - - - - - - - - - - ITEM NÚMERO DESCRIÇÃO QTDE OBSERVAÇÕESNO. SÉRIE TRANSMISSÃO
  • 173.
    TRATORES JOHN DEERE7500 CPCQ26568 30Jan02 52.012
  • 174.
    TRATORES JOHN DEERE7500 CPCQ26568 30Jan02 EIXO DE SAÍDA DA TRANSMISSÃO 1 2 3 4 5 6 7 8 RE70427 RE162113 R112955 R112857 R39322 R92241 R110037 R162278 R110197 R162148 R110217 RE47326 EIXO EIXO ANEL ANEL O ANEL BUCHA EIXO EIXO ESPACADOR ESPAÇADOR BUCHA BUCHA 1 1 1 1 1 1 1 1 1 1 1 1 037050 037050 037050 037050 037049 45411 037049 037049 037049 7 5 0 0 X X X X X X X X X X X X (SUB FOR RE61257) 52.013 - - - - - - - - - - - - ITEM NÚMERO DESCRIÇÃO QTDE OBSERVAÇÕESNO. SÉRIE TRANSMISSÃO
  • 175.
    TRATORES JOHN DEERE7500 CPCQ26568 30Jan02 EMBREAGEM DE TRANSMISSÃO DIRETA 52.014
  • 176.
    TRATORES JOHN DEERE7500 CPCQ26568 30Jan02 1 2 3 4 5 6 7 8 9 10 11 12 13 14 15 16 17 18 RE57000 RE151356 RE156447 RE155060 R104738 R95835 R95301 RE47294 R101187 400R R87395 R101165 RE56036 AR94516 R116894 R101170 34H355 34H355 R153297 R125065 R101168 R125656 R121041 R121042 R121042 R38295 KIT KIT TAMBOR TAMBOR BUCHA ARRUELA ENCOSTO BUCHA KIT ENGRENAGEM ESFERA ARRUELA DISCO ADAPTADOR DISCO PLACA ARRUELA PINO ELASTICO PINO ELASTICO PINO ELÁSTICO MOLA MOLA TAMPA TAMPA PARAF SEXT PARAF SEXT ROLETE 1 1 1 1 1 1 1 1 2 2 1 1 4 3 1 6 6 6 6 6 1 1 6 6 2 128016 139549 122104 139549 122104 122104 128015 139548 139548 122103 122103 122103 1911 7 5 0 0 X X X X X X X X X X X X X X X X X X X X X X X X X X (A) (B) MARKED R153300 (C) 1/4" (D) (D) 52.015 (A) (B) (C) (D) MARKED R121040 ORD RE156447, RE155061, RE151059 (6) R153297 MARKED R151057 ORD RE156447, (6) R153297 ORD RE156447, SUB FOR RE151356 ORD (6) R125065, (6) 34H353, R125656 - - - - - - - - - - - - - - - - - - - - - - - - - - ITEM NÚMERO DESCRIÇÃO QTDE OBSERVAÇÕESNO. SÉRIE TRANSMISSÃO
  • 177.
    TRATORES JOHN DEERE7500 CPCQ26568 30Jan02 PLANETÁRIO DO FREIO 52.016
  • 178.
    TRATORES JOHN DEERE7500 CPCQ26568 30Jan02 1 2 3 4 5 6 7 8 9 10 11 12 13 14 15 16 RE34784 RE151059 R101169 R95313 R101159 R101214 R95316 R109066 R105585 R114215 RE34786 R101160 R101158 R125985 RE62245 R109067 R116057 DISCO DISCO MOLA PLACA CARCACA PISTAO PISTAO PARAFUSO ARRUELA PLACA DISCO DISCO DISCO CARCACA KIT PARAFUSO PARAFUSO 1 8 1 1 2 1 1 2 2 3 1 1 1 AR 1 1 7 5 0 0 X X X X X X X X X X X X X X X X X TK=3,30MM FOR RE 57000 TK=5,16MM FOR RE151356 HS 10.9 M6X80 M6X50,HS10.9 52.017 - - - - - - - - - - - - - - - - - ITEM NÚMERO DESCRIÇÃO QTDE OBSERVAÇÕESNO. SÉRIE
  • 179.
    TRATORES JOHN DEERE7500 CPCQ26568 30Jan02 PINHÕES SOLARES 1 2 3 4 5 6 7 RE41265 R95895 R101171 R95835 RE34763 R108984 R101170 ENGRENAGEM ARRUELA ENCOSTO ENGRENAGEM ARRUELA ENCOSTO ENGRENAGEM ARRUELA ARRUELA 1 1 1 1 1 1 1 7 5 0 0 X X X X X X X 52.018 - - - - - - - ITEM NÚMERO DESCRIÇÃO QTDE OBSERVAÇÕESNO. SÉRIE
  • 180.
    TRATORES JOHN DEERE7500 CPCQ26568 30Jan02 PLANETÁRIO DA ENTRADA 1 2 3 4 5 6 7 8 9 10 11 12 RE65234 R101177 R101174 RE41285 R101175 R96826 RE47279 RE34603 R101244 R129365 R115215 R121248 ENGRENAGEM CARCACA PINHAO PLANET ROLAMENTO ESPACADOR ARRUELA ENCOSTO KIT PINO ELASTICO ARRUELA ANEL ELASTICO PARAFUSO DEFLETOR 1 1 3 6 3 6 3 1 1 2 2 1 7 5 0 0 X X X X X X X X X X X X 52.019 - - - - - - - - - - - - ITEM NÚMERO DESCRIÇÃO QTDE OBSERVAÇÕESNO. SÉRIE
  • 181.
    TRATORES JOHN DEERE7500 CPCQ26568 30Jan02 BOMBA DE LUBRIFICAÇÃO DA TRANSMISSÃO 52.020
  • 182.
    TRATORES JOHN DEERE7500 CPCQ26568 30Jan02 1 2 3 4 5 6 7 8 9 10 11 12 13 14 15 16 17 18 19 20 RE52284 R88889 R130488 R30587 JD10269 RE47291 R79639 40M7097 R108925 R108927 T27432 R106825 R115119 H64801 RE162140 R161739 R161741 R161742 R120947 RE163759 EIXO BUCHA COLETOR PINO ROLAMENTO KIT ESFERA ANEL ELÁSTICO ENGRENAGEM ENGRENAGEM ANEL ELASTICO PARAFUSO ROLAMENTO ANEL O EIXO COLETOR ENGRENAGEM ENGRENAGEM VÁLVULA KIT 1 1 1 2 1 1 1 1 1 1 1 6 1 1 1 1 1 1 1 1 146000 146000 146000 146000 145999 145999 145999 7 5 0 0 X X X X X X X X X X X X X X X X X X X X TK=12MM TK=12MM TK=2,74MM TK=15MM TK=15MM 52.021 - - - - - - - - - - - - - - - - - - - - ITEM NÚMERO DESCRIÇÃO QTDE OBSERVAÇÕESNO. SÉRIE
  • 183.
    TRATORES JOHN DEERE7500 CPCQ26568 30Jan02 TAMPA DIANTEIRA DO CÂMBIO 52.022
  • 184.
    TRATORES JOHN DEERE7500 CPCQ26568 30Jan02 1 2 3 4 5 6 7 8 9 10 11 12 13 14 15 16 17 18 19 20 21 22 23 24 25 26 27 28 29 30 31 32 33 34 35 36 37 38 44M7070 34M7038 RE46684 51M7041 R121682 R121885 RE52242 R78165 R120981 R120947 R109535 R86638 R95082 51M7045 R109493 R95086 RE60501 51M7043 R115152 AR103873 R108617 34M7207 R95063 RE47315 51M7042 RE52986 R77175 R107252 R95065 R113463 R58941 R95073 R115140 R112063 RE12187 R76617 R95075 R95778 R77610 PINO PINO ELASTICO TAMPAO ANEL O JUNTA CAPA TAMPAO PINO VALVULA VÁLVULA MOLA CALCO CONEXAO ANEL O MOLA VALVULA TAMPÃO ANEL O TRAVA RETENTOR ALAVANCA PINO ELASTICO EIXO KIT ANEL O KIT CAPA PINO ELASTICO TAMPAO MOLA PINO TOPE PARAFUSO PARAF SEXT CONEXAO ANEL O TAMPAO CAPA MOLA 2 1 2 4 1 1 1 1 1 1 1 1 2 1 1 1 1 1 1 1 1 1 1 1 1 2 1 1 1 1 1 9 5 2 1 1 1 1 39133 146000 39133 39133 39133 145999 39132 39132 39132 39132 7 5 0 0 X X X X X X X X X X X X X X X X X X X X X X X X X X X X X X X X X X X X X X X 6X20MM 11.3X2.2MM 19.300X2.200MM M10X45 HS 10.9 M10X85 HS 10.9 9.300X2.200MM 52.023 - - - - - - - - - - - - - - - - - - - - - - - - - - - - - - - - - - - - - - - ITEM NÚMERO DESCRIÇÃO QTDE OBSERVAÇÕESNO. SÉRIE TRANSMISSÃO
  • 185.
    TRATORES JOHN DEERE7500 CPCQ26568 30Jan02 TAMPA DIANTEIRA E VÁLVULAS 52.024
  • 186.
    TRATORES JOHN DEERE7500 CPCQ26568 30Jan02 1 2 3 4 5 6 7 8 9 10 11 12 13 14 15 16 17 18 19 20 21 22 23 24 25 26 R126462 R129797 RE39354 34M7126 R34028 R27976 R95076 R95077 R76617 R95075 RE46685 R115152 R95081 R95084 R95082 51M7045 R116040 T23853 R95086 R131824 R134141 RE62620 R112977 P51079 RE47303 R104728 R87455 40M1857 R121580 15H560 CARCACA CARCAÇA RETENTOR PINO ELASTICO PARAF FENDA ANEL O VALVULA MOLA ANEL O TAMPAO TAMPÃO TRAVA VALVULA MOLA CONEXAO ANEL O MOLA MOLA VALVULA VALVULA VALVULA PISTAO VEDACAO ANEL O KIT ANEL TAMPAO ANEL ELASTICO TAMPÃO BUJAO 1 1 2 1 1 1 1 5 4 4 4 2 1 1 1 1 1 1 1 1 1 1 1 1 1 1 1 1 1 95462 95884 95462 95884 95461 95883 95461 95883 7 5 0 0 X X X X X X X X X X X X X X X X X X X X X X X X X X X X X X 19.300X2.200MM 1/16" 52.025 - - - - - - - - - - - - - - - - - - - - - - - - - - - - - - ITEM NÚMERO DESCRIÇÃO QTDE OBSERVAÇÕESNO. SÉRIE TRANSMISSÃO
  • 187.
    TRATORES JOHN DEERE7500 CPCQ26568 30Jan02 TAMPA DIANTEIRA DA CAIXA DE VÁLVULA - SENSORES 1 2 3 4 5 6 7 8 9 10 11 12 13 14 15 16 17 18 19 R127580 R127579 R150858 R109066 R109067 RE46684 51M7041 51M7043 R113419 R112945 L41526 RE165047 R111085 R95398 R44302 NSEP047 AL81358 AL116547 AL81358 JUNTA PLACA SUPORTE PARAFUSO PARAFUSO TAMPAO ANEL O ANEL O ADAPTADOR CONEXAO ANEL O SENSOR CONEXAO MANGUEIRA CINTA PROTECAO INTERRUPTOR INTERRUPTOR INTERRUPTOR 2 1 1 4 30 2 2 1 1 1 1 1 1 1 1 1 1 1 1 7 5 0 0 X X X X X X X X X X X X X X X X X X X SUB FOR R151368 HS 10.9 M6X80 HS 10.9 M6X50,HS10.9 11.3X2.2MM (A) (B) (C) 52.026 (A) (B) (C) LÂMPADA INDICADORA DA PRESSÃO DO ÓLEO SENSOR DE TESTE BAIXA TEMPERATURA SENSOR DE ALTA TEMPERATURA - - - - - - - - - - - - - - - - - - - ITEM NÚMERO DESCRIÇÃO QTDE OBSERVAÇÕESNO. SÉRIE TRATOR
  • 188.
    TRATORES JOHN DEERE7500 CPCQ26568 30Jan02 52.027
  • 189.
    TRATORES JOHN DEERE7500 CPCQ26568 30Jan02 FILTRO DE ÓLEO DA TRANSMISSÃO, CAIXA 1 2 3 4 5 6 R120902 R95850 R109066 51M7040 RE69674 AL77061 JUNTA CARCACA PARAFUSO ANEL O INTERRUPTOR FILTRO 1 1 6 1 1 1 7 5 0 0 X X X X X X HS 10.9 M6X80 9,3X2,2MM (A) 52.028 (A) SUB FOR RE58157) ORD RE165048 - - - - - - ITEM NÚMERO DESCRIÇÃO QTDE OBSERVAÇÕESNO. SÉRIE
  • 190.
    TRATORES JOHN DEERE7500 CPCQ26568 30Jan02 PEÇAS RETORNO DE ÓLEO (TRANSMISSÃO POWRQUAD) 1 2 3 4 5 R115104 A4540R U15973 R115213 19M7274 JOELHO ANEL O ANEL TUBO PARAF SEXT 1 2 1 1 2 7 5 0 0 X X X X X M8X70 52.029 - - - - - ITEM NÚMERO DESCRIÇÃO QTDE OBSERVAÇÕESNO. SÉRIE
  • 191.
    TRATORES JOHN DEERE7500 CPCQ26568 30Jan02 PEÇAS DE MONTAGEM, TRANSMISSÃO POWRQUAD 1 2 3 4 5 6 7 8 9 10 11 12 13 14 R121833 L111453 19M7786 DQ27856 34M7102 19M7785 R95396 19M7810 19M8162 19M7139 19M7865 19M7163 24M7026 Z32264 PROTECAO PROTEÇÃO PARAF SEXT ALAVANCA PINO ELASTICO PARAF SEXT JUNTA PARAF SEXT PARAFUSO PARAFUSO PARAFUSO PARAFUSO SEXT ARRUELA LISA ESPACADOR 1 1 1 1 1 1 1 6 4 AR 1 1 1 1 67159 67158 7 5 0 0 X X X X X X X X X X X X X X M10X30 M10X25 M10X80 M10X40 M8X20 M8X16 M8X25 9X17X1,6 52.030 - - - - - - - - - - - - - - ITEM NÚMERO DESCRIÇÃO QTDE OBSERVAÇÕESNO. SÉRIE
  • 192.
    30Jan02TRATORES JOHN DEERE7500 CPCQ26568 1H14 INDICE DE GRUPO - INDICE DE GRUPO
  • 193.
    30Jan02TRATORES JOHN DEERE7500 CPCQ26568 1H14 INDICE DE GRUPO - INDICE DE GRUPO
  • 194.
    30Jan02TRATORES JOHN DEERE7500 CPCQ26568 1H14 INDICE DE GRUPO - INDICE DE GRUPO
  • 195.
    TRATORES JOHN DEERE7500 CPCQ26568 30Jan02 53.001
  • 196.
    TRATORES JOHN DEERE7500 CPCQ26568 30Jan02 CAIXA DE GRUPOS, EIXO DE ACIONAMENTO 53.002
  • 197.
    TRATORES JOHN DEERE7500 CPCQ26568 30Jan02 1 2 3 4 5 6 7 8 9 10 11 12 13 14 15 16 17 18 19 20 21 22 23 24 25 26 27 28 29 RE71151 RE150486 JD7395 R108929 R162142 RE34603 R119095 R120939 R120940 RE54776 R119097 R153138 R120941 R120939 R120499 R100501 R100502 R100503 R100504 R100505 JD7418 R109909 JD8206 R108888 R110196 R88246 19M7387 RE55288 AL77433 R110484 R113617 R110485 R110487 R113616 R110494 25602 CARCAÇA CARCAÇA CONE EIXO EIXO PINO ELASTICO ESPACADOR ARRUELA ENCOSTO ENGRENAGEM SINCRONIZADOR LUVA LUVA] ENGRENAGEM ARRUELA ENCOSTO ROLAMENTO ANEL ELASTICO ANEL ELASTICO ANEL ELASTICO ANEL ELASTICO ANEL ELASTICO CAPA ANEL ELASTICO CAPA ENGRENAGEM TUB TRAVA PARAF SEXT PARAF SEXT KIT TAMPAO ENGRENAGEM PINO CALÇO MOLA ANEL SINCRONIZADOR COLAR DESLOCADOR SELANTE 1 1 1 1 1 2 1 1 1 1 2 2 1 1 1 AR AR AR AR AR 1 1 1 1 1 1 AR 1 2 1 3 3 3 2 1 1 16966 37050 16965 37049 7 5 0 0 X X X X X X X X X X X X X X X X X X X X X X X X X X X X X X X X X X X X MARKED R108879 OR R136105 MARKED R152466 Z 24/14 Z 36 Z 25 2,93 MM 3,01MM 3,08MM 3.16MM 3,24MM M12X40 OD=8MM 50 GR 53.003 - - - - - - - - - - - - - - - - - - - - - - - - - - - - - - - - - - - - ITEM NÚMERO DESCRIÇÃO QTDE OBSERVAÇÕESNO. SÉRIE TRANSMISSÃO
  • 198.
    TRATORES JOHN DEERE7500 CPCQ26568 30Jan02 EIXO DE SAÍDA DO DIFERENCIAL, CÂMBIO DE GRUPOS 53.004
  • 199.
    TRATORES JOHN DEERE7500 CPCQ26568 30Jan02 1 2 3 4 5 6 7 8 9 10 11 12 13 14 15 16 17 18 19 20 21 22 23 24 25 26 27 28 RE52043 RE187398 RE194070 JD8280 R35365 R35366 R35367 R110459 JD10377 R122203 R162580 RE54776 R109508 R109657 R153137 R95407 R108893 R122521 R119199 R95248 R115998 R115999 R116000 R110458 R51200 R106797 R110484 R113617 R110485 R110487 R113616 R110494 ENGRENAGEM COROA E PINHÃO COROA E PINHÃO CAPA ESPACADOR ESPACADOR ESPACADOR CAPA CONE ENGRENAGEM ENGRENAGEM SINCRONIZADOR ENGRENAGEM LUVA LUVA BUCHA ENGRENAGEM ENGRENAGEM ENGRENAGEM ESPACADOR CALCO CALCO CALCO ROLAMENTO CÔNICO PORCA LUVA ENGRENAGEM PINO CALÇO MOLA ANEL SINCRONIZADOR COLAR DESLOCADOR 1 1 1 2 3 3 4 1 1 1 1 1 1 1 1 1 1 1 1 1 3 4 6 1 1 1 1 3 3 3 2 1 XXXXXX XXXXXX 71819 71819 XXXXXX XXXXXX 71818 71818 7 5 0 0 X X X X X X X X X X X X X X X X X X X X X X X X X X X X X X X X 53.005 - - - - - - - - - - - - - - - - - - - - - - - - - - - - - - - - ITEM NÚMERO DESCRIÇÃO QTDE OBSERVAÇÕESNO. SÉRIE TRANSMISSÃO
  • 200.
    TRATORES JOHN DEERE7500 CPCQ26568 30Jan02 BLOQUEIO DE ESTACIONAMENTO 53.006
  • 201.
    TRATORES JOHN DEERE7500 CPCQ26568 30Jan02 1 2 3 4 5 6 7 8 9 10 11 12 13 14 15 16 17 18 19 20 21 22 23 24 25 26 27 28 29 30 31 RE53756 R66670 24H1227 R108896 R106904 R93803 A38413 R62372 R26375 R39112 11H239 R112897 JD9812 JD8856 R36623 R112567 34H314 B2762R 44M7119 DQ25005 R115957 RE51287 ....... CQ01248 14M7165 R118165 R111716 RE49696 AL80135 40M7040 R118164 PINO ROLO ARRUELA GATILHO BUCHA EIXO ANEL ELAST MOLA ANEL O TAMPAO CONTRAPINO CAME CAPA CONE ARRUELA PROTECAO PINO ELASTICO ANEL O PINO VARETA MOLA KIT ARRUELA ARRUELA LISA PORCA SEXT PARAF ALLEN ARRUELA ROLAMENTO BRACO ANEL ELASTICO PIVO 1 1 1 1 2 1 2 1 1 1 1 1 2 1 AR 1 2 1 7 5 0 0 X X X X X X X X X X X X X X X X X X X X X X X X X X X X X X X 5/32"X1" SUB 173276 1/4"X1 1/4" INCL KEYS 23 SUB RE71380 NSEP ORD RE512870 6,4X18MM M6 M10X40 53.007 - - - - - - - - - - - - - - - - - - - - - - - - - - - - - - - ITEM NÚMERO DESCRIÇÃO QTDE OBSERVAÇÕESNO. SÉRIE
  • 202.
    TRATORES JOHN DEERE7500 CPCQ26568 30Jan02 EIXOS DO MECANISMO DE CÂMBIOS 53.008
  • 203.
    TRATORES JOHN DEERE7500 CPCQ26568 30Jan02 1 2 3 4 5 6 7 8 9 10 11 12 13 14 15 16 17 18 19 20 21 22 23 45M7080 RE52254 R110294 RE51905 R122638 R119187 R26552 L80052 R120943 R128361 R96577 RE53807 R72653 14M7027 R26552 R54575 14M7273 R79521 L53813 R375R RE58344 34M7207 AT107510 PINO TRAVA GARFO VARETA GARFO PARAF ALLEN TRAVA ESFERA TERMINAL EIXO EIXO PINO EIXO ANEL ELAST PORCA SEXT ESFERA MOLA PORCA SEXT TERMINAL ANEL O ANEL O ALAVANCA PINO ELASTICO TAMPÃO 1 1 1 1 AR 4 AR 1 1 1 1 1 1 1 AR 3 2 1 1 1 1 1 7 5 0 0 X X X X X X X X X X X X X X X X X X X X X X X CD AB SUB R125392 5/16" CD AB M6 5/16" M8 53.009 - - - - - - - - - - - - - - - - - - - - - - - ITEM NÚMERO DESCRIÇÃO QTDE OBSERVAÇÕESNO. SÉRIE
  • 204.
    TRATORES JOHN DEERE7500 CPCQ26568 30Jan02 ELEMENTOS DE COMANDO, CÂMBIO DE GRUPOS 53.010
  • 205.
    TRATORES JOHN DEERE7500 CPCQ26568 30Jan02 1 2 3 4 5 6 7 8 9 10 R96924 RE55844 44M7070 R93784 R56464 RE55561 R119832 RE55562 T12083 19M7786 JUNTA TAMPA PINO BRACO ANEL O EIXO PINO EIXO TAMPAO PARAF SEXT 2 1 2 2 AR 1 2 1 1 9 7 5 0 0 X X X X X X X X X X MARKED R120090 A-B C-D M10X30 * * 53.011 - - - - - - - - - - ITEM NÚMERO DESCRIÇÃO QTDE OBSERVAÇÕESNO. SÉRIE
  • 206.
    TRATORES JOHN DEERE7500 CPCQ26568 30Jan02 53.012
  • 207.
    TRATORES JOHN DEERE7500 CPCQ26568 30Jan02 1 2 3 4 5 6 7 8 9 10 11 12 13 14 15 16 17 18 19 20 21 22 RE33083 19M7407 R115202 U12331 L110066 AL119709 19M7786 51M7041 38H5002 RE46684 RE54872 RE159087 RE47392 RE153687 RE50782 R109691 19M7560 R109690 AT107509 R26375 R101293 R101291 R39112 L64500 RETENTOR PARAF SEXT LUVA ANEL O PINO CARCAÇA PARAF SEXT ANEL O CONEXAO TAMPAO SOLENOIDE VÁLVULA SOLENOIDE KIT SOLENOIDE BOBINA PORCA PARAF SEXT FIXADOR TAMPAO ANEL O EIXO PINO TAMPAO VEDAÇÃO 1 4 1 1 2 1 12 AR 1 1 1 1 1 1 2 1 1 2 1 1 1 1 71846 71845 7 5 0 0 X X X X X X X X X X X X X X X X X X X X X X X X M8X25 ORD RE69640 M10X30 11.3X2.2MM USE WITH RE159087 USE WITH RE54872 M6X16 50 CM3 53.013 - - - - - - - - - - - - - - - - - - - - - - - - ITEM NÚMERO DESCRIÇÃO QTDE OBSERVAÇÕESNO. SÉRIE
  • 208.
    TRATORES JOHN DEERE7500 CPCQ26568 30Jan02 53.014
  • 209.
    TRATORES JOHN DEERE7500 CPCQ26568 30Jan02 1 2 3 4 5 6 7 8 9 10 11 12 13 14 15 16 17 18 19 20 21 22 23 24 25 26 RE166156 R107621 R107620 R95449 R107622 R95450 RE34868 R95452 R110319 R95453 RE47385 AT107509 R95454 R95455 R134341 R49002 R49003 R49004 JD8979 JD8267 R93317 JD10527 R39283 R129726 JD8247 R115201 R181288 ENGRENAGEM BUCHA ARRUELA ENCOSTO CUBO ANEL ELASTICO PLACA DISCO DISCO PLACA PLACA KIT TAMPAO PISTAO ARRUELA PORCA CALCO CALCO CALCO CONE CAPA ARRUELA CONE ANEL ANEL O CAPA EIXO EIXO 1 2 1 1 1 1 7 6 1 1 1 1 1 2 1 AR AR AR 1 1 1 1 2 2 1 1 1 XXXXXX XXXXXX 7 5 0 0 X X X X X X X X X X X X X X X X X X X X X X X X X X X MARKED R124197 0,076MM 0,127MM 0,254MM ORD W/AT107509 53.015 - - - - - - - - - - - - - - - - - - - - - - - - - - - ITEM NÚMERO DESCRIÇÃO QTDE OBSERVAÇÕESNO. SÉRIE
  • 210.
    TRATORES JOHN DEERE7500 CPCQ26568 30Jan02 CAIXA DO DIFERENCIAL 53.016
  • 211.
    TRATORES JOHN DEERE7500 CPCQ26568 30Jan02 1 2 3 4 5 6 7 8 9 10 11 12 13 14 15 16 17 18 19 20 21 22 23 24 25 26 27 28 29 30 31 32 33 34 35 36 37 38 39 40 41 42 RE65088 RE163138 U10289 44M7103 19M7560 R49518 RE54872 RE159087 R26287 T106596 RE42651 T21564 AL38083 U10289 AR26746 R26287 RE47789 U10289 RE57756 19M7386 A4540R R39832 R121828 R27175 F3171R 19M8837 R169519 R170103 T26565 T26565 RE42567 R26286 R42849 15H666 R89411 R32210 RE173060 T100529 RE176881 AT107509 RE46685 19M7560 R109691 RE50782 R109690 RE54873 RE47392 CAIXA CAIXA ANEL O PINO PARAF SEXT CONEXAO SOLENOIDE VÁLVULA SOLENOIDE ANEL O PARAFUSO TUBO DE OLEO VEDACAO TAMPA ANEL O CONEXAO ANEL O TUBO ANEL O TUBO PARAF SEXT ANEL O ADAPTADOR ADAPTADOR TAMPAO ANEL O PARAF SEXT PARAFUSO ARRUELA PINO PINO DRENO ANEL O ESFERA TAMPÃO FILTRO PINO TUBO DE ÓLEO PARAFUSO TUBO DE OLEO TAMPAO TAMPÃO PARAF SEXT PORCA BOBINA FIXADOR VALVULA KIT 1 1 1 1 2 1 1 1 1 1 1 1 1 1 1 1 1 1 1 1 1 1 1 2 2 8 8 8 4 4 2 2 2 3 1 1 1 2 1 2 1 2 1 1 1 1 1 XXXXXX 037137 037136 037136 037136 037136 037136 037136 XXXXXX 037136 7 5 0 0 X X X X X X X X X X X X X X X X X X X X X X X X X X X X X X X X X X X X X X X X X X X X X X X M6X16 M12X20 M20X120 M6X16 53.017 - - - - - - - - - - - - - - - - - - - - - - - - - - - - - - - - - - - - - - - - - - - - - - - ITEM NÚMERO DESCRIÇÃO QTDE OBSERVAÇÕESNO. SÉRIE
  • 212.
    TRATORES JOHN DEERE7500 CPCQ26568 30Jan02 DIFERENCIAL 53.018
  • 213.
    TRATORES JOHN DEERE7500 CPCQ26568 30Jan02 1 2 3 4 5 6 7 8 9 10 11 12 13 14 15 16 17 18 19 20 21 22 23 24 25 26 27 28 29 30 31 R105843 R129586 R47172 R105847 R93623 R74868 R162100 R67811 R80879 R130825 R105848 R78156 RE12518 R105846 R105845 R131177 JD8290 JD8191 R39322 R93885 R105844 R151061 R70236 JD8210 JD8159 R46323 R46324 R46325 R105849 R112887 AR26746 R26287 RE47789 AR26746 R26287 R39832 R131214 R68171 CARCACA CARCAÇA ARRUELA PARAFUSO ARRUELA ENCOSTO ENGRENAGEM ARRUELA ENCOSTO ARRUELA ENCOSTO PINHAO PINHÃO ENGRENAGEM PLACA DISCO PISTAO TAMPA TAMPA CAPA CONE ANEL LUVA EIXO EIXO PARAFUSO CAPA CONE CALCO CALCO CALCO LUVA PARAFUSO CONEXAO ANEL O TUBO CONEXAO ANEL O ADAPTADOR ARRUELA ROLETE 1 10 10 2 1 2 2 2 1 3 3 1 1 1 1 1 2 1 1 1 1 1 1 AR AR AR 1 10 1 1 1 1 1 1 2 42 52812 52812 52812 52812 52812 52812 52812 52812 52811 52811 52811 52811 52811 7 5 0 0 X X X X X X X X X X X X X X X X X X X X X X X X X X X X X X X X X X X X X X SUB R129586 SUB R130825 SUB R131177 SUB R151061 0.076MM 0,127MM 0,254MM 53.019 - - - - - - - - - - - - - - - - - - - - - - - - - - - - - - - - - - - - - - ITEM NÚMERO DESCRIÇÃO QTDE OBSERVAÇÕESNO. SÉRIE TRANSMISSÃO
  • 214.
    TRATORES JOHN DEERE7500 CPCQ26568 30Jan02 TUBOS DE ÓLEO DA TRANSMISSÃO (POWRQUAD) 53.020
  • 215.
    TRATORES JOHN DEERE7500 CPCQ26568 30Jan02 1 2 3 4 5 6 7 8 9 10 11 12 13 14 15 16 17 18 19 20 21 22 23 24 25 38H5017 T77857 RE48348 RE59013 T77857 38H5031 38H5148 T77857 RE49231 T77857 38H5003 19M7162 T24802 28H3381 H75541 19M7786 T13814 19M7162 RE58290 T77613 38H5002 51M7041 R120901 AL112681 R112296 A4540R 51M7043 CONEXAO ANEL O TUBO TUBO ANEL O CONECTOR CONEXÃO ANEL O TUBO ANEL O CONECTOR PARAF SEXT ABRACADEIRA ESPAÇADOR ABRACADEIRA PARAF SEXT FIXADOR PARAF SEXT TUBO ANEL O CONEXAO ANEL O JUNTA TUBO PARAFUSO ANEL O ANEL O 1 1 1 AR 1 AR AR 1 AR 15333 25253 15332 15332 15322 23252 7 5 0 0 X X X X X X X X X X X X X X X X X X X X X X X X X X X M8X16 M10X30 M8X16 11.3X2.2MM 53.021 - - - - - - - - - - - - - - - - - - - - - - - - - - - ITEM NÚMERO DESCRIÇÃO QTDE OBSERVAÇÕESNO. SÉRIE
  • 216.
    TRATORES JOHN DEERE7500 CPCQ26568 30Jan02 EIXO TRASEIRO 53.022
  • 217.
    TRATORES JOHN DEERE7500 CPCQ26568 30Jan02 1 2 3 4 5 6 7 8 9 10 11 12 13 14 15 16 17 18 19 20 21 22 23 24 25 26 27 R121532 R182470 R105825 JD7798 AR51564 JD8259 R121803 R53658 R53657 R57269 R105827 R182471 J57046 R110458 R110459 R105829 R182472 19M6824 R113494 R94919 J57021 J57193 RE31701 R33026 J57034 J57092 R185109 R182475 RE61190 RE61191 JD8954 JD8196 F2253R R94714 R93172 F3171R R105901 T26565 AJ61058 AJ58774 CAIXA CAIXA COROA GRAXEIRA RETENTOR CAPA CAPA ANEL ELAST ANEL ELÁSTICO ANEL RASPADOR SUPORTE SUPORTE ARRUELA ROLAMENTO CÔNICO CAPA PINHAO PINHÃO PARAF SEXT PARAFUSO ARRUELA ESPACADOR ESPAÇADOR RETENTOR RETENTOR SEMI EIXO SEMI EIXO SEMI-EIXO SEMI-EIXO ROLAMENTO CÔNICO ROLAMENTO CÔNICO ROLAMENTO CÔNICO ROLAMENTO CÔNICO ARRUELA PARAFUSO ESP TRAVA ANEL O EIXO PINO REDUÇÃO FINAL REDUÇÃO FINAL 2 2 2 2 2 2 2 2 2 2 2 2 2 12 12 6 6 12 6 6 2 2 2 2 2 2 2 2 2 2 2 2 2 2 2 2 2 2 2 2 XXXXXX XXXXXX XXXXXX XXXXXX 004341 XXXXXX XXXXXX XXXXXX XXXXXX XXXXXX XXXXXX XXXXXX 004340 XXXXXX XXXXXX XXXXXX 7 5 0 0 X X X X X X X X X X X X X X X X X X X X X X X X X X X X X X X X X X X X X X X X HEAVY DUTY HEAVY DUTY (B) HEAVY DUTY HEAVY DUTY M16X120 (A) (B) (A) (B) (A) SHORT (B) LARGE ORD R185109 (B) HEAVY DUTY (A) (B) HEAVY DUTY HEAVY DUTY 53.023 (A) (B) PARA SEMI EIXO 80MM PARA SEMI EIXO 86MM - - - - - - - - - - - - - - - - - - - - - - - - - - - - - - - - - - - - - - - - ITEM NÚMERO DESCRIÇÃO QTDE OBSERVAÇÕESNO.SÉRIE EIXO TRASEIRO
  • 218.
    TRATORES JOHN DEERE7500 CPCQ26568 30Jan02 CAIXA DA TOMADA DE POTÊNCIA 53.024
  • 219.
    TRATORES JOHN DEERE7500 CPCQ26568 30Jan02 1 2 3 4 5 6 7 8 9 10 11 12 13 14 15 16 17 18 RE186139 R27329 19M7353 19M7675 19M7397 A776R RE42709 RE187450 R48685 T12083 F2741 CQ26719 CQ26720 19M7342 12M7069 38H1168 R26448 25602 R28776 R394R CARCAÇA PARAFUSO PARAF SEXT PARAFUSO SEXT PARAF SEXT PINO INDICADOR INDICADOR PINO TAMPAO SELO BATENTE DIR BATENTE ESQ PARAF SEXT ARRUELA PRESSAO CONEXÃO ANEL O SELANTE ANEL O ANEL O 1 2 3 6 1 2 1 1 2 1 1 1 1 AR AR 1 1 2 2 7 5 0 0 X X X X X X X X X X X X X X X X X X X X INCL KEYS 2,8 SUB RE66208 M16X95 M16X200 M16X50 SUB RE187450 M16X55 16MM 50 GR 53.025 - - - - - - - - - - - - - - - - - - - - ITEM NÚMERO DESCRIÇÃO QTDE OBSERVAÇÕESNO. SÉRIE
  • 220.
    TRATORES JOHN DEERE7500 CPCQ26568 30Jan02 TDP TRASEIRA 53.026
  • 221.
    TRATORES JOHN DEERE7500 CPCQ26568 30Jan02 1 2 3 4 5 6 7 8 9 10 11 12 13 14 15 16 17 18 19 20 21 22 23 24 R133086 JD7378 R125980 R95784 L33035 R93485 R125178 34M7074 R125086 R122750 R95165 JD7292 R129912 RE38725 L151598 R129680 R95152 RE64466 JD10070 R95151 JD10070 R95152 JD10527 R105882 EIXO CONE ENGRENAGEM ARRUELA ENCOSTO ANEL ELASTICO MOLA COLAR DESLIZAM PINO ELASTICO EMBOLO ANEL O CAPA CAPA DISCO SELO EIXO ANEL ELÁSTICO ARRUELA ENCOSTO ENGRENAGEM COM DEFLETOR FRONT. ROLAMENTO ESPACADOR ROLAMENTO ARRUELA ENCOSTO CONE DEFLETOR TRASEIRA 1 1 1 7 5 0 0 X X X X X X X X X X X X X X X X X X X X X X X X 8X75MM (A) 53.027 (A) SUB FOR R125087, R161794, L110178 - - - - - - - - - - - - - - - - - - - - - - - - ITEM NÚMERO DESCRIÇÃO QTDE OBSERVAÇÕESNO. SÉRIE
  • 222.
    TRATORES JOHN DEERE7500 CPCQ26568 30Jan02 CONTRA-EIXO DA TDF 53.028
  • 223.
    TRATORES JOHN DEERE7500 CPCQ26568 30Jan02 1 2 3 4 5 6 7 8 9 10 R95160 JD7222 JD7228 R95142 JD7278 RE47322 R87789 R95143 R49434 JD7266 CONTRAEIXO CONE CONE LUVA CAPA KIT PARAFUSO ENGRENAGEM ANEL ELAST CAPA 1 1 1 1 1 3 4 1 1 1 7 5 0 0 X X X X X X X X X X M10X25 Z 23 53.029 - - - - - - - - - - ITEM NÚMERO DESCRIÇÃO QTDE OBSERVAÇÕESNO. SÉRIE
  • 224.
    TRATORES JOHN DEERE7500 CPCQ26568 30Jan02 EMBREAGEM DA TDP 53.030
  • 225.
    TRATORES JOHN DEERE7500 CPCQ26568 30Jan02 1 2 3 4 5 6 7 8 9 10 11 12 13 14 15 16 17 18 19 20 21 22 JD9076 R116379 R129754 R105539 R52876 R50222 R129759 R43381 R35034 R129975 R70027 R70027 R43383 RE33043 R95109 RE23286 RE23286 RE65291 R95110 R95110 R105879 R130719 JD8161 R104713 R33167 RE33040 R93467 JD9133 R76674 CONE TAMBOR TAMBOR VALVULA ANEL ELAST BUCHA PISTÃO ARRUELA GAXETA RETENTOR DISCO DISCO ANEL ELASTICO CUBO PLACA DISCO DISCO DISCO PLACA PLACA PLACA PLACA CONE PARAF SEXT ANEL PLACA PISTAO CAPA ARRUELA 1 1 1 1 1 1 1 1 5 7 1 1 1 4 5 5 3 4 1 1 1 1 6 1 1 1 2 43138 43138 43138 37726 43138 37726 43125 43137 43137 43137 43137 37725 43137 37725 43124 7 5 0 0 X X X X X X X X X X X X X X X X X X X X X X X X X X X X X M8X25 53.031 - - - - - - - - - - - - - - - - - - - - - - - - - - - - - ITEM NÚMERO DESCRIÇÃO QTDE OBSERVAÇÕESNO. SÉRIE TRANSMISSÃO
  • 226.
    TRATORES JOHN DEERE7500 CPCQ26568 30Jan02 SUPORTE DIANTEIRO DA TDF 1 2 3 4 5 6 RE66783 R109138 R128837 JD7425 RE47323 JD8247 RE47328 SUPORTE PARAFUSO PARAFUSO CAPA KIT CAPA KIT 1 5 4 1 AR 1 AR 7 5 0 0 X X X X X X X SUBFOR R105887 OR R128520 SUBFOR (5) R128837 53.032 - - - - - - - ITEM NÚMERO DESCRIÇÃO QTDE OBSERVAÇÕESNO. SÉRIE
  • 227.
    TRATORES JOHN DEERE7500 CPCQ26568 30Jan02 EIXO DE SAÍDA DA TDF TRASEIRA 1 2 3 4 5 R125477 R97250 R110217 RE47326 R69721 R109477 40M1852 EIXO EIXO BUCHA BUCHA ANEL ELASTICO EIXO ANEL ELASTICO 1 1 1 1 1 1 1 037050 037050 037049 037049 7 5 0 0 X X X X X X X INCL SNAP RING 53.033 - - - - - - - ITEM NÚMERO DESCRIÇÃO QTDE OBSERVAÇÕESNO. SÉRIE
  • 228.
    TRATORES JOHN DEERE7500 CPCQ26568 30Jan02 VÁLVULA DE COMANDO, TDP TRASEIRA (COMANDO ELÉTRICO) 53.034
  • 229.
    TRATORES JOHN DEERE7500 CPCQ26568 30Jan02 1 2 3 4 5 6 7 8 9 10 11 12 13 14 15 16 17 18 19 20 21 22 23 24 R95189 RE47329 R95195 R95216 34M7045 R95890 P48347 R95892 40M1851 RE46684 51M7041 R95197 R95198 19M7775 R95200 19M7834 RE53051 19M7560 R120884 RE50782 R109690 RE53311 RE47393 R109691 CARCACA KIT MOLA MOLA PINO ELASTICO PISTAO ANEL O TAMPAO PINO ELASTICO TAMPAO ANEL O JUNTA PLACA PARAFUSO JUNTA PARAFUSO SOLENOIDE PARAF SEXT VALVULA BOBINA FIXADOR VALVULA KIT PORCA 1 1 1 1 1 1 1 1 1 2 2 1 1 2 1 6 1 2 1 1 1 1 1 1 7 5 0 0 X X X X X X X X X X X X X X X X X X X X X X X X SUB R125204 SUB R153675 6X60MM 11.3X2.2MM M6X16 M6X45 M6X16 53.035 - - - - - - - - - - - - - - - - - - - - - - - - ITEM NÚMERO DESCRIÇÃO QTDE OBSERVAÇÕESNO. SÉRIE
  • 230.
    TRATORES JOHN DEERE7500 CPCQ26568 30Jan02 PROTEÇÃO PRINCIPAL DA TDF 1 2 3 4 5 6 CQ26100 P59264 CQ06679 19M7784 L12974 CQ33350 DECALCO PROTECAO ARRUELA LISA PARAF SEXT CAPA DECALCO AR 7 5 0 0 X X X X X X 17X27X2,65MM M10X20 53.036 - - - - - - ITEM NÚMERO DESCRIÇÃO QTDE OBSERVAÇÕESNO. SÉRIE
  • 231.
    TRATORES JOHN DEERE7500 CPCQ26568 30Jan02 BOCAL DE ENCHIMENTO DE ÓLEO DA TRANSMISSÃO 1 2 3 4 AL38083 DQ25822 19M7386 24M7038 TAMPA BOCAL PARAF SEXT ARRUELA LISA 7 5 0 0 X X X X M12X20 14X24MM 53.037 - - - - ITEM NÚMERO DESCRIÇÃO QTDE OBSERVAÇÕESNO. SÉRIE
  • 232.
    TRATORES JOHN DEERE7500 CPCQ26568 30Jan02 53.038
  • 233.
    30Jan02TRATORES JOHN DEERE7500 CPCQ26568 2A13 INDICE DE GRUPO - INDICE DE GRUPO
  • 234.
    30Jan02TRATORES JOHN DEERE7500 CPCQ26568 2A13 INDICE DE GRUPO - INDICE DE GRUPO
  • 235.
    TRATORES JOHN DEERE7500 CPCQ26568 30Jan02 60.001
  • 236.
    TRATORES JOHN DEERE7500 CPCQ26568 30Jan02 VOLANTE DE DIREÇÃO, COMPONENTES 60.002
  • 237.
    TRATORES JOHN DEERE7500 CPCQ26568 30Jan02 1 2 3 4 5 6 7 8 9 10 11 12 13 14 15 16 17 18 19 20 21 22 23 24 25 26 27 DQ43769 14M7209 T17148 L78852 19M7169 CQ27751 R113369 14M7167 40M1861 CQ06693 DQ24768 DQ28759 DQ32686 CQ60209 DQ28758 40M7040 CQ60155 CQ60145 12M7066 19M7166 ....... DQ29541 DQ32687 R84157 DQ29537 ....... 24M7090 CQ33341 CQ33340 CQ33342 CQ33343 TAMPA PORCA SEXT ARRUELA VOLANTE PARAFUSO SEXT PIVO BUCHA PORCA AUTOFREN ANEL ELASTICO ANEL ELASTICO ROLAMENTO COLUNA COLUNA MOLA MANIPULO ANEL ELASTICO PINO SUPORTE ARRUELA PRESSAO PARAFUSO SEXT EIXO EIXO EIXO LUVA RETENTOR RETENTOR ARRUELA LISA GARFO GARFO CRUZETA ANEL ELÁSTICO AR AR AR AR AR AR AR 4949 1898 4949 1898 4948 1897 4948 1897 1897 7 5 0 0 X X X X X X X X X X X X X X X X X X X X X X X X X X X X X X X M18 M10X35 M10 42X1,75MM 25X1,2MM 10MM M10X20 NSEP ORD DQ29541, DQ29537 (A) NSEP ORD DQ29453, 24M7090 22X37MM 60.003 - - - - - - - - - - - - - - - - - - - - - - - - - - - - - - - ITEM NÚMERO DESCRIÇÃO QTDE OBSERVAÇÕESNO. SÉRIE TRATOR
  • 238.
    TRATORES JOHN DEERE7500 CPCQ26568 30Jan02 DIREÇÃO HIDROSTÁTICA E FREIO, MANGUEIRAS E TUBOS HIDRÁULICOS - CABINE 60.004
  • 239.
    TRATORES JOHN DEERE7500 CPCQ26568 30Jan02 1 2 3 4 5 6 7 8 9 10 11 12 13 14 15 16 17 18 19 20 21 22 23 DQ32194 R34558 L79337 T77814 38H5001 T77857 DQ33563 DQ35216 DQ32251 DQ33565 19M7301 AH77724 12M7065 24M7026 L39888 AL114312 T77613 38H5022 38H5016 38H5003 L100555 38H5131 L100644 DQ31851 DQ31850 38H5002 TUBO FIXADOR BORRACHA ANEL O CONEXAO ANEL O MANGUEIRA MANGUEIRA MANGUEIRA MANGUEIRA PARAF SEXT FIXADOR ARRUELA PRESSAO ARRUELA LISA VEDAÇÃO MANGUEIRA ANEL O CONEXÃO CONEXAO CONECTOR CONEXÃO CONEXÃO GUARNIÇÃO TUBO TUBO CONEXAO 2 AR AR AR 1 1 7881 XXXXXX XXXXXX 7880 7 5 0 0 X X X X X X X X X X X X X X X X X X X X X X X X X X M8X40 5MM 9X17X1,6 60.005 - - - - - - - - - - - - - - - - - - - - - - - - - - ITEM NÚMERO DESCRIÇÃO QTDE OBSERVAÇÕESNO. SÉRIE
  • 240.
    TRATORES JOHN DEERE7500 CPCQ26568 30Jan02 60.006
  • 241.
    TRATORES JOHN DEERE7500 CPCQ26568 30Jan02 UNIDADE DA DIREÇÃO HIDROSTÁTICA 1 2 3 4 5 6 7 8 9 10 11 12 13 14 RE34138 AL119235 C15104 T77346 T54324 B3690R JD8856 T41836 T70321 T152293 E84676 T101545 P51079 T101546 AE46834 UNIDADE DIRECAO UNIDADE DIREÇÃO RETENTOR BUCHA ANEL DE PENETRAÇÃO ANEL O CONE ARRUELA ANEL PLACA DE DESGASTE PARAF.SEXT RETENTOR ANEL O ANEL ENCOSTO KIT VEDAÇÃO 1 1 1 1 1 1 1 2 3 1 7 1 1 1 AR XXXXXX XXXXXX 7 5 0 0 X X X X X X X X X X X X X X X 60.007 - - - - - - - - - - - - - - - ITEM NÚMERO DESCRIÇÃO QTDE OBSERVAÇÕESNO. SÉRIE
  • 242.
    TRATORES JOHN DEERE7500 CPCQ26568 30Jan02 DIREÇÃO HIDROSTÁTICA E FREIOS, TUBOS HIDRÁULICOS E PECAS DE FIXACAO - SEM CABINE 60.008
  • 243.
    TRATORES JOHN DEERE7500 CPCQ26568 30Jan02 1 2 3 4 5 6 7 8 9 10 11 12 13 14 15 16 17 18 19 20 21 22 23 24 25 26 27 28 29 30 31 AP32864 T77857 38H5003 L100555 51M7043 B2762 51M7041 38H5002 T77613 DQ60616 DQ60617 DQ60590 51M7040 38H5022 38H5016 T77613 AL114312 AP32561 DQ35216 AP32559 AP32567 AP32568 19M7595 DQ03962 CQ33811 14M7165 19M7721 DQ04007 CQ25192 H75541 14M7165 H128515 T77857 38H5003 51M7043 TUBO ANEL O CONECTOR CONEXÃO ANEL O ANEL O ANEL O CONEXAO ANEL O TUBO TUBO TUBO ANEL O CONEXÃO CONEXAO ANEL O MANGUEIRA TUBO MANGUEIRA TUBO TUBO TUBO PARAFUSO FIXADOR PLACA PORCA SEXT PARAF SEXT FIXADOR ESPACADOR ABRACADEIRA PORCA SEXT FIXADOR ANEL O CONECTOR ANEL O 1 1 1 1 AR AR AR AR AR XXXXXX XXXXXX 7881 7881 XXXXXX XXXXXX 7880 7880 7 5 0 0 X X X X X X X X X X X X X X X X X X X X X X X X X X X X X X X X X X X INC 4 11.3X2.2MM INC 6 9,3X2,2MM INCL KEYS 12 M6X50 M6 M6X65 M6 60.009 - - - - - - - - - - - - - - - - - - - - - - - - - - - - - - - - - - - ITEM NÚMERO DESCRIÇÃO QTDE OBSERVAÇÕESNO. SÉRIE
  • 244.
    TRATORES JOHN DEERE7500 CPCQ26568 30Jan02 DIREÇÃO HIDROSTÁTICA, TUBOS HIDRÁULICOS E PEÇAS DE FIXACAO 60.010
  • 245.
    TRATORES JOHN DEERE7500 CPCQ26568 30Jan02 1 2 3 4 5 6 7 8 9 10 11 12 14M7165 AH87142 CQ33811 DQ04007 P59993 19M7299 CQ25995 CQ46867 DQ29952 H128515 19M7299 19M8552 12M7067 PORCA SEXT FIXADOR PLACA FIXADOR SUPORTE PARAF SEXT SUPORTE SUPORTE TUBO FIXADOR PARAF SEXT PARAF SEXT ARRUELA PRESSAO AR AR 2 1 7 5 0 0 X X X X X X X X X X X X X M6 M6X45 MOTOR 350 M6X45 M12X25 12MM 60.011 - - - - - - - - - - - - - ITEM NÚMERO DESCRIÇÃO QTDE OBSERVAÇÕESNO. SÉRIE
  • 246.
    TRATORES JOHN DEERE7500 CPCQ26568 30Jan02 DIREÇÃO HIDROSTÁTICA, TUBOS HIDRÁULICOS E PEÇAS DE FIXACAO 1 2 3 4 5 6 7 8 9 DQ60627 DQ60628 T77857 19M7167 T70659 14M7274 AL78576 AL78414 L41536 TUBO TUBO ANEL O PARAFUSO SEXT FIXADOR PORCA MANGUEIRA CONEXAO ANEL O AR AR 7 5 0 0 X X X X X X X X X M10X25 M10 4X4 60.012 - - - - - - - - - ITEM NÚMERO DESCRIÇÃO QTDE OBSERVAÇÕESNO. SÉRIE
  • 247.
    TRATORES JOHN DEERE7500 CPCQ26568 30Jan02 VÁLVULA DE FREIO 1 2 3 4 5 6 7 8 9 10 11 12 13 14 15 16 17 18 19 20 21 22 23 24 AP32508 AP37887 R26552 19M8493 R108052 38H5002 51M7041 R60755 R108062 U17409 A4365 R10093 T13119 19M7167 RE46598 AP32913 34H294 R108066 R108041 R108042 R108067 RE60708 R115975 12M7066 P60242 VALVULA VALVULA ESFERA PARAFUSO EMBOLO CONEXAO ANEL O ROLAMENTO DE AGULHA TAMPÃO ANEL O ANEL O ANEL O ANEL O PARAFUSO SEXT KIT KIT PINO ELÁSTICO ANEL O RETENTOR ANEL DE APOIO RETENTOR KIT ARRUELA ARRUELA PRESSAO PISTÃO 1 1 1 2 2 2 1 2 2 2 2 2 2 4 1 2 2 2 2 2 2 2 AR AR 13757 13756 7 5 0 0 X X X X X X X X X X X X X X X X X X X X X X X X X 5/16" 11.3X2.2MM M10X25 10MM 60.013 - - - - - - - - - - - - - - - - - - - - - - - - - ITEM NÚMERO DESCRIÇÃO QTDE OBSERVAÇÕESNO. SÉRIE
  • 248.
    TRATORES JOHN DEERE7500 CPCQ26568 30Jan02 CONJUNTO DE FIXADORES DA VÁLVULA DE FREIO 1 RE63587 KIT 1 7 5 0 0 X (A) 60.014 (A) (SUB FOR RE46601 OR RE60709) (SUB RE67861) - ITEM NÚMERO DESCRIÇÃO QTDE OBSERVAÇÕESNO. SÉRIE
  • 249.
    TRATORES JOHN DEERE7500 CPCQ26568 30Jan02 CONJUNTO DE VALVULA DE RETENÇÃO DE COMPENSAÇÃO DO FREIO 1 3 4 5 6 RE46597 RE60708 R60755 A4365R R10093 R108042 R108067 KIT KIT ROLAMENTO DE AGULHA ANEL O ANEL O ANEL DE APOIO RETENTOR 1 1 1 1 1 1 1 XXXXXX XXXXXX 7 5 0 0 X X X X X X X (A) SUB RE60708) (B) 60.015 (A) (B) ( -XXXXXX) 7200-002258; 7400-002437 (XXXXXX- ) 7200-002259; 7400-002438 - - - - - - - ITEM NÚMERO DESCRIÇÃO QTDE OBSERVAÇÕESNO. SÉRIE
  • 250.
    TRATORES JOHN DEERE7500 CPCQ26568 30Jan02 KIT DE REPARO DO FREIO DE VÁLVULA 60.016
  • 251.
    TRATORES JOHN DEERE7500 CPCQ26568 30Jan02 1 2 3 4 5 6 7 8 9 10 11 12 13 14 15 16 17 18 19 20 21 22 23 RE67860 T42571 51M7041 51M7043 R30903 R30903 R26287 R26448 U17409 A4365R R10093 T13119 R28776 T77932 B2762R R118205 R108066 R132845 R108042 R108067 R113054 R113057 R113061 KIT ANEL APOIO ANEL O ANEL O ANEL O ANEL O ANEL O ANEL O ANEL O ANEL O ANEL O ANEL O ANEL O ANEL O ANEL O VEDAÇÃO ANEL O VEDAÇÃO ANEL DE APOIO RETENTOR ANEL APOIO VEDAÇÃO ESFERA 1 1 3 1 1 1 1 1 2 2 2 2 1 1 1 1 3 2 2 2 1 1 1 7 5 0 0 X X X X X X X X X X X X X X X X X X X X X X X (USE WITH RE67321) 11.3X2.2MM 60.017 - - - - - - - - - - - - - - - - - - - - - - - ITEM NÚMERO DESCRIÇÃO QTDE OBSERVAÇÕESNO. SÉRIE
  • 252.
    TRATORES JOHN DEERE7500 CPCQ26568 30Jan02 PEDAIS DO FREIO 1 2 3 4 5 6 7 8 9 10 11 12 13 14 19M7139 24M7026 RE66257 R112676 R51192 14M7140 RE43662 RE43663 RE49670 12M7006 19M7167 R50879 34H313 R50034 PARAFUSO ARRUELA LISA SENSOR PARAFUSO BUCHA PORCA SEXT PEDAL ESQ PEDAL DIR SUPORTE ARRUELA PRESSAO PARAFUSO SEXT TRAVESSA PINO ELAST MOLA AR AR 1 2 2 AR 2 1 1 AR AR 1 AR 1 7 5 0 0 X X X X X X X X X X X X X X M8X20 9X17X1,6 M10 INCL KEYS 5, 12, 13, 14 INCL KEYS 5 6MM M10X25 60.018 - - - - - - - - - - - - - - ITEM NÚMERO DESCRIÇÃO QTDE OBSERVAÇÕESNO. SÉRIE
  • 253.
    TRATORES JOHN DEERE7500 CPCQ26568 30Jan02 DISCO DO FREIO 1 2 3 4 5 R125128 RE160072 R122850 R125127 R126399 PLACA DISCO RETENTOR PISTAO RETENTOR 2 2 2 2 2 7 5 0 0 X X X X X SUB RE640066 OR RE701175 60.019 - - - - - ITEM NÚMERO DESCRIÇÃO QTDE OBSERVAÇÕESNO. SÉRIE
  • 254.
    TRATORES JOHN DEERE7500 CPCQ26568 30Jan02 TUBOS HIDRÁULICOS DO FREIO 1 2 3 4 5 6 7 8 9 10 11 12 13 14 15 16 17 18 19 AP32572 T77613 38H5002 51M7041 AP32571 14M7167 CQ33811 H128515 14M7274 19M7299 P59991 28H1903 19M7166 19M3115 19M8552 H75541 AH87142 12M7067 CQ25996 TUBO ANEL O CONEXAO ANEL O TUBO PORCA AUTOFREN PLACA FIXADOR PORCA PARAF SEXT SUPORTE ESPACADOR PARAFUSO SEXT PARAF SEXT PARAF SEXT ABRACADEIRA FIXADOR ARRUELA PRESSAO SUPORTE AR AR AR AR AR 7 5 0 0 X X X X X X X X X X X X X X X X X X X INCL KEYS 4 11.3X2.2MM M10 M10 M6X45 M10X20 M6X12 M12X25 12MM 60.020 - - - - - - - - - - - - - - - - - - - ITEM NÚMERO DESCRIÇÃO QTDE OBSERVAÇÕESNO. SÉRIE
  • 255.
    TRATORES JOHN DEERE7500 CPCQ26568 30Jan02 TUBO HIDRÁULICO DO FREIO - 100 LPM 1 2 3 4 5 6 7 8 9 10 11 12 13 14 15 16 17 18 19 DQ29954 T77613 38H5016 51M7041 DQ30105 14M7165 CQ33811 H128515 14M7274 19M7299 P59991 P59991 19M7318 19M3115 19M8552 CQ03819 AH87142 12M7067 CQ25996 TUBO ANEL O CONEXAO ANEL O TUBO PORCA SEXT PLACA FIXADOR PORCA PARAF SEXT SUPORTE SUPORTE PARAFUSO PARAF SEXT PARAF SEXT FIXADOR FIXADOR ARRUELA PRESSAO SUPORTE AR AR AR 7 5 0 0 X X X X X X X X X X X X X X X X X X X 11.3X2.2MM M6 M10 M6X45 M6X30 M6X12 M12X25 12MM 60.021 - - - - - - - - - - - - - - - - - - - ITEM NÚMERO DESCRIÇÃO QTDE OBSERVAÇÕESNO. SÉRIE
  • 256.
    TRATORES JOHN DEERE7500 CPCQ26568 30Jan02 60.022
  • 257.
    30Jan02TRATORES JOHN DEERE7500 CPCQ26568 2B9 INDICE DE GRUPO - INDICE DE GRUPO
  • 258.
    30Jan02TRATORES JOHN DEERE7500 CPCQ26568 2B9 INDICE DE GRUPO - INDICE DE GRUPO
  • 259.
    30Jan02TRATORES JOHN DEERE7500 CPCQ26568 2B9 INDICE DE GRUPO - INDICE DE GRUPO
  • 260.
    TRATORES JOHN DEERE7500 CPCQ26568 30Jan02 70.001
  • 261.
    TRATORES JOHN DEERE7500 CPCQ26568 30Jan02 VÁLVULA DE CONTROL DO LEVANTE HIDRÁULICO 70.002
  • 262.
    TRATORES JOHN DEERE7500 CPCQ26568 30Jan02 1 2 3 4 5 6 7 8 9 10 11 12 13 14 15 16 17 18 CQ60094 51M7041 38H5002 T77613 DQ60580 38H5127 DQ28389 38H5016 DQ28388 P59203 R74210 R26448 DQ28390 T77857 38H5003 51M7043 P59202 AL82025 CONEXAO ANEL O CONEXAO ANEL O CONEXAO CONEXAO TUBO CONEXAO TUBO CONEXAO ANEL O ANEL O TUBO ANEL O CONECTOR ANEL O MANGUEIRA ABRAÇADEIRA 7 5 0 0 X X X X X X X X X X X X X X X X X X 11.3X2.2MM INCL KEYS 2 INCL KEYS 16 70.003 - - - - - - - - - - - - - - - - - - ITEM NÚMERO DESCRIÇÃO QTDE OBSERVAÇÕESNO. SÉRIE
  • 263.
    TRATORES JOHN DEERE7500 CPCQ26568 30Jan02 LEVANTE HIDRÁULICO 70.004
  • 264.
    TRATORES JOHN DEERE7500 CPCQ26568 30Jan02 1 2 3 4 5 6 7 8 9 10 11 12 13 14 L100025 R111551 R111550 CQ33509 L75841 R111553 R111546 R111547 R33877 19M8102 19M7824 19M7851 R154949 24M7026 19M7162 SUPORTE BUCHA EIXO EIXO VEDACAO ARRUELA BRACO ESQ BRACO DIR ARRUELA PARAF SEXT PARAF C/FLANGE PARAF C/FLANGE BLINDAGEM ARRUELA LISA PARAF SEXT AR AR AR AR AR XXXXXX XXXXXX 7 5 0 0 X X X X X X X X X X X X X X X M20X65 M20X60 9X17X1,6 M8X16 70.005 - - - - - - - - - - - - - - - ITEM NÚMERO DESCRIÇÃO QTDE OBSERVAÇÕESNO. SÉRIE
  • 265.
    TRATORES JOHN DEERE7500 CPCQ26568 30Jan02 SENSOR DE PROFUNDIDADE, LEVANTE HIDRÁULICO 70.006
  • 266.
    TRATORES JOHN DEERE7500 CPCQ26568 30Jan02 1 2 3 4 5 6 7 8 9 10 11 12 13 14 15 16 R111692 R40915 R56504 R112679 R86457 P48347 R111691 R41076 R26871 RE24467 RE56165 21M7360 12H295 14M7028 19M7139 RE54029 14H860 EIXO BRACO PINO ELAST VEDACAO SUPORTE ANEL O SUPORTE BUCHA ANEL ELAST SENSOR SENSOR PARAF FENDA ARRUELA PRESSAO PORCA SEXT PARAFUSO HASTE PORCA 1 1 1 1 1 AR 1 1 1 1 1 AR AR AR AR 1 AR 3967 3966 7 5 0 0 X X X X X X X X X X X X X X X X X M5X45 3/16" M5 M8X20 1/4" 70.007 - - - - - - - - - - - - - - - - - ITEM NÚMERO DESCRIÇÃO QTDE OBSERVAÇÕESNO. SÉRIE TRATOR
  • 267.
    TRATORES JOHN DEERE7500 CPCQ26568 30Jan02 CILINDRO DE LEVANTE 1 2 3 4 5 6 7 8 9 10 11 12 DQ27023 DQ32160 R95206 R95207 T20217 R107975 L75695 R68672 11M7059 58M5575 H148011 H148010 DQ27021 DQ33185 CILINDRO CILINDRO PINO PLACA ARRUELA PARAFUSO PINO PINO CONTRAPINO GRAXEIRA VEDACAO BUCHA REPARO KIT 5924 5924 5923 5923 5923 5923 7 5 0 0 X X X X X X X X X X X X X X 3,2X20MM M10 70.008 - - - - - - - - - - - - - - ITEM NÚMERO DESCRIÇÃO QTDE OBSERVAÇÕESNO. SÉRIE TRATOR
  • 268.
    TRATORES JOHN DEERE7500 CPCQ26568 30Jan02 TUBOS HIDRÁULICOS, CILINDRO DO LEVANTE 1 2 3 4 5 6 7 8 51M7045 38H5076 T77857 DQ25766 51M7043 38H5003 RE49100 38H5031 ANEL O CONECTOR ANEL O MANGUEIRA ANEL O CONECTOR MANGUEIRA CONECTOR 7 5 0 0 X X X X X X X X 19.300X2.200MM INCL KEYS 1 INCL KEYS 5 70.009 - - - - - - - - ITEM NÚMERO DESCRIÇÃO QTDE OBSERVAÇÕESNO. SÉRIE
  • 269.
    TRATORES JOHN DEERE7500 CPCQ26568 30Jan02 SUPORTE BARRA DE TRAÇÃO, SENSOR DA TRAÇÃO 70.010
  • 270.
    TRATORES JOHN DEERE7500 CPCQ26568 30Jan02 1 2 3 4 5 6 7 8 9 10 11 12 13 14 15 16 17 18 19 20 21 22 R111186 R108086 R108088 R108089 R108090 R108091 19M7285 R111582 R115771 R113392 RE43738 R108093 R111187 AT128773 40M5099 R108095 R111188 19M7300 JD7798 R95401 19M7297 R76477 EIXO RETENTOR BUCHA BUCHA PINO PLACA PARAFUSO SUPORTE PINO CLIPE POTENCIOMETRO CLIPE REFORCO BUCHA ANEL ELAST TAMPA TAMPA PARAF SEXT GRAXEIRA BLINDAGEM PARAF SEXT ABRACADEIRA 1 3 2 2 1 1 2 2 2 2 1 1 1 1 1 2 1 10 1 1 2 1 7 5 0 0 X X X X X X X X X X X X X X X X X X X X X X M12X30 M6X10 M8X12 70.011 - - - - - - - - - - - - - - - - - - - - - - ITEM NÚMERO DESCRIÇÃO QTDE OBSERVAÇÕESNO. SÉRIE TRATOR
  • 271.
    TRATORES JOHN DEERE7500 CPCQ26568 30Jan02 BARRAS DE TRAÇÃO, TELESCÓPICAS 70.012
  • 272.
    TRATORES JOHN DEERE7500 CPCQ26568 30Jan02 1 2 3 4 5 6 7 8 9 DQ33824 DQ33825 DQ26120 RE11578 R26908 RE43609 RE43608 19M6614 34M7199 R106297 11M7028 R108112 BRAÇO DO LEVANTE BRAÇO DO LEVANTE BRACO COMP PORCA MOLA EXTREMO DO BRAÇO EXTREMO DE BRAÇO PARAFUSO PINO ELÁSTICO PINO CONTRAPINO BUCHA 1 1 1 2 2 2 2 2 2 2 2 2 8239 8239 8238 7 5 0 0 X X X X X X X X X X X X RH LH RH LH M6X12 5X32MM 70.013 - - - - - - - - - - - - ITEM NÚMERO DESCRIÇÃO QTDE OBSERVAÇÕESNO. SÉRIE
  • 273.
    TRATORES JOHN DEERE7500 CPCQ26568 30Jan02 TENSORES AJUSTÁVEUS, COM BARRAS DE TRAÇÃO TELESCÓPICAS 70.014
  • 274.
    TRATORES JOHN DEERE7500 CPCQ26568 30Jan02 1 2 3 4 5 6 7 8 9 10 11 12 13 14 15 16 17 RE55238 34M7158 R117616 JD7798 30H6 R96295 R117872 R106308 R63737 11M7021 R65239 R65240 A602R R80436 CQ42183 R69166 11M7059 TERMINAL PINO ELAST CORPO GRAXEIRA TAMPAO TRAVA TERMINAL PARAFUSO PINO CONTRAPINO PINO ARRUELA ANEL ANEL PINO PINO CONTRAPINO 2 2 2 4 2 2 2 2 2 2 2 2 2 2 2 2 2 7 5 0 0 X X X X X X X X X X X X X X X X X 4X25MM SUB R79916 3,2X20MM 70.015 - - - - - - - - - - - - - - - - - ITEM NÚMERO DESCRIÇÃO QTDE OBSERVAÇÕESNO. SÉRIE
  • 275.
    TRATORES JOHN DEERE7500 CPCQ26568 30Jan02 TENSOR CENTRAL 70.016
  • 276.
    TRATORES JOHN DEERE7500 CPCQ26568 30Jan02 1 2 3 4 5 6 7 8 9 10 11 12 13 14 15 P59247 19M7268 CQ26283 19M7907 AR62151 R118182 19M8102 RE48263 JD7798 R80436 R96295 R110936 RE48265 24M7038 RE48258 SUPORTE PARAF SEXT SUPORTE PARAF SEXT PINO PINO PARAF SEXT TERMINAL GRAXEIRA ANEL TRAVA CORPO TERMINAL ARRUELA LISA BRAÇO CENTRAL AR AR AR 7 5 0 0 X X X X X X X X X X X X X X X M12X25 M20X140 M20X65 14X24MM 70.017 - - - - - - - - - - - - - - - ITEM NÚMERO DESCRIÇÃO QTDE OBSERVAÇÕESNO. SÉRIE
  • 277.
    TRATORES JOHN DEERE7500 CPCQ26568 30Jan02 BARRA ESTABILIZADORA 1 2 3 4 5 6 7 8 9 10 11 12 13 14 15 16 24M7090 12M7070 CQ07569 11M7054 DQ26134 CQ26016 DQ26111 CQ25768 58M5573 DQ26261 L77493 DQ26009 12M7006 M48519 11M7012 DQ34284 ARRUELA LISA ARRUELA PRESSAO PARAF SEXT CONTRAPINO SUPORTE PINO ROTULA BUCHA GRAXEIRA CORPO PINO BARRA ARRUELA PRESSAO PINO DIR CONTRAPINO ESTABILIZADOR AR AR AR AR 2 2 2 2 2 2 2 2 2 2 7 5 0 0 X X X X X X X X X X X X X X X X 22X37MM 20MM M20X65 6,3X32MM M6 6MM 3,2X16MM 70.018 - - - - - - - - - - - - - - - - ITEM NÚMERO DESCRIÇÃO QTDE OBSERVAÇÕESNO. SÉRIE
  • 278.
    TRATORES JOHN DEERE7500 CPCQ26568 30Jan02 PEÇAS DE MONTAGEM PARA VÁLVULA PRIORITÁRIA 1 2 3 4 5 6 7 8 9 10 11 12 19M8035 CQ27871 19M7950 P59329 19M7285 24M7038 CQ35365 CQ27817 19M7288 12M7065 14M7029 CQ34069 PARAF SEXT SUPORTE PARAF SEXT SUPORTE PARAFUSO ARRUELA LISA PROTEÇÃO PROTEÇÃO PARAFUSO ARRUELA PRESSAO PORCA SEXT ESPAÇADOR AR AR AR AR 1 1 AR AR AR 1 7 5 0 0 X X X X X X X X X X X X M16X35 W/O ROCKSHAFT M20X45 M12X30 14X24MM W/O ROCKSHAFT W/O ROCKSHAFT M8X30 5MM M8 (A) 70.019 (A) SOMENTE USINEIRO - - - - - - - - - - - - ITEM NÚMERO DESCRIÇÃO QTDE OBSERVAÇÕESNO. SÉRIE
  • 279.
    TRATORES JOHN DEERE7500 CPCQ26568 30Jan02 VÁLVULA PRIORITÁRIA DA ENTRADA 60 LPM 70.020
  • 280.
    TRATORES JOHN DEERE7500 CPCQ26568 30Jan02 1 2 3 4 5 6 7 8 9 10 11 12 13 14 15 16 RE46684 51M7041 38H5003 51M7043 RE12187 R77175 DQ28754 AP32920 DQ41959 DQ43423 R111525 R111516 P60285 R58832 DQ60568 DQ60569 DQ60704 R111298 RE49624 TAMPAO ANEL O CONECTOR ANEL O CONEXAO CAPA CONJ VALVULA KIT VEDAÇÃO CONJ COMANDO CONJ. VALVULA MOLA ANEL O TAMPÃO FILTRO VALVULA VALVULA CARRETEL MOLA TAMPÃO 3 6 1 1 3 3 1 1 1 1 1 2 1 2 1 1 1 1 1 13841 XXXXXX 13840 XXXXXX 7 5 0 0 X X X X X X X X X X X X X X X X X X X INCL KEYS 2 11.3X2.2MM 9.300X2.200MM INCL KEYS 9 ORD R26375 INCL KEYS 9 70.021 - - - - - - - - - - - - - - - - - - - ITEM NÚMERO DESCRIÇÃO QTDE OBSERVAÇÕESNO. SÉRIE TRATOR
  • 281.
    TRATORES JOHN DEERE7500 CPCQ26568 30Jan02 VÁLVULA DE CONTROL DO LEVANTE HIDRÁULICO 60 LPM 70.022
  • 282.
    TRATORES JOHN DEERE7500 CPCQ26568 30Jan02 1 2 3 4 5 6 7 8 9 10 11 12 13 14 15 16 17 18 19 20 21 22 23 24 25 26 27 28 RE39607 U12547 T76502 R33259 T44604 R63548 T81686 T67424 T67425 RE46687 51M7045 R111288 R111526 RE39396 R111493 R63548 R111488 R111498 R111308 RE49624 R47150 RE50338 R26906 RE50337 19M8667 12M7031 RE49630 T70177 CONJ VALVULA ANEL O TAMPÃO ANEL O ANEL O ANEL O ANEL O PORCA PORCA TAMPÃO ANEL O VALVULA ARRUELA PRESSAO VALVULA TAMPÃO ANEL O TAMPÃO CAPA ANEL TAMPÃO ANEL O KIT ANEL O KIT PARAF SEXT ARRUELA PRESSÃO SOLENOIDE ANEL O 1 2 2 4 1 1 2 2 1 1 1 1 1 1 1 2 2 1 1 1 2 1 2 1 AR AR 2 1 7 5 0 0 X X X X X X X X X X X X X X X X X X X X X X X X X X X X 19.300X2.200MM M4X55 70.023 - - - - - - - - - - - - - - - - - - - - - - - - - - - - ITEM NÚMERO DESCRIÇÃO QTDE OBSERVAÇÕESNO. SÉRIE
  • 283.
    TRATORES JOHN DEERE7500 CPCQ26568 30Jan02 VALVULA DO LEVANTE HIDRAULICO 70.024
  • 284.
    TRATORES JOHN DEERE7500 CPCQ26568 30Jan02 1 2 3 4 5 6 7 8 9 10 11 12 13 14 15 16 17 18 19 20 21 22 23 24 25 26 27 28 29 30 31 32 33 34 35 36 37 RE176785 U12547 T76502 R111486 T44604 R63548 T81686 RE179329 R111487 RE46687 51M7045 R111288 R111526 RE39396 R111493 R63548 RE179258 L65322 R111308 RE49624 R47150 RE50338 R26906 RE50337 19M8842 12H315 RE179032 T70177 R111532 T150958 R111235 R111234 RE179259 R114850 R111496 R111489 RE50336 RE50335 VALVULA ANEL O TAMPÃO PRATO ANEL O ANEL O ANEL O KIT RETENTOR MOLA DE COMPRESSÃO TAMPÃO ANEL O VALVULA ARRUELA PRESSAO VALVULA TAMPÃO ANEL O TAMPÃO PROTEÇÃO CONTRA PÓ ANEL TAMPÃO ANEL O KIT ANEL O KIT PARAFUSO ARRUELA DE SEGURANÇA VALVULA SOLENOIDE ANEL O ANEL O ANEL DE APOIO ANEL DE APOIO ANEL O TAMPÃO MOLA PINO BUCHA KIT KIT 1 2 2 2 1 2 2 1 2 1 1 1 1 1 1 1 1 1 1 1 2 1 2 1 8 8 2 1 2 2 2 1 1 1 1 1 1 1 7 5 0 0 X X X X X X X X X X X X X X X X X X X X X X X X X X X X X X X X X X X X X X 19.300X2.200MM INCL KEYS 2 M4X60, HS 12.9 0.164" INCL KEYS2,5-7,11,23,29,3 70.025 - - - - - - - - - - - - - - - - - - - - - - - - - - - - - - - - - - - - - - ITEM NÚMERO DESCRIÇÃO QTDE OBSERVAÇÕESNO. SÉRIE
  • 285.
    TRATORES JOHN DEERE7500 CPCQ26568 30Jan02 VÁLVULA DE CONTROL - 100 LPM VCR 300 70.026
  • 286.
    TRATORES JOHN DEERE7500 CPCQ26568 30Jan02 1 2 3 4 5 6 7 8 9 10 11 12 13 14 15 16 17 18 19 20 21 22 23 24 25 26 27 28 29 30 31 32 33 34 35 36 37 38 39 40 41 42 43 AL78187 E69117 R28782 R26976 R111206 R95493 R111238 19M7768 R111242 R95491 25H723 19M8706 R111288 R95494 R95490 R111308 R113228 34H184 R111200 RE49624 R26375 RE49631 RE49633 RE56127 RE50384 RE50385 R26906 U17409 51M7045 AL102951 R118092 R118192 R113218 R111504 R117942 R111527 R113229 R113223 R113224 R113226 R126667 R117738 AL118383 VALVULA DE CONTROLE ANEL O ANEL O ANEL O VEDAÇÃO DISCO MOLA PARAFUSO TAMPÃO BOTÃO PINO PARAFUSO VALVULA ANEL O BOTÃO ANEL TAMPÃO PINO ELASTICO ANEL O TAMPÃO ANEL O KIT KIT KIT KIT KIT ANEL O ANEL O ANEL O ENGATE RÁPIDO GAXETA ARRUELA PRESSÃO ANEL ANEL ANEL O ANEL O ANEL O ANEL ANEL O ANEL O VEDAÇÃO GRAXA FRANGE 1 2 1 1 1 1 2 2 1 1 1 3 2 1 1 2 1 1 1 2 1 1 1 1 1 1 1 1 10 1 1 1 1 1 2 1 4 4 4 2 2 2 1 7 5 0 0 X X X X X X X X X X X X X X X X X X X X X X X X X X X X X X X X X X X X X X X X X X X M6X16 1/8"X 1.1/2 19.300X2.200MM 70.027 - - - - - - - - - - - - - - - - - - - - - - - - - - - - - - - - - - - - - - - - - - - ITEM NÚMERO DESCRIÇÃO QTDE OBSERVAÇÕESNO. SÉRIE
  • 287.
    TRATORES JOHN DEERE7500 CPCQ26568 30Jan02 VÁLVULAS DE CONTROLE 301 70.028
  • 288.
    TRATORES JOHN DEERE7500 CPCQ26568 30Jan02 1 2 3 4 5 6 7 8 9 10 11 12 13 14 15 16 17 18 19 20 21 22 23 24 25 26 27 28 29 30 31 32 33 34 35 36 37 38 39 40 41 AP32585 AL119217 E69117 R28782 R26976 AL110322 R95493 R111238 19M7768 R111242 R95491 25H723 19M8706 R111288 R95494 R95490 R111308 R113228 34H184 R111200 RE49624 R26375 RE49631 AP35824 RE56127 RE50384 RE50385 R26906 U17409 51M7045 AL112951 R118092 R118192 R113218 R111504 R117942 R111527 R113229 R113223 R113224 R113226 R126667 R117738 VALVULA VÁLVULA ANEL O ANEL O ANEL O FLANGE DISCO MOLA PARAFUSO TAMPÃO BOTÃO PINO PARAFUSO VALVULA ANEL O BOTÃO ANEL TAMPÃO PINO ELASTICO ANEL O TAMPÃO ANEL O KIT KIT KIT KIT KIT ANEL O ANEL O ANEL O ENGATE RAPIDO GAXETA ARRUELA PRESSÃO ANEL ANEL ANEL O ANEL O ANEL O ANEL ANEL O ANEL O VEDAÇÃO GRAXA AR AR 2 1 1 1 1 2 2 1 1 1 3 2 1 1 2 1 1 1 2 2 1 1 1 1 1 1 1 2 2 2 3 1 1 1 1 1 1 1 1 1 1 10505 7 5 0 0 X X X X X X X X X X X X X X X X X X X X X X X X X X X X X X X X X X X X X X X X X X X M6X16 1/8"X 1.1/2 (SUB FOR RE49634) 19.300X2.200MM 70.029 - - - - - - - - - - - - - - - - - - - - - - - - - - - - - - - - - - - - - - - - - - - ITEM NÚMERO DESCRIÇÃO QTDE OBSERVAÇÕESNO. SÉRIE
  • 289.
    TRATORES JOHN DEERE7500 CPCQ26568 30Jan02 VÁLVULAS DE CONTROLE 70.030
  • 290.
    TRATORES JOHN DEERE7500 CPCQ26568 30Jan02 1 2 3 4 5 6 7 8 9 10 11 12 13 14 15 16 17 18 19 20 21 22 23 24 25 26 27 28 29 30 31 32 33 34 35 36 37 38 39 40 41 AP32585 E69117 L152323 R26976 AL118383 R95493 R111238 19M7768 R111242 R95491 25H723 19M8706 R111288 R95494 R95490 R111308 R113228 34H184 R111200 RE49624 L152324 RE49631 AL119217 RE56127 RE50384 RE50385 L152325 L152326 R118192 R118092 L37733 R113218 R111527 R111504 R117942 R113229 R113223 R113224 R113226 R126667 R111206 R117738 VALVULA ANEL O ANEL O ANEL O FRANGE DISCO MOLA PARAFUSO TAMPÃO BOTÃO PINO PARAFUSO VALVULA ANEL O BOTÃO ANEL TAMPÃO PINO ELASTICO ANEL O TAMPÃO ANEL O KIT VÁLVULA KIT KIT KIT ANEL O ANEL O ARRUELA PRESSÃO GAXETA ANEL O ANEL ANEL O ANEL ANEL O ANEL O ANEL ANEL O ANEL O VEDAÇÃO VEDAÇÃO GRAXA 1 2 1 1 1 1 2 2 1 1 1 3 2 1 1 2 1 1 1 2 2 1 1 1 1 1 1 1 3 AR AR 1 1 1 1 1 1 1 1 1 1 1 7 5 0 0 X X X X X X X X X X X X X X X X X X X X X X X X X X X X X X X X X X X X X X X X X X M6X16 1/8"X 1.1/2 270G 70.031 - - - - - - - - - - - - - - - - - - - - - - - - - - - - - - - - - - - - - - - - - - ITEM NÚMERO DESCRIÇÃO QTDE OBSERVAÇÕESNO. SÉRIE
  • 291.
    TRATORES JOHN DEERE7500 CPCQ26568 30Jan02 VÁLVULAS DE CONTROLE REMOTO E ENGATE RÁPIDO 70.032
  • 292.
    TRATORES JOHN DEERE7500 CPCQ26568 30Jan02 1 2 3 4 5 6 7 8 9 10 11 12 13 14 15 16 17 18 19 20 21 22 DQ04227 AL112951 DQ38613 51M7045 DQ60573 R95493 R95494 AP32585 AL119217 AL112952 AL112953 L110090 L112370 AP32923 R111200 P60263 CQ33818 CQ33819 CQ33965 38H5079 R47151 L37733 AL110322 19M7768 TAMPAO MACHO ENGATE RAPIDO ENGATE RAPIDO ANEL O VALVULA DISCO ANEL O VALVULA VÁLVULA KIT KIT ANEL ELAST CAPA KIT VEDAÇÃO ANEL O TAMPA PLUG ESFERA CHAPA PORCA ANEL O ANEL O FLANGE PARAFUSO AR AR AR AR AR AR AR AR AR AR AR AR AR AR AR AR 1 4 1 1 1 AR 10441 4382 10505 10440 10504 7 5 0 0 X X X X X X X X X X X X X X X X X X X X X X X X 19.300X2.200MM SERIE 150 SUB AL77163 SERIE 301 SÉRIE 301 (A) (A) M6X16 70.033 (A) CANAVIEIRO - - - - - - - - - - - - - - - - - - - - - - - - ITEM NÚMERO DESCRIÇÃO QTDE OBSERVAÇÕESNO. SÉRIE
  • 293.
    TRATORES JOHN DEERE7500 CPCQ26568 30Jan02 VÁLVULA DE CONTROLE SÉRIE 100 E 101 1 2 3 4 5 6 7 8 9 10 11 12 13 14 AL75841 AL77163 T77857 R111200 R111206 R111278 R113209 R115952 R95493 R95494 19M8705 AL118383 19M7768 R113228 L37733 AL75838 VALVULA DE CONTROLE VALVULA ANEL O ANEL O VEDAÇÃO CONE DE VÁLVULA PINO LUVA DISCO ANEL O PARAFUSO FRANGE PARAFUSO TAMPÃO ANEL O VALVULA AR AR 1 2 1 1 1 1 1 1 2 1 2 1 1 1 7 5 0 0 X X X X X X X X X X X X X X X X SÉRIE 100 SÉRIE 101 SÉRIE 100 M6X65 M6X16 70.034 - - - - - - - - - - - - - - - - ITEM NÚMERO DESCRIÇÃO QTDE OBSERVAÇÕESNO. SÉRIE
  • 294.
    TRATORES JOHN DEERE7500 CPCQ26568 30Jan02 CONJUNTO DE REPAROS DA VÁLVULA DE CONTROLE REMOTO (SÉRIE 100) 1 2 3 4 RE50333 RE50334 RE50332 RE50385 KIT KIT KIT VEDAÇÃO KIT 1 1 1 1 7 5 0 0 X X X X 70.035 - - - - ITEM NÚMERO DESCRIÇÃO QTDE OBSERVAÇÕESNO. SÉRIE
  • 295.
    TRATORES JOHN DEERE7500 CPCQ26568 30Jan02 VÁLVULA PRIORITÁRIA 70.036
  • 296.
    TRATORES JOHN DEERE7500 CPCQ26568 30Jan02 1 2 3 4 5 6 7 8 9 10 11 12 13 14 15 16 17 18 19 20 21 22 23 24 25 26 27 AL76171 T77857 R95493 RE39397 R115892 51M7041 RE46684 R111296 R95494 38H5003 51M7043 RE12187 R111292 R79060 RE49091 R111297 38H5023 51M7041 R111293 R58832 RE49624 R26375 T77814 RE62446 19M7387 19M7744 38H5016 VALVULA ANEL O DISCO VALVULA ALIVIO ANEL O ANEL O TAMPAO TUCHO ANEL O CONECTOR ANEL O CONEXAO DISCO] VEDAÇÃO VEDAÇÀO MOLA CONEXAO ANEL O VALVULA FILTRO TAMPÃO ANEL O ANEL O KIT PARAF SEXT PARAFUSO SEXT CONEXAO 1 1 1 1 1 1 1 1 1 1 1 1 1 1 1 1 1 1 1 1 1 1 1 1 2 2 1 7 5 0 0 X X X X X X X X X X X X X X X X X X X X X X X X X X X MARKED R115753 11.3X2.2MM 9.300X2.200MM 11.3X2.2MM M12X40 M12X35 70.037 - - - - - - - - - - - - - - - - - - - - - - - - - - - ITEM NÚMERO DESCRIÇÃO QTDE OBSERVAÇÕESNO. SÉRIE
  • 297.
    TRATORES JOHN DEERE7500 CPCQ26568 30Jan02 VÁLVULA PRIORITÁRIA DE ENGATE 1 2 3 4 5 6 7 8 9 10 11 12 13 14 15 19M8776 AL77028 AL78187 AL76171 RE39607 42M7050 14M7491 RE154986 Z29304 R95494 U42902 T75984 19M7077 CQ33965 38H5079 PARAF SEXT TAMPA VALVULA DE CONTROLE VALVULA CONJ VALVULA PRISIONEIRO PORCA SEXT COMANDO HIDRAULICO ANEL ANEL O ANEL ANEL O PARAF SEXT CHAPA PORCA AR 1 2 1 AR AR AR 7 5 0 0 X X X X X X X X X X X X X X X M10X70 M10 (A) M6X20 (B) (C) (C) 70.038 (A) (B) (C) USADO COM (20) AL78187 USADO COM (1) AL78187 CANAVIEIRO - - - - - - - - - - - - - - - ITEM NÚMERO DESCRIÇÃO QTDE OBSERVAÇÕESNO. SÉRIE
  • 298.
    TRATORES JOHN DEERE7500 CPCQ26568 30Jan02 TAMPAS 1 2 3 4 5 6 7 AL77028 R95494 U42902 Z29304 T75984 AL77680 H63283 TAMPA ANEL O ANEL ANEL ANEL O TAMPA ANEL O 1 1 1 1 1 1 1 7 5 0 0 X X X X X X X 70.039 - - - - - - - ITEM NÚMERO DESCRIÇÃO QTDE OBSERVAÇÕESNO. SÉRIE
  • 299.
    TRATORES JOHN DEERE7500 CPCQ26568 30Jan02 KIT RETORNO LIVRE P/ MOTORES HID. VCR 1 2 3 4 5 6 7 51M7045 38H5076 38H5142 AL81368 L31745 T77857 AL82291 ANEL O CONECTOR CONEXAO MACHO DO ENGATE RAPIDO PROTEÇÃO CONTRA PO ANEL O KIT 2 1 1 1 1 2 1 7 5 0 0 X X X X X X X 19.300X2.200MM 70.040 - - - - - - - ITEM NÚMERO DESCRIÇÃO QTDE OBSERVAÇÕESNO. SÉRIE
  • 300.
    TRATORES JOHN DEERE7500 CPCQ26568 30Jan02 BOMBA DE CARGA 100 LPM 1 2 3 4 5 6 7 8 RE151054 R108011 19M8395 R108013 RE49037 R107872 L116628 19M8444 R108008 BOMBA ANEL PARAFUSO MOLA KIT DE VEDAÇÃO JUNTA JUNTA PARAFUSO ARRUELA 1 1 1 1 1 1 1 3 3 225296 225295 7 5 0 0 X X X X X X X X X M12X40 HS 12.9 ORD L116628 M12X60 70.041 - - - - - - - - - ITEM NÚMERO DESCRIÇÃO QTDE OBSERVAÇÕESNO. SÉRIE TRANSMISSÃO
  • 301.
    TRATORES JOHN DEERE7500 CPCQ26568 30Jan02 70.042
  • 302.
    TRATORES JOHN DEERE7500 CPCQ26568 30Jan02 TUBOS E CONEXÕES DA BOMBA 100 LPM 1 2 3 4 5 6 7 8 9 10 11 12 RE49105 T77857 38H5068 51M7045 RE49107 NSEP021 AL82025 DQ30072 51M7049 L110294 51M7050 NSEP021 TUBO HID ANEL O CONEXÃO ANEL O MANGUEIRA MANGUEIRA ABRAÇADEIRA CONEXÃO ANEL O ADAPTADOR ANEL O MANGUEIRA 1 4 1 1 1 1 4 2 2 2 2 1 7 5 0 0 X X X X X X X X X X X X 19.300X2.200MM LGTH 310MM (MP AL111093) (A) 38.600X2.900MM 34.600X2.900MM LGTH 310MM (MP AL111093) (B) 70.043 (A) (B) LGTH 568MM LGTH 655MM - - - - - - - - - - - - ITEM NÚMERO DESCRIÇÃO QTDE OBSERVAÇÕESNO. SÉRIE
  • 303.
    TRATORES JOHN DEERE7500 CPCQ26568 30Jan02 BOMBA HIDRÁULICA 100 LPM 70.044
  • 304.
    TRATORES JOHN DEERE7500 CPCQ26568 30Jan02 1 2 3 4 5 6 7 8 9 10 11 12 13 14 15 16 17 18 19 20 21 22 23 24 25 26 27 28 29 30 31 32 33 34 35 36 AL75305 RE43835 NSEP010 R107795 R107796 R107797 R107798 R107799 RE43837 R107800 R107801 R107802 R107803 R107808 R107809 R107810 R107811 R107814 RE49136 R107816 RE52579 R107818 R108015 R108016 RE52580 R108019 RE46648 RE46649 R108024 51M7043 JD8253 JD8935 JD7449 JD8118 JD8237 JD8905 BOMBA HIDR KIT REPARO KIT TAMPÃO ASSENTO MOLA MOLA TAMPÃO KIT REPARO MOLA PARAFUSO ASSENTO ASSENTO EIXO PLACA ANEL FORQUILHA ESPAÇADOR KIT TAMPA KIT CARCAÇA PARAFUSO PARAFUSO KIT ROLAMENTO PINO ELASTICO VALVULA CONTROLADOR DRENO ANEL O CAPA ROLAMENTO CONE ROLAMENTO CAPA ROLAMENTO CONE ROLAMENTO CAPA CONE ROLAMENTO 1 1 1 3 1 1 1 1 1 1 1 1 1 1 1 1 1 2 1 2 1 1 8 6 1 2 1 1 1 1 2 2 1 1 1 1 7 5 0 0 X X X X X X X X X X X X X X X X X X X X X X X X X X X X X X X X X X X X (ORD RE43836) 70.045 - - - - - - - - - - - - - - - - - - - - - - - - - - - - - - - - - - - - ITEM NÚMERO DESCRIÇÃO QTDE OBSERVAÇÕESNO. SÉRIE
  • 305.
    TRATORES JOHN DEERE7500 CPCQ26568 30Jan02 KIT DE VEDAÇÃO DA BOMBA HIDRÁULICA 100 LPM 1 RE43836 KIT VEDAÇÃO 1 7 5 0 0 X 70.046 - ITEM NÚMERO DESCRIÇÃO QTDE OBSERVAÇÕESNO. SÉRIE
  • 306.
    TRATORES JOHN DEERE7500 CPCQ26568 30Jan02 ACIONAMENTO BOMBA HIDRÁULICA 1 2 3 4 5 6 7 8 R115351 RE33466 R44357 R44358 R44359 40M7071 T15258 R48747 R48748 R48749 R48750 R96515 R96517 T27432 A2597R 40M7256 R94072 R121795 44M7103 RE50005 ENGRENAGEM ROLAMENTO CALCO CALCO CALCO ANEL ELASTICO ANEL ELASTICO ANEL ELASTICO ANEL ELASTICO ANEL ELASTICO ANEL ELASTICO ANEL ELASTICO ANEL ELASTICO ANEL ELASTICO ANEL ELASTICO ANEL ELASTICO LUVA PINHÃO PINO KIT 1 2 3 3 3 AR AR AR AR AR AR AR AR AR AR 1 1 1 1 1 7 5 0 0 X X X X X X X X X X X X X X X X X X X X 0.008MM 0.13MM 0.25MM 1.50MM 1,57MM (A) TK=2,08MM (A) TK=2,16MM (A) TK=2,24MM (A) TK=2,31MM (A) TK=2,45MM (A) TK=2,60MM (A) TK=2,74MM (A) TK=2,89MM (A) 70.047 (A) FAZ PARTE DE RE50005 - - - - - - - - - - - - - - - - - - - - ITEM NÚMERO DESCRIÇÃO QTDE OBSERVAÇÕESNO. SÉRIE
  • 307.
    TRATORES JOHN DEERE7500 CPCQ26568 30Jan02 BOMBA HIDRÁULICA 60 LPM 70.048
  • 308.
    TRATORES JOHN DEERE7500 CPCQ26568 30Jan02 1 2 3 4 5 6 7 8 9 10 11 12 13 14 15 16 17 18 19 20 21 22 23 24 25 51M7047 38H5005 T77858 AP32532 38H5121 51M7045 P59233 R29936 AP32912 DQ33772 19M4750 SG010.01 19M7167 24M7040 R109228 RE45864 AP32565 AP32988 F1870R 19M7744 19M7268 U42702 R108011 CQ24922 CQ26500 L116628 DQ33832 AE56248 DQ33831 ANEL O CONEXAO ANEL O MANGUEIRA CONEXAO ANEL O CONEXAO ANEL O BOMBA BOMBA PARAF ALLEN ABRACADEIRA PARAFUSO SEXT ARRUELA LISA MANGUEIRA ELEM FILTRANTE FILTRO FILTRO ANEL O PARAFUSO SEXT PARAF SEXT ANEL O ANEL SUPORTE JUNTA JUNTA KIT REPARO KIT KIT VEDAÇÃO 2 AR 2 AR AR 7904 7943 8350 7904 7904 7903 7942 8349 7903 7 5 0 0 X X X X X X X X X X X X X X X X X X X X X X X X X X X X X 23,6X2,9MM 19.300X2.200MM (A) M10X25 M10X25 11X21X2MM INCL KEYS 15 SUB AP32988 M12X35 M12X25 70.049 (A) KIT DE REPARO DA BOMBA AP32950 - - - - - - - - - - - - - - - - - - - - - - - - - - - - - ITEM NÚMERO DESCRIÇÃO QTDE OBSERVAÇÕESNO. SÉRIE TRATOR
  • 309.
    TRATORES JOHN DEERE7500 CPCQ26568 30Jan02 BOMBA HIDRÁULICA 100 LPM - COMPONENTES 1 2 3 T42302 19M7403 R106714 ANEL O PARAF SEXT ARRUELA 1 AR AR 7 5 0 0 X X X M12X35 70.050 - - - ITEM NÚMERO DESCRIÇÃO QTDE OBSERVAÇÕESNO. SÉRIE
  • 310.
    TRATORES JOHN DEERE7500 CPCQ26568 30Jan02 BOMBA HIDRÁULICA 100 LPM - COMANDO 1 2 3 4 5 6 7 8 9 10 R115351 RE33466 R44357 R44358 R44359 R48747 40M7071 T15258 R48749 R48750 T27432 A2597R 40M7085 R94072 R115352 R48750 T15258 T27432 A2597R 44M7103 RE50005 ENGRENAGEM ROLAMENTO CALCO CALCO CALCO ANEL ELASTICO ANEL ELASTICO ANEL ELASTICO ANEL ELASTICO ANEL ELASTICO ANEL ELASTICO ANEL ELASTICO ANEL ELASTICO LUVA PINHAO ANEL ELASTICO ANEL ELASTICO ANEL ELASTICO ANEL ELASTICO PINO KIT 1 2 3 3 3 AR AR AR AR AR AR AR 1 1 1 AR AR AR AR 1 1 7 5 0 0 X X X X X X X X X X X X X X X X X X X X X 0.008MM 0.13MM 0.25MM TK=2,08MM 1.50MM 1,57MM TK=2,24MM TK=2,31MM TK=2,74MM TK=2,89MM TK=2,31MM 1,57MM TK=2,74MM TK=2,89MM INCL KEYS 4, 8 70.051 - - - - - - - - - - - - - - - - - - - - - ITEM NÚMERO DESCRIÇÃO QTDE OBSERVAÇÕESNO. SÉRIE
  • 311.
    TRATORES JOHN DEERE7500 CPCQ26568 30Jan02 TUBOS DA VÁLVULA PRIORITÁRIA DE ENTRADA 1 2 3 4 5 6 7 8 9 10 P59202 CQ38233 AL82025 R49518 RE55212 R29936 38H5016 51M7041 T77613 RE52695 R108012 MANGUEIRA MANGUEIRA ABRAÇADEIRA CONEXAO CONEXÃO ANEL O CONEXAO ANEL O ANEL O MANGUEIRA TAMPÃO 1 1 2 1 1 1 1 1 2 1 1 XXXXXX XXXXXX 7 5 0 0 X X X X X X X X X X X 11.3X2.2MM 70.052 - - - - - - - - - - - ITEM NÚMERO DESCRIÇÃO QTDE OBSERVAÇÕESNO. SÉRIE
  • 312.
    TRATORES JOHN DEERE7500 CPCQ26568 30Jan02 ENGATE RÁPIDO DA VÁLVULA PRIORITÁRIA 1 2 3 AL112951 CQ33591 51M7045 ENGATE RAPIDO EXTENSÃO ANEL O 4 2 4 7 5 0 0 X X X 19.300X2.200MM 70.053 - - - ITEM NÚMERO DESCRIÇÃO QTDE OBSERVAÇÕESNO. SÉRIE
  • 313.
    TRATORES JOHN DEERE7500 CPCQ26568 30Jan02 TUBOS DE ÓLEO HIDRÁULICO - 100 LPM 70.054
  • 314.
    TRATORES JOHN DEERE7500 CPCQ26568 30Jan02 1 2 3 4 5 6 7 8 9 10 11 12 13 14 15 16 17 18 19 20 21 22 23 24 25 26 27 RE49110 T77858 38H5013 51M7048 38H5005 51M7047 RE50386 T78612 RE46728 51M7049 R29463 38H5033 51M7050 RE52401 T77932 AR21837 R110989 38H5010 51M7043 R124627 RE51178 T77857 T77613 38H1094 38H5008 51M7040 R124628 MANGUEIRA ANEL O CONEXÀO ANEL O CONEXAO ANEL O TUBO ANEL RESERVATÓRIO ANEL O ANEL CONEXÃO ANEL O MANGUEIRA ANEL O ABRACADEIRA MANGUEIRA CONEXAO ANEL O CONEXÃO MANGUEIRA ANEL O ANEL O CONEXÃO CONEXÃO ANEL O PRESILHA 1 1 1 1 1 1 1 1 1 1 1 1 1 1 3 1 1 1 1 1 1 2 1 1 1 1 7 5 0 0 X X X X X X X X X X X X X X X X X X X X X X X X X X X 29,6X2,9MM 23,6X2,9MM 38,6X2,9MM 34,6X2,9MM 34.600X2.900MM 9,3X2,2MM 70.055 - - - - - - - - - - - - - - - - - - - - - - - - - - - ITEM NÚMERO DESCRIÇÃO QTDE OBSERVAÇÕESNO. SÉRIE
  • 315.
    TRATORES JOHN DEERE7500 CPCQ26568 30Jan02 FILTRO PARA ÓLEO HIDRÁULICO 70.056
  • 316.
    TRATORES JOHN DEERE7500 CPCQ26568 30Jan02 1 2 3 4 5 6 7 8 9 10 11 12 13 14 15 16 17 18 19 20 21 CQ35246 RE43917 RE152373 RE39527 18M7139 19M7268 24M7026 51M7040 RE12187 R26448 R77175 M84497 R96151 R56101 24M7065 RE46684 24M7038 CQ35466 CQ35467 CQ03768 RE49038 RE56106 SUPORTE SUPORTE SUPORTE FILTRO PARAFUSO PARAF SEXT ARRUELA LISA ANEL O CONEXAO ANEL O CAPA CONEXÃO MANGUEIRA CLIP ARRUELA PRESSÃO TAMPAO ARRUELA LISA MANGUEIRA MANGUEIRA ABRACADEIRA AUTOTRAVANTE KIT SENSOR 1 1 1 AR AR AR 1 1 1 2 1 1 2 AR 1 AR 1 5153 5152 7 5 0 0 X X X X X X X X X X X X X X X X X X X X X X M12X25 9X17X1,6 9,3X2,2MM 9.300X2.200MM 14X24MM SUB RE51308 70.057 - - - - - - - - - - - - - - - - - - - - - - ITEM NÚMERO DESCRIÇÃO QTDE OBSERVAÇÕESNO. SÉRIE TRATOR
  • 317.
    TRATORES JOHN DEERE7500 CPCQ26568 30Jan02 COMANDOS HIDRÁULICOS - MONTAGEM 70.058
  • 318.
    TRATORES JOHN DEERE7500 CPCQ26568 30Jan02 1 2 3 4 5 6 7 8 10 11 12 13 14 15 16 17 18 19 20 DQ28755 19M8775 AL77028 DQ28754 DQ41959 DQ43423 DQ60573 AL77680 19M8776 DQ28756 RE170964 DQ42743 DQ43428 42M7050 14M7491 AP32585 AL119217 AL77163 DQ30457 DQ40120 DQ42089 DQ43425 DQ30456 DQ40119 DQ42088 DQ43424 R95493 R95494 DQ30458 DQ40121 DQ42090 DQ43426 DQ31496 RE39607 CONJ COMANDO PARAF SEXT TAMPA CONJ VALVULA CONJ COMANDO CONJ. VALVULA VALVULA TAMPA PARAF SEXT CONJ COMANDO CONJ COMANDO CONJ COMANDO CONJ COMANDO PRISIONEIRO PORCA SEXT VALVULA VÁLVULA VALVULA CONJ COMANDO CONJ.COMANDO CONJ COMANDO CONJ COMANDO CONJ COMANDO CONJ COMANDO CONJ COMANDO CONJ COMANDO DISCO ANEL O CONJ. COMANDO CONJ COMANDO CONJ COMANDO CONJ COMANDO CONJ MONTADO CONJ VALVULA 1 AR AR AR 1 1 AR AR AR 1 1 1 1 AR AR AR 1 AR 1 1 1 1 1 1 1 1 AR AR AR 1 1 1 AR AR 13841 XXXXXX 13619 13870 XXXXXX 4455 10505 4455 10505 XXXXXX XXXXXX 13619 14417 XXXXXX 4455 10682 14127 XXXXXX 13840 13618 13869 XXXXXX 10504 10504 XXXXXX XXXXXX 13618 14416 14126 XXXXXX 4454 7 5 0 0 X X X X X X X X X X X X X X X X X X X X X X X X X X X X X X X X X X M10X25 SÉRIE 150 SUB AL77163 M10X70 CLH VCR 301+VCR 101 M10 SÉRIE 301 SÉRIE 301 SÉRIE 101 SLH VCR 301 + VCR 101 SLH VCR 301 + VCR 101 CLH VCR 301=VCR 101 CLH VCR 301+VCR 101 CLH VCR 301 + VCR 101 CLH VCR 150 70.059 (A) EXPORTAÇÃO - - - - - - - - - - - - - - - - - - - - - - - - - - - - - - - - - - ITEM NÚMERO DESCRIÇÃO QTDE OBSERVAÇÕESNO. SÉRIE TRATOR
  • 319.
    TRATORES JOHN DEERE7500 CPCQ26568 30Jan02 70.060
  • 320.
    30Jan02TRATORES JOHN DEERE7500 CPCQ26568 2D1 INDICE DE GRUPO - INDICE DE GRUPO
  • 321.
    30Jan02TRATORES JOHN DEERE7500 CPCQ26568 2D1 INDICE DE GRUPO - INDICE DE GRUPO
  • 322.
    30Jan02TRATORES JOHN DEERE7500 CPCQ26568 2D1 INDICE DE GRUPO - INDICE DE GRUPO
  • 323.
    30Jan02TRATORES JOHN DEERE7500 CPCQ26568 2D1 INDICE DE GRUPO - INDICE DE GRUPO
  • 324.
    TRATORES JOHN DEERE7500 CPCQ26568 30Jan02 CHASSI 1 2 3 4 5 6 7 8 DQ28428 DQ42303 DQ28429 DQ42302 R117602 R117158 DQ27825 19M7950 24M7242 19M7892 CHASSI CHASSI CHASSI CHASSI SUPORTE PRISIONEIRO SUPORTE DIANT PARAF SEXT ARRUELA LISA PARAFUSO 1 1 1 1 AR AR 9950 9950 9949 9949 7 5 0 0 X X X X X X X X X X LH LH RH RH M20X45 21,4X42X5 80.001 - - - - - - - - - - ITEM NÚMERO DESCRIÇÃO QTDE OBSERVAÇÕESNO. SÉRIE
  • 325.
    TRATORES JOHN DEERE7500 CPCQ26568 30Jan02 80.002
  • 326.
    TRATORES JOHN DEERE7500 CPCQ26568 30Jan02 CHASSI, PEÇAS DE MONTAGEM 1 2 3 19M8837 R114918 A776R PARAF SEXT ARRUELA PINO AR 7 5 0 0 X X X M20X120 80.003 - - - ITEM NÚMERO DESCRIÇÃO QTDE OBSERVAÇÕESNO. SÉRIE
  • 327.
    TRATORES JOHN DEERE7500 CPCQ26568 30Jan02 ESTRUTURA FRONTAL 80.004
  • 328.
    TRATORES JOHN DEERE7500 CPCQ26568 30Jan02 1 2 3 4 5 6 7 8 9 10 11 12 13 14 14M7140 AL76291 24M7200 DQ28788 DQ32631 19M7744 19M7387 14M7031 12M7067 CQ28543 19M7166 12M7066 CQ28787 CQ32692 CQ25248 CQ32693 PORCA SEXT BATENTE ARRUELA LISA BASE SUPORTE PARAFUSO SEXT PARAF SEXT PORCA SEXT ARRUELA PRESSAO VEDAÇÃO PARAFUSO SEXT ARRUELA PRESSAO SUPORTE SUPORTE VEDACAO SUPORTE AR 6 AR 1 1 AR AR AR AR 1 CN AR 1 7 5 0 0 X X X X X X X X X X X X X X X X M10 22X36X1,5 (A) M12X35 M12X40 (B) M12 12MM M10X20 10MM (A) (A) 80.005 (A) (B) SOMENTE COM CABINE SEM CABINE - - - - - - - - - - - - - - - - ITEM NÚMERO DESCRIÇÃO QTDE OBSERVAÇÕESNO. SÉRIE
  • 329.
    TRATORES JOHN DEERE7500 CPCQ26568 30Jan02 CAPÔ 1 2 3 4 5 6 7 8 9 10 11 12 13 DQ28803 R95654 R107957 DQ28831 DQ31754 19M7163 CQ01249 12M7065 14M7029 CQ26419 CQ25383 14M7140 12M7066 19M7166 CAPO ORNAMENTO PORCA SUPORTE SUPORTE PARAFUSO SEXT ARRUELA LISA ARRUELA PRESSAO PORCA SEXT VEDACAO VEDACAO PORCA SEXT ARRUELA PRESSAO PARAFUSO SEXT 1 1 2 1 1 AR AR AR AR 1 1 AR AR AR 7 5 0 0 X X X X X X X X X X X X X X (A) M8X25 9X28MM 5MM M8 M10 10MM M10X20 80.006 (A) SOMENTE COM CABINE - - - - - - - - - - - - - - ITEM NÚMERO DESCRIÇÃO QTDE OBSERVAÇÕESNO. SÉRIE
  • 330.
    TRATORES JOHN DEERE7500 CPCQ26568 30Jan02 SUPORTE DO CAPÔ 1 2 3 4 5 6 7 8 9 10 CQ33346 DQ33838 DQ33838 19M7179 12M7065 24M7026 14M7040 14M7029 19M7139 24M7008 SUPORTE SUPORTE ESQ SUPORTE ESQ PARAF SEXT ARRUELA PRESSAO ARRUELA LISA PORCA SEXT PORCA SEXT PARAFUSO ARRUELA LISA 1 1 1 AR AR AR AR XXXXXX 7 5 0 0 X X X X X X X X X X M10X50 5MM 9X17X1,6 M10 M8 M8X20 8,4X23X1,5 80.007 - - - - - - - - - - ITEM NÚMERO DESCRIÇÃO QTDE OBSERVAÇÕESNO. SÉRIE TRATOR
  • 331.
    TRATORES JOHN DEERE7500 CPCQ26568 30Jan02 GRADES LATERAIS 80.008
  • 332.
    TRATORES JOHN DEERE7500 CPCQ26568 30Jan02 1 2 3 4 5 6 7 8 9 10 11 12 13 14 15 16 17 18 19 20 21 22 23 24 25 26 27 28 29 30 DQ08621 19M7163 R74628 L63150 CQ31042 CQ31041 DQ34692 DQ42432 DQ29003 DQ28862 19M7139 24M7026 12M7065 14M7029 CQ33346 DQ33840 DQ27658 R110554 19M7560 19M3118 CQ34344 14M7165 14M7166 DQ27606 DQ28923 DQ30492 DQ30493 19M7372 24M7082 14M7028 19M7166 19M3145 12M7066 24M7040 CQ26637 CQ34161 CQ28507 19M7162 FIXADOR PARAFUSO SEXT GRAMPO MANÍPULO VEDAÇÃO VEDAÇÃO GRADE DIR GRADE ESQ GRADE ESQ GRADE DIR PARAFUSO ARRUELA LISA ARRUELA PRESSAO PORCA SEXT SUPORTE SUPORTE ESQ SUPORTE DIR TRINCO PARAF SEXT PARAF SEXT ARRUELA LISA PORCA SEXT PORCA SEXT BLINDAGEM DIR BLINDAGEM ESQ EXTENSÃO ESQ EXTENSÃO DIR PARAFUSO ARRUELA LISA PORCA SEXT PARAFUSO SEXT PARAF SEXT ARRUELA PRESSAO ARRUELA LISA SUPORTE SUPORTE VEDAÇÃO PARAF SEXT 2 AR 2 2 2 4 1 1 1 1 AR AR AR 1 AR AR 2 AR AR AR 1 2 AR AR AR AR 2 AR 2 2 2 2 AR 13062 6419 6419 6419 13061 XXXXXX 6418 6418 6418 7 5 0 0 X X X X X X X X X X X X X X X X X X X X X X X X X X X X X X X X X X X X X X M8X25 530MM M8X20 9X17X1,6 5MM M8 M6X16 M6X20 6,4X18X2 M6 M8 M5X16 5,5X10 M5 M10X20 M10X25 10MM 11X21X2MM M8X16 80.009 - - - - - - - - - - - - - - - - - - - - - - - - - - - - - - - - - - - - - - ITEM NÚMERO DESCRIÇÃO QTDE OBSERVAÇÕESNO. SÉRIE TRATOR
  • 333.
    TRATORES JOHN DEERE7500 CPCQ26568 30Jan02 GRADE FRONTAL 1 2 3 12M7066 DQ33424 19M7166 ARRUELA PRESSAO TELA PARAFUSO SEXT AR AR 7 5 0 0 X X X 10MM M10X20 80.010 - - - ITEM NÚMERO DESCRIÇÃO QTDE OBSERVAÇÕESNO. SÉRIE
  • 334.
    TRATORES JOHN DEERE7500 CPCQ26568 30Jan02 CONTRAPESO DIANTEIRO 1 2 3 4 5 CQ29519 19M7620 C2214E L18955 T32146 SUPORTE PARAF SEXT ARRUELA CONTRAPINO PINO 1 AR AR 1 1 7 5 0 0 X X X X X M20X130 80.011 - - - - - ITEM NÚMERO DESCRIÇÃO QTDE OBSERVAÇÕESNO. SÉRIE
  • 335.
    TRATORES JOHN DEERE7500 CPCQ26568 30Jan02 CONTRAPESOS DIANTEIROS ADICIONAIS 1 2 3 4 5 6 7 T32146 L18955 L38449 CQ27661 19M7642 L38450 AR68801 12M7044 PINO CONTRAPINO PESO PARAF SEXT PARAF SEXT PESO SUPORTE ARRUELA 1 1 4 AR 4 2 AR 7 5 0 0 X X X X X X X X RH M16X270 M16X260 LH 80.012 - - - - - - - - ITEM NÚMERO DESCRIÇÃO QTDE OBSERVAÇÕESNO. SÉRIE
  • 336.
    TRATORES JOHN DEERE7500 CPCQ26568 30Jan02 TAMPÃO 1 99M7009 99M7011 99M7015 99M7016 99M7057 99M7098 99M7108 99M7109 99M7115 TAMPAO TAMPÃO TAMPÃO TAMPAO TAMPÃO TAMPÃO TAMPÃO TAMPAO TAMPÃO AR AR AR AR AR AR AR AR AR 7 5 0 0 X X X X X X X X X OD=14,5MM OD=23,6MM OD=11,0MM OD=10,0MM OD=20,0MM OD=6,0MM OD=16,0MM OD=17,0MM OD=28,0MM 80.013 - - - - - - - - - ITEM NÚMERO DESCRIÇÃO QTDE OBSERVAÇÕESNO. SÉRIE
  • 337.
    TRATORES JOHN DEERE7500 CPCQ26568 30Jan02 TRAÇÃO DIANTEIRA, EIXO TRANSMISSÃO E PROTEÇÃO ANTIENROLAMENTO 80.014
  • 338.
    TRATORES JOHN DEERE7500 CPCQ26568 30Jan02 1 2 3 4 5 6 7 8 10 11 12 13 14 15 16 17 18 19 20 21 24M7040 12M7066 19M7167 DQ40077 CQ40081 24M7026 12M7065 19M7162 19M7163 AL117427 DQ36681 40M7112 L115015 CQ43006 AL110150 DQ43004 L111484 30M7017 AL111805 DQ43007 58M5574 19M8552 L100245 L100246 CQ43005 ARRUELA LISA ARRUELA PRESSAO PARAFUSO SEXT PROTEÇÃO PROTEÇÃO ARRUELA LISA ARRUELA PRESSAO PARAF SEXT PARAFUSO SEXT CARDÃ CARDÃ ANEL ELÁSTICO FLANGE FLANGE CONJ.CRUZETA E ROLAMENTO CONJ CRUZETA E ROLAMENTO DISCO DE FREIO DISCO FORQUILHA COM EIXO FORQUILHA GRAXEIRA PARAF SEXT ARRUELA BUCHA GARFO AR AR AR AR AR AR AR 1 1 8 1 1 2 2 1 1 1 1 1 4 1 1 1 13237 13237 13237 13237 13237 13236 13236 13236 13236 7 5 0 0 X X X X X X X X X X X X X X X X X X X X X X X X X 11X21X2MM 10MM M10X25 9X17X1,6 5MM M8X16 M8X25 LGTH 56MM 48MM 0=45MM TH=143MM LGTH M8 M12X25 80.015 - - - - - - - - - - - - - - - - - - - - - - - - - ITEM NÚMERO DESCRIÇÃO QTDE OBSERVAÇÕESNO. SÉRIE
  • 339.
    TRATORES JOHN DEERE7500 CPCQ26568 30Jan02 EIXO DE TRAÇÃO DIANTEIRO 1 2 3 DQ25011 DQ34512 DQ44180 DQ27412 DQ27411 EIXO DIAT. EIXO DIANTEIRO EIXO DIANTEIRO REPARO CILINDRO REPARO DO EIXO 1 1 1 7176 14266 7175 14265 7 5 0 0 X X X X X AS 2060 80.016 - - - - - ITEM NÚMERO DESCRIÇÃO QTDE OBSERVAÇÕESNO. SÉRIE
  • 340.
    TRATORES JOHN DEERE7500 CPCQ26568 30Jan02 EIXO DIANTEIRO, SUSPENSÃO 1 2 3 4 5 19M7921 L78006 19M7883 L78009 A31870 PARAF SEXT BUCHA PARAF SEXT ARRUELA PORCA AR AR AR 7 5 0 0 X X X X X M20X150 M20X120 80.017 - - - - - ITEM NÚMERO DESCRIÇÃO QTDE OBSERVAÇÕESNO. SÉRIE
  • 341.
    TRATORES JOHN DEERE7500 CPCQ26568 30Jan02 GRUPO CARCAÇA DE ARTICULAÇÃO/PLANETÁRIA 80.018
  • 342.
    TRATORES JOHN DEERE7500 CPCQ26568 30Jan02 1 2 3 4 5 6 7 8 9 10 11 12 13 14 15 16 17 18 19 20 21 22 23 24 25 26 27 28 29 30 31 32 33 34 35 36 37 38 39 40 41 42 43 44 CQ27407 19M8577 L39997 L55602 L40121 L41008 CQ27305 L41170 L55603 CQ27406 CQ27861 CQ27405 CQ27404 CQ27377 CQ27378 L110729 L110417 L110418 CQ27381 DQ27345 T82559 CQ27379 CQ27346 CQ27347 CQ27348 CQ27349 CQ27350 CQ27351 CQ27352 CQ27353 CQ27354 CQ27355 CQ27356 CQ27357 CQ27358 CQ27359 CQ27360 CQ27361 CQ27362 CQ27363 CQ27364 CQ27365 CQ27366 CQ27367 CQ27368 CQ27369 CQ27370 CQ27371 CQ27372 CQ27373 CQ27374 CQ27375 CQ27376 DQ27345 DQ36983 CQ27401 CQ27297 CQ29402 19M6119 CQ27343 AT117348 CQ27336 CQ36985 CQ36984 DQ27297 T82543 T113255 DQ27344 T82543 CQ27331 CQ27408 L55595 AL110927 L53843 15M7027 CQ16065 L110646 CQ43010 CQ43008 CQ43009 T82619 PORTA PLANET PARAFUSO ARRUELA ENCOSTO ARRUELA ENCOSTO ARRUELA ENCOSTO ARRUELA ENCOSTO ARRUELA ENCOSTO ARRUELA ENCOSTO ARRUELA ENCOSTO ANEL ELASTICO EIXO ARRUELA ARRUELA PORCA CHAPA SEGURANCA ANEL DE SEGURANÇA ANEL ELÁSTICO ARRUELA ENGRENAGEM ROLAMENTO ANEL O CUBO ANEL ANEL ANEL ANEL ANEL ANEL ANEL ANEL ANEL ANEL ANEL ANEL ANEL ANEL ANEL ANEL ANEL ANEL ANEL ANEL ANEL ANEL ANEL ANEL ANEL ANEL ANEL ANEL ANEL ANEL ANEL ROLAMENTO RETENTOR PARAFUSO PARAFUSO PORCA SEXTAVADA PARAF SEXT MANCAL ROLAMENTO ARRUELA ARTICULAÇÃO DIR ARTICULAÇÃO ESQ ARTICULACAO ANEL ELASTICO BUCHA RETENTOR ANEL ELASTICO EIXO ENGRENAGEM ANEL O ROLAMENTO ANEL O BUJAO PORCA CRUZETA GARFO ARTICULADO GARFO DUPLO GARFO ARTICULADO PARAFUSO 7 5 0 0 X X X X X X X X X X X X X X X X X X X X X X X X X X X X X X X X X X X X X X X X X X X X X X X X X X X X X X X X X X X X X X X X X X X X X X X X X X X X X X X X X TK=1,5 TK=1,7 TK=2,0 TK=2,5 TK=2,7 TK=3,0 TK=2,2 52X3 16,55 16,60 16,625 16,65 16,675 16,700 16,725 16,750 16,775 16,800 16,825 16,850 16,875 16,900 16,925 16,950 16,975 17,000 17,025 17,050 17,075 17,100 17,125 17,150 17,175 17,200 17,225 17,250 17,275 17,300 M14X35 0,6 M30X1,5 80.019 - - - - - - - - - - - - - - - - - - - - - - - - - - - - - - - - - - - - - - - - - - - - - - - - - - - - - - - - - - - - - - - - - - - - - - - - - - - - - - - - - ITEM NÚMERO DESCRIÇÃO QTDE OBSERVAÇÕESNO. SÉRIE
  • 343.
    TRATORES JOHN DEERE7500 CPCQ26568 30Jan02 GRUPO CARCAÇA/DIFERENCIAL 80.020
  • 344.
    TRATORES JOHN DEERE7500 CPCQ26568 30Jan02 1 2 3 4 5 6 7 8 9 10 11 12 13 14 15 16 17 18 19 20 21 22 23 24 25 26 27 28 29 30 31 DQ27256 19M8119 34M7135 DQ27991 CQ27394 L41002 L41003 L41004 L41005 L116252 L41003 L41000 L40999 L40998 L40997 L101690 L112211 L112212 L112213 L112214 L112215 L112216 L112222 L112217 L112218 L112219 L112220 L112221 L112210 L112209 L112208 L112207 L112206 L112205 L112204 L112203 L112202 L112201 L112200 L112199 L112198 L116248 L116249 L116250 L116251 DQ27344 T113255 CQ27330 CQ27992 L110641 DQ27319 L40003 L62419 L35577 L62420 L40130 CQ27322 L60103 CQ27323 L110636 JD37087 R75522 AL32877 CQ29337 CQ27329 A31870 19M7921 L78006 L78009 L111817 19M7907 CQ27396 COROA E PINHAO PARAF SEXT PINO ELASTICO ROLAMENTO ANEL ELASTICO ARRUELA ARRUELA ARRUELA ARRUELA ARRUELA DE AJUSTE ARRUELA ARRUELA ARRUELA ARRUELA ARRUELA ARRUELA DE AJUSTE] ARRUELA DE AJUSTE ARRUELA DE AJUSTE ARRUELA DE AJUSTE ARRUELA DE AJUSTE ARRUELA DE AJUSTE ARRUELA DE AJUSTE ARRUELA DE AJUSTE ARRUELA DE AJUSTE ARRUELA DE AJUSTE ARRUELA DE AJUSTE ARRUELA DE AJUSTE ARRUELA DE AJUSTE ARRUELA DE AJUSTE ARRUELA DE AJUSTE ARRUELA DE AJUSTE ARRUELA DE AJUSTE ARRUELA DE AJUSTE ARRUELA DE AJUSTE ARRUELA DE AJUSTE ARRUELA DE AJUSTE ARRUELA DE AJUSTE ARRUELA DE AJUSTE ARRUELA DE AJUSTE ARRUELA DE AJUSTE ARRUELA DE AJUSTE ARRUELA DE AJUSTE ARRUELA DE AJUSTE ARRUELA DE AJUSTE ARRUELA DE AJUSTE RETENTOR BUCHA CARCACA PARAF SEXT ARRUELA ALOJAMIENTO PLACA INT. PLACA PLACA PLACA ARRUELA ENGRENAGEM ARRUELA ENGRENAGEM EIXO DO DIFERENCIAL ROLAMENTO ARRUELA RESPIRO REBITE RANHURADO CARCACA PORCA PARAF SEXT BUCHA ARRUELA PINO PARAF SEXT BUCHA AR AR AR 2 7 5 0 0 X X X X X X X X X X X X X X X X X X X X X X X X X X X X X X X X X X X X X X X X X X X X X X X X X X X X X X X X X X X X X X X X X X X X X X X X M12X130 14X40 0,4 0,3 0,2 0,1 2,50 0,3 0,6 0,8 1,0 1,2 0,55 0,65 0,70 0,75 0,85 0,90 0,95 1,05 1,10 1,15 1,25 1,30 1,35 1,40 1,45 1,50 1,55 1,60 1,65 1,70 1,75 1,80 1,85 1,90 1,95 2,00 2,30 2,35 2,40 2,45 M18X60 TK=1,2 TK=1,3 TK=1,4 TK=3,2MM M20X150 M20X140 80.021 - - - - - - - - - - - - - - - - - - - - - - - - - - - - - - - - - - - - - - - - - - - - - - - - - - - - - - - - - - - - - - - - - - - - - - - - ITEM NÚMERO DESCRIÇÃO QTDE OBSERVAÇÕESNO. SÉRIE
  • 345.
    TRATORES JOHN DEERE7500 CPCQ26568 30Jan02 GRUPO CILINDRO DE DIREÇÃO/ACIONAMENTO 80.022
  • 346.
    TRATORES JOHN DEERE7500 CPCQ26568 30Jan02 1 2 3 4 5 6 7 8 9 10 11 12 13 14 15 16 17 18 19 20 21 22 23 24 25 26 27 28 29 30 31 32 33 34 35 CQ27318 R75837 CQ27316 CQ27317 CQ27315 DQ27314 CQ27258 CQ27259 CQ27260 CQ27261 CQ27262 CQ27263 L110702 CQ27265 CQ27267 CQ27268 CQ27269 CQ27270 CQ27299 CQ27300 L110703 CQ27311 CQ27312 CQ27313 L110705 L110706 L110658 L110695 L110696 L110697 L110698 L110699 L110704 L110701 L110654 L110655 L110656 L110657 T82519 T82520 T82521 T82522 T82523 T82524 T82525 T82526 DQ27257 CQ27396 CQ45134 CQ27241 CQ27242 CQ27993 L55572 L55473 CQ27386 CQ27385 CQ27384 CQ27385 L55577 L55578 L55579 L55560 L55596 L55559 L55568 L55555 L55556 L55557 L55558 L55559 L55560 L55561 L55568 L55569 L55570 CQ27391 CQ27392 L55473 L55572 L55561 L55471 CQ27388 L55468 L55472 L55552 L56381 DQ27395 CQ27387 DQ28536 DQ28533 PORCA SEXT ARRUELA FLANGE PROTECAO RETENTOR ROLAMENTO ANEL ANEL ANEL ANEL ANEL ANEL ANEL ANEL ANEL ANEL ANEL ANEL ANEL ANEL ANEL ANEL ANEL ANEL ANEL ANEL ANEL ANEL ANEL ANEL ANEL ANEL ANEL ANEL ANEL ANEL ANEL ANEL ARRUELA ARRUELA ARRUELA ARRUELA ARRUELA ARRUELA ARRUELA ARRUELA ROLAMENTO BUCHA BUCHA BUJAO MAGNÉTICO BUJAO ANEL O PLACA ANEL RANHURADO GUIA ANEL O CILINDRO ANEL O ARRUELA ARRUELA ARRUELA ARRUELA ARRUELA ARRUELA ARRUELA ARRUELA ARRUELA ARRUELA ARRUELA ARRUELA ARRUELA ANEL BIPARTIDO ARRUELA ARRUELA ARRUELA GUIA PARAF SEXT ANEL RANHURADO PLACA ANEL BIPARTIDO ANEL O PISTAO ANEL RETENTOR ANEL VEDACAO ANEL SEGURANCA ANEL ELAST BARRA DIRECAO HASTE TERMINAL TERMINAL 1325 1324 7 5 0 0 X X X X X X X X X X X X X X X X X X X X X X X X X X X X X X X X X X X X X X X X X X X X X X X X X X X X X X X X X X X X X X X X X X X X X X X X X X X X X X X X X X X X X X X X X X 10,40MM 10,43MM 10,46MM 10,49MM 10,52MM 10,55MM 11,06MM 10,61MM 10,64MM 10,67MM 10,70MM 10,73MM 10,76MM 10,79MM 11,03MM 10,85MM 10,88 10,91MM 10,97MM 10,94MM 11,30MM 11,27MM 11,24MM 11,21MM 11,18MM 11,15MM 11,00MM 11,09MM 1,05 0,7 0,8 0,9 1,0 1,05 1,1 1,15 1,5 1,4 1,3 1,2 1,1 1,0 1,15 1,25 1,35 M16X95 80.023 - - - - - - - - - - - - - - - - - - - - - - - - - - - - - - - - - - - - - - - - - - - - - - - - - - - - - - - - - - - - - - - - - - - - - - - - - - - - - - - - - - - - - - - - - - ITEM NÚMERO DESCRIÇÃO QTDE OBSERVAÇÕESNO. SÉRIE
  • 347.
    TRATORES JOHN DEERE7500 CPCQ26568 30Jan02 PONTE DO EIXO - AS2060 80.024
  • 348.
    TRATORES JOHN DEERE7500 CPCQ26568 30Jan02 1 2 3 4 5 6 7 8 9 10 11 12 13 14 15 16 17 18 19 20 21 22 L115618 L115619 L76471 JD37087 L112198 L112203 L112201 L112209 L112208 L112207 L112206 L112205 L112204 L112202 L112200 L112199 L40998 L40999 L41001 L41004 L41005 L112210 L41000 L41002 L40997 L41003 L112211 L112212 L101689 L101690 L112213 L112214 L112215 L112216 L112222 L112217 L112218 L112219 L112220 L112221 L151281 L151282 L151283 L151284 L151285 L151286 L151287 L151288 L151289 L151290 AL81823 L110640 19M8857 L110641 CQ27241 L55580 JD7847 L114558 L110233 AL119215 AL119379 AL110918 14M7523 L116259 AL32877 AL113452 AL113453 PONTE I PONTE II BUCHA ROLAMENTO ARRUELA DE AJUSTE ARRUELA DE AJUSTE ARRUELA DE AJUSTE ARRUELA DE AJUSTE ARRUELA DE AJUSTE ARRUELA DE AJUSTE ARRUELA DE AJUSTE ARRUELA DE AJUSTE ARRUELA DE AJUSTE ARRUELA DE AJUSTE ARRUELA DE AJUSTE ARRUELA DE AJUSTE ARRUELA ARRUELA ARRUELA ARRUELA ARRUELA ARRUELA DE AJUSTE ARRUELA ARRUELA ARRUELA ARRUELA ARRUELA DE AJUSTE ARRUELA DE AJUSTE ARRUELA DE AJUSTE ARRUELA DE AJUSTE] ARRUELA DE AJUSTE ARRUELA DE AJUSTE ARRUELA DE AJUSTE ARRUELA DE AJUSTE ARRUELA DE AJUSTE ARRUELA DE AJUSTE ARRUELA DE AJUSTE ARRUELA DE AJUSTE ARRUELA DE AJUSTE ARRUELA DE AJUSTE ARRUELA DE AJUSTE ARRUELA DE AJUSTE ARRUELA DE AJUSTE ARRUELA DE AJUSTE ARRUELA DE AJUSTE ARRUELA DE AJUSTE ARRUELA DE AJUSTE ARRUELA DE AJUSTE ARRUELA DE AJUSTE ARRUELA DE AJUSTE ROLAMENTOS DOS ROLOS ANEL O PARAFUSO SEXTAVADO ARRUELA BUJAO MAGNÉTICO ANEL O BOCAL DE LUBRIFICAÇÃO BUCHA RETENTOR BUCHA ARTICULAÇÃO ESFÉRICA TERMINAL AXIAL PORCA SEXTAVADA PORCA SEXTAVADA RESPIRO VEDAÇÃO VEDAÇÃO 1 1 2 1 AR AR AR AR AR AR AR AR AR AR AR AR AR AR AR AR AR AR AR AR AR AR AR AR AR AR AR AR AR AR AR AR AR AR AR AR AR AR AR AR AR AR AR AR AR AR 1 1 15 15 2 2 2 2 2 1 2 2 2 2 1 AR AR 14266 14266 14266 14266 14266 14266 14266 14266 14266 14266 14266 14266 14266 14266 14266 14266 14266 14266 14266 14266 14266 14266 14266 14266 14266 14266 14266 14266 14266 14266 14266 14266 14266 14266 14266 14266 14266 14266 14266 14266 14266 14266 14266 14266 14266 14266 14266 14266 14266 14266 14266 14266 14266 14266 14266 14266 14266 14266 14266 14266 14266 14266 14266 14266 14266 14266 14266 7 5 0 0 X X X X X X X X X X X X X X X X X X X X X X X X X X X X X X X X X X X X X X X X X X X X X X X X X X X X X X X X X X X X X X X X X X X 2,00 1,75 1,85 1,45 1,50 1,55 1,60 1,65 1,70 1,80 1,90 1,95 1,0 0,8 0,5 0,2 0,1 1,40 0,6 0,4 1,2 0,3 0,65 0,70 0,55 0,75 0,85 0,90 0,95 1,05 1,10 1,15 1,25 1,30 1,35 33X2 80.025 - - - - - - - - - - - - - - - - - - - - - - - - - - - - - - - - - - - - - - - - - - - - - - - - - - - - - - - - - - - - - - - - - - - ITEM NÚMERO DESCRIÇÃO QTDE OBSERVAÇÕESNO. SÉRIE
  • 349.
    TRATORES JOHN DEERE7500 CPCQ26568 30Jan02 CARCAÇA ARTICULADA - AS 2060 80.026
  • 350.
    TRATORES JOHN DEERE7500 CPCQ26568 30Jan02 1 2 3 4 5 6 7 8 9 10 11 12 13 14 15 16 17 18 19 20 21 22 23 24 25 26 L110707 L110710 AL111096 AL110924 L110711 L110712 L110713 L110714 L110715 L110716 L110717 L110718 L110719 L110720 L110721 L116246 L116247 L112111 19M6119 AL81776 L110642 40M1873 T159519 AL81843 T82543 AL110925 L110647 L110646 L110648 AL111187 L101813 L110650 T82559 T187684 AL81844 19M8858 CQ27401 L114785 14M7447 CARCAÇA ARTICULAÇÃO CARCAÇA ARTICULAÇÃO ROLAMENTO DOS ROLOS RETENTOR ARRUELA DE AJUSTE ARRUELA DE AJUSTE ARRUELA DE AJUSTE ARRUELA DE AJUSTE ARRUELA DE AJUSTE ARRUELA DE AJUSTE ARRUELA DE AJUSTE ARRUELA DE AJUSTE ARRUELA DE AJUSTE ARRUELA DE AJUSTE ARRUELA DE AJUSTE ARRUELA DE AJUSTE ARRUELA DE AJUSTE PINO DA ARTICULAÇÃO PARAF SEXT ROLAMENTO DE ESFERAS CUBO ANEL ELASTICO ANEL DE SEGURANÇA RETENTOR ANEL ELASTICO ARTICULAÇÃO DUPLA CRUZETA CRUZETA GARFO ARTICULAÇÃO GARFO ARTICULAÇÃO BUCHA CHAPA RETENÇÃO ANEL O ANEL ROLAMENTOS DO ROLOS PARAFUSO SEXTAVADO PARAFUSO PARAFUSO ENCOSTO PORCA SEXTAVADA 1 2 4 4 AR AR AR AR AR AR AR AR AR AR AR AR AR 4 16 2 2 2 2 2 2 2 2 4 2 2 2 2 2 2 4 16 20 2 2 14266 14266 14266 14266 14266 14266 14266 14266 14266 14266 14266 14266 14266 14266 14266 14266 14266 14266 14266 14266 14266 14266 14266 14266 14266 14266 14266 14266 14266 14266 14266 14266 14266 14266 14266 14266 14266 14266 14266 7 5 0 0 X X X X X X X X X X X X X X X X X X X X X X X X X X X X X X X X X X X X X X X RH LH S=0,2 S=0,3 S=0,4 S=0,6 S=0,8 S=1,0 S=1,2 S=1,4 S=1,6 S=1,8 S=2,0 S=0,7 S=0,5 M14X35 90X3,0MM 80.027 - - - - - - - - - - - - - - - - - - - - - - - - - - - - - - - - - - - - - - - ITEM NÚMERO DESCRIÇÃO QTDE OBSERVAÇÕESNO. SÉRIE
  • 351.
    TRATORES JOHN DEERE7500 CPCQ26568 30Jan02 CONJUNTO PLANETÁRIO - AS 2060 80.028
  • 352.
    TRATORES JOHN DEERE7500 CPCQ26568 30Jan02 1 2 3 4 5 6 7 8 9 10 11 L116103 L116104 L116105 L152432 AL110927 L152433 L152434 L110729 L56820 L55580 19M8577 ENGRENAGEM DENTES INT. EIXO SOLAR PORTADOR PLANETÁRIO PLANETÁRIA ROLAMENTO ANEL DE SEGURANÇA ANEL DE SEGURANÇA ANEL DE SEGURANÇA TAMPÃO ANEL O PARAFUSO 2 2 2 6 6 12 12 6 2 2 4 14266 14266 14266 14266 14266 14266 14266 14266 14266 14266 14266 7 5 0 0 X X X X X X X X X X X 33X2 80.029 - - - - - - - - - - - ITEM NÚMERO DESCRIÇÃO QTDE OBSERVAÇÕESNO. SÉRIE
  • 353.
    TRATORES JOHN DEERE7500 CPCQ26568 30Jan02 DIREÇÃO 80.030
  • 354.
    TRATORES JOHN DEERE7500 CPCQ26568 30Jan02 1 2 3 4 5 6 7 AL119373 L116255 L116257 L116256 L152012 L116258 AL119378 CILINDRO DA DIREÇÃO BUCHA DE GUIA HASTE DO PISTÃO TUBO CILINDRICO ANEL ELÁSTICO ANEL DE SEGURANÇA JOGO DE REPARO 1 1 1 1 1 1 1 14266 14266 14266 14266 14266 14266 14266 7 5 0 0 X X X X X X X 80.031 - - - - - - - ITEM NÚMERO DESCRIÇÃO QTDE OBSERVAÇÕESNO. SÉRIE
  • 355.
    TRATORES JOHN DEERE7500 CPCQ26568 30Jan02 DIFERENCIAL 80.032
  • 356.
    TRATORES JOHN DEERE7500 CPCQ26568 30Jan02 1 2 3 4 5 6 7 8 9 10 11 12 L110634 L100150 L100151 L100152 L100153 L100154 L110635 T116851 L601103 L110636 R75522 19M8119 34M7135 T82618 GAIOLA DIFERENCIAL PLACA EMBREAGEM EXTERIOR PLACA EMBREAGEM EXTERIOR PLACA EMBREAGEM EXTERIOR PLACA EMBREAGEM INTERIOR ARRUELA DE PRESSÃO ENGRENAGEM PLANETÁRIA ENGREANGEM SATÉLITE DIF. ARRUELA ENCOSTO EIXO DO DIFERENCIAL ARRUELA PARAF SEXT PINO ELASTICO PINO ELASTICO 10 10 10 8 2 2 4 4 2 12 12 4 4 14266 14266 14266 14266 14266 14266 14266 14266 14266 14266 14266 14266 14266 14266 7 5 0 0 X X X X X X X X X X X X X X S=1,1 S=1,2 Z=16 M12X130 14X40 8X40 80.033 - - - - - - - - - - - - - - ITEM NÚMERO DESCRIÇÃO QTDE OBSERVAÇÕESNO. SÉRIE
  • 357.
    TRATORES JOHN DEERE7500 CPCQ26568 30Jan02 ACIONAMENTO - AS 2060 80.034
  • 358.
    TRATORES JOHN DEERE7500 CPCQ26568 30Jan02 1 2 3 4 5 6 7 8 9 10 DQ44683 T82518 T82519 T82520 T82521 T82522 T82523 T82524 T82525 T82526 T82527 L110654 L110655 L110656 L110657 AT148947 L110658 L110659 L110660 L110660 L110661 L110662 L110663 L110664 L110665 L110666 L110667 L110668 L110669 L110670 L110671 L110672 L110673 L110674 L110675 L110676 L110677 L110678 L110679 L110680 L110681 L110682 L110683 L110684 L110685 L110686 L110687 L110688 L110689 L110690 L110691 L110692 L110693 L110694 L110695 L110696 L110697 L110698 L110699 L110700 L110701 L110702 L110703 L110704 L110705 L110706 JD10359 AL110922 L110708 T82532 T75837 14M7523 CONJ.COROA PINHÃO ARRUELA ARRUELA ARRUELA ARRUELA ARRUELA ARRUELA ARRUELA ARRUELA ARRUELA ARRUELA ANEL ANEL ANEL ANEL ROLAMENTO DO ROLOS ANEL ANEL ANEL ANEL ANEL ANEL ANEL ANEL ANEL ANEL ANEL ANEL ANEL ANEL ANEL ANEL ANEL ANEL ANEL ANEL ANEL ANEL ANEL ANEL ANEL ANEL ANEL ANEL ANEL ANEL ANEL ANEL ANEL ANEL ANEL ANEL ANEL ANEL ANEL ANEL ANEL ANEL ANEL ANEL ANEL ANEL ANEL ANEL ANEL ANEL ROLAEMNTO DOS ROLOS RETENTOR FLANGE ACIONAMENTO CHAPA RETENÇÃO ARRUELA PORCA SEXTAVADA 1 1 1 1 1 1 1 1 1 1 1 1 1 1 1 1 1 1 1 1 1 1 1 1 1 1 1 1 1 1 1 1 1 1 1 1 1 1 1 1 1 1 1 1 1 1 1 1 1 1 1 1 1 1 1 1 1 1 1 1 1 1 1 1 1 1 1 1 1 1 1 1 14266 14266 14266 14266 14266 14266 14266 14266 14266 14266 14266 14266 14266 14266 14266 14266 14266 14266 14266 14266 14266 14266 14266 14266 14266 14266 14266 14266 14266 14266 14266 14266 14266 14266 14266 14266 14266 14266 14266 14266 14266 14266 14266 14266 14266 14266 14266 14266 14266 14266 14266 14266 14266 14266 14266 14266 14266 14266 14266 14266 14266 14266 14266 14266 14266 14266 14266 14266 14266 14266 14266 14266 7 5 0 0 X X X X X X X X X X X X X X X X X X X X X X X X X X X X X X X X X X X X X X X X X X X X X X X X X X X X X X X X X X X X X X X X X X X X X X X X S=0,9 1,05 11,30MM S=11,36 S=11,36 S=11,42 S=11,45 S=11,48 S=11,51 S=11,54 S=11,57 S=11,60 S=11,63 S=11,66 S=11,69 S=11,72 S=11,75 S=11,78 S=11,81 S=11,84 S=11,87 S=11,90 S=11,93 S=11,96 S=11,99 S=12,02 S=12,05 S=12,08 S=12,11 S=12,14 S=12,17 S=12,20 S=12,23 S=12,26 S=12,29 S=12,32 S=12,35 S=12,38 11,27MM 11,24MM 11,21MM 11,18MM 11,15MM 11,12MM 11,09MM 11,06MM 11,03MM 11,00MM 10,97MM 10,94MM 80.035 - - - - - - - - - - - - - - - - - - - - - - - - - - - - - - - - - - - - - - - - - - - - - - - - - - - - - - - - - - - - - - - - - - - - - - - - ITEM NÚMERO DESCRIÇÃO QTDE OBSERVAÇÕESNO. SÉRIE
  • 359.
    TRATORES JOHN DEERE7500 CPCQ26568 30Jan02 RODAS DIANTEIRAS 1 2 3 4 5 6 7 8 9 DQ30263 DQ30259 DQ30261 CQ29426 CQ30871 CQ30868 CQ29427 CQ29428 CQ16065 DQ20973 AL13849 DQ26972 CQ26095 AZ33725 DQ37643 L38444 CQ26971 CQ26973 CQ26094 CQ33323 CQ33842 CQ26160 CQ37642 DQ25261 DQ26969 DQ26093 DQ25260 DQ37677 ARO ARO ARO PARAFUSO DISCO DISCO PORCA ARRUELA PORCA PORCA CAMARA CAMARA CAMARA CAMARA CAMARA PNEU PNEU PNEU PNEU PNEU PNEU PNEU PNEU RODA RODA RODA RODA RODA 20 AR 2 2 2 2 2 2 2 2 2 2 2 2 2 2 2 2 2 2 5077 6476 5076 6475 7 5 0 0 X X X X X X X X X X X X X X X X X X X X X X X X X X X X (D) (A) (B) 5/8" 28" (D) (A) (B) 5/8" 5/8" (A) (B) (D) M18 (C) 14.9X28 (D) 18.4X26 (B) 16.9X26 (A) 14.9X24 12.4-36" (E) 14.9X28 (A) (D) R1 PR 8 14.9X28 (D) R2 PR 6 18.4X26 (B) R1 PR 10 16.9X26 PR 16 (A) 16.9-26 R1 6 LONAS 16.9-26 R1 8 LONAS 14.9X24 R2 PR6 12.4-36" RI PRG (E) (D) INCL KEYS 2-5 (B) (A) (C) (E) 80.036 (A) (B) (C) (D) (E) COM RODA DW14X26 COM RODA W16X26 COM RODA DW12X24 COM RODA W12X28 COM RODA DW10X36 - - - - - - - - - - - - - - - - - - - - - - - - - - - - ITEM NÚMERO DESCRIÇÃO QTDE OBSERVAÇÕESNO. SÉRIE
  • 360.
    TRATORES JOHN DEERE7500 CPCQ26568 30Jan02 PARALAMAS DIANTEIROS 1 2 3 4 5 6 7 8 9 10 L114706 19M8653 L114159 L114160 19M7791 AL69320 AL69331 19M7790 L64560 L27099 03M7264 14M7296 BASE PARAFUSO FIXADOR FIXADOR PARAF SEXT SUPORTE DIR SUPORTE ESQ PARAF SEXT PARALAMAS CHAPA PARAF FRANCES PORCA C/FLANGE 2 8 1 1 4 1 1 6 2 6 12 12 7 5 0 0 X X X X X X X X X X X X M16X35 RH OR LH RH OR LH M12X40 M12X35 M10X25 M10 80.037 - - - - - - - - - - - - ITEM NÚMERO DESCRIÇÃO QTDE OBSERVAÇÕESNO. SÉRIE
  • 361.
    TRATORES JOHN DEERE7500 CPCQ26568 30Jan02 RODAS TRASEIRAS (PINHÃO E CREMALHEIRA) 80.038
  • 362.
    TRATORES JOHN DEERE7500 CPCQ26568 30Jan02 1 2 3 4 5 6 7 8 9 10 11 12 13 14 15 16 17 18 19 20 21 22 19H1782 12H236 J53701 J56367 A4379R R83588 CQ32109 J54812 J53723 CQ32110 12H245 08H4419 CQ26033 R41012 R34659 CQ32274 14H800 L38141 08H4373 R58303 A4883R J53702 J56365 R73380 CQ28088 CQ25610 CQ26159 CQ29478 CQ32273 CQ38200 CQ38199 R23551 CQ25611 CQ07844 CQ32275 J53262 R34801R J55278 PARAF SEXT ARRUELA PRESSAO MEIO MANCAL SEMI CASQUILHO PINHAO EIXO CENTRO DE RODA CENTRO DE RODA CENTRO DA RODA CENTRO DA RODA ARRUELA PRESSAO PARAF SEXT RODA RODA RODA RODA PORCA GRAMPO PARAFUSO QUAD PARAFUSO ANEL ELASTICO MEIO MANCAL MEIO MANCAL ANEL ELASTICO PNEU PNEU PNEU PNEU PNEU PNEU RADIAL PNEU RADIAL CAMARA CAMARA CAMARA DE AR CAMARA CASTANHA PARAFUSO TAMPAO AR AR 2 2 2 2 2 2 2 AR AR 2 2 2 AR AR 16 AR AR AR 2 AR 2 2 2 2 AR 2 2 2 2 2 AR 16 AR 2 0084 0084 XXXXXX XXXXXX 0084 0083 XXXXXX XXXXXX 0083 7 5 0 0 X X X X X X X X X X X X X X X X X X X X X X X X X X X X X X X X X X X X X X 3/4"X2 1/4 ID 86 ID 80 30" - 32" (A) (C) 30" - 32" (A) (C) 38" (B) 38" (B) 7/8"X6 1/2" (A) (B) (C) (D) 5/8" (B) 5/8"X4" (B) ID 86 ID 80 18.4-38 R1 PR10 (B) 24.5X32 R1 PR10 (A) 23.1X30 R2 PR8 (C) 23.1X30 R2 PR10 (C) 20.8-38"RI PR10 18.4 R38 16.9 R26 18.4X38 (B) 24.5X32 (A) 23.1/18-30 (C) (D) 80.039 (A) (B) (C) (D) COM RODA DW 21AX32 COM RODA W16X38 COM RODA DW20X30 COM RODA W18X38 - - - - - - - - - - - - - - - - - - - - - - - - - - - - - - - - - - - - - - ITEM NÚMERO DESCRIÇÃO QTDE OBSERVAÇÕESNO. SÉRIE TRATOR
  • 363.
    TRATORES JOHN DEERE7500 CPCQ26568 30Jan02 CONTRAPESOS PARA RODAS TRASEIRAS DE AÇO 1 2 3 4 5 6 19M7609 24M7049 14M7142 19M7952 L28228 CQ27184 PARAFUSO ARRUELA LISA PORCA SEXT PARAF SEXT PESO ESPACADOR AR AR AR AR AR 7 5 0 0 X X X X X X M16X90 18X30MM M16 M16X160 80.040 - - - - - - ITEM NÚMERO DESCRIÇÃO QTDE OBSERVAÇÕESNO. SÉRIE
  • 364.
    TRATORES JOHN DEERE7500 CPCQ26568 30Jan02 CONTRAPESOS PARA RODAS TRASEIRAS DE FERRO FUNDIDO 1 2 3 4 5 6 7 CQ26032 CQ16817 R34801R CQ16408 14M7142 14H800 CQ26402 L28228 ESPACADOR BUCHA PARAFUSO ARRUELA LISA PORCA SEXT PORCA PARAFUSO QUADRADO PESO 6 6 AR AR AR AR AR 7 5 0 0 X X X X X X X X W/WHEEL 30", 32", 34" W/WHEEL38" W/WHEEL30",32", 34" 16,5X40MM W/WHEEL30", 32" M16 5/8" M16X160 80.041 - - - - - - - - ITEM NÚMERO DESCRIÇÃO QTDE OBSERVAÇÕESNO. SÉRIE
  • 365.
    TRATORES JOHN DEERE7500 CPCQ26568 30Jan02 CONTRA PESOS PARA RODAS TRASEIRAS 1 2 3 4 5 6 7 19M7343 L28230 24M7049 14M7142 CQ27128 CQ26402 L28228 PARAF SEXT PESO ARRUELA LISA PORCA SEXT PARAFUSO PARAFUSO QUADRADO PESO AR AR AR AR AR AR AR 7 5 0 0 X X X X X X X M16X60 18X30MM M16 M16X100 M16X160 80.042 - - - - - - - ITEM NÚMERO DESCRIÇÃO QTDE OBSERVAÇÕESNO. SÉRIE
  • 366.
    TRATORES JOHN DEERE7500 CPCQ26568 30Jan02 BARRA DE TRAÇÃO OSCILANTE 1 2 3 4 5 6 7 8 9 10 11 12 13 14 15 16 17 18 19 20 L76089 L76136 R95613 L18955 L76093 R95612 CQ25577 19M7518 CQ26407 F304R 19M7722 24H1513 R88667 DQ26791 DQ28142 DQ34064 DQ34065 L76088 19M8485 L76091 L76092 CQ33967 CQ33966 CQ28141 CQ26790 CQ31233 PINO BUJAO PINO CONTRAPINO BARRA TRACAO BUCHA SUPORTE PARAF SEXT SUPORTE MOLA PARAF SEXT ARRUELA LISA PORCA ESPECIAL PINO PINO PINO PINO SUPORTE PARAF SEXT SUPORTE ESPACADOR PINO PINO PINO PINO PINO ELÁSTICO 1 1 2 2 1 1 1 AR 1 1 AR AR 1 1 1 1 1 AR 1 2 1 1 1 1 1 XXXXXX XXXXXX XXXXXX XXXXXX XXXXXX XXXXXX XXXXXX XXXXXX 7 5 0 0 X X X X X X X X X X X X X X X X X X X X X X X X X X M20X100 M20X160 35,7X1,5MM (A) (A) M16X90 (A) (A) 12.5X75X2.5 80.043 (A) EXPORTAÇÃO - - - - - - - - - - - - - - - - - - - - - - - - - - ITEM NÚMERO DESCRIÇÃO QTDE OBSERVAÇÕESNO. SÉRIE TRATOR
  • 367.
    TRATORES JOHN DEERE7500 CPCQ26568 30Jan02 DECALCOS 1 2 3 4 5 6 7 8 9 CQ34774 CQ33348 CQ33349 CQ26099 CQ43640 CQ43736 CQ43638 CQ27859 CQ43639 DECALCO DECALCO DECALCO DECALCO DECALCO DECALCOS DECALCO DECALCO DECALCOS 7 5 0 0 X X X X X X X X X 80.044 - - - - - - - - - ITEM NÚMERO DESCRIÇÃO QTDE OBSERVAÇÕESNO. SÉRIE TRATOR
  • 368.
    TRATORES JOHN DEERE7500 CPCQ26568 30Jan02 ÓLEOS LUBRIFICANTES, HIDRÁULICOS E TINTAS 1 2 3 4 5 6 7 8 9 DQ30255 DQ36349 DQ30253 DQ36348 DQ30252 DQ30254 AJ59056 DQ37004 DQ28285 OLEO SAE 90 ÓLEO SAE 90 OLEO HIDR. ISO 68 ÓLEO HIDR. ISO 68 OLEO HY-GARD OLEO ÓLEO P/AMACIAMENTO ÓLEO KIT TINTA AR AR AR AR AR AR AR AR AR 7 5 0 0 X X X X X X X X X SAE 90 (A) SAE 90 (B) ISO 68 (A) ISO 68 (B) HY-GARD (A) 15W-40 (A) 15W-40 (B) 80.045 (A) (B) 20 LITROS 5 LITROS - - - - - - - - - ITEM NÚMERO DESCRIÇÃO QTDE OBSERVAÇÕESNO. SÉRIE
  • 369.
    TRATORES JOHN DEERE7500 CPCQ26568 30Jan02 CAIXA DE FERRAMENTAS 1 2 3 4 5 6 7 8 DQ27127 DQ33769 DQ26674 CQ04507 DQ04397 19M7162 24M7026 12M7065 14M7029 CAIXA FERRAM CAIXA FERRAM CHAVE ALAVANCA CADEADO PARAF SEXT ARRUELA LISA ARRUELA PRESSAO PORCA SEXT 7 5 0 0 X X X X X X X X X (B) (A) INCL KEYS 27-30, 27-33 M8X16 9X17X1,6 5MM M8 80.046 (A) (B) COM CABINE SEM CABINE - - - - - - - - - ITEM NÚMERO DESCRIÇÃO QTDE OBSERVAÇÕESNO. SÉRIE
  • 370.
    TRATORES JOHN DEERE7500 CPCQ26568 30Jan02 SUPORTE DA CAIXA DE FERRAMENTAS - CABINE 1 2 3 4 5 6 7 8 9 19M7168 24M7101 12M7066 14M7140 DQ33766 14M7029 12M7065 24M7207 19M7139 PARAFUSO SEXT ARRUELA LISA ARRUELA PRESSAO PORCA SEXT SUPORTE PORCA SEXT ARRUELA PRESSAO ARRUELA LISA PARAFUSO AR AR AR AR 1 AR AR AR AR 7 5 0 0 X X X X X X X X X M10X30 11X34MMX3 10MM M10 M8 5MM 8.4X24X2MM M8X20 80.047 - - - - - - - - - ITEM NÚMERO DESCRIÇÃO QTDE OBSERVAÇÕESNO. SÉRIE
  • 371.
    TRATORES JOHN DEERE7500 CPCQ26568 30Jan02 FITA DE GUARNIÇÃO 1 R46727 FITA DE GUARNIÇÃO 1 7 5 0 0 X (A) 80.048 (A) SOMENTE COM CABINE - ITEM NÚMERO DESCRIÇÃO QTDE OBSERVAÇÕESNO. SÉRIE
  • 372.
    30Jan02TRATORES JOHN DEERE7500 CPCQ26568 2F3 INDICE DE GRUPO - INDICE DE GRUPO
  • 373.
    30Jan02TRATORES JOHN DEERE7500 CPCQ26568 2F3 INDICE DE GRUPO - INDICE DE GRUPO
  • 374.
    30Jan02TRATORES JOHN DEERE7500 CPCQ26568 2F3 INDICE DE GRUPO - INDICE DE GRUPO
  • 375.
    30Jan02TRATORES JOHN DEERE7500 CPCQ26568 2F3 INDICE DE GRUPO - INDICE DE GRUPO
  • 376.
    30Jan02TRATORES JOHN DEERE7500 CPCQ26568 2F3 INDICE DE GRUPO - INDICE DE GRUPO
  • 377.
    30Jan02TRATORES JOHN DEERE7500 CPCQ26568 2F3 INDICE DE GRUPO - INDICE DE GRUPO
  • 378.
    TRATORES JOHN DEERE7500 CPCQ26568 30Jan02 ATENUADOR DE RUÍDO 1 2 3 4 5 6 7 8 L114663 38H5012 51M7043 AL151879 AL116783 19M7611 24M7051 38H5017 ABRAÇADEIRA ADAPTADOR ANEL O ATENUADOR SUPORTE PARAF SEXT ARRUELA CONEXAO 2 2 2 1 1 1 1 1 7 5 0 0 X X X X X X X X M20X45 91.001 - - - - - - - - ITEM NÚMERO DESCRIÇÃO QTDE OBSERVAÇÕESNO. SÉRIE
  • 379.
    TRATORES JOHN DEERE7500 CPCQ26568 30Jan02 ESTRUTURA DA PLATAFORMA DO OPERADOR 1 2 3 4 5 6 7 8 9 10 DQ34346 19M7077 L57250 L113886 L57823 CQ01248 14M7165 CQ28744 12M7006 19M6614 99M7016 PLATAFORMA PARAF SEXT MANIPULO MANÍPULO ARRUELA ARRUELA LISA PORCA SEXT DEFLETOR ARRUELA PRESSAO PARAFUSO TAMPAO 1 AR 1 1 2 AR AR 1 AR AR 3 7 5 0 0 X X X X X X X X X X X M6X20 (A) 6,4X18MM M6 6MM M6X12 OD=10,0MM 91.002 (A) CABINE - - - - - - - - - - - ITEM NÚMERO DESCRIÇÃO QTDE OBSERVAÇÕESNO. SÉRIE
  • 380.
    TRATORES JOHN DEERE7500 CPCQ26568 30Jan02 SUPORTE DA ESTRUTURA DA PLATAFORMA DO OPERADOR 1 2 3 4 5 6 7 8 9 10 11 12 13 19M7518 CQ34905 R66375 CQ27171 R111173 DQ25986 DQ25964 19M8035 19M7620 12M7070 CQ25955 CQ31822 CQ31823 PARAF SEXT ARRUELA CALCO ESPACADOR CALÇO SUPORTE ESQ SUPORTE PARAF SEXT PARAF SEXT ARRUELA PRESSAO SUPORTE SUPORTE ESQ SUPORTE DIR AR 8 4 4 1 1 AR AR AR 2 7 5 0 0 X X X X X X X X X X X X X M20X100 M16X35 M20X130 20MM (A) (A) 91.003 (A) SOMENTE CABINE - - - - - - - - - - - - - ITEM NÚMERO DESCRIÇÃO QTDE OBSERVAÇÕESNO. SÉRIE
  • 381.
    TRATORES JOHN DEERE7500 CPCQ26568 30Jan02 SUPORTE DOS CONTROLES 91.004
  • 382.
    TRATORES JOHN DEERE7500 CPCQ26568 30Jan02 1 2 3 4 5 6 7 8 9 10 11 12 13 14 15 16 17 18 19 20 21 22 23 24 25 26 27 19M7163 12M7065 24M7026 19M7301 14M7029 AP32839 L79794 P59923 T70659 19M7560 12M7006 14M7027 19M6614 DQ26734 DQ60687 DQ31860 DQ60529 DQ32045 L80302 99M7011 19M7167 24M7040 RE43637 RE46534 CQ01248 CQ29588 CQ31316 AL113988 DQ32717 P59946 PARAFUSO SEXT ARRUELA PRESSAO ARRUELA LISA PARAF SEXT PORCA SEXT SUPORTE GUARNICAO TAMPA FIXADOR PARAF SEXT ARRUELA PRESSAO PORCA SEXT PARAFUSO TAMPA TAMPA TAMPA SUPORTE SUPORTE DECALCO TAMPÃO PARAFUSO SEXT ARRUELA LISA INTERRUPTOR CHAVE ARRUELA LISA VEDAÇÃO SUPORTE SUPORTE VEDAÇÃO TAMPA EXTENSAO AR AR AR AR AR 1 1 1 1 AR AR AR AR 1 1 1 1 1 1 AR AR 1 1 AR AR 1 1 1 1 7 5 0 0 X X X X X X X X X X X X X X X X X X X X X X X X X X X X X X M8X25 5MM 9X17X1,6 M8X40 M8 M6X16 6MM M6 M6X12 C/CX. DE JUNCAO S/CX. DE JUNCAO (A) (A) OD=23,6MM M10X25 11X21X2MM 6,4X18MM (A) (A) (A) (A) 91.005 (A) COM CABINE - - - - - - - - - - - - - - - - - - - - - - - - - - - - - - ITEM NÚMERO DESCRIÇÃO QTDE OBSERVAÇÕESNO. SÉRIE
  • 383.
    TRATORES JOHN DEERE7500 CPCQ26568 30Jan02 CHAPAS DO PISO 91.006
  • 384.
    TRATORES JOHN DEERE7500 CPCQ26568 30Jan02 1 2 3 4 5 6 7 8 9 10 11 12 13 14 15 16 17 18 19 20 21 22 23 24 25 DQ25815 DQ33631 19M7560 24M7088 14M7165 DQ24729 19M7162 12M7065 CQ24972 19M7077 12M7006 CQ01248 DQ34943 CQ27559 19M7301 24M7026 12M7065 14M7029 CQ27441 CQ33630 CQ07213 14M7027 19M7077 12M7006 DQ34773 L59800 TAMPA TAMPA PARAF SEXT ARRUELA LISA PORCA SEXT PISO DIR PARAF SEXT ARRUELA PRESSAO PISO CENTRAL PARAF SEXT ARRUELA PRESSAO ARRUELA LISA PISO ESQ CORRIMAO PARAF SEXT ARRUELA LISA ARRUELA PRESSAO PORCA SEXT FITA VEDAÇÃO ARRUELA LISA PORCA SEXT PARAF SEXT ARRUELA PRESSAO ESCOTILHA GRAMPO 1 AR AR AR AR AR AR AR AR 1 1 2 2 2 2 1 4 7 5 0 0 X X X X X X X X X X X X X X X X X X X X X X X X X X (A) (B) M6X16 6.6X12.5X1.6 M6 M8X16 5MM M6X20 6MM 6,4X18MM M8X40 9X17X1,6 5MM M8 (B) 6X25MM (B) M6 (B) M6X20 (B) 6MM (B) 91.007 (A) (B) SEM CABINE COM CABINE - - - - - - - - - - - - - - - - - - - - - - - - - - ITEM NÚMERO DESCRIÇÃO QTDE OBSERVAÇÕESNO. SÉRIE
  • 385.
    TRATORES JOHN DEERE7500 CPCQ26568 30Jan02 1 2 3 4 5 6 7 8 9 10 11 12 CQ26057 CQ26058 R96195 R96196 RE50373 19M7139 24M7026 12M7065 14M7029 CQ26235 CQ26049 CQ25155 CQ34677 R96216 37M7165 SUPORTE PERFIL PROTECAO DIR PROTECAO ESQ KIT PARAFUSO ARRUELA LISA ARRUELA PRESSAO PORCA SEXT SUPORTE ESQ SUPORTE DIR TAPETE TAPETE BUCHA PARAF FENDA 2 2 8 AR AR AR AR AR XXXXXX XXXXXX 7 5 0 0 X X X X X X X X X X X X X X X M8X20 9X17X1,6 5MM M8 91.008 - - - - - - - - - - - - - - - ITEM NÚMERO DESCRIÇÃO QTDE OBSERVAÇÕESNO. SÉRIE
  • 386.
    TRATORES JOHN DEERE7500 CPCQ26568 30Jan02 PARALAMAS TRASEIROS 1 2 3 4 5 6 7 8 9 14M7166 CQ01249 CQ25243 L77917 L77912 L77510 L77511 24M7026 14M7029 19M7162 99M7095 PORCA SEXT ARRUELA LISA ESCORA VEDACAO VEDAÇÃO PARALAMA DIR PARALAMA ESQ ARRUELA LISA PORCA SEXT PARAF SEXT CONEXÃO AR AR 2 2 1 1 1 AR AR AR 1 7 5 0 0 X X X X X X X X X X X M8 9X28MM (B) 9X17X1,6 M8 M8X16 (A) 91.009 (A) (B) SEM EPCC COM CABINE - - - - - - - - - - - ITEM NÚMERO DESCRIÇÃO QTDE OBSERVAÇÕESNO. SÉRIE
  • 387.
    TRATORES JOHN DEERE7500 CPCQ26568 30Jan02 PARALAMAS TRASEIROS, EXTENSÃO 91.010
  • 388.
    TRATORES JOHN DEERE7500 CPCQ26568 30Jan02 1 2 3 4 5 6 7 8 9 10 11 12 13 14 15 16 DQ26130 DQ26131 DQ34507 DQ34508 AL82916 AL82917 DQ34488 DQ34489 L101641 L101640 CQ30098 CQ30097 CQ26135 CQ26136 19M7139 19M7163 24M7026 14M7029 19M7560 19M7077 14M7027 24M7088 CQ01248 L101649 L101643 99M7095 L114318 CQ42250 SUPORTE DIR SUPORTE ESQ SUPORTE DIR SUPORTE ESQ SUPORTE DIR SUPORTE ESQ SUPORTE DIR SUPORTE ESQ SUPORTE DIR SUPORTE ESQ PROTEÇÃO DIR PROTEÇ!AO ESQ EXTENSAO DIR EXTENSAO ESQ PARAFUSO PARAFUSO SEXT ARRUELA LISA PORCA SEXT PARAF SEXT PARAF SEXT PORCA SEXT ARRUELA LISA ARRUELA LISA EXTENSÃO ESQ EXTENSÃO DIR CONEXÃO TAMPÃO ARRUELA DE RETENÇÃO 1 1 1 1 1 1 1 1 1 1 1 1 1 1 AR AR AR AR AR AR AR AR 1 3 AR AR XXXXXX XXXXXX XXXXXX XXXXXX XXXXXX XXXXXX XXXXXX XXXXXX 7 5 0 0 X X X X X X X X X X X X X X X X X X X X X X X X X X X X W/O ESTRUTURA SEGURANÇA W/0 ESTRUTURA SEGURANÇA W/0 ESTRUTURA SEGURANÇA W/O ESTRUTURA SEGURANÇA (A) W/ ESTRUT. SEGURANÇA (A) W/ ESTRUT. SEGURANÇA (A) W/ ESTRUT.SEGURANÇA (A) W/ ESTRUT. SEGURANÇA W/0 ESTRUTURA SEGURANÇA W/0 ESTRUTURA SEGURANÇA M8X20 M8X25 9X17X1,6 M8 M6X16 M6X20 M6 6.6X12.5X1.6 6,4X18MM W/ ESTRUTURA SEGURANÇA W/ ESTRUTURA SEGURANÇA 91.011 (A) CABINE - - - - - - - - - - - - - - - - - - - - - - - - - - - - ITEM NÚMERO DESCRIÇÃO QTDE OBSERVAÇÕESNO. SÉRIE
  • 389.
    TRATORES JOHN DEERE7500 CPCQ26568 30Jan02 ESTRUTURA DE SEGURANCA 4 POSTES 91.012
  • 390.
    TRATORES JOHN DEERE7500 CPCQ26568 30Jan02 1 2 3 4 5 6 7 8 9 10 11 12 13 14 15 16 DQ25856 CQ32225 DQ24915 24M7008 12M7065 19M3127 19M7139 19M7501 12M7069 CQ24899 CQ25923 14M7031 12M7067 CQ05126 19M7216 CQ25725 19M7029 19M7163 TETO TETO PROTECAO ARRUELA LISA ARRUELA PRESSAO PARAF SEXT PARAFUSO PARAFUSO ARRUELA PRESSAO ARRUELA VEDACAO PORCA SEXT ARRUELA PRESSAO ARRUELA LISA PARAF SEXT TUCHO PORCA SEXT PARAFUSO SEXT 1 AR AR AR AR 8 6 AR AR AR AR 2 AR AR 5748 5748 5748 5748 5747 5747 7 5 0 0 X X X X X X X X X X X X X X X X X X 8,4X23X1,5 5MM M8X16 M8X20 M16X110 16MM M12 12MM 14X40X3 M12X100 M8 M8X25 91.013 - - - - - - - - - - - - - - - - - - ITEM NÚMERO DESCRIÇÃO QTDE OBSERVAÇÕESNO. SÉRIE TRATOR
  • 391.
    TRATORES JOHN DEERE7500 CPCQ26568 30Jan02 ESCADA 1 2 3 4 5 6 7 8 9 10 11 12 CQ25307 12M7066 19M7167 14M7140 P59929 CQ25724 19M7347 AP32855 03M7017 24M7040 CQ32215 19M7169 SUPORTE ARRUELA PRESSAO PARAFUSO SEXT PORCA SEXT SUPORTE ESPACADOR PARAFUSO ESCADA PARAF FRANCES ARRUELA LISA SUPORTE PARAFUSO SEXT 1 AR AR AR 1 1 AR 1 AR AR 1 AR 7 5 0 0 X X X X X X X X X X X X 10MM M10X25 M10 M10X120 M10X25 11X21X2MM (A) M10X35 (A) 91.014 (A) COM CABINE - - - - - - - - - - - - ITEM NÚMERO DESCRIÇÃO QTDE OBSERVAÇÕESNO. SÉRIE
  • 392.
    TRATORES JOHN DEERE7500 CPCQ26568 30Jan02 ESTRUTURA DA CABINE 1 2 DQ39794 DQ42355 CQ39050 ESTRUTURA CABINE ESTRUTURA CABINE BASE DO ASSENTO 13196 13195 7 5 0 0 X X X 91.015 - - - ITEM NÚMERO DESCRIÇÃO QTDE OBSERVAÇÕESNO. SÉRIE
  • 393.
    TRATORES JOHN DEERE7500 CPCQ26568 30Jan02 PEÇAS DE REVESTIMENTO 1 2 3 4 5 6 7 8 AL114768 L76767 UN4822 R111570 24M7298 19M7162 L76331 R54477 PAINEL VEDAÇÃO ESPUMA TRINCO ARRUELA LISA PARAF SEXT GUARNIÇÃO REBITE 1 1 1 1 6 6 2 2 7 5 0 0 X X X X X X X X 8,4X2MM M8X16 91.016 - - - - - - - - ITEM NÚMERO DESCRIÇÃO QTDE OBSERVAÇÕESNO. SÉRIE
  • 394.
    TRATORES JOHN DEERE7500 CPCQ26568 30Jan02 REVESTIMENTO PARTE SUPERIOR, POSTERIOR DA CABINE 1 2 3 4 L79320 L100380 L112143 L112144 37M7291 PROTEÇÃO PARAFUSO ISOLAMENTO ACÚSTICO PATIM DE BORRACHA PARAFUSO 1 2 1 1 2 7 5 0 0 X X X X X (A) 91.017 (A) COM CONTROLE REMOTO PARA BARRA DE TRAÇÃO - - - - - ITEM NÚMERO DESCRIÇÃO QTDE OBSERVAÇÕESNO. SÉRIE
  • 395.
    TRATORES JOHN DEERE7500 CPCQ26568 30Jan02 REVESTIMENTO DO PARA-LAMAS TRASEIRO 1 2 3 4 5 6 7 AL113917 L56021 L39860 L116183 CQ34091 L112522 UN4815 ISOLAMENTO ACÚSTICO ALMOFADA TIRA ISOLAMENTO ACÚSTICO MOLDURA ISOLAMENTO ACÚSTICO VEDAÇÃO 1 4 4 1 1 1 7 5 0 0 X X X X X X X LH RH LGTH 1900MM 91.018 - - - - - - - ITEM NÚMERO DESCRIÇÃO QTDE OBSERVAÇÕESNO. SÉRIE
  • 396.
    TRATORES JOHN DEERE7500 CPCQ26568 30Jan02 REVESTIMENTO DO POSTE 1 2 3 4 5 6 7 8 AL116339 AL116340 L111871 L111872 L112141 L112142 L113655 L113659 ISOLAMENTO ACUSTICO ISOLAMENTO ACÚSTICO PAINEL PAINEL ISOLADOR ACÚSTICO ISOLADOR ACÚSTICO TAMPÃO TAMPÃO 1 1 1 1 1 1 4 4 7 5 0 0 X X X X X X X X (A) FRONT, LH (A) FRONT, RH LH RH REAR, LH REAR, RH 91.019 (A) COM AR CONDICIONADO - - - - - - - - ITEM NÚMERO DESCRIÇÃO QTDE OBSERVAÇÕESNO. SÉRIE
  • 397.
    TRATORES JOHN DEERE7500 CPCQ26568 30Jan02 CHAPAS DO CHÃO 1 2 3 4 5 6 CQ32243 19M6614 12M7006 19M7077 CQ32117 UN4815 TAMPA PARAFUSO ARRUELA PRESSAO PARAF SEXT CHAPA VEDAÇÃO 7 5 0 0 X X X X X X M6X12 6MM M6X20 LGTH 1900MM 91.020 - - - - - - ITEM NÚMERO DESCRIÇÃO QTDE OBSERVAÇÕESNO. SÉRIE
  • 398.
    TRATORES JOHN DEERE7500 CPCQ26568 30Jan02 91.021
  • 399.
    TRATORES JOHN DEERE7500 CPCQ26568 30Jan02 TAPETE 91.022
  • 400.
    TRATORES JOHN DEERE7500 CPCQ26568 30Jan02 1 2 3 4 5 6 7 8 9 10 11 12 13 14 15 L112457 21M7362 CQ32971 CQ34094 24M7138 37M7088 L77865 L110193 37M7249 CQ01248 37M7146 L115239 CQ35790 L111796 CQ42273 Z42839 CQ32637 CQ32639 CAPÔ PARAF FENDA MOLDURA MOLDURA ARRUELA LISA PARAF FENDA TAPETE TAPETE PARAFUSO ARRUELA LISA PARAFUSO MOLDURA MOLDURA TAPETE TAPETE TAMPÃO BASE BASE 1 24 1 1 1 2 1 1 4 5 1 1 1 1 1 2 1 1 XXXXXX 7486 XXXXXX XXXXXX 7485 XXXXXX 7 5 0 0 X X X X X X X X X X X X X X X X X X PARA BOMBA 100 LPM M6X20 M6X14 6,4X18MM ORD CQ35790 (SUB FOR L115207) RH LH 91.023 - - - - - - - - - - - - - - - - - - ITEM NÚMERO DESCRIÇÃO QTDE OBSERVAÇÕESNO. SÉRIE TRATOR
  • 401.
    TRATORES JOHN DEERE7500 CPCQ26568 30Jan02 REVESTIMENTO LATERAL 91.024
  • 402.
    TRATORES JOHN DEERE7500 CPCQ26568 30Jan02 1 2 3 4 5 6 7 8 9 10 11 12 13 14 15 16 17 18 19 20 21 22 CQ40433 CQ40434 L76767 L112866 L111480 L116184 L112657 19M6614 L112796 L112797 L39134 L79886 L112232 L102140 21M7362 24M7251 37M7166 L80136 L78846 L78847 AL112355 AL112354 AL114973 19M7560 19M7160 CQ01248 L100800 L80471 L110852 PAINEL PAINEL VEDAÇÃO PORCA PORCA VEDAÇÃO PLUG PARAFUSO PARAFUSO PARAFUSO PARAFUSO ESPUMA ESPUMA TAMPÃO PARAF FENDA ARRUELA PARAFUSO ARRUELA MOLDURA MOLDURA MOLDURA MOLDURA MOLDURA PARAF SEXT PARAFUSO ARRUELA LISA PLACA ETIQUETA ISOLAMENTO 1 1 1 22 14 4 10 2 6 16 6 1 1 2 6 12 4 4 1 1 1 1 1 5 1 6 4 4 4 7 5 0 0 X X X X X X X X X X X X X X X X X X X X X X X X X X X X X LH RH M6X12 LH RH M6X20 7X20MM LH RH LH RH RH M6X16 M6X30 RH 6,4X18MM 91.025 - - - - - - - - - - - - - - - - - - - - - - - - - - - - - ITEM NÚMERO DESCRIÇÃO QTDE OBSERVAÇÕESNO. SÉRIE
  • 403.
    TRATORES JOHN DEERE7500 CPCQ26568 30Jan02 MAÇANETA 1 2 3 4 5 6 7 AL76067 21M7327 24M7362 19M7561 L113887 L57250 L113886 12M7006 PUNHO PARAFUSO ARRUELA PARAF ALLEN PROTEÇÃO MANIPULO MANÍPULO ARRUELA PRESSAO 1 2 6 6 1 1 1 2 7 5 0 0 X X X X X X X X M6X35 M8X30 (A) 6MM 91.026 (A) CABINE - - - - - - - - ITEM NÚMERO DESCRIÇÃO QTDE OBSERVAÇÕESNO. SÉRIE
  • 404.
    TRATORES JOHN DEERE7500 CPCQ26568 30Jan02 REVESTIMENTO DE TETO INTERNO 1 2 3 L114338 CQ10218 L112639 PAINEL PARAF FENDA MOLDURA 1 11 2 7 5 0 0 X X X M6X16 91.027 - - - ITEM NÚMERO DESCRIÇÃO QTDE OBSERVAÇÕESNO. SÉRIE
  • 405.
    TRATORES JOHN DEERE7500 CPCQ26568 30Jan02 TETO INTERNO 1 2 3 4 5 6 7 8 9 10 11 AL110302 L111277 L39134 L111276 L100413 L100414 ....... ....... 37M7109 24M7251 R81207 L100850 TETO ENTRADA DE AR PARAFUSO ENTRADA DE AR JUNTA JUNTA VEDACAO VEDACAO PARAFUSO ARRUELA CAPA VEDAÇÃO 1 1 6 1 1 1 2 2 2 2 4 1 7 5 0 0 X X X X X X X X X X X X RH LH LH RH NSEP (A) NSEP (B) LGTH=4125MM LGTH=4125MM 91.028 (A) (B) COMPRIIMENTO=880MM (MF L100850) COMPRIMENTO=1180MM (MF L100850) - - - - - - - - - - - - ITEM NÚMERO DESCRIÇÃO QTDE OBSERVAÇÕESNO. SÉRIE
  • 406.
    TRATORES JOHN DEERE7500 CPCQ26568 30Jan02 TETO EXTERNO 1 2 3 4 5 6 7 8 9 L110276 CQ01248 37M7260 24M7315 L40376 19M7344 24M7251 19M8648 37M7242 TETO ARRUELA LISA PARAFUSO] ARRUELA ARRUELA PARAFUSO ARRUELA PARAFUSO PARAFUSO 1 AR 4 2 2 2 13 13 4 7 5 0 0 X X X X X X X X X 6,4X18MM 6,3X70MM REAR M16X65 M6X16 6,3X55MM FRONT 91.029 - - - - - - - - - ITEM NÚMERO DESCRIÇÃO QTDE OBSERVAÇÕESNO. SÉRIE
  • 407.
    TRATORES JOHN DEERE7500 CPCQ26568 30Jan02 JANELA TRASEIRA 91.030
  • 408.
    TRATORES JOHN DEERE7500 CPCQ26568 30Jan02 1 2 3 4 5 6 7 8 9 10 11 12 13 14 15 16 17 18 19 20 21 22 23 24 25 26 27 28 29 30 31 32 33 34 35 36 37 38 39 40 AL111717 24M7008 14M7478 AL110725 L78727 AL77794 T27260 24M7252 R133450 14M7165 99M7109 34M7126 L111419 03M7331 L114104 24M7298 L78704 L78851 24M7026 14M7166 L78703 21M7310 CQ01248 L78705 24M7251 14M7376 L78693 L75449 19M7139 L111414 R97588 14M7029 AL114803 L111440 L112290 L110367 L113715 L55969 AL110724 AL113815 PUNHO ARRUELA LISA PORCA AUTOFR DOBRADIÇA VIDRAÇA APOIO ARRUELA ARRUELA PUNHO PORCA SEXT TAMPAO PINO ELASTICO JUNTA PARAFUSO VEDAÇÃO ARRUELA LISA ARRUELA DE VEDAÇÃO BUCHA ARRUELA LISA PORCA SEXT CAPA PARAFUSO ARRUELA LISA BUCHA ARRUELA PORCA AUTOFRENANTE ESPUMA PERFIL "U" PARAFUSO ANGULO ESFERA PORCA SEXT AMORTECEDOR HIDROPNEUMATICO TAMPA VEDAÇÀO ARRUELA ESFERA PORCA DOBRADIÇA MANÍPULO 1 6 2 1 1 1 1 1 1 1 1 1 2 2 1 2 8 2 8 2 8 6 6 6 6 6 2 2 4 1 2 4 2 2 1 2 2 2 1 1 7 5 0 0 X X X X X X X X X X X X X X X X X X X X X X X X X X X X X X X X X X X X X X X X 8,4X23X1,5 LH M6 OD=17,0MM M8X35 8,4X2MM 9X17X1,6 M8 M6X25 6,4X18MM M6 M8X20 M8 RH 91.031 - - - - - - - - - - - - - - - - - - - - - - - - - - - - - - - - - - - - - - - - ITEM NÚMERO DESCRIÇÃO QTDE OBSERVAÇÕESNO. SÉRIE
  • 409.
    TRATORES JOHN DEERE7500 CPCQ26568 30Jan02 JANELAS LATERAIS 91.032
  • 410.
    TRATORES JOHN DEERE7500 CPCQ26568 30Jan02 1 2 3 4 5 6 7 8 9 10 11 12 13 14 15 16 17 18 19 20 21 22 L78703 14M7165 24M7251 L78702 L78704 AL111136 03M7338 L114105 12M7081 21M7423 34M7094 RE58028 R113351 L114775 12M7133 19M8648 AL118243 AL118242 L115740 40M7082 24M7139 14M7272 L113305 L113306 CAPA PORCA SEXT ARRUELA BUCHA ARRUELA DE VEDAÇÃO DOBRADIÇA PARAFUSO VEDAÇÃO ARRUELA DE PRESSÃO PARAFUSO PINO ELÁSTICO FECHO PROTETOR BUCHA ARRUELA PRESS!AO PARAFUSO ENGATE ENGATE PINO PINO ELÁSTICO ARRUELA PORCA VIDRAÇA VIDRAÇA 4 4 4 4 4 4 4 2 8 8 2 2 2 2 2 2 1 1 2 2 2 2 1 1 12904 12904 12904 12904 12904 12904 12904 12904 12904 12904 12904 12904 7 5 0 0 X X X X X X X X X X X X X X X X X X X X X X X X M6 ORD AL117017 M6X30 (UB FOR R110958) M6X16 RH LH M6 RH LH 91.033 - - - - - - - - - - - - - - - - - - - - - - - - ITEM NÚMERO DESCRIÇÃO QTDE OBSERVAÇÕESNO. SÉRIE TRATOR
  • 411.
    TRATORES JOHN DEERE7500 CPCQ26568 30Jan02 FECHADURA DA PORTA 91.034
  • 412.
    TRATORES JOHN DEERE7500 CPCQ26568 30Jan02 1 2 3 4 5 6 7 8 9 10 11 12 13 14 15 16 17 18 19 20 L113440 AL113176 L113436 L113438 R74402 L113717 L113718 03M7085 37M7063 24M7146 21M7310 24M7054 14M7166 24M7026 L78691 RE71557 L113908 L113907 AL113174 19M7574 CANTONEIRA FECHADURA PLACA CAPÔ TOPE ESTRIBO FECHADURA PARAF FRANCES PARAFUSO ARRUELA PARAFUSO ARRUELA LISA PORCA SEXT ARRUELA LISA BUCHA CHAVE ARRUELA DE VEDAÇÃO ARRUELA DE VEDAÇÃO CANTONEIRA PARAFUSO 1 1 1 1 2 1 2 2 6 6 2 2 4 4 2 2 2 2 2 4 7 5 0 0 X X X X X X X X X X X X X X X X X X X X LH LH LH LH M10X30 M6X25 6,4X12,5MM M8 9X17X1,6 M8X40 91.035 - - - - - - - - - - - - - - - - - - - - ITEM NÚMERO DESCRIÇÃO QTDE OBSERVAÇÕESNO. SÉRIE
  • 413.
    TRATORES JOHN DEERE7500 CPCQ26568 30Jan02 PORTAS 91.036
  • 414.
    TRATORES JOHN DEERE7500 CPCQ26568 30Jan02 1 2 3 4 5 6 7 8 9 10 11 12 13 14 15 16 17 18 19 20 21 22 23 24 25 26 27 28 29 30 31 32 33 34 35 36 37 AL78276 RE46588 RE46587 RE46590 RE46589 RE46592 AL151278 R97588 56M7007 L77647 L77648 L114107 L112546 L112638 L78769 L78768 L78851 24M7026 21M7392 L78703 21M7371 24M7362 L77652 CQ02499 L77651 19M7865 24M7298 L100869 L112270 L78704 24H1292 L113039 L113038 14M7166 03M7094 CQ32967 CQ33965 CQ32966 24M7362 19M8700 CQ32964 CANTONEIRA DOBRADIÇA DOBRADIÇA DOBRADIÇA DOBRADIÇA DOBRADIÇA AMORTECEDOR HIDROPNEUMATICO ESFERA JUNTA ESFÉRICA PORTA PORTA VEDAÇÃO PRATO PRATO ARRUELA ARRUELA BUCHA ARRUELA LISA PARAFUSO CAPA PARAFUSO ARRUELA ARRUELA DE VEDAÇÃO ARRUELA ARRUELA PARAFUSO ARRUELA LISA ARRUELA PROTETOR ARRUELA DE VEDAÇÃO ARRUELA CAPA CAPA PORCA SEXT PARAF FRANCES CHAPA CHAPA CHAPA ARRUELA PARAF SEXT CHAPA 1 2 1 1 1 2 4 2 1 1 2 2 2 2 2 2 2 1 2 6 4 12 6 2 8 8 2 2 2 2 1 1 AR AR 7 5 0 0 X X X X X X X X X X X X X X X X X X X X X X X X X X X X X X X X X X X X X X X X X LH LH RH LH RH LH RH UP LOW 9X17X1,6 M8X30 M8X20 26X50 M8X16 8,4X2MM 8,7X19X3MM LH RH M8 RH M8X30 RH RH RH RH RH M8X25 RH RH 91.037 - - - - - - - - - - - - - - - - - - - - - - - - - - - - - - - - - - - - - - - - - ITEM NÚMERO DESCRIÇÃO QTDE OBSERVAÇÕESNO. SÉRIE
  • 415.
    TRATORES JOHN DEERE7500 CPCQ26568 30Jan02 PARABRISA FIXO 91.038
  • 416.
    TRATORES JOHN DEERE7500 CPCQ26568 30Jan02 1 2 3 4 5 6 7 8 9 10 11 12 13 14 15 16 17 18 19 20 21 22 23 L78733 L76388 03M7342 L78704 L78702 24M7251 14M7165 L78703 L78693 L75449 24M7026 19M7139 CQ01248 19M7077 14M7165 CQ01248 37M7193 37M7305 19M7319 L57827 L114102 L100685 L112290 R81207 PARABRISA SUPORTE PARAFUSO ARRUELA DE VEDAÇÃO BUCHA ARRUELA PORCA SEXT CAPA ESPUMA PERFIL "U" ARRUELA LISA PARAFUSO ARRUELA LISA PARAF SEXT PORCA SEXT ARRUELA LISA PARAFUSO PARAFUSO PARAF SEXT ARRUELA DE VEDAÇÃO VEDAÇÃO LIMITADOR VEDAÇÀO CAPA 1 2 2 3 3 2 2 3 2 2 4 4 4 4 1 1 2 2 1 2 1 2 1 2 8815 8814 7 5 0 0 X X X X X X X X X X X X X X X X X X X X X X X X M6X30 M6 9X17X1,6 M8X20 6,4X18MM M6X20 M6 6,4X18MM M6X60 91.039 - - - - - - - - - - - - - - - - - - - - - - - - ITEM NÚMERO DESCRIÇÃO QTDE OBSERVAÇÕESNO. SÉRIE
  • 417.
    TRATORES JOHN DEERE7500 CPCQ26568 30Jan02 PARABRISA, PARTE INFERIOR 1 2 3 4 5 6 7 8 9 L78534 L78533 L114103 L111480 21M7327 CQ01248 L78702 L78704 L78703 L41443 VIDRAÇA VIDRAÇA VEDAÇÃO PORCA PARAFUSO ARRUELA LISA BUCHA ARRUELA DE VEDAÇÃO CAPA ANEL O 1 1 2 4 4 4 4 4 4 4 7 5 0 0 X X X X X X X X X X RH LH M6X35 6,4X18MM 91.040 - - - - - - - - - - ITEM NÚMERO DESCRIÇÃO QTDE OBSERVAÇÕESNO. SÉRIE
  • 418.
    TRATORES JOHN DEERE7500 CPCQ26568 30Jan02 91.041
  • 419.
    TRATORES JOHN DEERE7500 CPCQ26568 30Jan02 UNIDADE DE CALEFAÇÃO, MANGUEIRAS, DECALEFAÇÃO, COMPONENTES DO VENTILADOR 91.042
  • 420.
    TRATORES JOHN DEERE7500 CPCQ26568 30Jan02 1 2 3 4 5 6 7 8 9 10 11 12 13 14 15 16 17 18 19 20 21 22 23 24 25 26 27 28 29 30 31 32 33 34 35 36 38 39 40 41 42 43 44 45 L110186 DQ10173 37M7174 AL110296 L113312 L113313 24M7139 AL111591 14M7297 19M7640 AL110297 AL110881 19M7560 L79884 24M7087 AL110260 L76254 19M8669 19M7768 L77942 AL77579 R33259 R113050 L77943 AL110298 L59927 R10093 AL110299 L79919 L79648 L76257 RE46634 L110187 AL112950 L59800 R44165 AL76568 RE43497 AL59879 L110145 37M7185 L110156 37M7272 L110865 L110867 MANGUEIRA ABRACADEIRA PARAFUSO VALVULA ESPUMA ESPUMA ARRUELA REDE DE RESISTORES PORCA PARAF SEXT SUPORTE SOPRADOR PARAF SEXT VEDAÇÃO ARRUELA LISA EVAPORADOR ESPUMA PARAFUSO PARAFUSO PRATO VALVULA ANEL O ANEL PRATO MANGUEIRA PORCA ANEL O MANGUEIRA GUARNIÇÃO SUPORTE GUARNIÇÃO INTERRUPTOR MANGUEIRA CAIXA GRAMPO PORCA MANOPLA INTERRUPTOR DO SOPRADOR INTERRUPTOR TAMPA PARAF FENDA VENEZIANA DE OPERAÇÃO PARAFUSO ETIQUETA ETIQUETA 1 6 1 1 1 1 6 1 2 2 1 2 8 2 1 1 2 1 1 1 2 1 1 1 1 2 1 3 4 1 1 1 1 8 2 4 1 1 1 4 2 2 1 1 7 5 0 0 X X X X X X X X X X X X X X X X X X X X X X X X X X X X X X X X X X X X X X X X X X X X X LH RH M5 M5X12 M6X16 5,5X10MM M5X35 M6X16 INCL KEYS 25 4,8X16MM 91.043 - - - - - - - - - - - - - - - - - - - - - - - - - - - - - - - - - - - - - - - - - - - - - ITEM NÚMERO DESCRIÇÃO QTDE OBSERVAÇÕESNO. SÉRIE
  • 421.
    TRATORES JOHN DEERE7500 CPCQ26568 30Jan02 1 2 3 4 5 6 7 8 9 10 11 12 13 14 15 16 17 18 37M7140 37M7185 24M7139 37M7218 99M7057 L110144 37M7219 L61769 L59796 L79648 L110148 L110149 L110633 L110189 14M7272 24M7139 19M7077 L110146 PARAFUSO PARAF FENDA ARRUELA PARAFUSO TAMPÃO TAMPA PARAFUSO VEDAÇÃO VEDAÇÃO SUPORTE CANTONEIRA CANTONEIRA PRENDEDOR VEDAÇÃO PORCA ARRUELA PARAF SEXT PRENDEDOR 2 2 2 3 2 1 2 1 1 4 1 1 1 2 8 8 8 2 7 5 0 0 X X X X X X X X X X X X X X X X X X 4,8X16MM OD=20,0MM LH RH M6 M6X20 91.044 - - - - - - - - - - - - - - - - - - ITEM NÚMERO DESCRIÇÃO QTDE OBSERVAÇÕESNO. SÉRIE
  • 422.
    TRATORES JOHN DEERE7500 CPCQ26568 30Jan02 FILTRO DE AR 1 2 3 4 5 6 7 8 9 10 AL111748 40M7040 L111425 37M7255 AL111469 AL110264 L59796 L110183 L110155 AL110300 FILTRO DE AR ANEL ELASTICO ANEL ELÁSTICO PARAFUSO PARAFUSO BORBOLETA CAIXA VEDAÇÃO ESPUMA TAMPA PARAFUSO 1 2 2 6 2 1 1 1 1 2 7 5 0 0 X X X X X X X X X X SUB FOR AL119095 INCL KEY 4 91.045 - - - - - - - - - - ITEM NÚMERO DESCRIÇÃO QTDE OBSERVAÇÕESNO. SÉRIE
  • 423.
    TRATORES JOHN DEERE7500 CPCQ26568 30Jan02 LUZ INTERNA DA CABINA, LUZ DO CONSOLE, DUTOS DE AR 91.046
  • 424.
    TRATORES JOHN DEERE7500 CPCQ26568 30Jan02 1 2 3 4 5 6 7 8 9 10 11 12 13 14 15 L110977 37M7230 14M7209 R81207 R106551 24M7207 57M7615 AL110365 L112250 57M7105 L110496 L110495 R72040 L110150 L110151 19M8403 TAMPÃO PARAFUSO PORCA SEXT CAPA TAMPA ARRUELA LISA LAMPADA LAMPADA PRENDEDOR BULBO LENTE TAMPA GUARNIÇÃO DUTO DE AR DUTO DE AR PARAF SEXT 2 2 4 2 1 AR 2 1 1 1 1 1 1 1 AR 7 5 0 0 X X X X X X X X X X X X X X X X 4.8X25 M18 8.4X24X2MM LH RH M8X75 91.047 - - - - - - - - - - - - - - - - ITEM NÚMERO DESCRIÇÃO QTDE OBSERVAÇÕESNO. SÉRIE
  • 425.
    TRATORES JOHN DEERE7500 CPCQ26568 30Jan02 DRENO DO CONDENSADOR DE ÁGUA AR CONDICIONADO 91.048
  • 426.
    TRATORES JOHN DEERE7500 CPCQ26568 30Jan02 1 2 3 4 5 6 7 8 9 10 11 Z59343 37M7089 P51212 L111584 R60263 R60264 SG06401 37M7095 L113800 L113801 AL117566 AL117567 DQ37173 DQ37174 CQ38910 R44302 ISOLAMENTO PARAFUSO ANEL O VEDAÇÃO BUCHA MANGUEIRA ABRAÇADEIRA PARAFUSO PAINEL PAINEL TUBO TUBO TUBO TUBO MANGUEIRA CINTA 2 4 2 2 2 2 2 4 1 1 1 1 2 2 XXXXXX XXXXXX XXXXXX XXXXXX XXXXXX XXXXXX XXXXXX XXXXXX XXXXXX 7 5 0 0 X X X X X X X X X X X X X X X X M6X12 1/2"X5/8" LH LH RH LH RH LH RH SUB L114086 91.049 - - - - - - - - - - - - - - - - ITEM NÚMERO DESCRIÇÃO QTDE OBSERVAÇÕESNO. SÉRIE TRATOR
  • 427.
    TRATORES JOHN DEERE7500 CPCQ26568 30Jan02 TUBULAÇÕES, CALEFAÇÃO E AR CONDICIONADO 91.050
  • 428.
    TRATORES JOHN DEERE7500 CPCQ26568 30Jan02 1 2 3 4 5 6 7 8 9 10 11 12 13 14 L111464 CQ38761 21M7423 AL111784 AL111785 L110815 L111465 L150706 DQ10173 R10093 R33259 L150708 L150707 L150709 LINHA GRAMPO PARAFUSO LINHA LINHA GRAMPO LINHA ISOLADOR ABRACADEIRA ANEL O ANEL O ISOLADOR ISOLADOR ISOLADOR 1 6 6 1 1 6 1 AR 4 2 2 7 5 0 0 X X X X X X X X X X X X X X M6X30 (A) (A) 91.051 - - - - - - - - - - - - - - ITEM NÚMERO DESCRIÇÃO QTDE OBSERVAÇÕESNO. SÉRIE
  • 429.
    TRATORES JOHN DEERE7500 CPCQ26568 30Jan02 COMPRESSOR - AR CONDICIONADO 1 2 3 4 5 6 7 8 10 DQ35685 19M7660 AL78494 AL78780 57M7267 L79311 L115093 24M7055 CQ33577 COMPRESSOR PARAFUSO EMBREAGEM COLETOR PONTA TERMINAL MACHO JUNTA PINO ARRUELA CORREIA 4 1 1 1 1 2 4 1 7 5 0 0 X X X X X X X X X SUB AL155836 91.052 - - - - - - - - - ITEM NÚMERO DESCRIÇÃO QTDE OBSERVAÇÕESNO. SÉRIE
  • 430.
    TRATORES JOHN DEERE7500 CPCQ26568 30Jan02 SECADOR, INTERRUPTOR DE PRESSÃO PARA AR CONDICIONADO 1 2 3 4 5 6 7 8 9 14M7274 12M7135 24M7028 L112745 L151429 99M7102 19M7170 AL77581 R10093 AL112954 PORCA ARRUELA PRESSÃO ARRUELA ANEL O ANEL O GRAMPO PARAFUSO FILTRO SECADOR ANEL O SENSOR 1 1 1 1 1 1 1 1 2 1 XXXXXX XXXXXX 7 5 0 0 X X X X X X X X X X M10 M10X50 (ORD W/L1127450 91.053 - - - - - - - - - - ITEM NÚMERO DESCRIÇÃO QTDE OBSERVAÇÕESNO. SÉRIE
  • 431.
    TRATORES JOHN DEERE7500 CPCQ26568 30Jan02 MANGUEIRAS AR CONDICIONADO 91.054
  • 432.
    TRATORES JOHN DEERE7500 CPCQ26568 30Jan02 1 2 3 4 5 6 7 8 9 10 11 12 13 14 15 16 17 18 19 20 DQ32238 AL112625 DQ31310 R33259 14M7272 19M7966 CQ38890 L110828 198973 R10093 19M7657 L114448 R120955 L110815 19M8263 L41980 T70659 19M7768 R113050 AL78796 MANGUEIRA MANGUEIRA MANGUEIRA ANEL O PORCA PARAFUSO ABRAÇADEIRA ESPAÇADOR PARAFUSO ANEL O PARAFUSO SUPORTE CAPA GRAMPO PARAFUSO ABRAÇADEIRA FIXADOR PARAFUSO ANEL VALVULA 7 5 0 0 X X X X X X X X X X X X X X X X X X X X INCL KEY 13 INCL KEY 13 M6 M8X25 M6X16 91.055 - - - - - - - - - - - - - - - - - - - - ITEM NÚMERO DESCRIÇÃO QTDE OBSERVAÇÕESNO. SÉRIE
  • 433.
    TRATORES JOHN DEERE7500 CPCQ26568 30Jan02 91.056
  • 434.
    30Jan02TRATORES JOHN DEERE7500 CPCQ26568 2G1 INDICE DE GRUPO - INDICE DE GRUPO
  • 435.
    30Jan02TRATORES JOHN DEERE7500 CPCQ26568 2G1 INDICE DE GRUPO - INDICE DE GRUPO
  • 436.
    30Jan02TRATORES JOHN DEERE7500 CPCQ26568 2G1 INDICE DE GRUPO - INDICE DE GRUPO
  • 437.
    30Jan02TRATORES JOHN DEERE7500 CPCQ26568 2G1 INDICE DE GRUPO - INDICE DE GRUPO
  • 438.
    30Jan02TRATORES JOHN DEERE7500 CPCQ26568 2G1 INDICE DE GRUPO - INDICE DE GRUPO
  • 439.
    30Jan02TRATORES JOHN DEERE7500 CPCQ26568 2G1 INDICE DE GRUPO - INDICE DE GRUPO
  • 440.
    TRATORES JOHN DEERE7500 CPCQ26568 30Jan02 PAINEL DE INSTRUMENTOS 1 2 AP32936 RE45865 PAINEL JUNTA 7 5 0 0 X X 92.001 - - ITEM NÚMERO DESCRIÇÃO QTDE OBSERVAÇÕESNO. SÉRIE
  • 441.
    TRATORES JOHN DEERE7500 CPCQ26568 30Jan02 QUADRO DE INSTRUMENTOS 92.002
  • 442.
    TRATORES JOHN DEERE7500 CPCQ26568 30Jan02 1 2 3 4 5 6 7 8 9 10 11 12 13 14 15 16 17 18 21M7265 21M7284 DQ26712 19M6614 CQ01248 CQ30278 CQ26815 CQ36892 P59946 19M6614 P59922 DQ26860 21M7362 CQ60208 19M7560 14M7027 12M7006 CQ26808 DQ10881 DQ10882 CQ30277 CQ36859 PARAF FENDA PARAF FENDA SUPORTE PARAFUSO ARRUELA LISA CONSOLE CONSOLE CONSOLE EXTENSAO PARAFUSO SUPORTE CHAPA PARAF FENDA TAMPA PARAF SEXT PORCA SEXT ARRUELA PRESSAO APOIO LAMPADA LAMPADA DECALCO DECALCO AR AR AR AR AR AR AR 10029 10029 10029 10028 10028 7 5 0 0 X X X X X X X X X X X X X X X X X X X X X X M5X12 M6X12 6,4X18MM (A) (B) M6X12 M6X20 M6X16 M6 6MM YELLOW RED 92.003 (A) (B) P/ BOMBA 100 LPM P/ BOMBA 60 LPM - - - - - - - - - - - - - - - - - - - - - - ITEM NÚMERO DESCRIÇÃO QTDE OBSERVAÇÕESNO. SÉRIE
  • 443.
    TRATORES JOHN DEERE7500 CPCQ26568 30Jan02 CAPO DO CONSOLE CENTRAL 92.004
  • 444.
    TRATORES JOHN DEERE7500 CPCQ26568 30Jan02 1 2 3 4 5 6 7 8 9 10 11 12 13 CQ26154 CQ26793 L115285 DQ32632 DQ32633 21M7271 CQ29446 CQ27422 CQ32569 R106529 L80355 CQ01248 37M7165 21M7362 DQ26146 CQ34313 37M7203 CONSOLE CAPÔ CAPÔ CAPÔ CAPÔ PARAFUSO FENDA SUPORTE TAMPA TAMPA PORCA DE SEGURANÇA PORCA DE SEGURANÇA ARRUELA LISA PARAF FENDA PARAF FENDA FIXADOR CHAPA PARAFUSO AR 1 AR AR 1 2 7 5 0 0 X X X X X X X X X X X X X X X X X RH LH (A) RH (A) LH M5X16 (A) 6,4X18MM M6X20 M4X20 SUB 37M7336 92.005 (A) COM CABINE - - - - - - - - - - - - - - - - - ITEM NÚMERO DESCRIÇÃO QTDE OBSERVAÇÕESNO. SÉRIE
  • 445.
    TRATORES JOHN DEERE7500 CPCQ26568 30Jan02 INSTRUMENTOS DO PAINEL 92.006
  • 446.
    TRATORES JOHN DEERE7500 CPCQ26568 30Jan02 1 2 3 4 5 6 7 8 9 10 11 12 13 14 15 16 21M7290 AL76568 R44165 L110553 R73728 L102358 AL35179 AL36529 37M7203 RE51104 M115279 R117163 R115974 RE45963 L37489 AT162676 PARAFUSO MANOPLA PORCA DECALCO TAMPAO TAMPAO CHAVE LUZ CHAVE MULTIF PARAFUSO CHAVE LUZ TAMPA DECALCO PORCA CHAVE GERAL ALAVANCA CHAVE AR 1 1 1 1 1 1 1 1 1 1 1 1 1 1 7 5 0 0 X X X X X X X X X X X X X X X X M3X35 M4X20 SUB 37M7336 92.007 - - - - - - - - - - - - - - - - ITEM NÚMERO DESCRIÇÃO QTDE OBSERVAÇÕESNO. SÉRIE
  • 447.
    TRATORES JOHN DEERE7500 CPCQ26568 30Jan02 CONSOLE PARA ALAVANCAS DE CÂMBIO 1 2 3 4 5 AL81458 DQ41927 L58448 24M7026 14M7029 AL110863 SUPORTE SUPORTE VEDAÇÃO ARRUELA LISA PORCA SEXT SUPORTE 1 1 1 AR AR 1 3005 3004 7 5 0 0 X X X X X X (SUB FOR AL115064) 9X17X1,6 M8 SUB AL152875 92.008 - - - - - - ITEM NÚMERO DESCRIÇÃO QTDE OBSERVAÇÕESNO. SÉRIE TRATOR
  • 448.
    TRATORES JOHN DEERE7500 CPCQ26568 30Jan02 PEÇAS DE ACIONAMENTO DA EMBREAGEM PEDAL E CABO 1 2 3 4 5 6 7 8 9 10 11 12 13 14 15 19M7167 12M7066 R106381 R106387 RE43710 11M7005 45M7036 R51192 T20316 14M7140 DQ27846 R112680 L80053 L79792 L79337 PARAFUSO SEXT ARRUELA PRESSAO SUPORTE PIVO PEDAL CONTRAPINO PINO BUCHA ARRUELA PORCA SEXT CABO TERMINAL TERMINAL FIXADOR BORRACHA AR AR AR AR 7 5 0 0 X X X X X X X X X X X X X X X M10X25 10MM INCL KEYS 8 1,6 X 10 M10 92.009 - - - - - - - - - - - - - - - ITEM NÚMERO DESCRIÇÃO QTDE OBSERVAÇÕESNO. SÉRIE
  • 449.
    TRATORES JOHN DEERE7500 CPCQ26568 30Jan02 PEDAL DO ACELERADOR 92.010
  • 450.
    TRATORES JOHN DEERE7500 CPCQ26568 30Jan02 1 2 3 4 5 6 7 8 9 10 11 12 13 14 15 16 17 18 19 20 21 22 L113020 DQ27080 R67575 L114712 45M7044 L78152 34H282 CQ25361 L35975 L41366 R58509 R58511 L110311 L110988 L102562 L78154 L112950 L36272 14M7165 R26871 L79071 L113021 L78701 PEDAL CONJ ALAVANCA BUCHA PINO PINO CHAPA PINO ELASTICO SUPORTE FIXADOR FIXADOR MANCAL MANCAL MOLA MANCAL EIXO MANCAL INVERSOR TERMINAL PORCA SEXT ANEL ELAST BUCHA BUCHA MOLA AR 3368 3367 7 5 0 0 X X X X X X X X X X X X X X X X X X X X X X X M6 92.011 - - - - - - - - - - - - - - - - - - - - - - - ITEM NÚMERO DESCRIÇÃO QTDE OBSERVAÇÕESNO. SÉRIE TRATOR
  • 451.
    TRATORES JOHN DEERE7500 CPCQ26568 30Jan02 CABOS DO CÂMBIO DE MARCHAS (POWRQUAD) 92.012
  • 452.
    TRATORES JOHN DEERE7500 CPCQ26568 30Jan02 1 2 3 4 5 6 7 8 9 DQ34213 14M7272 L80051 L80052 DQ34221 45M7080 AL79050 L79076 L80053 CABO PORCA TERMINAL TERMINAL CABO PINO TRAVA PINO TRAVA CLIPE TERMINAL 1 AR 1 2 1 3 1 4 1 7 5 0 0 X X X X X X X X X (A) M6 (B) 92.013 (A) (B) CÂMBIO F-R CAMBIO 1A4 - - - - - - - - - ITEM NÚMERO DESCRIÇÃO QTDE OBSERVAÇÕESNO. SÉRIE
  • 453.
    TRATORES JOHN DEERE7500 CPCQ26568 30Jan02 ALAVANCA DO CÂMBIO DE MARCHAS (POWRQUAD) (-02092) 92.014
  • 454.
    TRATORES JOHN DEERE7500 CPCQ26568 30Jan02 1 2 3 4 5 6 7 8 9 10 11 12 13 14 15 16 17 18 19 20 21 22 AL110308 AL110242 AL77500 AL82500 L78169 L101401 AL29889 19M7168 24M7026 14M7166 L112469 19M7865 14M7416 L80355 CQ26638 L77805 L77802 19M7560 L77964 L78980 CQ01248 14M7167 ALAVANCA ALAVANCA SUPORTE PAINEL BUCHA ALAVANCA ESPACADOR PARAFUSO SEXT ARRUELA LISA PORCA SEXT MOLA PARAFUSO PORCA SEXT PORCA DE SEGURANÇA PARAF ALLEN MANIPULO MANIPULO PARAF SEXT TAMPA TAMPA ARRUELA LISA PORCA AUTOFREN 1 1 1 1 2 1 2 AR AR AR 4 AR AR AR AR 1 1 AR 1 1 AR AR 7 5 0 0 X X X X X X X X X X X X X X X X X X X X X X M10X30 9X17X1,6 M8 M8X16 M8 M6X16 6,4X18MM M10 92.015 - - - - - - - - - - - - - - - - - - - - - - ITEM NÚMERO DESCRIÇÃO QTDE OBSERVAÇÕESNO. SÉRIE
  • 455.
    TRATORES JOHN DEERE7500 CPCQ26568 30Jan02 ALAVANCA DE CÂMBIO DE MARCHAS (POWRQUAD) (002093-) 92.016
  • 456.
    TRATORES JOHN DEERE7500 CPCQ26568 30Jan02 1 2 3 4 5 6 7 8 9 10 11 12 13 14 15 16 17 18 19 20 21 22 23 24 25 26 27 28 29 30 31 32 33 34 35 36 37 AL110868 L111879 L114032 DQ38226 AL110722 AL110860 L77964 L78980 L112041 CQ36978 19M8403 14M7166 L111165 AL150844 AL117587 L110964 AL111214 AL150845 19M7865 CQ01249 L77978 L80355 19M8866 L77805 CQ01248 19M7560 L111179 14M7272 DQ28903 AL113247 19M7286 L102451 L111988 L111987 34M7172 14M7298 AL80994 DQ31114 AL112581 AL112614 AL117786 AL119584 DQ46828 HASTA PINO PINO SUPORTE PAINEL SUPORTE TAMPA TAMPA MOLA ARRUELA PARAF SEXT PORCA SEXT ARRUELA QUADRANTE QUADRANTE ALAVANCA QUADRANTE QUADRANTE PARAFUSO ARRUELA LISA BUCHA PORCA DE SEGURANÇA PARAFUSO FENDA MANIPULO ARRUELA LISA PARAF SEXT MANIPULO PORCA SUPORTE PLACA PARAFUSO MOLA ARRUELA ARRUELA PINO ELASTICO PORCA C/FLANGE BUCHA SUPORTE QUADRANTE SUPORTE GRAXEIRA GRAXEIRA GRAXEIRA 1 AR AR 1 3 1 1 1 6 2 AR AR 6 1 1 1 1 4 AR 4 AR AR 1 AR AR 1 AR 1 1 1 AR AR AR AR 1 1 1 1 1 1 7231 7231 7231 7553 10604 XXXXXX 7230 7230 7230 10603 7 5 0 0 X X X X X X X X X X X X X X X X X X X X X X X X X X X X X X X X X X X X X X X X X X X INCL KEYS 18 MARCHA C-D M8X75 M8 INCL KEYS 18 INCL KEYS 18, 31 INCL KEYS 18 M8X16 9X28MM M5X16 6,4X18MM M6X16 M6 M6X25 TK=1,00MM TK=1,5MM M8 SUB AL119447 92.017 - - - - - - - - - - - - - - - - - - - - - - - - - - - - - - - - - - - - - - - - - - - ITEM NÚMERO DESCRIÇÃO QTDE OBSERVAÇÕESNO. SÉRIE
  • 457.
    TRATORES JOHN DEERE7500 CPCQ26568 30Jan02 ALAVANCA DO CÂMBIO DE GRUPOS 92.018
  • 458.
    TRATORES JOHN DEERE7500 CPCQ26568 30Jan02 1 2 3 4 5 6 7 8 9 10 DQ34212 14M7272 L80051 L80053 DQ34210 DQ34211 L80052 L79076 45M7080 AL79050 CABO PORCA TERMINAL TERMINAL CABO CABO TERMINAL CLIPE PINO TRAVA PINO TRAVA 1 AR 1 3 1 1 2 6 5 1 7 5 0 0 X X X X X X X X X X (A) M6 (B) (C) 92.019 (A) (B) (C) FREIO DE ESTACIONAMENTO CAMBIO GRUPO A- B CAMBIO GRUPO C - D - - - - - - - - - - ITEM NÚMERO DESCRIÇÃO QTDE OBSERVAÇÕESNO. SÉRIE
  • 459.
    TRATORES JOHN DEERE7500 CPCQ26568 30Jan02 ALAVANCA DO CÂMBIO DE GRUPO (-2092) 92.020
  • 460.
    TRATORES JOHN DEERE7500 CPCQ26568 30Jan02 1 2 3 4 5 6 7 8 9 10 11 12 13 14 15 16 17 18 19 20 21 AL82871 L101210 L102451 AL80994 CQ36978 19M8403 14M7166 L77963 L77789 L77790 CQ01248 L101929 L100750 AL80657 19M7865 19M7286 14M7272 14M7416 L77805 19M7560 L77964 ALAVANCA SUPORTE MOLA BUCHA ARRUELA PARAF SEXT PORCA SEXT ARRUELA QUADRANTE QUADRANTE ARRUELA LISA ESPACADOR QUADRANTE PARK SUPORTE PARAFUSO PARAFUSO PORCA PORCA SEXT MANIPULO PARAF SEXT TAMPA 1 1 1 1 2 1 AR 6 1 1 AR 1 1 1 AR AR AR AR 1 AR 1 7 5 0 0 X X X X X X X X X X X X X X X X X X X X X M8X75 M8 TK=2,00MM MARCHA A-B MARCHA C-D 6,4X18MM M8X16 M6X25 M6 M8 M6X16 92.021 - - - - - - - - - - - - - - - - - - - - - ITEM NÚMERO DESCRIÇÃO QTDE OBSERVAÇÕESNO. SÉRIE
  • 461.
    TRATORES JOHN DEERE7500 CPCQ26568 30Jan02 ALAVANCA DO CÂMBIO DE GRUPOS (002093-) 92.022
  • 462.
    TRATORES JOHN DEERE7500 CPCQ26568 30Jan02 1 2 3 4 5 6 7 8 9 10 11 12 13 14 15 16 17 18 19 20 21 22 L77964 19M7560 CQ01248 L77805 AL110859 19M7162 CQ01249 L112053 L77963 L101929 L77978 AL110850 AL117583 14M7166 CQ36978 14M7029 19M8403 AL110849 AL117582 AL110860 L110566 CQ41926 L111988 L111987 AL80994 AL117787 AL119584 DQ46828 TAMPA PARAF SEXT ARRUELA LISA MANIPULO HASTE PARAF SEXT ARRUELA LISA SUPORTE ARRUELA ESPACADOR BUCHA QUADRANTE C-D QUADRANTE C-D PORCA SEXT ARRUELA PORCA SEXT PARAF SEXT QUADRANTE A-B QUADRANTE A-B SUPORTE PINO PINO ARRUELA ARRUELA BUCHA GRAXEIRA GRAXEIRA GRAXEIRA 1 AR AR 1 AR AR 1 5 1 1 1 1 AR 2 AR AR 1 1 1 AR 1 AR AR 1 1 1 1 XXXXXX 7231 7231 7553 10604 XXXXXX XXXXXX 7230 7230 10603 7 5 0 0 X X X X X X X X X X X X X X X X X X X X X X X X X X X X M6X16 6,4X18MM M8X16 9X28MM TK=2,00MM (B) (B) M8 M8 M8X75 INCL KEYS 11 (A) (C) TK=1,00MM TK=1,5MM 92.023 (A) (B) CAMBIO GRUPO A - B CAMBIO GRUPO C - D - - - - - - - - - - - - - - - - - - - - - - - - - - - - ITEM NÚMERO DESCRIÇÃO QTDE OBSERVAÇÕESNO. SÉRIE
  • 463.
    TRATORES JOHN DEERE7500 CPCQ26568 30Jan02 COMANDO DO ACELERADOR 92.024
  • 464.
    TRATORES JOHN DEERE7500 CPCQ26568 30Jan02 1 2 3 4 5 6 7 8 9 10 11 12 13 14 15 16 17 AL82454 L58671 L110422 19M7295 24M7026 R50227 R31271 14M7029 L112425 L80051 L79076 DQ34208 AL79050 CQ33741 56M5259 14M7172 CQ03753 ALAVANCA ARRUELA PLACA PARAF SEXT ARRUELA LISA RETENTOR MOLA PORCA SEXT MANIPULO TERMINAL CLIPE CABO PINO TRAVA VEDAÇÃO JUNTA ESFERICA PORCA SEXT ABRACADEIRA 1 2 1 AR AR 1 1 AR 1 1 1 1 1 2 1 AR 11 2092 2092 2092 2092 2092 2092 2092 2092 2092 2092 2092 2092 2092 2092 2092 2092 2092 7 5 0 0 X X X X X X X X X X X X X X X X X 8,4X16X1,6MM M8X45 9X17X1,6 M8 (A) (B) M6 92.025 (A) (B) CAMBIO GRUPO A - B CAMBIO GRUPO C - D - - - - - - - - - - - - - - - - - ITEM NÚMERO DESCRIÇÃO QTDE OBSERVAÇÕESNO. SÉRIE TRATOR
  • 465.
    TRATORES JOHN DEERE7500 CPCQ26568 30Jan02 COMANDO DO ACELERADOR (002093-) 92.026
  • 466.
    TRATORES JOHN DEERE7500 CPCQ26568 30Jan02 1 2 3 4 5 6 7 8 9 10 11 12 13 14 15 16 17 18 19 20 AL111482 AL119895 AL119851 14M7028 12M7064 55M7003 L110422 L58671 R50227 R31271 24M7026 19M7378 14M7151 L80051 14M7272 56M5259 DQ34208 AL79050 L79076 40M7040 L112425 ALAVANCA ALAVANCA ALAVANCA PORCA SEXT ARRUELA PRESSAO PINO PLACA ARRUELA RETENTOR MOLA ARRUELA LISA PARAFUSO SEXT PORCA SEXT TERMINAL PORCA JUNTA ESFERICA CABO PINO TRAVA CLIPE ANEL ELASTICO MANIPULO 1 1 AR AR 1 1 2 1 1 1 AR AR 1 AR 1 1 1 1 AR 1 2093 2093 8930 2093 2093 2093 2093 2093 2093 2093 2093 2093 2093 2093 2093 2093 2093 2093 2093 2093 2093 8929 7 5 0 0 X X X X X X X X X X X X X X X X X X X X X SUB AL151282 M5 5MM 8,4X16X1,6MM 9X17X1,6 M8X45 M8 M6 92.027 - - - - - - - - - - - - - - - - - - - - - ITEM NÚMERO DESCRIÇÃO QTDE OBSERVAÇÕESNO. SÉRIE TRATOR
  • 467.
    TRATORES JOHN DEERE7500 CPCQ26568 30Jan02 VÁLVULA DO CONTROLE REMOTO ELEMENTOS DE COMANDO 92.028
  • 468.
    TRATORES JOHN DEERE7500 CPCQ26568 30Jan02 1 2 3 4 5 6 7 8 9 10 11 12 13 14 15 16 17 18 19 20 21 22 23 AL76483 AL80141 AL113510 L110766 AL80142 AL113512 DQ34209 L101931 CQ06670 14M7168 19M7139 24M7026 14M7029 L77747 M113899 45M7080 L79076 14M7272 L80052 AL80143 AL113514 L110296 A4827R L41536 L100560 CQ33741 SUPORTE ALAVANCA ALAVANCA BUCHA ALAVANCA ALAVANCA CABO ESPACADOR ARRUELA LISA PORCA AUTOFREN PARAFUSO ARRUELA LISA PORCA SEXT MANIPULO TAMPA PINO TRAVA CLIPE PORCA TERMINAL ALAVANCA ALAVANCA ANEL O ARRUELA ANEL O TERMINAL VEDAÇÃO 1 1 1 3 1 1 3 AR 1 AR AR AR AR 3 3 3 6 AR 3 1 1 3 3 3 3 3 3457 3457 3457 3456 3456 3456 7 5 0 0 X X X X X X X X X X X X X X X X X X X X X X X X X X (A) (A) (B) (B) 13X38MM M12 M8X20 9X17X1,6 M8 M6 (C) (C) 92.029 (A) (B) (C) COM 1 VÁLVULA CONTROLE REMOTO COM 2 VALVULAS CONTROLE REMOTO COM 3 VALVULAS CONTROLE REMOTO - - - - - - - - - - - - - - - - - - - - - - - - - - ITEM NÚMERO DESCRIÇÃO QTDE OBSERVAÇÕESNO. SÉRIE TRATOR
  • 469.
    TRATORES JOHN DEERE7500 CPCQ26568 30Jan02 UNIDADE DE CONTROLE DO LEVANTE HIDRÁULICO, BLOQUEIO DAS ALAVANCAS 92.030
  • 470.
    TRATORES JOHN DEERE7500 CPCQ26568 30Jan02 1 2 3 4 5 6 7 8 9 10 11 12 13 14 15 16 17 18 19 20 RE49639 DQ28669 DQ28668 RE60316 RE166611 AM118802 L111965 CQ26638 CQ33278 AL82600 AL82770 L80355 AL110119 RE57993 RE64281 24M7088 19M7560 CQ28328 99M7015 CQ28329 CQ01248 14M7028 24M7087 CQ26571 CQ31494 BOTAO TAMPA TAMPA CONTROLE CONTROLE INTERRUPTOR BATENTE PARAF ALLEN PARAFUSO ALLEN TAMPA MANÍPULO PORCA DE SEGURANÇA POTENCIOMETRO CHICOTE CHICOTE ARRUELA LISA PARAF SEXT TAMPA TAMPÃO DECALCO ARRUELA LISA PORCA SEXT ARRUELA LISA VEDACAO VEDAÇÃO AR AR 4 AR AR AR AR AR AR AR 1 2293 5451 2293 5451 2292 5450 2292 5450 7 5 0 0 X X X X X X X X X X X X X X X X X X X X X X X X X INCL KEYS 21 INCL KEYS 16, 21 INCL KEYS 1, 11 M5X20 (A) 6.6X12.5X1.6 M6X16 INCL KEYS 21 OD=11,0MM (A) 6,4X18MM (A) M5 (A) 5,5X10MM (A) (A) (A) 92.031 (A) SEM LEVANTE HIDRÁULICO - - - - - - - - - - - - - - - - - - - - - - - - - ITEM NÚMERO DESCRIÇÃO QTDE OBSERVAÇÕESNO. SÉRIE TRATOR
  • 471.
    TRATORES JOHN DEERE7500 CPCQ26568 30Jan02 COMANDO DO LEVANTE HIDRÁULICO 92.032
  • 472.
    TRATORES JOHN DEERE7500 CPCQ26568 30Jan02 1 2 3 4 5 6 7 8 9 10 11 12 13 14 15 16 17 18 19 R130027 37H144 TH101502 R114990 R112551 R125915 R112515 R131135 R131047 R112513 R114899 14M7165 RE58029 R117463 R112552 R112553 34H234 R129531 R118453 CARCAÇA PARAFUSO PARAFUSO PORCA PINO RODA ARRUELA RODA BUCHA ARRUELA PINO PORCA SEXT MANOPLA MANGUEIRA MANOPLA MOLA DE TORÇÃO PINO ELÁSTICO CARCAÇA CLIP 1 2 1 1 1 1 1 1 1 1 1 1 1 1 1 1 1 1 1 7 5 0 0 X X X X X X X X X X X X X X X X X X X M6 92.033 - - - - - - - - - - - - - - - - - - - ITEM NÚMERO DESCRIÇÃO QTDE OBSERVAÇÕESNO. SÉRIE
  • 473.
    TRATORES JOHN DEERE7500 CPCQ26568 30Jan02 LAVADOR DE PARA-BRISA COM DEPÓSITO 92.034
  • 474.
    TRATORES JOHN DEERE7500 CPCQ26568 30Jan02 1 2 3 4 5 6 7 8 9 10 11 AL77711 L78422 L80013 AL79013 L80014 L80015 CQ39458 AL114276 AL35642 24M7362 19M8700 RESERVATÓRIO RESERVATÓRIO TAPÃO DE ENCHIMENTO BOMBA GUARNIÇÃO TAMPÃO MANGUEIRA VALV ANTI-RET BOCAL ARRUELA PARAF SEXT 1 1 1 1 2 1 1 1 1 2 2 7 5 0 0 X X X X X X X X X X X M8X25 92.035 - - - - - - - - - - - ITEM NÚMERO DESCRIÇÃO QTDE OBSERVAÇÕESNO. SÉRIE
  • 475.
    TRATORES JOHN DEERE7500 CPCQ26568 30Jan02 CONSOLE 92.036
  • 476.
    TRATORES JOHN DEERE7500 CPCQ26568 30Jan02 1 2 3 4 5 6 7 8 9 10 11 12 13 14 15 16 17 18 19 20 L100486 AL118349 21M7362 21M7362 24M7087 37M7185 21M7403 L79574 L112511 L59635 L101932 AL79029 M84972 L79592 CQ25028 CQ39945 CQ01248 14M7027 CQ25259 37M7165 L80355 L102490 CQ34370 VEDACAO REFORÇO PARAF FENDA PARAF FENDA ARRUELA LISA PARAF FENDA PARAF FENDA CONSOLE CONSOLE BUCHA ESPACADOR SUPORTE CLIPE TAMPA TAMPA TAMPA ARRUELA LISA PORCA SEXT REFORCO PARAF FENDA PORCA DE SEGURANÇA VEDAÇÃO DECALCO AR AR AR AR AR 1 AR AR 2 1 3454 3453 7 5 0 0 X X X X X X X X X X X X X X X X X X X X X X X INCL KEYS 1 M6X20 M6X20 5,5X10MM 4,8X16MM M6X40 M6 (A) 6,4X18MM M6 92.037 (A) SOMENTE COM CABINE - - - - - - - - - - - - - - - - - - - - - - - ITEM NÚMERO DESCRIÇÃO QTDE OBSERVAÇÕESNO. SÉRIE TRATOR
  • 477.
    TRATORES JOHN DEERE7500 CPCQ26568 30Jan02 LIMPADOR DE PARABRISA FRONTAL 92.038
  • 478.
    TRATORES JOHN DEERE7500 CPCQ26568 30Jan02 1 2 3 4 5 6 7 8 9 10 11 12 AL76686 19M7560 12M7133 14M7272 19M6614 24M7139 24M7026 14M7273 AL75527 RE24201 L39134 L112235 MOTOR PARAF SEXT ARRUELA PRESS!AO PORCA PARAFUSO ARRUELA ARRUELA LISA PORCA SEXT HASTE DO LIMPADOR DE PARABRISA LAMINA DO LIMPADOR DE PARABRISA PARAFUSO REVESTIMENTO 1 1 1 1 5 3 1 1 1 1 2 1 7 5 0 0 X X X X X X X X X X X X M6X16 M6 M6X12 9X17X1,6 M8 SUB AL153662 SUB AL153661 92.039 - - - - - - - - - - - - ITEM NÚMERO DESCRIÇÃO QTDE OBSERVAÇÕESNO. SÉRIE
  • 479.
    TRATORES JOHN DEERE7500 CPCQ26568 30Jan02 CONSOLE PARA RÁDIO 1 2 3 4 5 6 7 8 37M7192 37M7263 Z55427 L78042 19M6614 24M7054 L78238 L113378 PARAFUSO PARAFUSO REVESTIMENTO SUPORTE PARAFUSO ARRUELA LISA PORCA PAINEL 2 2 1 1 4 4 4 1 7 5 0 0 X X X X X X X X M6X12 6,4X12,5MM 92.040 - - - - - - - - ITEM NÚMERO DESCRIÇÃO QTDE OBSERVAÇÕESNO. SÉRIE
  • 480.
    TRATORES JOHN DEERE7500 CPCQ26568 30Jan02 ANTENA 1 2 3 4 5 AL115638 L113922 24M7048 AL60981 14M7273 ANTENA ANTENA ARRUELA LISA CABO NEGATIVO PORCA SEXT AR 7 5 0 0 X X X X X M8 92.041 - - - - - ITEM NÚMERO DESCRIÇÃO QTDE OBSERVAÇÕESNO. SÉRIE
  • 481.
    TRATORES JOHN DEERE7500 CPCQ26568 30Jan02 AUTO-FALANTE 1 2 3 4 5 6 7 8 9 10 11 12 13 14 R54477 L102143 R52640 37M7185 L110769 AL114329 L79648 L110285 L110286 L101926 R34812 L100842 L100840 L100380 AL81184 L100830 REBITE SUPORTE PORCA PARAF FENDA CANAL ALTOFALANTE SUPORTE CARCAÇA CARCAÇA ISOLADOR ANEL O GRELHA GRELHA PARAFUSO GRELHA BUCHA 8 2 8 8 4 2 8 1 1 2 8 1 1 8 1 8 7 5 0 0 X X X X X X X X X X X X X X X X 4,8X16MM (B) (B) RH (B) LH (B) RH LH (A) 92.042 (A) (B) SEM AUTOFALANTE COM RÁDIO - - - - - - - - - - - - - - - - ITEM NÚMERO DESCRIÇÃO QTDE OBSERVAÇÕESNO. SÉRIE
  • 482.
    TRATORES JOHN DEERE7500 CPCQ26568 30Jan02 INTERRUPTOR DA TRAÇÃO DIANTEIRA 1 2 RE57751 M115279 INTERRUPTOR TAMPA 1 1 7 5 0 0 X X 92.043 - - ITEM NÚMERO DESCRIÇÃO QTDE OBSERVAÇÕESNO. SÉRIE
  • 483.
    TRATORES JOHN DEERE7500 CPCQ26568 30Jan02 RETROVISOR 1 2 3 4 5 6 7 8 9 AL77485 AL77486 L79775 AL78021 L79776 L79777 L79778 21M7423 24M7362 19M8813 PRENDEDOR PRENDEDOR CAPA RETROVISOR ESPELHO DE RETROVISOR SOQUETE SUPORTE PARAFUSO ARRUELA PARAFUSO 1 1 2 2 1 1 1 2 4 4 7 5 0 0 X X X X X X X X X X LH RH (A) M6X30 M8X30 92.044 (A) OPCIONAL - - - - - - - - - - ITEM NÚMERO DESCRIÇÃO QTDE OBSERVAÇÕESNO. SÉRIE
  • 484.
    TRATORES JOHN DEERE7500 CPCQ26568 30Jan02 PARA-SOL 1 2 3 AL117679 21M7310 L113023 PARA-SOL PARAFUSO GANCHO 1 1 7 5 0 0 X X X M6X25 92.045 - - - ITEM NÚMERO DESCRIÇÃO QTDE OBSERVAÇÕESNO. SÉRIE
  • 485.
    TRATORES JOHN DEERE7500 CPCQ26568 30Jan02 92.046
  • 486.
    TRATORES JOHN DEERE7500 CPCQ26568 30Jan02 LEVANTE HIDRÁULICO, CONTROLE A DISTÂNCIA 1 2 3 4 5 6 7 8 9 10 AL81040 AL81777 L101021 CQ14690 L78876 L102090 CQ13706 L65071 L114318 CQ14996 PROTECAO MICRO SWITCH CLIPE PARAF FENDA BORRACHA BLINDAGEM PARAF FENDA DECALCO TAMPÃO ARRUELA LISA AR 2 1 AR AR AR AR AR AR AR 7 5 0 0 X X X X X X X X X X M3,5X13 6,3X16MM 92.047 - - - - - - - - - - ITEM NÚMERO DESCRIÇÃO QTDE OBSERVAÇÕESNO. SÉRIE
  • 487.
    TRATORES JOHN DEERE7500 CPCQ26568 30Jan02 CAIXA DO CONTROLE ELETRÔNICO PARA LEVANTE HIDRÁULICO 1 2 3 19M7685 24M7088 RE170904 PARAF SEXT ARRUELA LISA CONTROLADOR DE LEVANTE AR AR 7 5 0 0 X X X M6X70 6.6X12.5X1.6 92.048 - - - ITEM NÚMERO DESCRIÇÃO QTDE OBSERVAÇÕESNO. SÉRIE
  • 488.
    TRATORES JOHN DEERE7500 CPCQ26568 30Jan02 CONJUNTO DE RETENÇÃO DOS CABOS DE COMANDO 1 2 3 4 5 6 AL80895 L100626 CQ60249 L100627 19M7139 19M7162 12M7065 SUPORTE SUPORTE SUPORTE SUPORTE PARAFUSO PARAF SEXT ARRUELA PRESSAO 1 1 1 1 AR AR AR 04679 04678 7 5 0 0 X X X X X X X M8X20 M8X16 5MM 92.049 - - - - - - - ITEM NÚMERO DESCRIÇÃO QTDE OBSERVAÇÕESNO. SÉRIE
  • 489.
    TRATORES JOHN DEERE7500 CPCQ26568 30Jan02 ASSENTO 1 2 3 4 5 6 7 8 9 10 DQ27555 DQ34703 19M7139 12M7065 24M7026 CQ25842 CQ34676 14M7029 DQ27557 CQ27564 CQ36459 CQ28972 CQ27676 ASSENTO ASSENTO PARAFUSO ARRUELA PRESSAO ARRUELA LISA SUPORTE SUPORTE PORCA SEXT CINTO SUPORTE ESQ SUPORTE PARAF SEXT REFORCO 1 AR AR AR 1 AR 1 1 AR 2 7543 7543 7543 7542 7543 7542 7 5 0 0 X X X X X X X X X X X X X (A) M8X20 5MM 9X17X1,6 M8 7/16"X1" 92.050 (A) SUB DQ34703, ALSO ORDER CQ35501, CQ35502, CQ34676 - - - - - - - - - - - - - ITEM NÚMERO DESCRIÇÃO QTDE OBSERVAÇÕESNO. SÉRIE TRATOR
  • 490.
    TRATORES JOHN DEERE7500 CPCQ26568 30Jan02 92.051
  • 491.
    TRATORES JOHN DEERE7500 CPCQ26568 30Jan02 SUPORTE PARA MANUAL DO OPERADOR - C/CABINE 1 2 3 4 5 R77915 14M7027 CQ01248 12M7006 CQ10218 SUPORTE PORCA SEXT ARRUELA LISA ARRUELA PRESSAO PARAF FENDA 1 7 5 0 0 X X X X X M6 6,4X18MM 6MM M6X16 92.052 - - - - - ITEM NÚMERO DESCRIÇÃO QTDE OBSERVAÇÕESNO. SÉRIE
  • 492.
    TRATORES JOHN DEERE7500 CPCQ26568 30Jan02 92.053
  • 493.
    TRATORES JOHN DEERE7500 CPCQ26568 30Jan02 ASSENTO 92.054
  • 494.
    TRATORES JOHN DEERE7500 CPCQ26568 30Jan02 1 2 3 4 5 6 7 8 9 10 11 12 13 14 15 16 17 18 DQ35025 DQ35026 DQ35027 DQ35028 DQ35029 DQ35030 DQ35040 DQ35041 DQ35042 DQ35043 DQ35044 DQ35045 DQ35046 DQ35047 DQ35048 DQ35049 DQ35050 DQ35051 KIT P/ASSENTO KIT P/ASSENTO KIT PARA ASSENTO KIT P/ASSENTO KIT P/ASSENTO KIT P/ASSENTO KIT P/ASSENTO KIT P/ASSENTO KIT P/ASSENTO KIT P/ASSENTO KIT P/ASSENTO KIT P/ASSENTO KIT P/ASSENTO KIT P/ASSENTO KIT P/ASSENTO KIT P/ASSENTO KIT P/ASSENTO KIT P/ASSENTO 7542 7542 7542 7542 7542 7542 7542 7542 7542 7542 7542 7542 7542 7542 7542 7542 7542 7542 7 5 0 0 X X X X X X X X X X X X X X X X X X 92.055 - - - - - - - - - - - - - - - - - - ITEM NÚMERO DESCRIÇÃO QTDE OBSERVAÇÕESNO. SÉRIE
  • 495.
    TRATORES JOHN DEERE7500 CPCQ26568 30Jan02 ASSENTO 92.056
  • 496.
    TRATORES JOHN DEERE7500 CPCQ26568 30Jan02 1 2 3 4 5 6 7 8 9 DQ42159 DQ42160 DQ42174 DQ42161 DQ42162 DQ42175 DQ42163 DQ42167 DQ42168 KIT ESTRUTURA FLUT KIT BOTÃO REG. DE PESO KIT MOLAS KIT SUSPENSÃO KIT AMORTECEDOR KIT SAPATA DESLIZANTE KIT ALAVANCA KIT EIXOS KIT ELEM. FIXAÇÃO AR AR AR AR AR AR AR AR AR 7543 7543 7543 7543 7543 7543 7543 7543 7543 7 5 0 0 X X X X X X X X X 92.057 - - - - - - - - - ITEM NÚMERO DESCRIÇÃO QTDE OBSERVAÇÕESNO. SÉRIE
  • 497.
    TRATORES JOHN DEERE7500 CPCQ26568 30Jan02 ASSENTO 92.058
  • 498.
    TRATORES JOHN DEERE7500 CPCQ26568 30Jan02 1 2 3 4 5 DQ42164 DQ42165 DQ42166 DQ42170 DQ42169 KIT APOIO DE BRAÇO APOIO DE BRAÇO APOIO DE BRAÇO ENCOSTO ESTOFADO KIT ASSENTO ESTOFADO 7543 7543 7543 7543 7543 7 5 0 0 X X X X X 92.059 - - - - - ITEM NÚMERO DESCRIÇÃO QTDE OBSERVAÇÕESNO. SÉRIE
  • 499.
    TRATORES JOHN DEERE7500 CPCQ26568 30Jan02 ASSENTO DE LUXO (C/ CABINE 1 2 3 4 5 6 AL114617 DQ36976 DQ43728 19M7867 19M7139 DQ27557 24M7026 12M7065 14M7029 ASSENTO ASSENTO ASSENTO PARAFUSO PARAFUSO CINTO ARRUELA LISA ARRUELA PRESSAO PORCA SEXT 1 1 1 4 4 8 8 4 9937 15354 XXXXXX XXXXXX XXXXXX XXXXXX 9937 15353 XXXXXX XXXXXX 7 5 0 0 X X X X X X X X X M8X25 M8X20 9X17X1,6 5MM M8 92.060 - - - - - - - - - ITEM NÚMERO DESCRIÇÃO QTDE OBSERVAÇÕESNO. SÉRIE
  • 500.
    TRATORES JOHN DEERE7500 CPCQ26568 30Jan02 92.061
  • 501.
    TRATORES JOHN DEERE7500 CPCQ26568 30Jan02 ASSENTO DE LUXO 92.062
  • 502.
    TRATORES JOHN DEERE7500 CPCQ26568 30Jan02 1 2 3 4 5 6 7 8 9 10 11 12 13 14 AL117273 AL117276 AL117274 AL117311 AL117282 AL66513 14M7166 19M7902 24M7026 22M7098 L39751 L64675 AL66514 16M2498 DESCANÇA PÉS PRATO APOIO DE BRAÇO PRATO SUPORTE APOIO DE BRAÇO PORCA SEXT PARAF SEXT ARRUELA LISA ARRUELA TAMPÃO BUCHA APOIO DE BRAÇO REBITE 1 1 1 1 1 1 AR AR AR AR 2 2 1 3 7 5 0 0 X X X X X X X X X X X X X X M8 M8X16 9X17X1,6 92.063 - - - - - - - - - - - - - - ITEM NÚMERO DESCRIÇÃO QTDE OBSERVAÇÕESNO. SÉRIE
  • 503.
    TRATORES JOHN DEERE7500 CPCQ26568 30Jan02 ASSENTO DE LUXO 92.064
  • 504.
    TRATORES JOHN DEERE7500 CPCQ26568 30Jan02 1 2 3 4 5 6 7 8 9 10 11 12 AL117280 AL117279 AL117277 AL117275 14M7166 ....... L114926 L114927 AL117278 L114928 L79500 L58217 VIROLA AJUSTADOR PLACA REVESTIMENTO PORCA SEXT PLACA ALAVANCA MOLA DE TRAÇÃO VIROLA REVESTIMENTO ARRUELA PORCA SEGURANÇA 1 1 1 1 AR 1 1 1 1 1 1 2 7 5 0 0 X X X X X X X X X X X X M8 NSEP 92.065 - - - - - - - - - - - - ITEM NÚMERO DESCRIÇÃO QTDE OBSERVAÇÕESNO. SÉRIE
  • 505.
    TRATORES JOHN DEERE7500 CPCQ26568 30Jan02 ASSENTO DE LUXO 92.066
  • 506.
    TRATORES JOHN DEERE7500 CPCQ26568 30Jan02 1 2 3 4 5 6 7 8 9 AL117337 AL117336 AL117334 AL117335 14M7273 24M7026 ....... L64713 L114972 PRATO PEÇAS DE MONTAGEM ALAVANCA ALAVANCA PORCA SEXT ARRUELA LISA DISCO MOLA DE TRAÇÃO PINÇA 1 1 1 1 4 4 8 1 1 7 5 0 0 X X X X X X X X X M8 9X17X1,6 NSEP 92.067 - - - - - - - - - ITEM NÚMERO DESCRIÇÃO QTDE OBSERVAÇÕESNO. SÉRIE
  • 507.
    TRATORES JOHN DEERE7500 CPCQ26568 30Jan02 ASSENTO DE LUXO 1 2 3 4 5 AL117281 14M7166 L79500 L114930 L114974 L114929 SUSPENSÃO DE ASSENTO PORCA SEXT ARRUELA PINÇA PLACA PLACA 1 8 4 1 1 1 7 5 0 0 X X X X X X M8 (A) 92.068 (A) SEM ADAPTADOR GIRATÓRIO - - - - - - ITEM NÚMERO DESCRIÇÃO QTDE OBSERVAÇÕESNO. SÉRIE
  • 508.
    TRATORES JOHN DEERE7500 CPCQ26568 30Jan02 ALMOFADA - ASSENTO DE LUXO 1 2 AL116981 AL117308 AL116980 AL117309 COXIM COXIM COXIM COXIM 1 1 1 1 7 5 0 0 X X X X FOR AL114617 FOR AL114618 FOR AL114617 FOR AL114618 92.069 - - - - ITEM NÚMERO DESCRIÇÃO QTDE OBSERVAÇÕESNO. SÉRIE
  • 509.
    TRATORES JOHN DEERE7500 CPCQ26568 30Jan02 CINTO DE SEGURANÇA - ASSENTO DE LUXO 1 AL116284 CINTO DE SEGURANÇA 1 7 5 0 0 X 92.070 - ITEM NÚMERO DESCRIÇÃO QTDE OBSERVAÇÕESNO. SÉRIE
  • 510.
    TRATORES JOHN DEERE7500 CPCQ26568 30Jan02 92.071
  • 511.
    TRATORES JOHN DEERE7500 CPCQ26568 30Jan02 ASSENTO DE LUXO 92.072
  • 512.
    TRATORES JOHN DEERE7500 CPCQ26568 30Jan02 1 2 3 4 5 6 AL117263 L114921 AL117264 AL117265 40M7082 L63562 SUSPENSÃO DE ASSENTO MOLA DE TRAÇÃO FUSO AMORTECEDOR PINO ELÁSTICO PINO 7 5 0 0 X X X X X X 92.073 - - - - - - ITEM NÚMERO DESCRIÇÃO QTDE OBSERVAÇÕESNO. SÉRIE
  • 513.
    TRATORES JOHN DEERE7500 CPCQ26568 30Jan02 ASSENTO DE LUXO 92.074
  • 514.
    TRATORES JOHN DEERE7500 CPCQ26568 30Jan02 1 2 3 4 5 6 7 8 9 10 11 AL117266 AL117268 AL117269 L38855 14M7166 L42041 L114922 L38851 L38847 L25678 AL117272 AL120003 BATENTE CALIBRE SUSPENSÃO DO ASSENTO ROLLO PORCA SEXT ROLAMENTO PINO ROLETE VISOR PARA CHOQUE KIT SUPORTE MOLA DO ASSENTO 1 1 1 4 2 4 1 1 1 2 1 AR 7 5 0 0 X X X X X X X X X X X X M8 INCL KEYS 4, 6, 10 92.075 - - - - - - - - - - - - ITEM NÚMERO DESCRIÇÃO QTDE OBSERVAÇÕESNO. SÉRIE
  • 515.
    TRATORES JOHN DEERE7500 CPCQ26568 30Jan02 ASSENTO DE LUXO 92.076
  • 516.
    TRATORES JOHN DEERE7500 CPCQ26568 30Jan02 1 2 3 4 5 AL117267 AL117271 AL117270 L38862 40M7030 TOPE AJUSTADOR PROTETOR BARRA PINO ELÁSTICO 1 1 1 1 1 7 5 0 0 X X X X X 92.077 - - - - - ITEM NÚMERO DESCRIÇÃO QTDE OBSERVAÇÕESNO. SÉRIE
  • 517.
    TRATORES JOHN DEERE7500 CPCQ26568 30Jan02 92.078
  • 518.
    TRATORES JOHN DEERE7500 CPCQ26568 30Jan02 INDICE ALFANUMERICO 03M7017 03M7085 03M7092 03M7094 03M7264 03M7331 03M7338 03M7342 08H4373 08H4419 11H239 11M7005 11M7009 11M7012 11M7021 11M7028 11M7054 11M7059 11M7059 12H236 12H245 12H295 12H295 12H303 12H303 12H304 12H304 12H304 12H304 12H304 12H304 12H304 12H304 12H304 12H304 12H304 12H304 12H304 12H304 12H315 12H317 12H324 12M7006 12M7006 12M7006 12M7006 12M7006 12M7006 12M7006 12M7006 12M7006 12M7006 12M7006 12M7006 12M7006 12M7031 12M7044 12M7064 12M7064 12M7064 12M7065 12M7065 12M7065 12M7065 12M7065 12M7065 12M7065 12M7065 12M7065 12M7065 12M7065 12M7065 12M7065 12M7065 12M7065 12M7065 12M7065 12M7065 12M7065 12M7065 12M7065 12M7065 12M7065 12M7065 12M7065 12M7066 12M7066 12M7066 12M7066 12M7066 12M7066 12M7066 12M7066 12M7066 12M7066 12M7066 12M7066 12M7066 12M7066 12M7066 12M7066 12M7067 12M7067 12M7067 12M7067 12M7067 12M7067 12M7067 12M7067 12M7069 12M7069 12M7070 12M7070 12M7081 12M7133 12M7133 12M7135 14H1076 14H1076 14H774 14H774 14H774 14H785 14H785 14H785 14H800 14H800 14H812 14H826 14H826 14H860 14M7020 14M7027 14M7027 14M7027 14M7027 14M7027 14M7027 14M7027 14M7027 14M7027 14M7027 14M7027 14M7028 14M7028 14M7028 14M7028 14M7028 14M7028 14M7028 14M7029 14M7029 14M7029 14M7029 14M7029 14M7029 14M7029 14M7029 14M7029 14M7029 14M7029 14M7029 14M7029 14M7029 14M7029 14M7029 14M7029 14M7029 14M7029 14M7029 14M7029 14M7029 14M7029 14M7031 14M7031 14M7031 14M7031 14M7031 14M7040 14M7140 14M7140 14M7140 14M7140 14M7140 14M7140 14M7140 14M7140 14M7140 14M7140 14M7140 14M7142 14M7142 14M7142 14M7150 14M7151 14M7165 14M7165 14M7165 14M7165 14M7165 14M7165 14M7165 14M7165 14M7165 14M7165 14M7165 14M7165 14M7165 14M7165 14M7166 14M7166 14M7166 14M7166 14M7166 14M7166 14M7166 14M7166 14M7166 14M7166 14M7166 14M7166 14M7166 14M7166 14M7167 14M7167 14M7167 14M7168 14M7172 14M7209 14M7209 14M7272 14M7272 14M7272 14M7272 14M7272 14M7272 14M7272 14M7272 14M7272 14M7272 14M7272 14M7273 14M7273 14M7273 14M7273 14M7274 14M7274 14M7274 14M7274 14M7274 14M7296 14M7297 14M7298 14M7313 14M7367 14M7376 14M7416 14M7416 14M7447 14M7478 14M7491 14M7491 14M7523 14M7523 15H275 15H275 15H560 15H561 15H562 15H623 15H623 15H624 15H624 15H666 15M7027 16M2498 18M7139 198973 19H1648 19H1726 19H1726 19H1726 19H1728 19H1733 19H1782 19H1824 19H1824 19H1912 091.014 091.035 040.001 091.037 080.037 091.031 091.033 091.039 080.039 080.039 053.007 092.009 030.014 070.018 070.015 070.013 070.018 070.008 070.015 080.039 080.039 040.038 070.007 020.006 040.015 020.016 020.028 020.029 020.031 020.032 020.039 020.049 020.057 020.058 030.003 030.027 040.003 040.011 040.015 070.025 020.035 020.006 040.026 040.035 040.039 060.018 070.018 091.002 091.005 091.007 091.007 091.020 091.026 092.003 092.052 070.023 080.012 040.001 040.023 092.027 030.005 030.006 030.007 030.027 040.001 040.015 040.033 040.036 040.038 060.005 070.019 080.006 080.007 080.009 080.015 080.046 080.047 091.005 091.007 091.007 091.008 091.013 092.049 092.050 092.060 030.005 030.021 030.022 030.023 030.027 040.001 060.003 060.013 080.005 080.006 080.009 080.010 080.015 080.047 091.014 092.009 030.021 040.011 040.023 060.011 060.020 060.021 080.005 091.013 053.025 091.013 070.018 091.003 091.033 091.033 092.039 091.053 040.011 040.015 020.003 020.011 020.057 020.006 040.038 040.038 080.039 080.041 040.015 020.028 020.054 070.007 040.001 030.014 040.001 040.035 040.038 053.009 091.005 091.007 091.011 092.003 092.037 092.052 040.001 040.023 040.035 070.007 080.009 092.027 092.031 030.027 040.015 040.033 040.036 040.040 070.019 080.006 080.007 080.009 080.046 080.047 091.005 091.007 091.008 091.009 091.011 091.031 092.008 092.023 092.025 092.029 092.050 092.060 030.021 040.011 040.023 080.005 091.013 080.007 030.005 030.023 030.027 040.001 040.013 060.018 080.005 080.006 080.047 091.014 092.009 080.040 080.041 080.042 020.035 092.027 053.007 060.009 060.009 060.011 060.021 080.009 091.002 091.007 091.031 091.033 091.039 091.039 092.011 092.033 040.021 080.009 091.009 091.031 091.035 091.037 092.015 092.017 092.021 092.023 092.063 092.065 092.068 092.075 060.003 060.020 092.015 092.029 092.025 060.003 091.047 040.021 091.033 091.044 091.055 092.013 092.017 092.019 092.021 092.027 092.029 092.039 053.009 092.039 092.041 092.067 040.035 060.012 060.020 060.021 091.053 080.037 091.043 092.017 030.001 040.018 091.031 092.015 092.021 080.027 091.031 070.038 070.059 080.025 080.035 020.039 052.007 052.025 020.057 020.004 020.003 020.053 020.003 020.020 053.017 080.019 092.063 070.057 091.055 020.015 020.011 020.057 040.015 020.015 020.022 080.039 030.001 030.001 020.058 09 08 05 31 09 14 07 03 13 09 11 06 06 15 10 08 04 08 17 02 08 03 12 07 02 05 02 02 02 02 15 10 11 07 04 14 03 13 13 26 03 02 14 03 03 10 13 08 11 10 23 03 07 15 04 26 07 09 06 04 21 03 07 06 17 02 04 02 05 12 10 07 05 11 07 07 07 02 07 16 07 04 06 03 05 15 10 12 06 16 03 18 23 11 12 26 01 02 03 02 02 03 15 09 12 18 18 08 11 13 07 02 10 09 15 03 02 10 16 16 12 14 08 04 06 11 05 12 09 04 16 16 03 15 10 13 14 12 21 10 14 15 02 08 05 08 13 24 03 18 07 16 03 01 05 11 08 08 12 08 06 05 17 08 07 07 32 04 15 08 11 06 06 07 14 10 07 10 07 16 07 17 02 07 06 01 11 04 04 10 03 05 04 02 12 25 22 27 01 06 18 06 04 10 02 07 15 18 12 14 19 01 20 13 30 10 11 07 13 07 05 02 05 08 06 22 08 16 02 03 09 21 15 05 02 25 02 17 14 16 04 17 08 05 05 06 06 09 09 01 10 08 32 08 08 26 13 18 26 03 07 11 18 10 04 01 26 10 08 05 03 04 08 31 38 14 04 09 04 15 15 05 05 05 01 09 09 08 NÚMERO PÁGINA ITEM NÚMERO PÁGINA ITEM NÚMERO PÁGINA ITEM NÚMERO PÁGINA ITEM
  • 519.
    TRATORES JOHN DEERE7500 CPCQ26568 30Jan02 INDICE ALFANUMERICO 19H1944 19H2008 19H2023 19H2127 19H2127 19H2284 19H2284 19H2284 19H2284 19H2458 19H2458 19H2472 19H2549 19H2552 19H2633 19H2633 19H2633 19H2633 19H2676 19H2676 19H2676 19H2676 19H2732 19H2733 19H2993 19H2993 19H3011 19H3031 19H3031 19H3065 19H3065 19H3065 19H3065 19H3065 19H3217 19H3217 19H3219 19H3239 19H3239 19H3483 19H3483 19H3483 19H3483 19H3483 19H444 19M2820 19M3115 19M3115 19M3118 19M3127 19M3145 19M4750 19M6119 19M6119 19M6414 19M6614 19M6614 19M6614 19M6614 19M6614 19M6614 19M6614 19M6614 19M6614 19M6614 19M6614 19M6824 19M7009 19M7029 19M7066 19M7073 19M7077 19M7077 19M7077 19M7077 19M7077 19M7077 19M7077 19M7077 19M7139 19M7139 19M7139 19M7139 19M7139 19M7139 19M7139 19M7139 19M7139 19M7139 19M7139 19M7139 19M7139 19M7139 19M7139 19M7139 19M7160 19M7162 19M7162 19M7162 19M7162 19M7162 19M7162 19M7162 19M7162 19M7162 19M7162 19M7162 19M7162 19M7162 19M7162 19M7162 19M7162 19M7163 19M7163 19M7163 19M7163 19M7163 19M7163 19M7163 19M7163 19M7166 19M7166 19M7166 19M7166 19M7166 19M7166 19M7166 19M7166 19M7167 19M7167 19M7167 19M7167 19M7167 19M7167 19M7167 19M7167 19M7167 19M7167 19M7167 19M7168 19M7168 19M7169 19M7169 19M7170 19M7179 19M7183 19M7193 19M7214 19M7216 19M7268 19M7268 19M7268 19M7269 19M7274 19M7285 19M7285 19M7285 19M7286 19M7286 19M7288 19M7288 19M7295 19M7297 19M7299 19M7299 19M7299 19M7299 19M7300 19M7301 19M7301 19M7301 19M7301 19M7318 19M7319 19M7329 19M7342 19M7343 19M7344 19M7347 19M7353 19M7372 19M7378 19M7382 19M7386 19M7386 19M7387 19M7387 19M7387 19M7387 19M7387 19M7397 19M7403 19M7407 19M7501 19M7518 19M7518 19M7560 19M7560 19M7560 19M7560 19M7560 19M7560 19M7560 19M7560 19M7560 19M7560 19M7560 19M7560 19M7560 19M7560 19M7560 19M7560 19M7560 19M7560 19M7560 19M7561 19M7574 19M7595 19M7609 19M7611 19M7620 19M7620 19M7640 19M7640 19M7642 19M7657 19M7660 19M7675 19M7685 19M7691 19M7721 19M7722 19M7744 19M7744 19M7744 19M7768 19M7768 19M7768 19M7768 19M7768 19M7768 19M7768 19M7774 19M7775 19M7784 19M7784 19M7785 19M7786 19M7786 19M7786 19M7786 19M7786 19M7790 19M7791 19M7794 19M7810 19M7824 19M7834 19M7851 19M7865 19M7865 19M7865 19M7865 19M7865 19M7867 19M7883 19M7892 19M7902 19M7907 19M7907 19M7921 19M7921 19M7943 19M7950 19M7950 19M7952 19M7966 19M7981 19M8007 19M8035 19M8035 19M8049 19M8049 19M8055 19M8102 19M8102 19M8119 19M8119 020.053 020.016 020.029 020.034 040.015 020.011 020.029 020.032 030.027 020.013 020.033 020.009 020.011 020.032 020.029 020.053 020.057 040.011 020.021 020.039 020.049 030.003 040.015 020.053 020.017 020.024 020.008 020.011 020.051 020.011 020.053 020.057 020.058 040.015 020.013 040.015 020.016 020.039 040.015 020.029 020.031 020.053 020.058 040.003 040.013 052.009 060.020 060.021 080.009 091.013 080.009 070.049 080.019 080.027 040.026 040.035 040.038 070.013 091.002 091.005 091.020 091.025 092.003 092.003 092.039 092.040 053.023 040.021 091.013 040.013 030.021 070.038 091.002 091.007 091.007 091.011 091.020 091.039 091.044 030.005 052.030 060.018 070.007 080.007 080.009 080.047 091.008 091.011 091.013 091.031 091.039 092.029 092.049 092.050 092.060 091.025 030.006 030.007 030.027 040.033 040.036 053.021 053.021 070.005 080.009 080.015 080.046 091.007 091.009 091.016 092.023 092.049 040.015 052.030 080.006 080.009 080.015 091.005 091.011 091.013 030.005 040.001 060.003 060.020 080.005 080.006 080.009 080.010 030.023 030.027 040.013 060.012 060.013 060.018 070.049 080.015 091.005 091.014 092.009 080.047 092.015 060.003 091.014 091.053 080.007 030.022 030.027 030.001 091.013 070.017 070.049 070.057 040.021 052.029 030.021 070.011 070.019 092.017 092.021 040.015 070.019 092.025 070.011 060.011 060.011 060.020 060.021 070.011 040.015 060.005 091.005 091.007 060.021 091.039 052.011 053.025 080.042 091.029 091.014 053.025 080.009 092.027 030.001 053.017 053.037 030.017 030.021 053.003 070.037 080.005 053.025 070.050 053.013 091.013 080.043 091.003 040.021 040.035 053.013 053.017 053.017 053.035 080.009 091.005 091.007 091.011 091.025 091.043 092.003 092.015 092.017 092.021 092.023 092.031 092.039 091.026 091.035 060.009 080.040 091.001 080.011 091.003 040.001 091.043 080.012 091.055 091.052 053.025 092.048 091.052 060.009 080.043 070.037 070.049 080.005 070.027 070.029 070.031 070.033 070.034 091.043 091.055 052.007 053.035 030.001 053.036 052.030 052.009 052.030 053.011 053.013 053.021 080.037 080.037 030.001 052.030 070.005 053.035 070.005 052.030 091.037 092.015 092.017 092.021 092.060 080.017 080.001 092.063 070.017 080.021 080.017 080.021 030.001 070.019 080.001 080.040 091.055 052.001 040.013 070.019 091.003 030.017 030.021 030.001 070.005 070.017 080.021 080.033 04 02 10 04 01 06 01 07 13 07 01 03 16 01 09 05 06 11 05 16 09 03 09 15 01 12 08 14 08 13 16 12 01 08 05 14 01 01 10 13 01 10 03 02 10 12 14 14 16 05 25 10 23 06 02 02 02 05 09 13 02 07 04 08 05 05 13 05 15 02 15 13 02 09 22 09 04 14 17 20 10 01 14 09 09 09 05 04 05 29 12 09 04 02 02 18 04 04 08 05 03 10 16 14 30 08 05 06 08 06 06 05 01 12 05 02 10 01 05 16 14 04 19 13 10 13 25 03 04 15 01 04 13 11 12 03 18 03 01 01 08 05 12 06 04 13 05 13 13 02 19 05 16 05 02 07 05 28 16 10 09 04 21 06 10 10 10 18 14 10 04 14 13 18 17 12 01 06 07 03 22 11 16 18 03 03 05 20 25 06 05 02 02 06 08 01 08 18 15 04 37 18 16 10 02 08 18 12 13 18 23 20 02 13 02 04 20 19 01 06 02 09 11 09 04 11 02 04 01 09 23 11 26 18 06 08 08 08 22 12 18 18 30 14 15 04 06 13 03 10 07 14 06 04 06 08 10 16 11 11 23 12 16 15 02 03 08 08 04 30 01 26 01 03 06 04 06 05 06 01 08 05 11 12 09 07 02 10 NÚMERO PÁGINA ITEM NÚMERO PÁGINA ITEM NÚMERO PÁGINA ITEM NÚMERO PÁGINA ITEM
  • 520.
    TRATORES JOHN DEERE7500 CPCQ26568 30Jan02 INDICE ALFANUMERICO 19M8162 19M8260 19M8263 19M8395 19M8403 19M8403 19M8403 19M8403 19M8444 19M8485 19M8493 19M8552 19M8552 19M8552 19M8552 19M8560 19M8577 19M8577 19M8648 19M8648 19M8653 19M8667 19M8669 19M8700 19M8700 19M8700 19M8705 19M8706 19M8706 19M8706 19M8775 19M8776 19M8776 19M8813 19M8837 19M8837 19M8842 19M8857 19M8858 19M8866 21M7265 21M7265 21M7271 21M7284 21M7290 21M7310 21M7310 21M7310 21M7327 21M7327 21M7360 21M7362 21M7362 21M7362 21M7362 21M7362 21M7362 21M7364 21M7371 21M7392 21M7403 21M7423 21M7423 21M7423 21M7460 21M7465 22M7098 24H1136 24H1136 24H1227 24H1290 24H1292 24H1292 24H1304 24H1304 24H1304 24H1304 24H1304 24H1304 24H1304 24H1304 24H1304 24H1305 24H1305 24H1353 24H1513 24M1303 24M7008 24M7008 24M7008 24M7026 24M7026 24M7026 24M7026 24M7026 24M7026 24M7026 24M7026 24M7026 24M7026 24M7026 24M7026 24M7026 24M7026 24M7026 24M7026 24M7026 24M7026 24M7026 24M7026 24M7026 24M7026 24M7026 24M7026 24M7026 24M7026 24M7026 24M7026 24M7026 24M7028 24M7038 24M7038 24M7038 24M7038 24M7038 24M7038 24M7038 24M7040 24M7040 24M7040 24M7040 24M7040 24M7040 24M7040 24M7040 24M7040 24M7048 24M7049 24M7049 24M7051 24M7054 24M7054 24M7055 24M7055 24M7055 24M7065 24M7082 24M7087 24M7087 24M7087 24M7087 24M7087 24M7088 24M7088 24M7088 24M7088 24M7088 24M7088 24M7090 24M7090 24M7101 24M7138 24M7139 24M7139 24M7139 24M7139 24M7139 24M7146 24M7178 24M7178 24M7200 24M7207 24M7207 24M7238 24M7240 24M7242 24M7251 24M7251 24M7251 24M7251 24M7251 24M7251 24M7252 24M7298 24M7298 24M7298 24M7315 24M7362 24M7362 24M7362 24M7362 24M7362 24M7362 24M7362 25602 25602 25H723 25H723 25H723 26687 26H27 26H72 26H72 28H1903 28H3381 30H6 30M7017 34H184 34H184 34H184 34H234 34H282 34H294 34H313 34H314 34H355 34H355 34M7038 34M7045 34M7074 34M7094 34M7102 34M7102 34M7126 34M7126 34M7135 34M7135 34M7158 34M7172 34M7199 34M7207 34M7207 34M7244 37H144 37M7063 37M7088 37M7089 37M7095 37M7109 37M7140 37M7146 37M7165 37M7165 37M7165 37M7166 37M7174 37M7177 37M7185 37M7185 37M7185 37M7185 37M7192 37M7193 37M7203 37M7203 37M7218 37M7219 37M7230 37M7242 37M7249 37M7255 37M7260 37M7263 37M7272 37M7291 37M7305 38H1094 38H1168 38H5001 38H5002 38H5002 38H5002 38H5002 38H5002 38H5002 38H5002 38H5003 38H5003 38H5003 38H5003 38H5003 38H5003 38H5003 38H5003 38H5005 38H5005 38H5005 38H5008 052.030 040.013 091.055 070.041 091.047 092.017 092.021 092.023 070.041 080.043 060.013 060.011 060.020 060.021 080.015 020.036 080.019 080.029 091.029 091.033 080.037 070.023 091.043 040.020 091.037 092.035 070.034 070.027 070.029 070.031 070.059 070.038 070.059 092.044 053.017 080.003 070.025 080.025 080.027 092.017 030.019 092.003 092.005 092.003 092.007 091.031 091.035 092.045 091.026 091.040 070.007 091.023 091.025 092.003 092.005 092.037 092.037 040.023 091.037 091.037 092.037 091.033 091.051 092.044 040.018 040.020 092.063 020.006 020.034 053.007 020.011 040.015 091.037 020.011 020.013 020.015 020.029 020.032 020.033 020.039 020.051 020.057 040.015 040.015 030.001 080.043 020.029 080.007 091.013 091.031 040.021 052.030 060.005 060.018 070.005 070.057 080.007 080.009 080.015 080.046 091.005 091.007 091.008 091.009 091.011 091.031 091.035 091.037 091.039 092.008 092.015 092.025 092.027 092.029 092.039 092.050 092.060 092.063 092.067 091.053 030.001 030.021 040.018 053.037 070.017 070.019 070.057 020.049 030.021 030.023 040.013 070.049 080.009 080.015 091.005 091.014 092.041 080.040 080.042 091.001 091.035 092.040 040.015 040.040 091.052 070.057 080.009 040.023 040.035 091.043 092.031 092.037 040.001 040.035 091.007 091.011 092.031 092.048 060.003 070.018 080.047 091.023 091.033 091.043 091.044 091.044 092.039 091.035 030.005 030.017 080.005 080.047 091.047 052.001 040.011 080.001 091.025 091.028 091.029 091.031 091.033 091.039 091.031 091.016 091.031 091.037 091.029 040.020 040.021 091.026 091.037 091.037 092.035 092.044 053.003 053.025 070.027 070.029 070.031 040.026 020.024 020.021 020.024 060.020 053.021 070.015 080.015 070.027 070.029 070.031 092.033 092.011 060.013 060.018 053.007 052.015 052.015 052.023 053.035 053.027 091.033 052.003 052.030 052.025 091.031 080.021 080.033 070.015 092.017 070.013 052.023 053.009 052.003 092.033 091.035 091.023 091.049 091.049 091.028 091.044 091.023 091.008 092.005 092.037 091.025 091.043 040.021 091.043 091.044 092.037 092.042 092.040 091.039 092.005 092.007 091.044 091.044 091.047 091.029 091.023 091.045 091.029 092.040 091.043 091.017 091.039 070.055 053.025 060.005 053.013 053.021 060.005 060.009 060.013 060.020 070.003 053.021 060.005 060.009 060.009 070.003 070.009 070.021 070.037 030.008 070.049 070.055 070.055 09 08 15 03 15 10 06 16 07 16 03 11 15 15 18 03 02 11 08 16 02 25 17 06 36 11 10 12 12 12 02 01 07 09 24 01 25 08 23 20 01 01 03 02 01 22 11 02 02 04 11 02 13 11 10 03 03 04 18 16 06 10 03 07 06 09 10 06 03 03 09 03 28 05 06 03 08 15 02 02 07 16 06 11 02 12 14 10 03 02 15 13 13 02 13 06 06 10 06 06 03 15 06 06 06 19 14 15 11 03 09 05 10 10 07 04 04 09 06 03 11 06 07 04 14 06 16 11 09 05 03 13 27 01 19 10 03 02 03 07 12 06 03 01 08 14 23 07 07 14 19 04 13 09 03 11 12 02 23 01 02 04 20 06 03 16 06 10 17 07 03 08 06 06 16 07 14 10 07 25 03 06 08 05 16 24 04 10 06 03 19 35 10 08 29 16 11 11 11 08 05 03 03 12 12 05 15 18 18 18 17 07 16 13 17 14 14 02 05 08 11 08 05 03 12 03 11 02 31 06 21 22 05 02 09 05 02 08 09 01 10 12 09 17 15 03 17 41 02 05 04 01 17 13 09 04 07 02 09 08 04 03 02 43 04 17 24 14 05 09 19 23 07 05 03 03 09 18 03 30 15 06 03 10 02 02 05 25 NÚMERO PÁGINA ITEM NÚMERO PÁGINA ITEM NÚMERO PÁGINA ITEM NÚMERO PÁGINA ITEM
  • 521.
    TRATORES JOHN DEERE7500 CPCQ26568 30Jan02 INDICE ALFANUMERICO 38H5010 38H5012 38H5013 38H5016 38H5016 38H5016 38H5016 38H5016 38H5016 38H5017 38H5017 38H5022 38H5022 38H5023 38H5031 38H5031 38H5033 38H5068 38H5076 38H5076 38H5079 38H5079 38H5121 38H5127 38H5131 38H5142 38H5148 400R 400R 40M1851 40M1852 40M1857 40M1861 40M1873 40M5099 40M7030 40M7040 40M7040 40M7040 40M7040 40M7071 40M7071 40M7082 40M7082 40M7085 40M7097 40M7112 40M7144 40M7255 40M7256 42M7050 42M7050 44M7070 44M7070 44M7070 44M7103 44M7103 44M7103 44M7119 45M7036 45M7044 45M7080 45M7080 45M7080 45M7080 51M7040 51M7040 51M7040 51M7040 51M7041 51M7041 51M7041 51M7041 51M7041 51M7041 51M7041 51M7041 51M7041 51M7041 51M7041 51M7041 51M7041 51M7041 51M7041 51M7041 51M7042 51M7042 51M7043 51M7043 51M7043 51M7043 51M7043 51M7043 51M7043 51M7043 51M7043 51M7043 51M7043 51M7043 51M7043 51M7043 51M7043 51M7044 51M7045 51M7045 51M7045 51M7045 51M7045 51M7045 51M7045 51M7045 51M7045 51M7045 51M7045 51M7045 51M7045 51M7045 51M7045 51M7045 51M7047 51M7047 51M7047 51M7047 51M7047 51M7047 51M7048 51M7049 51M7049 51M7050 51M7050 51M7347 55M7003 56M5259 56M5259 56M7007 57M6498 57M7011 57M7014 57M7014 57M7041 57M7064 57M7089 57M7103 57M7104 57M7105 57M7106 57M7120 57M7146 57M7161 57M7166 57M7170 57M7229 57M7244 57M7247 57M7252 57M7253 57M7253 57M7254 57M7254 57M7255 57M7255 57M7256 57M7256 57M7256 57M7256 57M7257 57M7257 57M7258 57M7258 57M7258 57M7258 57M7258 57M7259 57M7260 57M7260 57M7261 57M7262 57M7263 57M7263 57M7264 57M7264 57M7265 57M7266 57M7267 57M7267 57M7274 57M7280 57M7283 57M7283 57M7285 57M7285 57M7289 57M7289 57M7289 57M7289 57M7290 57M7291 57M7291 57M7292 57M7296 57M7298 57M7298 57M7299 57M7304 57M7304 57M7305 57M7306 57M7306 57M7307 57M7309 57M7309 57M7315 57M7316 57M7317 57M7317 57M7318 57M7328 57M7328 57M7341 57M7347 57M7349 57M7363 57M7364 57M7364 57M7365 57M7379 57M7384 57M7385 57M7385 57M7429 57M7429 57M7436 57M7437 57M7469 57M7472 57M7472 57M7474 57M7496 57M7498 57M7508 57M7508 57M7509 57M7509 57M7511 57M7511 57M7511 57M7557 57M7564 57M7572 57M7594 57M7615 57M7624 57M7624 57M7842 58M5573 58M5574 58M5575 99M7009 99M7011 99M7011 99M7015 99M7015 99M7016 99M7016 99M7057 99M7057 99M7095 99M7095 99M7098 99M7102 99M7108 99M7109 99M7109 99M7115 A120R A120R A120R A2597R A2597R A2597R A31870 A31870 A3411R A38413 A3910R A4365 A4365R A4365R 070.055 091.001 070.055 060.005 060.009 060.021 070.003 070.037 070.052 053.021 091.001 060.005 060.009 070.037 053.021 070.009 070.055 070.043 070.009 070.040 070.033 070.038 070.049 070.003 060.005 070.040 053.021 052.011 052.015 053.035 053.033 052.025 060.003 080.027 070.011 092.077 053.007 060.003 091.045 092.027 070.047 070.051 091.033 092.073 070.051 052.021 080.015 030.005 052.001 070.047 070.038 070.059 052.009 052.023 053.011 053.017 070.047 070.051 053.007 092.009 092.011 053.009 092.013 092.019 092.029 052.028 060.009 070.055 070.057 052.007 052.023 052.026 053.013 053.021 053.035 060.009 060.013 060.017 060.020 060.021 070.003 070.021 070.037 070.037 070.052 052.007 052.023 052.005 052.007 052.023 052.026 053.021 060.009 060.009 060.017 070.003 070.009 070.021 070.037 070.045 070.055 091.001 020.012 052.005 052.005 052.007 052.007 052.023 052.025 070.009 070.023 070.025 070.027 070.029 070.033 070.040 070.043 070.049 070.053 030.008 030.009 052.005 052.005 070.049 070.055 070.055 070.043 070.055 070.043 070.055 040.043 092.027 092.025 092.027 091.037 040.020 040.023 040.020 040.023 040.045 040.045 040.045 040.045 040.045 091.047 040.045 040.035 040.035 040.043 040.018 040.045 040.045 040.047 040.047 040.035 040.045 040.045 040.043 040.047 040.043 040.047 040.018 040.021 040.043 040.047 040.043 040.047 040.043 040.043 040.045 040.045 040.047 040.047 040.043 040.047 040.047 040.045 040.043 040.047 040.043 040.047 040.043 040.047 040.047 091.052 040.047 040.047 040.043 040.047 040.043 040.047 040.018 040.021 040.043 040.047 040.045 040.043 040.047 040.045 040.047 040.043 040.047 040.047 040.043 040.047 040.047 040.043 040.047 040.047 040.043 040.047 040.047 040.045 040.043 040.047 040.047 040.043 040.047 040.045 040.045 040.045 040.045 040.043 040.047 040.047 040.050 040.045 040.045 040.045 040.035 040.045 040.050 040.050 040.043 040.045 040.045 040.050 040.043 040.045 040.035 040.043 040.035 040.043 040.035 040.045 040.045 040.045 040.045 040.045 040.035 091.047 040.045 040.045 040.045 070.018 080.015 070.008 080.013 080.013 091.005 080.013 092.031 080.013 091.002 080.013 091.044 091.009 091.011 080.013 091.053 080.013 080.013 091.031 080.013 020.003 020.004 020.024 070.047 070.051 070.051 080.017 080.021 040.031 053.007 020.020 060.013 060.015 060.017 18 02 03 17 13 03 08 27 06 01 08 17 13 17 05 08 12 03 02 02 18 15 05 06 19 03 05 06 07 09 05 25 09 09 15 05 30 15 02 19 04 04 19 05 05 08 12 12 13 05 06 10 10 01 03 03 08 09 19 07 05 01 06 09 14 04 12 26 07 23 04 07 08 20 11 06 06 03 04 04 02 02 06 18 07 19 24 26 15 17 08 25 04 31 04 16 05 04 11 30 19 03 02 28 33 16 31 13 14 01 11 11 29 29 03 01 04 06 03 01 01 04 23 01 06 04 09 10 11 13 28 05 15 15 07 04 13 03 12 35 29 34 35 35 10 34 12 12 29 11 28 36 15 14 24 32 41 04 08 08 11 09 11 05 09 09 12 02 18 22 26 02 04 12 17 20 19 13 18 15 21 10 04 05 05 29 31 16 22 22 27 03 12 01 07 40 11 16 39 19 19 24 24 21 26 32 17 23 33 20 25 01 38 07 10 13 04 08 34 27 08 31 14 01 09 04 31 02 31 24 23 02 01 24 05 09 03 26 23 23 30 23 31 24 23 23 16 17 18 22 07 06 33 30 09 17 09 01 01 17 01 15 01 10 01 05 09 14 01 05 01 01 11 01 02 04 02 04 04 08 05 25 06 07 07 10 03 10 NÚMERO PÁGINA ITEM NÚMERO PÁGINA ITEM NÚMERO PÁGINA ITEM NÚMERO PÁGINA ITEM
  • 522.
    TRATORES JOHN DEERE7500 CPCQ26568 30Jan02 INDICE ALFANUMERICO A4379R A4540R A4540R A4540R A4827R A4827R A4883R A602R A776R A776R AD2062R AE46834 AE56248 AH77724 AH87142 AH87142 AH87142 AJ52464 AJ52481 AJ52482 AJ52483 AJ52485 AJ52486 AJ53422 AJ53422 AJ56626 AJ58166 AJ58511 AJ58541 AJ58541 AJ58542 AJ58552 AJ58637 AJ58737 AJ58772 AJ58772 AJ58773 AJ58774 AJ58806 AJ58808 AJ58813 AJ58814 AJ58815 AJ58821 AJ58834 AJ58846 AJ58970 AJ58970 AJ59049 AJ59056 AJ59109 AJ59109 AJ59162 AJ59342 AJ59342 AJ59342 AJ59470 AJ59646 AJ60106 AJ60107 AJ60108 AJ60110 AJ60111 AJ60112 AJ60113 AJ60115 AJ61058 AL102951 AL110119 AL110149 AL110150 AL110242 AL110260 AL110264 AL110266 AL110296 AL110297 AL110298 AL110299 AL110300 AL110302 AL110308 AL110322 AL110322 AL110365 AL110589 AL110722 AL110724 AL110725 AL110849 AL110850 AL110859 AL110860 AL110860 AL110863 AL110868 AL110881 AL110918 AL110922 AL110924 AL110925 AL110927 AL110927 AL111096 AL111136 AL111187 AL111214 AL111469 AL111482 AL111591 AL111717 AL111748 AL111784 AL111785 AL111805 AL111999 AL112012 AL112354 AL112355 AL112581 AL112614 AL112625 AL112681 AL112950 AL112951 AL112951 AL112951 AL112952 AL112953 AL112954 AL112964 AL113022 AL113086 AL113174 AL113176 AL113247 AL113452 AL113453 AL113510 AL113512 AL113514 AL113815 AL113917 AL113988 AL114276 AL114312 AL114312 AL114329 AL114617 AL114768 AL114803 AL114973 AL115638 AL116284 AL116339 AL116340 AL116547 AL116783 AL116980 AL116981 AL117263 AL117264 AL117265 AL117266 AL117267 AL117268 AL117269 AL117270 AL117271 AL117272 AL117273 AL117274 AL117275 AL117276 AL117277 AL117278 AL117279 AL117280 AL117281 AL117282 AL117308 AL117309 AL117311 AL117334 AL117335 AL117336 AL117337 AL117424 AL117427 AL117566 AL117567 AL117582 AL117583 AL117587 AL117679 AL117786 AL117787 AL118242 AL118243 AL118349 AL118383 AL118383 AL118383 AL119215 AL119217 AL119217 AL119217 AL119217 AL119235 AL119373 AL119378 AL119379 AL119566 AL119584 AL119584 AL119709 AL119851 AL119895 AL120003 AL13849 AL150844 AL150845 AL151278 AL151879 AL29889 AL32877 AL32877 AL35179 AL35642 AL36529 AL38083 AL38083 AL59879 AL60981 AL66513 AL66514 AL69320 AL69331 AL75305 AL75527 AL75641 AL75642 AL75838 AL75841 AL76067 AL76171 AL76171 AL76291 AL76454 AL76483 AL76568 AL76568 AL76596 AL76686 AL77028 AL77028 AL77028 AL77061 AL77163 AL77163 AL77396 AL77433 AL77485 AL77486 AL77500 AL77579 AL77581 AL77680 AL77680 AL77711 AL77794 AL78021 AL78187 AL78187 AL78276 AL78414 AL78494 AL78576 AL78643 AL78675 AL78780 AL78796 AL79013 AL79029 AL79050 AL79050 AL79050 AL79050 080.039 052.029 053.017 053.021 020.011 092.029 080.039 070.015 053.025 080.003 040.026 060.007 070.049 060.005 060.011 060.020 060.021 040.005 040.005 040.005 040.005 040.005 040.005 040.005 040.009 020.039 040.016 020.011 040.016 040.017 040.003 020.058 040.017 040.005 020.003 020.004 020.027 053.023 040.016 040.016 040.009 040.009 040.009 020.028 040.016 040.016 030.003 040.017 020.055 080.045 040.003 040.009 020.039 040.003 040.006 040.009 020.001 020.030 040.006 040.006 040.006 040.006 040.006 040.006 040.006 040.006 053.023 070.027 092.031 052.001 080.015 092.015 091.043 091.045 070.059 091.043 091.043 091.043 091.043 091.045 091.028 092.015 070.029 070.033 091.047 040.031 092.017 091.031 091.031 092.023 092.023 092.023 092.017 092.023 092.008 092.017 091.043 080.025 080.035 080.027 080.027 080.019 080.029 080.027 091.033 080.027 092.017 091.045 092.027 091.043 091.031 091.045 091.051 091.051 080.015 030.007 040.023 091.025 091.025 092.017 092.017 091.055 053.021 091.043 070.029 070.033 070.053 070.033 070.033 091.053 040.023 040.023 030.019 091.035 091.035 092.017 080.025 080.025 092.029 092.029 092.029 091.031 091.018 091.005 092.035 060.005 060.009 092.042 092.060 091.016 091.031 091.025 092.041 092.070 091.019 091.019 052.026 091.001 092.069 092.069 092.073 092.073 092.073 092.075 092.077 092.075 092.075 092.077 092.077 092.075 092.063 092.063 092.065 092.063 092.065 092.065 092.065 092.065 092.068 092.063 092.069 092.069 092.063 092.067 092.067 092.067 092.067 052.001 080.015 091.049 091.049 092.023 092.023 092.017 092.045 092.017 092.023 091.033 091.033 092.037 070.027 070.031 070.034 080.025 070.029 070.031 070.033 070.059 060.007 080.031 080.031 080.025 030.007 092.017 092.023 053.013 092.027 092.027 092.075 080.036 092.017 092.017 091.037 091.001 092.015 080.021 080.025 092.007 092.035 092.007 053.017 053.037 091.043 092.041 092.063 092.063 080.037 080.037 070.045 092.039 040.020 040.020 070.034 070.034 091.026 070.037 070.038 080.005 052.001 092.029 091.043 092.007 040.035 092.039 070.038 070.039 070.059 052.028 070.034 070.059 080.015 053.003 092.044 092.044 092.015 091.043 091.053 070.039 070.059 092.035 091.031 092.044 070.027 070.038 091.037 060.012 091.052 060.012 030.009 040.018 091.052 091.055 092.035 092.037 092.013 092.019 092.025 092.027 04 02 19 24 10 20 15 13 06 03 10 14 24 11 02 17 17 21 06 30 38 17 18 43 02 10 03 02 08 01 01 09 01 38 01 01 01 27 02 05 06 07 08 15 01 04 01 04 01 07 01 01 12 01 01 01 01 05 02 03 04 05 06 07 08 09 27 30 10 14 14 02 15 06 09 04 10 24 27 10 01 01 05 21 08 04 04 39 04 17 12 05 05 18 05 01 11 17 06 03 13 36 05 02 06 17 15 05 01 07 01 01 04 05 16 02 11 17 17 35 36 02 22 33 30 02 01 08 09 09 11 15 06 19 02 27 21 22 02 04 18 40 01 25 08 15 15 06 01 01 33 17 01 01 01 02 18 05 02 01 01 03 04 01 01 02 03 03 02 10 01 03 04 02 03 09 02 01 01 05 01 02 04 03 04 02 01 12 11 09 09 17 12 13 01 37 22 17 17 02 43 05 11 15 01 23 07 12 01 01 07 16 02 37 22 06 02 02 11 07 13 15 05 04 07 22 20 07 09 08 11 01 39 04 06 13 05 05 01 09 01 05 14 01 01 01 04 02 02 01 36 02 20 01 02 01 03 06 01 13 09 22 01 01 03 20 07 06 06 01 06 03 01 03 01 08 03 07 02 02 04 20 04 10 07 10 13 17 NÚMERO PÁGINA ITEM NÚMERO PÁGINA ITEM NÚMERO PÁGINA ITEM NÚMERO PÁGINA ITEM
  • 523.
    TRATORES JOHN DEERE7500 CPCQ26568 30Jan02 INDICE ALFANUMERICO AL80135 AL80141 AL80142 AL80143 AL80657 AL80759 AL80895 AL80994 AL80994 AL80994 AL81040 AL81184 AL81358 AL81358 AL81368 AL81458 AL81776 AL81777 AL81823 AL81843 AL81844 AL82025 AL82025 AL82025 AL82025 AL82025 AL82291 AL82454 AL82500 AL82600 AL82770 AL82871 AL82916 AL82917 AM118802 AP32508 AP32532 AP32559 AP32561 AP32565 AP32567 AP32568 AP32571 AP32572 AP32585 AP32585 AP32585 AP32585 AP32839 AP32844 AP32855 AP32859 AP32864 AP32897 AP32912 AP32913 AP32920 AP32923 AP32936 AP32988 AP35824 AP37887 AR101549 AR103811 AR103873 AR103873 AR21837 AR21837 AR21837 AR21837 AR21839 AR21840 AR26746 AR26746 AR26746 AR51564 AR60250 AR61538 AR62151 AR64075 AR65507 AR65507 AR67942 AR68801 AR85788 AR91660 AR94516 AR95932 AR97653 AR97654 AS04903 AS04903 AS04904 AT107509 AT107509 AT107509 AT107510 AT117348 AT128773 AT130104 AT13740 AT148947 AT162676 AT21535 AT21679 AT24252 AT32333 AT85174 AZ33725 B2762 B2762R B2762R B3690R BSA6068T1 C15104 C2214E CD15466 CD15466 CD16284 CD16284 CQ00309 CQ01248 CQ01248 CQ01248 CQ01248 CQ01248 CQ01248 CQ01248 CQ01248 CQ01248 CQ01248 CQ01248 CQ01248 CQ01248 CQ01248 CQ01248 CQ01248 CQ01248 CQ01248 CQ01248 CQ01248 CQ01248 CQ01248 CQ01249 CQ01249 CQ01249 CQ01249 CQ01249 CQ01249 CQ01249 CQ02499 CQ02836 CQ03753 CQ03753 CQ03753 CQ03768 CQ03768 CQ03768 CQ03769 CQ03819 CQ03841 CQ04507 CQ05126 CQ05126 CQ06670 CQ06679 CQ06693 CQ07213 CQ07569 CQ07844 CQ08038 CQ09403 CQ10218 CQ10218 CQ10218 CQ10886 CQ13706 CQ13706 CQ14690 CQ14996 CQ16065 CQ16065 CQ16408 CQ16817 CQ22885 CQ22886 CQ24628 CQ24629 CQ24631 CQ24634 CQ24635 CQ24640 CQ24899 CQ24922 CQ24972 CQ25028 CQ25155 CQ25192 CQ25243 CQ25248 CQ25248 CQ25259 CQ25294 CQ25294 CQ25298 CQ25298 CQ25307 CQ25361 CQ25383 CQ25577 CQ25601 CQ25610 CQ25611 CQ25724 CQ25725 CQ25768 CQ25813 CQ25842 CQ25923 CQ25923 CQ25955 CQ25980 CQ25995 CQ25996 CQ25996 CQ26003 CQ26016 CQ26032 CQ26033 CQ26049 CQ26057 CQ26058 CQ26094 CQ26095 CQ26099 CQ26100 CQ26135 CQ26136 CQ26154 CQ26156 CQ26157 CQ26159 CQ26160 CQ26211 CQ26235 CQ26283 CQ26320 CQ26321 CQ26402 CQ26402 CQ26407 CQ26414 CQ26416 CQ26419 CQ26500 CQ26571 CQ26637 CQ26638 CQ26638 CQ26719 CQ26720 CQ26737 CQ26790 CQ26793 CQ26808 CQ26815 CQ26971 CQ26973 CQ27128 CQ27171 CQ27184 CQ27241 CQ27241 CQ27242 CQ27258 CQ27259 CQ27260 CQ27261 CQ27262 CQ27263 CQ27265 CQ27267 CQ27268 CQ27269 CQ27270 CQ27297 CQ27299 CQ27300 053.007 092.029 092.029 092.029 092.021 052.001 092.049 092.017 092.021 092.023 092.047 092.042 052.026 052.026 070.040 092.008 080.027 092.047 080.025 080.027 080.027 030.019 030.027 070.003 070.043 070.052 070.040 092.025 092.015 092.031 092.031 092.021 091.011 091.011 092.031 060.013 070.049 060.009 060.009 070.049 060.009 060.009 060.020 060.020 070.029 070.031 070.033 070.059 091.005 040.035 091.014 040.002 060.009 030.017 070.049 060.013 070.021 070.033 092.001 070.049 070.029 060.013 020.057 020.018 052.003 052.023 020.019 020.032 020.051 070.055 020.058 020.031 053.017 053.019 053.019 053.023 040.026 020.058 070.017 030.003 020.026 020.027 020.024 080.012 020.028 020.007 052.015 020.025 020.026 020.026 040.024 040.027 040.025 053.013 053.015 053.017 053.009 080.019 070.011 040.021 020.004 080.035 092.007 020.054 020.018 020.008 020.039 020.005 080.036 060.009 053.007 060.017 060.007 020.002 060.007 080.011 020.026 020.027 020.020 020.020 030.001 040.039 053.007 091.002 091.005 091.007 091.011 091.023 091.025 091.029 091.031 091.039 091.039 091.040 092.003 092.005 092.015 092.017 092.021 092.023 092.031 092.037 092.052 030.005 030.006 030.007 080.006 091.009 092.017 092.023 091.037 040.013 040.002 040.038 092.025 020.049 030.022 070.057 040.028 060.021 030.014 080.046 040.023 091.013 092.029 053.036 060.003 091.007 070.018 080.039 020.049 040.045 040.039 091.027 092.052 040.045 030.005 092.047 092.047 092.047 080.019 080.036 080.041 080.041 040.045 040.045 020.047 020.047 020.047 020.047 020.047 020.047 091.013 070.049 091.007 092.037 091.008 060.009 091.009 030.005 080.005 092.037 030.008 030.011 030.008 030.011 091.014 092.011 080.006 080.043 030.019 080.039 080.039 091.014 091.013 070.018 040.001 092.050 040.023 091.013 091.003 030.021 060.011 060.020 060.021 030.021 070.018 080.041 080.039 091.008 091.008 091.008 080.036 080.036 080.044 053.036 091.011 091.011 092.005 040.026 040.026 080.039 080.036 030.019 091.008 070.017 030.019 030.019 080.041 080.042 080.043 030.005 030.005 080.006 070.049 092.031 080.009 092.015 092.031 053.025 053.025 030.022 080.043 092.005 092.003 092.003 080.036 080.036 080.042 091.003 080.040 080.023 080.025 080.023 080.023 080.023 080.023 080.023 080.023 080.023 080.023 080.023 080.023 080.023 080.023 080.019 080.023 080.023 29 02 04 18 14 04 01 33 04 21 01 13 17 19 04 01 07 02 06 11 22 10 02 18 07 02 07 01 04 07 08 01 01 01 04 01 04 16 15 16 17 18 05 01 01 01 07 12 06 01 08 02 01 01 09 15 07 12 01 16 23 01 05 02 02 19 03 10 01 16 05 05 13 24 27 04 07 10 05 02 03 03 09 06 06 03 11 02 11 11 02 02 02 17 12 36 23 25 14 13 05 03 16 01 01 03 06 01 07 05 18 15 05 01 02 03 02 06 03 07 07 02 24 05 22 11 12 09 19 02 23 13 16 05 05 08 21 22 11 03 17 14 03 09 02 03 06 02 17 07 21 09 04 12 17 06 02 19 03 16 02 03 08 12 07 03 10 20 03 19 04 04 01 02 05 12 08 07 04 10 39 06 04 02 24 11 02 07 09 03 04 05 08 22 08 13 10 25 03 19 13 16 07 04 08 05 01 08 10 07 04 18 19 06 14 08 01 05 14 09 11 08 07 19 19 14 06 01 10 09 01 02 08 07 04 01 03 03 01 04 04 18 08 08 09 03 12 13 06 06 09 04 01 09 23 20 28 15 06 11 11 03 19 02 16 06 08 08 05 04 06 11 10 12 07 07 07 07 07 07 07 07 07 07 07 21 07 07 NÚMERO PÁGINA ITEM NÚMERO PÁGINA ITEM NÚMERO PÁGINA ITEM NÚMERO PÁGINA ITEM
  • 524.
    TRATORES JOHN DEERE7500 CPCQ26568 30Jan02 INDICE ALFANUMERICO CQ27305 CQ27311 CQ27312 CQ27313 CQ27315 CQ27316 CQ27317 CQ27318 CQ27322 CQ27323 CQ27329 CQ27330 CQ27331 CQ27336 CQ27343 CQ27346 CQ27347 CQ27348 CQ27349 CQ27350 CQ27351 CQ27352 CQ27353 CQ27354 CQ27355 CQ27356 CQ27357 CQ27358 CQ27359 CQ27360 CQ27361 CQ27362 CQ27363 CQ27364 CQ27365 CQ27366 CQ27367 CQ27368 CQ27369 CQ27370 CQ27371 CQ27372 CQ27373 CQ27374 CQ27375 CQ27376 CQ27377 CQ27378 CQ27379 CQ27381 CQ27384 CQ27385 CQ27385 CQ27386 CQ27387 CQ27388 CQ27391 CQ27392 CQ27394 CQ27396 CQ27396 CQ27401 CQ27401 CQ27404 CQ27405 CQ27406 CQ27407 CQ27408 CQ27422 CQ27441 CQ27504 CQ27514 CQ27559 CQ27564 CQ27661 CQ27676 CQ27751 CQ27817 CQ27859 CQ27861 CQ27871 CQ27992 CQ27993 CQ28088 CQ28141 CQ28149 CQ28328 CQ28329 CQ28409 CQ28491 CQ28492 CQ28507 CQ28543 CQ28556 CQ28744 CQ28787 CQ28791 CQ28794 CQ28948 CQ28972 CQ29102 CQ29104 CQ29143 CQ29162 CQ29163 CQ29163 CQ29167 CQ29172 CQ29172 CQ29173 CQ29203 CQ29244 CQ29337 CQ29402 CQ29426 CQ29427 CQ29428 CQ29446 CQ29478 CQ29519 CQ29549 CQ29588 CQ30097 CQ30098 CQ30277 CQ30278 CQ30481 CQ30587 CQ30788 CQ30789 CQ30868 CQ30871 CQ31041 CQ31041 CQ31042 CQ31233 CQ31316 CQ31494 CQ31822 CQ31823 CQ32109 CQ32110 CQ32117 CQ32215 CQ32225 CQ32243 CQ32273 CQ32274 CQ32275 CQ32569 CQ32637 CQ32639 CQ32692 CQ32693 CQ32696 CQ32739 CQ32740 CQ32769 CQ32964 CQ32966 CQ32967 CQ32971 CQ33020 CQ33278 CQ33323 CQ33338 CQ33340 CQ33341 CQ33342 CQ33343 CQ33346 CQ33346 CQ33348 CQ33349 CQ33350 CQ33410 CQ33509 CQ33577 CQ33591 CQ33630 CQ33644 CQ33645 CQ33741 CQ33741 CQ33811 CQ33811 CQ33811 CQ33811 CQ33818 CQ33819 CQ33842 CQ33965 CQ33965 CQ33965 CQ33966 CQ33967 CQ34052 CQ34069 CQ34091 CQ34094 CQ34109 CQ34110 CQ34161 CQ34235 CQ34246 CQ34247 CQ34313 CQ34344 CQ34360 CQ34370 CQ34676 CQ34677 CQ34774 CQ34905 CQ35246 CQ35365 CQ35466 CQ35467 CQ35790 CQ35991 CQ35992 CQ36003 CQ36459 CQ36690 CQ36859 CQ36892 CQ36978 CQ36978 CQ36978 CQ36984 CQ36985 CQ37642 CQ38199 CQ38200 CQ38233 CQ38761 CQ38890 CQ38910 CQ39050 CQ39458 CQ39945 CQ40081 CQ40433 CQ40434 CQ41926 CQ42113 CQ42114 CQ42183 CQ42250 CQ42273 CQ43001 CQ43005 CQ43006 CQ43008 CQ43009 CQ43010 CQ43638 CQ43639 CQ43640 CQ43736 CQ45134 CQ46867 CQ60080 CQ60094 CQ60145 CQ60155 CQ60208 CQ60209 CQ60249 DD12121 DQ03833 DQ03962 DQ04007 DQ04007 DQ04227 DQ04397 DQ04466 DQ04467 DQ08098 DQ08621 DQ10173 DQ10173 DQ10173 DQ10173 DQ10173 DQ10881 DQ10882 DQ11307 080.019 080.023 080.023 080.023 080.023 080.023 080.023 080.023 080.021 080.021 080.021 080.021 080.019 080.019 080.019 080.019 080.019 080.019 080.019 080.019 080.019 080.019 080.019 080.019 080.019 080.019 080.019 080.019 080.019 080.019 080.019 080.019 080.019 080.019 080.019 080.019 080.019 080.019 080.019 080.019 080.019 080.019 080.019 080.019 080.019 080.019 080.019 080.019 080.019 080.019 080.023 080.023 080.023 080.023 080.023 080.023 080.023 080.023 080.021 080.021 080.023 080.019 080.027 080.019 080.019 080.019 080.019 080.019 092.005 091.007 030.022 030.022 091.007 092.050 080.012 092.050 060.003 070.019 080.044 080.019 070.019 080.021 080.023 080.039 080.043 040.001 092.031 092.031 030.022 030.001 030.001 080.009 080.005 030.013 091.002 080.005 030.025 030.027 030.027 092.050 030.022 030.019 020.049 030.025 030.005 030.025 020.049 020.049 030.019 020.049 030.027 030.027 080.021 080.019 080.036 080.036 080.036 092.005 080.039 080.011 030.014 091.005 091.011 091.011 092.003 092.003 030.022 030.005 030.005 030.005 080.036 080.036 030.005 080.009 080.009 080.043 091.005 092.031 091.003 091.003 080.039 080.039 091.020 091.014 091.013 091.020 080.039 080.039 080.039 092.005 091.023 091.023 080.005 080.005 030.007 040.039 040.039 030.011 091.037 091.037 091.037 091.023 030.011 092.031 080.036 040.035 060.003 060.003 060.003 060.003 080.007 080.009 080.044 080.044 053.036 020.057 070.005 091.052 070.053 091.007 030.013 030.013 092.025 092.029 060.009 060.011 060.020 060.021 070.033 070.033 080.036 070.033 070.038 091.037 080.043 080.043 040.013 070.019 091.018 091.023 030.005 030.005 080.009 040.013 040.013 040.013 092.005 080.009 040.001 092.037 092.050 091.008 080.044 091.003 070.057 070.019 070.057 070.057 091.023 040.015 040.015 040.015 092.050 040.028 092.003 092.003 092.017 092.021 092.023 080.019 080.019 080.036 080.039 080.039 070.052 091.051 091.055 091.049 091.015 092.035 092.037 080.015 091.025 091.025 092.023 030.009 030.009 070.015 091.011 091.023 052.001 080.015 080.015 080.019 080.019 080.019 080.044 080.044 080.044 080.044 080.023 060.011 030.005 070.003 060.003 060.003 092.003 060.003 092.049 020.022 030.014 060.009 060.009 060.011 070.033 080.046 030.023 030.023 040.023 080.009 030.008 030.013 030.022 091.043 091.051 092.003 092.003 030.027 03 07 07 07 05 03 04 01 16 18 24 09 33 26 24 17 17 17 17 17 17 17 17 17 17 17 17 17 17 17 17 17 17 17 17 17 17 17 17 17 17 17 17 17 17 17 08 09 16 13 18 17 19 16 33 27 21 22 05 31 10 20 24 07 06 04 01 34 05 18 09 10 13 08 04 10 06 08 08 05 02 10 13 18 19 14 14 16 14 04 10 29 09 07 07 12 06 03 09 09 15 07 05 02 22 04 07 02 03 08 19 18 23 22 02 04 05 04 18 01 04 23 02 02 18 06 06 05 06 07 03 03 03 06 05 20 24 20 12 13 06 07 05 11 01 01 18 10 19 05 14 15 12 14 06 08 05 03 37 34 32 03 01 06 08 05 25 24 26 27 01 13 02 03 06 18 03 10 02 19 02 08 14 23 21 03 07 07 15 16 08 17 14 33 19 19 13 12 05 03 06 07 28 04 05 11 12 17 20 20 05 10 01 02 01 07 17 18 11 07 15 04 08 02 18 06 09 05 14 27 27 08 18 18 01 02 07 10 02 07 13 05 01 01 19 03 04 15 16 12 17 21 13 42 43 41 07 09 05 06 10 07 18 01 17 16 12 13 02 02 01 20 24 04 01 04 03 02 02 01 06 03 11 02 09 17 17 20 NÚMERO PÁGINA ITEM NÚMERO PÁGINA ITEM NÚMERO PÁGINA ITEM NÚMERO PÁGINA ITEM
  • 525.
    TRATORES JOHN DEERE7500 CPCQ26568 30Jan02 INDICE ALFANUMERICO DQ11307 DQ15378 DQ20973 DQ24057 DQ24553 DQ24729 DQ24762 DQ24768 DQ24790 DQ24915 DQ25005 DQ25011 DQ25062 DQ25143 DQ25144 DQ25145 DQ25260 DQ25261 DQ25302 DQ25303 DQ25304 DQ25557 DQ25607 DQ25607 DQ25766 DQ25815 DQ25822 DQ25853 DQ25856 DQ25873 DQ25964 DQ25964 DQ25969 DQ25983 DQ25984 DQ25986 DQ25991 DQ25998 DQ26009 DQ26093 DQ26111 DQ26120 DQ26130 DQ26131 DQ26134 DQ26146 DQ26165 DQ26261 DQ26315 DQ26358 DQ26674 DQ26685 DQ26686 DQ26712 DQ26734 DQ26791 DQ26860 DQ26969 DQ26972 DQ27021 DQ27023 DQ27080 DQ27127 DQ27167 DQ27256 DQ27257 DQ27297 DQ27314 DQ27319 DQ27344 DQ27344 DQ27345 DQ27345 DQ27395 DQ27411 DQ27412 DQ27446 DQ27447 DQ27500 DQ27555 DQ27557 DQ27557 DQ27606 DQ27658 DQ27825 DQ27846 DQ27856 DQ27991 DQ28074 DQ28142 DQ28285 DQ28388 DQ28389 DQ28390 DQ28406 DQ28428 DQ28429 DQ28503 DQ28533 DQ28536 DQ28552 DQ28600 DQ28668 DQ28669 DQ28699 DQ28754 DQ28754 DQ28755 DQ28756 DQ28758 DQ28759 DQ28788 DQ28795 DQ28803 DQ28831 DQ28862 DQ28903 DQ28923 DQ29003 DQ29090 DQ29487 DQ29533 DQ29537 DQ29541 DQ29952 DQ29954 DQ30072 DQ30105 DQ30187 DQ30252 DQ30253 DQ30254 DQ30255 DQ30259 DQ30261 DQ30263 DQ30456 DQ30457 DQ30458 DQ30492 DQ30493 DQ30878 DQ30879 DQ31114 DQ31310 DQ31381 DQ31496 DQ31754 DQ31850 DQ31851 DQ31860 DQ31902 DQ32045 DQ32116 DQ32160 DQ32194 DQ32238 DQ32251 DQ32549 DQ32549 DQ32631 DQ32632 DQ32633 DQ32686 DQ32687 DQ32695 DQ32717 DQ32751 DQ32786 DQ32876 DQ32910 DQ33185 DQ33424 DQ33563 DQ33565 DQ33631 DQ33662 DQ33663 DQ33675 DQ33766 DQ33769 DQ33772 DQ33824 DQ33825 DQ33831 DQ33832 DQ33838 DQ33838 DQ33840 DQ33944 DQ34064 DQ34065 DQ34208 DQ34208 DQ34209 DQ34210 DQ34211 DQ34212 DQ34213 DQ34221 DQ34284 DQ34346 DQ34348 DQ34364 DQ34488 DQ34489 DQ34507 DQ34508 DQ34512 DQ34655 DQ34656 DQ34692 DQ34703 DQ34773 DQ34943 DQ35025 DQ35026 DQ35027 DQ35028 DQ35029 DQ35030 DQ35040 DQ35041 DQ35042 DQ35043 DQ35044 DQ35045 DQ35046 DQ35047 DQ35048 DQ35049 DQ35050 DQ35051 DQ35216 DQ35216 DQ35685 DQ35930 DQ36348 DQ36349 DQ36562 DQ36681 DQ36692 DQ36976 DQ36983 DQ37004 DQ37173 DQ37174 DQ37329 DQ37383 DQ37643 DQ37677 DQ37978 DQ38209 DQ38212 DQ38226 DQ38296 DQ38297 DQ38515 DQ38518 DQ38520 DQ38521 DQ38523 DQ38613 DQ38638 DQ39152 DQ39225 DQ39455 DQ39530 DQ39771 DQ39794 DQ40077 DQ40119 DQ40120 DQ40121 DQ41395 DQ41555 DQ41927 DQ41945 DQ41945 DQ41959 DQ41959 DQ42088 DQ42089 DQ42090 DQ42159 DQ42160 DQ42161 DQ42162 040.011 030.022 080.036 020.047 040.023 091.007 030.019 060.003 040.023 091.013 053.007 080.016 040.027 020.047 020.047 020.047 080.036 080.036 030.008 030.008 030.006 040.002 030.015 030.017 070.009 091.007 053.037 040.025 091.013 040.028 030.021 091.003 030.021 030.021 030.021 091.003 030.017 040.033 070.018 080.036 070.018 070.013 091.011 091.011 070.018 092.005 030.021 070.018 030.025 030.005 080.046 040.026 040.026 092.003 091.005 080.043 092.003 080.036 080.036 070.008 070.008 092.011 080.046 030.005 080.021 080.023 080.019 080.023 080.021 080.019 080.021 080.019 080.019 080.023 080.016 080.016 040.001 040.001 030.019 092.050 092.050 092.060 080.009 080.009 080.001 092.009 052.030 080.021 040.001 080.043 080.045 070.003 070.003 070.003 030.022 080.001 080.001 030.025 080.023 080.023 030.027 030.023 092.031 092.031 030.027 070.021 070.059 070.059 070.059 060.003 060.003 080.005 030.027 080.006 080.006 080.009 092.017 080.009 080.009 030.023 030.027 030.001 060.003 060.003 060.011 060.021 070.043 060.021 040.028 080.045 080.045 080.045 080.045 080.036 080.036 080.036 070.059 070.059 070.059 080.009 080.009 040.002 040.002 092.017 091.055 040.029 070.059 080.006 060.005 060.005 091.005 040.039 091.005 040.001 070.008 060.005 091.055 060.005 030.009 030.011 080.005 092.005 092.005 060.003 060.003 030.007 091.005 040.030 040.033 030.005 020.047 070.008 080.010 060.005 060.005 091.007 030.013 030.013 030.013 080.047 080.046 070.049 070.013 070.013 070.049 070.049 080.007 080.007 080.009 040.024 080.043 080.043 092.025 092.027 092.029 092.019 092.019 092.019 092.013 092.013 070.018 091.002 040.035 040.001 091.011 091.011 091.011 091.011 080.016 040.028 040.029 080.009 092.050 091.007 091.007 092.055 092.055 092.055 092.055 092.055 092.055 092.055 092.055 092.055 092.055 092.055 092.055 092.055 092.055 092.055 092.055 092.055 092.055 060.005 060.009 091.052 040.041 080.045 080.045 052.001 080.015 040.029 092.060 080.019 080.045 091.049 091.049 040.041 040.017 080.036 080.036 040.013 030.015 030.015 092.017 030.015 030.015 030.016 030.016 030.016 030.016 030.016 070.033 030.009 040.039 030.021 020.047 020.047 040.039 091.015 080.015 070.059 070.059 070.059 030.023 040.002 092.008 030.006 030.009 070.021 070.059 070.059 070.059 070.059 092.057 092.057 092.057 092.057 17 05 06 06 01 05 05 11 03 02 20 01 01 01 10 08 09 09 04 05 01 03 03 06 04 01 02 01 01 01 16 07 13 12 01 06 02 01 12 09 07 01 01 01 05 11 04 10 05 11 02 01 01 03 14 14 10 09 07 12 01 02 01 10 01 09 28 06 12 31 07 14 18 32 03 02 06 07 09 01 07 03 20 14 05 11 04 04 10 14 09 09 07 13 04 01 02 03 35 34 11 01 02 02 01 07 04 01 08 14 12 04 04 01 04 08 26 20 08 08 10 05 22 20 08 01 08 05 02 05 03 06 01 01 01 01 15 14 18 21 21 01 01 34 03 01 19 04 22 21 14 04 15 06 01 01 01 08 06 02 05 02 02 12 20 08 26 01 01 11 12 12 02 07 09 01 06 04 05 05 01 09 01 01 25 24 02 03 14 01 14 14 12 16 05 05 06 01 01 05 16 01 21 18 01 01 01 01 01 02 01 07 01 24 12 01 02 03 04 05 06 07 08 09 10 11 12 13 14 15 16 17 18 07 16 01 01 04 02 12 11 01 01 19 08 09 09 01 03 07 09 12 01 02 03 04 05 01 02 05 04 03 02 07 09 01 11 08 07 01 04 15 14 18 08 01 01 01 05 07 04 15 14 18 01 02 04 05 NÚMERO PÁGINA ITEM NÚMERO PÁGINA ITEM NÚMERO PÁGINA ITEM NÚMERO PÁGINA ITEM
  • 526.
    TRATORES JOHN DEERE7500 CPCQ26568 30Jan02 INDICE ALFANUMERICO DQ42163 DQ42164 DQ42165 DQ42166 DQ42167 DQ42168 DQ42169 DQ42170 DQ42174 DQ42175 DQ42302 DQ42303 DQ42355 DQ42404 DQ42432 DQ42743 DQ42999 DQ43000 DQ43002 DQ43004 DQ43007 DQ43423 DQ43423 DQ43424 DQ43425 DQ43426 DQ43428 DQ43728 DQ43769 DQ44180 DQ44683 DQ46828 DQ46828 DQ60529 DQ60568 DQ60569 DQ60573 DQ60573 DQ60580 DQ60590 DQ60616 DQ60617 DQ60627 DQ60628 DQ60687 DQ60704 E64911 E69117 E69117 E69117 E84676 F1870R F2253R F2741 F304R F3171R F3171R H128515 H128515 H128515 H128515 H148010 H148011 H35244 H63283 H64801 H75541 H75541 H75541 IE032.01 J52521 J53037 J53038 J53038 J53039 J53040 J53041 J53042 J53043 J53044 J53045 J53046 J53047 J53048 J53050 J53051 J53052 J53053 J53054 J53057 J53058 J53059 J53060 J53061 J53062 J53063 J53064 J53065 J53067 J53068 J53069 J53070 J53070 J53071 J53072 J53073 J53074 J53262 J53697 J53698 J53699 J53700 J53700 J53701 J53702 J53723 J53864 J53892 J53992 J54812 J55278 J55731 J56137 J56365 J56367 J56583 J56701 J56760 J56917 J56979 J56993 J56996 J56997 J57021 J57034 J57046 J57066 J57081 J57081 J57090 J57091 J57092 J57097 J57192 J57192 J57193 J57225 J57272 J57272 J57275 J57278 JD10070 JD10070 JD10238 JD10269 JD10359 JD10377 JD10527 JD10527 JD37087 JD37087 JD7222 JD7228 JD7266 JD7278 JD7292 JD7378 JD7395 JD7418 JD7425 JD7449 JD7798 JD7798 JD7798 JD7798 JD7847 JD8118 JD8159 JD8161 JD8191 JD8196 JD8206 JD8210 JD8237 JD8247 JD8247 JD8253 JD8259 JD8267 JD8280 JD8290 JD8856 JD8856 JD8905 JD8935 JD8954 JD8979 JD9076 JD9133 JD9812 L100025 L100150 L100151 L100152 L100153 L100154 L100245 L100246 L100380 L100380 L100413 L100414 L100486 L100555 L100555 L100560 L100626 L100627 L100644 L100685 L100707 L100750 L100781 L100782 L100800 L100830 L100840 L100842 L100850 L100869 L101021 L101210 L101338 L101401 L101519 L101640 L101641 L101643 L101649 L101689 L101690 L101690 L101813 L101926 L101929 L101929 L101931 L101932 L102090 L102140 L102143 L102171 L102358 L102451 L102451 L102490 L102562 L110066 L110079 L110081 L110090 L110144 L110145 L110146 L110148 L110149 L110150 L110151 L110155 L110156 L110183 L110186 L110187 L110189 L110193 L110233 L110276 L110285 L110286 L110294 L110296 L110311 L110320 L110367 L110367 L110417 L110418 L110422 092.057 092.059 092.059 092.059 092.057 092.057 092.059 092.059 092.057 092.057 080.001 080.001 091.015 040.039 080.009 070.059 052.001 052.001 052.001 080.015 080.015 070.021 070.059 070.059 070.059 070.059 070.059 092.060 060.003 080.016 080.035 092.017 092.023 091.005 070.021 070.021 070.033 070.059 070.003 060.009 060.009 060.009 060.012 060.012 091.005 070.021 040.045 070.027 070.029 070.031 060.007 070.049 053.023 053.025 080.043 053.017 053.023 060.009 060.011 060.020 060.021 070.008 070.008 020.024 070.039 052.021 053.021 060.009 060.020 030.022 040.015 040.005 040.005 040.005 040.005 040.005 040.005 040.005 040.005 040.005 040.005 040.005 040.005 040.005 040.005 040.005 040.005 040.005 040.005 040.005 040.005 040.005 040.005 040.005 040.005 040.005 040.005 040.005 040.005 040.005 040.005 040.005 040.009 040.005 040.005 040.005 040.005 080.039 040.005 040.005 040.005 040.005 040.009 080.039 080.039 080.039 040.005 040.016 040.005 080.039 080.039 020.039 020.039 080.039 080.039 020.008 040.015 020.057 020.037 020.039 020.057 020.051 020.051 053.023 053.023 053.023 040.015 040.016 040.017 020.009 020.009 053.023 040.009 020.057 020.058 053.023 020.057 040.005 040.009 020.039 020.019 053.027 053.027 020.057 052.021 080.035 053.005 053.015 053.027 080.021 080.025 053.029 053.029 053.029 053.029 053.027 053.027 053.003 053.003 053.032 070.045 053.023 070.011 070.015 070.017 080.025 070.045 053.019 053.031 053.019 053.023 053.003 053.019 070.045 053.015 053.032 070.045 053.023 053.015 053.005 053.019 053.007 060.007 070.045 070.045 053.023 053.015 053.031 053.031 053.007 070.005 080.033 080.033 080.033 080.033 080.033 080.015 080.015 091.017 092.042 091.028 091.028 092.037 060.005 060.009 092.029 092.049 092.049 060.005 091.039 052.001 092.021 040.030 040.030 091.025 092.042 092.042 092.042 091.028 091.037 092.047 092.021 040.040 092.015 040.040 091.011 091.011 091.011 091.011 080.025 080.021 080.025 080.027 092.042 092.021 092.023 092.029 092.037 092.047 091.025 092.042 030.009 092.007 092.017 092.021 092.037 092.011 053.013 052.001 052.001 070.033 091.044 091.043 091.044 091.044 091.044 091.047 091.047 091.045 091.043 091.045 091.043 091.043 091.044 091.023 080.025 091.029 092.042 092.042 070.043 092.029 092.011 052.001 040.021 091.031 080.019 080.019 092.025 07 01 02 03 08 09 05 04 03 06 02 01 01 09 07 08 15 14 07 14 16 07 04 15 14 18 08 01 01 01 01 37 22 15 12 13 04 05 05 11 09 10 01 02 14 14 03 02 02 02 10 17 21 10 10 23 24 28 09 08 08 11 10 07 07 14 13 26 16 07 04 15 04 05 07 28 31 29 32 35 16 22 23 33 02 03 04 08 09 12 14 14 14 19 20 24 25 26 36 37 39 40 04 41 42 01 34 20 10 11 44 13 09 03 16 07 45 07 46 06 22 07 09 16 03 01 15 04 10 06 08 03 04 16 18 09 07 06 02 01 02 18 03 17 04 16 07 27 05 05 04 19 21 13 05 05 07 22 23 20 04 02 03 10 05 12 02 02 14 03 33 03 19 04 09 12 34 20 16 14 20 16 19 35 25 05 31 05 20 02 13 14 06 36 32 20 19 01 21 13 01 02 02 02 03 04 19 20 02 12 05 06 01 18 03 22 02 03 20 21 08 13 02 03 20 14 11 11 11 25 03 02 04 06 03 02 02 13 13 05 06 05 18 09 12 10 06 09 06 12 02 02 06 29 03 19 15 05 15 07 10 06 40 18 11 12 14 14 09 42 08 01 32 14 07 14 01 08 08 10 19 13 03 18 36 11 12 03 NÚMERO PÁGINA ITEM NÚMERO PÁGINA ITEM NÚMERO PÁGINA ITEM NÚMERO PÁGINA ITEM
  • 527.
    TRATORES JOHN DEERE7500 CPCQ26568 30Jan02 INDICE ALFANUMERICO L110422 L110495 L110496 L110553 L110566 L110633 L110634 L110635 L110636 L110636 L110640 L110641 L110641 L110642 L110646 L110646 L110647 L110648 L110650 L110654 L110654 L110655 L110655 L110656 L110656 L110657 L110657 L110658 L110658 L110659 L110660 L110660 L110661 L110662 L110663 L110664 L110665 L110666 L110667 L110668 L110669 L110670 L110671 L110672 L110673 L110674 L110675 L110676 L110677 L110678 L110679 L110680 L110681 L110682 L110683 L110684 L110685 L110686 L110687 L110688 L110689 L110690 L110691 L110692 L110693 L110694 L110695 L110695 L110696 L110696 L110697 L110697 L110698 L110698 L110699 L110699 L110700 L110701 L110701 L110702 L110702 L110703 L110703 L110704 L110704 L110705 L110705 L110706 L110706 L110707 L110708 L110710 L110711 L110712 L110713 L110714 L110715 L110716 L110717 L110718 L110719 L110720 L110721 L110729 L110729 L110766 L110769 L110815 L110815 L110828 L110852 L110865 L110867 L110964 L110977 L110988 L111127 L111165 L111179 L111184 L111276 L111277 L111414 L111419 L111425 L111440 L111453 L111464 L111465 L111480 L111480 L111484 L111584 L111796 L111817 L111871 L111872 L111879 L111965 L111987 L111987 L111988 L111988 L112041 L112053 L112111 L112141 L112142 L112143 L112144 L112198 L112198 L112199 L112199 L112200 L112200 L112201 L112201 L112202 L112202 L112203 L112203 L112204 L112204 L112205 L112205 L112206 L112206 L112207 L112207 L112208 L112208 L112209 L112209 L112210 L112210 L112211 L112211 L112212 L112212 L112213 L112213 L112214 L112214 L112215 L112215 L112216 L112216 L112217 L112217 L112218 L112218 L112219 L112219 L112220 L112220 L112221 L112221 L112222 L112222 L112232 L112235 L112250 L112270 L112290 L112290 L112370 L112425 L112425 L112457 L112469 L112511 L112522 L112546 L112638 L112639 L112657 L112745 L112796 L112797 L112866 L112950 L113020 L113021 L113023 L113038 L113039 L113305 L113306 L113312 L113313 L113378 L113436 L113438 L113440 L113561 L113655 L113659 L113715 L113717 L113718 L113800 L113801 L113886 L113886 L113887 L113907 L113908 L113922 L114032 L114102 L114103 L114104 L114105 L114107 L114159 L114160 L114318 L114318 L114338 L114448 L114558 L114663 L114706 L114712 L114775 L114785 L114921 L114922 L114926 L114927 L114928 L114929 L114930 L114972 L114974 L115015 L115093 L115239 L115285 L115618 L115619 L115740 L116103 L116104 L116105 L116183 L116184 092.027 091.047 091.047 092.007 092.023 091.044 080.033 080.033 080.021 080.033 080.025 080.021 080.025 080.027 080.019 080.027 080.027 080.027 080.027 080.023 080.035 080.023 080.035 080.023 080.035 080.023 080.035 080.023 080.035 080.035 080.035 080.035 080.035 080.035 080.035 080.035 080.035 080.035 080.035 080.035 080.035 080.035 080.035 080.035 080.035 080.035 080.035 080.035 080.035 080.035 080.035 080.035 080.035 080.035 080.035 080.035 080.035 080.035 080.035 080.035 080.035 080.035 080.035 080.035 080.035 080.035 080.023 080.035 080.023 080.035 080.023 080.035 080.023 080.035 080.023 080.035 080.035 080.023 080.035 080.023 080.035 080.023 080.035 080.023 080.035 080.023 080.035 080.023 080.035 080.027 080.035 080.027 080.027 080.027 080.027 080.027 080.027 080.027 080.027 080.027 080.027 080.027 080.027 080.019 080.029 092.029 092.042 091.051 091.055 091.055 091.025 091.043 091.043 092.017 091.047 092.011 040.031 092.017 092.017 040.031 091.028 091.028 091.031 091.031 091.045 091.031 052.030 091.051 091.051 091.025 091.040 080.015 091.049 091.023 080.021 091.019 091.019 092.017 092.031 092.017 092.023 092.017 092.023 092.017 092.023 080.027 091.019 091.019 091.017 091.017 080.021 080.025 080.021 080.025 080.021 080.025 080.021 080.025 080.021 080.025 080.021 080.025 080.021 080.025 080.021 080.025 080.021 080.025 080.021 080.025 080.021 080.025 080.021 080.025 080.021 080.025 080.021 080.025 080.021 080.025 080.021 080.025 080.021 080.025 080.021 080.025 080.021 080.025 080.021 080.025 080.021 080.025 080.021 080.025 080.021 080.025 080.021 080.025 080.021 080.025 091.025 092.039 091.047 091.037 091.031 091.039 070.033 092.025 092.027 091.023 092.015 092.037 091.018 091.037 091.037 091.027 091.025 091.053 091.025 091.025 091.025 092.011 092.011 092.011 092.045 091.037 091.037 091.033 091.033 091.043 091.043 092.040 091.035 091.035 091.035 040.018 091.019 091.019 091.031 091.035 091.035 091.049 091.049 091.002 091.026 091.026 091.035 091.035 092.041 092.017 091.039 091.040 091.031 091.033 091.037 080.037 080.037 091.011 092.047 091.027 091.055 080.025 091.001 080.037 092.011 091.033 080.027 092.073 092.075 092.065 092.065 092.065 092.068 092.068 092.067 092.068 080.015 091.052 091.023 092.005 080.025 080.025 091.033 080.029 080.029 080.029 091.018 091.025 06 12 11 04 19 13 01 05 19 08 07 11 09 08 40 15 14 16 19 08 02 08 02 08 02 08 02 07 04 04 04 04 04 04 04 04 04 04 04 04 04 04 04 04 04 04 04 04 04 04 04 04 04 04 04 04 04 04 04 04 04 04 04 04 04 04 07 04 07 04 07 04 07 04 07 04 04 07 04 07 04 07 04 07 04 07 04 07 04 01 07 01 04 04 04 04 04 04 04 04 04 04 04 10 08 03 05 06 14 08 22 44 45 14 01 14 05 12 24 01 04 02 30 13 03 34 02 01 07 04 03 15 04 12 29 03 04 02 05 30 20 30 20 08 08 05 05 06 03 03 06 05 06 05 06 05 06 05 06 05 06 05 06 05 06 05 06 05 06 05 06 05 06 05 06 05 06 05 06 05 06 05 06 05 06 05 06 05 06 05 06 05 06 05 06 05 06 05 06 05 11 12 09 26 35 22 11 09 20 01 11 07 06 10 11 03 06 04 08 09 03 16 01 21 03 29 29 22 22 05 05 08 03 04 01 05 07 08 37 06 07 09 09 03 06 05 18 17 02 02 20 02 15 08 09 03 03 15 09 01 12 13 01 01 04 14 25 02 07 07 08 10 05 04 09 05 13 07 11 02 01 02 18 01 02 03 04 05 NÚMERO PÁGINA ITEM NÚMERO PÁGINA ITEM NÚMERO PÁGINA ITEM NÚMERO PÁGINA ITEM
  • 528.
    TRATORES JOHN DEERE7500 CPCQ26568 30Jan02 INDICE ALFANUMERICO L116246 L116247 L116248 L116249 L116250 L116251 L116252 L116255 L116256 L116257 L116258 L116259 L116628 L116628 L12974 L150706 L150707 L150708 L150709 L151281 L151282 L151283 L151284 L151285 L151286 L151287 L151288 L151289 L151290 L151429 L151598 L152012 L152323 L152324 L152325 L152326 L152432 L152433 L152434 L18955 L18955 L18955 L25678 L27099 L28228 L28228 L28228 L28230 L31745 L33035 L35577 L35975 L36272 L36681 L37489 L37733 L37733 L37733 L38053 L38141 L38444 L38449 L38450 L38847 L38851 L38855 L38862 L39134 L39134 L39134 L39751 L39860 L39888 L39997 L40003 L40121 L40130 L40376 L40484 L40997 L40997 L40998 L40998 L40999 L40999 L41000 L41000 L41001 L41002 L41002 L41003 L41003 L41003 L41004 L41004 L41005 L41005 L41008 L41170 L41366 L41443 L41526 L41536 L41536 L41980 L42041 L53813 L53843 L55468 L55471 L55472 L55473 L55473 L55552 L55555 L55556 L55557 L55558 L55559 L55559 L55560 L55560 L55561 L55561 L55568 L55568 L55569 L55570 L55572 L55572 L55577 L55578 L55579 L55580 L55580 L55595 L55596 L55602 L55603 L55969 L56021 L56381 L56820 L57250 L57250 L57823 L57827 L58217 L58448 L58671 L58671 L58892 L59635 L59796 L59796 L59800 L59800 L59800 L59927 L60103 L601103 L61769 L62419 L62420 L63150 L63562 L64500 L64560 L64675 L64713 L65071 L65322 L75449 L75449 L75588 L75695 L75841 L76088 L76089 L76091 L76092 L76093 L76136 L76254 L76257 L76259 L76331 L76388 L76471 L76767 L76767 L77173 L77493 L77510 L77511 L77647 L77648 L77651 L77652 L77747 L77789 L77790 L77802 L77805 L77805 L77805 L77805 L77865 L77912 L77917 L77942 L77943 L77963 L77963 L77964 L77964 L77964 L77964 L77978 L77978 L78006 L78006 L78009 L78009 L78042 L78152 L78154 L78169 L78238 L78422 L78533 L78534 L78691 L78693 L78693 L78701 L78702 L78702 L78702 L78703 L78703 L78703 L78703 L78703 L78704 L78704 L78704 L78704 L78704 L78705 L78727 L78733 L78768 L78769 L78846 L78847 L78851 L78851 L78852 L78876 L78980 L78980 L79071 L79076 L79076 L79076 L79076 L79076 L79122 L79177 L79226 L79311 L79320 L79337 L79337 L79500 L79500 L79574 L79592 L79648 L79648 L79648 L79775 L79776 L79777 L79778 L79792 L79794 080.027 080.027 080.021 080.021 080.021 080.021 080.021 080.031 080.031 080.031 080.031 080.025 070.041 070.049 053.036 091.051 091.051 091.051 091.051 080.025 080.025 080.025 080.025 080.025 080.025 080.025 080.025 080.025 080.025 091.053 053.027 080.031 070.031 070.031 070.031 070.031 080.029 080.029 080.029 080.011 080.012 080.043 092.075 080.037 080.040 080.041 080.042 080.042 070.040 053.027 080.021 092.011 092.011 040.043 092.007 070.031 070.033 070.034 040.031 080.039 080.036 080.012 080.012 092.075 092.075 092.075 092.077 091.025 091.028 092.039 092.063 091.018 060.005 080.019 080.021 080.019 080.021 091.029 040.040 080.021 080.025 080.021 080.025 080.021 080.025 080.021 080.025 080.025 080.021 080.025 080.021 080.021 080.025 080.021 080.025 080.021 080.025 080.019 080.019 092.011 091.040 052.026 060.012 092.029 091.055 092.075 053.009 080.019 080.023 080.023 080.023 080.023 080.023 080.023 080.023 080.023 080.023 080.023 080.023 080.023 080.023 080.023 080.023 080.023 080.023 080.023 080.023 080.023 080.023 080.023 080.023 080.023 080.023 080.025 080.029 080.019 080.023 080.019 080.019 091.031 091.018 080.023 080.029 091.002 091.026 091.002 091.039 092.065 092.008 092.025 092.027 040.018 092.037 091.044 091.045 040.035 091.007 091.043 091.043 080.021 080.033 091.044 080.021 080.021 080.009 092.073 053.013 080.037 092.063 092.067 092.047 070.025 091.031 091.039 040.020 070.008 070.005 080.043 080.043 080.043 080.043 080.043 080.043 091.043 091.043 091.043 091.016 091.039 080.025 091.016 091.025 052.001 070.018 091.009 091.009 091.037 091.037 091.037 091.037 092.029 092.021 092.021 092.015 092.015 092.017 092.021 092.023 091.023 091.009 091.009 091.043 091.043 092.021 092.023 092.015 092.017 092.021 092.023 092.017 092.023 080.017 080.021 080.017 080.021 092.040 092.011 092.011 092.015 092.040 092.035 091.040 091.040 091.035 091.031 091.039 092.011 091.033 091.039 091.040 091.031 091.033 091.037 091.039 091.040 091.031 091.033 091.037 091.039 091.040 091.031 091.031 091.039 091.037 091.037 091.025 091.025 091.031 091.037 060.003 092.047 092.015 092.017 092.011 092.013 092.019 092.025 092.027 092.029 030.007 040.001 040.001 091.052 091.017 060.005 092.009 092.065 092.068 092.037 092.037 091.043 091.044 092.042 092.044 092.044 092.044 092.044 092.009 091.005 04 04 06 06 06 06 06 02 04 03 06 19 06 23 05 08 13 12 14 05 05 05 05 05 05 05 05 05 05 04 15 05 03 21 27 28 04 06 07 04 02 04 10 08 05 07 07 02 05 05 14 09 17 37 15 31 20 14 03 12 08 03 05 09 08 04 04 10 03 11 11 03 14 03 13 03 15 05 02 06 05 06 05 06 05 06 05 05 06 05 06 06 05 06 05 06 05 03 03 10 09 11 09 21 16 06 19 37 28 26 29 15 23 30 20 20 20 20 20 20 20 20 20 25 20 20 20 20 14 24 20 20 20 11 10 35 20 03 03 38 02 31 09 03 06 04 19 12 02 02 07 04 08 09 07 19 25 34 25 17 07 08 14 14 04 06 22 07 12 08 08 18 28 10 02 06 04 15 01 17 18 05 02 16 30 37 07 02 03 02 02 10 11 05 05 08 08 22 20 12 09 10 17 16 21 19 04 06 04 04 19 23 08 09 19 06 21 01 18 11 02 27 04 28 04 06 16 05 07 02 01 01 15 27 09 22 04 05 06 21 01 17 08 08 17 05 27 04 07 24 05 01 13 12 17 17 18 14 04 05 20 07 20 08 08 11 18 15 05 21 19 06 01 03 15 11 03 07 12 29 10 07 02 04 05 06 14 07 NÚMERO PÁGINA ITEM NÚMERO PÁGINA ITEM NÚMERO PÁGINA ITEM NÚMERO PÁGINA ITEM
  • 529.
    TRATORES JOHN DEERE7500 CPCQ26568 30Jan02 INDICE ALFANUMERICO L79884 L79886 L79919 L80013 L80014 L80015 L80051 L80051 L80051 L80051 L80052 L80052 L80052 L80052 L80053 L80053 L80053 L80136 L80302 L80355 L80355 L80355 L80355 L80355 L80400 L80445 L80446 L80471 M113899 M115279 M115279 M117518 M3636T M48519 M75140 M84497 M84972 N10214 N14822 NSEP005 NSEP006 NSEP006 NSEP006 NSEP010 NSEP017 NSEP017 NSEP021 NSEP021 NSEP025 NSEP029 NSEP029 NSEP030 NSEP030 NSEP031 NSEP032 NSEP033 NSEP044 NSEP045 NSEP047 NSEP053 NSEP056 NSEP068 NSEP069 NSEP077 NSEP083 NSEP084 NSEP091 P48347 P48347 P48347 P51079 P51079 P51212 P59202 P59202 P59203 P59233 P59247 P59252 P59253 P59264 P59265 P59328 P59329 P59922 P59923 P59929 P59946 P59946 P59991 P59991 P59991 P59993 P60209 P60214 P60241 P60242 P60263 P60285 R100105 R100501 R100502 R100503 R100504 R100505 R10093 R10093 R10093 R10093 R10093 R10093 R10093 R10093 R101158 R101159 R101160 R101165 R101168 R101169 R101170 R101170 R101171 R101174 R101175 R101177 R101187 R101201 R101214 R101224 R101224 R101225 R101225 R101227 R101227 R101244 R101291 R101293 R104655 R104701 R104701 R104701 R104701 R104713 R104728 R104738 R104846 R104846 R104846 R104846 R104919 R104919 R104921 R104921 R105040 R105539 R105585 R105585 R105585 R105714 R105825 R105827 R105829 R105843 R105844 R105845 R105846 R105847 R105848 R105849 R105879 R105882 R105901 R106297 R106308 R106381 R106387 R106529 R106551 R106554 R106555 R106603 R106604 R106714 R106797 R106825 R106829 R106829 R106831 R106831 R106904 R107206 R107252 R107620 R107621 R107622 R107795 R107796 R107797 R107798 R107799 R107800 R107801 R107802 R107803 R107808 R107809 R107810 R107811 R107814 R107816 R107818 R107872 R107957 R107975 R108008 R108011 R108011 R108012 R108013 R108015 R108016 R108019 R108024 R108041 R108042 R108042 R108042 R108052 R108062 R108066 R108066 R108067 R108067 R108067 R108086 R108088 R108089 R108090 R108091 R108093 R108095 R108112 R108617 R108888 R108893 R108896 R108925 R108927 R108929 R108984 R109066 R109066 R109066 R109067 R109067 R109138 R109228 R109477 R109493 R109508 R109519 R109523 R109535 R109657 R109690 R109690 R109690 R109691 R109691 R109691 R109882 R109886 R109908 R109909 R109958 R109960 R110037 R110151 R110151 R110196 R110197 R110217 R110217 R110256 R110257 R110260 R110294 R110319 091.043 091.025 091.043 092.035 092.035 092.035 092.013 092.019 092.025 092.027 053.009 092.013 092.019 092.029 092.009 092.013 092.019 091.025 091.005 092.005 092.015 092.017 092.031 092.037 052.001 052.001 052.001 091.025 092.029 092.007 092.043 040.045 040.011 070.018 040.043 070.057 092.037 020.030 020.030 020.045 020.045 020.045 020.045 070.045 091.028 091.028 070.043 070.043 020.045 020.026 020.027 020.039 020.039 020.045 020.045 020.045 020.041 060.003 052.026 060.003 092.065 020.035 040.003 092.067 020.041 020.041 020.041 052.005 053.035 070.007 052.025 060.007 091.049 070.003 070.052 070.003 070.049 070.017 030.005 030.005 053.036 030.005 030.001 070.019 092.003 091.005 091.014 091.005 092.003 060.020 060.021 060.021 060.011 020.039 030.017 040.035 060.013 070.033 070.021 020.008 053.003 053.003 053.003 053.003 053.003 020.054 060.013 060.015 060.017 091.043 091.051 091.053 091.055 052.017 052.017 052.017 052.015 052.015 052.017 052.015 052.018 052.018 052.019 052.019 052.019 052.015 020.037 052.017 020.007 020.008 020.007 020.008 020.007 020.008 052.019 053.013 053.013 052.011 040.043 040.045 040.045 040.050 053.031 052.025 052.015 040.043 040.045 040.045 040.047 040.043 040.047 040.035 040.043 052.008 053.031 052.007 052.008 052.017 020.051 053.023 053.023 053.023 053.019 053.019 053.019 053.019 053.019 053.019 053.019 053.031 053.027 053.023 070.013 070.015 092.009 092.009 092.005 091.047 040.021 040.021 040.021 040.021 070.050 053.005 052.021 020.020 020.023 020.020 020.023 053.007 052.011 052.023 053.015 053.015 053.015 070.045 070.045 070.045 070.045 070.045 070.045 070.045 070.045 070.045 070.045 070.045 070.045 070.045 070.045 070.045 070.045 070.041 080.006 070.008 070.041 070.041 070.049 070.052 070.041 070.045 070.045 070.045 070.045 060.013 060.013 060.015 060.017 060.013 060.013 060.013 060.017 060.013 060.015 060.017 070.011 070.011 070.011 070.011 070.011 070.011 070.011 070.013 052.023 053.003 053.005 053.007 052.021 052.021 053.003 052.018 052.017 052.026 052.028 052.017 052.026 053.032 070.049 053.033 052.023 053.005 052.011 052.011 052.023 053.005 053.013 053.017 053.035 053.013 053.017 053.035 020.053 020.053 052.009 053.003 052.011 052.011 052.013 052.005 052.007 053.003 052.013 052.013 053.033 052.005 052.005 052.005 053.009 053.015 13 11 28 03 05 06 03 03 10 13 08 04 07 17 13 09 04 16 16 07 14 19 09 18 01 11 09 21 13 11 02 07 09 14 38 11 11 02 01 07 02 04 06 03 07 08 06 12 08 06 05 03 03 03 05 09 06 22 16 20 06 08 01 07 02 05 03 20 07 06 21 12 03 17 01 10 07 01 07 06 02 13 14 04 09 08 05 27 07 11 11 12 05 14 04 15 24 14 10 07 13 13 13 13 13 02 11 04 11 26 10 08 10 12 04 11 09 15 02 13 07 03 03 05 02 06 11 05 05 05 06 06 02 02 09 20 19 04 25 37 42 05 17 23 02 03 21 25 03 06 06 25 34 04 03 27 08 08 09 02 08 12 01 17 12 11 03 08 22 15 24 25 07 08 03 04 06 05 03 04 02 07 03 22 12 04 07 04 05 05 23 27 03 02 05 04 05 06 07 08 10 11 12 13 14 15 16 17 18 20 22 06 03 05 08 02 21 10 04 23 24 26 29 18 19 05 19 04 08 17 17 20 06 20 02 03 04 05 06 12 16 09 20 17 13 04 09 10 03 06 07 04 03 15 05 02 14 04 14 10 19 01 10 11 16 40 21 14 38 24 14 12 05 15 14 16 06 29 17 18 07 08 02 15 18 22 03 09 NÚMERO PÁGINA ITEM NÚMERO PÁGINA ITEM NÚMERO PÁGINA ITEM NÚMERO PÁGINA ITEM
  • 530.
    TRATORES JOHN DEERE7500 CPCQ26568 30Jan02 INDICE ALFANUMERICO R110386 R110387 R110457 R110458 R110458 R110459 R110459 R110484 R110484 R110485 R110485 R110487 R110487 R110494 R110494 R110554 R110554 R110936 R110989 R111039 R111085 R111137 R111173 R111186 R111187 R111188 R111200 R111200 R111200 R111200 R111200 R111206 R111206 R111206 R111234 R111235 R111238 R111238 R111238 R111242 R111242 R111242 R111278 R111288 R111288 R111288 R111288 R111288 R111292 R111293 R111296 R111297 R111298 R111308 R111308 R111308 R111308 R111308 R111486 R111487 R111488 R111489 R111493 R111493 R111496 R111498 R111504 R111504 R111504 R111516 R111525 R111526 R111526 R111527 R111527 R111527 R111532 R111546 R111547 R111550 R111551 R111553 R111570 R111582 R111691 R111692 R111716 R112063 R112296 R112513 R112515 R112551 R112552 R112553 R112567 R112570 R112676 R112679 R112680 R112857 R112867 R112887 R112897 R112945 R112955 R112974 R112976 R112977 R113050 R113050 R113054 R113057 R113061 R113164 R113189 R113209 R113218 R113218 R113218 R113223 R113223 R113223 R113224 R113224 R113224 R113226 R113226 R113226 R113228 R113228 R113228 R113228 R113229 R113229 R113229 R113351 R113369 R113392 R113419 R113463 R113494 R113565 R113616 R113616 R113617 R113617 R113656 R113701 R114096 R114097 R114102 R114157 R114215 R114264 R114843 R114850 R114899 R114918 R114990 R115104 R115119 R115140 R115152 R115152 R115152 R115152 R115154 R115201 R115202 R115213 R115215 R115351 R115351 R115352 R115388 R115389 R115390 R115415 R115771 R115892 R115952 R115957 R115974 R115975 R115998 R115999 R116000 R116040 R116057 R116102 R116137 R116379 R116894 R117158 R117163 R117420 R117421 R117451 R117463 R117602 R117616 R117738 R117738 R117738 R117872 R117942 R117942 R117942 R118092 R118092 R118092 R118164 R118165 R118182 R118192 R118192 R118192 R118205 R118453 R119084 R119084 R119095 R119097 R119187 R119199 R119203 R119203 R119265 R119392 R119392 R119395 R119592 R119646 R119646 R119810 R119832 R119873 R120146 R120247 R120354 R120452 R120452 R120499 R120565 R120884 R120901 R120902 R120939 R120939 R120940 R120941 R120943 R120947 R120947 R120955 R120981 R121041 R121042 R121042 R121043 R121150 R121248 R121451 R121532 R121580 R121580 R121682 R121779 R121795 R121803 R121828 R121833 R121867 R121867 R121885 R122142 R122203 R122322 R122521 R122548 R122638 R122750 R122850 R124019 R124021 R124023 R124023 R124230 040.020 040.020 052.005 053.005 053.023 053.005 053.023 053.003 053.005 053.003 053.005 053.003 053.005 053.003 053.005 040.001 080.009 070.017 070.055 052.003 052.026 020.003 091.003 070.011 070.011 070.011 070.027 070.029 070.031 070.033 070.034 070.027 070.031 070.034 070.025 070.025 070.027 070.029 070.031 070.027 070.029 070.031 070.034 070.023 070.025 070.027 070.029 070.031 070.037 070.037 070.037 070.037 070.021 070.023 070.025 070.027 070.029 070.031 070.025 070.025 070.023 070.025 070.023 070.025 070.025 070.023 070.027 070.029 070.031 070.021 070.021 070.023 070.025 070.027 070.029 070.031 070.025 070.005 070.005 070.005 070.005 070.005 091.016 070.011 070.007 070.007 053.007 052.023 053.021 092.033 092.033 092.033 092.033 092.033 053.007 053.007 060.018 070.007 092.009 052.013 020.028 053.019 053.007 052.026 052.013 052.005 052.005 052.025 091.043 091.055 060.017 060.017 060.017 040.038 040.038 070.034 070.027 070.029 070.031 070.027 070.029 070.031 070.027 070.029 070.031 070.027 070.029 070.031 070.027 070.029 070.031 070.034 070.027 070.029 070.031 091.033 060.003 070.011 052.026 052.023 053.023 020.041 053.003 053.005 053.003 053.005 052.011 020.053 020.053 020.053 020.054 020.020 052.017 052.008 030.019 070.025 092.033 080.003 092.033 052.029 052.021 052.023 052.007 052.007 052.023 052.025 052.003 053.015 053.013 052.029 052.019 070.047 070.051 070.051 052.005 052.005 020.003 052.005 070.011 070.037 070.034 053.007 092.007 060.013 053.005 053.005 053.005 052.025 052.017 020.029 020.058 053.031 052.015 080.001 092.007 040.026 040.026 040.026 092.033 080.001 070.015 070.027 070.029 070.031 070.015 070.027 070.029 070.031 070.027 070.029 070.031 053.007 053.007 070.017 070.027 070.029 070.031 060.017 092.033 052.005 052.007 053.003 053.003 053.009 053.005 052.005 052.007 020.033 020.004 020.020 020.033 052.001 052.005 052.007 052.005 053.011 052.003 020.053 020.029 052.005 052.005 052.007 053.003 052.003 053.035 053.021 052.028 053.003 053.003 053.003 053.003 053.009 052.021 052.023 091.055 052.023 052.015 052.015 052.015 020.003 052.011 052.019 052.009 053.023 052.005 052.025 052.023 020.029 070.047 053.023 053.017 052.030 020.026 020.027 052.023 052.009 053.005 052.009 053.005 020.016 053.009 053.027 060.019 052.003 052.007 052.005 052.007 020.026 07 08 12 20 10 06 11 23 23 25 25 26 26 28 28 12 15 12 17 12 13 11 05 01 13 17 19 19 19 13 03 05 41 04 32 31 07 07 07 09 09 09 05 12 12 13 13 13 13 19 08 16 15 19 19 16 16 16 04 09 17 36 15 15 35 18 34 34 34 09 08 13 13 36 36 33 29 06 07 03 02 05 04 08 07 01 27 33 23 10 07 05 15 16 16 23 04 04 12 03 14 23 12 10 02 17 21 20 22 19 21 22 23 07 11 06 33 33 32 38 38 37 39 39 38 40 40 39 17 17 17 13 37 37 36 13 07 10 09 29 14 04 27 27 24 24 11 06 09 08 03 06 09 09 11 34 11 02 04 01 13 32 07 12 18 10 14 26 03 04 11 01 01 07 09 07 17 05 09 05 07 21 13 22 17 18 19 15 16 11 12 02 12 04 12 05 09 03 14 03 03 42 41 41 07 35 35 35 31 31 30 31 26 06 32 32 29 16 19 27 06 05 09 06 15 30 24 03 06 05 04 16 24 13 03 07 07 07 12 14 31 26 12 04 19 21 01 06 11 07 10 09 19 09 13 09 16 17 17 10 10 12 01 01 35 26 05 07 07 05 21 01 01 02 06 02 08 08 14 04 05 10 03 03 09 34 32 07 NÚMERO PÁGINA ITEM NÚMERO PÁGINA ITEM NÚMERO PÁGINA ITEM NÚMERO PÁGINA ITEM
  • 531.
    TRATORES JOHN DEERE7500 CPCQ26568 30Jan02 INDICE ALFANUMERICO R124436 R124438 R124627 R124628 R125065 R125086 R125127 R125128 R125173 R125178 R125477 R125656 R125915 R125980 R125985 R126399 R126462 R126513 R126667 R126667 R126667 R127579 R127580 R128361 R128837 R128889 R129184 R129280 R129365 R129531 R129553 R129586 R129680 R129726 R129754 R129759 R129797 R129912 R129975 R130027 R130488 R130719 R130825 R130854 R131047 R131135 R131177 R131214 R131794 R131824 R132845 R133086 R133450 R134141 R134341 R134754 R135174 R135509 R135510 R135625 R150858 R151061 R153137 R153138 R153187 R153297 R154949 R161739 R161741 R161742 R162100 R162142 R162148 R162278 R162580 R169519 R170103 R171007 R171010 R171013 R175130 R175130 R175131 R176475 R181288 R182470 R182471 R182472 R182475 R185109 R23551 R26125 R26286 R26286 R26287 R26287 R26287 R26287 R26287 R26375 R26375 R26375 R26375 R26375 R26448 R26448 R26448 R26448 R26493 R26552 R26552 R26552 R26650 R26871 R26871 R26906 R26906 R26906 R26906 R26906 R26908 R26976 R26976 R26976 R27094 R27166 R27166 R27175 R27329 R27976 R28776 R28776 R28776 R28782 R28782 R28811 R29463 R29936 R29936 R30587 R30903 R30903 R31271 R31271 R32210 R33026 R33167 R33167 R33259 R33259 R33259 R33259 R33877 R34028 R34558 R34659 R34801R R34801R R34812 R34985 R35034 R35365 R35366 R35367 R36623 R375R R38295 R38295 R39112 R39112 R39283 R39322 R39322 R39322 R394R R39832 R39832 R40915 R41012 R41076 R42057 R42729 R42849 R43381 R43383 R43409 R43416 R44165 R44165 R44302 R44302 R44302 R44357 R44357 R44358 R44358 R44359 R44359 R46323 R46324 R46325 R46414 R46727 R47150 R47150 R47151 R47172 R48000 R48685 R48747 R48747 R48748 R48749 R48749 R48750 R48750 R48750 R49002 R49003 R49004 R49434 R49518 R49518 R495R R50034 R50222 R50227 R50227 R50879 R51192 R51192 R51200 R51936 R51937 R52640 R52876 R53657 R53658 R54114 R54114 R54174 R54477 R54477 R54565 R54575 R54632 R54638 R54641 R54779 R54781 R54782 R54802 R54823 R56101 R56101 R56131 R56188 R56461 R56462 R56464 R56504 R56551 R56947 R57269 R57451 R57451 R58303 R58509 R58511 R58832 R58832 R58941 R60263 R60264 R60755 R60755 R61179 R61501 R61871 R62372 R63226 R63548 R63548 R63548 R63548 R63737 R65215 R65239 052.009 052.009 070.055 070.055 052.015 053.027 060.019 060.019 052.011 053.027 053.033 052.015 092.033 053.027 052.017 060.019 052.025 020.011 070.027 070.029 070.031 052.026 052.026 053.009 053.032 052.009 052.003 052.005 052.019 092.033 020.016 053.019 053.027 053.015 053.031 053.031 052.025 053.027 053.031 092.033 052.021 053.031 053.019 020.035 092.033 092.033 053.019 053.019 020.006 052.025 060.017 053.027 091.031 052.025 053.015 052.007 052.005 040.011 040.011 052.003 052.026 053.019 053.005 053.003 052.011 052.015 070.005 052.021 052.021 052.021 053.019 053.003 052.013 052.013 053.005 053.017 053.017 052.011 052.011 052.011 052.007 052.008 052.007 052.009 053.015 053.023 053.023 053.023 053.023 053.023 080.039 020.023 020.039 053.017 053.017 053.017 053.019 053.019 060.017 053.007 053.013 070.027 070.029 070.037 053.025 060.017 070.003 070.057 020.003 053.009 053.009 060.013 020.003 070.007 092.011 020.031 070.023 070.025 070.027 070.029 070.013 070.027 070.029 070.031 020.039 052.005 052.007 053.017 053.025 052.025 052.003 053.025 060.017 070.027 070.029 020.017 070.055 070.049 070.052 052.021 060.017 060.017 092.025 092.027 053.017 053.023 052.008 053.031 070.023 091.043 091.051 091.055 070.005 052.025 060.005 080.039 080.039 080.041 092.042 020.057 053.031 053.005 053.005 053.005 053.007 053.009 052.003 052.015 053.007 053.013 053.015 052.008 052.013 053.019 053.025 053.017 053.019 070.007 080.039 070.007 052.007 020.022 053.017 053.031 053.031 020.020 020.032 091.043 092.007 040.031 052.026 091.049 070.047 070.051 070.047 070.051 070.047 070.051 053.019 053.019 053.019 020.032 080.048 070.023 070.025 070.033 053.019 020.037 053.025 070.047 070.051 070.047 070.047 070.051 070.047 070.051 070.051 053.015 053.015 053.015 053.029 053.017 070.052 020.019 060.018 053.031 092.025 092.027 060.018 060.018 092.009 053.005 020.037 020.037 092.042 053.031 053.023 053.023 020.026 020.027 052.005 091.016 092.042 020.022 053.009 020.028 020.058 020.058 040.026 040.026 040.026 020.003 020.053 020.039 070.057 020.035 020.027 020.029 020.053 053.011 070.007 020.031 020.051 053.023 020.026 020.027 080.039 092.011 092.011 070.021 070.037 052.023 091.049 091.049 060.013 060.015 040.026 020.058 020.028 053.007 052.008 070.023 070.023 070.025 070.025 070.015 020.003 070.015 08 09 20 27 15 09 04 01 21 07 01 16 06 03 13 05 01 01 41 41 40 02 01 10 02 11 10 01 10 18 03 01 16 24 02 06 01 13 08 01 03 15 07 07 09 08 12 30 01 18 18 01 09 18 15 10 02 04 05 11 03 17 11 09 18 14 12 16 17 18 06 03 07 06 08 24 25 10 18 11 20 07 21 01 26 01 08 12 18 18 19 03 11 29 07 14 25 28 07 09 18 21 21 22 15 08 12 09 09 07 15 02 06 09 19 08 23 23 27 27 03 04 04 04 04 08 11 22 02 05 13 17 13 03 03 02 11 08 05 04 05 06 07 09 33 17 03 18 04 21 11 04 08 04 02 10 21 03 10 09 08 03 04 05 15 20 15 18 10 21 23 05 04 15 18 20 29 02 10 08 04 06 30 07 10 03 08 35 03 02 15 11 03 03 03 03 03 03 21 21 21 14 01 21 21 19 02 06 08 04 04 04 04 04 04 04 08 16 17 18 09 05 03 01 14 05 06 08 12 05 08 21 08 09 03 04 06 06 05 07 10 08 01 01 16 07 11 06 12 13 06 03 02 13 13 04 08 05 13 05 03 06 11 07 09 09 14 11 12 11 20 30 05 06 07 02 11 02 04 08 06 06 16 06 16 09 12 11 NÚMERO PÁGINA ITEM NÚMERO PÁGINA ITEM NÚMERO PÁGINA ITEM NÚMERO PÁGINA ITEM
  • 532.
    TRATORES JOHN DEERE7500 CPCQ26568 30Jan02 INDICE ALFANUMERICO R65240 R65833 R65833 R66090 R66177 R66375 R66670 R67575 R67811 R68171 R68672 R69166 R69721 R70027 R70027 R70236 R71963 R72040 R72653 R72853 R73380 R73728 R74192 R74192 R74195 R74210 R74402 R74552 R74628 R74868 R74993 R75470 R75522 R75522 R75728 R75837 R75892 R76477 R76617 R76617 R76617 R76674 R76964 R76974 R77175 R77175 R77175 R77610 R77915 R78048 R78049 R78050 R78051 R78053 R78054 R78055 R78056 R78056 R78057 R78057 R78058 R78058 R78059 R78059 R78059 R78060 R78061 R78062 R78063 R78063 R78063 R78064 R78064 R78156 R78165 R78436 R79018 R79060 R79089 R79521 R79560 R79562 R79563 R79605 R79639 R80436 R80436 R80879 R81207 R81207 R81207 R81275 R81989 R82674 R82859 R83169 R83429 R83588 R84157 R85363 R86457 R86638 R87210 R87210 R87259 R87395 R87395 R87455 R87789 R88246 R88667 R88889 R89411 R89879 R90692 R90788 R91692 R91889 R92154 R92241 R92352 R93172 R93317 R93467 R93485 R93623 R93784 R93803 R93885 R94072 R94072 R94714 R94919 R95063 R95065 R95073 R95075 R95075 R95075 R95076 R95077 R95081 R95082 R95082 R95084 R95086 R95086 R95109 R95110 R95110 R95142 R95143 R95151 R95152 R95152 R95160 R95165 R95189 R95195 R95197 R95198 R95200 R95206 R95207 R95216 R95216 R95248 R95301 R95301 R95313 R95316 R95316 R95360 R95378 R95380 R95396 R95398 R95401 R95407 R95412 R95413 R95422 R95449 R95450 R95452 R95453 R95454 R95455 R95490 R95490 R95490 R95491 R95491 R95491 R95493 R95493 R95493 R95493 R95493 R95493 R95493 R95494 R95494 R95494 R95494 R95494 R95494 R95494 R95494 R95494 R95498 R95501 R95503 R95506 R95612 R95613 R95654 R95778 R95784 R95835 R95835 R95850 R95890 R95892 R95895 R96151 R96195 R96196 R96216 R96295 R96295 R96515 R96517 R96577 R96703 R96805 R96806 R96826 R96924 R97250 R97344 R97344 R97351 R97490 R97491 R97492 R97493 R97588 R97588 R98062 RE11578 RE12187 RE12187 RE12187 RE12187 RE12330 RE12331 RE12332 RE12333 RE12363 RE12364 RE12365 RE12366 RE12518 RE12820 RE13571 RE150486 RE151054 RE151059 RE151355 RE151356 RE152373 RE153687 RE15490 RE154986 RE155060 RE156447 RE159087 RE159087 RE160072 RE162113 RE162140 RE163138 RE163759 RE165047 RE166156 RE166611 RE170904 070.015 020.026 020.027 020.037 020.028 091.003 053.007 092.011 053.019 053.019 070.008 070.015 053.033 053.031 053.031 053.019 020.037 091.047 053.009 020.051 080.039 092.007 052.005 052.007 020.026 070.003 091.035 020.028 080.009 053.019 040.045 020.006 080.021 080.033 020.018 080.023 020.003 070.011 052.007 052.023 052.025 053.031 020.035 020.032 052.023 070.021 070.057 052.023 092.052 040.049 040.049 040.049 040.049 040.049 040.049 040.049 040.043 040.049 040.043 040.049 040.043 040.049 040.043 040.047 040.049 040.049 040.049 040.049 040.043 040.047 040.049 040.047 040.049 053.019 052.023 052.005 052.011 070.037 020.004 053.009 020.028 020.028 020.028 020.037 052.021 070.015 070.017 053.019 091.028 091.039 091.047 020.031 020.024 020.003 020.032 020.011 020.022 080.039 060.003 020.020 070.007 052.023 052.008 052.011 020.013 052.011 052.015 052.025 053.029 053.003 080.043 052.021 053.017 020.032 020.023 020.013 020.011 020.023 020.019 052.013 020.037 053.023 053.015 053.031 053.027 053.019 053.011 053.007 053.019 070.047 070.051 053.023 053.023 052.023 052.023 052.023 052.007 052.023 052.025 052.025 052.025 052.025 052.023 052.025 052.025 052.023 052.025 053.031 053.031 053.031 053.029 053.029 053.027 053.027 053.027 053.029 053.027 053.035 053.035 053.035 053.035 053.035 070.008 070.008 052.005 053.035 053.005 052.011 052.015 052.017 052.009 052.017 052.011 052.009 052.009 052.030 052.026 070.011 053.005 030.001 030.001 052.009 053.015 053.015 053.015 053.015 053.015 053.015 070.027 070.029 070.031 070.027 070.029 070.031 070.027 070.029 070.031 070.033 070.034 070.037 070.059 070.027 070.029 070.031 070.033 070.034 070.037 070.038 070.039 070.059 052.003 052.003 052.007 052.005 080.043 080.043 080.006 052.023 053.027 052.015 052.018 052.028 053.035 053.035 052.018 070.057 091.008 091.008 091.008 070.015 070.017 070.047 070.047 053.009 040.011 052.011 052.011 052.019 053.011 053.033 020.029 020.030 020.016 020.023 020.023 020.023 020.023 091.031 091.037 020.023 070.013 052.023 070.021 070.037 070.057 040.049 040.049 040.049 040.049 040.049 040.049 040.049 040.049 053.019 020.024 020.025 053.003 070.041 052.017 052.008 052.015 070.057 053.013 020.028 070.038 052.015 052.015 053.013 053.017 060.019 052.013 052.021 053.017 052.021 052.026 053.015 092.031 040.033 12 02 06 10 10 03 02 03 06 31 07 16 03 09 09 18 02 13 13 06 17 05 25 14 10 11 05 01 03 05 13 04 21 09 03 02 08 22 03 35 08 22 05 11 26 06 10 38 01 10 15 19 08 13 17 04 32 07 33 02 35 06 23 30 01 02 06 01 39 28 01 05 09 09 08 13 07 14 09 18 05 13 12 03 07 14 10 07 11 23 04 04 08 15 12 07 09 05 21 01 05 11 02 25 04 08 08 24 07 19 13 02 32 04 08 02 11 01 02 05 05 23 21 20 06 04 04 06 16 06 06 22 15 22 28 31 05 36 09 06 07 11 12 13 12 15 17 12 14 14 04 08 20 17 22 01 11 01 03 12 13 15 02 03 16 04 16 03 04 03 11 06 02 03 07 07 14 20 12 10 04 06 04 06 08 10 13 14 15 15 15 10 10 10 06 06 06 05 08 03 16 14 14 14 06 09 09 10 02 17 09 06 02 06 06 03 02 37 04 03 04 02 06 08 02 12 03 03 11 06 11 04 04 11 02 13 15 06 01 01 06 03 06 06 06 08 08 31 06 06 02 34 05 12 08 14 12 18 03 11 16 20 05 10 10 02 01 01 01 01 01 02 13 11 08 01 01 11 06 02 01 15 01 20 12 01 03 02 NÚMERO PÁGINA ITEM NÚMERO PÁGINA ITEM NÚMERO PÁGINA ITEM NÚMERO PÁGINA ITEM
  • 533.
    TRATORES JOHN DEERE7500 CPCQ26568 30Jan02 INDICE ALFANUMERICO RE170904 RE170964 RE173060 RE176785 RE176881 RE179032 RE179258 RE179259 RE179329 RE186139 RE187398 RE187450 RE194070 RE19797 RE19800 RE19871 RE20901 RE22744 RE23286 RE23286 RE24201 RE24467 RE26286 RE27351 RE27352 RE27353 RE27359 RE27360 RE27366 RE31617 RE31701 RE31973 RE33040 RE33043 RE33083 RE33466 RE33466 RE34138 RE34603 RE34603 RE34603 RE34763 RE34784 RE34786 RE34868 RE35512 RE36939 RE37643 RE37644 RE38391 RE38725 RE39262 RE39354 RE39396 RE39396 RE39397 RE39527 RE39607 RE39607 RE39607 RE39967 RE40048 RE41265 RE41285 RE41945 RE41949 RE42192 RE42567 RE42651 RE42709 RE43497 RE43542 RE43542 RE43608 RE43609 RE43637 RE43662 RE43663 RE43710 RE43737 RE43737 RE43738 RE43835 RE43836 RE43837 RE43845 RE43917 RE44199 RE44574 RE45517 RE45864 RE45865 RE45963 RE46534 RE46534 RE46587 RE46588 RE46589 RE46590 RE46592 RE46597 RE46598 RE46634 RE46648 RE46649 RE46684 RE46684 RE46684 RE46684 RE46684 RE46684 RE46684 RE46684 RE46685 RE46685 RE46687 RE46687 RE46687 RE46728 RE46736 RE47278 RE47279 RE47291 RE47294 RE47303 RE47315 RE47322 RE47323 RE47326 RE47326 RE47328 RE47329 RE47385 RE47392 RE47392 RE47393 RE47789 RE47789 RE47867 RE48092 RE48258 RE48263 RE48265 RE48348 RE48867 RE48875 RE48876 RE48990 RE48990 RE49037 RE49038 RE49091 RE49100 RE49105 RE49107 RE49110 RE49136 RE49231 RE49624 RE49624 RE49624 RE49624 RE49624 RE49624 RE49624 RE49630 RE49631 RE49631 RE49631 RE49633 RE49639 RE49670 RE49696 RE49724 RE49726 RE49735 RE49736 RE50005 RE50005 RE500160 RE50122 RE50211 RE50332 RE50333 RE50334 RE50335 RE50336 RE50337 RE50337 RE50338 RE50338 RE50373 RE50384 RE50384 RE50384 RE50385 RE50385 RE50385 RE50385 RE50386 RE50752 RE50782 RE50782 RE50782 RE508195 RE509857 RE509857 RE51104 RE51178 RE51287 RE51649 RE51650 RE51774 RE51905 RE52043 RE52144 RE52242 RE52254 RE52284 RE52401 RE52504 RE52579 RE52580 RE52695 RE52702 RE52986 RE53051 RE53311 RE53716 RE53756 RE53807 RE54029 RE54216 RE54443 RE54513 RE54776 RE54776 RE54872 RE54872 RE54873 RE54894 RE54982 RE55037 RE55212 RE55238 RE55288 RE55390 RE55527 RE55561 RE55562 RE55844 RE56036 RE56037 RE56106 RE56127 RE56127 RE56127 RE56165 RE56451 RE56595 RE56605 RE56617 RE56684 RE57000 RE57409 RE57465 RE57751 RE57756 RE57993 RE58028 RE58029 RE58171 RE58290 RE58344 RE58829 RE58830 RE58831 RE58832 RE58833 RE58834 RE58835 RE59013 RE60005 RE60316 RE60350 RE60501 RE60708 RE60708 092.048 070.059 053.017 070.025 053.017 070.025 070.025 070.025 070.025 053.025 053.005 053.025 053.005 020.036 020.036 020.021 020.036 020.035 053.031 053.031 092.039 070.007 020.041 020.025 020.025 020.025 020.025 020.025 020.025 020.023 053.023 020.022 053.031 053.031 053.013 070.047 070.051 060.007 052.011 052.019 053.003 052.018 052.017 052.017 053.015 052.011 020.037 020.023 020.023 040.038 053.027 052.009 052.025 070.023 070.025 070.037 070.057 070.023 070.038 070.059 040.035 030.027 052.018 052.019 052.008 040.045 040.045 053.017 053.017 053.025 091.043 040.033 040.036 070.013 070.013 091.005 060.018 060.018 092.009 040.035 040.035 070.011 070.045 070.046 070.045 020.029 070.057 020.013 020.016 020.024 070.049 092.001 092.007 052.007 091.005 091.037 091.037 091.037 091.037 091.037 060.015 060.013 091.043 070.045 070.045 052.007 052.023 052.026 053.013 053.035 070.021 070.037 070.057 052.025 053.017 020.030 070.023 070.025 070.055 040.045 052.008 052.019 052.021 052.015 052.025 052.023 053.029 053.032 052.013 053.033 053.032 053.035 053.015 053.013 053.017 053.035 053.017 053.019 020.026 052.009 070.017 070.017 070.017 053.021 040.038 040.035 040.035 040.018 040.021 070.041 070.057 070.037 070.009 070.043 070.043 070.055 070.045 053.021 070.021 070.023 070.025 070.027 070.029 070.031 070.037 070.023 070.027 070.029 070.031 070.027 092.031 060.018 053.007 040.035 040.035 040.038 040.038 070.047 070.051 020.041 020.051 020.028 070.035 070.035 070.035 070.025 070.025 070.023 070.025 070.023 070.025 091.008 070.027 070.029 070.031 070.027 070.029 070.031 070.035 070.055 020.042 053.013 053.017 053.035 020.012 040.003 040.009 092.007 070.055 053.007 020.044 020.045 020.059 053.009 053.005 052.007 052.023 053.009 052.021 070.055 030.022 070.045 070.045 070.052 030.025 052.023 053.035 053.035 020.026 053.007 053.009 070.007 052.007 052.005 030.001 053.003 053.005 053.013 053.017 053.017 020.029 052.005 020.032 070.052 070.015 053.003 020.034 020.020 053.011 053.011 053.011 052.015 052.011 070.057 070.027 070.029 070.031 070.007 052.011 020.031 020.039 020.032 020.036 052.015 020.039 052.007 092.043 053.017 092.031 091.033 092.033 020.036 053.021 053.009 020.017 020.036 020.036 020.036 020.036 020.036 020.036 053.021 020.023 092.031 020.025 052.023 060.013 060.015 03 08 34 01 36 27 17 33 08 01 01 07 01 02 05 01 04 06 13 13 10 10 07 03 01 01 03 01 03 04 17 08 19 11 01 02 02 01 20 08 04 05 01 10 07 12 01 04 04 01 14 14 02 14 14 04 03 01 05 20 16 12 01 04 10 15 10 28 09 07 38 06 04 04 04 20 07 08 05 11 11 11 02 01 09 03 02 01 07 01 15 02 14 18 21 03 02 04 03 04 01 14 31 27 28 22 03 06 10 10 01 07 15 09 36 04 10 10 09 20 01 07 06 05 22 23 06 04 08 02 06 02 11 12 42 23 15 26 11 04 15 08 13 03 10 04 17 01 01 05 20 15 07 01 05 01 19 07 16 20 20 20 20 20 21 27 22 22 22 23 01 09 28 13 14 08 09 08 10 01 10 03 03 01 02 37 37 24 24 22 22 04 25 25 25 26 26 26 04 07 01 13 39 20 01 01 01 10 21 22 01 01 01 04 01 28 07 02 01 14 01 21 25 09 01 25 17 22 08 01 12 15 25 11 05 08 09 11 06 41 04 32 06 04 01 21 01 02 06 08 02 10 05 21 24 24 24 10 24 03 07 03 06 01 08 29 01 17 11 12 13 01 17 21 03 07 08 09 10 11 12 03 02 03 03 16 21 01 NÚMERO PÁGINA ITEM NÚMERO PÁGINA ITEM NÚMERO PÁGINA ITEM NÚMERO PÁGINA ITEM
  • 534.
    TRATORES JOHN DEERE7500 CPCQ26568 30Jan02 INDICE ALFANUMERICO RE60720 RE60765 RE60765 RE60854 RE61190 RE61191 RE61860 RE62102 RE62158 RE62245 RE62419 RE62446 RE62620 RE62621 RE62918 RE63059 RE63587 RE64082 RE64281 RE64466 RE65088 RE65234 RE65291 RE66257 RE66746 RE66783 RE66820 RE66820 RE67860 RE68327 RE69674 RE70427 RE70679 RE70682 RE70756 RE70959 RE71151 RE71256 RE71557 S17072 SG010.01 SG064.01 SG064.01 SG06401 T100529 T101545 T101546 T106596 T11180 T113255 T113255 T116851 T12083 T12083 T13119 T13119 T13814 T146102 T146104 T146106 T146515 T146516 T146517 T150958 T152293 T15258 T15258 T15258 T159519 T16318 T17148 T187684 T18891 T18891 T19044 T19898 T20034 T20046 T20070 T20072 T20073 T20094 T20166 T20168 T20168 T20217 T20217 T20243 T20280 T20298 T20314 T20315 T20316 T20316 T20328 T20336 T20362 T20364 T21564 T22242 T22486 T22486 T23260 T23442 T23474 T23474 T23853 T24472 T24802 T25469 T25484 T25485 T26321 T26327 T26565 T26565 T26565 T27260 T27432 T27432 T27432 T27432 T27658 T28583 T31174 T32146 T32146 T41836 T42302 T42571 T44604 T44604 T54324 T58477 T63817 T67424 T67425 T70177 T70177 T70321 T70659 T70659 T70659 T70659 T70659 T70659 T75837 T75984 T75984 T76502 T76502 T77346 T77613 T77613 T77613 T77613 T77613 T77613 T77613 T77613 T77613 T77814 T77814 T77857 T77857 T77857 T77857 T77857 T77857 T77857 T77857 T77857 T77857 T77857 T77857 T77857 T77857 T77857 T77858 T77858 T77858 T77932 T77932 T78612 T81686 T81686 T82518 T82519 T82519 T82520 T82520 T82521 T82521 T82522 T82522 T82523 T82523 T82524 T82524 T82525 T82525 T82526 T82526 T82527 T82532 T82543 T82543 T82543 T82559 T82559 T82618 T82619 TH101502 TY16034 U10289 U10289 U10289 U12198 U12331 U12547 U12547 U15973 U17409 U17409 U17409 U17409 U42702 U42902 U42902 U46662 U46662 UN4808 UN4815 UN4815 UN4822 Z29304 Z29304 Z32264 Z35271 Z42839 Z44689 Z55427 Z59343 030.001 040.018 040.021 020.043 053.023 053.023 020.035 020.032 020.041 052.017 020.040 070.037 052.025 052.005 052.011 052.011 060.014 052.007 092.031 053.027 053.017 052.019 053.031 060.018 052.003 053.032 020.026 020.027 060.017 040.045 052.028 052.013 040.011 040.011 040.011 040.011 053.003 040.011 091.035 020.049 070.049 020.049 030.019 091.049 053.017 060.007 060.007 053.017 020.032 080.019 080.021 080.033 053.011 053.025 060.013 060.017 053.021 040.011 040.011 040.011 040.011 040.011 040.011 070.025 060.007 070.047 070.051 070.051 080.027 020.034 060.003 080.027 020.003 020.004 020.053 020.032 020.007 020.024 020.021 020.021 020.022 020.024 020.006 020.003 020.004 020.024 070.008 020.057 020.051 020.028 020.022 020.022 020.022 092.009 020.013 020.015 020.011 020.011 053.017 030.014 030.005 030.013 020.015 020.006 020.003 020.004 052.025 020.037 053.021 020.051 020.057 020.057 020.008 020.007 053.017 053.017 053.023 091.031 052.021 070.047 070.051 070.051 020.011 040.045 020.037 080.011 080.012 060.007 070.050 060.017 070.023 070.025 060.007 020.031 040.021 070.023 070.023 070.023 070.025 060.007 030.001 030.008 030.022 060.012 091.005 091.055 080.035 070.038 070.039 070.023 070.025 060.007 053.021 060.005 060.009 060.009 060.020 060.021 070.003 070.052 070.055 060.005 070.037 053.021 053.021 053.021 053.021 060.005 060.009 060.009 060.012 070.003 070.009 070.034 070.037 070.040 070.043 070.055 030.008 070.049 070.055 060.017 070.055 070.055 070.023 070.025 080.035 080.023 080.035 080.023 080.035 080.023 080.035 080.023 080.035 080.023 080.035 080.023 080.035 080.023 080.035 080.023 080.035 080.035 080.035 080.019 080.019 080.027 080.019 080.027 080.033 080.019 092.033 020.060 053.017 053.017 053.017 020.053 053.013 070.023 070.025 052.029 060.013 060.017 070.027 070.029 070.049 070.038 070.039 040.043 040.045 040.039 091.018 091.020 091.016 070.038 070.039 052.030 030.007 091.023 040.043 092.040 091.049 03 10 19 01 19 19 01 09 08 14 01 24 19 19 22 09 01 08 11 18 01 01 13 03 01 01 04 04 01 01 05 01 06 07 01 12 01 08 16 03 11 01 02 07 35 11 13 08 13 30 08 06 09 09 12 12 15 03 03 03 03 03 03 30 09 04 04 08 10 02 03 21 07 07 01 05 04 06 02 04 10 04 03 13 02 11 04 01 05 08 04 07 03 09 03 01 04 03 10 05 02 01 02 05 14 03 16 07 11 02 02 03 04 01 26 27 26 07 11 04 04 08 08 14 04 05 01 07 01 02 05 05 04 07 10 08 09 28 28 08 17 09 08 05 09 17 09 12 05 03 03 03 18 16 08 14 02 02 04 08 23 04 23 02 04 06 08 06 02 29 03 14 03 02 02 06 02 22 03 03 02 14 15 08 07 07 02 08 02 08 02 08 02 08 02 08 02 08 02 08 02 08 02 02 08 29 32 12 15 20 12 44 03 01 02 12 16 11 04 02 02 03 09 09 28 28 20 11 03 27 23 06 07 06 03 09 04 14 01 13 36 03 01 NÚMERO PÁGINA ITEM NÚMERO PÁGINA ITEM NÚMERO PÁGINA ITEM NÚMERO PÁGINA ITEM