Service instructions


  MX eco 4V
  MX pro 4V
  MX pro 6V
  MX multi-eco
  MX multi-pro
General remarks

The following symbols should assist you in handling the instructions:


         Advice, tip !



         General information, note exactly !




The requirements for successful commissioning are correct selection of the device, proper planning and installation. If you have
any further questions, please contact the supplier of the device.



Capacitor discharge !
Before performing any work on or in the device, disconnect it from the mains and wait at least 15 minutes until the capacitors have
been fully discharged to ensure that there is no voltage on the device.

Automatic restart !
With certain parameter settings it may happen that the frequency inverter restarts automatically when the mains supply returns
after a power failure. Make sure that in this case neither persons nor equipment is in danger.

Commissioning and service !
Work on or in the device must be done only by duly qualified staff and in full compliance with the appropriate instructions and
pertinent regulations. In case of a fault contacts which are normally potential-free and/or PCBs may carry dangerous voltages. To
avoid any risk to humans, obey the regulations concerning "Work on Live Equipment" explicitly.

Terms of delivery
The latest edition "General Terms of Delivery of the Austrian Electrical and Electronics Industry Association" form the basis of our
deliveries and services.

Specifications in this document
We are always anxious to improve our products and adapt them to the latest state of the art. Therefore, we reserve the right to
modify the specifications given in this document at any time, particular those referring to weights and dimensions. All planning
recommendations and connection examples are non-binding suggestions for which we cannot assume liability, particularly
because the regulations to be complied depend on the type and place of installation and on the use of the devices.
All foreign-language translations result from the German or English version. Please consider those in case of unclarity.

Basis of contract
The specifications in text and drawings of this document are no subject of contract in the legal sense without explicit confirmation.

Regulations
The user is responsible to ensure that the device and its components are used in compliance with the applicable regulations. It is
not permitted to use these devices in residential environments without special measures to suppress radio frequency
interferences.

Trademark rights
Please note that we do not guarantee that the connections, devices and processes described herein are free from patent or
trademark rights of third parties.

Copyright
Layout, equipment, logos, texts, diagrams and pictures of this document are copyrighted. All rights are reserved.
Service of frequency inverters
                                                                                 >pDRIVE< MX eco & pro


                                      0.75...630 kW, 3 AC 380...480 V; 2.2...800 kW, 3 AC 500...690 V


                          Parameters and their settings refer to software version APSeco_B04_05 or APSpro_B04_05



                     Theme                                                                              Page         Theme                                                                              Page

                     General ...................................................................... 2                    Defects of the display........................................................43
                         Identification of the device ................................................. 3                Other malfunctions ............................................................44
                         Storage ............................................................................... 3   Hardware diagnostics ..............................................50
                         Environmental influences.................................................... 4                  Overview of the components ............................................50
                         Application remarks............................................................ 5               Diagnostic LEDs ................................................................50
                         Factory setting .................................................................... 6          Fuses .................................................................................56
                         Motor data .......................................................................... 7         Checking the current transformers ...................................60
                         Overview of types ............................................................... 9             Insulation measurement ....................................................62
                     Maintenance ............................................................ 10                         Voltage levels.....................................................................62
HTSI




                         Visual inspection............................................................... 10             Measuring points for the DC link voltage ..........................63
                         Cleaning the heat sink ...................................................... 10            Software concept.....................................................64
                         Cooling air holes and filter mats....................................... 10                 Spare part concept ..................................................65
                         Maintenance of fans ......................................................... 11            Training concept ......................................................65
                         Load test ........................................................................... 13
                                                                                                                     Reference value distributor ......................................66
                     Troubleshooting....................................................... 14
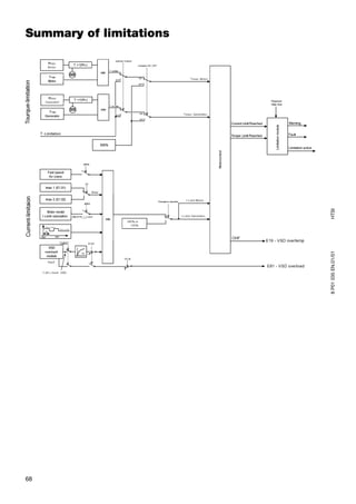
                                                                                                                     Summary of limitations ............................................68
8 P01 035 EN.01/01




                         Diagnostics ....................................................................... 14
                                                                                                                     Plans.........................................................................69
                         PC software Matrix 3 ........................................................ 14
                         Troubleshooting guide...................................................... 20              Warranty Report .....................................................113
                         Fault memory .................................................................... 21
                         Trip messages .................................................................. 22




                                 The instructions in hand cover the topics maintenance, diagnostics and trouble shooting.


                                 Use this instructions additionally to the device documentation "Operating instructions", "Description of
                                 functions" and "Mounting instructions".
                                 Details for projecting can be found in the product catalogue.




                                                                                                                                                                                                               1
General
        Work on live equipment must be done only by duly qualified and trained staff.


Unconditionally pay attention to following points:
    • Never touch live parts.
    • Only use suitable tools and proper measuring instruments according to the protection classes (I, II, III or
      IV).
    • Take care of correct work clothes and eye protection.
    • Work on live equipment must be done only under attendance of a second skilled person.
    • For human protection an insulated, non-grounded mat has to be used.


        Please also see the safety directives of EN 50110 "Work on electric installations below 1 kV AC and
        1.5 kV DC".


Generally defect units are replaced by exchange devices.

All >pDRIVE< MX eco & pro up to 18.5 kW have a compact power part and therefrom they are typically
replaced as a whole. Exceptions are the Matrix operating panel BE11, option cards used and fans.




                                                                                                                    HTSI
All >pDRIVE< MX eco & pro from 22 kW are designed in such a way, that service can be done on module level.
For devices from 90 kW an additional tool for removing and fitting (>pDRIVE< "Exchange tool") is supplied,
which is returned after exchange together with the defect inverter.


        Please consult our competent service experts in case of severe faults, which cannot be solved by




                                                                                                                    8 P01 035 EN.01/01
        means of this instruction.

        Before exchanging defect parts or fuses, the cause of fault must be found. Exchanging parts without
        eliminating the cause of fault leads to a new breakdown and may even enlarge the dimension of
        damage.

        Check as well the ambient conditions before exchanging defect parts or the whole device. See also
        chapter "Environmental influences", page 4.




2
Identification of the device
                     It is important to identify the respective device on the basis of type and serial number in case of maintenance
                     and repair. These information are required especially when contacting the service department or ordering
                     spare parts.


                     There are two possibilities to identify a device:
                     1. Read off the data on the name plate of the device.
                        The name plate is always placed on the lower right sight of the housing.
                     2. Read off the values of parameter F1


                     These information are absolutely necessary for maintenance and repair:
                     Type:         Name plate or F1.01
                     Serial no.:   Name plate or F1.05
HTSI
8 P01 035 EN.01/01




                     Storage
                     Storage temperature -25°C to 70°C
                     In case of storage times up to 3 years no special treatment of the frequency inverter is necessary due to the
                     comparatively low sharing resistors.
                     In order to guarantee the life cycle we recommend applying voltage to the inverter for about 1 hour before
                     pulse enable takes place. This process is also called forming the electrolytic capacitors !!


                                                                                                                                     3
Environmental influences
The frequency inverters >pDRIVE< MX eco & pro provide the following protection degree as standard:

                       >pDRIVE< MX eco & pro up to 75 kW             from 90 kW
Front and sideways IP21                                              IP31
Top                    IP41, IP20 without protective cover           4V: IP20, IP31 with DCL box
                                                                     6V: IP20, IP31 with TRAFO-BOX
Bottom                 IP21                                          IP00, IP31 with terminal box


The cooling channel of the power part is separated from the control electronics for all devices and corresponds
with IP54.
If a higher protection degree is desired or required, additional measures have to be taken (e.g. installation in a
cubicle).

The permissible pollution degree of the environment is pollution degree 2 according to EN 61800-5-1 for the
whole power range.
According to EN 60721-3-3 the following applies up to 75 kW Class 3C1 and 3S2
                                                from 90 kW: Class 3C2 and 3S2


Use of frequency inverters in waste water treatment plants




                                                                                                                     HTSI
Sewage gases may contain ammoniac which cause oxidation of bright copper. In this case, components of the
control and power electronics will corrode and this leads to a malfunction of the device !


Use of frequency inverters in dust polluted environment (e.g. waste incineration plants)
Please be aware of the risk of conductive (metal-)dust and the impact on the inverter electronics. Conductive




                                                                                                                     8 P01 035 EN.01/01
dust causes short circuit of components and thus results in damage.


Use of frequency inverters in the vicinity of crushing plants
Please observe that dust is produced in varying size and consistence in the vicinity of crushing plants (e.g.
shredders). The use of the inverters has to take place in that way, that a contamination with dust is impossible.


Condensation
Generally the operation of the frequency inverter in condensing environment is forbidden. Also condensation
without mains voltage supply causes in interaction with dust (e.g. at chalk-pits) oxidation of copper (even
through solder resist).


Correctives in case of the described environmental influences may be:
• Installation of the frequency inverters aloof from contaminated areas.
• Cooling air for the inverter supplied from a clean area through a separated air flow channel (overpressure
  ventilation).
• Appropriate high protection degree of the cubicle (take care of sufficient cooling!).




4
If the frequency inverter is operated outside the specification, warranty claim expires !!!
                             This applies for example in case of:
                                • Conductive dust
                                • Humidity and condensation
                                • Aggressive atmosphere
                                • Operation outside the specified temperature range
                                • Non-compliance with pollution degree 2 according to EN 61800-5-1



                     Application remarks
                     The use of the >pDRIVE< MX eco & pro frequency inverters is basically in all mains variants permitted. But
                     >pDRIVE< MX pro 6V devices must not be operated in "Corner Grounded Networks".


                             For nongrounded mains (typical for industrial mains) the built-in radio frequency interference filter has
                             to be adapted by means of switch-over/reconnection. In this case the maximal allowed pulse
                             frequency is 4 kHz.


                             Please observe the remarks in chapter "Nongrounded mains" of the corresponding mounting
                             instructions !
HTSI




                     Switching between motor and inverter reduces the life cycle of the power part. Therefore the frequency inverter
                     must be locked with impulse inhibit first and after switching it has to be enabled delayed or set parameter
                     C6.08 "Motor contactor control" to "1 .. VSD controlled" or "2 .. External control".
8 P01 035 EN.01/01




                     Avoid the use of reversing contactors to change the rotational direction. If avoiding is not possible, at least an
                     interlock with the inverter has to be provided !

                     Motors with attached magnetic spring-loaded brake must be supplied externally and not from the inverter
                     output !

                     Fans of forced ventilated motors must be supplied externally and not from the motor terminal box !




                                                                                                                                     5
Factory setting
Macros are factory presettings of the parameters for typical applications of the >pDRIVE< MX eco & pro. When
loading a macro, the application data in the EEprom are overwritten. Parameter groups such as motor data,
language setting, fault memory, operating hours, texts and basic communication settings as well as the
parameter settings stored in the "Backup" remain unchanged.
Using parameter B2.02 "Macro selection", the parameter settings according to the selected macro are loaded
into the device memory.


        The macro M1 corresponds to the factory setting.


The following parameters are not reset by loading a macro:

Parameter                             Parameter                             Parameter
A2.17   Symbol for A2.13              B4.17   Nominal power M2         *)   B4.61   EMC constant SM2          *)
A2.18   Unit for A2.13                B4.18   Nominal current M2       *)   B4.62   d-axis inductivity SM2    *)
A2.23   Symbol for A2.19              B4.19   Nominal voltage M2       *)   B4.63   q-axis inductivity SM2    *)
A2.24   Unit for A2.19                B4.20   Nominal frequency M2     *)   B4.64   Stator resistor SM2       *)
B1.01   Select language               B4.21   Nominal speed M2         *)   C4.37   Process unit
B2.02   Macro selection               B4.24   Stator resistor M2       *)   C6.24   Symbol pulse counter
B2.03   Parameter mode                B4.25   Rotortime constant M2    *)   C6.25   Pulse counter unit
B2.04   Create backup                 B4.26   Fluxing current M2       *)   C6.41   Start distancemeasuring




                                                                                                                   HTSI
B2.05   Restore backup                B4.27   Stray reactance M2       *)   E3.09   Enable emergency op.
B2.06   Copy parameter set            B4.40   Load default motor       *)   E3.38   Ext. fault 1 name
B2.07   Name parameter set 1          B4.44   Nominal power SM1        *)   E3.45   Ext. fault 2 name
B2.08   Name parameter set 2          B4.45   Nominal current SM1      *)   E5.04   Copy: MX -> Keypad
B3.16   Inverter power                B4.46   Nominal voltage SM1      *)   E5.05   Copy: Keypad -> MX




                                                                                                                   8 P01 035 EN.01/01
B3.30   Switch. frequency             B4.47   Nominal speed SM1        *)   F1.05   Drive serial number
B4.03   Start tuning                  B4.48   No. of pole pairs SM1    *)   F1.06   Facility description
B4.05   Nominal power M1        *)    B4.50   EMC constant SM1         *)   F1.08   Service notice
B4.06   Nominal current M1      *)    B4.51   d-axis inductivity SM1   *)   F2.42   Test encoder
B4.07   Nominal voltage M1      *)    B4.52   q-axis inductivity SM1   *)   F2.45   Simulation mode
B4.08   Nominal frequency M1    *)    B4.53   Stator resistor SM1      *)   F2.46   Software reset
B4.09   Nominal speed M1        *)    B4.55   Nominal power SM2        *)   F4.45   IGBT overload time
B4.12   Stator resistor M1      *)    B4.56   Nominal current SM2      *)   F6.01   Code
B4.13   Rotortime constant M1   *)    B4.57   Nominal voltage SM2      *)   F6.02   Code value
B4.14   Fluxing current M1      *)    B4.58   Nominal speed SM2        *)   F6.05   Service code
B4.15   Stray reactance M1      *)    B4.59   No. of pole pairs SM2    *)


*) Use parameter B4.40 "Load default motor" if there is a need to reset the motor data to factory setting as
   well.


Reset of the fault memory
The whole fault memory can be canceled by entering "7635" in parameter F6.05 Service code. In this way
important information for analysis of faults get lost and thus this function should only be used in exceptional
cases.


Reset of operating hours meters
All operating hours meters can be canceled by entering "1966" in parameter F6.05 Service code. In this way
important information for analysis of faults get lost and thus this function should only be used in exceptional
cases.

        In parameter F6.05 Service code only codes described in these instruction may be entered. Otherwise
        malfunction and loss of guarantee may occur.

6
Motor data
                     Each >pDRIVE< MX eco & pro frequency inverter provides factory motor data according to its power.
                     These motor data are the basis for operating the frequency inverter but usually they are adjusted by entering
                     the data of the rating plate or they are improved by the determined autotuning data.


                            When changing a motor parameter the autotuning data get lost. That means that autotuning has to be
                            executed again after each change of a motor parameter!


                     Factory motor data M0 IEC table 400 V:

                     Nominal    Nominal     Nominal    Nominal     Nominal     Stator       Rotor time   Fluxing      Stray
                     power      voltage     current    frequency   speed       resistor     constant     current      reactance
                     [kW]       [V]         [A]        [Hz]        [rpm]       [mOhm]       [ms]         [A]          [mH]
                     B4.29      B4.30       B4.31      B4.32       B4.33       B4.36        B4.37        B4.38        B4.39
                     0.75       400         2.1        50          1368        2965         44.0         1.63         30.9
                     1.5        400         3.4        50          1386        1270.5       67.9         2.31         15.3
                     2.2        400         4.7        50          1400        902.5        84.9         3.03         11.8
                     3          400         6.1        50          1410        641.5        103          3.73         9.69
                     4          400         8.5        50          1425        419.5        112          5.52         6.48
                     5.5        400         11         50          1430        933          134          6.66         5.44
                     7.5        400         14.8       50          1442        568.5        165          8.87         4.09
HTSI




                     11         400         21         50          1450        271.8        205          12.1         3.03
                     15         400         28         50          1455        184.7        239          15.5         2.36
                     18.5       400         34         50          1464        162.8        307          18.5         1.99
                     22         400         40         50          1468        116.5        354          21.4         1.72
                     30         400         53         50          1473        81.7         453          26.8         1.38
8 P01 035 EN.01/01




                     37         400         66         50          1475        55.2         474          34.2         1.08
                     45         400         79         50          1475        47           497          39.5         0.941
                     55         400         97         50          1475        31.9         490          49.0         0.758
                     75         400         130        50          1475        25.8         518          62.9         0.592
                     90         400         153        50          1480        18.7         687          70.7         0.528
                     110        400         188        50          1485        15.44        891          88.8         0.420
                     132        400         230        50          1485        10.68        836          114          0.326
                     160        400         272        50          1485        6.98         908          127          0.295
                     200        400         342        50          1486        4.88         952          162          0.230
                     250        400         427        50          1486        3.61         956          202          0.185
                     315        400         525        50          1490        2.52         1456         232          0.162
                     355        400         592        50          1490        2.23         1453         262          0.143
                     400        400         659        50          1490        1.78         1527         280          0.134
                     500        400         804        50          1492        1.625        2132         311          0.121
                     630        400         979        50          1492        1.13         2634         315          0.121




                                                                                                                                  7
Factory motor data M0 IEC table 690 V:

Nominal    Nominal    Nominal   Nominal     Nominal   Stator     Rotor time   Fluxing   Stray
power      voltage    current   frequency   speed     resistor   constant     current   reactance
[kW]       [V]        [A]       [Hz]        [rpm]     [mOhm]     [ms]         [A]       [mH]
B4.29      B4.30      B4.31     B4.32       B4.33     B4.36      B4.37        B4.38     B4.39
0.75       690        1.2       50          1368      11556      44.8         0.93      92.0
1.5        690        2         50          1386      4952       66.3         1.38      45.1
2.2        690        2.8       50          1400      3517       80.9         1.86      33.0
3          690        3.6       50          1410      2500       99.3         2.25      27.6
4          690        4.7       50          1425      1636       123          2.89      21.6
5.5        690        6.4       50          1430      1424       133          3.89      16.0
7.5        690        8.4       50          1442      1055       173          4.88      12.9
11         690        12        50          1450      612        212          6.72      9.40
15         690        16        50          1455      416        248          8.65      7.34
18.5       690        20        50          1464      367        296          11.2      5.67
22         690        23        50          1468      263        362          12.1      5.27
30         690        31        50          1473      184        441          16.0      3.99
37         690        38        50          1475      124        483          19.4      3.30
45         690        46        50          1475      106        490          23.2      2.76
55         690        55        50          1477      71.8       570          26.4      2.44
75         690        74        50          1478      58.1       624          34.2      1.88
90         690        89        50          1480      42.1       678          41.5      1.55




                                                                                                    HTSI
110        690        109       50          1482      34.7       746          51.3      1.26
132        690        130       50          1484      24.1       855          60.3      1.07
160        690        157       50          1485      15.7       923          72.2      0.894
200        690        195       50          1486      11         1011         88.0      0.734
250        690        240       50          1486      8.12       1076         103       0.629
315        690        300       50          1488      5.67       1294         126       0.517




                                                                                                    8 P01 035 EN.01/01
355        690        341       50          1490      5.02       1491         148       0.439
400        690        381       50          1491      4.01       1714         160       0.404
500        690        468       50          1492      3.67       2088         184       0.353
630        690        574       50          1492      2.54       2434         198       0.331
800        690        727       50          1493      2.16       2821         248       0.265




8
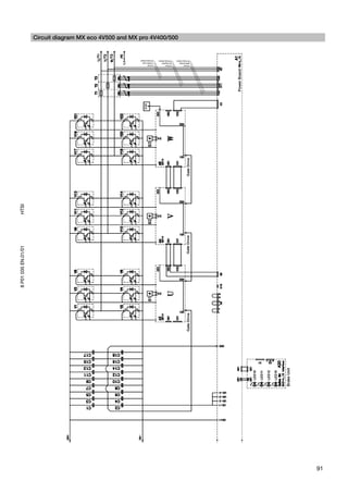
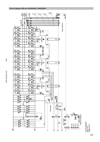
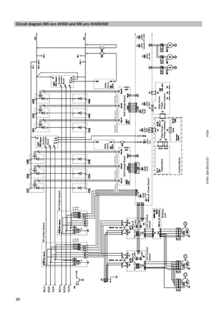
Overview of types
                     The frequency inverters >pDRIVE< MX eco & pro are manufactured in different power ratings. These ratings
                     correspond with the IEC standard motors and have different dimensions and designs.

                                                                      Integrated          Type of        Power part    Diagnostic
                      MX eco        MX pro 4V        MX pro 6V
                                                                     braking unit 1)     charging            fan         LEDs
                      4V0,75        4V0,75           −                                  Resistance           DC            −
                      4V1,5         4V1,5            −                                  Resistance           DC            −
                      4V2,2         4V2,2            −                                  Resistance           DC            −
                      4V3,0         4V3,0            −                                  Resistance           DC            −
                      4V4,0         4V4,0            −                                  Resistance           DC            −
                      4V5,5         4V5,5            −                                  Resistance           DC            −
                      4V7,5         4V7,5            −                                  Resistance           DC            −
                      4V11          4V11             −                                  Resistance           DC            −
                      4V15          4V15             −                                  Resistance           DC            −
                      4V18          4V18             −                                  Resistance           DC            −
                      −             −                6V2,2/3,0                           Thyristor           DC            −
                      −             −                6V3,0/4,0                           Thyristor           DC            −
                      −             −                6V4,0/5,5                           Thyristor           DC            −
                      −             −                6V5,5/7,5                           Thyristor           DC            −
                      −             −                6V7,5/11                            Thyristor           DC            −
HTSI




                      −             −                6V11/15                             Thyristor           DC            −
                      −             −                6V15/18                             Thyristor           DC            −
                      −             −                6V18/22                             Thyristor           DC            −
                      4V22          4V22             6V22/30                             Thyristor           DC            −
                      4V30          4V30             6V30/37                             Thyristor           DC            −
8 P01 035 EN.01/01




                      4V37          4V37             6V37/45                             Thyristor           DC            −
                      4V45          4V45             6V45/55                             Thyristor           DC            −
                      4V55          4V55             6V55/75                             Thyristor           DC            −
                      4V75          4V75             6V75/90                             Thyristor           DC            −
                      4V90          −                −                                   Thyristor           DC            −
                      4V110         4V90/110         −                                   Thyristor           DC            −
                      4V132         4V110/132        −                                   Thyristor         1 x AC          −
                      −             −                6V90/110                            Thyristor         1 x AC
                      −             −                6V110/132                           Thyristor         1 x AC
                      4V160         4V132/160        6V132/160                           Thyristor         1 x AC
                      4V200         4V160/200        6V160/200                           Thyristor         1 x AC
                      −             −                6V200/250             −             Thyristor         2 x AC
                      4V250         4V200/250        6V250/315             −             Thyristor         2 x AC
                      4V315         4V250/315        6V315/400             −             Thyristor         2 x AC
                      4V355         −                −                     −             Thyristor         3 x AC
                      4V400         4V315/400        −                     −             Thyristor         3 x AC
                      4V500 2)      4V400/500   2)
                                                     −                     −             Thyristor         3 x AC
                      −             −                6V400/500 2)          −             Thyristor         4 x AC
                      −             −                6V500/630 2)          −             Thyristor         4 x AC
                      4V630 2)      4V500/630   2)
                                                     6V630/800 2)          −             Thyristor         4 x AC

                     1)
                          Only devices of the >pDRIVE< MX pro range have a braking unit built-in or can be equipped with an
                          external braking unit.
                     2)
                          12-pulse-rectifier




                                                                                                                                9
Maintenance
The frequency inverters >pDRIVE< MX eco & pro are low-maintenance units and contain no moving parts
except the fans. The maintenance intervals depend on the power-on time (0...24 h) and the environmental
conditions of the plant (influences by application and environment).



Visual inspection
During visual inspection the overall condition of the inverter installation should be checked for following points:
     − Mechanical damages of the housing
     − Traces of oxidation caused by humidity, aggressive gases or liquids
     − Dust sedimentation inside the inverter, especially conductive dust
     − Dirt and dust sedimentation on the heat sink and the motor terminal board
     − Damages of cable isolation (especially at the inverter lead-through)
     − Take the actual parameter settings and compare them with the commissioning settings



Cleaning the heat sink




                                                                                                                      HTSI
Parameter A3.05 "Thermal load VSD" shows the thermal balance which arises from the two factors load and
cooling conditions. If the thermal load reaches 105 %, a fault shut-down "Inverter over temperature" occurs.
Reset can be done if the thermal load is below 80 % again.

         If parameter A3.05 reaches high values (values near 100 %) even at low load and ambient temperature,




                                                                                                                      8 P01 035 EN.01/01
         it is necessary to clean the heat sink and to check the cooling conditions.




Cooling air holes and filter mats
If the inverters are mounted in a cubicle, the cooling air holes and filter mats, if existing, have to be regularly
checked and exchanged.

         Removing the filter mats enables intrusion of dangerous substances, which leads to loss of warranty
         claim in case of damage !




10
Maintenance of fans
                     The frequency inverters up to >pDRIVE< MX eco 4V110, MX pro 4V90/110 and MX pro 6V75/90 contain DC
                     fans for cooling the power part and the control part.
                     The inverters from >pDRIVE< MX eco 4V132, MX pro 4V110/132 and MX pro 6V90/110 contain DC fans for
                     cooling the control part and AC fans for cooling the power part.


                     The fans of the power part are switched off during impulse inhibit or low load if parameter B3.41 "Fan control"
                     is set appropriate.
                     Life cycle of DC-fans:               approx. 30.000 hours
                     Life cycle of AC-fans:               approx. 48.000 hours
                     The ambient condition has an effect on the life cycle of the fans.

                     Parameters A5.10 "Operating hours fan" and A5.12 "Interval counter fan" show the actual operating time of the
                     AC fans in the display. By means of parameter A5.11 "Interval fan" a maintenance message can be released
                     after reaching a preset operation time.


                             The fans for the control part start running as soon as the inverter is applied with voltage. Therefore
                             these fans should be replaced precautionary after five years!


                     Exchanging the control part fans
HTSI




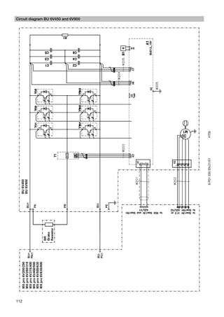
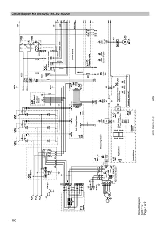
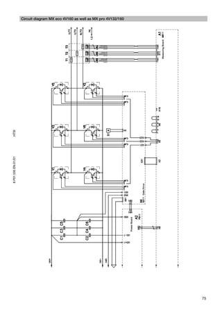
                     The fans for the control part are 24 V DC fans and are located in the upper part of the inverter (see chapter
                     "Plans", page 69). Depending on the power the devices are equipped with one to four fans for the control part,
                     marked with M10, M11, M12 and M13.

                     When exchanging a fan from >pDRIVE< MX eco 4V160, MX pro 4V132/160 and MX pro 6V90/110 you have to
8 P01 035 EN.01/01




                     pull the connected plug X30, X31, X32 or X33 and to loosen the four screws. For mounting the new fan
                     proceed in reverse order.

                                                                 The drawing shows as example the control part fan and the
                                                                 corresponding plug for a >pDRIVE< MX eco 4V160. To all other
                                                                 power ratings the description applies analogously.




                                                                                                                                 11
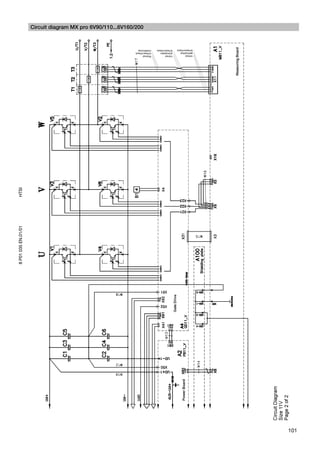
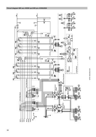
Exchanging the power part fans

The power part fans are 400 V AC fans and located below the terminal panel on the lower end of the inverter
(see chapter "Plans", page 69). Depending on the power the devices are equipped with one to four fans for the
power part, marked with M1, M2, M3 and M4.

Basically there are two ways to exchange the power part fans:


Exchange from the bottom
For this easy and quick method access from below is required. Possibly the mains and motor cables have to
be disconnected therefor.
1. Pull off the plug of the fan to be exchanged and thread the cables including the grommet through the
   terminal panel.
2. Loosen both fixing screws of the fan in the lower end of the inverter approx. 5 mm but do not remove.
3. Lift up the fan and pull it out downwards.
4. Insert the new fan from the bottom, making sure that the upper folding plate sticks into the provided hole.
5. Check whether the gaskets are placed in the right way between the fan and the heat sink.
6. Fasten both fixing screws of the fan in the lower end of the inverter.
7. Thread the plug of the fan and the grommet through the terminal panel and insert the grommet in the right
   way again.
8. Finally connect the plug of the fan again.




                                                                                                                  HTSI
Exchange from the front
In this case no access from the bottom is required. This is advantageous e.g. when the terminal box TER-BOX
is used.
1. Pull off the plugs of all power fans and thread the cables including the grommet through the terminal panel.




                                                                                                                  8 P01 035 EN.01/01
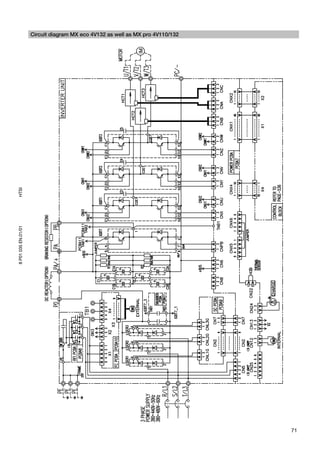
2. Unscrew all internal power connections (see following drawing).
3. Unscrew all mains connections (L1, L2, L3) and motor connections (U, V, W).
4. Remove the control cables by pulling-off the terminals and the cable conduit on the right-hand side.
5. Unplug following plugs:

     Type of device                             Description
     up to MX eco 4V315,                        Unplug the common plug of all current transformers X11 and
     up to MX pro 4V250/315 and                 thread the cable out.
     up to MX pro 6V315/400
     for MX eco 4V250 and 4V315,                Pull off plugs X1 and X3 on the FCB (A7) and plug X7 on the PB
     for MX pro 4V200/250 and 4V250/315,        (A1) and thread the cable out.
     for MX pro 6V200/250 to 6V315/400
     from MX eco 4V355,                         Demount the middle front cover support by unscrewing the three
     from MX pro 4V315/400 and                  screws.
     from MX pro 6V400/500                      Unplug the Faston-connector on the RFI (A30, A40):
                                                X1 (6.3 mm, yellow), X11 (4.8 mm, yellow)
                                                X2 (6.3 mm, green), X12 (4.8 mm, green)
                                                X3 (6.3 mm, violet), X13 (4.8 mm, violet)
6. Unscrew the earth screw on the left inner wall (see following drawing).
7. Unscrew the 6 screws of the terminal panel and lift it to the front.
8. Loosen both fixing screws of the fan(s) in the lower end of the inverter approx. 5 mm but do not remove.
9. Lift up the fan, push it downwards and pull it out forward.
10. Insert the new fan making sure that the upper folding plate sticks into the provided hole.
11. Check whether the gaskets are placed in the right way between the fan and the heat sink.
12.Fasten both fixing screws of the fan in the lower end of the inverter.
13.Execute points 1...6 in reverse order.

12
The drawing shows as example the power part fan of a >pDRIVE< MX eco 4V200. To all other power ratings
                     the description applies analogously.
HTSI
8 P01 035 EN.01/01




                            For fastening the power connections (internal power connections as well as mains and motor
                            connections) use the following tightening torques:
                            M10 (wrench size 16/17): 24 Nm
                            M12 (wrench size 18/19): 41 Nm



                     Load test
                     Each maintenance should be concluded by a load test (preferable with nominal load). Thereby the overall
                     behaviour of the drive should be observed (dynamic behaviour, oscillations, ...). Additionally the input and
                     output currents should be measured and checked for symmetry in all three phases. After this check the
                     thermal stress of the power terminals when there is no voltage.




                                                                                                                              13
Troubleshooting


Diagnostics
Comprehensive diagnostic functions are available in order to make troubleshooting and problem solving easier
(e.g. data logger, status displays of inputs and outputs, analog checkpoints and status displays of the power
part and the option cards.

       The detailed description of diagnostic functions can be found in the "Description of functions",
       parameter group F4.




PC software Matrix 3
The PC software Matrix 3 is provided on the CD which is attached to each inverter and can be downloaded
from the homepage www.pdrive.com alternatively. Besides online parameterization functions it affords an
extensive and clear online diagnostics. This function shows all inverter states in a concise graphic way.




                                                                                                                HTSI
       For communication between PC and inverter a RS232/485 converter is necessary (CABLE 3-PC, Order
       no. 8 P01 124).
       The interface cable of Matrix 2 can not be used!


       Wrong screen resolutions may lead to display problems.




                                                                                                                8 P01 035 EN.01/01
       Following screen resolution is recommended: 1024x768 or higher.



Following functions are available in the online diagnostics:

Device description

This function provides a quick overview of the most important inverter data as e.g. inverter type, software
version, operating hours, option cards, a.s.o.




14
Power path

                     This function shows the power path Mains - Inverter - Motor. Moreover the most important values are shown.




                     Input/Output state

                     Clear display of parameter settings and status of the individual in- and outputs of the basic card and the option
HTSI




                     cards.
8 P01 035 EN.01/01




                                                                                                                                   15
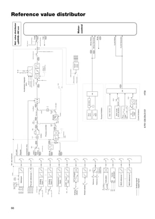
Reference value path

Shows the parameterization and the actual values of the reference value path from the reference source up to
the inverter reference value.




                                                                                                               HTSI
Bus settings

Shows the parameterization and the actual values of the bus configuration.




                                                                                                               8 P01 035 EN.01/01




16
Combination of comparators

                     Shows the active comparators, logic modules, SR modules and time modules including their configuration and
                     state. If none of these functions is used, this tab is empty.




                     Configurable display
HTSI




                     The configurable display enables the display of selected parameters in list form. Moreover four digital and
                     three analog signals can be shown.
8 P01 035 EN.01/01




                             The modification of the channels in the status range also changes the channel settings in the trend
                             recorder and in the online parameterization.




                                                                                                                                   17
Fault memory

By using this function, the last eight trip messages (incl. operating states) can be read out. Furthermore the trip
messages can be saved as flt-file.




Trend recorder




                                                                                                                      HTSI
The trend recorder enables to make a real-time recording of selectable analog and digital signals. Furthermore
useful functions like trigger and cursor are provided. The recorded curves can be saved as trd-file.




                                                                                                                      8 P01 035 EN.01/01




18
Data Logger

                     The function of the Data Logger offers the possibility to record up to three channels in time averaged form or
                     as peak value. The recording serves as listing or as statistical evaluation of electrical values (e.g. energy) or
                     known process values of the inverter (pressure, flow, speed, vibration). Thereby the number of channels, the
                     value to be recorded and the time base can be set. The recorded data can be saved as stc-file.
                     Before starting a record, this function has to be enabled and set up in parameter group F4. For detailed
                     parameter description please also see the "Description of functions".
HTSI
8 P01 035 EN.01/01




                                                                                                                                   19
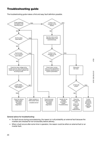
Troubleshooting guide
The troubleshooting guide makes a first and easy fault definition possible.



            Proper lightening                                          Is there a trip           YES
            and display of the               YES
                                                                     indicated on the
            operating panel?                                              display?



                NO                                                       NO



                                                                  Start the motor via the
              Are the mains             YES                       operating panel or the
              fuses defect?                                         control terminals.




                NO




             Are the fuses              YES                            Is there a trip               YES
            F1-F3 on the RFI                                         indicated on the
             board defect?                                                display?




                                                                                                                                                  HTSI
                NO                                                       NO



      Check the mains voltage at the                              Check motor running.                            Disconnect
  inverter input for value and symmetrie.                       Carry out fine adjustment if                      the motor.
   Check the components upstream and                            necessary (autotuning and




                                                                                                                                                  8 P01 035 EN.01/01
             the wiring as well.                                  dynamic parameters)




               Is the mains                                                                                       Is there still
                                        NO                                                                                         YES
            voltage applied to                                                                                      a fault?
              the inverter?



               YES                                                                                                NO



            Check the internal           Defect varistors or    Check the power               Handle the trip     Check the           Further
             voltage supply,            defect power board,     semiconductors,                 message          motor and the      checking
              see chapter                                         see chapter                  according to         cables         alternatives
                                            complete service!
               "Hardware                                           "Hardware                     chapter                           are given in
                                                                                                                  (check Y/Δ-
              diagnostics“.                                       diagnostics“.             "Troubleshooting“.                       chapter
                                                                                                                  connection,
                                                                                                                                   "Diagnostic
                                                                                                                     make
                                                                                                                                      LEDs"
                                                                                                                   insulation
                                                                                                                 measurement)




General advice for troubleshooting:
     • If a fault occurs during commissioning, the reason is in all probability an external fault because the
       inverters are checked for full functionality before delivery.
     • When a fault occurs after some time in operation, the reason could be either an external fault or an
       inverter fault.




20
Fault memory
                     The fault memory provides a protocol of the last eight fault shut-downs and therefore it supports you in
                     detecting the cause of the fault. For each fault shut-down a number of operating states are stored and
                     provided for manual evaluation.


                            The fault memory can be also read out automated when using the PC software Matrix 3.


                     F3.01 Number of faults                                             Last entry in the memory:              15


                     F3.02 Review                                           2 .. Event -2        1 .. Last event -1      0 .. Last event


                     F3.03 Fault number                                          13                     14                     15
                     F3.04 Fault cause                                  52 .. Stall protection    19 .. ϧ M1 >>       58 .. External fault 1
                     F3.05 Operating hours                                     1362h                  1438h                  1817h
                     F3.06 Min / sec                                         13.17 m:s              55.32 m:s               2.55 m:s
                     F3.07 Reference value [Hz]                               +50.0 Hz               +22.0 Hz               +50.0 Hz
                     F3.08 Actual value [Hz]                                  +0.7 Hz                +22.0 Hz               +50.0 Hz
                     F3.09 Output current                                      60.2 A                 47.8 A                 34.2 A
HTSI




                     F3.10 DC voltage                                          533 V                  541 V                  545 V
                     F3.11 Thermal load VSD                                     13 %                   82 %                   73 %
                     F3.12 Control mode                                      Terminals              Terminals              Terminals
                     F3.13 Operating status                                 Acceleration              f = f ref              f = f ref
                     F3.14 Alarm message                                          -                   ϑM1 >                     -
8 P01 035 EN.01/01




                     F3.15 Drive state                                          RUN                    RUN                    RUN
                     F3.16 Bus STW                                              007F                   007F                   007F
                     F3.17 Bus ZTW                                              007F                   007F                   007F


                     All diagnostic values correspond to the actual values 10 ms before fault shut-down.




                                                                                                                                           21
Trip messages
                                                                                                   MX eco
E01 Undervoltage
                                                                                                   MX pro
Description   There is an undervoltage situation. See parameter E3.29 "V< response".
Cause         The mains voltage is missing or out of the specified range.
Remedy        Check all three mains phases and fuses. If an operation with partial load is possible, check
              the three line currents for symmetry by measurement in a stable operating state (max.
              permissible unsymmetry of currents approx. 3 %).
Cause         If the message occurs immediately after power up, the charging circuit does not work
              correctly.
Remedy        Check LED 8 and 9. If both LEDs are alright, make a measurement of the input rectifier (see
              chapter "Measurement of power semiconductors", page 57).
Cause         Loss of line phase occurs at deactivated line phase monitoring (E3.27) and full load.
Remedy        Check the value and wave form of the three mains phases and also check the mains fuses.
              The voltage levels of the undervoltage trigger are given in chapter "Voltage levels", page 62.

                                                                                                   MX eco
E02 V>> at deceleration
                                                                                                   MX pro
Description   The DC link voltage has exceeded the hardware protection level of 825 V (for MX pro 6V:
              1174 V) due to a deceleration.
Cause         The set deceleration ramp is too short or "Fast stop" is used. Therefore the motor works as
              generator.




                                                                                                               HTSI
Remedy        Extend the deceleration ramp or use B5.01 "Brake mode" for activating the motor brake or
              the braking unit.
              Deactivate setting "4 .. Extend & trip" of parameter E1.21 "Reaction at deceleration" or
              extend E1.22 "Time Δt".
Cause         Instable controller due to wrong motor data (e.g. autotuning was performed with warm




                                                                                                               8 P01 035 EN.01/01
              motor)
Remedy        Execute autotuning again with cold motor.
Cause         Instable controller due to wrong dynamic settings
              (MX eco: B3.20 and B3.21, MX pro: C5.01...C5.03)
Remedy        Optimize the controller settings empirically on the basis of the factory settings.
Cause         A sinus filter is used but B3.02 Control mode is not set to "V/f" (for devices from MX eco
              4V90, MX pro 4V90/100 and MX pro 6V90/110 a parameterization alarm is displayed).
Remedy        Choose a proper V/f control method with B3.02.
Cause         When using a >pDRIVE< MX pro in exchange for an MX plus, an overvoltage switch-off takes
              place during deceleration with the existing braking resistors.
Remedy        Use braking resistors as specified in the catalogue.




22
MX eco
                     E03 Line overvoltage
                                                                                                                      MX pro
                     Description   The DC link voltage has exceeded the protection level of 756 V (for MX pro 6V: 1087 V). This
                                   fault is only evaluated during the charging process!
                                   With devices up to 75 kW this message also appears when the hardware protection level of
                                   825 V (for MX pro 6V: 1174 V) has been exceeded in case of impulse inhibit.
                     Cause         Mains voltage fluctuations or voltage peaks may occur because of mains voltage return
                                   (choke energy causes voltage raise) or because of commutation drops caused by other
                                   loads.
                     Remedy        Check the DC link voltage by means of parameter A3.04 "DC voltage" and a measuring
                                   instrument (at no-load operation approx. 1.4 x VMains; at full load approx. 1.35 x VMains).
                                   If the displayed value does not comply with the measured value, the voltage measurement is
                                   defect.
                                   Use a line contactor control for immediate disconnection of the DC link from the mains or
                                   use a braking unit to limit the DC link voltage.
                     Cause         Single phase earth fault in the motor or the motor cable at nongrounded mains
                     Remedy        Check the motor and the motor cable → see "Insulation measurements". If the motor cable
                                   is disconnected from the inverter, overvoltage must not occur any more.

                                                                                                                      MX eco
                     E04 MC not ready
                                                                                                                      MX pro
                     Description   The motor control is not ready within 4 s after the charging process.
                     Cause         After the charging process the motor control registers, that e.g. the DC link voltage is out of
                                   the specified range or missing or charging is still in progress (∆V too high).
HTSI




                     Remedy        Check the DC link voltage according to the table in chapter "Voltage levels", page 62.
                     Cause         The inverter electronics is supplied externally by 24 V. A start command is given although
                                   there is no mains voltage.
                     Remedy        Check the mains voltage or switch on the mains supply.
                     Cause
8 P01 035 EN.01/01




                                   A mains voltage drop occurs at activated DC holding brake (B5.20).
                     Remedy        Deactivate the DC holding brake or update the device to the latest device software.
                     Cause         The charging circuit on the soft charge board is defective.
                     Remedy        Check the diagnostic LEDs (see chapter "Diagnostic LEDs", page 50).
                                   Check all cables at the control block.

                                                                                                                      MX eco
                     E05 DC missing
                                                                                                                      MX pro
                     Description   The frequency inverter is operated at the intelligent rectifier >pDRIVE< LX. The DC link
                                   voltage, made available by this rectifier, has shut down.
                     Cause         Parameter B3.44 of the inverter is set to "Operation with IR" and the DC link voltage fell
                                   below the limit (see chapter "Voltage levels", page 62).
                     Remedy        Check the DC link voltage (e.g. by means of the PC program Matrix).
                                   Check whether the >pDRIVE< LX is dimensioned too small and if it operates properly.
                     Cause         The frequency inverter is supplied with an external DC link voltage. Thereby, for example,
                                   voltage fluctuations and voltage drops occur due to heavy duty starts nearby the inverter.
                     Remedy        Check the DC voltage for voltage drops and the fault memory with parameter F3.10.
                                   Discharge the inverter during an external heavy duty start by means of deceleration or
                                   impulse inhibit, if the process allows.
                                   Use more powerful supply possibly from another power distributor.




                                                                                                                                     23
MX eco
E06 Precharging fault
                                                                                                   MX pro
Description   Fault of the soft charge device (half controlled thyristor bridge).
              Only for devices larger than >pDRIVE< MX eco & pro 4V18 as well as for all >pDRIVE< MX
              pro 6V.
Cause         The charging of the DC link has not been completed successfully because the required
              voltage level has not been reached.
Remedy        Check the DC link voltage according to the table in chapter "Voltage levels", page 62.
              Execute the routine "Test charging circuit" by means of parameter F2.41. This test may last
              up to 20 minutes for devices ≥ 90 kW.
              Maybe the soft charge board, the power board or the thyristors are defective. Check the
              diagnostic LEDs (see chapter "Troubleshooting with the aid of LEDs", page 53).

                                                                                                   MX eco
E08 Line fault 1p
                                                                                                   MX pro
Description   Loss of one mains phase
              This fault is displayed in the drive states "Ready" and "Run" but it is only stored in the fault
              memory in case of "Run".
Cause         One phase is missing on the mains supply or the mains phases are very unsymmetrical.
Remedy        Check the value and wave form of the three mains phases and also check the mains fuses.
              Check the fuses on the RFI board.
              Deactivate the mains phase monitoring with parameter E3.27.
Cause         The inverter is operated at a DC bus.




                                                                                                                 HTSI
Remedy        Deactivate the mains phase monitoring with parameter E3.27.

                                                                                                   MX eco
E09 Line fault 2-3p
                                                                                                   MX pro
Description   Loss of two or three mains phases




                                                                                                                 8 P01 035 EN.01/01
              This trip message is only stored in the fault memory in case of pulse enable.
Cause         Two or all three phases are missing on the mains supply or the mains phases are very
              unsymmetrical.
Remedy        Check the value and wave form of the three mains phases and also check the mains fuses.
              Check the fuses on the RFI board.
Cause         Mains supply disconnected e.g. by emergency OFF button, hoist master switch, ...
Remedy        Integrate the line contactor control by means of parameter C6.07 or deactivate the mains
              phase monitoring with parameter E3.27.
Cause         The inverter is operated at a DC bus.
Remedy        Deactivate the mains phase monitoring with parameter E3.27.




24
MX eco
                     E10 Overcurrent
                                                                                                                      MX pro
                     Description   Overcurrent at the output
                                   The registration takes place by means of the current transformers or the shunts, a switch-off
                                   is carried out approx. at triple nominal current.
                     Cause         Short circuit or earth fault in the motor or motor cable.
                     Remedy        Check the motor and the motor cables → also see "Insulation measurements". If the motor
                                   cable is disconnected from the inverter, overcurrent must not occur any more.
                     Cause         The motor is switched during operation of the inverter by means of a motor contactor.
                     Remedy        Apply impulse inhibit to the inverter first and then switch the motor lines or use the motor
                                   contactor control with parameter C6.08.
                     Cause         Faulty inverter part
                     Remedy        Execute the IGBT test with parameter F2.40.
                     Cause         Overcurrent message in case of encoder operation if parameter B3.02 "Control mode" is set
                                   to "4 .. VC feedback" and parameter D5.01 "SFB use for" to "2 .. VC feedback" and motor
                                   excitation is not active.
                     Remedy        Set parameter B3.27 "Motor fluxing" to "1 .. At start" or "2 .. Always active".
                     Cause         The connected motor is significantly larger than the nominal power of the inverter.
                     Remedy        Check the dimensioning of motor and inverter.
                     Cause         A current transformer is defective.
                     Remedy        Check whether the current display at impulse inhibit is approx. zero.
                                   Check the diagnostic LEDs of the current transformer supply (see chapter "Diagnostic
HTSI




                                   LEDs", page 50).
                                   Check the current transformers (see chapter "Checking the current transformers", page 60).
                     Cause         Instable controller due to wrong motor data (e.g. autotuning was performed with warm
                                   motor).
                     Remedy        Execute autotuning again with cold motor.
8 P01 035 EN.01/01




                                   In case of conus motors the rotor has to be unlocked during autotuning.
                     Cause         Motor data are wrong or not adjusted.
                     Remedy        Check the setting of the motor data under B4 and execute autotuning.
                     Cause         Autotuning has not been executed.
                     Remedy        Start the autotuning routine by means of parameter B4.03.
                     Cause         Wrong motor connection (Y/Δ) or wiring failure.
                     Remedy        Check the connection of the motor, the motor cables and the motor contactor.
                     Cause         Oscillations occur because the dynamic settings of the speed controller are not optimized.
                     Remedy        Optimize parameters B3.20 and B3.21 for >pDRIVE< MX eco or C5.01 and C5.02 for
                                   >pDRIVE< MX pro.
                     Cause         Defect power part
                     Remedy        Check the three output currents for symmetry by measurement of the three motor currents in
                                   a stable operating state (max. permissible unsymmetry of currents approx. 3 %).
                                   Execute the IGBT test with parameter F2.40.

                                                                                                                      MX eco
                     E11 Motor earth fault
                                                                                                                      MX pro
                     Description   Earth fault at the output. The evaluation by the hardware is only performed for devices up to
                                   >pDRIVE< MX eco & pro 4V75 and >pDRIVE< MX pro 6V75/90. For devices with higher
                                   power the trip message E12 appears.
                                   See trip message E12 for possible causes and remedy.




                                                                                                                                  25
MX eco
E12 Insulation fault
                                                                                                  MX pro
Description     Earth fault at the output. The differential current determined from the three motor phases is
                larger than 25 % of the nominal current of the inverter.
Cause           There is an insulation fault in the motor or motor cable.
Remedy          Check the motor and the motor cables → also see "Insulation measurements".
                When the motor cable is disconnected from the inverter or simulation mode is activated in
                F2.45, the fault message must not occur any more.
Cause           Current transformer defective
Remedy          Perform a measurement of the current transformers (see chapter "Checking the current
                transformers", page 60).
Cause           Faulty inverter part
Remedy          Execute the IGBT test with parameter F2.40.

                                                                                                  MX eco
E13 Overcurrent
                                                                                                  MX pro
Description     Overcurrent at the output. The evaluation is only performed for devices up to >pDRIVE< MX
                eco & pro 4V75 and >pDRIVE< MX pro 6V75/90. For devices with higher power the trip
                message E10 appears.
                See trip message E10 for possible causes and remedy.

                                                                                                  MX eco
E14 IGBT ϧ >>
                                                                                                  MX pro




                                                                                                                HTSI
Description     IGBT overtemperature (junction temperature), determined by the thermal mathematical
                model.
                The thermal mathematical model considers the frequency, current, pulse frequency and the
                measured heat sink temperature and is primarily decisive at frequencies near zero.
Cause           The inverter has calculated that the load of the IGBTs was critical. This may happen mainly




                                                                                                                8 P01 035 EN.01/01
                at low output frequencies < 3 Hz or at DC operation (braking or heating).
Remedy          Check the application for DC operation or low output frequency operation.
Cause           The power supply of the fans broke down or the fans are mechanically blocked.
Remedy          See description of LED functions and power part fans, chapter "Diagnostic LEDs", page 50.
Cause           Short circuit of a power part fan.
Remedy          Check the fuses FU1...FU3 on the fan control board.
Cause           The inverter gets too less cooling air.
Remedy          Check the cooling air holes for sufficient sizing and clean the filter mats.
Cause           Ambient temperature or temperature of the supply air too high.
Remedy          Ensure that the ambient conditions are permitted.
                Check the cubicle for thermal short circuit.
                Check the supply and outlet air holes of the cubicle for dirt and enlarge them, if necessary.
Cause           The encoder is connected wrong.
Remedy          Exchange the encoder signals channel A and B.
                Execute a test of the encoder by means of parameter F2.42.




26
MX eco
                     E15 Motor phase fault 3p
                                                                                                                      MX pro
                     Description   Loss of the three motor phases (recognition at approx. 6% of the set nominal motor current)
                     Cause         Loose connection, defect motor, defect cable or defect switching elements
                     Remedy        Check the motor, the motor cables as well as all terminals (contact resistance) of
                                   disconnecting switches for maintenance purposes, safety switches and contactors.
                                   Check the connection between inverter and motor as well as the motor contactor control, if
                                   used.
                                   Deactivate the monitoring of the motor phases by means of E2.54.
                     Cause         The used motor is significant smaller than the nominal power of the inverter.
                     Remedy        Use a motor that corresponds with the inverter power (the minimum motor power should not
                                   fall below the half nominal inverter power).
                                   Deactivate the monitoring of the motor phases by means of E2.54.

                                                                                                                      MX eco
                     E16 Motor phase U lost
                                                                                                                      MX pro
                     Description   Loss of motor phase U
                                   Recognition takes place only in case of V/f control methods on the basis of the geometrical
                                   average of the three phase currents. It is triggered after 0.5 s when current is < 25 % of the
                                   nominal current.
                     Cause         Loose connection, defect motor, defect cable or defect switching elements
                     Remedy        Check the motor, the motor cables as well as all terminals (contact resistance) of
                                   disconnecting switches for maintenance purposes, safety switches and contactors.
HTSI




                                   Deactivate the monitoring of the motor phases by means of E2.54.

                                                                                                                      MX eco
                     E17 Motor phase V lost
                                                                                                                      MX pro
                     Description   Loss of motor phase V
8 P01 035 EN.01/01




                                   See trip message E16 for possible causes and remedy.

                                                                                                                      MX eco
                     E18 Motor phase W lost
                                                                                                                      MX pro
                     Description   Loss of motor phase W
                                   See trip message E16 for possible causes and remedy.

                                                                                                                      MX eco
                     E19 Inverter overtemp.
                                                                                                                      MX pro
                     Description   Inverter overtemperature (A3.05 "Thermal load VSD" > 105°C), determined by the thermal
                                   mathematical model.
                                   The thermal mathematical model considers the temperature, current and time. In addition to
                                   the heat sink sensor also the powerboard sensor and the braking unit sensor are monitored.
                     Cause         The power supply of the fans broke down or fans are mechanically blocked.
                     Remedy        See chapter "Diagnostic LEDs", page 50 and chapter "Maintenance of fans", page 11.
                     Cause         Short circuit of a power part fan.
                     Remedy        Check the fuses FU1...FU3 on the fan control board.
                     Cause         The inverter gets too less cooling air.
                     Remedy        Check the cooling air holes for sufficient sizing and clean the filter mats.
                     Cause         Ambient temperature or temperature of the supply air too high.
                     Remedy        Ensure that the ambient conditions are permitted.
                                   Check the cubicle for thermal short circuit.
                                   Check the supply and outlet air holes of the cubicle for dirt and enlarge them, if necessary.
                     Cause         Fan of the control part or the braking unit defect
                     Remedy        Check the function and effectiveness of the fans.



                                                                                                                                    27
MX eco
E20 Unknown MC
                                                                                                    MX pro
Description     Unknown power part
Cause           After exchanging the control electronics or the power board the versions do not match.
Remedy          Ensure that proper spare parts have been used.
                Compare parameters F1.01 and F1.02 with the name plate data.
Cause           An internal electronics failure occurred.
Remedy          Shut down mains supply, wait for complete discharge of DC link (LED 1) and switch on
                again.

                                                                                                    MX eco
E21 PTC short circuit
                                                                                                    MX pro
Description     Short-circuit at a thermistor (PTC) sensor (TH1, TH2, TH3, TH heat sink)
Cause           A thermistor input or the thermistor of the heat sink is short circuited (value < 50 Ω).
Remedy          Check the thermistor connections and the thermistor sensors in the motor.
Cause           DI6 is parameterized as thermistor, but used as a digital input.
Remedy          Check whether DI6 is used as digital input but parameterized as thermistor.
Cause           A thermal switch is used instead of a thermistor sensor.
Remedy          Set TH verification to "0 .. Not active" (parameter E2.05, E2.10, E2.15).
                If the fault is still present, the internal thermistor is defect.

                                                                                                    MX eco
E22 PTC open circuit
                                                                                                    MX pro




                                                                                                             HTSI
Description     A thermistor (PTC) sensor is open (TH1, TH2, TH3, TH heat sink)
Cause           A thermistor input or the thermistor of the heat sink is open (value > 100 kΩ).
Remedy          Check the thermistor connections and the thermistor sensors in the motor.
Cause           DI6 is parameterized as thermistor, but used as a digital input.




                                                                                                             8 P01 035 EN.01/01
Remedy          Check whether DI6 is used as digital input but parameterized as thermistor.
Cause           A thermal switch is used instead of a thermistor sensor.
Remedy          Set TH verification to "0 .. Not active" (parameter E2.05, E2.10, E2.15).
                If the fault is still present, the internal thermistor is defect.

                                                                                                    MX eco
E23 ASIC Init fault
                                                                                                    MX pro
Description     ASIC on the motor control cannot be initialized.
Cause           An internal failure occurred.
Remedy          Shut down mains supply, wait for complete discharge of DC link (LED 1) and switch on
                again.
                If the fault is still present, the control block has to be exchanged.

                                                                                                    MX eco
E24 SFB fault
                                                                                                    MX pro
Description     Encoder failure (see "Description of functions" D5).
Cause           Encoder is not connected.
Remedy          Check the encoder and its connection.
Cause           Wrong direction of rotation of the encoder.
Remedy          Exchange signals A and B or change the rotational direction of the motor by interchanging
                the motor cables or adjust parameters C2.04 "Phase rotation" or D5.04 "Encoder rotation".
                Finally execute the routine F2.42 "Test encoder".
Cause           The encoder signal does not correspond with the used option >pDRIVE< SFB.
Remedy          Check the compatibility of encoder signal and encoder card.




28
MX eco
                     E25 IGBT fault
                                                                                                                         MX pro
                     Description      The desaturation protection of an IGBT has triggered (an IGBT does not switch on or off
                                      within 6 μs).
                                      The registration of this fault occurs only with devices larger than >pDRIVE< MX eco & pro
                                      4V75 and >pDRIVE< MX pro 6V75/90.
                     Cause            Although an IGBT has got an on-command, it does not switch on or off.
                     Remedy           Execute the IGBT test with parameter F2.40. Therefor the motor has to comply at least 30 %
                                      of the inverter power.
                                      See also chapter "Measurement of power semiconductors", page 57.

                                                                                                                         MX eco
                     E27 IGBT short circuit
                                                                                                                         MX pro
                     Description      Electronically determined short circuit at one of the IGBTs during "Power up".
                     Cause            During the "Power up" routine all IGBTs are checked for short circuit. Thereby a failure (short
                                      circuit or interruption) has been detected for at least one IGBT.
                     Remedy           Execute the IGBT test with parameter F2.40. Therefor the motor has to comply at least 30 %
                                      of the inverter power.
                                      See also chapter "Measurement of power semiconductors", page 57.

                                                                                                                         MX eco
                     E28 Motor short circuit
                                                                                                                         MX pro
                     Description      The automatically running test routine B3.43 "Automatic SC test" has detected a short circuit
                                      at the output.
HTSI




                     Cause            There is a short circuit at the inverter output.
                     Remedy           Check the motor, the motor cables and connections.
                     Cause            Inexact setting of motor data although autotuning as been carried out successfully and also
                                      operation without motor contactor control works.
                     Remedy           The motor data must exactly comply with the name plate data. Execute autotuning again
8 P01 035 EN.01/01




                                      afterwards.
                     Cause            In case of motor contactor control the motor contactor is switched on too quickly after
                                      switching off.
                     Remedy           After disconnection wait at least 5 times of the rotor time constant (B4.14, B4.25, B4.37)
                                      before connecting the motor contactor again.

                                                                                                                          MX eco
                     E30 Current measure fault
                                                                                                                          MX pro
                     Description    Fault of the current transformer, its voltage supply or the evaluation electronics.
                                    The registration of this fault occurs only with devices larger than >pDRIVE< MX eco & pro
                                    4V75 and >pDRIVE< MX pro 6V75/90.
                     Cause          Fault of the current transformer, its voltage supply or the evaluation electronics.
                     Remedy         Check LEDs 5 and 6 (see chapter "Diagnostic LEDs", page 50).
                                    Perform a measurement of the current transformers (see chapter "Checking the current
                                    transformers", page 60).

                                                                                                                         MX eco
                     E31 Braking unit fault
                                                                                                                         MX pro
                     Description      Fault at the braking unit
                     Cause            The IGBT of the braking unit is short circuited.
                     Remedy           Perform a measurement of the braking transformer.
                                      In order to protect the braking resistor a line contactor has to be integrated (see catalogue,
                                      chapter "Braking unit BU").




                                                                                                                                       29
MX eco
E32 MC E² zones invalid
                                                                                                  MX pro
Description     Motor control EEProm defect
Cause           An internal failure of the motor control electronics occurred.
Remedy          Shut down mains supply, wait for complete discharge of DC link (LED 1) and switch on
                again.
                If the fault is still present, the control block has to be exchanged.

                                                                                                 MX eco
E33 CPU fault
                                                                                                 MX pro
Description     Internal electronic fault
Cause           A failure of the internal electronic occurred.
Remedy          Shut down mains supply, wait for complete discharge of DC link (LED 1) and switch on
                again.
                If the fault is still present, the control block has to be exchanged.
Cause           Excessive use of all software functions
Remedy          Deactivate functions which are not required like e.g. function blocks, curve generator or XY
                graph.

                                                                                                 MX eco
E34 ISL fault
                                                                                                 MX pro
Description     Communication fault on the internal serial link
Cause           A failure of the internal electronics occurred, e.g. based on external interferences.




                                                                                                               HTSI
Remedy          Shut down mains supply, wait for complete discharge of DC link (LED 1) and switch on
                again.
                Check whether there is a source of interferences nearby.
                If the fault is still present, the control block has to be exchanged.

                                                                                                 MX eco
E35 MTHA fault




                                                                                                               8 P01 035 EN.01/01
                                                                                                 MX pro
Description     Asic for time measurement defect (undervoltage time determination).
Cause           An internal failure occurred.
Remedy          Shut down mains supply, wait for complete discharge of DC link (LED 1) and switch on
                again.
                If the fault is still present, the control block has to be exchanged.

                                                                                                 MX eco
E36 Overspeed
                                                                                                 MX pro
Description     The motor has exceeded the maximum allowed Overspeed level (E2.50).
Cause           The setting of the motor data is not correct.
Remedy          Adjust the motor data under B4 according to the name plate data.
Cause           The overspeed level E2.50 is set too low.
Remedy          Adapt parameter E2.50 to the application.
Cause           The application needs higher speed as planed.
Remedy          Check the application for speed range and generator operation.
Cause           The fault occurs during catch on the fly.
Remedy          Increase parameter B3.37 Remanence level.




30
MX eco
                     E37 Safe Standstill
                                                                                                                        MX pro
                     Description   There is a fault in the area of the internal monitoring for function "Safe Standstill" (PWR).
                     Cause         The line of the PWR signal is too long or has bouncing contact.
                     Remedy        Check the PWR line and ensure well switching contact.
                     Cause         The inverter electronics is only supplied by 24 V.
                     Remedy        Supply the inverter with mains voltage.
                     Cause         An internal failure occurred.
                     Remedy        Shut down mains supply, wait for complete discharge of DC link (LED 1) and switch on
                                   again.
                                   If the fault is still present, the control block has to be exchanged.

                                                                                                                        MX eco
                     E38 IO12 comm. fault
                                                                                                                        MX pro
                     Description   Communication fault at option card >pDRIVE< IO12
                     Cause         The communication with option card >pDRIVE< IO12 does not work properly (e.g. because
                                   of bad mounting).
                     Remedy        Check the mechanical mounting and connection of the option cards.
                                   Remove the option card or exchange the cards when two option cards are used and observe
                                   whether the fault message remains.
                                   Shut down mains supply, wait for complete discharge of DC link (LED 1) and switch on
                                   again.
                     Cause         Short interrupts or interferences to the terminals of the option card.
HTSI




                     Remedy        Check all terminal connections for loose contact and correct screen connection.

                                                                                                                        MX eco
                     E39 Opt. comm. fault
                                                                                                                        MX pro
                     Description   Communication fault at an option card (timeout failure)
8 P01 035 EN.01/01




                     Cause         The communication with an option card does not work properly (e.g. because of bad
                                   mounting).
                     Remedy        Check the mechanical mounting and connection of the option cards.
                                   Remove the option card or exchange the cards when two option cards are used and observe
                                   whether the fault message remains.
                                   Shut down mains supply, wait for complete discharge of DC link (LED 1) and switch on
                                   again.
                     Cause         Switching of parameter sets via a digital input is only activated in one parameter set.
                                   Therefrom a permanent switching between the parameter sets takes place.
                     Remedy        Deactivate setting "Switch-over with DI" of parameter B2.03 "Parameter mode" or use the
                                   same digital input for switching ("76 .. 2nd parameter set") in both parameter sets.

                                                                                                                        MX eco
                     E40 Wrong option board
                                                                                                                        MX pro
                     Description   Defect or unknown option card used
                     Cause         An option card is identified but it is not supported by the software.
                     Remedy        Check the compatibility of option card versions.




                                                                                                                                   31
MX eco
E41 Bus fault
                                                                                                   MX pro
Description     A bus fault occurred due to exceeded run time or loss of control.
Cause           Interrupt of the bus connection or failure of the master
Remedy          Reconnect the bus and check the master.
                Check the bus hardware (incl. terminating resistors, screen, connectors, ...).
                Equip the contactors with protective circuits (RC elements).
Cause           "Watch Dog" has elapsed, that means that the cycle time of the master during data
                exchange is too long.
Remedy          Check the "Watch Dog" times in the parameterization telegram and change them, if
                necessary.
Cause           Wrong setting of the communication type at the frequency inverter.
Remedy          Adjust the right communication type using parameter D6.100 No. of Bus-ref. values.
Cause           The master uses a wrong GSD file (type file).
Remedy          Only use the GSD files included in delivery for parameterization of the master.
Cause           The bus "crashes" because the number of the bus subscribers is too high or the cycle time
                gets too long due to a defect subscriber.
Remedy          Check the state and the number of the subscribers.
Cause           A wrong communication function is set at the master.
Remedy          In case of Simatic S7 the PBO types 1, 2 and 4 as well as the SFC14 function (read
                peripheral data) and the SFC 15 function (write peripheral data) have to be used. In case of
                PBO type 3 the function "load data" and "transfer data" must be used.




                                                                                                                   HTSI
                                                                                                   MX eco
E42 Param. config. fault
                                                                                                   MX pro
Description     Parameter settings invalid
Cause           The parameter settings are contradictory.
Remedy          Load a new macro with parameter B2.02 Macro selection.




                                                                                                                   8 P01 035 EN.01/01
                Thereby the existing settings are overwritten (except macro-independent parameters, see
                chapter "Factory setting", page 6).

                                                                                                   MX eco
E43 Reference fault AI2
                                                                                                   MX pro
Description     At the analog input AI2 the reference value fell below 2 mA.
Cause           There is no reference value at the terminals.
Remedy          Check the reference value using parameter A4.03 or a measuring instrument.
Cause           The reference value is connected with wrong polarity.
Remedy          Check the connection of the analog signal (terminal AI2: +, terminal COM: -).
Cause           A 0...20 mA signal is used.
Remedy          Use a 4...20 mA signal (also see Description of functions, chapter D1).

                                                                                                   MX eco
E44 Reference fault AI3
                                                                                                   MX pro
Description     At the analog input AI3 the reference value fell below 2 mA.
Cause           There is no reference value at the terminals.
Remedy          Check the reference value using parameter A4.05 or a measuring instrument.
Cause           The reference value is connected with wrong polarity.
Remedy          Check the connection of the analog signal (terminal AI3+, terminal AI3-; also see Description of
                functions, chapter D1).
Cause           A 0...20 mA signal is used.
Remedy          Use a 4...20 mA signal (also see Description of functions, chapter D1).




32
MX eco
                     E45 Reference fault AI4
                                                                                                                       MX pro
                     Description   At the analog input AI4 the reference value fell below 2 mA.
                     Cause         There is no reference value at the terminals.
                     Remedy        Check the reference value using parameter A4.07 or a measuring instrument.
                     Cause         The reference value is connected with wrong polarity.
                     Remedy        Check the connection of the analog signal (terminal AI4: +, terminal COM: -; also see
                                   Description of functions, chapter D1).
                     Cause         A 0...20 mA signal is used.
                     Remedy        Use a 4...20 mA signal (also see Description of functions, chapter D1).

                                                                                                                       MX eco
                     E46 Reference fault FP
                                                                                                                       MX pro
                     Description   At the frequency input FP the reference value fell short by 50 % of the setting fmin (D1.30).
                     Cause         There is no reference value at the terminals.
                     Remedy        Check the reference value using parameter A4.09 or a measuring instrument.

                                                                                                                       MX eco
                     E47 TH ϧ M1 >>
                                                                                                                       MX pro
                     Description   At least one of the thermistors (PTC) or thermal switches assigned to motor M1 (see motor
                                   assignment E2.01, E2.06, E2.11) has detected an overtemperature.
                     Cause         The connected motor is overloaded.
                     Remedy
HTSI




                                   Check the motor temperature.
                                   Avoid overload, reduce the operating time or the max. allowed motor current (E1.01, E1.02).
                                   Check the ambient temperature and the external fan (if existing).
                     Cause         There is no PTC thermistor connected to the terminals DI6, TH2 or TH3 or the connection is
                                   interrupted.
                     Remedy        Check the connection of the thermistors.
8 P01 035 EN.01/01




                                   Set the thermistor input with E2.01, E2.06, E2.11 to "Not used".
                     Cause         Interspersions to thermistor lines
                     Remedy        Use screened thermistor lines. Only connect the screen to the frequency inverter and not to
                                   the motor. Avoid parallel laying with motor cables.
                                   Reduce the pulse frequency.

                                                                                                                       MX eco
                     E48 TH ϧ M2 >>
                                                                                                                       MX pro
                     Description   At least one of the thermistors (PTC) or thermal switches assigned to motor M2 (see motor
                                   assignment E2.01, E2.06, E2.11) has detected an overtemperature.
                     Cause         The connected motor is overloaded.
                     Remedy        Check the motor temperature.
                                   Avoid overload, reduce the operating time or the max. allowed motor current (E1.01, E1.02).
                                   Check the ambient temperature and the external fan (if existing).
                     Cause         There is no PTC thermistor connected to the terminals DI6, TH2 or TH3 or the connection is
                                   interrupted.
                     Remedy        Check the connection of the thermistors.
                                   Set the thermistor input with E2.01, E2.06, E2.11 to "Not used".
                     Cause         Interspersions to thermistor lines
                     Remedy        Use screened thermistor lines. Only connect the screen to the frequency inverter and not to
                                   the motor. Avoid parallel laying with motor cables.
                                   Reduce the pulse frequency.




                                                                                                                                   33
MX eco
E49 TH ϧ Ext >>
                                                                                                 MX pro
Description    At least one of the thermistors (PTC) or thermal switches, which are planned for the general
               use (see assignment E2.01, E2.06, E2.11) has detected an overtemperature.
Cause          The connected motor is overloaded.
Remedy         Check the motor temperature.
               Avoid overload, reduce the operating time or the max. allowed motor current (E1.01, E1.02).
               Check the ambient temperature and the external fan (if existing).
Cause          There is no PTC thermistor connected to the terminals DI6, TH2 or TH3 or the connection is
               interrupted.
Remedy         Check the connection of the thermistors.
               Set the thermistor input with E2.01, E2.06, E2.11 to "Not used".
Cause          Interspersions to thermistor lines
Remedy         Use screened thermistor lines. Only connect the screen to the frequency inverter and not to
               the motor. Avoid parallel laying with motor cables.
               Reduce the pulse frequency.

                                                                                                 MX eco
E50 ϧ M1 >>
                                                                                                 MX pro
Description    The thermal mathematical motor model has reached the set trigger level for motor M1.
Cause          The connected motor is overloaded.
Remedy         Check the motor temperature.
               Check the setting of parameters E2.18...E2.26.




                                                                                                               HTSI
               Avoid overload, reduce the operating time or the max. allowed motor current (E1.01, E1.02).

                                                                                                 MX eco
E51 ϧ M2 >>
                                                                                                 MX pro
Description    The thermal mathematical motor model has reached the set trigger level for motor M2.
Cause          The connected motor is overloaded.




                                                                                                               8 P01 035 EN.01/01
Remedy         Check the motor temperature.
               Check the setting of parameters E2.30...E2.38.
               Avoid overload, reduce the operating time or the max. allowed motor current (E1.01, E1.02).

                                                                                                 MX eco
E52 Stall protection
                                                                                                 MX pro
Description    The stall protection has triggered due to a rotor blockade or a highly overloaded starting.
               See parameters E2.42...E2.45.
Cause          The drive is mechanically blocked or overloaded.
Remedy         Check the drive system for mechanic overload and also check parameters E2.42...E2.45.
Cause          The operating frequency is in the range of parameters E2.42...E2.45 (e.g. crane hoisting with
               external fan)
Remedy         Adapt parameters E2.42...E2.45 to the operation.
Cause          A motor phase is disconnected (e.g. cable break or defect switching element in the motor
               line). The frequency inverter does not increase 0.1...0.5 Hz and displays high current.
Remedy         Check all cables and switching elements.
Cause          An encoder is used and channel A and B are connected wrong.
Remedy         Check the connection of the encoder.

                                                                                                 MX eco
E53 Underload
                                                                                                 MX pro
Description    The underload function (E2.61...E2.61) has recognized a motor underload.
Cause          The load of the motor is lower than expected or the setting of the underload monitoring is
               wrong.
Remedy         Check the load of the motor and the drive system.
               Check the setting of parameters E2.61...E2.61.

34
MX eco
                     E54 Speed check fault
                                                                                                                           MX pro
                     Description      The function n-monitoring (E1.38) has recognized an overspeed.
                                      This trip message is only assigned to a digital input and not to the encoder at the option
                                      card.
                     Cause            The mechanic transmission between motor and engine is damaged (e.g. belt break).
                     Remedy           Check the mechanical transmission system.
                     Cause            The external speed detection is defective or mounted wrong or the setting of parameters
                                      E1.38 .. E1.46 is wrong.
                     Remedy           Check the speed detection and the parameter settings.

                                                                                                                           MX eco
                     E55 Feed in <<
                                                                                                                           MX pro
                     Description      The function Feed-in monitoring (E1.49) has triggered.
                     Cause            The medium to be monitored has too low prepressure or the setting of parameters
                                      E1.49...E1.51 is wrong.
                     Remedy           Check the sensor signals and the feed-in rates e.g. regarding pipe break, filling level, ...
                                      Check the parameter settings.

                                                                                                                           MX eco
                     E56 AT-fault 1
                                                                                                                           MX pro
                     Description      Fault at the execution of the autotuning routine
                     Cause
HTSI




                                      The parameterized motor data extremely differ from the measurement.
                     Remedy           Check the parameterization of the motor data (also see chapter "Factory setting", page 6).
                                      Operate the motor with V/f mode (B3.02) and check whether the function is alright in
                                      principle.
                     Cause            Wrong motor connection (Y/Δ) or wiring failure.
                     Remedy           Check the connection of the motor, the motor cables, the motor contactor and the bypass
8 P01 035 EN.01/01




                                      circuit, if existing.
                     Cause            Autotuning has to be executed while the motor does not turn.
                     Remedy           Ensure that the motor is not turning.
                     Cause            The connected motor power does not correspond with the nominal inverter power.
                     Remedy           The motor power should be at least one step higher and not lower than the half nominal
                                      power of the inverter.
                     Cause            Autotuning has been started with 24 V buffer voltage while there was no mains voltage.
                     Remedy           Ensure that mains voltage is supplied.
                     Cause            There is no motor connected or a motor contactor or disconnecting switch for maintenance
                                      purposes is open.
                     Remedy           Check the connection between inverter and motor.

                                                                                                                           MX eco
                     E57 Config. fault
                                                                                                                           MX pro
                     Description      EEProm application software incompatible or changed power part.
                     Cause            An internal electronics failure occurred.
                     Remedy           Shut down mains supply, wait for complete discharge of DC link (LED 1) and switch on
                                      again.
                                      If the fault is still present, the control block has to be exchanged.
                     Cause            After exchanging the control electronics or the power board the versions do not match.
                     Remedy           Ensure that proper spare parts have been used.




                                                                                                                                     35
MX eco
E58 External fault 1
                                                                                                     MX pro
Description    An external fault is signalized via a digital input function, a logic block or the bus (see
               E3.34...E3.38).
               It is an external terminal function and no defect of the frequency inverter!
Cause          The function E3.34 is activated but the parameterization or wiring for the terminal "External
               fault 1" is missing.
Remedy         Check whether a digital input D2.01 .. D2.14 is set to "External fault 1" and whether the
               wiring is correct.
Cause          The logic of the digital inputs (PNP source or NPN sink) does not correspond with the
               control.
Remedy         Select the right logic with sliding switch SW1 (IO11: SW3, IO12: SW4). Also see catalogue,
               chapter "Control terminals".

                                                                                                     MX eco
E59 External fault 2
                                                                                                     MX pro
Description    An external fault is signalized via a digital input function, a logic block or the bus (see
               E3.41...E3.45).
               It is an external terminal function and no defect of the frequency inverter!
Cause          The function E3.41 is activated but the parameterization or wiring for the terminal "External
               fault 2" is missing.
Remedy         Check whether a digital input D2.01 .. D2.14 is set to "External fault 2" and whether the
               wiring is correct.
Cause          The logic of the digital inputs (PNP source or NPN sink) does not correspond with the




                                                                                                                HTSI
               control.
Remedy         Select the right logic with sliding switch SW1 (IO11: SW3, IO12: SW4). Also see catalogue,
               chapter "Control terminals".

                                                                                                      MX eco
E60 Line contactor fault




                                                                                                                8 P01 035 EN.01/01
                                                                                                      MX pro
Description    Line contactor control defect (response monitoring)
               At active line contactor control (parameter C6.07) the DC link voltage is missing or below the
               nominal value. An external 24 V supply must exist.
Cause          After a start command the DC link voltage does not reach its nominal value within 3 seconds.
Remedy         Check the mains voltage, the line contactor and the line contactor control.

                                                                                                      MX eco
E61 (E62) Motor contactor error
                                                                                                      MX pro
Description    Feedback for motor contactor control faulty.
Cause          The inverter-internal motor contactor control is activated and a start command is given. But
               there is no feedback of the motor contactor within a second that it has been closed.
Remedy         Check the activation and wiring of the motor contactor and the confirmation.

                                                                                                     MX eco
E63 ON lock
                                                                                                     MX pro
Description    The digital input function "ON lock activation" (E3.48) caused a protective shut-down.
Cause          ON lock is signalized via a digital input function (see E3.48...E3.50).

               It is an external terminal function and no defect of the frequency inverter!
Remedy         Check whether a digital input D2.01 .. D2.14 is set to "ON lock" and whether the wiring is
               correct. For operation the safety chain must be closed (N.C.).




36
MX eco
                     E64 Internal SW error
                                                                                                                    MX pro
                     Description   Internal software bug
                     Cause         An internal software failure occurred.
                     Remedy        Shut down mains supply, wait for complete discharge of DC link (LED 1) and switch on
                                   again.
                                   If the fault is still present, the control block has to be exchanged.

                                                                                                                    MX eco
                     E65 Power rating fault
                                                                                                                    MX pro
                     Description   Unclear power part assignment
                     Cause         An internal electronics failure occurred.
                     Remedy        Shut down mains supply, wait for complete discharge of DC link (LED 1) and switch on
                                   again.
                     Cause         After exchanging the control electronics or the power board the versions do not match.
                     Remedy        Ensure that proper spare parts have been used.

                                                                                                                    MX eco
                     E66 Incompatible MC
                                                                                                                    MX pro
                     Description   Motor control is not compatible to the application software
                     Cause         An internal electronics failure occurred.
                     Remedy        Shut down mains supply, wait for complete discharge of DC link (LED 1) and switch on
                                   again.
HTSI




                                   If the fault is still present, the control block has to be exchanged.
                     Cause         After exchanging the motor control, the application software or the control part the versions
                                   do not match.
                     Remedy        Ensure that proper spare parts have been used.
8 P01 035 EN.01/01




                                                                                                                    MX eco
                     E67 Flash fault APP
                                                                                                                    MX pro
                     Description   Flash Eprom on the applicative defect
                     Cause         An internal EPROM failure occurred.
                     Remedy        Shut down mains supply, wait for complete discharge of DC link (LED 1) and switch on
                                   again.
                                   If the fault is still present, the control block has to be exchanged.

                                                                                                                    MX eco
                     E68 Indus zone fault
                                                                                                                    MX pro
                     Description   Value for calibration on the application software defect.
                     Cause         An internal EPROM failure occurred.
                     Remedy        Shut down mains supply, wait for complete discharge of DC link (LED 1) and switch on
                                   again.
                                   If the fault is still present, the control block has to be exchanged.

                                                                                                                    MX eco
                     E69 Eprom fault APP
                                                                                                                    MX pro
                     Description   EEProm on the applicative defect
                     Cause         An internal EPROM failure occurred.
                     Remedy        Shut down mains supply, wait for complete discharge of DC link (LED 1) and switch on
                                   again.
                                   If the fault is still present, the control block has to be exchanged.




                                                                                                                                   37
MX eco
E70 BR - fault
                                                                                                   MX pro
Description      Shut-down by the thermal mathematical model due to inadmissible high temperature of the
                 braking resistor.
Cause            The parameter settings for the braking resistor are wrong.
Remedy           Check the parameter settings.
Cause            The connected braking resistor is too small for this application.
Remedy           Dimension the resistor according to the real demand. Extend deceleration ramp or cycle
                 time.

                                                                                                   MX eco
E71 Limitation active
                                                                                                   MX pro
Description      A limitation function of the motor control (current or torque) was active and according to the
                 setting of E1.17 Reaction at limitation a protective shut-down takes place.
Cause            The motor control has recognized a current or torque limitation and parameter E1.17 is set to
                 "Limitation & trip" or "Limit. & alarm/trip".
Remedy           Extend parameter E1.18 "Time Δt".

                                                                                                   MX eco
E72 Ramp adaption
                                                                                                   MX pro
Description      The set acceleration or deceleration ramp cannot be maintained and has been automatically
                 extended.
Cause            Acceleration/deceleration is not possible within the set time due to the mass inertia or the




                                                                                                                  HTSI
                 load.
Remedy           Extend acceleration/deceleration ramp.
                 Reduce the load.
                 Deactivate setting "Extend & trip" of E1.21 "Reaction at deceleration" or extend E1.22 "Time
                 Δt".
                 Check whether a braking unit or an active regeneration of energy to the mains is necessary.




                                                                                                                  8 P01 035 EN.01/01
                 Activate setting "Motor brake" or "B5.01" of parameter Brake mode "Braking unit".
Cause            The set motor data do not correspond with the used motor.
Remedy           Check the motor data of M1 (B4.05 .. B4.15) and M2 (B4.17 .. B4.27). Adjust them according
                 to the table stated in chapter "Motor data", page 7, if necessary and execute autotuning with
                 B4.03.

                                                                                                   MX eco
E73 24V fault
                                                                                                   MX pro
Description      Problem with the external 24 V buffer voltage
Cause            The external buffer voltage fell below 19 V.
Remedy           Measure the external buffer voltage and check whether it is overloaded (30 W per inverter).
Cause            The 24 V buffer voltage has too strong amplitudes (rectified but not filtered).
Remedy           Use a power supply unit with filter capacitor.




38
MX eco
                     E74 Encoder fault
                                                                                                                       MX pro
                     Description    An inadmissible high slip, coupling break or loss of the signal has been detected at the
                                    encoder. The detection can be activated by means of parameter D5.06 "Encoder slip
                                    detection".
                     Cause          The mechanic transmission between motor and encoder is damaged.
                     Remedy         Check the mounting of the encoder.
                     Cause          The mechanic fixing of the encoder is damaged and therefrom a slip between motor shaft
                                    and encoder shaft occurs.
                     Remedy         Check the mounting of the encoder.
                     Cause          The connection between encoder and inverter is interrupted or damaged.
                     Remedy         Check the wiring and terminals of the encoder. Check the setting of parameters D5.07 "f-
                                    detection level" and D5.08 "Delay time". Finally execute the routine F2.42 "Test encoder".

                                                                                                                       MX eco
                     E75 Encoder test failed
                                                                                                                       MX pro
                     Description    The encoder test failed (that means a deviation of the motor data > 5 %).
                     Cause          Wrong parameterization of the inverter for testing.
                     Remedy         Check the motor data, encoder data and wiring.
                                    Observe the proceeding described in the "Description of functions" under parameter F2.42.
                     Cause          Hardware failure, wrong algebraic sign due to wrong assignment of channel A and B, wrong
                                    identification of the encoder card or wrong encoder data entered
                     Remedy         Check the whole encoder integration from the mechanic fixing to the set encoder data.
HTSI




                                                                                                                        MX eco
                     E76 T-controller at n-limit
                                                                                                                        MX pro
                     Description    An inadmissible long speed limitation occurred during torque control operation..
                     Cause          Inadmissible underload of the drive occurred and maximum speed has been reached.
8 P01 035 EN.01/01




                     Remedy         Check the application for underload like e.g. belt break and check the parameter settings of
                                    speed limitation (C5.16...C5.19).

                                                                                                                        MX eco
                     E77 No motor available
                                                                                                                        MX pro
                     Description    No motor for prefluxing available (evaluation only in case of brake control).
                     Cause          The connection between inverter and motor is missing.
                     Remedy         Check the motor connection and switching devices between inverter and motor (contactors,
                                    terminals, ...), if existing.

                                                                                                                       MX eco
                     E78 Brake fault
                                                                                                                       MX pro
                     Description    The state of the brake and the confirmation are contradictory.
                     Cause          Crane control is used and the hoist option "Monitor brake feedback" is active under C3.56.
                                    There is no feedback of the brake whether it is closed after a stop command or opened after
                                    a start command.
                     Remedy         Check the functionality of the brake.
                                    Extend the set timeout C3.60.




                                                                                                                                   39
MX eco
E79 Δϕ >>                                                                                          MX pro
Description     The monitoring of the rotation angle has detected a too high deviation (determined from nREF
                and nACT).
Cause           The monitoring of the rotation angle E1.54 is activated and the deviation between nREF and
                nACT is higher than the tolerance set with parameter E1.55.
                This may occur, for example, due to operation at the current- or torque limitation or when the
                drive breaks down.
Remedy          Check whether there are mechanical problems at the system like e.g. blocking, belt break or
                mechanical overload (I, T, P, t, breakdown of motor).
                Increase the permitted tolerance with parameter E1.55.
                Extend the ramp times.
Cause           The starting torque is not available for 100 %.
Remedy          See parameter B3.17 R1 Compensation.
Cause           The hoist function is used. In this case the rotation angle monitoring is automatically
                activated and cannot be deactivated.
Remedy          Set parameter C3.57 Starting torque ↑ and C3.58 Starting torque ↓ to over 100 %.

                                                                                                     MX eco
E80 BE11 loss
                                                                                                     MX pro
Description     The connection between matrix operating panel BE11 and inverter is cut off during active
                panel operation and a loss of BE11 control is detected (see parameter E5.12).
Cause           The inverter is controlled in panel mode using the operating panel BE11 and the BE11 is
                removed or the connection is interrupted. The desired reaction can be set using parameter




                                                                                                                 HTSI
                E5.13.
Remedy          Check whether the Matrix operating panel BE11 is proper plugged at the inverter or check
                the connection between inverter and BE11 in case of mounting in the cubicle door.

                                                                                                   MX eco
E81 VSD overload




                                                                                                                 8 P01 035 EN.01/01
                                                                                                   MX pro
Description     Protective shut-down due to exceeding the maximum current/time specification.
Cause           Parameter E1.03 "Inverter temp. model" is set to "0 .. Not active".
Remedy          Set parameter E1.03 to "1 .. Active".
                Check the mechanical system for overload, blocking or the like.
                Check the dimensioning of the inverter in principle.

                                                                                                    MX eco
E82 I-limit active
                                                                                                    MX pro
Description     The actual motor current was higher than the actual allowed maximum current (E1.01 Imax1,
                E1.02 Imax2, thermal mathematical motor model E2.18...E2.39, thermal mathematical inverter
                model E1.03).
                This leads to a protective shut-down corresponding to the setting of E1.17 Reaction at
                limitation.
Cause           An overload of the motor or the system occurred.
Remedy          Check the mechanical system for overload, blocking or the like.
                Increase the limitation parameters (if permitted).




40
MX eco
                     E83 T-limitation active
                                                                                                                          MX pro
                     Description    The actual motor torque was higher than an effective limitation value. Torque-limiting
                                    protective mechanisms are the internal or external torque limitation (E1.05...E1.08) and the
                                    power limitation (E1.13, E1.14).
                                    This leads to a protective shut-down corresponding to the setting of E1.17 Reaction at
                                    limitation.
                     Cause          An overload of the motor or the system occurred.
                     Remedy         Check the mechanical system for overload, blocking or the like.
                                    Increase the limitation parameters (if permitted).

                                                                                                                           MX eco
                     E84 Trip within VSD group
                                                                                                                           MX pro
                     Description    A fault, signalized via the digital input function "Trip within VSD group", has occurred at an
                                    inverter that is connected to the electric shaft
                     Cause          An inverter within the VSD group has shut-down due to a trip and transmits the trip message
                                    by means of the trip message chain.
                     Remedy         The tripping inverter displays another fault (real cause) than "Trip within VSD group"). The
                                    fault has to be eliminated.
                                    Subsequently execute a reset at the master inverter.

                                                                                                                          MX eco
                     E85 Position error >>
                                                                                                                          MX pro
                     Description
HTSI




                                    Inadmissible high position error when the function "Electric shaft" (C6.69) is active.
                     Cause          The slave has recognized a position error between master and slave that is higher than the
                                    allowed tolerance set with C6.71.
                     Remedy         Deactivate C6.70 Electr. Shaft Monitoring.
                                    Check the mechanical system for blocking, shock loads or the like.
8 P01 035 EN.01/01




                                    Increase parameter C6.71 Allowed error.

                                                                                                                           MX eco
                     E86 Sync-Error
                                                                                                                           MX pro
                     Description    The Sync-signal that is required for the function of the electric shaft is missing (time out:
                                    4 seconds).
                     Cause          The slave does not recognize a synchronization signal.
                     Remedy         Check the connection between master and slave.
                                    Check the setting of the digital inputs and outputs (see Description of functions).

                                                                                                                          MX eco
                     E87 Process fault 1
                                                                                                                          MX pro
                     Description    A process fault is signalized via a digital input command (see E3.65...E3.69).

                                    It is an external terminal function and no defect of the frequency inverter!
                     Cause          The function E3.65 is activated but the parameterization or wiring for the terminal "Process
                                    fault 1" is missing.
                     Remedy         Check whether a digital input D2.01 .. D2.14 is set to "Process fault 1" and whether the
                                    wiring is correct.
                     Cause          The logic of the digital inputs (PNP source or NPN sink) does not correspond with the
                                    control.
                     Remedy         Select the right logic with sliding switch SW1 (IO11: SW3, IO12: SW4). Also see catalogue,
                                    chapter "Control terminals".




                                                                                                                                     41
MX eco
E88 Process fault 2
                                                                                                 MX pro
Description   A process fault is signalized via a digital input command (see E3.72...E3.76).
Cause         The function E3.72 is activated but the parameterization or wiring for the terminal "Process
              fault 2" is missing.
Remedy        Check whether a digital input D2.01 .. D2.14 is set to "Process fault 2" and whether the
              wiring is correct.
Cause         The logic of the digital inputs (PNP source or NPN sink) does not correspond with the
              control.
Remedy        Select the right logic with sliding switch SW1 (IO11: SW3, IO12: SW4). Also see catalogue,
              chapter "Control terminals".

                                                                                               MX eco
E89 Process fault 3
                                                                                               MX pro
Description   A process fault is signalized via a digital input command (see E3.79...E3.83).
Cause         The function E3.79 is activated but the parameterization or wiring for the terminal "Process
              fault 3" is missing.
Remedy        Check whether a digital input D2.01 .. D2.14 is set to "Process fault 3" and whether the
              wiring is correct.
Cause         The logic of the digital inputs (PNP source or NPN sink) does not correspond with the
              control.
Remedy        Select the right logic with sliding switch SW1 (IO11: SW3, IO12: SW4). Also see catalogue,
              chapter "Control terminals".




                                                                                                             HTSI
                                                                                                             8 P01 035 EN.01/01




42
Defects of the display
                     The display indicates nothing and the backlight does not light.
                     Possible cause        The operating panel BE11 is not plugged in correctly.
                     Remedy                Ensure that both mechanical interlocks on the side of the operating panel are snapped
                                           in.


                     The display lights but it indicates unintelligible characters.
                     Possible cause        A wrong operating panel is plugged in.
                     Remedy                Ensure that the Matrix operating panel corresponds with the inverter version.


                     It is difficult to read the display.
                     Possible cause        The operating panel is exposed to very high or low temperatures.
                     Remedy                The LCD of the operating panel operates best at temperatures between 0...40°C.


                     For several parameters the display shows no names but only an abbreviation.
                     Possible cause        The version of the BE11 is older than the applicative software.
                     Remedy                Use an appropriate (newest) Matrix operating panel BE11.


                     The display stops during building up the communication immediately after switch on the +24 V and/or the
                     mains voltage.
HTSI




                     Possible cause        During installation of the option card pins at the connector are bended.
                     Remedy                Remove the option card and test the user interface without option cards. Try to bring the
                                           pins of the affected option card into one line. If the fault still exists insert a new option
                                           card.
8 P01 035 EN.01/01




                     At the parameter transfer with the operating panel (short menu) parameters are loaded wrong or the BE11
                     does not react anymore.
                     Possible cause        Parameters of an inverter with another software version are loaded using E5.05.
                     Remedy                Use E5.04 Copy: MX -> Keypad and E5.05 Copy: Keypad -> MX only for inverters with
                                           same parameter version (see chapter "Software concept", page 64).




                                                                                                                                       43
Other malfunctions
Even there is no trip message it may happen that the inverter does not operate as desired. The cause therefore
is mostly wrong parameter settings or faulty control.
Undesired behaviour and its possible causes that are not based on faults of the inverter are described
following.


The inverter gets a start command and a reference value but the motor does not turn.
Possible cause      Only forward or reverse direction is enabled under parameter C2.03 "Direction enable".
Remedy              Check the start command on the terminals with C2.03 "Direction enable".


The inverter is not ready and the motor does not turn.
No status display (ready, run or trip) is active.
Possible cause      Switching of parameter sets via a digital input is only activated in one parameter set.
                    Therefrom a permanent switching between the parameter sets takes place.
Remedy              Deactivate setting "B2.03" of parameter Parameter mode "Switch-over with DI" or use
                    the same digital input for switching ("76 .. 2nd parameter set") in both parameter sets.
Possible cause      After reset of a fault a start signal is given. But the start signals of "Control source 1"
                    (E4.01) or "Control source 2" (E4.02) are set to "edge rated".
Remedy              Either cancel the start signal and apply it again or adjust the control source to "level
                    rated".




                                                                                                                   HTSI
The inverter operates even stationary below the set minimum frequency C2.01.
Possible cause      Parameter C2.03 "Direction enable" is set to "3 .. Forward & reverse".
Remedy              Enable only one rotational direction with parameter C2.03 "Direction enable".
                    Adjust the reference signal to the desired minimum value.




                                                                                                                   8 P01 035 EN.01/01
The braking unit does not work. The inverter fails with "B5.01" although Brake mode "Braking unit" is set
to "4 .. V>> at deceleration" and the braking resistor is connected.
Possible cause      The braking resistor is not correctly connected, its resistance is too high or it is defect.
Remedy              For devices to MX pro 4V160/200 and MX pro 6V160/200 the resistor has to be
                    connected to the terminals PA (for MX pro 4V together with the DC link choke DCL) and
                    PB.
                    The resistance must be lower than the maximum value stated in the technical data.


The option card cannot be identified.
Possible cause      The pins of the connector are bent
Remedy              Unplug the option card and check the pins of the connector.


The external "Live Zero" monitoring triggers when there is no voltage on the inverter.
Possible cause      The internal burden of AI1, AI2 and AI4 is high-resistance when there is no voltage.
Remedy              Use analog input AI3 because it has a fix burden or set analog input AI1, AI2 or AI4 to
                    0...10 V and connect an external burden of 500 Ω.


The mA reference value cannot be recognized correctly or has undefinable behaviour.
Possible cause      The mA driver voltage is > 12 V.
Remedy              Ensure that the driver voltage does not exceed the maximum value of 12 V. Also a series
                    resistor can be used (acts as voltage divider).




44
The motor turns in spite of 0 Hz reference value or oscillates.
                     Possible cause       Wrong parameter setting
                     Remedy               Reduce the slip compensation with B3.18.
                                          Adjust the motor data under B4 according to the name plate data.
                                          Execute autotuning by means of parameter B4.03.
                                          Reduce parameter B3.17 R1 Compensation.


                     The output frequency is fluctuating although the reference value is constant.
                     Possible cause       Wrong setting of the speed controller
                     Remedy               Reduce B3.20 Dynamic 1 at MX eco and C5.01 Speed prop. gain at MX pro.
                                          If no optimal settings of the controller can be found, use a V/f control method.


                     The indication "fACT = fREF" is flashing on the display.
                     Possible cause       Unstable control
                     Remedy               Reduce B3.20 Dynamic 1 at MX eco and C5.01 Speed prop. gain at MX pro.
                                          Adjust the motor data under B4 according to the name plate data.
                                          Execute autotuning by means of parameter B4.03.
                                          If no optimal settings of the controller can be found, use a V/f control method.


                     Knocking noises occur in the gear.
                     Possible cause       Unstable control
                     Remedy               Let the drive free-wheeling starting from nominal speed. If the noises do not occur
HTSI




                                          thereby, proceed as follows:
                                          Reduce B3.20 Dynamic 1 at MX eco and C5.01 Speed prop. gain at MX pro.
                                          Adjust the motor data under B4 according to the name plate data.
                                          Execute autotuning by means of parameter B4.03.
                                          If no optimal settings of the controller can be found, use a V/f control method.
8 P01 035 EN.01/01




                     During starting mechanical shock load occur.
                     Possible cause       Steep starting ramp
                     Remedy               Set a gentle starting using parameters C2.12 S-ramp mode and C2.13 S-ramp.


                     The motor exceeds pull out torque at high starting load.
                     Possible cause       Acceleration is too low
                     Remedy               Deactivate S-ramp mode with parameter C2.12.


                     The indication of acceleration/deceleration at the keypad does not correspond with the actual speed.
                     Possible cause       The indication of acceleration/deceleration does not derive from the actual value but
                                          from the internal integrator. Therefore the indication of acceleration/deceleration differs
                                          e.g. at automatic ramp extension due to high moments of inertia.
                     Remedy               Extend the ramp times in such a way as no automatic ramp adaptation takes place.
                                          Set parameter A6.05 Limitations to "1 .. visible" in order to enable recognition of the
                                          occurring limitation.
                                          Set parameter E1.23 Ref. after dec. extension to "1 .. Dec. at ramp".


                     At speed feedback the motor does not turn more than approx. 2 Hz.
                     Possible cause       The rotary field of the motor or the encoder lines may be exchanged. In this case also
                                          parameters C2.04 Phase rotation and D5.04 Encoder rotation have to be adjusted
                                          appropriate.
                     Remedy               Check the rotary field of the motor as well as parameter C2.04 Phase rotation.
                                          Check the wiring of the encoder and parameter D5.04 Encoder rotation.
                                          Adjust the motor data under B4 according to the name plate data.
                                          Execute autotuning by means of parameter B4.03.

                                                                                                                                        45
"Safe Standstill" leads to a trip message.
Possible cause      The inverter is operated in simulation mode (F2.45).
Remedy              Do not use the PWR input during simulation mode.


The motor turns unstable (applies to powers ≤ 90 kW).
Possible cause      An IGBT of the inverter is defect.
Remedy              Measure the output current of all 3 phases and check them for symmetry.


The inverter does not start despite Ready display and start signal (only for 12-pulse devices).
Possible cause      A 12-pulse device (from MX eco 4V500 and MX pro 400/500) is only supplied by the
                    mains connections L1.2, L2.2 and L3.2 e.g. for temporary operation.
Remedy              Supply the inverter by the mains connections L1.1, L2.1 and L3.1.
                    The inverter can be supplied by Lx.1 or Lx.2 from following software:
                    APSeco_B03_8783482_04_V04.00a and APSpro_B03_8783483_04_V04.00a


The inverter stops with "Stop".
Possible cause      The PWR input was interrupted for short-term, e.g. due to control by means of a safety
                    PLC
Remedy              The PWR input must only be supplied by the internal 24V of the inverter!
                    Check whether short interrupts of the PWR circuit occur.




                                                                                                                    HTSI
"Catch on the fly" does not work.
Possible cause      Parameter B3.37 Remanence level is set too high.
Remedy              Decrease the value of parameter B3.37. The smaller the remanence of the motor the
                    smaller the value for the "Catch on the fly" level has to be adjusted.




                                                                                                                    8 P01 035 EN.01/01
F2.40 Start IGBT test achieves a positive result without motor.
Possible cause      There is no motor but a sinus filter connected at the inverter output.
Remedy              The IGBT test can be executed successfully even with a sinus filter. Anyway, always a
                    motor should be connected for the IGBT test.


B5.01 Brake mode motor brake A, B, C achieves no difference.
Possible cause      For MX eco & pro devices to motor control version V1.1 and for all devices up to 75 kW
                    motor brake A, B and C are similar.
Remedy              If the braking power of the motor brake is insufficient, an external braking resistor can be
                    used for MX pro.


Reset via bit 7 Profibus does not work but via operating panel BE11 it works.
Possible cause      The bus is only used for the f-reference value. Control takes place by source 1 with 2-
                    wire-edge at the terminals. Thus bits 0...9 are not effective according to Profidrive profile
                    and therefrom no reset with bit 7 can be executed.
Remedy              Use the bus also for control.
                    Or use a free bit (11...15) via a time module in the logic blocks (parameter group E6) that
                    is parameterized to the function "Ext. reset".


Display of the alarm message "Tmax motor" or "Tmax generator".
Possible cause      A new operating panel BE11 is used in combination with an old inverter. Both messages
                    have been merged to the message "T limitation".
Remedy              Interpret "Tmax motor" and "Tmax generator" as "T limitation".



46
Alarm message I- or T-limitation is displayed without motor.
                     Possible cause     The inverter is operated in a VC mode without motor.
                     Remedy             Always use a V/f control method (B3.02) when there is no motor connected.


                     Operation without motor
                     Possible cause     The operation of the inverter without motor is only possible with control method V/f (and
                                        even in this case not suggestive!). With VC modi malfunction or illogical acting limitations
                                        may occur.
                     Remedy             For test run of a drive with very small motor or without motor (e.g. cubicle assembly)
                                        parameter F2.49 Test mode is available which automatically switches to V/f mode and
                                        deactivates the monitoring of the motor phases.
                                        In this case functions must not be used which are not allowed in V/f mode (e.g. T-
                                        controller, speed feedback, crane control, ...).


                     High starting torque cannot be reached.
                     Possible cause     Field orientation is available from speed zero to nominal slip after magnetization only for
                                        the period of the rotor time constant!
                     Remedy             Observe following for drives with high starting torque:
                                        − In case of long acceleration ramps or keeping reference value zero, the starting
                                          torque decreases notedly → set short ramp, possibly switch-over to 2nd ramp
                                        − Set parameter B3.17 R1 Compensation sensitive higher up to 100 % (factory setting
                                          is 80 %).
HTSI




                                        − Using an encoder solves the problem of the field orientation at n = 0 but the displayed
                                          actual torque value is considerably worse than in case of operation without encoder
                                          (affects only the display, torque is present). Additionally, S-ramps have a negative
                                          effect !
8 P01 035 EN.01/01




                                                                                                                                  47
The drive oscillates or turns unstable.
Possible cause      A motor parameter has been adjusted after autotuning.
                    If a motor parameter is adjusted even marginal after autotuning, the factory motor data
                    are loaded.
Remedy              Enter the motor data again and execute autotuning.
Possible cause      The settings of the n-controller have not been adapted.
                    Each system is designed individually and has different behaviour, so each system has to
                    be adapted empirically on-site.
Remedy              Reduce the magnification of the n-controller by approx. 30 % (parameter C5.01 for MX
                    pro and B3.20 for MX eco).
                    Increase the integration time of the n-controller by approx. 30 % (parameter C5.02 for
                    MX pro and B3.21 for MX eco).

                    If the existing moment of inertia of the drive system is known (mass inertia of the motor
                    and the load), the optimal magnification of the n-controller can be calculated as follows:
                    1. Calculation of the existing total moment of inertia IReal = IMotor + ILoad (a reduction of I to
                       n-motor may be necessary)
                    2. Read out the moment of inertia of the load IVSD which is calculated by the inverter
                       (parameter A2.28, available from software version B05_07 for devices > 75 kW)
                       If parameter A2.28 is not available, the value can be calculated as follows:
                                          B4.06 (Nom. motor current) B4.11(Motor no. of poles)
                       IVSD = ITable ×                                 ×
                                         F1.03 (Nom. inverter current)         4




                                                                                                                         HTSI
                                         MX pro 4V                               MX pro 4V
                        MX eco 4V        MX pro 6V    kgm²             MX eco 4V MX pro 6V        kgm²
                        0.75             0.75         0.0018           90          −              0.70
                        1.5              1.5          0.0039           110         90/110         0.70
                        2.2              2.2          0.0039           132         110/132        1.00




                                                                                                                         8 P01 035 EN.01/01
                        3                3            0.0051           160         132/160        1.20
                        4                4            0.0062           200         160/200        1.40
                        5.5              5.5          0.0177           250         200/250        1.60
                        7.5              7.5          0.024            315         250/315        2.60
                        11               11           0.039            400         315/400        3.20
                        15               15           0.047            500         400/500        6.00
                        18.5             18.5         0.085            630         500/630        7.00
                        22               22           0.098            −           630/800        13.00
                        30               30           0.151
                        37               37           0.23
                        45               45           0.28
                        55               55           0.75
                        75               75           1.28


                       This calculation for the moment of inertia of the load IVSD does not apply to
                       synchronous motors ! For synchronous motors the moment of inertia of the load has
                       always to be read out in parameter A2.28.

                    3. Calculation of the n-magnification
                                                     Jreal
                       n - Reglerverstärkung =
                                                      JFU


                               MX pro: calculated value x 40 complies with parameter C5.01 in %
                               MX eco: calculated value complies with parameter B3.20




48
Unsatisfactorily multi-motor operation
                     Possible cause     Wrong settings at the inverter.
                     Remedy             Check the settings of the inverter and adjust them accordingly:
                                        − Motor current and power has to correspond with the sum of the individual motors
                                        − The setting of the n-controller has to be related to the sum of all centrifugal masses
                                          (caution: many small motors have a notedly smaller centrifugal mass than a bigger
                                          motor)
                     Possible cause     The motors are not coupled or unequal.
                     Remedy             Use a V/f control method.
                     Possible cause     The motors are equal and mechanically coupled.
                     Remedy             Execute autotuning.
                                        Both a V/f control method and VC standard and enhanced can be used.
                     Possible cause     The motors have different starting torques.
                     Remedy             Avoid different cable lengths.
HTSI
8 P01 035 EN.01/01




                                                                                                                                   49
Hardware diagnostics


Overview of the components
Abbreviation Designation                      Description
ACB            Active capacitor balancing     Active voltage splitting
APP            Application board              User interface including the device Software
BUD            Braking unit driver            Braking unit driver
FCB            Fan control board              Fan control card
GD             Gate driver                    IGBT driver card
ISL            Internal serial link           Internal bus link between APP and MC
TB             Measuring board                Measurand indication
MC             Motor control                  Motor control
PB             Power board                    Power board
RFI            RFI board                      EMC-filter
RFS            Rectifier snubber board        Rectifier snubber circuit
SCB            Soft charge board              Charging circuit




                                                                                                                HTSI
Diagnostic LEDs
All >pDRIVE< MX eco & pro have a red LED (LED1) for indication of the DC link voltage. This LED can be




                                                                                                                8 P01 035 EN.01/01
observed from the outside of each device and indicates the charging state of the DC link and the auxiliary DC
link for the charging circuit. It lights when the DC link voltage is higher than 60 V DC.


       The position of LED 1 is shown in the design drawings in chapter "Plans", page 69.


From devices >pDRIVE< MX eco 4V160, >pDRIVE< MX pro 4V132/160 and MX pro 6V90/110 there are
additional LEDs on the PCBs for simple diagnostics and troubleshooting that show the proper voltage supply
of the different modules.




50
Overview of the built-in LEDs

                     400 V devices

                                                                                                        >pDRIVE< MX eco
                                                                                            4V160         4V200, 4V250 4V355, 4V400
                                                                                                          4V315        4V500, 4V630
                                                                                                        >pDRIVE< MX pro
                                                                                            4V132/160     4V160/200    4V315/400
                                                                             Ref.                         4V200/250    4V400/500
                     Voltage supply                           Voltage        potential                    4V250/315    4V500/630
                                                                                            MB11, A1      PB12_13, A1 PB14_15, A1
                     DC link voltage (>60V)                   -              DC-linkminus   LED 1         LED 1        LED 1
                     PS for FCB A70/A71                       +15 V DC       L              LED 2         LED 2        LED 2
                     PS for applicative A10/A11               +24 V DC       M1             LED 3         LED 3        LED 3
                     PS for internal fans M10-M13             -24 V DC       M1             LED 4         LED 4        LED 4
                     Current transformer +                    +15*/24 V DC   DC-linkminus   LED 5*        LED 5        LED 5
                     Current transformer -                    -15*/24 V DC   DC-linkminus   LED 6*        LED 6        LED 6
                     PS for motor control                     +5 V DC        DC-linkminus   LED 7         LED 7        LED 7
                     PS for soft charge board A6/A61          +15 V DC       DC-linkplus    −             LED 8        LED 8
                     PS for soft charge board A60             +15 V DC       DC-linkplus    −             −            LED 9
                     PS for braking unit driver A20           +15 V DC       DC-linkplus    −             LED 9        −
                     PS for braking unit driver A20           -15 V DC       DC-linkplus    −             LED 10       −
HTSI




                                                                                            PB11, A2
                     PS for soft charge board A6/A61          +15 V DC       DC-linkplus    LED 8        −             −
                     PS for soft charge board A60             +15 V DC       DC-linkplus    −            −             −
                                                                                                                       BUD 14_15 I,
                                                                                                                       A20
8 P01 035 EN.01/01




                     Overtemperature fan BU (Matrix)          −              L              −            −             LED 10
                     PS for braking unit driver A20           +24 V DC       M3             −            −             LED 11
                     PS for braking unit driver A20           -24 V DC       M3             −            −             LED 12
                     External braking unit connected          +10 V DC       M3             −            −             LED 15
                                                                                                                       BUD 14_15
                                                                                                                       (ext.)
                     External braking unit                    +24 V DC       DC-linkminus   −            −             LED 13
                     External braking unit                    -24 V DC       DC-linkminus   −            −             LED 14
                                                                                            FCB, A7      FCB, A7       FCB, A70
                     Overtemperature fan (Matrix)             −              L              LED 1        LED 1         LED 1
                     Overtemperature fan (Matrix)             −              L              LED 2        LED 2         LED 2
                                                                                                                       FCB, A71
                     Overtemperature fan (Matrix)             −              L              −            −             LED 1
                     Overtemperature fan (Matrix)             −              L              −            −             LED 2

                     Reference potential of the respective voltage supply:
                     L          … Mains (internal or external)
                     Mx         … floating ground




                                                                                                                                      51
690 V devices

                                                                                   >pDRIVE< MX pro
                                                                       6V90/100      6V200/250   6V400/500
                                                                       6V110/132     6V250/315   6V500/630
                                                        Ref.           6V132/160     6V315/400   6V630/800
Voltage supply                           Voltage        potential      6V160/200
                                                                       MB11, A1     MB13V, A1        MB15V, A1
DC link voltage (>60V)                   -              DC-linkminus   LED 1        LED 1            LED 1
PS for FCB A70/A71                       +15 V DC       L              LED 2        LED 2            LED 2
PS for applicative A10/A11               +24 V DC       M1             LED 3        LED 3            LED 3
PS for internal fans M10-M13             -24 V DC       M1             LED 4        LED 4            LED 4
Current transformer +                    +15*/24 V DC   Ud0            LED 5*       LED 5            LED 5
Current transformer -                    -15*/24 V DC   Ud0            LED 6*       LED 6            LED 6
PS for motor control                     +5 V DC        Ud0            LED 7        LED 7            LED 7
PS for braking unit driver A20           +15 V DC       M3             −            LED 11           −
PS for braking unit driver A20           -15 V DC       M3             −            LED 12           −
                                                                       PB11V, A2    PB13V, A2        PB15V, A2
PS for soft charge board A6/A61          +15 V DC       DC-linkplus    LED 8        LED 8            LED 8
PS for soft charge board A60             +15 V DC       DC-linkplus    −            −                LED 9
                                                                                    RFI board, A30
Overtemperature fan BU (Matrix)          −              L              −            LED 10           −
                                                                                    BUD13V I, A20    BUD14_15V I, A20




                                                                                                                        HTSI
Overtemperature fan BU (Matrix)          −              L              −            −                LED 10
PS for braking unit driver A20           +24 V DC       M3             −            LED 11           LED 11
PS for braking unit driver A20           -24 V DC       M3             −            LED 12           LED 12
External braking unit connected          +10 V DC       M3             −            LED 15           LED 15
                                                                                    BUD 14_15        BUD 14_15




                                                                                                                        8 P01 035 EN.01/01
                                                                                    (ext.)           (ext.)
External braking unit                    +24 V DC       DC-linkminus −              LED 13           LED 13
External braking unit                    -24 V DC       DC-linkminus −              LED 14           LED 14
                                                                     FCB, A7        FCB, A7          FCB, A70
Overtemperature fan (Matrix)             −              L            LED 1          LED 1            LED 1
Overtemperature fan (Matrix)             −              L            LED 2          LED 2            LED 2
                                                                                                     FCB, A71
Overtemperature fan (Matrix)             −              L              −            −                LED 1
Overtemperature fan (Matrix)             −              L              −            −                LED 2

Reference potential of the respective voltage supply:
L          … Mains (internal or external)
Mx         … floating ground


        The LEDs are designed in SMD and therefrom they are difficult to find when they do not light. Detailed
        device drawings with emphasized position of the LEDs and connectors are given in chapter "Plans",
        page 69.

        LEDs do not supersede voltage measurement because a LED that does not light could be also
        defective !




52
Troubleshooting with the aid of LEDs

                             Basically all LEDs must light when the device has no trip.
                             Exceptions are: LED 1 on the fan control board(s) FCB and LED 15 on the braking unit driver.


                     If a LED does not light, this might have following reasons:
                     • The voltage supply of the respective module is faulty or defect.
                     • The voltage supply of the respective module is overloaded.
                     • The LED itself is defect.


                             Connectors must be unplugged only when there is no voltage.
                             The plugs of the current transformers must be unplugged only when there is no motor connected.


                     Please proceed according to the following table for further troubleshooting.


                     LED       Function                                            Fault cause and remedy
                     From MX eco 4V160, MX pro 4V132/160 and MX pro 6V90/110:
                     LED 1     Indicates the charging state of the DC link and      Check the mains connections and mains fuses.
                               the auxiliary DC link for the charging circuit (> 60 All three phases L1, L2 and L3 must be applied
                               V DC)                                                with mains voltage.
HTSI




                     LED 2     Indicates the voltage supply for the fan control    Unplug the fan plug(s) X3/X11...X14
                               board(s)                                            successively. If the LED lights afterwards, a fan
                                                                                   is defect (also see below: LED pattern of the fan
                                                                                   control boards).
                     LED 3     Indicates the voltage supply of the control part    Disconnect the power supply and pull off the
                                                                                   plug X4. Connect power supply again. If the LED
8 P01 035 EN.01/01




                                                                                   lights afterwards, the control part is defect.
                     LED 4     Indicates the voltage supply of the internal fan(s) Check whether the fans are mechanically
                               M10, M11, M12, M13 of the control part              blocked.
                                                                                   Unplug the fan plug(s) X30...X33 successively.
                                                                                   If the LED lights afterwards, a fan is defect.
                     LED 5     Indicates the voltage supply of the current         Check whether the current transformers are
                     LED 6     transformers T1, T2, T3                             mechanically damaged and also check their
                                                                                   connection cable.
                     LED 7     Indicates the voltage supply of the motor control If LED 7 does not light, the power board and the
                               board                                             control block must be exchanged.
                     LED 8     Indicates the voltage supply of the soft charge     If LED 8 does not light, the power board (A1 or
                               board(s)                                            A2) and the soft charge boards (A6, A60, A61)
                                                                                   must be exchanged.




                                                                                                                                     53
LED       Function                                           Fault cause and remedy
For MX eco 4V200...4V315 and MX pro 4V160/200...4V250/315:
LED 9     Indicates the voltage supply of the braking unit   Check the inverter.
LED 10
For MX eco 4V200...4V315, MX pro 4V160/200...4V250/315 and MX pro 6V200/250...630/800:
LED 9     Indicates the voltage supply of the second soft    Check the inverter.
          charge board
LED 10    Monitors the fan of the external braking unit      Check whether the external braking unit is
                                                             proper connected to the inverter.
LED 11    Indicates the internal voltage supply of the       Check the inverter.
LED 12    braking unit
LED 13    They are inside the external braking unit and      Check whether the external braking unit is
LED 14    indicate the voltage supply.                       proper connected to the inverter.
LED 15    Indicates the connection of the control lines to   Check whether the control line of the braking
          the external braking unit.                         unit is proper connected to the inverter.
          When no external braking unit is connected, this
          LED does not light !

        Before any work at the inverter disconnect the frequency inverter from the mains, wait until the DC link
        is discharged and check whether there is no voltage anymore!!


        LEDs do not supersede voltage measurement because a LED that does not light could be also
        defective !




                                                                                                                   HTSI
                                                                                                                   8 P01 035 EN.01/01




54
LED pattern of the fan control boards
                     Depending on the inverter power, devices from MX eco 4V160, MX pro 4V132/160 and MX pro 6V90/110 are
                     designed with one to four power part fans. Two fans con be controlled by a fan control board FCB A70, A71.
                     Each FCB is provided with LED 1 and LED 2 for thermal monitoring of the power part fans.
                     At devices from >pDRIVE< MX eco 4V132 and >pDRIVE< MX pro 4V110/132 the fans are supplied by the
                     mains from the inverter as factory default. However, external voltage supply is possible.
                     At devices from >pDRIVE< MX pro 6V90/110 voltage supply takes place via the optional transformer box or an
                     external voltage supply.


                               If the external voltage supply fails, the LEDs are not supplied and remain dark.


                     If voltage supply is present, the respective LEDs light when the thermostat relays of the fan are alright (closed).
                     If a thermostat relay triggers, a "LED pattern" according to the following table arises by which the triggered fan
                     can be easily found.

                                                                                                                 LED pattern        BUD_I
                      >pDRIVE<                                                   Fan
                                                                                                         FCB A7 / A71     FCB A70   A20 *)
                      MX eco     MX pro 4V      MX pro 6V        M2       M1     M4       M3       BU    LED1 LED2      LED1 LED2   LED10
                      4V160      4V132/160      6V90/110                                                          m
                      4V200      4V160/200      6V110/132
                                                6V132/160
                                                6V160/200                 ϑ>>                             m       m

                      4V250      4V200/250      6V200/250
HTSI




                      4V315      4V250/315      6V250/315
                                                6V315/400        ϑ>>                                      m
                                                without
                                                option            ?       ϑ>>                             m       m
                                                BU 6V4500
                      4V355      4V315/400
8 P01 035 EN.01/01




                      4V400      4V400/500                       ϑ>>                                      m              m
                      4V500      without                          ?       ϑ>>                             m              m     m
                                 option
                                 BU 4V750                         ?        ?             ϑ>>              m       m      m     m
                      4V630      4V500/630      6V400/500
                                 without        6V500/630        ϑ>>                                                     m
                                 option         6V630/800
                                                                  ?       ϑ>>                                            m     m
                                 BU 4V750       without
                                                option            ?        ?     ϑ>>                      m              m     m
                                                BU 6V900          ?        ?      ?      ϑ>>              m       m      m     m
                                                6V200/250
                                                6V250/315
                                                6V315/400
                                                with option       ?        ?      ?        ?       ϑ>>    m       m      m     m      m
                                                BU 6V450
                                 4V315/400      6V400/500
                                 4V400/500      6V500/630
                                 4V500/630      6V630/800
                                 with option    with option       ?        ?      ?        ?       ϑ>>    m       m      m     m      m
                                 BU 4V750       BU 6V900

                     *)   At MX pro 6V200/250...6V315/400 LED10 is located on the RFI board A30.

                         … Fan alright
                     ϑ>> … Overtemperature of the fan
                     ?   … State not identifiable until troubleshooting
                         … LED lights
                     m   … LED dark




                                                                                                                                          55
Fuses
       Before any work at the inverter disconnect the frequency inverter from the mains, wait until the DC link
       is discharged and check whether there is no voltage anymore!!


Fuses F1... F3
The fuses F1...F3 are located on the RFI board (A30 / A40) and protect the varistors at the input.
Simultaneously several auxiliary voltages are created behind the fuses F1...F3, from there the inverter cannot
build up electronic supply when the fuses are defect.


Fuses FU1...FU3 (AC fans)
The fuses FU1...FU3 are located on the fan control board(s) (A6 / A60 / A61) and provide a short-circuit
protection for the fans. When the fuses are defect, the fans do not operate and the control part is not cooled
any longer !

       After replacing defect parts the cause of breakdown must be found. Switching on again without
       eliminating the cause of fault may even enlarge the dimension of damage !




                                                                                                                  HTSI
                                                                                                                  8 P01 035 EN.01/01




56
Measurement of power semiconductors

                             Before any work at the inverter disconnect the frequency inverter from the mains, wait until the DC link
                             is discharged and check whether there is no voltage anymore!!


                     When measuring the power part, we recommend the following proceeding in order to avoid faulty
                     measurements:
                        • Disconnect the mains and motor lines
                        • Measure the diodes, thyristors and IGBTs with a universal measuring instrument with diode test function
                          and applied current.


                             In case of this measurement the absolute values are not decisive because they heavily depend on the
                             used measuring instrument. The consistency of the measured values is the determining factor. Please
                             observe furthermore that the measuring instrument needs some time to charge the DC link capacity.




                     Rectifier measurement

                     >pDRIVE< MX eco & pro inverters up to 18 kW consist of a 6-pulse diode rectifier bridge. The diodes are
                     measured between the input terminals L1, L2, L3 and the plus or minus DC link busbar PA/+, PC/-.
                     The frequency inverters >pDRIVE< MX eco 4V22...4V400, >pDRIVE< MX pro 4V22...4V315/400 and
HTSI




                     6V2,2/3,0...6V315/400 consist of a 6-pulse half controlled rectifier bridge with thyristors.
                     The frequency inverters >pDRIVE< MX eco 4V500...4V630, >pDRIVE< MX pro 4V400/500...4V500/630 and
                     6V400/500...630/800 consist of a 12-pulse half controlled rectifier bridge with thyristors.
                     The diodes are measured between the input terminals L1, L2, L3 (or L1.1, L1.2, L2.1, L2.2, L3.1, L3.2) and the
                     minus DC link busbar PC/-. The thyristors are measured between the input terminals L1, L2, L3 (or L1.1, L1.2,
                     L2.1, L2.2, L3.1, L3.2) and the plus DC link busbar PA/+.
8 P01 035 EN.01/01




                     The gates of the thyristors can be directly checked at the plugs (black/yellow, black/green, black/violet) of the
                     soft charge board A6, A60 and A61.
                     The values are normally in a range of 10...20 Ω. 0 Ω or values > 50 Ω indicate a defect of the thyristor. In this
                     case the thyristors and the soft charge board have to be exchanged.




                                                                                                                                   57
IGBT measurement

The IGBTs are measured between the motor terminals U, V, W and the plus or minus DC link busbar PA/+,
PC/-.


       In case of a defect IGBT the module is rather infrequently defective because the control electronics
       reacts very fast and thus prevents mechanical destruction. Therefrom a measurement is absolutely
       necessary for assessment.


       The gates of the IGBTs cannot be checked when the module is built-in!




                                                                                                              HTSI
                                                                                                              8 P01 035 EN.01/01




58
Measurement of IGBTs when the device is energized

                             Measurements at live parts must be done only by duly qualified and trained staff !!
                             The measuring devices used have to comply with CAT III or IV.
                             Maximum voltage: 690 V AC and 1000 V DC !!


                     For >pDRIVE< MX pro 6V the rectifier IGBTs can be checked as follows:
                     Measure the voltages between the motor phases U, V, W against Vd0 (is not earth potential) when the inverter is
                     applied with voltage (DC link charged), impulse inhibit is active and the motor is disconnected. From MX pro
                     6V90/110 the potential Vd0 applies on plug X101 inside the device.



                                                                                                               Mains voltage
                                                                                                               500 V      690 V
                                                                                                               approx.   approx.
                                                                                                       VDC
                                                                                                               700 V     960 V
                                                                                                               approx.   approx.
                                                                                                       VDC/2
                                                                                                               350 V     480 V
HTSI




                     When all three measured voltages are approximately zero, there is no IGBT fault.


                     When approximately the half DC link voltage is measured, it points out a defect of the respective motor phase.
8 P01 035 EN.01/01




                     Positive voltages       → failure in the positive bridge section
                     Negative voltages       → failure in the negative bridge section

                     Possible cause of defect can be the motor control, the driver card or the IGBT.




                                                                                                                                   59
Checking the current transformers
The current transformers are checked when the inverter is supplied by the mains and the rectifier is locked
("Stop", "Lock"). LED 5 and LED 6 on the measuring board A1 are checked first (see chapter "Diagnostic
LEDs", page 50 and "Plans", page 69). These two LEDs show whether the positive and negative voltage supply
of the current transformers is existing.
Afterwards all 3 terminals of the current transformer are measured against supply ground of the current
transformers.

        The measuring devices used have to comply with overvoltage category CAT III or CAT IV according
        IEC 61010!

        The supply ground of the current transformers is for all MX eco 4V and MX pro 4V devices DCminus
        (negative DC link)!
        Up to MX pro 6V75/90 the ground of the current transformers is also DCminus, for devices from MX pro
        6V90/100 the ground of the current transformers is Vd0 (DC link centre)!


        The current transformers must be always supplied when current flows through.


        For measuring the current transformer extra small test probes are required. For example, "TP2 slim
        reach test probes" of Fluke can be used.




                                                                                                               HTSI
For MX eco 4V160, MX pro 4V132/160 and MX pro 6V90/110...6V160/200 the connections of the current
transformer are simply measured at the connector X11 on the measuring board A1.
For all 4V devices the screen plate of the motor control can be used as DCminus potential.
For all 6V devices the test point X101 can be used as Vd0 potential.




                                                                                                               8 P01 035 EN.01/01
                                   Reference potential for MX eco/pro 4V
                                   MC – screen plate potential DCminus




                                   Reference potential for MX pro 6V
                                   X101 - Potential Vd0




                                   Connector X11                                       Connector X11




60
From MX eco 4V200, MX pro 4V160/200 and MX pro 6V200/250 simply measure directly at the connectors of
                     the current transformers.
                     For all 4V devices the screen plate of the motor control can be used as DCminus potential.
                     For all 6V devices the test point X101 can be used as Vd0 potential (.position of X101 see chapter "Plans", page
                     69).




                                                                              Color: yellow for T1 / phase U
                                                                                     green for T2 / phase V
                                                                                     violet for T3 / phase W




                     All three connections of the current transformers are measured towards the respective ground of the current
                     transformer DCminus or Vd0.


                     The supply of the current transformers has to be at least ± 13.3 V for MX eco 4V160, MX pro 4V132/160 and
                     MX pro 6V90/100...6V160/200.
                     The supply of the current transformers from MX eco 4V200, MX pro 4V160/200 and MX pro 6V200/250 has to
                     be at least ± 21.3 V.
HTSI




                     Following pictures apply for the current transformer signal:
8 P01 035 EN.01/01




                                                                 Current transformer defective:
                                                                 If the measuring signal of the current transformer is not constant at
                                                                 0V, the current transformer is defect and has to be replaced.




                                                                 Current transformer alright:
                                                                 The measuring signal of the current transformer is constant at 0V.




                                                                                                                                      61
Insulation measurement
All frequency inverters from >pDRIVE< MX eco 4V160, MX pro 4V132/160 and MX pro 6V90/100 are tested
regarding voltage resistance and insulation resistance according to EN 50178 (test voltage: 2.8 kV DC for MX
eco 4V & MX pro 4V, 3.4 kV for MX pro 6V). When measuring the insulation resistance for this devices (e.g. in
case of inspection) unconditionally pay attention to following points:
     1. Short-circuit all power terminals of the inverter (L1, L2, L3, U, V, W, PO, PA/+, PB, PC/-).
     2. Disconnect the internal RFI-filter, i.e. the screw on the RFI-board has to be removed (position of the
        screw see chapter "non-grounded mains" in the mounting instructions).
     3. Carry out the measurements of the insulation resistance only between the short-circuited power
        terminals and ground.
     4. Test voltage:        MX eco 4V & MX pro 4V:      max. 2 kV DC
                             MX pro 6V:                  max. 3.11 kV DC
     5. Before measuring the insulation resistance of the motor, the motor has to be safely separated from the
        inverter either by disconnection or by opening the motor contactor. Non-observance leads to damage of
        the inverter !


            Do not carry out insulation resistance measurements at the control terminals !!!




Voltage levels




                                                                                                                        HTSI
When checking diverse operating states it might be important to know the different voltage levels of the
inverter. In the table all relevant values are given.




                                                                                                                        8 P01 035 EN.01/01
Voltage levels 400 V

 VDC link         VMains AC
                  (= VDC link /
                  √2)             Description
 825 V            583 V           Overvoltage shut-down
            1)
 785 V            555 V           Switch-on value of braking unit
 770 V            544 V           Switch-on value of autoramp function (without braking unit)
 756 V            535 V           Overvoltage shut-down during charging process
            3)
 750 V            530 V           Limit for overvoltage reset
 747 V            528 V           Equivalent to 480 V +10 %
 630 V      2)
                  445 V           Intelligent rectifier >pDRIVE< LX active @ 400V            Specified range of mains
 570 V      2)
                  403 V           >pDRIVE< LX "Recognition of undervoltage" @ 400V           voltage and DC link
 566 V            400 V           Equivalent to 400 V                                        voltage
 456 V            323 V           Equivalent to 380 V -15 %
 430 V            304 V           Charging circuit closed, undervoltage ride through level
 360 V            255 V           Undervoltage shut-down (charging circuit active)
 ~170 V           ~120 V          Supply of electronics active

1)
     Adjustable from 660...785 V with B5.02 "BU-braking level", depending on the mains voltage set with
     parameter B3.01.
2)
     Value depends on the set mains voltage
3)
     VDC link must drop below this value so that reset is possible




62
Voltage levels 690 V

                      VDC link        VMains AC
                                      (= VDC link /
                                      √2)             Description
                      1174 V          830 V           V> switch-off
                                 1)
                      1127 V          797 V           Switch-on value of braking unit to 75/90 kW
                      1100 V          778 V           Switch-on value of autoramp function (without braking unit)
                      1087 V          769 V           V> switch-off during charging process
                                 1)
                      1080 V          764 V           Switch-on value of braking unit from 90/110 kW
                                 3)
                      1078 V          762 V           Limit for overvoltage reset
                      1078 V     2)
                                      762 V           Intelligent rectifier >pDRIVE< LX active @ 690V
                      1073 V          759 V           Equivalent to 690 V + 10 %
                      1020 V     2)
                                      721 V           >pDRIVE< LX "Recognition of undervoltage" @ 690V
                      976 V           690 V           Equivalent to 690 V                                        Specified range of mains
                                                                                                                 voltage and DC link
                      849 V           600 V           Equivalent to 600 V                                        voltage
                      707 V           500 V           Equivalent to 500 V
                      601 V           425 V           Equivalent to 500 V - 15%
                      572 V           404 V           Charging circuit closed, undervoltage ride through level
                      488 V           345 V           V< switch-off (charging circuit active)
                      ~170 V          ~120 V          Supply of electronics active
HTSI




                     1)
                          Adjustable from 850...1080/1127 V with B5.02 "BU-braking level", depending on the mains voltage set with
                          parameter B3.01.
                     2)
                          Value depends on the set mains voltage
                     3)
                          VDC link must drop below this value so that reset is possible
8 P01 035 EN.01/01




                     Measuring points for the DC link voltage
                     The DC link voltage can be simplest measured at the power terminals PA/+ and PC/-.
                     The position of the DC link connection can be found in the drawings in chapter "Plans", page 69.




                                                                                                                                            63
Software concept
The frequency inverters >pDRIVE< MX eco & pro contain several microprocessors and thus they contain
different software programs.
Basically, there are 3 programs:
     • Applicative software
     • Motor control software
     • Software of the Matrix operating panel BE11
When the inverters are delivered, they contain the latest software versions which are compatible to each other.


The applicative software is the program for controlling the behaviour of the inverter. It contains all adjustable
parameters and it processes all inputs and outputs as well as all open and closed loop tasks.
The software version is readable with parameter F1.07 "APP software" and is composed as follows:

            APSpro - A 02 - 11

                                     Software version
                                     Parameter version
                                     Parameter family
                                     Type of program




                                                                                                                    HTSI
Type of program   defines the die product line >pDRIVE< MX eco or >pDRIVE< MX pro
Parameter family  Capital letter starting with A Versions with equal family index can be updated simply
                  because there are no changed parameters which would change the functionality or factory
                  setting. If new parameters are added, they have a neutral factory setting or they are
                  inactive.
Parameter version Defines the version within the parameter family.




                                                                                                                    8 P01 035 EN.01/01
Software version Defines the software version and is increased when the application program or the
                  parameter version is changed.


The Motor control software contains the program for controlling the motor and software functions near the
motor. The software version is readable only for service technician in service parameter F5.44 "Actual SW
MC".


The software of the Matrix operating panel BE11 contains the program for indication on the display and the
different language versions (details of the language versions can be found in the catalogue, chapter "Options").
The software version is readable only for service technician in service parameter F5.50 "Software BE11".
The latest version of BE11 also works with all older applicative-versions overall parameter families.

         An older BE11 can be also used with a newer inverter (i.e. with newer applicative-software). New
         parameters are only indicated as a symbol and not with text.




64
Spare part concept
                     All >pDRIVE< MX eco & pro up to 18.5 kW have a compact power part and therefrom they are typically
                     replaced as a whole. Exceptions are the operating panel BE11, option cards used and fans.
                     From 22 kW the devices are designed in such a way, that service can be done on module level.
                     The proper spare parts are given separately in the spare parts list.


                                              0.75                18.5 22                    75 90                   800 kW
                                                  Repair                              Exchange of control part
                          Control part         uneconomical                             or exchange device



                          Fans                                         All fans can be exchanged



                          Options                        All option cards are plugged in and can be exchanged


                                                        Repair               Exchange device       Exchange device with
                          Power part                 uneconomical                                    “Exchange Tool”
HTSI




                     For the >pDRIVE< MX eco & pro products all components are available as spare parts excepting those parts
                     marked as "uneconomical" in the gray field.

                             For warranty claims it is always necessary to fill out a "Warranty Report" (see chapter "Warranty
                             Report", page 115).
8 P01 035 EN.01/01




                     Training concept
                     Because of many years of experience with development, production and sale of frequency inverters our
                     company has achieved substantial know-how. These experiences in the area of dimensioning, start-up and
                     applications enable our company to provide professional trainings regarding frequency inverters for our
                     customers.

                     As the applications of frequency inverters are multifarious, also the previous knowledge and experiences of our
                     customers differ. Therefore we provide customer-related trainings harmonized with the customer needs.
                     It can be chosen from several modules:
                        • What is a frequency inverter and how does it work ?
                        • Dimensioning of >pDRIVE< MX eco & pro frequency inverters in consideration of the application
                        • Simple start-up of >pDRIVE< MX eco & pro frequency inverters
                        • Special functions of >pDRIVE< MX eco & pro frequency inverters und their commissioning
                        • Bus systems for >pDRIVE< MX eco & pro frequency inverters
                        • Service, trouble shooting and repair of >pDRIVE< MX eco & pro frequency inverters


                             Ask your contact person - he will be glad to offer you a customized training!




                                                                                                                                 65
Reference value distributor




                              HTSI
                              8 P01 035 EN.01/01




66
8 P01 035 EN.01/01   HTSI




67
Summary of limitations




                         HTSI
                         8 P01 035 EN.01/01




68
Plans
                     On the following pages you find circuit diagrams of the >pDRIVE< MX eco & pro from 132...630 kW
                     (MX pro 6V: 90...800 kW). Furthermore we provide design drawings with emphasized position of the most
                     important components and diagnostic LEDs.


                     Note for LED1:
                     LED 1 indicates the DC link voltage. It can be observed from the outside of each device (also see chapter
                     "Diagnostic LEDs", page 50). Depending on the power the LED is placed different.


                                  0.75...18 kW                               22...75 kW                    from 90 kW
HTSI




                            The diagnostic LEDs are built-in from >pDRIVE< MX eco 4V160, >pDRIVE< MX pro 4V132/160 or.
                            >pDRIVE< MX pro 6V90/110.
                            These LEDs are designed in SMD and therefrom they are difficult to find when they do not light. So
                            whose position is specially emphasized in the design drawings.
8 P01 035 EN.01/01




                            LEDs do not supersede voltage measurement because a LED that does not light could be also
                            defective !




                                                                                                                           69
Circuit diagram MX eco 4V90 and 4V110 as well as MX pro 4V90/110




                                                                   HTSI
                                                                   8 P01 035 EN.01/01




70
Circuit diagram MX eco 4V132 as well as MX pro 4V110/132
HTSI
8 P01 035 EN.01/01




                                                                                71
72
     8 P01 035 EN.01/01   HTSI
Design drawing MX eco 4V160 as well as MX pro 4V132/160
HTSI
8 P01 035 EN.01/01




                     A1 ............ Measuring board                       T1...T3 ........ Current transformer
                     A3 ............ Motor control                         F1...F3 ........ Fuses on the RFI board
                     A6 ............ Soft charge board                     FU1...FU3 ... Fuses on the fan control board
                     A7 ............ Fan control board                     M1 .............. Power part fan
                     A30 .......... Filter board                           M10 ............ Control part fan



                                                                                                                          73
Circuit diagram MX eco 4V160 as well as MX pro 4V132/160




                                                           HTSI
                                                           8 P01 035 EN.01/01




74
Circuit diagram MX eco 4V160 as well as MX pro 4V132/160
HTSI
8 P01 035 EN.01/01




                                                                                75
76
     8 P01 035 EN.01/01   HTSI
Design drawing MX eco 4V200 as well as MX pro 4V160/200
HTSI
8 P01 035 EN.01/01




                     A1 ............   Power board                             T1...T3 ........ Current transformer
                     A2 ............   Motor control                           F1...F3 ........ Fuses on the RFI board
                     A6 ............   Soft charge board                       FU1...FU3 ... Fuses on the fan control board
                     A7 ............   Fan control board                       M1 .............. Power part fan
                     A30 ..........    Filter board                            M10 ............ Control part fan

                                                                                                                              77
Circuit diagram MX eco 4V200 and MX pro 4V160/200




                                                    HTSI
                                                    8 P01 035 EN.01/01




78
Circuit diagram MX eco 4V200 and MX pro 4V160/200
HTSI
8 P01 035 EN.01/01




                                                                         79
80
     8 P01 035 EN.01/01   HTSI
Design drawing MX eco 4V250 and 4V315 as well as MX pro 4V200/250 and 4V250/315
HTSI
8 P01 035 EN.01/01




                     A1 ............   Power board                         T1...T3 ........ Current transformer
                     A2 ............   Motor control                       F1...F3 ........ Fuses on the RFI board
                     A6 ............   Soft charge board                   FU1...FU3 ... Fuses on the fan control board
                     A7 ............   Fan control board                   M1, M2 ....... Power part fan
                     A20 ..........    Braking unit interface              M10, M11 ... Control part fan
                     A30 ..........    Filter board




                                                                                                                          81
Circuit diagram MX eco 4V250 and 4V315 as well as MX pro 4V200/250 and 4V250/315




                                                                                   HTSI
                                                                                   8 P01 035 EN.01/01




82
Circuit diagram MX eco 4V250 and 4V315 as well as MX pro 4V200/250 and 4V250/315
HTSI
8 P01 035 EN.01/01




                                                                                                        83
84
     8 P01 035 EN.01/01   HTSI
Design drawing MX eco 4V355 and 4V400 as well as MX pro 4V315/400
HTSI
8 P01 035 EN.01/01




                     A1 ............ Power board                          T1...T3 ........ Current transformer
                     A2 ............ Motor control                        F1...F3 ........ Fuses on the RFI board
                     A60 .......... Soft charge board                     FU1...FU3 ... Fuses on the fan control board
                     A70, A71 ... Fan control boards                      M1...M3 ...... Power part fan
                     A20 .......... Braking unit interface                M10 ...M12 ... Control part fan
                     A30 .......... Filter board


                                                                                                                         85
Circuit diagram MX eco 4V355 and 4V400 as well as MX pro 4V315/400




                                                                     HTSI
                                                                     8 P01 035 EN.01/01




86
Circuit diagram MX eco 4V355 and 4V400 as well as MX pro 4V315/400
HTSI
8 P01 035 EN.01/01




                                                                                          87
88
     8 P01 035 EN.01/01   HTSI
Design drawing MX eco 4V500 as well as MX pro 4V400/500
HTSI
8 P01 035 EN.01/01




                     A1 ............ Power board                           T1...T3 ........ Current transformer
                     A2 ............ Motor control                         F1...F3 ........ Fuses on the RFI board
                     A60, A61 ... Soft charge boards                       FU1...FU3 ... Fuses on the fan control board
                     A70, A71 ... Fan control boards                       M1...M3 ...... Power part fan
                     A20 .......... Braking unit interface                 M10 ...M12 ... Control part fan
                     A30, A40 ... Filter boards


                                                                                                                          89
Circuit diagram MX eco 4V500 and MX pro 4V400/500




                                                    HTSI
                                                    8 P01 035 EN.01/01




90
Circuit diagram MX eco 4V500 and MX pro 4V400/500
HTSI
8 P01 035 EN.01/01




                                                                         91
92
     8 P01 035 EN.01/01   HTSI
Design drawing MX eco 4V630 as well as MX pro 4V500/630
HTSI
8 P01 035 EN.01/01




                     A1 ............ Power board                           T1...T3 ........ Current transformer
                     A2 ............ Motor control                         F1...F3 ........ Fuses on the RFI board
                     A60, A61 ... Soft charge boards                       FU1...FU3 ... Fuses on the fan control board
                     A70, A71 ... Fan control boards                       M1...M4 ...... Power part fan
                     A20 .......... Braking unit interface                 M10 ...M13 ... Control part fan
                     A30, A40 ... Filter boards




                                                                                                                          93
Circuit diagram MX eco 4V630 and MX pro 4V500/630




                                                    HTSI
                                                    8 P01 035 EN.01/01




94
Circuit diagram MX eco 4V630 and MX pro 4V500/630
HTSI
8 P01 035 EN.01/01




                                                                         95
96
     8 P01 035 EN.01/01   HTSI
Design drawing BU 4V750
HTSI
8 P01 035 EN.01/01




                     A1 ............ Braking unit driver   M1 ............ Power part fan




                                                                                            97
Circuit diagram BU 4V750




                           HTSI
                           8 P01 035 EN.01/01




98
Design drawing MX pro 6V90/110...6V160/200
HTSI
8 P01 035 EN.01/01




                     A1 ............ Power board                  T1...T3, T20 ...       Current transformer
                     A3 ............ Motor control                F1...F3 ...........    Fuses on the RFI board
                     A6 ............ Soft charge board            FU1...FU3 ......       Fuses on the fan control board
                     A7 ............ Fan control board            M1 .................   Power part fan
                     A30 .......... Filter board                  M10 ...............    Control part fan



                                                                                                                          99
Circuit diagram MX pro 6V90/110...6V160/200




                                              HTSI
                                              8 P01 035 EN.01/01




100
Circuit diagram MX pro 6V90/110...6V160/200
HTSI
8 P01 035 EN.01/01




                                                                   101
102
      8 P01 035 EN.01/01   HTSI
Design drawing MX pro 6V200/250...6V315/400
HTSI
8 P01 035 EN.01/01




                     A1 ............ Power board                   T1...T3 ........ Current transformer
                     A2 ............ Measuring board               F1...F3 ........ Fuses on the RFI board
                     A3 ............ Motor control                 FU1...FU3 ... Fuses on the fan control board
                     A6 ............ Soft charge board             M1, M2 ....... Power part fan
                     A7 ............ Fan control board             M10, M11 ... Control part fan
                     A21 .......... Snubber board
                     A30 .......... Filter board

                                                                                                                  103
Circuit diagram MX pro 6V200/250...6V315/400




                                               HTSI
                                               8 P01 035 EN.01/01




104
Circuit diagram MX pro 6V200/250...6V315/400
HTSI
8 P01 035 EN.01/01




                                                                    105
106
      8 P01 035 EN.01/01   HTSI
Design drawing MX pro 6V400/500...6V630/800
HTSI
8 P01 035 EN.01/01




                     A1 ............. Power board                  A31 .............. Gate drive
                     A2 ............. Measuring board              A41 .............. Active capacitor balancing
                     A3 ............. Motor control                T1...T3 ......... Current transformer
                     A6 ............. Soft charge board            F1...F3 ......... Fuses on the RFI board
                     A7 ............. Fan control board            FU1...FU3 .... Fuses on the fan control board
                     A20 ........... Braking unit interface        M1...M4 ....... Power part fan
                     A21 ........... Snubber board                 M10...M13 ... Control part fan
                     A30, A40 ... Filter board




                                                                                                                   107
Circuit diagram MX pro 6V400/500...6V630/800




                                               HTSI
                                               8 P01 035 EN.01/01




108
Circuit diagram MX pro 6V400/500...6V630/800
HTSI
8 P01 035 EN.01/01




                                                                    109
110
      8 P01 035 EN.01/01   HTSI
Design drawing BU 6V450 and BU 6V900
HTSI
8 P01 035 EN.01/01




                     A1 ............ Braking unit driver    M1 ............ Power part fan




                                                                                             111
Circuit diagram BU 6V450 and 6V900




                                     HTSI
                                     8 P01 035 EN.01/01




112
Warranty Report
                     Distributor
                     Your warranty claim No.                                                            Warranty
                     Customer
                     End user / Factory etc.                                                            Out of Warranty
                     Inverter type (F1.01)
                     Serial number (F1.05)
                     Purchase date
                     Installation date
                     Failure date
                     Engineer / Investigator
                     Phone No. / Fax No.                                                                    Sign
                     Date


                     Application:
HTSI




                     Failure description: Please describe as detail as you can
8 P01 035 EN.01/01




                                    Fault memory (F3) (1)
                                                         (2)
                                                         (3)
                     Acceleration time (C2.05/C2.07) =              s             Ambient temperature: Normal / High / Low
                     Deceleration time (C2.06/C2.08) =              s             Length of motor cable =                 m
                     Pulse frequency (B3.30) =                      kHz


                     Broken components:



                                                                            Repairable?              Y/N


                     Remarks / Notes:



                     Sign:




                                                                                                                             113
114
      8 P01 035 EN.01/01   HTSI
Schneider Electric Power Drives GmbH
                       Ruthnergasse 1
                       A-1210 Vienna
                       Phone: +43 (0)1 29191 0
                       Fax:   +43 (0)1 29191 15
                       www.schneider-electric-power-drives.com




Schneider Electric Power Drives
steht für intelligente High-Performance.
Als Teil von Schneider Electric sind wir einer der
führenden Anbieter von Umrichtern und Motoren.
Hervorgegangen aus der ELIN steht für uns Qualität,
fundierte Beratung und flexibler Service im Dienste des
Kunden an oberster Stelle.
Deshalb widmen wir einen wesentlichen Teil unserer
Aktivitäten der permanenten Optimierung von Prozessen
und der Entwicklung von zielgruppengerechten Lösungen,
die selbst höchsten Anforderungen gerecht werden.

Schneider Electric Power Drives
stands for intelligent high-performance.
As part of Schneider Electric, we are one of the leading
providers of inverters and motors. Emanating from ELIN,
quality, consolidated advice and more flexible service for
customer takes top priority.
Therefore we dedicate an essential part of our activities
to permanently optimising processes and developing
solutions for target groups which will meet even the
highest demands.



www.schneider-electric-power-drives.com

                                                                 Informationen schnell zur Hand
                                                                 Neben Angaben zum Unternehmen bieten wir zu all
                                                                 unseren Produkten eine detaillierte Auflistung der
                                                                 technischen Daten und zugehörigen Optionen sowie
                                                                 hilfreiche Softwaretools zur Parametrierung unserer
                                                                 Umrichter.

                                                                 Information quick at hand
                                                                 In addition to company specifications we have made
                                                                 available to you a detailed list of technical data for all
                                                                 our products as well as helpful software tools to set
                                                                 up the parameters of our inverters.




 Technische Änderungen vorbehalten.
 The right to make technical changes is reserved.
 8 P01 035 EN.01/01b     IHIL

Service instructions

  • 1.
    Service instructions MX eco 4V MX pro 4V MX pro 6V MX multi-eco MX multi-pro
  • 2.
    General remarks The followingsymbols should assist you in handling the instructions: Advice, tip ! General information, note exactly ! The requirements for successful commissioning are correct selection of the device, proper planning and installation. If you have any further questions, please contact the supplier of the device. Capacitor discharge ! Before performing any work on or in the device, disconnect it from the mains and wait at least 15 minutes until the capacitors have been fully discharged to ensure that there is no voltage on the device. Automatic restart ! With certain parameter settings it may happen that the frequency inverter restarts automatically when the mains supply returns after a power failure. Make sure that in this case neither persons nor equipment is in danger. Commissioning and service ! Work on or in the device must be done only by duly qualified staff and in full compliance with the appropriate instructions and pertinent regulations. In case of a fault contacts which are normally potential-free and/or PCBs may carry dangerous voltages. To avoid any risk to humans, obey the regulations concerning "Work on Live Equipment" explicitly. Terms of delivery The latest edition "General Terms of Delivery of the Austrian Electrical and Electronics Industry Association" form the basis of our deliveries and services. Specifications in this document We are always anxious to improve our products and adapt them to the latest state of the art. Therefore, we reserve the right to modify the specifications given in this document at any time, particular those referring to weights and dimensions. All planning recommendations and connection examples are non-binding suggestions for which we cannot assume liability, particularly because the regulations to be complied depend on the type and place of installation and on the use of the devices. All foreign-language translations result from the German or English version. Please consider those in case of unclarity. Basis of contract The specifications in text and drawings of this document are no subject of contract in the legal sense without explicit confirmation. Regulations The user is responsible to ensure that the device and its components are used in compliance with the applicable regulations. It is not permitted to use these devices in residential environments without special measures to suppress radio frequency interferences. Trademark rights Please note that we do not guarantee that the connections, devices and processes described herein are free from patent or trademark rights of third parties. Copyright Layout, equipment, logos, texts, diagrams and pictures of this document are copyrighted. All rights are reserved.
  • 3.
    Service of frequencyinverters >pDRIVE< MX eco & pro 0.75...630 kW, 3 AC 380...480 V; 2.2...800 kW, 3 AC 500...690 V Parameters and their settings refer to software version APSeco_B04_05 or APSpro_B04_05 Theme Page Theme Page General ...................................................................... 2 Defects of the display........................................................43 Identification of the device ................................................. 3 Other malfunctions ............................................................44 Storage ............................................................................... 3 Hardware diagnostics ..............................................50 Environmental influences.................................................... 4 Overview of the components ............................................50 Application remarks............................................................ 5 Diagnostic LEDs ................................................................50 Factory setting .................................................................... 6 Fuses .................................................................................56 Motor data .......................................................................... 7 Checking the current transformers ...................................60 Overview of types ............................................................... 9 Insulation measurement ....................................................62 Maintenance ............................................................ 10 Voltage levels.....................................................................62 HTSI Visual inspection............................................................... 10 Measuring points for the DC link voltage ..........................63 Cleaning the heat sink ...................................................... 10 Software concept.....................................................64 Cooling air holes and filter mats....................................... 10 Spare part concept ..................................................65 Maintenance of fans ......................................................... 11 Training concept ......................................................65 Load test ........................................................................... 13 Reference value distributor ......................................66 Troubleshooting....................................................... 14 Summary of limitations ............................................68 8 P01 035 EN.01/01 Diagnostics ....................................................................... 14 Plans.........................................................................69 PC software Matrix 3 ........................................................ 14 Troubleshooting guide...................................................... 20 Warranty Report .....................................................113 Fault memory .................................................................... 21 Trip messages .................................................................. 22 The instructions in hand cover the topics maintenance, diagnostics and trouble shooting. Use this instructions additionally to the device documentation "Operating instructions", "Description of functions" and "Mounting instructions". Details for projecting can be found in the product catalogue. 1
  • 4.
    General Work on live equipment must be done only by duly qualified and trained staff. Unconditionally pay attention to following points: • Never touch live parts. • Only use suitable tools and proper measuring instruments according to the protection classes (I, II, III or IV). • Take care of correct work clothes and eye protection. • Work on live equipment must be done only under attendance of a second skilled person. • For human protection an insulated, non-grounded mat has to be used. Please also see the safety directives of EN 50110 "Work on electric installations below 1 kV AC and 1.5 kV DC". Generally defect units are replaced by exchange devices. All >pDRIVE< MX eco & pro up to 18.5 kW have a compact power part and therefrom they are typically replaced as a whole. Exceptions are the Matrix operating panel BE11, option cards used and fans. HTSI All >pDRIVE< MX eco & pro from 22 kW are designed in such a way, that service can be done on module level. For devices from 90 kW an additional tool for removing and fitting (>pDRIVE< "Exchange tool") is supplied, which is returned after exchange together with the defect inverter. Please consult our competent service experts in case of severe faults, which cannot be solved by 8 P01 035 EN.01/01 means of this instruction. Before exchanging defect parts or fuses, the cause of fault must be found. Exchanging parts without eliminating the cause of fault leads to a new breakdown and may even enlarge the dimension of damage. Check as well the ambient conditions before exchanging defect parts or the whole device. See also chapter "Environmental influences", page 4. 2
  • 5.
    Identification of thedevice It is important to identify the respective device on the basis of type and serial number in case of maintenance and repair. These information are required especially when contacting the service department or ordering spare parts. There are two possibilities to identify a device: 1. Read off the data on the name plate of the device. The name plate is always placed on the lower right sight of the housing. 2. Read off the values of parameter F1 These information are absolutely necessary for maintenance and repair: Type: Name plate or F1.01 Serial no.: Name plate or F1.05 HTSI 8 P01 035 EN.01/01 Storage Storage temperature -25°C to 70°C In case of storage times up to 3 years no special treatment of the frequency inverter is necessary due to the comparatively low sharing resistors. In order to guarantee the life cycle we recommend applying voltage to the inverter for about 1 hour before pulse enable takes place. This process is also called forming the electrolytic capacitors !! 3
  • 6.
    Environmental influences The frequencyinverters >pDRIVE< MX eco & pro provide the following protection degree as standard: >pDRIVE< MX eco & pro up to 75 kW from 90 kW Front and sideways IP21 IP31 Top IP41, IP20 without protective cover 4V: IP20, IP31 with DCL box 6V: IP20, IP31 with TRAFO-BOX Bottom IP21 IP00, IP31 with terminal box The cooling channel of the power part is separated from the control electronics for all devices and corresponds with IP54. If a higher protection degree is desired or required, additional measures have to be taken (e.g. installation in a cubicle). The permissible pollution degree of the environment is pollution degree 2 according to EN 61800-5-1 for the whole power range. According to EN 60721-3-3 the following applies up to 75 kW Class 3C1 and 3S2 from 90 kW: Class 3C2 and 3S2 Use of frequency inverters in waste water treatment plants HTSI Sewage gases may contain ammoniac which cause oxidation of bright copper. In this case, components of the control and power electronics will corrode and this leads to a malfunction of the device ! Use of frequency inverters in dust polluted environment (e.g. waste incineration plants) Please be aware of the risk of conductive (metal-)dust and the impact on the inverter electronics. Conductive 8 P01 035 EN.01/01 dust causes short circuit of components and thus results in damage. Use of frequency inverters in the vicinity of crushing plants Please observe that dust is produced in varying size and consistence in the vicinity of crushing plants (e.g. shredders). The use of the inverters has to take place in that way, that a contamination with dust is impossible. Condensation Generally the operation of the frequency inverter in condensing environment is forbidden. Also condensation without mains voltage supply causes in interaction with dust (e.g. at chalk-pits) oxidation of copper (even through solder resist). Correctives in case of the described environmental influences may be: • Installation of the frequency inverters aloof from contaminated areas. • Cooling air for the inverter supplied from a clean area through a separated air flow channel (overpressure ventilation). • Appropriate high protection degree of the cubicle (take care of sufficient cooling!). 4
  • 7.
    If the frequencyinverter is operated outside the specification, warranty claim expires !!! This applies for example in case of: • Conductive dust • Humidity and condensation • Aggressive atmosphere • Operation outside the specified temperature range • Non-compliance with pollution degree 2 according to EN 61800-5-1 Application remarks The use of the >pDRIVE< MX eco & pro frequency inverters is basically in all mains variants permitted. But >pDRIVE< MX pro 6V devices must not be operated in "Corner Grounded Networks". For nongrounded mains (typical for industrial mains) the built-in radio frequency interference filter has to be adapted by means of switch-over/reconnection. In this case the maximal allowed pulse frequency is 4 kHz. Please observe the remarks in chapter "Nongrounded mains" of the corresponding mounting instructions ! HTSI Switching between motor and inverter reduces the life cycle of the power part. Therefore the frequency inverter must be locked with impulse inhibit first and after switching it has to be enabled delayed or set parameter C6.08 "Motor contactor control" to "1 .. VSD controlled" or "2 .. External control". 8 P01 035 EN.01/01 Avoid the use of reversing contactors to change the rotational direction. If avoiding is not possible, at least an interlock with the inverter has to be provided ! Motors with attached magnetic spring-loaded brake must be supplied externally and not from the inverter output ! Fans of forced ventilated motors must be supplied externally and not from the motor terminal box ! 5
  • 8.
    Factory setting Macros arefactory presettings of the parameters for typical applications of the >pDRIVE< MX eco & pro. When loading a macro, the application data in the EEprom are overwritten. Parameter groups such as motor data, language setting, fault memory, operating hours, texts and basic communication settings as well as the parameter settings stored in the "Backup" remain unchanged. Using parameter B2.02 "Macro selection", the parameter settings according to the selected macro are loaded into the device memory. The macro M1 corresponds to the factory setting. The following parameters are not reset by loading a macro: Parameter Parameter Parameter A2.17 Symbol for A2.13 B4.17 Nominal power M2 *) B4.61 EMC constant SM2 *) A2.18 Unit for A2.13 B4.18 Nominal current M2 *) B4.62 d-axis inductivity SM2 *) A2.23 Symbol for A2.19 B4.19 Nominal voltage M2 *) B4.63 q-axis inductivity SM2 *) A2.24 Unit for A2.19 B4.20 Nominal frequency M2 *) B4.64 Stator resistor SM2 *) B1.01 Select language B4.21 Nominal speed M2 *) C4.37 Process unit B2.02 Macro selection B4.24 Stator resistor M2 *) C6.24 Symbol pulse counter B2.03 Parameter mode B4.25 Rotortime constant M2 *) C6.25 Pulse counter unit B2.04 Create backup B4.26 Fluxing current M2 *) C6.41 Start distancemeasuring HTSI B2.05 Restore backup B4.27 Stray reactance M2 *) E3.09 Enable emergency op. B2.06 Copy parameter set B4.40 Load default motor *) E3.38 Ext. fault 1 name B2.07 Name parameter set 1 B4.44 Nominal power SM1 *) E3.45 Ext. fault 2 name B2.08 Name parameter set 2 B4.45 Nominal current SM1 *) E5.04 Copy: MX -> Keypad B3.16 Inverter power B4.46 Nominal voltage SM1 *) E5.05 Copy: Keypad -> MX 8 P01 035 EN.01/01 B3.30 Switch. frequency B4.47 Nominal speed SM1 *) F1.05 Drive serial number B4.03 Start tuning B4.48 No. of pole pairs SM1 *) F1.06 Facility description B4.05 Nominal power M1 *) B4.50 EMC constant SM1 *) F1.08 Service notice B4.06 Nominal current M1 *) B4.51 d-axis inductivity SM1 *) F2.42 Test encoder B4.07 Nominal voltage M1 *) B4.52 q-axis inductivity SM1 *) F2.45 Simulation mode B4.08 Nominal frequency M1 *) B4.53 Stator resistor SM1 *) F2.46 Software reset B4.09 Nominal speed M1 *) B4.55 Nominal power SM2 *) F4.45 IGBT overload time B4.12 Stator resistor M1 *) B4.56 Nominal current SM2 *) F6.01 Code B4.13 Rotortime constant M1 *) B4.57 Nominal voltage SM2 *) F6.02 Code value B4.14 Fluxing current M1 *) B4.58 Nominal speed SM2 *) F6.05 Service code B4.15 Stray reactance M1 *) B4.59 No. of pole pairs SM2 *) *) Use parameter B4.40 "Load default motor" if there is a need to reset the motor data to factory setting as well. Reset of the fault memory The whole fault memory can be canceled by entering "7635" in parameter F6.05 Service code. In this way important information for analysis of faults get lost and thus this function should only be used in exceptional cases. Reset of operating hours meters All operating hours meters can be canceled by entering "1966" in parameter F6.05 Service code. In this way important information for analysis of faults get lost and thus this function should only be used in exceptional cases. In parameter F6.05 Service code only codes described in these instruction may be entered. Otherwise malfunction and loss of guarantee may occur. 6
  • 9.
    Motor data Each >pDRIVE< MX eco & pro frequency inverter provides factory motor data according to its power. These motor data are the basis for operating the frequency inverter but usually they are adjusted by entering the data of the rating plate or they are improved by the determined autotuning data. When changing a motor parameter the autotuning data get lost. That means that autotuning has to be executed again after each change of a motor parameter! Factory motor data M0 IEC table 400 V: Nominal Nominal Nominal Nominal Nominal Stator Rotor time Fluxing Stray power voltage current frequency speed resistor constant current reactance [kW] [V] [A] [Hz] [rpm] [mOhm] [ms] [A] [mH] B4.29 B4.30 B4.31 B4.32 B4.33 B4.36 B4.37 B4.38 B4.39 0.75 400 2.1 50 1368 2965 44.0 1.63 30.9 1.5 400 3.4 50 1386 1270.5 67.9 2.31 15.3 2.2 400 4.7 50 1400 902.5 84.9 3.03 11.8 3 400 6.1 50 1410 641.5 103 3.73 9.69 4 400 8.5 50 1425 419.5 112 5.52 6.48 5.5 400 11 50 1430 933 134 6.66 5.44 7.5 400 14.8 50 1442 568.5 165 8.87 4.09 HTSI 11 400 21 50 1450 271.8 205 12.1 3.03 15 400 28 50 1455 184.7 239 15.5 2.36 18.5 400 34 50 1464 162.8 307 18.5 1.99 22 400 40 50 1468 116.5 354 21.4 1.72 30 400 53 50 1473 81.7 453 26.8 1.38 8 P01 035 EN.01/01 37 400 66 50 1475 55.2 474 34.2 1.08 45 400 79 50 1475 47 497 39.5 0.941 55 400 97 50 1475 31.9 490 49.0 0.758 75 400 130 50 1475 25.8 518 62.9 0.592 90 400 153 50 1480 18.7 687 70.7 0.528 110 400 188 50 1485 15.44 891 88.8 0.420 132 400 230 50 1485 10.68 836 114 0.326 160 400 272 50 1485 6.98 908 127 0.295 200 400 342 50 1486 4.88 952 162 0.230 250 400 427 50 1486 3.61 956 202 0.185 315 400 525 50 1490 2.52 1456 232 0.162 355 400 592 50 1490 2.23 1453 262 0.143 400 400 659 50 1490 1.78 1527 280 0.134 500 400 804 50 1492 1.625 2132 311 0.121 630 400 979 50 1492 1.13 2634 315 0.121 7
  • 10.
    Factory motor dataM0 IEC table 690 V: Nominal Nominal Nominal Nominal Nominal Stator Rotor time Fluxing Stray power voltage current frequency speed resistor constant current reactance [kW] [V] [A] [Hz] [rpm] [mOhm] [ms] [A] [mH] B4.29 B4.30 B4.31 B4.32 B4.33 B4.36 B4.37 B4.38 B4.39 0.75 690 1.2 50 1368 11556 44.8 0.93 92.0 1.5 690 2 50 1386 4952 66.3 1.38 45.1 2.2 690 2.8 50 1400 3517 80.9 1.86 33.0 3 690 3.6 50 1410 2500 99.3 2.25 27.6 4 690 4.7 50 1425 1636 123 2.89 21.6 5.5 690 6.4 50 1430 1424 133 3.89 16.0 7.5 690 8.4 50 1442 1055 173 4.88 12.9 11 690 12 50 1450 612 212 6.72 9.40 15 690 16 50 1455 416 248 8.65 7.34 18.5 690 20 50 1464 367 296 11.2 5.67 22 690 23 50 1468 263 362 12.1 5.27 30 690 31 50 1473 184 441 16.0 3.99 37 690 38 50 1475 124 483 19.4 3.30 45 690 46 50 1475 106 490 23.2 2.76 55 690 55 50 1477 71.8 570 26.4 2.44 75 690 74 50 1478 58.1 624 34.2 1.88 90 690 89 50 1480 42.1 678 41.5 1.55 HTSI 110 690 109 50 1482 34.7 746 51.3 1.26 132 690 130 50 1484 24.1 855 60.3 1.07 160 690 157 50 1485 15.7 923 72.2 0.894 200 690 195 50 1486 11 1011 88.0 0.734 250 690 240 50 1486 8.12 1076 103 0.629 315 690 300 50 1488 5.67 1294 126 0.517 8 P01 035 EN.01/01 355 690 341 50 1490 5.02 1491 148 0.439 400 690 381 50 1491 4.01 1714 160 0.404 500 690 468 50 1492 3.67 2088 184 0.353 630 690 574 50 1492 2.54 2434 198 0.331 800 690 727 50 1493 2.16 2821 248 0.265 8
  • 11.
    Overview of types The frequency inverters >pDRIVE< MX eco & pro are manufactured in different power ratings. These ratings correspond with the IEC standard motors and have different dimensions and designs. Integrated Type of Power part Diagnostic MX eco MX pro 4V MX pro 6V braking unit 1) charging fan LEDs 4V0,75 4V0,75 − Resistance DC − 4V1,5 4V1,5 − Resistance DC − 4V2,2 4V2,2 − Resistance DC − 4V3,0 4V3,0 − Resistance DC − 4V4,0 4V4,0 − Resistance DC − 4V5,5 4V5,5 − Resistance DC − 4V7,5 4V7,5 − Resistance DC − 4V11 4V11 − Resistance DC − 4V15 4V15 − Resistance DC − 4V18 4V18 − Resistance DC − − − 6V2,2/3,0 Thyristor DC − − − 6V3,0/4,0 Thyristor DC − − − 6V4,0/5,5 Thyristor DC − − − 6V5,5/7,5 Thyristor DC − − − 6V7,5/11 Thyristor DC − HTSI − − 6V11/15 Thyristor DC − − − 6V15/18 Thyristor DC − − − 6V18/22 Thyristor DC − 4V22 4V22 6V22/30 Thyristor DC − 4V30 4V30 6V30/37 Thyristor DC − 8 P01 035 EN.01/01 4V37 4V37 6V37/45 Thyristor DC − 4V45 4V45 6V45/55 Thyristor DC − 4V55 4V55 6V55/75 Thyristor DC − 4V75 4V75 6V75/90 Thyristor DC − 4V90 − − Thyristor DC − 4V110 4V90/110 − Thyristor DC − 4V132 4V110/132 − Thyristor 1 x AC − − − 6V90/110 Thyristor 1 x AC − − 6V110/132 Thyristor 1 x AC 4V160 4V132/160 6V132/160 Thyristor 1 x AC 4V200 4V160/200 6V160/200 Thyristor 1 x AC − − 6V200/250 − Thyristor 2 x AC 4V250 4V200/250 6V250/315 − Thyristor 2 x AC 4V315 4V250/315 6V315/400 − Thyristor 2 x AC 4V355 − − − Thyristor 3 x AC 4V400 4V315/400 − − Thyristor 3 x AC 4V500 2) 4V400/500 2) − − Thyristor 3 x AC − − 6V400/500 2) − Thyristor 4 x AC − − 6V500/630 2) − Thyristor 4 x AC 4V630 2) 4V500/630 2) 6V630/800 2) − Thyristor 4 x AC 1) Only devices of the >pDRIVE< MX pro range have a braking unit built-in or can be equipped with an external braking unit. 2) 12-pulse-rectifier 9
  • 12.
    Maintenance The frequency inverters>pDRIVE< MX eco & pro are low-maintenance units and contain no moving parts except the fans. The maintenance intervals depend on the power-on time (0...24 h) and the environmental conditions of the plant (influences by application and environment). Visual inspection During visual inspection the overall condition of the inverter installation should be checked for following points: − Mechanical damages of the housing − Traces of oxidation caused by humidity, aggressive gases or liquids − Dust sedimentation inside the inverter, especially conductive dust − Dirt and dust sedimentation on the heat sink and the motor terminal board − Damages of cable isolation (especially at the inverter lead-through) − Take the actual parameter settings and compare them with the commissioning settings Cleaning the heat sink HTSI Parameter A3.05 "Thermal load VSD" shows the thermal balance which arises from the two factors load and cooling conditions. If the thermal load reaches 105 %, a fault shut-down "Inverter over temperature" occurs. Reset can be done if the thermal load is below 80 % again. If parameter A3.05 reaches high values (values near 100 %) even at low load and ambient temperature, 8 P01 035 EN.01/01 it is necessary to clean the heat sink and to check the cooling conditions. Cooling air holes and filter mats If the inverters are mounted in a cubicle, the cooling air holes and filter mats, if existing, have to be regularly checked and exchanged. Removing the filter mats enables intrusion of dangerous substances, which leads to loss of warranty claim in case of damage ! 10
  • 13.
    Maintenance of fans The frequency inverters up to >pDRIVE< MX eco 4V110, MX pro 4V90/110 and MX pro 6V75/90 contain DC fans for cooling the power part and the control part. The inverters from >pDRIVE< MX eco 4V132, MX pro 4V110/132 and MX pro 6V90/110 contain DC fans for cooling the control part and AC fans for cooling the power part. The fans of the power part are switched off during impulse inhibit or low load if parameter B3.41 "Fan control" is set appropriate. Life cycle of DC-fans: approx. 30.000 hours Life cycle of AC-fans: approx. 48.000 hours The ambient condition has an effect on the life cycle of the fans. Parameters A5.10 "Operating hours fan" and A5.12 "Interval counter fan" show the actual operating time of the AC fans in the display. By means of parameter A5.11 "Interval fan" a maintenance message can be released after reaching a preset operation time. The fans for the control part start running as soon as the inverter is applied with voltage. Therefore these fans should be replaced precautionary after five years! Exchanging the control part fans HTSI The fans for the control part are 24 V DC fans and are located in the upper part of the inverter (see chapter "Plans", page 69). Depending on the power the devices are equipped with one to four fans for the control part, marked with M10, M11, M12 and M13. When exchanging a fan from >pDRIVE< MX eco 4V160, MX pro 4V132/160 and MX pro 6V90/110 you have to 8 P01 035 EN.01/01 pull the connected plug X30, X31, X32 or X33 and to loosen the four screws. For mounting the new fan proceed in reverse order. The drawing shows as example the control part fan and the corresponding plug for a >pDRIVE< MX eco 4V160. To all other power ratings the description applies analogously. 11
  • 14.
    Exchanging the powerpart fans The power part fans are 400 V AC fans and located below the terminal panel on the lower end of the inverter (see chapter "Plans", page 69). Depending on the power the devices are equipped with one to four fans for the power part, marked with M1, M2, M3 and M4. Basically there are two ways to exchange the power part fans: Exchange from the bottom For this easy and quick method access from below is required. Possibly the mains and motor cables have to be disconnected therefor. 1. Pull off the plug of the fan to be exchanged and thread the cables including the grommet through the terminal panel. 2. Loosen both fixing screws of the fan in the lower end of the inverter approx. 5 mm but do not remove. 3. Lift up the fan and pull it out downwards. 4. Insert the new fan from the bottom, making sure that the upper folding plate sticks into the provided hole. 5. Check whether the gaskets are placed in the right way between the fan and the heat sink. 6. Fasten both fixing screws of the fan in the lower end of the inverter. 7. Thread the plug of the fan and the grommet through the terminal panel and insert the grommet in the right way again. 8. Finally connect the plug of the fan again. HTSI Exchange from the front In this case no access from the bottom is required. This is advantageous e.g. when the terminal box TER-BOX is used. 1. Pull off the plugs of all power fans and thread the cables including the grommet through the terminal panel. 8 P01 035 EN.01/01 2. Unscrew all internal power connections (see following drawing). 3. Unscrew all mains connections (L1, L2, L3) and motor connections (U, V, W). 4. Remove the control cables by pulling-off the terminals and the cable conduit on the right-hand side. 5. Unplug following plugs: Type of device Description up to MX eco 4V315, Unplug the common plug of all current transformers X11 and up to MX pro 4V250/315 and thread the cable out. up to MX pro 6V315/400 for MX eco 4V250 and 4V315, Pull off plugs X1 and X3 on the FCB (A7) and plug X7 on the PB for MX pro 4V200/250 and 4V250/315, (A1) and thread the cable out. for MX pro 6V200/250 to 6V315/400 from MX eco 4V355, Demount the middle front cover support by unscrewing the three from MX pro 4V315/400 and screws. from MX pro 6V400/500 Unplug the Faston-connector on the RFI (A30, A40): X1 (6.3 mm, yellow), X11 (4.8 mm, yellow) X2 (6.3 mm, green), X12 (4.8 mm, green) X3 (6.3 mm, violet), X13 (4.8 mm, violet) 6. Unscrew the earth screw on the left inner wall (see following drawing). 7. Unscrew the 6 screws of the terminal panel and lift it to the front. 8. Loosen both fixing screws of the fan(s) in the lower end of the inverter approx. 5 mm but do not remove. 9. Lift up the fan, push it downwards and pull it out forward. 10. Insert the new fan making sure that the upper folding plate sticks into the provided hole. 11. Check whether the gaskets are placed in the right way between the fan and the heat sink. 12.Fasten both fixing screws of the fan in the lower end of the inverter. 13.Execute points 1...6 in reverse order. 12
  • 15.
    The drawing showsas example the power part fan of a >pDRIVE< MX eco 4V200. To all other power ratings the description applies analogously. HTSI 8 P01 035 EN.01/01 For fastening the power connections (internal power connections as well as mains and motor connections) use the following tightening torques: M10 (wrench size 16/17): 24 Nm M12 (wrench size 18/19): 41 Nm Load test Each maintenance should be concluded by a load test (preferable with nominal load). Thereby the overall behaviour of the drive should be observed (dynamic behaviour, oscillations, ...). Additionally the input and output currents should be measured and checked for symmetry in all three phases. After this check the thermal stress of the power terminals when there is no voltage. 13
  • 16.
    Troubleshooting Diagnostics Comprehensive diagnostic functionsare available in order to make troubleshooting and problem solving easier (e.g. data logger, status displays of inputs and outputs, analog checkpoints and status displays of the power part and the option cards. The detailed description of diagnostic functions can be found in the "Description of functions", parameter group F4. PC software Matrix 3 The PC software Matrix 3 is provided on the CD which is attached to each inverter and can be downloaded from the homepage www.pdrive.com alternatively. Besides online parameterization functions it affords an extensive and clear online diagnostics. This function shows all inverter states in a concise graphic way. HTSI For communication between PC and inverter a RS232/485 converter is necessary (CABLE 3-PC, Order no. 8 P01 124). The interface cable of Matrix 2 can not be used! Wrong screen resolutions may lead to display problems. 8 P01 035 EN.01/01 Following screen resolution is recommended: 1024x768 or higher. Following functions are available in the online diagnostics: Device description This function provides a quick overview of the most important inverter data as e.g. inverter type, software version, operating hours, option cards, a.s.o. 14
  • 17.
    Power path This function shows the power path Mains - Inverter - Motor. Moreover the most important values are shown. Input/Output state Clear display of parameter settings and status of the individual in- and outputs of the basic card and the option HTSI cards. 8 P01 035 EN.01/01 15
  • 18.
    Reference value path Showsthe parameterization and the actual values of the reference value path from the reference source up to the inverter reference value. HTSI Bus settings Shows the parameterization and the actual values of the bus configuration. 8 P01 035 EN.01/01 16
  • 19.
    Combination of comparators Shows the active comparators, logic modules, SR modules and time modules including their configuration and state. If none of these functions is used, this tab is empty. Configurable display HTSI The configurable display enables the display of selected parameters in list form. Moreover four digital and three analog signals can be shown. 8 P01 035 EN.01/01 The modification of the channels in the status range also changes the channel settings in the trend recorder and in the online parameterization. 17
  • 20.
    Fault memory By usingthis function, the last eight trip messages (incl. operating states) can be read out. Furthermore the trip messages can be saved as flt-file. Trend recorder HTSI The trend recorder enables to make a real-time recording of selectable analog and digital signals. Furthermore useful functions like trigger and cursor are provided. The recorded curves can be saved as trd-file. 8 P01 035 EN.01/01 18
  • 21.
    Data Logger The function of the Data Logger offers the possibility to record up to three channels in time averaged form or as peak value. The recording serves as listing or as statistical evaluation of electrical values (e.g. energy) or known process values of the inverter (pressure, flow, speed, vibration). Thereby the number of channels, the value to be recorded and the time base can be set. The recorded data can be saved as stc-file. Before starting a record, this function has to be enabled and set up in parameter group F4. For detailed parameter description please also see the "Description of functions". HTSI 8 P01 035 EN.01/01 19
  • 22.
    Troubleshooting guide The troubleshootingguide makes a first and easy fault definition possible. Proper lightening Is there a trip YES and display of the YES indicated on the operating panel? display? NO NO Start the motor via the Are the mains YES operating panel or the fuses defect? control terminals. NO Are the fuses YES Is there a trip YES F1-F3 on the RFI indicated on the board defect? display? HTSI NO NO Check the mains voltage at the Check motor running. Disconnect inverter input for value and symmetrie. Carry out fine adjustment if the motor. Check the components upstream and necessary (autotuning and 8 P01 035 EN.01/01 the wiring as well. dynamic parameters) Is the mains Is there still NO YES voltage applied to a fault? the inverter? YES NO Check the internal Defect varistors or Check the power Handle the trip Check the Further voltage supply, defect power board, semiconductors, message motor and the checking see chapter see chapter according to cables alternatives complete service! "Hardware "Hardware chapter are given in (check Y/Δ- diagnostics“. diagnostics“. "Troubleshooting“. chapter connection, "Diagnostic make LEDs" insulation measurement) General advice for troubleshooting: • If a fault occurs during commissioning, the reason is in all probability an external fault because the inverters are checked for full functionality before delivery. • When a fault occurs after some time in operation, the reason could be either an external fault or an inverter fault. 20
  • 23.
    Fault memory The fault memory provides a protocol of the last eight fault shut-downs and therefore it supports you in detecting the cause of the fault. For each fault shut-down a number of operating states are stored and provided for manual evaluation. The fault memory can be also read out automated when using the PC software Matrix 3. F3.01 Number of faults Last entry in the memory: 15 F3.02 Review 2 .. Event -2 1 .. Last event -1 0 .. Last event F3.03 Fault number 13 14 15 F3.04 Fault cause 52 .. Stall protection 19 .. ϧ M1 >> 58 .. External fault 1 F3.05 Operating hours 1362h 1438h 1817h F3.06 Min / sec 13.17 m:s 55.32 m:s 2.55 m:s F3.07 Reference value [Hz] +50.0 Hz +22.0 Hz +50.0 Hz F3.08 Actual value [Hz] +0.7 Hz +22.0 Hz +50.0 Hz F3.09 Output current 60.2 A 47.8 A 34.2 A HTSI F3.10 DC voltage 533 V 541 V 545 V F3.11 Thermal load VSD 13 % 82 % 73 % F3.12 Control mode Terminals Terminals Terminals F3.13 Operating status Acceleration f = f ref f = f ref F3.14 Alarm message - ϑM1 > - 8 P01 035 EN.01/01 F3.15 Drive state RUN RUN RUN F3.16 Bus STW 007F 007F 007F F3.17 Bus ZTW 007F 007F 007F All diagnostic values correspond to the actual values 10 ms before fault shut-down. 21
  • 24.
    Trip messages MX eco E01 Undervoltage MX pro Description There is an undervoltage situation. See parameter E3.29 "V< response". Cause The mains voltage is missing or out of the specified range. Remedy Check all three mains phases and fuses. If an operation with partial load is possible, check the three line currents for symmetry by measurement in a stable operating state (max. permissible unsymmetry of currents approx. 3 %). Cause If the message occurs immediately after power up, the charging circuit does not work correctly. Remedy Check LED 8 and 9. If both LEDs are alright, make a measurement of the input rectifier (see chapter "Measurement of power semiconductors", page 57). Cause Loss of line phase occurs at deactivated line phase monitoring (E3.27) and full load. Remedy Check the value and wave form of the three mains phases and also check the mains fuses. The voltage levels of the undervoltage trigger are given in chapter "Voltage levels", page 62. MX eco E02 V>> at deceleration MX pro Description The DC link voltage has exceeded the hardware protection level of 825 V (for MX pro 6V: 1174 V) due to a deceleration. Cause The set deceleration ramp is too short or "Fast stop" is used. Therefore the motor works as generator. HTSI Remedy Extend the deceleration ramp or use B5.01 "Brake mode" for activating the motor brake or the braking unit. Deactivate setting "4 .. Extend & trip" of parameter E1.21 "Reaction at deceleration" or extend E1.22 "Time Δt". Cause Instable controller due to wrong motor data (e.g. autotuning was performed with warm 8 P01 035 EN.01/01 motor) Remedy Execute autotuning again with cold motor. Cause Instable controller due to wrong dynamic settings (MX eco: B3.20 and B3.21, MX pro: C5.01...C5.03) Remedy Optimize the controller settings empirically on the basis of the factory settings. Cause A sinus filter is used but B3.02 Control mode is not set to "V/f" (for devices from MX eco 4V90, MX pro 4V90/100 and MX pro 6V90/110 a parameterization alarm is displayed). Remedy Choose a proper V/f control method with B3.02. Cause When using a >pDRIVE< MX pro in exchange for an MX plus, an overvoltage switch-off takes place during deceleration with the existing braking resistors. Remedy Use braking resistors as specified in the catalogue. 22
  • 25.
    MX eco E03 Line overvoltage MX pro Description The DC link voltage has exceeded the protection level of 756 V (for MX pro 6V: 1087 V). This fault is only evaluated during the charging process! With devices up to 75 kW this message also appears when the hardware protection level of 825 V (for MX pro 6V: 1174 V) has been exceeded in case of impulse inhibit. Cause Mains voltage fluctuations or voltage peaks may occur because of mains voltage return (choke energy causes voltage raise) or because of commutation drops caused by other loads. Remedy Check the DC link voltage by means of parameter A3.04 "DC voltage" and a measuring instrument (at no-load operation approx. 1.4 x VMains; at full load approx. 1.35 x VMains). If the displayed value does not comply with the measured value, the voltage measurement is defect. Use a line contactor control for immediate disconnection of the DC link from the mains or use a braking unit to limit the DC link voltage. Cause Single phase earth fault in the motor or the motor cable at nongrounded mains Remedy Check the motor and the motor cable → see "Insulation measurements". If the motor cable is disconnected from the inverter, overvoltage must not occur any more. MX eco E04 MC not ready MX pro Description The motor control is not ready within 4 s after the charging process. Cause After the charging process the motor control registers, that e.g. the DC link voltage is out of the specified range or missing or charging is still in progress (∆V too high). HTSI Remedy Check the DC link voltage according to the table in chapter "Voltage levels", page 62. Cause The inverter electronics is supplied externally by 24 V. A start command is given although there is no mains voltage. Remedy Check the mains voltage or switch on the mains supply. Cause 8 P01 035 EN.01/01 A mains voltage drop occurs at activated DC holding brake (B5.20). Remedy Deactivate the DC holding brake or update the device to the latest device software. Cause The charging circuit on the soft charge board is defective. Remedy Check the diagnostic LEDs (see chapter "Diagnostic LEDs", page 50). Check all cables at the control block. MX eco E05 DC missing MX pro Description The frequency inverter is operated at the intelligent rectifier >pDRIVE< LX. The DC link voltage, made available by this rectifier, has shut down. Cause Parameter B3.44 of the inverter is set to "Operation with IR" and the DC link voltage fell below the limit (see chapter "Voltage levels", page 62). Remedy Check the DC link voltage (e.g. by means of the PC program Matrix). Check whether the >pDRIVE< LX is dimensioned too small and if it operates properly. Cause The frequency inverter is supplied with an external DC link voltage. Thereby, for example, voltage fluctuations and voltage drops occur due to heavy duty starts nearby the inverter. Remedy Check the DC voltage for voltage drops and the fault memory with parameter F3.10. Discharge the inverter during an external heavy duty start by means of deceleration or impulse inhibit, if the process allows. Use more powerful supply possibly from another power distributor. 23
  • 26.
    MX eco E06 Prechargingfault MX pro Description Fault of the soft charge device (half controlled thyristor bridge). Only for devices larger than >pDRIVE< MX eco & pro 4V18 as well as for all >pDRIVE< MX pro 6V. Cause The charging of the DC link has not been completed successfully because the required voltage level has not been reached. Remedy Check the DC link voltage according to the table in chapter "Voltage levels", page 62. Execute the routine "Test charging circuit" by means of parameter F2.41. This test may last up to 20 minutes for devices ≥ 90 kW. Maybe the soft charge board, the power board or the thyristors are defective. Check the diagnostic LEDs (see chapter "Troubleshooting with the aid of LEDs", page 53). MX eco E08 Line fault 1p MX pro Description Loss of one mains phase This fault is displayed in the drive states "Ready" and "Run" but it is only stored in the fault memory in case of "Run". Cause One phase is missing on the mains supply or the mains phases are very unsymmetrical. Remedy Check the value and wave form of the three mains phases and also check the mains fuses. Check the fuses on the RFI board. Deactivate the mains phase monitoring with parameter E3.27. Cause The inverter is operated at a DC bus. HTSI Remedy Deactivate the mains phase monitoring with parameter E3.27. MX eco E09 Line fault 2-3p MX pro Description Loss of two or three mains phases 8 P01 035 EN.01/01 This trip message is only stored in the fault memory in case of pulse enable. Cause Two or all three phases are missing on the mains supply or the mains phases are very unsymmetrical. Remedy Check the value and wave form of the three mains phases and also check the mains fuses. Check the fuses on the RFI board. Cause Mains supply disconnected e.g. by emergency OFF button, hoist master switch, ... Remedy Integrate the line contactor control by means of parameter C6.07 or deactivate the mains phase monitoring with parameter E3.27. Cause The inverter is operated at a DC bus. Remedy Deactivate the mains phase monitoring with parameter E3.27. 24
  • 27.
    MX eco E10 Overcurrent MX pro Description Overcurrent at the output The registration takes place by means of the current transformers or the shunts, a switch-off is carried out approx. at triple nominal current. Cause Short circuit or earth fault in the motor or motor cable. Remedy Check the motor and the motor cables → also see "Insulation measurements". If the motor cable is disconnected from the inverter, overcurrent must not occur any more. Cause The motor is switched during operation of the inverter by means of a motor contactor. Remedy Apply impulse inhibit to the inverter first and then switch the motor lines or use the motor contactor control with parameter C6.08. Cause Faulty inverter part Remedy Execute the IGBT test with parameter F2.40. Cause Overcurrent message in case of encoder operation if parameter B3.02 "Control mode" is set to "4 .. VC feedback" and parameter D5.01 "SFB use for" to "2 .. VC feedback" and motor excitation is not active. Remedy Set parameter B3.27 "Motor fluxing" to "1 .. At start" or "2 .. Always active". Cause The connected motor is significantly larger than the nominal power of the inverter. Remedy Check the dimensioning of motor and inverter. Cause A current transformer is defective. Remedy Check whether the current display at impulse inhibit is approx. zero. Check the diagnostic LEDs of the current transformer supply (see chapter "Diagnostic HTSI LEDs", page 50). Check the current transformers (see chapter "Checking the current transformers", page 60). Cause Instable controller due to wrong motor data (e.g. autotuning was performed with warm motor). Remedy Execute autotuning again with cold motor. 8 P01 035 EN.01/01 In case of conus motors the rotor has to be unlocked during autotuning. Cause Motor data are wrong or not adjusted. Remedy Check the setting of the motor data under B4 and execute autotuning. Cause Autotuning has not been executed. Remedy Start the autotuning routine by means of parameter B4.03. Cause Wrong motor connection (Y/Δ) or wiring failure. Remedy Check the connection of the motor, the motor cables and the motor contactor. Cause Oscillations occur because the dynamic settings of the speed controller are not optimized. Remedy Optimize parameters B3.20 and B3.21 for >pDRIVE< MX eco or C5.01 and C5.02 for >pDRIVE< MX pro. Cause Defect power part Remedy Check the three output currents for symmetry by measurement of the three motor currents in a stable operating state (max. permissible unsymmetry of currents approx. 3 %). Execute the IGBT test with parameter F2.40. MX eco E11 Motor earth fault MX pro Description Earth fault at the output. The evaluation by the hardware is only performed for devices up to >pDRIVE< MX eco & pro 4V75 and >pDRIVE< MX pro 6V75/90. For devices with higher power the trip message E12 appears. See trip message E12 for possible causes and remedy. 25
  • 28.
    MX eco E12 Insulationfault MX pro Description Earth fault at the output. The differential current determined from the three motor phases is larger than 25 % of the nominal current of the inverter. Cause There is an insulation fault in the motor or motor cable. Remedy Check the motor and the motor cables → also see "Insulation measurements". When the motor cable is disconnected from the inverter or simulation mode is activated in F2.45, the fault message must not occur any more. Cause Current transformer defective Remedy Perform a measurement of the current transformers (see chapter "Checking the current transformers", page 60). Cause Faulty inverter part Remedy Execute the IGBT test with parameter F2.40. MX eco E13 Overcurrent MX pro Description Overcurrent at the output. The evaluation is only performed for devices up to >pDRIVE< MX eco & pro 4V75 and >pDRIVE< MX pro 6V75/90. For devices with higher power the trip message E10 appears. See trip message E10 for possible causes and remedy. MX eco E14 IGBT ϧ >> MX pro HTSI Description IGBT overtemperature (junction temperature), determined by the thermal mathematical model. The thermal mathematical model considers the frequency, current, pulse frequency and the measured heat sink temperature and is primarily decisive at frequencies near zero. Cause The inverter has calculated that the load of the IGBTs was critical. This may happen mainly 8 P01 035 EN.01/01 at low output frequencies < 3 Hz or at DC operation (braking or heating). Remedy Check the application for DC operation or low output frequency operation. Cause The power supply of the fans broke down or the fans are mechanically blocked. Remedy See description of LED functions and power part fans, chapter "Diagnostic LEDs", page 50. Cause Short circuit of a power part fan. Remedy Check the fuses FU1...FU3 on the fan control board. Cause The inverter gets too less cooling air. Remedy Check the cooling air holes for sufficient sizing and clean the filter mats. Cause Ambient temperature or temperature of the supply air too high. Remedy Ensure that the ambient conditions are permitted. Check the cubicle for thermal short circuit. Check the supply and outlet air holes of the cubicle for dirt and enlarge them, if necessary. Cause The encoder is connected wrong. Remedy Exchange the encoder signals channel A and B. Execute a test of the encoder by means of parameter F2.42. 26
  • 29.
    MX eco E15 Motor phase fault 3p MX pro Description Loss of the three motor phases (recognition at approx. 6% of the set nominal motor current) Cause Loose connection, defect motor, defect cable or defect switching elements Remedy Check the motor, the motor cables as well as all terminals (contact resistance) of disconnecting switches for maintenance purposes, safety switches and contactors. Check the connection between inverter and motor as well as the motor contactor control, if used. Deactivate the monitoring of the motor phases by means of E2.54. Cause The used motor is significant smaller than the nominal power of the inverter. Remedy Use a motor that corresponds with the inverter power (the minimum motor power should not fall below the half nominal inverter power). Deactivate the monitoring of the motor phases by means of E2.54. MX eco E16 Motor phase U lost MX pro Description Loss of motor phase U Recognition takes place only in case of V/f control methods on the basis of the geometrical average of the three phase currents. It is triggered after 0.5 s when current is < 25 % of the nominal current. Cause Loose connection, defect motor, defect cable or defect switching elements Remedy Check the motor, the motor cables as well as all terminals (contact resistance) of disconnecting switches for maintenance purposes, safety switches and contactors. HTSI Deactivate the monitoring of the motor phases by means of E2.54. MX eco E17 Motor phase V lost MX pro Description Loss of motor phase V 8 P01 035 EN.01/01 See trip message E16 for possible causes and remedy. MX eco E18 Motor phase W lost MX pro Description Loss of motor phase W See trip message E16 for possible causes and remedy. MX eco E19 Inverter overtemp. MX pro Description Inverter overtemperature (A3.05 "Thermal load VSD" > 105°C), determined by the thermal mathematical model. The thermal mathematical model considers the temperature, current and time. In addition to the heat sink sensor also the powerboard sensor and the braking unit sensor are monitored. Cause The power supply of the fans broke down or fans are mechanically blocked. Remedy See chapter "Diagnostic LEDs", page 50 and chapter "Maintenance of fans", page 11. Cause Short circuit of a power part fan. Remedy Check the fuses FU1...FU3 on the fan control board. Cause The inverter gets too less cooling air. Remedy Check the cooling air holes for sufficient sizing and clean the filter mats. Cause Ambient temperature or temperature of the supply air too high. Remedy Ensure that the ambient conditions are permitted. Check the cubicle for thermal short circuit. Check the supply and outlet air holes of the cubicle for dirt and enlarge them, if necessary. Cause Fan of the control part or the braking unit defect Remedy Check the function and effectiveness of the fans. 27
  • 30.
    MX eco E20 UnknownMC MX pro Description Unknown power part Cause After exchanging the control electronics or the power board the versions do not match. Remedy Ensure that proper spare parts have been used. Compare parameters F1.01 and F1.02 with the name plate data. Cause An internal electronics failure occurred. Remedy Shut down mains supply, wait for complete discharge of DC link (LED 1) and switch on again. MX eco E21 PTC short circuit MX pro Description Short-circuit at a thermistor (PTC) sensor (TH1, TH2, TH3, TH heat sink) Cause A thermistor input or the thermistor of the heat sink is short circuited (value < 50 Ω). Remedy Check the thermistor connections and the thermistor sensors in the motor. Cause DI6 is parameterized as thermistor, but used as a digital input. Remedy Check whether DI6 is used as digital input but parameterized as thermistor. Cause A thermal switch is used instead of a thermistor sensor. Remedy Set TH verification to "0 .. Not active" (parameter E2.05, E2.10, E2.15). If the fault is still present, the internal thermistor is defect. MX eco E22 PTC open circuit MX pro HTSI Description A thermistor (PTC) sensor is open (TH1, TH2, TH3, TH heat sink) Cause A thermistor input or the thermistor of the heat sink is open (value > 100 kΩ). Remedy Check the thermistor connections and the thermistor sensors in the motor. Cause DI6 is parameterized as thermistor, but used as a digital input. 8 P01 035 EN.01/01 Remedy Check whether DI6 is used as digital input but parameterized as thermistor. Cause A thermal switch is used instead of a thermistor sensor. Remedy Set TH verification to "0 .. Not active" (parameter E2.05, E2.10, E2.15). If the fault is still present, the internal thermistor is defect. MX eco E23 ASIC Init fault MX pro Description ASIC on the motor control cannot be initialized. Cause An internal failure occurred. Remedy Shut down mains supply, wait for complete discharge of DC link (LED 1) and switch on again. If the fault is still present, the control block has to be exchanged. MX eco E24 SFB fault MX pro Description Encoder failure (see "Description of functions" D5). Cause Encoder is not connected. Remedy Check the encoder and its connection. Cause Wrong direction of rotation of the encoder. Remedy Exchange signals A and B or change the rotational direction of the motor by interchanging the motor cables or adjust parameters C2.04 "Phase rotation" or D5.04 "Encoder rotation". Finally execute the routine F2.42 "Test encoder". Cause The encoder signal does not correspond with the used option >pDRIVE< SFB. Remedy Check the compatibility of encoder signal and encoder card. 28
  • 31.
    MX eco E25 IGBT fault MX pro Description The desaturation protection of an IGBT has triggered (an IGBT does not switch on or off within 6 μs). The registration of this fault occurs only with devices larger than >pDRIVE< MX eco & pro 4V75 and >pDRIVE< MX pro 6V75/90. Cause Although an IGBT has got an on-command, it does not switch on or off. Remedy Execute the IGBT test with parameter F2.40. Therefor the motor has to comply at least 30 % of the inverter power. See also chapter "Measurement of power semiconductors", page 57. MX eco E27 IGBT short circuit MX pro Description Electronically determined short circuit at one of the IGBTs during "Power up". Cause During the "Power up" routine all IGBTs are checked for short circuit. Thereby a failure (short circuit or interruption) has been detected for at least one IGBT. Remedy Execute the IGBT test with parameter F2.40. Therefor the motor has to comply at least 30 % of the inverter power. See also chapter "Measurement of power semiconductors", page 57. MX eco E28 Motor short circuit MX pro Description The automatically running test routine B3.43 "Automatic SC test" has detected a short circuit at the output. HTSI Cause There is a short circuit at the inverter output. Remedy Check the motor, the motor cables and connections. Cause Inexact setting of motor data although autotuning as been carried out successfully and also operation without motor contactor control works. Remedy The motor data must exactly comply with the name plate data. Execute autotuning again 8 P01 035 EN.01/01 afterwards. Cause In case of motor contactor control the motor contactor is switched on too quickly after switching off. Remedy After disconnection wait at least 5 times of the rotor time constant (B4.14, B4.25, B4.37) before connecting the motor contactor again. MX eco E30 Current measure fault MX pro Description Fault of the current transformer, its voltage supply or the evaluation electronics. The registration of this fault occurs only with devices larger than >pDRIVE< MX eco & pro 4V75 and >pDRIVE< MX pro 6V75/90. Cause Fault of the current transformer, its voltage supply or the evaluation electronics. Remedy Check LEDs 5 and 6 (see chapter "Diagnostic LEDs", page 50). Perform a measurement of the current transformers (see chapter "Checking the current transformers", page 60). MX eco E31 Braking unit fault MX pro Description Fault at the braking unit Cause The IGBT of the braking unit is short circuited. Remedy Perform a measurement of the braking transformer. In order to protect the braking resistor a line contactor has to be integrated (see catalogue, chapter "Braking unit BU"). 29
  • 32.
    MX eco E32 MCE² zones invalid MX pro Description Motor control EEProm defect Cause An internal failure of the motor control electronics occurred. Remedy Shut down mains supply, wait for complete discharge of DC link (LED 1) and switch on again. If the fault is still present, the control block has to be exchanged. MX eco E33 CPU fault MX pro Description Internal electronic fault Cause A failure of the internal electronic occurred. Remedy Shut down mains supply, wait for complete discharge of DC link (LED 1) and switch on again. If the fault is still present, the control block has to be exchanged. Cause Excessive use of all software functions Remedy Deactivate functions which are not required like e.g. function blocks, curve generator or XY graph. MX eco E34 ISL fault MX pro Description Communication fault on the internal serial link Cause A failure of the internal electronics occurred, e.g. based on external interferences. HTSI Remedy Shut down mains supply, wait for complete discharge of DC link (LED 1) and switch on again. Check whether there is a source of interferences nearby. If the fault is still present, the control block has to be exchanged. MX eco E35 MTHA fault 8 P01 035 EN.01/01 MX pro Description Asic for time measurement defect (undervoltage time determination). Cause An internal failure occurred. Remedy Shut down mains supply, wait for complete discharge of DC link (LED 1) and switch on again. If the fault is still present, the control block has to be exchanged. MX eco E36 Overspeed MX pro Description The motor has exceeded the maximum allowed Overspeed level (E2.50). Cause The setting of the motor data is not correct. Remedy Adjust the motor data under B4 according to the name plate data. Cause The overspeed level E2.50 is set too low. Remedy Adapt parameter E2.50 to the application. Cause The application needs higher speed as planed. Remedy Check the application for speed range and generator operation. Cause The fault occurs during catch on the fly. Remedy Increase parameter B3.37 Remanence level. 30
  • 33.
    MX eco E37 Safe Standstill MX pro Description There is a fault in the area of the internal monitoring for function "Safe Standstill" (PWR). Cause The line of the PWR signal is too long or has bouncing contact. Remedy Check the PWR line and ensure well switching contact. Cause The inverter electronics is only supplied by 24 V. Remedy Supply the inverter with mains voltage. Cause An internal failure occurred. Remedy Shut down mains supply, wait for complete discharge of DC link (LED 1) and switch on again. If the fault is still present, the control block has to be exchanged. MX eco E38 IO12 comm. fault MX pro Description Communication fault at option card >pDRIVE< IO12 Cause The communication with option card >pDRIVE< IO12 does not work properly (e.g. because of bad mounting). Remedy Check the mechanical mounting and connection of the option cards. Remove the option card or exchange the cards when two option cards are used and observe whether the fault message remains. Shut down mains supply, wait for complete discharge of DC link (LED 1) and switch on again. Cause Short interrupts or interferences to the terminals of the option card. HTSI Remedy Check all terminal connections for loose contact and correct screen connection. MX eco E39 Opt. comm. fault MX pro Description Communication fault at an option card (timeout failure) 8 P01 035 EN.01/01 Cause The communication with an option card does not work properly (e.g. because of bad mounting). Remedy Check the mechanical mounting and connection of the option cards. Remove the option card or exchange the cards when two option cards are used and observe whether the fault message remains. Shut down mains supply, wait for complete discharge of DC link (LED 1) and switch on again. Cause Switching of parameter sets via a digital input is only activated in one parameter set. Therefrom a permanent switching between the parameter sets takes place. Remedy Deactivate setting "Switch-over with DI" of parameter B2.03 "Parameter mode" or use the same digital input for switching ("76 .. 2nd parameter set") in both parameter sets. MX eco E40 Wrong option board MX pro Description Defect or unknown option card used Cause An option card is identified but it is not supported by the software. Remedy Check the compatibility of option card versions. 31
  • 34.
    MX eco E41 Busfault MX pro Description A bus fault occurred due to exceeded run time or loss of control. Cause Interrupt of the bus connection or failure of the master Remedy Reconnect the bus and check the master. Check the bus hardware (incl. terminating resistors, screen, connectors, ...). Equip the contactors with protective circuits (RC elements). Cause "Watch Dog" has elapsed, that means that the cycle time of the master during data exchange is too long. Remedy Check the "Watch Dog" times in the parameterization telegram and change them, if necessary. Cause Wrong setting of the communication type at the frequency inverter. Remedy Adjust the right communication type using parameter D6.100 No. of Bus-ref. values. Cause The master uses a wrong GSD file (type file). Remedy Only use the GSD files included in delivery for parameterization of the master. Cause The bus "crashes" because the number of the bus subscribers is too high or the cycle time gets too long due to a defect subscriber. Remedy Check the state and the number of the subscribers. Cause A wrong communication function is set at the master. Remedy In case of Simatic S7 the PBO types 1, 2 and 4 as well as the SFC14 function (read peripheral data) and the SFC 15 function (write peripheral data) have to be used. In case of PBO type 3 the function "load data" and "transfer data" must be used. HTSI MX eco E42 Param. config. fault MX pro Description Parameter settings invalid Cause The parameter settings are contradictory. Remedy Load a new macro with parameter B2.02 Macro selection. 8 P01 035 EN.01/01 Thereby the existing settings are overwritten (except macro-independent parameters, see chapter "Factory setting", page 6). MX eco E43 Reference fault AI2 MX pro Description At the analog input AI2 the reference value fell below 2 mA. Cause There is no reference value at the terminals. Remedy Check the reference value using parameter A4.03 or a measuring instrument. Cause The reference value is connected with wrong polarity. Remedy Check the connection of the analog signal (terminal AI2: +, terminal COM: -). Cause A 0...20 mA signal is used. Remedy Use a 4...20 mA signal (also see Description of functions, chapter D1). MX eco E44 Reference fault AI3 MX pro Description At the analog input AI3 the reference value fell below 2 mA. Cause There is no reference value at the terminals. Remedy Check the reference value using parameter A4.05 or a measuring instrument. Cause The reference value is connected with wrong polarity. Remedy Check the connection of the analog signal (terminal AI3+, terminal AI3-; also see Description of functions, chapter D1). Cause A 0...20 mA signal is used. Remedy Use a 4...20 mA signal (also see Description of functions, chapter D1). 32
  • 35.
    MX eco E45 Reference fault AI4 MX pro Description At the analog input AI4 the reference value fell below 2 mA. Cause There is no reference value at the terminals. Remedy Check the reference value using parameter A4.07 or a measuring instrument. Cause The reference value is connected with wrong polarity. Remedy Check the connection of the analog signal (terminal AI4: +, terminal COM: -; also see Description of functions, chapter D1). Cause A 0...20 mA signal is used. Remedy Use a 4...20 mA signal (also see Description of functions, chapter D1). MX eco E46 Reference fault FP MX pro Description At the frequency input FP the reference value fell short by 50 % of the setting fmin (D1.30). Cause There is no reference value at the terminals. Remedy Check the reference value using parameter A4.09 or a measuring instrument. MX eco E47 TH ϧ M1 >> MX pro Description At least one of the thermistors (PTC) or thermal switches assigned to motor M1 (see motor assignment E2.01, E2.06, E2.11) has detected an overtemperature. Cause The connected motor is overloaded. Remedy HTSI Check the motor temperature. Avoid overload, reduce the operating time or the max. allowed motor current (E1.01, E1.02). Check the ambient temperature and the external fan (if existing). Cause There is no PTC thermistor connected to the terminals DI6, TH2 or TH3 or the connection is interrupted. Remedy Check the connection of the thermistors. 8 P01 035 EN.01/01 Set the thermistor input with E2.01, E2.06, E2.11 to "Not used". Cause Interspersions to thermistor lines Remedy Use screened thermistor lines. Only connect the screen to the frequency inverter and not to the motor. Avoid parallel laying with motor cables. Reduce the pulse frequency. MX eco E48 TH ϧ M2 >> MX pro Description At least one of the thermistors (PTC) or thermal switches assigned to motor M2 (see motor assignment E2.01, E2.06, E2.11) has detected an overtemperature. Cause The connected motor is overloaded. Remedy Check the motor temperature. Avoid overload, reduce the operating time or the max. allowed motor current (E1.01, E1.02). Check the ambient temperature and the external fan (if existing). Cause There is no PTC thermistor connected to the terminals DI6, TH2 or TH3 or the connection is interrupted. Remedy Check the connection of the thermistors. Set the thermistor input with E2.01, E2.06, E2.11 to "Not used". Cause Interspersions to thermistor lines Remedy Use screened thermistor lines. Only connect the screen to the frequency inverter and not to the motor. Avoid parallel laying with motor cables. Reduce the pulse frequency. 33
  • 36.
    MX eco E49 THϧ Ext >> MX pro Description At least one of the thermistors (PTC) or thermal switches, which are planned for the general use (see assignment E2.01, E2.06, E2.11) has detected an overtemperature. Cause The connected motor is overloaded. Remedy Check the motor temperature. Avoid overload, reduce the operating time or the max. allowed motor current (E1.01, E1.02). Check the ambient temperature and the external fan (if existing). Cause There is no PTC thermistor connected to the terminals DI6, TH2 or TH3 or the connection is interrupted. Remedy Check the connection of the thermistors. Set the thermistor input with E2.01, E2.06, E2.11 to "Not used". Cause Interspersions to thermistor lines Remedy Use screened thermistor lines. Only connect the screen to the frequency inverter and not to the motor. Avoid parallel laying with motor cables. Reduce the pulse frequency. MX eco E50 ϧ M1 >> MX pro Description The thermal mathematical motor model has reached the set trigger level for motor M1. Cause The connected motor is overloaded. Remedy Check the motor temperature. Check the setting of parameters E2.18...E2.26. HTSI Avoid overload, reduce the operating time or the max. allowed motor current (E1.01, E1.02). MX eco E51 ϧ M2 >> MX pro Description The thermal mathematical motor model has reached the set trigger level for motor M2. Cause The connected motor is overloaded. 8 P01 035 EN.01/01 Remedy Check the motor temperature. Check the setting of parameters E2.30...E2.38. Avoid overload, reduce the operating time or the max. allowed motor current (E1.01, E1.02). MX eco E52 Stall protection MX pro Description The stall protection has triggered due to a rotor blockade or a highly overloaded starting. See parameters E2.42...E2.45. Cause The drive is mechanically blocked or overloaded. Remedy Check the drive system for mechanic overload and also check parameters E2.42...E2.45. Cause The operating frequency is in the range of parameters E2.42...E2.45 (e.g. crane hoisting with external fan) Remedy Adapt parameters E2.42...E2.45 to the operation. Cause A motor phase is disconnected (e.g. cable break or defect switching element in the motor line). The frequency inverter does not increase 0.1...0.5 Hz and displays high current. Remedy Check all cables and switching elements. Cause An encoder is used and channel A and B are connected wrong. Remedy Check the connection of the encoder. MX eco E53 Underload MX pro Description The underload function (E2.61...E2.61) has recognized a motor underload. Cause The load of the motor is lower than expected or the setting of the underload monitoring is wrong. Remedy Check the load of the motor and the drive system. Check the setting of parameters E2.61...E2.61. 34
  • 37.
    MX eco E54 Speed check fault MX pro Description The function n-monitoring (E1.38) has recognized an overspeed. This trip message is only assigned to a digital input and not to the encoder at the option card. Cause The mechanic transmission between motor and engine is damaged (e.g. belt break). Remedy Check the mechanical transmission system. Cause The external speed detection is defective or mounted wrong or the setting of parameters E1.38 .. E1.46 is wrong. Remedy Check the speed detection and the parameter settings. MX eco E55 Feed in << MX pro Description The function Feed-in monitoring (E1.49) has triggered. Cause The medium to be monitored has too low prepressure or the setting of parameters E1.49...E1.51 is wrong. Remedy Check the sensor signals and the feed-in rates e.g. regarding pipe break, filling level, ... Check the parameter settings. MX eco E56 AT-fault 1 MX pro Description Fault at the execution of the autotuning routine Cause HTSI The parameterized motor data extremely differ from the measurement. Remedy Check the parameterization of the motor data (also see chapter "Factory setting", page 6). Operate the motor with V/f mode (B3.02) and check whether the function is alright in principle. Cause Wrong motor connection (Y/Δ) or wiring failure. Remedy Check the connection of the motor, the motor cables, the motor contactor and the bypass 8 P01 035 EN.01/01 circuit, if existing. Cause Autotuning has to be executed while the motor does not turn. Remedy Ensure that the motor is not turning. Cause The connected motor power does not correspond with the nominal inverter power. Remedy The motor power should be at least one step higher and not lower than the half nominal power of the inverter. Cause Autotuning has been started with 24 V buffer voltage while there was no mains voltage. Remedy Ensure that mains voltage is supplied. Cause There is no motor connected or a motor contactor or disconnecting switch for maintenance purposes is open. Remedy Check the connection between inverter and motor. MX eco E57 Config. fault MX pro Description EEProm application software incompatible or changed power part. Cause An internal electronics failure occurred. Remedy Shut down mains supply, wait for complete discharge of DC link (LED 1) and switch on again. If the fault is still present, the control block has to be exchanged. Cause After exchanging the control electronics or the power board the versions do not match. Remedy Ensure that proper spare parts have been used. 35
  • 38.
    MX eco E58 Externalfault 1 MX pro Description An external fault is signalized via a digital input function, a logic block or the bus (see E3.34...E3.38). It is an external terminal function and no defect of the frequency inverter! Cause The function E3.34 is activated but the parameterization or wiring for the terminal "External fault 1" is missing. Remedy Check whether a digital input D2.01 .. D2.14 is set to "External fault 1" and whether the wiring is correct. Cause The logic of the digital inputs (PNP source or NPN sink) does not correspond with the control. Remedy Select the right logic with sliding switch SW1 (IO11: SW3, IO12: SW4). Also see catalogue, chapter "Control terminals". MX eco E59 External fault 2 MX pro Description An external fault is signalized via a digital input function, a logic block or the bus (see E3.41...E3.45). It is an external terminal function and no defect of the frequency inverter! Cause The function E3.41 is activated but the parameterization or wiring for the terminal "External fault 2" is missing. Remedy Check whether a digital input D2.01 .. D2.14 is set to "External fault 2" and whether the wiring is correct. Cause The logic of the digital inputs (PNP source or NPN sink) does not correspond with the HTSI control. Remedy Select the right logic with sliding switch SW1 (IO11: SW3, IO12: SW4). Also see catalogue, chapter "Control terminals". MX eco E60 Line contactor fault 8 P01 035 EN.01/01 MX pro Description Line contactor control defect (response monitoring) At active line contactor control (parameter C6.07) the DC link voltage is missing or below the nominal value. An external 24 V supply must exist. Cause After a start command the DC link voltage does not reach its nominal value within 3 seconds. Remedy Check the mains voltage, the line contactor and the line contactor control. MX eco E61 (E62) Motor contactor error MX pro Description Feedback for motor contactor control faulty. Cause The inverter-internal motor contactor control is activated and a start command is given. But there is no feedback of the motor contactor within a second that it has been closed. Remedy Check the activation and wiring of the motor contactor and the confirmation. MX eco E63 ON lock MX pro Description The digital input function "ON lock activation" (E3.48) caused a protective shut-down. Cause ON lock is signalized via a digital input function (see E3.48...E3.50). It is an external terminal function and no defect of the frequency inverter! Remedy Check whether a digital input D2.01 .. D2.14 is set to "ON lock" and whether the wiring is correct. For operation the safety chain must be closed (N.C.). 36
  • 39.
    MX eco E64 Internal SW error MX pro Description Internal software bug Cause An internal software failure occurred. Remedy Shut down mains supply, wait for complete discharge of DC link (LED 1) and switch on again. If the fault is still present, the control block has to be exchanged. MX eco E65 Power rating fault MX pro Description Unclear power part assignment Cause An internal electronics failure occurred. Remedy Shut down mains supply, wait for complete discharge of DC link (LED 1) and switch on again. Cause After exchanging the control electronics or the power board the versions do not match. Remedy Ensure that proper spare parts have been used. MX eco E66 Incompatible MC MX pro Description Motor control is not compatible to the application software Cause An internal electronics failure occurred. Remedy Shut down mains supply, wait for complete discharge of DC link (LED 1) and switch on again. HTSI If the fault is still present, the control block has to be exchanged. Cause After exchanging the motor control, the application software or the control part the versions do not match. Remedy Ensure that proper spare parts have been used. 8 P01 035 EN.01/01 MX eco E67 Flash fault APP MX pro Description Flash Eprom on the applicative defect Cause An internal EPROM failure occurred. Remedy Shut down mains supply, wait for complete discharge of DC link (LED 1) and switch on again. If the fault is still present, the control block has to be exchanged. MX eco E68 Indus zone fault MX pro Description Value for calibration on the application software defect. Cause An internal EPROM failure occurred. Remedy Shut down mains supply, wait for complete discharge of DC link (LED 1) and switch on again. If the fault is still present, the control block has to be exchanged. MX eco E69 Eprom fault APP MX pro Description EEProm on the applicative defect Cause An internal EPROM failure occurred. Remedy Shut down mains supply, wait for complete discharge of DC link (LED 1) and switch on again. If the fault is still present, the control block has to be exchanged. 37
  • 40.
    MX eco E70 BR- fault MX pro Description Shut-down by the thermal mathematical model due to inadmissible high temperature of the braking resistor. Cause The parameter settings for the braking resistor are wrong. Remedy Check the parameter settings. Cause The connected braking resistor is too small for this application. Remedy Dimension the resistor according to the real demand. Extend deceleration ramp or cycle time. MX eco E71 Limitation active MX pro Description A limitation function of the motor control (current or torque) was active and according to the setting of E1.17 Reaction at limitation a protective shut-down takes place. Cause The motor control has recognized a current or torque limitation and parameter E1.17 is set to "Limitation & trip" or "Limit. & alarm/trip". Remedy Extend parameter E1.18 "Time Δt". MX eco E72 Ramp adaption MX pro Description The set acceleration or deceleration ramp cannot be maintained and has been automatically extended. Cause Acceleration/deceleration is not possible within the set time due to the mass inertia or the HTSI load. Remedy Extend acceleration/deceleration ramp. Reduce the load. Deactivate setting "Extend & trip" of E1.21 "Reaction at deceleration" or extend E1.22 "Time Δt". Check whether a braking unit or an active regeneration of energy to the mains is necessary. 8 P01 035 EN.01/01 Activate setting "Motor brake" or "B5.01" of parameter Brake mode "Braking unit". Cause The set motor data do not correspond with the used motor. Remedy Check the motor data of M1 (B4.05 .. B4.15) and M2 (B4.17 .. B4.27). Adjust them according to the table stated in chapter "Motor data", page 7, if necessary and execute autotuning with B4.03. MX eco E73 24V fault MX pro Description Problem with the external 24 V buffer voltage Cause The external buffer voltage fell below 19 V. Remedy Measure the external buffer voltage and check whether it is overloaded (30 W per inverter). Cause The 24 V buffer voltage has too strong amplitudes (rectified but not filtered). Remedy Use a power supply unit with filter capacitor. 38
  • 41.
    MX eco E74 Encoder fault MX pro Description An inadmissible high slip, coupling break or loss of the signal has been detected at the encoder. The detection can be activated by means of parameter D5.06 "Encoder slip detection". Cause The mechanic transmission between motor and encoder is damaged. Remedy Check the mounting of the encoder. Cause The mechanic fixing of the encoder is damaged and therefrom a slip between motor shaft and encoder shaft occurs. Remedy Check the mounting of the encoder. Cause The connection between encoder and inverter is interrupted or damaged. Remedy Check the wiring and terminals of the encoder. Check the setting of parameters D5.07 "f- detection level" and D5.08 "Delay time". Finally execute the routine F2.42 "Test encoder". MX eco E75 Encoder test failed MX pro Description The encoder test failed (that means a deviation of the motor data > 5 %). Cause Wrong parameterization of the inverter for testing. Remedy Check the motor data, encoder data and wiring. Observe the proceeding described in the "Description of functions" under parameter F2.42. Cause Hardware failure, wrong algebraic sign due to wrong assignment of channel A and B, wrong identification of the encoder card or wrong encoder data entered Remedy Check the whole encoder integration from the mechanic fixing to the set encoder data. HTSI MX eco E76 T-controller at n-limit MX pro Description An inadmissible long speed limitation occurred during torque control operation.. Cause Inadmissible underload of the drive occurred and maximum speed has been reached. 8 P01 035 EN.01/01 Remedy Check the application for underload like e.g. belt break and check the parameter settings of speed limitation (C5.16...C5.19). MX eco E77 No motor available MX pro Description No motor for prefluxing available (evaluation only in case of brake control). Cause The connection between inverter and motor is missing. Remedy Check the motor connection and switching devices between inverter and motor (contactors, terminals, ...), if existing. MX eco E78 Brake fault MX pro Description The state of the brake and the confirmation are contradictory. Cause Crane control is used and the hoist option "Monitor brake feedback" is active under C3.56. There is no feedback of the brake whether it is closed after a stop command or opened after a start command. Remedy Check the functionality of the brake. Extend the set timeout C3.60. 39
  • 42.
    MX eco E79 Δϕ>> MX pro Description The monitoring of the rotation angle has detected a too high deviation (determined from nREF and nACT). Cause The monitoring of the rotation angle E1.54 is activated and the deviation between nREF and nACT is higher than the tolerance set with parameter E1.55. This may occur, for example, due to operation at the current- or torque limitation or when the drive breaks down. Remedy Check whether there are mechanical problems at the system like e.g. blocking, belt break or mechanical overload (I, T, P, t, breakdown of motor). Increase the permitted tolerance with parameter E1.55. Extend the ramp times. Cause The starting torque is not available for 100 %. Remedy See parameter B3.17 R1 Compensation. Cause The hoist function is used. In this case the rotation angle monitoring is automatically activated and cannot be deactivated. Remedy Set parameter C3.57 Starting torque ↑ and C3.58 Starting torque ↓ to over 100 %. MX eco E80 BE11 loss MX pro Description The connection between matrix operating panel BE11 and inverter is cut off during active panel operation and a loss of BE11 control is detected (see parameter E5.12). Cause The inverter is controlled in panel mode using the operating panel BE11 and the BE11 is removed or the connection is interrupted. The desired reaction can be set using parameter HTSI E5.13. Remedy Check whether the Matrix operating panel BE11 is proper plugged at the inverter or check the connection between inverter and BE11 in case of mounting in the cubicle door. MX eco E81 VSD overload 8 P01 035 EN.01/01 MX pro Description Protective shut-down due to exceeding the maximum current/time specification. Cause Parameter E1.03 "Inverter temp. model" is set to "0 .. Not active". Remedy Set parameter E1.03 to "1 .. Active". Check the mechanical system for overload, blocking or the like. Check the dimensioning of the inverter in principle. MX eco E82 I-limit active MX pro Description The actual motor current was higher than the actual allowed maximum current (E1.01 Imax1, E1.02 Imax2, thermal mathematical motor model E2.18...E2.39, thermal mathematical inverter model E1.03). This leads to a protective shut-down corresponding to the setting of E1.17 Reaction at limitation. Cause An overload of the motor or the system occurred. Remedy Check the mechanical system for overload, blocking or the like. Increase the limitation parameters (if permitted). 40
  • 43.
    MX eco E83 T-limitation active MX pro Description The actual motor torque was higher than an effective limitation value. Torque-limiting protective mechanisms are the internal or external torque limitation (E1.05...E1.08) and the power limitation (E1.13, E1.14). This leads to a protective shut-down corresponding to the setting of E1.17 Reaction at limitation. Cause An overload of the motor or the system occurred. Remedy Check the mechanical system for overload, blocking or the like. Increase the limitation parameters (if permitted). MX eco E84 Trip within VSD group MX pro Description A fault, signalized via the digital input function "Trip within VSD group", has occurred at an inverter that is connected to the electric shaft Cause An inverter within the VSD group has shut-down due to a trip and transmits the trip message by means of the trip message chain. Remedy The tripping inverter displays another fault (real cause) than "Trip within VSD group"). The fault has to be eliminated. Subsequently execute a reset at the master inverter. MX eco E85 Position error >> MX pro Description HTSI Inadmissible high position error when the function "Electric shaft" (C6.69) is active. Cause The slave has recognized a position error between master and slave that is higher than the allowed tolerance set with C6.71. Remedy Deactivate C6.70 Electr. Shaft Monitoring. Check the mechanical system for blocking, shock loads or the like. 8 P01 035 EN.01/01 Increase parameter C6.71 Allowed error. MX eco E86 Sync-Error MX pro Description The Sync-signal that is required for the function of the electric shaft is missing (time out: 4 seconds). Cause The slave does not recognize a synchronization signal. Remedy Check the connection between master and slave. Check the setting of the digital inputs and outputs (see Description of functions). MX eco E87 Process fault 1 MX pro Description A process fault is signalized via a digital input command (see E3.65...E3.69). It is an external terminal function and no defect of the frequency inverter! Cause The function E3.65 is activated but the parameterization or wiring for the terminal "Process fault 1" is missing. Remedy Check whether a digital input D2.01 .. D2.14 is set to "Process fault 1" and whether the wiring is correct. Cause The logic of the digital inputs (PNP source or NPN sink) does not correspond with the control. Remedy Select the right logic with sliding switch SW1 (IO11: SW3, IO12: SW4). Also see catalogue, chapter "Control terminals". 41
  • 44.
    MX eco E88 Processfault 2 MX pro Description A process fault is signalized via a digital input command (see E3.72...E3.76). Cause The function E3.72 is activated but the parameterization or wiring for the terminal "Process fault 2" is missing. Remedy Check whether a digital input D2.01 .. D2.14 is set to "Process fault 2" and whether the wiring is correct. Cause The logic of the digital inputs (PNP source or NPN sink) does not correspond with the control. Remedy Select the right logic with sliding switch SW1 (IO11: SW3, IO12: SW4). Also see catalogue, chapter "Control terminals". MX eco E89 Process fault 3 MX pro Description A process fault is signalized via a digital input command (see E3.79...E3.83). Cause The function E3.79 is activated but the parameterization or wiring for the terminal "Process fault 3" is missing. Remedy Check whether a digital input D2.01 .. D2.14 is set to "Process fault 3" and whether the wiring is correct. Cause The logic of the digital inputs (PNP source or NPN sink) does not correspond with the control. Remedy Select the right logic with sliding switch SW1 (IO11: SW3, IO12: SW4). Also see catalogue, chapter "Control terminals". HTSI 8 P01 035 EN.01/01 42
  • 45.
    Defects of thedisplay The display indicates nothing and the backlight does not light. Possible cause The operating panel BE11 is not plugged in correctly. Remedy Ensure that both mechanical interlocks on the side of the operating panel are snapped in. The display lights but it indicates unintelligible characters. Possible cause A wrong operating panel is plugged in. Remedy Ensure that the Matrix operating panel corresponds with the inverter version. It is difficult to read the display. Possible cause The operating panel is exposed to very high or low temperatures. Remedy The LCD of the operating panel operates best at temperatures between 0...40°C. For several parameters the display shows no names but only an abbreviation. Possible cause The version of the BE11 is older than the applicative software. Remedy Use an appropriate (newest) Matrix operating panel BE11. The display stops during building up the communication immediately after switch on the +24 V and/or the mains voltage. HTSI Possible cause During installation of the option card pins at the connector are bended. Remedy Remove the option card and test the user interface without option cards. Try to bring the pins of the affected option card into one line. If the fault still exists insert a new option card. 8 P01 035 EN.01/01 At the parameter transfer with the operating panel (short menu) parameters are loaded wrong or the BE11 does not react anymore. Possible cause Parameters of an inverter with another software version are loaded using E5.05. Remedy Use E5.04 Copy: MX -> Keypad and E5.05 Copy: Keypad -> MX only for inverters with same parameter version (see chapter "Software concept", page 64). 43
  • 46.
    Other malfunctions Even thereis no trip message it may happen that the inverter does not operate as desired. The cause therefore is mostly wrong parameter settings or faulty control. Undesired behaviour and its possible causes that are not based on faults of the inverter are described following. The inverter gets a start command and a reference value but the motor does not turn. Possible cause Only forward or reverse direction is enabled under parameter C2.03 "Direction enable". Remedy Check the start command on the terminals with C2.03 "Direction enable". The inverter is not ready and the motor does not turn. No status display (ready, run or trip) is active. Possible cause Switching of parameter sets via a digital input is only activated in one parameter set. Therefrom a permanent switching between the parameter sets takes place. Remedy Deactivate setting "B2.03" of parameter Parameter mode "Switch-over with DI" or use the same digital input for switching ("76 .. 2nd parameter set") in both parameter sets. Possible cause After reset of a fault a start signal is given. But the start signals of "Control source 1" (E4.01) or "Control source 2" (E4.02) are set to "edge rated". Remedy Either cancel the start signal and apply it again or adjust the control source to "level rated". HTSI The inverter operates even stationary below the set minimum frequency C2.01. Possible cause Parameter C2.03 "Direction enable" is set to "3 .. Forward & reverse". Remedy Enable only one rotational direction with parameter C2.03 "Direction enable". Adjust the reference signal to the desired minimum value. 8 P01 035 EN.01/01 The braking unit does not work. The inverter fails with "B5.01" although Brake mode "Braking unit" is set to "4 .. V>> at deceleration" and the braking resistor is connected. Possible cause The braking resistor is not correctly connected, its resistance is too high or it is defect. Remedy For devices to MX pro 4V160/200 and MX pro 6V160/200 the resistor has to be connected to the terminals PA (for MX pro 4V together with the DC link choke DCL) and PB. The resistance must be lower than the maximum value stated in the technical data. The option card cannot be identified. Possible cause The pins of the connector are bent Remedy Unplug the option card and check the pins of the connector. The external "Live Zero" monitoring triggers when there is no voltage on the inverter. Possible cause The internal burden of AI1, AI2 and AI4 is high-resistance when there is no voltage. Remedy Use analog input AI3 because it has a fix burden or set analog input AI1, AI2 or AI4 to 0...10 V and connect an external burden of 500 Ω. The mA reference value cannot be recognized correctly or has undefinable behaviour. Possible cause The mA driver voltage is > 12 V. Remedy Ensure that the driver voltage does not exceed the maximum value of 12 V. Also a series resistor can be used (acts as voltage divider). 44
  • 47.
    The motor turnsin spite of 0 Hz reference value or oscillates. Possible cause Wrong parameter setting Remedy Reduce the slip compensation with B3.18. Adjust the motor data under B4 according to the name plate data. Execute autotuning by means of parameter B4.03. Reduce parameter B3.17 R1 Compensation. The output frequency is fluctuating although the reference value is constant. Possible cause Wrong setting of the speed controller Remedy Reduce B3.20 Dynamic 1 at MX eco and C5.01 Speed prop. gain at MX pro. If no optimal settings of the controller can be found, use a V/f control method. The indication "fACT = fREF" is flashing on the display. Possible cause Unstable control Remedy Reduce B3.20 Dynamic 1 at MX eco and C5.01 Speed prop. gain at MX pro. Adjust the motor data under B4 according to the name plate data. Execute autotuning by means of parameter B4.03. If no optimal settings of the controller can be found, use a V/f control method. Knocking noises occur in the gear. Possible cause Unstable control Remedy Let the drive free-wheeling starting from nominal speed. If the noises do not occur HTSI thereby, proceed as follows: Reduce B3.20 Dynamic 1 at MX eco and C5.01 Speed prop. gain at MX pro. Adjust the motor data under B4 according to the name plate data. Execute autotuning by means of parameter B4.03. If no optimal settings of the controller can be found, use a V/f control method. 8 P01 035 EN.01/01 During starting mechanical shock load occur. Possible cause Steep starting ramp Remedy Set a gentle starting using parameters C2.12 S-ramp mode and C2.13 S-ramp. The motor exceeds pull out torque at high starting load. Possible cause Acceleration is too low Remedy Deactivate S-ramp mode with parameter C2.12. The indication of acceleration/deceleration at the keypad does not correspond with the actual speed. Possible cause The indication of acceleration/deceleration does not derive from the actual value but from the internal integrator. Therefore the indication of acceleration/deceleration differs e.g. at automatic ramp extension due to high moments of inertia. Remedy Extend the ramp times in such a way as no automatic ramp adaptation takes place. Set parameter A6.05 Limitations to "1 .. visible" in order to enable recognition of the occurring limitation. Set parameter E1.23 Ref. after dec. extension to "1 .. Dec. at ramp". At speed feedback the motor does not turn more than approx. 2 Hz. Possible cause The rotary field of the motor or the encoder lines may be exchanged. In this case also parameters C2.04 Phase rotation and D5.04 Encoder rotation have to be adjusted appropriate. Remedy Check the rotary field of the motor as well as parameter C2.04 Phase rotation. Check the wiring of the encoder and parameter D5.04 Encoder rotation. Adjust the motor data under B4 according to the name plate data. Execute autotuning by means of parameter B4.03. 45
  • 48.
    "Safe Standstill" leadsto a trip message. Possible cause The inverter is operated in simulation mode (F2.45). Remedy Do not use the PWR input during simulation mode. The motor turns unstable (applies to powers ≤ 90 kW). Possible cause An IGBT of the inverter is defect. Remedy Measure the output current of all 3 phases and check them for symmetry. The inverter does not start despite Ready display and start signal (only for 12-pulse devices). Possible cause A 12-pulse device (from MX eco 4V500 and MX pro 400/500) is only supplied by the mains connections L1.2, L2.2 and L3.2 e.g. for temporary operation. Remedy Supply the inverter by the mains connections L1.1, L2.1 and L3.1. The inverter can be supplied by Lx.1 or Lx.2 from following software: APSeco_B03_8783482_04_V04.00a and APSpro_B03_8783483_04_V04.00a The inverter stops with "Stop". Possible cause The PWR input was interrupted for short-term, e.g. due to control by means of a safety PLC Remedy The PWR input must only be supplied by the internal 24V of the inverter! Check whether short interrupts of the PWR circuit occur. HTSI "Catch on the fly" does not work. Possible cause Parameter B3.37 Remanence level is set too high. Remedy Decrease the value of parameter B3.37. The smaller the remanence of the motor the smaller the value for the "Catch on the fly" level has to be adjusted. 8 P01 035 EN.01/01 F2.40 Start IGBT test achieves a positive result without motor. Possible cause There is no motor but a sinus filter connected at the inverter output. Remedy The IGBT test can be executed successfully even with a sinus filter. Anyway, always a motor should be connected for the IGBT test. B5.01 Brake mode motor brake A, B, C achieves no difference. Possible cause For MX eco & pro devices to motor control version V1.1 and for all devices up to 75 kW motor brake A, B and C are similar. Remedy If the braking power of the motor brake is insufficient, an external braking resistor can be used for MX pro. Reset via bit 7 Profibus does not work but via operating panel BE11 it works. Possible cause The bus is only used for the f-reference value. Control takes place by source 1 with 2- wire-edge at the terminals. Thus bits 0...9 are not effective according to Profidrive profile and therefrom no reset with bit 7 can be executed. Remedy Use the bus also for control. Or use a free bit (11...15) via a time module in the logic blocks (parameter group E6) that is parameterized to the function "Ext. reset". Display of the alarm message "Tmax motor" or "Tmax generator". Possible cause A new operating panel BE11 is used in combination with an old inverter. Both messages have been merged to the message "T limitation". Remedy Interpret "Tmax motor" and "Tmax generator" as "T limitation". 46
  • 49.
    Alarm message I-or T-limitation is displayed without motor. Possible cause The inverter is operated in a VC mode without motor. Remedy Always use a V/f control method (B3.02) when there is no motor connected. Operation without motor Possible cause The operation of the inverter without motor is only possible with control method V/f (and even in this case not suggestive!). With VC modi malfunction or illogical acting limitations may occur. Remedy For test run of a drive with very small motor or without motor (e.g. cubicle assembly) parameter F2.49 Test mode is available which automatically switches to V/f mode and deactivates the monitoring of the motor phases. In this case functions must not be used which are not allowed in V/f mode (e.g. T- controller, speed feedback, crane control, ...). High starting torque cannot be reached. Possible cause Field orientation is available from speed zero to nominal slip after magnetization only for the period of the rotor time constant! Remedy Observe following for drives with high starting torque: − In case of long acceleration ramps or keeping reference value zero, the starting torque decreases notedly → set short ramp, possibly switch-over to 2nd ramp − Set parameter B3.17 R1 Compensation sensitive higher up to 100 % (factory setting is 80 %). HTSI − Using an encoder solves the problem of the field orientation at n = 0 but the displayed actual torque value is considerably worse than in case of operation without encoder (affects only the display, torque is present). Additionally, S-ramps have a negative effect ! 8 P01 035 EN.01/01 47
  • 50.
    The drive oscillatesor turns unstable. Possible cause A motor parameter has been adjusted after autotuning. If a motor parameter is adjusted even marginal after autotuning, the factory motor data are loaded. Remedy Enter the motor data again and execute autotuning. Possible cause The settings of the n-controller have not been adapted. Each system is designed individually and has different behaviour, so each system has to be adapted empirically on-site. Remedy Reduce the magnification of the n-controller by approx. 30 % (parameter C5.01 for MX pro and B3.20 for MX eco). Increase the integration time of the n-controller by approx. 30 % (parameter C5.02 for MX pro and B3.21 for MX eco). If the existing moment of inertia of the drive system is known (mass inertia of the motor and the load), the optimal magnification of the n-controller can be calculated as follows: 1. Calculation of the existing total moment of inertia IReal = IMotor + ILoad (a reduction of I to n-motor may be necessary) 2. Read out the moment of inertia of the load IVSD which is calculated by the inverter (parameter A2.28, available from software version B05_07 for devices > 75 kW) If parameter A2.28 is not available, the value can be calculated as follows: B4.06 (Nom. motor current) B4.11(Motor no. of poles) IVSD = ITable × × F1.03 (Nom. inverter current) 4 HTSI MX pro 4V MX pro 4V MX eco 4V MX pro 6V kgm² MX eco 4V MX pro 6V kgm² 0.75 0.75 0.0018 90 − 0.70 1.5 1.5 0.0039 110 90/110 0.70 2.2 2.2 0.0039 132 110/132 1.00 8 P01 035 EN.01/01 3 3 0.0051 160 132/160 1.20 4 4 0.0062 200 160/200 1.40 5.5 5.5 0.0177 250 200/250 1.60 7.5 7.5 0.024 315 250/315 2.60 11 11 0.039 400 315/400 3.20 15 15 0.047 500 400/500 6.00 18.5 18.5 0.085 630 500/630 7.00 22 22 0.098 − 630/800 13.00 30 30 0.151 37 37 0.23 45 45 0.28 55 55 0.75 75 75 1.28 This calculation for the moment of inertia of the load IVSD does not apply to synchronous motors ! For synchronous motors the moment of inertia of the load has always to be read out in parameter A2.28. 3. Calculation of the n-magnification Jreal n - Reglerverstärkung = JFU MX pro: calculated value x 40 complies with parameter C5.01 in % MX eco: calculated value complies with parameter B3.20 48
  • 51.
    Unsatisfactorily multi-motor operation Possible cause Wrong settings at the inverter. Remedy Check the settings of the inverter and adjust them accordingly: − Motor current and power has to correspond with the sum of the individual motors − The setting of the n-controller has to be related to the sum of all centrifugal masses (caution: many small motors have a notedly smaller centrifugal mass than a bigger motor) Possible cause The motors are not coupled or unequal. Remedy Use a V/f control method. Possible cause The motors are equal and mechanically coupled. Remedy Execute autotuning. Both a V/f control method and VC standard and enhanced can be used. Possible cause The motors have different starting torques. Remedy Avoid different cable lengths. HTSI 8 P01 035 EN.01/01 49
  • 52.
    Hardware diagnostics Overview ofthe components Abbreviation Designation Description ACB Active capacitor balancing Active voltage splitting APP Application board User interface including the device Software BUD Braking unit driver Braking unit driver FCB Fan control board Fan control card GD Gate driver IGBT driver card ISL Internal serial link Internal bus link between APP and MC TB Measuring board Measurand indication MC Motor control Motor control PB Power board Power board RFI RFI board EMC-filter RFS Rectifier snubber board Rectifier snubber circuit SCB Soft charge board Charging circuit HTSI Diagnostic LEDs All >pDRIVE< MX eco & pro have a red LED (LED1) for indication of the DC link voltage. This LED can be 8 P01 035 EN.01/01 observed from the outside of each device and indicates the charging state of the DC link and the auxiliary DC link for the charging circuit. It lights when the DC link voltage is higher than 60 V DC. The position of LED 1 is shown in the design drawings in chapter "Plans", page 69. From devices >pDRIVE< MX eco 4V160, >pDRIVE< MX pro 4V132/160 and MX pro 6V90/110 there are additional LEDs on the PCBs for simple diagnostics and troubleshooting that show the proper voltage supply of the different modules. 50
  • 53.
    Overview of thebuilt-in LEDs 400 V devices >pDRIVE< MX eco 4V160 4V200, 4V250 4V355, 4V400 4V315 4V500, 4V630 >pDRIVE< MX pro 4V132/160 4V160/200 4V315/400 Ref. 4V200/250 4V400/500 Voltage supply Voltage potential 4V250/315 4V500/630 MB11, A1 PB12_13, A1 PB14_15, A1 DC link voltage (>60V) - DC-linkminus LED 1 LED 1 LED 1 PS for FCB A70/A71 +15 V DC L LED 2 LED 2 LED 2 PS for applicative A10/A11 +24 V DC M1 LED 3 LED 3 LED 3 PS for internal fans M10-M13 -24 V DC M1 LED 4 LED 4 LED 4 Current transformer + +15*/24 V DC DC-linkminus LED 5* LED 5 LED 5 Current transformer - -15*/24 V DC DC-linkminus LED 6* LED 6 LED 6 PS for motor control +5 V DC DC-linkminus LED 7 LED 7 LED 7 PS for soft charge board A6/A61 +15 V DC DC-linkplus − LED 8 LED 8 PS for soft charge board A60 +15 V DC DC-linkplus − − LED 9 PS for braking unit driver A20 +15 V DC DC-linkplus − LED 9 − PS for braking unit driver A20 -15 V DC DC-linkplus − LED 10 − HTSI PB11, A2 PS for soft charge board A6/A61 +15 V DC DC-linkplus LED 8 − − PS for soft charge board A60 +15 V DC DC-linkplus − − − BUD 14_15 I, A20 8 P01 035 EN.01/01 Overtemperature fan BU (Matrix) − L − − LED 10 PS for braking unit driver A20 +24 V DC M3 − − LED 11 PS for braking unit driver A20 -24 V DC M3 − − LED 12 External braking unit connected +10 V DC M3 − − LED 15 BUD 14_15 (ext.) External braking unit +24 V DC DC-linkminus − − LED 13 External braking unit -24 V DC DC-linkminus − − LED 14 FCB, A7 FCB, A7 FCB, A70 Overtemperature fan (Matrix) − L LED 1 LED 1 LED 1 Overtemperature fan (Matrix) − L LED 2 LED 2 LED 2 FCB, A71 Overtemperature fan (Matrix) − L − − LED 1 Overtemperature fan (Matrix) − L − − LED 2 Reference potential of the respective voltage supply: L … Mains (internal or external) Mx … floating ground 51
  • 54.
    690 V devices >pDRIVE< MX pro 6V90/100 6V200/250 6V400/500 6V110/132 6V250/315 6V500/630 Ref. 6V132/160 6V315/400 6V630/800 Voltage supply Voltage potential 6V160/200 MB11, A1 MB13V, A1 MB15V, A1 DC link voltage (>60V) - DC-linkminus LED 1 LED 1 LED 1 PS for FCB A70/A71 +15 V DC L LED 2 LED 2 LED 2 PS for applicative A10/A11 +24 V DC M1 LED 3 LED 3 LED 3 PS for internal fans M10-M13 -24 V DC M1 LED 4 LED 4 LED 4 Current transformer + +15*/24 V DC Ud0 LED 5* LED 5 LED 5 Current transformer - -15*/24 V DC Ud0 LED 6* LED 6 LED 6 PS for motor control +5 V DC Ud0 LED 7 LED 7 LED 7 PS for braking unit driver A20 +15 V DC M3 − LED 11 − PS for braking unit driver A20 -15 V DC M3 − LED 12 − PB11V, A2 PB13V, A2 PB15V, A2 PS for soft charge board A6/A61 +15 V DC DC-linkplus LED 8 LED 8 LED 8 PS for soft charge board A60 +15 V DC DC-linkplus − − LED 9 RFI board, A30 Overtemperature fan BU (Matrix) − L − LED 10 − BUD13V I, A20 BUD14_15V I, A20 HTSI Overtemperature fan BU (Matrix) − L − − LED 10 PS for braking unit driver A20 +24 V DC M3 − LED 11 LED 11 PS for braking unit driver A20 -24 V DC M3 − LED 12 LED 12 External braking unit connected +10 V DC M3 − LED 15 LED 15 BUD 14_15 BUD 14_15 8 P01 035 EN.01/01 (ext.) (ext.) External braking unit +24 V DC DC-linkminus − LED 13 LED 13 External braking unit -24 V DC DC-linkminus − LED 14 LED 14 FCB, A7 FCB, A7 FCB, A70 Overtemperature fan (Matrix) − L LED 1 LED 1 LED 1 Overtemperature fan (Matrix) − L LED 2 LED 2 LED 2 FCB, A71 Overtemperature fan (Matrix) − L − − LED 1 Overtemperature fan (Matrix) − L − − LED 2 Reference potential of the respective voltage supply: L … Mains (internal or external) Mx … floating ground The LEDs are designed in SMD and therefrom they are difficult to find when they do not light. Detailed device drawings with emphasized position of the LEDs and connectors are given in chapter "Plans", page 69. LEDs do not supersede voltage measurement because a LED that does not light could be also defective ! 52
  • 55.
    Troubleshooting with theaid of LEDs Basically all LEDs must light when the device has no trip. Exceptions are: LED 1 on the fan control board(s) FCB and LED 15 on the braking unit driver. If a LED does not light, this might have following reasons: • The voltage supply of the respective module is faulty or defect. • The voltage supply of the respective module is overloaded. • The LED itself is defect. Connectors must be unplugged only when there is no voltage. The plugs of the current transformers must be unplugged only when there is no motor connected. Please proceed according to the following table for further troubleshooting. LED Function Fault cause and remedy From MX eco 4V160, MX pro 4V132/160 and MX pro 6V90/110: LED 1 Indicates the charging state of the DC link and Check the mains connections and mains fuses. the auxiliary DC link for the charging circuit (> 60 All three phases L1, L2 and L3 must be applied V DC) with mains voltage. HTSI LED 2 Indicates the voltage supply for the fan control Unplug the fan plug(s) X3/X11...X14 board(s) successively. If the LED lights afterwards, a fan is defect (also see below: LED pattern of the fan control boards). LED 3 Indicates the voltage supply of the control part Disconnect the power supply and pull off the plug X4. Connect power supply again. If the LED 8 P01 035 EN.01/01 lights afterwards, the control part is defect. LED 4 Indicates the voltage supply of the internal fan(s) Check whether the fans are mechanically M10, M11, M12, M13 of the control part blocked. Unplug the fan plug(s) X30...X33 successively. If the LED lights afterwards, a fan is defect. LED 5 Indicates the voltage supply of the current Check whether the current transformers are LED 6 transformers T1, T2, T3 mechanically damaged and also check their connection cable. LED 7 Indicates the voltage supply of the motor control If LED 7 does not light, the power board and the board control block must be exchanged. LED 8 Indicates the voltage supply of the soft charge If LED 8 does not light, the power board (A1 or board(s) A2) and the soft charge boards (A6, A60, A61) must be exchanged. 53
  • 56.
    LED Function Fault cause and remedy For MX eco 4V200...4V315 and MX pro 4V160/200...4V250/315: LED 9 Indicates the voltage supply of the braking unit Check the inverter. LED 10 For MX eco 4V200...4V315, MX pro 4V160/200...4V250/315 and MX pro 6V200/250...630/800: LED 9 Indicates the voltage supply of the second soft Check the inverter. charge board LED 10 Monitors the fan of the external braking unit Check whether the external braking unit is proper connected to the inverter. LED 11 Indicates the internal voltage supply of the Check the inverter. LED 12 braking unit LED 13 They are inside the external braking unit and Check whether the external braking unit is LED 14 indicate the voltage supply. proper connected to the inverter. LED 15 Indicates the connection of the control lines to Check whether the control line of the braking the external braking unit. unit is proper connected to the inverter. When no external braking unit is connected, this LED does not light ! Before any work at the inverter disconnect the frequency inverter from the mains, wait until the DC link is discharged and check whether there is no voltage anymore!! LEDs do not supersede voltage measurement because a LED that does not light could be also defective ! HTSI 8 P01 035 EN.01/01 54
  • 57.
    LED pattern ofthe fan control boards Depending on the inverter power, devices from MX eco 4V160, MX pro 4V132/160 and MX pro 6V90/110 are designed with one to four power part fans. Two fans con be controlled by a fan control board FCB A70, A71. Each FCB is provided with LED 1 and LED 2 for thermal monitoring of the power part fans. At devices from >pDRIVE< MX eco 4V132 and >pDRIVE< MX pro 4V110/132 the fans are supplied by the mains from the inverter as factory default. However, external voltage supply is possible. At devices from >pDRIVE< MX pro 6V90/110 voltage supply takes place via the optional transformer box or an external voltage supply. If the external voltage supply fails, the LEDs are not supplied and remain dark. If voltage supply is present, the respective LEDs light when the thermostat relays of the fan are alright (closed). If a thermostat relay triggers, a "LED pattern" according to the following table arises by which the triggered fan can be easily found. LED pattern BUD_I >pDRIVE< Fan FCB A7 / A71 FCB A70 A20 *) MX eco MX pro 4V MX pro 6V M2 M1 M4 M3 BU LED1 LED2 LED1 LED2 LED10 4V160 4V132/160 6V90/110 m 4V200 4V160/200 6V110/132 6V132/160 6V160/200 ϑ>> m m 4V250 4V200/250 6V200/250 HTSI 4V315 4V250/315 6V250/315 6V315/400 ϑ>> m without option ? ϑ>> m m BU 6V4500 4V355 4V315/400 8 P01 035 EN.01/01 4V400 4V400/500 ϑ>> m m 4V500 without ? ϑ>> m m m option BU 4V750 ? ? ϑ>> m m m m 4V630 4V500/630 6V400/500 without 6V500/630 ϑ>> m option 6V630/800 ? ϑ>> m m BU 4V750 without option ? ? ϑ>> m m m BU 6V900 ? ? ? ϑ>> m m m m 6V200/250 6V250/315 6V315/400 with option ? ? ? ? ϑ>> m m m m m BU 6V450 4V315/400 6V400/500 4V400/500 6V500/630 4V500/630 6V630/800 with option with option ? ? ? ? ϑ>> m m m m m BU 4V750 BU 6V900 *) At MX pro 6V200/250...6V315/400 LED10 is located on the RFI board A30. … Fan alright ϑ>> … Overtemperature of the fan ? … State not identifiable until troubleshooting … LED lights m … LED dark 55
  • 58.
    Fuses Before any work at the inverter disconnect the frequency inverter from the mains, wait until the DC link is discharged and check whether there is no voltage anymore!! Fuses F1... F3 The fuses F1...F3 are located on the RFI board (A30 / A40) and protect the varistors at the input. Simultaneously several auxiliary voltages are created behind the fuses F1...F3, from there the inverter cannot build up electronic supply when the fuses are defect. Fuses FU1...FU3 (AC fans) The fuses FU1...FU3 are located on the fan control board(s) (A6 / A60 / A61) and provide a short-circuit protection for the fans. When the fuses are defect, the fans do not operate and the control part is not cooled any longer ! After replacing defect parts the cause of breakdown must be found. Switching on again without eliminating the cause of fault may even enlarge the dimension of damage ! HTSI 8 P01 035 EN.01/01 56
  • 59.
    Measurement of powersemiconductors Before any work at the inverter disconnect the frequency inverter from the mains, wait until the DC link is discharged and check whether there is no voltage anymore!! When measuring the power part, we recommend the following proceeding in order to avoid faulty measurements: • Disconnect the mains and motor lines • Measure the diodes, thyristors and IGBTs with a universal measuring instrument with diode test function and applied current. In case of this measurement the absolute values are not decisive because they heavily depend on the used measuring instrument. The consistency of the measured values is the determining factor. Please observe furthermore that the measuring instrument needs some time to charge the DC link capacity. Rectifier measurement >pDRIVE< MX eco & pro inverters up to 18 kW consist of a 6-pulse diode rectifier bridge. The diodes are measured between the input terminals L1, L2, L3 and the plus or minus DC link busbar PA/+, PC/-. The frequency inverters >pDRIVE< MX eco 4V22...4V400, >pDRIVE< MX pro 4V22...4V315/400 and HTSI 6V2,2/3,0...6V315/400 consist of a 6-pulse half controlled rectifier bridge with thyristors. The frequency inverters >pDRIVE< MX eco 4V500...4V630, >pDRIVE< MX pro 4V400/500...4V500/630 and 6V400/500...630/800 consist of a 12-pulse half controlled rectifier bridge with thyristors. The diodes are measured between the input terminals L1, L2, L3 (or L1.1, L1.2, L2.1, L2.2, L3.1, L3.2) and the minus DC link busbar PC/-. The thyristors are measured between the input terminals L1, L2, L3 (or L1.1, L1.2, L2.1, L2.2, L3.1, L3.2) and the plus DC link busbar PA/+. 8 P01 035 EN.01/01 The gates of the thyristors can be directly checked at the plugs (black/yellow, black/green, black/violet) of the soft charge board A6, A60 and A61. The values are normally in a range of 10...20 Ω. 0 Ω or values > 50 Ω indicate a defect of the thyristor. In this case the thyristors and the soft charge board have to be exchanged. 57
  • 60.
    IGBT measurement The IGBTsare measured between the motor terminals U, V, W and the plus or minus DC link busbar PA/+, PC/-. In case of a defect IGBT the module is rather infrequently defective because the control electronics reacts very fast and thus prevents mechanical destruction. Therefrom a measurement is absolutely necessary for assessment. The gates of the IGBTs cannot be checked when the module is built-in! HTSI 8 P01 035 EN.01/01 58
  • 61.
    Measurement of IGBTswhen the device is energized Measurements at live parts must be done only by duly qualified and trained staff !! The measuring devices used have to comply with CAT III or IV. Maximum voltage: 690 V AC and 1000 V DC !! For >pDRIVE< MX pro 6V the rectifier IGBTs can be checked as follows: Measure the voltages between the motor phases U, V, W against Vd0 (is not earth potential) when the inverter is applied with voltage (DC link charged), impulse inhibit is active and the motor is disconnected. From MX pro 6V90/110 the potential Vd0 applies on plug X101 inside the device. Mains voltage 500 V 690 V approx. approx. VDC 700 V 960 V approx. approx. VDC/2 350 V 480 V HTSI When all three measured voltages are approximately zero, there is no IGBT fault. When approximately the half DC link voltage is measured, it points out a defect of the respective motor phase. 8 P01 035 EN.01/01 Positive voltages → failure in the positive bridge section Negative voltages → failure in the negative bridge section Possible cause of defect can be the motor control, the driver card or the IGBT. 59
  • 62.
    Checking the currenttransformers The current transformers are checked when the inverter is supplied by the mains and the rectifier is locked ("Stop", "Lock"). LED 5 and LED 6 on the measuring board A1 are checked first (see chapter "Diagnostic LEDs", page 50 and "Plans", page 69). These two LEDs show whether the positive and negative voltage supply of the current transformers is existing. Afterwards all 3 terminals of the current transformer are measured against supply ground of the current transformers. The measuring devices used have to comply with overvoltage category CAT III or CAT IV according IEC 61010! The supply ground of the current transformers is for all MX eco 4V and MX pro 4V devices DCminus (negative DC link)! Up to MX pro 6V75/90 the ground of the current transformers is also DCminus, for devices from MX pro 6V90/100 the ground of the current transformers is Vd0 (DC link centre)! The current transformers must be always supplied when current flows through. For measuring the current transformer extra small test probes are required. For example, "TP2 slim reach test probes" of Fluke can be used. HTSI For MX eco 4V160, MX pro 4V132/160 and MX pro 6V90/110...6V160/200 the connections of the current transformer are simply measured at the connector X11 on the measuring board A1. For all 4V devices the screen plate of the motor control can be used as DCminus potential. For all 6V devices the test point X101 can be used as Vd0 potential. 8 P01 035 EN.01/01 Reference potential for MX eco/pro 4V MC – screen plate potential DCminus Reference potential for MX pro 6V X101 - Potential Vd0 Connector X11 Connector X11 60
  • 63.
    From MX eco4V200, MX pro 4V160/200 and MX pro 6V200/250 simply measure directly at the connectors of the current transformers. For all 4V devices the screen plate of the motor control can be used as DCminus potential. For all 6V devices the test point X101 can be used as Vd0 potential (.position of X101 see chapter "Plans", page 69). Color: yellow for T1 / phase U green for T2 / phase V violet for T3 / phase W All three connections of the current transformers are measured towards the respective ground of the current transformer DCminus or Vd0. The supply of the current transformers has to be at least ± 13.3 V for MX eco 4V160, MX pro 4V132/160 and MX pro 6V90/100...6V160/200. The supply of the current transformers from MX eco 4V200, MX pro 4V160/200 and MX pro 6V200/250 has to be at least ± 21.3 V. HTSI Following pictures apply for the current transformer signal: 8 P01 035 EN.01/01 Current transformer defective: If the measuring signal of the current transformer is not constant at 0V, the current transformer is defect and has to be replaced. Current transformer alright: The measuring signal of the current transformer is constant at 0V. 61
  • 64.
    Insulation measurement All frequencyinverters from >pDRIVE< MX eco 4V160, MX pro 4V132/160 and MX pro 6V90/100 are tested regarding voltage resistance and insulation resistance according to EN 50178 (test voltage: 2.8 kV DC for MX eco 4V & MX pro 4V, 3.4 kV for MX pro 6V). When measuring the insulation resistance for this devices (e.g. in case of inspection) unconditionally pay attention to following points: 1. Short-circuit all power terminals of the inverter (L1, L2, L3, U, V, W, PO, PA/+, PB, PC/-). 2. Disconnect the internal RFI-filter, i.e. the screw on the RFI-board has to be removed (position of the screw see chapter "non-grounded mains" in the mounting instructions). 3. Carry out the measurements of the insulation resistance only between the short-circuited power terminals and ground. 4. Test voltage: MX eco 4V & MX pro 4V: max. 2 kV DC MX pro 6V: max. 3.11 kV DC 5. Before measuring the insulation resistance of the motor, the motor has to be safely separated from the inverter either by disconnection or by opening the motor contactor. Non-observance leads to damage of the inverter ! Do not carry out insulation resistance measurements at the control terminals !!! Voltage levels HTSI When checking diverse operating states it might be important to know the different voltage levels of the inverter. In the table all relevant values are given. 8 P01 035 EN.01/01 Voltage levels 400 V VDC link VMains AC (= VDC link / √2) Description 825 V 583 V Overvoltage shut-down 1) 785 V 555 V Switch-on value of braking unit 770 V 544 V Switch-on value of autoramp function (without braking unit) 756 V 535 V Overvoltage shut-down during charging process 3) 750 V 530 V Limit for overvoltage reset 747 V 528 V Equivalent to 480 V +10 % 630 V 2) 445 V Intelligent rectifier >pDRIVE< LX active @ 400V Specified range of mains 570 V 2) 403 V >pDRIVE< LX "Recognition of undervoltage" @ 400V voltage and DC link 566 V 400 V Equivalent to 400 V voltage 456 V 323 V Equivalent to 380 V -15 % 430 V 304 V Charging circuit closed, undervoltage ride through level 360 V 255 V Undervoltage shut-down (charging circuit active) ~170 V ~120 V Supply of electronics active 1) Adjustable from 660...785 V with B5.02 "BU-braking level", depending on the mains voltage set with parameter B3.01. 2) Value depends on the set mains voltage 3) VDC link must drop below this value so that reset is possible 62
  • 65.
    Voltage levels 690V VDC link VMains AC (= VDC link / √2) Description 1174 V 830 V V> switch-off 1) 1127 V 797 V Switch-on value of braking unit to 75/90 kW 1100 V 778 V Switch-on value of autoramp function (without braking unit) 1087 V 769 V V> switch-off during charging process 1) 1080 V 764 V Switch-on value of braking unit from 90/110 kW 3) 1078 V 762 V Limit for overvoltage reset 1078 V 2) 762 V Intelligent rectifier >pDRIVE< LX active @ 690V 1073 V 759 V Equivalent to 690 V + 10 % 1020 V 2) 721 V >pDRIVE< LX "Recognition of undervoltage" @ 690V 976 V 690 V Equivalent to 690 V Specified range of mains voltage and DC link 849 V 600 V Equivalent to 600 V voltage 707 V 500 V Equivalent to 500 V 601 V 425 V Equivalent to 500 V - 15% 572 V 404 V Charging circuit closed, undervoltage ride through level 488 V 345 V V< switch-off (charging circuit active) ~170 V ~120 V Supply of electronics active HTSI 1) Adjustable from 850...1080/1127 V with B5.02 "BU-braking level", depending on the mains voltage set with parameter B3.01. 2) Value depends on the set mains voltage 3) VDC link must drop below this value so that reset is possible 8 P01 035 EN.01/01 Measuring points for the DC link voltage The DC link voltage can be simplest measured at the power terminals PA/+ and PC/-. The position of the DC link connection can be found in the drawings in chapter "Plans", page 69. 63
  • 66.
    Software concept The frequencyinverters >pDRIVE< MX eco & pro contain several microprocessors and thus they contain different software programs. Basically, there are 3 programs: • Applicative software • Motor control software • Software of the Matrix operating panel BE11 When the inverters are delivered, they contain the latest software versions which are compatible to each other. The applicative software is the program for controlling the behaviour of the inverter. It contains all adjustable parameters and it processes all inputs and outputs as well as all open and closed loop tasks. The software version is readable with parameter F1.07 "APP software" and is composed as follows: APSpro - A 02 - 11 Software version Parameter version Parameter family Type of program HTSI Type of program defines the die product line >pDRIVE< MX eco or >pDRIVE< MX pro Parameter family Capital letter starting with A Versions with equal family index can be updated simply because there are no changed parameters which would change the functionality or factory setting. If new parameters are added, they have a neutral factory setting or they are inactive. Parameter version Defines the version within the parameter family. 8 P01 035 EN.01/01 Software version Defines the software version and is increased when the application program or the parameter version is changed. The Motor control software contains the program for controlling the motor and software functions near the motor. The software version is readable only for service technician in service parameter F5.44 "Actual SW MC". The software of the Matrix operating panel BE11 contains the program for indication on the display and the different language versions (details of the language versions can be found in the catalogue, chapter "Options"). The software version is readable only for service technician in service parameter F5.50 "Software BE11". The latest version of BE11 also works with all older applicative-versions overall parameter families. An older BE11 can be also used with a newer inverter (i.e. with newer applicative-software). New parameters are only indicated as a symbol and not with text. 64
  • 67.
    Spare part concept All >pDRIVE< MX eco & pro up to 18.5 kW have a compact power part and therefrom they are typically replaced as a whole. Exceptions are the operating panel BE11, option cards used and fans. From 22 kW the devices are designed in such a way, that service can be done on module level. The proper spare parts are given separately in the spare parts list. 0.75 18.5 22 75 90 800 kW Repair Exchange of control part Control part uneconomical or exchange device Fans All fans can be exchanged Options All option cards are plugged in and can be exchanged Repair Exchange device Exchange device with Power part uneconomical “Exchange Tool” HTSI For the >pDRIVE< MX eco & pro products all components are available as spare parts excepting those parts marked as "uneconomical" in the gray field. For warranty claims it is always necessary to fill out a "Warranty Report" (see chapter "Warranty Report", page 115). 8 P01 035 EN.01/01 Training concept Because of many years of experience with development, production and sale of frequency inverters our company has achieved substantial know-how. These experiences in the area of dimensioning, start-up and applications enable our company to provide professional trainings regarding frequency inverters for our customers. As the applications of frequency inverters are multifarious, also the previous knowledge and experiences of our customers differ. Therefore we provide customer-related trainings harmonized with the customer needs. It can be chosen from several modules: • What is a frequency inverter and how does it work ? • Dimensioning of >pDRIVE< MX eco & pro frequency inverters in consideration of the application • Simple start-up of >pDRIVE< MX eco & pro frequency inverters • Special functions of >pDRIVE< MX eco & pro frequency inverters und their commissioning • Bus systems for >pDRIVE< MX eco & pro frequency inverters • Service, trouble shooting and repair of >pDRIVE< MX eco & pro frequency inverters Ask your contact person - he will be glad to offer you a customized training! 65
  • 68.
    Reference value distributor HTSI 8 P01 035 EN.01/01 66
  • 69.
    8 P01 035EN.01/01 HTSI 67
  • 70.
    Summary of limitations HTSI 8 P01 035 EN.01/01 68
  • 71.
    Plans On the following pages you find circuit diagrams of the >pDRIVE< MX eco & pro from 132...630 kW (MX pro 6V: 90...800 kW). Furthermore we provide design drawings with emphasized position of the most important components and diagnostic LEDs. Note for LED1: LED 1 indicates the DC link voltage. It can be observed from the outside of each device (also see chapter "Diagnostic LEDs", page 50). Depending on the power the LED is placed different. 0.75...18 kW 22...75 kW from 90 kW HTSI The diagnostic LEDs are built-in from >pDRIVE< MX eco 4V160, >pDRIVE< MX pro 4V132/160 or. >pDRIVE< MX pro 6V90/110. These LEDs are designed in SMD and therefrom they are difficult to find when they do not light. So whose position is specially emphasized in the design drawings. 8 P01 035 EN.01/01 LEDs do not supersede voltage measurement because a LED that does not light could be also defective ! 69
  • 72.
    Circuit diagram MXeco 4V90 and 4V110 as well as MX pro 4V90/110 HTSI 8 P01 035 EN.01/01 70
  • 73.
    Circuit diagram MXeco 4V132 as well as MX pro 4V110/132 HTSI 8 P01 035 EN.01/01 71
  • 74.
    72 8 P01 035 EN.01/01 HTSI
  • 75.
    Design drawing MXeco 4V160 as well as MX pro 4V132/160 HTSI 8 P01 035 EN.01/01 A1 ............ Measuring board T1...T3 ........ Current transformer A3 ............ Motor control F1...F3 ........ Fuses on the RFI board A6 ............ Soft charge board FU1...FU3 ... Fuses on the fan control board A7 ............ Fan control board M1 .............. Power part fan A30 .......... Filter board M10 ............ Control part fan 73
  • 76.
    Circuit diagram MXeco 4V160 as well as MX pro 4V132/160 HTSI 8 P01 035 EN.01/01 74
  • 77.
    Circuit diagram MXeco 4V160 as well as MX pro 4V132/160 HTSI 8 P01 035 EN.01/01 75
  • 78.
    76 8 P01 035 EN.01/01 HTSI
  • 79.
    Design drawing MXeco 4V200 as well as MX pro 4V160/200 HTSI 8 P01 035 EN.01/01 A1 ............ Power board T1...T3 ........ Current transformer A2 ............ Motor control F1...F3 ........ Fuses on the RFI board A6 ............ Soft charge board FU1...FU3 ... Fuses on the fan control board A7 ............ Fan control board M1 .............. Power part fan A30 .......... Filter board M10 ............ Control part fan 77
  • 80.
    Circuit diagram MXeco 4V200 and MX pro 4V160/200 HTSI 8 P01 035 EN.01/01 78
  • 81.
    Circuit diagram MXeco 4V200 and MX pro 4V160/200 HTSI 8 P01 035 EN.01/01 79
  • 82.
    80 8 P01 035 EN.01/01 HTSI
  • 83.
    Design drawing MXeco 4V250 and 4V315 as well as MX pro 4V200/250 and 4V250/315 HTSI 8 P01 035 EN.01/01 A1 ............ Power board T1...T3 ........ Current transformer A2 ............ Motor control F1...F3 ........ Fuses on the RFI board A6 ............ Soft charge board FU1...FU3 ... Fuses on the fan control board A7 ............ Fan control board M1, M2 ....... Power part fan A20 .......... Braking unit interface M10, M11 ... Control part fan A30 .......... Filter board 81
  • 84.
    Circuit diagram MXeco 4V250 and 4V315 as well as MX pro 4V200/250 and 4V250/315 HTSI 8 P01 035 EN.01/01 82
  • 85.
    Circuit diagram MXeco 4V250 and 4V315 as well as MX pro 4V200/250 and 4V250/315 HTSI 8 P01 035 EN.01/01 83
  • 86.
    84 8 P01 035 EN.01/01 HTSI
  • 87.
    Design drawing MXeco 4V355 and 4V400 as well as MX pro 4V315/400 HTSI 8 P01 035 EN.01/01 A1 ............ Power board T1...T3 ........ Current transformer A2 ............ Motor control F1...F3 ........ Fuses on the RFI board A60 .......... Soft charge board FU1...FU3 ... Fuses on the fan control board A70, A71 ... Fan control boards M1...M3 ...... Power part fan A20 .......... Braking unit interface M10 ...M12 ... Control part fan A30 .......... Filter board 85
  • 88.
    Circuit diagram MXeco 4V355 and 4V400 as well as MX pro 4V315/400 HTSI 8 P01 035 EN.01/01 86
  • 89.
    Circuit diagram MXeco 4V355 and 4V400 as well as MX pro 4V315/400 HTSI 8 P01 035 EN.01/01 87
  • 90.
    88 8 P01 035 EN.01/01 HTSI
  • 91.
    Design drawing MXeco 4V500 as well as MX pro 4V400/500 HTSI 8 P01 035 EN.01/01 A1 ............ Power board T1...T3 ........ Current transformer A2 ............ Motor control F1...F3 ........ Fuses on the RFI board A60, A61 ... Soft charge boards FU1...FU3 ... Fuses on the fan control board A70, A71 ... Fan control boards M1...M3 ...... Power part fan A20 .......... Braking unit interface M10 ...M12 ... Control part fan A30, A40 ... Filter boards 89
  • 92.
    Circuit diagram MXeco 4V500 and MX pro 4V400/500 HTSI 8 P01 035 EN.01/01 90
  • 93.
    Circuit diagram MXeco 4V500 and MX pro 4V400/500 HTSI 8 P01 035 EN.01/01 91
  • 94.
    92 8 P01 035 EN.01/01 HTSI
  • 95.
    Design drawing MXeco 4V630 as well as MX pro 4V500/630 HTSI 8 P01 035 EN.01/01 A1 ............ Power board T1...T3 ........ Current transformer A2 ............ Motor control F1...F3 ........ Fuses on the RFI board A60, A61 ... Soft charge boards FU1...FU3 ... Fuses on the fan control board A70, A71 ... Fan control boards M1...M4 ...... Power part fan A20 .......... Braking unit interface M10 ...M13 ... Control part fan A30, A40 ... Filter boards 93
  • 96.
    Circuit diagram MXeco 4V630 and MX pro 4V500/630 HTSI 8 P01 035 EN.01/01 94
  • 97.
    Circuit diagram MXeco 4V630 and MX pro 4V500/630 HTSI 8 P01 035 EN.01/01 95
  • 98.
    96 8 P01 035 EN.01/01 HTSI
  • 99.
    Design drawing BU4V750 HTSI 8 P01 035 EN.01/01 A1 ............ Braking unit driver M1 ............ Power part fan 97
  • 100.
    Circuit diagram BU4V750 HTSI 8 P01 035 EN.01/01 98
  • 101.
    Design drawing MXpro 6V90/110...6V160/200 HTSI 8 P01 035 EN.01/01 A1 ............ Power board T1...T3, T20 ... Current transformer A3 ............ Motor control F1...F3 ........... Fuses on the RFI board A6 ............ Soft charge board FU1...FU3 ...... Fuses on the fan control board A7 ............ Fan control board M1 ................. Power part fan A30 .......... Filter board M10 ............... Control part fan 99
  • 102.
    Circuit diagram MXpro 6V90/110...6V160/200 HTSI 8 P01 035 EN.01/01 100
  • 103.
    Circuit diagram MXpro 6V90/110...6V160/200 HTSI 8 P01 035 EN.01/01 101
  • 104.
    102 8 P01 035 EN.01/01 HTSI
  • 105.
    Design drawing MXpro 6V200/250...6V315/400 HTSI 8 P01 035 EN.01/01 A1 ............ Power board T1...T3 ........ Current transformer A2 ............ Measuring board F1...F3 ........ Fuses on the RFI board A3 ............ Motor control FU1...FU3 ... Fuses on the fan control board A6 ............ Soft charge board M1, M2 ....... Power part fan A7 ............ Fan control board M10, M11 ... Control part fan A21 .......... Snubber board A30 .......... Filter board 103
  • 106.
    Circuit diagram MXpro 6V200/250...6V315/400 HTSI 8 P01 035 EN.01/01 104
  • 107.
    Circuit diagram MXpro 6V200/250...6V315/400 HTSI 8 P01 035 EN.01/01 105
  • 108.
    106 8 P01 035 EN.01/01 HTSI
  • 109.
    Design drawing MXpro 6V400/500...6V630/800 HTSI 8 P01 035 EN.01/01 A1 ............. Power board A31 .............. Gate drive A2 ............. Measuring board A41 .............. Active capacitor balancing A3 ............. Motor control T1...T3 ......... Current transformer A6 ............. Soft charge board F1...F3 ......... Fuses on the RFI board A7 ............. Fan control board FU1...FU3 .... Fuses on the fan control board A20 ........... Braking unit interface M1...M4 ....... Power part fan A21 ........... Snubber board M10...M13 ... Control part fan A30, A40 ... Filter board 107
  • 110.
    Circuit diagram MXpro 6V400/500...6V630/800 HTSI 8 P01 035 EN.01/01 108
  • 111.
    Circuit diagram MXpro 6V400/500...6V630/800 HTSI 8 P01 035 EN.01/01 109
  • 112.
    110 8 P01 035 EN.01/01 HTSI
  • 113.
    Design drawing BU6V450 and BU 6V900 HTSI 8 P01 035 EN.01/01 A1 ............ Braking unit driver M1 ............ Power part fan 111
  • 114.
    Circuit diagram BU6V450 and 6V900 HTSI 8 P01 035 EN.01/01 112
  • 115.
    Warranty Report Distributor Your warranty claim No. Warranty Customer End user / Factory etc. Out of Warranty Inverter type (F1.01) Serial number (F1.05) Purchase date Installation date Failure date Engineer / Investigator Phone No. / Fax No. Sign Date Application: HTSI Failure description: Please describe as detail as you can 8 P01 035 EN.01/01 Fault memory (F3) (1) (2) (3) Acceleration time (C2.05/C2.07) = s Ambient temperature: Normal / High / Low Deceleration time (C2.06/C2.08) = s Length of motor cable = m Pulse frequency (B3.30) = kHz Broken components: Repairable? Y/N Remarks / Notes: Sign: 113
  • 116.
    114 8 P01 035 EN.01/01 HTSI
  • 118.
    Schneider Electric PowerDrives GmbH Ruthnergasse 1 A-1210 Vienna Phone: +43 (0)1 29191 0 Fax: +43 (0)1 29191 15 www.schneider-electric-power-drives.com Schneider Electric Power Drives steht für intelligente High-Performance. Als Teil von Schneider Electric sind wir einer der führenden Anbieter von Umrichtern und Motoren. Hervorgegangen aus der ELIN steht für uns Qualität, fundierte Beratung und flexibler Service im Dienste des Kunden an oberster Stelle. Deshalb widmen wir einen wesentlichen Teil unserer Aktivitäten der permanenten Optimierung von Prozessen und der Entwicklung von zielgruppengerechten Lösungen, die selbst höchsten Anforderungen gerecht werden. Schneider Electric Power Drives stands for intelligent high-performance. As part of Schneider Electric, we are one of the leading providers of inverters and motors. Emanating from ELIN, quality, consolidated advice and more flexible service for customer takes top priority. Therefore we dedicate an essential part of our activities to permanently optimising processes and developing solutions for target groups which will meet even the highest demands. www.schneider-electric-power-drives.com Informationen schnell zur Hand Neben Angaben zum Unternehmen bieten wir zu all unseren Produkten eine detaillierte Auflistung der technischen Daten und zugehörigen Optionen sowie hilfreiche Softwaretools zur Parametrierung unserer Umrichter. Information quick at hand In addition to company specifications we have made available to you a detailed list of technical data for all our products as well as helpful software tools to set up the parameters of our inverters. Technische Änderungen vorbehalten. The right to make technical changes is reserved. 8 P01 035 EN.01/01b IHIL