New Competencies of
TESDA in Electrical
Installation and Maintenance
By : Gamaliel F. Itao, P.E.E,M.Entr.
President/GM, Industrial Controls Corporation
and Mechatronics Technologies Corporation
ELECTRICAL INSTALLATION AND
MAINTENANCE NC II
ELECTRICAL and ELECTRONICS Sector
UNIT OF COMPETENCIES( EIM NC II)
Existing TR Amended TR
Core Competencies
•  Prepare electrical power and hydraulic tools
•  Perform roughing-in activities, wiring
and cabling works for single-phase
distribution, power, lighting and
auxiliary systems
•  Install wiring devices of floor and wall
mounted outlets, lighting fixtures/
switches, and auxiliary outlets
•  Install electrical protective devices for
distribution, power, lighting, auxiliary,
lightning protection and grounding
systems
•  Perform roughing-in activities for
communication and distribution systems
•  Install wiring devices for floor and ground
fault current interrupting outlets
•  Install electrical protection system for
lighting and grounding
•  Install electrical lighting systems on
auxiliary outlets and lighting fixtures
Qualifica(on	Descrip(ons	
Existing TR
§  Electrical Installation and
Maintenance NC II
§  The ELECTRICAL INSTALLATION
& MAINTENANCE NC II
Qualification consists of competencies
that a person must achieve to enable
him/her to install and maintain
electrical wiring, lighting and related
equipment and systems where the
voltage does not exceed 600 volts in
residential houses/buildings.
Amended TR
§ No Amendments
UNIT OF COMPETENCIES
Existing TR Amended TR
Basic Competencies
•  Participate in workplace communication •  No Amendments
•  Work in a team environment
•  Practice career professionalism
•  Practice occupational health and safety
procedures
Common Competencies
•  Prepare construction materials and tools •  Unit codes amended
•  Observe procedures, specifications and
manuals of instruction
•  Interpret technical drawings and plans
•  Perform mensurations and calculations
•  Maintain tools and equipment
3.4 LIST OF TOOLS, EQUIPMENT AND MATERIALS
Recommended list of tools, equipment and materials for the training of 25 trainees for Electrical Installation & Maintenance NC II:
Existing TR Amended TR
TOOLS EQUIPMENT MATERIALS
QTY ITEM QTY ITEM QTY ITEM
5 pcs. Spirit level
5
units
Power drill
50
pcs.
RSC
5 pcs. Hack saw
5
units
Portable
grinder
50
pcs.
IMC
5 pcs. Pipe cutter
1
unit
Power saw
50
pcs.
EMT
5 pcs. Plumb bob
5
units
Fire alarm
system
5 pcs. Entrance cap
5 pcs. Pipe reamer
5
units
Pipe-in Music/
Paging
125
pcs.
Locknut
5 pcs.
Pipe
threader
5
units
Security
equipment
125
pcs.
Bushing
5 pcs. Pipe bender
5
units
CCTV
250
pcs.
Metal strap
5 pcs. Bolt cutter
5
units
MATV Master
10
pcs.
Floor outlet
5 pcs.
Jack
hammer set
5
units
Car park
ramp detector
5 pcs. Ground fault
TOOLS EQUIPMENT MATERIALS
QTY ITEM QTY ITEM QTY ITEM
5 pcs. Spirit level
5
units
Electric drill
25
pcs.
RSC/IMC
5 pcs. Hack saw
5
units
Portable grinder 5 pcs. Entrance cap
5 pcs. Pipe cutter
5
units
Multi-tester
50
pairs
Locknut &
bushing
5 pcs.
Pipe
reamer
1 set
Fire alarm
system (5units
detector, 1
control panel)
5 pcs.
Ground Fault
Current
interrupting
device (GFCI)
5 pcs.
Pipe
threader
3 sets Motion sensors
100
pcs.
3/16’ x 1” Metal
Screw
5 pcs.
Pipe
bender
1 set
Security
equipment Access
Control
50
pcs.
Conduit strap/
clamp
5 pcs. Bolt cutter 1 set
CCTV (4
cameras, 1 DVR)
5 sets
Wiring boards,
¾ ft. x 4 ft. x 8
ft.
5 pcs.
Ball
hammer
5
units
Clamp-on meter
10
pcs.
Floor outlet
25
pcs.
Electrician
Pliers
1 unit
Insulation
Resistance Tester
25
pcs.
Working gloves
3.4 LIST OF TOOLS, EQUIPMENT AND MATERIALS
Recommended list of tools, equipment and materials for the training of 25 trainees for Electrical Installation & Maintenance
NC II:
Existing TR Amended TR
TOOLS EQUIPMENT MATERIALS
QTY ITEM QTY ITEM QTY ITEM
25
pcs.
Electrician
Pliers
10
units
Multi-tester 5 pcs.
Current
interrupting
outlet
25
pcs.
Screwdrivers
set
5
units
Mega-
ohmmeter
25
pcs.
Working
gloves
25
pcs.
Wrench box
5
units
Clamp
ammeter
25
pcs.
Safety shoes
25
pcs.
Wire splicer
5
units
Megger
25
pcs.
Proper
working
clothes
25
pcs.
Wire stripper
5
units
High potential
tester
25
pcs.
Hard hat
25
pcs.
Electrician
knife
5
units
Earth
resistance
tester
25
pcs.
Safety
goggles
25
pcs.
Tools holster
5
units
Labeling
machine
5
boxes
Wire AWG
#12
5 pcs.
Push-pull 0-5
mtrs
1
unit
Fire
extinguisher
KGS ABC
5
boxes
Wire AWG
#14
5 pcs.
Claw
hammer
1
unit
OHP 5 rolls
Electrical
tape
5 pcs.
Ballpeen
hammer
5
units
Industrial Fan 1 box
Wood screw
½” x 8
TOOLS EQUIPMENT MATERIALS
QTY ITEM QTY ITEM QTY ITEM
25 pcs.
Screwdrivers
set
1
unit
Earth
resistance
tester
10 pairs Safety shoes
5 pcs. Box Wrench
1
unit
Labeling
machine
10 pcs. Hard hat
5 pcs. Wire splicer
1
unit
Fire
extinguisher
KGS ABC
10 pcs. Safety goggles
5 pcs. Wire stripper
1
unit
LCD
Projector
5 boxes
Wire AWG #12,
(3.5mm2)
5 pcs.
Electrician
knife
    5 boxes
Wire AWG #14
(2.0mm2)
10 pcs. Tools holster     5 rolls Electrical tape
5 pcs.
Push-pull 0-5
mtrs
    1 box Wood screw ½” x 8
5 pcs.
Claw
hammer
    25 pcs.
Receptacle surface
type
5 pcs. Prick punch     25 pcs.
Receptacle flush
type
5 pcs.
Heat gun
1200 watts
    25 pcs.
Incandescent bulb
50 w/ 250V AC
5 pcs.
Heavy-duty
soldering iron
    25 sets
Convenient outlet
c.o. (grounding
type,/flush type) 2
gang w/ plate and
cover
Existing TR Amended TR
TOOLS EQUIPMENT MATERIALS
QTY ITEM QTY ITEM QTY ITEM
5 pcs.
Prick
punch
50 m
Circular loom (mica
tubing 3/8”)
5 pcs.
Heat gun
1200
watts
25 pcs. Receptacle surface type
5 pcs.
Heavy-
duty
soldering
iron 1000
watts
25 pcs. Receptacle flush type
5 pcs.
Flat file
smooth
8”
25 pcs.
Incandescent bulb 50 w/
250V AC
25 sets
Convenient outlet C.O.
(flush type) 2 gang w/
plate and cover
10 pcs
PVC square box
4 x 4
100 pcs PVC clamp ½
100 pcs PVC clamp ¾
50 Assorted condulet
50 mtrs Corrugated PVC ½”, ¾
5 pcs.
Flat file
smooth 8”
    10 pcs.
PVC square box, 4
x 4
5
Kgs.
#16 G.I wire    
25
mtrs
flexible conduit
½”, ¾
1 pc.
Whiteboard 4
x 8 x ¾
    10 pcs. PVC conduit ½, ¾
1 pc.
Whiteboard 4
x 4 x ¾ with
movable
stand
   
25
pcs.
Junction box PVC
1 box
Whiteboard
marker,
assorted color
   
25
pcs.
Utility box
1 box Push pin     50 pcs
Connectors PVC,
½
1 pc.
Pencil
sharpener
    50 pcs
Connectors PVC,
¾
25
pcs.
Pencil with
eraser
    50 pcs
Connectors RSC,
¾
2 kgs Rags     20 pcs. Elbow PVC ½
5 ltrs
Cleaning
agent liquid
    20 pcs. Elbow PVC ¾
TOOLS EQUIPMENT MATERIALS
QTY ITEM QTY ITEM QTY ITEM
3.4 LIST OF TOOLS, EQUIPMENT AND MATERIALS
Recommended list of tools, equipment and materials for the training in Electrical Installation and Maintenance NC II:
3.5 TRAINING FACILITIES
Existing TR Amended TR
TEACHING/
LEARNING
AREAS
SIZE IN
METERS
AREA IN
SQ.
METERS
QTY TOTAL
AREA IN
SQ.
METERS
Lecture Area 5 x 8 40 1 40
Laboratory
Area
5 x 8 40 1 40
Learning
Resource Area
4 x 5 20 1 20
Tool Room /
Storage Area
4 x 5 20 1 20
Wash ,Toilet &
Locker Room
1 x 2 2 2 4
Sub-Total 124
Facilities /
Equipment /
Circulation**
** Area requirement is equivalent to
30% of the total teaching/learning
areas  38
TOTAL AREA 162
Based on class size of 25 students/trainees the space requirements for the teaching/learning and
circulation areas are as follows:
 
SPACE
REQUIREMENTS
 
SIZE IN
METERS
 
AREA IN
SQ.
METERS
 
TOTAL
AREA IN
SQ.
METERS
 
•  Student/Trainee
Working Space
2.50 x 2.50
per student/
trainee
6.25
per student
 
156.25
•  C o n t e x t u a l
Learning
Laboratory
 
4 x 5
 
20
 
20
•  L e a r n i n g
Resource
Center
 
4 x 5
 
20
 
20
•  F a c i l i t i e s /
Equipment/
Circulation area
 
10 x 6
 
60
 
60
 
TOTAL AREA
     
256.25
SECTION 4: NATIONAL CERTIFICATION AND CERTIFICATION
ASSESSMENTS
4.3 Accumulation and submission of all COCs acquired
for the relevant units of competency comprising a
qualification, an individual shall be issued the
corresponding National Certificate.
4.4 Assessment shall focus on the core units of
competency. The basic and common units shall be
integrated or assessed concurrently with the core
units.
4.5 The following are qualified to apply for assessment
and certification:
—  Graduate of formal, non-formal, and informal
including enterprise-based training programs.
—  Experienced workers (wage employed or self
employed)
4.6 The guidelines on assessment and certification are
discussed in detail in the “Procedures Manual on
Assessment and Certification” and “Guidelines on
the Implementation of the Philippine TVET
Qualification and Certification System (PTQCS)”.
Existing TR Amended TR
4.5 For those holders of existing National Certificate
(NC) of individuals in Electrical Installation and
Maintenance NC II, automatic conversion will be
implemented.
4.6 Clustering of competencies is not applicable.
4.7 Individuals who already possess Certificate of
Competency (COC) in Electrical Installation &
Maintenance NC II are advised to take the
assessment for this amended TR on or before the
expiration of their COCs.
4.8 The guidelines on assessment and certification are
discussed in detail in the “Procedures Manual on
Assessment and Certification” and “Guidelines on
the Implementation of the Philippine TVET
Competency Assessment and Certification System
(PTCACS)”.
¢  Task: ROUGHING-IN ACTIVITIES
¢  Layout the wiring booth for specific location of the panel, boxes
(utility box -UB)
¢  Octagonal (box- OB) and fittings.
¢  Apply the types of bend necessary for the test package.
¢  Mount and install the conduit with conduit strap.
LIST OF MATERIALS, TOOLS & EQUIPMENT (PER CANDIDATE)
NAME SPECIFICATION QUANTITY
1 Octagonal Box 4” x 4” Dip type PVC 7 pcs.
2 Utility Box 2” x 4” Dip type PVC 4 pcs.
3 Square Box 6‘ x 6“ 1 pc.
4 Panel Board
16“ x 12“ x 6“ w/ one 60 AT MCB and 4
branches
(2-15AT & 2-20AT
1set.
5 Conduit ½” diameter (8’) PVC 3pcs
6 Conduit Strap ½” diameter two hole 16pcs
7 Metal Screw 3/16“ x 1 “ 50 pcs.
8 Cable wire #3.5 mm², THW Stranded Cu. wire 6m
9 Cable wire #2.0 mm², THW Stranded Cu. wire 20m
10 Lock nut and bushing ½” diameter PVC 24 pcs.
11 Straight Connector ½” diameter PVC 24 pcs
12 PVC Cement Natural 1 pint
13 Tape Electrical (Friction) Tape 2 roll
Hand Tools
14 Heat gun 100 w, 230 V 1 pc
15 Pliers Standard 1 pair
16 Screwdrivers Standard (+,-) 2 pcs
17 Hacksaw Standard 1 pc
18 Electrician knife Standard 1 pc
UNITS OF COMPETENCY: Install wiring devices of floor
and wall mounted outlets, lighting fixtures/switches and
auxiliary outlets
Instructions:
¢  Prepare the materials, devices and auxiliary device for the
installation
¢  Install the circuit home run for convenience outlet.
¢  Set the CCTV monitor/recorder in accordance with the
requirement.
¢  Install the CCTV Camera based on the required location.
¢  Perform testing and commissioning activities.
QUALIFICATION:
ELECTRICAL INSTALLATION & MAINTENANCE
LIST OF MATERIALS, TOOLS & EQUIPMENT
NAME SPECIFICATION QUANTITY
Utility Box 2” x 4” Deep type PVC 2 pcs.
Panel Board
16“ x 12“ x 6“ w/ one 60 AT MCB and 4 branches
(2-15AT & 2-20AT
1 set
Cable wire #3.5 mm², THW Stranded Cu. wire 5 M
Metal Screw 3/16“ x 1 “ 30 pcs.
Conduit Strap ½” diameter two hole 10 pcs.
Conduit ½” diameter (8’) PVC 2 pcs.
CCTV AND AUXILLIARIES
Camera
Z-D V800C (Vandal Proof Day and Night View Indoor
Camera)
2 units
Recorder
ATTN 8-Channel NVR (OPS-HD 7208PN) HD NVR
RECORDER
1 unit
Monitor AOC 18.5 Wide LED Monitor 1 unit
Adapter AC/DC CCTV Adapter 12 v/5A 1unit
Power Splitter CCTV 8 port DC Power Splitter 1 unit
Hand Tools
Pliers Standard 1 pair
Screwdrivers Standard (+, -) 2 pcs.
Hack saw Standard 1 pc.
Electrician Knives Standard 1 pc.
Heat gun 100 w, 230 V 1 pc.
INSTRUMENTS
Multi-tester Analog type, tester 1 unit
Insulation Tester Analog type Insulation tester 1 unit
¢ SAMPLE TASK PACKAGE:
¢ Prepare the materials and tools as per job requirement
¢ Install the protective device feeding the Fire Alarm System in the panel
board,
¢ Terminate the entire circuit home run base on the load scheduling.
¢ Install all the necessary fittings such as Utility Boxes, Square Box/Pull
Box, Octagonal Boxes and Fire Alarm Control Panel.
¢ Set and Install Manual Pull Station, Fire Alarm Bell, and the
Conventional Smoke Detector..
¢ Perform testing and commissioning activities.
DEMONSTRATION
INSTALLATION SETUP
(SET B)
LIST OF MATERIALS, TOOLS & EQUIPMENT
NAME SPECIFICATION QUANTITY
Pull Box 4” x 4” SQUARE BOX 2 pcs
Box 4“ x 4“ Octagonal PVC Box 3 pcs
Cable wire #2.0 mm², THW Stranded Cu. wire 5 M
Metal Screw 3/16“ x 1 “ 24 pcs.
Conduit Strap ½” diameter two hole 10 pcs.
Conduit 3/4” diameter (8’) PVC 2 pcs.
FIRE ALARM SYSTEM AND AUXILLIARIES
Fire Alarm System
Panel
8” x 10” x 6” Panel Enclosure 1 pc
Smoke Detector Standard 2 unit
Fire Alarm Bell Standard 1 unit
Manual Pull Station
Switch
Standard 1unit
Hand Tools
Pliers Standard 1 pair
Screwdrivers Standard (+, -) 2 pcs.
Hack saw Standard 1 pc.
Electrician Knives Standard 1 pc.
Heat gun 100 w, 230 V 1 pc.
Screw Driver Jeweller Screw Driver (Assorted Size) 1 set
Wire Stripper Automatic Wire Stripper (Standard) 1 pair
Tape Electrical (friction) Tape 1 roll
INSTRUMENTS
Multi-tester Analog type, tester 1 unit
GOING IN GOING OUT
ML - Magnetic Lock
EB - Exit Button
EBG – Emergency Break Glass
DC - Door Contact
Exit Button
EBGEBG
EBGEB
ML
BRC
BRC – Biometric Reader and Controller
Sample Test Package
1 Door Access Control System
DC
GOING IN
EIM NCII Sample Test Package
1 Door Access Control System
Conduit Layout
PVC ¾”
90deg bend
UB1
UB4UB3UB2
UB1 – PVC Utility Box for ML
UB2 – PVC Utility Box for BRC
UB3 – PVC Utility Box for EBG
UB4 – PVC Utility Box for EB
A1 – 300x300x200mm Box for
20A Circuit Breaker,
Power Supply Module and
12VDC Battery
A1
90deg bend
Industrial
Socket (F)
300mm
300mm
RSC ¾”
ELECTRICAL INSTALLATION AND
MAINTENANCE NC III
ELECTRICAL and ELECTRONICS Sector
UNIT OF COMPETENCIES
Existing TR Amended TR
Core Competencies
•  Prepare electrical and hydraulic tools
•  Perform roughing-in and wiring activities for three-
phase distribution system for power, lighting and motor
control panel
•  Perform installation of data measurement and control
system on electrical and auxiliary equipment
•  Install, assemble, test and maintain motor control
system
•  Perform roughing-in and wiring for activities for bus
and underfloor ducts
•  Perform installation of wiring devices for floor and
ground fault current interrupting outlets
•  Perform installation of standard electrical protection
system for lightning and grounding
•  Perform installation of electrical lighting systems,
auxiliary outlets and lighting fixtures
•  Perform installation of data measurement and
control system on electrical and auxiliary
equipment
•  Assemble and install electrical lighting and
motor control systems
•  Perform maintenance and troubleshooting
works
UNIT OF COMPETENCIES
Existing TR Amended TR
Basic Competencies
•  Lead workplace communication •  No Amendments
•  Lead several small working teams
•  Develop and practice negotiating skills with team
members
•  Guide effective solutions to problems arising from work
activities
•  Check and develop the use mathematical concepts and
techniques
•  Use relevant technologies applicable to assigned work
Common Competencies
•  Prepare construction materials and tools •  Prepare construction materials and tools
•  Ensure compliance with standard procedures,
specifications and manuals of instruction
•  Observe procedures, specifications and manuals of
instruction
•  Interpret and follow technical drawings and plans •  Interpret technical drawings and plans
•  Supervise mensurations and related computations •  Perform mensurations and calculations
•  Supervise proper use and maintenance of tools and
equipment
•  Maintain tools and equipment
Note: Other unit titles are rephrased
ELECTRICAL INSTALLATION AND MAINTENANCE NC III
¢  A person who has achieved this qualification
is competent to be:
¢ Assistant Supervising Technician
¢ Assistant Electrical Supervisor
¢ Assistant Electrical Foreman
¢ Electrical Leadman
§  A person who has achieved this qualification
is competent to be:
§  Industrial Electrician
§  Electrical Lead man
§  Electrical Foreman
Existing TR Amended TR
SECTION 3: TRAINING STANDARDS
3.1 Curriculum Design:
 
Course Title: ELECTRICAL INSTALLATION AND
MAINTENANCE
NC Level : NC III
Nominal Training Hours: 20 Hours (Basic Competencies)
+ 32 Hours (Common Competencies)
344 Hours (Core Competencies)
---------------------------------------
396 Hours - TOTAL
 
Course Description:
This course is designed to equip individual with operational
skills required for Electrical Installation & Maintenance III
with learning outcomes, methodology and assessment
approach as listed herein. Trainees who have completed training in
or are holders of Electrical Installation & Maintenance NC II may
forego training in core units of competency (1) to (5).
3.1 Curriculum Design:
 
Course Title: ELECTRICAL INSTALLATION AND
MAINTENANCE
NC Level : NC III
Nominal Training Hours: 32 Hours (Basic
Competencies)
+ 32 Hours (Common Competencies)
96 Hours (Core Competencies)
---------------------------------------
160 Hours - TOTAL
 
Course Description:
§ This course is designed to develop & enhance the
knowledge, skills, & attitudes of an electrical, mechatronics
and automation technician, in accordance with industry
standards. It covers the basic & common competencies in
addition to the core competencies as enumerated in Section
1 of this training regulations.
Existing TR Amended TR
3.2 TRAINING DELIVERY
¢  Supervised industry training or on-the-job
training is an approach in training designed to
enhance the knowledge and skills of the trainee
through actual experience in the workplace to
acquire a specific competencies prescribed in the
training regulations.
¢  Distance learning is a formal education process in
which majority of the instruction occurs when the
students and instructors are not in the same
place. Distance learning may employ
correspondence study, or audio, video or computer
technologies.
§  The traditional classroom-based or in-center
instruction may be enhanced through use of learner-
centered methods as well as laboratory or field-work
components.
2.2 Enterprise-Based:
§  Formal Apprenticeship – Training within
employment involving a contract between an apprentice
and an enterprise on an approved apprenticeable
occupation.
§  Enterprise-based Training- where training is
implemented within the company in accordance with
the requirements of the specific company. Specific
guidelines on this mode shall be issued by the TESDA
Secretariat.
Existing TR Amended TR
3.3 TRAINEE ENTRY REQUIREMENTS
To qualify as trainee for Electrical Installation &
Maintenance NC III, a candidate must be:
¢  a holder of Electrical Installation & Maintenance
NC II or equivalent experience and training
¢  able communicate both orally and in writing
¢  physically and mentally fit
¢  with good moral character
¢  can perform basic mathematical computation
This list does not include specific institutional requirements
such as educational attainment, appropriate work
experience, and others that may be required of the trainees
by the school or training center delivering the TVET
program.
The trainees who wish to enter the course should
possess the following requirement/s:
§  Must be a holder and/or have undergone
training in Electrical Installation &
Maintenance NC II or Mechatronics
Servicing NC II
This list does not include specific institutional
requirements such as educational attainment,
appropriate work experience, and others that may
be required of the trainees by the school or
training center delivering the TVET program.
Existing TR Amended TR
3.4 LIST OF TOOLS, EQUIPMENT AND MATERIALS
Recommended list of tools, equipment and materials for the training of 25 trainees for Electrical Installation & Maintenance
NC III:
Existing TR Amended TR
TOOLS MATERIALS
Qty. Description Qty. Description
5 pcs. Crimping tools 5 pcs. Circuit breakers/Fuses
(Din rail type)
    5 pcs. PLC materials
5 pcs. Pliers 5 pcs. Relays (Din rail type)
5 sets Screw drivers 5 pcs. Timers (Din rail type)
5 sets Wrenches (box &
open)
5 pcs. Terminal Blocks/Lugs
(Din rail type)
5 pcs. Wire splicers/
strippers
5 pcs. Pilot lamps
5 pcs. Measuring tools (e.g.
Pull-push meter)
 
5 pcs. Actuators
  20 pcs. Push buttons (panel
type)
20 pcs. Selector Switches (panel
type)
5 lengths Cable duct
4 lengths Din rail
3 packs Wire Strap
20 pcs. Wire Markers
5 pack Cable Tie
20 meters Cable (Royal cord)
TOOLS/INSTRUMENT MATERIALS
Qty. Description Qty. Description
5 units Measuring tools (e.g.
Pull-push meter)
5 pcs. Circuit breakers/Fuses
(Din rail type)
5 pcs. Crimping tools 15 pcs. Controller/Contactors
5 pcs. Pliers 10 pcs. Relays (Din rail type)
5 sets Screw drivers 5 pcs. Timers (Din rail type)
5 sets Wrenches (box &
open)
5 pcs. Terminal Blocks/Lugs
(Din rail type)
5 pcs. Wire splicers/
strippers
15 pcs./
color
Pilot lamps (red, green,
yellow)
5 pcs. Multi-Tester/VOM 5 pcs. Actuators/solenoids
5 units Insulation Tester 5 pcs. NO Push buttons (panel
type)
5 pcs. Spirit level
5 pcs. NC Push buttons (panel
type)
5 pcs. Hack saw
5 pcs. Selector Switches (panel
type)
5 pcs. Pipe cutter 5 lengths Cable duct
5 pcs. Pipe reamer 4 lengths Din rail
5 pcs. Pipe threader 3 packs Wire Strap
5 pcs. Pipe bender 5 pcs. Wire Markers
5 pcs. Bolt cutter 5 pack Cable Tie
3.4 LIST OF TOOLS, EQUIPMENT AND MATERIALS
Recommended list of tools, equipment and materials for the training of 25 trainees for Electrical Installation & Maintenance
NC III:
Existing TR Amended TR
EQUIPMENT MATERIALS
Qty. Description Qty. Description
5 units Power supply 10 pcs. Glands/Grommet
  - Automatic Voltage
Regulator (AVR)
2 boxes Conductors
  - Un-interruptible
power supply (UPS)
5 rolls Insulators
5 units Generators and
motors
20 pcs. Proper working clothes
5 units Transformer Forms/Manuals
5 units Capacitors
Asrequired
PLC plan and
specification
5 units Inverters/Rectifiers Requisition form(s)
5 units Controllers Industry/Institution
Quality Manual
10 sets - Motor controls User’s guide
 1 set - Electro-mechanical
controllers (e.g.
Solenoid)
Drawings/diagrams
1 set - Electro-Pneumatic
controller
5 pcs. Pressure gauge
TOOLS/INSTRUMENT MATERIALS
Qty. Description Qty. Description
5 pcs. Ball hammer 20 meters Cable (Royal cord)
5 pairs Electrician Pliers 10 pcs. Glands/Grommet
5 pcs. Box Wrench 2 boxes Conductors
5 pcs. Wire splicer 5 rolls Insulators
5 pcs. Wire stripper 5 pcs. Proper working clothes
5 pcs. Electrician knife
300 m TF (75m or 150m per box)
or automotive wires,
(30m)
5 pcs. Tools holster 5 sets Wiring boards, ¾’x4’x8’
5 pcs. Push-pull 0-5 mtrs 25 pcs. RSC/IMC
5 pcs. Claw hammer 5 pcs. Entrance cap
5 units Multi-tester 50 Pairs. Locknut & bushing
EQUIPMENT 100 pcs. 3/16’ x 1” Metal Screw
3 units Motors, 3-phase, 220
volts
50 pcs. Conduit strap/clamp
5 units Electric drill 5 boxes Wire AWG #12, (3.5mm2)
5 units Portable grinder 5 boxes Wire AWG #14(2.0mm2)
2 units Automatic Voltage
Regulator (AVR) 5 rolls Electrical tape
3 units Clamp-on meter 5 Kgs. #16 G.I wire
1 unit
Insulation resistance
tester
1 pc. Whiteboard 4’ x 8’ x ¾’
Recommended list of tools, equipment and materials for the training of 25 trainees for Electrical Installation & Maintenance
NC III:
Existing TR Amended TR
EQUIPMENT
Qty. Description
5 pcs. Pressure Analyzer/
Gauge manifold
   
5 pcs. Leak tester
10 units Micro PLC  
25 lic. PLC Simulator
Software
 
EQUIPMENT MATERIALS
Qty. Description Qty. Description
1 unit Earth resistance tester 1 pc.
Whiteboard 4 x 4 x ¾ with
movable stand
1 unit Labeling machine 1 box
Whiteboard marker,
assorted color
1 unit
Fire extinguisher KGS
ABC
2 pcs.
Whiteboard eraser
magnetic
1 unit LCD Projector 1 box Push pin
PPEs 1 pc. Pencil sharpener
Qty. Description 3 boxes Pencil with eraser
25 pcs. Working gloves 2 kgs Rags
10 pairs Safety shoes 5 ltrs Cleaning agent liquid
10 pcs. Hard hat 1 unit First aid kit
10 pcs. Safety goggles 2 reams Bond paper
  Forms/Manuals
Qty. Description
Asrequired
Motor Controller and
specification
    Requisition form(s)
   
Industry/Institution
Quality Manual
    User’s guide
    Drawings/diagrams
3.5 TRAINING FACILITIES
Existing TR Amended TR
TEACHING/
LEARNING
AREAS
SIZE IN
METERS
AREA IN
SQ.
METERS
QTY TOTAL
AREA IN
SQ.
METERS
Lecture Area/
Laboratory
Area
5 x 8
5 x 8
40
40
1
1
40
40
Learning
Resource Area
4 x 5 20 1 20
Tool Room /
Storage Area
4 x 5 20 1 20
Wash ,Toilet &
Locker Room
1 x 2 2 2 4
Sub-Total 124
Facilities /
Equipment /
Circulation**
** Area requirement is equivalent
to 30% of the total teaching/
learning areas  38
TOTAL AREA 162
Based on class size of 25 students/trainees the space requirements for the teaching/learning and circulation
areas are as follows:
 
SPACE
REQUIREMENTS
 
SIZE IN
METERS
 
AREA IN
SQ.
METERS
 
TOTAL
AREA IN
SQ.
METERS
 
•  Student/Trainee
Working Space
2.50 x 2.50
per student/
trainee
6.25
per student
 
156.25
•  C o n t e x t u a l
Learning
Laboratory
 
4 x 5
 
20
 
20
•  L e a r n i n g
Resource
Center
 
4 x 5
 
20
 
20
•  F a c i l i t i e s /
Equipment/
Circulation area
 
10 x 6
 
60
 
60
 
TOTAL AREA
     
256.25
3.6 TRAINER’S QUALIFICATIONS
ELECTRICAL INSTALLATION & MAINTENANCE NC
III
 
The trainer who will handle the course must have the
following qualifications:
—  Be a graduate of BS in Industrial Education, Major in
Electrical Technology or its equivalent
—  Must have undergone training on Training Methodology
III
—  He must be a holder of at least Electrical Installation &
Maintenance NC IV
—  Good moral character
—  Must be computer literate
—  Must be physically and mentally fit
—  Minimum of three (3) years relevant job/industry
experience*
 
*Optional. Only when required by the hiring institution
Reference: TESDA Board Resolution No. 2004-03
 
Electrical Installation and Maintenance NC
III
The trainer who will handle the course must have
the following qualifications:
§  a holder of NTTC I in Electrical Installation
& Maintenance NC III or higher
§  Have at least three (3) years relevant job/
industry or teaching experience
Existing TR Amended TR
3.7 INSTITUTIONAL ASSESSMENT
Institutional assessment is undertaken by
trainees to determine their achievement of units of
competency. A certificate of achievement is issued
for each unit of competency.
Institutional assessment is undertaken by
trainees to determine their achievement of units of
competency. A certificate of achievement is issued for
each unit of competency.
The result of the institutional assessment
may be considered as evidence for the assessment for
national certification. As a matter of policy, graduates
of programs registered with TESDA under this
training regulation are required to undergo mandatory
national competency assessment upon completion of
the program.
Existing TR Amended TR
UNITS OF COMPETENCY:
¢  INSTALL, ASSEMBLE, TEST AND MAINTAIN MOTOR CONTROL
SYSTEMS
Task:
¢  Prepare and select the materials, tools and equipment,
¢  Select appropriate motor and control component sizes and ratings
¢  Inspect motor and motor control components
¢  Wire a control circuit for a wye-delta reduced voltage starter
¢  Wire a power circuit for a wye-delta reduced voltage starter
¢  Perform test run on the motor
POWER CIRCUIT
CONTROL CIRCUIT
ELECTRICAL INSTALLATION AND
MAINTENANCE NC IV
ELECTRICAL and ELECTRONICS Sector
NC IV COMPETENCIES
ELECTRICAL INSTALLATION AND MAINTENANCE
1.  Supervise/Monitor Installation and Maintenance of electrical
system , auxiliary including control , Lighting and Power and
protection equipment/System ;
2.  Perform commissioning of electrical equipment /system;
3.  Perform programming and installation of Basic PLC System.
PROGRAMMABLE LOGIC CONTROLLERS
• Defined by NEMA as a digital electronic apparatus with a
programmable memory for storing instructions to implement
specific functions (logic, sequencing, timing, counting, and
arithmetic) to control machines and processes.
• Considered as the first industrial-based computer
ADVANTAGES OF USING PLC
Shorter Project
Implementation
Easier Modification Without Cost
Penalty
Design Easily Change Using
Software
Project Cost Can be Accurately
Calculated
Shorter Training Time Required
A Wide Range of Control Operations
Easy Maintenance
Able to Withstand Harsh Plant
Environment
High Reliability
Standardization of Controller
Hardware
FUNCTIONS OF PLC
Sequence Control
Conventional Relay Logic Replacer
Timer and Counter Functions
Auto / Semi / Manual Control of Machines
and Processes
Sophisticated Control
Arithmetic Operations
Analog Control (Temperature, Pressure,
etc.)
PID (Proportional Integral Derivation)
Stepper / Servo Motor Control
CONTROL SYSTEM
I. OPEN LOOP SYSTEM
INPUT LOGIC OUTPUT
- Pushbuttons
- Limit Switches
- Level Switches
- Flow Switches
- Relays
- Timers
- Counters
- Motors
- Solenoid valves
- Lamps
PLC
BASIC CONTROL SYSTEM
Closed Loop System
Controller
Final Control
Element
Process
Variable
Transmitter
Set value
Error
Process Variable
Primary
Element / Transducer
Temperature
Flow
+
_
A TYPICAL CONTROL SYSTEM (ELECTROMECHANICAL)
CONTROLLER
CNT
ELECTRONIC CARDS
RESET
COUNTER
CLOCK
TIMER COIL
LATCHING COIL
COIL
RELAY
8 8 8
INPUT DEVICES
PUSHBUTTON
LIMIT SWITCH
THUMB
WHEEL
SWITCH
LEVEL SWITCH
FLOW SWITCH
OUTPUT DEVICES
HEATER
8 8
MOTOR
SOLENOID
LED DISPLAY
HEATER
LAMP
STEPS IN PLC PROGRAMMING
Draw the Schematic Diagram
Draw Control Diagram
Develop PLC Ladder Diagram
I/O Assignment
Convert to Mnemonic (Boolean)
PLC Layout
HARDWARE COMPONENTS
Central Processing Unit (CPU)
Power Supply
Input Module
Output Module
Peripheral Device
SOFTWARE COMPONENTS
1. Ladder Diagram Language – a symbolic instruction type language
2. Boolean Language- Basic level language that composed of three (3) Boolean
logic operation: AND, OR, NOT
4. English Statement Language – considered derivative of computer language
such as BASIC.
3. Functional Blocks Language – high level instructions that permit
the user to program more complex functions using the ladder
diagram format
6 DESIGN STEPS IN PLC BASED SYSTEM
STEP I. SCHEMATIC OR POWER DIAGRAM
Exercise 1 FORWARD/ REVERSE SCHEMATIC DIGRAM OF 3-PHASE MOTOR
M
STEP II.CONTROL DIAGRAM (RELAY DIAGRAM) OF EXERCISE 1
PB FORWARD
PB STOP
REV
FWD
FWD
REV
FWD
REV
100
01
100
02
STEP IV. PLC DIGRAM
1 3 10002
10001
10001
10002
32
STEP III. INPUT/OUTPUT ASSIGNMENT OF EXERCISE 1
PB FWD –1 FWD-10001
PB REV - 2 REV-10002
PB STOP- 3
STEP V. (BOOLEAN/MNEMONIC STATEMENTS) OF EXERCISE 1
ADDRESS/STEP INSTRUCTION DATA
0 LD 1
1 OR 10001
2 ANDN 3
3 ANDN 10002
4 OUT 10001
5 LD 2
6 OR 10002
7 ANDN 3
8 ANDN 10001
9 OUT 10002
10 END
STEP VI. PLC LAY-OUT
CENTRAL
PROCESSING UNIT
1
2
3
FWD
REV
L1 L2
INPUT MODULE OUTPUT MODULE
¢  THANK YOU
Jimmy.Itao@gmail.com

Rme final eim-nc-i-ivpresentation-rev1

  • 1.
    New Competencies of TESDAin Electrical Installation and Maintenance By : Gamaliel F. Itao, P.E.E,M.Entr. President/GM, Industrial Controls Corporation and Mechatronics Technologies Corporation
  • 2.
    ELECTRICAL INSTALLATION AND MAINTENANCENC II ELECTRICAL and ELECTRONICS Sector
  • 3.
    UNIT OF COMPETENCIES(EIM NC II) Existing TR Amended TR Core Competencies •  Prepare electrical power and hydraulic tools •  Perform roughing-in activities, wiring and cabling works for single-phase distribution, power, lighting and auxiliary systems •  Install wiring devices of floor and wall mounted outlets, lighting fixtures/ switches, and auxiliary outlets •  Install electrical protective devices for distribution, power, lighting, auxiliary, lightning protection and grounding systems •  Perform roughing-in activities for communication and distribution systems •  Install wiring devices for floor and ground fault current interrupting outlets •  Install electrical protection system for lighting and grounding •  Install electrical lighting systems on auxiliary outlets and lighting fixtures
  • 4.
    Qualifica(on Descrip(ons Existing TR §  ElectricalInstallation and Maintenance NC II §  The ELECTRICAL INSTALLATION & MAINTENANCE NC II Qualification consists of competencies that a person must achieve to enable him/her to install and maintain electrical wiring, lighting and related equipment and systems where the voltage does not exceed 600 volts in residential houses/buildings. Amended TR § No Amendments
  • 5.
    UNIT OF COMPETENCIES ExistingTR Amended TR Basic Competencies •  Participate in workplace communication •  No Amendments •  Work in a team environment •  Practice career professionalism •  Practice occupational health and safety procedures Common Competencies •  Prepare construction materials and tools •  Unit codes amended •  Observe procedures, specifications and manuals of instruction •  Interpret technical drawings and plans •  Perform mensurations and calculations •  Maintain tools and equipment
  • 6.
    3.4 LIST OFTOOLS, EQUIPMENT AND MATERIALS Recommended list of tools, equipment and materials for the training of 25 trainees for Electrical Installation & Maintenance NC II: Existing TR Amended TR TOOLS EQUIPMENT MATERIALS QTY ITEM QTY ITEM QTY ITEM 5 pcs. Spirit level 5 units Power drill 50 pcs. RSC 5 pcs. Hack saw 5 units Portable grinder 50 pcs. IMC 5 pcs. Pipe cutter 1 unit Power saw 50 pcs. EMT 5 pcs. Plumb bob 5 units Fire alarm system 5 pcs. Entrance cap 5 pcs. Pipe reamer 5 units Pipe-in Music/ Paging 125 pcs. Locknut 5 pcs. Pipe threader 5 units Security equipment 125 pcs. Bushing 5 pcs. Pipe bender 5 units CCTV 250 pcs. Metal strap 5 pcs. Bolt cutter 5 units MATV Master 10 pcs. Floor outlet 5 pcs. Jack hammer set 5 units Car park ramp detector 5 pcs. Ground fault TOOLS EQUIPMENT MATERIALS QTY ITEM QTY ITEM QTY ITEM 5 pcs. Spirit level 5 units Electric drill 25 pcs. RSC/IMC 5 pcs. Hack saw 5 units Portable grinder 5 pcs. Entrance cap 5 pcs. Pipe cutter 5 units Multi-tester 50 pairs Locknut & bushing 5 pcs. Pipe reamer 1 set Fire alarm system (5units detector, 1 control panel) 5 pcs. Ground Fault Current interrupting device (GFCI) 5 pcs. Pipe threader 3 sets Motion sensors 100 pcs. 3/16’ x 1” Metal Screw 5 pcs. Pipe bender 1 set Security equipment Access Control 50 pcs. Conduit strap/ clamp 5 pcs. Bolt cutter 1 set CCTV (4 cameras, 1 DVR) 5 sets Wiring boards, ¾ ft. x 4 ft. x 8 ft. 5 pcs. Ball hammer 5 units Clamp-on meter 10 pcs. Floor outlet 25 pcs. Electrician Pliers 1 unit Insulation Resistance Tester 25 pcs. Working gloves
  • 7.
    3.4 LIST OFTOOLS, EQUIPMENT AND MATERIALS Recommended list of tools, equipment and materials for the training of 25 trainees for Electrical Installation & Maintenance NC II: Existing TR Amended TR TOOLS EQUIPMENT MATERIALS QTY ITEM QTY ITEM QTY ITEM 25 pcs. Electrician Pliers 10 units Multi-tester 5 pcs. Current interrupting outlet 25 pcs. Screwdrivers set 5 units Mega- ohmmeter 25 pcs. Working gloves 25 pcs. Wrench box 5 units Clamp ammeter 25 pcs. Safety shoes 25 pcs. Wire splicer 5 units Megger 25 pcs. Proper working clothes 25 pcs. Wire stripper 5 units High potential tester 25 pcs. Hard hat 25 pcs. Electrician knife 5 units Earth resistance tester 25 pcs. Safety goggles 25 pcs. Tools holster 5 units Labeling machine 5 boxes Wire AWG #12 5 pcs. Push-pull 0-5 mtrs 1 unit Fire extinguisher KGS ABC 5 boxes Wire AWG #14 5 pcs. Claw hammer 1 unit OHP 5 rolls Electrical tape 5 pcs. Ballpeen hammer 5 units Industrial Fan 1 box Wood screw ½” x 8 TOOLS EQUIPMENT MATERIALS QTY ITEM QTY ITEM QTY ITEM 25 pcs. Screwdrivers set 1 unit Earth resistance tester 10 pairs Safety shoes 5 pcs. Box Wrench 1 unit Labeling machine 10 pcs. Hard hat 5 pcs. Wire splicer 1 unit Fire extinguisher KGS ABC 10 pcs. Safety goggles 5 pcs. Wire stripper 1 unit LCD Projector 5 boxes Wire AWG #12, (3.5mm2) 5 pcs. Electrician knife     5 boxes Wire AWG #14 (2.0mm2) 10 pcs. Tools holster     5 rolls Electrical tape 5 pcs. Push-pull 0-5 mtrs     1 box Wood screw ½” x 8 5 pcs. Claw hammer     25 pcs. Receptacle surface type 5 pcs. Prick punch     25 pcs. Receptacle flush type 5 pcs. Heat gun 1200 watts     25 pcs. Incandescent bulb 50 w/ 250V AC 5 pcs. Heavy-duty soldering iron     25 sets Convenient outlet c.o. (grounding type,/flush type) 2 gang w/ plate and cover
  • 8.
    Existing TR AmendedTR TOOLS EQUIPMENT MATERIALS QTY ITEM QTY ITEM QTY ITEM 5 pcs. Prick punch 50 m Circular loom (mica tubing 3/8”) 5 pcs. Heat gun 1200 watts 25 pcs. Receptacle surface type 5 pcs. Heavy- duty soldering iron 1000 watts 25 pcs. Receptacle flush type 5 pcs. Flat file smooth 8” 25 pcs. Incandescent bulb 50 w/ 250V AC 25 sets Convenient outlet C.O. (flush type) 2 gang w/ plate and cover 10 pcs PVC square box 4 x 4 100 pcs PVC clamp ½ 100 pcs PVC clamp ¾ 50 Assorted condulet 50 mtrs Corrugated PVC ½”, ¾ 5 pcs. Flat file smooth 8”     10 pcs. PVC square box, 4 x 4 5 Kgs. #16 G.I wire     25 mtrs flexible conduit ½”, ¾ 1 pc. Whiteboard 4 x 8 x ¾     10 pcs. PVC conduit ½, ¾ 1 pc. Whiteboard 4 x 4 x ¾ with movable stand     25 pcs. Junction box PVC 1 box Whiteboard marker, assorted color     25 pcs. Utility box 1 box Push pin     50 pcs Connectors PVC, ½ 1 pc. Pencil sharpener     50 pcs Connectors PVC, ¾ 25 pcs. Pencil with eraser     50 pcs Connectors RSC, ¾ 2 kgs Rags     20 pcs. Elbow PVC ½ 5 ltrs Cleaning agent liquid     20 pcs. Elbow PVC ¾ TOOLS EQUIPMENT MATERIALS QTY ITEM QTY ITEM QTY ITEM 3.4 LIST OF TOOLS, EQUIPMENT AND MATERIALS Recommended list of tools, equipment and materials for the training in Electrical Installation and Maintenance NC II:
  • 9.
    3.5 TRAINING FACILITIES ExistingTR Amended TR TEACHING/ LEARNING AREAS SIZE IN METERS AREA IN SQ. METERS QTY TOTAL AREA IN SQ. METERS Lecture Area 5 x 8 40 1 40 Laboratory Area 5 x 8 40 1 40 Learning Resource Area 4 x 5 20 1 20 Tool Room / Storage Area 4 x 5 20 1 20 Wash ,Toilet & Locker Room 1 x 2 2 2 4 Sub-Total 124 Facilities / Equipment / Circulation** ** Area requirement is equivalent to 30% of the total teaching/learning areas  38 TOTAL AREA 162 Based on class size of 25 students/trainees the space requirements for the teaching/learning and circulation areas are as follows:   SPACE REQUIREMENTS   SIZE IN METERS   AREA IN SQ. METERS   TOTAL AREA IN SQ. METERS   •  Student/Trainee Working Space 2.50 x 2.50 per student/ trainee 6.25 per student   156.25 •  C o n t e x t u a l Learning Laboratory   4 x 5   20   20 •  L e a r n i n g Resource Center   4 x 5   20   20 •  F a c i l i t i e s / Equipment/ Circulation area   10 x 6   60   60   TOTAL AREA       256.25
  • 10.
    SECTION 4: NATIONALCERTIFICATION AND CERTIFICATION ASSESSMENTS 4.3 Accumulation and submission of all COCs acquired for the relevant units of competency comprising a qualification, an individual shall be issued the corresponding National Certificate. 4.4 Assessment shall focus on the core units of competency. The basic and common units shall be integrated or assessed concurrently with the core units. 4.5 The following are qualified to apply for assessment and certification: —  Graduate of formal, non-formal, and informal including enterprise-based training programs. —  Experienced workers (wage employed or self employed) 4.6 The guidelines on assessment and certification are discussed in detail in the “Procedures Manual on Assessment and Certification” and “Guidelines on the Implementation of the Philippine TVET Qualification and Certification System (PTQCS)”. Existing TR Amended TR 4.5 For those holders of existing National Certificate (NC) of individuals in Electrical Installation and Maintenance NC II, automatic conversion will be implemented. 4.6 Clustering of competencies is not applicable. 4.7 Individuals who already possess Certificate of Competency (COC) in Electrical Installation & Maintenance NC II are advised to take the assessment for this amended TR on or before the expiration of their COCs. 4.8 The guidelines on assessment and certification are discussed in detail in the “Procedures Manual on Assessment and Certification” and “Guidelines on the Implementation of the Philippine TVET Competency Assessment and Certification System (PTCACS)”.
  • 18.
    ¢  Task: ROUGHING-INACTIVITIES ¢  Layout the wiring booth for specific location of the panel, boxes (utility box -UB) ¢  Octagonal (box- OB) and fittings. ¢  Apply the types of bend necessary for the test package. ¢  Mount and install the conduit with conduit strap.
  • 19.
    LIST OF MATERIALS,TOOLS & EQUIPMENT (PER CANDIDATE) NAME SPECIFICATION QUANTITY 1 Octagonal Box 4” x 4” Dip type PVC 7 pcs. 2 Utility Box 2” x 4” Dip type PVC 4 pcs. 3 Square Box 6‘ x 6“ 1 pc. 4 Panel Board 16“ x 12“ x 6“ w/ one 60 AT MCB and 4 branches (2-15AT & 2-20AT 1set. 5 Conduit ½” diameter (8’) PVC 3pcs 6 Conduit Strap ½” diameter two hole 16pcs 7 Metal Screw 3/16“ x 1 “ 50 pcs. 8 Cable wire #3.5 mm², THW Stranded Cu. wire 6m 9 Cable wire #2.0 mm², THW Stranded Cu. wire 20m 10 Lock nut and bushing ½” diameter PVC 24 pcs. 11 Straight Connector ½” diameter PVC 24 pcs 12 PVC Cement Natural 1 pint 13 Tape Electrical (Friction) Tape 2 roll Hand Tools 14 Heat gun 100 w, 230 V 1 pc 15 Pliers Standard 1 pair 16 Screwdrivers Standard (+,-) 2 pcs 17 Hacksaw Standard 1 pc 18 Electrician knife Standard 1 pc
  • 21.
    UNITS OF COMPETENCY:Install wiring devices of floor and wall mounted outlets, lighting fixtures/switches and auxiliary outlets Instructions: ¢  Prepare the materials, devices and auxiliary device for the installation ¢  Install the circuit home run for convenience outlet. ¢  Set the CCTV monitor/recorder in accordance with the requirement. ¢  Install the CCTV Camera based on the required location. ¢  Perform testing and commissioning activities. QUALIFICATION: ELECTRICAL INSTALLATION & MAINTENANCE
  • 23.
    LIST OF MATERIALS,TOOLS & EQUIPMENT NAME SPECIFICATION QUANTITY Utility Box 2” x 4” Deep type PVC 2 pcs. Panel Board 16“ x 12“ x 6“ w/ one 60 AT MCB and 4 branches (2-15AT & 2-20AT 1 set Cable wire #3.5 mm², THW Stranded Cu. wire 5 M Metal Screw 3/16“ x 1 “ 30 pcs. Conduit Strap ½” diameter two hole 10 pcs. Conduit ½” diameter (8’) PVC 2 pcs. CCTV AND AUXILLIARIES Camera Z-D V800C (Vandal Proof Day and Night View Indoor Camera) 2 units Recorder ATTN 8-Channel NVR (OPS-HD 7208PN) HD NVR RECORDER 1 unit Monitor AOC 18.5 Wide LED Monitor 1 unit Adapter AC/DC CCTV Adapter 12 v/5A 1unit Power Splitter CCTV 8 port DC Power Splitter 1 unit Hand Tools Pliers Standard 1 pair Screwdrivers Standard (+, -) 2 pcs. Hack saw Standard 1 pc. Electrician Knives Standard 1 pc. Heat gun 100 w, 230 V 1 pc. INSTRUMENTS Multi-tester Analog type, tester 1 unit Insulation Tester Analog type Insulation tester 1 unit
  • 24.
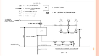
    ¢ SAMPLE TASK PACKAGE: ¢ Preparethe materials and tools as per job requirement ¢ Install the protective device feeding the Fire Alarm System in the panel board, ¢ Terminate the entire circuit home run base on the load scheduling. ¢ Install all the necessary fittings such as Utility Boxes, Square Box/Pull Box, Octagonal Boxes and Fire Alarm Control Panel. ¢ Set and Install Manual Pull Station, Fire Alarm Bell, and the Conventional Smoke Detector.. ¢ Perform testing and commissioning activities. DEMONSTRATION
  • 25.
  • 26.
    LIST OF MATERIALS,TOOLS & EQUIPMENT NAME SPECIFICATION QUANTITY Pull Box 4” x 4” SQUARE BOX 2 pcs Box 4“ x 4“ Octagonal PVC Box 3 pcs Cable wire #2.0 mm², THW Stranded Cu. wire 5 M Metal Screw 3/16“ x 1 “ 24 pcs. Conduit Strap ½” diameter two hole 10 pcs. Conduit 3/4” diameter (8’) PVC 2 pcs. FIRE ALARM SYSTEM AND AUXILLIARIES Fire Alarm System Panel 8” x 10” x 6” Panel Enclosure 1 pc Smoke Detector Standard 2 unit Fire Alarm Bell Standard 1 unit Manual Pull Station Switch Standard 1unit Hand Tools Pliers Standard 1 pair Screwdrivers Standard (+, -) 2 pcs. Hack saw Standard 1 pc. Electrician Knives Standard 1 pc. Heat gun 100 w, 230 V 1 pc. Screw Driver Jeweller Screw Driver (Assorted Size) 1 set Wire Stripper Automatic Wire Stripper (Standard) 1 pair Tape Electrical (friction) Tape 1 roll INSTRUMENTS Multi-tester Analog type, tester 1 unit
  • 27.
    GOING IN GOINGOUT ML - Magnetic Lock EB - Exit Button EBG – Emergency Break Glass DC - Door Contact Exit Button EBGEBG EBGEB ML BRC BRC – Biometric Reader and Controller Sample Test Package 1 Door Access Control System DC
  • 28.
    GOING IN EIM NCIISample Test Package 1 Door Access Control System Conduit Layout PVC ¾” 90deg bend UB1 UB4UB3UB2 UB1 – PVC Utility Box for ML UB2 – PVC Utility Box for BRC UB3 – PVC Utility Box for EBG UB4 – PVC Utility Box for EB A1 – 300x300x200mm Box for 20A Circuit Breaker, Power Supply Module and 12VDC Battery A1 90deg bend Industrial Socket (F) 300mm 300mm RSC ¾”
  • 29.
    ELECTRICAL INSTALLATION AND MAINTENANCENC III ELECTRICAL and ELECTRONICS Sector
  • 30.
    UNIT OF COMPETENCIES ExistingTR Amended TR Core Competencies •  Prepare electrical and hydraulic tools •  Perform roughing-in and wiring activities for three- phase distribution system for power, lighting and motor control panel •  Perform installation of data measurement and control system on electrical and auxiliary equipment •  Install, assemble, test and maintain motor control system •  Perform roughing-in and wiring for activities for bus and underfloor ducts •  Perform installation of wiring devices for floor and ground fault current interrupting outlets •  Perform installation of standard electrical protection system for lightning and grounding •  Perform installation of electrical lighting systems, auxiliary outlets and lighting fixtures •  Perform installation of data measurement and control system on electrical and auxiliary equipment •  Assemble and install electrical lighting and motor control systems •  Perform maintenance and troubleshooting works
  • 31.
    UNIT OF COMPETENCIES ExistingTR Amended TR Basic Competencies •  Lead workplace communication •  No Amendments •  Lead several small working teams •  Develop and practice negotiating skills with team members •  Guide effective solutions to problems arising from work activities •  Check and develop the use mathematical concepts and techniques •  Use relevant technologies applicable to assigned work Common Competencies •  Prepare construction materials and tools •  Prepare construction materials and tools •  Ensure compliance with standard procedures, specifications and manuals of instruction •  Observe procedures, specifications and manuals of instruction •  Interpret and follow technical drawings and plans •  Interpret technical drawings and plans •  Supervise mensurations and related computations •  Perform mensurations and calculations •  Supervise proper use and maintenance of tools and equipment •  Maintain tools and equipment Note: Other unit titles are rephrased
  • 32.
    ELECTRICAL INSTALLATION ANDMAINTENANCE NC III ¢  A person who has achieved this qualification is competent to be: ¢ Assistant Supervising Technician ¢ Assistant Electrical Supervisor ¢ Assistant Electrical Foreman ¢ Electrical Leadman §  A person who has achieved this qualification is competent to be: §  Industrial Electrician §  Electrical Lead man §  Electrical Foreman Existing TR Amended TR
  • 33.
    SECTION 3: TRAININGSTANDARDS 3.1 Curriculum Design:   Course Title: ELECTRICAL INSTALLATION AND MAINTENANCE NC Level : NC III Nominal Training Hours: 20 Hours (Basic Competencies) + 32 Hours (Common Competencies) 344 Hours (Core Competencies) --------------------------------------- 396 Hours - TOTAL   Course Description: This course is designed to equip individual with operational skills required for Electrical Installation & Maintenance III with learning outcomes, methodology and assessment approach as listed herein. Trainees who have completed training in or are holders of Electrical Installation & Maintenance NC II may forego training in core units of competency (1) to (5). 3.1 Curriculum Design:   Course Title: ELECTRICAL INSTALLATION AND MAINTENANCE NC Level : NC III Nominal Training Hours: 32 Hours (Basic Competencies) + 32 Hours (Common Competencies) 96 Hours (Core Competencies) --------------------------------------- 160 Hours - TOTAL   Course Description: § This course is designed to develop & enhance the knowledge, skills, & attitudes of an electrical, mechatronics and automation technician, in accordance with industry standards. It covers the basic & common competencies in addition to the core competencies as enumerated in Section 1 of this training regulations. Existing TR Amended TR
  • 34.
    3.2 TRAINING DELIVERY ¢ Supervised industry training or on-the-job training is an approach in training designed to enhance the knowledge and skills of the trainee through actual experience in the workplace to acquire a specific competencies prescribed in the training regulations. ¢  Distance learning is a formal education process in which majority of the instruction occurs when the students and instructors are not in the same place. Distance learning may employ correspondence study, or audio, video or computer technologies. §  The traditional classroom-based or in-center instruction may be enhanced through use of learner- centered methods as well as laboratory or field-work components. 2.2 Enterprise-Based: §  Formal Apprenticeship – Training within employment involving a contract between an apprentice and an enterprise on an approved apprenticeable occupation. §  Enterprise-based Training- where training is implemented within the company in accordance with the requirements of the specific company. Specific guidelines on this mode shall be issued by the TESDA Secretariat. Existing TR Amended TR
  • 35.
    3.3 TRAINEE ENTRYREQUIREMENTS To qualify as trainee for Electrical Installation & Maintenance NC III, a candidate must be: ¢  a holder of Electrical Installation & Maintenance NC II or equivalent experience and training ¢  able communicate both orally and in writing ¢  physically and mentally fit ¢  with good moral character ¢  can perform basic mathematical computation This list does not include specific institutional requirements such as educational attainment, appropriate work experience, and others that may be required of the trainees by the school or training center delivering the TVET program. The trainees who wish to enter the course should possess the following requirement/s: §  Must be a holder and/or have undergone training in Electrical Installation & Maintenance NC II or Mechatronics Servicing NC II This list does not include specific institutional requirements such as educational attainment, appropriate work experience, and others that may be required of the trainees by the school or training center delivering the TVET program. Existing TR Amended TR
  • 36.
    3.4 LIST OFTOOLS, EQUIPMENT AND MATERIALS Recommended list of tools, equipment and materials for the training of 25 trainees for Electrical Installation & Maintenance NC III: Existing TR Amended TR TOOLS MATERIALS Qty. Description Qty. Description 5 pcs. Crimping tools 5 pcs. Circuit breakers/Fuses (Din rail type)     5 pcs. PLC materials 5 pcs. Pliers 5 pcs. Relays (Din rail type) 5 sets Screw drivers 5 pcs. Timers (Din rail type) 5 sets Wrenches (box & open) 5 pcs. Terminal Blocks/Lugs (Din rail type) 5 pcs. Wire splicers/ strippers 5 pcs. Pilot lamps 5 pcs. Measuring tools (e.g. Pull-push meter)   5 pcs. Actuators   20 pcs. Push buttons (panel type) 20 pcs. Selector Switches (panel type) 5 lengths Cable duct 4 lengths Din rail 3 packs Wire Strap 20 pcs. Wire Markers 5 pack Cable Tie 20 meters Cable (Royal cord) TOOLS/INSTRUMENT MATERIALS Qty. Description Qty. Description 5 units Measuring tools (e.g. Pull-push meter) 5 pcs. Circuit breakers/Fuses (Din rail type) 5 pcs. Crimping tools 15 pcs. Controller/Contactors 5 pcs. Pliers 10 pcs. Relays (Din rail type) 5 sets Screw drivers 5 pcs. Timers (Din rail type) 5 sets Wrenches (box & open) 5 pcs. Terminal Blocks/Lugs (Din rail type) 5 pcs. Wire splicers/ strippers 15 pcs./ color Pilot lamps (red, green, yellow) 5 pcs. Multi-Tester/VOM 5 pcs. Actuators/solenoids 5 units Insulation Tester 5 pcs. NO Push buttons (panel type) 5 pcs. Spirit level 5 pcs. NC Push buttons (panel type) 5 pcs. Hack saw 5 pcs. Selector Switches (panel type) 5 pcs. Pipe cutter 5 lengths Cable duct 5 pcs. Pipe reamer 4 lengths Din rail 5 pcs. Pipe threader 3 packs Wire Strap 5 pcs. Pipe bender 5 pcs. Wire Markers 5 pcs. Bolt cutter 5 pack Cable Tie
  • 37.
    3.4 LIST OFTOOLS, EQUIPMENT AND MATERIALS Recommended list of tools, equipment and materials for the training of 25 trainees for Electrical Installation & Maintenance NC III: Existing TR Amended TR EQUIPMENT MATERIALS Qty. Description Qty. Description 5 units Power supply 10 pcs. Glands/Grommet   - Automatic Voltage Regulator (AVR) 2 boxes Conductors   - Un-interruptible power supply (UPS) 5 rolls Insulators 5 units Generators and motors 20 pcs. Proper working clothes 5 units Transformer Forms/Manuals 5 units Capacitors Asrequired PLC plan and specification 5 units Inverters/Rectifiers Requisition form(s) 5 units Controllers Industry/Institution Quality Manual 10 sets - Motor controls User’s guide  1 set - Electro-mechanical controllers (e.g. Solenoid) Drawings/diagrams 1 set - Electro-Pneumatic controller 5 pcs. Pressure gauge TOOLS/INSTRUMENT MATERIALS Qty. Description Qty. Description 5 pcs. Ball hammer 20 meters Cable (Royal cord) 5 pairs Electrician Pliers 10 pcs. Glands/Grommet 5 pcs. Box Wrench 2 boxes Conductors 5 pcs. Wire splicer 5 rolls Insulators 5 pcs. Wire stripper 5 pcs. Proper working clothes 5 pcs. Electrician knife 300 m TF (75m or 150m per box) or automotive wires, (30m) 5 pcs. Tools holster 5 sets Wiring boards, ¾’x4’x8’ 5 pcs. Push-pull 0-5 mtrs 25 pcs. RSC/IMC 5 pcs. Claw hammer 5 pcs. Entrance cap 5 units Multi-tester 50 Pairs. Locknut & bushing EQUIPMENT 100 pcs. 3/16’ x 1” Metal Screw 3 units Motors, 3-phase, 220 volts 50 pcs. Conduit strap/clamp 5 units Electric drill 5 boxes Wire AWG #12, (3.5mm2) 5 units Portable grinder 5 boxes Wire AWG #14(2.0mm2) 2 units Automatic Voltage Regulator (AVR) 5 rolls Electrical tape 3 units Clamp-on meter 5 Kgs. #16 G.I wire 1 unit Insulation resistance tester 1 pc. Whiteboard 4’ x 8’ x ¾’
  • 38.
    Recommended list oftools, equipment and materials for the training of 25 trainees for Electrical Installation & Maintenance NC III: Existing TR Amended TR EQUIPMENT Qty. Description 5 pcs. Pressure Analyzer/ Gauge manifold     5 pcs. Leak tester 10 units Micro PLC   25 lic. PLC Simulator Software   EQUIPMENT MATERIALS Qty. Description Qty. Description 1 unit Earth resistance tester 1 pc. Whiteboard 4 x 4 x ¾ with movable stand 1 unit Labeling machine 1 box Whiteboard marker, assorted color 1 unit Fire extinguisher KGS ABC 2 pcs. Whiteboard eraser magnetic 1 unit LCD Projector 1 box Push pin PPEs 1 pc. Pencil sharpener Qty. Description 3 boxes Pencil with eraser 25 pcs. Working gloves 2 kgs Rags 10 pairs Safety shoes 5 ltrs Cleaning agent liquid 10 pcs. Hard hat 1 unit First aid kit 10 pcs. Safety goggles 2 reams Bond paper   Forms/Manuals Qty. Description Asrequired Motor Controller and specification     Requisition form(s)     Industry/Institution Quality Manual     User’s guide     Drawings/diagrams
  • 39.
    3.5 TRAINING FACILITIES ExistingTR Amended TR TEACHING/ LEARNING AREAS SIZE IN METERS AREA IN SQ. METERS QTY TOTAL AREA IN SQ. METERS Lecture Area/ Laboratory Area 5 x 8 5 x 8 40 40 1 1 40 40 Learning Resource Area 4 x 5 20 1 20 Tool Room / Storage Area 4 x 5 20 1 20 Wash ,Toilet & Locker Room 1 x 2 2 2 4 Sub-Total 124 Facilities / Equipment / Circulation** ** Area requirement is equivalent to 30% of the total teaching/ learning areas  38 TOTAL AREA 162 Based on class size of 25 students/trainees the space requirements for the teaching/learning and circulation areas are as follows:   SPACE REQUIREMENTS   SIZE IN METERS   AREA IN SQ. METERS   TOTAL AREA IN SQ. METERS   •  Student/Trainee Working Space 2.50 x 2.50 per student/ trainee 6.25 per student   156.25 •  C o n t e x t u a l Learning Laboratory   4 x 5   20   20 •  L e a r n i n g Resource Center   4 x 5   20   20 •  F a c i l i t i e s / Equipment/ Circulation area   10 x 6   60   60   TOTAL AREA       256.25
  • 40.
    3.6 TRAINER’S QUALIFICATIONS ELECTRICALINSTALLATION & MAINTENANCE NC III   The trainer who will handle the course must have the following qualifications: —  Be a graduate of BS in Industrial Education, Major in Electrical Technology or its equivalent —  Must have undergone training on Training Methodology III —  He must be a holder of at least Electrical Installation & Maintenance NC IV —  Good moral character —  Must be computer literate —  Must be physically and mentally fit —  Minimum of three (3) years relevant job/industry experience*   *Optional. Only when required by the hiring institution Reference: TESDA Board Resolution No. 2004-03   Electrical Installation and Maintenance NC III The trainer who will handle the course must have the following qualifications: §  a holder of NTTC I in Electrical Installation & Maintenance NC III or higher §  Have at least three (3) years relevant job/ industry or teaching experience Existing TR Amended TR
  • 41.
    3.7 INSTITUTIONAL ASSESSMENT Institutionalassessment is undertaken by trainees to determine their achievement of units of competency. A certificate of achievement is issued for each unit of competency. Institutional assessment is undertaken by trainees to determine their achievement of units of competency. A certificate of achievement is issued for each unit of competency. The result of the institutional assessment may be considered as evidence for the assessment for national certification. As a matter of policy, graduates of programs registered with TESDA under this training regulation are required to undergo mandatory national competency assessment upon completion of the program. Existing TR Amended TR
  • 42.
    UNITS OF COMPETENCY: ¢ INSTALL, ASSEMBLE, TEST AND MAINTAIN MOTOR CONTROL SYSTEMS Task: ¢  Prepare and select the materials, tools and equipment, ¢  Select appropriate motor and control component sizes and ratings ¢  Inspect motor and motor control components ¢  Wire a control circuit for a wye-delta reduced voltage starter ¢  Wire a power circuit for a wye-delta reduced voltage starter ¢  Perform test run on the motor
  • 43.
  • 44.
  • 49.
    ELECTRICAL INSTALLATION AND MAINTENANCENC IV ELECTRICAL and ELECTRONICS Sector
  • 50.
    NC IV COMPETENCIES ELECTRICALINSTALLATION AND MAINTENANCE 1.  Supervise/Monitor Installation and Maintenance of electrical system , auxiliary including control , Lighting and Power and protection equipment/System ; 2.  Perform commissioning of electrical equipment /system; 3.  Perform programming and installation of Basic PLC System.
  • 51.
    PROGRAMMABLE LOGIC CONTROLLERS • Definedby NEMA as a digital electronic apparatus with a programmable memory for storing instructions to implement specific functions (logic, sequencing, timing, counting, and arithmetic) to control machines and processes. • Considered as the first industrial-based computer
  • 52.
    ADVANTAGES OF USINGPLC Shorter Project Implementation Easier Modification Without Cost Penalty Design Easily Change Using Software Project Cost Can be Accurately Calculated Shorter Training Time Required A Wide Range of Control Operations Easy Maintenance Able to Withstand Harsh Plant Environment High Reliability Standardization of Controller Hardware
  • 53.
    FUNCTIONS OF PLC SequenceControl Conventional Relay Logic Replacer Timer and Counter Functions Auto / Semi / Manual Control of Machines and Processes Sophisticated Control Arithmetic Operations Analog Control (Temperature, Pressure, etc.) PID (Proportional Integral Derivation) Stepper / Servo Motor Control
  • 54.
    CONTROL SYSTEM I. OPENLOOP SYSTEM INPUT LOGIC OUTPUT - Pushbuttons - Limit Switches - Level Switches - Flow Switches - Relays - Timers - Counters - Motors - Solenoid valves - Lamps PLC
  • 55.
    BASIC CONTROL SYSTEM ClosedLoop System Controller Final Control Element Process Variable Transmitter Set value Error Process Variable Primary Element / Transducer Temperature Flow + _
  • 56.
    A TYPICAL CONTROLSYSTEM (ELECTROMECHANICAL) CONTROLLER CNT ELECTRONIC CARDS RESET COUNTER CLOCK TIMER COIL LATCHING COIL COIL RELAY 8 8 8 INPUT DEVICES PUSHBUTTON LIMIT SWITCH THUMB WHEEL SWITCH LEVEL SWITCH FLOW SWITCH OUTPUT DEVICES HEATER 8 8 MOTOR SOLENOID LED DISPLAY HEATER LAMP
  • 57.
    STEPS IN PLCPROGRAMMING Draw the Schematic Diagram Draw Control Diagram Develop PLC Ladder Diagram I/O Assignment Convert to Mnemonic (Boolean) PLC Layout
  • 58.
    HARDWARE COMPONENTS Central ProcessingUnit (CPU) Power Supply Input Module Output Module Peripheral Device
  • 59.
    SOFTWARE COMPONENTS 1. LadderDiagram Language – a symbolic instruction type language 2. Boolean Language- Basic level language that composed of three (3) Boolean logic operation: AND, OR, NOT 4. English Statement Language – considered derivative of computer language such as BASIC. 3. Functional Blocks Language – high level instructions that permit the user to program more complex functions using the ladder diagram format
  • 60.
    6 DESIGN STEPSIN PLC BASED SYSTEM STEP I. SCHEMATIC OR POWER DIAGRAM Exercise 1 FORWARD/ REVERSE SCHEMATIC DIGRAM OF 3-PHASE MOTOR M
  • 61.
    STEP II.CONTROL DIAGRAM(RELAY DIAGRAM) OF EXERCISE 1 PB FORWARD PB STOP REV FWD FWD REV FWD REV
  • 62.
    100 01 100 02 STEP IV. PLCDIGRAM 1 3 10002 10001 10001 10002 32 STEP III. INPUT/OUTPUT ASSIGNMENT OF EXERCISE 1 PB FWD –1 FWD-10001 PB REV - 2 REV-10002 PB STOP- 3
  • 63.
    STEP V. (BOOLEAN/MNEMONICSTATEMENTS) OF EXERCISE 1 ADDRESS/STEP INSTRUCTION DATA 0 LD 1 1 OR 10001 2 ANDN 3 3 ANDN 10002 4 OUT 10001 5 LD 2 6 OR 10002 7 ANDN 3 8 ANDN 10001 9 OUT 10002 10 END
  • 64.
    STEP VI. PLCLAY-OUT CENTRAL PROCESSING UNIT 1 2 3 FWD REV L1 L2 INPUT MODULE OUTPUT MODULE
  • 68.