Power generation,
transmission & distribution
• Different kinds of power generation
• Medium voltage
• Single and three phase AC power
• Transformers
1
10/22/24
LEARNING OUTCOME
At the end the Module, learners should be able to:
• Understand different kinds of power generation
• Have proper understanding of Single and three phase AC power
2
10/22/24
Electricity is generated in large modern Power Stations at
25 kV (25,000 volts). It is then transformed up to 132 kV or
330 kV for transmission to other parts of the country on
the National Grid network. This is a network of overhead
conductors suspended on transmission towers which link
together the Power Stations and the millions of users of
electricity.
3
10/22/24
4
10/22/24
Raising the voltage to these very high values reduces the losses on the
transmission network. 33 kV is used for secondary transmission lines
and then these high voltages are reduced to 11 kV at local substations
for distribution to end users such as factories, shops and houses at
400 V and 230 V.
5
10/22/24
6
10/22/24
The ease and efficiency of changing the voltage levels is only possible
because we generate an A.C. supply. Transformers are then used to
change the voltage levels to those which are appropriate. Very high
voltages for transmission, lower voltages for safe end use. This would
not be possible if a D.C. supply was generated.
7
10/22/24
The electricity leaves the local sub-station and arrives at the
consumer’s main’s intake position. In most advanced nations, the final
connections are usually by simple underground radial feeders at 400
V/230 V. Underground cable distribution is preferred within a city,
town or village because people find the overhead distribution, which
are seen in rural and remote areas, unsightly.
8
10/22/24
9
10/22/24
Also, at these lower distribution voltages, the cost of underground cables is
not prohibitive. The 400 V/230 V is derived from the 11 kV/400 V sub-station
transformer by connecting the secondary winding in star as shown below
The star point is earthed to an earth electrode sunk into the ground below
the sub-station and from this point is taken the fourth conductor, and the
neutral.
10
10/22/24
11
10/22/24
Loads connected between phases are fed at 400 V and those fed
between one phase and neutral at 230 V. A three-phase 400 V supply
is used for supplying small industrial and commercial loads such as
garages, schools and blocks of flats. A single-phase 230 V supply is
usually provided for individual domestic consumers.
12
10/22/24
Alternating current is divided into single-phase and three phase
types. Single-phase power is used for small electrical demands
such as found in the home. Three-phase power is used where
large blocks of power are required, such as found in commercial
applications and industrial plants.
13
10/22/24
14
10/22/24
Using electricity is a hazard because it has the potential ’ and the
possibility to cause harm.
Therefore, the provision of protective devices in an electrical installation
is fundamental to the whole concept of the safe use of electricity in
buildings. The electrical installation as a whole must be protected against
overload or short circuit and the people using the building must be
protected against the risk of shock, fire or other risks arising from their
own misuse of the installation or from a fault.
15
10/22/24
The installation and maintenance of adequate and appropriate protective
measures is a vital part of the safe use of electrical energy. We are going
to look at protection against an electric shock by both basic and fault
protection, at protection by equipotential bonding and automatic
disconnection of the supply, and protection against excess current.
16
10/22/24
Earth – the conductive mass of the earth. Whose electrical potential is taken as
zero.
Earthing – the act of connecting the exposed conductive parts of an installation
to the main protective earthing terminal of the installation.
Bonding conductor – a protective conductor providing equipotential bonding.
Bonding – the linking together of the exposed or extraneous metal parts of an
electrical installation.
.
17
10/22/24
Circuit protective conductor (CPC) – a protective conductor connecting exposed
conductive parts of equipment to the main earthing terminal. This is the green
and yellow insulated conductor in twin and earth cable
Exposed conductive parts – the metalwork of an electrical appliance or the
trunking and conduit of an electrical system which can be touched because they
are not normally live, but which may become live under fault conditions.
18
10/22/24
Basic protection – is provided by the insulation of live parts in accordance with
Section 416 of the IEE Regulations.
Fault protection – is provided by protective equipotential bonding and automatic
disconnection of the supply (by a fuse or miniature circuit breaker, MCB) in
accordance with IEE Regulations 411.3 to 6.
Extraneous conductive parts – the structural steelwork of a building and other
service pipes such as gas, water, radiators and sinks. They do not form a part of
the electrical installation but may introduce a potential, generally earth
potential, to the electrical installation.
19
10/22/24
Isolation is defined as cutting off the electrical supply to a circuit or item of
equipment in order to ensure the safety of those working on the equipment by
making dead those parts which are live in normal service.
Shock protection – protection from electric shock is provided by basic protection
and fault protection.
20
10/22/24
The consumer’s main switchgear must be readily accessible to the
consumer and be able to:
● isolate the complete installation from the supply,
● protect against overcurrent,
● cut off the current in the event of a serious fault occurring.
21
10/22/24
Overcurrent protection
The consumer’s mains equipment must provide protection against
overcurrent, that is a current exceeding the rated value (Regulation
430.3). Fuses provide overcurrent protection when situated in the live
conductors; they must not be connected in the neutral conductor.
Circuit breakers may be used in place of fuses, in which case the circuit
breaker may also provide the means of isolation, although a further
means of isolation is usually provided so that maintenance can be
carried out on the circuit breakers themselves.
22
10/22/24
Overcurrent protection
When selecting a protective device we must give consideration to the
following factors:
● the prospective fault current,
● the circuit load characteristics,
● the current carrying capacity of the cable,
● the disconnection time requirements for the circuit.
23
10/22/24
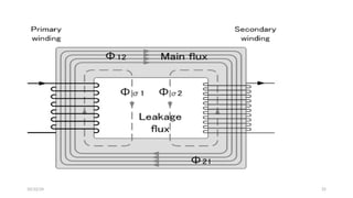
TRANSFORMERS
• A transformer is a device that transfers electrical energy from one circuit
to another through inductively coupled conductors—the transformer's
coils. A varying current in the first or primary winding creates a varying
magnetic flux in the transformer's core, and thus a varying magnetic field
through the secondary winding. This varying magnetic field induces a
varying electromotive force (EMF) or "voltage" in the secondary winding.
This effect is called mutual induction.
• If a load is connected to the secondary, an electric current will flow in the
secondary winding and electrical energy will be transferred from the
primary circuit through the transformer to the load.
24
10/22/24
25
10/22/24
• Transformers can be classified in different ways:
• • By power capacity: from a fraction of a volt-ampere (VA)
to over a thousand MVA;
• • By frequency range: power-, audio-, or radio frequency;
• • By voltage class: from a few volts to hundreds of kilovolts;
• • By cooling type: air cooled, oil filled, fan cooled, or water
cooled;
• • By application: such as power supply, impedance
matching, output voltage and current stabilizer, or circuit
isolation;
26
10/22/24
• By end purpose: distribution, rectifier, arc furnace, amplifier
output;
• By winding turns ratio: step-up, step-down, isolating (equal or
near-equal ratio), variable.
• Though there various types of transformers by physical
constructions and Application, there basic principle of
operation remain the same. The figures below show some
common types:
27
10/22/24
28
10/22/24
29
10/22/24
30
10/22/24
31
10/22/24
32
10/22/24
33
10/22/24
34
10/22/24
35
10/22/24
36
10/22/24
37
10/22/24
38
10/22/24
39
10/22/24
40
10/22/24
41
10/22/24
42
10/22/24
43
10/22/24
44
10/22/24
45
10/22/24
46
10/22/24
47
10/22/24
48
10/22/24
49
10/22/24
50
10/22/24
51
10/22/24
52
10/22/24
53
10/22/24
54
10/22/24
55
10/22/24
56
10/22/24
57
10/22/24
58
10/22/24
59
10/22/24
60
10/22/24
61
10/22/24
62
10/22/24

POWER GENERATION, TRANSMISSION AND DISTRIBUTION.ppt

  • 1.
    Power generation, transmission &distribution • Different kinds of power generation • Medium voltage • Single and three phase AC power • Transformers 1 10/22/24
  • 2.
    LEARNING OUTCOME At theend the Module, learners should be able to: • Understand different kinds of power generation • Have proper understanding of Single and three phase AC power 2 10/22/24
  • 3.
    Electricity is generatedin large modern Power Stations at 25 kV (25,000 volts). It is then transformed up to 132 kV or 330 kV for transmission to other parts of the country on the National Grid network. This is a network of overhead conductors suspended on transmission towers which link together the Power Stations and the millions of users of electricity. 3 10/22/24
  • 4.
  • 5.
    Raising the voltageto these very high values reduces the losses on the transmission network. 33 kV is used for secondary transmission lines and then these high voltages are reduced to 11 kV at local substations for distribution to end users such as factories, shops and houses at 400 V and 230 V. 5 10/22/24
  • 6.
  • 7.
    The ease andefficiency of changing the voltage levels is only possible because we generate an A.C. supply. Transformers are then used to change the voltage levels to those which are appropriate. Very high voltages for transmission, lower voltages for safe end use. This would not be possible if a D.C. supply was generated. 7 10/22/24
  • 8.
    The electricity leavesthe local sub-station and arrives at the consumer’s main’s intake position. In most advanced nations, the final connections are usually by simple underground radial feeders at 400 V/230 V. Underground cable distribution is preferred within a city, town or village because people find the overhead distribution, which are seen in rural and remote areas, unsightly. 8 10/22/24
  • 9.
  • 10.
    Also, at theselower distribution voltages, the cost of underground cables is not prohibitive. The 400 V/230 V is derived from the 11 kV/400 V sub-station transformer by connecting the secondary winding in star as shown below The star point is earthed to an earth electrode sunk into the ground below the sub-station and from this point is taken the fourth conductor, and the neutral. 10 10/22/24
  • 11.
  • 12.
    Loads connected betweenphases are fed at 400 V and those fed between one phase and neutral at 230 V. A three-phase 400 V supply is used for supplying small industrial and commercial loads such as garages, schools and blocks of flats. A single-phase 230 V supply is usually provided for individual domestic consumers. 12 10/22/24
  • 13.
    Alternating current isdivided into single-phase and three phase types. Single-phase power is used for small electrical demands such as found in the home. Three-phase power is used where large blocks of power are required, such as found in commercial applications and industrial plants. 13 10/22/24
  • 14.
  • 15.
    Using electricity isa hazard because it has the potential ’ and the possibility to cause harm. Therefore, the provision of protective devices in an electrical installation is fundamental to the whole concept of the safe use of electricity in buildings. The electrical installation as a whole must be protected against overload or short circuit and the people using the building must be protected against the risk of shock, fire or other risks arising from their own misuse of the installation or from a fault. 15 10/22/24
  • 16.
    The installation andmaintenance of adequate and appropriate protective measures is a vital part of the safe use of electrical energy. We are going to look at protection against an electric shock by both basic and fault protection, at protection by equipotential bonding and automatic disconnection of the supply, and protection against excess current. 16 10/22/24
  • 17.
    Earth – theconductive mass of the earth. Whose electrical potential is taken as zero. Earthing – the act of connecting the exposed conductive parts of an installation to the main protective earthing terminal of the installation. Bonding conductor – a protective conductor providing equipotential bonding. Bonding – the linking together of the exposed or extraneous metal parts of an electrical installation. . 17 10/22/24
  • 18.
    Circuit protective conductor(CPC) – a protective conductor connecting exposed conductive parts of equipment to the main earthing terminal. This is the green and yellow insulated conductor in twin and earth cable Exposed conductive parts – the metalwork of an electrical appliance or the trunking and conduit of an electrical system which can be touched because they are not normally live, but which may become live under fault conditions. 18 10/22/24
  • 19.
    Basic protection –is provided by the insulation of live parts in accordance with Section 416 of the IEE Regulations. Fault protection – is provided by protective equipotential bonding and automatic disconnection of the supply (by a fuse or miniature circuit breaker, MCB) in accordance with IEE Regulations 411.3 to 6. Extraneous conductive parts – the structural steelwork of a building and other service pipes such as gas, water, radiators and sinks. They do not form a part of the electrical installation but may introduce a potential, generally earth potential, to the electrical installation. 19 10/22/24
  • 20.
    Isolation is definedas cutting off the electrical supply to a circuit or item of equipment in order to ensure the safety of those working on the equipment by making dead those parts which are live in normal service. Shock protection – protection from electric shock is provided by basic protection and fault protection. 20 10/22/24
  • 21.
    The consumer’s mainswitchgear must be readily accessible to the consumer and be able to: ● isolate the complete installation from the supply, ● protect against overcurrent, ● cut off the current in the event of a serious fault occurring. 21 10/22/24
  • 22.
    Overcurrent protection The consumer’smains equipment must provide protection against overcurrent, that is a current exceeding the rated value (Regulation 430.3). Fuses provide overcurrent protection when situated in the live conductors; they must not be connected in the neutral conductor. Circuit breakers may be used in place of fuses, in which case the circuit breaker may also provide the means of isolation, although a further means of isolation is usually provided so that maintenance can be carried out on the circuit breakers themselves. 22 10/22/24
  • 23.
    Overcurrent protection When selectinga protective device we must give consideration to the following factors: ● the prospective fault current, ● the circuit load characteristics, ● the current carrying capacity of the cable, ● the disconnection time requirements for the circuit. 23 10/22/24
  • 24.
    TRANSFORMERS • A transformeris a device that transfers electrical energy from one circuit to another through inductively coupled conductors—the transformer's coils. A varying current in the first or primary winding creates a varying magnetic flux in the transformer's core, and thus a varying magnetic field through the secondary winding. This varying magnetic field induces a varying electromotive force (EMF) or "voltage" in the secondary winding. This effect is called mutual induction. • If a load is connected to the secondary, an electric current will flow in the secondary winding and electrical energy will be transferred from the primary circuit through the transformer to the load. 24 10/22/24
  • 25.
  • 26.
    • Transformers canbe classified in different ways: • • By power capacity: from a fraction of a volt-ampere (VA) to over a thousand MVA; • • By frequency range: power-, audio-, or radio frequency; • • By voltage class: from a few volts to hundreds of kilovolts; • • By cooling type: air cooled, oil filled, fan cooled, or water cooled; • • By application: such as power supply, impedance matching, output voltage and current stabilizer, or circuit isolation; 26 10/22/24
  • 27.
    • By endpurpose: distribution, rectifier, arc furnace, amplifier output; • By winding turns ratio: step-up, step-down, isolating (equal or near-equal ratio), variable. • Though there various types of transformers by physical constructions and Application, there basic principle of operation remain the same. The figures below show some common types: 27 10/22/24
  • 28.
  • 29.
  • 30.
  • 31.
  • 32.
  • 33.
  • 34.
  • 35.
  • 36.
  • 37.
  • 38.
  • 39.
  • 40.
  • 41.
  • 42.
  • 43.
  • 44.
  • 45.
  • 46.
  • 47.
  • 48.
  • 49.
  • 50.
  • 51.
  • 52.
  • 53.
  • 54.
  • 55.
  • 56.
  • 57.
  • 58.
  • 59.
  • 60.
  • 61.
  • 62.