A PROJECT REPORT
ON
PNEUMATIC SHEET CUTTING MACHINE
A project report submitted in partial fulfillment of the requirement for the award of the
degree of B.Tech
BY
V V SAI PRADEEP 12JN1A0352
J JAWANTH SAI 12JN1A0309
K SAI TEJA 12JN1A0318
M DINESH 12JN1A0327
G JITHENDRA 12JN1A0313
Under the esteemed guidance of
P.VENKATESWARLU. M.Tech,(Ph.D)
SENIOR ASSISTANT PROFESSOR
DEPARTMENT OF MECHANICALENGINEERING
Department of Mechanical Engineering
SREE VENKATESWARA COLLEGE OF ENGINEERING: NELLORE
(Affiliated to JNTU Ananthapur, Anantapuram)
2015-16
DEPARTMENT OF MECHANICAL ENGINEERING
SREE VENKATESWARA COLLEGE OF ENGINEERING: NELLORE
(Affiliated to JNT University, Anantapur, Anantapuram)
CERTIFICATE
This is to certify that this Project Report entitled “PNEUMATIC SHEET CUTTING
MACHINE” being submitted by
V V SAI PRADEEP 12JN1A0352
J JAWANTH SAI 12JN1A0309
K SAI TEJA 12JN1A0318
M DINESH 12JN1A0327
G JITHENDRA 12JN1A0313
In partial fulfillment of the requirement for the award of the degree of BACHELOR OF
TECHNOLOGY in MECHANICAL ENGINEERING to Jawaharlal Nehru Technological
University, Anantapur, a record of bonafide work carried out under my guidance and
supervision. The results embodied in this project have not been submitted to any
other University or Institute for the award of any degree
Signature of Project Supervisor Signature of Head of the Department
Prof. P.VENKATESWARLU, M. Tech, (Ph.D.), Prof. J.V.S. BHASKAR, M. Tech, (Ph.D.)
Project Guide Head of the Department
Department of Mechanical Engineering, Department of Mechanical Engineering,
Sree Venkateswara college of Engineering Sree Venkateswara college of Engineering
Nellore. Nellore.
Signature of External Examiner
DECLARATION
We hereby declare that the project report entitled, “DESIGN AND ANALYSIS OF
EXPLOSION PROOF COMPOSITE PROPANE CYLINDER” completed and
written by us has not been previously formed the award of any degree or
diploma or certificate.
Place:
Date:
V V SAI PRADEEP 12JN1A0352
J JAWANTH SAI 12JN1A0309
K SAI TEJA 12JN1A0318
M DINESH 12JN1A0327
G JITHENDRA 12JN1A0313
ACKNOWLEDGEMENT
We take this opportunity to express our gratitude and deep sense of
indebtedness to our project guide Prof. P.VENKATESWARLU, M.Tech, (Ph.D.), and
Prof. J. V. S. BHASKAR, M.Tech, (Ph.D.), Head of the department of “MECHANICAL
ENGINEERING” the valuable guidance and his kind and whole hearted support to us.
We feel thankful to him for his innovative ideas, which lead to the successful
completion of our project work.
We owe our guidance, our beloved principal Dr.B.DATTARAYA SARMA,
M.Tech, Ph.D., for their timely help, encouragement and interest in this work.
We are thankful to our beloved chairman Dr.P.BABUNAIDU who took keen
interest and encouraged us I every effort throughout this course.
In conclusion, we express our sincere thanks to teaching staff, lab assistants,
classmates and friends who have helped us either directly in carrying out this project
work and especially to our parents who helped us thoroughly for shaping out the
things well in order.
PROJECT ASSOCIATES
V V SAI PRADEEP 12JN1A0352
J JAWANTH SAI 12JN1A0309
K SAI TEJA 12JN1A0318
M DINESH 12JN1A0327
G JITHENDRA 12JN1A0313
LIST OF FIGURES
Name Page No.
1.4 (a) Pneumatic Cylinder 5
(b) Direction Control Valve 6
(c) Flow Control Valve 7
2.1 (a) 5/2 Foot control valve 9
(b) 5/2 Direction foot control valve 10
(c) Neutral Position 13
(d) Working Position 14
(e) Machine Figure 15
2.5 5/2 Solenoid Valve 28
4.1 (a) General Layout 38
(b) Machine at Position ‘A’ 39
(c) Machine at Position ‘B’ 41
(d) Machine at Position ‘c’ 42
5.1 Drawings
(a) Pneumatic Cylinder 49
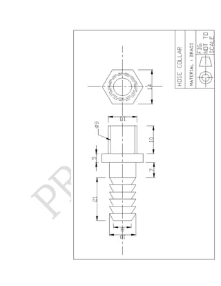
(b) Hose Collar 50
(c) Reducer 51
6.2 (a) Cylinder 56
(b) Square 57
Photography 67
LIST OF TABLES
Tables Page No.
5.1 Heat Treatment Chart 48
7.2 (a) More Effective Methods and Reducing Cost 67
(b) Symbols, Activity and Results 68
7.3 Description of Activity 69
9.2 Material Cost 75
CONTENTS
1. Introduction 1
1.1 Literature Survey 2
1.2 Prior Concept 3
1.3 Neef for Automation 4
2. Components and Description 8
2.1 Components of Pneumatic Shearing Machine 8
2.2 Main Components of the System 16
2.2.1 Characteristics of Double Acting Compressor 19
2.3 Classification of Cylinders 21
2.4 Parts of Pneumatic Cylinder 23
2.5 Parts of a Solenoid Valve 27
2.6 Working of Solenoid Valve 30
3. Pneumatic System 33
3.1 Advantages of Pneumatic System over Other Systems 35
3.2 Specifications of Pneumatic Elements 35
4. Working Principle 37
5. Proposed Work 43
5.1 MACHINE CONSTRUCTION 41
6. Project Designs and Drawings 52
6.1 Requirement Analysis 52
6.2 Statement for Design 55
6.3 Pneumatic Cylinder 59
6.3.1 Design of Piston Rod 59
6.3.2 Design of Cylinder Thickness 61
6.3.3 Diameter of Piston Rod 62
6.3.4 Length of Piston Rod 63
7. Test Cases, Project Time Line & Task Distribution 64
7.1 Test Cases 64
7.1.1 Objectives 64
7.2 Task Distribution 66
7.3 Project Time Line 69
8. Advantages, Disadvantages and Applications 71
9. Cost Estimation 62
9.1 Introduction 72
9.2 Purpose of Cost Estimating 72
10. Conclusion and Future Scope 76
7.1 Conclusion 76
7.2 Future Scope 77
References 78
Photography 79
ABSTRACT
The sheet metal cutting process is a main part of the all industries.
Normally the sheet metal cutting machine is manually hand operated one for
medium and small scale industries. In our project is “PNEUMATIC AUTO
FEED SHEET METAL CUTTING MACHINE”.
Automation in the modern world is inevitable. Any automatic machine
aimed at the economical use of man, machine, and material worth the most. In
our project is solenoid valve is used for automation.
The sheet metal cutting machine works with the help of pneumatic
double acting cylinder. The piston is connected to the moving cutting tool. It is
used to cut the small size of sheet metal. The machine is portable in size, so
easy transportable.
Figure: Concept Image for Project
CHAPTER-1
Introduction
The formation of any business begins with someone producing the
initial idea for the project. The continued success of an established
business depends upon the number and quality of the ideas fed into it.
Without a continual flow of new ideas, a business cannot function
profitably or expand successfully and must, therefore eventually fade into
total obscurity.
Ideas for a new business project, a new product, a means of reducing
manufacturing costs or for solving industrial labor problems, begin in the
human mind. Most people conceive their ideas unconsciously, and
because they are unaware of the mental mechanics that caused the ‘idea’
to be produced, they cannot repeat the ideation process to produce
further profitable ideas at will.
Fortunately, there are available established creative techniques
which, when used correctly, do enable a person to produce a large number
of first-class ideas at will. One such creative technique, and probably the
most widely used in American industry, is ’brainstorming’.
1.1 Literature Survey:
In shearing or cutting operation as or blade descends upon the metal,
the pressure exerted by the blade first cause the plastic deformation of the
metal. Since the clearance between the two blades is very small, the plastic
deformation takes place in a localized area and the metal adjacent to the
cutting edges of the blade edges becomes highly stressed, which causes the
fracture to start on both sides of the sheet as the deformation progresses and
the sheet is sheared
Shearing machines are classified according to the following:-
1) Pneumatically Operated
2) Hydraulically Operated
3) Rack and Pinion Operated
4) Spring Operated
Brief descriptions of all the types are as follows –
 Pneumatically Operated
Heart the advertisement of the header is carried out in the upward
and the downward direction using the pneumatic double acting piston
and cylinder unit arrangement along with the foot operated direction
control valve. In this type of machine high pressure air is used as the
working fluid for the transfer of power and the motion.
 Hydraulically Operated
Hear the lowering and rising of the header is carried over using the
hydraulic piston and cylinder arrangement. To actuate the piston and
the cylinder, the oil is allowed to enter the cylinder from front or the back
side of the piston. But the oil is compositely costlier and its leakage may
cause so many problems.
 Rack and Pinion Operated
Hear the lowering and rising of the header is carried out manually
using the rack and pinion management. In this case the required
pressure is applied manually using direct hand pressure on the rack
using pinion and leaver arrangement. Since the machine is robust and
requires large pressure, hence it is not suitable.
 Spring Operated
The working of spring operated machine is similar to the rack and
pinion operated machine but differs from it in construction. Hear the
lowering and rising of the heating handle is carried out manually and it
requires too much pressure for its operation and also there is possibility
of having damage to the work piece if not handled carefully.
1.2 Prior Concepts:
Pneumatics, from the Greek (pneumatikos, coming from the wind) is the
use of pressurized gases to do work in science and technology.
Pneumatics was first documented by Hero of Alexandria in 60 A.D., but
the concept has existed before then. A pneumatic product represents a multi-
billion dollar industry today. Pneumatic devices are used in many industrial
applications .Generally appropriate for applications involving less force than
hydraulic applications and typically less expensive than electric applications,
most pneumatic devices are designed to use clean dry air as an energy source.
The actuators then convert that compressed air into mechanical motion. The
type of motion produced depends on the design of the actuator. Pneumatic is
employed in a variety of settings. In dentistry applications, pneumatic drills
and lighters, faster and simpler than a electric drill of the same power rating
(because the prime mover, the compressor, is separate from the drill and
pumped air is capable of rotating the drill bit at extremely high rpm).pneumatic
transfer system are employed in many industries to move powders and pellets.
Pneumatic tubes can carry objects over distances. Pneumatic devices are also
used where electric motors cannot be used for safety reasons, such as mining
applications where rock drills are powdered by air motors to preclude the need
for electric motors depends in the mine where explosive gases may be present.
1.3 Need For Automation:
Automation can be achieved through computers, hydraulics, pneumatics,
robotics, etc., of these sources, pneumatics form an attractive medium for low
cost automation. The main advantages of all pneumatic systems are economy
and simplicity. Automation plays an important role in mass production.
 Reduction of lab our and material cost
 Reduction of overall cost
 Increased production
 Increased storage capacity
 Increased safety
 Reduction in fatigue
 Improved personnel comfort
1.4 Pneumatic Cylinder:
Pneumatic cylinder or air cylinders are mechanical devices used to
import a force from a fluid, typically compressed air –
Fig 1.4 (a): Pneumatic Cylinder
A typically pneumatic cylinder consists of a piston, piston rod, and a
body or tube. Compressed air enters at one end of the tube, importing force on
the piston, which is the displayed (movies) in order to balance the force exerted
on the piston. Air cylinders, or actuators as they are also called, are available
in the variety of sizes, shapes, and have varying strokes. Typical cylinder sizes
range from a small 2.5mmair cylinder, which might be used for picking up a
small transistor or other electronic component, to 400mm diameter air cylinder
which would impart enough force to lift a car.
Fig 1.4 (b): Direction Control Valve
Fig 1.4 (c): Flow Control Valve
CHAPTER-2
Components and Description
2.1 Components of Pneumatic Shearing Machine
Different components of pneumatically shearing machine are:-
1. Shearing Blade
2. Pneumatic Cylinder
3. 5/2 Direction control foot operated valve
4. Air circulating Device
5. Frame
Double Acting Cylinder:-
Hear we have used double acting cylinder. It is the pneumatic actuator,
which is actuated using compressed air. The force exerted by the compressed
air moves the piston in two directions in a double acting cylinder. In principle,
the stroke length is unlimited, although buckling and bending must be
considered before we select a particular size of piston diameter, road length
and stroke length.
The double acting cylinder consists of
1. Cylinder tube,
2. Piston unit,
3. Double cup packing on piston, rod packing of O rings,
4. Bronze rod guide,
5. Piston rod,
6. End covers(flanges)
7. Port connection,
8. Cushion assembly.
The cylinder is manufactured from aluminum solid bar with central bore on
lathe machine. It is then made smooth internally using method of honing and
lapping. It contains piston and piston rod, which reciprocates to and fro with
the application of high pressure air. The piston is fitted with the piston ring
which is made of Teflon rubber to make perfect compression of the air. 5/2
Direction control foot operated valve:
Its basic symbol is as shown –
Fig 2.1 (a): 5/2 Foot control valve
Figure 2.1 (b): 5/2 Direction footcontrol valve
To control the to and fro motion of a pneumatic cylinder, the air energy
has to be regulated, controlled, and reversed with a predetermined sequence in
a pneumatic system. Similarly one has to control the quantity of pressure and
flow rate to generate desired level of force and speed of actuation.
To achieve these functions, valves are used to-
(I) Start and stop pneumatic energy,
(II) Control the direction of flow of compressed air,
(III) Control the flow rate of the compressed air,
(IV) Control the pressure rating of the compressed air.
A direction control valve has two or three working positions generally. They are:
1) Neutral or zero position
2) Working position
The positions are mostly numbered as 0, 1, 2. Direction control valves
are designated to indicate both the number of ways as well as the number of
working positions such as 4/2, 3/2, 5/2 means 5 ways /2positions.
Here the spool slides inside the main bore and according that the spool
position is made ON or OFF due to the fact that the spool gets connected to the
open side or the closed side of the air opening.
Air circulating devices:
The compressed air is stored in an air receiver from which air is drawn
out in to the consumer point by means of pipe line.
While laying out the pipe line for the system, one should take sufficient
care and pay attention to see that the pressure drop from the generating point
to the point of consumption remains as low as possible. For economical reason,
it is always better if the total drop of pressure is kept limited to a maximum
value of 0.1 bar or even less.
The following factors are taken into account while selecting pneumatic
pipeline and other air- line installations:-
1) Pressure of compressed air in the lines.
2) Total flow rate per unit time through the line.
3) Permissible pressure drops in the line.
4) Types of tube material and types of line fitting.
5) Length and diameter of tube or other pipelines.
6) Working environment.
Considered the above factors we have selected the flexible hose tubes of
1/8diameter.
Frame Base:
It forms the robust support to stand the machine vertically. It
holds the weight of the vertical post and supports the direction control valve. It
is made of mild steel channels of rectangular base with the vertical post and
the horizontal channel.
Shearing blade:
Shearing, also known as die cutting, is a process which cuts stock
without the formation of chips or the use of burning or melting. Strictly
speaking, if the cutting blades are straight the process is called shearing.
Figure 2.1 (c): Neutral Position
Fig 2.1 (d): Working Position
Fig 2.1 (e): Machine figure
2.2 Main Components of the System
The major components of these systems are,
 Compressor
 Pneumatic Cylinder
 Solenoid Valve
 Hose and fitting
 Seals
 Control Timer Circuit
 Flow control valve
Compressor:
The air under high pressure is given by a compressor. It is driven
by an electric motor. The compressor delivers air to inlet of the cylinder.
An air compressor as the same indicates is a machine to compress the
air and to raise its pressure. The air compressor sucks air from the
atmosphere, compresses it and then delivers the same under a high
pressure to a storage vessel from the storage vessel it may be conveyed
by a pipeline to a place where the supply of compressed air is required.
Since the compression of air requires some work to be done on it,
therefore compressor must be driven by some prime mover.
The compressed air is used for many purposes such as for
operating pneumatic drills, rivets, paint spraying and supercharging of
internal combustion engines etc., It is also used in the operation of lifts,
rams, pumps and variety of other devices in industry. Compressed air is
sucked for producing ballast of air in blast furnaces and Bessemer
converter.
Classification of Air Compressor:
The air compressor may be classified in many ways but the
following are important of view.
1. According to working
a. Reciprocating Compressor
b. Rotary Compressor
2. According to action
a. Single acting compressor
b. Double acting compressor
3. According to number of stages
a. Single stage compressor
b. Multi stage compressor
Reciprocating Compressor:
They are available in great variety including special machine for
unusual requirements Maximum compression ratio may be as high as 10
per stage. Two stage compressors are available for compression ratios
greater than eight.
There different type of piston type reciprocating air compressor are
available. They are
1. Vertical
2. Horizontal
3. Radial
The most commonly used one is horizontal air cooled type
reciprocating air compressor for a pressure range 6 to 12 Kg/cm².
Construction:
It is similar to that of an internal combustion (IC) engine consisting
of cost-iron or aluminum body with an oil tank, the base piston with
piston rings, valves, connecting rods, cranks, crank shaft and bearing
etc. If the piston is moving down air is sucked in through the suction
valve and a filter and is compressed in return stroke.
Oil level gauges, oil filling screw and oil outlet screw etc are also
important parts of an air compressor.
The pressure switch is connected to the driving motor and is set
such that it automatically trips off, disconnecting the electrical
connection to the motor as soon as the receiver achieves the desired set
pressure.
The safety valve is set to the same pressure limit and in case of the
pressure exceeds this limit, it automatically opens and excess pressure is
exhausted to the atmosphere, thus limiting the system pressure to the
desired level. The drain valve drains off the condensate produced at the
condenser and the receiver piston rings are used around the piston to
make it airtight.
The first stage cylinder is called the low-pressure cylinder (LP)
where air is drawn from the atmosphere and is compressed initially. The
second cylinder is called the second-stage cylinder, which is of smaller
diameter and it is also called high-pressure cylinder (HP). Here the
initially compressed air from first LP cylinder is further compressed to
high pressure.
When air is compressed, considerable heat is generated, this heat
must be dissipated at least in units, where pressure exceeds 2 bar. The
main machine is cooled by air circulation on water circulation.
2.2.1 Characteristics of Double acting compressors
 For the same sped and cylinder volume, air delivery is double that
of a single acting compressor.
 They are mostly suitable for large capacity.
 Cylinders are mostly water-cooled.
 They are normally used for continuous and heavy-duty works.
 Higher speed of piston while reducing the size of the compressor
may contribute to greater wear of piston rings, cylinder liners and
pickings. Preferable range of piston speed advocated.
 For small capacity compressor – 300 m/min
 For large capacity compressor-25m/min
The ultimate choice of an air compressor is decided considering
two main factors. They are:
 One should go for a small compressor for each machine
(or)
 Should one have a centralized compressor “power
house?”
The portable answer will depend on pipe line layout, system
requirement and the distance of the user machine from the plant.
PNEUMATIC CYLINDER:
Cylinder is a device which converts fluid power into liner
mechanical force and motion. These cylinders are widely used in
industrial pneumatic systems. These cylinders are also called as linear
motors and reciprocating motors pneumatic cylinders are designed for a
variety of services.
Pneumatic cylinders are designed for a variety of services.
Pneumatic cylinders transforms the flow of pressured fluid into a push or
pull of the piston rod since out system uses double acting cylinders we
shall see some details about them.
Double acting cylinders are in one in which fluid force can be
applied to the movable element in two directories. The force exerted by
the compressed air moves the piston in two directories in a double acting
cylinder. They are used particularly. The piston is required to perform
work not only on the advance movement but also on the return. In
principle, the stroke length is unlimited, although bucking and bending
must be considered before we select a particular size of piston diameter,
rod length and stroke length.
The main component of any pneumatic system is the cylinder,
which receivers air under pressure and the pressurized air helps to move
the piston to and fro. The force acting on the piston will be equal to the
product of the pressure of air and the area of the cylinder.
The amount of air delivered into the cylinder into the cylinder
decides the rate of doing work. A cylinder is a hollow circular section
with the top and bottom flange provided to prevent the leakage of air.
The compressed air is used to actuate the piston. In order to move
the piston to and fro, the air is supplied to the top and bottom of the
cylinder alternatively.
2.3 Classification of Cylinders
Cylinder is mainly classified into two types namely,
 Single acting cylinder.
 Double acting cylinder.
Single acting cylinder:
In single acting cylinder, using the spring provided around the
piston rod attains the return stroke, but it is not efficient. So, the double
acting cylinder is used in which the return stroke is attained using
compressed air.
Double Acting Cylinder:
In this the force exerted by the compressed air moves the piston in
two directions. They are used partially when the piston is required to
perform work not only on the advance movement but also on the return
stroke. This principle, the stroke length is unlimited, although bucking
and bending must be considered before selecting the particular size of
piston diameter, rod length and stroke length.
The different parts of double acting cylinder are:
1. Barrel
2. Piston rod
3. Top Cover
4. Bottom Cover
5. Wiper Cover
6. Retaining ring
7. Piston
8. Piston guide
9. Bearing Cap
10. ‘O’ ring for piston guide
11. Hexagonal socket head screw
12. Check nut
The double acting cylinder is made up of cast aluminum. The
inner and outer surface of the cylinder should be machined accurately.
The internal diameter of the cylinder should be accurate in order to
provide a smooth surface for the packing. The appearance of the outer
diameter should be good.
The outer most part of the bottom and top cover contains internal
threads for inserting bolts to clamp the cylinder.
In case of double acting cylinder a force is developed in both the
directions. The moving member inside the cylinder is nothing but a
piston which is found to be moving forward and backward due to high-
pressure air. The cylinder top and lower plate are flanged together by
means of bolts and
nuts. The bottom of the cylinder is also flanged with end covers for the
movement of the piston in reciprocating manner.
The bottom end cover has a bore in center whose diameter is
slightly larger than piston rod diameter. The force during the return
stroke is less compared to that of the forward stroke because in the
former, the piston rod covers some area so that the air cannot
concentrate in the piston rod area.
2.4: Parts of Pneumatic Cylinder
Piston:
The piston is a cylindrical member of certain length which
reciprocates inside the cylinder. The diameter of the piston is slightly
less than that of the cylinder bore diameter and it is fitted to the top of
the piston rod. It is one of the important parts which convert the
pressure energy into mechanical power.
The piston is equipped with a ring suitably proportioned and it is
relatively soft rubber which is capable of providing good sealing with low
friction at the operating pressure. The purpose of piston is to provide
means of conveying the pressure of air inside the cylinder to the piston of
the oil cylinder.
Generally piston is made up of
 Aluminium alloy-light and medium work.
 Brass or bronze or CI-Heavy duty.
The piston is double acting type. The piston moves forward when
the high-pressure air is turned from the right side of cylinder. The
piston moves backward when high pressure acts on the piston from the
left side of the cylinder. The piston should be as strong and rigid as
possible.
The efficiency and economy of the machine primarily depends on
the working of the piston. It must operate in the cylinder with a
minimum of friction and should be able to withstand the high
compressor force developed in the cylinder and also the shock load
during operation.
The piston should posses the following qualities.
a. The movement of the piston not creates much noise.
b. It should be frictionless.
c. It should withstand high pressure.
Piston Rod:
The piston rod is circular in cross section. It connects piston with
piston of other cylinder. The piston rod is made of mild steel ground and
polished. A high finish is essential on the outer rod surface to minimize
wear on the rod seals. The piston rod is connected to the piston by
mechanical fastening. The piston and the piston rod can be separated if
necessary.
One end of the piston rod is connected to the bottom of the piston.
The other end of the piston rod is connected to the other piston rod by
means of coupling. The piston transmits the working force to the oil
cylinder through the piston rod. The piston rod is designed to withstand
the high compressive force. It should avoid bending and withstand
shock loads caused by the cutting force. The piston moves inside the rod
seal fixed in the bottom cover plate of the cylinder. The sealing
arrangements prevent the leakage of air from the bottom of the cylinder
while the rod reciprocates through it.
Cylinder Cover Plates:
The cylinder should be enclosed to get the applied pressure from
the compressor and act on the pinion. The cylinder is thus closed by the
cover plates on both the ends such that there is no leakage of air. An
inlet port is provided on the top cover plate and an outlet ports on the
bottom cover plate. There is also a hole drilled for the movement of the
piston.
The cylinder cover plate protects the cylinder from dust and other
particle and maintains the same pressure that is taken from the
compressor. The flange has to hold the piston in both of its extreme
positions. The piston hits the top plat during the return stroke and hits
the bottom plate during end of forward stroke. So the cover plates must
be strong enough to withstand the load.
Cylinder Mounting Plates:
It is attached to the cylinder cover plates and also to the carriage
with the help of ‘L’ bends and bolts.
Control Valve:-
Various types of control valves are used to regulate, control and
monitor the air energy for control of direction pressure, flow, etc.
Pneumatic energy is regulated and controlled by pneumatic valves.
Functionally valves are divided into four major groups.
 Direction Control
 Flow Control
In our project electrically actuated solenoid operated 5/2 DC valves are
used.
Solenoid is another name for an electromagnet. Direction control
valves are very often actuated by electromagnets. An electromagnet is a
temporary magnet. A magnetic force is developed in an electromagnet
when electrical current passes through it and force drops down as soon
as it is de energized.
This electromagnet is commonly termed as solenoid. The proper
working of a solenoid operated valve depends on the reliability of the
electromagnets.
It ensures
 Quick and sure action
 Long life.
 Easy maintenance.
 Less wastage of energy.
Solenoid Valve:
The directional valve is one of the important parts of a pneumatic
system. Commonly known as DCV, this valve is used to control the
direction of air flow in the pneumatic system. The directional valve does
this by changing the position of its internal movable parts.
This valve was selected for speedy operation and to reduce the
manual effort and also for the modification of the machine into automatic
machine by means of using a solenoid valve. A solenoid is an electrical
device that converts electrical energy into straight line motion and force.
These are also used to operate a mechanical operation which in turn
operates the valve mechanism.
Solenoids may be push type or pull type. The push type solenoid is
one in which the plunger is pushed when the solenoid is energized
electrically.
2.5 Parts of a Solenoid Valve
1. Coil:
The solenoid coil is made of copper wire. The layers of wire are
separated by insulating layer. The entire solenoid coil is covered with an
varnish that is not affected by solvents, moisture, cutting oil or often
fluids. Coils are rated in various voltages such as 115 volts AC, 230
volts AC, 460 volts AC, 575 Volts AC, 6 Volts DC, 12 Volts DC, 24 Volts
DC, 115 Volts DC & 230 Volts DC. They are designed for such
frequencies as 50 Hz to 60 Hz.
2. Frame:
The solenoid frame serves several purposes. Since it is made of
laminated sheets, it is magnetized when the current passes through the
coil. The magnetized coil attracts the metal plunger to move. The frame
has provisions for attaching the mounting. They are usually bolted or
welded to the frame. The frame has provisions for receivers, the plunger.
The wear strips are mounted to the solenoid frame, and are made of
materials such as metal or impregnated less fiber cloth.
3. Solenoid Plunger:
The Solenoid plunger is the mover mechanism of the solenoid. The
plunger is made of steel laminations which are riveted together under
high pressure, so that there will be no movement of the lamination with
respect to one another. At the top of the plunger a pin hole is placed for
making a connection to some device.
Solenoid operated valves are usually provided with cover over
either the solenoid or the entire valve. This protects the solenoid from
dirt and other foreign matter, and protects the actuator. In many
applications it is necessary to use explosion proof solenoids.
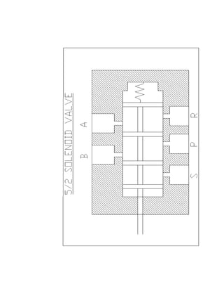
2.6 Working of Solenoid Valve
The solenoid valve has 5 openings. This ensure easy exhausting of 5/2
valve. The spool of the 5/2 valve slide inside the main bore according to
spool position; the ports get connected and disconnected. The working
principle is as follows.
Position-1
When the spool is actuated towards outer direction port ‘P’ gets
connected to ‘B’ and ‘S’ remains closed while ‘A’ gets connected to ‘R’
Poisition-2
When the spool is pushed in the inner direction port ‘P’ and ‘A’ gets
connected to each other and ‘B’ to ‘S’ while port ‘R’ remains closed.
House and Fittings:
It is provided for the passage of compressed air from the
compressor outlet to the operating valve.
Two separate pipes also connect the operating valve with the
working cylinder pressure drop through and air line depends on the flow
rate, pipe diameter, and pipe length and pipe geometry. It can be
determined directly for straight pipes of any given length. A small
chaining bore size can have marked effect on pressure drop, where as
even doubling the pipe length, will only result in doubling the pressure
drop.
Pressure drop through bends and fittings can only be determined
by empirical tests, since it is specific to the internal geometry involved.
Rigid pipes however are less manipulated through remain form of bends
with arrangements increase and variable air have to flow and the flow
itself may be of fluctuating or pulsating nature. In this case it is thus
normally based on practical recommendation.
Seals:
Seal is an important component of a pneumatic system and is used
to prevent the air leakage through the joint.
This project passes the static seal which are used to prevent the
leakage through the stationary surface.
Material of the seal is Teflon tape. Teflon has the following
properties
 Withstand the system pressure and temperature
without any damage.
 Resist the wear and abrasion.
 Recover from deformation.
 Resists the adverse effects such as deterioration and
shrinking caused by the system air.
Seals are devices for closing gaps to prevent leakage or make
pressure joints and also to prevent the entry of air and dirt from outside
into the system. The material of seal must be compatible with the fluid
medium. It is a circular ring made of synthetic rubber. It is used for
providing tight sealing between the piston and the cylinder wall. It
prevents air leakage from the top and bottom of the cylinder.
Seals for air cylinder and valves are not normally called upon to
seal pressure higher than about 2 bars. Since the fluid to be seated is a
gas, (in our case air) rubbing speeds tends to be high and the seal the
seal may have to be operated under dry conditions with minimal
lubrication.
Flow Control Valve:
Flow Control Valves are fitted to all the distribution tubes. This
valve is made of brass. Both the ends have stepped surface to insert
hoses. A handle is provided to control the flow of oil in every valve.
(a) Technical Data:
Size : ¼”
Pressure : 0 to 10 kg / cm2
Media : Air
(b) Purpose:
This valve is used to speed up the piston movement and also it acts as
an one – way restriction valve which means that the air can pass through only
one way and it can’t return back.
CHAPTER-3
Pneumatic System
The subject of pneumatics might probably be termed as compressible
fluid mechanics. It deals with the use of pressurized gas as a source of
power. The pressure energy of gas is directly converted into force to do
the required work with high efficiencies of conversion.
The pneumatic cylinder utilizes a low pressure fluid. It has the
advantage that cylinder construction can be simplified reducing cost. It
can be used for high speed operations.
Pneumatics is widely associated with low cost automation. It
generally offers the lowest initial and operating cost and simple, flexible
control systems.
Though pneumatic system is the study properties of air other
gases, we are concerned with the study of air.
Characteristics of Compressed Air:
The greatest advantage of pneumatic system is the availability of
working medium free of cost and it plentiful. Compressed air can also be
transported easily and can be easily stored in a reservoir. Another
notable advantage is the insensitiveness of compressed air to
temperature fluctuations. It ensures reliable operation even under
extreme conditions of temperature. Compressed air offers no risk of
explosion; hence no expensive protection cost is required.
Characteristics of Pneumatics:
1. Compressibility:
A pneumatic fluid is compressible. Compressibility plays a major
role in the actuation of piston, i.e., opening a valve does not move the
piston immediately, rather sufficient fluid must flow into the volume to
increase the pressure until the force overcomes that on the other side.
Compressibility is the energy storage of a fluid. As it is possible to
store compressed fluids and transport them, pneumatics has the
advantage of transportability. Another advantage of the energy storage
capacity is the small compressor charging a tank can supply a system
having high peak loads but small average loads.
2. Leakage Sealing Problems:
Several methods are used to minimize leakage. One is to use a low
operating pressure. Another method to prevent leakage is sealing. Good
sliding and rotating sealing are to obtain in pneumatics is because of low
viscosity of the fluids Diaphragms and bellows are used to avoid sliding
seats.
3. Low Viscosity:
A highly encounted problem due to low viscosity is that of sealing.
They provide less viscous damping due to low viscosity hence sliding
parts wear considerably. This adds the necessity for external sources of
lubrication. Another problem is that the pneumatic cylinder should be
thinner enough to maintain a laminar flow inside.
3.1. Advantages of Pneumatic System over Other
System:
1. Output power of the pneumatic system can be easily controlled
2. Pneumatic system is not affected by over loading
3. The pneumatic system can be used at various working temperature
4. Air can be easily distributed through pipelines over very long
distances
5. Pneumatic enables high working speeds
6. It is a maintenance free system
7. Pneumatic enables the application of force very gently which is not
only beneficial to pneumatic components but also the equipment
which they are installed.
8. The working fluid which is stored in the storage tank can be taken
through number of lines which eliminates the use of individual
power sources say electric motor and many other machine parts.
3.2. Specifications of Pneumatic Elements:
The various pneumatic elements are specified according to different
standards. The standard varies depending upon the manufacturers.
1. Double acting Cylinder:
Stroke length = 50 mm
Piston Diameter = 40 mm
Maximum Operating Pressure = 12 bar
Temperature range = 120C to +80C
Material = Aluminum alloy
Seals = Polyurethane
O’ ring = Nitrile
2. Solenoid Directional Control valve:
We have used 5/2 solenoid valve as the directional control valve.
Voltage = 230 volts
Frequency = 50 Hz
Maximum Operation Pressure = 10 bar
Port size = 7 mm
3. Flow control Valve:
Technical Data
Port size : 0.635 x 10 ֿ² m
Pressure : 0-8 x 10 ⁵ N/m²
Media : Air
Quantity : 1
4. Connectors:
Technical data
Max working pressure : 10 x 10 ⁵ N/m²
Temperature : 0-100 º C
Fluid media : Air
Material : Brass
5. Hoses:
Technical date
Max pressure : 10 x 10 ⁵ N/m²
Outer diameter : 6 mm = 6 x 10 ˉ ³m
Inner diameter : 3.5 mm = 3.5 x 10 ˉ ³m
CHAPTER-4
Working Principle
The following figure shows general layout for the machine.
Fig 4.1 (a): General layout
Initially the air-compressor is started and allowed the receiver tank air
pressure to reach up to 8 bar. The supply air is then passed to the manifold
through FRL unit to condition the air and eligible to industrial use.
From the manifold a separate supply for the machine is taken out and
given to ON-OFF switch, so as to operate the machine at will without
interrupting the running of compressor.
Then the pipe carries compressed air first to machine’s Direction Control
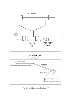
Valve. At position ‘A’ shows the non-actuated circuit diagrams. At this position
the piston is steady and locked. All ports are in closed condition.
Fig 4.1 (b): Machine at Position ‘A’
At position ‘B’, the DC valve is at left hand position as shown in figure.
The cap end port & pressure port get connected to each other and the rod end
port gets connected to the exhaust port. The compressed air comes in the cap
end of the cylinder and pushes the pistons outwards. The air already present in
the rod end side is pushed out of the cylinder.
When the piston moves outwards, the force is transmitted through the
connecting link and the upper blade moves downwards. Before the actuating
DC valve the sheet is inserted in between the upper & lower blades. As upper
blade moves downwards, the stress is generated in the sheet metal and goes
beyond ultimate shear stress of sheet metal. And thus the shearing action
takes place.
Now the DC valve is operated to come at position ‘C’, as shown in figure.
The rod end port & pressure port get connected to each other and the cap end
port gets connected to the exhaust port. The compressed air comes in the rod
end of the cylinder and pushes the pistons inwards. The air already present in
the cap end side is pushed out of the cylinder.
The sheet metal is either again inserted for further cutting in case of
large pieces; the small cut pieces are removed and the next sheet is inserted to
cut.
Fig 4.1 (c): Machine Position ‘B’
Fig 4.1 (d): Machine Position ‘C’
CHAPTER-5
Proposed Work
To prepare any machine part, the type of material should be properly
selected, considering design, safety and following points:- The selection of
material for engineering application is given by the following factors:-
1. Availability of materials.
2. Suitability of the material for the required components.
3. Suitability of the material for the desired working conditions.
4. Cost of the materials.
In addition to the above factors the other properties to be considered while
selecting the material are as follows:-
1. Availability of materials.
2. Suitability of the material for the required components.
3. Suitability of the material for the desired working conditions.
4. Cost of the materials.
In addition to the above factors the other properties to be considered while
selecting the material are as follows:- Physical properties:-
These properties are colour, shape, density, thermal conductivity, electrical
conductivity, melting point etc. Mechanical properties:-
The properties are associated with the ability of the material to resist the
mechanical forces and load. The various properties are:-
i. Strength:
It is the property of material due to which it can resist the external
forces without breaking or yielding.
ii. Stiffness:
It is the ability of material to withstand the deformation under
stress.
iii. Ductility:
It is the property of material due to which it can be drawn into
wires under a tensile load.
iv. Malleability:
It is the property of material which enables it to be rolled into
sheets.
v. Brittleness:
It is the property of material due to which it breaks into pieces with
little deformation.
vi. Hardness:
It is the property of material to resist wear, deformation and the
ability to cut another material.
vii. Creep:
It is the slow and permanent deformation induced in a part
subjected to a constant stress at high temperature. We have selected the
material considering the above factors and also as per the availability of
the material.
Mild Steel:
Why steel, in particular?
Simply because, in my humble opinion, it is the greatest material
mankind has for construction. It is cheap, strong, readily available, easily cut,
joined, and formed. Wood can be light and stiff, but not very strong. The best
aluminum is strong and light, but very difficult to join. Titanium is superb in
terms of strength to weight ratio and stiffness but its incredibly expensive,
difficult to obtain, and even more difficult and expensive to machine properly.
There was no way your ever going to perform a battery-weld field-fix on a part
made from 7075-T6 aluminum or titanium! In the end we come back to steel
from mild carbon to some of the more exotic alloy steels pound for pound it is
the most righteous material available for our needs.
Where does steel come from? Steel is not a naturally occurring substance
- it is entirely man made. Steel is chiefly a combination of two naturally
occurring elements: iron and carbon (along with small amounts of other
elements - depending on the steel in question). The process by which man
makes steel, would, again, fill several volumes. Here is my amateur synopsis:
Iron is mined from the ground in the form if a reddish-brown rock called iron-
ore. This ore is then smashed up, strained, filtered, chemically treated etc,
until ultimately it is melted in huge blast furnaces into something called pig
iron. The process uses coke (a type of coal), which in turn imparts large
amounts of carbon to the pig iron. As a result, pig iron itself is full of
impurities, brittle, and unmachinable - practically useless. Except - it is the
raw material from which all other irons and steels are made.
Pig iron is so produced in either huge vats of molten material, or it is cast
into ingots (in fact, pig iron got its name because the ingots or “chunks”
produced were thought to have resembled piglets). Pig iron is then refined into
either metallic iron or steel using specialized furnaces and processes. The
distinction between the two is that metallic iron has between 2-6 A final words
about carbon. Carbon is critically important to our whole discussion because it
is the presence of carbon that turns the element of iron that is naturally soft
and weak, into the strong, rigid materials we know as iron and steel. Precisely
how this is so is beyond the scope of this article, suffice to say:
The strength, hardness and toughness that make the ferrous based
metals useful to us are profoundly influenced by the remarkable sensitivity of
the physical and chemical properties of iron crystals to relatively small
percentages of carbon dissolved within their matrixes (actually, the sensitivity
is to the movement of dislocations within the crystal space lattice). This
sensitivity to dissolved carbon is in fact, the very basis of ferrous metallurgy.
5.1 Machine Construction
The machine is basically made up of mild steel.
Reasons:
1. Mild steel is readily available in market.
2. It is economical to use.
3. It is available in standard sizes.
4. It has good mechanical properties i.e. it is easily machinable.
5. It has moderate factor of safety, because factor of safety results in
unnecessary wastage of material and heavy selection. Low factor of
safety results in unnecessary risk of failure.
6. It has high tensile strength.
7. Low co-efficient of thermal expansion.
Properties of Mild Steel:
M.S. has carbon content from 0.15
Bright Material:
It is a machine drawned. The main basic difference between mild steel
and bright metal is that mild steel plates and bars are forged in the forging
machine by means is not forged. But the materials are drawn from the dies in
the plastic state. Therefore the material has good surface finish than mild steel
and has no carbon deposits on its surface for extrusion and formation of
engineering materials thus giving them a good surface finish and though
retaining their metallic properties A poor, but perhaps useful metaphor may be
the use of fibre-mat and resin in fibre glass work. The bulk raw material of
fiberglass is the fiber matting (as iron is to steel) - but by itself the matting is of
no practical use. Not until we add the resin to it to make fibre glass (as we add
carbon to iron to make steel) do we get a useful product. In both cases, neither
raw material is much use alone, but combines them nor do we really have
something. Similarly, though carbon may only be present in small quantities,
just as the amount of hardener added to fibre glass resin has a profound effect
on the material, so does the small amount of carbon present in useful metallic
iron and steel.
Composition: Carbon 0.20
Properties: Tensile strength 44.54 kgf/mm
Yield stress 28 kgf/mm
Hardness 170 BHN
Uses: General purpose steels for low stressed components.
Table 5.1: Heat Treatment Chart
CHAPTER-6
Project Design and Drawings
6.1 Requirement Analysis
General Consideration in Machine Development
First Stage Design Consideration in New Machine
The word design means different things to different people a wallpaper
pattern a fashionable dress, the appearance of a racing car and so on. We
therefore start by defining what we mean by design in the present context ie.,
What design is all about. This understanding will lead to an examination of
1. Why we need to design particularly in an engineering environment, and
2. How we might best go about designing
What is design?
The Concise Oxford Dictionary explains design as a mental plan a
scheme of attack, end in view, adaptation of means to ends preliminary sketch
for picture invention Evidently there is a lot more to design than mere visual
aspects, and design is not restricted to engineering. Key components of this
explanation are as follows
1. Means to ends implies that we design not for the abstract mental
exercise, but with a definite goal in view some action or some physical
object will result from the design.
2. Mental suggests that design is a thinking process. When we design we
deal primarily with ideas, with abstractions rather than with numbers
and computers for example cannot do the job for us, though they can
help in certain tasks. No matter what we design, it is vital that we
develop and apply our imagination to visualize realistically the future
form of the artifact or action, how it will eventually come into being and
most importantly how it will thereafter interact with people and other
artifacts or actions.
3. Plan, scheme infers that design is distinct from implementation.
Designers especially in engineering seldom execute their plans, but
rather communicate them to others either by word of mouth, or visually.
So, can we now define design completely? No! And neither do we need to. A
rigid definition implies a rigid process, and design is anything but that. We
shall adopt the following interpretation as it incorporates the above concepts
and conveys a reasonably clear idea of what design is all about Design is the
application of creativity to planning the optimum solution of a given problem
and the communication of that plan to others. Apart from the communication
aspect therefore, we understand the essence of design to be problem solving,
though the type of problem encountered in design is not like a typical textbook
mathematics problem for example in which the unique correct solution is
guaranteed by following, automaton-like, a series of learned solution steps. A
design problem on the other hand is a real-life problem with many solutions,
some of which meet the problem requirements better, some worse, and where
the process of discovering the solutions is not mechanistic. Some problems
might appear not to need design as a solution can be cobbled together without
much thought. This is true enough if the solution can be based on direct
experience. However we shall soon come to realize that without experience
such a thoughtless solution usually comes to grief sooner or later the more
involved the problem and the more folk affected by the solution the more likely
is the solution going to fall in a heap. Any old solution will not do we must
strive for the optimum solution.
We expect that the design process, if properly carried out, will show a
high probability of disclosing a solution which is optimum or close-to-optimum,
if indeed a unique optimum exists.
The prime aim of this chapter is to develop a structured approach to
design an approach which will promote confidence in effectively solving real life
problems. We shall focus on problems involving engineering hardware
particularly for Design and Build Competitions however the approach is
perfectly general and applicable to problems arising from a marketing sortie or
a labour wrangle for example. The approach is thus very relevant to managers
and the like not just to ’hardware designers.
Why do we design?
Most people these days exist by providing things to others in the case of
engineers these things are technical muscle-power or knowhow, or physical
artifacts that is solutions to buyers or hirer’s particular problems. If these
clients are not completely satisfied with the thing provided then they will
dismiss the provider, go somewhere else for their next thing and tell everyone
about the provider’s unsatisfactory things. If this happens often enough to a
particular provider then that provider will cease to exist as a market force
nobody will want to know.
So clearly, if things are not designed with care and attention to clients
needs then the provider will have problems.
6.2. STATEMENT FOR DESIGN:
The Pneumatic Shearing machine is to be designed to operate at the
maximum pressure of 10 bar and the lever operating force required is 150N;
with the operating temperature of 2000 C. Cylinder Sizing Calculator. The air
cylinder sizing calculator below performs the following steps:
1. Calculate the area of the cylinder piston
 Area = Pi x r2
2. Multiply the piston area by the air pressure to be used
 Area x Pressure = Force Output
Note: The force output on the rod end of a cylinder will be slightly less due to
the displacement of the rod. The real force output of a cylinder will be less than
the theoretical output because of internal friction and external side loading. It
is best to use a cylinder that will generate from 25.
Material: Al. fs = 210kg/cm2
Bolt material: M.S. ft = 280 kg/cm2
Design a cylinder of internal diameter for Di=8 cm, Internal air pressure
P = 25 kg/cm
Max. ft =210kg/cm and
Max. ftb = 280 kg/cm.
Fig 6.2 (a): Cylinder
For safety purpose we will design the cylinder using factor of safety as 4
Therefore t = 4x 0.2
= 0.8 cm
To find the outer diameter of the cylinder,
Outer diameter Do = Di + 2 (t)
= 100mm
Width of packing = 0.5 cm
In side diameter of cylinder, D = D + (2 x width of packing)
= 8 + (2 x 0.5)
= 8 + 1 = 9 cm
Force trying to separate the flanges,
F = 3.14 D1 x P/4
= (3.14/4) (9) (9) x 25
= 1589.6 kg
Force trying to be resisted by four bolts, i.e. Force on each bolt F = F1
Let dc = core diameter
F = / 4 dc ft 1/2 dc
= (4 x 397.65/ 3.14 x 280)
= 1.344 cm
= 0.013 mm
Nominal diameters of the bolts are arranged at the corners of a square of such
size that the corner of the nut clears the outside of the cylinder. Therefore the
minimum Length of diagonal of square,
Fig 6.2 (b): Square
L = D + 2 t + 2 d
= 8 + 2 x (0.8) + 2 x 2
= 13.6 cm
The sides of the square L1 = L / 2
= 9.28 cm
The sides of the flange must be of sufficient length to accommodate the nuts
and bolts Heads without overhung.
Therefore Length
L2 = L1 + 2 d
= 9.28 + (4) L2
= 13.28 cm
In order to find the thickness of the flange, consider the bending moment. It
will take place due to the force in two bolts. Bending moment due to the force
in two bolts,
M1 = 2 F x L1/2
= 2 x 397.65 x 9.28 / 2
= 3690 kg – cm
The air pressure acting on half flange,
2 x F = 2 x 397.65 = 795.3 kg
Theflangesarescrewedwiththecylinderhavingmetricthreadsof4.4threads/cm
Pitch= (0.0228)
Hence the Nominal or Major diameter of thread,
= D + 2 x t
= 8 + 2 (0.8)
= 9.6 mm
Nominal radius of thread = Major diameter
= 9.6
= 4.8 mm
Now the depth of the thread, = 0.64 x pitch
= .64 x .228
= 0.145 cm
= 1.4mm
Core or minor radius of the thread, = Nominal radius depth
= 5.6-0.145
= 5.45 cm.
Mean radius of arc over which load due to air pressure may be taken to be
concentrated = (Nominal radius + minor radius)
= (5.6 + 2.8) = 4.2 cm.
The centroid of this arc, = 0.6366 x Mean radius
= 0.6366 x 4.2
= 2.67 cm
Bending moment due to air pressure,
M2 = 2 x F X The centroid of t
= 22 x 122.65 x 2.67
= 655.86 kg- cm.
Since M1 and M2 are in the opposite direction
Therefore the resultant bending moment will be,
M = M2 M1
= 655.86
637.78 = 18.08 kg cm.
6.3. PNEUMATIC CYLINDER
6.3.1. Design of Piston Rod:
Load due to air Pressure.
Diameter of the Piston (d) = 40 mm
Pressure acting (p) = 6 kgf/cm²
Material used for rod = C 45
Yield stress (σy) = 36 kgf/mm²
Assuming factor of safety = 2
Force acting on the rod (P) = Pressure x Area
= p x (Πd² / 4)
= 6 x {(Π x 4²) / 4}
P = 73.36 Kgf
Design Stress (σy) = σy / F0 S
= 36 / 2
= 18 Kgf/mm²
= P / (Π d² / 4)
∴ d = √ 4 p / Π [ σy ]
= √ 4 x 75.36 / {Π x 18}
= √ 5.33
= 2.3 mm
∴ Minimum diameter
of rod required for the load = 2.3 mm
We assume diameter of the rod = 15 mm
6.3.2. Design of Cylinder Thickness:
Material used = Cast iron
Assuming internal diameter
of the cylinder = 40 mm
Ultimate tensile stress = 250 N/mm²
= 2500 gf/mm²
Working Stress = Ultimate tensile stress /
factor of safety
Assuming factor of safety = 4
Working stress ( ft ) = 2500 / 4
= 625 Kgf/cm²
According to ‘LAMES EQUATION’
Minimum thickness of cylinder (t) = ri {√ (ft + p) / (ft – p ) -1 }
Where,
ri = inner radius of cylinder in cm.
ft = Working stress (Kgf/cm²)
p = Working pressure in Kgf/cm²
∴ Substituting values we get,
t = 2.0 {√ (625 + 6) / (625 – 6) -1}
t = 0.019 cm
= 0.19 mm
We assume thickness of cylinder = 2.5 mm
Inner diameter of barrel = 40 mm
Outer diameter of barrel = 40 + 2t
= 40 + (2 x 2.5)
= 45 mm
6.3.3 Diameter of Piston Rod:
Force of piston Rod (P) = Pressure x area
= p x Π/4 (d²)
= 6 x (Π / 4) x (4)²
= 73.36 Kgf
Also, force on piston rod (P) = (Π/4) (dp)² x ft
P = (Π/4) x (dp)² x 625
= (Π/4) x (dp)² x 625
∴ dp² = 73.36 x (4/Π) x (1/625)
= 0.15
dp = 0.38 cm
= 3.8 mm
By standardizing
dp = 15 mm
6.3.4 Length of piston rod:
Approach stroke = 160 mm
Length of threads = 2 x 20
= 40 mm
Extra length due to front cover = 12 mm
Extra length of accommodate head = 20 mm
Total length of the piston rod = 160 + 40 + 12 + 20
= 232 mm
By standardizing, length
of the piston rod = 230 mm
CHAPTER-7
Test Cases, Project Time Line & Task Distribution
7.1 Test Cases
7.1.1 Objectives
1) The improvements of processes and procedures.
2) The improvements of factory, shop and work place. Layout and design of
plat and equipment.
3) Economy in human effort.
4) Improvements in the use of materials, machines and manpower.
5) The development of better physical working environment.
Recording Techniques:
The next step in basic procedure after selecting the work to be studies is
to record all the facts relating to existing methods.
Purpose of Recording:
1) To enable the process to be clearly understood.
2) To present the existing facts for analogs.
Flow Process Charts:
Flow process chart is defined as a graphic representation of all storages,
occurring during a process or procedure which includes information considered
necessary for analysis such as time required quantity and distance moved etc.
Types of Flow Process Chart:
a) Man type: It records what the worker does.
b) Material type: It records what happens to the materials.
I. Equipment type: It records how the equipment is used. Flow process
chart gives a complete picture at what is being done and helps the man
to understand the facts and their relationship to one another.
Objective of Flow Process Chart:
1) To visualize the complete sequence of events occurring in process.
2) To study the events in a systematic way for the complete analysis of the
manufacture of the component part for the following purposes.
(a) To improve the layout.
(b) To improve material handling.
(c) To reduce delays.
(d) To diminutive, combine or re-arrange the events in a systematic way.
3) To submit the proposals to managements in a form this can be easily
understood.
4) To guide supervisors and operators regarding detailed operating
instructions.
According to the nature of job being studies and purpose for the record is
required.
(A) CHARTS : Outline process chart
Flow process chart: Man type
Flow process chart: Material type
Flow process chart: Equipment type
(B) CHARTS: Using time scale
a) Multiple activity charts
b) Simo charts
c) P.M.T.S. charts
(C) DIAGRAMS INDICATING MOVEMENTS and MODELS:
a) Flow diagrams
b) String diagrams
c) Cycle graph
d) Chromo cycle graph
e) Travel chart
5) To compare between two or more alternative methods.
6) To select operations for a detailed study.
7.2 Task Distribution
Method Study:
Method of the study is the systematic recording and critical Examination
of existing and proposed ways of doing work, as a means of developing and
applying.
Table 7.2 (a): More effective methods and reducing costs
Table 7.2 (b): Symbols, Activity and Results
7.3 Project Time Line
Manufacturing Process:
The process of conversion of raw material in to finished products using
the three resources as Man, machine and finished sub-components.
Manufacturing is the term by which we transform resource inputs to create
Useful goods and services as outputs. Manufacturing can also be said as an
intentional act of producing something useful. The transformation process is
shown below
Input
Conventional process
Output
Table 7.3: Description of Activity
Hence referring to the values we will plan the various processes using the
following machines:-
i. Universal lathe
ii. Milling machine
iii. Grinding machine
iv. Power saw
v. Drill machine
vi. Electric arc welding machine
CHAPTER-8
Advantages, Disadvantages and Applications
Advantages:
 Pneumatic is more efficient in the technical field
 Quick response is achieved
 Simple in construction
 Easy to maintain and repair
 Cost of the unit is less when compared to other machine
 No fire hazard problem due to over loading
 Comparatively the operation cost is less
 The operation of cutting is faster because the medium used to
operate is air
 Continuous operation is possible without stopping
Disadvantages:
 While working, the compressed air produces noise therefore a
silencer may be used.
 High torque can not be obtained
 Load carrying capacity of this unit is not very high.(<50 N)
Applications:
 This machine is very useful for small scale industries
 This machine is used to cut the roller sheet metal
 All Industrial Application
CHAPTER-9
Cost Estimation
9.1 Introduction:
Cost estimation may be defined as the process of forecasting
the expenses that must be incurred to manufacture a product. These
expenses take into a consideration all expenditure involved in a design
and manufacturing with all related services facilities such as pattern
making, tool, making as well as a portion of the general administrative
and selling costs.
9.2 Purpose Of Cost Estimating:
1. To determine the selling price of a product for a quotation or
contract so as to ensure a reasonable profit to the company.
2. Check the quotation supplied by vendors.
3. Determine the most economical process or material to
manufacture the product.
4. To determine standards of production performance that may be
used to control the cost.
Types of Cost Estimation:
1) Material cost
2) Machining cost
Material Cost Estimation:
Material cost estimation gives the total amount required to collect the
raw material which has to be processed or fabricated to desired size and
functioning of the components.
These materials are divided into two categories.
1. Material for fabrication:
In this the material in obtained in raw condition and is manufactured or
processed to finished size for proper functioning of the component.
2. Standard purchased parts:
This includes the parts which was readily available in the market like
allen screws etc. A list in forchard by the estimation stating the quality, size
and standard parts, the weight of raw material and cost per kg. For the
fabricated parts.
Machining Cost Estimation:
This cost estimation is an attempt to forecast the total expenses that may
include manufacturing apart from material cost. Cost estimation of
manufactured parts can be considered as judgment on and after careful
consideration which includes lab our, material and factory services required to
produce the required.
1. MATERIAL COST:
Sr.
No.
Part Name Material Quantity
Material
Cost
Machining
Cost
Total
Cost
A) Base Frame
1] Main Frame Mild
Steel
20 Feet 600 500 1100
2] Angle
Section
Mild
Steel
1 50 50 100
3]
Cylinder
Base Plate
Mild
Steel
1 30 30 60
4] Support
Links
Mild
Steel
2 30 30 60
B) Pneumatic Circuit Components
5]
Double
Acting
Cylinder
Plain
Carbon
Steel
1 4000 - 4000
6]
Flow Control
Valve
Cast
Steel
2 850 - 850
7] Pipe PVC 3 m 120 - 120
8]
Direction
Control Valve
Alloy
Steel
1 700 - 700
9]
Pipe Fitting
Connections
Cast
Steel
3 150 - 150
C) Blades & Accessories
10]
Shearing
Blades
35C8 2 300 400 700
11] Blade Link Mild
Steel
1 20 30 50
12]
Connecting
Link
Mild
Steel
1 30 30 60
13] Fork End Mild
Steel
1 50 50 100
D) Others
14] Bolts Alloy
Steel
11 80 - 80
15] Nuts Alloy
Steel
3 10 - 10
16] Antirust Coat - 100 mL 20 - 20
17] Paint - 100 mL 40 - 40
Grand Total Cost (in Rupees) 7080 1120 8200
Table 9.2: Material cost
CHAPTER-10
Conclusion and Future Scope
Conclusion:
This project work has provided us an excellent opportunity and
experience, to use our limited knowledge. We gained a lot of practical
knowledge regarding, planning, designing drawing, purchasing,
computing and machining while doing this project work. We feel that the
project work is a good solution to bridge the gates between institution
industries.
We are proud that we have completed the work with the limited
time successfully. The machine is working with satisfactory conditions.
We are able to understand the difficulties in maintaining the tolerances
and also quality. We have done to our ability and skill making maximum
use of available facilities.
In conclusion remarks of our project work, let us add a few more
lines about our impression project work.
The chief advantage of our system is that, it cutting speed is varied.
The fast operation is done by the timer unit. This project is a low cost
automation project.
Further Scope of Work:
Since old age man is always trying to gain more and more luxurious.
Man is always trying to develop more and more modified technique with
increasing the aesthetic look and economic consideration. Hence there is
always more and more scope. But being the degree Engineers and having the
ability to think and plan. But due to some time constraints, and also due to
lack of funds, we only have thought and put in the report the following future
modifications:-
1) It can be made to run has bottle cap sealing machine. The stationary
platform can be made auto swiveling type by installing the timer and
heat sensor arrangement on the platform. It can be done such that when
the bottle mouth is sealed up to the desired temperature the electrical
heater circuit gets cut off. At the same time the motor installed on the
reduction gear box starts operating the bevel gearing and the platform
starts rotating thus it can be made auto rotating type.
2) It can be made hydraulic operated type by replacing the hand lever by
hydraulic cylinder and along with the ratchet and Paul arrangement.
3) It can be made hydraulically power operated by installing the gear oil
pump at the place of air compressor and pneumatic cylinder
arrangement.
4) It can be made rack and pinion operated or spring and lever operated, by
replacing the pneumatic circuit by rack and the pinion arrangement by
the square threaded screw and nut arrangement.
References:
1) J. P. Den Hartog, Advanced Strength of Materials (McGraw-Hill, New
York, 1952), TA 405 D4,1952. ; Author Name, Conference Name, year
etc.
2) E. W. Comings, High Pressure Technology (McGraw-Hill, New York,
1956). ; Author Name, Conference Name, year etc.
3) Adaptive Steady State Genetic Algorithm for scheduling university
exams”,AlSharafat W.S.; Al-Sharafat M.S., Networking and Information
Technology (ICNIT), 2010 International Conference on , vol., no., pp.70-
74, 11-12 June 2010 doi: 10.1109/ICNIT.2010.5508555
4) http://google.com
http://www.engineersedge.com/
http://www.efunda.com/
http://www.steeltubeinstitute.org/
http://www.emjmetals.com/
http://www.usstubular.com/
1. Machine design R.S. Khurmi
2. Work shop technology R.K.Jain.
3. Machine tool design handbook.
4. P.S.G. Design Data Book
5. www.altavista.com
Photography:
Pneumatic sheet cutting machine

Pneumatic sheet cutting machine

  • 1.
    A PROJECT REPORT ON PNEUMATICSHEET CUTTING MACHINE A project report submitted in partial fulfillment of the requirement for the award of the degree of B.Tech BY V V SAI PRADEEP 12JN1A0352 J JAWANTH SAI 12JN1A0309 K SAI TEJA 12JN1A0318 M DINESH 12JN1A0327 G JITHENDRA 12JN1A0313 Under the esteemed guidance of P.VENKATESWARLU. M.Tech,(Ph.D) SENIOR ASSISTANT PROFESSOR DEPARTMENT OF MECHANICALENGINEERING Department of Mechanical Engineering SREE VENKATESWARA COLLEGE OF ENGINEERING: NELLORE (Affiliated to JNTU Ananthapur, Anantapuram) 2015-16
  • 2.
    DEPARTMENT OF MECHANICALENGINEERING SREE VENKATESWARA COLLEGE OF ENGINEERING: NELLORE (Affiliated to JNT University, Anantapur, Anantapuram) CERTIFICATE This is to certify that this Project Report entitled “PNEUMATIC SHEET CUTTING MACHINE” being submitted by V V SAI PRADEEP 12JN1A0352 J JAWANTH SAI 12JN1A0309 K SAI TEJA 12JN1A0318 M DINESH 12JN1A0327 G JITHENDRA 12JN1A0313 In partial fulfillment of the requirement for the award of the degree of BACHELOR OF TECHNOLOGY in MECHANICAL ENGINEERING to Jawaharlal Nehru Technological University, Anantapur, a record of bonafide work carried out under my guidance and supervision. The results embodied in this project have not been submitted to any other University or Institute for the award of any degree Signature of Project Supervisor Signature of Head of the Department Prof. P.VENKATESWARLU, M. Tech, (Ph.D.), Prof. J.V.S. BHASKAR, M. Tech, (Ph.D.) Project Guide Head of the Department Department of Mechanical Engineering, Department of Mechanical Engineering, Sree Venkateswara college of Engineering Sree Venkateswara college of Engineering Nellore. Nellore. Signature of External Examiner
  • 3.
    DECLARATION We hereby declarethat the project report entitled, “DESIGN AND ANALYSIS OF EXPLOSION PROOF COMPOSITE PROPANE CYLINDER” completed and written by us has not been previously formed the award of any degree or diploma or certificate. Place: Date: V V SAI PRADEEP 12JN1A0352 J JAWANTH SAI 12JN1A0309 K SAI TEJA 12JN1A0318 M DINESH 12JN1A0327 G JITHENDRA 12JN1A0313
  • 4.
    ACKNOWLEDGEMENT We take thisopportunity to express our gratitude and deep sense of indebtedness to our project guide Prof. P.VENKATESWARLU, M.Tech, (Ph.D.), and Prof. J. V. S. BHASKAR, M.Tech, (Ph.D.), Head of the department of “MECHANICAL ENGINEERING” the valuable guidance and his kind and whole hearted support to us. We feel thankful to him for his innovative ideas, which lead to the successful completion of our project work. We owe our guidance, our beloved principal Dr.B.DATTARAYA SARMA, M.Tech, Ph.D., for their timely help, encouragement and interest in this work. We are thankful to our beloved chairman Dr.P.BABUNAIDU who took keen interest and encouraged us I every effort throughout this course. In conclusion, we express our sincere thanks to teaching staff, lab assistants, classmates and friends who have helped us either directly in carrying out this project work and especially to our parents who helped us thoroughly for shaping out the things well in order. PROJECT ASSOCIATES V V SAI PRADEEP 12JN1A0352 J JAWANTH SAI 12JN1A0309 K SAI TEJA 12JN1A0318 M DINESH 12JN1A0327 G JITHENDRA 12JN1A0313
  • 5.
    LIST OF FIGURES NamePage No. 1.4 (a) Pneumatic Cylinder 5 (b) Direction Control Valve 6 (c) Flow Control Valve 7 2.1 (a) 5/2 Foot control valve 9 (b) 5/2 Direction foot control valve 10 (c) Neutral Position 13 (d) Working Position 14 (e) Machine Figure 15 2.5 5/2 Solenoid Valve 28 4.1 (a) General Layout 38 (b) Machine at Position ‘A’ 39 (c) Machine at Position ‘B’ 41 (d) Machine at Position ‘c’ 42 5.1 Drawings (a) Pneumatic Cylinder 49 (b) Hose Collar 50 (c) Reducer 51
  • 6.
    6.2 (a) Cylinder56 (b) Square 57 Photography 67
  • 7.
    LIST OF TABLES TablesPage No. 5.1 Heat Treatment Chart 48 7.2 (a) More Effective Methods and Reducing Cost 67 (b) Symbols, Activity and Results 68 7.3 Description of Activity 69 9.2 Material Cost 75
  • 8.
    CONTENTS 1. Introduction 1 1.1Literature Survey 2 1.2 Prior Concept 3 1.3 Neef for Automation 4 2. Components and Description 8 2.1 Components of Pneumatic Shearing Machine 8 2.2 Main Components of the System 16 2.2.1 Characteristics of Double Acting Compressor 19 2.3 Classification of Cylinders 21 2.4 Parts of Pneumatic Cylinder 23 2.5 Parts of a Solenoid Valve 27 2.6 Working of Solenoid Valve 30 3. Pneumatic System 33 3.1 Advantages of Pneumatic System over Other Systems 35 3.2 Specifications of Pneumatic Elements 35 4. Working Principle 37 5. Proposed Work 43 5.1 MACHINE CONSTRUCTION 41
  • 9.
    6. Project Designsand Drawings 52 6.1 Requirement Analysis 52 6.2 Statement for Design 55 6.3 Pneumatic Cylinder 59 6.3.1 Design of Piston Rod 59 6.3.2 Design of Cylinder Thickness 61 6.3.3 Diameter of Piston Rod 62 6.3.4 Length of Piston Rod 63 7. Test Cases, Project Time Line & Task Distribution 64 7.1 Test Cases 64 7.1.1 Objectives 64 7.2 Task Distribution 66 7.3 Project Time Line 69 8. Advantages, Disadvantages and Applications 71 9. Cost Estimation 62 9.1 Introduction 72 9.2 Purpose of Cost Estimating 72 10. Conclusion and Future Scope 76 7.1 Conclusion 76 7.2 Future Scope 77 References 78 Photography 79
  • 10.
    ABSTRACT The sheet metalcutting process is a main part of the all industries. Normally the sheet metal cutting machine is manually hand operated one for medium and small scale industries. In our project is “PNEUMATIC AUTO FEED SHEET METAL CUTTING MACHINE”. Automation in the modern world is inevitable. Any automatic machine aimed at the economical use of man, machine, and material worth the most. In our project is solenoid valve is used for automation. The sheet metal cutting machine works with the help of pneumatic double acting cylinder. The piston is connected to the moving cutting tool. It is used to cut the small size of sheet metal. The machine is portable in size, so easy transportable.
  • 11.
  • 12.
    CHAPTER-1 Introduction The formation ofany business begins with someone producing the initial idea for the project. The continued success of an established business depends upon the number and quality of the ideas fed into it. Without a continual flow of new ideas, a business cannot function profitably or expand successfully and must, therefore eventually fade into total obscurity. Ideas for a new business project, a new product, a means of reducing manufacturing costs or for solving industrial labor problems, begin in the human mind. Most people conceive their ideas unconsciously, and because they are unaware of the mental mechanics that caused the ‘idea’ to be produced, they cannot repeat the ideation process to produce further profitable ideas at will. Fortunately, there are available established creative techniques which, when used correctly, do enable a person to produce a large number of first-class ideas at will. One such creative technique, and probably the most widely used in American industry, is ’brainstorming’.
  • 13.
    1.1 Literature Survey: Inshearing or cutting operation as or blade descends upon the metal, the pressure exerted by the blade first cause the plastic deformation of the metal. Since the clearance between the two blades is very small, the plastic deformation takes place in a localized area and the metal adjacent to the cutting edges of the blade edges becomes highly stressed, which causes the fracture to start on both sides of the sheet as the deformation progresses and the sheet is sheared Shearing machines are classified according to the following:- 1) Pneumatically Operated 2) Hydraulically Operated 3) Rack and Pinion Operated 4) Spring Operated Brief descriptions of all the types are as follows –  Pneumatically Operated Heart the advertisement of the header is carried out in the upward and the downward direction using the pneumatic double acting piston and cylinder unit arrangement along with the foot operated direction control valve. In this type of machine high pressure air is used as the working fluid for the transfer of power and the motion.  Hydraulically Operated Hear the lowering and rising of the header is carried over using the hydraulic piston and cylinder arrangement. To actuate the piston and the cylinder, the oil is allowed to enter the cylinder from front or the back side of the piston. But the oil is compositely costlier and its leakage may cause so many problems.
  • 14.
     Rack andPinion Operated Hear the lowering and rising of the header is carried out manually using the rack and pinion management. In this case the required pressure is applied manually using direct hand pressure on the rack using pinion and leaver arrangement. Since the machine is robust and requires large pressure, hence it is not suitable.  Spring Operated The working of spring operated machine is similar to the rack and pinion operated machine but differs from it in construction. Hear the lowering and rising of the heating handle is carried out manually and it requires too much pressure for its operation and also there is possibility of having damage to the work piece if not handled carefully. 1.2 Prior Concepts: Pneumatics, from the Greek (pneumatikos, coming from the wind) is the use of pressurized gases to do work in science and technology. Pneumatics was first documented by Hero of Alexandria in 60 A.D., but the concept has existed before then. A pneumatic product represents a multi- billion dollar industry today. Pneumatic devices are used in many industrial applications .Generally appropriate for applications involving less force than hydraulic applications and typically less expensive than electric applications, most pneumatic devices are designed to use clean dry air as an energy source. The actuators then convert that compressed air into mechanical motion. The type of motion produced depends on the design of the actuator. Pneumatic is employed in a variety of settings. In dentistry applications, pneumatic drills
  • 15.
    and lighters, fasterand simpler than a electric drill of the same power rating (because the prime mover, the compressor, is separate from the drill and pumped air is capable of rotating the drill bit at extremely high rpm).pneumatic transfer system are employed in many industries to move powders and pellets. Pneumatic tubes can carry objects over distances. Pneumatic devices are also used where electric motors cannot be used for safety reasons, such as mining applications where rock drills are powdered by air motors to preclude the need for electric motors depends in the mine where explosive gases may be present. 1.3 Need For Automation: Automation can be achieved through computers, hydraulics, pneumatics, robotics, etc., of these sources, pneumatics form an attractive medium for low cost automation. The main advantages of all pneumatic systems are economy and simplicity. Automation plays an important role in mass production.  Reduction of lab our and material cost  Reduction of overall cost  Increased production  Increased storage capacity  Increased safety  Reduction in fatigue  Improved personnel comfort 1.4 Pneumatic Cylinder: Pneumatic cylinder or air cylinders are mechanical devices used to import a force from a fluid, typically compressed air –
  • 16.
    Fig 1.4 (a):Pneumatic Cylinder A typically pneumatic cylinder consists of a piston, piston rod, and a body or tube. Compressed air enters at one end of the tube, importing force on the piston, which is the displayed (movies) in order to balance the force exerted on the piston. Air cylinders, or actuators as they are also called, are available in the variety of sizes, shapes, and have varying strokes. Typical cylinder sizes range from a small 2.5mmair cylinder, which might be used for picking up a small transistor or other electronic component, to 400mm diameter air cylinder which would impart enough force to lift a car.
  • 17.
    Fig 1.4 (b):Direction Control Valve
  • 18.
    Fig 1.4 (c):Flow Control Valve
  • 19.
    CHAPTER-2 Components and Description 2.1Components of Pneumatic Shearing Machine Different components of pneumatically shearing machine are:- 1. Shearing Blade 2. Pneumatic Cylinder 3. 5/2 Direction control foot operated valve 4. Air circulating Device 5. Frame Double Acting Cylinder:- Hear we have used double acting cylinder. It is the pneumatic actuator, which is actuated using compressed air. The force exerted by the compressed air moves the piston in two directions in a double acting cylinder. In principle, the stroke length is unlimited, although buckling and bending must be considered before we select a particular size of piston diameter, road length and stroke length. The double acting cylinder consists of 1. Cylinder tube, 2. Piston unit, 3. Double cup packing on piston, rod packing of O rings, 4. Bronze rod guide, 5. Piston rod, 6. End covers(flanges) 7. Port connection, 8. Cushion assembly.
  • 20.
    The cylinder ismanufactured from aluminum solid bar with central bore on lathe machine. It is then made smooth internally using method of honing and lapping. It contains piston and piston rod, which reciprocates to and fro with the application of high pressure air. The piston is fitted with the piston ring which is made of Teflon rubber to make perfect compression of the air. 5/2 Direction control foot operated valve: Its basic symbol is as shown – Fig 2.1 (a): 5/2 Foot control valve
  • 21.
    Figure 2.1 (b):5/2 Direction footcontrol valve
  • 22.
    To control theto and fro motion of a pneumatic cylinder, the air energy has to be regulated, controlled, and reversed with a predetermined sequence in a pneumatic system. Similarly one has to control the quantity of pressure and flow rate to generate desired level of force and speed of actuation. To achieve these functions, valves are used to- (I) Start and stop pneumatic energy, (II) Control the direction of flow of compressed air, (III) Control the flow rate of the compressed air, (IV) Control the pressure rating of the compressed air. A direction control valve has two or three working positions generally. They are: 1) Neutral or zero position 2) Working position The positions are mostly numbered as 0, 1, 2. Direction control valves are designated to indicate both the number of ways as well as the number of working positions such as 4/2, 3/2, 5/2 means 5 ways /2positions. Here the spool slides inside the main bore and according that the spool position is made ON or OFF due to the fact that the spool gets connected to the open side or the closed side of the air opening. Air circulating devices: The compressed air is stored in an air receiver from which air is drawn out in to the consumer point by means of pipe line. While laying out the pipe line for the system, one should take sufficient care and pay attention to see that the pressure drop from the generating point
  • 23.
    to the pointof consumption remains as low as possible. For economical reason, it is always better if the total drop of pressure is kept limited to a maximum value of 0.1 bar or even less. The following factors are taken into account while selecting pneumatic pipeline and other air- line installations:- 1) Pressure of compressed air in the lines. 2) Total flow rate per unit time through the line. 3) Permissible pressure drops in the line. 4) Types of tube material and types of line fitting. 5) Length and diameter of tube or other pipelines. 6) Working environment. Considered the above factors we have selected the flexible hose tubes of 1/8diameter. Frame Base: It forms the robust support to stand the machine vertically. It holds the weight of the vertical post and supports the direction control valve. It is made of mild steel channels of rectangular base with the vertical post and the horizontal channel. Shearing blade: Shearing, also known as die cutting, is a process which cuts stock without the formation of chips or the use of burning or melting. Strictly speaking, if the cutting blades are straight the process is called shearing.
  • 24.
    Figure 2.1 (c):Neutral Position
  • 25.
    Fig 2.1 (d):Working Position
  • 26.
    Fig 2.1 (e):Machine figure
  • 27.
    2.2 Main Componentsof the System The major components of these systems are,  Compressor  Pneumatic Cylinder  Solenoid Valve  Hose and fitting  Seals  Control Timer Circuit  Flow control valve Compressor: The air under high pressure is given by a compressor. It is driven by an electric motor. The compressor delivers air to inlet of the cylinder. An air compressor as the same indicates is a machine to compress the air and to raise its pressure. The air compressor sucks air from the atmosphere, compresses it and then delivers the same under a high pressure to a storage vessel from the storage vessel it may be conveyed by a pipeline to a place where the supply of compressed air is required. Since the compression of air requires some work to be done on it, therefore compressor must be driven by some prime mover. The compressed air is used for many purposes such as for operating pneumatic drills, rivets, paint spraying and supercharging of internal combustion engines etc., It is also used in the operation of lifts, rams, pumps and variety of other devices in industry. Compressed air is
  • 28.
    sucked for producingballast of air in blast furnaces and Bessemer converter. Classification of Air Compressor: The air compressor may be classified in many ways but the following are important of view. 1. According to working a. Reciprocating Compressor b. Rotary Compressor 2. According to action a. Single acting compressor b. Double acting compressor 3. According to number of stages a. Single stage compressor b. Multi stage compressor Reciprocating Compressor: They are available in great variety including special machine for unusual requirements Maximum compression ratio may be as high as 10 per stage. Two stage compressors are available for compression ratios greater than eight.
  • 29.
    There different typeof piston type reciprocating air compressor are available. They are 1. Vertical 2. Horizontal 3. Radial The most commonly used one is horizontal air cooled type reciprocating air compressor for a pressure range 6 to 12 Kg/cm². Construction: It is similar to that of an internal combustion (IC) engine consisting of cost-iron or aluminum body with an oil tank, the base piston with piston rings, valves, connecting rods, cranks, crank shaft and bearing etc. If the piston is moving down air is sucked in through the suction valve and a filter and is compressed in return stroke. Oil level gauges, oil filling screw and oil outlet screw etc are also important parts of an air compressor. The pressure switch is connected to the driving motor and is set such that it automatically trips off, disconnecting the electrical connection to the motor as soon as the receiver achieves the desired set pressure. The safety valve is set to the same pressure limit and in case of the pressure exceeds this limit, it automatically opens and excess pressure is exhausted to the atmosphere, thus limiting the system pressure to the desired level. The drain valve drains off the condensate produced at the
  • 30.
    condenser and thereceiver piston rings are used around the piston to make it airtight. The first stage cylinder is called the low-pressure cylinder (LP) where air is drawn from the atmosphere and is compressed initially. The second cylinder is called the second-stage cylinder, which is of smaller diameter and it is also called high-pressure cylinder (HP). Here the initially compressed air from first LP cylinder is further compressed to high pressure. When air is compressed, considerable heat is generated, this heat must be dissipated at least in units, where pressure exceeds 2 bar. The main machine is cooled by air circulation on water circulation. 2.2.1 Characteristics of Double acting compressors  For the same sped and cylinder volume, air delivery is double that of a single acting compressor.  They are mostly suitable for large capacity.  Cylinders are mostly water-cooled.  They are normally used for continuous and heavy-duty works.  Higher speed of piston while reducing the size of the compressor may contribute to greater wear of piston rings, cylinder liners and pickings. Preferable range of piston speed advocated.  For small capacity compressor – 300 m/min  For large capacity compressor-25m/min The ultimate choice of an air compressor is decided considering two main factors. They are:
  • 31.
     One shouldgo for a small compressor for each machine (or)  Should one have a centralized compressor “power house?” The portable answer will depend on pipe line layout, system requirement and the distance of the user machine from the plant. PNEUMATIC CYLINDER: Cylinder is a device which converts fluid power into liner mechanical force and motion. These cylinders are widely used in industrial pneumatic systems. These cylinders are also called as linear motors and reciprocating motors pneumatic cylinders are designed for a variety of services. Pneumatic cylinders are designed for a variety of services. Pneumatic cylinders transforms the flow of pressured fluid into a push or pull of the piston rod since out system uses double acting cylinders we shall see some details about them.
  • 32.
    Double acting cylindersare in one in which fluid force can be applied to the movable element in two directories. The force exerted by the compressed air moves the piston in two directories in a double acting cylinder. They are used particularly. The piston is required to perform work not only on the advance movement but also on the return. In principle, the stroke length is unlimited, although bucking and bending must be considered before we select a particular size of piston diameter, rod length and stroke length. The main component of any pneumatic system is the cylinder, which receivers air under pressure and the pressurized air helps to move the piston to and fro. The force acting on the piston will be equal to the product of the pressure of air and the area of the cylinder. The amount of air delivered into the cylinder into the cylinder decides the rate of doing work. A cylinder is a hollow circular section with the top and bottom flange provided to prevent the leakage of air. The compressed air is used to actuate the piston. In order to move the piston to and fro, the air is supplied to the top and bottom of the cylinder alternatively.
  • 33.
    2.3 Classification ofCylinders Cylinder is mainly classified into two types namely,  Single acting cylinder.  Double acting cylinder. Single acting cylinder: In single acting cylinder, using the spring provided around the piston rod attains the return stroke, but it is not efficient. So, the double acting cylinder is used in which the return stroke is attained using compressed air. Double Acting Cylinder: In this the force exerted by the compressed air moves the piston in two directions. They are used partially when the piston is required to perform work not only on the advance movement but also on the return stroke. This principle, the stroke length is unlimited, although bucking and bending must be considered before selecting the particular size of piston diameter, rod length and stroke length.
  • 34.
    The different partsof double acting cylinder are: 1. Barrel 2. Piston rod 3. Top Cover 4. Bottom Cover 5. Wiper Cover 6. Retaining ring 7. Piston 8. Piston guide 9. Bearing Cap 10. ‘O’ ring for piston guide 11. Hexagonal socket head screw 12. Check nut The double acting cylinder is made up of cast aluminum. The inner and outer surface of the cylinder should be machined accurately. The internal diameter of the cylinder should be accurate in order to provide a smooth surface for the packing. The appearance of the outer diameter should be good.
  • 35.
    The outer mostpart of the bottom and top cover contains internal threads for inserting bolts to clamp the cylinder. In case of double acting cylinder a force is developed in both the directions. The moving member inside the cylinder is nothing but a piston which is found to be moving forward and backward due to high- pressure air. The cylinder top and lower plate are flanged together by means of bolts and nuts. The bottom of the cylinder is also flanged with end covers for the movement of the piston in reciprocating manner. The bottom end cover has a bore in center whose diameter is slightly larger than piston rod diameter. The force during the return stroke is less compared to that of the forward stroke because in the former, the piston rod covers some area so that the air cannot concentrate in the piston rod area. 2.4: Parts of Pneumatic Cylinder Piston: The piston is a cylindrical member of certain length which reciprocates inside the cylinder. The diameter of the piston is slightly less than that of the cylinder bore diameter and it is fitted to the top of
  • 36.
    the piston rod.It is one of the important parts which convert the pressure energy into mechanical power. The piston is equipped with a ring suitably proportioned and it is relatively soft rubber which is capable of providing good sealing with low friction at the operating pressure. The purpose of piston is to provide means of conveying the pressure of air inside the cylinder to the piston of the oil cylinder. Generally piston is made up of  Aluminium alloy-light and medium work.  Brass or bronze or CI-Heavy duty. The piston is double acting type. The piston moves forward when the high-pressure air is turned from the right side of cylinder. The piston moves backward when high pressure acts on the piston from the left side of the cylinder. The piston should be as strong and rigid as possible. The efficiency and economy of the machine primarily depends on the working of the piston. It must operate in the cylinder with a minimum of friction and should be able to withstand the high compressor force developed in the cylinder and also the shock load during operation. The piston should posses the following qualities.
  • 37.
    a. The movementof the piston not creates much noise. b. It should be frictionless. c. It should withstand high pressure. Piston Rod: The piston rod is circular in cross section. It connects piston with piston of other cylinder. The piston rod is made of mild steel ground and polished. A high finish is essential on the outer rod surface to minimize wear on the rod seals. The piston rod is connected to the piston by mechanical fastening. The piston and the piston rod can be separated if necessary. One end of the piston rod is connected to the bottom of the piston. The other end of the piston rod is connected to the other piston rod by means of coupling. The piston transmits the working force to the oil cylinder through the piston rod. The piston rod is designed to withstand the high compressive force. It should avoid bending and withstand shock loads caused by the cutting force. The piston moves inside the rod seal fixed in the bottom cover plate of the cylinder. The sealing arrangements prevent the leakage of air from the bottom of the cylinder while the rod reciprocates through it. Cylinder Cover Plates: The cylinder should be enclosed to get the applied pressure from the compressor and act on the pinion. The cylinder is thus closed by the cover plates on both the ends such that there is no leakage of air. An
  • 38.
    inlet port isprovided on the top cover plate and an outlet ports on the bottom cover plate. There is also a hole drilled for the movement of the piston. The cylinder cover plate protects the cylinder from dust and other particle and maintains the same pressure that is taken from the compressor. The flange has to hold the piston in both of its extreme positions. The piston hits the top plat during the return stroke and hits the bottom plate during end of forward stroke. So the cover plates must be strong enough to withstand the load. Cylinder Mounting Plates: It is attached to the cylinder cover plates and also to the carriage with the help of ‘L’ bends and bolts. Control Valve:- Various types of control valves are used to regulate, control and monitor the air energy for control of direction pressure, flow, etc. Pneumatic energy is regulated and controlled by pneumatic valves. Functionally valves are divided into four major groups.  Direction Control  Flow Control
  • 39.
    In our projectelectrically actuated solenoid operated 5/2 DC valves are used. Solenoid is another name for an electromagnet. Direction control valves are very often actuated by electromagnets. An electromagnet is a temporary magnet. A magnetic force is developed in an electromagnet when electrical current passes through it and force drops down as soon as it is de energized. This electromagnet is commonly termed as solenoid. The proper working of a solenoid operated valve depends on the reliability of the electromagnets. It ensures  Quick and sure action  Long life.  Easy maintenance.  Less wastage of energy. Solenoid Valve: The directional valve is one of the important parts of a pneumatic system. Commonly known as DCV, this valve is used to control the direction of air flow in the pneumatic system. The directional valve does this by changing the position of its internal movable parts. This valve was selected for speedy operation and to reduce the manual effort and also for the modification of the machine into automatic machine by means of using a solenoid valve. A solenoid is an electrical device that converts electrical energy into straight line motion and force.
  • 40.
    These are alsoused to operate a mechanical operation which in turn operates the valve mechanism. Solenoids may be push type or pull type. The push type solenoid is one in which the plunger is pushed when the solenoid is energized electrically. 2.5 Parts of a Solenoid Valve 1. Coil: The solenoid coil is made of copper wire. The layers of wire are separated by insulating layer. The entire solenoid coil is covered with an varnish that is not affected by solvents, moisture, cutting oil or often fluids. Coils are rated in various voltages such as 115 volts AC, 230 volts AC, 460 volts AC, 575 Volts AC, 6 Volts DC, 12 Volts DC, 24 Volts DC, 115 Volts DC & 230 Volts DC. They are designed for such frequencies as 50 Hz to 60 Hz. 2. Frame: The solenoid frame serves several purposes. Since it is made of laminated sheets, it is magnetized when the current passes through the coil. The magnetized coil attracts the metal plunger to move. The frame has provisions for attaching the mounting. They are usually bolted or welded to the frame. The frame has provisions for receivers, the plunger. The wear strips are mounted to the solenoid frame, and are made of materials such as metal or impregnated less fiber cloth.
  • 42.
    3. Solenoid Plunger: TheSolenoid plunger is the mover mechanism of the solenoid. The plunger is made of steel laminations which are riveted together under high pressure, so that there will be no movement of the lamination with respect to one another. At the top of the plunger a pin hole is placed for making a connection to some device. Solenoid operated valves are usually provided with cover over either the solenoid or the entire valve. This protects the solenoid from dirt and other foreign matter, and protects the actuator. In many applications it is necessary to use explosion proof solenoids. 2.6 Working of Solenoid Valve The solenoid valve has 5 openings. This ensure easy exhausting of 5/2 valve. The spool of the 5/2 valve slide inside the main bore according to spool position; the ports get connected and disconnected. The working principle is as follows. Position-1 When the spool is actuated towards outer direction port ‘P’ gets connected to ‘B’ and ‘S’ remains closed while ‘A’ gets connected to ‘R’ Poisition-2
  • 43.
    When the spoolis pushed in the inner direction port ‘P’ and ‘A’ gets connected to each other and ‘B’ to ‘S’ while port ‘R’ remains closed. House and Fittings: It is provided for the passage of compressed air from the compressor outlet to the operating valve. Two separate pipes also connect the operating valve with the working cylinder pressure drop through and air line depends on the flow rate, pipe diameter, and pipe length and pipe geometry. It can be determined directly for straight pipes of any given length. A small chaining bore size can have marked effect on pressure drop, where as even doubling the pipe length, will only result in doubling the pressure drop. Pressure drop through bends and fittings can only be determined by empirical tests, since it is specific to the internal geometry involved. Rigid pipes however are less manipulated through remain form of bends with arrangements increase and variable air have to flow and the flow itself may be of fluctuating or pulsating nature. In this case it is thus normally based on practical recommendation. Seals: Seal is an important component of a pneumatic system and is used to prevent the air leakage through the joint.
  • 44.
    This project passesthe static seal which are used to prevent the leakage through the stationary surface. Material of the seal is Teflon tape. Teflon has the following properties  Withstand the system pressure and temperature without any damage.  Resist the wear and abrasion.  Recover from deformation.  Resists the adverse effects such as deterioration and shrinking caused by the system air. Seals are devices for closing gaps to prevent leakage or make pressure joints and also to prevent the entry of air and dirt from outside into the system. The material of seal must be compatible with the fluid medium. It is a circular ring made of synthetic rubber. It is used for providing tight sealing between the piston and the cylinder wall. It prevents air leakage from the top and bottom of the cylinder. Seals for air cylinder and valves are not normally called upon to seal pressure higher than about 2 bars. Since the fluid to be seated is a gas, (in our case air) rubbing speeds tends to be high and the seal the seal may have to be operated under dry conditions with minimal lubrication.
  • 45.
    Flow Control Valve: FlowControl Valves are fitted to all the distribution tubes. This valve is made of brass. Both the ends have stepped surface to insert hoses. A handle is provided to control the flow of oil in every valve. (a) Technical Data: Size : ¼” Pressure : 0 to 10 kg / cm2 Media : Air (b) Purpose: This valve is used to speed up the piston movement and also it acts as an one – way restriction valve which means that the air can pass through only one way and it can’t return back.
  • 46.
    CHAPTER-3 Pneumatic System The subjectof pneumatics might probably be termed as compressible fluid mechanics. It deals with the use of pressurized gas as a source of power. The pressure energy of gas is directly converted into force to do the required work with high efficiencies of conversion. The pneumatic cylinder utilizes a low pressure fluid. It has the advantage that cylinder construction can be simplified reducing cost. It can be used for high speed operations. Pneumatics is widely associated with low cost automation. It generally offers the lowest initial and operating cost and simple, flexible control systems. Though pneumatic system is the study properties of air other gases, we are concerned with the study of air. Characteristics of Compressed Air: The greatest advantage of pneumatic system is the availability of working medium free of cost and it plentiful. Compressed air can also be transported easily and can be easily stored in a reservoir. Another notable advantage is the insensitiveness of compressed air to temperature fluctuations. It ensures reliable operation even under
  • 47.
    extreme conditions oftemperature. Compressed air offers no risk of explosion; hence no expensive protection cost is required. Characteristics of Pneumatics: 1. Compressibility: A pneumatic fluid is compressible. Compressibility plays a major role in the actuation of piston, i.e., opening a valve does not move the piston immediately, rather sufficient fluid must flow into the volume to increase the pressure until the force overcomes that on the other side. Compressibility is the energy storage of a fluid. As it is possible to store compressed fluids and transport them, pneumatics has the advantage of transportability. Another advantage of the energy storage capacity is the small compressor charging a tank can supply a system having high peak loads but small average loads. 2. Leakage Sealing Problems: Several methods are used to minimize leakage. One is to use a low operating pressure. Another method to prevent leakage is sealing. Good sliding and rotating sealing are to obtain in pneumatics is because of low viscosity of the fluids Diaphragms and bellows are used to avoid sliding seats.
  • 48.
    3. Low Viscosity: Ahighly encounted problem due to low viscosity is that of sealing. They provide less viscous damping due to low viscosity hence sliding parts wear considerably. This adds the necessity for external sources of lubrication. Another problem is that the pneumatic cylinder should be thinner enough to maintain a laminar flow inside. 3.1. Advantages of Pneumatic System over Other System: 1. Output power of the pneumatic system can be easily controlled 2. Pneumatic system is not affected by over loading 3. The pneumatic system can be used at various working temperature 4. Air can be easily distributed through pipelines over very long distances 5. Pneumatic enables high working speeds 6. It is a maintenance free system 7. Pneumatic enables the application of force very gently which is not only beneficial to pneumatic components but also the equipment which they are installed. 8. The working fluid which is stored in the storage tank can be taken through number of lines which eliminates the use of individual power sources say electric motor and many other machine parts.
  • 49.
    3.2. Specifications ofPneumatic Elements: The various pneumatic elements are specified according to different standards. The standard varies depending upon the manufacturers. 1. Double acting Cylinder: Stroke length = 50 mm Piston Diameter = 40 mm Maximum Operating Pressure = 12 bar Temperature range = 120C to +80C Material = Aluminum alloy Seals = Polyurethane O’ ring = Nitrile 2. Solenoid Directional Control valve: We have used 5/2 solenoid valve as the directional control valve. Voltage = 230 volts Frequency = 50 Hz Maximum Operation Pressure = 10 bar Port size = 7 mm 3. Flow control Valve: Technical Data Port size : 0.635 x 10 ֿ² m Pressure : 0-8 x 10 ⁵ N/m² Media : Air
  • 50.
    Quantity : 1 4.Connectors: Technical data Max working pressure : 10 x 10 ⁵ N/m² Temperature : 0-100 º C Fluid media : Air Material : Brass 5. Hoses: Technical date Max pressure : 10 x 10 ⁵ N/m² Outer diameter : 6 mm = 6 x 10 ˉ ³m Inner diameter : 3.5 mm = 3.5 x 10 ˉ ³m
  • 51.
    CHAPTER-4 Working Principle The followingfigure shows general layout for the machine. Fig 4.1 (a): General layout Initially the air-compressor is started and allowed the receiver tank air pressure to reach up to 8 bar. The supply air is then passed to the manifold through FRL unit to condition the air and eligible to industrial use. From the manifold a separate supply for the machine is taken out and given to ON-OFF switch, so as to operate the machine at will without interrupting the running of compressor. Then the pipe carries compressed air first to machine’s Direction Control Valve. At position ‘A’ shows the non-actuated circuit diagrams. At this position the piston is steady and locked. All ports are in closed condition.
  • 52.
    Fig 4.1 (b):Machine at Position ‘A’
  • 53.
    At position ‘B’,the DC valve is at left hand position as shown in figure. The cap end port & pressure port get connected to each other and the rod end port gets connected to the exhaust port. The compressed air comes in the cap end of the cylinder and pushes the pistons outwards. The air already present in the rod end side is pushed out of the cylinder. When the piston moves outwards, the force is transmitted through the connecting link and the upper blade moves downwards. Before the actuating DC valve the sheet is inserted in between the upper & lower blades. As upper blade moves downwards, the stress is generated in the sheet metal and goes beyond ultimate shear stress of sheet metal. And thus the shearing action takes place. Now the DC valve is operated to come at position ‘C’, as shown in figure. The rod end port & pressure port get connected to each other and the cap end port gets connected to the exhaust port. The compressed air comes in the rod end of the cylinder and pushes the pistons inwards. The air already present in the cap end side is pushed out of the cylinder. The sheet metal is either again inserted for further cutting in case of large pieces; the small cut pieces are removed and the next sheet is inserted to cut.
  • 55.
    Fig 4.1 (c):Machine Position ‘B’
  • 56.
    Fig 4.1 (d):Machine Position ‘C’
  • 57.
    CHAPTER-5 Proposed Work To prepareany machine part, the type of material should be properly selected, considering design, safety and following points:- The selection of material for engineering application is given by the following factors:- 1. Availability of materials. 2. Suitability of the material for the required components. 3. Suitability of the material for the desired working conditions. 4. Cost of the materials. In addition to the above factors the other properties to be considered while selecting the material are as follows:- 1. Availability of materials. 2. Suitability of the material for the required components. 3. Suitability of the material for the desired working conditions. 4. Cost of the materials. In addition to the above factors the other properties to be considered while selecting the material are as follows:- Physical properties:- These properties are colour, shape, density, thermal conductivity, electrical conductivity, melting point etc. Mechanical properties:- The properties are associated with the ability of the material to resist the mechanical forces and load. The various properties are:-
  • 58.
    i. Strength: It isthe property of material due to which it can resist the external forces without breaking or yielding. ii. Stiffness: It is the ability of material to withstand the deformation under stress. iii. Ductility: It is the property of material due to which it can be drawn into wires under a tensile load. iv. Malleability: It is the property of material which enables it to be rolled into sheets. v. Brittleness: It is the property of material due to which it breaks into pieces with little deformation. vi. Hardness: It is the property of material to resist wear, deformation and the ability to cut another material. vii. Creep: It is the slow and permanent deformation induced in a part subjected to a constant stress at high temperature. We have selected the material considering the above factors and also as per the availability of the material.
  • 59.
    Mild Steel: Why steel,in particular? Simply because, in my humble opinion, it is the greatest material mankind has for construction. It is cheap, strong, readily available, easily cut, joined, and formed. Wood can be light and stiff, but not very strong. The best aluminum is strong and light, but very difficult to join. Titanium is superb in terms of strength to weight ratio and stiffness but its incredibly expensive, difficult to obtain, and even more difficult and expensive to machine properly. There was no way your ever going to perform a battery-weld field-fix on a part made from 7075-T6 aluminum or titanium! In the end we come back to steel from mild carbon to some of the more exotic alloy steels pound for pound it is the most righteous material available for our needs. Where does steel come from? Steel is not a naturally occurring substance - it is entirely man made. Steel is chiefly a combination of two naturally occurring elements: iron and carbon (along with small amounts of other elements - depending on the steel in question). The process by which man makes steel, would, again, fill several volumes. Here is my amateur synopsis: Iron is mined from the ground in the form if a reddish-brown rock called iron- ore. This ore is then smashed up, strained, filtered, chemically treated etc, until ultimately it is melted in huge blast furnaces into something called pig iron. The process uses coke (a type of coal), which in turn imparts large amounts of carbon to the pig iron. As a result, pig iron itself is full of impurities, brittle, and unmachinable - practically useless. Except - it is the raw material from which all other irons and steels are made. Pig iron is so produced in either huge vats of molten material, or it is cast into ingots (in fact, pig iron got its name because the ingots or “chunks” produced were thought to have resembled piglets). Pig iron is then refined into
  • 60.
    either metallic ironor steel using specialized furnaces and processes. The distinction between the two is that metallic iron has between 2-6 A final words about carbon. Carbon is critically important to our whole discussion because it is the presence of carbon that turns the element of iron that is naturally soft and weak, into the strong, rigid materials we know as iron and steel. Precisely how this is so is beyond the scope of this article, suffice to say: The strength, hardness and toughness that make the ferrous based metals useful to us are profoundly influenced by the remarkable sensitivity of the physical and chemical properties of iron crystals to relatively small percentages of carbon dissolved within their matrixes (actually, the sensitivity is to the movement of dislocations within the crystal space lattice). This sensitivity to dissolved carbon is in fact, the very basis of ferrous metallurgy. 5.1 Machine Construction The machine is basically made up of mild steel. Reasons: 1. Mild steel is readily available in market. 2. It is economical to use. 3. It is available in standard sizes. 4. It has good mechanical properties i.e. it is easily machinable. 5. It has moderate factor of safety, because factor of safety results in unnecessary wastage of material and heavy selection. Low factor of safety results in unnecessary risk of failure. 6. It has high tensile strength. 7. Low co-efficient of thermal expansion.
  • 61.
    Properties of MildSteel: M.S. has carbon content from 0.15 Bright Material: It is a machine drawned. The main basic difference between mild steel and bright metal is that mild steel plates and bars are forged in the forging machine by means is not forged. But the materials are drawn from the dies in the plastic state. Therefore the material has good surface finish than mild steel and has no carbon deposits on its surface for extrusion and formation of engineering materials thus giving them a good surface finish and though retaining their metallic properties A poor, but perhaps useful metaphor may be the use of fibre-mat and resin in fibre glass work. The bulk raw material of fiberglass is the fiber matting (as iron is to steel) - but by itself the matting is of no practical use. Not until we add the resin to it to make fibre glass (as we add carbon to iron to make steel) do we get a useful product. In both cases, neither raw material is much use alone, but combines them nor do we really have something. Similarly, though carbon may only be present in small quantities, just as the amount of hardener added to fibre glass resin has a profound effect on the material, so does the small amount of carbon present in useful metallic iron and steel. Composition: Carbon 0.20 Properties: Tensile strength 44.54 kgf/mm Yield stress 28 kgf/mm Hardness 170 BHN Uses: General purpose steels for low stressed components.
  • 62.
    Table 5.1: HeatTreatment Chart
  • 63.
    CHAPTER-6 Project Design andDrawings 6.1 Requirement Analysis General Consideration in Machine Development First Stage Design Consideration in New Machine The word design means different things to different people a wallpaper pattern a fashionable dress, the appearance of a racing car and so on. We therefore start by defining what we mean by design in the present context ie., What design is all about. This understanding will lead to an examination of 1. Why we need to design particularly in an engineering environment, and 2. How we might best go about designing What is design? The Concise Oxford Dictionary explains design as a mental plan a scheme of attack, end in view, adaptation of means to ends preliminary sketch for picture invention Evidently there is a lot more to design than mere visual aspects, and design is not restricted to engineering. Key components of this explanation are as follows 1. Means to ends implies that we design not for the abstract mental exercise, but with a definite goal in view some action or some physical object will result from the design. 2. Mental suggests that design is a thinking process. When we design we deal primarily with ideas, with abstractions rather than with numbers
  • 64.
    and computers forexample cannot do the job for us, though they can help in certain tasks. No matter what we design, it is vital that we develop and apply our imagination to visualize realistically the future form of the artifact or action, how it will eventually come into being and most importantly how it will thereafter interact with people and other artifacts or actions. 3. Plan, scheme infers that design is distinct from implementation. Designers especially in engineering seldom execute their plans, but rather communicate them to others either by word of mouth, or visually. So, can we now define design completely? No! And neither do we need to. A rigid definition implies a rigid process, and design is anything but that. We shall adopt the following interpretation as it incorporates the above concepts and conveys a reasonably clear idea of what design is all about Design is the application of creativity to planning the optimum solution of a given problem and the communication of that plan to others. Apart from the communication aspect therefore, we understand the essence of design to be problem solving, though the type of problem encountered in design is not like a typical textbook mathematics problem for example in which the unique correct solution is guaranteed by following, automaton-like, a series of learned solution steps. A design problem on the other hand is a real-life problem with many solutions, some of which meet the problem requirements better, some worse, and where the process of discovering the solutions is not mechanistic. Some problems might appear not to need design as a solution can be cobbled together without much thought. This is true enough if the solution can be based on direct experience. However we shall soon come to realize that without experience such a thoughtless solution usually comes to grief sooner or later the more involved the problem and the more folk affected by the solution the more likely is the solution going to fall in a heap. Any old solution will not do we must strive for the optimum solution.
  • 65.
    We expect thatthe design process, if properly carried out, will show a high probability of disclosing a solution which is optimum or close-to-optimum, if indeed a unique optimum exists. The prime aim of this chapter is to develop a structured approach to design an approach which will promote confidence in effectively solving real life problems. We shall focus on problems involving engineering hardware particularly for Design and Build Competitions however the approach is perfectly general and applicable to problems arising from a marketing sortie or a labour wrangle for example. The approach is thus very relevant to managers and the like not just to ’hardware designers. Why do we design? Most people these days exist by providing things to others in the case of engineers these things are technical muscle-power or knowhow, or physical artifacts that is solutions to buyers or hirer’s particular problems. If these clients are not completely satisfied with the thing provided then they will dismiss the provider, go somewhere else for their next thing and tell everyone about the provider’s unsatisfactory things. If this happens often enough to a particular provider then that provider will cease to exist as a market force nobody will want to know. So clearly, if things are not designed with care and attention to clients needs then the provider will have problems.
  • 66.
    6.2. STATEMENT FORDESIGN: The Pneumatic Shearing machine is to be designed to operate at the maximum pressure of 10 bar and the lever operating force required is 150N; with the operating temperature of 2000 C. Cylinder Sizing Calculator. The air cylinder sizing calculator below performs the following steps: 1. Calculate the area of the cylinder piston  Area = Pi x r2 2. Multiply the piston area by the air pressure to be used  Area x Pressure = Force Output Note: The force output on the rod end of a cylinder will be slightly less due to the displacement of the rod. The real force output of a cylinder will be less than the theoretical output because of internal friction and external side loading. It is best to use a cylinder that will generate from 25. Material: Al. fs = 210kg/cm2 Bolt material: M.S. ft = 280 kg/cm2 Design a cylinder of internal diameter for Di=8 cm, Internal air pressure P = 25 kg/cm Max. ft =210kg/cm and Max. ftb = 280 kg/cm.
  • 67.
    Fig 6.2 (a):Cylinder For safety purpose we will design the cylinder using factor of safety as 4 Therefore t = 4x 0.2 = 0.8 cm To find the outer diameter of the cylinder, Outer diameter Do = Di + 2 (t) = 100mm Width of packing = 0.5 cm In side diameter of cylinder, D = D + (2 x width of packing) = 8 + (2 x 0.5) = 8 + 1 = 9 cm Force trying to separate the flanges, F = 3.14 D1 x P/4 = (3.14/4) (9) (9) x 25 = 1589.6 kg
  • 68.
    Force trying tobe resisted by four bolts, i.e. Force on each bolt F = F1 Let dc = core diameter F = / 4 dc ft 1/2 dc = (4 x 397.65/ 3.14 x 280) = 1.344 cm = 0.013 mm Nominal diameters of the bolts are arranged at the corners of a square of such size that the corner of the nut clears the outside of the cylinder. Therefore the minimum Length of diagonal of square, Fig 6.2 (b): Square L = D + 2 t + 2 d = 8 + 2 x (0.8) + 2 x 2 = 13.6 cm The sides of the square L1 = L / 2 = 9.28 cm The sides of the flange must be of sufficient length to accommodate the nuts and bolts Heads without overhung.
  • 69.
    Therefore Length L2 =L1 + 2 d = 9.28 + (4) L2 = 13.28 cm In order to find the thickness of the flange, consider the bending moment. It will take place due to the force in two bolts. Bending moment due to the force in two bolts, M1 = 2 F x L1/2 = 2 x 397.65 x 9.28 / 2 = 3690 kg – cm The air pressure acting on half flange, 2 x F = 2 x 397.65 = 795.3 kg Theflangesarescrewedwiththecylinderhavingmetricthreadsof4.4threads/cm Pitch= (0.0228) Hence the Nominal or Major diameter of thread, = D + 2 x t = 8 + 2 (0.8) = 9.6 mm Nominal radius of thread = Major diameter = 9.6 = 4.8 mm Now the depth of the thread, = 0.64 x pitch = .64 x .228 = 0.145 cm = 1.4mm
  • 70.
    Core or minorradius of the thread, = Nominal radius depth = 5.6-0.145 = 5.45 cm. Mean radius of arc over which load due to air pressure may be taken to be concentrated = (Nominal radius + minor radius) = (5.6 + 2.8) = 4.2 cm. The centroid of this arc, = 0.6366 x Mean radius = 0.6366 x 4.2 = 2.67 cm Bending moment due to air pressure, M2 = 2 x F X The centroid of t = 22 x 122.65 x 2.67 = 655.86 kg- cm. Since M1 and M2 are in the opposite direction Therefore the resultant bending moment will be, M = M2 M1 = 655.86 637.78 = 18.08 kg cm. 6.3. PNEUMATIC CYLINDER 6.3.1. Design of Piston Rod: Load due to air Pressure. Diameter of the Piston (d) = 40 mm
  • 71.
    Pressure acting (p)= 6 kgf/cm² Material used for rod = C 45 Yield stress (σy) = 36 kgf/mm² Assuming factor of safety = 2 Force acting on the rod (P) = Pressure x Area = p x (Πd² / 4) = 6 x {(Π x 4²) / 4} P = 73.36 Kgf Design Stress (σy) = σy / F0 S = 36 / 2 = 18 Kgf/mm² = P / (Π d² / 4) ∴ d = √ 4 p / Π [ σy ] = √ 4 x 75.36 / {Π x 18} = √ 5.33 = 2.3 mm ∴ Minimum diameter of rod required for the load = 2.3 mm We assume diameter of the rod = 15 mm
  • 72.
    6.3.2. Design ofCylinder Thickness: Material used = Cast iron Assuming internal diameter of the cylinder = 40 mm Ultimate tensile stress = 250 N/mm² = 2500 gf/mm² Working Stress = Ultimate tensile stress / factor of safety Assuming factor of safety = 4 Working stress ( ft ) = 2500 / 4 = 625 Kgf/cm² According to ‘LAMES EQUATION’ Minimum thickness of cylinder (t) = ri {√ (ft + p) / (ft – p ) -1 } Where, ri = inner radius of cylinder in cm. ft = Working stress (Kgf/cm²) p = Working pressure in Kgf/cm² ∴ Substituting values we get, t = 2.0 {√ (625 + 6) / (625 – 6) -1}
  • 73.
    t = 0.019cm = 0.19 mm We assume thickness of cylinder = 2.5 mm Inner diameter of barrel = 40 mm Outer diameter of barrel = 40 + 2t = 40 + (2 x 2.5) = 45 mm 6.3.3 Diameter of Piston Rod: Force of piston Rod (P) = Pressure x area = p x Π/4 (d²) = 6 x (Π / 4) x (4)² = 73.36 Kgf Also, force on piston rod (P) = (Π/4) (dp)² x ft P = (Π/4) x (dp)² x 625 = (Π/4) x (dp)² x 625 ∴ dp² = 73.36 x (4/Π) x (1/625) = 0.15 dp = 0.38 cm
  • 74.
    = 3.8 mm Bystandardizing dp = 15 mm 6.3.4 Length of piston rod: Approach stroke = 160 mm Length of threads = 2 x 20 = 40 mm Extra length due to front cover = 12 mm Extra length of accommodate head = 20 mm Total length of the piston rod = 160 + 40 + 12 + 20 = 232 mm By standardizing, length of the piston rod = 230 mm
  • 78.
    CHAPTER-7 Test Cases, ProjectTime Line & Task Distribution 7.1 Test Cases 7.1.1 Objectives 1) The improvements of processes and procedures. 2) The improvements of factory, shop and work place. Layout and design of plat and equipment. 3) Economy in human effort. 4) Improvements in the use of materials, machines and manpower. 5) The development of better physical working environment. Recording Techniques: The next step in basic procedure after selecting the work to be studies is to record all the facts relating to existing methods. Purpose of Recording: 1) To enable the process to be clearly understood. 2) To present the existing facts for analogs. Flow Process Charts: Flow process chart is defined as a graphic representation of all storages, occurring during a process or procedure which includes information considered necessary for analysis such as time required quantity and distance moved etc.
  • 79.
    Types of FlowProcess Chart: a) Man type: It records what the worker does. b) Material type: It records what happens to the materials. I. Equipment type: It records how the equipment is used. Flow process chart gives a complete picture at what is being done and helps the man to understand the facts and their relationship to one another. Objective of Flow Process Chart: 1) To visualize the complete sequence of events occurring in process. 2) To study the events in a systematic way for the complete analysis of the manufacture of the component part for the following purposes. (a) To improve the layout. (b) To improve material handling. (c) To reduce delays. (d) To diminutive, combine or re-arrange the events in a systematic way. 3) To submit the proposals to managements in a form this can be easily understood. 4) To guide supervisors and operators regarding detailed operating instructions. According to the nature of job being studies and purpose for the record is required. (A) CHARTS : Outline process chart Flow process chart: Man type Flow process chart: Material type
  • 80.
    Flow process chart:Equipment type (B) CHARTS: Using time scale a) Multiple activity charts b) Simo charts c) P.M.T.S. charts (C) DIAGRAMS INDICATING MOVEMENTS and MODELS: a) Flow diagrams b) String diagrams c) Cycle graph d) Chromo cycle graph e) Travel chart 5) To compare between two or more alternative methods. 6) To select operations for a detailed study. 7.2 Task Distribution Method Study: Method of the study is the systematic recording and critical Examination of existing and proposed ways of doing work, as a means of developing and applying.
  • 81.
    Table 7.2 (a):More effective methods and reducing costs
  • 82.
    Table 7.2 (b):Symbols, Activity and Results
  • 83.
    7.3 Project TimeLine Manufacturing Process: The process of conversion of raw material in to finished products using the three resources as Man, machine and finished sub-components. Manufacturing is the term by which we transform resource inputs to create Useful goods and services as outputs. Manufacturing can also be said as an intentional act of producing something useful. The transformation process is shown below Input Conventional process Output Table 7.3: Description of Activity
  • 84.
    Hence referring tothe values we will plan the various processes using the following machines:- i. Universal lathe ii. Milling machine iii. Grinding machine iv. Power saw v. Drill machine vi. Electric arc welding machine
  • 85.
    CHAPTER-8 Advantages, Disadvantages andApplications Advantages:  Pneumatic is more efficient in the technical field  Quick response is achieved  Simple in construction  Easy to maintain and repair  Cost of the unit is less when compared to other machine  No fire hazard problem due to over loading  Comparatively the operation cost is less  The operation of cutting is faster because the medium used to operate is air  Continuous operation is possible without stopping Disadvantages:  While working, the compressed air produces noise therefore a silencer may be used.  High torque can not be obtained  Load carrying capacity of this unit is not very high.(<50 N) Applications:  This machine is very useful for small scale industries  This machine is used to cut the roller sheet metal  All Industrial Application
  • 86.
    CHAPTER-9 Cost Estimation 9.1 Introduction: Costestimation may be defined as the process of forecasting the expenses that must be incurred to manufacture a product. These expenses take into a consideration all expenditure involved in a design and manufacturing with all related services facilities such as pattern making, tool, making as well as a portion of the general administrative and selling costs. 9.2 Purpose Of Cost Estimating: 1. To determine the selling price of a product for a quotation or contract so as to ensure a reasonable profit to the company. 2. Check the quotation supplied by vendors. 3. Determine the most economical process or material to manufacture the product. 4. To determine standards of production performance that may be used to control the cost. Types of Cost Estimation: 1) Material cost 2) Machining cost Material Cost Estimation:
  • 87.
    Material cost estimationgives the total amount required to collect the raw material which has to be processed or fabricated to desired size and functioning of the components. These materials are divided into two categories. 1. Material for fabrication: In this the material in obtained in raw condition and is manufactured or processed to finished size for proper functioning of the component. 2. Standard purchased parts: This includes the parts which was readily available in the market like allen screws etc. A list in forchard by the estimation stating the quality, size and standard parts, the weight of raw material and cost per kg. For the fabricated parts. Machining Cost Estimation: This cost estimation is an attempt to forecast the total expenses that may include manufacturing apart from material cost. Cost estimation of manufactured parts can be considered as judgment on and after careful consideration which includes lab our, material and factory services required to produce the required.
  • 88.
    1. MATERIAL COST: Sr. No. PartName Material Quantity Material Cost Machining Cost Total Cost A) Base Frame 1] Main Frame Mild Steel 20 Feet 600 500 1100 2] Angle Section Mild Steel 1 50 50 100 3] Cylinder Base Plate Mild Steel 1 30 30 60 4] Support Links Mild Steel 2 30 30 60 B) Pneumatic Circuit Components 5] Double Acting Cylinder Plain Carbon Steel 1 4000 - 4000 6] Flow Control Valve Cast Steel 2 850 - 850 7] Pipe PVC 3 m 120 - 120 8] Direction Control Valve Alloy Steel 1 700 - 700 9] Pipe Fitting Connections Cast Steel 3 150 - 150 C) Blades & Accessories 10] Shearing Blades 35C8 2 300 400 700 11] Blade Link Mild Steel 1 20 30 50 12] Connecting Link Mild Steel 1 30 30 60
  • 89.
    13] Fork EndMild Steel 1 50 50 100 D) Others 14] Bolts Alloy Steel 11 80 - 80 15] Nuts Alloy Steel 3 10 - 10 16] Antirust Coat - 100 mL 20 - 20 17] Paint - 100 mL 40 - 40 Grand Total Cost (in Rupees) 7080 1120 8200 Table 9.2: Material cost
  • 90.
    CHAPTER-10 Conclusion and FutureScope Conclusion: This project work has provided us an excellent opportunity and experience, to use our limited knowledge. We gained a lot of practical knowledge regarding, planning, designing drawing, purchasing, computing and machining while doing this project work. We feel that the project work is a good solution to bridge the gates between institution industries. We are proud that we have completed the work with the limited time successfully. The machine is working with satisfactory conditions. We are able to understand the difficulties in maintaining the tolerances and also quality. We have done to our ability and skill making maximum use of available facilities. In conclusion remarks of our project work, let us add a few more lines about our impression project work. The chief advantage of our system is that, it cutting speed is varied. The fast operation is done by the timer unit. This project is a low cost automation project.
  • 91.
    Further Scope ofWork: Since old age man is always trying to gain more and more luxurious. Man is always trying to develop more and more modified technique with increasing the aesthetic look and economic consideration. Hence there is always more and more scope. But being the degree Engineers and having the ability to think and plan. But due to some time constraints, and also due to lack of funds, we only have thought and put in the report the following future modifications:- 1) It can be made to run has bottle cap sealing machine. The stationary platform can be made auto swiveling type by installing the timer and heat sensor arrangement on the platform. It can be done such that when the bottle mouth is sealed up to the desired temperature the electrical heater circuit gets cut off. At the same time the motor installed on the reduction gear box starts operating the bevel gearing and the platform starts rotating thus it can be made auto rotating type. 2) It can be made hydraulic operated type by replacing the hand lever by hydraulic cylinder and along with the ratchet and Paul arrangement. 3) It can be made hydraulically power operated by installing the gear oil pump at the place of air compressor and pneumatic cylinder arrangement. 4) It can be made rack and pinion operated or spring and lever operated, by replacing the pneumatic circuit by rack and the pinion arrangement by the square threaded screw and nut arrangement.
  • 92.
    References: 1) J. P.Den Hartog, Advanced Strength of Materials (McGraw-Hill, New York, 1952), TA 405 D4,1952. ; Author Name, Conference Name, year etc. 2) E. W. Comings, High Pressure Technology (McGraw-Hill, New York, 1956). ; Author Name, Conference Name, year etc. 3) Adaptive Steady State Genetic Algorithm for scheduling university exams”,AlSharafat W.S.; Al-Sharafat M.S., Networking and Information Technology (ICNIT), 2010 International Conference on , vol., no., pp.70- 74, 11-12 June 2010 doi: 10.1109/ICNIT.2010.5508555 4) http://google.com http://www.engineersedge.com/ http://www.efunda.com/ http://www.steeltubeinstitute.org/ http://www.emjmetals.com/ http://www.usstubular.com/ 1. Machine design R.S. Khurmi 2. Work shop technology R.K.Jain. 3. Machine tool design handbook. 4. P.S.G. Design Data Book 5. www.altavista.com Photography: