1
.
‫المخطط‬ ‫نوع‬ ‫وحسب‬ ‫وااللكترونية‬ ‫الكهربائية‬ ‫الرموز‬ ‫على‬ ‫االطالع‬
.
2
.
.‫المخطط‬ ‫في‬ ‫تمثيله‬ ‫يتم‬ ‫جزء‬ ‫كل‬ ‫وظيفة‬ ‫معرفة‬
3
.
. ‫واالجزاء‬ ‫الصفحات‬ ‫ترقيم‬ ‫طريقة‬ ‫معرفة‬
4
.
‫بالكالسيك‬ ‫عام‬ ‫بشكل‬ ‫المعرفة‬
‫كونترو‬
‫ل‬
.
‫ال‬ ‫لخانة‬ ‫مخطط‬ ‫بشرح‬ ‫نقوم‬ ‫سوف‬
incomer
‫في‬
MCSET SWICHGEAR 6.6KV
‫مثا‬ ‫ليكون‬
‫المخططات‬ ‫لقراءة‬ ‫ومدخال‬ ‫ال‬
‫الصفحات‬ ‫عناوين‬ ‫ملخص‬
‫المخطط‬ ‫اجزاء‬ ‫رموز‬
‫الفولتية‬ ‫مصدر‬
110 V DC
‫الفولتية‬ ‫مصدر‬
230 V AC
‫بالترمنل‬ ‫التغذية‬ ‫بداية‬
CNE
L
CNF
N
‫الفولتية‬ ‫مصدر‬
110 V DC
‫ثرموستات‬
‫هيتر‬
‫ثرموستات‬
ST1
‫االنارة‬ ‫لتشغيل‬ ‫باب‬ ‫مفتاح‬
SW1
‫التأريض‬ ‫مفتاح‬
Q2
‫الدورة‬ ‫قاطع‬
6.6KV
Q1
‫التأريض‬ ‫حالة‬ ‫يبين‬ ‫ميكانيكي‬ ‫مفتاح‬
S21 ,S22
‫الجهد‬ ‫لوجود‬ ‫الداللة‬ ‫مصابيح‬
‫متسعات‬ ‫طريق‬ ‫عن‬ ‫تأخذ‬
BUS BAR
‫الجهد‬
6.6KV
‫واالرضي‬ ‫القاطع‬ ‫بين‬ ‫انترلوك‬
‫صفحة‬ ‫من‬ ‫الجهد‬ ‫خط‬
5
‫العمود‬
4
‫الحماية‬ ‫مرحل‬
Sepam T81
‫من‬ ‫تغذية‬
‫الجهد‬ ‫محوالت‬
110VDC
‫لتشغيل‬ ‫المغذي‬
‫الجهاز‬
‫التيارات‬
‫المرحل‬ ‫هذا‬ ‫في‬ ‫استخدامها‬ ‫يمكن‬ ‫التي‬ ‫الحمايات‬
‫لالتصاالت‬ ‫كارت‬
‫محولة‬
‫القدرة‬
‫التيار‬ ‫محولة‬
‫تيار‬ ‫لقياس‬
NEUTRAL
‫الحماية‬ ‫مرحل‬ ‫من‬ ‫الخارجة‬ ‫األوامر‬
‫عطل‬ ‫لوجود‬ ‫القاطع‬ ‫فتح‬
‫العمود‬ ‫شكل‬
A
‫الحماية‬ ‫مرحل‬ ‫في‬
‫الجهاز‬ ‫من‬ ‫الخارج‬ ‫االمر‬
WATCHDOG
‫غلق‬
‫غلق‬ ‫منع‬
‫القاطع‬
‫يمكن‬ ‫احتياط‬ ‫مخرج‬
‫تخصيصه‬
‫الحقا‬
WATCHDOG
O5
‫اداءه‬ ‫تراقب‬ ‫التي‬ ‫الحماية‬ ‫لجهاز‬ ‫الداخلية‬ ‫الحماية‬ ‫من‬ ‫واحد‬
‫لحين‬ ‫الدورة‬ ‫قاطع‬ ‫اشتغال‬ ‫منع‬ ‫امر‬ ‫اصدار‬ ‫يتم‬ ‫للجهاز‬ ‫الداخلي‬ ‫العمل‬ ‫فشل‬ ‫حالة‬ ‫ففي‬ ‫الداخلي‬
.‫الداخلية‬ ‫الجهاز‬ ‫مشكلة‬ ‫حل‬
‫يكون‬ ‫عندما‬
Sepam
‫عن‬ ‫الكشف‬ ‫مستمر‬ ‫بشكل‬ ‫ذاتية‬ ‫اختبارات‬ ‫يجري‬ ‫فإنه‬ ، ‫عمل‬ ‫حالة‬ ‫في‬
.‫االخطاء‬
‫الجهاز‬ ‫في‬ ‫مستمر‬ ‫عطل‬ ‫وجود‬ ‫حال‬ ‫في‬
‫حماية‬ ‫يتفعل‬
WATCHDOG
‫من‬ ‫ينتظر‬ ‫العابر‬ ‫العطل‬ ‫حالة‬ ‫في‬
5
‫الى‬
7
‫ثانية‬
‫اعطال‬ ‫خمس‬ ‫باحتساب‬ ‫يقوم‬ ‫سوف‬ ‫العابرة‬ ‫االعطال‬
‫يفعل‬ ‫ثم‬
‫حماية‬
WATCHDOG
‫الداخلية‬ ‫الدورة‬ ‫قاطع‬ ‫دائرة‬
‫م‬
‫القاطع‬ ‫فتح‬ ‫لف‬
MX1
TRIP COIL
‫القاطع‬ ‫غلق‬ ‫ملف‬
XF
CLOSE COIL
‫ماطور‬
‫الشحن‬
‫الدورة‬ ‫قاطع‬ ‫غلق‬ ‫دائرة‬
‫طريق‬ ‫عن‬
‫بعد‬ ‫عن‬
‫الموقعي‬ ‫الغلق‬
SEPAM
‫للتخصيص‬ ‫قابل‬
‫الغلق‬ ‫مفتاح‬ ‫من‬
‫دائرة‬
‫فتح‬
‫الدورة‬ ‫قاطع‬
‫على‬ ‫االشراف‬
‫الموقعي‬ ‫الغلق‬
‫القاطع‬ ‫حالة‬
‫الغلق‬ ‫مفتاح‬ ‫من‬
‫داخلة‬ ‫اشارة‬ ‫النقاط‬ ‫هذه‬
‫لمرحل‬
‫الحماية‬
‫اذا‬ ‫القاطع‬ ‫حالة‬ ‫تبين‬
ON OR OFF
‫الداخلة‬ ‫االشارات‬
‫مرحل‬ ‫من‬ ‫والخارجة‬
‫الحماية‬
MES 120
H1
MES 120
H2
‫الداخلة‬ ‫االشارات‬
‫مرحل‬ ‫من‬ ‫والخارجة‬
‫الحماية‬
‫الداخلة‬ ‫االشارات‬
‫مرحل‬ ‫من‬ ‫والخارجة‬
‫الحماية‬
MES 120
H3
‫الفولتية‬ ‫محوالت‬ ‫حالة‬ ‫يبين‬ ‫المخطط‬
S11
‫تعشيقها‬ ‫تم‬ ‫اذا‬ ‫الجهد‬ ‫محولة‬ ‫حالة‬ ‫يبن‬ ‫مفتاح‬
FU11
‫مغلقة‬ ‫نقاط‬
‫جهة‬ ‫الفيوزات‬ ‫حالة‬ ‫تبيت‬ ‫ومفتوحة‬
‫االبتدائي‬
‫الفولتية‬ ‫لمحوالت‬
‫الفولتية‬ ‫لمحوالت‬ ‫الثانوي‬ ‫جهة‬ ‫الدورة‬ ‫قاطع‬ ‫حالة‬ ‫تبيت‬ ‫ومفتوحة‬ ‫مغلقة‬ ‫نقاط‬
‫االشارة‬ ‫مصابيح‬
مدخل لقراءة المخططات الهندسية ٢٠٢٣.pdf
مدخل لقراءة المخططات الهندسية ٢٠٢٣.pdf
مدخل لقراءة المخططات الهندسية ٢٠٢٣.pdf
مدخل لقراءة المخططات الهندسية ٢٠٢٣.pdf
مدخل لقراءة المخططات الهندسية ٢٠٢٣.pdf
مدخل لقراءة المخططات الهندسية ٢٠٢٣.pdf
مدخل لقراءة المخططات الهندسية ٢٠٢٣.pdf
مدخل لقراءة المخططات الهندسية ٢٠٢٣.pdf
مدخل لقراءة المخططات الهندسية ٢٠٢٣.pdf
مدخل لقراءة المخططات الهندسية ٢٠٢٣.pdf
مدخل لقراءة المخططات الهندسية ٢٠٢٣.pdf
مدخل لقراءة المخططات الهندسية ٢٠٢٣.pdf
مدخل لقراءة المخططات الهندسية ٢٠٢٣.pdf

مدخل لقراءة المخططات الهندسية ٢٠٢٣.pdf

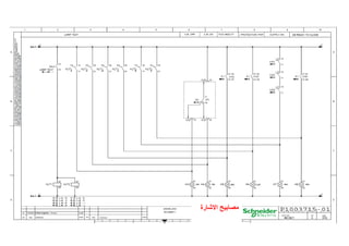
  • 2.
    1 . ‫المخطط‬ ‫نوع‬ ‫وحسب‬‫وااللكترونية‬ ‫الكهربائية‬ ‫الرموز‬ ‫على‬ ‫االطالع‬ . 2 . .‫المخطط‬ ‫في‬ ‫تمثيله‬ ‫يتم‬ ‫جزء‬ ‫كل‬ ‫وظيفة‬ ‫معرفة‬ 3 . . ‫واالجزاء‬ ‫الصفحات‬ ‫ترقيم‬ ‫طريقة‬ ‫معرفة‬ 4 . ‫بالكالسيك‬ ‫عام‬ ‫بشكل‬ ‫المعرفة‬ ‫كونترو‬ ‫ل‬ . ‫ال‬ ‫لخانة‬ ‫مخطط‬ ‫بشرح‬ ‫نقوم‬ ‫سوف‬ incomer ‫في‬ MCSET SWICHGEAR 6.6KV ‫مثا‬ ‫ليكون‬ ‫المخططات‬ ‫لقراءة‬ ‫ومدخال‬ ‫ال‬
  • 4.
  • 5.
  • 6.
    ‫الفولتية‬ ‫مصدر‬ 110 VDC ‫الفولتية‬ ‫مصدر‬ 230 V AC ‫بالترمنل‬ ‫التغذية‬ ‫بداية‬ CNE L CNF N ‫الفولتية‬ ‫مصدر‬ 110 V DC ‫ثرموستات‬ ‫هيتر‬ ‫ثرموستات‬ ST1 ‫االنارة‬ ‫لتشغيل‬ ‫باب‬ ‫مفتاح‬ SW1
  • 7.
    ‫التأريض‬ ‫مفتاح‬ Q2 ‫الدورة‬ ‫قاطع‬ 6.6KV Q1 ‫التأريض‬‫حالة‬ ‫يبين‬ ‫ميكانيكي‬ ‫مفتاح‬ S21 ,S22 ‫الجهد‬ ‫لوجود‬ ‫الداللة‬ ‫مصابيح‬ ‫متسعات‬ ‫طريق‬ ‫عن‬ ‫تأخذ‬ BUS BAR ‫الجهد‬ 6.6KV ‫واالرضي‬ ‫القاطع‬ ‫بين‬ ‫انترلوك‬
  • 8.
    ‫صفحة‬ ‫من‬ ‫الجهد‬‫خط‬ 5 ‫العمود‬ 4
  • 10.
    ‫الحماية‬ ‫مرحل‬ Sepam T81 ‫من‬‫تغذية‬ ‫الجهد‬ ‫محوالت‬ 110VDC ‫لتشغيل‬ ‫المغذي‬ ‫الجهاز‬ ‫التيارات‬ ‫المرحل‬ ‫هذا‬ ‫في‬ ‫استخدامها‬ ‫يمكن‬ ‫التي‬ ‫الحمايات‬ ‫لالتصاالت‬ ‫كارت‬
  • 12.
  • 13.
    ‫الحماية‬ ‫مرحل‬ ‫من‬‫الخارجة‬ ‫األوامر‬ ‫عطل‬ ‫لوجود‬ ‫القاطع‬ ‫فتح‬ ‫العمود‬ ‫شكل‬ A ‫الحماية‬ ‫مرحل‬ ‫في‬ ‫الجهاز‬ ‫من‬ ‫الخارج‬ ‫االمر‬ WATCHDOG ‫غلق‬ ‫غلق‬ ‫منع‬ ‫القاطع‬ ‫يمكن‬ ‫احتياط‬ ‫مخرج‬ ‫تخصيصه‬ ‫الحقا‬
  • 14.
    WATCHDOG O5 ‫اداءه‬ ‫تراقب‬ ‫التي‬‫الحماية‬ ‫لجهاز‬ ‫الداخلية‬ ‫الحماية‬ ‫من‬ ‫واحد‬ ‫لحين‬ ‫الدورة‬ ‫قاطع‬ ‫اشتغال‬ ‫منع‬ ‫امر‬ ‫اصدار‬ ‫يتم‬ ‫للجهاز‬ ‫الداخلي‬ ‫العمل‬ ‫فشل‬ ‫حالة‬ ‫ففي‬ ‫الداخلي‬ .‫الداخلية‬ ‫الجهاز‬ ‫مشكلة‬ ‫حل‬ ‫يكون‬ ‫عندما‬ Sepam ‫عن‬ ‫الكشف‬ ‫مستمر‬ ‫بشكل‬ ‫ذاتية‬ ‫اختبارات‬ ‫يجري‬ ‫فإنه‬ ، ‫عمل‬ ‫حالة‬ ‫في‬ .‫االخطاء‬ ‫الجهاز‬ ‫في‬ ‫مستمر‬ ‫عطل‬ ‫وجود‬ ‫حال‬ ‫في‬ ‫حماية‬ ‫يتفعل‬ WATCHDOG ‫من‬ ‫ينتظر‬ ‫العابر‬ ‫العطل‬ ‫حالة‬ ‫في‬ 5 ‫الى‬ 7 ‫ثانية‬ ‫اعطال‬ ‫خمس‬ ‫باحتساب‬ ‫يقوم‬ ‫سوف‬ ‫العابرة‬ ‫االعطال‬ ‫يفعل‬ ‫ثم‬ ‫حماية‬ WATCHDOG
  • 15.
    ‫الداخلية‬ ‫الدورة‬ ‫قاطع‬‫دائرة‬ ‫م‬ ‫القاطع‬ ‫فتح‬ ‫لف‬ MX1 TRIP COIL ‫القاطع‬ ‫غلق‬ ‫ملف‬ XF CLOSE COIL ‫ماطور‬ ‫الشحن‬ ‫الدورة‬ ‫قاطع‬ ‫غلق‬ ‫دائرة‬ ‫طريق‬ ‫عن‬ ‫بعد‬ ‫عن‬ ‫الموقعي‬ ‫الغلق‬ SEPAM ‫للتخصيص‬ ‫قابل‬ ‫الغلق‬ ‫مفتاح‬ ‫من‬ ‫دائرة‬ ‫فتح‬ ‫الدورة‬ ‫قاطع‬ ‫على‬ ‫االشراف‬ ‫الموقعي‬ ‫الغلق‬ ‫القاطع‬ ‫حالة‬ ‫الغلق‬ ‫مفتاح‬ ‫من‬ ‫داخلة‬ ‫اشارة‬ ‫النقاط‬ ‫هذه‬ ‫لمرحل‬ ‫الحماية‬ ‫اذا‬ ‫القاطع‬ ‫حالة‬ ‫تبين‬ ON OR OFF
  • 16.
    ‫الداخلة‬ ‫االشارات‬ ‫مرحل‬ ‫من‬‫والخارجة‬ ‫الحماية‬ MES 120 H1
  • 18.
    MES 120 H2 ‫الداخلة‬ ‫االشارات‬ ‫مرحل‬‫من‬ ‫والخارجة‬ ‫الحماية‬
  • 20.
    ‫الداخلة‬ ‫االشارات‬ ‫مرحل‬ ‫من‬‫والخارجة‬ ‫الحماية‬ MES 120 H3
  • 21.
    ‫الفولتية‬ ‫محوالت‬ ‫حالة‬‫يبين‬ ‫المخطط‬ S11 ‫تعشيقها‬ ‫تم‬ ‫اذا‬ ‫الجهد‬ ‫محولة‬ ‫حالة‬ ‫يبن‬ ‫مفتاح‬ FU11 ‫مغلقة‬ ‫نقاط‬ ‫جهة‬ ‫الفيوزات‬ ‫حالة‬ ‫تبيت‬ ‫ومفتوحة‬ ‫االبتدائي‬ ‫الفولتية‬ ‫لمحوالت‬ ‫الفولتية‬ ‫لمحوالت‬ ‫الثانوي‬ ‫جهة‬ ‫الدورة‬ ‫قاطع‬ ‫حالة‬ ‫تبيت‬ ‫ومفتوحة‬ ‫مغلقة‬ ‫نقاط‬
  • 24.